Главная // Актуальные документы // Актуальные документы (обновление 2025.04.26-2025.05.31) // ГОСТ (Государственный стандарт)СПРАВКА
Источник публикации
М.: ФГБУ "Институт стандартизации", 2025
Примечание к документу
Документ
вводится в действие с 01.08.2025 с правом досрочного применения.
Название документа
"ГОСТ 8617-2025. Межгосударственный стандарт. Профили прессованные из алюминия и алюминиевых сплавов. Технические условия"
(введен в действие Приказом Росстандарта от 12.03.2025 N 122-ст)
"ГОСТ 8617-2025. Межгосударственный стандарт. Профили прессованные из алюминия и алюминиевых сплавов. Технические условия"
(введен в действие Приказом Росстандарта от 12.03.2025 N 122-ст)
агентства по техническому
регулированию и метрологии
от 12 марта 2025 г. N 122-ст
МЕЖГОСУДАРСТВЕННЫЙ СТАНДАРТ
ПРОФИЛИ ПРЕССОВАННЫЕ ИЗ АЛЮМИНИЯ И АЛЮМИНИЕВЫХ СПЛАВОВ
ТЕХНИЧЕСКИЕ УСЛОВИЯ
Pressed sections of aluminium and aluminium alloys.
Specifications
ГОСТ 8617-2025
Дата введения
1 августа 2025 года
с правом досрочного применения
Цели, основные принципы и основной порядок проведения работ по межгосударственной стандартизации установлены в
ГОСТ 1.0 "Межгосударственная система стандартизации. Основные положения" и
ГОСТ 1.2 "Межгосударственная система стандартизации. Стандарты межгосударственные, правила и рекомендации по межгосударственной стандартизации. Правила разработки, принятия, обновления и отмены"
1 РАЗРАБОТАН Ассоциацией "Объединение производителей, поставщиков и потребителей алюминия"
2 ВНЕСЕН Межгосударственным техническим комитетом по стандартизации МТК 099 "Алюминий"
3 ПРИНЯТ Межгосударственным советом по стандартизации, метрологии и сертификации (протокол от 31 января 2025 г. N 181-П)
За принятие стандарта проголосовали:
Краткое наименование страны по МК (ИСО 3166) 004-97 | Код страны по МК (ИСО 3166) 004-97 | Сокращенное наименование национального органа по стандартизации |
Азербайджан | AZ | Азстандарт |
Армения | AM | ЗАО "Национальный орган по стандартизации и метрологии" Республики Армения |
Беларусь | BY | Госстандарт Республики Беларусь |
Киргизия | KG | Кыргызстандарт |
Россия | RU | Росстандарт |
Таджикистан | TJ | Таджикстандарт |
Узбекистан | UZ | Узбекское агентство по техническому регулированию |
4
Приказом Федерального агентства по техническому регулированию и метрологии от 12 марта 2025 г. N 122-ст межгосударственный стандарт ГОСТ 8617-2025 введен в действие в качестве национального стандарта Российской Федерации с 1 августа 2025 г. с правом досрочного применения
Информация о введении в действие (прекращении действия) настоящего стандарта и изменений к нему на территории указанных выше государств публикуется в указателях национальных стандартов, издаваемых в этих государствах, а также в сети Интернет на сайтах соответствующих национальных органов по стандартизации.
В случае пересмотра, изменения или отмены настоящего стандарта соответствующая информация будет опубликована на официальном интернет-сайте Межгосударственного совета по стандартизации, метрологии и сертификации в каталоге "Межгосударственные стандарты"
Настоящий стандарт распространяется на прессованные профили из алюминия и алюминиевых сплавов, предназначенные для нужд народного хозяйства и для экспорта.
В настоящем стандарте использованы нормативные ссылки на следующие стандарты:
ГОСТ 9.510 Единая система защиты от коррозии и старения. Полуфабрикаты из алюминия и алюминиевых сплавов. Общие требования к временной противокоррозионной защите, упаковке, транспортированию и хранению
ГОСТ 10 Нутромеры микрометрические. Технические условия
ГОСТ 166 (ИСО 3599-76) Штангенциркули. Технические условия
ГОСТ 427 Линейки измерительные металлические. Технические условия
ГОСТ 1131 Сплавы алюминиевые деформируемые в чушках. Технические условия
ГОСТ 1497 (ИСО 6892-84) Металлы. Методы испытаний на растяжение
ГОСТ 3221 Алюминий первичный. Методы спектрального анализа
ГОСТ 3749 Угольники поверочные 90°. Технические условия
ГОСТ 4381 Микрометры рычажные. Общие технические условия
ГОСТ 4784 Алюминий и сплавы алюминиевые деформируемые. Марки
ГОСТ 5009 Шкурка шлифовальная тканевая. Технические условия
ГОСТ 6456 Шкурка шлифовальная бумажная. Технические условия
ГОСТ 7229 Кабели, провода и шнуры. Метод определения электрического сопротивления токопроводящих жил и проводников
ГОСТ 7502 Рулетки измерительные металлические. Технические условия
ГОСТ 7727 Сплавы алюминиевые. Методы спектрального анализа
ГОСТ 11739.1 Сплавы алюминиевые литейные и деформируемые. Методы определения оксида алюминия
ГОСТ 11739.2 Сплавы алюминиевые литейные и деформируемые. Методы определения бора
ГОСТ 11739.3 Сплавы алюминиевые литейные и деформируемые. Методы определения бериллия
ГОСТ 11739.4 Сплавы алюминиевые литейные и деформируемые. Методы определения висмута
ГОСТ 11739.5 Сплавы алюминиевые литейные и деформируемые. Методы определения ванадия
ГОСТ 11739.6 Сплавы алюминиевые литейные и деформируемые. Методы определения железа
ГОСТ 11739.7 Сплавы алюминиевые литейные и деформируемые. Методы определения кремния
ГОСТ 11739.8 Сплавы алюминиевые литейные и деформируемые. Метод определения калия
ГОСТ 11739.9 Сплавы алюминиевые литейные и деформируемые. Методы определения кадмия
ГОСТ 11739.10 Сплавы алюминиевые литейные и деформируемые. Методы определения лития
ГОСТ 11739.11 Сплавы алюминиевые литейные и деформируемые. Методы определения магния
ГОСТ 11739.12 Сплавы алюминиевые литейные и деформируемые. Методы определения марганца
ГОСТ 11739.13 Сплавы алюминиевые литейные и деформируемые. Методы определения меди
ГОСТ 11739.14 Сплавы алюминиевые литейные и деформируемые. Методы определения мышьяка
ГОСТ 11739.15 Сплавы алюминиевые литейные и деформируемые. Метод определения натрия
ГОСТ 11739.16 Сплавы алюминиевые литейные и деформируемые. Методы определения никеля
ГОСТ 11739.17 Сплавы алюминиевые литейные и деформируемые. Методы определения олова
ГОСТ 11739.18 Сплавы алюминиевые литейные и деформируемые. Метод определения свинца
ГОСТ 11739.19 Сплавы алюминиевые литейные и деформируемые. Методы определения сурьмы
ГОСТ 11739.20 Сплавы алюминиевые литейные и деформируемые. Метод определения титана
ГОСТ 11739.21 Сплавы алюминиевые литейные и деформируемые. Методы определения хрома
ГОСТ 11739.22 Сплавы алюминиевые литейные и деформируемые. Методы определения редкоземельных элементов и иттрия
ГОСТ 11739.23 Сплавы алюминиевые литейные и деформируемые. Методы определения циркония
ГОСТ 11739.24 Сплавы алюминиевые литейные и деформируемые. Методы определения цинка
ГОСТ 11739.25 Сплавы алюминиевые литейные и деформируемые. Методы определения скандия
ГОСТ 11739.26 Сплавы алюминиевые литейные и деформируемые. Методы определения галлия
ГОСТ 12697.1 Алюминий. Методы определения ванадия
ГОСТ 12697.2 Алюминий. Методы определения магния
ГОСТ 12697.3 Алюминий. Методы определения марганца
ГОСТ 12697.4 Алюминий. Метод определения натрия
ГОСТ 12697.5 Алюминий. Метод определения хрома
ГОСТ 12697.6 Алюминий. Метод определения кремния
ГОСТ 12697.7 Алюминий. Методы определения железа
ГОСТ 12697.8 Алюминий. Методы определения меди
ГОСТ 12697.9 Алюминий. Методы определения цинка
ГОСТ 12697.10 Алюминий. Метод определения титана
ГОСТ 12697.11 Алюминий. Метод определения свинца
ГОСТ 12697.12 Алюминий. Методы определения мышьяка
ГОСТ 12697.13 Алюминий. Методы определения галлия
ГОСТ 12697.14 Алюминий. Метод определения кальция
ГОСТ 13616 Профили прессованные прямоугольные полосообразного сечения из алюминия, алюминиевых и магниевых сплавов. Сортамент
ГОСТ 13617 Профили прессованные бульбообразные уголкового сечения из алюминия, алюминиевых и магниевых сплавов. Сортамент
ГОСТ 13618 Профили прессованные косоугольные фитингового уголкового сечения из алюминия, алюминиевых и магниевых сплавов. Сортамент
ГОСТ 13619 Профили прессованные прямоугольные фасонного зетового сечения из алюминия, алюминиевых и магниевых сплавов. Сортамент
ГОСТ 13620 Профили прессованные прямоугольные равнополочного зетового сечения из алюминиевых и магниевых сплавов. Сортамент
ГОСТ 13621 Профили прессованные прямоугольные равнополочного двутаврового сечения из алюминиевых и магниевых сплавов. Сортамент
ГОСТ 13622 Профили прессованные прямоугольные равнополочного таврового сечения из алюминиевых и магниевых сплавов. Сортамент
ГОСТ 13623 Профили прессованные прямоугольные равнополочного швеллерного сечения из алюминиевых и магниевых сплавов. Сортамент
ГОСТ 13624 Профили прессованные прямоугольные отбортованного швеллерного сечения из алюминиевых и магниевых сплавов. Сортамент
ГОСТ 13737 Профили прессованные прямоугольные равнополочного уголкового сечения из алюминиевых и магниевых сплавов. Сортамент
ГОСТ 13738 Профили прессованные прямоугольные неравнополочного уголкового сечения из алюминиевых и магниевых сплавов. Сортамент
ГОСТ 16350 Климат СССР. Районирование и статистические параметры климатических факторов для технических целей
ГОСТ 16504 Система государственных испытаний продукции. Испытания и контроль качества продукции. Основные термины и определения
ГОСТ 17575 Профили прессованные прямоугольные таврошвеллерного сечения из алюминиевых и магниевых сплавов. Сортамент
ГОСТ 17576 Профили прессованные косоугольные трапециевидного отбортованного сечения из алюминия, алюминиевых и магниевых сплавов. Сортамент
ГОСТ 19300 Средства измерений шероховатости поверхности профильным методом. Профилографы-профилометры контактные. Типы и основные параметры
ГОСТ 24047 Полуфабрикаты из цветных металлов и их сплавов. Отбор проб для испытания на растяжение
ГОСТ 24231 Цветные металлы и сплавы. Общие требования к отбору и подготовке проб для химического анализа
ГОСТ 24642 Основные нормы взаимозаменяемости. Допуски формы и расположения поверхностей. Основные термины и определения
ГОСТ 25086 Цветные металлы и их сплавы. Общие требования к методам анализа
ГОСТ 25346 (ISO 286-1:2010) Основные нормы взаимозаменяемости. Характеристики изделий геометрические. Система допусков на линейные размеры. Основные положения, допуски, отклонения и посадки
ГОСТ 26877 Металлопродукция. Методы измерений отклонений формы
ГОСТ 27637 Полуфабрикаты из алюминиевых деформируемых термоупрочняемых сплавов. Контроль микроструктуры на пережог металлографическим методом
ГОСТ 29296 Профили прессованные прямоугольные неравнополочного таврового сечения из алюминиевых и магниевых сплавов. Сортамент
ГОСТ 29303 Профили прессованные прямоугольные неравнополочного двутаврового сечения из алюминиевых и магниевых сплавов. Сортамент
Примечание - При пользовании настоящим стандартом целесообразно проверить действие ссылочных стандартов и классификаторов на официальном интернет-сайте Межгосударственного совета по стандартизации, метрологии и сертификации (www.easc.by) или по указателям национальных стандартов, издаваемых в государствах, указанных в предисловии, или на официальных сайтах соответствующих национальных органов по стандартизации. Если на документ дана недатированная ссылка, то следует использовать документ, действующий на текущий момент, с учетом всех внесенных в него изменений. Если заменен ссылочный документ, на который дана датированная ссылка, то следует использовать указанную версию этого документа. Если после принятия настоящего стандарта в ссылочный документ, на который дана датированная ссылка, внесено изменение, затрагивающее положение, на которое дана ссылка, то это положение применяется без учета данного изменения. Если ссылочный документ отменен без замены, то положение, в котором дана ссылка на него, применяется в части, не затрагивающей эту ссылку.
4.1 Профили подразделяют:
а) по типу:
1) сплошные площадью поперечного сечения до 200 см2 и диаметром описанной окружности до 450 мм;
2) полые площадью поперечного сечения до 95 см2 и диаметром описанной окружности до 450 мм;
Примечание - По согласованию между изготовителем и потребителем для полых профилей допускается диаметр описанной окружности до 700 мм.
б) по состоянию материала:
1) без термической обработки (горячепрессованные) - обозначаются маркой алюминия или алюминиевого сплава без дополнительных знаков;
2) отожженные - М, О;
3) закаленные и естественно состаренные - Т, Т3, Т4;
4) закаленные и искусственно состаренные - Т1, Т6;
5) закаленные и искусственно состаренные повышенной прочности - Т1(22), Т1(25), Т66;
6) не полностью закаленные и искусственно состаренные <1> - Т5;
--------------------------------
<1> Состояние "закаленное на прессе и искусственно состаренное" является эквивалентным.
7) закаленные и искусственно перестаренные с максимальным перестариванием - Т73;
Примечание - состояния О, Т3, Т4, Т5, Т6, Т66 и Т73 аналогичны состояниям, указанным в
[1].
в) по виду прочности:
1) на профили нормальной прочности - обозначаются маркой сплава и состояния материала без дополнительных знаков;
2) повышенной прочности - ПП;
г) по назначению:
1) на профили общего назначения;
2) электротехнического назначения.
Примечание - В условном обозначении профилей электротехнического назначения дополнительно указывают буквы ЭН, которые ставят после номера или шифра профиля.
4.2 Номер или шифр, длину, назначение профилей, состояние материала и вид прочности указывают в заказе.
При отсутствии требования о назначении профилей их изготовляют как профили общего назначения.
5.1 Форма, размеры профилей, площади сечений, диаметры описанной окружности и теоретическая масса 1 м длины - по ГОСТ 13616 - ГОСТ 13624,
ГОСТ 13737,
ГОСТ 13738,
ГОСТ 17575,
ГОСТ 17576,
ГОСТ 29296,
ГОСТ 29303, каталогам и чертежам, согласованным изготовителем и потребителем.
Примечание - Для профилей, подлежащих механической обработке, в чертеже указывается контур чистовой детали с указанием чистовых размеров и привязки контура чистовой детали к контуру профиля.
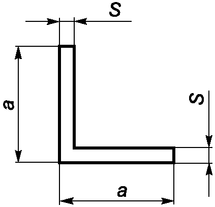
5.2 Предельные отклонения по толщине полок
S и другим размерам поперечного сечения
a (
рисунки 1 -
3) и
a' (
рисунки 4,
5), охватывающих монолитный металл профилей, должны соответствовать:
- для профилей из алюминия и алюминиевых сплавов, за исключением сплавов марок АМг5, АМг6 и 1581, - значениям, указанным в
таблице 1;
- для профилей из алюминиевых сплавов марок АМг5, АМг6 и 1581 - значениям, указанным в
таблице 2 или на чертежах.
Рисунок 2
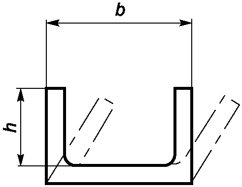
5.3 Предельные отклонения по толщине стенок (
S1), образующих полые пространства (
рисунки 4,
5), должны соответствовать:
- для профилей из алюминия и алюминиевых сплавов, за исключением сплавов марок АМг5, АМг6 и 1581 - значениям, указанным в
таблице 3;
- для профилей из алюминиевых сплавов марок АМг5, АМг6 и 1581 - значениям, указанным в
таблице 4 или на чертежах.
Номинальный размер поперечного сечения профиля, мм | Предельное отклонение размеров поперечного сечения профиля при диаметре описанной окружности, мм |
До 30,0 | Св. 30,0 до 60,0 включ. | Св. 60,0 до 100,0 включ. | Св. 100,0 до 150,0 включ. | Св. 150,0 до 200,0 включ. | Св. 200,0 до 250,0 включ. | Св. 250,0 до 300,0 включ. | Св. 300,0 до 350,0 включ. | Св. 350,0 до 400,0 включ. | Св. 400,0 до 450,0 включ. |
До 1,5 включ. | +/- 0,15 | +/- 0,20 | +/- 0,25 | - | - | - | - | - | - | - |
Св. 1,5 " 3,0 " | +/- 0,20 | +/- 0,25 | +/- 0,30 | +/- 0,30 | +/- 0,35 | +/- 0,40 | - | - | - | - |
" 3,0 " 6,0 " | +/- 0,25 | +/- 0,30 | +/- 0,35 | +/- 0,35 | +/- 0,40 | +/- 0,45 | +/- 0,45 | +/- 0,45 | +/- 0,5 | +/- 0,5 |
" 6,0 " 10,0 " | +/- 0,30 | +/- 0,35 | +/- 0,40 | +/- 0,40 | +/- 0,45 | +/- 0,50 | +/- 0,50 | +/- 0,50 | +/- 0,55 | +/- 0,6 |
" 10,0 " 15,0 " | +/- 0,35 | +/- 0,40 | +/- 0,45 | +/- 0,50 | +/- 0,55 | +/- 0,55 | +/- 0,60 | +/- 0,60 | +/- 0,6 | +/- 0,7 |
" 15,0 " 30,0 " | +/- 0,45 | +/- 0,50 | +/- 0,50 | +/- 0,60 | +/- 0,65 | +/- 0,65 | +/- 0,70 | +/- 0,70 | +/- 0,7 | +/- 0,8 |
" 30,0 " 50,0 " | - | +/- 0,60 | +/- 0,60 | +/- 0,70 | +/- 0,75 | +/- 0,75 | +/- 0,80 | +/- 0,80 | +/- 0,9 | +/- 1,0 |
" 50,0 " 75,0 " | - | +/- 0,70 | +/- 0,70 | +/- 0,80 | +/- 0,85 | +/- 0,85 | +/- 0,90 | +/- 0,90 | +/- 1,0 | +/- 1,2 |
" 75,0 " 100,0 " | - | - | +/- 0,85 | +/- 0,90 | +/- 0,95 | +/- 0,95 | +/- 1,00 | +/- 1,00 | +/- 1,2 | +/- 1,4 |
" 100,0 " 150,0 " | - | - | - | +/- 1,10 | +/- 1,20 | +/- 1,20 | +/- 1,30 | +/- 1,30 | +/- 1,4 | +/- 1,6 |
" 150,0 " 200,0 " | - | - | - | - | +/- 1,30 | +/- 1,30 | +/- 1,40 | +/- 1,40 | +/- 1,6 | +/- 1,8 |
" 200,0 " 250,0 " | - | - | - | - | - | +/- 1,60 | +/- 1,60 | +/- 1,70 | +/- 1,8 | +/- 2,0 |
" 250,0 " 300,0 " | - | - | - | - | - | - | +/- 1,90 | +/- 2,00 | +/- 2,1 | +/- 2,3 |
" 300,0 " 350,0 " | - | - | - | - | - | - | - | +/- 2,20 | +/- 2,3 | +/- 2,5 |
" 350,0 " 400,0 " | - | - | - | - | - | - | - | - | +/- 2,5 | +/- 2,7 |
" 400,0 " 450,0 " | - | - | - | - | - | - | - | - | - | +/- 2,9 |
Примечание - Предельное отклонение размеров поперечного сечения профиля при диаметрах описанной окружности свыше 450 мм согласовываются между изготовителем и потребителем. |
Номинальный размер поперечного сечения профиля, мм | Предельное отклонение размеров поперечного сечения профиля при диаметре описанной окружности, мм |
До 30,0 | Св. 30,0 до 60,0 включ. | Св. 60,0 до 100,0 включ. | Св. 100,0 до 150,0 включ. | Св. 150,0 до 200,0 включ. | Св. 200,0 до 250,0 включ. | Св. 250,0 до 300,0 включ. | Св. 300,0 до 350,0 включ. | Св. 350,0 до 400,0 включ. | Св. 400,0 до 450,0 включ. |
До 1,5 включ. | +/- 0,20 | +/- 0,30 | +/- 0,35 | - | - | - | - | - | - | - |
Св. 1,5 " 3,0 " | +/- 0,30 | +/- 0,35 | +/- 0,40 | +/- 0,40 | +/- 0,50 | +/- 0,55 | - | - | - | - |
" 3,0 " 6,0 " | +/- 0,35 | +/- 0,40 | +/- 0,50 | +/- 0,50 | +/- 0,55 | +/- 0,65 | +/- 0,65 | +/- 0,65 | +/- 0,7 | +/- 0,75 |
" 6,0 " 10,0 " | +/- 0,40 | +/- 0,50 | +/- 0,55 | +/- 0,55 | +/- 0,65 | +/- 0,70 | +/- 0,70 | +/- 0,70 | +/- 0,8 | +/- 0,9 |
" 10,0 " 15,0 " | +/- 0,50 | +/- 0,55 | +/- 0,65 | +/- 0,70 | +/- 0,75 | +/- 0,75 | +/- 0,85 | +/- 0,85 | +/- 0,9 | +/- 1,0 |
" 15,0 " 30,0 " | +/- 0,65 | +/- 0,70 | +/- 0,70 | +/- 0,85 | +/- 0,90 | +/- 0,90 | +/- 1,00 | +/- 1,00 | +/- 1,0 | +/- 1,1 |
" 30,0 " 50,0 " | - | +/- 0,85 | +/- 0,85 | +/- 1,00 | +/- 1,05 | +/- 1,05 | +/- 1,10 | +/- 1,10 | +/- 1,1 | +/- 1,2 |
" 50,0 " 75,0 " | - | +/- 1,00 | +/- 1,00 | +/- 1,10 | +/- 1,20 | +/- 1,20 | +/- 1,25 | +/- 1,25 | +/- 1,3 | +/- 1,4 |
" 75,0 " 100,0 " | - | - | +/- 1,20 | +/- 1,25 | +/- 1,35 | +/- 1,35 | +/- 1,40 | +/- 1,40 | +/- 1,5 | +/- 1,6 |
" 100,0 " 150,0 " | - | - | - | +/- 1,55 | +/- 1,70 | +/- 1,70 | +/- 1,80 | +/- 1,80 | +/- 1,8 | +/- 1,9 |
" 150,0 " 200,0 " | - | - | - | - | +/- 1,80 | +/- 1,80 | +/- 1,95 | +/- 1,95 | +/- 2,3 | +/- 2,4 |
" 200,0 " 250,0 " | - | - | - | - | - | +/- 2,25 | +/- 2,25 | +/- 2,40 | +/- 2,5 | +/- 2,6 |
" 250,0 " 300,0 " | - | - | - | - | - | - | +/- 2,65 | +/- 2,80 | +/- 2,8 | +/- 2,9 |
" 300,0 " 350,0 " | - | - | - | - | - | - | - | +/- 3,10 | +/- 3,2 | +/- 3,3 |
" 350,0 " 400,0 " | - | - | - | - | - | - | - | - | +/- 3,3 | +/- 3,5 |
" 400,0 " 450,0 " | - | - | - | - | - | - | - | - | - | +/- 3,8 |
Примечание - Предельное отклонение размеров поперечного сечения профиля при диаметрах описанной окружности свыше 450 мм согласовываются между изготовителем и потребителем. |
Номинальный размер поперечного сечения профиля, мм | Предельное отклонение размеров поперечного сечения профиля при диаметре описанной окружности, мм |
До 30,0 | Св. 30,0 до 60,0 включ. | Св. 60,0 до 100,0 включ. | Св. 100,0 до 150,0 включ. | Св. 150,0 до 200,0 включ. | Св. 200,0 до 250,0 включ. | Св. 250,0 до 300,0 включ. | Св. 300,0 до 350,0 включ. | Св. 350,0 до 400,0 включ. | Св. 400,0 до 450,0 включ. |
До 1,5 включ. | +/- 0,23 | +/- 0,3 | +/- 0,4 | - | - | - | - | - | - | - |
Св. 1,5 " 3,0 " | +/- 0,3 | +/- 0,4 | +/- 0,45 | +/- 0,45 | +/- 0,53 | +/- 0,6 | +/- - | +/- - | - | - |
" 3,0 " 6,0 " | +/- 0,4 | +/- 0,45 | +/- 0,53 | +/- 0,53 | +/- 0,6 | +/- 0,7 | +/- 0,7 | +/- 0,7 | +/- 0,75 | +/- 0,75 |
" 6,0 " 10,0 " | +/- 0,45 | +/- 0,53 | +/- 0,6 | +/- 0,6 | +/- 0,7 | +/- 0,75 | +/- 0,75 | +/- 0,75 | +/- 0,825 | +/- 0,9 |
" 10,0 " 15,0 " | +/- 0,53 | +/- 0,6 | +/- 0,7 | +/- 0,75 | +/- 0,83 | +/- 0,8 | +/- 0,9 | +/- 0,9 | +/- 0,9 | +/- 1,05 |
" 15,0 " 30,0 " | +/- 0,7 | +/- 0,75 | +/- 0,75 | +/- 0,9 | +/- 1 | +/- 1 | +/- 1,05 | +/- 1,05 | +/- 1,05 | +/- 1,2 |
" 30,0 " 50,0 " | - | +/- 0,9 | +/- 0,9 | +/- 1,05 | +/- 1,1 | +/- 1,1 | +/- 1,2 | +/- 1,2 | +/- 1,35 | +/- 1,5 |
" 50,0 " 75,0 " | - | +/- 1,05 | +/- 1,05 | +/- 1,2 | +/- 1,3 | +/- 1,3 | +/- 1,35 | +/- 1,35 | +/- 1,5 | +/- 1,8 |
" 75,0 " 100,0 " | - | - | +/- 1,275 | +/- 1,35 | +/- 1,425 | +/- 1,425 | +/- 1,5 | +/- 1,5 | +/- 1,8 | +/- 2,1 |
" 100,0 " 150,0 " | - | - | - | +/- 1,65 | +/- 1,8 | +/- 1,8 | +/- 1,95 | +/- 1,95 | +/- 2,1 | +/- 2,4 |
" 150,0 " 200,0 " | - | - | - | - | +/- 1,95 | +/- 1,95 | +/- 2,1 | +/- 2,1 | +/- 2,4 | +/- 2,7 |
" 200,0 " 250,0 " | - | - | - | - | - | +/- 2,4 | +/- 2,4 | +/- 2,55 | +/- 2,7 | +/- 3 |
" 250,0 " 300,0 " | - | - | - | - | - | - | +/- 2,85 | +/- 3 | +/- 3,15 | +/- 3,45 |
" 300,0 " 350,0 " | - | - | - | - | - | - | - | +/- 3,3 | +/- 3,45 | +/- 3,75 |
" 350,0 " 400,0 " | - | - | - | - | - | - | - | - | +/- 3,75 | +/- 4,05 |
" 400,0 " 450,0 " | - | - | - | - | - | - | - | - | - | +/- 4,35 |
Примечание - Предельное отклонение размеров поперечного сечения профиля при диаметрах описанной окружности свыше 450 мм согласовываются между изготовителем и потребителем. |
Таблица 4
Предельные отклонения по толщине стенок
из сплавов АМг5, АМг6 и 1581
Номинальный размер поперечного сечения профиля, мм | Предельное отклонение размеров поперечного сечения профиля при диаметре описанной окружности, мм |
До 30,0 | Св. 30,0 до 60,0 включ. | Св. 60,0 до 100,0 включ. | Св. 100,0 до 150,0 включ. | Св. 150,0 до 200,0 включ. | Св. 200,0 до 250,0 включ. | Св. 250,0 до 300,0 включ. | Св. 300,0 до 350,0 включ. | Св. 350,0 до 400,0 включ. | Св. 400,0 до 450,0 включ. |
До 1,5 включ. | +/- 0,3 | +/- 0,45 | +/- 0.53 | - | - | - | - | - | - | - |
Св. 1,5 " 3,0 " | +/- 0,45 | +/- 0,53 | +/- 0,6 | +/- 0,6 | +/- 0,75 | +/- 0,83 | - | - | - | - |
" 3,0 " 6,0 " | +/- 0,53 | +/- 0,6 | +/- 0,75 | +/- 0,75 | +/- 0,83 | +/- 1 | +/- 1 | +/- 1 | +/- 0,45 | +/- 0,675 |
" 6,0 " 10,0 " | +/- 0,6 | +/- 0,75 | +/- 0,83 | +/- 0,83 | +/- 1 | +/- 1,05 | +/- 1,05 | +/- 1,05 | +/- 0,675 | +/- 0,795 |
" 10,0 " 15,0 " | +/- 0,75 | +/- 0,83 | +/- 1 | +/- 1,05 | +/- 1,1 | +/- 1,1 | +/- 1,3 | +/- 1,3 | +/- 0,795 | +/- 0,9 |
" 15,0 " 30,0 " | +/- 1 | +/- 1,05 | +/- 1,05 | +/- 1,3 | +/- 1,35 | +/- 1,35 | +/- 1,5 | +/- 1,5 | +/- 0,9 | +/- 1,125 |
" 30,0 " 50,0 " | - | +/- 1,3 | +/- 1,3 | +/- 1,5 | +/- 1,6 | +/- 1,6 | +/- 1,65 | +/- 1,65 | +/- 1,125 | +/- 1,245 |
" 50,0 " 75,0 " | - | +/- 1,5 | +/- 1,5 | +/- 1,65 | +/- 1,8 | +/- 1,8 | +/- 1,9 | +/- 1,9 | +/- 1,5 | +/- 1,575 |
" 75,0 " 100,0 " | - | - | +/- 1,8 | +/- 1,875 | +/- 2,025 | +/- 2,025 | +/- 2,1 | +/- 2,1 | +/- 2,25 | +/- 2,4 |
" 100,0 " 150,0 " | - | - | - | +/- 2,325 | +/- 2,55 | +/- 2,55 | +/- 2,7 | +/- 2,7 | +/- 2,7 | +/- 2,85 |
" 150,0 " 200,0 " | - | - | - | - | +/- 2,7 | +/- 2,7 | +/- 2,925 | +/- 2,925 | +/- 3,45 | +/- 3,6 |
" 200,0 " 250,0 " | - | - | - | - | - | +/- 3,375 | +/- 3,375 | +/- 3,6 | +/- 3,75 | +/- 3,9 |
" 250,0 " 300,0 " | - | - | - | - | - | - | +/- 3,975 | +/- 4,2 | +/- 4,2 | +/- 4,35 |
" 300,0 " 350,0 " | - | - | - | - | - | - | - | +/- 4,65 | +/- 4,8 | +/- 4,95 |
" 350,0 " 400,0 " | - | - | - | - | - | - | - | - | +/- 4,95 | +/- 5,25 |
" 400,0 " 450,0 " | - | - | - | - | - | - | - | - | - | +/- 5,7 |
5.4 Допускается увеличение предельных минусовых отклонений не более чем в 2,5 раза на размеры поперечного сечения или отдельных элементов профилей, подвергаемых у потребителя механической обработке с учетом припуска на механическую обработку, которые должны быть указаны в чертежах.
5.5 Предельные отклонения по размеру
b между свободными концами элементов поперечного сечения профилей, характерные формы которых приведены на рисунках 6 -
10, устанавливают как сумму предельного отклонения номинального размера, взятого из
таблиц 1 или
2 и предельного отклонения наклона полок профиля из
таблицы 5.
Рисунок 7
Рисунок 8
Рисунок 9
Предельные отклонения наклона полок профилей, не представленных на
рисунках 6 -
10, но имеющих свободные концы, согласовывают дополнительно.
Таблица 5
Предельные отклонения наклона полок
Высота полки h, мм | Предельное отклонение наклона полок профиля, мм |
До 20 включ. | +/- 0,4 |
Св. 20 до 30 включ. | +/- 0,6 |
Св. 30 до 40 включ. | +/- 0,8 |
Св. 40 до 60 включ. | +/- 1,2 |
Св. 60 до 80 включ. | +/- 1,6 |
Св. 80 до 100 включ. | +/- 2,0 |
Св. 100 до 125 включ. | +/- 2,5 |
Св. 125 до 150 включ. | +/- 3,0 |
Св. 150 до 180 включ. | +/- 3,6 |
Св. 180 до 210 включ. | +/- 4,2 |
Св. 210 до 240 включ. | +/- 4,8 |
Св. 240 до 270 включ. | +/- 5,4 |
Св. 270 до 310 включ. | +/- 6,2 |
Св. 310 до 350 включ. | +/- 7,0 |
5.6 Величину радиусов скругления углов, если они не указаны на рисунках, устанавливают, не более:
0,5 мм при толщине полки и стенки до 3 мм включ.;
0,6 мм " " " " " св. 3 " 6 мм ";
0,8 мм " " " " " " 6 " 10 мм ";
1,0 мм " " " " " " 10 " 18 мм ";
1,2 мм " " " " " " 18 " 30 мм ";
1,6 мм " " " " " " 30 " 50 мм ";
2,0 мм " " " " " " 50 мм.
В местах сопряжения полок и стенок различной толщины определение допустимого радиуса скругления проводят по большей толщине.
5.6.1 Предельные отклонения по размерам радиусных или цилиндрических поверхностей, если они не указаны в рисунках, не должны превышать +/- 10% от величины радиуса, но не менее +/- 0,5 мм.
5.6.2 Величина притупления острых кромок допускается, не более:
0,3 мм при толщине полки или стенки до 3 мм включ.;
0,5 мм " " " " " св. 3 " 15 мм ";
1,0 мм " " " " " 15 мм.
5.6.3 Радиусы скругления углов и притупления острых кромок величиной до 1,0 мм обеспечиваются технологией изготовления.
5.7 Угол скручивания вокруг продольной оси на 1 м длины любого участка профиля не должен превышать:
3° при ширине базовой поверхности до 50 мм включ.;
2° " " " " св. 50 мм до 200 мм включ.;
1° " " " " " 200 мм до 450 мм включ.
5.8 Предельные отклонения угловых размеров поперечного сечения профилей, если угол не имеет предельных отклонений, ограничивающих его размеры, должны соответствовать указанным в таблице 6.
Таблица 6
Ширина меньшей полки, мм | Предельные отклонения |
До 100 включ. | +/- 3° |
Св. 100 | +/- 2° |
5.9 Профили должны быть прямыми. Продольное плавное отклонение от прямолинейности относительно любой плоскости на любом участке длиной 1 м, за исключением профилей, имеющих бульбу или хотя бы один клиновидный элемент, не должно превышать:
- 4 мм - на профилях с толщиной полок или стенок св. 4 до 10 мм включ.;
- 3 мм - на профилях с толщиной полок или стенок св. 10 мм.
На профилях, имеющих бульбу или хотя бы один клиновидный элемент, с толщиной полки свыше 4 мм отклонение от прямолинейности относительно любой плоскости на любом участке профиля длиной 1 м не должно превышать 4 мм.
По требованию потребителя на профилях с толщиной полок и стенок свыше 4 до 10 мм включительно, отклонение от прямолинейности не должно превышать 3 мм.
Примечание - Отклонения от прямолинейности для разнополочных профилей должно приниматься за допуск на меньшую полку.
5.10 На профилях с толщиной полок до 4 мм включительно, в том числе на профилях, имеющих бульбу или хотя бы один клиновидный элемент, допускается продольное отклонение от прямолинейности на 1 м длины, устраняемое путем приложения усилия не более 50 Н (5 кгс) в месте максимального отклонения профиля, установленного на плоской плите.
5.11 Общие допускаемые продольные отклонения от прямолинейности, скручивание профиля не должны превышать произведения допускаемого отклонения от прямолинейности, скручивания на 1 м на длину профиля в метрах. По согласованию между изготовителем и потребителем допускаются иные общие продольные отклонения от прямолинейности и скручивания профиля.
5.12 На профилях допускается плавная волнистость с высотой волны не более 1 мм, а на профилях, имеющих бульбу или хотя бы один клиновидный элемент, на полых профилях с шириной полки свыше 350 мм - не более 2 мм. Количество таких волнистых мест не должно быть более одного на 1 м длины профиля. Волнистость с высотой волны до 0,2 мм не лимитируется.
5.13 Поперечное плавное отклонение от плоскостности
e (выпуклость и вогнутость) профилей, характерные формы поперечного сечения которых приведены на
рисунках 11 -
15, не должно превышать:
1% от ширины полки - для сплошных профилей;
2% от ширины полки или ширины стенки - для полых профилей, но не менее 0,3 мм.
По требованию потребителя на полых профилях поперечное отклонение от плоскостности не должно превышать 1,5%.
Рисунок 12
Рисунок 13
Рисунок 14
5.14 Профили изготовляют длиной:
от 1 до 6 м при площади поперечного сечения до 0,8 см2 включ.;
от 1 до 8 м " " " " св. 0,8 " 1,5 см2 ";
от 1 до 10 м " " " " " 1,5 " 200 см2 ".
Профили с площадью поперечного сечения до 1,5 см2 из алюминиевых сплавов марок АМц и АМцС изготовляют длиной до 3 м.
Примечание - Профили большей длины изготавливают по соглашению между изготовителем и потребителем, что указывают в чертеже, согласованном изготовителем с потребителем.
5.14.1 Профили изготовляют немерной, мерной или кратной мерной длины в пределах размеров, указанных в
5.14.
5.14.2 Профили кратной мерной длины должны изготовлять с учетом припуска на каждый рез 5 мм.
5.15 Предельные отклонения по длине профилей мерной и кратной мерной длины до 6 м не должны превышать:
более 10 мм - для профилей с диаметром описанной окружности до 150 мм включ.;
более 15 мм - для профилей с диаметром описанной окружности св. 150 мм.
Предельные отклонения по длине профилей мерной и кратной мерной длины свыше 6 м не должны превышать более 20 мм.
5.16 Профили должны быть обрезаны под прямым углом. Косина реза не должна превышать 3° и выводить профили за пределы сдаточной длины.
5.17 Предельные отклонения отдельных размеров элементов профилей, не предусмотренные настоящим стандартом, в том числе предельные отклонения размеров полости, при необходимости должны быть указаны в согласованных изготовителем с потребителем чертежах.
5.18 Предельные отклонения размеров поперечного сечения, углы скручивания и отклонение от прямолинейности профилей, с резко выраженным неравномерным сечением или профилей с соотношением толщины полок более 4:1, указывают в согласованных изготовителем с потребителем чертежах.
5.19 Условные обозначения профилей при заказе проставляют по схеме в соответствии с рисунком 16.
Профиль │ XXXXXX │ X │ X │...│ X │...│ ГОСТ 8617-202_ │
────────────────────────┘ │ │ │ │ │ │ │
Марка сплава │ │ │ │ │ │ │
─────────────────────────────────┘ │ │ │ │ │ │
Состояние поставки │ │ │ │ │ │
─────────────────────────────────────┘ │ │ │ │ │
Обозначение прочности │ │ │ │ │
─────────────────────────────────────────┘ │ │ │ │
Номер или шифр профиля │ │ │ │
─────────────────────────────────────────────┘ │ │ │
Назначение профиля │ │ │
─────────────────────────────────────────────────┘ │ │
Длина профиля │ │
─────────────────────────────────────────────────────┘ │
Обозначение стандарта │
──────────────────────────────────────────────────────────────────────┘
Рисунок 16
Примеры условных обозначений:
1 Профиль из сплава марки Д16, в закаленном и естественно состаренном состоянии (Т), нормальной прочности, фасонного сечения (номер или шифр профиля), длиной 2000 мм:
Профиль Д16 Т (номер или шифр)x2000 ГОСТ 8617
2 Профиль из сплава марки Д16, в закаленном и естественно состаренном состоянии (Т), повышенной прочности (ПП), фасонного сечения (номер или шифр профиля), немерной длины:
Профиль Д16 Т ПП (номер или шифр) ГОСТ 8617
3 Профиль из сплава марки АД31, в закаленном и естественно состаренном состоянии (Т), нормальной прочности, таврового сечения с номером 420019 по ГОСТ 13622, немерной длины:
Профиль (или Тавр) АД31 Т 420019 ГОСТ 8617/ГОСТ 13622
4 Профиль из сплава марки АД31, в закаленном и естественно состаренном состоянии (Т), нормальной прочности, таврового сечения с номером 420019 по ГОСТ 13622, длиной, кратной (КД) 2000 мм:
Профиль (или Тавр) АД31 Т 420019x2000 КД
5 Профиль из сплава марки EN AW-6060, в закаленном и естественно состаренном состоянии (Т4), нормальной прочности, фасонного сечения (номер или шифр профиля), длиной 2000 мм:
Профиль EN AW-6060 Т4 (номер или шифр)x2000 ГОСТ 8617
6 Профиль электротехнического назначения из алюминиевого сплава марки АД31, в закаленном и искусственно состаренном состояния (Т1), фасонного сечения, длиной, кратной (КД) 2000 мм:
Профиль АД31 Т1 (номер или шифр) ЭНx2000 КД ГОСТ 8617
Допускается в заказе ссылку на стандарты с размерами профилей не указывать.
6.1 Профили изготовляют в соответствии с требованиями настоящего стандарта по технологическому регламенту, утвержденному в установленном порядке.
6.1.1 Профили общего назначения изготовляют из алюминия марок А6, А5, А0 с химическим составом по
ГОСТ 11069, алюминия марок АД0, АД1, АДС, АД и алюминиевых сплавов марок АМц, АМцС, АМг2, АМг3, АМг3С, АМг5, АМг6, АД31, АД33, АД35, АД35ч, АВ, Д1, Д16, АК4, АК6, В95, 1379, 1581, 1915, 1925, 1925С, 1935, 1939, EN AW-6005A, EN AW-6060, EN AW-6063, EN AW-6082, EN AW-6463, AW-6061, AW-2024, AW-7075 с химическим составом по
ГОСТ 4784, из алюминиевых сплавов марок ВД1, АВД1-1 и АКМ с химическим составом по
ГОСТ 1131.
6.1.2 Профили электротехнического назначения изготовляют из алюминия марок А7, А6, А5, А5Е с химическим составом по
ГОСТ 11069, алюминия марок АД00, АД0 и алюминиевых сплавов марок АД31 и АД31Е с химическим составом по
ГОСТ 4784.
6.2 Механические свойства профилей нормальной прочности при растяжении должны соответствовать значениям, указанным в
таблице 7.
6.3 Механические свойства профилей повышенной прочности при растяжении должны соответствовать значениям, указанным в
таблице 8.
Примечание - Допускается по согласованию между изготовителем и потребителем изготовление профилей из сплава АД31 в состоянии Т1(22) и Т1(25).
6.4 Допускается изготовление профилей из сплавов марок АД31, 1915, 1925, 1939, ВД1 и АВД1-1 без термической обработки (вместо состояния закаленного и естественно состаренного), при условии, если механические свойства профилей соответствуют требованиям закаленного и естественно состаренного состояния.
6.5 Показатели механических свойств по временному сопротивлению и пределу текучести профилей из сплавов марок АД31, АД33, АД35, АД35ч, АВ, Д1, Д16, АК6, В95, EN AW-6005A, EN AW-6060, EN AW-6063, EN AW-6082, EN AW-6463, AW-6061, AW-2024 и AW-7075, изготовляемых в закаленном и состаренном состоянии и прошедших перезакалку на предприятии-потребителе, могут быть меньше, но не более чем на 20 МПа (2 кгс/мм
2) показателей, приведенных в таблицах 7 или
8.
Марка сплава | Состояние материала профилей при изготовлении | Состояние материала образцов при испытании | Толщина полки или стенки, мм | Временное сопротивление, Rm  , МПа (кгс/мм 2) | Предел текучести, Rp0,2  , МПа (кгс/мм 2) | Относительное удлинение,  , % |
не менее |
А7, А6, А5, А5Е, А0, АД00, АД0, АД1, АД | Без термической обработки | Без термической обработки | Все размеры | 59 (6,0) | - | 20,0 |
АДС | Без термической обработки | Без термической обработки | Все размеры | 60 (6,1) | - | 20,0 |
АМц, АМцС | Без термической обработки | Без термической обработки | Все размеры | 98 (10,0) | - | 16,0 |
АМг2 | Без термической обработки | Без термической обработки | Все размеры | 147 (15,0) | 59 (6,0) | 13,0 |
Отожженное | Отожженное | Не более 225 (22,9) | 59 (6,0) | 13,0 |
АМг3 | Без термической обработки | Без термической обработки | Все размеры | 176 (17,9) | 78 (8,0) | 12,0 |
Отожженное | Отожженное | 176 (17,9) | 78 (8,0) | 12,0 |
АМг3С | Без термической обработки | Без термической обработки | Все размеры | 175 (17,8) | 80 (8,1) | 14,0 |
АМг5 | Без термической обработки | Без термической обработки | Все размеры | 255 (26,0) | 127 (12,9) | 15,0 |
Отожженное | Отожженное | 255 (26,0) | 127 (12,9) | 15,0 |
АМг6 | Без термической обработки | Без термической обработки | Все размеры | 314 (32,0) | 157 (16,0) | 15,0 |
Отожженное | Отожженное | 314 (32,0) | 157 (16,0) | 15,0 |
АД31, АД31Е | Без термической обработки | Закаленное и естественно состаренное | Все размеры | 127 (12,9) | 69 (7,0) | 13,0 |
Закаленное и естественно состаренное | Закаленное и естественно состаренное | До 100 включ. | 127 (12,9) | 69 (7,0) | 13,0 |
Закаленное и искусственно состаренное | Закаленное и искусственно состаренное | До 100 включ. | 196 (20,0) | 147 (15,0) | 10,0 |
Не полностью закаленное и искусственно состаренное | Не полностью закаленное и искусственно состаренное | До 100 включ. | 157 (16,0) | 118 (12,0) | 8,0 |
Закаленное и искусственно состаренное повышенной прочности (Т1(22)) | Закаленное и искусственно состаренное повышенной прочности (Т1(22)) | До 10 включ. | 215,0 | 160,0 | 8,0 |
Закаленное и искусственно состаренное повышенной прочности (Т1(25)) | Закаленное и искусственно состаренное повышенной прочности (Т1(25)) | До 10 включ. | 245,0 | 195,0 | 8,0 |
АД33 | Без термической обработки | Закаленное и естественно состаренное | Все размеры | 176 (17,9) | 108 (11,0) | 15,0 |
Закаленное и естественно состаренное | Закаленное и естественно состаренное | До 100 включ. | 176 (17,9) | 108 (11,0) | 15,0 |
Закаленное и искусственно состаренное | Закаленное и искусственно состаренное | До 10 включ. | 255 (26,0) | 225 (22,9) | 6,0 |
Св. 10 до 100 включ. | 265 (27,0) | 225 (22,9) | 10,0 |
АД35 | Без термической обработки | Закаленное и естественно состаренное | Все размеры | 196 (20,0) | 108 (11,0) | 12,0 |
Закаленное и естественно состаренное | Закаленное и естественно состаренное | До 100 включ. | 196 (20,0) | 108 (11,0) | 12,0 |
Закаленное и искусственно состаренное | Закаленное и искусственно состаренное | До 100 включ. | 314 (32,0) | 245 (25,0) | 8,0 |
АД35ч | Закаленное на прессе и искусственно состаренное | Закаленное на прессе и искусственно состаренное | До 10 включ. | 315 (32,1) | 275 (28,1) | 12 |
Закаленное и искусственно состаренное | Закаленное и искусственно состаренное | До 5 включ. | 290 (29,6) | 255 (26,0) | 12 |
Св. 5 до 25 включ. | 315 (32,1) | 275 (28,1) | 12 |
АВ | Без термической обработки | Закаленное и естественно состаренное | Все размеры | 176 (17,9) | - | 14,0 |
Закаленное и естественно состаренное | Закаленное и естественно состаренное | До 150 включ. | 176 (17,9) | - | 14,0 |
Закаленное и искусственно состаренное | Закаленное и искусственно состаренное | До 150 включ. | 294 (30,0) | 225 (22,9) | 10,0 |
Д1 | Без термической обработки | Закаленное и естественно состаренное | До 10 включ. | 333 (33,9) | 186 (19,0) | 12,0 |
Св. 10 до 20 включ. | 353 (36,0) | 196 (20,0) | 10,0 |
Св. 20 | 363 (37,0) | 206 (21,0) | 10,0 |
Отожженное | Отожженное | Все размеры. | Не более 245 (25,0) | - | 12,0 |
Закаленное и естественно состаренное | Закаленное и естественно состаренное | До 10 включ. | 333 (33,9) | 206 (21,0) | 12,0 |
Св. 10 до 20 включ. | 353 (36,0) | 216 (22,0) | 10,0 |
Св. 20 до 150 включ. | 363 (37,0) | 226 (23,0) | 10,0 |
Д16 | Без термической обработки | Закаленное и естественно состаренное | До 5 включ. | 373 (38,0) | 265 (27,0) | 10,0 |
Св. 5 до 10 включ. | 392 (40,0) | 265 (27,0) | 10,0 |
Св. 10 | 402 (41,0) | 284 (29,0) | 10,0 |
Отожженное | Отожженное | Все размеры | Не более 245 (25,0) | - | 12,0 |
Закаленное и естественно состаренное | Закаленное и естественно состаренное | До 5 включ. | 373 (38,0) | 275 (28,0) | 10,0 |
Св. 5 до 10 включ. | 392 (40,0) | 275 (28,0) | 10,0 |
Св. 10 до 150 включ. | 412 (42,0) | 284 (29,0) | 10,0 |
В95 | Без термической обработки | Закаленное и искусственно состаренное | До 10 включ. | 510 (52,0) | 461 (47,0) | 6,0 |
Св. 10 | 520 (53,0) | 451 (46,0) | 6,0 |
Отожженное | Отожженное | Все размеры | Не более 275 (28,0) | - | 10,0 |
Закаленное и искусственно состаренное | Закаленное и искусственно состаренное | До 10 включ | 510 (52,0) | 461 (47,0) | 6,0 |
Св. 10 до 125 включ. | 530 (54,0) | 461 (47,0) | 6,0 |
АК6 | Без термической обработки | Закаленное и естественно состаренное | Все размеры | 353 (36,0) | - | 10,0 |
Закаленное и естественно состаренное | Закаленное и искусственно состаренное | До 150 включ. | 353 (36,0) | - | 10,0 |
Закаленное и искусственно состаренное | Закаленное и искусственно состаренное | До 150 включ. | 353 (36,0) | - | 10,0 |
1379 | Закаленное на прессе и искусственно состаренное | Закаленное на прессе и искусственно состаренное | До 10 включ. | 400 (40,8) | 350 (35,7) | 8,0 |
Закаленное и искусственно состаренное | Закаленное и искусственно состаренное | До 25 включ. | 400 (40,8) | 350 (35,7) | 8,0 |
1581 | Без термической обработки | Без термической обработки | Все размеры | 355 (36,2) | 215 (21,9) | 12,0 |
Отожженное | Отожженное | 355 (36,2) | 215 (21,9) | 12,0 |
1915 | Без термической обработки | Горячепрессованное с естественным старением в течение 30 - 35 сут | До 12 включ. | 314 (32,0) | 196 (20,0) | 10,0 |
Горячепрессованное с естественным старением в течение 2 - 4 сут | До 12 включ. | 265 (27,0) | 167 (17,0) | 10,0 |
Отожженное | Отожженное | Все размеры | Не более 277 (28,2) | 176 (17,9) | 12,0 |
Закаленное и естественно состаренное | Закаленное и естественно состаренное в течение 30 - 35 сут | До 150 включ. | 343 (35,0) | 216 (22,0) | 10,0 |
Закаленное и естественно состаренное в течение 2 - 4 сут | До 150 включ. | 275 (28,0) | 176 (17,9) | 10,0 |
Закаленное и искусственно состаренное | Св. 12 до 150 включ. | 373 (38,0) | 245 (25,0) | 8,0 |
Закаленное и искусственно состаренное | Закаленное и искусственно состаренное | До 150 включ. | 373 (38,0) | 245 (25,0) | 8,0 |
1925 | Без термической обработки | Горячепрессованное с естественным старением в течение 30 - 35 сут | До 12 включ. | 343 (35,0) | 196 (20,0) | 8,0 |
Горячепрессованное с естественным старением в течение 2 - 4 сут | До 12 включ. | 275 (28,0) | 176 (17,9) | 10,0 |
Отожженное | Отожженное | Все размеры | Не более 294 (30,0) | - | 12,0 |
Закаленное и естественно состаренное | Закаленное и естественно состаренное в течение 30 - 35 сут | Св. 12 до 150 включ. | 343 (35,0) | 196 (20,0) | 10,0 |
Закаленное и естественно состаренное в течение 2 - 4 сут | До 150 включ. | 275 (28,0) | 176 (17,9) | 10,0 |
Закаленное и искусственно состаренное | Закаленное и искусственно состаренное | До 150 включ. | 373 (38,0) | 245 (25,0) | 8,0 |
1925С | Закаленное и естественно состаренное | Закаленное и естественно состаренное в течение 30 - 35 сут | До 100 включ. | 310 (31,6) | 200 (20,4) | 10,0 |
1935 | Без термической обработки | Естественно состаренное в течение 30 - 35 сут | До 10 включ. | 245 (25,0) | 155 (15,8) | 10,0 |
Естественно состаренное в течение 2 - 4 сут | До 10 включ. | 185 (18,9) | 120 (12,2) | 12,0 |
Закаленное и естественно состаренное | Закаленное и естественно состаренное в течение 30 - 35 сут | До 100 включ. | 245 (25,0) | 155 (15,8) | 10,0 |
Закаленное и естественно состаренное в течение 2 - 4 сут | До 100 включ. | 185 (18,9) | 120 (12,2) | 12,0 |
1939 | Закаленное на прессе и искусственно состаренное | Закаленное на прессе и искусственно состаренное | До 15 включ. | 385 (39,3) | 300 (30,6) | 10,0 |
Закаленное и искусственно состаренное | Закаленное и искусственно состаренное | До 150 включ. | 385 (39,3) | 300 (30,6) | 10,0 |
ВД1 | Без термической обработки | Закаленное и естественно состаренное | Все размеры | 333 (33,9) | - | 12,0 |
Закаленное и естественно состаренное | Закаленное и естественно состаренное | До 100 включ. | 333 (33,9) | - | 12,0 |
АВД1-1 | Без термической обработки | Закаленное и естественно состаренное | Все размеры | 333 (33,9) | - | 12,0 |
Закаленное и естественно состаренное | Закаленное и естественно состаренное | До 100 включ. | 333 (33,9) | - | 12,0 |
АКМ | Без термической обработки | Закаленное и естественно состаренное | Все размеры | 314 (32,0) | - | 12,0 |
Закаленное и искусственно состаренное | Все размеры | 333 (33,9) | - | 10,0 |
Отожженное | Отожженное | Все размеры | Не более 196 (20,0) | - | 14,0 |
Закаленное и естественно состаренное | Закаленное и естественно состаренное | До 100 включ. | 314 (32,0) | - | 14,0 |
АК4 | Без термической обработки | Закаленное и искусственно состаренное | Все размеры | 355 (36,2) | - | 8,0 |
Закаленное и естественно состаренное | Закаленное и искусственно состаренное | До 150 включ. | 355 (36,2) | - | 8,0 |
Закаленное и искусственно состаренное | Закаленное и искусственно состаренное | До 150 включ. | 355 (36,2) | - | 8,0 |
EN AW-6005A | Закаленное и естественно состаренное (Т4), сплошной профиль | Закаленное и естественно состаренное (Т4) | До 25 включ. | 180 (18,3) | 90 (9,2) | 15 |
Закаленное и искусственно состаренное (Т6), сплошной профиль | Закаленное и искусственно состаренное (Т6) | До 5 включ. | 270 (27,5) | 225 (22,9) | 8 |
Св. 5 до 10 включ. | 260 (26,5) | 215 (21,9) | 8 |
Св. 10 до 25 включ. | 250 (25,5) | 200 (20,4) | 8 |
Закаленное и естественно состаренное (Т4), полый профиль | Закаленное и естественно состаренное (Т4) | До 10 включ. | 180 (18,3) | 90 (9,2) | 15 |
Закаленное и искусственно состаренное (Т6), полый профиль | Закаленное и искусственно состаренное (Т6) | До 5 включ. | 255 (26,0) | 215 (21,9) | 8 |
Св. 5 до 15 включ. | 250 (25,5) | 200 (20,4) | 8 |
EN AW-6060 | Закаленное и естественно состаренное (Т4) | Закаленное и естественно состаренное | До 25 включ. | 120 (12,2) | 60 (6,1) | 16,0 |
Закаленное на прессе и искусственно состаренное (Т5) | Закаленное на прессе и искусственно состаренное (Т5) | До 5 включ. | 160 (16,3) | 120 (12,2) | 8,0 |
Св. 5 до 25 включ. | 140 (14,3) | 100 (10,2) | 8,0 |
Закаленное и искусственно состаренное (Т6) | Закаленное и искусственно состаренное | До 5 включ. | 190 (19,4) | 150 (15,3) | 8,0 |
Св. 5 до 25 включ. | 170 (17,3) | 140 (14,3) | 8,0 |
EN AW-6063 | Закаленное и естественно состаренное (Т4) | Закаленное и естественно состаренное | До 25 включ. | 130 (13,2) | 65 (6,6) | 14,0 |
Закаленное на прессе и искусственно состаренное (Т5) | Закаленное на прессе и искусственно состаренное (Т5) | До 10 включ. | 175 (17,8) | 130 (13,2) | 8,0 |
Св. 10 до 25 включ. | 160 (16,3) | 130 (11,2) | 7,0 |
Закаленное и искусственно состаренное (Т6) | Закаленное и искусственно состаренное (Т6) | До 10 включ. | 215 (21,9) | 170 (17,3) | 8,0 |
Св. 10 до 25 включ. | 195 (19,9) | 160 (16,3) | 8,0 |
Закаленное и искусственно состаренное повышенной прочности (Т66) | Закаленное и искусственно состаренное повышенной прочности (Т66) | До 10 включ. | 245 (25,0) | 200 (20,4) | 8,0 |
Св. 10 до 25 включ. | 225 (22,9) | 180 (18,3) | 8,0 |
EN AW-6082 | Закаленное и естественно состаренное (Т4) | Закаленное и естественно состаренное (Т4) | До 25 включ. | 205 (20,9) | 110 (11,2) | 14,0 |
Закаленное на прессе и искусственно состаренное (Т5) | Закаленное на прессе и искусственно состаренное (Т5) | До 5 включ. | 270 (27,5) | 230 (23,4) | 8 |
Закаленное и искусственно состаренное (Т6) | Закаленное и искусственно состаренное (Т6) | До 5 включ. | 290 (29,6) | 250 (25,5) | 8 |
Св. 5 до 25 включ. | 310 (31,6) | 260 (26,5) | 10 |
EN AW-6463 | Закаленное и естественно состаренное (Т4) | Закаленное и естественно состаренное (Т4) | До 50 включ. | 125 (12,7) | 75 (7,6) | 14 |
Закаленное на прессе и искусственно состаренное (Т5) | Закаленное на прессе и искусственно состаренное (Т5) | До 50 включ. | 150 (15,3) | 110 (11,2) | 8 |
Закаленное и искусственно состаренное (Т6) | Закаленное и искусственно состаренное (Т6) | До 50 включ. | 195 (19,9) | 160 (16,3) | 10 |
AW-6061 | Закаленное и естественно состаренное (Т4) | Закаленное и естественно состаренное | До 25 включ. | 180 (18,3) | 110 (11,2) | 15,0 |
Закаленное и искусственно состаренное (Т6) | Закаленное и искусственно состаренное | До 5 включ. | 260 (26,5) | 240 (24,5) | 9,0 |
Св. 5 до 25 включ. | 260 (26,5) | 240 (24,5) | 10,0 |
AW-2024 | Отожженное (О, М) | Отожженное | Все размеры | не более 250 (25,5) | не более 150 (15,3) | 12,0 |
Закаленное (с правкой) и естественно состаренное (Т3) | Закаленное (с правкой) и естественно состаренное (Т3) | До 15 включ. | 395 (40,3) | 290 (29,6) | 8,0 |
Св. 15 до 50 включ. | 420 (42,8) | 290 (29,6) | 8,0 |
AW-7075 | Закаленное и искусственно состаренное (Т6) | Закаленное и искусственно состаренное (Т6) | До 25 включ. | 530 (54,0) | 460 (46,9) | 6,0 |
Св. 25 до 60 включ. | 540 (55,0) | 470 (47.9) | 6,0 |
Закаленное и искусственно состаренное с максимальным перестариванием (Т73) | Закаленное и искусственно состаренное с максимальным перестариванием (Т73) | До 25 включ. | 485 (49,4) | 420 (42,8) | 7,0 |
Примечания 1 Механические свойства профилей любого состояния материала из алюминия марок А7, А6, А5, А5Е, А0, АД00, АД0, АД, АДС, АД1 и алюминиевых сплавов марок АМц, АМцС, АМг2, АМг3, АД31, АД31Е, АД33, АД35, АД35ч, АВ, Д1, 1925, 1939, ВД1, АВД1-1 и АКМ, а также показатели механических свойств профилей без термической обработки и в отожженном состоянии из алюминиевых сплавов марок Д16, В95, 1915 и 1935 обеспечиваются технологией изготовления без проведения испытаний. По согласованию с заказчиком могут быть проведены испытания механических свойств. 2 По требованию потребителя нормы относительного удлинения профилей из сплава марки АМг2 должны быть не менее 15%. |
Марка сплава | Состояние материала профилей при изготовлении | Состояние материала образцов при испытании | Толщина полки или стенки, мм | Временное сопротивление, Rm  , МПа (кгс/мм 2) | Предел текучести, Rp0,2  , МПа (кгс/мм 2) | Относительное удлинение,  , % |
не менее |
Д1 | Без термической обработки | Закаленное и естественно состаренное | До 10 включ. | 333 (33,9) | 196 (20,0) | 12,0 |
Св. 10 " 20 " | 353 (36,0) | 206 (21,0) | 12,0 |
" 20 | 382 (38,9) | 226 (23,0) | 10,0 |
Закаленное и естественно состаренное | Закаленное и естественно состаренное | До 10 включ. | 353 (36,0) | 216 (22,0) | 12,0 |
Св. 10 " 20 " | 373 (38,0) | 226 (23,0) | 12,0 |
" 20 " 150 " | 402 (41,0) | 245 (25,0) | 10,0 |
Д16 | Без термической обработки | Закаленное и естественно состаренное | До 5 включ. | 382 (38,9) | 265 (27,0) | 10,0 |
Св. 5 " 10 " | 402 (41,0) | 275 (28,0) | 10,0 |
" 10 " 20 " | 412 (42,0) | 284 (29,0) | 10,0 |
" 20 " 40 " | 422 (43,0) | 294 (30,0) | 10,0 |
" 40 " 80 " | 461 (47,0) | 333 (33,9) | 10,0 |
" 80 | 451 (46,0) | 333 (33,9) | 10,0 |
Закаленное и естественно состаренное | Закаленное и естественно состаренное | До 2 включ. | 392 (40,0) | 294 (30,0) | 10,0 |
Св. 2 " 10 " | 412 (42,0) | 294 (30,0) | 10,0 |
" 10 " 20 " | 422 (43,0) | 304 (31,0) | 10,0 |
" 20 " 40 " | 441 (45,0) | 314 (32,0) | 10,0 |
" 40 " 80 " | 480 (48,9) | 353 (36,0) | 10,0 |
" 80 " 150 " | 451 (46,0) | 333 (33,9) | 10,0 |
В95 | Без термической обработки | Закаленное и искусственно состаренное | До 5 включ. | 510 (52,0) | 461 (47,0) | 6,0 |
Св. 5 " 10 " | 520 (53,0) | 471 (48,0) | 6,0 |
" 10 " 75 " | 539 (54,9) | 480 (48,9) | 6,0 |
" 75 " 112 " | 539 (54,9) | 471 (48,0) | 6,0 |
" 112 " 125 " | 520 (53,0) | 451 (46,0) | 6,0 |
Закаленное и искусственно состаренное | Закаленное и искусственно состаренное | До 5 включ. | 520 (53,0) | 471 (48,0) | 6,0 |
Св. 5 " 10 " | 530 (54,0) | 480 (48,9) | 6,0 |
" 10 " 75 " | 549 (56,0) | 490 (49,9) | 6,0 |
" 75 " 125 " | 549 (56,0) | 480 (48,9) | 6,0 |
6.6 Электрическое сопротивление профилей электротехнического назначения постоянному току, пересчитанное на сечение 1 мм2, длину 1 м и температуру 20 °C, не должно быть более:
- 0,0290 Ом - для профилей из алюминия марок АД0, АД00, А7, А6, А5, А5Е;
- 0,0310 Ом - для профилей из алюминиевых сплавов марок АД31 и АД31Е без термической обработки (горячепрессованных);
- 0,0350 Ом - для профилей из алюминиевых сплавов марок АД31 и АД31Е в закаленном и естественно состаренном состоянии;
- 0,0325 Ом - для профилей из алюминиевых сплавов марок АД31 и АД31Е в закаленном и искусственно состаренном состоянии;
- 0,0330 Ом - для профилей из алюминиевого сплава марки АД31 в не полностью закаленном и искусственно состаренном состоянии;
- 0,0560 Ом - для профилей из алюминиевого сплава марки 7075 Т73 в закаленном и искусственно состаренным с максимальным перестариванием состоянии.
6.7 На поверхности профилей допускаются:
- плены, забоины, вмятины, различного рода запрессовки, след правки, если глубина их залегания не выводит профиль за минусовые предельные отклонения по размерам;
- риски, задиры и царапины, если глубина их залегания для всех сплавов, кроме АМг5, АМг6 и 1581, не превышает 0,15 мм, а для сплавов марок АМг5, АМг6 и 1581 - не более 0,20 мм и если контрольная зачистка их не выводит профиль за минусовые предельные отклонения по размерам;
- цвета побежалости, темные и светлые пятна и полосы; следы зачистки дефектов абразивным кругом в виде продольных и круговых рисок глубиной не более 0,1 мм.
По требованию потребителя на лицевой поверхности профилей, указанной на чертеже, из сплавов марок АМц, АМцС и АД31 допускаются риски глубиной не более 0,03 мм, плены, забоины, вмятины, различного рода запрессовки, задиры, царапины глубиной не более 0,1 мм.
6.8 Допускается на профилях или элементах профилей, подвергаемых у потребителя механической обработке, глубина залегания поверхностных дефектов в пределах половины припуска на механическую обработку.
6.9 Допускается пологая зачистка профилей, если она не выводит размеры профилей за минусовые предельные отклонения. Количество и площадь таких мест не ограничена. Зачистка трещин не допускается.
6.10 Поверхность профилей не должна иметь трещин, расслоений, пузырей, неметаллических включений, пятен коррозионного происхождения. При обнаружении упомянутых дефектов на поверхности профиля, профиль бракуется.
Поверхность профилей не должна иметь следов селитры.
6.11 Макроструктура профилей не должна иметь трещин, светловин, рыхлот и утяжин.
6.12 На макроструктуре профилей допускаются:
- неметаллические включения в виде точек размером не более 0,5 мм или в виде штрихов протяженностью не более 3 мм, если количество их не превышает:
2 шт. для профилей сечением до 10 см2 включ.;
3 шт. " св. 10 " 50 см2 ";
5 шт. " " 50 см2;
- интерметаллиды на профилях из сплава марки АМг5 размером до 0,5 мм в количестве не более 5 шт., а на профилях из сплава марки АМг6 и 1581 размером не более 0,1 мм в виде единичных разрозненных точек (не более 5 шт.);
- поверхностные отслоения на глубину не более минусового предельного отклонения;
- крупнокристаллический ободок по всему периметру, если глубина его залегания не превышает 5 мм;
- несплошность сварного шва на полых профилях в виде штрихов, если суммарная их протяженность не превышает 30% от чистовой толщины стенки профиля в месте шва;
- поверхностные дефекты глубиной в пределах установленных предельных отклонений.
Примечания
1 Допускается крупнокристаллический ободок, выходящий за пределы допускаемой глубины залегания, если механические свойства образцов, вырезанных из ободка в долевом направлении, будут соответствовать указанным в
таблицах 7 или
8 для соответствующей толщины полки.
2 Допускается протяженность штрихов в сварном шве, выходящая за пределы указанной нормы, если механические свойства образцов, вырезанных по месту сварного шва в поперечном направлении, будут соответствовать указанным в
таблицах 7 или
8 или при испытании на раздачу (расклинивание) образцов не произошло их разрушения или разрушение произошло не по сварному шву.
6.13 Допускаются на макроструктуре профилей, подвергающихся механической обработке, поверхностные отслоения глубиной не более припуска на механическую обработку и крупнокристаллический ободок по всему периметру, если глубина его залегания не превышает 5 мм сверх припуска на механическую обработку.
6.14 На профилях, допускается сквозная рекристаллизация по всему сечению полки или стенки, если механические свойства образцов, вырезанных из зон со сквозной рекристаллизацией полки или стенки, соответствуют указанным в
таблицах 7 или
8.
6.15 В зоне сварного шва полых профилей допускается рекристаллизация по всей толщине стенки без ограничения ее ширины.
6.16 Микроструктура профилей, прошедших закалку, не должна иметь следов пережога.
7.1 Профили принимают партиями. Партия должна состоять из профилей одной марки алюминия или алюминиевого сплава, одного состояния материала, одной плавки или садки термической обработки, одного размера, одного вида прочности и оформлена документом о качестве. Допускается формирование партии, состоящей из одного профиля.
7.1.1 Допускается составлять партии из термообработанных профилей, взятых из нескольких садок термической обработки, или из профилей без термической обработки, взятых из нескольких плавок, при условии, что каждая садка или плавка соответствует требованиям настоящего стандарта.
7.1.2 Документ о качестве должен содержать:
- наименование и товарный знак предприятия-изготовителя;
- наименование потребителя;
- марку алюминия или алюминиевого сплава, состояния материала и вид прочности;
- обозначение (номер или шифр) профиля;
- номер партии;
- номер плавки;
- массу нетто партии;
- результаты испытаний (для механических свойств указать только максимальные и минимальные значения);
- дату отгрузки;
- обозначение настоящего стандарта.
7.2 Химический состав определяют на предприятии-изготовителе на каждой плавке. Каждая плавка подвергается химическому анализу для определения легирующих компонентов и основных примесей. Прочие примеси не контролируют.
7.3 Проверке состояния наружной поверхности и геометрических размеров подвергают каждый профиль.
7.3.1 На профилях, имеющих бульбу, контрольные измерения по бульбам не проводят.
7.3.2 Размеры для справок или обеспечивающиеся инструментом на профилях не контролируют.
7.3.3 Состояние внутренних поверхностей профилей не контролируют.
7.4 Для проверки механических свойств профилей общего назначения из термически неупрочняемого сплава марки АМг3С, а также для термически упрочняемых сплавов Д16, АК4, АК6, В95, 1915, 1925С, 1935, 1939, EN AW-6005A, EN AW-6060, EN AW-6063, EN AW-6082, EN AW-6463, AW-6061, AW-2024 и AW-7075 в закаленном и состаренном состоянии отбирают 5% профилей.
Для термически неупрочняемых сплавов марок АМг5, АМг6 и 1581 любого состояния материала отбирают 2%, но не менее двух профилей от партии.
Проверку механических свойств профилей из сплава марок 1915 и 1935 в закаленном и естественносостаренном состоянии изготовитель проводит после 2 - 4 сут естественного старения, а потребитель - после 30 - 35 сут естественного старения.
7.5 Для проверки электрического сопротивления профилей электротехнического назначения отбирают не менее 2% профилей от партии, но не менее трех штук.
7.6 Для проверки макроструктуры профилей из алюминиевых сплавов марок АМг5, АМг6, 1581, Д16, АК6, В95, 1915 и АК4 отбирают 2% профилей от партии, но не менее двух профилей.
7.6.1 Проверку макроструктуры профилей общего назначения из остальных сплавов проводят по требованию потребителя.
7.6.2 Для проверки качества сварного шва на полых профилях отбирают 100% профилей от партии.
7.7 При комплектовании партии из нескольких садок термической обработки или из нескольких плавок проверку механических свойств и макроструктуры проводят не менее чем на двух профилях от каждой садки термической обработки или плавки.
7.8 Для проверки микроструктуры профилей общего назначения, подвергаемых закалке, на пережог отбирают один профиль от каждой плавки в садке термической обработки.
При наличии пережога повторный контроль микроструктуры не допускается.
Профили из сплавов марок 1915, 1925, 1925С, 1935, 1939, АД31, АД35ч, подвергаемые закалке на прессе, проверке микроструктуры на отсутствие пережога не подвергают.
7.9 Для проверки профилей общего назначения, закаливаемых в селитровых ваннах, на наличие на поверхности селитры отбирают 1% профилей от партии, но не менее одного профиля от каждой партии.
7.10 При получении неудовлетворительных результатов испытаний механических свойств и макроструктуры (кроме утяжины) хотя бы по одному из показателей, по нему проводят повторные испытания на удвоенном количестве образцов, отобранных от профиля, показавшего несоответствующий результат. Дополнительно испытывают удвоенное количество профилей на каждый несоответствующий профиль от проверяемой партии. Результаты повторных испытаний распространяются на всю партию.
7.11 Для
пунктов 7.4 -
7.7 допускается испытание одного профиля в случае, если партия состоит из одного профиля.
7.12 Для профилей, подвергающихся поштучному контролю механических свойств, в случае выпада, допускается повторное испытание на удвоенном количестве образцов, взятых из того же профиля.
При неудовлетворительных результатах повторного испытания профиль бракуют.
7.13 Допускается перезакалка профилей, забракованных по механическим свойствам.
После повторной закалки испытания механических свойств профилей проводить в полном объеме, предусмотренном настоящим стандартом.
7.14 При наличии утяжины на проверяемых профилях (при условии соответствия макроструктуры остальным требованиям) контроль макроструктуры проводят до ее полного исчезновения. Все остальные профили партии обрезают на величину наибольшего распространения утяжины после чего производится контроль на удвоенном количестве образцов или поштучно.
Для профиля, подвергающегося поштучному контролю, допускается обрезка на величину наибольшего распространения утяжины.
8.1 Отбор и подготовку проб для определения химического состава профилей проводят по
ГОСТ 24231.
8.1.1 Определение химического состава алюминия проводят химическим методом по
ГОСТ 25086, ГОСТ 12697.1 - ГОСТ 12697.14 или спектральным методом по
ГОСТ 3221, алюминиевых сплавов проводят химическим методом по
ГОСТ 25086, ГОСТ 11739.1 - ГОСТ 11739.26 или спектральным методом по
ГОСТ 7727.
8.1.2 При наличии разногласий химический состав определяют химическим методом.
8.2 Измерение размеров поперечного сечения профилей проводят микрометром по
ГОСТ 6507 или
ГОСТ 4381, штангенциркулем по
ГОСТ 166, угломером по
ГОСТ 3749, радиусомером по нормативной документации, нутромером по
ГОСТ 10.
8.2.1 Измерение длины профилей проводят измерительной металлической рулеткой по
ГОСТ 7502 или металлической линейкой по
ГОСТ 427. Допускается производить измерение другими измерительными инструментами, обеспечивающими необходимую точность измерения.
8.2.2 Отклонение от прямолинейности профилей проверяют по
ГОСТ 26877 с использованием измерительной металлической линейки длиной 1 м по
ГОСТ 427 и щупов по нормативной документации.
8.2.3 Допускается применять другие методы и измерительные инструменты, обеспечивающие необходимую точность. При наличии разногласий отклонение от прямолинейности определяют по
ГОСТ 26877.
8.3 Осмотр поверхности профилей проводят без применения увеличительных приборов.
8.3.1 Глубину залегания дефектов измеряют профилометром по
ГОСТ 19300 или глубиномером индикаторным (специальным) по нормативной документации.
8.3.2 Зачистка профилей проводится только в продольном направлении абразивным кругом, шабером или шлифовальной шкуркой на тканевой основе не крупнее 6-го номера зернистости по
ГОСТ 5009. Окончательную зачистку до гладкой поверхности проводят шлифовальной шкуркой на бумажной основе не крупнее 10-го номера зернистости по
ГОСТ 6456.
8.4 Отбор образцов для испытания на растяжение проводят по
ГОСТ 24047.
8.4.1 Испытания механических свойств проводят методом разрушающего контроля по
ГОСТ 1497.
8.4.2 Для проверки механических свойств методом разрушающего контроля от каждого проверяемого профиля с выходного конца в продольном направлении вырезают один образец. Если профиль имеет полки разной толщины, то предпочтение следует отдавать более толстой полке.
8.4.3 Расчетную длину образца
l0, мм, при толщине полки профиля 10 мм и менее устанавливают по формуле (1), а при толщине полки более 10 мм по
формуле (2)

, (1)
где F0 - начальная площадь поперечного сечения образца, мм2,
где d0 - начальный диаметр образца, мм.
8.4.4 При невозможности изготовления стандартного образца испытания проводят на образцах, форму и размеры которых устанавливает предприятие-изготовитель. При этом определяют только временное сопротивление.
8.4.5 Для проверки механических свойств профилей, имеющих клиновидную полку или полку в виде бульбы, испытания проводить с любой другой полки.
8.4.6 При невозможности изготовления образца профили поставляют без испытания механических свойств.
8.5 Макроструктуру профилей проверяют по методике изготовителя на поперечном макротемплете, вырезанном с утяжинного конца проверяемого профиля.
8.5.1 Качество сварного шва на полых профилях проверяют на поперечном макротемплете, вырезанном с выходного конца проверяемого профиля.
8.5.2 Проверку макроструктуры тонкостенных профилей (толщина полки до 5 мм) допускается проводить методом излома.
8.6 Микроструктуру профилей проверяют металлографическим способом на одном образце по
ГОСТ 27637 или методом вихревых токов по методике предприятия-изготовителя.
8.7 Наличие селитры проверяют нанесением на поверхность профиля в любом месте капли 0,5%-ного раствора дифениламина в серной кислоте (к навеске 0,5 г дифениламина приливают 10 см3 дистиллированной воды и 25 см3 серной кислоты плотностью 1,84 г/см3. После растворения дифениламина объем раствора доводят до 100 см3 прибавлением серной кислоты плотностью 1,84 г/см3).
8.7.1 Интенсивное посинение капли раствора через 10 - 15 сек указывает на присутствие в данном месте селитры. После испытания каплю удаляют фильтровальной бумагой, а испытанный участок тщательно промывают водой и насухо вытирают.
8.7.2 При обнаружении селитры партия профилей подлежит повторной промывке и повторному контролю на наличие селитры на поверхности профилей.
8.8 Электрическое сопротивление профилей определяют по
ГОСТ 7229 или другими методами, обеспечивающими заданную точность измерения. При наличии разногласий определение электрического сопротивления проводят по
ГОСТ 7229.
9 Маркировка, упаковка, транспортирование и хранение
9.1 Временная противокоррозионная защита, упаковка, транспортирование и хранение - по
ГОСТ 9.510.
9.2 Профили связывают в пучки, к которым крепится ярлык с указанием марки сплава, состояния материала, вида прочности, номера партии и клейма отдела технического контроля предприятия-изготовителя.
Материалы ярлыка и этикетки должны обеспечивать их сохранность и сохранность нанесенной на них маркировки, в том числе при транспортировании и разгрузке в условиях всех климатических районов по
ГОСТ 16350. Текст, шрифт и рисунки на ярлыке должны быть разборчивыми, четкими, несмываемыми. Надписи делают контрастным цветом, выделяющимся на фоне основного фона.
9.3 На профилях, не связываемых в пучки, должны быть выбиты или нанесены краской: товарный знак предприятия-изготовителя, марка алюминия или алюминиевого сплава, состояние материала, вид прочности, номер партии и клеймо технического контроля предприятия-изготовителя.
Клеймо наносят на выходном конце на расстоянии от торца профиля не более 20 мм - для профилей с плоской частью более 30 мм и не более 50 мм - для профилей с плоской частью от 15 до 30 мм.
| | ИС МЕГАНОРМ: примечание. Нумерация пунктов дана в соответствии с официальным текстом документа. | |
9.5 На профилях, от которых отбирались образцы для механических испытаний, дополнительно наносят маркировку с указанием порядкового номера.
9.6 При маркировке продукции должны быть соблюдены нормы законодательства, действующего в каждом из государств участников Соглашения и устанавливающего порядок маркирования продукции информацией на государственном языке
9.7 Маркировку профилей, предназначенных для экспорта, проводят в соответствии с заказ-нарядом.
9.8 Транспортная маркировка грузовых мест - по
ГОСТ 14192 с дополнительными надписями:
- наименование полуфабриката;
- марка сплава;
- состояние материала и вид прочности;
- номер или шифр профиля;
- номер партии.
| EN 515 | Aluminium and aluminium alloys. Wrought products. Temper designations (Заготовки из алюминия и алюминиевых сплавов. Обозначение отпуска) |
УДК 669.71-42-126:006.354 | |
Ключевые слова: профили прессованные, алюминий и алюминиевые сплавы, классификация, сортамент, технические требования, методы испытаний, маркировка, упаковка, транспортирование, хранение |