Главная // Актуальные документы // ГОСТ (Государственный стандарт)СПРАВКА
Источник публикации
М.: Стандартинформ, 2016
Примечание к документу
Документ включен в
Перечень международных и региональных (межгосударственных) стандартов, а в случае их отсутствия - национальных (государственных) стандартов, в результате применения которых на добровольной основе обеспечивается соблюдение требований технического
регламента Таможенного союза "О безопасности оборудования, работающего под избыточным давлением" (ТР ТС 032/2013) и отдельные положения данного документа в
Перечень международных и региональных (межгосударственных) стандартов, а в случае их отсутствия - национальных (государственных) стандартов, содержащих правила и методы исследований (испытаний) и измерений, в том числе правила отбора образцов, необходимые для применения и исполнения требований технического
регламента Таможенного союза "О безопасности оборудования, работающего под избыточным давлением" (ТР ТС 032/2013) и осуществления оценки соответствия объектов технического регулирования (
Решение Коллегии Евразийской экономической комиссии от 11.06.2019 N 96).
Документ
введен в действие с 1 августа 2017 года.
Название документа
"ГОСТ 33852-2016. Межгосударственный стандарт. Арматура трубопроводная. Задвижки шиберные для магистральных нефтепроводов. Общие технические условия"
(введен в действие Приказом Росстандарта от 28.11.2016 N 1818-ст)
"ГОСТ 33852-2016. Межгосударственный стандарт. Арматура трубопроводная. Задвижки шиберные для магистральных нефтепроводов. Общие технические условия"
(введен в действие Приказом Росстандарта от 28.11.2016 N 1818-ст)
агентства по техническому
регулированию и метрологии
от 28 ноября 2016 г. N 1818-ст
МЕЖГОСУДАРСТВЕННЫЙ СТАНДАРТ
АРМАТУРА ТРУБОПРОВОДНАЯ
ЗАДВИЖКИ ШИБЕРНЫЕ ДЛЯ МАГИСТРАЛЬНЫХ НЕФТЕПРОВОДОВ
ОБЩИЕ ТЕХНИЧЕСКИЕ УСЛОВИЯ
Pipeline valves. Knife gate valves for trunk pipelines.
General specifications
(ISO 14313:2007, NEQ)
ГОСТ 33852-2016
Дата введения
1 августа 2017 года
Цели, основные принципы и основной порядок проведения работ по межгосударственной стандартизации установлены в
ГОСТ 1.0-2015 "Межгосударственная система стандартизации. Основные положения" и
ГОСТ 1.2-2015 "Межгосударственная система стандартизации. Стандарты межгосударственные, правила, рекомендации по межгосударственной стандартизации. Правила разработки, принятия, обновления и отмены"
1 РАЗРАБОТАН Акционерным обществом "Научно-производственная фирма "Центральное конструкторское бюро арматуростроения" (АО "НПФ "ЦКБА") и Обществом с ограниченной ответственностью "Научно-исследовательский институт транспорта нефти и нефтепродуктов Транснефть" (ООО "НИИ Транснефть")
2 ВНЕСЕН Межгосударственным техническим комитетом по стандартизации МТК 523 "Техника и технологии добычи и переработки нефти и газа"
3 ПРИНЯТ Межгосударственным советом по стандартизации, метрологии и сертификации (протокол N 93-П от 22 ноября 2016 г.)
За принятие проголосовали:
Краткое наименование страны по МК (ИСО 3166) 004-97 | Код страны по МК (ИСО 3166) 004-97 | Сокращенное наименование национального органа по стандартизации |
Армения | AM | Минэкономики Республики Армения |
Беларусь | BY | Госстандарт Республики Беларусь |
Грузия | GE | Грузстандарт |
Киргизия | KG | Кыргызстандарт |
Россия | RU | Росстандарт |
4
Приказом Федерального агентства по техническому регулированию и метрологии от 28 ноября 2016 г. N 1818-ст межгосударственный стандарт ГОСТ 33852-2016 введен в действие в качестве национального стандарта Российской Федерации с 1 августа 2017 г.
5 Настоящий стандарт разработан с учетом основных нормативных положений международного стандарта ISO 14313:2007 "Нефтяная и газовая промышленность. Системы трубопроводного транспорта. Арматура трубопроводная" ("Petroleum and natural gas industries - Pipeline transportation systems - Pipeline valves", NEQ)
6 Стандарт подготовлен на основе применения
ГОСТ Р 55020-2012 при участии Межгосударственного технического комитета по стандартизации МТК 259 "Трубопроводная арматура и сильфоны"
7 ВВЕДЕН ВПЕРВЫЕ
Информация об изменениях к настоящему стандарту публикуется в ежегодном информационном указателе "Национальные стандарты" (по состоянию на 1 января текущего года), а текст изменений и поправок - в ежемесячном информационном указателе "Национальные стандарты". В случае пересмотра (замены) или отмены настоящего стандарта соответствующее уведомление будет опубликовано в ежемесячном информационном указателе "Национальные стандарты". Соответствующая информация, уведомление и тексты размещаются также в информационной системе общего пользования - на официальном сайте Федерального агентства по техническому регулированию и метрологии в сети Интернет (www.gost.ru)
Настоящий стандарт распространяется на задвижки шиберные (далее - задвижки) номинальных диаметров от DN 100 до DN 1200 на номинальное давление от PN 1,6 МПа до PN 12,5 МПа (от 16 до 125 бар), предназначенные для герметичного перекрытия потока рабочей среды в трубопроводах на объектах магистральных нефтепроводов и нефтепродуктопроводов.
Настоящий стандарт содержит технические характеристики задвижек, правила осуществления процессов проектирования, производства, хранения, перевозки, эксплуатации, а также правила и методы контроля и испытаний, требования к упаковке и маркировке.
В настоящем стандарте использованы ссылки на следующие межгосударственные стандарты:
ГОСТ 2.610-2006 Единая система конструкторской документации. Правила выполнения эксплуатационных документов
ГОСТ 9.014-78 Единая система защиты от коррозии и старения. Временная противокоррозионная защита изделий. Общие требования
ГОСТ 9.301-86 Единая система защиты от коррозии и старения. Покрытия металлические и неметаллические неорганические. Общие требования
ГОСТ 9.302-88 Единая система защиты от коррозии и старения. Покрытия металлические и неметаллические неорганические. Методы контроля
ГОСТ 12.1.004-91 Система стандартов безопасности труда. Пожарная безопасность. Общие требования
ГОСТ 12.1.005-88 Система стандартов безопасности труда. Общие санитарно-гигиенические требования к воздуху рабочей зоны
ГОСТ 12.1.007-76 Система стандартов безопасности труда. Вредные вещества. Классификация и общие требования безопасности
ГОСТ 12.1.010-76 Система стандартов безопасности труда. Взрывобезопасность. Общие требования
ГОСТ 12.2.007.0-75 Система стандартов безопасности труда. Изделия электротехнические. Общие требования безопасности
ГОСТ 12.3.009-76 Система стандартов безопасности труда. Работы погрузочно-разгрузочные. Общие требования безопасности
ГОСТ 15.001-88 Система разработки и постановки продукции на производство. Продукция производственно-технического назначения <*>
--------------------------------
<*> В Российской Федерации действует
ГОСТ Р 15.201-2000 "Система разработки и постановки продукции на производство. Продукция производственно-технического назначения. Порядок разработки и постановки продукции на производство".
ГОСТ 15.309-98 Система разработки и постановки продукции на производство. Испытания и приемка выпускаемой продукции. Основные положения
ГОСТ 27.002-89 Надежность в технике. Основные понятия. Термины и определения
ГОСТ 27.301-95 Надежность в технике. Расчет надежности. Основные положения
ГОСТ 263-75 Резина. Метод определения твердости по Шору А
ГОСТ 411-77 Резина и клей. Методы определения прочности связи с металлом при отслаивании
ГОСТ 1497-84 (ИСО 6892-84) Металлы. Методы испытаний на растяжение
ГОСТ 1667-68 Топливо моторное для среднеоборотных и малооборотных дизелей. Технические условия
ГОСТ 1778-70 (ИСО 4697-79) Сталь. Металлографические методы определения неметаллических включений
ГОСТ 2999-75 Металлы и сплавы. Метод измерения твердости по Виккерсу
ГОСТ 5639-82 Стали и сплавы. Методы выявления и определения величины зерна
ГОСТ 5640-68 Сталь. Металлографический метод оценки микроструктуры листов и ленты
ГОСТ 5762-2002 Арматура трубопроводная промышленная. Задвижки на номинальное давление не более PN 250. Общие технические условия
ГОСТ 6996-66 (ИСО 4136-89, ИСО 5173-81, ИСО 5177-81) Сварные соединения. Методы определения механических свойств
ГОСТ 7512-82 Контроль неразрушающий. Соединения сварные. Радиографический метод
ГОСТ 8479-70 Поковки из конструкционной углеродистой и легированной стали. Общие технические условия
ГОСТ 8731-74 Трубы стальные бесшовные горячедеформированные. Технические требования
ГОСТ 8732-78 Трубы стальные бесшовные горячедеформированные. Сортамент
ГОСТ 9012-59 (ИСО 410-82, ИСО 6506-81) Металлы. Метод измерения твердости по Бринеллю
ГОСТ 9013-59 (ИСО 6508-86) Металлы. Метод измерения твердости по Роквеллу
ГОСТ 9450-76 Измерение микротвердости вдавливанием алмазных наконечников
ГОСТ 9454-78 Металлы. Метод испытания на ударный изгиб при пониженных, комнатной и повышенных температурах
ГОСТ 10433-75 Топливо нефтяное для газотурбинных установок. Технические условия
ГОСТ 10692-80 Трубы стальные, чугунные и соединительные части к ним. Приемка, маркировка, упаковка, транспортирование и хранение
ГОСТ 12971-67 Таблички прямоугольные для машин и приборов. Размеры
ГОСТ 14782-86 Контроль неразрушающий. Соединения сварные. Методы ультразвуковые <**>
--------------------------------
<**> В Российской Федерации действует
ГОСТ Р 55724-2013 "Контроль неразрушающий. Соединения сварные. Методы ультразвуковые".
ГОСТ 15150-69 Машины, приборы и другие технические изделия. Исполнения для различных климатических районов. Категории, условия эксплуатации, хранения и транспортирования в части воздействия климатических факторов внешней среды
ГОСТ 16118-70 Пружины винтовые цилиндрические сжатия и растяжения из стали круглого сечения. Технические условия
ГОСТ 16350-80 Климат СССР. Районирование и статистические параметры климатических факторов для технических целей
ГОСТ 16504-81 Система государственных испытаний продукции. Испытания и контроль качества продукции. Основные термины и определения
ГОСТ 18322-78 Система технического обслуживания и ремонта техники. Термины и определения
ГОСТ 18442-80 Контроль неразрушающий. Капиллярные методы. Общие требования
ГОСТ 21120-75 Прутки и заготовки круглого и прямоугольного сечения. Методы ультразвуковой дефектоскопии
ГОСТ 21752-76 Система "Человек-машина". Маховики управления и штурвалы. Общие эргономические требования
ГОСТ 23170-78 Упаковка для изделий машиностроения. Общие требования
ГОСТ 23304-78 Болты, шпильки, гайки и шайбы для фланцевых соединений атомных энергетических установок. Технические требования. Приемка. Методы испытаний. Маркировка, упаковка, транспортирование и хранение
ГОСТ 23354-78 Соединения трубопроводов резьбовые. Кольца врезающиеся. Конструкция
ГОСТ 24054-80 Изделия машиностроения и приборостроения. Методы испытаний на герметичность. Общие требования
ГОСТ 24297-2013 Верификация закупленной продукции. Организация проведения и методы контроля
ГОСТ 24507-80 Контроль неразрушающий. Поковки из черных и цветных металлов. Методы ультразвуковой дефектоскопии
ГОСТ 24642-81 Основные нормы взаимозаменяемости. Допуски формы и расположения поверхностей. Основные термины и определения <*>
--------------------------------
<*> В Российской Федерации действует
ГОСТ Р 53442-2015 "Основные нормы взаимозаменяемости. Характеристики изделий геометрические. Установление геометрических допусков. Допуски формы, ориентации, месторасположения и биения".
ГОСТ 25054-81 Поковки из коррозионно-стойких сталей и сплавов. Общие технические условия
ГОСТ 25573-82 Стропы грузовые канатные для строительства. Технические условия
ГОСТ 26304-84 Арматура промышленная трубопроводная для экспорта. Общие технические условия
ГОСТ 30546.1-98 Общие требования к машинам, приборам и другим техническим изделиям и методы расчета их сложных конструкций в части сейсмостойкости
ГОСТ 30852.0-2002 (МЭК 60079-0:1998) Электрооборудование взрывозащищенное. Часть 0. Общие требования
ГОСТ 30852.1-2002 (МЭК 60079-1:1998) Электрооборудование взрывозащищенное. Часть 1. Взрывозащита вида "взрывонепроницаемая оболочка"
ГОСТ 30852.5-2002 (МЭК 60079-4:1975) Электрооборудование взрывозащищенное. Часть 4. Метод определения температуры самовоспламенения
ГОСТ 30852.9-2002 (МЭК 60079-10:1995) Электрооборудование взрывозащищенное. Часть 10. Классификация взрывоопасных зон
ГОСТ 30852.11-2002 (МЭК 60079-12:1978) Электрооборудование взрывозащищенное. Часть 12. Классификация смесей газов и паров с воздухом по безопасным экспериментальным максимальным зазорам и минимальным воспламеняющим токам
ГОСТ 31149-2014 (ISO 2409:2013) Материалы лакокрасочные. Определение адгезии методом решетчатого надреза
ГОСТ 31993-2013 (ISO 2808:2007) Материалы лакокрасочные. Определение толщины покрытия
ГОСТ 32702.2-2014 (ISO 16276:2007) Материалы лакокрасочные. Определение адгезии методом Х-образного надреза
ГОСТ 32299-2013 (ISO 4624:2002) Материалы лакокрасочные. Определение адгезии методом отрыва
ГОСТ 33258-2015 Арматура трубопроводная. Наплавка и контроль качества наплавленных поверхностей. Технические требования
ГОСТ 33259-2015 Фланцы арматуры, соединительных частей и трубопроводов на номинальное давление до
PN 250. Конструкция, размеры и общие технические требования
ГОСТ 33260-2015 Арматура трубопроводная. Металлы, применяемые в арматуростроении. Основные требования к выбору материалов
Примечание - При пользовании настоящим стандартом целесообразно проверить действие ссылочных стандартов в информационной системе общего пользования - на официальном сайте Федерального агентства по техническому регулированию и метрологии в сети Интернет или по ежегодному информационному указателю "Национальные стандарты", который опубликован по состоянию на 1 января текущего года, и по выпускам ежемесячного информационного указателя "Национальные стандарты" за текущий год. Если ссылочный стандарт заменен (изменен), то при пользовании настоящим стандартом следует руководствоваться заменяющим (измененным) стандартом. Если ссылочный стандарт отменен без замены, то положение, в котором дана ссылка на него, применяется в части, не затрагивающей эту ссылку.
3 Термины, определения, сокращения и обозначения
основной металл: Металл подвергающихся сварке соединяемых частей задвижки.
--------------------------------
3.2 В настоящем стандарте применены следующие сокращения:
АКП | - | антикоррозионное покрытие; |
ЗИП | - | запасные части, инструменты и принадлежности; |
КД | - | конструкторская документация; |
ЛКМ | - | лакокрасочные материалы; |
НД | - | нормативная документация; |
ННЭ | - | нарушение нормальной эксплуатации; |
НЭ | - | нормальная эксплуатация; |
ОТК | - | отдел технического контроля; |
ПМ | - | программа и методика испытаний; |
РЭ | - | руководство по эксплуатации; |
ТД | - | техническая документация; |
ТЗ | - | техническое задание; |
ТРГ | - | терморасширенный графит; |
ТУ | - | технические условия; |
ЭД | - | эксплуатационные документы. |
3.3 В настоящем стандарте применены следующие обозначения:
DN | - | номинальный диаметр; |
Dн | - | наружный диаметр трубопровода; |
L | - | строительная длина; |
nу | - | коэффициент запаса устойчивости; |
PN | - | номинальное давление; |
Pпр | - | пробное давление; |
| - | максимальный перепад давления на затворе при открытии; |
Rр0,2 | - | минимальное значение предела текучести при остаточном удлинении 0,2% при расчетной температуре (максимальной рабочей температуре); |
| - | коэффициент сопротивления. |
Классификация шиберных задвижек приведена в таблице 1.
Таблица 1
Классификация шиберных задвижек
Классификационный признак | Исполнение |
Место установки | Подземная установка без сооружения колодцев (засыпкой в траншеи) |
Надземная установка на открытом воздухе без защитных сооружений от атмосферных воздействий или с применением теплоизолирующих конструкций, а также в помещениях и колодцах |
Сейсмостойкость | Не сейсмостойкое, для районов с сейсмичностью до 6 баллов по шкале [1] включительно (С0) |
Сейсмостойкое, для районов с сейсмичностью свыше 6 до 9 баллов по шкале [1] включительно (С) |
Повышенной сейсмостойкости для районов с сейсмичностью свыше 9 до 10 баллов по шкале [1] включительно (ПС) |
| У1 |
|
Присоединение к трубопроводу | Под приварку (Св - корпус с концами под приварку или с приваренными катушками) |
Фланцевое (Ф) |
Комбинированное - фланцевое со стороны одного патрубка и под приварку с другого (К) |
Конструкция корпусных деталей | Литая (изготовлены методом литья) |
Литосварная (изготовлены методом литья и соединены сваркой) |
Штампосварная (изготовлены методом штамповки, ковки или вальцовки обечаек из листового проката и соединены сваркой) |
Листовая (изготовлены методом сварки из заготовок, изготовленных из листового проката) |
Комбинированная (при изготовлении корпусов и крышек одного изделия разными способами) |
Тип привода | С ручным приводом, в том числе с редуктором (РУ) |
С электроприводом (ЭП) |
<*> В макроклиматических районах допускается применение задвижек в исполнении УХЛ1. |
5.1.1 Задвижки должны соответствовать требованиям настоящего стандарта, КД, ТУ, стандартам организаций и требованиям заказчика. Требования заказчика могут уточнять и дополнять отдельные положения, при условии, что характеристики задвижки будут не хуже установленных в настоящем стандарте. Требования заказчика могут быть оформлены в виде опросного листа, приведенного в
приложении А.
5.1.2 Номенклатура технических характеристик задвижек приведена в таблице 2 и должна быть указана в ТУ и паспорте.
Таблица 2
Технические характеристики задвижек
Техническая характеристика | Значение или НД, определяющий параметр |
Номинальное давление PN, МПа (бар) | 1,6 (16); 2,5 (25); 4 (40); 6,3 (63); 8 (80); 10 (100); 12,5 (125) |
Номинальный диаметр DN | 100; 150; 200; 250; 300; 350; 400; 500; 600; 700; 800; 1000; 1050; 1200 |
Пробное давление Pпр | 1,5PN |
Максимальный перепад давлений на задвижке в закрытом положении | 1,1PN |
Максимальный перепад давлений на задвижке при открытии  , МПа (бар) | 1,6 (16); 2,5 (25); 3 (30); 4 (40); 5 (50); 6,3 (63); 7 (70); 8 (80); 10 (100) |
Характеристика рабочих сред | |
Температура рабочей среды |
Параметры приводных устройств | В соответствии с ТУ и КД |
Строительная длина L | |
Коэффициент сопротивления  не более | 0,1 |
Направление подачи рабочей среды | Двухстороннее |
Установочное положение | |
Герметичность затвора при любом перепаде давлений | |
Типы, присоединительные размеры и размеры уплотнительных поверхностей фланцев корпуса и ответных фланцев | |
Масса | По ТУ |
Примечание - По требованию заказчика допускается применять фланцы по другим НД или КД. Нестандартные соединения - в соответствии с КД. |
5.1.3 Сочетания основных параметров определяют в соответствии с показателями назначения задвижек и устанавливают в КД.
5.1.4 Исполнение по материалу основных деталей и климатическое исполнение задвижек, рабочие среды и их параметры указывают в КД и ТУ.
5.1.5 При заказе задвижек указывают следующие параметры:
- тип задвижки (задвижка шиберная);
- номинальный диаметр DN;
- номинальное давление PN, МПа;
- максимально допустимый перепад рабочего давления на затворе

при открытии, МПа;
- тип присоединения к трубопроводу (Св, Ф, К);
- класс герметичности затвора по
ГОСТ 9544 (класс А);
- тип привода (РУ, ЭП);
- исполнение по сейсмостойкости (С0, С, ПС);
- вид климатического исполнения по
ГОСТ 15150 (У1, ХЛ1);
- наличие наружного АКП;
- место установки (подземная, надземная);
- размеры присоединяемой трубы, класс прочности материала трубы, обозначение НД, в соответствии с которым изготавливается труба (для задвижек со сварным соединением и с фланцевым присоединением с ответными фланцами);
- наименование рабочей среды.
При необходимости, при заказе указывают дополнительные требования, в том числе:
- к наличию теплоизоляции задвижки и обозначению НД, в соответствии с которым должна изготавливаться теплоизоляция;
- к наличию кронштейнов для крепления площадок обслуживания;
- к цвету наружных поверхностей задвижки;
- к наличию ответных фланцев, крепежа и прокладок;
- к конструкции корпусных деталей;
- к типу электропривода и его техническим характеристикам;
- к наличию узла отбора давления из патрубков задвижки, необходимости наличия защитного корпуса для защиты узла от механических повреждений и несанкционированного доступа, количеству, размерам и расположению кабельных вводов в защитном корпусе;
- необходимости теплоизоляции и обогрева защитного корпуса или узла отбора давления из патрубков задвижки (для задвижек, устанавливаемых на открытом воздухе или необогреваемых помещениях).
5.1.6 Схема условного обозначения задвижки при заказе приведена на
рисунке 1.
Дополнительно допускается указывать в обозначении КД на задвижку, материал корпуса и другие характеристики по требованию заказчика.
Рисунок 1 - Схема условного обозначения задвижки
Пример условного обозначения задвижки шиберной
DN 1000,
PN 8,0 МПа,

5,0 МПа, присоединение к трубопроводу - фланцевое, тип привода - электропривод, в исполнении по сейсмостойкости - С0, вид климатического исполнения - У1, обозначение по КД - ХХХХХ-1000-02, из стали 09Г2С при заказе:
"ЗШ-1000-8,0-
5,0-Ф-ЭП-С0-У1 (ХХХХХ-1000-02, сталь 09Г2С)
Дополнительные требования:
- цвет наружных поверхностей задвижки: корпус - белый; боковая поверхность фланцев - красный;
- исполнение задвижки по способу изготовления корпусных деталей - литая".
Соударяющиеся в процессе работы детали арматуры и приводных устройств, предназначенных для работы во взрывоопасных и пожароопасных помещениях, изготавливают из материалов, не допускающих образования искр при ударе.
5.1.9 Задвижки, поставляемые на экспорт, в том числе в страны с тропическим климатом, дополнительно должны соответствовать требованиям ГОСТ 26304.
5.1.10 Материал деталей задвижек и их сварные швы, работающие под давлением, должны быть прочными и плотными.
5.1.11 Задвижки должны быть герметичны относительно окружающей среды.
5.1.12 Задвижки должны иметь наружное АКП, выполненное в заводских условиях.
5.1.13 Прочность основных деталей задвижек должна быть подтверждена расчетом и испытаниями при пробном давлении Pпр.
5.1.13.1 Расчет должен включать в себя силовой расчет задвижки, выбор толщин стенок корпуса и крышки задвижки (проектный расчет) и поверочный расчет узлов и деталей.
5.1.13.2 Силовой расчет задвижки проводится в целях предварительного определения усилий на шпинделе и крутящих моментов на приводе, необходимых для обеспечения работоспособности задвижки. Окончательные значения необходимых крутящих моментов на приводе принимаются с учетом результатов испытаний.
5.1.13.3 Выбор толщин стенок корпуса и крышки проводят инженерным методом с учетом номинального давления. Расчет рекомендуется выполнять по
[3],
[4],
[5].
5.1.13.4 Номинальные допускаемые напряжения для деталей арматуры

, кроме крепежных деталей, рекомендуется определять по
[3] (
8.1 -
8.4).
5.1.13.5 Поверочный расчет должен включать силовые расчеты разъемных соединений, оценки статической и сейсмической прочности деталей, оценку продольной устойчивости шпинделя, оценку удельных давлений в зонах контакта. По специальному требованию заказчика также проводят оценку сопротивления деталей хрупкому разрушению.
5.1.13.6 Поверочный расчет проводят с учетом следующих нагрузок:
- расчетное давление;
- давление при гидроиспытаниях;
- усилия на шпинделе, соответствующие моменту настройки привода (режим НЭ) и максимальному моменту, развиваемому приводом (режим ННЭ);
- нагрузки от трубопровода;
- сейсмические ускорения элементов арматуры (с учетом
5.4.3).
5.1.13.7 Силовой расчет соединения "корпус-крышка" рекомендуется выполнять по
[6]. Силовой расчет других разъемных соединений выполняют в целях подтверждения нераскрытия стыка при действии нагрузок в режиме НЭ.
5.1.13.8 Поверочный расчет деталей выполняют инженерными методами или методом конечных элементов с применением сертифицированных программных комплексов, при этом оценку прочности деталей, кроме крепежных деталей и ходовой резьбы, рекомендуется проводить по
[3] (8.10).
5.1.13.9 Оценку прочности крепежных деталей проводят для стержня шпильки и резьбы шпильки, гайки и фланца. Прочность стержня шпильки рекомендуется проверять по
[6] (раздел 7).
5.1.13.10 Прочность ходовой резьбы и резьб крепежных деталей проверяют по средним касательным напряжениям, которые не должны превышать 0,25Rр0,2 (в режиме НЭ) и 0,35Rр0,2 (в режиме ННЭ). При определении средних касательных напряжений в резьбе крепежных деталей учитывают полноту резьбы, а также изменение деформации витков по высоте.
5.1.13.11 Оценку продольной устойчивости шпинделя рекомендуется выполнять с учетом коэффициента запаса устойчивости
nу по
[3], равного 2,4.
5.1.13.12 Удельные давления в зонах контакта деталей, в случае отсутствия движения под нагрузкой, не должны превышать 1,5Rр0,2 для каждой контактирующей детали. Удельные давления в ходовой резьбе и в других контактирующих деталях, имеющих взаимные перемещения под нагрузкой, не должны превышать 50 МПа в режиме НЭ, в режиме ННЭ они не регламентируются.
5.1.14 Требования к разработке и постановке на производство задвижек - по
ГОСТ 15.001 <*>.
--------------------------------
5.2 Требования к конструкции
5.2.1 В зависимости от PN и DN могут применяться следующие типы соединения с трубопроводом:
- сварное - для задвижек подземной и надземной установки до DN 1200 и от PN 1,6 до PN 12,5 МПа (от 16 до 125 бар);
- фланцевое и комбинированное:
а) для задвижек надземной установки до DN 1200 и PN 1,6 МПа (16 бар);
б) для задвижек надземной установки до DN 250 и от PN 1,6 МПа до PN 12,5 МПа (от 16 до 125 бар);
в) для задвижек надземной установки до DN 500 и от PN 1,6 МПа до PN 6,3 МПа (от 16 до 63 бар).
5.2.2 Конструкцией задвижки должна быть предусмотрена возможность автоматического сброса давления из корпусной полости в патрубок при разнице давлений в корпусе и патрубках:
- не менее 0,2 МПа и не более 0,4PN для задвижек на PN 1,6 МПа;
- не менее 0,2 МПа и не более 0,3PN для задвижек на PN 2,5 МПа и PN 4,0 МПа;
- не менее 0,2 МПа и не более 0,1PN для задвижек на PN 6,3 МПа и выше.
5.2.3 Задвижки должны иметь ограничитель хода шпинделя при достижении шибером крайнего нижнего положения.
5.2.4 Задвижки должны иметь местный указатель для визуального контроля положения шибера с метками "Открыто", "Закрыто", выполненных ударным способом или в виде табличек, и указатель направления движения шибера при открытии или закрытии (стрелка вверх - закрытие задвижки, стрелка вниз - открытие задвижки).
Стойка задвижки должна иметь смотровые окна для контроля и обслуживания местного указателя положения и сальникового узла. Смотровые окна должны быть закрыты защитными щитками, обеспечивающими защиту внутренней полости стойки от атмосферных осадков.
В конструкции задвижки должны быть предусмотрены направляющие для шибера, обеспечивающие взаимную ориентацию шибера и шпинделя относительно корпуса задвижки при эксплуатации и транспортировании в любом положении арматуры.
Возможность самопроизвольного включения органов управления арматуры и ручных дублеров приводных устройств должна быть исключена.
5.2.5 В задвижках должны быть предусмотрены устройства для контроля герметичности затвора и промывки нижней части полости корпуса (дренажный и спускной трубопроводы), изготовленные из коррозионно-стойких сталей. Порядок контроля герметичности затвора и промывки полости корпуса должен быть указан в РЭ. Дренажный и спускной трубопроводы должны позволять проводить операции по контролю герметичности затвора и промывке нижней части полости корпуса задвижки без остановки трубопровода.
5.2.6 Дренажный трубопровод должен быть расположен:
- снаружи корпуса - для задвижек DN <= 250;
- внутри корпуса - для задвижек DN >= 300.
Элементы дренажного и спускного трубопроводов, находящиеся снаружи корпуса, должны иметь защитный кожух.
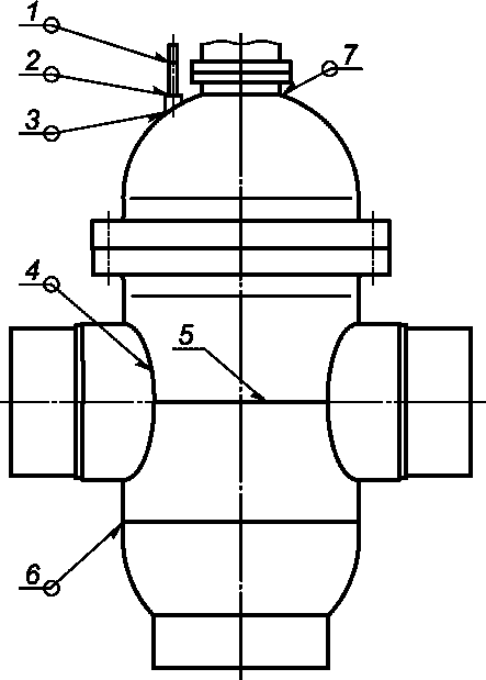
Пример задвижки с дренажным и спускным трубопроводами приведен на
рисунке 2.
1 - дренажный трубопровод; 2 - спускной трубопровод;
3, 4 - запорная арматура; 5, 6 - заглушка
Рисунок 2 - Задвижка с дренажным и спускным трубопроводами
Дренажный и спускной трубопроводы оснащают запорной арматурой и травмобезопасными заглушками, изготовленными из коррозионно-стойких сталей. Запорная арматура должна предусматривать ниппельное соединение "металл по металлу", соединение врезающимися кольцами по
ГОСТ 23354 или муфтовое соединение с дренажным и спускным трубопроводами. Запорная арматура и заглушки дренажного и спускного трубопроводов должны быть рассчитаны на работу при давлении не менее номинального давления задвижки.
Спускной трубопровод располагают в верхней части крышки для обеспечения максимального удаления воздуха из корпуса задвижки при заполнении ее жидкостью.
Отвод дренажного трубопровода с запорной арматурой и заглушкой и отвод спускного трубопровода с запорной арматурой и заглушкой располагают в горизонтальной плоскости выше уровня радиусного перехода "крышка-горловина", при этом запорная арматура дренажного трубопровода, должна быть расположена выше запорной арматуры спускного трубопровода не менее чем на 100 мм.
Разъемные элементы наружной части дренажного трубопровода должны предусматривать ниппельное соединение "металл по металлу" или соединение врезающимися кольцами по
ГОСТ 23354.
Элементы дренажного трубопровода, расположенные внутри корпуса задвижки, должны предусматривать уплотнение радиального типа уплотнительными кольцами из маслобензоморозостойких эластомеров.
Дренажный трубопровод, расположенный внутри корпуса, должен иметь выход наружу над крышкой.
Отверстия под дренажный и продувочный трубопроводы располагают вне сварных швов. Расстояние между краем шва приварки внутренних и внешних устройств (деталей) и краем ближайшего шва корпуса должно быть не менее толщины наиболее толстой стенки, но не менее 20 мм.
5.2.7 Задвижки DN >= 300 должны иметь опорные поверхности для установки на фундаменте.
Допускается пересечение стыковых швов корпуса угловыми швами приварки внутренних и внешних устройств (опорных элементов и т.п.) при условии контроля всего перекрываемого участка шва корпуса и прилегающего к нему участка шириной не менее 50 мм радиографическим или ультразвуковым методом.
5.2.8 Задвижки должны иметь элементы для строповки, пригодные для подъема задвижки с приводом и узла "крышка-стойка-привод". Грузоподъемность каждого стропового устройства должна быть не менее силы, действующей на задвижку при минимальном количестве строповых устройств, одновременно участвующих в подъеме задвижки.
Конструкция элементов для строповки должна обеспечивать строповку крюками по
ГОСТ 25573. Между крюком и поверхностями элемента для строповки должны быть гарантированные зазоры (рекомендуется по
[7]).
5.2.9 Конструкция и расположение строповых устройств должны исключать контакт строповых тросов с поверхностью задвижки в целях сохранения АКП при осуществлении погрузочно-разгрузочных работ.
5.2.10 При проектировании рекомендуется схема работы задвижки, при которой шибер при открытии должен перемещаться вниз, при закрытии - вверх (проходное отверстие должно быть в верхней части шибера).
5.2.11 Конструкция бугельного узла задвижек под электропривод должна предусматривать болт для крепления клеммы заземления.
Конструкция бугельного узла должна обеспечивать возможность замены ходовой гайки и подшипников без извлечения шпинделя из корпуса задвижки.
Детали бугельного и сальникового узлов должны быть изготовлены из коррозионно-стойких материалов или иметь защитное гальваническое покрытие (рекомендуемое - по
[8] или иное коррозионно-стойкое покрытие с аналогичными параметрами).
5.2.12 Для задвижек с фланцевым и комбинированным присоединением фланцы должны соответствовать
ГОСТ 33259 и/или КД.
5.2.13 Присоединительные размеры, тип и размеры уплотнительных поверхностей фланцев задвижек должны соответствовать исполнениям F (впадина), K (под линзовую прокладку) или J (под прокладку овального сечения) по
ГОСТ 33259.
Присоединительные размеры, тип и размеры уплотнительных поверхностей ответных фланцев должны соответствовать исполнениям E (выступ), K или J.
Допускается изготовление фланцевых задвижек с фланцами, соответствующими исполнению B (фланцы с соединительным выступом), при применении спирально-навитых прокладок из ТРГ с ограничительными кольцами.
Требования к линзовым прокладкам и прокладкам овального сечения - по
[9].
5.2.14 Герметичность сальникового уплотнения задвижек должна быть обеспечена при условии, что втулка сальника входит в сальниковую камеру не более чем на 30% своей высоты, при этом заглубление втулки должно быть не менее 3 мм. При сборке разрезы на соседних кольцах сальниковой набивки (при применении разрезных колец) смещают на угол (90 +/- 5)°.
5.2.15 Задвижки должны иметь верхнее уплотнение шпинделя, которое должно обеспечивать герметичность относительно внешней среды при номинальном усилии привода и/или принудительном поджатии ручным дублером. Утечки через верхнее уплотнение не допускаются.
Уплотнительные поверхности элементов верхнего уплотнения должны быть изготовлены из коррозионно-стойкой стали или иметь коррозионно-стойкую наплавку.
Задвижки должны быть оснащены устройством для контроля герметичности верхнего уплотнения (например, травмобезопасная пробка, прокладка).
Пример конструкции сальникового узла задвижки с устройством контроля герметичности верхнего уплотнения приведен на рисунке 3.
Рисунок 3 - Сальниковый узел задвижки с устройством контроля
герметичности верхнего уплотнения
5.2.16 При изготовлении узла затвора "шибер-седло" с уплотнением из полимерных или эластомерных материалов, уплотнение должно состоять не менее чем из двух уплотнительных колец.
5.2.17 Размеры маховиков управления должны соответствовать
ГОСТ 21752. Рабочее усилие, прилагаемое к маховику, и максимальное усилие в момент закрытия запирающего элемента или "страгивания" при открытии должны быть приведены в ТУ и РЭ с учетом требований
ГОСТ 12.2.063.
5.2.18 Вращение по часовой стрелке маховика ручного дублера электропривода или маховика ручного привода должно соответствовать закрытию задвижки, а вращение против часовой стрелки - открытию задвижки.
5.2.19 Максимальный крутящий момент электропривода должен превышать расчетный крутящий момент задвижки не менее чем в 1,25 раза.
5.2.20 Задвижки должны быть работоспособны при

, указанном в ТУ.
5.2.21 Перемещение шибера должно осуществляться плавно, без рывков и заеданий. Допускается наличие рывка в момент страгивания шибера.
5.2.22 Время открытия или закрытия задвижки, приведенное в таблице 3, должно обеспечиваться выбором соответствующего электропривода задвижки при перепаде давления на затворе при открытии

, указанном в ТУ.
Таблица 3
Время открытия или закрытия задвижки
Номинальный диаметр DN | Время открытия или закрытия, с |
От 100 до 150 включ. | Не более 100 |
" 200 " 300 " | От 100 до 180 |
" 350 " 500 " | " 120 " 250 |
" 600 " 800 " | " 150 " 320 |
" 1000 " 1200 " | " 300 " 440 |
Примечание - По требованию заказчика допускается изготавливать задвижки с временем открытия или закрытия, отличным от приведенного в таблице. |
Для задвижек с ручным управлением время открытия или закрытия не регламентируется.
5.2.23 Задвижки должны быть полнопроходными. Конструкция задвижек должна обеспечивать свободный проход внутритрубных средств очистки, диагностирования, герметизации и разделительных устройств. В открытом положении узла затвора внутри проходного сечения не должно быть выступающих частей конструкции.
5.2.24 Минимальные диаметры проходного сечения задвижек приведены в таблице 4.
Таблица 4
Минимальные диаметры проходного сечения задвижек
Размеры в миллиметрах
PN, МПа (бар) | Минимальный диаметр проходного сечения задвижки D для номинальных диаметров DN |
100 | 150 | 200 | 250 | 300 | 350 | 400 | 500 | 600 | 700 | 800 | 1000 | 1050 | 1200 |
1,6 (16) | 100 | 150 | 200 | 250 | 300 | 335 | 385 | 490 | 590 | 685 | 780 | 980 | 1020 | 1180 |
2,5 (25) |
4,0 (40) | 975 |
6,3 (63) | 1015 | 1165 |
8,0 (80) | 245 | 295 | 330 |
10,0 (100) |
12,5 (125) | 320 | 375 | 470 | 570 | 665 | 760 | 970 |
Внутренний диаметр концов под приварку патрубков и катушек должен быть не более внутреннего диаметра присоединяемой трубы. Внутренний диаметр проходного сечения задвижки, патрубков и катушек должен быть не менее значений, приведенных в
таблице 4, за исключением случаев, когда внутренний диаметр присоединяемой трубы меньше значений, приведенных в
таблице 4.
При изготовлении катушек допускается применять трубы с внутренним диаметром меньше значений, приведенных в
таблице 4, при условии обеспечения расчетного коэффициента сопротивления задвижки.
5.2.25 Тип присоединения задвижки к электроприводу определяется КД (рекомендуется в соответствии с
[10]).
5.2.26 Строительные длины задвижек с фланцевым присоединением приведены в
таблице 5. Строительные длины задвижек с концами под приварку до
DN 250 включительно приведены в
таблице 6. Строительные длины задвижек с фланцевым присоединением, не указанные в таблице 5, и задвижек с комбинированным присоединением - по КД и ТУ.
Таблица 5
Строительная длина задвижек с фланцевым присоединением
Размеры в миллиметрах
PN, МПа (бар) | Строительная длина L задвижек с фланцевым присоединением, не более, для номинальных диаметров DN |
100 | 150 | 200 | 250 | 300 | 350 | 400 | 500 | 600 | 700 | 800 | 1000 | 1050 | 1200 |
1,6 (16) | 300 | 350 | 480 | 530 | 800 | 850 | 950 | 1150 | 1200 | 1300 | 1500 | 1855 | 1975 | 2095 |
2,5 (25) | 550 | - | - | - | - | - | - | - | - | - | - |
4,0 (40) | 350 | 450 | 550 | 680 |
6,3 (63) | 430 | 560 | 660 | 785 |
8,0 (80) |
10,0 (100) |
12,5 (125) | 455 | 610 | 735 | 840 |
Таблица 6
Строительная длина задвижек с концами под приварку
Размеры в миллиметрах
PN, МПа (бар) | Строительная длина L задвижек со сварным соединением, не более, для номинальных диаметров DN |
100 | 150 | 200 | 250 |
1,6 (16) | 305 | 405 | 480 | 530 |
2,5 (25) | 550 |
4,0 (40) | 350 | 450 | 550 | 680 |
6,3 (63) | | | | |
8,0 (80) | 430 | 560 | 660 | 785 |
10,0 (100) | | | | |
12,5 (125) | 455 | 610 | 735 | 840 |
5.2.27 Задвижки с концами под приварку DN >= 300 должны иметь приварные катушки.
Длина приварных катушек должна быть не менее:
- 250 мм - для задвижек DN <= 500;
- 400 мм - для задвижек DN > 500.
Строительные длины задвижек с приварными катушками приведены в таблице 7.
Таблица 7
Строительная длина
L задвижек с концами под приварку
к трубопроводу и с приварными катушками
Номинальный диаметр DN | 300 | 350 | 400 | 500 | 600 | 700 | 800 | 1000 | 1050 | 1200 |
Строительная длина L, мм | 1550 | 1650 | 1700 | 1900 | 2400 | 2550 | 2700 | 3000 | 3050 | 3150 |
5.2.28 Предельные отклонения строительных длин задвижек с фланцевым, сварным или комбинированным присоединениями к трубопроводу приведены в таблице 8.
Таблица 8
Предельные отклонения строительных длин задвижек
Размеры в миллиметрах
Строительная длина L | Предельное отклонение строительной длины задвижек |
с фланцевым присоединением | со сварным присоединением | с комбинированным присоединением |
До 300 включ. | +/- 2,0 | +/- 5,0 | +/- 3,5 |
Св. 300 " 500 " | +/- 3,0 | +/- 6,0 | +/- 4,5 |
" 500 " 800 " | +/- 4,0 | +/- 8,0 | +/- 6,0 |
" 800 " 1000 " | +/- 5,0 | +/- 10,0 | +/- 7,5 |
" 1000 " 1600 " | +/- 6,0 | +/- 12,0 | - |
" 1600 " 2550 " | +/- 8,0 | +/- 15,0 | - |
" 2550 | +/- 10,0 | +/- 20,0 | - |
5.2.29 Неуказанные в КД допуски, отклонения линейных и угловых размеров, отклонения расположения поверхностей, отклонения формы, параметры и характеристики шероховатости поверхностей, основные размеры метрической резьбы, профиль резьбы, допуски посадок с зазором, сбеги, недорезы, проточки и фаски - по
ГОСТ 5762.
5.2.30 Отклонения от параллельности и перпендикулярности (относительно оси корпуса) уплотнительных поверхностей присоединительных фланцев задвижек - по
ГОСТ 5762.
5.2.31 В качестве уплотнительных прокладок для фланцевых соединений задвижки с трубопроводом должны применяться армированные и спирально-навитые прокладки из ТРГ, прокладки линзовые или овального сечения.
5.2.32 Разъем "корпус-крышка" должен иметь два уплотнения (основное и дублирующее) из материалов, работоспособных во всем диапазоне эксплуатационных параметров.
Прокладки разъемных соединений должны быть изготовлены из ТРГ или маслобензоморозостойких эластомеров, работоспособных во всем диапазоне эксплуатационных параметров.
5.2.33 Сальниковое уплотнение должно быть работоспособно во всем диапазоне эксплуатационных параметров.
5.2.34 Уплотнение разъема "корпус-крышка" и сальниковое уплотнение должны обеспечивать герметичность в течение назначенного срока службы (ресурса) выемных частей.
5.2.35 Конструкция задвижки должна обеспечивать свободный доступ к элементам, подлежащим регулированию и настройке (привод, сигнализаторы и др.) без демонтажа как самой задвижки, так и отдельных ее деталей, сборочных единиц и комплектующих изделий.
5.2.36 Задвижки, комплектуемые узлами и деталями, срок службы которых равен или меньше назначенного срока службы задвижки, должны быть ремонтопригодны и допускать в условиях эксплуатации без демонтажа с трубопровода:
- текущее обслуживание и текущий ремонт с заменой быстроизнашиваемых и имеющих ограниченный срок службы деталей, сборочных единиц и комплектующих изделий;
- средний ремонт;
- замену узла затвора (шибера и седла из ЗИП);
- замену уплотнений шпинделя в условиях эксплуатации. Замена вторичного уплотнения шпинделя из ТРГ в условиях эксплуатации должна быть технологически возможна без демонтажа электропривода.
Запасные быстроизнашиваемые или имеющие ограниченный срок службы детали, сборочные единицы и комплектующие изделия должны быть поставлены по требованию заказчика для обеспечения требуемой долговечности и безотказности.
5.2.37 При наличии требований при заказе, задвижки DN >= 500 должны иметь возможность крепления площадки обслуживания на кронштейнах, размещенных на фланце крышки. Требования к массе площадки и дополнительной массе, воздействующей на площадку во время эксплуатации (персонал, снеговая нагрузка и т.д.), определяются заказчиком.
5.2.38 Корпусные детали не должны иметь острых выступающих частей и кромок.
5.2.39 Пружины, используемые в узле затвора, должны соответствовать классу II второй группе точности по
ГОСТ 16118.
Пружины из углеродистой стали должны иметь защитное покрытие, обеспечивающее работоспособное состояние в течение срока службы.
5.3 Показатели надежности и показатели безопасности
5.3.1 Показатели надежности
5.3.1.1 Задвижки относятся к классу ремонтируемых, восстанавливаемых изделий с регламентированной дисциплиной восстановления.
5.3.1.2 Номенклатура показателей надежности задвижек включает:
- показатели долговечности:
а) полный срок службы (в годах);
б) полный ресурс (в циклах);
Примечание - Дополнительно, по требованию заказчика, допускается устанавливать следующие показатели долговечности:
- срок службы до капитального (среднего и т.п.) ремонта (в годах);
- ресурс до капитального (среднего и т.п.) ремонта (в циклах).
- показатели безотказности - наработка на отказ (в циклах) - для задвижек, по условиям эксплуатации которых отказы не могут быть критическими, и/или вероятность безотказной работы в течение полного ресурса;
- показатель ремонтопригодности (по требованию заказчика) - время восстановления работоспособного состояния (в часах);
- показатель сохраняемости - срок хранения (в годах) для задвижек, их деталей и комплектующих, подверженных длительному хранению и состояние которых в течение срока хранения будет соответствовать требованиям безотказности, долговечности и ремонтопригодности, установленным НД и КД.
5.3.1.3 Если в конструкции задвижки имеется узел, определяющий конкретный вид отказа или предельного состояния задвижки, то дополнительно к показателям надежности на задвижку в целом допускается нормировать показатели надежности конкретного узла.
5.3.2 Показатели безопасности
5.3.2.1 Для задвижек, отказы которых могут быть критическими, устанавливают показатели безопасности:
- назначенные показатели:
а) назначенный срок службы (в годах);
б) назначенный ресурс (в циклах и/или часах);
- вероятность безотказной работы по отношению к критическим отказам в течение назначенного ресурса;
Примечание - Вероятность безотказной работы по отношению к критическому отказу в течение назначенного ресурса, должна быть близка к единице и удовлетворять требованиям заказчика.
- коэффициент оперативной готовности (для задвижек, работающих в режиме ожидания);
- назначенный срок хранения (в годах) (для задвижек, их деталей и комплектующих, изменение свойств которых в процессе хранения может привести к критическому отказу в процессе эксплуатации или фактическое состояние которых в течение срока хранения неизвестно).
5.3.2.2 Назначенные показатели устанавливают в дополнение к показателям долговечности (сохраняемости) или взамен их с целью обеспечения своевременного прекращения эксплуатации (хранения) задвижек.
5.3.2.3 При достижении задвижкой одного из назначенных показателей ее эксплуатацию прекращают. По результатам экспертизы промышленной безопасности определяют остаточный ресурс и возможность продления назначенных показателей.
5.3.3 Расчет, обеспечение и подтверждение показателей надежности и безопасности
5.3.3.1 Номенклатуру и количественные значения показателей надежности и показателей безопасности приводят в ТУ и ЭД в зависимости от условий эксплуатации и требований заказчика.
5.3.3.2 Показатели надежности и показатели безопасности рассчитывают (обосновывают, оценивают) в соответствии с требованиями НД (например, по
ГОСТ 27.301,
[11],
[12],
[13]) на этапе проектирования, исходя из результатов всех видов испытаний и информации об эксплуатационной надежности задвижек конкретного изготовителя.
5.3.3.3 Показатели надежности и показатели безопасности задвижек обеспечивают:
- выбором материалов основных деталей и уплотнительных элементов в зависимости от параметров и условий эксплуатации;
- полнотой научно-исследовательских и опытно-конструкторских работ;
- проведением комплекса необходимых расчетов и испытаний, основанных на верифицированных в установленном порядке методиках;
- установлением критериев предельных состояний;
- установлением назначенных сроков службы, назначенных ресурсов, сроков технического обслуживания, ремонта и утилизации;
- выявлением всех опасностей, связанных с возможным предсказуемым неправильным использованием;
- ограничением в использовании.
5.3.3.4 Показатели надежности и показатели безопасности подтверждают при приемочных и периодических испытаниях. Методики определения показателей безопасности и надежности устанавливают в ПМ (рекомендуется с учетом
[14]).
Допускается подтверждать показатели надежности и показатели безопасности путем анализа технологических процессов изготовления и действующей у изготовителя системы производственного контроля, а также сбором и анализом данных, полученных в процессе эксплуатации. В этом случае соответствующие методики определяет разработчик и согласует с изготовителем или с эксплуатирующей организацией.
Полный ресурс и назначенный ресурс в циклах, а также показатели ремонтопригодности задвижек подтверждают в ходе приемочных испытаний, если в ТУ не указано иное.
Показатели надежности, связанные со временем эксплуатации (срок службы, ресурс в часах, срок хранения) и показатели безотказности задвижек подтверждают статистической информацией по результатам эксплуатации.
5.3.3.5 В ТУ и РЭ на задвижки приводят:
- сведения о назначении, об особенностях конструкции, принципе действия, основные технические характеристики задвижек;
- перечень деталей, сборочных единиц, комплектующих элементов, имеющих ограниченный срок службы (ресурс) и требующих замены независимо от их технического состояния;
- перечень предельных состояний деталей, узлов и комплектующих элементов, а также критерии предельных состояний, предшествующих возникновению критических отказов;
- перечень возможных отказов и контролируемых параметров, по которым следует проводить оценку технического состояния задвижек.
В РЭ указывают вероятные причины и способ устранения отказов.
5.3.3.6 Нормативные значения показателей надежности и показателей безопасности - в соответствии с
приложением B.
5.3.3.7 Перечень потенциально возможных отказов задвижек, признаков, характеризующих наличие развивающихся дефектов, ведущих к отказам, и параметров, по которым оценивают техническое состояние, приведен в
приложении Г.
5.3.3.8 Задвижки должны быть пригодны для непрерывного или периодического контроля (оценки) технического состояния, в том числе с помощью технических средств диагностирования.
5.4 Требования стойкости к внешним воздействиям
5.4.1 Общие требования
5.4.1.1 При проектировании должны быть учтены следующие требования стойкости к внешним воздействиям:
- сейсмостойкость;
- стойкость к нагрузкам, передаваемым от трубопроводов;
- стойкость к климатическим воздействиям и воздействиям агрессивной внешней среды.
5.4.1.2 Дополнительные требования, в том числе степени защиты от попаданий пыли, влаги, степени взрывозащиты и т.д., указывают в договоре на поставку.
5.4.2 Сейсмостойкость
5.4.2.1 Задвижки должны сохранять работоспособность, прочность, герметичность по отношению к внешней среде и в затворе во время и после сейсмического воздействия до значения, указанного при заказе (в баллах по шкале
[1]).
5.4.2.2 Сейсмостойкость подтверждают расчетами, а по требованию заказчика - дополнительно подтверждают испытаниями.
5.4.2.3 Расчетам и/или испытаниям на сейсмостойкость должно предшествовать определение собственной частоты колебаний задвижки.
5.4.2.4 Низшую собственную частоту колебаний рассчитывают по схеме жесткого крепления задвижек за патрубки. Низшая собственная частота колебаний задвижек должна быть не ниже 18 Гц.
5.4.2.5 Расчеты и испытания на сейсмостойкость выполняют на сочетание сейсмических и эксплуатационных нагрузок.
В расчетах учитывают одновременное воздействие сейсмических ускорений в вертикальном и горизонтальном направлениях, нагрузки, передаваемые от трубопровода в соответствии с
5.4.4, а также расчетное давление и усилие по шпинделю.
На сейсмопрочность рассчитывают корпус, крышку, стойку, бугельный узел, разъемные соединения, патрубки, элементы крепежа привода, повреждение, смещение или деформация которых может привести к разрушению, отказу задвижки или к снижению ее эксплуатационных качеств. Влияние площадки обслуживания при расчетах не учитывается. Расчеты выполняют в соответствии с требованиями норм расчета на прочность (например, по
[3],
[4],
[5],
[6],
[15],
[16]). В расчетах используют общеинженерные или специальные методики и/или компьютерные программы расчета.
Сейсмостойкость подтверждают расчетом на работоспособность (оценка влияния сейсмических нагрузок на работу задвижки).
5.4.2.6 При выполнении расчетов значения ответных максимальных амплитуд ускорений в горизонтальном направлении принимают по спектрам ответа по ГОСТ 30546.1
(рисунок 2) по кривой с относительным демпфированием 2%.
5.4.2.7 При проведении испытаний учитывают одновременное воздействие сейсмических ускорений в вертикальном и горизонтальном направлениях, а также расчетное давление и усилие по шпинделю.
5.4.2.8 При проведении испытаний значения максимальных амплитуд ускорений в горизонтальном направлении на места крепления задвижек принимают по спектрам воздействий в соответствии с ГОСТ 30546.1
(рисунок 1). Значения ускорений в вертикальном направлении составляют 0,7 от соответствующих значений ускорения в горизонтальном направлении.
5.4.2.9 При проведении расчетов и испытаний значения ускорений для 10 баллов по шкале
[1] удваивают по сравнению со значениями ускорения для 9 баллов по шкале
[1].
5.4.2.10 Расчетные сейсмические нагрузки на элементы конструкции задвижки определяют умножением эквивалентного расчетного максимального ускорения на инерционные характеристики задвижки.
5.4.3 Нагрузки, передаваемые от трубопроводов
Корпусные детали арматуры рассчитывают на прочность при совместном действии номинального давления и нагрузок, передаваемых на патрубки от присоединяемых трубопроводов. Опытные образцы испытывают на стойкость к нагрузкам от трубопровода.
Значения нагрузок на патрубки арматуры от присоединяемых трубопроводов - в соответствии с
приложением Д. Допускается использовать нагрузки по
[17].
5.4.4 Климатические воздействия
5.4.4.1 Климатические исполнения, категории размещения и значения температуры окружающего воздуха при хранении, транспортировании, монтаже и эксплуатации задвижек приведены в таблице 9. Опытные образцы испытывают на стойкость к климатическим воздействиям.
Таблица 9
| Категория размещения | Температура окружающего воздуха, °C |
верхнее значение | нижнее значение |
У | 1 | 40 | Минус 40 |
ХЛ | 1 | 40 | Минус 60 |
Примечания 1 За значение температуры окружающего воздуха принимается средняя из ежегодных абсолютных минимумов и максимумов температура воздуха. 2 По требованию заказчика возможна поставка задвижек в других климатических исполнениях и категории размещения по ГОСТ 15150. |
Задвижки категории размещения 1 предназначены для эксплуатации на открытом воздухе (воздействие совокупности климатических факторов, характерных для данного макроклиматического района).
5.4.4.2 При транспортировании, хранении, монтаже и эксплуатации задвижки должны выдерживать колебания температур окружающего воздуха. Величина изменения температуры окружающего воздуха за 8 ч - до 40 °C.
5.4.4.3 Относительная влажность окружающего воздуха при транспортировании, хранении, монтаже и эксплуатации задвижек может достигать 100%.
5.5 Требования к сырью, материалам, покупным изделиям
5.5.1 Корпусные детали задвижек, работающие под давлением, и катушки изготавливают из низкоуглеродистых или низколегированных сталей, обеспечивающих качественную сварку патрубков (катушек) задвижек с трубопроводом в полевых условиях.
5.5.2 Материалы должны соответствовать требованиям настоящего стандарта, КД, стандартов или ТУ на материалы, а также НД (требованиям) заказчика. Соответствие материалов этим требованиям должно подтверждаться сертификатами поставщиков или протоколами испытаний изготовителя по методике на соответствующий материал.
Использование материалов, поступивших без сертификатов, для изготовления основных деталей задвижек не допускается.
Металлы, применяемые для изготовления задвижек, - по
ГОСТ 33260.
5.5.3 Материалы основных деталей задвижек и материалы уплотнений должны быть стойкими по отношению к рабочей среде и внешним воздействиям. Скорость коррозии материала корпуса и сварных швов должна быть не более 0,1 мм/год при воздействии рабочей среды и внешних факторов. Расчетная толщина корпусных деталей должна включать прибавку для компенсации коррозии, определяемой произведением скорости коррозии на срок службы.
Требования к механическим свойствам материалов основных деталей, уплотнительным кольцам и пружинам определяются разработчиком и указываются в КД.
5.5.4 Для применения новых материалов необходимо подтвердить результатами испытаний, согласованными со специализированной металловедческой организацией, соответствие свойств материалов требованиям настоящего стандарта, а также аттестовать технологию сварки (наплавки).
5.5.5 При выборе материалов для климатического исполнения (У, ХЛ по
ГОСТ 15150) задвижек принимают нижнее значение температуры окружающего воздуха в соответствии с
таблицей 9.
5.5.6 Металл деталей задвижек подвергают контролю загрязненности неметаллическими включениями. Наличие неметаллических включений (оксиды, сульфиды, силикаты) определяют по
ГОСТ 1778 от каждой плавки. Сведения о результатах контроля загрязненности неметаллическими включениями заносят в сертификат.
5.5.7 Размер зерна материала литых корпусных деталей задвижек - не крупнее номера 5 по
ГОСТ 5639.
5.5.8 Сопротивление хрупкому разрушению материалов корпусных деталей, работающих при отрицательных температурах окружающего воздуха, и возможность испытания на прочность воздухом давлением 1,1PN с выдержкой в течение 24 ч при температуре минус 40 °C (при наличии требований при заказе) подтверждают расчетом на сопротивление хрупкому разрушению.
5.5.9 Поковки основных деталей из конструкционной углеродистой и легированной стали должны соответствовать группе IV по
ГОСТ 8479, из коррозионно-стойких сталей - группе IV по
ГОСТ 25054.
5.5.10 Испытания на ударный изгиб основного металла проводят на образцах с концентратором вида V по
ГОСТ 9454.
Примечание - Допускается величину ударной вязкости определять делением работы удара на площадь в месте надреза.
5.5.11 Эквивалент углерода [C]э для катушек, ответных фланцев, а также патрубков (в случае приварки непосредственно к трубопроводу или к катушкам, ответным фланцам на месте монтажа в полевых условиях) не должен превышать 0,43.
Расчет [C]э проводить по формуле

(1)
где C, Mn, Cr, Mo, V, Ni, Cu - массовые доли в стали соответственно углерода, марганца, хрома, молибдена, ванадия, никеля и меди в процентах.
Медь, никель, хром, содержащиеся в сталях как примеси, при расчете [C]э не учитывают, если их суммарное содержание не превышает 0,20%.
Эквивалент углерода [C]э углеродистых марок стали (сталь 10, 20) и низколегированной стали только с кремнемарганцевой системой легирования (17ГС, 17Г1С, 09Г2С) определяют по формуле

(2)
Для остальных материалов расчет эквивалента углерода выполняют по
формуле (1).
Если в НД на материал не установлено содержание каких-либо элементов, включенных в
формулу (1), необходимо проводить дополнительный анализ химического состава металла с целью определения всех данных для расчета [C]
э.
Маркировка фактического значения [C]
э - по
5.12.3.
5.5.12 Шпиндель изготавливают из коррозионно-стойких сталей или из углеродистых и низколегированных сталей с нанесенным покрытием, обеспечивающим коррозионную стойкость и работоспособность.
5.5.13 Материалы крепежных деталей выбирают с коэффициентом линейного расширения, близким по значению коэффициенту линейного расширения материала фланца. Разница в значениях коэффициентов линейного расширения не должна превышать 10%.
Разница между твердостью заготовок для шпилек и гаек должна быть не менее 15 HB, при этом твердость гайки должна быть ниже твердости шпильки.
Примечание - Допускается величину ударной вязкости определять делением работы удара на площадь в месте надреза.
5.5.14 В случае применения уплотнения затвора "металл-эластомер", уплотнение узла затвора "шибер-седло" должно предусматривать уплотнение не менее чем двумя кольцами из эластомерных или полимерных материалов.
Требования к износостойкому покрытию шибера устанавливают в ТУ и КД с учетом требований заказчика. Характеристики износостойкого защитного покрытия уплотнительных поверхностей шибера должны соответствовать приведенным в таблице 10.
Таблица 10
Характеристики износостойкого защитного покрытия шибера
Наименование показателя (характеристики) | Значение показателя (содержание характеристики) |
Внешний вид | Однородная поверхность с металлическим блеском или матовым оттенком без нарушений целостности участков, отслоений, трещин, вздутий, очагов коррозии и механических повреждений |
Толщина покрытия, мкм, не менее | 20 |
Разнотолщинность покрытия, мкм, не более | 40 |
Шероховатость Ra, мкм, не более | 0,8 |
Пористость | Не более 2 шт./дм2 сквозных пор покрытия, достигающих основного металла (подложки) |
Микротвердость HV, не менее | 1000 |
Характеристики износостойкого защитного покрытия шибера должны сохраняться при эксплуатации в рабочих средах во всем интервале температур, а также в условиях хранения и транспортирования.
Твердость уплотнительных поверхностей седел уплотнения "металл по металлу" - не менее 35 HRC.
Контроль микротвердости покрытия шибера - в соответствии с
5.6.17.
При использовании шиберов без покрытия требования к твердости уплотнительных поверхностей шибера устанавливаются по согласованию с заказчиком.
Твердость уплотнений "шибер-седло" из эластомеров - не менее 75 единиц по Шору А.
5.5.15 Сварочные материалы, применяемые при изготовлении задвижки и исправлении дефектов, должны быть аттестованы в установленном порядке (рекомендуется по
[18]).
5.5.16 Механические свойства материала основных деталей после окончательной термической обработки приведены в таблице 11.
Таблица 11
Механические свойства материала
Наименование | Твердость, не более | Предел текучести Rр0,2, МПа, не менее | Ударная вязкость при температуре минус 40 °C (для климатического исполнения У) и минус 60 °C (для климатического исполнения ХЛ), Дж/см2, не менее |
KCU | KCV |
Корпус, крышка, катушка, ответные фланцы | низкоуглеродистая сталь | 200 HV | 195 | 39,2 | 24,5 |
низколегированная сталь | 240 HV |
коррозионно-стойкая сталь | В соответствии с НД на марку стали |
Шибер | - | 195 | 24,5 |
Шпиндель | - | 540 | 24,5 |
Шпильки, болты | - | 590 | 30,0 |
Гайки | - | 440 | 30,0 |
Требования к типу надреза на образцах при определении ударной вязкости (образцы с V-образным или с U-образным надрезом) определяются заказчиком.
5.5.17 Механические свойства сварных соединений после окончательной термообработки должны отвечать следующим требованиям:
- временное сопротивление разрыву должно быть не ниже минимального значения временного сопротивления разрыву основного металла по стандарту или ТУ для данной марки стали;
- минимальное значение угла изгиба должно быть 120° при отсутствии трещин или надрывов длиной более 12,5% его ширины, но не более 3 мм;
- твердость металла шва и зоны термического влияния сварных соединений после сварки низкоуглеродистой стали должна быть не более 250 HV; после сварки низколегированной стали должна быть не более 275 HV. По согласованию с заказчиком допускается измерение твердости по Бринеллю (HB) и по Роквеллу - шкалам A, B и C (HRA, HRB и HRC).
5.5.18 Величина ударной вязкости сварных соединений определяется на образцах по
ГОСТ 6996, при этом значение ударной вязкости при температуре от минус 40 °C до минус 60 °C должно быть не менее значений, приведенных в таблице 12 (на образцах с V-образным или с U-образным надрезом). Требования к типу надреза определяются заказчиком.
Таблица 12
Величина ударной вязкости сварного соединения
Номинальная толщина стенки свариваемых деталей, мм | Ударная вязкость при температуре минус 40 °C (для климатического исполнения У) и минус 60 °C (для климатического исполнения ХЛ), Дж/см2, не менее |
KCU | KCV |
До 25 включ. | 39,2 | 24,5 |
Св. 25 | 49,0 |
5.6 Требования к изготовлению
5.6.1 Задвижки изготавливают в соответствии с требованиями настоящего стандарта,
ГОСТ 5762, КД, ТУ и требованиями заказчика.
При изготовлении задвижек применяют систему контроля качества (входной, операционный и приемочный).
Изготовитель должен подтвердить обеспечение качества технологическими процессами, системой производственного контроля количественных значений показателей безотказности, заданных в ТУ.
Процесс выполнения всех видов контроля, методики контроля, контрольные операции устанавливают в технологической документации.
Контроль качества изготовления и приемку материалов, деталей и узлов проводят на специально подготовленных площадках (участках) изготовителя при соблюдении следующих требований:
- обеспечен доступ для проведения визуального контроля 100% поверхности изделия;
- обеспечена возможность рассматривать подлежащую контролю поверхность под углом более 30° к плоскости объекта контроля и с расстояния до 600 мм;
- освещенность контролируемых поверхностей - не менее 500 лк.
5.6.2 Работы по неразрушающему контролю осуществляют аттестованные лаборатории (аттестация рекомендуется по
[19]).
К руководству и выполнению работ по неразрушающему контролю допускаются специалисты неразрушающего контроля, аттестованные на требуемый по НД или ТД уровень профессиональной подготовки, имеющие соответствующие удостоверения (аттестация персонала в области неразрушающего контроля - рекомендуется в соответствии с
[20]). Специалисты неразрушающего контроля допускаются к контролю тех объектов и теми методами (видами) неразрушающего контроля, которые указаны в их квалификационных удостоверениях.
5.6.3 Организация и оформление результатов верификации (входного контроля) закупленных материалов и комплектующих изделий - по
ГОСТ 24297 (также рекомендуется по
[21]) и перечню материалов, подлежащих верификации.
Верификации подвергают материалы и покупные изделия, качество которых должно быть подтверждено сертификатами или паспортами. Для контроля приведенных в сертификате характеристик и при отсутствии в сертификатах отдельных свойств материалов допускается проводить проверку этих характеристик в аттестованной лаборатории.
Сертификаты качества должны быть на русском языке или иметь перевод на русский язык.
Забракованные при входном контроле материалы маркируют "Брак" и направляют в изолятор брака.
5.6.4 Операционному контролю подвергают сборочные единицы и детали задвижки. Контроль проводит ОТК изготовителя. К сборке допускают детали, принятые ОТК изготовителя.
5.6.5 При изготовлении задвижки должна быть обеспечена и документально подтверждена реализация всех требований настоящего стандарта, ТУ, КД, а также НД и других требований заказчика в части применяемых материалов и их свойств, требований к сварным соединениям, геометрическим размерам и допускам узлов и деталей, требований к объему неразрушающего и разрушающего контроля отдельных деталей и узлов. Требования к изготовлению ответных фланцев - по
ГОСТ 33259.
По требованию заказчика (по условию договора) приемку, контроль качества и приемо-сдаточные испытания задвижек проводят с участием представителя заказчика силами и средствами ОТК изготовителя.
5.6.6 Поковки, штамповки, заготовки из проката для задвижек
PN >= 6,3 МПа (63 бар) подвергают ультразвуковому контролю (100%). Для задвижек
PN < 6,3 МПа (63 бар) ультразвуковой контроль проводят по требованию заказчика. Ультразвуковой контроль и нормы оценки поковок и штамповок рекомендуются по
[22].
Заготовки из листового проката должны соответствовать классу сплошности 1 по
ГОСТ 22727.
Заготовки из фасонного и круглого проката должны соответствовать группе качества 1 по
ГОСТ 21120.
Оценку основных деталей по результатам ультразвукового контроля проводят по данным, приведенным в таблице 13.
Таблица 13
Оценка основных деталей по результатам
ультразвукового контроля
Наименование детали | Сортамент | Оценка результатов ультразвукового контроля |
Корпус, крышка, ответные фланцы, катушки | Листовой прокат | Не допускаются дефекты, превышающие значения для класса сплошности 1 по ГОСТ 22727 |
Фасонный и круглый прокат | S0, S1 - задается по ГОСТ 24507 (группа качества 4) в зависимости от H и типа преобразователя |
Поковки и штамповки | Не допускаются дефекты, превышающие значения для группы качества 4 по ГОСТ 24507 |
Шпиндель | Поковки | Не допускаются дефекты, превышающие значения для группы качества 2n по ГОСТ 24507 |
Фасонный и круглый прокат | S0, S1 - задается по ГОСТ 24507 (группа качества 2n) в зависимости от H и типа преобразователя |
Шпильки | Прокат | Не допускаются дефекты, превышающие значения по ГОСТ 23304 |
Поковки | Не допускаются дефекты, превышающие значения для группы качества 2n по ГОСТ 24507 |
Шибер | Листовой прокат | Не допускаются дефекты, превышающие значения для класса сплошности 1 по ГОСТ 22727 |
Поковки | Не допускаются дефекты, превышающие значения для группы качества 2n по ГОСТ 24507 |
Примечания 1 S0 - эквивалентная площадь дефектов, подлежащая фиксации, мм2. 2 S1 - эквивалентная площадь недопустимых дефектов, мм2. 3 H - диаметр или толщина заготовки, мм. |
5.6.7 Контроль литых корпусных деталей
5.6.7.1 Корпусные литые детали подвергают неразрушающему контролю следующими методами:
- визуальным и измерительным. Контролю подвергают все доступные поверхности каждой детали (в том числе внутренние);
- ультразвуковым или радиографическим, или в сочетании их между собой с обеспечением максимально возможного объема контроля;
- капиллярным или магнитопорошковым. Контролю подлежат радиусные переходы, а также поверхности, при визуальном осмотре которых оценка результатов контроля вызывает сомнения.
В местах, недоступных для ультразвукового или радиографического контроля, проводят капиллярный или магнитопорошковый контроль.
Нормы оценки при проведении контроля неразрушающими методами - в соответствии с НД. Методы и объем контроля приводят в ТУ и КД с учетом возможности и технической доступности контроля.
Контролю подвергаются отливки после их окончательной обработки (термической, механической).
Перед радиографическим контролем припуск на сторону при окончательной механической обработке допускается оставлять:
- не более 20% толщины - для стенок толщиной от 10 до 150 мм;
- до 30 мм - для стенок толщиной свыше 150 мм.
5.6.7.2 Механические свойства литых заготовок корпусных деталей контролируют на двух образцах от плавки в соответствии с
ГОСТ 1497. Контроль режимов термообработки проводят на соответствие требованиям технологического процесса на изготовление.
5.6.8 Корпусные детали подвергают термообработке. Вид, режимы термообработки и твердость после термообработки приводят в КД.
5.6.9 Твердость деталей измеряют в местах, указанных в КД. При отсутствии таких указаний место измерения твердости выбирает изготовитель. Твердость контролируют на поверхности, предварительно зачищенной от окалины и обезуглероженного слоя. Измерение твердости не должно вести к порче рабочих поверхностей деталей, влияющих на работоспособность изделия. Если измерение твердости невозможно без повреждения рабочих поверхностей, допускается проводить проверку на образце-свидетеле из того же материала, что и детали, прошедшем термическую обработку одновременно с деталью.
При уплотнении "металл по металлу" измерение твердости материала уплотнительных поверхностей проводят переносными твердомерами с диапазоном измерений от 20 до 70 HRC.
Измерение твердости кольцевых (вставок) уплотнений "шибер-седло" из эластомеров проводят по
ГОСТ 263 твердомерами с диапазоном измерений от 0 до 100 единиц по Шору А.
5.6.10 Сварка и контроль качества сварных соединений
5.6.10.1 Сварочные работы выполняют сварщики, аттестованные в соответствии с установленным порядком (рекомендуется - по
[23] и
[24]).
К руководству по выполнению сварочных работ и ремонту допускаются аттестованные специалисты, имеющие допуск к руководству и техническому контролю за выполнением соответствующих сварочных работ.
Аттестованные сварщики и специалисты сварочного производства допускаются к выполнению тех видов деятельности, которые указаны в их аттестационных удостоверениях.
Сварочное оборудование, применяемое при изготовлении задвижек и исправлении дефектов, должно быть аттестовано в установленном порядке (рекомендуется по
[18],
[25]).
5.6.10.2 При изготовлении задвижек применяют технологию сварки (наплавки), аттестованную в установленном порядке (рекомендуется по
[26]).
Наплавка, контроль качества наплавки и термическая обработка наплавки - по КД с учетом требований
ГОСТ 33258 (рекомендуется учитывать также
[27]).
Сварные соединения корпусных деталей, влияющие на герметичность относительно окружающей среды, подвергают термической обработке. Вид и режимы термической обработки должны быть указаны в ТД.
Допускается не подвергать термической обработке следующие сварные швы:
- швы дренажного и спускного трубопроводов;
- швы приварки втулок под дренажный и спускной трубопроводы;
- швы приварки дренажного и спускного трубопроводов к крышке задвижки;
- швы приварки катушек к патрубкам корпуса задвижки при толщине стенок свариваемых деталей до 30 мм.
Количество допустимых полных термических обработок (нормализация или закалка) - не более трех.
Количество отпусков или стабилизирующих отжигов после закалки или нормализации для получения требуемых механических свойств не ограничивается.
5.6.10.3 Сварку и термическую обработку сварных соединений выполняют в соответствии с требованиями НД, указанной в КД (рекомендуется по
[28]). Сварку выполняют после подтверждения правильности сборки и отсутствия (устранения) дефектов на всех поверхностях, подлежащих сварке.
Все сварочные работы при изготовлении задвижки и ее элементов проводят при положительных температурах в закрытых помещениях.
5.6.10.4 Все сварные швы подлежат клеймению, позволяющему установить сварщика, выполнявшего эти швы.
Клеймо наносят на расстоянии от 20 до 50 мм от кромки сварного шва с наружной стороны. Если шов с наружной и внутренней сторон заваривается разными сварщиками, клейма ставят только с наружной стороны в виде дроби: в числителе клеймо сварщика с наружной стороны шва, в знаменателе - клеймо сварщика с внутренней стороны. Если сварные соединения выполняет один сварщик, то допускается клеймо ставить около таблички или на другом открытом участке.
На продольных и других незамкнутых сварных соединениях клейма следует ставить на расстоянии от 100 до 200 мм от конца шва. Для кольцевого шва клеймо выбивается в месте пересечения кольцевого шва с продольным, но при этом должно быть не менее двух клейм для каждого шва. Для кольцевого шва задвижки до DN 700 допускается ставить одно клеймо.
Место клеймения заключается в хорошо видимую рамку, выполняемую несмываемой краской.
По согласованию с заказчиком вместо клеймения сварных швов допускается прилагать к паспорту задвижки схему расположения швов с подписью исполнителей.
5.6.10.5 Количество допустимых исправлений одного и того же дефекта деталей (кроме сварных швов), работающих под давлением, требующих проведения сварочных работ либо повторной термообработки:
- для задвижек до PN 8 МПа (80 бар) включительно - не более двух;
- для задвижек PN 10 МПа (100 бар) и выше - не более одного.
Исправление дефекта на одном и том же участке сварного соединения допускается проводить не более трех раз.
Суммарная протяженность исправлений дефектов методом заварки сварного соединения, отвечающего за герметичность относительно окружающей среды, не должна превышать 1/6 длины (периметра) сварного соединения.
Количество исправлений дефектов, не требующих проведения сварочных работ и термической обработки, не нормируется.
Исправление дефектных сварных соединений допускается производить путем полного удаления металла сварного шва и зоны термического влияния с последующей подготовкой кромок механическим способом и выполнением сварного соединения вновь. При этом новое сварное соединение считается не исправлявшимся.
Результаты исправлений дефектов (вид дефекта, расположение, размеры, метод исправления, контроль исправленных участков и т.д.) должны фиксироваться в отчетной документации и прикладываться к паспорту на задвижку.
5.6.10.6 Контроль качества сварных соединений проводят по НД, указанной в КД (рекомендуется применять
[28]). Методы и объем контроля сварных соединений назначаются разработчиком КД с учетом необходимости, возможности и технической доступности из следующих:
- визуальный и измерительный контроль;
- механические испытания сварных соединений (при наличии термообработки после сварки или по требованию КД), в том числе определение ударной вязкости (энергии удара) при отрицательной температуре;
- радиографический и ультразвуковой контроль;
- капиллярный или магнитопорошковый контроль;
- металлографическое исследование стыковых сварных соединений корпусов задвижек (кольцевые и продольные);
- измерение твердости;
- определение эквивалента углерода на патрубках (или катушках), предназначенных для приварки к трубопроводу.
Контроль проводят после окончательной термической обработки.
5.6.10.7 При недоступности проведения контроля сварных соединений ультразвуковым и/или радиографическим методами, контроль проводят одним из доступных методов в сочетании с капиллярным или магнитопорошковым контролем в объеме и методами, приведенными в таблице 14.
Таблица 14
Объем и методы контроля сварных швов,
недоступных для проведения радиографического
и/или ультразвукового контроля
| Наименование сварного шва | Объем при контроле |
визуально-измерительном | радиографическом или ультразвуковом <1> | капиллярном или магнитопорошковом |
1 | Швы элементов дренажного и спускного трубопроводов | 100% | - | 100% |
2 | Обварочные швы дренажного трубопровода | 100% | - | 100% |
3 | Швы приварки втулок под дренажный и спускной трубопроводы | 100% | - | 100% |
4 | Швы приварки патрубка к корпусу задвижки | 100% | 100% | 100% |
5 | Продольные и поперечные швы приварки полукорпусов задвижки | 100% | 100% | 100% |
6 | Шов приварки нижней части корпуса (днища) | 100% | 100% | 100% |
7 | Шов приварки горловины (корпуса сальникового узла) к крышке | 100% | 100% | 100% |
<1> Конкретный вид контроля (радиографический или ультразвуковой) определяется изготовителем в зависимости от конструктивных особенностей задвижки. |
При недоступности проведения ультразвукового и радиографического контроля необходимо проведение визуального послойного контроля с капиллярным или магнитопорошковым контролем.
Радиографический и/или ультразвуковой контроль сварных соединений проводится после термообработки. При отсутствии технической возможности провести радиографический контроль после термообработки, допускается его проведение до термообработки.
5.6.10.8 Визуальный и измерительный контроль должны предшествовать контролю другими методами (рекомендуется по
[29]). Схема расположения сварных швов приведена на рисунке 4.
1 - 7 - сварные швы
Рисунок 4 - Схема расположения сварных швов
Визуальный и измерительный контроль сварных соединений необходимо проводить после очистки от шлака, брызг и других загрязнений сварных соединений и прилегающих участков основного металла шириной не менее 50 мм в обе стороны от соединения.
Визуальный и измерительный контроль, при возможности доступа, должен проводиться с двух сторон по всей длине сварного соединения.
Визуальному и измерительному контролю подлежат все сварные соединения для выявления наружных недопустимых дефектов. В сварных соединениях не допускаются следующие наружные дефекты:
- трещины всех видов и направлений;
- свищи и пористость наружной поверхности шва;
- подрезы глубиной более 5% от наименьшей толщины свариваемых деталей или более 0,5 мм; протяженность единичного дефекта не должна превышать 50 мм, суммарная протяженность дефектов на длине сварного шва длиной 300 мм не более 100 мм;
- наплавы, прожоги и неозаглавленные кратеры;
- смещение и совместный увод кромок свариваемых элементов, более предусмотренных в КД;
- грубая чешуйчатость поверхности шва (превышение гребня над впадиной - не более 1 мм);
- западание (глубина межваликовой канавки) - не более 1,0 мм.
Сварные соединения деталей, не подлежащие дальнейшей механической обработке (в том числе снятию усиления шва), должны иметь плавный переход от основного металла к металлу шва (высота усиления от 0,5 до 3,5 мм) без несплавлений и непроваров.
Для стыковых сварных соединений угол сопряжения между металлом детали и металлом шва должен быть не менее 150°.
При зачистке сварных швов допускается врезка в тело металла детали не более чем на 1 мм, при этом толщина в месте выборки должна оставаться не менее минимальной расчетной толщины стенки сварного соединения.
Допускается механическая обработка сварных швов и околошовной зоны корпусных деталей.
5.6.10.9 В сварных швах не допускаются следующие внутренние дефекты, выявленные радиографическим или ультразвуковым методами:
- трещины всех видов и направлений;
- непровары (несплавления), расположенные в сечении сварного соединения;
- дефекты, выявленные ультразвуковым методом:
а) одиночные протяженные дефекты, условная протяженность которых превышает значения, приведенные в
таблице 15;
б) скопления (цепочки), состоящие из трех и более непротяженных дефектов, если при перемещении преобразователя вдоль или поперек шва, огибающие последовательностей эхо-сигналов от этих дефектов на уровне фиксации пересекаются, а на браковочном уровне разделяются. При этом расстояния между дефектами, входящими в цепочку или скопление, не превышают значений, приведенных в таблице 15;
Таблица 15
Нормы допустимости условной протяженности одиночных дефектов
при ультразвуковом контроле
В миллиметрах
Толщина стенки контролируемого соединения | Допустимая условная протяженность одиночного дефекта |
До 3,0 включ. | 3 |
Св. 3,0 " 4,0 " | 4 |
" 4,0 " 6,0 " | 5 |
" 6,0 " 9,0 " | 7 |
" 9,0 " 12,0 " | 10 |
" 12,0 " 15,0 " | 12 |
" 15,0 | 15 |
в) одиночные несплошности, выходящие за пределы норм, приведенных в таблице 16;
Таблица 16
Нормы допустимости одиночных несплошностей
при ультразвуковом контроле сварных соединений
Номинальная толщина сваренных деталей, мм | Эквивалентная площадь одиночных несплошностей, мм2 | Допускаемое количество фиксируемых одиночных несплошностей на любые 100 мм протяженности сварного соединения, шт. |
минимально фиксируемая | максимально допускаемая |
До 7 включ. | 1,6 | 2,0 | 3 |
Св. 7 " 10 " | 2,0 | 3,0 | 3 |
" 10 " 18 " | 3,0 | 4,0 | 3 |
" 18 " 30 " | 4,0 | 5,0 | 4 |
" 30 " 50 " | 5,0 | 7,0 | 5 |
" 50 " 80 " | 7,0 | 10,0 | 6 |
" 80 " 120 " | 10,0 | 15,0 | 7 |
Примечания 1 Нормы по эквивалентной площади приведены применительно к контролю с использованием стандартного плоскодонного отражателя. Допускается контроль по другим отражателям при условии соблюдения требований ГОСТ 14782 <1> в части идентичности результатов контроля. 2 Эквивалентная площадь несплошности - площадь модели несплошности, расположенной на том же расстоянии от поверхности ввода, что и реальная несплошность, при которой данный информативный параметр несплошности и модели идентичен. |
--------------------------------
- поры, шлаковые, вольфрамовые и окисные включения, выявленные радиографическим методом, выходящие за пределы норм, приведенных в таблице 17.
Таблица 17
Допустимые размеры дефектов сварных соединений
при радиографическом контроле
Размеры в миллиметрах
Толщина свариваемых элементов | Размер пор или включений, не более | Суммарная длина дефектов на любые 100 мм протяженности сварного соединения, не более |
Ширина (диаметр) | Длина |
PN <= 6,3 МПа (63 бар) | PN > 6,3 МПа (63 бар) | PN <= 6,3 МПа (63 бар) | PN > 6,3 МПа (63 бар) | PN <= 6,3 МПа (63 бар) | PN > 6,3 МПа (63 бар) |
До 3 включ. | 0,4 | 0,3 | 1,2 | 0,6 | 4,0 | 3,0 |
Св. 3 " 5 " | 0,5 | 0,4 | 1,5 | 0,8 | 5,0 | 4,0 |
" 5 " 8 " | 0,6 | 0,5 | 2,0 | 1,0 | 6,0 | 5,0 |
" 8 " 11 " | 0,8 | 0,6 | 2,5 | 1,2 | 8,0 | 6,0 |
" 11 " 14 " | 1,0 | 0,8 | 3,0 | 1,5 | 10,0 | 8,0 |
" 14 " 20 " | 1,2 | 1,0 | 3,5 | 2,0 | 12,0 | 10,0 |
" 20 " 26 " | 1,5 | 1,2 | 5,0 | 2,5 | 15,0 | 12,0 |
" 26 " 34 " | 2,0 | 1,5 | 6,0 | 3,0 | 20,0 | 15,0 |
" 34 " 45 " | 2,5 | 2,0 | 8,0 | 4,0 | 25,0 | 20,0 |
" 45 " 67 " | 3,0 | 2,5 | 9,0 | 5,0 | 30,0 | 25,0 |
" 67 " 90 " | 4,0 | 3,0 | 10,0 | 6,0 | 40,0 | 30,0 |
" 90 " 120 " | 5,0 | 4,0 | 10,0 | 8,0 | 50,0 | 40,0 |
" 120 " 200 " | 5,0 | 5,0 | 10,0 | 10,0 | 60,0 | 50,0 |
Примечания 1 За размер скопления пор, шлаковых или вольфрамовых включений принимается его длина, измеренная по наиболее удаленным друг от друга краям изображений пор или включений в скоплении. 2 За размеры окисных включений, непроваров и трещин принимается их длина. 3 Поры или включения с расстоянием между ними не более их максимальной ширины или диаметра, независимо от их числа и взаимного расположения, рассматриваются как одна пора или одно включение. 4 Чувствительность контроля - класс 2 по ГОСТ 7512. |
Поры и включения с расстояниями между любыми близлежащими краями изображений не более трех максимальных ширин или диаметров не допускаются.
5.6.10.10 Допускается объем контроля и оценку дефектов проводить также по
[28] с учетом категории сварного соединения. Категория сварного соединения устанавливается в КД.
Не допускаются вогнутость корня шва (утяжина) и превышение проплава корня шва (провис) при превышении размеров, приведенных в таблице 18. Плотность изображения на радиографическом снимке не должна превышать плотности изображения основного металла.
Таблица 18
Критерии оценки допустимости вогнутости и превышения
проплава корня шва
Тип дефекта | Схематическое изображение дефекта | Допустимый размер дефекта |
в сечении | в плане |
Вогнутость корня шва (утяжина) | | | h <= 0,2S <= 1 мм; l <= 50 мм; |
Превышение проплава (провис) | | | h <= 3 мм; l <= 30 мм; |
Примечания 1 h - глубина дефекта, мм. 2 s - толщина наименьшей стенки свариваемых деталей. 3 l - протяженность дефекта (размер дефекта, определяемый вдоль шва), мм.  - суммарная протяженность объемных дефектов на любом участке сварного соединения длиной 300 мм. |
5.6.10.11 Капиллярный контроль проводят по классу чувствительности II
ГОСТ 18442.
5.6.10.12 Магнитопорошковый контроль проводится по условному уровню чувствительности Б по
ГОСТ 21105.
5.6.10.13 По результатам капиллярного и магнитопорошкового контроля признаком обнаружения дефекта является наличие индикаторного рисунка, максимальный размер которого в любом направлении превышает 2,0 мм.
5.6.10.14 В сварных швах не допускаются следующие дефекты, выявленные при капиллярном и магнитопорошковом контроле:
- поры и включения;
- незаваренные кратеры;
- прожоги;
- наплавы;
- свищи;
- усадочные раковины;
- несплавления;
- трещины;
- подрезы протяженностью единичного дефекта более 50 мм и суммарной протяженностью дефектов более 100 мм на длине сварного шва 300 мм.
5.6.10.15 При обнаружении недопустимых дефектов сварные швы должны подвергаться ремонту с выборкой дефектов и последующей их заваркой. Все участки, исправленные с помощью сварки, после термической обработки (если она требуется) подлежат сплошному контролю всеми методами (кроме разрушающих), предусмотренными КД и настоящим стандартом для исправляемого сварного соединения.
5.6.10.16 Методы контроля сварных швов и кромок под приварку должны соответствовать требованиям:
--------------------------------
5.6.10.17 В процессе изготовления стыковые сварные швы корпусных деталей, отвечающих за герметичность относительно внешней среды, должны подвергаться следующим видам разрушающего контроля на контрольных образцах:
- механические испытания;
- металлографические исследования.
5.6.10.18 Механическим испытаниям должны подвергаться контрольные стыковые сварные соединения в целях проверки соответствия их механических свойств требованиям
5.5.17 и
5.5.18 и КД.
Контрольные сварные соединения должны быть однотипны контролируемым производственным сварным соединениям (по маркам стали, толщине листа или размерам труб, форме разделки кромок, методу сварки, сварочным материалам, положению шва, режимам сварки и температуре подогрева, термической обработки) и выполнены тем же сварщиком и на том же сварочном оборудовании.
Испытания проводят для всех вариантов сварных соединений, изготовленных из элементов различных марок стали и выполненных с применением различных сварочных материалов, но не реже одного раза в 6 месяцев, а также, если перерыв сварщика в работе по выполнению сварных соединений данного типа составляет более 6 месяцев.
5.6.10.19 Металлографические исследования сварных соединений проводят с целью выявления возможных внутренних дефектов, а также участков металла со структурой, отрицательно влияющей на эксплуатационные свойства.
Металлографические макро- и/или микроисследования проводят не менее чем на одном образце от каждого контрольного сварного соединения.
Металлографические исследования проводят для всех вариантов сварных соединений, изготовленных из элементов различных марок стали и выполненных с применением различных сварочных материалов, но не реже одного раза в 6 месяцев, а также, если перерыв сварщика в работе по выполнению сварных соединений данного типа составляет более 6 месяцев.
Исследования микроструктуры и измерение твердости сварного соединения проводят на полнотолщинном плоскопараллельном образце, вырезаемом поперек шва на расстоянии не менее 30 мм от начала или окончания сварного соединения.
Поверхность образца должна включать все сечение шва, зону термического влияния с прилегающими к ней участками основного металла, не находившиеся под термическим воздействием сварки, а также подкладное кольцо, если оно применялось при сварке и не подлежало удалению.
При размере полнотолщинного образца более 70 мм допускается проведение исследования микроструктуры на образцах, полученных путем деления всей исследуемой поверхности пополам по центру сечения шва.
При исследовании микроструктуры сварного соединения проводят определение наличия загрязненности металла шва неметаллическими включениями по
ГОСТ 1778. Исследования проводят на нетравленной поверхности микрошлифа при увеличении 100
x на не менее чем двух образцах.
Исследования микроструктуры сварного шва сварного соединения проводят по протравленной поверхности при увеличении не менее 100x.
При исследовании микроструктуры сварного соединения определяют наличие микродефектов сварного шва: микротрещин, непроваров, несплавлений, газовых пор и других дефектов, расположенных как в сечении сварного соединения между отдельными валиками, так и в зоне термического влияния между металлом шва и основным металлом. Наличие закалочных структур не допускается.
При металлографических исследованиях макроструктуры сварного соединения (при увеличении до 10x) определяют высоту и ширину усиления швов, смещение кромок, смещение осей и перекрытие швов, соблюдение последовательности наложения валиков, определяют наличие макродефектов. Макродефекты в виде трещин, непроваров и подрезов не допускаются.
При исследовании микроструктуры сварного соединения проводят контроль микроструктуры основного металла, зоны термического влияния и металла шва с оценкой качества по
ГОСТ 5639,
ГОСТ 5640,
ГОСТ 8233.
На основании полученных микроструктур проводят контроль качества выполнения сварного соединения и/или проведения термической обработки.
При получении неудовлетворительных результатов при металлографическом исследовании одного образца сварного соединения допускается повторное испытание на удвоенном количестве образцов, вырезанных из того же контрольного сварного соединения или на удвоенном количестве образцов. Результаты повторных испытаний являются окончательными.
5.6.10.20 Контроль твердости сварного соединения проводят по Виккерсу (HV) на образцах по
ГОСТ 2999. По согласованию с заказчиком допускается измерение твердости по Бринеллю (HB) и по Роквеллу - шкалам A, B и C (HRA, HRB и HRC). Контроль твердости проводят в сварном шве, зоне термического влияния и основном металле на расстоянии от 1,5 до 2 мм от поверхности контролируемой детали с наружной и внутренней стороны, а также в осевой зоне по толщине детали с двух сторон от оси шва. При контроле твердости в зоне термического влияния от линии сплавления к основному металлу шаг измерения должен быть от 0,5 до 1,0 мм.
В каждой зоне замера должно быть не менее пяти отпечатков.
5.6.11 Проверку резьб проводят внешним осмотром, средствами измерений и резьбовыми шаблонами. Резьбы на деталях должны быть чистыми, без заусенцев и забоин. Разрывы ниток на стяжных винтах и гайках фланцевого соединения "корпус-крышка" не допускаются.
5.6.12 Уплотнительные и трущиеся поверхности не должны иметь сколов, задиров, рисок, вмятин и других дефектов, обнаруживаемых визуальным контролем и оказывающих влияние на работоспособность задвижки.
5.6.13 Неметаллические уплотнительные кольца, в случае хранения при температуре ниже 0 °C, перед сборкой выдерживают при температуре (23 +/- 5) °C в течение не менее 24 ч. Перекручивание колец не допускается.
5.6.14 В КД и ЭД на задвижку указывают момент затяжки основных (расчетных) резьбовых соединений (соединения "корпус-крышка", "крышка-стойка", "стойка-бугель", "бугель-привод", затяжка шпилек сальника).
5.6.15 В собранных задвижках шпильки должны быть завернуты до упора.
5.6.16 Во фланцевых соединениях концы болтов и шпилек должны выступать из гаек не менее чем на один шаг резьбы.
5.6.18 Результаты всех видов контроля и испытаний при изготовлении задвижек оформляют записью в журналах (или актах) и в паспорте на задвижку.
5.7 Требования к приварным катушкам
5.7.1 Приварные катушки изготавливают в виде цилиндрической обечайки, один конец которой механически обработан для сварки с торцом патрубка задвижки, а другой конец обработан для сварки с присоединяемой трубой.
Разделка кромок приварных катушек должна обеспечивать приварку к патрубку задвижки и к присоединяемой трубе в соответствии с действующей НД.
5.7.2 Приварные катушки изготавливают из бесшовных и электросварных прямошовных труб, обечаек, вальцованных из листовой стали, из поковок или из заготовок, полученных методом электрошлаковой выплавки. Количество продольных сварных швов при изготовлении катушки - не более двух.
5.7.3 Приварные катушки, изготовленные из обечаек и поковок, должны быть термообработаны.
5.7.4 Приварные катушки являются корпусными деталями задвижки. Материалы приварных катушек должны соответствовать всем требованиям, предъявляемым к корпусным деталям задвижки.
5.7.5 Разность (нормативных или фактических) значений временного сопротивления разрыву основного металла приварной катушки, ответных фланцев и присоединяемой трубы не должна превышать 98 МПа.
5.7.6 Объем и методы контроля материала приварных катушек, изготавливаемых из труб, должны соответствовать требованиям настоящего стандарта к корпусным деталям.
5.7.7 При изготовлении приварных катушек из бесшовных труб должны использоваться трубы по
ГОСТ 8731 и
ГОСТ 8732.
5.7.8 Механические свойства металла сварного шва катушки, а также сварного соединения катушки с патрубком задвижки, проверенные на образцах, должны быть не ниже механических свойств основного металла (для шва приварки к патрубку задвижки проверяются по более слабому материалу). Допускается применение катушек с механическими свойствами сварного шва меньшими, чем свойства основного металла, при условии подтверждения прочности данного соединения расчетом.
5.7.9 Приварные катушки, изготавливаемые из прямошовных труб и вальцованных листов, могут быть с механической обработкой по наружному и внутреннему диаметру трубы (при соблюдении условия
5.7.8) или без механической обработки при условии выполнения требований по отклонениям геометрических размеров (при этом высота усиления должна соответствовать указанной в документе на соответствующую примененную трубу).
Механическая обработка катушек, изготовленных из прямошовных труб со снятием корня или усиления сварного шва по наружному и внутреннему диаметру по длине катушки, не допускается.
При изготовлении катушек из бесшовных труб и обечаек, вальцованных из листа, допускается их механическая обработка по внутреннему и наружному диаметру по всей длине катушки.
При сварке патрубка и катушки с различными классами прочности подбор сварочного материала проводят:
- при одинаковой толщине стенки деталей - по материалу детали, имеющей меньшую прочность;
- при различной толщине детали - по материалу детали, имеющей меньшую толщину.
При приварке к задвижке катушек, изготовленных из прямошовных труб или из обечаек, вальцованных из листа, продольные сварные швы, расположенные на катушках, должны находиться в плоскости, повернутой на угол не менее 30° относительно вертикальной плоскости, проходящей вдоль оси прохода задвижки.
5.7.10 Приварку катушки к корпусу, как правило, осуществляют до сборки узла затвора. В случае приварки катушек к собранной задвижке (в заводских или полевых условиях) обеспечивают защиту узла затвора (шибер и седла) от попадания сварочного грата, окалины и других загрязняющих факторов. Дополнительно принимают меры по недопущению повышения температуры выше 100 °C в местах установки седел в корпус при сварке. Температуру нагрева в местах установки седел в корпусе в ходе проведения сварочных работ, а также местной термообработки контролируют равномерно установленными по окружности датчиками (не менее шести штук на одну сторону).
5.7.11 Не допускается исправление дефектов материала катушек методом сварки.
5.7.12 Результаты исправлений дефектов (вид дефекта, расположение, размеры, метод исправления и т.д.) фиксируют в отчетной документации и прикладывают к паспорту задвижки.
5.8 Требования к соединению с трубопроводами
5.8.1 Концевые участки задвижки (концы под приварку патрубков, приварных катушек, ответных фланцев), предназначенные для сварного соединения с трубопроводами, должны удовлетворять следующим требованиям:
- предельные отклонения размеров концевых участков задвижки под приварку к трубопроводу приведены в
таблице 19;
- предельное отклонение толщины стенки (разнотолщинность), в том числе в расточке и местах разделки под сварку - в пределах сочетания допусков на наружный и внутренний диаметры при условии обеспечения условий прочности (разнотолщинность не должна выводить размер за предельные отклонения по диаметру и толщине стенки).
Таблица 19
Предельные отклонения размеров концевых участков задвижки
под приварку к трубопроводу
Номинальный диаметр DN | Предельное отклонение наружного диаметра <*> | Отклонение от перпендикулярности торца относительно образующей (косина реза), мм <**> | Допуск на овальность, не более |
в торцевом сечении (разделка кромки под приварку) | в неторцевом сечении |
в торцевом сечении (разделка кромки под приварку), мм | в неторцевом сечении, мм |
100 | +/- 1,0 | +/- 1,3 | 1,0 | Овальность не должна выводить размеры патрубков за предельные отклонения по диаметру |
150 | +/- 1,5 | +/- 1,5 |
200, 250 | +/- 2,0 | +/- 2,0 | 1,0 |
300, 350, 400 | +/- 3,0 | +/- 3,0 | 1,5 |
500, 600 | +/- 3,0 | +/- 1% величины диаметра | 1,6 | 1% для соединения с трубой с толщиной стенки менее 20 мм или 0,8% для соединения с трубой с толщиной стенки 20 мм и более, но не более 6 мм <***> | 2% величины диаметра |
700, 800 | +/- 3,5 |
От 1000 до 1200 | +/- 4,0 |
<*> Отклонение наружного диаметра катушек для задвижек от DN 500 до DN 1200 допускается контролировать через измерение периметра. <**> Отклонение от перпендикулярности торца относительно образующей (косина реза) контролировать до приварки катушек с контролем сборки под приварку или на приваренной катушке. <***> Отношение разности между наибольшим и наименьшим диаметрами к номинальному диаметру, выраженному в процентах. |
В зоне сварного шва допуск круглости не контролируют.
Конец приварной катушки, изготовленной из листа, поковки и т.д., предназначенный для приварки к трубопроводу, на участке не менее 50 мм после подготовки кромки под сварку контролируют ультразвуковым или радиографическим методом на расслоение, а по торцу разделки - капиллярным контролем.
5.8.2 Разделка кромок присоединительных концов задвижки должна удовлетворять условию равнопрочности сварного соединения с трубопроводом

(3)
где aк - присоединительный размер кромки патрубка (катушки) под приварку к трубе, мм;
aт - присоединительный размер кромки трубы, мм;

- значение временного сопротивления материала патрубка (катушки), МПа;

- значение временного сопротивления материала присоединяемой трубы, МПа.
Примечание - Если при заказе не указан присоединительный размер кромки трубы, то в качестве величины aт принимают значение толщины стенки трубы.
5.8.3 Разделка кромок приварных катушек или патрубков под приварку, в том числе при разной толщине свариваемых элементов, должна соответствовать приведенной на
рисунке 5 и
6. Размер высоты фаски B должен соответствовать значениям, приведенным в
таблице 20.
5.8.4 В зависимости от толщины стенки присоединяемой трубы применяют следующие типы концов патрубков под приварку (см.
рисунки 5 и
6):
- до 5 мм включительно - типы 1, 4, 11, 14;
- до 15 мм включительно - типы 2, 5, 7, 9, 12, 15, 17, 19;
- свыше 15 мм - типы 3, 6, 8, 10, 13, 16, 18, 20.
Разность присоединительного размера кромки патрубка (катушки) под приварку к трубе не должна превышать 1,5 толщины кромки трубы.
Если наружный диаметр патрубка (катушки) больше, чем номинальный диаметр присоединяемой трубы и/или превышение присоединительного размера кромки патрубка (катушки) более 1,5 толщины кромки трубы, то разделку кромок выполняют с наружным скосом (типы 11 - 20).
Если разность толщин по внутренним диаметрам присоединительных концов патрубков под приварку (катушек) и присоединяемой трубы не превышает 2,0 мм, то внутренний скос не выполняют (типы 1 - 3, 11 - 13).
Если разность толщин по внутренним диаметрам присоединительных концов патрубков под приварку (катушек) и присоединяемой трубы превышает 2,0 мм, но не более 0,5 толщины стенки трубы, то выполняют внутренний скос кромки (типы 4 - 6, 14 - 16). При разности внутренних диаметров стыкуемых стенок более 0,5 толщины стенки трубы выполняют цилиндрическую или коническую проточку (типы 7 - 10, 17 - 20). При выполнении разделки кромки допускается неравномерное по ширине или частичное образование внутренней фаски и наружного скоса.
S - толщина стенки патрубка (катушки); Sт - толщина стенки
присоединяемой трубы; Dн - наружный диаметр патрубка
(катушки); Dв - внутренний диаметр патрубка (катушки);
Dвт - внутренний диаметр присоединяемой трубы;
Dп - присоединительный диаметр патрубка (катушки)
Рисунок 5 - Концы патрубков под приварку к трубопроводу
без наружного скоса. Лист 1
Рисунок 5. Лист 2
S - толщина стенки патрубка (катушки); Sт - толщина стенки
присоединяемой трубы; Dн - наружный диаметр патрубка
(катушки); Dв - внутренний диаметр патрубка (катушки);
Dвт - внутренний диаметр присоединяемой трубы;
Dn - присоединительный диаметр патрубка (катушки)
Рисунок 6 - Концы патрубков под приварку к трубопроводу
с наружным скосом. Лист 1
Рисунок 6. Лист 2
Таблица 20
В миллиметрах
Толщина стенки S присоединяемой трубы | Размер B |
Св. 15,0 до 19,0 включ. | 9,0 +/- 0,5 |
" 19,0 " 21,5 " | 10,0 +/- 0,5 |
" 21,5 " 32,0 " | 12,0 +/- 0,5 |
" 32,0 | 16,0 +/- 0,5 |
5.8.5 Размеры, форма и материалы приварных катушек (патрубков под приварку) должны предусматривать возможность выполнения сварного соединения на открытом воздухе в соответствии с
[28] без специальных мероприятий (защиты, подогрева, последующей термообработки и т.д.), а также возможность контроля сварного соединения и вырезки задвижки из трубопровода.
5.8.6 Задвижки поставляют с приваренными в заводских условиях катушками. По согласованию с заказчиком допускается поставка приварных катушек в комплекте с задвижкой без приварки.
5.8.7 Если механические свойства материала патрубков задвижки обеспечивают выполнение условий, указанных в
5.8.2 и
5.7.5, допускается изготовление задвижек под приварку без приварных катушек. Прямолинейный участок патрубков задвижки должен быть не менее 250 мм для задвижек с номинальным диаметром до
DN 500 включительно и не менее 400 мм для задвижек с номинальным диаметром более
DN 500.
При выборе катушки выполняют следующие требования:
- толщина стенки катушки должна быть не менее номинальной толщины присоединяемой трубы;
- номинальный наружный диаметр катушки должен быть не менее номинального наружного диаметра присоединяемой трубы.
5.8.8 В процессе изготовления после окончательной термической обработки присоединительные концы патрубков (катушек, ответных фланцев) подвергают следующим неразрушающим методам контроля в объеме 100%:
- визуальный и измерительный контроль;
- радиографический контроль;
- ультразвуковой контроль;
- капиллярный или магнитопорошковый контроль.
5.8.9 Капиллярный, ультразвуковой, радиографический и магнитопорошковый контроль проводят на участке шириной не менее L от торца кромки (без учета припуска на обработку), указанного на рисунке 7.
Рисунок 7 - Присоединительный конец под приварку
5.8.10 Несплошности, выявленные в кромках при контроле по
5.8.8, на участке шириной
L не должны превышать норм настоящего стандарта для сварных соединений.
5.9 Требования к покрытиям
5.9.1 Задвижки должны иметь наружное АКП, выполненное в заводских условиях.
Покрытие должно обеспечивать защиту задвижек от коррозии в процессе их хранения, транспортирования и последующей эксплуатации. Допускается по требованию заказчика поставлять загрунтованные задвижки без наружного АКП с последующим нанесением основного покрытия на месте эксплуатации заказчиком задвижек.
5.9.2 Для нанесения АКП используют материалы, согласованные с заказчиком и приведенные в ТУ на задвижки.
Выбор системы АКП и его номинальной толщины, а также применяемых материалов проводят с учетом климатического исполнения и категории размещения по
ГОСТ 15150, климатического района по
ГОСТ 16350, температуры рабочей среды, конструктивных особенностей изделия и коррозионной агрессивности окружающей среды.
Соответствие свойств ЛКМ требованиям ТУ производителя и/или НД подтверждают сертификатом качества.
Нанесение покрытия в заводских и трассовых условиях осуществляют в соответствии с ТД (технологическими инструкциями, технологическими картами и т.д.), разработанными производителем задвижек и согласованными производителем ЛКМ.
5.9.3 На крепежные детали соединения "корпус-крышка" задвижек подземного исполнения до покрытия корпуса и крышки наносят консервационную смазку и устанавливают защитные колпаки.
Концевые участки задвижек должны быть свободными от защитного покрытия для последующего выполнения в трассовых условиях сварочных работ. Длина свободных от покрытия концевых участков задвижек должна составлять от 60 до 120 мм (по согласованию с заказчиком допускается другая длина), на которые должно быть нанесено консервационное покрытие. Места, не подлежащие окраске, указывают в КД на задвижку.
Концевые участки покрытия задвижек подземного исполнения должны иметь плавный переход к металлической поверхности с углом не более 30°.
Покрытие наносят равномерным слоем. В процессе нанесения АКП контролируют внешний вид и толщину покрытия.
5.9.4 Покрытие должно быть однородным, не иметь пропусков, пузырей, кратеров, вздутий и мест отслоений. На поверхности покрытия допускается "шагрень", локальные потеки и наплывы. Допустимую толщину локальных потеков и наплывов, а также допустимое количество твердых включений указывают в ТД на задвижку.
5.9.5 Толщина покрытия должна соответствовать ТД изготовителя ЛКМ на выбранную систему покрытия.
Для задвижек надземной и подземной установки допускаемое отклонение толщины отвержденного покрытия в меньшую сторону - не более 20% при условии, что среднее значение толщины на измеренном участке будет соответствовать номинальной толщине или превышать ее. Допускаемое отклонение толщины отвержденного покрытия в большую сторону указывают в ТД производителя материала с учетом критической толщины конкретного АКП. Допускаемое отклонение толщины не должно превышать двукратного значения номинальной толщины АКП.
5.9.6 Допускается проводить ремонт (восстановление) локальных дефектов покрытия (повреждений) тем же ЛКМ, которым окрашена задвижка, или ремонтным материалом, аналогичным материалу основного покрытия.
Работы по ремонту (восстановлению) покрытия выполняют в соответствии с технологической инструкцией, утвержденной в установленном порядке с учетом рекомендаций изготовителя ЛКМ.
По показателям свойств покрытие на отремонтированных участках должно отвечать требованиям ТД на основное покрытие.
5.9.7 Внутрицеховые перевозки, складирование и транспортирование задвижек с покрытием осуществляют после достижения покрытием необходимой степени твердости. Интервал времени, после которого допускается проведение вышеуказанных операций, устанавливает в ТД производитель ЛКМ.
5.9.8 Правила приемки покрытия
5.9.8.1 Контроль качества покрытия задвижек включает в себя:
- приемо-сдаточные испытания;
- периодические испытания;
- типовые испытания.
При проведении приемочных и квалификационных испытаний задвижки испытания покрытия проводят в объеме приемо-сдаточных испытаний.
5.9.8.2 Приемо-сдаточные испытания покрытия проводят на каждой партии окрашенных задвижек или на единичном изделии.
Партия состоит из задвижек с покрытием, нанесенным по установившейся технологии изготовителя с использованием материалов покрытия одной марки. Количество задвижек в партии не должно превышать количество изделий, окрашенных в одну рабочую смену одной бригадой.
Приемо-сдаточные испытания включают:
- контроль длины неизолированных концов и угла скоса покрытия к телу магистрального патрубка, катушки, ответного фланца;
- контроль внешнего вида покрытия;
- контроль толщины покрытия;
- контроль диэлектрической сплошности покрытия;
- контроль ударной прочности покрытия для задвижек подземной установки;
- контроль адгезии покрытия к стали;
- контроль наличия маркировки на окрашенных задвижках.
Объем контроля должен быть приведен в КД и ТУ на задвижки.
5.9.8.3 Методы контроля покрытия при приемо-сдаточных испытаниях
Внешний вид покрытия задвижек оценивают визуально без применения увеличительных средств.
Длину неизолированных концевых участков и угол скоса покрытия определяют измерительным контролем.
Толщину АКП на крепежных изделиях (шпильках, гайках, болтах), строповочных проушинах, транспортных заглушках и защитных элементах упаковки не контролируют. Сплошность покрытия на наличие неокрашенных участков поверхности на указанных элементах контролируют визуально. Перечень элементов задвижки, на которых не контролируют толщину АКП, указывают в КД на задвижку. Перечень элементов задвижки, на которых толщина АКП не нормируется, указывается в КД на задвижку.
Диэлектрическую сплошность покрытия определяют по
[31] искровым дефектоскопом постоянного тока, дефектоскопом высокого напряжения или ТУ на ЛКМ.
Прочность покрытия задвижек подземной установки при ударе при температуре (20 +/- 5) °C определяют на задвижках либо на образцах-свидетелях по методу, указанному в
[31].
Адгезию покрытия к стали в зависимости от типа и толщины покрытия определяют одним из следующих методов:
- методом нормального отрыва для жестких покрытий надземного и подземного исполнения любой толщины в соответствии с ТУ на покрытие (рекомендуется по
[32] и
ГОСТ 32299);
- методом отслаивания полосы покрытия под углом 90° по
ГОСТ 411 (метод A) (для эластичных покрытий подземного исполнения любой толщины);
- методом решетчатого надреза по
ГОСТ 31149 для покрытий надземного исполнения при суммарной толщине покрытия до 250 мкм;
- методом Х-образного надреза по
ГОСТ 32702.2 для покрытий надземного исполнения при толщине покрытия свыше 250 мкм.
5.9.8.4 Приемо-сдаточные испытания проводит ОТК изготовителя (или производителя работ) после полного отверждения покрытия. Время полного отверждения указывают в ТД производителя ЛКМ.
Показатели качества покрытия, полученные в результате испытаний, должны соответствовать ТД на задвижку. На каждую принятую партию задвижек с покрытием (на каждую задвижку с покрытием) изготовитель оформляет сертификат или паспорт, форма которого приведена в
приложении Е. В паспорте помимо сведений о задвижках указывают данные о качестве покрытия.
При неудовлетворительных результатах приемо-сдаточных испытаний покрытия хотя бы по одному из показателей свойств проводят повторные испытания покрытия по данному показателю на удвоенном количестве задвижек, взятых из той же партии. При повторном получении неудовлетворительных результатов проводят поштучный контроль и сдачу окрашенных задвижек по показателю, имеющему неудовлетворительные результаты. Отбракованное покрытие подлежит локальному ремонту или полному снятию с последующим повторным нанесением. По согласованию с потребителем задвижки с забракованным покрытием могут поставляться как задвижки без покрытия.
5.9.8.5 Периодические испытания проводят в лабораторных условиях в целях подтверждения стабильности качества материала. Проведение периодических испытаний организует производитель ЛКМ. Периодичность испытаний указывают в ТД производителя ЛКМ. Периодические испытания могут быть проведены дополнительно по требованию заказчика. Показатели качества покрытия, полученные в результате испытаний, должны соответствовать ТД производителя ЛКМ и/или ТД на задвижку.
5.9.8.6 Типовые испытания проводят при изменении марки и состава ЛКМ, а также при изменении основных параметров технологического процесса нанесения покрытия. При изменении марки и состава ЛКМ типовые испытания проводят в объеме периодических испытаний. При изменении основных параметров технологического процесса нанесения покрытия, типовые испытания проводят силами производителя задвижек в объеме приемо-сдаточных испытаний. Типовые испытания могут быть проведены дополнительно по требованию заказчика. Показатели качества покрытия, полученные в результате испытаний, должны соответствовать ТД производителя ЛКМ и/или ТД на задвижку.
5.9.8.7 При неудовлетворительных результатах периодических или типовых испытаний покрытия проводят повторные испытания по неудовлетворительному показателю на удвоенном количестве образцов. При повторном получении отрицательных результатов технологический процесс окраски задвижек должен быть приостановлен до выяснения и устранения причин несоответствия покрытия требованиям ТД.
5.9.9 Маркировка задвижек с покрытием
5.9.9.1 На наружную или внутреннюю поверхность задвижки с заводским покрытием в соответствии с требованиями
ГОСТ 10692,
ГОСТ 14192 и НД наносят основную маркировку с дополнительными данными, включающими:
- наименование (товарный знак) изготовителя;
- номер партии и дату выпуска покрытых изделий (месяц, год - две последние цифры);
- обозначение ТУ на задвижку с покрытием;
- тип покрытия;
- отметку ОТК о приемке продукции.
5.9.9.2 Маркировку выполняют с помощью трафарета или печати, которые создают четкие и несмываемые надписи красками, обеспечивающими сохранность маркировки на период гарантированного срока хранения задвижек.
5.10 Требования к электроприводам
5.10.1 Для управления задвижками применяют взрывозащищенные многооборотные электроприводы.
5.10.2 Электроприводы должны быть работоспособны в наружных установках и в помещениях во взрывоопасных зонах классов 1 и 2 по
ГОСТ 30852.9, в которых возможно образование паро- и газовоздушных взрывоопасных смесей категорий IIA, IIB по
ГОСТ 30852.11 групп Т3, Т4 по
ГОСТ 30852.5 и
[2] (глава 7.3).
Электротехнические устройства в составе электроприводов должны иметь взрывозащищенность не ниже:
- 1ExdIIBT3 по
ГОСТ 30852.1 - для электродвигателей, блоков электронного управления, блоков коммутации и выключателей;
- 1ExibIIBT3 по
ГОСТ 30852.0 - для пультов дистанционного управления.
5.10.3 Электроприводы в составе задвижек должны обеспечивать:
- закрытие или открытие проходного сечения задвижки и остановку шибера задвижки в любом промежуточном положении по команде оператора;
- автоматическое отключение электродвигателя при достижении шибером задвижки крайних положений или при превышении нагрузки на выходном звене электропривода заданных крайних значений крутящего момента в пределах заданного диапазона перемещений;
- выдачу информации на пульты о достижении шибером задвижки крайних положений и об аварийном отключении электродвигателя;
- перемещение шибера от ручного дублера электропривода и автоматическое перемещение при включении электродвигателя;
- указание текущего положения шибера задвижки в пределах заданного диапазона перемещения.
5.10.4 Показатели надежности и показатели безопасности электроприводов должны обеспечивать показатели надежности и показатели безопасности задвижки в целом.
5.10.5 Параметры электропитания:
- питание электродвигателя и блока электронного управления должно осуществляться от трехфазной сети напряжением до 380 В. Допускается питание блока электронного управления от однофазного напряжения 220 В переменного тока;
- допустимое отклонение напряжения питания - от минус 15% до плюс 10%;
- частота питающей сети - (50 +/- 0,5) Гц;
- питание дискретных выходов типа "сухой контакт" должно осуществляться от внешнего источника питания напряжением 24 В постоянного тока или напряжением 220 В переменного тока. Ток нагрузки дискретного выхода - не более 1 А.
5.10.6 Электроприводы должны соответствовать классу по электробезопасности I по
ГОСТ 12.2.007.0,
[2] и иметь основную (рабочую) изоляцию и зажим защитного заземления.
5.11.1 В комплект поставки задвижки должны входить:
- полностью собранная задвижка со всеми деталями, узлами и комплектующими изделиями в соответствии со спецификацией;
- комплект быстроизнашиваемых деталей, инструмента и принадлежностей, деталей и узлов с ограниченным сроком службы, необходимых для эксплуатации и технического обслуживания задвижек, в соответствии с ведомостью ЗИП, оговариваемый при оформлении договора на поставку;
- комплект эксплуатационных и сопроводительных документов.
5.11.2 По условиям, особо оговариваемым в договоре на поставку, задвижки поставляют укомплектованными указателем утечек, ответными фланцами с крепежными деталями и прокладками.
5.11.3 В комплект эксплуатационных и сопроводительных документов должны входить:
- паспорт;
- расчет на прочность (или выписка из расчета);
- расчет на сейсмостойкость или выписка из расчета (если он не входит составной частью в расчет на прочность);
- чертеж общего вида (или сборочный чертеж задвижки) с габаритными и присоединительными размерами, перечнем основных деталей и крепежа, включающим в себя данные о материалах деталей, обозначением подшипников бугельного узла и техническими требованиями, содержащими информацию о моментах обтяжки разъемных соединений, объемах и типах смазывающих материалов;
- чертежи уплотнительных элементов разъемных соединений (уплотнения седел, сальника и разъема "корпус-крышка");
- РЭ;
- протокол испытаний АКП (по согласованию с заказчиком допускается результаты испытаний АКП приводить в акте приемо-сдаточных испытаний);
- акт приемо-сдаточных испытаний;
- копия декларации о соответствии или сертификата соответствия требованиям технических регламентов <*>;
- упаковочный лист.
--------------------------------
<*> Подтверждение соответствия задвижек требованиям технических регламентов осуществляют в порядке, установленном в этих регламентах.
Вся документация, входящая в комплект поставки, должна быть выполнена на русском языке в одном экземпляре на каждую задвижку.
5.11.4 В паспорте на задвижку должны быть приведены:
- общие сведения:
а) полное наименование и обозначение задвижки;
б) наименование изготовителя;
в) дата выпуска;
г) заводской номер;
д) регистрационный номер декларации о соответствии или сертификата
соответствия и сроки их действия;
- технические характеристики, соответствующие ТУ, в том числе:
а)
DN, PN, 
р (°C),

при открытии, герметичность затвора,
коэффициент сопротивления

, вид климатического исполнения и категория
размещения, сейсмостойкость;
б) наименование рабочей среды, ее характеристика или НД;
в) марки материалов основных и крепежных деталей;
г) характеристики управления задвижкой:
1) крутящий момент настройки муфты ограничения крутящего момента
электропривода;
2) максимально допустимый крутящий момент на шпинделе задвижки;
3) количество оборотов, необходимое для открытия или закрытия
задвижки;
д) показатели надежности и показатели безопасности;
е) присоединение к трубопроводу;
ж) сведения об АКП;
- результаты приемо-сдаточных испытаний задвижки и испытаний АКП (или ссылка на прилагаемые к паспорту акт приемо-сдаточных испытаний задвижки и протокол испытаний АКП);
- сведения о разделке кромок (патрубка или катушки) для приварки к трубопроводу;
- сведения о выемных деталях, имеющих ограниченный ресурс (уплотнительные элементы, подшипники и др.);
- сведения о наплавочных материалах;
- сведения о химическом составе и механических характеристиках материалов корпусных деталей, материалов, используемых для сварных соединений, шпинделя, крепежа основного разъема и деталей узла затвора (шибер, седла);
- сведения о сварных швах и методах контроля;
- сведения о проведении неразрушающего контроля задвижки;
- свидетельство о приемке;
- свидетельство о консервации (в том числе о дате консервации и сроке защиты без переконсервации);
- сведения об исправлении дефектов в процессе изготовления (при наличии исправлений), с указанием вида, характеристики, места расположения дефекта, метода его исправления и контроля;
- гарантии изготовителя.
К паспорту прикладывают протокол результатов исправления дефектов (при наличии исправлений), схему расположения сварных швов с указанием и подписью исполнителей (при отсутствии клеймения).
Рекомендуемая форма паспорта на задвижку приведена в
приложении Е.
5.11.5 РЭ должно соответствовать
ГОСТ 2.610 и содержать:
- описание (в том числе технические характеристики) и работу;
- использование по назначению;
- показатели надежности, показатели безопасности;
- перечень критических отказов, возможные ошибочные действия персонала, которые приводят к инциденту или аварии;
- действия персонала в случае инцидента, критического отказа или аварии;
- критерии предельных состояний;
- сведения о квалификации обслуживающего персонала;
- техническое обслуживание;
- ремонт;
- техническое освидетельствование;
- транспортирование и хранение;
- утилизацию.
В РЭ указывают:
- крутящий момент настройки муфты ограничения крутящего момента электропривода;
- крутящий момент затяжки резьбовых соединений;
- максимально допустимые усилие тяги и крутящий момент, действующие на шпиндель задвижки.
В РЭ приводят рекомендации по объему, методам и периодичности технического обслуживания, среднего и капитального ремонтов.
В РЭ приводят порядок:
- контроля герметичности затвора и промывки внутренней полости корпуса;
- замены уплотнения сальникового узла, уплотнения разъема "корпус-крышка", бугельного узла и узла затвора при среднем ремонте с указанием марок применяемых материалов;
- замены подшипников бугельного узла с указанием марок применяемых подшипников.
5.12.1 Маркировка задвижки - в соответствии с настоящим стандартом,
ГОСТ 4666, КД и ТУ.
5.12.2 Маркировку располагают на лицевой стороне корпуса задвижки на видном месте (допускается наносить маркировку на верхнем фланце крышки) и на металлической табличке из коррозионно-стойкой стали или цветных металлов и их сплавов.
Табличку выполняют в соответствии с требованиями
ГОСТ 12971 и крепят в верхней части стойки.
5.12.3 Содержание маркировки и место ее нанесения указаны в таблице 21.
Таблица 21
Содержание и место нанесения маркировки
Содержание маркировки | Место нанесения маркировки |
Корпус | Табличка |
Наименование изготовителя или товарный знак | + | + |
Обозначение задвижки в соответствии с 5.1.6 | + | + |
Номинальный диаметр DN | + | + |
Номинальное давление PN, МПа | + | + |
Температура рабочей среды T, °C | - | + |
Тип рабочей среды | - | + |
Класс герметичности затвора | - | + |
Марка материала корпуса | + | + |
Заводской номер, месяц и год изготовления | + | + |
Масса задвижки, кг | + | + |
Клеймо ОТК | + | + |
Дополнительная маркировка по требованию заказчика | - | + |
Примечание - Знак "+" - маркировка имеется, знак "-" - маркировка отсутствует. |
Маркировку массы задвижки выполняют на корпусе несмываемой краской после нанесения АКП.
Фактическое значение эквивалента углерода [C]э материала патрубков (или катушек) наносят несмываемой краской на внутренней поверхности патрубков корпуса (или катушек) на расстоянии от 30 до 50 мм от торца по внутреннему диаметру и указывают в паспорте на задвижку.
5.12.4 В зависимости от вида климатического исполнения наружные поверхности элементов задвижек подземной установки, эксплуатирующихся в атмосферных условиях (стойка, бугельный узел, электропривод, дренажные элементы) и все наружные поверхности задвижек надземной установки должны быть окрашены в отличительный цвет в соответствии с таблицей 22.
Таблица 22
Отличительные цвета окраски задвижки
Климатическое исполнение | Цвет отличительной окраски |
У | Серый |
ХЛ | Синий |
При наличии требований заказчика наружные поверхности задвижек могут быть окрашены в другие цвета.
5.12.5 Маркировку запасных частей задвижки располагают непосредственно на деталях (запасных частях) либо на прикрепленных к ним бирках с обозначением изделия, которое они комплектуют. Маркировка должна содержать данные, необходимые для идентификации конкретной запасной части.
5.12.6 Маркировка транспортной тары - по
ГОСТ 14192.
На торцевой и боковой поверхностях транспортной тары наносят:
- адрес и наименование получателя;
- адрес и наименование отправителя;
- обозначение задвижки;
- масса нетто и брутто, кг;
- габаритные размеры в сантиметрах (длина, ширина и высота).
На ящике (крышке, на передней и боковой стенках), в которых упаковываются ремонтный и групповой ЗИП, должно быть нанесено:
- адрес и наименование получателя;
- адрес и наименование отправителя;
- обозначение задвижки в сочетании с "ЗИП изделия";
- количество комплектов ЗИП в ящике;
- номер ящика;
- количество ящиков в партии;
- масса ЗИП с тарой (брутто);
- манипуляционные знаки "Беречь от влаги", "Верх, не кантовать" по
ГОСТ 14192.
5.12.7 На упакованной задвижке наносят манипуляционные знаки "Центр тяжести" и "Место строповки" по
ГОСТ 14192. Непосредственно на задвижку несмываемой краской наносят условные обозначения для строповых устройств.
5.12.8 Способ нанесения маркировки:
- для литых, литосварных и литоштампосварных корпусов - литьем или ударным способом;
- для штампосварных корпусов - ударным способом;
- для транспортной тары - несмываемой краской.
5.12.9 Для задвижек свыше DN 300 на шпинделе наносят маркировку методом, обеспечивающим ее сохранность при эксплуатации, содержащую следующие сведения:
- наименование или товарный знак изготовителя;
- марка материала шпинделя;
- заводской номер и год изготовления;
- клеймо ОТК.
5.12.10 На торцевой поверхности шибера со стороны крепления к шпинделю наносят маркировку методом, обеспечивающим ее сохранность при эксплуатации, содержащую следующие сведения:
- наименование или товарный знак изготовителя;
- марка материала шибера;
- тип износостойкого покрытия;
- заводской номер и год изготовления;
- клеймо ОТК.
5.12.11 На внешней поверхности седла со стороны отверстия под рым-болт наносят маркировку методом, обеспечивающим ее сохранность при эксплуатации, содержащую следующие сведения:
- наименование или товарный знак изготовителя;
- марка материала седла;
- марка материала наплавки (при ее наличии);
- заводской номер и год изготовления;
- клеймо ОТК.
5.12.12 Спускной и дренажный трубопроводы должны иметь маркировку с наименованием трубопровода, нанесенную способом, обеспечивающим ее сохранность в течение всего срока службы задвижки. Допускается наносить маркировку на защитных кожухах.
5.13.1 Упаковка должна обеспечивать сохранность задвижек (в том числе АКП) при транспортировании и хранении.
5.13.2 При подготовке задвижек к упаковыванию должно быть соблюдено следующее:
- затвор должен быть установлен в положение "Открыто";
- в патрубках задвижки устанавливают герметичную защитную ленту из негорючих материалов, обеспечивающую защиту от попадания загрязнений, грата и окалины в затвор при сварке с трубопроводом;
- поверхности задвижек, не имеющие защитного АКП, а также лакокрасочного или другого атмосферостойкого покрытия, подвергают временной антикоррозионной защите по
ГОСТ 9.014 (вариант защиты ВЗ-1, ВЗ-4 или ВЗ-8, вариант упаковки ВУ-0 или ВУ-9);
- неокрашиваемые поверхности консервируют смазкой (консервантом), удовлетворяющей по техническим параметрам условиям хранения и эксплуатации задвижек;
- на время транспортирования и хранения задвижку консервируют по ТУ или инструкции по консервации;
- крепежные детали и другие неокрашиваемые поверхности консервируют смазкой К-17 по
ГОСТ 10877 или другим консервантом;
- патрубки задвижки, а также бугельный узел при поставке без привода или со снятым приводом защищают заглушками, предохраняющими полости от загрязнения, попадания влаги и защищающими кромки от повреждения;
- при использовании деревянной тары внутренняя упаковка - по
ГОСТ 9.014.
5.13.3 Порядок размещения и способ укладывания продукции должны обеспечить сохранность задвижек при транспортировании и хранении.
5.13.4 Эксплуатационные и сопроводительные документы, прилагаемые к задвижке, завертывают в водонепроницаемую бумагу или бумагу с полиэтиленовым покрытием и вкладывают в герметичный пакет, изготовленный из полиэтиленовой пленки по
ГОСТ 10354 толщиной не менее 0,15 мм. Швы пакета сваривают (заклеивают). Пакет дополнительно оборачивают водонепроницаемой бумагой или полиэтиленовой пленкой, края которых сваривают (заклеивают).
5.13.5 Эксплуатационные и сопроводительные документы размещают в первом ящике отправляемых по заказу задвижек, при этом на ящик наносят надпись: "Документация здесь".
5.13.6 При транспортировании задвижек без тары, документацию размещают в проходе задвижки и крепят к тыльной стороне заглушки, при этом на лицевой стороне заглушки наносят надпись: "Документация здесь" несмываемой краской или другим способом, обеспечивающим ее сохранность в условиях транспортирования и хранения.
5.13.7 Методы консервации и применяемые для этого материалы должны обеспечивать возможность расконсервации задвижек без их разборки.
6 Требования безопасности и охраны окружающей среды
6.1 Требования безопасности при проектировании и изготовлении
6.1.2 Требования безопасности и охраны окружающей среды обеспечивают:
- подбором материалов элементов задвижек с учетом параметров и условий эксплуатации;
- проведением расчетов на прочность основных элементов задвижек с учетом сейсмических нагрузок и нагрузок, передаваемых от трубопровода;
- герметичностью по отношению к окружающей среде;
- проведением расчетов на сопротивление хрупкому разрушению для возможности опрессовки воздухом давлением 1,1PN при температуре минус 40 °C;
- утилизацией деталей, вышедших из строя или отработавших ресурс, специализированными предприятиями по сбору, транспортированию, обработке, утилизации, обезвреживанию, размещению отходов.
6.1.3 Уплотнения разъемных соединений должны обеспечивать содержание вредных веществ возле разъемных соединений задвижек, не превышающих норму для класса опасности 3 по
ГОСТ 12.1.007.
6.2 Требования безопасности и охраны окружающей среды при эксплуатации
6.2.1 В ТУ и РЭ на задвижки приводят перечень отказов и критерии предельных состояний.
6.2.2 В РЭ устанавливают требования, обеспечивающие безопасность при эксплуатации задвижек:
- к установке и монтажу задвижек в соответствии с требованиями РЭ;
- к входному контролю, эксплуатации, техническому обслуживанию, ремонту, техническому освидетельствованию, к квалификации персонала для допуска к проведению работ.
Задвижки должны эксплуатироваться в соответствии с РЭ.
6.2.3 Эксплуатация задвижек без паспорта и РЭ запрещается.
При эксплуатации задвижек необходимо проводить техническое обслуживание и ремонты.
При эксплуатации должен вестись учет наработки, обеспечивающий контроль достижения назначенных показателей.
Эксплуатацию задвижек останавливают при достижении предельного состояния и/или назначенных показателей.
Персонал должен иметь инструкцию или другой документ, устанавливающий порядок действий при обнаружении предельного состояния.
6.2.4 Для обеспечения безопасной работы запрещается:
- использовать задвижки для работы при параметрах, превышающих указанные в РЭ;
- проводить работы по устранению дефектов при наличии избыточного давления среды в корпусе задвижки и подтяжку резьбовых соединений, находящихся под давлением;
Примечание - Контроль момента затяжки резьбовых соединений и подтяжка резьбовых соединений, находящихся под давлением, допускается в рамках мониторинга технического состояния и при техническом обслуживании, если это предусмотрено РЭ.
- производить работы, связанные с разборкой разъемных соединений, при наличии давления среды в корпусе задвижки;
- опрессовывать задвижку водой при температуре окружающего воздуха ниже 5 °C;
- использовать задвижки в качестве опор для оборудования и трубопроводов;
- использовать задвижки в качестве регулирующих устройств;
- использовать дополнительные рычаги при ручном управлении задвижкой и применять гаечные ключи, большие по размеру, чем необходимые по размерам крепежных деталей;
- проводить работы на задвижке с незаземленным электрооборудованием;
- применять задвижки вместо заглушек при испытаниях на монтаже, если испытательное давление превышает 1,1PN задвижки.
6.2.5 Уровень шума, создаваемый задвижкой, не должен превышать 85 дБ на расстоянии 1,0 м от корпуса задвижки.
Требования к уровню шума не предъявляются в переходных режимах при открытии и закрытии задвижки.
6.2.6 При разборке и сборке задвижки необходимо предохранять уплотнительные и направляющие поверхности от повреждения.
6.2.7 Монтаж, эксплуатация, техническое обслуживание и ремонт задвижек должны производиться в соответствии с РЭ,
ГОСТ 12.1.010,
ГОСТ 12.1.004.
6.2.8 Содержание вредных веществ возле разъемных соединений задвижки не должно превышать требований, предъявляемых к классу опасности 3 по
ГОСТ 12.1.007. Концентрация вредных веществ, методы и периодичность контроля должны соответствовать требованиям
ГОСТ 12.1.005 для класса опасности III.
6.2.9 Вышедшие из строя и отработавшие свой ресурс детали должны передаваться на утилизацию в специализированные предприятия по сбору, транспортированию, обработке, утилизации, обезвреживанию, размещению отходов.
6.2.10 Лом и отходы, содержащие незагрязненные черные металлы в виде несортированных изделий и кусков, должны складироваться на площадке с твердым (асфальтовым, бетонным) покрытием.
6.3 Требования безопасности при транспортировании и хранении
6.3.1 Требования безопасности при погрузочно-разгрузочных работах - по
ГОСТ 12.3.009.
6.3.2 Строповку задвижек выполняют в соответствии со схемой строповки, которая должна быть приведена в КД и РЭ.
6.3.3 В РЭ устанавливают следующие требования, обеспечивающие безопасность при транспортировании и хранении задвижек:
- транспортирование и хранение задвижек проводят с учетом всех требований по безопасности, предусмотренных разработчиком задвижек;
- по истечении установленного срока хранения задвижки подвергают переконсервации; в случае планируемого применения по назначению - испытаниям на работоспособность и герметичность;
- транспортирование задвижек проводят в соответствии с правилами, действующими на конкретных видах транспорта;
- погрузку, разгрузку, транспортирование и складирование задвижек проводит аттестованный персонал с соблюдением требований безопасности при выполнении данных работ.
6.3.4 Материалы и вещества, применяемые для упаковки и консервации, должны быть безопасными для людей и окружающей среды.
7.1.1 Приемку и контроль качества задвижек (сборочные единицы и детали), материалов, комплектующих изделий и отдельных операций выполняет ОТК изготовителя на соответствие требованиям ТУ и КД. Результатами приемки являются клеймо ОТК на деталях, сборках, задвижке и штамп ОТК с подписью в паспорте на задвижку.
7.1.2 К изготовлению и сборке допускают материалы и детали, качество которых отвечает требованиям ТД и которые приняты ОТК изготовителя задвижек.
7.1.3 Изготовитель задвижек должен проводить испытания следующих категорий:
- приемочные;
- квалификационные;
- приемо-сдаточные;
- периодические;
- типовые.
7.1.4 Приемочные и квалификационные испытания проводят по
ГОСТ 15.001 <*>.
--------------------------------
7.1.5 Приемо-сдаточные испытания проводит изготовитель по ТУ с учетом
ГОСТ 15.309. Периодические и типовые испытания проводят по соответствующим ПМ с учетом
ГОСТ 15.309 (также рекомендуется с учетом
[33]).
7.1.6 По требованию заказчика (по условию договора) испытания проводят с участием представителя заказчика силами и средствами ОТК изготовителя.
7.1.7 Коэффициент сопротивления

определяют по
[34] в процессе приемочных испытаний опытных образцов.
Допускается устанавливать гидравлические характеристики задвижек расчетом или на основе анализа геометрических размеров проточной части и характеристик подобных конструкций, если вследствие отсутствия испытательных стендов или по другим причинам их экспериментальные значения определить невозможно или нецелесообразно.
7.1.8 Контроль массы задвижек проводят при изготовлении первой партии задвижек одного типоразмера до нанесения АКП, а также при проведении периодических и типовых испытаний.
7.1.9 Порядок проведения повторных испытаний и условия окончательного забракования - по
ГОСТ 15.309.
--------------------------------
В процессе испытаний ход и результаты испытаний должны заноситься в журнал.
7.1.10 Допускается распространять результаты приемочных, квалификационных, периодических и типовых испытаний конкретной задвижки на группу конструктивно-подобных задвижек, изготовляемых по одинаковой технологии, при условии согласования решения изготовителя с разработчиком и заказчиком.
7.2.1 Приемо-сдаточные испытания
7.2.1.1 Испытаниям подвергают задвижку в сборе до консервации и нанесения АКП, если в КД не указано иное.
7.2.1.2 Испытания проводятся по ТУ или ПМ приемо-сдаточных испытаний.
7.2.1.3 Результаты приемо-сдаточных испытаний вносятся в журнал испытаний и паспорт или акт приемо-сдаточных испытаний, прилагаемый к паспорту.
7.2.1.4 Объем приемо-сдаточных испытаний:
- проверка ЭД и разрешительной документации;
- визуальный и измерительный контроль;
- испытания на прочность и плотность материала корпусных деталей и сварных швов;
- испытание на герметичность относительно внешней среды подвижных и неподвижных соединений;
- испытание на герметичность верхнего уплотнения;
- испытание на функционирование (работоспособность);
- испытание системы автоматического сброса давления из корпуса;
- испытание на герметичность затвора;
- испытание на герметичность сальника воздухом;
- проверка качества наружного АКП.
7.2.1.5 После проведения пневмогидравлических испытаний проверяют соответствие момента затяга фланцевого соединения "корпус-крышка", указанному в КД (РЭ) и наносят АКП.
После проведения гидравлических испытаний проводят полное удаление воды из внутренней полости задвижки в последовательности:
- переводят шибер в положение "Открыто";
- подают воздух давлением от 0,1 до 0,6 МПа (от 1 до 6 бар) во внутреннюю полость задвижки через спускной трубопровод;
- опорожняют внутреннюю полость задвижки от воды через дренажный трубопровод;
- после прекращения поступления воды из дренажного трубопровода подачу сжатого воздуха останавливают для обеспечения стока воды из внутренней поверхности корпуса задвижки. После выдержки в течение не менее 20 мин проводят повторный цикл удаления воды.
7.2.1.6 После нанесения АКП задвижки проводится его контроль с оформлением протокола испытаний АКП.
7.2.1.7 Если при приемо-сдаточных испытаниях будет обнаружено несоответствие задвижек хотя бы по одному пункту ТУ или ПМ приемо-сдаточных испытаний, то их бракуют до выявления причин возникновения несоответствий и их устранения в соответствии с
ГОСТ 15.309.
Если во время приемо-сдаточных испытаний проводилась разборка задвижки или сварочные работы на корпусных деталях, то задвижку подвергают повторным приемо-сдаточным испытаниям в полном объеме.
Если для устранения несоответствий не требовалось проводить разборку изделия или проведение сварочных работ на корпусных деталях, испытания продолжаются с того пункта программы, на котором они были остановлены.
7.2.1.8 При положительных результатах повторных приемо-сдаточных испытаний задвижки считают принятыми ОТК.
7.2.1.9 Разница температур стенки корпуса задвижки и окружающего воздуха во время гидравлических испытаний не должна вызывать конденсацию влаги на поверхности стенки корпуса.
7.2.1.10 Скорость подъема давления при проведении гидравлических испытаний задвижек не должна превышать 0,5 МПа (5 бар) в минуту.
7.2.2 Периодические испытания
7.2.2.1 Периодические испытания проводит изготовитель в объеме и порядке, предусмотренными ПМ, разработанной изготовителем или разработчиком.
7.2.2.2 Периодические испытания проводят для контроля стабильности технологического процесса изготовления задвижек и подтверждения возможности продолжения их выпуска.
7.2.2.3 Периодические испытания проводят не реже одного раза в 3 года.
Количество образцов, подвергаемых испытаниям, методика испытаний - в соответствии с ПМ периодических испытаний, утвержденной в установленном порядке, и
ГОСТ 15.309 (рекомендуемые правила проведения периодических испытаний и разработки ПМ - по
[33]).
7.2.2.4 Положительные результаты периодических испытаний подтверждают возможность дальнейшего изготовления и приемки по той же документации, по которой изготовлены отобранные для испытаний задвижки, до очередных периодических испытаний.
7.2.2.5 При отрицательных результатах периодических испытаний приемку и отгрузку партии принятых задвижек приостанавливают, анализируют причины отказа, намечают и выполняют мероприятия по их устранению.
7.2.3 Типовые испытания
7.2.3.1 Типовые испытания задвижки проводят в целях оценки эффективности и целесообразности предлагаемых изменений в КД или технологии изготовления, которые могут повлиять на технические характеристики задвижки, связанные с безопасностью, либо могут повлиять на эксплуатацию задвижки, в том числе на важнейшие потребительские свойства задвижки или на соблюдение условий охраны окружающей среды.
7.2.3.3 ПМ типовых испытаний составляет разработчик.
7.2.3.4 В программу и методику типовых испытаний, при необходимости, допускается включать сравнительные испытания задвижки, изготовленной без учета и с учетом предлагаемых изменений.
7.2.3.5 Результаты типовых испытаний считают положительными, если полученные фактические данные по всем видам проверок, включенных в ПМ типовых испытаний, свидетельствуют о достижении требуемых значений показателей задвижек (технологического процесса изготовления задвижек), установленных ПМ типовых испытаний, и достаточны для оценки эффективности (целесообразности) внесения изменений в задвижки.
7.3 Требования к испытательному оборудованию и средствам измерений
7.3.1 Испытательное оборудование, в том числе установленные на них контрольно-измерительные приборы, должно обеспечивать условия испытаний.
7.3.2 Со стороны испытательного оборудования исключают механические воздействия на задвижки, не предусмотренные ЭД.
7.3.3 При проведении испытаний обеспечивают измерение температуры и времени с точностью:
+/- 5 °C - для температуры;
+/- 1 с - для времени.
7.3.4 Давление при гидравлическом испытании контролируют двумя манометрами. Оба манометра выбирают одного типа, предела измерения, одинаковых классов точности, цены деления. Класс точности манометров должен быть не ниже 1,5.
7.3.5 Измеряемые величины давлений должны находиться во второй трети шкалы манометра.
7.3.6 Испытания проводят на аттестованном испытательном оборудовании (рекомендуется по
[35]), укомплектованном средствами защиты и средствами измерений.
7.3.7 Для измерений при изготовлении, контроле и испытании задвижек применяют средства измерений утвержденного типа, внесенные в Федеральный информационный фонд по обеспечению единства измерений, имеющие действующие отметки о поверке или калибровке.
7.3.8 Перечень рекомендуемого оборудования и средств измерения приведен в
ГОСТ 33257.
| | Применение на добровольной основе раздела 8 обеспечивает соблюдение требований технического регламента Таможенного союза "О безопасности оборудования, работающего под избыточным давлением" (ТР ТС 032/2013) (Решение Коллегии Евразийской экономической комиссии от 11.06.2019 N 96). | |
8 Методы контроля и испытаний
8.1.2 Испытательные среды, используемые при контроле задвижек:
- вода водопроводная без механических примесей температурой от 5 °C до 40 °C с добавлением, при необходимости, ингибитора коррозии;
- воздух.
Во время испытаний и после их завершения должно быть исключено коррозионное воздействие испытательной среды на задвижки и испытательные устройства, вредное воздействие на персонал.
8.1.3 После гидравлических испытаний изготовителем:
- воду из задвижек полностью удаляют, а корпус задвижки просушивают;
- в патрубках задвижки устанавливают герметичную защитную ленту из негорючих материалов, обеспечивающую защиту от попадания грата и окалины в затвор при сварке с трубопроводом. До начала эксплуатации задвижки ленту удаляют из трубопровода.
8.1.4 Последовательность проведения испытаний может быть уточнена в ТУ или ПМ.
8.3 Визуальный и измерительный контроль
8.3.1 Визуальный контроль
При визуальном контроле задвижки проверяют:
- комплектность на соответствие требованиям ТУ;
- наличие заглушек, обеспечивающих защиту фланцев или стыковых кромок под сварку;
- отсутствие на корпусе и торцах вмятин, задиров, механических повреждений, коррозии;
- отсутствие расслоений любого размера на торцах патрубков;
- качество поверхности задвижки под нанесение защитного АКП на соответствие требованиям ТУ на задвижку;
- состояние сварных швов задвижки;
- отсутствие задиров на стыковых кромках под сварку, отсутствие отслоений, механических повреждений изоляции на корпусе задвижки, механических повреждений износостойкого покрытия шибера, а также рисок и задиров износостойкого покрытия шибера, достигающих основного металла после проведения пневмогидравлических испытаний. Контроль осуществляется визуально через патрубки задвижки при снятых заглушках;
- отсутствие механических повреждений, рисок и задиров на уплотнительных поверхностях седел после проведения пневмогидравлических испытаний. Контроль осуществляется визуально через патрубки задвижки при снятых заглушках и приподнятом шибере;
- упаковку на соответствие
5.13 и ТУ на задвижку.
8.3.2 Измерительный контроль
8.3.2.1 Измерительный контроль в объеме
8.3.2.2 проводят в соответствии с технологическим процессом после испытаний на прочность с помощью средств измерений с погрешностью не более 30% допуска на эти размеры.
8.3.2.2 При измерительном контроле проверяют на соответствие КД:
- габаритные и присоединительные размеры (диаметр проходного сечения, присоединительные и уплотнительные размеры фланцев, строительная длина L);
- разделку стыковых кромок под сварку (толщина стенок);
- форму и размеры кромок под сварку на соответствие требованиям;
- толщины стенки корпусных деталей в контрольных точках. На основе замеров толщин стенок должен выполняться эскиз корпусной детали с указанием точного положения мест замера, значений толщины по КД, фактические значения толщины и минимальные расчетные значения толщины. Эскиз прилагается к паспорту задвижки;
- овальность внутреннего диаметра приварных частей задвижки и катушек; отклонение от перпендикулярности торца приварной катушки относительно образующей (косину реза) (рекомендуется по
[29]).
8.3.2.3 Проверку габаритных и присоединительных размеров проводят после проведения гидравлических испытаний на прочность и окончательной обработки патрубков.
8.3.2.4 Отклонение наружного диаметра приварных катушек для задвижек от DN 500 до DN 1200 допускается контролировать путем измерения периметра. В случае измерения периметра рулеткой необходимо проводить пересчет D, мм, по формуле

(4)
где P - периметр поперечного сечения, мм;

- толщина рулетки, мм.
8.4 Испытание на прочность и плотность материала корпусных деталей и сварных швов
8.4.1 Последовательность испытания:
- установить задвижку на испытательный стенд;
- провести настройку путевых и моментных (для электропривода) выключателей в крайних положениях затвора "Открыто" и "Закрыто";
- затвор привести в положение "Приоткрыто" на 15% - 20%;
- установить на патрубки задвижки заглушки;
- заполнить задвижку водой до полного удаления воздуха из полости корпуса, поднять давление воды в корпусе задвижки до
Pпр = 1,5
PN; время выдержки под испытательным давлением - в соответствии с
таблицей 23, при этом осуществлять постоянный контроль давления в корпусе задвижки;
- снизить давление до PN;
- провести осмотр корпуса, крышки, дренажного трубопровода (при наличии), сварных швов в течение времени, необходимого для осмотра.
Таблица 23
Время выдержки под испытательным давлением
DN | Время выдержки под испытательным давлением, мин, не менее, при испытании |
на прочность и плотность | на герметичность относительно внешней среды | на герметичность верхнего уплотнения; на герметичность затвора |
100 | 10 | 5 | 2 |
От 150 до 250 включ. | 30 | 15 | 5 |
" 300 " 1200 " | 60 | 30 | 10 |
Примечание - Перед контролем герметичности затвора время выдержки при установившемся давлении не менее 10 мин. |
8.4.2 Для задвижек с литым (литосварным) корпусом дополнительно проводят контроль плотности материала элементов корпуса, разделяющих полости патрубков и корпусную полость. Проверку проводят в ходе контроля герметичности затвора путем контроля утечек в выходном патрубке задвижки.
8.4.3 Материал деталей и сварных швов считают прочными, если не обнаружено механических разрушений или видимых остаточных деформаций. Материал деталей и сварных швов считают плотным, если при испытании не обнаружено течей или "потений".
8.5 Испытание на герметичность относительно внешней среды подвижных и неподвижных соединений
8.5.1 Последовательность испытания:
- поднять давление воды до 1,1PN;
- наработать три цикла "Открыто-Закрыто";
- выдержать задвижку под давлением 1,1
PN в течение времени по
таблице 23;
- провести осмотр соединения "корпус-крышка", сальникового уплотнения.
8.5.2 Метод контроля - визуальный.
8.5.3 Утечку через сальниковое уплотнение контролируют в зазоре между втулкой (гайкой) сальника, шпинделем и коробкой сальника. Утечки не допускаются.
8.6 Испытание на герметичность верхнего уплотнения
8.6.1 Устанавливают затвор в положение "Приоткрыто" на 15% - 20%, заполняют задвижку водой до полного удаления воздуха из полости корпуса.
8.6.2 Затвор переводят в положение "Открыто" и перекрывают верхнее уплотнение. Для электроприводных задвижек перекрытие верхнего уплотнения на расстоянии от 10 до 15 мм выполняют вручную маховиком электропривода.
8.6.3 Поднимают давление воды в корпусе задвижки до 1,1
PN. Время выдержки при установившемся давлении 1,1
PN - по
таблице 23 и проводят контроль герметичности верхнего уплотнения на отсутствие утечки через устройство для контроля герметичности верхнего уплотнения.
8.6.4 Метод контроля - визуальный. Утечки не допускаются.
8.7 Испытание на функционирование (работоспособность)
8.7.1 Последовательность испытания:
- установить затвор в положение "Приоткрыто" на 15% - 20%;
- заполнить задвижку водой до полного удаления воздуха из полости корпуса;
- поднять давление воды в корпусе задвижки до PN;
- затвор задвижки установить в положение "Закрыто";
- провести три цикла "Открыто-Закрыто" при одностороннем давлении на затвор

при каждом цикле. Давление подают в патрубок с одной стороны. Перемещение затвора должно быть без рывков и заеданий, утечки через сальниковое уплотнение не допускаются.
8.7.2 При испытании проводят замер фактического крутящего момента M
кр на валу задвижки во время открытия при одностороннем давлении на затвор

с занесением результатов измерений в паспорт задвижки.
Проверяют срабатывание путевых и моментных (для электропривода) выключателей.
8.7.3 Повторяют испытание с подачей давления с другой стороны.
8.8 Испытание системы автоматического сброса давления из корпуса
Последовательность испытания:
- установить затвор в положение "Приоткрыто" на 15% - 20%;
- заполнить задвижку водой до полного удаления воздуха из полости корпуса, поднять давление воды в корпусе задвижки до PN;
- установить затвор в положение "Открыто";
- поднять давление среды в корпусе задвижки, контролируя повышение давления по манометру;
- зафиксировать значение рабочего давления, при котором произойдет сброс среды из корпуса в проход патрубка задвижки;
- повторить испытания при положении затвора "Закрыто".
Сброс при положении затвора "Открыто" или "Закрыто" должен произойти при разности давления в корпусе и патрубках:
не менее 0,2 МПа и не более 0,4PN для задвижек PN 1,6 МПа (16 бар);
не менее 0,2 МПа и не более 0,3PN для задвижек PN 2,5 МПа (25 бар) и PN 4,0 МПа (40 бар);
не менее 0,2 МПа и не более 0,1PN, для задвижек PN 6,3 МПа (63 бар) и выше.
8.9 Испытание на герметичность затвора
8.9.1 Последовательность испытания:
- затвор задвижки перевести в положение "Приоткрыто" на 15% - 20%;
- установить в верхнее отверстие крышки или в дренажный трубопровод указатель утечки;
- заполнить задвижку водой до полного удаления воздуха из полости корпуса;
- затвор задвижки установить в положение "Закрыто" рабочим усилием (крутящим моментом);
- создать перепад давления на затворе, для этого поднять давление во входном патрубке.
8.9.2 Контроль герметичности затвора проводят для каждого фиксированного значения перепада давления на затворе 0,1
PN; 0,5
PN; 1,1
PN. Время выдержки при установившемся давлении и время контроля - по
таблице 23.
Контроль герметичности затвора проводят через указатель утечки в крышке задвижки.
8.9.3 Задвижка должна соответствовать классу герметичности A по
ГОСТ 9544.
8.9.4 Повторяют испытания при подаче воды в другой патрубок по
8.9.1 и
8.9.2.
8.10 Испытание на герметичность сальника воздухом
8.10.1 Последовательность испытания:
- подать воздух давлением (0,5 +/- 0,1) МПа в крышку задвижки;
- выдержать под давлением 5 мин;
- проверить герметичность сальникового уплотнения методом обмыливания.
8.10.2 Пропуск воздуха не допускается.
8.11 Испытание на прочность приварных катушек
В случае невозможности испытания на прочность приварных катушек в составе изделия они должны быть отдельно подвергнуты испытанию пробным давлением, соответствующим пробному давлению задвижки, в последовательности:
- установить приварную катушку на стенд для испытания приварных катушек;
- заполнить полость приварной катушки водой до полного удаления воздуха, поднять давление воды в приварной катушке до Pпр. Величина пробного давления Pпр должна соответствовать пробному давлению задвижки. Время выдержки испытательным давлением - 10 мин. При этом осуществлять постоянный контроль давления по показаниям манометров;
- снизить давление до PN;
- провести осмотр приварной катушки в течение времени, необходимого для осмотра. Пропуск воды через металл и сварные швы не допускается. Материал детали считается прочным, если не обнаружено механических разрушений или видимых остаточных деформаций;
- снизить давление до атмосферного, слить воду, снять приварную катушку со стенда.
8.12 Проверка качества наружного антикоррозионного покрытия
Проверку качества наружного АКП задвижки проводят по ТУ с учетом
5.9.8.7.
9 Транспортирование и хранение
9.1.1 Строповка, установка и крепление задвижки на транспортном средстве должны исключать возможность механических повреждений и загрязнений внутренних поверхностей задвижки и концов патрубков, обработанных под приварку к трубопроводу, а также должны исключать возможность повреждения АКП. Транспортирование задвижек выполняют любым видом транспорта и на любые расстояния, при этом должно быть исключено их повреждение или повреждение транспортной тары.
9.1.2 Условия транспортирования задвижки в части воздействия климатических факторов должны соответствовать группе 8 (ОЖ3)
ГОСТ 15150 (открытые площадки в макроклиматических районах с умеренным и холодным климатом в атмосфере любых типов).
9.1.3 Условия транспортирования задвижек в части воздействия механических факторов - Ж по
ГОСТ 23170:
- перевозки автомобильным транспортом с любым количеством перегрузок (расстояние свыше 1000 км);
- перевозки воздушным, железнодорожным транспортом и водным путем в сочетании их между собой и с автомобильным транспортом с общим числом перегрузок более четырех;
- перевозки, включающие транспортирование морем.
9.1.4 При транспортировании задвижки должны выдерживать условия хранения по
9.2.
9.1.5 При транспортировании задвижек без тары изготовитель или поставщик должны обеспечить установку и крепление задвижек на транспортном средстве, исключающие возможность механических повреждений и загрязнений внутренних поверхностей задвижек и концов патрубков, обработанных под приварку к трубопроводу.
9.1.6 На время транспортирования устанавливают устройство, обеспечивающее фиксацию шибера, а проходные отверстия магистральных патрубков должны быть закрыты заглушками.
9.1.7 При выполнении погрузочно-разгрузочных работ выполняют требования
ГОСТ 12.3.009.
9.2.1 Условия хранения в части воздействия климатических факторов - группа 8 (ОЖ3) по
ГОСТ 15150 (открытые площадки в макроклиматических районах с умеренным и холодным климатом в атмосфере любых типов).
9.2.2 Условия хранения должны обеспечивать сохраняемость геометрических размеров, прочности, герметичности и работоспособности задвижки, а также заводской упаковки в течение всего срока хранения, установленного в ТУ.
9.2.3 Методы консервации и применяемые для этого материалы должны обеспечивать возможность расконсервации задвижек без их разборки.
9.2.4 Консервация должна обеспечить срок хранения задвижки в неповрежденной заводской упаковке не менее 24 месяцев.
9.2.5 В случае хранения свыше срока консервации или обнаружения дефектов временной антикоррозионной защиты при контрольных осмотрах в процессе хранения проводят переконсервацию согласно РЭ и
ГОСТ 9.014 с отметкой в паспорте на задвижку.
10 Указания по эксплуатации
10.1 Установочное положение на трубопроводе:
- до DN 300 включительно - любое (рекомендуемое - вертикальное приводом вверх);
- свыше DN 300 - вертикальное, с отклонением от вертикальной оси до 4° в вертикальной плоскости, проходящей через ось трубопровода, а также с отклонением от вертикальной оси до 4° в вертикальной плоскости, перпендикулярной оси трубопровода.
10.2 Допустимые режимы эксплуатации задвижек:
- с полностью открытым затвором;
- с полностью закрытым затвором.
Эксплуатация задвижек в режиме дросселирования не допускается.
10.3 Запрещается эксплуатация задвижки при отсутствии на нее паспорта и РЭ.
10.4 Запрещается использовать задвижку на параметрах, превышающих указанные в паспорте и РЭ.
10.5 Расконсервацию проводят согласно
ГОСТ 9.014 и РЭ.
10.6 Перед монтажом из проходного сечения задвижки удаляют устройство, фиксирующее шибер (при его наличии).
10.7 Места установки задвижки должны обеспечивать условия для осмотров, технического обслуживания и ремонтных работ.
10.8 Задвижки, предназначенные для подземной установки, устанавливают при монтаже в трубопровод таким образом, чтобы расстояние от уровня земли до радиусного перехода "крышка-горловина" составляло не менее 200 мм.
Если после монтажа задвижки подземного исполнения заводское покрытие надземной части задвижки не достигает уровня земли, то необходимо нанести АКП надземного исполнения на заводское покрытие подземного исполнения задвижки.
Если уровень засыпки грунтом трубопровода подземной прокладки превышает уровень, указанный выше, то с целью обеспечения доступности для осмотра и обслуживания сальникового узла выполняют приямок диаметром не менее 2,5 м.
10.9 Перед вводом в эксплуатацию наружная поверхность задвижки, подлежащей теплоизоляции, должна быть теплоизолирована негорючими материалами. Теплоизоляцию выполняют в соответствии с требованиями специального проекта производства работ, при этом руководствуются требованиями РЭ.
10.10 После монтажа задвижка с катушками должна допускать комплексные испытания совместно с примыкающими магистральными и технологическими трубопроводами:
- гидравлические испытания при температуре окружающей среды от 5 °C и выше;
- пневматические испытания при температуре окружающей среды не ниже минус 40 °C.
Требования к режиму и продолжительности испытаний устанавливает заказчик.
После гидравлических испытаний воду из задвижки полностью удаляют, а корпус задвижки просушивают.
10.11 При эксплуатации задвижки должен вестись учет наработки в циклах (часах), обеспечивающий контроль достижения назначенных показателей.
Эксплуатацию задвижки прекращают при достижении предельных состояний и назначенных показателей, приведенных в ЭД.
10.12 Мероприятия по содержанию задвижки в готовности к эксплуатации, подготовке к действию, вводу в эксплуатацию проводят в соответствии с ЭД.
10.13 К эксплуатации и обслуживанию задвижки допускают персонал, аттестованный в установленном порядке.
10.14 При эксплуатации задвижки выполняют требования безопасности, указанные в РЭ.
10.15 При сварке катушек с задвижкой обеспечивают защиту внутренних полостей задвижки и приварных катушек от попадания грата и окалины тканью и заглушками из негорючих материалов.
После приварки к трубопроводу удаляют защитные материалы, установленные изготовителем, для предотвращения от попадания грата и окалины в затвор при сварке с трубопроводом.
10.16 При эксплуатации проводят техническое обслуживание и ремонты задвижки (замена комплектующих элементов, выемных частей и т.п.), а также профилактические осмотры. Объем, методы и периодичность технических обслуживаний, среднего и капитального ремонта задвижки указывают в РЭ.
10.17 После достижения назначенных показателей, задвижки подвергают техническому освидетельствованию в целях определения их технического состояния, необходимости проведения ремонта в специализированном ремонтном предприятии или изготовителе задвижек, установления новых назначенных показателей или списания.
10.18 После проведения капитального ремонта задвижки подвергают испытаниям в соответствии с РЭ (техническому освидетельствованию), по результатам которого продлеваются назначенные показатели и определяется срок очередного технического освидетельствования.
10.19 Задвижки должны допускать использование их в качестве ограничительных элементов для разделения участков испытания, при условии, что испытательное давление не превышает 1,5·PN, а перепад давления между испытываемыми участками трубопровода не превышает максимально допустимый перепад на шибере.
11 Гарантии изготовителя (поставщика)
11.1 Изготовитель (поставщик) должен гарантировать соответствие задвижек требованиям настоящего стандарта, КД и ТУ при соблюдении условий транспортирования, хранения, монтажа и эксплуатации.
11.2 Гарантийные обязательства (гарантийный срок хранения, гарантийный срок эксплуатации, гарантийная наработка) указывают в ТУ и паспорте.
Рекомендуемые гарантийные обязательства:
- гарантийный срок хранения без переконсервации 24 месяца;
- гарантийный срок эксплуатации 24 месяца со дня ввода задвижек в эксплуатацию, но не более 36 месяцев со дня отгрузки;
- гарантийная наработка не менее 500 циклов в пределах гарантийного срока эксплуатации.
11.3 В течение гарантийного срока изготовитель (поставщик) безвозмездно устраняет дефекты производства, выявленные в процессе эксплуатации, а при невозможности устранения дефектов заменяет поставленные изделия.
(рекомендуемое)
(справочное)
Б.1 Параметры рабочих сред:
а) товарная нефть:
- плотность от 700 до 900 кг/м3;
- давление насыщенных паров - не более 0,067 МПа;
- вязкость: от 0,05·10-4 до 3,0·10-4 м2/с;
- массовая доля парафина: до 7,0%;
- массовая доля серы: до 3,5%;
- массовая доля воды: до 1,0%;
- воды в отдельных случаях: до 5,0%;
- концентрация хлористых солей: до 900 мг/дм3;
- массовая доля механических примесей: до 0,05%;
- максимальный размер механических примесей твердостью до 7 по шкале Мооса: 5,0 мм.
Класс опасности 3 по
ГОСТ 12.1.007, температура от минус 15 °C до 60 °C;
б) нефтепродукты:
Класс опасности 4 по
ГОСТ 12.1.007, температура от минус 45 °C до 60 °C.
Б.2 Рабочие среды и их параметры могут уточняться и записываться в опросных листах для конкретных поставок задвижек.
(обязательное)
НОРМАТИВНЫЕ ЗНАЧЕНИЯ ПОКАЗАТЕЛЕЙ НАДЕЖНОСТИ
И ПОКАЗАТЕЛЕЙ БЕЗОПАСНОСТИ
Нормативные значения показателей надежности и показателей безопасности задвижек приведены в таблице В.1.
Таблица В.1
Нормативные значения показателей надежности
и показателей безопасности
Наименование показателя | Значение показателя |
Полный срок службы, лет | 50 |
Полный ресурс, циклов | Не менее 3000 |
Назначенный срок службы, лет | 30 |
Назначенный ресурс, циклов | 1500 |
Назначенный срок службы выемных частей, лет | 15 |
Назначенный ресурс выемных частей, циклов | 750 |
Вероятность безотказной работы в течение полного ресурса, не менее | 0,99 |
Вероятность безотказной работы по критическому отказу "невыполнение функции "закрытие" в течение назначенного ресурса, не менее | 0,999 |
Коэффициент оперативной готовности, не менее | 0,999999 |
Примечание - Номенклатура и количественные значения показателей могут уточняться по согласованию с заказчиком. |
(справочное)
ПЕРЕЧЕНЬ ВОЗМОЖНЫХ ОТКАЗОВ И КРИТЕРИИ ПРЕДЕЛЬНЫХ СОСТОЯНИЙ
Г.1 Перечень возможных отказов:
- потеря плотности корпусных деталей и сварных соединений;
- потеря герметичности сальникового уплотнения;
- потеря герметичности уплотнений неподвижных соединений;
- потеря герметичности затвора (наличие утечек в затворе, превышающих установленные нормы по условиям эксплуатации);
- невыполнение функции "Закрыто";
- невыполнение функции "Открыто";
- несоответствие времени срабатывания на открытие или закрытие.
Г.2 Критерии предельных состояний:
- начальная стадия нарушения цельности корпусных деталей (потение, капельная течь);
- утечка через сальниковое уплотнение, неустранимая подтяжкой, и поднабивкой уплотнителей;
- необходимость приложить крутящий момент затяжки фланцевого прокладочного соединения для достижения герметичности последнего, превышающий предельно допустимую расчетную величину;
- увеличение крутящего момента на открытие или закрытие задвижки более 10% установленной в РЭ величины;
- дефекты шпинделя, которые могут привести к его разрыву (трещины всех видов и направлений);
- превышение предельно допустимых дефектов металла корпусных деталей и сварных швов при сплошном контроле методами неразрушающего контроля;
- изменение геометрических размеров и состояния поверхностей внутренних деталей, в том числе корпусных, влияющих на функционирование задвижки, в результате эрозионного и коррозионного разрушений.
(обязательное)
НОРМАТИВНЫЕ НАГРУЗКИ ОТ ТРУБОПРОВОДА НА ПАТРУБКИ ЗАДВИЖЕК
Нормативные нагрузки от трубопровода на патрубки задвижек приведены в таблицах Д.1 -
Д.6.
Таблица Д.1
Дополнительное продольное усилие от присоединяемых
трубопроводов для задвижек несейсмостойкого исполнения
Номинальный диаметр DN | Дополнительное продольное усилие, кН, для задвижек на номинальное давление PN, МПа |
1,6 | 2,5 | 4 | 6,3 | 8 | 10 | 12,5 |
100 | 38,2 | 36,9 | 34,8 | 31,6 | 29,2 | 26,3 | 22,8 |
150 | 55,1 | 52,3 | 47,5 | 40,3 | 34,9 | 28,6 | 28,8 |
200 | 73,5 | 68,1 | 58,9 | 45,0 | 35,8 | 44,3 | 54,7 |
250 | 123 | 115 | 101 | 78,9 | 62,9 | 68,9 | 85,0 |
300 | 143 | 131 | 111 | 80,2 | 78,9 | 97,6 | 121 |
350 | 162 | 146 | 119 | 84,4 | 106 | 131 | 162 |
400 | 180 | 159 | 124 | 108 | 136 | 168 | 207 |
500 | 212 | 179 | 125 | 166 | 209 | 259 | 319 |
600 | 239 | 193 | 151 | 236 | 297 | 367 | 453 |
700 | 255 | 192 | 207 | 321 | 404 | 500 | 616 |
800 | 273 | 191 | 268 | 417 | 524 | 648 | 800 |
1000 | 295 | 261 | 415 | 645 | 811 | 1000 | 1240 |
1050 | 271 | 286 | 453 | 704 | 886 | 1090 | 1350 |
1200 | 269 | 373 | 592 | 921 | 1160 | 1430 | 1760 |
Таблица Д.2
Дополнительное продольное усилие от присоединяемых
трубопроводов для задвижек сейсмостойкого исполнения
Номинальный диаметр DN | Дополнительное продольное усилие, кН, для задвижек на номинальное давление PN, МПа |
1,6 | 2,5 | 4 | 6,3 | 8 | 10 | 12,5 |
100 | 38,7 | 37,6 | 36,0 | 33,3 | 31,4 | 29,2 | 26,3 |
150 | 56,1 | 53,8 | 50,0 | 44,2 | 40,0 | 34,9 | 36,7 |
200 | 75,5 | 71,1 | 63,8 | 52,6 | 45,6 | 56,4 | 69,6 |
250 | 126 | 119 | 108 | 90,8 | 78,0 | 87,6 | 108 |
300 | 148 | 138 | 122 | 97,2 | 100 | 124 | 153 |
350 | 168 | 155 | 134 | 107 | 135 | 167 | 206 |
400 | 187 | 170 | 142 | 137 | 172 | 213 | 263 |
500 | 224 | 198 | 154 | 211 | 266 | 329 | 406 |
600 | 256 | 219 | 192 | 300 | 377 | 466 | 576 |
700 | 278 | 227 | 263 | 408 | 514 | 635 | 784 |
800 | 302 | 236 | 341 | 530 | 666 | 824 | 1017 |
1000 | 340 | 332 | 527 | 820 | 1030 | 1280 | 1570 |
1050 | 321 | 363 | 576 | 895 | 1130 | 1390 | 1720 |
1200 | 335 | 475 | 753 | 1170 | 1470 | 1820 | 2240 |
Таблица Д.3
Дополнительное продольное усилие от присоединяемых
трубопроводов для задвижек исполнения повышенной
сейсмостойкости
Номинальный диаметр DN | Дополнительное продольное усилие, кН, для задвижек на номинальное давление PN, МПа |
1,6 | 2,5 | 4 | 6,3 | 8 | 10 | 12,5 |
100 | 46,4 | 45,2 | 43,1 | 40,0 | 37,7 | 35,0 | 31,6 |
150 | 67,3 | 64,6 | 60,1 | 53,1 | 48,0 | 41,9 | 44,0 |
200 | 90,6 | 85,3 | 76,6 | 63,1 | 54,7 | 67,6 | 83,5 |
250 | 151 | 143 | 130 | 109 | 93,6 | 105 | 130 |
300 | 177 | 166 | 146 | 117 | 120 | 149 | 184 |
350 | 202 | 186 | 160 | 129 | 162 | 200 | 247 |
400 | 224 | 204 | 171 | 164 | 207 | 256 | 316 |
500 | 268 | 237 | 185 | 253 | 319 | 395 | 487 |
600 | 307 | 263 | 231 | 359 | 452 | 560 | 691 |
700 | 333 | 273 | 315 | 490 | 617 | 762 | 940 |
800 | 363 | 284 | 409 | 636 | 800 | 989 | 1220 |
1000 | 408 | 399 | 632 | 984 | 1240 | 1530 | 1890 |
1050 | 386 | 436 | 691 | 1070 | 1350 | 1670 | 2060 |
1200 | 402 | 570 | 904 | 1400 | 1770 | 2180 | 2690 |
Таблица Д.4
Изгибающий момент от присоединяемых трубопроводов
для задвижек несейсмостойкого исполнения
Номинальный диаметр DN | Изгибающий момент, кН·м, для задвижек на номинальное давление PN, МПа |
1,6 | 2,5 | 4 | 6,3 | 8 | 10 | 12,5 |
100 | 5,53 | 5,35 | 5,04 | 4,57 | 4,22 | 3,81 | 3,30 |
150 | 12,0 | 11,3 | 10,3 | 8,73 | 7,57 | 6,20 | 6,22 |
200 | 22,2 | 20,6 | 17,8 | 13,6 | 10,8 | 13,3 | 16,3 |
250 | 46,3 | 43,1 | 37,8 | 29,6 | 23,6 | 25,7 | 31,5 |
300 | 64,5 | 59,0 | 50,0 | 36,1 | 35,3 | 43,4 | 53,2 |
350 | 85,0 | 76,5 | 62,2 | 44,1 | 55,2 | 67,8 | 83,0 |
400 | 106 | 93,9 | 73,2 | 63,6 | 79,6 | 97,8 | 120 |
500 | 156 | 132 | 92,5 | 122 | 152 | 187 | 229 |
600 | 211 | 170 | 133 | 206 | 257 | 316 | 387 |
700 | 258 | 194 | 208 | 320 | 400 | 492 | 601 |
800 | 314 | 219 | 307 | 473 | 592 | 726 | 888 |
1000 | 423 | 374 | 590 | 910 | 1140 | 1400 | 1710 |
1050 | 407 | 428 | 674 | 1040 | 1300 | 1590 | 1950 |
1200 | 463 | 639 | 1010 | 1550 | 1940 | 2380 | 2910 |
Таблица Д.5
Изгибающий момент от присоединяемых трубопроводов
для задвижек сейсмостойкого исполнения
Номинальный диаметр DN | Изгибающий момент, кН·м, для задвижек на номинальное давление PN, МПа |
1,6 | 2,5 | 4 | 6,3 | 8 | 10 | 12,5 |
100 | 5,60 | 5,45 | 5,20 | 4,83 | 4,55 | 4,22 | 3,81 |
150 | 12,2 | 11,7 | 10,9 | 9,60 | 8,66 | 7,57 | 7,91 |
200 | 22,8 | 21,5 | 19,3 | 15,9 | 13,8 | 16,9 | 20,7 |
250 | 47,4 | 44,9 | 40,6 | 34,1 | 29,3 | 32,7 | 40,1 |
300 | 66,4 | 62,0 | 54,8 | 43,7 | 44,9 | 55,2 | 67,6 |
350 | 88,1 | 81,2 | 69,8 | 56,0 | 70,1 | 86,2 | 105 |
400 | 111 | 101 | 84,3 | 80,9 | 101 | 124 | 152 |
500 | 165 | 146 | 114 | 155 | 194 | 238 | 291 |
600 | 225 | 193 | 169 | 262 | 327 | 402 | 492 |
700 | 280 | 229 | 264 | 407 | 509 | 625 | 765 |
800 | 348 | 272 | 390 | 601 | 752 | 924 | 1130 |
1000 | 488 | 475 | 750 | 1160 | 1450 | 1780 | 2170 |
1050 | 482 | 544 | 857 | 1320 | 1650 | 2030 | 2470 |
1200 | 575 | 813 | 1280 | 1970 | 2470 | 3030 | 3700 |
Таблица Д.6
Изгибающий момент от присоединяемых трубопроводов
для задвижек исполнения повышенной сейсмостойкости
Номинальный диаметр DN | Изгибающий момент, кН·м, для задвижек на номинальное давление PN, МПа |
1,6 | 2,5 | 4 | 6,3 | 8 | 10 | 12,5 |
100 | 6,72 | 6,54 | 6,24 | 5,80 | 5,46 | 5,06 | 4,57 |
150 | 14,6 | 14,0 | 13,0 | 11,5 | 10,4 | 9,08 | 9,49 |
200 | 27,3 | 25,8 | 23,1 | 19,1 | 16,5 | 20,3 | 24,8 |
250 | 56,9 | 53,8 | 48,7 | 40,9 | 35,1 | 39,3 | 48,1 |
300 | 79,7 | 74,4 | 65,7 | 52,4 | 53,9 | 66,3 | 81,1 |
350 | 106 | 97,5 | 83,8 | 67,3 | 84,2 | 103 | 127 |
400 | 133 | 121 | 101 | 97,0 | 121 | 149 | 183 |
500 | 198 | 175 | 137 | 186 | 233 | 286 | 350 |
600 | 271 | 231 | 203 | 314 | 393 | 483 | 591 |
700 | 336 | 275 | 317 | 489 | 611 | 750 | 917 |
800 | 417 | 326 | 468 | 722 | 903 | 1110 | 1360 |
1000 | 586 | 571 | 900 | 1390 | 1740 | 2130 | 2610 |
1050 | 578 | 652 | 1030 | 1590 | 1980 | 2430 | 2970 |
1200 | 689 | 975 | 1540 | 2370 | 2960 | 3630 | 4440 |
(рекомендуемое)
Товарный знак изготовителя и его наименование
НАИМЕНОВАНИЕ ИЗДЕЛИЯ
DN ____, PN ____ МПа (____ бар)
ПАСПОРТ
_____________________________
(обозначение паспорта)
на ...... листах
--------------------------------
<*> Здесь и далее обозначение приводится в соответствии с
5.1.6 настоящего стандарта.
Место знака обращения на рынке | Сведения о разрешительных документах (декларация о соответствии или сертификат соответствия и др.), регистрационный номер, срок действия <1> |
|
1 Основные сведения об изделии ........................................................................................ 2 Основные технические данные ........................................................................................ 3 Конструктивное исполнение ............................................................................................ 4 Присоединительные размеры ........................................................................................... 5 Сведения о выемных деталях ........................................................................................... 6 Сведения о материалах основных деталей, крепежа и уплотнений ............................. 7 Сведения о химическом составе материалов основных деталей и крепежа ................ 8 Данные механических свойств материала основных деталей и крепежа .................... 9 Сведения о результатах контроля качества сварочных материалов, сварных соединений и наплавки ........................................................................................................ 10 Сведения о результатах контроля основных деталей и крепежа ................................ 11 Данные пневмогидравлических испытаний .................................................................. 12 Комплектность ................................................................................................................. 13 Консервация и упаковка .................................................................................................. 14 Сведения о расконсервации и переконсервации ........................................................... 15 Перечень отклонений, выявленных при изготовлении ................................................ 16 Данные об исправлении дефектов в процессе изготовления ....................................... 17 Гарантии изготовителя .................................................................................................... 18 Свидетельство о приемке ................................................................................................ 19 Сведения о проведении ремонта .................................................................................... 20 Сведения об утилизации .................................................................................................. |
--------------------------------
<1> Здесь и далее указания по выполнению приведены курсивом.
<2> Поскольку на основе формы паспорта оформляется конкретный паспорт, то в ней использована нумерация отдельного документа, а не приложения к настоящему стандарту.
1 Основные сведения об изделии
Наименование изделия | |
Обозначение изделия | |
Обозначение основного конструкторского документа | |
Документ на изготовление и поставку (технические условия) | |
Изготовитель (наименование завода-изготовителя, адрес, контактные данные) | |
Заказчик | |
Контракт N | |
Заказ N | |
Заводской номер | |
Дата выпуска | |
Назначение | |
2 Основные технические данные
Наименование параметра | Показатель |
Номинальный диаметр DN | |
Давление номинальное PN, МПа (бар) | |
Максимально допустимый перепад давления на затворе при открытии или закрытии  , МПа (бар) | |
Рабочая среда | |
Температура рабочей среды t, °C | |
Вид климатического исполнения и категория размещения по ГОСТ 15150 | |
Герметичность затвора | |
Коэффициент сопротивления | |
Привод, тип, обозначение | |
Время открытия или закрытия изделия, с (для электроприводных изделий) | |
Количество оборотов, необходимое для открытия или закрытия задвижки | |
Настройка муфты ограничения крутящего момента, Н·м | на открытие | |
на закрытие | |
Максимально допустимый крутящий момент, действующий на шпиндель, Н·м | |
Максимально допустимый момент при обтяжке фланцевого соединения "корпус-крышка", Н·м | |
Расчетный объем неудаляемого остатка рабочей среды, л | |
Масса, кг, не более | без электропривода | |
| с электроприводом | |
Тип присоединения к трубопроводу | |
Исполнение по сейсмостойкости | |
Установка (надземная, подземная) | |
Вид антикоррозионного покрытия (надземное, подземное), марка покрытия | |
Показатели надежности и безопасности | | |
| |
| |
| |
| |
| |
3 Конструктивное исполнение
В разделе приводится эскиз общего вида в разрезе с указанием:
- номеров позиций основных деталей;
- номеров сварных швов, отвечающих за герметичность относительно внешней среды (при их наличии);
- габаритные размеры.
Рисунок 1 - Общий вид изделия и схема расположения
сварных швов
4 Присоединительные размеры
В разделе приводится эскиз кромок для приварки к трубопроводу или присоединительные размеры фланца изделия.
Рисунок 2 - Разделка кромок для приварки к трубопроводу
(присоединительные размеры фланца изделия)
5 Сведения о выемных деталях
| Наименование | Условное обозначение или чертежный номер | Количество, шт. | Марка материала | Масса, кг | Размеры, мм |
| | | | | | |
| | | | | | |
| | | | | | |
| | | | | | |
| | | | | | |
| | | | | | |
6 Сведения о материалах основных деталей,
крепежа и уплотнений
| Наименование | Марка материала | Количество, шт. | Примечание |
| | | | |
| | | | |
7 Сведения о химическом составе материалов основных
и крепежных деталей
| Наименование | Марка материала | Номер плавки | Номер сертификата | Норма/факт | [C]э | Содержание элементов, % |
C | Si | Mn | P | S | Cr | Ni | Mo | Cu |
| | | | | норма | <= 0,43 | | | | | | | | | |
факт | | | | | | | | | | |
| | | | | норма | | | | | | | | | | |
факт | | | | | | | | | | |
8 Данные механических свойств материала основных
деталей и крепежа
| Наименование | Марка материала | Сведения о термообработке, номер сертификата | Норма/факт | Механические свойства при температуре 20 °C, не менее | Твердость | Ударная вязкость KCV-60(-40), Дж/см2 |
Предел прочности  , МПа | Предел текучести Rр0,2, МПа | Относительное удлинение  , % | Относительное сужение  , % |
HRC | HV |
| | | | норма | | | | | | | |
факт | | | | | | | |
| | | | норма | | | | | | | |
факт | | | | | | | |
9 Сведения о результатах контроля качества сварочных
материалов, сварных соединений и наплавки
Наименование сборочной единицы и номер шва, место наплавки по рисунку | Метод выполнения сварки, наплавки | N сертификата на сварочные и наплавочные материалы | Тип сварочного, наплавочного материала | Марка электродов, проволоки | Методы и объем контроля сварочных соединений и наплавки | Механические свойства | Результат испытаний | Номер протокола испытаний |
Визуальный и измерительный контроль | Радиографический контроль | Ультразвуковой контроль | Капиллярный контроль | Магнитопорошковый контроль | Предел прочности  , МПа | Ударная вязкость KCU-60, Дж/см2 | Угол изгиба | Твердость, HV |
| | | | | | | | | | | | | | | |
| | | | | | | | | | | | | | | |
Результаты механических испытаний сварных швов на контрольных образцах согласно протоколу.
Результаты металлографических исследований стыковых сварных соединений корпуса согласно протоколу.
10 Сведения о результатах контроля основных деталей
и крепежа
| Наименование | Методы и объем контроля основных деталей и крепежа | | | Результат испытаний | Номер протокола испытаний |
Визуальный и измерительный контроль | Акустико-эмиссионный контроль | Радиографический контроль | Ультразвуковой контроль | Капиллярный контроль | Магнитопорошковый контроль |
| | | | | | | | | | | |
| | | | | | | | | | | |
11 Данные пневмогидравлических испытаний
Виды испытаний | Контролируемый параметр | Значение параметра | Среда | Критерии оценки | Результат испытаний |
| | | | | |
| |
| | | | | |
| |
Акт приемо-сдаточных испытаний N ____ от ___________ 20__ г.
12 Комплектность
Заполняется в соответствии с ТУ.
13 Консервация и упаковка
Задвижка ____________________________________, заводской N _______________,
(обозначение изделия)
подвергнута консервации и упакована согласно требованиям,
предусмотренным в ТУ ______________________________________________________
Дата консервации _______________________
(год, месяц, число)
Срок защиты без переконсервации - 2 года
Консервацию произвел ______________ ________________ ______________________
(должность) (личная подпись) (расшифровка подписи)
Изделие после
консервации принял ______________ ________________ ______________________
(должность) (личная подпись) (расшифровка подписи)
Дата упаковки _____________________
(год, месяц, число)
Упаковку произвел ______________ ________________ ______________________
(должность) (личная подпись) (расшифровка подписи)
Изделие после
упаковки принял ______________ ________________ ______________________
(должность) (личная подпись) (расшифровка подписи)
14 Сведения о расконсервации и переконсервации
Дата | Наименование работ | Срок действия, год | Должность, фамилия, подпись |
| | | |
| | | |
15 Перечень отклонений, выявленных при изготовлении
Наименование и обозначение детали, сборочной единицы | Краткое содержание отклонения, несоответствия | Номер отчета по несоответствию | Номер разрешения, дата |
| | | |
| | | |
16 Данные об исправлении дефектов в процессе изготовления
В процессе изготовления корпусных деталей дефекты |  - не обнаружены |
|  - были обнаружены |
В процессе изготовления дефекты сварных соединений |  - не обнаружены |
|  - были обнаружены |
Вид дефекта(ов) корпусных деталей | |
|
Характер дефекта(ов) корпусных деталей | |
|
|
|
Вид дефекта(ов) сварных соединений | |
|
Характер дефекта(ов) сварных соединений | |
|
|
|
Метод исправления дефекта(ов) корпусных деталей | |
|
|
Метод исправления дефекта(ов) сварных соединений | |
|
|
Дефекты исправлены
________________ _____________________ ___________________
(личная подпись) (расшифровка подписи) (год, число, месяц)
________________ _____________________ ___________________
(личная подпись) (расшифровка подписи) (год, число, месяц)
17 Гарантии изготовителя
Заполняется в соответствии с ТУ или договором на поставку.
18 Свидетельство о приемке
Задвижка ________________________________________________, заводской N __________________,
(обозначение изделия)
изготовлена и принята в соответствии с ТУ ____________ и признана годной для эксплуатации.
Дата консервации ___________________________
(год, месяц, число)
Начальник ОТК ____________________________ М.П. ___________________________
(личная подпись) (расшифровка подписи)
Представитель технического надзора
__________________________ ________________ М.П. _____________________ ___________________
(наименование организации) (личная подпись) (расшифровка подписи) (год, число, месяц)
19 Сведения о проведении ремонта
Заполняет эксплуатирующая организация или организация, выполняющая ремонт.
20 Сведения об утилизации
Заполняет организация, осуществляющая утилизацию.
| MSK-64 | Шкала сейсмической интенсивности MSK-1964 |
| | Правила устройства электроустановок. Издание 6 (разработчик - АО "ВНИИЭ") |
| | Сосуды и аппараты. Нормы и методы расчета на прочность. Общие требования |
| | Сосуды и аппараты. Нормы и методы расчета на прочность. Расчет цилиндрических и конических обечаек, выпуклых и плоских днищ и крышек |
| | Сосуды и аппараты. Нормы и методы расчета на прочность. Укрепление отверстий в обечайках и днищах при внутреннем и внешнем давлениях. Расчет на прочность обечаек и днищ при внешних статических нагрузках на штуцер |
| | Сосуды и аппараты. Нормы и методы расчета на прочность. Расчет на прочность и герметичность фланцевых соединений |
| | Стропы грузовые общего назначения. Требования к устройству и безопасной эксплуатации |
| | Единая система защиты от коррозии и старения. Покрытия термодиффузионные цинковые. Общие требования и методы контроля |
| | Арматура трубопроводная. Прокладки овального, восьмиугольного сечения, линзовые стальные для фланцев арматуры. Конструкция, размеры и общие технические требования |
| | Арматура трубопроводная. Приводы вращательного действия. Присоединительные размеры |
| | Надежность в технике. Управление надежностью. Техника анализа безотказности. Основные положения |
| | ИС МЕГАНОРМ: примечание. Приказом Росстандарта от 30.10.2015 N 1684-ст с 1 июля 2016 года в качестве национального стандарта введен в действие ГОСТ 33272-2015. | |
|
| ГОСТ Р (проект) | Безопасность машин и оборудования. Порядок установления и продления назначенных ресурса, срока службы и срока хранения. Основные положения |
| СТ ЦКБА 008-2014 | Арматура трубопроводная. Расчет и оценка надежности и безопасности на этапе проектирования (разработчик - ЗАО "НПФ "ЦКБА") |
| | Надежность в технике. Планы испытаний для контроля вероятности безотказной работы |
| | Сосуды и аппараты. Нормы и методы расчета на прочность. Расчет обечаек и днищ от воздействия опорных нагрузок |
| | Сосуды и аппараты. Нормы и методы расчета на прочность. Расчет на прочность при малоцикловых нагрузках |
| СТ ЦКБА 092-2014 | Арматура для магистральных трубопроводов. Нормативные нагрузки от трубопровода. Методика расчета и численные значения (разработчик - ЗАО "НПФ "ЦКБА") |
| | Порядок применения сварочных материалов при изготовлении, монтаже, ремонте и реконструкции технических устройств для опасных производственных объектов |
| | Правила аттестации и основные требования к лабораториям неразрушающего контроля |
| | Правила аттестации персонала в области неразрушающего контроля |
| СТ ЦКБА 041-2008 | Арматура трубопроводная. Входной контроль материалов, полуфабрикатов и комплектующих изделий (разработчик - ЗАО "НПФ "ЦКБА") |
| СТ ЦКБА 010-2004 | Арматура трубопроводная. Поковки, штамповки и заготовки из проката. Технические требования (разработчик - ЗАО "НПФ "ЦКБА") |
| | Правила аттестации сварщиков и специалистов сварочного производства |
| | Технологический регламент проведения аттестации сварщиков и специалистов сварочного производства |
| | Порядок применения сварочного оборудования при изготовлении, монтаже, ремонте и реконструкции технических устройств для опасных производственных объектов |
| | Порядок применения сварочных технологий при изготовлении, монтаже, ремонте и реконструкции технических устройств для опасных производственных объектов |
| СТ ЦКБА 053-2008 | Арматура трубопроводная. Наплавка и контроль качества наплавленных поверхностей. Технические требования (разработчик - ЗАО "НПФ "ЦКБА") |
| СТ ЦКБА 025-2006 | Арматура трубопроводная. Сварка и контроль качества сварных соединений. Технические требования (разработчик - ЗАО "НПФ "ЦКБА") |
| | Инструкция по визуальному и измерительному контролю |
| | Металлы и сплавы. Измерение твердости по Виккерсу. Часть 1. Метод измерения |
| | Трубопроводы стальные магистральные. Общие требования к защите от коррозии |
| ASTM D 3359-09 | Standard Test Methods for Measuring Adhesion by Tape Test (Стандартные методы испытаний для измерения адгезии методом клейкой ленты) |
| СТ ЦКБА 028-2007 | Арматура трубопроводная. Периодические испытания. Общие требования (разработчик - ЗАО "НПФ "ЦКБА") |
| | Арматура трубопроводная. Методика экспериментального определения гидравлических и кавитационных характеристик |
| | Государственная система обеспечения единства измерений. Аттестация испытательного оборудования. Основные положения |
| | Топлива для двигателей внутреннего сгорания. Неэтилированный бензин. Технические условия |
| (ЕН 228-2004) | Топлива моторные. Бензин неэтилированный. Технические условия |
| (ЕН 590:2004) | Топливо дизельное ЕВРО. Технические условия |
| | Топливо авиационное для газотурбинных двигателей ДЖЕТ А-1 (Jet A-1). Технические условия |