Главная // Актуальные документы // ГОСТ (Государственный стандарт)СПРАВКА
Источник публикации
М.: Издательство стандартов, 1990
Примечание к документу
Отдельные положения данного документа включены в
Перечень стандартов, содержащих правила и методы исследований (испытаний) измерений, в том числе правила отбора образцов, необходимые для применения и исполнения требований технического
регламента Таможенного союза "О безопасности железнодорожного подвижного состава" (ТР ТС 001/2011) и осуществления оценки соответствия объектов технического регулирования (
Решение Комиссии Таможенного союза от 15.07.2011 N 710).
Документ включен в
Перечень национальных стандартов, содержащих правила и методы исследований (испытаний) и измерений, в том числе правила отбора образцов, необходимые для применения и исполнения технического
регламента о безопасности объектов внутреннего водного транспорта и осуществления оценки соответствия (
Распоряжение Правительства РФ от 29.06.2011 N 1100-р).
С 1 июля 2003 года до вступления в силу технических регламентов акты федеральных органов исполнительной власти в сфере технического регулирования носят рекомендательный характер и подлежат обязательному исполнению только в части, соответствующей целям, указанным в
пункте 1 статьи 46 Федерального закона от 27.12.2002 N 184-ФЗ.
Текст документа приведен с учетом
поправки, опубликованной в "ИУС", N 4, 2008.
Ограничение срока действия снято по Протоколу N 3-93 Межгосударственного Совета по стандартизации, метрологии и сертификации ("ИУС", N 5 - 6, 1993).
Срок действия продлен до 1 января 1994 года Постановлением Госстандарта СССР от 11.03.1988 N 521.
Введен в действие с 1 января 1979 года.
Название документа
"ГОСТ 9454-78 (СТ СЭВ 472-77, СТ СЭВ 473-77). Металлы. Метод испытания на ударный изгиб при пониженных, комнатной и повышенных температурах"
(утв. Постановлением Госстандарта СССР от 17.04.1978 N 1021)
(ред. от 01.03.1988)
"ГОСТ 9454-78 (СТ СЭВ 472-77, СТ СЭВ 473-77). Металлы. Метод испытания на ударный изгиб при пониженных, комнатной и повышенных температурах"
(утв. Постановлением Госстандарта СССР от 17.04.1978 N 1021)
(ред. от 01.03.1988)
Утвержден и введен в действие
Постановлением Госстандарта СССР
от 17 апреля 1978 г. N 1021
ГОСУДАРСТВЕННЫЙ СТАНДАРТ СОЮЗА ССР
МЕТАЛЛЫ
МЕТОД ИСПЫТАНИЯ НА УДАРНЫЙ ИЗГИБ
ПРИ ПОНИЖЕННЫХ, КОМНАТНОЙ И ПОВЫШЕННЫХ ТЕМПЕРАТУРАХ
Metals. Method for testing the impact strength
at low, room and high temperature
ГОСТ 9454-78
(СТ СЭВ 472-77, СТ СЭВ 473-77)
| | Список изменяющих документов (в ред. Изменения N 1, утв. в октябре 1981 г., Изменения N 2, утв. в марте 1988 г.) | |
Срок действия
с 1 января 1979 года
до 1 января 1994 года
1. Разработан и внесен Министерством черной металлургии СССР.
Разработчики: В.Н. Данилов, д-р техн. наук; М.Н. Георгиев, канд. техн. наук; Н.Я. Межова; Л.Н. Косарев, канд. техн. наук; Е.Ф. Комолова, канд. техн. наук; Б.А. Дроздовский, канд. техн. наук; В.Г. Кудряшов, канд. техн. наук; П.Д. Одесский, канд. техн. наук; В.И. Гельмида, канд. техн. наук; В.И. Змиевский, канд. техн. наук.
2. Утвержден и введен в действие Постановлением Государственного комитета стандартов Совета Министров СССР от 17.04.1978 N 1021.
3. Стандарт полностью соответствует СТ СЭВ 472-77, СТ СЭВ 473-77, ИСО 83-76 и ИСО 148-83.
4. Ссылочные нормативно-технические документы
────────────────────────────────────────┬─────────────────────────
Обозначение НТД, на который дана ссылка │ Номер пункта, раздела
────────────────────────────────────────┼─────────────────────────
ИС МЕГАНОРМ: примечание.
Взамен ГОСТ 7564-73 Постановлением Госстандарта РФ от
13.04.1998 N 118 с 1 июля 1999 года введен в действие
5. Срок действия продлен до 01.01.1994 Постановлением Госстандарта СССР от 11.03.1988 N 521.
6. Переиздание (июнь 1990 г.) с Изменениями N 1, 2, утвержденными в октябре 1981 г., марте 1988 г. (ИУС 12-81, 6-88).
Настоящий стандарт распространяется на черные и цветные металлы и сплавы и устанавливает метод испытания на ударный изгиб при температуре от минус 100 до плюс 1200 °C.
Метод основан на разрушении образца с концентратором посередине одним ударом маятникового копра. Концы образца располагают на опорах. В результате испытания определяют полную работу, затраченную при ударе (работу удара), или ударную вязкость.
Под ударной вязкостью следует понимать работу удара, отнесенную к начальной площади поперечного сечения образца в месте концентратора.
(Измененная редакция, Изм. N 1, 2).
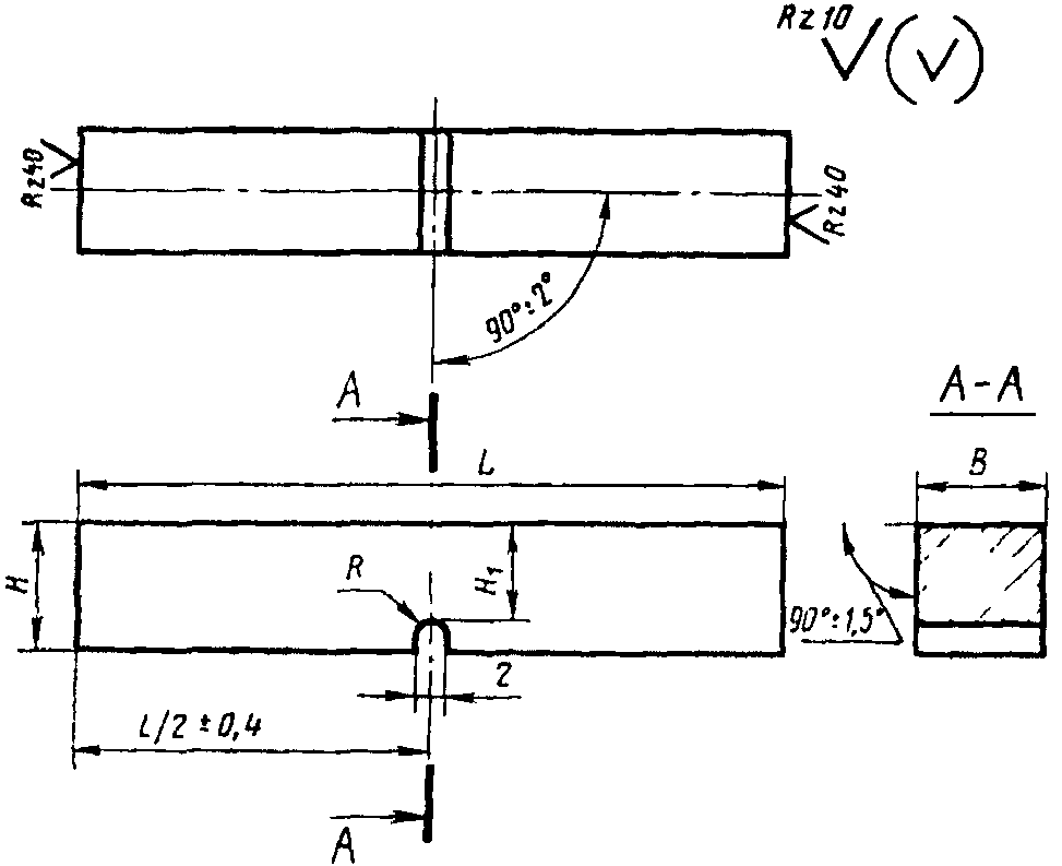
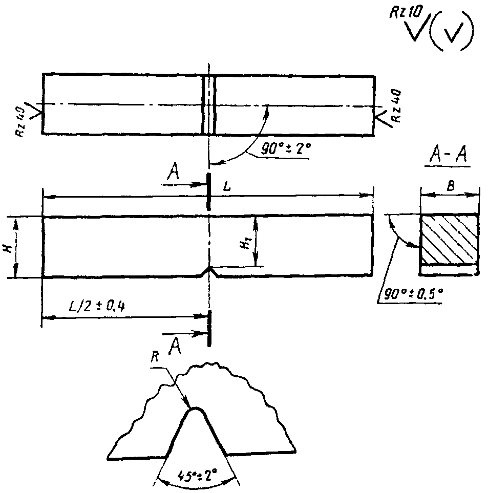
1.1. Форма и размеры образцов для испытания должны соответствовать указанным в таблице и на
черт. 1 -
3.
Размеры, мм
─────┬──────────────┬────┬────────┬────────────┬────────┬────────┬────────┬──────────
Вид │ Радиус │Тип │Длина L │ Ширина │ Высота │Глубина │Глубина │ Высота
кон- │концентратора │об- │ (пред. │ B │H (пред.│надреза │концент-│ рабочего
цент-│ R │раз-│ откл. │ │ откл. │ h │ратора h│ сечения
рато-│ │ца │+/- 0,6)│ │+/- 0,1)│ 1 │(пред. │ H
ра │ │ │ │ │ │ (пред. │откл. │ 1
│ │ │ │ │ │ откл. │+/- 0,6)│
│ │ │ │ │ │+/- 0,1)│ │
─────┼──────────────┼────┼────────┼────────────┼────────┼────────┼────────┼──────────
U │1 +/- 0,07
<*>│ 1 │ 55 │10 +/- 0,10 │ 10 │ - │ - │8 +/- 0,1
│ │ 2 │ │7,5 +/- 0,10│ │ │ │
│ │ 3 │ │5 +/- 0,05 │ │ │ │
│ │ │ │ ├────────┤ │ ├──────────
│ │ 4 │ │2 +/- 0,05 │ 8 │ │ │6 +/- 0,1
│ │ │ │ ├────────┤ │ ├──────────
│ │ 5 │ │10 +/- 0,10 │ 10 │ │ │7 +/- 0,1
│ │ 6 │ │7,5 +/- 0,10│ │ │ │
│ │ 7 │ │5 +/- 0,05 │ │ │ │
│ │ │ │ │ │ │ ├──────────
│ │ 8 │ │10 +/- 0,10 │ │ │ │5 +/- 0,1
│ │ 9 │ │7,5 +/- 0,10│ │ │ │
│ │10 │ │5 +/- 0,05 │ │ │ │
├──────────────┼────┼────────┼────────────┼────────┼────────┼────────┼──────────
V │0,25 +/- 0,025│11 │ 55 │10 +/- 0,10 │ 10 │ - │ - │8 +/- 0,05
│ │12 │ │7,5 +/- 0,10│ │ │ │
│ │13 │ │5 +/- 0,05 │ │ │ │
│ │ │ │ ├────────┤ │ ├──────────
│ │14 │ │2 +/- 0,05 │ 8 │ │ │6 +/- 0,05
├──────────────┼────┼────────┼────────────┼────────┼────────┼────────┼──────────
T │Трещина │15 │ 55 │10 +/- 0,10 │ 11 │ 1,5 │ 3,0 │ -
│ │16 │ │7,5 +/- 0,10│ │ │ │
│ │17 │ │5 +/- 0,05 │ │ │ │
│ │ │ │ ├────────┤ │ │
│ │18 │ │2 +/- 0,05 │ 9 │ │ │
│ │ │ │ ├────────┼────────┼────────┤
│ │19 │ │10 +/- 0,10 │ 10 │ 3,5 │ 5,0 │
--------------------------------
<*> При контрольных массовых испытаниях допускается изготовление образцов с предельным отклонением +/- 0,10 мм.
Образец с концентратором вида U
Образец с концентратором вида V
Черт. 2
Образец с концентратором вида T
(усталостная трещина)
а - общий вид; б - форма концентратора для образцов
с 15 по 19 тип; в - форма концентратора для образцов 20 типа
Допускается использовать образцы без надреза и с одной и двумя необработанными поверхностями, размеры которых по ширине отличаются от указанных в таблице.
Область применения образцов указана в справочном
Приложении 1.
Испытание образцов типов 4, 14, 18 проводят по требованию потребителя для изделий специального назначения.
1.2. Место вырезки заготовки для изготовления образцов, ориентация оси концентратора, технология вырезки заготовок и изготовления образцов - по
ГОСТ 7564-97 для черных металлов, если иное не предусмотрено в нормативно-технической документации на продукцию.
Для цветных металлов и сплавов все это должно быть указано в нормативно-технической документации на продукцию.
При вырезке заготовок металл образцов должен предохраняться от наклепа и нагрева, изменяющих свойства металла, если не предусмотрено иное в нормативно-технической документации на продукцию.
1.1; 1.2. (Измененная редакция, Изм. N 2).
1.3. Риски на поверхности концентраторов видов U и V, видимые без применения увеличительных средств, не допускаются.
1.4. Концентратор вида T получают в вершине начального надреза при плоском циклическом изгибе образца. Способ получения начального концентратора может быть любым.
Число циклов, необходимое для получения трещины заданной глубины, должно быть не менее 3000.
1.5. Максимальный остаточный прогиб, образовавшийся при нанесении на образцах концентратора вида T, не должен превышать: 0,25 мм - для образцов длиной 55 мм.
Контроль прогиба образца осуществляется с помощью индикаторов часового типа по
ГОСТ 577-68 или других средств, обеспечивающих погрешность измерения прогиба не более 0,05 мм на базе длины образца.
1.6. Тип и число образцов, порядок проведения повторных испытаний должны быть указаны в нормативно-технической документации на конкретную продукцию, утвержденной в установленном порядке.
Если в нормативно-технической документации на металлопродукцию не указан тип образца, следует испытывать образцы типа 1 - до 01.01.1991.
1.4 - 1.6. (Измененная редакция, Изм. N 1, 2).
2. АППАРАТУРА И МАТЕРИАЛЫ
2.1. Маятниковые копры - по ГОСТ 10708-82. Скорость движения маятника в момент удара должна быть:
(5 +/- 0,5) м/с - для копров с номинальной потенциальной энергией маятника 50 (5,0); 150 (15); 300 (30,0) Дж (кгс x м);
(4 +/- 0,25) м/с - для копров с номинальной потенциальной энергией маятника 25 (2,5); 15 (1,5); 7,5 (0,75) Дж (кгс x м);
(3 +/- 0,25) м/с - для копров с номинальной потенциальной энергией маятника 5,0 (0,5) Дж (кгс x м) и менее.
Допускается применять копры с другой номинальной потенциальной энергией маятника. При этом номинальное значение потенциальной энергии маятника должно быть таким, чтобы значение работы удара составляло не менее 10% от номинального значения потенциальной энергии маятника. До 01.01.1991 допускается использовать копры с такой номинальной потенциальной энергией маятника, чтобы работа удара составляла не менее 5% от номинальной потенциальной энергии маятника. Номинальное значение потенциальной энергии маятника должно быть указано в нормативно-технической документации на конкретную продукцию.
Основные размеры опор и ножа маятника должны соответствовать указанным на черт. 4. Для копров другой конструкции допускаются иные радиусы закругления ребра опоры и скорость движения маятника от 4,5 до 7,0 м/с.
Опоры и нож маятника
(Измененная редакция, Изм. N 2).
2.2. Термостат, обеспечивающий равномерное охлаждение или нагрев, отсутствие агрессивного воздействия окружающей среды на образец и возможность контроля температуры.
2.3. Смесь жидкого азота (
ГОСТ 9293-74) или твердой углекислоты ("сухого льда") с этиловым спиртом. Применение в качестве охладителя жидкого кислорода и жидкого воздуха не допускается.
Массовая доля кислорода в жидком азоте в процессе охлаждения образцов в термостате не должна быть более 10%.
(Измененная редакция, Изм. N 1, 2).
2.4. Термометры с погрешностью не более +/- 1 °C для измерения температуры охлаждающей среды.
2.5. Термометры, включая и преобразователи термоэлектрические (термопары), для измерения температуры нагрева образцов, обеспечивающие измерение с погрешностью, не превышающей:
+/- 5 °C - при температуре нагрева до 600 °C;
+/- 8 °C - при температуре нагрева свыше 600 °C.
2.4, 2.5. (Измененная редакция, Изм. N 2).
2.6. Трещину на образцах получают на вибраторах, изготовленных по нормативно-технической документации.
2.7. Штангенциркули должны соответствовать требованиям
ГОСТ 166-80. Допускается применять и другие измерительные средства, обеспечивающие измерение с погрешностью, не превышающей указанной в
п. 1.1.
2.6, 2.7. (Введены дополнительно, Изм. N 2).
3. ПОДГОТОВКА К ИСПЫТАНИЮ
3.1. Перед началом испытаний необходимо проверить положение указателя работы при свободном падении маятника.
Для маятниковых копров с цифровыми отсчетными устройствами указатель работы в исходном положении должен показывать "нуль" при допускаемом отклонении в пределах ширины штриха по нормативно-технической документации.
(Измененная редакция, Изм. N 1, 2).
3.2. Температурой испытания следует считать температуру образца в момент удара.
Температуру испытания указывают в нормативно-технической документации на конкретную продукцию, утвержденной в установленном порядке.
3.3. Комнатной температурой следует считать температуру 20 +/- 10 °C.
3.4. Для обеспечения требуемой температуры испытания образцы перед установкой на копер должны быть переохлаждены (при температуре испытания ниже комнатной) или перегреты (при температуре испытания выше комнатной). Степень переохлаждения или перегрева должна обеспечивать требуемую температуру испытания и должна определяться экспериментальным путем.
Температура переохлаждения или перегрева образцов при условии, что они могут быть испытаны не позднее чем через 3 - 5 с после извлечения из термостата, указана в справочном
Приложении 2.
Выдержка образцов в термостате при заданной температуре (с учетом необходимого переохлаждения или перегрева) должна быть не менее 15 мин.
(Измененная редакция, Изм. N 1).
3.5. Соприкасающаяся с образцом часть приспособления для извлечения его из термостата не должна изменять температуру образца при установке его на опоры копра.
| | Раздел 4 содержит правила и методы исследований (испытаний) измерений, в том числе правила отбора образцов, необходимые для применения и исполнения требований технического регламента Таможенного союза "О безопасности железнодорожного подвижного состава" (ТР ТС 001/2011) и осуществления оценки соответствия объектов технического регулирования (Решение Комиссии Таможенного союза от 15.07.2011 N 710). | |
4.1. Образец должен свободно лежать на опорах копра (см.
черт. 4). Установка образца должна производиться с помощью шаблона, обеспечивающего симметричное расположение концентратора относительно опор с погрешностью не более +/- 0,5 мм. При использовании торцовых ограничителей последние не должны мешать образцам свободно деформироваться.
4.2. Испытание должно проводиться при ударе маятника со стороны, противоположной концентратору, в плоскости его симметрии.
4.3. Работу удара определяют по шкале маятникового копра или аналоговых отсчетных устройств.
(Измененная редакция, Изм. N 2).
5.1. За результат испытания принимают работу удара или ударную вязкость для образцов с концентраторами видов U и V и ударную вязкость для образцов с концентратором вида T.
(Измененная редакция, Изм. N 2).
5.2. Работу удара обозначают двумя буквами (KU, KV или KT) и цифрами. Первая буква (K) - символ работы удара, вторая буква (U, V или T) - вида концентратора. Последующие цифры обозначают максимальную энергию удара маятника, глубину концентратора и ширину образца. Цифры не указывают при определении работы удара на копре с максимальной энергией удара маятника 300 (30,0) Дж (кгс x м), при глубине концентратора 2 мм для концентраторов видов U и V и 3 мм для концентратора вида T и ширине образца 10 мм (образцы 1, 11 и 15 типов).
Допускается обозначать работу удара двумя индексами (

): первый (A) - символ работы удара, второй (i) - символ типа образца в соответствии с таблицей.
(Измененная редакция, Изм. N 1).
5.3. Ударную вязкость обозначают сочетанием букв и цифр.
Первые две буквы KC обозначают символ ударной вязкости, третья буква - вид концентратора; первая цифра - максимальную энергию удара маятника, вторая - глубину концентратора и третья - ширину образца. Цифры не указывают в случае, оговоренном в
п. 5.2.
Допускается обозначать ударную вязкость двумя индексами (

) первый (a) - символ ударной вязкости; второй (i) - символ типа образца в соответствии с таблицей.
Для обозначения работы удара и ударной вязкости при пониженной и повышенной температурах вводится цифровой индекс, указывающий температуру испытания. Цифровой индекс ставят вверху после буквенных составляющих.
Например:

50/2/2 - работа удара, определенная на образце с концентратором вида V при температуре минус 40 °C. Максимальная энергия удара маятника 50 Дж, глубина концентратора 2 мм, ширина образца 2 мм.

150/3/7,5 - ударная вязкость, определенная на образце с концентратором вида T при температуре плюс 100 °C. Максимальная энергия удара маятника 150 Дж, глубина концентратора 3 мм, ширина образца 7,5 мм.
KCU (KCV) - ударная вязкость, определенная на образце с концентратором вида U (V) при комнатной температуре. Максимальная энергия удара маятника 300 Дж, глубина концентратора 2 мм, ширина образца 10 мм.

- ударная вязкость, определенная на образце типа 11 при температуре минус 60 °C. Максимальная энергия удара маятника 300 Дж.
(Измененная редакция, Изм. N 1).
5.4. Ударную вязкость (KC) в Дж/см2 (кгс x м/см2) вычисляют по формуле

,
где K - работа удара, Дж (кгс x м);

- начальная площадь поперечного сечения образца в месте концентратора, см2, вычисляемая по формуле

,
где

- начальная высота рабочей части образца, см;
B - начальная ширина образца, см.

и B измеряют с погрешностью не более +/- 0,05 мм (+/- 0,005 см).

округляют: при ширине образца 5 мм и менее - до третьей значащей цифры, при ширине образца более 5 мм - до второй значащей цифры.
Для образцов с концентратором вида T значение

определяют как разность между полной высотой H, измеренной до испытания с погрешностью не более +/- 0,05 мм (+/- 0,005 см) и расчетной глубиной концентратора

, измеренной с помощью любых оптических средств с увеличением не менее 7 на поверхности излома образца после его испытания по схеме, приведенной на черт. 5, с погрешностью не более +/- 0,05 мм (+/- 0,005 см).
abc - фронт усталостной трещины; I-I - положение визирной
линии окуляра микроскопа в начальный момент измерения
(совпадает с гранью образца); II-II - положение визирной
линии микроскопа при окончании измерения (положение II-II
выбирается так, чтобы заштрихованная площадь выше линии
была бы равновелика незаштрихованной площади
ниже визирной линии)
Черт. 5
(Измененная редакция, Изм. N 1, 2).
5.5. Значение KC записывают в протоколе с округлением: до 1 (0,1) Дж/см2 (кгс x м/см2) - при значении KC более 10 (1) Дж/см2 (кгс x м/см2); до 0,1 (0,01) Дж/см2 (кгс/см2) - при значении KC менее 10 (1) Дж/см2 (кгс x м/см2).
(Измененная редакция, Изм. N 1).
5.6. Если в результате испытания образец не разрушился полностью, то показатель качества материала считается неустановленным. В этом случае в протоколе испытания указывают, что образец при максимальной энергии удара маятника не был разрушен.
Результаты испытаний не учитывают при изломе образцов по дефектам металлургического производства.
(Измененная редакция, Изм. N 2).
5.7. При замене образца причину указывают в протоколе испытания.
5.8. Исходные данные и результаты испытания образца записывают в протоколе испытания. Форма протокола приведена в рекомендуемом
Приложении 3.
Справочное
ОБЛАСТЬ ПРИМЕНЕНИЯ ОБРАЗЦОВ
─────────────┬────────────┬───────────────────────────────────────
Вид │Тип образца │ Область применения
концентратора│ │
─────────────┼────────────┼───────────────────────────────────────
U │ 1 - 10 │ При выборе, приемосдаточных испытаниях
│ │металлов и сплавов
─────────────┼────────────┼───────────────────────────────────────
V │ 11 - 14 │ При выборе, приемосдаточных испытаниях
│ │металлов и сплавов для конструкций
│ │повышенной степени надежности
│ │(летательные аппараты, транспортные
│ │средства, трубопроводы, сосуды
│ │давления и т.п.)
─────────────┼────────────┼───────────────────────────────────────
T │ 15 - 20 │ При выборе и приемочном контроле
│ │металлов и сплавов для особо ответ-
│ │ственных конструкций, для эксплуатации
│ │которых оценка сопротивления развитию
│ │трещины имеет первостепенное значение.
│ │При исследовании причин разрушения
│ │ответственных конструкций
(Измененная редакция, Изм. N 1).
Справочное
ТЕМПЕРАТУРА ПЕРЕОХЛАЖДЕНИЯ И ПЕРЕГРЕВА
В ЗАВИСИМОСТИ ОТ ТЕМПЕРАТУРЫ ИСПЫТАНИЯ
──────────────────────────────────┬───────────────────────────────
Температура испытания, °C │ Температура, °C
├──────────────────┬────────────
│ переохлаждения │ перегрева
──────────────────────────────────┼──────────────────┼────────────
Св. минус 100 до минус 60 │ 4 - 6 │ -
" минус 60 " минус 40 │ 3 - 4 │ -
" минус 40 " плюс 10 │ 2 - 3 │ -
" плюс 30 " плюс 200 │ - │ 3 - 5
" плюс 200 " плюс 400 │ - │ 5 - 10
" плюс 400 " плюс 500 │ - │ 10 - 15
" плюс 500 " плюс 600 │ - │ 15 - 20
" плюс 600 " плюс 700 │ - │ 20 - 25
" плюс 700 " плюс 800 │ - │ 25 - 30
" плюс 800 " плюс 900 │ - │ 30 - 40
" плюс 900 " плюс 1000 │ - │ 40 - 50
Рекомендуемое
ИСПЫТАНИЙ НА УДАРНЫЙ ИЗГИБ
Марка копра __________________________________________________
Максимальная энергия удара маятника при испытании_____________
Скорость маятника в момент удара__________________________ м/с
Испытуемый материал___________________________________________
───┬────┬─────┬────┬────┬────┬────┬────┬─────┬────┬────┬─────────┬────────┬────
Но-│Мар-│Номер│Но- │Тип │Тем-│Ши- │Вы- │Глу- │Вы- │Пло-│ Работа │Ударная │При-
мер│ки- │плав-│мер │об- │пе- │ри- │сота│бина │со- │щадь│удара K, │вязкость│ме-
│ров-│ки │пар-│раз-│ра- │на │об- │кон- │та │по- │ Дж │ KC, │ча-
│ка │ │тии │ца │тура│об- │раз-│цент-│ра- │пе- │(кгс x м)│ Дж/см2 │ние
│об- │ │ │ │ис- │раз-│ца │рато-│бо- │реч-│ │ (кгс x │
│раз-│ │ │ │пы- │ца │H │ра h │че- │ного│ │x м/см2)│
│ца │ │ │ │та- │B │ │ │го │се- │ │ │
│ │ │ │ │ния,│ │ │ │се- │че- │ │ │
│ │ │ │ │°C │ │ │ │че- │ния │ │ │
│ │ │ │ │ │ │ │ │ния │S , │ │ │
│ │ │ │ │ │ │ │ │H │ 0 │ │ │
│ │ │ │ │ │ │ │ │ 1 │см2 │ │ │
│ │ │ │ │ ├────┴────┴─────┴────┤ │ │ │
│ │ │ │ │ │ см │ │ │ │
───┼────┼─────┼────┼────┼────┼────┬────┬─────┬────┼────┼─────────┼────────┼────
│ │ │ │ │ │ │ │ │ │ │ │ │
│ │ │ │ │ │ │ │ │ │ │ │ │
│ │ │ │ │ │ │ │ │ │ │ │ │
│ │ │ │ │ │ │ │ │ │ │ │ │
│ │ │ │ │ │ │ │ │ │ │ │ │
(Измененная редакция, Изм. N 1).