Главная // Актуальные документы // ГОСТ (Государственный стандарт)СПРАВКА
Источник публикации
М.: Стандартинформ, 2014
Примечание к документу
Документ утратил силу на территории Российской Федерации с 01.07.2023 в связи с изданием
Приказа Росстандарта от 12.09.2022 N 908-ст. Взамен введен в действие
ГОСТ 31610.10-1-2022.
Документ включен в
Перечень документов в области стандартизации, в результате применения которых на добровольной основе обеспечивается соблюдение требований Федерального
закона от 22.07.2008 N 123-ФЗ "Технический регламент о требованиях пожарной безопасности" (
Приказ Росстандарта от 13.02.2023 N 318).
Документ включен в
Перечень документов в области стандартизации, в результате применения которых на добровольной основе обеспечивается соблюдение требований Федерального
закона от 22.07.2008 N 123-ФЗ "Технический регламент о требованиях пожарной безопасности" (
Приказ Росстандарта от 14.07.2020 N 1190).
Документ включен в
Перечень документов в области стандартизации, в результате применения которых на добровольной основе обеспечивается соблюдение требований Федерального
закона от 22.07.2008 N 123-ФЗ "Технический регламент о требованиях пожарной безопасности" (
Приказ Росстандарта от 03.06.2019 N 1317).
Документ включен в
Перечень документов в области стандартизации, в результате применения которых на добровольной основе обеспечивается соблюдение требований Федерального
закона от 22.07.2008 N 123-ФЗ "Технический регламент о требованиях пожарной безопасности" (
Приказ Росстандарта от 16.04.2014 N 474).
Документ включен в
Перечень стандартов, в результате применения которых на добровольной основе обеспечивается соблюдение требований технического
регламента Таможенного союза "О безопасности оборудования для работы во взрывоопасных средах" (ТР ТС 012/2011) (
Решение Комиссии Таможенного союза от 18.10.2011 N 825).
Документ включен в
Перечень национальных стандартов, содержащих правила и методы исследований (испытаний) и измерений, в том числе правила отбора образцов, необходимых для применения и исполнения Федерального
закона от 22.07.2008 N 123-ФЗ "Технический регламент о требованиях пожарной безопасности" и осуществления оценки соответствия (
Распоряжение Правительства РФ от 10.03.2009 N 304-р).
Документ
введен в действие с 15.02.2014.
Название документа
"ГОСТ 30852.9-2002 (МЭК 60079-10:1995). Межгосударственный стандарт. Электрооборудование взрывозащищенное. Часть 10. Классификация взрывоопасных зон"
(введен в действие Приказом Росстандарта от 29.11.2012 N 1855-ст)
"ГОСТ 30852.9-2002 (МЭК 60079-10:1995). Межгосударственный стандарт. Электрооборудование взрывозащищенное. Часть 10. Классификация взрывоопасных зон"
(введен в действие Приказом Росстандарта от 29.11.2012 N 1855-ст)
агентства по техническому
регулированию и метрологии
от 29 ноября 2012 г. N 1855-ст
МЕЖГОСУДАРСТВЕННЫЙ СТАНДАРТ
ЭЛЕКТРООБОРУДОВАНИЕ ВЗРЫВОЗАЩИЩЕННОЕ
ЧАСТЬ 10
КЛАССИФИКАЦИЯ ВЗРЫВООПАСНЫХ ЗОН
Electrical apparatus for explosive gas atmospheres.
Part 10. Classification of hazardous areas
(IEC 60079-10:1995, MOD)
ГОСТ 30852.9-2002
(МЭК 60079-10:1995)
Дата введения
15 февраля 2014 года
Цели, основные принципы и порядок проведения работ по межгосударственной стандартизации установлены
ГОСТ 1.0-92 "Межгосударственная система стандартизации. Основные положения" и
ГОСТ 1.2-2009 "Межгосударственная система стандартизации. Стандарты межгосударственные, правила и рекомендации по межгосударственной стандартизации. Правила разработки, принятия, применения, обновления и отмены".
1. Подготовлен Автономной некоммерческой национальной организацией "Ex-стандарт" (АННО "Ex-стандарт").
2. Внесен Федеральным агентством по техническому регулированию и метрологии (Росстандарт).
3. Принят Межгосударственным советом по стандартизации, метрологии и сертификации (Протокол от 6 ноября 2002 г. N 22).
За принятие проголосовали:
Краткое наименование страны по МК (ИСО 3166) 004-97 | Код страны по МК (ИСО 3166) 004-97 | Сокращенное наименование национального органа по стандартизации |
Азербайджан | AZ | Азстандарт |
Армения | AM | Минэкономики Республики Армения |
Беларусь | BY | Госстандарт Республики Беларусь |
Казахстан | KZ | Госстандарт Республики Казахстан |
Киргизия | KG | Кыргызстандарт |
Молдова | MD | Молдова-Стандарт |
Россия | RU | Росстандарт |
Таджикистан | TJ | Таджикстандарт |
Туркменистан | TM | Главгосслужба "Туркменстандартлары" |
Украина | UA | Минэкономразвития Украины |
4.
Приказом Федерального агентства по техническому регулированию и метрологии от 29 ноября 2012 г. N 1855-ст межгосударственный стандарт ГОСТ 30852.9-2002 (МЭК 60079-10:1995) введен в действие в качестве национального стандарта Российской Федерации с 15 февраля 2014 г.
5. Настоящий стандарт модифицирован по отношению к международному стандарту IEC 60079-10:1995. Electrical apparatus for explosive gas atmospheres - Part 10: Classification of hazardous areas (Электрооборудование взрывозащищенное. Часть 10. Классификация взрывоопасных зон). Изменения выделены в тексте курсивом.
Степень соответствия - модифицированная (MOD).
6. Введен впервые.
Информация об изменениях к настоящему стандарту публикуется в ежегодном информационном указателе "Национальные стандарты" (по состоянию на 1 января текущего года), а текст изменений и поправок - в ежемесячном информационном указателе "Национальные стандарты". В случае пересмотра (замены) или отмены настоящего стандарта соответствующее уведомление будет опубликовано в ежемесячном информационном указателе "Национальные стандарты". Соответствующая информация, уведомление и тексты размещаются также в информационной системе общего пользования - на официальном сайте Федерального агентства по техническому регулированию и метрологии в сети Интернет.
Настоящий стандарт разработан на основе международного стандарта IEC 60079-10:1995 "Электрооборудование для взрывоопасных газовых сред. Часть 10. Классификация взрывоопасных зон", входящего в комплекс международных стандартов МЭК (ТК 31 МЭК "Оборудование для взрывоопасных сред"), регламентирующих требования к взрывозащищенному электрооборудованию.
Необходимость гармонизации классификации взрывоопасных зон с требованиями международных стандартов МЭК определяется, в первую очередь, необходимостью установления единого подхода к выбору уровня взрывозащиты электрооборудования, обеспечиваемого взрывозащитой различных видов и предназначенного для применения во взрывоопасных зонах различных классов.
Настоящий стандарт устанавливает отличающуюся от действующей в России классификацию взрывоопасных зон (
гл. 7.3 "Электроустановки во взрывоопасных зонах" Правил устройства электроустановок (ПУЭ). Возможность гармонизации между классификациями, установленными в настоящем стандарте и
гл. 7.3 ПУЭ затруднительна из-за того, что в МЭК 60079-10:1995 взрывоопасные зоны, опасные по возникновению взрывоопасных смесей горючих газов и паров с воздухом, подразделяются на три класса (зоны классов 0, 1, 2), а в ПУЭ на четыре (зоны В-1, В-1а, В-1б и В-1г). Настоящий стандарт, так же как и IEC 60079-10:1995, в меньшей степени, чем ПУЭ, связывает аварии и неисправности технологического оборудования с уровнем опасности зоны и уделяет большее внимание вопросам обеспечения вентиляции как фактору, влияющему на уровень взрывоопасности зоны.
Установленная в настоящем стандарте методика оценки уровня опасности производственных зон базируется на расчетных значениях параметров, связанных с пространственными и временными характеристики существования в них взрывоопасных смесей, и распространяется на производственные зоны внутри и вне помещений, включая транспортные средства и хранилища, и устанавливает порядок классификации этих зон по степени опасности возникновения взрыва от источников воспламенения, связанных с использованием электрооборудования.
Достоинством настоящего стандарта является то, что он содержит методики количественной оценки влияния на уровень взрывоопасной зоны различных факторов, характеризующих свойства и состояние взрывоопасных смесей, особенности технологического оборудования, параметры вентиляции и т.д.
Установленное настоящим стандартом в соответствии с IEC 60079-10:1995 подразделение взрывоопасных зон по уровню опасности на три класса является радикальным и обусловлено принятым в настоящее время подразделением взрывозащищенного электрооборудования по уровню взрывозащиты на три уровня - "повышенная надежность против взрыва", "взрывобезопасный" и "особовзрывобезопасный". При такой классификации взрывоопасной зоне каждого класса соответствует электрооборудование с взрывозащитой определенного уровня взрывозащиты.
Настоящий стандарт, дополнительно к требованиям IEC 60079-10:1995 содержит требование, в соответствии с которым, определение размеров взрывоопасной зоны при отсутствии вентиляции должно проводиться по методике ГОСТ 12.3.227-2003 <*>. Указанное требование выделено в тексте курсивом. Также дополнением к IEC 60079-10:1995 является
Приложение Г.
--------------------------------
<*> На территории Российской Федерации действует
ГОСТ Р 12.3.047-98 "Система стандартов безопасности труда. Пожарная безопасность технологических процессов. Общие требования. Методы контроля".
Предполагается, что введение в действие настоящего стандарта в дальнейшем повлечет за собой пересмотр
гл. 7.3 ПУЭ с целью приведения установленных в ней требований в соответствие с требованиями настоящего стандарта и в целом с требованиями гармонизированных с международными стандартами МЭК на взрывозащищенное электрооборудование государственных стандартов. Рекомендуется при применении настоящего стандарта в максимальной степени руководствоваться его требованиями, принимая во внимание, что стандарт гармонизирован с международным стандартом IEC 60079-10:1995 и
гл. 7.3 ПУЭ в дальнейшем будет пересмотрена и приведена в соответствие с комплексом гармонизированных с международными стандартами МЭК (ТК 31 "Оборудование для взрывоопасных сред") государственных стандартов на взрывозащищенное электрооборудование.
1.1. Настоящий стандарт устанавливает классификацию взрывоопасных зон, в которых могут образоваться взрывоопасные смеси горючих газов или паров с воздухом, предназначенную для получения исходных данных, необходимых при использовании электрооборудования и устройстве электроустановок в таких зонах (см.
примечания 1 и
4).
Стандарт распространяется на зоны, в которых существует возможность воспламенения смеси горючих газов или паров с воздухом при нормальных атмосферных условиях (см.
примечание 2), но не распространяется на:
а) шахты, опасные по газу и пыли;
б) производство и изготовление взрывчатых веществ;
в) зоны, где существует возможность воспламенения из-за присутствия в воздухе горючей пыли или волокон;
г) зоны, аварии в которых выходят за рамки нарушений, рассматриваемых настоящим стандартом (см.
примечание 3);
д) помещения, используемые в медицинских целях;
е) зоны, горючие вещества в которых присутствуют в воздухе в виде тумана. Взрыв в таких зонах непредсказуем
(примечание 5).
Настоящий стандарт не учитывает последствия аварий. Рекомендации по определению уровня взрывоопасности зон для специфических технологий должны устанавливаться нормативными документами для отраслей промышленности, в которых эти технологии применяются.
Дополнительные требования, отражающие потребности экономик стран, упомянутых в предисловии как проголосовавших за принятие межгосударственного стандарта, выделены в тексте курсивом.
Примечания
1. Настоящий стандарт рассматривает зону как трехмерное пространство.
2. Атмосферные условия допускают возможность изменения давления и температуры выше и ниже эталонного уровня 101,3 кПа (760 мм рт. ст.) и 293 К (20 °C) в случаях, когда эти изменения оказывают незначительное влияние на характеристики взрывоопасности горючих газов и паров.
3. К упоминавшимся выше авариям относятся, например, разрушение химического реактора или трубопровода, а также другие повреждения оборудования, которые невозможно предсказать.
4. Во взрывоопасных зонах помимо источников воспламенения, связанных с электроустановками, могут существовать различные источники другой природы.
В таких случаях в зонах должны быть также предусмотрены меры обеспечения безопасности, которые могут быть основаны на методах, предлагаемых в настоящем стандарте.
5. Присутствие в воздухе тумана одновременно с парами горючих веществ оказывает влияние на уровень взрывоопасности зоны. Несмотря на то, что строгая классификация зон для газов и паров затруднена по причине невозможности прогнозирования характеристик воспламеняемости тумана, критерии, рассматриваемые в настоящем стандарте, позволяют получить достоверные результаты. Однако, при классификации зон всегда следует учитывать опасность воспламенения тумана.
1.2. Нормативные ссылки
В настоящем стандарте содержатся ссылки на следующие межгосударственные стандарты:
ГОСТ 12.3.227-2003 <*>. Система стандартов безопасности труда. Пожарная безопасность технологических процессов. Общие требования. Методы контроля
--------------------------------
<*> На территории Российской Федерации действует
ГОСТ Р 12.3.047-98 "Система стандартов безопасности труда. Пожарная безопасность технологических процессов. Общие требования. Методы контроля".
ГОСТ 30852.5-2002 (МЭК 60079-4:1975). Электрооборудование взрывозащищенное. Часть 4. Метод определения температуры самовоспламенения.
Примечание. При пользовании настоящим стандартом целесообразно проверить действие ссылочных стандартов в информационной системе общего пользования - на официальном сайте Федерального агентства по техническому регулированию и метрологии в сети Интернет или по ежегодному информационному указателю "Национальные стандарты", который опубликован по состоянию на 1 января текущего года, и по соответствующим выпускам ежемесячного информационного указателя "Национальные стандарты" за текущий год. Если ссылочный стандарт заменен (изменен), то при пользовании настоящим стандартом следует руководствоваться заменяющим (измененным) стандартом. Если ссылочный стандарт отменен без замены, то положение, в котором дана ссылка на него, применяется в части, не затрагивающей эту ссылку.
В настоящем стандарте применяют следующие термины с соответствующими определениями.
2.1. Взрывоопасная газовая смесь: смесь горючих газов или паров с воздухом при нормальных атмосферных условиях, у которой при воспламенении горение распространяется на весь объем несгоревшей смеси.
Примечание. Несмотря на то, что смесь, концентрация которой превышает верхний концентрационный предел воспламенения (ВКПР) не является взрывоопасной газовой смесью, она может стать таковой. В ряде случаев рекомендуется рассматривать ее как взрывоопасную, в частности, при классификации зон.
2.2. Взрывоопасная зона: зона, в которой имеется или может образоваться взрывоопасная газовая смесь в объеме, требующем специальных мер защиты при конструировании, изготовлении и эксплуатации электроустановок.
2.3. Взрывобезопасная зона: зона, в которой не может образоваться взрывоопасная газовая смесь в объеме, требующем специальных мер защиты при конструировании, изготовлении и эксплуатации электроустановок.
2.4. Взрывоопасные зоны в зависимости от частоты и длительности присутствия взрывчатой газовой смеси подразделяют на три класса:
2.4.1. Зона класса 0: зона, в которой взрывоопасная газовая смесь присутствует постоянно или в течение длительных периодов времени.
2.4.2. Зона класса 1: зона, в которой существует вероятность присутствия взрывоопасной газовой смеси в нормальных условиях эксплуатации.
2.4.3. Зона класса 2: зона, в которой маловероятно присутствие взрывоопасной газовой смеси в нормальных условиях эксплуатации, а если она возникает, то редко, и существует очень непродолжительное время.
Примечание. Частоту возникновения и длительность присутствия взрывоопасной газовой смеси допускается определять по правилам (нормам) соответствующих отраслей промышленности.
2.5. Источник утечки: элемент технологического оборудования, из которого горючий газ, пар или жидкость могут высвободиться в атмосферу в объеме, достаточном для образования взрывоопасной газовой смеси.
2.6. Степень утечки: характеристика утечки, связанная с вероятностью образования взрывоопасной газовой смеси. Указанные ниже три вида утечки приведены в порядке убывания вероятности образования взрывоопасной газовой смеси:
а) постоянная утечка;
б) утечка первой степени;
в) утечка второй степени.
Источник утечки может характеризоваться любой указанной степенью утечки или их сочетанием.
2.6.1. Постоянная (непрерывная) утечка: утечка, существующая непрерывно или длительное время.
2.6.2. Утечка первой степени: утечка, появление которой носит периодический или случайный характер при нормальном режиме работы технологического оборудования.
2.6.3. Утечка второй степени: утечка, которая отсутствует при нормальном режиме работы технологического оборудования, а если она возникает, то кратковременно.
2.7. Интенсивность (скорость) утечки: количество горючего вещества, способного образовать с воздухом взрывоопасную смесь, высвобождаемое в единицу времени из источника утечки.
2.8. Нормальный режим работы технологического оборудования: режим работы технологического оборудования, характеризующийся рабочими значениями всех параметров.
Примечания
1. Незначительная утечка горючего вещества, способного образовать с воздухом взрывоопасную смесь, должна рассматриваться как нормальный режим. Например, утечку из уплотнений, находящихся в контакте с горючим веществом внутри оборудования, рассматривают как незначительную.
2. Аварии (например, повреждение уплотнений насоса, прокладок фланцев или случайный выброс горючего вещества, способного образовать взрывоопасную смесь), требующие срочной остановки и ремонта, не рассматривают как нормальный режим.
2.9. Вентиляция: обмен воздуха в помещениях или перемещение воздуха вне помещений и его замещение свежим воздухом за счет перепада давления или температуры, или с помощью искусственных средств (например, приточных или вытяжных вентиляторов) для удаления избытков теплоты, влаги, вредных и других веществ с целью обеспечения чистоты воздуха.
2.10. Концентрационные пределы распространения пламени (воспламенения)
2.10.1. Нижний концентрационный предел распространения пламени (воспламенения) (НКПР): минимальное содержание горючего газа или пара в воздухе, при котором возможно распространение пламени по смеси на любое расстояние от источника.
2.10.2. Верхний концентрационный предел распространения пламени (воспламенения) (ВКВР): максимальное содержание горючего газа или пара в воздухе, при котором возможно распространение пламени по смеси на любое расстояние от источника.
2.11. Относительная плотность газа или пара: отношение плотности газа или пара к плотности воздуха при тех же давлении и температуре.
2.12. Горючие вещества и материалы: вещества и материалы, способные самовозгораться, а также возгораться при воздействии источника зажигания и самостоятельно гореть после его удаления или образовывать горючие пар, газ или туман.
2.13. Горючая жидкость: жидкость, способная самовозгораться, а также возгораться при воздействии источника зажигания и самостоятельно гореть после его удаления или образовывать горючие пары в прогнозируемых условиях эксплуатации.
2.14. Горючий газ или пар: газ или пар, которые в смеси с воздухом в определенной пропорции при нормальных атмосферных условиях образуют взрывоопасную смесь.
2.15. Горючий туман: мелкие капли горючей жидкости, рассеянные в воздухе и образующие взрывоопасную смесь при нормальных атмосферных условиях.
2.16. Температура вспышки: самая низкая температура жидкости, при которой в условиях специальных испытаний над ее поверхностью образуются пары, способные воспламеняться в воздухе от источника зажигания, устойчивое горение при этом не возникает.
2.17. Температура кипения: температура жидкости, кипящей при давлении окружающей атмосферы 101,3 кПа (760 мм рт. ст.).
2.18. Давление насыщенного пара: давление, при котором твердое вещество или жидкость находятся в состоянии равновесия с собственными парами.
2.19. Температура самовоспламенения взрывоопасной газовой смеси: наименьшая температура окружающей среды, при которой в условиях специальных испытаний наблюдается самовоспламенение взрывоопасной газовой смеси.
3. Безопасность и классификация зон
3.1. Принципы безопасности
Технологическое оборудование, связанное с переработкой горючих материалов, должно проектироваться, эксплуатироваться и обслуживаться таким образом, чтобы утечки горючих веществ и, следовательно, уровень взрывоопасности зоны, в которой оно располагается, в нормальном режиме работы и при авариях, были минимальными по частоте, длительности и количеству высвобождаемого горючего вещества.
При обслуживании технологического оборудования в условиях аварии уровень взрывоопасности зоны может выходить за установленный класс. В таких случаях работы должны проводиться с соблюдением специальных мер безопасности и с применением соответствующего оборудования.
В чрезвычайных ситуациях должно быть отключено все не требуемое для проведения работ по ликвидации аварии электрооборудование, при возможности остановлены процессы, отсоединены технологические емкости, устранены источники утечки и, если возможно, обеспечена дополнительная вентиляция.
В ситуациях, когда присутствует взрывоопасная газовая смесь, должны быть приняты следующие меры:
а) устранена возможность возникновения взрывоопасной газовой смеси вокруг источника воспламенения, или
б) устранен источник воспламенения.
В случаях, когда это невозможно обеспечить, защитные меры, технологическое оборудование и способ проведения технологического процесса должны быть такими, чтобы вероятность одновременного наличия взрывоопасной газовой смеси и источника воспламенения была ниже допустимого уровня.
Необходимый уровень безопасности может обеспечиваться применением как одной из перечисленных мер, если это признано эффективным, так и их сочетанием.
3.2. Цели классификации зон
Классификация зон - это метод анализа и классификации окружающей среды, в которой может присутствовать взрывоопасная газовая смесь, проводимый с целью выбора электрооборудования и устройства электроустановок, эксплуатация которых в присутствии данной смеси должна быть безопасной. Классификацию проводят с учетом разделения взрывоопасных газовых смесей по категориям и группам.
На практике очень трудно гарантировать эксплуатацию промышленных объектов, связанных с переработкой горючих материалов, таким образом, чтобы в воздухе отсутствовали горючие газы и в электрооборудовании не возникали источники воспламенения. Поэтому при наличии взрывоопасной газовой смеси следует использовать электрооборудование, конструкция которого до минимума снижает вероятность возникновения источника воспламенения. Одновременно необходимо учитывать то обстоятельство, что если вероятность возникновения взрывоопасной газовой смеси мала, то требования по взрывозащите к конструкции электрооборудования могут быть менее жесткими.
Путем простого знакомства с технологической установкой или ее проектом практически невозможно определить, какие части установки удовлетворяют требованиям зоны одного из трех классов. Поэтому при классификации взрывоопасных зон необходимо проводить анализ возможных условий возникновения взрывоопасной газовой смеси.
Предварительно, на первом этапе классификации, следует оценить вероятность возникновения взрывоопасной газовой смеси исходя из определения классов зон. Только после определения совокупности показателей - возможной частоты и длительности утечки (следовательно, и ее степени), скорости истечения и концентрации горючего вещества, надежности вентиляции и других факторов, влияющих на уровень взрывоопасности зоны, - можно установить возможность возникновения взрывоопасной газовой смеси.
Такой подход требует подробного анализа каждого элемента технологического оборудования, которое может стать источником утечки горючих веществ, способных образовать с воздухом взрывоопасную смесь.
Следует стремиться к тому, чтобы количество и размеры зон классов 0 или 1 были минимальными. Это может быть обеспечено выбором конструкции технологического оборудования и условиями его эксплуатации. Необходимо обеспечить, чтобы зоны в основном относились к классу 2 или не были взрывоопасными.
Если утечка горючего вещества неизбежна, необходимо использовать такое технологическое оборудование, которое является источником утечек второй степени, а если и это невозможно, то есть когда неизбежны утечки первой степени или постоянные (непрерывные), то их количество должно быть минимальным.
При классификации зон перечисленные принципы имеют главное значение. Для снижения уровня взрывоопасности зоны конструкция, условия эксплуатации и размещение технологического оборудования должны быть такими, чтобы даже при авариях утечка горючего вещества в атмосферу была минимальной.
После установления класса зоны и оформления соответствующих документов не допускается замена оборудования или изменение хода ведения технологического процесса. Это возможно только с согласия уполномоченного лица (организации), отвечающего за классификацию зоны. Несанкционированные действия в этой области могут привести к изменению уровня взрывоопасности зоны. После проведения работ по обслуживанию, перед началом дальнейшей эксплуатации, оборудование, которое определяет классификацию зоны, если оно подвергалось ремонту, должно быть тщательно проверено, и должно быть установлено, что оно полностью соответствует первоначальному проекту.
4. Методика классификации зон
Классификация зон должна проводиться специалистами, знакомыми со свойствами горючих газов и паров, знающими технологический процесс и оборудование, в сотрудничестве с инженерами по безопасности, электриками и другим техническим персоналом. В настоящем стандарте содержатся рекомендации по классификации зон, в которых присутствует взрывоопасная газовая смесь, и по определению их размеров. Пример построения алгоритма для классификации взрывоопасных зон приведен на
рисунке В.1 Приложения В.
Для установления класса взрывоопасной зоны должны быть определены источники и интенсивность утечек. Так как взрывоопасная газовая смесь может возникнуть только при смешивании горючего газа или пара с воздухом, необходимо установить наличие любого из горючих материалов в рассматриваемой зоне. В первую очередь должно быть установлено, находится ли горючий газ или пар (также горючие жидкости и твердые вещества, которые могут образовать газ или пар) внутри технологического оборудования, которое не может быть полностью закрытым. Кроме этого, должно быть выявлено технологическое оборудование, содержащее внутри взрывоопасную газовую смесь, и определены источники утечки горючих веществ, в результате которых взрывоопасная газовая смесь может образоваться снаружи.
Каждый элемент технологического оборудования (например, резервуар, насос, трубопровод, химический реактор и др.) должен рассматриваться как возможный источник утечки горючего вещества. Если какой-либо элемент оборудования не содержит горючего вещества, он не является источником образования взрывоопасной зоны вокруг него. То же относится к элементам, содержащим горючие вещества, утечка которых в атмосферу исключена (например, трубопровод с высоким качеством сварки не рассматривают как источник утечки).
Если тот или иной элемент оборудования является источником утечки горючего материала в атмосферу, прежде всего необходимо определить степень утечки согласно приведенным определениям на основании частоты и длительности утечки.
Вскрытие отдельных частей технологического оборудования, заключенных в корпус (например, во время замены фильтра или периодического заполнения), необходимо также рассматривать как утечку.
По предложенной методике каждую утечку горючего вещества классифицируют как постоянную (непрерывную), первой или второй степени.
Установив степень утечки, необходимо определить ее интенсивность и другие факторы, влияющие на класс и размеры зоны.
Вероятность присутствия взрывоопасной газовой смеси в зоне, а, следовательно, и ее класс зависят в основном от степени утечки и уровня вентиляции.
Примечание. Постоянная (непрерывная) утечка образует, как правило, зону класса 0, утечка первой степени - зону класса 1 и второй степени - зону класса 2 (см.
Приложение Б).
4.4. Размеры взрывоопасной зоны
Размеры взрывоопасной зоны, в основном, зависят от приведенных ниже химических и физических характеристик, одна часть которых относится к горючим материалам, а другая - к технологическим процессам и оборудованию. При оценке влияния каждого из приведенных ниже факторов на размеры взрывоопасной зоны сделано допущение, что характеристики остальных остаются неизменными.
4.4.1. Интенсивность утечки газа или пара
Очевидно, что чем выше интенсивность утечки, тем больше размеры взрывоопасной зоны. Интенсивность утечки определяется следующими свойствами источника утечки:
а) геометрией источника утечки.
Под геометрией имеют в виду физические характеристики источника утечки, например открытую поверхность жидкости, неплотное фланцевое соединение и др. (см.
Приложение А);
б) скоростью истечения горючего вещества.
Для конкретного источника утечки интенсивность утечки возрастает с увеличением скорости истечения горючего вещества. Если горючее вещество находится внутри технологического оборудования, то скорость истечения зависит от давления рабочего процесса и геометрии источника утечки. Размер образующегося при истечении облака горючего газа или пара определяется скоростью истечения и скоростью рассеивания. Газ и пар, поступающие из источника утечки с высокой скоростью, образуют конусообразную струю, которая, увлекая за собой воздух, обладает способностью "саморазбавления". При этом уровень взрывоопасности образующейся газовой смеси практически не зависит от скорости движения окружающего воздуха. Если же утечка происходит с низкой скоростью, или скорость струи уменьшается из-за какого-либо препятствия, то струя рассеивается и ее "разбавление" и уровень взрывоопасности газовой смеси будут зависеть от скорости окружающего воздуха;
в) концентрацией горючего вещества.
Интенсивность утечки возрастает с увеличением концентрации горючего пара или газа в высвобождаемом горючем веществе;
г) испаряемостью горючей жидкости.
Испаряемость зависит, в основном, от давления насыщенного пара и теплоты парообразования горючей жидкости.
Если давление насыщенного пара неизвестно, то следует руководствоваться температурами кипения и вспышки. Взрывоопасная смесь не может существовать, если температура вспышки превышает максимальную температуру горючей жидкости. Чем ниже температура вспышки, тем больше размеры взрывоопасной зоны. Если горючее вещество поступает в воздух таким образом, что образуется туман (например, путем распыления), то образование взрывоопасной смеси возможно при температуре, которая ниже температуры вспышки;
Примечания
1. Температура вспышки горючих жидкостей не является точной физической величиной.
2. Некоторые жидкости (например, некоторые галогенные углеводороды) не характеризуются таким параметром, как температура вспышки, хотя они и могут образовывать взрывоопасную газовую смесь. В этих случаях следует сравнивать установившееся значение температуры жидкости, соответствующее концентрации насыщенного пара при нижнем концентрационном пределе воспламенения, с максимальной температурой жидкости.
д) температурой жидкости.
Давление насыщенного пара возрастает с температурой, что приводит к увеличению интенсивности утечки.
Примечание. Температура жидкости после утечки может возрасти, например, за счет нагретой поверхности оборудования, в контакте с которым она находится, или высокой окружающей температуры.
4.4.2. Нижний концентрационный предел распространения пламени (воспламенения) (НКПР)
Для данного объема утечки горючего вещества, чем ниже, тем больше размеры взрывоопасной зоны.
4.4.3. Вентиляция
При увеличении уровня вентиляции размеры взрывоопасной зоны уменьшаются. Объекты, препятствующие вентиляции, могут увеличить размеры зоны. С другой стороны, такие препятствия, как стенки или потолки могут ограничивать размеры взрывоопасной зоны.
4.4.4. Относительная плотность газа или пара при утечке
Если газ или пар легче воздуха, то он будет подниматься вверх. Если же он тяжелее воздуха, то он будет скапливаться на уровне земли. Протяженность зоны в горизонтальном направлении на уровне земли будет возрастать с увеличением относительной плотности, а протяженность в вертикальном направлении над источником будет возрастать с уменьшением относительной плотности.
Примечания
1. Газы или пары с относительной плотностью менее 0,8 должны рассматриваться как более легкие, чем воздух, если же она более 1,2, то предполагается, что они тяжелее воздуха. Если относительная плотность газа или пара находится в промежутке между этими значениями, то следует учитывать обе возможности.
2. Опыт показывает, что аммиак - трудновоспламеняемый газ; утечка аммиака быстро рассеивается в воздухе, поэтому размеры взрывоопасной зоны в этом случае могут считаться незначительными.
4.4.5. Другие факторы, которые необходимо учитывать:
а) климатические условия;
б) топография.
4.4.6. Примеры источников утечки:
а) открытая поверхность жидкости.
В большинстве практических случаев температура жидкости ниже температуры кипения, и количество выделяющегося пара, в основном, зависит от следующих параметров:
- температуры жидкости,
- давления паров жидкости при температуре вблизи ее поверхности,
- размеров поверхности испарения;
б) струйный поток быстро испаряющейся жидкости (например, при струйном потоке или распылении).
При мгновенном испарении интенсивность утечки пара равна потоку жидкости, который определяется следующими параметрами:
- давлением жидкости,
- геометрией источника утечки.
Если мгновенного испарения жидкости не происходит, то необходимо рассматривать более сложную ситуацию, поскольку капли, жидкие струи и скопления жидкости могут создать отдельные источники утечки;
в) струя газовой смеси.
На интенсивность утечки влияют следующие параметры:
- давление внутри оборудования, содержащего газ,
- геометрия источника утечки,
- концентрация горючего газа в высвобождаемой смеси.
4.5.1. При определении размеров взрывоопасной зоны необходимо учитывать возможность проникновения горючего газа, который тяжелее воздуха, ниже уровня земли (например, в колодцы и траншеи), и поступления горючего газа, который легче воздуха, в верхнюю часть помещения до уровня крыш.
4.5.2. Если источник утечки находится за пределами зоны или в прилегающей зоне, проникновение значительных количеств горючего газа или пара в зону может быть предотвращено следующими способами:
а) с помощью физических барьеров;
б) созданием избыточного статического давления в зоне, примыкающей к опасной зоне, что предотвращает проникновение в нее взрывоопасного газа или пара;
в) путем продувки зоны сильным потоком воздуха таким образом, чтобы обеспечить выход воздуха из всех отверстий, в которые может проникнуть горючий газ или пар.
Газ или пар, попадающий в воздух, может быть разбавлен за счет дисперсии или диффузии в воздухе до такой степени, что его концентрация может стать ниже нижнего концентрационного предела воспламенения. Вентиляция, т.е. перемещение воздуха вокруг источника утечки, способствует дисперсии горючего газа. Наличие вентиляции и ее уровень оказывают влияние на возможность образования взрывоопасной газовой смеси и тем самым влияют на класс зоны.
5.2. Основные типы вентиляции
Вентиляция может осуществляться путем перемещения воздуха за счет ветра и/или перепада температуры или за счет искусственных средств, таких как вентиляторы. Применяют два основных вида вентиляции:
а) естественную;
б) искусственную (общую или местную).
Для установления класса взрывоопасной зоны важным обстоятельством является прямая связь между уровнем вентиляции, степенью утечки и ее интенсивностью, независимо от вида применяемой вентиляции - искусственной или естественной. Это позволяет обеспечить оптимальные условия вентиляции в пространстве, в котором возможно образование взрывоопасной смеси, поскольку, чем выше уровень вентиляции, тем меньше размеры взрывоопасной зоны. В ряде случаев вентиляция позволяет обеспечить пренебрежимо малые размеры взрывоопасной зоны (взрывобезопасная зона).
Примеры и практические рекомендации по выбору уровня вентиляции приведены в
Приложении Б.
5.4. Готовность вентиляции
Готовность вентиляции оказывает влияние на присутствие и возможность образования взрывоопасной смеси и, следовательно, на класс зоны (см.
Приложение Б).
Примечание. Сочетание таких характеристик, как уровень вентиляции и ее готовность, позволяют разработать количественный метод оценки класса зоны (см.
Приложение Б).
Классификация зоны должна проводиться таким образом, чтобы различные этапы ее проведения были должным образом отражены в документации и имелись ссылки на всю используемую информацию. Примерами используемых методов и информации могут быть:
а) рекомендации, содержащиеся в соответствующих правилах (нормах) и стандартах;
б) характеристики дисперсии газа и пара и соответствующие расчеты;
в) результаты сравнительного анализа характеристик вентиляторов и параметров утечки горючих веществ.
Результаты работы по классификации зоны и все ее последующие изменения должны быть отражены в документации.
Должен быть составлен перечень характеристик всех горючих веществ, используемых в технологическом процессе, который должен включать обязательно: температуру вспышки, температуру кипения, температуру самовоспламенения, давление и плотность пара, концентрационные пределы воспламенения, категорию и группу взрывоопасных смесей с воздухом. Пример такого перечня приведен в форме
таблиц В.1 и
В.2 Приложения В.
6.2. Чертежи, информационные листы и таблицы
Документы по классификации зоны должны содержать чертежи (различные проекции), на которых должны быть показаны форма и размеры зоны и указаны температура самовоспламенения, категория и группа взрывоопасной смеси.
Если форма поверхности пола или почвы в рассматриваемом пространстве оказывает влияние на размеры зоны, это обстоятельство также должно быть отражено в документации.
Дополнительно документация должна содержать следующую информацию:
а) размещение и описание источников утечки. Для крупных и сложных установок или технологических участков рекомендуется пронумеровать источники утечки, что облегчит работу с перечнями технологических данных по классификации и с чертежами;
б) расположение проемов в строениях (например, двери, окна, входные и выходные отверстия системы вентиляции).
При классификации зон предпочтение следует отдавать обозначениям, которые использованы в
примере 2 Приложения В. Допускается использование и других обозначений при условии, что они четко определены в документации.
(справочное)
ПРИМЕРЫ ИСТОЧНИКОВ УТЕЧКИ
Приводимые ниже примеры не обязательно предназначены для прямого использования. Источники утечки могут изменяться в зависимости от особенностей технологического оборудования и условий работы.
А.1. Технологическая установка
А.1.1. Источники непрерывной утечки:
а) поверхность горючей жидкости в закрытом резервуаре с постоянным сбросом пара в атмосферу;
б) поверхность горючей жидкости в резервуаре, который открыт непрерывно или в течение длительных периодов времени (например, сепаратор нефти/воды).
А.1.2. Источники утечки первой степени:
а) уплотнения насосов, компрессоров или клапанов с утечкой горючего вещества в нормальном режиме работы;
б) устройства отделения воды в резервуарах с горючей жидкостью, из которых возможна утечка горючей жидкости вещества в атмосферу в процессе выпуска воды в нормальном режиме работы;
в) устройства отбора проб, через которые возможна утечка горючего вещества в нормальном режиме работы;
г) клапаны сброса и различные отверстия, через которые возможна утечка горючего вещества в нормальном режиме работы.
А.1.3. Источники утечки второй степени:
а) уплотнения насосов, компрессоров и клапанов, через которые утечка горючего вещества в нормальном режиме работы невозможна;
б) фланцы, соединения и трубные фитинги, через которые утечка горючего вещества в нормальном режиме работы невозможна;
в) устройства отбора проб, через которые утечка горючего вещества в нормальном режиме работы невозможна;
г) клапаны сброса и другие отверстия, через которые утечка горючего вещества в нормальном режиме работы невозможна.
А.2.1. Проемы как возможные источники утечки
Проемы между зонами должны рассматриваться как возможные источники утечки.
Степень утечки определяется:
- классом прилегающей зоны;
- частотой и длительностью нахождения проемов в открытом состоянии;
- эффективностью средств, используемых для уплотнений;
- разностью давлений между зонами.
А.2.2. Классификация проемов
Проемы подразделяются на типы A, B, C, D в соответствии со следующими признаками.
А.2.2.1. Проемы типа A, отличающиеся по характеристикам от проемов типов B, C или D.
Примеры:
- открытые отверстия для подвода сетей, например трубы или каналы, проходящие через стены, потолки и полы;
- стационарные вентиляционные отверстия в помещениях, строениях и проемы, аналогичные проемам типов B, C и D, которые открываются часто или остаются открытыми длительное время.
А.2.2.2. Проемы типа B - нормально закрытые (например, автоматически закрывающиеся) и редко открываемые, хорошо уплотненные в закрытом состоянии.
А.2.2.3. Проемы типа C - нормально закрытые и редко открываемые, соответствующие проему типа B, хорошо уплотненные посредством соответствующих приспособлений (например, прокладок) по всему периметру; или сочетание последовательно расположенных двух проемов типа B, имеющих независимые приспособления для автоматического закрытия.
А.2.2.4. Проемы типа D - закрытые в нормальном режиме работы, соответствующие проему типа C, отверстия, открываемые только с помощью специальных инструментов и в аварийных ситуациях.
Таблица А.1
Типы проемов и соответствующие им утечки
Класс зоны, из которой возможна утечка горючего газа или пара через проем | Тип проема | Степень утечки из проемов, рассматриваемых в качестве источников утечки |
0 | A | Постоянная |
B | (Постоянная)/первая |
C | Вторая |
D | Утечка отсутствует |
1 | A | Первая |
B | (Первая)/вторая |
C | (Вторая)/утечка отсутствует |
D | Утечка отсутствует |
2 | A | Вторая |
B | (Вторая)/утечка отсутствует |
C | Утечка отсутствует |
D | Утечка отсутствует |
Примечание. Указанные в скобках степени утечки должны устанавливаться с учетом частоты открытия отверстий. |
(справочное)
Введение
Целью данного приложения является оценка уровня вентиляции и дополнение
раздела 5 определением условий вентиляции, а также рекомендациями, примерами и расчетами, являющимися руководством к проектированию систем искусственной вентиляции.
Предлагаемые методы позволяют установить класс зоны посредством:
- определения минимальной мощности системы вентиляции, которая необходима для предотвращения значительного скопления взрывоопасной смеси, и на ее базе рассчитать гипотетический объем

, с помощью которого и расчетного времени рассеивания (t) определяется необходимый уровень вентиляции;
- определения класса зоны по показателям уровня вентиляции, готовности вентиляции и степени утечки.
Изложенные принципы, в основном, распространяются на вентиляцию внутри помещений, но они, в равной степени, могут быть использованы для наружных условий (см.
табл. Б.1).
Б.1. Естественная вентиляция
Этот тип вентиляции осуществляется движением воздуха под воздействием ветра и/или перепада температуры. На открытом воздухе естественная вентиляция часто бывает достаточной для рассеивания взрывоопасной смеси. Естественная вентиляция может быть также эффективной внутри помещений (например, если в строении имеются отверстия в стене и/или крыше).
Примечание. Для наружных условий оценка вентиляции, как правило, базируется на предполагаемой минимальной скорости ветра 0,5 м/с, который с такой скоростью присутствует практически постоянно. Скорость ветра часто превышает 2 м/с.
Примеры объектов с естественной вентиляцией:
- установленное вне помещений оборудование, применяемое в химической и нефтяной отраслях промышленности, например расположенные на открытых площадках насосы, кожухи для труб и др.;
- открытые строения, имеющие отверстия в стенах и/или крыше, которые размещены и подобраны по размеру таким образом, что вентиляция внутри строения может быть приравнена к вентиляции на открытом воздухе;
- строения, не являющиеся открытыми, но с естественной вентиляцией (обычно меньшей, чем в открытом строении) за счет специальных вентиляционных отверстий.
Б.2. Искусственная вентиляция
При искусственной вентиляции воздушный поток создается специальными устройствами, например приточными или вытяжными вентиляторами. Искусственная вентиляция, в основном, используется в закрытых помещениях, но ее можно также применять на открытом воздухе для компенсации ограничений в естественной вентиляции из-за каких-либо препятствий.
Искусственная вентиляция зоны может быть общей или местной; такая вентиляция различается степенью перемещения и замещения воздуха.
Искусственная вентиляция дает возможность создавать эффективные и надежные системы вентиляции внутри помещений.
Искусственная вентиляция обеспечивает уменьшение размеров взрывоопасной зоны и снижение времени присутствия взрывоопасной смеси, а во многих случаях, предотвращает образование взрывоопасной смеси вообще.
При устройстве систем искусственной вентиляции для обеспечения взрывозащиты следует выполнять следующие требования:
- должен быть обеспечен контроль эффективности вентиляции;
- должен быть установлен класс зоны, в которую производится выброс вентиляторов;
- вентиляционный воздух для вентиляции взрывоопасной зоны должен поступать из взрывобезопасной зоны;
- параметры системы вентиляции должны выбираться с учетом расположения источников утечки и их степени.
Дополнительно должны учитываться следующие обстоятельства:
- плотность горючих газов и паров обычно отличается от плотности воздуха, поэтому они аккумулируются у потолка или пола закрытого помещения, где перемещение воздуха затруднено;
- плотность газа изменяется в зависимости от температуры;
- препятствия могут уменьшать или совсем останавливать движение воздуха, то есть вентиляция в некоторых участках зоны может отсутствовать.
Примеры общей искусственной вентиляции:
- строение, оборудованное вентиляторами, установленными в проемах стен и/или крыш для улучшения вентиляции помещения;
- площадка на открытом воздухе с расположенным на ней оборудованием и вентиляторами, установленными таким образом, что улучшается общая вентиляция зоны.
Примеры местной искусственной вентиляции:
- система отсоса воздуха и пара, применяемая на месте расположения технологического оборудования, из которого постоянно или периодически происходит утечка горючего вещества;
- приточная или вытяжная система вентиляции небольшой локальной зоны, где возможно возникновение взрывоопасной смеси.
Б.3. Уровень вентиляции
Эффективность действия вентиляции при рассеивании взрывоопасной смеси зависит от ее уровня и готовности, а также от конструкции системы.
Например, вентиляция может быть недостаточной для предотвращения образования взрывоопасной смеси, но достаточной для ее быстрого рассеивания.
Различают три уровня вентиляции.
Б.3.1. Вентиляция высокого уровня (ВВ)
Обеспечивает мгновенное снижение концентрации газа или пара у источника утечки до величины ниже, чем нижний концентрационный предел воспламенения. При такой вентиляции размеры взрывоопасной зоны пренебрежимо малы.
Б.3.2. Вентиляция среднего уровня (ВС)
Позволяет быстро изменять концентрацию горючего газа в воздухе. При этом концентрация за границами зоны во время существования утечки становится ниже нижнего концентрационного предела воспламенения, а в границах зоны после прекращения утечки взрывоопасная смесь быстро рассеивается.
Размеры и класс зоны остаются в установленных пределах.
Б.3.3. Вентиляция низкого уровня (ВН)
Не позволяет изменять концентрацию во время утечки и/или быстро устранить взрывоопасную смесь после прекращения утечки.
Б.4. Оценка уровня вентиляции и его влияния на класс зоны
Вентиляция оказывает влияние на размеры области, в которой существует взрывоопасная смесь и время ее существования. Ниже приведен метод оценки влияния уровня вентиляции на размеры взрывоопасной зоны и время существования взрывоопасной смеси.
Существо описываемого метода расчетной оценки размеров взрывоопасной зоны заключается в определении гипотетического объема, за пределами которого средняя концентрация взрывоопасной смеси при условии мгновенного и однородного перемешивания горючего газа и свежего воздуха у источника утечки составляет менее определенной доли от НКПВ в зависимости от принятого коэффициента безопасности. Применимость предлагаемого метода ограничивается наружными установками и помещениями, оборудованными вентиляцией. В случае если помещение, в котором установлено оборудование, не имеет вентиляции, размеры взрывоопасной зоны должны определяться в соответствии с требованиями ГОСТ 12.3.227 (приложение Б).
Необходимо отметить, что приводимый метод не является точным. Несмотря на это, использование коэффициентов безопасности гарантирует, что ошибка в полученных результатах приведет к повышению безопасности.
Применение метода проиллюстрировано на ряде гипотетических примеров.
Прежде всего для оценки уровня вентиляции требуется определить максимальную интенсивность утечки горючего газа или пара для источника утечки горючего вещества. Это должно проводиться на основании экспериментальных данных, расчетов или оправданных предположений.
а) Расчет гипотетического объема

Теоретически необходимый минимальный расход вентиляционного воздуха для разбавления определенного объема горючего газа до требуемой концентрации ниже нижнего концентрационного предела воспламеняемости можно рассчитать по формуле

, (Б.1)
где

- минимальный объемный расход свежего воздуха, м3/с;

- максимальная интенсивность утечки горючего вещества в источнике, кг/с;
НКПР - концентрация, соответствующая нижнему концентрационному пределу воспламенения, кг/м3;
T - окружающая температура, К.
Примечание. Для преобразования объемной концентрации, соответствующей НКПВ (объемные %), в весовую концентрацию, соответствующую НКПР (кг/м3), используют следующее выражение, действительное для нормальных атмосферных условий (см. 1):

,
где M - молярная масса, кг/кмоль.
При общей вентиляции зоны для заданной величины кратности воздухообмена в единицу времени гипотетический объем

взрывоопасной смеси вокруг источника утечки определяют по формуле

, (Б.2)
где c - кратность воздухообмена,

;
k - коэффициент безопасности по отношению к НКПР (как правило k = 0,25 для постоянной утечки и утечки первой степени и k = 0,5 для утечки второй степени).
Выражение (Б.2) действительно для мгновенного перемешивания горючего газа и свежего воздуха до однородной смеси у источника утечки. На практике подобные идеальные условия, как правило, не встречаются в связи с наличием возможных препятствий воздушному потоку, что ухудшает вентиляцию отдельных областей зоны.
Таким образом, эффективность воздухообмена/обмен у источника утечки будет ниже, чем величина c в
выражении (Б.4), что приводит к увеличению объема

. Для учета этого обстоятельства в
формулу (Б.2) вводят дополнительный коэффициент f и получают следующее выражение

, (Б.3)
где f - коэффициент эффективности рассеивания взрывоопасной смеси; f находится в пределах от f = 1 (идеальная ситуация) до f = 5 (типичный случай, то есть имеется преграда воздушному потоку).
Величина

представляет собой объем, за пределами которого средняя концентрация взрывоопасной смеси газа или пара составляет менее 0,25 или 0,5 в зависимости от величины коэффициента безопасности k
(выражение Б.2). Это означает, что для самых худших случаев оценки гипотетического объема концентрация газа или пара будет значительно ниже, то есть в реальности объем взрывоопасной смеси, в котором концентрация выше НКВП, будет значительно меньше

.
б) Закрытая зона
Для закрытой зоны значение c определяют по формуле

, (Б.4)
где

- расход свежего воздуха;

- вентилируемый объем, м3.
в) Наружные условия
На открытом воздухе даже небольшая скорость ветра вызывает значительное перемещение воздуха. Например, на открытом воздухе в пространстве в виде куба с размерами каждой стороны в несколько метров при скорости ветра около 0,5 м/с, обеспечивается кратность воздухообмена более 100/ч (0,03/с).
Для открытого пространства при значении c = 0,03/с гипотетический объем

взрывоопасной смеси определяют по формуле

, (Б.5)
где 0,03 - кратность воздухообмена;

- выражается в единицах объема в секундах.
Обычно на открытом воздухе рассеивание взрывоопасной смеси происходит быстрее. Реальный механизм дисперсии проявляется таким образом, что расчет по этому методу дает завышенный результат.
г) Определение времени присутствия (существования) t
Время (t), за которое после устранения утечки средняя концентрация снижается от начального значения

до (НКПР) x k, определяется по формуле

, (Б.6)
где

- начальная концентрация горючего вещества, % или кг/м3.
В непосредственной близости от источника утечки концентрация горючего вещества во взрывоопасной смеси может составлять 100%. Однако при расчете t величина

должна выбираться в зависимости от конкретных условий, с учетом, наряду с другими факторами, объема, а также частоты и длительности утечки. Практически концентрация

должна выбираться всегда выше НКПР;
c - кратность воздухообмена;
t - время (размерность времени должна быть одинаковой с размерностью кратности воздухообмена, т.е. если c - это кратность воздухообмена в секунду, то t также должно выражаться в секундах);
f - коэффициент эффективности рассеивания взрывоопасной смеси, учитывающий реальный процесс перемешивания воздуха (см.
выражение Б.3).
Значение f может изменяться от f = 5, например при вентиляции, когда воздух проникает через трещины и выходит через единственное выпускное отверстие, до

, например при вентиляции, когда воздух проникает через перфорированный потолок и выходит через многочисленные выпускные отверстия;
ln - натуральный логарифм, то есть 2,303lg;
Значение t, определенное из
выражения (Б.6), само по себе не является количественным критерием класса зоны. Оно может быть использовано для установления класса зоны только при сравнении с временными характеристиками конкретного процесса.
д) Оценка уровня вентиляции
Постоянная утечка обычно соответствует зоне класса 0, утечка первой степени - зоне класса 1, а утечка второй степени - зоне класса 2. Однако такое соответствие не является строгим из-за наличия вентиляции.
В практических случаях уровень и готовность вентиляции могут быть так высоки, что взрывоопасные зоны отсутствуют. И наоборот, уровень вентиляции может быть настолько низким, что зону необходимо относить к низкому классу (то есть взрывоопасная зона относится к классу 1 при источнике утечки второй степени). Это происходит, например, в случаях, когда уровень вентиляции настолько низкий, что взрывоопасная смесь продолжает существовать и рассеивается очень медленно после устранения источника утечки горючего газа или пара. Таким образом, присутствие взрывоопасной смеси продолжается дольше, чем предполагалось для данной степени утечки.
Расчетное значение гипотетического объема

используется для отнесения уровня вентиляции к высокому, среднему или низкому. Время существования взрывоопасной смеси t позволяет установить, какой требуется уровень вентиляции для зоны, чтобы она соответствовала зонам классов 0, 1 или 2.
Уровень может рассматриваться как высокий ВВ, если объем

очень мал или им можно пренебречь. При такой вентиляции можно считать, что источник утечки не образует взрывоопасной смеси, то есть зона взрывобезопасна. Однако в непосредственной близости от источника утечки взрывоопасная смесь присутствует, но размеры этой области пренебрежимо малы.
На практике высокий уровень вентиляции можно обеспечить только в следующих случаях: местными системами искусственной вентиляции вблизи источника; в небольших закрытых зонах; при очень небольшой утечке в зонах больших размеров.
При устройстве систем вентиляции необходимо учитывать следующие обстоятельства.
Во-первых, большинство закрытых зон содержат много источников утечки. В то же время иметь множество небольших взрывоопасных зон в помещениях, классифицированных как взрывобезопасные, не рекомендуется.
Во-вторых, при утечках, которые характерны для классификации зон, естественная вентиляция часто бывает недостаточной даже на открытом воздухе.
В-третьих, нерационально интенсивно проветривать средствами искусственной вентиляции большие помещения.
Объем

не характеризует время, в течение которого взрывоопасная смесь продолжает существовать после прекращения утечки при ВВ уровне, но он является таким фактором при ВС или ВН уровнях вентиляции.
Уровень СВ должен воздействовать на рассеивание утечки горючего газа или пара. Время рассеивания взрывоопасной смеси после устранения утечки должно быть таким, чтобы выполнялись условия зоны класса 1 или 2 в зависимости от того, является ли степень утечки первой или второй.
Допускаемое время рассеивания зависит от ожидаемой частоты утечки и длительности каждой утечки. Объем

часто бывает меньше объема любой закрытой зоны. В этом случае допускается классифицировать как взрывоопасную только часть закрытой зоны. В ряде случаев объем

может быть таким же, как объем закрытой зоны. Тогда всю закрытую зону классифицируют как взрывоопасную.
Если требования к зоне не удовлетворяются, то уровень рассматривают как ВН. При уровне ВН характеристический объем

часто бывает равным или большим, чем объем закрытой зоны. Уровень ВН на открытых пространствах практически не встречается, за исключением случаев наличия преград воздушному потоку, например в ямах.
Б.5. Готовность вентиляции
Готовность вентиляции оказывает влияние на образование и присутствие взрывоопасной смеси. Поэтому готовность вентиляции также должна учитываться при определении класса зоны.
По готовности вентиляцию разделяют на три уровня (см. примеры в
Приложении В):
- хорошая - вентиляция присутствует постоянно;
- средняя - вентиляция присутствует при нормальных условиях эксплуатации. Допускаются ее перерывы при условии, что они нечастые и кратковременные;
- плохая - вентиляция, не отвечающая требованиям первого и второго уровня готовности, при этом длительные ее перерывы не ожидаются. Если готовность не отвечает требованиям даже третьего уровня, то такая вентиляция не может рассматриваться как вентиляция зоны.
а) Готовность при естественной вентиляции
Для наружных условий оценка вентиляции основывается на предполагаемой минимальной скорости ветра 0,5 м/с, которая существует практически постоянно. В этом случае готовность вентиляции является хорошей.
б) Готовность при искусственной вентиляции
При оценке готовности искусственной вентиляции необходимо принимать во внимание надежность оборудования и готовность, например, аварийных вентиляторов. Хорошая готовность обеспечивается, если при авариях автоматически включаются запасные вентиляторы. Однако если предусмотрены средства предотвращения утечки горючего вещества при выходе из строя вентилятора (например, посредством автоматической остановки технологического процесса), то классификацию вентиляции, установленную для работающих вентиляторов, менять не требуется, то есть готовность можно считать хорошей.
Б.6. Практические указания
Связь между параметрами вентиляции и классом взрывоопасной зоны для утечек различной степени показана в таблице Б.1. Примеры расчетов параметров, необходимых для установления класса зоны, приведены в
разделе Б.7.
Таблица Б.1
Вентиляция и класс взрывоопасной зоны
Степень утечки | Уровень вентиляции |
ВВ | ВС | ВН |
Готовность |
Хорошая | Средняя | Плохая | Хорошая | Средняя | Плохая | Хорошая, средняя или плохая |
Постоянная (непрерывная) | (Зона класса 0 ПМ) | (Зона класса 0 ПМ) | (Зона класса 0 ПМ) | Зона класса 0 | Зона класса 0 + Зона класса 2 | Зона класса 0 + Зона класса 1 | Зона класса 0 |
Первой степени | (Зона класса 1 ПМ) | (Зона класса 1 ПМ) | (Зона класса 1 ПМ) | Зона класса 1 | Зона класса 1 + Зона класса 2 | Зона класса 1 + Зона класса 2 | |
Второй степени <2> | (Зона класса 2 ПМ) Взрывобезопасная <1> | (Зона класса 2 ПМ) Взрывобезопасная <1> | Зона класса 2 | Зона класса 2 | Зона класса 2 | Зона класса 2 | Зона класса 1 (возможно зона класса 0 <2>) |
<1> Символы 0ПМ, 1ПМ и 2ПМ означают, что из-за наличия источника утечки зоны классов 0, 1 и 2 существуют, но они имеют пренебрежимо малые размеры. <2> Зону класса 0 принимают в случае, если вентиляция настолько слабая и утечка такова, что взрывоопасная смесь присутствует практически постоянно (то есть приближение к условиям отсутствия вентиляции). |
Примечание. Знак "+" означает, что зона низкого класса (например, класса 0) окружена зоной более высокого класса. |
Б.7. Расчеты уровня вентиляции
Расчет N 1
Характеристика утечки
Горючее вещество ........................................ пары толуола
Источник утечки ......................................... поврежденный
фланец
Нижний концентрационный предел воспламенения (НКПР) ..... 0,046 кг/м3
(1,2
объемных %)
Степень утечки .......................................... постоянная
(непрерывная)
Коэффициент безопасности k .............................. 0,25
Интенсивность утечки

.........................

Характеристика вентиляции
Закрытое помещение
Кратность воздухообмена c .............................

Коэффициент эффективности рассеивания взрывоопасной
смеси f ................................................... 5
Окружающая температура T .............................. 20 °C (293 К)
Температурный коэффициент (T/293 К) ................... 1
Минимальный объемный расход свежего воздуха

.
Гипотетический объем


.
Время существования взрывоопасной смеси в данном примере не рассчитывают, т.к. его не применяют для оценки постоянной утечки.
Заключение
Гипотетический объем

незначительный. Уровень вентиляции следует рассматривать как высокий по отношению к источнику утечки.
Расчет N 2
Характеристика утечки
Горючее вещество ........................................ пары толуола
Источник утечки ......................................... поврежденный
фланец
Нижний концентрационный предел воспламенения (НКПР) ..... 0,046 кг/м3
(1,2
объемных %)
Степень утечки .......................................... вторая
Коэффициент безопасности k .............................. 0,5
Интенсивность утечки

.........................

Характеристика вентиляции
Закрытое помещение
Кратность воздухообмена c .............................

Коэффициент эффективности рассеивания взрывоопасной
смеси f ................................................... 5
Окружающая температура T .............................. 20 °C (293 К)
Температурный коэффициент (T/293 К) ................... 1
Минимальный объемный расход свежего воздуха

.
Гипотетический объем


.
Время существования

.
Заключение
Гипотетический объем

значительный, но он может изменяться под действием вентиляции. На этом основании уровень вентиляции рассматривают как средний относительно источника. Однако взрывоопасная смесь присутствует долго, поэтому условия зоны класса 2 не могут быть выполнены и зону необходимо отнести к классу 1.
Расчет N 3
Характеристика утечки
Горючее вещество ........................................ пропан
Источник утечки ......................................... сопло для
заполнения
канистры
Нижний концентрационный предел воспламенения (НКПР) ..... 0,039 кг/м3
(2,1
объемных %)
Степень утечки .......................................... первая
Коэффициент безопасности k .............................. 0,25
Интенсивность утечки

......................... 0,005 кг/с
Характеристика вентиляции
Закрытое помещение
Кратность воздухообмена c .............................

Коэффициент эффективности рассеивания взрывоопасной
смеси f ................................................... 1
Окружающая температура T .............................. 35 °C (308 К)
Температурный коэффициент (T/293 К) ................... 4,05
Минимальный объемный расход свежего воздуха

.
Гипотетический объем


.
Время существования

.
Заключение
Гипотетический объем значительный, но он может изменяться под действием вентиляции. На этом основании уровень вентиляции рассматривают как средний относительно источника. При времени существования 0,26 ч условия зоны класса 1 не могут быть выполнены, если заполнение канистры происходит часто.
Расчет N 4
Характеристика утечки
Горючее вещество ........................................ аммиак (газ)
Источник утечки ......................................... клапан
испарителя
Нижний концентрационный предел воспламенения (НКПР) ..... 0,105 кг/м3
(14,8
объемных %)
Степень утечки .......................................... вторая
Коэффициент безопасности k .............................. 0,5
Интенсивность утечки

.........................

Характеристика вентиляции
Закрытое помещение
Кратность воздухообмена c .............................

Коэффициент эффективности рассеивания взрывоопасной
смеси f ................................................... 1
Окружающая температура T .............................. 20 °C (293 К)
Температурный коэффициент (T/293 К) ................... 1
Минимальный объемный расход свежего воздуха

.
Гипотетический объем


.
Время существования

.
Заключение
Гипотетический объем

незначительный.
Уровень вентиляции следует рассматривать как высокий относительно источника, и на этом основании зона должна быть отнесена к взрывобезопасным.
Однако любое электрооборудование, расположенное в непосредственной близости к клапану, должно соответствовать требованиям к электрооборудованию для зоны класса 2 (см.
таблицу Б.1).
Расчет N 5
Характеристика утечки
Горючее вещество ........................................ пропан (газ)
Источник утечки ......................................... уплотнение
компрессора
Нижний концентрационный предел воспламенения (НКПР) ..... 0,039 кг/м3
(2,1
объемных %)
Степень утечки .......................................... вторая
Коэффициент безопасности k .............................. 0,5
Интенсивность утечки

......................... 0,02 кг/с
Характеристика вентиляции
Закрытое помещение
Кратность воздухообмена c .............................

Коэффициент эффективности рассеивания взрывоопасной
смеси f ................................................... 5
Окружающая температура T .............................. 20 °C (293 К)
Температурный коэффициент (T/293 К) ................... 1
Минимальный объемный расход свежего воздуха

.
Гипотетический объем


.
Время присутствия

.
Заключение
В помещении, например размерами 10 x 15 x 6 м, гипотетический объем

превышает объем помещения, и взрывоопасная смесь существует постоянно.
Уровень вентиляции рассматривают как низкий относительно источника.
Расчет N 6
Характеристика утечки
Горючее вещество ....................................... метан (газ)
Источник утечки ........................................ соединительная
муфта
трубопровода
Нижний концентрационный предел воспламенения (НКПР) .... 0,033 кг/м3
(5 объемных %)
Степень утечки ......................................... вторая
Коэффициент безопасности k ............................. 0,5
Интенсивность утечки

........................ 1 кг/с
Характеристика вентиляции
Наружные условия
Минимальная скорость ветра ............................ 0,5 м/с
Кратность воздухообмена c .............................

Коэффициент эффективности рассеивания взрывоопасной
смеси f ................................................... 3
Окружающая температура T .............................. 15 °C (288 К)
Температурный коэффициент (T/293 К) ................... 0,98
Минимальный объемный расход свежего воздуха

.
Гипотетический объем


.
Время присутствия (максимальное значение)

.
Заключение
Гипотетический объем

значительный, но он может изменяться под действием вентиляции. Существование взрывоопасной смеси - кратковременное.
Уровень вентиляции следует рассматривать как средний относительно источника.
Расчет N 7
Характеристика утечки
Горючее вещество ........................................ пары толуола
Источник утечки ......................................... поврежденный
фланец
Нижний концентрационный предел воспламенения (НКПР) ..... 0,046 кг/м3
(1,2
объемных %)
Степень утечки .......................................... вторая
Коэффициент безопасности k .............................. 0,5
Интенсивность утечки

.........................

Характеристика вентиляции
Закрытое помещение
Кратность воздухообмена c ............................

Коэффициент эффективности рассеивания взрывоопасной
смеси f .................................................. 2
Окружающая температура T ............................. 20 °C (293 К)
Температурный коэффициент (T/293 К) .................. 1
Минимальный объемный расход свежего воздуха

.
Гипотетический объем


.
Время существования

.
Заключение
Гипотетический объем

значительный, но он может изменяться под действием вентиляции. Уровень вентиляции следует рассматривать как средний относительно источника.
Из-за малого времени существования взрывоопасной смеси можно принять, что условия зоны класса 2 выполняются.
(справочное)
ПРИМЕРЫ КЛАССИФИКАЦИИ ВЗРЫВООПАСНЫХ ЗОН
В.1. Для классификации зоны требуется знание характеристик высвобождаемых горючих газов и жидкостей, а также рабочих характеристик технологического оборудования и его частей в определенных условиях эксплуатации. По этой причине в настоящем стандарте не приводится описание всего возможного разнообразия технологического оборудования и свойств перерабатываемых горючих веществ. Приведенные примеры подобраны таким образом, чтобы показать общий подход к классификации взрывоопасных зон, в которых присутствуют горючие вещества в виде жидкости, сжиженного газа, пара или газа, образующих взрывоопасную смесь с воздухом в определенных концентрациях.
В.2. Показанные на рисунках расстояния, в пределах которых существуют взрывоопасные зоны, определены для конкретных установок. Параметры утечек устанавливались исходя из характеристик и конструктивных данных технологического оборудования. Эти данные не являются универсальными, поскольку такие факторы, как количество горючего материала, время выделения, давление, температура и другие параметры, относящиеся к технологическому оборудованию и перерабатываемым горючим материалам и влияющие на классификацию зоны, должны рассматриваться с учетом особенностей в каждом конкретном случае. Таким образом, эти примеры дают лишь общие представления о том, как и какие параметры следует учитывать при классификации взрывоопасных зон.
В.3. Данные по классам и размерам зон, полученные на основании требований, содержащихся в отраслевых правилах (нормах), могут отличаться от данных, приводимых в настоящем стандарте.
В.4. Основной целью приводимых примеров является не их прямое использование для классификации зон, а иллюстрация общих результатов, которые могут быть получены на практике в различных условиях при использовании рекомендаций и методов, содержащихся в настоящем стандарте. Кроме этого, они могут быть полезны для разработки других нормативных документов по классификации зон.
В.5. Числовые данные, использованные в примерах, взяты или близко согласуются с данными, содержащимися в различных национальных или отраслевых правилах (нормах). Эти данные носят рекомендательный характер.
В.6. При использовании на практике примеров из настоящего стандарта для классификации зон в каждом случае должны учитываться конкретные особенности.
В.7. Результаты классификации зоны носят, как правило, относительный характер, поскольку не все параметры, которые влияют на класс и размеры зоны, даже если они могут быть установлены, могут быть определены количественно. Поэтому для повышения точности результатов по классификации зон необходимо как можно полнее определить параметры (по составу и количественно), которые оказывают влияние на класс зоны.
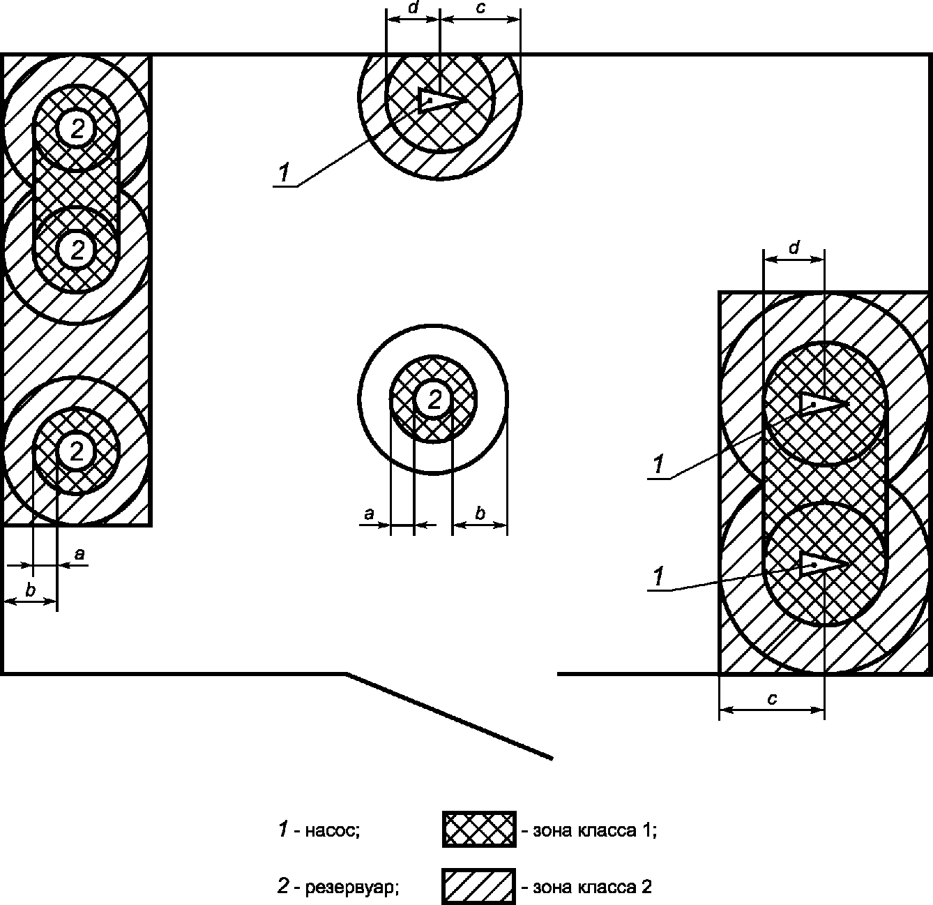
Насос для перекачки горючей жидкости,
установленный снаружи на уровне земли
Основные факторы, влияющие на класс и размер зоны |
Установка и процесс |
Вентиляция: |
тип .................................................. | естественная, | искусственная |
уровень ........................................... | средний, | |
готовность ...................................... | плохая, | средняя |
Источник утечки: | Степень утечки: | |
уплотнение насоса .......................... | первая и вторая |
Горючее вещество: |
температура вспышки .................... | ниже температуры процесса и окружающей среды |
плотность пара ............................... | больше, чем у воздуха |
-------------------------------- <*> Поток воздуха от вентилятора приводного двигателя насоса. |
С учетом приведенных параметров для насоса производительностью 50 м3/ч, работающего при низком давлении, получены следующие значения размеров зоны:
a = 3 м в горизонтальном направлении от источника утечки;
b = 1 м от уровня земли.
Примечание. Благодаря большому расходу воздуха размеры зоны класса 1 незначительные.
Насос для перекачки горючей жидкости,
установленный снаружи на уровне земли
Основные факторы, влияющие на класс и размер зоны |
Установка и процесс |
Вентиляция: |
тип ...................................................................................... | искусственная |
уровень ............................................................................... | средний |
готовность .......................................................................... | средняя |
Источник утечки: | Степень утечки: |
уплотнение насоса (сальник) и лужа на уровне пола ............ | первая и вторая |
Горючее вещество: |
температура вспышки ............................................................ | ниже температуры процесса окружающей среды |
плотность пара ....................................................................... | больше, чем у воздуха |
С учетом приведенных параметров для насоса производительностью 50 м3/ч, работающего при низком давлении, получены следующие значения:
a = 1,5 м в горизонтальном направлении от источника утечки;
b = 1 м от уровня земли;
c = 3 м в горизонтальном направлении от источника утечки.
Пример N 3
Выпускной клапан высокого давления
технологического резервуара, установленного
на открытом воздухе
Основные факторы, влияющие на класс и размеры зоны |
Установка и процесс |
Вентиляция: |
тип .............................................................. | естественная |
уровень ....................................................... | средний |
готовность .................................................. | хорошая |
Источник утечки: | Степень утечки: |
выпускное отверстие клапана .................... | первая |
Горючее вещество ......................................... | бензин |
плотность пара ........................................... | больше, чем у воздуха |
Источник утечки (выпускное отверстие диаметром 25 мм).
С учетом приведенных параметров для давления в резервуаре - 0,15 МПа (1,5 ати) получены следующие значения размеров зоны:
a = 3 м во всех направлениях от источника утечки;
b = 5 м во всех направлениях от источника утечки.
Пример N 4
Клапан сброса горючего газа,
установленный на закрытом участке трубопровода
Основные факторы, влияющие на класс и размеры зоны |
Установка и процесс |
Вентиляция: |
тип ................................................................. | естественная |
уровень .......................................................... | средний |
готовность ..................................................... | средняя |
Источник утечки: | Степень утечки: |
уплотнение штока клапана ........................... | вторая |
Горючее вещество: | |
газ .................................................................. | пропан |
плотность газа ............................................... | больше, чем у воздуха |
С учетом приведенных параметров взрывоопасная зона находится на расстоянии a = 1 м во всех направлениях от источника утечки.
Установленный внутри помещения резервуар,
крышка которого периодически открывается. Горючая жидкость
закачивается в резервуар и выкачивается из него
через сварные трубопроводы, присоединенные
к резервуару фланцами
Основные факторы, влияющие на класс и размер зоны |
Установка и процесс |
Вентиляция: |
тип ........................................................................ | искусственная |
уровень ................................................................. | средний вне резервуара; низкий внутри резервуара |
готовность ............................................................ | средняя |
Источник утечки: | Степень утечки: |
поверхность жидкости в резервуаре .................... | постоянная (непрерывная) |
отверстие в резервуаре ......................................... | первая |
расплескивание или утечка около резервуара ..... | вторая |
Горючее вещество: | |
температура вспышки .......................................... | ниже температуры процесса и окружающей температуры |
плотность пара ..................................................... | больше, чем у воздуха |
С учетом приведенных данных взрывоопасная зона имеет следующие размеры:
a = 1 м в горизонтальном направлении от источника утечки;
b = 1 м над источником утечки;
c = 1 м в горизонтальном направлении;
d = 2 м в горизонтальном направлении;
e = 1 м над уровнем земли.
Гравитационный сепаратор нефти/воды,
установленный снаружи на поверхности земли
Основные факторы, влияющие на класс и размеры зоны |
Установка и процесс |
Вентиляция: |
тип ........................................................................ | естественная |
уровень ................................................................. | средний |
готовность ............................................................ | плохая |
Источник утечки: | Степень утечки: |
поверхность жидкости ......................................... | постоянная |
нарушения нормального процесса ....................... | вторая |
Горючее вещество: | |
температура вспышки .......................................... | ниже температуры процесса и окружающей среды |
плотность газа ...................................................... | больше, чем у воздуха |
С учетом приведенных данных взрывоопасная зона имеет следующие размеры:
a = 3 м в горизонтальном направлении от сепаратора;
b = 1 м над источником земли;
c = 7,5 м в горизонтальном направлении;
d = 3 м над уровнем земли.
Пример N 7
Компрессор водорода в помещении, открытом в нижней части
Основные факторы, влияющие на класс и размеры зоны |
Установка и процесс |
Вентиляция: |
тип ........................................................................ | естественная |
уровень ................................................................. | средний |
готовность ............................................................ | хорошая |
Источник утечки: | Степень утечки: |
уплотнения, клапаны и фланцы компрессора ..... | вторая |
Горючее вещество: | |
газ ......................................................................... | водород |
плотность газа ...................................................... | меньше, чем у воздуха |
С учетом приведенных данных взрывоопасная зона имеет следующие размеры:
a = 3 м в горизонтальном направлении от источника утечки;
b = 1 м в горизонтальном направлении от вентиляционных отверстий;
c = 1 м над вентиляционными отверстиями.
Резервуар для хранения горючей жидкости,
установленный снаружи, с неподвижной крышей
и без внутренней плавающей крышки
Основные факторы, влияющие на класс и размеры зоны |
Установка и процесс |
Вентиляция: |
тип ................................................................ | естественная |
уровень ......................................................... | средний |
готовность .................................................... | хорошая |
Источник утечки: | Степень утечки: |
поверхность жидкости ................................. | постоянная |
выпускные отверстия ................................... | первая |
фланцы ......................................................... | вторая |
Горючее вещество: | |
температура вспышки .................................. | меньше температуры процесса и окружающей температуры |
плотность пара ............................................. | больше, чем у воздуха |
С учетом приведенных данных взрывоопасная зона имеет следующие размеры:
a = 3 м от выпускного отверстия;
b = 3 м над крышей;
c = 1 м в горизонтальном направлении от резервуара.
Установка для заправки бензином автоцистерн,
располагаемая снаружи, заполнение которой
производится сверху
Основные факторы, влияющие на класс и размеры зоны |
Установка и процесс |
Вентиляция: |
тип ................................................................. | естественная |
уровень .......................................................... | средний |
готовность ..................................................... | плохая |
Источник утечки: | Степень утечки: |
отверстия в крыше ........................................ | постоянная |
течь на уровне земли .................................... | вторая |
Горючее вещество: | |
температура вспышки ................................... | меньше температуры процесса и окружающей среды |
плотность пара .............................................. | больше, чем у воздуха |
С учетом приведенных данных взрывоопасная зона имеет следующие размеры:
a = 1,5 м в горизонтальном направлении от источника утечки;
b = 1 м в горизонтальном направлении от колонки;
c = 1,5 м над источником утечки;
d = 1 м над уровнем земли;
e = 4,5 м в горизонтальном направлении от дренажного канала;
f = 1,5 м в горизонтальном направлении от зоны 1;
g = 1,0 м над зоной 1.
Примечание. Для закрытой системы с улавливанием пара расстояния могут быть уменьшены таким образом, что размеры взрывоопасной зоны класса 1 становятся пренебрежимо малыми, а размеры зоны класса 2 значительно уменьшаются.
Помещение для смешивания красок в цеху
по производству красок
В данном примере для классификации помещения, в котором установлены три насоса (поз. 1) и четыре резервуара для смешивания красок (поз. 2), используются
примеры 2 и
5.
Основные факторы, влияющие на взрывоопасность зоны, приведены в таблицах к
примерам 2 и
5, а исходные данные и показатели по классификации - в таблицах В.1 и
В.2.
Таблица В.1
Исходные данные и показатели по классификации
и характеристики горючих веществ
Установка: оборудование цеха по производству красок |
1 | 2 | 3 | 4 | 5 | 6 | 7 | 8 | 9 | 10 | 11 | 12 |
| Горючий материал | НКПВ | | | | | |
N | Наименование | Химический состав | Температура вспышки, °C | кг/м3 | %, (объемные) | Давление насыщенного пара при 20 °C, кПа | Точка кипения, °C | Относительная плотность газа или пара <2> | Температура самовоспламенения, °C | | Другая информация и замечания |
1 | Растворитель с низкой температурой вспышки | | Минус 18 | 0,042 | 1,2 | 5,8 | 81 | 2,9 | 260 | IIАТ3 | |
| | | | | | | | | | | |
| | | | | | | | | | | |
| | | | | | | | | | | |
| | | | | | | | | | | |
<1> Обычно давление насыщенного пара приводится, но при его отсутствии можно воспользоваться значением температуры точки кипения (см. 4.4.1 г). |
Таблица В.2
Исходные данные и показатели по классификации
источников утечек горючих веществ
Установка: оборудование цеха по производству красок |
1 | 2 | 3 | 4 | 5 | 6 | 7 | 8 | 9 | 10 | 11 | 12 | 13 |
| Источник утечки | Горючий материал | Вентиляция | Взрывоопасная зона | |
N | Описание | Расположение | | | Температура | Давление | | | | | Зона класса | Размеры зоны, м | Ссылка | Другая информация и замечания |
По вертикали | По горизонтали |
1 | Уплотнение насоса для перекачки растворителя | - | П, В | 1 | Помещения | Окружающее | Ж | И | Средний | Средняя | 1 | 1,0 <*> | 1,5 <**> | | <*> Над источником утечки <**> От источника утечки |
2 | Лужа горючей жидкости на уровне пола под насосом растворителя | Площадка насоса | В | 1 | Помещения | Окружающее | Ж | И | Средний | Средняя | 2 | 1,0 <*> | 3,0 <**> | | <*> Над уровнем земли <**> От источника утечки |
3 | Поверхность жидкости в резервуаре для смешивания | - | Н | 1 | Помещения | Окружающее | Ж | И | Низкий | Плохая | 0 | <*> | <*> | | <*> Внутри резервуара |
4 | Отверстие в резервуаре для смешивания | - | П | 1 | Помещения | Окружающее | Ж | И | Средний | Средняя | 1 | 1,0 <*> | 2,0 <**> | | <*> Над отверстием <**> От отверстия |
5 | Расплескивание из резервуара для смешивания | Площадка резервуара | В | 1 | Помещения | Окружающее | Ж | И | Средний | Средняя | 2 | 1,0 <*> | 2,0 <**> | | <*> Над уровнем земли <**> От резервуара |
<1> Н - постоянная (непрерывная); В - второй степени; П - первой степени. <2> Индекс горючего вещества (см. часть I). <3> Г - газ; Ж - жидкость; СГ - сжиженный газ; Т - твердое вещество. <4> Е - естественная; И - искусственная. |
Для данного примера с учетом данных, приведенных в
таблицах В.1 и
В.2, взрывоопасные зоны имеют следующие размеры: a = 2 м; b = 4 м; c = 3 м; d = 1,5 м.
Примечание. Как показано в
примерах 2 и
5, зоны вокруг источников утечки имеют цилиндрическую форму. Однако если резервуары расположены близко друг к другу, зоны обычно принимают форму куба. Поэтому между резервуарами не остается пространства, которое могло бы быть отнесено к взрывобезопасному.
Предполагается, что насосы и резервуары соединяются сварными трубопроводами и что фланцы, клапаны и т.п. находятся вблизи них.
В случаях, когда помещение небольшое, следует все помещение относить к зоне класса 2.
Резервуарный парк для бензина и нефти
В данном примере использованы
примеры 1,
6,
8 и
9 для классификации наружного пространства резервуарного парка для бензина и нефти, на площадке которого установлены пять насосов для жидкости (поз. 1), расположенных вблизи друг от друга, отдельно стоящий насос (поз. 1), один гравитационный сепаратор нефти/воды (поз. 2), три резервуара для хранения бензина (поз. 3), одна установка для заправки автоцистерн (поз. 4), два резервуара для нефти (поз. 5).
Основные факторы, влияющие на взрывоопасность зоны, приведены в таблицах к
примерам 1,
6,
8 и
9, а исходные данные и показатели по классификации - в таблицах В.3 и
В.4.
Таблица В.3
Исходные данные и показатели по классификации
и характеристики горючих веществ
Установка: оборудование резервуарного парка для бензина и нефти |
1 | 2 | 3 | 4 | 5 | 6 | 7 | 8 | 9 | 10 | 11 | 12 |
| Горючий материал | НКПВ | | Относительная плотность газа или пара <2> | Температура самовоспламенения, °C | | Другая информация и замечания |
N | Наименование | Химический состав | Температура вспышки, °C | кг/м3 | %, (объемные) | Давление насыщенного пара при 20 °C, кПа | Точка кипения, °C |
1 | Бензин | - | Ниже 0 | 0,022 | 0,7 | 50 | Ниже 210 | 2,9 | 280 | IIАТ3 | - |
2 | Нефть | - | 55 - 65 | 0,043 | 1 | 6 | 200 | 3,5 | 330 | IIАТ2 | - |
3 | Вода с примесями нефти и бензина | - | Ниже 0 | - | Св. 0,7 | - | - | Св. 1,2 | Св. 280 | IIАТ3 | - |
| | | | | | | | | | | |
| | | | | | | | | | | |
<1> Обычно давление насыщенного пара приводится, но при его отсутствии можно воспользоваться значением температуры точки кипения (см. 4.4.1 г). |
Таблица В.4
Исходные данные и показатели по классификации
источников утечек горючих веществ
| | ИС МЕГАНОРМ: примечание. Сноски в таблице даны в соответствии с официальным текстом документа. | |
Установка: оборудование резервуарного парка для бензина и нефти |
1 | 2 | 3 | 4 | 5 | 6 | 7 | 8 | 9 | 10 | 11 | 12 | 13 |
| Источник утечки | | Горючий материал | Вентиляция | Взрывоопасная зона | |
N | Описание | Расположение | | | Температура | Давление | | | | | Зона класса (0, 1, 2) | Размеры зоны, м | Ссылка | Другая информация и замечания |
По вертикали | По горизонтали |
1 | Уплотнение бензинового насоса | Площадка насоса | В | 1 | Окружающая | Окружающая | Ж | И | Средний | Средняя | 2 | 1,0 <*> | 3,0 <**> | | <*> Над источником утечки <**> От источника утечки |
2 | Поверхность жидкости в сепараторе | Площадка очистки сточных вод | В | 3 | Окружающая | Окружающая | Ж | Е | Низкий | Плохая | 0 | <*> | <*> | | <*> Внутри сепаратора <**> Ниже уровня земли |
Высокий | Плохая | 1 | 1,0 <*> | 3,0 <**> | | <*> Над уровнем земли <**> От сепаратора |
Высокий | Плохая | 2 | 3,0 <*> | 7,5 <**> | | <*> Над уровнем земли <**> От сепаратора |
3 | Поверхность жидкости в резервуарах для бензина | Резервуар | Н | 1 | Окружающая | Окружающая | Ж | Е | Средний | Плохая | 0 | <*> | <*> | | <*> Внутри резервуара |
4 | Выпускное отверстие в резервуаре для бензина | Резервуар | П | 1 | Окружающая | Окружающая | Ж | Е | Средний | Хорошая | 1 | 3,0 <*> | 3,0 <**> | | <*> 3 м вокруг выпускного отверстия |
5 | Фланцы и другие источники внутри обвалования резервуаров для бензина | Резервуар | В | 1 | Окружающая | Окружающая | Ж | Е | Средний | Средняя | 2 | <*> | <*> | | <*> Внутри обвалования |
6 | Перелив резервуаров для бензина | Резервуар | В | 1 | Окружающая | Окружающая | Ж | Е | Средний | Хорошая | 2 | 3,0 <*> | 3,0 <**> | | <*> Над уровнем земли |
7 | Отверстие в крышке резервуара установки для заполнения автоцистерн | - | П | 1 | Окружающая | Окружающая | Ж | Е | Средний | Плохая | 1 | 1,5 <*> | 1,5 <**> | | <*> Над уровнем земли <**> От источника утечки |
0 | 1,0 <*> | 1,5 <*> | | <*> Над источником утечки <**> Ниже уровня земли |
8 | Лужа на дне дренажного канала установки для заполнения автоцистерн | Площадка заполнения автоцистерн | В | 1 | Окружающая | Окружающая | Ж | Е | Средний | Плохая | 2 | 1,0 <*> | 4,5 <**> | | <*> Над уровнем земли <**> От дренажного канала |
9 | Резервуар для нефти | - | - | - | - | - | Ж | - | - | - | <*> | - | - | - | <*> Зона взрывобезопасная в связи с высокой температурой вспышки нефти |
<1> Н - постоянная (непрерывная); В - второй степени; П - первой степени. <2> Индекс горючего вещества в перечне (см. часть I). <3> Г - газ; Ж - жидкость; СГ - сжиженный газ; Т - твердое вещество. <4> Е - естественная; И - искусственная. |
Для настоящего примера с учетом данных, приведенных в
таблицах В.3 и
В.4, взрывоопасные зоны имеют следующие размеры: a = 3 м; b = 7,5 м; c = 4,5 м; d = 1,5 м.
| | ИС МЕГАНОРМ: примечание. В официальном тексте документа, видимо, допущена опечатка: рисунок 11 отсутствует. Возможно, имеются в виду рисунок примера 11. | |
Примечание. Для правильного определения взрывоопасности зон внутри резервуаров и в сепараторе (зона класса 0), а также зон вокруг выпускных отверстий резервуаров (зона класса 1) следует использовать
примеры 1,
6,
8 и
9.
Рисунок В.1. Последовательность анализа факторов
при классификации взрывоопасных зон (знак "+" означает,
что зона одного класса (например, класса 0)
окружена зоной другого класса)
Рисунок В.2. Предпочтительные обозначения
при классификации взрывоопасных зон
(справочное)
ВЗРЫВООПАСНЫХ ЗОН ДЛЯ ОТДЕЛЬНЫХ ПРОИЗВОДСТВ И УСТАНОВОК
Г.1. Окрасочные производства
При применении для окраски материалов, которые могут образовать взрывоопасные смеси, зона считается взрывоопасной в пределах до 5 м по горизонтали и вертикали от открытых проемов окрасочных и сушильных камер.
При бескамерной окраске изделий зона считается взрывоопасной в пределах до 5 м по горизонтали и вертикали от края решетки, от свежевыкрашенных изделий и от емкостей с горючими материалами.
Класс взрывоопасных зон указанных размеров определяется отраслевыми нормативными документами в зависимости от способа окраски и характеристик лакокрасочных материалов. При этом должны учитываться результаты классификации взрывоопасности всего помещения, в котором производятся окрасочные работы, в соответствии с требованиями настоящего стандарта.
Г.2. Помещения производств, в которых технологический процесс ведется с использованием газообразного водорода, имеют взрывоопасную зону класса 2 только в верхней части помещения. Взрывоопасная зона устанавливается от отметки 0,75 общей высоты помещения, считая от уровня пола, но не выше кранового пути.
Настоящее требование не распространяется на помещения, в которых технологический процесс ведется с использованием водорода под давлением, превышающим 0,5 МПа.
В помещениях производств, в которых в силу особенностей технологического процесса выделение газообразного водорода в окружающую атмосферу незначительное (например, цеха анодного, химического оксидирования и глубокого размерного травления деталей из алюминиевых сплавов, отдельные гальванические производства), взрывоопасная зона в верхней части помещения не устанавливается.
Г.3. Зоны в помещениях и зоны наружных установок в пределах до 5 м по горизонтали и вертикали от открытого огня и раскаленных поверхностей технологического оборудования, в которых твердые, жидкие и газообразные горючие вещества сжигаются в качестве топлива или утилизируются путем сжигания, не относятся к взрывоопасным. Настоящее требование распространяется на эти помещения во время, когда в них ведется технологический процесс. В помещениях отопительных котельных, встроенных в здания и предназначенных для работы на газообразном или на жидком топливе, следует предусматривать, несмотря на отсутствие взрывоопасной зоны, установку части светильников и электрооборудования вытяжной вентиляции, включаемых перед началом работы котельной установки, во взрывозащищенном исполнении.
Г.4. Помещения производств и наружные установки, в которых используется газообразный или сжиженный аммиак, следует относить к взрывоопасным зонам класса 2, если оценка в соответствии с требованиями настоящего стандарта не указывает на то, что такие зоны являются взрывобезопасными.