Главная // Актуальные документы // ГОСТ (Государственный стандарт)
СПРАВКА
Источник публикации
М.: Стандартинформ, 2014
Примечание к документу
Документ утратил силу с 01.10.2021 в связи с изданием Приказа Росстандарта от 21.10.2020 N 886-ст. Взамен введен в действие ГОСТ 31610.20-1-2020.

Документ включен в Перечень стандартов, в результате применения которых на добровольной основе обеспечивается соблюдение требований технического регламента Таможенного союза "О безопасности оборудования для работы во взрывоопасных средах" (ТР ТС 012/2011) и в Перечень стандартов, содержащих правила и методы исследований (испытаний) и измерений, в том числе правила отбора образцов, необходимые для применения и исполнения требований технического регламента Таможенного союза "О безопасности оборудования для работы во взрывоопасных средах" (ТР ТС 012/2011) и осуществления оценки соответствия объектов технического регулирования (Решение Комиссии Таможенного союза от 18.10.2011 N 825).

Документ включен в Перечень национальных стандартов (пункты 25, 42, 238), содержащих правила и методы исследований (испытаний) и измерений, в том числе правила отбора образцов, необходимых для применения и исполнения Федерального закона от 22.07.2008 N 123-ФЗ "Технический регламент о требованиях пожарной безопасности" и осуществления оценки соответствия (Распоряжение Правительства РФ от 10.03.2009 N 304-р).

Документ введен в действие с 15 февраля 2014 года.
Название документа
"ГОСТ 30852.5-2002 (МЭК 60079-4:1975). Межгосударственный стандарт. Электрооборудование взрывозащищенное. Часть 4. Метод определения температуры самовоспламенения"
(введен в действие Приказом Росстандарта от 29.11.2012 N 1870-ст)

"ГОСТ 30852.5-2002 (МЭК 60079-4:1975). Межгосударственный стандарт. Электрооборудование взрывозащищенное. Часть 4. Метод определения температуры самовоспламенения"
(введен в действие Приказом Росстандарта от 29.11.2012 N 1870-ст)


Содержание


Введен в действие
Приказом Федерального
агентства по техническому
регулированию и метрологии
от 29 ноября 2012 г. N 1870-ст
МЕЖГОСУДАРСТВЕННЫЙ СТАНДАРТ
ЭЛЕКТРООБОРУДОВАНИЕ ВЗРЫВОЗАЩИЩЕННОЕ
ЧАСТЬ 4
МЕТОД ОПРЕДЕЛЕНИЯ ТЕМПЕРАТУРЫ САМОВОСПЛАМЕНЕНИЯ
Explosion protected electrical apparatus.
Part 4. Method of test for ignition temperature
(IEC 60079-4:1975, MOD)
ГОСТ 30852.5-2002
(МЭК 60079-4:1975)
МКС 29.260.20
Дата введения
15 февраля 2014 года
Предисловие
Цели, основные принципы и порядок проведения работ по межгосударственной стандартизации установлены ГОСТ 1.0-92 "Межгосударственная система стандартизации. Основные положения" и ГОСТ 1.2-2009 "Межгосударственная система стандартизации. Стандарты межгосударственные, правила и рекомендации по межгосударственной стандартизации. Правила разработки, принятия, применения, обновления и отмены".
Сведения о стандарте
1. Подготовлен Автономной некоммерческой национальной организацией "Ex-стандарт" (АННО "Ex-стандарт").
2. Внесен Федеральным агентством по техническому регулированию и метрологии (Росстандарт).
3. Принят Межгосударственным советом по стандартизации, метрологии и сертификации (Протокол от 6 ноября 2002 г. N 22).
За принятие проголосовали:
Краткое наименование страны по МК (ИСО 3166) 004-97
Код страны по МК (ИСО 3166) 004-97
Сокращенное наименование национального органа по стандартизации
Азербайджан
AZ
Азстандарт
Армения
AM
Минэкономики Республики Армения
Беларусь
BY
Госстандарт Республики Беларусь
Казахстан
KZ
Госстандарт Республики Казахстан
Киргизия
KG
Кыргызстандарт
Молдова
MD
Молдова-Стандарт
Россия
RU
Росстандарт
Таджикистан
TJ
Таджикстандарт
Туркменистан
TM
Главгосслужба "Туркменстандартлары"
4. Приказом Федерального агентства по техническому регулированию и метрологии от 29 ноября 2012 г. N 1870-ст межгосударственный стандарт ГОСТ 30852.5-2002 (МЭК 60079-4:1975) введен в действие в качестве национального стандарта Российской Федерации с 15 февраля 2014 г.
5. Настоящий стандарт модифицирован по отношению к международному стандарту IEC 60079-4:1975. Electrical apparatus for explosive gas atmospheres - Part 4: Method of test for ignition temperature (Электрооборудование взрывозащищенное. Часть 4. Метод определения температуры самовоспламенения) с Изменением 1 (1995), первым дополнением IEC 60079-4A:1975 и дополнительными требованиями, отражающими потребности экономики стран СНГ. В стандарте сохранена нумерация основного текста (включая нумерацию перечислений) и приложений (за исключением Приложений Б и В), установленная IEC 60079-4:1975 и IEC 60079-4A:1970. Дополнительные требования выделены в тексте курсивом.
Степень соответствия - модифицированная (MOD).
Стандарт подготовлен на основе применения ГОСТ Р 51330.5-99 (МЭК 60079-4-75).
6. Введен впервые.
Информация об изменениях к настоящему стандарту публикуется в ежегодном информационном указателе "Национальные стандарты" (по состоянию на 1 января текущего года), а текст изменений и поправок - в ежемесячном информационном указателе "Национальные стандарты". В случае пересмотра (замены) или отмены настоящего стандарта соответствующее уведомление будет опубликовано в ежемесячном информационном указателе "Национальные стандарты". Соответствующая информация, уведомление и тексты размещаются также в информационной системе общего пользования - на официальном сайте Федерального агентства по техническому регулированию и метрологии в сети Интернет.
Введение
Настоящий стандарт входит в комплекс межгосударственных стандартов на взрывозащищенное электрооборудование, разработанных Техническим комитетом по стандартизации ТК 403 "Оборудование для взрывоопасных сред (Ex-оборудование)" на основе применения международных стандартов МЭК на взрывозащищенное электрооборудование.
Стандарт устанавливает метод определения температуры самовоспламенения химически чистого пара или газа в воздухе при нормальном атмосферном давлении, критерии оценки достоверности полученных результатов, основные требования к используемому испытательному оборудованию и средствам измерения, классификацию взрывоопасных смесей газов и паров по группам в зависимости от температуры самовоспламенения.
В стандарт, дополнительно к требованиям IEC 60079-4:1975, включены положения, разъясняющие и (или) конкретизирующие отдельные положения IEC 60079-4:1975 с учетом сложившейся в странах СНГ практики. Приложение Б содержит аутентичный текст первого дополнения IEC 60079-4A:1975. Приложение В дополняет положения МЭК 60079-4:1975 системой классификации взрывоопасных смесей газов и паров по группам в зависимости от температуры самовоспламенения, применяемой в странах СНГ. Дополнительные требования, отражающие потребности экономик стран СНГ, выделены в тексте курсивом.
В стандарте сохранена нумерация основного текста (включая нумерацию перечислений) и приложений (за исключением Приложений Б и В), установленная IEC 60079-4:1975 и IEC 60079-4A:1975.
1. Область применения и нормативные ссылки
Настоящий стандарт устанавливает метод определения температуры самовоспламенения химически чистого газа или пара в воздухе при атмосферном давлении.
Приложение Б содержит температуру самовоспламенения некоторых горючих газов и паров.
В Приложении В приведена классификация взрывоопасных смесей газов и паров по группам в зависимости от температуры самовоспламенения.
Требования настоящего стандарта являются обязательными.
1.1. Нормативные ссылки:
В настоящем стандарте используют ссылки на следующие международные стандарты:
ГОСТ 12.1.005-88. Система стандартов безопасности труда. Общие санитарно-гигиенические требования к воздуху рабочей зоны
ГОСТ 12.1.019-79 <*>. Система стандартов безопасности труда. Электробезопасность. Общие требования и номенклатура видов защиты.
Примечание. При пользовании настоящим стандартом целесообразно проверить действие ссылочных стандартов в информационной системе общего пользования - на официальном сайте Федерального агентства по техническому регулированию и метрологии в сети Интернет или по ежегодному информационному указателю "Национальные стандарты", который опубликован по состоянию на 1 января текущего года, и по соответствующим выпускам ежемесячного информационного указателя "Национальные стандарты" за текущий год. Если ссылочный стандарт заменен (изменен), то при пользовании настоящим стандартом следует руководствоваться заменяющим (измененным) стандартом. Если ссылочный стандарт отменен без замены, то положение, в котором дана ссылка на него, применяется в части, не затрагивающей эту ссылку.
--------------------------------
<*> В Российской Федерации действует ГОСТ Р 12.1.019-2009 "Система стандартов безопасности труда".
2. Определения
В настоящем стандарте применяют следующие термины с соответствующими определениями:
2.1. Температура самовоспламенения: наименьшая температура, при которой происходит самовоспламенение, определенная в соответствии с методом, описанным в настоящем стандарте.
2.2. Самовоспламенение: реакция в испытательной колбе, сопровождающаяся появлением пламени и (или) взрывом, для которой период индукции самовоспламенения не превышает 5 мин.
2.3. Период индукции самовоспламенения: период времени, который проходит между моментом полного введения пробы и самовоспламенением.
3. Общее описание метода
Заданный объем вещества, предназначенного для испытания, вводят в нагретую открытую колбу объемом 200 см3, заполненную воздухом. Содержимое колбы наблюдается в затемненном помещении до тех пор, пока не произойдет самовоспламенение. Испытание проводят с различными температурами колбы и объемами пробы. Наименьшую температуру колбы, при которой происходит самовоспламенение, принимают в качестве температуры самовоспламенения в воздухе при атмосферном давлении.
4. Оборудование
Описание испытательного оборудования приведено в 4.1 - 4.6.
В качестве вспомогательного оборудования используют также:
- лабораторный автотрансформатор;
- потенциометры класса 0,1 или более точные для измерения термо-ЭДС термопар;
- барометр;
- резиновую грушу для продувки испытательной колбы (или источник сжатого воздуха).
4.1. Испытательная колба
Испытательная колба - колба вместимостью 200 см3 из термически устойчивого (боросиликатного) стекла. Для испытаний должна использоваться химически чистая колба.
Если температура самовоспламенения испытуемой пробы превышает температуру размягчения стекла, из которого изготовлена колба, или проба может быть причиной повреждения (химической коррозии) колбы, следует использовать кварцевую или металлическую колбу; это должно быть отмечено в протоколе испытаний.
4.2. Печь
Испытательная колба должна быть равномерно прогрета горячим воздухом печи. Удовлетворяющие этим требованиям типы печей описаны в Приложении А настоящего стандарта.
Считают, что колба прогревается равномерно, а места для измерения температуры выбраны правильно, если определенные по методике настоящего стандарта температуры самовоспламенения для веществ, указанных в таблице 1, согласуются, с учетом допусков по разделу 7, с данными таблицы 1. Пробы, используемые для такой проверки, должны иметь чистоту не менее 99,9%.
Таблица 1
Вещество
Температура самовоспламенения, °C
н-Гептан
220
Этилен
435
Бензол
560
4.3. Термопары
Для определения температуры колбы должны использоваться три аттестованные термопары с диаметром проволоки не более 0,8 мм. Термопары должны быть расположены в выбранных точках (см. 4.2) на внешней поверхности колбы. Для ввода термопар во внутренний объем печи используют двухканальную фарфоровую трубку.
4.4. Шприцы или пипетки для пробы
Жидкие пробы вводят в колбу одним из следующих способов:
a) аттестованным шприцем вместимостью 0,25 или 1 см3 и ценой деления не более 0,01 см3, снабженным антикоррозионной стальной иглой с диаметром отверстия не более 0,15 мм;
b) аттестованной мерной пипеткой вместимостью 1 см3, позволяющей выпустить 1 см3 дистиллированной воды при комнатной температуре в виде 35 - 40 капель.
Газообразные пробы вводят с помощью аттестованного стеклянного герметичного шприца (типа Ш-9) вместимостью 200 см3, снабженного трехходовым вентилем и соединительными трубками.
ИС МЕГАНОРМ: примечание.
В официальном тексте документа, видимо, допущена опечатка: рисунок 6 отсутствует.
Примечание. Следует предусмотреть меры предосторожности против обратного воспламенения. Один из способов, который используют для этих целей, схематически представлен на рисунке 6.
4.5. Таймер
Для определения запаздывания самовоспламенения следует использовать аттестованный таймер с ценой деления не более 1 с.
4.6. Зеркало
Для удобства наблюдения за внутренним объемом колбы, на крышке печи на высоте примерно 250 мм над колбой закрепляют зеркало.
5. Проведение испытаний
5.1. Температура печи должна быть такой, чтобы колба была равномерно прогрета до требуемой температуры. При этом показания термопар не должны отличаться более чем на 1 °C, а установленная температура не должна изменяться в течение 5 мин.
5.2. Введение пробы
Если точка кипения исследуемой жидкой пробы соответствует комнатной температуре или близка к ней, должны предприниматься меры предосторожности для поддержания температуры системы впрыскивания пробы на уровне, обеспечивающем уверенность, что состояние пробы до ее введения в испытательную колбу не изменится. С этой целью легкокипящие продукты охлаждают до температур, при которых можно легко набрать в пипетку (шприц) требуемое количество вещества.
Для отбора пробы вязкие и твердые продукты нагревают до температур, при которых обеспечивается требуемое заполнение системы впрыскивания пробы.
5.2.1. Жидкие пробы
Требуемый объем исследуемой пробы вводят в испытательную колбу с помощью шприца или пипетки. Проба должна быть введена в виде капель в центр колбы не более чем за 2 с. Шприц или пипетку следует затем быстро извлечь из колбы. Попадание пробы на стенки колбы в процессе впрыскивания должно быть исключено.
5.2.2. Газообразные пробы
Газообразные пробы вводят с помощью предварительно наполненных герметичного шприца и подводящих трубок, обеспечивающих последующее полное заполнение системы исследуемой газовой пробой. Требуемый объем пробы вводят в испытательную колбу по возможности с постоянной скоростью, равной 20 см3/с. Заполняющая трубка должна быть затем быстро извлечена из колбы.
5.2.3. Первичный объем пробы
Рекомендуемый объем пробы для первоначальных испытаний составляет 0,07 см3 для жидкой и 20 см3 для газообразной пробы.
5.3. Наблюдения
Таймер должен быть включен как только проба будет полностью введена в испытательную колбу, и остановлен сразу при появлении пламени. Температура и период индукции самовоспламенения должны быть зарегистрированы. Если появление пламени не наблюдалось, таймер должен быть остановлен через 5 мин, а испытание закончено.
Условия и результаты испытаний должны регистрироваться со следующей погрешностью:
- температура ......................... +/- 1 °C
- объем вещества ....................... +/- 0,01 см3
- время ............................... +/- 1 с
5.4. Последовательность испытаний
Испытания следует повторить при различных температурах и с различными объемами пробы до получения минимального значения температуры самовоспламенения. После каждого испытания колба должна продуваться чистым сухим воздухом. После продувки должно пройти время, достаточное для того, чтобы температура колбы восстановилась до требуемой испытательной температуры перед введением очередной пробы.
Подготовку к испытаниям осуществляют в следующем порядке:
- чистую испытательную колбу укрепляют на крышке печи, боковые термопары прижимают к колбе и фиксируют, колбу с термопарами помещают в печь, устанавливают нижнюю термопару, прижав ее ко дну колбы и также фиксируют;
- проверяют правильность сборки термометрической схемы;
- проверяют электрическую схему на отсутствие короткого замыкания в местах присоединения проводов и токоведущих частей на корпус испытательной установки.
Первоначальные испытания проводят с целью предварительного определения температуры самовоспламенения. Для этого на нескольких пробах первичного объема, изменяя температуру опыта ступенями через 25, 10, 5 °C, находят минимальную температуру, при которой происходит самовоспламенение, а также температуру, на 5 °C ниже которой самовоспламенение не наблюдается.
Испытания по определению наиболее легкосамовоспламеняющегося количества вещества
Для проведения этих испытаний выбирают шесть - восемь проб, отличающихся на 0,05 - 0,2 см3 для жидких проб и на 4 - 5 см3 для газообразных проб, и для каждой из них, изменяя температуру опыта вблизи температуры самовоспламенения, полученной при первоначальных испытаниях, ступенями через 25, 10, 5 °C находят минимальную температуру, при которой происходит самовоспламенение, а также температуру, на 5 °C ниже которой самовоспламенение не наблюдается. По полученным данным строят график зависимости температуры самовоспламенения от объема пробы. График должен иметь вид параболы (если парабола не вырисовывается, исследуют дополнительные пробы). Объем пробы, соответствующий минимуму полученной кривой, принимают за наиболее легкосамовоспламеняющееся количество исследуемого вещества.
Заключительные испытания проводят с наиболее легкосамовоспламеняющимся количеством вещества с шагом по температуре 2 °C до тех пор, пока не будет получена наименьшая температура, при которой происходит самовоспламенение.
5.5. Подтверждающие испытания
Для подтверждения полученного результата проводят пять испытаний при температуре на 2 °C ниже наименьшей температуры, полученной в процессе заключительных испытаний, при этом самовоспламенение не должно наблюдаться ни в одном из испытаний.
6. Температура самовоспламенения
Наименьшее значение температуры, при которой происходит самовоспламенение в процессе испытаний по разделу 5, должно быть зафиксировано в качестве температуры самовоспламенения при условии, что результаты удовлетворяют требованиям раздела 7. Должны быть зафиксированы также период индукции самовоспламенения и давление окружающей среды.
7. Объективность результатов испытаний
7.1. Повторяемость
Расхождение двух результатов, полученных одним и тем же оператором, не должно превышать 2% определяемой величины.
7.2. Воспроизводимость
Усредненные результаты аналогичных испытаний, полученные в различных лабораториях, не должны различаться более чем на 5%.
Примечание. Допуски на расхождение результатов испытаний и воспроизводимость, установленные выше, являются рекомендуемыми величинами вплоть до накопления большего объема информации.
8. Регистрация данных
Регистрационные записи должны содержать название, источник и физические свойства вещества, номер испытания и дату его проведения, температуру и давление окружающей среды, объем пробы, температуру и запаздывание самовоспламенения.
9. Требования безопасности
Испытательную установку размещают в вытяжном шкафу. Рабочее место оператора должно удовлетворять требованиям электробезопасности по ГОСТ 12.1.019 и санитарно-гигиеническим требованиям по ГОСТ 12.1.005.
При исследовании токсичного вещества или вещества, которое выделяет токсичные компоненты при разложении и горении, испытание проводят при соблюдении санитарных правил и правил техники безопасности, принятых для работы с токсичными веществами. В этом случае применяют соответствующий противогаз и дегазационные средства.
Приложение А
(обязательное)
ПЕЧИ
Для испытаний, описанных в настоящем стандарте, подходят печи, сконструированные в соответствии с А.1 и А.2.
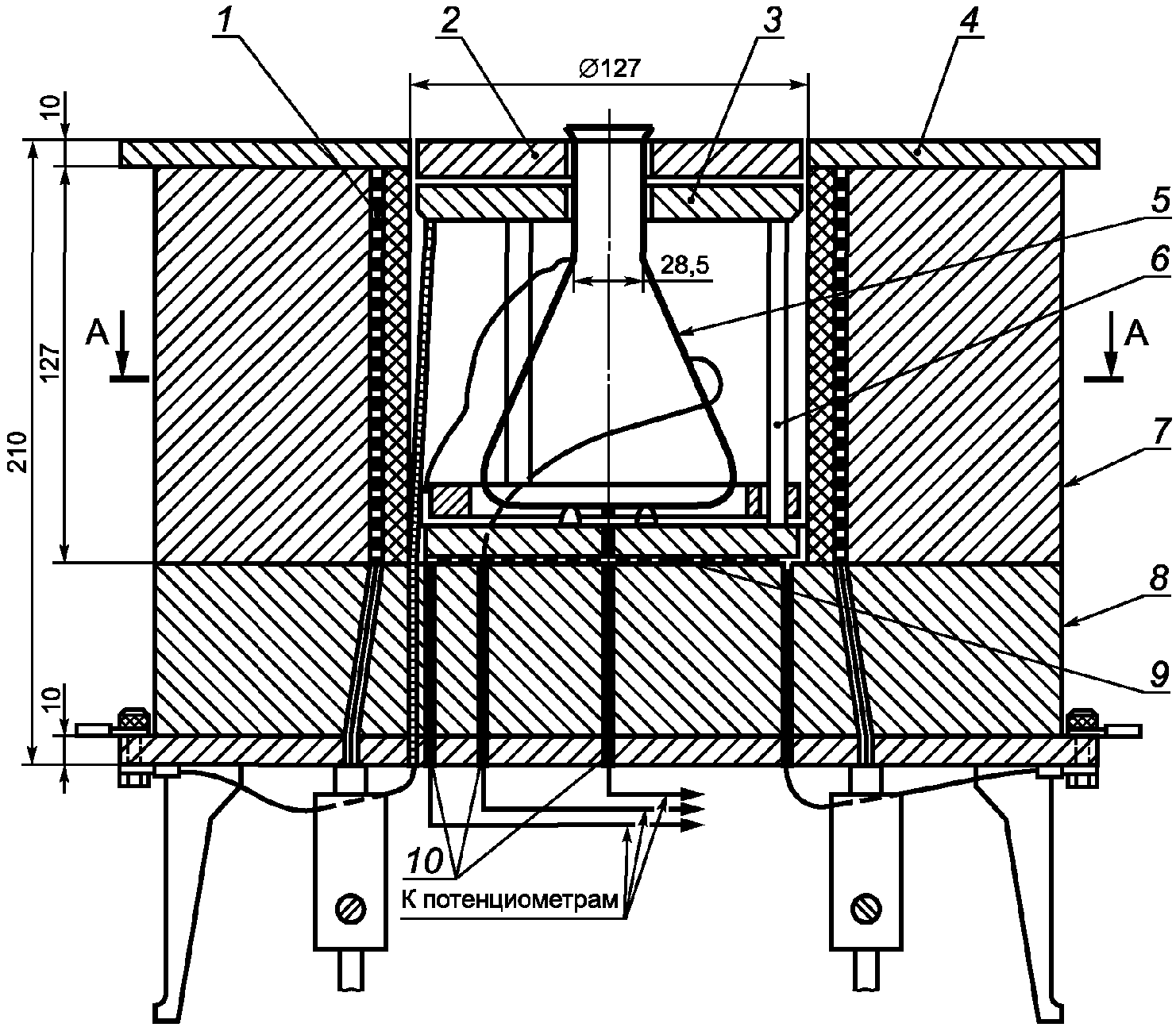
А.1. Печь схематически показана на рисунках А.1 - А.6. Она содержит:
- цилиндр из огнеупорного материала с внутренним диаметром 127 мм и высотой 127 мм, на наружной поверхности которого намотан равномерно распределенный по высоте электрический нагреватель мощностью 1200 Вт;
- подходящий огнеупорный изоляционный материал и поддерживающий стальной корпус;
- крышку в форме кольца и центрирующее кольцо колбы из огнеупорного материала;
- нагреватели горловины и основания колбы мощностью 300 Вт.
Для измерения температуры печи используют три термопары, расположенные на 25 и 50 мм ниже основания нагревателя горловины и под дном колбы около его центра.
Температура, измеренная каждой термопарой, должна находиться в пределах +/- 1 °C от ожидаемой испытательной температуры путем независимой регулировки каждого из трех нагревателей.
А.2. Печь схематически показана на рисунках А.7 - А.9. Она содержит нагреватель мощностью 1300 Вт с максимальным током нагрева 6 А.
Провод нагревателя диаметром 1,2 мм и длиной 35,8 м из сплава Cr/Al (30/5) намотан на всю длину керамического цилиндра с шагом 1,2 мм. Нагреватель закреплен с помощью высокотемпературной мастики и покрыт напыляемым термоизолирующим слоем окиси алюминия толщиной 20 мм. Цилиндр из нержавеющей стали вставлен в керамический корпус с минимально возможным зазором. Крышка, закрывающая печь, также изготовлена из нержавеющей стали и содержит колбу, расположенную внутри печи. Для этого крышка включает в себя верхний диск, разъемное изоляционное уплотнение и разъемный нижний диск. Горловину колбы вставляют в крышку с высокотемпературной изоляционной прокладкой и удерживают с помощью сегментов разъемного уплотнения и нижнего диска, которые обеспечивают уплотнение и крепятся к верхнему диску с помощью двух кольцевых гаек.
Нагреватель может работать от сети переменного или постоянного тока с соответствующим способом управления напряжением.
Максимальный ток нагрева 6 А следует использовать для достижения требуемой температуры в процессе предварительных испытаний. Если применяют систему автоматического управления температурой, периоды нагрева и охлаждения должны быть одинаковы и, по возможности, только часть тока нагрева должна регулироваться таким способом.
Измерительные термопары устанавливают на внешней поверхности стенок колбы на расстоянии (25 +/- 2) мм от ее дна и в центре нижней поверхности дна.
1 - основной нагреватель; 2 - кольцо крышки;
3 - обогреватель горловины; 4 - крышка из огнеупорного
материала; 5 - колба вместимостью 200 см3;
6 - керамическая опора; 7 - поддерживающий цилиндр;
8 - электрический тигель печи; 9 - основной нагреватель;
10 - термопары
Рисунок А.1. Испытательное оборудование (сборка)
Рисунок А.2. Сечение А-А (колба не показана)
1 - паз размером 1,5 x 1,5 мм на боковой поверхности диска;
2 - способ укладки никель-хромового провода
диаметром 0,4 мм и длиной 2,5 м
Рисунок А.3. Основной нагреватель
(корпус - из огнеупорного материала)
Рисунок А.4. Центрирующее кольцо колбы
(корпус - из огнеупорного материала)
1 - паз размером 1,5 x 1,5 мм на внешней и внутренней
боковых поверхностях кольца; 2 - способ укладки
никель-хромового провода диаметром 0,4 мм и длиной 4,5 м
Рисунок А.5. Обогреватель горловины
(корпус из огнеупорного материала)
1 - огнепреградитель; 2 - предохранительная мембрана;
3 - пластинки из спеченного стекла (перегородки);
4 - герметичный шприц; 5 - резервуар с газом;
6 - предкамера
Рисунок А.6. Введение газообразной пробы
1 - высокотемпературная изоляция; 2 - зажимные втулки;
3 - термопары; 4 - верхняя часть крышки;
5 - изоляционное кольцо; 6 - нижняя часть крышки;
7 - теплоизоляция; 8 - нагреватель;
9 - керамическая трубка; 10 - стальной цилиндр;
11 - высокотемпературная мастика; 12 - контрольные точки;
13 - соединение нагревателя на напряжение 220 В;
14 - изоляционный диск; 15 - металлическое основание
Рисунок А.7. Печь
Рисунок А.8. Крышка стального цилиндра
Рисунок А.9. Крышка стального цилиндра
Приложение Б
(справочное)
ТЕМПЕРАТУРА САМОВОСПЛАМЕНЕНИЯ НЕКОТОРЫХ
ГОРЮЧИХ ГАЗОВ И ПАРОВ <*>
--------------------------------
<*> Настоящее приложение содержит аутентичный текст публикации IEC 60079-4A-75.
Наименование вещества
Химическая формула
Температура самовоспламенения, °C
Уксусный ангидрид
334
Ацетон
535
Бензол
560
1,3-Бутадиен
430
Изобутанол (бутанол-2)
408
Сероуглерод
102
Хлорбензол
637
Циклогексан
259
Циклогексанон
419
1,4-Диоксан
379
Этилбензол
431
н-Гептан
215
н-Гексан
233
Метилаль
236
Нафталин
528
н-Нонан
205
2,2,4-Триметилпентан (изооктан)
411
н-Тетрадекан
201
Тетрагидрофуран
224
Толуол
535
Трихлорсилан
230
Винилацетат
385
н-Ксилол
528
Примечания:
1. Значения температуры самовоспламенения определены методом по IEC 60079-4 не менее чем в двух независимых лабораториях разных стран, с расхождением результатов не более 5%, в соответствии с 7.2.
2. Даже незначительное количество примесей может заметно изменять значение температуры самовоспламенения. Так, температура самовоспламенения трихлорсилана, равная 230 °C, определяется только при испытании на свежей пробе. После старения пробы (вследствие окисления и возможного изменения влажности пробы) значение температуры самовоспламенения может снизиться до 185 °C.
Приложение В
(справочное)
КЛАССИФИКАЦИЯ
ВЗРЫВООПАСНЫХ СМЕСЕЙ ГАЗОВ И ПАРОВ
ПО ТЕМПЕРАТУРЕ САМОВОСПЛАМЕНЕНИЯ
Взрывоопасные смеси газов и паров подразделяют на группы в зависимости от значения температуры самовоспламенения согласно таблице В.1.
Таблица В.1
Группа взрывоопасных смесей
Температура самовоспламенения, °C
Т1
Св. 450
Т2
От 300 до 450 включ.
Т3
От 200 до 300 включ.
Т4
От 135 до 200 включ.
Т5
От 100 до 135 включ.
Т6
От 85 до 100 включ.
Распределение взрывоопасных смесей по группам приведено в таблице В.2.
Таблица В.2
Группа взрывоопасных смесей
Вещество, образующее с воздухом взрывоопасную смесь
Взрывоопасные смеси категории I
Т1
Метан в подземных выработках
Взрывоопасные смеси категории IIA
Т1
Аммиак, аллил хлористый, ацетон, ацетонитрил.
Бензол, бензотрифторид, бутил хлористый третичный.
Винил хлористый, винилиден хлористый, 2-винилпиридин, 4-винилпиридин.
Газовая смесь (10% водорода + 90% аргона), -гидротетрафторэтоксибензол.
1,1-Диметил-5-гидроперфторамиловый спирт, 3,4-дихлорбутен-1; 1,3-дихлорбутен-2; дихлорметан, 1,2-дихлорпропан, дихлорэтан, дициклопентадиен, диэтиламин, доменный газ.
Изобутилен, изобутан, изопропилбензол, изопропилацетат, изопропилформиат.
Кислота уксусная, ксилол.
Лак сланцевый пиролизный ЛСП-1.
Метан (промышленный), металлилхлорид, метилацетат, 2-метил-5-винилпиридин, метилизоцианат, 2-метилпиридин, 3-метилпиридин, 4-метилпиридин, -метилстирол, метил хлористый, метилхлорформиат, метилциклопропилкетон, метилэтилкетон.
Оксид углерода.
Пиридин, пропан, псевдокумол.
Растворители Р-4, Р-5, РС-1, разбавитель РЭ-1.
Сольвент нефтяной, стирол, спирт диацетоновый, спирт трифторэтиловый.
Толуол, трифторхлорпропан, трифторпропен, трифторэтан, трифторхлорэтилен, триэтиламин.
Хлорангидрид акриловой кислоты, хлорангидрид метакриловой кислоты, хлорбензол.
Циклопентадиен.
Этан, этил хлористый
Т2
Алкилбензол, аллилацетат, амилацетат, ангидрид уксусной кислоты, ацетилацетон, ацетилфторид, ацетил хлористый, ацетопропилхлорид.
Бензин Б 95/130, бутан, бутилацетат, бутилены, бутилпропионат, бутил хлористый вторичный, бутирилфторид.
Винилацетат, видилиден фтористый.
Диатол, диизопропиламин, диизопропиловый эфир, диметиламин, диметиланилин, диметиламинопропионитрил, диметилвинилэтинилкарбинол; 1,1-диметил; или 3-гидроперфторпропиловый спирт, диметилсульфат, диметилформамид, диметилциклосилоксаны, димер метилциклопентадиена.
Изобутилизобутират, изобутил хлористый, изомасляная кислота, изопентан, изопрен, изопропиламин, изопропилхлорацетат, изооктан.
Кислота пропионовая.
Метиламин; 2-метилбутен-2, метилизобутилкарбинол, метилизобутилкетон, метилметакрилат, метилмеркаптан, метилтретичноамилтовый эфир, метилтретичнобутиловый эфир, метилхлорметилдихлорсилан, метилтрихлорсилан; 2-метилтиофен, метилциклопентадиен, метилфуран, метилформиат, моноизобутиламин.
Оксид мезитила.
Пентадиен-1,3, пероксид дигидроизофорона, пропиламин, пропилен.
Растворители: Р-40 N 645 (взамен РДВ), N 646, N 647, N 648, N 649, РС-2, БЭФ, АЭ.
Разбавители РКБ-1, РКБ-2.
Спирты: амиловый третичный, н-бутиловый, бутиловый третичный, изоамиловый, изобутиловый, изопропиловый, метиловый, пропиловый, 1,1,3-тригидроперфторпропиловый, фурфуриловый, этиловый.
1,1,3-Тригидроперфторпропилметакрилат, 1,1,7-тригидроперфторгептилметакрилат, 1,1,3-тригидротетрафторпропилакрилат, трифторпропилметилдихлорсилан, трифторхлорэтилметиловый эфир, трифторэтилен, трихлорэтилен.
Хлористый изобутил.
Циклогексанол, циклогексанон, циклогексен, циклопентен.
Этиламин, этилацетат, этилбутират, этиленхлорид, этилбензол, этилизобутират, этилформиат, этилендиамин
Т3
Бензины: А-72, А-76, "Галоша", Б-70, экстракционный МРТУ 12н N 20-63, экстракционный ТУ 38-101-303-72, бутилметакрилат, бутил хлористый.
Винилциклогексен.
Гексан, гаксаметиленимин, гептан.
Диизобутиламин, диметиламиноэтанол, N,N-диметилпропандиамин-1,3; диметилсульфид, дипропиламин.
Изовалериановый альдегид, изооктилен.
Камфен, керосин.
Метилацетоацетат, метиловый эфир -метоксипропионовой кислоты, морфолин.
Нефть сырая.
Петролейный эфир, полиэфир ТГМ-3, пентан.
Растворитель N 651.
Сероокись углерода, скипидар, спирт амиловый, стабилизатор СД-1 (М).
Тетрагидроинден, тетрафторэтилен, топливо: Т-1, ТС-1, Т-6, Т-8, печное марки А, триметиламин, 4,4,5-триметил-1,3-диоксан.
Уайт-спирит.
Циклогексан, циклогексиламин.
Этилдихлортиофосфат, этилмеркаптан
Т4
Альдегиды: изомасляный, масляный, уксусный (ацетальдегид), ацеталь.
Бромацеталь.
Декан, диизоамиловый эфир, 1,4-диметилпиперазин.
-Изопропил--изобутилакролеин.
Паральдегид.
Тетраметилдиаминометан, 1,1,3-триэтоксибутан
Т5
-
Т6
-
Взрывоопасные смеси категории IIB
Т1
Коксовый газ.
Синильная кислота
Т2
Винилнорборнен.
Дивинил, 4,4-диметилдиоксан, диметилдихлорсилан, диоксан, диэтилдихлорсилан, диэтилкетон.
Камфорное масло, кислота акриловая.
Метилакрилат, метилвинилдихлорсилан, метиленциклобутан.
Нитрил акриловой кислоты, нитроциклогексан.
Оксид 2-метилбутена-2, оксид пропилена, оксид этилена, октилацетат.
Пропаргиловый спирт.
Растворители: АМР-3, АКР.
Триметилхлорсилан.
Фенилацетилен, формальдегид, фуран фурфурол.
Эпихлоргидрин, этилакрилат, этилтрихлорсилан, этилен
Т3
Аллилглицидиловый эфир, альдегид кротоновый, акролеин, ацетат диметилэтинилкарбинола.
Бутилакрилат, бутилглицидный эфир.
Винилоксиэтанол, винилтрихлорсилан.
Дикетен.
Изопропенилацетилен.
Метилаль, метилдигидропиран, 4-метилентетрагидропиран, 2-метилпентеналь.
Сероводород.
Тетрагидробензальдегид, тетрагидрофуран, тетраэтоксисилан, топливо дизельное (зимнее), триэтоксилан.
Формальгликоль.
Этилдихлорсилан, этилиденнорборнен, этилцеллозольв
Т4
Альдегид пропионовый.
Дибутиловый эфир, диметиловый эфир диэтиленгликоля, диэтиловый эфир, диэтиловый эфир этиленгликоля.
2-Этилгексеналь
Т5
-
Т6
-
Взрывоопасные смеси категории IIC
Т1
Водород, водяной газ.
Светильный газ, смесь (75% водорода + 2% азота)
Т2
Ацетилен
Т3
Метилдихлорсилан. Трихлорсилан
Т4
-
Т5
Сероуглерод
Т6
-
Приложение Г
(справочное)
ОТЛИЧИТЕЛЬНЫЕ ПРИЗНАКИ НАСТОЯЩЕГО СТАНДАРТА
И МЕЖДУНАРОДНОГО СТАНДАРТА IEC 60079-4:1975
Г.1. Отличительные признаки настоящего стандарта и международного стандарта IEC 60079-4 приведены в таблице Г.1. В графе 1 таблицы указан также характер каждого уточнения текста. В графе 3 приведен аутентичный текст соответствующих пунктов (абзацев) стандарта IEC 60079-4, подвергшийся уточнению.
Таблица Г.1
Номер раздела, пункта
Аутентичный текст IEC 60079-4
настоящего стандарта
IEC 60079-4
1. Введены ссылки на Приложения Б и В
1
1.1. Введен дополнительно
2.2, 2.3, 4.5, 5.3 (первый абзац), 6, 8. Текст, выделенный курсивом, - изменена редакция
2.2, 2.3, 4.5, 5.3 (первый абзац), 6, 8
запаздывание
4. Введен дополнительный текст
4
4.1. Введен дополнительный текст
4.1
4.3. Введен дополнительный текст
4.3
4.4. Введен дополнительный текст
4.4
5.1. Введен дополнительный текст
5.1
5.2. Введен дополнительный текст
5.2
5.3. Введен дополнительный текст
5.3
5.4. Введен дополнительный текст
5.4
5.5. Изменена редакция
5.5
Испытания заключительной серии должны быть повторены пять раз
9. Введен дополнительно
Приложение Б. Введено дополнительно (аутентичный текст публикации IEC 79-4A-70)
Приложение В. Введено дополнительно