Главная // Актуальные документы // ГОСТ Р (Государственный стандарт)СПРАВКА
Источник публикации
М.: Стандартинформ, 2010
Примечание к документу
Документ утратил силу с 01.01.2019 в связи с изданием
Приказа Росстандарта от 07.11.2018 N 941-ст. Взамен введен в действие
ГОСТ 12.1.019-2017.
Документ был включен в
Перечень документов в области стандартизации, в результате применения которых на добровольной основе обеспечивается соблюдение требований Федерального
закона от 22.07.2008 N 123-ФЗ "Технический регламент о требованиях пожарной безопасности" (
Приказ Росстандарта от 14.07.2020 N 1190).
Документ включен в
Перечень документов в области стандартизации, в результате применения которых на добровольной основе обеспечивается соблюдение требований Федерального
закона от 22.07.2008 N 123-ФЗ "Технический регламент о требованиях пожарной безопасности" (
Приказ Росстандарта от 03.06.2019 N 1317).
Документ включен в
Перечень документов в области стандартизации, в результате применения которых на добровольной основе обеспечивается соблюдение требований Федерального
закона от 22.07.2008 N 123-ФЗ "Технический регламент о требованиях пожарной безопасности" (
Приказ Росстандарта от 16.04.2014 N 474).
Документ включен в
Перечень стандартов, в результате применения которых на добровольной основе обеспечивается соблюдение требований технического
регламента Таможенного союза "О безопасности низковольтного оборудования" (ТР ТС 004/2011) (
Решение Комиссии Таможенного союза от 16.08.2011 N 768).
Документ
введен в действие с 01.01.2011.
Название документа
"ГОСТ Р 12.1.019-2009. Национальный стандарт Российской Федерации. Система стандартов безопасности труда. Электробезопасность. Общие требования и номенклатура видов защиты"
(утв. и введен в действие Приказом Ростехрегулирования от 10.12.2009 N 681-ст)
"ГОСТ Р 12.1.019-2009. Национальный стандарт Российской Федерации. Система стандартов безопасности труда. Электробезопасность. Общие требования и номенклатура видов защиты"
(утв. и введен в действие Приказом Ростехрегулирования от 10.12.2009 N 681-ст)
Утвержден и введен в действие
от 10 декабря 2009 г. N 681-ст
НАЦИОНАЛЬНЫЙ СТАНДАРТ РОССИЙСКОЙ ФЕДЕРАЦИИ
СИСТЕМА СТАНДАРТОВ БЕЗОПАСНОСТИ ТРУДА
ЭЛЕКТРОБЕЗОПАСНОСТЬ
ОБЩИЕ ТРЕБОВАНИЯ И НОМЕНКЛАТУРА ВИДОВ ЗАЩИТЫ
Occupational safety standards system. Electrical safety.
General requirements and nomenclature of kinds of protection
ГОСТ Р 12.1.019-2009
Группа Т58
Дата введения
1 января 2011 года
Цели и принципы стандартизации в Российской Федерации установлены Федеральным
законом от 27 декабря 2002 г. N 184-ФЗ "О техническом регулировании", а правила применения национальных стандартов Российской Федерации -
ГОСТ Р 1.0-2004 "Стандартизация в Российской Федерации. Основные положения".
1. Разработан Федеральным государственным учреждением "Всероссийский научно-исследовательский институт охраны и экономики труда" Росздрава.
2. Внесен Техническим комитетом по стандартизации ТК 251 "Безопасность труда".
3. Утвержден и введен в действие
Приказом Федерального агентства по техническому регулированию и метрологии от 10 декабря 2009 г. N 681-ст.
4. Введен впервые.
Информация об изменениях к настоящему стандарту публикуется в ежегодно издаваемом информационном указателе "Национальные стандарты", а текст изменений и поправок - в ежемесячно издаваемых информационных указателях "Национальные стандарты". В случае пересмотра (замены) или отмены настоящего стандарта соответствующее уведомление будет опубликовано в ежемесячно издаваемом информационном указателе "Национальные стандарты". Соответствующая информация, уведомление и тексты размещаются также в информационной системе общего пользования - на официальном сайте Федерального агентства по техническому регулированию и метрологии в сети Интернет.
Настоящий стандарт относится к группе стандартов, регламентирующих требования электробезопасности электроустановок производственного и бытового назначения на стадиях проектирования, изготовления, монтажа, наладки, испытаний и эксплуатации.
В настоящем стандарте приведены технические способы и средства защиты, обеспечивающие электробезопасность электроустановок различного назначения.
Настоящий стандарт распространяется на электроустановки производственного и бытового назначения на стадиях проектирования, изготовления, монтажа, наладки, испытаний и эксплуатации и устанавливает общие требования по предотвращению опасного и вредного воздействия на персонал электрического тока и электрической дуги, а также номенклатуру видов защиты работников от воздействия указанных факторов.
Стандарт не устанавливает требования и номенклатуру видов защиты от электрических полей промышленной частоты, статического и атмосферного электричества.
В настоящем стандарте использованы нормативные ссылки на следующие стандарты:
ГОСТ Р МЭК 536-94. Классификация электротехнического и электронного оборудования по способу защиты от поражения электрическим током
ГОСТ Р МЭК 61140-2000. Защита от поражения электрическим током. Общие положения по безопасности, обеспечиваемой электрооборудованием и электроустановками в их взаимосвязи
ГОСТ 12.2.007.0-75. Система стандартов безопасности труда. Изделия электротехнические. Общие требования безопасности.
Примечание. При пользовании настоящим стандартом целесообразно проверить действие ссылочных стандартов в информационной системе общего пользования - на официальном сайте Федерального агентства по техническому регулированию и метрологии в сети Интернет или по ежегодно издаваемому информационному указателю "Национальные стандарты", который опубликован по состоянию на 1 января текущего года, и по соответствующим ежемесячно издаваемым информационным указателям, опубликованным в текущем году. Если ссылочный стандарт заменен (изменен), то при пользовании настоящим стандартом следует руководствоваться заменяющим (измененным) стандартом. Если ссылочный стандарт отменен без замены, то положение, в котором дана ссылка на него, применяется в части, не затрагивающей эту ссылку.
В настоящем стандарте применены следующие термины с соответствующими определениями:
3.1.
| | ИС МЕГАНОРМ: примечание. В официальном тексте документа, видимо, допущена опечатка: имеется в виду пункт 1.7.45, а не 7.1.45. | |
┌─────────────────────────────────────────────────────────────────────────┐
│ Безопасный разделительный трансформатор: разделительный│
│трансформатор, предназначенный для питания цепей сверхнизким напряжением.│
└─────────────────────────────────────────────────────────────────────────┘
3.2.
┌─────────────────────────────────────────────────────────────────────────┐
│ Блокировка: часть электротехнического изделия (устройства),│
│предназначенная для предотвращения или ограничения выполнения операций│
│одними частями изделия при определенных состояниях или положениях других│
│частей изделия в целях предупреждения возникновения в нем недопустимых│
│состояний или исключения доступа к его частям, находящимся под│
│напряжением. │
└─────────────────────────────────────────────────────────────────────────┘
3.3.
┌─────────────────────────────────────────────────────────────────────────┐
│ Выравнивание потенциалов: обеспечение электрической связи между│
│открытой проводящей частью и находящимися в земле или проводящем полу│
│проводящими частями (проводниками), предназначенной для обеспечения│
│близкого по значению потенциала между открытой проводящей частью, к│
│которой может прикасаться человек, и поверхностью земли или проводящего│
│пола. │
└─────────────────────────────────────────────────────────────────────────┘
3.4.
┌─────────────────────────────────────────────────────────────────────────┐
│ Двойная изоляция: изоляция, включающая в себя как основную, так и│
│дополнительную изоляцию. │
└─────────────────────────────────────────────────────────────────────────┘
3.5.
┌─────────────────────────────────────────────────────────────────────────┐
│ Двухполюсное прикосновение: одновременное прикосновение к двум│
│полюсам электроустановки, находящейся под напряжением. │
└─────────────────────────────────────────────────────────────────────────┘
3.6.
┌─────────────────────────────────────────────────────────────────────────┐
│ Двухфазное прикосновение: одновременное прикосновение к двум фазам│
│электроустановки, находящейся под напряжением. │
└─────────────────────────────────────────────────────────────────────────┘
3.7.
┌─────────────────────────────────────────────────────────────────────────┐
│ Дополнительная изоляция: независимая изоляция, предусмотренная как│
│дополнение к основной изоляции для обеспечения защиты от поражения│
│электрическим током в случае повреждения рабочей изоляции. │
└─────────────────────────────────────────────────────────────────────────┘
3.8.
┌─────────────────────────────────────────────────────────────────────────┐
│ Заземлитель: контактный коммутационный аппарат, используемый для│
│заземления частей цепи, способный выдерживать в течение│
│нормированного времени токи при ненормальных условиях, таких как│
│короткое замыкание, но не предусмотренный для проведения тока при│
│нормальных условиях в цепи. │
└─────────────────────────────────────────────────────────────────────────┘
3.9.
┌─────────────────────────────────────────────────────────────────────────┐
│ Заземленная нейтраль: нейтраль сети, соединенная с землей наглухо или│
│через резистор или реактор, сопротивление которых достаточно мало, чтобы│
│существенно ограничить колебания переходного процесса и обеспечить│
│значение тока, необходимое для селективной защиты от замыкания на землю. │
└─────────────────────────────────────────────────────────────────────────┘
3.10. Защитная оболочка: мероприятие для защиты от прикосновения к токоведущим частям, принцип действия которого основан на покрытии токоведущих частей приспособлениями, обеспечивающими полную защиту от прикосновения.
3.11.
┌─────────────────────────────────────────────────────────────────────────┐
│ Защитное заземление: преднамеренное электрическое соединение с землей│
│или ее эквивалентом металлических нетоковедущих частей, которые могут│
│оказаться под напряжением. │
└─────────────────────────────────────────────────────────────────────────┘
3.12.
┌─────────────────────────────────────────────────────────────────────────┐
│ Зануление: преднамеренное электрическое соединение с нулевым защитным│
│проводником металлических нетоковедущих частей, которые могут оказаться│
│под напряжением. │
└─────────────────────────────────────────────────────────────────────────┘
3.13. Защитное ограждение: мероприятие для защиты от случайного прикосновения к токоведущим частям, принцип действия которого основан на ограждении токоведущих частей приспособлениями, обеспечивающими частичную защиту от прикосновения.
3.14.
┌─────────────────────────────────────────────────────────────────────────┐
│ Защитное отключение: быстродействующая защита, обеспечивающая│
│автоматическое отключение электроустановки при возникновении в ней│
│опасности поражения током. │
└─────────────────────────────────────────────────────────────────────────┘
3.15.
┌─────────────────────────────────────────────────────────────────────────┐
│ Защитное разделение цепей: отделение одной электрической цепи от│
│другой с помощью: двойной изоляции; основной изоляции и защитного│
│экранирования; усиленной изоляции. │
└─────────────────────────────────────────────────────────────────────────┘
3.16.
┌─────────────────────────────────────────────────────────────────────────┐
│ Защитное экранирование: отделение электрических цепей и (или)│
│проводников от опасных токоведущих частей с помощью защитного экрана,│
│подсоединенного к защитной системе, обеспечивающей уравнивание│
│потенциалов, и предназначенного для обеспечения защиты от поражения│
│электрическим током. │
└─────────────────────────────────────────────────────────────────────────┘
3.17.
┌─────────────────────────────────────────────────────────────────────────┐
│ Изолированная нейтраль: нейтраль сети, которая не имеет соединений с│
│землей, за исключением приборов сигнализации, измерения и защиты, имеющих│
│весьма высокое сопротивление, или которая соединена с землей через│
│дугогасящий реактор, индуктивность которого такова, что при однофазном│
│замыкании на землю ток реактора в основном компенсирует емкостную│
│составляющую тока замыкания на землю. │
└─────────────────────────────────────────────────────────────────────────┘
3.18.
┌─────────────────────────────────────────────────────────────────────────┐
│ Изоляция: совокупность изолирующих материалов, необходимых для│
│обеспечения нормальной работы оборудования и защиты от электропоражений.│
│Термин означает также процесс нанесения изоляции. │
└─────────────────────────────────────────────────────────────────────────┘
3.19. Изоляция нетоковедущих частей (защитная изоляция): мероприятие для защиты от поражения электрическим током при прикосновении к металлическим нетоковедущим частям, которые могут оказаться под напряжением в результате повреждения изоляции. Принцип действия основан на покрытии нетоковедущих частей в отдельных обоснованных случаях изоляционным материалом или изоляции их от токоведущих частей.
3.20. Изоляция рабочего места: способ защиты, основанный на изоляции рабочего места (пола, площадки, настила и т.п.) и токопроводящих частей в области рабочего места, потенциал которых отличается от потенциала токоведущих частей и прикосновение к которым является предусмотренным или возможным.
3.21. Изоляция токоведущих частей (защитное изолирование): способ защиты от прикосновения к токоведущим частям.
3.22.
┌─────────────────────────────────────────────────────────────────────────┐
│ Косвенное прикосновение: электрический контакт людей или животных с│
│открытыми проводящими частями, которые могут оказаться под напряжением│
│при повреждении изоляции. │
└─────────────────────────────────────────────────────────────────────────┘
3.23.
┌─────────────────────────────────────────────────────────────────────────┐
│ Малое напряжение: напряжение, не превышающее 50 В переменного и 120 В│
│постоянного тока. │
└─────────────────────────────────────────────────────────────────────────┘
3.24.
┌─────────────────────────────────────────────────────────────────────────┐
│ Напряжение прикосновения: напряжение между двумя проводящими частями│
│или между проводящей частью и землей при одновременном прикосновении к│
│ним человека или животного. │
└─────────────────────────────────────────────────────────────────────────┘
3.25.
┌─────────────────────────────────────────────────────────────────────────┐
│ Непроводящие (изолирующие) помещения, зоны, площадки: помещения,│
│зоны, площадки, в которых (на которых) защита при косвенном прикосновении│
│обеспечивается высоким сопротивлением пола и стен и в которых отсутствуют│
│заземленные проводящие части. │
└─────────────────────────────────────────────────────────────────────────┘
3.26.
┌─────────────────────────────────────────────────────────────────────────┐
│ Однополюсное прикосновение: прикосновение к полюсу электроустановки,│
│находящейся под напряжением. │
└─────────────────────────────────────────────────────────────────────────┘
3.27.
┌─────────────────────────────────────────────────────────────────────────┐
│ Однофазное прикосновение: прикосновение к одной фазе│
│электроустановки, находящейся под напряжением. │
└─────────────────────────────────────────────────────────────────────────┘
3.28.
┌─────────────────────────────────────────────────────────────────────────┐
│ Основная изоляция: изоляция токоведущих частей, обеспечивающая│
│основную защиту от поражения электрическим током. │
└─────────────────────────────────────────────────────────────────────────┘
3.29. Повторное заземление: заземление совмещенных нулевого защитного и нулевого рабочего проводников (PEN-проводника) на концах воздушных линий электропередачи или ответвлений от них длиной более 200 м, а также на вводах воздушных линий электропередачи к электроустановкам, в которых в качестве защитной меры при косвенном прикосновении применено автоматическое отключение питания.
3.30.
┌─────────────────────────────────────────────────────────────────────────┐
│ Простое разделение цепей: разделение цепей или цепи и заземления с│
│помощью основной изоляции. │
└─────────────────────────────────────────────────────────────────────────┘
3.31.
┌─────────────────────────────────────────────────────────────────────────┐
│ Профессиональное заболевание: хроническое или острое заболевание│
│работающего, являющееся результатом воздействия вредного│
│производственного фактора. │
└─────────────────────────────────────────────────────────────────────────┘
3.32.
┌─────────────────────────────────────────────────────────────────────────┐
│ Прямое прикосновение: электрический контакт людей или животных с│
│токоведущими частями. │
└─────────────────────────────────────────────────────────────────────────┘
3.33.
┌─────────────────────────────────────────────────────────────────────────┐
│ Средство индивидуальной защиты: техническое средство, используемое│
│для предотвращения или уменьшения воздействия на работников вредных и│
│(или) опасных производственных факторов, а также для защиты от│
│загрязнения. │
└─────────────────────────────────────────────────────────────────────────┘
3.34. Совмещенные нулевой защитный и нулевой рабочий (PEN) проводники: проводники в электроустановках напряжением до 1 кВ, совмещающие функции нулевого защитного и нулевого рабочего проводников.
3.35.
┌─────────────────────────────────────────────────────────────────────────┐
│ Токоведущая часть: проводящая часть электроустановки, находящаяся в│
│процессе ее работы под рабочим напряжением, в том числе нулевой рабочий│
│проводник (но не PEN-проводник). │
└─────────────────────────────────────────────────────────────────────────┘
3.36.
┌─────────────────────────────────────────────────────────────────────────┐
│ Уравнивание потенциалов: электрическое соединение проводящих частей│
│для достижения равенства их потенциалов. │
└─────────────────────────────────────────────────────────────────────────┘
3.37.
┌─────────────────────────────────────────────────────────────────────────┐
│ Усиленная изоляция: изоляция частей, находящихся под напряжением,│
│обеспечивающая такую же степень защиты от поражения электрическим током,│
│как и двойная изоляция. │
└─────────────────────────────────────────────────────────────────────────┘
3.38.
┌─────────────────────────────────────────────────────────────────────────┐
│ Шаговое напряжение: напряжение (эффективное) в зоне растекания тока с│
│заземления (или с находящейся в контакте с землей проводящей части) в│
│землю между двумя находящимися на поверхности этой земли точками,│
│отстоящими одна от другой на расстоянии 1 м, применительно к человеку, и│
│1,4 м - применительно к крупному рогатому скоту и лошадям. │
└─────────────────────────────────────────────────────────────────────────┘
3.39. Электрическая дуга: электрический разряд в газовой среде между контактами, возникающий при размыкании электрического контакта или при нестабильности переходного сопротивления контактов (искрение).
3.40.
┌─────────────────────────────────────────────────────────────────────────┐
│ Электрический ток: явление направленного движения носителей│
│электрических зарядов и (или) явление изменения электрического поля во│
│времени, сопровождаемые магнитным полем. │
└─────────────────────────────────────────────────────────────────────────┘
3.41.
┌─────────────────────────────────────────────────────────────────────────┐
│ Электрическое разделение: защитная мера, при которой опасную│
│токоведущую часть изолируют от всех других цепей и заземленных частей,│
│доступных прикосновению. │
└─────────────────────────────────────────────────────────────────────────┘
3.42.
┌─────────────────────────────────────────────────────────────────────────┐
│ Электробезопасность: система организационных и технических│
│мероприятий и средств, обеспечивающих защиту людей от вредного и опасного│
│воздействия электрического тока, электрической дуги, электромагнитного│
│поля и статического электричества. │
└─────────────────────────────────────────────────────────────────────────┘
3.43.
┌─────────────────────────────────────────────────────────────────────────┐
│ Электромагнитное поле: вид материи, определяемый во всех точках двумя│
│векторными величинами, которые характеризуют две его стороны, называемые│
│"электрическое поле" и "магнитное поле", оказывающий силовое воздействие│
│на электрически заряженные частицы, зависящее от их скорости и│
│электрического заряда. │
└─────────────────────────────────────────────────────────────────────────┘
3.44.
┌─────────────────────────────────────────────────────────────────────────┐
│ Электротравма: травма, вызванная воздействием электрического тока или│
│электрической дуги. │
└─────────────────────────────────────────────────────────────────────────┘
3.45.
┌─────────────────────────────────────────────────────────────────────────┐
│ Электроустановка: совокупность машин, аппаратов, линий и│
│вспомогательного оборудования (вместе с сооружениями и помещениями, в│
│которых они установлены) предназначенных для производства,│
│преобразования, трансформации, передачи, распределения электрической│
│энергии и преобразования ее в другие виды энергии. │
└─────────────────────────────────────────────────────────────────────────┘
4.1.1. Опасное и вредное воздействия на людей электрического тока, электрической дуги и электромагнитных полей проявляются в виде электротравм и профессиональных заболеваний.
4.1.2. Степень опасного и вредного воздействия на человека электрического тока, электрической дуги и электромагнитных полей зависит от:
- рода и величины напряжения и тока;
- частоты электрического тока;
- пути тока через тело человека;
- продолжительности воздействия электрического тока или электромагнитного поля на организм человека;
- условий внешней среды.
4.1.3. Нормы на допустимые токи и напряжения прикосновения в электроустановках должны устанавливаться в соответствии с предельно допустимыми уровнями воздействия на человека токов и напряжений прикосновения и утверждаться в установленном порядке.
4.1.4. Требования электробезопасности при воздействии электрических полей промышленной частоты по
[4] и
[5].
4.1.5. Электробезопасность должна обеспечиваться:
- конструкцией электроустановок;
- техническими способами и средствами защиты;
- организационными и техническими мероприятиями.
Электроустановки и их части должны быть выполнены таким образом, чтобы работающие не подвергались опасным и вредным воздействиям электрического тока и электромагнитных полей, и соответствовать требованиям электробезопасности.
4.1.6. Требования (правила и нормы) электробезопасности к конструкции и устройству электроустановок должны быть установлены в стандартах безопасности труда, а также в стандартах, технических условиях и технических регламентах на электротехнические изделия, электрифицированное оборудование и инструменты.
Предусматривается переработка требований электробезопасности при переоснащении производственных объектов, производстве и внедрении новой техники и технологий.
4.1.7. Технические способы и средства защиты, обеспечивающие электробезопасность, должны устанавливаться с учетом:
- номинального напряжения, рода и частоты тока электроустановки;
- способа электроснабжения (от стационарной сети, от автономного источника питания электроэнергией);
- режима нейтрали (средней точки) источника питания электроэнергией (изолированная, заземленная нейтраль);
- вида исполнения (стационарные, передвижные, переносные);
- условий внешней среды: особо опасные помещения, помещения с повышенной опасностью, помещения без повышенной опасности, территории открытых электроустановок;
Примечание. Классификация помещений по степени опасности поражения электрическим током определяется в соответствии с Правилами устройства электроустановок
[1].
- возможности снятия напряжения с токоведущих частей, на которых или вблизи которых должна производиться работа;
- характера возможного прикосновения человека к элементам цепи тока: однофазное (однополюсное) прикосновение, двухфазное (двухполюсное) прикосновение, прикосновение к металлическим нетоковедущим частям, оказавшимся под напряжением;
- возможности приближения к токоведущим частям, находящимся под напряжением, на расстояние меньше допустимого или попадания в зону растекания тока;
Примечание. Определение зоны досягаемости в электроустановках до 1 кВ приведено в
Приложении А.
- видов работ: монтаж, наладка, испытание, эксплуатация электроустановок, осуществляемых в зоне расположения электроустановок, в том числе в зоне воздушных линий электропередачи;
- возможности возникновения электрической дуги в результате случайных факторов (в том числе в аварийной ситуации) и связанных с этим рисков поражения термическим действием электрической дуги, а также потенциальный уровень мощности электрической дуги;
- возможности прикосновения работающих к элементам электроустановок, находящихся под наведенным напряжением, вызванным электромагнитным влиянием электроустановок, находящихся под рабочим напряжением [двухцепные воздушные линии (ВЛ) электропередачи, грозозащитные тросы ВЛ, кабельные линии, волоконно-оптические линии связи (ВОЛС) и контактная сеть железных дорог переменного тока].
4.1.8. Требования безопасности при эксплуатации электроустановок на производстве должны соответствовать нормативным требованиям охраны труда, содержащимся в федеральных законах и иных нормативных правовых актах Российской Федерации
[3].
4.1.9. Требования безопасности при пользовании электроустановками бытового назначения должны содержаться в прилагаемых к ним инструкциях по эксплуатации предприятий-изготовителей.
4.2. Обеспечение электробезопасности техническими способами и средствами
4.2.1. Для обеспечения защиты от случайного прикосновения к токоведущим частям необходимо применять следующие способы и средства:
- защитные оболочки;
- защитные ограждения (временные или стационарные);
- защитные барьеры;
Примечание. Барьеры предназначены для защиты квалифицированных специалистов или проинструктированных лиц и не предназначены для защиты простых лиц (см.
ГОСТ Р МЭК 61140).
- безопасное расположение токоведущих частей;
Примечание. Части, которые удалены друг от друга более чем на 2,5 м, считают одновременно доступными (см.
ГОСТ Р МЭК 61140).
- изоляция токоведущих частей (основная, дополнительная, усиленная, двойная);
- изоляция рабочего места;
- малое напряжение;
- защитное отключение;
- предупредительная сигнализация, блокировки, знаки безопасности.
4.2.2. Для обеспечения защиты от поражения электрическим током при прикосновении к металлическим нетоковедущим частям, которые могут оказаться под напряжением в результате повреждения изоляции, применяют следующие способы:
- защитное заземление;
- зануление;
Примечание. Обозначения для электроустановок напряжением до 1 кВ приведены в
Приложении Б.
- выравнивание потенциалов;
- защитное экранирование;
- систему защитных проводов;
- защитное отключение;
- изоляцию нетоковедущих частей;
- электрическое разделение сети;
- малое напряжение;
- контроль изоляции;
- компенсацию токов замыкания на землю;
- электроизоляционные средства;
- средства индивидуальной защиты.
Технические способы и средства применяют раздельно или в сочетании друг с другом так, чтобы обеспечивалась оптимальная защита при нормальном функционировании электроустановок и при возникновении аварийных ситуаций (см.
Приложения В -
Д).
4.2.3. Для обеспечения защиты от поражения термическим действием электрической дуги при работах в закрытых и открытых электроустановках (оборудование электрических сетей, станций и подстанций, контактная сеть железных дорог) со снятием и без снятия напряжения дополнительно следует применять специальные защитные термостойкие комплекты, включающие одежду, обувь, средства защиты головы и рук.
4.2.4. Для защиты от поражения электрическим током при прикосновении работающих к элементам электроустановок, находящихся под наведенным напряжением, вызванным электромагнитным влиянием электроустановок, находящихся под рабочим напряжением (двухцепные ВЛ электропередачи, грозозащитные тросы ВЛ, кабельные линии, ВОЛС и контактная сеть железных дорог переменного тока), дополнительно следует применять шунтирующие (электропроводящие) комплекты, включающие одежду, обувь, средства защиты головы и рук.
4.3. Контроль требований электробезопасности
Контроль выполнения требований электробезопасности, установленных настоящим стандартом, должен проводиться на следующих этапах:
- проектирование;
- изготовление и монтаж (включая испытания и ввод в эксплуатацию);
- эксплуатация.
(справочное)
ЗОНА ДОСЯГАЕМОСТИ В ЭЛЕКТРОУСТАНОВКАХ ДО 1 кВ
А.1. Зона досягаемости в электроустановках до 1 кВ приведена на рисунке А.1.
S - поверхность, на которой может находиться человек;
B - основание поверхности S;

- граница
зоны досягаемости токоведущих частей рукой человека,
находящегося на поверхности S;
0,75; 1,25; 2,50 м - расстояния от края поверхности S
до границы зоны досягаемости
Рисунок А.1. Зона досягаемости в электроустановках до 1 кВ
(справочное)
ОБОЗНАЧЕНИЯ ДЛЯ ЭЛЕКТРОУСТАНОВОК НАПРЯЖЕНИЕМ ДО 1 кВ
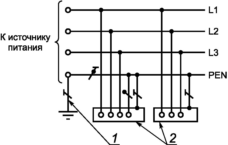
Система TN - система, в которой нейтраль источника питания глухо заземлена, а открытые проводящие части электроустановки присоединены к глухозаземленной нейтрали источника посредством нулевых защитных проводников.
Система TN-C - система TN, в которой нулевой защитный и нулевой рабочий проводники совмещены в одном проводнике на всем ее протяжении (см. рисунок Б.1).
а) переменного тока
б) постоянного тока
1 - заземлитель нейтрали (средней точки) источника питания;
2 - открытые проводящие части; 3 - источник питания
постоянного тока
Рисунок Б.1. Система TN-C переменного и постоянного тока
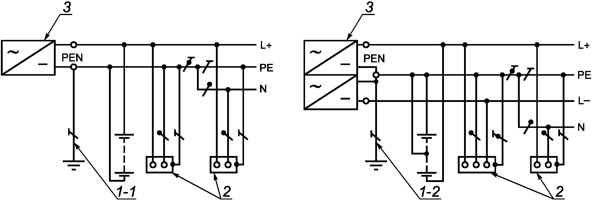
Система TN-S - система TN, в которой нулевой защитный и нулевой рабочий проводники разделены на всем ее протяжении (см. рисунок Б.2).
а) переменного тока
б) постоянного тока
1 - заземлитель нейтрали источника переменного тока;
1-1 - заземлитель вывода источника постоянного тока;
1-2 - заземлитель средней точки источника постоянного тока;
2 - открытые проводящие части; 3 - источник питания
Рисунок Б.2. Система TN-S переменного и постоянного тока
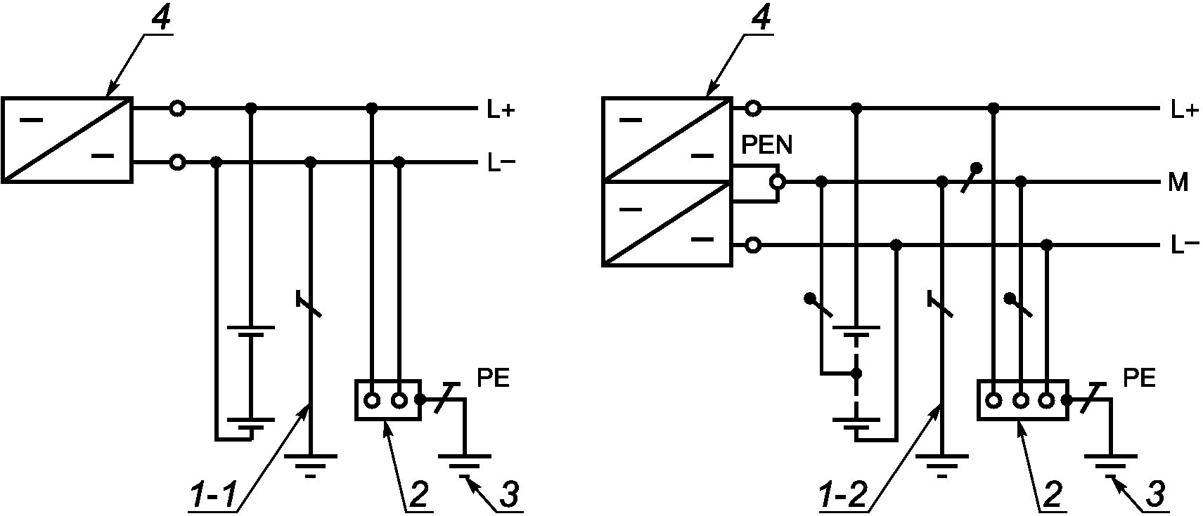
Система TN-C-S - система TN, в которой функции нулевого защитного и нулевого рабочего проводников совмещены в одном проводнике в какой-то ее части, начиная от источника питания (см. рисунок Б.3).
а) переменного тока
б) постоянного тока
1 - заземлитель нейтрали источника переменного тока;
1-1 - заземлитель вывода источника постоянного тока;
1-2 - заземлитель средней точки источника постоянного тока;
2 - открытые проводящие части; 3 - источник питания
Рисунок Б.3. Система TN-C-S переменного и постоянного тока
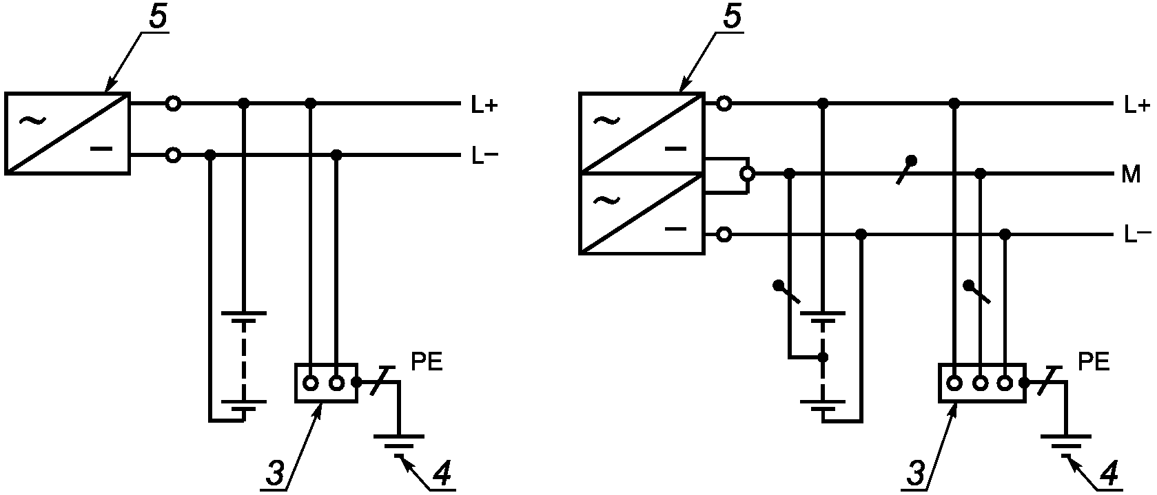
Система IT - система, в которой нейтраль источника питания изолирована от земли или заземлена через приборы или устройства, имеющие большое сопротивление, а открытые проводящие части электроустановки заземлены (см. рисунок Б.4).
а) переменного тока
б) постоянного тока
1 - сопротивление заземления нейтрали источника питания
(если имеется); 2 - заземлитель; 3 - открытые
проводящие части; 4 - заземляющее устройство
электроустановки; 5 - источник питания
Рисунок Б.4. Система IT переменного и постоянного тока
Система TT - система, в которой нейтраль источника питания глухо заземлена, а открытые проводящие части электроустановки заземлены при помощи заземляющего устройства, электрически независимого от глухозаземленной нейтрали источника (см. рисунок Б.5).
а) переменного тока
б) постоянного тока
1 - заземлитель нейтрали источника переменного тока;
1-1 - заземлитель вывода источника постоянного тока;
1-2 - заземлитель средней точки источника постоянного тока;
2 - открытые проводящие части; 3 - заземлитель открытых
проводящих частей электроустановки; 4 - источник питания
[5]
Рисунок Б.5. Система TT переменного
и постоянного тока
Первая буква - состояние нейтрали источника питания относительно земли:
T - заземленная нейтраль;
I - изолированная нейтраль.
Вторая буква - состояние открытых проводящих частей относительно земли:
T - открытые проводящие части заземлены независимо от отношения к земле нейтрали источника питания или какой-либо точки питающей сети;
N - открытые проводящие части присоединены к глухозаземленной нейтрали источника питания.
Последующие (после N) буквы - совмещение в одном проводнике или разделение функций нулевого рабочего и нулевого защитного проводников:
S - нулевой рабочий (N) и нулевой защитный (PE) проводники разделены;
C - функции нулевого защитного и нулевого рабочего проводников совмещены в одном проводнике (PEN-проводник);
N -

- нулевой рабочий (нейтральный) проводник;
PE -

- защитный проводник (заземляющий проводник, нулевой защитный проводник, защитный проводник системы уравнивания потенциалов);
PEN -

- совмещенный нулевой защитный и нулевой рабочий проводники.
(справочное)
КЛАССЫ И МАРКИРОВКИ ЭЛЕКТРОТЕХНИЧЕСКИХ ИЗДЕЛИЙ
ПО СПОСОБУ ЗАЩИТЫ ЧЕЛОВЕКА ОТ ПОРАЖЕНИЯ
ЭЛЕКТРИЧЕСКИМ ТОКОМ
Классы и маркировки электротехнических изделий по способу защиты человека от поражения электрическим током приведены в таблице В.1.
Таблица В.1
Классы и маркировки электротехнических изделий
по способу защиты человека от поражения электрическим током
| Маркировка | Назначение защиты | Условия применения электрооборудования в электроустановке |
| - | При косвенном прикосновении | 1. Применение в непроводящих помещениях. 2. Питание от вторичной обмотки разделительного трансформатора только одного электроприемника |
| Защитный зажим - знак  или буквы PE, или желто-зеленые полосы | При косвенном прикосновении | Присоединение заземляющего зажима электрооборудования к защитному проводнику электроустановки |
| Знак  | При косвенном прикосновении | Независимо от мер защиты, принятых в электроустановке |
| Знак  | От прямого и косвенного прикосновений | Питание от безопасного разделительного трансформатора |
К
классу 0 должны относиться изделия, имеющие рабочую изоляцию и не имеющие элементов для заземления, если эти изделия не отнесены к
классу II или
III.
К
классу I должны относиться изделия, имеющие рабочую изоляцию и элемент для заземления. В случае, если изделие
класса I имеет провод для присоединения к источнику питания, этот провод должен иметь заземляющую жилу и вилку с заземляющим контактом.
К
классу II должны относиться изделия, имеющие двойную или усиленную изоляцию и не имеющие элементов для заземления.
К
классу III следует относить изделия, предназначенные для работы при безопасном сверхнизком напряжении, не имеющие ни внешних, ни внутренних электрических цепей, работающих при другом напряжении.
Изделия, получающие питание от внешнего источника, могут быть отнесены к
классу III только в том случае, если они присоединены непосредственно к источнику питания, преобразующему более высокое напряжение в безопасное сверхнизкое напряжение, что осуществляется посредством разделительного трансформатора или преобразователя с отдельными обмотками.
При использовании в качестве источника питания разделительного трансформатора или преобразователя его входная и выходная обмотки не должны быть электрически связаны и между ними должна быть двойная или усиленная изоляция.
(справочное)
СХЕМЫ
ЭЛЕКТРИЧЕСКИХ СЕТЕЙ С ПРИМЕРАМИ ПОВРЕЖДЕНИЙ, УЧИТЫВАЕМЫМИ
ПРИ ВЫБОРЕ И ОБОСНОВАНИИ МЕР ЗАЩИТЫ ОТ ПОРАЖЕНИЯ
ЭЛЕКТРИЧЕСКИМ ТОКОМ ПРИ НАЛИЧИИ НЕИСПРАВНОСТИ

- напряжение прикосновения;

- шаговое напряжение;

- заземлитель источника питания;

- заземлитель
для повторного заземления PEN-проводника;
ОЭ - однофазный электроприемник
Рисунок Г.1. Сеть TN-C с оборванным PEN-проводником
Стрелками обозначено направление тока, стекающего с заземлителя в землю и частично проходящего через ноги по телу человека под воздействием шагового напряжения.

- напряжение прикосновения, на участке а) оно равно
нулю, на участке б) - близко к нулю;

- шаговое
напряжение, на участке б) оно близко к нулю, на участке в),
где отсутствует выравнивание потенциалов, оно может
достигать опасных для жизни людей и животных значений;

- заземлитель источника питания;

- заземлитель
для повторного заземления PEN-проводника;
ОЭ - однофазный электроприемник
Рисунок Г.2. Сеть TN-C с оборванным PEN-проводником
Имеется уравнивание потенциалов на участке а), выравнивание потенциалов на участке б), на участке в) выравнивание потенциалов отсутствует.

- напряжение прикосновения;

- шаговое напряжение;

- заземлитель источника питания;

- заземлитель
для повторного заземления PEN-проводника;

- полное сопротивление PEN-проводника
Рисунок Г.3. Сеть TN-C с однофазным замыканием на корпус
В рассматриваемом аварийном режиме напряжения прикосновения и шаговые напряжения могут до момента срабатывания защиты принимать значения, при которых возможно смертельное поражение электрическим током. Здесь и на следующих рисунках уравнивание и выравнивание потенциалов отсутствуют.

- напряжение прикосновения;

- шаговое напряжение;

- заземлитель источника питания;

- заземлитель
для повторного заземления PEN-проводника
Рисунок Г.4. Сеть TN-C с замыканием на землю,
например с оборванным и упавшим на землю фазным проводом
В рассматриваемом аварийном режиме напряжения прикосновения на участке б) и шаговые напряжения на участках б) и в) могут длительно принимать значения, при которых возможно смертельное поражение электрическим током.

- напряжение прикосновения;

- шаговое напряжение;

- заземлитель источника питания
Рисунок Г.5. Сеть TN-S с замыканием на землю,
например с оборванным и упавшим на землю фазным проводом
В рассматриваемом аварийном режиме напряжения прикосновения на участке б) и шаговые напряжения могут длительно принимать значения, при которых возможно смертельное поражение электрическим током.

- напряжение прикосновения;

- шаговое напряжение;

- заземлитель источника питания;

- сопротивление PE-проводника
Рисунок Г.6. Сеть TN-S с однофазным замыканием на корпус
В рассматриваемом аварийном режиме напряжения прикосновения на участках а), б) и шаговые напряжения на участке б) могут до момента срабатывания защиты принимать значения, при которых возможно смертельное поражение электрическим током.

- напряжение прикосновения;

- шаговое напряжение;

- заземлитель источника питания;
ОЭ - однофазный электроприемник
Рисунок Г.7. Сеть TN-C-S с обрывом PEN-проводника
В рассматриваемом аварийном режиме напряжения прикосновения на участках а), б) и шаговые напряжения на участке б) могут длительно принимать значения, при которых возможно смертельное поражение электрическим током.

- напряжение прикосновения;

- шаговое напряжение;

- заземлитель источника питания;

- полное сопротивление PEN-проводника
Рисунок Г.8. Сеть TN-C-S с однофазным замыканием на корпус
после точки разделения PEN-проводника на N- и PE-проводники
В рассматриваемом аварийном режиме напряжения прикосновения на участках а), б) и шаговые напряжения на участке б) могут до момента срабатывания защиты принимать значения, при которых возможно смертельное поражение электрическим током.

- напряжение прикосновения;

- шаговое напряжение;

- заземлитель источника питания;

- сопротивление PEN-проводника
Рисунок Г.9. Сеть TN-C-S с однофазным замыканием на корпус
до точки разделения PEN-проводника на N- и PE-проводники
В рассматриваемом аварийном режиме напряжения прикосновения на участке б) могут до момента срабатывания защиты принимать значения, при которых возможно смертельное поражение электрическим током.

- напряжение прикосновения;

- шаговое напряжение;

- заземлитель источника питания;

- сопротивление заземления электроустановки 1;

- сопротивление заземления электроустановки 2
Рисунок Г.10. Сеть TT с нулевым рабочим проводником
с однофазным замыканием на корпус
В рассматриваемом аварийном режиме напряжения прикосновения на участках а), б) и шаговые напряжения на участках б) и в) могут до момента срабатывания защиты принимать значения, при которых возможно смертельное поражение электрическим током.

- напряжение прикосновения;

- шаговое напряжение;

- заземлитель источника питания;

- сопротивление заземления электроустановки 1;

- сопротивление заземления электроустановки 2
Рисунок Г.11. Сеть TT без нулевого рабочего проводника
с однофазным замыканием на корпус
В рассматриваемом аварийном режиме напряжения прикосновения на участках а), б) и шаговые напряжения на участках б) и в) могут до момента срабатывания защиты принимать значения, при которых возможно смертельное поражение электрическим током.

- напряжение прикосновения;

- шаговое напряжение;

- заземлитель источника питания;

- сопротивление заземления электроустановки 1;

- сопротивление заземления электроустановки 2;

- сопротивление в заземляющем проводнике
нейтрали источника питания
Рисунок Г.12. Сеть IT с заземлением нейтрали
источника питания через сопротивление
с однофазным замыканием на корпус
В рассматриваемом аварийном режиме напряжения прикосновения на участках а), б) и шаговые напряжения на участках б) и в) близки к нулю.

- напряжение прикосновения;

- шаговое напряжение;

- заземлитель источника питания;

- сопротивление заземления электроустановки 1;

- сопротивление заземления электроустановки 2;

- сопротивление в заземляющем проводнике
фазы источника питания
Рисунок Г.13. Сеть IT с заземлением фазы источника питания
через сопротивление с однофазным замыканием на корпус
В рассматриваемом аварийном режиме напряжения прикосновения на участках а), б) и шаговые напряжения на участках б) и в) близки к нулю.
(справочное)
ЗАЩИТНЫЕ МЕРЫ, ОСУЩЕСТВЛЯЕМЫЕ С ПОМОЩЬЮ ЗАЩИТНЫХ УСТРОЙСТВ
Д.1. Защитные меры при основной защите и защите при наличии неисправности приведены в таблице Д.1.
Таблица Д.1
Защитные меры при основной защите
и защите при наличии неисправности
┌─────────────────────────┬──────────────────────┬────────────────────────┐
│ Защитные меры │ Основная защита │ Защита при наличии │
│ │(защита при отсутствии│ неисправности │
│ │ неисправности) │ (защита при наличии │
│ │ │ простой неисправности) │
├─────────────────────────┼──────────────────────┴────────────────────────┤
│ Защита с помощью двойной│ Усиленная изоляция │
│или усиленной изоляции │ │
│ ├──────────────────────┬────────────────────────┤
│ │ Основная изоляция │ Дополнительная изоляция│
│ │ │ │
│ Защита с помощью │ Основная изоляция, │ Выравнивание │
│выравнивания потенциалов │варианты: │потенциалов, │
│ │ - (твердая) основная │обеспечивающее защиту, │
│ │изоляция; │варианты (одна мера │
│ │ - основная изоляция: │защиты или подходящая │
│ │внутри ограждений и │комбинация следующих │
│ │оболочек; │мер): │
│ │ - за барьерами; │ - выравнивание │
│ │ - размещение вне зоны│потенциалов в │
│ │досягаемости │электроустановке; │
│ │ │ - выравнивание │
│ │ │потенциалов для │
│ │ │электрооборудования; │
│ │ │ - PE-проводник; │
│ │ │ - PEN-проводник; │
│ │ │ - защитный экран │
├─────────────────────────┼──────────────────────┼────────────────────────┤
│ Защита с помощью │ - │ Автоматическое │
│автоматического │ │отключение источника │
│отключения источника │ │питания │
│питания │ │ │
├─────────────────────────┼──────────────────────┼────────────────────────┤
│ Защита с помощью │ - │ Простое разделение │
│электрического разделения│ │цепей │
│цепей │ │ │
├─────────────────────────┼──────────────────────┼────────────────────────┤
│ Защита с помощью │ - │ Нетокопроводящая среда │
│нетокопроводящей среды │ │ │
├─────────────────────────┼──────────────────────┼────────────────────────┤
│ Защита с помощью других │ Другие меры │ Другие меры │
│защитных мер ├──────────────────────┴────────────────────────┤
│ │ Другие меры усиленной защиты │
└─────────────────────────┴───────────────────────────────────────────────┘
Д.2. Защитные меры с ограничением значений электрических величин приведены в таблице Д.2.
Таблица Д.2
Защитные меры с ограничением значений электрических величин
┌──────────────────┬──────────────────────────────────────────────────────┐
│ Защитные меры │ Элементы защитных мер │
├──────────────────┼─────────────────┬─────────────────┬──────────────────┤
│ Защита с помощью │ Ограничение │ Защитное │ Простое отделение│
│системы БСНН │напряжения │разделение цепей │от земли систем │
│ │ │ │ЗСНН и БСНН │
├──────────────────┼─────────────────┼─────────────────┼──────────────────┤
│ Защита с помощью │ - │ Варианты: │ Функциональное │
│системы ЗСНН │ │ - усиленная │заземление. │
│ │ │изоляция; │ В некоторых │
│ │ │ - основная │случаях │
│ │ │изоляция и │дополнительно: │
│ │ │дополнительная │ - основная │
│ │ │изоляция; │изоляция или │
│ │ │ - основная │ - ограждение, или│
│ │ │изоляция и │оболочка │
│ │ │защитное │ │
│ │ │экранирование │ │
│ Защита │ Ограничение тока│ - │ - │
│ограничением │прикосновения │ │ │
│тока прикосновения│в установившемся │ │ │
│в установившемся │режиме и │ │ │
│режиме и │ограничение │ │ │
│ограничением │электрического │ │ │
│электрического │заряда. │ │ │
│заряда │ Варианты: │ │ │
│ │ - источник │ │ │
│ │ограниченного │ │ │
│ │тока; │ │ │
│ │ - полное │ │ │
│ │сопротивление, │ │ │
│ │обеспечивающее │ │ │
│ │защиту │ │ │
├──────────────────┴─────────────────┴─────────────────┴──────────────────┤
│ Примечания │
│ 1. Защита с помощью системы БСНН (SELV). │
│ Защитная мера, при которой защита обеспечивается: │
│ - за счет ограничения напряжения в цепи (система БСНН (SELV)); │
│ - защитным отделением системы БСНН (SELV) от всех цепей, помимо систем│
│БСНН (SELV), ЗСНН (PELV); │
│ - простым отделением системы БСНН (SELV) от других систем БСНН (SELV),│
│систем ЗСНН (PELV) и от заземления. │
│ Не допускается преднамеренное соединение открытых проводящих частей с│
│нулевым защитным (PE) или заземляющим проводником. │
│ В специальных помещениях, где требуется система БСНН (SELV) и│
│используется защитное экранирование, защитный экран должен быть отделен│
│от каждой соседней цепи с помощью основной изоляции, рассчитанной на│
│самое высокое из имеющихся напряжений. │
│ 2. Защита с помощью системы ЗСНН (PELV). │
│ Защитная мера, при которой защита обеспечивается за счет: │
│ - ограничения напряжения в цепи, которая может быть заземлена и (или)│
│открытые проводящие части которой могут быть заземлены (система ЗСНН│
│(PELV)); │
│ - защитного отделения системы ЗСНН (PELV) от всех цепей, помимо БСНН│
│(SELV) и ЗСНН (PELV). │
│ Если цепь ЗСНН (PELV) заземлена и используется защитное экранирование,│
│нет необходимости использовать основную изоляцию между защитным экраном и│
│системой ЗСНН (PELV). │
│ Если токопроводящие части системы ЗСНН (PELV) доступны одновременно с│
│проводящими частями, которые в случае неисправности могут иметь потенциал│
│первичной цепи, защита от поражения электрическим током зависит от│
│выравнивания потенциалов, обеспечивающего защиту, между всеми подобными│
│проводящими частями. │
└─────────────────────────────────────────────────────────────────────────┘
[1] Правила устройства электроустановок (ПУЭ). 7-е издание
[2] Федеральный закон от 30 декабря 2001 г. N 197-ФЗ. Трудовой
кодекс Российской Федерации (в редакции Федерального закона от 30 июня 2006 г. N 90-ФЗ)
[3]
СанПиН 2.2.4.1191-2003. Электромагнитные поля в производственных условиях. Санитарно-эпидемиологические правила и нормативы
[4]
СанПиН 2.5.2/2.2.4.1989-2006. Электромагнитные поля на плавательных средствах и морских сооружениях. Гигиенические требования безопасности. Санитарно-эпидемиологические правила и нормативы
[5]
Инструкция по применению и испытанию средств защиты, используемых в электроустановках, утвержденная Приказом Министерства энергетики Российской Федерации от 30 июня 2003 г. N 261.