Главная // Актуальные документы // ГОСТ Р (Государственный стандарт)СПРАВКА
Источник публикации
В данном виде документ опубликован не был.
Первоначальный текст документа опубликован в издании
М.: Стандартинформ, 2010.
Информацию о публикации документов, создающих данную редакцию, см. в справке к этим документам.
Примечание к документу
Документ утратил силу с 01.01.2021 в связи с изданием
Приказа Росстандарта от 24.11.2020 N 1153-ст. Взамен введен в действие
ГОСТ 34655-2020.
Текст документа приведен с учетом
поправки, опубликованной в "ИУС", N 11, 2011;
поправки, опубликованной в "ИУС", N 9, 2012.
Изменение N 1, утв.
Приказом Росстандарта от 20.03.2018 N 133-ст, введено в действие с 1 сентября 2018 года.
Название документа
"ГОСТ Р 53561-2009. Национальный стандарт Российской Федерации. Арматура трубопроводная. Прокладки овального, восьмиугольного сечения, линзовые стальные для фланцев арматуры. Конструкция, размеры и общие технические требования"
(утв. и введен в действие Приказом Ростехрегулирования от 15.12.2009 N 852-ст)
(ред. от 20.03.2018)
"ГОСТ Р 53561-2009. Национальный стандарт Российской Федерации. Арматура трубопроводная. Прокладки овального, восьмиугольного сечения, линзовые стальные для фланцев арматуры. Конструкция, размеры и общие технические требования"
(утв. и введен в действие Приказом Ростехрегулирования от 15.12.2009 N 852-ст)
(ред. от 20.03.2018)
Утвержден и введен в действие
от 15 декабря 2009 г. N 852-ст
НАЦИОНАЛЬНЫЙ СТАНДАРТ РОССИЙСКОЙ ФЕДЕРАЦИИ
АРМАТУРА ТРУБОПРОВОДНАЯ
ПРОКЛАДКИ ОВАЛЬНОГО, ВОСЬМИУГОЛЬНОГО СЕЧЕНИЯ,
ЛИНЗОВЫЕ СТАЛЬНЫЕ ДЛЯ ФЛАНЦЕВ АРМАТУРЫ
КОНСТРУКЦИЯ, РАЗМЕРЫ И ОБЩИЕ ТЕХНИЧЕСКИЕ ТРЕБОВАНИЯ
Pipeline valves. Gaskets of oval,
octagonal section, lens steel for valve flanges.
Design, dimensions and general technical requirements
ГОСТ Р 53561-2009
| | Список изменяющих документов Росстандарта от 20.03.2018 N 133-ст) | |
Дата введения
1 апреля 2010 года
Цели и принципы стандартизации в Российской Федерации установлены Федеральным
законом от 27 декабря 2002 г. N 184-ФЗ "О техническом регулировании", а правила применения национальных стандартов Российской Федерации -
ГОСТ Р 1.0-2004 "Стандартизация в Российской Федерации. Основные положения".
1. Разработан Закрытым акционерным обществом "Научно-производственная фирма "Центральное конструкторское бюро арматуростроения" (ЗАО "НПФ "ЦКБА").
2. Внесен Техническим комитетом ТК 259 "Трубопроводная арматура и сильфоны".
3. Утвержден и введен в действие
Приказом Федерального агентства по техническому регулированию и метрологии от 15 декабря 2009 г. N 852-ст.
4. Введен впервые.
Информация об изменениях к настоящему стандарту публикуется в ежегодно издаваемом информационном указателе "Национальные стандарты", а текст изменений и поправок - в ежемесячно издаваемых информационных указателях "Национальные стандарты". В случае пересмотра (замены) или отмены настоящего стандарта соответствующее уведомление будет опубликовано в ежемесячно издаваемом информационном указателе "Национальные стандарты". Соответствующая информация, уведомление и тексты размещаются также в информационной системе общего пользования - на официальном сайте Федерального агентства по техническому регулированию и метрологии в сети Интернет.
Настоящий стандарт устанавливает конструкцию, размеры и общие технические требования на стальные прокладки овального, восьмиугольного сечения для фланцевых соединений арматуры с фланцами, имеющими уплотнительную поверхность
исполнения J по
ГОСТ 33259 и исполнения J по ИСО 7005-1
[1], а также конструкцию, размеры и общие технические требования на линзовые прокладки с фланцами, имеющими уплотнительную поверхность
исполнения K по
ГОСТ 33259. Настоящий стандарт распространяется на уплотнительные прокладки овального, восьмиугольного сечения для фланцевых соединений с фланцами номинального диаметра DN от 10 до 400 на номинальное давление PN от 6,3 до 20 МПа (от 63 до 200 кгс/см
2) по
ГОСТ 33259 и ИСО 7005-1
[1], а также на линзовые прокладки для фланцевых соединений с фланцами номинального диаметра DN от 10 до 400 на номинальное давление PN от 6,3 до 20 МПа (от 63 до 200 кгс/см
2) по
ГОСТ 33259.
(в ред.
Изменения N 1, утв. Приказом Росстандарта от 20.03.2018 N 133-ст)
В настоящем стандарте использованы ссылки на следующие стандарты:
ГОСТ 1050-2013 Металлопродукция из нелегированных конструкционных качественных и специальных сталей. Общие технические условия
(в ред.
Изменения N 1, утв. Приказом Росстандарта от 20.03.2018 N 133-ст)
ГОСТ 4543-2016 Металлопродукция из конструкционной легированной стали. Технические условия
(в ред.
Изменения N 1, утв. Приказом Росстандарта от 20.03.2018 N 133-ст)
ГОСТ 5632-72. Стали высоколегированные и сплавы коррозионно-стойкие, жаростойкие и жаропрочные. Марки <*>
(в ред.
Изменения N 1, утв. Приказом Росстандарта от 20.03.2018 N 133-ст)
--------------------------------
<*> Восстановлен на территории РФ на период с 01.01.2016 по 31.12.2020 для применения на объектах использования атомной энергии.
(сноска введена
Изменением N 1, утв. Приказом Росстандарта от 20.03.2018 N 133-ст)
ГОСТ 5632-2014 Легированные нержавеющие стали и сплавы коррозионно-стойкие, жаростойкие и жаропрочные. Марки
(ссылка введена
Изменением N 1, утв. Приказом Росстандарта от 20.03.2018 N 133-ст)
ГОСТ 33259-2015 Фланцы арматуры, соединительных частей и трубопроводов на номинальное давление до
PN 250. Конструкция, размеры и общие технические требования.
(в ред.
Изменения N 1, утв. Приказом Росстандарта от 20.03.2018 N 133-ст)
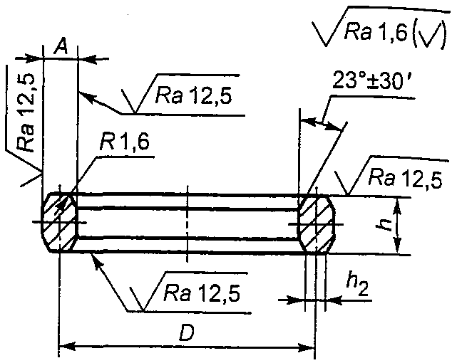
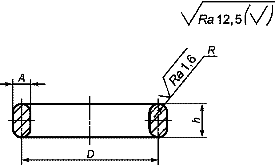
3.1. Прокладки по конструкции предусматриваются трех типов:
1 - прокладки овального сечения;
2 - прокладки восьмиугольного сечения;
3 - линзовые прокладки.
3.2. Конструкция и размеры прокладок типа 1 для фланцев по ГОСТ 33259
(исполнение J) и ИСО 7005-1
[1] (исполнение J) приведены на рисунке 1 и в
таблице 1.
(в ред.
Изменения N 1, утв. Приказом Росстандарта от 20.03.2018 N 133-ст)
Таблица 1
Размеры прокладок овального сечения типа 1
и восьмиугольного сечения типа 2
В миллиметрах
Номинальный диаметр DN для номинальных давлений PN, МПа (кгс/см2) | D, +/- 0,15 | A, +/- 0,2 | R, +/- 0,1 | h, +/- 0,4 | h1, +/- 0,2 | h2, +/- 0,2 |
| для фланцев по ИСО 7005-1 [1] исполнение J | | для фланцев по ИСО 7005-1 [1] исполнение J | | для фланцев по ИСО 7005-1 [1] исполнение J | | для фланцев по ИСО 7005-1 [1] исполнение J | | для фланцев по ИСО 7005-1 [1] исполнение J |
6,3 (63) | 10 (100) | 16 (160) | 20 (200) | | | | | | | | |
10 | 10 | - | - | 35 | - | 8 | - | 4,0 | - | 14 | - | - | - | - |
15 | 15 | - | - | 35 | 34,13 | 6,35 | 3,18 | 11,11 | 9,53 | 4,32 |
- | - | 15 | - | 35 | 39,69 | 7,94 | 3,97 | 14,29 | 12,7 | 5,23 |
- | - | - | 15 | 40 | 39,69 |
20 | 20 | 20 | 20 | 45 | 44,45 |
25 | 25 | 25 | 25 | 50 | 50,80 |
32 | 32 | 32 | 32 | 65 | 60,33 |
40 | 40 | 40 | 40 | 75 | 68,26 |
50 | 50 | - | - | 85 | 82,55 | 11 | 11,11 | 5,5 | 5,56 | 18 | 17,46 | 15,88 | 7,75 |
- | - | 50 | 50 | 95 | 95,25 |
65 | 65 | - | - | 110 | 101,60 |
- | - | 65 | - | 110 | 107,95 |
- | - | - | 65 | 130 | 107,95 |
80 | 80 | - | - | 115 | 117,48 |
- | - | 80 | - | 130 | 123,83 |
- | - | - | 80 | 160 | 136,53 |
100 | 100 | - | - | 145 | 149,23 |
- | - | 100 | - | 145 | 149,23 |
- | - | - | 100 | 190 | 161,93 |
125 | 125 | - | - | 175 | 180,98 |
- | - | 125 | - | 190 |
- | - | - | 125 | 205 | 193,68 | 13 | 6,5 | 20 |
150 | 150 | - | - | 211,14 | 11 | 5,5 | 18 |
- | - | 150 | - | 13 | 6,5 | 20 |
- | - | - | 150 | 240 | 16 | 12,70 | 8,0 | 6,35 | 19,05 | 17,46 | 8,66 |
175 | 175 | - | - | 235 | - | 11 | - | 5,5 | - | 18 | - | - | - |
- | - | 175 | - | 255 | 16 | 8,0 | 22 |
- | - | - | 175 | 275 | 16 | 8,0 | 22 |
200 | 200 | - | - | 265 | 269,88 | 11 | 11,11 | 5,5 | 5,56 | 18 | 17,46 | 15,88 | 7,75 |
- | - | 200 | - | 275 | 269,88 | 16 | 11,11 | 8,0 | 5,56 | 22 | 17,46 | 15,88 | 10 | 7,75 |
- | - | - | 200 | 305 | 269,88 | 16 | 15,88 | 8,0 | 7,94 | 22 | 22,23 | 20,64 | - | 10,49 |
225 | 225 | - | - | 280 | - | 11 | - | 5,5 | - | 18 | - | - | - |
- | - | 225 | - | 305 | 16 | 8,0 | 22 |
250 | 250 | - | - | 320 | 323,85 | 11 | 11,11 | 5,5 | 5,56 | 18 | 17,46 | 15,88 | 7,75 |
- | - | 250 | - | 330 | 323,85 | 16 | 8,0 | 22 | 10 |
300 | 300 | - | - | 375 | 381,00 | 11 | 5,5 | 18 | 8 |
- | - | 300 | - | 380 | 381,00 | 22 | 11,0 | 30 | 12 |
350 | - | - | - | 420 | 419,10 | 11 | 5,5 | 18 | - |
- | 350 | - | - | 420 | 419,10 | 16 | 8,0 | 22 | 10 |
400 | - | - | - | 480 | 469,90 | 11 | 5,5 | 18 | - |
- | 400 | - | - | 480 | 469,90 | 16 | 8,0 | 22 | 10 |
- | - | 350 | - | 420 | 419,1 | 22 | 15,88 | 11,0 | 7,94 | 30 | 22,4 | 20,6 | 12 | 10,49 |
- | - | 400 | - | 480 | 469,9 |
(в ред.
Изменения N 1, утв. Приказом Росстандарта от 20.03.2018 N 133-ст)
(в ред.
Изменения N 1, утв. Приказом Росстандарта от 20.03.2018 N 133-ст)
Конструкция и размеры прокладок типа 3 для фланцев по ГОСТ 33259
(исполнение K) приведены на рисунке 4 и в
таблице 2.
(в ред.
Изменения N 1, утв. Приказом Росстандарта от 20.03.2018 N 133-ст)
Рисунок 4
Таблица 2
Размеры прокладок линзовых
Росстандарта от 20.03.2018 N 133-ст)
В миллиметрах
Номинальный диаметр DN | d H14 | D1 h14 | b +/- 0,3 | R | |
номин. | пред. откл. |
10 | 10 | 20 | 7,0 | 21 | +/- 0,3 | 14,0 |
15 | 15 | 28 | 8,5 | 29 | 19,5 |
20 | 20 | 34 | 10,0 | 37 | 25,0 |
25 | 25 | 40 | 12,0 | 44 | 30,0 |
32 | 32 | 50 | 14,0 | 54 | +/- 0,4 | 37,0 |
40 | 40 | 60 | 16,0 | 67 | 46,0 |
50 | 50 | 70 | 18,0 | 83 | 56,5 |
65 | 65 | 95 | 20,0 | 110 | 75,0 |
80 | 80 | 116 | 22,0 | 130 | +/- 0,5 | 88,5 |
100 | 100 | 140 | 26,0 | 164 | 112,0 |
125 | 125 | 175 | 30,0 | 203 | 139,0 |
150 | 150 | 210 | 32,0 | 242 | 165,5 |
175 | 175 | 240 | 35,0 | 287 | +/- 0,6 | 196,5 |
200 | 200 | 270 | 40,0 | 324 | 221,5 |
225 | 225 | 300 | 362 | 247,5 |
250 | 250 | 330 | 45,0 | 400 | 274,0 |
300 | 300 | 385 | 472 | 322,5 |
350 | 350 | 425 | 544 | 372,0 |
400 | 400 | 475 | 620 | 422,5 |
|
Примеры условных обозначений прокладок типа 1 для фланца DN 200, PN 63 из стали марки 08кп:
(в ред.
Изменения N 1, утв. Приказом Росстандарта от 20.03.2018 N 133-ст)
Прокладка 1-1-200-63-08кп ГОСТ Р 53561-2009
- для фланцев по ИСО 7005-1
[1]:
Прокладка 1-2-200-63-08кп ГОСТ Р 53561-2009
Примеры условных обозначений прокладок типа 2 для фланца DN 200, PN 63 из стали марки 08кп:
(в ред.
Изменения N 1, утв. Приказом Росстандарта от 20.03.2018 N 133-ст)
Прокладка 2-1-200-63-08кп ГОСТ Р 53561-2009
- для фланцев по ИСО 7005-1
[1]:
Прокладка 2-2-200-63-08кп ГОСТ Р 53561-2009
Примеры условных обозначений прокладок типа 3 для фланца DN 200 из стали марки 20Х13:
Прокладка 3-200-20Х13 ГОСТ Р 53561-2009.
4. Общие технические требования
4.1. Прокладки следует изготавливать в соответствии с требованиями настоящего стандарта по чертежам, утвержденным в установленном порядке.
4.2. Прокладки допускается изготавливать из труб, поковок, штампованных заготовок и сортового проката из следующих материалов:
- овальные и восьмиугольные прокладки из стали 08кп по
ГОСТ 1050 (применяемые при температуре от минус 40 °C до плюс 475 °C), сталей 08Х13,08Х18Н10 и 08Х18Н10Т по
ГОСТ 5632 (применяемые при температуре от минус 270 °C до плюс 600 °C);
- линзовые прокладки из углеродистых сталей 20 (применяемые при температуре от минус 40 °C до плюс 475 °C), 35 (применяемые при температуре от минус 40 °C до плюс 425 °C) по
ГОСТ 1050, легированных сталей 20Х13 (применяемые при температуре от минус 40 °C до плюс 450 °C), 12Х18Н10Т (применяемые при температуре от минус 270 °C до плюс 600 °C), 10Х17Н13М2Т (применяемые при температуре от минус 253 °C до плюс 700 °C), 10Х17Н13М3Т (применяемые при температуре от минус 196 °C до плюс 600 °C) по
ГОСТ 5632, 15ХМ (применяемые при температуре от минус 40 °C до плюс 560 °C), 30ХМ (применяемые при температуре от минус 50 °C до плюс 450 °C) по
ГОСТ 4543.
Материал прокладок выбирают в зависимости от условий эксплуатации соединения. Допускается изготовление прокладок из других марок сталей, исходя из условий эксплуатации, по нормативному документу, утвержденному в установленном порядке.
4.3. Допускается наличие на прокладке одного поперечного сварного шва. Разность в твердости основного металла и сварного шва не должна быть более 20 HB. Для сварных прокладок верхний предел температуры указан в
4.2 без учета стойкости к межкристаллитной коррозии.
4.4. Прокладки из легированной стали следует подвергать термической обработке.
4.5. После термической обработки на поверхности прокладок не должно быть отслаивающейся окалины. Допускаются цвета побежалости.
4.6. Твердость основного металла прокладок должна быть ниже твердости металла фланца. Разность в твердости металла фланцев и прокладок должна быть не менее 20 HB.
4.7. Измерение твердости проводят не менее чем в трех точках, расположенных по окружности на боковой поверхности прокладок под углом 120°.
4.8. На уплотнительных поверхностях прокладок не допускаются раковины, забоины, вмятины, царапины, трещины и другие дефекты. Исправление указанных дефектов заваркой или подчеканкой не допускается.
4.9. Кромки прокладок не должны иметь заусенцев. Для снятия заусенцев допускается притупление острой кромки до 0,5 мм.
4.10. При поставке прокладок маркировка на бирке, прикрепленной к каждой прокладке, должна содержать: товарный знак предприятия-изготовителя, условное обозначение, марку материала и номер настоящего документа.
На боковую поверхность прокладок наносят марку материала.
Прокладки, поставляемые в составе изделия, маркируют в порядке, принятом на предприятии-изготовителе.
4.11. Соответствие значений номинальных давлений для прокладок к фланцам по
ГОСТ 33259 и фланцам по ИСО 7005-1
[1] приведено в
Приложении А.
(в ред.
Изменения N 1, утв. Приказом Росстандарта от 20.03.2018 N 133-ст)
4.12. В конструкторской документации на прокладки должны быть указаны следующие показатели надежности:
- по долговечности (срок службы до замены);
- по сохраняемости (срок сохраняемости);
- по безопасности (вероятность безотказной работы в течение срока службы до замены).
4.13. Для прокладок, комплектующих соединительные фланцы арматуры и трубопроводов, предназначенных для опасных производственных объектов, в конструкторской документации должны быть указаны следующие показатели:
- назначенный срок службы;
- назначенный срок хранения;
- вероятность безотказной работы в течение назначенного срока службы.
(справочное)
СООТВЕТСТВИЕ ЗНАЧЕНИЙ НОМИНАЛЬНЫХ ДАВЛЕНИЙ ДЛЯ ПРОКЛАДОК
Росстандарта от 20.03.2018 N 133-ст)
Таблица А.1
Номинальное давление для прокладок к фланцам по ГОСТ 33259, МПа (кгс/см 2) | Номинальное давление для прокладок к фланцам по ИСО 7005-1 [1], МПа (кгс/см 2) |
6,3 (63) | 5,0 (50) |
10,0 (100) | 11,0 (110) |
16,0 (160) | 15,0 (150) |
20,0 (200) | 26,0 (260) |
(в ред.
Изменения N 1, утв. Приказом Росстандарта от 20.03.2018 N 133-ст)
[1] ИСО 7005-1:2011 (ISO 7005-1:2011) Фланцы трубопроводов - Часть 1. Стальные фланцы для промышленных трубопроводов и систем трубопроводов многоцелевого назначения (Pipe flanges - Part 1. Steel flanges for industrial and general service piping systems)
(в ред.
Изменения N 1, утв. Приказом Росстандарта от 20.03.2018 N 133-ст)
[2] ИСО 7483:1991 (ISO 7483:1991). Размеры прокладок для фланцев по ИСО 7005 (Dimensions of gaskets for use with flanges to ISO 7005).