Скачать РД 39-132-94 Правила по эксплуатации, ревизии, ремонту и отбраковке нефтепромысловых трубопроводов

Дата актуализации: 01.01.2021

РД 39-132-94

Правила по эксплуатации, ревизии, ремонту и отбраковке нефтепромысловых трубопроводов

Обозначение: РД 39-132-94
Обозначение англ: RD 39-132-94
Статус:не подлежит применению
Название рус.:Правила по эксплуатации, ревизии, ремонту и отбраковке нефтепромысловых трубопроводов
Название англ.:Standards for the Operation, Inspection, Repair, and Quality Control of Oil Production Pipelines
Дата добавления в базу:01.09.2013
Дата актуализации:01.01.2021
Дата введения:01.07.1994
Дата окончания срока действия:22.08.2018
Область применения:Правила устанавливают требования к эксплуатации нефтепромысловых трубопроводов для транспорта нефти, газа и попутно добываемой пластовой воды.
Оглавление:1 Общие положения
2 Классификация трубопроводов
3 Основные требования к проектированию систем сбора нефти, газа и воды на нефтяных месторождениях
3.1 Требования к обеспечению качества сооружения систем сбора нефти, газа и систем поддерживания пластового давления
3.2 Переходы трубопроводов через естественные и искусственные препятствия
3.3 Создание защиты (буферных) зон вокруг особо опасных трубопроводных систем
3.4 Требования к оснащению технологических систем сбора средствами контроля, регулирования, противоаварийной защиты
3.5 Требования к оснащению промысловых трубопроводов средствами очистки
3.6 Обеспечение производства технологическими регламентами, согласование их с надзорными органами
3.7 Порядок внесения изменений в технологическую и проектную документацию
4 Требования, предъявляемые к материалам и конструкциям промысловых стальных трубопроводов
4.1 Общие положения
4.2 Типы труб, область применения и требования к их качеству
4.3 Запорная арматура
4.4 Фланцы
4.5 Прокладочные материалы
4.6 Фасонные детали трубопроводов
4.7 Сварные детали трубопроводов
4.8 Гнутые и штампованные детали
4.9 Заглушки
4.10 Крепежные детали
5 Основные требования к строительству промысловых трубопроводов
5.1 Общие положения
5.2 Подготовительные работы
5.3 Земляные работы. Разработка траншей
5.4 Транспортные и погрузочно-разгрузочные работы
5.5 Противокоррозионная и тепловая изоляция
5.6 Устранение повреждений заводских изделий и труб
5.7 Повороты, изготовленные из труб, отводы
5.8 Укладка труб в траншею
5.9 Засыпка траншеи
5.10 Восстановление трассы и работы по рекультивации
5.11 Электрохимическая защита трубопроводов от подземной коррозии
6 Контроль качества, очистка, испытание и приемка в эксплуатацию промысловых трубопроводов
6.1 Проверка качества строительства трубопроводов. Вид и объем требуемой проверки
6.2 Очистка полости и испытание промысловых трубопроводов
6.3 Приемка в эксплуатацию промысловых трубопроводов
7 Эксплуатация и техническое обслуживание трубопроводов
7.1 Проходное давление в системах сбора нефти, газа и воды
7.2 Очистка трубопроводов от парафина, воды и механических примесей
7.3 Уход за трассой трубопроводов. Технический коридор. Патрульная служба. Связь
7.4 Охранные зоны. Знаки безопасности
7.5 Техническое обслуживание и ремонт трубопроводов
7.5.1 Наружный осмотр трубопроводов
7.5.2 Ревизия трубопроводов
7.5.3 Диагностика промысловых трубопроводов
7.5.4 Нормы отбраковки трубопроводов
7.5.5 Периодические испытания трубопроводов
7.5.6 Ремонтные работы на трубопроводах
7.5.7 Концентрация, демонтаж трубопроводов
7.5.8 Обслуживание и ревизия арматуры
7.6 Применение энергии взрыва при ремонте и эксплуатации трубопроводов
7.7 Защита от внешней и внутренней коррозии
8 Сварочные работы на трубопроводах
8.1 Сварка. Общие требования
8.2 Сварочные материалы
8.3 Подготовка труб под сварку и сварка
8.4 Качество сварки. Методы обследования и контроля сварных соединений
8.5 Квалификация сварщиков и их допуск к сварке трубопроводов
9 Порядок учета, расследования и ликвидации отказов и повреждений трубопроводов
9.1 Классификация аварий
9.2 Расследование аварий
9.3 Отчетность перед контролирующими органами об авариях, утечках, разливах
9.4 Организация работ по ликвидации аварий на трубопроводах
10 Охрана труда
11 Пожарная безопасность
12 Охрана окружающей среды
13 Техническая документация
Справочный материал
Приложение 1 Паспорт трубопровода
Приложение 2 Журнал учета установки - снятия заглушек
Приложение 3 Акт ревизии и отбраковки трубопроводов
Приложение 4 Акт испытания трубопроводов на прочность и плотность
Приложение 5 Акт на ремонт и испытание арматуры
Приложение 6 Основные технические характеристики и области эффективного применения материалов для антикоррозионной изоляции внутренней поверхности трубопроводов
Приложение 7 Технологический регламент на применение ингибитора
Приложение 8 Характеристики и назначение электродов при сварке стыков труб
Приложение 9 Режимы сушки (прокалки) сварочных материалов перед сваркой
Приложение 10 Срок хранения электродов
Приложение 11 Сборка, сварка и контроль качества сварных соединений трубопроводов
Приложение 12 Технические характеристики центраторов
Приложение 13 Технические характеристики термоиндикаторных карандашей по ТУ 6-10-110-76
Приложение 14 Рекомендуемые значения сварочного тока для различного вида покрытий электродов и различных видов сварки
Приложение 15 Акт технического расследования некатигорийного отказа трубопровода
Приложение 16 Журнал учета некатегорийных отказов
Приложение 17 Отчет об отказах в системе нефтесбора
Приложение 18 Сведения об отказах в системах нефтесбора по отрасли
Приложение 19 Наряд-допуск на производство работ повышенной опасности
Приложение 20 Категории участков трубопроводов
Приложение 21 Расстояние между осями смежных трубопроводов и от трубопроводов до стенок каналов, тоннелей, галерей и стен зданий, мм
Приложение 22 Применение труб из разных сталей в зависимости от температуры эксплуатации и строительства трубопроводов
Приложение 23 Трубы стальные бесшовные
Приложение 24 Трубы стальные электросварные
Приложение 25 Арматура трубопроводная, рекомендуемая для различных сред
Приложение 26 Допускаемые температуры применения трубопроводной арматуры, в зависимости от материального исполнения
Приложение 27 Нормы герметичности затвора арматуры (кроме вентилей) при испытании воздухом
Приложение 28 Нормы герметичности затворов вентилей при испытании воздухом
Приложение 29 Нормы герметичности затворов арматуры (кроме вентилей) при испытании водой
Приложение 30 Нормы герметичности затворов вентилей при испытании водой
Приложение 31 Пределы применения чугунной арматуры
Приложение 32 Выбор типа и материала фланцев в зависимости от параметров среды
Приложение 33 Материалы для прокладок
Приложение 34 Кругоизогнутые отводы из углеродистой стали
Приложение 35 Детали сварных отводов из углеродистой стали на Ру до 6,3 МПа
Приложение 36 Концентрические и эксцентрические переходы из углеродистой стали
Приложение 37 Бесшовные равнопроходные и переходные тройники из углеродистой стали
Приложение 38 Сварные равнопроходные и переходные тройники из углеродистой стали
Приложение 39 Плоские заглушки из углеродистой стали
Приложение 40 Заглушки (днища) плоские ребристые из углеродистой стали
Приложение 41 Эллиптические заглушки из углеродистой стали
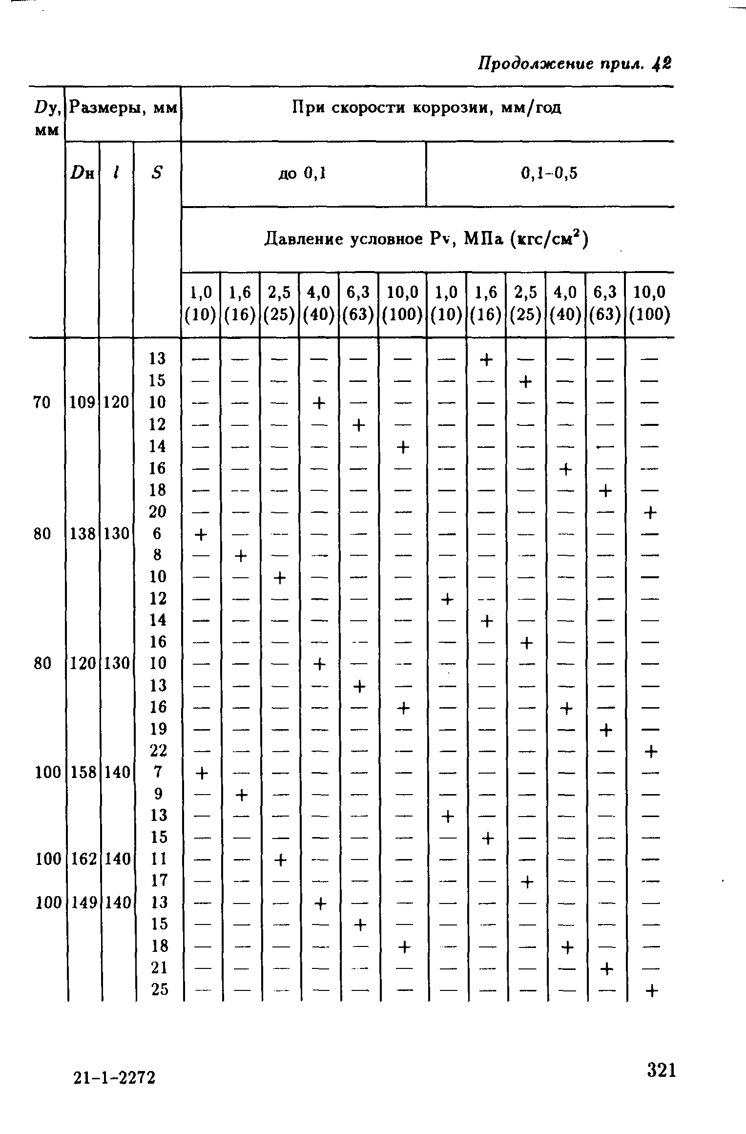
Приложение 42 Плоские заглушки из углеродистой стали, устанавливаемые между фланцами
Приложение 43 Выбор материала для изготовления крепежных деталей в зависимости от условий применения
Приложение 44 Механические свойства сталей для крепежных деталей
Приложение 45 Режимы термической обработки заготовок для готовых крепежных изделий
Список нормативно-технической документации, использованной при разработке Правил
Словарь сокращений
Разработан: Госгортехнадзор России
ВНИИПО МВД РФ
Гипротюменнефтегаз Миннефтепрома (Giprotyumenneftegaz, Minnefteprom )
ВНИИТнефть
ИПТЭР
Роснефть
Утверждён:30.12.1993 Министерство топлива и энергетики РФ (Russian Federation Ministry of Fuel and Energy )
Принят:27.12.1993 Госгортехнадзор РФ (Russian Federation Gosgortekhnadzor 10-03/337)
Заменяет собой:
Нормативные ссылки:
РД 39-132-94РД 39-132-94РД 39-132-94РД 39-132-94РД 39-132-94РД 39-132-94РД 39-132-94РД 39-132-94РД 39-132-94РД 39-132-94РД 39-132-94РД 39-132-94РД 39-132-94РД 39-132-94РД 39-132-94РД 39-132-94РД 39-132-94РД 39-132-94РД 39-132-94РД 39-132-94РД 39-132-94РД 39-132-94РД 39-132-94РД 39-132-94РД 39-132-94РД 39-132-94РД 39-132-94РД 39-132-94РД 39-132-94РД 39-132-94РД 39-132-94РД 39-132-94РД 39-132-94РД 39-132-94РД 39-132-94РД 39-132-94РД 39-132-94РД 39-132-94РД 39-132-94РД 39-132-94РД 39-132-94РД 39-132-94РД 39-132-94РД 39-132-94РД 39-132-94РД 39-132-94РД 39-132-94РД 39-132-94РД 39-132-94РД 39-132-94РД 39-132-94РД 39-132-94РД 39-132-94РД 39-132-94РД 39-132-94РД 39-132-94РД 39-132-94РД 39-132-94РД 39-132-94РД 39-132-94РД 39-132-94РД 39-132-94РД 39-132-94РД 39-132-94РД 39-132-94РД 39-132-94РД 39-132-94РД 39-132-94РД 39-132-94РД 39-132-94РД 39-132-94РД 39-132-94РД 39-132-94РД 39-132-94РД 39-132-94РД 39-132-94РД 39-132-94РД 39-132-94РД 39-132-94РД 39-132-94РД 39-132-94РД 39-132-94РД 39-132-94РД 39-132-94РД 39-132-94РД 39-132-94РД 39-132-94РД 39-132-94РД 39-132-94РД 39-132-94РД 39-132-94РД 39-132-94РД 39-132-94РД 39-132-94РД 39-132-94РД 39-132-94РД 39-132-94РД 39-132-94РД 39-132-94РД 39-132-94РД 39-132-94РД 39-132-94РД 39-132-94РД 39-132-94РД 39-132-94РД 39-132-94РД 39-132-94РД 39-132-94РД 39-132-94РД 39-132-94РД 39-132-94РД 39-132-94РД 39-132-94РД 39-132-94РД 39-132-94РД 39-132-94РД 39-132-94РД 39-132-94РД 39-132-94РД 39-132-94РД 39-132-94РД 39-132-94РД 39-132-94РД 39-132-94РД 39-132-94РД 39-132-94РД 39-132-94РД 39-132-94РД 39-132-94РД 39-132-94РД 39-132-94РД 39-132-94РД 39-132-94РД 39-132-94РД 39-132-94РД 39-132-94РД 39-132-94РД 39-132-94РД 39-132-94РД 39-132-94РД 39-132-94РД 39-132-94РД 39-132-94РД 39-132-94РД 39-132-94РД 39-132-94РД 39-132-94РД 39-132-94РД 39-132-94РД 39-132-94РД 39-132-94РД 39-132-94РД 39-132-94РД 39-132-94РД 39-132-94РД 39-132-94РД 39-132-94РД 39-132-94РД 39-132-94РД 39-132-94РД 39-132-94РД 39-132-94РД 39-132-94РД 39-132-94РД 39-132-94РД 39-132-94РД 39-132-94РД 39-132-94РД 39-132-94РД 39-132-94РД 39-132-94РД 39-132-94РД 39-132-94РД 39-132-94РД 39-132-94РД 39-132-94РД 39-132-94РД 39-132-94РД 39-132-94РД 39-132-94РД 39-132-94РД 39-132-94РД 39-132-94РД 39-132-94РД 39-132-94РД 39-132-94РД 39-132-94РД 39-132-94РД 39-132-94РД 39-132-94РД 39-132-94РД 39-132-94РД 39-132-94РД 39-132-94РД 39-132-94РД 39-132-94РД 39-132-94РД 39-132-94РД 39-132-94РД 39-132-94РД 39-132-94РД 39-132-94РД 39-132-94РД 39-132-94РД 39-132-94РД 39-132-94РД 39-132-94РД 39-132-94РД 39-132-94РД 39-132-94РД 39-132-94РД 39-132-94РД 39-132-94РД 39-132-94РД 39-132-94РД 39-132-94РД 39-132-94РД 39-132-94РД 39-132-94РД 39-132-94РД 39-132-94РД 39-132-94РД 39-132-94РД 39-132-94РД 39-132-94РД 39-132-94РД 39-132-94РД 39-132-94РД 39-132-94РД 39-132-94РД 39-132-94РД 39-132-94РД 39-132-94РД 39-132-94РД 39-132-94РД 39-132-94РД 39-132-94РД 39-132-94РД 39-132-94РД 39-132-94РД 39-132-94РД 39-132-94РД 39-132-94РД 39-132-94РД 39-132-94РД 39-132-94РД 39-132-94РД 39-132-94РД 39-132-94РД 39-132-94РД 39-132-94РД 39-132-94РД 39-132-94РД 39-132-94РД 39-132-94РД 39-132-94РД 39-132-94РД 39-132-94РД 39-132-94РД 39-132-94РД 39-132-94РД 39-132-94РД 39-132-94РД 39-132-94РД 39-132-94РД 39-132-94РД 39-132-94РД 39-132-94РД 39-132-94РД 39-132-94РД 39-132-94РД 39-132-94РД 39-132-94РД 39-132-94РД 39-132-94РД 39-132-94РД 39-132-94РД 39-132-94РД 39-132-94РД 39-132-94РД 39-132-94РД 39-132-94РД 39-132-94РД 39-132-94РД 39-132-94РД 39-132-94РД 39-132-94РД 39-132-94РД 39-132-94РД 39-132-94РД 39-132-94РД 39-132-94РД 39-132-94РД 39-132-94РД 39-132-94РД 39-132-94РД 39-132-94РД 39-132-94РД 39-132-94РД 39-132-94РД 39-132-94РД 39-132-94РД 39-132-94РД 39-132-94РД 39-132-94РД 39-132-94РД 39-132-94РД 39-132-94РД 39-132-94РД 39-132-94РД 39-132-94РД 39-132-94РД 39-132-94РД 39-132-94РД 39-132-94РД 39-132-94РД 39-132-94РД 39-132-94РД 39-132-94РД 39-132-94РД 39-132-94РД 39-132-94РД 39-132-94РД 39-132-94РД 39-132-94РД 39-132-94РД 39-132-94РД 39-132-94РД 39-132-94РД 39-132-94РД 39-132-94РД 39-132-94РД 39-132-94РД 39-132-94РД 39-132-94РД 39-132-94РД 39-132-94РД 39-132-94РД 39-132-94РД 39-132-94РД 39-132-94РД 39-132-94РД 39-132-94РД 39-132-94РД 39-132-94РД 39-132-94РД 39-132-94РД 39-132-94РД 39-132-94РД 39-132-94РД 39-132-94РД 39-132-94РД 39-132-94РД 39-132-94РД 39-132-94РД 39-132-94РД 39-132-94