ГОСТ 9064-75
МЕЖГОСУДАРСТВЕННЫЙ СТАНДАРТ
ГАЙКИ ДЛЯ ФЛАНЦЕВЫХ СОЕДИНЕНИЙ
С ТЕМПЕРАТУРОЙ СРЕДЫ от 0 до 650 °С
Типы и основные размеры
ИПК ИЗДАТЕЛЬСТВО СТАНДАРТОВ
Москва
МЕЖГОСУДАРСТВЕННЫЙ СТАНДАРТ
|
ГАЙКИ ДЛЯ
ФЛАНЦЕВЫХ СОЕДИНЕНИЙ Типы и основные размеры Nuts
for flanged connections with medium temperature from 0 to 650 °C. |
ГОСТ Взамен |
Издание (март 2004 г.) с Изменениями № 1, 2, утвержденными в июне 1980 г., декабре 1985 г. (ИУС 9-80, 4-86), Поправкой (1-88).
Постановлением Государственного комитета стандартов Совета Министров СССР от 28 марта 1975 г. № 794 дата введения установлена
01.01.76
Ограничение срока действия снято по протоколу № 5-94 Межгосударственного совета по стандартизации. Метрологии и сертификации (ИУС 11-12-94)
1. Настоящий стандарт распространяется на гайки шестигранные и колпачковые для фланцевых соединений паровых и газовых турбин, паровых котлов, трубопроводов и соединительных частей, арматуры, приборов, аппаратов и резервуаров с температурой среды от 0 до 650 °С.
Стандарт не распространяется на фланцевые соединения объектов, подведомственных Госгортехнадзору СССР, с условным давлением Ру менее 4 МПа (40 кгс/см2).
(Измененная редакция, Изм. № 1).
2. Гайки должны изготовляться следующих типов:
А - гайка шестигранная для фланцевых соединений корпусов цилиндров паровых и газовых турбин, трубопроводов и соединительных частей, паровых котлов, арматуры, приборов, аппаратов и резервуаров;
Б - гайка колпачковая для фланцевых соединений корпусов цилиндров паровых и газовых турбин, стопорных и регулирующих клапанов и других соединений паровых котлов, паровых и газовых турбин.
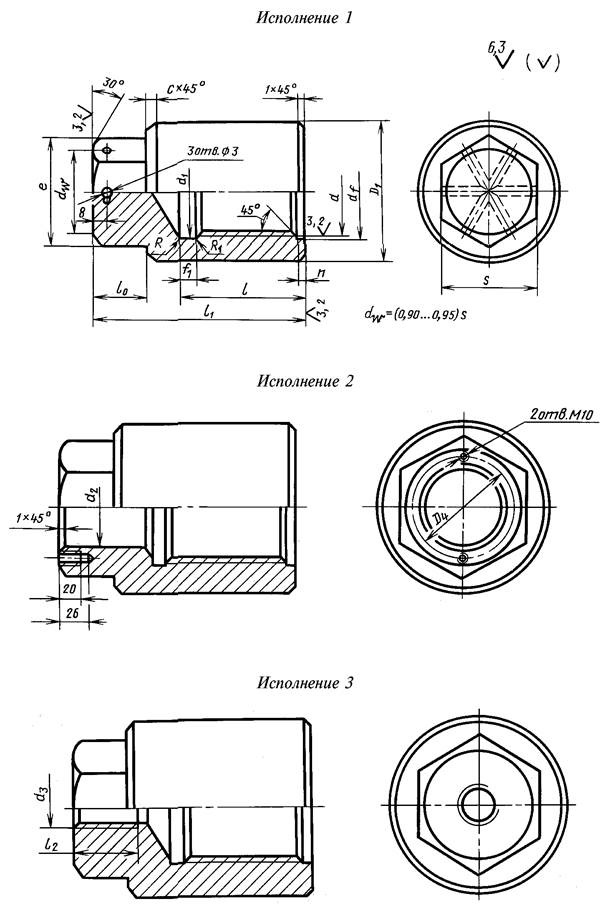
3. Размеры гаек должны соответствовать указанным на черт. 1 и 2 и в таблице.
Тип А
Черт. 1
Тип Б
Черт. 2
мм
|
10 |
12 |
16 |
20 |
(22) |
24 |
(27) |
30 |
36 |
42 |
48 |
(52) |
56 |
(60) |
64 |
(68) |
72 |
(76) |
80 |
90 |
100 |
110 |
(120) |
125 |
140 |
160 |
||||||||||||||||||||
|
Шаг резьбы |
крупный |
1,5 |
1,75 |
2,0 |
2,5 |
3,0 |
3,5 |
4,0 |
4,5 |
5,0 |
5,5 |
6,0 |
- |
- |
- |
- |
- |
- |
- |
- |
- |
- |
|||||||||||||||||||||||
|
мелкий |
1,25 |
1,5 |
2,0 |
3,0 |
4,0 |
4,0 и 6,0 |
|||||||||||||||||||||||||||||||||||||||
|
Размер «под ключ» для типа А |
S |
17 |
19 |
24 |
30 |
32 |
36 |
41 |
46 |
55 |
65 |
75 |
80 |
85 |
90 |
95 |
100 |
105 |
110 |
115 |
130 |
145 |
155 |
175 |
180 |
200 |
225 |
||||||||||||||||||
|
Пред. откл. |
hl4 |
hl5 |
|||||||||||||||||||||||||||||||||||||||||||
|
Диаметр описанной окружности для типа А |
е, не менее |
18,8 |
21,0 |
26,7 |
33,5 |
35,6 |
40,3 |
45,9 |
51,4 |
61,7 |
73,1 |
84,5 |
90,4 |
96,0 |
102,0 |
107,5 |
113,5 |
118,0 |
124,0 |
130,0 |
147,0 |
163,0 |
180,0 |
195,5 |
203,5 |
229,0 |
263,0 |
||||||||||||||||||
|
Высота для типа А |
НПред. откл. hl4 |
10 |
12 |
16 |
20 |
22 |
24 |
27 |
30 |
36 |
42 |
48 |
52 |
56 |
60 |
64 |
68 |
72 |
76 |
80 |
90 |
100 |
110 |
120 |
125 |
140 |
160 |
||||||||||||||||||
|
Предельное смещение оси отверстия относительно граней |
- |
0,4 |
0,5 |
0,6 |
0,7 |
0,8 |
0,87 |
1,00 |
1,15 |
||||||||||||||||||||||||||||||||||||
|
Размер «под ключ» для типа Б |
S |
- |
13 |
17 |
22 |
27 |
32 |
36 |
41 |
46 |
55 |
60 |
65 |
75 |
90 |
105 |
120 |
145 |
155 |
||||||||||||||||||||||||||
|
Пред. откл. |
- |
h12 |
h14 |
||||||||||||||||||||||||||||||||||||||||||
|
Наружный диаметр гайки D1 для типа Б |
- |
24 |
28 |
32 |
36 |
40 |
48 |
55 |
65 |
75 |
85 |
90 |
95 |
100 |
115 |
135 |
150 |
165 |
180 |
190 |
210 |
235 |
|||||||||||||||||||||||
|
Диаметр описанной окружности е для типа Б |
- |
16,2 |
19,6 |
25.4 |
31,2 |
36,9 |
41,6 |
47,3 |
53,1 |
63,5 |
69,3 |
75,1 |
86,5 |
98 |
121 |
133 |
167 |
179 |
|||||||||||||||||||||||||||
|
Диаметр расположения резьбовых отверстий D4 для типа Б (исполнение 2) |
- |
- |
- |
- |
- |
- |
- |
- |
- |
- |
- |
- |
- |
- |
- |
- |
- |
- |
- |
- |
- |
92 |
102 |
110 |
125 |
130 |
|||||||||||||||||||
|
Диаметр проточки df для типа Б |
- |
13 |
17 |
20 |
23 |
25 |
28 |
31 |
37 |
43 |
49 |
53 |
57 |
61 |
66 |
70 |
74 |
78 |
82 |
92 |
102 |
112 |
122 |
127 |
142 |
162 |
|||||||||||||||||||
|
Диаметр отверстия в головке d2 |
- |
- |
- |
8 |
12 |
15 |
75 |
||||||||||||||||||||||||||||||||||||||
|
для типа Б (исполнение 2) |
- |
- |
- |
- |
- |
- |
- |
26 |
32 |
37 |
43 |
48 |
62 |
75 |
85 |
100 |
105 |
||||||||||||||||||||||||||||
|
Диаметр резьбового отверстия d3 для типа Б (исполнение 3) |
- |
- |
- |
- |
- |
- |
- |
- |
- |
М16 |
М36 |
М48 |
|||||||||||||||||||||||||||||||||
|
Глубина осевого отверстия 1 для типа Б |
- |
21 |
26 |
32 |
36 |
40 |
43 |
49 |
56 |
64 |
70 |
76 |
81 |
88 |
90 |
96 |
100 |
104 |
116 |
126 |
136 |
146 |
168 |
192 |
|||||||||||||||||||||
|
Высота головки 10 для типа Б |
- |
10 |
12 |
16 |
18 |
20 |
25 |
30 |
35 |
45 |
50 |
60 |
70 |
80 |
|||||||||||||||||||||||||||||||
|
Высота гайки l1 для типа Б |
- |
35 |
40 |
50 |
55 |
65 |
70 |
75 |
80 |
95 |
105 |
112 |
130 |
135 |
145 |
150 |
155 |
160 |
165 |
190 |
205 |
225 |
240 |
275 |
310 |
||||||||||||||||||||
|
Длина резьбы в осевом отверстии l2 Для типа Б (исполнение 3) |
- |
- |
- |
- |
- |
- |
- |
- |
- |
34 |
58 |
||||||||||||||||||||||||||||||||||
|
Размеры проточки f1 для типа Б |
- |
По ГОСТ 10549-63 |
|||||||||||||||||||||||||||||||||||||||||||
|
Высота проточки осевого отверстия n для типа Б |
- |
2 |
3 |
4 |
|||||||||||||||||||||||||||||||||||||||||
|
Фаска с для типа Б |
- |
2 |
3 |
6 |
|||||||||||||||||||||||||||||||||||||||||
Примечания:
1. Гайки с размерами, заключенными в скобках, по возможности не применять.
2.
Неуказанные предельные отклонения размеров: Н14, hl4, ±
по ГОСТ
30893.1-2002.
3. Допускается изготовление гаек типа Б без расточки осевого отверстия п с фаской.
4. Допускается увеличение размера проточки f1 до 35 мм для гаек свыше М72 с соответствующим увеличением высоты гайки. При изготовлении проточки типа короткая по ГОСТ 10549-80 допускается уменьшение общей высоты гайки l1 и глубины осевого отверстия I по сравнению с таблицей, но не более 10 мм.
5. Допускается в основании гаек типа Б выполнять площадки или канавки для стопорения.
6. Допускается для гаек типа А, изготовляемых ковкой, предельные отклонения для размера «под ключ» по hl6.
Примеры условных обозначений
Гайки типа А, диаметром резьбы 12 мм с крупным шагом резьбы 1,75 мм с полем допуска 6Н, из стали 35, категории III, группы качества 3, с покрытием 02 толщиной 6 мкм:
Гайка AM12-6H.35.III.026 ГОСТ 9064-75
То же, типа Б, исполнения 2, диаметром резьбы 48 мм, с мелким шагом резьбы 3 мм, с полем допуска 6Н, из стали марки ЭП182 вакуумно-дугового переплава, категории IV, группы качества 3, без покрытия:
Гайка Б2М48´З-6Н.ЭП182-ВД.IV.З ГОСТ 9064-75
(Измененная редакция, Изм. № 1, 2, Поправка).
4. Резьба метрическая - по ГОСТ 24705-81.
(Измененная редакция, Изм. № 2).
5. Масса гаек приведена в справочном приложении 1.
6. Технические требования - по ГОСТ 20700-75.
7. (Исключен, Изм. № 2).
|
Номинальный
диаметр |
Масса, кг, » гаек типов |
|||
|
Б |
||||
|
10 |
0,014 |
- |
- |
- |
|
12 |
0,019 |
0,083 |
- |
- |
|
16 |
0,039 |
0,118 |
- |
- |
|
20 |
0,077 |
0,203 |
0,21 |
- |
|
(22) |
0,093 |
0,290 |
0,31 |
- |
|
24 |
0,133 |
0,412 |
0,43 |
- |
|
(27) |
0,194 |
0,670 |
- |
- |
|
30 |
0,277 |
0,680 |
0,72 |
- |
|
36 |
0,446 |
0,960 |
0,92 |
- |
|
42 |
0,777 |
1,610 |
1,48 |
1,66 |
|
48 |
1,197 |
2,380 |
2,25 |
2,44 |
|
(52) |
1,420 |
2,940 |
2,84 |
3,01 |
|
56 |
1,668 |
3,374 |
2,95 |
3,29 |
|
(60) |
2,080 |
3,929 |
4,15 |
4,67 |
|
64 |
2,310 |
4,591 |
4,17 |
4,81 |
|
(68) |
2,740 |
5,318 |
- |
- |
|
72 |
3,005 |
8,166 |
7,41 |
8,11 |
|
(76) |
3,53 |
8,741 |
7,38 |
7,88 |
|
80 |
4,02 |
8,546 |
7,20 |
7,72 |
|
90 |
5,82 |
12,551 |
11,60 |
12,92 |
|
100 |
8,09 |
16,960 |
15,20 |
17,46 |
|
110 |
9,71 |
22,359 |
20,39 |
22,96 |
|
(120) |
13,42 |
27,503 |
25,69 |
28,46 |
|
125 |
15,42 |
29,545 |
- |
- |
|
140 |
21,06 |
44,147 |
40,11 |
45,11 |
|
160 |
29,66 |
52,773 |
55,83 |
61,43 |
Примечание. Для гаек типа Б, исполнения 2, диаметром до М36 значения массы даны по d2 = 8 мм.
Приложение 2. (Исключено, Изм. № 2).