
ОТРАСЛЕВЫЕ СТАНДАРТЫ
ДЕТАЛИ
ТРУБОПРОВОДОВ
ИЗ УГЛЕРОДИСТОЙ СТАЛИ
СВАРНЫЕ И ГНУТЫЕ Ду до
500 мм
на Ру до
10 МПа (100 кгс/см2)
ОСТ 36-41-81
УТВЕРЖДЕНЫ И ВВЕДЕНЫ В ДЕЙСТВИЕ приказом Министерства монтажных и специальных строительных работ СССР от 18 февраля 1981 г. № 45
ИСПОЛНИТЕЛИ к.т.н. Р.И. Тавастшерна (руководитель работы);
к.т.н. А.И. Бесман (руководитель темы);
А.А. Гутовский,
Г.И. Пачкова,
П.В. Рыбаков,
Л.И. Уткина
СОГЛАСОВАНЫ Госгортехнадзором СССР
ОТРАСЛЕВОЙ СТАНДАРТ
|
ДЕТАЛИ
ТРУБОПРОВОДОВ ИЗ УГЛЕРОДИСТОЙ СТАЛИ Типы и основные параметры |
ОСТ
|
Приказом Министерства монтажных и специальных строительных работ СССР от 18 февраля 1981 г. № 45 срок введения установлен
с 1 июля 1981 г.
1. Настояний стандарт распространяется на сварные и гнутые детали трубопроводов на Ру до 10 МПа (100 кгс/см2), предназначенные для соединения сварных и бесшовных труб из углеродистой стали.
2. Типы деталей должны соответствовать указанным в табл. 1 - 7.
2.1. Применение деталей, предусмотренных настоящим стандартом, допускается при отсутствии деталей по ГОСТ 17375-77 - ГОСТ 17380-77 в соответствии с указаниями проекта или по согласованию с проектной организацией.
3. Конструкция и размеры деталей должны соответствовать ОСТ 36-41-81 - ОСТ 36-49-81.
Таблица 1
Типы и условные проходы отводов и заглушек
мм
|
Отводы |
Заглушки |
|||
|
гнутые (ОСТ 36-42-81) |
сварные (ОСТ 36-43-81) |
плоские (ОСТ 36-47-81) |
ребристые (ОСТ 36-48-81) |
|
|
15 |
´ |
- |
- |
- |
|
20 |
´ |
- |
- |
- |
|
25 |
´ |
- |
- |
- |
|
32 |
´ |
- |
- |
- |
|
40 |
´ |
- |
´ |
- |
|
50 |
´ |
- |
´ |
- |
|
65 |
´ |
- |
´ |
- |
|
80 |
´ |
- |
´ |
- |
|
100 |
´ |
- |
´ |
- |
|
125 |
´ |
- |
´ |
- |
|
150 |
´ |
´ |
´ |
- |
|
200 |
´ |
´ |
´ |
- |
|
250 |
´ |
´ |
´ |
- |
|
300 |
´ |
´ |
- |
´ |
|
350 |
´ |
´ |
- |
´ |
|
400 |
´ |
´ |
- |
´ |
|
500 |
- |
- |
- |
´ |
Примечание. Детали, предусмотренные стандартом, отмечены знаком «´».
Таблица 2
Типы и условные проходы переходов
мм
Примечание. Типы переходов, рекомендованные к применению, обозначены: Ф - формованные; Л - лепестковые; В - вальцованные.
Таблица 3
Типы и условные проходы тройниковых соединений на Ру до 1,6 МПа
Размеры в мм
Таблица 4
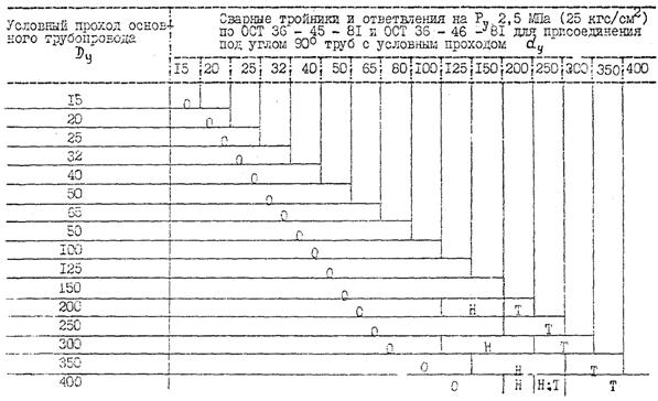
Типы и условные проходы тройниковых соединений на Ру 2,5 МПа
Размеры в мм
Таблица 5
Типы и условные проходы тройниковых соединений на Ру 4,0 МПа
Размеры в мм
Таблица 6
Типы и условные проходы тройниковых соединений на Ру 6,3 МПа
Размеры в мм
Таблица 7
Типы и условные проходы тройниковых соединений на ру 10 МПа
Размеры в мм
Примечание. В табл. 3 - 7 типы соединений, рекомендуемые к применению, обозначены: Т - сварной тройник; О - неусиленное ответвление (врезка); Н - ответвление (врезка), усиленное накладкой.
4. Материал деталей и температурные пределы их применения следует принимать такими же, как и для соединяемых труб.
4.1. Типоразмеры и пределы применения по условному давлению соединяемых труб указаны в табл. 8.
4.2. Пределы применения по условному давлению для деталей следует принимать:
гнутых отводов - как для труб, из которых они изготовлены;
секционных отводов - как для труб, из которых они изготовлены, но не свыше 6,3 МПа (63 кгс/см2);
плоских заглушек - по ОСТ 36-47-81;
ребристых заглушек - 4 МПа (40 кгс/см2);
вальцованных и формованных переходов на концах труб - как для прямых труб диаметром Dу;
лепестковых переходов - как для прямых труб диаметром Dу, но не свыше 1,6 МПа (16 кгс/см2);
неусиленных ответвлений и ответвлений, усиленных накладками, - по табл. 3 - 7 настоящего стандарта при толщине стенки по табл. 8, сварных тройников - по табл. 4 - 7 настоящего стандарта и ОСТ 36-46-81.
Примечания: 1. Расчеты на
прочность деталей и соединяемых труб выполнены по ОСТ 108.031.02-75. При расчетах принято: допускаемое напряжение 115 МПа (11,7 кгс/мм2) [сталь марок ВСт3сп, ВСт3пс при температуре 200
°С]; коэффициент прочности
сварного шва 0,85; прибавка на агрессивность среды (для среднеагрессивных веществ) - 2±0,5 мм при Dу до 100 мм;
мм при Dу свыше 100 мм.
2. Пределы применения труб и деталей, предназначенных для эксплуатации в условиях резко переменного температурного режима, переменных нагрузок, гидравлических ударов, воздействия значительных внешних нагрузок дополнительно к внутреннему давлению, специфических физико-химических свойств транспортируемых веществ (в том числе агрессивности, требующей прибавки более указанной в примечании 1) должна устанавливать проектная организация.
5. Технические требования - по ОСТ 36-49-81.
Типоразмеры и пределы применения по условному давлению соединяемых труб
Размеры в мм
|
Dу |
Dн |
Электросварные трубы |
Бесшовные трубы |
||||
|
Толщина стенки S |
Ру, МПа (кгс/см2), для веществ |
Толщина стенки S |
Ру, МПа (кгс/см2), для веществ |
||||
|
неагрессивных |
среднеагрессивных |
неагрессивных |
среднеагрессивных |
||||
|
10 |
14 |
1,6 |
2,5 (25) |
2,5 (28) |
1,6 |
10,0 (100) |
- |
|
3,0 |
- |
10,0 (100) |
|||||
|
15 |
18 |
2,0 |
1,6 |
10,0 (100) |
- |
||
|
2,0 |
- |
1,6 (16) |
|||||
|
3,0 |
- |
10,0 (100) |
|||||
|
20 |
25 |
2,0 |
1,6 |
10,0 (100) |
- |
||
|
2,0 |
- |
1,0 (10) |
|||||
|
2,5 |
- |
4,0 (40) |
|||||
|
3,0 |
- |
10,0 (100) |
|||||
|
25 |
32 |
2,0 |
2,0 |
10,0 (100) |
- |
||
|
2,5 |
- |
4,0 (40) |
|||||
|
3,0 |
- |
10,0 (100) |
|||||
|
32 |
38 |
2,0 |
2,0 |
10,0 (100) |
- |
||
|
2,5 |
- |
2,5 (25) |
|||||
|
3,0 |
- |
6,3 (63) |
|||||
|
4,0 |
- |
10,0 (100) |
|||||
|
40 |
45 |
2,0 |
2,5 |
10,0 (100) |
2,5 (25) |
||
|
3,0 |
- |
4,0 (40) |
|||||
|
4,0 |
- |
10,0 (100) |
|||||
|
50 |
57 |
2,5 |
2,5 |
4,0 (40) |
1,6 (16) |
||
|
3,0 |
6,3 (63) |
4,0 (40) |
|||||
|
4,0 |
10,0 (100) |
6,3 (63) |
|||||
|
5,0 |
- |
10,0 (100) |
|||||
|
65 |
76 |
3,0 |
4,0 (40) |
1,0 (10) |
|||
|
3,0 |
2,5 (25) |
1,0 (10) |
3,5 |
6,3 (63) |
1,6 (16) |
||
|
4,0 |
- |
4,0 (40) |
|||||
|
4,0 |
- |
2,5 (25) |
5,0 |
10,0 (100) |
6,3 (63) |
||
|
6,0 |
- |
10,0 (100) |
|||||
|
80 |
3,5 |
6,3 (63) |
1,0 (10) |
||||
|
3,0 |
2,5 (25) |
1,0 (10) |
4,0 |
- |
2,5 (25) |
||
|
89 |
5,0 |
10,0 (100) |
4,0 (40) |
||||
|
108 |
4,0 |
- |
2,5 (25) |
6,0 |
- |
6,3 (63) |
|
|
8,0 |
- |
10,0 (100) |
|||||
|
100 |
4,0 |
6,3 (63) |
2,5 (25) |
||||
|
108 |
4,0 |
2,5 (25) |
1,0 (10) |
5,0 |
- |
4,0 (40) |
|
|
(114) |
6,0 |
10,0 (100) |
6,3 (63) |
||||
|
5,0 |
- |
2,5 (25) |
8,0 |
- |
10,0 (100) |
||
|
125 |
133 |
4,0 |
4,0 (40) |
- |
|||
|
5,0 |
6,3 (63) |
1,6 (16) |
|||||
|
- |
- |
- |
6,0 |
- |
4,0 (40) |
||
|
8,0 |
10,0 (100) |
6,3 (63) |
|||||
|
10,0 |
- |
10,0 (100) |
|||||
|
150 |
159 |
4,5 |
4,0 (40) |
- |
|||
|
4,0 |
2,5 (25) |
1,0 (10) |
6,0 |
6,3 (63) |
2,5 (25) |
||
|
8,0 |
10,0 (100) |
4,0 (40) |
|||||
|
6,0 |
- |
2,5 (25) |
10,0 |
- |
6,3 (63) |
||
|
12,0 |
- |
10,0 (100) |
|||||
|
200 |
219 |
6,0 |
4,0 (40) |
2,5 (25) |
|||
|
6,0 |
2,5 (25) |
1,0 (10) |
8,0 |
6,3 (63) |
4,0 (40) |
||
|
10,0 |
10,0 (100) |
- |
|||||
|
8,0 |
- |
2,5 (25) |
12,0 |
- |
6,3 (63) |
||
|
16,0 |
- |
10,0 (100) |
|||||
|
250 |
273 |
7,0 |
4,0 (40) |
1,6 (16) |
|||
|
6,0 |
2,5 (25) |
1,0 (10) |
8,0 |
- |
2,5 (25) |
||
|
10,0 |
6,3 (63) |
4,0 (40) |
|||||
|
8,0 |
- |
2,5 (25) |
12,0 |
10,0 (100) |
6,3 (63) |
||
|
16,0 |
- |
10,0 (100) |
|||||
|
300 |
325 |
8,0 |
4,0 (40) |
2,5 (25) |
|||
|
6,0 |
2,5 (25) |
1,0 (10) |
10,0 |
6,3 (63) |
4,0 (40) |
||
|
12,0 |
- |
6,3 (63) |
|||||
|
8,0 |
- |
2,5 (25) |
16,0 |
10,0 (100) |
- |
||
|
20,0 |
- |
10,0 (100) |
|||||
|
350 |
377 |
- |
- |
- |
9,0 |
4,0 (40) |
2,5 (25) |
|
12,0 |
6,3 (63) |
4,0 (40) |
|||||
|
16,0 |
- |
6,3 (63) |
|||||
|
20,0 |
10,0 (100) |
10,0 (100) |
|||||
|
400 |
426 |
7,0 |
2,5 (25) |
1,0 (10) |
10,0 |
4,0 (40) |
2,5 (25) |
|
8,0 |
- |
1,6 (16) |
12,0 |
- |
4,0 (40) |
||
|
10,0 |
- |
2,5 (25) |
16,0 |
6,3 (63) |
6,3 (63) |
||
|
500 |
530 |
7,0 |
1,6 (16) |
1,0 (10) |
- |
- |
- |
|
8,0 |
2,5 (25) |
- |
- |
- |
- |
||
|
10,0 |
- |
1,6 (16) |
- |
- |
- |
||
|
12,0 |
- |
2,5 (25) |
- |
- |
- |
||
Примечания: 1. Таблица составлена применительно к трубам: электросварным по ГОСТ 10704-76 (технические требования по ГОСТ 10705-63); бесшовным горячедеформированным по ГОСТ 8732-78 (технические требования по ГОСТ 8731-74); бесшовным холодно- и теплодеформированным по ГОСТ 8734-75 (технические требования по ГОСТ 8733-74).
2. Для проектируемых трубопроводов не рекомендуется применение электросварных труб диаметром 114 мм.