Список изменяющих документов Приказом Росстандарта от 31.01.2024 N 170-ст) |
Краткое наименование страны по МК (ИСО 3166) 004-97 | Код страны по МК (ИСО 3166) 004-97 | Сокращенное наименование национального органа по стандартизации |
Азербайджан | AZ | Азстандарт |
Армения | AM | Минэкономики Республики Армения |
Беларусь | BY | Госстандарт Республики Беларусь |
Киргизия | KG | Кыргызстандарт |
Россия | RU | Росстандарт |
Украина | UA | Минэкономразвития Украины |
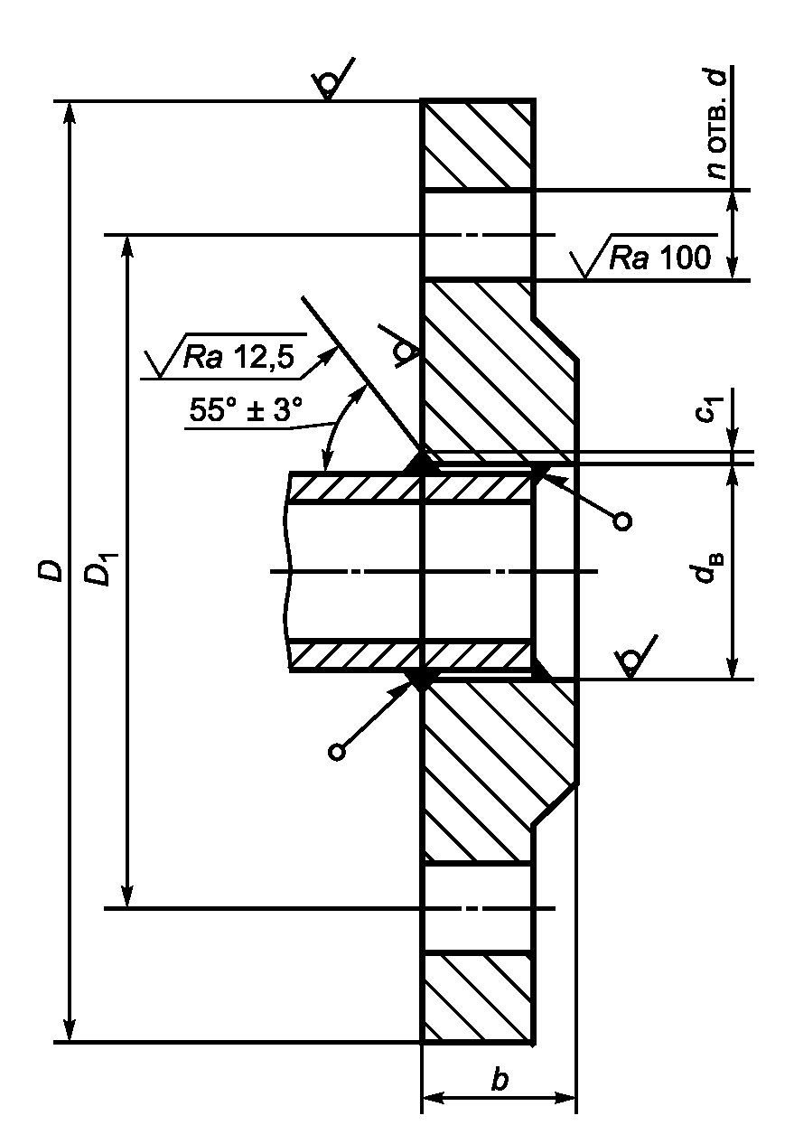
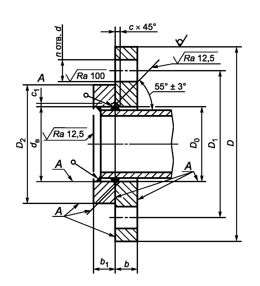
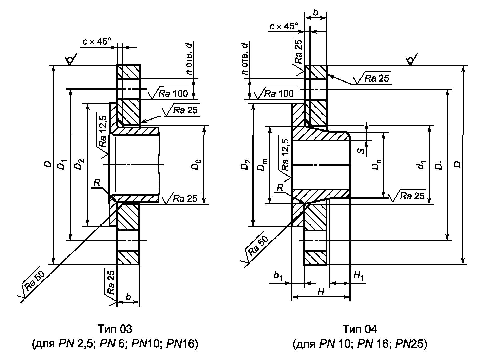
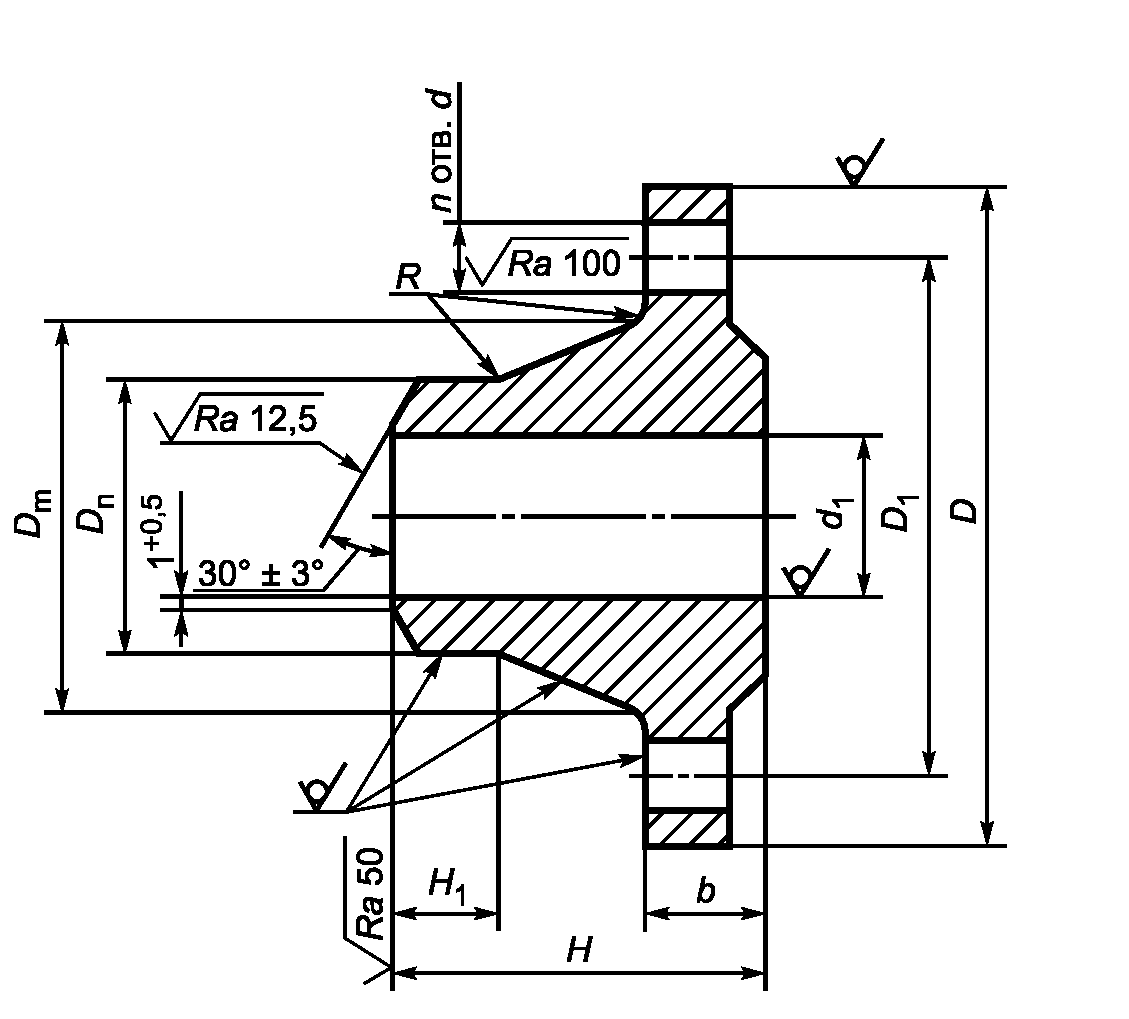
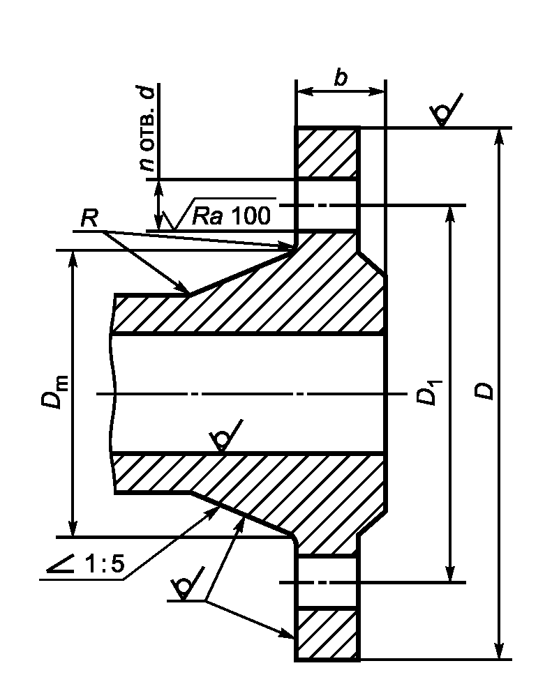
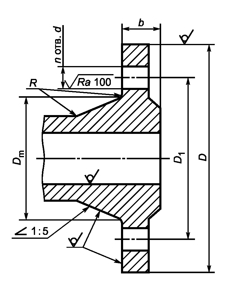
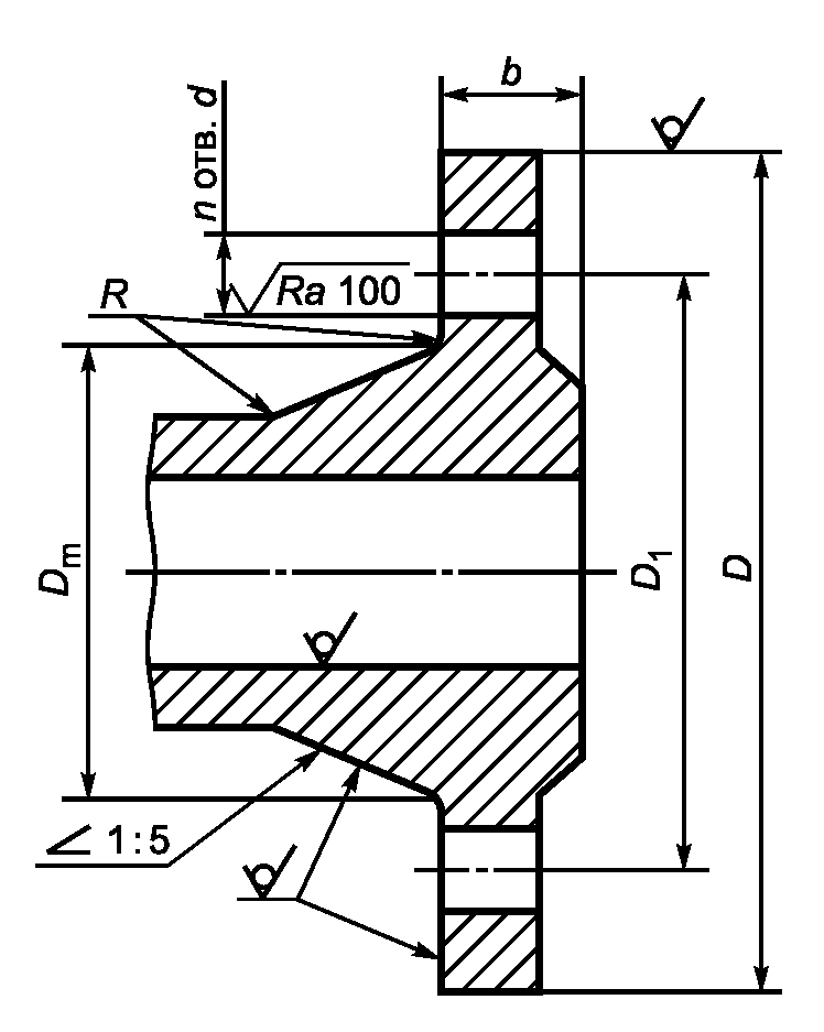
. Конструкция





DN | PN, кгс/см2 | D2 | D3 | D4 | D5 | D6 | D7 | D8 | D9 | D10 | D11 | b2 | h | h1 | h2 | h3 | h4 | h5 | ||||
Ряд1 | Ряд 2 | Ряд1 | Ряд 2 | Ряд1 | Ряд 2 | Ряд1 | Ряд 2 | |||||||||||||||
DN 10 | PN 1 | 35 | 19 | - | 29 | - | 18 | - | 30 | - | - | - | - | 18 | 30 | - | 2 | 4 | 3 | - | 4 | 3 |
PN 2,5 | ||||||||||||||||||||||
PN 6 | ||||||||||||||||||||||
PN 10 | 42 | 24 | 34 | 23 | 35 | 23 | 35 | |||||||||||||||
PN 16 | ||||||||||||||||||||||
PN 25 | ||||||||||||||||||||||
PN 40 | ||||||||||||||||||||||
PN 63 | 18 | 35 | 50 | 9 | 6,5 | |||||||||||||||||
PN 100 | ||||||||||||||||||||||
PN 160 | - | 24 | - | 34 | - | 23 | - | 35 | - | - | - | - | - | - | - | - | - | |||||
PN 200 | - | - | - | - | - | - | - | - | ||||||||||||||
PN 250 | 40 | - | 24 | - | 34 | - | 23 | - | 35 | 2 | 4,5 | 4 | ||||||||||
DN 15 | PN 1 | 40 | 23 | - | 33 | - | 22 | - | 34 | - | - | - | - | 22 | 34 | - | 2 | 4 | 3 | - | 4 | 3 |
PN 2,5 | ||||||||||||||||||||||
PN 6 | ||||||||||||||||||||||
PN 10 | 47 | 29 | 39 | 28 | 40 | 28 | 40 | |||||||||||||||
PN 16 | ||||||||||||||||||||||
PN 25 | ||||||||||||||||||||||
PN 40 | ||||||||||||||||||||||
PN 63 | 24 | 35 | 55 | 9 | 6,5 | |||||||||||||||||
PN 100 | ||||||||||||||||||||||
PN 160 | ||||||||||||||||||||||
PN 200 | 29 | - | 39 | - | 28 | - | 40 | - | 40 | |||||||||||||
PN 250 | 45 | - | 29 | - | 39 | - | 28 | - | 40 | - | - | - | - | - | - | 4,5 | 4 | - | - | - | ||
DN 20 | PN 1 | 50 | 33 | - | 43 | - | 32 | - | 44 | - | - | - | - | 32 | 44 | - | 2 | 4 | 3 | - | 4 | 3 |
PN 2,5 | ||||||||||||||||||||||
PN 6 | ||||||||||||||||||||||
PN 10 | 58 | 36 | 50 | 35 | 51 | 35 | 51 | |||||||||||||||
PN 16 | ||||||||||||||||||||||
PN 25 | ||||||||||||||||||||||
PN 40 | ||||||||||||||||||||||
PN 63 | 30 | 45 | 58 | 9 | 6,5 | |||||||||||||||||
PN 100 | ||||||||||||||||||||||
PN 160 | ||||||||||||||||||||||
PN 200 | 36 | - | 50 | - | 35 | - | 51 | - | ||||||||||||||
PN 250 | - | 36 | - | 50 | - | 35 | - | 51 | - | - | - | - | - | - | 4,5 | 4 | - | - | - | |||
DN 25 | PN 1 | 60 | 41 | - | 51 | - | 40 | - | 52 | - | - | - | - | 40 | 52 | - | 2 | 4 | 3 | - | 4 | 3 |
PN 2,5 | ||||||||||||||||||||||
PN 6 | ||||||||||||||||||||||
PN 10 | 68 | 43 | 57 | 42 | 58 | 42 | 58 | |||||||||||||||
PN 16 | ||||||||||||||||||||||
PN 25 | ||||||||||||||||||||||
PN 40 | ||||||||||||||||||||||
PN 63 | 35 | 50 | 68 | 9 | 6,5 | |||||||||||||||||
PN 100 | ||||||||||||||||||||||
PN 160 | ||||||||||||||||||||||
PN 200 | 43 | - | 57 | - | 42 | - | 58 | - | ||||||||||||||
PN 250 | - | 43 | - | 57 | - | 42 | - | 58 | - | - | - | - | - | - | 4,5 | 4 | - | - | - | |||
DN 32 | PN 1 | 70 | 49 | - | 59 | - | 48 | - | 60 | - | - | - | - | 48 | 60 | - | 2 | 4 | 3 | - | 4 | 3 |
PN 2,5 | ||||||||||||||||||||||
PN 6 | ||||||||||||||||||||||
PN 10 | 78 | 51 | 65 | 50 | 66 | 50 | 66 | |||||||||||||||
PN 16 | ||||||||||||||||||||||
PN 25 | ||||||||||||||||||||||
PN 40 | ||||||||||||||||||||||
PN 63 | 42 | 65 | 78 | 9 | 6,5 | |||||||||||||||||
PN 100 | ||||||||||||||||||||||
PN 160 | ||||||||||||||||||||||
PN 200 | 51 | - | 65 | - | 50 | - | 66 | - | ||||||||||||||
PN 250 | - | 51 | - | 65 | - | 50 | - | 66 | - | - | - | - | - | - | 4,5 | 4 | - | - | - | |||
DN 40 | PN 1 | 80 | 55 | - | 69 | - | 54 | - | 70 | - | - | - | - | 54 | 70 | - | 3 | 4 | 3 | - | 4 | 3 |
PN 2,5 | ||||||||||||||||||||||
PN 6 | ||||||||||||||||||||||
PN 10 | 88 | 61 | 75 | 60 | 76 | 60 | 76 | |||||||||||||||
PN 16 | ||||||||||||||||||||||
PN 25 | ||||||||||||||||||||||
PN 40 | ||||||||||||||||||||||
PN 63 | 52 | 75 | 88 | 9 | 6,5 | |||||||||||||||||
PN 100 | ||||||||||||||||||||||
PN 160 | ||||||||||||||||||||||
PN 200 | 61 | - | 75 | - | 60 | - | 76 | - | 91 | |||||||||||||
PN 250 | - | 61 | - | 75 | - | 60 | - | 76 | - | - | - | - | - | - | 4,5 | 4 | - | - | - | |||
DN 50 | PN 1 | 90 | 66 | - | 80 | - | 65 | - | 81 | - | - | - | - | 65 | 81 | - | 3 | 4 | 3 | - | 4 | 3 |
PN 2,5 | ||||||||||||||||||||||
PN 6 | ||||||||||||||||||||||
PN 10 | 102 | 73 | 87 | 72 | 88 | 72 | 88 | |||||||||||||||
PN 16 | ||||||||||||||||||||||
PN 25 | ||||||||||||||||||||||
PN 40 | ||||||||||||||||||||||
PN 63 | 63 | 85 | 102 | 12 | 8 | |||||||||||||||||
PN 100 | ||||||||||||||||||||||
PN 160 | 95 | 115 | ||||||||||||||||||||
PN 200 | 73 | - | 87 | - | 72 | - | 88 | - | 129 | |||||||||||||
PN 250 | - | 73 | - | 87 | - | 72 | - | 88 | - | - | - | - | - | - | 4,5 | 4 | - | - | - | |||
DN 65 | PN 1 | 110 | 86 | - | 100 | - | 85 | - | 101 | - | - | - | - | 85 | 101 | - | 3 | 4 | 3 | - | 4 | 3 |
PN 2,5 | ||||||||||||||||||||||
PN 6 | ||||||||||||||||||||||
PN 10 | 122 | 95 | 109 | 94 | 110 | 94 | 110 | |||||||||||||||
PN 16 | ||||||||||||||||||||||
PN 25 | ||||||||||||||||||||||
PN 40 | ||||||||||||||||||||||
PN 63 | 85 | 110 | 132 | 12 | 8 | |||||||||||||||||
PN 100 | 140 | |||||||||||||||||||||
PN 160 | ||||||||||||||||||||||
PN 200 | 95 | - | 109 | - | 94 | - | 110 | - | 130 | 167 | ||||||||||||
PN 250 | - | 95 | _ | 109 | - | 94 | - | 110 | - | - | - | - | - | - | 4,5 | 4 | - | - | - | |||
DN 80 | PN 1 | 128 | 101 | - | 115 | - | 100 | - | 116 | - | - | - | - | 100 | 116 | - | 3 | 4 | 3 | - | 4 | 3 |
PN 2,5 | ||||||||||||||||||||||
PN 6 | ||||||||||||||||||||||
PN 10 | 133 | 106 | 120 | 105 | 121 | 105 | 121 | |||||||||||||||
PN 16 | ||||||||||||||||||||||
PN 25 | ||||||||||||||||||||||
PN 40 | ||||||||||||||||||||||
PN 63 | 97 | 115 | 133 | 12 | 8 | |||||||||||||||||
PN 100 | 150 | |||||||||||||||||||||
PN 160 | 130 | |||||||||||||||||||||
PN 200 | 106 | - | 120 | - | 105 | - | 121 | - | 160 | 190 | ||||||||||||
PN 250 | 138 | - | 106 | - | 120 | - | 105 | - | 121 | - | - | - | - | - | - | 4,5 | 4 | - | - | - | ||
(в ред. Изменения N 1, введенного в действие Приказом Росстандарта от 31.01.2024 N 170-ст) | ||||||||||||||||||||||
DN 100 | PN 1 | 148 | 117 | - | 137 | - | 116 | - | 138 | - | - | - | - | 116 | 138 | - | 3 | 4 | 3 | - | 6 | 5 |
PN 2,5 | ||||||||||||||||||||||
PN 6 | ||||||||||||||||||||||
PN 10 | 158 | 129 | 149 | 128 | 150 | 128 | 150 | |||||||||||||||
PN 16 | ||||||||||||||||||||||
PN 25 | ||||||||||||||||||||||
PN 40 | ||||||||||||||||||||||
PN 63 | 124 | 145 | 170 | 12 | 8 | |||||||||||||||||
PN 100 | 175 | |||||||||||||||||||||
PN 160 | ||||||||||||||||||||||
PN 200 | 129 | - | 149 | - | 128 | - | 150 | - | 190 | 245 | 4,5 | 3,5 | ||||||||||
PN 250 | 162 | - | 129 | - | 149 | - | 128 | - | 150 | - | - | - | - | - | - | 5 | 4,5 | - | - | - | ||
DN 125 | PN 1 | 178 | 146 | - | 166 | - | 145 | - | 167 | - | - | - | - | 145 | 167 | - | 3 | 4 | 3 | - | 6 | 5 |
PN 2,5 | ||||||||||||||||||||||
PN 6 | ||||||||||||||||||||||
PN 10 | 184 | 155 | 175 | 154 | 176 | 154 | 176 | |||||||||||||||
PN 16 | ||||||||||||||||||||||
PN 25 | ||||||||||||||||||||||
PN 40 | ||||||||||||||||||||||
PN 63 | 153 | 175 | 205 | 12 | 8 | |||||||||||||||||
PN 100 | 210 | |||||||||||||||||||||
PN 160 | 190 | |||||||||||||||||||||
PN 200 | 155 | - | 175 | - | 154 | - | 176 | - | 205 | 271 | 14 | 4,5 | 3,5 | |||||||||
PN 250 | 188 | - | 155 | - | 175 | - | 154 | - | 176 | - | - | - | - | - | - | 5 | 4,5 | - | - | - | ||
DN 150 | PN 1 | 202 | 171 | - | 191 | - | 170 | - | 192 | - | - | - | - | 170 | 192 | - | 3 | 4 | 3 | - | 6 | 5 |
PN 2,5 | ||||||||||||||||||||||
PN 6 | ||||||||||||||||||||||
PN 10 | 212 | 183 | 203 | 182 | 204 | 182 | 204 | |||||||||||||||
PN 16 | ||||||||||||||||||||||
PN 25 | ||||||||||||||||||||||
PN 40 | ||||||||||||||||||||||
PN 63 | 181 | 205 | 240 | 12 | 8 | |||||||||||||||||
PN 100 | 250 | |||||||||||||||||||||
PN 160 | 14 | 10 | ||||||||||||||||||||
PN 200 | 183 | - | 203 | - | 182 | - | 204 | - | 240 | 306 | 17 | 4,5 | 3,5 | 11 | ||||||||
PN 250 | 218 | - | 183 | - | 203 | - | 182 | - | 204 | - | - | - | - | - | - | 5 | 4,5 | - | - | - | ||
DN 200 | PN 1 | 258 | 229 | - | 249 | - | 228 | - | 250 | - | - | - | - | 228 | 250 | - | 3 | 4,0 | 3,0 | - | 6 | 5 |
PN 2,5 | ||||||||||||||||||||||
PN 6 | ||||||||||||||||||||||
PN 10 | 268 | 239 | 259 | 238 | 260 | 238 | 260 | |||||||||||||||
PN 16 | ||||||||||||||||||||||
PN 25 | 278 | |||||||||||||||||||||
PN 40 | 285 | |||||||||||||||||||||
PN 63 | 243 | 265 | 285 | 12 | 8 | |||||||||||||||||
PN 100 | ||||||||||||||||||||||
PN 160 | 275 | 315 | 17 | 11 | ||||||||||||||||||
PN 200 | 239 | - | 259 | - | 238 | - | 260 | - | 305 | 380 | 4,5 | 3,5 | ||||||||||
PN 250 | - | 239 | - | 259 | - | 238 | - | 260 | - | - | - | - | - | - | 5 | 4,5 | - | - | - | |||
DN 250 | PN 1 | 312 | 283 | - | 303 | - | 282 | - | 304 | - | - | - | - | 282 | 304 | - | 3 | 4,0 | 3,0 | - | 6 | 5 |
PN 2,5 | ||||||||||||||||||||||
PN 6 | ||||||||||||||||||||||
PN 10 | 320 | 292 | 312 | 291 | 313 | 291 | 313 | |||||||||||||||
PN 16 | ||||||||||||||||||||||
PN 25 | 335 | |||||||||||||||||||||
PN 40 | 345 | |||||||||||||||||||||
PN 63 | 298 | 320 | 345 | 12 | 8 | |||||||||||||||||
PN 100 | ||||||||||||||||||||||
PN 160 | 330 | 380 | 17 | 11 | ||||||||||||||||||
PN 200 | 292 | - | 312 | - | 291 | - | 313 | - | - | - | - | - | 4,5 | 3,5 | - | |||||||
PN 250 | - | 292 | - | 312 | - | 291 | - | 313 | - | - | - | 5 | 4,5 | - | - | - | ||||||
DN 300 | PN 1 | 365 | 336 | - | 356 | - | 335 | - | 357 | - | - | - | - | 335 | 357 | - | 4 | 5,0 | 4,0 | - | 6 | 5 |
PN 2,5 | ||||||||||||||||||||||
PN 6 | ||||||||||||||||||||||
PN 10 | 370 | 343 | 363 | 342 | 364 | 342 | 364 | |||||||||||||||
PN 16 | ||||||||||||||||||||||
PN 25 | 390 | |||||||||||||||||||||
PN 40 | 410 | |||||||||||||||||||||
PN 63 | 345 | 375 | 410 | 12 | 8 | |||||||||||||||||
PN 100 | ||||||||||||||||||||||
PN 160 | 380 | 23 | 14 | |||||||||||||||||||
DN 350 | PN 1 | 415 | 386 | - | 406 | - | 385 | - | 407 | - | - | - | - | 385 | 407 | - | 4 | 5 | 4 | - | 6 | 5 |
PN 2,5 | ||||||||||||||||||||||
PN 6 | ||||||||||||||||||||||
PN 10 | 430 | 395 | 421 | 394 | 422 | 394 | 422 | |||||||||||||||
PN 16 | ||||||||||||||||||||||
PN 25 | 450 | |||||||||||||||||||||
PN 40 | 465 | |||||||||||||||||||||
PN 63 | 394 | 420 | 465 | 12 | 8 | |||||||||||||||||
PN 100 | 17 | 11 | ||||||||||||||||||||
PN 160 | - | - | - | - | - | - | - | 23 | - | - | 14 | - | - | |||||||||
DN 400 | PN 1 | 465 | 436 | - | 456 | - | 435 | - | 457 | - | - | - | - | 435 | 457 | - | 4 | 5 | 4 | - | 6 | 5 |
PN 2,5 | ||||||||||||||||||||||
PN 6 | ||||||||||||||||||||||
PN 10 | 482 | 447 | 473 | 446 | 474 | 446 | 474 | |||||||||||||||
PN 16 | ||||||||||||||||||||||
PN 25 | 505 | |||||||||||||||||||||
PN 40 | 535 | |||||||||||||||||||||
PN 63 | 445 | 480 | 535 | 12 | 8 | |||||||||||||||||
PN 100 | 17 | 11 | ||||||||||||||||||||
PN 160 | - | - | - | - | - | - | - | 23 | - | - | 14 | - | - | |||||||||
DN 450 | PN 1 | 520 | 489 | - | 509 | - | 488 | - | 510 | - | - | - | - | 488 | 510 | - | 4 | 5 | 4 | - | 6 | 5 |
PN 2,5 | ||||||||||||||||||||||
PN 6 | ||||||||||||||||||||||
PN 10 | 532 | 497 | 523 | 496 | 524 | 496 | 524 | |||||||||||||||
PN 16 | ||||||||||||||||||||||
PN 25 | 555 | |||||||||||||||||||||
PN 40 | 560 | |||||||||||||||||||||
PN 63 | - | - | - | - | - | - | - | - | - | - | - | - | - | - | ||||||||
PN 100 | ||||||||||||||||||||||
(в ред. Изменения N 1, введенного в действие Приказом Росстандарта от 31.01.2024 N 170-ст) | ||||||||||||||||||||||
DN 500 | PN 1 | 570 | 541 | - | 561 | - | 540 | - | 562 | - | - | - | - | 540 | 562 | - | 4 | 5 | 4 | - | 6 | 5 |
PN 2,5 | ||||||||||||||||||||||
PN 6 | ||||||||||||||||||||||
PN 10 | 585 | 549 | 575 | 548 | 576 | 548 | 576 | |||||||||||||||
PN 16 | ||||||||||||||||||||||
PN 25 | 615 | |||||||||||||||||||||
PN 40 | ||||||||||||||||||||||
PN 63 | ||||||||||||||||||||||
PN 100 | - | 549 | - | 575 | - | 548 | - | 576 | - | - | 5,5 | 5 | - | - | ||||||||
DN 600 | PN 1 | 670 | 635 | - | 661 | - | 634 | - | 662 | - | - | - | - | 634 | 662 | - | 5 | 6 | 5 | - | 6 | 5 |
PN 2,5 | ||||||||||||||||||||||
PN 6 | ||||||||||||||||||||||
PN 10 | 685 | 651 | 649 | 677 | 675 | 650 | 648 | 678 | 676 | 650 | 678 | |||||||||||
PN 16 | ||||||||||||||||||||||
PN 25 | 720 | |||||||||||||||||||||
PN 40 | 735 | |||||||||||||||||||||
PN 63 | ||||||||||||||||||||||
(в ред. Изменения N 1, введенного в действие Приказом Росстандарта от 31.01.2024 N 170-ст) | ||||||||||||||||||||||
DN 700 | PN 1 | 775 | 737 | - | 763 | - | 736 | - | 764 | - | - | - | - | 736 | 764 | - | 5 | 6 | 5 | - | 6 | 5 |
PN 2,5 | ||||||||||||||||||||||
PN 6 | ||||||||||||||||||||||
PN 10 | 800 | 751 | 777 | 750 | 778 | 750 | 778 | |||||||||||||||
PN 16 | ||||||||||||||||||||||
PN 25 | 820 | |||||||||||||||||||||
PN 40 | 840 | |||||||||||||||||||||
PN 63 | - | 751 | - | 777 | - | 750 | - | 778 | - | - | 5,5 | - | - | |||||||||
DN 800 | PN 1 | 880 | 841 | - | 867 | - | 840 | - | 868 | - | - | - | - | 840 | 868 | - | 5 | 6 | 5 | - | 6 | 5 |
PN 2,5 | ||||||||||||||||||||||
PN 6 | ||||||||||||||||||||||
PN 10 | 905 | 851 | 856 | 877 | 882 | 850 | 855 | 878 | 883 | 850 | 878 | |||||||||||
PN 16 | ||||||||||||||||||||||
PN 25 | 930 | |||||||||||||||||||||
PN 40 | 960 | |||||||||||||||||||||
PN 63 | - | - | - | - | - | - | 5,5 | - | - | - | ||||||||||||
(в ред. Изменения N 1, введенного в действие Приказом Росстандарта от 31.01.2024 N 170-ст) | ||||||||||||||||||||||
DN 900 | PN 1 | 980 | - | - | - | - | - | - | - | - | - | - | - | - | - | - | 5 | 5,5 | 5 | - | - | - |
PN 2,5 | ||||||||||||||||||||||
PN 6 | ||||||||||||||||||||||
PN 10 | 1005 | 961 | 987 | 960 | 988 | |||||||||||||||||
PN 16 | ||||||||||||||||||||||
PN 25 | 1030 | |||||||||||||||||||||
PN 40 | 1070 | |||||||||||||||||||||
PN 63 | ||||||||||||||||||||||
DN 1000 | PN 1 | 1080 | - | - | - | - | - | - | - | - | - | - | - | - | - | - | 5 | 6,5 | 6 | - | - | - |
PN 2,5 | ||||||||||||||||||||||
PN 6 | ||||||||||||||||||||||
PN 10 | 1110 | 1062 | 1092 | 1060 | 1094 | |||||||||||||||||
PN 16 | ||||||||||||||||||||||
PN 25 | 1140 | |||||||||||||||||||||
PN 40 | 1180 | |||||||||||||||||||||
PN 63 | ||||||||||||||||||||||
DN 1200 | PN 1 | 1280 | - | - | - | - | - | - | - | - | - | - | - | - | - | - | 5 | 6,5 | 6 | - | - | - |
PN 2,5 | ||||||||||||||||||||||
PN 6 | 1295 | |||||||||||||||||||||
PN 10 | 1330 | 1262 | 1292 | 1260 | 1294 | |||||||||||||||||
PN 16 | ||||||||||||||||||||||
PN 25 | 1350 | |||||||||||||||||||||
PN 40 | 1380 | |||||||||||||||||||||
PN 63 | ||||||||||||||||||||||
DN 1400 | PN 1 | 1480 | - | - | - | - | - | - | - | - | - | - | - | - | - | - | 5 | 6,5 | 6 | - | - | - |
PN 2,5 | ||||||||||||||||||||||
PN 6 | 1510 | |||||||||||||||||||||
PN 10 | 1530 | 1462 | 1492 | 1460 | 1494 | |||||||||||||||||
PN 16 | ||||||||||||||||||||||
PN 25 | 1560 | |||||||||||||||||||||
PN 40 | 1600 | |||||||||||||||||||||
DN 1600 | PN 1 | 1690 | - | - | - | - | - | - | - | - | - | - | - | - | - | - | 5 | 6,5 | 6 | - | - | - |
PN 2,5 | ||||||||||||||||||||||
PN 6 | 1710 | |||||||||||||||||||||
PN 10 | 1750 | 1662 | 1692 | 1660 | 1694 | |||||||||||||||||
PN 16 | ||||||||||||||||||||||
PN 25 | 1780 | |||||||||||||||||||||
PN 40 | 1815 | |||||||||||||||||||||
DN 1800 | PN 1 | 1890 | - | - | - | - | - | - | - | - | - | - | - | - | - | - | 5 | 6,5 | 6 | - | - | - |
PN 2,5 | ||||||||||||||||||||||
PN 6 | 1920 | |||||||||||||||||||||
PN 10 | 1950 | 1862 | 1892 | 1860 | 1894 | |||||||||||||||||
PN 16 | ||||||||||||||||||||||
PN 25 | 1985 | |||||||||||||||||||||
DN 2000 | PN 1 | 2090 | - | - | - | - | - | - | - | - | - | - | - | - | - | - | 5 | 6,5 | 6 | - | - | - |
PN 2,5 | ||||||||||||||||||||||
PN 6 | 2125 | |||||||||||||||||||||
PN 10 | 2150 | 2062 | 2092 | 2060 | 2094 | |||||||||||||||||
PN 16 | ||||||||||||||||||||||
PN 25 | 2210 | |||||||||||||||||||||
DN 2200 | PN 1 | 2295 | - | - | - | - | - | - | - | - | - | - | 6 | - | - | - | - | - | ||||
PN 2,5 | ||||||||||||||||||||||
PN 6 | 2335 | |||||||||||||||||||||
PN 10 | 2370 | |||||||||||||||||||||
DN 2400 | PN 1 | 2495 | - | - | - | - | - | - | - | - | - | - | 6 | - | - | - | - | - | ||||
PN 2,5 | ||||||||||||||||||||||
PN 6 | 2545 | |||||||||||||||||||||
PN 10 | 2570 | |||||||||||||||||||||
DN 2600 | PN 1 | 2695 | - | - | - | - | - | - | - | - | - | - | 6 | - | - | - | - | - | ||||
PN 2,5 | ||||||||||||||||||||||
PN 6 | 2750 | |||||||||||||||||||||
PN 10 | 2780 | |||||||||||||||||||||
DN 2800 | PN 1 | 2910 | - | - | - | - | - | - | - | - | - | - | 6 | - | - | - | - | - | ||||
PN 2,5 | ||||||||||||||||||||||
PN 6 | 2960 | |||||||||||||||||||||
PN 10 | 3000 | |||||||||||||||||||||
DN 3000 | PN 1 | 3110 | - | - | - | - | - | - | - | - | - | - | 6 | - | - | - | - | - | ||||
PN 2,5 | ||||||||||||||||||||||
PN 6 | 3160 | |||||||||||||||||||||
PN 10 | 3210 | |||||||||||||||||||||
DN 3200 | PN 2,5 | 3310 | - | - | - | - | - | - | - | - | - | - | 5 | - | - | - | - | - | ||||
PN 6 | 3370 | |||||||||||||||||||||
DN 3400 | PN 2,5 | 3510 | - | - | - | - | - | - | - | - | - | - | 5 | - | - | - | - | - | ||||
PN 6 | 3580 | |||||||||||||||||||||
DN 3600 | PN 2,5 | 3720 | - | - | - | - | - | - | - | - | - | - | 5 | - | - | - | - | - | ||||
PN 6 | 3790 | |||||||||||||||||||||
DN 3800 | PN 2,5 | 3920 | - | - | - | - | - | - | - | - | - | - | 5 | - | - | - | - | - | ||||
DN 4000 | PN 2,5 | 4120 | - | - | - | - | - | - | - | - | - | - | 5 | - | - | - | - | - | ||||
Примечания 1 Ряд 2 соответствует [2]. 2 Для ряда 2 фланцы с уплотнительными поверхностями исполнений C, D, E, F в соответствии с рисунком 3 не применяются на PN 2,5 и PN 6. | ||||||||||||||||||||||

DN | PN, кгс/см2 | dв | b | c1 | D | D1 | d | n | Номинальный диаметр болтов или шпилек | ||||||
Ряд 1 | Ряд 2 | Ряд 1 | Ряд 2 | Ряд 1 | Ряд 2 | Ряд 1 | Ряд 2 | Ряд 1 | Ряд 2 | Ряд 1 | Ряд 2 | ||||
DN 10 | PN 1 | 15 | - | 10 | - | 2 | 75 | - | 50 | 11 | - | 4 | - | М10 | - |
PN 2,5 | 18 | 12 | 75 | 11 | 4 | М10 | |||||||||
PN 6 | 12 | ||||||||||||||
PN 10 | 14 | 90 | 60 | 14 | М12 | ||||||||||
PN 16 | 14 | ||||||||||||||
PN 25 | 16 | ||||||||||||||
PN 40 | - | - | - | 90 | - | 14 | - | 4 | - | М12 | |||||
(в ред. Изменения N 1, введенного в действие Приказом Росстандарта от 31.01.2024 N 170-ст) | |||||||||||||||
DN 15 | PN 1 | 19 | - | 10 | - | 2 | 80 | - | 55 | 11 | - | 4 | М10 | - | |
PN 2,5 | 22 | 12 | 80 | 11 | М10 | ||||||||||
PN 6 | 12 | ||||||||||||||
PN 10 | 14 | 95 | 65 | 14 | М12 | ||||||||||
PN 16 | 14 | ||||||||||||||
PN 25 | 16 | ||||||||||||||
PN 40 | - | - | - | 95 | - | 14 | - | 4 | - | М12 | |||||
(в ред. Изменения N 1, введенного в действие Приказом Росстандарта от 31.01.2024 N 170-ст) | |||||||||||||||
DN 20 | PN 1 | 26 | - | 12 | - | 2 | 90 | - | 65 | 11 | - | 4 | М10 | - | |
PN 2,5 | 27,5 | 14 | 90 | 11 | М10 | ||||||||||
PN 6 | 14 | ||||||||||||||
PN 10 | 16 | 105 | 75 | 14 | М12 | ||||||||||
PN 16 | 16 | ||||||||||||||
PN 25 | 18 | ||||||||||||||
PN 40 | - | - | - | 105 | - | 14 | - | 4 | - | М12 | |||||
(в ред. Изменения N 1, введенного в действие Приказом Росстандарта от 31.01.2024 N 170-ст) | |||||||||||||||
DN 25 | PN 1 | 33 | - | 12 | - | 3 | 100 | - | 75 | 11 | - | 4 | - | М10 | - |
PN 2,5 | 34,5 | 14 | 100 | 11 | 4 | М10 | |||||||||
PN 6 | 14 | ||||||||||||||
PN 10 | 16 | 115 | 85 | 14 | М12 | ||||||||||
PN 16 | 18 | ||||||||||||||
PN 25 | |||||||||||||||
PN 40 | - | - | - | 115 | - | 14 | - | 4 | - | М12 | |||||
(в ред. Изменения N 1, введенного в действие Приказом Росстандарта от 31.01.2024 N 170-ст) | |||||||||||||||
DN 32 | PN 1 | 39 | - | 12 | - | 3 | 120 | - | 90 | 14 | - | 4 | - | М12 | - |
PN 2,5 | 43,5 | 16 | 120 | 14 | 4 | М12 | |||||||||
PN 6 | 15 | ||||||||||||||
PN 10 | 16 | 18 | 135 | 140 | 100 | 18 | М16 | ||||||||
PN 16 | 18 | ||||||||||||||
PN 25 | 20 | ||||||||||||||
PN 40 | - | - | - | - | 18 | - | 4 | - | М16 | ||||||
(в ред. Изменения N 1, введенного в действие Приказом Росстандарта от 31.01.2024 N 170-ст) | |||||||||||||||
DN 40 | PN 1 | 46 | - | 13 | - | 3 | 130 | - | 100 | 14 | - | 4 | - | М12 | - |
PN 2,5 | 49,5 | 16 | 130 | 14 | 4 | М12 | |||||||||
PN 6 | 16 | ||||||||||||||
PN 10 | 18 | 18 | 145 | 150 | 110 | 18 | М16 | ||||||||
PN 16 | 20 | ||||||||||||||
PN 25 | 22 | ||||||||||||||
PN 40 | - | - | - | - | 18 | - | 4 | - | М16 | ||||||
(в ред. Изменения N 1, введенного в действие Приказом Росстандарта от 31.01.2024 N 170-ст) | |||||||||||||||
DN 50 | PN 1 | 59 | - | 13 | - | 3 | 140 | - | 110 | 14 | - | 4 | - | М12 | - |
PN 2,5 | 61,5 | 16 | 140 | 14 | 4 | М12 | |||||||||
PN 6 | 16 | ||||||||||||||
PN 10 | 18 | 20 | 160 | 165 | 125 | 18 | М16 | ||||||||
PN 16 | 22 | ||||||||||||||
PN 25 | 24 | ||||||||||||||
PN 40 | - | - | - | - | 18 | - | 4 | - | М16 | ||||||
(в ред. Изменения N 1, введенного в действие Приказом Росстандарта от 31.01.2024 N 170-ст) | |||||||||||||||
DN 65 | PN 1 | 78 | - | 14 | - | 4 | 160 | - | 130 | 14 | - | 4 | - | М12 | - |
PN 2,5 | 77,5 | 16 | 160 | 14 | 4 | М12 | |||||||||
PN 6 | 16 | ||||||||||||||
PN 10 | 20 | 20 | 180 | 185 | 145 | 18 | 4 | 8 | М16 | ||||||
PN 16 | 24 | 8 <**> | |||||||||||||
PN 25 | 22 | 8 | |||||||||||||
DN 80 | PN 1 | 91 | - | 14 | - | 4 | 185 | - | 150 | 18 | - | 4 | - | М16 | - |
PN 2,5 | 90,5 | 18 | 190 | 18 | 4 | М16 | |||||||||
PN 6 | 18 | ||||||||||||||
PN 10 | 20 | 20 | 195 | 200 | 160 | 4 | 8 | ||||||||
PN 16 | 24 | ||||||||||||||
PN 25 | 26 | 24 | 8 | ||||||||||||
DN 100 | PN 1 | 110 116 <***> | - | 14 | - | 4 | 205 | - | 170 | 18 | - | 4 | - | М16 | - |
PN 2,5 | 110 116 <***> | 116 | 18 | 210 | 18 | 4 | М16 | ||||||||
PN 6 | 110 116 <***> | 18 | |||||||||||||
PN 10 | 110 116 | 22 | 22 | 215 | 220 | 180 | 8 | ||||||||
PN 16 | 110 116 | 26 | |||||||||||||
PN 25 | 110 116 | 28 | 26 | 230 | 235 | 190 | 22 | М20 | |||||||
DN 125 | PN 1 | 135 142 | - | 16 | - | 4 | 235 | - | 200 | 18 | - | 8 | - | М16 | - |
PN 2,5 | 135 142 | 141,5 | 20 | 240 | 18 | 8 | М16 | ||||||||
PN 6 | 135 142 | 20 | |||||||||||||
PN 10 | 135 142 | 24 | 22 | 245 | 250 | 210 | |||||||||
PN 16 | 135 142 | 28 | |||||||||||||
PN 25 | 135 142 | 30 | 270 | 220 | 26 | М24 | |||||||||
DN 150 | PN 1 | 154 161 170 <***> | - | 16 | - | 4 | 260 | - | 225 | 18 | - | 8 | - | М16 | - |
PN 2,5 | 154 161 170 <***> | 170,5 | 16 | 20 | 265 | 18 | 8 | М16 | |||||||
PN 6 | 154 161 170 <***> | 20 | |||||||||||||
PN 10 | 154 161 170 | 24 | 24 | 280 | 285 | 240 | 22 | М20 | |||||||
PN 16 | 154 161 170 | 28 | |||||||||||||
PN 25 | 154 161 170 | 30 | 300 | 250 | 26 | М24 | |||||||||
DN 200 | PN 1 | 222 | - | 18 | - | 4 | 315 | - | 280 | 18 | - | 8 | - | М16 | - |
PN 2,5 | 221,5 | 22 | 320 | 18 | 8 | М16 | |||||||||
PN 6 | 22 | ||||||||||||||
PN 10 | 24 | 335 | 340 | 295 | 22 | М20 | |||||||||
PN 16 | 30 | 26 | 12 | ||||||||||||
PN 25 | 32 | 360 | 310 | 26 | М24 | ||||||||||
DN 250 | PN 1 | 273 | - | 21 | - | 6 | 370 | - | 335 | 18 | - | 12 | - | М16 | - |
PN 2,5 | 276,5 | 24 | 375 | 18 | 12 | М16 | |||||||||
PN 6 | 23 | ||||||||||||||
PN 10 | 26 | 390 | 350 | 22 | М20 | ||||||||||
PN 16 | 31 | 29 | 405 | 355 | 26 | М24 | |||||||||
PN 25 | 34 | 35 | 425 | 370 | 30 | М27 | |||||||||
DN 300 | PN 1 | 325 | - | 22 | - | 6 | 435 | - | 395 | 22 | - | 12 | - | М20 | - |
PN 2,5 | 327,5 | 24 | 440 | 22 | 12 | М20 | |||||||||
PN 6 | 24 | ||||||||||||||
PN 10 | 28 | 26 | 440 | 445 | 400 | ||||||||||
PN 16 | 32 | 32 | 460 | 410 | 26 | М24 | |||||||||
PN 25 | 36 | 38 | 485 | 430 | 30 | 16 | М27 | ||||||||
DN 350 | PN 1 | 377 | - | 22 | - | 7 | 485 | - | 445 | 22 | - | 12 | - | М20 | - |
PN 2,5 | 359,5 | 26 | 490 | 22 | 12 | М20 | |||||||||
PN 6 | 26 | ||||||||||||||
PN 10 | 28 | 30 | 500 | 505 | 460 | 16 | |||||||||
PN 16 | 34 | 35 | 520 | 470 | 26 | М24 | |||||||||
PN 25 | 42 | 550 | 555 | 490 | 33 | М30 | |||||||||
DN 400 | PN 1 | 426 | - | 22 | - | 7 | 535 | - | 495 | 22 | - | 16 | - | М20 | - |
PN 2,5 | 411 | 28 | 540 | 22 | 16 | М20 | |||||||||
PN 6 | 28 | ||||||||||||||
PN 10 | 30 | 32 | 565 | 515 | 26 | М24 | |||||||||
PN 16 | 38 | 580 | 525 | 30 | М27 | ||||||||||
PN 25 | 44 | 48 | 610 | 620 | 550 | 33 | 36 | М30 | М33 | ||||||
DN 450 | PN 1 | 480 | - | 24 | - | 7 | 590 | - | 550 | 22 | - | 16 | - | М20 | - |
PN 2,5 | 462 | 30 | 595 | 22 | 16 | М20 | |||||||||
PN 6 | 28 | ||||||||||||||
PN 10 | 30 | 36 | 615 | 565 | 26 | 20 | М24 | ||||||||
PN 16 | 42 | 640 | 585 | 30 | М27 | ||||||||||
PN 25 | 48 | 54 | 660 | 670 | 600 | 33 | 36 | М30 | М33 | ||||||
DN 500 | PN 1 | 530 | - | 24 | - | 7 | 640 | - | 600 | 22 | - | 16 | - | М20 | - |
PN 2,5 | 513,5 | 30 | 645 | 22 | 20 | М20 | |||||||||
PN 6 | 29 | ||||||||||||||
PN 10 | 32 | 38 | 670 | 620 | 26 | 20 | М24 | ||||||||
PN 16 | 48 | 46 | 710 | 715 | 650 | 33 | М30 | ||||||||
PN 25 | 52 | 58 | 730 | 660 | 39 | 36 | М36 | М33 | |||||||
DN 600 | PN 1 | 630 | - | 25 | - | 7 | 755 | - | 705 | 26 | - | 20 | - | М24 | - |
PN 2,5 | 616,5 | 32 | 755 | 26 | 20 | М24 | |||||||||
PN 6 | 30 | ||||||||||||||
PN 10 | 36 | 42 | 780 | 725 | 30 | М27 | |||||||||
PN 16 | 50 | 55 | 840 | 770 | 39 | 36 | М36 | М33 | |||||||
PN 25 | 54 | 68 | 840 | 845 | 39 | М36 | |||||||||
DN 700 | PN 1 | 720 | - | 26 | - | 9 | 860 | - | 810 | 26 | - | 24 | - | М24 | - |
PN 2,5 | 40 | 860 | 26 | 24 | М24 | ||||||||||
PN 6 | 32 | 40 | |||||||||||||
PN 10 | 39 | 50 | 895 | 840 | 30 | М27 | |||||||||
PN 16 | 52 | 63 | 910 | 39 | 36 | М36 | М33 | ||||||||
PN 25 | 60 | 85 | 960 | 875 | 45 | 42 | М42 | М39 | |||||||
DN 800 | PN 1 | 820 | - | 26 | - | 9 | 975 | - | 920 | 30 | - | 24 | - | М27 | - |
PN 2,5 | 44 | 975 | 30 | 24 | М27 | ||||||||||
PN 6 | 32 | 44 | |||||||||||||
PN 10 | 42 | 56 | 1010 | 1015 | 950 | 33 | М30 | ||||||||
PN 16 | 54 | 74 | 1020 | 1025 | 39 | М36 | |||||||||
PN 25 | 68 | 95 | 1075 | 1085 | 990 | 45 | 48 | М42 | М45 | ||||||
DN 900 | PN 1 | 920 | - | 28 | - | 9 | 1075 | - | 1020 | 30 | - | 24 | - | М27 | - |
PN 2,5 | 48 | 1075 | 30 | 24 | М27 | ||||||||||
PN 6 | 34 | 48 | |||||||||||||
PN 10 | 45 | 62 | 1110 | 1115 | 1050 | 33 | 28 | М30 | |||||||
PN 16 | 59 | 82 | 1120 | 1125 | 39 | М36 | |||||||||
DN 1000 | PN 1 | 1020 | - | 30 | - | 10 | 1175 | - | 1120 | 30 | - | 28 | - | М27 | - |
PN 2,5 | 52 | 1175 | 30 | 28 | М27 | ||||||||||
PN 6 | 36 | 52 | |||||||||||||
PN 10 | 48 | 70 | 1220 | 1230 | 1160 | 33 | 36 | М30 | М33 | ||||||
PN 16 | 63 | 90 | 1255 | 1170 | 45 | 42 | М42 | М39 | |||||||
DN 1200 | PN 1 | 1220 | - | 30 | - | 10 | 1375 | - | 1320 | 30 | - | 32 | - | М27 | - |
PN 2,5 | 60 | 1375 | 30 | 32 | М27 | ||||||||||
PN 6 | 39 | 60 | 1400 | 1405 | 1340 | 33 | М30 | ||||||||
PN 10 | 56 | 83 | 1455 | 1380 | 39 | М36 | |||||||||
PN 16 | - | 76 | 1485 | 1390 | 52 | 48 | М48 | М45 | |||||||
DN 1400 | PN 1 | 1420 | - | 32 | - | 10 | 1575 | - | 1520 | 30 | - | 36 | - | М27 | - |
PN 2,5 | |||||||||||||||
PN 6 | 48 | 72 | 1620 | 1630 | 1560 | 33 | 36 | 36 | М30 | М33 | |||||
PN 10 | - | 65 | 1675 | 1590 | 45 | 42 | М42 | М39 | |||||||
DN 1600 | PN 1 | 1620 | - | 32 | - | 10 | 1785 | - | 1730 | 30 | - | 40 | - | М27 | - |
PN 2,5 | |||||||||||||||
PN 6 | 53 | 80 | 1820 | 1830 | 1760 | 33 | 36 | 40 | М30 | М33 | |||||
PN 10 | - | 75 | 1915 | 1820 | 52 | 48 | М48 | М45 | |||||||
DN 1800 | PN 1 | 1820 | - | 35 | - | 10 | 1985 | - | 1930 | 30 | - | 44 | - | М27 | - |
PN 2,5 | |||||||||||||||
PN 6 | - | - | 88 | 2045 | 1970 | 39 | 44 | М36 | |||||||
DN 2000 | PN 1 | 2020 | - | 35 | - | 10 | 2190 | - | 2130 | 30 | - | 48 | - | М27 | - |
PN 2,5 | |||||||||||||||
PN 6 | - | - | 96 | 2265 | 2180 | 45 | 42 | 48 | М42 | М39 | |||||
DN 2200 | PN 1 | 2220 | - | 42 | - | 10 | 2405 | - | 2340 | 33 | - | 52 | - | М30 | - |
PN 2,5 | |||||||||||||||
DN 2400 | PN 1 | 2420 | - | 47 | - | 10 | 2605 | - | 2540 | 33 | - | 56 | - | М30 | - |
PN 2,5 | |||||||||||||||
<**> Фланцы с четырьмя отверстиями могут поставляться только по договоренности между изготовителем фланцев и заказчиком. Примечания 1 Ряд 2 соответствует [2]. 2 Размер c1 может уточняться в зависимости от технологии сварки и размера трубы. 3 Фланцы должны изготавливаться с уплотнительными поверхностями исполнений: - A - для фланцев на PN 1, PN 2,5 и PN 6; - B, C, D, E, F, L и M - для всех PN. | |||||||||||||||

DN | PN, кгс/см2 | D0 | D2 | dв | b | b1 | c | c1 | D | D1 | d | n | Номинальный диаметр болтов или шпилек | |||||||||
Ряд 1 | Ряд 2 | Ряд 1 | Ряд 2 | Ряд 1 | Ряд 2 | Ряд 1 | Ряд 2 | Ряд 1 | Ряд 2 | Ряд 1 | Ряд 2 | Ряд 1 | Ряд 2 | Ряд 1 | Ряд 2 | Ряд 1 | Ряд 2 | |||||
DN 10 | PN 1 | 16 | - | 35 | 15 | - | 10 | - | 8 | - | 4 | - | 2 | 75 | - | 50 | 11 | - | 4 | - | М10 | - |
PN 2,5 | 21 | 18 | 12 | 10 | 3 | 75 | 11 | 4 | М10 | |||||||||||||
PN 6 | ||||||||||||||||||||||
PN 10 | 42 | 12 | 14 | 10 | 12 | 90 | 60 | 14 | М12 | |||||||||||||
PN 16 | 14 | 12 | ||||||||||||||||||||
PN 25 | 16 | 14 | ||||||||||||||||||||
DN 15 | PN 1 | 20 | - | 40 | 19 | - | 10 | - | 8 | - | 4 | - | 2 | 80 | - | 55 | 11 | - | 4 | - | М10 | - |
PN 2,5 | 25 | 22 | 12 | 10 | 3 | 80 | 11 | 4 | М10 | |||||||||||||
PN 6 | ||||||||||||||||||||||
PN 10 | 47 | 12 | 14 | 10 | 12 | 95 | 65 | 14 | М12 | |||||||||||||
PN 16 | 14 | 12 | ||||||||||||||||||||
PN 25 | 16 | 14 | ||||||||||||||||||||
DN 20 | PN 1 | 27 | - | 50 | 26 | - | 10 | - | 10 | - | 4 | - | 2 | 90 | - | 65 | 11 | - | 4 | - | М10 | - |
PN 2,5 | 31 | 27,5 | 14 | 10 | 4 | 90 | 11 | 4 | М10 | |||||||||||||
PN 6 | ||||||||||||||||||||||
PN 10 | 58 | 14 | 16 | 12 | 14 | 105 | 75 | 14 | М12 | |||||||||||||
PN 16 | 16 | 14 | ||||||||||||||||||||
PN 25 | 18 | 16 | ||||||||||||||||||||
DN 25 | PN 1 | 34 | - | 60 | 33 | - | 12 | - | 10 | - | 5 | - | 3 | 100 | - | 75 | 11 | - | 4 | - | М10 | - |
PN 2,5 | 38 | 34,5 | 14 | 10 | 4 | 100 | 11 | 4 | М10 | |||||||||||||
PN 6 | ||||||||||||||||||||||
PN 10 | 68 | 14 | 16 | 12 | 14 | 115 | 85 | 14 | М12 | |||||||||||||
PN 16 | 16 | 14 | ||||||||||||||||||||
PN 25 | 18 | 16 | ||||||||||||||||||||
DN 32 | PN 1 | 41 | - | 70 | 39 | - | 12 | - | 10 | - | 5 | - | 3 | 120 | - | 90 | 14 | - | 4 | - | М12 | - |
PN 2,5 | 46 | 43,5 | 16 | 10 | 5 | 120 | 14 | 4 | М12 | |||||||||||||
PN 6 | ||||||||||||||||||||||
PN 10 | 47 | 78 | 16 | 12 | 14 | 135 | 140 | 100 | 18 | М16 | ||||||||||||
PN 16 | 18 | 18 | 16 | |||||||||||||||||||
PN 25 | 20 | |||||||||||||||||||||
DN 40 | PN 1 | 48 | - | 80 | 46 | - | 12 | - | 10 | - | 5 | - | 3 | 130 | - | 100 | 14 | - | 4 | - | М12 | - |
PN 2,5 | 53 | 49,5 | 16 | 10 | 5 | 130 | 14 | 4 | М12 | |||||||||||||
PN 6 | ||||||||||||||||||||||
PN 10 | 88 | 18 | 18 | 12 | 14 | 145 | 150 | 110 | 18 | М16 | ||||||||||||
PN 16 | 20 | 16 | ||||||||||||||||||||
PN 25 | 22 | 18 | ||||||||||||||||||||
DN 50 | PN 1 | 61 | - | 90 | 59 | - | 12 | - | 12 | - | 5 | - | 3 | 140 | - | 110 | 14 | - | 4 | - | М12 | - |
PN 2,5 | 65 | 61,5 | 16 | 12 | 5 | 140 | 14 | 4 | М12 | |||||||||||||
PN 6 | ||||||||||||||||||||||
PN 10 | 102 | 18 | 20 | 14 | 16 | 160 | 165 | 125 | 18 | М16 | ||||||||||||
PN 16 | 20 | 16 | ||||||||||||||||||||
PN 25 | 22 | 18 | ||||||||||||||||||||
DN 65 | PN 1 | 80 | - | 110 | 78 | - | 14 | - | 14 | - | 6 | - | 4 | 160 | - | 130 | 14 | - | 4 | - | М12 | - |
PN 2,5 | 81 | 77,5 | 16 | 12 | 6 | 160 | 14 | 4 | М12 | |||||||||||||
PN 6 | ||||||||||||||||||||||
PN 10 | 122 | 20 | 20 | 16 | 16 | 180 | 185 | 145 | 18 | 4 | 8 | М16 | ||||||||||
PN 16 | 22 | 18 | 8 <*> | |||||||||||||||||||
PN 25 | 24 | 22 | 20 | 8 | ||||||||||||||||||
DN 80 | PN 1 | 93 | - | 128 | 91 | - | 14 | - | 14 | - | 6 | - | 4 | 185 | - | 150 | 18 | - | 4 | - | М16 | - |
PN 2,5 | 94 | 90,5 | 18 | 12 | 6 | 190 | 18 | 4 | М16 | |||||||||||||
PN 6 | ||||||||||||||||||||||
PN 10 | 133 | 22 | 20 | 16 | 16 | 195 | 200 | 160 | 4 | 8 | ||||||||||||
PN 16 | 24 | 18 | ||||||||||||||||||||
PN 25 | 26 | 24 | 20 | 18 | ||||||||||||||||||
DN 100 | PN 1 | 112 118 | - | 148 | 110 116 <**> | - | 14 | - | 14 | - | 6 | - | 4 | 205 | - | 170 | 18 | - | 4 | - | М16 | - |
PN 2,5 | 120 | 116 | 18 | 14 | 6 | 210 | 18 | 4 | М16 | |||||||||||||
PN 6 | 112 118 | 110 116 <**> | ||||||||||||||||||||
PN 10 | 112 118 | 158 | 110 116 | 24 | 22 | 16 | 18 | 215 | 220 | 180 | 8 | |||||||||||
PN 16 | 112 118 | 110 116 | 26 | 20 | ||||||||||||||||||
PN 25 | 112 118 | 110 116 | 28 | 26 | 22 | 20 | 230 | 235 | 190 | 22 | М20 | |||||||||||
DN 125 | PN 1 | 138 145 | - | 178 | 135 142 | - | 14 | - | 14 | - | 6 | - | 4 | 235 | - | 200 | 18 | - | 8 | - | М16 | - |
PN 2,5 | 145 | 141,5 | 20 | 14 | 6 | 240 | 18 | 8 | М16 | |||||||||||||
PN 6 | 138 145 | 135 142 | ||||||||||||||||||||
PN 10 | 138 145 | 184 | 135 142 | 26 | 22 | 18 | 18 | 245 | 250 | 210 | ||||||||||||
PN 16 | 138 145 | 135 142 | 28 | 20 | ||||||||||||||||||
PN 25 | 138 145 | 135 142 | 30 | 28 | 24 | 22 | 270 | 220 | 26 | М24 | ||||||||||||
DN 150 | PN 1 | 157 164 173 | - | 202 | 154 161 170 <**> | - | 16 | - | 16 | - | 6 | - | 4 | 260 | - | 225 | 18 | - | 8 | - | М16 | - |
PN 2,5 | 174 | 170,5 | 20 | 14 | 6 | 265 | 18 | 8 | М16 | |||||||||||||
PN 6 | 157 164 173 | 154 161 170 <**> | 16 | |||||||||||||||||||
PN 10 | 157 164 173 | 212 | 154 161 170 | 26 | 24 | 18 | 20 | 280 | 285 | 240 | 22 | М20 | ||||||||||
PN 16 | 157 164 173 | 154 161 170 | 28 | 22 | 20 | |||||||||||||||||
PN 25 | 157 164 173 | 154 161 170 | 30 | 24 | 300 | 250 | 26 | М24 | ||||||||||||||
DN 200 | PN 1 | 225 | - | 258 | 222 | - | 18 | - | 18 | - | 8 | - | 4 | 315 | - | 280 | 18 | - | 8 | М16 | - | |
PN 2,5 | 226 | 221,5 | 22 | 16 | 6 | 320 | 18 | М16 | ||||||||||||||
PN 6 | ||||||||||||||||||||||
PN 10 | 268 | 26 | 24 | 20 | 20 | 335 | 340 | 295 | 22 | М20 | ||||||||||||
PN 16 | 28 | 26 | 22 | 12 | ||||||||||||||||||
PN 25 | 278 | 30 | 32 | 24 | 26 | 360 | 310 | 26 | М24 | |||||||||||||
DN 250 | PN 1 | 279 | - | 312 | 273 | - | 20 | - | 18 | - | 11 | - | 6 | 370 | - | 335 | 18 | - | 12 | - | М16 | - |
PN 2,5 | 281 | 276,5 | 24 | 18 | 8 | 375 | 18 | 12 | М16 | |||||||||||||
PN 6 | ||||||||||||||||||||||
PN 10 | 320 | 28 | 26 | 22 | 22 | 390 | 395 | 350 | 22 | М20 | ||||||||||||
PN 16 | 30 | 28 | 24 | 405 | 355 | 26 | М24 | |||||||||||||||
PN 25 | 335 | 32 | 35 | 26 | 425 | 370 | 30 | М27 | ||||||||||||||
DN 300 | PN 1 | 331 | - | 365 | 325 | - | 24 | - | 20 | - | 11 | - | 6 | 435 | - | 395 | 22 | - | 12 | - | М20 | - |
PN 2,5 | 333 | 327,5 | 24 | 18 | 8 | 440 | 22 | 12 | М20 | |||||||||||||
PN 6 | ||||||||||||||||||||||
PN 10 | 370 | 30 | 28 | 22 | 440 | 445 | 400 | |||||||||||||||
PN 16 | 32 | 24 | 460 | 410 | 26 | М24 | ||||||||||||||||
PN 25 | 390 | 34 | 38 | 26 | 28 | 485 | 430 | 30 | 16 | М27 | ||||||||||||
DN 350 | PN 1 | 383 | - | 415 | 377 | - | 28 | - | 20 | - | 12 | - | 7 | 485 | - | 445 | 22 | - | 12 | - | М20 | - |
PN 2,5 | 365 | 359,5 | 26 | 18 | 8 | 490 | 22 | 12 | М20 | |||||||||||||
PN 6 | ||||||||||||||||||||||
PN 10 | 430 | 32 | 30 | 24 | 22 | 500 | 505 | 460 | 16 | |||||||||||||
PN 16 | 34 | 35 | 26 | 520 | 470 | 26 | М24 | |||||||||||||||
PN 25 | 450 | 38 | 42 | 28 | 32 | 550 | 555 | 490 | 33 | М30 | ||||||||||||
DN 400 | PN 1 | 433 | - | 465 | 426 | - | 32 | - | 24 | - | 12 | - | 7 | 535 | - | 495 | 22 | - | 16 | - | М20 | - |
PN 2,5 | 410 | 411 | 28 | 20 | 8 | 540 | 22 | 16 | М20 | |||||||||||||
PN 6 | ||||||||||||||||||||||
PN 10 | 416 | 482 | 34 | 32 | 26 | 24 | 565 | 515 | 26 | М24 | ||||||||||||
PN 16 | 36 | 38 | 28 | 580 | 525 | 30 | М27 | |||||||||||||||
PN 25 | 505 | 42 | 46 | 30 | 34 | 610 | 620 | 550 | 33 | 36 | М30 | М33 | ||||||||||
DN 450 | PN 1 | 487 | - | 520 | 480 | - | 34 | - | 24 | - | 12 | - | 7 | 590 | - | 550 | 22 | - | 16 | - | М20 | - |
PN 2,5 | 467 | 462 | 30 | 20 | 8 | 595 | 22 | 16 | М20 | |||||||||||||
PN 6 | ||||||||||||||||||||||
PN 10 | 532 | 35 | 26 | 24 | 615 | 565 | 26 | 20 | М24 | |||||||||||||
PN 16 | 38 | 42 | 28 | 30 | 640 | 585 | 30 | М27 | ||||||||||||||
PN 25 | 555 | 45 | 50 | 30 | 36 | 660 | 670 | 600 | 33 | 36 | М30 | М33 | ||||||||||
DN 500 | PN 1 | 537 | - | 570 | 530 | - | 38 | - | 26 | - | 12 | - | 7 | 640 | - | 600 | 22 | - | 16 | - | М20 | - |
PN 2,5 | 519 | 513,5 | 30 | 22 | 8 | 645 | 22 | 20 | М20 | |||||||||||||
PN 6 | ||||||||||||||||||||||
PN 10 | 510 | 585 | 38 | 28 | 26 | 670 | 620 | 26 | 20 | М24 | ||||||||||||
PN 16 | 42 | 46 | 30 | 32 | 710 | 715 | 650 | 33 | 30 | |||||||||||||
PN 25 | 519 | 615 | 50 | 58 | 32 | 38 | 730 | 660 | 39 | 36 | М36 | М33 | ||||||||||
DN 600 | PN 2,5 | - | 622 | 670 | - | 616,5 | - | 32 | - | 22 | - | 8 | 7 | - | 755 | 705 | - | 26 | - | 20 | - | М24 |
PN 6 | ||||||||||||||||||||||
PN 10 | 685 | 42 | 26 | 780 | 725 | 30 | М27 | |||||||||||||||
PN 16 | 725 | 55 | 32 | 845 | 770 | 36 | М33 | |||||||||||||||
PN 25 | 720 | 68 | 40 | 39 | М36 | |||||||||||||||||
<*> Фланцы с четырьмя отверстиями могут поставляться только по договоренности между изготовителем фланцев и заказчиком. Примечания 1 Ряд 2 соответствует [2]. 2 Размер c1 может уточняться в зависимости от технологии сварки и размера трубы. 3 Кольца должны изготавливаться с уплотнительными поверхностями исполнений: - A - для фланцев на PN 1, PN 2,5 и PN 6; - B, C, D, E, F, L и M - для всех PN. | ||||||||||||||||||||||

DN | PN, кгс/см2 | D | D0 | D1 | D2 | Dm | Dn | d | d1 | b | b1 | c | H | H1 | n | S | Номинальный диаметр болтов или шпилек |
DN 10 | PN 2,5 PN 6 | 75 | 21 | 50 | 35 | - | - | 11 | - | 12 | - | 3 | - | - | 4 | - | М10 |
PN 10 | 90 | 60 | 42 | 28 | 17,2 | 14 | 31 | 14 | 12 | 35 | 6 | 1,8 | М12 | ||||
PN 16 | |||||||||||||||||
PN 25 | - | ||||||||||||||||
DN 15 | PN 2,5 PN 6 | 80 | 25 | 55 | 40 | - | - | 11 | - | 12 | - | 3 | - | - | 4 | - | М10 |
PN 10 | 95 | 65 | 47 | 32 | 21,3 | 14 | 35 | 14 | 12 | 38 | 6 | 2,0 | М12 | ||||
PN 16 | |||||||||||||||||
PN 25 | - | ||||||||||||||||
DN 20 | PN 2,5 PN 6 | 90 | 31 | 65 | 50 | - | - | 11 | - | 14 | - | 4 | - | - | 4 | - | М10 |
PN 10 | 105 | 75 | 58 | 40 | 26,9 | 14 | 42 | 16 | 14 | 40 | 6 | 2,3 | М12 | ||||
PN 16 | |||||||||||||||||
PN 25 | - | ||||||||||||||||
DN 25 | PN 2,5 PN 6 | 100 | 38 | 75 | 60 | - | - | 11 | - | 14 | - | 4 | - | - | 4 | - | М10 |
PN 10 | 115 | 85 | 68 | 46 | 33,7 | 14 | 49 | 16 | 14 | 40 | 6 | 2,6 | М12 | ||||
PN 16 | |||||||||||||||||
PN 25 | - | ||||||||||||||||
DN 32 | PN 2,5 PN 6 | 120 | 47 | 90 | 70 | - | - | 14 | - | 16 | - | 5 | - | - | 4 | - | М12 |
PN 10 | 140 | 100 | 78 | 56 | 42,4 | 18 | 59 | 18 | 14 | 42 | 6 | 2,6 | М16 | ||||
PN 16 | |||||||||||||||||
PN 25 | - | ||||||||||||||||
DN 40 | PN 2,5 PN 6 | 130 | 53 | 100 | 80 | - | - | 14 | - | 16 | - | 5 | - | - | 4 | - | М12 |
PN 10 | 150 | 110 | 88 | 64 | 48,3 | 18 | 67 | 18 | 14 | 45 | 7 | 2,6 | М16 | ||||
PN 16 | |||||||||||||||||
PN 25 | - | ||||||||||||||||
DN 50 | PN 2,5 PN 6 | 140 | 65 | 110 | 90 | - | - | 14 | - | 16 | - | 5 | - | - | 4 | - | М12 |
PN 10 | 165 | 125 | 102 | 74 | 60,3 | 18 | 77 | 20 | 16 | 45 | 8 | 2,9 | М16 | ||||
PN 16 | |||||||||||||||||
PN 25 | - | 75 | 48 | ||||||||||||||
DN 65 | PN 2,5 PN 6 | 160 | 81 | 130 | 110 | - | - | 14 | - | 16 | - | 6 | - | - | 4 | - | М12 |
PN 10 | 185 | 145 | 122 | 92 | 76,1 | 18 | 96 | 20 | 16 | 45 | 10 | 8 | 2,9 | М16 | |||
PN 16 | 8 <*> | ||||||||||||||||
PN 25 | - | 90 | 22 | 52 | 8 | ||||||||||||
DN 80 | PN 2,5 PN 6 | 190 | 94 | 150 | 128 | - | - | 18 | - | 18 | - | 6 | - | - | 4 | - | М16 |
PN 10 | 200 | 160 | 133 | 105 | 88,9 | 108 | 20 | 16 | 50 | 10 | 8 | 3,2 | |||||
PN 16 | |||||||||||||||||
PN 25 | - | 114 | 24 | 18 | 58 | 12 | |||||||||||
(в ред. Изменения N 1, введенного в действие Приказом Росстандарта от 31.01.2024 N 170-ст) | |||||||||||||||||
DN 100 | PN 2,5 PN 6 | 210 | 120 | 170 | 148 | - | - | 18 | - | 18 | - | 6 | - | - | 4 | - | М16 |
PN 10 | 220 | 180 | 158 | 131 | 114,3 | 134 | 22 | 18 | 52 | 12 | 8 | 3,6 | |||||
PN 16 | |||||||||||||||||
PN 25 | 235 | - | 190 | 134 | 22 | 138 | 26 | 20 | 65 | М20 | |||||||
DN 125 | PN 2,5 PN 6 | 240 | 145 | 200 | 178 | - | - | 18 | - | 20 | - | 6 | - | - | 8 | - | М16 |
PN 10 | 250 | 210 | 184 | 156 | 139,7 | 162 | 22 | 18 | 55 | 12 | 4,0 | ||||||
PN 16 | |||||||||||||||||
PN 25 | 270 | - | 220 | 162 | 26 | 166 | 28 | 22 | 68 | М24 | |||||||
DN 150 | PN 2,5 PN 6 | 265 | 174 | 225 | 202 | - | - | 18 | - | 20 | - | 6 | - | - | 8 | - | М16 |
PN 10 | 285 | 240 | 212 | 184 | 168,3 | 22 | 188 | 24 | 20 | 55 | 12 | 4,5 | М20 | ||||
PN 16 | |||||||||||||||||
PN 25 | 300 | - | 250 | 192 | 26 | 194 | 30 | 24 | 75 | М24 | |||||||
DN 200 | PN 2,5 PN 6 | 320 | 226 | 280 | 258 | - | - | 18 | - | 22 | - | 6 | - | - | 8 | - | М16 |
PN 10 | 340 | 295 | 268 | 234 | 219,1 | 22 | 240 | 24 | 20 | 62 | 16 | 6,3 | М20 | ||||
PN 16 | 235 | 26 | 12 | ||||||||||||||
PN 25 | 360 | - | 310 | 278 | 244 | 26 | 250 | 32 | 26 | 80 | М24 | ||||||
DN 250 | PN 10 | 395 | - | 350 | 320 | 292 | 273 | 22 | 294 | 26 | 22 | 8 | 68 | 16 | 12 | 6,3 | М20 |
PN 16 | 405 | 355 | 26 | 29 | 70 | М24 | |||||||||||
PN 25 | 425 | 370 | 335 | 298 | 30 | 302 | 35 | 26 | 88 | 18 | 7,1 | М27 | |||||
DN 300 | PN 10 | 445 | - | 400 | 370 | 342 | 323,9 | 22 | 348 | 26 | 22 | 8 | 68 | 16 | 12 | 7,1 | М20 |
PN 16 | 460 | 410 | 344 | 26 | 32 | 24 | 78 | М24 | |||||||||
PN 25 | 485 | 430 | 390 | 352 | 30 | 356 | 38 | 28 | 92 | 18 | 16 | 8,0 | М27 | ||||
DN 350 | PN 10 | 505 | - | 460 | 430 | 385 | 355,6 | 22 | 400 | 30 | 22 | 8 | 68 | 16 | 16 | 7,1 | М20 |
PN 16 | 520 | 470 | 390 | 26 | 35 | 26 | 82 | 8 | М24 | ||||||||
PN 25 | 555 | 490 | 450 | 398 | 33 | 408 | 42 | 32 | 100 | 20 | М30 | ||||||
DN 400 | PN 10 | 565 | - | 515 | 482 | 440 | 406,4 | 26 | 450 | 32 | 24 | 8 | 72 | 16 | 16 | 7,1 | М24 |
PN 16 | 580 | 525 | 445 | 30 | 454 | 38 | 28 | 85 | 8,0 | М27 | |||||||
PN 25 | 620 | 550 | 505 | 452 | 36 | 462 | 48 | 34 | 110 | 20 | М33 | ||||||
DN 450 | PN 10 | 615 | - | 565 | 532 | 488 | 457 | 26 | 498 | 36 | 24 | 8 | 72 | 16 | 20 | 7,1 | М24 |
PN 16 | 640 | 585 | 490 | 30 | 500 | 42 | 30 | 83 | 8,0 | М27 | |||||||
PN 25 | 670 | 600 | 555 | 500 | 36 | 510 | 54 | 36 | 110 | 20 | 8,8 | М33 | |||||
DN 500 | PN 10 | 670 | - | 620 | 585 | 542 | 508 | 26 | 550 | 38 | 26 | 8 | 75 | 16 | 20 | 7,1 | М24 |
PN 16 | 715 | 650 | 548 | 33 | 556 | 46 | 32 | 84 | 8,0 | М30 | |||||||
PN 25 | 730 | 660 | 615 | 558 | 36 | 568 | 58 | 38 | 125 | 20 | 10 | М33 | |||||
DN 600 | PN 10 | 780 | - | 725 | 685 | 642 | 610 | 30 | 650 | 42 | 26 | 8 | 82 | 18 | 20 | - | М27 |
PN 16 | 840 | 770 | 670 | 36 | 660 | 55 | 32 | 88 | 18 | 8,8 | М33 | ||||||
PN 25 | 845 | 720 | 660 | 39 | 670 | 68 | 40 | 125 | 20 | 11 | М36 | ||||||
<*> Фланцы с четырьмя отверстиями могут поставляться только по договоренности между изготовителем фланцев и заказчиком. Примечание - Фланцы типа 03 изготавливаются с уплотнительной поверхностью исполнения B. | |||||||||||||||||

DN | PN, кгс/см2 | Dm | Dn | d1 | b | H | H1 | D | D1 | d | n | Номинальный диаметр болтов или шпилек | ||||||||||
Ряд 1 | Ряд 2 | Ряд 1 | Ряд 2 | Ряд 1 | Ряд 2 | Ряд 1 | Ряд 2 | Ряд 1 | Ряд 2 | Ряд 1 | Ряд 2 | Ряд 1 | Ряд 2 | Ряд 1 | Ряд 2 | Ряд 1 | Ряд 2 | |||||
DN 10 | PN 1 | 22 | - | 15 | - | 8 | - | 10 | - | 25 | - | 6 | 75 | - | 50 | 11 | - | 4 | - | М10 | - | |
PN 2,5 | 26 | 17,2 | 13,2 | 12 | 28 | 75 | 11 | 4 | М10 | |||||||||||||
PN 6 | 12 | 29 | ||||||||||||||||||||
PN 10 | 25 | 28 | 14 | 35 | 35 | 90 | 60 | 14 | М12 | |||||||||||||
PN 16 | 26 | 14 | ||||||||||||||||||||
PN 25 | 16 | |||||||||||||||||||||
PN 40 | ||||||||||||||||||||||
PN 63 | 34 | 32 | 18 | 20 | 48 | 45 | 100 | 70 | ||||||||||||||
PN 100 | 45 | |||||||||||||||||||||
PN 160 | - | - | - | - | - | - | 100 | - | 14 | - | 4 | - | М12 | |||||||||
PN 250 | 44 | 12 | 24 | 58 | 125 | 85 | 18 | М16 | ||||||||||||||
DN 15 | PN 1 | 28 | - | 19 | - | 12 | - | 10 | - | 28 | - | 6 | 80 | - | 55 | 11 | - | 4 | - | М10 | - | |
PN 2,5 | 30 | 21,3 | 17,3 | 12 | 30 | 80 | 11 | 4 | М10 | |||||||||||||
PN 6 | 12 | 30 | ||||||||||||||||||||
PN 10 | 30 | 32 | 14 | 35 | 38 | 95 | 65 | 14 | М12 | |||||||||||||
PN 16 | 14 | |||||||||||||||||||||
PN 25 | 16 | |||||||||||||||||||||
PN 40 | ||||||||||||||||||||||
PN 63 | 38 | 34 | 14,9 | 18 | 20 | 48 | 45 | 105 | 75 | |||||||||||||
PN 100 | 20 | |||||||||||||||||||||
PN 160 | 17,3 | 52 | ||||||||||||||||||||
PN 200 | 40 | - | 23 | - | 14 | - | 26 | - | 54 | - | 120 | - | 82 | 22 | - | 4 | - | М20 | - | |||
PN 250 | - | 48 | - | 21,3 | - | 16,1 | - | 26 | - | 60 | - | 130 | 90 | - | 18 | - | 4 | - | М16 | |||
DN 20 | PN 1 | 36 | - | 26 | - | 18 | - | 10 | - | 30 | - | 6 | 90 | - | 65 | 11 | - | 4 | - | М10 | - | |
PN 2,5 | 38 | 26,9 | 22,3 | 14 | 32 | 90 | 11 | 4 | М10 | |||||||||||||
PN 6 | 12 | 32 | ||||||||||||||||||||
PN 10 | 38 | 40 | 14 | 18 | 38 | 40 | 105 | 75 | 14 | М12 | ||||||||||||
PN 16 | ||||||||||||||||||||||
PN 25 | 38 | 40 | 16 | 18 | 36 | 40 | ||||||||||||||||
PN 40 | ||||||||||||||||||||||
PN 63 | 48 | 42 | 20,5 | 20 | 22 | 56 | 48 | 8 | 125 | 130 | 90 | 18 | М16 | |||||||||
PN 100 | 22 | 53 | ||||||||||||||||||||
PN 160 | - | - | - | 22 | - | 58 | - | - | 18 | - | 4 | - | М16 | - | ||||||||
PN 200 | 46 | 29 | 19 | 28 | 57 | 130 | 22 | М20 | ||||||||||||||
PN 250 | 46 | 33 | 62 | |||||||||||||||||||
DN 25 | PN 1 | 42 | - | 33 | - | 25 | - | 10 | - | 30 | - | 6 | 100 | - | 75 | 11 | - | 4 | - | М10 | - | |
PN 2,5 | 42 | 33,7 | 28,5 | 14 | 35 | 100 | 11 | 4 | М10 | |||||||||||||
PN 6 | 14 | 32 | ||||||||||||||||||||
PN 10 | 45 | 46 | 18 | 40 | 40 | 115 | 85 | 14 | М12 | |||||||||||||
PN 16 | ||||||||||||||||||||||
PN 25 | 16 | 18 | 38 | 40 | ||||||||||||||||||
PN 40 | ||||||||||||||||||||||
PN 63 | 52 | 52 | 26,5 | 22 | 24 | 58 | 58 | 8 | 135 | 140 | 100 | 18 | М16 | |||||||||
PN 100 | 24 | |||||||||||||||||||||
PN 160 | 52 | 52 | 27,9 | 24 | ||||||||||||||||||
PN 200 | 54 | - | 36 | - | - | 30 | - | 62 | - | 150 | - | 102 | 26 | - | 4 | - | М24 | - | ||||
PN 250 | - | 60 | - | 33,7 | - | 26,5 | - | 28 | - | 65 | - | 150 | 105 | - | 22 | - | 4 | - | М20 | |||
(в ред. Изменения N 1, введенного в действие Приказом Росстандарта от 31.01.2024 N 170-ст) | ||||||||||||||||||||||
DN 32 | PN 1 | 50 | - | 39 | - | 31 | - | 10 | - | 30 | - | 6 | 120 | - | 90 | 14 | - | 4 | - | М12 | - | |
PN 2,5 | 55 | 42,4 | 37,2 | 16 | 35 | 120 | 14 | 4 | М12 | |||||||||||||
PN 6 | 14 | 35 | ||||||||||||||||||||
PN 10 | 55 | 56 | 15 | 18 | 42 | 42 | 135 | 140 | 100 | 18 | М16 | |||||||||||
PN 16 | ||||||||||||||||||||||
PN 25 | 56 | 18 | 45 | 42 | ||||||||||||||||||
PN 40 | ||||||||||||||||||||||
PN 63 | 64 | 62 | 35,2 | 23 | 24 | 62 | 60 | 8 | 150 | 155 | 110 | 22 | М20 | |||||||||
PN 100 | 24 | |||||||||||||||||||||
PN 160 | - | - | - | 24 | - | 67 | - | - | 22 | - | 4 | - | М20 | - | ||||||||
PN 200 | 43 | 32 | 160 | 115 | 26 | М24 | ||||||||||||||||
PN 250 | 37 | 72 | 9 | |||||||||||||||||||
DN 40 | PN 1 | 60 | - | 46 | - | 38 | - | 12 | - | 36 | - | 7 | 130 | - | 100 | 14 | - | 4 | - | М12 | - | |
PN 2,5 | 62 | 48,3 | 43,1 | 14 | 38 | 130 | 14 | 4 | М12 | |||||||||||||
PN 6 | 15 | 38 | ||||||||||||||||||||
PN 10 | 62 | 64 | 16 | 18 | 45 | 45 | 145 | 150 | 110 | 18 | М16 | |||||||||||
PN 16 | 64 | |||||||||||||||||||||
PN 25 | 19 | 18 | 48 | 45 | 145 | 150 | ||||||||||||||||
PN 40 | 48 | |||||||||||||||||||||
PN 63 | 74 | 70 | 37 | 41,1 | 24 | 26 | 68 | 62 | 10 | 165 | 170 | 125 | 22 | М20 | ||||||||
PN 100 | 76 | 26 | 70 | |||||||||||||||||||
PN 160 | 28 | 75 | 64 | |||||||||||||||||||
PN 200 | 74 | - | 49 | - | 36 | - | 34 | - | - | 170 | - | 124 | 26 | - | 4 | - | М24 | - | ||||
PN 250 | - | 84 | - | 48,3 | - | 38,3 | - | 34 | - | 80 | - | 185 | 135 | - | 26 | - | 4 | - | М24 | |||
DN 50 | PN 1 | 70 | - | 58 | - | 49 | - | 12 | - | 36 | - | 8 | 140 | - | 110 | 14 | - | 4 | - | М12 | - | |
PN 2,5 | 74 | 60,3 | 54,5 | 14 | 38 | 140 | 14 | 4 | М12 | |||||||||||||
PN 6 | 15 | 38 | ||||||||||||||||||||
PN 10 | 76 | 16 | 18 | 45 | 45 | 160 | 165 | 125 | 18 | М16 | ||||||||||||
PN 16 | 48 | |||||||||||||||||||||
PN 25 | 75 | 20 | 48 | 48 | ||||||||||||||||||
PN 40 | 48 | |||||||||||||||||||||
PN 63 | 86 | 82 | 47 | 52,3 | 26 | 70 | 62 | 10 | 175 | 180 | 135 | 22 | М20 | |||||||||
PN 100 | 90 | 45 | 28 | 71 | 68 | 195 | 145 | 26 | М24 | |||||||||||||
PN 160 | 30 | 78 | 75 | |||||||||||||||||||
PN 200 | 105 | - | 61 | - | 46 | - | 40 | - | 98 | - | 210 | - | 160 | 26 | - | 8 | - | М24 | - | |||
PN 250 | - | 95 | - | 60,3 | - | 47,7 | - | 38 | - | 85 | - | 200 | 150 | - | 26 | - | 8 | - | М24 | |||
DN 65 | PN 1 | 88 | - | 77 | - | 66 | - | 12 | - | 36 | - | 9 | 160 | - | 130 | 14 | - | 4 | М12 | - | ||
PN 2,5 | 88 | 76,1 | 70,3 | 14 | 38 | 160 | 14 | М12 | ||||||||||||||
PN 6 | 15 | 38 | ||||||||||||||||||||
PN 10 | 94 | 92 | 18 | 48 | 45 | 10 | 180 | 185 | 145 | 18 | 4 | 8 | М16 | |||||||||
PN 16 | 50 | 8 <*> | ||||||||||||||||||||
PN 25 | 96 | 90 | 22 | 53 | 52 | 145 | 8 | |||||||||||||||
PN 40 | ||||||||||||||||||||||
PN 63 | 106 | 98 | 64 | 68,1 | 28 | 26 | 75 | 68 | 12 | 200 | 205 | 160 | 22 | М20 | ||||||||
PN 100 | 110 | 108 | 62 | 32 | 30 | 83 | 76 | 220 | 170 | 26 | М24 | |||||||||||
PN 160 | 66,1 | 34 | 88 | 82 | ||||||||||||||||||
PN 200 | 138 | - | 90 | - | 68 | - | 48 | - | 121 | - | 260 | - | 203 | 30 | - | 8 | - | М27 | - | |||
PN 250 | - | 124 | - | 76,1 | - | 60,1 | - | 42 | - | 95 | - | 230 | 180 | - | 26 | - | 8 | - | М24 | |||
DN 80 | PN 1 | 102 | - | 90 | - | 78 | - | 14 | - | 38 | - | 10 | 185 | - | 150 | 18 | - | 4 | - | М16 | - | |
PN 2,5 | 102 | 88,9 | 82,5 | 16 | 42 | 190 | 18 | 4 | М16 | |||||||||||||
PN 6 | 16 | 40 | ||||||||||||||||||||
PN 10 | 105 | 105 | 18 | 20 | 50 | 50 | 195 | 200 | 160 | 4 | 8 | |||||||||||
PN 16 | 110 | 20 | 53 | |||||||||||||||||||
PN 25 | 22 | 24 | 55 | 58 | 12 | 8 | ||||||||||||||||
PN 40 | 112 | 24 | 58 | |||||||||||||||||||
PN 63 | 120 | 112 | 77 | 79,9 | 30 | 28 | 75 | 72 | 210 | 215 | 170 | 22 | М20 | |||||||||
PN 100 | 124 | 120 | 75 | 78,9 | 34 | 32 | 90 | 78 | 230 | 180 | 26 | М24 | ||||||||||
PN 160 | 76,3 | 36 | 93 | 86 | ||||||||||||||||||
PN 200 | 162 | - | 110 | - | 80 | - | 54 | - | 135 | - | 290 | - | 230 | 33 | - | 8 | - | М30 | - | |||
PN 250 | - | 136 | - | 101,6 | - | 79,6 | - | 46 | - | 102 | - | 255 | 200 | - | 30 | - | 8 | - | М27 | |||
DN 100 | PN 1 | 122 | - | 110 | - | 96 | - | 14 | - | 40 | - | 10 | 205 | - | 170 | 18 | - | 4 | - | М16 | - | |
PN 2,5 | 130 | 114,3 | 107,1 | 16 | 45 | 210 | 18 | 4 | М16 | |||||||||||||
PN 6 | 16 | 41 | ||||||||||||||||||||
PN 10 | 128 | 131 | 20 | 20 | 51 | 52 | 12 | 215 | 220 | 180 | 8 | |||||||||||
PN 16 | 130 | 53 | ||||||||||||||||||||
PN 25 | 132 | 134 | 24 | 24 | 61 | 65 | 230 | 235 | 190 | 22 | М20 | |||||||||||
PN 40 | 138 | 26 | 68 | |||||||||||||||||||
PN 63 | 140 | 138 | 94 | 105,3 | 32 | 30 | 80 | 78 | 250 | 200 | 26 | М24 | ||||||||||
PN 100 | 146 | 150 | 92 | 103,1 | 38 | 36 | 100 | 90 | 265 | 210 | 30 | М27 | ||||||||||
PN 160 | 98,3 | 40 | 103 | 100 | ||||||||||||||||||
PN 200 | 208 | - | 135 | - | 102 | - | 66 | - | 178 | - | 360 | - | 292 | 39 | - | 8 | - | М36 | - | |||
PN 250 | - | 164 | - | 127 | - | 98,6 | - | 54 | - | 120 | 14 | - | 300 | 235 | - | 33 | - | 8 | - | М30 | ||
DN 125 | PN 1 | 148 | - | 135 | - | 121 | - | 14 | - | 40 | - | 10 | 235 | - | 200 | 18 | - | 8 | - | М16 | - | |
PN 2,5 | 155 | 139,7 | 131,7 | 18 | 48 | 240 | 18 | 8 | М16 | |||||||||||||
PN 6 | 18 | 43 | ||||||||||||||||||||
PN 10 | 156 | 156 | 22 | 60 | 55 | 12 | 245 | 250 | 210 | |||||||||||||
PN 16 | ||||||||||||||||||||||
PN 25 | 160 | 162 | 26 | 26 | 68 | 68 | 270 | 220 | 26 | М24 | ||||||||||||
PN 40 | 120 | 28 | ||||||||||||||||||||
PN 63 | 172 | 168 | 118 | 128,5 | 36 | 34 | 98 | 88 | 295 | 240 | 30 | М27 | ||||||||||
PN 100 | 180 | 180 | 112 | 42 | 40 | 115 | 105 | 310 | 315 | 250 | 33 | М30 | ||||||||||
PN 160 | 119,7 | 44 | 118 | 115 | 14 | |||||||||||||||||
PN 200 | 234 | - | 170 | - | 130 | - | 76 | - | 178 | - | 385 | - | 318 | 39 | - | 12 | - | М36 | - | |||
PN 250 | - | 200 | - | 152,4 | - | 120,4 | - | 60 | - | 140 | 16 | - | 340 | 275 | - | 33 | - | 12 | - | М30 | ||
DN 150 | PN 1 | 172 | - | 161 | - | 146 | - | 14 | - | 41 | - | 12 | 260 | - | 225 | 18 | - | 8 | - | М16 | - | |
PN 2,5 | 184 | 168,3 | 159,3 | 18 | 48 | 265 | 18 | 8 | М16 | |||||||||||||
PN 6 | 18 | 46 | ||||||||||||||||||||
PN 10 | 180 | 22 | 60 | 55 | 280 | 285 | 240 | 22 | М20 | |||||||||||||
PN 16 | ||||||||||||||||||||||
PN 25 | 186 | 192 | 28 | 28 | 71 | 75 | 300 | 250 | 26 | М24 | ||||||||||||
PN 40 | 145 | 30 | 75 | |||||||||||||||||||
PN 63 | 206 | 202 | 142 | 155,7 | 38 | 36 | 108 | 95 | 340 | 345 | 280 | 33 | М30 | |||||||||
PN 100 | 214 | 210 | 136 | 152,3 | 46 | 44 | 128 | 115 | 350 | 355 | 290 | 12 | ||||||||||
PN 160 | 143,3 | 50 | 133 | 128 | 14 | |||||||||||||||||
PN 200 | 266 | - | 196 | - | 150 | - | 82 | - | 193 | - | 440 | - | 360 | 45 | - | 12 | - | М42 | - | |||
PN 250 | - | 240 | - | 177,8 | - | 142,8 | - | 68 | - | 160 | 18 | - | 390 | 320 | - | 36 | - | 12 | - | М33 | ||
DN 200 | PN 1 | 235 | - | 222 | - | 202 | - | 16 | - | 48 | - | 15 | 315 | - | 280 | 18 | - | 8 | - | М16 | - | |
PN 2,5 | 236 | 219,1 | 206,5 | 20 | 55 | 320 | 18 | 8 | М16 | |||||||||||||
PN 6 | 20 | 53 | ||||||||||||||||||||
PN 10 | 240 | 234 | 22 | 24 | 61 | 62 | 16 | 335 | 340 | 295 | 22 | М20 | ||||||||||
PN 16 | 235 | 24 | 12 | |||||||||||||||||||
PN 25 | 245 | 244 | 30 | 78 | 80 | 360 | 310 | 26 | М24 | |||||||||||||
PN 40 | 250 | 200 | 203,1 | 38 | 34 | 88 | 88 | 375 | 320 | 30 | М27 | |||||||||||
PN 63 | 264 | 256 | 198 | 204,9 | 44 | 42 | 113 | 110 | 405 | 415 | 345 | 33 | 36 | М30 | М33 | |||||||
PN 100 | 276 | 278 | 190 | 201,5 | 54 | 52 | 143 | 130 | 430 | 360 | 39 | М36 | ||||||||||
PN 160 | 187,1 | 60 | 148 | 140 | ||||||||||||||||||
PN 200 | 340 | - | 248 | - | 192 | - | 92 | - | 233 | - | 535 | - | 440 | 52 | - | 12 | - | М48 | - | |||
PN 250 | - | 305 | - | 244,5 | - | 194,5 | - | 82 | - | 190 | 25 | - | 485 | 400 | - | 42 | - | 12 | - | М39 | ||
DN 250 | PN 1 | 288 | - | 278 | - | 254 | - | 19 | - | 48 | - | 15 | 370 | - | 335 | 18 | - | 12 | - | М16 | - | |
PN 2,5 | 290 | 273 | 260,4 | 22 | 60 | 375 | 18 | 12 | М16 | |||||||||||||
PN 6 | 288 | 21 | 53 | |||||||||||||||||||
PN 10 | 290 | 292 | 24 | 26 | 63 | 68 | 16 | 390 | 395 | 350 | 22 | М20 | ||||||||||
PN 16 | 292 | 26 | 68 | 70 | 405 | 355 | 26 | М24 | ||||||||||||||
PN 25 | 300 | 298 | 258,8 | 32 | 78 | 88 | 18 | 425 | 370 | 30 | М27 | |||||||||||
PN 40 | 310 | 306 | 252 | 42 | 38 | 101 | 105 | 445 | 450 | 385 | 33 | М30 | ||||||||||
PN 63 | 316 | 316 | 246 | 255,4 | 48 | 46 | 118 | 125 | 470 | 400 | 39 | 36 | М36 | М33 | ||||||||
PN 100 | 340 | 340 | 236 | 253 | 60 | 163 | 157 | 500 | 505 | 430 | 39 | М36 | ||||||||||
PN 160 | 68 | 168 | 155 | 515 | 42 | М39 | ||||||||||||||||
PN 200 | 460 | - | 330 | - | 254 | - | 110 | - | 303 | - | 670 | - | 572 | 56 | - | 16 | - | М52 | - | |||
PN 250 | - | 385 | - | 298,5 | - | 234,5 | - | 100 | - | 215 | 30 | - | 585 | 490 | - | 48 | - | 16 | - | М45 | ||
DN 300 | PN 1 | 340 | - | 330 | - | 303 | - | 20 | - | 49 | - | 15 | 435 | - | 395 | 22 | - | 12 | - | М20 | - | |
PN 2,5 | 342 | 323,9 | 309,7 | 22 | 62 | 440 | 22 | 12 | М20 | |||||||||||||
PN 6 | 22 | 54 | ||||||||||||||||||||
PN 10 | 345 | 26 | 64 | 68 | 16 | 440 | 445 | 400 | ||||||||||||||
PN 16 | 346 | 344 | 28 | 70 | 78 | 460 | 410 | 26 | М24 | |||||||||||||
PN 25 | 352 | 352 | 307,9 | 36 | 34 | 84 | 92 | 18 | 485 | 430 | 30 | 16 | М27 | |||||||||
PN 40 | 368 | 362 | 301 | 46 | 42 | 116 | 115 | 510 | 515 | 450 | 33 | М30 | ||||||||||
PN 63 | 370 | 372 | 294 | 301,9 | 54 | 52 | 124 | 140 | 530 | 460 | 39 | 36 | М36 | М33 | ||||||||
PN 100 | 400 | 400 | 284 | 298,9 | 70 | 68 | 184 | 170 | 585 | 500 | 45 | 42 | М42 | М39 | ||||||||
PN 160 | 279,5 | 78 | 189 | 175 | ||||||||||||||||||
DN 350 | PN 1 | 390 | - | 382 | - | 351 | - | 20 | - | 49 | - | 15 | 485 | - | 445 | 22 | - | 12 | - | М20 | - | |
PN 2,5 | 385 | 355,6 | 341,4 | 22 | 62 | 490 | 22 | 12 | М20 | |||||||||||||
PN 6 | 22 | 54 | ||||||||||||||||||||
PN 10 | 400 | 26 | 64 | 68 | 16 | 500 | 505 | 460 | 16 | |||||||||||||
PN 16 | 390 | 339,6 | 32 | 30 | 74 | 82 | 520 | 470 | 26 | М24 | ||||||||||||
PN 25 | 406 | 398 | 40 | 38 | 89 | 100 | 20 | 550 | 555 | 490 | 33 | М30 | ||||||||||
PN 40 | 418 | 408 | 338 | 52 | 46 | 120 | 125 | 570 | 580 | 510 | 33 | 36 | М30 | М33 | ||||||||
PN 63 | 430 | 420 | 342 | 330,6 | 60 | 56 | 144 | 150 | 595 | 600 | 525 | 39 | М36 | |||||||||
PN 100 | 460 | 460 | 332 | 327,2 | 76 | 74 | 199 | 189 | 655 | 560 | 52 | 48 | М48 | М45 | ||||||||
PN 160 | - | - | - | 84 | - | 204 | - | 22,5 | 655 | - | - | 16 | - | - | ||||||||
DN 400 | PN 1 | 440 | - | 432 | - | 398 | - | 20 | - | 49 | - | 15 | 535 | - | 495 | 22 | - | 16 | - | М20 | - | |
PN 2,5 | 438 | 406,4 | 392,2 | 22 | 65 | 540 | 22 | 16 | М20 | |||||||||||||
PN 6 | 22 | 54 | ||||||||||||||||||||
PN 10 | 445 | 440 | 26 | 64 | 72 | 16 | 565 | 515 | 26 | М24 | ||||||||||||
PN 16 | 450 | 445 | 390,4 | 36 | 32 | 79 | 85 | 580 | 525 | 30 | М27 | |||||||||||
PN 25 | 464 | 452 | 388,8 | 44 | 40 | 104 | 110 | 20 | 610 | 620 | 550 | 33 | 36 | М30 | М33 | |||||||
PN 40 | 480 | 462 | 384,4 | 58 | 50 | 139 | 135 | 655 | 660 | 585 | 39 | М36 | ||||||||||
PN 63 | 475 | 386 | 378 | 66 | 60 | 159 | 160 | 670 | 45 | 42 | М42 | М39 | ||||||||||
PN 100 | 510 | 376 | 80 | 204 | 715 | 620 | 52 | 48 | М48 | М45 | ||||||||||||
PN 160 | - | - | - | 88 | - | 209 | - | 23,5 | 715 | - | - | 16 | - | - | ||||||||
DN 450 | PN 1 | 494 | - | 484 | - | 450 | - | 20 | - | 54 | - | 15 | 590 | - | 550 | 22 | - | 16 | - | М20 | - | |
PN 2,5 | 492 | 457 | 442,8 | 22 | 65 | 595 | 22 | 16 | М20 | |||||||||||||
PN 6 | 22 | |||||||||||||||||||||
PN 10 | 500 | 488 | 26 | 28 | 69 | 72 | 16 | 615 | 565 | 26 | 20 | М24 | ||||||||||
PN 16 | 506 | 490 | 441 | 38 | 34 | 89 | 83 | 640 | 585 | 30 | М27 | |||||||||||
PN 25 | 515 | 500 | 439,4 | 46 | 104 | 110 | 20 | 660 | 670 | 600 | 33 | 36 | М30 | М33 | ||||||||
PN 40 | 530 | 448 | 432 | 60 | 57 | 139 | 135 | 680 | 685 | 610 | 39 | М36 | ||||||||||
PN 63 | 534 | - | - | 436 | - | 68 | - | 159 | - | 28,5 | 695 | - | 45 | - | 16 | - | М42 | - | ||||
PN 100 | 560 | 426 | 82 | 204 | 27 | 740 | 645 | 52 | М48 | |||||||||||||
DN 500 | PN 1 | 545 | - | 535 | - | 501 | - | 23 | - | 54 | - | 15 | 640 | - | 600 | 22 | - | 16 | - | М20 | - | |
PN 2,5 | 538 | 508 | 493,8 | 24 | 68 | 645 | 22 | М20 | ||||||||||||||
PN 6 | 54 | 20 | ||||||||||||||||||||
PN 10 | 550 | 542 | 28 | 69 | 75 | 16 | 670 | 620 | 26 | 20 | М24 | |||||||||||
PN 16 | 559 | 548 | 492 | 42 | 36 | 94 | 84 | 710 | 715 | 650 | 33 | М30 | ||||||||||
PN 25 | 570 | 558 | 500 | 488 | 48 | 104 | 125 | 20 | 730 | 660 | 39 | 36 | М36 | М33 | ||||||||
PN 40 | 580 | 562 | 495 | 479,6 | 62 | 57 | 144 | 140 | 755 | 670 | 45 | 42 | М42 | М39 | ||||||||
PN 63 | 594 | 485 | 70 | 169 | 20 | 800 | 705 | 52 | 48 | М48 | М45 | |||||||||||
PN 100 | - | - | 508 | - | - | - | - | 870 | 760 | - | 56 | - | 20 | - | М52 | |||||||
DN 600 | PN 1 | 650 | - | 636 | - | 602 | - | 24 | - | 60 | - | 16 | 755 | - | 705 | 26 | - | 20 | - | М24 | - | |
PN 2,5 | 640 | 610 | 595,8 | 30 | 70 | 755 | 26 | 20 | М24 | |||||||||||||
PN 6 | ||||||||||||||||||||||
PN 10 | 642 | 594 | 29 | 30 | 70 | 82 | 18 | 780 | 725 | 30 | М27 | |||||||||||
PN 16 | 660 | 670 | 590 | 46 | 40 | 95 | 88 | 840 | 770 | 39 | 36 | М36 | М33 | |||||||||
PN 25 | 670 | 660 | 600 | 588 | 54 | 48 | 120 | 125 | 20 | 840 | 845 | 39 | М36 | |||||||||
PN 40 | 686 | 666 | 595 | 578 | 63 | 72 | 145 | 150 | 890 | 795 | 52 | 48 | М48 | М45 | ||||||||
PN 63 | 704 | 585 | 76 | 185 | - | 925 | 930 | 820 | 56 | М52 | ||||||||||||
DN 700 | PN 1 | 740 | - | 726 | - | 692 | - | 24 | - | 60 | - | 16 | 860 | - | 810 | 26 | - | 24 | - | М24 | - | |
PN 2,5 | 740 | 711 | 695 | 30 | 76 | 860 | 26 | 24 | М24 | |||||||||||||
PN 6 | ||||||||||||||||||||||
PN 10 | 744 | 746 | 693,4 | 30 | 35 | 70 | 85 | 18 | 895 | 840 | 30 | М27 | ||||||||||
PN 16 | 750 | 755 | 691 | 48 | 40 | 100 | 104 | 910 | 39 | 36 | М36 | М33 | ||||||||||
PN 25 | 766 | 760 | 690 | 682,6 | 58 | 50 | 130 | 129 | 20 | 960 | 875 | 45 | 42 | М42 | М39 | |||||||
PN 40 | 790 | 695 | 68 | 165 | 20 | 995 | 900 | 52 | 48 | М48 | М45 | |||||||||||
PN 63 | 820 | 685 | 81 | 230 | 1045 | 935 | 56 | М52 | ||||||||||||||
DN 800 | PN 1 | 844 | - | 826 | - | 792 | - | 24 | - | 65 | - | 16 | 975 | - | 920 | 30 | - | 24 | - | М27 | - | |
PN 2,5 | 842 | 813 | 797 | 30 | 76 | 975 | 30 | 24 | М27 | |||||||||||||
PN 6 | ||||||||||||||||||||||
PN 10 | 850 | 850 | 795,4 | 32 | 38 | 80 | 96 | 18 | 1010 | 1015 | 950 | 33 | М30 | |||||||||
PN 16 | 855 | 788 | 50 | 41 | 100 | 108 | 20 | 1020 | 1025 | 39 | М36 | |||||||||||
PN 25 | 874 | 864 | 790 | 781 | 60 | 53 | 140 | 138 | 22 | 1075 | 1085 | 990 | 45 | 48 | М42 | М45 | ||||||
PN 40 | 908 | 795 | 76 | 195 | 1135 | 1140 | 1030 | 56 | М52 | |||||||||||||
PN 63 | 920 | 785 | 90 | 230 | 1165 | 1050 | 62 | М56 | ||||||||||||||
DN 900 | PN 1 | 944 | - | 926 | - | 892 | - | 26 | - | 65 | - | 16 | 1075 | - | 1020 | 30 | - | 24 | - | М27 | - | |
PN 2,5 | 942 | 914 | 898 | 34 | 78 | 1075 | 30 | 24 | М27 | |||||||||||||
PN 6 | ||||||||||||||||||||||
PN 10 | 950 | 950 | 889 | 34 | 38 | 85 | 99 | 20 | 1110 | 1115 | 1050 | 33 | 28 | М30 | ||||||||
PN 16 | 958 | 955 | 52 | 48 | 115 | 118 | 1120 | 1125 | 39 | М36 | ||||||||||||
PN 25 | 980 | 968 | 879 | 62 | 57 | 150 | 148 | 24 | 1185 | 1090 | 52 | 48 | М48 | М45 | ||||||||
PN 40 | 1024 | 895 | 79 | 220 | 1250 | 1140 | 56 | М52 | ||||||||||||||
PN 63 | 1050 | 885 | 93 | 270 | 1285 | 1170 | 62 | М56 | ||||||||||||||
DN 1000 | PN 1 | 1044 | - | 1028 | - | 992 | - | 26 | - | 65 | - | 16 | 1175 | - | 1120 | 30 | - | 28 | - | М27 | - | |
PN 2,5 | 1045 | 1016 | 1000 | 38 | 82 | 1175 | 30 | 28 | М27 | |||||||||||||
PN 6 | ||||||||||||||||||||||
PN 10 | 1050 | 1052 | 991 | 34 | 44 | 85 | 105 | 20 | 1220 | 1230 | 1160 | 33 | 36 | М30 | М33 | |||||||
PN 16 | 1060 | 1058 | 54 | 59 | 115 | 137 | 22 | 1255 | 1170 | 45 | 42 | М42 | М39 | |||||||||
PN 25 | 1084 | 1070 | 976 | 64 | 63 | 155 | 160 | 24 | 1315 | 1320 | 1210 | 56 | М52 | |||||||||
PN 40 | 1140 | 995 | 82 | 240 | 1360 | 1250 | ||||||||||||||||
PN 63 | 1160 | 985 | 97 | 285 | 1415 | 1290 | 70 | М64 | ||||||||||||||
DN 1200 | PN 1 | 1244 | - | 1228 | - | 1192 | - | 28 | - | 70 | - | 16 | 1375 | - | 1320 | 30 | - | 32 | - | М27 | - | |
PN 2,5 | 1245 | 1219 | 1203 | 32 | 94 | 1375 | 30 | 32 | М27 | |||||||||||||
PN 6 | 1248 | 1248 | 1201,4 | 42 | 75 | 104 | 20 | 1400 | 1405 | 1340 | 33 | М30 | ||||||||||
PN 10 | 1256 | 1256 | 1194 | 38 | 55 | 95 | 132 | 25 | 1455 | 1380 | 39 | М36 | ||||||||||
PN 16 | 1268 | 1262 | 1190,6 | 56 | 78 | 130 | 160 | 30 | 1485 | 1390 | 52 | 48 | М48 | М45 | ||||||||
PN 25 | 1288 | 1192 | 67 | 165 | 1525 | 1530 | 1420 | 56 | М52 | |||||||||||||
PN 40 | 1350 | 1195 | 85 | 255 | 1575 | 1460 | 62 | М56 | ||||||||||||||
PN 63 | 1386 | 1185 | 100 | 320 | 1665 | 1530 | 78 | М72 | ||||||||||||||
DN 1400 | PN 1 | 1445 | - | 1428 | - | 1392 | - | 28 | - | 70 | - | 16 | 1575 | - | 1520 | 30 | - | 36 | - | М27 | - | |
PN 2,5 | 1445 | 1422 | 1406 | 38 | 96 | 1575 | 30 | 36 | М27 | |||||||||||||
PN 6 | 1456 | 1452 | 1404,4 | 32 | 56 | 90 | 114 | 20 | 1620 | 1630 | 1560 | 33 | 36 | М30 | М33 | |||||||
PN 10 | - | 1460 | - | - | 1393,6 | - | 65 | - | 143 | 25 | - | 1675 | 1590 | - | 42 | - | 36 | - | М39 | |||
PN 16 | 1465 | 1390 | 84 | 177 | 30 | 1685 | 48 | М45 | ||||||||||||||
PN 25 | 1755 | 1640 | 62 | М56 | ||||||||||||||||||
PN 40 | 1795 | 1680 | ||||||||||||||||||||
DN 1600 | PN 1 | 1646 | - | 1628 | - | 1592 | - | 28 | - | 70 | - | 20 | 1785 | - | 1730 | 30 | - | 40 | М27 | |||
PN 2,5 | 1645 | 1626 | 1608,4 | 46 | 102 | 1790 | ||||||||||||||||
PN 6 | 1660 | 1655 | 1606 | 37 | 63 | 100 | 119 | 1820 | 1830 | 1760 | 33 | 36 | М30 | М33 | ||||||||
PN 10 | - | 1666 | - | - | 1594 | - | 75 | - | 159 | 25 | - | 1915 | 1820 | - | 48 | - | 40 | - | М45 | |||
PN 16 | 1668 | 1591 | 102 | 204 | 35 | 1930 | 56 | М52 | ||||||||||||||
PN 25 | 1626 | 1975 | 1860 | 62 | М56 | |||||||||||||||||
PN 40 | 2025 | 1900 | 70 | М64 | ||||||||||||||||||
DN 1800 | PN 2,5 | - | 1845 | - | 1829 | - | 1809 | - | 46 | - | 110 | 20 | - | 1990 | 1930 | - | 30 | - | 44 | - | М27 | |
PN 6 | 1855 | 1807 | 69 | 133 | 2045 | 1970 | 39 | М36 | ||||||||||||||
PN 10 | 1868 | 1794 | 85 | 175 | 30 | 2115 | 2020 | 48 | М45 | |||||||||||||
PN 16 | 1870 | 1789 | 110 | 218 | 35 | 2130 | 56 | М52 | ||||||||||||||
PN 25 | 1829 | 2195 | 2070 | 70 | М64 | |||||||||||||||||
DN 2000 | PN 2,5 | - | 2045 | - | 2032 | - | 2010 | - | 50 | - | 122 | 22 | - | 2190 | 2130 | - | 30 | - | 48 | - | М27 | |
PN 6 | 2058 | 2007 | 74 | 146 | 25 | 2265 | 2180 | 42 | М39 | |||||||||||||
PN 10 | 2072 | 1997 | 90 | 186 | 30 | 2325 | 2230 | 48 | М45 | |||||||||||||
PN 16 | 2072 | 1988 | 124 | 238 | 40 | 2345 | 62 | М56 | ||||||||||||||
PN 25 | 2032 | 2425 | 2300 | 70 | М64 | |||||||||||||||||
DN 2200 | PN 2,5 | - | 2248 | - | 2235 | - | 2213 | - | 56 | - | 129 | 25 | - | 2405 | 2340 | - | 33 | - | 52 | - | М30 | |
PN 6 | 2260 | 2207 | 81 | 154 | 2475 | 2390 | 42 | М39 | ||||||||||||||
PN 10 | 2275 | 2195 | 100 | 202 | 35 | 2550 | 2440 | 56 | М52 | |||||||||||||
DN 2400 | PN 2,5 | - | 2448 | - | 2438 | - | 2416 | - | 62 | - | 143 | 25 | - | 2605 | 2540 | - | 33 | - | 56 | - | М30 | |
PN 6 | 2462 | 2408 | 87 | 168 | 2685 | 2600 | 42 | М39 | ||||||||||||||
PN 10 | 2478 | 2393,6 | 110 | 218 | 35 | 2760 | 2650 | 56 | М52 | |||||||||||||
DN 2600 | PN 2,5 | - | 2648 | - | 2620 | - | 2598 | - | 64 | - | 148 | 25 | - | 2805 | 2740 | - | 33 | - | 60 | - | М30 | |
PN 6 | 2665 | 2588 | 91 | 175 | 2905 | 2810 | 48 | М45 | ||||||||||||||
PN 10 | 2680 | 2570 | 110 | 224 | 40 | 2960 | 2850 | 56 | М52 | |||||||||||||
DN 2800 | PN 2,5 | - | 2848 | - | 2820 | - | 2798 | - | 74 | - | 161 | 25 | - | 3030 | 2960 | - | 36 | - | 64 | - | М33 | |
PN 6 | 2865 | 2786 | 101 | 188 | 30 | 3115 | 3020 | 48 | М45 | |||||||||||||
PN 10 | 2882 | 2770 | 124 | 244 | 40 | 3180 | 3070 | 56 | М52 | |||||||||||||
DN 3000 | PN 2,5 | - | 3050 | - | 3020 | - | 2998 | - | 80 | - | 170 | 25 | - | 3230 | 3160 | - | 36 | - | 68 | - | М33 | |
PN 6 | 3068 | 2980 | 102 | 192 | 30 | 3315 | 3220 | 48 | М45 | |||||||||||||
PN 10 | 3085 | 2956 | 132 | 257 | 45 | 3405 | 3290 | 62 | М56 | |||||||||||||
DN 3200 | PN 2,5 | - | 3250 | - | 3220 | - | 3198 | - | 84 | - | 180 | 25 | - | 3430 | 3360 | - | 36 | - | 72 | - | М33 | |
PN 6 | 3272 | 3180 | 106 | 202 | 30 | 3525 | 3430 | 48 | М45 | |||||||||||||
DN 3400 | PN 2,5 | - | 3450 | - | 3420 | - | 3398 | - | 90 | - | 194 | 28 | - | 3630 | 3560 | - | 36 | - | 76 | - | М33 | |
PN 6 | 3475 | 3376 | 110 | 214 | 35 | 3735 | 3640 | 48 | М45 | |||||||||||||
DN 3600 | PN 2,5 | - | 3652 | - | 3620 | - | 3598 | - | 96 | - | 201 | 28 | - | 3840 | 3770 | - | 36 | - | 80 | - | М33 | |
PN 6 | 3678 | 3576 | 124 | 229 | 35 | 3970 | 3860 | 56 | М52 | |||||||||||||
DN 3800 | PN 2,5 | - | 3852 | - | 3820 | - | 3798 | - | 102 | - | 212 | 28 | - | 4045 | 3970 | - | 39 | - | 80 | - | М36 | |
DN 4000 | PN 2,5 | - | 4052 | - | 4020 | - | 3998 | - | 106 | - | 226 | 28 | - | 4245 | 4170 | - | 39 | - | 84 | - | М36 | |
Примечания 1 Ряд 2 соответствует [2]. 2 Допускается вместо размера Н1 изготавливать с уклоном 1:2,5 от размера Dm. 3 Фланцы должны изготавливаться с уплотнительными поверхностями исполнений: - A - для фланцев на PN 1, PN 2,5 и PN 6; - B - для фланцев на PN <= 100; - C, D, E, F, J, К, L, M - для PN в соответствии с таблицей 2. | ||||||||||||||||||||||

DN | PN, кгс/см2 | Dm | b | D | D1 | d | n | Номинальный диаметр болтов или шпилек | ||||||
Ряд 1 | Ряд 2 | Ряд 1 | Ряд 2 | Ряд 1 | Ряд 2 | Ряд 1 | Ряд 2 | Ряд 1 | Ряд 2 | Ряд 1 | Ряд 2 | |||
DN 10 | PN 2,5 | - | 20 | - | 12 | - | 75 | 50 | - | 11 | - | 4 | - | М10 |
PN 6 | ||||||||||||||
PN 10 | 28 | 16 | 90 | 60 | 14 | М12 | ||||||||
PN 16 | ||||||||||||||
PN 25 | ||||||||||||||
PN 40 | ||||||||||||||
PN 63 | 40 | 20 | 100 | 70 | ||||||||||
PN 100 | ||||||||||||||
PN 160 | ||||||||||||||
PN 250 | 46 | 24 | 125 | 85 | 18 | М16 | ||||||||
DN 15 | PN 2,5 | - | 26 | - | 12 | 80 | 55 | 11 | 4 | М10 | ||||
PN 6 | ||||||||||||||
PN 10 | 32 | 16 | 95 | 65 | 14 | М12 | ||||||||
PN 16 | 39 | 14 | ||||||||||||
PN 25 | 16 | |||||||||||||
PN 40 | ||||||||||||||
PN 63 | 45 | 45 | 18 | 20 | 105 | 75 | ||||||||
PN 100 | 20 | |||||||||||||
PN 160 | ||||||||||||||
PN 200 | 51 | - | 26 | - | 120 | - | 82 | 22 | - | 4 | - | М20 | - | |
PN 250 | - | 52 | - | 26 | - | 130 | 90 | - | 18 | - | 4 | - | М16 | |
DN 20 | PN 2,5 | - | 34 | - | 14 | 90 | 65 | 11 | 4 | М10 | ||||
PN 6 | ||||||||||||||
PN 10 | 40 | 18 | 105 | 75 | 14 | М12 | ||||||||
PN 16 | 44 | 14 | ||||||||||||
PN 25 | 16 | |||||||||||||
PN 40 | ||||||||||||||
PN 63 | 52 | 50 | 20 | 22 | 125 | 130 | 90 | 18 | М16 | |||||
PN 100 | 54 | 22 | ||||||||||||
PN 160 | - | - | 125 | - | 18 | - | 4 | - | М16 | - | ||||
PN 200 | 60 | 28 | 130 | 22 | М20 | |||||||||
PN 250 | 46 | 33 | ||||||||||||
DN 25 | PN 2,5 | - | 44 | - | 14 | 100 | 75 | 11 | 4 | М10 | ||||
PN 6 | ||||||||||||||
PN 10 | 50 | 18 | 115 | 85 | 14 | М12 | ||||||||
PN 16 | 49 | 14 | ||||||||||||
PN 25 | 16 | |||||||||||||
PN 40 | ||||||||||||||
PN 63 | 61 | 61 | 22 | 24 | 135 | 140 | 100 | 18 | М16 | |||||
PN 100 | 24 | |||||||||||||
PN 160 | ||||||||||||||
PN 200 | 67 | - | 30 | - | 150 | - | 102 | 26 | - | 4 | - | М24 | - | |
PN 250 | - | 63 | - | 28 | - | 150 | 105 | - | 22 | - | 4 | - | М20 | |
DN 32 | PN 2,5 | - | 54 | - | 14 | 120 | 90 | 14 | 4 | М12 | ||||
PN 6 | ||||||||||||||
PN 10 | 60 | 18 | 135 | 140 | 100 | 18 | М16 | |||||||
PN 16 | 56 | 16 | ||||||||||||
PN 25 | 62 | 18 | ||||||||||||
PN 40 | ||||||||||||||
PN 63 | 68 | 68 | 24 | 26 | 150 | 155 | 110 | 22 | М20 | |||||
PN 100 | ||||||||||||||
PN 160 | - | - | 150 | - | 110 | 22 | - | 4 | - | М20 | - | |||
PN 200 | 78 | 32 | 160 | 115 | 26 | М24 | ||||||||
PN 250 | 64 | 37 | ||||||||||||
DN 40 | PN 2,5 | - | 64 | - | 14 | 130 | 100 | 14 | 4 | М12 | ||||
PN 6 | ||||||||||||||
PN 10 | 70 | 18 | 145 | 150 | 110 | 18 | М16 | |||||||
PN 16 | 64 | 17 | ||||||||||||
PN 25 | 70 | 70 | 19 | 18 | ||||||||||
PN 40 | ||||||||||||||
PN 63 | 80 | 82 | 25 | 28 | 165 | 170 | 125 | 22 | М20 | |||||
PN 100 | 26 | |||||||||||||
PN 160 | 28 | |||||||||||||
PN 200 | 90 | - | 34 | - | 170 | - | 124 | 26 | - | 4 | - | М24 | - | |
PN 250 | - | 90 | - | 34 | - | 185 | 135 | - | 26 | - | 4 | - | М24 | |
DN 50 | PN 2,5 | - | 74 | - | 14 | 140 | 110 | 14 | 4 | М12 | ||||
PN 6 | ||||||||||||||
PN 10 | 84 | 18 | 160 | 165 | 125 | 18 | М16 | |||||||
PN 16 | 74 | 17 | ||||||||||||
PN 25 | 80 | 20 | ||||||||||||
PN 40 | ||||||||||||||
PN 63 | 90 | 90 | 26 | 175 | 180 | 135 | 22 | М20 | ||||||
PN 100 | 94 | 96 | 28 | 30 | 195 | 145 | 26 | М24 | ||||||
PN 160 | 30 | |||||||||||||
PN 200 | 108 | - | 40 | - | 210 | - | 160 | 26 | - | 8 | - | М24 | - | |
PN 250 | - | 102 | - | 38 | - | 200 | 150 | - | 26 | - | 8 | - | М24 | |
DN 65 | PN 2,5 | - | 94 | - | 14 | 160 | 130 | 14 | 4 | М12 | ||||
PN 6 | ||||||||||||||
PN 10 | 104 | 18 | 180 | 185 | 145 | 18 | 4 | 8 | М16 | |||||
PN 16 | 100 | 18 | 8 <*> | |||||||||||
PN 25 | 106 | 22 | 8 | |||||||||||
PN 40 | ||||||||||||||
PN 63 | 114 | 105 | 28 | 26 | 200 | 205 | 160 | 22 | М20 | |||||
PN 100 | 118 | 118 | 32 | 34 | 220 | 170 | 26 | М24 | ||||||
PN 160 | 34 | |||||||||||||
PN 200 | 140 | - | 48 | - | 260 | - | 203 | 30 | - | 8 | - | М27 | - | |
PN 250 | - | 125 | - | 42 | - | 230 | 180 | - | 26 | - | 8 | - | М24 | |
DN 80 | PN 2,5 | - | 110 | - | 16 | 185 | 190 | 150 | 18 | 4 | М16 | |||
PN 6 | ||||||||||||||
PN 10 | 120 | 20 | 195 | 200 | 160 | 4 | 8 | |||||||
PN 16 | 110 | 20 | ||||||||||||
PN 25 | 116 | 22 | 24 | 8 | ||||||||||
PN 40 | ||||||||||||||
PN 63 | 128 | 122 | 30 | 28 | 210 | 215 | 170 | 22 | М20 | |||||
PN 100 | 132 | 128 | 34 | 36 | 230 | 180 | 26 | М24 | ||||||
PN 160 | 36 | |||||||||||||
PN 200 | 160 | - | 54 | - | 290 | - | 230 | 33 | - | 8 | - | М30 | - | |
PN 250 | - | 142 | - | 46 | - | 255 | 200 | - | 30 | - | 8 | - | М27 | |
DN 100 | PN 2,5 | - | 130 | - | 16 | 205 | 210 | 170 | 18 | 4 | М16 | |||
PN 6 | ||||||||||||||
PN 10 | 140 | 20 | 215 | 220 | 180 | 8 | ||||||||
PN 16 | 130 | 20 | ||||||||||||
PN 25 | 136 | 142 | 24 | 230 | 235 | 190 | 22 | М20 | ||||||
PN 40 | 140 | |||||||||||||
PN 63 | 152 | 146 | 32 | 30 | 250 | 200 | 26 | М24 | ||||||
PN 100 | 160 | 150 | 38 | 40 | 265 | 210 | 30 | М27 | ||||||
PN 160 | 40 | |||||||||||||
PN 200 | 204 | - | 66 | - | 360 | - | 292 | 39 | - | 8 | - | М36 | - | |
PN 250 | - | 168 | - | 54 | - | 300 | 235 | - | 33 | - | 8 | - | М30 | |
DN 125 | PN 2,5 | - | 160 | - | 18 | 235 | 240 | 200 | 18 | 8 | М16 | |||
PN 6 | ||||||||||||||
PN 10 | 170 | 22 | 245 | 250 | 210 | |||||||||
PN 16 | 161 | 22 | ||||||||||||
PN 25 | 169 | 162 | 28 | 26 | 270 | 220 | 26 | М24 | ||||||
PN 40 | ||||||||||||||
PN 63 | 181 | 177 | 36 | 34 | 295 | 240 | 30 | М27 | ||||||
PN 100 | 189 | 185 | 42 | 40 | 310 | 315 | 250 | 33 | М30 | |||||
PN 160 | 184 | 44 | ||||||||||||
PN 200 | 237 | - | 76 | - | 385 | - | 318 | 39 | - | 12 | - | М36 | - | |
PN 250 | - | 207 | - | 60 | - | 340 | 275 | - | 33 | - | 12 | - | М30 | |
DN 150 | PN 2,5 | - | 182 | - | 18 | 260 | 265 | 225 | 18 | 8 | М16 | |||
PN 6 | ||||||||||||||
PN 10 | 190 | 22 | 280 | 285 | 240 | 22 | М20 | |||||||
PN 16 | 186 | 24 | ||||||||||||
PN 25 | 198 | 192 | 30 | 28 | 300 | 250 | 26 | М24 | ||||||
PN 40 | ||||||||||||||
PN 63 | 210 | 204 | 38 | 36 | 340 | 345 | 280 | 33 | М30 | |||||
PN 100 | 222 | 216 | 46 | 44 | 350 | 355 | 290 | 12 | ||||||
PN 160 | 224 | 50 | ||||||||||||
PN 200 | 270 | - | 82 | - | 440 | - | 360 | 45 | - | 12 | - | М42 | - | |
PN 250 | - | 246 | - | 68 | - | 390 | 320 | - | 36 | - | 12 | - | М33 | |
DN 200 | PN 2,5 | - | 238 | - | 20 | 315 | 320 | 280 | 18 | 8 | М16 | |||
PN 6 | ||||||||||||||
PN 10 | 246 | 24 | 335 | 340 | 295 | 22 | М20 | |||||||
PN 16 | 240 | 26 | 12 | |||||||||||
PN 25 | 252 | 252 | 34 | 30 | 360 | 310 | 26 | М24 | ||||||
PN 40 | 256 | 254 | 38 | 34 | 375 | 320 | 30 | М27 | ||||||
PN 63 | 268 | 264 | 44 | 42 | 405 | 415 | 345 | 33 | 36 | М30 | М33 | |||
PN 100 | 284 | 278 | 54 | 52 | 430 | 360 | 39 | М36 | ||||||
PN 160 | 288 | 60 | ||||||||||||
PN 200 | 340 | - | 92 | - | 535 | - | 440 | 52 | - | 12 | - | М48 | - | |
PN 250 | - | 314 | - | 82 | - | 485 | 400 | - | 42 | - | 12 | - | М39 | |
DN 250 | PN 2,5 | - | 284 | - | 22 | 370 | 375 | 335 | 18 | 12 | М16 | |||
PN 6 | ||||||||||||||
PN 10 | 298 | 26 | 390 | 395 | 350 | 22 | М20 | |||||||
PN 16 | 298 | 296 | 30 | 405 | 355 | 26 | М24 | |||||||
PN 25 | 306 | 304 | 36 | 32 | 425 | 370 | 30 | М27 | ||||||
PN 40 | 314 | 312 | 42 | 38 | 445 | 450 | 385 | 33 | М30 | |||||
PN 63 | 326 | 320 | 48 | 46 | 470 | 400 | 39 | 36 | М36 | М33 | ||||
PN 100 | 346 | 340 | 60 | 500 | 505 | 430 | 39 | М36 | ||||||
PN 160 | 346 | 68 | 515 | 42 | М39 | |||||||||
PN 200 | 448 | - | 110 | - | 670 | - | 572 | 56 | - | 16 | - | М52 | - | |
PN 250 | - | 394 | - | 100 | - | 585 | 490 | - | 48 | - | 16 | - | М45 | |
DN 300 | PN 2,5 | - | 342 | - | 22 | 435 | 440 | 395 | 22 | 12 | М20 | |||
PN 6 | ||||||||||||||
PN 10 | 348 | 26 | 440 | 445 | 400 | |||||||||
PN 16 | 348 | 350 | 31 | 28 | 460 | 410 | 26 | М24 | ||||||
PN 25 | 360 | 364 | 40 | 34 | 485 | 430 | 30 | 16 | М27 | |||||
PN 40 | 368 | 378 | 46 | 42 | 510 | 515 | 450 | 33 | М30 | |||||
PN 63 | 384 | 54 | 52 | 530 | 460 | 39 | 36 | М36 | М33 | |||||
PN 100 | 408 | 407 | 70 | 68 | 585 | 500 | 45 | 42 | М42 | М39 | ||||
PN 160 | 414 | 78 | ||||||||||||
PN 250 | - | 480 | - | 120 | - | 690 | 590 | - | 52 | - | 16 | - | М48 | |
DN 350 | PN 2,5 | - | 392 | - | 22 | 485 | 490 | 445 | 22 | 12 | М20 | |||
PN 6 | ||||||||||||||
PN 10 | 408 | 26 | 500 | 505 | 460 | 16 | ||||||||
PN 16 | 402 | 410 | 34 | 30 | 520 | 470 | 26 | М24 | ||||||
PN 25 | 418 | 418 | 44 | 38 | 550 | 555 | 490 | 33 | М30 | |||||
PN 40 | 430 | 432 | 52 | 46 | 570 | 580 | 510 | 33 | 36 | М30 | М33 | |||
PN 63 | 442 | 434 | 60 | 56 | 595 | 600 | 525 | 39 | М36 | |||||
PN 100 | 466 | 460 | 76 | 74 | 655 | 560 | 52 | 48 | М48 | М45 | ||||
DN 400 | PN 2,5 | - | 442 | - | 22 | 535 | 540 | 495 | 22 | 16 | М20 | |||
PN 6 | ||||||||||||||
PN 10 | 456 | 26 | 565 | 515 | 26 | М24 | ||||||||
PN 16 | 456 | 458 | 36 | 32 | 580 | 525 | 30 | М27 | ||||||
PN 25 | 472 | 472 | 48 | 40 | 610 | 620 | 550 | 33 | 36 | М30 | М33 | |||
PN 40 | 488 | 498 | 58 | 50 | 655 | 660 | 585 | 39 | М36 | |||||
PN 63 | 500 | 490 | 66 | 60 | 670 | 585 | 45 | 42 | М42 | М39 | ||||
PN 100 | 520 | 80 | 715 | 620 | 52 | 48 | М48 | М45 | ||||||
DN 450 | PN 2,5 | - | 494 | - | 22 | 590 | 595 | 550 | 22 | 16 | М20 | |||
PN 6 | ||||||||||||||
PN 10 | 502 | 28 | 615 | 565 | 26 | 20 | М24 | |||||||
PN 16 | 510 | 516 | 40 | 640 | 585 | 30 | М27 | |||||||
PN 25 | 522 | 520 | 50 | 46 | 660 | 670 | 600 | 33 | 36 | М30 | М33 | |||
PN 40 | 542 | 522 | 60 | 57 | 680 | 685 | 610 | 39 | М36 | |||||
DN 500 | PN 2,5 | - | 544 | - | 24 | 640 | 645 | 600 | 22 | 16 | 20 | М20 | ||
PN 6 | ||||||||||||||
PN 10 | 559 | 28 | 670 | 620 | 26 | 20 | М24 | |||||||
PN 16 | 564 | 576 | 44 | 710 | 715 | 650 | 33 | М30 | ||||||
PN 25 | 580 | 580 | 52 | 48 | 730 | 660 | 39 | 36 | М36 | М33 | ||||
PN 40 | 592 | 576 | 62 | 57 | 755 | 670 | 45 | 42 | М42 | М39 | ||||
PN 63 | 610 | - | 70 | - | 800 | 705 | 52 | 48 | М48 | М45 | ||||
PN 100 | - | - | - | 870 | 760 | - | 56 | - | 20 | - | М52 | |||
DN 600 | PN 2,5 | - | 642 | - | 30 | 755 | 705 | 26 | 20 | М24 | ||||
PN 6 | ||||||||||||||
PN 10 | 658 | 34 | 780 | 725 | 30 | М27 | ||||||||
PN 16 | 672 | 690 | 48 | 54 | 840 | 770 | 39 | 36 | М36 | М33 | ||||
PN 25 | 684 | 684 | 56 | 58 | 840 | 845 | 770 | 39 | М36 | |||||
PN 40 | 696 | 686 | 63 | 72 | 890 | 795 | 52 | 48 | М48 | М45 | ||||
PN 63 | 720 | 76 | 925 | 930 | 820 | 56 | М52 | |||||||
(в ред. Изменения N 1, введенного в действие Приказом Росстандарта от 31.01.2024 N 170-ст) | ||||||||||||||
DN 700 | PN 2,5 | - | 746 | - | 30 | 860 | 810 | 26 | 24 | М24 | ||||
PN 6 | ||||||||||||||
PN 10 | 772 | 895 | 840 | 30 | М27 | |||||||||
PN 16 | 776 | 760 | 50 | 910 | 39 | 36 | М36 | М33 | ||||||
PN 25 | 792 | 780 | 60 | 960 | 875 | 45 | 42 | М42 | М39 | |||||
PN 40 | 804 | 68 | 995 | 900 | 52 | 48 | М48 | М45 | ||||||
DN 800 | PN 2,5 | - | 850 | - | 30 | 975 | 920 | 30 | 24 | М27 | ||||
PN 6 | ||||||||||||||
PN 10 | 876 | 1010 | 1015 | 950 | 33 | М30 | ||||||||
PN 16 | 880 | 862 | 52 | 1020 | 1025 | 39 | М36 | |||||||
PN 25 | 896 | 882 | 64 | 1075 | 1085 | 990 | 45 | 48 | М42 | М45 | ||||
PN 40 | 920 | 76 | 1135 | 1140 | 1030 | 56 | М52 | |||||||
PN 63 | - | - | 1165 | 1050 | 62 | М56 | ||||||||
DN 900 | PN 2,5 | - | 950 | - | 30 | 1075 | 1020 | 30 | 24 | М27 | ||||
PN 6 | 34 | |||||||||||||
PN 10 | 976 | 1110 | 1115 | 1050 | 33 | 28 | М30 | |||||||
PN 16 | 984 | 962 | 54 | 1120 | 1125 | 39 | М36 | |||||||
PN 25 | 1000 | 982 | 66 | 1185 | 1090 | 52 | 48 | М48 | М45 | |||||
PN 40 | - | - | 1250 | 1140 | 56 | М52 | ||||||||
PN 63 | 1285 | 1170 | 62 | М56 | ||||||||||
DN 1000 | PN 2,5 | - | 1050 | - | 30 | 1175 | 1120 | 30 | 28 | М27 | ||||
PN 6 | 38 | |||||||||||||
PN 10 | 1080 | 1220 | 1230 | 1160 | 33 | 36 | М30 | М33 | ||||||
PN 16 | 1084 | 1076 | 56 | 1255 | 1170 | 45 | 42 | М42 | М39 | |||||
PN 25 | 1104 | 1086 | 68 | 1315 | 1320 | 1210 | 56 | М52 | ||||||
PN 40 | - | - | 1360 | 1250 | ||||||||||
PN 63 | 1415 | 1290 | 70 | М64 | ||||||||||
DN 1200 | PN 2,5 | - | - | - | 32 | 1375 | 1320 | 30 | 32 | М27 | ||||
PN 6 | 1264 | 42 | 1400 | 1405 | 1340 | 33 | М30 | |||||||
PN 10 | 1292 | 1455 | 1380 | 39 | М36 | |||||||||
PN 16 | 1288 | 1282 | 58 | 1485 | 1390 | 52 | 48 | М48 | М45 | |||||
PN 25 | 1308 | 72 | 1525 | 1530 | 1420 | 56 | М52 | |||||||
PN 40 | - | - | 1575 | 1460 | 62 | М56 | ||||||||
PN 63 | 1665 | 1530 | 78 | М72 | ||||||||||
DN 1400 | PN 2,5 | - | - | - | 38 | 1575 | 1520 | 30 | 36 | М27 | ||||
PN 6 | 1480 | 56 | 1620 | 1630 | 1560 | 33 | 36 | М30 | М33 | |||||
PN 10 | 1496 | - | 1675 | 1590 | - | 42 | - | М39 | ||||||
PN 16 | 1492 | 1482 | 60 | 1685 | 52 | 48 | М48 | М45 | ||||||
PN 25 | 1516 | 1508 | 78 | 76 | 1750 | 1755 | 1640 | 62 | М56 | |||||
PN 40 | - | - | - | 1795 | 1680 | - | 62 | - | 36 | - | М56 | |||
DN 1600 | PN 2,5 | - | - | - | 46 | 1785 | 1790 | 1730 | 30 | 40 | М27 | |||
PN 6 | 1680 | 63 | 1820 | 1830 | 1760 | 33 | 36 | М30 | М33 | |||||
PN 10 | 1712 | 1915 | 1820 | 52 | 48 | М48 | М45 | |||||||
PN 16 | 1704 | 1696 | 68 | 1925 | 1930 | 56 | М52 | |||||||
PN 25 | - | - | - | 1975 | 1860 | - | 62 | - | 40 | - | М56 | |||
PN 40 | 2025 | 1900 | 70 | М64 | ||||||||||
DN 1800 | PN 2,5 | - | - | - | 50 | 1985 | 1990 | 1930 | 30 | 44 | М27 | |||
PN 6 | 1878 | 69 | 2045 | 1970 | 39 | М36 | ||||||||
PN 10 | 1910 | 2115 | 2020 | 52 | 48 | М48 | М45 | |||||||
PN 16 | 1896 | - | 2130 | - | 56 | - | 44 | - | М52 | |||||
PN 25 | 2195 | 2070 | 70 | М64 | ||||||||||
DN 2000 | PN 2,5 | - | - | - | 50 | 2190 | 2130 | 30 | 48 | М27 | ||||
PN 6 | 2082 | 74 | 2265 | 2180 | 45 | 42 | М42 | М39 | ||||||
PN 10 | 2120 | 2325 | 2230 | 52 | 48 | М48 | М45 | |||||||
PN 16 | 2100 | - | 2345 | - | 62 | - | 48 | - | М56 | |||||
PN 25 | 2425 | 2300 | 70 | М64 | ||||||||||
Примечания 1 Ряд 2 соответствует [2]. 2 Фланцы должны изготавливаться с уплотнительными поверхностями исполнений: - A - для фланцев на PN 1, PN 2,5 и PN 6; - B - для фланцев на PN <= 100; - C, D, E, F, J, K, L, M - для PN в соответствии с таблицей 2. | ||||||||||||||

DN | PN, кгс/см2 | Dm | b | D | D1 | d | n | Номинальный диаметр болтов или шпилек | ||||||
Ряд 1 | Ряд 2 | Ряд 1 | Ряд 2 | Ряд 1 | Ряд 2 | Ряд 1 | Ряд 2 | Ряд 1 | Ряд 2 | Ряд 1 | Ряд 2 | |||
DN 10 | PN 2,5 | - | 20 | - | 12 | - | 75 | 50 | - | 11 | - | 4 | - | М10 |
PN 6 | ||||||||||||||
PN 10 | 28 | 14 | 90 | 60 | 14 | М12 | ||||||||
PN 16 | ||||||||||||||
DN 15 | PN 1 | 31 | - | 12 | - | 80 | - | 55 | 11 | - | 4 | - | М10 | - |
PN 2,5 | 26 | 12 | 80 | 11 | 4 | М10 | ||||||||
PN 6 | ||||||||||||||
PN 10 | 37 | 32 | 14 | 95 | 65 | 14 | М12 | |||||||
PN 16 | ||||||||||||||
DN 20 | PN 1 | 38 | - | 14 | - | 90 | - | 65 | 11 | - | 4 | - | М10 | - |
PN 2,5 | 34 | 14 | 90 | 11 | 4 | М10 | ||||||||
PN 6 | ||||||||||||||
PN 10 | 42 | 40 | 16 | 105 | 75 | 14 | М12 | |||||||
PN 16 | ||||||||||||||
DN 25 | PN 1 | 47 | - | 14 | - | 100 | - | 75 | 11 | - | 4 | - | М10 | - |
PN 2,5 | 44 | 14 | 100 | 11 | 4 | М10 | ||||||||
PN 6 | ||||||||||||||
PN 10 | 49 | 50 | 16 | 115 | 85 | 14 | М12 | |||||||
PN 16 | ||||||||||||||
DN 32 | PN 1 | 56 | - | 15 | - | 120 | - | 90 | 14 | - | 4 | - | М12 | - |
PN 2,5 | 54 | 16 | 120 | 14 | 4 | М12 | ||||||||
PN 6 | ||||||||||||||
PN 10 | 60 | 60 | 18 | 135 | 140 | 100 | 18 | 19 | М16 | |||||
PN 16 | ||||||||||||||
DN 40 | PN 1 | 64 | - | 16 | - | 130 | - | 100 | 14 | - | 4 | - | М12 | - |
PN 2,5 | 64 | 16 | 130 | 14 | 4 | М12 | ||||||||
PN 6 | ||||||||||||||
PN 10 | 68 | 70 | 19 | 18 | 145 | 150 | 110 | 18 | 19 | М16 | ||||
PN 16 | ||||||||||||||
DN 50 | PN 1 | 74 | - | 16 | - | 140 | - | 110 | 14 | - | 4 | - | М12 | - |
PN 2,5 | 74 | 16 | 140 | 14 | 4 | М12 | ||||||||
PN 6 | ||||||||||||||
PN 10 | 80 | 84 | 20 | 160 | 165 | 125 | 18 | 19 | М16 | |||||
PN 16 | ||||||||||||||
DN 65 | PN 1 | 94 | - | 16 | - | 160 | - | 130 | 14 | - | 4 | - | М12 | - |
PN 2,5 | 94 | 16 | 160 | 14 | 4 | М12 | ||||||||
PN 6 | ||||||||||||||
PN 10 | 100 | 104 | 20 | 180 | 185 | 145 | 18 | 19 | М16 | |||||
PN 16 | ||||||||||||||
DN 80 | PN 1 | 108 | - | 18 | - | 185 | - | 150 | 18 | - | 4 | - | М16 | - |
PN 2,5 | 110 | 18 | 190 | 19 | 4 | М16 | ||||||||
PN 6 | ||||||||||||||
PN 10 | 114 | 120 | 22 | 195 | 200 | 160 | 8 | |||||||
PN 16 | ||||||||||||||
DN 100 | PN 1 | 128 | - | 18 | - | 205 | - | 170 | 18 | - | 4 | - | М16 | - |
PN 2,5 | 130 | 18 | 210 | 19 | 4 | М16 | ||||||||
PN 6 | ||||||||||||||
PN 10 | 134 | 140 | 22 | 24 | 215 | 220 | 180 | 8 | ||||||
PN 16 | 136 | 24 | ||||||||||||
DN 125 | PN 1 | 155 | - | 20 | - | 235 | - | 200 | 18 | - | 8 | - | М16 | - |
PN 2,5 | 160 | 20 | 240 | 19 | 8 | М16 | ||||||||
PN 6 | ||||||||||||||
PN 10 | 161 | 170 | 24 | 26 | 245 | 250 | 210 | |||||||
PN 16 | 165 | 26 | ||||||||||||
DN 150 | PN 1 | 180 | - | 20 | - | 260 | - | 225 | 18 | - | 8 | - | М16 | - |
PN 2,5 | 182 | 20 | 265 | 19 | 8 | М16 | ||||||||
PN 6 | ||||||||||||||
PN 10 | 186 | 190 | 24 | 26 | 280 | 285 | 240 | 22 | 23 | М20 | ||||
PN 16 | 192 | 28 | ||||||||||||
DN 200 | PN 1 | 234 | - | 22 | - | 315 | - | 280 | 18 | - | 8 | - | М16 | - |
PN 2,5 | 238 | 22 | 320 | 19 | 8 | М16 | ||||||||
PN 6 | ||||||||||||||
PN 10 | 240 | 246 | 26 | 335 | 340 | 295 | 22 | 23 | М20 | |||||
PN 16 | 246 | 30 | 12 | |||||||||||
DN 250 | PN 1 | 286 | - | 23 | - | 370 | - | 335 | 18 | - | 12 | - | М16 | - |
PN 2,5 | 284 | 24 | 375 | 19 | 12 | М16 | ||||||||
PN 6 | ||||||||||||||
PN 10 | 292 | 298 | 28 | 390 | 395 | 350 | 22 | 23 | М20 | |||||
PN 16 | 298 | 296 | 32 | 405 | 355 | 26 | 28 | М24 | ||||||
DN 300 | PN 1 | 336 | - | 24 | - | 435 | - | 395 | 22 | - | 12 | - | М20 | - |
PN 2,5 | 342 | 24 | 440 | 23 | 12 | М20 | ||||||||
PN 6 | ||||||||||||||
PN 10 | 342 | 348 | 29 | 28 | 440 | 445 | 400 | |||||||
PN 16 | 352 | 350 | 34 | 32 | 460 | 410 | 26 | 28 | М24 | |||||
DN 350 | PN 1 | 390 | - | 26 | - | 485 | - | 445 | 22 | - | 12 | - | М20 | - |
PN 2,5 | 392 | 26 | 490 | 23 | 12 | М20 | ||||||||
PN 6 | ||||||||||||||
PN 10 | 396 | 408 | 30 | 500 | 505 | 460 | 16 | |||||||
PN 16 | 408 | 410 | 38 | 36 | 520 | 470 | 26 | 28 | М24 | |||||
DN 400 | PN 1 | 442 | - | 28 | - | 535 | - | 495 | 22 | - | 16 | - | М20 | - |
PN 2,5 | 442 | 28 | 540 | 23 | 16 | М20 | ||||||||
PN 6 | ||||||||||||||
PN 10 | 448 | 456 | 32 | 565 | 515 | 26 | 28 | М24 | ||||||
PN 16 | 460 | 458 | 40 | 38 | 580 | 525 | 30 | М27 | ||||||
DN 450 | PN 1 | 492 | - | 28 | - | 590 | - | 550 | 22 | - | 16 | - | М20 | - |
PN 2,5 | 494 | 28 | 595 | 23 | 16 | М20 | ||||||||
PN 6 | ||||||||||||||
PN 10 | 498 | 502 | 32 | 615 | 565 | 26 | 28 | 20 | М24 | |||||
PN 16 | 516 | 516 | 44 | 40 | 640 | 585 | 30 | 31 | М27 | |||||
DN 500 | PN 1 | 546 | - | 29 | - | 640 | - | 600 | 22 | - | 16 | - | М20 | - |
PN 2,5 | 544 | 30 | 645 | 23 | 20 | М20 | ||||||||
PN 6 | ||||||||||||||
PN 10 | 552 | 559 | 34 | 670 | 620 | 26 | 28 | 20 | М24 | |||||
PN 16 | 570 | 576 | 46 | 42 | 710 | 715 | 650 | 33 | 34 | М30 | ||||
DN 600 | PN 1 | 646 | - | 30 | - | 755 | - | 705 | 26 | - | 20 | - | М24 | - |
PN 2,5 | 642 | 30 | 755 | 26 | 20 | М24 | ||||||||
PN 6 | ||||||||||||||
PN 10 | 654 | 658 | 36 | 780 | 725 | 30 | 31 | М27 | ||||||
PN 16 | 682 | 690 | 54 | 48 | 840 | 770 | 39 | 37 | M36 | М33 | ||||
(в ред. Изменения N 1, введенного в действие Приказом Росстандарта от 31.01.2024 N 170-ст) | ||||||||||||||
DN 700 | PN 1 | 746 | - | 30 | - | 860 | - | 810 | 26 | - | 24 | - | М24 | - |
PN 2,5 | 746 | 32 | 860 | 26 | 24 | М24 | ||||||||
PN 6 | 738 | 32 | ||||||||||||
PN 10 | 760 | 772 | 40 | 895 | 840 | 30 | 31 | М27 | ||||||
PN 16 | 782 | 760 | 54 | 910 | 39 | 37 | М36 | М33 | ||||||
DN 800 | PN 1 | 848 | - | 30 | - | 975 | - | 920 | 30 | - | 24 | - | М27 | - |
PN 2,5 | 850 | 34 | 975 | 31 | 24 | М27 | ||||||||
PN 6 | 852 | 34 | ||||||||||||
PN 10 | 866 | 876 | 44 | 1010 | 1015 | 950 | 33 | 34 | М30 | |||||
PN 16 | 882 | 862 | 54 | 58 | 1020 | 1025 | 39 | 40 | М36 | |||||
DN 900 | PN 1 | 948 | - | 30 | - | 1075 | - | 1020 | 30 | - | 24 | - | М27 | - |
PN 2,5 | 950 | 36 | 1075 | 31 | 24 | М27 | ||||||||
PN 6 | 954 | 36 | ||||||||||||
PN 10 | 970 | 976 | 46 | 1110 | 1115 | 1050 | 33 | 34 | 28 | М30 | ||||
PN 16 | 982 | 962 | 54 | 62 | 1120 | 1125 | 39 | 40 | М36 | |||||
DN 1000 | PN 1 | 1048 | - | 30 | - | 1175 | - | 1120 | 30 | - | 28 | - | М27 | - |
PN 2,5 | 1050 | 36 | 1175 | 31 | 28 | М27 | ||||||||
PN 6 | 1054 | 36 | ||||||||||||
PN 10 | 1076 | 1080 | 50 | 1220 | 1230 | 1160 | 33 | 37 | М30 | М33 | ||||
PN 16 | 1090 | 1076 | 60 | 66 | 1255 | 1170 | 45 | 43 | М42 | М39 | ||||
DN 1200 | PN 1 | 1250 | - | 30 | - | 1375 | - | 1320 | 30 | - | 32 | - | М27 | - |
PN 2,5 | 1250 | 30 | 1375 | 30 | 32 | М27 | ||||||||
PN 6 | 1260 | 1264 | 40 | 1400 | 1405 | 1340 | 33 | 34 | М30 | |||||
PN 10 | 1284 | 1292 | 56 | 56 | 1455 | 1380 | 39 | 40 | М36 | |||||
DN 1400 | PN 1 | 1452 | - | 30 | - | 1575 | - | 1520 | 30 | - | 36 | - | М27 | - |
PN 2,5 | 1452 | 30 | 1575 | 30 | 36 | М27 | ||||||||
PN 6 | 1466 | 1480 | 44 | 44 | 1620 | 1630 | 1560 | 33 | 37 | М30 | М33 | |||
PN 10 | 1494 | 1496 | 62 | 62 | 1675 | 1590 | 45 | 43 | М42 | М39 | ||||
DN 1600 | PN 1 | 1654 | - | 32 | - | 1785 | - | 1730 | 30 | - | 40 | - | М27 | - |
PN 2,5 | 1654 | 32 | 1790 | 30 | 40 | М27 | ||||||||
PN 6 | 1672 | 1680 | 48 | 1820 | 1830 | 1760 | 33 | 37 | М30 | М33 | ||||
PN 10 | 1702 | 1712 | 68 | 1915 | 1820 | 52 | 49 | М48 | М45 | |||||
DN 1800 | PN 1 | 1856 | - | 34 | - | 1985 | - | 1930 | 30 | - | 44 | - | М27 | - |
PN 2,5 | 1856 | 34 | 1990 | 30 | 44 | М27 | ||||||||
PN 6 | 1876 | 1878 | 50 | 2045 | 1970 | 39 | 40 | М36 | ||||||
PN 10 | 1910 | 1910 | 72 | 70 | 2115 | 2020 | 52 | 49 | М48 | М45 | ||||
DN 2000 | PN 1 | 2056 | - | 34 | - | 2190 | - | 2130 | 30 | - | 48 | - | М27 | - |
PN 2,5 | 2056 | 34 | 2190 | 30 | 48 | М27 | ||||||||
PN 6 | 2082 | 2082 | 54 | 2265 | 2180 | 45 | 43 | М42 | М39 | |||||
PN 10 | 2116 | 2120 | 74 | 2325 | 2230 | 52 | 49 | М48 | М45 | |||||
DN 2200 | PN 1 | 2260 | - | 36 | - | 2405 | - | 2340 | 33 | - | 52 | - | М30 | - |
PN 2,5 | 2260 | 36 | 2405 | 33 | 52 | М30 | ||||||||
PN 6 | 2292 | 60 | 2475 | 2390 | 45 | 43 | М42 | М39 | ||||||
DN 2400 | PN 1 | 2464 | - | 38 | - | 2605 | - | 2540 | 33 | - | 56 | - | М30 | - |
PN 2,5 | 2464 | 38 | 2605 | 33 | 56 | М30 | ||||||||
PN 6 | 2496 | 62 | 2685 | 2600 | 45 | 43 | М42 | М39 | ||||||
DN 2600 | PN 1 | 2670 | - | 40 | - | 2805 | - | 2740 | 33 | - | 60 | - | М30 | - |
PN 2,5 | 2668 | 40 | 2805 | 33 | 60 | М30 | ||||||||
PN 6 | - | - | 64 | - | 2905 | 2810 | - | 48 | - | 60 | - | М45 | ||
DN 2800 | PN 1 | 2872 | - | 44 | - | 3035 | - | 2960 | 39 | - | 64 | - | М36 | - |
PN 2,5 | 2872 | 2868 | 44 | 42 | 3030 | 36 | 64 | М33 | ||||||
PN 6 | - | - | 68 | - | 3115 | 3020 | - | 49 | - | 64 | - | М45 | ||
DN 3000 | PN 1 | 3072 | - | 46 | - | 3240 | - | 3160 | 39 | - | 68 | - | М36 | - |
PN 2,5 | 3068 | 42 | 3230 | 36 | 68 | М33 | ||||||||
PN 6 | - | - | 70 | - | 3315 | 3220 | - | 49 | - | 68 | - | М45 | ||
DN 3200 | PN 2,5 | - | 3268 | - | 44 | - | 3430 | 3360 | - | 36 | - | 72 | - | М33 |
PN 6 | 76 | - | 3525 | 3430 | - | 49 | - | М45 | ||||||
DN 3400 | PN 2,5 | - | 3472 | - | 46 | - | 3630 | 3560 | - | 36 | - | 76 | - | М33 |
PN 6 | 80 | - | 3735 | 3640 | - | 49 | - | М45 | ||||||
DN 3600 | PN 2,5 | - | 3676 | - | 48 | - | 3840 | 3770 | - | 36 | - | 80 | - | М33 |
PN 6 | 84 | - | 3970 | 3860 | - | 56 | - | М52 | ||||||
DN 3800 | PN 2,5 | - | 3876 | - | 48 | - | 4045 | 3970 | - | 39 | - | 80 | - | М36 |
DN 4000 | PN 2,5 | - | 4076 | - | 50 | - | 4245 | 4170 | - | 39 | - | 84 | - | М36 |
Примечания 1 Ряд 2 соответствует [3]. 2 Фланцы должны изготавливаться с уплотнительными поверхностями исполнений: - A - для фланцев на PN 1, PN 2,5 и PN 6; - B, E, F - для всех PN. | ||||||||||||||

DN | PN, кгс/см2 | Dm | b | D | D1 | d | n | Номинальный диаметр болтов или шпилек | ||||||
Ряд 1 | Ряд 2 | Ряд 1 | Ряд 2 | Ряд 1 | Ряд 2 | Ряд 1 | Ряд 2 | Ряд 1 | Ряд 2 | Ряд 1 | Ряд 2 | |||
DN 10 | PN 6 | - | 20 | - | 12 | - | 75 | 50 | - | 11 | - | 4 | - | М10 |
PN 10 | 28 | 14 | 90 | 60 | 14 | М12 | ||||||||
PN 16 | ||||||||||||||
PN 25 | ||||||||||||||
PN 40 | ||||||||||||||
DN 15 | PN 6 | - | 26 | - | 12 | - | 80 | 55 | - | 11 | - | 4 | - | М10 |
PN 10 | 32 | 14 | 95 | 65 | 14 | М12 | ||||||||
PN 16 | 38 | 14 | 95 | 14 | 4 | М12 | ||||||||
PN 25 | 16 | |||||||||||||
PN 40 | ||||||||||||||
DN 20 | PN 6 | - | 34 | - | 14 | - | 90 | 65 | - | 11 | - | 4 | - | М10 |
PN 10 | 40 | 16 | 105 | 75 | 14 | М12 | ||||||||
PN 16 | 44 | 14 | 105 | 14 | 4 | М12 | ||||||||
PN 25 | 16 | |||||||||||||
PN 40 | ||||||||||||||
DN 25 | PN 6 | - | 44 | - | 14 | - | 100 | 75 | - | 11 | - | 4 | - | М10 |
PN 10 | 50 | 16 | 115 | 85 | 14 | М12 | ||||||||
PN 16 | 49 | 14 | 115 | 14 | 4 | М12 | ||||||||
PN 25 | 16 | |||||||||||||
PN 40 | ||||||||||||||
DN 32 | PN 6 | - | 54 | - | 16 | - | 120 | 90 | - | 14 | - | 4 | - | М12 |
PN 10 | 60 | 18 | 140 | 100 | 18 | М16 | ||||||||
PN 16 | 62 | 15 | 135 | 140 | 18 | 19 | 4 | М16 | ||||||
PN 25 | 17 | |||||||||||||
PN 40 | ||||||||||||||
DN 40 | PN 6 | - | 64 | - | 16 | - | 130 | 100 | - | 14 | - | 4 | - | М12 |
PN 10 | 70 | 18 | 150 | 110 | 19 | М16 | ||||||||
PN 16 | 70 | 16 | 145 | 18 | 4 | М16 | ||||||||
PN 25 | 18 | |||||||||||||
PN 40 | ||||||||||||||
DN 50 | PN 6 | - | 74 | - | 16 | - | 140 | 110 | - | 14 | - | 4 | - | М12 |
PN 10 | 84 | 20 | 165 | 125 | 19 | М16 | ||||||||
PN 16 | 80 | 18 | 160 | 18 | 4 | М16 | ||||||||
PN 25 | 20 | |||||||||||||
PN 40 | ||||||||||||||
DN 65 | PN 6 | - | 94 | - | 16 | - | 160 | 130 | - | 14 | - | 4 | - | М12 |
PN 10 | 104 | 20 | 185 | 145 | 19 | 8 | М16 | |||||||
PN 16 | 106 | 20 | 180 | 18 | 4 | М16 | ||||||||
PN 25 | 22 | 22 | 8 | |||||||||||
PN 40 | ||||||||||||||
DN 80 | PN 6 | - | 110 | - | 18 | - | 190 | 150 | - | 19 | - | 4 | - | М16 |
PN 10 | 120 | 20 | 200 | 160 | 8 | |||||||||
PN 16 | 116 | 22 | 195 | 18 | 8 | М16 | ||||||||
PN 25 | 24 | 24 | ||||||||||||
PN 40 | ||||||||||||||
DN 100 | PN 6 | - | 130 | - | 18 | - | 210 | 170 | - | 19 | - | 4 | - | М16 |
PN 10 | 140 | 22 | 220 | 180 | 8 | |||||||||
PN 16 | ||||||||||||||
PN 25 | 142 | 24 | 235 | 190 | 23 | М20 | ||||||||
PN 40 | ||||||||||||||
DN 125 | PN 6 | - | 160 | - | 20 | - | 240 | 200 | - | 19 | - | 8 | - | М16 |
PN 10 | 170 | 22 | 250 | 210 | ||||||||||
PN 16 | ||||||||||||||
PN 25 | 162 | 26 | 270 | 220 | 28 | М24 | ||||||||
PN 40 | ||||||||||||||
DN 150 | PN 6 | - | 182 | - | 20 | - | 265 | 225 | - | 19 | - | 8 | - | М16 |
PN 10 | 190 | 24 | 285 | 240 | 23 | М20 | ||||||||
PN 16 | ||||||||||||||
PN 25 | 192 | 28 | 300 | 250 | 28 | М24 | ||||||||
PN 40 | ||||||||||||||
DN 200 | PN 6 | - | 238 | - | 22 | - | 320 | 280 | - | 19 | - | 8 | - | М16 |
PN 10 | 246 | 24 | 340 | 295 | 23 | 12 | М20 | |||||||
PN 16 | ||||||||||||||
PN 25 | 252 | 30 | 360 | 310 | 28 | М24 | ||||||||
PN 40 | 254 | 34 | 375 | 320 | 31 | М27 | ||||||||
DN 250 | PN 6 | - | 284 | - | 24 | - | 375 | 335 | - | 19 | - | 12 | - | М16 |
PN 10 | 298 | 26 | 395 | 350 | 23 | М20 | ||||||||
PN 16 | 296 | 405 | 355 | 28 | М24 | |||||||||
PN 25 | 304 | 32 | 425 | 370 | 31 | М27 | ||||||||
PN 40 | 312 | 38 | 450 | 385 | 34 | М30 | ||||||||
DN 300 | PN 6 | - | 342 | - | 24 | - | 440 | 395 | - | 23 | - | 12 | - | М20 |
PN 10 | 348 | 26 | 445 | 400 | ||||||||||
PN 16 | 350 | 28 | 460 | 410 | 28 | М24 | ||||||||
PN 25 | 364 | 34 | 485 | 430 | 31 | 16 | М27 | |||||||
PN 40 | 378 | 42 | 515 | 450 | 34 | М30 | ||||||||
Примечания 1 Ряд 2 соответствует [3]. 2 Фланцы должны изготавливаться с уплотнительными поверхностями исполнений: - A - для фланцев на PN 6; - B, E, F - для всех PN. | ||||||||||||||

DN | Размер B для PN, в кгс/см2 | |||||
PN 1 и PN 2,5 | PN 6 | PN 10 | PN 16 | PN 25 | PN 40 | |
DN 10 | 60 | 60 | 70 | 70 | 70 | 70 |
DN 15 | 65 | 65 | 75 | 75 | 75 | 75 |
DN 20 | 70 | 70 | 80 | 80 | 80 | 80 |
DN 25 | 75 | 75 | 90 | 90 | 90 | 90 |
DN 32 | 95 | 95 | 105 | 105 | 105 | 105 |
DN 40 | 100 | 100 | 110 | 110 | 110 | 110 |
DN 50 | 110 | 110 | 125 | 125 | 125 | 125 |
DN 65 | 125 | 125 | 140 | 140 | - | - |
DN 80 | 140 | 140 | 150 | 150 | - | - |
DN 100 | 155 | 155 | - | - | - | - |
номинальные давления по сравнению с номинальным давлением изделия.Группа стали или чугуна | Марка материала | НД на заготовки | Температура применения, °C | PN, кгс/см2, не более |
Серый чугун | СЧ15, СЧ20 | От -15 до 300 | PN 16 | |
Ковкий чугун | КЧ 30-6 | От -30 до 300 | PN 40 | |
Высокопрочный чугун | ВЧ 40, ВЧ 45 | |||
ВЧ 40 | От -40 до 300 | PN 25 | ||
Литье из нелегированной стали | 25Л-II | От -30 до 450 | PN 63 | |
20Л-III | PN 200 | |||
25Л-III | ||||
Литье из легированной стали | 20Х5МЛ | От -40 до 650 | ||
20ГМЛ | НД <3> | От -60 до 450 | ||
Литье из высоколегированной стали | 16Х18Н12С4ТЮЛ | От -70 до 300 | ||
12Х18Н9ТЛ | От -253 до 600 | |||
10Х18Н9Л | ||||
Сталь углеродистая | Ст3сп не ниже 2-й категории | Поковки по ГОСТ 8479 | От -30 до 300 | PN 100 |
Лист по ГОСТ 14637 | От -20 до 300 | |||
20,25 | Поковки по ГОСТ 8479 | От -40 до 475 | PN 250 | |
20 | Лист по ГОСТ 1577 | От -20 до 475 | ||
20К | Лист по ГОСТ 5520 | |||
Поковки по ГОСТ 8479 | От -30 до 475 | |||
20КА | Лист, поковка по НД <4> | От -40 до 475 | ||
(в ред. Изменения N 1, введенного в действие Приказом Росстандарта от 31.01.2024 N 170-ст) | ||||
Низколегированная сталь | 20ЮЧ | Поковки по НД <4> | ||
15ГС | Поковки по НД <5> | |||
16ГС | ||||
Лист по ГОСТ 5520 | ||||
Лист по ГОСТ 19281 | От -30 до 475 | |||
10Г2С1 | Лист по ГОСТ 5520 | От -70 до 475 | ||
17ГС | Лист по ГОСТ 5520 | От -40 до 475 | ||
Лист по ГОСТ 19281 | От -30 до 475 | |||
17Г1С | Лист по ГОСТ 5520 | От -40 до 475 | ||
12ХМ | Лист по ГОСТ 5520 | От -40 до 560 | ||
15ХМ | Поковки по ГОСТ 8479 | |||
09Г2С | Поковки КП245 (КП25) по ГОСТ 8479 | От -70 до 475 | ||
Лист ГОСТ 5520 категория 15 | ||||
Лист по ГОСТ 19281 категория 12 | От -40 до 475 | |||
Лист по ГОСТ 5520 категории 7, 8, 9 в зависимости от температуры стенки | От -70 до 200 | |||
Лист по ГОСТ 19281 категории 7, 15 | ||||
Лист ГОСТ 5520 категория 6 | От -40 до 200 | |||
Лист по ГОСТ 19281 категория 4 | ||||
Лист ГОСТ 5520 категории 3, 5 | От -30 до 200 | |||
Лист по ГОСТ 19281 категория 3 | ||||
10Г2 | Поковки по ГОСТ 8479 | От -70 до 475 | ||
Сталь теплоустойчивая | 15Х5М | Лист по ГОСТ 7350; сортовой прокат по ГОСТ 20072; поковки по ГОСТ 8479 | От -40 до 650 | |
Сталь коррозионно-стойкая | 08Х18Н10Т | Поковки по ГОСТ 25054; лист по ГОСТ 7350 | От -270 до 610 | |
12Х18Н9Т | Поковки по ГОСТ 25054; лист по ГОСТ 7350 | |||
12Х18Н10Т | Поковки по ГОСТ 25054; лист по ГОСТ 7350 | |||
10Х18Н9 | Поковки по НД <6> | От -270 до 600 | ||
08Х22Н6Т | Поковки по ГОСТ 25054 | От -40 до 300 | ||
08Х21Н6М2Т | Поковки по ГОСТ 25054 | |||
15Х18Н12С4ТЮ | Поковки по ГОСТ 25054; лист по ГОСТ 7350 | От -70 до 300 | ||
06ХН28МДТ | Поковки по ГОСТ 25054; лист по ГОСТ 7350 | От -196 до 400 | ||
10Х17Н13М3Т | Поковки по ГОСТ 25054; лист по ГОСТ 7350 | От -196 до 600 | PN 250 | |
10Х17Н13М2Т | Поковки по ГОСТ 25054; лист по ГОСТ 7350 | От -253 до 700 | ||
07Х20Н25М3Д2ТЛ (ЭИ 943Л) | НД <2> | От -70 до 300 | ||
<1> В Российской Федерации рекомендуется применять СТ ЦКБА 050-2008 "Арматура трубопроводная. Отливки из чугуна. Технические требования". <2> В Российской Федерации рекомендуется применять СТ ЦКБА 014-2004 "Арматура трубопроводная. Отливки стальные. Общие технические условия". <3> В Российской Федерации рекомендуется применять ТУ 0870-001-05785572-2007 "Отливки из стали 20ГМЛ для деталей холодного климатического исполнения. Технические условия". <4> В Российской Федерации рекомендуется применять ТУ 05764417-013-93 "Заготовки из стали марок 09ГСНБЦ, 09ХГН2АБ, 20КА, 08Г2МФА. Технические условия". <5> В Российской Федерации рекомендуется применять СТО 00220227-006-2010 "Поковки деталей сосудов, аппаратов и трубопроводов высокого давления. Общие технические требования" и ОСТ 108.030.113-87 "Поковки из углеродистой и легированной стали для оборудования и трубопроводов тепловых и атомных станций. Технические условия". | ||||
(сноски введены Изменением N 1, введенным в действие Приказом Росстандарта от 31.01.2024 N 170-ст) | ||||
Примечания 1 Для ряда 1 допускается изготовление фланцев из проката круглого и квадратного по НД на поставку в зависимости от применяемой марки стали. 2 Термообработка - в соответствии с НД на заготовки <*>. | ||||
(примечание 2 в ред. Изменения N 1, введенного в действие Приказом Росстандарта от 31.01.2024 N 170-ст) | ||||
3 Для деталей арматуры, эксплуатируемой при температуре ниже минус 30 °C до минус 40 °C, сталь 25Л-II, 20Л-III, 25Л-III применяется в термообработанном состоянии (закалка + отпуск или нормализация + отпуск) с обязательным испытанием ударной вязкости KCU-40 >= 200 кДж/м2 (2,0 кгс·м/см2). 4 Полный перечень материалов, применяемых для фланцев и соединительных частей арматуры, приведен в ГОСТ 33260 <**>. | ||||
(в ред. Изменения N 1, введенного в действие Приказом Росстандарта от 31.01.2024 N 170-ст) | ||||
5 Отливки из чугуна и стали - только для фланцев типа 21. | ||||
<*> В Российской Федерации рекомендуется применять СТ ЦКБА 016-2005 "Арматура трубопроводная. Термическая обработка деталей, заготовок и сварных сборок из высоколегированных сталей, коррозионно-стойких и жаропрочных сплавов" и СТ ЦКБА 026-2005 "Арматура трубопроводная. Термическая обработка заготовок из углеродистых и легированных конструкционных сталей. Типовой технологический процесс". <**> В Российской Федерации для сероводородосодержащих сред действует ГОСТ Р 59851-2021 "Арматура трубопроводная. Требования к материалам арматуры, применяемой для сероводородосодержащих сред". | ||||
(сноски введены Изменением N 1, введенным в действие Приказом Росстандарта от 31.01.2024 N 170-ст) | ||||
Марки материала | Стандарт или ТУ на материал | Параметры применения | |||
Болты, шпильки | Гайки | ||||
Температура рабочей среды, °C | PN, кгс/см2, не более | Температура рабочей среды, °C | PN, кгс/см2, не более | ||
20, 25 | От -40 до 425 | PN 25 | От -40 до 425 | PN 100 | |
35 | PN 100 | PN 200 | |||
30Х, 35Х, 40Х | PN 200 | ||||
10Г2 | От -70 до 425 | От -70 до 425 | |||
09Г2С | PN 160 | PN 160 | |||
20ХН3А | PN 250 | PN 250 | |||
18Х2Н4МА | От -70 до 400 | От -70 до 400 | |||
38ХН3МФА | От -50 до 350 | От -50 до 350 | |||
30ХМА | От -40 до 450 | От -40 до 510 | |||
25Х1МФ (ЭИ 10) | От -50 до 510 | От -50 до 540 | |||
20Х1М1Ф1БР (ЭИ 44) | От -40 до 580 | От -40 до 580 | |||
20Х13 | От -30 до 450 | От -30 до 510 | |||
14Х17Н2 | От -70 до 350 | PN 25 | От -70 до 350 | PN 25 | |
07Х16Н6 | От -40 до 325 | PN 100 | От -40 до 325 | PN 100 | |
07Х16Н6-Ш | НД <1> | ||||
07Х16Н4Б | НД <2> | От -80 до 350 | PN 250 | От -80 до 350 | PN 250 |
08Х18Н10Т 12Х18Н9Т 12Х18Н10Т | От -196 до 600 | От -196 до 600 | |||
10Х17Н13М2Т 10Х17Н13М3Т | От -253 до 600 | От -253 до 600 | |||
10Х14Г14Н4Т | От -200 до 500 | От -200 до 500 | |||
08Х22Н6Т (ЭП 53) | От -40 до 200 | От -40 до 200 | |||
07Х21Г7АН5 (ЭП 222) | От -253 до 400 | От -253 до 400 | |||
12ХН35ВТ (ХН35ВТ, ЭИ 612) | От -70 до 650 | От -70 до 650 | |||
12ХН35ВТ-ВД (ХН35ВТ-ВД, ЭИ 612-ВД) | НД <3> | ||||
45Х14Н14В2М (ЭИ 69) | От -70 до 600 | От -70 до 600 | |||
10Х11Н23Т3МР (ЭП 33) | От -260 до 650 | - | - | ||
08Х15Н24В4ТР (ЭП 164) | От -269 до 600 | PN 250 | От -269 до 600 | PN 250 | |
31Х19Н9МВБТ (ЭИ 572) | От -70 до 625 | От -70 до 625 | |||
<1> В Российской Федерации рекомендуется применять ТУ 14-1-1660-76 "Прутки из стали марки 07Х16Н6-Ш (Х16Н6-Ш). Технические условия". | |||||
(сноски введены Изменением N 1, введенным в действие Приказом Росстандарта от 31.01.2024 N 170-ст) | |||||
Группа контроля | Условия комплектования партии | Вид и объем испытаний | Сдаточные характеристики | Применяемость |
I | Заготовки одной марки стали | Химический анализ - каждая плавка | Химический состав | Для фланцев PN <= 2,5 DN <= 300 для жидких рабочих сред, не относящихся к опасным веществам (см. примечание 1) |
II | Заготовки одной марки стали, совместно прошедшие термическую обработку | Химический анализ - каждая плавка. | Химический состав. | Для фланцев PN <= 6 всех DN и для фланцев PN <= 16 DN <= 300 для рабочих сред, не относящихся к опасным веществам (см. примечание 1) |
Измерение твердости - 5% партии, но не менее 5 шт. | Твердость | |||
МКК по требованию заказчика <2> | ||||
III | Заготовки одной марки стали, прошедшие термическую обработку по одинаковому режиму | Химический анализ - каждая плавка. | Химический состав. | Для фланцев PN <= 25 всех DN для рабочих сред, не относящихся к опасным веществам. |
Измерение твердости - каждая заготовка <3>. | Твердость | |||
Неразрушающий контроль - по требованию заказчика. | Для фланцев PN <= 6 DN <= 150 для жидких рабочих сред, относящихся к опасным веществам | |||
МКК по требованию заказчика <2> | ||||
IV | Заготовки одной плавки, прошедшие термическую обработку по одинаковому режиму | Химический анализ - каждая плавка. | Химический состав. | Для фланцев PN <= 160 всех DN для всех сред |
Измерение твердости - каждая заготовка <3>. | Твердость <5>. | |||
Механические свойства - 1% каждой садки, но не менее 2 шт. <1> | ||||
Неразрушающий контроль - каждая заготовка <4>. | ||||
МКК по требованию заказчика <2> | Стойкость к МКК | |||
V | Индивидуально каждая заготовка | Химический анализ - каждая плавка. | Для фланцев PN > 160 всех DN для всех сред <8> | |
Измерение твердости - каждая заготовка <3>. | ||||
Механические свойства - каждая заготовка. | ||||
Неразрушающий контроль - каждая заготовка <4>. | ||||
МКК по требованию заказчика <2> | ||||
<2> Для высоколегированных сталей по ГОСТ 6032, работающих под воздействием коррозионно-активной среды. <3> Допускается для измерения твердости сталей 12Х18Н9, 09Х18Н9, 10Х18Н9Т, 12Х18Н9Т, 08Х18Н10Т, 08Х18Н10Т-ВД, 10Х17Н13М2Т, 10Х17Н13М3Т, 08Х17Н15М3Т отбирать 25% заготовок партии, если твердость не указана в рабочем чертеже как сдаточная. <4> Поковки, штамповки, заготовки для фланцев на PN >= 100 (10 МПа) должны проходить контроль УЗК в объеме 100%, на PN < 100 (10 МПа) УЗК проводится по требованию заказчика. Контроль поковок - по ГОСТ 24507 (группа качества 2n - для PN >= 100 (10 МПа) и 4n - для PN < 100 (10 МПа), контроль листов - по ГОСТ 22727 (1 класс сплошности), контроль проката - по ГОСТ 21120 (1 группа качества). Другие виды неразрушающего контроля и нормы оценки - по требованию заказчика. | ||||
(в ред. Изменения N 1, введенного в действие Приказом Росстандарта от 31.01.2024 N 170-ст) | ||||
<5> Значения твердости для заготовок групп IV и V не является браковочным признаком, если твердость не указана в КД как сдаточная. <6> Для групп IV и V в зависимости от условий работы могут быть назначены дополнительные сдаточные характеристики ( <7> Для заготовок из высоколегированных сталей и сплавов аустенитного, аустенитно-ферритного классов, не упрочняемых термической обработкой, испытание на ударный изгиб не проводится и ударная вязкость не является сдаточной характеристикой, за исключением случаев, когда необходимость испытания определяется техническими требованиями чертежа. <8> Для фланцев, полученных методом штамповки, допускается проводить контроль по IV группе контроля. Примечания 1 К опасным веществам относятся воспламеняющиеся, окисляющиеся, горючие, взрывчатые и токсичные вещества в соответствии с НД <*>. | ||||
(в ред. Изменения N 1, введенного в действие Приказом Росстандарта от 31.01.2024 N 170-ст) | ||||
2 Группа контроля может уточняться по согласованию с заказчиком. 3 Значение твердости - в соответствии с НД на заготовки и термическую обработку <**>. | ||||
(в ред. Изменения N 1, введенного в действие Приказом Росстандарта от 31.01.2024 N 170-ст) | ||||
<*> В Российской Федерации действует Федеральный закон от 21 июля 1997 года N 116-ФЗ "О промышленной безопасности опасных производственных объектов". <**> В Российской Федерации рекомендуется применять СТ ЦКБА 010-2004 "Арматура трубопроводная. Поковки, штамповки и заготовки из проката. Технические требования", СТ ЦКБА 016-2005 "Арматура трубопроводная. Термическая обработка деталей, заготовок и сварных сборок из высоколегированных сталей, коррозионно-стойких и жаропрочных сплавов" и СТ ЦКБА 026-2005 "Арматура трубопроводная. Термическая обработка заготовок из углеродистых и легированных конструкционных сталей. Типовой технологический процесс". | ||||
(сноски введены Изменением N 1, введенным в действие Приказом Росстандарта от 31.01.2024 N 170-ст) | ||||
Размер | Предельные отклонения | ||||||
D0 | H14; при получении штамповкой - по классу точности Т4 ГОСТ 7505 | ||||||
D; B | Для чугунных литых и литых стальных фланцев - по 9-му классу точности ГОСТ 26645. Для фланцев, изготовляемых из проката обычной точности (В1), - по ГОСТ 2590 и ГОСТ 2591 (без обработки поверхностей). Для фланцев, изготовляемых методом резки из листового проката, - по 2-му классу точности ГОСТ 14792. Для фланцев штампованных и (или) изготовляемых методом гибки из полосового проката с последующей сваркой стыка и горячей рихтовкой - по классу точности Т4 ГОСТ 7505. При этом допускается усиление шва, которое при определении предельного отклонения не учитывается. При изготовлении другими методами (в том числе, механической обработки) - по h16. | ||||||
D1 | Позиционный допуск осей отверстий d (допуск зависимый) в диаметральном выражении для соединений типа А по ГОСТ 14140 | ||||||
Диаметр отверстий, мм | Допуск, мм, не более | ||||||
11 | 1,0 | ||||||
Св. 14 до 26 включ. | 2,0 | ||||||
" 30 " 48 " | 3,0 | ||||||
" 52 " 56 " | 4,0 | ||||||
Св. 62 | 6,0 | ||||||
Позиционный допуск осей отверстий d (допуск зависимый) в диаметральном выражении при изготовлении фланцев с резьбовыми отверстиями (тип B по ГОСТ 14140) | |||||||
Диаметр отверстий, мм | Допуск, мм, не более | ||||||
11 | 0,5 | ||||||
Св. 14 до 26 включ. | 1,0 | ||||||
" 30 " 48 " | 1,6 | ||||||
" 52 " 56 " | 2,0 | ||||||
Св. 62 | 3,0 | ||||||
D2 | +/- 4,0 мм | ||||||
D3 | H12 | ||||||
D4 | h12 | ||||||
D5 | h12 | ||||||
D6 | H12 | ||||||
D7 | +/- 0,75 мм | ||||||
D8 | +/- 0,15 мм | ||||||
D9 | js16 | ||||||
D10; D11 | |||||||
Диаметр (шипа или паза), мм | Отверстие | Вал | |||||
Св. 18 до 30 включ. | H12 | b | |||||
" 30 " 130 " | d11 | ||||||
" 130 " 260 " | H11 | ||||||
" 260 " 500 " | f9 | ||||||
" 500 " 800 " | H10 | ||||||
Св. 800 | H9 | ||||||
H; H1 | До DN 80 включ. | +/- 1,5 мм | |||||
Св. DN 80 " DN 250 " | +/- 2,0 мм | ||||||
Св. DN 250 | +/- 3,0 мм | ||||||
Dn; Dm | При получении штамповкой - по классу точности Т4 ГОСТ 7505; при механической обработке: | ||||||
До 30 мм включ. | h16 | ||||||
Св. 30 " 80 мм " | h15 | ||||||
" 80 мм | h14 | ||||||
d | H15 | ||||||
d1 | При получении штамповкой - по классу точности Т4 ГОСТ 7505; при механической обработке: | ||||||
До 30 мм включ. | H16 | ||||||
Св. 30 до 80 мм включ. | H15 | ||||||
Св. 80 мм | H14 | ||||||
dв | По H14 (при получении штамповкой - по классу точности Т4 ГОСТ 7505) | ||||||
b; b1 | При механической обработке обоих торцов | ||||||
До 18 мм включ. | +2 мм | ||||||
Св. 18 " 50 мм " | +3 мм | ||||||
" 50 мм | +4 мм | ||||||
При механической обработке только со стороны уплотнительного торца | |||||||
До 18 мм включ. | +3 мм | ||||||
Св. 18 " 50 мм " | +4 мм | ||||||
" 50 мм | +5 мм | ||||||
b2 | +/- 0,2 мм | ||||||
h | -1 мм | ||||||
h1; h2 | +0,5 мм | ||||||
h3 | +0,4 мм | ||||||
h4; h5 | +0,5 мм | ||||||
Допуск плоскостности уплотнительных поверхностей | Наибольший диаметр уплотнительной поверхности: | ||||||
до 1000 мм | <= 0,4 мм | ||||||
св. 1000 мм | <= 0,8 мм | ||||||
Допуск параллельности опорных поверхностей под гайки (шайбы, болты) и уплотнительных поверхностей | <= 1° | ||||||
Угол 45° | +/- 5° | ||||||
Примечание - Неуказанные предельные отклонения размеров обработанных поверхностей - по классу точности "средний" ГОСТ 30893.1, между обработанной и необработанной - по классу "очень грубый" ГОСТ 30893.1. | |||||||
Размер | Диапазон размеров шпилек (болтов) | Допуск, мм |
D1 | М10 - М24 | +/- 1 |
М27 - М33 | +/- 1,25 | |
М36 - М52 | +/- 1,5 | |
М56 - М95 | +/- 2 | |
М100 | +/- 2,5 | |
Расстояние между центрами отверстий для двух смежных болтов | М10 - М24 | +/- 0,5 |
М27 - М33 | +/- 0,625 | |
М36 - М52 | +/- 0,75 | |
М56 - М95 | +/- 1 | |
М100 | +/- 1,25 | |

Среда | Давление PN, кгс/см2 | Исполнения уплотнительной поверхности |
Трудногорючие и негорючие (непожаровзрывоопасные) вещества по ГОСТ 12.1.044 | До PN 6 включ. | A (плоскость) |
До PN 25 включ. | B (соединительный выступ) | |
Св. PN 25 | E (выступ) - F (впадина); C, L (шип) - D, M (паз) | |
Вредные вещества 4-го класса опасности (малоопасные) по ГОСТ 12.1.007 | До PN 16 включ. | B (соединительный выступ) |
Св. PN 16 | E (выступ) - F (впадина); C, L (шип) - D, M (паз) | |
Вредные вещества 1, 2 и 3 классов опасности (высокоопасные и умеренно опасные) по ГОСТ 12.1.007; | До PN 40 включ. | B (соединительный выступ) (см. 7.3 и примечание) |
пожаровзрывоопасные вещества (горючие газы и жидкости, легковоспламеняющиеся жидкости) по ГОСТ 12.1.044 | Все | E (выступ) - F (впадина); C, L (шип) - D, M (паз) |
Вредные вещества 1-го класса опасности (чрезвычайно опасные) по ГОСТ 12.1.007 | Все | E (выступ) - F (впадина); C, L (шип) - D, M (паз) |
ВОТ (высокотемпературный органический теплоноситель) | Все | C, L (шип) - D, M (паз) |
Фреон, аммиак, водород | Все | E (выступ) - F (впадина); C, L (шип) - D, M (паз) |
Вакуум | (0,95 - 0,5) абс. | E (выступ) - F (впадина); C, L (шип) - D, M (паз) |
(0,5 - 0,01) абс. | C, L (шип) - D, M (паз) | |
Все среды | PN >= 63 | K (под линзовую прокладку); J (под прокладку овального или восьмиугольного сечения) |
Примечание - Уплотнительная поверхность исполнения B (соединительный выступ) применяется с прокладками СНП с двумя ограничительными кольцами до PN 40 и прокладками на основе ТРГ до PN 100. | ||
(примечание в ред. Изменения N 1, введенного в действие Приказом Росстандарта от 31.01.2024 N 170-ст) | ||

DN | Тип фланцев | Масса фланца, кг, для PN, кгс/см2 | |||||||||
PN 1 и PN 2,5 | PN 6 | PN 10 | PN 16 | PN 25 | PN 40 | PN 63 | PN 100 | PN 160 | PN 200 | ||
DN 10 | 01 | 0,25 | 0,31 | 0,46 | 0,54 | 0,64 | - | - | - | - | - |
02 | 0,29 | 0,29 | 0,52 | 0,61 | 0,69 | - | - | - | - | - | |
11 | 0,29 | 0,34 | 0,50 | 0,60 | 0,69 | 0,69 | 1,03 | 1,03 | - | - | |
DN 15 | 01 | 0,29 | 0,33 | 0,51 | 0,61 | 0,71 | - | - | - | - | - |
02 | 0,33 | 0,33 | 0,58 | 0,67 | 0,77 | - | - | - | - | - | |
11 | 0,34 | 0,40 | 0,58 | 0,68 | 0,80 | 0,80 | 1,15 | 1,27 | 1,27 | 2,11 | |
DN 20 | 01 | 0,45 | 0,53 | 0,75 | 0,86 | 0,98 | - | - | - | - | - |
02 | 0,41 | 0,41 | 0,82 | 0,93 | 1,05 | - | - | - | - | - | |
11 | 0,46 | 0,53 | 0,87 | 0,87 | 0,99 | 0,99 | 1,81 | 2,02 | 2,08 | 2,54 | |
DN 25 | 01 | 0,55 | 0,64 | 0,89 | 1,17 | 1,17 | - | - | - | - | - |
02 | 0,60 | 0,60 | 0,96 | 1,10 | 1,24 | - | - | - | - | - | |
11 | 0,55 | 0,77 | 1,05 | 1,05 | 1,19 | 1,19 | 2,30 | 2,50 | 2,50 | 3,59 | |
DN 32 | 01 | 0,79 | 1,02 | 1,40 | 1,58 | 1,77 | - | - | - | - | - |
02 | 0,87 | 0,87 | 1,49 | 1,68 | 1,87 | - | - | - | - | - | |
11 | 0,78 | 1,10 | 1,54 | 1,54 | 1,85 | 1,85 | 2,94 | 3,06 | 3,07 | 4,43 | |
DN 40 | 01 | 0,95 | 1,21 | 1,72 | 1,96 | 2,18 | - | - | - | - | - |
02 | 1,01 | 1,01 | 1,92 | 2,13 | 2,35 | - | - | - | - | - | |
11 | 1,09 | 1,36 | 1,83 | 1,85 | 2,19 | 2,19 | 3,75 | 4,07 | 4,28 | 5,46 | |
DN 50 | 01 | 1,04 | 1,33 | 2,06 | 2,58 | 2,8 | - | - | - | - | - |
02 | 1,11 | 1,11 | 2,27 | 2,54 | 2,79 | - | - | - | - | - | |
11 | 1,26 | 1,53 | 2,26 | 2,28 | 2,78 | 2,81 | 4,63 | 6,08 | 6,49 | 11,3 | |
DN 65 | 01 | 1,39 | 1,63 | 2,80 | 3,42 | 3,22 | - | - | - | - | - |
02 | 1,55 | 1,55 | 3,01 | 3,31 | 3,43 | - | - | - | - | - | |
11 | 1,62 | 2,06 | 3,17 | 3,19 | 3,71 | 3,72 | 6,3 | 8,84 | 9,38 | 19,2 | |
DN 80 | 02 | 2,05 | 2,05 | 3,77 | 4,11 | 4,25 | - | - | - | - | - |
11 | 2,43 | 2,76 | 3,67 | 4,21 | 4,48 | 4,81 | 7,22 | 9,98 | 10,5 | 27,5 | |
DN 100 | 01 | 2,14 | 2,85 | 3,96 | 4,73 | 5,92 | - | - | - | - | - |
02 | 2,38 | 2,38 | 4,55 | 4,93 | 6,19 | - | - | - | - | - | |
11 | 2,98 | 3,35 | 4,70 | 4,90 | 6,58 | 7,40 | 10,7 | 14,7 | 15,4 | 53,6 | |
DN 125 | 01 | 2,6 | 3,88 | 5,40 | 6,38 | 8,26 | - | - | - | - | - |
02 | 2,84 | 2,84 | 6,09 | 6,56 | 8,82 | - | - | - | - | - | |
11 | 3,72 | 4,66 | 6,76 | 6,76 | 9,45 | 10,2 | 17,1 | 23,3 | 24,9 | 73,2 | |
DN 150 | 01 | 3,62 | 4,65 | 6,97 | 7,9 | 10,5 | - | - | - | - | - |
02 | 3,94 | 3,94 | 7,86 | 8,48 | 10,9 | - | - | - | - | - | |
11 | 5,22 | 5,85 | 8,5 | 8,50 | 12,6 | 13,2 | 25,4 | 32,9 | 35,0 | 90,9 | |
(в ред. Изменения N 1, введенного в действие Приказом Росстандарта от 31.01.2024 N 170-ст) | |||||||||||
DN 200 | 01 | 4,73 | 5,9 | 8,05 | 10,2 | 13,3 | - | - | - | - | - |
02 | 4,93 | 4,93 | 9,02 | 9,36 | 12,6 | - | - | - | - | - | |
11 | 6,92 | 9,35 | 11,4 | 11,8 | 17,4 | 24,4 | 38,5 | 54,2 | 60,1 | 160 | |
DN 250 | 01 | 6,95 | 7,7 | 10,7 | 14,5 | 18,9 | - | - | - | - | - |
02 | 6,38 | 6,38 | 11,3 | 13,9 | 17,7 | - | - | - | - | - | |
11 | 9,88 | 12,3 | 14,6 | 17,4 | 25,7 | 37,6 | 53,8 | 85,4 | 94,4 | 318 | |
DN 300 | 01 | 9,33 | 10,3 | 12,9 | 17,8 | 24,0 | - | - | - | - | - |
02 | 10,35 | 10,35 | 13,9 | 17,9 | 22,8 | - | - | - | - | - | |
11 | 13,4 | 14,8 | 19,3 | 22,8 | 33,3 | 57,1 | 74,6 | 128,4 | 141 | - | |
DN 350 | 01 | 10,45 | 12,6 | 15,9 | 22,9 | 34,6 | - | - | - | - | - |
02 | 13,5 | 13,5 | 18,0 | 22,8 | 31,7 | - | - | - | - | - | |
11 | 16,0 | 18,65 | 24,7 | 33,1 | 46,6 | 70,3 | 106 | 172 | - | - | |
DN 400 | 01 | 11,6 | 15,2 | 21,6 | 31,0 | 44,6 | - | - | - | - | - |
02 | 17,0 | 17,0 | 24,4 | 29,1 | 42,5 | - | - | - | - | - | |
11 | 18,6 | 20,6 | 30,0 | 43,0 | 64,8 | 107 | 151 | 216,4 | - | - | |
DN 450 | 01 | 14,6 | 17,3 | 22,8 | 39,6 | 51,8 | - | - | - | - | - |
02 | 20,0 | 20,0 | 25,6 | 35,3 | 48,2 | - | - | - | - | - | |
11 | 23,7 | 23,6 | 34,7 | 54,0 | 72,3 | 107 | - | - | - | - | |
DN 500 | 01 | 16,0 | 19,7 | 28,0 | 57,0 | 67,3 | - | - | - | - | - |
02 | 25,4 | 25,4 | 33,3 | 49,3 | 64,6 | - | - | - | - | - | |
11 | 26,8 | 29,1 | 40,0 | 71,0 | 89,0 | 132,3 | 201 | - | - | - | |
DN 600 | 01 | 21,4 | 26,2 | 39,4 | 80,0 | 90,9 | - | - | - | - | - |
11 | 35,8 | 35,8 | 50,0 | 99,3 | 124 | 195 | 283 | - | - | - | |
DN 700 | 01 | 29,2 | 36,7 | 59,5 | 84,2 | 127 | - | - | - | - | - |
11 | 44,3 | 44,3 | 65,3 | 106 | 167 | 247 | 301 | - | - | - | |
DN 800 | 01 | 36,6 | 46,1 | 79,2 | 104,4 | 181,4 | - | - | - | - | - |
11 | 55,5 | 56,2 | 87,2 | 131 | 215 | 367,4 | 464 | - | - | - | |
DN 900 | 01 | 44,2 | 55,1 | 94,1 | 129 | - | - | - | - | - | - |
11 | 66,4 | 66,8 | 103 | 158 | 253 | 437 | 954 | - | - | - | |
DN 1000 | 01 | 52,6 | 64,4 | 118,4 | 179,4 | - | - | - | - | - | - |
11 | 73,4 | 73,5 | 119 | 203 | 312 | 541 | 981 | - | - | - | |
DN 1200 | 01 | 62,4 | 99,0 | 197,4 | 298 | - | - | - | - | - | - |
11 | 92,9 | 111 | 180 | 285 | 388 | 691 | 1264 | - | - | - | |
DN 1400 | 01 | 77,6 | 161,5 | 279 | - | - | - | - | - | - | - |
11 | 101 | 157 | - | - | - | - | - | - | - | - | |
DN 1600 | 01 | 94,3 | 203 | 423 | - | - | - | - | - | - | - |
11 | 135 | 219 | - | - | - | - | - | - | - | - | |
DN 1800 | 01 | 117 | - | - | - | - | - | - | - | - | - |
DN 2000 | 01 | 133 | - | - | - | - | - | - | - | - | - |
DN 2200 | 01 | 190 | - | - | - | - | - | - | - | - | - |
DN 2400 | 01 | 237 | - | - | - | - | - | - | - | - | - |
Примечания 1 Для фланцев типов 01 и 11 масса указана максимальная для всех возможных исполнений уплотнительной поверхности и требует уточнения в КД. 2 Для фланцев типа 02 масса указана без массы кольца. 3 Масса указана для круглых фланцев. | |||||||||||
(примечание 3 введено Изменением N 1, введенным в действие Приказом Росстандарта от 31.01.2024 N 170-ст) | |||||||||||
Рисунок | ГОСТ 33259 | |
![]() Плоскость | - | Исполнение A |
![]() Фланец с соединительным выступом | Исполнение 1 | Исполнение B |
![]() Фланец с выступом | Исполнение 2 | Исполнение E |
![]() Фланец с впадиной | Исполнение 3 | Исполнение F |
![]() Фланец с шипом | Исполнение 4, 8 | Исполнение C, L |
![]() Фланец с пазом | Исполнение 5, 9 | Исполнение D, M |
![]() Фланец под линзовую прокладку | Исполнение 6 | Исполнение K |
![]() Фланец под прокладку овального сечения | Исполнение 7 | Исполнение J |
Рисунок | ГОСТ 12820-80 - ГОСТ 12822-80 | ГОСТ 33259-2015 |
![]() Фланцы стальные плоские приварные | ![]() | ![]() |
![]() Фланцы стальные приварные встык | ![]() | |
![]() Фланцы стальные плоские свободные на приварном кольце | ![]() | ![]() |
Обозначение по ГОСТ 12820-80 - ГОСТ 12822-80 | Обозначение по ГОСТ 33259 |
Фланец стальной плоский приварной DN 50, PN 10 | |
Фланец 1-50-10 Ст 25 ГОСТ 12820-80 | Фланец 50-10-01-1-B-Ст 25-III ГОСТ 33259 |
Фланец 2-50-10 Ст 25 ГОСТ 12820-80 | Фланец 50-10-01-1-E-Ст 25-IV ГОСТ 33259 |
Фланец 3-50-10 Ст 25 ГОСТ 12820-80 | Фланец 50-10-01-1-F-Ст 25-IV ГОСТ 33259 |
Фланец 4-50-10 Ст 25 ГОСТ 12820-80 | Фланец 50-10-01-1-C-Ст 25-IV ГОСТ 33259 |
Фланец 4-50-10 Ст 09Г2С ГОСТ 12820-80 | Фланец 50-10-01-1-C-Ст 09Г2С-III ГОСТ 33259 |
Фланец 5-50-10 Ст 25 ГОСТ 12820-80 | Фланец 50-10-01-1-D-Ст 25-IV ГОСТ 33259 |
Фланец 8-50-10Ф Ст 25 ГОСТ 12820-80 | Фланец 50-10-01-1-L-Ст 25-IV ГОСТ 33259 |
Фланец 9-50-10Ф Ст 25 ГОСТ 12820-80 | Фланец 50-10-01-1-M-Ст 25-IV ГОСТ 33259 |
Фланец стальной приварной встык DN 50, PN 10 | |
Фланец 1-50-10 Ст25 ГОСТ 12821-80 | Фланец 50-10-11-1-B-Ст 25-III ГОСТ 33259 |
Фланец 2-50-10 Ст 25 ГОСТ 12821-80 | Фланец 50-10-11-1-E-Ст 25-IV ГОСТ 33259 |
Фланец 3-50-10 Ст 25 ГОСТ 12821-80 | Фланец 50-10-11-1-F-Ст 25-IV ГОСТ 33259 |
Фланец 4-50-10 Ст 25 ГОСТ 12821-80 | Фланец 50-10-11-1-C-Ст 25-IV ГОСТ 33259 |
Фланец 5-50-10 Ст 25 ГОСТ 12821-80 | Фланец 50-10-11-1-D-Ст 25-IV ГОСТ 33259 |
Фланец 6-50-10 Ст 25 ГОСТ 12821-80 | Фланец 50-10-11-1-K-Ст 25-IV ГОСТ 33259 |
Фланец 7-50-10 Ст 25 ГОСТ 12821-80 | Фланец 50-10-11-1-J-Ст 25-IV ГОСТ 33259 |
Фланец 8-50-10Ф Ст25 ГОСТ 12821-80 | Фланец 50-10-11-1-L-Ст 25-IV ГОСТ 33259 |
Фланец 9-50-10Ф Ст25 ГОСТ 12821-80 | Фланец 50-10-11-1-M-Ст 25-IV ГОСТ 33259 |
Фланец стальной приварной встык DN 50, PN 100 | |
Фланец 2-50-100 Ст 25 ГОСТ 12821-80 | Фланец 50-100-11-1-E-Ст 25-III ГОСТ 33259 |
Фланец 3-50-100 Ст 25 ГОСТ 12821-80 | Фланец 50-100-11-1-F-Ст 25-IV ГОСТ 33259 |
Фланец 4-50-100 Ст 25 ГОСТ 12821-80 | Фланец 50-100-11-1-C-Ст 25-IV ГОСТ 33259 |
Фланец 4-50-100 Ст 09Г2С ГОСТ 12821-80 | Фланец 50-100-11-1-C-Ст 09Г2С-III ГОСТ 33259 |
Фланец 5-50-100 Ст 25 ГОСТ 12821-80 | Фланец 50-100-11-1-D-Ст 25-IV ГОСТ 33259 |
Фланец 6-50-100 Ст 25 ГОСТ 12821-80 | Фланец 50-100-11-1-K-Ст 25-IV ГОСТ 33259 |
Фланец 7-50-100 Ст 25 ГОСТ 12821-80 | Фланец 50-100-11-1-J-Ст 25-IV ГОСТ 33259 |
Фланец 8-50-100Ф Ст 25 ГОСТ 12821-80 | Фланец 50-100-11-1-L-Ст 25-IV ГОСТ 33259 |
Фланец 9-50-100Ф Ст 25 ГОСТ 12821-80 | Фланец 50-100-11-1-M-Ст 25-IV ГОСТ 33259 |
Фланец стальной свободный на приварном кольце DN 50, PN 10 | |
Фланец 50-10 Ст 25 ГОСТ 12822-80 Кольцо 2-50-10 ГОСТ 12822-80 | Фланец 50-10-02-1-Ст 25-IV ГОСТ 33259 Кольцо 50-10-02-1-E-Ст 25-IV ГОСТ 33259 |
Фланец 50-10 Ст 25 ГОСТ 12822-80 Кольцо 3-50-10 ГОСТ 12822-80 | Фланец 50-10-02-1-Ст 25-IV ГОСТ 33259 Кольцо 50-10-02-1-F-Ст 25-IV ГОСТ 33259 |
Фланец 50-10 Ст 25 ГОСТ 12822-80 Кольцо 4-50-10 ГОСТ 12822-80 | Фланец 50-10-02-1-Ст 25-IV ГОСТ 33259 Кольцо 50-10-02-1-C-Ст 25-IV ГОСТ 33259 |
Фланец 50-10 Ст 25 ГОСТ 12822-80 Кольцо 5-50-10 ГОСТ 12822-80 | Фланец 50-10-02-1-Ст 25-IV ГОСТ 33259 Кольцо 50-10-02-1-D-Ст 25-IV ГОСТ 33259 |
Фланец 50-10 Ст 25 ГОСТ 12822-80 Кольцо 6-50-10 ГОСТ 12822-80 | Фланец 50-10-02-1-Ст 25-IV ГОСТ 33259 Кольцо 50-10-02-1-K-Ст 25-IV ГОСТ 33259 |
Фланец 50-10 Ст 25 ГОСТ 12822-80 Кольцо 7-50-10 ГОСТ 12822-80 | Фланец 50-10-02-1-Ст 25-IV ГОСТ 33259 Кольцо 50-10-02-1-J-Ст 25-IV ГОСТ 33259 |
Фланец 50-10 Ст 25 ГОСТ 12822-80 Кольцо 8-50-10Ф ГОСТ 12822-80 | Фланец 50-10-02-1-Ст 25-IV ГОСТ 33259 Кольцо 50-10-02-1-L-Ст 25-IV ГОСТ 33259 |
Фланец 50-10 Ст 25 ГОСТ 12822-80 Кольцо 9-50-10Ф ГОСТ 12822-80 | Фланец 50-10-02-1-Ст 25-IV ГОСТ 33259 Кольцо 50-10-02-1-M-Ст 25-IV ГОСТ 33259 |
Примечание - В обозначении фланцев по ГОСТ 33259 материал фланца Ст 25 и группы контроля III и IV приведены только для примера. | |
Товарный знак изготовителя (поставщика), наименование и адрес | ПАСПОРТ ________________________________ обозначение паспорта | |||||||||||||||
Сведения о разрешительных документах (декларация о соответствии или сертификат соответствия, лицензия и др.), номер и дата регистрации или выдачи и срок действия | ||||||||||||||||
1 ОСНОВНЫЕ СВЕДЕНИЯ ОБ ИЗДЕЛИИ | ||||||||||||||||
Обозначение фланцев и N документа на поставку | ||||||||||||||||
Количество штук в партии или заводской N | ||||||||||||||||
Дата изготовления (поставки) | ||||||||||||||||
Заказчик, номер договора | ||||||||||||||||
2 ОСНОВНЫЕ ТЕХНИЧЕСКИЕ ДАННЫЕ | ||||||||||||||||
Наименование параметра | Значение | |||||||||||||||
DN | ||||||||||||||||
PN, МПа (кгс/см2) | ||||||||||||||||
Марка материала и его свойства | Материал ________ по ГОСТ или ТУ | Механические свойства | ||||||||||||||
Предел прочности (кгс/см2) | Предел текучести (кгс/см2) | Относительное удлинение | Относительное сужение | Ударная вязкость KCU, Дж/см2 (кгс·м/см2) | Твердость, HB | |||||||||||
Группа контроля | ||||||||||||||||
Масса, кг | ||||||||||||||||
Покрытие | ||||||||||||||||
Особые отметки | (Возможность указания типа и материала прокладки) | |||||||||||||||
3 СВЕДЕНИЯ О ЗАГОТОВКЕ | ||||||||||||||||
Условное обозначение | Номер сопроводительного документа | Номер партии | Номер плавки | Изготовитель (поставщик) | ||||||||||||
4 ГАРАНТИИ ИЗГОТОВИТЕЛЯ Изготовитель (поставщик) гарантирует работоспособность фланцев при условии соблюдения потребителем условий транспортирования, хранения и эксплуатации по ГОСТ 33259 Гарантийный срок эксплуатации _____ месяцев со дня ввода в эксплуатацию, но не более - месяцев со дня отгрузки 5 ВРЕМЕННАЯ ПРОТИВОКОРРОЗИОННАЯ ЗАЩИТА (КОНСЕРВАЦИЯ) | ||||||||||||||||
Дата | Вариант защиты по ГОСТ 9.014 | Срок консервации, годы | Должность, фамилия, подпись | |||||||||||||
6 СВИДЕТЕЛЬСТВО О ПРИЕМКЕ Фланцы __________________________________________________________________ обозначение изготовлены и приняты в соответствии с требованиями ГОСТ ________, действующей технической документацией и признаны годными для эксплуатации на указанные в настоящем ПС параметры Начальник ОТК ______________ ___________________ _________________ личная подпись расшифровка подписи год, месяц, число МП Руководитель предприятия ______________ ___________________ __________________ личная подпись расшифровка подписи год, месяц, число МП | ||||||||||||||||
[1] Позиция исключена с 01.07.2024. - Изменение N 1, введенное в действие Приказом Росстандарта от 31.01.2024 N 170-ст. | ||
ИСО 7005-1:2011 (ISO 7005-1:2011) | Фланцы трубопроводов. Часть 1: Стальные фланцы для промышленных трубопроводов и систем трубопроводов многоцелевого назначения (Pipe flanges - Part 1: Steel flanges for industrial and general service piping systems) | |
ИСО 7005-2:1988 (ISO 7005-2:1988) | Фланцы металлические. Часть 2. Фланцы из литейного чугуна (Metallic flanges - Part 2: Cast iron flanges) | |
[4] - [27] Позиции исключены с 01.07.2024. - Изменение N 1, введенное в действие Приказом Росстандарта от 31.01.2024 N 170-ст. | ||
УДК 621.643.412:006.354 | МКС 23.040.60 |
Ключевые слова: фланец, фланцевое соединение, арматура трубопроводная, среда, номинальное давление PN, номинальный диаметр DN, уплотнительные поверхности, прокладки | |
(в ред. Изменения N 1, введенного в действие Приказом Росстандарта от 31.01.2024 N 170-ст) | |