Главная // Актуальные документы // ПриказСПРАВКА
Источник публикации
ИУС "Национальные стандарты", N 5, 2024
Примечание к документу
Документ
введен в действие на территории Российской Федерации с 01.06.2024 (Приказ Росстандарта от 31.01.2024 N 170-ст).
Название документа
"Изменение N 1 ГОСТ 33259-2015 "Фланцы арматуры, соединительных частей и трубопроводов на номинальное давление до PN 250. Конструкция, размеры и общие технические требования"
(принято Протоколом Межгосударственного совета по стандартизации, метрологии и сертификации от 27.12.2023 N 168-П)
"Изменение N 1 ГОСТ 33259-2015 "Фланцы арматуры, соединительных частей и трубопроводов на номинальное давление до PN 250. Конструкция, размеры и общие технические требования"
(принято Протоколом Межгосударственного совета по стандартизации, метрологии и сертификации от 27.12.2023 N 168-П)
Принято
Протоколом Межгосударственного
совета по стандартизации,
метрологии и сертификации
от 27 декабря 2023 г. N 168-П
ИЗМЕНЕНИЕ N 1 ГОСТ 33259-2015
"ФЛАНЦЫ АРМАТУРЫ, СОЕДИНИТЕЛЬНЫХ ЧАСТЕЙ И ТРУБОПРОВОДОВ
НА НОМИНАЛЬНОЕ ДАВЛЕНИЕ ДО PN 250. КОНСТРУКЦИЯ, РАЗМЕРЫ
И ОБЩИЕ ТЕХНИЧЕСКИЕ ТРЕБОВАНИЯ"
Принято Межгосударственным советом по стандартизации, метрологии и сертификации (протокол N 168-П от 27.12.2023)
Зарегистрировано Бюро по стандартам МГС N 17287
За принятие изменения проголосовали национальные органы по стандартизации следующих государств: AM, BY, KG, KZ, RU, UZ [коды альфа-2 по МК (ИСО 3166) 004]
Дату введения в действие настоящего изменения устанавливают указанные национальные органы по стандартизации <*>
--------------------------------
<*> Дата введения в действие на территории Российской Федерации - 2024-06-01.
"Цели, основные принципы и общие правила проведения работ по межгосударственной стандартизации установлены
ГОСТ 1.0 "Межгосударственная система стандартизации. Основные положения" и
ГОСТ 1.2 "Межгосударственная система стандартизации. Стандарты межгосударственные, правила и рекомендации по межгосударственной стандартизации. Правила разработки, принятия, обновления и отмены".
"Информация о введении в действие (прекращении действия) настоящего стандарта и изменений к нему на территории указанных выше государств публикуется в указателях национальных стандартов, издаваемых в этих государствах, а также в сети Интернет на сайтах соответствующих национальных органов по стандартизации.
В случае пересмотра, изменения или отмены настоящего стандарта соответствующая информация будет опубликована на официальном интернет-сайте Межгосударственного совета по стандартизации, метрологии и сертификации в каталоге "Межгосударственные стандарты".
"ГОСТ 28759.1 - ГОСТ 28759.5" на "ГОСТ 28759.1 - ГОСТ 28759.11";
Раздел 2. Заменить ссылки: датированные на недатированные;
"--------------------------------
<1> В Российской Федерации действует
ГОСТ Р 55724-2013 "Контроль неразрушающий. Соединения сварные. Методы ультразвуковые.";
"
ГОСТ 1050-88 Прокат сортовой, калиброванный, со специальной отделкой поверхности из углеродистой качественной конструкционной стали. Общие технические условия" на "
ГОСТ 1050 Металлопродукция из нелегированных конструкционных качественных и специальных сталей. Общие технические условия";
"
ГОСТ 4543-71 Прокат из легированной конструкционной стали. Технические условия" на "
ГОСТ 4543 Металлопродукция из конструкционной легированной стали. Технические условия";
"
ГОСТ 5520-79 Прокат листовой из углеродистой, низколегированной и легированной стали для котлов и сосудов, работающих под давлением. Технические условия" на "
ГОСТ 5520 Прокат толстолистовой из нелегированной и легированной стали для котлов и сосудов, работающих под давлением. Технические условия";
"
ГОСТ 5632-72 Стали высоколегированные и сплавы коррозионно-стойкие, жаростойкие и жаропрочные. Марки" на "
ГОСТ 5632 Нержавеющие стали и сплавы коррозионно-стойкие, жаростойкие и жаропрочные. Марки";
"
ГОСТ 6032-2003 (ИСО 3651-1:1998, ИСО 3651-2:1998) Стали и сплавы коррозионно-стойкие. Методы испытаний на стойкость к межкристаллитной коррозии" на "
ГОСТ 6032 (ISO 3651-1:1998, ISO 3651-2:1998) Стали и сплавы коррозионно-стойкие. Методы испытаний на стойкость против межкристаллитной коррозии";
"
ГОСТ 19281-89 (ИСО 4950-2-81, ИСО 4950-3-81, ИСО 4951-79, ИСО 4995-78, ИСО 4998-78, ИСО 5952-83) Прокат из стали повышенной прочности. Общие технические условия" на "
ГОСТ 19281 Прокат повышенной прочности. Общие технические условия";
"
ГОСТ 25660-83 Фланцы изолирующие для подводных трубопроводов на
Pу 10,0 МПа

. Конструкция и размеры" на "
ГОСТ 25660 Фланцы изолирующие для подводных трубопроводов на
Pу 10,0 МПа

. Конструкция";
"
ГОСТ 28759.6 Фланцы сосудов и аппаратов. Прокладки из неметаллических материалов. Конструкция и размеры. Технические требования
ГОСТ 28759.7 Фланцы сосудов и аппаратов. Прокладки в металлической оболочке. Конструкция и размеры. Технические требования
ГОСТ 28759.8 Фланцы сосудов и аппаратов. Прокладки металлические восьмиугольные. Конструкция и размеры. Технические требования
ГОСТ 28759.9 Фланцы сосудов и аппаратов. Прокладки спирально-навитые. Конструкция и размеры. Технические требования
ГОСТ 28759.10 Фланцы сосудов и аппаратов. Прокладки из терморасширенного графита на металлическом зубчатом основании. Конструкция и размеры. Технические требования
ГОСТ 28759.11 Фланцы сосудов и аппаратов. Прокладки из терморасширенного графита на волновом металлическом основании. Конструкция и размеры. Технические требования
ГОСТ 32569 Трубопроводы технологические стальные. Требования к устройству и эксплуатации на взрывопожароопасных и химически опасных производствах
ГОСТ 33857 Арматура трубопроводная. Сварка и контроль качества сварных соединений. Технические требования
ГОСТ 34233.4 Сосуды и аппараты. Нормы и методы расчета на прочность. Расчет на прочность и герметичность фланцевых соединений
ГОСТ 34347-2017 Сосуды и аппараты стальные сварные. Общие технические условия
ГОСТ 34655 Арматура трубопроводная. Прокладки овального, восьмиугольного сечения, линзовые стальные для фланцев арматуры. Конструкция, размеры и общие технические требования";
"Примечание - При пользовании настоящим стандартом целесообразно проверить действие ссылочных стандартов и классификаторов на официальном интернет-сайте Межгосударственного совета по стандартизации, метрологии и сертификации (www.easc.by) или по указателям национальных стандартов, издаваемым в государствах, указанных в предисловии, или на официальных сайтах соответствующих национальных органов по стандартизации. Если на документ дана недатированная ссылка, то следует использовать документ, действующий на текущий момент, с учетом всех внесенных в него изменений. Если заменен ссылочный документ, на который дана датированная ссылка, то следует использовать указанную версию этого документа. Если после принятия настоящего стандарта в ссылочный документ, на который дана датированная ссылка, внесено изменение, затрагивающее положение, на которое дана ссылка, то это положение применяется без учета данного изменения. Если ссылочный документ отменен без замены, то положение, в котором дана ссылка на него, применяется в части, не затрагивающей эту ссылку".
"
| DN 10 | DN 15 | DN 20 | DN 25 | DN 32 | DN 40 | DN 50 | ... | ... | ... | ... | ... | DN 4000 |
|
PN 40 | x | x | x | x | x | x | x | | | | | | |
".
"
";
"
";
"3 Параметр шероховатости уплотнительных поверхностей для исполнений A, B, C, D, E, F - Ra 3,2 min, исполнений L, M - Ra 0,80 min".
Таблица 2. Графа "
D4". "Ряд 1".
DN 80.
PN 250.
Дополнить знаком тире: "-";
графа "
D3". "Ряд 2".
DN 450.
PN 63 и
PN 100.
Заменить значение: "497" на "-";
графа "
D4". "Ряд 2".
DN 450.
PN 63 и
PN 100.
Заменить значение: "523" на "-";
графа "
D5". "Ряд 2".
DN 450.
PN 63 и
PN 100.
Заменить значение: "496" на "-";
графа "
D6". "Ряд 2".
DN 450.
PN 63 и
PN 100.
Заменить значение: "524" на "-";
графа "
h1".
DN 450.
PN 63 и
PN 100.
Заменить значение: "5,5" на "-";
графа "
h2".
DN 450.
PN 63 и
PN 100.
Заменить значение: "5" на "-";
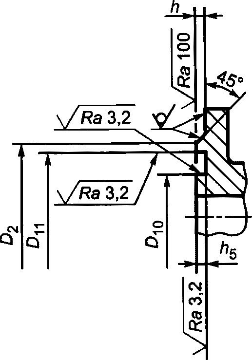
графа "D10". | DN 600. PN 10 - PN 63. Заменить значение: "648" на "650"; |
| DN 800. PN 10 - PN 40. Заменить значение: "855" на "850"; |
графа "D11". | DN 600. PN 10 - PN 63. Заменить значение: "676" на "678"; |
| DN 800. PN 10 - PN 40. Заменить значение: "883" на "878". |
"
DN | PN, кгс/см2 | dв | b | c1 | D | D1 | d | n | Номинальный диаметр болтов или шпилек |
Ряд 1 | Ряд 2 | Ряд 1 | Ряд 2 | Ряд 1 | Ряд 2 | Ряд 1 | Ряд 2 | Ряд 1 | Ряд 2 | Ряд 1 | Ряд 2 |
DN 10 | PN 40 | - | 18 | - | 14 | 2 | - | 90 | 60 | - | 14 | - | 4 | - | M12 |
... |
DN 15 | PN 40 | - | 22 | - | 14 | 2 | - | 95 | 65 | - | 14 | - | 4 | - | M12 |
... |
DN 20 | PN 40 | - | 27,5 | - | 16 | 2 | - | 105 | 75 | - | 14 | - | 4 | - | M12 |
... |
DN 25 | PN 40 | - | 34,5 | - | 16 | 3 | - | 115 | 85 | - | 14 | - | 4 | - | M12 |
... |
DN 32 | PN 40 | - | 43,5 | - | 18 | 3 | - | 140 | 100 | - | 18 | - | 4 | - | M16 |
... |
DN 40 | PN 40 | - | 49,5 | - | 18 | 3 | - | 150 | 110 | - | 18 | - | 4 | - | M16 |
... |
DN 50 | PN 40 | - | 61,5 | - | 20 | 3 | - | 165 | 125 | - | 18 | - | 4 | - | M6 |
".
"1 Параметр шероховатости поверхностей A - Ra <= 25 мкм".
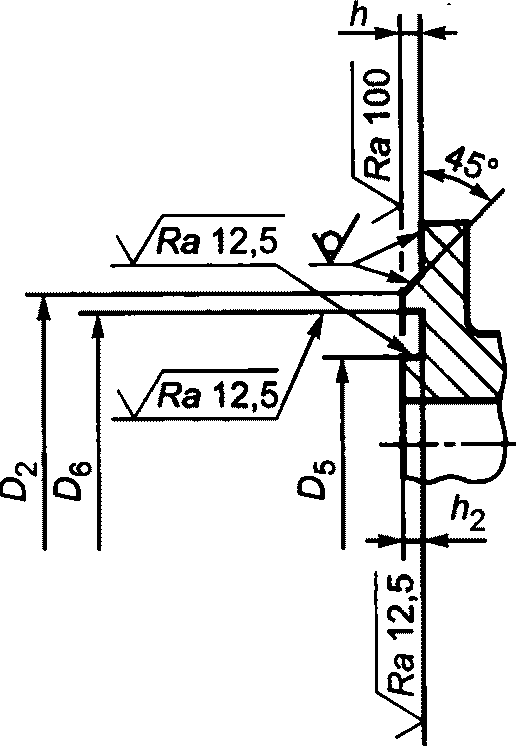
Пункт 6.3. Таблица 5. Графа "
D2".
DN 80.
PN 10 -
PN 25.
Заменить значение: "138" на "133".
Пункт 6.4. Таблица 6. Графа "
Dm". "Ряд 2".
DN 25.
PN 160.
Заменить значение: "-" на "52";
Пункт 6.5. Таблица 7. Графа "
d". "Ряд 1".
DN 600.
PN 16.
Дополнить значением: "39";
графа "Номинальный диаметр болтов или шпилек". "Ряд 1".
DN 600.
PN 16.
Дополнить значением: "M36".
Пункт 6.6. Таблица 8. Графа "
d". "Ряд 1".
DN 600
. PN 16.
Заменить значение: "36" на "39";
графа "Номинальный диаметр болтов или шпилек". "Ряд 1".
DN 600.
PN 16.
Дополнить значением: "M36".
Пункт 6.7. Заменить слова: "из ковкого чугуна (тип 21)" на "из ковкого и высокопрочного чугунов (тип 21)";
"Рисунок 10 - Размеры фланцев литых из ковкого и высокопрочного чугунов (тип 21)";
"Таблица 9 - Размеры фланцев литых из ковкого и высокопрочного чугунов, тип 21 (см. рисунок 10)".
"--------------------------------
<1> В Российской Федерации действуют
НП-089-15 "Правила устройства и безопасной эксплуатации оборудования и трубопроводов атомных энергетических установок";
НП-104-18 "Сварка и наплавка оборудования и трубопроводов атомных энергетических установок";
НП-105-18 "Правила контроля металла оборудования и трубопроводов атомных энергетических установок при изготовлении и монтаже.".
"- спирально-навитыми СНП - по НД <2>";
<2> В Российской Федерации действует
ГОСТ Р 52376-2005 "Прокладки спирально-навитые термостойкие. Типы. Основные размеры";
"- волновыми (металлическими прокладками волнового профиля, прокладками ТРГ на стальном основании волнового профиля и др.) - по НД <3>";
<3> В Российской Федерации рекомендуется применять СТ ЦКБА-СОЮЗ-СИЛУР-019-2012 "Арматура трубопроводная. Уплотнения на основе терморасширенного графита. Общие технические требования";
исключить слова: "Для выбора фланцев рекомендуется применять [11]".
"Значение размера b (см. рисунки 4 - 10) не должно быть меньше приведенного в таблицах 3 - 9".
"
";
графа "НД на заготовки". Заменить ссылки: "[13]" на "НД <1>" (три раза), "[14]" на "НД <2>" (восемь раз), "[15]" на "НД <3>", "[16]" на "НД <4>" (два раза), "[17], [18]" на "НД <5>" (два раза), "[19]" на "НД <6>";
дополнить сносками <1>, <2>, <3>, <4>, <5>, <6>:
"--------------------------------
<1> В Российской Федерации рекомендуется применять СТ ЦКБА 050-2008 "Арматура трубопроводная. Отливки из чугуна. Технические требования".
<2> В Российской Федерации рекомендуется применять СТ ЦКБА 014-2004 "Арматура трубопроводная. Отливки стальные. Общие технические условия".
<3> В Российской Федерации рекомендуется применять ТУ 0870-001-05785572-2007 "Отливки из стали 20ГМЛ для деталей холодного климатического исполнения. Технические условия".
<4> В Российской Федерации рекомендуется применять ТУ 05764417-013-93 "Заготовки из стали марок 09ГСНБЦ, 09ХГН2АБ, 20КА, 08Г2МФА. Технические условия".
<5> В Российской Федерации рекомендуется применять СТО 00220227-006-2010 "Поковки деталей сосудов, аппаратов и трубопроводов высокого давления. Общие технические требования" и
ОСТ 108.030.113-87 "Поковки из углеродистой и легированной стали для оборудования и трубопроводов тепловых и атомных станций. Технические условия".
<6> В Российской Федерации рекомендуется применять ТУ 108.11.937-87 "Заготовки из стали марок 10Х18Н9, 10Х18Н9-ВД, 10Х18Н9-Ш. Технические условия.";
"2 Термообработка - в соответствии с НД на заготовки <*>";
"--------------------------------
<*> В Российской Федерации рекомендуется применять СТ ЦКБА 016-2005 "Арматура трубопроводная. Термическая обработка деталей, заготовок и сварных сборок из высоколегированных сталей, коррозионно-стойких и жаропрочных сплавов" и СТ ЦКБА 026-2005 "Арматура трубопроводная. Термическая обработка заготовок из углеродистых и легированных конструкционных сталей. Типовой технологический процесс".
<**> В Российской Федерации для сероводородосодержащих сред действует
ГОСТ Р 59851-2021 "Арматура трубопроводная. Требования к материалам арматуры, применяемой для сероводородосодержащих сред.";
таблица 12. Графа "Стандарт или ТУ на материал". Заменить ссылки: "ТУ [22]" на "НД <1>", "ТУ [23]" на "НД <2>", "ТУ [24]" на "НД <3>";
"--------------------------------
<1> В Российской Федерации рекомендуется применять ТУ 14-1-1660-76 "Прутки из стали марки 07Х16Н6-Ш (Х16Н6-Ш). Технические условия".
<2> В Российской Федерации рекомендуется применять ТУ 14-1-3573-83 "Прутки из коррозионно-стойкой стали марки 07Х16Н4Б и 07Х16Н4Б-Ш. Технические условия".
<3> В Российской Федерации рекомендуется применять ТУ 14-1-1665-2004 "Прутки горячекатаные и кованые из сплава марки ХН35ВТ-ВД (ЭИ 612-ВД).".
Пункт 7.9.2. Таблица 13. Графа "Условия комплектования партии".
Группу контроля IV дополнить словами: "Заготовки одной плавки, прошедшие термическую обработку по одинаковому режиму";
"3 Значение твердости - в соответствии с НД на заготовки и термическую обработку <**>";
"--------------------------------
<*> В Российской Федерации действует Федеральный
закон от 21 июля 1997 года N 116-ФЗ "О промышленной безопасности опасных производственных объектов".
<**> В Российской Федерации рекомендуется применять СТ ЦКБА 010-2004 "Арматура трубопроводная. Поковки, штамповки и заготовки из проката. Технические требования", СТ ЦКБА 016-2005 "Арматура трубопроводная. Термическая обработка деталей, заготовок и сварных сборок из высоколегированных сталей, коррозионно-стойких и жаропрочных сплавов" и СТ ЦКБА 026-2005 "Арматура трубопроводная. Термическая обработка заготовок из углеродистых и легированных конструкционных сталей. Типовой технологический процесс.";
третий абзац. Заменить слова: "Изготовление фланцев типа 11 из листового проката не допускается" на "Фланцы типа 11 допускается изготавливать вальцовкой заготовки по плоскости листа для
PN <= 25 при условии выполнения требований, приведенных в ГОСТ 34347-2017
(пункт 5.4.5)";
"Виды и объем испытаний фланцев типа 21 устанавливают в КД на арматуру".
Пункт 7.9.4. Заменить слова: "(рекомендуется также [27])" на "или НД <1>";
"--------------------------------
<1> В Российской Федерации рекомендуется применять СТ ЦКБА 012-2005 "Арматура трубопроводная. Шпильки, болты, гайки и шайбы для трубопроводной арматуры. Технические требования.".
Пункт 7.9.6. Заменить слова: "НД (рекомендуется также [20], [21])" на "НД <1>";
"--------------------------------
<1> В Российской Федерации рекомендуется применять СТ ЦКБА 016-2005 "Арматура трубопроводная. Термическая обработка деталей, заготовок и сварных сборок из высоколегированных сталей, коррозионно-стойких и жаропрочных сплавов" и СТ ЦКБА 026-2005 "Арматура трубопроводная. Термическая обработка заготовок из углеродистых и легированных конструкционных сталей. Типовой технологический процесс.".
"7.9.7 Фланцы и крепежные детали из углеродистых и низколегированных сталей по требованию заказчика рекомендуется защищать покрытиями в соответствии с
ГОСТ 9.303".
"7.15 Для фланцев групп контроля III - V по таблице 13 при необходимости выполнения неразрушающего контроля необработанные поверхности (по рисункам 3 - 10) следует обрабатывать с параметром шероховатости Ra 25 мкм с соблюдением геометрических размеров".
Пункт 7.21 после слов "Расчетная масса" дополнить словом: "круглых".
Пункт 9.2.2 дополнить словами: ", при этом основная маркировка: товарный знак изготовителя, номинальный диаметр
DN, номинальное давление
PN и марка материала фланца - должна быть нанесена на самом фланце".
"Примечание - Уплотнительная поверхность исполнения B (соединительный выступ) применяется с прокладками СНП с двумя ограничительными кольцами до PN 40 и прокладками на основе ТРГ до PN 100".
Приложение Б. Головка таблицы. Заголовок графы "ЗАЯВКА...". Заменить слова: "по ГОСТ..." на "по ГОСТ 33259-2015";
строка "Исполнение уплотнительной поверхности". Графа "ЗАЯВКА...". Исполнение J изложить в новой редакции: "под прокладку овального и восьмиугольного сечений".
Приложение В. Таблица В.1. Заголовок графы "Масса фланцев, кг, для
PN, кгс/см
2".
Заменить слово: "фланцев" на "фланца";
графа
PN 10.
DN 150. Тип фланца "11".
Заменить значение: "8,9" на "8,5";
графа
PN 16.
DN 150. Тип фланца "01".
Заменить значение: "8,2" на "7,9";
тип фланца "11".
Заменить значение: "8,30" на "8,50";
"3 Масса указана для круглых фланцев".
Ключевые слова. Заменить слова: "номинальный диаметр PN" на "номинальный диаметр DN".