Главная // Актуальные документы // ГОСТ (Государственный стандарт)СПРАВКА
Источник публикации
М.: ИПК Издательство стандартов, 2003
Примечание к документу
Документ утратил силу в связи с истечением срока действия, установленного
Приказом Росстандарта от 01.03.2016 N 99-ст.
Действие данного документа, утратившего силу с 1 апреля 2016 года в связи с введением в действие
ГОСТ 33259-2015 Приказом Росстандарта от 26.05.2015 N 443-ст, восстановлено на территории Российской Федерации с 1 апреля 2016 года на период до 1 апреля 2017 года (
Приказ Росстандарта от 01.03.2016 N 99-ст).
Текст документа приведен с учетом
поправки, опубликованной в "ИУС", N 11, 2005;
поправки, опубликованной в "ИУС", N 6, 2011.
С 1 июля 2003 года до вступления в силу технических регламентов акты федеральных органов исполнительной власти в сфере технического регулирования носят рекомендательный характер и подлежат обязательному исполнению только в части, соответствующей целям, указанным в
пункте 1 статьи 46 Федерального закона от 27.12.2002 N 184-ФЗ.
Введен в действие с 1 января 1983 года.
Взамен ГОСТ 1233-67 и ГОСТ 1234-67.
Название документа
"ГОСТ 12815-80. Межгосударственный стандарт. Фланцы арматуры, соединительных частей и трубопроводов на Pу от 0,1 до 20,0 МПа (от 1 до 200 кгс/см2). Типы. Присоединительные размеры и размеры уплотнительных поверхностей"
(введен в действие Постановлением Госстандарта СССР от 20.05.1980 N 2238)
(ред. от 01.04.1992)
"ГОСТ 12815-80. Межгосударственный стандарт. Фланцы арматуры, соединительных частей и трубопроводов на Pу от 0,1 до 20,0 МПа (от 1 до 200 кгс/см2). Типы. Присоединительные размеры и размеры уплотнительных поверхностей"
(введен в действие Постановлением Госстандарта СССР от 20.05.1980 N 2238)
(ред. от 01.04.1992)
Постановлением Госстандарта СССР
от 20 мая 1980 г. N 2238
МЕЖГОСУДАРСТВЕННЫЙ СТАНДАРТ
ФЛАНЦЫ АРМАТУРЫ, СОЕДИНИТЕЛЬНЫХ ЧАСТЕЙ И ТРУБОПРОВОДОВ
НА

ОТ 0,1 ДО 20,0 МПа (ОТ 1 ДО 200 кгс/см2)
ТИПЫ. ПРИСОЕДИНИТЕЛЬНЫЕ РАЗМЕРЫ
И РАЗМЕРЫ УПЛОТНИТЕЛЬНЫХ ПОВЕРХНОСТЕЙ
Flanges for valves, fittings and pipelines for

from 0,1 to 20 MPa (from 1 to 200 kgf/cm2). Types.
Connecting dimensions and dimensions of sealing surfaces
ГОСТ 12815-80
| | Список изменяющих документов (в ред. Изменения N 1, утв. в марте 1983 г., Изменения N 2, утв. в декабре 1983 г., Изменения N 3, утв. в декабре 1987 г., Изменения N 4, утв. в сентябре 1989 г., Изменения N 5, утв. в апреле 1992 г.) | |
ОКП 37 9941
Постановлением Государственного комитета СССР по стандартам от 20 мая 1980 г. N 2238 дата введения установлена 01.01.1983.
Ограничение срока действия снято Постановлением Госстандарта от 15.04.1992 N 402.
Взамен ГОСТ 1233-67 и ГОСТ 1234-67.
Издание (июль 2003 г.) с Изменениями N 1, 2, 3, 4, 5, утвержденными в марте 1983 г., декабре 1983 г., декабре 1987 г., сентябре 1989 г., апреле 1992 г. (ИУС 6-83, 3-84, 4-88, 12-89, 7-92).
1. Настоящий стандарт распространяется на фланцы трубопроводов и соединительных частей, а также на присоединительные фланцы арматуры, машин, приборов, патрубков аппаратов и резервуаров на условное давление

от 0,1 до 20,0 МПа (от 1 до 200 кгс/см2) и температуру среды от 20 до 873 К (от минус 253 до плюс 600 °C) и на фланцы с прокладками из фторопласта-4 на условное давление

от 0,1 до 20,0 МПа (от 1 до 200 кгс/см2) и температуру среды от 73 до 473 К (от минус 200 до плюс 200 °C) и может быть использован для их сертификации.
Стандарт не распространяется на фланцы трубопроводов транспортных машин, если эти фланцы не предназначены для присоединения арматуры или приборов общего назначения, а также фланцы, стандартизованные ГОСТ 1536-76 и ГОСТ 4433-76.
Требования
пп. 1 -
3;
5;
6;
10 -
12 настоящего стандарта являются обязательными, остальные требования - рекомендуемыми.
(Измененная редакция, Изм. N 5).
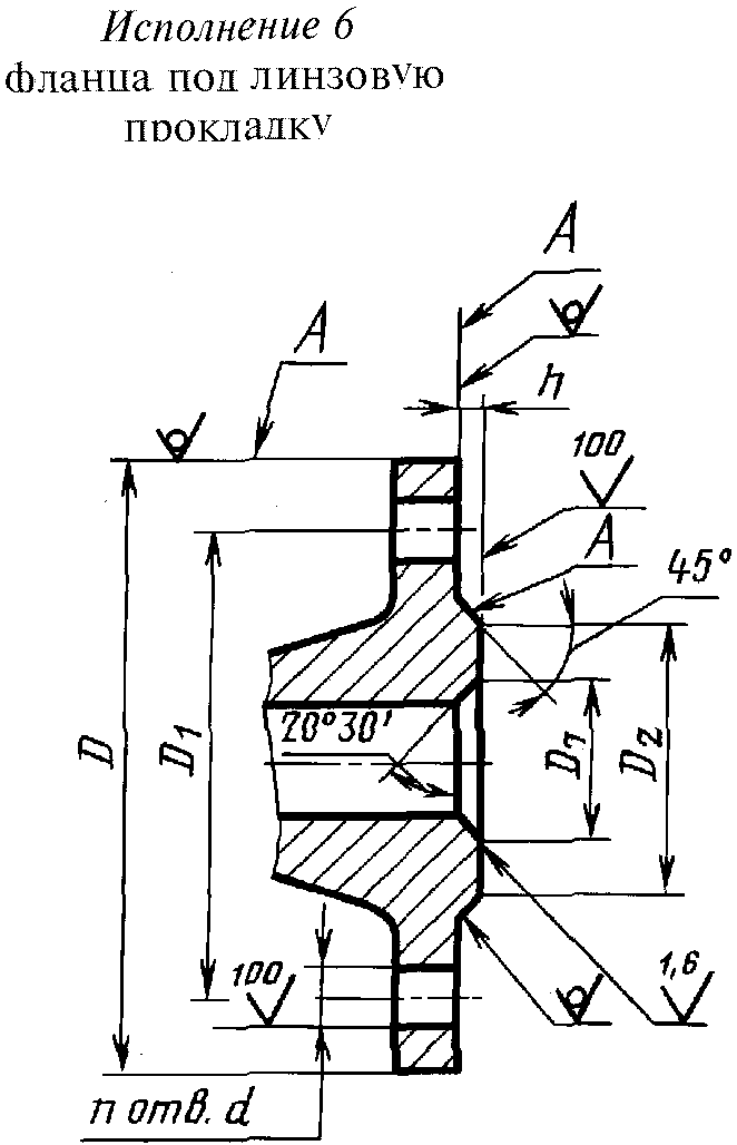
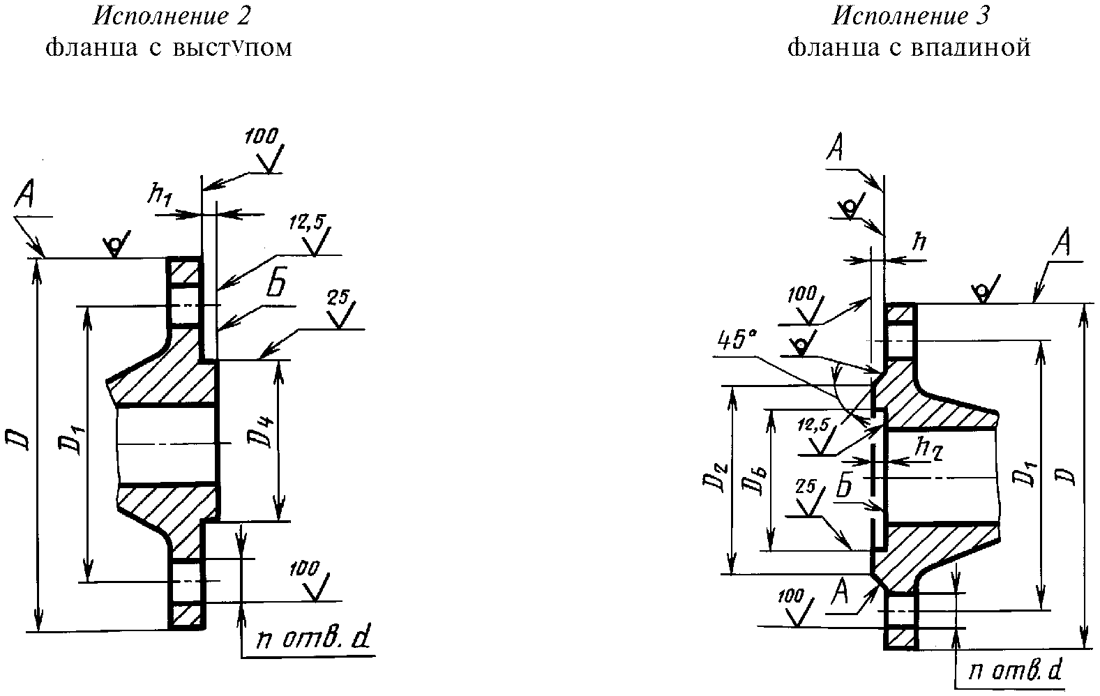
2. Типы и основные параметры фланцев должны соответствовать указанным в табл. 1, присоединительные размеры, размеры и исполнения уплотнительных поверхностей - указанным на
черт. 1 -
6 и в
табл. 2 -
11, кроме размеров уплотнительных поверхностей шип-паз под фторопластовые прокладки, которые должны соответствовать указанным на
черт. 6 и в
табл. 12.
────────────────────────┬───────────────────────────┬──────────────────────
Тип фланца │ Условное давление P , │ Условный проход D ,
│ у │ у
│ МПа (кгс/см2) │ мм
────────────────────────┼───────────────────────────┼──────────────────────
Литые из серого чугуна │0,1; 0,25 (1; 2,5) │15 - 3000
│1,0 (10) │15 - 2000
│1,6 (16) │15 - 1000
────────────────────────┼───────────────────────────┼──────────────────────
Литые из ковкого чугуна│1,6; 2,5; 4,0 (16; 25; 40) │15 - 80
────────────────────────┼───────────────────────────┼──────────────────────
Литые стальные │1,6 (16) │15 - 1600
│4,0 (40) │15 - 800
│6,3 (63) │15 - 600
│10 (100) │15 - 400
│16 (160) │15 - 300
│20 (200) │15 - 250
────────────────────────┼───────────────────────────┼──────────────────────
Стальные плоские │0,1; 0,25 (1; 2,5) │10 - 2400
приварные │0,6 (6) │10 - 1600
│1,6 (16) │10 - 1200
│2,5 (25) │10 - 800
────────────────────────┼───────────────────────────┼──────────────────────
Стальные приварные │0,1; 0,25; 0,6 (1; 2,5; 6) │10 - 1600
│25; 40) │
│6,3 (63) │10 - 400; 500 - 1200
│10 (100) │10 - 400
│16 (160) │15 - 300
│20 (200) │15 - 250
────────────────────────┼───────────────────────────┼──────────────────────
Стальные свободные │0,1; 0,25; 0,6; 1,0; 1,6; │10 - 500
на приварном кольце │2,5 (1; 2,5; 6; 10; 16; 25)│
Черт. 2
Черт. 3
Черт. 4
Черт. 5
1. Допускается обработка поверхностей А с шероховатостью Ra <= 100 мкм.
2. Допускается обработка поверхностей Б с шероховатостью Ra <= 25 мкм при кругообразном направлении неровностей.
3. Допускается вместо < 45° выполнять скругление.
Таблица 2

0,1 и 0,25 МПа (1,0 и 2,5 кгс/см2)
Размеры в мм
──────┬────┬────┬────┬───────┬───────┬───────┬───────┬───────┬───────┬─┬───────┬───────┬───┬───────
Проход│ D │ D │ D │ D │ D │ D │ D │ d │ n │h│ h │ h │ B │Номи-
услов-│ │ 1 │ 2 │ 3 │ 4 │ 5 │ 6 │ │ │ │ 1 │ 2 │ │нальный
ный D │ │ │ ├───┬───┼───┬───┼───┬───┼───┬───┼───┬───┼───┬───┤ ├───┬───┼───┬───┤ │диаметр
у│ │ │ │Ряд│Ряд│Ряд│Ряд│Ряд│Ряд│Ряд│Ряд│Ряд│Ряд│Ряд│Ряд│ │Ряд│Ряд│Ряд│Ряд│ │болтов
│ │ │ │ 1 │ 2 │ 1 │ 2 │ 1 │ 2 │ 1 │ 2 │ 1 │ 2 │ 1 │ 2 │ │ 1 │ 2 │ 1 │ 2 │ │или
│ │ │ │ │ │ │ │ │ │ │ │ │ │ │ │ │ │ │ │ │ │шпилек
│ │ │ │ │ │ │ │ │ │ │ │ │ │ │ │ │ │ │ │ │ ├───┬───
│ │ │ │ │ │ │ │ │ │ │ │ │ │ │ │ │ │ │ │ │ │Ряд│Ряд
│ │ │ │ │ │ │ │ │ │ │ │ │ │ │ │ │ │ │ │ │ │ 1 │ 2
──────┼────┼────┼────┼───┼───┼───┼───┼───┼───┼───┼───┼───┼───┼───┼───┼─┼───┼───┼───┼───┼───┼───┼───
10 │ 75 │ 50 │ 35 │20 │19 │30 │29 │19 │18 │31 │30 │11 │11 │ 4 │ 4 │2│ 4 │ 4 │ 3 │ 3 │60 │М10│М10
──────┼────┼────┼────┼───┼───┼───┼───┼───┼───┼───┼───┤ │ │ │ │ │ │ │ │ ├───┤ │
15 │ 80 │ 55 │ 40 │25 │23 │35 │33 │24 │22 │36 │34 │ │ │ │ │ │ │ │ │ │65 │ │
──────┼────┼────┼────┼───┼───┼───┼───┼───┼───┼───┼───┤ │ │ │ │ │ │ │ │ ├───┤ │
20 │ 90 │ 65 │ 50 │32 │33 │46 │43 │31 │32 │47 │44 │ │ │ │ │ │ │ │ │ │70 │ │
──────┼────┼────┼────┼───┼───┼───┼───┼───┼───┼───┼───┤ │ │ │ │ │ │ │ │ ├───┤ │
25 │100 │ 75 │ 60 │39 │41 │53 │51 │38 │40 │54 │52 │ │ │ │ │ │ │ │ │ │75 │ │
──────┼────┼────┼────┼───┼───┼───┼───┼───┼───┼───┼───┼───┼───┤ │ │ │ │ │ │ ├───┼───┼───
32 │120 │ 90 │ 70 │49 │49 │63 │59 │48 │48 │64 │60 │14 │14 │ │ │ │ │ │ │ │95 │М12│М12
──────┼────┼────┼────┼───┼───┼───┼───┼───┼───┼───┼───┤ │ │ │ ├─┤ │ │ │ ├───┤ │
40 │130 │100 │ 80 │56 │55 │70 │69 │55 │54 │71 │70 │ │ │ │ │3│ │ │ │ │100│ │
──────┼────┼────┼────┼───┼───┼───┼───┼───┼───┼───┼───┤ │ │ │ │ │ │ │ │ ├───┤ │
50 │140 │110 │ 90 │69 │66 │83 │80 │68 │65 │84 │81 │ │ │ │ │ │ │ │ │ │110│ │
──────┼────┼────┼────┼───┼───┼───┼───┼───┼───┼───┼───┤ │ │ │ │ │ │ │ │ ├───┤ │
65 │160 │130 │110 │89 │86 │103│100│88 │85 │104│101│ │ │ │ │ │ │ │ │ │125│ │
──────┼────┼────┼────┼───┼───┼───┼───┼───┼───┼───┼───┼───┼───┤ │ │ │ │ │ │ ├───┼───┼───
80 │185 │150 │128 │103│101│117│115│102│100│118│116│18 │18 │ │ │ │ │ │ │ │140│М16│М16
──────┼────┼────┼────┼───┼───┼───┼───┼───┼───┼───┼───┤ │ │ │ │ ├───┤ ├───┤ ├───┤ │
100 │205 │170 │148 │123│117│143│137│122│116│144│138│ │ │ │ │ │4,5│ │3,5│ │155│ │
──────┼────┼────┼────┼───┼───┼───┼───┼───┼───┼───┼───┤ │ ├───┼───┤ │ │ │ │ ├───┤ │
125 │235 │200 │178 │149│146│169│166│148│145│170│167│ │ │ 8 │ 8 │ │ │ │ │ │ - │ │
──────┼────┼────┼────┼───┼───┼───┼───┼───┼───┼───┼───┤ │ │ │ │ │ │ │ │ │ │ │
150 │260 │225 │202 │176│171│196│191│175│170│197│192│ │ │ │ │ │ │ │ │ │ │ │
──────┼────┼────┼────┼───┼───┼───┼───┼───┼───┼───┼───┤ │ │ │ │ │ │ │ │ │ │ │
(175) │290 │255 │232 │206│203│226│223│205│202│227│224│ │ │ │ │ │ │ │ │ │ │ │
──────┼────┼────┼────┼───┼───┼───┼───┼───┼───┼───┼───┤ │ │ │ │ │ │ │ │ │ │ │
200 │315 │280 │258 │231│229│251│249│230│228│252│250│ │ │ │ │ │ │ │ │ │ │ │
──────┼────┼────┼────┼───┼───┼───┼───┼───┼───┼───┼───┤ │ │ │ │ │ │ │ │ │ │ │
(225) │340 │305 │282 │256│256│276│276│255│255│277│277│ │ │ │ │ │ │ │ │ │ │ │
──────┼────┼────┼────┼───┼───┼───┼───┼───┼───┼───┼───┤ │ ├───┼───┤ │ │ │ │ │ │ │
250 │370 │335 │312 │286│283│306│303│285│282│307│304│ │ │12 │12 │ │ │ │ │ │ │ │
──────┼────┼────┼────┼───┼───┼───┼───┼───┼───┼───┼───┼───┼───┤ │ ├─┤ ├───┤ ├───┤ ├───┼───
300 │435 │395 │365 │336│336│356│356│335│335│357│357│22 │22 │ │ │4│ │ 5 │ │ 4 │ │М20│М20
──────┼────┼────┼────┼───┼───┼───┼───┼───┼───┼───┼───┤ │ │ │ │ ├───┤ ├───┤ │ │ │
350 │485 │445 │415 │381│386│407│406│380│385│408│407│ │ │ │ │ │ 5 │ │ 4 │ │ │ │
──────┼────┼────┼────┼───┼───┼───┼───┼───┼───┼───┼───┤ │ ├───┼───┤ │ │ │ │ │ │ │
400 │535 │495 │465 │431│436│457│456│430│435│458│457│ │ │16 │16 │ │ │ │ │ │ │ │
──────┼────┼────┼────┼───┼───┼───┼───┼───┼───┼───┼───┤ │ │ │ │ │ │ │ │ │ │ │
(450) │590 │550 │520 │481│489│507│509│480│488│508│510│ │ │ │ │ │ │ │ │ │ │ │
──────┼────┼────┼────┼───┼───┼───┼───┼───┼───┼───┼───┤ │ ├───┤ │ │ │ │ │ │ │ │
500 │640 │600 │570 │531│541│557│561│530│540│558│562│ │ │20 │ │ │ │ │ │ │ │ │
──────┼────┼────┼────┼───┼───┼───┼───┼───┼───┼───┼───┼───┼───┤ ├───┼─┤ ├───┤ ├───┤ ├───┼───
600 │755 │705 │670 │631│635│657│661│630│634│658│662│26 │26 │ │20 │5│ │ 6 │ │ 5 │ │М24│М24
──────┼────┼────┼────┼───┼───┼───┼───┼───┼───┼───┼───┤ │ ├───┼───┤ │ │ │ │ │ │ │
(700) │860 │810 │775 │736│737│762│763│735│736│763│764│ │ │24 │24 │ │ │ │ │ │ │ │
──────┼────┼────┼────┼───┼───┼───┼───┼───┼───┼───┼───┼───┼───┤ │ │ │ │ │ │ │ ├───┼───
800 │975 │920 │880 │841│841│867│867│840│840│868│868│30 │30 │ │ │ │ │ │ │ │ │М27│М27
──────┼────┼────┼────┼───┼───┼───┼───┼───┼───┼───┼───┤ │ │ │ │ ├───┼───┼───┼───┤ │ │
(900) │1075│1020│980 │ - │ - │ - │ - │ - │ - │ - │ - │ │ │ │ │ │ - │ - │ - │ - │ │ │
──────┼────┼────┼────┤ │ │ │ │ │ │ │ │ │ ├───┼───┤ │ │ │ │ │ │ │
1000 │1175│1120│1080│ │ │ │ │ │ │ │ │ │ │28 │28 │ │ │ │ │ │ │ │
──────┼────┼────┼────┤ │ │ │ │ │ │ │ │ │ ├───┼───┤ │ │ │ │ │ │ │
1200 │1375│1320│1280│ │ │ │ │ │ │ │ │ │ │32 │32 │ │ │ │ │ │ │ │
──────┼────┼────┼────┤ │ │ │ │ │ │ │ │ │ ├───┼───┤ │ │ │ │ │ │ │
1400 │1575│1520│1480│ │ │ │ │ │ │ │ │ │ │36 │36 │ │ │ │ │ │ │ │
──────┼────┼────┼────┤ │ │ │ │ │ │ │ │ │ ├───┼───┤ │ │ │ │ │ │ │
1600 │1785│1730│1690│ │ │ │ │ │ │ │ │ │ │40 │40 │ │ │ │ │ │ │ │
──────┼────┼────┼────┤ │ │ │ │ │ │ │ │ │ ├───┼───┤ │ │ │ │ │ │ │
(1800)│1985│1930│1890│ │ │ │ │ │ │ │ │ │ │44 │44 │ │ │ │ │ │ │ │
──────┼────┼────┼────┤ │ │ │ │ │ │ │ │ │ ├───┼───┤ │ │ │ │ │ │ │
2000 │2190│2130│2090│ │ │ │ │ │ │ │ │ │ │48 │48 │ │ │ │ │ │ │ │
──────┼────┼────┼────┤ │ │ │ │ │ │ │ ├───┼───┼───┼───┼─┤ │ │ │ │ ├───┼───
(2200)│2405│2340│2295│ │ │ │ │ │ │ │ │33 │33 │52 │52 │6│ │ │ │ │ │М30│М30
──────┼────┼────┼────┤ │ │ │ │ │ │ │ │ │ ├───┼───┤ │ │ │ │ │ │ │
2400 │2605│2540│2495│ │ │ │ │ │ │ │ │ │ │56 │56 │ │ │ │ │ │ │ │
──────┼────┼────┼────┤ │ │ │ │ │ │ │ │ │ ├───┼───┤ │ │ │ │ │ │ │
(2600)│2805│2740│2695│ │ │ │ │ │ │ │ │ │ │60 │60 │ │ │ │ │ │ │ │
──────┼────┼────┼────┤ │ │ │ │ │ │ │ ├───┼───┼───┼───┤ │ │ │ │ │ ├───┼───
(2800)│3035│2960│2910│ │ │ │ │ │ │ │ │36 │39 │64 │64 │ │ │ │ │ │ │М33│М36
──────┼────┼────┼────┤ │ │ │ │ │ │ │ │ │ ├───┼───┤ │ │ │ │ │ │ │
3000 │3240│3160│3110│ │ │ │ │ │ │ │ │ │ │68 │68 │ │ │ │ │ │ │ │
Таблица 3

0,6 МПа (6 кгс/см2)
Размеры в мм
──────┬────┬────┬────┬───────┬───────┬───────┬───────┬───────┬───────┬─┬───────┬───────┬───┬───────
Проход│ D │ D │ D │ D │ D │ D │ D │ d │ n │h│ h │ h │ B │Номи-
услов-│ │ 1 │ 2 │ 3 │ 4 │ 5 │ 6 │ │ │ │ 1 │ 2 │ │нальный
ный D │ │ │ ├───┬───┼───┬───┼───┬───┼───┬───┼───┬───┼───┬───┤ ├───┬───┼───┬───┤ │диаметр
у│ │ │ │Ряд│Ряд│Ряд│Ряд│Ряд│Ряд│Ряд│Ряд│Ряд│Ряд│Ряд│Ряд│ │Ряд│Ряд│Ряд│Ряд│ │болтов
│ │ │ │ 1 │ 2 │ 1 │ 2 │ 1 │ 2 │ 1 │ 2 │ 1 │ 2 │ 1 │ 2 │ │ 1 │ 2 │ 1 │ 2 │ │или
│ │ │ │ │ │ │ │ │ │ │ │ │ │ │ │ │ │ │ │ │ │шпилек
│ │ │ │ │ │ │ │ │ │ │ │ │ │ │ │ │ │ │ │ │ ├───┬───
│ │ │ │ │ │ │ │ │ │ │ │ │ │ │ │ │ │ │ │ │ │Ряд│Ряд
│ │ │ │ │ │ │ │ │ │ │ │ │ │ │ │ │ │ │ │ │ │ 1 │ 2
──────┼────┼────┼────┼───┼───┼───┼───┼───┼───┼───┼───┼───┼───┼───┼───┼─┼───┼───┼───┼───┼───┼───┼───
10 │ 75 │ 50 │ 35 │20 │19 │30 │29 │19 │18 │31 │30 │11 │11 │ 4 │ 4 │2│ 4 │ 4 │ 3 │ 3 │60 │М10│М10
──────┼────┼────┼────┼───┼───┼───┼───┼───┼───┼───┼───┤ │ │ │ │ │ │ │ │ ├───┤ │
15 │ 80 │ 55 │ 40 │25 │23 │35 │33 │24 │22 │36 │34 │ │ │ │ │ │ │ │ │ │65 │ │
──────┼────┼────┼────┼───┼───┼───┼───┼───┼───┼───┼───┤ │ │ │ │ │ │ │ │ ├───┤ │
20 │ 90 │ 65 │ 50 │32 │33 │46 │43 │31 │32 │47 │44 │ │ │ │ │ │ │ │ │ │70 │ │
──────┼────┼────┼────┼───┼───┼───┼───┼───┼───┼───┼───┤ │ │ │ │ │ │ │ │ ├───┤ │
25 │100 │ 75 │ 60 │39 │41 │53 │51 │38 │ 4 │54 │52 │ │ │ │ │ │ │ │ │ │75 │ │
──────┼────┼────┼────┼───┼───┼───┼───┼───┼───┼───┼───┼───┼───┤ │ │ │ │ │ │ ├───┼───┼───
32 │120 │ 90 │ 70 │49 │49 │63 │59 │48 │48 │64 │60 │14 │14 │ │ │ │ │ │ │ │95 │М12│М12
──────┼────┼────┼────┼───┼───┼───┼───┼───┼───┼───┼───┤ │ │ │ ├─┤ │ │ │ ├───┤ │
40 │130 │100 │ 80 │56 │55 │70 │69 │55 │54 │71 │70 │ │ │ │ │3│ │ │ │ │100│ │
──────┼────┼────┼────┼───┼───┼───┼───┼───┼───┼───┼───┤ │ │ │ │ │ │ │ │ ├───┤ │
50 │140 │110 │ 90 │69 │66 │83 │80 │68 │65 │84 │81 │ │ │ │ │ │ │ │ │ │110│ │
──────┼────┼────┼────┼───┼───┼───┼───┼───┼───┼───┼───┤ │ │ │ │ │ │ │ │ ├───┤ │
65 │160 │130 │110 │89 │86 │103│100│88 │85 │104│101│ │ │ │ │ │ │ │ │ │125│ │
──────┼────┼────┼────┼───┼───┼───┼───┼───┼───┼───┼───┼───┼───┤ │ │ │ │ │ │ ├───┼───┼───
80 │185 │150 │128 │103│101│117│115│102│100│118│116│18 │18 │ │ │ │ │ │ │ │140│М16│М16
──────┼────┼────┼────┼───┼───┼───┼───┼───┼───┼───┼───┤ │ │ │ │ ├───┤ ├───┤ ├───┤ │
100 │205 │170 │148 │123│117│143│137│122│116│144│138│ │ │ │ │ │4,5│ │3,5│ │155│ │
──────┼────┼────┼────┼───┼───┼───┼───┼───┼───┼───┼───┤ │ ├───┼───┤ │ │ │ │ ├───┤ │
125 │235 │200 │178 │149│146│169│166│148│145│170│167│ │ │ 8 │ 8 │ │ │ │ │ │ - │ │
──────┼────┼────┼────┼───┼───┼───┼───┼───┼───┼───┼───┤ │ │ │ │ │ │ │ │ │ │ │
150 │260 │225 │202 │176│171│196│191│175│170│197│192│ │ │ │ │ │ │ │ │ │ │ │
──────┼────┼────┼────┼───┼───┼───┼───┼───┼───┼───┼───┤ │ │ │ │ │ │ │ │ │ │ │
(175) │290 │255 │232 │206│203│226│223│205│202│227│224│ │ │ │ │ │ │ │ │ │ │ │
──────┼────┼────┼────┼───┼───┼───┼───┼───┼───┼───┼───┤ │ │ │ │ │ │ │ │ │ │ │
200 │315 │280 │258 │231│229│251│249│230│228│252│250│ │ │ │ │ │ │ │ │ │ │ │
──────┼────┼────┼────┼───┼───┼───┼───┼───┼───┼───┼───┤ │ │ │ │ │ │ │ │ │ │ │
(225) │340 │305 │282 │256│256│276│276│255│255│277│277│ │ │ │ │ │ │ │ │ │ │ │
──────┼────┼────┼────┼───┼───┼───┼───┼───┼───┼───┼───┤ │ ├───┼───┤ │ │ │ │ │ │ │
250 │370 │335 │312 │286│283│306│303│285│282│307│304│ │ │12 │12 │ │ │ │ │ │ │ │
──────┼────┼────┼────┼───┼───┼───┼───┼───┼───┼───┼───┼───┼───┤ │ ├─┤ ├───┤ ├───┤ ├───┼───
300 │435 │395 │365 │336│336│356│356│335│335│357│357│22 │22 │ │ │4│ │ 5 │ │ 4 │ │М20│М20
──────┼────┼────┼────┼───┼───┼───┼───┼───┼───┼───┼───┤ │ │ │ │ ├───┤ ├───┤ │ │ │
350 │485 │445 │415 │381│386│407│406│380│385│408│407│ │ │ │ │ │ 5 │ │ 4 │ │ │ │
──────┼────┼────┼────┼───┼───┼───┼───┼───┼───┼───┼───┤ │ ├───┼───┤ │ │ │ │ │ │ │
400 │535 │495 │465 │431│436│457│456│430│435│458│457│ │ │16 │16 │ │ │ │ │ │ │ │
──────┼────┼────┼────┼───┼───┼───┼───┼───┼───┼───┼───┤ │ │ │ │ │ │ │ │ │ │ │
(450) │590 │550 │520 │481│489│507│509│480│488│508│510│ │ │ │ │ │ │ │ │ │ │ │
──────┼────┼────┼────┼───┼───┼───┼───┼───┼───┼───┼───┤ │ ├───┤ │ │ │ │ │ │ │ │
500 │640 │600 │570 │531│541│557│561│530│540│558│562│ │ │20 │ │ │ │ │ │ │ │ │
──────┼────┼────┼────┼───┼───┼───┼───┼───┼───┼───┼───┼───┼───┤ ├───┼─┤ ├───┤ ├───┤ ├───┼───
600 │755 │705 │670 │631│635│657│661│630│634│658│662│26 │26 │ │20 │5│ │ 6 │ │ 5 │ │М24│М24
──────┼────┼────┼────┼───┼───┼───┼───┼───┼───┼───┼───┤ │ ├───┼───┤ │ │ │ │ │ │ │
(700) │860 │810 │775 │736│737│762│763│735│736│763│764│ │ │24 │24 │ │ │ │ │ │ │ │
──────┼────┼────┼────┼───┼───┼───┼───┼───┼───┼───┼───┼───┼───┤ │ │ │ │ │ │ │ ├───┼───
800 │975 │920 │880 │841│841│867│867│840│840│868│868│30 │30 │ │ │ │ │ │ │ │ │М27│М27
──────┼────┼────┼────┼───┼───┼───┼───┼───┼───┼───┼───┤ │ │ │ │ ├───┼───┼───┼───┤ │ │
(900) │1075│1020│980 │ - │ - │ - │ - │ - │ - │ - │ - │ │ │ │ │ │ - │ - │ - │ - │ │ │
──────┼────┼────┼────┤ │ │ │ │ │ │ │ │ │ ├───┼───┤ │ │ │ │ │ │ │
1000 │1175│1120│1080│ │ │ │ │ │ │ │ │ │ │28 │28 │ │ │ │ │ │ │ │
──────┼────┼────┼────┤ │ │ │ │ │ │ │ ├───┼───┼───┼───┤ │ │ │ │ │ ├───┼───
1200 │1400│1340│1295│ │ │ │ │ │ │ │ │33 │33 │32 │32 │ │ │ │ │ │ │М30│М30
──────┼────┼────┼────┤ │ │ │ │ │ │ │ ├───┤ ├───┼───┤ │ │ │ │ │ ├───┤
1400 │1620│1560│1510│ │ │ │ │ │ │ │ │36 │ │36 │36 │ │ │ │ │ │ │М33│
──────┼────┼────┼────┤ │ │ │ │ │ │ │ │ │ ├───┼───┤ │ │ │ │ │ │ │
1600 │1820│1760│1710│ │ │ │ │ │ │ │ │ │ │40 │40 │ │ │ │ │ │ │ │
──────┼────┼────┼────┤ │ │ │ │ │ │ │ ├───┼───┼───┼───┤ │ │ │ │ │ ├───┼───
(1800)│2045│1970│1920│ │ │ │ │ │ │ │ │39 │39 │44 │44 │ │ │ │ │ │ │М36│М36
──────┼────┼────┼────┤ │ │ │ │ │ │ │ ├───┼───┼───┼───┤ │ │ │ │ │ ├───┼───
2000 │2265│2180│2125│ │ │ │ │ │ │ │ │42 │45 │48 │48 │ │ │ │ │ │ │М39│М42
──────┼────┼────┼────┤ │ │ │ │ │ │ │ │ │ ├───┼───┤ │ │ │ │ │ │ │
(2200)│2475│2390│2335│ │ │ │ │ │ │ │ │ │ │52 │52 │ │ │ │ │ │ │ │
──────┼────┼────┼────┤ │ │ │ │ │ │ │ │ │ ├───┼───┼─┤ │ │ │ │ │ │
2400 │2685│2600│2545│ │ │ │ │ │ │ │ │ │ │56 │56 │6│ │ │ │ │ │ │
Таблица 4

1,0 МПа (10 кгс/см2)
Размеры в мм
──────┬────┬────┬────┬───────┬───────┬───────┬───────┬───────┬───────┬─┬───────┬───────┬───┬───────
Проход│ D │ D │ D │ D │ D │ D │ D │ d │ n │h│ h │ h │ B │Номи-
услов-│ │ 1 │ 2 │ 3 │ 4 │ 5 │ 6 │ │ │ │ 1 │ 2 │ │нальный
ный D │ │ │ ├───┬───┼───┬───┼───┬───┼───┬───┼───┬───┼───┬───┤ ├───┬───┼───┬───┤ │диаметр
у│ │ │ │Ряд│Ряд│Ряд│Ряд│Ряд│Ряд│Ряд│Ряд│Ряд│Ряд│Ряд│Ряд│ │Ряд│Ряд│Ряд│Ряд│ │болтов
│ │ │ │ 1 │ 2 │ 1 │ 2 │ 1 │ 2 │ 1 │ 2 │ 1 │ 2 │ 1 │ 2 │ │ 1 │ 2 │ 1 │ 2 │ │или
│ │ │ │ │ │ │ │ │ │ │ │ │ │ │ │ │ │ │ │ │ │шпилек
│ │ │ │ │ │ │ │ │ │ │ │ │ │ │ │ │ │ │ │ │ ├───┬───
│ │ │ │ │ │ │ │ │ │ │ │ │ │ │ │ │ │ │ │ │ │Ряд│Ряд
│ │ │ │ │ │ │ │ │ │ │ │ │ │ │ │ │ │ │ │ │ │ 1 │ 2
──────┼────┼────┼────┼───┴───┼───┴───┼───┴───┼───┴───┼───┼───┼───┼───┼─┼───┼───┼───┼───┼───┼───┼───
10 │ 90 │ 60 │ 42 │ 24 │ 34 │ 23 │ 35 │14 │14 │ 4 │ 4 │2│ 4 │ 4 │ 3 │ 3 │70 │М12│М12
──────┼────┼────┼────┼───────┼───────┼───────┼───────┤ │ │ │ │ │ │ │ │ ├───┤ │
15 │ 95 │ 65 │ 47 │ 29 │ 39 │ 28 │ 40 │ │ │ │ │ │ │ │ │ │75 │ │
──────┼────┼────┼────┼───────┼───────┼───────┼───────┤ │ │ │ │ │ │ │ │ ├───┤ │
20 │105 │ 75 │ 58 │ 36 │ 50 │ 35 │ 51 │ │ │ │ │ │ │ │ │ │80 │ │
──────┼────┼────┼────┼───────┼───────┼───────┼───────┤ │ │ │ │ │ │ │ │ ├───┤ │
25 │115 │ 85 │ 68 │ 43 │ 57 │ 42 │ 58 │ │ │ │ │ │ │ │ │ │90 │ │
──────┼────┼────┼────┼───────┼───────┼───────┼───────┼───┼───┤ │ │ │ │ │ │ ├───┼───┼───
32 │135 │100 │ 78 │ 51 │ 65 │ 50 │ 66 │18 │18 │ │ │ │ │ │ │ │105│М16│М16
──────┼────┼────┼────┼───────┼───────┼───────┼───────┤ │ │ │ ├─┤ │ │ │ ├───┤ │
40 │145 │110 │ 88 │ 61 │ 75 │ 60 │ 76 │ │ │ │ │3│ │ │ │ │110│ │
──────┼────┼────┼────┼───────┼───────┼───────┼───────┤ │ │ │ │ │ │ │ │ ├───┤ │
50 │160 │125 │102 │ 73 │ 87 │ 72 │ 88 │ │ │ │ │ │ │ │ │ │125│ │
──────┼────┼────┼────┼───────┼───────┼───────┼───────┤ │ │ │ │ │ │ │ │ ├───┤ │
65 │180 │145 │122 │ 95 │ 109 │ 94 │ 110 │ │ │ │ │ │ │ │ │ │140│ │
──────┼────┼────┼────┼───────┼───────┼───────┼───────┤ │ ├───┤ │ │ │ │ │ ├───┤ │
80 │195 │160 │133 │ 106 │ 120 │ 105 │ 121 │ │ │ 8 │ │ │ │ │ │ │150│ │
──────┼────┼────┼────┼───────┼───────┼───────┼───────┤ │ │ ├───┤ ├───┤ ├───┤ ├───┤ │
100 │215 │180 │158 │ 129 │ 149 │ 128 │ 150 │ │ │ │ 8 │ │4,5│ │3,5│ │ - │ │
──────┼────┼────┼────┼───────┼───────┼───────┼───────┤ │ │ │ │ │ │ │ │ │ │ │
125 │245 │210 │184 │ 155 │ 175 │ 154 │ 176 │ │ │ │ │ │ │ │ │ │ │ │
──────┼────┼────┼────┼───────┼───────┼───────┼───────┼───┼───┤ │ │ │ │ │ │ │ ├───┼───
150 │280 │240 │212 │ 183 │ 203 │ 182 │ 204 │22 │22 │ │ │ │ │ │ │ │ │М20│М20
──────┼────┼────┼────┼───────┼───────┼───────┼───────┤ │ │ │ │ │ │ │ │ │ │ │
(175) │310 │270 │242 │ 213 │ 233 │ 212 │ 234 │ │ │ │ │ │ │ │ │ │ │ │
──────┼────┼────┼────┼───────┼───────┼───────┼───────┤ │ │ │ │ │ │ │ │ │ │ │
200 │335 │295 │268 │ 239 │ 259 │ 238 │ 260 │ │ │ │ │ │ │ │ │ │ │ │
──────┼────┼────┼────┼───────┼───────┼───────┼───────┤ │ │ │ │ │ │ │ │ │ │ │
(225) │365 │325 │295 │ 266 │ 286 │ 265 │ 287 │ │ │ │ │ │ │ │ │ │ │ │
──────┼────┼────┼────┼───────┼───────┼───────┼───────┤ │ ├───┼───┤ │ │ │ │ │ │ │
250 │390 │350 │320 │ 292 │ 312 │ 291 │ 313 │ │ │12 │12 │ │ │ │ │ │ │ │
──────┼────┼────┼────┼───────┼───────┼───────┼───────┤ │ │ │ ├─┤ ├───┤ ├───┤ │ │
300 │440 │400 │370 │ 343 │ 363 │ 342 │ 364 │ │ │ │ │4│ │ 5 │ │ 4 │ │ │
──────┼────┼────┼────┼───────┼───────┼───────┼───────┤ │ ├───┼───┤ ├───┤ ├───┤ │ │ │
350 │500 │460 │430 │ 395 │ 421 │ 394 │ 422 │ │ │16 │16 │ │ 5 │ │ 4 │ │ │ │
──────┼────┼────┼────┼───────┼───────┼───────┼───────┼───┼───┤ │ │ │ │ │ │ │ ├───┼───
400 │565 │515 │482 │ 447 │ 473 │ 446 │ 474 │26 │26 │ │ │ │ │ │ │ │ │М24│М24
──────┼────┼────┼────┼───────┼───────┼───────┼───────┤ │ ├───┼───┤ │ │ │ │ │ │ │
(450) │615 │565 │532 │ 497 │ 523 │ 496 │ 524 │ │ │20 │20 │ │ │ │ │ │ │ │
──────┼────┼────┼────┼───────┼───────┼───────┼───────┤ │ │ │ │ │ │ │ │ │ │ │
500 │670 │620 │585 │ 549 │ 575 │ 548 │ 576 │ │ │ │ │ │ │ │ │ │ │ │
──────┼────┼────┼────┼───┬───┼───┬───┼───┬───┼───┬───┼───┼───┤ │ ├─┤ ├───┤ ├───┤ ├───┼───
600 │780 │725 │685 │649│651│675│677│648│650│676│678│30 │30 │ │ │5│ │ 6 │ │ 5 │ │М27│М27
──────┼────┼────┼────┼───┼───┼───┼───┼───┼───┼───┼───┤ │ ├───┼───┤ │ │ │ │ │ │ │
(700) │895 │840 │800 │751│751│777│777│750│750│778│778│ │ │24 │24 │ │ │ │ │ │ │ │
──────┼────┼────┼────┼───┼───┼───┼───┼───┼───┼───┼───┼───┼───┤ │ │ │ │ │ │ │ ├───┼───
800 │1010│950 │905 │856│851│882│877│855│850│883│878│33 │33 │ │ │ │ │ │ │ │ │М30│М30
──────┼────┼────┼────┼───┴───┼───┴───┼───┴───┼───┴───┤ │ ├───┼───┤ ├───┼───┼───┼───┤ │ │
(900) │1110│1050│1005│ - │ - │ - │ - │ │ │28 │28 │ │ - │ - │ - │ - │ │ │
──────┼────┼────┼────┤ │ │ │ ├───┤ │ │ │ │ │ │ │ │ ├───┼───
1000 │1220│1160│1110│ │ │ │ │36 │ │ │ │ │ │ │ │ │ │М33│М30
──────┼────┼────┼────┤ │ │ │ ├───┼───┼───┼───┤ │ │ │ │ │ ├───┼───
1200 │1455│1380│1330│ │ │ │ │39 │39 │32 │32 │ │ │ │ │ │ │М36│М36
──────┼────┼────┼────┤ │ │ │ ├───┼───┼───┼───┤ │ │ │ │ │ ├───┼───
1400 │1675│1590│1530│ │ │ │ │42 │45 │36 │36 │ │ │ │ │ │ │М39│М42
──────┼────┼────┼────┤ │ │ │ ├───┼───┼───┼───┤ │ │ │ │ │ ├───┼───
1600 │1915│1820│1750│ │ │ │ │48 │52 │40 │40 │ │ │ │ │ │ │М45│М48
──────┼────┼────┼────┤ │ │ │ │ │ ├───┼───┤ │ │ │ │ │ │ │
(1800)│2115│2020│1950│ │ │ │ │ │ │44 │44 │ │ │ │ │ │ │ │
──────┼────┼────┼────┤ │ │ │ │ │ ├───┼───┤ │ │ │ │ │ │ │
2000 │2325│2230│2150│ │ │ │ │ │ │48 │48 │ │ │ │ │ │ │ │
Таблица 5

1,6 МПа (16 кгс/см2)
Размеры в мм
──────┬────┬────┬────┬───────┬───────┬───────┬───────┬───────┬───────┬─┬───────┬───────┬───┬───────
Проход│ D │ D │ D │ D │ D │ D │ D │ d │ n │h│ h │ h │ B │Номи-
услов-│ │ 1 │ 2 │ 3 │ 4 │ 5 │ 6 │ │ │ │ 1 │ 2 │ │нальный
ный D │ │ │ ├───┬───┼───┬───┼───┬───┼───┬───┼───┬───┼───┬───┤ ├───┬───┼───┬───┤ │диаметр
у│ │ │ │Ряд│Ряд│Ряд│Ряд│Ряд│Ряд│Ряд│Ряд│Ряд│Ряд│Ряд│Ряд│ │Ряд│Ряд│Ряд│Ряд│ │болтов
│ │ │ │ 1 │ 2 │ 1 │ 2 │ 1 │ 2 │ 1 │ 2 │ 1 │ 2 │ 1 │ 2 │ │ 1 │ 2 │ 1 │ 2 │ │или
│ │ │ │ │ │ │ │ │ │ │ │ │ │ │ │ │ │ │ │ │ │шпилек
│ │ │ │ │ │ │ │ │ │ │ │ │ │ │ │ │ │ │ │ │ ├───┬───
│ │ │ │ │ │ │ │ │ │ │ │ │ │ │ │ │ │ │ │ │ │Ряд│Ряд
│ │ │ │ │ │ │ │ │ │ │ │ │ │ │ │ │ │ │ │ │ │ 1 │ 2
──────┼────┼────┼────┼───┴───┼───┴───┼───┴───┼───┴───┼───┼───┼───┼───┼─┼───┼───┼───┼───┼───┼───┼───
10 │ 90 │ 60 │ 42 │ 24 │ 34 │ 23 │ 35 │14 │14 │ 4 │ 4 │2│ 4 │ 4 │ 3 │ 3 │70 │М12│М12
──────┼────┼────┼────┼───────┼───────┼───────┼───────┤ │ │ │ │ │ │ │ │ ├───┤ │
15 │ 95 │ 65 │ 47 │ 29 │ 39 │ 28 │ 40 │ │ │ │ │ │ │ │ │ │75 │ │
──────┼────┼────┼────┼───────┼───────┼───────┼───────┤ │ │ │ │ │ │ │ │ ├───┤ │
20 │105 │ 75 │ 58 │ 36 │ 50 │ 35 │ 51 │ │ │ │ │ │ │ │ │ │80 │ │
──────┼────┼────┼────┼───────┼───────┼───────┼───────┤ │ │ │ │ │ │ │ │ ├───┤ │
25 │115 │ 85 │ 68 │ 43 │ 57 │ 42 │ 58 │ │ │ │ │ │ │ │ │ │90 │ │
──────┼────┼────┼────┼───────┼───────┼───────┼───────┼───┼───┤ │ │ │ │ │ │ ├───┼───┼───
32 │135 │100 │ 78 │ 51 │ 65 │ 50 │ 66 │18 │18 │ │ │ │ │ │ │ │105│М16│М16
──────┼────┼────┼────┼───────┼───────┼───────┼───────┤ │ │ │ ├─┤ │ │ │ ├───┤ │
40 │145 │110 │ 88 │ 61 │ 75 │ 60 │ 76 │ │ │ │ │3│ │ │ │ │110│ │
──────┼────┼────┼────┼───────┼───────┼───────┼───────┤ │ │ │ │ │ │ │ │ ├───┤ │
50 │160 │125 │102 │ 73 │ 87 │ 72 │ 88 │ │ │ │ │ │ │ │ │ │125│ │
──────┼────┼────┼────┼───────┼───────┼───────┼───────┤ │ │ │ │ │ │ │ │ ├───┤ │
65 │180 │145 │122 │ 95 │ 109 │ 94 │ 110 │ │ │ │ │ │ │ │ │ │140│ │
──────┼────┼────┼────┼───────┼───────┼───────┼───────┤ │ ├───┤ │ │ │ │ │ ├───┤ │
80 │195 │160 │133 │ 106 │ 120 │ 105 │ 121 │ │ │ 8 │ │ │ │ │ │ │150│ │
──────┼────┼────┼────┼───────┼───────┼───────┼───────┤ │ │ ├───┤ ├───┤ ├───┤ ├───┤ │
100 │215 │180 │158 │ 129 │ 149 │ 128 │ 150 │ │ │ │ 8 │ │4,5│ │3,5│ │ - │ │
──────┼────┼────┼────┼───────┼───────┼───────┼───────┤ │ │ │ │ │ │ │ │ │ │ │
125 │245 │210 │184 │ 155 │ 175 │ 154 │ 176 │ │ │ │ │ │ │ │ │ │ │ │
──────┼────┼────┼────┼───────┼───────┼───────┼───────┼───┼───┤ │ │ │ │ │ │ │ ├───┼───
150 │280 │240 │212 │ 183 │ 203 │ 182 │ 204 │22 │22 │ │ │ │ │ │ │ │ │М20│М20
──────┼────┼────┼────┼───────┼───────┼───────┼───────┤ │ │ │ │ │ │ │ │ │ │ │
(175) │310 │270 │242 │ 213 │ 233 │ 212 │ 234 │ │ │ │ │ │ │ │ │ │ │ │
──────┼────┼────┼────┼───────┼───────┼───────┼───────┤ │ ├───┼───┤ │ │ │ │ │ │ │
200 │335 │295 │268 │ 239 │ 259 │ 238 │ 260 │ │ │12 │12 │ │ │ │ │ │ │ │
──────┼────┼────┼────┼───────┼───────┼───────┼───────┤ │ │ │ │ │ │ │ │ │ │ │
(225) │365 │325 │295 │ 266 │ 286 │ 265 │ 287 │ │ │ │ │ │ │ │ │ │ │ │
──────┼────┼────┼────┼───────┼───────┼───────┼───────┼───┼───┤ │ │ │ │ │ │ │ ├───┼───
250 │405 │355 │320 │ 292 │ 312 │ 291 │ 313 │26 │26 │ │ │ │ │ │ │ │ │М24│М24
──────┼────┼────┼────┼───────┼───────┼───────┼───────┤ │ │ │ ├─┤ ├───┤ ├───┤ │ │
300 │460 │410 │370 │ 343 │ 363 │ 342 │ 364 │ │ │ │ │4│ │ 5 │ │ 4 │ │ │
──────┼────┼────┼────┼───────┼───────┼───────┼───────┤ │ ├───┼───┤ ├───┤ ├───┤ │ │ │
350 │520 │470 │430 │ 395 │ 421 │ 394 │ 422 │ │ │16 │16 │ │ 5 │ │ 4 │ │ │ │
──────┼────┼────┼────┼───────┼───────┼───────┼───────┼───┼───┤ │ │ │ │ │ │ │ ├───┼───
400 │580 │525 │482 │ 447 │ 473 │ 446 │ 474 │30 │30 │ │ │ │ │ │ │ │ │М27│М27
──────┼────┼────┼────┼───────┼───────┼───────┼───────┤ │ ├───┼───┤ │ │ │ │ │ │ │
(450) │640 │585 │532 │ 497 │ 523 │ 496 │ 524 │ │ │20 │20 │ │ │ │ │ │ │ │
──────┼────┼────┼────┼───────┼───────┼───────┼───────┼───┼───┤ │ │ │ │ │ │ │ ├───┼───
500 │710 │650 │585 │ 549 │ 575 │ 548 │ 576 │33 │33 │ │ │ │ │ │ │ │ │М30│М30
──────┼────┼────┼────┼───┬───┼───┬───┼───┬───┼───┬───┼───┼───┤ │ ├─┤ ├───┤ ├───┤ ├───┼───
600 │840 │770 │685 │649│651│675│677│648│650│676│678│36 │39 │ │ │5│ │ 6 │ │ 5 │ │М33│М36
──────┼────┼────┼────┼───┼───┼───┼───┼───┼───┼───┼───┤ │ ├───┼───┤ │ │ │ │ │ │ │
(700) │910 │840 │800 │751│751│777│777│750│750│778│778│ │ │24 │24 │ │ │ │ │ │ │ │
──────┼────┼────┼────┼───┼───┼───┼───┼───┼───┼───┼───┼───┤ │ │ │ │ │ │ │ │ ├───┤
800 │1020│950 │905 │856│851│882│877│855│850│883│878│39 │ │ │ │ │ │ │ │ │ │М36│
──────┼────┼────┼────┼───┴───┼───┴───┼───┴───┼───┴───┤ │ ├───┼───┤ ├───┼───┼───┼───┤ │ │
(900) │1120│1050│1005│ - │ - │ - │ - │ │ │28 │28 │ │ - │ - │ - │ - │ │ │
──────┼────┼────┼────┤ │ │ │ ├───┼───┤ │ │ │ │ │ │ │ ├───┼───
1000 │1255│1170│1110│ │ │ │ │42 │45 │ │ │ │ │ │ │ │ │М39│М42
──────┼────┼────┼────┤ │ │ │ ├───┼───┼───┼───┤ │ │ │ │ │ ├───┼───
1200 │1485│1390│1330│ │ │ │ │48 │52 │32 │32 │ │ │ │ │ │ │М45│М48
──────┼────┼────┼────┤ │ │ │ │ │ ├───┼───┤ │ │ │ │ │ │ │
1400 │1685│1590│1530│ │ │ │ │ │ │36 │36 │ │ │ │ │ │ │ │
──────┼────┼────┼────┤ │ │ │ ├───┼───┼───┼───┤ │ │ │ │ │ ├───┼───
1600 │1925│1820│1750│ │ │ │ │56 │56 │40 │40 │ │ │ │ │ │ │М52│М52
Таблица 6

2,5 МПа (25 кгс/см2)
Размеры в мм
──────┬────┬────┬────┬───────┬───────┬───────┬───────┬───────┬──┬─┬───────┬───────┬───┬───────
Проход│ D │ D │ D │ D │ D │ D │ D │ d │n │h│ h │ h │ B │Номи-
услов-│ │ 1 │ 2 │ 3 │ 4 │ 5 │ 6 │ │ │ │ 1 │ 2 │ │нальный
ный D │ │ │ ├───┬───┼───┬───┼───┬───┼───┬───┼───┬───┤ │ ├───┬───┼───┬───┤ │диаметр
у│ │ │ │Ряд│Ряд│Ряд│Ряд│Ряд│Ряд│Ряд│Ряд│Ряд│Ряд│ │ │Ряд│Ряд│Ряд│Ряд│ │болтов
│ │ │ │ 1 │ 2 │ 1 │ 2 │ 1 │ 2 │ 1 │ 2 │ 1 │ 2 │ │ │ 1 │ 2 │ 1 │ 2 │ │или
│ │ │ │ │ │ │ │ │ │ │ │ │ │ │ │ │ │ │ │ │шпилек
│ │ │ │ │ │ │ │ │ │ │ │ │ │ │ │ │ │ │ │ ├───┬───
│ │ │ │ │ │ │ │ │ │ │ │ │ │ │ │ │ │ │ │ │Ряд│Ряд
│ │ │ │ │ │ │ │ │ │ │ │ │ │ │ │ │ │ │ │ │ 1 │ 2
──────┼────┼────┼────┼───┴───┼───┴───┼───┴───┼───┴───┼───┼───┼──┼─┼───┼───┼───┼───┼───┼───┼───
10 │ 90 │ 60 │ 42 │ 24 │ 34 │ 23 │ 35 │14 │14 │4 │2│ 4 │ 4 │ 3 │ 3 │70 │М12│М12
──────┼────┼────┼────┼───────┼───────┼───────┼───────┤ │ │ │ │ │ │ │ ├───┤ │
15 │ 95 │ 65 │ 47 │ 29 │ 39 │ 28 │ 40 │ │ │ │ │ │ │ │ │75 │ │
──────┼────┼────┼────┼───────┼───────┼───────┼───────┤ │ │ │ │ │ │ │ ├───┤ │
20 │105 │ 75 │ 58 │ 36 │ 50 │ 35 │ 51 │ │ │ │ │ │ │ │ │80 │ │
──────┼────┼────┼────┼───────┼───────┼───────┼───────┤ │ │ │ │ │ │ │ ├───┤ │
25 │115 │ 85 │ 68 │ 43 │ 57 │ 42 │ 58 │ │ │ │ │ │ │ │ │90 │ │
──────┼────┼────┼────┼───────┼───────┼───────┼───────┼───┼───┤ │ │ │ │ │ ├───┼───┼───
32 │135 │100 │ 78 │ 51 │ 65 │ 50 │ 66 │18 │18 │ │ │ │ │ │ │105│М16│М16
──────┼────┼────┼────┼───────┼───────┼───────┼───────┤ │ │ ├─┤ │ │ │ ├───┤ │
40 │145 │110 │ 88 │ 61 │ 75 │ 60 │ 76 │ │ │ │3│ │ │ │ │110│ │
──────┼────┼────┼────┼───────┼───────┼───────┼───────┤ │ │ │ │ │ │ │ ├───┤ │
50 │160 │125 │102 │ 73 │ 87 │ 72 │ 88 │ │ │ │ │ │ │ │ │125│ │
──────┼────┼────┼────┼───────┼───────┼───────┼───────┤ │ ├──┤ │ │ │ │ ├───┤ │
65 │180 │145 │122 │ 95 │ 109 │ 94 │ 110 │ │ │8 │ │ │ │ │ │ - │ │
──────┼────┼────┼────┼───────┼───────┼───────┼───────┤ │ │ │ │ │ │ │ │ │ │
80 │195 │160 │133 │ 106 │ 120 │ 105 │ 121 │ │ │ │ │ │ │ │ │ │ │
──────┼────┼────┼────┼───────┼───────┼───────┼───────┼───┼───┤ │ ├───┤ ├───┤ │ ├───┼───
100 │230 │190 │158 │ 129 │ 149 │ 128 │ 150 │22 │22 │ │ │4,5│ │3,5│ │ │М20│М20
──────┼────┼────┼────┼───────┼───────┼───────┼───────┼───┼───┤ │ │ │ │ │ │ ├───┼───
125 │270 │220 │184 │ 155 │ 175 │ 154 │ 176 │26 │26 │ │ │ │ │ │ │ │М24│М24
──────┼────┼────┼────┼───────┼───────┼───────┼───────┤ │ │ │ │ │ │ │ │ │ │
150 │300 │250 │212 │ 183 │ 203 │ 182 │ 204 │ │ │ │ │ │ │ │ │ │ │
──────┼────┼────┼────┼───────┼───────┼───────┼───────┤ │ ├──┤ │ │ │ │ │ │ │
(175) │330 │280 │242 │ 213 │ 233 │ 212 │ 234 │ │ │12│ │ │ │ │ │ │ │
──────┼────┼────┼────┼───────┼───────┼───────┼───────┤ │ │ │ │ │ │ │ │ ├───┼───
200 │360 │310 │278 │ 239 │ 259 │ 238 │ 260 │ │ │ │ │ │ │ │ │ │М27│М27
──────┼────┼────┼────┼───────┼───────┼───────┼───────┼───┼───┤ │ │ │ │ │ │ │ │
(225) │395 │340 │305 │ 266 │ 286 │ 265 │ 287 │30 │30 │ │ │ │ │ │ │ │ │
──────┼────┼────┼────┼───────┼───────┼───────┼───────┤ │ │ │ │ │ │ │ │ │ │
250 │425 │370 │335 │ 292 │ 312 │ 291 │ 313 │ │ │ │ │ │ │ │ │ │ │
──────┼────┼────┼────┼───────┼───────┼───────┼───────┤ │ ├──┼─┤ ├───┤ ├───┤ │ │
300 │485 │430 │390 │ 343 │ 363 │ 342 │ 364 │ │ │16│4│ │ 5 │ │ 4 │ │ │
──────┼────┼────┼────┼───────┼───────┼───────┼───────┼───┼───┤ │ ├───┤ ├───┤ │ ├───┼───
350 │550 │490 │450 │ 395 │ 421 │ 394 │ 422 │33 │33 │ │ │ 5 │ │ 4 │ │ │М30│М30
──────┼────┼────┼────┼───────┼───────┼───────┼───────┼───┤ │ │ │ │ │ │ │ ├───┤
400 │610 │550 │505 │ 447 │ 473 │ 446 │ 474 │36 │ │ │ │ │ │ │ │ │М33│
──────┼────┼────┼────┼───────┼───────┼───────┼───────┤ │ ├──┤ │ │ │ │ │ │ │
(450) │660 │600 │555 │ 497 │ 523 │ 496 │ 524 │ │ │20│ │ │ │ │ │ │ │
──────┼────┼────┼────┼───────┼───────┼───────┼───────┤ ├───┤ │ │ │ │ │ │ │ ├───
500 │730 │660 │615 │ 549 │ 575 │ 548 │ 576 │ │39 │ │ │ │ │ │ │ │ │М36
──────┼────┼────┼────┼───┬───┼───┬───┼───┬───┼───┬───┼───┤ │ ├─┤ ├───┤ ├───┤ ├───┤
600 │840 │770 │720 │649│651│675│677│648│650│676│678│39 │ │ │5│ │ 6 │ │ 5 │ │М36│
──────┼────┼────┼────┼───┼───┼───┼───┼───┼───┼───┼───┼───┼───┼──┤ │ │ │ │ │ ├───┼───
(700) │960 │875 │820 │751│751│777│777│750│750│778│778│42 │45 │24│ │ │ │ │ │ │М39│М42
──────┼────┼────┼────┼───┼───┼───┼───┼───┼───┼───┼───┼───┤ │ │ │ │ │ │ │ ├───┤
800 │1075│990 │930 │856│851│882│877│855│850│883│878│48 │ │ │ │ │ │ │ │ │М45│
──────┼────┼────┼────┼───┴───┼───┴───┼───┴───┼───┴───┤ ├───┼──┤ ├───┼───┼───┼───┤ │ ├───
(900) │1185│1090│1030│ - │ - │ - │ - │ │52 │28│ │ - │ - │ - │ - │ │ │М48
──────┼────┼────┼────┤ │ │ │ ├───┼───┤ │ │ │ │ │ │ ├───┼───
1000 │1315│1210│1140│ │ │ │ │56 │56 │ │ │ │ │ │ │ │М52│М52
──────┼────┼────┼────┤ │ │ │ │ │ ├──┤ │ │ │ │ │ │ │
1200 │1525│1420│1350│ │ │ │ │ │ │32│ │ │ │ │ │ │ │
──────┼────┼────┼────┤ │ │ │ ├───┼───┼──┤ │ │ │ │ │ ├───┼───
1400 │1750│1640│1560│ │ │ │ │62 │62 │36│ │ │ │ │ │ │М56│М56
Таблица 7

4,0 МПа (40 кгс/см2)
Размеры в мм
──────┬────┬────┬────┬───────┬───────┬───────┬───────┬───────┬──┬─┬───────┬───────┬───┬───────
Проход│ D │ D │ D │ D │ D │ D │ D │ d │n │h│ h │ h │ B │Номи-
услов-│ │ 1 │ 2 │ 3 │ 4 │ 5 │ 6 │ │ │ │ 1 │ 2 │ │нальный
ный D │ │ │ ├───┬───┼───┬───┼───┬───┼───┬───┼───┬───┤ │ ├───┬───┼───┬───┤ │диаметр
у│ │ │ │Ряд│Ряд│Ряд│Ряд│Ряд│Ряд│Ряд│Ряд│Ряд│Ряд│ │ │Ряд│Ряд│Ряд│Ряд│ │болтов
│ │ │ │ 1 │ 2 │ 1 │ 2 │ 1 │ 2 │ 1 │ 2 │ 1 │ 2 │ │ │ 1 │ 2 │ 1 │ 2 │ │или
│ │ │ │ │ │ │ │ │ │ │ │ │ │ │ │ │ │ │ │ │шпилек
│ │ │ │ │ │ │ │ │ │ │ │ │ │ │ │ │ │ │ │ ├───┬───
│ │ │ │ │ │ │ │ │ │ │ │ │ │ │ │ │ │ │ │ │Ряд│Ряд
│ │ │ │ │ │ │ │ │ │ │ │ │ │ │ │ │ │ │ │ │ 1 │ 2
──────┼────┼────┼────┼───┴───┼───┴───┼───┴───┼───┴───┼───┼───┼──┼─┼───┼───┼───┼───┼───┼───┼───
10 │ 90 │ 60 │ 42 │ 24 │ 34 │ 23 │ 35 │14 │14 │4 │2│ 4 │ 4 │ 3 │ 3 │70 │М12│М12
──────┼────┼────┼────┼───────┼───────┼───────┼───────┤ │ │ │ │ │ │ │ ├───┤ │
15 │ 95 │ 65 │ 47 │ 29 │ 39 │ 28 │ 40 │ │ │ │ │ │ │ │ │75 │ │
──────┼────┼────┼────┼───────┼───────┼───────┼───────┤ │ │ │ │ │ │ │ ├───┤ │
20 │105 │ 75 │ 58 │ 36 │ 50 │ 35 │ 51 │ │ │ │ │ │ │ │ │80 │ │
──────┼────┼────┼────┼───────┼───────┼───────┼───────┤ │ │ │ │ │ │ │ ├───┤ │
25 │115 │ 85 │ 68 │ 43 │ 57 │ 42 │ 58 │ │ │ │ │ │ │ │ │90 │ │
──────┼────┼────┼────┼───────┼───────┼───────┼───────┼───┼───┤ │ │ │ │ │ ├───┼───┼───
32 │135 │100 │ 78 │ 51 │ 65 │ 50 │ 66 │18 │18 │ │ │ │ │ │ │105│М16│М16
──────┼────┼────┼────┼───────┼───────┼───────┼───────┤ │ │ ├─┤ │ │ │ ├───┤ │
40 │145 │110 │ 88 │ 61 │ 75 │ 60 │ 76 │ │ │ │3│ │ │ │ │110│ │
──────┼────┼────┼────┼───────┼───────┼───────┼───────┤ │ │ │ │ │ │ │ ├───┤ │
50 │160 │125 │102 │ 73 │ 87 │ 72 │ 88 │ │ │ │ │ │ │ │ │125│ │
──────┼────┼────┼────┼───────┼───────┼───────┼───────┤ │ ├──┤ │ │ │ │ ├───┤ │
65 │180 │145 │122 │ 95 │ 109 │ 94 │ 110 │ │ │8 │ │ │ │ │ │ - │ │
──────┼────┼────┼────┼───────┼───────┼───────┼───────┤ │ │ │ │ │ │ │ │ │ │
80 │195 │160 │133 │ 106 │ 120 │ 105 │ 121 │ │ │ │ │ │ │ │ │ │ │
──────┼────┼────┼────┼───────┼───────┼───────┼───────┼───┼───┤ │ ├───┤ ├───┤ │ ├───┼───
100 │230 │190 │158 │ 129 │ 149 │ 128 │ 150 │22 │22 │ │ │4,5│ │3,5│ │ │М20│М20
──────┼────┼────┼────┼───────┼───────┼───────┼───────┼───┼───┤ │ │ │ │ │ │ ├───┼───
125 │270 │220 │184 │ 155 │ 175 │ 154 │ 176 │26 │26 │ │ │ │ │ │ │ │М24│М24
──────┼────┼────┼────┼───────┼───────┼───────┼───────┤ │ │ │ │ │ │ │ │ │ │
150 │300 │250 │212 │ 183 │ 203 │ 182 │ 204 │ │ │ │ │ │ │ │ │ │ │
──────┼────┼────┼────┼───────┼───────┼───────┼───────┼───┼───┼──┤ │ │ │ │ │ ├───┼───
(175) │350 │295 │242 │ 213 │ 233 │ 212 │ 234 │30 │30 │12│ │ │ │ │ │ │М27│М27
──────┼────┼────┼────┼───────┼───────┼───────┼───────┤ │ │ │ │ │ │ │ │ │ │
200 │375 │320 │285 │ 239 │ 259 │ 238 │ 260 │ │ │ │ │ │ │ │ │ │ │
──────┼────┼────┼────┼───────┼───────┼───────┼───────┼───┼───┤ │ │ │ │ │ │ ├───┼───
(225) │415 │355 │315 │ 266 │ 286 │ 265 │ 287 │33 │33 │ │ │ │ │ │ │ │М30│М30
──────┼────┼────┼────┼───────┼───────┼───────┼───────┤ │ │ │ │ │ │ │ │ │ │
250 │445 │385 │345 │ 292 │ 312 │ 291 │ 313 │ │ │ │ │ │ │ │ │ │ │
──────┼────┼────┼────┼───────┼───────┼───────┼───────┤ │ ├──┼─┤ ├───┤ ├───┤ │ │
300 │510 │450 │410 │ 343 │ 363 │ 342 │ 364 │ │ │16│4│ │ 5 │ │ 4 │ │ │
──────┼────┼────┼────┼───────┼───────┼───────┼───────┼───┤ │ │ ├───┤ ├───┤ │ ├───┤
350 │570 │510 │465 │ 395 │ 421 │ 394 │ 422 │36 │ │ │ │ 5 │ │ 4 │ │ │М33│
──────┼────┼────┼────┼───────┼───────┼───────┼───────┼───┼───┤ │ │ │ │ │ │ ├───┼───
400 │655 │585 │535 │ 447 │ 473 │ 446 │ 474 │39 │39 │ │ │ │ │ │ │ │М36│М36
──────┼────┼────┼────┼───────┼───────┼───────┼───────┤ │ ├──┤ │ │ │ │ │ │ │
(450) │680 │610 │560 │ 497 │ 523 │ 496 │ 524 │ │ │20│ │ │ │ │ │ │ │
──────┼────┼────┼────┼───────┼───────┼───────┼───────┼───┼───┤ │ │ │ │ │ │ ├───┼───
500 │755 │670 │615 │ 549 │ 575 │ 548 │ 576 │42 │45 │ │ │ │ │ │ │ │М39│М42
──────┼────┼────┼────┼───┬───┼───┬───┼───┬───┼───┬───┼───┼───┤ ├─┤ ├───┤ ├───┤ ├───┼───
600 │890 │795 │735 │649│651│675│677│648│650│676│678│48 │52 │ │5│ │ 6 │ │ 5 │ │М45│М48
──────┼────┼────┼────┼───┼───┼───┼───┼───┼───┼───┼───┤ │ ├──┤ │ │ │ │ │ │ │
(700) │995 │900 │840 │751│751│777│777│750│750│778│778│ │ │24│ │ │ │ │ │ │ │
──────┼────┼────┼────┼───┼───┼───┼───┼───┼───┼───┼───┼───┼───┤ │ │ │ │ │ │ ├───┼───
800 │1135│1030│960 │856│851│882│877│855│850│883│878│56 │56 │ │ │ │ │ │ │ │М52│М52
──────┼────┼────┼────┼───┴───┼───┴───┼───┴───┼───┴───┤ │ ├──┤ ├───┼───┼───┼───┤ │ │
(900) │1250│1140│1070│ - │ - │ - │ - │ │ │28│ │ - │ - │ - │ - │ │ │
──────┼────┼────┼────┤ │ │ │ │ │ │ │ │ │ │ │ │ │ │
1000 │1360│1250│1180│ │ │ │ │ │ │ │ │ │ │ │ │ │ │
──────┼────┼────┼────┤ │ │ │ ├───┼───┼──┤ │ │ │ │ │ ├───┼───
1200 │1575│1460│1380│ │ │ │ │62 │62 │32│ │ │ │ │ │ │М56│М56
Таблица 8

6,3 МПа (63 кгс/см2)
Размеры в мм
──────┬────┬────┬────┬───────┬───────┬───────┬───────┬───┬───┬───┬───────┬──┬─┬───────┬───────┬───┬───┬───┬───────
Проход│ D │ D │ D │ D │ D │ D │ D │D │D │D │ d │n │h│ h │ h │h │h │ r │Номи-
услов-│ │ 1 │ 2 │ 3 │ 4 │ 5 │ 6 │ 7 │ 8 │ 9 │ │ │ │ 1 │ 2 │ 3 │ 2 │ │нальный
ный D │ │ │ ├───┬───┼───┬───┼───┬───┼───┬───┤ │ │ ├───┬───┤ │ ├───┬───┼───┬───┤ │ │ │диаметр
у│ │ │ │Ряд│Ряд│Ряд│Ряд│Ряд│Ряд│Ряд│Ряд│ │ │ │Ряд│Ряд│ │ │Ряд│Ряд│Ряд│Ряд│ │ │ │шпилек
│ │ │ │ 1 │ 2 │ 1 │ 2 │ 1 │ 2 │ 1 │ 2 │ │ │ │ 1 │ 2 │ │ │ 1 │ 2 │ 1 │ 2 │ │ │ ├───┬───
│ │ │ │ │ │ │ │ │ │ │ │ │ │ │ │ │ │ │ │ │ │ │ │ │ │Ряд│Ряд
│ │ │ │ │ │ │ │ │ │ │ │ │ │ │ │ │ │ │ │ │ │ │ │ │ │ 1 │ 2
──────┼────┼────┼────┼───┴───┼───┴───┼───┴───┼───┴───┼───┼───┼───┼───┼───┼──┼─┼───┼───┼───┼───┼───┼───┼───┼───┼───
10 │100 │ 70 │ 42 │ 24 │ 34 │ 23 │ 35 │18 │35 │50 │14 │14 │4 │2│ 4 │ 4 │ 3 │ 3 │6,5│ 9 │2,8│М12│М12
──────┼────┼────┼────┼───────┼───────┼───────┼───────┼───┤ ├───┤ │ │ │ │ │ │ │ │ │ │ │ │
15 │105 │ 75 │ 47 │ 29 │ 39 │ 28 │ 40 │24 │ │55 │ │ │ │ │ │ │ │ │ │ │ │ │
──────┼────┼────┼────┼───────┼───────┼───────┼───────┼───┼───┼───┼───┼───┤ │ │ │ │ │ │ │ │ ├───┼───
20 │125 │ 90 │ 58 │ 36 │ 50 │ 35 │ 51 │30 │45 │58 │18 │18 │ │ │ │ │ │ │ │ │ │М16│М16
──────┼────┼────┼────┼───────┼───────┼───────┼───────┼───┼───┼───┤ │ │ │ │ │ │ │ │ │ │ │ │
25 │135 │100 │ 68 │ 43 │ 57 │ 42 │ 58 │35 │50 │68 │ │ │ │ │ │ │ │ │ │ │ │ │
──────┼────┼────┼────┼───────┼───────┼───────┼───────┼───┼───┼───┼───┼───┤ │ │ │ │ │ │ │ │ ├───┼───
32 │150 │110 │ 78 │ 51 │ 65 │ 50 │ 66 │42 │65 │78 │22 │22 │ │ │ │ │ │ │ │ │ │М20│М20
──────┼────┼────┼────┼───────┼───────┼───────┼───────┼───┼───┼───┤ │ │ ├─┤ │ │ │ │ │ │ │ │
40 │165 │125 │ 88 │ 61 │ 75 │ 60 │ 76 │52 │75 │88 │ │ │ │3│ │ │ │ │ │ │ │ │
──────┼────┼────┼────┼───────┼───────┼───────┼───────┼───┼───┼───┤ │ │ │ │ │ │ │ ├───┼───┼───┤ │
50 │175 │135 │102 │ 73 │ 87 │ 72 │ 88 │63 │85 │102│ │ │ │ │ │ │ │ │8,0│12 │4,0│ │
──────┼────┼────┼────┼───────┼───────┼───────┼───────┼───┼───┼───┤ │ ├──┤ │ │ │ │ │ │ │ │ │
65 │200 │160 │122 │ 95 │ 109 │ 94 │ 110 │85 │110│132│ │ │8 │ │ │ │ │ │ │ │ │ │
──────┼────┼────┼────┼───────┼───────┼───────┼───────┼───┼───┼───┤ │ │ │ │ │ │ │ │ │ │ │ │
80 │210 │170 │133 │ 106 │ 120 │ 105 │ 121 │97 │115│133│ │ │ │ │ │ │ │ │ │ │ │ │
──────┼────┼────┼────┼───────┼───────┼───────┼───────┼───┼───┼───┼───┼───┤ │ ├───┤ ├───┤ │ │ │ ├───┼───
100 │250 │200 │158 │ 129 │ 149 │ 128 │ 150 │124│145│170│26 │26 │ │ │4,5│ │3,5│ │ │ │ │М24│М24
──────┼────┼────┼────┼───────┼───────┼───────┼───────┼───┼───┼───┼───┼───┤ │ │ │ │ │ │ │ │ ├───┼───
125 │295 │240 │184 │ 155 │ 175 │ 154 │ 176 │153│175│205│30 │30 │ │ │ │ │ │ │ │ │ │М27│М27
──────┼────┼────┼────┼───────┼───────┼───────┼───────┼───┼───┼───┼───┼───┤ │ │ │ │ │ │ │ │ ├───┼───
150 │340 │280 │212 │ 183 │ 203 │ 182 │ 204 │181│205│240│33 │33 │ │ │ │ │ │ │ │ │ │М30│М30
──────┼────┼────┼────┼───────┼───────┼───────┼───────┼───┼───┼───┤ │ ├──┤ │ │ │ │ │ │ │ │ │
(175) │370 │310 │242 │ 213 │ 233 │ 212 │ 234 │218│235│270│ │ │12│ │ │ │ │ │ │ │ │ │
──────┼────┼────┼────┼───────┼───────┼───────┼───────┼───┼───┼───┼───┤ │ │ │ │ │ │ │ │ │ ├───┤
200 │405 │345 │285 │ 239 │ 259 │ 238 │ 260 │243│265│285│36 │ │ │ │ │ │ │ │ │ │ │М33│
──────┼────┼────┼────┼───────┼───────┼───────┼───────┼───┼───┼───┤ │ │ │ │ │ │ │ │ │ │ │ │
(225) │430 │370 │315 │ 266 │ 286 │ 265 │ 287 │270│280│315│ │ │ │ │ │ │ │ │ │ │ │ │
──────┼────┼────┼────┼───────┼───────┼───────┼───────┼───┼───┼───┤ ├───┤ │ │ │ │ │ │ │ │ │ ├───
250 │470 │400 │345 │ 292 │ 312 │ 291 │ 313 │298│320│345│ │39 │ │ │ │ │ │ │ │ │ │ │М36
──────┼────┼────┼────┼───────┼───────┼───────┼───────┼───┼───┼───┤ │ ├──┼─┤ ├───┤ ├───┤ │ │ │ │
300 │530 │460 │410 │ 343 │ 363 │ 342 │ 364 │345│375│410│ │ │16│4│ │ 5 │ │ 4 │ │ │ │ │
──────┼────┼────┼────┼───────┼───────┼───────┼───────┼───┼───┼───┼───┤ │ │ ├───┤ ├───┤ │ │ │ ├───┼───
350 │595 │525 │465 │ 395 │ 421 │ 394 │ 422 │394│420│465│39 │ │ │ │ 5 │ │ 4 │ │ │ │ │М36│М36
──────┼────┼────┼────┼───────┼───────┼───────┼───────┼───┼───┼───┼───┼───┤ │ │ │ │ │ │ │ │ ├───┼───
400 │670 │585 │535 │ 477 │ 473 │ 446 │ 474 │445│480│535│42 │45 │ │ │ │ │ │ │ │ │ │М39│М42
──────┼────┼────┼────┼───────┼───────┼───────┼───────┼───┼───┼───┼───┼───┼──┤ │ │ │ │ ├───┼───┼───┼───┼───
500 │800 │705 │615 │ 549 │ 575 │ 548 │ 576 │ - │ - │ - │48 │52 │20│ │ │ │ │ │ - │ - │ - │М45│М48
──────┼────┼────┼────┼───┬───┼───┬───┼───┬───┼───┬───┤ │ │ ├───┼───┤ ├─┤ ├───┤ ├───┤ │ │ ├───┼───
600 │925 │820 │735 │649│651│675│677│648│650│676│678│ │ │ │56 │56 │ │5│ │ 6 │ │ 5 │ │ │ │М52│М52
──────┼────┼────┼────┼───┴───┼───┴───┼───┴───┼───┴───┤ │ │ │ │ ├──┤ ├───┼───┼───┼───┤ │ │ │ │
(700) │1045│935 │840 │ - │ - │ - │ - │ │ │ │ │ │24│ │ - │ - │ - │ - │ │ │ │ │
──────┼────┼────┼────┤ │ │ │ │ │ │ ├───┼───┤ │ │ │ │ │ │ │ │ ├───┼───
800 │1165│1050│960 │ │ │ │ │ │ │ │62 │62 │ │ │ │ │ │ │ │ │ │М56│М56
──────┼────┼────┼────┤ │ │ │ │ │ │ │ │ ├──┤ │ │ │ │ │ │ │ │ │
(900) │1285│1170│1070│ │ │ │ │ │ │ │ │ │28│ │ │ │ │ │ │ │ │ │
──────┼────┼────┼────┤ │ │ │ │ │ │ ├───┼───┤ │ │ │ │ │ │ │ │ ├───┼───
1000 │1415│1290│1180│ │ │ │ │ │ │ │70 │70 │ │ │ │ │ │ │ │ │ │М64│М64
──────┼────┼────┼────┤ │ │ │ │ │ │ ├───┼───┼──┤ │ │ │ │ │ │ │ ├───┼───
1200 │1665│1530│1380│ │ │ │ │ │ │ │78 │78 │32│ │ │ │ │ │ │ │ │М72│М72
Таблица 9

10 МПа (100 кгс/см2)
Размеры в мм
──────┬───┬───┬───┬───┬───┬───┬───┬───┬───┬───┬───────┬──┬─┬───────┬───────┬────┬──┬───┬───────
Проход│ D │D │D │D │D │D │D │D │D │D │ d │n │h│ h │ h │ h │b │ r │Номи-
услов-│ │ 1 │ 2 │ 3 │ 4 │ 5 │ 6 │ 7 │ 8 │ 9 │ │ │ │ 1 │ 2 │ 3 │ 2│ │нальный
ный D │ │ │ │ │ │ │ │ │ │ ├───┬───┤ │ ├───┬───┼───┬───┤ │ │ │диаметр
у│ │ │ │ │ │ │ │ │ │ │Ряд│Ряд│ │ │Ряд│Ряд│Ряд│Ряд│ │ │ │шпилек
│ │ │ │ │ │ │ │ │ │ │ 1 │ 2 │ │ │ 1 │ 2 │ 1 │ 2 │ │ │ ├───┬───
│ │ │ │ │ │ │ │ │ │ │ │ │ │ │ │ │ │ │ │ │ │Ряд│Ряд
│ │ │ │ │ │ │ │ │ │ │ │ │ │ │ │ │ │ │ │ │ │ 1 │ 2
──────┼───┼───┼───┼───┼───┼───┼───┼───┼───┼───┼───┼───┼──┼─┼───┼───┼───┼───┼────┼──┼───┼───┼───
10 │100│70 │42 │24 │34 │23 │35 │18 │35 │50 │14 │14 │4 │2│ 4 │ 4 │ 3 │ 3 │6,5 │9 │2,8│М12│М12
──────┼───┼───┼───┼───┼───┼───┼───┼───┤ ├───┤ │ │ │ │ │ │ │ │ │ │ │ │
15 │105│75 │47 │29 │39 │28 │40 │24 │ │55 │ │ │ │ │ │ │ │ │ │ │ │ │
──────┼───┼───┼───┼───┼───┼───┼───┼───┼───┼───┼───┼───┤ │ │ │ │ │ │ │ │ ├───┼───
20 │125│90 │58 │36 │50 │35 │51 │30 │45 │58 │18 │18 │ │ │ │ │ │ │ │ │ │М16│М16
──────┼───┼───┼───┼───┼───┼───┼───┼───┼───┼───┤ │ │ │ │ │ │ │ │ │ │ │ │
25 │135│100│68 │43 │57 │42 │58 │35 │50 │68 │ │ │ │ │ │ │ │ │ │ │ │ │
──────┼───┼───┼───┼───┼───┼───┼───┼───┼───┼───┼───┼───┤ │ │ │ │ │ │ │ │ ├───┼───
32 │150│110│78 │51 │65 │50 │66 │42 │65 │78 │22 │22 │ │ │ │ │ │ │ │ │ │М20│М20
──────┼───┼───┼───┼───┼───┼───┼───┼───┼───┼───┤ │ │ ├─┤ │ │ │ │ │ │ │ │
40 │165│125│88 │61 │75 │60 │76 │52 │75 │88 │ │ │ │3│ │ │ │ │ │ │ │ │
──────┼───┼───┼───┼───┼───┼───┼───┼───┼───┼───┼───┼───┤ │ │ │ │ │ ├────┼──┼───┼───┼───
50 │195│145│102│73 │87 │72 │88 │63 │85 │102│26 │26 │ │ │ │ │ │ │8,0 │12│4,0│М24│М24
──────┼───┼───┼───┼───┼───┼───┼───┼───┼───┼───┤ │ ├──┤ │ │ │ │ │ │ │ │ │
65 │220│170│122│95 │109│94 │110│85 │110│140│ │ │8 │ │ │ │ │ │ │ │ │ │
──────┼───┼───┼───┼───┼───┼───┼───┼───┼───┼───┤ │ │ │ │ │ │ │ │ │ │ │ │
80 │230│180│133│106│120│105│121│97 │115│150│ │ │ │ │ │ │ │ │ │ │ │ │
──────┼───┼───┼───┼───┼───┼───┼───┼───┼───┼───┼───┼───┤ │ ├───┤ ├───┤ │ │ │ ├───┼───
100 │265│210│158│129│149│128│150│124│145│175│30 │30 │ │ │4,5│ │3,5│ │ │ │ │М27│М27
──────┼───┼───┼───┼───┼───┼───┼───┼───┼───┼───┼───┼───┤ │ │ │ │ │ │ │ │ ├───┼───
125 │310│250│184│155│175│154│176│153│175│210│33 │33 │ │ │ │ │ │ │ │ │ │М30│М30
──────┼───┼───┼───┼───┼───┼───┼───┼───┼───┼───┤ │ ├──┤ │ │ │ │ │ │ │ │ │
150 │350│290│212│183│203│182│204│181│205│250│ │ │12│ │ │ │ │ │ │ │ │ │
──────┼───┼───┼───┼───┼───┼───┼───┼───┼───┼───┤ │ │ │ │ │ │ │ │ │ │ │ │
(175) │380│320│242│213│233│212│234│218│235│280│ │ │ │ │ │ │ │ │ │ │ │ │
──────┼───┼───┼───┼───┼───┼───┼───┼───┼───┼───┼───┼───┤ │ │ │ │ │ │ │ │ ├───┼───
200 │430│360│285│239│259│238│260│243│265│285│36 │39 │ │ │ │ │ │ │ │ │ │М33│М36
──────┼───┼───┼───┼───┼───┼───┼───┼───┼───┼───┼───┤ │ │ │ │ │ │ │ │ │ ├───┤
(225) │470│400│315│266│286│265│287│270│280│315│39 │ │ │ │ │ │ │ │ │ │ │М36│
──────┼───┼───┼───┼───┼───┼───┼───┼───┼───┼───┤ │ │ │ │ │ │ │ │ │ │ │ │
250 │500│430│345│292│312│291│313│298│320│345│ │ │ │ │ │ │ │ │ │ │ │ │
──────┼───┼───┼───┼───┼───┼───┼───┼───┼───┼───┼───┼───┼──┼─┤ ├───┤ ├───┤ │ │ ├───┼───
300 │585│500│410│343│363│342│364│345│375│410│42 │45 │16│4│ │ 5 │ │ 4 │ │ │ │М39│М42
──────┼───┼───┼───┼───┼───┼───┼───┼───┼───┼───┼───┼───┤ │ ├───┤ ├───┤ ├────┼──┼───┼───┼───
350 │655│560│465│395│421│394│422│394│420│465│48 │52 │ │ │ 5 │ │ 4 │ │11,0│17│5,8│М45│М48
──────┼───┼───┼───┼───┼───┼───┼───┼───┼───┼───┤ │ │ │ │ │ │ │ │ │ │ │ │
400 │715│620│535│447│473│446│474│445│480│535│ │ │ │ │ │ │ │ │ │ │ │ │
Таблица 10

16 МПа (160 кгс/см2)
Размеры в мм
──────┬───┬───┬───┬───┬───┬───┬───┬───┬───┬───┬───────┬──┬─┬───────┬───────┬────┬──┬───┬───────
Проход│ D │D │D │D │D │D │D │D │D │D │ d │n │h│ h │ h │ h │b │r │Номи-
услов-│ │ 1 │ 2 │ 3 │ 4 │ 5 │ 6 │ 7 │ 8 │ 9 │ │ │ │ 1 │ 2 │ 3 │ 2│ │нальный
ный D │ │ │ │ │ │ │ │ │ │ ├───┬───┤ │ ├───┬───┼───┬───┤ │ │ │диаметр
у│ │ │ │ │ │ │ │ │ │ │Ряд│Ряд│ │ │Ряд│Ряд│Ряд│Ряд│ │ │ │шпилек
│ │ │ │ │ │ │ │ │ │ │ 1 │ 2 │ │ │ 1 │ 2 │ 1 │ 2 │ │ │ ├───┬───
│ │ │ │ │ │ │ │ │ │ │ │ │ │ │ │ │ │ │ │ │ │Ряд│Ряд
│ │ │ │ │ │ │ │ │ │ │ │ │ │ │ │ │ │ │ │ │ │ 1 │ 2
──────┼───┼───┼───┼───┼───┼───┼───┼───┼───┼───┼───┼───┼──┼─┼───┼───┼───┼───┼────┼──┼───┼───┼───
15 │105│75 │47 │29 │39 │28 │40 │24 │35 │55 │14 │14 │4 │2│ 4 │ 4 │ 3 │ 3 │6,5 │9 │2,8│М12│М12
──────┼───┼───┼───┼───┼───┼───┼───┼───┼───┼───┼───┼───┤ │ │ │ │ │ │ │ │ ├───┼───
20 │125│90 │58 │36 │50 │35 │51 │30 │45 │58 │18 │18 │ │ │ │ │ │ │ │ │ │М16│М16
──────┼───┼───┼───┼───┼───┼───┼───┼───┼───┼───┤ │ │ │ │ │ │ │ │ │ │ │ │
25 │135│100│68 │43 │57 │42 │58 │35 │50 │68 │ │ │ │ │ │ │ │ │ │ │ │ │
──────┼───┼───┼───┼───┼───┼───┼───┼───┼───┼───┼───┼───┤ │ │ │ │ │ │ │ │ ├───┼───
32 │150│110│78 │51 │65 │50 │66 │42 │65 │78 │22 │22 │ │ │ │ │ │ │ │ │ │М20│М20
──────┼───┼───┼───┼───┼───┼───┼───┼───┼───┼───┤ │ │ ├─┤ │ │ │ │ │ │ │ │
40 │165│125│88 │61 │75 │60 │76 │52 │75 │88 │ │ │ │3│ │ │ │ │ │ │ │ │
──────┼───┼───┼───┼───┼───┼───┼───┼───┼───┼───┼───┼───┤ │ │ │ │ │ ├────┼──┼───┼───┼───
50 │195│145│102│73 │87 │72 │88 │63 │95 │115│26 │26 │ │ │ │ │ │ │8,0 │12│4,0│М24│М24
──────┼───┼───┼───┼───┼───┼───┼───┼───┼───┼───┤ │ ├──┤ │ │ │ │ │ │ │ │ │
65 │220│170│122│95 │109│94 │110│85 │110│140│ │ │8 │ │ │ │ │ │ │ │ │ │
──────┼───┼───┼───┼───┼───┼───┼───┼───┼───┼───┤ │ │ │ │ │ │ │ │ │ │ │ │
80 │230│180│133│106│120│105│121│97 │130│150│ │ │ │ │ │ │ │ │ │ │ │ │
──────┼───┼───┼───┼───┼───┼───┼───┼───┼───┼───┼───┼───┤ │ ├───┤ ├───┤ │ │ │ ├───┼───
100 │265│210│158│129│149│128│150│124│145│175│30 │30 │ │ │4,5│ │3,5│ │ │ │ │М27│М27
──────┼───┼───┼───┼───┼───┼───┼───┼───┼───┼───┼───┼───┤ │ │ │ │ │ │ │ │ ├───┼───
125 │310│250│184│155│175│154│176│153│190│210│33 │33 │ │ │ │ │ │ │ │ │ │М30│М30
──────┼───┼───┼───┼───┼───┼───┼───┼───┼───┼───┤ │ ├──┤ │ │ │ │ ├────┼──┼───┤ │
150 │350│290│212│183│203│182│204│181│205│250│ │ │12│ │ │ │ │ │10,0│14│4,2│ │
──────┼───┼───┼───┼───┼───┼───┼───┼───┼───┼───┼───┤ │ │ │ │ │ │ ├────┼──┼───┼───┤
(175) │380│320│242│213│233│212│234│218│255│280│36 │ │ │ │ │ │ │ │11,0│17│5,8│М33│
──────┼───┼───┼───┼───┼───┼───┼───┼───┼───┼───┤ ├───┤ │ │ │ │ │ │ │ │ ├───┼───
200 │430│360│285│239│259│238│260│243│275│315│ │39 │ │ │ │ │ │ │ │ │ │М36│М36
──────┼───┼───┼───┼───┼───┼───┼───┼───┼───┼───┼───┤ │ │ │ │ │ │ │ │ │ │ │
(225) │470│400│315│266│286│265│287│270│305│350│39 │ │ │ │ │ │ │ │ │ │ │ │
──────┼───┼───┼───┼───┼───┼───┼───┼───┼───┼───┼───┤ │ │ │ │ │ │ │ │ │ ├───┤
250 │500│430│345│292│312│291│313│298│330│380│42 │ │ │ │ │ │ │ │ │ │ │М39│
──────┼───┼───┼───┼───┼───┼───┼───┼───┼───┼───┤ ├───┼──┼─┤ ├───┤ ├───┼────┼──┼───┤ ├───
300 │585│500│410│343│363│342│364│345│380│410│ │45 │16│4│ │ 5 │ │ 4 │14,0│23│8,5│ │М42
Таблица 11

20 МПа (200 кгс/см2)
Размеры в мм
──────┬───┬───┬───┬───┬───┬───┬───┬───┬───┬───┬──┬──┬─┬───┬───┬────┬──┬───┬───────
Проход│ D │D │D │D │D │D │D │D │D │D │d │n │h│h │h │h │b │ r │Номи-
услов-│ │ 1 │ 2 │ 3 │ 4 │ 5 │ 6 │ 7 │ 8 │ 9 │ │ │ │ 1 │ 2 │ 3 │ 2│ │нальный
ный D │ │ │ │ │ │ │ │ │ │ │ │ │ │ │ │ │ │ │диаметр
у│ │ │ │ │ │ │ │ │ │ │ │ │ │ │ │ │ │ │шпилек
──────┼───┼───┼───┼───┼───┼───┼───┼───┼───┼───┼──┼──┼─┼───┼───┼────┼──┼───┼───────
15 │120│82 │47 │29 │39 │28 │40 │24 │40 │55 │22│4 │2│ 4 │ 3 │6,5 │9 │2,8│ М20
──────┼───┼───┼───┼───┼───┼───┼───┼───┼───┼───┤ │ │ │ │ │ │ │ │
20 │130│90 │58 │36 │50 │35 │51 │30 │45 │58 │ │ │ │ │ │ │ │ │
──────┼───┼───┼───┼───┼───┼───┼───┼───┼───┼───┼──┤ │ │ │ │ │ │ ├───────
25 │150│102│68 │43 │57 │42 │58 │35 │50 │68 │26│ │ │ │ │ │ │ │ М24
──────┼───┼───┼───┼───┼───┼───┼───┼───┼───┼───┤ │ │ │ │ │ │ │ │
32 │160│115│78 │51 │65 │50 │66 │42 │65 │78 │ │ │ │ │ │ │ │ │
──────┼───┼───┼───┼───┼───┼───┼───┼───┼───┼───┤ │ ├─┤ │ ├────┼──┼───┤
40 │170│124│88 │61 │75 │60 │76 │52 │75 │91 │ │ │3│ │ │8,0 │12│4,0│
──────┼───┼───┼───┼───┼───┼───┼───┼───┼───┼───┤ ├──┤ │ │ │ │ │ │
50 │210│160│102│73 │87 │72 │88 │63 │95 │129│ │8 │ │ │ │ │ │ │
──────┼───┼───┼───┼───┼───┼───┼───┼───┼───┼───┼──┤ │ │ │ │ │ │ ├───────
65 │260│203│122│95 │109│94 │110│85 │130│167│30│ │ │ │ │ │ │ │ М27
──────┼───┼───┼───┼───┼───┼───┼───┼───┼───┼───┼──┤ │ │ │ │ │ │ ├───────
80 │290│230│133│106│120│105│121│97 │160│190│33│ │ │ │ │ │ │ │ М30
──────┼───┼───┼───┼───┼───┼───┼───┼───┼───┼───┼──┤ │ ├───┼───┤ │ │ ├───────
100 │360│292│158│129│149│128│150│124│190│245│39│ │ │4,5│3,5│ │ │ │ М36
──────┼───┼───┼───┼───┼───┼───┼───┼───┼───┼───┤ ├──┤ │ │ ├────┼──┼───┤
125 │385│318│184│155│175│154│176│153│205│271│ │12│ │ │ │10,0│14│4,2│
──────┼───┼───┼───┼───┼───┼───┼───┼───┼───┼───┼──┤ │ │ │ ├────┼──┼───┼───────
150 │440│360│212│183│203│182│204│181│240│306│45│ │ │ │ │11,0│17│5,8│ М42
──────┼───┼───┼───┼───┼───┼───┼───┼───┼───┼───┤ │ │ │ │ │ │ │ │
(175) │475│394│242│213│233│212│234│218│275│340│ │ │ │ │ │ │ │ │
──────┼───┼───┼───┼───┼───┼───┼───┼───┼───┼───┼──┤ │ │ │ │ │ │ ├───────
200 │535│440│285│239│259│238│260│243│305│380│52│ │ │ │ │ │ │ │ М48
──────┼───┼───┼───┼───┼───┼───┼───┼───┼───┼───┼──┤ │ │ │ ├────┼──┼───┼───────
(225) │580│483│315│266│286│265│287│ - │ - │ - │56│ │ │ │ │ - │- │ - │ М52
──────┼───┼───┼───┼───┼───┼───┼───┼───┼───┼───┤ ├──┤ │ │ │ │ │ │
250 │670│572│345│292│312│291│313│ - │ - │ - │ │16│ │ │ │ │ │ │
1. Фланцы с условными проходами, указанными в скобках, не допускается применять для арматуры общего назначения.
2. Фланцы должны изготовляться с размерами по предпочтительному ряду 2.
3. Для ранее разработанных изделий размеры d и

,

и

допускается выполнять по рабочим чертежам до замены технологической оснастки.
Размеры в мм
───────────┬───────────────────────────┬───────┬──────┬──────┬──────┬──────
Условный │ P , МПа (кгс/см2) │ Ряд │D , D │D , D │ h │ h
проход D │ у │ │ 3 5│ 4 6│ 1 │ 2
у │ │ │ │ │ │
───────────┼───────────────────────────┼───────┼──────┼──────┼──────┼──────
10 │До 0,63 (6,3) │ 1 │ 19 │ 31 │ 4 │ 3
│ │ 2 │ 18 │ 30 │ │
├───────────────────────────┼───────┼──────┼──────┤ │
│Св. 0,63 (6,3) до 10 (100) │ 1; 2 │ 23 │ 35 │ │
───────────┼───────────────────────────┼───────┼──────┼──────┤ │
15 │До 0,63 (6,3) │ 1 │ 24 │ 36 │ │
│ │ 2 │ 22 │ 34 │ │
├───────────────────────────┼───────┼──────┼──────┤ │
│Св. 0,63 (6,3) до 20 (200) │ 1 │ 28 │ 40 │ │
│ │ 2 │ │ │ │
───────────┼───────────────────────────┼───────┼──────┼──────┤ │
20 │До 0,63 (6,3) │ 1 │ 31 │ 47 │ │
│ │ 2 │ 32 │ 44 │ │
├───────────────────────────┼───────┼──────┼──────┤ │
│Св. 0,63 (6,3) до 20 (200) │ 1; 2 │ 35 │ 51 │ │
───────────┼───────────────────────────┼───────┼──────┼──────┤ │
25 │До 0,63 (6,3) │ 1 │ 38 │ 54 │ │
│ │ 2 │ 40 │ 52 │ │
├───────────────────────────┼───────┼──────┼──────┤ │
│Св. 0,63 (6,3) до 20 (200) │ 1; 2 │ 42 │ 58 │ │
───────────┼───────────────────────────┼───────┼──────┼──────┤ │
32 │До 0,63 (6,3) │ 1 │ 48 │ 64 │ │
│ │ 2 │ │ 60 │ │
├───────────────────────────┼───────┼──────┼──────┤ │
│Св. 0,63 (6,3) до 20 (200) │ 1; 2 │ 50 │ 66 │ │
───────────┼───────────────────────────┼───────┼──────┼──────┤ │
40 │До 0,63 (6,3) │ 1 │ 55 │ 71 │ │
│ │ 2 │ 54 │ 70 │ │
├───────────────────────────┼───────┼──────┼──────┤ │
│Св. 0,63 (6,3) до 20 (200) │ 1; 2 │ 60 │ 76 │ │
───────────┼───────────────────────────┼───────┼──────┼──────┤ │
50 │До 0,63 (6,3) │ 1 │ 68 │ 84 │ │
│ │ 2 │ 65 │ 81 │ │
├───────────────────────────┼───────┼──────┼──────┤ │
│Св. 0,63 (6,3) до 20 (200) │ 1; 2 │ 72 │ 88 │ │
───────────┼───────────────────────────┼───────┼──────┼──────┤ │
65 │До 0,63 (6,3) │ 1 │ 88 │ 104 │ │
│ │ 2 │ 85 │ 101 │ │
├───────────────────────────┼───────┼──────┼──────┤ │
│Св. 0,63 (6,3) до 20 (200) │ 1; 2 │ 94 │ 110 │ │
───────────┼───────────────────────────┼───────┼──────┼──────┤ │
80 │До 0,63 (6,3) │ 1 │ 102 │ 118 │ │
│ │ 2 │ 100 │ 116 │ │
├───────────────────────────┼───────┼──────┼──────┤ │
│Св. 0,63 (6,3) до 20 (200) │ 1; 2 │ 105 │ 121 │ │
───────────┼───────────────────────────┼───────┼──────┼──────┼──────┼──────
100 │До 0,63 (6,3) │ 1 │ 122 │ 144 │ 6 │ 5
│ │ 2 │ 116 │ 138 │ │
├───────────────────────────┼───────┼──────┼──────┤ │
│Св. 0,63 (6,3) до 20 (200) │ 1; 2 │ 128 │ 150 │ │
───────────┼───────────────────────────┼───────┼──────┼──────┤ │
125 │До 0,63 (6,3) │ 1 │ 148 │ 170 │ │
│ │ 2 │ 145 │ 167 │ │
├───────────────────────────┼───────┼──────┼──────┤ │
│Св. 0,63 (6,3) до 20 (200) │ 1; 2 │ 154 │ 176 │ │
───────────┼───────────────────────────┼───────┼──────┼──────┤ │
150 │До 0,63 (6,3) │ 1 │ 175 │ 197 │ │
│ │ 2 │ 170 │ 192 │ │
├───────────────────────────┼───────┼──────┼──────┤ │
│Св. 0,63 (6,3) до 20 (200) │ 1; 2 │ 182 │ 204 │ │
───────────┼───────────────────────────┼───────┼──────┼──────┤ │
(175) │До 0,63 (6,3) │ 1 │ 205 │ 227 │ │
│ │ 2 │ 202 │ 224 │ │
├───────────────────────────┼───────┼──────┼──────┤ │
│Св. 0,63 (6,3) до 20 (200) │ 1; 2 │ 212 │ 234 │ │
───────────┼───────────────────────────┼───────┼──────┼──────┤ │
200 │До 0,63 (6,3) │ 1 │ 230 │ 252 │ │
│ │ 2 │ 228 │ 250 │ │
├───────────────────────────┼───────┼──────┼──────┤ │
│Св. 0,63 (6,3) до 20 (200) │ 1; 2 │ 238 │ 260 │ │
───────────┼───────────────────────────┼───────┼──────┼──────┤ │
(225) │До 0,63 (6,3) │ 1 │ 225 │ 277 │ │
│ │ 2 │ │ │ │
├───────────────────────────┼───────┼──────┼──────┤ │
│Св. 0,63 (6,3) до 20 (200) │ 1; 2 │ 265 │ 287 │ │
───────────┼───────────────────────────┼───────┼──────┼──────┤ │
250 │До 0,63 (6,3) │ 1 │ 285 │ 307 │ │
│ │ 2 │ 282 │ 304 │ │
├───────────────────────────┼───────┼──────┼──────┤ │
│Св. 0,63 (6,3) до 20 (200) │ 1; 2 │ 291 │ 313 │ │
───────────┼───────────────────────────┼───────┼──────┼──────┤ │
300 │До 0,63 (6,3) │ 1 │ 335 │ 357 │ │
│ │ 2 │ │ │ │
├───────────────────────────┼───────┼──────┼──────┤ │
│Св. 0,63 (6,3) до 16 (160) │ 1; 2 │ 242 │ 364 │ │
───────────┼───────────────────────────┼───────┼──────┼──────┤ │
350 │До 0,63 (6,3) │ 1 │ 380 │ 408 │ │
│ │ 2 │ 385 │ 407 │ │
├───────────────────────────┼───────┼──────┼──────┤ │
│Св. 0,63 (6,3) до 10 (100) │ 1; 2 │ 394 │ 422 │ │
───────────┼───────────────────────────┼───────┼──────┼──────┤ │
400 │До 0,63 (6,3) │ 1 │ 430 │ 458 │ │
│ │ 2 │ 435 │ 457 │ │
├───────────────────────────┼───────┼──────┼──────┤ │
│Св. 0,63 (6,3) до 10 (100) │ 1; 2 │ 446 │ 474 │ │
───────────┼───────────────────────────┼───────┼──────┼──────┤ │
450 │До 0,63 (6,3) │ 1 │ 480 │ 508 │ │
│ │ 2 │ 488 │ 510 │ │
├───────────────────────────┼───────┼──────┼──────┤ │
│Св. 0,63 (6,3) до 4,0 (40) │ 1; 2 │ 496 │ 524 │ │
───────────┼───────────────────────────┼───────┼──────┼──────┤ │
500 │До 0,63 (6,3) │ 1 │ 530 │ 558 │ │
│ │ 2 │ 540 │ 562 │ │
├───────────────────────────┼───────┼──────┼──────┤ │
│Св. 0,63 (6,3) до 6,3 (63) │ 1; 2 │ 548 │ 576 │ │
───────────┼───────────────────────────┼───────┼──────┼──────┤ │
600 │До 0,63 (6,3) │ 1 │ 630 │ 658 │ │
│ │ 2 │ 634 │ 662 │ │
├───────────────────────────┼───────┼──────┼──────┤ │
│Св. 0,63 (6,3) до 6,3 (63) │ 1 │ 648 │ 676 │ │
│ │ 2 │ 650 │ 678 │ │
───────────┼───────────────────────────┼───────┼──────┼──────┤ │
700 │До 0,63 (6,3) │ 1 │ 735 │ 763 │ │
│ │ 2 │ 736 │ 764 │ │
├───────────────────────────┼───────┼──────┼──────┤ │
│Св. 0,63 (6,3) до 4,0 (40) │ 1; 2 │ 750 │ 778 │ │
───────────┼───────────────────────────┼───────┼──────┼──────┤ │
800 │До 0,63 (6,3) │ 1; 2 │ 840 │ 868 │ │
├───────────────────────────┼───────┼──────┼──────┤ │
│Св. 0,63 (6,3) до 4,0 (40) │ 1 │ 855 │ 883 │ │
│ │ 2 │ 850 │ 878 │ │
(Измененная редакция, Изм. N 1, 3, 4, 5).
3. Поля допусков посадочных мест под фторопластовые прокладки в сопрягаемых деталях должны соответствовать указанным в табл. 13.
Таблица 13
────────────────────────────┬──────────────────────────────────────────────
Диаметр (шипа или паза), │ Поле допуска
мм ├──────────────────────┬───────────────────────
│ Отверстие │ Вал
────────────────────────────┼──────────────────────┼───────────────────────
От 18 до 30 │ H12 │ b12
────────────────────────────┤ ├───────────────────────
Св. 30 до 130 │ │ d11
────────────────────────────┼──────────────────────┤
Св. 130 до 260 │ H11 │
────────────────────────────┤ ├───────────────────────
Св. 260 до 500 │ │ f9
────────────────────────────┼──────────────────────┤
Св. 500 до 800 │ H10 │
────────────────────────────┼──────────────────────┤
Св. 800 до 1000 │ H9 │
(Измененная редакция, Изм. N 3).
4. Допускается изготовлять фланцы других конструкций с другими исполнениями уплотнительных поверхностей, в том числе с уплотнительными канавками на соединительном выступе или приварном кольце, с обязательным выполнением присоединительных размеров по
табл. 2 -
11.
(Измененная редакция, Изм. N 5).
6. Отверстия под болты и шпильки во фланцах арматуры машин, приборов, патрубков аппаратов и резервуаров для удобства монтажа должны располагаться симметрично по отношению к главным осям (но не на главных осях).
(Измененная редакция, Изм. N 5).
7. Допускается фланцы всех исполнений, имеющие четыре отверстия под болты (или шпильки), изготовлять квадратными на

(40 кгс/см2).
8. Допуски размеров D и B:
для чугунных литых и литых стальных фланцев - по 9-му классу точности
ГОСТ 26645-85;
для фланцев, изготавливаемых методом кислородной и плазменно-дуговой резки, - по 2-му классу точности
ГОСТ 14792-80;
для фланцев штампованных, изготавливаемых методом гибки из полосового проката с последующей сваркой стыка и горячей рихтовкой, - по классу точности Т4
ГОСТ 7505-89, при этом допускается усиление шва, которое при определении предельного отклонения не учитывается;
при изготовлении другими методами - по h16.
(Измененная редакция, Изм. N 5).
9. (Исключен, Изм. N 3).
10. Предельные отклонения номинального размера h:
+/- 1 мм при h = 2 мм;
+/- 2 мм при h > 2 мм.
Для литых фланцев допускается выполнение размера h:
не менее 2 мм для

и не менее 3 мм для

.
(Измененная редакция, Изм. N 3).
11. Предельные отклонения номинальных размеров:

и

................................ +0,5 мм

..................................... +/- 4,0 мм

,

................................ H12

,

................................ h12

..................................... +/- 0,75 мм

..................................... +/- 0,15 мм

,

.................................. 0,4 мм
d ....................................... H15

..................................... h14.
(Измененная редакция, Изм. N 3, 4).
12. Для соединений типа A по
ГОСТ 14140-81 позиционный допуск осей отверстий d (допуск зависимый) в диаметральном выражении не должен быть более, мм:
1,0 - для отверстий диаметром 11 мм;
2,0 - для отверстий диаметром от 14 до 26 мм;
3,0 - для отверстий диаметром от 30 до 45 мм;
4,0 - для отверстий диаметром 52 и 56 мм;
6,0 - для отверстий диаметром от 62 до 78 мм.
При изготовлении фланцев с резьбовыми отверстиями (тип B по
ГОСТ 14140-81) позиционный допуск осей отверстий d (допуск зависимый) в диаметральном выражении не должен быть более, мм:
0,5 - для отверстий диаметром 11 мм;
1,0 - для отверстий диаметром от 14 до 26 мм;
1,6 - для отверстий диаметром от 30 до 45 мм;
2,0 - для отверстий диаметром 52 и 56 мм;
3,0 - для отверстий диаметром от 62 до 78 мм.
(Измененная редакция, Изм. N 1).
Справочное
ИНФОРМАЦИОННЫЕ ДАННЫЕ О СООТВЕТСТВИИ
ГОСТ 12815-80 СТ СЭВ 3249-81, СТ СЭВ 3250-81
и СТ СЭВ 3251-81
Пункт 2 ГОСТ 12815-80 соответствует пунктам: 4 и 5 СТ СЭВ 3249-81; 4, 5 и 6 СТ СЭВ 3250-81; 4 и 5 СТ СЭВ 3251-81.
(Введено дополнительно, Изм. N 2).