Главная // Актуальные документы // ГОСТ (Государственный стандарт)СПРАВКА
Источник публикации
М.: ИПК Издательство стандартов, 2004
Примечание к документу
С 1 июля 2003 года до вступления в силу технических регламентов акты федеральных органов исполнительной власти в сфере технического регулирования носят рекомендательный характер и подлежат обязательному исполнению только в части, соответствующей целям, указанным в
пункте 1 статьи 46 Федерального закона от 27.12.2002 N 184-ФЗ.
Документ
введен в действие с 1 января 1982 года.
Взамен ГОСТ 9399-75.
Название документа
"ГОСТ 9399-81. Межгосударственный стандарт. Фланцы стальные резьбовые на Pу 20 - 100 МПа (200 - 1000 кгс/см2). Технические условия"
(утв. и введен в действие Постановлением Госстандарта СССР от 27.02.1981 N 1137)
(ред. от 01.02.1991)
"ГОСТ 9399-81. Межгосударственный стандарт. Фланцы стальные резьбовые на Pу 20 - 100 МПа (200 - 1000 кгс/см2). Технические условия"
(утв. и введен в действие Постановлением Госстандарта СССР от 27.02.1981 N 1137)
(ред. от 01.02.1991)
Утвержден и введен в действие
Постановлением Государственного
комитета СССР по стандартам
от 27 февраля 1981 г. N 1137
МЕЖГОСУДАРСТВЕННЫЙ СТАНДАРТ
ФЛАНЦЫ СТАЛЬНЫЕ РЕЗЬБОВЫЕ НА Pу 20 - 100 МПа
(200 - 1000 кгс/см2)
ТЕХНИЧЕСКИЕ УСЛОВИЯ
Threaded steel flanges for Pn 20 - 100 MPa
(200 - 1000 kgf/cm2). Specifications
ГОСТ 9399-81
| | Список изменяющих документов (в ред. Изменения N 1, утв. в июле 1986 г., Изменения N 2, утв. в феврале 1991 г.) | |
Дата введения
1 января 1982 года
1. РАЗРАБОТАН И ВНЕСЕН Министерством химического и нефтяного машиностроения СССР
2. УТВЕРЖДЕН И ВВЕДЕН В ДЕЙСТВИЕ Постановлением Государственного комитета СССР по стандартам от 27.02.81 N 1137
3. ВЗАМЕН ГОСТ 9399-75
4. ССЫЛОЧНЫЕ НОРМАТИВНО-ТЕХНИЧЕСКИЕ ДОКУМЕНТЫ
Обозначение НТД, на который дана ссылка | Номер пункта |
| |
| |
| |
| |
| |
| |
| |
| |
| |
| | ИС МЕГАНОРМ: примечание. Взамен ГОСТ 16093-81 Приказом Ростехрегулирования от 02.03.2005 N 39-ст с 1 июля 2005 года введен в действие ГОСТ 16093-2004. | |
|
ГОСТ 16093-81 | |
| |
| |
| | ИС МЕГАНОРМ: примечание. Взамен ГОСТ 24705-81 Приказом Ростехрегулирования от 02.03.2005 N 36-ст с 1 июля 2005 года введен в действие ГОСТ 24705-2004. | |
|
ГОСТ 24705-81 | |
| |
5. Ограничение срока действия снято Постановлением Госстандарта от 26.02.91 N 176
6. ИЗДАНИЕ (январь 2004 г.) с Изменениями N 1, 2, утвержденными в июле 1986 г., феврале 1991 г. (ИУС 10-86, 5-91)
Настоящий стандарт распространяется на стальные резьбовые фланцы, применяемые в химической и нефтехимической промышленностях для арматуры, соединительных частей и трубопроводов с линзовым уплотнением на Pу 20 - 100 МПа (200 - 1000 кгс/см2) и Dу 6 - 200 мм с температурой от минус 50 до плюс 510 °C.
Требования, установленные в разд. 1 -
4, являются обязательными.
(Измененная редакция, Изм. N 2).
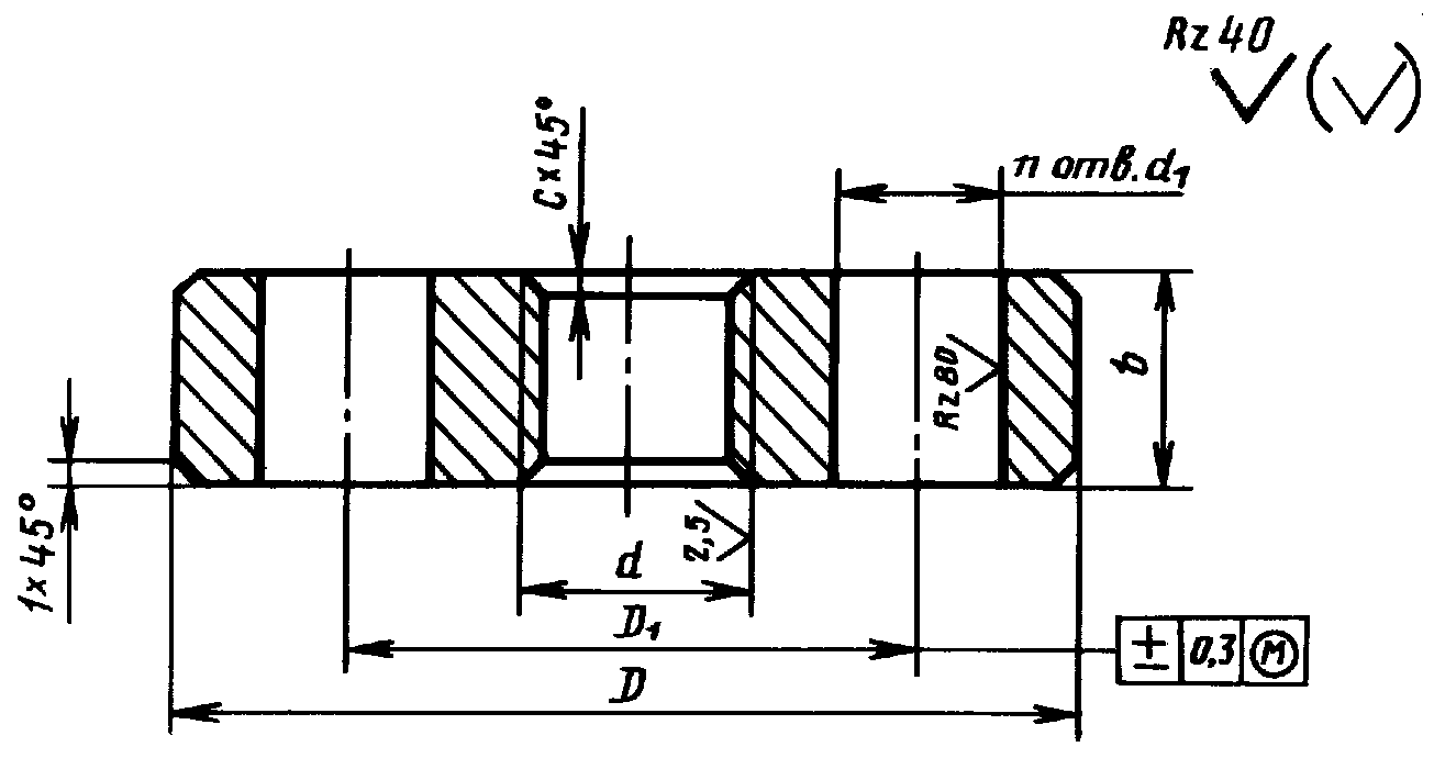
Конструкция и размеры фланцев должны соответствовать указанным на чертеже и в
табл. 1.
Размеры в мм
d | D h14 | D1 | b h14 | c | d1 H16 | n | Масса, кг, не более |
М14 x 1,5 | 70 | 42 | 15 | 1,6 | 16 | 3 | 0,40 |
М16 x 1,5 | 0,38 |
М24 x 2 | 95 | 60 | 20 | 2,0 | 18 | 0,95 |
М33 x 2 | 105 | 68 | 1,10 |
М42 x 2 | 115 | 80 | 25 | 4 | 1,60 |
М48 x 2 | 135 | 95 | 30 | 22 | 2,60 |
М56 x 3 | 165 | 115 | 35 | 2,5 | 24 | 6 | 4,50 |
М64 x 3 | 4,25 |
М80 x 3 | 200 | 145 | 40 | 29 | 7,10 |
М100 x 3 | 225 | 170 | 50 | 33 | 10,50 |
М110 x 3 | 245 | 185 | 55 | 14,00 |
М125 x 4 | 260 | 195 | 3,0 | 36 | 15,00 |
М135 x 4 | 290 | 220 | 65 | 39 | 22,80 |
М155 x 4 | 300 | 235 | 70 | 8 | 23,20 |
М175 x 6 | 330 | 255 | 80 | 4,0 | 42 | 31,65 |
М190 x 6 | 400 | 305 | 85 | 48 | 55,30 |
М215 x 6 | 315 | 95 | 55,85 |
М240 x 6 | 460 | 360 | 105 | 55 | 84,55 |
М265 x 6 | 480 | 380 | 130 | 59 | 106,10 |
М295 x 6 | 570 | 460 | 10 | 164,20 |
Примечания:
1. Размер М16 x 1,5 допускается только для присоединительных видов арматуры, линзовых отводов и диафрагм.
2. Номинальные диаметры резьбы шпилек под размер
d1 указаны в
приложении 1.
Пример условного обозначения фланца с резьбой М33 x 2 из стали марки 38ХА:
Фланец М33 x 2 - 38 ХА ГОСТ 9399-81
(Измененная редакция, Изм. N 2).
2. ТЕХНИЧЕСКИЕ ТРЕБОВАНИЯ
2.1. Фланцы должны изготовляться в соответствии с требованиями настоящего стандарта по рабочим чертежам, утвержденным в установленном порядке.
2.2. Марки сталей для изготовления фланцев и параметры их применения должны соответствовать указанным в табл. 2.
Таблица 2
Марка стали | Обозначение стандарта | Предельные параметры применения |
Температура, °C | Условное давление Pу, МПа (кгс/см2) |
35, 40, 45 | | От минус 40 до плюс 200 | 32(320) |
30Х | | От минус 50 до плюс 200 | 63(630) |
40Х, 38ХА, 35ХМ, 30ХМА | | От минус 50 до плюс 400 | 80(800) |
25Х1МФ, 25Х2М1Ф, 20Х3МВФ | | От минус 50 до плюс 510 | 100(1000) |
Примечание. Стали марок 35, 40, 45 допускается применять на Pу до 63 МПа (630 кгс/см2) для фланцев толщиной до 35 мм.
2.3. Фланцы должны изготовляться из сортового проката, штампованных заготовок или поковок.
2.4. Заготовки для фланцев должны быть подвергнуты термической обработке (закалке и отпуску). Режимы термической обработки приведены в
приложении 2.
2.5. Механические свойства сталей в термически обработанном состоянии при температуре 20 °C должны соответствовать указанным в табл. 3.
Марка стали | Условный предел текучести  , МПа (кгс/мм 2) | Временное сопротивление  , МПа (кгс/мм 2) | Относительное удлинение  , % | Ударная вязкость aн, Дж/см2 (кгс·м/см2) | Твердость, HB |
не менее |
35, 40, 45 | 275(28) | 530(54) | 16 | 59(6) | 156 - 197 |
30Х | 392(40) | 618(63) | 15 | 187 - 229 |
38ХА, 40Х | 588(60) | 735(75) | 235 - 277 |
30ХМА, 35ХМ |
25Х1МФ | 667(68) | 785(80) | 13 | 248 - 293 |
25Х2М1Ф | 12 | 49(5) |
20Х3МВФ | 14 | 59(6) |
Примечание. Допускается применять стали марок, разрешенные Госгортехнадзором, если их механические свойства не ниже указанных в
табл. 3.
(Измененная редакция, Изм. N 1).
2.6. Сдаточными характеристиками являются: временное сопротивление, условный предел текучести, относительное удлинение и ударная вязкость.
| | ИС МЕГАНОРМ: примечание. Взамен ГОСТ 16093-81 Приказом Ростехрегулирования от 02.03.2005 N 39-ст с 1 июля 2005 года введен в действие ГОСТ 16093-2004. | |
| | ИС МЕГАНОРМ: примечание. Взамен ГОСТ 24705-81 Приказом Ростехрегулирования от 02.03.2005 N 36-ст с 1 июля 2005 года введен в действие ГОСТ 24705-2004. | |
2.7. Резьба метрическая - по ГОСТ 24705 с полем допуска 6H по ГОСТ 16093.
2.8. Отклонения от перпендикулярности торцевых поверхностей к оси резьбы - по XII степени точности
ГОСТ 24643.
2.11. Поверхности фланцев не должны иметь трещин, раковин, плен, заусенцев и других дефектов, снижающих их прочность.
2.12. Поверхность резьбы должна быть чистой и не должна иметь заусенцев и вмятин, препятствующих ввинчиванию проходного калибра.
3.1. Каждый фланец должен подвергаться внешнему осмотру на соответствие требованиям
пп. 2.10 и
2.11.
3.2. Фланцы должны подвергаться проверке размеров на соответствие
пп. 2.1,
2.7 и
2.9.
3.3. Фланцы должны предъявляться к приемке партиями. Партия должна состоять из фланцев одного размера, изготовленных из одной партии заготовок, прошедших совместную термическую обработку.
3.4. Проверку фланцев на соответствие требованиям
п. 2.5 следует проводить на основании результатов испытаний каждой партии заготовок.
3.5. Партии заготовок следует составлять из металла одной плавки и одной садки при термической обработке.
3.6. Испытания заготовок на твердость должны проводиться в объеме 100% от партии.
3.7. Один процент заготовок от партии, но не менее двух фланцев с нижними и верхними значениями твердости в данной партии должны подвергаться испытаниям на соответствие требованиям
п. 2.5. Допускается производить отбор заготовок с промежуточными значениями твердости. В этом случае твердость является сдаточной характеристикой.
(Измененная редакция, Изм. N 2).
3.8. При числе заготовок в партии менее 20 допускается определение механических свойств проводить на одной заготовке, при этом твердость также является сдаточной характеристикой.
3.9. Число образцов от каждой заготовки должно быть три: один на растяжение и два на ударную вязкость.
3.10. При получении неудовлетворительных результатов хотя бы по одному из показателей, следует проводить повторные испытания удвоенного числа образцов из тех же заготовок или других этой же партии с той же твердостью только по виду испытаний, давших неудовлетворительный результат.
3.11. Партию считают годной, если повторные испытания дали положительные результаты.
При получении неудовлетворительных результатов повторных испытаний партию заготовок допускается предъявлять к приемке вновь после испытания заготовок с последующим уровнем твердости.
3.12. Заготовки с твердостью, не обеспечивающей получение механических свойств, указанных в
табл. 3, допускается предъявлять к сдаче после повторной термической обработки с проведением соответствующих испытаний.
Число повторных термических обработок не должно быть более двух. Дополнительный отпуск не считают повторной термической обработкой.
4.1. Внешний осмотр следует проводить визуально.
4.2. Размеры фланцев следует проверять универсальными измерительными инструментами.
(Измененная редакция, Изм. N 2).
4.3. Испытание на твердость по Бринеллю - по
ГОСТ 9012.
4.5. Испытание на ударную вязкость - по
ГОСТ 9454 для образца типа 1.
4.6. Механические испытания проводят на тангенциальных или продольных образцах. Допускается образцы для механических испытаний вырезать из специальной пробы того же сечения, как и заготовки фланцев, прошедших совместную термическую обработку.
(Измененная редакция, Изм. N 2).
4.7. Отбор проб для механических испытаний заготовок из сортового проката - по
ГОСТ 7564, поковок - по
ГОСТ 8479.
5. МАРКИРОВКА, УПАКОВКА, ТРАНСПОРТИРОВАНИЕ И ХРАНЕНИЕ
5.1. Маркировка фланцев в зависимости от марки стали и место маркировки должны соответствовать указанным в табл. 4.
Таблица 4
Марка стали | Маркировка |
35, 40, 45, 30Х | |
40Х, 38ХА, 30ХМА, 35ХМ | |
25Х1МФ, 25Х2М1Ф, 20Х3МВФ | |
(Измененная редакция, Изм. N 2).
5.2. На наружной цилиндрической поверхности каждого фланца должны быть нанесены:
- товарный знак предприятия-изготовителя;
- обозначение резьбы;
- номер партии;
- марка стали.
Маркирование производят ударным способом. Высота знаков маркировки - 4 мм.
5.3. Знаки маркировки должны быть отчетливо видны невооруженным глазом.
5.4. Партия фланцев должна сопровождаться паспортом, удостоверяющим соответствие фланцев требованиям настоящего стандарта.
Паспорт должен содержать:
- наименование предприятия-изготовителя;
- обозначение резьбы фланца;
- число фланцев;
- номер партии;
- марку стали;
- обозначение настоящего стандарта;
- результаты проведенных испытаний (с указанием даты);
- штамп ОТК.
5.5. (Исключен, Изм. N 1).
5.6. Требования к упаковке и транспортированию - по
ГОСТ 12816.
5.7. Фланцы должны храниться в закрытом помещении.
Справочное
ДИАМЕТРЫ ОТВЕРСТИЙ ПОД ШПИЛЬКИ
Номинальный диаметр резьбы шпильки | Диаметр отверстия d1 под шпильки, мм | Номинальный диаметр резьбы шпильки | Диаметр отверстия d1 под шпильки, мм |
М14 | 16 | М33 | 36 |
М16 | 18 | М36 | 39 |
М20 | 22 | М39 | 42 |
М22 | 24 | М45 | 48 |
М27 | 29 | М52 | 55 |
М30 | 33 | М56 | 59 |
Рекомендуемое
РЕЖИМЫ ТЕРМИЧЕСКОЙ ОБРАБОТКИ ЗАГОТОВОК
Марка стали | Температура нагрева, °C | Охлаждающая среда | Температура нагрева, °C | Охлаждающая среда |
при закалке | при отпуске |
35 | 860 - 880 | Вода или масло | 560 - 640 | Воздух |
40 | 850 - 870 |
45 | 840 - 860 |
30Х | 850 - 870 | 580 - 620 | Вода |
38ХА | 600 - 630 |
40Х |
30ХМА | 850 - 880 | 520 - 570 | Воздух |
35ХМ | 840 - 870 | 530 - 580 |
25Х1МФ | 930 - 950 | Масло | 620 - 660 |
20Х3МВФ | 1030 - 1060 | 660 - 680 |
25Х2М1Ф | Двойная нормализация: 1030 - 1050 и 950 - 970 | Воздух | 680 - 700 |
Примечание. Температуру нагрева уточняет предприятие-изготовитель.