Краткое наименование страны по МК (ИСО 3166) 004-97 | Код страны по МК (ИСО 3166) 004-97 | Сокращенное наименование национального органа по стандартизации |
Армения | AM | ЗАО "Национальный орган по стандартизации и метрологии" Республики Армения |
Беларусь | BY | Госстандарт Республики Беларусь |
Казахстан | KZ | Госстандарт Республики Казахстан |
Киргизия | KG | Кыргызстандарт |
Россия | RU | Росстандарт |
Таджикистан | TJ | Таджикстандарт |
Узбекистан | UZ | Узстандарт |
Украина | UA | Минэкономразвития Украины |




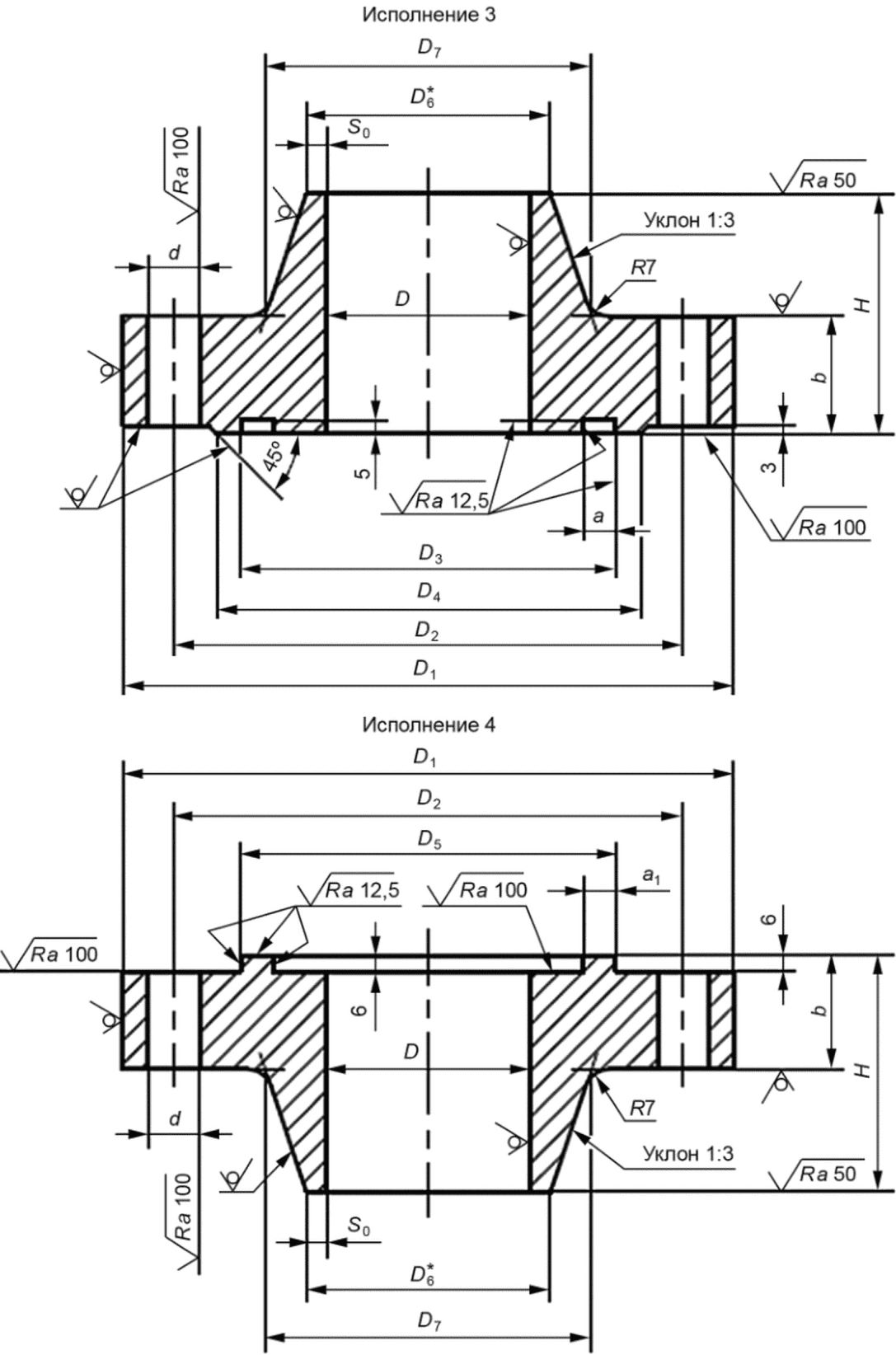
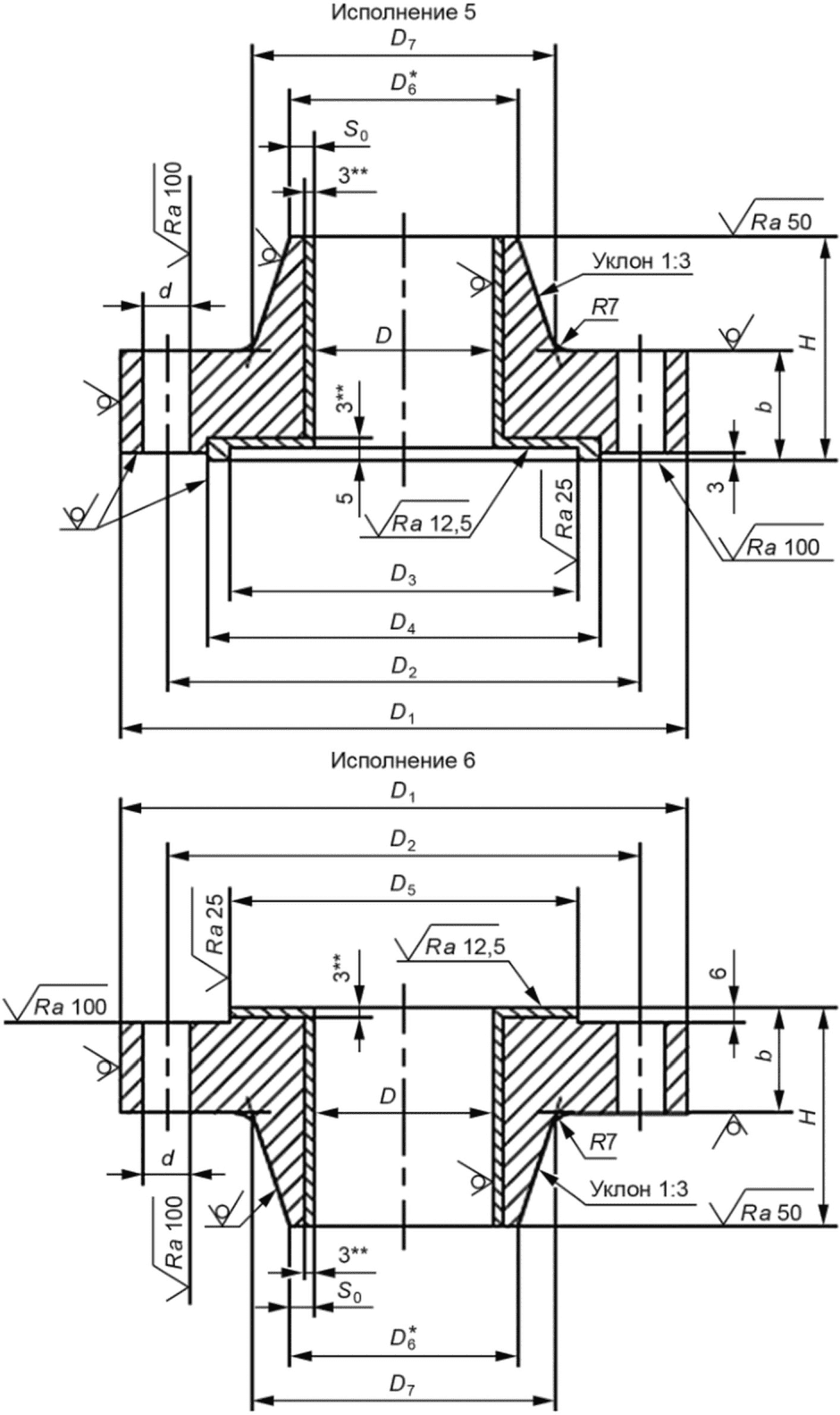
Внутренний диаметр фланца D | D1 | D2 | D3 | D4 | a | D5 | a1 | S0 | D6 | D7 | b | H | d | Шпильки | Номинальное давление PN, МПа | |
диаметр | количество | |||||||||||||||
400 | 535 | 495 | 458 | 466 | 13,5 | 457 | 12 | 6 | 412 | 434 | 35 | 68 | 23 | 20 | 20 | 1 |
535 | 495 | 458 | 466 | 13,5 | 457 | 12 | 6 | 412 | 436 | 35 | 70 | 23 | 20 | 20 | 1,6 | |
535 | 495 | 458 | 466 | 13,5 | 457 | 12 | 9 | 418 | 440 | 40 | 75 | 23 | 20 | 24 | 2,5 | |
590 | 530 | 458 | 466 | 15,5 | 457 | 14 | 12 | 424 | 454 | 50 | 95 | 33 | 30 | 20 | 4 | |
590 | 530 | 458 | 466 | 15,5 | 457 | 14 | 14 | 428 | 460 | 70 | 120 | 33 | 30 | 20 | 6,3 | |
450 | 590 | 550 | 514 | 522 | 13,5 | 513 | 12 | 7 | 464 | 484 | 35 | 68 | 23 | 20 | 24 | 1 |
590 | 550 | 514 | 522 | 13,5 | 513 | 12 | 7 | 464 | 486 | 35 | 70 | 23 | 20 | 24 | 1,6 | |
590 | 550 | 514 | 522 | 13,5 | 513 | 12 | 11 | 472 | 490 | 45 | 75 | 23 | 20 | 24 | 2,5 | |
640 | 580 | 508 | 522 | 15,5 | 507 | 14 | 12 | 474 | 510 | 50 | 105 | 33 | 30 | 20 | 4 | |
640 | 580 | 508 | 522 | 15,5 | 507 | 14 | 14 | 478 | 510 | 75 | 120 | 33 | 30 | 20 | 6,3 | |
500 | 640 | 600 | 564 | 572 | 13,5 | 563 | 12 | 7 | 514 | 534 | 35 | 68 | 23 | 20 | 24 | 1 |
640 | 600 | 564 | 572 | 13,5 | 563 | 12 | 7 | 514 | 536 | 35 | 70 | 23 | 20 | 24 | 1,6 | |
640 | 600 | 564 | 572 | 13,5 | 563 | 12 | 11 | 522 | 544 | 45 | 80 | 23 | 20 | 28 | 2,5 | |
695 | 635 | 558 | 572 | 15,5 | 557 | 14 | 12 | 524 | 560 | 60 | 115 | 33 | 30 | 24 | 4 | |
695 | 635 | 558 | 572 | 15,5 | 557 | 14 | 16 | 532 | 568 | 75 | 130 | 33 | 30 | 24 | 6,3 | |
600 | 740 | 700 | 664 | 672 | 14,0 | 663 | 12 | 7 | 614 | 636 | 35 | 68 | 23 | 20 | 28 | 1 |
740 | 700 | 664 | 672 | 14,0 | 663 | 12 | 8 | 616 | 640 | 35 | 70 | 23 | 20 | 28 | 1,6 | |
740 | 700 | 664 | 672 | 14,0 | 663 | 12 | 12 | 624 | 648 | 50 | 85 | 23 | 20 | 32 | 2,5 | |
795 | 735 | 658 | 672 | 16,0 | 657 | 14 | 15 | 630 | 664 | 65 | 115 | 33 | 30 | 28 | 4 | |
820 | 750 | 670 | 685 | 16,0 | 669 | 14 | 20 | 640 | 680 | 85 | 145 | 33 | 30 | 28 | 6,3 | |
700 | 840 | 800 | 764 | 772 | 14,0 | 763 | 12 | 8 | 716 | 736 | 35 | 65 | 23 | 20 | 32 | 1 |
840 | 800 | 764 | 772 | 14,0 | 763 | 12 | 9 | 718 | 740 | 45 | 80 | 23 | 20 | 32 | 1,6 | |
850 | 810 | 774 | 782 | 14,0 | 773 | 12 | 14 | 728 | 754 | 50 | 90 | 23 | 20 | 40 | 2,5 | |
895 | 835 | 758 | 772 | 16,0 | 757 | 14 | 16 | 732 | 766 | 75 | 125 | 33 | 30 | 32 | 4 | |
945 | 875 | 775 | 790 | 16,0 | 774 | 14 | 22 | 744 | 792 | 95 | 165 | 40 | 36 | 28 | 6,3 | |
800 | 945 | 905 | 866 | 876 | 14,0 | 865 | 12 | 9 | 818 | 838 | 40 | 70 | 23 | 20 | 40 | 1 |
945 | 905 | 866 | 876 | 14,0 | 865 | 12 | 9 | 818 | 846 | 45 | 85 | 23 | 20 | 40 | 1,6 | |
955 | 915 | 876 | 886 | 14,0 | 875 | 12 | 15 | 830 | 860 | 55 | 100 | 23 | 20 | 48 | 2,5 | |
1005 | 945 | 870 | 886 | 20,5 | 868 | 18 | 19 | 838 | 876 | 75 | 130 | 33 | 30 | 36 | 4 | |
1055 | 985 | 885 | 910 | 20,5 | 883 | 18 | 24 | 848 | 904 | 95 | 180 | 40 | 36 | 36 | 6,3 | |
900 | 1045 | 1005 | 966 | 976 | 14,0 | 965 | 12 | 9 | 918 | 940 | 45 | 80 | 23 | 20 | 40 | 1 |
1045 | 1005 | 966 | 976 | 14,0 | 965 | 12 | 10 | 920 | 948 | 50 | 95 | 23 | 20 | 40 | 1,6 | |
1070 | 1020 | 978 | 988 | 14,0 | 977 | 12 | 16 | 932 | 962 | 55 | 100 | 27 | 24 | 48 | 2,5 | |
1110 | 1050 | 970 | 988 | 20,5 | 968 | 18 | 20 | 940 | 980 | 80 | 140 | 33 | 30 | 40 | 4 | |
1180 | 1110 | 990 | 1005 | 20,5 | 988 | 18 | 26 | 952 | 1020 | 105 | 205 | 40 | 36 | 40 | 6,3 | |
1000 | 1145 | 1105 | 1066 | 1076 | 15,5 | 1064 | 13 | 10 | 1020 | 1044 | 50 | 85 | 23 | 20 | 44 | 1 |
1145 | 1105 | 1066 | 1076 | 15,5 | 1064 | 13 | 12 | 1024 | 1050 | 55 | 95 | 23 | 20 | 44 | 1,6 | |
1175 | 1125 | 1080 | 1092 | 15,5 | 1078 | 13 | 18 | 1036 | 1066 | 60 | 105 | 27 | 24 | 52 | 2,5 | |
1240 | 1170 | 1075 | 1092 | 20,5 | 1073 | 18 | 21 | 1042 | 1088 | 90 | 160 | 40 | 36 | 40 | 4 | |
1300 | 1220 | 1095 | 1110 | 20,5 | 1093 | 18 | 28 | 1056 | 1126 | 115 | 220 | 46 | 42 | 40 | 6,3 | |
1100 | 1250 | 1210 | 1168 | 1180 | 15,5 | 1166 | 13 | 10 | 1120 | 1144 | 50 | 85 | 23 | 20 | 52 | 1 |
1250 | 1210 | 1168 | 1180 | 15,5 | 1166 | 13 | 12 | 1124 | 1152 | 60 | 100 | 23 | 20 | 52 | 1,6 | |
1285 | 1235 | 1190 | 1205 | 15,5 | 1188 | 25 | 18 | 1136 | 1172 | 65 | 120 | 27 | 24 | 56 | 2,5 | |
1345 | 1275 | 1190 | 1205 | 28,0 | 1188 | 25 | 22 | 1144 | 1192 | 100 | 170 | 40 | 36 | 44 | 4 | |
1410 | 1330 | 1206 | 1224 | 28,0 | 1203 | 25 | 32 | 1164 | 1236 | 120 | 225 | 46 | 42 | 44 | 6,3 | |
1200 | 1350 | 1310 | 1268 | 1280 | 15,5 | 1266 | 13 | 10 | 1220 | 1248 | 50 | 95 | 23 | 20 | 56 | 1 |
1350 | 1310 | 1268 | 1280 | 15,5 | 1266 | 13 | 12 | 1224 | 1256 | 60 | 110 | 23 | 20 | 56 | 1,6 | |
1400 | 1345 | 1296 | 1310 | 15,5 | 1294 | 13 | 19 | 1238 | 1276 | 70 | 130 | 30 | 27 | 56 | 2,5 | |
1455 | 1385 | 1290 | 1310 | 28,0 | 1287 | 25 | 24 | 1248 | 1302 | 105 | 185 | 40 | 36 | 48 | 4 | |
1520 | 1440 | 1310 | 1326 | 28,0 | 1307 | 25 | 34 | 1268 | 1352 | 120 | 244 | 46 | 42 | 48 | 6,3 | |
1300 | 1450 | 1410 | 1368 | 1380 | 15,5 | 1366 | 13 | 10 | 1320 | 1352 | 55 | 105 | 23 | 20 | 60 | 1 |
1450 | 1410 | 1368 | 1380 | 15,5 | 1366 | 13 | 13 | 1326 | 1360 | 65 | 115 | 23 | 20 | 60 | 1,6 | |
1505 | 1450 | 1400 | 1414 | 15,5 | 1398 | 13 | 19 | 1338 | 1380 | 70 | 135 | 30 | 27 | 60 | 2,5 | |
1560 | 1490 | 1390 | 1414 | 28,0 | 1387 | 25 | 25 | 1350 | 1408 | 105 | 190 | 40 | 36 | 52 | 4 | |
1655 | 1565 | 1418 | 1435 | 28,0 | 1415 | 25 | 36 | 1372 | 1466 | 130 | 270 | 52 | 48 | 48 | 6,3 | |
1400 | 1550 | 1510 | 1470 | 1484 | 15,5 | 1468 | 13 | 10 | 1420 | 1452 | 55 | 105 | 23 | 20 | 68 | 1 |
1550 | 1510 | 1470 | 1484 | 15,5 | 1468 | 13 | 15 | 1430 | 1460 | 65 | 110 | 23 | 20 | 68 | 1,6 | |
1610 | 1555 | 1506 | 1520 | 15,5 | 1504 | 13 | 19 | 1438 | 1484 | 75 | 145 | 30 | 27 | 64 | 2,5 | |
1670 | 1600 | 1495 | 1520 | 28,0 | 1492 | 25 | 27 | 1454 | 1516 | 105 | 200 | 40 | 36 | 56 | 4 | |
1770 | 1675 | 1522 | 1545 | 28,0 | 1519 | 25 | 38 | 1476 | 1562 | 145 | 275 | 58 | 52 | 44 | 6,3 | |
1500 | 1650 | 1610 | 1570 | 1584 | 17,0 | 1568 | 14 | 12 | 1524 | 1558 | 55 | 105 | 23 | 20 | 68 | 1 |
1680 | 1630 | 1582 | 1598 | 17,0 | 1580 | 14 | 16 | 1532 | 1564 | 65 | 115 | 27 | 24 | 68 | 1,6 | |
1720 | 1660 | 1608 | 1620 | 17,0 | 1606 | 14 | 21 | 1542 | 1590 | 75 | 145 | 33 | 30 | 64 | 2,5 | |
1815 | 1730 | 1604 | 1620 | 28,5 | 1601 | 25 | 30 | 1560 | 1632 | 115 | 215 | 46 | 42 | 56 | 4 | |
1880 | 1785 | 1627 | 1645 | 28,5 | 1624 | 25 | 40 | 1580 | 1674 | 150 | 291 | 58 | 52 | 52 | 6,3 | |
1600 | 1780 | 1730 | 1682 | 1696 | 17,5 | 1679 | 14 | 13 | 1626 | 1660 | 55 | 105 | 27 | 24 | 68 | 1 |
1780 | 1730 | 1682 | 1696 | 17,5 | 1679 | 14 | 17 | 1634 | 1668 | 65 | 115 | 27 | 24 | 76 | 1,6 | |
1820 | 1760 | 1708 | 1720 | 17,5 | 1705 | 14 | 21 | 1642 | 1690 | 80 | 155 | 33 | 30 | 68 | 2,5 | |
1915 | 1830 | 1708 | 1720 | 28,5 | 1705 | 25 | 32 | 1664 | 1732 | 125 | 225 | 46 | 42 | 60 | 4 | |
1995 | 1900 | 1732 | 1750 | 28,5 | 1729 | 25 | 43 | 1686 | 1794 | 155 | 315 | 58 | 52 | 56 | 6,3 | |
1800 | 1980 | 1930 | 1882 | 1896 | 17,5 | 1879 | 14 | 14 | 1828 | 1864 | 60 | 115 | 27 | 24 | 84 | 1 |
1980 | 1930 | 1882 | 1896 | 17,5 | 1879 | 14 | 18 | 1836 | 1872 | 70 | 125 | 27 | 24 | 84 | 1,6 | |
2025 | 1965 | 1910 | 1928 | 17,5 | 1907 | 14 | 21 | 1842 | 1896 | 90 | 170 | 33 | 30 | 80 | 2,5 | |
2000 | 2185 | 2135 | 2086 | 2100 | 21,5 | 2083 | 18 | 14 | 2028 | 2064 | 65 | 130 | 27 | 24 | 84 | 1 |
2185 | 2135 | 2086 | 2100 | 21,5 | 2083 | 18 | 18 | 2036 | 2074 | 80 | 140 | 27 | 24 | 92 | 1,6 | |
2200 | 2385 | 2335 | 2286 | 2300 | 21,5 | 2283 | 18 | 14 | 2228 | 2270 | 70 | 135 | 27 | 24 | 88 | 1 |
2385 | 2335 | 2286 | 2300 | 21,5 | 2283 | 18 | 18 | 2236 | 2278 | 85 | 150 | 27 | 24 | 104 | 1,6 | |
2400 | 2595 | 2540 | 2490 | 2505 | 21,5 | 2487 | 18 | 16 | 2432 | 2470 | 80 | 135 | 30 | 27 | 92 | 1 |
2610 | 2550 | 2496 | 2510 | 21,5 | 2493 | 18 | 20 | 2440 | 2480 | 110 | 170 | 33 | 30 | 88 | 1,6 | |
2600 | 2800 | 2745 | 2695 | 2710 | 22,0 | 2692 | 18 | 16 | 2632 | 2676 | 85 | 150 | 30 | 27 | 96 | 1 |
2800 | 3000 | 2945 | 2895 | 2910 | 22,0 | 2892 | 18 | 18 | 2836 | 2876 | 90 | 150 | 30 | 27 | 108 | 1 |
3000 | 3220 | 3160 | 3106 | 3120 | 22,0 | 3103 | 18 | 18 | 3036 | 3080 | 100 | 160 | 33 | 30 | 96 | 1 |
3200 | 3420 | 3360 | 3306 | 3320 | 27,0 | 3303 | 23 | 18 | 3236 | 3284 | 105 | 175 | 33 | 30 | 104 | 1 |
3400 | 3620 | 3560 | 3506 | 3520 | 27,0 | 3503 | 23 | 20 | 3440 | 3486 | 115 | 185 | 33 | 30 | 108 | 1 |
Примечание - При применении прокладки из фторопласта-4 размер D3 равен D5 и размер a равен a1 + 0,6. | ||||||||||||||||
Внутренний диаметр фланца D, мм | Исполнение фланца | Номинальное давление PN, МПа | |||||||
1 | 2 | 3 | 4 | 5 | 6 | 7 | 8 | ||
Масса, кг, не более | |||||||||
400 | 25,8 | 25,8 | 26,7 | 24,8 | 28,0 | 30,0 | 34,3 | 34,3 | 1,0 |
26,4 | 26,3 | 27,2 | 25,3 | 29,2 | 31,4 | 36,4 | 35,4 | 1,6 | |
30,3 | 30,3 | 31,2 | 29,3 | 33,3 | 35,6 | 39,6 | 39,6 | 2,5 | |
56,4 | 55,2 | 57,1 | 54,3 | 60,1 | 63,2 | 66,3 | 67,6 | 4,0 | |
79,2 | 78,0 | 80,0 | 77,2 | 84,0 | 88,1 | 90,2 | 91,5 | 6,3 | |
450 | 29,7 | 29,9 | 30,8 | 28,5 | 32,2 | 34,9 | 40,0 | 39,7 | 1,0 |
30,3 | 30,5 | 31,4 | 29,1 | 33,5 | 36,1 | 41,3 | 41,0 | 1,6 | |
38,9 | 39,0 | 40,0 | 37,7 | 42,2 | 44,9 | 50,1 | 49,7 | 2,5 | |
66,3 | 64,9 | 67,1 | 63,9 | 71,0 | 74,3 | 78,5 | 79,6 | 4,0 | |
92,9 | 91,5 | 93,7 | 90,5 | 98,3 | 101,6 | 105,8 | 106,9 | 6,3 | |
500 | 32,8 | 33,0 | 34,1 | 31,5 | 35,6 | 38,6 | 44,3 | 44,1 | 1,0 |
33,6 | 33,8 | 34,8 | 32,3 | 37,1 | 40,0 | 46,7 | 45,5 | 1,6 | |
43,9 | 44,1 | 45,1 | 42,6 | 47,8 | 50,8 | 56,5 | 56,3 | 2,5 | |
86,6 | 85,0 | 87,5 | 83,9 | 92,3 | 96,0 | 100,6 | 102,1 | 4,0 | |
108,7 | 107,1 | 109,6 | 106,0 | 115,1 | 118,8 | 123,4 | 124,9 | 6,3 | |
600 | 38,8 | 39,2 | 40,4 | 37,3 | 42,3 | 45,8 | 52,5 | 52,9 | 1,0 |
40,4 | 40,7 | 41,9 | 38,9 | 44,6 | 48,0 | 54,8 | 55,2 | 1,6 | |
57,9 | 58,2 | 59,4 | 56,4 | 63,0 | 66,4 | 73,0 | 73,6 | 2,5 | |
109,3 | 107,4 | 110,3 | 106,1 | 116,1 | 120,5 | 120,0 | 128,2 | 4,0 | |
169,2 | 167,4 | 170,7 | 165,5 | 177,8 | 183,0 | 190,1 | 191,3 | 6,3 | |
700 | 44,8 | 45,1 | 46,5 | 43,1 | 49,6 | 53,3 | 60,2 | 62,2 | 1,0 |
59,1 | 59,5 | 60,8 | 57,4 | 64,7 | 68,7 | 76,5 | 77,5 | 1,6 | |
74,3 | 75,1 | 76,4 | 72,5 | 80,5 | 86,0 | 94,6 | 94,3 | 2,5 | |
143,2 | 141,2 | 144,4 | 139,6 | 151,9 | 156,8 | 163,3 | 166,4 | 4,0 | |
244,6 | 242,1 | 246,6 | 239,6 | 256,0 | 262,7 | 271,3 | 273,3 | 6,3 | |
800 | 59,9 | 60,2 | 61,9 | 57,8 | 65,4 | 70,1 | 79,8 | 81,1 | 1,0 |
71,5 | 71,9 | 73,6 | 69,4 | 78,2 | 82,9 | 92,0 | 93,9 | 1,6 | |
97,9 | 98,8 | 100,5 | 95,7 | 105,1 | 111,0 | 122,6 | 122,5 | 2,5 | |
177,3 | 175,5 | 178,8 | 173,6 | 187,6 | 193,7 | 203,3 | 206,4 | 4,0 | |
300,5 | 297,9 | 302,8 | 295,0 | 314,8 | 322,5 | 336,1 | 336,7 | 6,3 | |
900 | 77,5 | 77,9 | 97,7 | 75,1 | 84,6 | 89,8 | 100,6 | 102,9 | 1,0 |
91,4 | 91,8 | 93,8 | 89,0 | 99,9 | 106,0 | 115,9 | 118,2 | 1,6 | |
118,2 | 118,8 | 121,1 | 115,1 | 127,1 | 133,4 | 146,1 | 147,3 | 2,5 | |
219,3 | 217,1 | 221,0 | 215,0 | 231,8 | 238,7 | 249,8 | 253,9 | 4,0 | |
423,6 | 420,5 | 426,4 | 416,9 | 141,8 | 451,7 | 464,8 | 468,4 | 6,3 | |
1000 | 95,7 | 96,1 | 98,0 | 93,3 | 104,1 | 109,8 | 101,6 | 121,6 | 1,0 |
109,2 | 109,6 | 111,4 | 106,7 | 118,6 | 124,3 | 136,1 | 139,9 | 1,6 | |
147,2 | 147,8 | 150,4 | 143,8 | 157,6 | 164,7 | 179,9 | 181,4 | 2,5 | |
309,7 | 306,6 | 311,9 | 303,8 | 325,5 | 334,4 | 346,8 | 352,6 | 4,0 | |
538,1 | 534,4 | 541,6 | 530,1 | 559,9 | 571,7 | 586,9 | 591,5 | 6,3 | |
1100 | 107,7 | 108,1 | 110,4 | 104,8 | 117,0 | 123,4 | 137,3 | 141,8 | 1,0 |
133,4 | 133,7 | 136,0 | 130,4 | 144,2 | 150,6 | 164,6 | 169,0 | 1,6 | |
191,8 | 193,0 | 196,0 | 187,8 | 204,9 | 213,9 | 233,4 | 233,3 | 2,5 | |
379,7 | 377,6 | 382,0 | 374,8 | 398,7 | 408,7 | 424,8 | 431,6 | 4,0 | |
639,5 | 636,1 | 642,9 | 631,6 | 664,0 | 677,5 | 696,9 | 702,2 | 6,3 | |
1200 | 123,3 | 123,7 | 126,1 | 120,1 | 134,6 | 141,5 | 156,7 | 162,6 | 1,0 |
152,2 | 152,6 | 155,0 | 149,0 | 165,2 | 172,2 | 187,4 | 193,3 | 1,6 | |
242,4 | 244,1 | 247,8 | 237,9 | 248,3 | 268,1 | 291,1 | 291,5 | 2,5 | |
466,0 | 463,3 | 468,6 | 460,0 | 488,0 | 499,6 | 518,4 | 526,0 | 4,0 | |
740,8 | 737,3 | 744,9 | 732,1 | 768,7 | 784,0 | 805,4 | 812,2 | 6,3 | |
1300 | 149,3 | 149,8 | 152,4 | 145,9 | 162,8 | 170,3 | 186,7 | 194,3 | 1,0 |
178,5 | 179,0 | 181,6 | 175,1 | 193,3 | 200,8 | 217,2 | 224,8 | 1,6 | |
274,7 | 276,5 | 280,5 | 269,4 | 292,1 | 303,2 | 329,9 | 330,0 | 2,5 | |
523,3 | 519,9 | 526,0 | 516,3 | 547,7 | 560,1 | 581,8 | 590,2 | 4,0 | |
953,5 | 948,7 | 958,5 | 942,3 | 986,2 | 1004,6 | 1029,3 | 1037,3 | 6,3 | |
1400 | 159,6 | 160,6 | 163,1 | 156,0 | 174,2 | 182,2 | 201,4 | 209,5 | 1,0 |
188,7 | 189,1 | 192,2 | 185,0 | 203,9 | 212,0 | 231,1 | 239,3 | 1,6 | |
326,7 | 329,1 | 333,3 | 320,8 | 346,8 | 359,1 | 389,1 | 389,6 | 2,5 | |
605,4 | 601,9 | 608,8 | 597,5 | 633,1 | 647,1 | 672,2 | 681,2 | 4,0 | |
1170,6 | 1164,9 | 1176,5 | 167,6 | 1208,7 | 1228,9 | 1258,7 | 1266,2 | 6,3 | |
1500 | 176,2 | 177,0 | 179,5 | 172,5 | 191,7 | 200,3 | 220,4 | 231,4 | 1,0 |
242,1 | 242,8 | 246,6 | 236,9 | 259,6 | 269,6 | 293,9 | 301,9 | 1,6 | |
366,5 | 369,0 | 373,5 | 360,2 | 388,0 | 402,0 | 433,2 | 436,3 | 2,5 | |
817,9 | 813,2 | 822,4 | 807,4 | 849,7 | 867,9 | 892,4 | 906,4 | 4,0 | |
1335,5 | 1329,8 | 1342,2 | 1321,4 | 1369,6 | 1392,1 | 1423,5 | 1433,5 | 6,3 | |
1600 | 219,1 | 219,9 | 223,9 | 213,7 | 235,7 | 246,9 | 271,9 | 282,8 | 1,0 |
259,3 | 260,1 | 264,1 | 253,9 | 277,5 | 288,7 | 313,8 | 324,4 | 1,6 | |
417,2 | 418,7 | 424,6 | 410,4 | 441,5 | 456,5 | 489,7 | 494,5 | 2,5 | |
931,2 | 927,2 | 936,4 | 920,6 | 966,8 | 986,6 | 1012,6 | 1028,9 | 4,0 | |
1550,0 | 1544,1 | 1557,9 | 1534,5 | 1597,7 | 1622,7 | 1657,4 | 1668,8 | 6,3 | |
1800 | 272,1 | 273,0 | 277,5 | 266,1 | 292,6 | 305,2 | 333,2 | 348,3 | 1,0 |
319,2 | 320,1 | 324,6 | 313,2 | 341,4 | 354,0 | 382,1 | 397,2 | 1,6 | |
535,1 | 537,6 | 543,7 | 026,8 | 666,3 | 581,9 | 622,8 | 628,5 | 2,5 | |
2000 | 343,4 | 344,9 | 348,9 | 337,9 | 369,1 | 383,6 | 415,5 | 436,8 | 1,0 |
413,3 | 415,8 | 419,8 | 408,7 | 442,0 | 456,5 | 488,4 | 509,6 | 1,6 | |
2200 | 407,3 | 409,0 | 413,4 | 401,2 | 436,7 | 452,6 | 487,6 | 514,9 | 1,0 |
488,1 | 489,8 | 494,2 | 482,1 | 520,7 | 536,7 | 571,7 | 599,0 | 1,6 | |
2400 | 502,2 | 503,9 | 509,4 | 494,8 | 534,2 | 552,5 | 593,0 | 625,4 | 1,0 |
2600 | 610,9 | 613,6 | 619,4 | 602,7 | 649,2 | 670,0 | 716,8 | 754,3 | 1,0 |
2800 | 681,6 | 684,5 | 690,8 | 672,8 | 723,0 | 745,2 | 795,6 | 840,9 | 1,0 |
3000 | 878,8 | 883,2 | 890,8 | 868,1 | 926,2 | 952,9 | 1012,8 | 1062,6 | 1,0 |
3200 | 1004,9 | 1009,5 | 1015,7 | 995,9 | 1060,2 | 1083,6 | 1150,5 | 1213,6 | 1,0 |
3400 | 1164,5 | 1169,5 | 475,9 | 1155,0 | 1226,6 | 1256,8 | 1322,4 | 1395,6 | 1,0 |
Примечание - Масса рассчитана с учетом плотности материала 7,85 г/см3. | |||||||||
УДК 66.023:006.354 | МКС 71.120 |
Ключевые слова: сосуды, аппараты, фланцы, номинальное давление, внутренний диаметр, конструкция, размеры | |