Главная // Актуальные документы // ГОСТ (Государственный стандарт)СПРАВКА
Источник публикации
М.: ФГБУ "РСТ", 2021
Примечание к документу
Текст данного документа приведен с учетом
поправки, введенной в действие с 01.10.2021, опубликованной в "ИУС", N 2, 2022;
поправки, опубликованной в "ИУС", N 9, 2022.
Документ
введен в действие с 01.02.2022 с правом досрочного применения.
Название документа
"ГОСТ 34767-2021. Межгосударственный стандарт. Балансир трехосных тележек грузовых вагонов. Технические условия"
(введен в действие Приказом Росстандарта от 06.10.2021 N 1070-ст)
"ГОСТ 34767-2021. Межгосударственный стандарт. Балансир трехосных тележек грузовых вагонов. Технические условия"
(введен в действие Приказом Росстандарта от 06.10.2021 N 1070-ст)
агентства по техническому
регулированию и метрологии
от 6 октября 2021 г. N 1070-ст
МЕЖГОСУДАРСТВЕННЫЙ СТАНДАРТ
БАЛАНСИР ТРЕХОСНЫХ ТЕЛЕЖЕК ГРУЗОВЫХ ВАГОНОВ
ТЕХНИЧЕСКИЕ УСЛОВИЯ
Balance beam of three-axle bogies of cars. Specifications
ГОСТ 34767-2021
Дата введения
1 февраля 2022 года
с правом досрочного применения
Цели, основные принципы и общие правила проведения работ по межгосударственной стандартизации установлены
ГОСТ 1.0 "Межгосударственная система стандартизации. Основные положения" и
ГОСТ 1.2 "Межгосударственная система стандартизации. Стандарты межгосударственные, правила и рекомендации по межгосударственной стандартизации. Правила разработки, принятия, обновления и отмены"
1 РАЗРАБОТАН Обществом с ограниченной ответственностью "Уральское конструкторское бюро вагоностроения" (ООО "УКБВ")
2 ВНЕСЕН Межгосударственным техническим комитетом по стандартизации МТК 524 "Железнодорожный транспорт"
3 ПРИНЯТ Межгосударственным советом по стандартизации, метрологии и сертификации (протокол от 26 августа 2021 г. N 142-П)
За принятие проголосовали:
Краткое наименование страны по МК (ИСО 3166) 004-97 | Код страны по МК (ИСО 3166) 004-97 | Сокращенное наименование национального органа по стандартизации |
Армения | AM | ЗАО "Национальный орган по стандартизации и метрологии" Республики Армения |
Беларусь | BY | Госстандарт Республики Беларусь |
Казахстан | KZ | Госстандарт Республики Казахстан |
Киргизия | KG | Кыргызстандарт |
Россия | RU | Росстандарт |
Таджикистан | TJ | Таджикстандарт |
Узбекистан | UZ | Узстандарт |
Украина | UA | Минэкономразвития Украины |
4
Приказом Федерального агентства по техническому регулированию и метрологии от 6 октября 2021 г. N 1070-ст межгосударственный стандарт ГОСТ 34767-2021 введен в действие в качестве национального стандарта Российской Федерации с 1 февраля 2022 г. с правом досрочного применения
5 ВВЕДЕН ВПЕРВЫЕ
6 Федеральное агентство по техническому регулированию и метрологии не несет ответственности за патентную чистоту настоящего стандарта. Патентообладатель может заявить о своих правах и направить в Федеральное агентство по техническому регулированию и метрологии аргументированное предложение о внесении в настоящий стандарт поправки для указания информации о наличии в стандарте объектов патентного права и патентообладателе
Информация о введении в действие (прекращении действия) настоящего стандарта и изменений к нему на территории указанных выше государств публикуется в указателях национальных стандартов, издаваемых в этих государствах, а также в сети Интернет на сайтах соответствующих национальных органов по стандартизации.
В случае пересмотра, изменения или отмены настоящего стандарта соответствующая информация будет опубликована на официальном интернет-сайте Межгосударственного совета по стандартизации, метрологии и сертификации в каталоге "Межгосударственные стандарты"
Настоящий стандарт распространяется на стальные литые балансиры трехосных тележек грузовых вагонов по
ГОСТ 34763.1.
В настоящем стандарте использованы нормативные ссылки на следующие межгосударственные стандарты:
ГОСТ 2.601 <*> Единая система конструкторской документации. Эксплуатационные документы
--------------------------------
ГОСТ 2.602 Единая система конструкторской документации. Ремонтные документы
ГОСТ 2.610 <**> Единая система конструкторской документации. Правила выполнения эксплуатационных документов
--------------------------------
ГОСТ 8.051 Государственная система обеспечения единства измерений. Погрешности, допускаемые при измерении линейных размеров до 500 мм
ГОСТ 9.014 Единая система защиты от коррозии и старения. Временная противокоррозионная защита изделий. Общие требования
ГОСТ 15.309-98 Система разработки и постановки продукции на производство. Испытания и приемка выпускаемой продукции. Основные положения
ГОСТ 25.101 Расчеты и испытания на прочность. Методы схематизации случайных процессов нагружения элементов машин и конструкций и статистического представления результатов
ГОСТ 25.502 Расчеты и испытания на прочность в машиностроении. Методы механических испытаний металлов. Методы испытаний на усталость
ГОСТ 977-88 Отливки стальные. Общие технические условия
ГОСТ 1497 (ИСО 6892-84) Металлы. Методы испытаний на растяжение
ГОСТ 2601 Сварка металлов. Термины и определения основных понятий
<***>
--------------------------------
<***> В Российской Федерации действуют
ГОСТ Р ИСО 17659-2009 "Сварка. Термины многоязычные для сварных соединений",
ГОСТ Р 58904-2020/ISO/TR 25901-1:2016 "Сварка и родственные процессы. Словарь. Часть 1. Общие требования",
ГОСТ Р 58905-2020/ISO/TR 25901-3:2016 "Сварка и родственные процессы. Словарь. Часть 3. Сварочные процессы".
ГОСТ 3212 Комплекты модельные. Уклоны формовочные, стержневые знаки, допуски размеров
ГОСТ 5639-82 Стали и сплавы. Методы выявления и определения величины зерна
ГОСТ 7565 (ИСО 377-2-89) Чугун, сталь и сплавы. Метод отбора проб для определения химического состава
ГОСТ 9454 Металлы. Метод испытания на ударный изгиб при пониженных, комнатной и повышенных температурах
ГОСТ 10905 Плиты поверочные и разметочные. Технические условия
ГОСТ 12344 Стали легированные и высоколегированные. Методы определения углерода
ГОСТ 12345 (ИСО 671-82, ИСО 4935-89) Стали легированные и высоколегированные. Методы определения серы
ГОСТ 12346 (ИСО 439-82, ИСО 4829-1-86) Стали легированные и высоколегированные. Методы определения кремния
ГОСТ 12347 Стали легированные и высоколегированные. Методы определения фосфора
ГОСТ 12348 (ИСО 629-82) Стали легированные и высоколегированные. Методы определения марганца
ГОСТ 12350 Стали легированные и высоколегированные. Методы определения хрома
ГОСТ 12351 (ИСО 4942:1988, ИСО 9647:1989) Стали легированные и высоколегированные. Методы определения ванадия
ГОСТ 12352 Стали легированные и высоколегированные. Методы определения никеля
ГОСТ 12355 Стали легированные и высоколегированные. Методы определения меди
ГОСТ 12356 Стали легированные и высоколегированные. Методы определения титана
ГОСТ 12357 Стали легированные и высоколегированные. Методы определения алюминия
ГОСТ 15150-69 Машины, приборы и другие технические изделия. Исполнения для различных климатических районов. Категории, условия эксплуатации, хранения и транспортирования в части воздействия климатических факторов внешней среды
ГОСТ 18321-73 Статистический контроль качества. Методы случайного отбора выборок штучной продукции
ГОСТ 18895 Сталь. Метод фотоэлектрического спектрального анализа
ГОСТ 19200 Отливки из чугуна и стали. Термины и определения дефектов
--------------------------------
<*> В Российской Федерации действует
ГОСТ Р 56512-2015 "Контроль неразрушающий. Магнитопорошковый метод. Типовые технологические процессы".
ГОСТ 22536.0 Сталь углеродистая и чугун нелегированный. Общие требования к методам анализа
ГОСТ 22536.1 Сталь углеродистая и чугун нелегированный. Методы определения общего углерода и графита
ГОСТ 22536.2 Сталь углеродистая и чугун нелегированный. Методы определения серы
ГОСТ 22536.3 Сталь углеродистая и чугун нелегированный. Методы определения фосфора
ГОСТ 22536.4 Сталь углеродистая и чугун нелегированный. Методы определения кремния
ГОСТ 22536.5 (ИСО 629-82) Сталь углеродистая и чугун нелегированный. Методы определения марганца
ГОСТ 22536.7 Сталь углеродистая и чугун нелегированный. Методы определения хрома
ГОСТ 22536.8 Сталь углеродистая и чугун нелегированный. Методы определения меди
ГОСТ 22536.9 Сталь углеродистая и чугун нелегированный. Методы определения никеля
ГОСТ 22536.10 Сталь углеродистая и чугун нелегированный. Методы определения алюминия
ГОСТ 22536.11 Сталь углеродистая и чугун нелегированный. Методы определения титана
ГОСТ 22536.12 Сталь углеродистая и чугун нелегированный. Методы определения ванадия
ГОСТ 26645 <**> Отливки из металлов и сплавов. Допуски размеров, массы и припуски на механическую обработку
--------------------------------
ГОСТ 28702 <***> Контроль неразрушающий. Толщиномеры ультразвуковые. Общие технические требования
--------------------------------
ГОСТ 29329 Весы для статического взвешивания. Общие технические требования
<*4>
--------------------------------
<*4> В Российской Федерации действует
ГОСТ Р 53228-2008 "Весы неавтоматического действия. Часть 1. Метрологические и технические требования. Испытания".
ГОСТ 30242 Дефекты соединений при сварке металлов плавлением. Классификация, обозначение и определения
<*5>
--------------------------------
<*5> В Российской Федерации действует
ГОСТ Р ИСО 6520-1-2012 "Сварка и родственные процессы. Классификация дефектов геометрии и сплошности в металлических материалах. Часть 1. Сварка плавлением".
ГОСТ 32192 Надежность в железнодорожной технике. Основные понятия. Термины и определения
ГОСТ 32400-2013 Рама боковая и балка надрессорная литые тележек железнодорожных грузовых вагонов. Технические условия
ГОСТ 32894-2014 Продукция железнодорожного назначения. Инспекторский контроль. Общие положения
ГОСТ 33788-2016 Вагоны грузовые и пассажирские. Методы испытаний на прочность и динамические качества
ГОСТ 34513 Система неразрушающего контроля продукции железнодорожного назначения. Основные положения
ГОСТ 34763.1-2021 Тележки трехосные и четырехосные грузовых вагонов железных дорог. Общие технические требования
Примечание - При пользовании настоящим стандартом целесообразно проверить действие ссылочных стандартов и классификаторов на официальном интернет-сайте Межгосударственного совета по стандартизации, метрологии и сертификации (www.easc.by) или по указателям национальных стандартов, издаваемым в государствах, указанных в предисловии, или на официальных сайтах соответствующих национальных органов по стандартизации. Если на документ дана недатированная ссылка, то следует использовать документ, действующий на текущий момент, с учетом всех внесенных в него изменений. Если заменен ссылочный документ, на который дана датированная ссылка, то следует использовать указанную версию этого документа. Если после принятия настоящего стандарта в ссылочный документ, на который дана датированная ссылка, внесено изменение, затрагивающее положение, на которое дана ссылка, то это положение применяется без учета данного изменения. Если ссылочный документ отменен без замены, то положение, в котором дана ссылка на него, применяется в части, не затрагивающей эту ссылку.
3.1
балансир: Составная часть (деталь или сборочная единица) трехосной тележки - опорный переходник с установленными подшипниками, предназначенный для передачи и равномерного распределения нагрузки от боковых рам на шейку оси средней колесной пары. |
3.2
трехосная тележка грузового вагона: Отдельная сборочная единица грузового вагона, обеспечивающая его движение и выполняющая функции опоры кузова на рельсы, содержащая три колесные пары. Примечания 1 Тележка грузового вагона обеспечивает передачу, восприятие и амортизацию динамических нагрузок между кузовом вагона и рельсами, создание тормозной силы. 2 Как правило, трехосная тележка включает в себя следующие основные элементы конструкции: три колесные пары, четыре боковые рамы, две надрессорные балки и шкворневую или соединительную балку. |
3.3 несущая способность (балансира): Способность балансира выдерживать воздействующие на него эксплуатационные нагрузки с сохранением функциональных качеств.
3.4
коэффициент запаса сопротивления усталости: Отношение предела выносливости натурной детали по амплитуде силы при испытаниях на сопротивление усталости на базе 107 циклов к амплитудной нагрузке, эквивалентной повреждающему действию динамических нагрузок за назначенный срок службы и приведенной к базовому числу 107 циклов. |
3.5 зоны А (балансира): Зоны повышенного риска отказов в балансире, указанные в конструкторской документации и обоснованные расчетами и испытаниями, в которых опасные отказы могут привести к переходу его из опасного состояния в предельное при движении тележки под вагоном в составе поезда в межремонтный период вагона.
3.6 зоны Б (балансира): Зоны повышенного риска отказов в балансире, указанные в конструкторской документации и обоснованные расчетами и испытаниями, в которых опасные отказы могут привести к переходу его из опасного состояния в предельное до истечения его назначенного срока службы.
3.7
отжиг 1 рода: Вид отжига, при котором в нормализованной стали не происходят структурные изменения, связанные с фазовыми превращениями. |
3.8 излом: Потеря целостности детали или сборочной единицы.
3.9
изготовитель: Предприятие (организация, объединение), осуществляющее выпуск продукции. |
3.10
брак: Продукция, передача которой потребителю не допускается из-за наличия дефектов. |
3.11
организация-правообладатель: Организация (предприятие), являющая(ее)ся на законных основаниях правообладателем конструкторской документации. |
3.12
потребитель: Юридическое лицо или индивидуальный предприниматель, приобретающий (получающий) продукцию изготовителя. |
4.1 Требования к конструкции
4.1.1 В зависимости от способа передачи нагрузки на наружное кольцо подшипника(ов) колесной пары балансиры подразделяют на следующие типы:
- тип I - балансиры, непосредственно передающие нагрузку, у которых в средней части выполнено отверстие цилиндрической формы для непосредственной установки на подшипник(и) колесной пары;
- тип II - балансиры, передающие нагрузку через адаптер или корпус буксы, у которых в средней части выполнен проем для установки на адаптер или корпус буксы.
4.1.2 В балансире типа I должно быть предусмотрено лабиринтное уплотнение, состоящее из лабиринтных колец, установленных на предподступичную часть оси и в лабиринтную часть балансира. Лабиринтное уплотнение должно быть двухгребенчатым. Лабиринтное кольцо балансира может быть отъемным или выполненным заодно. Допускается применение другой конструкции уплотнения подшипниковой полости.
4.1.3 Конструкция балансира типа II должна исключать возможность выхода подшипника колесной пары из адаптера при эксплуатации вагонов.
4.1.4 Балансир для выполнения требований надежности (см.
4.4) должен обладать несущей способностью, обеспечивающей статическую прочность и запас сопротивления усталости в соответствии с
4.1.4.1 -
4.1.4.5.
4.1.4.1 Балансир должен выдерживать без разрушения или потери несущей способности восприятие вертикальной статической испытательной нагрузки значением не менее указанного в
таблице 1.
Примечание - Под потерей несущей способности при испытаниях на несущую способность понимают рост деформации (прогиба) детали при уменьшении действующей на нее статической силы.
Таблица 1
Значение вертикальной статической испытательной нагрузки
Наименование параметра | Значение параметра |
Максимальная расчетная статическая осевая нагрузка, кН (тс) | 216 (22) | 245 (25) |
Вертикальная статическая испытательная нагрузка, кН (тс) | 1200 (122) | 1380 (141) |
Примечание - Для тележек с максимальной расчетной статической осевой нагрузкой 230,5 кН (23,5 тс) и 265 кН (27 тс) данные уточняют по результатам натурных испытаний деталей. |
4.1.4.2 Балансир должен обладать статической прочностью в соответствии с требованиями ГОСТ 34763.1-2021
(пункт 5.2.2).
4.1.4.3 Коэффициент запаса сопротивления усталости должен быть не менее 1,6 при вероятности неразрушения не менее 0,95.
4.1.4.4 Число циклов нагружения до разрушения или потери несущей способности детали [
N] при заданном режиме нагружения и базовом числе циклов нагружения
N0 = 10
7 должно быть не менее определяемого по формуле

(1)
где (
Pa)
0,95 - предел выносливости детали при вероятности неразрушения

при базовом числе циклов нагружения
N0 = 10
7, кН, полученный по результатам испытаний;
Paисп - амплитуда нагружения детали при испытаниях, кН;
|
m| - модуль показателя степени кривой усталости, полученного при последнем определении коэффициента запаса сопротивления усталости по
4.1.4.3 (см.
5.3.1 и
5.4.1).
4.1.4.5 Фактическое значение срока службы, полученного в соответствии с
6.19, должно быть не менее значения назначенного срока службы по
4.4.1.
4.1.5 Балансиры должны быть изготовлены в климатическом исполнении УХЛ1 по
ГОСТ 15150 с обеспечением эксплуатационной надежности при нижнем рабочем и предельном значениях температуры минус 60 °C и верхнем предельном значении 50 °C.
4.1.6 Допуски размеров, массы отливок балансиров, припуски на механическую обработку - по
ГОСТ 26645, не указанные в конструкторской документации литейные уклоны - по ГОСТ 3212.
Допускается устанавливать допуск толщин необрабатываемых стенок и ребер на два класса точности грубее по
ГОСТ 26645, при этом расположение интервала допуска несимметричное, нижнее предельное отклонение в соответствии с классом точности, установленным в конструкторской документации.
4.1.7 Основные размеры балансиров, обеспечивающие возможность сборки с колесной парой, сборки тележки и ее подкатки под вагон, должны быть указаны в конструкторской документации.
4.1.8 Расположение зон А и Б, их геометрические размеры, расположение сечений балансиров для контроля внутренних литейных дефектов и дефектов внутренних поверхностей, схема установки датчиков для измерения механических напряжений при испытаниях, расположение и размеры зон обязательного неразрушающего контроля, места измерения толщины стенок должны быть указаны в конструкторской и технологической документации. В эксплуатационных документах на балансир, выполненных в соответствии с требованиями
ГОСТ 2.601, должны быть указаны расположение и геометрические размеры зон обязательного визуального контроля при технических осмотрах. В ремонтных документах на балансир, выполненных в соответствии с требованиями
ГОСТ 2.602, должны быть указаны расположение и геометрические размеры зон обязательного неразрушающего контроля.
4.1.9 В конструкции балансиров должны быть предусмотрены контрольные приливы в количестве четырех штук для контроля качества термической обработки. Размеры и места расположения контрольных приливов должны быть указаны в конструкторской документации.
4.2 Требования к материалам
4.2.1 Балансиры рекомендуется изготавливать из стали марок: 15Л К20, 20Л К20, 25Л К20, 20ГЛ К25 и 20Г1ФЛ К30 по ГОСТ 977-88
(раздел 1).
Примечание - Массовая доля углерода в стали марки 25Л К20 по
ГОСТ 977 не более 0,27%.
4.2.2 Допускается применение других марок сталей при условии выполнения остальных требований настоящего стандарта.
4.2.3 Балансиры должны быть подвергнуты термической обработке - нормализации или нормализации с отжигом I рода. Общее число термических обработок должно быть не более трех. Число отжигов I рода не ограничено.
4.2.4 Излом контрольного прилива, микроструктура стали и величина зерна после термической обработки должны соответствовать требованиям ГОСТ 32400-2013 (
пункты 4.2.4,
4.2.5).
4.2.5 Механические свойства стали балансиров после окончательной термической обработки должны быть не менее указанных в ГОСТ 977-88
(подраздел 3.3, таблица 7).
Ударная вязкость KCU-60 должна быть не менее 245 кДж/м2.
4.3 Требования к отливкам
4.3.1 Балансиры относят к 3-й группе отливок по ГОСТ 977-88
(раздел 2).
4.3.2 Отливки балансиров должны быть обрублены и очищены от пригара и окалины.
Для визуального контроля на наличие литейных дефектов наружные поверхности отливки должны быть предварительно очищены от пригара до проведения термической обработки. Питатели и прибыли должны быть удалены в соответствии с ГОСТ 977-88 ( пункты 3.5, 3.6). Наличие пригара и окалины на наружных поверхностях отливок не допускается. Допускается наличие пригара и окалины в труднодоступных для очистки внутренних полостях. |
Наличие зарезов, острых кромок, заусенцев не допускается. Зарезы должны быть сглажены, острые кромки притуплены, заусенцы удалены. Удаление указанных дефектов производят механическими способами. |
Примечание - Под заусенцем понимается дефект поверхности, представляющий собой острый выступ в виде гребня.
Во внутренних полостях отливок в углах сопряжения стенок допускается наличие неудаляемых технологических ребер, установленных технологической документацией. |
Во внутренних полостях отливок в местах стыков стержней допускаются без удаления несплошные заливы. |
4.3.6 В отливках допускаются внутренние дефекты - усадочные раковины и рыхлоты, усадочная пористость, газовые раковины, не выходящие на поверхности, если площадь дефекта не превышает 35,0% от площади круга, вписанного в поперечное сечение данного элемента детали. Допускается наличие усадочных дефектов, выходящих на поверхность в неудаляемых прибылях.
4.3.7 Исправление дефектов глубиной в диапазоне значений предельных отклонений толщины стенки производят расчисткой. Исправление дефектов глубиной, превышающей значения предельных отклонений толщины стенки, производят электродуговой сваркой. Перед сваркой разделку дефектов проводят механическим способом. Глубина разделки дефектов должна быть не более
1/
3 толщины стенки отливки.
Разделку дефектов и их исправление электродуговой сваркой производят в соответствии с инструкцией изготовителя. Применяемые для исправления дефектов сварочные материалы, технология исправления дефектов литья сваркой должны обеспечивать получение механических свойств наплавленного металла не менее, чем механические свойства основного металла. |
Места заварки дефектов должны быть зачищены механическим способом заподлицо с телом отливки. |
4.3.9 Качество механической разделки дефектов под заварку, качество заварки подлежат контролю с регистрацией в документации изготовителя и должны быть удостоверены постановкой клейм сварщика и службы технического контроля изготовителя в местах, установленных конструкторской документацией.
В местах исправления дефектов электродуговой сваркой не допускаются:
- трещины любых размеров, видов и направлений, расположенные в наплавленном металле, зоне сплавления и зоне термического влияния;
- непровары;
- несплавления;
- наплывы, натеки;
- подрезы;
- кратеры;
- шлаковые включения;
- скопление пор, свищи;
- единичные поры размером более 1,5 мм.
Примечания
1 Поры или шлаковые включения с максимальным размером, равным или менее 0,3 мм, при контроле не учитывать.
2 Скоплением называется три или более расположенных беспорядочно дефектов с расстоянием между любыми двумя близлежащими дефектами не более трех максимальных размеров этих дефектов.
4.3.10
После исправления дефектов в зонах обязательного неразрушающего контроля и последующей термической обработки отливки подлежат повторному неразрушающему контролю в зонах обязательного неразрушающего контроля. |
Отклонения размеров отливок в местах отрезки элементов литниковой системы не должны превышать предельных отклонений, установленных в конструкторской документации для размеров в этих местах. |
При недоливах и (или) механических повреждениях порядкового номера отливки допускается исправление его элементов методом наплавки до окончательной термической обработки при условии отсутствия указанных повреждений у соответствующих элементов дублирующего номера. |
4.3.13 Допускается восстановление методом наплавки до окончательной термической обработки недолитых и (или) поврежденных знаков маркировки по
4.5, кроме указанных в
4.3.12.
4.3.14 На необрабатываемых поверхностях отливок допускаются без исправления дефекты в соответствии с
4.3.14.1 -
4.3.14.5.
4.3.14.1 Газовые раковины на поверхностях отливок, вне зон А и Б, не совпадающие в одном поперечном сечении, глубиной - не более 3,0 мм, с наибольшим измерением 7,0 мм, количество не более пяти штук на поверхность.
4.3.14.2 Газовая пористость на поверхностях отливок, при диаметре пор не более 1,5 мм, глубине - не более 3,0 мм, количестве пор - не более трех штук на 1,0 см
2 поверхности. Площадь таких участков должна быть не более 25 см
2, расстояние между участками не менее 50 мм, число участков - не более трех штук на каждой стороне отливки от ее поперечной оси.
4.3.14.3 Утяжины в углах сопряжения стенок и ребер глубиной не более 3,0 мм и протяженностью не более 70 мм.
4.3.14.4 Местное утонение стенок и ребер, не совпадающих в одном поперечном сечении отливки, составляющее не более 10% наименьшей толщины, кроме стенок и ребер, расположенных в зонах А. Площадь единичного местного утонения должна быть не более 20 см2. Общая площадь таких участков должна быть не более 150 см2.
4.3.14.5 Недоливы отбуртовок технологических окон размером по толщине отбуртовки не более 10% номинального размера и суммарной длине недолитых участков каждой отбуртовки не более 30% ее длины.
4.3.15 До проведения термической обработки подлежат исправлению дефекты в соответствии с
4.3.15.1 -
4.3.15.4.
4.3.15.1 Газовые, песчаные и усадочные раковины на поверхностях отливок, не совпадающие в одном поперечном сечении, подлежат исправлению расчисткой, при глубине расчистки в пределах значений предельных отклонений толщины стенки с наибольшим измерением после расчистки не более 25 мм в количестве не более пяти штук с каждой стороны относительно вертикальной плоскости, проходящей через ось отверстия для шейки оси колесной пары.
4.3.15.2 Утяжины в углах сопряжения стенок - глубиной более 3 мм и длиной не более 70 мм с разделкой на глубину до чистого металла, подлежат исправлению электродуговой сваркой. Глубина разделки должна быть не более
1/
3 толщины стенки детали.
Примечание - За длину дефекта принимают расстояние между двумя наиболее удаленными его краями. Прерывистые дефекты при расстоянии между ними, превышающем наибольшую длину дефекта, следует считать отдельными дефектами. В случае сопряжения стенок с разными номинальными толщинами, глубину разделки дефекта устанавливают от толщины стенки, имеющей меньшую номинальную толщину из сопрягаемых.
4.3.15.3 Поверхностные дефекты, включая горячие трещины, расположенные в зонах А и Б, при глубине разделки дефекта механическим способом не более
1/
3 толщины стенки и размере разделки в наибольшем измерении не более 50 мм, подлежат исправлению электродуговой сваркой. Объем наплавленного металла при исправлении единичного дефекта, после его разделки, должен быть не более 10 см
3. Суммарный объем наплавленного металла должен быть не более 50 см
3.
4.3.15.4 Поверхностные дефекты, расположенные вне зон А и Б, включая горячие трещины, при глубине разделки дефекта механическим способом не более
1/
3 толщины стенки и размере разделки в наибольшем измерении не более 50 мм, подлежат исправлению электродуговой сваркой. Объем наплавленного металла при исправлении единичного дефекта, после его разделки, должен быть не более 20 см
3. Суммарный объем наплавленного металла должен быть не более 70 см
3.
4.3.16 После проведения термической обработки подлежат исправлению электродуговой сваркой с повторной термической обработкой дефекты в соответствии с
4.3.16.1 -
4.3.16.2.
4.3.16.1 Поверхностные дефекты, расположенные в зонах А и Б, включая горячие трещины, при глубине разделки дефекта механическим способом не более
1/
3 толщины стенки и размере разделки в наибольшем измерении не более 50 мм. Объем наплавленного металла при исправлении единичного дефекта, после его разделки, должен быть не более 5 см
3. Суммарный объем наплавленного металла должен быть не более 25 см
3.
4.3.16.2 Поверхностные дефекты, расположенные вне зон А и Б, включая горячие трещины, при глубине разделки дефекта механическим способом не более
1/
3 толщины стенки и размере разделки в наибольшем измерении не более 50 мм. Объем наплавленного металла при исправлении единичного дефекта, после его разделки, должен быть не более 10 см
3. Суммарный объем наплавленного металла должен быть не более 30 см
3.
4.3.17 После проведения термической обработки подлежат исправлению без повторной термической обработки дефекты в соответствии с
4.3.17.1 -
4.3.17.2.
4.3.17.1 Поверхностные дефекты за исключением верхнего пояса балансира, кроме горячих трещин, расположенные вне зон А и Б, при глубине разделки до чистого металла не более
1/
3 толщины стенки и размере разделки в наибольшем измерении не более 40 мм подлежат исправлению электродуговой сваркой. Объем наплавки при исправлении единичного дефекта должен быть не более 5 см
3. Суммарный объем наплавленного металла должен быть не более 30 см
3.
4.3.17.2 Газовые, песчаные и усадочные дефекты, расположенные вне зон А и Б, глубиной в пределах значений предельных отклонений толщины стенки, не совпадающие в одном поперечном сечении, но не более пяти дефектов на деталь. Дефекты подлежат исправлению расчисткой. Размер расчистки в наибольшем измерении должен быть не более 25 мм.
4.3.18 На механически обработанных поверхностях деталей допускаются без исправления дефекты в соответствии с
4.3.18.1 -
4.3.18.5.
4.3.18.1 Газовая пористость, если она не превышает 20% общей площади поверхностей. Глубина и диаметр пор не более 3 мм.
4.3.18.2 Сосредоточенная газовая пористость, если она не превышает 10% площади каждой поверхности. Густота пор не более восьми на 1 см2, глубина не более 3 мм, площадь каждой поры не более 4 мм2. Поры диаметром менее 1 мм браковочным признаком не являются.
4.3.18.3 Раковины площадью не более 2 см2, гнезда пористости на торцевых поверхностях балансира типа I глубиной не более 3 мм при поражении не более 25% поверхности без выхода на кромки.
Примечание - Под торцевой поверхностью понимается наружная поверхность балансира, перпендикулярная к его центральной оси, ориентированной поперек хода движения тележки.
4.3.18.4 На поверхности посадочного диаметра балансира типа I под отъемный лабиринт газовые и ситовидные раковины глубиной не более 5 мм и диаметром не более 3 мм на расстоянии не более 23 мм от торца балансира и на торце балансира глубиной до 10 мм с выходом на кромку, если площадь дефекта не превышает 20% поверхности.
4.3.18.5 Усадочные раковины в резьбовых отверстиях, расположенные вне длины свинчивания.
4.3.19 На механически обработанных поверхностях деталей подлежат исправлению дефекты в соответствии с
4.3.19.1 -
4.3.19.5.
4.3.19.1 Раковины, гнезда пористости, засоры на внутренних посадочных поверхностях балансира типа I глубиной не более половины фактической толщины стенки в наибольшем измерении не более 12 мм, в количестве не более восьми на деталь с расстоянием между дефектами не менее 30 мм, подлежат исправлению расчисткой. Допускается между тремя дефектами из восьми расстояние не менее 20 мм.
Засоры на торцевых поверхностях балансира типа I глубиной не более 3 мм при поражении не более 25% поверхности без выхода на кромки подлежат исправлению расчисткой.
4.3.19.2 Раковины, гнезда пористости, засоры на торцевых поверхностях лабиринтных проточек, выполненных заодно с балансиром типа I глубиной не более 6 мм, площадью не более 0,5 см2, в количестве не более шести с расстоянием между дефектами не менее 30 мм без выхода на кромки, подлежат исправлению расчисткой.
4.3.19.3 Песчаные раковины на поверхности посадочного диаметра под отъемный лабиринт балансира типа I площадью не более 0,5 см2 с расстоянием между ними не менее 30 мм, расположенные на расстоянии до 20 мм от торца балансира, с выходом на наружную кромку, подлежат исправлению расчисткой.
4.3.19.4 Усадочные раковины в резьбовых отверстиях балансира в зоне свинчивания подлежат исправлению электродуговой сваркой и повторной сверловкой и нарезкой резьбы. Перед исправлением электродуговой сваркой резьбовое отверстие должно быть рассверлено. Допускается выполнять исправления только в одном из резьбовых отверстий балансира.
4.3.19.5 Дефекты, выявленные в процессе механической обработки, превышающие по размерам перечисленные в
4.3.18.1 -
4.3.18.4, подлежат исправлению электродуговой сваркой без повторной термической обработки, если объем наплавленного металла в одном месте не более 8 см
3, а расстояние между дефектами не менее 80 мм. Размер разделки дефектов в наибольшем измерении должен быть не более 30 мм, глубина разделки не более
1/
3 толщины стенки. При этом для балансира типа I допускается:
а) на посадочных поверхностях под подшипники и под крышку - местное прослабление диаметров не более 0,2 мм, площадью не более 10 см2 в количестве не более трех. В верхней части балансира на дуге длиной 180 мм прослабление диаметров не допускается. На остальной части посадочной поверхности под подшипники местное прослабление допускается с выходом на фаски;
б) на торцах балансира местные углубления не более 0,5 мм, длиной не более 70 мм без выхода на кромки;
в) на торце балансира со стороны посадочного диаметра под отъемный лабиринт песчаные раковины площадью не более 1 см2 с выходом на кромку с расстоянием между дефектами не менее 30 мм;
г) на поверхности посадочного диаметра под отъемный лабиринт местное прослабление диаметра не более 0,22 мм на длине дуги не более 70 мм.
4.3.20 На отливках не допускаются следующие литейные дефекты:
а) горячие трещины длиной более 50 мм;
б) утяжины на наружных поверхностях в зонах А;
в) непровар холодильников и жеребеек;
г) сквозные литейные дефекты;
д) поверхностная сосредоточенная пористость, превышающая пористость по
4.3.14.2.
4.4 Требования надежности
4.4.1 В конструкторской документации на балансиры должно быть указано значение назначенного срока службы. Назначенный срок службы балансиров должен составлять не менее 22 лет. Комплект конструкторской документации на балансиры должен содержать расчет, подтверждающий значение назначенного срока службы, выполненный в соответствии с
приложением А.
4.4.2 Конструкция балансиров должна обеспечивать их работу с фактическим значением срока службы не менее указанного в конструкторской документации.
4.4.3 Балансиры при условии соблюдения правил эксплуатации не должны переходить в опасное состояние до очередного планового ремонта вагона.
Перечень критериев опасного отказа и предельного состояния балансиров должен соответствовать ГОСТ 34763.1-2021
(пункт 5.8.3) и быть указан в эксплуатационных и ремонтных документах, разработанных по
ГОСТ 2.601 и
ГОСТ 2.602.
4.5.1 На каждом балансире должны быть отлиты следующие знаки маркировки:
- две последние цифры года окончания назначенного срока службы (см.
4.4.1);
- условный номер организации-изготовителя в рамке по справочнику
[1];
- две последние цифры года изготовления и две цифры месяца изготовления;
- порядковый номер детали по системе нумерации организации-изготовителя;
- обозначение марки стали (см.
4.2.1).
4.5.2 На каждом балансире должен быть нанесен литым способом знак обращения продукции на рынке Евразийского экономического союза (далее - единый знак обращения). Допускается наносить единый знак обращения приваркой пластины (с изображением единого знака обращения), изготовленной методом штамповки или методом точного литья. Приварку пластины выполняют до окончательной термической обработки.
4.5.3 На балансире допускается наносить литым способом товарный знак организации-правообладателя.
4.5.4 На балансире должны быть нанесены ударным способом клейма службы технического контроля изготовителя, а также клеймо инспектора-приемщика продукции в соответствии с ГОСТ 32894-2014
(пункт 7.4.1).
При исправлении дефектов электродуговой сваркой на каждом балансире дополнительно должны быть нанесены ударным способом клейма сварщика и службы технического контроля изготовителя (см.
4.3.9).
4.5.5 Размещение знаков маркировки, клейм и единого знака обращения, размеры знаков маркировки должны быть указаны в конструкторской документации. Размеры знаков маркировки, клейм и единого знака обращения должны обеспечивать их читаемость без применения специальных средств увеличения в течение назначенного срока службы балансиров.
Поверхности балансиров, являющихся объектами самостоятельной поставки, следует подвергать консервации согласно
ГОСТ 9.014 по согласованию с потребителем.
Каждую партию балансиров сопровождают эксплуатационными документами (виды и комплектность - по
ГОСТ 2.601, правила выполнения - по
ГОСТ 2.610), в том числе паспортом, удостоверяющим их соответствие требованиям настоящего стандарта и содержащим:
- единый знак обращения;
- сведения о сертификате соответствия (серия и номер) и сроке его действия;
- сведения об организации, выдающей свидетельство о приемке деталей;
- сведения об организации, в адрес которой осуществляют поставку деталей;
- наименование продукции и обозначение основного конструкторского документа;
- наименование страны-изготовителя;
- наименование изготовителя и его реквизиты;
- количество деталей в партии;
- порядковые номера балансиров по системе нумерации организации-изготовителя;
- химический состав;
- механические свойства;
- назначенный срок службы деталей;
- сведения о способах утилизации;
- обозначение настоящего стандарта;
- год и месяц изготовления балансира.
Форму паспорта устанавливает организация-изготовитель.
Для контроля соответствия балансиров требованиям настоящего стандарта проводят приемо-сдаточные и периодические испытания.
Для оценки эффективности и целесообразности предлагаемых изменений проводят типовые испытания.
5.2 Приемо-сдаточные испытания
Приемо-сдаточные испытания проводят в соответствии с
5.2.1 -
5.2.10.
5.2.1 К приемо-сдаточным испытаниям балансиры предъявляют партиями. Партия должна состоять из балансиров одной или нескольких плавок, прошедших термическую обработку по одному режиму, регистрируемому автоматическими приборами.
Каждую деталь, предъявляемую к приемо-сдаточным испытаниям, сопровождают документом, содержащим информацию о количестве проведенных термических обработок и о местах расположения исправленных дефектов в зонах А и Б. Форму документа устанавливает изготовитель. Документ, выполненный в бумажной и электронной формах, подлежит учету и хранению у изготовителя в течение назначенного срока службы детали и должен быть представлен потребителю по его требованию. Допускается выполнять документ только в электронной форме при обеспечении условий хранения электронных документов, исключающих их утрату, несанкционированную рассылку, уничтожение или искажение информации в течение всего установленного срока хранения. Результаты приемо-сдаточных испытаний оформляют протоколом испытаний в соответствии с ГОСТ 15.309-98
(пункт 6.6).
5.2.2 При приемо-сдаточных испытаниях контролируют:
- отклонения размеров в местах отрезки элементов литниковой системы по
4.3.11 на каждой детали;
- основные размеры по
4.1.7 на каждой детали, при этом с установкой на поверочную плиту или с использованием координатной измерительной машины на одной детали из каждых 50 шт.;
- механические свойства стали по
4.2.5 на одном образце от каждой плавки при испытании на растяжение и на двух образцах от каждой плавки при испытании на ударный изгиб;
- толщину стенок в местах, установленных в конструкторской документации, на одной детали из каждых 25 шт.;
- проведение термической обработки по
4.2.3 на каждой детали;
- излом контрольного прилива по
4.2.4 на каждой детали.
5.2.3 При получении отрицательного результата контроля внешнего вида по
4.3.2,
4.3.3, отклонений размеров в местах отрезки элементов литниковой системы по
4.3.11, поверхностных дефектов по
4.3.14.1 -
4.3.14.3,
4.3.14.5,
4.3.15 -
4.3.20 и качества исправления дефектов электродуговой сваркой по
4.3.15 -
4.3.17,
4.3.19.4,
4.3.19.5 деталь с выявленными несоответствиями возвращают на доработку или бракуют. После доработки деталь подлежит повторным испытаниям. При получении отрицательного результата при повторных испытаниях деталь бракуют.
5.2.4 При получении отрицательного результата контроля основных размеров по
4.1.7 деталь возвращают на доработку или бракуют. При получении отрицательного результата контроля на поверочной плите или с использованием координатной измерительной машины, контроль проводят на удвоенном числе деталей. При получении отрицательного результата испытаний на удвоенном числе деталей хотя бы на одной детали контроль основных размеров проводят на каждой детали до выявления и устранения причин брака. Деталь с выявленными несоответствиями возвращают на доработку или бракуют.
После доработки деталь подлежит повторным испытаниям. При получении отрицательного результата при повторных испытаниях деталь бракуют.
5.2.5 Химический состав стали по
4.2.1, согласно ГОСТ 977-88
(подраздел 1.3, таблица 1) определяют на пробах, отбираемых по
ГОСТ 7565. Допускается определять химический состав на образцах или стружке, взятых от пробного бруска или детали данной плавки, залитой в середине разливки металла. При получении отрицательного результата контроля хотя бы по одному показателю химического состава все детали данной плавки должны быть забракованы.
5.2.6 Механические свойства стали по
4.2.5 определяют на образцах, вырезанных из пробных брусков по
ГОСТ 977. Термическую обработку пробных брусков проводят вместе с деталями данной плавки. Допускается проводить термическую обработку пробных брусков с деталями другой плавки, подвергаемыми термической обработке по тому же режиму, контролируемому автоматическими приборами. Результаты проверки распространяют на все детали данной плавки, прошедшие термическую обработку по одному режиму, контролируемому автоматическими приборами. При получении отрицательных результатов испытаний хотя бы по одному показателю механических свойств по нему проводят повторные испытания на удвоенном числе образцов, изготовленных из пробных брусков той же плавки.
Если при повторных испытаниях получен отрицательный результат, детали и пробные бруски данной плавки должны быть подвергнуты повторной термической обработке или отжигу I рода с последующим определением всего комплекса механических свойств. Допускается проведение не более двух повторных термических обработок. Число отжигов I рода не ограничено. При получении отрицательных результатов детали данной плавки должны быть забракованы.
В качестве сдаточного показателя механических свойств при испытании на растяжение на удвоенном числе образцов следует принимать меньшее из полученных значений.
В качестве сдаточного показателя ударной вязкости следует принимать меньшее из полученных значений.
По требованию потребителя механические свойства стали могут быть определены на образцах, вырезанных из детали. Образцы вырезают из верхнего пояса балансира. При этом минимально допустимые значения контролируемых показателей должны быть не менее 80% значений соответствующих показателей, установленных в
ГОСТ 977.
5.2.7 При получении отрицательного результата контроля толщины стенок контроль проводят на удвоенном количестве деталей. При получении отрицательного результата повторных испытаний хотя бы на одной детали толщину стенок контролируют на каждой детали до выявления причин несоответствия и их устранения. Деталь с выявленными несоответствиями возвращают на доработку или бракуют. После доработки деталь подлежит повторным испытаниям. При получении отрицательного результата при повторных испытаниях деталь бракуют.
5.2.8 При получении отрицательного результата контроля маркировки по
4.3.12,
4.3.13,
4.5.1 -
4.5.3 и клейм по
4.5.4 деталь должна быть забракована.
Деталь, на которой дефекты маркировки подлежат исправлению в соответствии с
4.3.12 и
4.3.13, возвращают на доработку. После доработки деталь подлежит повторным испытаниям. При получении отрицательного результата при повторных испытаниях деталь бракуют.
5.2.9 Излом контрольного прилива оценивают по
4.2.4. При получении отрицательного результата испытаний проводят повторную термическую обработку детали. На детали, прошедшей повторную термическую обработку, излом контрольного прилива определяют на втором контрольном приливе. При получении отрицательного результата после повторной термической обработки деталь подвергают второй повторной термической обработке, при этом излом контрольного прилива определяют на третьем контрольном приливе. При недоливе контрольных приливов допускается определять излом контрольного прилива по излому металла, надрубленного в местах, указанных в конструкторской документации, с последующим восстановлением их геометрии электродуговой сваркой. При получении отрицательного результата после второй повторной термической обработки деталь должна быть забракована.
5.2.10 При получении отрицательного результата контроля проведения термической обработки по
4.2.3 деталь возвращают на термическую обработку или бракуют.
5.3 Периодические испытания
Периодические испытания проводят в соответствии с
5.3.1 -
5.3.9 на деталях, выдержавших приемо-сдаточные испытания.
5.3.1 При периодических испытаниях деталей контролируют:
- воспринимаемую без разрушения или потери несущей способности вертикальную статическую испытательную нагрузку по
4.1.4.1 один раз в 6 мес на одной детали;
- массу и размеры деталей на соответствие конструкторской документации (дополнительно к контролируемым по
4.1.7 при приемо-сдаточных испытаниях) один раз в 6 мес на одной детали;
- размеры и расположение внутренних литейных дефектов по
4.3.6 и дефектов внутренних поверхностей по
4.3.5 один раз в 6 мес на одной детали после ее испытаний по
4.1.4.1;
- микроструктуру стали и величину зерна по
4.2.4 один раз в 6 мес на одной детали после ее испытаний по
4.1.4.1;
- число циклов нагружения до разрушения или потери несущей способности по
4.1.4.4 один раз в год на трех деталях;
- статическую прочность по
4.1.4.2 один раз в пять лет на одной детали;
- коэффициент запаса сопротивления усталости по
4.1.4.3 один раз в пять лет не менее чем на девяти деталях;
- фактическое значение срока службы по
4.1.4.5 один раз в пять лет по результатам испытаний коэффициента запаса сопротивления усталости по
4.1.4.4.
5.3.2 Воспринимаемую без разрушения или потери несущей способности вертикальную статическую испытательную нагрузку по
4.1.4.1 определяют на детали, отобранной методом "вслепую" по ГОСТ 18321-73
(подраздел 3.4) из партии по
5.2.1. При получении отрицательного результата испытаний воспринимаемую без разрушения или потери несущей способности вертикальную статическую испытательную нагрузку определяют на удвоенном количестве деталей, взятых от той же партии. Если при повторных испытаниях хотя бы на одной детали получен отрицательный результат, все детали данной партии должны быть забракованы, а приемка деталей должна быть приостановлена до выяснения и устранения причин.
5.3.3 Массу и геометрические размеры (дополнительно к контролируемым по
4.1.7 при приемо-сдаточных испытаниях) проверяют на детали, отобранной методом "вслепую" по ГОСТ 18321-73
(подраздел 3.4) из партии по
5.2.1. При получении отрицательного результата контроль массы и геометрических размеров проводят на удвоенном числе деталей. При получении отрицательного результата испытаний хотя бы на одной детали приемка деталей должна быть приостановлена до выяснения и устранения причин.
5.3.4 Размеры и расположение внутренних литейных дефектов по
4.3.5 в сечениях по
4.1.8 и дефектов внутренних поверхностей по
4.3.4 определяют один раз в 6 мес на детали, отобранной методом "вслепую" по ГОСТ 18321-73
(подраздел 3.4) из партии по
5.2.1 для испытаний по
4.1.4.1. При получении отрицательных результатов контроль размеров и расположения внутренних литейных дефектов и дефектов внутренних поверхностей проводят на удвоенном числе деталей, отобранных методом "вслепую" по ГОСТ 18321-73
(подраздел 3.4) от той же партии. При получении отрицательного результата хотя бы на одной детали вся партия должна быть забракована, а приемка деталей приостановлена до установления и устранения причин брака.
5.3.5 Микроструктуру стали и величину зерна по
4.2.4 проверяют на детали, отобранной методом "вслепую" по ГОСТ 18321-73
(подраздел 3.4) из партии по
5.2.1, после ее испытаний по
4.1.4.1. При получении отрицательного результата микроструктуру и величину зерна проверяют на удвоенном числе деталей, отобранных методом "вслепую" по ГОСТ 18321-73
(подраздел 3.4) от той же партии. При получении отрицательного результата хотя бы на одной детали вся партия должна быть забракована, а приемка деталей приостановлена до установления и устранения причин брака.
5.3.6 Качество исправления дефектов электродуговой сваркой по
4.3.9,
4.3.15.2 -
4.3.15.4,
4.3.16,
4.3.17.1,
4.3.19.4,
4.3.19.5 проверяют на детали, отобранной по
5.3.1 один раз в 6 мес на одной детали из исправленных. При получении отрицательного результата испытаний производство деталей должно быть приостановлено до выявления и устранения причин.
5.3.7 Число циклов нагружения до разрушения или потери несущей способности по
4.1.4.4 определяют на деталях, отобранных методом "вслепую" по ГОСТ 18321-73
(подраздел 3.4) из имеющейся у изготовителя продукции, принятой службой технического контроля.
При получении отрицательного результата испытаний хотя бы на одной из деталей проводят повторные испытания на том же числе деталей, отобранных методом "вслепую" по ГОСТ 18321-73
(подраздел 3.4) из имеющейся у изготовителя продукции, принятой службой технического контроля.
При получении отрицательного результата испытаний хотя бы на одной из деталей приемка деталей должна быть приостановлена до выявления и устранения причин.
5.3.8 Статическую прочность по
4.1.4.2 проверяют на детали, отобранной методом "вслепую" по ГОСТ 18321-73
(подраздел 3.4) из имеющейся у изготовителя продукции, принятой службой технического контроля.
При получении отрицательного результата хотя бы в одной точке измерений испытания проводят на удвоенном количестве деталей, отобранных методом "вслепую" по ГОСТ 18321-73
(подраздел 3.4) из имеющейся у изготовителя продукции, принятой службой технического контроля. Статическую прочность проверяют в точках измерений, в которых был получен отрицательный результат. Если при повторных испытаниях хотя бы на одной детали получен отрицательный результат, приемка деталей должна быть приостановлена до определения и устранения причин.
5.3.9 Коэффициент запаса сопротивления усталости по
4.1.4.3 и фактическое значение срока службы по
4.1.4.5 определяют на деталях, отобранных методом "вслепую" по ГОСТ 18321-73
(подраздел 3.4) из имеющейся у изготовителя продукции, принятой службой технического контроля.
При получении отрицательного результата приемка деталей должна быть приостановлена до определения и устранения причин.
5.4.1 Типовые испытания проводят после внесения изменений в конструкцию деталей, технологию их изготовления (изменение способа формовки, питания термических узлов, параметров литниковой системы, при применении новой марки стали, не указанной в
4.2.1). Типовым испытаниям подвергают детали, выдержавшие приемо-сдаточные испытания.
5.4.2 Типовые испытания проводят по программе и методикам, разработанным в соответствии с ГОСТ 15.309-98
(приложение А). Объем испытаний и контроля, включаемых в программу и методики, должен быть достаточным для оценки эффективности и целесообразности предлагаемых изменений.
5.5 Инспекторский контроль
В случае принятия решения о проведении инспекторского контроля потребителем или изготовителем балансиров процедура проведения инспекторского контроля балансиров должна соответствовать
ГОСТ 32894.
6.2 Поверхностные дефекты [
4.3.14,
4.3.15.1,
4.3.15.2,
4.3.15.4,
4.3.16.2,
4.3.17 -
4.3.19,
4.3.20, перечисление д)] контролируют визуально без применения увеличительных приборов и универсальным измерительным инструментом. Поверхностные дефекты [
4.3.15.3,
4.3.16.1,
4.3.20, перечисление а)] контролируют визуально, методами неразрушающего контроля и универсальным измерительным инструментом. Применяемые средства измерений для определения размеров дефектов должны обеспечивать точность измерений по
ГОСТ 8.051.
Примечание - Неразрушающий контроль балансиров проводят магнитопорошковым методом по
ГОСТ 21105 в соответствии с требованиями
ГОСТ 34513. Оценку состояния детали с выявленными дефектами осуществляют в соответствии с требованиями настоящего стандарта. Выявленные при визуальном контроле дефекты должны быть устранены до проведения неразрушающего контроля методами, установленными настоящим стандартом.
6.3 Качество механической разделки дефектов
(4.3.7) контролируют визуально без применения увеличительных приборов, глубину разделки - универсальным измерительным инструментом или ультразвуковыми толщиномерами по
ГОСТ 28702. Качество исправления дефектов электродуговой сваркой (
4.3.8,
4.3.15.2 -
4.3.15.4,
4.3.16,
4.3.17.1,
4.3.19.4,
4.3.19.5) контролируют визуально без применения увеличительных приборов, а также подрубкой или засверловкой металла (выборочно, по указанию представителя службы технического контроля изготовителя) и методами неразрушающего контроля в зонах обязательного неразрушающего контроля. При периодических испытаниях качество исправления дефектов электродуговой сваркой (
4.3.15.2 -
4.3.15.4,
4.3.16,
4.3.17.1,
4.3.19.4,
4.3.19.5) контролируют под оптическим микроскопом при увеличениях кратностью до 25 на макрошлифах, вырезанных в местах исправления дефектов электродуговой сваркой. Места контроля качества исправления дефектов электродуговой сваркой и их количество устанавливает представитель службы технического контроля изготовителя. Результат испытаний считают отрицательным, если хотя бы в одном из проверяемых мест присутствуют дефекты, указанные в
4.3.9.
Примечание - Неразрушающий контроль балансиров проводят магнитопорошковым методом по
ГОСТ 21105 в соответствии с требованиями
ГОСТ 34513. Оценку качества исправления дефектов электродуговой сваркой осуществляют в соответствии с требованиями настоящего стандарта.
6.4 Размеры деталей (
4.1.7,
4.3.11) контролируют универсальным измерительным инструментом с использованием поверочных плит по
ГОСТ 10905 или при помощи координатной измерительной машины по инструкции изготовителя. При приемо-сдаточных испытаниях допускается применять шаблоны, изготовленные по предусмотренным технологией чертежам, утвержденным изготовителем, и прошедшие метрологический контроль. Применяемые средства измерений для определения размеров дефектов должны обеспечивать точность измерений по
ГОСТ 8.051.
6.5 Толщину стенок
(4.1.6) контролируют универсальным измерительным инструментом или ультразвуковыми толщиномерами по
ГОСТ 28702. Применяемые средства измерений для определения толщины стенок должны обеспечивать точность измерений по
ГОСТ 8.051.
6.6 Маркировку и клеймение (
4.3.12,
4.3.13,
4.5.1 -
4.5.4) контролируют визуально без применения увеличительных приборов.
6.7 Массу деталей
(4.1.6) контролируют методом статического взвешивания на весах по
ГОСТ 29329.
6.8 Химический состав стали (
4.2.1,
4.2.2) определяют по ГОСТ 12344 - ГОСТ 12348, ГОСТ 12350 - ГОСТ 12352, ГОСТ 12355 - ГОСТ 12357,
ГОСТ 18895, ГОСТ 22536.0 - ГОСТ 22536.5, ГОСТ 22536.7 - ГОСТ 22536.12.
6.9 Механические свойства стали
(4.2.5) при испытании на растяжение (предел текучести, временное сопротивление, относительное удлинение, относительное сужение) определяют по
ГОСТ 1497 на пропорциональных цилиндрических образцах диаметром 10 мм и начальной расчетной длиной 50 мм. При вырезке образцов из деталей допускается испытывать образцы диаметром 5 мм и начальной расчетной длиной 25 мм.
6.10 Ударную вязкость стали
(4.2.5) контролируют по
ГОСТ 9454 на образцах типа I.
6.11 Излом контрольного прилива контролируют визуально без применения средств увеличения на соответствие требованиям к виду излома контрольного прилива по
4.2.4. Излом получают подрубкой контрольного прилива с широкой стороны острым зубилом на глубину от 3 до 5 мм и последующего отлома ударами. Допускается производить отлом контрольного прилива пневматическим зубилом с упором рубящей кромки в его верхнюю часть. Подрез контрольного прилива перед отломом, его подрубка с двух противоположных сторон, с угла, или с четырех сторон не допускаются.
6.12 Микроструктуру стали
(4.2.4) контролируют визуально на шлифах под оптическим микроскопом при увеличениях кратностью 100
x и 500
x. Шлифы для контроля микроструктуры вырезают из зоны верхнего пояса балансиров. Площадь сечения шлифов должна быть не менее 1 см
2. Величину зерна определяют методом сравнения с эталонными шкалами по ГОСТ 5639-82
(подраздел 3.3). Допускается определять величину зерна методом подсчета зерен по ГОСТ 5639-82
(подраздел 3.4).
6.13 Размеры и расположение внутренних литейных дефектов
(4.3.5) и дефектов внутренних поверхностей
(4.3.5) контролируют визуально без применения увеличительных приборов и универсальным измерительным инструментом при порезке деталей по сечениям, указанным в конструкторской документации. Окончательную порезку по сечениям проводят механическим способом.
6.14 Проведение термической обработки
(4.2.3) контролируют путем проверки наличия записей о проведении термической обработки в документе, сопровождающем каждую деталь (в соответствии с
5.2.1).
6.16 Воспринимаемую без разрушения или потери несущей способности вертикальную статическую испытательную нагрузку
(4.1.4.1) определяют по ГОСТ 33788-2016
(подраздел 8.5). Схемы нагружения приведены в
приложении Б.
6.17 Коэффициент запаса сопротивления усталости
(4.1.4.3) определяют по ГОСТ 33788-2016
(подраздел 8.4). Схемы нагружения, средние значения силы и амплитуды силы для испытаний балансиров на сопротивление усталости приведены в
приложении Б. За результат испытаний принимают значение коэффициента запаса сопротивления усталости, рассчитанное после испытаний, не менее девяти деталей.
Примечание - При обработке результатов испытаний на сопротивление усталости в соответствии с ГОСТ 33788-2016
(подраздел 9.5) средние вероятные значения коэффициента динамической добавки определяют по
формуле (А.14) приложения А с учетом коэффициента влияния числа осей в тележке.
6.18 Число циклов нагружения до разрушения или потери несущей способности
(4.1.4.4) определяют по ГОСТ 33788-2016
(подраздел 8.4). Схемы нагружения, средние значения силы и амплитуды силы для испытаний балансиров приведены в
приложении Б.
6.19 Фактическое значение срока службы определяют в соответствии с
приложением А по результатам испытаний коэффициента запаса сопротивления усталости по
6.17.
6.20 Испытания балансиров проводят в помещениях, обеспечивающих нормальные значения температуры испытаний по ГОСТ 15150-69
(подраздел 3.15). Условия размещения средств измерения должны соответствовать их паспортным данным.
При подготовке и проведении испытаний по
6.15 -
6.18 необходимо соблюдать требования ГОСТ 33788-2016
(раздел 11).
Средства измерений должны быть поверены и/или калиброваны, испытательное оборудование аттестовано в соответствии с национальным законодательством
<*>.
--------------------------------
<*> В Российской Федерации - в соответствии с Федеральным
законом от 26 июня 2008 г. N 102-ФЗ "Об обеспечении единства измерений" и
ГОСТ Р 8.568-2017 "Государственная система обеспечения единства измерений. Аттестация испытательного оборудования. Основные положения".
6.21 Контроль климатического исполнения балансиров по
4.1.5 осуществляют путем анализа сопроводительных документов и на соответствие требованиям
ГОСТ 15150.
7 Транспортирование и хранение
7.1 Транспортирование балансиров - по группе 8 (ОЖ3)
ГОСТ 15150.
Транспортирование деталей осуществляют железнодорожным, автомобильным, речным, воздушным транспортом в крытых или открытых транспортных средствах в соответствии с правилами, действующими на каждом виде транспорта. Требования к наличию упаковки балансиров по согласованию с потребителем.
7.2 Хранение балансиров по группе 6 (ОЖ2)
ГОСТ 15150.
8 Указания по эксплуатации и ремонту
8.1 Балансиры в течение всего срока их эксплуатации подвергают визуальному контролю в зонах обязательного визуального контроля (см.
4.1.8), техническому обслуживанию в соответствии с эксплуатационными и ремонтными документами разработчика конструкторской документации на балансир, выполненными в соответствии с
ГОСТ 2.601 и
ГОСТ 2.602.
8.2 Утилизация балансиров в соответствии с эксплуатационными и ремонтными документами разработчика конструкторской документации (см.
8.1).
9.1 Изготовитель гарантирует соответствие балансиров требованиям настоящего стандарта при соблюдении правил эксплуатации, транспортирования и хранения (
разделы 7 и
8).
9.2 Гарантийный срок должен быть не менее срока от даты отгрузки балансиров изготовителем до первого планового ремонта вагона и не должен заканчиваться в межремонтный период вагона. Гарантийный срок должен быть установлен в контракте на поставку.
(обязательное)
РАСЧЕТА СРОКА СЛУЖБЫ БАЛАНСИРОВ
А.1 Настоящая методика предназначена для проведения расчета, подтверждающего значение назначенного срока службы балансиров, которое указано в конструкторской документации на них, и фактического значения срока службы балансиров.
Расчет, подтверждающий значение назначенного срока службы, выполняют при использовании приближенных данных по пределу выносливости по амплитуде силы (напряжения) балансиров и приближенных данных по амплитудам динамических сил (напряжений) в эксплуатации, определяемых расчетным путем.
Расчет фактического значения срока службы выполняют при использовании статистически надежных экспериментальных данных по пределу выносливости по амплитуде силы (напряжения) балансиров и надежных экспериментальных данных по амплитудам динамических сил (напряжений) в эксплуатации. Допускается при оценке фактического значения срока службы использовать расчетный метод определения амплитуд динамических сил (напряжений) с использованием среднего вероятного значения коэффициента динамической добавки по
формуле (А.14).
А.2 Срок службы балансира по сопротивлению усталости TK, годы, определяют по следующим формулам:
- при известном распределении амплитуд рабочих динамических напряжений

(А.1)
- при известном стандарте текущих значений динамических эксплуатационных напряжений и узкополосном нормальном процессе динамического нагружения

(А.2)
где

- предел выносливости по амплитуде напряжения натурной детали (балансира) при установившемся режиме нагружения на базе испытаний
N0 = 10
7, МПа;
[n] - допускаемый коэффициент запаса сопротивления усталости (принимают [n] = 2,0 - при расчете, подтверждающем значение назначенного срока службы, [n] = 1,6 - при расчете фактического значения срока службы);
m - показатель степени в уравнении кривой усталости в амплитудах;
N0 - базовое число циклов (для литых деталей трехосных тележек грузовых вагонов принимают N0 = 107);
A - функция показателя
m кривой усталости (значения функции

приведены в
таблице А.1);
B - коэффициент перевода календарного расчетного срока службы детали в годах во время непрерывного движения в секундах, с/год;
fэ - центральная (эффективная) частота процесса изменения динамических напряжений, Гц;
Kи - коэффициент использования грузоподъемности вагона (для несущих элементов тележек грузовых вагонов рекомендуется принимать Kи = 0,9);
Kп - коэффициент порожнего пробега вагона. Средние значения
Kп для основных типов грузовых вагонов рекомендуется принимать по
таблице А.2;
Kуч k - средняя доля протяженности характерных участков пути (k = 1 - прямые участки пути, k = 2 - кривые больших радиусов, k = 3 - кривые малых радиусов) в общей длине железнодорожных линий, по которым эксплуатируется вагон на трехосных тележках. Для сети магистральных железных дорог рекомендуется принимать: Kуч1 = 0,65 - доля прямых участков пути, Kуч2 = 0,20 - доля кривых больших радиусов, Kуч3 = 0,15 - доля кривых малых радиусов;
Pv,j - доля времени (вероятность), приходящаяся на эксплуатацию в
j-м интервале скоростей движения вагона (вероятность
Pv,j для грузовых вагонов рекомендуется принимать по
таблице А.3);

- уровень (разряд) амплитуды динамических напряжений, МПа;

- частость (вероятность) появления амплитуд напряжений с уровнем

в
j-м интервале скоростей движения вагона;

- среднее квадратичное отклонение текущих значений амплитуд динамических напряжений в
j-м интервале скоростей движения вагона, МПа;
p - число характерных участков пути;
q - принятое число разрядов скоростей движения;
r - принятое число разрядов амплитуд напряжений в j-м интервале скоростей движения вагона.
Таблица А.1
Значения функции

m | | m | | m | | m | |
2,0 | 1,41 | 6,6 | 1,97 | 11,2 | 2,38 | 15,8 | 2,73 |
2,2 | 1,44 | 6,8 | 1,99 | 11,4 | 2,40 | 16,0 | 2,74 |
2,4 | 1,47 | 7,0 | 2,01 | 11,6 | 2,42 | 16,2 | 2,76 |
2,6 | 1,50 | 7,2 | 2,03 | 11,8 | 2,43 | 16,4 | 2,77 |
2,8 | 1,53 | 7,4 | 2,05 | 12,0 | 2,45 | 16,6 | 2,79 |
3,0 | 1,55 | 7,6 | 2,07 | 12,2 | 2,46 | 16,8 | 2,80 |
3,2 | 1,58 | 7,8 | 2,09 | 12,4 | 2,48 | 17,0 | 2,81 |
3,4 | 1,61 | 8,0 | 2,10 | 12,6 | 2,49 | 17,2 | 2,83 |
3,6 | 1,63 | 8,2 | 2,12 | 12,8 | 2,51 | 17,4 | 2,84 |
3,8 | 1,66 | 8,4 | 2,14 | 13,0 | 2,52 | 17,6 | 2,85 |
4,0 | 1,68 | 8,6 | 2,16 | 13,2 | 2,54 | 17,8 | 2,87 |
4,2 | 1,71 | 8,8 | 2,18 | 13,4 | 2,56 | 18,0 | 2,88 |
4,4 | 1,73 | 9,0 | 2,20 | 13,6 | 2,57 | 18,2 | 2,89 |
4,6 | 1,75 | 9,2 | 2,21 | 13,8 | 2,59 | 18,4 | 2,91 |
4,8 | 1,78 | 9,4 | 2,23 | 14,0 | 2,60 | 18,6 | 2,92 |
5,0 | 1,80 | 9,6 | 2,25 | 14,2 | 2,61 | 18,8 | 2,93 |
5,2 | 1,82 | 9,8 | 2,27 | 14,4 | 2,63 | 19,0 | 2,95 |
5,4 | 1,84 | 10,0 | 2,28 | 14,6 | 2,64 | 19,2 | 2,96 |
5,6 | 1,86 | 10,2 | 2,30 | 14,8 | 2,66 | 19,4 | 2,97 |
5,8 | 1,89 | 10,4 | 2,32 | 15,0 | 2,67 | 19,6 | 2,98 |
6,0 | 1,91 | 10,6 | 2,33 | 15,2 | 2,69 | 19,8 | 3,00 |
6,2 | 1,93 | 10,8 | 2,35 | 15,4 | 2,70 | 20,0 | 3,01 |
6,4 | 1,95 | 11,0 | 2,37 | 15,6 | 2,72 | - | - |
Таблица А.2
Средние значения коэффициентов порожнего пробега
Kп
для основных типов грузовых вагонов
Тип грузового вагона | Значение Kп |
Крытый вагон | 0,31 |
Платформа | 0,37 |
Полувагон | 0,20 |
Рефрижераторный вагон | 0,49 |
Цистерна | 0,50 |
Узкоспециализированные вагоны | 0,50 |
Таблица А.3
Распределение скоростей движения
Интервал скорости движения  , м/с | Средняя скорость интервала  , м/с | Вероятность Pv,j движения в интервале скорости для грузового вагона с конструкционной скоростью, м/с (км/ч) |
33,3 (120) | 27,8 (100) | 25,0 (90) |
От 0,0 до 12,5 включ. | 6,25 | 0,03 | 0,05 | 0,15 |
Св. 12,5 " 15,0 " | 13,75 | 0,07 | 0,12 | 0,30 |
" 15,0 " 17,5 " | 16,25 | 0,10 | 0,30 | 0,35 |
" 17,5 " 20,0 " | 18,75 | 0,18 | 0,20 | 0,13 |
" 20,0 " 22,5 " | 21,25 | 0,15 | 0,15 | 0,05 |
" 22,5 " 25,0 " | 23,75 | 0,15 | 0,10 | 0,02 |
" 25,0 " 27,5 " | 26,25 | 0,15 | 0,06 | - |
" 27,5 " 30,0 " | 28,75 | 0,09 | 0,02 | - |
" 30,0 " 32,5 " | 31,25 | 0,06 | - | - |
" 32,5 " 35,0 " | 33,75 | 0,02 | - | - |
" 35,0 " 37,5 " | 36,25 | - | - | - |
" 37,5 " 40,0 " | 38,75 | - | - | - |
" 40,0 " 42,5 " | 41,25 | - | - | - |
" 42,5 " 45,0 " | 43,75 | - | - | - |
" 45,0 " 47,5 " | 46,25 | - | - | - |
" 47,5 " 50,0 " | 48,75 | - | - | - |
" 50,0 " 52,5 " | 51,25 | - | - | - |
" 52,5 " 55,0 " | 53,75 | - | - | - |
Средняя техническая скорость движения  , м/с (км/ч) | 22,4 (81) | 19,2 (69) | 17,0 (61) |
При оценке срока службы балансира с использованием амплитуд сил
формулы (А.1) и
(А.2) примут вид:

(А.3)

(А.4)
где Pa,N - предел выносливости по амплитуде силы натурной детали (балансира) при установившемся режиме нагружения на базе испытаний N0 = 107, кН;
Pa,i - уровень (разряд) амплитуды динамических сил, кН;
PP,i - частость (вероятность) появления амплитуд сил с уровнем Pa,i в j-м интервале скоростей движения вагона;

- среднее квадратичное отклонение текущих значений амплитуд динамических сил в
j-м интервале скоростей движения вагона, кН;
r - принятое число разрядов амплитуд сил в j-м интервале скоростей движения вагона.
Ресурс балансира в единицах пробега LK, км, определяют по формуле
LK = TK·L1, (А.5)
где L1 - расчетное среднее значение пробега вагона за год эксплуатации, км/год.
Расчетное среднее значение пробега вагона за год эксплуатации L1, км/год, определяют по формуле

(А.6)
где

- расчетный среднесуточный пробег груженого вагона, км/сут (принимают

).
Коэффициент перевода календарного расчетного срока службы детали в годах во время непрерывного движения в секундах B, с/год, определяют по формуле

(А.7)
где
- средняя техническая скорость движения вагона, м/с (принимают по
таблице А.3).
А.3 Предел выносливости по амплитуде напряжения

(или силы
Pa,N) натурной детали (балансира) и показатель степени в уравнении кривой усталости
m определяют по результатам испытаний на сопротивление усталости по
ГОСТ 33788. Амплитуды напряжения определяют методом полных циклов или методом "дождя" по ГОСТ 25.101.
Допускается при проведении расчета, подтверждающего значение назначенного срока службы балансиров, предел выносливости натурной детали

, МПа, определять по формуле

(А.8)
где

- среднее (медианное) значение предела выносливости натурной детали, МПа;
zР - квантиль распределения, соответствующий односторонней вероятности P (для несущих элементов тележек грузовых вагонов принимают zР = 1,645 при вероятности P = 0,95);
- коэффициент вариации предела выносливости детали (для стальных отливок принимают

).
Среднее (медианное) значение предела выносливости натурной детали

, МПа, определяют по формуле

(А.9)
где

- среднее (медианное) значение предела выносливости гладкого стандартного образца из материала детали (по
ГОСТ 25.502) при симметричном цикле изгиба на базе
N0 = 10
7, МПа;
- среднее значение общего коэффициента снижения предела выносливости данной натурной детали по отношению к пределу выносливости гладкого стандартного образца.
Значение

может быть определено по справочным данным. При отсутствии справочных данных для стального литья допускается использовать следующую эмпирическую зависимость среднего значения предела выносливости от нормативного (минимального) значения временного сопротивления (по стандартам или техническим условиям)

(А.10)
где

- временное сопротивление материала детали, МПа.
Значение

определяют по экспериментальным данным для аналогичных деталей. Для предварительных расчетов среднее значение общего коэффициента снижения предела выносливости принимают для литых балансиров грузовых тележек

.
Допускается при проведении расчета, подтверждающего значение назначенного срока службы балансиров, показатель степени в уравнении кривой усталости m принимать на основе оценки обобщенных данных испытаний подобных, близких по конструкции и материалу, деталей. Для стальных отливок балансиров с нормализацией показатель степени в уравнении кривой усталости рекомендуется принимать m = 4.
Также для литых балансиров показатель m допускается определять по формуле

(А.11)
А.4 Амплитуды динамических напряжений

(или сил
Pa,i) и центральную (эффективную) частоту процесса изменения динамических напряжений
fэ определяют по результатам ходовых прочностных испытаний по
ГОСТ 33788. Амплитуды напряжения определяют методом полных циклов или методом "дождя" по ГОСТ 25.101.
При использовании расчетных методов определения амплитуд динамических напряжений (или сил) полагают, что в
j-м интервале скоростей движения вагона появляются амплитуды динамических напряжений с одним уровнем

, МПа, и амплитуды динамических сил с одним уровнем
Pa,j, кН, определяемые по формулам:

(А.12)

(А.13)
где

- напряжения в балансире от действия силы тяжести опирающихся на него частей вагона и груза, МПа;
Pст - сила тяжести, действующая на балансир от опирающихся на него частей вагона и груза, кН;

- среднее вероятное значение коэффициента динамической добавки в
j-м интервале скоростей движения.
Среднее вероятное значение коэффициента динамической добавки

определяют по формуле

(А.14)
где A1 - коэффициент, принимаемый равным A1 = 0,15 - для необрессоренного балансира;
- средняя скорость интервала скорости движения вагона, м/с (принимают по
таблице А.3);
V0 - скорость движения вагона для определения среднего вероятного значения коэффициента динамической добавки, м/с (принимают V0 = 15 м/с);
B1 - коэффициент для определения среднего вероятного значения коэффициента динамической добавки, м/(м/с) [принимают B1 = 0,00036 м/(м/с)];
b - коэффициент, учитывающий влияние числа осей n в тележке;
f1 - расчетный статический прогиб рессорного подвешивания в вагоне с максимальной расчетной массой на трехосных тележках, м.
Коэффициент, учитывающий влияние числа осей n в тележке, b определяют по формуле

(А.15)
Допускается при использовании расчетных методов центральную (эффективную) частоту процесса изменения динамических напряжений fэ, Гц, определять по формуле

(А.16)
где a - коэффициент, принимаемый равным a = 2,0 - для необрессоренного балансира;
g - ускорение свободного падения, м/с2;
f1 - расчетный статический прогиб рессорного подвешивания в вагоне с максимальной расчетной массой на трехосных тележках, м.
(обязательное)
НАГРУЖЕНИЯ, СРЕДНИЕ ЗНАЧЕНИЯ СИЛЫ И АМПЛИТУДЫ СИЛЫ
ДЛЯ ИСПЫТАНИЙ БАЛАНСИРОВ НА СОПРОТИВЛЕНИЕ УСТАЛОСТИ
Б.1 Рекомендуемые схемы нагружения балансиров типов I и II приведены на
рисунках Б.1 и
Б.2.
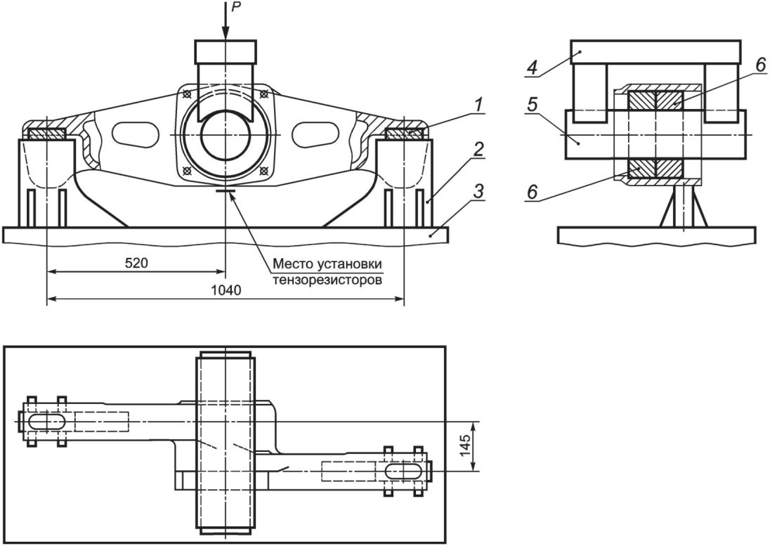
1 - вкладыш; 2 - опора; 3 - стол испытательного стенда;
4 - П-образное приспособление; 5 - вал; 6 - кольцо
Рисунок Б.1 - Схема нагружения балансира типа I
1 - вкладыш; 2 - опора; 3 - стол испытательного стенда;
4 - П-образное приспособление; 5 - брус с цилиндрическими
концевыми частями
Рисунок Б.2 - Схема нагружения балансира типа II
Балансир типа I опорными поверхностями, взаимодействующими с боковыми рамами, устанавливают на две опоры 2 через вкладыши 1. В центральное цилиндрическое отверстие балансира устанавливают два кольца 6, в отверстие которых устанавливают вал 5. На вал 5 устанавливают П-образное приспособление 4. Силу прикладывают к П-образному приспособлению 4. От П-образного приспособления 4 сила через вал 5 и кольца 6 передается на верхнюю часть балансира.
Схема установки балансира типа II аналогична, при этом в проем балансира устанавливают брус с цилиндрическими концевыми частями 5, на которые устанавливают П-образное приспособление 4. Силу прикладывают к П-образному приспособлению 4. От П-образного приспособления 4 сила через брус с цилиндрическими концевыми частями 5 передается на верхнюю опорную часть балансира, взаимодействующую с опорной поверхностью адаптера или корпуса буксы.
Для контроля действующей динамической силы рекомендуется применять тензорезисторы, установленные на верхнем поясе балансиров типов I и II в среднем сечении.
Б.2 Рекомендуемые средние значения силы для испытаний балансиров типов I и II приведены в
таблице Б.1, рекомендуемые амплитуды силы - в
таблице Б.2.
Таблица Б.1
Рекомендуемые средние значения силы для испытаний балансиров
типов I и II
Наименование параметра | Значение параметра |
Максимальная расчетная статическая осевая нагрузка, кН (тс) | 216 (22) | 245 (25) |
Среднее значение силы для испытаний, кН (тс) | 294 (30) | 343 (35) |
Примечание - Для тележек с максимальной расчетной статической осевой нагрузкой 230,5 кН (23,5 тс) и 265 кН (27 тс) данные уточняются по результатам натурных испытаний деталей. |
Таблица Б.2
Рекомендуемые амплитуды силы для испытаний балансиров
типов I и II
Максимальная расчетная статическая осевая нагрузка, кН (тс) | Амплитуда силы, кН (тс), для уровня с номером |
| 1 | 2 | 3 | 4 | 5 | 6 | 7 |
216 (22) | 235 (24) | 216 (22) | 196 (20) | 177 (18) | 157 (16) | 137 (14) | 118 (12) | 98 (10) |
245 (25) | 275 (28) | 255 (26) | 235 (24) | 216 (22) | 196 (20) | 177 (18) | 157 (16) | 137 (14) |
<1> Для проведения сокращенных испытаний балансиров типов I и II. Примечание - Для тележек с максимальной расчетной статической осевой нагрузкой 230,5 кН (23,5 тс) и 265 кН (27 тс) данные уточняются по результатам натурных испытаний деталей. |
| Справочник "Условные коды предприятий" СЖА 1001 17 (утвержден на 60-м заседании комиссии специалистов по информатизации железнодорожного транспорта государств - участников Содружества Независимых Государств от 4 - 6 апреля 2017 г.) |
УДК 629.4.027.25:006.354 | |
Ключевые слова: балансир трехосной тележки, контроль, испытания, безопасность, технические требования, литейные дефекты, методы испытаний |