Главная // Актуальные документы // ГОСТ (Государственный стандарт)
СПРАВКА
Источник публикации
М.: Стандартинформ, 2018
Примечание к документу
Документ введен в действие с 1 апреля 2019 года.
Название документа
"ГОСТ 34433-2018. Межгосударственный стандарт. Магистральный трубопроводный транспорт нефти и нефтепродуктов. Подстанции трансформаторные комплектные напряжением от 35 до 220 кВ. Общие технические условия"
(введен в действие Приказом Росстандарта от 02.08.2018 N 449-ст)

"ГОСТ 34433-2018. Межгосударственный стандарт. Магистральный трубопроводный транспорт нефти и нефтепродуктов. Подстанции трансформаторные комплектные напряжением от 35 до 220 кВ. Общие технические условия"
(введен в действие Приказом Росстандарта от 02.08.2018 N 449-ст)


Содержание


Введен в действие
Приказом Федерального
агентства по техническому
регулированию и метрологии
от 2 августа 2018 г. N 449-ст
МЕЖГОСУДАРСТВЕННЫЙ СТАНДАРТ
МАГИСТРАЛЬНЫЙ ТРУБОПРОВОДНЫЙ
ТРАНСПОРТ НЕФТИ И НЕФТЕПРОДУКТОВ
ПОДСТАНЦИИ ТРАНСФОРМАТОРНЫЕ КОМПЛЕКТНЫЕ
НАПРЯЖЕНИЕМ ОТ 35 ДО 220 кВ
ОБЩИЕ ТЕХНИЧЕСКИЕ УСЛОВИЯ
Trunk pipelines for oil and oil products transportation.
Transformer complete substations with voltage
from 35 to 220 kV. General specifications
ГОСТ 34433-2018
МКС 29.130.10
ОКП 34 1200
Дата введения
1 апреля 2019 года
Предисловие
Цели, основные принципы и основной порядок проведения работ по межгосударственной стандартизации установлены в ГОСТ 1.0-2015 "Межгосударственная система стандартизации. Основные положения" и ГОСТ 1.2-2015 "Межгосударственная система стандартизации. Стандарты межгосударственные, правила и рекомендации по межгосударственной стандартизации. Правила разработки, принятия, обновления и отмены".
Сведения о стандарте
1 РАЗРАБОТАН Обществом с ограниченной ответственностью "Научно-исследовательский институт трубопроводного транспорта" (ООО "НИИ Транснефть")
2 ВНЕСЕН подкомитетом ПК 7 "Магистральный трубопроводный транспорт нефти и нефтепродуктов" Технического комитета по стандартизации МТК 523 "Техника и технология добычи и переработки нефти и газа"
3 ПРИНЯТ Межгосударственным советом по стандартизации, метрологии и сертификации (протокол от 27 июля 2018 г. N 110-П)
За принятие проголосовали:
Краткое наименование страны по МК (ISO 3166) 004-97
Код страны по МК (ISO 3166) 004-97
Сокращенное наименование национального органа по стандартизации
Азербайджан
AZ
Азстандарт
Армения
AM
Минэкономики Республики Армения
Беларусь
BY
Госстандарт Республики Беларусь
Грузия
GE
Грузстандарт
Казахстан
KZ
Госстандарт Республики Казахстан
Киргизия
KG
Кыргызстандарт
Молдова
MD
Институт стандартизации Молдовы
Россия
RU
Росстандарт
Таджикистан
TJ
Таджикстандарт
Туркменистан
TM
Главгосслужба "Туркменстандартлары"
Узбекистан
UZ
Узстандарт
Украина
UA
Минэкономразвития Украины
4 Приказом Федерального агентства по техническому регулированию и метрологии N 449-ст от 2 августа 2018 г. межгосударственный стандарт ГОСТ 34433-2018 введен в действие в качестве национального стандарта Российской Федерации с 1 апреля 2019 г.
5 ВВЕДЕН ВПЕРВЫЕ
Информация об изменениях к настоящему стандарту публикуется в ежегодном информационном указателе "Национальные стандарты", а текст изменений и поправок - в ежемесячном информационном указателе "Национальные стандарты". В случае пересмотра (замены) или отмены настоящего стандарта соответствующее уведомление будет опубликовано в ежемесячном информационном указателе "Национальные стандарты". Соответствующая информация, уведомление и тексты размещаются также в информационной системе общего пользования - на официальном сайте Федерального агентства по техническому регулированию и метрологии в сети Интернет (www.gost.ru).
1 Область применения
1.1 Настоящий стандарт распространяется на комплектные трансформаторные блочные подстанции напряжением от 35 до 220 кВ включительно (далее - подстанции), предназначенные для электроснабжения объектов магистрального трубопровода для транспортировки нефти и нефтепродуктов.
1.2 Настоящий документ не распространяется на газоизолирующие подстанции.
2 Нормативные ссылки
В настоящем стандарте использованы нормативные ссылки на следующие межгосударственные стандарты:
ГОСТ 2.106-96 Единая система конструкторской документации. Текстовые документы
ГОСТ 2.610-2006 Единая система конструкторской документации. Правила выполнения эксплуатационных документов
ГОСТ 4.316-85 Система показателей качества продукции. Трансформаторы силовые, нулевого габарита, измерительные. Подстанции комплектные трансформаторные. Вводы высоковольтные. Номенклатура показателей
ГОСТ 9.014-78 Единая система защиты от коррозии и старения. Временная противокоррозионная защита изделий. Общие требования
ГОСТ 9.032-74 Единая система защиты от коррозии и старения. Покрытия лакокрасочные. Группы, технические требования и обозначения
ГОСТ 9.303-84 Единая система защиты от коррозии и старения. Покрытия металлические и неметаллические неорганические. Общие требования к выбору
ГОСТ 9.307-89 Единая система защиты от коррозии и старения. Покрытия цинковые горячие. Общие требования и методы контроля
ГОСТ 12.1.002-84 Система стандартов безопасности труда. Электрические поля промышленной частоты. Допустимые уровни напряженности и требования к проведению контроля на рабочих местах
ГОСТ 12.1.003-2014 Система стандартов безопасности труда. Шум. Общие требования безопасности
ГОСТ 12.1.009-76 Система стандартов безопасности труда. Электробезопасность. Термины и определения <1>
--------------------------------
<1> В Российской Федерации действует ГОСТ Р 12.1.009-2009 "Система стандартов безопасности труда. Электробезопасность. Термины и определения".
ГОСТ 12.1.030-81 Система стандартов безопасности труда. Электробезопасность. Защитное заземление. Зануление
ГОСТ 12.2.007.0-75 Система стандартов безопасности труда. Изделия электротехнические. Общие требования безопасности
ГОСТ 12.2.007.2-75 Система стандартов безопасности труда. Трансформаторы силовые и реакторы электрические. Требования безопасности
ГОСТ 12.2.007.3-75 Система стандартов безопасности труда. Электротехнические устройства на напряжение свыше 1000 В. Требования безопасности
ГОСТ 12.2.007.4-75 Система стандартов безопасности труда. Шкафы комплектных распределительных устройств и комплектных трансформаторных подстанций, камеры сборные одностороннего обслуживания, ячейки герметизированных элегазовых распределительных устройств
ГОСТ 12.2.007.6-75 Система стандартов безопасности труда. Аппараты коммутационные низковольтные. Требования безопасности
ГОСТ 12.2.007.14-75 Система стандартов безопасности труда. Кабели и кабельная арматура. Требования безопасности
ГОСТ 12.2.049-80 Система стандартов безопасности труда. Оборудование производственное. Общие эргономические требования
ГОСТ 12.3.009-76 Система стандартов безопасности труда. Работы погрузочно-разгрузочные. Общие требования безопасности
ГОСТ 12.3.019-80 Система стандартов безопасности труда. Испытания и измерения электрические. Общие требования безопасности
ГОСТ 12.3.032-84 Система стандартов безопасности труда. Работы электромонтажные. Общие требования безопасности
ГОСТ 12.4.026-2015 Система стандартов безопасности труда. Цвета сигнальные, знаки безопасности и разметка сигнальная. Назначение и правила применения. Общие технические требования и характеристики. Методы испытаний
ГОСТ 15.001-88 Система разработки и постановки продукции на производство. Продукция производственно-технического назначения <1>
--------------------------------
<1> В Российской Федерации действует ГОСТ Р 15.201-2000 "Система разработки и постановки продукции на производство. Продукция производственно-технического назначения. Порядок разработки и постановки продукции на производство".
ГОСТ 15.309-98 Система разработки и постановки продукции на производство. Испытания и приемка выпускаемой продукции. Основные положения
ГОСТ 27.002-2015 Надежность в технике. Термины и определения
ГОСТ 27.003-90 Надежность в технике. Состав и общие правила задания требований по надежности
ГОСТ 27.301-95 Надежность в технике. Расчет надежности. Основные положения
ГОСТ 839-80 Провода неизолированные для воздушных линий электропередачи. Технические условия
ГОСТ 1516.1-76 Электрооборудование переменного тока на напряжения от 3 до 500 кВ. Требования к электрической прочности изоляции
ГОСТ 1516.2-97 Электрооборудование и электроустановки переменного тока на напряжение 3 кВ и выше. Общие методы испытаний электрической прочности изоляции
ГОСТ 1516.3-96 Электрооборудование переменного тока на напряжения от 1 до 750 кВ. Требования к электрической прочности изоляции
ГОСТ 1759.0-87 Болты, винты, шпильки и гайки. Технические условия
ГОСТ 5089-2011 Замки, защелки, механизмы цилиндровые. Технические условия
ГОСТ 5264-80 Ручная дуговая сварка. Соединения сварные. Основные типы, конструктивные элементы и размеры
ГОСТ 6490-93 Изоляторы линейные подвесные тарельчатые. Общие технические условия
ГОСТ 8024-90 Аппараты и электротехнические устройства переменного тока на напряжение свыше 1000 В. Нормы нагрева при продолжительном режиме работы и методы испытаний
ГОСТ 8713-79 Сварка под флюсом. Соединения сварные. Основные типы, конструктивные элементы и размеры
ГОСТ 9680-77 Трансформаторы силовые мощностью 0,01 кВ·А и более. Ряд номинальных мощностей
ГОСТ 9920-89 (МЭК 694-80, МЭК 815-86) Электроустановки переменного тока на напряжение от 3 до 750 кВ. Длина пути утечки внешней изоляции
ГОСТ 10198-91 Ящики деревянные для грузов массой св. 200 до 20000 кг. Общие технические условия
ГОСТ 10354-82 Пленка полиэтиленовая. Технические условия
ГОСТ 10390-2015 Электрооборудование на напряжение свыше 3 кВ. Методы испытаний внешней изоляции в загрязненном состоянии
ГОСТ 10434-82 Соединения контактные электрические. Классификация. Общие технические требования
ГОСТ 11533-75 Автоматическая и полуавтоматическая дуговая сварка под флюсом. Соединения сварные под острыми и тупыми углами. Основные типы, конструктивные элементы и размеры
ГОСТ 11534-75 Ручная дуговая сварка. Соединения сварные под острыми и тупыми углами. Основные типы, конструктивные элементы и размеры
ГОСТ 12969-67 Таблички для машин и приборов. Технические требования
ГОСТ 12971-67 Таблички прямоугольные для машин и приборов. Размеры
ГОСТ 14192-96 Маркировка грузов
ГОСТ 14209-85 Трансформаторы силовые масляные общего назначения. Допустимые нагрузки
ГОСТ 14254-2015 (IEC 60529:2013) Степени защиты, обеспечиваемые оболочками (Код IP)
ГОСТ 14693-90 Устройства комплектные распределительные негерметизированные в металлической оболочке на напряжение до 10 кВ. Общие технические условия
ГОСТ 14771-76 Дуговая сварка в защитном газе. Соединения сварные. Основные типы, конструктивные элементы и размеры
ГОСТ 14806-80 Дуговая сварка алюминия и алюминиевых сплавов в инертных газах. Соединения сварные. Основные типы, конструктивные элементы и размеры
ГОСТ 15150-69 Машины, приборы и другие технические изделия. Исполнения для различных климатических районов. Категории, условия эксплуатации, хранения и транспортирования в части воздействия климатических факторов внешней среды
ГОСТ 15543.1-89 Изделия электротехнические и другие технические изделия. Общие требования в части стойкости к климатическим внешним воздействующим факторам
ГОСТ 15846-2002 Продукция, отправляемая в районы Крайнего Севера и приравненные к ним местности. Упаковка, маркировка, транспортирование и хранение
ГОСТ 15963-79 Изделия электротехнические для районов с тропическим климатом. Общие технические требования и методы испытаний
ГОСТ 16504-81 Система государственных испытаний продукции. Испытания и контроль качества продукции. Основные термины и определения
ГОСТ 16962.1-89 (МЭК 68-2-1-74) Изделия электротехнические. Методы испытаний на устойчивость к климатическим внешним воздействующим факторам
ГОСТ 16962.2-90 Изделия электротехнические. Методы испытаний на стойкость к механическим внешним воздействующим факторам
ГОСТ 17412-72 Изделия электротехнические для районов с холодным климатом. Технические требования, приемка и методы испытаний
ГОСТ 17516.1-90 Изделия электротехнические. Общие требования в части стойкости к механическим внешним воздействующим факторам
ГОСТ 18620-86 Изделия электротехнические. Маркировка
ГОСТ 19132-86 Зажимы наборные контактные. Общие технические условия
ГОСТ 19431-84 Энергетика и электрификация. Термины и определения
ГОСТ 19797-85 Изоляторы керамические опорные на напряжение свыше 1000 В для работы в помещении. Типы, основные параметры и размеры
ГОСТ 20454-85 Изоляторы керамические проходные на напряжение свыше 1000 В. Типы, основные параметры и размеры
ГОСТ 20783-81 Лотки металлические для электропроводок. Общие технические условия <1>
--------------------------------
<1> В Российской Федерации действует ГОСТ Р 52868-2007 (МЭК 61537:2006) "Системы кабельных лотков и системы кабельных лестниц для прокладки кабелей. Общие технические требования и методы испытаний".
ГОСТ 21242-75 Выводы контактные электротехнических устройств плоские и штыревые. Основные размеры
ГОСТ 22012-82 Радиопомехи индустриальные от линий электропередачи и электрических подстанций. Нормы и методы измерений
ГОСТ 22853-86 Здания мобильные (инвентарные). Общие технические условия
ГОСТ 23118-2012 Конструкции стальные строительные. Общие технические условия
ГОСТ 23120-2016 Лестницы маршевые, площадки и ограждения стальные. Технические условия
ГОСТ 23170-78 Упаковка для изделий машиностроения. Общие требования
ГОСТ 23216-78 Изделия электротехнические. Хранение, транспортирование, временная противокоррозионная защита, упаковка. Общие требования и методы испытаний
ГОСТ 23274-84 Здания мобильные (инвентарные). Электроустановки. Общие технические условия
ГОСТ 23518-79 Дуговая сварка в защитных газах. Соединения сварные под острыми и тупыми углами. Основные типы, конструктивные элементы и размеры
ГОСТ 24297-2013 Верификация закупленной продукции. Организация проведения и методы контроля
ГОСТ 24753-81 Выводы контактные электротехнических устройств. Общие технические требования
ГОСТ 25073-81 Изоляторы керамические опорные на напряжение свыше 1000 В для работы на открытом воздухе. Типы, основные параметры и размеры
ГОСТ 28856-90 Изоляторы линейные подвесные стержневые полимерные. Общие технические условия
ГОСТ 29322-2014 (IEC 60038:2009) Напряжения стандартные
ГОСТ 30546.1-98 Общие требования к машинам, приборам и другим техническим изделиям и методы расчета их сложных конструкций в части сейсмостойкости
ГОСТ 30546.2-98 Испытания на сейсмостойкость машин, приборов и других технических изделий. Общие положения и методы испытаний
ГОСТ 31565-2012 Кабельные изделия. Требования пожарной безопасности
ГОСТ 32144-2013 Электрическая энергия. Совместимость технических средств электромагнитная. Нормы качества электрической энергии в системах электроснабжения общего назначения
ГОСТ IEC 61643-11-2013 Устройства защиты от перенапряжений низковольтные. Часть 11. Устройства защиты от перенапряжений, подсоединенные к низковольтным системам распределения электроэнергии. Требования и методы испытаний
ГОСТ IEC 62262-2015 Электрооборудование. Степени защиты, обеспечиваемой оболочками от наружного механического удара (код IK)
Примечание - При пользовании настоящим стандартом целесообразно проверить действие ссылочных стандартов в информационной системе общего пользования - на официальном сайте Федерального агентства по техническому регулированию и метрологии в сети Интернет или по ежегодному информационному указателю "Национальные стандарты", который опубликован по состоянию на 1 января текущего года, и по выпускам ежемесячного информационного указателя "Национальные стандарты" за текущий год. Если ссылочный стандарт заменен (изменен), то при пользовании настоящим стандартом следует руководствоваться заменяющим (измененным) стандартом. Если ссылочный стандарт отменен без замены, то положение, в котором дана ссылка на него, применяется в части, не затрагивающей эту ссылку.
3 Термины и определения
В настоящем стандарте применены термины по ГОСТ 27.002, ГОСТ 16504, ГОСТ 19431, а также следующие термины с соответствующими определениями:
3.1
вторичные цепи электропередачи: Совокупность кабелей и проводов, соединяющих устройства управления, автоматики, сигнализации, защиты и измерения подстанции.
[ГОСТ 24291-90, статья 18]
3.2 выключатель: Контактный коммутационный аппарат, способный включать, проводить и отключать токи при нормальных условиях в цепи, а также включать, проводить в течение нормированного времени и отключать токи при нормированных анормальных условиях в цепи, таких как короткое замыкание.
3.3
газоизолирующая подстанция: Электрическая подстанция, оборудование которой заключено в металлический кожух, заполненный изолирующим газом.
[ГОСТ 24291-90, статья 24]
3.4 общеподстанционный пункт управления: Здание, предназначенное для размещения оборудования и устройств релейной защиты и автоматики, управления и связи.
3.5 объект магистрального трубопровода для транспортировки нефти и нефтепродуктов: Составная часть магистрального трубопровода, предназначенная для выполнения одной или нескольких взаимосвязанных технологических операций в процессе транспортировки, технологического хранения, перевалки подготовленной нефти или нефтепродуктов на автомобильный, железнодорожный или водный виды транспорта, включающая комплекс соответствующих зданий, сооружений и технических устройств.
3.6 ограничитель перенапряжения: Аппарат, предназначенный для защиты изоляции электрооборудования от грозовых и коммутационных перенапряжений, представляющий собой последовательно и/или параллельно соединенные металлооксидные варисторы без каких-либо последовательных или параллельных искровых промежутков, заключенные в изоляционный корпус.
3.7 ошиновка: Соединительный элемент между высоковольтными аппаратами, группами аппаратов или используемый в качестве элемента сборных или присоединительных шин.
3.8 ошиновка гибкая: Ошиновка, выполненная гибкими проводами.
3.9 ошиновка жесткая: Ошиновка, выполненная жесткими шинами.
3.10 ошиновка комбинированная: Ошиновка, выполненная частично гибкими проводами, частично жесткими шинами.
3.11 разъединитель: Контактный коммутационный аппарат, который обеспечивает в отключенном положении изоляционный промежуток, удовлетворяющий нормированным требованиям.
3.12 силовая электрическая цепь: Электрическая цепь, содержащая элементы, функциональное назначение которых состоит в производстве или передаче основной части электрической энергии, ее распределении, преобразовании в другой вид энергии или в электрическую энергию с другими значениями параметров.
3.13
силовой трансформатор: Трансформатор, предназначенный для преобразования электрической энергии в электрических сетях и в установках, предназначенных для приема и использования электрической энергии.
Примечание - К силовым относятся трансформаторы трехфазные и многофазные мощностью 6,3 кВ·А и более, однофазные мощностью 5 кВ·А и более.
[ГОСТ 16110-82, статья 1.2]
3.14
собственные нужды: Совокупность вспомогательных устройств и относящейся к ним электрической части, обеспечивающих работу подстанции.
[ГОСТ 24291-90, статья 20]
3.15
степень защиты от наружного механического удара: Степень (уровень) защиты оборудования, обеспеченного оболочкой против вредных механических воздействий и проверенного стандартизированными методами испытаний.
[ГОСТ IEC 62262, статья 3.2]
3.16
трансформатор тока (напряжения): Трансформатор, в котором при нормальных условиях применения вторичный ток (вторичное напряжение) практически пропорционален (пропорционально) первичному току (первичному напряжению) и при правильном включении сдвинут (сдвинуто) относительно него по фазе на угол, близкий к нулю.
[ГОСТ 18685-73, статья 2]
4 Сокращения
В настоящем стандарте применены следующие сокращения:
ВЛ - воздушная линия;
ВН - высшее напряжение;
ЗИП - запасные части, инструменты, принадлежности и материалы;
ЗРУ - закрытое распределительное устройство;
КД - конструкторская документация;
КЗ - короткое замыкание;
КТПБ - комплексные трансформаторные подстанции блочные;
НН - низшее напряжение;
ОПН - ограничитель перенапряжения нелинейный;
ОПУ - общеподстанционный пункт управления;
ОРУ - открытое распределительное устройство;
ПМИ - программа и методика испытаний;
РЗА - релейная защита и автоматика;
РПН - регулирование под нагрузкой;
РУ - распределительное устройство;
СИ - средство измерений;
СН - среднее напряжение;
ТСН - трансформатор собственных нужд;
ТУ - технические условия.
5 Классификация и условное обозначение
5.1 Подстанции классифицируют:
а) по номинальному напряжению РУ ВН, РУ СН и РУ НН;
б) по месту и способу присоединения к линиям электропередачи:
- тупиковые - присоединяемые к одной или нескольким линиям электропередачи с односторонним питанием, через РУ ВН которой нормально не осуществляется транзитный переток мощности;
- ответвительные - присоединяемые к ответвлениям от одной или нескольких линий электропередачи, через РУ ВН которой нормально не осуществляется транзитный переток мощности;
- проходные - присоединяемые к одной линии электропередачи с двухсторонним питанием, через РУ ВН которой осуществляется транзитный переток мощности;
- узловые - присоединяемые к трем и более линиям электропередачи, для которых предусмотрен режим работы РУ ВН с транзитным перетоком мощности между питающими линиями электропередачи;
в) по способу обслуживания:
- без постоянного оперативного (дежурного) персонала;
- с дежурным на дому;
- с постоянным оперативным (дежурным) персоналом;
г) по виду установки РУ ВН:
- открытые - высоковольтное оборудование располагается на открытом воздухе;
- закрытые - высоковольтное оборудование располагается в здании;
д) по виду ошиновки РУ ВН:
- жесткая;
- гибкая;
- комбинированная.
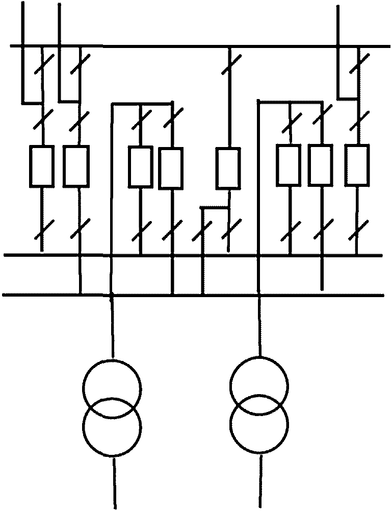
5.2 Схема условного обозначения подстанции приведена на рисунке 1.
Рисунок 1 - Схема условного обозначения подстанции
В условном обозначении может быть приведена дополнительная краткая информация об изготовителе.
Пример условного обозначения комплектной трансформаторной подстанции блочной, номинальные напряжения ВН - 110 кВ, СН - 35 кВ, НН - 10 кВ, количество силовых трансформаторов - 2 шт., номинальная мощность 40 МВ·А, ток термической стойкости сборных шин ВН - 25 кА, степень загрязнения изоляции оборудования ВН - III по ГОСТ 9920, условное обозначение схемы ВН - 5Н, климатическое исполнение и категория размещения - УХЛ1 по ГОСТ 15150 -
"КТПБ 110/35/10-2*40-25/III-5Н-УХЛ1"
6 Технические требования
6.1 Основные параметры и характеристики
6.1.1 Основные параметры подстанций:
- номинальное напряжение РУ ВН, РУ СН, РУ НН по ГОСТ 29322, кВ;
- номинальная частота питающей сети, Гц;
- номинальная мощность силовых трансформаторов по ГОСТ 9680, кВ·А;
- номинальный ток сборных шин, ячеек РУ и перемычек, А;
- номинальный ток термической стойкости ВН, СН, НН для силовых и заземляющих цепей, кА;
- номинальный ток динамической стойкости ВН, СН, НН для силовых и заземляющих цепей, кА;
- номинальная длительность протекания тока термической стойкости ВН, СН, НН для силовых и заземляющих цепей, с;
- номинальные напряжения вторичных цепей, В;
- коэффициент сборности - отношение стоимости конструктивных элементов подстанции к полной стоимости подстанции, включающей строительно-монтажные работы;
- удельная площадь, м2/(кВ·А);
- удельная масса, кг/(кВ·А).
6.1.2 Основные характеристики подстанций:
- климатическое исполнение и категория размещения по ГОСТ 15150;
- уровень изоляции ВН, СН, НН по ГОСТ 1516.3.
6.2 Конструкция подстанций
6.2.1 Общие положения
6.2.1.1 Подстанции изготовляют в соответствии с КД, нормативными документами, определяющими правила и нормы проектирования, технические характеристики подстанций и действующими на территории страны, для которой подстанции предназначены, и условиями договора.
6.2.1.2 Подстанции состоят из следующих основных элементов:
- РУ ВН;
- РУ СН (при необходимости);
- силовые трансформаторы;
- РУ НН (при необходимости);
- ОПУ (при необходимости);
- устройства заземления и защиты от молнии;
- собственные нужды;
- кабельные каналы, лотки, конструкции для прокладки силовых и контрольных кабелей;
- другие здания и сооружения (при необходимости).
6.2.1.3 При проектировании подстанции обеспечивают возможность расширения - увеличения количества присоединений и перехода от простых к более сложным схемам РУ. Допускается проектировать подстанции без возможности расширения, если в перспективе (не менее 10 лет) не предусматривается расширение подстанции и увеличение нагрузки.
6.2.1.4 Конструкция подстанции обеспечивает:
- безопасность персонала при монтаже и эксплуатации оборудования;
- безопасность оборудования при всех внешних климатических и механических воздействиях;
- необходимые изоляционные промежутки, длины путей утечек, исключающие пробои или перекрытия изоляции;
- исключение утечек, испарения и распыления вредных химических веществ (при их наличии) в количествах, опасных для жизни и здоровья людей, для окружающей среды во всех режимах работы;
- температуру нагрева элементов высоковольтного оборудования подстанций (за исключением предохранителей), не превышающую максимально допустимых значений во всех режимах работы;
- замену силовых трансформаторов без демонтажа РУ, в том числе с увеличением мощности на одну ступень, и выполнение ремонта любого присоединения без демонтажа соседних присоединений;
- электроснабжение и работоспособность с показателями и нормами качества электрической энергии по ГОСТ 32144;
- электромагнитную совместимость коммутационных аппаратов, силового и электронного оборудования.
6.2.1.5 Предельно допустимые значения температуры нагрева токоведущих частей подстанции при воздействии сквозных токов короткого замыкания в зависимости от материала и наличия контакта с органической изоляцией или маслом приведены в таблице 1.
Таблица 1
Предельно допустимые значения температуры нагрева
токоведущих частей подстанции при воздействии сквозных токов
короткого замыкания в зависимости от материала и наличия
контакта с органической изоляцией или маслом
Материал токоведущих частей
Контакт с органической изоляцией или маслом
Предельно допустимое значение температуры нагрева, °C
Металл, кроме алюминия
Есть
250
Медь и ее сплавы
Нет
300
Алюминий
200
Сталь
400
6.2.1.6 Электрическую прочность изоляции оборудования выбирают из условия того, чтобы оборудование сохраняло работоспособность при воздействии всех возможных при эксплуатации перенапряжений.
6.2.1.7 Электрическая прочность изоляции силовых и вторичных цепей - по ГОСТ 1516.3.
6.2.1.8 Длины путей утечки внешней изоляции высоковольтного оборудования - по ГОСТ 9920.
6.2.1.9 Выбор ОПН осуществляется по действующим нормативным документам <1>.
--------------------------------
<1> В Российской Федерации действует ГОСТ Р 53735.5-2009 "Разрядники вентильные и ограничители перенапряжений нелинейные для электроустановок переменного тока на напряжение от 3 до 750 кВ. Часть 5. Рекомендации по выбору и применению".
6.2.1.10 Металлоконструкции подстанций, выполненные из конструкционной стали и расположенные на открытом воздухе, выполняют с защитными покрытиями по ГОСТ 9.307. Цинковые покрытия - без видимых дефектов, закатных окалин и забоин, вздутий и коррозионных повреждений. Толщину цинкового покрытия металлоконструкций определяют в соответствии с категорией коррозионной активности по нормативному документу <2> для категории С5-1 и С5-М - от 170 до 200 мкм, для остальных категорий - от 80 до 200 мкм. Защитные покрытия, применяемые на площадках силовых трансформаторов и маслохозяйства, должны быть стойкими к воздействию трансформаторного масла.
--------------------------------
<2> См. [1].
6.2.1.11 Защитные покрытия металлических элементов внутри зданий - порошковые полимерные эмали. Толщина покрытия - от 50 до 100 мкм. Класс покрытия по ГОСТ 9.032:
- наружных поверхностей - IV;
- внутренних поверхностей - VII.
6.2.1.12 Технические характеристики крепежных изделий (болты, винты, шпильки, гайки) - по ГОСТ 1759.0. Защитные покрытия крепежных изделий - по ГОСТ 9.303.
6.2.1.13 Типы и размеры сварных швов металлоконструкций выбирают по ГОСТ 5264, ГОСТ 8713, ГОСТ 11533, ГОСТ 11534, ГОСТ 14771, ГОСТ 14806, ГОСТ 23518, механические свойства сварных швов и требования к их качеству - по ГОСТ 23118.
6.2.1.14 Наибольшие допустимые значения температур и превышения температур частей аппаратов и ошиновок при длительном протекании номинального тока - по ГОСТ 8024.
6.2.1.15 Эргономические требования - по ГОСТ 12.2.049.
6.2.1.16 Подстанции оснащают устройствами и оборудованием РЗА, связи, телемеханики и учета электрической энергии, приборами контроля качества электроэнергии на границе балансовой принадлежности, устройствами компенсации реактивной мощности и высокочастотной связи (при необходимости). Требования к данным устройствам и оборудованию в соответствии с действующими нормативными документами.
6.2.1.17 Схемы и типы устройств РЗА выбирают в зависимости от классов напряжения и принципиальных схем электрических соединений подстанции. РЗА выполняют на основе микропроцессорных блоков защит и автоматики.
6.2.1.18 Для питания вторичных цепей электропередачи предусматривают постоянный оперативный ток напряжением 220 В.
6.2.1.19 Степень защиты оболочек низковольтного оборудования (шкафов, ящиков и т.д.) выбирают из числа установленных ГОСТ 14254, при этом первая характеристическая цифра - не ниже 4, вторая - не ниже 1.
6.2.1.20 Уровень индустриальных радиопомех подстанции - по ГОСТ 22012.
6.2.1.21 Оборудование и устройства подстанции должны соответствовать [2].
6.2.1.22 Низковольтное оборудование подстанций должно соответствовать [3].
6.2.1.23 Ограждения территории подстанции выполняют по действующим нормативным документам высотой не менее 2,5 м, а в районах с глубиной снежного покрова более 1 м - не менее 3 м. Ограждения вспомогательных сооружений и здания выполняют высотой не менее 1,6 м.
6.2.1.24 Ограждения могут быть сплошными или просматриваемыми для районов без снежных заносов, для районов со снежными заносами, только просматриваемыми.
Исполнение сплошного основного ограждения может быть из металлического листа, а также иметь железобетонную, кирпичную или комбинированную конструкцию.
Просматриваемое основное ограждение изготовляют из сварных металлических сетчатых или решетчатых панелей с использованием унифицированных секций заводского изготовления.
Покрытие просматриваемого сетчатого ограждения может быть оцинкованным, с полимерным покрытием или комбинированным.
Металлическое ограждение адаптируют под установку чувствительных элементов охранных извещателей.
6.2.1.25 Ограждения территории подстанций оснащают сплошными металлическими воротами и калитками, конструкция которых не позволяет свободно преодолевать их. Ворота и калитки закрывают на внутренний замок.
6.2.1.26 Входные наружные двери всех помещений подстанции выполняют металлическими и оборудованными внутренними замками.
6.2.2 Распределительные устройства высшего и среднего напряжения
6.2.2.1 РУ ВН и РУ СН подстанций изготавливают в виде ЗРУ или ОРУ. Вид РУ определяется условиями договора и зависит от номинального напряжения, климатических характеристик района расположения, степени загрязнения окружающей среды, места расположения и площади земли, отведенной для строительства подстанции.
6.2.2.2 РУ ВН и РУ СН состоят из:
- высоковольтного оборудования (разъединители, выключатели измерительные трансформаторы, токоограничивающие реакторы, ОПН и т.д.);
- металлоконструкций (опоры, порталы, стойки и т.д.);
- ошиновок, их соединений и креплений;
- изоляторов (опорные, подвесные и проходные);
- шкафов вторичной коммутации и питания приводов выключателей и разъединителей;
- ограждений, площадок обслуживания.
6.2.2.3 Высоковольтное оборудование, ошиновки и их крепления, изоляторы, ограждения, металлоконструкции, устройства заземления и защиты от молнии, изоляционные и другие расстояния выбирают и устанавливают таким образом, чтобы:
- в нормальных условиях работы усилия, нагрев, электрическая дуга или иные сопутствующие ее работе явления (искрение, выброс газов и т.п.) не могли причинить вред обслуживающему персоналу, привести к повреждению оборудования и возникновению технологических нарушений;
- обеспечить необходимую локализацию повреждений при нарушении нормальных условий работы электроустановки, обусловленных действием КЗ;
- обеспечить безопасность технического обслуживания и ремонта без нарушения нормальной работы соседних присоединений;
- обеспечить возможность удобного транспортирования оборудования.
6.2.2.4 Во всех силовых электрических цепях РУ ВН и РУ СН предусматривают установку разъединителей с видимым разрывом, обеспечивающих возможность отсоединения всего оборудования (выключателей, предохранителей, трансформаторов тока, трансформаторов напряжения и т.д.) каждой цепи со всех ее сторон, откуда может быть подано напряжение. Возможно применение выключателей со встроенной функцией разъединителя по решению заказчика.
6.2.2.5 Разъединители применяют с опорными фарфоровыми или полимерными изоляторами, с одним разрывом на полюс, с возможностью дистанционного и местного управления. В РУ на напряжение 220 кВ возможна установка разъединителей с двумя разрывами на полюс.
6.2.2.6 Разъединители, заземлители и их приводы оснащают устройствами механических и/или электрических блокировок, предотвращающими их коммутации в запрещенных режимах (коммутации под нагрузкой или на заземленные части оборудования).
6.2.2.7 В РУ ВН и РУ СН применяют выключатели с одним разрывом на полюс:
- на напряжение 35 и 110 кВ включительно - вакуумные или элегазовые взрывобезопасные;
- на напряжение 220 кВ - элегазовые взрывобезопасные.
В РУ на напряжение 110 и 220 кВ возможна установка выключателей с двумя разрывами на полюс. Возможно применение выключателей с другими видами дугогасительной среды по решению заказчика.
6.2.2.8 Выключатели с элегазовой изоляцией оснащают указателями давления газа, при этом обеспечивают сигнализацию при снижении давления до предупредительного уровня и блокировку цепей управления при снижении давления элегаза до аварийного уровня.
6.2.2.9 Цикл "отключение-включение-отключение" выключателя при исчезновении оперативного тока обеспечивается запасенной в приводе энергией.
6.2.2.10 Коммутационную аппаратуру оснащают указателями положения, видимыми и не стираемыми в эксплуатации, дающими четкое представление о положении контактов. Включенное положение маркируют символом "I", отключенное - символом "O".
6.2.2.11 В РУ ВН и РУ СН применяют измерительные трансформаторы напряжения на напряжения 110 и 220 кВ с элегазовой изоляцией, на напряжение до 35 кВ включительно - с литой изоляцией. Возможно применение измерительных трансформаторов напряжения с масляной изоляцией по решению заказчика. Измерительные трансформаторы напряжения должны быть взрывобезопасны и устойчивы к феррорезонансным явлениям.
6.2.2.12 В РУ ВН и РУ СН применяют измерительные трансформаторы тока на напряжение 110 и 220 кВ с элегазовой изоляцией, на напряжение 35 кВ включительно - с литой изоляцией. Возможно применение измерительных трансформаторов с другими видами изоляции по решению заказчика. Измерительные трансформаторы тока должны быть взрывобезопасны.
6.2.2.13 Классы точности вторичных обмоток измерительных трансформаторов устанавливаются в КД в соответствии с действующими нормативными документами.
6.2.2.14 Высоковольтное оборудование напряжением до 35 кВ включительно изготавливают в металлической оболочке.
6.2.2.15 При необходимости ограничения токов короткого замыкания на шинах НН предусматривают применение токоограничивающих реакторов в силовых электрических цепях вводов в РУ НН от трансформаторов подстанции.
6.2.2.16 Выбор вида ошиновки определяется КД и зависит от ожидаемых внешних климатических воздействий.
6.2.2.17 В качестве жесткой ошиновки в РУ на напряжение 110 и 220 кВ применяют трубчатые шины круглого сечения, в РУ на напряжение до 35 кВ включительно применяют шины прямоугольного и круглого сечения. Жесткую ошиновку ОРУ выполняют с узлами свободного крепления, обеспечивающими компенсацию температурных деформаций.
6.2.2.18 Гибкую ошиновку выполняют из сталеалюминиевых проводов по ГОСТ 839.
6.2.2.19 Технические характеристики, материалы и способ соединения шин определяют на стадии формирования ТЗ исходя из электрических, климатических и механических воздействий.
6.2.2.20 Контактные зажимы высоковольтного оборудования ОРУ на напряжение 35 кВ рассчитывают на тяжение от ошиновки не менее 500 Н, на напряжение 110 и 220 кВ - не менее 1000 Н.
6.2.3 Распределительные устройства низшего напряжения и общеподстанционный пункт управления
6.2.3.1 РУ НН, выполненное в виде ячеек комплектных РУ заводского изготовления в соответствии с ГОСТ 14693, размещают в отдельном здании или в комплектном модульном здании, совмещенном с ОПУ.
6.2.3.2 Присоединение РУ НН к трансформаторам подстанции выполняют гибким токопроводом с опорными изоляторами на металлических опорах.
6.2.3.3 В РУ НН применяют измерительные трансформаторы тока и напряжения с литой изоляцией.
6.2.3.4 В качестве жесткой ошиновки в РУ НН применяют шины прямоугольного и круглого сечения.
6.2.3.5 ОПУ изготавливают по ГОСТ 22853, ГОСТ 23274, ГОСТ 12.2.049 и в соответствии с нормативными документами, действующими на территории страны, для которой предназначены ОПУ.
6.2.3.6 ОПУ изготавливают из отдельных транспортабельных блок-модулей контейнерного типа в виде комплектного модульного здания. Количество блок-модулей ОПУ определяют исходя из требуемых размеров здания, компоновки основных и вспомогательных помещений и требований заказчика.
6.2.3.7 Здание ОПУ проектируют таким образом, чтобы обеспечить:
- сохранение заданных теплофизических параметров помещений;
- обслуживание и ремонтопригодность;
- беспрепятственный доступ персонала и ремонтных средств к установленному оборудованию, деталям и узлам, требующим обслуживания и ремонта, а также безопасное проведение ремонтных работ;
- минимальную массу строительных конструкций на основе применения новых эффективных материалов;
- необходимую технологичность при изготовлении и сборке на заводе, транспортировке, монтаже и эксплуатации;
- оптимальную надежность и эстетичность строительных конструкций.
6.2.3.8 Здания ОПУ проектируют со следующими помещениями:
- для размещения устройств РЗА;
- для размещения аппаратов оперативного тока и оборудования собственных нужд;
- для размещения устройств и оборудования связи, телемеханики и учета электрической энергии;
- для размещения оперативного и ремонтного персонала;
- другие помещения согласно условиям договора.
6.2.3.9 Проектирование фундаментов под ОПУ выполняют с учетом условий грунта и сейсмичности района установки ОПУ.
6.2.3.10 Соединение ОПУ и фундамента - неразъемное сварное.
6.2.3.11 Блок-модули ОПУ проектируют и изготавливают таким образом, чтобы обеспечить защиту от проникновения внутрь (в том числе грызунов) через стены, двери, пол, крышу.
6.2.3.12 Степень огнестойкости ОПУ и класс конструкций по пожарной опасности согласно ТЗ и действующим нормативным документам.
6.2.3.13 Класс замков здания ОПУ - III по ГОСТ 5089.
6.2.3.14 Конструкцию здания ОПУ выполняют из следующих элементов:
- металлоконструкции, обеспечивающие жесткость блок-модулей;
- закладные детали, обеспечивающие возможность монтажа кабельной разводки и оборудования;
- теплоизоляционные материалы между наружным покрытием и внутренней облицовкой, обеспечивающие необходимую термостойкость;
- обрешетки, обеспечивающие возможность крепления внутренней облицовки;
- покрытия пола и внутренней облицовки;
- кабельные каналы настенного, подпольного типа, рядовых направляющих, обеспечивающие раздельную проводку силовых и вторичных цепей;
- кабельные вводы, обеспечивающие герметичный раздельный ввод силовых и вторичных цепей в помещения с возможностью свободного демонтажа кабеля;
- дополнительные кабельные вводы в местах возможного расположения оборудования (в том числе антенно-фидерные устройства верхнего типа бокового расположения), обеспечивающие возможность герметичного ввода кабелей в помещения (необходимость выполнения определяется условиями договора);
- кабельные вводы для подключения оборудования внешних систем.
6.2.3.15 В системе внутренней разводки предусматривают использование раздельных кабельных каналов для силовых и вторичных цепей.
6.2.3.16 Контактные соединения - по ГОСТ 10434.
6.2.3.17 Защиту вторичных цепей осуществляют автоматическими выключателями. Автоматические выключатели, установленные во всех цепях, по своей отключающей способности соответствуют максимальным значениям токов КЗ в начале защищаемого участка цепи.
6.2.3.18 В ОПУ приборы и аппараты устанавливают в соответствии с действующими правилами эргономики по ГОСТ 12.2.049.
6.2.4 Силовые трансформаторы
6.2.4.1 На подстанциях устанавливают два силовых трансформатора. Установку более двух силовых трансформаторов допускают при наличии технико-экономического обоснования или необходимости наличия более двух номинальных напряжений СН. Установку одного силового трансформатора допускают в первый период эксплуатации (пусковой период).
6.2.4.2 Устанавливаемые на подстанции силовые трансформаторы изготавливают по действующим нормативным документам. Мощность каждого силового трансформатора обеспечивает работу всей подключенной нагрузки и определяется расчетом в проектной документации.
Для всех элементов силового трансформатора, включая комплектующие изделия, устанавливают допустимые систематические и аварийные перегрузки:
- для масляных силовых трансформаторов мощностью до 100 МВ·А включительно - по ГОСТ 14209, если иное не оговорено в нормативных документах или ТУ на конкретные группы или типы трансформаторов;
- для силовых трансформаторов мощностью свыше 100 МВ·А - в соответствии с руководством по эксплуатации;
- для сухих силовых трансформаторов и силовых трансформаторов с негорючим жидким диэлектриком - по нормативным документам или ТУ на конкретные группы или типы трансформаторов.
6.2.4.3 Силовые трансформаторы оснащают устройством автоматического регулирования напряжения под нагрузкой и современными необслуживаемыми устройствами защиты масла.
Устройства автоматического регулирования напряжения под нагрузкой изготавливают по действующим нормативным документам. Предусматривают возможность работы устройства автоматического регулирования напряжения под нагрузкой в автоматическом и ручном дистанционном режиме с удаленного пункта управления.
6.2.4.4 Силовые трансформаторы оснащают герметичными вводами, изготовленными из твердой изоляции. Во вводах силовых трансформаторов напряжением 110 кВ и выше следует предусмотреть измерительный вывод по действующим нормативным документам <1>.
--------------------------------
<1> В Российской Федерации действует ГОСТ Р 55187-2012 "Вводы изолированные на номинальные напряжения свыше 1000 В переменного тока. Общие технические условия".
6.2.4.5 Применяемые на подстанции силовые трансформаторы изготавливают таким образом, чтобы выдерживать без повреждений электродинамические и термические воздействия при внешних КЗ. Стойкость силовых трансформаторов при КЗ подтверждается в порядке, установленном в действующих нормативных документах.
6.2.4.6 Строительную часть под трансформаторы предусматривают с учетом возможности замены трансформаторов на следующую ступень по шкале мощности.
6.2.4.7 Для предотвращения растекания масла и распространения пожара силовых трансформаторов устанавливают маслоприемники, маслоотводы и маслосборники по действующим нормативным документам.
6.2.5 Собственные нужды
6.2.5.1 Собственные нужды подстанции состоят из следующего электрооборудования и устройств:
- ТСН;
- РУ системы собственных нужд переменного напряжения 0,4 кВ с вводами питания от ТСН;
- кабельные линии питания и присоединений основных электроприемников системы собственных нужд;
- аппараты управления оперативным током;
- устройства РЗА, вторичные цепи и устройства управления коммутационными аппаратами, задействованными в системе собственных нужд;
- СИ, устройства контроля и сигнализации, относящиеся к системе собственных нужд.
6.2.5.2 Номенклатура электроприемников (потребителей) собственных нужд подстанции определяется КД и может включать:
- охлаждение силовых трансформаторов (электродвигатели вентиляторов и насосов), устройства РПН;
- зарядные устройства аккумуляторных батарей;
- электропитание аппаратуры связи и телемеханики, систем учета электроэнергии (резервное питание);
- электродвигатели насосов пожаротушения;
- обогрев, освещение и вентиляцию помещений (ОПУ, ЗРУ, аккумуляторной, насосной пожаротушения и т.д.);
- кондиционирование помещений ОПУ;
- освещение территории подстанции;
- обогрев приводов, баков и шкафов управления выключателей;
- обогрев приводов и маслобаков переключающих устройств РПН;
- обогрев электродвигательных приводов разъединителей;
- обогрев электросчетчиков в неотапливаемых помещениях;
- электропитание охранной сигнализации;
- электропитание для ремонтных работ, выполняемых в процессе эксплуатации подстанции.
6.2.5.3 Питание аппаратов управления оперативным током предусматривается от ТСН, подключенных до выключателей ввода РУ НН. Установленную мощность ТСН и аппаратов управления оперативным током определяют на стадии проектирования подстанции.
6.2.5.4 Тип ТСН, устанавливаемых на ОРУ, - масляные герметичные или сухие в защитном кожухе, с нормальной изоляцией, с уровнем изоляции б по ГОСТ 1516.3, в ЗРУ - сухие, с облегченной изоляцией, с уровнем изоляции а по ГОСТ 1516.3.
6.2.5.5 Для обеспечения надежности схем электропитания собственных нужд подстанции применяют:
- подключение ТСН к разным источникам питания (силовым трансформаторам подстанции);
- секционирование шин собственных нужд 0,4 кВ на секции, каждая из которых питается от разных ТСН;
- автоматическое включение резерва электропитания секций шин собственных нужд.
6.2.5.6 По решению заказчика резервное электроснабжение собственных нужд при отключении обоих ТСН обеспечивается от ДЭС.
6.2.6 Кабельное хозяйство
6.2.6.1 Во вторичных цепях применяют экранированные кабели, не распространяющие горение, с пониженным дымовыделением и газовыделением с исполнением "нг" и индексами "LS" по ГОСТ 31565.
6.2.6.2 Кабельные конструкции для прокладки вторичных цепей - по ГОСТ 20783 <1>.
--------------------------------
<1> В Российской Федерации действует ГОСТ Р 52868-2007 "Системы кабельных лотков и системы кабельных лестниц для прокладки кабелей. Общие технические требования и методы испытаний".
6.2.6.3 Прокладку кабелей вторичных цепей между РУ ВН/СН и РУ НН осуществляют по эстакаде или в бетонном лотке.
6.3 Показатели надежности
6.3.1 Подстанции относятся к классу ремонтируемых, восстанавливаемых изделий по ГОСТ 27.003.
6.3.2 Основными показателями надежности подстанций по ГОСТ 4.316 являются:
- вероятность безотказной работы;
- средний ресурс до капитального ремонта, лет;
- механический ресурс коммутационной аппаратуры, операций;
- коммутационная износостойкость коммутационной аппаратуры, циклов включение/отключение;
- установленная безотказная наработка, ч;
- среднее время восстановления, ч;
- установленный полный срок службы, лет;
- средний срок сохраняемости, лет.
6.3.3 Показатели надежности рассчитывают, обосновывают и оценивают по ГОСТ 27.301 исходя из результатов расчетов, испытаний и информации о показателях надежности комплектующих изделий.
6.3.4 Показатели надежности обеспечивают:
- выбором материалов основных деталей и уплотнительных элементов в зависимости от параметров и условий эксплуатации;
- полнотой научно-исследовательских и опытно-конструкторских работ;
- проведением комплекса необходимых расчетов и испытаний, основанных на верифицированных в установленном порядке методиках;
- установлением критериев предельных состояний;
- установлением назначенных сроков службы, назначенных ресурсов, сроков технического обслуживания, ремонта и утилизации;
- выявлением всех опасностей, связанных с возможным предсказуемым неправильным использованием;
- ограничением в использовании.
6.4 Стойкость к внешним воздействиям
6.4.1 При проектировании подстанций устанавливают следующие характеристики стойкости к внешним воздействиям:
- стойкость к климатическим воздействиям;
- стойкость к механическим воздействиям;
- стойкость к агрессивным воздействиям внешней среды;
- стойкость к сейсмическим воздействиям.
6.4.2 Вид климатического исполнения и категорию размещения определяют в ТЗ по ГОСТ 15150. Категории размещения определяют как для оборудования, размещаемого на открытом воздухе, так и для оборудования, размещаемого в зданиях. Перечень и номинальные значения климатических факторов внешней среды - по ГОСТ 15543.1.
6.4.3 Тип атмосферы - II или IV по ГОСТ 15150.
6.4.4 Высота установки - до 1000 м над уровнем моря. При проектировании и изготовлении подстанций с высотой установки свыше 1000 м над уровнем моря к изоляции подстанции применяют дополнительные условия по ГОСТ 1516.1.
6.4.5 Выбор материалов и конструкции подстанции, предназначенных для эксплуатации в районах с холодным климатом - по ГОСТ 17412, с тропическим климатом - по ГОСТ 15963.
6.4.6 Подстанции проектируют и изготавливают на работу при степени загрязнения атмосферы в соответствии с ГОСТ 9920.
6.4.7 Стойкость подстанции и комплектующих элементов к механическим факторам внешней среды устанавливают по ГОСТ 17516.1.
6.4.8 Комплектующие изделия подстанции с категорией размещения 1 по ГОСТ 15150 выдерживают суммарные механические нагрузки и ударные воздействия:
- от ветра скоростью 40 м/с без гололеда;
- от ветра скоростью 15 м/с с гололедом;
- гололеда с толщиной стенки льда 20 мм;
- от монтажных нагрузок не менее 2500 Н/м2.
6.4.9 Кровля зданий, ЗРУ, ОПУ также должна выдерживать механические нагрузки, приведенные в 6.4.8.
6.4.10 Оболочки высоковольтного оборудования подстанции напряжением до 35 кВ включительно соответствуют степени защиты от механического удара IK10 по ГОСТ IEC 62262.
6.4.11 Комплектующие изделия подстанций в части сейсмостойкости выбирают по ГОСТ 30546.1, ГОСТ 30546.2. Сейсмостойкость комплектующих изделий подстанций, предназначенных для работы в сейсмоопасных районах (9 и более баллов по [4]), подтверждается протоколами испытаний.
6.5 Сырье, материалы и покупные изделия
6.5.1 Сырье, материалы и покупные изделия, применяемые для производства подстанций, выбирают в соответствии с КД на подстанции, ТУ на материалы и покупные изделия, а также условиями договора. Соответствие сырья, материалов и покупных изделий подтверждают сертификатами или протоколами испытаний изготовителя.
6.5.2 Выбор сырья, материалов и покупных изделий осуществляют исходя из условий обеспечения их безопасной эксплуатации, выполнения ими своих функций с требуемой эффективностью, надежностью, долговечностью и гарантией изготовителя.
6.5.3 Верификацию сырья, материалов и покупных комплектующих изделий осуществляют по ГОСТ 24297.
6.5.4 Изоляторы опорные для ОРУ выбирают по ГОСТ 25073, для ЗРУ - по ГОСТ 19797. По согласованию с заказчиком возможно применение изоляторов других типов.
6.5.5 При производстве подстанций применяют линейные изоляторы по ГОСТ 6490 и ГОСТ 28856.
6.5.6 Проходные изоляторы - по ГОСТ 20454. По согласованию с заказчиком возможно применение изоляторов других типов.
6.5.7 Металлические ограждения, площадки обслуживания и лестницы подстанций - по ГОСТ 23120.
6.5.8 Зажимы для присоединения вторичных цепей - по ГОСТ 19132.
6.5.9 Выводы электротехнических устройств подстанции - по ГОСТ 24753 и ГОСТ 21242.
6.6 Комплектность
6.6.1 В комплект поставки подстанции входят:
- РУ ВН;
- РУ СН (при наличии);
- РУ НН (при наличии);
- ОПУ (при наличии);
- силовые трансформаторы;
- монтажный комплект (элементы для сборки, крепежные изделия и пр.);
- кабельные изделия и конструкции;
- комплект ЗИП;
- комплект сопроводительных документов.
6.6.2 В комплект поставки ОПУ входят:
- комплектное модульное здание;
- комплект внешних металлоконструкций (площадки, лестницы, козырьки);
- устройства РЗА;
- устройства и оборудование связи, телемеханики и учета электрической энергии;
- аппараты управления оперативным током и оборудование собственных нужд;
- оборудование систем жизнеобеспечения (освещение, отопление, вентиляция, кондиционирование);
- оборудование системы охранно-пожарной сигнализации и системы пожаротушения;
- дополнительное оборудование согласно условиям договора.
6.6.3 Комплект сопроводительных документов на подстанцию включает:
а) КД, выполненную по Единой системе конструкторской документации, в том числе:
- ТУ на подстанцию;
- эксплуатационные документы на подстанцию и комплектующие изделия (паспорт, инструкции по транспортированию, разгрузке, хранению, монтажу, вводу в эксплуатацию, руководство по эксплуатации, документация по плановым ремонтам, ведомость комплекта ЗИП);
- габаритные и монтажные чертежи, электрические принципиальные схемы на подстанцию и комплектующие изделия;
б) акты и протоколы верификации на сырье, материалы, покупные изделия;
в) копии деклараций о соответствии или сертификатов соответствия требованиям технических регламентов <1>.
--------------------------------
<1> Подтверждение соответствия требованиям технических регламентов осуществляют в порядке, установленном в этих регламентах.
6.7 Маркировка
6.7.1 Маркировка подстанций и комплектующих изделий - по ГОСТ 18620.
6.7.2 Маркировку наносят в местах, доступных для осмотра в процессе транспортирования, монтажа, хранения и эксплуатации подстанции. Способ нанесения маркировки выбирают таким образом, чтобы обеспечить четкость надписей в течение всего срока службы.
6.7.3 Подстанцию и комплектующие изделия снабжают табличками по ГОСТ 12969, обеспечивающими сохранность информации при атмосферных воздействиях и коррозии. Форма и размеры таблички - по ГОСТ 12971.
6.7.4 Размещение таблички с информацией о подстанции осуществляется на входе в ОПУ, если иное не определено КД. Размещение табличек с информацией о комплектующих изделиях - в соответствии с нормативными документами и КД на данные изделия.
6.7.5 На табличке с информацией о подстанции указывают:
- наименование, торговую марку или товарный знак изготовителя;
- страну-изготовителя;
- условное обозначение подстанции;
- знак обращения на рынке;
- заводской номер;
- обозначение ТУ (при наличии);
- дату изготовления.
6.7.6 Сборочные единицы, ряды зажимов, соединительные элементы, элементы для заземления высоковольтного оборудования маркируют согласно КД.
6.7.7 Маркировка транспортной тары - по ГОСТ 14192, содержащая следующие данные:
- наименование изготовителя;
- наименование получателя и место назначения;
- заводской номер;
- массу брутто и нетто, кг;
- количество мест и номер места;
- знаки, обозначающие условия транспортирования, хранения и способы обращения с грузом: "Хрупкое. Осторожно", "Верх", "Место строповки", "Центр тяжести".
6.8 Упаковка
6.8.1 Упаковку подстанций, комплектующих изделий и комплекта ЗИП выбирают таким образом, чтобы обеспечить защиту от механических повреждений и негативных воздействий факторов окружающей среды. Части, представляющие собой крупногабаритные конструкции, допускается не упаковывать или применять для них частичную упаковку.
6.8.2 Упаковка и консервация подстанций, комплектующих изделий и комплекта ЗИП - по КД и ГОСТ 23216.
6.8.3 Исполнение упаковки по прочности и категория упаковки, сочетание вида транспортной тары и типа внутренней упаковки указываются в КД.
6.8.4 Тип упаковочного средства и временная противокоррозионная защита - по КД и ГОСТ 9.014.
6.8.5 Упаковка подстанций, комплектующих изделий и комплекта ЗИП, отправляемых в районы Крайнего Севера и труднодоступные районы, - по ГОСТ 15846.
6.8.6 Сопроводительные документы упаковывают в непромокаемые пакеты из полиэтиленовой пленки по ГОСТ 10354.
6.8.7 Комплектующие изделия и комплект ЗИП упаковывают и закрепляют в ящики по ГОСТ 10198.
6.8.8 Подстанции, комплектующие изделия, комплект ЗИП консервируют на срок не менее чем 2 года с учетом условий хранения и транспортирования.
6.8.9 О проведении консервации и сроках последующей переконсервации ставится отметка в паспорте на подстанцию.
7 Требования безопасности
7.1 Конструкцию подстанции проектируют и изготовляют таким образом, чтобы обеспечить безопасность по ГОСТ 12.2.007.0. Безопасность комплектующих изделий - по ГОСТ 12.2.007.2, ГОСТ 12.2.007.3, ГОСТ 12.2.007.4, ГОСТ 12.2.007.6, ГОСТ 12.2.007.14.
7.2 В подстанции должны быть блокировки, не допускающие неправильные оперативные действия с высоковольтным оборудованием.
7.3 На подстанции должны быть следующие виды блокировок:
а) механические, а именно:
- блокировка, не допускающая включение заземляющих ножей при включенных рабочих ножах разъединителей;
- блокировка, не допускающая подачу напряжения разъединителем на участок электрической схемы, заземленной включенным заземлителем, а также на участок электрической схемы, отделенной от включенных заземлителей только выключателем;
б) электрические, а именно:
- блокировка, не допускающая включение и отключение линейных и шинных разъединителей при включенном высоковольтном выключателе;
- блокировка, не допускающая включение высоковольтного выключателя при нахождении разъединителей в промежуточном положении;
- блокировка включения высоковольтного выключателя при коммутации разъединителями;
- внешняя блокировка, не допускающая включение высоковольтного выключателя ввода при включенных заземляющих ножах заземления сборных шин;
- внешняя блокировка включения высоковольтного выключателя при включенных заземляющих ножах разъединителей.
Примечание - Для осуществления других видов блокировок (оперативной безопасности и т.п.) согласно схемам вспомогательных цепей предусматривается возможность установки блокировочных замков и конечных выключателей положения заземляющего разъединителя (по заказу).
7.4 Защиту подстанций осуществляют:
- от прямых ударов молнии - молниеприемниками, установленными на концевых опорах ВЛ, порталах, зданиях и отдельно стоящими молниеотводами на ОРУ (при необходимости). Места установки устройств защиты от молнии и их типы определяются в ТЗ;
- от перенапряжений - ОПН, устанавливаемыми на подходах к подстанциям и в РУ. Места установки ОПН и их тип определяются в ТЗ. Во вторичных цепях применяются устройства для защиты от импульсных перенапряжений по ГОСТ IEC 61643-11.
7.5 Устройства защитного заземления должны обеспечивать безопасность людей, эксплуатационные режимы работы, защиту электроустановок и соответствовать действующим нормативным документам и технической документации.
7.6 Корпусы аппаратов присоединяют к металлоконструкциям при помощи заземляющих проводников к болтам (винтам, штырям) для заземления с применением мер против ослабления контактов (пружинные шайбы, зубчатые шайбы и др.). Основания металлоконструкций блоков присоединяют к контуру заземления подстанций с помощью сварки.
7.7 Материал и площадь поперечного сечения заземлителей выбирают по условию термической стойкости при допустимой температуре 400 °C (кратковременный нагрев, соответствующий времени действия основных и резервных защит с учетом времени отключения выключателя), а также с учетом коррозионного разрушения заземлителя.
7.8 Защитное заземление и заземляющие зажимы - по ГОСТ 12.1.030.
7.9 Освещенность территории подстанции, ее элементов, включая видимые разрывы коммутационных аппаратов и указатели уровня масла (на их высоте), обеспечивают осветительными установками. Конструкция осветительной установки должна обеспечивать возможность безопасной замены ламп без снятия напряжения с токоведущих частей элементов подстанции.
7.10 Для ограждения токоведущих частей блоков подстанции, которые могут оказаться под напряжением во время проведения ремонтных работ, предусматривают стационарные или переносные металлические ограждения с приспособлением для их запирания.
7.11 В подстанции возле коммутационных аппаратов, шкафов управления и контроля, приводов разъединителя предусматривают защитные экраны в виде козырьков, навесов и перегородок. При необходимости предусматривают площадки обслуживания.
7.12 По согласованию с заказчиком на подстанции предусматривают систему контроля токов утечки ОПН на напряжения 110 и 220 кВ под рабочим напряжением.
7.13 Для питания светильников местного стационарного освещения должны применяться напряжения: в ОРУ - не выше 220 В, в зданиях и помещениях - не выше 50 В. Для разводки ремонтного освещения следует предусмотреть специальные розетки для подключения переносного освещения.
7.14 Уровень шумового воздействия, создаваемого подстанцией, - по ГОСТ 12.1.003.
7.15 Заземляющие ножи должны быть устойчивы к воздействию сквозных токов КЗ, т.е. выдерживать без разрыва заземляющих цепей номинальный ток электродинамической стойкости и ток термической стойкости при длительности протекания тока термической стойкости - 1 с.
7.16 Приводы разъединителей должны иметь указатели положения главных и заземляющих ножей с надписями о включении и отключении.
7.17 ОПУ должен быть оборудован автоматическими установками пожарной сигнализации с дымовыми пожарными извещателями. Для защиты отдельных пожароопасных участков предусматривают автономные установки пожаротушения.
7.18 Тип автоматической установки тушения, способ тушения, вид огнетушащих средств, тип оборудования установок пожарной автоматики определяется в ТЗ и зависит от технологических, конструктивных и объемно-планировочных особенностей здания и помещений с учетом действующих нормативных документов.
7.19 Требования безопасности при испытаниях и измерениях - по ГОСТ 12.3.019.
7.20 Предельно допустимый уровень напряженности электрического поля, воздействующего на персонал, - по ГОСТ 12.1.002.
7.21 Требования безопасности при погрузочно-разгрузочных работах - по ГОСТ 12.3.009.
7.22 Требования безопасности при электромонтажных работах - по ГОСТ 12.3.032.
7.23 Сигнальные цвета, знаки безопасности и сигнальная разметка - по ГОСТ 12.4.026.
8 Охрана окружающей среды
8.1 Для обеспечения экологической безопасности оборудование подстанций не должно воздействовать на окружающую среду при эксплуатации, транспортировании и хранении, а также не должно выделять вредных веществ.
8.2 Оборудование подстанций изготавливают из негорючих материалов.
8.3 Вышедшие из строя и отработавшие свой ресурс детали утилизируют.
9 Правила приемки
9.1 Приемку подстанций выполняет изготовитель по ГОСТ 15.309.
9.2 Подстанции подвергают следующим видам испытаний:
- приемочные;
- квалификационные;
- приемо-сдаточные;
- периодические;
- типовые.
9.3 Объем испытаний и проверок в зависимости от типа подстанций устанавливают в КД на подстанции конкретных типов. Рекомендуемый объем испытаний и проверок подстанций приведен в таблице 2.
Таблица 2
Рекомендуемый объем испытаний и проверок подстанций
Наименование испытания или проверки
Техническое требование, проверяемое при испытаниях
Методы контроля, пункты
приемо-сдаточных, пункты
приемочных, квалификационных, периодических, пункты
Проверка комплектности
Проверка габаритных и присоединительных размеров
Проверка работоспособности и функционирования блокировок
Испытания электрической прочности изоляции
Испытания на нагрев
-
Испытания силовых и заземляющих цепей на термическую и динамическую стойкость к токам КЗ
-
Испытания на стойкость к воздействию климатических факторов внешней среды
-
Испытания на стойкость к воздействию механических факторов внешней среды
-
Испытания на сейсмостойкость
-
Измерения напряженности электромагнитных полей
-
Измерение индустриальных радиопомех
-
Проверка степени защиты по ГОСТ 14254
-
Проверка электромагнитной совместимости
-
Измерение уровня шума
-
9.4 Объем испытаний и проверок комплектующих и оборудования подстанции устанавливают в нормативных документах, действующих на территории страны, для которой предназначена подстанция.
9.5 СИ, применяемые при проведении испытаний, поверяют и аттестуют в соответствии с действующими на территории страны нормативными документами.
9.6 Испытания проводят при нормальных значениях климатических факторов внешней среды по ГОСТ 15150.
9.7 Испытания проводят по ПМИ, разработанной по ГОСТ 2.106, ГОСТ 15.309.
9.8 Порядок проведения приемочных и квалификационных испытаний - по ГОСТ 15.001 <1>. Порядок проведения приемо-сдаточных, периодических и типовых испытаний - по ГОСТ 15.309.
--------------------------------
<1> В Российской Федерации действует ГОСТ Р 15.201-2000 "Система разработки и постановки продукции на производство. Продукция производственно-технического назначения. Порядок разработки и постановки продукции на производство".
9.9 Приемочные испытания проводят на опытном образце подстанции с целью оценки соответствия подстанции требованиям технического задания на опытный образец, а также для принятия решения о целесообразности постановки подстанции на производство.
9.10 Квалификационные испытания проводят при постановке подстанций на производство.
9.11 Допускается засчитывать в качестве квалификационных испытаний приемочные испытания опытного образца, если:
- опытный образец изготовлен по технологии и на оборудовании, применяемом для серийного производства;
- перед серийным производством не проводилась доработка КД, требующая проведения испытаний;
- время, прошедшее после проведения приемочных испытаний, не превышает срока, установленного для периодических испытаний.
9.12 Приемо-сдаточным испытаниям подвергают все подстанции со сформированными комплектами сопроводительной документации. На приемо-сдаточные испытания допускается предъявлять подстанции укрупненными блоками (блок опорных изоляторов с комплектом жесткой ошиновки, блок разъединителя, блок выключателя, ОПУ и т.д.), при этом окончательную приемку подстанции осуществляют на объекте магистрального трубопровода для транспортировки нефти и нефтепродуктов после выполнения строительно-монтажных работ.
9.13 Приемку подстанций оформляют протоколами приемо-сдаточных испытаний.
9.14 В протоколы приемо-сдаточных испытаний включают следующую информацию:
- наименование документа;
- наименование и адрес лаборатории, а также место проведения испытаний, если оно не находится по адресу лаборатории;
- уникальную идентификацию протокола испытаний, а также идентификацию на каждой его странице;
- наименование и адрес заказчика;
- идентификацию метода;
- описание, состояние и однозначную идентификацию объекта/объектов испытаний;
- дату получения объекта/объектов, подлежащего/подлежащих испытаниям, а также дату/даты проведения испытаний;
- ссылку на план и методы отбора образцов, используемые лабораторией, если они имеют отношение к достоверности и применению результатов;
- результаты испытаний с указанием, при необходимости, единиц измерений;
- имя, должность и подпись или эквивалентную идентификацию лица, утвердившего протокол испытаний;
- отклонения, дополнения или исключения, относящиеся к методике испытаний, а также информацию о специальных условиях испытаний, таких как условия окружающей среды;
- указание о соответствии/несоответствии ТУ.
9.15 Периодические испытания проводят не реже 1 раза в 5 лет в объеме квалификационных испытаний. Количество образцов, подвергаемых испытаниям, методика испытаний - в соответствии с ПМИ периодических испытаний, утвержденной в установленном порядке, и ГОСТ 15.309.
9.16 Типовые испытания проводят в полном или сокращенном объеме квалификационных испытаний в целях оценки эффективности и целесообразности предлагаемых изменений в КД или технологии изготовления, которые могут повлиять на характеристики подстанций, связанные с безопасностью, либо могут повлиять на эксплуатационные показатели. В зависимости от характера изменений испытаниям допускается подвергать отдельные сборочные единицы, детали и образцы материалов.
10 Методы контроля
10.1 Методы проведения проверки габаритных и присоединительных размеров в соответствии с КД, а также комплектности включают в ТУ изготовителя.
10.2 Методы контроля работоспособности и функционирования блокировок
10.2.1 Испытания проводят на подстанции, прошедшей проверку правильности выполнения оперативных цепей управления, защиты, автоматики и сигнализации в соответствии с КД.
10.2.2 При проверке механических и электрических блокировок проводят по три попытки поочередного включения/отключения коммутационных аппаратов.
10.2.3 Механические и электрические блокировки считают выдержавшими проверку, если они соответствуют ТЗ, КД, и при этом не было повреждений, препятствующих их дальнейшей нормальной работе.
10.3 Испытание электрической прочности изоляции высоковольтного оборудования и ошиновок - по ГОСТ 1516.2, ГОСТ 1516.3. Испытания высоковольтного оборудования и ошиновок подстанций, предназначенных для работы в загрязненных условиях, проводят с учетом ГОСТ 10390. При приемо-сдаточных испытаниях проводят испытания повышенным напряжением промышленной частоты в течение 1 мин, в остальных случаях дополнительно проводят испытания напряжением грозового импульса, проверку длины пути утечек и измерение частичных разрядов (при необходимости). Высоковольтное оборудование с газовой изоляцией испытывают при минимальном рабочем давлении газа. Если испытания электрической прочности изоляции высоковольтного оборудования подстанции выполнялись при их изготовлении, испытания данных изделий допускается не проводить. Испытания электрической прочности вторичных цепей - по ГОСТ 1516.3 (пункт 4.14).
10.4 Испытания на нагрев - по ГОСТ 8024. Высоковольтное оборудование с газовой изоляцией испытывают при минимальном рабочем давлении газа. При испытании на нагрев должны быть приняты меры для защиты от ветра, солнечных или других тепловых излучений. Двери, окна зданий закрытых подстанций при испытаниях должны быть закрытыми, кабельные вводы герметизированы. Для ускорения испытания на нагрев допускается предварительное нагревание испытуемого объекта током выше номинального. Температура окружающего воздуха при испытаниях определяется как среднее арифметическое значение показаний нескольких термометров или других СИ. В течение последней четверти периода испытаний температура не должна изменяться более чем на 1 °C в 1 ч.
10.5 Испытания главных и заземляющих цепей на термическую и динамическую стойкость к токам КЗ проводят для проверки способности выдерживать электрические, механические и тепловые нагрузки, возникающие при протекании токов КЗ.
Испытания главных цепей проводят в собранном РУ со всеми элементами, оказывающими влияние на эксплуатационные характеристики или на токи КЗ. Испытания заземляющих цепей проводят в РУ со смонтированными элементами защитного заземления, заземляющими проводниками и другими элементами, влияющими на эксплуатационные характеристики или токи КЗ.
Если выполнены отдельные испытания высоковольтного оборудования подстанции на термическую и динамическую стойкость к токам КЗ, испытания данного оборудования допускается не проводить.
При проведении испытаний главных и заземляющих цепей на термическую стойкость к токам КЗ заземляющие цепи выполняют таким образом, чтобы сохранялась их непрерывность.
Испытания допускается проводить при снижении междуфазных расстояний. Допустимые отклонения частоты и токов в разных фазах - не более 10%.
Перед проведением испытаний проводят проверку работоспособности коммутационного оборудования и измерение сопротивления постоянному току главной цепи.
При выполнении испытаний на термическую стойкость к токам КЗ уровень воздействующего тока и время воздействия выбирают не ниже номинальных. Если отсутствует возможность проведения испытаний на термическую стойкость к токам КЗ с продолжительностью, равной номинальной длительности протекания тока термической стойкости, уровень воздействующего тока определяется из условия
In2·tn = Ii2·ti, (1)
где In - номинальный ток термической стойкости, кА;
tn - номинальная длительность протекания тока термической стойкости, кА;
Ii - уровень воздействующего тока при испытаниях, с;
ti - продолжительность воздействия тока при испытаниях, с.
При проведении испытания главных и заземляющих цепей на термическую и динамическую стойкость к токам КЗ:
- не допускается возникновение механических повреждений в главной цепи и высоковольтном оборудовании;
- контролируется нагрев ошиновок и контактных соединений в местах наибольшего нагрева.
После проведения испытаний проверяют работоспособность коммутационной аппаратуры, измеряют сопротивление главной цепи и проводят испытания электрической прочности изоляции.
10.6 Испытания на стойкость к воздействию климатических факторов внешней среды - по ГОСТ 16962.1, ГОСТ 17412 и ГОСТ 15963.
10.7 Испытания на стойкость к механическим внешним воздействующим факторам - по ГОСТ 16962.2.
10.8 Испытания на сейсмостойкость - по ГОСТ 30546.2.
10.9 Измерения напряженности электромагнитных полей - по ГОСТ 12.1.002.
10.10 Измерение индустриальных радиопомех - по ГОСТ 22012.
10.11 Проверка степени защиты оболочек низковольтного оборудования - по ГОСТ 14254.
10.12 Проверка на электромагнитную совместимость коммутационных аппаратов ВН, СН и НН и технических устройств подстанции - по нормативным документам, действующим на территории страны, для которой предназначены подстанции.
10.13 Измерение уровня шума - по нормативным документам, действующим на территории страны, для которой предназначены подстанции.
11 Транспортирование и хранение
11.1 Подстанции транспортируют железнодорожным, автомобильным и водным транспортом в соответствии с правилами перевозки грузов, действующими на каждом виде транспорта.
11.2 Условия транспортирования и хранения подстанций в части воздействия климатических факторов - группа 8 (ОЖЗ) по ГОСТ 15150 (открытые площадки в макроклиматических районах с умеренным и холодным климатом в атмосфере любых типов).
11.3 Условия транспортирования подстанций в части воздействия механических факторов - средние условия (С), а при перевозках, включающих транспортирование морем, - жесткие (Ж) по ГОСТ 23170.
11.4 Погрузочно-разгрузочные работы - по ГОСТ 12.3.009.
11.5 Сохраняемость геометрических размеров, прочности, герметичности и работоспособности подстанций и ее составных частей, а также заводской упаковки и антикоррозионные покрытия обеспечивают условиями хранения в течение всего срока сохраняемости.
11.6 Срок хранения подстанции - не менее 24 мес без повторной консервации.
11.7 При хранении свыше срока консервации или обнаружении дефектов временной антикоррозионной защиты при контрольных осмотрах в процессе хранения проводят переконсервацию согласно руководству по эксплуатации и по ГОСТ 9.014 с внесением отметки в паспорт.
12 Указания по эксплуатации
12.1 Подстанцию допускают к монтажу по результатам входного контроля по ГОСТ 24297.
12.2 При проведении входного контроля проверяют комплектность, отсутствие повреждений составляющих деталей и узлов, целостность защитных покрытий.
12.3 Монтаж и ввод в эксплуатацию подстанции проводят в соответствии с инструкциями изготовителя, выполненными по ГОСТ 2.610.
12.4 По окончании монтажных работ проводят комплексное опробование подстанции в течение 72 ч с последующим составлением акта приемки в эксплуатацию.
12.5 При эксплуатации подстанции проводят периодические осмотры, техническое обслуживание и ремонт в соответствии с эксплуатационными документами и требованиями действующих на территории страны нормативных документов.
12.6 В эксплуатационных документах на подстанцию и комплектующие изделия приводят виды и объемы работ по техническому обслуживанию и ремонту, периодичность их выполнения, а также нормы расхода материалов на выполнение этих работ.
12.7 Все СИ, входящие в состав подстанции, подлежат поверке или калибровке в соответствии с нормативными документами, действующими на территории страны, для которой подстанции предназначены.
13 Гарантии изготовителя
13.1 Изготовитель гарантирует соответствие подстанций требованиям настоящего стандарта, КД при соблюдении условий транспортирования, хранения, монтажа и эксплуатации.
13.2 Гарантийные обязательства изготовителя (гарантийный срок хранения, гарантийный срок эксплуатации) указывают в ТУ и паспорте:
- гарантийный срок хранения без переконсервации - не менее 2 лет;
- гарантийный срок эксплуатации - не менее 5 лет со дня ввода подстанции в эксплуатацию, но не более 7 лет со дня отгрузки.
13.3 В течение гарантийного срока изготовитель безвозмездно устраняет дефекты производства, выявленные в процессе эксплуатации, а при невозможности устранения дефектов заменяет комплектующие изделия подстанции.
13.4 Повреждение антикоррозионного покрытия и последующее его восстановление при монтаже не является основанием для уменьшения гарантийного срока или отмены гарантийных обязательств изготовителя.
Приложение А
(справочное)
ПРИНЦИПИАЛЬНЫЕ ЭЛЕКТРИЧЕСКИЕ СХЕМЫ
РАСПРЕДЕЛИТЕЛЬНЫХ УСТРОЙСТВ ПОДСТАНЦИЙ
А.1 Перечень принципиальных электрических схем РУ подстанций приведен в таблице А.1. Условные обозначения принципиальных электрических схем РУ подстанций сохраняются независимо от класса напряжения.
Таблица А.1
Наименование
Описание
Условное обозначение
Блок (линия-трансформатор) с разъединителем
Тип подстанции - тупиковая.
Количество присоединений - 2 шт. (одна линия и один трансформатор).
Условия применения - ВЛ без ответвительных подстанций, надежная линия связи для передачи сигналов РЗА
1
Блок (линия-трансформатор) с выключателем
Тип подстанции - тупиковая или ответвительная.
Количество присоединений - 2 шт. (одна линия и один трансформатор).
Условия применения - ВЛ с ответвительными подстанциями
Два блока (линия-трансформатор) с выключателями и неавтоматической перемычкой со стороны линий
Тип подстанции - тупиковая или ответвительная.
Количество присоединений - 4 шт. (две линии и два трансформатора).
Условия применения - двухтрансформаторная подстанция с питанием по двум ВЛ
Мостик с выключателями в цепях линий и ремонтной перемычкой со стороны линий
Тип подстанции - проходная.
Количество присоединений - 4 шт. (две линии и два трансформатора).
Условия применения - проходная подстанция с двухсторонним питанием
Мостик с выключателями в цепях трансформаторов и ремонтной перемычкой со стороны трансформаторов
Тип подстанции - проходная.
Количество присоединений - 4 шт. (две линии и два трансформатора).
Условия применения - проходная подстанция с двухсторонним питанием при необходимости частых операций включение-отключение трансформаторов
5АН
Заход-выход
Тип подстанции - проходная или ответвительная.
Количество присоединений - 3 шт. (две линии и один трансформатор).
Условия применения - проходная подстанция с двухсторонним питанием
6
Треугольник
Тип подстанции - проходная.
Количество присоединений - 3 шт. (две линии и один трансформатор).
Условия применения - проходная подстанция с двухсторонним питанием по двум ВЛ
Четырехугольник
Тип подстанции - проходная.
Количество присоединений - 4 шт. (две линии и два трансформатора).
Условия применения - проходная подстанция с двухсторонним питанием по двум ВЛ с секционированием транзитной ВЛ
7
Шестиугольник
Тип подстанции - узловая.
Количество присоединений - 6 шт. (четыре линии и два трансформатора).
Условия применения - узловая подстанция с 6 присоединениями
8
Одна рабочая секционированная выключателем система шин
Тип подстанции - узловая.
Количество присоединений - 5 шт. (три линии и два трансформатора) с возможностью расширения присоединений свыше 5.
Условия применения - наличие попарно резервируемых линий, а также линий, резервируемых от других подстанций, отсутствие необходимости сохранения в работе всех присоединений к каждой секции при ее подключении
9
Одна рабочая секционированная по числу трансформаторов система шин с подключением трансформаторов к секциям шин через развилку из выключателей
Тип подстанции - узловая.
Количество присоединений - 5 шт. (три линии и два трансформатора) с возможностью расширения присоединений свыше 5.
Условия применения - наличие попарно резервируемых линий, а также линий, резервируемых от других подстанций, отсутствие необходимости сохранения в работе всех присоединений к каждой секции при ее подключении и повышенных требованиях к сохранению работоспособности трансформаторов
Одна рабочая секционированная система шин с подключением ответственных присоединений через "полуторную" цепочку
Тип подстанции - узловая.
Количество присоединений - 5 шт. (три линии и два трансформатора) с возможностью расширения присоединений свыше 5.
Условия применения - наличие попарно резервируемых линий, а также линий, резервируемых от других подстанций, отсутствие необходимости сохранения в работе всех присоединений к каждой секции при ее подключении и повышенных требованиях к сохранению работоспособности ВЛ и трансформаторов
9АН
Одна рабочая секционированная выключателем и обходная системы шин
Тип подстанции - узловая.
Количество присоединений - 5 шт. (три линии и два трансформатора) с возможностью расширения присоединений свыше 5.
Условия применения - наличие нерезервированных присоединений (не более одного на секцию) и остальными резервированными присоединениями. С обходной системой шин, включенной в схему плавки гололеда на ВЛ
12
Одна рабочая секционированная выключателями и обходная системы шин с подключением трансформаторов к секциям шин через развилку из выключателей
Тип подстанции - узловая.
Количество присоединений - 5 шт. (три линии и два трансформатора) с возможностью расширения присоединений свыше 5.
Условия применения - наличие нерезервированных присоединений (не более одного на секцию) и остальными резервированными, с обходной системой шин, включенной в схему плавки гололеда на ВЛ и повышенных требованиях к сохранению работоспособности трансформаторов
12Н
Две рабочие системы шин
Тип подстанции - узловая.
Количество присоединений - 5 шт. (три линии и два трансформатора) с возможностью расширения присоединений свыше 5.
Условия применения - более 2 нерезервируемых присоединений, допускающих потерю напряжения при повреждении на сборных шинах на время оперативного переключения по переводу присоединений на другую систему шин, или, при необходимости, деления сети
13
Две рабочие и обходная системы шин
Тип подстанции - узловая.
Количество присоединений - 5 шт. (три линии и два трансформатора) с возможностью расширения присоединений свыше 5.
Условия применения - более 2 нерезервируемых присоединений, допускающих потерю напряжения при повреждении на сборных шинах на время оперативного переключения по переводу присоединений на другую систему шин, или, при необходимости, деления сети. С обходной системой шин, включенной в схему плавки гололеда на ВЛ
13Н
Две рабочие секционированные выключателями и обходная системы шин с двумя обходными и двумя шиносоединительными выключателями
Тип подстанции - узловая.
Количество присоединений - не менее 12 шт. (от двенадцати до четырнадцати линий и от двух до четырех трансформаторов).
Условия применения - более 2 нерезервируемых присоединений.
Недопустимость полного отключения РУ при отказах выключателей и сборных шин. С обходной системой шин, включенной в схему плавки гололеда на ВЛ
14
Трансформаторы-шины с полуторным присоединением линий
Тип подстанции - узловая.
Количество присоединений - 7 или 8 шт. (от пяти до шести линий и два трансформатора).
Условия применения - допускается отключение двух линий при отказе любого выключателя
16
Полуторная схема
Тип подстанции - узловая.
Количество присоединений - 6 шт. и более.
Условия применения - три выключателя на каждые 2 присоединения
17
Нетиповая схема
Тип подстанции - тупиковая, ответвительная или проходная.
Количество присоединений - 3 шт. и более.
Условия применения - в соответствии с технико-экономическим обоснованием
18
А.2 При применении принципиальных электрических схем РУ подстанций подлежат определению:
- типы, количество и технические характеристики основного оборудования;
- необходимость и места установки регулирующих, защитных и компенсирующих устройств, измерительных трансформаторов тока и напряжения, токоограничивающих и дугогасительных реакторов, а также схемы их присоединения;
- режимы нейтралей силовых трансформаторов;
- необходимость и места установки оборудования высокочастотной обработки линии и количество обрабатываемых фаз;
- необходимость и места установки устройств плавки гололеда на проводах и тросах ВЛ;
- места установки и технические характеристики ОПН.
А.3 Для объектов магистрального трубопровода для транспортировки нефти и нефтепродуктов наиболее распространенными и применяемыми являются подстанции с условными обозначениями принципиальных электрических схем РУ:
- 4Н - при отсутствии необходимости секционирования сети, при этом схема автоматического включения резерва на напряжении ВН не выполняется и реализуется в технологическом ЗРУ 6 (10) кВ;
- 5Н, 5АН - при наличии необходимости секционирования сети (транзита мощности по ВЛ);
- 7 - при наличии необходимости секционирования транзитной ВЛ, при этом схема является более предпочтительной, чем схемы 5Н и 5АН по показателям надежности.
А.4 Более сложные схемы подстанций на объектах магистрального трубопровода для транспортировки нефти и нефтепродуктов применяются при наличии обоснований, требований сетевой организации или субъекта оперативно-диспетчерского управления.
А.5 Принципиальные электрические схемы РУ подстанций с условными обозначениями (см. таблицу А.1) приведены на рисунках А.1 - А.19.
Рисунок А.1 - Схема 1.
Блок (линия - трансформатор) с разъединителем
Рисунок А.2 - Схема 3Н.
Блок (линия - трансформатор) с выключателем
Рисунок А.3 - Схема 4Н.
Два блока (линия - трансформатор) с выключателями
и неавтоматической перемычкой со стороны линий
Рисунок А.4 - Схема 5Н. Мостик с выключателями в цепях линий
и ремонтной перемычкой со стороны линий
Рисунок А.5 - Схема 5АН.
Мостике выключателями в цепях трансформаторов
и ремонтной перемычкой со стороны трансформаторов
Рисунок А.6 - Схема 6. Заход - выход
Рисунок А.7 - Схема 6Н. Треугольник
Рисунок А.8 - Схема 7. Четырехугольник
Рисунок А.9 - Схема 8. Шестиугольник
Рисунок А.10 - Схема 9. Одна рабочая
секционированная выключателем система шин
Рисунок А.11 - Схема 9Н. Одна рабочая секционированная
по числу трансформаторов система шин с подключением
трансформаторов к секциям шин через развилку из выключателей
Рисунок А.12 - Схема 9АН. Одна рабочая
секционированная система шин с подключением
ответственных присоединений через "полуторную" цепочку
Рисунок А.13 - Схема 12. Одна рабочая
секционированная выключателем и обходная системы шин
Рисунок А.14 - Схема 12Н. Одна рабочая секционированная
выключателями и обходная системы шин с подключением
трансформаторов к секциям шин через развилку из выключателей
Рисунок А.15 - Схема 13. Две рабочие системы шин
Рисунок А.16 - Схема 13Н. Две рабочие и обходная системы шин
Рисунок А.17 - Схема 14. Две рабочие секционированные
выключателями и обходная системы шин с двумя обходными
и двумя шиносоединительными выключателями
Рисунок А.18 - Схема 16. Трансформаторы-шины
с полуторным присоединением линий
Рисунок А.19 - Схема 17. Полуторная схема
БИБЛИОГРАФИЯ
[1]
ИСО 12944-2:1998
Краски и лаки. Антикоррозионная защита стальных конструкций с помощью защитных лакокрасочных систем. Часть 2. Классификация окружающей среды
(ISO 12944-2:1998)
(Paints and varnishes - Corrosion protection of steel structures by protective paint systems - Part 2: Classification of environments)
[2]
Технический регламент
Таможенного союза ТР ТС 020/2011
Электромагнитная совместимость технических средств
[3]
Технический регламент
Таможенного союза ТР ТС 004/2011
О безопасности низковольтного оборудования
[4]
MSK-64
Шкала сейсмической интенсивности MSK-1964