Список изменяющих документов (в ред. Изменения N 1, утв. в январе 1987 г., Изменения N 2, утв. в июне 1989 г.) |
Обозначение НТД, на который дана ссылка | Номер пункта |
ИС МЕГАНОРМ: примечание. Нумерация пунктов дана в соответствии с официальным текстом документа. |



































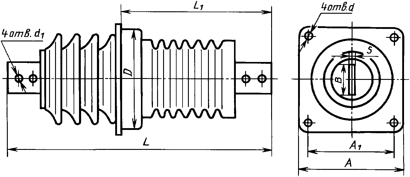
Тип изолятора | Код ОКП | Номер чертежа | , кВ | Номинальный ток, А | Минимальная разрушающая сила на изгиб, кН | L | L1 | A <*> | A1 | D, не более | d | d1 | B <*> | s <*> | s1 <*> | Масса, кг, не более | |||||
Номин. | Пред. откл. | Номин. | Пред. откл. | Номин. | Пред. откл. | Номин. | Пред. откл. | Номин. | Пред. откл. | ||||||||||||
ИП-6/400-3,75УХЛ2 | 34 9331 1025 | 400 | 3,75 | 385 | +/- 2 | 200 | +/- 5,0 | 165 | 140 | +/- 1,0 | 112 | 11 | +/- 0,43 | 9 | +0,43 | 40 | 4 | - | 5 | ||
ИП-6/400-3,75Т2 | 34 9331 1026 | ||||||||||||||||||||
ИП-10/630-7,5УХЛ2 | 34 9331 1027 | 630 | 7,50 | 470 | 250 | +/- 5,5 | 205 | 165 | 146 | 13 | 11 | 50 | 6 | 7 | |||||||
ИП-10/630-7,5Т2 | 34 9331 1028 | 8 | |||||||||||||||||||
ИП-10/1000-7,5УХЛ2 | 34 9331 1030 | 1000 | 520 | 260 | 190 | 150 | +/- 0,7 | 166 | 14 | 80 | 8 | ||||||||||
ИП-10/1000-7,5Т2 | 34 9331 1063 | 10 | |||||||||||||||||||
ИП-10/1000-7,5У3 | 34 9331 1032 | 500 | 140 | 7 | |||||||||||||||||
ИП-10/1600-7,5УХЛ2 | 34 9331 1031 | 1600 | 520 | 166 | 10 | 9 | |||||||||||||||
ИП-10/1600-7,5Т2 | 34 9331 1065 | 13 | |||||||||||||||||||
ИП-10/1600-7,5У3 | 34 9331 1033 | 500 | 140 | 7,5 | |||||||||||||||||
ИП-35/400-7,5УХЛ2 | 34 9331 1056 | 400 | 1010 | 473 | +/- 8,0 | 250 | 200 | +/- 2,2 | 208 | 15 | 9 | 40 | 4 | - | 38 | ||||||
ИП-35/400-7,5Т2 | 34 9331 1057 | 40 | |||||||||||||||||||
ИП-35/630-7,5УХЛ2 | 34 9331 1058 | 630 | 11 | 50 | 6 | 38 | |||||||||||||||
ИП-35/630-7,5Т2 | 34 9331 1059 | 40 | |||||||||||||||||||
ИП-35/1000-7,5УХЛ2 | 34 9331 1061 | 1000 | 996 | 451 | 240 | 234 | 14 | 8 | 31 | ||||||||||||
ИП-35/1000-7,5Т2 | 34 9331 1067 | 1010 | 50 | ||||||||||||||||||
ИП-35/1600-7,5УХЛ2 | 34 9331 1062 | 1600 | 966 | 60 | 8 | 10 | 32 | ||||||||||||||
ИП-35/1600-7,5Т2 | 34 9331 1068 | 1010 | 53 | ||||||||||||||||||
Тип изолятора | Код ОКП | Номер чертежа | Длина пути утечки, категория по ГОСТ 9920 | , кВ | Номинальный ток, А | Минимальная разрушающая сила на изгиб, кН | L | L1 | A <*> | A1 | D, не более | d | d1 | B <*> | S <*> | S1 <*> | Масса, кг, не более | |||||
Номин. | Пред. откл. | Номин. | Пред. откл. | Номин. | Пред. откл. | Номин. | Пред. откл. | Номин. | Пред. откл. | |||||||||||||
ИП-10/630-7,5УХЛ1 <**> | 34 9331 2028 | А | 630 | 7,50 | 565 | +/- 2 | 340 | +/- 4 | 180 | 140 | +/- 2,2 | 142 | 13 | +/- 0,43 | 14 | +/- 0,43 | 50 | 6 | - | 8,5 | ||
ИП-10/630-7,5Т1 <**> | 34 9331 2029 | 9 | ||||||||||||||||||||
ИПУ-10/630-7,5УХЛ1 | 34 9331 2042 | Б | 620 | 10 | ||||||||||||||||||
ИПУ-10/630-7,5Т1 | 34 9331 2043 | 11 | ||||||||||||||||||||
ИПУ-10/630-7,5-1УХЛ1 | 34 9331 2102 | 580 | 290 | 215 | 175 | 110 | 15 | 7 | ||||||||||||||
ИПУ-10/630-7,5-1Т1 | 34 9331 2103 | 8 | ||||||||||||||||||||
ИП-10/630-12,5УХЛ1 <**> | 34 9331 2032 | А | 12,50 | 565 | 335 | 205 | 155 | 158 | 13 | 11 | ||||||||||||
ИП-10/630-12,5Т1 <**> | 34 9331 2033 | 13 | ||||||||||||||||||||
ИПУ-10/630-12,5УХЛ1 | 34 9331 2046 | Б | 620 | |||||||||||||||||||
ИПУ-10/630-12,5Т1 | 34 9331 2047 | 14 | ||||||||||||||||||||
ИП-10/1000-7,5УХЛ1 <**> | 34 9331 2030 | А | 1000 | 7,50 | 565 | 340 | 180 | 140 | 142 | 7 | 8 | |||||||||||
ИП-10/1000-7,5Т1 <**> | 34 9331 2031 | 11 | ||||||||||||||||||||
ИПУ-10/1000-7,5УХЛ1 | 34 9331 2044 | Б | 620 | 10 | ||||||||||||||||||
ИПУ-10/1000-7,5Т1 | 34 9331 2045 | 12 | ||||||||||||||||||||
ИП-10/1000-12,5УХЛ1 <**> | 34 9331 2034 | А | 12,50 | 565 | 335 | 205 | 155 | 158 | 11 | |||||||||||||
ИП-10/1000-12,5Т1 <**> | 34 9331 2035 | 13 | ||||||||||||||||||||
ИПУ-10/1000-12,5УХЛ1 | 34 9331 2048 | Б | 620 | |||||||||||||||||||
ИПУ-10/1000-12,5Т1 | 34 9331 2049 | 16 | ||||||||||||||||||||
ИП-10/1600-12,5УХЛ1 <**> | 34 9331 2036 | А | 1600 | 370 | 240 | 195 | 205 | 18 | 80 | 8 | 9 | 16,2 | ||||||||||
ИП-10/1600-12,5Т1 <**> | 34 9331 2037 | 22 | ||||||||||||||||||||
ИПУ-10/1600-12,5УХЛ1 | 34 9331 2050 | Б | 665 | 17 | ||||||||||||||||||
ИПУ-10/1600-12,5Т1 | 34 9331 2051 | 23 | ||||||||||||||||||||
ИП-10/2000-12,5УХЛ1 <**> | 34 9331 2038 | А | 2000 | 640 | 380 | 100 | 16,6 | |||||||||||||||
ИП-10/2000-12,5Т1 <**> | 34 9331 2039 | 24 | ||||||||||||||||||||
ИПУ-10/2000-12,5УХЛ1 | 34 9331 2052 | Б | 685 | 18 | ||||||||||||||||||
ИПУ-10/2000-12,5Т1 | 34 9331 2053 | 25 | ||||||||||||||||||||
ИП-10/3150-12,5УХЛ1 <**> | 34 9331 2040 | А | 3150 | 640 | 10 | 11 | 19,2 | |||||||||||||||
ИП-10/3150-12,5Т1 <**> | 34 9331 2041 | 33 | ||||||||||||||||||||
ИПУ-10/3150-12,5УХЛ1 | 34 9331 2054 | Б | 705 | 20 | ||||||||||||||||||
ИПУ-10/3150-12,5Т1 | 34 9331 2055 | 34 | ||||||||||||||||||||
ИП-20/2000-12,5УХЛ1 | 34 9331 2056 | А | 2000 | 886 | 468 | +/- 5 | 270 | 220 | 260 | 15 | 8 | 10 | 35 | |||||||||
ИП-20/2000-12,5Т1 | 34 9331 2057 | 915 | 483 | 80 | 8 | 45 | ||||||||||||||||
ИП-20/3150-12,5УХЛ1 | 34 9331 2058 | 3150 | 886 | 468 | 100 | 10 | 10 | 38 | ||||||||||||||
ИП-20/3150-12,5Т1 | 34 9331 2059 | 915 | 483 | 49 | ||||||||||||||||||
ИП-35/400-7,5УХЛ1 <**> | 34 9331 2064 | 400 | 7,50 | 1056 | 507 | 240 | 200 | 200 | 14 | 40 | 4 | - | 26 | |||||||||
ИП-35/400-7,5Т1 <**> | 34 9331 2065 | 1020 | 476 | 38 | ||||||||||||||||||
ИПУ-35/400-7,5УХЛ1 | 34 9331 2072 | Б | 1056 | 521 | 235 | 28 | ||||||||||||||||
ИПУ-35/400-7,5Т1 | 34 9331 2073 | 1050 | 486 | - | ||||||||||||||||||
ИП-35/630-7,5УХЛ1 <**> | 34 9331 2066 | А | 630 | 1056 | 507 | 200 | 50 | 6 | 27 | |||||||||||||
ИП-35/630-7,5Т1 <**> | 34 9331 2067 | 1040 | 496 | 38 | ||||||||||||||||||
ИПУ-35/630-7,5УХЛ1 | 34 9331 2074 | Б | 1056 | 521 | 235 | 29 | ||||||||||||||||
ИПУ-35/630-7,5Т1 | 34 9331 2075 | 1090 | 506 | - | ||||||||||||||||||
ИП-35/1000-7,5УХЛ1 <**> | 34 9331 2068 | А | 1000 | 1056 | 521 | 225 | 8 | 35 | ||||||||||||||
ИП-35/1000-7,5Т1 <**> | 34 9331 2069 | 1080 | 511 | 47 | ||||||||||||||||||
ИПУ-35/1000-7,5УХЛ1 | 34 9331 2076 | Б | 1056 | 521 | 235 | 37 | ||||||||||||||||
ИПУ-35/1000-7,5Т1 | 34 9331 2077 | 1090 | 506 | - | ||||||||||||||||||
ИП-35/1600-7,5УХЛ1 | 34 9331 2070 | А | 1600 | 1056 | 521 | 225 | 60 | 8 | 36 | |||||||||||||
ИП-35/1600-7,5Т1 | 34 9331 2071 | 1080 | 511 | 47,9 | ||||||||||||||||||
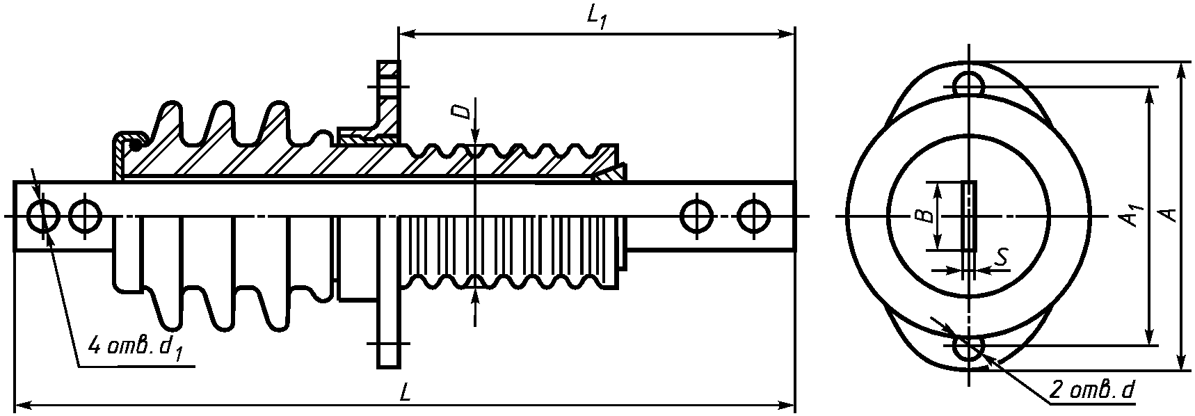
Тип изолятора | Код ОКП | Номер чертежа | , кВ | Номинальный ток, А | Минимальная разрушающая сила на изгиб, кН | L | L1 | A <*> | A1 | D, не более | d | B <*> | s <*> | s1 <*> | Масса, кг, не более | ||||
Номин. | Пред. откл. | Номин. | Пред. откл. | Номин. | Пред. откл. | Номин. | Пред. откл. | ||||||||||||
ИП-10/1000-30УХЛ2 | 34 9331 1034 | 1000 | 30,00 | 510 | +/- 12 | 227 | +/- 5 | 305 | 260 | +/- 1,4 | 240 | 18 | +0,43 | 101 | 11 | - | 49 | ||
ИП-10/1000-30Т2 | 34 9331 1069 | ||||||||||||||||||
ИП-10/1600-30УХЛ2 | 34 9331 1035 | 1600 | 25 | ||||||||||||||||
ИП-10/1600-30Т2 | 34 9331 1071 | ||||||||||||||||||
ИП-10/2000-30УХЛ2 | 34 9331 1036 | 2000 | 31 | ||||||||||||||||
ИП-10/2000-30Т2 | 34 9331 1072 | ||||||||||||||||||
ИП-10/3150-30УХЛ2 | 34 9331 1037 | 3150 | |||||||||||||||||
ИП-10/3150-30Т2 | 34 9331 1073 | ||||||||||||||||||
ИП-10/3150-42,5У2 | 34 9331 1038 | 42,50 | 550 | +/- 13 | 254 | +/- 6 | 390 | 360 | 330 | 138 | - | 55 | |||||||
ИП-10/4000-42,5У2 | 34 9331 1039 | 4000 | |||||||||||||||||
ИП-10/5000-42,5УХЛ2 | 34 9331 1040 | 5000 | 664 | +/- 16 | 334 | +/- 8 | 555 | 495 | 420 | 20 | +0,52 | 153 | 68 | ||||||
ИП-10/6300-42,5УХЛ2 | 34 9331 1041 | 6300 | 203 | 66 | |||||||||||||||
ИП-10/10000-42,5УХЛ2 | 34 9331 1043 | 10000 | 640 | 322 | 228 | 63 | |||||||||||||
ИП-20/1600-20УХЛ2 | 34 9331 1048 | 1600 | 20,00 | 740 | 329 | 322 | 266 | 265 | 16 | +0,43 | 102 | 12 | 54 | ||||||
ИП-20/2000-20УХЛ2 | 34 9331 1049 | 2000 | 8 | ||||||||||||||||
ИП-20/3150-20УХЛ2 | 34 9331 1050 | 3150 | |||||||||||||||||
ИП-20/6300-20УХЛ2 | 34 9331 1051 | 6300 | 520 | 460 | 440 | 20 | +0,52 | 203 | - | - | 110 | ||||||||
ИП-20/10000УХЛ2 | 34 9331 1052 | 10000 | - | 462 | +/- 15 | - | - | 570 | 530 | 485 | 12 | +0,43 | 290 | 78 | |||||
ИП-20/10000Т2 | 34 9331 1074 | ||||||||||||||||||
ИП-20/10000-1УХЛ2 | 34 9331 1054 | 535 | 315 | +/- 8 | 625 | 563 | +/- 1,0 | 300 | 73 | ||||||||||
ИП-20/10000-1Т2 | 34 9331 1076 | ||||||||||||||||||
ИП-20/16000УХЛ2 | 34 9331 1053 | 16000 | 480 | - | - | 750 | 710 | +/- 1,4 | 666 | 432 | 135 | ||||||||
ИП-20/16000Т2 | 34 9331 1075 | ||||||||||||||||||
ИП-24/31500-30УХЛ2 | 34 9331 1055 | 31500 | 30,00 | 545 | 240 | +/- 8 | 1030 | 990 | +/- 1,0 | 900 | 15 | 670 | 245 | ||||||
ИП-24/31500-30Т2 | 34 9331 1077 | ||||||||||||||||||
Тип изолятора | Код ОКП | Номер чертежа | , кВ | Номинальный ток, А | Минимальная разрушающая сила на изгиб, кН | L | L1 | A <*> | A1 | A2 <*> | A3 | D, не более | d | B <*> | s <*> | s1 <*> | Масса, кг, не более | |||||
Номин. | Пред. откл. | Номин. | Пред. откл. | Номин. | Пред. откл. | Номин. | Пред. откл. | Номин. | Пред. откл. | |||||||||||||
ИП-10/5000-42,5УХЛ1 | 34 9331 2082 | 5000 | 42,50 | 736 | +/- 20 | 338 | +/- 10 | 555 | 495 | +/- 2,0 | - | - | - | 485 | 20 | +0,84 | 153 | - | - | 80 | ||
ИП-10/5000-42,5Т1 | 34 9331 2083 | |||||||||||||||||||||
ИП-10/6300-42,5УХЛ1 | 34 9331 2084 | 6300 | 203 | 79 | ||||||||||||||||||
ИП-10/6300-42,5Т1 | 34 9331 2085 | |||||||||||||||||||||
ИП-10/10000-42,5УХЛ1 | 34 9331 2088 | 10000 | 711 | 326 | 228 | 76 | ||||||||||||||||
ИП-10/10000-42,5Т1 | 34 9331 2089 | |||||||||||||||||||||
ИП-35/3150-20УХЛ1 <**> | 34 9331 2090 | 3150 | 20,00 | 1092 | +/- 25 | 507 | +/- 12 | 342 | 286 | +/- 1,4 | 331 | 16 | +0,7 | 102 | 12 | 9 | 90 | |||||
ИП-35/3150-20Т1 <**> | 34 9331 2091 | |||||||||||||||||||||
ИП-35/5000-42,5УХЛ1 | 34 9331 2094 | 5000 | 42,50 | 1308 | 588 | 650 | 590 | +/- 2,2 | 600 | 480 | +/- 2,2 | 545 | 25 | +0,84 | 153 | - | - | 245 | ||||
ИП-35/5000-42,5Т1 | 34 9331 2095 | |||||||||||||||||||||
ИП-35/6300-20УХЛ1 <**> | 34 9331 2092 | 6300 | 20,00 | 1081 | 512 | 360 | 304 | +/- 1,4 | - | - | - | 351 | 16 | +0,7 | 122 | 93 | ||||||
ИП-35/6300-20Т1 <**> | 34 9331 2093 | |||||||||||||||||||||
ИП-35/6300-42,5УХЛ1 | 34 9331 2096 | 42,50 | 1308 | 588 | 650 | 590 | +/- 2,2 | 600 | 480 | +/- 2,2 | 545 | 25 | +0,84 | 203 | 255 | |||||||
ИП-35/6300-42,5Т1 | 34 9331 2097 | |||||||||||||||||||||
ИП-35/10000-42,5УХЛ1 | 34 9331 2100 | 10000 | 1283 | +/- 20 | 576 | 228 | 245 | |||||||||||||||
ИП-35/10000-42,5Т1 | 34 9331 2101 | |||||||||||||||||||||