Главная // Актуальные документы // ГОСТ Р (Государственный стандарт)СПРАВКА
Источник публикации
М.: Стандартинформ, 2009
Примечание к документу
Документ утратил силу с 01.03.2022 в связи с изданием Приказа Росстандарта от 20.10.2021 N 1189-ст. Взамен введен в действие
ГОСТ Р 52868-2021.
Документ включен в
Перечень международных и региональных (межгосударственных) стандартов, а в случае их отсутствия - национальных (государственных) стандартов, в результате применения которых на добровольной основе обеспечивается соблюдение требований технического
регламента Таможенного союза "О безопасности низковольтного оборудования" (ТР ТС 004/2011), в
Перечень международных и региональных (межгосударственных) стандартов, а в случае их отсутствия - национальных (государственных) стандартов, содержащих правила и методы исследований (испытаний) и измерений, в том числе правила отбора образцов, необходимые для применения и исполнения требований технического
регламента Таможенного союза "О безопасности низковольтного оборудования" (ТР ТС 004/2011) и осуществления оценки соответствия объектов технического регулирования (
Решение Коллегии Евразийской экономической комиссии от 11.05.2023 N 55).
Документ включен в
Перечень стандартов, в результате применения которых на добровольной основе обеспечивается соблюдение требований технического
регламента Таможенного союза "О безопасности низковольтного оборудования" (ТР ТС 004/2011) и в
Перечень стандартов, содержащих правила и методы исследований (испытаний) и измерений, в том числе правила отбора образцов, необходимые для применения и исполнения требований технического
регламента Таможенного союза "О безопасности низковольтного оборудования" (ТР ТС 004/2011) и осуществления оценки соответствия объектов технического регулирования (
Решение Комиссии Таможенного союза от 16.08.2011 N 768).
Документ
введен в действие с 01.01.2009.
Приложение J введено в действие с 01.01.2010 на продукцию, разработанную в соответствии с ГОСТ 20783-81.
Взамен ГОСТ 20783-81.
Название документа
"ГОСТ Р 52868-2007 (МЭК 61537:2006). Национальный стандарт Российской Федерации. Системы кабельных лотков и системы кабельных лестниц для прокладки кабелей. Общие технические требования и методы испытаний"
(утв. и введен в действие Приказом Ростехрегулирования от 27.12.2007 N 510-ст)
"ГОСТ Р 52868-2007 (МЭК 61537:2006). Национальный стандарт Российской Федерации. Системы кабельных лотков и системы кабельных лестниц для прокладки кабелей. Общие технические требования и методы испытаний"
(утв. и введен в действие Приказом Ростехрегулирования от 27.12.2007 N 510-ст)
Утвержден и введен в действие
агентства по техническому
регулированию и метрологии
от 27 декабря 2007 г. N 510-ст
НАЦИОНАЛЬНЫЙ СТАНДАРТ РОССИЙСКОЙ ФЕДЕРАЦИИ
СИСТЕМЫ КАБЕЛЬНЫХ ЛОТКОВ И СИСТЕМЫ КАБЕЛЬНЫХ ЛЕСТНИЦ
ДЛЯ ПРОКЛАДКИ КАБЕЛЕЙ
ОБЩИЕ ТЕХНИЧЕСКИЕ ТРЕБОВАНИЯ И МЕТОДЫ ИСПЫТАНИЙ
Cable tray systems and cable ladder systems
for cable management. General technical requirements
and test methods
IEC 61537:2006
Cable management - Cable tray systems
and cable ladder systems
(MOD)
ГОСТ Р 52868-2007
(МЭК 61537:2006)
Дата введения
1 января 2009 года
Цели и принципы стандартизации в Российской Федерации установлены Федеральным
законом от 27 декабря 2002 г. N 184-ФЗ "О техническом регулировании", а правила применения национальных стандартов Российской Федерации -
ГОСТ Р 1.0-2004 "Стандартизация в Российской Федерации. Основные положения"
1 ПОДГОТОВЛЕН Открытым акционерным обществом "Компания "Электромонтаж" (ОАО "Компания "Электромонтаж") и Федеральным государственным унитарным предприятием Всероссийский научно-исследовательский институт стандартизации и сертификации в машиностроении (ФГУП ВНИИНМАШ) на основе аутентичного перевода ОАО "Компания Электромонтаж" стандарта, указанного в пункте 4
2 ВНЕСЕН Техническим комитетом по стандартизации ТК 337 "Электроустановки жилых и общественных зданий"
3 УТВЕРЖДЕН И ВВЕДЕН В ДЕЙСТВИЕ
Приказом Федерального агентства по техническому регулированию и метрологии от 27 декабря 2007 г. N 510-ст
4 Настоящий стандарт является модифицированным по отношению к международному стандарту МЭК 61537:2006 "Системы кабельных лотков и системы кабельных лестниц для прокладки кабелей" (IEC 61537:2006 "Cable management. Cable tray systems and cable ladder systems"). При этом все разделы и
Приложения A,
B,
C,
D,
E,
F,
G,
H,
I,
J,
K,
L полностью идентичны, а
Приложение M дополняет их с учетом потребностей национальной экономики Российской Федерации.
Наименование настоящего стандарта изменено относительно наименования указанного международного стандарта для приведения в соответствие с ГОСТ Р 1.5-2004
(подраздел 3.5)
5 ВВЕДЕН ВПЕРВЫЕ
Информация об изменениях к настоящему стандарту публикуется в ежегодно издаваемом информационном указателе "Национальные стандарты", а текст изменений и поправок - в ежемесячно издаваемых информационных указателях "Национальные стандарты". В случае пересмотра (замены) или отмены настоящего стандарта соответствующее уведомление будет опубликовано в ежемесячно издаваемом информационном указателе "Национальные стандарты". Соответствующая информация, уведомление и тексты размещаются также в информационной системе общего пользования - на официальном сайте Федерального агентства по техническому регулированию и метрологии в сети Интернет
Настоящий стандарт разработан на основе прямого применения международного стандарта МЭК 61537-2006.
Настоящий стандарт является основополагающим нормативным документом, который должен использоваться при разработке, производстве, испытаниях и эксплуатации систем кабельных лотков и систем кабельных лестниц для прокладки кабелей различного назначения.
В текст стандарта введены дополнительные требования, гармонизированные с требованиями национальных стандартов Российской Федерации. С целью сохранения нумерации разделов, подразделов и пунктов международного стандарта дополнительные требования приведены в
Приложении M настоящего стандарта. Пункты стандарта, содержание которых отличается от приведенных в международном стандарте, отмечены вертикальной чертой слева от текста.
| | ИС МЕГАНОРМ: примечание. Ссылки, выделенные подчеркиванием сплошной горизонтальной линией в официальном тексте документа, в электронной версии документа заключены в символы "@". | |
В настоящем стандарте
раздел "Нормативные ссылки" изложен в соответствии с
ГОСТ Р 1.5-2004 и отмечен сплошной вертикальной линией слева от текста. В тексте стандарта соответствующие ссылки выделены подчеркиванием сплошной горизонтальной линией.
Пункты методов испытаний выделены в тексте стандарта курсивом.
В
разделе "Библиография" приведены международные стандарты, которые на момент издания настоящего стандарта еще не были приняты в Российской Федерации в качестве национальных стандартов, но на которые есть ссылки в стандарте МЭК.
Стандарт вводится в действие с 01.01.2009 и заменяет действующий на территории Российской Федерации
ГОСТ 20783-81.
Приложение J настоящего стандарта на продукцию, разработанную в соответствии с
ГОСТ 20783-81, вводится в действие с 01.01.2010.
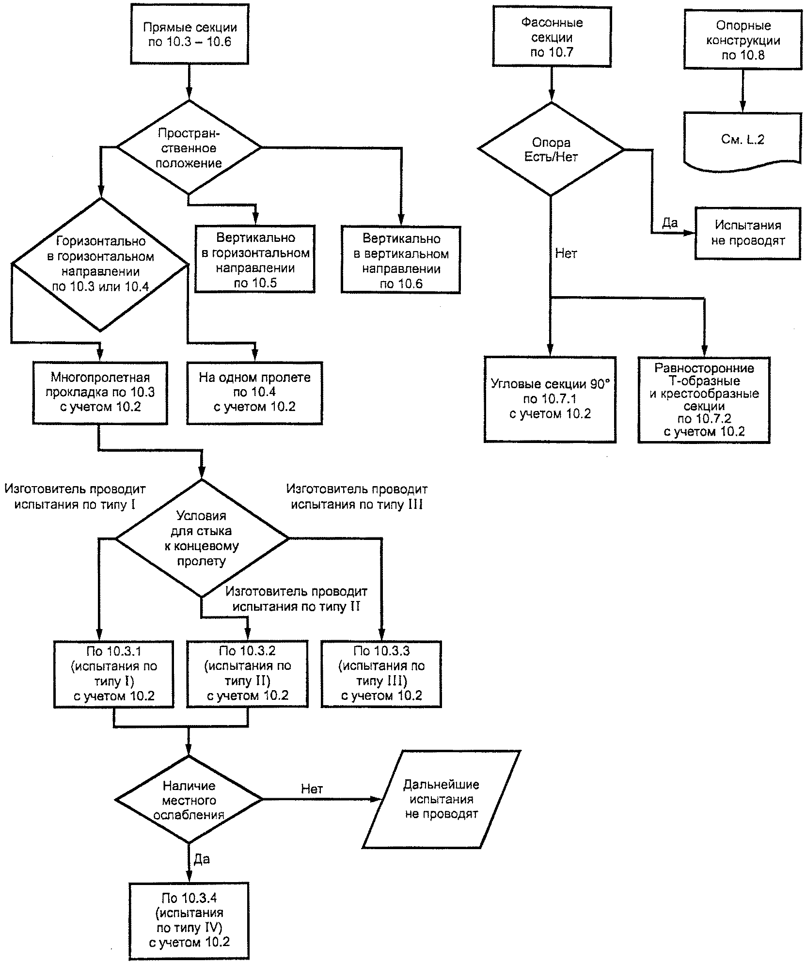
1.1. Настоящий стандарт устанавливает технические требования и методы испытаний систем кабельных лотков и кабельных лестниц, предназначенных для прокладки кабелей и установки на них иного электротехнического оборудования электротехнических установок и/или коммуникационных сетей. Системы кабельных лотков и кабельных лестниц могут быть использованы также для разделения кабелей или для формирования их в потоки (группы).
Настоящий стандарт не распространяется на системы, предназначенные для электропроводок в трубах, на системы кабельных коробов и системы подпольных кабельных каналов, а также на другие изделия, предназначенные для прокладки проводов и кабелей электропроводок.
Примечание. Системы кабельных лотков и кабельных лестниц предназначены для использования как несущие конструкции для кабелей, но не как оболочки для них.
В настоящем стандарте использованы нормативные ссылки на следующие стандарты:
ГОСТ Р 15.201-2000 Система разработки и постановки продукции на производство. Продукция производственно-технического назначения. Порядок разработки и постановки продукции на производство ГОСТ 2.601-2006 Единая система конструкторской документации. Эксплуатационные документы ГОСТ 9.032-74 Единая система защиты от коррозии и старения. Покрытия лакокрасочные. Группы, технические требования и обозначения ГОСТ 9.104-79 Единая система защиты от коррозии и старения. Покрытия лакокрасочные. Группы условий эксплуатации ГОСТ 9.301-86 Единая система защиты от коррозии и старения. Покрытия металлические и неметаллические неорганические. Общие требования ГОСТ 9.302-88 Единая система защиты от коррозии и старения. Покрытия металлические и неметаллические неорганические. Методы контроля ГОСТ 9.303-84 Единая система защиты от коррозии и старения. Покрытия металлические и неметаллические неорганические. Общие требования к выбору ГОСТ 9.306-85 Единая система защиты от коррозии и старения. Покрытия металлические и неметаллические неорганические. Обозначения ГОСТ 9.401-91 Единая система защиты от коррозии и старения. Покрытия лакокрасочные. Общие требования и методы ускоренных испытаний на стойкость к воздействию климатических факторов ГОСТ 20.57.406-81 Комплексная система контроля качества. Изделия электронной техники, квантовой электроники и электротехнические. Методы испытаний ГОСТ 15140-78 Материалы лакокрасочные. Методы определения адгезии ГОСТ 15150-69 Машины, приборы и другие технические изделия. Исполнения для различных климатических районов. Категории, условия эксплуатации, хранения и транспортирования в части воздействия климатических факторов внешней среды ГОСТ 16504-81 Система государственных испытаний продукции. Испытания и контроль качества продукции. Основные термины и определения ГОСТ 16962.1-89 (МЭК 68-2-1-84) Изделия электротехнические. Методы испытаний на устойчивость к климатическим внешним воздействующим факторам ГОСТ 16962.2-90 Изделия электротехнические. Методы испытаний на стойкость к механическим внешним воздействующим факторам ГОСТ 17516.1-90 Изделия электротехнические. Общие требования в части стойкости к механическим внешним воздействующим факторам ГОСТ 23216-78 Изделия электротехнические. Хранение, транспортирование, временная противокоррозионная защита, упаковка. Общие требования и методы испытаний ГОСТ 27483-87 (МЭК 695-2-1-80) Испытания на пожароопасность. Методы испытаний. Испытания нагретой проволокой ГОСТ 28779-90 (МЭК 707-81) Материалы электроизоляционные твердые. Методы определения воспламеняемости под воздействием источника зажигания. |
Примечание. При пользовании настоящим стандартом целесообразно проверить действие ссылочных стандартов в информационной системе общего пользования - на официальном сайте Федерального агентства по техническому регулированию и метрологии в сети Интернет или по ежегодно издаваемому информационному указателю "Национальные стандарты", который опубликован по состоянию на 1 января текущего года, и по соответствующим ежемесячно издаваемым информационным указателям, опубликованным в текущем году. Если ссылочный стандарт заменен (изменен), то при пользовании настоящим стандартом следует руководствоваться заменяющим (измененным) стандартом. Если ссылочный стандарт отменен без замены, то положение, в котором дана ссылка на него, применяется в части, не затрагивающей эту ссылку.
В настоящем стандарте применяют следующие термины:
3.1. система кабельных лотков; система кабельных лестничных лотков (cable tray system; cable ladder system): Совокупность опорных конструкций, предназначенная для прокладки кабелей, состоящая из секций кабельных лотков или секций кабельных лестниц (далее - кабельных лестниц) и иных компонентов системы.
3.2. компонент системы (system component): Изделие, используемое в системе кабельных лотков или в системе кабельных лестниц.
В систему входят следующие компоненты:
а) прямая секция кабельного лотка или кабельной лестницы;
б) фасонная секция системы кабельных лотков или кабельных лестниц, используемая для соединения секций, изменения направления кабельной трассы или для ее разветвлений;
в) опорная конструкция;
г) конструкция для установки аппаратов или электрооборудования;
д) вспомогательный элемент.
Примечание. Не все компоненты должны быть обязательно включены в систему. Допускается изготавливать системы с различными комбинациями компонентов.
3.3. прямая секция кабельного лотка (cable tray length): Компонент системы, используемый в качестве опоры для кабелей, состоящий из основания с бортами, выполненными заодно, или из основания, соединенного с бортами.
Примечание. Примеры типичных исполнений кабельных лотков представлены на
рисунках A.1 -
A.3 Приложения A.
3.4. прямая секция кабельной лестницы (cable ladder length): Компонент системы, используемый в качестве опоры для кабелей, состоящий из несущих бортов, соединенных между собой перемычками.
Примечание. Примеры типичных исполнений кабельных лестниц представлены на
рисунке A.4 Приложения A.
3.5. фасонная секция (fitting): Компонент системы, предназначенный для соединения, изменения направления или размеров или завершения концов секций кабельных лотков или кабельных лестниц.
Примечание. Типичными примерами фасонных секций являются соединительные элементы, угловые, Т-образные и крестообразные секции.
3.5.1. угловая секция: Фасонная секция, предназначенная для изменения направления кабельной трассы в горизонтальном или вертикальном направлении под углом 90°, 135° или указанным потребителем. 3.5.2. тройниковая секция (Т-образная): Фасонная секция, предназначенная для ответвления от кабельной трассы в горизонтальном или вертикальном направлении, как правило, под углом 90°. 3.5.3. крестообразная секция: Фасонная секция, предназначенная для ответвления от кабельной трассы одновременно в обе стороны, как правило, под углом 90°. 3.5.4. переходная секция: Фасонная секция кабельного лотка или кабельной лестницы, предназначенная для соединения секций с различной шириной основания. 3.6. кабельная трасса лотковая (cable runway): Сборная конструкция, состоящая только из прямых и фасонных секций кабельных лотков или кабельных лестниц. 3.7. опорная конструкция (support device): Компонент системы, предназначенный для создания механической опоры для кабельной трассы, который также может ограничивать ее перемещение. |
Примечание. Примеры типичных исполнений опорных конструкций приведены на
рисунках B.1,
B.2 Приложения B.
3.8. монтажное устройство (mounting device): Компонент системы, предназначенный для установки или закрепления других устройств на кабельной трассе.
3.9. монтажное устройство для установки аппаратов (apparatus mounting device): Компонент системы или его часть, предназначенная для размещения электрических аппаратов, таких как выключатели, розетки, аппараты защиты, телефонные розетки и т.п., которые могут быть частью электрической установки, но не являются компонентами системы кабельных лотков или системы кабельных лестниц.
3.10. аксессуар системы (system accessory): Компонент системы, используемый для вспомогательных целей, например для закрепления кабеля, крышки и т.п.
3.11. разделение кабелей: Свободный пункт.
3.11.A. разделение кабелей: Разделение кабелей (потоков кабелей) в кабельной трассе в соответствии с условиями их функционирования и/или эксплуатации. |
3.12. металлический компонент системы (metallic system component): Компонент системы, изготовленный только из металла. Винты (болты) и другие крепежные устройства не считают компонентами системы.
3.13. неметаллический компонент системы (non-metallic system component): Компонент системы, изготовленный из неметаллического материала. Винты (болты) и другие крепежные устройства не считают компонентами системы.
3.14. композитный компонент системы: Компонент системы, изготовленный из металлических и неметаллических материалов. Винты (болты) и другие крепежные устройства не считают компонентами системы.
3.15. не распространяющий горение компонент системы (non-flame propagating system component): Компонент системы, который может загораться под воздействием открытого пламени, но не распространяет горение и затухает самостоятельно после отвода пламени в течение ограниченного времени.
3.16. внешнее воздействие (external influence): Воздействие воды, масла, строительных материалов, веществ, вызывающих коррозию или загрязнение, механические воздействия снега, ветра, а также других опасных факторов окружающей среды.
3.17. безопасная рабочая нагрузка; БРН (safe working load; SWL): Максимальная нагрузка, которая может быть безопасно приложена к системе в нормальных условиях.
3.18. равномерно распределенная нагрузка; РРН (uniformly distributed load; UDL): Нагрузка, распределенная равномерно в пределах данной площади.
Примечание. Методы приложения равномерно распределенной нагрузки приведены в
Приложениях D,
F.
3.19. пролет (span): Расстояние между центральными осями двух смежных опорных конструкций.
3.20. внутреннее крепежное устройство (internal fixing device): Устройство, предназначенное для соединения и/или фиксации элементов системы между собой, которое является деталью системы, но не является ее компонентом.
Примечание. Типичными примерами внутреннего крепежного устройства являются гайка и болт.
3.21. внешнее крепежное устройство (external fixing device): Устройство, предназначенное для крепления опорной конструкции к стене, потолку или конструкционным частям зданий, которое не является компонентом системы.
Примечание. Типичным примером внешнего крепежного устройства является анкерный болт.
3.22. площадь основания кабельного лотка или кабельной лестницы (base area of cable tray length or cable ladder length): Площадь, предназначенная для размещения кабелей.
3.23. вентилируемая площадь основания (free base area): Площадь основания, открытая для свободного доступа воздуха, в которую также включают площадь отверстий в перемычках кабельных лестниц.
3.24. пластина распределения нагрузки (load distribution plate): Жесткая пластина, с помощью которой точечную нагрузку прикладывают к образцу в процессе его испытания.
3.25. тип продукции (product type): Группа компонентов системы, отличающихся только по одному параметру, например:
- кабельные лотки или кабельные лестницы - по ширине;
- консольные кронштейны - по длине консоли;
- подвесы - по длине.
Примечание. Системы, отличающиеся по способам соединения компонентов или по расположению мест соединений секций в пролете, относятся к разным типам.
3.26. топологическое семейство (topological shape): Категория, объединяющая типы продукции, компоненты которых отличаются только по толщине материала или высоте бортов.
3.27. поперечный прогиб (transverse deflection): Вертикальный прогиб основания секции по ширине без учета продольного прогиба при горизонтальном расположении трассы.
Конструкция систем кабельных лотков и кабельных лестниц после их установки в соответствии с указаниями изготовителя должна обеспечивать надежную опору для размещенных в них кабелей. После установки системы не должны создавать необоснованной угрозы повреждения кабелей и электроустановки.
Соответствие проверяют путем выполнения всех соответствующих испытаний, предусмотренных настоящим стандартом.
Конструкция компонентов систем должна обеспечивать их устойчивость к внешним воздействиям при транспортировании и хранении, указанных изготовителем.
Системы кабельных лотков и кабельных лестниц, разработанные и изготовленные в соответствии с настоящим стандартом, не предназначены для использования в качестве ходовых мостиков.
5. Общие условия испытаний
5.1. Все испытания, указанные в настоящем стандарте, являются типовыми <*>.
--------------------------------
<*> Понятие "типовые испытания" в контексте настоящего стандарта отличается от приведенного в
ГОСТ 16504-81.
5.2. Если не установлено иное, компоненты систем кабельных лотков и кабельных лестниц испытывают в собранном виде в соответствии с указаниями изготовителя и установленными в рабочем положении.
5.3. Неметаллические или композитные компоненты систем могут быть подвергнуты испытаниям не ранее чем через 168 ч после их изготовления.
5.4. Если не установлено иное, испытания проводят при температуре окружающей среды (20 +/- 5) °C.
Для каждого испытания, если не оговорено иное, должны использоваться новые образцы.
5.5. Если в процессе испытания может произойти выброс токсичных или опасных веществ, то должны быть приняты соответствующие меры защиты персонала, проводящего испытание.
5.6. Если не установлено иное, испытаниям подвергают три комплекта образцов. Системы кабельных лотков и системы кабельных лестниц признают соответствующими требованиям настоящего стандарта, если все комплекты образцов выдержали все испытания.
Если только один из трех комплектов образцов не выдержал какого-либо испытания из-за неправильного монтажа или из-за дефекта изготовления, то это испытание проводят повторно на новом полном комплекте образцов. При этом сначала должно быть проведено любое из предшествующих испытаний, результаты которого могут повлиять на результаты повторяемого испытания. Затем в установленной последовательности проводят остальные испытания, которые этот образец также должен выдержать.
Примечание. Заявитель одновременно с необходимым для испытаний количеством комплектов образцов может также представить дополнительный комплект образцов, который может потребоваться в случае неудовлетворительных результатов испытаний одного из основных комплектов. В этом случае испытательная лаборатория вправе принять решение о несоответствии систем кабельных лотков и кабельных лестниц требованиям настоящего стандарта, если только дополнительный комплект образцов также не выдержал испытаний. Если дополнительный комплект образцов не был представлен одновременно с основными, системы кабельных лотков и системы кабельных лестниц могут быть признаны не соответствующими требованиям настоящего стандарта по результатам испытаний представленных комплектов образцов.
5.7. Если в процессе испытаний относительная влажность воздуха оказывает существенное влияние на характеристики образцов, изготовитель обязан представить необходимую информацию.
5.8. Если системы кабельных лотков и системы кабельных лестниц или их компоненты имеют защитные лакокрасочные или иные покрытия, которые могут повлиять на характеристики продукции, должны быть проведены соответствующие испытания, указанные в настоящем стандарте, на образцах с покрытием.
5.9. При проведении испытаний с воздействием БРН по
10.2 -
10.8 прогибы должны быть измерены с помощью приборов, имеющих разрешение 0,5 мм или лучше и точность 0,1 мм или лучше во всем диапазоне измерений.
Общая испытательная нагрузка при этих испытаниях должна быть установлена с точностью 3%.
6.1. По материалу изготовления
6.1.1. Металлический компонент системы.
6.1.2. Неметаллический компонент системы.
6.1.3. Композитный компонент системы.
6.2. По стойкости к распространению огня
6.2.1. Компонент системы, поддерживающий распространение огня.
6.2.2. Компонент системы, не поддерживающий распространение огня.
6.3. По характеристикам электропроводности
6.3.1. Неэлектропроводные системы кабельных лотков и кабельных лестниц.
6.3.2. Электропроводные системы кабельных лотков и кабельных лестниц.
Примечание. Сведения о системах кабельных лотков и кабельных лестниц, предназначенных для использования в качестве PE-проводников, приведены в
Приложении C.
6.4. По электрической проводимости
6.4.1. Проводящий компонент системы.
6.4.2. Непроводящий компонент системы.
6.5. По стойкости к коррозии
Если какие-либо компоненты системы кабельных лотков или кабельных лестниц имеют различные исполнения по коррозионной стойкости, то изготовитель должен указать соответствующие классы коррозионной стойкости для всех компонентов.
В настоящем стандарте для целей классификации рассматриваются только условия эксплуатации в нормальной промышленной атмосфере по @ ГОСТ 15150@. Настоящий стандарт не распространяется на специальные или местные условия эксплуатации систем. |
6.5.1. Неметаллические компоненты системы
6.5.2. Компоненты из металла с защитным металлическим покрытием или нержавеющей стали.
Классы коррозионной стойкости приведены в
таблице 1, в которой указаны наиболее широко применяемые защитные покрытия и материалы, с которыми следует сравнивать коррозионную стойкость других материалов и защитных покрытий.
Примечание. Сведения о скорости разрушения защитных покрытий для установления срока первой проверки состояния покрытий в условиях эксплуатации приведены в
Приложении K.
Таблица 1
Классификация по стойкости к воздействию коррозии
Класс стойкости | Защитное покрытие и его характеристики |
| Отсутствует |
1 | Гальваническое покрытие с минимальной толщиной не более 5 мкм |
2 | Гальваническое покрытие с минимальной толщиной не более 12 мкм |
3 | Из металла с предварительной гальванической обработкой до степени 275 г/м 2 по EN 10327 [1] и EN 10326 [2] |
4 | Из металла с предварительной гальванической обработкой до степени 350 г/м 2 по EN 10327 [1] и EN 10326 [2] |
5 | С последующим после изготовления нанесением гальванического покрытия из цинка толщиной не менее 45 мкм по ИСО 1461 [3] |
6 | С последующим после изготовления нанесением гальванического покрытия из цинка толщиной не менее 55 мкм по ИСО 1461 [3] |
7 | С последующим после изготовления нанесением гальванического покрытия из цинка толщиной не менее 70 мкм по ИСО 1461 [3] |
8 | С последующим после изготовления нанесением гальванического покрытия из цинка толщиной не менее 85 мкм по ИСО 1461 [3] (для сталей с большим содержанием кремния) |
9A | Нержавеющая сталь, изготовленная по ASTM: A 240/A 240M - 95a [4], маркировка S30403 или EN 10088 [5], класс 1-4301 без окончательной обработки <2> |
9B | Нержавеющая сталь, изготовленная по ASTM: A 240/A 240M - 95a [4], маркировка S31603 или EN 10088 [5], класс 1-4404 без окончательной обработки <2> |
9C | Нержавеющая сталь, изготовленная по ASTM: A 240/A 240M - 95a [4], маркировка S30403 или EN 10088 [5], класс 1-4301 без окончательной обработки <2> |
9D | Нержавеющая сталь, изготовленная по ASTM: A 240/A 240M - 95a [4], маркировка S31603 или EN 10088 [5], класс 1-4404 без окончательной обработки <2> |
<1> Материалы, для которых не установлен класс коррозионной стойкости. <2> Последующее покрытие применяют для того, чтобы повысить защиту от коррозии в щелях и в местах контактов деталей из различных марок сталей. |
6.5.3. Компоненты, изготовленные из других металлов
В стадии рассмотрения МЭК.
6.5.4. Компоненты с органическим покрытием
В стадии рассмотрения МЭК.
6.6. По температуре
6.6.1. Наименьшие температуры, возможные при эксплуатации систем, приведены в таблице 2.
Таблица 2
Рекомендуемые значения наименьших температур
Наименьшие температуры при транспортировании, хранении, монтаже и эксплуатации, °C |
+5 |
-5 |
-15 |
-20 |
-40 |
-50 |
6.6.2. Наибольшие температуры, возможные при эксплуатации систем, приведены в таблице 3.
Таблица 3
Рекомендуемые значения наибольших температур
Наибольшие температуры при транспортировании, хранении, монтаже и эксплуатации, °C |
+40 |
+60 |
+90 |
+105 |
+120 |
+150 |
6.7. По площади перфорации в основании кабельного лотка - согласно таблице 4.
Таблица 4
Классификация по площади перфорации
в основании кабельного лотка
Обозначение класса | Площадь перфорации в основании |
A | До 2% |
B | Более 2% до 15% |
C | Более 15% до 30% |
D | Более 30% |
Примечание. Условия вентиляции для класса D приведены в A.52.6.2 МЭК 60364-5-52 [6]. |
6.8. По вентилируемой площади основания кабельной лестницы - согласно таблице 5.
Таблица 5
Классификация по вентилируемой площади основания
Обозначение класса | Вентилируемая площадь основания |
X | До 80% |
Y | Более 80% до 90% |
Z | Более 90% |
Примечание. Условия вентиляции для класса Z приведены в A.52.6.2 МЭК 60364-5-52 [6]. |
6.9. По стойкости компонентов к ударам
6.9.1. Выдерживающие удары энергией до 2 Дж.
6.9.2. Выдерживающие удары энергией до 5 Дж.
6.9.3. Выдерживающие удары энергией до 10 Дж.
6.9.4. Выдерживающие удары энергией до 20 Дж.
6.9.5. Выдерживающие удары энергией до 50 Дж.
7. Требования к маркировке и сопроводительной документации
7.1. На каждом компоненте системы должна быть четкая и стойкая маркировка, содержащая:
- наименование или товарный знак предприятия-изготовителя или торговую марку продукции;
- тип изделия или номер изделия по каталогу.
При поставке компонентов систем, кроме прямых секций кабельных лотков и кабельных лестниц, в упаковке допускается наносить маркировку на упаковку наименьшего размера.
Примечание 1. Требования по нанесению специальной маркировки на компоненты системы, способные распространять огонь, находятся в стадии рассмотрения.
Соответствие содержания маркировки проверяют путем сличения с данными, приведенными в сопроводительной документации предприятия-изготовителя. Стойкость маркировки на изделии проверяют путем потирания в течение 15 с хлопчатобумажной салфеткой, смоченной водой, а затем в течение 15 с салфеткой, смоченной бензином.
После испытания маркировка должна оставаться четкой.
Примечание 2. Бензин, применяемый при испытании, представляет собой алифатический сольвент гексана с содержанием по объему ароматических веществ не более 0,1% с кариобутаноловым числом 29, с начальной температурой закипания 65 °C и температурой испарения 69 °C, и плотностью около 0,68 кг/л.
Примечание 3. Маркировка на компонентах систем может также выполняться методами литья, штамповки, гравировки, самоклеящихся этикеток или переводных наклеек.
Примечание 4. Проверку стойкости маркировки, выполненной методами литья, штамповки или гравировки, не проводят.
7.2. Если допускается хранение или транспортирование компонента системы при соблюдении дополнительных мер предосторожности при температуре, отличающейся от указанных в
таблицах 2 и
3, то изготовитель обязан указать необходимые меры предосторожности и допускаемые предельные температуры.
Соответствие проверяют путем осмотра.
7.3. Руководство по монтажу и эксплуатации должно содержать всю необходимую информацию для правильного и безопасного монтажа и последующей эксплуатации систем кабельных лотков и систем кабельных лестниц. Значения БРН и стойкости к ударам должны быть указаны для всего установленного диапазона температур. Информация должна включать в себя:
a) указания по соединению и установке компонентов системы и необходимые меры по предотвращению появления таких поперечных прогибов, которые могут повредить кабели (см.
5.2,
9.2,
10.3,
10.7,
10.8,
14.1);
b) сведения о температурной зависимости линейных размеров кабельных несущих трасс и способы их компенсации;
c) классификационные характеристики и параметры в соответствии с
разделом 6;
d) значение относительной влажности воздуха, если она существенно влияет на свойства компонентов систем (см.
5.7);
e) указания по использованию конструктивных элементов для уравнивания потенциалов
(6.3.2) и, при необходимости, по применению специальных устройств;
f) меры предосторожности, предпринимаемые при транспортировании и хранении при температурах, отличающихся от установленных предельных температур (см.
7.2);
g) габаритные, установочные и присоединительные размеры изделий, указанные в
разделе 8;
h) крутящий момент в ньютон-метрах для резьбовых соединений, для внутренних крепежных устройств, а также для резьб, выполненных в компонентах в процессе их изготовления по
9.3, перечисление d) и
9.3.1;
i) указания (ограничения) по нагрузке для концевых пролетов по
10.3;
j) способ соединения и положение стыка в пролете, при необходимости;
k) БРН в ньютонах на метр для фасонных секций для случаев их установки без непосредственной опоры и расстояние Y до ближайших опор по
10.7;
l) способ крепления кабельного лотка или кабельной лестницы к опорам при проведении испытаний по
10.3,
10.4,
10.8;
m) БРН в ньютонах на метр для прямых секций кабельных лотков и кабельных лестниц по
10.1, в том числе в местах соединений секций, когда это существенно для одного или нескольких случаев пространственных положений, указанных ниже:
I - секции установлены в горизонтальной плоскости в горизонтальном направлении для случая многопролетной прокладки (по
10.3);
II - секции установлены в горизонтальной плоскости в горизонтальном направлении на одном пролете (по
10.4);
III - секции установлены в вертикальной плоскости в горизонтальном направлении (по
10.5);
IV - секции установлены в вертикальной плоскости в вертикальном направлении (по
10.6);
| | ИС МЕГАНОРМ: примечание. Буквенные обозначения подпунктов даны в соответствии с официальным текстом документа. | |
о) БРН в ньютонах для кронштейнов консольного типа, если они используются только для крепления кабельных лотков (см.
10.8.1);
п) БРН для подвесов - изгибающий момент в ньютон-метрах и/или силу в ньютонах (см.
10.8.2);
р) сведения об устойчивости материалов и защитных покрытий к воздействиям окружающей среды или агрессивных сред по
14.2.
Примечание. Данные о БРН могут быть приведены в виде графика, таблицы и т.п.
Соответствие проверяют путем визуального осмотра.
Изготовитель должен указать следующую информацию о системах кабельных лотков или кабельных лестниц:
- габаритные размеры поперечного сечения секции кабельного лотка или кабельной лестницы;
- ширину основания секции кабельного лотка или кабельной лестницы для размещения кабелей;
- высоту секции кабельного лотка или кабельной лестницы, предназначенной для размещения кабелей при установленной крышке;
- минимальный внутренний радиус фасонных секций, пригодный для размещения кабелей;
- размеры отверстий перфорации и их расположение на секциях кабельных лотков;
- размеры перемычек и перфорации в них (при наличии), а также размер шага перемычек для секций кабельных лестниц.
Примечание. Компоненты системы, такие как фасонные секции, при применении их в составе системы могут изменять размеры полезной площади для размещения кабелей.
Соответствие проверяют путем осмотра.
Испытания по настоящему разделу допускается проводить на одном и том же образце.
9.1. После установки в соответствии с указаниями изготовителя поверхности компонентов системы, которые могут соприкасаться с кабелями в процессе их прокладки или эксплуатации, не должны наносить повреждений кабелям.
Соответствие проверяют путем осмотра и, при необходимости, ощупыванием рукой.
9.2. На поверхностях элементов системы, которые не соприкасаются с кабелями в процессе монтажных работ или в эксплуатации, не должно быть острых кромок и заусенцев.
Соответствие проверяют путем осмотра и, при необходимости, ощупыванием рукой.
9.3. Конструкция резьбовых соединений и других внутренних крепежных устройств должна обеспечивать их устойчивость к механическим воздействиям при проведении монтажных работ в соответствии с указаниями изготовителя, а также при эксплуатации систем. При правильном выполнении и применении они не должны наносить повреждения кабелям.
Резьбовые соединения могут быть:
a) с применением винтов (болтов) с метрической резьбой;
b) с применением саморезов;
c) с применением нарезающих винтов (шурупов) в готовые отверстия, если это предусмотрено конструкцией;
d) иные, чем указаны в перечислениях a) - c), предлагаемые изготовителем.
Соответствие проверяют испытаниями по 9.3.1, 9.3.2 и 9.3.3.
9.3.1. Затяжку резьбовых соединений из элементов, предназначенных для многократного использования, следует выполнять плавно, без рывков. При испытании резьбового соединения его закручивают и раскручивают:
- 10 раз - если хотя бы один из элементов резьбового соединения изготовлен не из металла и резьбовые соединения из неметаллических материалов;
- 5 раз - во всех остальных случаях.
Испытания проводят с помощью гайковерта или шуруповерта с приложением крутящих моментов, указанных изготовителем.
После испытаний на соединении и его элементах не должно быть повреждений, препятствующих его дальнейшему использованию.
9.3.2. Разборные виды соединений, предназначенные для многократного использования, например, путем их сочленения защелкиванием, собирают и разбирают 10 раз.
После испытания на соединении и его элементах не должно быть повреждений, препятствующих его дальнейшему использованию.
9.3.3. Соединения, изготавливаемые из элементов, предназначенных для однократного применения, проверяют путем осмотра и разъединения руками.
9.4. Монтажные устройства, предназначенные для закрепления на компонентах систем электрических аппаратов, должны соответствовать требованиям нормативных документов на эти аппараты.
9.5. При наличии перфорации в секциях кабельных лотков отверстия перфорации должны быть расположены равномерно по площади основания.
Соответствие проверяют путем осмотра и измерениями.
9.6. Перемычки в секциях кабельных лестниц должны быть расположены на одинаковом расстоянии друг от друга по всей длине секции.
Соответствие проверяют путем осмотра и измерениями.
10. Механические свойства
10.1. Механическая прочность
Системы кабельных лотков и системы кабельных лестниц должны быть устойчивыми к воздействию механических факторов.
Основным критерием испытаний на воздействие БРН является безопасное использование продукции.
Для каждого конкретного случая применения систем кабельных лотков и кабельных лестниц изготовитель обязан указать значения БРН, которые должны использоваться при испытаниях:
- для каждого типа прямой секции кабельного лотка или кабельной лестницы в зависимости от длины пролета, желательно с шагом не более 0,5 м, в ньютонах на метр;
- для каждого вида фасонных секций, для случая без непосредственной опоры на опорную конструкцию, в ньютонах на метр;
- для каждого типа опорной конструкции, в ньютонах или в ньютонах на метр.
Примечание 1. Данная информация может быть представлена в виде диаграммы, таблицы и т.п.
Соответствие проверяют испытанием участка кабельной трассы методами, указанными изготовителем, приведенными в 10.3 - 10.7, на образцах с наибольшей и наименьшей шириной для каждого типа систем кабельных лотков или кабельных лестниц. Для изделий с промежуточной шириной БРН допускается устанавливать путем интерполяции результатов проведенных испытаний. При проверке соответствия испытания допускается проводить только на образце наибольшей ширины. БРН для образца с наименьшей шириной, не подвергавшегося испытаниям, определяют путем умножения значения БРН, определенной для образца с наибольшей шириной при испытаниях по 10.3, 10.4 и 10.7, на коэффициент, полученный делением значения наименьшей ширины на наибольшую.
Соответствие опорных устройств проверяют испытаниями по 10.8.
Примечание 2. Порядок проведения испытаний при БРН приведен в
Приложении L.
Компоненты систем кабельных лотков и кабельных лестниц должны выдерживать механические воздействия при транспортировании, хранении и монтаже.
Соответствие проверяют испытаниями по 10.9.
10.2. Испытания при воздействии безопасной рабочей нагрузки (БРН)
Испытания продукции проводят в условиях, указанных в 10.2.1, 10.2.2.
Испытания проводят для двух случаев:
- при наименьшей рабочей температуре по 10.2.1.1;
Примечание. Условия испытаний для частных случаев - по
10.2.2.
10.2.1.1. Испытания при наименьшей рабочей температуре
Испытания проводят при наименьшей рабочей температуре, указанной изготовителем в соответствии с классификацией по таблице 2. Изменение температуры окружающей среды на расстоянии 0,25 м вокруг образца при испытаниях не должно превышать +/- 5 °C.
Перед приложением нагрузки испытуемый образец выдерживают при температуре испытания не менее 2 ч.
Нагрузка должна быть равномерно распределена по длине и ширине образца в соответствии с указаниями Приложения D.
Приложение нагрузки производят таким образом, чтобы равномерное распределение нагрузки (далее - РРН) обеспечивалось даже при наибольшей деформации образца.
Для обеспечения нормализующей осадки образца, если не оговорено иное, образец предварительно нагружают 10% БРН и выдерживают в течение 5 мин +/- 30 с. Затем нагрузку снимают и устанавливают измерительные приборы на нулевые показания.
Затем нагрузку на образце непрерывно увеличивают по длине и ширине до установленного значения БРН или, если обеспечить непрерывное увеличение нагрузки невозможно, ее увеличивают дискретно, при этом масса дискретного груза не должна быть более 1/4 БРН.
Измерение прогибов проводят в местах, заранее определенных для каждого случая, после приложения полной нагрузки.
При испытаниях по 10.3 - 10.7 значение прогиба в середине пролета вычисляют как среднеарифметическое значение прогибов, измеренных у бортов секций, в соответствии с рисунком 1 (позиция 8).
В случае визуального обнаружения поперечной деформации следует измерить значение прогиба по средней линии основания кабельного лотка или кабельной лестницы в соответствии с рисунком 1 (позиция 7) или в точке s, указанной на рисунке 5 для фасонной секции. Значение поперечного прогиба вычисляют, вычитая значение, измеренное в середине пролета, из значения прогиба, измеренного по средней линии секции.
Измерение прогибов следует проводить через каждые 5 мин +/- 30 с до тех пор, пока разница между двумя последовательными группами показаний измерительных приборов не будет отличаться более чем на 2% от показаний первой из двух последовательных групп измерений. Первая группа значений, измеренных в этом месте, определяет значения прогибов при воздействии БРН. Пример определения приращения прогиба приведен в Приложении G.
После испытания на воздействие БРН на образце и его соединительных узлах или внутренних крепежных устройствах не должно быть повреждений или трещин, видимых невооруженным глазом, а значения прогибов образца не должны превышать указанных в 10.3 - 10.8.
Затем нагрузку на образец увеличивают до 1,7 БРН.
Измерения прогибов следует проводить через каждые 5 мин +/- 30 с до тех пор, пока разница между двумя последовательными группами показаний измерительных приборов не будет отличаться более чем на 2% от показаний первой из двух последовательных групп измерений.
Образец должен выдержать испытание на воздействие увеличенной нагрузки без разрушения. При этом допускаются деформации и кручение образца.
10.2.1.2. Испытание при наибольшей рабочей температуре <= 60 °C
Испытания проводят при наибольшей температуре, указанной изготовителем в соответствии с классификацией по таблице 3. Изменение температуры окружающей среды на расстоянии 0,25 м вокруг образца при испытаниях не должно превышать +/- 5 °C.
Перед приложением нагрузки испытуемый образец выдерживают при наибольшей температуре в течение не менее 2 ч.
Нагрузка должна быть равномерно распределена по длине и ширине образца в соответствии с указаниями Приложения D.
Приложение нагрузки проводят таким образом, чтобы равномерное распределение нагрузки (РРН) обеспечивалось даже при наибольшей деформации образца.
Для обеспечения нормализующей осадки образца, если не указано иное, образец предварительно нагружают 10% БРН и выдерживают в течение 5 мин +/- 30 с. Затем нагрузку снимают и устанавливают измерительные приборы на нулевые показания.
Затем нагрузку на образце непрерывно увеличивают по длине и ширине до значения БРН или, если обеспечить непрерывное увеличение нагрузки невозможно, ее увеличивают дискретно, при этом масса дискретного груза не должна быть более 1/4 БРН.
Измерение прогибов проводят в местах, заранее определенных для каждого случая, после приложения полной нагрузки.
При испытаниях по 10.3 - 10.7 значение прогиба в середине пролета вычисляют как среднеарифметическое значение прогибов, измеренных у бортов секций в соответствии с рисунком 1 (позиция 8).
В случае визуального обнаружения поперечной деформации следует измерить значение прогиба по средней линии основания кабельного лотка или кабельной лестницы в соответствии с рисунком 1 (позиция 7) или в точке s, указанной на рисунке 5 для фасонной секции. Значение поперечного прогиба вычисляют, вычитая значение, измеренное в середине пролета, из значения прогиба, измеренного по средней линии секции.
Измерения прогибов следует проводить через каждые 5 мин +/- 30 с до тех пор, пока разница между двумя последовательными группами показаний измерительных приборов не будет отличаться более чем на 2% от показаний первой из двух последовательных групп. Первая группа значений, измеренных в этом месте, определяет значения прогибов при БРН. Пример определения приращения прогиба приведен в Приложении G.
После испытания на воздействие БРН на образце и его соединительных узлах или внутренних крепежных устройствах не должно быть повреждений или трещин, видимых невооруженным глазом, а значения прогибов образца не должны превышать указанных в 10.3 - 10.8.
Затем нагрузку на образец увеличивают до 1,7 БРН.
Измерения прогибов следует проводить через каждые 5 мин +/- 30 с до тех пор, пока разница между двумя последовательными группами показаний измерительных приборов не будет отличаться более чем на 2% от показаний первой из двух последовательных групп измерений.
Образец должен выдержать испытание на воздействие увеличенной нагрузки без разрушения. При этом допускаются деформации и кручение образца.
10.2.1.3. Испытания при наибольшей рабочей температуре > 60 °C
Испытания проводят на двух образцах А и Б одновременно. Состав образцов для испытаний определяют в соответствии с 10.3 - 10.8. Число компонентов в испытуемых образцах для испытаний должно быть одинаковым.
Образцы подвергают испытаниям по стадиям 1 - 3 в соответствии с диаграммами, приведенными на рисунке 12.
Стадия 1. На этой стадии к образцу А прикладывают нагрузку, увеличивая ее от 0 до значения БРН, а к образцу Б - от 0 до 1,7 БРН.
Эту стадию испытаний проводят при нормальной температуре окружающей среды.
Нагрузка должна быть равномерно распределена по длине и ширине образца в соответствии с указаниями Приложения D.
Приложение нагрузки к образцам должно производиться таким образом, чтобы РРН обеспечивалось даже при наибольшей деформации образца.
Для обеспечения нормальной осадки образца, если не указано иное, образец предварительно нагружают 10% БРН и выдерживают в течение 5 мин +/- 30 с. Затем нагрузку снимают и устанавливают измерительные приборы на нулевые показания.
Затем нагрузку непрерывно увеличивают по длине и ширине до значения БРН на образце А и до 1,7 БРН на образце Б или, если невозможно обеспечить непрерывное увеличение нагрузки, ее увеличивают дискретно, при этом масса дискретного груза не должна превышать 1/4 БРН.
Стадия 2. Повышение температуры
Сразу же после стадии 1 продолжают испытания образцов А и Б, для чего температуру повышают от значения температуры окружающей среды до наибольшего значения, указанного изготовителем в соответствии с таблицей 3. Указанная температура должна установиться не ранее 24 ч и не позднее 48 ч после начала ее повышения.
Стадия 3. Измерения и оценка результатов испытания
Эту стадию испытаний проводят сразу же после стадии 2 при поддерживании температуры, указанной в таблице 3. На этой стадии равномерность распределения температуры окружающей среды должна поддерживаться с точностью +/- 5 °C на расстоянии 0,25 м вокруг образцов.
На этой стадии оценка результатов должна проводиться для каждого образца;
- для образца А - путем измерения прогибов.
На этой стадии измерение прогибов образца при воздействии на него БРН проводят в заранее определенных местах.
При испытаниях по 10.3 - 10.7 значения прогиба в середине пролета вычисляют как среднеарифметическое значение измерений прогибов в двух точках рядом с бортами секций согласно рисунку 1 (позиция 8).
В случае визуального обнаружения поперечной деформации следует измерить значение прогиба по средней линии основания кабельного лотка или кабельной лестницы в соответствии с рисунком 1 (позиция 7) или в точке s, указанной на рисунке 5 для фасонной секции.
Значение поперечного прогиба вычисляют, вычитая значение, измеренное в середине пролета, из значения прогиба, измеренного по средней линии секции.
Измерения прогибов следует проводить через каждые 5 мин +/- 30 с до тех пор, пока разница между двумя последовательными группами показаний измерительных приборов не будет отличаться более чем на 2% от показаний первой из двух последовательных групп измерений. Первая группа значений, измеренных в этом месте, определяет значения прогибов при воздействии данной БРН. Пример определения приращения прогиба приведен в Приложении G.
После испытания на воздействие БРН на образце и его соединительных узлах или внутренних крепежных устройствах не должно быть повреждений или трещин, видимых невооруженным глазом, а значения прогибов образца не должны превышать значений, указанных в 10.3 - 10.8;
- для образца Б - на отсутствие разрушений.
Измерение прогибов проводят через каждые 5 мин +/- 30 с до тех пор, пока разница между двумя последовательными группами показаний измерительных приборов не будет отличаться более чем на 2% от показаний первой из двух последовательных групп измерений.
После испытаний на образце не должно быть признаков разрушения, при этом допускаются деформация и скручивание образца.
10.2.2. Допустимые отклонения условий испытаний по
10.2.1
| | ИС МЕГАНОРМ: примечание. В официальном тексте документа, видимо, допущена опечатка: перечисления b) и c) в настоящем пункте отсутствуют. Возможно, имеются в виду перечисления б) и в). | |
В некоторых случаях испытания систем кабельных лотков или лестниц и их компонентов по 10.2.1 допускается проводить в условиях, указанных в перечислениях a) или b), или c) настоящего пункта. При этом испытание различных компонентов системы может быть проведено в условиях, указанных в перечислениях a) или b), или c):
a) при любой температуре из указанного изготовителем диапазона рабочих температур, если может быть обоснованно подтверждено, что механические свойства материалов, из которых изготовлены образцы, изменяются при воздействии на них температуры окружающей среды не более чем на +/- 5% среднего значения в указанном диапазоне температур;
Примечание. Примером материала, соответствующего данному условию, является сталь при температуре от минус 20 °C до плюс 120 °C.
б) только при наибольшей рабочей температуре по 10.2.1.2 и 10.2.1.3 при наличии обоснованного подтверждения, что механические свойства материалов, из которых изготовлены образцы, улучшаются по мере снижения температуры;
в) при наибольшей и наименьшей рабочей температуре по 10.2.1 только на секциях кабельных лотков или кабельных лестниц наименьшей и наибольшей ширины, изготовленных из одного материала и имеющих одинаковые топологическую форму и способы соединения. Испытания изделий промежуточных размеров, имеющих такую же топологическую форму, проводят только при температуре окружающей среды.
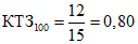
Испытания при условиях, указанных в перечислении в), проводят только в том случае, если разница между коэффициентом температурной зависимости (далее - КТЗ) для секций наименьшего и наибольшего размеров, рассчитываемых по следующей формуле, не превышает 10%

,
где КТЗ - коэффициент температурной зависимости, учитывающий зависимость БРН от изменения температуры.
КТЗ для секций наименьшей и наибольшей ширины определяют в процессе испытаний при наименьшей и наибольшей температуре, а также при нормальной температуре окружающей среды, при которых достигаются наибольшие допустимые значения прогибов. Полученные значения нагрузок для каждой температуры усредняют. КТЗ вычисляют путем деления наименьшего среднего значения нагрузки на среднее значение нагрузки при температуре окружающей среды.
Если установлено, что механические свойства материалов, из которых изготовлены образцы, улучшаются по мере снижения температуры, испытания при наименьшей температуре допускается не проводить, а КТЗ вычисляют путем деления среднего значения нагрузки при наибольшей температуре на среднее значение нагрузки при температуре окружающей среды.
Испытания секций такой же топологической формы, имеющих другие размеры, допускается проводить только при температуре окружающей среды. При этом нагрузка должна быть увеличена до значения, установленного для наибольшей или наименьшей температуры из указанного диапазона температур, путем деления БРН на значение КТЗр, полученного для данного диапазона, где КТЗр - среднеарифметическое значение КТЗ для секций наименьшего и наибольшего размеров, чтобы смоделировать наиболее неблагоприятные условия испытания для данного диапазона температур.
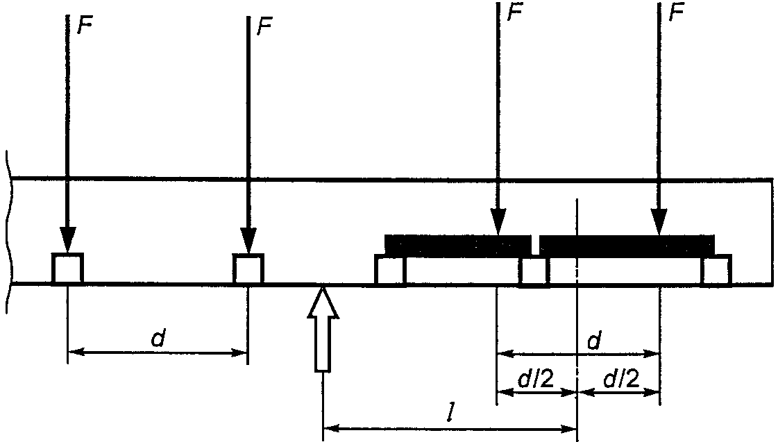
10.3. Испытание на воздействие БРН на прямые секции кабельных лотков и кабельных лестниц, установленных в горизонтальной плоскости в горизонтальном направлении на нескольких пролетах
Испытанию подвергают один образец. Если образец не выдержал испытание, проводят повторные испытания двух новых образцов, каждый из которых должен выдержать испытание.
Испытанию подвергают секции кабельных лотков и их соединения или секции кабельных лестниц и их соединения с целью проверки установленного значения БРН при прокладке лотков (лестниц) на нескольких пролетах на одном уровне в горизонтальной плоскости.
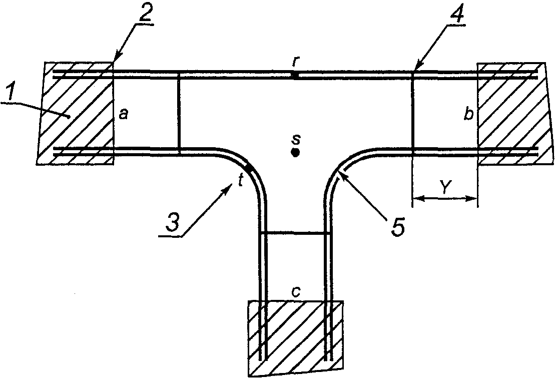
Испытанию подвергают образцы, состоящие из двух и более секций кабельных лотков или лестниц. Секции соединяют в соответствии с рисунком 1 для формирования двух полноценных пролетов и консольно закрепленного участка. Места соединений секций должны быть расположены в соответствии с требованиями, установленными для каждого испытания, а также с учетом указаний изготовителя.
Образцы устанавливают на жесткие опоры в соответствии с положениями a, b и c рисунка 1 с длиной вылета опорной части не менее (45 +/- 5) мм, установленных на одном уровне по горизонтали. Образцы закрепляют на опорах в соответствии с указаниями изготовителя. Если изготовитель не указывает способ крепления образцов на опорах, образцы на опорах не закрепляют.
Испытаниям подвергают только прямые секции полной длины со всеми промежуточными секциями. Отрезки секций допускается использовать только на концевых участках образца.
Допускается удлинять консольно закрепленный участок длиной более 0,4L в соответствии с Приложением D для обеспечения равномерного распределения нагрузки на этом участке.
В зависимости от способов применения, указанных изготовителем, должно проводиться одно или более испытаний образцов по 10.3.1 - 10.3.5.
Определенные при воздействии БРН значения прогибов, измеренные в серединах пролетов испытуемого образца, не должны быть более 1/100 длины пролета.
Значения поперечных прогибов средней части каждого пролета при воздействии БРН не должны быть более 1/20 ширины образца, при этом все участки образца должны обеспечивать надежную опору для всех размещенных на них кабелей и исключение угрозы повреждения кабелей или электроустановки потребителя.
10.3.1. Испытание по типу I
Испытание по типу I проводят в случае, если изготовитель не устанавливает каких-либо ограничений для концевого пролета кабельной трассы, при этом места соединений секций на трассе могут быть расположены произвольно. Подготовку образца для этого испытания проводят в соответствии с рисунком 2a.
10.3.2. Испытание по типу II
Испытание по типу II проводят в случае, если изготовитель указал, что в концевом пролете кабельной трассы не должно выполняться соединение секций. Подготовку образца для этого испытания проводят в соответствии с рисунком 2b.
Если изготовитель указывает, что длина концевого пролета кабельной трассы должна быть уменьшена, он должен указать длину X концевого пролета.
10.3.3. Испытание по типу III
Испытание по типу III проводят в случае, если стандартизированная длина прямой секции кабельного лотка или кабельной лестницы равна длине одного или нескольких пролетов и изготовитель указывает местоположение стыка секций в концевом пролете, которое должно обязательно соблюдаться. Испытание проводят также в случае, если стандартизированная длина секции кабельного лотка или кабельной лестницы равна 1,5 длины пролета, а место соединения секций расположено на расстоянии 1/4 длины пролета от опоры a (рисунок 2c). Подготовку образца для этого испытания проводят в соответствии с рисунком 2c.
Если изготовитель указывает, что длина концевого пролета кабельной трассы должна быть уменьшена, он должен указать длину X концевого пролета.
10.3.4. Испытания по типу IV
Испытание по типу IV проводят для образцов, имеющих локальное ослабление. В этом случае это место образца должно быть расположено на кронштейне b в соответствии с рисунком 3. Если это может быть достигнуто в результате модификации расположения образца при испытаниях по типу I или II путем смещения места соединения секций не более чем на +/- 10% L от его штатного положения, то это должно быть сделано.
10.3.5. Испытания по типу V
Испытание по типу V для случая многопролетной прокладки, когда длина пролета превышает 4 м, находится в стадии рассмотрения.
10.4. Испытание на воздействие БРН на прямые секции кабельных лотков и кабельных лестниц, установленных в горизонтальной плоскости в горизонтальном направлении на одном пролете
Испытанию на воздействие БРН подвергают прямые секции кабельных лотков или кабельных лестниц по методу одиночной балки, расположенной на одном пролете в горизонтальной плоскости.
Образцы устанавливают на жесткие опоры a и b с длиной вылета опорной части не менее (45 +/- 5 мм), установленные в одном уровне по горизонтали в соответствии с рисунком 4, и закрепляют на опорах в соответствии с указаниями изготовителя. Если изготовитель не указывает способ крепления образцов на опорах, их не закрепляют.
Если длина пролета превышает длину секции кабельного лотка или кабельной лестницы и изготовитель не устанавливает требований к расположению мест соединений секций, их располагают в середине пролета в соответствии с рисунком 4.
Испытания проводят в условиях, указанных в 10.2.
Значения прогибов образца в середине пролетов при воздействии БРН не должны быть более 1/100 длины пролета.
Значения поперечных прогибов в середине каждого пролета при воздействии БРН не должны быть более 1/20 ширины образца, при этом все участки образца должны обеспечивать надежную опору для всех размещенных на них кабелей и исключение угрозы повреждения кабелей или электроустановки потребителя.
При испытаниях образцов, имеющих локальные ослабления, такие места должны быть расположены на кронштейнах a и b в соответствии с рисунком 4.
Если это может быть достигнуто путем смещения места соединения секций не более чем на +10% L от его штатного положения, то это должно быть сделано.
В случае, если изготовитель не устанавливает требований к расположению мест соединений секций, должно быть проведено дополнительное испытание при произвольном расположении места соединения.
Испытания проводят одним или несколькими методами типовых испытаний в соответствии с 10.3 при воздействии тех же БРН.
10.5. Испытание на воздействие БРН на прямые секции кабельных лотков и кабельных лестниц, установленных в вертикальной плоскости в горизонтальном направлении
В стадии рассмотрения.
10.6. Испытание на воздействие БРН на прямые секции кабельных лотков и кабельных лестниц, установленных в вертикальной плоскости в вертикальном направлении
В стадии рассмотрения.
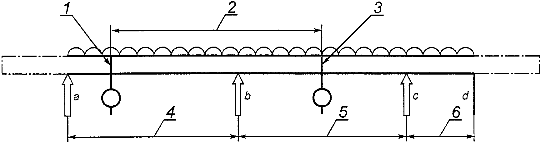
10.7. Испытание на воздействие БРН на фасонные секции кабельных лотков и кабельных лестниц, установленных в горизонтальной плоскости в горизонтальном направлении
Испытаниям на воздействие БРН, указанной изготовителем, подвергают следующие фасонные секции наибольшей ширины, не имеющие непосредственной опоры: угловые 90°, Т-образные и крестообразные, каждого типа, устанавливаемые в горизонтальной плоскости в горизонтальном направлении. Испытания других компонентов системы не проводят.
Испытания фасонных секций, при установке которых в соответствии с указаниями изготовителя должны использоваться дополнительные опоры, не проводят.
Фасонные секции с различными радиусами поворота, как показано на рисунках 5a, 5b и 5c, классифицируют как разные типы.
Фасонные секции соединяют с секциями кабельных лотков или кабельных лестниц того же типа в соответствии с указаниями изготовителя. Все опоры должны устанавливаться на расстоянии Y от испытуемой секции в соответствии с рисунками 5a, 5b и 5c. Прикладываемую РРН определяют по формуле
,
где Q - РРН, прикладываемая к фасонной секции, в ньютонах;
q - БРН, указанная изготовителем, в ньютонах на метр;
- длина средней линии фасонной секции, изображенная на рисунке 5d пунктиром, в метрах. Для Т-образных и крестовых секций
определяют как сумму длин обеих пунктирных линий.
10.7.1. Испытание угловой 90°-й секции на воздействие БРН
Условия испытания должны соответствовать требованиям 10.2.
Значение нагрузки при испытании должно быть равно Q, вычисленной с учетом указанной БРН.
Значения прогибов в середине пролета в результате воздействия БРН не должны быть более 1/100 длины пролета по дугам между опорами a и b в соответствии с рисунком 5a.
Значение поперечного прогиба в середине пролета при воздействии испытательной нагрузки не должно быть более 1/20 ширины образца, при этом образец должен обеспечивать надежную опору для всех кабелей, которые могут быть размещены в нем, и должна быть исключена угроза риска повреждения кабелей и электроустановки потребителя.
10.7.2. Испытание равносторонних Т-образной и крестообразной секций при воздействии БРН
Условия испытания должны соответствовать требованиям 10.2.
Значение нагрузки при испытании должно быть равно Q, вычисленной с учетом указанной БРН.
Значение прогибов в середине пролета в результате воздействия испытательной нагрузки не должно быть более 1/100 длины пролета по дугам между опорами a и b в соответствии с рисунками 5b и 5c.
Значения поперечных прогибов при испытательной нагрузке не должны быть более 1/20 расстояния между точками r и t, в которых проводят измерение прогибов, в соответствии с рисунками 5a и 5c. При этом образец должен обеспечивать надежную опору для всех кабелей, которые могут быть размещены в нем, и должна быть исключена угроза риска повреждения кабелей и электроустановки потребителя.
10.8. Испытание опорных конструкций на воздействие БРН
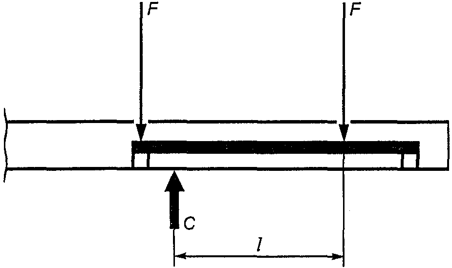
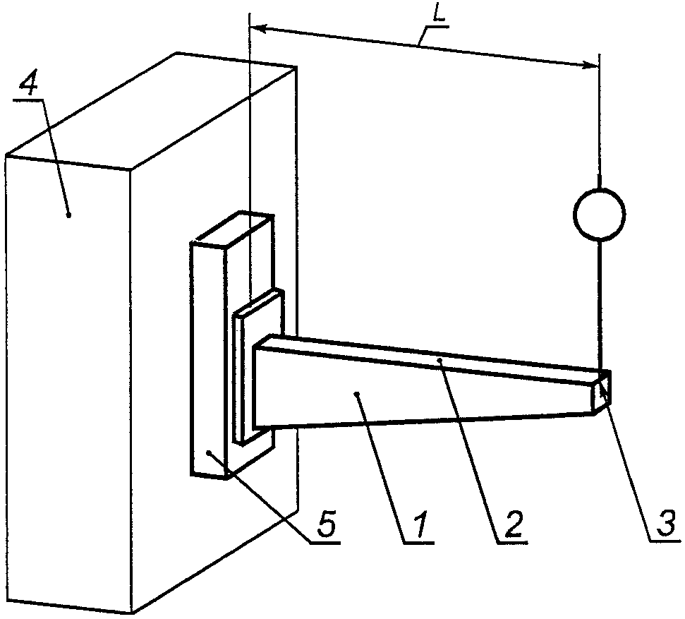
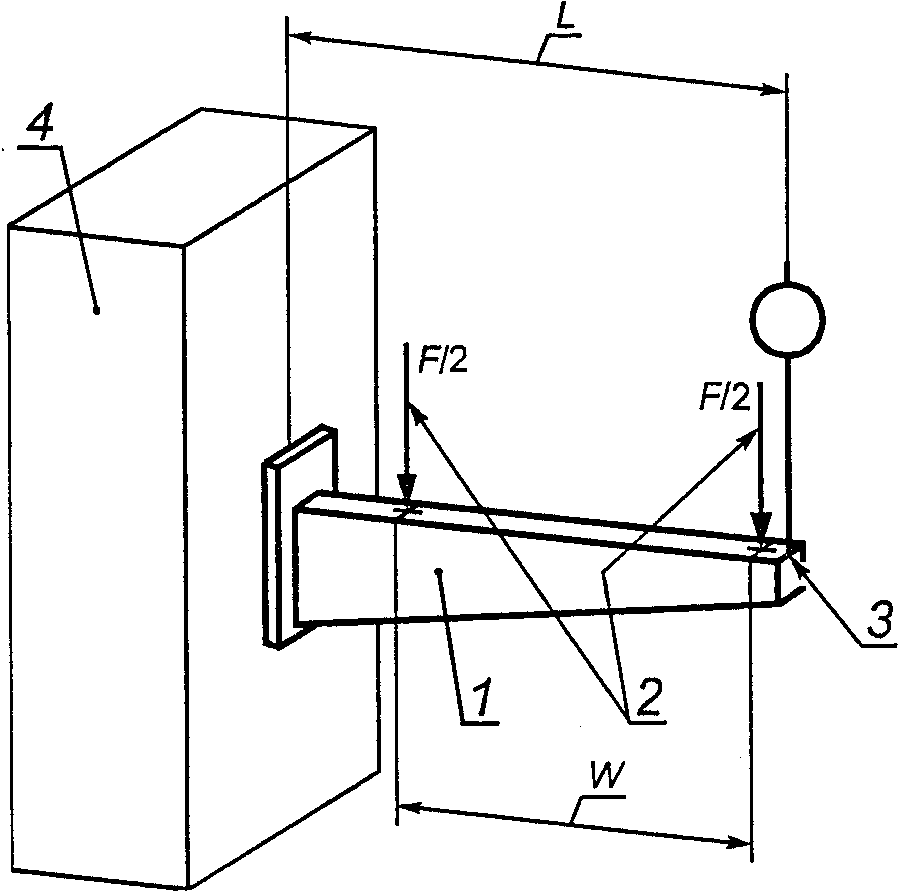
10.8.1. Испытание консольных кронштейнов
Образцы консольных кронштейнов устанавливают для испытаний в соответствии с рисунком 6.
Испытаниям подвергают образцы каждого типа с наименьшей и наибольшей длинами вылета. Значения БРН для консольных кронштейнов промежуточных размеров допускается устанавливать путем интерполяции результатов испытаний. Если кронштейны наименьшей длины не подвергали испытаниям, изготовитель должен указать, что значения БРН для них должны быть не более значений БРН, установленных для кронштейнов наибольшей длины того же типа.
Если консольные кронштейны предназначены для крепления непосредственно к стене, то образцы крепят к прочным жестким опорам. Если кронштейны предназначены для установки на стойке, то их закрепляют на стойке наименьшей длины, которую закрепляют на прочной жесткой опоре в соответствии с рисунком 6a (позиция 5).
Значение БРН для консольного кронштейна определяют с учетом возможной нагрузки для кабельной трассы наибольшей ширины, для которой он предназначен. Изготовитель должен указать значения допустимой нагрузки для других возможных случаев применения кронштейна.
Нагрузку прикладывают к консольному кронштейну в двух точках, как показано на рисунке 6b, если он предназначен:
- для кабельного лотка и для кабельной лестницы или
- только для кабельной лестницы.
Нагрузку на консольные кронштейны, предназначенные только для прямых и фасонных секций кабельных лотков, допускается прикладывать более чем в двух точках, указанных на рисунке 6c. Если изготовитель не указывает иное, лотковую кабельную трассу располагают как можно ближе к свободному концу консольного кронштейна.
Испытания проводят в условиях, указанных в 10.2, но с предварительной нагрузкой до 50% значения БРН, установленной для этого испытания.
Значение прогиба определяют в точке, расположенной не далее чем 5 мм от конца консоли кронштейна в соответствии с рисунком 6.
Значение наибольшего прогиба при воздействии БРН не должно быть более 1/20 полной длины L консольного кронштейна от опоры и должно быть не более 30 мм.
10.8.2. Испытание подвесов на воздействие БРН
Образцы подвесов устанавливают в соответствии с рисунком 7.
Образец закрепляют на жестком основании. Если изготовитель указывает, что несущая кабельная конструкция должна быть закреплена на кронштейне, испытания проводят с применением этой конструкции, закрепленной на кронштейне, и нагрузку прикладывают к конструкции.
Изготовитель должен указать значение БРН для каждого типа подвеса, которую прикладывают в соответствии с рисунком 7.
Испытания проводят в условиях, указанных в 10.2, но предварительное нагружение образца 50% БРН не проводят.
Значение наибольшего прогиба при воздействии БРН не должно быть более 1/20 длины L подвеса или ширины W консольного кронштейна.
Испытания подвесов и их комбинаций с консольными кронштейнами проводят в соответствии с рисунками 7a, 7b и 7c.
10.8.2.1. Испытание подвеса, закрепленного на потолочной плите, на воздействие изгибающего момента
Испытание подвеса, закрепленного на потолочной плите, на воздействие изгибающего момента проводят в соответствии с рисунком 7a. Изготовитель должен указать значение БРН как изгибающий момент
в ньютон-метрах.
Испытаниям подвергают подвес длиной L, предпочтительно 800 мм, путем приложения силы F, рассчитанной по формуле
. В случае, если в составе системы имеются только короткие подвесы, испытаниям подвергают подвес наибольшей длины.
10.8.2.2. Испытание подвеса на разрыв
Испытание на прочность подвеса на разрыв проводят в соответствии с рисунком 7b. Изготовитель должен указать значение БРН в ньютонах.
Испытаниям подвергают подвесы любой длины.
10.8.2.3. Испытание подвеса на воздействие изгибающего момента от консольного кронштейна
Испытания проводят в соответствии с рисунком 7c, который иллюстрирует создание изгибающего момента, вызывающего изгибание подвеса. Изготовитель должен указать значение БРН как изгибающего момента
в ньютон-метрах.
Испытаниям подвергают подвесы длиной L, равной 500 мм, 1000 мм и 1500 мм из указанных в номенклатуре изделий данного типа. Испытаниям подвергают подвесы с консольным кронштейном наибольшей длины, рассчитанным на наибольшую нагрузку, из числа консольных кронштейнов, указанных изготовителем для подвеса каждого типа. Силу F рассчитывают по формуле
.
Расстояния A1 и A2 до мест приложения нагрузок показаны на рисунке 7c.
Примечание. Наибольшую допустимую нагрузку на консольный кронштейн определяют по результатам испытаний по
10.8.1.
Способы надежного закрепления подвеса с консольным кронштейном на потолочной плите приведены в Приложении H.
10.8.2.4. Испытание Т-образного подвеса при воздействии БРН
Установка Т-образного подвеса при испытании на БРН приведена на рисунке 7d.
10.8.2.5. Испытание П-образного подвеса при воздействии БРН
Установка П-образного подвеса при испытании на БРН приведена на рисунке 7e.
10.8.3. Испытание фиксирующих кронштейнов для закрепления и фиксации прямых секций кабельных лотков и кабельных лестниц, устанавливаемых вертикально, при воздействии БРН
В стадии рассмотрения.
10.9. Испытание на стойкость к ударам
Испытание проводят по МЭК 60068-2-75 [7] методом маятникового молотка.
Испытания проводят на отрезках секций кабельных лотков или кабельных лестниц длиной (250 +/- 5) мм.
Длина испытуемого образца кабельной лестницы должна быть такой, чтобы он содержал две перемычки, расположенные симметрично по длине образца. Длина образца сетчатого лотка должна быть такой, чтобы поперечная проволочная основа была расположена в центре испытуемого участка.
Перед испытанием неметаллические и композитные элементы выдерживают при температуре (60 +/- 2) °C в течение 168 ч без перерывов.
Образцы устанавливают на древесно-волокнистую плиту толщиной (20 +/- 2) мм. Подготовленные образцы помещают в камеру холода, в которой с точностью +/- 2 °C установлена температура, указанная изготовителем в соответствии с таблицей 2.
Не менее чем через 2 ч образцы по очереди извлекают из камеры и сразу же помещают на испытательную установку.
Через (10 +/- 1) с после извлечения образца из камеры по нему с помощью маятникового молотка наносят удар с энергией, указанной в 6.9. Массу молотка и высоту падения определяют по таблице 6. Места нанесения ударов указаны на рисунке 8.
Таблица 6
Характеристики силы ударов при испытаниях
Энергия удара, Дж | Масса молотка, кг | Высота падения, мм |
2 | 0,5 | 400 +/- 4 |
5 | 0,7 | 295 +/- 3 |
10 | 1,7 | 200 +/- 2 |
20 | 5,0 | 400 +/- 4 |
50 | 10,0 | 500 +/- 5 |
Удары наносят по основанию или по перемычке первого образца, по одной из боковин второго образца и по другой боковине третьего образца.
В каждом случае удар наносят в центр лицевой поверхности стороны, которую подвергают испытанию.
После испытания на образцах не должно быть признаков разрушения и/или деформации, которые влияют на его безопасное использование.
11. Электрические свойства
Системы кабельных лотков и кабельных лестниц, соответствующие требованиям
6.3.2, должны иметь соответствующую электропроводность для обеспечения надежного уравнивания потенциалов и соединения с заземляющим проводником в случае, если они предназначены для использования в качестве цепей защиты.
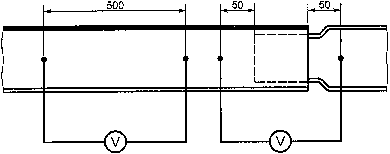
После подготовки образцов по 11.1.1 проводят испытание по 11.1.2.
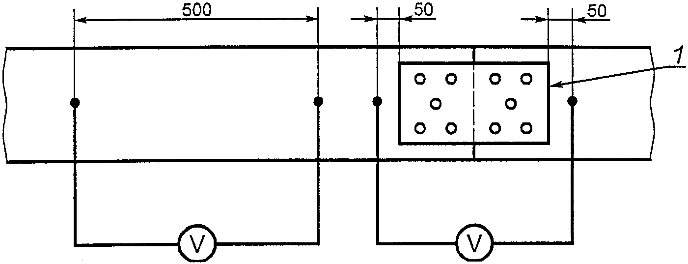
Испытание проводят в соответствии с рисунком 9. Если в системе кабельных лотков и кабельных лестниц использованы соединения различных типов, испытания каждого из них проводят отдельно.
11.1.1. Испытуемые части образцов очищают от консервационной смазки и загрязнения с помощью раствора спирта (35 +/- 5)%.
Затем образцы высушивают, проводят сборку соединений и испытывают по 11.1.2.
11.1.2. Через собранные образцы пропускают переменный ток (25 +/- 1) А частотой от 50 до 60 Гц от источника напряжением холостого хода не более 12 В. Падение напряжения измеряют между двумя точками на расстоянии 50 мм от концов соединительной муфты или от краев нахлеста в месте соединения, а также между двумя точками на целом участке секции на расстоянии 500 мм друг от друга, на любой из сторон от места соединения в соответствии с рисунком 9. Полное сопротивление рассчитывают, используя измеренные значения тока и падения напряжения. Полученные значения полных сопротивлений должны быть не более 50 МОм для соединения секций и 5 МОм на погонный метр для целого участка секции.
11.2. Неэлектропроводные системы
Элементы систем кабельных лотков и кабельных лестниц, соответствующие требованиям
6.4.2, считают неэлектропроводными, если их удельное поверхностное сопротивление равно или более 100 МОм.
Системы окрашенных металлических кабельных лотков и кабельных лестниц считают электропроводными.
Испытание компонентов, соответствующих классификации 6.1.2 или 6.1.3, проводят следующим образом:
- подготавливают образцы по 11.2.1;
- подготавливают измерительные электроды по 11.2.2;
- подвергают образцы воздействию влаги по 11.2.3;
- собирают испытуемые образцы по 11.2.4;
- измеряют значение поверхностного сопротивления по 11.2.5;
- рассчитывают значение удельного поверхностного сопротивления по 11.2.6.
11.2.1. Подготовка образцов
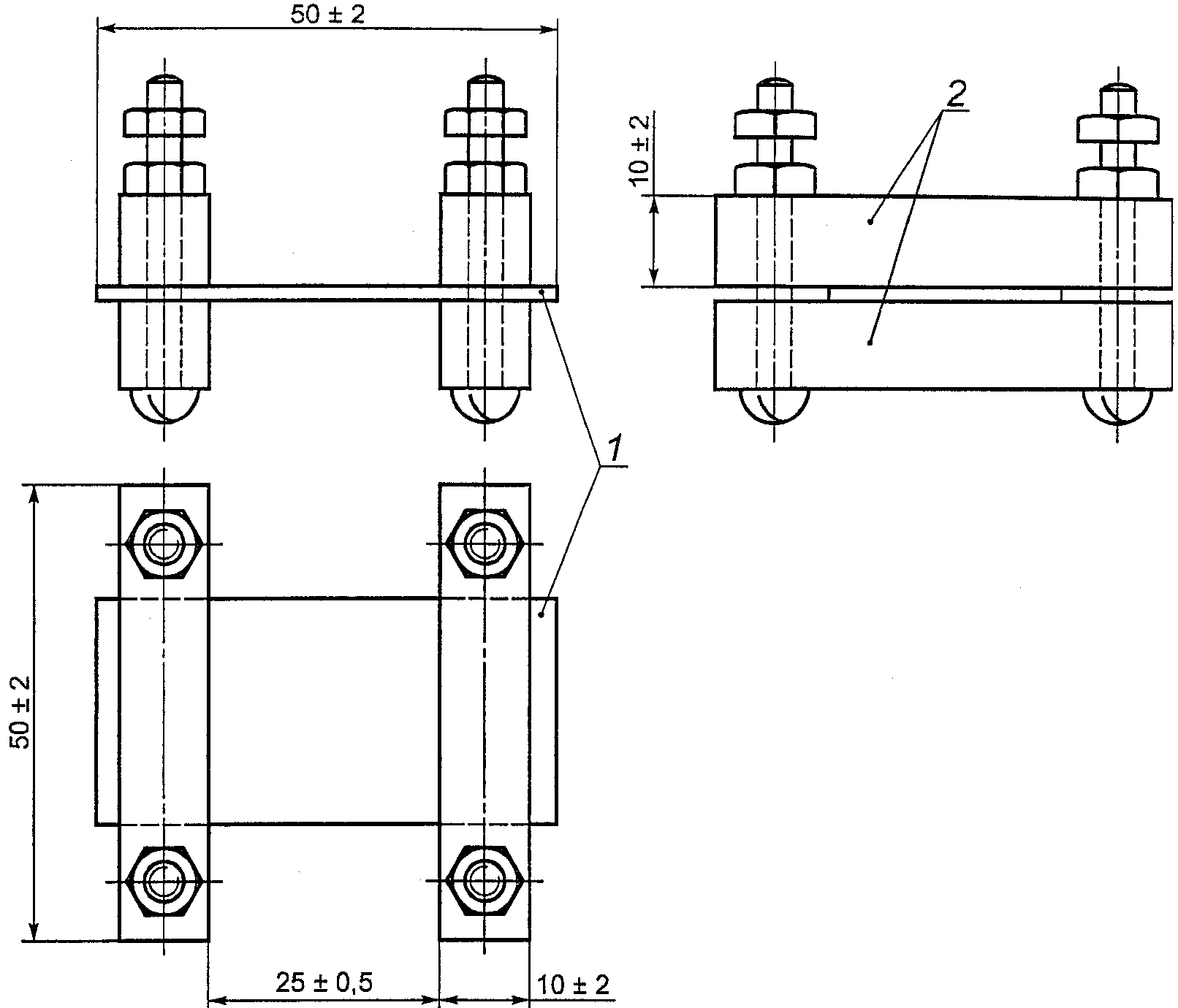
Из секций кабельных лотков вырезают фрагменты в виде пластин шириной (25 +/- 0,5) мм и длиной 50 мм.
Из боковин секций кабельных лестниц изготавливают фрагменты в виде пластин шириной (25 +/- 0,5) мм и длиной 50 мм.
11.2.2. Подготовка электродов
Для испытаний подготавливают два электрода. Электроды должны быть изготовлены из проводящего материала, устойчивого к коррозии в условиях испытаний и не вступающего в реакцию с материалом испытуемого образца. Размеры электродов должны быть: 10 x 10 x 50 мм.
11.2.3. Выдержка образцов во влажной атмосфере
Образцы помещают в камеру влаги, в которой установлена относительная влажность воздуха от 91% до 95% при температуре t от 20 °C до 30 °C, необходимой для достижения указанного значения влажности. В процессе испытания температура в камере должна поддерживаться с точностью +/- 1 °C.
Перед тем как поместить образцы в камеру влаги, их выдерживают не менее 4 ч при температуре от t до
°C.
Образцы следует выдержать в камере влаги не менее 24 ч.
Относительная влажность воздуха от 91% до 95% в камере влаги может быть получена путем помещения в камеру сосуда с насыщенным водным раствором сульфата натрия (Na2SO4) или нитрата калия (KNO3), имеющего достаточную поверхность для эффективного контакта с воздухом камеры.
Для создания заданных условий в камере влаги должны быть обеспечены постоянная циркуляция воздуха и теплоизоляция от внешней среды.
11.2.4. Установка электродов на образцах
Для проведения измерений электроды устанавливают на образцы в соответствии с рисунком 13 на расстоянии (25 +/- 0,5) мм друг от друга.
11.2.5. Измерение поверхностного сопротивления изоляции
Образцы подвергают воздействию напряжения постоянного тока (500 +/- 10) В в течение 1 мин.
Сразу же после этого измеряют значение поверхностного сопротивления, при этом продолжают поддерживать напряжение с указанной точностью.
Измерение проводят либо методом "моста", либо путем измерения тока и напряжения.
Используемые средства измерения должны обеспечивать точность измерения с абсолютной погрешностью не более +/- 10%.
11.2.6. Расчет удельного поверхностного сопротивления
Удельное поверхностное сопротивление рассчитывают по формуле
,
где
- удельное поверхностное сопротивление, Ом;
- измеренное поверхностное сопротивление, Ом;
p - двойная ширина образца, мм;
g - расстояние между электродами, мм.
В стадии рассмотрения.
13. Пожарная безопасность
13.1. Стойкость к воздействию пламени
13.1.1. Способность к возгоранию
Настоящий пункт не распространяется на системы кабельных лотков и кабельных лестниц.
Компоненты систем кабельных лотков и кабельных лестниц, соответствующие классификации, указанной в
6.1.2 и
6.1.3, которые могут быть подвержены воздействию высоких температур из-за электрических повреждений кабелей, должны быть изготовлены из негорючих материалов.
Примечание. К таким компонентам относятся только те, которые могут соприкасаться с электрическими кабелями.
Соответствие проверяют испытанием методом нагретой проволоки по @ГОСТ 27483@ при температуре 650 °C.
Детали небольших размеров, например шайбы, испытанию не подвергают. Также не подвергают испытанию части, изготовленные из керамических материалов или металла.
Испытанию подвергают один образец, размеры которого позволяют провести испытание более чем в одном месте.
Испытание проводят путем однократного приложения к образцу нагретой проволоки в течение 30 с.
Образец считают выдержавшим испытание, если:
- образец не воспламенился и отсутствует его интенсивное тление или
- пламя и тление образца прекращаются через 30 с после отведения нагретой проволоки.
При испытании находящаяся под образцом папиросная бумага, постеленная поверх деревянной доски, не должна воспламеняться, а на доске не должно быть следов поджига.
Если образец не выдержал испытание, его проводят на двух новых образцах.
Примечание. Продолжительность воздействия на образец нагретой проволокой в настоящее время уточняется.
13.1.3. Распространение горения
Не распространяющие горение компоненты системы не должны загораться, а если загорание произошло, не должны распространять горение.
Соответствие проверяют следующими испытаниями:
- компоненты системы из неметаллических или композитных материалов, изготовленные из иных материалов, чем прямые секции кабельных лотков или кабельных лестниц, испытывают по 13.1.2 при воздействии проволоки, нагретой до температуры 650 °C. Части, которые подвергались испытанию по 13.1.2, испытанию не подвергают;
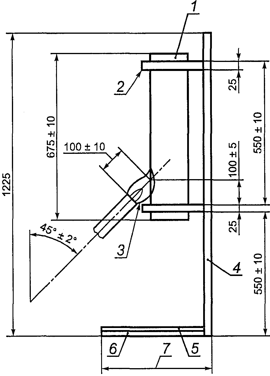
- прямые секции кабельных лотков и кабельных лестниц, изготовленные из неметаллических или композитных материалов, подвергают испытанию на воздействие открытого пламени.
Испытание на воздействие открытого пламени проводят на образцах длиной (675 +/- 10) мм.
Испытание проводят с помощью горелки по @ГОСТ 28779@.
Образцы, установленные на опорную конструкцию в соответствии с рисунком 10, помещают в прямоугольный металлический шкаф, открытый с фасадной стороны (рисунок 11) и установленный в месте, где отсутствуют сквозняки. Каждый образец должен быть закреплен на обоих концах, чтобы исключить смещение или перемещение образца под воздействием пламени. Секцию кабельной лестницы размещают таким образом, чтобы верхняя поверхность перемычки располагалась на 100 мм выше верхнего края нижнего зажима.
Горелку располагают в соответствии с рисунком 10. Пламя горелки должно быть направлено:
- на середину внутренней поверхности борта секции кабельной лестницы;
- на внутреннюю поверхность секции кабельного лотка в место смыкания основания и борта.
На дно шкафа помещают сухую сосновую доску или древесно-стружечную плиту толщиной около 10 мм, покрытую одним слоем папиросной бумаги плотностью от 12 до 30 г/м2 по ISO 4046 [8].
Образцы подвергают воздействию пламени в течение (60 +/- 2) с.
Образец выдержал испытание, если:
- не произошло загорания образца или
- при загорании образца удовлетворяются все следующие условия:
а) пламя гаснет через 30 с после удаления горелки;
б) подстилка из папиросной бумаги не загорелась, а на доске отсутствуют следы поджига;
в) отсутствуют следы горения или обугливания на участке образца, расположенном на 50 мм выше нижнего края верхнего зажима.
Примечание. Если перфорированные компоненты системы изготовлены из неперфорированных компонентов системы, то такие компоненты данному испытанию не подвергают.
13.1.4. Другие последствия воздействия пламени
В стадии рассмотрения.
В стадии рассмотрения.
14. Стойкость к внешним воздействиям
14.1. Стойкость к механическим воздействиям окружающей среды
Настоящий стандарт не устанавливает требования по стойкости систем кабельных лотков и кабельных лестниц к воздействию таких факторов окружающей среды, как снег, ветер и т.п.
Примечание. Влияние вышеуказанных факторов внешней среды следует принимать во внимание при проектировании кабельных трасс.
14.2. Стойкость к коррозии
Все компоненты системы должны быть устойчивыми к воздействию коррозии, указанной в таблице 7.
Таблица 7
Классификация компонентов систем по стойкости к коррозии
Материал компонента системы и вид защитного покрытия | Классификация по настоящему стандарту | Форма подтверждения соответствия | Пункт метода испытания |
Неметаллические | | Декларация о соответствии | |
Цинковое покрытие, предусмотренное настоящим стандартом | | Декларация о соответствии или измерение | |
Цинковое покрытие, не предусмотренное настоящим стандартом | | Испытание на воздействие нейтрального солевого тумана | |
Нержавеющая сталь, предусмотренная настоящим стандартом | | Декларация о соответствии | |
Нержавеющая сталь, не предусмотренная настоящим стандартом | Не классифицируется | Декларация о соответствии | По соответствующему стандарту |
Другие виды защитных металлических покрытий | | Испытание на воздействие нейтрального солевого тумана | |
Алюминиевые сплавы или другие металлы | | В стадии рассмотрения | |
Органические покрытия | | В стадии рассмотрения | |
14.2.1. Неметаллические компоненты системы
Компоненты системы, соответствующие классификации, указанной в
6.5.1, считают устойчивыми к коррозии и испытаниям не подвергают.
14.2.2. Компоненты системы из нержавеющей стали или из стали с металлическими защитными покрытиями, указанными в таблице 1
Компоненты системы, соответствующие классификации, указанной в
6.5.2, имеющие защитные покрытия по
таблице 1, должны соответствовать требованиям таблицы 8.
Таблица 8
Толщина цинкового покрытия материалов
Класс стойкости | Минимальная толщина покрытия, мкм | Минимальная толщина покрытия по EN 10326 [2] или EN 10327 [1], мкм | Минимальная толщина покрытия по ISO 1461 [3], мкм |
| - | - | - |
1 | 5 | - | - |
2 | 12 | - | - |
3 | - | 15 | - |
4 | - | 19 | - |
5 | - | - | 45 |
6 | - | - | 55 |
7 | - | - | 70 |
8 | - | - | 85 |
<1> Отсутствие защитного покрытия должно быть указано изготовителем. |
Для классов 1 и 2 соответствие проверяют:
- проверкой толщины цинкового покрытия по ISO 2178 [9] или ISO 2808 [10].
Для мелких деталей, таких как винты, болты, гайки, соответствие проверяют по сопроводительной документации изготовителя.
Для классов 3 и 4 соответствие проверяют:
- проверкой толщины цинкового покрытия по ISO 2178 [9] или ISO 2808 [10], или по сопроводительной документации изготовителя.
Для классов 5 и 8 соответствие проверяют:
- проверкой толщины цинкового покрытия по ISO 2178 [9] или ISO 2808 [10].
Для класса 9 соответствие проверяют:
- по документам изготовителя.
14.2.3. Компоненты системы, изготовленные из стали с защитными металлическими покрытиями, отличающимися от приведенных в таблице 1
Компоненты системы, соответствующие классификации, указанной в
6.5.2, но имеющие виды защитных покрытий, не указанные в
таблице 1, должны обладать необходимой стойкостью к воздействию коррозии.
Соответствие проверяют:
- испытанием на воздействие нейтрального соляного тумана в соответствии с ISO 9227 [11] в течение времени, указанного в таблице 9. Испытанию подвергают компонент продукции конкретного типа. При испытании прямых секций кабельных лотков или кабельных лестниц испытанию подвергают образец с наименьшей шириной и длиной не менее 70 мм. Образец считают выдержавшим испытание, если степень коррозии соответствует требованиям, установленным к классу 4 по ISO 10289 [12]. Участки образца, на которых в процессе испытания появился конденсат, во внимание не принимают.
Таблица 9
Продолжительность воздействия соляного тумана
| Продолжительность испытания, ч |
0 | - |
1 | 24 |
2 | 96 |
3 | 155 |
4 | 195 |
5 | 450 |
6 | 550 |
7 | 700 |
8 | 850 |
14.2.4. Компоненты систем из алюминиевых сплавов или других металлов
В стадии рассмотрения.
14.2.5. Компоненты систем с органическим покрытием
В стадии рассмотрения.
15. Электромагнитная совместимость
Системы кабельных лотков и системы кабельных лестниц, соответствующие требованиям настоящего стандарта, при нормальных условиях эксплуатации являются пассивными как в отношении эмиссии, так к воздействию электромагнитных полей.
Примечание. Системы кабельных лотков и кабельных лестниц, соответствующие требованиям настоящего стандарта, являются частью кабельных установок, которые могут быть источниками электромагнитных воздействий или подвергаться таким воздействиям. Степень воздействия зависит от вида кабельной установки, условий окружающей среды и от электрооборудования, соединенного проложенными в кабельных лотках (лестницах) проводами и кабелями.
Рисунок 1. Испытания на воздействие БРН
1 - равномерно распределенная нагрузка; 2 - место
соединения секций; 3 - удлинение консольного участка,
4 - концевой пролет длиной L, указанный изготовителем;
5 - промежуточный пролет длиной L, указанный изготовителем;
6 - максимально допустимый ненагруженный консольный участок
длиной 500 мм; 7 - место измерения прогиба по средней линии
лотка; 8 - место измерения прогиба в пределах 30 мм
от края борта; 9 - консольно закрепленный участок
длиной 0,4L; 10 - опора; 11 - прибор для измерения прогиба;
a, b, c - опоры; d - место окончания приложения нагрузки
Рисунок 2. Испытание на воздействие БРН
по типам I, II, III, лист 1
a) Испытание по типу I (см.
10.3.1)
1 - место соединения в середине пролета a - b; 2 - секция
установленной длины, которая может быть уменьшена,
если место соединения секций приходится на консоль c - d
или на участок, длина которого от опоры менее 25% длины
пролета; 3 - места соединений, количество которых
определяется в зависимости от длины секций и пролета;
4 - концевой пролет длиной L, указанной изготовителем;
5 - промежуточный пролет длиной L, указанной изготовителем;
6 - консольно закрепленный участок длиной 0,4L;
a, b, c - опоры; d - место окончания приложения нагрузки
Рисунок 2, лист 2
b) Испытание по типу II (см.
10.3.2)
1 - место соединения секций, которое по условиям испытания
может потребоваться выполнить в пролете a - b, когда место
соединения в пролете b - c должно быть в его середине;
2 - секция установленной длины, которая может быть
уменьшена, если место соединения секций приходится
на консоль c - d или на участок, длина которого от опоры
менее 25% длины пролета; 3 - место соединения в середине
пролета b - c; 4 - концевой пролет длиной L,
указанной изготовителем; 5 - промежуточный пролет длиной L,
указанной изготовителем; 6 - консольно закрепленный участок
длиной 0,4L; a, b, c - опоры; d - место окончания
приложения нагрузки
c) Испытание по типу III (см.
10.3.3)
1 - места стыка в каждом пролете; 2 - секция установленной
длины; 3 - концевой пролет длиной L или X,
указанной изготовителем; 4 - промежуточный пролет длиной L,
указанной изготовителем; 5 - консольно закрепленный участок
длиной 0,4L; a, b, c - опоры; d - место окончания
приложения нагрузки
Примечание. Если установленная длина прямой секции кратна двум или более длинам пролетов и изготовитель устанавливает место расположения стыка в пролетах для всех пространственных положений и при этом в концевом пролете не должно быть соединения секций, допускается проводить испытание по типу III, когда имеется только один стык в промежуточном пролете. Испытание по типу III также проводят в случае, когда установленная длина прямой секции кабельного лотка или кабельной лестницы в 1,5 раза больше длины пролета и стык секций располагается от опоры a на расстоянии, равном 25% длины пролета.
Рисунок 3. Испытание на воздействие БРН
1 - стык располагается, как при испытаниях по типам
I или II, но со смещением на минимальное расстояние,
необходимое, чтобы местное ослабление располагалось
непосредственно на опоре b; 2 - секция стандартизированной
длины; 3 - концевой пролет длиной L или X;
4 - промежуточный пролет длиной L; 5 - консольно
закрепленный участок длиной 0,4L; 6 - местное ослабление;
a, b, c - опоры; d - место окончания приложения нагрузки
Рисунок 4. Испытание на воздействие БРН
по типу V на одном пролете (см.
10.4)
1 - ненагруженная консоль длиной не более 500 мм;
2 - при необходимости, место расположения
соединения секций, указанное изготовителем;
3 - пролет длиной L, указанной изготовителем;
4 - местное ослабление секции; a, b - опоры
Рисунок 5. Испытание фасонных секций на воздействие БРН,
лист 1
a) Угловая 90°-ная секция
1 - закрепленный участок трассы; 2 - край опоры a или b;
3 - точки a, s и t измерения прогибов;
4 - типичное положение стыков; 5 - радиус секции;
Y - расстояние между опорой и местом соединения секций,
указанное изготовителем
Примечание. При испытаниях угловых, тройниковых и крестообразных секций точки r и t должны быть доступны для измерения продольных прогибов. Точка s должна быть доступна для измерения поперечного прогиба секции (для секции системы кабельных лестниц эта точка должна приходиться на ближайшую к середине перемычку).
b) Равносторонняя Т-образная секция
1 - закрепленный участок трассы; 2 - край опоры a, b или c;
3 - точки a, s и t измерения прогибов;
4 - типичное положение стыков; 5 - радиус секции;
Y - расстояние между опорой и местом соединения секций,
указанное изготовителем
Рисунок 5, лист 2
c) Равносторонняя крестообразная секция
1 - закрепленный участок трассы;
2 - край опоры a, b, c или d;
3 - точки a, s и t измерения прогибов;
4 - типичное положение стыков; 5 - радиус секции;
Y - расстояние от опоры до места соединения секций,
указанное изготовителем
d) Типичные примеры положений средних линий секций
и определение их длин
Рисунок 6. Испытание консольных кронштейнов
для систем кабельных лотков и кабельных лестниц, лист 1
a) Испытание консольного кронштейна для кабельных лотков
или кабельных лестниц, закрепленного на фрагменте
кабельной стойки
1 - консольный кронштейн для установки на кабельной стойке;
2 - поверхность, к которой прикладывают нагрузку;
3 - точка измерения прогиба, расположенная на средней линии
на конце консольного кронштейна; 4 - основание;
5 - кабельная стойка для установки кронштейна, закрепленная
на жестком основании (стойка не используется, если кронштейн
предназначен для закрепления непосредственно на основании);
L - длина кронштейна
b) Испытание консольного кронштейна для кабельных лотков
и кабельных лестниц, установленного непосредственно
на основании
1 - консольный кронштейн; 2 - места приложения силы F;
3 - точка измерения прогиба, расположенная на средней линии
на конце консольного кронштейна; 4 - жесткое основание;
L - длина кронштейна; W - расстояние между средними линиями
опорных поверхностей бортов кабельной лестницы
Рисунок 6, лист 2
c) Испытание консольного кронштейна,
предназначенного только для кабельных лотков,
установленного непосредственно на основании
1 - консольный кронштейн; 2 - прикладываемая нагрузка;
3 - точка измерения прогиба, расположенная на средней линии
консольного кронштейна; 4 - основание; L - полная длина
кронштейна; W - внешняя ширина кабельного лотка; F - сила;
n - места приложения нагрузки в соответствии
b - расстояние, равное a/2
Рисунок 7. Испытания подвесов, лист 1
a) Испытание на изгиб подвеса,
закрепленного на потолочной плите
1 - место измерения изгиба;
F - прикладываемая сила; L - длина подвеса
b) Испытание подвеса на разрыв
1 - место измерения удлинения; F - прикладываемая сила
c) Испытание подвеса на воздействие изгибающего момента
от нагрузки на кронштейн
1 - место измерения изгиба; F - прикладываемая сила;
L - длина подвеса; A1, A2 - места приложения нагрузок
Рисунок 7, лист 2
d) Испытание Т-образных подвесов
1 - место измерения прогиба;
F - прикладываемая сила; W - ширина подвеса
e) Испытание П-образных подвесов
1 - место измерения прогиба; F - прикладываемая сила;
W - ширина подвеса; Ws - ширина кабельного лотка
или кабельной лестницы
Рисунок 8. Испытание на удар
a) Образец 1
b) Образец 2
c) Образец 3
L - левая сторона; R - правая сторона
Рисунок 9. Испытание на непрерывность электрической цепи
a) Секции кабельных лотков или кабельных лестниц,
соединенных с помощью соединительного элемента
b) Секции кабельных лотков или кабельных лестниц,
соединенные внахлест
Рисунок 10. Испытание на воздействие пламени
Примечание. Чертеж является обязательным только в отношении размеров.
1 - образец, расположенный симметрично
по ширине опорной конструкции; 2 - зажим;
3 - факел пламени; 4 - задняя сторона конструкции;
5 - слой папиросной бумаги;
6 - отрезок сосновой доски длиной

мм;
7 - глубина конструкции

мм
Рисунок 11. Шкаф для размещения образца
при испытании на воздействие пламени
Примечания. 1. Чертеж является обязательным только в отношении размеров.
2. Все указанные размеры - внутренние. Шкаф изготовлен из стали.
1 - верхняя поверхность; 2 - боковая поверхность;
3 - поверхность дна;
D - глубина шкафа

мм;
H - высота шкафа 1300 +/- 25 мм;
W - ширина шкафа

мм
Рисунок 12. Диаграммы приложения нагрузки и температуры
при выдержке образца в течение времени по
10.2.1.3
T1 - температура окружающего воздуха;
Рисунок 13. Измерение удельного поверхностного сопротивления
неметаллического материала кабельного лотка
или кабельной лестницы
1 - образец; 2 - электроды
(справочное)
ТИПИЧНЫЕ ПРИМЕРЫ ПРЯМЫХ СЕКЦИЙ КАБЕЛЬНЫХ ЛОТКОВ
И КАБЕЛЬНЫХ ЛЕСТНИЦ
Рисунок A.1. Секции кабельных лотков со сплошным дном
Рисунок A.2. Секции перфорированных кабельных лотков
Рисунок A.3. Секции сетчатых кабельных лотков
Рисунок A.4. Секции кабельных лестниц
(справочное)
ТИПИЧНЫЕ ПРИМЕРЫ ОПОРНЫХ КОНСТРУКЦИЙ
Рисунок B.1. Консольные кронштейны
Рисунок B.2. Подвесы, лист 1
Рисунок B.2, лист 2
Рисунок B.3. Фиксирующие кронштейны
(справочное)
C.1. Использование лотков для защитного заземления и в качестве PE-проводника
В стадии рассмотрения.
C.2. Электропроводные системы кабельных лотков и кабельных лестниц могут использоваться в качестве защитных PE-проводников и заземляющих проводников в соответствии с руководством по монтажу и эксплуатации.
(обязательное)
МЕТОДЫ ПРИЛОЖЕНИЯ РАВНОМЕРНО РАСПРЕДЕЛЕННОЙ НАГРУЗКИ
ПРИ ИСПЫТАНИЯХ НА ВОЗДЕЙСТВИЕ БРН С ПРИМЕНЕНИЕМ
ПЛАСТИН РАСПРЕДЕЛЕНИЯ НАГРУЗКИ
Нагрузка должна прикладываться к образцу с помощью жестких пластин распределения нагрузки (далее - пластин). Полная нагрузка должна создаваться за счет нагрузки от пластин распределения нагрузки и приложения дополнительных масс.
D.1. Размеры пластин распределения нагрузки
Для секций кабельных лотков, в том числе сетчатых, пластины (пластина) распределения нагрузок должны быть прямоугольной формы размерами (120 +/- 1) x (40 +/- 1) мм.
В соответствии с особенностями конструкций кабельных лотков, в том числе сетчатых, при необходимости могут применяться пластины распределения нагрузок иной формы, чтобы заполнить площадь основания кабельного лотка или лестницы в пределах заданных длины и ширины образцов.
Для секций кабельных лестниц пластины (пластина) распределения нагрузок должны быть шириной (80 +/- 1) мм, при этом их форма и длина должны быть такими, чтобы их можно было разместить на одной перемычке или на одном пролете между двумя перемычками.
D.2. Распределение точечных нагрузок по ширине образца
Точечные нагрузки должны располагаться по ширине образца на равных расстояниях, указанных в таблице D.1 с точностью +/- 2,5 мм.
Таблица D.1
Число мест приложения точечных нагрузок по ширине образца
Номинальная ширина, мм | Число мест точечных нагрузок |
Менее 175 | 1 |
От 175 до 300 | 2 |
От 300 до 600 | 4 |
Более 600 | 6 |
Рисунок D.1. Пример распределения мест
приложения нагрузок по ширине образца
D.3. Распределение точечных нагрузок по длине секций кабельных лотков
Точечные нагрузки должны располагаться по длине образца на равных друг от друга расстояниях, указанных в таблице D.2 с точностью +/- 5 мм.
Таблица D.2
Число мест приложения точечных нагрузок по длине
Длина пролета, м | Число мест приложения точечных нагрузок на пролете | Эффективное число мест приложения точечных нагрузок на испытуемом образце |
Менее 2,0 | 5 | 12 |
Более 2,0 до 2,5 | 6 | 14 |
Более 2,5 до 3,0 | 7 | 16 |
Более 3,0 до 3,5 | 8 | 19 |
Возможное число мест приложения точечных нагрузок увеличивают на одно при каждом увеличении длины пролета на 0,5 м. Эффективным числом точечных нагрузок на испытуемом образце является наибольшее целое число, меньшее или равное теоретически возможному числу мест на пролете, умноженному на 2,4.
В случае, если место приложения нагрузки совпадает с местом измерения прогиба, следует выбрать следующее большее теоретически возможное число точечных нагрузок для исключения такого совпадения.
Для сетчатых лотков, когда пластина распределения нагрузок не может быть размещена в месте, приходящемся между двумя смежными проволочными основами каркаса, место установки пластины может быть смещено на минимально необходимое расстояние.
f - точечная нагрузка
Рисунок D.2. Типичное расположение пластин
распределения нагрузки
1 - концевой пролет длиной L или X, указанной изготовителем;
2 - промежуточный пролет длиной L;
3 - консольно закрепленный участок длиной 0,4L
Рисунок D.3. Пример равномерного распределения
точечных нагрузок по длине образца
D.4. Распределение точечных нагрузок вдоль образца секции кабельной лестницы
Нагрузку на каждую перемычку секции кабельной лестницы прикладывают в соответствии с
D.4.1 или
D.4.2 и рисунками D.4a или D.4b.
f - точечная нагрузка
Рисунок D.4. Примеры распределения испытательной нагрузки
на секции кабельной лестницы
D.4.1. Испытательная нагрузка для пролетов
На каждую перемычку секции кабельной лестницы, за исключением расположенной на опоре, должна быть приложена нагрузка, определяемая по формуле
(1,4L + X) БРН
F = ----------------------------------------,
(число перемычек на испытуемом образце)
L - длина промежуточного пролета;
БРН - безопасная рабочая нагрузка;
F - нагрузка на каждой перемычке при БРН.
D.4.2. Испытательная нагрузка для консольно закрепленных секций
a) На консольно закрепленном участке кабельной лестницы, имеющем четыре и более перемычек, на каждую перемычку должна быть приложена испытательная нагрузка, равная F, как показано на рисунке D.5.

,
где F - нагрузка на перемычку в промежуточном и концевом пролете;
C - опора;

- значение фактического крутящего момента относительно опоры
C;

- значение расчетного момента относительно опоры
C.
Рисунок D.5. Пример консольно закрепленного участка
с четырьмя и более перемычками
b) На консольно закрепленном участке кабельной лестницы, имеющем две или три перемычки, нагрузка должна быть приложена с помощью промежуточных пластин в соответствии с
рисунками D.6 и
D.7. Каждая промежуточная пластина должна перекрывать пролет только между двумя перемычками и быть нагружена независимой нагрузкой
f, где
F
f = --------------------------------------------------------.
число точечных нагрузок по ширине образца по
таблице D.1
Точечные нагрузки должны быть расположены таким образом, чтобы крутящий момент относительно опоры
C был равен расчетному моменту

от равномерно распределенной нагрузки на консоли для указанной БРН, где

.
Также следует учитывать, что на консольном участке, имеющем три перемычки, расстояние
d между двумя приложенными на этом участке точечными нагрузками должно быть равно расстоянию между перемычками, указанному на
рисунке D.6.

,
следовательно,

,
где F - нагрузка на перемычку;

- значение фактического крутящего момента относительно опоры;

- значение расчетного момента относительно опоры;
d - расстояние между перемычками;
l - расстояние от опоры до средней точки между двумя нагрузками F (плечо крутящего момента).
a) Пример консольно закрепленного участка
с тремя перемычками
f - точечная нагрузка
b) Пример приложения нагрузок на консольном участке
с тремя перемычками
Рисунок D.6. Примеры приложения нагрузок
на консольном участке с тремя перемычками

,
следовательно,

,
где F - нагрузка на перемычку;

- значение фактического крутящего момента относительно опоры
C;

- значение расчетного момента относительно опоры
C;
l - плечо крутящего момента.
Рисунок D.7. Пример приложения нагрузки
на консольно закрепленном участке с двумя перемычками
c) На консольно закрепленном участке кабельной лестницы, имеющем только одну перемычку, расположенную так, что l меньше расстояния между перемычками, нагрузка должна прикладываться в соответствии с рисунком D.8.

,
следовательно,

,
где F - нагрузка на перемычку;
C - опора;
l - плечо крутящего момента;

- значение фактического крутящего момента относительно опоры
C;

- значение расчетного момента относительно опоры
C.
Рисунок D.8. Пример приложения нагрузки
на консольно закрепленном участке с одной перемычкой
d) Консольно закрепленный участок кабельной лестницы с одной перемычкой, расположенной так, что место приложения нагрузки на расстоянии
l находится за перемычкой, необходимо нарастить в соответствии с рисунком D.9, чтобы была возможность использовать две перемычки и применить метод, описанный в
b), для создания крутящего момента, по возможности, равного

.

, следовательно,

,
где F - нагрузка на перемычку;
C - опора;
l - плечо крутящего момента;

- значение фактического крутящего момента относительно опоры
C;

- значение расчетного момента относительно опоры
C.
Рисунок D.9. Пример приложения нагрузки на консольно
закрепленном участке с наращиванием длины участка
(справочное)
ТИПИЧНЫЕ СПОСОБЫ ПРИЛОЖЕНИЯ РАВНОМЕРНО
РАСПРЕДЕЛЕННОЙ НАГРУЗКИ ПРИ ИСПЫТАНИИ НА ВОЗДЕЙСТВИЕ БРН
E.1. Приложение точечных нагрузок посредством механической передачи
1 - опора; 2 - механическая передача от гидравлического
цилиндра или другого устройства, которая должна
обеспечивать создание равных точечных нагрузок
на плитах (плите) распределения нагрузки;
3 - образец, расположенный вверх дном
Рисунок E.1. Приложение точечных нагрузок
путем механической передачи
При расположении образца вверх дном испытательная нагрузка при испытании на воздействие БРН должна быть увеличена на двукратную массу образца.
E.2. Использование индивидуальных точечных нагрузок
Металлические грузы,
подвешиваемые на перемычки кабельных лестниц
Металлические грузы, подвешиваемые за окна перфорации
Рисунок E.2. Использование индивидуальных точечных нагрузок
E.3. Нагружение блоками
Металлические блоки или полосы
Рисунок E.3. Нагружение блоками
(справочное)
ПРИМЕР ОПРЕДЕЛЕНИЯ КОЭФФИЦИЕНТА ТЕМПЕРАТУРНОЙ ЗАВИСИМОСТИ
(КТЗ) ДЛЯ ЦЕЛЕЙ ДЕКЛАРИРОВАНИЯ СООТВЕТСТВИЯ ТРЕБОВАНИЯМ
НАСТОЯЩЕГО СТАНДАРТА
F.1. Декларация изготовителя
Изготовитель заявляет, что для прямых секций кабельных лотков определенных размеров в диапазоне рабочих температур от минус 5 °C до плюс 60 °C установлены следующие значения БРН, указанные в таблице F.1.
Таблица F.1
Размеры кабельных лотков
Ширина x высота, мм | БРН, Н/м |
100 x 60 | 10 |
200 x 60 | 20 |
300 x 60 | 35 |
400 x 60 | 45 |
При длине пролета 1,5 м наибольший допустимый продольный прогиб будет 1,5 м/100, т.е. не более 15 мм.
F.2. Вычисление КТЗ для кабельного лотка шириной 100 мм (КТЗ100)
Результаты испытаний для вычисления

соответствуют приведенным в таблице F.2.
Таблица F.2
БРН для прямых секций кабельных лотков шириной 100 мм
Температура | Нагрузка при наибольшем допустимом прогибе (БРН), Н/м |
Образец 1 | Образец 2 | Образец 3 | Среднее значение для образцов 1, 2 и 3 |
Наименьшая минус 5 °C | 17 | 18 | 19 | 18 |
Окружающей среды плюс 20 °C | 15 | 13 | 17 | 15 |
Наибольшая плюс 60 °C | 10 | 12 | 14 | 12 |
По данным таблицы

вычисляют по формуле
Наименьшее значение средней нагрузки при любой
(наименьшей, окружающей среды или наибольшей) температуре
----------------------------------------------------------,
Средняя нагрузка при среднем значении температуры
следовательно,

.
F.3. Вычисление КТЗ для кабельного лотка шириной 400 мм (КТЗ400)
Результаты испытаний для вычисления

соответствуют приведенным в таблице F.3.
Таблица F.3
Прямые секции кабельных лотков шириной 400 мм
Температура | Нагрузка при наибольшем допустимом прогибе (БРН), Н/м |
Образец 1 | Образец 2 | Образец 3 | Среднее значение для образцов 1, 2 и 3 |
Наименьшая минус 5 °C | 82 | 85 | 88 | 85 |
Окружающей среды плюс 20 °C | 66 | 70 | 74 | 70 |
Наибольшая плюс 60 °C | 47 | 52 | 57 | 52 |
По данным таблицы

вычисляют по формуле
Наименьшее значение средней нагрузки при любой
(наименьшей, окружающей среды или наибольшей) температуре
----------------------------------------------------------,
Средняя нагрузка при средней температуре
следовательно,

.
F.4. Проверка относительной разницы КТЗ
Относительная разница между полученными значениями КТЗ в процентах составляет

.
Так как относительная разница менее 10%, для кабельных лотков с промежуточными значениями ширины может применяться расчетный метод для определения

.
F.5. КТЗ для ряда прошедших испытания кабельных лотков (КТЗR)

определяют как среднее значение

и

по формуле

.
F.6. Определение испытательной нагрузки при температуре окружающей среды
Прямые секции кабельных лотков другой ширины могут быть испытаны при температуре окружающей среды 20 °C при следующих нагрузках:
- секции шириной 200 мм - при нагрузке 20/0,77 = 26 Н/м;
- секции шириной 300 мм - при нагрузке 35/0,77 = 45,5 Н/м.
(справочное)
ПРИМЕР ОПРЕДЕЛЕНИЯ ДОПУСТИМОГО ПРИРАЩЕНИЯ ПРОГИБА
ПРИ ИСПЫТАНИИ
После приложения БРН записывают показания приборов d1. Через 5 мин записывают показания приборов d2. Если относительная разница A в процентах между измеренными значениями прогибов больше или равна 2%, через 5 мин записывают показания d3 и вычисляют относительную разницу B в процентах.
Если относительная разница B составляет менее 2%, значения d2 считают значениями прогибов при данной БРН.
1 - показания приборов d1; 2 - показания приборов d2;
3 - показания приборов d3; 4 - время;
5 - время нагружения до БРН;
6 - определение приращения прогиба по формулам

и

Рисунок G.1. Пример определения
допустимого приращения прогиба
(справочное)
РЕКОМЕНДАЦИИ ПО НАДЕЖНОМУ ЗАКРЕПЛЕНИЮ ПОДВЕСОВ
С КОНСОЛЬНЫМИ КРОНШТЕЙНАМИ
БРН на подвесе с консольным кронштейном определяется отсутствием:
a) разрушения крепления основания подвеса к потолку;
b) разрушения места соединения консольного кронштейна с подвесом;
c) изгибания подвеса.
1 - подвес; 2 - основание подвеса;
3 - нагрузка на консольный кронштейн;
4 - консольный кронштейн; F - сила вырывания подвеса;

- изгибающий момент на потолочной плите;

- изгибающий момент от консольного кронштейна
Рисунок H.1. Силы, воздействующие на места закрепления
основания подвеса и кронштейн
Подвесы с консольным кронштейном считают надежно закрепленными, если выполняются все следующие условия:
1) расчетные значения изгибающего момента

и силы
F находятся в безопасной области согласно
рисунку H.2;
2) нагрузка, приложенная на каждый установленный кронштейн, меньше, чем соответствующее значение БРН, указанное для испытания (см.
10.8.1);
3) изгибающий момент на самом подвесе меньше БРН, указанной для подвеса данной длины. Значение БРН может быть определено интерполяцией значений, полученных при испытании по
10.8.2.3.
2 - опасная область; 3 - область безопасных нагрузок;
Рисунок H.2. Графическая иллюстрация безопасных нагрузок
(справочное)
Проверку соответствия проводят с помощью соответствующих испытаний, приведенных в таблице I.1.
Таблица I.1
Программа испытаний для подтверждения соответствия
Раздел (подраздел, пункт) стандарта | Требование | Метод испытания |
Требования к маркировке и сопроводительной документации |
| Прочность и четкость маркировки | Проверка каждого компонента системы |
| Стойкость к воздействию температуры окружающей среды при транспортировании и хранении | Проверка одного компонента системы |
| Соответствие сопроводительной документации | Визуальный осмотр |
Соответствие размерам |
| Информация по документации | Измерение размеров |
Требования к конструкции |
| Отсутствие мест возможного повреждения кабелей в местах сочленения секций | Проверка путем осмотра и рукой |
| Наличие острых кромок и заусенцев | Проверка путем осмотра и рукой |
| Пригодность резьбовых соединений для многократного применения | Испытание |
| Пригодность механических соединений для многократного применения | Испытание |
| Пригодность механических соединений для однократного применения | Проверка визуально и на расчленение руками |
| Соответствие монтажных устройств системы для установки электрических аппаратов | Визуальный осмотр и измерение |
| Равномерность перфорации в основании кабельных лотков | Визуальный осмотр и измерение |
| Равномерность шага перемычек кабельных лестниц | Визуальный осмотр и измерение |
Требования к механической прочности |
| Механическая прочность систем лотков на воздействие БРН | |
| Испытание | Установка | Число пролетов | Тип изделия | Метод и условия испытания |
плоскость | направление |
| Тип I | Горизонтальная | Горизонтальное | Многопролетная | Лотки/лестницы | Место соединения секций произвольное |
Тип II | Горизонтальная | Горизонтальное | Многопролетная | Лотки/лестницы | Без соединения секций в концевом пролете |
| Тип III | Горизонтальная | Горизонтальное | Многопролетная | Лотки/лестницы | Пролеты одинаковой длины |
Тип IV | Горизонтальная | Горизонтальное | Многопролетная | Лотки/лестницы | Наличие местного ослабления |
Тип V | Горизонтальная | Горизонтальное | - | - | В стадии рассмотрения |
| | Горизонтальная | Горизонтальное | Один | Лотки/лестницы | На одном пролете |
| | Вертикальная | Горизонтальное | | | В стадии рассмотрения |
| | Вертикальная | Вертикальное | | | В стадии рассмотрения |
| | Горизонтальная | Горизонтальное | | Угловые 90° | Испытание фасонной секции |
| | Горизонтальная | Горизонтальное | Один | Равносторонние, Т-обр. и крестовые | Испытание фасонной секции |
| Механическая прочность консольных кронштейнов на воздействие БРН | Испытание кронштейнов наименьшей и наибольшей длины |
| Механическая прочность подвесов на воздействие БРН | Испытание каждого типа подвеса |
| Механическая прочность фиксирующих кронштейнов | В стадии рассмотрения |
| Стойкость к удару | Испытание на отрезках прямых секций |
Электрические характеристики |
| Непрерывности электрической цепи | Испытание |
| Электроизоляционные свойства | Испытание |
Стойкость к воздействию пламени |
| Способность к самовозгоранию | Не применяется |
| Горючесть | Испытание |
| Распространение горения | Испытание |
| Прочие характеристики воздействия пламени | В стадии рассмотрения |
| Огнестойкость | В стадии рассмотрения |
Стойкость к внешним воздействиям |
| Коррозионная стойкость неметаллических компонентов | Декларация изготовителя |
| Коррозионная стойкость компонентов из стали с металлическими защитными покрытиями или из нержавеющей стали по таблице 1 | Декларация изготовителя и измерение |
| Коррозионная стойкость компонентов из стали с металлическими защитными покрытиями или из нержавеющей стали, не указанных в таблице 1 | Испытание на отрезке прямой секции |
| Коррозионная стойкость компонентов из алюминиевых сплавов или других металлов | В стадии рассмотрения |
| Коррозионная стойкость компонентов из стали с органическими покрытиями | В стадии рассмотрения |
Примечания. 1. Для испытаний по 10.3 может потребоваться один или более дополнительных образцов в соответствии с информацией изготовителя. 2. Необходимость испытаний по 11.1, 11.2 устанавливают на основании декларации изготовителя. |
(обязательное)
ИСПЫТАНИЯ СИСТЕМ КАБЕЛЬНЫХ ЛОТКОВ
И СИСТЕМ КАБЕЛЬНЫХ ЛЕСТНИЦ, СООТВЕТСТВУЮЩИХ ТРЕБОВАНИЯМ
МЭК 61537-2001
Необходимость или отсутствие необходимости проведения испытаний для подтверждения соответствия систем кабельных лотков или систем кабельных лестниц, соответствующих требованиям МЭК 61537-2001, требованиям настоящего стандарта, устанавливают в соответствии с таблицей J.1.
Таблица J.1
Испытания для подтверждения соответствия
требованиям настоящего стандарта
Подраздел (пункт) стандарта | Требование | Метод испытания |
Требования к маркировке и сопроводительной документации |
| Прочность и четкость маркировки | Не требуется |
| Стойкость к воздействию температуры окружающей среды при транспортировании и хранении | Не требуется |
| Соответствие сопроводительной документации | Не требуется |
Соответствие размерам |
| Информация по документации | Не требуется |
Требования к конструкции |
| Отсутствие мест возможного повреждения кабелей в местах сочленения секций | Не требуется |
| Наличие острых кромок и заусенцев | Не требуется |
| Пригодность резьбовых соединений для многократного применения | Не требуется |
| Пригодность механических соединений для многократного применения | Не требуется |
| Пригодность механических соединений для однократного применения | Не требуется |
| Соответствие монтажных устройств системы для установки электрических аппаратов | Не требуется |
| Равномерность перфорации в основании кабельных лотков | Не требуется |
| Равномерность шага перемычек кабельных лестниц | Не требуется |
Механические свойства |
| Механическая прочность систем лотков и систем лестниц на БРН | |
| | Установка | Число пролетов | Тип изделия | |
плоскость | направление |
| Тип I | Горизонтальная | Горизонтальное | Многопролетная | Лотки/лестницы | |
| Тип II | Горизонтальная | Горизонтальное | Многопролетная | Лотки/лестницы | |
| Тип III | Горизонтальная | Горизонтальное | Многопролетная | Лотки/лестницы | |
| Тип IV | Горизонтальная | Горизонтальное | Многопролетная | Лотки/лестницы | |
| Тип V | Горизонтальная | Горизонтальное | | | В стадии рассмотрения |
| | Горизонтальная | Горизонтальное | Один | Лотки/лестницы | |
| | Вертикальная | Горизонтальное | | | В стадии рассмотрения |
| | Вертикальная | Вертикальное | | | В стадии рассмотрения |
| | Горизонтальная | Горизонтальное | | Угловые 90° | |
| | Горизонтальная | Горизонтальное | Один | Равносторонние, Т-обр. и крестообразные | |
| Механическая прочность консольных кронштейнов на БРН | Требуется |
| Механическая прочность подвесов на БРН | |
| Механическая прочность фиксирующих кронштейнов | В стадии рассмотрения |
| Стойкость к удару | |
Электрические характеристики |
| Непрерывность электрической цепи | Не требуется |
| Электроизоляционные свойства | Требуется |
Стойкость к огню |
| Горючесть | Не требуется |
| Распространение огня | Не требуется |
| Другие реакции на воздействие огня | В стадии рассмотрения |
| Огнестойкость | В стадии рассмотрения |
Стойкость к внешним воздействиям |
| Коррозионная стойкость неметаллических компонентов | Требуется |
| Коррозионная стойкость компонентов из стали с металлическими защитными покрытиями или из нержавеющей стали по таблице 1 | Требуется |
| Коррозионная стойкость компонентов из стали с металлическими защитными покрытиями или из нержавеющей стали, не указанных в таблице 1 | Требуется |
| Коррозионная стойкость компонентов из алюминиевых сплавов или других металлов | В стадии рассмотрения |
| Коррозионная стойкость компонентов из стали с органическими покрытиями | В стадии рассмотрения |
<1> Если испытание проводилось при температуре 20 °C, то должно быть проведено испытание при температуре, указанной изготовителем. |
(справочное)
КАТЕГОРИИ ОКРУЖАЮЩЕЙ СРЕДЫ И ИНТЕНСИВНОСТЬ
КОРРОЗИИ ЗАЩИТНЫХ ЦИНКОВЫХ ПОКРЫТИЙ,
ВЫПОЛНЕННЫХ ГАЛЬВАНИЧЕСКИМ МЕТОДОМ
Таблица K.1
Категории окружающей среды и скорость разрушения
цинковых покрытий
Окружающая среда | Интенсивность коррозии <1>, мкм/г |
Внутренняя: сухая | Менее 0,1 |
Внутренняя: с возможной конденсацией влаги | 0,1 - 0,7 |
Наружная: сельская местность |
Внутренняя: высокая влажность с умеренным загрязнением атмосферы | 0,7 - 2 |
Наружная: городская территория или умеренная морская |
Внутренняя: плавательные бассейны, химические производства | 2 - 4 |
Наружная: индустриальная или береговая морская |
Наружная: индустриальная с высокой влажностью или береговая с соленой атмосферой | 4 - 8 |
<1> Интенсивность коррозии является только критерием и не может гарантировать верную оценку ожидаемого срока службы защитного покрытия в конкретных условиях эксплуатации. |
(справочное)
ПОРЯДОК ПРОВЕДЕНИЯ ИСПЫТАНИЙ НА ВОЗДЕЙСТВИЕ БРН
L.1. Примеры схемы испытаний по установлению БРН для прямых, фасонных секций и опорных конструкций
В соответствии с
10.1 изготовитель должен указать безопасную рабочую нагрузку (БРН) для прямых и фасонных секций, а также для опорных конструкций.
Условия проведения испытаний по
10.2 следует выбирать в соответствии с указаниями
L.3.
L.2. Опорные конструкции
┌─────────────┐
│ Опорные │
│ конструкции │
└──────┬──────┘
│
┌───────────────┼───────────────────────┐
\/ \/ \/
┌───────┴───────┐ ┌────┴────────┐ ┌───────────┴────┐
│ Консольные │ │ Подвесы │ │ Фиксирующие │
│ кронштейны │ │ по
10.8.2 │ │ кронштейны │
│ и с 50%-ным │ │ │ │ рассмотрения) │
│предварительным│ │ │ │ │
│ нагружением) │ │ │ │ │
└───────────────┘ └─────┬───────┘ └────────────────┘
│
┌─────────┴─────┬─────────────────────────┐
\/ \/ \/
┌─────┴──────────┐ ┌─┴─────────────┐ ┌────────┴───────┐
│ Подвесы │ │ Т-образные │ │ П-образные │
│ с консольными │ │ подвесы │ │ подвесы │
│ кронштейнами │ │(с учетом
10.2 │ │ (с учетом
10.2 │
│ по
10.8.2.1 - │ │ и с 50%-ным │ │ и с 50%-ным │
│
10.8.2.3 │ │предварительным│ │предварительным │
│ │ │ нагружением) │ │ нагружением) │
└───────┬────────┘ └───────────────┘ └────────────────┘
│
┌─────────────────┼────────────────────┐
\/ \/ \/
┌───────┴───────┐ ┌──────┴────────┐ ┌────────┴──────┐
│ Испытание │ │ Испытание │ │ Испытание │
│на воздействие │ │ на разрыв │ │на воздействие │
│ изгибающего │ │ с учетом
10.2 │ │ изгибающего │
│ момента │ │ и с 50%-ным │ │ момента │
│при закреплении│ │предварительным│ │от консольного │
│ на потолке │ │ нагружением │ │ кронштейна │
│ и с 50%-ным │ │ │ │ и с 50%-ным │
│предварительным│ │ │ │предварительным│
│ нагружением │ │ │ │ нагружением │
└───────────────┘ └───────────────┘ └───────────────┘
L.3. Выбор условий испытаний по 10.2 при проведении испытаний на воздействие БРН
(обязательное)
ДОПОЛНИТЕЛЬНЫЕ ТРЕБОВАНИЯ, УСТАНАВЛИВАЕМЫЕ В СТАНДАРТАХ
И ТЕХНИЧЕСКИХ УСЛОВИЯХ НА КОНКРЕТНЫЕ ТИПЫ СИСТЕМ
КАБЕЛЬНЫХ ЛОТКОВ И СИСТЕМ КАБЕЛЬНЫХ ЛЕСТНИЦ
M.1. Разработка и постановка на производство систем кабельных лотков и систем кабельных лестниц конкретных типов должны проводиться в соответствии с требованиями
ГОСТ Р 15.201.
M.2. Требования стойкости к внешним воздействующим факторам
M.2.1. Номинальные значения климатических факторов и виды климатических исполнений систем кабельных лотков и систем кабельных лестниц конкретных типов должны соответствовать требованиям
ГОСТ 15150.
Группа условий эксплуатации по
ГОСТ 9.104 и толщина покрытий должны соответствовать виду климатического исполнения и быть указаны в стандартах или технических условиях на конкретные типы систем кабельных лотков и кабельных лестниц.
M.2.4. Системы кабельных лотков и кабельных лестниц должны быть устойчивыми к воздействиям механических факторов. Группы условий эксплуатации по
ГОСТ 17516.1 должны быть установлены в стандартах или технических условиях на конкретные типы систем кабельных лотков и кабельных лестниц.
| | ИС МЕГАНОРМ: примечание. В официальном тексте документа, видимо, допущена опечатка: пункты 2.1 и 2.3 отсутствуют. Возможно, имеются в виду пункты M.2.1 и M.2.3. | |
| | ИС МЕГАНОРМ: примечание. В официальном тексте документа, видимо, допущена опечатка: пункт 2.2 отсутствует. Возможно, имеется в виду пункт M.2.2. | |
M.2.6. Проверку лакокрасочных покрытий на соответствие требованиям
2.2 настоящего стандарта проводят методом визуального контроля, а также путем измерения толщины покрытия и определения балла адгезии.
Проверку методом визуального контроля проводят по
ГОСТ 9.032; толщину покрытия измеряют с помощью толщиномера с погрешностью измерения не более 15%; балл адгезии определяют по
ГОСТ 15140. Тип толщиномера должен быть указан в стандартах или технических условиях на конкретные типы систем кабельных лотков и кабельных лестниц.
| | ИС МЕГАНОРМ: примечание. В официальном тексте документа, видимо, допущена опечатка: пункт 2.3 отсутствует. Возможно, имеется в виду пункт M.2.3. | |
M.2.7. Проверку защитных металлических покрытий на соответствие требованиям
2.3 проводят методом визуального контроля, проверкой прочности сцепления и измерением толщины покрытия по
ГОСТ 9.302 с погрешностью измерения не более 10%.
Средства измерения и метод контроля прочности сцепления и толщины покрытия должны быть указаны в стандартах или технических условиях на конкретные системы кабельных лотков и системы кабельных лестниц.
M.3. Требования к конструкции
M.3.1. Системы кабельных лотков и системы кабельных лестниц должны быть изготовлены в соответствии с требованиями настоящего стандарта или стандартов и технических условий на конкретные системы по рабочим чертежам, утвержденным в установленном порядке.
M.3.2. Допускаемые отклонения формы и взаимного расположения поверхностей компонентов систем кабельных лотков и систем кабельных лестниц не должны превышать следующих значений:
- отклонение от плоскостности поверхностей секций лотков - 1,5 мм на 1000 мм длины;
- отклонение от перпендикулярности смежных плоскостей элементов секций лотков - 2 мм.
M.3.3. Конструкции систем кабельных лотков и систем кабельных лестниц должны обеспечивать возможность крепления к ним без повреждений проводов и кабелей с расстоянием между местами их крепления не более 500 мм, а также установку и крепление перегородок для разделения проводов и кабелей разного назначения.
M.3.4. Конструкция угловых секций систем кабельных лотков и систем кабельных лестниц должна обеспечивать требуемый радиус изгиба кабелей и проводов максимального сечения, прокладываемых в лотках. Минимальный радиус изгиба должен соответствовать указанному в стандартах или технических условиях на кабели и провода конкретных типов.
M.3.5. Для систем кабельных лотков и систем кабельных лестниц, разрабатываемых и изготовляемых в соответствии с требованиями потребителей и рассчитанных для применения на пролетах длиной более 4 м до 6 м включительно, должны быть разработаны соответствующие методы испытаний. Методы испытаний должны быть разработаны с учетом требований
10.3 настоящего стандарта, а условия испытаний должны соответствовать требованиям
10.2.
M.3.6. Для систем кабельных лотков и систем кабельных лестниц, разрабатываемых и изготовляемых в соответствии с требованиями потребителей и рассчитанных на кратковременное воздействие сосредоточенной нагрузки 800 Н в процессе монтажа и эксплуатации, и для систем кабельных лестниц, предназначенных для использования в качестве ходовых мостиков, должны быть разработаны соответствующие методы испытаний. Методы испытаний должны быть разработаны с учетом требований
10.3 настоящего стандарта, а условия испытаний должны соответствовать требованиям
10.2.
M.3.7. Конструкции систем кабельных лотков и систем кабельных лестниц могут быть рассчитаны с учетом установки на них устройств механизированной прокладки кабелей. Способы закрепления этих устройств должны быть указаны изготовителем. Кабельные лотки и кабельные лестницы, а также элементы, предназначенные для соединения секций между собой и их закрепления к опорным конструкциям, должны выдерживать усилия тяжения, допустимые для кабелей, на прокладку которых рассчитаны системы кабельных лотков и системы кабельных лестниц.
M.3.8. Эксплуатационные документы на конкретные типы системы кабельных лотков и системы кабельных лестниц должны соответствовать требованиям
ГОСТ 2.601. Число экземпляров эксплуатационных документов на партию, поставляемую в один адрес, должно быть установлено в стандартах или технических условиях на конкретные типы систем кабельных лотков и систем кабельных лестниц.
"Изготовитель должен указать в сопроводительной документации удельное электрическое сопротивление секций лотков при переменном токе частотой 50 Гц на 1 погонный метр в омах и сопротивления контактных соединений секций для всех исполнений, относящихся к одному топологическому семейству в миллиомах".
M.4. Требования к консервации, упаковке, транспортированию и хранению
M.4.1. Требования к упаковке и консервации - по
ГОСТ 23216.
M.4.2. Типы тары и предельные массы грузовых мест должны быть установлены в стандартах или технических условиях на конкретные типы систем кабельных лотков и систем кабельных лестниц.
M.4.4. Условия транспортирования упакованных компонентов систем кабельных лотков и систем кабельных лестниц в части воздействия климатических факторов внешней среды должны соответствовать условиям хранения
ГОСТ 23216 и
ГОСТ 15150:
8 - для макроклиматических районов с умеренным и холодным климатом;
9 - для макроклиматических районов с тропическим климатом.
M.4.5. Условия хранения компонентов систем кабельных лотков и систем кабельных лестниц в части воздействия климатических факторов внешней среды по
ГОСТ 15150 и допустимый срок хранения до ввода в эксплуатацию должны быть указаны в стандартах или технических условиях на конкретные типы систем кабельных лотков и систем кабельных лестниц.
M.5. Гарантийный срок эксплуатации систем кабельных лотков и систем кабельных лестниц должен быть не менее 36 мес со дня ввода в эксплуатацию, но не более 42 мес со дня их поставки.
M.5.1. Установленный срок службы до замены - не менее 20 лет. Критерии предельного состояния систем кабельных лотков и систем кабельных лестниц и их компонентов должны быть установлены в стандартах или технических условиях на конкретные типы систем.
Для систем кабельных лотков и систем кабельных лестниц, предназначенных для эксплуатации в особых условиях, например в агрессивных средах, срок службы должен быть установлен по согласованию между изготовителем и потребителем.
| | ИС МЕГАНОРМ: примечание. В официальном тексте документа, видимо, допущена опечатка: имеется в виду пункт M5.1, а не пункт 5.1. | |
M.5.2. Проверку установленного срока службы систем (компонентов систем) кабельных лотков и систем кабельных лестниц на соответствие требованиям
5.1 настоящего стандарта проводят на основании анализа данных эксплуатационных наблюдений.
M.6. Системы кабельных лотков и кабельных лестниц подвергают квалификационным и типовым испытаниям в соответствии с требованиями настоящего стандарта, а также периодическим и приемосдаточным испытаниям. Программы периодических и приемосдаточных испытаний, а также сроки проведения периодических испытаний должны быть указаны в стандартах и технических условиях на конкретные типы систем кабельных лотков и кабельных лестниц.
Примечание. При внесении изменений в конструкцию систем кабельных лотков и систем кабельных лестниц, а также при изменении технологии изготовления их компонентов и замены материалов, изготовитель должен провести типовые испытания, указанные в
ГОСТ 16504, в объеме, соответствующем внесенным изменениям.
| EN 10327:2004 | Continuosly hot-dip coated strip and sheet of low carbon steels for cold forming. Technical delivery conditions (Полосы и листы из низкоуглеродистых сталей с горячим покрытием из цинка для холодной штамповки) |
| EN 10326:2004 | Continuosly hot-dip coated strip and sheet of structural steels. Technical delivery conditions (Полосы и листы из конструкционных сталей с горячим покрытием. Технические условия на поставку) |
| ISO 1461:1999 | Hot dip galvanized coatings on fabricated iron and steel articles. Specifications and test methods (Горячая оцинковка железных и стальных изделий. Технические требования и методы испытания) |
| ASTM:A240/A. 240M - 95 | Standard Specification for Heat-Resisting Chromium and Cromium-Nickel Stainless Steel Plate, Sheet and Strip for Pessure Vessels (Технические требования к плитам, листам и полосам из теплостойких хромсодержащих и хромоникелевых нержавеющих сталей для штамповочного производства) |
| EN 10088:1995 | Stainless steels/List of stainless steels (Нержавеющие стали. Листы из нержавеющей стали) |
| IEC 60364-5-52:2001 | Electrical installations of buildings. Part 5-52: Selection and erection of electrical equipment. Wiring systems (Электроустановки зданий. Часть 5. Выбор и монтаж электрооборудования. Раздел 52. Электропроводки) |
| IEC 60068-2-75:1997 | Environmental testing. Part 2-75: Test. Test Eh: Hammer test (Испытания на воздействие окружающей среды. Часть 2-75. Метод испытания "Eh") |
| ISO 4046 (все части) | Paper, board, pulp and related terms. Vacabulary (Бумага, картон, пульпа и применяемые термины. Словарь) |
| ISO 2178:1995 | Non-magnetic coatings on magnetic substates. Measurement of coating thickness. Magnetic method (Немагнитные покрытия магнитных материалов. Измерение толщины покрытий. Магнитный метод) |
| ISO 2808:2001 | Paints and varnishes. Determination of film thickness (Краски и лаки. Определение толщины покрытия) |
| ISO 9227:1990 | Corrosion tests in artificial atmospheres. Salt spray test (Методы испытаний на коррозионную стойкость в искусственных условиях соляного тумана) |
| ISO 10289:2001 | Methods for corrosion testing of metallic and other inorganic coatings on metallic substrates. Rating of test specimens and manufactured articles subjected to corrosion tests (Методы испытания стойкости к коррозии металлических и других неорганических покрытий металлических материалов. Классификация образцов и промышленных изделий, прошедших испытания на стойкость к коррозии) |