Главная // Актуальные документы // ГОСТ (Государственный стандарт)СПРАВКА
Источник публикации
М.: Издательство стандартов, 1988
Примечание к документу
Документ включен в
Перечень национальных стандартов, содержащих правила и методы исследований (испытаний) и измерений, в том числе правила отбора образцов, необходимых для применения и исполнения Федерального
закона от 22.07.2008 N 123-ФЗ "Технический регламент о требованиях пожарной безопасности" и осуществления оценки соответствия (
Распоряжение Правительства РФ от 10.03.2009 N 304-р).
С 1 июля 2003 года до вступления в силу технических регламентов акты федеральных органов исполнительной власти в сфере технического регулирования носят рекомендательный характер и подлежат обязательному исполнению только в части, соответствующей целям, указанным в
пункте 1 статьи 46 Федерального закона от 27.12.2002 N 184-ФЗ.
Документ
введен в действие с 1 января 1989 года.
Название документа
"ГОСТ 27483-87 (МЭК 695-2-1-80). Государственный стандарт Союза ССР. Испытания на пожароопасность. Методы испытаний. Испытания нагретой проволокой"
(утв. Постановлением Госстандарта СССР от 25.11.1987 N 4262)
"ГОСТ 27483-87 (МЭК 695-2-1-80). Государственный стандарт Союза ССР. Испытания на пожароопасность. Методы испытаний. Испытания нагретой проволокой"
(утв. Постановлением Госстандарта СССР от 25.11.1987 N 4262)
Постановлением Госстандарта СССР
от 25 ноября 1987 г. N 4262
ГОСУДАРСТВЕННЫЙ СТАНДАРТ СОЮЗА ССР
ИСПЫТАНИЯ НА ПОЖАРООПАСНОСТЬ. МЕТОДЫ ИСПЫТАНИЙ.
ИСПЫТАНИЯ НАГРЕТОЙ ПРОВОЛОКОЙ
Fire hazard testing. Test methods.
Glow-wire test and guidance
ГОСТ 27483-87
(МЭК 695-2-1-80)
1. Внесен Министерством внутренних дел СССР.
2. Постановлением Государственного комитета СССР по стандартам от 25.11.1987 N 4262 введен в действие государственный стандарт СССР ГОСТ 27483-87, в качестве которого непосредственно применен международный стандарт МЭК 695-2-1-80, с 01.01.1989.
3. Срок первой проверки - 1994 г.
Периодичность проверки - 5 лет.
4. Введен впервые.
5. Ссылочные нормативно-технические документы
──────────────────┬────────────────┬──────────────────────────────
Раздел, подраздел,│ Обозначение │ Обозначение отечественного
пункт, в котором │соответствующего│ нормативно-технического
приведена ссылка │ стандарта │ документа, на который дана
│ │ ссылка
──────────────────┼────────────────┼──────────────────────────────
ИС МЕГАНОРМ: примечание.
ГОСТ 3044-84 утратил силу с 1 января 1994 года в связи с
введением в действие ГОСТ Р 50431-92 (ИУС "Государственные
стандарты", N 3, 1993). Взамен ГОСТ Р 50431-92 с 1 июля 2002 года
России от 21.11.2001 N 474-ст).
Разд. 4 │МЭК 584-1-77 │ГОСТ 3044-84
Настоящий стандарт устанавливает один из методов испытаний электротехнических изделий и их компонентов на пожароопасность.
Необходимость использования данного метода и параметры испытаний для конкретного изделия должны устанавливаться исходя из нормативно-технической документации на изделия.
1. ОБЛАСТЬ РАСПРОСТРАНЕНИЯ
Оптимальным методом испытания электротехнических изделий на пожароопасность является точное воспроизведение условий, встречающихся на практике.
Составные части электротехнического оборудования, которые могли бы испытать воздействие тепловых перегрузок в результате электрических процессов и неисправность которых могла бы повлиять на безопасность оборудования, не должны подвергаться чрезмерному воздействию тепла или огня, возникших внутри оборудования.
Стандарт устанавливает метод испытания электротехнического оборудования и его составных частей.
Блоки и элементы электротехнического оборудования в аварийных условиях или в условиях перегрузки могут в результате перегрева вызывать воспламенение горючих частей оборудования, расположенных рядом. Испытание нагретой проволокой позволяет моделировать тепловые перегрузки, причиной которых могут стать такие источники тепла или зажигания, как элементы накаливания или перегруженные резисторы.
Образец должен представлять собой законченное изделие, его узел или элемент. Если нужно снять части кожуха или отключить часть оборудования для проведения испытания, следует сделать так, чтобы условия испытания сильно не отличались от условий обычной эксплуатации оборудования с точки зрения формы образца, его вентиляции, воздействия тепловых напряжений, а также выпадения вблизи образца горящих или раскаленных частиц.
Если испытанию не может быть подвержен весь образец, то испытывают соответствующую его часть.
При невозможности проведения испытания узла или элемента в составе оборудования их испытывают отдельно от него при условиях, определенных в
п. 4.
Цель испытания - подтвердить, что:
проволока, нагретая до установленной температуры, не вызывает воспламенения образца;
горючие элементы образца, которые могут быть воспламенены нагретой проволокой, имеют ограниченную продолжительность горения и не распространяют загорание на соседние части образца.
Для малогабаритных образцов наиболее приемлемо испытание горелкой и игольчатым пламенем. Если образец воспламенился в результате воздействия нагретой проволоки, то в ходе дальнейших испытаний может возникнуть необходимость использования других источников зажигания, например, горелки с игольчатым пламенем или нагревательного элемента, имитирующего неисправный контакт.
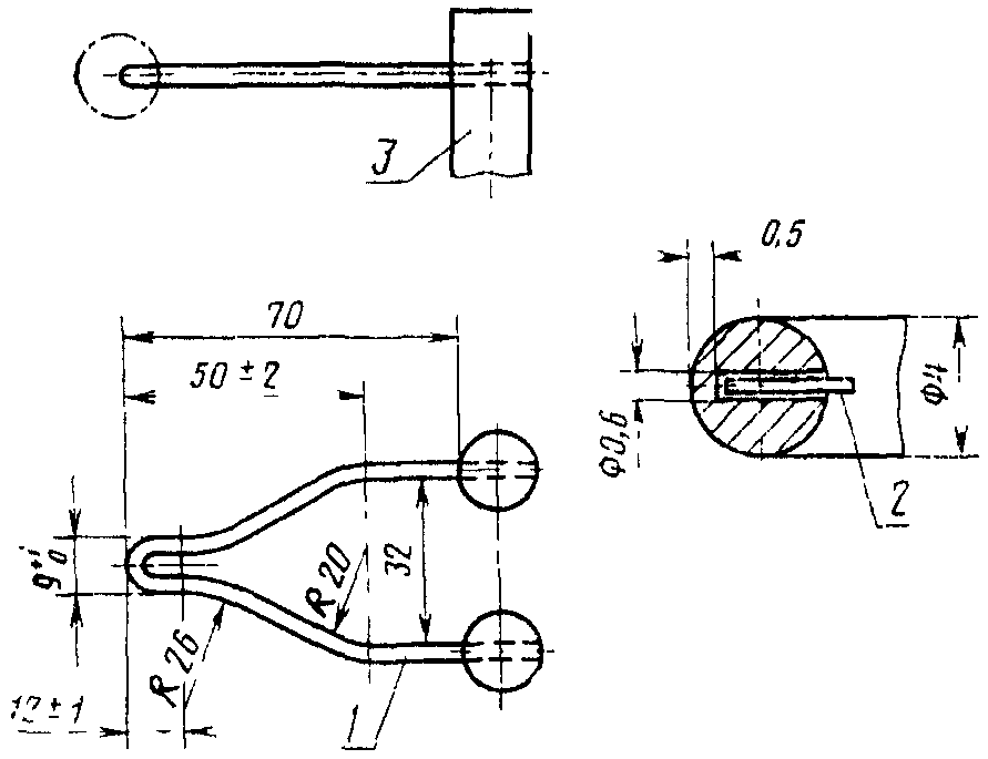
Нагреваемый элемент, выполненный из материала, состоящего из 80% Ni и 20% Cr, представляет собой петлю диаметром 4 мм
(черт. 1). На поверхности петли не должно быть мелких трещин или других повреждений. Для измерения температуры провода накала используют термопару, защищенную оболочкой, наружный диаметр которой 0,5 мм. В качестве электродов используется провод из NiCr и NiAl. Указанная выше оболочка выполнена из материала, выдерживающего температуру до 960 °C. Термопара заделана в отверстие диаметром 0,6 мм, высверленное в проводе накала. Величины термоЭДС (термопар) должны соответствовать требованиям Публикации МЭК 584-1-77.
1 - проволока из NiCr; 2 - термопара; 3 - штырь
Черт. 1
Холодное соединение термопары должно находиться в тающем льде, если не оговорены другие условия получения достоверной эталонной температуры, например, с помощью термостата. Измерение напряжения термопары должно производиться с точностью до 1% (класс точности прибора 0,5).
Для нагревания конца проволоки до 960 °C используют ток силой 120 - 150 А.
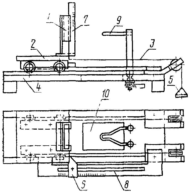
Устройство для испытания (черт. 2) должно иметь такую конструкцию, чтобы нагретая проволока находилась в горизонтальной плоскости и сила поджатия ее к образцу составляла 0,8 - 1,2 Н.
Устройство для испытания нагретой проволокой
1 - зажим для закрепления образца; 2 - тележка; 3 - шнур;
4 - плита; 5 - груз; 6 - тормоз; 7 - шкала для измерения
высоты пламени; 8 - шкала для измерения глубины
проникновения петли в образец; 9 - проволока;
10 - отверстие для обеспечения выпадения раскаленных частиц
Черт. 2
Сила поджатия в ходе проведения испытания должна оставаться постоянной в течение времени проникновения петли в образец на глубину не менее 7 мм.
Для оценки возможности распространения загорания, например, путем отделения от образца горящих или раскаленных частиц, элементы, расположенные в обычных условиях эксплуатации вокруг образца, размещают под ним на расстоянии, эквивалентном расстоянию между ними в условиях эксплуатации.
Если составные части электрооборудования испытывают отдельно, то на расстоянии (200 +/- 5) мм (если не оговорены другие условия) ниже зоны воздействия проволочной петли размещают плиту из белой сосны толщиной 10 мм, покрытую слоем папиросной бумаги.
Примечание. Плотность бумаги должна составлять 12 - 30 г/м2.
Температуру проволочной петли выбирают из ряда: (550 +/- 10), (650 +/- 10), (750 +/- 10), (850 +/- 15), (960 +/- 15) °C.
Продолжительность приложения петли равна

, если не оговорены другие условия.
Тарировка термопары должна осуществляться при температуре 960 °C с использованием в качестве стандартного метода фольги из 99,8%-ного чистого серебра в форме квадрата со стороной 2 мм и толщиной 0,06 мм. Фольгу размещают на поверхности проволоки, которая достигает температуры 960 °C при плавлении серебряной фольги.
Примечание. Тарировку повторяют, чтобы компенсировать изменения в термопаре и ее соединениях.
Необходимо, чтобы термопара могла следовать за перемещением конца петли, вызванным его удлинением в результате нагрева.
7. КОНДИЦИОНИРОВАНИЕ ОБРАЗЦОВ ПЕРЕД ИСПЫТАНИЕМ
Если не оговорено специально, то образец выдерживают перед испытанием в течение 24 ч при температуре 15 - 35 °C и относительной влажности 45 - 75%.
8. ПРЕДВАРИТЕЛЬНЫЕ ИЗМЕРЕНИЯ
Перед началом испытания образец осматривают и при необходимости измеряют его физические и электрические параметры.
9. ПОРЯДОК ПРОВЕДЕНИЯ ИСПЫТАНИЯ
При проведении испытания необходимо обеспечить безопасность персонала от:
опасности взрыва или пожара;
отравления дымом и/или токсичными продуктами;
воздействия ядовитых веществ.
9.1. Для испытания образец располагают так, чтобы:
поверхность, находящаяся в контакте с концом проволочной петли, располагалась вертикально;
конец петли находился в контакте с той частью образца, которая в обычных условиях подвергается воздействию тепловых нагрузок.
Если такие части точно не определены, конец проволочной петли прикладывают к части образца с наименьшим сечением на расстоянии не менее 15 мм от верхнего края образца. Конец петли прикладывают к плоским поверхностям, не имеющим выбоин, прорезей или острых кромок.
Средства для закрепления образца при испытании не должны вызывать значительных тепловых потерь.
9.2. Проволока нагревается током установленной величины до определенной температуры. Температура и ток должны оставаться постоянными не менее 60 с до начала испытания, при этом следует исключить воздействие теплового потока на образец. Этого можно достичь, например, установив образец на достаточном расстоянии от нагретой проволоки или использовав экран.
9.3. Конец проволочной петли приводят в соприкосновение с образцом и выдерживают в таком положении в течение (30 +/- 1) с (см.
п. 5). Затем проволоку и образец разъединяют, избегая дальнейшего нагрева образца и перемешивания воздуха, которые могут повлиять на результат испытания. Проникновение проволоки в образец должно ограничиваться в пределах 7 мм.
9.4. Обычно испытывают один образец. Если результаты испытания вызывают сомнение, то испытание повторяют на других образцах.
Перед началом каждого испытания необходимо очистить конец проволочной петли от остатков ранее испытанного материала.
10. НАБЛЮДЕНИЯ И ИЗМЕРЕНИЯ
В ходе испытания необходимо проводить наблюдения за образцом, окружающими элементами и слоем, расположенным под образцом. При этом необходимо зафиксировать:
а) время (

) от начала воздействия проволоки до момента воспламенения образца или слоя под ним;
б) максимальную высоту пламени, исключая начало воспламенения, в течение 1 с;
в) время (

) от начала воздействия проволоки до момента затухания пламени в процессе испытания или после его окончания.
По окончании испытания осматривают образец для выявления степени его повреждения, а также измеряют оговоренные заранее механические и/или электрические параметры образца.
11. ОЦЕНКА РЕЗУЛЬТАТОВ ИСПЫТАНИЯ
Если не оговорены другие условия, считается, что образец выдержал испытание при условии, что:
отсутствует открытое пламя и образец не раскален;
горение или свечение образца, окружающих его элементов, а также слоя под образцом прекращается в течение 30 с после устранения нагретой проволоки (т.е.

), при этом окружающие образец элементы и слой под ним не сгорели полностью.
При использовании слоя папиросной бумаги не должно происходить ее воспламенения и выгорания сосновой плиты.
12. ДАННЫЕ ДЛЯ ПРОВЕДЕНИЯ ИСПЫТАНИЯ
Для проведения испытания должны быть оговорены следующие условия:
а) кондиционирование образцов перед испытанием;
б) число образцов;
в) испытуемая поверхность образца и точка приложения нагретой проволоки;
г) тип слоя под образцом для оценки воздействия раскаленных частиц;
д) продолжительность воздействия проволоки (

), если она не равна 30 с;
е) температура конца проволоки;
ж) число точек приложения проволоки к образцу (если их больше одной, то необходимо обеспечить, чтобы любое повреждение, полученное образцом в предыдущих испытаниях, не повлияло на результат очередного испытания);
з) достаточность установленных критериев для проверки соответствия требованиям безопасности. При необходимости следует ввести дополнительные критерии, например, высоту пламени;
и) допустимые отклонения механических/электрических параметров.
(информационное)
РУКОВОДСТВО ПО ИСПЫТАНИЮ НАГРЕТОЙ ПРОВОЛОКОЙ
(ОСНОВАНО НА РЕЗУЛЬТАТАХ РАБОТЫ CEE)
В целях обеспечения адекватности использования метода испытания нагретой проволокой при температурах, установленных в
п. 5, необходимо соблюдать условия, приведенные в таблице.
───────┬───────────────────────────────────────────────────────────────────
Темпе- │ Составная часть электрооборудования из изоляционного материала
ратура,├──────────────────────────────┬────────────────────────────────────
°C │ находящаяся в контакте │ используемая в качестве кожухов,
│с токонесущими элементами или │ крышек, не предназначенная для
│ используемая для их монтажа │ монтажа токонесущих элементов
───────┼──────────────────────────────┴────────────────────────────────────
550 │ Для установления минимального уровня пожарной опасности тех
│частей электроустановок, которые могут способствовать
│возникновению открытого пламени и его распространению
│и не подвергающихся другим методам испытания на пожароопасность
───────┼───────────────────────────────────────────────────────────────────
650 │ Обслуживаемое оборудование
├──────────────────────────────┬────────────────────────────────────
│ - │ Вспомогательные стационарные части
│ │электроустановок
───────┼──────────────────────────────┴────────────────────────────────────
750 │ Обслуживаемое оборудование для эксплуатации в жестких условиях
├──────────────────────────────┬────────────────────────────────────
│ Вспомогательные │ Оборудование для эксплуатации
│стационарные части │вблизи центрального ввода
│электроустановок │электросети в здание
├──────────────────────────────┴────────────────────────────────────
│ Необслуживаемое оборудование для эксплуатации в менее жестких
│условиях
───────┼───────────────────────────────────────────────────────────────────
850 │ Необслуживаемое оборудование под постоянной нагрузкой
───────┼───────────────────────────────────────────────────────────────────
960 │ Необслуживаемое оборудование под постоянной нагрузкой
│для эксплуатации в жестких условиях
├──────────────────────────────┬────────────────────────────────────
│ Оборудование для эксплуатации│ -
│вблизи центрального ввода │
│электросети в здание │
───────┴──────────────────────────────┴────────────────────────────────────
Примечание. Испытание проводом накала может оказаться непригодным для небольших электронных компонентов. Для оценки их пожарной опасности используют другие методы испытания. Данное испытание может также оказаться непригодным для малогабаритных изделий из изоляционного материала, которые незначительно влияют на пожарную опасность электроизделия в целом и не нуждаются в испытании.