Главная // Актуальные документы // ГОСТ (Государственный стандарт)СПРАВКА
Источник публикации
М.: Стандартинформ, 2015
Примечание к документу
Документ включен в
Перечень международных и региональных (межгосударственных) стандартов, а в случае их отсутствия - национальных (государственных) стандартов, в результате применения которых на добровольной основе обеспечивается соблюдение требований технического
регламента Таможенного союза "О безопасности низковольтного оборудования" (ТР ТС 004/2011) и в
Перечень международных и региональных (межгосударственных) стандартов, а в случае их отсутствия - национальных (государственных) стандартов, содержащих правила и методы исследований (испытаний) и измерений, в том числе правила отбора образцов, необходимые для применения и исполнения требований технического
регламента Таможенного союза "О безопасности низковольтного оборудования" (ТР ТС 004/2011) и осуществления оценки соответствия объектов технического регулирования (
Решение Коллегии Евразийской экономической комиссии от 11.05.2023 N 55).
Документ включен в
Перечень стандартов, в результате применения которых на добровольной основе обеспечивается соблюдение требований технического
регламента Таможенного союза "О безопасности низковольтного оборудования" (ТР ТС 004/2011) и в
Перечень стандартов, содержащих правила и методы исследований (испытаний) и измерений, в том числе правила отбора образцов, необходимые для применения и исполнения требований технического
регламента Таможенного союза "О безопасности низковольтного оборудования" (ТР ТС 004/2011) и осуществления оценки (подтверждения) соответствия продукции (
Решение Комиссии Таможенного союза от 16.08.2011 N 768).
Документ
введен в действие с 1 января 2015 года.
Название документа
"ГОСТ IEC 61643-11-2013. Межгосударственный стандарт. Устройства защиты от перенапряжений низковольтные. Часть 11. Устройства защиты от перенапряжений, подсоединенные к низковольтным системам распределения электроэнергии. Требования и методы испытаний"
(введен в действие Приказом Росстандарта от 11.06.2014 N 624-ст)
"ГОСТ IEC 61643-11-2013. Межгосударственный стандарт. Устройства защиты от перенапряжений низковольтные. Часть 11. Устройства защиты от перенапряжений, подсоединенные к низковольтным системам распределения электроэнергии. Требования и методы испытаний"
(введен в действие Приказом Росстандарта от 11.06.2014 N 624-ст)
агентства по техническому
регулированию и метрологии
от 11 июня 2014 г. N 624-ст
МЕЖГОСУДАРСТВЕННЫЙ СТАНДАРТ
УСТРОЙСТВА ЗАЩИТЫ ОТ ПЕРЕНАПРЯЖЕНИЙ НИЗКОВОЛЬТНЫЕ
ЧАСТЬ 11
УСТРОЙСТВА ЗАЩИТЫ ОТ ПЕРЕНАПРЯЖЕНИЙ, ПОДСОЕДИНЕННЫЕ
К НИЗКОВОЛЬТНЫМ СИСТЕМАМ РАСПРЕДЕЛЕНИЯ ЭЛЕКТРОЭНЕРГИИ.
ТРЕБОВАНИЯ И МЕТОДЫ ИСПЫТАНИЙ
Low-voltage surge protective devices. Part 11. Surge
protective devices connected to low-voltage power systems.
Requirements and test methods
(IEC 61643-11:2011, IDT)
ГОСТ IEC 61643-11-2013
Дата введения
1 января 2015 года
Цели, основные принципы и основной порядок проведения работ по межгосударственной стандартизации установлены
ГОСТ 1.0-92 "Межгосударственная система стандартизации. Основные положения" и
ГОСТ 1.2-2009 "Межгосударственная система стандартизации. Стандарты межгосударственные, правила и рекомендации по межгосударственной стандартизации. Правила разработки, принятия, применения, обновления и отмены"
1 ПОДГОТОВЛЕН Открытым акционерным обществом "Всероссийский научно-исследовательский институт сертификации" (ОАО "ВНИИС"), Автономной некоммерческой организацией "Научно-технический центр "Энергия" (АНО НТЦ "Энергия"), на основе собственного аутентичного перевода на русский язык стандарта, указанного в
пункте 5
2 ВНЕСЕН Федеральным агентством по техническому регулированию и метрологии (Росстандарт)
3 ПРИНЯТ Межгосударственным советом по стандартизации, метрологии и сертификации (протокол от 3 декабря 2013 г. N 62-П)
За принятие проголосовали:
Краткое наименование страны по МК (ИСО 3166) 004-97 | Код страны по МК (ИСО 3166) 004-97 | Сокращенное наименование национального органа по стандартизации |
Армения | AM | Армстандарт |
Беларусь | BY | Госстандарт Республики Беларусь |
Россия | RU | Росстандарт |
Узбекистан | UZ | Узстандарт |
4
Приказом Федерального агентства по техническому регулированию и метрологии от 11 июня 2014 г. N 624-ст межгосударственный стандарт ГОСТ IEC 61643-11-2013 введен в действие в качестве национального стандарта Российской Федерации с 1 января 2015 г.
5 Настоящий стандарт идентичен международному стандарту IEC 61643-11:2011 (Low-voltage surge protective devices. Part 11: Surge protective devices connected to low-voltage power systems - Requirements and test methods) (Устройства защиты от перенапряжений низковольтные. Часть 11. Устройства защиты от перенапряжений, подсоединенные к низковольтным системам распределения электроэнергии. Требования и методы испытаний).
Перевод с английского языка (en).
Степень соответствия - идентичная (IDT).
Сведения о соответствии межгосударственных стандартов ссылочным международным стандартам приведены в дополнительном
приложении ДА
6 ВВЕДЕН ВПЕРВЫЕ
Информация об изменениях к настоящему стандарту публикуется в ежегодном информационном указателе "Национальные стандарты", а текст изменений и поправок - в ежемесячном информационном указателе "Национальные стандарты". В случае пересмотра (замены) или отмены настоящего стандарта соответствующее уведомление будет опубликовано в ежемесячном информационном указателе "Национальные стандарты". Соответствующая информация, уведомление и тексты размещаются также в информационной системе общего пользования - на официальном сайте Федерального агентства по техническому регулированию и метрологии в сети Интернет
Первое издание IEC 61643-11 заменяет собой второе издание IEC 61643-1
[1], опубликованное в 2005 г.
Основные изменения данного издания по сравнению со вторым изданием IEC 61643-1
[1] состоят в полном его реструктурировании и внесении изменений в процедуры и последовательность испытаний.
Настоящий стандарт устанавливает требования к испытаниям на безопасность и работоспособность для устройств защиты от импульсных перенапряжений (УЗИП).
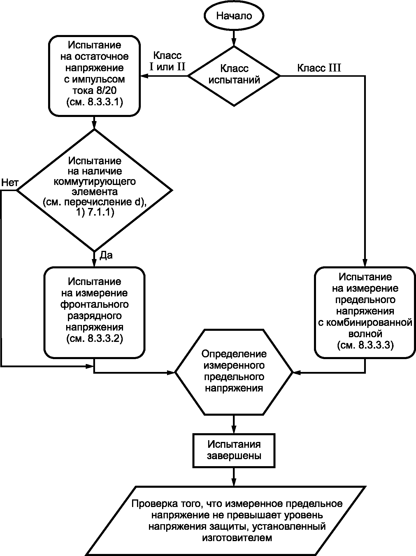
Рассматривают три класса испытаний.
Испытание класса I предназначено для имитации импульсов грозового тока частичной проводимости. УЗИП, подвергаемые испытанию класса I, рекомендованы для применения в местах с повышенной взрывоопасностью, например вводы электропитания в здания, защищаемые системами грозозащиты.
УЗИП, подвергаемые импульсам перенапряжения небольшой длительности, испытывают по классу II или III.
По возможности УЗИП испытывают по принципу "черного ящика".
Настоящий стандарт распространяется на устройства для защиты электрических сетей и электрооборудования при прямом или косвенном воздействии грозовых или иных переходных перенапряжений. Данные устройства предназначены для подсоединения к силовым цепям переменного тока частотой 50/60 Гц и к оборудованию на номинальное напряжение до 1000 В (действующее значение). Рабочие характеристики, стандартные методы испытаний и номинальные параметры установлены для таких устройств, которые содержат по крайней мере один нелинейный элемент, предназначенный для ограничения перенапряжений и отвода импульсных токов.
Для применения настоящего стандарта необходимы следующие ссылочные документы. Для датированных ссылок применяют только указанное издание ссылочного документа, для недатированных ссылок применяют последнее издание ссылочного документа (включая все его изменения).
IEC 60060-1:1989 High-voltage test techniques - Part 1: General definitions and test (Методика высоковольтных испытаний. Часть 1. Общие определения и требования к испытаниям)
IEC 60112:2009 Method for the determination of the proof and the comparative tracking indices of solid insulating materials (Метод определения контрольного и сравнительного индекса трекингостойкости твердых изоляционных материалов)
IEC 60529:2001 Degrees of protection provided by enclosures (IP Code) (Степени защиты, обеспечиваемые корпусами (код IP))
IEC 60664-1:2007, Insulation coordination for equipment within low-voltage systems - Part 1: Principles, requirements and tests (Координация изоляции в оборудовании низковольтных систем. Часть 1. Принципы, требования и испытания)
IEC 60695-2-11:2000 Fire hazard testing - Part 2-11: Glowing/hot-wire based test methods - Glow-wire flammability test method for end-products (Испытание на пожаробезопасность. Часть 2-11. Методы испытания раскаленной проволокой. Испытание методом раскаленной проволоки конечного продукта)
IEC 61000 (all parts) Electromagnetic compatibility (EMC) ((Все части). Электромагнитная совместимость (ЭМС))
IEC 61180-1:1992 High-voltage test techniques for low voltage equipment - Part 1: Definitions, test and procedure requirements (Технология высоковольтных испытаний низковольтного оборудования. Часть 1. Определения и требования к испытаниям и методам испытаний)
3 Термины, определения и сокращения
В настоящем стандарте применены следующие термины с соответствующими определениями и сокращения.
3.1 Термины и определения
3.1.1
устройство для защиты от импульсных перенапряжений; УЗИП [Surge Protective Device (SPD)]: Устройство, предназначенное для ограничения переходных перенапряжений и отвода импульсных токов.
Примечание - УЗИП является укомплектованным устройством с собственными средствами присоединения и это устройство содержит по крайней мере один нелинейный элемент.
3.1.2 одновводное УЗИП (one-port SPD): УЗИП без последовательно включенного полного сопротивления между выводами.
Примечание - Одновводное УЗИП может иметь отдельные вводной и выводной выводы.
3.1.3 двухвводное УЗИП (two-port SPD): УЗИП с включенным последовательно между отдельными вводным и выводным выводами специальным полным сопротивлением.
3.1.4
УЗИП коммутирующего типа (voltage switching type SPD): УЗИП, которое в отсутствие перенапряжений сохраняет высокое полное сопротивление, но может мгновенно изменить его на низкое в ответ на скачок напряжения.
Примечание - Примером элементов, применяемых в УЗИП коммутирующего типа, являются разрядники, газовые трубки, тиристоры. Их иногда называют "монтировочными" элементами.
3.1.5
УЗИП ограничивающего типа (voltage limiting type SPD): УЗИП, которое в отсутствие перенапряжения сохраняет высокое полное сопротивление, но постепенно снижает его с возрастанием волны тока и напряжения.
Примечание - Пример элементов, служащих нелинейными устройствами, - варисторы и лавинно-пролетные диоды. Такие элементы иногда называют "ограничителями".
3.1.6 УЗИП комбинированного типа (combination type SPD): УЗИП, содержащее элементы как коммутирующего, так и ограничивающего типа, которые могут коммутировать и ограничивать напряжение, а также выполнять обе эти функции.
3.1.7 УЗИП короткозамкнутого типа (short-circuiting type SPD): УЗИП, испытуемое по классу II, которое в условиях превышения импульсным током значения номинального разрядного тока In меняет свою характеристику на намеренное состояние внутреннего короткого замыкания.
3.1.8 вид защиты УЗИП (mode of protection of an SPD): Заданный путь тока между выводами, содержащий защитные элементы, например, между фазами, фазой и землей, фазой и нейтралью, нейтралью и землей.
3.1.9
номинальный разрядный ток In для испытаний класса II (nominal discharge current
In for class II test): Пиковое значение тока, протекающего через УЗИП, с формой волны 8/20.
3.1.10
импульсный ток Iimp для испытаний класса I (impulse discharge current
Iimp for class I test): Пиковое значение разрядного тока, протекающего через УЗИП, определяемое заданными параметрами: зарядом
Q, удельной энергией
W/
R и временем.
3.1.11
максимальное длительное рабочее напряжение UC (maximum continuous operating voltage): Максимальное напряжение действующего значения тока, которое длительно подается к виду защиты УЗИП.
Примечание - Согласно настоящему стандарту значение UC может превышать 1000 В.
3.1.12
сопровождающий ток If (follow current
If): Пиковый ток, подаваемый электрической силовой системой и проходящий через УЗИП после разрядного токового импульса.
3.1.13
номинальный ток нагрузки IL (rated load current
IL): Максимальный длительный номинальный ток (действующее значение), который может подаваться к активной нагрузке, соединенной с защитным выводом УЗИП.
3.1.14
уровень напряжения защиты Up (voltage protection level
Up): Максимальное напряжение, ожидаемое на выводах УЗИП в результате импульсного напряжения ограниченной крутизны и импульсного напряжения с разрядным током заданной амплитуды и формы волны.
Примечание - Уровень напряжения защиты устанавливает изготовитель, и он не может быть выше, чем:
- измеренное предельное напряжение, установленное для фронта волны разрядника (при наличии) и установленное по измерению остаточного напряжения при амплитудах In и/или Iimp для классов испытаний I и/или II соответственно;
- измеренное предельное напряжение при UOC, установленное для комбинированной волны для класса испытания III.
3.1.15 измеренное предельное напряжение (measured limiting voltage): Максимальное значение напряжения, измеренного на выводах УЗИП при подаче импульсов заданной формы волны и амплитуды.
3.1.16
остаточное напряжение Ures (residual voltage
Ures): Пиковое значение напряжения, появляющегося на выводах УЗИП вследствие прохождения разрядного тока.
3.1.17
значение временного испытательного перенапряжения UT (temporary overvoltage test value
UT): Испытательное напряжение, приложенное к УЗИП в течение определенного промежутка времени
tT для моделирования пробоя в условиях ВПН.
3.1.18 способность двухвводного УЗИП выдерживать перенапряжения со стороны нагрузки (load-side surge withstand capability for a two-port SPD): Способность двухвводного УЗИП выдерживать перенапряжение на выходных выводах, выражающаяся в снижении нагрузок на цепь после УЗИП.
3.1.19 скорость возрастания напряжения для двухвводного УЗИП (voltage rate-of-rise of a two-port SPD): Скорость возрастания напряжения по времени, измеренного на выходных выводах двухвводного УЗИП в заданных условиях испытаний.
3.1.20 импульс напряжения 1,2/50 (1,2/50 voltage impulse): Импульс напряжения с фактическим номинальным временем фронта 1,2 мкс и номинальным полупериодом 50 мкс.
Примечание - В разделе 6 IEC 60060-1 приведены определения времени фронта, времени полупериода и указан допуск на форму волны для импульса напряжения.
3.1.21 импульс тока 8/20 (8/20 current impulse): Импульс тока с фактическим номинальным временем фронта 8 мкс и номинальным временем полупериода 20 мкс.
Примечание - В разделе 8 IEC 60060-1 приведены определения времени фронта и полупериода и указан допуск на форму волны для импульса тока.
3.1.22
комбинированная волна (combination wave): Волна, характеризующаяся заданными амплитудой напряжения (
UOC) и формой волны в условиях разомкнутой цепи и заданными амплитудой тока (
ICW) и формой волны в условиях короткого замыкания.
Примечание - Амплитуда напряжения и тока и форма волны, подаваемой к УЗИП, определяются полным сопротивлением Zf генератора комбинированной волны (ГКВ) и полным сопротивлением испытуемого УЗИП.
3.1.23
напряжение разомкнутой цепи UOC (open circuit voltage
UOC): Напряжение разомкнутой цепи генератора комбинированной волны в точке присоединения испытуемого устройства.
3.1.24
ток короткого замыкания генератора комбинированной волны ICW (combination wave generator short-circuit current
ICW): Ожидаемый ток короткого замыкания генератора комбинированной волны в точке присоединения испытуемого устройства.
Примечание - При подсоединении УЗИП к генератору комбинированной волны ток, протекающий через УЗИП, обычно менее ICW.
3.1.25 тепловая стабильность (thermal stability): УЗИП обладает тепловой стабильностью, если после испытания в рабочем режиме, вызвавшем превышение температуры, температура УЗИП со временем понижается, в то время как УЗИП работает при заданных максимальном длительном рабочем напряжении и условиях температуры окружающего воздуха.
3.1.26 выход из строя (degradation of performance): Постоянное отклонение эксплуатационных характеристик оборудования от запланированных.
3.1.27
номинальный ток короткого замыкания ISCCR (short-circuit current rating
ISCCR): Максимальный ожидаемый ток короткого замыкания, поступающий от силовой системы, на который нормированы УЗИП совместно с указанным разъединителем.
3.1.28 разъединитель УЗИП (SPD disconnector): Устройство, предназначенное для отсоединения УЗИП или его части от силовой системы.
Примечание - Данное разъединительное устройство не обладает способностью к разъединению для безопасности. Оно предназначено для предупреждения устойчивой неисправности системы и применяется для указания о повреждении УЗИП. Разъединители могут быть внутренние (встроенные) или внешние (по решению изготовителя). Кроме функции разъединения данное устройство может иметь функции защиты от сверхтока и тепловой защиты. Эти функции могут быть распределены по отдельным устройствам.
3.1.29
степень защиты оболочки, код IP [degree of protection of enclosure (IP code)]: Классификация, предваряемая кодом IP, которая обозначает обеспечиваемую оболочкой степень защиты от доступа к опасным частям и от проникновения твердых инородных частиц и/или воды.
3.1.30 типовое испытание (type test): Испытание на соответствие, проводимое на одном или нескольких представительных образцах продукции.
3.1.31 контрольное испытание (routine test): Испытание, проводимое на каждом УЗИП, его частях или материалах для подтверждения того, что изделие соответствует конструкторской документации.
3.1.32 приемочные испытания (acceptance tests): Испытания УЗИП, проводимые по предварительной договоренности между изготовителем и потребителем на предмет соответствия изделия определенным условиям конструкторской документации.
3.1.33 устройство развязки (decoupling network): Устройство, предназначенное для того, чтобы воспрепятствовать передаче энергии импульса в силовую сеть при подаче питания к испытуемому УЗИП.
Примечание - Такую электрическую цепь иногда называют "развязывающий фильтр".
3.1.34 Классификация импульсных испытаний
3.1.34.1 испытания класса I (class I tests): Испытания, проводимые с максимальным импульсным током Iimp, при импульсе тока 8/20 и импульсе напряжения 1,2/50.
3.1.34.2 испытания класса II (class II tests): Испытания, проводимые с номинальным разрядным током In и импульсным напряжением 1,2/50.
3.1.34.3 испытания класса III (class III tests): Испытания, проводимые с комбинированной волной (1,2/50, 8/20) генератора.
3.1.35
устройство дифференциального тока (УДТ) [residual current device (RCD)]: Механическое коммутационное устройство или комплекс устройств, которые вызывают размыкание силовой цепи, когда дифференциальный или несбалансированный ток достигнет заданного значения в заданных условиях.
3.1.36 разрядное (пусковое) напряжение УЗИП коммутирующего типа (sparkover (trigger) voltage of a voltage switching SPD): Значение максимального напряжения, при котором начинается резкий переход от высокого к низкому полному сопротивлению для УЗИП коммутирующего типа.
3.1.37
удельная энергия W/R для испытания класса I (specific energy
W/
R for class I test): Энергия, выделяемая импульсным током
Iimp на единицу сопротивления 1 Ом.
Примечание - Она равна интегралу по времени квадрата тока

.
3.1.38
ожидаемый ток короткого замыкания источника питания Ip (prospective short-circuit current of a power supply
Ip): Ток, который протекал бы в данном месте цепи, если бы в этом месте она была замкнута накоротко проводником с незначительным сопротивлением.
Примечание - Ожидаемый симметричный ток выражается действующим значением.
3.1.39
номинальная отключающая способность сопровождающего тока Ifi (follow current interrupting rating
Ifi): Ожидаемый ток короткого замыкания, который УЗИП в состоянии отключить самостоятельно, без участия разъединителя.
3.1.40
остаточный ток IPE (residual current
IPE): Ток, протекающий через вывод PE, когда на УЗИП подано контрольное испытательное напряжение (
UREF), с соединениями, выполненными согласно указаниям изготовителя.
3.1.41 индикатор состояния (status indicator): Устройство, указывающее рабочее состояние УЗИП или его части.
Примечание - Подобные индикаторы могут быть локальными с визуальной и/или звуковой сигнализацией и/или иметь дистанционную сигнализацию и/или выходной контакт.
3.1.42 выходной контакт (output contact): Контакт, включенный в цепь, отдельную от главной цепи УЗИП, и подключенный к разъединителю или индикатору состояния.
3.1.43 многополюсное УЗИП (multipole SPD): Тип УЗИП с более чем одним видом защиты или комбинация нескольких УЗИП, электрически соединенных в единый.
3.1.44
суммарный разрядный ток ITotal (total discharge current
ITotal): Ток, протекающий по PE или PEN проводнику в многополюсном УЗИП при суммарном испытательном разрядном токе.
Примечания
1 Это испытание применяют для проверки кумулятивных эффектов у многополюсных УЗИП с несколькими видами защиты, которые включены одновременно.
2
ITotal в первую очередь касается испытаний УЗИП класса I, применяемых для целей молниезащиты с эквипотенциальной связью согласно серии стандартов IEC 62305
[3].
3.1.45
контрольное испытательное напряжение UREF (reference test voltage
UREF): Действующее, применяемое для испытаний значение напряжения, которое зависит от вида защиты УЗИП, паспортного напряжения системы, ее конфигурации и регулирования напряжения внутри системы.
3.1.46
номинальный импульсный ток перехода для УЗИП короткозамкнутого типа Itrans (transition surge current rating for short-circuiting type SPD
Itrans): Значение импульсного тока 8/20, превышающее номинальный разрядный ток
In, вызывающее внутреннее короткое замыкание в УЗИП короткозамкнутого типа.
3.1.47
напряжение для определения воздушного зазора Umax (voltage for clearance determination
Umax): Наибольшее измеренное напряжение при воздействии импульсов согласно
8.3.3 для определения воздушного зазора.
3.1.48
максимальный разрядный ток Imax (maximum discharge current
Imax): Пиковое значение тока, протекающего через УЗИП, имеющего форму волны 8/20 и магнитуду, установленные изготовителем.
Imax >=
In.
В таблице 1 приведен перечень сокращений, примененных в настоящем стандарте.
Таблица 1
Перечень сокращений
Сокращение | Наименование | Применение |
Общие |
ЛПУ | Устройство лавинного пробоя | |
ГКВ | Генератор комбинированной волны | |
УДТ | Устройство дифференциального тока | |
ИУ | Испытуемое устройство | По тексту |
IP | Степень защиты оболочки | |
ВПН | Временное перенапряжение | По тексту |
УЗИП | Устройство для защиты от импульсных перенапряжений | |
k | Коэффициент тока расцепления при перегрузке | |
Zf | Фиктивное полное сопротивление (генератора комбинированной волны) | |
W/R | Удельная энергия для испытания класса I | |
| Маркировка продукции для испытаний классов I, II и/или III | |
tT | Время подачи ВПН при испытании | |
Относящиеся к напряжению |
UC | Максимальное длительное рабочее напряжение | |
UREF | Контрольное испытательное напряжение | |
UOC | Напряжение разомкнутой цепи генератора комбинированной волны | |
Up | Уровень напряжения защиты | |
Ures | Остаточное напряжение | |
Umax | Напряжение для определения воздушного зазора | |
UT | Значение временного испытательного перенапряжения | |
Относящиеся к току |
Iimp | Импульсный ток для испытания класса I | |
Imax | Максимальный разрядный ток | |
In | Номинальный разрядный ток для испытания класса II | |
If | Сопровождающий ток | |
Ifi | Номинальный отключающий сопровождающий ток | |
IL | Номинальный ток нагрузки | |
ICW | Ток короткого замыкания генератора комбинированной волны | |
ISCCR | Номинальный ток короткого замыкания | |
IP | Ожидаемый ток короткого замыкания источника питания | |
IPE | Остаточный ток при UREF | |
ITotal | Суммарный разрядный ток многополюсного УЗИП | |
Itrans | Номинальный импульсный ток перехода УЗИП короткозамкнутого типа | |
Диапазон частоты от 47 до 63 Гц переменного тока.
Напряжение, длительно подаваемое между выводами УЗИП, не должно превышать его максимального длительного рабочего напряжения UC.
4.3 Атмосферное давление и высота
Атмосферное давление составляет от 80 до 106 кПа. Данные значения соответствуют высотам над уровнем моря плюс 2000 м и минус 500 м соответственно.
- нормальный диапазон: от минус 5 °C до плюс 40 °C.
Примечание - Данный диапазон распространяется на УЗИП для внутренней установки в защищенных от погодных условий местах без контроля температуры и влажности и соответствует характеристикам внешних воздействий по коду AB4 согласно IEC 60364-5-53
[4];
- расширенный диапазон: от минус 40 °C до плюс 70 °C.
Примечание - Этот диапазон адресован УЗИП для наружного применения в незащищенных от погодных условий местах.
- нормальный диапазон: от 5% до 95%.
Примечание - Данный диапазон распространяется на УЗИП для внутренней установки в защищенных от погодных условий местах без контроля температуры и влажности и соответствует характеристикам внешних воздействий по коду AB4 согласно IEC 60364-5-51
[5];
- расширенный диапазон: от 5% до 100%.
Примечание - Этот диапазон адресован УЗИП для наружного применения в незащищенных от погодных условий местах.
Изготовители должны классифицировать УЗИП по следующим параметрам:
5.1.1 Одновводные
5.1.2 Двухвводные
5.2.1 Коммутирующие напряжение
5.2.2 Ограничивающие напряжение
5.3 Класс испытаний I, II и III
Информация по классам испытаний I, II и III приведена в таблице 2.
Таблица 2
Испытания классов I, II и III
Класс испытаний | Определяемый параметр | Пункт методов испытаний |
I | Iimp | |
II | In | |
III | UOC | |
5.4.1 Внутренняя установка
- УЗИП, предназначенные для установки в оболочке и/или внутри зданий или под навесами;
- УЗИП, установленные в наружных оболочках или под навесами, считают предназначенными для внутренней установки.
5.4.2 Наружная установка
УЗИП, предназначенные для применения без оболочек, вне зданий и не под навесами (например, в низковольтных воздушных линиях электропередач).
5.5.1 Доступные УЗИП
УЗИП, которые могут быть полностью или частично доступны для прикосновения неквалифицированному персоналу при открывании без помощи инструмента крышек или оболочек уже смонтированных УЗИП.
5.5.2 Недоступные УЗИП
УЗИП, которые не могут быть доступны для прикосновения неквалифицированному персоналу ввиду их установки вне доступа (например, на воздушных линиях электропередач) или размещения в оболочках, которые можно открыть только с помощью инструмента.
5.6.1 Стационарные.
5.6.2 Переносные.
5.7 Разъединители (включая защиту от сверхтока)
5.7.1 По местоположению:
- внутренние;
- внешние;
- внутренние и внешние.
5.7.2 По защитным функциям:
- с тепловой защитой;
- с защитой от токов утечки;
- с защитой от сверхтока.
5.8 Степень защиты, обеспечиваемая оболочками согласно кодам IP, указанным в IEC 60529
5.9 Диапазон температуры и влажности
- с нормальным диапазоном;
- с расширенным диапазоном.
- переменного тока частотой от 48 до 63 Гц;
- переменного тока частотой вне диапазона от 48 до 63 Гц, что может потребовать дополнительных или измененных методик испытаний.
5.12 Поведение УЗИП при повреждении:
- размыкание цепи (УЗИП стандартного типа);
- короткое замыкание (УЗИП короткозамкнутого типа).
6 Предпочтительные значения для УЗИП
Примечание - Предпочтительные значения - это значения, наиболее часто применяемые на практике. В зависимости от реальных условий они могут быть выше или ниже.
6.1 Предпочтительные значения импульсного тока Iimp для испытаний класса I:

..... 1,0; 2,0; 5,0; 10,0; 12,5; 20,0 и 25,0 кА;
Q ....... 0,5; 1,0; 2,5; 5,0; 6,25; 10,0 и 12,5 А·с;
W/R ....... 0,25; 1,0; 6,25; 25,0; 39,0; 100,0 и 156,0 кДж/Ом.
6.2 Предпочтительные значения номинального разрядного тока (In) для испытаний класса II: 0,05; 0,10; 0,25; 0,50; 1,00; 1,50; 2,00; 2,50; 3,00; 5,00; 10,00; 15,00 и 20,00 кА.
6.3 Предпочтительные значения напряжения разомкнутой цепи UOC для испытаний класса III: 0,1; 0,2; 0,5; 1,0; 2,0; 3,0; 4,0; 5,0; 6,0; 10,0 и 20,0 кВ.
6.4 Предпочтительные значения уровня напряжения защиты Up: 0,08; 0,09; 0,10; 0,12; 0,15; 0,22; 0,33; 0,40; 0,50; 0,60; 0,70; 0,80; 0,90; 1,00; 1,20; 1,50; 1,80; 2,00; 2,50; 3,00; 4,00; 5,00; 6,00; 8,00 и 10 кВ.
6.5 Предпочтительные значения максимального длительного рабочего напряжения UC действующего значения тока: 45; 52; 63; 75; 85; 95; 110; 130; 150; 175; 220; 230; 240; 255; 260; 275; 280; 320; 335; 350; 385; 400; 420; 440; 460; 510; 530; 600; 635; 660; 690; 800; 900; 1000; 1500; 1800 и 2000 В.
Изготовитель должен предусмотреть минимум следующей информации, в том числе:
a) маркировка, обязательная для нанесения на корпус или на таблички постоянного крепления к корпусу УЗИП:
1) наименование изготовителя или торговая марка и номер модели;
2) максимальное длительное рабочее напряжение UC (по одному значению для каждого вида защиты);
3) род тока: a.c. или "~" и/или частота;
4) классификация испытаний и параметры разряда для каждого вида защиты, заявленные изготовителем, обозначаемые и маркируемые одно за другим следующим образом:
- для испытания УЗИП класса I: "испытания класса I", "
Iimp" и значение тока в кА, и/или "

" (T1 в прямоугольнике), "
Iimp" и значение тока в кА;
- для испытания УЗИП класса II: "испытания класса II", "
In" и значение тока в кА, и/или "

" (T2 в прямоугольнике), "
In" и значение тока в кА;
- для испытания УЗИП класса III: "испытания класса III", "
UOC" и значение напряжения в кВ, и/или "

" (T3 в прямоугольнике), "
UOC" и значение напряжения в кВ;
5) уровень напряжения защиты Up (по одному значению для каждого вида защиты);
6) степень защиты, обеспечиваемой оболочкой по коду IP, если св. IP20;
7) идентификация выводов или проводов (если не идентифицированы иначе на устройствах);
8) номинальный ток нагрузки IL для двухвводных УЗИП или одновводных УЗИП с раздельными вводными и выводными выводами.
Если недостаточно места для размещения всей вышеуказанной маркировки, достаточно будет нанести на УЗИП наименование изготовителя или торговую марку и номер модели, а оставшаяся маркировка переносится в инструкцию по монтажу.
Если УЗИП классифицировано более чем по одному классу испытаний (например, испытанию класса I (T1) и испытанию класса II (T2)), то проводят испытания по всем заявленным классам. Если в этом случае изготовитель установил один уровень защиты, то маркируют наивысший уровень защиты;
b) информация, предоставляемая с поставляемым изделием:
1) местоположение (см.
5.4);
2) число вводов;
3) способ установки;
4) номинальный ток короткого замыкания
ISCCR (за исключением случаев, указанных в
7.2.5.3);
5) параметры и характеристики внешних разъединителей (если требуется);
6) указатель действия разъединителя (при наличии);
7) направление нормальной установки, если имеет значение;
8) инструкции по монтажу:
- типы систем низкого напряжения (TN, TT, IT);
- предусмотренное соединение (между фазой и нейтралью, фазой и землей, нейтралью и землей, между фазами);
- паспортное напряжение системы переменного тока и максимальный допустимый уровень регулировки напряжения, на которое рассчитано УЗИП, механические размеры, длина проводников и т.д.;
9) диапазон температуры и влажности (см.
4.4 и
4.5);
10) номинальная отключающая способность сопровождающего тока Ifi (кроме случая ограничивающих УЗИП);
12) номинальный импульсный ток перехода Itrans для УЗИП короткозамкнутого типа;
13) минимальное расстояние от любой заземленной проводящей поверхности до местоположения УЗИП;
14) Imax (не обязательно);
c) информация, содержащаяся в спецификации на изделие:
1) номинал временного перенапряжения
UT, и/или типы систем питания УЗИП (согласно
приложению B) и соответствующие схемы соединений;
2) суммарный разрядный ток ITotal для многополюсных УЗИП (если установлен изготовителем) и соответствующий класс испытаний;
3) падение напряжения для двухвводных УЗИП;
4) устойчивость к импульсным перенапряжениям со стороны нагрузки для двухвводных УЗИП (если установлена изготовителем);
5) сведения о заменяемых элементах (индикаторы, предохранители и т.д., если имеются);
6) скорость возрастания напряжения по времени du/dt, если установлена изготовителем;
7) коэффициент тока
k, если иной, чем в
таблице 20;
8) виды защиты (для УЗИП, имеющих более одного вида защиты);
d) информация, предоставляемая изготовителем для типовых испытаний:
2) сопровождающий ток, ожидаемый во время предварительной обработки (<= 500 А или > 500 А, см.
приложение C);
3) если в цепи индикатора состояния используются не сертифицированные компоненты, имеющие индивидуальные параметры, изготовитель должен предоставить соответствующие стандарты, позволяющие этим компонентам участвовать в испытаниях;
4) изоляция и электрическая прочность изоляции раздельных цепей;
5) ожидаемый ток короткого замыкания для предварительной обработки согласно
8.3.5.3.2.
Соответствие проверяют осмотром.
Маркировка должна быть нестираемой и четкой и не должна наноситься на винты и съемные детали.
Примечание - Втычной модуль УЗИП не считают съемной деталью.
Соответствие проверяют испытанием по
8.2.
7.2 Требования к электрической части
7.2.1 Защита от прямого прикосновения
Эти требования применимы к доступным УЗИП, если максимальное длительное рабочее напряжение UC превышает 50 В (действующее значение).
Для защиты от прямого прикосновения (недоступность токоведущих частей) УЗИП должно иметь такую конструкцию, чтобы его токоведущих частей нельзя было коснуться, когда УЗИП установлено для назначенной эксплуатации.
УЗИП, кроме классифицируемых исключительно для недоступного монтажа, должны иметь такую конструкцию, чтобы после монтажа и присоединения как для нормальной эксплуатации токоведущие части не были доступны даже после снятия деталей, снимаемых без помощи инструмента.
Соединение между заземляющими выводами и всеми присоединяемыми к ним доступными частями должно иметь низкое сопротивление.
Соответствие проверяют испытаниями по IEC 60529 и
8.3.1.
Для всех УЗИП, снабженных выводом для защитного проводника, остаточный ток IPE должен измеряться, когда выводы УЗИП соединены с источником питания при контрольном испытательном напряжении UREF, указанном изготовителем.
Соответствие проверяют испытанием по
8.3.2.
7.2.3 Уровень напряжения защиты Up
Измеренное предельное напряжение УЗИП не должно превышать уровня напряжения защиты, установленного изготовителем.
Соответствие проверяют испытанием по
8.3.3.
УЗИП должно быть способно выдерживать без недопустимого изменения характеристик заданные разрядные токи при подаче максимального длительного рабочего напряжения UC.
Соответствие проверяют испытанием по
8.3.4.
7.2.5 Разъединители и индикаторы состояния
7.2.5.1 Разъединители УЗИП
УЗИП должны иметь разъединители (наружные, либо внутренние или их комбинации), кроме УЗИП, предназначенных для подсоединения N-PE в системах TN и/или TT. Их функционирование должно контролироваться соответствующими индикаторами состояния.
Применение индикаторов в ходе и после некоторых типовых испытаний отражено в
таблице 3.
В
таблице 3 приведена информация о включении разъединителей в некоторые типовые испытания. Требуемое поведение разъединителей в ходе и после некоторых типовых испытаний приведено по соответствию
критериям F,
G,
H,
J по таблице 4 и проверяется испытаниями по
8.3.5.
УЗИП должны быть защищены от перегрева при выходе из строя или перенапряжении. Такие испытания не проводят на УЗИП, содержащих только коммутирующие компоненты и/или ЛПУ.
Соответствие проверяют испытанием по
8.3.5.2.
7.2.5.3 Поведение при коротком замыкании
УЗИП должно либо отказать, не создав опасных условий, либо выдержать ожидаемые токи короткого замыкания, которые могут возникнуть в системе питания при повреждении УЗИП.
Испытание по
8.3.5.3.1 проводят только в том случае, если установленная номинальная отключающая способность сопровождающего тока
Ifi менее, чем испытательный ток.
Эти испытания не проводят на УЗИП, классифицируемых для наружной установки и недоступного монтажа, а также для УЗИП, предназначенных для подсоединения N-PE в системах TN и/или TT.
7.2.5.4 Индикаторы состояния
Изготовитель должен предоставить информацию о порядке функционирования индикатора и предпринимаемых действиях при изменении индикации состояния.
Индикатор состояния может состоять из двух частей (одна из которых является незаменяемой), соединенных элементом связи, который может быть механическим, оптическим, звуковым, электромагнитным и т.д. Незаменяемая часть индикатора состояния должна быть способна к срабатыванию не менее 50 раз.
Примечание - Действие элемента связи, который управляет незаменяемой частью индикатора состояния, может быть имитировано не действием звена заменяемой части УЗИП, а другим способом, например автономным электромагнитом или пружиной.
Если на индикацию применяемого типа имеется конкретный стандарт, то незаменяемая часть индикатора состояния должна отвечать требованиям этого стандарта, при этом индикатор состояния должен быть испытан на 50 операций срабатывания.
7.2.6 Сопротивление изоляции
Сопротивление изоляции УЗИП должно быть достаточным с точки зрения защиты от токов утечки и прямого прикосновения.
Соответствие проверяют испытанием по
8.3.6.
7.2.7 Электрическая прочность изоляции
Электрическая прочность изоляции должна быть достаточной с точки зрения устойчивости к пробою и защиты от прямого контакта.
Испытание проводят в соответствии с
8.3.7.
7.2.8 Поведение УЗИП в условиях ВПН
Примечание 1 - Испытания по
8.3.8.1 и
8.3.8.2 не учитывают случая возникновения импульса одновременно с ВПН.
УЗИП должно выдерживать перенапряжения, вызванные повреждениями или помехами в высоковольтной системе, либо не создавать опасности удара в случае отказа.
УЗИП, для которых изготовитель в своей инструкции установил возможность их применения в системах TT между нейтралью и PE выше главного УДТ, должны отвечать критерию соответствия по виду, установленному
8.3.8.2.
Примечание 2 - Вышеуказанное охватывает назначение согласно пункту 534.2.3.3 IEC 60364-5-53
[4].
7.2.8.1 ВПН, вызванные повреждениями или помехами в низковольтной системе
Для УЗИП, UC которых равно или более UT, это испытание не проводят.
Соответствие устанавливают по
8.3.8.1.
7.2.8.2 ВПН, вызванные повреждениями в системе высокого (среднего) напряжения
Для УЗИП, UC которых равно или более UT, это испытание не проводят.
Соответствие устанавливают по
8.3.8.2.
7.3 Требования к механической части
УЗИП должны быть снабжены средствами для монтажа, обеспечивающими механическую надежность.
Во избежание ошибочного сочленения втычных модулей с розетками должно быть предусмотрено механическое кодирование/блокировка.
Соответствие проверяют осмотром.
7.3.2 Винты, токопроводящие части и соединения
Соответствие
8.4.1 проверяют осмотром и пробным монтажом.
Электрические соединения возможны с применением одного из следующих средств:
- винтовых зажимов и болтовых соединений;
- безвинтовых зажимов;
- соединений, прокалывающих изоляцию;
- плоских зажимов быстрого соединения;
- концом проволочного вывода;
- других равноэффективных средств;
- или стандартизованных вилок и/или штепсельных розеток.
Выводы должны иметь конструкцию, обеспечивающую возможность присоединения проводников наименьшего и наибольшего поперечного сечения по
8.4.2.
Выводы должны прикрепляться к УЗИП таким образом, чтобы они не разбалтывались при затягивании или отпускании крепежных винтов или блокирующих гаек. Для ослабления крепежных винтов или блокирующих гаек может понадобиться инструмент.
a) Выводы для внешних проводников должны быть такими, чтобы при присоединенных проводниках гарантировать необходимое контактное давление постоянно. Выводы должны быть легкодоступны в предусмотренных условиях эксплуатации;
b) средства для зажима проводников в выводах не должны использоваться для фиксации других компонентов, хотя они могут фиксировать выводы и препятствовать их вращению;
c) выводы должны обладать соответствующей механической прочностью;
d) выводы должны иметь такую конструкцию, чтобы при зажиме проводника не вызывать его повреждений;
e) выводы должны иметь такую конструкцию, чтобы проводник был надежно зажат между металлическими поверхностями;
f) выводы должны иметь такую конструкцию и расположение, чтобы ни жесткий сплошной, ни скрученный многопроволочный проводники не могли выскользнуть при затягивании крепежных винтов и гаек.
7.3.3.1 Винтовые выводы
a) Винты и гайки для зажима проводников должны иметь метрическую резьбу ISO или другую, аналогичную по шагу и механической прочности.
Примечание - Можно использовать резьбы SI, BA, UN, поскольку они фактически аналогичны по шагу и механической прочности резьбе ISO;
b) Выводы должны быть закреплены или расположены таким образом, чтобы при затягивании и ослаблении крепежных винтов или гаек они не могли выпасть из мест их крепления к УЗИП.
Данные требования не означают что конструкция выводов должна исключать их вращение или смещение, однако любое их перемещение должно быть в достаточной степени ограничено, чтобы исключить несоответствие требованиям настоящего стандарта.
Для предупреждения ослабления зажима достаточным считают применение изолирующего компаунда или смолы при условии, что:
- эти средства не подвергаются нагрузкам при нормальной эксплуатации;
- на их эффективность не влияют температуры, имеющие место в самых неблагоприятных условиях, указанных в настоящем стандарте;
c) винты или гайки выводов, предназначенных для подсоединения защитных проводников, должны быть стойкими к самоотвинчиванию;
d) винты не должны быть изготовлены из мягкого или подверженного текучести металла, такого как цинк или алюминий.
Соответствие проверяют осмотром и испытанием по
8.4.2.1.
7.3.3.2 Безвинтовые выводы
Выводы должны иметь такую конструкцию, чтобы:
a) каждый проводник был зажат отдельно. Проводники подсоединяют или отсоединяют либо все одновременно, либо каждый по отдельности;
b) была возможность надежно зажать любое число проводников вплоть до максимально предусмотренного.
Соответствие проверяют осмотром и испытанием согласно
8.4.2.2.
7.3.3.3 Соединения, прокалывающие изоляцию
Соответствие проверяют осмотром и испытанием по
8.4.2.3.
7.3.3.4 Плоские зажимы быстрого соединения
Соответствие проверяют осмотром и испытанием по
8.4.2.4 (на рассмотрении).
7.3.3.5 Соединение концом проволочного вывода
Соответствие проверяют осмотром и испытанием по
8.4.2.5.
7.3.3.6 Стандартизованные вилки и/или штепсельные розетки
Вилки и штепсельные розетки должны отвечать требованиям соответствующих международных или национальных стандартов (например, IEC 60884-1
[6], серия IEC 60320
[7]).
7.3.4 Воздушные зазоры и расстояния утечки
УЗИП должны иметь достаточные воздушные зазоры и расстояния утечки.
Соответствие проверяют испытанием по
8.4.3.
7.3.5 Механическая прочность
Все детали УЗИП, имеющие отношение к защите от прямого прикосновения, должны обладать достаточной механической прочностью.
Соответствие проверяют осмотром и испытанием по
8.4.4.
7.4 Требования к условиям окружающей среды и материалам
УЗИП должны функционировать удовлетворительно в условиях эксплуатации, указанных в
разделе 4.
7.4.1 Защита, обеспечиваемая оболочкой (код IP)
УЗИП должны быть снабжены оболочкой для защиты от попадания твердых посторонних предметов и проникновения воды, обозначенной кодом IP, установленным изготовителем.
Соответствие проверяют осмотром и испытанием по
8.5.1.
УЗИП должны обладать достаточной теплостойкостью.
Изоляционные части корпуса должны быть невоспламеняемыми или самозатухающими.
Соответствие проверяют испытанием по
8.5.4.
Индекс трекингостойкости изоляционных материалов, которые могут создать проводящий путь между электрическими соединениями, проверяют испытанием по
8.5.5.
В испытании нет необходимости, если расстояние утечки равно двойному значению, указанному в
8.4.3 или больше его, или в случае, если изоляционным материалом является керамика, слюда или аналогичный материал.
7.4.5 Электромагнитная совместимость (ЭМС)
7.4.5.1 Устойчивость к электромагнитным помехам
УЗИП, как не содержащие, так и содержащие электронные цепи, в которых все компоненты пассивны (например, диоды, резисторы, конденсаторы, индукторы, варисторы и другие импульсостойкие компоненты), не чувствительны к электромагнитным помехам, ожидаемым в нормальных условиях эксплуатации, поэтому испытаний на помехоустойчивость не требуется. УЗИП, содержащие чувствительные электронные цепи, соответствуют стандартам серии IEC 61000.
7.4.5.2 Помехоэмиссия
УЗИП, как не содержащие, так и содержащие электронные цепи, которые не генерируют при нормальной эксплуатации основные частоты свыше 9 кГц, могут генерировать электромагнитные помехи только в ходе защитных операций. Длительность таких помех составляет от нескольких микросекунд до нескольких миллисекунд.
Частоту, уровень и последствия таких излучений считают нормальной электромагнитной средой низковольтных установок. Поэтому требования к помехоэмиссии соблюдены и проверки не требуют.
УЗИП, содержащие электронные цепи, выполняющие коммутационную функцию на частоте 9 кГц и выше, соответствуют стандартам серии IEC 61000.
7.5 Дополнительные требования к УЗИП специальных конструкций
7.5.1 Двухвводные и одновводные УЗИП с раздельными вводными/выводными зажимами
7.5.1.1 Номинальный ток нагрузки
IL
Изготовитель должен установить номинальный ток нагрузки.
Соответствие проверяют испытанием по
8.6.1.1.
7.5.1.2 Поведение УЗИП при перегрузке
УЗИП не должен повреждаться при перегрузках, случающихся в нормальных условиях эксплуатации.
Соответствие данному требованию проверяют испытанием по
8.6.1.2.
7.5.1.3 Номинальный ток короткого замыкания со стороны нагрузки
УЗИП должно быть способно пропускать токи короткого замыкания со стороны нагрузки до тех пор, пока они не будут отключены либо самим УЗИП, либо внутренним или внешним разъединителем.
Соответствие проверяют испытанием по
8.6.1.3.
7.5.2 Испытания на условия окружающей среды для УЗИП наружного исполнения
УЗИП наружного исполнения должны быть устойчивы к УФ-излучению и коррозии.
7.5.3 УЗИП с раздельными электрически изолированными цепями
Если УЗИП содержит цепь, электрически изолированную от главной цепи, изготовитель должен предоставить информацию о напряжении изоляции и электрической прочности изоляции между цепями, а также о соответствии конкретным стандартам.
Если УЗИП содержит более двух таких цепей, информация должна быть по каждой комбинации цепей.
Изоляция и электрическая прочность изоляции между главными цепями и раздельными изолированными цепями должны подвергнуться испытаниям по
8.3.6 и
8.3.7.
7.5.4 УЗИП короткозамкнутого типа
Такие УЗИП должны быть способны выдержать испытание током короткого замыкания при заданном номинальном токе короткого замыкания после воздействия номинального импульсного тока перехода Itrans.
Соответствие проверяют испытанием по
8.6.4.
7.6 Дополнительные требования к УЗИП, предлагаемые изготовителем
7.6.1 Одно- и двухвводные УЗИП
7.6.1.1 Суммарный разрядный ток
ITotal (многополюсных УЗИП)
Данное испытание проводят только в том случае, если изготовитель устанавливает суммарный разрядный ток.
Соответствие проверяют по
8.7.1.
7.6.2 Двухвводные УЗИП
7.6.2.1 Падение напряжения
Падение напряжения проверяют по
8.7.2.
7.6.2.2 Способность выдерживать импульсы со стороны нагрузки
Если изготовитель определяет способность выдерживать импульсы со стороны нагрузки, то соответствие проверяют по
8.7.3.
7.6.2.3 Скорость возрастания напряжения du/dt
Если изготовитель устанавливает значение d
u/d
t для двухвводного УЗИП, имеющего устройство развязки, то это значение проверяют по
8.7.4.
Типовые испытания выполняют на трех образцах по каждому циклу испытаний, как указано в
таблице 3. В пределах одного цикла испытания проводят в порядке, установленном в
таблице 3. Порядок циклов может меняться. Испытание зажимов проводят на трех образцах зажимов для каждого типа конструкции зажима. (УЗИП с не менее чем тремя одинаковыми зажимами соответствует этому требованию).
Образец выдержал цикл испытаний по
таблице 3, если выполнены все требования соответствующих разделов и достигнут критерий соответствия.
Если все образцы выдержали все испытания цикла, значит конструкция УЗИП соответствует предъявляемым требованиям. Если два или более испытательных образцов не выдержали испытания цикла, тогда УЗИП не соответствует требованиям данного стандарта.
В случае если хотя бы один образец не выдержал цикла испытаний, то это испытание и предшествующие ему из этого испытательного цикла, которые могли бы повлиять на результат данного испытания, следует повторить на трех новых образцах, и на этот раз ни один образец не должен быть отбракован.
Комплект из трех образцов может быть использован в последующих циклах испытаний по усмотрению изготовителя.
Примечание - Для испытания на короткое замыкание по
8.3.5.3 требуются специально подготовленные образцы.
Если УЗИП является неотъемлемой частью изделия, соответствующего другому стандарту, то требования другого стандарта должны распространяться на те части изделия, которые не принадлежат УЗИП. Сегмент УЗИП в изделии должен отвечать общим требованиям
(7.1), требованиям к электрической части
(7.2), условиям окружающей среды и материалам
(7.4) настоящего стандарта. Требования другого стандарта к механической части должны быть также применимы к УЗИП.
8.1 Общие условия испытаний
Если не указано иное, то следует пользоваться методикой высоковольтных испытаний по IEC 61180-1.
Если не указано иное, значения переменного тока, приведенные в настоящем стандарте, являются действующими.
Монтаж УЗИП и электрические соединения выполняют по инструкциям изготовителя.
Не должно применяться никакого внешнего охлаждения или нагрева.
Испытание проводят на открытом воздухе при температуре окружающего воздуха (20 +/- 15) °C, если не указано иное.
Если не указано иное, во всех испытаниях, где требуется источник питания при UREF или UC испытательный допуск на UREF или UC должен составлять минус 5%.
При испытании УЗИП со встроенными кабелями последние по всей длине считают частью испытуемого УЗИП.
Во время испытания обслуживание или разборка УЗИП не допускаются. Все разъединители УЗИП должны быть подобраны, как того требует изготовитель, и подсоединены для испытания согласно
таблице 3.
Все испытания должны проводиться для каждого вида защиты, установленного изготовителем. Если несколько видов защиты имеют одинаковые схемы, можно обойтись одним испытанием для вида защиты наиболее неблагоприятной конструкции, используя новые образцы.
Для многорежимных устройств (например, трехфазных УЗИП), в которых защитный компонент электросхемы идентичен для защиты данного вида, испытание каждой из трех фаз заменяет испытание трех образцов.
Для УЗИП с обозначенным выводом N, которые можно использовать в системах без распределительной нейтрали по инструкции изготовителя, потребуется отдельное испытание для вида защиты L-PE с отключенной нейтралью.
Если согласно
таблице 3 требуется применение папиросной бумаги:
- для стационарных УЗИП папиросная бумага должна быть прикреплена на расстоянии (100 +/- 20) мм со всех сторон образца, кроме монтажной поверхности;
- для переносных УЗИП папиросная бумага должна плотно обертывать УЗИП со всех сторон, включая дно.
Если требуется по
таблице 3, то металлический экран должен располагаться по сторонам УЗИП на минимальном расстоянии согласно
перечисления b 13, 7.1.1). Все детали, включая расстояния удаления металлического экрана от УЗИП, должны быть указаны в протоколе испытаний. Характеристики металлического экрана следующие:
Структура:
- тканая проволочная сетка;
- перфорированный лист металла или металлическая сетка.
Соотношение сетчатой/общей поверхности: 0,45 - 0,65.
Размер отверстия не более 30 мм2.
Покрытие: без покрытия или проводящее покрытие.
Сопротивление: сопротивление между самой дальней точкой металлического экрана и точкой его соединения должно быть достаточно низким, чтобы не ограничивать ток короткого замыкания экранированной цепи.
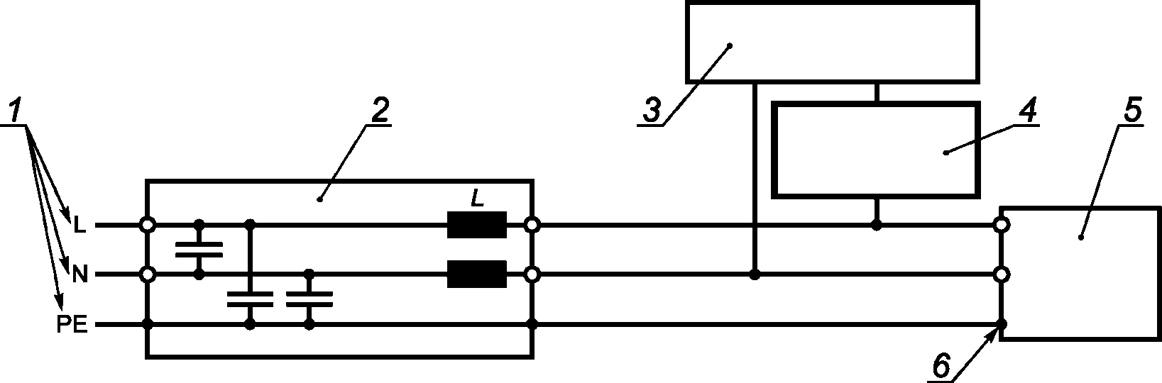
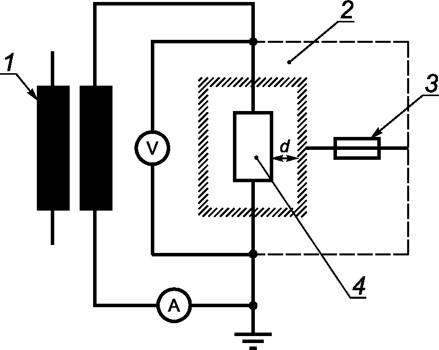
Металлический экран соединен через предохранитель gL/gG на 6 А с одним из выводов испытуемого УЗИП (рисунок 1). После каждой подачи короткого замыкания экран подсоединяют к другому выводу УЗИП.
1 - источник тока промышленной частоты; 2 - металлический
экран; 3 - предохранитель на 6 А; 4 - УЗИП;
d - расстояние между экраном и УЗИП
Рисунок 1 - Испытательная установка с металлическим экраном
Если изготовитель устанавливает разные требования к внешним разъединителям в зависимости от ожидаемого тока короткого замыкания системы питания, все соответствующие испытательные циклы должны проводиться для каждой комбинации требуемых разъединителей и ожидаемых токов короткого замыкания.
На протяжении всей процедуры типовых испытаний индикатор состояния должен четко указывать состояние той части, к которой он прикреплен. При наличии нескольких методов индикации состояния (например, локальная и дистанционная индикация) проверяют каждую.
Следует учитывать, что для импульсных испытаний и измерений важна правильно выбранная методика испытаний. При испытании требуется гарантия в отношении точности записи значений.
УЗИП не должны создавать опасной ситуации при оперировании в условиях испытаний, требуемых настоящим стандартом.
Таблица 3
Требования к УЗИП для типовых испытаний
Цикл испытаний | Вид испытания | Пункт, подпункт | Внешние разъединители <a> | Папиросная бумага | Металлический экран | Класс испытания |
I | II | III |
1 | Идентификация и маркировка | | - | - | - | да | да | да |
Монтаж | | - | - | - | да | да | да |
Выводы и соединения | | - | - | - | да | да | да |
Защита от прямого контакта | | - | - | - | да | да | да |
Окружающая среда, код IP | | - | - | - | да | да | да |
Остаточный ток | | - | - | - | да | да | да |
Рабочий режим | | |
Рабочий режим для классов I, II, III | | да | - | - | да | да | да |
Дополнительный режим для класса I | | да | - | - | да | - | - |
Тепловая стабильность | | да | - | - | да | да | да |
Воздушные зазоры и расстояния утечки | | - | - | - | да | да | да |
Давление шарика | | - | - | - | да | да | да |
Устойчивость к аномальному нагреву и огню | | - | - | - | да | да | да |
Трекингостойкость | | - | - | - | да | да | да |
2 | Уровень напряжения защиты | | |
Остаточное напряжение | | - | - | - | да | да | - |
Фронт волны напряжения разряда | | - | - | - | да | да | - |
Предельное напряжение с комбинированной волной | | - | - | - | | | да |
2a | См. ниже - только по применению | | | | | | | |
2b | См. ниже - только по применению | | | | | | | |
3 | Сопротивление изоляции | | - | - | - | да | да | да |
Электрическая прочность изоляции | | - | - | - | да | да | да |
3a | См. ниже - только по применению | | | | | | | |
Механическая прочность | | - | - | - | да | да | да |
Выдерживаемая температура | | | | | | | |
| См. ниже - только по применению | | | | | | | |
3c | См. ниже - только по применению | | | | | | | |
| Теплостойкость | | - | - | - | да | да | да |
ВПН | | |
ВПН в результате повреждений или помех в низковольтной системе | | да | да | - | да | да | да |
ВПН в результате повреждений или помех в системе высокого (среднего) напряжения | | да | да | - | да | да | да |
| Ток короткого замыкания | | да | - | да | да | да | да |
Дополнительные испытания для УЗИП специальных конструкций |
Дополнительные испытания для двухвводных и одновводных УЗИП с раздельными вводными/выводными выводами |
| Номинальный ток нагрузки | | да | - | - | да | да | да |
Перегрузка | | - | - | - | да | да | да |
2b | Ток короткого замыкания со стороны нагрузки | | да | - | да | да | да | да |
Дополнительные испытания, устанавливаемые изготовителем |
3b | Падение напряжения | | - | - | - | да | да | да |
| Импульсы, выдерживаемые со стороны нагрузки | | да | - | - | да | да | да |
6 | Суммарный разрядный ток для многополюсных УЗИП | | | - | - | да | да | - |
Дополнительные испытания для УЗИП наружного применения |
7 | Для УЗИП наружной установки | | - | н/о | - | да | да | - |
Дополнительные испытания для УЗИП с раздельными изолированными цепями |
3a | Изоляция между раздельными цепями | | - | - | - | да | да | да |
Дополнительные испытания для УЗИП короткозамкнутого типа |
8 | Процедура изменения характеристики (на состояние внутреннего короткого замыкания) | | - | - | - | - | да | - |
Устойчивость к импульсам (в состоянии короткого замыкания) | | - | - | - | - | да | - |
Ток короткого замыкания (в состоянии короткого замыкания) | | да | - | да | - | да | - |
"да" - применяется; " - " - не применяется; "н/о" - применение не обязательно. |
<a> Все внешние разъединители, указанные изготовителем, испытывают с УЗИП при типовых испытаниях, кроме УДТ, которые не испытывают в рабочем режиме согласно 8.3.4. <c> В этом испытательном цикле могут потребоваться более одного комплекта образцов. |
Таблица 4
Общие критерии соответствия для типовых испытаний
Обозначение критериев соответствия | Значения критериев соответствия |
| Должна быть достигнута тепловая стабильность. УЗИП считают термостабильным, если пик активной составляющей тока, протекающего через УЗИП, или рассеиваемой энергии либо имеет тенденцию к понижению, либо отсутствию повышения в течение 15 мин от начала подачи UC. Если само испытание УЗИП проводят при UC, тогда UC либо подают в течение этих 15 мин без перерыва, либо подают повторно в течение не более 30 с |
| Записи измерений напряжения и тока и осмотр не должны выявить пробоев |
| В ходе испытания не должно быть видимых повреждений. После испытания небольшие углубления и трещины, не влияющие на защиту от прямого прикосновения, не учитывают при условии сохранения установленной степени защиты УЗИП (по коду IP). После испытания не должно быть видимых признаков обгорания образца |
| Значения измеренного предельного напряжения после испытания должны быть меньше или равны Up. Испытаниями по 8.3.3 должно быть определено измеренное предельное напряжение, а испытание по 8.3.3.1 проводят только с импульсным током 8/20 при пиковом значении Iimp для испытаний класса I или при In для испытаний класса II или испытанием по 8.3.3.3, но только при UOC для испытаний класса III |
| После проведения испытания не должно быть чрезмерных остаточных токов. УЗИП присоединяют по инструкции изготовителя как для нормальной эксплуатации к источнику питания при контрольном испытательном напряжении (UREF). Измеряют ток, протекающий через каждый вывод. Его активная составляющая (измеренная на пике синусоиды) не должна превышать 1 мА или ток не должен меняться более, чем на 20% по сравнению с начальным значением, измеренным в начале соответствующего испытательного цикла. Любой применяемый возвратный или взводимый разъединитель отключают вручную и проверяют электрическую прочность изоляции подачей 2UC или 1000 В переменного тока, что более. В ходе испытания не должно быть пробоев и перекрытий изоляции (ни внутренних, ни внешних) или других проявлений пробивного разряда. Кроме того, для типов УЗИП с N-PE измеряют ток только на выводе-PE, при этом выводы соединены с источником питания максимального длительного рабочего напряжения (UC). Его активная составляющая (измеренная на пике синусоиды) не должна превышать 1 мА или ток не должен меняться более, чем на 20% по сравнению с начальным значением, измеренным в начале соответствующего испытательного цикла. При наличии нескольких подсоединений проверку проводят для всех возможных подсоединений |
| Внешние соединители по определению изготовителя не должны срабатывать в ходе испытания, после испытания они должны быть в рабочем состоянии. Рабочее состояние согласно настоящему разделу означает отсутствие повреждения и сохранение работоспособности. Работоспособность можно проверить вручную (если возможно) или простым электрическим тестированием по согласованию между изготовителем и испытательной лабораторией |
| Внутренние соединители по определению изготовителя не должны срабатывать в ходе испытания, после испытания они должны быть в рабочем состоянии. Рабочее состояние согласно настоящему разделу означает отсутствие повреждения и сохранение работоспособности. Работоспособность можно проверить вручную (если возможно) или простым электрическим тестированием по согласованию между изготовителем и испытательной лабораторией |
| Разъединение обеспечивают один или несколько внутренних и/или внешних разъединителей. Правильность их индикации проверяют |
| УЗИП со степенью защиты, равной или св. IP20, не должны иметь токоведущих частей, доступных для прикосновения стандартного испытательного пальца, прикладываемого с усилием 5 Н (см. IEC 60529), за исключением токоведущих частей, которые уже были доступны до испытания при монтаже УЗИП как для нормальной эксплуатации |
| Если при испытании происходит разъединение (внутреннее или внешнее), должно быть очевидное свидетельство действительного разъединения соответствующих защитных компонентов. При внутреннем разъединении испытательный образец подсоединяют к источнику питания как для нормальной эксплуатации при максимальном длительном рабочем напряжении UC и номинальной частоте в течение 1 мин. Испытательный источник питания должен обладать способностью тока короткого замыкания, равной или св. 200 мА. Ток, протекающий через соответствующие защитные компоненты, не должен быть св. 1 мА. Токи, протекающие через компоненты, соединенные параллельно с соответствующими защитными компонентами или соединенные другим образом (например, индикаторные цепи), в этом измерении не участвуют, поскольку они не могут вызвать ток в соответствующих защитных компонентах). Ток, протекающий через вывод-PE, включая параллельные и другие цепи (например, индикаторные), не должен превышать 1 мА. При наличии нескольких подсоединений проверку проводят для всех возможных подсоединений |
| При наличии тока короткого замыкания от источника питания он должен быть отключен в течение 5 с одним или несколькими внутренними и/или внешними разъединителями |
| Папиросная бумага не должна обгореть |
| Не должно произойти взрыва или другого удара с поражением персонала или оборудования |
| В ходе испытания не должно произойти пробоя металлического экрана или срабатывания предохранителя gL/gG на 6 А, соединенного с экраном |
| По завершении испытания образцы должны охладиться до температуры помещения, их подсоединяют на 2 ч к источнику напряжения UC. Остаточный ток подлежит контролю, он не должен превышать значения, измеренного в начале испытания, более чем на 10% |
Таблица 5
Перекрестные ссылки (критерии соответствия/пункты
типовых испытаний)
Пункт, подпункт | Критерий соответствия |
| | | | | | | | | | | | | | |
| - | да | да | - | - | - | - | - | да | - | - | - | да | - | - |
| да | да | да | да | да | да | да | - | - | - | - | - | да | - | - |
| - | - | да | - | - | - | да | - | - | - | - | - | - | - | |
| - | - | да | - | - | - | - | да | да | да | - | - | да | - | да |
| - | - | да | - | - | - | - | да | да | да | да | - | да | да | - |
| - | - | да | - | - | - | - | у/п | да | у/п | у/п | - | да | да | - |
| - | - | да | - | - | - | - | да | да | да | да | - | да | да | - |
| - | - | да | - | - | - | - | у/п | да | у/п | - | - | да | да | - |
| - | - | да | - | - | - | - | да | да | да | да | да | да | - | - |
| да | да | да | да | да | да | да | - | да | - | - | да | да | - | - |
| - | | да | - | - | - | - | да | да | да | да | да | да | - | - |
| да | да | да | да | да | - | да | - | да | - | да | да | да | - | - |
| - | - | да | - | - | - | - | - | да | - | - | - | - | - | - |
| - | - | да | - | - | да | да | - | - | - | - | - | - | - | - |
| - | - | да | - | - | - | - | да | да | да | - | - | да | - | - |
| - | - | да | да | да | - | - | - | да | - | - | - | - | - | - |
| - | - | да | - | да | - | - | да | да | да | да | - | да | да | - |
| - | - | да | да | да | - | - | да | да | да | да | - | да | да | - |
| - | - | да | - | - | - | - | - | да | - | - | - | да | - | - |
| - | - | да | - | - | - | - | да | да | да | да | - | да | да | - |
| - | да | да | да | да | - | да | - | да | - | - | - | да | - | - |
| да | да | да | да | да | да | да | - | - | - | - | - | - | - | - |
"да" - применимо; "у/п" - условно применимо; "-" - не применяется. |
8.1.1 Импульсный ток для испытаний класса I в дополнительном режиме
Импульсный ток, проходящий через испытуемое устройство (ИУ), определяется пиковым значением Iimp, зарядом Q и удельной энергией W/R. Импульсный ток не должен менять полярность и достигает Iimp в течение 50 мкс. Переход заряда Q происходит в течение 5 мс, рассеивание удельной энергии W/R в течение 5 мс.
Длительность импульса не более 5 мс.
В
таблице 6 приведены значения
Q (А·с) и
W/
R (кДж/Ом) для выбранных значений
Iimp (кА).
Соотношение между Iimp, Q и W/R следующее:
Q = Iimp x a, где a = 5 x 10-4 с,
W/R = Iimp2 x b, где b = 2,5 x 10-4 с.
Таблица 6
Предпочтительные параметры для испытания класса I
Импульсный ток Iimp (в течение 50 мкс), кА | Заряд Q (в течение 5 мс), А·с | Удельная энергия W/R (в течение 5 мс), кДж/Ом |
25,0 | 12,50 | 156,00 |
20,0 | 10,00 | 100,00 |
12,5 | 6,25 | 39,00 |
10,0 | 5,00 | 25,00 |
5,0 | 2,50 | 6,25 |
2,0 | 1,00 | 1,00 |
1,0 | 0,50 | 0,25 |
Примечание - Один из возможных испытательных импульсов, отвечающих вышеуказанным параметрам, 10/350 указан в IEC 62305-1 [8]. |
Допуски на указанные в таблице параметры следующие:
Iimp - 10%/+10%;
Q - 10%/+20%;
W/R - 10%/+45%.
8.1.2 Параметры импульсного тока для испытаний остаточным напряжением и испытаний в рабочем режиме УЗИП классов I и II
Стандартная форма волны 8/20. Допуски на форму волны тока (пиковое значение, время фронта и полуволны) ... +/- 10%.
Допускаются небольшие колебания или отклонения от установленного значения, при условии, что амплитуда любого колебания не превышает 5% от пикового значения. Любое изменение полярности после падения тока до нуля должно быть не более 30% от пикового значения.
Для двухвводных устройств значение изменения полярности должно быть менее 5%, чтобы не повлиять на результат измерения предельного напряжения.
8.1.3 Испытание УЗИП класса I и класса II на пробой импульсным напряжением
Стандартная форма волны напряжения составляет 1,2/50. Допуски на форму волны напряжения разомкнутой цепи в точках присоединения ИУ следующие:
- пиковое значение ............ +/- 5%;
- время фронта ................ +/- 30%;
- время полупериода ........... +/- 20%.
Колебания или отклонения от установленного значения могут произойти на пике импульса. Если частота таких колебаний свыше 500 кГц или длительность отклонения менее 1 мкс, с целью проведения измерений вычерчивается кривая значений, тогда максимальная амплитуда этой кривой определит измеренное пиковое значение испытательного напряжения.
Колебания, превышающие на 3% пиковое значение, недопустимы в области подъема импульса напряжения между 0% и 80% пикового значения.
Измерительные приборы должны иметь предельную ширину полосы частот не менее 25 мГц, а отклонение от установленного значения должно быть менее 3%.
Ток короткого замыкания испытательного генератора должен составлять менее 20% от номинального разрядного тока In УЗИП.
8.1.4 Испытание УЗИП класса III комбинированной волной
Стандартный импульс генератора комбинированной волны характеризуется выходным напряжением в условиях разомкнутой цепи и выходным током в условиях короткого замыкания. Напряжение разомкнутой цепи должно иметь время фронта 1,2 мкс и время полупериода 50 мкс. Ток короткого замыкания должен иметь время фронта 8 мкс и время полупериода 20 мкс.
Примечание 1 - Для дальнейшего руководства по данному вопросу, см. IEEE C62.45:2009;
a) допуски на напряжение в состоянии разомкнутой цепи UOC в точках присоединения ИУ следующие:
- пиковое значение ............ +/- 5%;
- время фронта ................ +/- 30%;
- время полупериода ........... +/- 20%.
Данные допуски предназначены только для генератора без присоединения УЗИП и источника питания.
Колебания или отклонения от установленного значения могут произойти на пике импульса. Если частота таких колебаний свыше 500 кГц или длительность отклонения менее 1 мкс, с целью проведения измерений вычерчивается кривая значений, тогда максимальная амплитуда этой кривой определит измеренное пиковое значение испытательного напряжения.
Колебания, превышающие на 3% пиковое значение, недопустимы в области подъема импульса напряжения между 0% и 80% пикового значения.
Измерительные приборы должны иметь предельную ширину полосы частот не менее 25 мГц, а отклонение от установленного значения должно быть менее 3%;
b) допуски на ток короткого замыкания Isc (пиковое значение, время фронта и полуволны) в точках присоединения ИУ +/- 10%.
Допуски для генератора не зависят от подсоединения к цепи питания, что зависит от условий испытания.
Допускаются небольшие колебания или отклонения от установленного значения, при условии, что амплитуда любого колебания не превышает 5% от пикового значения. Любое изменение полярности после падения тока до нуля должно быть не более 30% от пикового значения;
c) испытательная установка
Фиктивный импеданс генератора должен быть номинально 2 Ом. По определению, фиктивный импеданс - это отношение пикового значения напряжения разомкнутой цепи UOC к пиковому значению тока короткого замыкания Isc.
Требования к вышеуказанной форме волны и допускам распространяются только на испытание, проводимое при значении
UOC, установленном изготовителем, что может потребовать регулировки генератора. Для испытаний, проводимых при значениях ниже
UOC по
8.3.3.3 b), регулировка не потребуется, можно использовать те же уставки.
В качестве согласующего элемента генератора должен быть использован предпочтительно варисторный элемент с параметрами, насколько возможно совпадающими с длительным рабочим напряжением UC испытуемого УЗИП для сопоставимости результатов испытаний разных испытательных лабораторий.
Примечание 2 - Это позволит избежать чрезмерных затрат на испытательную установку в связи с нелинейностью согласующего элемента генератора, влияющего на суммарное полное сопротивление генератора при разных уставках UOC.
Максимальные значения пикового напряжения разомкнутой цепи UOC и пикового тока короткого замыкания Isc - соответственно 20 кВ и 10 кА. Если значения выше, следует проводить испытания класса II.
Возможность применения в испытательной схеме развязывающих фильтров зависит от внутренней конструкции УЗИП:
- если УЗИП не содержит реактивных компонентов, развязывающий фильтр не нужен;
- если УЗИП содержит реактивные компоненты, но не содержит коммутационных элементов, развязывающий фильтр не нужен или испытание по определению измеренного предельного напряжения по
8.3.3 можно проводить по альтернативной методике согласно
8.1.4.1;
- если УЗИП содержит реактивные компоненты, коммутационные элементы, развязывающий фильтр не нужен.
Согласующие элементы и развязывающие фильтры необходимы только для силовых испытаний.
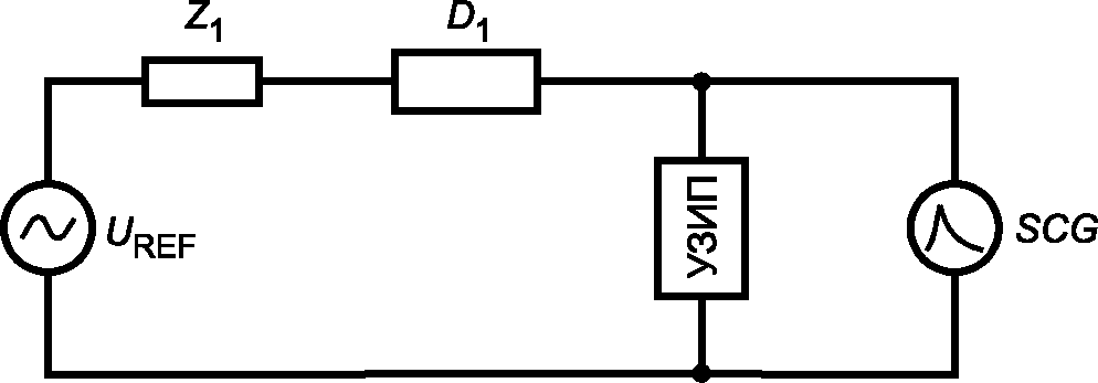
Примеры развязывающих фильтров приведены на рисунках 2 и
3.
Рисунок 2 - Пример развязывающего фильтра
для однофазной сети
1 - сетевой источник питания переменного тока;
2 - развязывающий фильтр; 3 - генератор комбинированной
волны; 4 - согласующий элемент; 5 - УЗИП; 6 - заземление
Рисунок 3 - Пример развязывающего фильтра
для трехфазной сети
8.1.4.1 Испытательная цепь для альтернативных испытаний по определению измеренного предельного напряжения
(8.3.3) без развязывающего фильтра
Двухвводные УЗИП с реактивными компонентами создают взаимодействие с реактивными компонентами обратного фильтра. Что искусственно создает измеренное предельное напряжение низких значений. В таком случае испытание проводят по альтернативной методике с применением цепи по
рисунку 4:
a) к УЗИП, нормированным на переменный ток, через диод прикладывают напряжение постоянного тока

. Импульс подают через варистор;
b) подачу импульса производят через 100 мс + 10% после замыкания S1. Напряжение постоянного тока должно быть прервано через 10 мс после подачи импульса;
c) испытания с обратной полярностью можно провести, поменяв на обратные соединения УЗИП в испытательной цепи.
1 - генератор постоянного тока

- для переменного
тока, UC - для постоянного тока; 2 - генератор
комбинированной волны; 3 - согласующий элемент;
4 - УЗИП; 5 - измеренное предельное напряжение
Рисунок 4 - Альтернативное испытание на измеренное
предельное напряжение
8.2 Испытание на нестираемость маркировки
Испытание проводят для маркировки всех типов, за исключением выполненной тиснением, штамповкой и гравированием.
Испытание проводят протиранием маркировки вручную в течение 15 с кусочком ваты, смоченным водой, и еще в течение 15 с кусочком ваты, смоченным в алифатическом гексановом растворителе (с содержанием ароматических веществ максимально 0,1% от объема, с каурибутаноловым числом 29, начальной точкой кипения 65 °C и удельным весом 0,68 г/см3).
После испытания маркировка должна легко читаться.
8.3 Электрические испытания
8.3.1 Защита от прямого прикосновения
8.3.1.1 Изолированные части
Образец устанавливают как для нормальной эксплуатации и подсоединяют проводники наименьшего, а затем наибольшего сечения из указанных в
8.4.2.
Стандартный испытательные палец по IEC 60529 прикладывают в любом возможном положении.
Для УЗИП втычного исполнения (которые можно заменить без помощи инструмента) испытательный палец прикладывают во всех его возможных положениях, когда вилка частично или полностью введена в штепсельную розетку.
Для определения контакта с соответствующей частью применяют электрический индикатор с напряжением не менее 40 и не более 50 В, одна сторона которого соединена со всеми токоведущими выводами образца, соединенными вместе, а другая - с испытательным пальцем для проверки возможного контакта с любой токоведущей частью образца.
8.3.1.2 Металлические части
Металлические части, которые доступны, когда УЗИП подключено и установлено как для нормальной эксплуатации, должны быть заземлены посредством соединения с низким сопротивлением, за исключением мелких винтов и т.п., изолированы от частей, находящихся под напряжением и предназначенных для крепления оснований и крышек или закрывающих пластин штепсельных розеток.
Ток от источника переменного тока напряжением (в отсутствие нагрузки) не свыше 12 В, равный 1,5 номинального тока нагрузки или 25 А (выбирают большее значение), пропускают между выводом заземления и каждой доступной металлической частью по очереди.
Измеряют падение напряжения между выводом заземления и доступной металлической частью и вычисляют сопротивление по току и падению напряжения. Это сопротивление не должно превышать 0,05 Ом.
Примечание - Необходимо следить за тем, чтобы контактное сопротивление между концом измерительного пробника и испытуемой металлической частью не влияло на результаты испытаний.
УЗИП должно быть подключено как для нормальной эксплуатации по инструкции изготовителя. Напряжение регулируют на контрольное испытательное напряжение (UREF).
Измеряют остаточный ток, протекающий через вывод PE.
Примечание 1 - Если изготовителем предусмотрено несколько конфигураций монтажа УЗИП, испытывают каждую.
Примечание 2 - Измеряют фактическое действующее значение тока.
Примечание 3 - Если УЗИП содержит вывод, предназначенный исключительно для подсоединения проводника PEN, то этот вывод не считают выводом PE.
Критерий соответствия
8.3.3 Измеренное предельное напряжение
Испытания для разных типов УЗИП по определению измеренных предельных напряжений проводят по схеме на
рисунке 5 и в соответствии с
таблицей 7.
Рисунок 5 - Схема испытаний на определение
уровня напряжения защиты Up
Таблица 7
Испытания, выполняемые для определения измеренного
предельного напряжения
Подпункт испытания | Класс I | Класс II | Класс III |
| x | x | |
| x <*> | x <*> | |
| | | x |
<*> Проводят только для УЗИП типа, коммутирующего напряжение, и УЗИП комбинированного типа. Примечание - Знак "x" означает, что испытания проводят. |
Действуют следующие специальные условия испытаний:
a) все одновводные УЗИП испытывают в обесточенном состоянии;
b) ко всем двухвводным УЗИП подают напряжение от источника с номинальным током не менее 5 А при максимально длительном рабочем напряжении UC. Положительные импульсы прикладывают в точке (90 +/- 5)°, а отрицательные в точке (270 +/- 5)° на синусоидальной форме волны напряжения;
c) для одновводного УЗИП, имеющего выводы, испытание проводят без внешних разъединителей и предельное напряжение измеряют на выводах. Для одновводного УЗИП, имеющего соединительные проводники, предельное напряжение измеряют с внешним проводником длиной 150 мм. Для двухвводного УЗИП и одновводного УЗИП с отдельными выводами нагрузки предельное напряжение измеряют у выводных выводов или выводов нагрузки УЗИП, а напряжение для определения Umax на вводном выводе или выводах УЗИП;
d) измеренное предельное напряжение определяют при испытаниях, выполняемых по
рисунку 5 и
таблице 7 соответственно классам испытаний УЗИП.
8.3.3.1 Процедура испытания по измерению остаточного напряжения с импульсами тока 8/20
a) импульсы тока длительностью 8/20 при испытаниях класса I прикладывают в такой последовательности пиковых значений Iimp: 0,1; 0,2; 0,5; 1,0.
При испытаниях класса II импульсы тока длительностью 8/20 прикладывают в такой последовательности пиковых значений In: 0,1; 0,2; 0,5; 1,0.
Если УЗИП содержит только ограничивающие элементы, тогда испытание проводят только с пиковыми значениями Iimp для испытаний класса I или In для испытаний класса II.
Когда изготовитель устанавливает Imax, прикладывают один дополнительный импульс тока 8/20 с пиковым значением Imax, а остаточное напряжение измеряют и записывают;
b) для УЗИП проводят по одному циклу при положительной и отрицательной полярности;
c) интервал между отдельными импульсами должен быть достаточным, чтобы образец успел остыть до температуры окружающего воздуха;
d) для каждого импульса должна быть снята осциллограмма тока и напряжения.
Пиковые (абсолютные) значения должны быть нанесены на график разрядного тока относительно остаточного напряжения до In или Iimp. По точкам значений следует начертить соответствующую кривую. На кривой должно быть достаточно точек, чтобы убедиться в отсутствии значительных отклонений до In или Iimp;
e) остаточное напряжение, применяемое для измерения предельного напряжения, является наибольшим на кривой, соответствующей для:
- класса I - до Iimp;
- класса II - до In.
Примечание - Остаточное напряжение является наибольшим пиковым значением, измеренным при прохождении импульса тока. Любые высокочастотные помехи и импульсы, связанные с особенностью конструкции генератора, не учитывают;
f) значение для определения Umax является наибольшим остаточным напряжением, измеренным при In, Imax или Iimp в зависимости от класса испытания УЗИП.
8.3.3.2 Процедура испытания по измерению фронтального разрядного напряжения
Применяют стандартное импульсное напряжение 1,2/50. Генератор напряжения должен быть установлен на выходное напряжение открытой цепи 6 кВ:
a) к УЗИП прикладывают 10 импульсов каждой амплитуды: пять положительной и пять отрицательной полярности;
b) интервал между отдельными импульсами должен быть достаточным для охлаждения образца до температуры окружающего воздуха;
c) если разряд не образуется при прикладывании 10 импульсов на фронте волны, тогда a) и b) повторяют с выходным напряжением открытой цепи генератора 10 кВ. Все это должно быть отражено в протоколе испытаний;
d) напряжение на выводах УЗИП должно регистрироваться осциллографом;
e) измеренное предельное напряжение - это максимальное значение разрядных напряжений, измеренных в течение всего цикла испытаний.
8.3.3.3 Процедура испытания по измерению предельного напряжения комбинированной волной
При проведении этого испытания используют генератор комбинированной волны:
a) интервал между отдельными импульсами должен быть достаточным для охлаждения образца до температуры окружающего воздуха;
b) напряжение генератора комбинированной волны устанавливают таким образом, чтобы обеспечить напряжение разомкнутой цепи 0,1; 0,2; 0,5; 1,0
UOC, как указано изготовителем УЗИП.
Если УЗИП содержит только ограничивающие элементы, тогда испытание проводят только с 1,0UOC;
c) с уставками генератора в соответствии с перечислением b) к УЗИП прикладывают четыре разряда для каждой амплитуды: два положительных и два отрицательных;
d) для каждого импульса должны быть сняты осциллограммы тока, поданного к УЗИП генератором, и напряжения на выходе УЗИП;
e) значение для определения измеренного предельного напряжения и Umax - это максимальное значение напряжения в ходе всего испытания.
Примечание - В зависимости от конструкции УЗИП это может быть либо разрядное напряжение, либо остаточное напряжение.
8.3.3.4 Критерии соответствия для всех испытаний на измеренное предельное напряжение
8.3.4 Испытание в рабочем режиме
На рисунке 6 представлена схема испытания в рабочем режиме.
Рисунок 6 - Схема испытания в рабочем режиме
8.3.4.1 Общие положения
В данном испытании рабочие условия имитируют приложением к УЗИП предусмотренного числа специальных импульсов с одновременной подачей максимального длительного рабочего напряжения
UC от источника переменного тока согласно
8.3.4.2.
Испытательная установка должна соответствовать схеме, приведенной на
рисунке 7.
Вначале следует определить измеренное предельное напряжение испытанием по
8.3.3.
Во избежание чрезмерной нагрузки на образцы испытание проводят в следующем порядке:
- для испытаний класса I по
8.3.3.1 - только при пиковом значении
Iimp;
- для испытаний класса II по
8.3.3.1 - только при
In;
- для испытаний класса III по
8.3.3.3 - только при
UOC - с прикладыванием по одному положительному и одному отрицательному импульсу.
UC - источник питания промышленной частоты по
8.3.4.2;
D - разъединители УЗИП, указанные изготовителем;
импульс: ток 8/20 для испытаний класса I и II
в рабочем режиме по
8.3.4.3; импульсный ток
Iimp
для испытания в дополнительном режиме по
8.3.4.4;
комбинированная волна для испытаний класса III
Рисунок 7 - Схема установки для испытания в рабочем режиме
8.3.4.2 Характеристики источника напряжения промышленной частоты для испытания в рабочем режиме
8.3.4.2.1 УЗИП с сопровождающим током 500 А и ниже
Испытуемый образец должен быть подключен к источнику напряжения промышленной частоты. Полное сопротивление источника энергии должно быть таким, чтобы при прохождении сопровождающего тока пиковое значение напряжения промышленной частоты UC, измеренное на выводах УЗИП, не понижалось более чем на 10% от его пикового значения.
8.3.4.2.2 УЗИП с сопровождающим током свыше 500 А
Испытуемый образец должен быть включен в цепь с напряжением промышленной частоты
UC и ожидаемым током короткого замыкания при отключающей номинальной способности сопровождающего тока
Ifi, заданной изготовителем, согласно
таблице 8 или 500 А (выбирают большее значение). Для УЗИП, включенного в цепь между нейтралью и защитным заземлением в системах TT и/или TN, ожидаемый ток короткого замыкания должен быть не менее 100 А.
Примечание - Информацию по координации отключающей способности сопровождающего тока УЗИП с ожидаемым током короткого замыкания силовой распределительной системы в точке установки УЗИП см. IEC 61643-12
[9] и IEC 60364-5-53
[4], пункт 534.2.3.5.
8.3.4.3 Испытания классов I и II в рабочем режиме
При испытании прикладывают три группы импульсов тока (по пять импульсов в каждой группе), всего 15 импульсов тока 8/20 положительной полярности. Испытуемые образцы подсоединяют к силовому источнику согласно
8.3.4.2. Каждый импульс должен быть синхронизирован с промышленной частотой. Начиная от 0°, угол синхронизации повышают через (30 +/- 5)° (см.
рисунок 8).
К УЗИП подают питание при
UC. Ожидаемый ток короткого замыкания силового источника при приложении групп импульсов должен соответствовать
8.3.4.2. После приложения каждой группы импульсов и отключения последнего сопровождающего тока (при наличии) УЗИП должно еще оставаться под напряжением не менее 1 мин для проверки напряжения повторного возникновения разряда. После последней группы импульсов и после 1 мин периода УЗИП продолжает оставаться при
UC не менее чем 30 с с последующими 15 мин для проверки тепловой стабильности. С этой целью нагрузочная способность по току короткого замыкания силового источника (при
UC) может быть понижена до 5 А.
При испытании УЗИП по классу I прикладывают импульсы тока 8/20 с пиковым значением Iimp.
При испытании УЗИП по классу II прикладывают импульсы тока 8/20 при In.
Примечание - Для УЗИП, классифицируемых по классу испытаний I и II, это испытание проводят один раз, при этом вопрос о более жестких параметрах испытаний для обоих классов подлежит согласованию с изготовителем.
Рисунок 8 - Схема временных интервалов для испытаний
классов I и II в рабочем режиме
Интервал между отдельными импульсами составляет 50 - 60 с, интервал между группами импульсов - 30 - 35 мин.
В интервале между группами импульсов подача питания к испытуемому образцу не требуется.
Ток следует записывать при каждом импульсе. При испытании не должно быть пробоев или перекрытий в образцах.
8.3.4.4 Испытания класса I в дополнительном режиме
В испытании через УЗИП пропускают импульсы тока, наращиваемые постепенно до Iimp.
К УЗИП подают питание при
UC. Ожидаемый ток короткого замыкания силового источника при приложении групп импульсов должен соответствовать
8.3.4.2. После приложения каждой группы импульсов и после отключения последнего сопровождающего тока (при наличии) УЗИП должно еще оставаться под напряжением не менее 1 мин для проверки напряжения повторного возникновения разряда. После последней группы импульсов и после 1 мин периода УЗИП продолжает оставаться при
UC не менее, чем 30 с, с последующими 15 мин для проверки тепловой стабильности. С этой целью нагрузочная способность по току короткого замыкания силового источника (при
UC) может быть понижена до 5 А.
Импульсы тока положительного заряда соответствующего пикового положительного значения должны инициироваться источником напряжения промышленной частоты для подачи к испытуемому образцу в следующем порядке:
a) один импульс тока при 0,10Iimp; измерение тепловой стабильности; охлаждение до температуры окружающего воздуха;
b) один импульс тока при 0,25Iimp; измерение тепловой стабильности; охлаждение до температуры окружающего воздуха;
c) один импульс тока при 0,50Iimp; измерение тепловой стабильности; охлаждение до температуры окружающего воздуха;
d) один импульс тока при 0,75Iimp; измерение тепловой стабильности; охлаждение до температуры окружающего воздуха;
e) один импульс тока при 1,00Iimp; измерение тепловой стабильности; охлаждение до температуры окружающего воздуха.
Схема временных интервалов приведена на рисунке 9.
Испытание класса I в дополнительном режиме
Питание при UC в ходе и после каждого импульса тока
Рисунок 9 - Схема временных интервалов для испытаний
класса I в дополнительном режиме
8.3.4.5 Испытания класса III в рабочем режиме
УЗИП испытывают тремя группами импульсов, прикладываемых при UC в следующем порядке:
- пять положительных импульсов, инициированных при пиковом значении положительного полупериода (+/- 5°);
- пять отрицательных импульсов, инициированных при пиковом значении отрицательного полупериода (+/- 5°);
- пять положительных импульсов, инициированных при пиковом значении положительного полупериода (+/- 5°).
Схема по времени представлена на рисунке 10.
Рисунок 10 - Схема по времени испытаний
класса III в рабочем режиме
8.3.4.6 Критерии соответствия для всех испытаний класса I в рабочем и дополнительном режимах
8.3.5 Разъединители УЗИП и безопасная работоспособность УЗИП при перегрузке
8.3.5.1 Испытание на термостойкость
УЗИП выдерживают в нагревательной камере 24 ч при температуре (80 +/- 5) °C.
8.3.5.2 Испытание на тепловую стабильность
Испытательные уставки
Данная процедура предназначена для УЗИП двух видов конструкций:
- УЗИП, содержащие только ограничивающие компоненты, подлежат процедуре
a);
- УЗИП, содержащие как ограничивающие, так и коммутирующие компоненты, подлежат процедуре
b).
Подготовка образцов
Для УЗИП, имеющего нелинейные элементы, включенные параллельно, данное испытание должно выполняться для каждого пути тока УЗИП при отсоединении/отключении всех остальных токовых путей. Если элементы одного и того же типа и с одними и теми же параметрами соединены параллельно, они должны испытываться как один токовый путь.
Любой коммутирующий напряжение элемент, соединенный последовательно с ограничивающим напряжение элементом, должен быть накоротко замкнут медной проволокой такого диаметра, чтобы она не расплавилась в ходе испытания.
Изготовитель должен предоставить образцы, подготовленные заранее в соответствии с вышеуказанными требованиями.
a) Процедура испытания для УЗИП, имеющего только ограничивающие элементы
Испытуемые образцы подсоединяют к источнику промышленной частоты.
Напряжение должно быть достаточно высоким, чтобы через УЗИП проходил ток. Для этого испытания ток устанавливают на постоянное значение. Допуск на испытательный ток составляет +/- 10%. Испытание начинают с 2 мА (действующего значения) для первого образца или с UC, если остаточный ток при UC уже превышает 2 мА (действ.).
Затем это значение тока поэтапно повышают либо на 2 мА, либо на 5% от предыдущего значения регулируемого испытательного тока, выбирают большее значение.
Для двух оставшихся образцов стартовую точку меняют с 2 мА на ток, соответствующий значению, на пять этапов ниже того, при котором был отсоединен первый образец.
Каждый этап продолжают до достижения тепловой стабильности (например, изменение температуры менее чем на 2 К в течение 10 мин).
Во время испытания постоянно измеряют температуру на поверхности в самой горячей точке УЗИП (только для УЗИП со свободным доступом) и ток, проходящий через УЗИП.
Примечание 1 - Самую горячую точку УЗИП можно определить пробным испытанием либо измерением температуры в нескольких точках.
Испытание прерывают, если все испытуемые нелинейные элементы отключены. Напряжение далее не должно повышаться во избежание выхода из строя разъединителя.
Примечание 2 - В случае сомнения в действительном отсоединении всех нелинейных элементов проводят визуальный осмотр.
Примечание 3 - Разлом элементов сам по себе не считают отсоединением.
Если напряжение на выводах УЗИП становится ниже, чем UREF, тогда напряжение регулируют до UREF и поддерживают так в течение 15 мин, а ток прекращают регулировать. Поэтому регистрация длительного тока более не требуется. Необходим источник промышленной частоты с нагрузочной способностью по току короткого замыкания, который бы не ограничивал ток до тех пор, пока не сработает какой-либо разъединитель.
Наибольшее значение тока не должно превышать максимально установленного значения тока короткого замыкания, установленного изготовителем, которое способен выдержать разъединитель.
b) Процедура испытания для УЗИП, содержащего коммутирующие элементы, включенные последовательно с другими элементами
К УЗИП подают питание UREF от силового источника с нагрузочной способностью по току короткого замыкания, который не ограничивал бы ток до тех пор, пока не сработает один из разъединителей. Наибольшее значение тока не должно превышать максимального значения тока короткого замыкания, установленного изготовителем, которое способен выдержать разъединитель.
Если протекает незначительный ток, применяют процедуру испытания a).
Примечание - Под "незначительным током" подразумевают, что УЗИП не вошло в состояние проводимости (т.е. остается в состоянии тепловой стабильности).
Критерии соответствия
Кроме того, превышение температуры поверхности УЗИП для внутренней установки во время и после испытания должно быть менее 120 К и менее 80 К спустя 5 мин после срабатывания всех испытуемых разъединителей.
8.3.5.3 Испытание на способность выдерживать ток короткого замыкания
Испытание не проводят на УЗИП, которые классифицируют:
- исключительно для наружной установки и монтируют недоступными; или
- только для присоединения к N-PE в системах TN и/или TT.
Таблица 8
Ожидаемый ток короткого замыкания и коэффициент мощности
| |
Ip <= 1,5 | 0,95 |
1,5 < Ip <= 3,0 | 0,90 |
3,0 < Ip <= 4,5 | 0,80 |
4,5 < Ip <= 6,0 | 0,70 |
6,0 < Ip <= 10,0 | 0,50 |
10,0 < Ip <= 20,0 | 0,30 |
20,0 < Ip <= 50,0 | 0,25 |
50,0 < Ip | 0,20 |
Примечание - Восстанавливающееся напряжение - по IEC 60947-1 [10]. |
Испытательный образец должен устанавливаться согласно письменным указаниям изготовителя. К нему подсоединяют проводники с максимальным поперечным сечением по
8.4.2, причем оставляют максимальную длину каждого кабеля 0,5 м.
Подготовка образцов
Для УЗИП с нелинейными элементами, соединенными параллельно, следует подготовить, как описано выше, отдельные комплекты - по три образца для каждого токового пути УЗИП, который содержит один или более нелинейных элементов, указанных в
3.1.4 и
3.1.5.
Токовые пути, содержащие коммутирующие элементы с комбинированной функцией разъединения, имеющие импульсное выдерживаемое напряжение 6 кВ и более, с электрической прочностью изоляции свыше 2500 В/50 Гц в течение 1 мин, в нормальных условиях эксплуатации, испытывают без подготовки, но только в сочетании с другими токовыми путями, подготовленными так, как описано ниже.
Элементы УЗИП, ограничивающие и коммутирующие напряжение (см.
3.1.4 и
3.1.5), следует заменить подходящими медными перемычками, гарантирующими неизменность внутренних соединений, их поперечного сечения, окружающих материалов (например, смол) и упаковки.
Образцы согласно вышеуказанным требованиям представляет изготовитель.
Процедуры испытаний
Данное испытание проводят по двум разным процедурам - a) и
b) - на отдельных комплектах образцов, подготовленных для каждой процедуры:
a) Испытание способности выдерживать заявленный ток короткого замыкания
Образец подсоединяют к источнику промышленной частоты при напряжении
UREF с ожидаемым током короткого замыкания согласно заявленной нагрузочной способности по току короткого замыкания и коэффициентом мощности в соответствии с
таблицей 8, регулируемыми на выводах УЗИП.
Испытание проводят дважды: с током короткого замыкания, инициированным в точках (45 +/- 5) электрических градусов и (90 +/- 5) электрических градусов, после пересечения нуля волной напряжения.
Если заменяемый или взводимый внутренний или внешний разъединитель срабатывает, то соответствующий разъединитель следует заменять или взводить каждый раз. Если разъединитель не может быть заменен или взведен, испытание прекращают.
Критерии соответствия
b) Испытание при низком токе короткого замыкания
От источника промышленной частоты при напряжении
UREF в течение (5 +/- 0,5) с подают ожидаемый ток короткого замыкания, равный 5-кратному номинальному току максимальной сверхтоковой защиты (если указан изготовителем), при коэффициенте мощности согласно
таблице 8. Если внешняя защита от сверхтока не предусмотрена изготовителем, тогда подают ток, равный 300 А.
Испытание проводят однократно при UREF с током короткого замыкания, инициированным в точке (45 +/- 5) электрических градусов, после пересечения нуля волной напряжения.
Критерии соответствия
8.3.5.3.1 Дополнительное испытание для УЗИП с
Ifi менее, чем объявленный максимальный ток короткого замыкания (
ISCCR)
Повторяют процедуру испытания согласно
8.3.5.3 a), без подготовки образцов по
8.3.5.3.
Коммутирующие элементы УЗИП запускают импульсом тока положительной полярности (8/20 либо другой приемлемой формы волны) в точке (35 +/- 5) электрических градусов на положительной полуволне после пересечения нуля волной напряжения. Импульсный ток должен быть достаточным для инициирования сопровождающего тока, но не свыше In.
Для обеспечения несрабатывания внешнего разъединителя вследствие запуска УЗИП импульсом, все внешние разъединители соединяют последовательно с источником напряжения промышленной частоты, как показано на рисунке 11.
Z1 - полное сопротивление для регулирования ожидаемого тока
короткого замыкания согласно
таблице 8;
D1 - внешний
разъединитель УЗИП; SCG - генератор импульсов тока
с развязывающим фильтром
Рисунок 11 - Цепь для испытания УЗИП с сопровождающим
током Ifi ниже заявленной способности выдерживать ток
короткого замыкания
Критерии соответствия
8.3.5.3.2 Дополнительное испытание УЗИП, имитирующее вид повреждения
Подготовка образцов
В испытании цепи электронных индикаторов могут быть отключены.
Испытательные образцы должны быть новыми и установлены как для нормальной эксплуатации по инструкциям изготовителя. К ним подсоединяют проводники с максимальным поперечным сечением по
8.4.2, причем оставляют максимальную длину каждого кабеля 0,5 м.
Используют внешние разъединители, рекомендованные изготовителем.
Процедура испытаний
Испытательный образец подсоединяют к источнику напряжения промышленной частоты при следующих напряжениях кондиционирования:
- для УЗИП, нормированных на UC до 440 В, при напряжении 1200 Вдейств. + 5%;
- для УЗИП, нормированных на UC св. 440 В, при напряжении 3UC + 5%.
Напряжение кондиционирования подают в течение 5 с + 5%. Ожидаемый ток короткого замыкания источника тока для кондиционирования регулируют на величину от 1 А до 20 А
действ. + 5%, как предусмотрено изготовителем согласно
перечислению d), 5) 7.1.1.
Согласно назначению напряжения кондиционирования к образцу подают напряжение, равное UREF - 5%, с током короткого замыкания согласно заявленной нагрузочной способности по току короткого замыкания в течение 5 мин + 5% или не менее 0,5 с после отключения тока внутренним или внешним разъединителем.
Переход от напряжения кондиционирования к подаче напряжения
UREF осуществляется без отключения. Ток, проходящий через УЗИП, регистрируется. Соответствующая испытательная цепь и схема по времени показаны на рисунках 12 и
13.
Z1 - полное сопротивление для регулирования ожидаемого
тока короткого замыкания генератора кондиционирования;
Z2 - полное сопротивление для регулирования ожидаемого
тока короткого замыкания UREF; Sw1 - механический
или статический выключатель для подачи нагрузки
кондиционирования к УЗИП; Sw2 - механический
или статический выключатель для подачи контрольного
испытательного напряжения к предварительно обработанному
испытуемому УЗИП; DUT - испытуемое устройство
(УЗИП + разъединитель, при наличии)
Рисунок 12 - Испытательная цепь для имитации
вида повреждения УЗИП
t1 = 0;
t3 >= t2 > 5 с - 0%;
t2 <= t3 < 5 с + 5%;
t4 = 5 мин + 5% или >= 0,5 с после отключения тока
Рисунок 13 - Схема по времени для имитации
вида повреждения УЗИП
Ожидаемый ток короткого замыкания источника тока в месте присоединения УЗИП должен иметь допуск +5%. Коэффициент мощности источника тока соответствует
таблице 8.
Каждое из трех следующих испытаний проводят на новом комплекте из трех предварительно обработанных образцов, как указано выше, при UREF с током короткого замыкания 100, 500 или 1000 А соответственно, если эти значения не превышают объявленные параметры тока короткого замыкания УЗИП.
Дальнейшее испытание проводят на трех образцах, предварительно подготовленных, как указано выше, при UREF с током короткого замыкания, установленным изготовителем УЗИП. Для этого испытания интервал времени между завершением испытания по кондиционированию и подачей UREF должен быть как можно короче и не должен превышать 100 мс.
Если на всех осциллограммах испытаний первого комплекта образцов (испытание на 100 А) разъединение наступило в течение 5 с при подаче напряжения кондиционирования, испытание прекращают.
Критерии соответствия
- УЗИП короткозамкнутого типа;
- УЗИП, в которых ток прерывается при подаче UREF - в которых не происходит разъединения.
При кондиционировании повреждение цепи электронного индикатора состояния не считают отказом.
8.3.6 Сопротивление изоляции
Данное испытание не проводят для УЗИП, заключенного в металлическую оболочку с защитным заземлением.
Подготовка образцов
Дополнительные отверстия для ввода кабелей, если имеются, оставляют открытыми. Если имеются пробиваемые диафрагмы, одну из них пробивают. Крышки и другие детали, снимаемые без помощи инструмента, снимают и подвергают влажной обработке.
Процедура испытания
Влажную обработку проводят в камере влаги при относительной влажности (93 +/- 3)%. Температуру воздуха T во всех точках расположения образца удерживают в пределах от 20 °C до 30 °C с допуском +/- 2 К. До помещения испытательных образцов в камеру влаги их температура должна быть от T до (T + 4) °C.
Примечание 1 - В большинстве случаев испытательные образцы можно довести до требуемой температуры до помещения в камеру влаги выдерживанием их при этой температуре не менее 4 ч.
Испытательные образцы держат в камере влаги в течение 2 сут (48 ч).
Примечание 2 - Требуемой влажности достигают помещением в камеру влаги насыщенного раствора Na2SO4 или KNO3, имеющего достаточную контактную поверхность с воздухом.
Выдержав после влажной обработки 30 - 60 мин, на образцы подают напряжение постоянного тока 500 В, через 60 с измеряют сопротивление изоляции образца.
Это измерение проводят в камере влаги или в помещении, куда приносят образцы для достижения заданной температуры, после установки на место всех снятых деталей.
Измерение проводят в следующем порядке:
a) между всеми соединенными вместе частями, находящимися под напряжением, и корпусом УЗИП, доступным при случайном контакте.
"Корпус" в контексте данного испытания - все доступные для прикосновения металлические части и металлическая фольга на поверхности изоляционного материала, которые доступны после установки как для нормальной эксплуатации:
- поверхность, на которой установлено УЗИП, при необходимости покрытая металлической фольгой;
- винты и другие приспособления для крепления УЗИП к опоре.
При измерениях металлическую фольгу размещают таким образом, чтобы эффективно испытать возможные образовавшиеся при литье облои.
Защитные элементы, соединенные с PE, в этом испытании можно отсоединить;
b) между частями УЗИП, находящимися под напряжением, главной цепи и частями, находящимися под напряжением, отдельных изолированных цепей, если имеются.
Критерий соответствия
Сопротивление изоляции не должно быть ниже:
8.3.7 Электрическая прочность изоляции
УЗИП наружной установки испытывают между выводами без встроенных частей.
В ходе испытания УЗИП подвергают обрызгиванию согласно подразделу 9.1 IEC 60060-1.
УЗИП внутренней установки испытывают, как указано в
8.3.6 a),
b).
УЗИП испытывают напряжением переменного тока согласно таблице 9. Начиная с половины указанного значения, напряжение повышают в течение 30 с до полного значения, которое затем выдерживают в течение 1 мин.
Таблица 9
Электрическая прочность изоляции
Длительное рабочее напряжение УЗИП UC, В | Испытательное напряжение переменного тока, кВ |
До 100 | 1,1 |
" 200 | 1,7 |
" 450 | 2,2 |
" 600 | 3,3 |
" 1200 | 4,2 |
" 1500 | 5,8 |
Критерии соответствия
При испытании не должно происходить образование дуги или пробоя, однако допускаются частичные разряды, если изменение напряжения при разряде составляет менее 5%.
Силовой трансформатор, применяемый при испытании, после того как он был отрегулирован на испытательное напряжение при разомкнутых выводах, должен обеспечивать ток короткого замыкания порядка 200 мА при замкнутых накоротко выводах. Реле максимального тока, если имеется, должно срабатывать, если ток испытательной цепи превысит 100 мА. Устройство для измерения испытательного напряжения должно иметь погрешность +/- 3%.
8.3.8 Испытание на повреждающее временное перенапряжение (ВПН)
8.3.8.1 Проверка характеристики ВПН, вызванного повреждением в низковольтной системе
| | ИС МЕГАНОРМ: примечание. Текст дан в соответствии с официальным текстом документа. | |
УЗИП следует испытывать с напряжениями ВПН
UT, приведенными в соответствующих таблицах
приложения B, или с напряжениями ВПН, указанными изготовителем по
перечислению c), 1) 7.1.1, выбирают больше.
Процедура испытания
Следует использовать новые образцы, оснащенные как при нормальной эксплуатации, согласно указаниям изготовителя.
Испытуемый образец должен быть подсоединен на период tT = +5% к источнику напряжения промышленной частоты UT (допуск минус 5%).
За исключением потерь при испытаниях по отключению нейтрали, данный источник UT должен обладать достаточно высокой токовой способностью для гарантии, что напряжение на выводах УЗИП не упадет в ходе испытания ниже UT более чем на 5%. На потери по отключению нейтрали этот источник должен обеспечить ожидаемый ток короткого замыкания 10 А.
Сразу же после подачи UT на образец подают в течение 15 мин + 5% напряжение, равное UREF с допуском минус 5%, с той же токовой характеристикой источника.
На потери по отключению нейтрали данный источник UREF должен быть способен подавать ожидаемый ток короткого замыкания, равный установленному номиналу тока короткого замыкания для УЗИП.
Временной интервал между отдельными испытательными периодами должен быть как можно меньше, в любом случае не более 100 мс.
Пример испытательной цепи и соответствующая схема по времени для проведения данного испытания приведены на рисунках 14 и
15.
для регулирования ожидаемого тока короткого замыкания UT;
Z2 - полное сопротивление для регулирования ожидаемого тока
короткого замыкания UREF; Sw1 - выключатель для подачи ВПН
к УЗИП; Sw2 - выключатель для подачи контрольного
испытательного напряжения к УЗИП; DUT - испытуемое
устройство (УЗИП + разъединитель, при наличии)
Рисунок 14 - Пример цепи для испытаний в условиях ВПН,
вызванного повреждением в низковольтной системе
t1 = 0;
t2 = tT + 5%;
t2 <= t3 < (t2 + 100 мс) + 5%;
t4 = tT + 15 мин + 5%
Рисунок 15 - Схема по времени для испытания в условиях ВПН,
вызванного повреждением в низковольтной системе
Критерии соответствия
a) режим повреждения ВПН:
b) режим устойчивости к ВПН:
8.3.8.2 Испытание на повреждающее временное перенапряжение
(ВПН) в системе высокого (среднего) напряжения
УЗИП соединяют с PE и для применения в силовых распределительных системах испытывают с ВПН
UT по
приложению B или ВПН, заданными изготовителем согласно
перечислению c), 1) 7.1.1, выбирают более высокие значения.
Следует использовать новые образцы, оснащенные как при нормальной эксплуатации, согласно указаниям изготовителя.
Испытательная цепь приведена на
рисунке 16 (или применяют аналогичную).
Процедура испытания
Напряжение UT с допуском минус 5% подают к испытательному образцу в точке 90 электрических градусов фазы L1 замыканием выключателя S1.
Спустя tT с допуском минус 5% после подачи ВПН выключатель S2 замкнется автоматически.
Он соединит PE-вывод УЗИП с нейтралью (через токоограничивающий резистор R2), замкнув накоротко вторичную обмотку трансформатора ВПН (T2). В результате сработает предохранитель F2, защищающий трансформатор ВПН.
Пример испытательной цепи и соответствующая схема по времени для проведения данного испытания приведены на рисунках 16 и
17.
S1 - главный выключатель; S2 - таймер, замыкающийся
через 200 мс после главного выключателя; F1 - максимальная
сверхтоковая защита, заявленная изготовителем; F2 - плавкий
предохранитель для защиты трансформатора ВПН (должен
выдержать 300 А в течение 200 мс); T1 - силовой
трансформатор с напряжением на вторичной обмотке UREF;
T2 - трансформатор ВПН с напряжением на первичной обмотке
UREF, на вторичной - 1200 В; R1 - токоограничивающий
резистор для регулирования тока короткого замыкания
на источнике питания при UREF; R2 - токоограничивающий
резистор для регулирования тока короткого замыкания
в цепи ВПН до 300 А (приблизительно 4 Ом)
Рисунок 16 - Пример испытательной цепи для УЗИП
в системах TT в условиях ВПН, вызванного повреждением
в системе высокого (среднего) напряжения
Рисунок 17 - Схема по времени для испытания УЗИП в условиях
ВПН, вызванного повреждением в системе высокого (среднего)
напряжения, с использованием схемы цепи по
рисунку 16
Разрешено применение других испытательных цепей в той мере, насколько они гарантируют такую же нагрузку на УЗИП.
От источника промышленной частоты при напряжении UREF подают ожидаемый ток короткого замыкания, равный 5-кратному номинальному току максимальной сверхтоковой защиты (если указан изготовителем), или 300 А, если не указан. Допуск на величину тока составляет плюс 10%.
Ожидаемый ток короткого замыкания, подаваемый от трансформатора ВПН, регулируют (посредством R2) до 300 А с допуском плюс 10%.
Напряжение UREF подают к испытательному образцу (за исключением УЗИП, включенных между нейтралью и землей) в течение 15 мин без перерыва до тех пор, пока не разомкнется выключатель S1.
Критерии соответствия:
a) режим повреждения ВПН:
b) режим устойчивости к ВПН:
Применяют
критерии соответствия A,
B,
C,
D,
E,
F,
G,
I,
J,
K,
L и
M по таблице 4.
8.4 Механические испытания
8.4.1 Надежность винтов, токопроводящих частей и соединений
Соответствие проверяют осмотром, а для винтов, предназначенных для подсоединения проводников к УЗИП, следующим испытанием.
Винты затягивают и ослабляют:
- десять раз - для винтов с резьбой из изоляционного материала;
- пять раз - во всех остальных случаях.
Винты или гайки с резьбой из изоляционного материала каждый раз полностью снимают и вставляют вновь, если это позволяет конструкция винта.
Испытания проводят при помощи удобной испытательной отвертки или ключа, прикладывая вращающий момент по таблице 10 или по указанию изготовителя, выбирают больше.
Винты должны затягиваться плавно.
Каждый раз при ослаблении винта проводник снимают.
Таблица 10
Диаметры резьбы винтов и прикладываемые крутящие моменты
Номинальный диаметр резьбы, мм | Крутящий момент, Н·м, для классов |
| | |
До 2,8 | 0,20 | 0,4 | 0,4 |
Св. 2,8 до 3,0 | 0,25 | 0,5 | 0,5 |
" 3,0 " 3,2 | 0,30 | 0,6 | 0,6 |
" 3,2 " 3,6 | 0,40 | 0,8 | 0,8 |
" 3,6 " 4,1 | 0,70 | 1,2 | 1,2 |
" 4,1 " 4,7 | 0,80 | 1,8 | 1,8 |
" 4,7 " 5,3 | 0,80 | 2,0 | 2,0 |
" 5,3 " 6,0 | 1,20 | 2,5 | 3,0 |
" 6,0 " 8,0 | 2,50 | 3,5 | 6,0 |
" 8,0 " 10,0 | - | 4,0 | 10,0 |
Значения
графы I относятся к винтам без головок, если винты, будучи затянуты, не выступают из отверстия; они также касаются других винтов, которые не могут быть затянуты с помощью отвертки с размером лезвия более диаметра винта.
Значения
графы II относятся к винтам, затягиваемым отверткой.
Значения
графы III относятся к винтам и гайкам, затягиваемым иным инструментом.
Если винт имеет шестигранную головку со шлицем для затягивания отверткой и значения в
графах I и
II разные, испытания проводят дважды, прикладывая к одному образцу вращающий момент, указанный в
графе III, к головке винта, а к другому образцу - момент, указанный в
графе II, с помощью отвертки. Если значения в
графах II и
III одинаковы, проводят испытание с использованием только отвертки.
Критерии соответствия
Во время испытания резьбовые соединения не должны ослабляться и не должно быть повреждений, таких как поломка винта, шлицев головки, резьбы, шайб или скоб, влияющих на дальнейшую эксплуатацию УЗИП.
Кроме того, не должны быть повреждены оболочки и крышки.
Соответствие проверяют осмотром.
8.4.2 Выводы для внешних проводников
УЗИП монтируют по указанию изготовителя на матовой черной деревянной доске толщиной приблизительно 20 мм, защищенной от чрезмерного воздействия внешнего нагрева или охлаждения.
Если не установлено иное, выводы УЗИП оснащают проводниками:
- по
таблице 11 - двухвводные и одновводные устройства с раздельными вводными/выводными выводами;
- по указанию изготовителя - другие одновводные устройства.
УЗИП, испытываемые по классу I, и одновводные УЗИП с номинальным разрядным током >= 5 кА, испытываемые по классу II, должны быть способны зажимать проводники с сечением не менее 4 мм2.
8.4.2.1.1 Общие положения
Испытания проводят при помощи удобной испытательной отвертки или ключа, прикладывая крутящий момент по
таблице 10.
Выводы оснащают медными проводниками наименьшего или наибольшего сечений, указанных в
8.4.2, сплошными или скрученными, что наиболее неблагоприятно.
Проводник вводят в вывод на минимальное указанное расстояние или, если оно не указано, то до тех пор, пока он не выступит с противоположной стороны и не займет положение, наиболее благоприятное для выскальзывания.
Винты крепления затягивают вращающим моментом, равным 2/3 указанных в соответствующей графе
таблицы 10.
Затем каждый проводник подвергают натяжению усилием, указанным в
таблице 12. Усилие прикладывают без рывков в течение 1 мин в направлении оси проводника.
Во время испытания проводник не должен заметно смещаться в выводе.
Таблица 11
Сечения подсоединяемых медных проводников
для винтовых и безвинтовых выводов
Максимальный длительный ток нагрузки для двухвводных УЗИП или одновводных УЗИП с раздельными вводными и выводными выводами <1>, А | Номинальное сечение подсоединяемого проводника (единственный проводник) |
Сечение по ISO, мм2 | |
До 13 | От 1,0 до 2,5 | От 18 до 14 |
Св. 13 до 16 | " 1,0 " 4,0 | " 18 " 12 |
" 16 " 25 | " 1,5 " 6,0 | " 16 " 10 |
" 25 " 32 | " 2,5 " 10,0 | " 14 " 8 |
" 32 " 50 | " 4,0 " 16,0 | " 12 " 6 |
" 50 " 80 | " 10,0 " 25,0 | " 8 " 3 |
" 80 " 100 | " 16,0 " 35,0 | " 6 " 2 |
" 100 " 125 | " 25,0 " 50,0 | " 4 " 1 |
<1> Согласно требованию для номинальных токов до 50 А включительно в выводах должны зажиматься одножильные проводники, а также скрученные жесткие проводники; допускается применение гибких проводников. Тем не менее, допускается, чтобы выводы для проводников с сечением от 1,0 до 6,0 мм 2 предназначались для зажима только сплошных проводников. <2> AWG (Американский сортамент проводов) - система идентификации проводов, значения диаметров которых находятся в геометрической прогрессии между размерами 36 и 0000. |
8.4.2.1.2 Испытание на вытягивание для винтовых выводов
Таблица 12
Сечение проводника, мм2 | До 4 | До 6 | До 10 | До 16 | До 50 |
Усилие, Н | 50 | 60 | 80 | 90 | 100 |
a) В выводы вставляют медные проводники наименьшего или наибольшего сечений, указанных в
8.4.2, сплошные или скрученные, что наиболее неблагоприятно, винты крепления затягивают вращающим моментом, равным 2/3 от указанных в соответствующей графе
таблицы 10. Затем винты ослабляют, зажатую часть проводника извлекают из вывода и осматривают.
Критерии соответствия
Проводники не должны иметь ни чрезмерных повреждений, ни разорванных жил.
Проводники считаются чрезмерно поврежденными, если они имеют глубокие или острые порезы.
Во время испытания выводы не должны ослабляться и не должно быть повреждений, таких как поломка винта, шлицев головки, резьбы, шайб или скоб, влияющих на дальнейшую эксплуатацию вывода;
b) в вывод вставляют жесткий скрученный медный проводник, соответствующий таблице 13.
Таблица 13
Размеры проводников
Номинальное сечение зажимаемых проводников, мм2 | Скрученный проводник |
| 7 |
| 7 |
| 7 |
" 2,5 " 10,0 | 7 |
" 4,0 " 16,0 | 7 |
" 10,0 " 25,0 | 7 |
" 16,0 " 35,0 | 19 |
" 25,0 " 50,0 | На рассмотрении |
<*> Если вывод предназначен для зажима только сплошного проводника (см. сноски в таблице 11), испытание не проводят. |
Перед введением в вывод жилам проводника придают соответствующую форму.
Затем проводник вводят в вывод до тех пор, пока он не достигнет дна вывода или не выступит с противоположной стороны, и займет положение, наиболее благоприятное для выскальзывания жил.
Винты крепления или гайки затягивают вращающим моментом, равным 2/3 указанных в соответствующей графе
таблицы 10.
Критерий соответствия
После испытания ни одна жила проводника не должна выскользнуть из вывода УЗИП.
8.4.2.2 Безвинтовые выводы
Соответствие проверяют следующими испытаниями.
К выводам подсоединяют новые медные проводники, тип, минимальное и максимальное сечения которых указаны в
8.4.2. Проводники могут быть сплошные или скрученные, выбирают наиболее неблагоприятный вариант.
Затем каждый проводник подвергают натяжению усилием, указанным в
таблице 10. Усилие прикладывают равномерно в течение 1 мин в направлении оси проводника.
Критерий соответствия
Во время испытания проводник не должен смещаться в выводе и не должно быть признаков его повреждения.
8.4.2.3 Соединения, прокалывающие изоляцию
8.4.2.3.1 Испытание на вытягивание для выводов УЗИП, предназначенных для одножильных проводников
Соответствие проверяют следующим испытанием.
В выводы подсоединяют новые медные проводники наименьшего или наибольшего поперечного сечения из указанных в
8.4.2, сплошные или скрученные, выбирают наиболее неблагоприятный вариант.
Винты, если имеются, затягивают крутящим моментом по
таблице 10.
Проводники, каждый раз новые, подсоединяют и отсоединяют пять раз. После каждого подсоединения проводники подвергают тянущему усилию, прикладываемому равномерно в течение 1 мин в направлении оси отведенного проводника, согласно значениям таблицы 14.
Таблица 14
Сечение проводника, мм2 | 0,5 | 0,75 | 1,0 | 1,25; 1,50 | 2,0; 2,5 | 3,5; 4,0 | 5,5; 6,0 | 8; 10 | 14; 16 | 22; 25 | 35; 38 |
Усилие, Н | 30 | 30 | 35 | 40 | 50 | 60 | 80 | 90 | 100 | 135 | 190 |
Критерий соответствия
Во время испытания проводник не должен смещаться в выводе и не должно быть признаков его повреждения.
8.4.2.3.2 Испытание на вытягивание для выводов УЗИП, предназначенных для многожильных кабелей или шнуров
Испытание на вытягивание для выводов УЗИП, предназначенных для многожильных кабелей или шнуров, проводят, как для одножильных проводников. При этом усилие прикладывают ко всему многожильному проводу или шнуру, а не к отдельной жиле.
Тянущее усилие вычисляют по формуле
где F - полное прикладываемое усилие;
n - число жил;
F(
x) - усилие для одной жилы в соответствии с поперечным сечением одного проводника (см.
таблицу 14).
Во время испытания кабель или шнур не должен выскользнуть из вывода.
8.4.2.4 Плоские выводы быстрого соединения
В стадии рассмотрения.
8.4.2.5 Соединение концом проволочного вывода
8.4.2.5.1 Испытание на вытягивание проводников для соединений концом проволочного вывода
Соответствие встроенного проволочного вывода, предназначенного для подсоединения в силовую систему, проверяют следующим испытанием.
Конец проволочного вывода и анкерные крепления должны выдержать без повреждения или обрыва прямое усилие в 89 Н в минуту, прикладываемое к проводу под углом, который позволяет конструкция или устройство.
Критерий соответствия
Во время испытания проводник не должен смещаться в выводе и не должно быть признаков его повреждения.
8.4.3 Проверка воздушных зазоров и расстояний утечки
УЗИП бытового и аналогичного назначения должны быть рассчитаны на среду степенью загрязнения 2.
УЗИП для применения в среде с более жесткими условиями могут потребовать специальных мер, например, специальный корпус или дополнительная оболочка, которая сможет гарантировать для УЗИП защиту от степени загрязнения 2.
Примечание - Корпуса УЗИП без вентиляционных отверстий считают обеспечивающими адекватную защиту, достаточно ограничивающую загрязнение и позволяющую удовлетворить требованию к степени загрязнения 2 в части внутренних расстояний утечки.
К УЗИП для наружной установки применяют степень загрязнения 4. Для внутренних расстояний утечки она может быть понижена до степени загрязнения 3 при условии применения соответствующей оболочки, обеспечивающей условия степени загрязнения 3.
Расстояния между электродами искровых разрядников не считают воздушными зазорами или расстояниями утечки.
Критерии соответствия
Воздушные зазоры и расстояния утечки не должны быть меньше значений, указанных в
таблицах 15 и
16 соответственно.
Примечание - Для высот св. 2000 м см. IEC 60664-1:2007, таблица F.2 при определении требуемых воздушных зазоров в качестве входного параметра для граф случая A - условия однородного поля - применяют Umax. В любом случае по механическим причинам должны соблюдаться минимальные требования по таблице 15 настоящего стандарта.
Таблица 15
Воздушные зазоры для УЗИП
| <= 2000 | <= 4000 | > 4000 до 6000 | > 6000 до 8000 |
Воздушные зазоры, мм: | | | | |
1) Между токоведущими частями разной полярности | 1,5 | 3 | 5,5 | 8 |
2) Между токоведущими частями и: | | | | |
- винтами и другими устройствами для крепления крышек, отсоединяемыми при монтаже УЗИП | 1,5 | 3 | 5,5 | 8 |
| 3,0 | 6 | 11,0 | 16 |
| 3,0 | 6 | 11,0 | 16 |
| 1,5 | 3 | 5,5 | 8 |
3) Между металлическими частями механизма разъединителя и: | | | | |
| 1,5 | 3 | 5,5 | 8 |
- винтами и другими устройствами для крепления УЗИП | 1,5 | 3 | 5,5 | 8 |
<a> Данная графа применима только к УЗИП с UC <= 180 В. |
Примечания 2 Если воздушные зазоры и расстояния утечки между частями устройства, находящимися под напряжением, и металлическим экраном или поверхностью, на которой установлено УЗИП, зависят только от конструкции УЗИП, и не могут быть уменьшены, когда УЗИП установлено в самом неблагоприятном положении (даже в металлической оболочке), тогда достаточны значения строки 1). |
Таблица 16
Расстояния утечки для УЗИП
Напряжение (действ.) <b>, <c>, В | Минимальные расстояния утечки, мм |
Материал печатных схем | Степень загрязнения |
Степень загрязнения |
1 | 2 | 1 | 2 | 3 |
Все группы материалов | Все группы материалов кроме IIIb | Все группы материалов | | |
I | II | III | I | II | |
10,0 | 0,025 | 0,040 | 0,080 | 0,40 | 0,40 | 0,40 | 1,0 | 1,00 | 1,00 |
12,5 | 0,025 | 0,040 | 0,090 | 0,42 | 4,42 | 4,42 | 1,0 | 1,05 | 1,05 |
16,0 | 0,025 | 0,040 | 0,100 | 0,45 | 0,45 | 0,45 | 1,1 | 1,10 | 1,10 |
20,0 | 0,025 | 0,040 | 0,110 | 0,48 | 0,48 | 0,48 | 1,2 | 1,20 | 1,20 |
25,0 | 0,025 | 0,040 | 0,125 | 0,50 | 0,50 | 0,50 | 1,2 | 1,25 | 1,25 |
32,0 | 0,025 | 0,040 | 0,140 | 0,53 | 0,53 | 0,53 | 1,3 | 1,30 | 1,30 |
40,0 | 0,025 | 0,040 | 0,160 | 0,56 | 0,80 | 1,10 | 1,4 | 1,60 | 1,80 |
50,0 | 0,025 | 0,040 | 0,180 | 0,60 | 0,85 | 1,20 | 1,5 | 1,70 | 1,90 |
63,0 | 0,040 | 0,063 | 0,200 | 0,63 | 0,90 | 1,25 | 1,6 | 1,80 | 2,00 |
80,0 | 0,063 | 0,100 | 0,220 | 0,67 | 0,95 | 1,30 | 1,7 | 1,90 | 2,10 |
100,0 | 0,100 | 0,160 | 0,250 | 0,71 | 1,00 | 1,40 | 1,8 | 2,00 | 2,20 |
125,0 | 0,160 | 0,250 | 0,280 | 0,75 | 1,05 | 1,50 | 1,9 | 2,10 | 2,40 |
160,0 | 0,250 | 0,400 | 0,320 | 0,80 | 1,10 | 1,60 | 2,0 | 2,20 | 2,50 |
200,0 | 0,400 | 0,630 | 0,420 | 1,00 | 1,40 | 2,00 | 2,5 | 2,80 | 3,20 |
250,0 | 0,560 | 1,000 | 0,560 | 1,25 | 1,80 | 2,50 | 3,2 | 3,60 | 4,00 |
320,0 | 0,750 | 1,600 | 0,750 | 1,60 | 2,20 | 3,20 | 4,0 | 4,50 | 5,00 |
400,0 | 1,000 | 2,000 | 1,000 | 2,00 | 2,80 | 4,00 | 5,0 | 5,60 | 6,30 |
500,0 | 1,300 | 2,500 | 1,300 | 2,50 | 3,60 | 5,00 | 6,3 | 7,10 | 8,00 |
630,0 | 1,800 | 3,200 | 1,800 | 3,20 | 4,50 | 6,30 | 8,0 | 9,00 | 10,00 |
800,0 | 2,400 | 4,000 | 2,400 | 4,00 | 5,60 | 8,00 | 10,0 | 11,00 | 12,50 |
1000,0 | 3,200 | 5,000 | 3,200 | 5,00 | 7,10 | 10,00 | 12,5 | 14,00 | 16,00 |
<a> Дополнительная информация по группам материалов см. таблицу 17. <b> Данное напряжение предназначено для: - функциональной изоляции, эксплуатационного напряжения; - основной и дополнительной изоляции цепи, питаемой непосредственно от сетевого источника, напряжение, обоснованное в таблице F.3a или таблице F.3b IEC 60664-1, основано на номинальном напряжении оборудования или номинальном напряжении изоляции; - основной и дополнительной изоляции систем, оборудования и внутренних цепей, не питаемых непосредственно от сети, наибольшее действующее напряжение, которое может установиться в системе, оборудовании или внутренней цепи, питаемой при номинальном напряжении при самом неблагоприятном сочетании условий эксплуатации в пределах параметров оборудования. <c> Для главной цепи защиты данная графа соответствует UC. <d> Материалы группы IIIb не применяют в назначениях со степенью загрязнения 3 св. 630 В. |
Примечание - Если фактическое напряжение отличается от значений, указанных в таблице, допускается интерполирование значений для промежуточных напряжений. Применяют линейную интерполяцию, а значения округляют до числа знаков значений, взятых из таблицы. |
Таблица 17
Соответствие групп материалов их классификации по СИТ
Группа материала | Классификация по СИТ |
I | 600 <= СИТ |
II | 400 <= СИТ < 600 |
IIIa | 175 <= СИТ < 400 |
IIIb | 100 <= СИТ < 175 |
Соответствие групп материалов классификации по СИТ приведено по IEC 60112 (раствор A). |
Измерения проводят без проводников, а также с проводниками наибольшего сечения, указанного изготовителем.
Гайки и винты с эксцентричными головками считают самыми неудобными для затягивания. Если имеется перегородка, то воздушный зазор измеряют через перегородку; если перегородка состоит из двух частей, не соединенных вместе, воздушный зазор измеряют через разделительный зазор. Расстояния через щели или отверстия в наружных частях вне изоляционного материала измеряют по металлической фольге по касательной поверхности; для этого фольгу не заправляют в отверстия. С помощью испытательного щупа (см. IEC 60529) ее следует заправить в углы.
В случае, если на пути утечки встречается углубление, его профиль принимают во внимание только в том случае, когда его ширина не менее 1 мм; углубления менее 1 мм учитывают только по ширине.
Если имеется перегородка, состоящая из двух частей, не склеенных вместе, расстояние утечки измеряют через разделительный зазор. Если воздушный просвет между частью, находящейся под напряжением, и перегородкой с монтируемыми поверхностями менее 1 мм, то принимают во внимание расстояние только через разделяющую поверхность, которую тогда считают расстоянием утечки. Если же нет, то полное расстояние, иными словами, суммарное значение воздушного просвета и расстояния по разделяющей поверхности считают воздушным зазором. Если металлические части покрыты самоотвердевающей смолой слоем толщиной 2 мм или изолированы, то расстояния утечки и воздушные зазоры испытанию напряжением по
8.3.7 не подвергают.
Литье или смола не должна выходить за край пресс-формы, литьевая масса должна плотно прилегать к стенкам полости и металлическим частям в ней.
Испытание проводят попыткой отделить литьевую массу или смолу без помощи инструмента.
8.4.4 Механическая прочность
8.4.4.1 Испытание на удар
УЗИП должны обладать соответствующей механической прочностью, чтобы выдерживать нагрузки, возникающие в ходе установки и эксплуатации.
Соответствие проверяют следующими испытаниями.
Образцы подвергают ударам с помощью ударной испытательной установки, как показано на
рисунках 18 и
19.
1 - маятник; 2 - рама; 3 - высота падения;
4 - образец; 5 - монтажный крепеж
Рисунок 18 - Установка для испытаний на удар
Материалы деталей:
1 - полиамид; 2, 3, 4, 5 - сталь 35
Рисунок 19 - Ударный элемент маятникового молотка
для нанесения удара
Ударный элемент имеет полусферическую поверхность с радиусом 10 мм, выполнен из полиамида твердостью 100 HRC и имеет массу (150 +/- 1) г.
Он жестко закреплен на нижнем конце стальной трубки, внешний диаметр которой 9 мм, а толщина стенок 0,5 мм, которая шарнирно закреплена в верхней части так, что качается только в вертикальной плоскости.
Ось шарнира расположена на высоте (1000 +/- 1) мм над осью ударного элемента.
Твердость по Роквеллу ударного элемента определяют с помощью стального шарика диаметром (12,700 +/- 0,0025) мм, вдавливаемого с начальной нагрузкой (100 +/- 2) Н и максимальной нагрузкой (500 +/- 2,5) Н в головку ударного элемента.
Примечание - Дополнительную информацию, касающуюся определения твердости пластических масс по Роквеллу, см. ИСО 2039-2
[11].
Конструкция установки такова, что для удержания трубки в горизонтальном положении к поверхности ударного элемента следует прикладывать усилие от 1,9 до 2,0 Н.
Образцы устанавливают на листе фанеры толщиной 8 мм, площадью 175 мм2, прикрепленном в верхнем и нижнем углах к жестким кронштейнам.
Переносные УЗИП испытывают как стационарные и с помощью вспомогательных средств их прикрепляют к листу фанеры.
Монтажная опора должна иметь массу (10 +/- 1) кг и должна быть установлена на жесткой раме.
Монтажная конструкция должна быть такой, чтобы:
- образец мог быть так размещен, что точка удара лежит в вертикальной плоскости, проходящей через ось подвески;
- образец мог быть смещен в горизонтальном направлении и повернут вокруг оси, перпендикулярно поверхности фанеры;
- лист фанеры мог поворачиваться вокруг вертикальной оси.
УЗИП скрытой установки монтируют в углублении, сделанном в бруске из дерева (твердых пород) или материала с аналогичными механическими характеристиками, который прикреплен к листу фанеры (УЗИП в собственных монтажных коробках не испытывают).
При использовании деревянного бруска направление волокон в нем должно быть перпендикулярно направлению удара.
УЗИП скрытой установки с винтовым креплением должны быть прикреплены с помощью винтов к кронштейнам, углубленным в брусок.
УЗИП скрытой установки с креплением шипами должны быть прикреплены к бруску с помощью шипов.
Перед нанесением ударов крепежные винты оснований и крышек затягивают, прикладывая вращающий момент, равный 2/3 от указанного в
таблице 10.
Образцы устанавливают так, чтобы точка удара лежала в вертикальной плоскости, проходящей через ось шарнира.
Ударный элемент должен свободно падать с высоты H, указанной в таблице 18.
Таблица 18
Высота падения ударного элемента
Высота падения, мм | Части оболочек, подвергающиеся ударам |
обычных устройств | других устройств |
100 | A и B | A и B |
150 | C | C |
200 | D | D |
A - части на фронтальной поверхности, включая части, которые утоплены; B - части, которые не выступают более чем на 15 мм от монтажной поверхности (расстояние от стены) после установки как для нормальной эксплуатации, за исключением частей A; C - части, которые выступают более чем на 15 мм, но не свыше 25 мм от монтажной поверхности (расстояние от стены) после установки как для нормальной эксплуатации, за исключением частей A; D - части, которые выступают более чем на 25 мм от монтажной поверхности (расстояние от стены) после установки как для нормальной эксплуатации, за исключением частей A. |
Высота падения определяется частью образца, наиболее выступающей над монтажной поверхностью. Это касается всех частей образца, за исключением частей A.
Высота падения - это расстояние по вертикали между положением контрольной точки, когда маятник свободен, и положением этой же точки в момент удара.
Контрольную точку наносят на поверхность ударного элемента в месте, где линия, проходящая через точку пересечения осей стальной трубки маятника и ударного элемента и перпендикулярная к плоскости, в которой лежат эти оси, пересекается с поверхностью ударного элемента.
По образцам наносят удары, равномерно распределяя их по образцу. Удары не наносят в местах, где имеются отверстия, вскрываемые при монтаже.
Удары наносят в следующем порядке:
- пять ударов - для частей A, причем один удар наносят в центр. После того как образец был перемещен горизонтально, наносят по одному удару в самые неблагоприятные точки между центром и краями; после того как образец был повернут на 90° вокруг оси, перпендикулярной к поверхности фанеры, наносят по одному удару в подобные точки;
- четыре удара - для частей B (насколько это применимо), C и D:
- один удар по одной стороне образца после того как лист фанеры был повернут на 60°, и один удар по другой стороне образца после того как он был повернут на 90° вокруг оси, перпендикулярной к листу фанеры, при неизменном его положении;
- по одному удару по каждой из двух оставшихся сторон образца при повороте листа фанеры на 60° в противоположном направлении.
Критерии соответствия
После испытания образец не должен иметь повреждений, нарушающих требования настоящего стандарта. В частности, части, находящиеся под напряжением, не должны стать доступны для касания стандартным испытательным щупом.
Повреждение отделки, мелкие трещины, которые не снижают расстояний утечки и воздушных зазоров, мелкие зазубрины, не влияющие пагубно на защиту от поражения электрическим током или от проникновения воды, во внимание не принимают.
Трещины, не видимые без применения увеличительных приборов, поверхностные трещины на штампованной волоконной поверхности и т.п. во внимание не принимают.
8.5 Испытания на соответствие требованиям к условиям окружающей среды и материалам
8.5.1 Устойчивость к попаданию твердых предметов и проникновению воды
Испытание проводят на соответствие IEC 60529 проверки кода IP.
В течение 1 ч УЗИП выдерживают в нагревательном шкафу при температуре (100 +/- 2) °C.
Критерии соответствия
- изолирующий компаунд, применяемый во внутреннем механизме, не должен вытечь в значительном количестве, чтобы создать проблемы для функционирования УЗИП;
- считают, что УЗИП выдержало испытания, даже если разъединитель УЗИП разомкнулся.
8.5.3 Испытание давлением шарика
Наружные части УЗИП из изоляционного материала подвергают испытанию давлением стального шарика с помощью установки, показанной на рисунках 20 и
21.
1 - испытуемый образец; 2 - шарик давления;
3 - груз; 4 - опора для образца
Рисунок 20 - Установка для испытания давлением шарика
1 - нагрузочный стержень
Рисунок 21 - Нагрузочный стержень для испытания
давлением шарика
Части из изоляционного материала, поддерживающие токоведущие части и части цепи заземления, испытывают в нагревательном шкафу при температуре (125 +/- 2) °C.
Части из изоляционного материала, не поддерживающие токоведущие части и части цепи заземления, даже контактирующие с ними, испытывают при температуре (70 +/- 2) °C.
Испытуемый образец соответствующим образом закрепляют, его поверхность располагается горизонтально, а стальной шарик диаметром 5 мм давит на поверхность с усилием 20 Н.
Критерий соответствия
Измеряют диаметр оттиска шарика, он не должен превышать 2 мм.
Примечание - Керамические части этому испытанию не подлежат.
8.5.4 Стойкость к чрезмерному нагреву и огню
Согласно разделам 4 - 10 IEC 60695-2-11 проводят испытание раскаленной проволокой при соблюдении следующих условий:
- для наружных частей УЗИП из изоляционного материала, поддерживающих токоведущие части и части защитной цепи, испытание проводят при температуре (850 +/- 15) °C;
- для других наружных частей из изоляционного материала испытание проводят при температуре (650 +/- 10) °C.
Испытание не проводят на частях из керамического материала и частях меньшего размера, чем установлено в IEC 60695-2-11.
Если изолирующие части выполнены из одинакового материала, испытание проводят только на одной из этих частей согласно соответствующей температуре испытания раскаленной проволокой.
Испытание проводят для гарантии того, что раскаленная проволока в заданных испытательных условиях не вызовет возгорания изоляционных частей, или часть из изоляционного материала, которая может воспламениться, будет гореть ограниченное время и не вызовет выпадения искр и горящих частей из испытуемой части.
Испытание проводят на одном образце.
В случае сомнения испытание повторяют еще на двух образцах.
Испытание проводят прикладыванием раскаленной проволоки один раз.
Для испытания образец должен быть помещен в самое неблагоприятное положение, которое возможно в предполагаемых условиях эксплуатации (испытуемая поверхность - в вертикальном положении).
Петлю раскаленной проволоки прикладывают к заданной поверхности испытуемого образца с учетом условий предполагаемой эксплуатации, при которых нагревательный или накаляемый элемент может войти в контакт с образцом.
Критерии соответствия
Считают, что образец прошел испытание раскаленной проволокой, если:
- отсутствует видимое пламя или устойчивое свечение;
- пламя и раскаленные части на образце угасают в течение 30 с после удаления раскаленной проволоки.
Не должно быть возгорания папиросной бумаги или подгорания сосновой доски.
Испытание проводят по IEC 60112, раствор A с испытательным напряжением в зависимости от измеренных расстояний утечки и группы материала по
8.4.3.
8.6 Дополнительные испытания специальных конструкций УЗИП
8.6.1 Испытание двухвводных и одновводных УЗИП с раздельными вводными и выводными выводами
8.6.1.1 Номинальный ток нагрузки (
IL)
К УЗИП подают питание при напряжении UC с допуском минус 5%, при температуре окружающего воздуха с использованием кабеля номинального сечения, указанного в таблице 19. Испытание проводят с номинальным током в активной нагрузке до достижения тепловой стабильности. Принудительное охлаждение УЗИП не допускается.
Таблица 19
Испытательные проводники для испытания
при номинальном токе нагрузки
Испытательный ток, А | Сечение проводников |
более | менее или равно | мм2 | AWG/MCM |
0 | 8 | 1,0 | 18 |
8 | 12 | 1,5 | 16 |
12 | 15 | 2,5 | 14 |
15 | 20 | 2,5 | 12 |
20 | 25 | 4,0 | 10 |
25 | 32 | 6,0 | 10 |
32 | 50 | 10,0 | 8 |
50 | 65 | 16,0 | 6 |
65 | 85 | 25,0 | 4 |
85 | 100 | 35,0 | 3 |
100 | 115 | 35,0 | 2 |
115 | 130 | 50,0 | 1 |
130 | 150 | 50,0 | 0 |
150 | 175 | 70,0 | 00 |
175 | 200 | 95,0 | 000 |
200 | 225 | 95,0 | 0000 |
225 | 250 | 120,0 | 250 |
250 | 275 | 150,0 | 300 |
275 | 300 | 185,0 | 350 |
300 | 350 | 185,0 | 400 |
350 | 400 | 240,0 | 500 |
Примечание - В некоторых странах стандартизованы другие сечения проводников, в этом случае для испытания необходимо выбрать наиболее близкое значение. |
Критерии соответствия
Превышение температуры поверхностей, доступных при нормальной эксплуатации, в ходе испытаний не должно выходить за пределы значений, указанных в
приложении G.
8.6.1.2 Характеристика перегрузки
Испытание проводят при температуре окружающего воздуха на образце, защищенном от чрезмерного внешнего нагрева или охлаждения.
| | ИС МЕГАНОРМ: примечание. В официальном тексте документа, видимо, допущена опечатка: пункт 7.8.2 отсутствует. | |
Испытательная цепь и методика проведения должны быть, как описано в 7.8.2, исключением является лишь то, что цепи, кроме главной, не учитывают в данном испытании.
Испытание выполняют без подсоединения внешних разъединителей (внутренние устройства защиты от сверхтока заменяют перемычками с незначительным полным сопротивлением).
Если изготовителем указана максимальная защита от сверхтока, в течение 1 ч УЗИП нагружают током, равным k-кратному максимальной защите от сверхтока. Коэффициент k выбирают по таблице 20.
Таблица 20
Коэффициент тока
k, применяемый
для характеристики перегрузки
Защитное устройство | Коэффициент k тока расцепления |
Автоматический выключатель | 1,45 |
Плавкий предохранитель | 1,60 |
Примечание 1 - Если тип защитного устройства изготовителем не указан (выключатель или предохранитель), испытание проводят с более высоким коэффициентом k. Примечание 2 - В странах, применяющих другие значения, эти значения согласно 7.1.1 c), 7) должны быть приведены в спецификации на изделие. Примечание 3 - В Японии согласно национальным особенностям k для автоматических выключателей - 1,25; для предохранителей - 1,50. Примечание 4 - Для стран Северной Америки величина коэффициента k - в стадии рассмотрения. |
Если изготовителем не указана максимальная защита от сверхтока, в течение 1 ч УЗИП нагружают током, равным 1,1 номинального тока нагрузки, или до срабатывания внутреннего разъединителя. Если внутренний разъединитель не сработает в течение 1 ч, испытание продолжают, увеличивая каждое предыдущее значение испытательного тока на 1,1 каждый час до срабатывания внутреннего разъединителя.
Критерии соответствия
a) при срабатывании внутреннего разъединителя:
b) при несрабатывании внутреннего разъединителя:
Кроме того, превышение температуры поверхностей, доступных при нормальной эксплуатации, в ходе испытаний не должно выходить за пределы значений, указанных в
приложении G.
8.6.1.3 Испытание на способность выдерживать короткое замыкание со стороны нагрузки
Это испытание проводят для всех УЗИП, кроме классифицируемых для наружной установки и монтируемых недоступными, а также соединенных с N-PE для применения исключительно в системах TN и/или TT.
Повторяют испытание по
8.3.5.3 (исключая
8.3.5.3.1), но без замкнутых накоротко элементов. Однако выводы нагрузки замыкают накоротко перемычкой, подсоединяемой в следующем порядке:
- ко всем фазным выводам и выводу нейтрали (если имеется) со стороны нагрузки;
- ко всем выводам со стороны нагрузки - с проводниками наибольшего сечения (из указанных в
8.4.2) и длиной 500 мм каждый.
Примеры соответствующих испытательных цепей показаны на
рисунке 22.
a) испытание со всеми фазными выводами и выводом нейтрали, замкнутыми накоротко со стороны нагрузки
b) испытание со всеми выводами, замкнутыми накоротко со стороны нагрузки
S1 - главный выключатель для синхронизации инициирования
короткого замыкания; F1 - все разъединители, указанные
изготовителем, включая рекомендованные устройства защиты
от сверхтока; T1 - силовой трансформатор с напряжением UREF
на вторичной обмотке; R1 - токоограничивающий резистор
для регулирования ожидаемого тока короткого замыкания
силового источника; УЗИП - испытуемые устройства
двух- и одновводные с раздельными
входными/выходными выводами
Рисунок 22 - Примеры испытательных цепей для испытания
на способность выдерживать короткое замыкание
со стороны нагрузки
Критерии соответствия
a) при срабатывании внутреннего разъединителя:
- после удаления замыкающих накоротко перемычек с выводов нагрузки при
UREF, подаваемом в цепь по
рисунку 22, на выводных выводах должно отсутствовать напряжение;
- при прикладывании напряжения промышленной частоты, равного 2UC, между соответствующими вводными и выводными выводами в течение 1 мин, протекающий ток не должен превышать 0,5 мА (действующее значение);
b) при несрабатывании внутреннего разъединителя:
8.6.2 Испытание УЗИП наружного исполнения на соответствие требованиям к условиям окружающей среды
8.6.3 Испытание УЗИП с раздельными изолированными цепями
Разделение и электрическую прочность изоляции отделенных цепей испытывают на основе декларации изготовителя и в соответствии с
8.3.6 и
8.3.7.
8.6.4 Испытание УЗИП короткозамкнутого типа
Для таких УЗИП проводят кондиционирование в намеренное состояние короткого замыкания по 8.6.4.1 с последующим испытанием на устойчивость к импульсному току по
8.6.4.2 и испытанием состояния короткого замыкания по
8.6.4.3.
8.6.4.1 Процедура изменения характеристики (испытание на кондиционирование)
К обесточенному УЗИП подают один импульс Itrans положительной полярности для изменения характеристики УЗИП на состояние внутреннего короткого замыкания. Для проверки этого состояния после испытания выполняют соответствующее измерение.
8.6.4.2 Проверка устойчивости к импульсному току (в состоянии короткого замыкания)
К обесточенному УЗИП подают один импульс Itrans положительной полярности.
Критерий соответствия
8.6.4.3 Испытание состояния короткого замыкания
Условия испытания
Критерии соответствия
8.7 Дополнительные испытания специальных характеристик УЗИП, устанавливаемых изготовителем
8.7.1 Испытание многополюсных УЗИП на суммарный разрядный ток
Условия испытаний
Одну сторону испытательного генератора соединяют с выводом PE или PEN многополюсного УЗИП. Каждый из оставшихся выводов УЗИП соединяют через типичный последовательный импеданс, состоящий из активного сопротивления 30 мОм и индуктивного сопротивления 25 мкГ, с другой стороной генератора.
Примечание 1 - Такие полные сопротивления имитируют подсоединение в силовую систему и не должны подвергаться влиянию измерительной системы, например шунты.
Примечание 2 - Эта испытательная конфигурация не представляет всех конфигураций системы. Поэтому могут потребоваться другие методы испытаний для специальных схем и назначений.
Могут быть использованы более низкие полные сопротивления при условии соблюдения допусков на пропорциональные разрядные токи согласно таблице 21.
Примечание 3 - Пропорциональный импульсный ток - это суммарный разрядный ток, деленный на N, где N - число силовых зажимов (фазные и нейтраль).
Таблица 21
Допуски на пропорциональные импульсные токи
Класс испытания | Пропорциональные импульсные токи | Допуски |
Испытание класса I | Iimp(1) = Iimp(2) = Ipeak(N) = Iimp/N | +10% |
Q(1) = Q(2) = Q(N) = Q(ITotal)/N | -10%/+20% |
W/R(1) = W/R(2) = W/R(N) = W/R(ITotal)/N2 | -10%/+45% |
Испытание класса II | I8/20(1) = I8/20(2) = I8/20(N) = ITotal(80/20)/N | +/- 10% |
Процедура испытания
Многополюсное УЗИП испытывают один раз с суммарным разрядным током ITotal, указанным изготовителем.
Критерии соответствия
8.7.2 Испытание на определение падения напряжения
Напряжение UC подают на входной вывод, его значение не должно колебаться более, чем на минус 5%. Испытание проводят с номинальным током активной нагрузки. Входное и выходное напряжение измеряют одновременно с подсоединенной нагрузкой. Падение напряжения определяют по формуле
где Uin - входное напряжение;
Uout - выходное напряжение. То и другое измеряют одновременно с подсоединенной полной номинальной активной нагрузкой. Этот параметр применяют только для двухвводных УЗИП.
Допускаются другие технологии измерения при условии сопоставимости их результатов.
Критерий соответствия
Данное значение должно быть записано и должно соответствовать декларации изготовителя.
8.7.3 Испытание устойчивости к импульсам со стороны нагрузки
Для этого испытания прикладывают:
- 15 токовых импульсов 8/20 или
- 15 импульсов комбинированной волны с напряжением открытой цепи UOC со значением, равным заявленной изготовителем выдерживаемой способности выдерживать импульсы со стороны нагрузки, импульсы прикладывают тремя группами из пяти импульсов к выходному выводу испытуемого образца. К УЗИП подают UC с помощью источника напряжения с номинальным током не менее 5 А. Каждый импульс должен быть синхронизирован по промышленной частоте. Начиная от 0° угол синхронизации постепенно повышают на (30 +/- 5)°.
Интервал между импульсами составляет 50 - 60 с, а интервал между группами импульсов - 30 - 35 мин.
Испытательный образец должен находиться под током на протяжении всего испытательного цикла. Напряжение на выходных выводах регистрируют.
Критерии соответствия
8.7.4 Измерение скорости возрастания напряжения du/dt
Это испытание проводят на обесточенном двухвводном УЗИП с присоединенной активной нагрузкой, которая даст ток, равный 0,1 номинального тока нагрузки
IL при
UREF. Со стороны ввода двухвводного УЗИП подсоединен генератор комбинированной волны, отвечающий требованиям
8.1.4.
Примечание 1 - Во время испытания источник промышленной частоты для УЗИП не используют.
Генератор регулируют на UOC 6 кВ, таким образом обеспечивая приблизительную скорость возрастания напряжения открытой цепи du/dt 5 кВ/мкс. К выходным выводам двухвводного УЗИП присоединяют запоминающий осциллограф, на котором записывают результирующую форму волны прикладываемого испытательного импульса.
Максимальную скорость возрастания напряжения du/dt определяют измерением разницы в напряжении по времени между точками t90 и t30 на восходящей стороне результирующей формы волны.
Примечание 2 - Точки t90 и t30 соответствуют точкам 90% и 30% на опережающем фронте формы волны.
Чтобы установить возможность вызывного сигнала на фронте волны, это испытание следует провести пять раз и записать максимальное du/dt.
Критерий соответствия
Записывают максимальную скорость возрастания напряжения du/dt, она должна соответствовать декларированной изготовителем.
9 Контрольные и приемочные испытания
9.1 Контрольные испытания
В процессе производства проводят соответствующие испытания для выявления соответствия УЗИП требованиям к его работоспособности. Изготовитель устанавливает методы испытаний.
Приемочные испытания проводят по соглашению между изготовителем и заказчиком. Если заказчик определяет приемочные испытания по своей заявке, число образцов для испытаний должно составлять корень третьей степени от числа поставленных образцов, округленное до ближайшего целого числа. Любое изменение числа испытательных образцов или вида испытаний подлежит соглашению между изготовителем и заказчиком.
Если не установлено иное, в качестве приемочных проводят следующие испытания:
a) проверка идентификации осмотром по
8.2;
b) проверка маркировки осмотром по
8.2;
c) проверка электрических параметров (например, измерение предельного напряжения по
8.3.3).
(обязательное)
КОНТРОЛЬНЫЕ ИСПЫТАТЕЛЬНЫЕ НАПРЯЖЕНИЯ
UREF ДЛЯ УЗИП
Контрольное испытательное напряжение UREF зависит от предполагаемого назначения УЗИП в низковольтной силовой распределительной системе в соответствии с инструкциями по установке изготовителя:
- типа низковольтной системы (система-TN, система-TT, система-IT);
- места присоединения (между фазой и нейтралью, фазой и землей, нейтралью и землей, фазами);
- паспортных напряжений системы переменного тока и максимальной допустимой регулировкой напряжения.
Таблица A.1
Значения контрольного испытательного напряжения
Силовая распределительная система | Паспортное напряжение системы переменного тока L-PE/L-L, В | Максимальная ожидаемая регулировка напряжения силовой распределительной системы + (%) | Контрольное испытательное напряжение UREF (зависит от вида защиты), В |
L-N (PEN) | L-PE | L-L | N-PE |
Трехфазная система - TT без PE и распределения нейтрали | 3-проводная | 230/400 | 10 | - | 255 | 440 | - |
Трехфазная система - TT с распределением нейтрали | 4-проводная | 230/400 | 10 | 255 | 255 | 440 | 255 |
Трехфазная система - TN-C с распределением PEN | 4-проводная | 230/400 | 10 | 255 | 255 | 440 | - |
Трехфазная система - TN-S с PE и распределением нейтрали | 5-проводная | 230/400 | 10 | - | 255 | 440 | - |
240/415 | 6 | 255 | 255 | 440 | 255 |
120/208 | 10 | 132 | 132 | 230 | 50 |
277/480 | 10 | 305 | 305 | 530 | 115 |
Трехфазная система - IT с распределением нейтрали | 4-проводная | 230/400 | 10 | 255 | 440 | 440 | 255 |
Трехфазная система - IT без распределения нейтрали | 3-проводная | 230 | 10 | - | 255 | 255 | - |
Однофазная система - TN-S | 3-проводная | 230 | 10 | 255 | 255 | - | 255 |
120 | - | - | - | - |
Трехфазная (дельта) с угловым заземлением система - TN или TT или IT | 3-проводная или 3-проводная + РЕ (G) | 230/400 | 10 | - | 264 | 264 | - |
200 (202) | - | 222 | 222 | - |
460 | - | 528 | 528 | - |
Трехфазная (дельта) с заземлением центральной обмотки система - TN или TT | 3-проводная + PEN | 230 | 10 | 132 | 264 | 264 | - |
200 (202) | - | 129 192 | 222 | - |
460 | - | 528 | 528 | - |
Система - TN с расщепленной фазой | | 120/240 | 10 | 132 | 132 | 264 | 132 |
Примечание - Требуемая для некоторых назначений регулировка на более высокое (например, +15%) напряжение подлежит соглашению между изготовителем и потребителем. |
(обязательное)
ЗНАЧЕНИЯ ВРЕМЕННОГО ПЕРЕНАПРЯЖЕНИЯ (ВПН)
Процедура испытания зависит от предполагаемого применения УЗИП в низковольтной силовой системе согласно инструкции по монтажу, сформулированной изготовителем и представленной ниже в таблице B.1.
Серия IEC 60364 определяет системы, параметры которых приведены ниже в таблице B.1.
Таблица B.1
Испытательные значения ВПН для систем,
представленных в серии IEC 60364
Применяемая система и подключаемые УЗИП | Испытательные значения ВПН и значения UT (В) |
Для tT = 5 с (повреждения в установке потребителя в системе низкого напряжения) (требования по 7.2.8.1 и испытания по 8.3.8.1) | Для tT = 120 мин (повреждения в распределительной системе низкого напряжения и потеря нейтрали) (требования по 7.2.8.1 и испытание по 8.3.8.1) | Для tT = 200 мс (повреждения в системе высокого напряжения) (требования по 7.2.8.2 и испытания по 8.3.8.2) |
Требуемая устойчивость | Допустимая устойчивость или безопасное повреждение | Допустимая устойчивость или безопасное повреждение |
Система TN | - |
Подключены L-(PE)N или L-N | 1,32 x UREF | | - |
Подключены N-PE | - | - | - |
Подключены L-L | - | - | - |
Система TT | | - | |
Подключены L-PE | | 1,32 x UREF | 1200 + UREF |
Подключены L-N | 1,32 x UREF | | - |
Подключены N-PE | - | - | 1200 |
Подключены L-L | - | - | - |
Система IT | - | - | - |
Подключены L-PE | - | - | 1200 + UREF |
Система TN | - |
Подключены L-N | 1,32 x UREF | | - |
Подключены N-PE | - | - | 1200 + UREF |
Подключены L-L | - | - | - |
UREF - контрольное напряжение, применяемое для испытаний и учета максимального регулирования напряжения силовой системы (см. приложение A). Uo - в системах TN и TT - номинальное действующее переменного тока фазное напряжение на землю; в системах IT - номинальное напряжение переменного тока между фазным и нулевым проводником или средним проводником, что подходит (см. IEC 60364-4-44 [12], пункт 442.1.2). 1,32 x UREF соответствует 1,45 x Uo для случая регулировки напряжения не более +10% (см. IEC 60364-4-44 [12], пункт 442.5). |
Примечание - Поскольку в некоторых странах применяется регулировка напряжения св. 10%, в настоящем стандарте для общего назначения применяют только UREF. Информацию по регулировке напряжения см. IEC 60038 [13]. |
B.1 Требования к специальным распределительным системам
В ряде стран применяют дополнительные испытательные значения ВПН и длительностей.
Для специальных назначений в условиях, отличающихся от
таблицы B.1 и отличающихся от требований к специальным распределительным системам, приведенным ниже, испытательные значения ВПН
UT и длительностей могут устанавливаться соглашением между изготовителем и потребителем, исходя из фактических конфигураций сети и условий. Значения
UT и соответствующих периодов должны быть записаны в документации на УЗИП согласно
перечислению c), 1) 7.1.1.
Значения для североамериканских систем - в стадии рассмотрения.
Значения для японских систем приведены ниже в таблице B.3.
Таблица B.3
Параметры ВПН для японских систем
Применяемая система и подключаемые УЗИП | Испытательные значения ВПН UT, В |
Повреждения в низковольтной системе | Повреждения в высоковольтной системе |
для tT = 120 мин | Длительность не указана | для tT = 2 с | для tT = 1 с |
(повреждения в распределительной системе низкого напряжения и потеря нейтрали) (требования по 7.2.8.1 и испытание по 8.3.8.1) | Допустимая устойчивость или безопасное повреждение |
Система TN | - |
Подключены L-N (PE) или L-N | | - | - | - |
Подключены N-PE | - | - | - | - |
Подключены L-L | - | - | - | - |
Система TT | - | - | - | - |
Подключены L-PE | | 150 + UREF | 300 + UREF | 600 + UREF |
Подключены L-N | | | - | - |
Подключены N-PE | - | 150 | 300 | 600 |
Подключены L-L | - | - | - | - |
Система IT | - | - | - | |
Подключены L-PE | - | - | - | 1200 + UREF |
Подключены L-N | | - | - | |
Подключены N-PE | - | - | - | 1200 + UREF |
Подключены L-L | - | - | - | - |
UREF - контрольное напряжение, применяемое для испытаний и учета максимального регулирования напряжения силовой системы (см. приложение A). |
Примечание 1 - Данные значения действуют по указанию министерства в отношении технических стандартов на электрические установки. Примечание 2 - Поскольку в некоторых странах применяется регулировка напряжения св. 10%, в настоящем стандарте для общего назначения применяют только UREF. Информацию по регулировке напряжения см. IEC 60038 [13]. |
(обязательное)
ИСПЫТАНИЯ ПО ОПРЕДЕЛЕНИЮ НАЛИЧИЯ КОММУТАЦИОННОЙ
СОСТАВЛЯЮЩЕЙ И ВЕЛИЧИНЫ СОПРОВОЖДАЮЩЕГО ТОКА
C.1 Испытание по определению наличия коммутационной составляющей
Данное испытание проводят для незнакомой внутренней конструкции УЗИП. Испытание проводят на новом образце.
Стандартный импульс тока 8/20 подают для испытаний УЗИП класса I и класса II с пиковым значением In или Iimp, как решит изготовитель. Для испытания УЗИП класса III применяют генератор комбинированной волны с напряжением открытой цепи, равным UOC, установленным изготовителем.
К УЗИП подают один импульс (в случае двухвводных УЗИП импульс прикладывают к вводным и выводным выводам).
На осциллографе снимают запись напряжения на выводах (для двухвводных УЗИП измерение напряжения проводят на вводном выводе УЗИП).
Если запись формы волны напряжения показывает неожиданный обвал, значит УЗИП содержит коммутационный элемент.
C.2 Испытание по определению величины сопровождающего тока
Это испытание определяет, выше или ниже 500 А лежит пиковое значение сопровождающего тока.
Если внутренняя конструкция и пиковое значение сопровождающего тока УЗИП известны, следующее предварительное испытание УЗИП не требуется.
a) испытание выполняют на отдельном образце;
b) ожидаемый ток короткого замыкания должен быть
Ip = 1,5 кА с

;
c) УЗИП присоединяют к источнику напряжения промышленной частоты с синусоидальной формой волны переменного тока. Значение напряжения промышленной частоты, измеренное на выводах, должно быть максимально равно длительному максимальному рабочему напряжению UC с допуском минус 5%. Частота напряжения переменного тока источника должна соответствовать номинальной частоте УЗИП;
d) сопровождающий ток должен инициироваться импульсным током 8/20 или комбинированной волны;
e) пиковое значение должно соответствовать In, Iimp или UOC;
f) импульс тока должен быть инициирован за 60 электрических градусов до пика напряжения промышленной частоты. Его полярность должна совпадать с полярностью полупериода напряжения промышленной частоты, в котором он инициирован;
g) если в данной точке синхронизации отсутствует сопровождающий ток, тогда импульсный ток должен его инициировать ступенями через 10 электрических градусов для определения генерирования сопровождающего тока.
(обязательное)
ИСПЫТАНИЯ ПО УСКОРЕННОЙ ПРОЦЕДУРЕ
Число образцов, подвергаемых испытанию, и циклы испытаний, проводимых для проверки соответствия.
Изделия, уже испытанные по IEC 61643-1
[1], могут быть подвергнуты испытаниям по ускоренной процедуре по таблице D.1.
Таблица D.1
Испытания по ускоренной процедуре УЗИП, подвергнутых
испытаниям по IEC 61643-1
[1]
Цикл испытаний | Наименование испытания | Пункт, подпункт | Необходимость испытания |
1 | Идентификация и маркировка | | да |
Монтаж | | нет |
Выводы и соединения | | нет |
Проверка защиты от прямого контакта | | нет |
Условия окружающей среды, код IP | | нет |
Остаточный ток | | да |
Рабочий режим | | нет |
Рабочий режим для испытаний классов I, II и III | | нет |
Дополнительный режим для испытания класса I | | нет |
Тепловая стабильность | | да |
Воздушные зазоры и расстояния утечки | | да |
Испытание давлением шарика | | нет |
Устойчивость к аномальному нагреву и огню | | нет |
Трекингостойкость | | нет |
2 | Уровень напряжения защиты | | нет |
Остаточное напряжение | | нет |
Фронт волны разрядного напряжения | | нет |
Предельное напряжение с комбинированной волной | | нет |
2a | См. ниже - по применению |
2b | См. ниже - по применению |
3 | Сопротивление изоляции | | нет |
Электрическая прочность изоляции | | нет |
3a | См. ниже - по применению |
Механическая прочность | | нет |
Выдерживаемая температура | | нет |
3b | См. ниже - по применению |
3c | См. ниже - по применению |
| Теплостойкость | | нет |
ВПН | | да |
ВПН в связи с повреждением в низковольтной системе | | да |
ВПН в связи с повреждением в высоковольтной системе | | да |
| Ток короткого замыкания | | да |
| Номинальный ток нагрузки | | да |
Перегрузка | | да |
2b | Ток короткого замыкания со стороны нагрузки | | да |
3b | Падение напряжения | | нет |
| Устойчивость к импульсам со стороны нагрузки | | да |
Ток короткого замыкания со стороны нагрузки | | да |
6 | Суммарный разрядный ток для многополюсных УЗИП | | да |
7 | УЗИП, классифицируемые для наружной установки | | да |
3a | Изоляция между раздельными цепями | | нет |
8 | Изменение характеристики (перевод в состояние короткого замыкания) | | да |
Устойчивость к импульсам (в состоянии короткого замыкания) | | да |
Ток короткого замыкания (в состоянии короткого замыкания) | | да |
|
(рекомендуемое)
АЛЬТЕРНАТИВНЫЕ ЦЕПИ ДЛЯ ИСПЫТАНИЯ УЗИП
В УСЛОВИЯХ ВПН, ВЫЗВАННОГО ПОВРЕЖДЕНИЯМИ
В СИСТЕМЕ ВЫСОКОГО (СРЕДНЕГО) НАПРЯЖЕНИЯ
Рисунок E.1 - Примеры трехфазной и однофазной цепей
для испытания УЗИП в условиях ВПН, вызванного
повреждениями в системе высокого (среднего) напряжения
(рекомендуемое)
ИСПЫТАНИЯ НА УСЛОВИЯ ОКРУЖАЮЩЕЙ СРЕДЫ
ДЛЯ УЗИП НАРУЖНОЙ УСТАНОВКИ
F.1 Испытание на ускоренное старение с ультрафиолетовым излучением
Три полных комплекта УЗИП, смонтированных как для наружной установки, подвергают воздействию излучения (УФ-B) и опрыскиванию водой следующим образом: 500 циклов по 120 мин каждый, состоящих из 102 мин излучения УФ при температуре 60 °C, 18 мин излучения УФ с опрыскиванием водой при температуре 65 °C и относительной влажности 65%. Излучение УФ соответствует требованиям ISO 4892-2
[14], метод A. Общее руководство для данного испытания содержится в ISO 4892-1
[15] и ASTM 151
[16].
Для испытания образцы подсоединяют к силовому источнику
UC и каждые 120 мин замеряют остаточный ток. По завершении испытания образцы подвергают испытанию по
F.2.
Критерии соответствия
Во время и после испытания образцы подвергают осмотру на обнаружение пустот, трещин, следов пробоя и поверхностных эрозий. Остаточные токи не должны возрасти более, чем на 10%. Следует оценить степень пробоя диэлектрика, поверхностной эрозии и растрескивания для определения соответствия оболочки изделия другим электрическим и механическим требованиям настоящего стандарта к работоспособности.
Испытание проводят по рисунку 8 IEC 60999-4. Испытательные образцы держат погруженными в сосуд с кипящей деионизированной водой с содержанием 1 кг/м3 NaCl на 42 ч.
Примечания
1 Характеристики воды определяют до начала испытания.
2 Эта температура (кипящей воды) может быть понижена до 80 °C (с минимальным временем 168 ч, например, одна неделя), если изготовитель установил, что изоляционный материал не способен выдержать температуру кипения в течение 42 ч.
По окончании кипячения УЗИП должно оставаться в сосуде до тех пор, пока вода не охладится приблизительно до (20 +/- 15) °C и далее до окончания проверочных испытаний.
После испытания погружением в воду образцы подвергают испытанию на электрическую прочность изоляции (см. F.3).
F.3 Испытание электрической прочности изоляции
Образцы подвергают испытанию на электрическую прочность изоляции напряжением промышленной частоты синусоидальной формы волны 1000 В плюс двойное контрольное испытательное напряжение UREF в течение 1 мин с измерением остаточного тока. Испытательное напряжение подают в следующем порядке:
a) для УЗИП в металлическом корпусе с монтажным кронштейном и без него
Напряжение подают между всеми выводами или внешними проводами, не имеющими внутренних соединений с корпусом или не соединенными вместе, прямо или через защитные элементы с металлическим корпусом. Если же все выводы и внешние провода прямо или через защитные элементы соединены с проводящим корпусом, тогда испытание невыполнимо;
b) для УЗИП в непроводящем корпусе или с непроводящим монтажным кронштейном или без кронштейна
Непроводящий корпус должен быть плотно обернут проводящей металлической фольгой на расстоянии 15 мм от любого неизолированного провода или вывода. Напряжение подают между токопроводящей фольгой и всеми выводами или внешними проводами, соединенными вместе;
c) для УЗИП в непроводящем корпусе с металлическим монтажным кронштейном
Непроводящий корпус должен быть плотно обернут проводящей металлической фольгой на расстоянии 15 мм от любого неизолированного провода, вывода и металлического монтажного кронштейна. Напряжение подают между токопроводящей фольгой и всеми выводами, внешними проводами и металлическим монтажным кронштейном, соединенными вместе.
Примечание - Целью этого испытания является выявление возможности образования полости, позволяющей удерживать токопроводящую жидкость во время обрызгивания или погружения в воду.
Критерий соответствия
Остаточный ток, измеренный во время этого испытания, не должен превышать 25 мА.
F.4 Испытание на цикличность температуры
Испытание проводят по IEC 60068-2-14
[17] в пять циклов с наименьшей температурой минус 40 °C и наибольшей температурой плюс 100 °C. Длительность каждого полуцикла составляет 3 ч, а изменение температуры должно происходить в течение 30 с.
Критерии соответствия
Во время и после проведения испытания образцы подвергают осмотру на обнаружение пустот, трещин, следов пробоя и поверхностных эрозий. Остаточные токи не должны возрасти более, чем на 10%. Следует оценить степень пробоя диэлектрика, поверхностной эрозии и растрескивания для определения соответствия оболочки изделия другим электрическим и механическим требованиям настоящего стандарта к работоспособности.
F.5 Проверка коррозиестойкости
УЗИП с открытыми металлическими частями подвергают испытанию и устанавливают как для нормальной эксплуатации по инструкции изготовителя.
Оболочка и образцы должны быть новыми и в чистом состоянии. Образцы подвергают следующему испытанию:
- 12 циклов по 24 ч циклическому испытанию влажным теплом по IEC 60068-2-30
[18], испытание Db, при 40 °C и относительной влажности 95%;
- 14 циклов по 24 ч циклическому испытанию соляным туманом по IEC 60068-2-11
[19], испытание Ka при температуре (35 +/- 2) °C.
После испытания образцы промывают в проточной воде из-под крана в течение 5 мин, ополаскивают в дистиллированной или деминерализованной воде, затем встряхивают или помещают под воздушную струю для удаления капель воды. Затем испытуемый образец выдерживают в нормальных условиях эксплуатации в течение 2 ч.
Критерии соответствия
- отсутствие свидетельств коррозии, растрескивания или других повреждений. Допускается отдельное поверхностное разрушение защитного покрытия;
- целостность изоляционных прокладок;
- возможность снятия съемных частей без чрезмерного усилия.
(обязательное)
ПРЕДЕЛЫ ПРЕВЫШЕНИЯ ТЕМПЕРАТУРЫ
Таблица G.1
Пределы превышения температуры
Составные элементы, комплектующие части УЗИП | Предельное значение превышения температуры |
Встроенные комплектующие элементы <1> | В соответствии с требованиями к отдельным комплектующим элементам, установленным в стандарте или в инструкции <6> изготовителя комплектующих элементов с учетом температуры внутри УЗИП |
Выводы для внешних изолированных проводников | |
Шины и проводники, втычные контакты съемных или выдвижных неотделяемых частей, подсоединяемых к шинам | Ограничено: - механической прочностью проводящего материала <7>; - возможным воздействием на находящуюся рядом аппаратуру; - предельной допустимой температурой для изоляционных материалов, находящихся в контакте с проводником; - воздействием температуры проводника на части, к которым он присоединен; - свойствами и обработкой поверхности контактного материала (для втычных контактов) |
Органы ручного управления: | |
- из металла; | |
- из изоляционного материала | |
Доступные внешние оболочки и элементы оболочек: | |
- металлические поверхности; | |
- изолирующие поверхности | |
Отдельно расположенные устройства разъемного типа (вилка-розетка) | Ограничено предельной температурой элементов оборудования, частью которого они являются <5> |
<1> Термин "встроенные комплектующие элементы" означает: - обычную аппаратуру распределения и управления; - электронные блоки (например, выпрямительный мост, печатная схема); - части оборудования (например, регулятор, стабилизированный источник питания, операционный усилитель). <2> Температура 70 °C является предельной условно согласно испытанию. УЗИП, эксплуатируемое или испытанное в условиях эксплуатации, может иметь соединения, тип, характер и расположение которых не будут соответствовать условиям проведения испытаний, а полученное значение превышения температуры выводов может быть иным. Если выводы встроенного комплектующего элемента также являются выводами для внешних проводников, тогда выбирают нижний предел температуры. <3> Для органов ручного управления, расположенных внутри УЗИП, доступ к которым возможен только после открывания УЗИП, например рукоятки для выдвижения блоков, которыми редко пользуются, допускается устанавливать значение превышения температуры на 25 °C выше установленной. <4> Если нет других указаний относительно оболочки и ее элементов, к которым обеспечен открытый доступ, но к которым нет необходимости прикасаться во время нормальной эксплуатации УЗИП, то допускается устанавливать предельные значения превышения температуры на 10 °C выше установленного значения. <5> Данное положение позволяет проявлять определенную гибкость в отношении выбора оборудования (например, электронных устройств), у которого предельные значения превышения температуры отличаются от предельных значений, как правило, устанавливаемых для аппаратуры распределения и управления. <6> Предельные значения превышения температуры для испытаний по 8.6.1.1 устанавливает изготовитель УЗИП. <7> Если предположить, что для перечисленных критериев это допустимо, максимальное превышение температуры для неизолированных медных шин и проводников не должно быть св. 105 °C. Температура 105 °C относится к такой температуре, выше которой может произойти отжиг меди. |
(справочное)
СВЕДЕНИЯ О СООТВЕТСТВИИ МЕЖГОСУДАРСТВЕННЫХ СТАНДАРТОВ
ССЫЛОЧНЫМ МЕЖДУНАРОДНЫМ СТАНДАРТАМ
Таблица ДА.1
Обозначение и наименование международного стандарта | Степень соответствия | Обозначение и наименование межгосударственного стандарта |
IEC 60060-1:1989 Методика высоковольтных испытаний. Часть 1. Общие определения и требования к испытаниям | - | |
IEC 60112 Метод определения контрольного и сравнительного индекса трекингостойкости твердых изоляционных материалов | NEQ | ГОСТ 27473-87 (МЭК 112-79) Материалы электроизоляционные твердые. Метод определения сравнительного и контрольного индексов трекингостойкости во влажной среде |
IEC 60529 Степени защиты, обеспечиваемые корпусами (код IP) | IDT | ГОСТ 14254-96 (МЭК 529-89) Степени защиты, обеспечиваемые оболочками (Код IP) |
IEC 60664-1:2007 Координация изоляции в оборудовании низковольтных систем. Часть 1. Принципы, требования и испытания | - | |
IEC 60695-2-11:2000 Испытание на пожаробезопасность. Часть 2-11. Методы испытания раскаленной проволокой. Испытание методом раскаленной проволоки конечного продукта | NEQ | ГОСТ 27483-87 (МЭК 695-2-1-80) Испытание на пожароопасность. Методы испытаний. Испытание нагретой проволокой |
IEC 61000 (all parts) МЭК 61000 (все части). Электромагнитная совместимость (ЭМС) | - | |
IEC 61180-1 Технология высоковольтных испытаний низковольтного оборудования. Часть 1. Определения и требования к испытаниям и методам испытаний | - | <*> |
<*> Соответствующий межгосударственный стандарт отсутствует. До его утверждения рекомендуется использовать перевод на русский язык данного международного стандарта. <**> Межгосударственный стандарт в стадии разработки. В настоящей таблице использованы следующие условные обозначения степени соответствия стандартов: - IDT - идентичные стандарты; - NEQ - неэквивалентные стандарты. |
| IEC 61643-1:2005 | Low-voltage surge protective devices - Part 11: Surge protective devices connected to Low-voltage power distribution systems - Performance requirements and testing methods (Низковольтные устройства для защиты от импульсных перенапряжений. Часть 11. Устройства для защиты от импульсных перенапряжений в низковольтных силовых распределительных системах. Требования к работоспособности и методы испытаний) |
| IEC 60050-151:2001 | International Electrotechnical Vocabulary - Part 151: Electrical and magnetic devices (Международный электротехнический словарь. Часть 151: Электрические и магнитные устройства) |
| IEC 62305 (all parts) | Protection against lightning ((все части) Грозозащита) |
| IEC 60364-5-53:2001 | Electrical installations of buildings - Part 5-53; Selection and erection of electrical equipment - Isolation, switching and control (Низковольтные электроустановки зданий. Часть 5-51. Выбор и сооружение электрооборудования. Изоляция, коммутация и управление) |
| IEC 60364-5-51:2005 | Electrical installations of buildings - Part 5-51: Selection and erection of electrical equipment - Common rules (Низковольтные электроустановки зданий. Часть 5-51. Выбор и сооружение электрооборудования. Общие правила) |
| IEC 60884-1:2006 | Plugs and socket-outlets for household and similar purposes - Part 1: General (Вилки и штепсельные розетки бытового и аналогичного назначения. Часть 1. Общие требования) |
| IEC 60320 (all parts) | Appliance couplers for household and similar general purposes ((все части) Соединители для электроприборов бытового и аналогичного общего назначения) |
| IEC 62305-1:2010 | Protection against lightning - Part 1: General principles (Защита от молнии. Часть 1. Общие принципы) |
| IEC 61643-12:2008 | Low-voltage surge protective devices - Part 12: Surge protective devices connected to low-voltage power distribution sistem - Selection and application principles (Низковольтные устройства для защиты от импульсных перенапряжений. Часть 12. Устройства для защиты от импульсных перенапряжений в низковольтных силовых распределительных системах. Принципы выбора и применения) |
| IEC 60947-1:2011 | Low-voltage switchgear and control gear - Part 1: General rules (Низковольтная аппаратура распределения и управления. Часть 1. Общие требования) |
| ISO 2039-2:1987 | Plastics-Determination of hardness - Part 2: Rockwell hardness (Пластмассы. Определение твердости. Часть 2. Определение твердости по Роквеллу) |
| IEC 60364-4-44:2007 | Low-voltage electrical installations - Part 4-44: Protection for safety - Protection against voltage disturbances and electromagnetic disturbances (Низковольтные электроустановки. Часть 4-44: Защита с целью безопасности. Защита от импульсных напряжений и электромагнитных помех) |
| IEC 60038:2009 | IEC standard voltages (Стандартные напряжения МЭК) |
| ISO 4892-2:2006 | Plastic - Methods of exposure to laboratory light services - Part 2: Xenon arc lamps (Пластмассы. Методы лабораторных световых излучений. Часть 2. Ксеноновые дуговые лампы) |
| ISO 4892-1:2006 | Plastics - Methods of exposure to laboratory light services - Part 1: General guidance (Пластмассы. Методы лабораторных исследований световых излучений. Часть 1. Общее руководство) |
| ASTM 151 - Ultra | Violet radiation test methods (Методы испытаний ультрафиолетовым излучением) |
| IEC 60068-2-14:2009 | Environmental testing - Part 2-14: Tests - Test N: Change of temperature (Воздействующие факторы окружающей среды. Часть 2-14. Испытания. Испытание N: Изменение температуры) |
| IEC 60068-2-30:2005 | Environmental testing - Part 2-30: Tests - Test Db: Damp heat, cyclic (12 h + 12 h cycle) (Воздействующие факторы окружающей среды. Часть 2-30. Испытания. Испытание Db: Влажный нагрев циклический (цикл 12 + 12 часов)) |
| IEC 60068-2-11:1981 | Environmental testing - Part 2-11: Tests - Test Ka: Salt mist (Воздействующие факторы окружающей среды. Часть 2-11. Испытания. Испытание Ka: Соляной туман) |