Главная // Актуальные документы // ГОСТ (Государственный стандарт)СПРАВКА
Источник публикации
М.: Издательство стандартов, 1994
Примечание к документу
Отдельные положения данного документа включены в
Перечень документов в области стандартизации, в результате применения которых на добровольной основе обеспечивается соблюдение требований Федерального
закона от 22.07.2008 N 123-ФЗ "Технический регламент о требованиях пожарной безопасности" (
Приказ Росстандарта от 13.02.2023 N 318).
Отдельные положения данного документа включены в
Перечень документов в области стандартизации, в результате применения которых на добровольной основе обеспечивается соблюдение требований Федерального
закона от 22.07.2008 N 123-ФЗ "Технический регламент о требованиях пожарной безопасности" (
Приказ Росстандарта от 14.07.2020 N 1190).
Отдельные положения данного документа включены в
Перечень документов в области стандартизации, в результате применения которых на добровольной основе обеспечивается соблюдение требований Федерального
закона от 22.07.2008 N 123-ФЗ "Технический регламент о требованиях пожарной безопасности" (
Приказ Росстандарта от 03.06.2019 N 1317).
С 1 июля 2003 года до вступления в силу технических регламентов акты федеральных органов исполнительной власти в сфере технического регулирования носят рекомендательный характер и подлежат обязательному исполнению только в части, соответствующей целям, указанным в
пункте 1 статьи 46 Федерального закона от 27.12.2002 N 184-ФЗ.
Ограничение срока действия снято по Протоколу N 5-94 Межгосударственного совета по стандартизации, метрологии и сертификации ("ИУС", N 11 - 12, 1994).
Документ
введен в действие с 01.01.1983.
Взамен ГОСТ 10434-76.
Название документа
"ГОСТ 10434-82. Государственный стандарт Союза ССР. Соединения контактные электрические. Классификация. Общие технические требования"
(утв. Постановлением Госстандарта СССР от 03.02.1982 N 450)
(ред. от 01.05.1990)
"ГОСТ 10434-82. Государственный стандарт Союза ССР. Соединения контактные электрические. Классификация. Общие технические требования"
(утв. Постановлением Госстандарта СССР от 03.02.1982 N 450)
(ред. от 01.05.1990)
Утвержден и введен в действие
Постановлением Госстандарта СССР
от 3 февраля 1982 г. N 450
ГОСУДАРСТВЕННЫЙ СТАНДАРТ СОЮЗА ССР
СОЕДИНЕНИЯ КОНТАКТНЫЕ ЭЛЕКТРИЧЕСКИЕ
КЛАССИФИКАЦИЯ. ОБЩИЕ ТЕХНИЧЕСКИЕ ТРЕБОВАНИЯ
Electric contact connections. Classification.
General technical requirements
ГОСТ 10434-82
| | Список изменяющих документов (в ред. Изменения N 1, утв. в апреле 1985 г., Изменения N 2, утв. в июне 1987 г., Изменения N 3, утв. в мае 1990 г.) | |
Дата введения
1 января 1983 года
1. Разработан и внесен Министерством монтажных и специальных строительных работ СССР.
Разработчики: Н.Н. Дзекцер, канд. техн. наук (руководитель темы); В.Л. Фукс; О.В. Фесенко, канд. техн. наук.
2. Утвержден и введен в действие Постановлением Государственного комитета СССР по управлению качеством продукции и стандартам от 03.02.1982 N 450.
3. Взамен ГОСТ 10434-76.
Ссылочные нормативно-технические документы
Обозначение НТД, на который дана ссылка | Номер пункта, перечисления, приложения |
| |
| |
| |
| |
| |
| |
| |
| |
ГОСТ 7387-82 | |
| |
| | ИС МЕГАНОРМ: примечание. Взамен ГОСТ 8865-87 Постановлением Госстандарта РФ от 02.06.1994 N 160 с 1 января 1995 года введен в действие ГОСТ 8865-93. | |
|
ГОСТ 8865-87 | |
| |
| |
ГОСТ 9688-82 | |
| |
| Вводная часть |
| |
| |
| |
| |
| |
ГОСТ 17412-72 | |
| |
ГОСТ 17516-72 | |
| Вводная часть |
ГОСТ 19132-86 | |
| |
ГОСТ 21242-75 | |
| |
ГОСТ 22002.1-82 | |
ГОСТ 22002.2-76 - ГОСТ 22002.4-76 | |
ГОСТ 22002.5-76 | |
ГОСТ 22002.6-82 | |
ГОСТ 22002.7-76 - ГОСТ 22002.11-76 | |
ГОСТ 22002.12-76 | |
ГОСТ 22002.13-76 | |
ГОСТ 22002.14-76 | |
ГОСТ 23598-79 | |
| |
| |
ТУ 34-13-11438-89 | |
Срок действия продлен до 01.01.1996 Постановлением Государственного комитета СССР по управлению качеством продукции и стандартам от 25.05.1990 N 1309.
Переиздание (октябрь 1993 г.) с Изменениями N 1, 2, 3, утвержденными в апреле 1985 г., июне 1987 г., мае 1990 г. (ИУС 7-85, 10-87, 8-90).
Настоящий стандарт распространяется на разборные и неразборные электрические контактные соединения шин, проводов или кабелей (далее - проводников) из меди, алюминия и его сплавов, стали, алюмомедных проводов с выводами электротехнических устройств, а также на контактные соединения проводников между собой на токи от 2,5 А. Для контактных соединений электротехнических устройств на токи менее 2,5 А требования стандарта являются рекомендуемыми. Требования стандарта в части допустимого значения электрического сопротивления и стойкости контактных соединений при сквозных токах распространяются также на контактные соединения в цепях заземляющих и защитных проводников из стали.
Стандарт не распространяется на электрические контактные соединения электротехнических устройств специального назначения.
(Измененная редакция, Изм. N 1, 2, 3).
1.1. В зависимости от области применения электрические контактные соединения (далее - контактные соединения) подразделяются на классы в соответствии с табл. 1.
Таблица 1
Область применения контактного соединения | Класс контактного соединения |
1. Контактные соединения цепей, сечения проводников которых выбраны по допустимым длительным токовым нагрузкам (силовые электрические цепи, линии электропередачи и т.п.) | 1 |
2. Контактные соединения цепей, сечения проводников которых выбраны по стойкости к сквозным токам, потере и отклонению напряжения, механической прочности, защите от перегрузки. Контактные соединения в цепях заземляющих и защитных проводников из стали | 2 |
3. Контактные соединения цепей с электротехническими устройствами, работа которых связана с выделением большого количества тепла (нагревательные элементы, резисторы и т.п.) | 3 |
Примечание. В стандартах и технических условиях на конкретные виды электротехнических устройств должны указываться классы 2 и 3, класс 1 не указывается.
1.2. В зависимости от климатического исполнения и категории размещения электротехнических устройств по
ГОСТ 15150-69 контактные соединения подразделяются на группы в соответствии с табл. 2.
Таблица 2
Климатическое исполнение и категория размещения электротехнического устройства | Группа контактного соединения |
1. Все климатические исполнения для категории размещения 4,1 при атмосфере типов II и I. Климатические исполнения У, УХЛ, ТС для категории размещения 3 и климатические исполнения УХЛ, ТС для категории размещения 4 при атмосфере типов II и I | А |
2. Любые сочетания климатического исполнения и категории размещения, кроме указанных выше, при атмосфере типов II и I. Любые сочетания климатического исполнения и категории размещения при атмосфере типов III и IV | Б |
1.3. По конструктивному исполнению контактные соединения подразделяются на неразборные и разборные.
1.4. В зависимости от материала соединяемых проводников и группы контактных соединений по
п. 1.2 разборные контактные соединения подразделяются на:
не требующие применения средств стабилизации электрического сопротивления - см.
пп. 2.1.6 и
2.1.8;
требующие применения средств стабилизации электрического сопротивления - см.
пп. 2.1.7 и
2.1.8.
2. ТЕХНИЧЕСКИЕ ТРЕБОВАНИЯ
2.1. Требования к конструкции
2.1.1. Контактные соединения должны выполняться в соответствии с требованиями настоящего стандарта, стандартов и технических условий на конкретные виды электротехнических устройств по рабочим чертежам, утвержденным в установленном порядке.
2.1.2. Выводы электротехнических устройств должны соответствовать требованиям
ГОСТ 24753-81.
2.1.3. Контактные винтовые зажимы должны соответствовать требованиям
ГОСТ 25034-85, наборные зажимы должны соответствовать требованиям ГОСТ 19132-86.
2.1.4. Линейная арматура должна соответствовать требованиям
ГОСТ 13276-79.
2.1.5. Неразборные контактные соединения должны выполняться сваркой, пайкой или опрессовкой. Допускается применение других методов, указанных в стандартах или технических условиях на конкретные виды электротехнических устройств.
Примеры выполнения неразборных контактных соединений приведены в
Приложении 1.
2.1.6. Разборные контактные соединения, не требующие применения средств стабилизации электрического сопротивления, должны выполняться при помощи стальных крепежных изделий, защищенных от коррозии в соответствии с требованиями
ГОСТ 9.303-84,
ГОСТ 9.005-72.
(Измененная редакция, Изм. N 2).
2.1.7. Разборные контактные соединения, требующие применения средств стабилизации электрического сопротивления, должны выполняться с использованием как по отдельности, так и в сочетании следующих средств:
1) крепежных изделий из цветных металлов с коэффициентом линейного расширения от

до

1/°С;
2) тарельчатых пружин по
ГОСТ 3057-90 или техническим условиям на конкретные виды пружин;
Допускается применение других видов защитных покрытий, указанных в стандартах или технических условиях на конкретные виды электротехнических устройств;
4) переходных деталей в виде медно-алюминиевых пластин по
ГОСТ 19357-81, медно-алюминиевых наконечников по
ГОСТ 9581-80 и аппаратных зажимов из плакированного алюминия по ТУ 34-13-11438-89;
5) переходных деталей в виде пластин и наконечников из алюминиевого сплава с временным сопротивлением разрыву не менее 130 МПа (далее - твердый алюминиевый сплав);
6) штифтовых наконечников по ГОСТ 23598-79 из твердого алюминиевого сплава;
7) штифтовых наконечников по ГОСТ 23598-79, медно-алюминиевых;
8) электропроводящих смазок или других электропроводящих материалов, если возможность их применения подтверждена результатами испытаний по
ГОСТ 17441-84 и указана в стандартах или технических условиях на конкретные виды электротехнических устройств.
При применении средств
2) -
8) контактные соединения, как правило, должны выполняться при помощи стальных крепежных деталей, защищенных от коррозии в соответствии с требованиями
ГОСТ 9.303-84,
ГОСТ 9.005-72.
Примечание. Необходимость нанесения защитного металлического покрытия на рабочие поверхности медных проводников должна быть указана в стандартах или технических условиях на конкретные виды электротехнических устройств.
(Измененная редакция, Изм. N 1, 2, 3).
2.1.8. Разборные контактные соединения в зависимости от группы по
п. 1.2 и материала соединяемых проводников и выводов электротехнических устройств должны выполняться в соответствии с требованиями стандарта, указанными:
для контактных соединений проводников с плоскими выводами, а также контактных соединений проводников между собой - в табл. 3;
Группа контактного соединения | Материал проводника | Номер пункта стандарта в зависимости от материала вывода или второго проводника |
медь и ее сплавы | твердый алюминиевый сплав | алюминий | сталь |
А | Медь, алюмомедь | | | |
Твердый алюминиевый сплав |
Алюминий | |
Б | Медь, алюмомедь | | | | |
Твердый алюминиевый сплав | | | | |
Алюминий | | |
--------------------------------
<*> Контактные соединения электротехнических устройств климатических исполнений У, УХЛ категорий размещения 1 и 2 допускается изготовлять по
п. 2.1.6.
для контактных соединений проводников со штыревыми выводами - в табл. 4;
для контактных соединений проводников с гнездовыми выводами - в
табл. 5.
Таблица 4
Группа контактного соединения | Материал проводника | Номер пункта стандарта в зависимости от материала штыревого вывода |
медь или латунь на номинальный ток | сталь на номинальный ток до 40 А |
до 630 А | выше 630 А |
А | Медь, алюмомедь | |
Твердый алюминиевый сплав |
Алюминий | 2.1.7 | 2.1.7 | 2.1.7 |
Б | Медь, алюмомедь | |
Твердый алюминиевый сплав | 2.1.7 | | 2.1.7 |
Алюминий | |
--------------------------------
<*> Контактные соединения электротехнических устройств климатических исполнений У, УХЛ категорий размещения 1 и 2 допускается изготовлять по
п. 2.1.6.
Примечание. Во всех случаях для штыревых выводов на номинальный ток выше 40 А должны применяться упорные гайки из меди или латуни.
Группа контактного соединения | Материал проводника | Номер пункта стандарта в зависимости от типа жилы |
однопроволочная | многопроволочная |
А | Медь | Непосредственное соединение | |
Алюмомедь | - |
Алюминий | Непосредственное соединение <*> или 2.1.7 6) или 7) <**> | Непосредственное соединение <*> или 2.1.7 6) или 7) <**> |
Б | Медь | Непосредственное соединение <*> или 2.1.6 <***> | |
Алюмомедь | - |
Алюминий | 2.1.7 |
--------------------------------
<*> Возможность непосредственного соединения должна быть указана в стандартах или технических условиях на конкретный вид электротехнического устройства.
<**> Допускается соединение алюминиевых жил, сплавленных в монолит с добавкой легирующих присадок из твердого алюминиевого сплава.
<***> Контактное соединение выполняется путем оконцевания медными штифтовыми наконечниками по ГОСТ 22002.5-76, ГОСТ 22002.12-76, ГОСТ 22002.13-76, ГОСТ 23598-79 или путем облуживания жил оловянно-свинцовыми припоями по
ГОСТ 21931-76.
Контактные соединения в соответствии с климатическим исполнением и категорией размещения электротехнических устройств, определяемыми по
ГОСТ 15150-69 и
ГОСТ 15543-70, должны выдерживать воздействие климатических факторов внешней среды, указанных в
ГОСТ 15150-69,
ГОСТ 15543-70,
ГОСТ 15963-79,
ГОСТ 16350-80, ГОСТ 17412-72 или в стандартах и технических условиях на конкретные виды электротехнических устройств.
Допускается по согласованию с потребителем применять контактные соединения, отличающиеся от указанных в
табл. 3 -
5.
Примеры выполнения разборных контактных соединений приведены в
Приложении 2.
(Измененная редакция, Изм. N 1, 3).
2.1.9. Контактные соединения пластин из твердого алюминиевого сплава и алюминиевой части медно-алюминиевых пластин с алюминиевыми проводниками (выводами) должны выполняться сваркой или пайкой, а соединения наконечников из твердого алюминиевого сплава и алюминиевой части медно-алюминиевых наконечников с алюминиевыми жилами проводов и кабелей должны выполняться сваркой или опрессовкой.
2.1.10. Разборные контактные соединения однопроволочных жил проводов и кабелей с плоскими или штыревыми выводами должны выполняться:
жил сечением до 16 мм
2 - после оконцевания наконечниками по
ГОСТ 7386-80 или непосредственно: путем формирования в кольцо или без него с предохранением в обоих случаях от выдавливания фасонными шайбами или другими способами;
жил сечением 25 мм
2 и более - после оконцевания наконечниками по
ГОСТ 7386-80, ГОСТ 7387-82,
ГОСТ 9581-80 или путем формирования конца жилы в плоскую зажимную часть с отверстием под болт.
2.1.11. Разборные контактные соединения многопроволочных жил проводов и кабелей с плоскими или штыревыми выводами должны выполняться:
жил сечением до 10 мм
2 - после оконцевания наконечниками по
ГОСТ 7386-80, ГОСТ 9688-82, ГОСТ 22002.1-82, ГОСТ 22002.2-76 - ГОСТ 22002.4-76, ГОСТ 22002.6-82, ГОСТ 22002.7-76 - ГОСТ 22002.11-76, ГОСТ 22002.14-76 или непосредственно: путем формирования в кольцо или без него с предохранением в обоих случаях от выдавливания фасонными шайбами, или другими способами;
жил сечением 16 мм
2 и более - после оконцевания наконечниками по
ГОСТ 7386-80, ГОСТ 7387-82,
ГОСТ 9581-80, ГОСТ 22002.1-82, ГОСТ 22002.2-76, ГОСТ 22002.6-82, ГОСТ 22002.7-76.
(Измененная редакция, Изм. N 1, 2).
2.1.12. К каждому болту (винту) плоского вывода или к штыревому выводу рекомендуется присоединять не более двух проводников, если иное не указано в стандартах или технических условиях на конкретные виды электротехнических устройств.
2.1.13. В разборных контактных соединениях должны использоваться крепежные детали классов прочности по
ГОСТ 1759.4-87 и
ГОСТ 1759.5-87, указанных в табл. 6. Винты в контактных соединениях рекомендуется применять с цилиндрической или шестигранной головкой.
Таблица 6
Наименование детали и ее материал | Класс или группа прочности, не ниже |
Болты, винты, шпильки из углеродистых или легированных сталей | 5.8 |
Гайки из углеродистых или легированных сталей | 5 |
Болты, винты, шпильки и гайки из цветных металлов | 32 |
2.1.14. Требования к подготовке рабочих поверхностей контактных деталей приведены в
Приложении 3.
2.2. Требования к электрическим параметрам
2.2.1. Отношение начального электрического сопротивления контактных соединений (кроме контактных соединений со штыревыми выводами) к электрическому сопротивлению участка соединяемых проводников, длина которого равна длине контактного соединения, не должно превышать:
для класса 1-1, если иное не указано в стандартах или технических условиях на конкретные виды электротехнических устройств;
для класса 2-2;
для класса 3-6.
В контактных соединениях проводников с различным электрическим сопротивлением сравнение производится с контакт-деталью с большим электрическим сопротивлением.
2.2.2. Начальное электрическое сопротивление контактных соединений класса 1 проводников со штыревыми выводами не должно превышать значений, указанных в табл. 7.
Таблица 7
Диаметр штыря, мм | 3 | 4 | 5 | 6 | 8 | 10 | 12 | 16 | 20 | 24 | 30 | 33 | 36 | 42 | 48 | 56 |
Начальное электрическое сопротивление контактных соединений с медными и латунными выводами по ГОСТ 21242-75, мкОм | 80 | 50 | 30 | 26 | 16 | 14 | 12 | 10 | 8 | 8 | 6 | 6 | 5 | 5 | 5 | 4 |
Требования к контактным соединениям классов 2 и 3, при необходимости, указываются в стандартах или технических условиях на конкретные виды электротехнических устройств.
2.2.3. Электрическое сопротивление контактных соединений (кроме сварных и паяных), прошедших испытание на соответствие требованиям стандартов и другой технической документации по методике, указанной в
ГОСТ 17441-84, не должно превышать начальное значение более чем в 1,5 раза. Электрическое сопротивление сварных и паяных контактных соединений должно оставаться неизменным. Необходимость обязательного применения моментных индикаторных ключей должна быть указана в стандартах или технических условиях на конкретные виды электротехнических устройств.
(Измененная редакция, Изм. N 3).
| | Применение на добровольной основе пункта 2.2.4 обеспечивает соблюдение требований Федерального закона от 22.07.2008 N 123-ФЗ "Технический регламент о требованиях пожарной безопасности" (Приказ Ростехрегулирования от 30.04.2009 N 1573). | |
2.2.4. При протекании номинального (длительно допустимого) тока наибольшая допустимая температура контактных соединений классов 1 и 2 не должна превышать значений, указанных в табл. 8. Токовые нагрузки проводников при этом принимают по "
Правилам устройства электроустановок", утвержденным Госэнергонадзором 12.04.1969, по стандартам или техническим условиям на конкретные виды электротехнических устройств.
Таблица 8
Характеристика соединяемых проводников | Наибольшая допустимая температура нагрева, °C, в установках |
до 1000 В | св. 1000 В |
1. Проводники из меди, алюмомеди, алюминия и его сплавов без защитных покрытий рабочих поверхностей | 95 | |
2. Проводники из меди, алюмомеди, алюминия и его сплавов с защитными покрытиями рабочих поверхностей неблагородными металлами | |
| | ИС МЕГАНОРМ: примечание. Взамен ГОСТ 8865-87 Постановлением Госстандарта РФ от 02.06.1994 N 160 с 1 января 1995 года введен в действие ГОСТ 8865-93. | |
|
3. Проводники из меди и ее сплавов без изоляции или с изоляцией классов В, F и Н по ГОСТ 8865-87 с защитным покрытием рабочих поверхностей серебром | 135 | |
--------------------------------
<*> Допускается для проводников из меди без изоляции или с изоляцией классов В, F и Н по ГОСТ 8865-87 повышать температуру до 135 °С, если возможность этого подтверждена результатами испытаний по
ГОСТ 17441-84 и указана в стандартах или технических условиях на конкретные виды электротехнических устройств.
Температура контактных соединений класса 3 устанавливается в стандартах или технических условиях на конкретные виды электротехнических устройств в зависимости от применяемых материалов, покрытий, класса изоляции присоединяемых проводников и условий эксплуатации.
(Измененная редакция, Изм. N 1, 2, 3).
2.2.5. (Исключен, Изм. N 1).
2.2.6. После режима сквозного тока контактные соединения не должны иметь механических повреждений, препятствующих их дальнейшей эксплуатации. Температура контактных соединений в режиме сквозного тока не должна быть более 200 °С у соединений проводников из алюмомеди, алюминия и его сплавов, а также у соединений этих проводников с медными, 300 °С - у соединений медных проводников и 400 °С - у соединений стальных проводников.
2.2.7. Значение допустимого сквозного тока контактных соединений должно быть не менее допустимых сквозных токов конкретных видов электротехнических устройств, указанных в стандартах или технических условиях на эти устройства.
При отсутствии этих данных значение плотности односекундного тока должно соответствовать 165 А/мм2 - для медных проводников, 105 А/мм2 - для алюминиевых и алюмомедных, 90 А/мм2 - для проводников из алюминиевого сплава и 20 А/мм2 - для стальных проводников.
(Измененная редакция, Изм. N 1).
2.3. Требования по устойчивости к механическим факторам
2.3.1. Контактные соединения должны выдерживать воздействие механических факторов внешней среды по группе условий эксплуатации согласно ГОСТ 17516-72, которая должна указываться в стандартах или технических условиях на конкретные виды электротехнических устройств.
При отсутствии таких указаний контактные соединения, подверженные вибрации, должны выдерживать вибрацию в течение 1 ч с постоянной частотой от 40 до 50 Гц и амплитудой 1 мм.
2.3.2. Контактные соединения должны выдерживать воздействия статических осевых нагрузок на растяжение, вызывающие напряжения, не менее:
90% временного сопротивления разрыву целого проводника - для контактных соединений проводов линии электропередачи, работающих на растяжение;
30% временного сопротивления разрыву целого проводника - для неразборных контактных соединений, не работающих на растяжение, а также для соединений проводников с гнездовыми выводами, соединений неоконцованных проводов и кабелей с плоскими выводами, укомплектованными фасонными шайбами.
2.3.3. Затяжку болтов рекомендуется производить моментными индикаторными ключами, например ДК-25, винтов - тарированными отвертками. Крутящие моменты указаны в
Приложении 4.
Для проводников сечением до 1,5 мм2 не допускается применять винтовой зажим, конец винта которого проворачивается по жиле.
2.3.1 - 2.3.3. (Измененная редакция, Изм. N 1).
2.3.4. Разборные контактные соединения проводников с выводами, одноболтовые контактные соединения, которые могут подвергаться воздействию сквозных токов короткого замыкания, а также разборные контактные соединения, подверженные вибрации или находящиеся во взрывоопасных помещениях, должны быть предохранены от самоотвинчивания контргайками, пружинными шайбами, тарельчатыми пружинами или другими способами.
(Измененная редакция, Изм. N 2).
2.4. Требования к надежности
2.4.1. Для оценки надежности контактных соединений устанавливается гамма-процентный ресурс, если иное не установлено в стандартах или технических условиях на электротехнические устройства конкретных видов.
Нижнее значение гамма-процентного ресурса должно обеспечивать работу электротехнических устройств в соответствии с требованиями к надежности, установленными в стандартах или технических условиях на эти электротехнические устройства.
(Измененная редакция, Изм. N 1).
2.5. Требования безопасности
2.5.1. Контактные соединения в части требований безопасности должны соответствовать
ГОСТ 12.2.007.0-75 и обеспечивать условия эксплуатации, установленные "Правилами технической эксплуатации установок потребителей" и "Правилами техники безопасности при эксплуатации электроустановок потребителей", утвержденными Госэнергонадзором 12 апреля 1969 г.
2.5.2. Контактные соединения в части требований пожарной безопасности должны соответствовать
ГОСТ 12.1.004-91, что обеспечивается выполнением требований ГОСТ 10434-82.
(Введен дополнительно, Изм. N 3).
Справочное
НЕРАЗБОРНЫЕ КОНТАКТНЫЕ СОЕДИНЕНИЯ
а - сваркой или пайкой; б - со штыревым выводом сваркой;
в - сваркой через переходную медно-алюминиевую пластину;
г - соединение жил проводов (кабелей) через соединительную
гильзу опрессовкой; д - соединение жилы провода (кабеля)
с кабельным наконечником опрессовкой (сваркой, пайкой);
е - соединение жил проводов в овальных соединителях.
1 - плоский вывод (шина); 2 - шина; 3 - штыревой вывод;
4 - медно-алюминиевая пластина; 5 - провод (кабель);
6 - соединительная гильза; 7 - кабельный наконечник;
8 - овальный соединитель
Справочное
РАЗБОРНЫЕ КОНТАКТНЫЕ СОЕДИНЕНИЯ
Разборные контактные соединения проводников с плоскими
выводами без средств стабилизации электрического
сопротивления
а - с контргайкой; б - с пружинной шайбой;
в - однопроволочная (многопроволочная) жила провода
(кабеля) сеч. до 10 мм2 с изгибанием в кольцо;
г - однопроволочная (многопроволочная) жила провода
(кабеля) сеч. до 10 мм2 без изгибания в кольцо.
1 - плоский вывод (шина); 2 - шина (кабельный наконечник);
3, 4, 5 - шайба, болт и гайка стальные; 6 - пружинная
шайба; 7 - винт; 8 - фасонная шайба (шайба-звездочка);
9 - провод (кабель); 10 - фасонная шайба (арочная шайба)
Черт. 1
Разборные контактные соединения проводников
с плоскими выводами со средствами стабилизации
электрического сопротивления
а - крепежом из цветного металла с контргайкой;
б - крепежом из цветного металла с пружинной шайбой;
в - стальным крепежом с тарельчатой пружиной; г - стальным
крепежом с защитными металлическими покрытиями рабочих
поверхностей с контргайкой (пружинной шайбой); д - стальным
крепежом через переходную медно-алюминиевую пластину
с контргайкой (пружинной шайбой); е - стальным крепежом
через переходную пластину из твердого алюминиевого сплава
с контргайкой (пружинной шайбой).
1 - плоский вывод (шина); 2 - шина (кабельный наконечник);
3 - 5 - шайба, болт, гайка из цветного металла;
6 - пружинная шайба; 7 - стальная гайка; 8 - стальной болт;
9 - тарельчатая пружина; 10 - стальная шайба (шайба
увеличенная); 11 - стальная шайба; 12 - плоский вывод
(шина) с защитным металлическим покрытием рабочей
поверхности; 13 - шина (кабельный наконечник) с защитным
металлическим покрытием рабочей поверхности;
14 - медно-алюминиевая пластина; 15 - пластина из
твердого алюминиевого сплава
Черт. 2
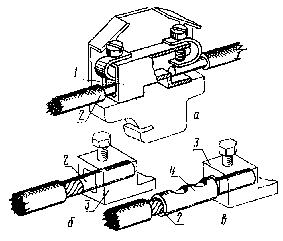
Разборные контактные соединения проводников со штыревыми
выводами без средств и со средствами стабилизации
электрического сопротивления
а - проводник из меди, твердого алюминиевого сплава или
алюминия с защитным металлическим покрытием рабочей
поверхности; б, в, г - алюминиевый проводник;
д - алюминиевый проводник через переходную
медно-алюминиевую пластину; е - однопроволочная
(многопроволочная) жила провода кабеля сеч. 10 мм2
с изгибанием в кольцо.
1 - штыревой вывод из меди или латуни; 2 - гайка из меди
или латуни; 3 - шина (кабельный наконечник) из меди,
твердого алюминиевого сплава или алюминия с защитным
металлическим покрытием рабочих поверхностей; 4 - стальная
гайка; 5 - штыревой медный вывод; 6 - стальная шайба;
7 - алюминиевая шина (кабельный наконечник); 8 - штыревой
латунный вывод; 9 - штыревой стальной вывод;
10 - тарельчатая пружина; 11 - медно-алюминиевая пластина;
12 - провод (кабель); 13 - пружинная шайба; 14 - фасонная
шайба (шайба-звездочка)
Черт. 3
Разборные контактные соединения проводников
с гнездовыми выводами
а, б - однопроволочная (многопроволочная, сплавленная
в монолит) жила; в - многопроволочная жила, оконцованная
кабельным наконечником.
1 - наборный зажим; 2 - провод (кабель); 3 - гнездовой
вывод; 4 - кабельный наконечник штифтовой
Черт. 4
Рекомендуемое
ТРЕБОВАНИЯ К ПОДГОТОВКЕ РАБОЧИХ ПОВЕРХНОСТЕЙ КОНТАКТ-ДЕТАЛЕЙ
1. Контакт-детали, имеющие два и более отверстий под болты в поперечном ряду, рекомендуется выполнять с продольными разрезами, как показано на чертеже.
2. Рабочие поверхности контакт-деталей разборных контактных соединений и неразборных контактных соединений с линейной арматурой непосредственно перед сборкой должны быть подготовлены:
медные без покрытия и алюмомедные - зачищены.
При зачистке алюмомедных проводов не должна быть повреждена медная оболочка;
алюминиевые и из алюминиевых сплавов - зачищены и смазаны нейтральной смазкой (вазелин КВЗ по
ГОСТ 15975-70 ЦИАТИМ-221 по
ГОСТ 9433-80 или другими смазками с аналогичными свойствами).
Рекомендуемое время между зачисткой и смазкой не более 1 ч;
рабочие поверхности, имеющие защитные металлические покрытия, - промыты органическим растворителем.
(Измененная редакция, Изм. N 3).
3. Рабочие поверхности медных контакт-деталей, соединяемых способом опрессовки, должны быть зачищены, если иное не указано в стандартах или технических условиях на конкретные виды электротехнических устройств.
Рабочие поверхности алюминиевых контакт-деталей должны быть зачищены и смазаны кварцевазелиновой пастой или другими смазками, пастами и компаундами с аналогичными свойствами.
4. Поверхности контакт-деталей, соединяемых сваркой или пайкой, должны быть предварительно зачищены, обезжирены или протравлены.
5. Расположение и размер отверстий под болты в контакт-деталях разборных контактных соединений рекомендуется принимать в соответствии с ГОСТ 21242-75.
По согласованию с потребителем допускается выполнение овальных отверстий.
(Введен дополнительно, Изм. N 2).
Рекомендуемое
Таблица 9
Диаметр резьбы, мм | Крутящий момент, Н·м, для болтового соединения |
с шлицевой головкой (винты) | с шестигранной головкой |
М3 | 0,5 +/- 0,1 | - |
М3,5 | 0,8 +/- 0,2 |
М4 | 1,2 +/- 0,2 |
М5 | 2,0 +/- 0,4 | 7,5 +/- 1,0 |
М6 | 2,5 +/- 0,5 | 10,5 +/- 1,0 |
М8 | - | 22,0 +/- 1,5 |
М10 | 30,0 +/- 1,5 |
М12 | 40,0 +/- 2,0 |
М16 | 60,0 +/- 3,0 |
М20 | 90,0 +/- 4,0 |
М24 | 130,0 +/- 5,0 |
М30 | 200,0 +/- 7,0 |
М36 | 240,0 +/- 10,0 |
Примечание. Для болтовых соединений проводников из меди и твердого алюминиевого сплава рекомендуется применять крутящие моменты, значения которых в 1,5 - 1,7 раза превышают установленные в таблице.
(Измененная редакция, Изм. N 3).