Главная // Актуальные документы // ГОСТ (Государственный стандарт)СПРАВКА
Источник публикации
М.: Стандартинформ, 2013
Примечание к документу
Документ
введен в действие с 1 января 2013 года.
Название документа
"ГОСТ 5089-2011. Межгосударственный стандарт. Замки, защелки, механизмы цилиндровые. Технические условия"
(введен в действие Приказом Росстандарта от 20.09.2012 N 394-ст)
"ГОСТ 5089-2011. Межгосударственный стандарт. Замки, защелки, механизмы цилиндровые. Технические условия"
(введен в действие Приказом Росстандарта от 20.09.2012 N 394-ст)
агентства по техническому
регулированию и метрологии
от 20 сентября 2012 г. N 394-ст
МЕЖГОСУДАРСТВЕННЫЙ СТАНДАРТ
ЗАМКИ, ЗАЩЕЛКИ, МЕХАНИЗМЫ ЦИЛИНДРОВЫЕ
ТЕХНИЧЕСКИЕ УСЛОВИЯ
Locks, latches, cylinder mechanisms. Specifications
EN 12209:2003
Building hardware - Locks and latches - Mechanically
operated locks, latches and locking plates -
Requirements and test methods
(NEQ)
EN 1303:2005
Building hardware - Cylinders for locks -
Requirements and test methods
(NEQ)
EN 12320:2010
Building hardware - Padlocks and padlocks fittings -
Requirements and test methods
(NEQ)
ГОСТ 5089-2011
Дата введения
1 января 2013 года
Цели, основные принципы и основной порядок проведения работ по межгосударственной стандартизации установлены
ГОСТ 1.0-92 "Межгосударственная система стандартизации. Основные положения" и МСН 1.01-01-2009 "Система межгосударственных нормативных документов в строительстве. Основные положения".
1. Разработан Учреждением "Центр по сертификации оконной и дверной техники" (ЦС ОДТ), фирмой "ABLOY Limited Liability Company" (Финляндия), ООО "ИнтерКласс", в/ч 35533.
2. Внесен Техническим комитетом по стандартизации ТК 465 "Строительство".
3. Принят Межгосударственной научно-технической комиссией по стандартизации, техническому нормированию и оценке соответствия в строительстве (приложение Д к Протоколу от 8 декабря 2011 г. N 39).
За принятие стандарта проголосовали:
Краткое наименование страны по МК (ИСО 3166) 004-97 | Код страны по МК (ИСО 3166) 004-97 | Сокращенное наименование национального органа государственного управления строительством |
Азербайджан | AZ | Госстрой |
Армения | AM | Министерство градостроительства |
Казахстан | KZ | Агентство по делам строительства и жилищно-коммунального хозяйства |
Кыргызстан | KG | Госстрой |
Молдова | MD | Министерство строительства и регионального развития |
Российская Федерация | RU | Министерство регионального развития |
Таджикистан | TJ | Агентство по строительству и архитектуре при правительстве |
Узбекистан | UZ | Госархитектстрой |
Украина | UA | Министерство регионального развития и строительства |
4. В настоящем стандарте учтены основные нормативные положения следующих европейских региональных стандартов:
EN 12209:2003. Building hardware - Locks and latches - Mechanically operated locks, latches and locking plates - Requirements and test methods (Строительное оборудование. Замки и защелки. Механические замки, защелки и запорные планки. Требования и методы испытаний) в части технических требований и методов испытаний;
EN 1303:2005. Building hardware - Cylinders for locks - Requirements and test methods (Строительное оборудование. Цилиндровые механизмы для замков. Требования и методы испытаний) в части технических требований и методов испытаний;
EN 12320:2010. Building hardware - Padlocks and padlocks fittings - Requirements and test methods (Строительное оборудование. Навесные замки и аксессуары. Требования и методы испытаний) в части технических требований и методов испытаний.
Перевод с английского языка (en).
Степень соответствия - неэквивалентная (NEQ).
5.
Приказом Федерального агентства по техническому регулированию и метрологии от 20 сентября 2012 г. N 394-ст межгосударственный стандарт ГОСТ 5089-2011 введен в действие в качестве национального стандарта Российской Федерации с 1 января 2013 г.
Информация об изменениях к настоящему стандарту публикуется в ежегодно издаваемом информационном указателе "Национальные стандарты", а текст изменений и поправок - в ежемесячно издаваемом информационном указателе "Национальные стандарты". В случае пересмотра (замены) или отмены настоящего стандарта соответствующее уведомление будет опубликовано в ежемесячно издаваемом информационном указателе "Национальные стандарты". Соответствующая информация, уведомление и тексты размещаются также в информационной системе общего пользования - на официальном сайте Федерального агентства по техническому регулированию и метрологии в сети Интернет.
Настоящий стандарт разработан с целью реализации приоритетных задач по обеспечению безопасности здоровья и жизни людей и сохранности имущества применением защитных конструкций (дверей, ворот, окон) с вмонтированными замками.
Замки должны обладать определенным набором потребительских качеств: быть достаточно прочными, иметь необходимый запас безотказной работы, обладать эргономическими показателями, позволяющими пользователям эксплуатировать их без ограничений. Замки должны также содержать в своей конструкции элементы защиты от криминального вскрытия (взлома). Уровень перечисленных качеств замков определяется при контрольных испытаниях, при этом для замков, оцениваемых на высокий класс, рекомендуемый набор испытаний (прежде всего на криминальное вскрытие) шире. По результатам испытаний замкам присваивают класс надежности по самому низкому показателю.
Выбор замков для использования в системах ограничения несанкционированного доступа с учетом
[1] осуществляют по классам надежности. Однако установленный на защитной конструкции замок, обладая определенными охранными свойствами, не может в полной мере решить задачу по защите охраняемого пространства. Эта задача может быть решена применением как единого целого защитной конструкции с вмонтированными в нее замками, в которой предусмотрена защита самого замка в виде специальных накладок, закаленных пластин и т.п.
Настоящий стандарт содержит также требования к особой замочной продукции - замкам раннего реагирования, связанным с сигнализацией и подающим сигнал на пульт охраны при первых попытках вскрытия замка любым способом. При этом злоумышленник не имеет информации о сигнале, что позволяет задержать его до того, как он попадет в помещение. Рекомендуемой областью применения таких замков, кроме дверей жилых, общественных и других зданий, являются чердаки, подвалы, лифтовые шахты, технические этажи и т.п., а также помещения, находящиеся под охраной.
Настоящий стандарт разработан с учетом требований ведущих фирм - производителей замков: "ABLOY Limited Liability Company" (Финляндия), "CISA" (Италия).
Настоящий стандарт распространяется на замки с различными механизмами секретности, монтируемые на строительных и защитных конструкциях (воротах, дверях, окнах), устанавливаемых в жилых, общественных и производственных зданиях и сооружениях, а также на цилиндровые механизмы секретности для замков и защелки (далее - изделия).
Настоящий стандарт устанавливает требования к замкам защитных конструкций (ворот, окон, дверей, в том числе дверей чердаков, подвалов, лифтовых шахт, технических этажей и т.п., а также дверей в помещения, находящиеся под охраной) из различных материалов, позволяющие создавать замки с охранными свойствами различной надежности для защиты охраняемого пространства в зависимости от степени его ответственности.
Настоящий стандарт может быть применен для целей сертификации.
В настоящем стандарте использованы ссылки на следующие стандарты:
ГОСТ 9.303-84. Единая система защиты от коррозии и старения. Покрытия металлические и неметаллические неорганические. Общие требования к выбору
ГОСТ 538-2001. Изделия замочные и скобяные. Общие технические условия
ГОСТ 4784-97. Алюминий и сплавы алюминиевые деформируемые. Марки
ГОСТ 5221-2008. Проволока из оловянно-цинковой бронзы. Технические условия
ГОСТ 5222-72. Проволока из кремнемарганцевой бронзы. Технические условия
ГОСТ 18143-72. Проволока из высоколегированной, коррозионно-стойкой и жаростойкой стали. Технические условия
ГОСТ 19424-97. Сплавы цинковые литейные в чушках. Технические условия
Примечание. При пользовании настоящим стандартом целесообразно проверить действие ссылочных стандартов в информационной системе общего пользования на официальном сайте Федерального агентства по техническому регулированию и метрологии в сети Интернет или по ежегодно издаваемому информационному указателю "Национальные стандарты", который опубликован по состоянию на 1 января текущего года, и по соответствующим ежемесячно издаваемым информационным указателям, опубликованным в текущем году. Если ссылочный стандарт заменен (изменен), то при пользовании настоящим стандартом следует руководствоваться заменяющим (измененным) стандартом. Если ссылочный стандарт отменен без замены, то положение, в котором дана ссылка на него, применяется в части, не затрагивающей эту ссылку.
В настоящем стандарте применены термины по
ГОСТ 538, а также следующие термины с соответствующими определениями:
3.1. Защитная конструкция: конструкция (дверь, ворота, окно) с замком (замками) или без замка (замков), устанавливаемая с целью охраны для ограничения или исключения доступа в интересующую зону (объем, пространство).
3.2. Замок: изделие, служащее для запирания защитных конструкций, обладающее заданными охранными свойствами и являющееся неотъемлемым элементом защитной конструкции.
3.3. Защелка: изделие, служащее для фиксирования полотна дверного блока в закрытом положении.
3.4. Защелка с механизмом дополнительного запирания: изделие, служащее для фиксирования полотна дверного блока в закрытом положении, с механизмом блокирования защелки в этом положении с внутренней стороны.
3.5. Цилиндровый механизм: сменный узел цилиндрового замка, содержащий механизм секретности на основе штифтов, дисков или пластин; осуществляет перемещение засова.
3.6. Сувальдный механизм: механизм секретности на основе набора плоских пластин (сувальд), содержащих элементы секрета (вырезы, пазы); собственный ключ, взаимодействуя с сувальдами, осуществляет дискретное перемещение засова по фиксированным положениям.
3.7. Приводной элемент замка: ручки, ключи и т.п., посредством которых осуществляется перемещение засова, защелки.
3.8. Исполнительный элемент замка: засов или защелка, реализующие перемещение, передаваемое от приводных элементов.
3.9. Ключ: деталь, служащая для управления механизмом секретности и обеспечивающая ввод-вывод засова замка и защелки.
3.10. Постоянный ключ: узел замка, позволяющий осуществить привод засова с задействованием механизма секретности или без его задействования и размещенный с внутренней стороны дверного блока.
3.11. Лицевая планка: деталь врезного замка (защелки) с отверстием для вывода и направления хода засова, засова-защелки, служащая для крепления замка (защелки) к торцу дверного полотна.
3.12. Декоративно-лицевая планка: деталь, устанавливаемая на лицевую планку врезного замка (защелки) для декоративного оформления корпуса замка (защелки).
3.13. Запорная планка: деталь с отверстием для входа засова, засова-защелки, предназначенная для запирания или фиксирования дверных полотен.
3.14. Декоративная накладка: деталь, устанавливаемая на дверных полотнах и служащая для декоративного оформления ручки, цилиндрового механизма, отверстия для ключа.
3.15. "Свертыш": упрочненная деталь, используемая для криминального разрушения механизма секретности сувальдного замка.
3.16. Защитная накладка: деталь, устанавливаемая на дверном полотне с наружной стороны и предназначенная для защиты механизма секретности от взлома.
3.17. Засов: деталь замка, служащая для фиксирования дверного полотна в закрытом положении посредством входа в запорную планку.
3.18. Засов-защелка: деталь защелки или замка, служащая для фиксирования дверного полотна в закрытом положении посредством автоматического входа в запорную планку при закрывании полотна.
3.19. Сувальды замка: кодовые детали механизма секретности сувальдного замка, набор которых составляет его секретность.
3.20. Штифты (пластины, диски и пр.) цилиндрового механизма: кодовые детали механизма секретности, набор которых составляет его секретность.
3.21. Поводок: деталь цилиндрового механизма, служащая для перемещения засова цилиндрового замка.
3.22. Кулачок: деталь замка, служащая для преобразования вращательного движения ручки замка в возвратно-поступательное движение защелки (засова-защелки).
3.23. Односторонний цилиндровый механизм: механизм с одним цилиндром, устанавливаемый с одной (внешней) стороны дверного полотна.
3.24. Двусторонний цилиндровый механизм: механизм с двумя цилиндрами (симметричными или асимметричными относительно оси поводка), выходящий на внутреннюю и наружную стороны дверного полотна.
3.25. Цилиндровый механизм с постоянным ключом: механизм с одним цилиндром и механизмом постоянного ключа.
3.26. Кодовая комбинация: секретность замка, обусловленная набором шифрующих элементов механизма секретности. Ключ с декодирующей комбинацией в зависимости от типа механизма секретности может представлять собой металлическую деталь, пластиковую карточку или быть представлен в виде определенной последовательности чисел.
3.27. Навесные замки: замки, которые для целей запирания навешиваются на запорные элементы, установленные на подвижной и неподвижной частях запираемой конструкции; находятся на внешней стороне запираемой конструкции и полностью открыты для пользователя.
4. Классификация, классы, типы и условные обозначения
4.1. Классификация замков
Замки классифицируют по следующим признакам:
- по типу конструктивного исполнения механизма секретности:
цилиндровые,
сувальдные,
кодовые,
магнитные;
- по конструктивному исполнению корпуса:
врезные,
накладные,
навесные;
- по типу замка (по количеству механизмов секретности в одном корпусе):
простые (с одним механизмом секретности),
комбинированные (с количеством механизмов секретности более одного и, возможно, разного типа конструктивного исполнения);
- по принципу работы:
механические,
электромеханические,
электронные,
магнитные;
- по варианту открывания дверного полотна:
правые,
левые,
универсальные (в т.ч. переналаживаемые);
- по конструктивному исполнению засова:
прямоугольного сечения,
из одного или нескольких прутков круглого, прямоугольного и др. сечений, со скошенным торцом (засов-защелка),
крюкообразные;
- по способу вывода засова из корпуса:
с использованием ключа, карточки, чипа и т.п.,
с автоматическим выводом (специальный механизм).
4.2. Классификация цилиндровых механизмов
Цилиндровые механизмы классифицируют по следующим признакам:
- по конструктивному исполнению:
односторонние,
двусторонние,
односторонние с механизмом постоянного ключа;
- по типу конструктивного исполнения носителя секретности:
штифтовые,
пластинчатые (рамочные),
дисковые,
магнитные;
- по признаку взаимного соответствия ключей и цилиндровых механизмов:
с индивидуальным ключом,
системой "мастер-ключ",
групповым ключом,
центральным ключом,
центральным механизмом,
смешанные.
Примеры взаимного соответствия ключей и цилиндровых механизмов приведены в
Приложении А.
4.3. Классификация защелок
Защелки классифицируют по следующим признакам:
- по конструктивному исполнению:
врезные,
накладные;
- по варианту открывания дверного полотна:
левые,
правые,
универсальные;
- по оснащенности дополнительными функциями:
с механизмом фиксирования,
с механизмом фиксирования и механизмом дополнительного запирания;
- по виду исполнительного механизма фиксирования:
со скошенным засовом,
с шариком,
с роликом.
4.4. Классы, типы и условные обозначения
4.4.1. Замки и цилиндровые механизмы в зависимости от показателей, характеризующих охранные свойства [секретность, надежность (безотказность), прочность, стойкость к криминальному вскрытию (взлому)], подразделяют на четыре класса: первый (1), второй (2), третий (3) и четвертый (4).
Первый класс относят к низшему, четвертый - к высшему классу охранных свойств. Класс замка (цилиндрового механизма) устанавливают по результатам испытаний по самому низкому значению показателя.
Общая характеристика классов (охранные свойства) и рекомендуемая область применения замков (цилиндровых механизмов) приведены в таблице 1.
Примечание. Защелкам класс не присваивают.
Таблица 1
Рекомендуемая область применения замков
(цилиндровых механизмов) в зависимости от класса
Класс замка (цилиндрового механизма) | Охранные свойства | Рекомендуемая область применения (в соответствии с [1], [2], [4]) |
1 | Низкие | Для запирания дверей подсобных помещений, межкомнатных дверей в квартирах, офисах и т.п. |
2 | Нормальные | Для запирания защитных конструкций с обычными требованиями к их охранным свойствам, в т.ч. входных дверей в квартиры, офисы и другие подобные помещения |
3 | Повышенные | Для запирания защитных конструкций с дополнительными требованиями к их охранным свойствам, в т.ч. усиленных (металлических) входных дверей в квартиры, офисы и другие помещения, принимаемые на охрану |
4 | Высокие | Для запирания защитных конструкций с особыми требованиями к их охранным свойствам, в т.ч. укрепленных, металлических, входных дверей квартир, офисов и других помещений, принимаемых на охрану и предполагаемых к страхованию |
Примечания 1. Замки 3-го и 4-го классов применяют также для запирания дверей: чердаков, подвалов технических этажей, лифтовых шахт и других инженерных систем. 2. Замки 3-го и 4-го классов обязательны к установке на защитные конструкции объектов повышенной террористической опасности (в соответствии с [1]). Перечень таких объектов определяется законодательными актами и решениями соответствующих компетентных государственных и муниципальных органов. Рекомендуется для запирания указанных объектов, а также помещений, находящихся под охраной, применять замки раннего реагирования. 3. Замки 3-го и 4-го классов, а также замки раннего реагирования применяют в системах контроля доступа. |
4.4.2. Основные типы замков и защелок приведены в таблице 2. Примеры замков и их комплектующих приведены в
Приложении Б.
Таблица 2
Обозначение типа замка и защелки | Наименование замка и защелки |
ЗВ1 | Замок цилиндровый врезной |
ЗВ2 | Замок цилиндровый врезной с автоматическим выводом засова |
ЗВ4 | Замок цилиндровый врезной с защелкой, управляемой ручками |
ЗВ5 | Замок цилиндровый врезной с роликом |
ЗВ7 | Замок цилиндровый врезной с защелкой, управляемой ручками и от ключа |
ЗВ8 | Замок сувальдный врезной |
ЗВ9 | Замок сувальдный врезной с защелкой, управляемой ручками |
ЗВ10 | Замок сувальдный врезной с роликом |
ЗВ11 | Замок сувальдный врезной с защелкой, управляемой ручками и от ключа |
ЗВ13 | Замок комбинированный врезной с двумя механизмами секретности |
ЗН1 | Замок цилиндровый накладной |
ЗН2 | Замок цилиндровый накладной с засовом-защелкой |
ЗН3 | Замок цилиндровый накладной с защелкой |
ЗН4 | Замок сувальдный накладной |
ЗНВ1 | Замок навесной с дужкой |
ЗНВ2 | Замок навесной со стержнем |
ЗНВ3 | Замок навесной со стержнем и корпусом, закрывающим детали навески |
ЗПП | Замок противопожарный |
ЗЭМн | Замок электромеханический накладной |
ЗЭМв | Замок электромеханический врезной |
ЗЭн | Замок электронный накладной |
ЗЭв | Замок электронный врезной |
ЗМ | Замок магнитный |
ЗГЦ | Замок гаражный цилиндровый |
ЗГД | Замок гаражный дисковый |
ЗГС | Замок гаражный сувальдный |
ЗЩ | Защелка врезная |
ЗЩД | Защелка врезная с механизмом дополнительного запирания |
ЗЩн | Защелка врезная нерегулируемая |
ЗЩр | Защелка врезная регулируемая |
ЗЗЩ | Замок-защелка с засовом и дополнительным запиранием ключом с низкими охранными свойствами для межкомнатных дверей из разных материалов и дверей сантехкабин |
ЗЩМ | Замок-защелка магнитный |
ЗРР | Замок раннего реагирования |
Примечание. Для усиления охранных свойств и повышения потребительских качеств замки в соответствии с конструкторской документацией могут иметь дополнительные функциональные устройства: системы горизонтальных и вертикальных тяг и засовов, декоративные лицевые накладки и накладки защитного типа, в т.ч. броненакладки и бронепластины, цепочки, системы тревожной сигнализации и другие устройства. |
4.4.3. Форму корпусов замков и защелок, ручек с накладками, накладок, запорных планок, головок ключей устанавливают в рабочих чертежах.
4.4.4. Условное обозначение замка должно включать в себя обозначение типа по
таблице 2, класс замка и обозначение настоящего стандарта.
Условное обозначение защелок должно включать в себя обозначение типа по
таблице 2 и обозначение настоящего стандарта.
Структура условного обозначения замков и защелок приведена на рисунке 1.
X X X X
│ │ │ │
└───┼───┼───┼──────── Условное обозначение типа изделия (по
таблице 2)
└───┼───┼──────── Дополнительное обозначение по конструкторской
│ │ документации
└───┼──────── Класс замка
└──────── Обозначение стандарта
Рисунок 1. Структура условного обозначения замков и защелок
Пример условного обозначения врезного цилиндрового замка типа ЗВ1 2-го класса:
ЗВ1 класс 2 ГОСТ 5089-2011.
То же, замка накладного сувальдного типа ЗН4 3-го класса:
ЗН4 класс 3 ГОСТ 5089-2011.
То же, защелки врезной типа ЗЩ:
ЗЩ ГОСТ 5089-2011.
В условное обозначение типа замка с цилиндровым дисковым механизмом дополнительно вводится буква "Д".
Пример условного обозначения врезного замка типа ЗВ4 с цилиндровым дисковым механизмом 2-го класса:
ЗВ4Д класс 2 ГОСТ 5089-2011.
При экспортно-импортных поставках допускается применять обозначение изделия, принятое в договоре (контракте).
5. Технические требования
5.1. Изделия должны соответствовать требованиям
ГОСТ 538 и настоящего стандарта.
5.2. Изделия должны изготавливаться по конструкторской документации, разработанной с учетом требований настоящего стандарта.
5.3. Конструкторская документация на замки (цилиндровые механизмы) должна включать в себя таблицу секретов. Требования к разработке таблицы секретов приведены в
Приложении В.
5.4. Минимальное число секретов для разных типов механизмов секретности в зависимости от типа замка соответствующего класса приведено в таблице 3.
Таблица 3
Минимальное число секретов для замков разного типа
Тип замка | Число секретов, не менее, для замка класса |
1 | 2 | 3 | 4 |
Замок цилиндровый (механизм цилиндровый - штифтовой, пластинчатый) | 2000 | 5000 | 10000 | 50000 |
Замок цилиндровый (механизм цилиндровый - дисковый) | 5000 | 20000 | 200000 | 500000 |
Замок сувальдный | 100 | 1000 | 15000 | 100000 |
Замок навесной: | | | | |
- дисковый | 2000 | 10000 | 20000 | 40000 |
- штифтовой, пластинчатый | 1000 | 5000 | 10000 | 20000 |
- сувальдный | 100 | 500 | 1000 | 5000 |
Примечание. Число секретов замка (цилиндрового механизма), содержащееся в таблице секретов, является важной характеристикой любого замка (цилиндрового механизма) и указывает на сложность и точность механизма секретности. |
5.5. Замок не должен открываться ключами других (соседних) комбинаций из таблицы секретов.
5.6. Требования к внешнему виду замков - по
ГОСТ 538.
5.7. Требования к эксплуатационным характеристикам замков
5.7.1. Требования по надежности (безотказности)
5.7.1.1. Сборочные узлы замков должны выдерживать необходимое число рабочих циклов безотказной работы (наработка) (рабочий цикл - вывод засова на полный вылет из корпуса замка с последующим вводом, без нагрузки).
5.7.1.2. Минимальное число рабочих циклов (наработка) сборочных узлов замков в зависимости от класса замка приведено в таблице 4.
Таблица 4
Минимальное число рабочих циклов
при испытании узлов замка на безотказность
Сборочный узел замка | Циклы (наработка), не менее, для замка класса |
1 | 2 | 3 | 4 |
Цилиндровый механизм и засов (и защелка) - суммарно с двух сторон (в равных долях) | 30000 | 60000 | 90000 | 120000 |
Сувальдный механизм и засов (и защелка) - суммарно с двух сторон (в равных долях) | 25000 | 50000 | 75000 | 100000 |
Узел привода защелки (от ручки), узел защелки (защелкивание) | 200000 | 200000 | 250000 | 250000 |
Примечания 1. Гаражные и навесные замки при испытании на безотказность должны выдерживать не менее 40000 и 20000 циклов безотказной работы соответственно. 2. Замки-защелки типов ЗЗЩ и ЗЩМ при испытании должны обеспечивать не менее 200000 циклов безотказной работы. 3. В процессе испытаний допускается проводить смазку трущихся частей. 4. В процессе испытаний сувальдного замка допускается использование ключей из комплекта замка, но не более трех. |
5.7.1.3. Замки с сувальдным механизмом должны работать без заеданий и сбоев при условии сопротивления выдвижению засова из корпуса усилием до 49 Н.
Указанное требование может быть применено для цилиндровых замков в случае их поставки в комплекте с цилиндровыми механизмами.
5.7.2. Требования к прочности
5.7.2.1. Замки должны быть прочными и сохранять работоспособность после приложения нагрузок к их узлам и деталям.
5.7.2.2. Нагрузки, прикладываемые к узлам и деталям замков, в зависимости от класса приведены в таблицах 5 и
6.
Таблица 5
Нагрузки, прикладываемые к узлам и деталям врезного
и накладного замков в зависимости от класса
Класс замка | Нагрузка, Н, не менее, прикладываемая |
к засову | к механизму фиксации засова | к запорной планке | к лицевой планке на прочность соединения с корпусом (врезные замки) |
1 | 1470 | 785 | 1470 | 785 |
2 | 2940 | 980 | 2940 | 980 |
3 | 4900 | 1500 | 4900 | 1960 |
4 | 6800 | 1960 | 6800 | 4900 |
Примечание. Испытания до разрушения могут проводиться по отдельному требованию заказчика. |
Таблица 6
Нагрузки, прикладываемые к узлам и деталям навесных замков
в зависимости от класса
Класс замка | Нагрузка, Н, не менее, прикладываемая |
к дужке, на вырывание | к дужке, на перерубание | к дужке, на сворачивание |
1 | 2000 | 2500 | 100 |
2 | 5000 | 5500 | 450 |
3 | 8000 | 8000 | 1200 |
4 | 12000 | 12000 | 2500 |
5.7.2.3. Замки должны сохранять работоспособность после воздействия ударными нагрузками (имитация удара в бытовых условиях дверью с полностью выдвинутым засовом о дверную коробку). Значения ударных нагрузок на засов в зависимости от класса замка приведены в таблице 7.
Таблица 7
Ударные нагрузки на засов в зависимости от класса замка
Наименование показателя | Значение показателя для замка класса |
1 | 2 | 3 | 4 |
Ударная нагрузка на засов, Дж, не менее | - | 80 | 150 | 300 |
5.7.2.4. Ручки к замкам и защелкам должны быть прочными и выдерживать момент силы, приложенный к фалевой ручке (ручке-кнопке), не менее 15 Н·м.
5.7.2.5. Ключи должны быть прочными и выдерживать крутящий момент, приложенный к головке, Н·м, не менее:
- для сувальдного замка ................................... 3;
- для цилиндрового замка .................................. 2.
5.7.3. Эргономические требования
5.7.3.1. Предельные силовые параметры, определяемые на приводных и исполнительных элементах замков, приведены в таблице 8.
Таблица 8
Предельные силовые параметры, определяемые на приводных
и исполнительных элементах замков
Наименование параметра | Значение параметра |
Момент силы на ключе (постоянном ключе) для перемещения засова, Н·м, не более | 0,6 |
Момент силы на ключе (постоянном ключе) для воздействия на защелку, Н·м, не более | 0,9 |
Момент силы, прикладываемый к фалевой ручке для воздействия на защелку, Н·м | 0,6 - 2,0 |
Момент силы, прикладываемый к ручке-кнопке для воздействия на защелку, Н·м | 0,3 - 1,5 |
Усилие воздействия на регулируемый роликовый фиксатор, Н | 25 - 45 |
Усилие воздействия на нерегулируемый шариковый фиксатор, Н | 5 - 25 |
Усилие ввода в корпус защелки или засова (с механизмом автоматического вывода), Н | 3 - 20 |
5.7.4. Требования по стойкости замков (цилиндровых механизмов) к вскрытию (взлому)
5.7.4.1. Замки как устройства ограничения несанкционированного доступа в защищаемую зону должны обладать заложенной в конструкции необходимой стойкостью к криминальному вскрытию любым из известных универсальных способов вскрытия. Стойкость замков (цилиндровых механизмов) к вскрытию (взлому) в зависимости от класса охранных свойств, характеризуемая временем вскрытия (взлома) замка (цилиндрового механизма), приведена в таблице 9.
Таблица 9
Стойкость замков (цилиндровых механизмов)
к вскрытию (взлому) в зависимости от класса замка
Наименование показателя | Значение показателя для замка (цилиндрового механизма) класса |
1 | 2 | 3 | 4 |
Время вскрытия (взлома) замка (цилиндрового механизма) любым способом, мин, не менее | 2 | 5 | 15 | 30 |
Рекомендации по улучшению показателя стойкости к вскрытию (взлому) замков 3-го и 4-го классов приведены в
Приложении Г.
5.7.4.2. Способы вскрытия замков могут быть неразрушающие и разрушающие.
5.7.4.3. К неразрушающим способам вскрытия замков относятся манипуляционный способ, при котором осуществляется прямое воздействие специальными инструментами на механизм секретности замка через ключевое отверстие, а также способ "бампинг" (Bumping), при котором вскрытие цилиндровых штифтовых механизмов осуществляется с помощью приспособления, изготавливаемого из ключевой заготовки или ключа конкретного замка.
5.7.4.4. Разрушающие способы вскрытия замков подразделяют на способы с минимальным разрушением и со значительным разрушением.
5.7.4.5. К способам вскрытия с минимальным разрушением относятся различные виды сверления с целью разрушения конкретной детали (например, стойки засова сувальдного механизма) либо механизма секретности или сверление с целью доступа в зону фиксации и привода засова в обход механизма секретности.
5.7.4.6. Способами вскрытия со значительным разрушением являются:
- высверливание механизма секретности (цилиндра) цилиндрового механизма;
- сворачивание цилиндра цилиндрового механизма крутящим моментом;
- разрывание цилиндрового механизма по месту его крепления в замке;
- разрушение кодового механизма сувальдного замка "свертышем";
- перепиливание дужки навесного замка;
- разрушение корпуса навесного замка;
- выдергивание и сворачивание дужки навесного замка.
5.7.4.7. Конструкция врезных и накладных замков должна быть такой, чтобы при попытке вскрытия разрушающим способом замок выстоял и остался работоспособным или разрушился, но так, чтобы исключить доступ в охраняемое пространство.
5.7.4.8. При создании конструкции навесного замка необходимо учитывать, что существенно снизить стойкость замка к разрушающим способам вскрытия может слабость узлов навешивания.
5.7.4.9. Класс охранных свойств цилиндрового замка без механизма секретности может быть определен только с учетом класса цилиндрового механизма, установленного по результатам испытаний. Информация о цилиндровом механизме, рекомендуемом к эксплуатации с замком, должна содержаться в паспорте замка.
5.7.4.10. Испытания на стойкость к вскрытию замков 1-го и 2-го классов допускается проводить в минимальном объеме: обязательно неразрушающим способом и одним из разрушающих.
5.7.4.11. Испытания на стойкость к вскрытию замков 3-го и 4-го классов должны проводиться с учетом требований, приведенных в
5.7.4.3,
5.7.4.5,
5.7.4.6.
5.7.4.12. Для объективного установления соответствия замка конкретному классу в соответствии с требованиями настоящего стандарта замки должны поставляться на испытания в полной комплектации, включая рекомендуемую защиту, с учетом требований
6.5.3.
5.7.4.13. Замки (цилиндровые механизмы), не прошедшие испытания на стойкость к вскрытию в соответствии с требованиями настоящего стандарта, относят к 1-му (низшему) классу охранных свойств.
6. Требования к конструкции
6.1. Общие требования
6.1.1. Корпусы и крышки замков 3-го и 4-го классов должны изготавливаться из листовой стали толщиной не менее 1,5 мм.
6.1.2. Число кодовых элементов цилиндрового механизма должно быть не менее пяти, сувальдного замка - не менее четырех.
6.1.3. Суммарная длина пары штифтов и пружины в сжатом состоянии цилиндрового штифтового механизма должна превышать длину отверстия в корпусе (до заглушки канала корпуса) не менее чем на 2 мм.
6.1.4. Степень точности сопряжения цилиндра и корпуса цилиндрового механизма должна быть для замков класса:
2; 3 - не ниже 9-го квалитета включительно,
4 - не ниже 7-го квалитета включительно.
6.1.5. Отверстия-каналы с собранными кодовыми элементами и пружинами штифтового цилиндрового механизма 2 - 4-го классов должны закрываться в корпусе индивидуальными заглушками.
6.1.6. Защелки замков и ручки привода защелок должны иметь отдельные возвратные пружины.
6.1.7. Запорные планки замков 4-го класса должны изготавливаться из стали толщиной не менее 1,5 мм и крепиться не менее чем в четырех местах.
6.1.8. Размеры отверстия для засова прямоугольной формы и защелки в запорной планке должны быть по высоте больше засова и защелки на 4 - 6 мм, по толщине - на 1 - 3 мм. Если засов конструктивно выполнен из нескольких стержней круглого сечения, то диаметры отверстий в запорной планке должны превышать диаметры стержней засова на 2 - 3 мм. Допускается для засовов из стержней выполнять в запорной планке общее отверстие.
6.2. Требования к отдельным типам замков
6.2.1. Замки, применяемые на противопожарных дверях
6.2.1.1. Замки, применяемые на противопожарных дверях, должны изготавливаться из стали и не содержать в своей конструкции легкоплавких материалов.
6.2.1.2. Конструкция замков, применяемых на противопожарных дверях, должна исключать прямое проникновение дыма и пламени из зоны пожара наружу (в том числе через ключевое отверстие).
6.2.1.3. Конструкция замков, применяемых на противопожарных дверях, должна обеспечивать выполнение его основной задачи - при возникновении пожара держать дверь закрытой в течение заданного времени.
Примечание. Класс огнестойкости замка должен соответствовать классу огнестойкости дверного блока.
6.2.2. Навесные замки
6.2.2.1. Навесные замки должны изготавливаться с поворотными, откидными, съемными, гибкими или другими дужками, обеспечивающими эксплуатацию замков в соответствии с областью их применения.
6.2.2.2. Навесные замки должны быть прочными. Дужки замков 3-го и 4-го классов и узлы навешивания для них не должны перепиливаться ножовкой.
6.2.3. Магнитные замки
6.2.3.1. Магнитные замки могут иметь три варианта исполнения:
1 - замки, у которых постоянные магниты, используемые в механизме секретности, взаимодействуют с постоянными магнитами, расположенными в ключе;
2 - замки, у которых мощный электромагнит выполняет функцию засова;
3 - замки-защелки, запирание которых осуществляется в момент захлопывания двери за счет примагничивания засова к запорной планке; открывание замка происходит ключом или фалевой ручкой.
6.2.3.2. Магнитные замки первого варианта исполнения могут не иметь ключевой скважины. В конструкции замка, в которой ключевая скважина отсутствует, ключ должен прикладываться к корпусу замка в определенном месте.
6.2.4. Электромеханические замки
6.2.4.1. В электромеханических замках электрическая составляющая должна выполнять вспомогательную функцию: блокировать выполнение основной функции - открытие замка.
6.2.4.2. После разблокировки дальнейшие действия по открытию замка осуществляют обычным порядком с помощью ключа.
6.2.5. Замки раннего реагирования
Замки раннего реагирования не являются специальными замками. Замки раннего реагирования могут быть снабжены датчиками состояния замка и, будучи встроенными в охранную систему, могут повысить ее охранные свойства.
Примечания
1. Замки раннего реагирования, оснащенные датчиками состояния, могут быть использованы в системах контроля доступа. Замки раннего реагирования повышают охранные свойства системы и способствуют задержанию злоумышленника, так как сигнал о попытке вскрытия поступает на пульт охраны уже в его начальный момент (до момента вскрытия замка).
2. Рекомендации по выбору и применению замков раннего реагирования приведены в
[2].
6.2.6. Комбинированные замки
6.2.6.1. В комбинированных замках конструктивно объединяют в одном корпусе два или более замочных механизма (засов и механизм секретности), которые могут быть с однотипными или с различными механизмами секретности.
6.2.6.2. Механизмы секретности комбинированных замков могут быть функционально независимыми и зависимыми друг от друга, когда имеет значение последовательность их открывания-закрывания.
6.2.7. Перекодируемые замки
6.2.7.1. Перекодируемые замки создают на базе сувальдных замков.
6.2.7.2. Перекодируемые замки должны содержать в своей конструкции устройство, позволяющее перенастроить механизм секретности для работы от нового ключа.
6.2.7.3. При разработке замка с устройством перекодировки следует учитывать, что усложнение замка с целью повышения удобства пользования может привести к снижению его стойкости к криминальному вскрытию.
Примечание. Наличие устройства перекодировки не повышает стойкость перекодируемого замка к криминальному вскрытию, но создает удобство при пользовании. Если необходимо, вместо замены замка достаточно сменить комплект ключей или кодовый механизм в виде самостоятельного блока.
6.2.8. Многозапорные, узкопрофильные замки
6.2.8.1. Многозапорные узкопрофильные замки для профильных пластиковых и алюминиевых дверей собирают на общей планке, рассчитанной на всю высоту двери. На планке устанавливают основной замок, а вверх и вниз от него - дополнительные запоры-засовы в корпусах (по одному или по два), равномерно распределенные по длине планки и приводимые в действие от основного замка тягами вдоль планки.
6.2.8.2. Многозапорность не повышает стойкость замка к криминальному вскрытию, а должна обеспечивать надежное удержание двери по всей высоте полотна в запертом состоянии, что повышает стойкость двери к взлому.
Примечание. При планировании установки многозапорных замков на входных дверях внешние стороны дверей должны быть обращены не на улицу, а в тамбурное пространство.
6.2.9. Гаражные замки
6.2.9.1. Гаражные замки могут изготавливаться с различными механизмами секретности, при этом вылет засова должен быть не менее 35 мм, суммарная площадь поперечного сечения засова должна быть не менее 400 мм2.
6.2.9.2. Гаражные замки могут быть со вспомогательным ключом для перемещения засова, в этом случае механизм секретности должен управлять блокиратором засова. При этом замки должны иметь блокировку засова в выдвинутом положении.
6.2.9.3. Гаражные замки не должны закрываться изнутри на ключ (постоянный ключ).
6.3. Требования к материалам
6.3.1. Для изготовления деталей замков и защелок и комплектующих изделий к ним применяют следующие материалы: сталь, алюминий и его сплавы, цинковые сплавы, сплавы на основе меди, твердые металлокерамические сплавы, керамику, пластмассу по нормативным документам (далее - НД), утвержденным в установленном порядке.
6.3.2. Засовы, кулачки и поводки цилиндровых механизмов должны изготавливаться из стали или твердых металлокерамических сплавов.
Цилиндровые механизмы и ключи к ним следует изготавливать из латуни, стали, нейзильбера.
Засовы, засовы-защелки, кулачки, а также корпусы, цилиндры и поводки цилиндровых механизмов допускается изготавливать из цинковых сплавов марок: ЦАМ4-1, ЦАМ4-1о, ЦА 4о по
ГОСТ 19424, ZnAl4A, ЦА4, ЦА4о, ZnAlCu1A, ЦА4М1, ЦА4М1о по
ГОСТ 25140.
Корпусы цилиндровых механизмов допускается изготавливать из проката алюминиевых сплавов марок Д1, Д16, 1915, 1925 по
ГОСТ 4784.
Корпусы цилиндровых механизмов, засовы-защелки и кулачки для замков 1-го и 2-го классов допускается изготавливать из цинкового сплава ЦАМ 27-1 по НД, утвержденной в установленном порядке.
Головки ключей могут быть выполнены из пластмассы с учетом требований
5.7.2.5.
Ключи для сувальдных замков могут изготавливаться из стали или латуни.
6.3.3. Пружины для замков и защелок должны изготавливаться из стальной пружинной проволоки или ленты из пружинной стали по НД, утвержденным в установленном порядке.
Пружины, применяемые в цилиндровых механизмах, изготавливают из оловянно-цинковой бронзы по
ГОСТ 5221, кремнемарганцевой бронзы по
ГОСТ 5222, стальной проволоки по
ГОСТ 18143.
6.3.4. Допускается использование других материалов по НД, утвержденным в установленном порядке, не уступающих указанным по механическим и антикоррозионным свойствам.
6.4. Требования к покрытиям
6.4.1. Требования к подготовке поверхности перед нанесением покрытия и качеству покрытий замков и защелок устанавливают в конструкторской и технологической документации по
ГОСТ 538 и настоящему стандарту.
6.4.2. Для замков и защелок устанавливают следующие группы условий эксплуатации в соответствии с
ГОСТ 9.303:
- группа 1 - для замков 1-го класса и защелок без механизмов дополнительного запирания;
- группы 2; 3 - для замков 2 - 4-го классов, навесных, гаражных замков, защелок с механизмом дополнительного запирания, замков-защелок.
6.4.3. Лицевые поверхности деталей замков 3-го и 4-го классов и защелок с механизмом дополнительного запирания, устанавливаемых на двери санитарно-технических кабин и изготовленных из некоррозионно-стойких материалов, должны иметь коррозионно-стойкое покрытие.
6.4.4. Замки и защелки должны быть коррозионно-стойкими и соответствовать требованиям, установленным в
ГОСТ 538, при этом замки 1-го класса, устанавливаемые на внутренних дверях (кроме дверей санитарно-технических кабин), на коррозионную стойкость не испытывают.
6.4.5. Замки 2 - 4-го классов и защелки с механизмом дополнительного запирания после проверки на коррозионную стойкость покрытий в течение 240 ч должны сохранять работоспособность.
6.5.1. Замки и защелки должны поставляться комплектно в соответствии с требованиями
ГОСТ 538.
Для повышения охранных свойств замки могут дополнительно комплектоваться защитными накладками, цепочками, а также кодовыми, электромеханическими, магнитными и др. устройствами.
В комплект замков 2 - 4-го классов, предполагаемых для установки на деревянные двери, открываемые наружу, должна входить усиленная запорная планка коробчатой формы (см. Приложение Б,
рисунок Б.17).
Замки для металлических дверей допускается поставлять без запорных планок, если это оговорено в договоре (контракте) на поставку.
Допускается раздельная поставка замков без цилиндровых механизмов и других комплектующих к замкам и защелкам в соответствии с договором (контрактом) на поставку.
6.5.2. Замки должны быть укомплектованы не менее чем тремя ключами. К комплекту ключей допускается дополнительно прикладывать заготовки ключей, при этом число ключей и заготовок следует указывать при заказе.
6.5.3. В комплект поставки должны входить документ о качестве (паспорт) и инструкция по эксплуатации изделий, включающая в себя рекомендации по установке. Паспорт замка также должен содержать сведения о дополнительной защите механизма секретности, а для цилиндровых замков - информацию по комплектованию замка цилиндровым механизмом.
6.6.1. Маркировка замков и защелок - по
ГОСТ 538 со следующими дополнениями.
6.6.1.1. Цилиндровые механизмы и другие комплектующие замков и защелок, поставляемые как самостоятельные изделия, в том числе заготовки ключей, должны иметь маркировку товарного знака предприятия-изготовителя.
6.6.1.2. На потребительской упаковке должен быть указан класс замка, в эксплуатационных документах - класс замка и его характеристика.
6.6.1.3. На ключах не допускается указывать состав секрета.
Упаковка замков и защелок - по
ГОСТ 538.
7. Требования безопасности и охраны окружающей среды
7.1. Требования безопасности и охраны окружающей среды при производстве, хранении и применении замков, защелок и цилиндровых механизмов должны быть установлены в технической документации предприятия-изготовителя в соответствии с требованиями стандартов безопасности труда, строительных и пожарных норм и правил, а также санитарных норм, утвержденных в установленном порядке.
7.2. При изготовлении замков, защелок и цилиндровых механизмов должно быть обеспечено соблюдение природоохранных норм и требований.
7.3. Замки, защелки и цилиндровые механизмы должны быть безопасными в эксплуатации и обслуживании.
8.1. Изделия должны быть приняты техническим контролем предприятия-изготовителя на соответствие требованиям настоящего стандарта,
ГОСТ 538 и конструкторской документации на конкретные изделия.
8.2. Для проверки соответствия изделий требованиям настоящего стандарта,
ГОСТ 538 и конструкторской документации проводят приемочный контроль, периодические, типовые, квалификационные и сертификационные испытания.
8.3. Приемочный контроль
8.3.1. Приемочный контроль качества каждой партии готовых изделий проводит предприятие-изготовитель.
Приемочный контроль по показателям, установленным в
ГОСТ 538, проводят по
6.5 ГОСТ 538.
Показатели, контролируемые при приемочном контроле, приведены в таблице 10.
Таблица 10
Показатели, контролируемые при приемочном контроле
и периодических испытаниях
Наименование показателя | Пункт стандарта | Вид испытаний |
Требование | Метод испытания | Испытания при приемочном контроле | Периодические испытания |
Внешний вид | | | + | - |
Размеры, предельные отклонения | | | + | - |
Замок не должен открываться ключами других (соседних) комбинаций | | | + | + |
Надежность Прочность | | | - | + |
Эргономические показатели | | | - | + |
Стойкость замков к вскрытию неразрушающими способами | | | - | При постановке на производство, изменении конструкции, замене материалов |
Стойкость замков к вскрытию разрушающими способами | | | - | + |
Требования к покрытиям. Коррозионная стойкость покрытия | | | - | + |
Комплектность | | | + | - |
Маркировка | | | + | - |
Упаковка | | | + | - |
Примечание. Знак "+" означает, что показатели контролируют, знак "-" - не контролируют. |
8.3.2. При приемочном контроле замков на соответствие требованию
5.5 от каждых 100 замков партии отбирают по пять изделий, общий объем выборки не должен превышать 30 изделий.
Если при проверке требования по
5.5 окажется, что хотя бы одно изделие не соответствует требованию настоящего стандарта, проводят сплошной контроль проверяемой партии по этому показателю.
8.3.3. Размеры изделий проверяют при операционном (производственном) контроле в соответствии с утвержденным технологическим регламентом.
8.4. Периодические испытания
8.4.1. Периодические испытания замков и защелок должны проводиться не реже одного раза в два года. Порядок проведения и объем периодических испытаний - по
ГОСТ 538.
Периодические испытания проводят для замков и защелок, прошедших приемочный контроль.
8.4.2. Показатели, контролируемые при периодических испытаниях, приведены в
таблице 10.
8.5. Типовые испытания проводят после внесения изменений в конструкцию, материалы или технологию изготовления изделий для оценки эффективности и целесообразности внесения изменений.
8.5.1. Объем типовых испытаний определяют характером внесенных изменений.
8.5.2. Типовым испытаниям подвергают изделия, прошедшие приемочный контроль.
8.6. Квалификационные (контрольные) испытания установочной серии замков и защелок проводят по всем требованиям
ГОСТ 538, настоящего стандарта (в т.ч. по
5.7.4) и других НД (при их наличии).
8.7. Сертификационные испытания проводят в объеме периодических испытаний в соответствии с
8.4.
8.8. Периодические и сертификационные испытания изделий должны проводиться в испытательных лабораториях, аккредитованных на право проведения указанных испытаний.
9.2. Испытания замков по показателям стойкости к неразрушающим способам вскрытия (взлома) проводят с учетом специальных требований к данному виду испытаний <*> в лабораториях служб безопасности в соответствии с требованиями и методами, установленными в этих службах.
Примечание. Порядок проведения испытаний устанавливают правоохранительные или другие органы службы безопасности <**>.
--------------------------------
<*> Применение для испытания замков на стойкость к вскрытию неразрушающими способами специального инструмента, его изготовление и распространение на территории Российской Федерации ограничены Постановлением Правительства
[5].
<**> В Российской Федерации испытания проводят в лабораториях Федеральной службы безопасности.
9.3. Испытания замков на стойкость к разрушающим способам вскрытия (взлома) проводят по
ГОСТ 19091 с учетом требований, приведенных в
[3].
9.4. При контроле требования по
5.5 ключом каждого замка проверяют возможность отпирания остальных замков, отобранных по
8.3.2.
9.5. Коррозионную стойкость покрытий проверяют в соответствии с
ГОСТ 538 и настоящим стандартом.
10. Транспортирование и хранение
Транспортирование и хранение замков и защелок - по
ГОСТ 538.
11. Гарантии изготовителя
11.1. Предприятие-изготовитель гарантирует соответствие изделий требованиям настоящего стандарта при условии соблюдения правил транспортирования, хранения, установки и эксплуатации.
11.2. Гарантийный срок хранения - один год со дня изготовления.
11.3. Гарантийный срок эксплуатации - два года со дня ввода в эксплуатацию или продажи через розничную торговую сеть, включая гарантийный срок хранения.
12. Сервисное обслуживание
12.1. Предприятие-изготовитель, выпускающее замки, защелки (цилиндровые механизмы) 2 - 4-го классов, или поставщик замков, защелок (цилиндровых механизмов) 2 - 4-го классов должны обеспечить сервисное обслуживание своих изделий на территории страны действия настоящего стандарта.
12.2. Предприятие-изготовитель или поставщик замков, защелок (цилиндровых механизмов секретности) 2 - 4-го классов организует свою сервисную службу или заключает договора со специализированными фирмами по сервисному обслуживанию замков. Деятельность организаций, занимающихся сервисным обслуживанием защитных конструкций, должна проводиться в соответствии с установленным порядком.
12.3. Замки 3 - 4-го классов должны иметь идентификационные карточки для изготовления дополнительных копий ключей. Сервисные службы должны изготавливать ключ-дубликат только при предъявлении идентификационной карточки на замок.
Сервисное обслуживание замков и защитных конструкций включает в себя:
- прямое изготовление дубликатов ключей замков (цилиндровых механизмов секретности) всех классов охранных свойств в условиях сервисной службы;
- практическую организацию процесса изготовления дубликатов ключей по идентификационным карточкам, входящим в комплект поставки замка, при наличии договоров с изготовителем или поставщиком замков;
- ремонт замков (цилиндровых механизмов секретности) всех классов, в том числе смену кода;
- монтаж-демонтаж замков на защитных конструкциях всех вариантов исполнения: дверях жилых и общественных помещений, гаражей, сейфовых хранилищ, транспортных средств, промышленного, торгового и бытового оборудования, других объектов защиты;
- аварийно-ремонтное вскрытие замков в случае поломки или утери ключа по заявке собственника объекта защиты или лица, распоряжающегося данной собственностью на законных основаниях, а также по решению уполномоченных судебных или иных органов <*>.
--------------------------------
<*> В Российской Федерации - в соответствии с порядком, согласованным с Федеральной службой безопасности.
(справочное)
ПРИМЕРЫ ВЗАИМНОГО СООТВЕТСТВИЯ КЛЮЧЕЙ
И ЦИЛИНДРОВЫХ МЕХАНИЗМОВ
Рисунок А.1. Пример цилиндрового механизма
с индивидуальным ключом
Рисунок А.2. Система цилиндровых механизмов
с одинаковым ключом - группа механизмов, каждый из которых
можно открывать и закрывать одинаковыми (идентичными)
ключами, свойственными данной группе
Рисунок А.3. Система цилиндровых механизмов
с групповым ключом - группа механизмов, каждый из которых
можно открывать и закрывать как собственным ключом,
так и групповым ключом, свойственным для данной группы
Рисунок А.4. Система цилиндровых механизмов
с центральным ключом - набор, состоящий не менее чем из двух
систем цилиндровых механизмов с групповым ключом,
каждый из которых можно открывать и закрывать
центральным ключом, свойственным для всего набора
Рисунок А.5. Система цилиндровых механизмов
с центральным механизмом - группа цилиндровых механизмов,
включающая в себя механизм, который можно открывать
и закрывать ключами, свойственными для каждого
из механизмов этой группы
Рисунок А.6. Смешанная система цилиндровых механизмов -
система, представляющая собой соединение систем механизмов
цилиндровых с групповым ключом и центральным механизмом,
каждый механизм которой можно открывать
и закрывать центральным ключом
(справочное)
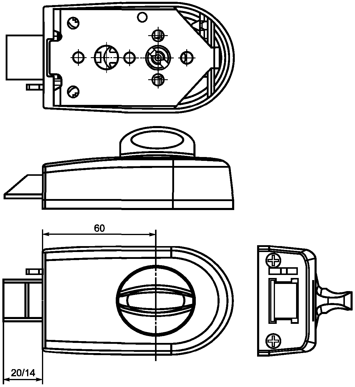
ПРИМЕРЫ ЗАМКОВ И ИХ КОМПЛЕКТУЮЩИХ
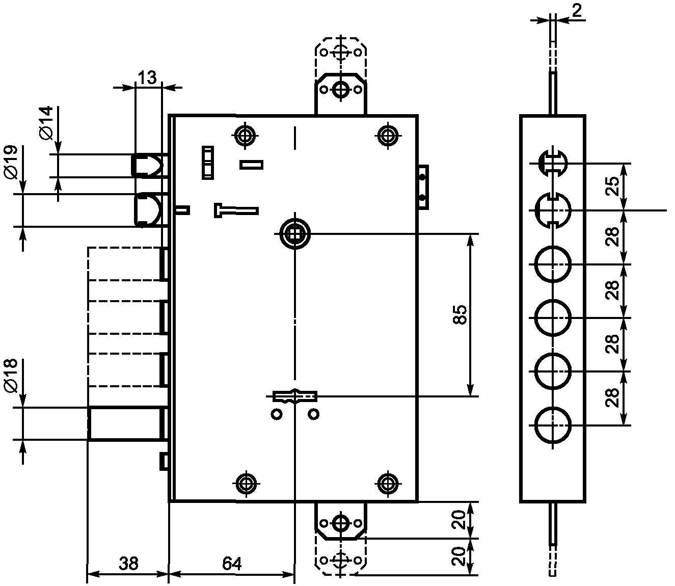
Рисунок Б.1. Пример цилиндрового врезного замка типа ЗВ1
с крюкообразным засовом
Рисунок Б.2. Пример врезного замка
с автоматическим выходом засова
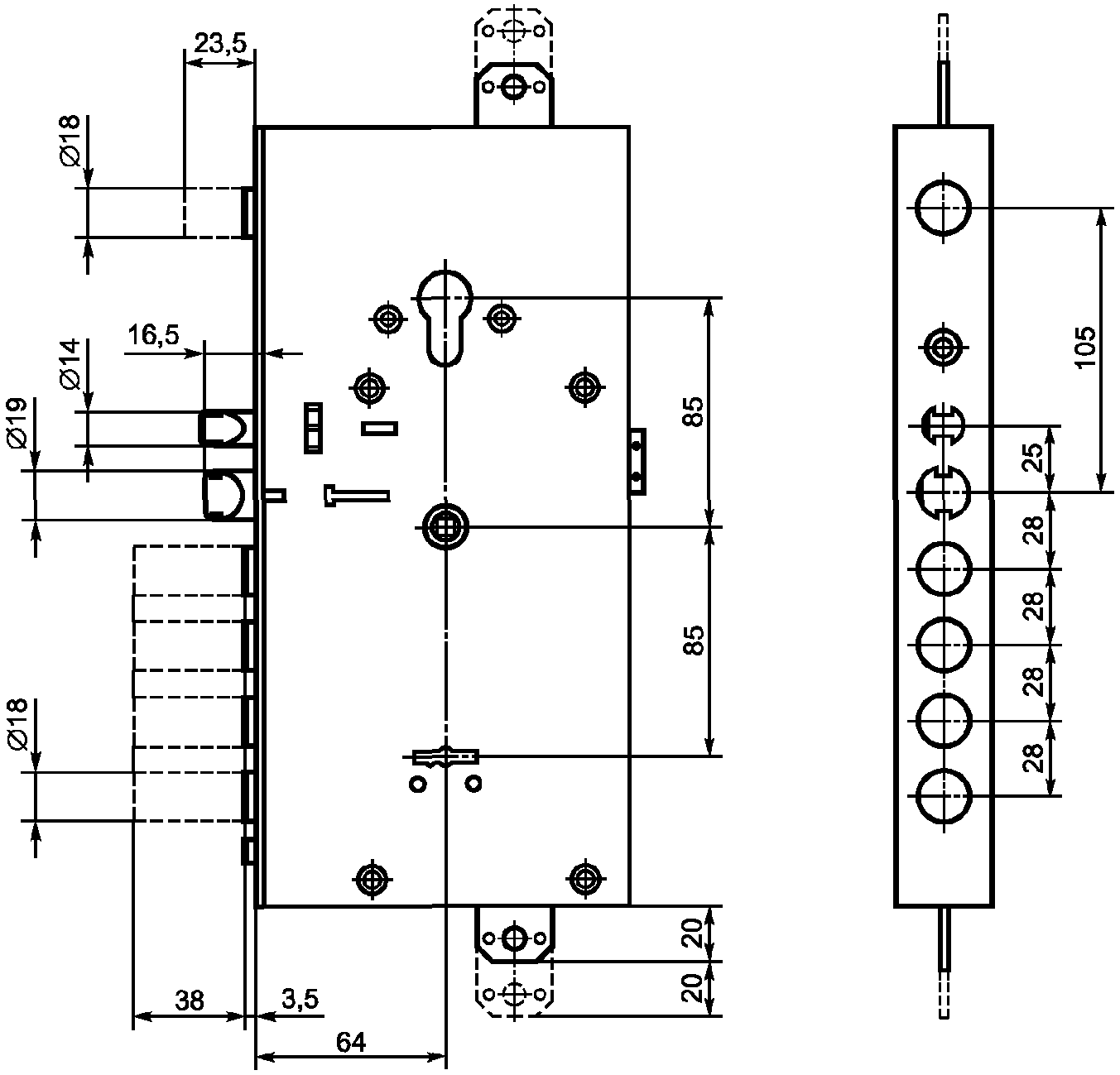
Рисунок Б.3. Пример цилиндрового врезного замка типа ЗВ4
с крюкообразным засовом
Рисунок Б.4. Пример цилиндрового врезного замка типа ЗВ7
Рисунок Б.5. Пример сувальдного врезного замка типа ЗВ8
Рисунок Б.6. Пример сувальдного врезного замка типа ЗВ11
Рисунок Б.7. Пример комбинированного врезного
электромеханического замка
Рисунок Б.8. Пример комбинированного врезного замка
типа ЗВ13 с цилиндровым и сувальдным механизмами
Рисунок Б.9. Пример накладного замка типа ЗН3
с засовом-защелкой
Рисунок Б.10. Пример сувальдного врезного
электромеханического замка
Рисунок Б.11. Пример электромеханического моторного
врезного замка типа ЗЭМв
Рисунок Б.12. Пример замка для противопожарной двери
Рисунок Б.13. Пример навесного замка типа ЗНВ1
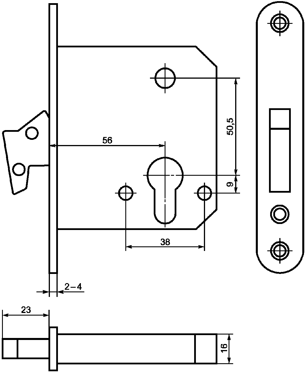
Рисунок Б.14. Пример простой запорной планки
Рисунок Б.15. Пример запорной планки с усиленной зоной
захода засова
Рисунок Б.16. Пример запорной угловой планки
Рисунок Б.17. Пример усиленной запорной планки
коробчатой формы
Рисунок Б.18. Пример запорной планки для накладного замка
Рисунок Б.19. Пример ключевой накладки и защиты
сувальдного механизма от проникновения
через ключевое отверстие
Рисунок Б.20. Пример ключа сувальдного замка
A | 30 | 30 | 30 | 33 | 35 | 40 | 30 | 35 | 30 | 35 | 40 | 30 | 35 | 40 | 30 |
B | 30 | 35 | 37 | 33 | 35 | 30 | 45 | 40 | 50 | 45 | 40 | 55 | 50 | 45 | 60 |
A | 35 | 40 | 45 | 35 | 40 | 45 | 30 | 35 | 40 | 45 | 50 | 30 | 40 | 50 | 55 |
B | 55 | 50 | 45 | 60 | 55 | 50 | 70 | 65 | 60 | 55 | 50 | 80 | 70 | 60 | 55 |
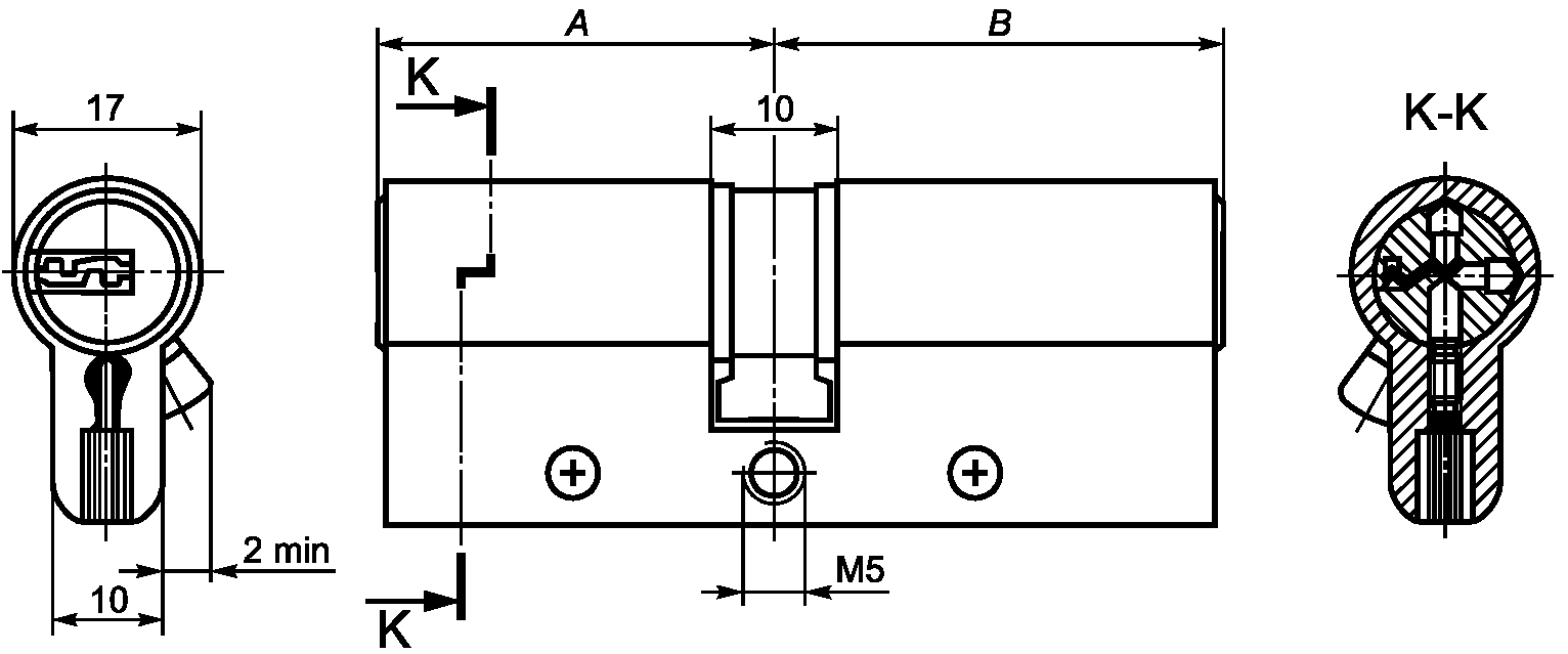
Рисунок Б.21. Пример двухстороннего цилиндрового механизма
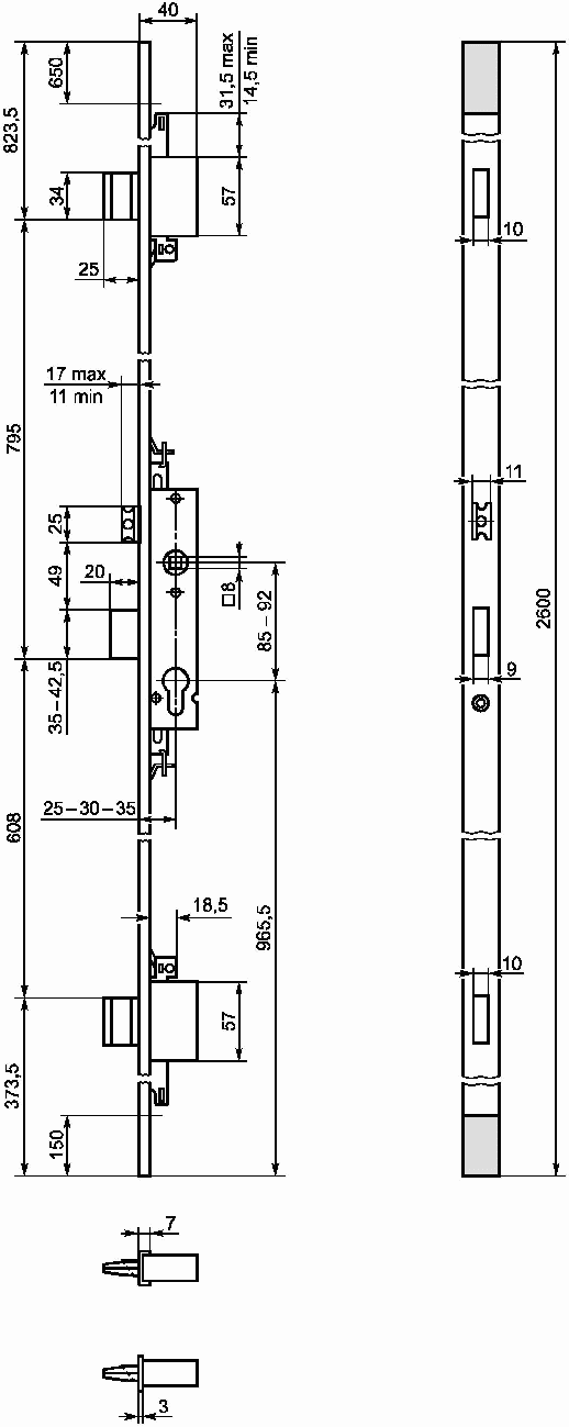
Рисунок Б.22. Пример многозапорного замка
Рисунок Б.23. Пример цилиндрового замка
для профильных пластиковых и алюминиевых дверей
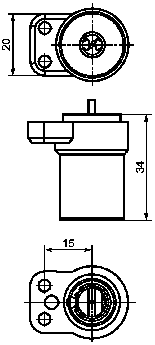
Рисунок Б.24. Пример цилиндрового механизма,
устанавливаемого на корпус замка
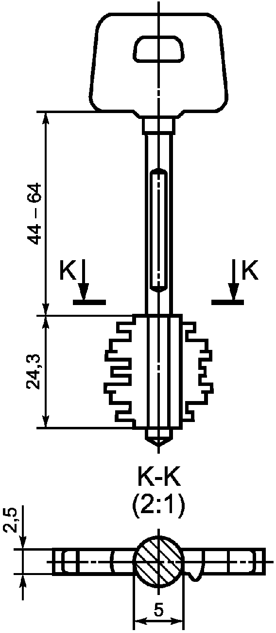
Рисунок Б.25. Пример ключа цилиндрового механизма
Рисунок Б.26. Схема установки и работы замка
раннего реагирования
(рекомендуемое)
К РАЗРАБОТКЕ ТАБЛИЦЫ СЕКРЕТОВ
Количество секретов замка определяется как совокупность всех возможных комбинаций кодовых деталей в механизме его секретности. Каждая отдельная комбинация кодовых деталей должна соответствовать собственному ключу. Различают теоретическое количество кодовых комбинаций и реальное, определяемое из теоретического за вычетом нежелательных комбинаций.
Теоретическое количество кодовых комбинаций N вычисляют по формуле

,
где a - количество кодовых деталей в механизме секретности замка;
n - количество отличных друг от друга кодовых деталей для конкретного механизма секретности.
При разработке таблиц секретов для замков с целью исключения нежелательных комбинаций должны быть соблюдены следующие условия
<*>:
- для цилиндровых механизмов:
соседство в механизме секретности замка более чем двух одинаковых кодовых деталей не допускается, например: 1-1-1-5-2, 5-1-1-1-2-4, 3-5-2-2-2-1, где цифры характеризуют типоразмеры кодовых деталей и расположение их в механизме секретности замка;
- если кодовые детали цилиндрового механизма - диски и их не менее шести, то допускается наличие трех соседствующих одинаковых кодовых деталей;
- наличие в механизме секретности замка двух пар с соседствующими одинаковыми кодовыми деталями не допускается, например: 1-1-3-3-5, 4-4-6-2-2-3, 1-1-5-3-3;
- повторение одинаковых кодовых деталей в любых позициях механизма секретности замка более трех раз не допускается, например: 5-5-1-5-5, 2-2-6-2-3-2, 3-5-3-1-3-2-3;
- соседство кодовых деталей - носителей типоразмеров начала и конца диапазона (возможных типоразмеров) или близких к ним (в случае значительного диапазона) не допускается, например: 3-3-1-7-5-2-1, 1-6-7-2-4;
Примечание. Учитывая, что носителем секрета механизма секретности конкретного замка является также ключ, приведенные выше условия могут быть проконтролированы с помощью ключа.
- для сувальдных замков:
кодовая комбинация сувальдного замка должна строиться так, чтобы исключалась ситуация, отображаемая на ключе как максимальная бородка (выступ), соседствующая с минимальными (впадина) или близкими к ним с обеих сторон, например, 4-3-1-7-2-5;
типоразмеры соседних кодовых деталей должны отличаться друг от друга не более чем на три уровня, например, 4-3-5-7-4-5, или в окружении впадин минимального уровня должны находиться не менее двух выступов высокого уровня, например, 4-1-6-7-2-5;
- не допускается включение в состав механизма секретности конкретного замка одинаковых кодовых деталей в количестве более половины общего их числа;
- для замков 3-го, 4-го класса предпочтение следует отдавать механизмам, оснащенным двухсторонним (двухбородочным) ключом, при этом одна бородка не должна быть зеркальным отражением другой относительно оси ключа.
--------------------------------
<*> Недопустимые комбинации выделены полужирным шрифтом.
(рекомендуемое)
ПО УЛУЧШЕНИЮ ПОКАЗАТЕЛЯ СТОЙКОСТИ К ВСКРЫТИЮ (ВЗЛОМУ)
ЗАМКОВ 3-ГО И 4-ГО КЛАССОВ
Г.1. Варианты защиты замков от криминального вскрытия могут быть простыми и сложными в зависимости от класса замка. Простой защитой от манипуляционного способа вскрытия может быть измененный профиль скважины, уменьшающий свободу манипуляций, или модифицированные кодовые элементы, "смазывающие" картину вскрытия манипуляциями ("ложные" пазы на сувальдах и дисках, проточки на штифтах, зубцы на пластинах).
Г.2. Конструкция замков должна включать в себя элементы защиты механизма секретности, а также ответственные детали механизма секретности, не поддающиеся простому разрушению [например, у цилиндровых механизмов - закаленные штифты в поперечном сечении корпуса и поворотного цилиндра, а также закаленные первые (и не только) от внешнего торца кодовые элементы].
Г.3. При создании конструкции цилиндрового замка необходимо исключать возможность проникновения в зону фиксации и привода засова, минуя механизм секретности.
Г.4. Стойка хвостовика засова сувальдного замка, базовый элемент механизма секретности должны конструироваться так, чтобы исключить ее высверливание (возможны закаленные пластины, закрепленные на крышке или на корпусе замка в зоне перемещения стойки).
Г.5. Для повышения стойкости цилиндрового замка необходимо использовать броненакладки для защиты цилиндрового механизма и области вокруг него. Для повышения стойкости сувальдного замка также необходимо использование броненакладки с механизмом ее ориентации для исключения эффективного доступа через скважину внутрь замка.
Г.6. В сувальдных замках используют зубцы на сувальдах и обращенные к ним зубцы на корпусных деталях. При создании силового замыкания в сувальдном механизме зубцы сувальд "садятся" на зубцы корпуса и манипуляции с сувальдами становятся невозможными.
Г.7. Для повышения охранных свойств замки могут снабжаться датчиками, регистрирующими состояния: "открыт-закрыт" или нахождения в стадии открытия для дверей объектов, находящихся под охраной.
Г.8. Слабым местом цилиндровых механизмов, имеющих крепежное отверстие в самом тонком месте корпуса, является место крепления, по которому возможно осуществить разрушение цилиндрового механизма. Для усиления корпуса может быть изменена схема крепления цилиндрового механизма, исключающая наличие ослабляющего отверстия, или использованы продольные усиливающие вставки.
| | Обеспечение антитеррористической защищенности зданий и сооружений. Общие требования проектирования |
| Р 78.36.017-2010 | Рекомендации по выбору и применению замков для защитных конструкций |
| | Замки для защитных конструкций. Требования и методы испытаний на устойчивость к криминальному открыванию и взлому |
| | Конструкции защитные механические и электромеханические для дверных и оконных проемов. Технические требования и методы испытаний на устойчивость к разрушающим воздействиям |
| Постановление Правительства Российской Федерации от 15 июля 2002 г. N 526 |