Главная // Актуальные документы // Актуальные документы (обновление с 03.11.2025 по 29.11.2025) // ГОСТ (Государственный стандарт)
СПРАВКА
Источник публикации
М.: ФГБУ "Институт стандартизации", 2025
Примечание к документу
Документ вводится в действие с 01.01.2026.

Взамен ГОСТ 25772-2021.
Название документа
"ГОСТ 25772-2025. Межгосударственный стандарт. Ограждения металлические лестниц, балконов, крыш, лестничных маршей и площадок. Общие технические условия"
(введен в действие Приказом Росстандарта от 30.09.2025 N 1134-ст)

"ГОСТ 25772-2025. Межгосударственный стандарт. Ограждения металлические лестниц, балконов, крыш, лестничных маршей и площадок. Общие технические условия"
(введен в действие Приказом Росстандарта от 30.09.2025 N 1134-ст)


Содержание


Введен в действие
Приказом Федерального
агентства по техническому
регулированию и метрологии
от 30 сентября 2025 г. N 1134-ст
МЕЖГОСУДАРСТВЕННЫЙ СТАНДАРТ
ОГРАЖДЕНИЯ МЕТАЛЛИЧЕСКИЕ ЛЕСТНИЦ, БАЛКОНОВ,
КРЫШ, ЛЕСТНИЧНЫХ МАРШЕЙ И ПЛОЩАДОК
ОБЩИЕ ТЕХНИЧЕСКИЕ УСЛОВИЯ
Metal stair railings, balconies, roofs, stairs flights
and landings. General technical conditions
ГОСТ 25772-2025
МКС 91.080.10
Дата введения
1 января 2026 года
Предисловие
Цели, основные принципы и общие правила проведения работ по межгосударственной стандартизации установлены ГОСТ 1.0 "Межгосударственная система стандартизации. Основные положения" и ГОСТ 1.2 "Межгосударственная система стандартизации. Стандарты межгосударственные, правила и рекомендации по межгосударственной стандартизации. Правила разработки, принятия, обновления и отмены"
Сведения о стандарте
1 РАЗРАБОТАН Акционерным обществом "Центральный научно-исследовательский и проектно-экспериментальный институт промышленных зданий и сооружений - ЦНИИПромзданий" (АО "ЦНИИПромзданий")
2 ВНЕСЕН Техническим комитетом по стандартизации ТК 465 "Строительство"
3 ПРИНЯТ Межгосударственным советом по стандартизации, метрологии и сертификации (протокол от 29 августа 2025 г. N 188-П)
За принятие проголосовали:
Краткое наименование страны по МК (ИСО 3166) 004-97
Код страны по МК (ИСО 3166) 004-97
Сокращенное наименование национального органа по стандартизации
Армения
AM
ЗАО "Национальный орган по стандартизации и метрологии" Республики Армения
Киргизия
KG
Кыргызстандарт
Россия
RU
Росстандарт
Узбекистан
UZ
Узбекское агентство по техническому регулированию
4 Приказом Федерального агентства по техническому регулированию и метрологии от 30 сентября 2025 г. N 1134-ст межгосударственный стандарт ГОСТ 25772-2025 введен в действие в качестве национального стандарта Российской Федерации с 1 января 2026 г.
5 ВЗАМЕН ГОСТ 25772-2021
Информация о введении в действие (прекращении действия) настоящего стандарта и изменений к нему на территории указанных выше государств публикуется в указателях национальных стандартов, издаваемых в этих государствах, а также в сети Интернет на сайтах соответствующих национальных органов по стандартизации.
В случае пересмотра, изменения или отмены настоящего стандарта соответствующая информация будет опубликована на официальном интернет-сайте Межгосударственного совета по стандартизации, метрологии и сертификации в каталоге "Межгосударственные стандарты"
1 Область применения
Настоящий стандарт распространяется на стальные и алюминиевые ограждения лестниц, лестничных маршей, площадок, балконов, лоджий, эксплуатируемых кровель и крыш (далее - изделия) для жилых, общественных зданий, производственных зданий и сооружений.
Настоящий стандарт не распространяется на ограждения стальных и алюминиевых лестниц и площадок технологического оборудования производственных зданий.
2 Нормативные ссылки
В настоящем стандарте использованы нормативные ссылки на следующие межгосударственные стандарты:
ГОСТ 2.102 <1> Единая система конструкторской документации. Виды и комплектность конструкторских документов
--------------------------------
<1> В Российской Федерации действует ГОСТ Р 2.102-2023.
ГОСТ 2.321 Единая система конструкторской документации. Обозначения буквенные
ГОСТ 3.1001 <2> Единая система технологической документации. Общие положения
--------------------------------
<2> В Российской Федерации действует ГОСТ Р 3.001-2023.
ГОСТ 9.031 Единая система защиты от коррозии и старения. Покрытия анодно-окисные полуфабрикатов из алюминия и его сплавов. Общие требования и методы контроля
ГОСТ 9.301 Единая система защиты от коррозии и старения. Покрытия металлические и неметаллические неорганические. Общие требования
ГОСТ 9.308 Единая система защиты от коррозии и старения. Покрытия металлические и неметаллические неорганические. Методы ускоренных коррозионных испытаний
ГОСТ 9.407 Единая система защиты от коррозии и старения. Покрытия лакокрасочные. Метод оценки внешнего вида
ГОСТ 9.410 Единая система защиты от коррозии и старения. Покрытия порошковые полимерные. Типовые технологические процессы
ГОСТ 9.916 Единая система защиты от коррозии и старения. Покрытия металлические и неметаллические неорганические. Методы контроля
ГОСТ 15.309 Система разработки и постановки продукции на производство. Испытания и приемка выпускаемой продукции. Основные положения
ГОСТ 1759.0 Болты, винты, шпильки и гайки. Технические условия
ГОСТ 1759.5 Гайки. Механические свойства и методы испытаний
ГОСТ 2991 Ящики дощатые неразборные для грузов массой до 500 кг. Общие технические условия
ГОСТ 4784 Алюминий и сплавы алюминиевые деформируемые. Марки
ГОСТ 5915 Гайки шестигранные класса точности B. Конструкции и размеры <1>
--------------------------------
<1> В Российской Федерации действуют ГОСТ ISO 4032-2014 "Гайки шестигранные нормальные (тип 1). Классы точности A и B" в части гаек с крупным шагом резьбы, ГОСТ ISO 8673-2014 "Гайки шестигранные нормальные (тип 1) с мелким шагом резьбы. Классы точности A и B" в части гаек с мелким шагом резьбы.
ГОСТ 7502 Рулетки измерительные металлические. Технические условия
ГОСТ 7798 Болты с шестигранной головкой класса точности B. Конструкция и размеры <2>
--------------------------------
<2> В Российской Федерации действуют ГОСТ Р ИСО 4014-2013 "Болты с шестигранной головкой. Классы точности A и B", ГОСТ Р ИСО 4017-2013 "Винты с шестигранной головкой. Классы точности A и B", ГОСТ Р ИСО 8676-2013 "Винты с шестигранной головкой с мелким шагом резьбы. Классы точности A и B", ГОСТ Р ИСО 8765-2013 "Болты с шестигранной головкой с мелким шагом резьбы. Классы точности A и B".
ГОСТ 8617 Профили прессованные из алюминия и алюминиевых сплавов. Технические условия
ГОСТ 9142 Ящики из гофрированного картона. Общие технические условия
ГОСТ 9818 Марши и площадки лестниц железобетонные. Технические условия
ГОСТ 10354 Пленка полиэтиленовая. Технические условия
ГОСТ 11371 Шайбы. Технические условия
ГОСТ 13837 Динамометры общего назначения. Технические условия
ГОСТ 14192 Маркировка грузов
ГОСТ 14806 Дуговая сварка алюминия и алюминиевых сплавов в инертных газах. Соединения сварные. Основные типы, конструктивные элементы и размеры
ГОСТ 15140 Материалы лакокрасочные. Методы определения адгезии
ГОСТ 18123 Шайбы. Общие технические условия
ГОСТ 22233 Профили прессованные из алюминиевых сплавов для ограждающих конструкций. Технические условия
ГОСТ 23118 Конструкции стальные строительные. Общие технические условия
ГОСТ 23166 Блоки оконные и балконные. Общие технические условия <3>
--------------------------------
<3> В Российской Федерации действует ГОСТ Р 56926 "Конструкции оконные и балконные различного функционального назначения для жилых зданий. Общие технические условия".
ГОСТ 24033-2018 Окна, двери, ворота. Методы механических испытаний
ГОСТ 24297 Верификация закупленной продукции. Организация проведения и методы контроля
ГОСТ 26433.0 <4> Система обеспечения точности геометрических параметров в строительстве. Правила выполнения измерений. Общие положения
--------------------------------
<4> В Российской Федерации действует ГОСТ Р 58941-2020.
ГОСТ 26433.1 <5> Система обеспечения точности геометрических параметров в строительстве. Правила выполнения измерений. Элементы заводского изготовления
--------------------------------
<5> В Российской Федерации действует ГОСТ Р 58939-2020.
ГОСТ 26663 Пакеты транспортные. Формирование с применением средств пакетирования. Общие технические требования
ГОСТ 30698 Стекло закаленное. Технические условия
ГОСТ 30826 Стекло многослойное. Технические условия
ГОСТ 31149 (ISO 2409:2013) Материалы лакокрасочные. Определение адгезии методом решетчатого надреза
ГОСТ 35094 Покрытия лакокрасочные. Группы, технические требования и обозначения
Примечание - При пользовании настоящим стандартом целесообразно проверить действие ссылочных стандартов и классификаторов на официальном интернет-сайте Межгосударственного совета по стандартизации, метрологии и сертификации (www.easc.by) или по указателям национальных стандартов, издаваемым в государствах, указанных в предисловии, или на официальных сайтах соответствующих национальных органов по стандартизации. Если на документ дана недатированная ссылка, то следует использовать документ, действующий на текущий момент, с учетом всех внесенных в него изменений. Если заменен ссылочный документ, на который дана датированная ссылка, то следует использовать указанную версию этого документа. Если после принятия настоящего стандарта в ссылочный документ, на который дана датированная ссылка, внесено изменение, затрагивающее положение, на которое дана ссылка, то это положение применяется без учета данного изменения. Если ссылочный документ отменен без замены, то положение, в котором дана ссылка на него, применяется в части, не затрагивающей эту ссылку.
3 Термины и определения
В настоящем стандарте применены термины по ГОСТ 23166, а также следующие термины с соответствующими определениями:
3.1 ограждение: Вертикальная конструкция, сооружаемая на лестницах, балконах, лоджиях, открытых площадках, эксплуатируемых кровлях, крышах, антресолях, переходах и т.п., состоящая из стоек, поручней и заполнения в виде ограждающих элементов или экранов, для безопасности использования, передвижения и предохранения человека от падения с высоты.
3.2 ограждающий элемент (вертикальный, наклонный, горизонтальный): Элемент ограждения из профильных конструкций, формирующий заполнение между стойками и поручнями.
3.3 перила: Конструкция в виде горизонтального или наклонного элемента, обеспечивающая опору человека при ходьбе, предохраняющая от падения.
3.4 экран: Элемент ограждения из листовых, плитных или светопрозрачных конструкций, формирующий заполнение между стойками и поручнями.
4 Классификация и условные обозначения
4.1 Металлические ограждения различают по следующим признакам:
- функциональному назначению;
- вариантам заполнения каркаса;
- материалам элементов изделий.
4.2 По функциональному назначению ограждения подразделяют на типы, приведенные в таблице 1.
Таблица 1
Типы ограждений
Функциональное назначение
Обозначение типа
1 Для лестничных маршей, лестниц:
- внутренних
МВ lомhом
- наружных
МН lомhом
- общеобразовательных и дошкольных организаций
МД lомhом
2 Для лестничных площадок:
- внутренних
ПВ
- наружных
ПН
- общеобразовательных и дошкольных организаций
ПД
3 Для балконов, лоджий:
- зданий высотой не более 30 м
БП
- зданий высотой свыше 30 м
БВ
- общеобразовательных и дошкольных организаций
БД
- незадымляемых лестничных клеток
БЛ
4 Для крыш:
- без парапета
КО
- с парапетом
КП
5 Для эксплуатируемых кровель:
- без парапета
КЭО
- с парапетом
КЭП
Примечание - lом и hом - по ГОСТ 9818.
4.3 По заполнению каркаса ограждения подразделяют:
- на решетчатые (Р);
- экранные (с навеской экранов из листовых, плитных или светопрозрачных материалов) (Э);
- комбинированные (с решетчатыми и экранными участками) (К).
4.4 По материалам изготовления изделия подразделяют:
- на стальные (Ст);
- из алюминиевых сплавов (Ал).
4.5 Структура условного обозначения ограждения приведена в таблице 2.
Таблица 2
Структура условного обозначения ограждения
Порядок изложения элементов условного обозначения
1
2
3
4
5
6
7
Элемент условного обозначения
Тип ограждения
Размеры, дм
Исполнение ограждения (правое П, левое Л) <*>
Угол наклона ограждения <*>
Материал ограждения (марка при наличии)
Заполнение каркаса
Обозначение нормативного документа (НД)
<*> Указывается, если предусмотрено техническим заданием.
Пример условного обозначения левого ограждения внутреннего лестничного марша МВ, изготовленного из алюминиевого сплава АД35Т1 по ГОСТ 8617, под углом 45°, с решетчатым заполнением и размерами h = 10 дм и L = 24 дм:
МВ-24.10-Л45-Ал(АД35Т1)-Р ГОСТ 25772-2025
Пример условного обозначения ограждения лестничной площадки наружной лестницы длиной L = 2400 мм и высотой H = 1200 мм, с экранным заполнением, изготовленного из стального холодногнутого профиля (Х):
МН-24.12-СтХ-Э ГОСТ 25772-2025
Пример условного обозначения ограждения крыш без парапета длиной 3800 мм и высотой 600 мм, решетчатого, изготовленного из стального холодногнутого профиля (Х)
КО-38.6-СтХ-Р ГОСТ 25772-2025
5 Общие технические требования
5.1 Основные параметры и размеры
5.1.1 Основные параметры и размеры ограждений лестничных маршей, площадок, балконов, лоджий, эксплуатируемых кровель и крыш, а также размеры между конструктивными элементами ограждений приведены в таблице 3.
Таблица 3
Основные параметры и размеры ограждений
В миллиметрах
Тип ограждения
H
h
a, не более
b
МВ
900
800
150
300
МН
1200
1100
150
300
МД
1200
1180
100
-
ПВ
900
800
150
300
ПН
1200
1100
150
300
ПД
1200
1180
100
-
БП
1000
900
110
300
БВ
1100
1000
110
300
БД
1200
1180
100
-
БЛ
1200
1100
110
300
КП
600/1200 <*>
-
300
-
КО
600/1200
-
300
-
<*> За вычетом высоты парапета.
Примечание - Буквенные обозначения размеров H, h, a И b ограждений установлены в ГОСТ 2.321.
5.1.2 Предельные отклонения размеров от номинальных, отклонение формы от проектной для ограждений приведены в таблице 4.
Таблица 4
Предельные отклонения размеров от номинальных
и отклонение формы от проектной для ограждений
В миллиметрах
Наименование показателя
Предельное отклонение
Длина L
до 1500 включ.
+/- 2
св. 1500 до 3900 включ.
+/- 3
" 3900 " 7200 "
+/- 4
Высота H <*>
+/- 2
Размеры 300 и менее (a; b)
+/- 1
Перпендикулярность ограждения (кроме лестниц) <**>
4
Заданный угол сопряжения элементов ограждения (для лестниц)
Прямолинейность в плоскости и из плоскости ограждения при длине L
до 1500 включ.
1
св. 1500 до 3900 включ.
3
" 3900 " 7200 "
5
<*> Для ограждений крыш с парапетом значение предельного отклонения "-2".
<**> Перпендикулярность ограждений для плоской кровли 4, для скатных крыш 35.
Примечания
1 Предельные отклонения от прямолинейности относятся как к ограждению в целом, так и к отдельным его элементам.
2 Буквенные обозначения размеров H, h, a и b ограждений установлены в ГОСТ 2.321.
5.1.3 Ограждения лестниц, лестничных маршей и крыш для общественных зданий следует изготавливать в соответствии с требованиями нормативных документов <1>, действующих на территории государства - участника Соглашения, принявшего настоящий стандарт.
--------------------------------
<1> В Российской Федерации действует СП 118.13330.2022 "СНиП 31-06-2009 Общественные здания и сооружения".
5.1.4 Ограждения лестниц, лестничных маршей, балконов, лоджий, эксплуатируемых кровель и крыш для жилых зданий следует изготавливать в соответствии с требованиями нормативных документов <2>, действующих на территории государства - участника Соглашения, принявшего настоящий стандарт.
--------------------------------
<2> В Российской Федерации действует СП 54.13330.2022 "СНиП 31-01-2003 Здания жилые многоквартирные".
5.1.5 Ограждения лестниц, лестничных маршей, балконов, лоджий, эксплуатируемых кровель и крыш для зданий общеобразовательных и дошкольных организаций следует изготавливать в соответствии с требованиями нормативных документов <3>, действующих на территории государства - участника Соглашения, принявшего настоящий стандарт.
--------------------------------
<3> В Российской Федерации действуют СП 251.1325800.2016 "Здания общеобразовательных организаций. Правила проектирования", СП 252.1325800.2016 "Здания дошкольных образовательных организаций. Правила проектирования".
5.1.6 Для балконов и лоджий жилых зданий, за исключением балконов и лоджий незадымляемых лестничных клеток, по заданию на проектирование применяют решетчатые, экранные или комбинированные ограждения.
5.1.7 Ограждения крыш для установки на парапет должны иметь высоту за вычетом высоты парапета.
5.1.8 Ограждения крыш не должны пересекать выход на крышу с площадок пожарных лестниц.
5.1.9 Примеры вариантов ограждений лестниц, балконов, лоджий, эксплуатируемых кровель и крыш приведены в приложении А.
5.2 Требования к конструкции
5.2.1 Металлические ограждения следует изготавливать в соответствии с требованиями настоящего стандарта, стандартов на конкретные виды изделий по конструкторской и технологической документации, оформленной по ГОСТ 2.102, ГОСТ 3.1001 и утвержденной руководителем предприятия-изготовителя.
5.2.2 Несущая способность изделий должна обеспечивать восприятие эксплуатационных нагрузок. Расчет прочностных характеристик ограждений следует выполнять исходя из нормативных значений горизонтальных нагрузок на поручни ограждений в соответствии с требованиями нормативных документов <4>, действующих на территории государства - участника Соглашения, принявшего настоящий стандарт.
--------------------------------
<4> В Российской Федерации действует СП 20.13330.2016 "СНиП 2.01.07-85* Нагрузки и воздействия".
При отсутствии нормативных требований нагрузки принимают по заданию на проектирование, но не менее: для ограждений лестничных маршей, площадок, балконов, лоджий, крыш с эксплуатируемой кровлей, антресолей, галерей - 0,5 кН/м, для обслуживающих площадок и галерей, крыш с неэксплуатируемой кровлей - 0,3 кН/м.
Сопротивление изделий динамическим нагрузкам (удару мягким неупругим телом) следует устанавливать по 7.2.
5.2.3 Каркасы стальных и алюминиевых ограждений следует изготавливать сварными или сборными. Выбор типа соединений следует устанавливать в конструкторской документации изготовителя.
5.2.3.1 Сварные соединения стальных ограждений должны соответствовать требованиям ГОСТ 23118, алюминиевых ограждений - требованиям ГОСТ 14806, либо иных нормативных документов, устанавливающих требования к сварным соединениям.
Сварку следует выполнять в соответствии с ГОСТ 23118, нормативными документами <5>, действующими на территории государства - участника Соглашения, принявшего настоящий стандарт.
--------------------------------
<5> В Российской Федерации действует СП 128.13330.2016 "СНиП 2.03.06-85 Алюминиевые конструкции".
Временное сопротивление разрыву металла сварного шва должно быть не ниже требований, предъявляемых к основному металлу.
5.2.3.2 Для болтовых соединений алюминиевых ограждений следует применять стальные болты нормальной точности по ГОСТ 7798 и ГОСТ 1759.0, гайки по ГОСТ 5915 и ГОСТ 1759.5, шайбы по ГОСТ 11371 и ГОСТ 18123 с защитным металлическим покрытием по ГОСТ 9.301 во избежание контактной коррозии.
Допускаются прочие виды крепления по техническим решениям системодержателей.
5.2.4 Сборку или сварку элементов конструкции необходимо выполнять в соответствии с конструкторской документацией производителя.
5.2.5 Конструкцию ограждения следует крепить к несущему основанию с помощью крепежных изделий (анкеров, стальных пластин, кронштейнов и пр.).
Выбирать крепежные изделия следует на основании прочностных расчетов и/или результатов испытания их несущей способности.
5.2.6 Стальные ограждения должны быть защищены от коррозии способами, установленными в нормативных документах <1>, действующих на территории государства - участника Соглашения, в зависимости от степени агрессивности среды.
--------------------------------
<1> В Российской Федерации действует СП 28.13330.2017 "СНиП 2.03.11-85 Защита строительных конструкций от коррозии".
Коррозионная стойкость элементов ограждений из алюминиевых профилей при испытании в нейтральном соляном тумане должна быть не менее 1000 ч согласно ГОСТ 22233.
Способ защиты изделий от коррозии следует устанавливать в проектной документации.
5.2.7 Экранное светопрозрачное заполнение ограждения следует изготавливать из многослойного стекла по ГОСТ 30826 (безопасного в эксплуатации, ударостойкого) либо закаленного стекла по ГОСТ 30698.
Толщину и класс защиты применяемого стекла устанавливают в рабочей документации в зависимости от эксплуатационных и других расчетных нагрузок.
Примеры вариантов светопрозрачного экранного ограждения приведены в приложении Б.
5.2.8 Элементы заполнения должны быть закреплены в каркасе ограждения. Конструктивное решение узлов крепления стеклянных экранов не должно вызывать пережатия и точечных напряжений в стекле. Закаленные стекла должны иметь шлифованные кромки (для снятия концентраторов напряжения).
При проектировании ограждений необходимо предусматривать возможность замены экранов и иных элементов, подверженных ускоренному износу или ремонту.
5.2.9 В конструкции решетчатых и комбинированных ограждений следует применять горизонтальные или наклонные промежуточные элементы. Расстояние в свету между поручнем и горизонтальными (наклонными) промежуточными элементами ограждения, а также между горизонтальным (наклонным) промежуточным элементом ограждения и боковым каркасным элементом лестницы приведено в приложении А.
Ограждения лестниц, балконов и лоджий общеобразовательных и дошкольных организаций не должны иметь промежуточных наклонных и горизонтальных элементов.
5.2.10 В конструкции ограждений с вертикальными стойками и вертикальными ограждающими элементами горизонтальное расстояние в свету между ними принимают по таблице 3.
5.2.11 Для обеспечения коррозионной стойкости стальные изделия должны иметь защитное металлическое покрытие по ГОСТ 9.301, лакокрасочное покрытие по ГОСТ 9.032 или порошковое полимерное покрытие по ГОСТ 9.410, алюминиевые изделия - анодно-окисное покрытие по ГОСТ 9.031, полимерное порошковое по ГОСТ 9.410.
Класс покрытия устанавливают в технической документации предприятия-изготовителя. Покрытия должны быть стойкими к воздействию климатических факторов.
5.2.12 Адгезия лакокрасочного покрытия должна быть от 1 до 2 баллов по ГОСТ 15140 и 1 балл по ГОСТ 31149.
Внешний вид покрытия не должен иметь разрушения (дефекты) по ГОСТ 9.407.
5.2.13 Требования к толщине покрытия устанавливают техническим заданием на изготовление ограждений.
5.2.14 Качество сварных соединений должно соответствовать требованиям ГОСТ 23118.
5.2.15 Внешний вид изделий (цвет, текстура) должен соответствовать образцам-эталонам согласно ГОСТ 15.309.
На поверхности ограждений не должно быть механических повреждений, заусенцев, искривлений, окалины или ржавчины.
5.3 Требования к материалам
5.3.1 Материалы для изготовления стальных ограждений следует выбирать в соответствии с ГОСТ 23118.
5.3.2 Для изготовления алюминиевых ограждений следует применять алюминиевые профили по ГОСТ 8617 или ГОСТ 22233 состояния Т1 марок АД31, АД35 (6060, 6063 по ГОСТ 4784). Допускается применение других сплавов, имеющих аналогичные физико-механические характеристики.
5.4 Заводская готовность и комплектация
5.4.1 Изделия перед установкой должны иметь полную заводскую готовность и комплектацию.
5.4.2 В комплект поставки должны входить: основные элементы ограждений, экраны для комбинированных ограждений, соединительные и крепежные изделия, спецификация деталей, узлов и элементов комплекта, паспорт, инструкция по эксплуатации изделий. Поставку сборно-разборных изделий сопровождают инструкцией по их сборке.
Допускается расширенная или неполная комплектация, неполная заводская готовность изделий по техническому заданию.
5.4.3 По требованию заказчика (потребителя) изготовитель предоставляет типовую инструкцию по монтажу изделий, если условия монтажа не установлены в договоре (заказе).
5.5 Маркировка
Каждую упаковку изделий маркируют этикеткой (ярлыком) с указанием наименования (товарного знака) предприятия-изготовителя, условного обозначения изделия, количества изделий в упаковке, массы упаковки, даты изготовления и/или номера партии (заказа), знака (штампа), подтверждающего приемку изделий техническим контролем. Маркировка должна быть устойчивой к атмосферным воздействиям.
По согласованию между торговыми партнерами и транспортными организациями на упаковку может быть нанесена дополнительная маркировка с использованием машиночитаемых данных (символов линейного штрихового кода, двумерных символов, а также радиочастотных меток).
Транспортную маркировку следует выполнять в соответствии с требованиями ГОСТ 14192.
Условные обозначения изделий в маркировке принимаются производителем по техническому заданию или техническим условиям.
6 Правила приемки
6.1 Для проверки соответствия изделий требованиям настоящего стандарта проводят входной, операционный и приемочный контроль.
6.2 Входной контроль материалов и комплектующих изделий проводят по ГОСТ 24297. Методы входного контроля устанавливают исходя из требований нормативных документов поставщика к закупленной продукции.
6.3 Операционный контроль качества продукции проводят в процессе ее изготовления в соответствии с технологической документацией предприятия-изготовителя. Точки контроля, контролируемые параметры и периодичность контроля устанавливают в технологическом регламенте контроля качества. Точность и стабильность параметров технологических операций оценивают в соответствии с требованиями технологической документации предприятия-изготовителя.
Операционный контроль качества сварных соединений проводят в соответствии с требованиями ГОСТ 23118.
6.4 Приемочный контроль изготовленной продукции осуществляет служба контроля качества предприятия-изготовителя в соответствии с требованиями ГОСТ 15.309.
При приемочном контроле осуществляют приемку готовых изделий по качеству на основании данных входного, операционного, приемо-сдаточного контроля и периодических испытаний.
6.5 Приемо-сдаточные и периодические испытания продукции проводят в объеме, с периодичностью и по номенклатуре показателей, установленных в таблице 5.
Таблица 5
Показатели, контролируемые при приемо-сдаточных
и периодических испытаниях изделий
Наименование показателя
Требование
Метод испытания
Категория испытаний
Периодичность испытаний
Приемо-сдаточные
Периодические
Сопротивление изделий горизонтальной статической нагрузке, Н, не менее
-
+
Один раз в пять лет
Стойкость ограждений к удару мягким телом
-
+
Класс защиты светопрозрачных экранных ограждений
-
+
Коррозионная стойкость
-
+
Один раз в пять лет
Адгезия покрытия
+
-
-
Внешний вид покрытия
+
+
Один раз в пять лет
Толщина покрытия
+
-
Внешний вид изделия <*>
+
-
-
Качество (класс) покрытия <**>
+
-
Качество сварных соединений <**>
+
-
Геометрические параметры изделия, влияющие на собираемость
+
-
Комплектность, маркировка, упаковка
+
-
<*> Каждая партия изделий.
<**> При приемо-сдаточных испытаниях качества сварных соединений проверяемые контрольные участки должны быть очищены от нанесенной антикоррозионной защиты.
Примечание - знак "+" - испытание проводят, знак "-" - испытание не проводят.
6.6 При приемке изделий партией не более 200 шт. ее оформляют одним документом о качестве (паспортом).
6.7 При проведении приемо-сдаточных испытаний партия изделий подвергается выборочному контролю. Объем выборки, подлежащей приемо-сдаточному контролю, должен составлять 5% каждой партии, но не менее 5 шт.
6.8 Если при проверке отобранных изделий окажется как минимум одно изделие, не соответствующее требованиям настоящего стандарта, следует отобрать удвоенное количество изделий от той же партии и провести их повторную проверку.
Если при повторной проверке окажется хотя бы одно изделие, не удовлетворяющее требованиям настоящего стандарта по какому-либо из показателей, эту партию бракуют и отправляют на доработку.
6.9 Периодические испытания изделий проводят на образцах полной заводской готовности, принятых службой контроля качества предприятия-изготовителя. Выбор репрезентативных образцов для испытаний осуществляют согласно ГОСТ 24033. Образцы для испытаний отбирают в соответствии с требованиями ГОСТ 24033. Количество образцов для испытаний определяет испытательная лаборатория исходя из условия обеспечения возможности проведения испытаний в полном объеме.
6.10 Каждая партия принятых службой качества изделий должна сопровождаться паспортом, в котором указывают:
- наименование и адрес предприятия-изготовителя или его товарный знак;
- условное обозначение изделия;
- номер партии (заказа);
- количество изделий в партии, шт., м2;
- спецификацию комплектующих изделий;
- дату отгрузки.
Паспорт должен иметь знак (штамп), подтверждающий приемку партии изделий службой качества предприятия-изготовителя. В паспорте следует указывать основные технические характеристики изделий и гарантийные обязательства.
При реализации изделий через предприятия розничной торговли каждое изделие сопровождают паспортом.
При экспортных операциях содержание сопроводительного документа о качестве устанавливают в договоре на поставку изделий.
6.11 По договоренности сторон приемка изделий потребителем может проводиться у изготовителя, на складе потребителя, у официального дилера, в ином оговоренном в договоре месте или непосредственно на строительном объекте.
6.12 Изготовитель выполняет ремонт при обнаружении скрытых дефектов, приведших к нарушению эксплуатационных характеристик изделий в течение гарантийного срока службы.
6.13 Изготовитель предоставляет паспорт, подтверждающий соответствие проектным характеристикам, в соответствии с требованиями нормативных документов <1>, действующих на территории государства - участника Соглашения, принявшего настоящий стандарт.
--------------------------------
<1> В Российской Федерации действует ГОСТ Р 56926-2016 "Конструкции оконные и балконные различного функционального назначения для жилых зданий. Общие технические условия" (раздел 7).
7 Методы контроля
7.1 Испытание прочности ограждения при действии статической (горизонтальной) нагрузки
7.1.1 Требования к образцу
Испытательный образец должен быть полностью собран и установлен в испытательном стенде в соответствии с требованиями к монтажу. Установка образца должна соответствовать условиям эксплуатации изделия.
7.1.2 Требования к испытательному оборудованию
Испытательный стенд должен воспроизводить эксплуатационные усилия при воздействии на ограждение.
Испытательный стенд должен состоять из стальной рамы для крепления испытуемого образца (нижний горизонтальный элемент на рисунке 1), и неподвижной вспомогательной рамы, являющейся основанием стенда и упором для устройства, создающего статическую нагрузку. Все соединительные элементы рамы для крепления испытуемого образца (угловые соединения) должны выдерживать испытательные нагрузки, установленные в 5.2.2.
Рисунок 1 - Схема приложения статической
нагрузки при испытании прочности ограждений
Устройство для создания и измерения статических нагрузок устанавливается на вспомогательной раме и представляет собой гидравлический цилиндр (гидравлический домкрат), крепящийся к вспомогательной раме и обеспечивающий испытательную нагрузку, на выдвижном штоке которого закреплен прибор (динамометр сжатия), измеряющий испытательную нагрузку и передающий через специальные устройства-адаптеры нагрузку на испытуемый образец. Устройства-адаптеры подбираются в зависимости от конструкции испытуемого образца ограждения и устанавливаются для приложения нагрузки согласно схеме испытаний.
Средства измерений, применяемые для испытаний:
- секундомер;
- рулетка по ГОСТ 7502;
- динамометр по ГОСТ 13837.
Схема приложения статической нагрузки к образцу при испытании прочности ограждения приведена на рисунке 1.
7.1.3 Порядок проведения испытаний:
- испытуемый образец устанавливают в раме испытательного стенда и закрепляют неподвижно в установленных точках крепления;
- горизонтальную нагрузку на образец увеличивают до контрольного значения по 5.2.2 в течение 2 мин;
- контрольное значение нагрузки удерживают в течение 5 мин, затем уменьшают ее до нуля.
После снятия нагрузки проверяют форму испытанного образца по размеру диагоналей (рулеткой). Результаты испытаний образца считают положительными, если после испытания в нем не возникло изменения формы и признаков разрушения.
7.2 Испытание стойкости решетчатых ограждений к динамической нагрузке
Испытание стойкости решетчатых ограждений к динамической нагрузке (удар мягким неупругим телом) выполняют по методике, приведенной в ГОСТ 24033-2018 (пункт 8.3.3), с учетом сосредоточенной ударной нагрузки при случайном падении человека. Значение расчетной нагрузки принимают в соответствии с требованиями нормативных документов <1>, действующих на территории государства - участника Соглашения, принявшего настоящий стандарт. При отсутствии нормативных требований нагрузки принимают по заданию на проектирование, но не менее 80 кг.
--------------------------------
<1> В Российской Федерации действует СП 20.13330.2016 "СНиП 2.01.07-85* Нагрузки и воздействия".
Сущность метода заключается в создании эксплуатационной динамической нагрузки, действующей в сторону возможного падения человека. Схема приложения ударной испытательной нагрузки на примере балконного ограждения приведена на рисунке 2.
1 - середина длины ограждения;
2 - соединение "стойка опорная - перила ограждения";
3, 4, 5 - центр экрана заполнения ограждения
Рисунок 2 - Схема приложения ударной испытательной
нагрузки к решетчатому балконному ограждению
Энергию удара мягким телом W, Дж, следует рассчитывать по формулам:
W = mgh·(1 - cos a) (1)
или
W = mgh при значении угла a = 90°, (2)
где m - масса груза, кг;
g - ускорение свободного падения, м/с2;
h - длина подвеса груза, мм;
a - угол отклонения груза, град.
Положительный результат испытаний - отсутствие признаков нарушения целостности образца.
7.3 Класс защиты светопрозрачного экранного заполнения определяют испытаниями по методикам, приведенным в ГОСТ 30826, ГОСТ 30698.
7.4 Коррозионную стойкость стальных изделий проверяют методами, установленными в ГОСТ 9.308.
Коррозионную стойкость алюминиевых изделий проверяют по ГОСТ 22233. При испытаниях изделий, состоящих из алюминиевых профилей в сочетании со стальными оцинкованными элементами (крепления, соединения и пр.) стойкость к коррозии проверяют на фрагменте изделия вместе с элементами из оцинкованной стали.
7.5 Прочность сцепления лакокрасочных покрытий с отделываемой поверхностью (адгезию) определяют методом решетчатых надрезов по ГОСТ 15140, ГОСТ 31149. Внешний вид лакокрасочного покрытия определяют по ГОСТ 9.407.
7.6 Толщину металлических и лакокрасочных покрытий на металлических поверхностях изделий измеряют на отдельных элементах с помощью приборов-толщиномеров с областью измерения, установленной в ГОСТ 9.916.
7.7 Внешний вид изделий, комплектность, сборку каркаса и элементов заполнения, применимые крепежные изделия и другие детали проверяют визуально на соответствие требованиям настоящего стандарта, конструкторской документации и образцам-эталонам.
7.8 Геометрические размеры изделий определяют измерением с использованием методов, установленных в ГОСТ 26433.0, ГОСТ 26433.1.
Приборы (оборудование) для проведения измерений должны быть поверены в установленном порядке.
7.9 Качество и класс покрытия определяют визуально и измерением в соответствии с ГОСТ 35094, ГОСТ 9.410, ГОСТ 9.301.
7.10 Качество сварных соединений проверяют визуально на соответствие 5.2.14.
7.11 Комплектность, маркировку и упаковку проверяют визуально.
8 Упаковка, транспортирование и хранение
8.1 Упаковка изделий должна обеспечивать их сохранность при хранении, погрузочно-разгрузочных работах и транспортировании.
Упаковку изделий выполняют в соответствии с требованиями ГОСТ 26663 в пакеты, изготовленные по чертежам предприятия-изготовителя и исключающие взаимное смещение и повреждение изделий.
Допускается упаковка изделий в деревянные ящики по ГОСТ 2991, коробки из гофрированного картона по ГОСТ 9142 или полиэтиленовую пленку по ГОСТ 10354.
При поставке комплектующих деталей (соединительных, крепежных и пр.) по договоренности с заказчиком (потребителем) отдельно от изделий детали должны быть упакованы в картонные коробки или полиэтиленовую пленку (пакеты).
8.2 Требования к хранению и транспортированию изделий и комплектующих деталей, а также правила транспортирования устанавливают в НД на конкретные виды изделий с учетом требований ГОСТ 23118.
8.3 Изделия транспортируют всеми видами транспорта в соответствии с правилами перевозки грузов, действующими на конкретном виде транспорта.
8.4 Изделия хранят в заводской упаковке в крытых проветриваемых помещениях в условиях, исключающих их повреждение и загрязнение.
Между изделиями следует устанавливать разделительные прокладки из эластичных материалов либо деревянные в случае возможности их повреждения при соприкосновении друг с другом.
9 Общие требования к монтажу и эксплуатации
9.1 Требования к монтажу изделий устанавливают в рабочей документации на конкретные варианты узлов крепления к несущему основанию.
9.2 Конструкция узлов крепления изделий к несущему основанию должна быть разработана с учетом действующих эксплуатационных нагрузок, материала несущей основы и подтверждена соответствующими расчетами.
Крепление изделий к несущему основанию следует проводить монтажными крепежными деталями, рассчитанными на восприятие этих нагрузок. Расположение элементов крепления и способ их закрепления в несущем основании должны быть указаны в рабочей документации.
9.3 В конструкции узлов крепления следует применять изолирующие прокладки, препятствующие возникновению контактной электрохимической коррозии.
9.4 Конструкцией ограждений должно быть предусмотрено исключение риска получения травмы, вызванного острыми краями, захватом одежды и пр.
9.5 Монтаж изделий должен быть осуществлен строительно-монтажными организациями либо предприятиями - изготовителями ограждающих конструкций. Окончание монтажных работ должно быть подтверждено актом сдачи-приемки <1>.
--------------------------------
<1> В Российской Федерации акт сдачи-приемки оформляют согласно СП 70.13330.2012 "Несущие и ограждающие конструкции".
9.6 По требованию заказчика (потребителя) изготовитель изделий (либо монтажная организация) должны предоставлять типовую инструкцию по монтажу ограждений, содержащую следующее: чертежи (схемы) типовых монтажных узлов крепления, перечень применяемых при монтаже изделий материалов, последовательность технологических операций по монтажу ограждений.
9.7 Правила эксплуатации изделий устанавливают в проектной документации и инструкции по эксплуатации, входящей в комплект поставки изделий.
Правила эксплуатации должны содержать требования к поддержанию нормативного технического состояния и внешнего вида изделий, периодичность и порядок технического осмотра смонтированных изделий.
10 Гарантии изготовителя
10.1 Изготовитель гарантирует соответствие изделий требованиям настоящего стандарта при условии соблюдения потребителем правил хранения, монтажа и эксплуатации, а также области применения изделий.
10.2 Гарантийный срок эксплуатации следует устанавливать с учетом условий и интенсивности эксплуатации, но не менее 24 месяцев со дня установки на объекте. На декоративное лакокрасочное покрытие гарантийный срок службы определяется гарантийным сроком поставщиков лакокрасочных материалов, но не менее 12 месяцев.
Приложение А
(справочное)
ПРИМЕРЫ ВАРИАНТОВ ОГРАЖДЕНИЙ ЛЕСТНИЦ, ЛЕСТНИЧНЫХ МАРШЕЙ,
ПЛОЩАДОК, БАЛКОНОВ, ЛОДЖИЙ, ЭКСПЛУАТИРУЕМЫХ КРОВЕЛЬ, КРЫШ
1, 2 - наклонный промежуточный ограждающий элемент;
3 - вертикальный ограждающий элемент; 4 - стойка;
5 - поручень; 6 - ступени
Рисунок А.1 - Решетчатые ограждения лестничных маршей
1, 4 - наклонный промежуточный ограждающий элемент;
2 - экран (показан пунктирной линией); 3 - стойка;
5 - поручень; 6 - ступени
Рисунок А.2 - Экранные и комбинированные
ограждения лестничных маршей
1, 2, 3 - наклонный промежуточный ограждающий элемент;
4 - стойка; 5 - поручень; 6 - ступени
Рисунок А.3 - Перильное ограждение лестничного марша
с наклонными промежуточными ограждающими элементами
1 - поручень; 2, 3 - горизонтальный промежуточный
ограждающий элемент; 4 - стойка; 5 - вертикальный
ограждающий элемент; 6 - плита лестничной площадки
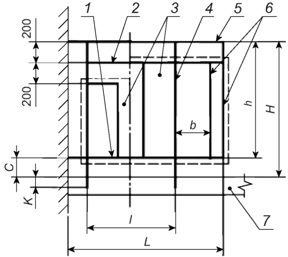
Рисунок А.4 - Решетчатые ограждения лестничных площадок
1, 2 - горизонтальный промежуточный ограждающий элемент;
3 - экран (показан пунктирной линией); 4 - стойка;
5 - поручень; 6 - вертикальный ограждающий элемент;
7 - плита лестничной площадки
Рисунок А.5 - Экранные и комбинированные
ограждения лестничных площадок
1, 2 - горизонтальный промежуточный ограждающий элемент;
3 - поручень; 4 - стойка; 5 - вертикальный ограждающий
элемент; 6 - балконная плита
Рисунок А.6 - Решетчатые ограждения балконов
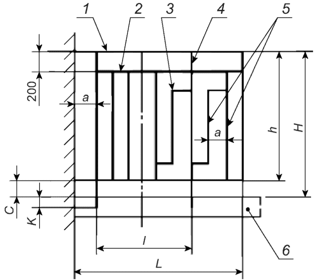
1, 2 - горизонтальный промежуточный ограждающий элемент;
3 - стойка; 4 - поручень; 5 - экран (показан пунктирной
линией); 6 - вертикальный ограждающий элемент;
7 - балконная плита
Рисунок А.7 - Экранные и комбинированные ограждения балконов
1 - стойка; 2 - горизонтальный ограждающий элемент;
3 - уровень кровли
Рисунок А.8 - Ограждения крыш без парапета
1 - стойка; 2 - горизонтальный ограждающий элемент;
3 - уровень кровли
Рисунок А.9 - Ограждения крыш с парапетом
Примечания к рисункам А.1 - А.9
1 Значения шага стоек l и общей длины ограждения L принимают по рабочим чертежам.
2 Значение длины части стойки K для ее заделки или приварки к плите или лестничному маршу принимают по рабочим чертежам.
3 Значение зазора C между элементами ограждения и полом, ступенями маршей, кровлей принимают для МВ lомhом, МН lомhом, ПН, БП, БВ и БЛ - 100 мм, для МД lомhом, ПД и БД - 20 мм.
4 Буквенные обозначения изделий установлены в соответствии с ГОСТ 2.321.
5 Архитектурные решения ограждений являются условными.
Приведенные примеры ограждений лестниц, лестничных маршей, площадок, балконов, лоджий, эксплуатируемых кровель, крыш не исчерпывают всех возможных вариантов. При проектировании допускается применение иных конструктивных и дизайнерских решений.
Приложение Б
(справочное)
ПРИМЕРЫ ВАРИАНТОВ СВЕТОПРОЗРАЧНОГО ЭКРАННОГО ОГРАЖДЕНИЯ
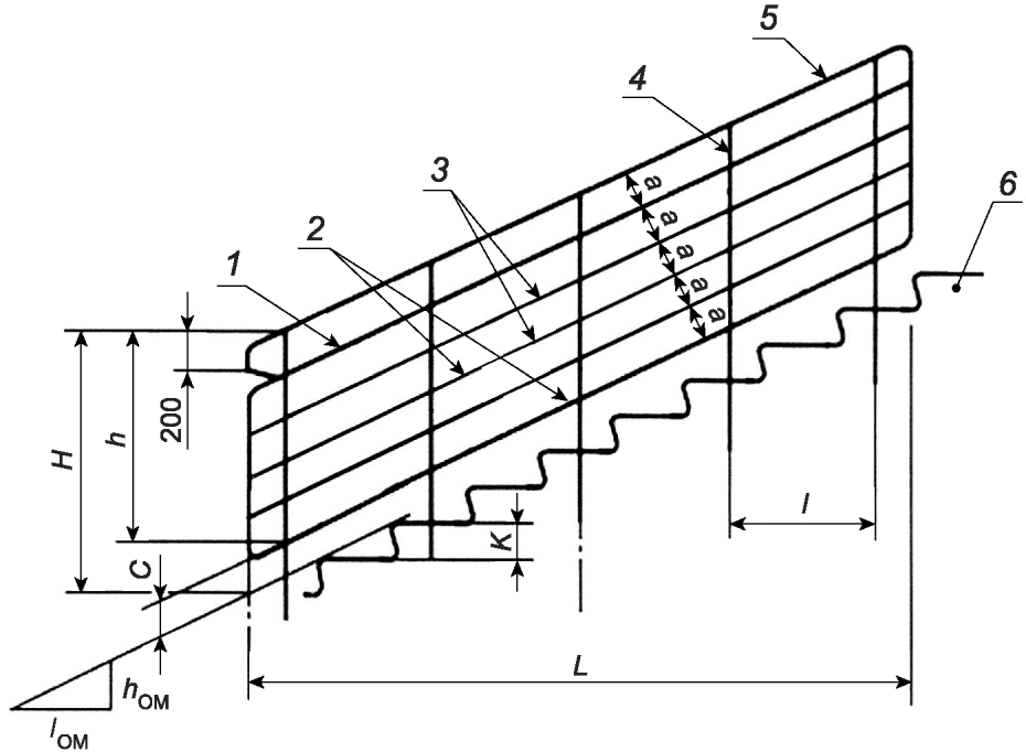
L - расстояние между опорными стойками
Рисунок Б.1 - Вариант светопрозрачного экранного
ограждения с нижним креплением к несущей основе
Примечание - Приложение ударной нагрузки к экрану при испытаниях по центру образца.
Рисунок Б.2 - Вариант светопрозрачного экранного ограждения
с боковым креплением к несущей основе
Рисунок Б.3 - Вариант светопрозрачного экранного ограждения
с креплением к перекрытию
Приведенные примеры светопрозрачных экранных ограждений не исчерпывают всех возможных вариантов. При проектировании допускается применение иных конструктивных и дизайнерских решений.
УДК 691.7.028.8.022.385:006.354
МКС 91.080.10
Ключевые слова: ограждения лестниц, ограждения площадок, ограждения балконов и лоджий, ограждения эксплуатируемых кровель, ограждения крыш, размеры, технические требования, правила приемки, методы контроля, указания по монтажу, гарантии изготовителя