Главная // Актуальные документы // ГОСТ (Государственный стандарт)СПРАВКА
Источник публикации
М.: Издательство стандартов, 1990
Примечание к документу
С 1 июля 2003 года до вступления в силу технических регламентов акты федеральных органов исполнительной власти в сфере технического регулирования носят рекомендательный характер и подлежат обязательному исполнению только в части, соответствующей целям, указанным в
пункте 1 статьи 46 Федерального закона от 27.12.2002 N 184-ФЗ.
Ограничение срока действия снято по Протоколу N 7-95 Межгосударственного совета по стандартизации, метрологии и сертификации ("ИУС", N 11, 1995).
Документ
введен в действие с 1 января 1986 года.
Взамен ГОСТ 9808-75.
Название документа
"ГОСТ 9808-84. Государственный стандарт Союза ССР. Двуокись титана пигментная. Технические условия"
(утв. и введен в действие Постановлением Госстандарта СССР от 19.12.1984 N 4693)
(ред. от 10.08.1990)
"ГОСТ 9808-84. Государственный стандарт Союза ССР. Двуокись титана пигментная. Технические условия"
(утв. и введен в действие Постановлением Госстандарта СССР от 19.12.1984 N 4693)
(ред. от 10.08.1990)
Утвержден и введен в действие
Постановлением Государственного
комитета СССР по стандартам
от 19 декабря 1984 г. N 4693
ГОСУДАРСТВЕННЫЙ СТАНДАРТ СОЮЗА ССР
ДВУОКИСЬ ТИТАНА ПИГМЕНТНАЯ
ТЕХНИЧЕСКИЕ УСЛОВИЯ
Pigment titanium dioxide. Specifications
ГОСТ 9808-84
| | Список изменяющих документов (в ред. Изменения N 1, утв. в сентябре 1986 г., Изменения N 2, утв. в августе 1990 г.) | |
Срок действия
с 1 января 1986 года
до 1 января 1997 года
1. Разработан и внесен Министерством химической и нефтеперерабатывающей промышленности СССР.
Разработчики: К.У. Кнотопчик, Л.М. Ленев, В.А. Тюстин, Н.Е. Заровнятных, З.А. Коншина, М.Ф. Красильникова, Э. Калаус.
2. Утвержден и введен в действие Постановлением Государственного Комитета СССР по стандартам от 19.12.84 N 4693.
3. Периодичность проверки - 5 лет.
4. В стандарт введен международный стандарт ИСО 591-77.
5. Взамен ГОСТ 9808-75.
6. Ссылочные нормативно-технические документы
────────────────────────────┬──────────────────────────────────────────────
Обозначение НТД, на который│ Номер пункта, подпункта
дана ссылка │
────────────────────────────┼──────────────────────────────────────────────
ИС МЕГАНОРМ: примечание.
ГОСТ 12.4.013-85 утратил силу на территории Российской Федерации.
Постановлением Госстандарта России от 28.04.1997 N 198 с 1 июля 1998 года
ИС МЕГАНОРМ: примечание.
Взамен ГОСТ 1467-77 Постановлением Госстандарта России от 19.06.1996
ИС МЕГАНОРМ: примечание.
ГОСТ 4205-77 утратил силу с 1 января 1989 года (ИУС "Государственные
стандарты", N 8, 1988).
ИС МЕГАНОРМ: примечание.
ГОСТ 5072-79 утратил силу с 1 января 1991 года (ИУС "Государственные
стандарты", N 11, 1991).
ИС МЕГАНОРМ: примечание.
Взамен ГОСТ 7721-76 с 1 июля 1990 года Постановлением Госстандарта СССР
ИС МЕГАНОРМ: примечание.
Взамен ГОСТ 9980.4-86 Постановлением Госстандарта России от 24.12.2002
ИС МЕГАНОРМ: примечание.
Взамен ГОСТ 16873-78 Постановлением Госстандарта России от 30.03.1992
ИС МЕГАНОРМ: примечание.
В официальном тексте документа, видимо, допущена опечатка: имеется в
виду ГОСТ 20292-74, а не ГОСТ 20292-76.
ИС МЕГАНОРМ: примечание.
Взамен ГОСТ 21119.3-75 Постановлением Госстандарта СССР от 29.12.1991
7. Срок действия продлен до 01.01.97 Постановлением Госстандарта СССР от 10.08.90 N 2377.
8. Переиздание (сентябрь 1990 г.) с Изменениями N 1, 2, утвержденными в сентябре 1986 г., августе 1990 г. (ИУС 12-86, 11-90).
Настоящий стандарт распространяется на пигментную двуокись титана - синтетический неорганический пигмент белого цвета, анатазной и рутильной форм, получаемый гидролизом растворов сернокислого титана с последующим прокаливанием гидратированной двуокиси титана.
(Измененная редакция, Изм. N 2).
1.1. В зависимости от кристаллической структуры выпускают две формы двуокиси титана: Р - рутильная и А - анатазная. При наличии поверхностной обработки в условное обозначение марки добавляется индекс "0".
В зависимости от области применения двуокись титана изготовляют марок, указанных в табл. 1.
Таблица 1
─────────┬───────────────┬─────────────────────────────────────────────────
Марка │ Код ОКП │ Область применения
─────────┼───────────────┼─────────────────────────────────────────────────
Р-1 │23 2112 0300 04│ Кремнийорганические эмали для строительства;
│ │резина; белый бетон
Р-02 │23 2112 0200 07│ Лакокрасочные материалы, в том числе вододиспер-
│ │сионные, с хорошей атмосферостойкостью; пласт-
│ │массы; искусственные кожи; пленочные материалы
Р-03 │23 2112 0500 09│ Лакокрасочные материалы, в том числе вододиспер-
│ │сионные краски, для покрытий высокой атмосферо-
│ │стойкости и с высокими декоративными свойствами
Р-04 │23 2112 0700 03│ Лакокрасочные материалы, в том числе вододиспер-
│ │сионные эмали и грунтовки, для покрытий высокой
│ │атмосферостойкости и с высокими декоративными
│ │свойствами
Р-05 │23 2112 0600 06│ Бумага кроющая для декоративного слоя бумажно-
│ │слоистого пластика, декоративной пленки для
│ │отделки древесно-стружечных плит и деталей мебели
А-1 │23 2111 0100 04│ Резина, бумага, пленочные материалы
А-2 │23 2111 0800 05│ Вискозные волокна и бумага
А-01 │23 2111 0200 01│ Лакокрасочные материалы, в том числе вододиспер-
│ │сионные с высокими декоративными свойствами,
│ │эксплуатируемые внутри помещений; пластмассы;
│ │искусственные кожи и пленочные материалы
А-02 │23 2111 0900 02│ Эмали для покрытий с высокими декоративными
│ │свойствами, отличной диспергируемостью, эксплуа-
│ │тируемые внутри помещений, полиграфические краски
(Измененная редакция, Изм. N 2).
2. ТЕХНИЧЕСКИЕ ТРЕБОВАНИЯ
2.1. Пигментная двуокись титана должна выпускаться в соответствии с требованиями настоящего стандарта по технологическому регламенту, утвержденному в установленном порядке.
2.2. Пигментная двуокись титана должна соответствовать нормам, указанным в табл. 2.
─────────────────────────┬─────────────────────────────────────────────────
Наименование показателя │ Норма для марки
├───────┬───────┬───────────────┬────────┬────────
│ Р-1 │ Р-02 │ Р-03 │ Р-04 │ Р-05
│ │ ├───────┬───────┤ │
│ │ │высший │первый │ │
│ │ │ сорт │ сорт │ │
─────────────────────────┼───────┼───────┼───────┼───────┼────────┼────────
1. Массовая доля двуоки-│ 98 │ 93 │ 90 │ 90 │ 90 │ 92
си титана, %, не менее │ │ │ │ │ │
│ │ │ │ │ │
2. Массовая доля рутиль-│ 95 │ 95 │ 97 │ 97 │ 97 │ 97
ной формы, %, не менее │ │ │ │ │ │
│ │ │ │ │ │
3. Массовая доля летучих│ 0,5 │ 0,5 │ 0,5 │ 0,5 │ 0,5 │ 0,5
веществ, %, не более │ │ │ │ │ │
│ │ │ │ │ │
4. Массовая доля водо- │ 0,4 │ 0,3 │ 0,2 │ 0,2 │ 0,1 │ 0,5
растворимых веществ, %, │ │ │ │ │ │
не более │ │ │ │ │ │
│ │ │ │ │ │
5. Удельное электричес- │ Не нормируется │ 6500 │Не нор-
кое сопротивление водной │ │ │мирует-
суспензии, Ом·см, │ │ │ся
не менее │ │ │
│ │ │ │ │ │
6. pH водной суспензии │6,5 - │6,5 - │6,5 - │6,5 - │6,5 - │6,5 -
│ 8,0│ 8,0│ 8,0│ 8,0│ 8,0│ 8,0
│ │ │ │ │ │
7. Остаток на сите с │ 0,15 │ 0,03 │ 0,01 │ 0,01 │ 0,01 │ 0,02
сеткой 0045, %, не более │ │ │ │ │ │
│ │ │ │ │ │
8. Остаток на сите с │Отсут- │ Не нормируется
сеткой 016, %, не более │ствие │
│ │ │ │ │ │
9. Разбеливающая способ-│ 1500 │ 1600 │ 1800 │ 1750 │ 1900 │ 1700
ность, условные единицы, │ (1600)│ (1700)│ │ │ │
не менее │ │ │ │ │ │
Продолжение табл. 2
────────────────────────┬─────────────────────────────┬────────────────────
Наименование показателя│ Норма для марки │ Метод испытания
├───────┬───────┬──────┬──────┤
│ А-1 │ А-2 │ А-01 │ А-02 │
────────────────────────┼───────┼───────┼──────┼──────┼────────────────────
1. Массовая доля двуо- │ 98 │ 98 │ 94 │ 94 │ По
п. 5.2
киси титана, %, не менее│ │ │ │ │
│ │ │ │ │
2. Массовая доля │ Не нормируется │ По
п. 5.3
рутильной формы, %, │ │
не менее │ │
│ │ │ │ │
3. Массовая доля лету- │ 0,5 │ 0,5 │ 0,5 │ 0,5 │ По ГОСТ 21119.1-75,
чих веществ, %, не более│ │ │ │ │
разд. 2
│ │ │ │ │
4. Массовая доля водо- │ 0,4 │ 0,5 │ 0,3 │ 0,1 │ По ГОСТ 21119.2-75,
не более │ │ │ │ │настоящего стандарта
│ │ │ │ │
кое сопротивление водной│ │и
п. 5.5 настоящего
суспензии, Ом·см, │ │стандарта
не менее │ │
│ │ │ │ │
ИС МЕГАНОРМ: примечание.
Взамен ГОСТ 21119.3-75 Постановлением Госстандарта СССР от 29.12.1991
6. pH водной суспензии │6,5 - │7,0 - │6,5 - │6,5 - │ По ГОСТ 21119.3-75
│ 8,0│ 7,5│ 8,0│ 8,0│
│ │ │ │ │
7. Остаток на сите с │ 0,10 │ 0,05 │ 0,02 │ 0,01 │ По ГОСТ 21119.4-75,
│ │ │ │ │настоящего стандарта
│ │ │ │ │
8. Остаток на сите с │Отсут- │ Не нормируется │ По ГОСТ 21119.4-75,
│ │ │настоящего стандарта
│ │ │ │ │
9. Разбеливающая │ 1200 │Не нор-│ 1200 │ 1300 │ По ГОСТ 9529-80,
единицы, не менее │ │ся │ │ │настоящего стандарта
Продолжение табл. 2
─────────────────────────┬─────────────────────────────────────────────────
Наименование показателя │ Норма для марки
├───────┬───────┬───────────────┬────────┬────────
│ Р-1 │ Р-02 │ Р-03 │ Р-04 │ Р-05
│ │ ├───────┬───────┤ │
│ │ │высший │первый │ │
│ │ │ сорт │ сорт │ │
─────────────────────────┼───────┼───────┼───────┼───────┼────────┼────────
10. Укрывистость, г/м2, │ 40 │ 40 │ 35 │ 35 │ 30 │Не нор-
не более │ │ │ │ │ │мируется
│ │ │ │ │ │
11. Диспергируемость, │Не нор-│ 15 │ 15 │ 15 │ 12 │ То же
мкм, не более │мирует-│ │ │ │ │
│ся │ │ │ │ │
12. Диспергируемость в │ Не нормируется │Отсут-
водно-целлюлозной среде │ │ствие
│ │белых
│ │вкрапле-
│ │ний
│ │
13. Белизна, условные │ 92 │ 92 │ 95 │ 93 │ 95 │ 95
единицы, не менее │ (95) │ (95) │ (96) │ (95) │ (97) │ (96)
│ │ │ │ │ │
14. Массовая доля частиц│ Не нормируется
размером до 1 мкм, %, │
не менее │
│
15. Стабильность водной │ То же
суспензии, %, не менее │
│
16. Массовая доля соеди-│ "
нений железа в пересчете │
на Fe O , %, не более │
2 3 │
│
17. Массовая доля соеди-│ "
нений фосфора в пересчете│
на P O , %, не более │
2 5 │
│
18. Цвет │ "
Продолжение табл. 2
────────────────────────┬─────────────────────────────┬────────────────────
Наименование показателя│ Норма для марки │ Метод испытания
├───────┬───────┬──────┬──────┤
│ А-1 │ А-2 │ А-01 │ А-02 │
────────────────────────┼───────┼───────┼──────┼──────┼────────────────────
10. Укрывистость, г/м2,│ 40 │Не нор-│ 40 │ 40 │ По
ГОСТ 8784-75 и
не более │ │мирует-│ │ │
п. 5.8 настоящего
│ │ся │ │ │стандарта
│ │ │ │ │
11. Диспергируемость, │Не нор-│ То же │ 15 │ 12 │ По
п. 5.9
мкм, не более │мирует-│ │ │ │
│ся │ │ │ │
12. Диспергируемость в │ Не нормируется │ По
п. 5.10
водно-целлюлозной среде │ │
│ │ │ │ │
13. Белизна, условные │ 95 │ 97 │ 95 │ 97 │ По
п. 5.11
единицы, не менее │ (96) │ (97) │ (96) │ (97) │
│ │ │ │ │
14. Массовая доля час- │Не нор-│ 96 │Не нормирует-│ По
п. 5.12
тиц размером до 1 мкм, │мирует-│ │ся │
%, не менее │ся │ │ │
│ │ │ │
15. Стабильность водной│ То же │ 95 │ То же │ По
п. 5.13
суспензии, %, не менее │ │ │ │
│ │ │ │
16. Массовая доля сое- │ " │ 0,02 │ " │ По
п. 5.14
динений железа в пере- │ │ │ │
счете на Fe O , %, │ │ │ │
2 3 │ │ │ │
не более │ │ │ │
│ │ │ │
17. Массовая доля сое- │ " │ 0,5 │ " │ По
п. 5.15
динений фосфора в пере- │ │ │ │
счете на P O , %, │ │ │ │
2 5 │ │ │ │
не более │ │ │ │
│ │ │ │
18. Цвет │ " │По ут- │ " │ По
п. 5.16
│ │верж- │ │
│ │денному│ │
│ │образцу│ │
Примечания:
1. По согласованию с потребителями допускается до 1 января 1989 г. двуокись титана марок Р-1, Р-02, А-1, А-01 с диспергируемостью на 5 мкм выше с белизной на две единицы ниже и с разбеливающей способностью на 50 условных единиц ниже. При этом продукция считается 2-го сорта.
2. Остаток на сите с сеткой 016 нормируется при поставке двуокиси титана для производства резины.
3. Для пластических масс и полиграфических красок массовая доля летучих веществ должна быть "не более 0,3%".
4. Значения белизны и разбеливающей способности, заключенные в скобках, нормируются при определении на приборах типа "Радуга".
(Измененная редакция, Изм. N 1, 2).
2.3. Диспергируемость в воде марок двуокиси титана, предназначенных для водно-дисперсионных красок, приведена в
Приложении 2.
(Измененная редакция, Изм. N 2).
3. ТРЕБОВАНИЯ БЕЗОПАСНОСТИ
3.1. Пигментная двуокись титана пожаро-, взрывобезопасна.
3.2. Двуокись титана в соответствии с
ГОСТ 12.1.007-76 относится к 4-му классу опасности. Предельно допустимая концентрация двуокиси титана в воздухе рабочей зоны - 10 мг/м3.
Общие санитарно-гигиенические требования к воздуху рабочей зоны - по
ГОСТ 12.1.005-88.
3.3. Требования, предъявляемые к процессам производства двуокиси титана, к производственному оборудованию и помещениям, должны соответствовать
ГОСТ 12.3.002-75.
| | ИС МЕГАНОРМ: примечание. ГОСТ 12.4.013-85 утратил силу на территории Российской Федерации. Постановлением Госстандарта России от 28.04.1997 N 198 с 1 июля 1998 года введен в действие ГОСТ Р 12.4.013-97. | |
3.4. Работающие с двуокисью титана должны быть обеспечены специальной одеждой, обувью и средствами защиты рук по
ГОСТ 12.4.103-83, противопылевым респиратором ШБ-1 "Лепесток-200" по
ГОСТ 12.4.028-76 и защитными очками по ГОСТ 12.4.013-85.
4.1. Правила приемки - по
ГОСТ 9980.1-86. Партия состоит из пигмента одной марки массой не более 24 т.
4.2. Норму по показателю 1
(табл. 2) изготовитель определяет периодически в каждой пятой партии.
5.1а. Для анализов и приготовления растворов применяют реактивы квалификации ч.д.а., х.ч. или ос.ч.
При взвешивании применяют лабораторные весы 2-го класса точности с наибольшим пределом взвешивания 200 г и ценой деления 0,0002 г и 3-го класса точности с наибольшим пределом взвешивания 1000 г и ценой деления 0,01 г.
Допускается применение других средств измерения с метрологическими характеристиками и оборудования с техническими характеристиками не хуже, а также реактивов по качеству не ниже указанных.
При обработке окончательный результат округляют до числового значения того же разряда, что и нормируемый показатель марочного состава.
(Введен дополнительно, Изм. N 2).
5.2. Определение массовой доли двуокиси титана
5.2.1. Аппаратура, реактивы и растворы
Установка для определения соединений титана (черт. 1).
1, 5 - краны; 2 - трубка для подачи углекислого газа;
3 - колба для титрования;
4 - трубка для слива анализируемого раствора;
6 - редуктор для восстановления титана
Черт. 1
Электрошкаф сушильный лабораторный, обеспечивающий нагрев до температуры 105 °C и выше, точность автоматического регулирования температуры +/- 3%.
Электроплитка с переключателем мощности.
Вата стеклянная.
Стекло часовое диаметром 40 - 70 мм.
Аммоний роданистый по СТ СЭВ 222-75, раствор с массовой долей 40%.
Кислота серная по
ГОСТ 4204-77, концентрированная и растворы с объемной долей 5 и 20%.
Квасцы железоаммонийные, раствор концентрацией 0,05 моль/дм3 в растворе серной кислоты массовой концентрацией 40 г/дм3.
Водорода перекись (пергидроль) по
ГОСТ 10929-76, раствор с массовой долей 3%.
Цинк металлический гранулированный.
| | ИС МЕГАНОРМ: примечание. Взамен ГОСТ 1467-77 Постановлением Госстандарта России от 19.06.1996 N 397 с 1 января 1997 года введен в действие ГОСТ 1467-93. | |
Кадмий металлический по ГОСТ 1467-77, марка Кд-0.
Двуокись титана, ос.ч.
(Измененная редакция, Изм. N 2).
5.2.2. Установление массовой доли основного вещества
Массовую долю основного вещества в двуокиси титана для установления молярного (поправочного) коэффициента раствора железоаммонийных квасцов определяют по
ГОСТ 10398-76 (СТ СЭВ 1437-78),
п. 4.20, при этом берут навеску 0,2000 г двуокиси титана ос.ч. 5 - 2, предварительно высушенную до постоянной массы при (105 +/- 3) °C.
5.2.3. Подготовка редуктора
Выходное отверстие редуктора заполняют слоем стеклянной ваты 1 - 2 см, затем дистиллированной водой на 1/2 высоты редуктора и гранулированным цинком (кадмием) (высота слоя 28 - 35 см), предварительно активированным в кристаллизаторе раствором серной кислоты с объемной долей 20% и промытым водой.
Через каждые 8 ч работы редуктора цинк (кадмий) высыпают в кристаллизатор и промывают водой. В редуктор наливают 30 см3 раствора соляной кислоты (1:1), которую оставляют на 5 - 10 мин, затем редуктор промывают водой и заполняют промытым цинком (кадмием) с добавлением активированного цинка (кадмия). Уровень цинка (кадмия) в редукторе должен быть всегда одинаков.
При понижении уровня цинка (кадмия) в редуктор добавляют новую порцию активированного цинка (кадмия).
В нерабочем состоянии редуктор должен быть заполнен водой выше уровня цинка (кадмия).
5.2.4. Установление молярного (поправочного) коэффициента раствора железоаммонийных квасцов
0,1000 - 0,1099 г двуокиси титана, ос.ч., предварительно высушенной до постоянной массы при (105 +/- 3) °C, растворяют в смеси 5 см3 концентрированной серной кислоты и 2,5 г сернокислого аммония. Полученный раствор охлаждают, постепенно добавляют в него 30 см3 воды, перемешивают и проводят анализ по
п. 5.2.5.
Молярный коэффициент (K) раствора железоаммонийных квасцов вычисляют по формуле

,
где x - массовая доля основного вещества в двуокиси титана, ос.ч. 5 - 2, %;
V - объем раствора железоаммонийных квасцов концентрацией 0,05 моль/дм3, израсходованный на титрование, см3;
m - масса навески, г;
0,003995 - масса двуокиси титана, соответствующая 1 см3 раствора концентрацией железоаммонийных квасцов точно 0,05 моль/дм3, г.
За результат испытания принимают среднее арифметическое результатов трех параллельных определений, допускаемые расхождения между которыми не должны превышать 0,005 при доверительной вероятности 0,95.
5.2.3, 5.2.4. (Измененная редакция, Изм. N 2).
5.2.5. Проведение анализа
0,1000 - 0,1099 г двуокиси титана, предварительно высушенной до постоянной массы при (105 +/- 3) °C, помещают в стакан вместимостью 50 см3, добавляют 2,5 г сернокислого аммония и приливают 5 см3 концентрированной серной кислоты. Стакан закрывают часовым стеклом и нагревают до растворения двуокиси титана. Затем раствор охлаждают, постепенно добавляют 30 см3 воды и перемешивают.
Из редуктора 6 установки
(черт. 1) через кран 5 и трубку 4 сливают воду, редуктор дважды промывают 20 - 25 см3 раствора серной кислоты с объемной долей 5%, оставляя раствор на 1 - 2 см выше нижнего уровня цинка (кадмия). Этот процесс регулируют краном.
Испытуемый раствор количественно переносят в редуктор, используя раствор серной кислоты с объемной долей 5%, закрывают его часовым стеклом и проводят восстановление титана (IV) цинком в течение 10 мин или кадмием в течение 30 мин.
В колбу для титрования 3 приливают 5 см3 раствора роданистого аммония, затем ее наполняют углекислым газом и сливают из редуктора восстановленный раствор при непрерывном токе углекислого газа. Часовое стекло промывают 10 см3 раствора серной кислоты с объемной долей 5%, раствор переводят в редуктор и присоединяют к основному раствору. Затем редуктор дважды промывают раствором серной кислоты с объемной долей 5% и один раз водой, заполняя редуктор каждый раз на 1 - 2 см выше уровня цинка (кадмия). Все промывные воды сливают в колбу 3 (для контроля тщательности промывания через трубку 4 в стакан отбирают 2 - 5 см3 промывных вод и приливают несколько капель раствора перекиси водорода, при этом не должно быть желтой окраски) и титруют раствором железоаммонийных квасцов до появления желтовато-оранжевой окраски, не исчезающей при перемешивании.
5.2.6. Обработка результатов
Массовую долю двуокиси титана

в процентах вычисляют по формуле

,
где V - объем раствора железоаммонийных квасцов, израсходованный на титрование, см3;
K - молярный (поправочный) коэффициент раствора железоаммонийных квасцов;
m - масса навески, г;
0,003995 - масса двуокиси титана, соответствующая 1 см3 раствора концентрацией железоаммонийных квасцов точно 0,05 моль/дм3, г.
За результат испытания принимают среднее арифметическое результатов двух параллельных определений, абсолютное расхождение между которыми не превышает допускаемое расхождение, равное 1,0%.
Допускаемая абсолютная суммарная погрешность результата анализа +/- 1,0% при доверительной вероятности 0,95.
(Измененная редакция, Изм. N 2).
5.3. Определение массовой доли рутильной формы
Дифрактометр рентгеновский типа "Дрон" с трубкой с медным анодом и никелевым фильтром или с железным анодом и марганцевым фильтром; точность измерения интенсивности рентгеновского излучения +/- 0,5%; допускается применять дифрактометры других марок, не уступающих по точности измерения.
Кювета, изготовленная из пластмассы (черт. 2), или кювета другой формы с площадью отражающей поверхности не менее 125 мм2.
Черт. 2
Пластина для выравнивания поверхности порошка двуокиси титана в кювете.
Образец двуокиси титана модификации анатаз с массовой долей

не менее 99,0% и массовой долей анатаза не менее 99,5%, утвержденный в установленном порядке.
Образец двуокиси титана модификации рутил с массовой долей

не менее 99,0% и массовой долей рутила не менее 99,5%, утвержденный в установленном порядке.
Ступка агатовая.
5.3.2. Режим работы дифрактометра
Режим работы дифрактометра допускается следующий: напряжение на трубке 25 - 40 кВ, сила тока трубки 5 - 20 мА, постоянная времени счета 0,5 - 2,0 с, предел измерения

.
Размер вертикальных щелей входного коллиматора (считая от окна трубки) 2,00 и 1,00 мм для гониометров типа ГУР-4 и ГУР-5 и 1,00 для гониометра ГУР-8, размер вертикальных щелей перед детектором 0,25 мм, скорость движения счетчика 1 - 2 град./мин. Выбор режима работы регистрирующей схемы и высоковольтного блока проводится по образцу двуокиси титана модификации рутил из такого расчета, чтобы интенсивность дифракционного пика рутила составляла 80 - 95%, а флуктуации фона - 0,5 - 1% от шкалы регистрирующего устройства. В дальнейшем в процессе работы прибора режимы не изменяются.
5.3.3. Определение константы K линейной зависимости линий анатаза и рутила от массовой доли рутила
Для определения константы K готовят образцы сравнения с массовой долей рутила 90 и 95%. Для этого 0,5000 г двуокиси титана анатазной модификации и 4,5000 г рутильной модификации (для образца с массовой долей рутила 90%) и 0,2500 и 4,7500 г (для образца с массовой долей рутила 95%) помещают в агатовую ступку, добавляют спирт до пастообразного состояния и механически перемешивают в течение (150 +/- 5) мин.
По мере высыхания спирт периодически добавляют, не прекращая перемешивания. Расход спирта для приготовления одного образца - 100 см3.
Подготовленный образец сравнения помещают в кювету и поверхность пигмента заглаживают пластинкой. Кювету помещают в держатель образца рентгеновского аппарата. В качестве аналитических используют линии (110) рутила и (101) анатаза. Углы дифракции

для этих линий на

-излучении 13,73 и 12,68° соответственно и запись дифракционной картины производят в интервале углов

. Углы дифракции указанных линий на

-излучении 17,37 и 16,02° соответственно, запись дифракционной картины осуществляют в интервале углов

. Съемку проводят десять раз параллельно.
На полученных дифрактограммах соединяют прямой линией фон, предшествующий линии анатаза, и фон за линией рутила. Затем определяют высоту дифракционного пика анатаза и рутила, принимая за нуль отсчета линию фона, и вычисляют отношение высоты дифракционного пика анатаза к высоте дифракционного пика рутила.
Коэффициент K определяют по формуле

,
где

- массовая доля рутила в образцах сравнения с массовой долей 90% и 95%, %;

,

- высота дифракционных пиков анатаза и рутила соответственно, мм.
Полученное значение коэффициента K округляют до второго десятичного знака.
За результат анализа принимают среднее арифметическое результатов десяти параллельных определений, расхождение между которыми не превышает допускаемых расхождений, указанных в табл. 3.
Таблица 3
─────────────────────────────────┬───────────┬─────────────────────────────
Массовая доля рутила в образцах │Допускаемое│ Допускаемая абсолютная
сравнения, % │расхождение│ суммарная погрешность при
│ │ доверительной вероятности
│ │ P = 0,95
─────────────────────────────────┼───────────┼─────────────────────────────
90 │ 0,20 │ +/- 0,10
95 │ 0,20 │ +/- 0,15
За результат анализа принимают среднее арифметическое результатов определения K по образцам сравнения с массовой долей 90 и 95%.
Константа K определяется не реже одного раза в шесть месяцев, а также при изменении режимов работы дифрактометра, смене трубки и юстировке аппарата.
5.3.4. Проведение испытания и обработка результатов
Съемку дифрактограммы исследуемого образца и ее обработку осуществляют в соответствии с
п. 5.3.3.
Массовую долю рутильной формы

в процентах вычисляют по формуле

.
За результат анализа принимают среднее арифметическое результатов двух параллельных определений, расхождение между которыми не превышает допускаемое расхождение, равное 2,0%.
Допускаемая абсолютная суммарная погрешность +/- 1,5% при доверительной вероятности 0,95.
5.3.1 - 5.3.4. (Измененная редакция, Изм. N 2).
5.4. Определение массовой доли водорастворимых веществ
Массовую долю водорастворимых веществ определяют по ГОСТ 21119.2-75,
разд. 1,
2, методом горячей экстракции, используя 10,00 г пигмента. Арбитражным является метод, приведенный в ГОСТ 21119.2-75,
разд. 1. Для фильтрации допускается применять мембраны "Владипор" типа МФА-МА или МФА-А с размером пор не более 0,2 мкм. Для труднофильтруемых пигментов допускается применение фильтра "синяя лента", уплотненного сернокислым барием, предварительно отмытым неоднократной декантацией до электропроводности не более 10 мкСм.
Градуировочный график для каждой марки строят отдельно. При этом отбирают партию двуокиси титана, содержащую предельно допустимую массовую долю водорастворимых веществ, взвешивают 5, 7, 10, 12, 15 г пигмента и определяют массовую долю водорастворимых веществ по ГОСТ 21119.2-75,
разд. 1, методом горячей экстракции. В этих же экстрактах измеряют электрическую проводимость и по полученным данным строят градуировочный график, откладывая по оси абсцисс массу водорастворимых веществ в граммах или в процентах, а по оси ординат - соответствующее значение электрической проводимости в микросименсах (мкСм) или удельной электрической проводимости в сименсах на метр (См/м) (допускается измерение удельного электрического сопротивления).
(Измененная редакция, Изм. N 2).
5.5. Определение удельного электрического сопротивления водной суспензии
Удельное электрическое сопротивление водной суспензии определяют по
ГОСТ 21119.7-75. Для этого 10,00 г двуокиси титана помещают в стакан вместимостью 250 см3, добавляют 90 см3 воды, содержимое стакана нагревают до кипения и кипятят в течение 10 мин. Суспензию охлаждают до комнатной температуры, доводят до первоначального объема и тщательно перемешивают. Затем суспензию наливают в стакан вместимостью 100 см3 и измеряют электрическое сопротивление при (25 +/- 0,5) °C. Для измерения используют электроды из гладкой платины.
За результат испытания принимают среднее арифметическое двух параллельных определений, допускаемое расхождение между которыми не должно превышать 150 Ом·см при доверительной вероятности P = 0,95.
5.6. (Исключен, Изм. N 1).
5.7. Определение остатка на сите
Остаток на сите с сетками 0045 и 016 (
ГОСТ 6613-86) и диаметром не более 200 мм определяют по ГОСТ 21119.4-75,
разд. 1,
2, используя 50 г пигмента.
(Измененная редакция, Изм. N 2).
5.7а. Определение разбеливающей способности на приборах "Спектротон", "Пульсар"
5.7а.1. Аппаратура
Спектроколориметры типов "Спектротон", "Пульсар" с геометрией освещения и наблюдения диф/8°. Погрешность измерения координат цветности - 0,01.
5.7а.2. Подготовка образцов
Подготовка образцов к испытанию проводится по ГОСТ 2529-80, разд. 1. При этом контрольную пасту готовят из утвержденного образца и ультрамариновой пасты, взятых в количествах, соответствующих разбеливающей способности пигмента (см.
табл. 2). Испытуемую пасту готовят аналогично.
5.7а.3. Проведение анализа
Подготовка и корректировка прибора проводится согласно инструкции по эксплуатации. Устанавливают базовый адрес данных, соответствующий источнику C с учетом зеркальной составляющей. В соответствии с программой проводят измерение координаты цвета Y контрольной и испытуемой паст с точностью до первого десятичного знака.
5.7а.4. Обработка результатов
Разбеливающую способность (P) в условных единицах вычисляют по формулам:
для рутильной формы

;
для анатазной формы

;
где

,

- разбеливающая способность утвержденного образца, условные единицы;
| | ИС МЕГАНОРМ: примечание. Обозначения даны в соответствии с официальным текстом документа. | |

- координата цвета утвержденного образца;

- координата цвета испытуемого образца.
Результаты измерений на приборе, содержащем программу определения разбеливающей способности, выводятся на дисплей или цифрораспечатывающее устройство.
За результат испытаний принимают среднее арифметическое результатов двух параллельных определений с последующим округлением до целого десятка.
Допускаемая абсолютная суммарная погрешность результата анализа для рутильной формы +/- 30 условных единиц, для анатазной формы +/- 20 условных единиц при доверительной вероятности 0,95.
При разногласиях в оценке разбеливающей способности определение проводят в соответствии с
п. 5.7а.
(Введен дополнительно, Изм. N 2).
5.8. Определение укрывистости
Укрывистость определяют по ГОСТ 8784-75,
разд. 1. Для приготовления краски берут 3 г пигмента и 2,8 - 3,3 см3 натуральной льняной олифы по
ГОСТ 7931-76.
| | ИС МЕГАНОРМ: примечание. Взамен ГОСТ 16873-78 Постановлением Госстандарта России от 30.03.1992 N 314 с 1 июля 1993 года введен в действие ГОСТ 16873-92. | |
Краску готовят курантом на плите или автоматической машине МАПП-1 по ГОСТ 16873-78, разд. 2. При перетире пигмента на автоматической машине берут половину нормы олифы и после окончания перетира добавляют оставшуюся часть олифы и перемешивают шпателем до однородной краски. Краску наносят кистью на стеклянную пластинку. При разногласиях в оценке укрывистости краску готовят на автоматической машине МАПП-1.
(Измененная редакция, Изм. N 2).
5.9. Определение диспергируемости
5.9.1. Аппаратура и реактивы
Мельница лабораторная бисерная с частотой вращения вала мешалки

или

.
Стакан металлический вместимостью 250 см3.
Шарики стеклянные для диспергирования в бисерных мельницах диаметром (1,7 +/- 0,3) мм, стойкостью к абразивному износу не менее 93%.
Гриндометр (прибор "Клин").
Уайт-спирит (нефрас С4-155/200).
Лак ПФ-064В, ПФ-060В вязкостью 45 - 60 с по вискозиметру ВЗ-1 (диаметр сопла 5,4 мм) с массовой долей нелетучих веществ (60 +/- 2)% или лак ПФ-064Н, ПФ-060Н вязкостью 60 - 80 с по вискозиметру ВЗ-4 с массовой долей нелетучих веществ (53 +/- 2)%, разбавленные уайт-спиритом (нефрасом С4-155/200) до массовой доли нелетучих веществ 30%, определенных по
ГОСТ 17537-72.
Палочка стеклянная.
5.9.2. Проведение испытания
В стакан бисерной мельницы помещают 80 см3 стеклянных шариков и лак (62 и 66 г для рутильной и анатазной форм двуокиси титана соответственно). Вращая стакан, смачивают шарики лаком. К содержимому стакана добавляют навеску испытуемого пигмента (57 и 44 г для рутильной и анатазной форм двуокиси титана соответственно).
Содержимое стакана тщательно перемешивают стеклянной палочкой, подставляют стакан под мешалку бисерной мельницы, закрепляют в держателе, закрывают крышкой и включают бисерную мельницу. Двуокись титана диспергируют в течение 30 мин.
Сразу же после выключения бисерной мельницы стакан снимают с мешалки. С помощью стеклянной палочки отбирают пробу. Степень перетира определяют по
ГОСТ 6589-74.
При разногласиях в оценке диспергируемости используют бисерную мельницу с частотой вращения

.
5.10. Определение диспергируемости в водно-целлюлозной среде
5.10.1. Аппаратура и материалы
Валок для прокатки отливки.
Алюминий сернокислый по
ГОСТ 3758-75, раствор с массовой долей 30%.
Краситель органический прямой алый.
Целлюлоза древесная сульфатная беленая по ГОСТ 3914-89.
Мешалка.
Фильтровальная бумага.
(Измененная редакция, Изм. N 2).
5.10.2. Проведение испытания
0,5000 г двуокиси титана и 0,0500 г органического красителя помещают в стакан вместимостью 1000 см3, добавляют 500 см3 воды, 1 г размельченной целлюлозы и перемешивают с помощью мешалки (скорость вращения мешалки 10 - 15 об./с) в течение 30 мин. Затем к суспензии добавляют 5 см3 раствора сернокислого алюминия и фильтруют через металлическую сетку, помещенную в воронку Бюхнера. Полученную отливку помещают между листами фильтровальной бумаги, прокатывают валиком и высушивают в сушильном шкафу при 85 - 90 °C.
Диспергируемость двуокиси титана в водно-целлюлозной среде оценивают визуально по белым вкраплениям испытуемого пигмента на поверхности отливки, окрашенной красителем.
5.11. Определение белизны
Спектроколориметры типов "Спектротон", "Пульсар", "Радуга" с геометрией освещения и наблюдения диф/8° с вычислительным устройством, содержащим программу расчета белизны в системе

. Погрешность измерения координат цветности - не более 0,01.
5.11.2. Подготовка образцов
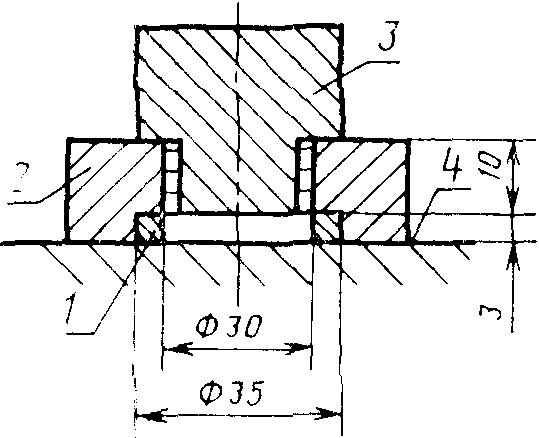
Подготовку образцов к испытаниям проводят следующим образом. На полированную стальную плиту (черт. 3), покрытую калькой, ставят стальное кольцо, засыпают в него 5,0 г пигмента и прессуют стальным стержнем-пуансоном на лабораторном прессе под давлением (14,7 +/- 0,5) МПа. Допускается запрессовка пигмента вручную. Перед измерением белизны кольцо помещают в оправу (черт. 4) из винипласта или другого материала.
1 - кольцо; 2 - форма; 3 - пуансон; 4 - калька
Черт. 3
Черт. 4
Поверхность образцов должна быть ровной, гладкой, без видимых дефектов.
5.11.3. Проведение анализа
Подготовку и корректировку приборов проводят согласно инструкции по эксплуатации. Устанавливают базовый адрес данных, соответствующий источнику света C с исключением зеркальной составляющей. Измеряют спектральные апертурные коэффициенты отражения фиксированных длин волн в видимой области спектра 380 - 720 нм, на основе которых рассчитывают показатели белизны в соответствии с программой прибора.
5.11.4. Обработка результатов
За результат испытания принимают среднее арифметическое результатов двух параллельных определений, абсолютное расхождение между которыми не превышает допускаемое расхождение, равное 0,5 условных единиц.
Допускаемая абсолютная суммарная погрешность результата анализа +/- 1,5 условных единиц при доверительной вероятности 0,95.
5.11.1 - 5.11.4. (Измененная редакция, Изм. N 2).
5.12. Определение массовой доли частиц размером до 1 мкм
5.12.1. Аппаратура, реактивы, растворы
Установка для определения дисперсности (черт. 5): цилиндр 250
ГОСТ 1770-74; пипетка вместимостью 10 - 12 см3 с меткой на расстоянии 100 мм от нижнего края; кружок из органического стекла диаметром 60 - 70 мм, закрепленный на пипетке с помощью двух обрезков резиновой трубки (сверху и снизу); мешалка 1 - стеклянная палочка, на нижний конец которой надет кружок из каучуковой пробки.
1 - мешалка; 2 - пипетка; 3 - кружок; 4 - цилиндр
Черт. 5
Кислота олеиновая.
Триэтаноламин.
| | ИС МЕГАНОРМ: примечание. ГОСТ 5072-79 утратил силу с 1 января 1991 года (ИУС "Государственные стандарты", N 11, 1991). | |
Секундомер по ГОСТ 5072-79.
Электрошкаф сушильный лабораторный, обеспечивающий нагрев до температуры 120 °C и выше, точность автоматического регулирования температуры +/- 3%.
Электроплитка с переключателем мощности.
Термометр ртутный стеклянный с пределами измерения от 0 до 150 °C.
Электропечь лабораторная, обеспечивающая нагрев до температуры 700 °C и выше, точность автоматического регулирования температуры +/- 2%.
Стабилизатор (триэтаноламиновое мыло) готовят следующим образом: 50,0 г триэтаноламина помещают в фарфоровый стакан вместимостью 200 см3, добавляют 100,0 г олеиновой кислоты и перемешивают, затем полученную смесь нагревают при непрерывном перемешивании до (80 +/- 5) °C (полное разжижение), после чего охлаждают.
(Измененная редакция, Изм. N 2).
5.12.2. Проведение испытания
2,00 г двуокиси титана помещают в фарфоровую ступку, добавляют 1,20 г стабилизатора и тщательно растирают пестиком в течение (180 +/- 10) с до получения однородной пасты. Затем в ступку наливают воды, растирают пестиком и верхнюю часть однородной суспензии смывают в цилиндр. Операцию повторяют до тех пор, пока вся паста не смоется со стенок ступки. Объем суспензии в цилиндре доводят водой до 200 см3 и тщательно перемешивают мешалкой, поднимая ее и опуская.
Сразу же после перемешивания суспензии пипеткой отбирают пробу и переносят ее в фарфоровый тигель, прокаленный до постоянной массы при температуре 600 - 700 °C и взвешенный с погрешностью не более 0,0002 г. Пипетку промывают водой, собирая промывные воды в тот же тигель. После взятия первой пробы суспензию в цилиндре отстаивают в течение 17 ч 50 мин.
По истечении указанного времени отбирают вторую пробу. Кружок устанавливают к краю цилиндра так, чтобы метка пипетки совпадала с уровнем суспензии в цилиндре. Пипетку осторожно опускают в цилиндр, стараясь не касаться стенок, и дают суспензии заполнить пипетку до метки. Пипетку во время погружения в суспензию необходимо закрыть пальцем во избежание попадания в нее более дисперсной суспензии из верхней части цилиндра. Вторую пробу и промывные воды также переносят в фарфоровый тигель, прокаленный до постоянной массы при температуре 600 - 700 °C. Суспензию в тиглях выпаривают в сушильном шкафу при 110 - 120 °C, высушивают на плитке и прокаливают при 600 - 700 °C до постоянной массы.
5.12.3. Обработка результатов
Массовую долю частиц размером до 1 мкм

в процентах вычисляют по формуле

,
где m - масса остатка после прокаливания второй пробы, г;

- масса остатка после прокаливания первой пробы, г.
За результат анализа принимают среднее арифметическое результатов двух параллельных определений, допускаемое расхождение между которыми не должно превышать 5% при доверительной вероятности P = 0,95.
5.13. Определение стабильности 0,5%-ной водной суспензии
5.13.1. Аппаратура, материалы
Вода дистиллированная по
ГОСТ 6709-72, нейтрализованная аммиаком до pH 7,0.
Электрошкаф сушильный лабораторный, обеспечивающий нагрев до температуры 110 °C и выше, точность автоматического регулирования температуры +/- 3%.
Электроплитка с переключателем мощности.
(Измененная редакция, Изм. N 2).
5.13.2. Проведение испытания
5,00 г двуокиси титана помещают в фарфоровую ступку и растирают пестиком с небольшим объемом воды. Затем смесь переносят в цилиндр, доливают до метки водой, закрывают пробкой и перемешивают вручную в течение 10 мин. После этого пипеткой отбирают 25 см3 суспензии с любого уровня и помещают в тигель, взвешенный с погрешностью не более 0,0002 г. Отобранную пробу выпаривают на электрической плитке, высушивают в сушильном шкафу при температуре 110 °C до постоянной массы. Цилиндр с суспензией помещают на невибрирующий стол для отстаивания и через 1 ч после взятия первой пробы отбирают вторую пробу в количестве 25 см3 пипеткой из верхнего слоя суспензии так, чтобы после отбора пробы кончик пипетки касался поверхности суспензии. Положение пипетки фиксируют перед началом отстаивания с помощью кружка из органического стекла, закрепленного сверху и снизу кусочками резиновой трубки. Отобранную пробу высушивают и взвешивают точно так же, как и первую.
5.13.3. Обработка результатов
Стабильность 0,5%-ной водной суспензии двуокиси титана

в процентах вычисляют по формуле

,
где m - масса остатка после выпаривания первой пробы, г;

- масса остатка после выпаривания второй пробы, г.
За результат анализа принимают среднее арифметическое результатов двух параллельных определений, допускаемое расхождение между которыми не должно превышать 2,0% при доверительной вероятности P = 0,95.
5.14. Определение массовой доли соединений железа в пересчете на

5.14.1. Аппаратура, реактивы и растворы
Фотоэлектроколориметр типа ФЭК-56М, КФК-2 или прибор с аналогичными метрологическими характеристиками.
Электрошкаф сушильный лабораторный, обеспечивающий нагрев до температуры 105 °C и выше, точность автоматического регулирования температуры +/- 3%.
Электроплитка с переключателем мощности.
Термометр ртутный стеклянный с пределами измерений от 0 до 150 °C.
Фильтр обеззоленный "белая лента".
Стекло часовое диаметром 20 - 70 мм.
Кислота серная по
ГОСТ 4204-77, концентрированная и раствор концентрацией 0,005 моль/дм3.
Кислота уксусная по
ГОСТ 61-75, раствор концентрацией 2 моль/дм3.
Гидроксиламин солянокислый по
ГОСТ 5456-79, раствор с массовой долей 10%.
Кислота винная по
ГОСТ 5817-77, раствор с массовой долей 10%.
Аммиак водный по
ГОСТ 3760-79, раствор с массовой долей 25%.
Натрий уксуснокислый по
ГОСТ 199-78, раствор концентрацией 2 моль/дм3.
Пара-нитрофенол (n-нитрофенол), раствор с массовой долей 0,1%.
Буферный раствор с pH 5,5 - 5,7 (смешивают 910 см3 раствора уксуснокислого натрия концентрацией 2 моль/дм3 и 90 см3 раствора уксусной кислоты концентрацией 2 моль/дм3).
Ортофенантролин (o-фенантролин), раствор с массовой долей 0,5%, готовят растворением 0,5 г реактива в 100 см3 воды, подкисленной 2 - 3 каплями серной кислоты при слабом нагревании.
Растворы железа А и Б готовят следующим образом.
Раствор А - по
ГОСТ 4212-76; 1 см3 раствора А содержит 0,001 г железа.
Раствор Б. 5 см3 раствора А помещают в мерную колбу вместимостью 500 см3, доводят до метки раствором серной кислоты концентрацией 0,005 моль/дм3 и перемешивают; 1 см3 раствора Б содержит 0,00001 г железа; используют только свежеприготовленный раствор.
(Измененная редакция, Изм. N 2).
5.14.2. Построение градуировочного графика
В мерные колбы вместимостью 50 см3 отбирают последовательно 0,5; 1,0; 1,5; 2,0; 2,5; 3,0; 3,5 см3 раствора железа (раствор Б), что соответствует

;

;

;

;

;

;

железа, и приливают воду до объема 25 см3. Затем приливают 1 см3 раствора солянокислого гидроксиламина, 1 см3 o-фенантролина, 5 см3 буферного раствора. Доводят до метки водой. После добавления каждого реактива растворы перемешивают. Измеряют оптическую плотность фотоэлектроколориметром с зеленым светофильтром

в кювете с толщиной поглощающего свет слоя 50 мм относительно контрольного раствора. В качестве контрольного применяют раствор, содержащий все реактивы, кроме раствора железа.
По полученным данным строят градуировочный график, откладывая по оси абсцисс массу железа в граммах, введенную в раствор, а по оси ординат - среднее арифметическое результатов трех измерений оптической плотности каждого раствора.
Градуировочный график проверяют одновременно с проведением анализов не реже одного раза в месяц.
5.14.3. Проведение испытания
0,1000 - 0,1099 г двуокиси титана, высушенной до постоянной массы при (105 +/- 3) °C, помещают в стакан вместимостью 50 см3, добавляют 1,5 г сернокислого аммония и приливают 3,0 см3 концентрированной серной кислоты. Стакан закрывают часовым стеклом и нагревают до растворения двуокиси титана. Раствор охлаждают до комнатной температуры, переводят в мерную колбу вместимостью 50 см3, доводят до метки водой и перемешивают. При наличии осадка двуокиси кремния раствор фильтруют через сухой фильтр "белая лента", отбрасывая первые 10 - 15 см3 фильтрата.
25 см3 фильтрата помещают в мерную колбу вместимостью 50 см3, приливают 1 см3 раствора винной кислоты, 1 см3 раствора гидроксиламина. Затем добавляют 1 - 2 капли раствора n-нитрофенола и раствор аммиака до появления желтой окраски, которую устраняют прибавлением по каплям раствора уксусной кислоты. Приливают 5 см3 буферного раствора, 1 см3 o-фенантролина и нагревают на водяной бане 10 мин. После прибавления каждого реактива раствор перемешивают. Раствор охлаждают до комнатной температуры, доводят до метки водой и измеряют оптическую плотность по
п. 5.14.2. В качестве контрольного используют раствор, содержащий все реактивы, применяемые в процессе испытания.
5.14.4. Обработка результатов
Массовую долю соединений железа в пересчете на

в процентах вычисляют по формуле

,
где

- масса железа, найденная по градуировочному графику, г;
m - масса навески, г;
1,4297 - коэффициент пересчета Fe на

;
50 - общий объем раствора, см3;
25 - объем аликвотной части, см3.
За результат испытания принимают среднее арифметическое результатов трех параллельных определений, абсолютное расхождение между которыми не превышает допускаемое расхождение, равное 0,006%.
Допускаемая абсолютная суммарная погрешность результата +/- 0,004% при доверительной вероятности 0,95.
(Измененная редакция, Изм. N 2).
5.15. Определение массовой доли соединений фосфора в пересчете на

5.15.1. Аппаратура, реактивы и растворы
Фотоэлектроколориметр типа ФЭК-56М, КФК-2 или прибор с аналогичными метрологическими характеристиками.
Электропечь сопротивления камерная лабораторная, обеспечивающая нагрев до температуры 1000 °C и выше; точность автоматического регулирования температуры +/- 2%.
Электрошкаф сушильный лабораторный, обеспечивающий нагрев до температуры 105 °C и выше; точность автоматического регулирования температуры +/- 3%.
Электроплитка с переключателем мощности.
Термометр ртутный стеклянный с пределами измерения от 0 до 150 °C.
Воронка стеклянная.
Фильтр обеззоленный "синяя лента".
Калий азотнокислый по 4217-77.
Аммоний молибденовокислый по
ГОСТ 3765-78, раствор с массовой долей 2,5%.
Висмут азотнокислый по
ГОСТ 4110-75, раствор с массовой долей 1% в растворе серной кислоты концентрацией 3,5 моль/дм3.
Кислота серная по
ГОСТ 4204-77, раствор концентрацией 3,5 моль/дм3.
Кислота аскорбиновая.
Фенолфталеин, спиртовый раствор с массовой долей 1%.
Реактив колориметрический; готовят смешением одинаковых объемов растворов молибденовокислого аммония и азотнокислого висмута, перед использованием добавляют 1 г аскорбиновой кислоты на каждые 100 см3 полученного раствора.
Растворы фосфора А и Б готовят следующим образом.
Раствор А. 0,4394 г однозамещенного фосфорнокислого калия, дважды перекристаллизованного и высушенного между листами фильтровальной бумаги, растворяют в воде в мерной колбе вместимостью 1 дм3; объем раствора доводят водой до метки и тщательно перемешивают; 1 см3 раствора А содержит 0,0001 г фосфора.
Раствор Б. 10 см3 раствора А отбирают пипеткой и переводят в мерную колбу вместимостью 100 см3, объем раствора доводят до метки водой и тщательно перемешивают; 1 см3 раствора Б содержит 0,00001 г фосфора.
5.15.2. Построение градуировочного графика
В мерные колбы вместимостью 50 см3 отбирают последовательно 1,0; 2,0; 4,0; 5,0; 6,0 см3 раствора Б, что соответствует

;

;

;

;

фосфора, приливают по 1 см3 раствора серной кислоты, воду до объема 30 см3 и прибавляют по 10 см3 колориметрического реактива. После добавления каждого реактива растворы тщательно перемешивают. Объемы растворов доводят до метки водой и тщательно перемешивают. Через 10 мин измеряют оптическую плотность растворов фотоэлектроколориметром с красным светофильтром

в кювете с толщиной поглощающего свет слоя 20 мм относительно контрольного раствора, содержащего все реактивы, кроме фосфора.
По полученным данным строят градуировочный график, откладывая по оси абсцисс массу фосфора в граммах, введенную в раствор, а по оси ординат - среднее арифметическое результатов трех измерений оптической плотности каждого раствора. Градуировочный раствор проверяют одновременно с проведением испытаний не реже одного раза в месяц.
(Измененная редакция, Изм. N 2).
5.15.3. Проведение испытания
К 0,5000 - 0,5099 г двуокиси титана, высушенной до постоянной массы при (105 +/- 5) °C, добавляют 4,0 г углекислого натрия, 0,1 г азотнокислого калия и сплавляют при (1000 +/- 20) °C в платиновом тигле в течение 40 - 45 мин. Плав выщелачивают в стакане горячей водой при температуре 70 - 90 °C.
При наличии зеленой окраски, обусловленной манганат-ионами, прибавляют 3 - 5 капель этилового спирта и нагревают до тех пор, пока исчезнет окраска. Раствор переводят в мерную колбу вместимостью 200 см3. После охлаждения до комнатной температуры раствор доливают водой до метки, тщательно перемешивают и фильтруют через сухой фильтр "синяя лента" в сухую колбу, отбрасывая первые 15 - 20 см3 фильтрата. 5 см3 фильтрата помещают в мерную колбу вместимостью 50 см3, прибавляют одну каплю фенолфталеина и нейтрализуют раствором серной кислоты до обесцвечивания раствора. После этого приливают еще 1 см3 раствора серной кислоты, воду до объема 30 см3, 10 см3 колориметрического реактива и доводят до метки водой. После добавления каждого реактива растворы тщательно перемешивают. Через 10 мин измеряют оптическую плотность фотоэлектроколориметром, как указано в
п. 5.15.2. В качестве контрольного используют раствор, содержащий все реактивы, применяемые по ходу анализа.
5.15.4. Обработка результатов
Массовую долю соединений фосфора в пересчете на

в процентах вычисляют по формуле

,
где

- масса фосфора, найденная по градуировочному графику, г;
m - масса навески, г;
2,29 - коэффициент пересчета P на

;
5 - объем аликвотной части, см3;
200 - общий объем раствора, см3.
За результат испытания принимают среднее арифметическое результатов двух параллельных определений, абсолютное расхождение между которыми не превышает допускаемое расхождение, равное 0,04%.
Допускаемая абсолютная суммарная погрешность результата анализа +/- 0,03% при доверительной вероятности 0,95.
(Измененная редакция, Изм. N 2).
5.16. Определение цвета двуокиси титана
| | ИС МЕГАНОРМ: примечание. Взамен ГОСТ 16873-78 Постановлением Госстандарта России от 30.03.1992 N 314 с 1 июля 1993 года введен в действие ГОСТ 16873-92. | |
Цвет двуокиси титана определяют измерением координат цветности по ГОСТ 16873-78 относительно утвержденного образца.
Подготовку образцов к измерению проводят по
п. 5.11 настоящего стандарта.
6. УПАКОВКА, МАРКИРОВКА, ТРАНСПОРТИРОВАНИЕ И ХРАНЕНИЕ
6.1. Упаковка, маркировка, транспортирование и хранение двуокиси титана по ГОСТ 9980.3-86 - ГОСТ 9980.5-86. При упаковывании в бумажные шестислойные мешки масса нетто не должна превышать 50 кг.
6.2. Маркировка транспортной тары по
ГОСТ 14192-77 с нанесением манипуляционного знака "Боится сырости".
7.1. Изготовитель гарантирует соответствие двуокиси титана требованиям настоящего стандарта при соблюдении условий применения и хранения.
7.2. Гарантийный срок хранения двуокиси титана - 12 мес. со дня изготовления.
Справочное
МАСЛОЕМКОСТЬ ДВУОКИСИ ТИТАНА
───────────────────────┬───────────────────────────────
Марка │ Норма, г/100 г пигмента
───────────────────────┼───────────────────────────────
Р-1, Р-02, Р-04 │ 22 - 25
│
Р-03, Р-05, А-1, │ 22 - 30
А-01, А-02, А-2 │
(Измененная редакция, Изм. N 2).
Справочное
ДИСПЕРГИРУЕМОСТЬ В ВОДЕ МАРОК ДВУОКИСИ ТИТАНА,
ПРЕДНАЗНАЧЕННЫХ ДЛЯ ВОДНО-ДИСПЕРСИОННЫХ КРАСОК
Дисперсионность в воде указанных марок - не более 30 мкм.
Определение диспергируемое в воде
1. Аппаратура и реактивы
Мельница лабораторная бисерная с частотой вращения вала мешалки

.
Стакан металлический вместимостью 250 см3.
Шарики стеклянные (бисер) для диспергирования в бисерной мельнице диаметром (1,7 + 0,3) мм, стойкостью к абразивному износу не менее 93%.
Гриндометр (прибор "Клин") с пределами измерения 0 - 50 по
ГОСТ 6589-74.
Вискозиметр типа ВЗ с диаметром сопла (4,000 +/- 0,015) мм по
ГОСТ 9070-75.
Мешалка лабораторная

.
Шпатель.
| | ИС МЕГАНОРМ: примечание. ГОСТ 5072-79 утратил силу с 1 января 1991 года (ИУС "Государственные стандарты", N 11, 1991). | |
Секундомер по ГОСТ 5072-79.
Дисперсия поливинилацетатная пластифицированная марки ДФ 48/5С по
ГОСТ 18992-80.
Карбоксиметилцеллюлоза натриевая соль марок 85/500, 85/600, 85/700.
Пентахлорфенолят натрия.
Масло трансформаторное марки Т-750 по
ГОСТ 982-80 или марки ТКП.
Флотореагент "Оксаль" марки Т-80.
2. Подготовка к выполнению анализа
В стеклянный стакан загружают 70 см3 воды и 1,0000 г карбоксиметилцеллюлозы и содержимое перемешивают до получения прозрачного однородного раствора. Затем загружают 0,2000 г пентахлорфенолята натрия, 0,4000 г вспомогательного вещества ОП-10, 4,0000 г флотореагента "Оксаль".
Загрузку каждого последующего компонента проводят после полного растворения предыдущего. Смесь перемешивают 15 мин, загружают 2,000 г трансформаторного масла и перемешивают еще 20 мин. Вязкость полученной жидкой части по вискозиметру типа ВЗ с диаметром сопла (4,000 +/- 0,015) мм при (20,0 +/- 0,5) °C должна составлять от 12 до 18 с. При несоответствии вязкости жидкой части указанным значениям жидкую часть готовят снова, соответственно изменив загрузку карбоксиметилцеллюлозы.
Допускается приготовление жидкой части для нескольких измерений с пропорциональным увеличением массы всех загружаемых компонентов. В этом случае, начиная со второго измерения, перед дальнейшими операциями заранее приготовленную жидкую часть перемешивают в течение 20 мин.
3. Проведение испытания
Жидкую часть (77,50 г) переносят в металлический стакан бисерной мельницы, загружают 90,00 г двуокиси титана, перемешивают шпателем до получения однородной массы и загружают 100 см3 бисера. Пигментную пасту диспергируют 20 мин и отделяют от бисера.
Определяют степень перетира пигментной пасты по гриндометру (прибор "Клин") в соответствии с
ГОСТ 6589-74.
4. Обработка результатов
За результат испытания принимают среднее арифметическое результатов трех параллельных измерений степени перетира пигментной пасты, расхождение между которыми не должно превышать допускаемое расхождение, равное 5 мкм.
Допускаемая абсолютная суммарная погрешность результата анализа +/- 5 мкм при доверительной вероятности 0,95.
(Введено дополнительно, Изм. N 2).