Главная // Актуальные документы // ГОСТ (Государственный стандарт)СПРАВКА
Источник публикации
М.: Стандартинформ, 2009
Примечание к документу
Документ утратил силу с 1 января 2018 года в связи с изданием
Приказа Росстандарта от 04.05.2017 N 354-ст. Взамен введен в действие
ГОСТ 6563-2016.
С 1 июля 2003 года до вступления в силу технических регламентов акты федеральных органов исполнительной власти в сфере технического регулирования носят рекомендательный характер и подлежат обязательному исполнению только в части, соответствующей целям, указанным в
пункте 1 статьи 46 Федерального закона от 27.12.2002 N 184-ФЗ.
Введен в действие с 1 января 1977 года.
Взамен ГОСТ 6563-58.
Название документа
"ГОСТ 6563-75. Изделия технические из благородных металлов и сплавов. Технические условия"
(утв. Постановлением Госстандарта СССР от 31.12.1975 N 4123)
(ред. от 01.11.2005)
"ГОСТ 6563-75. Изделия технические из благородных металлов и сплавов. Технические условия"
(утв. Постановлением Госстандарта СССР от 31.12.1975 N 4123)
(ред. от 01.11.2005)
Утвержден и введен в действие
Постановлением Госстандарта СССР
от 31 декабря 1975 г. N 4123
МЕЖГОСУДАРСТВЕННЫЙ СТАНДАРТ
ИЗДЕЛИЯ ТЕХНИЧЕСКИЕ
ИЗ БЛАГОРОДНЫХ МЕТАЛЛОВ И СПЛАВОВ
ТЕХНИЧЕСКИЕ УСЛОВИЯ
Technical articles made of noble metals and their alloys.
Specifications
ГОСТ 6563-75
| | Список изменяющих документов (в ред. Изменения N 1, утв. в июле 1986 г., Изменения N 2, утв. в июне 1991 г., Изменения N 3, утв. в ноябре 2005 г.) | |
Дата введения
1 января 1977 года
1. Разработан и внесен Министерством цветной металлургии СССР.
2. Утвержден и введен в действие Постановлением Государственного комитета СССР по стандартам от 31.12.1975 N 4123.
Изменение N 3 принято Межгосударственным советом по стандартизации, метрологии и сертификации (Протокол N 27 от 22.06.2005).
За принятие изменения проголосовали национальные органы по стандартизации следующих государств: AM, BY, GE, KZ, KG, MD, RU, TJ, TM, UZ, UA [коды альфа-2 по МК (ИСО 3166) 004].
3. Взамен ГОСТ 6563-58.
4. Ссылочные нормативно-технические документы
───────────────────────────────────────────┬─────────────────────
Обозначение НТД, на который дана ссылка │ Номер пункта
───────────────────────────────────────────┼─────────────────────
ИС МЕГАНОРМ: примечание.
ГОСТ 12226-80 утратил силу на территории Российской Федерации
с 1 июля 2009 года. Взамен рекомендовано использовать
N 119-ст).
ИС МЕГАНОРМ: примечание.
Взамен ГОСТ 13462-79 Приказом Росстандарта от 24.06.2011
ИС МЕГАНОРМ: примечание.
Взамен ГОСТ 13498-79 Приказом Росстандарта от 24.06.2011
5. Ограничение срока действия стандарта снято Постановлением Госстандарта СССР от 24.06.1991 N 959.
6. Издание (декабрь 2008 г.) с Изменениями N 1, 2, 3, утвержденными в июле 1986 г., июне 1991 г., ноябре 2005 г. (ИУС 10-86, 9-91, 2-2006).
Настоящий стандарт распространяется на технические изделия из благородных металлов и сплавов, в том числе лабораторную посуду и принадлежности, применяемые в различных отраслях промышленности и науки.
(Измененная редакция, Изм. N 3).
1. ТИПЫ И ОСНОВНЫЕ РАЗМЕРЫ
1.1. Технические изделия по форме, размерам и предельным отклонениям должны соответствовать указанным на
черт. 1 -
93 и в
табл. 1 -
52.
Не указанные предельные отклонения размеров должны быть

.
А. ПОСУДА ЛАБОРАТОРНАЯ
Тигли высокие из платины
Черт. 1
───────┬────────────┬────┬───┬────┬──────────────┬──────────────┬──────────
Номер │Вместимость,│ D │ d │ H │ дельта │ дельта │ Масса, г
изделий│ см3 │ │ │ │ 0 │ │
│ ├────┴───┴────┴──────────────┴──────────────┤
│ │ мм │
───────┼────────────┼────┬───┬────┬──────────────┬──────────────┼──────────
100-1 │ 4 │ 18 │12 │ 20 │0,22 +/- 0,02 │0,14 +/- 0,03 │ 3,4
100-2 │ 6 │ 20 │13 │ 25 │0,24 +/- 0,02 │0,15 +/- 0,03 │ 5,4
100-3 │ 9 │ 24 │16 │ 26 │0,27 +/- 0,02 │0,17 +/- 0,03 │ 8,0
100-4 │ 12 │ 26 │18 │ 30 │0,28 +/- 0,02 │0,19 +/- 0,04 │ 10,5
100-5 │ 15 │ 28 │19 │ 33 │0,30 +/- 0,02 │0,21 +/- 0,04 │ 13,0
100-6 │ 18 │ 30 │20 │ 36 │0,35 +/- 0,03 │0,24 +/- 0,05 │ 18,0
100-7 │ 25 │ 32 │21 │ 40 │0,37 +/- 0,03 │0,26 +/- 0,05 │ 24,0
100-8 │ 32 │ 35 │24 │ 42 │0,40 +/- 0,03 │0,28 +/- 0,05 │ 26,4
100-9 │ 40 │ 38 │26 │ 45 │0,45 +/- 0,03 │0,31 +/- 0,05 │ 36,0
100-10 │ 54 │ 42 │28 │ 50 │0,45 +/- 0,03 │0,31 +/- 0,05 │ 44,0
100-11 │ 90 │ 50 │33 │ 60 │0,60 +/- 0,03 │0,52 +/- 0,08 │ 95,0
100-12 │ 145 │ 60 │40 │ 70 │0,75 +/- 0,03 │0,63 +/- 0,10 │ 170,0
100-13 │ 310 │ 72 │50 │100 │ 1,0 +/- 0,03 │0,78 +/- 0,10 │ 365,0
Примечание. По требованию потребителя тигли
N 100-1 -
100-8 могут изготовлять из сплавов марок ПлИ-5 или ПлРд-7, а также из платины с утолщенной стенкой, равной

, и дном, равным

.
Крышки к тиглям высоким из платины
Изделие N 101
Черт. 2
Таблица 2
─────────┬──────┬──────┬──────┬──────┬──────────────────────┬──────────────
Номер │ D │ d │ h │ K │ дельта │ Масса, г
изделий │ │ │ │ │(пред. откл. +/- 0,02)│
├──────┴──────┴──────┴──────┴──────────────────────┤
│ мм │
─────────┼──────┬──────┬──────┬──────┬──────────────────────┼──────────────
101-1 │ 22 │ 17 │ 2 │ 25 │ 0,15 │ 1,4
101-2 │ 23 │ 19 │ 2 │ 28 │ 0,15 │ 1,7
101-3 │ 28 │ 23 │ 2 │ 33 │ 0,15 │ 2,2
101-4 │ 31 │ 25 │ 2,5 │ 36 │ 0,15 │ 2,6
101-5 │ 33 │ 27 │ 2,5 │ 39 │ 0,15 │ 3,2
101-6 │ 35 │ 29 │ 2,5 │ 40 │ 0,15 │ 3,3
101-7 │ 37 │ 31 │ 2,5 │ 43 │ 0,15 │ 3,8
101-8 │ 40 │ 34 │ 2,5 │ 46 │ 0,15 │ 4,4
101-9 │ 42 │ 37 │ 2,5 │ 49 │ 0,15 │ 5,1
101-10 │ 46 │ 41 │ 2,5 │ 53 │ 0,15 │ 5,9
101-11 │ 55 │ 48 │ 4 │ 63 │ 0,2 │ 12,6
101-12 │ 65 │ 58 │ 4 │ 74 │ 0,2 │ 16,3
101-13 │ 78 │ 71 │ 5 │ 87 │ 0,25 │ 31,4
Тигли высокие из серебра
Изделие N 102
Черт. 3
Таблица 3
───────┬────────────┬────┬───┬────┬──────────────┬─────────────┬───────────
Номер │Вместимость,│ D │ d │ H │ дельта │ дельта │ Масса, г
изделий│ см3 │ │ │ │ 0 │ │
│ ├────┴───┴────┴──────────────┴─────────────┤
│ │ мм │
───────┼────────────┼────┬───┬────┬──────────────┬─────────────┼───────────
102-1 │ 4 │ 18 │12 │ 20 │0,44 +/- 0,03 │0,27 +/- 0,05│ 3,6
102-2 │ 6 │ 20 │13 │ 25 │0,48 +/- 0,03 │0,34 +/- 0,05│ 6,0
102-3 │ 9 │ 24 │16 │ 26 │0,54 +/- 0,03 │0,38 +/- 0,05│ 8,6
102-4 │ 12 │ 26 │18 │ 30 │0,56 +/- 0,03 │0,38 +/- 0,05│ 11,5
102-5 │ 15 │ 28 │19 │ 33 │0,60 +/- 0,04 │0,41 +/- 0,05│ 14,0
102-6 │ 18 │ 30 │20 │ 36 │0,68 +/- 0,04 │0,50 +/- 0,06│ 18,0
102-7 │ 25 │ 33 │21 │ 40 │0,74 +/- 0,04 │0,57 +/- 0,08│ 26,0
102-8 │ 32 │ 36 │24 │ 42 │0,76 +/- 0,04 │0,58 +/- 0,08│ 29,0
102-9 │ 40 │ 39 │26 │ 45 │0,88 +/- 0,04 │0,66 +/- 0,10│ 39,0
102-10 │ 54 │ 43 │28 │ 50 │0,96 +/- 0,04 │0,68 +/- 0,10│ 49,0
Крышки к тиглям высоким из серебра
Изделие N 103
Черт. 4
Таблица 4
───────┬─────────┬──────────┬─────────┬─────────┬─────────────────
Номер │ D │ d │ h │ K │ Масса, г
изделий├─────────┴──────────┴─────────┴─────────┤
│ мм │
───────┼─────────┬──────────┬─────────┬─────────┼─────────────────
103-1 │ 22 │ 17 │ 2 │ 25 │ 1,2
103-2 │ 23 │ 19 │ 2 │ 28 │ 1,4
103-3 │ 28 │ 23 │ 2 │ 33 │ 1,8
103-4 │ 31 │ 25 │ 2,5 │ 36 │ 2,3
103-5 │ 33 │ 27 │ 2,5 │ 39 │ 2,7
103-6 │ 35 │ 29 │ 2,5 │ 40 │ 2,8
103-7 │ 37 │ 31 │ 2,5 │ 43 │ 3,2
103-8 │ 40 │ 34 │ 2,5 │ 46 │ 3,6
103-9 │ 42 │ 37 │ 2,5 │ 49 │ 4,1
103-10 │ 46 │ 41 │ 2,5 │ 53 │ 5,1
Тигли высокие из золота
Изделие N 104
Черт. 5
Таблица 5
───────┬────────────┬────┬───┬────┬──────────────┬─────────────┬───────────
Номер │Вместимость,│ D │ d │ H │ дельта │ дельта │ Масса, г
изделий│ см3 │ │ │ │ 0 │ │
│ ├────┴───┴────┴──────────────┴─────────────┤
│ │ мм │
───────┼────────────┼────┬───┬────┬──────────────┬─────────────┼───────────
104-1 │ 4 │ 18 │12 │ 20 │0,22 +/- 0,02 │0,14 +/- 0,03│ 3,1
104-2 │ 6 │ 20 │13 │ 25 │0,24 +/- 0,02 │0,15 +/- 0,03│ 4,9
104-3 │ 9 │ 24 │16 │ 26 │0,27 +/- 0,02 │0,17 +/- 0,03│ 7,3
104-4 │ 12 │ 26 │18 │ 30 │0,28 +/- 0,02 │0,19 +/- 0,04│ 9,6
104-5 │ 15 │ 28 │19 │ 33 │0,30 +/- 0,02 │0,21 +/- 0,04│ 12,0
104-6 │ 18 │ 30 │20 │ 36 │0,34 +/- 0,03 │0,24 +/- 0,05│ 15,0
104-7 │ 25 │ 32 │21 │ 40 │0,37 +/- 0,03 │0,26 +/- 0,05│ 22,0
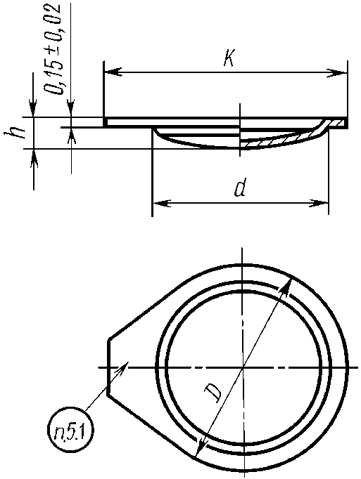
Крышки к тиглям высоким из золота
Изделие N 105
Черт. 6
Таблица 6
───────┬─────────┬──────────┬─────────┬─────────┬─────────────────
Номер │ D │ d │ h │ K │ Масса, г
изделий├─────────┴──────────┴─────────┴─────────┤
│ мм │
───────┼─────────┬──────────┬─────────┬─────────┼─────────────────
105-1 │ 22 │ 17 │ 2 │ 25 │ 1,2
105-2 │ 23 │ 19 │ 2 │ 28 │ 1,5
105-3 │ 28 │ 23 │ 2 │ 33 │ 2,0
105-4 │ 31 │ 25 │ 2,5 │ 36 │ 2,4
105-5 │ 33 │ 27 │ 2,5 │ 39 │ 2,9
105-6 │ 35 │ 29 │ 2,5 │ 40 │ 3,1
105-7 │ 37 │ 31 │ 2,5 │ 43 │ 3,4
Тигли высокие из платины с усиленной кромкой (отбортовкой)
Изделие N 106
Черт. 7
───────┬────────────┬────┬───┬────┬──────────────┬─────────────┬───────────
Номер │Вместимость,│ D │ d │ H │ дельта │ дельта │ Масса, г
изделий│ см3 │ │ │ │ 0 │ │
│ ├────┴───┴────┴──────────────┴─────────────┤
│ │ мм │
───────┼────────────┼────┬───┬────┬──────────────┬─────────────┼───────────
106-1 │ 4 │ 18 │12 │ 20 │0,22 +/- 0,03 │0,14 +/- 0,03│ 4,0
106-2 │ 6 │ 20 │13 │ 25 │0,24 +/- 0,03 │0,15 +/- 0,04│ 6,0
106-3 │ 9 │ 24 │16 │ 26 │0,27 +/- 0,03 │0,17 +/- 0,04│ 9,0
106-4 │ 12 │ 26 │18 │ 30 │0,28 +/- 0,03 │0,19 +/- 0,04│ 12,0
106-5 │ 15 │ 28 │19 │ 33 │0,30 +/- 0,03 │0,21 +/- 0,04│ 15,0
106-6 │ 18 │ 30 │20 │ 36 │0,34 +/- 0,03 │0,24 +/- 0,05│ 19,0
106-7 │ 25 │ 32 │21 │ 40 │0,37 +/- 0,03 │0,26 +/- 0,05│ 26,0
106-8 │ 32 │ 35 │24 │ 42 │0,40 +/- 0,03 │0,28 +/- 0,05│ 30,0
106-9 │ 40 │ 38 │26 │ 45 │0,45 +/- 0,03 │0,31 +/- 0,05│ 40,0
106-10 │ 54 │ 42 │28 │ 50 │0,45 +/- 0,03 │0,31 +/- 0,06│ 50,0
Примечание. По требованию потребителя тигли
N 106-1 -
106-8 могут изготовлять из сплавов марок ПлИ-5 или ПлРд-7, а также из платины с утолщенной стенкой, равной

, и дном, равным

.
Тигли широкие из платины или серебра
Изделие N 107
Черт. 8
Таблица 8
───────┬────────────┬────┬───┬────┬──────────────┬──────────────┬──────────
Номер │Вместимость,│ D │ d │ H │ дельта │ дельта │ Масса, г
изделий│ см3 │ │ │ │ 0 │ │
│ ├────┴───┴────┴──────────────┴──────────────┤
│ │ мм │
───────┴────────────┴───────────────────────────────────────────┴──────────
Из платины
107-1 │ 9 │ 28 │14 │ 22 │0,28 +/- 0,02 │0,23 +/- 0,04 │ 9,0
107-2 │ 20 │ 38 │19 │ 28 │0,37 +/- 0,03 │0,27 +/- 0,05 │ 20,0
107-3 │ 27 │ 42 │22 │ 30 │0,40 +/- 0,03 │0,29 +/- 0,05 │ 26,0
Из серебра
107-4 │ 9 │ 28 │14 │ 22 │0,56 +/- 0,04 │0,44 +/- 0,06 │ 9,0
107-5 │ 20 │ 38 │19 │ 28 │0,74 +/- 0,04 │0,54 +/- 0,08 │ 20,0
107-6 │ 27 │ 42 │22 │ 30 │0,80 +/- 0,05 │0,65 +/- 0,08 │ 27,0
Примечание. Крышки к широким тиглям подбираются из крышек к высоким тиглям:
Микротигли из платины или золота
Изделие N 108
Черт. 9
Таблица 9
───────┬───────────────────────┬────────┬────────┬────────┬────────────────
Номер │ Вместимость, см3 │ D │ d │ H │ Масса, г
изделий│ ├────────┴────────┴────────┤
│ │ мм │
───────┴───────────────────────┴──────────────────────────┴────────────────
Из платины
108-1 │ 0,3 │ 8 │ 5 │ 8,5 │ 0,5
108-2 │ 0,7 │ 10 │ 6 │ 11 │ 1,0
108-3 │ 1,2 │ 12 │ 8 │ 14 │ 1,5
108-4 │ 2,3 │ 15 │ 10 │ 17 │ 2,1
Из золота
108-5 │ 0,3 │ 8 │ 5 │ 8,5 │ 0,5
108-6 │ 0,7 │ 10 │ 6 │ 11 │ 0,9
108-7 │ 1,2 │ 12 │ 8 │ 14 │ 1,3
108-8 │ 2,3 │ 15 │ 10 │ 17 │ 1,9
Крышки к микротиглям из платины или золота
Изделие N 109
Черт. 10
Таблица 10
───────┬──────────┬──────────┬──────────┬──────────┬──────────────
Номер │ D │ d │ h │ K │ Масса, г
изделий├──────────┴──────────┴──────────┴──────────┤
│ мм │
───────┴───────────────────────────────────────────┴──────────────
Из платины
109-1 │ 10 │ 7 │ 1,5 │ 9 │ 0,3
109-2 │ 13 │ 9 │ 1,8 │ 10 │ 0,5
109-3 │ 15 │ 11 │ 2,0 │ 12 │ 0,7
109-4 │ 18 │ 14 │ 2,0 │ 15 │ 1,0
Из золота
109-5 │ 10 │ 7 │ 1,5 │ 9 │ 0,3
109-6 │ 13 │ 9 │ 1,8 │ 10 │ 0,5
109-7 │ 15 │ 11 │ 2,0 │ 12 │ 0,6
109-8 │ 18 │ 14 │ 2,0 │ 15 │ 0,9
Тигли из платины с поддоном и отверстиями в дне
Изделие N 110
Черт. 11
Таблица 11
───────┬────┬────┬────┬────┬────────────────────┬────────────────┬─────────
Номер │ D │ d │ H │ h │дельта (пред. откл.│ дельта (пред. │ Масса,
изделий│ │ │ │ │ 0 │откл. +/- 0,05) │ г
│ │ │ │ │ +/- 0,03) │ │
├────┴────┴────┴────┴────────────────────┴────────────────┤
│ мм │
───────┼────┬────┬────┬────┬────────────────────┬────────────────┼─────────
110-1 │ 26 │ 18 │ 26 │ 6 │ 0,4 │ 0,3 │ 19,0
110-2 │ 32 │ 18 │ 38 │ 7 │ 0,4 │ 0,3 │ 26,0
Примечание. Тиглю N 110-1 соответствует крышка
N 101-4 массой 2,7 г; тиглю N 110-2 соответствует крышка
N 101-7 массой 3,8 г.
(Измененная редакция, Изм. N 1, 2).
Тигли конические с крышкой из платины
Изделие N 111
Масса 34 г
Черт. 12
Изделие N 112
Масса 40 г
Черт. 13
Тигли конические с отверстиями в дне из платины
Изделие N 113
Масса 28 г
Черт. 14
Чашки со сферическим дном из платины или серебра
Изделия N 115 и N 116
Черт. 15
Таблица 12
───────┬────────────┬──────┬──────┬─────────────┬─────────────┬────────────
Номер │Вместимость,│ D │ H │ дельта │ дельта │ Масса, г
изделий│ см3 │ │ │ 0 │ │
│ ├──────┴──────┴─────────────┴─────────────┤
│ │ мм │
───────┼────────────┼──────┬──────┬─────────────┬─────────────┼────────────
115-1 │ 16 │ 37 │ 20 │0,20 +/- 0,02│0,16 +/- 0,03│ 8,5
115-2 │ 32 │ 47 │ 24 │0,24 +/- 0,02│0,17 +/- 0,04│ 16,0
115-3 │ 63 │ 60 │ 29 │0,28 +/- 0,02│0,19 +/- 0,04│ 28,0
115-4 │ 100 │ 70 │ 34 │0,30 +/- 0,02│0,21 +/- 0,04│ 43,0
115-5 │ 160 │ 80 │ 40 │0,32 +/- 0,03│0,22 +/- 0,05│ 61,0
115-6 │ 225 │ 90 │ 45 │0,33 +/- 0,03│0,24 +/- 0,05│ 80,0
115-7 │ 325 │ 100 │ 52 │0,34 +/- 0,03│0,24 +/- 0,05│ 105,0
115-8 │ 450 │ 110 │ 58 │0,38 +/- 0,03│0,27 +/- 0,05│ 150,0
115-9 │ 550 │ 120 │ 60 │0,40 +/- 0,03│0,27 +/- 0,05│ 180,0
115-10 │ 825 │ 142 │ 70 │0,40 +/- 0,03│0,28 +/- 0,05│ 255,0
115-11 │ 1200 │ 156 │ 78 │0,45 +/- 0,03│0,30 +/- 0,05│ 335,0
Из серебра
116-1 │ 16 │ 37 │ 20 │0,40 +/- 0,03│0,30 +/- 0,05│ 8,5
116-2 │ 32 │ 47 │ 24 │0,48 +/- 0,03│0,32 +/- 0,05│ 16,0
116-3 │ 63 │ 60 │ 29 │0,56 +/- 0,03│0,37 +/- 0,05│ 29,0
116-4 │ 100 │ 70 │ 34 │0,60 +/- 0,04│0,39 +/- 0,06│ 42,0
116-5 │ 160 │ 80 │ 40 │0,64 +/- 0,04│0,44 +/- 0,06│ 60,0
116-6 │ 225 │ 90 │ 45 │0,66 +/- 0,04│0,48 +/- 0,06│ 82,0
116-7 │ 325 │ 100 │ 52 │0,70 +/- 0,04│0,48 +/- 0,06│ 105,0
116-8 │ 450 │ 110 │ 58 │0,80 +/- 0,04│0,53 +/- 0,08│ 150,0
116-9 │ 550 │ 120 │ 60 │0,82 +/- 0,04│0,54 +/- 0,08│ 175,0
116-10 │ 825 │ 142 │ 70 │0,84 +/- 0,05│0,62 +/- 0,10│ 255,0
116-11 │ 1200 │ 156 │ 78 │0,90 +/- 0,05│0,66 +/- 0,10│ 335,0
Чашки со сферическим дном из платины с усиленной кромкой
(отбортовкой)
Изделие N 117
Черт. 16
───────┬────────────┬───┬────┬──────────────────────┬─────────────┬────────
Номер │Вместимость,│ D │ H │ дельта │ дельта │ Масса,
изделий│ см3 │ │ │ 0 │ │ г
│ │ │ │(пред. откл. +/- 0,03)│ │
│ ├───┴────┴──────────────────────┴─────────────┤
│ │ мм │
───────┼────────────┼───┬────┬──────────────────────┬─────────────┼────────
117-1 │ 16 │37 │ 20 │ 0,20 │0,16 +/- 0,04│ 10
117-2 │ 32 │47 │ 24 │ 0,24 │0,17 +/- 0,04│ 18
117-3 │ 63 │60 │ 29 │ 0,28 │0,19 +/- 0,04│ 32
117-4 │ 100 │70 │ 34 │ 0,30 │0,21 +/- 0,04│ 50
117-5 │ 160 │80 │ 40 │ 0,32 │0,22 +/- 0,05│ 68
117-6 │ 225 │90 │ 45 │ 0,33 │0,24 +/- 0,05│ 88
117-7 │ 325 │100│ 52 │ 0,34 │0,24 +/- 0,06│ 115
117-8 │ 450 │110│ 58 │ 0,38 │0,27 +/- 0,06│ 162
117-9 │ 550 │120│ 60 │ 0,40 │0,27 +/- 0,06│ 194
117-10 │ 825 │142│ 70 │ 0,42 │0,28 +/- 0,07│ 281
117-11 │ 1200 │156│ 78 │ 0,45 │0,30 +/- 0,08│ 365
Примечание. По требованию потребителя чашки
N 117-1 - 117-8 могут изготовлять из сплавов марок ПлИ-5 или ПлРд-7, а также из платины с утолщенной стенкой, равной

, и дном, равным

.
Чашки из платины или серебра
Изделия N 118 и N 119
Черт. 17
Таблица 14
───────┬────────────┬──────┬──────┬─────────────┬─────────────┬────────────
Номер │Вместимость,│ D │ H │ дельта │ дельта │ Масса, г
изделий│ см3 │ │ │ 0 │ │
│ ├──────┴──────┴─────────────┴─────────────┤
│ │ мм │
───────┴────────────┴─────────────────────────────────────────┴────────────
Из платины
118-1 │ 18 │ 40 │ 18 │0,20 +/- 0,02│0,16 +/- 0,03│ 10,0
118-2 │ 34 │ 52 │ 20 │0,24 +/- 0,02│0,18 +/- 0,03│ 19,0
118-3 │ 65 │ 63 │ 25 │0,26 +/- 0,02│0,19 +/- 0,03│ 32,0
118-4 │ 115 │ 75 │ 31 │0,28 +/- 0,02│0,21 +/- 0,03│ 51,0
118-5 │ 200 │ 90 │ 35 │0,30 +/- 0,02│0,21 +/- 0,03│ 72,0
118-6 │ 280 │ 100 │ 41 │0,30 +/- 0,02│0,22 +/- 0,04│ 88,0
118-7 │ 400 │ 115 │ 45 │0,34 +/- 0,02│0,24 +/- 0,04│ 135,0
118-8 │ 550 │ 127 │ 51 │0,36 +/- 0,02│0,25 +/- 0,05│ 165,0
Из серебра
119-1 │ 18 │ 40 │ 18 │0,40 +/- 0,03│0,30 +/- 0,05│ 10,0
119-2 │ 34 │ 52 │ 20 │0,48 +/- 0,03│0,36 +/- 0,05│ 19,0
119-3 │ 65 │ 63 │ 25 │0,56 +/- 0,03│0,40 +/- 0,05│ 31,0
119-4 │ 115 │ 75 │ 31 │0,56 +/- 0,03│0,41 +/- 0,05│ 47,0
119-5 │ 200 │ 90 │ 35 │0,62 +/- 0,03│0,45 +/- 0,05│ 72,0
119-6 │ 280 │ 100 │ 41 │0,65 +/- 0,03│0,43 +/- 0,07│ 90,0
119-7 │ 400 │ 115 │ 45 │0,70 +/- 0,03│0,48 +/- 0,08│ 133,0
119-8 │ 550 │ 127 │ 51 │0,72 +/- 0,03│0,48 +/- 0,08│ 162,0
Чашки из платины с усиленной кромкой (отбортовкой)
Изделие N 120
Черт. 18
───────┬────────────┬───┬────┬──────────────────────┬─────────────┬────────
Номер │Вместимость,│ D │ H │ дельта │ дельта │Масса, г
изделий│ см3 │ │ │ 0 │ │
│ │ │ │(пред. откл. +/- 0,03)│ │
│ ├───┴────┴──────────────────────┴─────────────┤
│ │ мм │
───────┼────────────┼───┬────┬──────────────────────┬─────────────┼────────
120-1 │ 13 │40 │ 18 │ 0,20 │0,16 +/- 0,04│ 11,0
120-2 │ 34 │52 │ 20 │ 0,24 │0,18 +/- 0,04│ 21,0
120-3 │ 65 │63 │ 25 │ 0,26 │0,19 +/- 0,05│ 33,0
120-4 │ 115 │75 │ 31 │ 0,28 │0,21 +/- 0,05│ 52,0
120-5 │ 200 │90 │ 35 │ 0,30 │0,21 +/- 0,05│ 78,0
120-6 │ 280 │100│ 41 │ 0,30 │0,22 +/- 0,05│ 95,0
120-7 │ 400 │115│ 45 │ 0,34 │0,24 +/- 0,05│ 144,0
120-8 │ 550 │127│ 51 │ 0,36 │0,24 +/- 0,05│ 179,0
Примечание. По требованию потребителя чашки
N 120-1 - 120-8 могут изготовлять из сплавов марок ПлИ-5 или ПлРд-7, а также из платины с утолщенной стенкой, равной

, и дном, равным

.
Чашки для сжигания из платины
Изделие N 121
Черт. 19
Таблица 16
──────────────┬──────────────────┬────────┬───────┬───────────────
Номер изделий │ Вместимость, см3 │ D │ H │ Масса, г
│ ├────────┴───────┤
│ │ мм │
──────────────┼──────────────────┼────────┬───────┼───────────────
121-1 │ 10 │ 35 │ 12 │ 10,0
121-2 │ 45 │ 50 │ 23 │ 23,0
Чашки конические из платины
Изделие N 122
Черт. 20
Таблица 17
───────────────┬─────────────────┬──────┬─────┬──────┬────────────
Номер изделий │Вместимость, см3 │ D │ d │ H │ Масса, г
│ ├──────┴─────┴──────┤
│ │ мм │
───────────────┼─────────────────┼──────┬─────┬──────┼────────────
122-1 │ 30 │ 50 │ 45 │ 15 │ 18,0
122-2 │ 58 │ 60 │ 54 │ 18 │ 26,0
122-3 │ 80 │ 70 │ 61 │ 21 │ 32,0
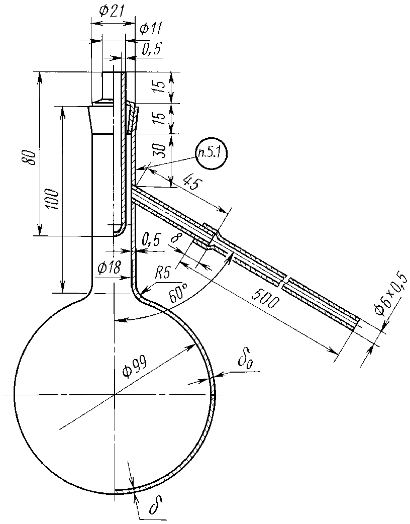
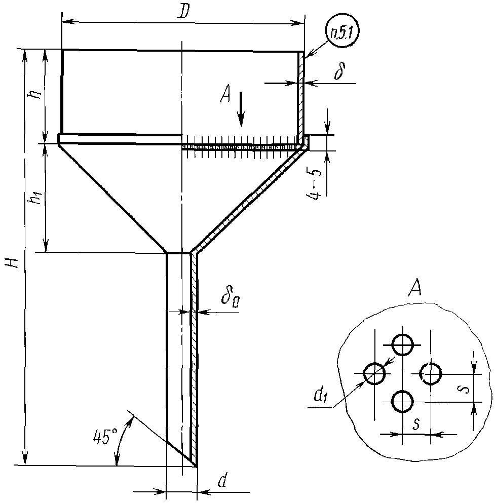
Воронки из платины
Изделие N 123
Черт. 21
Таблица 18
───────┬────┬────┬────┬────┬────────────────┬────────────────┬─────────────
Номер │ D │ d │ H │ h │ дельта │ дельта │ Масса, г
изделий│ │ │ │ │ │ 0 │
├────┴────┴────┴────┴────────────────┴────────────────┤
│ мм │
───────┼────┬────┬────┬────┬────────────────┬────────────────┼─────────────
123-1 │ 40 │ 4 │ 80 │ 31 │ 0,25 +/- 0,04 │ 0,35 +/- 0,04 │ 19,0
123-2 │ 50 │ 5 │100 │ 39 │ 0,34 +/- 0,05 │ 0,35 +/- 0,04 │ 35,0
123-3 │ 60 │ 6 │120 │ 47 │ 0,39 +/- 0,06 │ 0,50 +/- 0,05 │ 58,0
123-4 │ 70 │ 7 │140 │ 55 │ 0,53 +/- 0,06 │ 0,50 +/- 0,05 │ 110,0
Воронки с цилиндром из платины
Изделие N 124
Черт. 22
Таблица 19
────────┬───────┬──────┬──────┬─────────────────────────────┬──────────────
Номер │ D │ H │ h │дельта (пред. откл. +/- 0,06)│ Масса, г
изделий ├───────┴──────┴──────┴─────────────────────────────┤
│ мм │
────────┼───────┬──────┬──────┬─────────────────────────────┼──────────────
124-1 │ 60 │ 30 │ 25 │ 0,41 │ 113,0
124-2 │ 80 │ 40 │ 35 │ 0,38 │ 175,0
124-3 │ 100 │ 40 │ 45 │ 0,36 │ 245,0
Воронки с цилиндром и решеткой из платины
Изделие N 125
Черт. 23
Таблица 20
───────┬───────┬───┬──┬───┬───┬──┬─────────────┬─────────────┬────┬────┬──────
Номер │Вмести-│ D │h │ h │ H │d │ дельта │ дельта │ s │ d │Масса,
изделий│мость, │ │ │ 1│ │ │ │ 0 │ │ 1 │ г
│см3 ├───┴──┴───┴───┴──┴─────────────┴─────────────┴────┴────┤
│ │ мм │
───────┼───────┼───┬──┬───┬───┬──┬─────────────┬─────────────┬────┬────┼──────
125-1 │ 55 │56 │24│25 │100│6 │0,25 +/- 0,04│0,35 +/- 0,04│1,5 │1,0 │ 70,0
125-2 │ 120 │72 │30│32 │127│8 │0,29 +/- 0,05│0,35 +/- 0,04│1,75│1,25│125,0
125-3 │ 225 │92 │35│41 │156│10│0,35 +/- 0,06│0,5 +/- 0,05 │2,0 │1,5 │240,0
125-4 │ 450 │120│40│54 │194│12│0,44 +/- 0,08│0,5 +/- 0,05 │2,25│1,75│510,0
Стаканы цилиндрические из платины или серебра
Изделие N 126
Черт. 24
Таблица 21
───────┬────────────┬──────┬──────┬──────────────┬──────────────┬──────────
Номер │Вместимость,│ D │ H │ дельта │ дельта │ Масса, г
изделий│ см3 │ │ │ 0 │ │
│ ├──────┴──────┴──────────────┴──────────────┤
│ │ мм │
───────┴────────────┴───────────────────────────────────────────┴──────────
Из платины
126-1 │ 100 │ 40 │ 80 │0,33 +/- 0,03 │0,28 +/- 0,04 │ 68,0
126-2 │ 150 │ 45 │ 96 │0,40 +/- 0,03 │0,33 +/- 0,04 │ 110,0
126-3 │ 240 │ 55 │ 106 │0,43 +/- 0,03 │0,40 +/- 0,04 │ 175,0
126-4 │ 480 │ 75 │ 113 │0,48 +/- 0,03 │0,44 +/- 0,04 │ 285,0
126-5 │ 950 │ 100 │ 125 │0,60 +/- 0,04 │0,55 +/- 0,05 │ 560,0
Из серебра
126-6 │ 100 │ 40 │ 80 │0,9 +/- 0,03 │0,77 +/- 0,05 │ 92,0
126-7 │ 150 │ 45 │ 96 │0,9 +/- 0,03 │0,77 +/- 0,05 │ 125,0
126-8 │ 240 │ 55 │ 106 │0,9 +/- 0,03 │0,77 +/- 0,05 │ 175,0
126-9 │ 480 │ 75 │ 113 │1,0 +/- 0,04 │0,83 +/- 0,06 │ 285,0
126-10 │ 950 │ 100 │ 125 │1,0 +/- 0,04 │0,83 +/- 0,06 │ 425,0
Стаканы конические из платины или серебра
Изделие N 127
Черт. 25
Таблица 22
───────────────┬─────────────────┬──────┬─────┬──────┬────────────
Номер изделий │Вместимость, см3 │ D │ d │ H │ Масса, г
│ ├──────┴─────┴──────┤
│ │ мм │
───────────────┴─────────────────┴───────────────────┴────────────
Из платины
127-1 │ 20 │ 32 │ 25 │ 40 │ 135,0
127-2 │ 45 │ 40 │ 30 │ 60 │ 235,0
127-3 │ 90 │ 48 │ 35 │ 80 │ 365,0
Из серебра
127-4 │ 20 │ 32 │ 25 │ 40 │ 65,0
127-5 │ 45 │ 40 │ 30 │ 60 │ 115,0
127-6 │ 90 │ 48 │ 35 │ 80 │ 180,0
Колбы круглодонные низкогорлые из платины
Изделие N 128
Черт. 26
Таблица 23
───────┬───────┬───┬──┬───┬───┬───────────────┬──────────────┬─────────────
Номер │Вмести-│ D │d │ d │ H │дельта (пред. │ дельта │ Масса, г
изделий│мость, │ │ │ 1│ │ 0 │ │
│см3 │ │ │ │ │откл. +/- 0,03)│ │
│ ├───┴──┴───┴───┴───────────────┴──────────────┤
│ │ мм │
───────┼───────┼───┬──┬───┬───┬───────────────┬──────────────┼─────────────
128-1 │ 30 │40 │16│19 │ 60│ 0,38 │0,31 +/- 0,06 │ 43,0
128-2 │ 60 │50 │16│19 │ 75│ 0,40 │0,32 +/- 0,06 │ 58,0
128-3 │ 100 │60 │18│21 │ 90│ 0,43 │0,32 +/- 0,06 │ 95,0
128-4 │ 200 │75 │23│26 │110│ 0,46 │0,33 +/- 0,06 │ 155,0
128-5 │ 300 │86 │25│28 │128│ 0,55 │0,37 +/- 0,07 │ 235,0
128-6 │ 550 │102│28│31 │152│ 0,65 │0,43 +/- 0,1 │ 395,0
Колбы круглодонные высокогорлые из платины
Изделие N 129
Черт. 27
Таблица 24
───────┬───────┬───┬───┬────┬───┬───────────────┬──────────────┬───────────
Номер │Вмести-│ D │ d │ d │ H │дельта (пред. │ дельта │ Масса, г
изделий│мость, │ │ │ 1 │ │ 0 │ │
│см3 │ │ │ │ │откл. +/- 0,03)│ │
│ ├───┴───┴────┴───┴───────────────┴──────────────┤
│ │ мм │
───────┼───────┼───┬───┬────┬───┬───────────────┬──────────────┼───────────
129-1 │ 30 │ 40│ 15│ 19 │ 85│ 0,38 │0,31 +/- 0,06 │ 52,0
129-2 │ 60 │ 50│ 16│ 19 │110│ 0,40 │0,32 +/- 0,06 │ 71,0
129-3 │ 100 │ 60│ 18│ 21 │140│ 0,43 │0,32 +/- 0,06 │ 115,0
129-4 │ 200 │ 75│ 23│ 26 │160│ 0,46 │0,33 +/- 0,06 │ 180,0
129-5 │ 300 │ 86│ 25│ 28 │190│ 0,55 │0,37 +/- 0,07 │ 276,0
129-6 │ 550 │102│ 28│ 31 │215│ 0,65 │0,43 +/- 0,1 │ 458,0
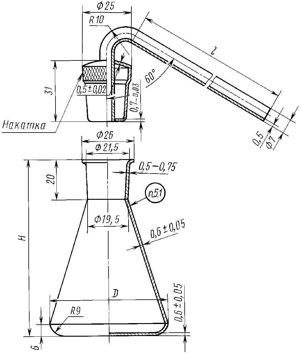
Колбы конические из платины или палладия
Изделие N 130
Черт. 28
Таблица 25
───────┬────────────┬────┬───┬────┬────┬────┬───┬──────────────────┬───────
Номер │Вместимость,│ D │ d │ d │ d │ H │ h │ дельта (пред. │ Масса,
изделий│ см3 │ │ │ 1 │ 2 │ │ │ откл. +/- 0,05) │ г
├────────────┴────┴───┴────┴────┴────┴───┴──────────────────┤
│ мм │
───────┴───────────────────────────────────────────────────────────┴───────
Из платины
130-1 │ 45 │ 46 │26 │21,5│19,5│ 70 │20 │ 0,6 │ 105,0
130-2 │ 90 │ 60 │26 │21,5│19,5│ 90 │20 │ 0,6 │ 165,0
130-3 │ 160 │ 70 │26 │21,5│19,5│110 │20 │ 0,6 │ 235,0
130-4 │ 280 │ 85 │30 │25,5│22,5│134 │24 │ 0,65 │ 385,0
130-5 │ 400 │ 98 │30 │25,5│22,5│154 │24 │ 0,7 │ 515,0
Из палладия
130-6 │ 45 │ 46 │26 │21,5│19,5│ 70 │20 │ 0,6 │ 61,0
130-7 │ 90 │ 60 │26 │21,5│19,5│ 90 │20 │ 0,6 │ 96,0
130-8 │ 160 │ 70 │26 │21,5│19,5│110 │20 │ 0,6 │ 136,0
130-9 │ 280 │ 85 │30 │25,5│22,5│134 │24 │ 0,65 │ 220,0
130-10 │ 400 │ 98 │30 │25,5│22,5│154 │24 │ 0,7 │ 300,0
Пробки к коническим колбам из платины или палладия
Изделие N 130
Черт. 29
Таблица 26
───────┬──────────┬──────────┬──────────┬──────────┬──────────────
Номер │ D │ d │ H │ h │ Масса, г
изделий├──────────┴──────────┴──────────┴──────────┤
│ мм │
───────┴───────────────────────────────────────────┴──────────────
Из платины
130-11 │ 25 │ 18,2 │ 31 │ 20 │ 33,0
130-12 │ 29 │ 21,5 │ 35 │ 24 │ 46,0
Из палладия
130-13 │ 25 │ 18,2 │ 31 │ 20 │ 19,0
130-14 │ 29 │ 21,5 │ 35 │ 24 │ 27,0
Пробирки и чехлы из платины, палладия, золота, серебра
и платинородиевого сплава марки ПлРд-7
Изделие N 131
Черт. 30
Таблица 27
───────────────┬────────┬──────────┬────────┬──────────────────────────────
Номер изделий │ D │ дельта │ L │Масса изделий, г (из платины)
├────────┴──────────┴────────┤
│ мм │
───────────────┼────────┬──────────┬────────┼──────────────────────────────
131-1 │ 2,0 │ 0,1 │ 25 │ 0,3
131-2 │ 2,0 │ 0,1 │ 50 │ 0,6
131-3 │ 2,0 │ 0,2 │ 50 │ 1,2
131-4 │ 2,6 │ 0,2 │ 50 │ 1,6
131-5 │ 2,6 │ 0,3 │ 50 │ 2,3
131-6 │ 3,0 │ 0,3 │ 40 │ 2,2
131-7 │ 3,0 │ 0,2 │ 50 │ 1,9
131-8 │ 4,0 │ 0,3 │ 25 │ 1,9
131-9 │ 6,0 │ 0,5 │ 550 │ 102,0
131-10 │ 8,0 │ 0,5 │ 350 │ 89,0
131-11 │ 10,0 │ 0,5 │ 100 │ 32,4
131-12 │ 10,0 │ 0,5 │ 200 │ 64,4
131-13 │ 12,0 │ 0,5 │ 80 │ 30,9
131-14 │ 14,0 │ 0,5 │ 200 │ 91,5
131-15 │ 15,0 │ 0,5 │ 200 │ 97,5
131-16 │ 16,0 │ 0,5 │ 100 │ 52,0
131-17 │ 17,0 │ 1,0 │ 350 │ 379,0
131-18 │ 17,0 │ 1,0 │ 430 │ 465,0
131-19 │ 20,0 │ 0,5 │ 200 │ 132,0
131-20 │ 25,0 │ 0,5 │ 200 │ 166,0
Примечания. 1. Изделия
N 131-1 -
131-8 изготовляют без развальцовки.
2. Маркируются только изделия
N 131-11 - 131-20.
Крышки из золота
Изделие N 132
Черт. 31
Таблица 28
───────┬────┬────┬───────────────────────┬───────────────────────┬─────────
Номер │ D │ d │ дельта │ дельта │ Масса,
изделий│ │ │ 0 │(пред. откл. +/- 0,04) │ г
│ │ │(пред. откл. +/- 0,04) │ │
├────┴────┴───────────────────────┴───────────────────────┤
│ мм │
───────┼────┬────┬───────────────────────┬───────────────────────┼─────────
132-1 │ 50 │ 38 │ 0,3 │ 0,23 │ 14,0
132-2 │ 50 │ 38 │ 0,4 │ 0,32 │ 19,0
132-3 │ 66 │ 51 │ 0,4 │ 0,30 │ 30,0
Изделие N 133
Масса 52 г
Черт. 32
Б. ПРИНАДЛЕЖНОСТИ ЛАБОРАТОРНЫЕ
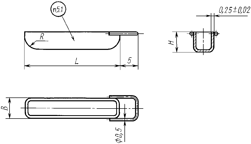
Лодочки для элементарного анализа из платины
Изделие N 200
Черт. 33
Таблица 29
───────────────────┬──────────┬──────────┬────────────────────────
Номер изделий │ L │ B │ Масса, г
├──────────┴──────────┤
│ мм │
───────────────────┼──────────┬──────────┼────────────────────────
200-1 │ 40 │ 8 │ 5,6
200-2 │ 50 │ 8 │ 6,7
200-3 │ 60 │ 8 │ 8,4
200-4 │ 70 │ 8 │ 9,4
200-5 │ 40 │ 10 │ 6,0
200-6 │ 50 │ 10 │ 7,2
200-7 │ 60 │ 10 │ 9,0
200-8 │ 70 │ 10 │ 10,0
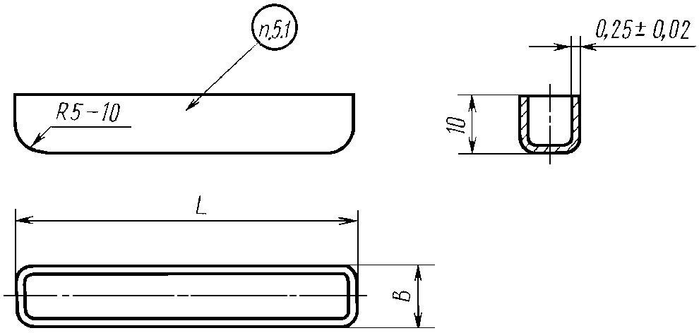
Лодочки для сжигания из платины
Изделие N 201
Черт. 34
Таблица 30
─────────────────────┬─────────────────────┬──────────────────────
Номер изделий │ L, мм │ Масса, г
─────────────────────┼─────────────────────┼──────────────────────
201-1 │ 40 │ 6,5
201-2 │ 50 │ 7,5
201-3 │ 60 │ 9,2
201-4 │ 70 │ 10,5
Микролодочки из платины
Изделие N 202
Черт. 35
Таблица 31
─────────────┬─────────┬─────────┬─────────┬─────────┬────────────
Номер изделий│ B │ H │ L │ R │ Масса, г
├─────────┴─────────┴─────────┴─────────┤
│ мм │
─────────────┼─────────┬─────────┬─────────┬─────────┼────────────
202-1 │ 5 │ 4 │ 15 │ 1,5 │ 1,0
202-2 │ 5 │ 4 │ 18 │ 2,0 │ 1,2
202-3 │ 5 │ 4 │ 20 │ 2,0 │ 1,4
202-4 │ 5 │ 4 │ 25 │ 2,5 │ 1,6
202-5 │ 6 │ 5 │ 30 │ 2,5 │ 2,4
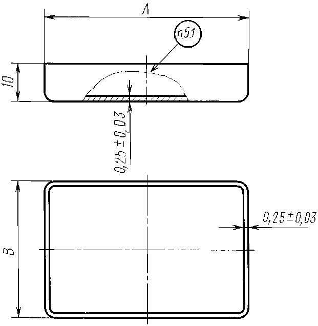
Ящики для сжигания из платины
Изделие N 203
Черт. 36
Таблица 32
─────────────┬──────────────────┬──────────────────┬──────────────
Номер изделий│ A │ B │ Масса, г
├──────────────────┴──────────────────┤
│ мм │
─────────────┼──────────────────┬──────────────────┼──────────────
203-1 │ 50 │ 30 │ 16,0
203-2 │ 55 │ 35 │ 20,0
203-3 │ 60 │ 40 │ 23,0
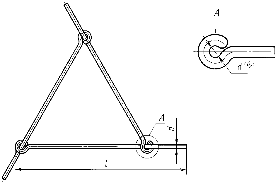
Треугольники с раздвижными концами из платины или палладия
Изделие N 205
Черт. 37
Таблица 33
──────────────────┬───────┬───────┬───────────────────────────────
Номер изделий │ l │ d │ Масса, г
├───────┴───────┼───────────────┬───────────────
│ мм │ из платины │ из палладия
──────────────────┼───────┬───────┼───────────────┼───────────────
205-1 │ 60 │ 1,2 │ 4,8 │ 2,8
205-2 │ 88 │ 1,2 │ 6,8 │ 3,9
205-3 │ 95 │ 1,2 │ 7,5 │ 4,3
205-4 │ 115 │ 1,5 │ 13,5 │ 7,8
205-5 │ 120 │ 1,5 │ 14,2 │ 8,2
205-6 │ 148 │ 1,5 │ 17,5 │ 10,0
Треугольники с оплавленными концами из платины или палладия
Изделие N 206
Черт. 38
Таблица 34
─────────────┬────────┬────────┬────────┬─────────────────────────
Номер изделий│ a │ b │ d │ Масса, г
├────────┴────────┴────────┼────────────┬────────────
│ мм │ из платины │из палладия
─────────────┼────────┬────────┬────────┼────────────┼────────────
206-1 │ 35 │ 20 │ 1,2 │ 5,6 │ 3,2
206-2 │ 40 │ 20 │ 1,2 │ 5,9 │ 3,4
206-3 │ 50 │ 20 │ 1,2 │ 6,6 │ 3,8
206-4 │ 60 │ 22 │ 1,5 │ 12,0 │ 6,9
206-5 │ 70 │ 22 │ 1,5 │ 13,0 │ 7,5
206-6 │ 80 │ 22 │ 1,5 │ 14,2 │ 8,2
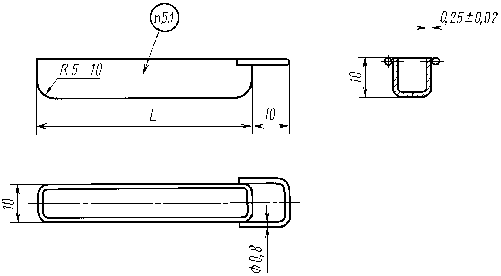
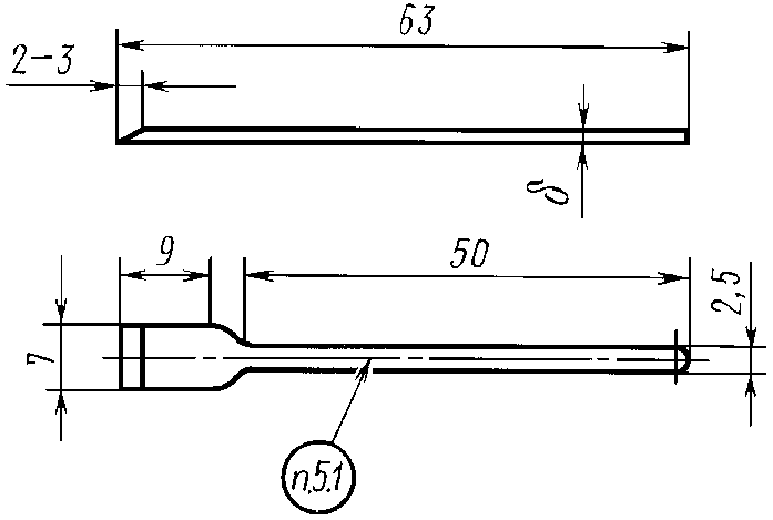
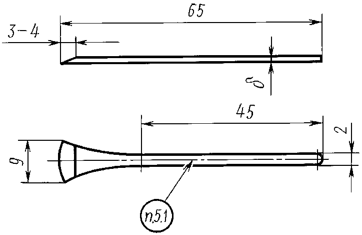
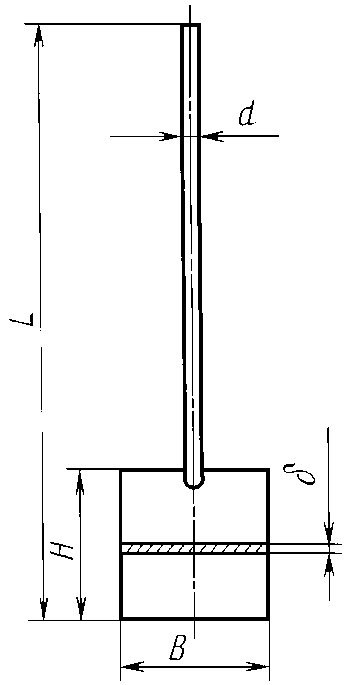
Ложки из платины
Изделие N 207
Черт. 39
Таблица 35
─────────────┬─────────┬─────────┬─────────┬─────────┬────────────
Номер изделий│ D │ H │ L │ l │ Масса, г
├─────────┴─────────┴─────────┴─────────┤
│ мм │
─────────────┼─────────┬─────────┬─────────┬─────────┼────────────
207-1 │ 10 │ 5 │ 40 │ 25 │ 3,0
207-2 │ 12 │ 6 │ 40 │ 25 │ 3,8
207-3 │ 16 │ 7,5 │ 50 │ 35 │ 5,8
207-4 │ 20 │ 10 │ 50 │ 35 │ 8,5
Примечание. Пайка ручки к полусфере производится припоем марки ЗлПдПл 60-30-10 по
ГОСТ 6835.
Масса припоя для изделий N 207-1 и 207-2 не более - 0,5 г, в том числе золота - 0,3 г, палладия - 0,2 г, для изделий N 207-3 и 207-4 не более - 0,7 г, в том числе золота - 0,4 г, палладия - 0,2 г.
(Измененная редакция, Изм. N 1, 3).
Ложка-шпатель из платины
Изделие N 208
Черт. 40
Таблица 36
────────────────┬───────────┬───────────┬───────────┬─────────────
Номер изделий │ дельта │ h │ c │ Масса, г
├───────────┴───────────┴───────────┤
│ мм │
────────────────┼───────────┬───────────┬───────────┼─────────────
208-1 │ 1,5 │ 8 │ 1,5 │ 67,0
208-2 │ 3,0 │ 12 │ 2,0 │ 120,0
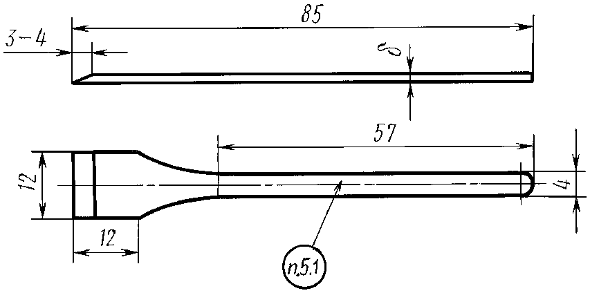
Шпатели лабораторные
Черт. 41
Черт. 42
Черт. 43
Черт. 44
Черт. 45
Черт. 46
Черт. 47
Черт. 48
Черт. 49
Черт. 50
Черт. 51
Черт. 52
Черт. 53
Черт. 54
Таблица 37
─────────┬──────────────┬────────────┬─────────┬──────────────┬────────────
Номер │ дельта, мм │ Масса, г │ Номер │ дельта, мм │ Масса, г
изделий │ │ │ изделий │ │
─────────┴──────────────┴────────────┼─────────┴──────────────┴────────────
Из платины │ Из серебра
209-1 │ 0,8 +/- 0,04 │ 8,5 │
210-1 │ 1,2 +/- 0,05 │ 6,1
209-2 │ 1,0 +/- 0,05 │ 8,3 │
210-2 │ 1,5 +/- 0,05 │ 6,1
209-3 │ 0,8 +/- 0,05 │ 8,8 │
210-3 │ 1,2 +/- 0,05 │ 6,4
209-4 │0,65 +/- 0,04 │ 7,2 │
210-4 │ 1,0 +/- 0,05 │ 5,3
209-5 │ 1,0 +/- 0,05 │ 17,7 │
210-5 │ 1,5 +/- 0,06 │ 13,0
209-6 │ 1,0 +/- 0,05 │ 9,9 │
210-6 │ 1,5 +/- 0,06 │ 7,3
209-7 │ 1,0 +/- 0,05 │ 10,5 │
210-7 │ 1,5 +/- 0,06 │ 7,8
209-8 │ 1,0 +/- 0,05 │ 9,8 │
210-8 │ 1,5 +/- 0,06 │ 7,3
209-9 │ 1,0 +/- 0,05 │ 7,6 │
210-9 │ 1,5 +/- 0,06 │ 5,6
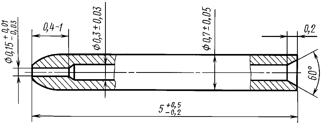
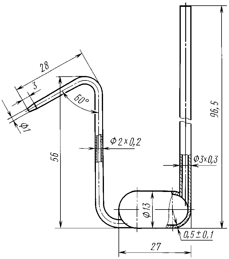
Капилляры из платины
Изделие N 211
Черт. 55
Таблица 38
───────────────┬───────┬──────────────────────────┬────────┬───────────────
Номер изделий │ D │ d (пред. откл. +/- 0,03) │ L │ Масса, г
├───────┴──────────────────────────┴────────┤
│ мм │
───────────────┼───────┬──────────────────────────┬────────┼───────────────
211-1 │ 1,95 │ 0,80 │ 300 │ 16,0
211-2 │ 2,25 │ 0,85 │ 120 │ 9,0
211-3 │ 6,94 │ 6,7 │ 26 │ 1,2
211-4 │ 8,40 │ 8,2 │ 26 │ 1,4
Изделие N 212
Масса 16 г
Черт. 56
Изделие N 213
Черт. 57
Таблица 39
──────────────────┬──────────────┬───────────────┬────────────────
Номер изделий │ d │ d │ Масса, г
│ │ 1 │
├──────────────┴───────────────┤
│ мм │
──────────────────┼──────────────┬───────────────┼────────────────
213-1 │ 2,0 │ 0,5 │ 32,0
213-2 │ 2,4 │ 0,9 │ 32,2
213-3 │ 2,5 │ 1,0 │ 32,3
213-4 │ 2,6 │ 1,1 │ 32,4
Наконечники пера из сплава марки ПлИ-10
Изделие N 214
Черт. 58
Таблица 40
─────────────┬─────────────────────┬────────────────────────┬──────────────
Номер изделий│D (пред. откл. -0,05)│d (пред. откл. +/- 0,03)│Масса 100 шт.,
├─────────────────────┴────────────────────────┤ г
│ мм │
─────────────┼─────────────────────┬────────────────────────┼──────────────
214-1 │ 0,6 │ 0,2 │ 2,3
214-2 │ 0,7 │ 0,30 │ 3,1
Изделие N 215
Масса 100 шт. 3,5 г
Черт. 59
Конус фильтровальный из платины
Изделие N 216
Масса 2,4 г
Черт. 60
В. АППАРАТУРА ДЛЯ ЭЛЕКТРОЛИЗА
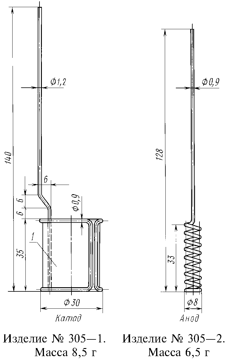
Электроды сетчатые цилиндрические из платины
Изделие N 300
1 - сетка из проволоки диаметром

, 1024 отверстия
на 1 см2; 2 - стеклянные изоляторы по окружности (3 шт.)
на платиновых стержнях диаметром 0,8 мм
Черт. 61
Примечание. Допускается прогиб сетки по образующей цилиндра.
Таблица 41
─────────────┬─────────────┬────────────┬────────────┬─────────────────────
Номер изделий│ d │ d │ d │ Масса, г
│ │ 1 │ 2 │
├─────────────┴────────────┴────────────┼──────────┬──────────
│ мм │ катода │ анода
─────────────┼─────────────┬────────────┬────────────┼──────────┼──────────
300-1 │ 1,0 │ 1,4 │ - │ 17,0 │ -
300-2 │ 1,2 │ 1,8 │ - │ 23,0 │ -
300-3 │ 1,0 │ - │ 1,2 │ - │ 13,0
300-4 │ 1,2 │ - │ 1,5 │ - │ 16,0
Примечание. Катоду N 300-1 соответствует анод N 300-3; катоду N 300-2 соответствует анод N 300-4.
Электроды сетчатые со спиралью из платины
Масса 26,5 г
1 - сетка из проволоки диаметром

,
1024 отверстия на 1 см2
Черт. 62
Примечание. Допускается перегиб сетки по образующей цилиндра.
Микроэлектроды из платины
Изделие N 302
Масса 2,3 г
1 - сетка из проволоки диаметром

, 1024 отверстия
на 1 см2; 2 - стеклянные изоляторы диаметром 1,5 мм
(3 шт.). Прикрепляются платиновой проволокой
диаметром 0,3 мм
Черт. 63
Примечание. Допускается прогиб сетки по образующей цилиндра.
Электроды к электродиализаторам из платины
Изделие N 303
Масса 9,5 г
1 - сетка из проволоки диаметром

,
1024 отверстия на 1 см2
Черт. 64
Электроды сетчатые плоские из платины
Изделие N 304
Масса 8,0 г
1 - сетка из проволоки диаметром

,
1024 отверстия на 1 см2
Черт. 65
Электроды из фольги со спиральным анодом из платины
Изделие N 305
Масса 15 г
1 - фольга толщиной 0,05 мм
Черт. 66
Электроды тигельные из платины
Изделие N 306
Масса 30 г
Черт. 67
Электроды чашевидные из платины
Изделие N 307
Масса 26 г
Черт. 68
Изделие N 308
Масса 18 г
Черт. 69
Электроды конические со спиралью из платины
Изделие N 309
Масса 32 г
Черт. 70
Примечание. Пайка к конусу производится припоем марки ЗлПдПл 60-30-10 по
ГОСТ 6835. Масса припоя не более - 1,0 г, в том числе золота - 0,6 г, палладия - 0,3 г.
Электроды проволочные со спиралью из платины
Изделие N 310
Масса 15 г
Черт. 71
Электроды дисковые из платины
Изделие N 311
Масса 12 г
Черт. 72
Электроды тарельчатые из платины
Изделие N 312
Масса 13,5 г
Черт. 73
Электроды дисковые из платины
Изделие N 316
Черт. 74
Таблица 42
─────────────┬─────────┬─────────┬──────────┬──────────┬──────────
Номер изделий│ D │ дельта │ d │ l │ Масса, г
├─────────┴─────────┴──────────┴──────────┤
│ мм │
─────────────┼─────────┬─────────┬──────────┬──────────┼──────────
316-1 │ 4 │ 1 │ 1 │ 80 │ 1,6
316-2 │ 5 │ 0,2 │ 0,3 │ 30 │ 0,2
316-3 │ 5 │ 1 │ 1 │ 80 │ 1,8
316-4 │ 6 │ 1 │ 1 │ 250 │ 4,8
316-5 │ 10 │ 0,3 │ 0,3 │ 30 │ 0,6
316-6 │ 10 │ 1 │ 1 │ 35 │ 2,3
316-7 │ 20 │ 2 │ 2 │ 80 │ 18,7
Электроды пластинчатые из платины
Изделие N 317
Черт. 75
Таблица 43
─────────────┬───────┬────────┬────────┬───────┬───────┬──────────
Номер изделий│ B │ H │ дельта │ d │ L │ Масса, г
├───────┴────────┴────────┴───────┴───────┤
│ мм │
─────────────┼───────┬────────┬────────┬───────┬───────┼──────────
317-1 │ 5 │ 5 │ 0,2 │ 1,0 │ 25 │ 0,4
317-2 │ 5 │ 10 │ 0,3 │ 0,3 │ 40 │ 0,4
317-3 │ 5 │ 10 │ 0,6 │ 1,0 │ 30 │ 1,0
317-4 │ 10 │ 10 │ 0,3 │ 0,3 │ 40 │ 0,7
317-5 │ 10 │ 10 │ 0,6 │ 0,8 │ 22 │ 1,4
317-6 │ 10 │ 10 │ 1,0 │ 1,0 │ 85 │ 3,4
317-7 │ 10 │ 10 │ 1,5 │ 2,0 │ 210 │ 17,0
317-8 │ 15 │ 25 │ 1,0 │ 2,0 │ 100 │ 13,8
317-9 │ 20 │ 15 │ 2,0 │ 3,5 │ 162 │ 43,8
317-10 │ 25 │ 20 │ 1,5 │ 3,0 │ 135 │ 34,0
317-11 │ 30 │ 50 │ 1,0 │ 2,0 │ 200 │ 42,4
Изделие N 318
Масса 4,2 г
Черт. 76
Изделие N 319
Черт. 77
Таблица 44
─────────────┬────────┬───────┬───────┬────────┬────────┬─────────
Номер изделий│ А │ Б │ H │ d │ l │ Масса, г
├────────┴───────┴───────┴────────┴────────┤
│ мм │
─────────────┼────────┬───────┬───────┬────────┬────────┼─────────
319-1 │ 10 │ 10 │ 0,3 │ 0,3 │ 30 │ 0,7
319-2 │ 10 │ 10 │ 0,6 │ 0,6 │ 15 │ 1,4
319-3 │ 10 │ 10 │ 1,5 │ 2 │ 350 │ 26,8
Г. АППАРАТУРА ЛАБОРАТОРНАЯ
Ампула с пробкой
Изделия N 400 - 402
Черт. 78
Таблица 45
─────────────┬────────────────────┬─────────────────┬─────────────
Номер изделий│ Вместимость, см3 │ Металл │ Масса, г
─────────────┼────────────────────┼─────────────────┼─────────────
400 │ 8 │Платина │ 20,0
401 │ │Палладий │ 12,0
402 │ │Серебро │ 10,0
Примечание. Соединение деталей серебряных ампул пайкой припоем марки ПСр-70 по
ГОСТ 19738. Масса припоя не более - 1,5 г, в том числе серебра - 1,1 г.
Перегонные аппараты из платины или палладия
Изделия N 403, 404
Черт. 79
Примечание. Пробку притереть по горловине колбы.
Таблица 46
──────────────┬────────────────┬─────────┬───────┬───────┬───────┬─────────
Номер изделий │Вместимость, см3│ Металл │ D │ H │ l │Масса, г
│ │ ├───────┴───────┴───────┤
│ │ │ мм │
──────────────┼────────────────┼─────────┼───────┬───────┬───────┼─────────
403-1 │ 90 │Платина │ 60 │ 90 │ 100 │ 203,0
403-2 │ 150 │Платина │ 70 │ 110 │ 250 │ 340,0
404-1 │ 90 │Палладий │ 60 │ 90 │ 100 │ 133,0
404-2 │ 150 │Палладий │ 70 │ 110 │ 250 │ 185,0
Перегонные аппараты из платины или палладия
Изделия N 407, 408
Черт. 80
Примечание. Пробку притереть по горловине колбы.
Таблица 47
──────────────┬────────────────┬─────────┬───────┬───────┬───────┬─────────
Номер изделий │Вместимость, см3│ Металл │ D │ H │ l │Масса, г
│ │ ├───────┴───────┴───────┤
│ │ │ мм │
──────────────┼────────────────┼─────────┼───────┬───────┬───────┼─────────
407-1 │ 280 │Платина │ 85 │ 134 │ 400 │ 575,0
407-2 │ 400 │Платина │ 98 │ 154 │ 500 │ 750,0
408-1 │ 280 │Палладий │ 85 │ 134 │ 400 │ 325,0
408-2 │ 400 │Палладий │ 98 │ 154 │ 500 │ 420,0
Перегонные аппараты с холодильником
для плавиковой кислоты из платины или палладия
Изделия N 411, 412
Черт. 81
Примечание. Пробку притереть по горловине колбы.
Таблица 48
───────┬────────────────┬────────┬───────────────┬───────────────┬─────────
Номер │Вместимость, см3│ Металл │ дельта (пред. │дельта (пред. │Масса, г
изделий│ │ │откл. +/- 0,05)│ 0 │
│ │ │ │откл. +/- 0,15)│
│ │ ├───────────────┴───────────────┤
│ │ │ мм │
───────┼────────────────┼────────┼───────────────┬───────────────┼─────────
411 │ 550 │Платина │ 0,65 │ 0,5 │ 530,0
412 │ 550 │Палладий│ 0,90 │ 0,6 │ 380,0
Калориметрическая чашка (Зубова) из платины
Изделие N 413
Масса 14 г
Черт. 82
Примечание. Пробку пригнать по месту плотно.
Чашка из платины
Изделие N 414
Масса 18 г
Черт. 83
Пипетка из платины для взятия проб жидкостей
Изделие N 415
Масса 18 г
Черт. 84
Примечание. Пайка пипетки производится припоем марки ЗлПдПл 60-30-10 по
ГОСТ 6835. Масса припоя не более 1,0 г, в том числе золота - 0,6 г, палладия - 0,3 г.
Тигли для вискозиметра из платины и сплавов
марок ПлИ-10, ПлРд-7, ПлРд-10
Изделие N 416
Черт. 85
────────┬───────┬────┬────┬────────────┬────────────┬───┬────┬────┬────────
Номер │Вмести-│ D │ H │ дельта │ дельта │ a │ b │ h │Масса из
изделий │мость, │ │ │ 0 │ │ │ │ │платины,
│см3 ├────┴────┴────────────┴────────────┴───┴────┴────┤ г
│ │ мм │
────────┼───────┼────┬────┬────────────┬────────────┬───┬────┬────┼────────
416-1 │ 15 │ 25 │ 38 │1,0 +/- 0,10│0,7 +/- 0,05│ 2 │ 2 │ 6 │ 54,5
416-2 │ 40 │ 35 │ 50 │1,0 +/- 0,10│0,8 +/- 0,08│ 2 │ 3 │ 4 │ 112,5
416-3 │ 40 │ 35 │ 50 │1,1 +/- 0,10│1,0 +/- 0,10│ 2 │ 2 │ 6 │ 136,3
416-4 │ 50 │ 39 │ 47 │0,5 +/- 0,05│0,5 +/- 0,05│ 1 │ 1 │ 13 │ 74,0
416-5 │ 65 │ 40 │ 60 │1,1 +/- 0,10│1,0 +/- 0,10│ 2 │ 2 │ 10 │ 187,0
416-6 │ 75 │ 41 │ 61 │0,6 +/- 0,05│0,6 +/- 0,05│ 2 │ 2 │ 10 │ 118,2
416-7 │ 60 │41,5│ 50 │0,8 +/- 0,08│0,8 +/- 0,08│2,5│3,5 │ 5 │ 134,0
416-8 │ 75 │ 42 │ 61 │1,0 +/- 0,10│1,0 +/- 0,10│ 2 │ 3 │ 10 │ 199,4
416-9 │ 70 │ 42 │ 61 │1,5 +/- 0,15│1,5 +/- 0,15│ 2 │ 3 │ 10 │ 292,0
416-10 │ 100 │ 42 │ 85 │2,0 +/- 0,15│1,0 +/- 0,10│ 2 │ 3 │ 10 │ 292,6
416-11 │ 100 │ 45 │ 70 │1,1 +/- 0,10│1,0 +/- 0,10│ 2 │ 3 │ 10 │ 245,7
416-12 │ 100 │ 45 │71,2│1,0 +/- 0,10│0,8 +/- 0,08│ 2 │ 3 │ 10 │ 205,2
416-13 │ 110 │ 45 │ 80 │1,2 +/- 0,10│1,1 +/- 0,10│ 2 │ 3 │ 10 │ 301,2
416-14 │ 95 │ 47 │ 61 │1,0 +/- 0,10│1,0 +/- 0,10│ 2 │ 3 │ 10 │ 227,1
416-15 │ 195 │ 50 │110 │1,2 +/- 0,10│1,1 +/- 0,10│ 3 │ 3 │ 10 │ 450,7
416-16 │ 185 │ 55 │ 90 │1,5 +/- 0,15│1,5 +/- 0,15│ 2 │ 3 │ 10 │ 558,9
416-17 │ 180 │ 60 │ 70 │1,5 +/- 0,15│1,0 +/- 0,10│4,5│ 5 │ 10 │ 377,8
416-18 │ 1070 │100 │150 │2,0 +/- 0,15│2,0 +/- 0,15│ 4 │ 5 │ 15 │ 2311,0
Шарики со стержнем для вискозиметра из платины
и сплавов марок ПлИ-10 и ПлРд-10
Изделие N 418
Черт. 86
─────────────┬───────────┬──────────┬───────────┬─────────────────
Номер изделий│ D │ d │ l │Масса из платины,
├───────────┴──────────┴───────────┤ г
│ мм │
─────────────┼───────────┬──────────┬───────────┼─────────────────
418-1 │ 10 │ 3 │ 100 │ 27,0
418-2 │ 12 │ 3 │ 100 │ 35,0
418-3 │ 15 │ 3,5 │ 100 │ 59,0
418-4 │ 16 │ 3,5 │ 100 │ 67,0
418-5 │ 17 │ 3,5 │ 100 │ 76,0
418-6 │ 20 │ 4 │ 100 │ 117,0
418-7 │ 22 │ 4 │ 100 │ 147,0
418-8 │ 25 │ 4 │ 100 │ 204,0
418-9 │ 25 │ 4 │ 200 │ 229,0
Приборы из платины для определения закиси железа
Изделие N 419
Вместимость 90 см3, масса 215 г
Черт. 87
Изделие N 420
Вместимость 280 см3, масса 460 г
Черт. 88
Примечание. Пробку притереть по горловине колбы.
Д. РАЗНЫЕ ИЗДЕЛИЯ
Наконечники для пинцетов из платины
Изделие N 505
Масса одной пары 2,4 г
Черт. 89
Наконечники для щипцов из платины
Изделие N 506
Черт. 90
Таблица 51
─────────────┬────────┬────────┬───────┬────────┬─────────────────
Номер изделий│ L │ H │ C │ r │ Масса, г
├────────┴────────┴───────┴────────┤ (одной пары)
│ мм │
─────────────┼────────┬────────┬───────┬────────┼─────────────────
506-1 │ 15 │ 6 │ 5 │ 2,5 │ 5,9
506-2 │ 18 │ 4,5 │ 4,5 │ 2,2 │ 5,5
506-3 │ 30 │ 7 │ 7 │ 3,5 │ 14,8
506-4 │ 40 │ 7 │ 7 │ 3,5 │ 20,0
506-5 │ 60 │ 10 │ 10 │ 5,0 │ 44,0
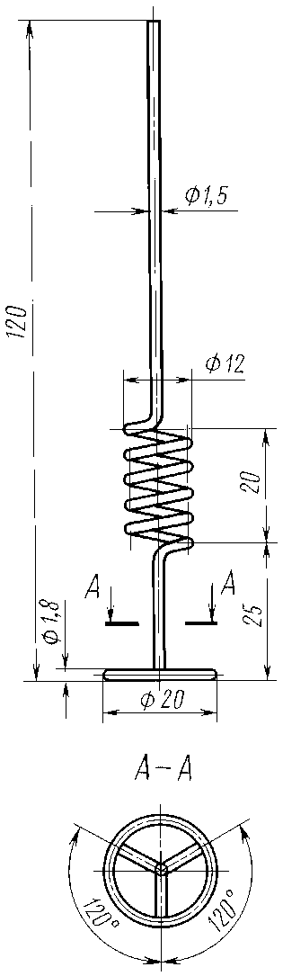
Мешалка с винтовыми лопастями из платины
и сплава марки ПлРд-7
Изделие N 507
Черт. 91
─────────────────────┬─────────────────────┬──────────────────────
Номер изделий │ l, мм │ Масса из платины, г
─────────────────────┼─────────────────────┼──────────────────────
507-1 │ 140 │ 64,1
507-2 │ 250 │ 93,7
Тигли с крышками для дериватографа
из платины или сплава марки ПлРд-7
Изделие N 508
Черт. 92
───────┬───────┬───────┬───────┬───────┬──────┬───────┬────────────────────
Номер │ D │ H │ d │ d │ d │ h │ Масса изделий
изделий│ │ │ │ 1 │ 2 │ │ из платины, г
├───────┴───────┴───────┴───────┴──────┴───────┼─────────┬──────────
│ мм │ тигля │ крышки
───────┼───────┬───────┬───────┬───────┬──────┬───────┼─────────┼──────────
508-1 │ 10,0 │ 12,5 │ 7,5 │ - │ - │ - │ 4,9 │ -
508-2 │ 10,0 │ 14,0 │ 10,0 │ - │ - │ - │ 6,0 │ -
508-3 │ 14,0 │ 17,5 │ 10,5 │ - │ - │ - │ 8,4 │ -
508-4 │ 17,5 │ 22,5 │ 13,0 │ - │ - │ - │ 12,5 │ -
508-5 │ 20,0 │ 22,5 │ 15,5 │ - │ - │ - │ 16,3 │ -
508-6 │ - │ - │ - │ 11,0 │ 8,5 │ 1,5 │ - │ 0,8
508-7 │ - │ - │ - │ 12,0 │ 9,5 │ 1,5 │ - │ 1,2
508-8 │ - │ - │ - │ 15,5 │ 12,5 │ 2,0 │ - │ 1,6
508-9 │ - │ - │ - │ 19,5 │ 16,0 │ 2,5 │ - │ 2,4
508-10 │ - │ - │ - │ 21,0 │ 18,5 │ 2,5 │ - │ 3,4
Примечание. Тиглю
N 508-1 соответствует крышка N 508-6, тиглю
N 508-2 соответствует крышка N 508-7, тиглю
N 508-3 соответствует крышка N 508-8, тиглю
N 508-4 соответствует крышка N 508-9, тиглю
N 508-5 соответствует крышка N 508-10.
Тигли для термографии из платины
Масса 8,3 г
Черт. 93
(Измененная редакция, Изм. N 2).
1.2. Масса изделий рассчитана по номинальным размерам и является справочной. Отклонения по массе не должны превышать +/- 5%.
1.3. Для определения массы изделий, изготовляемых из платино-иридиевых сплавов марок ПлИ-5, ПлИ-10 или платино-родиевых сплавов марок ПлРд-7, ПлРд-10, значения массы, указанные в
табл. 1,
7,
13,
15,
49,
50,
51а,
52 должны быть умножены на:
1,002 - для сплава марки ПлИ-5;
1,004 - для сплава марки ПлИ-10;
0,952 - для сплава марки ПлРд-7;
0,932 - для сплава марки ПлРд-10.
Примеры условных обозначений
Тигель высокий из платины, изделие
N 100-1:
Тигель Пл99,8 100-1 ГОСТ 6563-75
Чашка Ср999 119-1 ГОСТ 6563-75
Анод сетчатого электрода со спиралью из платины, изделие
N 301:
Анод ПЛ 99,8 301 ГОСТ 6563-75
Тигель для дериватографа из сплава марки ПлРд-7, изделие
N 508-1:
Тигель ПлРд-7 508-1 ГОСТ 6563-75
Крышка к тиглю для дериватографа из платины, изделие
N 508-7:
Крышка Пл 99,8 508-7 ГОСТ 6563-75.
(Измененная редакция, Изм. N 1, 2).
2. ТЕХНИЧЕСКИЕ ТРЕБОВАНИЯ
| | ИС МЕГАНОРМ: примечание. Взамен ГОСТ 13498-79 Приказом Росстандарта от 24.06.2011 N 147-ст с 1 сентября 2011 года введен в действие ГОСТ 13498-2010. | |
| | ИС МЕГАНОРМ: примечание. Взамен ГОСТ 13462-79 Приказом Росстандарта от 24.06.2011 N 146-ст с 1 сентября 2011 года введен в действие ГОСТ 13462-2010. | |
2.1. Изделия должны быть изготовлены из благородных металлов и сплавов с химическим составом по ГОСТ 13498, ГОСТ 13462,
ГОСТ 6835 и
ГОСТ 6836 в соответствии с требованиями настоящего стандарта по технологическому регламенту, утвержденному в установленном порядке.
(Измененная редакция, Изм. N 1).
2.2. Поверхность изделий должна быть чистой, без плен, трещин, раковин, расслоений, заусенцев, вмятин, рисок и посторонних включений. Матовость, следы зачистки, риски, если они при контрольной зачистке не выводят изделия за предельные отклонения, допускаются.
2.3. Рекомендуемые области применения лабораторной посуды из платины и ее сплавов и химико-аналитические операции, для которых допускается использование платиновой посуды и изделий, приведены в
Приложении 1.
(Измененная редакция, Изм. N 1, 3).
2.4. Основные требования к условиям эксплуатации изделий из благородных металлов должны соответствовать
Приложению 2.
(Введен дополнительно, Изм. N 3).
3.1. Изделия принимают партиями. Партия должна состоять из изделий одного типа и размера, одного химического состава и быть оформлена одним документом о качестве, содержащим:
товарный знак или наименование и товарный знак предприятия-изготовителя;
условное обозначение изделия;
номер партии;
химический состав;
массу партии в граммах;
дату выпуска;
штамп технического контроля.
Масса партии не ограничивается.
(Измененная редакция, Изм. N 1).
3.2. Проверке внешнего вида и размеров подвергают каждое изделие.
3.3. Химический состав материала изделий устанавливается на основе анализа пробы, отбираемой от каждой плавки.
3.4. При получении неудовлетворительных результатов по внешнему виду, размерам или химическому составу изделия, не удовлетворяющие требованиям настоящего стандарта, бракуются.
4.1. Проверка поверхности изделий осуществляется внешним осмотром без применения увеличительных приборов.
4.2. Проверка размеров изделий производится измерительным инструментом, обеспечивающим требуемую точность.
4.3. Химический состав определяют по ГОСТ 12225, ГОСТ 12226 <*>,
ГОСТ 12556.1,
ГОСТ 12556.2, ГОСТ 12559.1, ГОСТ 12559.2,
ГОСТ 22864,
ГОСТ 27973.0,
ГОСТ 27973.1,
ГОСТ 27973.2,
ГОСТ 27973.3,
ГОСТ 28353.0,
ГОСТ 28353.1,
ГОСТ 28353.2,
ГОСТ 28353.3.
--------------------------------
<*> На территории Российской Федерации рекомендуется использовать ГОСТ Р 52518-2006 - ГОСТ Р 52521-2006.
(Измененная редакция, Изм. N 2).
5. МАРКИРОВКА, УПАКОВКА, ТРАНСПОРТИРОВАНИЕ И ХРАНЕНИЕ
5.1. На каждом изделии должно быть нанесено клеймо с указанием марки металла и последней цифры номера изделия.
Изделия
N 106-1,
106-2,
106-3,
117-1,
117-2,
117-3,
117-4,
120-1,
120-2,
120-3,
120-4 маркируют ниже отбортовки.
(Измененная редакция, Изм. N 1).
5.2. Изделия должны быть обернуты папиросной бумагой по
ГОСТ 3479, уложены в картонные или пластмассовые коробки и упакованы в сплошные деревянные ящики. Допускается применять другой способ и материал упаковки, обеспечивающий сохранность при транспортировании и хранении.
(Измененная редакция, Изм. N 2).
(Измененная редакция, Изм. N 1).
5.4. Хранение, транспортирование и учет изделий технических из благородных металлов и сплавов должны проводиться в соответствии с порядком хранения, транспортирования и учета драгоценных металлов. Условия хранения в части воздействия климатических факторов - по
ГОСТ 15150, группа 3 (Ж).
(Измененная редакция, Изм. N 1).
5.5, 5.6. (Исключены, Изм. N 1).
6.1. Изготовитель гарантирует соответствие технических изделий требованиям настоящего стандарта при соблюдении условий транспортирования, хранения и эксплуатации, установленных настоящим стандартом.
Раздел 6. (Введен дополнительно, Изм. N 3).
Рекомендуемое
ПРИМЕНЕНИЕ ЛАБОРАТОРНОЙ ПОСУДЫ ИЗ ПЛАТИНЫ И ЕЕ СПЛАВОВ
1. Рекомендуемые области применения приведены в таблице
─────────────────────────────────────┬─────────────────────────────────────
Тип изделия │ Область применения
─────────────────────────────────────┼─────────────────────────────────────
Тигли из платины высокие │ Вскрытие проб сплавлением,
Тигли высокие с усиленной кромкой │спеканием, кислотным разложением.
Тигли широкие │ Выпаривание, высушивание, озоление
Микротигли │и прокаливание проб
Крышки к тиглям │
─────────────────────────────────────┼─────────────────────────────────────
Чашки из платины со сферическим дном│То же и
Чашки из платины со сферическим дном│перекристаллизация из расплавов
с усиленной кромкой │и растворов
Чашки из платины плоскодонные │
Чашки из платины плоскодонные │
с усиленной кромкой │
Ящики для сжигания из платины │
─────────────────────────────────────┼─────────────────────────────────────
Тигли конические с крышкой │ Вскрытие проб спеканием смесью
│хлорида аммония и карбоната кальция
─────────────────────────────────────┼─────────────────────────────────────
Тигли из платины с поддоном │ Фильтрование осадков, фильтрование
и отверстиями в дне │с отсасыванием
Конус фильтровальный из платины │
Воронки с цилиндром и решеткой │
─────────────────────────────────────┼─────────────────────────────────────
Колбы круглодонные │ Кислотное разложение проб
Колбы конические │
Пробки к коническим колбам │
─────────────────────────────────────┼─────────────────────────────────────
Лодочки для сжигания │ Сожжение проб органических веществ
Лодочки для элементного анализа │в элементном анализе
Микролодочки │
─────────────────────────────────────┼─────────────────────────────────────
Шпатели лабораторные │ Перемешивание проб в операциях
Ложки-шпатели из платины │кислотного разложения, сплавления,
│спекания
─────────────────────────────────────┼─────────────────────────────────────
Капилляры из платины │ Неорганический микроанализ, анализ
│горючих газов сожжением
─────────────────────────────────────┼─────────────────────────────────────
Электроды сетчатые цилиндрические │ Весовой электроанализ, кулонометрия
Электроды сетчатые со спиралью │с постоянным потенциалом
Микроэлектроды │
─────────────────────────────────────┼─────────────────────────────────────
Электроды сетчатые │ Электродиализ
Электроды пластинчатые │
─────────────────────────────────────┼─────────────────────────────────────
Электроды проволочные │ Вольтамперометрия, амперометри-
│ческие титрования, электрофорез
─────────────────────────────────────┼─────────────────────────────────────
Электроды дисковые │ Кондуктометрия, вольтамперометрия
─────────────────────────────────────┼─────────────────────────────────────
Аппараты перегонные из платины │ Очистка дистилляцией реактивов,
различной конструкции, в том числе │используемых в анализе главным
с холодильником │образом фтористоводородной кислоты
─────────────────────────────────────┼─────────────────────────────────────
Пипетка из платины для взятия проб │ Дозирование проб фтористоводородной
жидкостей │кислоты
─────────────────────────────────────┼─────────────────────────────────────
Приборы из платины для определения │ Разложение проб смесью
закиси железа │фтористоводородной и серной кислот
─────────────────────────────────────┼─────────────────────────────────────
Наконечники для пинцетов и щипцов │ Все операции, связанные с нагревом
из платины │платиновой посуды
Примечания. 1. Форму и размер посуды или изделия выбирают в соответствии с характером аналитического процесса и массой пробы.
2. В аналитических операциях используют также платиновую проволоку по
ГОСТ 18389, фольгу по
ГОСТ 24353, листы и полосы по
ГОСТ 24718, диски, сетки, трубки капиллярные по нормативно-технической документации.
2. Химико-аналитические операции, для которых допускается использование платиновой посуды и изделий
2.1. Платиновую посуду и изделия применяют при химико-аналитических операциях во фторидных системах.
2.1.1. При разложении фтористоводородной кислотой (смесью фтористоводородной и хлорной кислот) природных и промышленных силикатных материалов: пород, минералов, стекол, керамических материалов, цемента и др.; руд, минералов и концентратов бериллия, ниобия, тантала, титана, циркония, редкоземельных элементов, урана, хрома, а также технологических продуктов на основе оксидов перечисленных элементов; сухих остатков природных и сточных вод, зол растительных и животных тканей, аэрозолей, минеральной части почв и т.д. применяют платиновые тигли, чашки, колбы, шпатели.
Потери платины в процессе разложения с фтористоводородной кислотой возможны в пределах до нескольких десятков микрограмм за одну операцию.
2.1.2. При кислотном разложении природных и промышленных материалов во фторидных системах с использованием платиновой посуды и изделий допускается применение следующих бинарных смесей кислот: фтористоводородная-хлористоводородная кислота; фтористоводородная-хлорная кислота; фтористоводородная-серная кислота; фтористоводородная-азотная кислота, свободная от примесей хлоридов, а также тройных смесей кислот фтористоводородная-азотная-серная кислота и фтористоводородная-азотная-хлорная кислота.
Категорически запрещается использование систем с хлористоводородной кислотой в присутствии окислителей, в том числе нитратов, пиролюзита и других окислителей, вызывающих выделение хлора, разрушающего платину.
Непременное условие применения систем с хлорной кислотой - отсутствие в анализируемых пробах восстановителей: органических веществ, гипофосфитов, соединений сурьмы (III) и других восстановителей, вызывающих разложение хлорной кислоты со взрывом.
Потери платины при кислотном разложении в бинарных и тройных смесях кислот не должны превышать 1 - 3 мг за одну операцию.
2.1.3. В операциях сплавления с солями и комплексными соединениями фтористоводородной кислоты: фторидами и бифторидами калия и аммония, фторосиликатом натрия, фтороборатом натрия, смесью фторида калия или фторида натрия с пиросульфатом калия или натрия, а также при обработке проб смесью борной кислоты с фторидами натрия или лития при температуре до 950 °C - 1000 °C используют платиновые тигли и чашки.
2.1.4. При вскрытии фторосодержащих неорганических материалов методом пирогидролиза используют платиновые лодочки и трубки.
2.2. В сульфатных системах посуду из платины применяют для разложения оксидов, фторидов, карбонатов, фосфатов, боридов, некоторых силикатов и ряда других соединений нагреванием с серной кислотой; вскрытия многочисленных минералов титана, ниобия, тантала, ванадия, вольфрама, циркония, алюминия, хрома и др., в том числе рутила, титаномагнетита, ильменита, колумбита, танталита, некоторых шпинелей; разложения прокаленных оксидов титана, ниобия, тантала, циркония, железа, алюминия, бериллия и др. сплавлением с бисульфатами и пиросульфатами аммония, натрия и калия.
Потери платины при сплавлении с бисульфатами и пиросульфатами щелочных металлов составляют 1 - 3 мг на одну операцию.
2.3. При вскрытии проб спеканием и сплавлением с карбонатами щелочных металлов: карбонатом натрия, карбонатом натрия-калия, гидрокарбонатом натрия, карбонатом калия и гидрокарбонатом калия применяют тигли из платины. При температуре ниже 1300 °C потери в весе платины не превышают 1 - 2 мг за одно сплавление.
2.4. При вскрытии проб силикатных пород и минералов, минералов и руд титана, ниобия, тантала, циркония, марганца, хрома и др. природных и многих промышленных материалов сплавлением с бурой, борным ангидридом, метаборатом лития, а также при вскрытии проб сплавлением со смесью буры и соды используют тигли из платины и сплава платины с золотом (ПлЗл-5) по нормативно-технической документации, утвержденной в установленном порядке.
Потери платины при сплавлении с боратными плавнями около 2 мг за одну операцию, а при сплавлении со смесью буры и соды 2 - 5 мг за одну операцию.
2.5. Платиновую посуду применяют при выпаривании и концентрировании проб природных вод, технологических растворов, органических растворителей, минеральных кислот, а также перекристаллизации реактивов.
2.6. Платиновые тигли и чашки при необходимости используют для определения зольности органических и биологических материалов, почв и др., а также при озолении этих материалов в целях последующего определения химического состава золы.
Приложение 1. (Измененная редакция, Изм. N 1, 3).
Обязательное
К УСЛОВИЯМ ЭКСПЛУАТАЦИИ ИЗДЕЛИЙ ИЗ БЛАГОРОДНЫХ МЕТАЛЛОВ
1. В термических операциях с платиновой посудой следует соблюдать меры предосторожности.
1.1. Нагрев платиновой посуды можно проводить в электрических печах в окислительной (воздушной) среде или в среде водорода, а также открытым пламенем при помощи горелок.
1.2. Посуду из платины можно прокаливать только на несветящемся пламени газовой горелки. Нельзя прокаливать платину на святящемся или коптящем пламени, а также в зоне внутреннего конуса пламени.
1.3. Процесс озоления и последующего прокаливания органических веществ, в том числе бумажных фильтров, следует проводить при условии постепенного нагревания при достаточном доступе воздуха.
1.4. Не допускается нагрев изделий из платины в печах с карборундовыми нагревательными элементами, а также на ацетиленовых горелках и в среде, содержащей углерод.
1.5. Новые платиновые изделия необходимо ставить в печь так, чтобы они не соприкасались, так как при температуре свыше 1000 °C может произойти их слипание.
1.6. Во всех случаях, когда проводят нагрев платиновой посуды, применяют щипцы и пинцеты с платиновыми наконечниками.
1.7. Серебряную посуду нельзя прокаливать и нагревать в электрических печах при температуре свыше 700 °C.
2. Во избежание повреждения тиглей, чашек и других изделий
2.1. Не допускается прокаливать в платиновой посуде:
1) соединения металлов, образующих с платиной легкоплавкие сплавы: ртуть, свинец, олово, золото, благородные металлы, медь, цинк, кадмий, алюминий, висмут, железо, а также соединения этих элементов, которые в присутствии восстановителей (материал фильтра, окись углерода, водород пламени) легко восстанавливаются до металлов;
2) неметаллы, образующие с платиной соединения, повреждающие посуду: серу, селен, теллур, фосфор, углерод, мышьяк, сурьму, бор;
3) кремниевую кислоту при температуре свыше 1200 °C.
2.2. Не допускается применять:
1) в качестве плавней - пероксид натрия, гидроксиды щелочных металлов, смесь карбонатов щелочных металлов с серой и серноватистокислым натрием при температуре свыше 500 °C;
2) для кислотного разложения - фосфорную кислоту, хлористоводородную кислоту в присутствии азотной кислоты, пироллюзита и других окислителей, вызывающих выделение хлора.
Не допускается использование платиновой посуды в операциях с царской водкой, хлорной и бромной водой, в операциях хлорирования и других, связанных с выделением свободных галоидов;
3) при пользовании посудой из серебра в качестве плавней углекислый натрий, тиосульфат натрия, пиросульфат калия, нитрат калия. Можно использовать в качестве плавней пероксид натрия, едкий натр, а также смесь пероксида натрия и углекислого натрия в соотношении 5:1.
3. Очистка посуды и изделий из благородных металлов.
3.1. Очистку платиновой посуды следует производить:
кипячением с дистиллированной водой и хлористоводородной кислотой (1:1);
сплавлением с гидросульфатом или пиросульфатом калия;
сплавлением с содой и кипячением с разбавленным раствором хлористоводородной кислоты после выщелачивания сплава;
сплавлением с фтороборатом калия;
сплавлением с двойной солью хлорида магния и аммония при температуре 1100 °C - 1200 °C.
3.2. Электроды по окончании электролиза интенсивно промывают дистиллированной водой, затем спиртом.
3.3. Платиновые электроды с осадком цинка, окиси свинца очищают азотной кислотой.
3.4. Для правки тиглей и чашек из благородных металлов используют деревянные матрицы соответствующей формы. Для полировки платиновых изделий используют тальк, тонкодисперсную кремнекислоту и песок; предпочтительная фракция 0,043 мм.
Приложение 2. (Введено дополнительно, Изм. N 1, 3).