Список изменяющих документов Минмонтажспецстроем СССР 25.10.1990) |
Тип опоры | Исполнение и эскиз опоры | Наружный диаметр трубопровода, мм | Назначение опоры | |
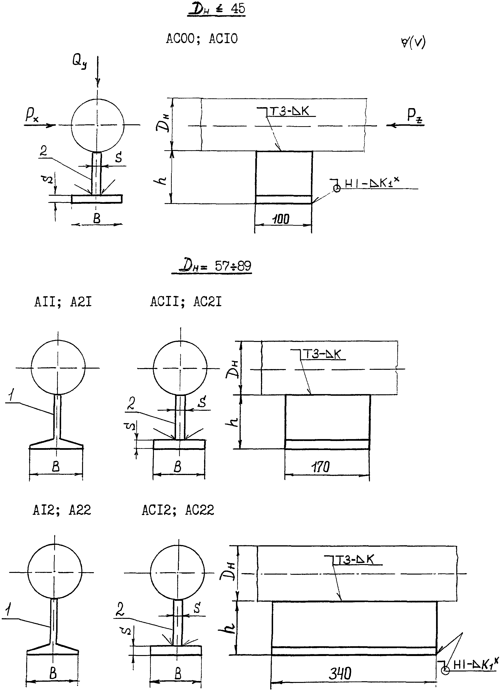
Тавровые приварные - ТП | ![]() | <= 45 | Для изолированных и неизолированных трубопроводов | П Н |
![]() | 57 - 89 | То же | П | |
![]() | -"- | П Н | ||
![]() | 108 - 159 | -"- | П Н | |
Тавровые хомутовые - ТХ | ![]() | <= 45 | Для изолированных и неизолированных трубопроводов | П Н |
![]() | 57 - 89 | То же | П | |
![]() | Для изолированных и неизолированных трубопроводов | П Н | ||
![]() | 108 - 159 | То же | П Н | |
Корпусные приварные - КП | ![]() | 57 - 630 | Для изолированных и неизолированных трубопроводов | П |
57 - 159 | Н | |||
![]() | 57 - 1420 | То же | П Н | |
![]() | 57 - 1420 | -"- | П Н | |
![]() | 219 - 1420 | -"- | П Н | |
![]() | 219 - 1420 | Для изолированных и неизолированных трубопроводов | П Н | |
Корпусные хомутовые - КХ | ![]() | 57 - 630 | То же | П |
57 - 159 | -"- | Н | ||
![]() | 57 - 630 | -"- | П Н | |
![]() | 57 - 630 | -"- | П Н | |
Трубчатые - ТР | ![]() | 57 - 630 | Для изолированных и неизолированных трубопроводов | П |
![]() | 57 - 630 | То же | Н | |
Швеллерные приварные - ШП | ![]() | 57 - 820 | Для неизолированных трубопроводов | П Н |
Уголковые приварные - УП | ![]() | 1020 - 1420 | То же | П Н |
Хомутовые бескорпусные - ХБ | ![]() | Исп. А 25 - 530 Исп. В 25 - 159 | -"- | П |
![]() | Исп. Б 25 - 530 Исп. Г 25 - 159 | Для неизолированных трубопроводов | Н | |
Трубчатые крутоизогнутых отводов - ТО | ![]() | 57 - 630 | Для изолированных и неизолированных трубопроводов | П Н |
Вертикальных трубопроводов приварные - ВП | ![]() | 57 - 1420 | То же | П |
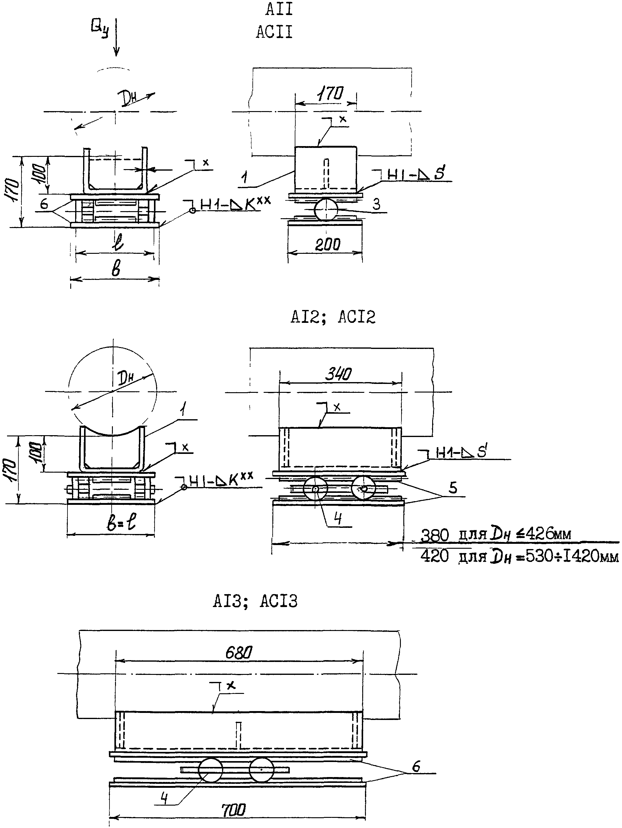
Катковые направляющие - КН | ![]() | Исп. А11, АС11 57 - 630 Исп. А12, АС12 57 - 1420 | -"- | П |
![]() | 57 - 1420 | Для изолированных и неизолированных трубопроводов | П | |
![]() | То же | То же | П | |
![]() | -"- | -"- | П | |
![]() | -"- | -"- | П |


ИС МЕГАНОРМ: примечание. Взамен ГОСТ 8239-72 Постановлением Госстандарта СССР от 27.09.1989 N 2940 с 1 июля 1990 года введен в действие ГОСТ 8239-89. |
Наружный диаметр трубопровода Дн | Исполнение | h | B | S | N профиля двутавра | К | Масса, кг не более | Допускаемые нагрузки, кН | ||
Вертикальная Qy | Осевая Pz при | |||||||||
Px = 0,5Pz | Px = 0,2Pz | |||||||||
18 - 45 | АС00 | 70 | 50 | 5 | - | 4 | 0,6 | 2,0 | 1,5 | 2 |
АС10 | 100 | 0,7 | 1,0 | |||||||
57 - 89 | А11 | 100 | 100 | - | 20 | 6 | 1,8 | 4,0 | - | - |
А12 | 3,6 | 3,0 | 7 | |||||||
АС11 | 6 | - | 1,7 | - | - | |||||
АС12 | 3,4 | 3,0 | 7 | |||||||
А21 | 150 | 135 | - | 30 | 3,1 | - | - | |||
А22 | 6,2 | 3,0 | 7 | |||||||
АС21 | 100 | 6 | - | 2,2 | - | - | ||||
АС22 | 4,4 | 3,0 | 7 | |||||||
108 - 159 | Б12 | 100 | 100 | - | 20 | 6 | 4,0 | 9,5 | 18,0 | 35 |
БС12 | 6 | - | 3,8 | |||||||
Б22 | 150 | 135 | - | 30 | 7,0 | |||||
БС22 | 100 | 6 | - | 5,0 | ||||||


предусматривает 2 варианта расположения креплений полухомутов: нормальное (болты параллельны вертикальной оси) и под углом 45°.Наружный диаметр трубопровода Дн | Исполнение | h | B | Размеры болта d x l | К | Масса, кг, не более | Допускаемые нагрузки, кН | |||
Вертикальная Qy | Осевая Pz при | |||||||||
Px = 0,5Pz | Px = 0,2Pz | |||||||||
18 25 32 38 45 | АС00 | 70 | 50 | - | М12 x 40 | 5 | 1,0 | 2 | 1,5 | 2 |
АС10 | 100 | 1,1 | 1,0 | |||||||
57 | А11 | 106 | 100 | 142/100 | 6 | 2,6 | 4 | - | - | |
А12 | 5,2 | 3,0 | 7 | |||||||
АС11 | 2,5 | - | - | |||||||
АС12 | 5,0 | 3,0 | 7 | |||||||
А21 | 156 | 135 | 3,9 | - | - | |||||
А22 | 7,8 | 3,0 | 7 | |||||||
АС21 | 100 | 3,0 | - | - | ||||||
АС22 | 6,0 | 3,0 | 7 | |||||||
76 | А11 | 106 | 100 | 160/113 | 2,7 | - | - | |||
А12 | 5,4 | 3,0 | 7 | |||||||
АС11 | 2,6 | - | - | |||||||
АС12 | 5,2 | 3,0 | 7 | |||||||
А21 | 156 | 135 | 4,0 | - | - | |||||
А22 | 8,0 | 3,0 | 7 | |||||||
АС21 | 100 | 3,1 | - | - | ||||||
АС22 | 6,2 | 3,0 | 7 | |||||||
89 | А11 | 106 | 100 | 179/127 | 6 | 2,8 | 4,0 | - | - | |
А12 | 5,6 | 3 | 7 | |||||||
АС11 | 2,7 | - | - | |||||||
АС12 | 5,4 | 3 | 7 | |||||||
А21 | 156 | 135 | 4,1 | - | - | |||||
А22 | 8,2 | 3 | 7 | |||||||
АС21 | 100 | 3,2 | - | - | ||||||
АС22 | 6,4 | 3 | 7 | |||||||
108 | Б12 | 108 | 100 | 200/141 | М16 x 50 | 7 | 7,9 | 9,5 | 18 | 35 |
БС12 | 7,7 | |||||||||
Б22 | 158 | 135 | 10,9 | |||||||
БС22 | 100 | 8,9 | ||||||||
133 | Б12 | 108 | 100 | 250/177 | 8,7 | 18 | 35 | |||
БС12 | 8,5 | |||||||||
Б22 | 158 | 135 | 11,7 | |||||||
БС22 | 100 | 9,7 | ||||||||
159 | Б12 | 108 | 100 | 275/194 | М16 x 50 | 9,3 | 9,5 | 18 | 35 | |
БС12 | 9,1 | |||||||||
Б22 | 158 | 135 | 12,3 | |||||||
БС22 | 100 | 10,3 | ||||||||



Наружный диаметр трубопровода Дн | Исполнение | h | h1 | h2 | B | S | B1 | l | Длина развертки подушки | а | в | с | к | Масса, кг, не более | Допускаемые нагрузки, кН | ||
Вертикальная Qy | Осевая Pz при | ||||||||||||||||
Px = Pz | Px = 0,5Pz | ||||||||||||||||
57 | А11 | 100 | 110 | 98 | 50 | 3 | - | - | - | 30 | 5 | 5 | 6 | 1,3 | 2,5 | 5,5 | 8 |
А12 | - | 2,6 | 15 | ||||||||||||||
А21 | 150 | 160 | 148 | 1,8 | 5,5 | 8 | |||||||||||
А22 | - | 3,6 | 15 | ||||||||||||||
76 | А11 | 100 | 107 | 98 | 1,3 | 3,0 | 5,5 | 8 | |||||||||
А12 | - | 2,5 | 15 | ||||||||||||||
А21 | 150 | 157 | 148 | 1,8 | 5,5 | 8 | |||||||||||
А22 | - | 3,5 | 15 | ||||||||||||||
89 | А11 | 100 | 106 | 98 | 1,2 | 5,0 | 5,5 | 8 | |||||||||
А12 | - | 2,5 | 15 | ||||||||||||||
А21 | 150 | 156 | 148 | 1,7 | 5,5 | 8 | |||||||||||
А22 | - | 3,5 | 15 | ||||||||||||||
108 | А11 | 100 | 115 | 95 | 80 | 45 | 1,5 | 6,0 | 10,0 | 13 | |||||||
А12 | - | 3,0 | 30,0 | 45 | |||||||||||||
А21 | 150 | 165 | 145 | 2,1 | 8,0 | 10 | |||||||||||
А22 | - | 4,2 | 25,0 | 38 | |||||||||||||
133 | А11 | 100 | 111 | 95 | 1,5 | 8,0 | 10,0 | 13 | |||||||||
А12 | - | 3,0 | 30,0 | 45 | |||||||||||||
А21 | 150 | 161 | 145 | 2,0 | 8,0 | 10 | |||||||||||
А22 | - | 4,1 | 25,0 | 38 | |||||||||||||
159 | А11 | 100 | 109 | 95 | 1,5 | 10 | 10 | 13 | |||||||||
А12 | - | 3,0 | 30 | 45 | |||||||||||||
А21 | 150 | 159 | 145 | 2,0 | 8 | 10 | |||||||||||
А22 | - | 4,1 | 25 | 38 | |||||||||||||
219 | А11 | 100 | 159 | 95 | 200 | 2,7 | 25 | - | - | ||||||||
А12 | - | 6,1 | 60 | 85 | |||||||||||||
А13 | 95 | 11,0 | 80 | 110 | |||||||||||||
Б12 | 104 | - | 215 | 60 | 306 | 7,0 | 60 | 85 | |||||||||
Б13 | 95 | 11,9 | 80 | 110 | |||||||||||||
А21 | 150 | 209 | 145 | - | - | - | 3,4 | - | - | ||||||||
А22 | - | 7,3 | 50 | 70 | |||||||||||||
А23 | 145 | 13,3 | 70 | 95 | |||||||||||||
Б22 | 154 | - | 215 | 60 | 306 | 8,2 | 50 | 70 | |||||||||
Б23 | 145 | 14,2 | 70 | 95 | |||||||||||||
273 | А11 | 100 | 140 | 95 | - | - | - | 2,6 | 25 | - | - | ||||||
А12 | - | 4 | 7,1 | 40 | 60 | 85 | |||||||||||
А13 | 95 | 13,3 | 80 | 110 | |||||||||||||
Б12 | - | 220 | 60 | 260 | 8,1 | 60 | 85 | ||||||||||
Б13 | 95 | 14,3 | 80 | 110 | |||||||||||||
А21 | 150 | 190 | 145 | 3 | - | - | - | 3,2 | 25 | - | - | ||||||
А22 | - | 4 | 9,0 | 40 | 50 | 70 | |||||||||||
А23 | 145 | 16,6 | 70 | 95 | |||||||||||||
Б22 | - | 10,0 | 50 | 70 | |||||||||||||
Б23 | 145 | 220 | 60 | 260 | 17,6 | 70 | 95 | ||||||||||
325 | А11 | 100 | 131 | 90 | - | - | - | 60 | 6 | 3,3 | 50 | - | - | ||||
А12 | - | 6,9 | 60 | 85 | |||||||||||||
А13 | 90 | 12,8 | 80 | 110 | |||||||||||||
Б12 | - | 220 | 60 | 245 | 7,9 | 60 | 85 | ||||||||||
Б13 | 90 | 13,8 | 80 | 110 | |||||||||||||
А21 | 150 | 181 | 140 | - | - | - | 4,2 | 50 | - | - | |||||||
А22 | - | 8,7 | 70 | 50 | 70 | ||||||||||||
А23 | 140 | 16,2 | 70 | 95 | |||||||||||||
Б22 | - | 220 | 60 | 245 | 9,7 | 50 | 70 | ||||||||||
Б23 | 140 | 17,2 | 70 | 95 | |||||||||||||
377 | А11 | 100 | 126 | 90 | - | - | - | 3,2 | 50 | - | - | ||||||
А12 | - | 6,7 | 70 | 60 | 85 | ||||||||||||
А13 | 90 | 12,5 | 80 | 110 | |||||||||||||
Б12 | - | 220 | 60 | 237 | 7,7 | 60 | 85 | ||||||||||
Б13 | 90 | 13,5 | 80 | 110 | |||||||||||||
А21 | 150 | 176 | 140 | 4 | - | - | - | 4,1 | 50 | - | - | ||||||
А22 | - | 8,6 | 70 | 50 | 70 | ||||||||||||
А23 | 140 | 15,7 | 70 | 95 | |||||||||||||
Б22 | - | 220 | 60 | 237 | 9,6 | 50 | 70 | ||||||||||
Б23 | 140 | 16,7 | 70 | 95 | |||||||||||||
426 | А11 | 100 | 122 | 90 | 6 | - | - | - | 8 | 8 | 10 | 4,6 | 60 | - | - | ||
А12 | - | 9,8 | 80 | 90 | 125 | ||||||||||||
А13 | 90 | 18,3 | 120 | 170 | |||||||||||||
Б12 | - | 220 | 60 | 234 | 11,2 | 90 | 125 | ||||||||||
Б13 | 90 | 19,7 | 120 | 170 | |||||||||||||
А21 | 150 | 172 | 140 | - | - | - | 6,1 | 60 | - | - | |||||||
А22 | - | 12,5 | 80 | 80 | 110 | ||||||||||||
А23 | 140 | 23,2 | 105 | 150 | |||||||||||||
Б22 | - | 220 | 60 | 234 | 13,9 | 80 | 110 | ||||||||||
Б23 | 140 | 24,6 | 105 | 150 | |||||||||||||
530 | А11 | 100 | 143 | 90 | 300 | - | - | - | 6,3 | 80 | - | - | |||||
А12 | - | 13,7 | 120 | 110 | 145 | ||||||||||||
А13 | 90 | 25,1 | 150 | 200 | |||||||||||||
Б12 | - | 350 | 70 | 376 | 16,4 | 110 | 145 | ||||||||||
Б13 | 90 | 27,8 | 150 | 200 | |||||||||||||
А21 | 150 | 193 | 140 | - | - | - | 8,0 | 80 | - | - | |||||||
А22 | - | 17,1 | 100 | 130 | |||||||||||||
А23 | 140 | 30,9 | 140 | 180 | |||||||||||||
Б22 | - | 350 | 70 | 376 | 19,8 | 100 | 130 | ||||||||||
Б23 | 140 | 33,6 | 140 | 180 | |||||||||||||
630 | А11 | 100 | 135 | 90 | - | - | - | 6,2 | 80 | - | - | ||||||
А12 | - | 13,3 | 120 | 110 | 145 | ||||||||||||
А13 | 90 | 24,4 | 150 | 200 | |||||||||||||
Б12 | - | 350 | 70 | 367 | 16,0 | 110 | 145 | ||||||||||
Б13 | 90 | 27,1 | 150 | 200 | |||||||||||||
А21 | 150 | 185 | 140 | 7,9 | 80 | - | - | ||||||||||
А22 | - | 16,6 | 120 | 100 | 130 | ||||||||||||
А23 | 140 | 30,2 | 140 | 180 | |||||||||||||
Б22 | - | 350 | 70 | 367 | 19,3 | 100 | 130 | ||||||||||
Б23 | 140 | 32,9 | 140 | 180 | |||||||||||||
820 | А12 | 100 | 125 | - | 300 | 8 | - | - | - | 70 | 10 | 12 | 17,0 | 200 | 125 | 160 | |
А13 | 90 | 31,1 | 175 | 220 | |||||||||||||
Б12 | - | 350 | 70 | 358 | 20,5 | 125 | 160 | ||||||||||
Б13 | 90 | 34,6 | 175 | 220 | |||||||||||||
А22 | 150 | 175 | - | - | - | - | 21,3 | 115 | 150 | ||||||||
А23 | 140 | 38,8 | 165 | 210 | |||||||||||||
Б22 | - | 350 | 70 | 358 | 24,8 | 115 | 150 | ||||||||||
Б23 | 140 | 42,3 | 165 | 210 | |||||||||||||
1020 | А12 | 100 | 161 | - | 500 | - | - | - | 12 | 27,6 | 340 | 140 | 175 | ||||
А13 | 90 | 49,3 | 200 | 250 | |||||||||||||
Б12 | - | 560 | 120 | 588 | 37,3 | 140 | 175 | ||||||||||
Б13 | 90 | 59,0 | 200 | 250 | |||||||||||||
А22 | 150 | 211 | - | - | - | - | 33,3 | 130 | 165 | ||||||||
А23 | 140 | 59,0 | 185 | 235 | |||||||||||||
Б22 | - | 560 | 120 | 588 | 43,0 | 130 | 165 | ||||||||||
Б23 | 140 | 68,7 | 185 | 235 | |||||||||||||
1220 | А12 | 100 | 150 | - | - | - | - | 26,8 | 400 | 140 | 175 | ||||||
А13 | 90 | 47,9 | 200 | 250 | |||||||||||||
Б12 | - | 560 | 120 | 577 | 36,4 | 140 | 175 | ||||||||||
Б13 | 90 | 57,5 | 200 | 250 | |||||||||||||
А22 | 150 | 200 | - | - | - | - | 32,5 | 130 | 165 | ||||||||
А23 | 140 | 57,6 | 185 | 235 | |||||||||||||
Б22 | - | 560 | 120 | 577 | 42,1 | 130 | 165 | ||||||||||
Б23 | 140 | 67,2 | 185 | 235 | |||||||||||||
1420 | А12 | 100 | 142 | - | 10 | - | - | - | 32,5 | 450 | 150 | 190 | |||||
А13 | 90 | 58,2 | 210 | 270 | |||||||||||||
Б12 | - | 560 | 120 | 571 | 44,3 | 150 | 190 | ||||||||||
Б13 | 90 | 70,0 | 210 | 270 | |||||||||||||
А22 | 150 | 192 | - | - | - | - | 39,5 | 140 | 180 | ||||||||
А23 | 140 | 70,3 | 200 | 250 | |||||||||||||
Б22 | - | 560 | 120 | 571 | 51,3 | 140 | 180 | ||||||||||
Б23 | 140 | 82,1 | 200 | 250 | |||||||||||||

Наружный диаметр трубопровода Дн | Исполнение | h | B | B1 | Размеры болта d x l | Масса, кг, не более | Допускаемые нагрузки, кН | ||
Вертикальная Qy | Осевая Pz при | ||||||||
Px = Pz | Px = 0,5Pz | ||||||||
57 | А11 | 102 | 50 | 142 | М12 x 40 | 2,1 | 2,5 | 3,0 | 5,5 |
А12 | 4,2 | 15,0 | |||||||
А21 | 152 | 2,5 | 3,0 | 5,5 | |||||
А22 | 5,2 | 15,0 | |||||||
76 | А11 | 101 | 160 | 2,2 | 3,0 | 3,0 | 5,5 | ||
А12 | 4,3 | 15,0 | |||||||
А21 | 151 | 2,7 | 3,0 | 5,5 | |||||
А22 | 5,3 | 15,0 | |||||||
89 | А11 | 100 | 179 | 2,2 | 5,0 | 3,0 | 5,5 | ||
А12 | 4,5 | 15,0 | |||||||
А21 | 150 | 2,8 | 3,0 | 5,5 | |||||
А22 | 5,5 | 15,0 | |||||||
108 | А11 | 103 | 80 | 200 | М16 x 50 | 5,4 | 6,0 | 10 | 13 |
А12 | 6,9 | 30 | 45 | ||||||
А21 | 153 | 6,0 | 8 | 10 | |||||
А22 | 8,1 | 25 | 38 | ||||||
133 | А11 | 101 | 250 | 6,3 | 8,0 | 10 | 13 | ||
А12 | 7,8 | 30 | 45 | ||||||
А21 | 151 | 6,8 | 8 | 10 | |||||
А22 | 8,9 | 25 | 38 | ||||||
159 | А11 | 101 | 275 | 6,9 | 10,0 | 10 | 13 | ||
А12 | 8,4 | 30 | 45 | ||||||
А21 | 151 | 7,4 | 8 | 10 | |||||
А22 | 9,5 | 25 | 38 | ||||||
219 | А11 | 109 | 200 | 365 | М20 x 60 | 13,4 | 25 | - | - |
А12 | 16,8 | 60 | 85 | ||||||
А13 | 21,7 | 80 | 110 | ||||||
А21 | 159 | 14,1 | - | - | |||||
А22 | 18,0 | 50 | 70 | ||||||
А23 | 24,0 | 70 | 95 | ||||||
273 | А11 | 103 | 420 | 15,1 | 25 | - | - | ||
А12 | 104 | 19,6 | 40 | 60 | 85 | ||||
А13 | 25,8 | 80 | 110 | ||||||
А21 | 153 | 15,7 | 25 | - | - | ||||
А22 | 154 | 21,5 | 40 | 50 | 70 | ||||
А23 | 29,1 | 70 | 95 | ||||||
325 | А11 | 102 | 470 | 17,4 | 50 | - | - | ||
А12 | 21,0 | 70 | 60 | 85 | |||||
А13 | 26,9 | 80 | 110 | ||||||
А21 | 152 | 18,3 | 50 | - | - | ||||
А22 | 22,8 | 70 | 50 | 70 | |||||
А23 | 30,3 | 70 | 95 | ||||||
377 | А11 | 101 | 525 | 19,1 | 50 | - | - | ||
А12 | 22,6 | 70 | 60 | 85 | |||||
А13 | 28,4 | 80 | 110 | ||||||
А21 | 151 | 20,0 | 50 | - | - | ||||
А22 | 24,5 | 70 | 50 | 70 | |||||
А23 | 31,6 | 70 | 95 | ||||||
426 | А11 | 101 | 575 | 22,1 | 60 | - | - | ||
А12 | 27,3 | 80 | 90 | 125 | |||||
А13 | 35,8 | 120 | 170 | ||||||
А21 | 151 | 23,6 | 60 | - | - | ||||
А22 | 30,0 | 80 | 80 | 110 | |||||
А23 | 40,7 | 105 | 150 | ||||||
530 | А11 | 103 | 300 | 705 | М24 x 80 | 36,5 | 80 | - | - |
А12 | 43,9 | 120 | 110 | 145 | |||||
А13 | 55,3 | 150 | 200 | ||||||
А21 | 153 | 38,2 | 80 | - | - | ||||
А22 | 47,3 | 120 | 100 | 130 | |||||
А23 | 61,1 | 140 | 180 | ||||||
630 | А11 | 102 | 805 | 41,0 | 80 | - | - | ||
А12 | 48,1 | 120 | 110 | 145 | |||||
А13 | 59,2 | 150 | 200 | ||||||
А21 | 152 | 42,7 | 80 | - | - | ||||
А22 | 51,4 | 120 | 100 | 130 | |||||
А23 | 65,0 | 140 | 180 | ||||||

Наружный диаметр Dн | Исполнение | h | dн | S | B | S1 | e | d | Масса, кг, не более | Допускаемые нагрузки, кН | ||
Вертикальная Qy | Осевая Pz при | |||||||||||
Px = Pz | Px = 0,5Pz | |||||||||||
57 76 | А1 | 100 | 57 | 3 | 100 | 10 | 65 | 14 | 1,4 | 3 | 2,0 | 2,5 |
А2 | 150 | 1,6 | ||||||||||
Б1 | 100 | - | - | - | - | 0,5 | - | 2,0 | 2,5 | |||
Б2 | 150 | 0,7 | ||||||||||
89 108 | А1 | 100 | 76 | 3 | 120 | 10 | 85 | 14 | 1,9 | 6 | 6,0 | 7,5 |
А2 | 150 | 2,2 | 4,5 | 5,5 | ||||||||
Б1 | 100 | - | - | - | - | 0,7 | - | 6,0 | 7,5 | |||
Б2 | 150 | 1,0 | 4,5 | 5,5 | ||||||||
133 159 | А1 | 100 | 108 | 4 | 135 | 12 | 105 | 18 | 3,2 | 10 | 14,0 | 17,0 |
А2 | 150 | 3,8 | 11,0 | 13,0 | ||||||||
Б1 | 100 | - | - | - | - | 1,3 | - | 14,0 | 17,0 | |||
Б2 | 150 | 1,9 | 11,0 | 13,0 | ||||||||
219 273 | А1 | 100 | 159 | 6 | 180 | 14 | 140 | 18 | 7,0 | 40 | 35,0 | 43,0 |
А2 | 150 | 8,8 | 26,0 | 32,0 | ||||||||
Б1 | 100 | - | - | - | - | 3,0 | - | 35,0 | 43,0 | |||
Б2 | 150 | 4,3 | 26,0 | 32,0 | ||||||||
325 | А1 | 100 | 219 | 6 | 250 | 16 | 200 | 26 | 12,9 | 70 | 48,0 | 61,0 |
А2 | 150 | 14,7 | 41,0 | 51,0 | ||||||||
Б1 | 100 | - | - | - | - | 4,3 | - | 48,0 | 61,0 | |||
Б2 | 150 | 6,1 | 41,0 | 51,0 | ||||||||
377 426 | А1 | 100 | 273 | 8 | 300 | 16 | 240 | 36 | 20,2 | 80 | 85,0 | 110,0 |
А2 | 150 | 23,2 | 70,0 | 90,0 | ||||||||
Б1 | 100 | 7,5 | - | 85,0 | 110,0 | |||||||
Б2 | 150 | 10,5 | 70,0 | 90,0 | ||||||||
530 | А1 | 100 | 325 | 8 | 380 | 20 | 300 | 30 | 34,1 | 120 | 100 | 120 |
А2 | 150 | 37,7 | 90 | 100 | ||||||||
Б1 | 100 | - | - | - | - | 9,1 | - | 100 | 120 | |||
Б2 | 150 | 12,8 | 90 | 100 | ||||||||
630 | А1 | 100 | 426 | 10 | 450 | 25 | 370 | 39 | 60,4 | 120 | 205 | 250 |
А2 | 150 | 66,3 | 180 | 230 | ||||||||
Б1 | 100 | - | - | - | - | 16,7 | - | 205 | 250 | |||
Б2 | 150 | 22,6 | 180 | 230 | ||||||||

ИС МЕГАНОРМ: примечание. Взамен ГОСТ 8240-72 Постановлением Госстандарта СССР от 27.09.1989 N 2939 с 1 июля 1990 года введен в действие ГОСТ 8240-89. |
Наружный диаметр трубопровода Дн | Исполнение | L | N швеллера | B | h | К | К1 | Масса, кг, не более | Допускаемые нагрузки, кН | |
Вертикальная Qy | Осевая Pz при Px = 0,2Pz | |||||||||
57 | А1 | 100 | 5 | 50 | 17 | 4 | 4 | 0,5 | 2,5 | 10 |
А2 | 200 | 1,0 | ||||||||
76 | А1 | 100 | 23 | 0,5 | 3,0 | |||||
А2 | 200 | 1,0 | ||||||||
89 | А1 | 100 | 8 | 80 | 15 | 0,7 | 5,0 | 20 | ||
А2 | 200 | 1,4 | 30 | |||||||
108 | А1 | 100 | 22 | 0,7 | 6,0 | 20 | ||||
А2 | 200 | 1,4 | 30 | |||||||
133 | А1 | 100 | 10 | 100 | 23 | 0,9 | 8,0 | 30 | ||
А2 | 250 | 2,1 | 50 | |||||||
159 | А1 | 100 | 28 | 0,9 | 10,0 | 30 | ||||
А2 | 250 | 2,1 | 50 | |||||||
219 | А1 | 150 | 12 | 120 | 34 | 6 | 6 | 1,6 | 20,0 | 50 |
А2 | 250 | 2,6 | 75 | |||||||
273 | А1 | 200 | 38 | 2,1 | 25,0 | 60 | ||||
А2 | 300 | 3,1 | 40,0 | 90 | ||||||
325 | А1 | 200 | 40 | 2,1 | 25,0 | 50 | ||||
А2 | 300 | 3,1 | 40,0 | 80 | ||||||
377 | А1 | 200 | 16 | 160 | 46 | 2,8 | 30,0 | 70 | ||
А2 | 300 | 4,3 | 50,0 | 100 | ||||||
426 | А1 | 200 | 48 | 2,8 | 30,0 | 60 | ||||
А2 | 300 | 4,3 | 50,0 | 90 | ||||||
530 | А1 | 250 | 20 | 200 | 56 | 8 | 4,6 | 50 | 80 | |
А2 | 400 | 7,4 | 70 | 120 | ||||||
630 | А1 | 250 | 60 | 4,6 | 60 | 65 | ||||
А2 | 400 | 7,4 | 80 | 120 | ||||||
820 | А1 | 400 | 30 | 300 | 72 | 10 | 8 | 12,7 | 100 | 120 |

Наружный диаметр трубопровода Дн | Исполнение | B | в | h | L | L1 | B1 | l | S | Длина развертки подушки | Масса, кг, не более | Допускаемые нагрузки, кН | |
Вертикальная Qy | Осевая Pz при Px = 0,2Pz | ||||||||||||
1020 | А | 420 | 400 | 53 | 400 | 380 | - | - | - | - | 25,0 | 150 | 100 |
Б | 560 | 120 | 8 | 588 | 34,7 | ||||||||
1220 | А | 520 | 500 | 41 | 500 | 480 | - | - | - | - | 35,3 | 200 | 150 |
Б | 560 | 120 | 8 | 577 | 44,8 | ||||||||
1420 | А | 520 | 500 | 48 | 550 | 530 | - | - | - | - | 38,9 | 250 | 130 |
Б | 560 | 120 | 10 | 571 | 50,7 | ||||||||

Наружный диаметр трубопровода Дн | Исполнение | d | e | S, не более | Масса, кг <*>, не более опоры исполнения | Допускаемая осевая нагрузка Pz <**> для опор исп. Б кН | |
А, Б | В, Г | ||||||
25 | А; Б; В; Г | М10 | 38 | 10 | 0,1 | 0,1 | 0,4 |
32 | 44 | 0,1 | 0,1 | ||||
38 | 50 | 12 | 0,2 | 0,1 | 0,8 | ||
45 | 60 | 0,2 | 0,1 | ||||
57 | А; Б; В; Г | М12 | 74 | 14 | 0,3 | 0,2 | 5,0 |
76 | 94 | 0,4 | 0,3 | ||||
89 | 106 | 0,4 | 0,3 | ||||
108 | М16 | 130 | 16 | 0,8 | 0,6 | ||
133 | 154 | 1,0 | 0,7 | 10,0 | |||
159 | М20 | 190 | 20 | 1,8 | 1,3 | ||
219 | А; Б | 244 | 2,2 | - | 20,0 | ||
273 | 300 | 2,6 | |||||
325 | 352 | 3,0 | |||||
377 | М24 | 410 | 30 | 5,0 | 30,0 | ||
426 | 460 | 5,5 | |||||
530 | 570 | 6,6 | |||||

Наружный диаметр трубопровода Дн | r | e | d | l | l1 | c | Длина развертки опор исполнения | Масса, кг, не более опор исполнения | ||
А; Б | В; Г | А; Б | В; Г | |||||||
25 | 14 | 38 | М10 | 36 | 30 | 1,5 | 132 | 101 | 0,09 | 0,07 |
32 | 17 | 44 | 38 | 145 | 112 | 0,10 | 0,08 | |||
38 | 20 | 50 | 50 | 40 | 179 | 134 | 0,12 | 0,09 | ||
45 | 25 | 60 | 50 | 194 | 149 | 0,13 | 0,10 | |||
57 | 31 | 74 | М12 | 69 | 55 | 2,0 | 254 | 190 | 0,25 | 0,19 |
76 | 41 | 94 | 79 | 306 | 232 | 0,30 | 0,23 | |||
89 | 47 | 106 | 83 | 332 | 255 | 0,32 | 0,25 | |||
108 | 57 | 130 | М16 | 103 | 65 | 410 | 312 | 0,71 | 0,54 | |
133 | 69 | 154 | 116 | 474 | 363 | 0,82 | 0,63 | |||
159 | 85 | 190 | М20 | 140 | 85 | 2,5 | 578 | 443 | 1,57 | 1,20 |
219 | 112 | 244 | 173 | 729 | - | 1,98 | - | |||
273 | 140 | 300 | 200 | 871 | - | 2,36 | - | |||
325 | 166 | 352 | 229 | 1011 | - | 2,74 | - | |||
377 | 193 | 410 | М24 | 267 | 3,0 | 1178 | - | 4,60 | - | |
426 | 218 | 460 | 292 | 1306 | - | 5,08 | - | |||
530 | 273 | 570 | 343 | 1581 | - | 6,17 | - | |||

Наружный диаметр трубопровода Дн | Исполнение | h | h1 | dн | S | B | S1 | e | d | Масса, кг, не более | Допускаемые нагрузки, кН, | ||
Вертикальная Qy | Осевая Pz при | ||||||||||||
Px = Pz | Px = 0,5Pz | ||||||||||||
57 | А1 | 100 | 169 | 45 | 3 | 100 | 10 | 65 | 14 | 1,2 | 1,0 | 1,5 | 2,0 |
А2 | 150 | 219 | 1,4 | ||||||||||
76 | А1 | 100 | 188 | 57 | 3 | 100 | 10 | 65 | 14 | 1,5 | 2,0 | 2,0 | 2,5 |
А2 | 150 | 238 | 1,8 | ||||||||||
89 | А1 | 100 | 219 | 76 | 3 | 120 | 10 | 85 | 14 | 2,2 | 2,5 | 4,0 | 5,0 |
А2 | 150 | 269 | 2,6 | ||||||||||
108 | А1 | 100 | 225 | 2,3 | 3,0 | 4,0 | 5,0 | ||||||
А2 | 150 | 275 | 2,6 | ||||||||||
133 | А1 | 100 | 277 | 108 | 4 | 135 | 12 | 105 | 18 | 4,2 | 6,0 | 8,0 | 10,0 |
А2 | 150 | 327 | 4,8 | ||||||||||
159 | А1 | 100 | 283 | 4,3 | 8,0 | 8,0 | 10,0 | ||||||
А2 | 150 | 333 | 4,9 | ||||||||||
219 | А1 | 100 | 356 | 159 | 6 | 180 | 14 | 140 | 18 | 10,3 | 20,0 | 20,0 | 25,0 |
А2 | 150 | 406 | 11,6 | ||||||||||
273 | А1 | 100 | 377 | 11,5 | 20,0 | 20,0 | 25,0 | ||||||
А2 | 150 | 427 | 12,8 | ||||||||||
325 | А1 | 100 | 463 | 219 | 6 | 250 | 16 | 200 | 26 | 20,1 | 25,0 | 25,0 | 30,0 |
А2 | 150 | 513 | 22,0 | ||||||||||
377 | А1 | 100 | 546 | 273 | 8 | 300 | 16 | 240 | 26 | 34,4 | 35,0 | 40,0 | 50,0 |
А2 | 150 | 596 | 37,4 | ||||||||||
426 | А1 | 100 | 569 | 35,9 | 35,0 | 40,0 | 50,0 | ||||||
А2 | 150 | 619 | 38,9 | ||||||||||
530 | А1 | 100 | 482 | 325 | 8 | 380 | 20 | 300 | 30 | 47,3 | 40 | 80 | 100 |
А2 | 150 | 532 | 50,9 | ||||||||||
630 | А1 | 100 | 595 | 426 | 10 | 450 | 25 | 370 | 39 | 86,8 | 70 | 120 | 140 |
А2 | 150 | 645 | 92,7 | ||||||||||

Наружный диаметр трубопровода Дн | Исполнение | l | B | h | S | B1 | H | Масса <**>, кг, не более | Допускаемая нагрузка, кН |
57 76 89 | А1 | 100 | 40 | 100 | 3 | - | - | 0,4 | 3 |
А2 | 150 | 0,6 | |||||||
108 133 159 219 | А1 | 100 | 80 | 150 | 4 | - | - | 0,9 | 15 |
Б1 <*> | 100 | 190 | 1,7 | ||||||
А2 | 250 | 2,2 | |||||||
Б2 <*> | 100 | 190 | 3,0 | ||||||
273 325 377 426 | А1 | 150 | 200 | 200 | 6 | 3,4 | 40 | ||
Б1 | 240 | 250 | 7,1 | ||||||
А2 | 300 | 6,6 | |||||||
Б2 | 240 | 250 | 10,3 | ||||||
530 630 820 1020 | А1 | 200 | 300 | 8 | 7,4 | 100 | |||
Б1 | 240 | 400 | 14,0 | ||||||
А2 | 350 | - | - | 12,6 | |||||
Б2 | 19,2 | ||||||||
1220 1420 | А1 | 300 | 400 | 10 | - | - | 16,2 | 160 | |
Б1 | 250 | 500 | 27,0 | ||||||
А2 | 450 | - | - | 18,8 | |||||
Б2 | 250 | 500 | 29,7 |



Наружный диаметр трубопровода Дн | Исполнение | B | в | Длина катка | Масса, кг, не более | Наружный диаметр трубопровода Дн | Исполнение | B | в | Длина катка | Масса, кг, не более |
219 | А11 | 200 | 320 | 300 | 17,5 | 325 | А11 | 200 | 320 | 300 | 18,1 |
Х11 | 27,1 | Х11 | 31,1 | ||||||||
А12 | 320 | 39,9 | А12 | 320 | 40,7 | ||||||
А13 | 62,5 | А13 | 64,3 | ||||||||
Б12 | 40,8 | Б12 | 41,7 | ||||||||
Б13 | 63,4 | Б13 | 65,3 | ||||||||
Х12 | 49,5 | Х12 | 53,7 | ||||||||
Х13 | 72,1 | Х13 | 77,3 | ||||||||
273 | А11 | 300 | 17,4 | 377 | А11 | 300 | 18,1 | ||||
Х11 | 28,8 | Х11 | 32,9 | ||||||||
А12 | 320 | 40,9 | А12 | 320 | 40,5 | ||||||
А13 | 64,8 | А13 | 64,0 | ||||||||
Б12 | 41,9 | Б12 | 41,5 | ||||||||
Б13 | 65,8 | Б13 | 65,0 | ||||||||
Х12 | 52,3 | Х12 | 55,3 | ||||||||
Х13 | 76,2 | Х13 | 78,3 |
Наружный диаметр трубопровода Дн | Исполнение | B | в | Длина катка | Масса, кг, не более | Наружный диаметр трубопровода Дн | Исполнение | B | в | Длина катка | Масса, кг, не более |
426 | А11 | 200 | 320 | 300 | 19,5 | 6630 | А11 | 300 | 420 | 400 | 26,8 |
Х11 | 35,9 | Х11 | 59,6 | ||||||||
А12 | 320 | 43,6 | А12 | 420 | 59,8 | ||||||
А13 | 69,3 | А13 | 91,2 | ||||||||
Б12 | 45,0 | Б12 | 61,5 | ||||||||
Б13 | 71,2 | Б13 | 93,9 | ||||||||
Х12 | 60,0 | Х12 | 92,6 | ||||||||
Х13 | 86,2 | Х13 | 124,0 | ||||||||
530 | А11 | 300 | 420 | 400 | 27,0 | 820 | А12 | 63,5 | |||
Х11 | 55,2 | А13 | 97,9 | ||||||||
А12 | 420 | 60,2 | Б12 | 67,0 | |||||||
А13 | 91,9 | Б13 | 101,4 | ||||||||
Б12 | 61,5 | 1020 | А12 | 500 | 620 | 620 | 95,0 | ||||
Б13 | 94,6 | А13 | 146,4 | ||||||||
Х12 | 88,4 | Б12 | 104,0 | ||||||||
Х13 | 120,1 | Б13 | 156,3 |
Наружный диаметр трубопровода Дн | Исполнение | B | в | Длина катка | Масса, кг, не более | Наружный диаметр трубопровода Дн | Исполнение | B | в | Длина катка | Масса, кг, не более |
1220 | А12 | 500 | 620 | 620 | 94,5 | 1420 | А12 | 500 | 620 | 620 | 100,0 |
А13 | 145,2 | А13 | 155,0 | ||||||||
Б12 | 104,1 | Б12 | 112,0 | ||||||||
Б13 | 154,8 | Б13 | 167,0 |

Наружный диаметр трубопровода Дн | Исполнение опоры типа КН | в | A | L | A1 | Масса, кг, не более |
219 - 426 | А11 Х11 | 320 | 258 | 200 | 150 | 5,5 |
А13 В13 Х13 | 700 | 660 | 20,2 | |||
530, 630, 820 | А11 Х11 | 420 | 358 | 200 | 150 | 7,1 |
А13 В13 Х13 | 700 | 660 | 25,6 | |||
1020 - 1420 | А13 В13 | 620 | 558 | 700 | 660 | 38,5 |

Наружный диаметр трубопровода Дн | m | S | B1 | M | d | f | Длина развертки | Масса, кг, не более |
18 | 30 | 4 | 85 | 55 | 14 | 3 | 95 | 0,08 |
25 | 91 | 61 | 87 | 0,09 | ||||
32 | 98 | 68 | 106 | 0,11 | ||||
38 | 104 | 74 | 116 | 0,12 | ||||
45 | 112 | 82 | 128 | 0,13 | ||||
57 | 40 | 6 | 142 | 102 | 4 | 161 | 0,33 | |
76 | 160 | 120 | 190 | 0,39 | ||||
89 | 179 | 139 | 6 | 212 | 0,44 | |||
108 | 50 | 8 | 200 | 160 | 18 | 241 | 0,83 | |
133 | 250 | 200 | 8 | 301 | 1,04 | |||
159 | 275 | 225 | 345 | 1,19 | ||||
219 | 60 | 10 | 365 | 305 | 23 | 10 | 464 | 2,40 |
273 | 420 | 360 | 549 | 2,84 | ||||
325 | 470 | 410 | 628 | 3,25 | ||||
377 | 525 | 465 | 713 | 3,69 | ||||
426 | 575 | 515 | 790 | 4,09 | ||||
530 | 70 | 12 | 705 | 635 | 27 | 12 | 974 | 7,06 |
630 | 805 | 735 | 1131 | 8,20 |

Наружный диаметр трубопровода Дн | R | l | S | L | Длина развертки | Масса, кг, не более |
18 | 9 | 11 | 6 | 30 | 12 | 0,02 |
25 | 13 | 11 | ||||
32 | 16 | 19 | 20 | 0,04 | ||
38 | 19 | |||||
45 | 23 | 24 | 25 | 0,05 | ||
57 | 29 | 33 | 8 | 40 | 35 | 0,10 |
76 | 38 | 33 | 35 | |||
89 | 45 | 34 | 35 | |||
108 | 54 | 48 | 50 | 0,14 | ||
133 | 66 | 71 | 10 | 75 | 0,26 | |
159 | 80 | 72 | 75 | |||
219 | 110 | 97 | 12 | 50 | 100 | 0,52 |
273 | 136 | 98 | ||||
325 | 162 | 98 | ||||
377 | 188 | 99 | 60 | 0,62 | ||
426 | 213 | 99 | 14 | 120 | 1,45 | |
530 | 265 | 99 | ||||
630 | 315 | 100 |

ИС МЕГАНОРМ: примечание. Постановлением Госстандарта России от 04.04.1999 N 113 с 1 января 2000 года введен в действие ГОСТ 16523-97. |
ИС МЕГАНОРМ: примечание. Взамен ГОСТ 14637-79 Постановлением Госстандарта СССР от 22.12.1989 N 4023 с 1 июля 1991 года введен в действие ГОСТ 14637-89. |
ИС МЕГАНОРМ: примечание. Взамен ГОСТ 1577-81 Постановлением Госстандарта России от 19.03.1996 N 180 с 1 января 1997 года введен в действие ГОСТ 1577-93. |
ИС МЕГАНОРМ: примечание. Взамен ГОСТ 17066-80 Постановлением Госстандарта России от 24.01.1994 N 31 с 1 июля 1996 года введен в действие ГОСТ 17066-94. |
ИС МЕГАНОРМ: примечание. Взамен ГОСТ 19281-73 и ГОСТ 19282-73 Постановлением Госстандарта СССР от 28.09.1989 N 2972 с 1 января 1991 года введен в действие ГОСТ 19281-89. |
ИС МЕГАНОРМ: примечание. Взамен ГОСТ 2590-71 Постановлением Госстандарта СССР от 29.06.1988 N 2519 с 1 января 1990 года введен в действие ГОСТ 2590-88. |
ИС МЕГАНОРМ: примечание. ГОСТ 8731-87 отменен с 1 января 1995 года (Указатель "Отмененные и замененные национальные стандарты", М.: ФГУП "Стандартинформ", 2009). Действует ГОСТ 8731-74. |
ИС МЕГАНОРМ: примечание. Взамен ГОСТ 10704-76 Постановлением Госстандарта СССР от 15.11.1991 N 1743 с 1 января 1993 года введен в действие ГОСТ 10704-91. |
ИС МЕГАНОРМ: примечание. Взамен ГОСТ 8240-72 Постановлением Госстандарта СССР от 27.09.1989 N 2939 с 1 июля 1990 года введен в действие ГОСТ 8240-89. |
Марка стали | Категория стали | ГОСТ или ТУ | Допустимая минимальная расчетная температура, °C <**> | ||||
| |||||||
ВСт3кп (с толщиной до 4 мм) | 2 <*> | ГОСТ 380-71 | -30 | ||||
| |||||||
ВСт3пс ВСт3сп | 4, 5, 6 | ГОСТ 380-71 | -40 | ||||
20 | - | ГОСТ 1050-74 | |||||
10Г2 | - | -60 | |||||
09Г2С | 9, 15 | ГОСТ 19282-73 | -70 | ||||
Марка стали | ГОСТ | Допустимая минимальная расчетная температура, °C |
20 | ГОСТ 1050-74 | -40 |
35 | ||
35Х, 40Х | -50 | |
20ХН3А 09Г2С | -70 |
ИС МЕГАНОРМ: примечание. Взамен ГОСТ 24705-81 Приказом Ростехрегулирования от 02.03.2005 N 36-ст с 1 июля 2005 года введен в действие ГОСТ 24705-2004. |
ИС МЕГАНОРМ: примечание. Взамен ГОСТ 16093-81 Приказом Ростехрегулирования от 02.03.2005 N 39-ст с 1 июля 2005 года введен в действие ГОСТ 16093-2004. |
ИС МЕГАНОРМ: примечание. ГОСТ 1759-70 утратил силу с 01.01.1983 в части допусков и методов контроля размеров и отклонений формы и расположения поверхностей, в части дефектов поверхности болтов, винтов и шпилек и методов их контроля в связи с введением в действие ГОСТ 1759.1-82, ГОСТ 1759.2-82 (Постановления Госстандарта СССР от 29.07.1982 N 2954, 2955), с 01.01.1984 в части дефектов поверхности гаек и методов их контроля в связи с введением в действие ГОСТ 1759.3-83 (Постановление Госстандарта СССР от 23.06.1983 N 2662), с 01.01.1989 в части технических требований и маркировки крепежных изделий, в части механических свойств и методов испытаний болтов, винтов и шпилек и методов контроля гаек в связи с введением в действие ГОСТ 1759.0-87, ГОСТ 1759.4-87, ГОСТ 1759.5-87 (Постановления Госстандарта СССР от 30.12.1987 N 5111, 5112). |
ИС МЕГАНОРМ: примечание. Взамен ГОСТ 25346-82 Постановлением Госстандарта СССР от 11.04.1989 N 983 с 1 января 1990 года введен в действие ГОСТ 25346-89. |





ИС МЕГАНОРМ: примечание. Взамен ГОСТ 9.401-79 Постановлением Госстандарта СССР от 21.03.1989 N 575 с 1 июля 1990 года введен в действие ГОСТ 9.401-89. |
Тип опоры | Исполнение | Количество сборочных единиц и деталей в комплекте, шт | |||||
Корпус <*> | Подушка (накладка) | Полухомут, хомут для типа ХБ | Болт | Гайка | Блок катковый <**> | ||
ТП, ТР, ТО, ШП | все | 1 | - | - | - | - | - |
ТХ | АС00; АС10 | 1 | - | 2 | 2 | 2 | - |
А11; А21; АС11; АС21 | 1 | - | 2 | 2 | 2 | - | |
А12; А22; АС12; АС22; Б12; Б22; БС12; БС22 | 1 | - | 4 | 4 | 4 | - | |
КП | А11; А21; А12; А22; А13; А23; АС11; АС21; АС12; АС22; АС13; АС23 | 1 | - | - | - | - | - |
Б12; Б22; Б13; Б23; БС12; БС22; БС13; БС23 | - | 2 | - | - | - | - | |
КХ | А11; А21; АС1; АС21 (Дн = 57 - 89) | 1 | - | 2 | 2 | 2 | - |
все остальные исполнения | 1 | - | 4 | 4 | 4 | - | |
УП | А | 1 | - | - | - | - | - |
Б | 1 | 2 | - | - | - | - | |
ХБ | А; Б | - | - | 1 | - | 4 | - |
В; Г | - | - | 1 | - | 2 | - | |
ВП | А11; А21; АС11; АС21 | 2 | - | - | - | - | - |
Б11; Б21; БС11; БС21 | 2 | 2 | - | - | - | - | |
КН | А11; А12; А13; АС11; АС12; АС13 | 1 | - | - | - | - | 1 |
Б12; Б13; БС12; БС13 | 1 | 2 | - | - | - | 1 | |
Х11; Х12; Х13; ХС11; ХС12; ХС13 | 1 | - | 4 | 4 | 4 | 1 | |
ИС МЕГАНОРМ: примечание. Взамен ГОСТ 9.401-79 Постановлением Госстандарта СССР от 21.03.1989 N 575 с 1 июля 1990 года введен в действие ГОСТ 9.401-89. |
ИС МЕГАНОРМ: примечание. В официальном тексте документа, видимо, допущена опечатка: имеется в виду СНиП 3.05.05-84, а не СНиП 3.05.05.-84 |
Код | КЧ | Наименование | Идентификационные признаки | Назначение, принцип действия, технические характеристики изделия | Дополнительные данные |
1 | 2 | 3 | 4 | 5 | 6 |
14 6881 0002 | 04 | Опора тавровая приварная из стали ВСт3пс исполнение АС00/18 - 45 | ОСТ 36-146-88 | Опоры для технологических трубопроводов | |
14 6881 0006 | 00 | То же исполнение АС10/18 - 45 | То же | То же | |
14 6881 0012 | 02 | То же исполнение А11/57 - 89 | " | " | |
14 6881 0016 | 09 | То же исполнение А12/57 - 89 | " | " | |
14 6881 0022 | 00 | То же исполнение АС11/57 - 89 | " | " | |
14 6881 0026 | 07 | То же исполнение АС12/57 - 89 | " | " | |
14 6881 0032 | 09 | То же исполнение А21/57 - 89 | " | " | |
14 6881 0036 | 05 | То же исполнение А22/57 - 89 | " | " | |
14 6881 0042 | 07 | То же исполнение АС21/57 - 89 | " | " | |
14 6881 0046 | 03 | То же исполнение АС22/57 - 89 | " | " | |
14 6881 0052 | 05 | То же исполнение Б12/108 - 159 | " | " | |
14 6881 0056 | 01 | То же исполнение БС12/108 - 159 | " | " | |
14 6881 0062 | 03 | То же исполнение Б22/108 - 159 | " | " | |
14 6881 0066 | 10 | То же исполнение БС22/108 - 159 | " | " | |
14 6881 0082 | 10 | Опора тавровая приварная из стали ВСт3сп исполнение АС00/18 - 45 | " | " | |
14 6881 0086 | 06 | То же исполнение АС10/18 - 45 | " | " | |
14 6881 0092 | 08 | То же исполнение А11/57 - 89 | " | " | |
14 6881 0096 | 04 | Опора тавровая приварная из стали ВСт3сп исполнение А12/57 - 89 | ОСТ 36-146-88 | Опоры для технологических трубопроводов | |
14 6881 0102 | 01 | То же исполнение АС11/57 - 89 | То же | То же | |
14 6881 0106 | 08 | То же исполнение АС12/57 - 89 | " | " | |
14 6881 0112 | 10 | То же исполнение А21/57 - 89 | " | " | |
14 6881 0116 | 06 | То же исполнение А22/57 - 89 | " | " | |
14 6881 0122 | 08 | То же исполнение АС21/57 - 89 | " | " | |
14 6881 0126 | 04 | То же исполнение АС22/57 - 89 | " | " | |
14 6881 0132 | 06 | То же исполнение Б12/108 - 159 | " | " | |
14 6881 0136 | 02 | То же исполнение БС12/108 - 159 | " | " | |
14 6881 0142 | 04 | То же исполнение Б22/108 - 159 | " | " | |
14 6881 0146 | 00 | То же исполнение БС22/108 - 159 | " | " | |
14 6881 0162 | 00 | Опора тавровая приварная из стали 20 исполнение АС00/18 - 45 | " | " | |
14 6881 0166 | 07 | То же исполнение АС10/18 - 45 | " | " | |
14 6881 0172 | 09 | То же исполнение А11/57 - 89 | " | " | |
14 6881 0176 | 05 | То же исполнение А12/57 - 89 | " | " | |
14 6881 0182 | 07 | То же исполнение АС11/57 - 89 | " | " | |
14 6881 0186 | 03 | То же исполнение АС12/57 - 89 | " | " | |
14 6881 0192 | 05 | То же исполнение А 21/57 - 89 | " | " | |
14 6881 0196 | 01 | То же исполнение А22/57 - 89 | " | " | |
14 6881 0202 | 09 | То же исполнение АС21/57 - 89 | " | " | |
14 6881 0206 | 05 | То же исполнение АС22/57 - 89 | " | " | |
14 6881 0212 | 07 | Опора тавровая приварная из стали 20 исполнение Б12/108 - 159 | ОСТ 36-146-88 | Опоры для технологических трубопроводов | |
14 6881 0216 | 03 | То же исполнение БС12/108 - 159 | То же | То же | |
14 6881 0222 | 05 | То же исполнение Б22/108 - 159 | " | " | |
14 6881 0226 | 01 | То же исполнение БС22/108 - 159 | " | " | |
14 6881 0250 | 01 | Опора тавровая приварная из стали 10Г2 исполнение АС00/18 - 45 | " | " | |
14 6881 0256 | 06 | То же исполнение АС10/18 - 45 | " | " | |
14 6881 0262 | 08 | То же исполнение А11/57 - 89 | " | " | |
14 6881 0266 | 04 | То же исполнение А12/57 - 89 | " | " | |
14 6881 0272 | 06 | То же исполнение АС11/57 - 89 | " | " | |
14 6881 0276 | 02 | То же исполнение АС12/57 - 89 | " | " | |
14 6881 0282 | 04 | То же исполнение А21/57 - 89 | " | " | |
14 6881 0286 | 00 | То же исполнение А22/57 - 89 | " | " | |
14 6881 0292 | 02 | То же исполнение АС21/57 - 89 | " | " | |
14 6881 0296 | 09 | То же исполнение АС22/57 - 89 | " | " | |
14 6881 0302 | 07 | То же исполнение Б12/108 - 159 | " | " | |
14 6881 0306 | 01 | То же исполнение БС12/108 - 159 | " | " | |
14 6881 0312 | 05 | То же исполнение Б22/108 - 159 | " | " | |
14 6881 0316 | 10 | То же исполнение БС22/108 - 159 | " | " | |
14 6881 0340 | 00 | Опора тавровая приварная из стали 09Г2С исполнение АС00/18 - 45 | " | " | |
14 6881 0346 | 05 | То же исполнение АС10/18 - 45 | " | " | |
14 6881 0352 | 07 | Опора тавровая приварная из стали 09Г2С исполнение А11/57 - 89 | ОСТ 36-146-88 | Опоры для технологических трубопроводов | |
14 6881 0356 | 03 | То же исполнение А12/57 - 89 | То же | То же | |
14 6881 0362 | 05 | То же исполнение АС11/57 - 89 | " | " | |
14 6881 0366 | 01 | То же исполнение АС12/57 - 89 | " | " | |
14 6881 0372 | 03 | То же исполнение А21/57 - 89 | " | " | |
14 6881 0376 | 10 | То же исполнение А22/57 - 89 | " | " | |
14 6881 0382 | 01 | То же исполнение АС21/57 - 89 | " | " | |
14 6881 0386 | 08 | То же исполнение АС22/57 - 89 | " | " | |
14 6881 0392 | 10 | То же исполнение Б12/108 - 159 | " | " | |
14 6881 0396 | 06 | То же исполнение БС12/108 - 159 | " | " | |
14 6881 0402 | 03 | То же исполнение Б22/108 - 159 | " | " | |
14 6881 0406 | 10 | То же исполнение БС22/108 - 159 | " | " | |
14 6881 0502 | 00 | Опора тавровая хомутовая из стали ВСт3пс исполнение АС00/18 | " | " | |
14 6881 0506 | 07 | То же исполнение АС00/25 | " | " | |
14 6881 0510 | 00 | То же исполнение АС00/32 | " | " | |
14 6881 0516 | 05 | То же исполнение АС10/32 | " | " | |
14 6881 0520 | 09 | То же исполнение АС10/38 | " | " | |
14 6881 0526 | 03 | То же исполнение АС10/45 | " | " | |
14 6881 0530 | 07 | То же исполнение А11/57 | " | " | |
14 6881 0536 | 10 | То же исполнение А12/57 | " | " | |
14 6881 0540 | 05 | То же исполнение АС11/57 | " | " | |
14 6881 0546 | 10 | Опора тавровая хомутовая из стали ВСт3пс исполнение АС12/57 | ОСТ 36-146-88 | Опоры для технологических трубопроводов | |
14 6881 0550 | 03 | То же исполнение А21/57 | То же | То же | |
14 6881 0556 | 08 | То же исполнение А22/57 | " | " | |
14 6881 0560 | 01 | То же исполнение АС21/57 | " | " | |
14 6881 0566 | 06 | То же исполнение АС22/57 | " | " | |
14 6881 0570 | 10 | То же исполнение А11/76 | " | " | |
14 6881 0576 | 04 | То же исполнение А12/76 | " | " | |
14 6881 0580 | 08 | То же исполнение АС11/76 | " | " | |
14 6881 0586 | 02 | То же исполнение АС12/76 | " | " | |
14 6881 0590 | 06 | То же исполнение А21/76 | " | " | |
14 6881 0596 | 00 | То же исполнение А22/76 | " | " | |
14 6881 0600 | 10 | То же исполнение АС21/76 | " | " | |
14 6881 0606 | 04 | То же исполнение АС22/76 | " | " | |
14 6881 0610 | 08 | То же исполнение А11/89 | " | " | |
14 6881 0616 | 02 | То же исполнение А12/89 | " | " | |
14 6881 0620 | 06 | То же исполнение АС11/89 | " | " | |
14 6881 0626 | 00 | То же исполнение АС12/89 | " | " | |
14 6881 0630 | 04 | То же исполнение А21/89 | " | " | |
14 6881 0636 | 09 | То же исполнение А22/89 | " | " | |
14 6881 0640 | 02 | То же исполнение АС21/89 | " | " | |
14 6881 0646 | 07 | То же исполнение АС22/89 | " | " | |
14 6881 0650 | 00 | То же исполнение Б12/108 | " | " | |
14 6881 0656 | 05 | То же исполнение БС12/108 | " | " | |
14 6881 0660 | 09 | Опора тавровая хомутовая из стали ВСт3пс исполнение Б22/108 | ОСТ 36-146-88 | Опоры для технологических трубопроводов | |
14 6881 0666 | 03 | То же исполнение БС22/108 | То же | То же | |
14 6881 0670 | 07 | То же исполнение Б12/133 | " | " | |
14 6881 0676 | 01 | То же исполнение БС12/133 | " | " | |
14 6881 0680 | 05 | То же исполнение Б22/133 | " | " | |
14 6881 0686 | 10 | То же исполнение БС22/133 | " | " | |
14 6881 0690 | 03 | То же исполнение Б12/159 | " | " | |
14 6881 0696 | 08 | То же исполнение БС12/159 | " | " | |
14 6881 0700 | 07 | То же исполнение Б22/159 | " | " | |
14 6881 0706 | 01 | То же исполнение БС22/159 | " | " | |
14 6881 0802 | 02 | Опора тавровая хомутовая из стали ВСт3сп исполнение АС00/18 | " | " | |
14 6881 0806 | 09 | То же исполнение АС00/25 | " | " | |
14 6881 0810 | 02 | То же исполнение АС00/32 | " | " | |
14 6881 0812 | 00 | То же исполнение АС10/32 | " | " | |
14 6881 0814 | 09 | То же исполнение АС10/38 | " | " | |
14 6881 0816 | 07 | То же исполнение АС10/45 | " | " | |
14 6881 0820 | 00 | То же исполнение А11/57 | " | " | |
14 6881 0826 | 05 | То же исполнение А12/57 | " | " | |
14 6881 0830 | 09 | То же исполнение АС11/57 | " | " | |
14 6881 0836 | 03 | То же исполнение АС12/57 | " | " | |
14 6881 0840 | 07 | То же исполнение А21/57 | " | " | |
14 6881 0846 | 01 | Опора тавровая хомутовая из стали ВСт3сп исполнение А22/57 | ОСТ 36-146-88 | Опоры для технологических трубопроводов | |
14 6881 0850 | 05 | То же исполнение АС21/57 | То же | То же | |
14 6881 0856 | 10 | То же исполнение АС22/57 | " | " | |
14 6881 0860 | 03 | То же исполнение А11/76 | " | " | |
14 6881 0866 | 08 | То же исполнение А12/76 | " | " | |
14 6881 0870 | 01 | То же исполнение АС11/76 | " | " | |
14 6881 0876 | 06 | То же исполнение АС12/76 | " | " | |
14 6881 0880 | 10 | То же исполнение А21/76 | " | " | |
14 6881 0886 | 04 | То же исполнение А22/76 | " | " | |
14 6881 0890 | 08 | То же исполнение АС21/76 | " | " | |
14 6881 0896 | 02 | То же исполнение АС22/76 | " | " | |
14 6881 0900 | 01 | То же исполнение А11/89 | " | " | |
14 6881 0906 | 06 | То же исполнение А12/89 | " | " | |
14 6881 0910 | 10 | То же исполнение АС11/89 | " | " | |
14 6681 0916 | 04 | То же исполнение АС12/89 | " | " | |
14 6881 0920 | 08 | То же исполнение А21/89 | " | " | |
14 6881 0924 | 04 | То же исполнение А22/89 | " | " | |
14 6881 0926 | 02 | То же исполнение АС21/89 | " | " | |
14 6881 0930 | 06 | То же исполнение АС22/89 | " | " | |
14 6881 0936 | 00 | То же исполнение Б12/108 | " | " | |
14 6881 0940 | 04 | То же исполнение БС12/108 | " | " | |
14 6881 0946 | 09 | То же исполнение Б22/108 | " | " | |
14 6881 0950 | 02 | То же исполнение БС22/108 | " | " | |
14 6881 0956 | 07 | Опора тавровая хомутовая из стали ВСт3сп исполнение Б12/133 | ОСТ 36-146-88 | Опоры для технологических трубопроводов | |
14 6881 0960 | 00 | То же исполнение БС12/133 | То же | То же | |
14 6881 0966 | 05 | То же исполнение Б22/133 | " | " | |
14 6881 0970 | 09 | То же исполнение БС22/133 | " | " | |
14 6881 0976 | 03 | То же исполнение Б12/159 | " | " | |
14 6881 0980 | 07 | То же исполнение БС12/159 | " | " | |
14 6881 0986 | 01 | То же исполнение Б22/159 | " | " | |
14 6881 0990 | 05 | То же исполнение БС22/159 | " | " | |
14 6881 1002 | 00 | Опора тавровая хомутовая из стали 20 исполнение АС00/18 | " | " | |
14 6881 1006 | 07 | То же исполнение АС00/25 | " | " | |
14 6881 1010 | 00 | То же исполнение АС00/32 | " | " | |
14 6881 1016 | 05 | То же исполнение АС10/32 | " | " | |
14 6881 1020 | 09 | То же исполнение АС10/38 | " | " | |
14 6881 1026 | 03 | То же исполнение АС10/45 | " | " | |
14 6881 1030 | 07 | То же исполнение А11/57 | " | " | |
14 6881 1036 | 01 | То же исполнение А12/57 | " | " | |
14 6881 1040 | 05 | То же исполнение АС11/57 | " | " | |
14 6881 1046 | 10 | То же исполнение АС12/57 | " | " | |
14 6881 1050 | 03 | То же исполнение А21/57 | " | " | |
14 6881 1056 | 08 | То же исполнение А22/57 | " | " | |
14 6881 1060 | 01 | То же исполнение АС21/57 | " | " | |
14 6881 1066 | 06 | Опора тавровая хомутовая из стали 20 исполнение АС22/57 | ОСТ 36-146-88 | Опоры для технологических трубопроводов | |
14 6881 1070 | 10 | То же исполнение А11/76 | То же | То же | |
14 6881 1076 | 04 | То же исполнение А12/76 | " | " | |
14 6881 1080 | 08 | То же исполнение АС11/76 | " | " | |
14 6881 1086 | 02 | То же исполнение АС12/76 | " | " | |
14 6881 1090 | 06 | То же исполнение А21/76 | " | " | |
14 6881 1096 | 00 | То же исполнение А22/76 | " | " | |
14 6881 1100 | 10 | То же исполнение АС21/76 | " | " | |
14 6881 1106 | 04 | То же исполнение АС22/76 | " | " | |
14 6881 1110 | 08 | То же исполнение А11/89 | " | " | |
14 6881 1116 | 02 | То же исполнение А12/89 | " | " | |
14 6881 1120 | 06 | То же исполнение АС11/89 | " | " | |
14 6881 1126 | 00 | То же исполнение АС12/89 | " | " | |
14 6881 1130 | 04 | То же исполнение А21/89 | " | " | |
14 6881 1136 | 09 | То же исполнение А22/89 | " | " | |
14 6881 1140 | 02 | То же исполнение АС21/89 | " | " | |
14 6881 1146 | 07 | То же исполнение АС22/89 | " | " | |
14 6881 1150 | 00 | То же исполнение Б12/108 | " | " | |
14 6881 1156 | 05 | То же исполнение БС12/108 | " | " | |
14 6881 1160 | 09 | То же исполнение Б22/108 | " | " | |
14 6881 1166 | 03 | То же исполнение БС22/108 | " | " | |
14 6881 1170 | 07 | То же исполнение Б12/133 | " | " | |
14 6881 1176 | 01 | То же исполнение БС12/133 | " | " | |
14 6881 1180 | 05 | Опора тавровая хомутовая из стали 20 исполнение Б22/133 | ОСТ 36-146-88 | Опоры для технологических трубопроводов | |
14 6881 1186 | 10 | То же исполнение БС22/133 | То же | То же | |
14 6881 1190 | 03 | То же исполнение Б12/159 | " | " | |
14 6881 1196 | 08 | То же исполнение БС12/159 | " | " | |
14 6881 1200 | 07 | То же исполнение Б22/159 | " | " | |
14 6881 1206 | 01 | То же исполнение БС22/159 | " | " | |
14 6881 1210 | 05 | Опора тавровая хомутовая из стали 10Г2 исполнение АС00/18 | " | " | |
14 6881 1216 | 10 | То же исполнение АС00/25 | " | " | |
14 6881 1220 | 03 | То же исполнение АС00/32 | " | " | |
14 6881 1226 | 08 | То же исполнение АС10/32 | " | " | |
14 6881 1230 | 01 | То же исполнение АС10/38 | " | " | |
14 6881 1236 | 06 | То же исполнение АС10/45 | " | " | |
14 6881 1240 | 10 | То же исполнение А11/57 | " | " | |
14 6881 1246 | 04 | То же исполнение А12/57 | " | " | |
14 6881 1250 | 08 | То же исполнение АС11/57 | " | " | |
14 6881 1256 | 02 | То же исполнение АС12/57 | " | " | |
14 6881 1260 | 06 | То же исполнение А21/57 | " | " | |
14 6881 1266 | 00 | То же исполнение А22/57 | " | " | |
14 6881 1270 | 04 | То же исполнение АС21/57 | " | " | |
14 6881 1276 | 09 | То же исполнение АС22/57 | " | " | |
14 6881 1280 | 02 | То же исполнение А11/76 | " | " | |
14 6881 1286 | 07 | Опора тавровая хомутовая из стали 10Г2 исполнение А12/76 | ОСТ 36-146-88 | Опоры для технологических трубопроводов | |
14 6881 1290 | 00 | То же исполнение АС11/76 | То же | То же | |
14 6881 1296 | 05 | То же исполнение АС12/76 | " | " | |
14 6881 1300 | 04 | То же исполнение А21/76 | " | " | |
14 6881 1306 | 09 | То же исполнение А22/76 | " | " | |
14 6881 1310 | 02 | То же исполнение АС21/76 | " | " | |
14 6881 1316 | 07 | То же исполнение АС22/76 | " | " | |
14 6881 1320 | 00 | То же исполнение А11/89 | " | " | |
14 6881 1326 | 05 | То же исполнение А12/89 | " | " | |
14 6881 1330 | 09 | То же исполнение АС11/89 | " | " | |
14 6881 1336 | 03 | То же исполнение АС12/89 | " | " | |
14 6881 1340 | 07 | То же исполнение А21/89 | " | " | |
14 6881 1346 | 01 | То же исполнение А22/89 | " | " | |
14 6881 1350 | 05 | То же исполнение АС21/89 | " | " | |
14 6881 1356 | 10 | То же исполнение АС22/89 | " | " | |
14 6881 1360 | 03 | То же исполнение Б12/108 | " | " | |
14 6881 1366 | 08 | То же исполнение БС12/108 | " | " | |
14 6881 1370 | 01 | То же исполнение Б22/108 | " | " | |
14 6881 1376 | 06 | То же исполнение БС22/108 | " | " | |
14 6881 1380 | 10 | То же исполнение Б12/133 | " | " | |
14 6881 1386 | 04 | То же исполнение БС12/133 | " | " | |
14 6881 1390 | 08 | Опора тавровая хомутовая из стали 10Г2 исполнение Б22/133 | ОСТ 36-146-88 | Опоры для технологических трубопроводов | |
14 6881 1396 | 02 | То же исполнение БС22/133 | То же | То же | |
14 6881 1400 | 01 | То же исполнение Б12/159 | " | " | |
14 6881 1406 | 06 | То же исполнение БС12/159 | " | " | |
14 6881 1410 | 10 | То же исполнение Б22/159 | " | " | |
14 6881 1420 | 08 | То же исполнение БС22/159 | " | " | |
14 6881 1426 | 02 | Опора тавровая хомутовая из стали 09Г2С исполнение АС00/18 | " | " | |
14 6881 1430 | 06 | То же исполнение АС00/25 | " | " | |
14 6881 1436 | 00 | То же исполнение АС00/32 | " | " | |
14 6881 1440 | 04 | То же исполнение АС10/32 | " | " | |
14 6881 1446 | 09 | То же исполнение АС10/38 | " | " | |
14 6881 1460 | 00 | То же исполнение АС10/45 | " | " | |
14 6881 1466 | 05 | То же исполнение А11/57 | " | " | |
14 6881 1470 | 09 | То же исполнение А12/57 | " | " | |
14 6881 1476 | 03 | То же исполнение АС11/57 | " | " | |
14 6881 1480 | 07 | То же исполнение АС12/57 | " | " | |
14 6881 1486 | 01 | То же исполнение А21/57 | " | " | |
14 6881 1490 | 05 | То же исполнение А22/57 | " | " | |
14 6881 1496 | 10 | То же исполнение АС21/57 | " | " | |
14 6881 1500 | 09 | То же исполнение АС22/57 | " | " | |
14 6881 1506 | 03 | То же исполнение А11/76 | " | " | |
14 6881 1510 | 07 | То же исполнение А12/76 | " | " | |
14 6881 1516 | 01 | Опора тавровая хомутовая из стали 09Г2С исполнение АС11/76 | ОСТ 36-146-88 | Опоры для технологических трубопроводов | |
14 6881 1520 | 05 | То же исполнение АС12/76 | То же | То же | |
14 6881 1526 | 10 | То же исполнение А21/76 | " | " | |
14 6881 1530 | 03 | То же исполнение А22/76 | " | " | |
14 6881 1536 | 08 | То же исполнение АС11/76 | " | " | |
14 6881 1540 | 01 | То же исполнение АС22/76 | " | " | |
14 6881 1546 | 06 | То же исполнение А11/89 | " | " | |
14 6881 1550 | 10 | То же исполнение А12/89 | " | " | |
14 6881 1556 | 04 | То же исполнение АС11/89 | " | " | |
14 6881 1560 | 08 | То же исполнение АС12/89 | " | " | |
14 6881 1566 | 02 | То же исполнение А21/89 | " | " | |
14 6881 1570 | 06 | То же исполнение А22/89 | " | " | |
14 6881 1576 | 00 | То же исполнение АС21/89 | " | " | |
14 6881 1580 | 04 | То же исполнение АС22/89 | " | " | |
14 6881 1586 | 09 | То же исполнение Б12/108 | " | " | |
14 6881 1590 | 02 | То же исполнение БС12/108 | " | " | |
14 6881 1596 | 07 | То же исполнение Б22/108 | " | " | |
14 6881 1600 | 06 | То же исполнение БС22/108 | " | " | |
14 6881 1606 | 00 | То же исполнение Б12/133 | " | " | |
14 6881 1610 | 04 | То же исполнение БС12/133 | " | " | |
14 6881 1616 | 09 | То же исполнение Б22/133 | " | " | |
14 6881 1620 | 02 | То же исполнение БС22/133 | " | " | |
14 6881 1626 | 07 | То же исполнение Б12/159 | " | " | |
14 6881 1630 | 00 | Опора тавровая хомутовая из стали 09Г2С исполнение БС12/159 | ОСТ 36-146-88 | Опоры для технологических трубопроводов | |
14 6881 1636 | 05 | То же исполнение Б22/159 | То же | То же | |
14 6881 1640 | 09 | То же исполнение БС22/159 | " | " | |
14 6881 1700 | 03 | Опора корпусная приварная из стали ВСт3кп исполнение А11/57 | " | " | |
14 6881 1702 | 01 | То же исполнение А12/57 | " | " | |
14 6881 1704 | 10 | То же исполнение А21/57 | " | " | |
14 6881 1706 | 08 | То же исполнение А22/57 | " | " | |
14 6881 1708 | 06 | То же исполнение А11/76 | " | " | |
14 6881 1710 | 01 | То же исполнение А12/76 | " | " | |
14 6881 1712 | 10 | То же исполнение А21/76 | " | " | |
14 6881 1714 | 08 | То же исполнение А22/76 | " | " | |
14 6881 1716 | 06 | То же исполнение А11/89 | " | " | |
14 6881 1718 | 04 | То же исполнение А12/89 | " | " | |
14 6881 1720 | 10 | То же исполнение А21/89 | " | " | |
14 6881 1722 | 08 | То же исполнение А22/89 | " | " | |
14 6881 1724 | 06 | То же исполнение А11/108 | " | " | |
14 6881 1726 | 04 | То же исполнение А12/108 | " | " | |
14 6881 1728 | 02 | То же исполнение А21/108 | " | " | |
14 6881 1730 | 08 | То же исполнение А22/108 | " | " | |
14 6881 1732 | 06 | То же исполнение А11/133 | " | " | |
14 6881 1734 | 04 | То же исполнение А12/133 | " | " | |
14 6881 1736 | 02 | Опора корпусная приварная из стали ВСт3кп исполнение А21/133 | ОСТ 36-146-88 | Опоры для технологических трубопроводов | |
14 6881 1738 | 00 | То же исполнение А22/133 | То же | То же | |
14 6881 1740 | 06 | То же исполнение А11/159 | " | " | |
14 6881 1742 | 04 | То же исполнение А12/159 | " | " | |
14 6881 1744 | 02 | То же исполнение А21/159 | " | " | |
14 6881 1746 | 00 | То же исполнение А22/159 | " | " | |
14 6881 1748 | 09 | То же исполнение А11/219 | " | " | |
14 6881 1750 | 04 | То же исполнение А12/219 | " | " | |
14 6881 1752 | 02 | То же исполнение А13/219 | " | " | |
14 6881 1754 | 00 | То же исполнение Б12/219 | " | " | |
14 6881 1756 | 09 | То же исполнение Б13/219 | " | " | |
14 6881 1758 | 07 | То же исполнение А21/219 | " | " | |
14 6881 1760 | 02 | То же исполнение А22/219 | " | " | |
14 6881 1762 | 00 | То же исполнение А23/219 | " | " | |
14 6881 1764 | 09 | То же исполнение Б22/219 | " | " | |
14 6881 1766 | 07 | То же исполнение Б23/219 | " | " | |
14 6881 1768 | 05 | То же исполнение А11/273 | " | " | |
14 6881 1770 | 00 | То же исполнение А12/273 | " | " | |
14 6881 1772 | 09 | То же исполнение А13/273 | " | " | |
14 6881 1774 | 07 | То же исполнение Б12/273 | " | " | |
14 6881 1776 | 05 | То же исполнение Б13/273 | " | " | |
14 6881 1778 | 03 | То же исполнение А21/273 | " | " | |
14 6881 1780 | 09 | То же исполнение А22/273 | " | " | |
14 6881 1782 | 07 | Опора корпусная приварная из стали ВСт3кп исполнение А23/273 | ОСТ 36-146-88 | Опоры для технологических трубопроводов | |
14 6881 1784 | 05 | То же исполнение Б22/273 | То же | То же | |
14 6881 1786 | 03 | То же исполнение Б23/273 | " | " | |
14 6881 1788 | 01 | То же исполнение А11/325 | " | " | |
14 6881 1790 | 07 | То же исполнение А12/325 | " | " | |
14 6881 1792 | 05 | То же исполнение А13/325 | " | " | |
14 6881 1794 | 03 | То же исполнение Б12/325 | " | " | |
14 6881 1796 | 01 | То же исполнение Б13/325 | " | " | |
14 6881 1798 | 10 | То же исполнение А21/325 | " | " | |
14 6881 1800 | 00 | То же исполнение А22/325 | " | " | |
14 6881 1802 | 09 | То же исполнение А23/325 | " | " | |
14 6881 1804 | 07 | То же исполнение Б22/325 | " | " | |
14 6881 1806 | 05 | То же исполнение Б23/325 | " | " | |
14 6881 1808 | 03 | То же исполнение А11/377 | " | " | |
14 6881 1810 | 09 | То же исполнение А12/377 | " | " | |
14 6881 1812 | 07 | То же исполнение А13/377 | " | " | |
14 6881 1814 | 05 | То же исполнение Б12/377 | " | " | |
14 6881 1816 | 03 | То же исполнение Б13/377 | " | " | |
14 6881 1818 | 01 | То же исполнение А21/377 | " | " | |
14 6881 1820 | 07 | То же исполнение А22/377 | " | " | |
14 6881 1822 | 05 | То же исполнение А23/377 | " | " | |
14 6881 1824 | 03 | То же исполнение Б22/377 | " | " | |
14 6881 1826 | 01 | То же исполнение Б23/377 | " | " | |
14 6881 1828 | 10 | Опора корпусная приварная из стали ВСт3пс исполнение А11/57 | ОСТ 36-146-88 | Опоры для технологических трубопроводов | |
14 6881 1830 | 05 | То же исполнение А12/57 | То же | То же | |
14 6881 1832 | 03 | То же исполнение А21/57 | " | " | |
14 6881 1834 | 01 | То же исполнение А22/57 | " | " | |
14 6881 1836 | 10 | То же исполнение А11/76 | " | " | |
14 6881 1838 | 08 | То же исполнение А12/76 | " | " | |
14 6881 1840 | 03 | То же исполнение А21/76 | " | " | |
14 6881 1842 | 01 | То же исполнение А22/76 | " | " | |
14 6881 1844 | 10 | То же исполнение А11/89 | " | " | |
14 6881 1846 | 08 | То же исполнение А12/89 | " | " | |
14 6881 1848 | 06 | То же исполнение А21/89 | " | " | |
14 6881 1850 | 01 | То же исполнение А22/89 | " | " | |
14 6881 1852 | 10 | То же исполнение А11/108 | " | " | |
14 6881 1854 | 08 | То же исполнение А12/108 | " | " | |
14 6881 1856 | 06 | То же исполнение А21/108 | " | " | |
14 6881 1858 | 04 | То же исполнение А22/108 | " | " | |
14 6881 1860 | 10 | То же исполнение А11/133 | " | " | |
14 6881 1862 | 08 | То же исполнение А12/133 | " | " | |
14 6881 1864 | 06 | То же исполнение А21/133 | " | " | |
14 6881 1866 | 04 | То же исполнение А22/133 | " | " | |
14 6881 1868 | 02 | То же исполнение А11/159 | " | " | |
14 6881 1870 | 08 | То же исполнение А12/159 | " | " | |
14 6881 1872 | 06 | То же исполнение А21/159 | " | " | |
14 6881 1874 | 04 | То же исполнение А22/159 | " | " | |
14 6881 1876 | 02 | Опора корпусная приварная из стали ВСт3пс исполнение А11/219 | ОСТ 36-146-88 | Опоры для технологических трубопроводов | |
14 6881 1878 | 00 | То же исполнение А12/219 | То же | То же | |
14 6881 1880 | 06 | То же исполнение А13/219 | " | " | |
14 6881 1882 | 04 | То же исполнение Б12/219 | " | " | |
14 6881 1884 | 02 | То же исполнение Б13/219 | " | " | |
14 6881 1886 | 00 | То же исполнение А21/219 | " | " | |
14 6881 1888 | 09 | То же исполнение А22/219 | " | " | |
14 6881 1890 | 04 | То же исполнение А23/219 | " | " | |
14 6881 1892 | 02 | То же исполнение Б22/219 | " | " | |
14 6881 1894 | 00 | То же исполнение Б23/219 | " | " | |
14 6881 1896 | 09 | То же исполнение А11/273 | " | " | |
14 6881 1898 | 07 | То же исполнение А12/273 | " | " | |
14 6881 1900 | 08 | То же исполнение А13/273 | " | " | |
14 6881 1902 | 06 | То же исполнение Б12/273 | " | " | |
14 6881 1904 | 04 | То же исполнение Б13/273 | " | " | |
14 6881 1906 | 02 | То же исполнение А21/273 | " | " | |
14 6881 1908 | 00 | То же исполнение А22/273 | " | " | |
14 6881 1910 | 06 | То же исполнение А23/273 | " | " | |
14 6881 1912 | 04 | То же исполнение Б22/273 | " | " | |
14 6881 1914 | 02 | То же исполнение Б23/273 | " | " | |
14 6881 1916 | 00 | То же исполнение А11/325 | " | " | |
14 6881 1918 | 09 | То же исполнение А12/325 | " | " | |
14 6881 1920 | 04 | То же исполнение А13/325 | " | " | |
14 6881 1922 | 02 | Опора корпусная приварная из стали ВСт3пс исполнение Б12/325 | ОСТ 36-146-88 | Опоры для технологических трубопроводов | |
14 6881 1924 | 00 | То же исполнение Б13/325 | То же | То же | |
14 6881 1926 | 09 | То же исполнение А21/325 | " | " | |
14 6881 1928 | 07 | То же исполнение А22/325 | " | " | |
14 6881 1930 | 02 | То же исполнение А23/325 | " | " | |
14 6881 1932 | 00 | То же исполнение Б22/325 | " | " | |
14 6881 1934 | 09 | То же исполнение Б23/325 | " | " | |
14 6881 1936 | 07 | То же исполнение А11/377 | " | " | |
14 6881 1938 | 05 | То же исполнение А12/377 | " | " | |
14 6881 1940 | 00 | То же исполнение А13/377 | " | " | |
14 6881 1942 | 09 | То же исполнение Б12/377 | " | " | |
14 6881 1944 | 07 | То же исполнение Б13/377 | " | " | |
14 6881 1946 | 05 | То же исполнение А21/377 | " | " | |
14 6881 1948 | 03 | То же исполнение А22/377 | " | " | |
14 6881 1950 | 09 | То же исполнение А23/377 | " | " | |
14 6881 1952 | 07 | То же исполнение Б22/377 | " | " | |
14 6881 1954 | 05 | То же исполнение Б23/377 | " | " | |
14 6881 1956 | 03 | То же исполнение А11/426 | " | " | |
14 6881 1958 | 01 | То же исполнение А12/426 | " | " | |
14 6881 1960 | 07 | То же исполнение А13/426 | " | " | |
14 6881 1962 | 05 | То же исполнение Б12/426 | " | " | |
14 6881 1964 | 03 | То же исполнение Б13/426 | " | " | |
14 6881 1966 | 01 | Опора корпусная приварная из стали ВСт3пс исполнение А21/426 | ОСТ 36-146-88 | Опоры для технологических трубопроводов | |
14 6881 1968 | 10 | То же исполнение А22/426 | То же | То же | |
14 6881 1970 | 05 | То же исполнение А23/426 | " | " | |
14 6881 1972 | 03 | То же исполнение Б22/426 | " | " | |
14 6881 1974 | 01 | То же исполнение Б23/426 | " | " | |
14 6881 1976 | 10 | То же исполнение А11/530 | " | " | |
14 6881 1978 | 08 | То же исполнение А12/530 | " | " | |
14 6881 1980 | 03 | То же исполнение А13/530 | " | " | |
14 6881 1982 | 01 | То же исполнение Б12/530 | " | " | |
14 6881 1984 | 10 | То же исполнение Б13/530 | " | " | |
14 6881 1986 | 08 | То же исполнение А21/530 | " | " | |
14 6881 1988 | 06 | То же исполнение А22/530 | " | " | |
14 6881 1990 | 01 | То же исполнение А23/530 | " | " | |
14 6881 1992 | 10 | То же исполнение Б22/530 | " | " | |
14 6881 1994 | 08 | То же исполнение Б23/530 | " | " | |
14 6881 1996 | 06 | То же исполнение А11/630 | " | " | |
14 6881 1998 | 04 | То же исполнение А12/630 | " | " | |
14 6881 2000 | 09 | То же исполнение А13/630 | " | " | |
14 6881 2002 | 07 | То же исполнение Б12/630 | " | " | |
14 6881 2004 | 05 | То же исполнение Б13/630 | " | " | |
14 6881 2006 | 03 | То же исполнение А21/630 | " | " | |
14 6881 2008 | 01 | То же исполнение А22/630 | " | " | |
14 6881 2010 | 07 | То же исполнение А23/630 | " | " | |
14 6881 2012 | 05 | Опора корпусная приварная из стали ВСт3пс исполнение Б22/630 | ОСТ 36-146-88 | Опоры для технологических трубопроводов | |
14 6881 2014 | 03 | То же исполнение Б23/630 | То же | То же | |
14 6881 2016 | 01 | То же исполнение А12/820 | " | " | |
14 6881 2018 | 10 | То же исполнение А13/820 | " | " | |
14 6881 2020 | 05 | То же исполнение Б12/820 | " | " | |
14 6881 2022 | 03 | То же исполнение Б13/820 | " | " | |
14 6881 2024 | 01 | То же исполнение А22/820 | " | " | |
14 6881 2026 | 10 | То же исполнение А23/820 | " | " | |
14 6881 2028 | 08 | То же исполнение Б22/820 | " | " | |
14 6881 2030 | 03 | То же исполнение Б23/820 | " | " | |
14 6881 2032 | 01 | То же исполнение А12/1020 | " | " | |
14 6881 2034 | 10 | То же исполнение А13/1020 | " | " | |
14 6881 2036 | 08 | То же исполнение Б12/1020 | " | " | |
14 6881 2038 | 06 | То же исполнение Б13/1020 | " | " | |
14 6881 2040 | 01 | То же исполнение А22/1020 | " | " | |
14 6881 2042 | 10 | То же исполнение А23/1020 | " | " | |
14 6881 2044 | 08 | То же исполнение Б22/1020 | " | " | |
14 6881 2046 | 06 | То же исполнение Б23/1020 | " | " | |
14 6881 2048 | 04 | То же исполнение А12/1220 | " | " | |
14 6881 2050 | 10 | То же исполнение А13/1220 | " | " | |
14 6881 2052 | 08 | То же исполнение Б12/1220 | " | " | |
14 6881 2054 | 06 | То же исполнение Б13/1220 | " | " | |
14 6881 2056 | 04 | То же исполнение А22/1220 | " | " | |
14 6881 2058 | 02 | Опора корпусная приварная из стали ВСт3пс исполнение А23/1220 | ОСТ 36-146-88 | Опоры для технологических трубопроводов | |
14 6881 2060 | 08 | То же исполнение Б22/1220 | То же | То же | |
14 6881 2062 | 06 | То же исполнение Б23/1220 | " | " | |
14 6881 2064 | 04 | То же исполнение А12/1420 | " | " | |
14 6881 2066 | 02 | То же исполнение А13/1420 | " | " | |
14 6881 2068 | 00 | То же исполнение Б12/1420 | " | " | |
14 6881 2070 | 06 | То же исполнение Б13/1420 | " | " | |
14 6881 2072 | 04 | То же исполнение А22/1420 | " | " | |
14 6881 2074 | 02 | То же исполнение А23/1420 | " | " | |
14 6881 2076 | 00 | То же исполнение Б22/1420 | " | " | |
14 6881 2078 | 03 | То же исполнение Б23/1420 | " | " | |
14 6881 2102 | 04 | Опора корпусная приварная из стали ВСт3сп исполнение А11/57 | " | " | |
14 6881 2104 | 02 | То же исполнение А12/67 | " | " | |
14 6881 2106 | 00 | То же исполнение А21/57 | " | " | |
14 6881 2108 | 09 | То же исполнение А22/57 | " | " | |
14 6881 2110 | 04 | То же исполнение А11/76 | " | " | |
14 6881 2112 | 02 | То же исполнение А12/76 | " | " | |
14 6881 2114 | 00 | То же исполнение А21/76 | " | " | |
14 6881 2116 | 09 | То же исполнение А22/76 | " | " | |
14 6881 2118 | 07 | То же исполнение А11/89 | " | " | |
14 6881 2120 | 02 | То же исполнение А12/89 | " | " | |
14 6881 2122 | 00 | То же исполнение А21/89 | " | " | |
14 6881 2124 | 09 | Опора корпусная приварная из стали ВСт3сп исполнение А22/89 | ОСТ 36-146-88 | Опоры для технологических трубопроводов | |
14 6881 2126 | 07 | То же исполнение А11/108 | То же | То же | |
14 6881 2128 | 05 | То же исполнение А12/108 | " | " | |
14 6881 2130 | 00 | То же исполнение А21/108 | " | " | |
14 6881 2132 | 09 | То же исполнение А22/108 | " | " | |
14 6881 2134 | 07 | То же исполнение А11/133 | " | " | |
14 6881 2136 | 05 | То же исполнение А12/133 | " | " | |
14 6881 2138 | 03 | То же исполнение А21/133 | " | " | |
14 6881 2140 | 09 | То же исполнение А22/133 | " | " | |
14 6881 2142 | 07 | То же исполнение А11/159 | " | " | |
14 6881 2144 | 05 | То же исполнение А12/159 | " | " | |
14 6881 2146 | 03 | То же исполнение А21/159 | " | " | |
14 6881 2148 | 01 | То же исполнение А22/159 | " | " | |
14 6881 2150 | 07 | То же исполнение А11/219 | " | " | |
14 6881 2152 | 05 | То же исполнение А12/219 | " | " | |
14 6881 2154 | 03 | То же исполнение А13/219 | " | " | |
14 6881 2156 | 01 | То же исполнение Б12/219 | " | " | |
14 6881 2158 | 10 | То же исполнение Б13/219 | " | " | |
14 6881 2160 | 05 | То же исполнение А21/219 | " | " | |
14 6881 2162 | 03 | То же исполнение А22/219 | " | " | |
14 6881 2164 | 01 | То же исполнение А23/219 | " | " | |
14 6881 2166 | 10 | То же исполнение Б22/219 | " | " | |
14 6881 2168 | 08 | То же исполнение Б23/219 | " | " | |
14 6881 2170 | 03 | Опора корпусная приварная из стали ВСт3сп исполнение А11/273 | ОСТ 36-146-88 | Опоры для технологических трубопроводов | |
14 6881 2172 | 01 | То же исполнение А12/273 | То же | То же | |
14 6881 2174 | 10 | То же исполнение А13/273 | " | " | |
14 6881 2176 | 08 | То же исполнение Б12/273 | " | " | |
14 6881 2178 | 06 | То же исполнение Б13/273 | " | " | |
14 6881 2180 | 01 | То же исполнение А21/273 | " | " | |
14 6881 2182 | 10 | То же исполнение А22/273 | " | " | |
14 6881 2184 | 08 | То же исполнение А23/273 | " | " | |
14 6881 2186 | 06 | То же исполнение Б22/273 | " | " | |
14 6881 2188 | 04 | То же исполнение Б23/273 | " | " | |
14 6881 2190 | 10 | То же исполнение А11/325 | " | " | |
14 6881 2192 | 08 | То же исполнение А12/325 | " | " | |
14 6881 2194 | 06 | То же исполнение А13/325 | " | " | |
14 6881 2196 | 04 | То же исполнение Б12/325 | " | " | |
14 6881 2198 | 02 | То же исполнение Б13/325 | " | " | |
14 6881 2200 | 03 | То же исполнение А21/325 | " | " | |
14 6881 2202 | 01 | То же исполнение А22/325 | " | " | |
14 6881 2204 | 10 | То же исполнение А23/325 | " | " | |
14 6881 2206 | 08 | То же исполнение Б22/325 | " | " | |
14 6881 2208 | 06 | То же исполнение Б23/325 | " | " | |
14 6881 2210 | 01 | То же исполнение А11/377 | " | " | |
14 6881 2212 | 10 | То же исполнение А12/377 | " | " | |
14 6881 2214 | 08 | То же исполнение А13/377 | " | " | |
14 6881 2216 | 06 | То же исполнение Б12/377 | " | " | |
14 6881 2218 | 04 | Опора корпусная приварная из стали ВСт3сп исполнение Б13/377 | ОСТ 36-146-88 | Опоры для технологических трубопроводов | |
14 6881 2220 | 10 | То же исполнение А21/377 | То же | То же | |
14 6881 2222 | 08 | То же исполнение А22/377 | " | " | |
14 6881 2224 | 06 | То же исполнение А23/377 | " | " | |
14 6881 2226 | 04 | То же исполнение Б22/377 | " | " | |
14 6881 2228 | 02 | То же исполнение Б23/377 | " | " | |
14 6881 2230 | 08 | То же исполнение А11/426 | " | " | |
14 6881 2232 | 06 | То же исполнение А12/426 | " | " | |
14 6881 2234 | 04 | То же исполнение А13/426 | " | " | |
14 6881 2236 | 02 | То же исполнение Б12/426 | " | " | |
14 6881 2238 | 00 | То же исполнение Б13/426 | " | " | |
14 6881 2240 | 06 | То же исполнение А21/426 | " | " | |
14 6881 2242 | 04 | То же исполнение А22/426 | " | " | |
14 6881 2244 | 02 | То же исполнение А23/426 | " | " | |
14 6881 2246 | 00 | То же исполнение Б22/426 | " | " | |
14 6881 2248 | 09 | То же исполнение Б23/426 | " | " | |
14 6881 2250 | 04 | То же исполнение А11/530 | " | " | |
14 6881 2252 | 02 | То же исполнение А12/530 | " | " | |
14 6881 2254 | 00 | То же исполнение А13/530 | " | " | |
14 6881 2256 | 09 | То же исполнение Б12/530 | " | " | |
14 6881 2258 | 07 | То же исполнение Б13/530 | " | " | |
14 6881 2260 | 02 | То же исполнение А21/530 | " | " | |
14 6881 2262 | 00 | То же исполнение А22/530 | " | " | |
14 6881 2264 | 09 | Опора корпусная приварная из стали ВСт3сп исполнение А23/530 | ОСТ 36-146-88 | Опоры для технологических трубопроводов | |
14 6881 2266 | 07 | То же исполнение Б22/530 | То же | То же | |
14 6881 2268 | 05 | То же исполнение Б23/530 | " | " | |
14 6881 2270 | 00 | То же исполнение А11/630 | " | " | |
14 6881 2272 | 09 | То же исполнение А12/630 | " | " | |
14 6881 2274 | 07 | То же исполнение А13/630 | " | " | |
14 6881 2276 | 05 | То же исполнение Б12/630 | " | " | |
14 6881 2278 | 03 | То же исполнение Б13/630 | " | " | |
14 6881 2280 | 09 | То же исполнение А21/630 | " | " | |
14 6881 2282 | 07 | То же исполнение А22/630 | " | " | |
14 6881 2284 | 05 | То же исполнение А23/630 | " | " | |
14 6881 2286 | 03 | То же исполнение Б22/630 | " | " | |
14 6881 2288 | 01 | То же исполнение Б23/630 | " | " | |
14 6881 2290 | 07 | То же исполнение А12/820 | " | " | |
14 6881 2292 | 05 | То же исполнение А13/820 | " | " | |
14 6881 2294 | 03 | То же исполнение Б12/820 | " | " | |
14 6881 2296 | 01 | То же исполнение Б13/820 | " | " | |
14 6881 2298 | 10 | То же исполнение А22/820 | " | " | |
14 6881 2300 | 00 | То же исполнение А23/820 | " | " | |
14 6881 2302 | 09 | То же исполнение Б22/820 | " | " | |
14 6881 2304 | 07 | То же исполнение Б23/820 | " | " | |
14 6881 2306 | 05 | То же исполнение А12/1020 | " | " | |
14 6881 2308 | 03 | То же исполнение А13/1020 | " | " | |
14 6881 2310 | 09 | То же исполнение Б12/1020 | " | " | |
14 6881 2312 | 07 | Опора корпусная приварная из стали ВСт3сп исполнение Б13/1020 | ОСТ 36-146-88 | Опоры для технологических трубопроводов | |
14 6881 2314 | 05 | То же исполнение А22/1020 | То же | То же | |
14 6881 2316 | 03 | То же исполнение А23/1020 | " | " | |
14 6881 2318 | 01 | То же исполнение Б22/1020 | " | " | |
14 6881 2320 | 07 | То же исполнение Б23/1020 | " | " | |
14 6881 2322 | 05 | То же исполнение А12/1220 | " | " | |
14 6881 2324 | 03 | То же исполнение А13/1220 | " | " | |
14 6881 2326 | 01 | То же исполнение Б12/1220 | " | " | |
14 6881 2328 | 10 | То же исполнение Б13/1220 | " | " | |
14 6881 2330 | 05 | То же исполнение А22/1220 | " | " | |
14 6881 2332 | 03 | То же исполнение А23/1220 | " | " | |
14 6881 2334 | 01 | То же исполнение Б22/1220 | " | " | |
14 6881 2336 | 10 | То же исполнение Б23/1220 | " | " | |
14 6881 2338 | 08 | То же исполнение А12/1420 | " | " | |
14 6881 2340 | 03 | То же исполнение А13/1420 | " | " | |
14 6881 2342 | 01 | То же исполнение Б12/1420 | " | " | |
14 6881 2344 | 10 | То же исполнение Б13/1420 | " | " | |
14 6881 2346 | 08 | То же исполнение А22/1420 | " | " | |
14 6881 2348 | 06 | То же исполнение А23/1420 | " | " | |
14 6881 2350 | 01 | То же исполнение Б22/1420 | " | " | |
14 6881 2352 | 10 | То же исполнение Б23/1420 | " | " | |
14 6881 2402 | 06 | Опора корпусная приварная из стали 20 исполнение А11/57 | " | " | |
14 6881 2404 | 04 | Опора корпусная приварная из стали 20 исполнение А12/57 | ОСТ 36-146-88 | Опоры для технологических трубопроводов | |
14 6881 2406 | 02 | То же исполнение А21/57 | То же | То же | |
14 6881 2408 | 00 | То же исполнение А22/57 | " | " | |
14 6881 2410 | 06 | То же исполнение А11/76 | " | " | |
14 6881 2412 | 04 | То же исполнение А12/76 | " | " | |
14 6881 2414 | 02 | То же исполнение А21/76 | " | " | |
14 6881 2416 | 00 | То же исполнение А22/76 | " | " | |
14 6881 2418 | 09 | То же исполнение А11/89 | " | " | |
14 6881 2420 | 04 | То же исполнение А12/89 | " | " | |
14 6881 2422 | 02 | То же исполнение А21/89 | " | " | |
14 6881 2424 | 00 | То же исполнение А22/89 | " | " | |
14 6881 2426 | 09 | То же исполнение А11/108 | " | " | |
14 6881 2428 | 07 | То же исполнение А12/108 | " | " | |
14 6881 2430 | 02 | То же исполнение А21/108 | " | " | |
14 6881 2432 | 00 | То же исполнение А22/108 | " | " | |
14 6881 2434 | 09 | То же исполнение А11/133 | " | " | |
14 6881 2436 | 07 | То же исполнение А12/133 | " | " | |
14 6881 2438 | 05 | То же исполнение А21/133 | " | " | |
14 6881 2440 | 00 | То же исполнение А22/133 | " | " | |
14 6881 2442 | 09 | То же исполнение А11/159 | " | " | |
14 6881 2444 | 07 | То же исполнение А12/159 | " | " | |
14 6881 2446 | 05 | То же исполнение А21/159 | " | " | |
14 6881 2448 | 03 | То же исполнение А22/159 | " | " | |
14 6881 2450 | 09 | Опора корпусная приварная из стали 20 исполнение А11/219 | ОСТ 36-146-88 | Опоры для технологических трубопроводов | |
14 6881 2452 | 07 | То же исполнение А12/219 | То же | То же | |
14 6881 2454 | 05 | То же исполнение А13/219 | " | " | |
14 6881 2456 | 03 | То же исполнение Б12/219 | " | " | |
14 6881 2458 | 01 | То же исполнение Б13/219 | " | " | |
14 6881 2460 | 07 | То же исполнение А21/219 | " | " | |
14 6881 2462 | 05 | То же исполнение А22/219 | " | " | |
14 6881 2464 | 03 | То же исполнение А23/219 | " | " | |
14 6881 2466 | 01 | То же исполнение Б22/219 | " | " | |
14 6881 2468 | 10 | То же исполнение Б23/219 | " | " | |
14 6881 2470 | 05 | То же исполнение А11/273 | " | " | |
14 6881 2472 | 03 | То же исполнение А12/273 | " | " | |
14 6881 2474 | 01 | То же исполнение А13/273 | " | " | |
14 6881 2476 | 10 | То же исполнение Б12/273 | " | " | |
14 6881 2478 | 08 | То же исполнение Б13/273 | " | " | |
14 6881 2480 | 03 | То же исполнение А21/273 | " | " | |
14 6881 2482 | 01 | То же исполнение А22/273 | " | " | |
14 6881 2484 | 10 | То же исполнение А23/273 | " | " | |
14 6881 2486 | 08 | То же исполнение Б22/273 | " | " | |
14 6881 2488 | 06 | То же исполнение Б23/273 | " | " | |
14 6881 2490 | 01 | То же исполнение А11/325 | " | " | |
14 6881 2492 | 10 | То же исполнение А12/325 | " | " | |
14 6881 2494 | 08 | То же исполнение А13/325 | " | " | |
14 6881 2496 | 06 | То же исполнение Б12/325 | " | " | |
14 6881 2498 | 04 | Опора корпусная приварная из стали 20 исполнение Б13/325 | ОСТ 36-146-88 | Опоры для технологических трубопроводов | |
14 6881 2500 | 05 | То же исполнение А21/325 | То же | То же | |
14 6881 2502 | 03 | То же исполнение А22/325 | " | " | |
14 6881 2504 | 01 | То же исполнение А23/325 | " | " | |
14 6881 2506 | 10 | То же исполнение Б22/325 | " | " | |
14 6881 2508 | 08 | То же исполнение Б23/325 | " | " | |
14 6881 2510 | 03 | То же исполнение А11/377 | " | " | |
14 6881 2512 | 01 | То же исполнение А12/377 | " | " | |
14 6881 2514 | 10 | То же исполнение А13/377 | " | " | |
14 6881 2516 | 08 | То же исполнение Б12/377 | " | " | |
14 6881 2518 | 06 | То же исполнение Б13/377 | " | " | |
14 6881 2520 | 01 | То же исполнение А21/377 | " | " | |
14 6881 2522 | 10 | То же исполнение А22/377 | " | " | |
14 6881 2524 | 08 | То же исполнение А23/377 | " | " | |
14 6881 2526 | 06 | То же исполнение Б22/377 | " | " | |
14 6881 2528 | 04 | То же исполнение Б23/377 | " | " | |
14 6881 2530 | 10 | То же исполнение А11/426 | " | " | |
14 6881 2532 | 08 | То же исполнение А12/426 | " | " | |
14 6881 2534 | 06 | То же исполнение А13/426 | " | " | |
14 6881 2536 | 04 | То же исполнение Б12/426 | " | " | |
14 6881 2538 | 02 | То же исполнение Б13/426 | " | " | |
14 6881 2540 | 08 | То же исполнение А21/426 | " | " | |
14 6881 2542 | 06 | То же исполнение А22/426 | " | " | |
14 6881 2544 | 04 | Опора корпусная приварная из стали 20 исполнение А23/426 | ОСТ 36-146-88 | Опоры для технологических трубопроводов | |
14 6881 2546 | 02 | То же исполнение Б22/426 | То же | То же | |
14 6881 2548 | 00 | То же исполнение Б23/426 | " | " | |
14 6881 2550 | 06 | То же исполнение А11/530 | " | " | |
14 6881 2552 | 04 | То же исполнение А12/530 | " | " | |
14 6881 2554 | 02 | То же исполнение А13/530 | " | " | |
14 6881 2556 | 00 | То же исполнение Б12/530 | " | " | |
14 6881 2558 | 09 | То же исполнение Б13/530 | " | " | |
14 6881 2560 | 04 | То же исполнение А21/530 | " | " | |
14 6881 2562 | 02 | То же исполнение А22/530 | " | " | |
14 6881 2564 | 00 | То же исполнение А23/530 | " | " | |
14 6881 2566 | 09 | То же исполнение Б22/530 | " | " | |
14 6881 2568 | 07 | То же исполнение Б23/530 | " | " | |
14 6881 2570 | 02 | То же исполнение А11/630 | " | " | |
14 6881 2572 | 00 | То же исполнение А12/630 | " | " | |
14 6881 2574 | 09 | То же исполнение А13/630 | " | " | |
14 6881 2576 | 07 | То же исполнение Б12/630 | " | " | |
14 6881 2578 | 05 | То же исполнение Б13/630 | " | " | |
14 6881 2580 | 00 | То же исполнение А21/630 | " | " | |
14 6881 2582 | 09 | То же исполнение А22/630 | " | " | |
14 6881 2584 | 07 | То же исполнение А23/630 | " | " | |
14 6881 2586 | 05 | То же исполнение Б22/630 | " | " | |
14 6881 2588 | 03 | То же исполнение Б23/630 | " | " | |
14 6881 2590 | 09 | То же исполнение А12/820 | " | " | |
14 6881 2592 | 07 | Опора корпусная приварная из стали 20 исполнение А13/820 | ОСТ 36-146-88 | Опоры для технологических трубопроводов | |
14 6881 2594 | 05 | То же исполнение Б12/820 | То же | То же | |
14 6881 2596 | 03 | То же исполнение Б13/820 | " | " | |
14 6881 2598 | 01 | То же исполнение А22/820 | " | " | |
14 6881 2600 | 02 | То же исполнение А23/820 | " | " | |
14 6881 2602 | 00 | То же исполнение Б22/820 | " | " | |
14 6881 2604 | 09 | То же исполнение Б23/820 | " | " | |
14 6881 2606 | 07 | То же исполнение А12/1020 | " | " | |
14 6881 2608 | 05 | То же исполнение А13/1020 | " | " | |
14 6881 2610 | 00 | То же исполнение Б12/1020 | " | " | |
14 6881 2612 | 09 | То же исполнение Б13/1020 | " | " | |
14 6881 2614 | 07 | То же исполнение А22/1020 | " | " | |
14 6881 2616 | 05 | То же исполнение А23/1020 | " | " | |
14 6881 2618 | 03 | То же исполнение Б22/1020 | " | " | |
14 6881 2620 | 09 | То же исполнение Б23/1020 | " | " | |
14 6881 2622 | 07 | То же исполнение А12/1220 | " | " | |
14 6881 2624 | 05 | То же исполнение А13/1220 | " | " | |
14 6881 2626 | 03 | То же исполнение Б12/1220 | " | " | |
14 6881 2628 | 01 | То же исполнение Б13/1220 | " | " | |
14 6881 2630 | 07 | То же исполнение А22/1220 | " | " | |
14 6881 2632 | 05 | То же исполнение А23/1220 | " | " | |
14 6881 2634 | 03 | То же исполнение Б22/1220 | " | " | |
14 6881 2636 | 01 | То же исполнение Б23/1220 | " | " | |
14 6881 2638 | 10 | То же исполнение А12/1420 | " | " | |
14 6881 2640 | 05 | Опора корпусная приварная из стали 20 исполнение А13/1420 | ОСТ 36-146-88 | Опоры для технологических трубопроводов | |
14 6881 2642 | 03 | То же исполнение Б12/1420 | То же | То же | |
14 6881 2644 | 01 | То же исполнение Б13/1420 | " | " | |
14 6881 2646 | 10 | То же исполнение А22/1420 | " | " | |
14 6881 2648 | 08 | То же исполнение А23/1420 | " | " | |
14 6881 2650 | 03 | То же исполнение Б22/1420 | " | " | |
14 6881 2652 | 01 | То же исполнение Б23/1420 | " | " | |
14 6881 2702 | 08 | Опора корпусная приварная из стали 10Г2 исполнение А11/57 | " | " | |
14 6881 2704 | 06 | То же исполнение А12/57 | " | " | |
14 6881 2706 | 04 | То же исполнение А21/57 | " | " | |
14 6881 2708 | 02 | То же исполнение А22/57 | " | " | |
14 6881 2710 | 08 | То же исполнение А11/76 | " | " | |
14 6881 2712 | 06 | То же исполнение А12/76 | " | " | |
14 6881 2714 | 04 | То же исполнение А21/76 | " | " | |
14 6881 2716 | 02 | То же исполнение А22/76 | " | " | |
14 6881 2718 | 00 | То же исполнение А11/89 | " | " | |
14 6681 2720 | 06 | То же исполнение А12/89 | " | " | |
14 6881 2722 | 04 | То же исполнение А21/89 | " | " | |
14 6881 2724 | 02 | То же исполнение А22/89 | " | " | |
14 6881 2726 | 00 | То же исполнение А11/108 | " | " | |
14 6881 2728 | 09 | То же исполнение А12/108 | " | " | |
14 6881 2730 | 04 | То же исполнение А21/108 | " | " | |
14 6881 2732 | 02 | Опора корпусная приварная из стали 10Г2 исполнение А22/108 | ОСТ 36-146-88 | Опоры для технологических трубопроводов | |
14 6881 2734 | 00 | То же исполнение А11/133 | То же | То же | |
14 6881 2736 | 09 | То же исполнение А12/133 | " | " | |
14 6881 2738 | 07 | То же исполнение А21/133 | " | " | |
14 6881 2740 | 02 | То же исполнение А22/133 | " | " | |
14 6881 2742 | 00 | То же исполнение А11/159 | " | " | |
14 6881 2744 | 09 | То же исполнение А12/159 | " | " | |
14 6881 2746 | 07 | То же исполнение А21/159 | " | " | |
14 6881 2748 | 05 | То же исполнение А22/159 | " | " | |
14 6881 2750 | 00 | То же исполнение А11/219 | " | " | |
14 6881 2752 | 09 | То же исполнение А12/219 | " | " | |
14 6881 2754 | 07 | То же исполнение А13/219 | " | " | |
14 6881 2756 | 05 | То же исполнение Б12/219 | " | " | |
14 6881 2758 | 03 | То же исполнение Б13/219 | " | " | |
14 6881 2760 | 09 | То же исполнение А21/219 | " | " | |
14 6881 2762 | 07 | То же исполнение А22/219 | " | " | |
14 6881 2764 | 05 | То же исполнение А23/219 | " | " | |
14 6881 2766 | 03 | То же исполнение Б22/219 | " | " | |
14 6881 2768 | 01 | То же исполнение Б23/219 | " | " | |
14 6881 2770 | 07 | То же исполнение А11/273 | " | " | |
14 6881 2772 | 05 | То же исполнение А12/273 | " | " | |
14 6881 2774 | 03 | То же исполнение А13/273 | " | " | |
14 6881 2776 | 01 | То же исполнение Б12/273 | " | " | |
14 6881 2778 | 10 | То же исполнение Б13/273 | " | " | |
14 6881 2780 | 05 | Опора корпусная приварная из стали 10Г2 исполнение А21/273 | ОСТ 36-146-88 | Опоры для технологических трубопроводов | |
14 6881 2782 | 03 | То же исполнение А22/273 | То же | То же | |
14 6881 2784 | 01 | То же исполнение А23/273 | " | " | |
14 6881 2786 | 10 | То же исполнение Б22/273 | " | " | |
14 6881 2788 | 08 | То же исполнение Б23/273 | " | " | |
14 6881 2790 | 03 | То же исполнение А11/325 | " | " | |
14 6881 2792 | 01 | То же исполнение А12/325 | " | " | |
14 6881 2794 | 10 | То же исполнение А13/325 | " | " | |
14 6881 2796 | 08 | То же исполнение Б12/325 | " | " | |
14 6881 2798 | 06 | То же исполнение Б13/325 | " | " | |
14 6881 2800 | 07 | То же исполнение А21/325 | " | " | |
14 6881 2802 | 05 | То же исполнение А22/325 | " | " | |
14 6881 2804 | 03 | То же исполнение А23/325 | " | " | |
14 6881 2806 | 01 | То же исполнение Б22/325 | " | " | |
14 6881 2808 | 10 | То же исполнение Б23/325 | " | " | |
14 6881 2810 | 05 | То же исполнение А11/377 | " | " | |
14 6881 2812 | 03 | То же исполнение А12/377 | " | " | |
14 6881 2814 | 01 | То же исполнение А13/377 | " | " | |
14 6881 2816 | 10 | То же исполнение Б12/377 | " | " | |
14 6881 2818 | 08 | То же исполнение Б13/377 | " | " | |
14 6881 2820 | 03 | То же исполнение А21/377 | " | " | |
14 6881 2822 | 01 | То же исполнение А22/377 | " | " | |
14 6881 2824 | 10 | То же исполнение А23/377 | " | " | |
14 6881 2826 | 08 | То же исполнение Б22/377 | " | " | |
14 6881 2828 | 06 | Опора корпусная приварная из стали 10Г2 исполнение Б23/377 | ОСТ 36-146-88 | Опоры для технологических трубопроводов | |
14 6881 2830 | 01 | То же исполнение А11/426 | То же | То же | |
14 6881 2832 | 10 | То же исполнение А12/426 | " | " | |
14 6881 2834 | 08 | То же исполнение А13/426 | " | " | |
14 6881 2836 | 06 | То же исполнение Б12/426 | " | " | |
14 6881 2838 | 04 | То же исполнение Б13/426 | " | " | |
14 6881 2840 | 10 | То же исполнение А21/426 | " | " | |
14 6881 2842 | 08 | То же исполнение А22/426 | " | " | |
14 6881 2844 | 06 | То же исполнение А23/426 | " | " | |
14 6881 2846 | 04 | То же исполнение Б22/426 | " | " | |
14 6881 2848 | 02 | То же исполнение Б23/426 | " | " | |
14 6881 2850 | 08 | То же исполнение А11/530 | " | " | |
14 6881 2852 | 06 | То же исполнение А12/530 | " | " | |
14 6881 2854 | 04 | То же исполнение А13/530 | " | " | |
14 6881 2856 | 02 | То же исполнение Б12/530 | " | " | |
14 6881 2858 | 00 | То же исполнение Б13/530 | " | " | |
14 6881 2860 | 06 | То же исполнение А21/530 | " | " | |
14 6881 2862 | 04 | То же исполнение А22/530 | " | " | |
14 6881 2864 | 02 | То же исполнение А23/530 | " | " | |
14 6881 2866 | 00 | То же исполнение Б22/530 | " | " | |
14 6881 2868 | 09 | То же исполнение Б23/530 | " | " | |
14 6881 2870 | 04 | То же исполнение А11/630 | " | " | |
14 6881 2872 | 03 | То же исполнение А12/630 | " | " | |
14 6881 2874 | 00 | Опора корпусная приварная из стали 10Г2 исполнение А13/630 | ОСТ 36-146-88 | Опоры для технологических трубопроводов | |
14 6881 2876 | 09 | То же исполнение Б12/630 | То же | То же | |
14 6881 2878 | 07 | То же исполнение Б13/630 | " | " | |
14 6881 2880 | 02 | То же исполнение А21/630 | " | " | |
14 6881 2882 | 00 | То же исполнение А22/630 | " | " | |
14 6881 2884 | 09 | То же исполнение А23/630 | " | " | |
14 6881 2886 | 07 | То же исполнение Б22/630 | " | " | |
14 6881 2888 | 05 | То же исполнение Б23/630 | " | " | |
14 6881 2890 | 00 | То же исполнение А12/820 | " | " | |
14 6881 2892 | 09 | То же исполнение А13/820 | " | " | |
14 6881 2894 | 07 | То же исполнение Б12/820 | " | " | |
14 6881 2896 | 05 | То же исполнение Б13/820 | " | " | |
14 6881 2898 | 03 | То же исполнение А22/820 | " | " | |
14 6881 2900 | 04 | То же исполнение А23/820 | " | " | |
14 6881 2902 | 02 | То же исполнение Б22/820 | " | " | |
14 6881 2904 | 00 | То же исполнение Б23/820 | " | " | |
14 6881 2906 | 09 | То же исполнение А12/1020 | " | " | |
14 6881 2908 | 07 | То же исполнение А13/1020 | " | " | |
14 6881 2910 | 02 | То же исполнение Б12/1020 | " | " | |
14 6881 2912 | 00 | То же исполнение Б13/1020 | " | " | |
14 6881 2914 | 09 | То же исполнение А22/1020 | " | " | |
14 6881 2916 | 07 | То же исполнение А23/1020 | " | " | |
14 6881 2918 | 05 | То же исполнение Б22/1020 | " | " | |
14 6881 2920 | 00 | Опора корпусная приварная из стали 10Г2 исполнение Б23/1020 | ОСТ 36-146-88 | Опоры для технологических трубопроводов | |
14 6881 2922 | 09 | То же исполнение А12/1220 | То же | То же | |
14 6881 2924 | 07 | То же исполнение А13/1220 | " | " | |
14 6881 2926 | 05 | То же исполнение Б12/1220 | " | " | |
14 6881 2928 | 03 | То же исполнение Б13/1220 | " | " | |
14 6881 2930 | 09 | То же исполнение А22/1220 | " | " | |
14 6881 2932 | 07 | То же исполнение А23/1220 | " | " | |
14 6881 2934 | 05 | То же исполнение Б22/1220 | " | " | |
14 6881 2936 | 03 | То же исполнение Б23/1220 | " | " | |
14 6881 2938 | 01 | То же исполнение А12/1420 | " | " | |
14 6881 2940 | 07 | То же исполнение А13/1420 | " | " | |
14 6881 2942 | 05 | То же исполнение Б12/1420 | " | " | |
14 6881 2944 | 03 | То же исполнение Б13/1420 | " | " | |
14 6881 2946 | 01 | То же исполнение А22/1420 | " | " | |
14 6881 2948 | 10 | То же исполнение А23/1420 | " | " | |
14 6881 2950 | 05 | То же исполнение Б22/1420 | " | " | |
14 6881 2952 | 03 | То же исполнение Б23/1420 | " | " | |
14 6881 3002 | 03 | Опора корпусная приварная из стали 09Г2С исполнение А11/57 | " | " | |
14 6881 3004 | 01 | То же исполнение А12/57 | " | " | |
14 6881 3006 | 10 | То же исполнение А21/57 | " | " | |
14 6881 3008 | 08 | То же исполнение А22/57 | " | " | |
14 6881 3010 | 03 | То же исполнение А11/76 | " | " | |
14 6881 3012 | 01 | Опора корпусная приварная из стали 09Г2С исполнение А12/76 | ОСТ 36-146-88 | Опоры для технологических трубопроводов | |
14 6881 3014 | 10 | То же исполнение А21/76 | То же | То же | |
14 6881 3016 | 08 | То же исполнение А22/76 | " | " | |
14 6881 3018 | 06 | То же исполнение А11/89 | " | " | |
14 6881 3020 | 01 | То же исполнение А12/89 | " | " | |
14 6881 3022 | 10 | То же исполнение А21/89 | " | " | |
14 6881 3024 | 08 | То же исполнение А22/89 | " | " | |
14 6881 3026 | 06 | То же исполнение А11/108 | " | " | |
14 6881 3028 | 04 | То же исполнение А12/108 | " | " | |
14 6881 3030 | 10 | То же исполнение А21/108 | " | " | |
14 6881 3032 | 08 | То же исполнение А22/108 | " | " | |
14 6881 3034 | 06 | То же исполнение А11/133 | " | " | |
14 6881 3036 | 04 | То же исполнение А12/133 | " | " | |
14 6881 3038 | 02 | То же исполнение А21/133 | " | " | |
14 6881 3040 | 08 | То же исполнение А22/133 | " | " | |
14 6881 3042 | 06 | То же исполнение А11/159 | " | " | |
14 6881 3044 | 04 | То же исполнение А12/159 | " | " | |
14 6881 3046 | 02 | То же исполнение А21/159 | " | " | |
14 6881 3048 | 00 | То же исполнение А22/159 | " | " | |
14 6881 3050 | 06 | То же исполнение А11/219 | " | " | |
14 6881 3052 | 04 | То же исполнение А12/219 | " | " | |
14 6881 3054 | 02 | То же исполнение А13/219 | " | " | |
14 6881 3056 | 00 | То же исполнение Б12/219 | " | " | |
14 6881 3058 | 09 | То же исполнение Б13/219 | " | " | |
14 6881 3060 | 04 | Опора корпусная приварная из стали 09Г2С исполнение А21/219 | ОСТ 36-146-88 | Опоры для технологических трубопроводов | |
14 6881 3062 | 02 | То же исполнение А22/219 | То же | То же | |
14 6881 3064 | 00 | То же исполнение А23/219 | " | " | |
14 6881 3066 | 09 | То же исполнение Б22/219 | " | " | |
14 6881 3068 | 07 | То же исполнение Б23/219 | " | " | |
14 6881 3070 | 02 | То же исполнение А11/273 | " | " | |
14 6881 3072 | 00 | То же исполнение А12/273 | " | " | |
14 6881 3074 | 09 | То же исполнение А13/273 | " | " | |
14 6881 3076 | 07 | То же исполнение Б12/273 | " | " | |
14 6881 3078 | 05 | То же исполнение Б13/273 | " | " | |
14 6881 3080 | 00 | То же исполнение А21/273 | " | " | |
14 6881 3082 | 09 | То же исполнение А22/273 | " | " | |
14 6881 3084 | 07 | То же исполнение А23/273 | " | " | |
14 6881 3086 | 05 | То же исполнение Б22/273 | " | " | |
14 6881 3088 | 03 | То же исполнение Б23/273 | " | " | |
14 6881 3090 | 09 | То же исполнение А11/325 | " | " | |
14 6881 3092 | 07 | То же исполнение А12/325 | " | " | |
14 6881 3094 | 05 | То же исполнение А13/325 | " | " | |
14 6881 3096 | 03 | То же исполнение Б12/325 | " | " | |
14 6881 3098 | 01 | То же исполнение Б13/325 | " | " | |
14 6881 3100 | 02 | То же исполнение А21/325 | " | " | |
14 6881 3102 | 00 | То же исполнение А22/325 | " | " | |
14 6881 3104 | 09 | То же исполнение А23/325 | " | " | |
14 6881 3106 | 07 | То же исполнение Б22/325 | " | " | |
14 6881 3108 | 05 | Опора корпусная приварная из стали 09Г2С исполнение Б23/325 | ОСТ 36-146-88 | Опоры для технологических трубопроводов | |
14 6881 3110 | 00 | То же исполнение А11/377 | То же | То же | |
14 6881 3112 | 09 | То же исполнение А12/377 | " | " | |
14 6881 3114 | 07 | То же исполнение А13/377 | " | " | |
14 6881 3116 | 05 | То же исполнение Б12/377 | " | " | |
14 6881 3118 | 03 | То же исполнение Б13/377 | " | " | |
14 6881 3120 | 09 | То же исполнение А21/377 | " | " | |
14 6881 3122 | 07 | То же исполнение А22/377 | " | " | |
14 6881 3124 | 05 | То же исполнение А23/377 | " | " | |
14 6881 3126 | 03 | То же исполнение Б22/377 | " | " | |
14 6881 3128 | 01 | То же исполнение Б23/377 | " | " | |
14 6881 3130 | 07 | То же исполнение А11/426 | " | " | |
14 6881 3132 | 05 | То же исполнение А12/426 | " | " | |
14 6881 3134 | 03 | То же исполнение А13/426 | " | " | |
14 6881 3136 | 01 | То же исполнение Б12/426 | " | " | |
14 6881 3138 | 10 | То же исполнение Б13/426 | " | " | |
14 6881 3140 | 05 | То же исполнение А21/426 | " | " | |
14 6881 3142 | 03 | То же исполнение А22/426 | " | " | |
14 6881 3144 | 01 | То же исполнение А23/426 | " | " | |
14 6881 3146 | 10 | То же исполнение Б22/426 | " | " | |
14 6881 3148 | 08 | То же исполнение Б23/426 | " | " | |
14 6881 3150 | 03 | То же исполнение А11/530 | " | " | |
14 6881 3152 | 01 | То же исполнение А12/530 | " | " | |
14 6881 3154 | 10 | То же исполнение А13/530 | " | " | |
14 6881 3156 | 08 | Опора корпусная приварная из стали 09Г2С исполнение Б12/530 | ОСТ 36-146-88 | Опоры для технологических трубопроводов | |
14 6881 3158 | 06 | То же исполнение Б13/530 | То же | То же | |
14 6881 3160 | 01 | То же исполнение А21/530 | " | " | |
14 6881 3162 | 10 | То же исполнение А22/530 | " | " | |
14 6881 3164 | 08 | То же исполнение А23/530 | " | " | |
14 6881 3166 | 06 | То же исполнение Б22/530 | " | " | |
14 6881 3168 | 04 | То же исполнение Б23/530 | " | " | |
14 6881 3170 | 10 | То же исполнение А11/630 | " | " | |
14 6881 3172 | 08 | То же исполнение А12/630 | " | " | |
14 6881 3174 | 06 | То же исполнение А13/630 | " | " | |
14 6881 3176 | 04 | То же исполнение Б12/630 | " | " | |
14 6881 3178 | 02 | То же исполнение Б13/630 | " | " | |
14 6881 3180 | 08 | То же исполнение А21/630 | " | " | |
14 6881 3182 | 06 | То же исполнение А22/630 | " | " | |
14 6881 3184 | 04 | То же исполнение А23/630 | " | " | |
14 6881 3186 | 02 | То же исполнение Б22/630 | " | " | |
14 6881 3188 | 00 | То же исполнение Б23/630 | " | " | |
14 6881 3190 | 06 | То же исполнение А12/820 | " | " | |
14 6881 3192 | 04 | То же исполнение А13/820 | " | " | |
14 6881 3194 | 02 | То же исполнение Б12/820 | " | " | |
14 6881 3196 | 00 | То же исполнение Б13/820 | " | " | |
14 6881 3198 | 09 | То же исполнение А22/820 | " | " | |
14 6881 3200 | 10 | То же исполнение А23/820 | " | " | |
14 6881 3202 | 08 | Опора корпусная приварная из стали 09Г2С исполнение Б22/820 | ОСТ 36-146-88 | Опоры для технологических трубопроводов | |
14 6881 3204 | 06 | То же исполнение Б23/820 | То же | То же | |
14 6881 3206 | 04 | То же исполнение А12/820 | " | " | |
14 6881 3208 | 02 | То же исполнение А13/820 | " | " | |
14 6881 3210 | 08 | То же исполнение Б12/820 | " | " | |
14 6881 3212 | 06 | То же исполнение Б13/820 | " | " | |
14 6881 3214 | 04 | То же исполнение А22/820 | " | " | |
14 6881 3216 | 02 | То же исполнение А23/820 | " | " | |
14 6881 3218 | 00 | То же исполнение Б22/820 | " | " | |
14 6881 3220 | 06 | То же исполнение Б23/820 | " | " | |
14 6881 3222 | 04 | То же исполнение А12/1020 | " | " | |
14 6881 3224 | 02 | То же исполнение А13/1020 | " | " | |
14 6881 3226 | 00 | То же исполнение Б12/1020 | " | " | |
14 6881 3228 | 09 | То же исполнение Б13/1020 | " | " | |
14 6881 3230 | 04 | То же исполнение А22/1020 | " | " | |
14 6881 3232 | 02 | То же исполнение А23/1020 | " | " | |
14 6881 3234 | 00 | То же исполнение Б22/1020 | " | " | |
14 6881 3236 | 09 | То же исполнение Б23/1020 | " | " | |
14 6881 3238 | 07 | То же исполнение А12/1220 | " | " | |
14 6881 3240 | 02 | То же исполнение А13/1220 | " | " | |
14 6881 3242 | 00 | То же исполнение Б12/1220 | " | " | |
14 6881 3244 | 09 | То же исполнение Б13/1220 | " | " | |
14 6881 3246 | 07 | То же исполнение А22/1220 | " | " | |
14 6881 3248 | 05 | Опора корпусная приварная из стали 09Г2С исполнение А23/1220 | ОСТ 36-146-88 | Опоры для технологических трубопроводов | |
14 6881 3250 | 00 | То же исполнение Б22/1220 | То же | То же | |
14 6881 3252 | 09 | То же исполнение Б23/1220 | " | " | |
14 6881 3254 | 07 | То же исполнение А12/1420 | " | " | |
14 6881 3256 | 05 | То же исполнение А13/1420 | " | " | |
14 6881 3258 | 03 | То же исполнение Б12/1420 | " | " | |
14 6881 3260 | 09 | То же исполнение Б13/1420 | " | " | |
14 6881 3262 | 07 | То же исполнение А22/1420 | " | " | |
14 6881 3264 | 05 | То же исполнение А23/1420 | " | " | |
14 6881 3266 | 03 | То же исполнение Б22/1420 | " | " | |
14 6881 3268 | 01 | То же исполнение Б23/1420 | " | " | |
14 6881 3302 | 05 | Опора корпусная хомутовая из стали ВСт3кп исполнение А11/57 | " | " | |
14 6881 3304 | 03 | То же исполнение А12/57 | " | " | |
14 6881 3306 | 01 | То же исполнение А21/57 | " | " | |
14 6881 3308 | 10 | То же исполнение А22/57 | " | " | |
14 6881 3310 | 05 | То же исполнение А11/76 | " | " | |
14 6881 3312 | 03 | То же исполнение А12/76 | " | " | |
14 6881 3314 | 01 | То же исполнение А21/76 | " | " | |
14 6881 3316 | 10 | То же исполнение А22/76 | " | " | |
14 6881 3318 | 08 | То же исполнение А11/89 | " | " | |
14 6881 3320 | 03 | То же исполнение А12/89 | " | " | |
14 6881 3322 | 01 | То же исполнение А21/89 | " | " | |
14 6881 3324 | 10 | То же исполнение А22/89 | " | " | |
14 6881 3326 | 08 | Опора корпусная хомутовая из стали ВСт3кп исполнение А11/108 | ОСТ 36-146-88 | Опоры для технологических трубопроводов | |
14 6881 3328 | 06 | То же исполнение А12/108 | То же | То же | |
14 6881 3330 | 01 | То же исполнение А21/108 | " | " | |
14 6881 3332 | 10 | То же исполнение А22/108 | " | " | |
14 6881 3334 | 08 | То же исполнение А11/133 | " | " | |
14 6881 3336 | 06 | То же исполнение А12/133 | " | " | |
14 6881 3338 | 04 | То же исполнение А21/133 | " | " | |
14 6881 3340 | 10 | То же исполнение А22/133 | " | " | |
14 6881 3342 | 08 | То же исполнение А11/159 | " | " | |
14 6881 3344 | 06 | То же исполнение А12/159 | " | " | |
14 6881 3346 | 04 | То же исполнение А21/159 | " | " | |
14 6881 3348 | 02 | То же исполнение А22/159 | " | " | |
14 6881 3350 | 08 | То же исполнение А11/219 | " | " | |
14 6881 3352 | 06 | То же исполнение А12/219 | " | " | |
14 6881 3354 | 04 | То же исполнение А13/219 | " | " | |
14 6881 3356 | 02 | То же исполнение А21/219 | " | " | |
14 6881 3358 | 00 | То же исполнение А22/219 | " | " | |
14 6881 3360 | 06 | То же исполнение А23/219 | " | " | |
14 6881 3362 | 04 | То же исполнение А11/273 | " | " | |
14 6881 3364 | 02 | То же исполнение А12/273 | " | " | |
14 6881 3366 | 00 | То же исполнение А13/273 | " | " | |
14 6881 3368 | 09 | То же исполнение А21/273 | " | " | |
14 6881 3370 | 04 | То же исполнение А22/273 | " | " | |
14 6881 3372 | 02 | То же исполнение А23/273 | " | " | |
14 6881 3374 | 00 | Опора корпусная хомутовая из стали ВСт3кп исполнение А11/325 | ОСТ 36-146-88 | Опоры для технологических трубопроводов | |
14 6881 3376 | 09 | То же исполнение А12/325 | То же | То же | |
14 6881 3378 | 07 | То же исполнение А13/325 | " | " | |
14 6881 3380 | 02 | То же исполнение А21/325 | " | " | |
14 6881 3382 | 00 | То же исполнение А22/325 | " | " | |
14 6881 3384 | 09 | То же исполнение А23/325 | " | " | |
14 6881 3386 | 07 | То же исполнение А11/377 | " | " | |
14 6881 3388 | 05 | То же исполнение А12/377 | " | " | |
14 6881 3390 | 00 | То же исполнение А13/377 | " | " | |
14 6881 3392 | 09 | То же исполнение А21/377 | " | " | |
14 6881 3394 | 07 | То же исполнение А22/377 | " | " | |
14 6881 3396 | 05 | То же исполнение А23/377 | " | " | |
14 6881 3420 | 00 | Опора корпусная хомутовая из стали ВСт3пс исполнение А11/57 | " | " | |
14 6881 3422 | 09 | То же исполнение А12/57 | " | " | |
14 6881 3424 | 07 | То же исполнение А21/57 | " | " | |
14 6881 3426 | 05 | То же исполнение А22/57 | " | " | |
14 6881 3428 | 03 | То же исполнение А11/76 | " | " | |
14 6881 3430 | 09 | То же исполнение А12/76 | " | " | |
14 6881 3432 | 07 | То же исполнение А21/76 | " | " | |
14 6881 3434 | 05 | То же исполнение А22/76 | " | " | |
14 6881 3436 | 03 | То же исполнение А11/89 | " | " | |
14 6881 3438 | 01 | То же исполнение А12/89 | " | " | |
14 6881 3440 | 07 | Опора корпусная хомутовая из стали ВСт3пс исполнение А21/89 | ОСТ 36-146-88 | Опоры для технологических трубопроводов | |
14 6881 3442 | 05 | То же исполнение А22/89 | То же | То же | |
14 6881 3444 | 03 | То же исполнение А11/108 | " | " | |
14 6881 3446 | 01 | То же исполнение А12/108 | " | " | |
14 6881 3448 | 10 | То же исполнение А21/108 | " | " | |
14 6881 3450 | 05 | То же исполнение А22/108 | " | " | |
14 6881 3452 | 03 | То же исполнение А11/133 | " | " | |
14 6881 3454 | 01 | То же исполнение А12/133 | " | " | |
14 6881 3456 | 10 | То же исполнение А21/133 | " | " | |
14 6881 3458 | 08 | То же исполнение А22/133 | " | " | |
14 6881 3460 | 03 | То же исполнение А11/159 | " | " | |
14 6881 3462 | 01 | То же исполнение А12/159 | " | " | |
14 6881 3464 | 10 | То же исполнение А21/159 | " | " | |
14 6881 3466 | 08 | То же исполнение А22/159 | " | " | |
14 6881 3468 | 06 | То же исполнение А11/219 | " | " | |
14 6881 3470 | 01 | То же исполнение А12/219 | " | " | |
14 6881 3472 | 10 | То же исполнение А13/219 | " | " | |
14 6881 3474 | 08 | То же исполнение А21/219 | " | " | |
14 6881 3476 | 06 | То же исполнение А22/219 | " | " | |
14 6881 3478 | 04 | То же исполнение А23/219 | " | " | |
14 6881 3480 | 10 | То же исполнение А11/273 | " | " | |
14 6881 3482 | 08 | То же исполнение А12/273 | " | " | |
14 6881 3484 | 06 | То же исполнение А13/273 | " | " | |
14 6881 3486 | 04 | То же исполнение А21/273 | " | " | |
14 6881 3488 | 02 | Опора корпусная хомутовая из стали ВСт3пс исполнение А22/273 | ОСТ 36-146-88 | Опоры для технологических трубопроводов | |
14 6881 3490 | 08 | То же исполнение А23/273 | То же | То же | |
14 6881 3492 | 06 | То же исполнение А11/325 | " | " | |
14 6881 3494 | 04 | То же исполнение А12/325 | " | " | |
14 6881 3496 | 02 | То же исполнение А13/325 | " | " | |
14 6881 3498 | 00 | То же исполнение А21/325 | " | " | |
14 6881 3500 | 01 | То же исполнение А22/325 | " | " | |
14 6881 3502 | 10 | То же исполнение А23/325 | " | " | |
14 6881 3504 | 08 | То же исполнение А11/377 | " | " | |
14 6881 3506 | 06 | То же исполнение А12/377 | " | " | |
14 6881 3508 | 04 | То же исполнение А13/377 | " | " | |
14 6881 3510 | 10 | То же исполнение А21/377 | " | " | |
14 6881 3512 | 08 | То же исполнение А22/377 | " | " | |
14 6881 3514 | 06 | То же исполнение А23/377 | " | " | |
14 6881 3516 | 04 | То же исполнение А11/426 | " | " | |
14 6881 3518 | 02 | То же исполнение А12/426 | " | " | |
14 6881 3520 | 08 | То же исполнение А13/426 | " | " | |
14 6881 3522 | 06 | То же исполнение А21/426 | " | " | |
14 6881 3524 | 04 | То же исполнение А22/426 | " | " | |
14 6881 3526 | 02 | То же исполнение А23/426 | " | " | |
14 6881 3528 | 00 | То же исполнение А11/530 | " | " | |
14 6881 3530 | 06 | То же исполнение А12/530 | " | " | |
14 6881 3532 | 04 | То же исполнение А13/530 | " | " | |
14 6881 3534 | 02 | То же исполнение А21/530 | " | " | |
14 6881 3536 | 00 | Опора корпусная хомутовая из стали ВСт3пс исполнение А22/530 | ОСТ 36-146-88 | Опоры для технологических трубопроводов | |
14 6881 3538 | 09 | То же исполнение А23/530 | То же | То же | |
14 6881 3540 | 04 | То же исполнение А11/630 | " | " | |
14 6681 3542 | 02 | То же исполнение А12/630 | " | " | |
14 6881 3544 | 00 | То же исполнение А13/630 | " | " | |
14 6881 3546 | 09 | То же исполнение А21/630 | " | " | |
14 6881 3548 | 07 | То же исполнение А22/630 | " | " | |
14 6881 3550 | 02 | То же исполнение А23/630 | " | " | |
14 6881 3600 | 09 | Опора корпусная хомутовая из стали ВСт3сп исполнение А11/57 | " | " | |
14 6881 3602 | 07 | То же исполнение А12/57 | " | " | |
14 6881 3604 | 05 | То же исполнение А21/57 | " | " | |
14 6881 3606 | 03 | То же исполнение А22/57 | " | " | |
14 6881 3608 | 01 | То же исполнение А11/76 | " | " | |
14 6881 3610 | 07 | То же исполнение А12/76 | " | " | |
14 6881 3612 | 05 | То же исполнение А21/76 | " | " | |
14 6881 3614 | 03 | То же исполнение А22/76 | " | " | |
14 6881 3616 | 01 | То же исполнение А11/89 | " | " | |
14 6881 3618 | 10 | То же исполнение А12/89 | " | " | |
14 6881 3620 | 05 | То же исполнение А21/89 | " | " | |
14 6881 3622 | 03 | То же исполнение А22/89 | " | " | |
14 6881 3624 | 01 | То же исполнение А11/108 | " | " | |
14 6881 3626 | 10 | То же исполнение А12/108 | " | " | |
14 6881 3628 | 08 | Опора корпусная хомутовая из стали ВСт3сп исполнение А21/108 | ОСТ 36-146-88 | Опоры для технологических трубопроводов | |
14 6881 3630 | 03 | То же исполнение А22/108 | То же | То же | |
14 6881 3632 | 01 | То же исполнение А11/133 | " | " | |
14 6881 3634 | 10 | То же исполнение А12/133 | " | " | |
14 6881 3636 | 08 | То же исполнение А21/133 | " | " | |
14 6881 3638 | 06 | То же исполнение А22/133 | " | " | |
14 6881 3640 | 01 | То же исполнение А11/159 | " | " | |
14 6881 3642 | 10 | То же исполнение А12/159 | " | " | |
14 6881 3644 | 08 | То же исполнение А21/159 | " | " | |
14 6881 3646 | 06 | То же исполнение А22/159 | " | " | |
14 6881 3648 | 04 | То же исполнение А11/219 | " | " | |
14 6881 3650 | 10 | То же исполнение А12/219 | " | " | |
14 6881 3652 | 08 | То же исполнение А13/219 | " | " | |
14 6881 3654 | 06 | То же исполнение А21/219 | " | " | |
14 6881 3656 | 04 | То же исполнение А22/219 | " | " | |
14 6881 3658 | 02 | То же исполнение А23/219 | " | " | |
14 6881 3660 | 08 | То же исполнение А11/273 | " | " | |
14 6881 3662 | 06 | То же исполнение А12/273 | " | " | |
14 6881 3664 | 04 | То же исполнение А13/273 | " | " | |
14 6881 3666 | 02 | То же исполнение А21/273 | " | " | |
14 6881 3668 | 00 | То же исполнение А22/273 | " | " | |
14 6881 3670 | 06 | То же исполнение А23/273 | " | " | |
14 6881 3672 | 04 | То же исполнение А11/325 | " | " | |
14 6881 3674 | 02 | То же исполнение А12/325 | " | " | |
14 6881 3676 | 00 | Опора корпусная хомутовая из стали ВСт3сп исполнение А13/325 | ОСТ 36-146-88 | Опоры для технологических трубопроводов | |
14 6881 3678 | 09 | То же исполнение А21/325 | То же | То же | |
14 6881 3680 | 04 | То же исполнение А22/325 | " | " | |
14 6881 3682 | 02 | То же исполнение А23/325 | " | " | |
14 6881 3684 | 00 | То же исполнение А11/377 | " | " | |
14 6881 3686 | 09 | То же исполнение А12/377 | " | " | |
14 6881 3688 | 07 | То же исполнение А13/377 | " | " | |
14 6881 3690 | 02 | То же исполнение А21/377 | " | " | |
14 6881 3692 | 00 | То же исполнение А22/377 | " | " | |
14 6881 3694 | 09 | То же исполнение А23/377 | " | " | |
14 6881 3696 | 07 | То же исполнение А11/426 | " | " | |
14 6881 3698 | 05 | То же исполнение А12/426 | " | " | |
14 6881 3700 | 06 | То же исполнение А13/426 | " | " | |
14 6881 3702 | 04 | То же исполнение А21/426 | " | " | |
14 6881 3704 | 02 | То же исполнение А22/426 | " | " | |
14 6881 3706 | 00 | То же исполнение А23/426 | " | " | |
14 6881 3708 | 09 | То же исполнение А11/530 | " | " | |
14 6881 3710 | 04 | То же исполнение А12/530 | " | " | |
14 6881 3712 | 02 | То же исполнение А13/530 | " | " | |
14 6881 3714 | 00 | То же исполнение А21/530 | " | " | |
14 6881 3716 | 09 | То же исполнение А22/530 | " | " | |
14 6881 3718 | 07 | То же исполнение А23/530 | " | " | |
14 6881 3720 | 02 | То же исполнение А11/630 | " | " | |
14 6881 3722 | 00 | То же исполнение А12/630 | " | " | |
14 6881 3724 | 09 | Опора корпусная хомутовая из стали ВСт3сп исполнение А13/630 | ОСТ 36-146-88 | Опоры для технологических трубопроводов | |
14 6881 3726 | 07 | То же исполнение А21/630 | То же | То же | |
14 6881 3728 | 05 | То же исполнение А22/630 | " | " | |
14 6881 3730 | 00 | То же исполнение А23/630 | " | " | |
14 6881 3760 | 05 | Опора корпусная хомутовая из стали 20 исполнение А11/57 | " | " | |
14 6881 3762 | 03 | То же исполнение А12/57 | " | " | |
14 6881 3764 | 01 | То же исполнение А21/57 | " | " | |
14 6881 3766 | 10 | То же исполнение А22/57 | " | " | |
14 6881 3768 | 08 | То же исполнение А11/76 | " | " | |
14 6881 3770 | 03 | То же исполнение А12/76 | " | " | |
14 6881 3772 | 01 | То же исполнение А21/76 | " | " | |
14 6881 3774 | 10 | То же исполнение А22/76 | " | " | |
14 6881 3776 | 08 | То же исполнение А11/89 | " | " | |
14 6881 3778 | 06 | То же исполнение А12/89 | " | " | |
14 6881 3780 | 01 | То же исполнение А21/89 | " | " | |
14 6881 3782 | 10 | То же исполнение А22/89 | " | " | |
14 6881 3784 | 08 | То же исполнение А11/108 | " | " | |
14 6881 3786 | 06 | То же исполнение А12/108 | " | " | |
14 6881 3788 | 04 | То же исполнение А21/108 | " | " | |
14 6881 3790 | 10 | То же исполнение А22/108 | " | " | |
14 6881 3792 | 08 | То же исполнение А11/133 | " | " | |
14 6881 3794 | 06 | То же исполнение А12/133 | " | " | |
14 6881 3796 | 04 | Опора корпусная хомутовая из стали 20 исполнение А21/133 | ОСТ 36-146-88 | Опоры для технологических трубопроводов | |
14 6881 3798 | 02 | То же исполнение А22/133 | То же | То же | |
14 6881 3800 | 03 | То же исполнение А11/159 | " | " | |
14 6881 3802 | 01 | То же исполнение А12/159 | " | " | |
14 6881 3804 | 10 | То же исполнение А21/159 | " | " | |
14 6881 3806 | 08 | То же исполнение А22/159 | " | " | |
14 6881 3808 | 06 | То же исполнение А11/219 | " | " | |
14 6881 3810 | 01 | То же исполнение А12/219 | " | " | |
14 6881 3812 | 10 | То же исполнение А13/219 | " | " | |
14 6881 3814 | 08 | То же исполнение А21/219 | " | " | |
14 6881 3816 | 06 | То же исполнение А22/219 | " | " | |
14 6881 3818 | 04 | То же исполнение А23/219 | " | " | |
14 6881 3820 | 10 | То же исполнение А11/273 | " | " | |
14 6881 3822 | 08 | То же исполнение А12/273 | " | " | |
14 6881 3824 | 06 | То же исполнение А13/273 | " | " | |
14 6881 3826 | 04 | То же исполнение А21/273 | " | " | |
14 6881 3828 | 02 | То же исполнение А22/273 | " | " | |
14 6881 3830 | 08 | То же исполнение А23/273 | " | " | |
14 6881 3832 | 06 | То же исполнение А11/325 | " | " | |
14 6881 3834 | 04 | То же исполнение А12/325 | " | " | |
14 6881 3836 | 02 | То же исполнение А13/325 | " | " | |
14 6881 3838 | 00 | То же исполнение А21/325 | " | " | |
14 6881 3840 | 06 | То же исполнение А22/325 | " | " | |
14 6881 3842 | 04 | То же исполнение А23/325 | " | " | |
14 6881 3844 | 02 | Опора корпусная хомутовая из стали 20 исполнение А11/377 | ОСТ 36-146-88 | Опоры для технологических трубопроводов | |
14 6881 3846 | 00 | То же исполнение А12/377 | То же | То же | |
14 6881 3848 | 09 | То же исполнение А13/377 | " | " | |
14 6881 3850 | 04 | То же исполнение А21/377 | " | " | |
14 6881 3852 | 02 | То же исполнение А22/377 | " | " | |
14 6881 3854 | 00 | То же исполнение А23/377 | " | " | |
14 6881 3856 | 09 | То же исполнение А11/426 | " | " | |
14 6881 3858 | 07 | То же исполнение А12/426 | " | " | |
14 6881 3860 | 02 | То же исполнение А13/426 | " | " | |
14 6881 3862 | 00 | То же исполнение А21/426 | " | " | |
14 6881 3864 | 09 | То же исполнение А22/426 | " | " | |
14 6881 3866 | 07 | То же исполнение А23/426 | " | " | |
14 6881 3868 | 05 | То же исполнение А11/530 | " | " | |
14 6881 3870 | 00 | То же исполнение А12/530 | " | " | |
14 6881 3872 | 09 | То же исполнение А13/530 | " | " | |
14 6881 3874 | 07 | То же исполнение А21/530 | " | " | |
14 6881 3876 | 05 | То же исполнение А22/530 | " | " | |
14 6881 3878 | 03 | То же исполнение А23/530 | " | " | |
14 6881 3880 | 09 | То же исполнение А11/630 | " | " | |
14 6881 3882 | 07 | То же исполнение А12/630 | " | " | |
14 6881 3884 | 05 | То же исполнение А13/630 | " | " | |
14 6881 3886 | 03 | То же исполнение А21/630 | " | " | |
14 6881 3888 | 01 | То же исполнение А22/630 | " | " | |
14 6881 3890 | 07 | То же исполнение А23/630 | " | " | |
14 6881 3900 | 00 | Опора корпусная хомутовая из стали 10Г2 исполнение А11/57 | ОСТ 36-146-88 | Опоры для технологических трубопроводов | |
14 6881 3902 | 09 | То же исполнение А12/57 | То же | То же | |
14 6881 3904 | 07 | То же исполнение А21/57 | " | " | |
14 6881 3906 | 05 | То же исполнение А22/57 | " | " | |
14 6881 3908 | 03 | То же исполнение А11/76 | " | " | |
14 6881 3910 | 09 | То же исполнение А12/76 | " | " | |
14 6881 3912 | 07 | То же исполнение А21/76 | " | " | |
14 6881 3914 | 05 | То же исполнение А22/76 | " | " | |
14 6881 3916 | 03 | То же исполнение А11/89 | " | " | |
14 6881 3918 | 01 | То же исполнение А12/89 | " | " | |
14 6881 3920 | 07 | То же исполнение А21/89 | " | " | |
14 6881 3922 | 05 | То же исполнение А22/89 | " | " | |
14 6881 3924 | 03 | То же исполнение А11/108 | " | " | |
14 6881 3926 | 01 | То же исполнение А12/108 | " | " | |
14 6881 3928 | 10 | То же исполнение А21/108 | " | " | |
14 6881 3930 | 05 | То же исполнение А22/108 | " | " | |
14 6881 3932 | 03 | То же исполнение А11/133 | " | " | |
14 6881 3934 | 01 | То же исполнение А12/133 | " | " | |
14 6881 3936 | 10 | То же исполнение А21/133 | " | " | |
14 6881 3938 | 08 | То же исполнение А22/133 | " | " | |
14 6881 3940 | 03 | То же исполнение А11/159 | " | " | |
14 6881 3942 | 01 | То же исполнение А12/159 | " | " | |
14 6881 3944 | 10 | То же исполнение А21/159 | " | " | |
14 6881 3946 | 08 | То же исполнение А22/159 | " | " | |
14 6881 3948 | 06 | Опора корпусная хомутовая из стали 10Г2 исполнение А11/219 | ОСТ 36-146-88 | Опоры для технологических трубопроводов | |
14 6881 3950 | 01 | То же исполнение А12/219 | То же | То же | |
14 6881 3952 | 10 | То же исполнение А13/219 | " | " | |
14 6881 3954 | 08 | То же исполнение А21/219 | " | " | |
14 6881 3956 | 06 | То же исполнение А22/219 | " | " | |
14 6881 3958 | 04 | То же исполнение А23/219 | " | " | |
14 6881 3960 | 10 | То же исполнение А11/273 | " | " | |
14 6881 3962 | 08 | То же исполнение А12/273 | " | " | |
14 6881 3964 | 06 | То же исполнение А13/273 | " | " | |
14 6881 3966 | 04 | То же исполнение А21/273 | " | " | |
14 6881 3968 | 02 | То же исполнение А22/273 | " | " | |
14 6881 3970 | 08 | То же исполнение А23/273 | " | " | |
14 6881 3972 | 06 | То же исполнение А11/325 | " | " | |
14 6881 3974 | 04 | То же исполнение А12/325 | " | " | |
14 6881 3976 | 02 | То же исполнение А13/325 | " | " | |
14 6881 3978 | 00 | То же исполнение А21/325 | " | " | |
14 6881 3980 | 06 | То же исполнение А22/325 | " | " | |
14 6881 3982 | 04 | То же исполнение А23/325 | " | " | |
14 6881 3984 | 02 | То же исполнение А11/377 | " | " | |
14 6881 3986 | 00 | То же исполнение А12/377 | " | " | |
14 6881 3988 | 09 | То же исполнение А13/377 | " | " | |
14 6881 3990 | 04 | То же исполнение А21/377 | " | " | |
14 6881 3992 | 02 | То же исполнение А22/377 | " | " | |
14 6881 3994 | 00 | То же исполнение А23/377 | " | " | |
14 6881 3996 | 09 | Опора корпусная хомутовая из стали 10Г2 исполнение А11/426 | ОСТ 36-146-88 | Опоры для технологических трубопроводов | |
14 6881 3998 | 07 | То же исполнение А12/426 | То же | То же | |
14 6881 4000 | 01 | То же исполнение А13/426 | " | " | |
14 6881 4002 | 10 | То же исполнение А21/426 | " | " | |
14 6881 4004 | 08 | То же исполнение А22/426 | " | " | |
14 6881 4006 | 06 | То же исполнение А23/426 | " | " | |
14 6881 4008 | 04 | То же исполнение А11/530 | " | " | |
14 6881 4010 | 10 | То же исполнение А12/530 | " | " | |
14 6881 4012 | 08 | То же исполнение А13/530 | " | " | |
14 6881 4014 | 06 | То же исполнение А21/530 | " | " | |
14 6881 4016 | 04 | То же исполнение А22/530 | " | " | |
14 6881 4018 | 02 | То же исполнение А23/530 | " | " | |
14 6881 4020 | 08 | То же исполнение А11/630 | " | " | |
14 6881 4022 | 06 | То же исполнение А12/630 | " | " | |
14 6881 4024 | 04 | То же исполнение А13/630 | " | " | |
14 6881 4026 | 02 | То же исполнение А21/630 | " | " | |
14 6881 4028 | 00 | То же исполнение А22/630 | " | " | |
14 6881 4030 | 06 | То же исполнение А23/630 | " | " | |
14 6881 4050 | 02 | Опора корпусная хомутовая из стали 09Г2С исполнение А11/57 | " | " | |
14 6881 4052 | 00 | То же исполнение А12/57 | " | " | |
14 6881 4054 | 09 | То же исполнение А21/57 | " | " | |
14 6881 4056 | 07 | То же исполнение А22/57 | " | " | |
14 6881 4058 | 05 | То же исполнение А11/76 | " | " | |
14 6881 4060 | 00 | Опора корпусная хомутовая из стали 09Г2С исполнение А12/76 | ОСТ 36-146-88 | Опоры для технологических трубопроводов | |
14 6881 4062 | 09 | То же исполнение А21/76 | То же | То же | |
14 6881 4064 | 07 | То же исполнение А22/76 | " | " | |
14 6881 4066 | 05 | То же исполнение А11/89 | " | " | |
14 6881 4068 | 03 | То же исполнение А12/89 | " | " | |
14 6881 4070 | 09 | То же исполнение А21/89 | " | " | |
14 6881 4072 | 07 | То же исполнение А22/89 | " | " | |
14 6881 4074 | 05 | То же исполнение А11/108 | " | " | |
14 6881 4076 | 03 | То же исполнение А12/108 | " | " | |
14 6881 4078 | 01 | То же исполнение А21/108 | " | " | |
14 6881 4080 | 07 | То же исполнение А22/108 | " | " | |
14 6881 4082 | 05 | То же исполнение А11/133 | " | " | |
14 6881 4084 | 03 | То же исполнение А12/133 | " | " | |
14 6881 4086 | 01 | То же исполнение А21/133 | " | " | |
14 6881 4088 | 10 | То же исполнение А22/133 | " | " | |
14 6881 4090 | 05 | То же исполнение А11/159 | " | " | |
14 6881 4092 | 03 | То же исполнение А12/159 | " | " | |
14 6881 4094 | 01 | То же исполнение А21/159 | " | " | |
14 6881 4096 | 10 | То же исполнение А22/159 | " | " | |
14 6881 4098 | 08 | То же исполнение А11/219 | " | " | |
14 6881 4100 | 09 | То же исполнение А12/219 | " | " | |
14 6881 4102 | 07 | То же исполнение А13/219 | " | " | |
14 6881 4104 | 05 | То же исполнение А21/219 | " | " | |
14 6881 4106 | 03 | То же исполнение А22/219 | " | " | |
14 6881 4108 | 01 | Опора корпусная хомутовая из стали 09Г2С исполнение А23/219 | ОСТ 36-146-88 | Опоры для технологических трубопроводов | |
14 6881 4110 | 07 | То же исполнение А11/273 | То же | То же | |
14 6881 4112 | 05 | То же исполнение А12/273 | " | " | |
14 6881 4114 | 03 | То же исполнение А13/273 | " | " | |
14 6881 4116 | 01 | То же исполнение А21/273 | " | " | |
14 6881 4118 | 10 | То же исполнение А22/273 | " | " | |
14 6881 4120 | 05 | То же исполнение А23/273 | " | " | |
14 6881 4122 | 03 | То же исполнение А11/325 | " | " | |
14 6881 4124 | 01 | То же исполнение А12/325 | " | " | |
14 6881 4126 | 10 | То же исполнение А13/325 | " | " | |
14 6881 4128 | 08 | То же исполнение А21/325 | " | " | |
14 6881 4130 | 03 | То же исполнение А22/325 | " | " | |
14 6881 4132 | 01 | То же исполнение А23/325 | " | " | |
14 6881 4134 | 10 | То же исполнение А11/377 | " | " | |
14 6881 4136 | 08 | То же исполнение А12/377 | " | " | |
14 6881 4138 | 06 | То же исполнение А13/377 | " | " | |
14 6881 4140 | 01 | То же исполнение А21/377 | " | " | |
14 6881 4142 | 10 | То же исполнение А22/377 | " | " | |
14 6881 4144 | 08 | То же исполнение А23/377 | " | " | |
14 6881 4146 | 06 | То же исполнение А11/426 | " | " | |
14 6881 4148 | 04 | То же исполнение А12/426 | " | " | |
14 6881 4150 | 10 | То же исполнение А13/426 | " | " | |
14 6881 4152 | 08 | То же исполнение А21/426 | " | " | |
14 6881 4154 | 06 | То же исполнение А22/426 | " | " | |
14 6881 4156 | 04 | Опора корпусная хомутовая из стали 09Г2С исполнение А23/426 | ОСТ 36-146-88 | Опоры для технологических трубопроводов | |
14 6881 4158 | 02 | То же исполнение А11/530 | То же | То же | |
14 6881 4160 | 08 | То же исполнение А12/530 | " | " | |
14 6881 4162 | 06 | То же исполнение А13/530 | " | " | |
14 6881 4164 | 04 | То же исполнение А21/530 | " | " | |
14 6881 4166 | 02 | То же исполнение А22/530 | " | " | |
14 6881 4168 | 00 | То же исполнение А23/530 | " | " | |
14 6881 4170 | 06 | То же исполнение А11/630 | " | " | |
14 6881 4172 | 04 | То же исполнение А12/630 | " | " | |
14 6881 4174 | 02 | То же исполнение А13/630 | " | " | |
14 6881 4176 | 00 | То же исполнение А21/630 | " | " | |
14 6881 4178 | 09 | То же исполнение А22/630 | " | " | |
14 6881 4180 | 04 | То же исполнение А23/630 | " | " | |
14 6881 4300 | 03 | Опора трубчатая приварная из стали ВСт3кп исполнение А1/57 - 76 | " | " | |
14 6881 4304 | 10 | То же исполнение А2/57 - 76 | " | " | |
14 6881 4308 | 06 | То же исполнение Б1/57 - 76 | " | " | |
14 6881 4312 | 10 | То же исполнение Б2/57 - 76 | " | " | |
14 6881 4316 | 06 | То же исполнение А1/89 - 108 | " | " | |
14 6881 4320 | 10 | То же исполнение А2/89 - 108 | " | " | |
14 6881 4324 | 06 | То же исполнение Б1/89 - 108 | " | " | |
14 6881 4328 | 02 | То же исполнение Б2/89 - 108 | " | " | |
14 6881 4332 | 06 | То же исполнение А1/133 - 159 | " | " | |
14 6881 4336 | 02 | То же исполнение А2/133 - 159 | " | " | |
14 6881 4340 | 06 | Опора трубчатая приварная из стали ВСт3кп исполнение Б1/133 - 159 | ОСТ 36-146-88 | Опоры для технологических трубопроводов | |
14 6881 4344 | 02 | То же исполнение Б2/133 - 159 | То же | То же | |
14 6881 4370 | 00 | Опора трубчатая приварная из стали ВСт3пс исполнение А1/57 - 76 | " | " | |
14 6881 4372 | 09 | То же исполнение А2/57 - 76 | " | " | |
14 6881 4376 | 05 | То же исполнение Б1/57 - 76 | " | " | |
14 6881 4380 | 09 | То же исполнение Б2/57 - 76 | " | " | |
14 6881 4384 | 05 | То же исполнение А1/89 - 108 | " | " | |
14 6881 4388 | 01 | То же исполнение А2/89 - 108 | " | " | |
14 6881 4392 | 05 | То же исполнение Б1/89 - 108 | " | " | |
14 6881 4396 | 01 | То же исполнение Б2/89 - 108 | " | " | |
14 6881 4400 | 007 | То же исполнение А1/133 - 159 | " | " | |
14 6881 4404 | 07 | То же исполнение А2/133 - 159 | " | " | |
14 6881 4408 | 03 | То же исполнение Б1/133 - 159 | " | " | |
14 6881 4412 | 07 | То же исполнение Б2/133 - 159 | " | " | |
14 6881 4416 | 03 | То же исполнение А1/219 - 273 | " | " | |
14 6881 4420 | 07 | То же исполнение А2/219 - 273 | " | " | |
14 6881 4424 | 03 | То же исполнение Б1/219 - 273 | " | " | |
14 6881 4428 | 10 | То же исполнение Б2/219 - 273 | " | " | |
14 6881 4432 | 03 | То же исполнение А1/325 | " | " | |
14 6881 4434 | 01 | То же исполнение А2/325 | " | " | |
14 6881 4436 | 10 | То же исполнение Б1/325 | " | " | |
14 6881 4438 | 08 | То же исполнение Б2/325 | " | " | |
14 6881 4440 | 03 | То же исполнение А1/377 - 426 | " | " | |
14 6881 4444 | 10 | Опора трубчатая приварная из стали ВСт3пс исполнение А2/377 - 426 | ОСТ 36-146-88 | Опоры для технологических трубопроводов | |
14 6881 4448 | 06 | То же исполнение Б1/377 - 426 | То же | То же | |
14 6881 4452 | 10 | То же исполнение Б2/377 - 426 | " | " | |
14 6881 4456 | 06 | То же исполнение А1/530 | " | " | |
14 6881 4458 | 04 | То же исполнение А2/530 | " | " | |
14 6881 4460 | 10 | То же исполнение Б1/530 | " | " | |
14 6881 4462 | 08 | То же исполнение Б2/530 | " | " | |
14 6881 4464 | 06 | То же исполнение А1/630 | " | " | |
14 6881 4466 | 04 | То же исполнение А2/630 | " | " | |
14 6881 4468 | 02 | То же исполнение Б1/630 | " | " | |
14 6881 4470 | 08 | То же исполнение Б2/630 | " | " | |
14 6881 4500 | 08 | Опора трубчатая приварная из стали ВСт3сп исполнение А1/57 - 76 | " | " | |
14 6881 4504 | 04 | То же исполнение А2/57 - 76 | " | " | |
14 6881 4508 | 00 | То же исполнение Б1/57 - 76 | " | " | |
14 6881 4512 | 04 | То же исполнение Б2/57 - 76 | " | " | |
14 6881 4516 | 00 | То же исполнение А1/89 - 108 | " | " | |
14 6881 4520 | 04 | То же исполнение А2/89 - 108 | " | " | |
14 6881 4524 | 00 | То же исполнение Б1/89 - 108 | " | " | |
14 6881 4528 | 07 | То же исполнение Б2/89 - 108 | " | " | |
14 6881 4532 | 00 | То же исполнение А1/133 - 159 | " | " | |
14 6881 4536 | 07 | То же исполнение А2/133 - 159 | " | " | |
14 6881 4540 | 00 | То же исполнение Б1/133 - 159 | " | " | |
14 6881 4544 | 07 | То же исполнение Б2/133 - 159 | " | " | |
14 6881 4548 | 03 | Опора трубчатая приварная из стали ВСт3сп исполнение А1/219 - 273 | ОСТ 36-146-88 | Опоры для технологических трубопроводов | |
14 6881 4552 | 07 | То же исполнение А2/219 - 273 | То же | То же | |
14 6881 4556 | 03 | То же исполнение Б1/219 - 273 | " | " | |
14 6881 4560 | 07 | То же исполнение Б2/219 - 273 | " | " | |
14 6881 4564 | 03 | То же исполнение А1/325 | " | " | |
14 6881 4566 | 01 | То же исполнение А2/325 | " | " | |
14 6881 4568 | 10 | То же исполнение Б1/325 | " | " | |
14 6881 4570 | 05 | То же исполнение Б2/325 | " | " | |
14 6881 4572 | 03 | То же исполнение А1/377 - 426 | " | " | |
14 6881 4576 | 10 | То же исполнение А2/377 - 426 | " | " | |
14 6881 4580 | 03 | То же исполнение Б1/377 - 426 | " | " | |
14 6881 4584 | 10 | То же исполнение Б2/377 - 426 | " | " | |
14 6881 4588 | 06 | То же исполнение А1/530 | " | " | |
14 6881 4590 | 01 | То же исполнение А2/530 | " | " | |
14 6881 4592 | 10 | То же исполнение Б1/530 | " | " | |
14 6881 4594 | 08 | То же исполнение Б2/530 | " | " | |
14 6881 4596 | 06 | То же исполнение А1/630 | " | " | |
14 6881 4598 | 04 | То же исполнение А2/630 | " | " | |
14 6881 4600 | 05 | То же исполнение Б1/630 | " | " | |
14 6881 4602 | 03 | То же исполнение Б2/630 | " | " | |
14 6881 4650 | 06 | Опора трубчатая приварная из стали 20 исполнение А1/57 - 76 | " | " | |
14 6881 4654 | 02 | То же исполнение А2/57 - 76 | " | " | |
14 6881 4658 | 09 | То же исполнение Б1/57 - 76 | " | " | |
14 6881 4662 | 02 | Опора трубчатая приварная из стали 20 исполнение Б2/57 - 76 | ОСТ 36-146-88 | Опоры для технологических трубопроводов | |
14 6881 4666 | 09 | То же исполнение А1/89 - 108 | То же | То же | |
14 6881 4670 | 02 | То же исполнение А2/89 - 108 | " | " | |
14 6881 4674 | 09 | То же исполнение Б1/89 - 108 | " | " | |
14 6881 4678 | 05 | То же исполнение Б2/89 - 108 | " | " | |
14 6881 4682 | 09 | То же исполнение А1/133 - 159 | " | " | |
14 6881 4686 | 05 | То же исполнение А2/133 - 159 | " | " | |
14 6881 4690 | 09 | То же исполнение Б1/133 - 159 | " | " | |
14 6881 4694 | 05 | То же исполнение Б2/133 - 159 | " | " | |
14 6881 4698 | 01 | То же исполнение А1/219 - 273 | " | " | |
14 6881 4702 | 00 | То же исполнение А2/219 - 273 | " | " | |
14 6881 4706 | 07 | То же исполнение Б1/219 - 273 | " | " | |
14 6881 4710 | 00 | То же исполнение Б2/219 - 273 | " | " | |
14 6881 4714 | 07 | То же исполнение А1/325 | " | " | |
14 6881 4716 | 05 | То же исполнение А2/325 | " | " | |
14 6881 4718 | 03 | То же исполнение Б1/325 | " | " | |
14 6881 4720 | 09 | То же исполнение Б2/325 | " | " | |
14 6881 4722 | 07 | То же исполнение А1/377 - 426 | " | " | |
14 6881 4726 | 03 | То же исполнение А2/377 - 426 | " | " | |
14 6881 4730 | 07 | То же исполнение Б1/377 - 426 | " | " | |
14 6881 4734 | 03 | То же исполнение Б2/377 - 426 | " | " | |
14 6881 4738 | 10 | То же исполнение А1/530 | " | " | |
14 6881 4740 | 05 | То же исполнение А2/530 | " | " | |
14 6881 4742 | 03 | То же исполнение Б1/530 | " | " | |
14 6881 4744 | 01 | Опора трубчатая приварная из стали 20 исполнение Б2/530 | ОСТ 36-146-88 | Опоры для технологических трубопроводов | |
14 6881 4746 | 10 | То же исполнение А1/630 | То же | То же | |
14 6881 4748 | 08 | То же исполнение А2/630 | " | " | |
14 6881 4750 | 03 | То же исполнение Б1/630 | " | " | |
14 6881 4752 | 01 | То же исполнение Б2/630 | " | " | |
14 6881 4800 | 10 | Опора трубчатая приварная из стали 10Г2 исполнение А1/57 - 76 | " | " | |
14 6881 4804 | 06 | То же исполнение А2/57 - 76 | " | " | |
14 6881 4808 | 02 | То же исполнение Б1/57 - 76 | " | " | |
14 6881 4812 | 06 | То же исполнение Б2/57 - 76 | " | " | |
14 6881 4816 | 02 | То же исполнение А1/89 - 108 | " | " | |
14 6881 4820 | 06 | То же исполнение А2/89 - 108 | " | " | |
14 6881 4824 | 02 | То же исполнение Б1/89 - 108 | " | " | |
14 6881 4828 | 09 | То же исполнение Б2/89 - 108 | " | " | |
14 6881 4832 | 02 | То же исполнение А1/133 - 159 | " | " | |
14 6881 4836 | 09 | То же исполнение А2/133 - 159 | " | " | |
14 6881 4840 | 02 | То же исполнение Б1/133 - 159 | " | " | |
14 6881 4844 | 09 | То же исполнение Б2/133 - 159 | " | " | |
14 6881 4848 | 05 | То же исполнение А1/219 - 273 | " | " | |
14 6881 4852 | 09 | То же исполнение А2/219 - 273 | " | " | |
14 6881 4856 | 05 | То же исполнение Б1/219 - 273 | " | " | |
14 6881 4860 | 09 | То же исполнение Б2/219 - 273 | " | " | |
14 6881 4864 | 05 | То же исполнение А1/325 | " | " | |
14 6881 4866 | 03 | То же исполнение А2/325 | " | " | |
14 6881 4868 | 01 | Опора трубчатая приварная из стали 10Г2 исполнение Б1/325 | ОСТ 36-146-88 | Опоры для технологических трубопроводов | |
14 6881 4870 | 07 | То же исполнение Б2/325 | То же | То же | |
14 6881 4874 | 03 | То же исполнение А1/377 - 426 | " | " | |
14 6881 4878 | 10 | То же исполнение А2/377 - 426 | " | " | |
14 6881 4882 | 03 | То же исполнение Б1/377 - 426 | " | " | |
14 6881 4886 | 10 | То же исполнение Б2/377 - 426 | " | " | |
14 6881 4890 | 03 | То же исполнение А1/530 | " | " | |
14 6881 4892 | 01 | То же исполнение А2/530 | " | " | |
14 6881 4894 | 10 | То же исполнение Б1/530 | " | " | |
14 6881 4896 | 08 | То же исполнение Б2/530 | " | " | |
14 6881 4898 | 06 | То же исполнение А1/630 | " | " | |
14 6881 4900 | 07 | То же исполнение А2/630 | " | " | |
14 6881 4902 | 05 | То же исполнение Б1/630 | " | " | |
14 6881 4904 | 03 | То же исполнение Б2/630 | " | " | |
14 6881 4930 | 01 | Опора трубчатая приварная из стали 09Г2С исполнение А1/57 - 76 | " | " | |
14 6881 4934 | 08 | То же исполнение А2/57 - 76 | " | " | |
14 6881 4938 | 04 | То же исполнение Б1/57 - 76 | " | " | |
14 6881 4942 | 08 | То же исполнение Б2/57 - 76 | " | " | |
14 6881 4946 | 04 | То же исполнение А1/89 - 108 | " | " | |
14 6881 4950 | 08 | То же исполнение А2/89 - 108 | " | " | |
14 6881 4954 | 04 | То же исполнение Б1/89 - 108 | " | " | |
14 6881 4960 | 06 | То же исполнение Б2/89 - 108 | " | " | |
14 6881 4964 | 02 | То же исполнение А1/133 - 159 | " | " | |
14 6881 4968 | 09 | Опора трубчатая приварная из стали 09Г2С исполнение А2/133 - 159 | ОСТ 36-146-88 | Опоры для технологических трубопроводов | |
14 6881 4972 | 02 | То же исполнение Б1/133 - 159 | То же | То же | |
14 6881 4976 | 09 | То же исполнение Б2/133 - 159 | " | " | |
14 6881 4980 | 02 | То же исполнение А1/219 - 273 | " | " | |
14 6881 4984 | 09 | То же исполнение А2/219 - 273 | " | " | |
14 6881 4988 | 05 | То же исполнение Б1/219 - 273 | " | " | |
14 6881 4992 | 09 | То же исполнение Б2/219 - 273 | " | " | |
14 6881 4996 | 05 | То же исполнение А1/325 | " | " | |
14 6881 4998 | 03 | То же исполнение А2/325 | " | " | |
14 6881 5000 | 08 | То же исполнение Б1/325 | " | " | |
14 6881 5002 | 06 | То же исполнение Б2/325 | " | " | |
14 6881 5006 | 02 | То же исполнение А1/377 - 426 | " | " | |
14 6881 5010 | 06 | То же исполнение А2/377 - 426 | " | " | |
14 6881 5014 | 02 | То же исполнение Б1/377 - 426 | " | " | |
14 6881 5018 | 09 | То же исполнение Б2/377 - 426 | " | " | |
14 6881 5022 | 02 | То же исполнение А1/530 | " | " | |
14 6881 5024 | 00 | То же исполнение А2/530 | " | " | |
14 6881 5026 | 09 | То же исполнение Б1/530 | " | " | |
14 6881 5028 | 07 | То же исполнение Б2/530 | " | " | |
14 6881 5030 | 02 | То же исполнение А1/630 | " | " | |
14 6881 5032 | 00 | То же исполнение А2/630 | " | " | |
14 6881 5034 | 09 | То же исполнение Б1/630 | " | " | |
14 6881 5036 | 07 | То же исполнение Б2/630 | " | " | |
14 6881 5050 | 09 | Опора швеллерная приварная из стали ВСт3пс исполнение А1/57 | " | " | |
14 6881 5052 | 07 | Опора швеллерная приварная из стали ВСт3пс исполнение А2/57 | ОСТ 36-146-88 | Опоры для технологических трубопроводов | |
14 6881 5054 | 05 | То же исполнение А1/76 | То же | То же | |
14 6881 5056 | 03 | То же исполнение А2/76 | " | " | |
14 6881 5058 | 01 | То же исполнение А1/89 | " | " | |
14 6881 5060 | 07 | То же исполнение А2/89 | " | " | |
14 6881 5062 | 05 | То же исполнение А1/108 | " | " | |
14 6881 5064 | 03 | То же исполнение А2/108 | " | " | |
14 6881 5066 | 01 | То же исполнение А1/133 | " | " | |
14 6881 5068 | 10 | То же исполнение А2/133 | " | " | |
14 6881 5070 | 05 | То же исполнение А1/159 | " | " | |
14 6881 5072 | 03 | То же исполнение А2/159 | " | " | |
14 6881 5074 | 01 | То же исполнение А1/219 | " | " | |
14 6881 5076 | 10 | То же исполнение А2/219 | " | " | |
14 6881 5078 | 08 | То же исполнение А1/273 | " | " | |
14 6881 5080 | 03 | То же исполнение А2/273 | " | " | |
14 6881 5082 | 01 | То же исполнение А1/325 | " | " | |
14 6881 5084 | 10 | То же исполнение А2/325 | " | " | |
14 6881 5086 | 08 | То же исполнение А1/377 | " | " | |
14 6881 5088 | 06 | То же исполнение А2/377 | " | " | |
14 6881 5090 | 01 | То же исполнение А1/426 | " | " | |
14 6881 5092 | 10 | То же исполнение А2/426 | " | " | |
14 6881 5094 | 08 | То же исполнение А1/530 | " | " | |
14 6881 5096 | 06 | То же исполнение А2/530 | " | " | |
14 6881 5098 | 04 | То же исполнение А1/630 | " | " | |
14 6881 5100 | 05 | Опора швеллерная приварная из стали ВСт3пс исполнение А2/630 | ОСТ 36-146-88 | Опоры для технологических трубопроводов | |
14 6881 5102 | 03 | То же исполнение А1/820 | То же | То же | |
14 6881 5140 | 08 | Опора швеллерная приварная из стали ВСт3пс исполнение А1/57 | " | " | |
14 6881 5142 | 06 | То же исполнение А2/57 | " | " | |
14 6881 5144 | 04 | То же исполнение А1/76 | " | " | |
14 6881 5146 | 02 | То же исполнение А2/76 | " | " | |
14 6881 5148 | 00 | То же исполнение А1/89 | " | " | |
14 6881 5150 | 06 | То же исполнение А2/89 | " | " | |
14 6881 5152 | 04 | То же исполнение А1/108 | " | " | |
14 6881 5154 | 02 | То же исполнение А2/108 | " | " | |
14 6881 5156 | 00 | То же исполнение А1/133 | " | " | |
14 6881 5158 | 09 | То же исполнение А2/133 | " | " | |
14 6881 5160 | 04 | То же исполнение А1/159 | " | " | |
14 6881 5162 | 02 | То же исполнение А2/159 | " | " | |
14 6881 5164 | 00 | То же исполнение А1/219 | " | " | |
14 6881 5166 | 09 | То же исполнение А2/219 | " | " | |
14 6881 5168 | 07 | То же исполнение А1/273 | " | " | |
14 6881 5170 | 02 | То же исполнение А2/273 | " | " | |
14 6881 5172 | 00 | То же исполнение А1/325 | " | " | |
14 6881 5174 | 09 | То же исполнение А2/325 | " | " | |
14 6881 5176 | 07 | То же исполнение А1/377 | " | " | |
14 6881 5178 | 05 | То же исполнение А2/377 | " | " | |
14 6881 5180 | 00 | То же исполнение А1/426 | " | " | |
14 6881 5182 | 09 | Опора швеллерная приварная из стали ВСт3сп исполнение А2/426 | ОСТ 36-146-88 | Опоры для технологических трубопроводов | |
14 6881 5184 | 07 | То же исполнение А1/530 | То же | То же | |
14 6881 5186 | 05 | То же исполнение А2/530 | " | " | |
14 6881 5188 | 03 | То же исполнение А1/630 | " | " | |
14 6881 5190 | 09 | То же исполнение А2/630 | " | " | |
14 6881 5192 | 07 | То же исполнение А1/820 | " | " | |
14 6881 5210 | 00 | Опора швеллерная приварная из стали 20 исполнение А1/57 | " | " | |
14 6881 5212 | 09 | То же исполнение А2/57 | " | " | |
14 6881 5214 | 07 | То же исполнение А1/76 | " | " | |
14 6881 5216 | 05 | То же исполнение А2/76 | " | " | |
14 6881 5218 | 03 | То же исполнение А1/89 | " | " | |
14 6881 5220 | 09 | То же исполнение А2/89 | " | " | |
14 6881 5222 | 07 | То же исполнение А1/108 | " | " | |
14 6881 5224 | 05 | То же исполнение А2/108 | " | " | |
14 6881 5226 | 03 | То же исполнение А1/133 | " | " | |
14 6881 5228 | 01 | То же исполнение А2/133 | " | " | |
14 6881 5230 | 07 | То же исполнение А1/159 | " | " | |
14 6881 5232 | 05 | То же исполнение А2/159 | " | " | |
14 6881 5234 | 03 | То же исполнение А1/219 | " | " | |
14 6881 5236 | 01 | То же исполнение А2/219 | " | " | |
14 6881 5238 | 10 | То же исполнение А1/273 | " | " | |
14 6881 5240 | 05 | То же исполнение А2/273 | " | " | |
14 6881 5242 | 03 | То же исполнение А1/325 | " | " | |
14 6881 5244 | 01 | То же исполнение А2/325 | " | " | |
14 6881 5246 | 10 | Опора швеллерная приварная из стали 20 исполнение А1/377 | ОСТ 36-146-88 | Опоры для технологических трубопроводов | |
14 6881 5248 | 08 | То же исполнение А2/377 | То же | То же | |
14 6881 5250 | 03 | То же исполнение А1/426 | " | " | |
14 6881 5252 | 01 | То же исполнение А2/426 | " | " | |
14 6881 5254 | 10 | То же исполнение А1/530 | " | " | |
14 6881 5256 | 08 | То же исполнение А2/530 | " | " | |
14 6881 5258 | 06 | То же исполнение А1/630 | " | " | |
14 6881 5260 | 01 | То же исполнение А2/630 | " | " | |
14 6881 5262 | 10 | То же исполнение А1/820 | " | " | |
14 6881 5280 | 08 | Опора швеллерная приварная из стали 10Г2 исполнение А1/57 | " | " | |
14 6881 5282 | 06 | То же исполнение А2/57 | " | " | |
14 6881 5284 | 04 | То же исполнение А1/76 | " | " | |
14 6881 5286 | 02 | То же исполнение А2/76 | " | " | |
14 6881 5288 | 00 | То же исполнение А1/89 | " | " | |
14 6881 5290 | 06 | То же исполнение А2/89 | " | " | |
14 6881 5292 | 04 | То же исполнение А1/108 | " | " | |
14 6881 5294 | 02 | То же исполнение А2/108 | " | " | |
14 6881 5296 | 00 | То же исполнение А1/133 | " | " | |
14 6881 5298 | 09 | То же исполнение А2/133 | " | " | |
14 6881 5300 | 10 | То же исполнение А1/159 | " | " | |
14 6881 5302 | 08 | То же исполнение А2/159 | " | " | |
14 6881 5304 | 06 | То же исполнение А1/219 | " | " | |
14 6881 5306 | 04 | То же исполнение А2/219 | " | " | |
14 6881 5308 | 02 | То же исполнение А1/273 | " | " | |
14 6881 5310 | 08 | Опора швеллерная приварная из стали 10Г2 исполнение А2/273 | ОСТ 36-146-88 | Опоры для технологических трубопроводов | |
14 6881 5312 | 06 | То же исполнение А1/325 | То же | То же | |
14 6881 5314 | 04 | То же исполнение А2/325 | " | " | |
14 6881 5316 | 02 | То же исполнение А1/377 | " | " | |
14 6881 5318 | 00 | То же исполнение А2/377 | " | " | |
14 6881 5320 | 06 | То же исполнение А1/426 | " | " | |
14 6881 5322 | 04 | То же исполнение А2/426 | " | " | |
14 6881 5324 | 02 | То же исполнение А1/530 | " | " | |
14 6881 5326 | 00 | То же исполнение А2/530 | " | " | |
14 6881 5328 | 09 | То же исполнение А1/630 | " | " | |
14 6881 5330 | 04 | То же исполнение А2/630 | " | " | |
14 6881 5332 | 02 | То же исполнение А1/820 | " | " | |
14 6881 5400 | 07 | Опора швеллерная приварная из стали 09Г2С исполнение А1/57 | " | " | |
14 6881 5402 | 05 | То же исполнение А2/57 | " | " | |
14 6881 5404 | 03 | То же исполнение А1/76 | " | " | |
14 6881 5406 | 01 | То же исполнение А2/76 | " | " | |
14 6881 5408 | 10 | То же исполнение А1/89 | " | " | |
14 6881 5410 | 05 | То же исполнение А2/89 | " | " | |
14 6881 5412 | 03 | То же исполнение А1/108 | " | " | |
14 6881 5414 | 01 | То же исполнение А2/108 | " | " | |
14 6881 5416 | 10 | То же исполнение А1/133 | " | " | |
14 6881 5418 | 08 | То же исполнение А2/133 | " | " | |
14 6881 5420 | 03 | То же исполнение А1/159 | " | " | |
14 6881 5422 | 01 | Опора швеллерная приварная из стали 09Г2С исполнение А2/159 | ОСТ 36-146-88 | Опоры для технологических трубопроводов | |
14 6881 5424 | 10 | То же исполнение А1/219 | То же | То же | |
14 6881 5426 | 08 | То же исполнение А2/219 | " | " | |
14 6881 5428 | 06 | То же исполнение А1/273 | " | " | |
14 6881 5430 | 01 | То же исполнение А2/273 | " | " | |
14 6881 5432 | 10 | То же исполнение А1/325 | " | " | |
14 6881 5434 | 08 | То же исполнение А2/325 | " | " | |
14 6881 5436 | 06 | То же исполнение А1/377 | " | " | |
14 6881 5438 | 04 | То же исполнение А2/377 | " | " | |
14 6881 5440 | 10 | То же исполнение А1/426 | " | " | |
14 6881 5442 | 08 | То же исполнение А2/426 | " | " | |
14 6881 5444 | 06 | То же исполнение А1/530 | " | " | |
14 6881 5446 | 04 | То же исполнение А2/530 | " | " | |
14 6881 5448 | 02 | То же исполнение А1/630 | " | " | |
14 6881 5450 | 08 | То же исполнение А2/630 | " | " | |
14 6881 5452 | 06 | То же исполнение А1/820 | " | " | |
14 6881 5500 | 04 | Опора уголковая приварная из стали ВСт3пс исполнение А/1020 | " | " | |
14 6881 5502 | 02 | То же исполнение Б/1020 | " | " | |
14 6881 5504 | 00 | То же исполнение А/1220 | " | " | |
14 6881 5506 | 09 | То же исполнение Б/1220 | " | " | |
14 6881 5508 | 07 | То же исполнение А/1420 | " | " | |
14 6881 5510 | 02 | То же исполнение Б/1420 | " | " | |
14 6881 5530 | 09 | Опора уголковая приварная из стали ВСт3сп исполнение А/1020 | ОСТ 36-146-88 | Опоры для технологических трубопроводов | |
14 6881 5532 | 07 | То же исполнение Б/1020 | То же | То же | |
14 6881 5534 | 05 | То же исполнение А/1220 | " | " | |
14 6881 5536 | 03 | То же исполнение Б/1220 | " | " | |
14 6881 5538 | 01 | То же исполнение А/1420 | " | " | |
14 6881 5540 | 07 | То же исполнение Б/1420 | " | " | |
14 6881 5570 | 01 | Опора уголковая приварная из стали 20 исполнение А/1020 | " | " | |
14 6881 5572 | 10 | То же исполнение Б/1020 | " | " | |
14 6881 5574 | 08 | То же исполнение А/1220 | " | " | |
14 6881 5576 | 06 | То же исполнение Б/1220 | " | " | |
14 6881 5578 | 04 | То же исполнение А/1420 | " | " | |
14 6881 5580 | 10 | То же исполнение Б/1420 | " | " | |
14 6881 5610 | 10 | Опора уголковая приварная из стали 10Г2 исполнение А/1020 | " | " | |
14 6881 5612 | 08 | То же исполнение Б/1020 | " | " | |
14 6881 5614 | 06 | То же исполнение А/1220 | " | " | |
14 6881 5616 | 04 | То же исполнение Б/1220 | " | " | |
14 6881 5618 | 02 | То же исполнение А/1420 | " | " | |
14 6881 5620 | 08 | То же исполнение Б/1420 | " | " | |
14 6881 5650 | 02 | Опора уголковая приварная из стали 09Г2С исполнение А/1020 | " | " | |
14 6881 5652 | 00 | То же исполнение Б/1020 | " | " | |
14 6881 5654 | 09 | То же исполнение А/1220 | " | " | |
14 6881 5656 | 07 | Опора уголковая приварная из стали 09Г2С исполнение Б/1220 | ОСТ 36-146-88 | Опоры для технологических трубопроводов | |
14 6881 5658 | 05 | То же исполнение А/1420 | То же | То же | |
14 6881 5660 | 00 | То же исполнение Б/1420 | " | " | |
14 6881 5700 | 097 | Опора хомутовая бескорпусная из стали ВСт3пс исполнение А/25 | " | " | |
14 6881 5702 | 07 | То же исполнение Б/25 | " | " | |
14 6881 5704 | 05 | То же исполнение В/25 | " | " | |
14 6881 5706 | 03 | То же исполнение Г/25 | " | " | |
14 6881 5708 | 01 | То же исполнение А/32 | " | " | |
14 6881 5710 | 07 | То же исполнение Б/32 | " | " | |
14 6881 5712 | 05 | То же исполнение В/32 | " | " | |
14 6881 5714 | 03 | То же исполнение Г/32 | " | " | |
14 6881 5716 | 01 | То же исполнение А/38 | " | " | |
14 6881 5718 | 10 | То же исполнение Б/38 | " | " | |
14 6881 5720 | 05 | То же исполнение В/38 | " | " | |
14 6881 5722 | 03 | То же исполнение Г/38 | " | " | |
14 6881 5724 | 01 | То же исполнение А/45 | " | " | |
14 6881 5726 | 10 | То же исполнение Б/45 | " | " | |
14 6881 5728 | 08 | То же исполнение В/45 | " | " | |
14 6881 5730 | 03 | То же исполнение Г/45 | " | " | |
14 6881 5732 | 01 | То же исполнение А/57 | " | " | |
14 6881 5734 | 10 | То же исполнение Б/57 | " | " | |
14 6881 5736 | 08 | То же исполнение В/57 | " | " | |
14 6881 5738 | 06 | То же исполнение Г/57 | " | " | |
14 6881 5740 | 01 | Опора хомутовая бескорпусная из стали ВСт3пс исполнение А/76 | ОСТ 36-146-88 | Опоры для технологических трубопроводов | |
14 6881 5742 | 10 | То же исполнение Б/76 | То же | То же | |
14 6881 5744 | 08 | То же исполнение В/76 | " | " | |
14 6881 5746 | 06 | То же исполнение Г/76 | " | " | |
14 6881 5748 | 04 | То же исполнение А/89 | " | " | |
14 6881 5750 | 10 | То же исполнение Б/89 | " | " | |
14 6881 5752 | 08 | То же исполнение В/89 | " | " | |
14 6881 5754 | 06 | То же исполнение Г/89 | " | " | |
14 6881 5756 | 04 | То же исполнение А/108 | " | " | |
14 6881 5758 | 02 | То же исполнение Б/108 | " | " | |
14 6881 5760 | 08 | То же исполнение В/108 | " | " | |
14 6881 5762 | 06 | То же исполнение Г/108 | " | " | |
14 6881 5764 | 04 | То же исполнение А/133 | " | " | |
14 6881 5766 | 02 | То же исполнение Б/133 | " | " | |
14 6881 5768 | 00 | То же исполнение В/133 | " | " | |
14 6881 5770 | 06 | То же исполнение Г/133 | " | " | |
14 6881 5772 | 04 | То же исполнение А/159 | " | " | |
14 6881 5774 | 02 | То же исполнение Б/159 | " | " | |
14 6881 5776 | 00 | То же исполнение Б/159 | " | " | |
14 6881 5778 | 09 | То же исполнение Г/159 | " | " | |
14 6881 5780 | 04 | То же исполнение А/219 | " | " | |
14 6881 5782 | 02 | То же исполнение Б/219 | " | " | |
14 6881 5784 | 00 | То же исполнение А/273 | " | " | |
14 6881 5786 | 09 | То же исполнение Б/273 | " | " | |
14 6881 5788 | 07 | Опора хомутовая бескорпусная из стали ВСт3пс исполнение А/325 | ОСТ 36-146-88 | Опоры для технологических трубопроводов | |
14 6881 5790 | 02 | То же исполнение Б/325 | То же | То же | |
14 6881 5792 | 00 | То же исполнение А/377 | " | " | |
14 6881 5794 | 09 | То же исполнение Б/377 | " | " | |
14 6881 5796 | 07 | То же исполнение А/426 | " | " | |
14 6881 5798 | 05 | То же исполнение Б/426 | " | " | |
14 6881 5800 | 06 | То же исполнение А/530 | " | " | |
14 6881 5802 | 04 | То же исполнение Б/530 | " | " | |
14 6881 5850 | 07 | Опора хомутовая бескорпусная из стали ВСт3сп исполнение А/25 | " | " | |
14 6881 5852 | 05 | То же исполнение Б/25 | " | " | |
14 6881 5854 | 03 | То же исполнение В/25 | " | " | |
14 6881 5856 | 01 | То же исполнение Г/25 | " | " | |
14 6881 5858 | 10 | То же исполнение А/32 | " | " | |
14 6881 5860 | 05 | То же исполнение Б/32 | " | " | |
14 6881 5862 | 03 | То же исполнение В/32 | " | " | |
14 6881 5864 | 01 | То же исполнение Г/32 | " | " | |
14 6881 5866 | 10 | То же исполнение А/38 | " | " | |
14 6881 5868 | 08 | То же исполнение Б/38 | " | " | |
14 6881 5870 | 03 | То же исполнение В/38 | " | " | |
14 6881 5872 | 01 | То же исполнение Г/38 | " | " | |
14 6881 5874 | 10 | То же исполнение А/45 | " | " | |
14 6881 5876 | 08 | То же исполнение Б/45 | " | " | |
14 6881 5878 | 06 | То же исполнение В/45 | " | " | |
14 6881 5880 | 01 | Опора хомутовая бескорпусная из стали ВСт3сп исполнение Г/45 | ОСТ 36-146-88 | Опоры для технологических трубопроводов | |
14 6881 5882 | 10 | То же исполнение А/57 | То же | То же | |
14 6881 5884 | 08 | То же исполнение Б/57 | " | " | |
14 6881 5886 | 06 | То же исполнение В/57 | " | " | |
14 6881 5888 | 04 | То же исполнение Г/57 | " | " | |
14 6881 5890 | 10 | То же исполнение А/76 | " | " | |
14 6881 5892 | 08 | То же исполнение Б/76 | " | " | |
14 6881 5894 | 06 | То же исполнение В/76 | " | " | |
14 6881 5896 | 04 | То же исполнение Г/76 | " | " | |
14 6881 5898 | 02 | То же исполнение А/89 | " | " | |
14 6881 5900 | 03 | То же исполнение Б/89 | " | " | |
14 6881 5902 | 01 | То же исполнение В/89 | " | " | |
14 6881 5904 | 10 | То же исполнение Г/89 | " | " | |
14 6881 5906 | 08 | То же исполнение А/108 | " | " | |
14 6881 5908 | 06 | То же исполнение Б/108 | " | " | |
14 6881 5910 | 01 | То же исполнение В/108 | " | " | |
14 6881 5912 | 10 | То же исполнение Г/108 | " | " | |
14 6881 5914 | 08 | То же исполнение А/133 | " | " | |
14 6881 5916 | 06 | То же исполнение Б/133 | " | " | |
14 6881 5918 | 04 | То же исполнение В/133 | " | " | |
14 6881 5920 | 10 | То же исполнение Г/133 | " | " | |
14 6881 5922 | 08 | То же исполнение А/159 | " | " | |
14 6881 5924 | 06 | То же исполнение Б/159 | " | " | |
14 6881 5926 | 04 | То же исполнение В/159 | " | " | |
14 6881 5928 | 02 | Опора хомутовая бескорпусная из стали ВСт3сп исполнение Г/159 | ОСТ 36-146-88 | Опоры для технологических трубопроводов | |
14 6881 5930 | 08 | То же исполнение А/219 | То же | То же | |
14 6881 5932 | 06 | То же исполнение Б/219 | " | " | |
14 6881 5934 | 04 | То же исполнение А/273 | " | " | |
14 6881 5936 | 02 | То же исполнение Б/273 | " | " | |
14 6881 5938 | 00 | То же исполнение А/325 | " | " | |
14 6881 5940 | 06 | То же исполнение Б/325 | " | " | |
14 6881 5942 | 04 | То же исполнение А/377 | " | " | |
14 6881 5944 | 02 | То же исполнение Б/377 | " | " | |
14 6881 5946 | 00 | То же исполнение А/426 | " | " | |
14 6881 5948 | 09 | То же исполнение Б/426 | " | " | |
14 6881 5950 | 04 | То же исполнение А/530 | " | " | |
14 6881 5952 | 02 | То же исполнение Б/530 | " | " | |
14 6881 6000 | 04 | Опора хомутовая бескорпусная из стали 20 исполнение А/25 | " | " | |
14 6881 6002 | 02 | То же исполнение Б/25 | " | " | |
14 6881 6004 | 00 | То же исполнение В/25 | " | " | |
14 6881 6006 | 0<...> | То же исполнение Г/25 | " | " | |
14 6881 6008 | 07 | То же исполнение А/32 | " | " | |
14 6881 6010 | 02 | То же исполнение Б/32 | " | " | |
14 6881 6012 | 00 | То же исполнение В/32 | " | " | |
14 6881 6014 | 09 | То же исполнение Г/32 | " | " | |
14 6881 6016 | 07 | То же исполнение А/38 | " | " | |
14 6881 6018 | 05 | То же исполнение Б/38 | " | " | |
14 6881 6020 | 00 | Опора хомутовая бескорпусная из стали 20 исполнение В/38 | ОСТ 36-146-88 | Опоры для технологических трубопроводов | |
14 6881 6022 | 09 | То же исполнение Г/38 | То же | То же | |
14 6881 6024 | 07 | То же исполнение А/45 | " | " | |
14 6881 6026 | 05 | То же исполнение Б/45 | " | " | |
14 6881 6028 | 03 | То же исполнение В/45 | " | " | |
14 6881 6030 | 09 | То же исполнение Г/45 | " | " | |
14 6881 6032 | 07 | То же исполнение А/57 | " | " | |
14 6881 6034 | 05 | То же исполнение Б/57 | " | " | |
14 6881 6036 | 03 | То же исполнение В/57 | " | " | |
14 6881 6038 | 01 | То же исполнение Г/57 | " | " | |
14 6881 6040 | 07 | То же исполнение А/76 | " | " | |
14 6881 6042 | 05 | То же исполнение Б/76 | " | " | |
14 6881 6044 | 03 | То же исполнение В/76 | " | " | |
14 6881 6046 | 01 | То же исполнение Г/76 | " | " | |
14 6881 6048 | 10 | То же исполнение А/89 | " | " | |
14 6881 6050 | 05 | То же исполнение Б/89 | " | " | |
14 6881 6052 | 03 | То же исполнение В/89 | " | " | |
14 6881 6054 | 01 | То же исполнение Г/89 | " | " | |
14 6881 6056 | 10 | То же исполнение А/108 | " | " | |
14 6881 6058 | 08 | То же исполнение Б/108 | " | " | |
14 6881 6060 | 03 | То же исполнение В/108 | " | " | |
14 6881 6062 | 01 | То же исполнение Г/108 | " | " | |
14 6881 6064 | 10 | То же исполнение А/133 | " | " | |
14 6881 6066 | 08 | То же исполнение Б/133 | " | " | |
14 6881 6068 | 06 | Опора хомутовая бескорпусная из стали 20 исполнение В/133 | ОСТ 36-146-88 | Опоры для технологических трубопроводов | |
14 6881 6070 | 01 | То же исполнение Г/133 | То же | То же | |
14 6881 6072 | 10 | То же исполнение А/159 | " | " | |
14 6881 6074 | 08 | То же исполнение Б/159 | " | " | |
14 6881 6076 | 06 | То же исполнение В/159 | " | " | |
14 6881 6078 | 04 | То же исполнение Г/159 | " | " | |
14 6881 6080 | 10 | То же исполнение А/219 | " | " | |
14 6881 6082 | 08 | То же исполнение Б/219 | " | " | |
14 6881 6084 | 06 | То же исполнение А/273 | " | " | |
14 6881 6086 | 04 | То же исполнение Б/273 | " | " | |
14 6881 6088 | 02 | То же исполнение А/325 | " | " | |
14 6881 6090 | 08 | То же исполнение Б/325 | " | " | |
14 6881 6092 | 06 | То же исполнение А/377 | " | " | |
14 6881 6094 | 04 | То же исполнение Б/377 | " | " | |
14 6881 6096 | 02 | То же исполнение А/426 | " | " | |
14 6881 6098 | 00 | То же исполнение Б/426 | " | " | |
14 6881 6100 | 01 | То же исполнение А/530 | " | " | |
14 6881 6102 | 10 | То же исполнение Б/530 | " | " | |
14 6881 6130 | 06 | Опора хомутовая бескорпусная из стали 10Г2 исполнение А/25 | " | " | |
14 6881 6132 | 04 | То же исполнение Б/25 | " | " | |
14 6881 6134 | 02 | То же исполнение В/25 | " | " | |
14 6881 6136 | 00 | То же исполнение Г/25 | " | " | |
14 6881 6138 | 09 | То же исполнение А/32 | " | " | |
14 6881 6140 | 04 | То же исполнение Б/32 | " | " | |
14 6881 6142 | 02 | Опора хомутовая бескорпусная из стали 10Г2 исполнение В/32 | ОСТ 36-146-88 | Опоры для технологических трубопроводов | |
14 6881 6144 | 00 | То же исполнение Г/32 | То же | То же | |
14 6881 6146 | 09 | То же исполнение А/38 | " | " | |
14 6881 6148 | 07 | То же исполнение Б/38 | " | " | |
14 6881 6150 | 02 | То же исполнение В/38 | " | " | |
14 6881 6152 | 00 | То же исполнение Г/38 | " | " | |
14 6881 6154 | 09 | То же исполнение А/45 | " | " | |
14 6881 6156 | 07 | То же исполнение Б/45 | " | " | |
14 6881 6158 | 05 | То же исполнение В/45 | " | " | |
14 6881 6160 | 00 | То же исполнение Г/45 | " | " | |
14 6881 6162 | 09 | То же исполнение А/57 | " | " | |
14 6881 6164 | 07 | То же исполнение Б/57 | " | " | |
14 6881 6166 | 05 | То же исполнение В/57 | " | " | |
14 6881 6168 | 03 | То же исполнение Г/57 | " | " | |
14 6881 6170 | 09 | То же исполнение А/76 | " | " | |
14 6881 6172 | 07 | То же исполнение Б/76 | " | " | |
14 6881 6174 | 05 | То же исполнение В/76 | " | " | |
14 6881 6176 | 03 | То же исполнение Г/76 | " | " | |
14 6881 6178 | 01 | То же исполнение А/89 | " | " | |
14 6881 6180 | 07 | То же исполнение Б/89 | " | " | |
14 6881 6182 | 05 | То же исполнение В/89 | " | " | |
14 6881 6184 | 03 | То же исполнение Г/89 | " | " | |
14 6881 6186 | 01 | То же исполнение А/108 | " | " | |
14 6881 6188 | 10 | То же исполнение Б/108 | " | " | |
14 6881 6190 | 05 | Опора хомутовая бескорпусная из стали 10Г2 исполнение В/108 | ОСТ 36-146-88 | Опоры для технологических трубопроводов | |
14 6881 6192 | 03 | То же исполнение Г/108 | То же | То же | |
14 6881 6194 | 01 | То же исполнение А/133 | " | " | |
14 6881 6196 | 10 | То же исполнение Б/133 | " | " | |
14 6881 6198 | 08 | То же исполнение В/133 | " | " | |
14 6881 6200 | 09 | То же исполнение Г/133 | " | " | |
14 6881 6202 | 07 | То же исполнение А/159 | " | " | |
14 6881 6204 | 05 | То же исполнение Б/159 | " | " | |
14 6881 6206 | 03 | То же исполнение В/159 | " | " | |
14 6881 6208 | 01 | То же исполнение Г/159 | " | " | |
14 6881 6210 | 07 | То же исполнение А/219 | " | " | |
14 6881 6212 | 05 | То же исполнение Б/219 | " | " | |
14 6881 6214 | 03 | То же исполнение А/273 | " | " | |
14 6881 6216 | 01 | То же исполнение Б/273 | " | " | |
14 6881 6218 | 10 | То же исполнение А/325 | " | " | |
14 6881 6220 | 05 | То же исполнение Б/325 | " | " | |
14 6881 6222 | 03 | То же исполнение А/377 | " | " | |
14 6881 6224 | 01 | То же исполнение Б/377 | " | " | |
14 6881 6226 | 10 | То же исполнение А/426 | " | " | |
14 6881 6228 | 08 | То же исполнение Б/426 | " | " | |
14 6881 6230 | 03 | То же исполнение А/530 | " | " | |
14 6881 6232 | 01 | То же исполнение Б/530 | " | " | |
14 6881 6260 | 08 | Опора хомутовая бескорпусная из стали 09Г2С исполнение А/25 | " | " | |
14 6881 6262 | 06 | Опора хомутовая бескорпусная из стали 09Г2С исполнение Б/25 | ОСТ 36-146-88 | Опоры для технологических трубопроводов | |
14 6881 6264 | 06 | То же исполнение В/25 | То же | То же | |
14 6881 6266 | 02 | То же исполнение Г/25 | " | " | |
14 6881 6268 | 00 | То же исполнение А/32 | " | " | |
14 6881 6270 | 06 | То же исполнение Б/32 | " | " | |
14 6881 6272 | 04 | То же исполнение В/32 | " | " | |
14 6881 6274 | 02 | То же исполнение Г/32 | " | " | |
14 6881 6276 | 00 | То же исполнение А/38 | " | " | |
14 6881 6278 | 09 | То же исполнение Б/38 | " | " | |
14 6881 6280 | 04 | То же исполнение В/38 | " | " | |
14 6881 6282 | 02 | То же исполнение Г/38 | " | " | |
14 6881 6284 | 00 | То же исполнение А/45 | " | " | |
14 6881 6286 | 09 | То же исполнение Б/45 | " | " | |
14 6881 6288 | 07 | То же исполнение В/45 | " | " | |
14 6881 6290 | 02 | То же исполнение Г/45 | " | " | |
14 6881 6292 | 00 | То же исполнение А/57 | " | " | |
14 6881 6294 | 09 | То же исполнение Б/57 | " | " | |
14 6881 6296 | 07 | То же исполнение В/57 | " | " | |
14 6881 6298 | 05 | То же исполнение Г/57 | " | " | |
14 6881 6300 | 06 | То же исполнение А/76 | " | " | |
14 6881 6302 | 04 | То же исполнение Б/76 | " | " | |
14 6881 6304 | 02 | То же исполнение В/76 | " | " | |
14 6881 6306 | 00 | То же исполнение Г/76 | " | " | |
14 6881 6308 | 09 | То же исполнение А/89 | " | " | |
14 6881 6310 | 04 | Опора хомутовая бескорпусная из стали 09Г2С исполнение Б/89 | ОСТ 36-146-88 | Опоры для технологических трубопроводов | |
14 6881 6312 | 02 | То же исполнение В/89 | То же | То же | |
14 6881 6314 | 00 | То же исполнение Г/89 | " | " | |
14 6881 6316 | 09 | То же исполнение А/108 | " | " | |
14 6881 6318 | 07 | То же исполнение Б/108 | " | " | |
14 6881 6320 | 02 | То же исполнение В/108 | " | " | |
14 6881 6322 | 00 | То же исполнение Г/108 | " | " | |
14 6881 6324 | 09 | То же исполнение А/133 | " | " | |
14 6881 6326 | 07 | То же исполнение Б/133 | " | " | |
14 6881 6328 | 05 | То же исполнение В/133 | " | " | |
14 6881 6330 | 00 | То же исполнение Г/133 | " | " | |
14 6881 6332 | 09 | То же исполнение А/159 | " | " | |
14 6881 6334 | 07 | То же исполнение Б/159 | " | " | |
14 6881 6336 | 05 | То же исполнение В/159 | " | " | |
14 6881 6338 | 03 | То же исполнение Г/159 | " | " | |
14 6881 6340 | 09 | То же исполнение А/219 | " | " | |
14 6881 6342 | 07 | То же исполнение Б/219 | " | " | |
14 6881 6344 | 05 | То же исполнение А/273 | " | " | |
14 6881 6346 | 03 | То же исполнение Б/273 | " | " | |
14 6881 6348 | 01 | То же исполнение А/325 | " | " | |
14 6881 6350 | 07 | То же исполнение Б/325 | " | " | |
14 6881 6352 | 05 | То же исполнение А/377 | " | " | |
14 6881 6354 | 03 | То же исполнение Б/377 | " | " | |
14 6881 6356 | 01 | То же исполнение А/426 | " | " | |
14 6881 6358 | 10 | Опора хомутовая бескорпусная из стали 09Г2С исполнение Б/426 | ОСТ 36-146-88 | Опоры для технологических трубопроводов | |
14 6881 6360 | 05 | То же исполнение А/530 | То же | То же | |
14 6881 6362 | 03 | То же исполнение Б/530 | " | " | |
14 6881 6500 | 00 | Опора трубчатая крутоизогнутых отводов из стали ВСт3кп исполнение А1/57 | " | " | |
14 6881 6502 | 09 | То же исполнение А2/57 | " | " | |
14 6881 6504 | 07 | То же исполнение А1/76 | " | " | |
14 6881 6506 | 05 | То же исполнение А2/76 | " | " | |
14 6881 6508 | 03 | То же исполнение А1/89 | " | " | |
14 6881 6510 | 09 | То же исполнение А2/89 | " | " | |
14 6881 6512 | 07 | То же исполнение А1/108 | " | " | |
14 6881 6514 | 05 | То же исполнение А2/108 | " | " | |
14 6881 6516 | 03 | То же исполнение А1/133 | " | " | |
14 6881 6518 | 01 | То же исполнение А2/133 | " | " | |
14 6881 6520 | 07 | То же исполнение А1/159 | " | " | |
14 6881 6522 | 05 | То же исполнение А2/159 | " | " | |
14 6881 6540 | 03 | Опора трубчатая крутоизогнутых отводов из стали ВСт3пс исполнение А1/57 | " | " | |
14 6881 6542 | 01 | То же исполнение А2/57 | " | " | |
14 6881 6544 | 10 | То же исполнение А1/76 | " | " | |
14 6881 6546 | 08 | То же исполнение А2/76 | " | " | |
14 6881 6548 | 06 | То же исполнение А1/89 | " | " | |
14 6881 6550 | 01 | То же исполнение А2/89 | " | " | |
14 6881 6552 | 10 | То же исполнение А1/108 | " | " | |
14 6881 6554 | 08 | Опора трубчатая крутоизогнутых отводов из стали ВСт3пс исполнение А2/108 | ОСТ 36-146-88 | Опоры для технологических трубопроводов | |
14 6881 6556 | 06 | То же исполнение А1/133 | То же | То же | |
14 6881 6558 | 04 | То же исполнение А2/133 | " | " | |
14 6881 6560 | 10 | То же исполнение А1/159 | " | " | |
14 6881 6562 | 08 | То же исполнение А2/159 | " | " | |
14 6881 6564 | 06 | То же исполнение А1/219 | " | " | |
14 6881 6566 | 04 | То же исполнение А2/219 | " | " | |
14 6881 6568 | 02 | То же исполнение А1/273 | " | " | |
14 6881 6570 | 08 | То же исполнение А2/273 | " | " | |
14 6881 6572 | 06 | То же исполнение А1/325 | " | " | |
14 6881 6574 | 04 | То же исполнение А2/325 | " | " | |
14 6881 6576 | 02 | То же исполнение А1/377 | " | " | |
14 6881 6578 | 00 | То же исполнение А2/377 | " | " | |
14 6881 6580 | 06 | То же исполнение А1/426 | " | " | |
14 6881 6582 | 04 | То же исполнение А2/426 | " | " | |
14 6881 6584 | 02 | То же исполнение А1/530 | " | " | |
14 6881 6586 | 00 | То же исполнение А2/530 | " | " | |
14 6881 6588 | 09 | То же исполнение А1/630 | " | " | |
14 6881 6590 | 04 | То же исполнение А2/630 | " | " | |
14 6881 6600 | 08 | Опора трубчатая крутоизогнутых отводов из стали ВСт3сп исполнение А1/57 | " | " | |
14 6881 6602 | 06 | То же исполнение А2/57 | " | " | |
14 6881 6604 | 04 | То же исполнение А1/76 | " | " | |
14 6881 6606 | 02 | То же исполнение А2/76 | " | " | |
14 6881 6608 | 00 | Опора трубчатая крутоизогнутых отводов из стали ВСт3сп исполнение А1/89 | ОСТ 36-146-88 | Опоры для технологических трубопроводов | |
14 6881 6610 | 06 | То же исполнение А2/89 | То же | То же | |
14 6881 6612 | 04 | То же исполнение А1/108 | " | " | |
14 6881 6614 | 02 | То же исполнение А2/108 | " | " | |
14 6881 6616 | 00 | То же исполнение А1/133 | " | " | |
14 6881 6618 | 09 | То же исполнение А2/133 | " | " | |
14 6881 6620 | 04 | То же исполнение А1/159 | " | " | |
14 6881 6622 | 02 | То же исполнение А2/159 | " | " | |
14 6881 6624 | 00 | То же исполнение А1/219 | " | " | |
14 6881 6626 | 09 | То же исполнение А2/219 | " | " | |
14 6881 6628 | 07 | То же исполнение А1/273 | " | " | |
14 6881 6630 | 02 | То же исполнение А2/273 | " | " | |
14 6881 6632 | 00 | То же исполнение А1/325 | " | " | |
14 6881 6634 | 09 | То же исполнение А2/325 | " | " | |
14 6881 6636 | 07 | То же исполнение А1/377 | " | " | |
14 6881 6638 | 05 | То же исполнение А2/377 | " | " | |
14 6881 6640 | 00 | То же исполнение А1/426 | " | " | |
14 6881 6642 | 09 | То же исполнение А2/426 | " | " | |
14 6881 6644 | 07 | То же исполнение А1/530 | " | " | |
14 6881 6646 | 05 | То же исполнение А2/530 | " | " | |
14 6881 6648 | 03 | То же исполнение А1/630 | " | " | |
14 6881 6650 | 09 | То же исполнение А2/630 | " | " | |
14 6881 6680 | 03 | Опора трубчатая крутоизогнутых отводов из стали 20 исполнение А1/57 | ОСТ 36-146-88 | Опоры для технологических трубопроводов | |
14 6881 6682 | 01 | То же исполнение А2/57 | То же | То же | |
14 6881 6684 | 10 | То же исполнение А1/76 | " | " | |
14 6881 6686 | 08 | То же исполнение А2/76 | " | " | |
14 6881 6688 | 06 | То же исполнение А1/89 | " | " | |
14 6881 6690 | 01 | То же исполнение А2/89 | " | " | |
14 6881 6692 | 10 | То же исполнение А1/108 | " | " | |
14 6881 6694 | 08 | То же исполнение А2/108 | " | " | |
14 6881 6696 | 06 | То же исполнение А1/133 | " | " | |
14 6881 6698 | 04 | То же исполнение А2/133 | " | " | |
14 6881 6700 | 05 | То же исполнение А1/159 | " | " | |
14 6881 6702 | 03 | То же исполнение А2/159 | " | " | |
14 6881 6704 | 01 | То же исполнение А1/219 | " | " | |
14 6881 6706 | 10 | То же исполнение А2/219 | " | " | |
14 6881 6708 | 08 | то же исполнение А1/273 | " | " | |
14 6881 6710 | 03 | То же исполнение А2/273 | " | " | |
14 6881 6712 | 01 | То же исполнение А1/325 | " | " | |
14 6881 6714 | 10 | То же исполнение А2/325 | " | " | |
14 6881 6716 | 08 | То же исполнение А1/377 | " | " | |
14 6881 6718 | 06 | То же исполнение А2/377 | " | " | |
14 6881 6720 | 01 | То же исполнение А1/426 | " | " | |
14 6881 6722 | 10 | То же исполнение А2/426 | " | " | |
14 6881 6724 | 08 | То же исполнение А1/530 | " | " | |
14 6881 6726 | 06 | То же исполнение А2/530 | " | " | |
14 6881 6728 | 04 | Опора трубчатая крутоизогнутых отводов из стали 20 исполнение А1/630 | ОСТ 36-146-88 | Опоры для технологических трубопроводов | |
14 6881 6730 | 10 | То же исполнение А2/630 | То же | То же | |
14 6881 6750 | 06 | Опора трубчатая крутоизогнутых отводов из стали 10Г2 исполнение А1/57 | " | " | |
14 6881 6752 | 04 | То же исполнение А2/57 | " | " | |
14 6881 6754 | 02 | То же исполнение А1/76 | " | " | |
14 6881 6756 | 00 | То же исполнение А2/76 | " | " | |
14 6881 6758 | 09 | То же исполнение А1/89 | " | " | |
14 6881 6760 | 04 | То же исполнение А2/89 | " | " | |
14 6881 6762 | 02 | То же исполнение А1/108 | " | " | |
14 6881 6764 | 00 | То же исполнение А2/108 | " | " | |
14 6881 6766 | 09 | То же исполнение А1/133 | " | " | |
14 6881 6768 | 07 | То же исполнение А2/133 | " | " | |
14 6881 6770 | 02 | То же исполнение А1/159 | " | " | |
14 6881 6772 | 00 | То же исполнение А2/159 | " | " | |
14 6881 6774 | 09 | То же исполнение А1/219 | " | " | |
14 6881 6776 | 07 | То же исполнение А2/219 | " | " | |
14 6881 6778 | 05 | То же исполнение А1/273 | " | " | |
14 6881 6780 | 00 | То же исполнение А2/273 | " | " | |
14 6881 6782 | 09 | То же исполнение А1/325 | " | " | |
14 6881 6784 | 07 | То же исполнение А2/325 | " | " | |
14 6881 6786 | 05 | То же исполнение А1/377 | " | " | |
14 6881 6788 | 03 | То же исполнение А2/377 | " | " | |
14 6881 6790 | 09 | То же исполнение А1/426 | " | " | |
14 6881 6792 | 07 | Опора трубчатая крутоизогнутых из стали 10Г2 исполнение А2/426 | ОСТ 36-146-88 | Опоры для технологических трубопроводов | |
14 6881 6794 | 05 | То же исполнение А1/530 | То же | То же | |
14 6881 6796 | 03 | То же исполнение А2/530 | " | " | |
14 6881 6798 | 01 | То же исполнение А1/630 | " | " | |
14 6881 6800 | 02 | То же исполнение А2/630 | " | " | |
14 6881 6820 | 09 | Опора трубчатая крутоизогнутых отводов из стали 09Г2С исполнение А1/57 | " | " | |
14 6881 6822 | 07 | То же исполнение А2/57 | " | " | |
14 6881 6824 | 05 | То же исполнение А1/76 | " | " | |
14 6881 6826 | 03 | То же исполнение А2/76 | " | " | |
14 6881 6828 | 01 | То же исполнение А1/89 | " | " | |
14 6881 6830 | 07 | То же исполнение А2/89 | " | " | |
14 6881 6832 | 05 | То же исполнение А1/108 | " | " | |
14 6881 6834 | 03 | То же исполнение А2/108 | " | " | |
14 6881 6836 | 01 | То же исполнение А1/133 | " | " | |
14 6881 6838 | 10 | То же исполнение А2/133 | " | " | |
14 6881 6840 | 05 | То же исполнение А1/159 | " | " | |
14 6881 6842 | 03 | То же исполнение А2/159 | " | " | |
14 6881 6844 | 01 | То же исполнение А1/219 | " | " | |
14 6881 6846 | 10 | То же исполнение А2/219 | " | " | |
14 6881 6848 | 08 | То же исполнение А1/273 | " | " | |
14 6881 6850 | 03 | То же исполнение А2/273 | " | " | |
14 6881 6852 | 01 | То же исполнение А1/325 | " | " | |
14 6881 6854 | 10 | То же исполнение А2/325 | " | " | |
14 6881 6856 | 08 | Опора трубчатая крутоизогнутых отводов из стали 09Г2С исполнение А1/377 | ОСТ 36-146-88 | Опоры для технологических трубопроводов | |
14 6881 6858 | 06 | То же исполнение А2/377 | То же | То же | |
14 6881 6860 | 01 | То же исполнение А1/426 | " | " | |
14 6881 6862 | 10 | То же исполнение А2/426 | " | " | |
14 6881 6864 | 08 | То же исполнение А1/530 | " | " | |
14 6881 6866 | 06 | То же исполнение А2/530 | " | " | |
14 6881 6868 | 04 | То же исполнение А1/630 | " | " | |
14 6881 6870 | 10 | То же исполнение А2/630 | " | " |

, где 






.
,
;
;
;
; 
,
; 
Условное обозначение опор | Номер партии | Допускаемые нагрузки кН | Количество шт. | Масса, кг | Прочие сведения | ||
Вертик. Qy | Осевая Pz при | ||||||
Px = Pz | Px = 0,5Pz | ||||||