Главная // Актуальные документы // ГОСТ (Государственный стандарт)СПРАВКА
Источник публикации
М.: Издательство стандартов, 1990
Примечание к документу
Документ утратил силу на территории Российской Федерации с 30 ноября 2018 года в связи с изданием
Приказа Росстандарта от 30.11.2018 N 1047-ст. Взамен введен в действие
ГОСТ Р 57837-2017.
С 1 июля 2003 года до вступления в силу технических регламентов акты федеральных органов исполнительной власти в сфере технического регулирования носят рекомендательный характер и подлежат обязательному исполнению только в части, соответствующей целям, указанным в
пункте 1 статьи 46 Федерального закона от 27.12.2002 г. N 184-ФЗ.
Ограничение срока действия снято по Протоколу N 7-95 Межгосударственного Совета по стандартизации, метрологии и сертификации ("ИУС", N 11, 1995).
Утрачивает силу с 1 июля 2000 года.
Введен в действие с 1 июля 1990 года.
Взамен ГОСТ 8239-72.
Название документа
"ГОСТ 8239-89 (СТ СЭВ 2209-80). Государственный стандарт Союза ССР. Двутавры стальные горячекатаные. Сортамент"
(утв. Постановлением Госстандарта СССР от 27.09.1989 N 2940)
"ГОСТ 8239-89 (СТ СЭВ 2209-80). Государственный стандарт Союза ССР. Двутавры стальные горячекатаные. Сортамент"
(утв. Постановлением Госстандарта СССР от 27.09.1989 N 2940)
Утвержден и введен в действие
Постановлением Госстандарта СССР
от 27 сентября 1989 г. N 2940
ГОСУДАРСТВЕННЫЙ СТАНДАРТ СОЮЗА ССР
ДВУТАВРЫ СТАЛЬНЫЕ ГОРЯЧЕКАТАНЫЕ
СОРТАМЕНТ
Hot-rolled steel flange beams. Rolling products
ГОСТ 8239-89
(СТ СЭВ 2209-80)
Срок действия
с 1 июля 1990 года
до 1 июля 2000 года
ИНФОРМАЦИОННЫЕ ДАННЫЕ
1. Разработан и внесен Министерством черной металлургии СССР, Госстроем СССР, Центральным научно-исследовательским институтом строительных конструкций.
Разработчики стандарта:
С.И. Рудюк, канд. техн. наук; С.В. Колоколов (руководитель работы), канд. техн. наук; В.Ф. Коваленко, канд. техн. наук; Н.Ф. Грицук, канд. техн. наук; В.С. Медведев, канд. техн. наук; И.Е. Пацека, канд. техн. наук; Ж.М. Роева, канд. эконом. наук; В.В. Калюжный, канд. эконом. наук; Р.А. Дробнова, канд. техн. наук; В.А. Ена, канд. техн. наук; К.Ф. Перетятько; Ю.М. Юхновский, канд. техн. наук; В.В. Пудинов; Л.И. Яремчук; М.А. Алексина, Б.Г. Павлов, канд. техн. наук; В.Ф. Беляев, канд. техн. наук; Я.А. Каплун, канд. техн. наук.
2. Утвержден и введен в действие Постановлением Государственного комитета СССР по стандартам от 27.09.1989 N 2940.
3. Стандарт полностью соответствует СТ СЭВ 2209-80.
4. Стандарт соответствует МС ИСО 657/13.
5. Стандарт унифицирован с БДС 5951-75, TGL 10369.
6. Взамен ГОСТ 8239-72.
Настоящий стандарт устанавливает сортамент горячекатаных стальных двутавров с уклоном внутренних граней полок.
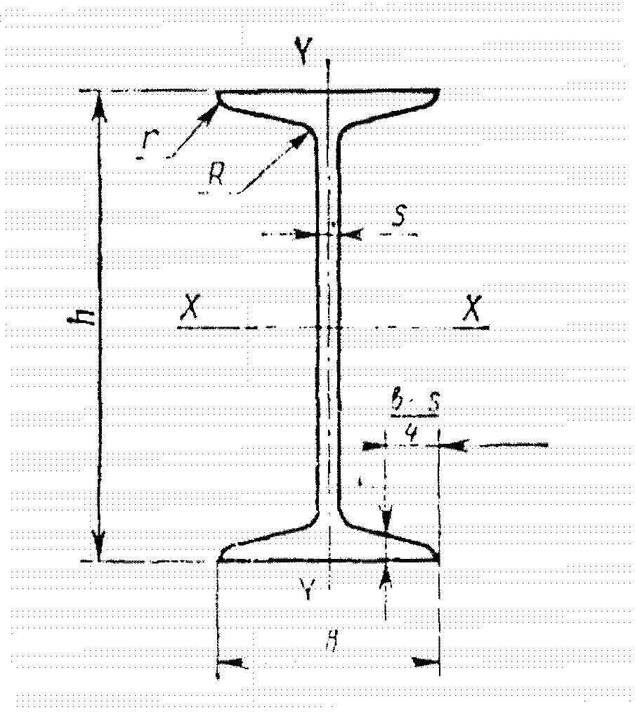
1. Поперечное сечение двутавров должно соответствовать указанному на черт. 1.
h - высота двутавра; b - ширина полки; s - толщина стенки;
t - средняя толщина полки; R - радиус внутреннего закругления;
r - радиус закругления полки
Примечание. Уклон внутренних граней полок должен быть 6 - 12%.
2. Номинальные размеры двутавров, площадь поперечного сечения, масса и справочные значения для осей должны соответствовать приведенным в табл. 1.
─────┬──────────────────────────┬─────┬──────┬────────────────────────────────────────────
Номер│ Размеры │Пло- │Масса │ Справочные значения для осей
дву- ├───┬───┬────┬────┬────┬───┤щадь │ 1 м, ├─────────────────────────┬──────────────────
тавра│ h │ b │ s │ t │ R │ r │попе-│ кг │ X - X │ Y - Y
│ │ │ │ ├────┴───┤реч- │ ├─────┬──────┬─────┬──────┼──────┬──────┬────
│ │ │ │ │ не │ного │ │ I , │ W , │ i , │ S , │ I , │ W , │ i ,
│ │ │ │ │ более │сече-│ │ x │ x │ x │ x │ y │ y │ y
├───┴───┴────┴────┴────────┤ния, │ │ см4 │ см3 │ см │ см3 │ см4 │ см3 │ см
│ мм │см2 │ │ │ │ │ │ │ │
─────┼───┬───┬────┬────┬────┬───┼─────┼──────┼─────┼──────┼─────┼──────┼──────┼──────┼────
10 │100│ 55│ 4,5│ 7,2│ 7,0│2,5│ 12,0│ 9,46│ 198│ 39,7│ 4,06│ 23,0│ 17,9│ 6,49│1,22
12 │120│ 64│ 4,8│ 7,3│ 7,5│3,0│ 14,7│ 11,50│ 350│ 58,4│ 4,88│ 33,7│ 27,9│ 8,72│1,38
14 │140│ 73│ 4,9│ 7,5│ 8,0│3,0│ 17,4│ 13,70│ 572│ 81,7│ 5,73│ 46,8│ 41,9│ 11,50│1,55
16 │160│ 81│ 5,0│ 7,8│ 8,5│3,5│ 20,2│ 15,90│ 873│ 109,0│ 6,57│ 62,3│ 58,6│ 14,50│1,70
18 │180│ 90│ 5,1│ 8,1│ 9,0│3,5│ 23,4│ 18,40│ 1290│ 143,0│ 7,42│ 81,4│ 82,6│ 18,40│1,88
20 │200│100│ 5,2│ 8,4│ 9,5│4,0│ 26,8│ 21,00│ 1840│ 184,0│ 8,28│ 104,0│ 115,0│ 23,10│2,07
22 │220│110│ 5,4│ 8,7│10,0│4,0│ 30,6│ 24,00│ 2550│ 232,0│ 9,13│ 131,0│ 157,0│ 28,60│2,27
24 │240│115│ 5,6│ 9,5│10,5│4,0│ 34,8│ 27,30│ 3460│ 289,0│ 9,97│ 163,0│ 198,0│ 34,50│2,37
27 │270│125│ 6,0│ 9,8│11,0│4,5│ 40,2│ 31,50│ 5010│ 371,0│11,20│ 210,0│ 260,0│ 41,50│2,54
30 │300│135│ 6,5│10,2│12,0│5,0│ 46,5│ 36,50│ 7080│ 472,0│12,30│ 268,0│ 337,0│ 49,90│2,69
33 │330│140│ 7,0│11,2│13,0│5,0│ 53,8│ 42,20│ 9840│ 597,0│13,50│ 339,0│ 419,0│ 59,90│2,79
36 │360│145│ 7,5│12,3│14,0│6,0│ 61,9│ 48,60│13380│ 743,0│14,70│ 423,0│ 516,0│ 71,10│2,89
40 │400│155│ 8,3│13,0│15,0│6,0│ 72,6│ 57,00│19062│ 953,0│16,20│ 545,0│ 667,0│ 86,10│3,03
45 │450│160│ 9,0│14,2│16,0│7,0│ 84,7│ 66,50│27696│1231,0│18,10│ 708,0│ 808,0│101,00│3,09
50 │500│170│10,0│15,2│17,0│7,0│100,0│ 78,50│39727│1589,0│19,90│ 919,0│1043,0│123,00│3,23
55 │550│180│11,0│16,5│18,0│7,0│118,0│ 92,60│55962│2035,0│21,80│1181,0│1356,0│151,00│3,39
60 │600│190│12,0│17,8│20,0│8,0│138,0│108,00│76806│2560,0│23,60│1491,0│1725,0│182,00│3,54
Примечания. 1. Площадь поперечного сечения и масса 1 м двутавра вычислены по номинальным размерам; плотность стали принята равной 7,85 г/см3.
2. Величины радиусов закругления, уклона внутренних граней полок, толщины полок, указанные на
черт. 1 и в
табл. 1, приведены для построения калибров и на готовом прокате не контролируются.
3. В таблицах используют обозначения:
I - момент инерции;
W - момент сопротивления;
S - статический момент полусечения;
i - радиус инерции.
4. Двутавры от N 24 до N 60 не рекомендуется применять в новых разработках.
3. По точности прокатки двутавры изготовляют:
повышенной точности - Б,
обычной точности - В.
4. Предельные отклонения по размерам и форме поперечного сечения двутавров
(черт. 1 - 2) должны соответствовать приведенным в
табл. 2.
Черт. 2
b - ширина укороченного фланца; b - ширина удлиненного
фланца;

- перекос полки; f - прогиб стенки
мм
────────────────┬───────────────────────┬─────────────────────────
Параметр │ Размер │ Предельные отклонения
двутавра, │ │ при точности прокатки
показатель │ ├────────────┬────────────
качества │ │ повышенной │ обычной
────────────────┼───────────────────────┼────────────┼────────────
Высота h │ До 140 включ. │ +/- 2,0 │ +/- 2,0
│Св. 140 " 180 " │ │ +/- 2,5
├───────────────────────┼────────────┼────────────
│" 180 " 300 " │ +/- 3,0 │ +/- 3,0
│" 300 " 360 " │ │ +/- 3,5
├───────────────────────┼────────────┼────────────
│" 360 " 600 " │ +/- 4,0 │ +/- 4,0
────────────────┼───────────────────────┼────────────┼────────────
Ширина полки b │ До 73 включ. │ +/- 2,0 │ +/- 2,0
│Св. 73 " 90 " │ │ +/- 2,5
│" 90 " 135 " │ │ +/- 3,0
├───────────────────────┼────────────┼────────────
│" 135 " 155 " │ +/- 3,0 │ +/- 3,5
│" 155 │ │ +/- 4,0
────────────────┼───────────────────────┼────────────┼────────────
Толщина │ До 7,5 включ.│ -0,4 │ -0,7
полки t
<*> │Св. 7,5 " 8,9 " │ -0,5 │ -0,7
│" 8,9 " 10,7 " │ -0,6 │ -0,8
├───────────────────────┼────────────┼────────────
│" 10,7 " 12,3 " │ -0,7 │ -1,0
│" 12,3 " 14,2 " │ -0,8 │
│" 14,2 " 15,2 " │ -0,9 │
├───────────────────────┼────────────┼────────────
│" 15,2 │ -1,0 │ -1,2
────────────────┼───────────────────────┼────────────┼────────────
Перекос полки │От 55 до 190 включ. │ Не более │ Не более
Дельта при │ │ 0,0125 b │ 0,02b
ширине b │ │ │
────────────────┼───────────────────────┼────────────┼────────────
Отклонение от │ До 73 включ. │ 2,0 │ 2,0
симметричности │Св. 73 " 90 " │ │ 2,5
дельта │" 90 " 135 " │ │ 3,0
b - b ├───────────────────────┼────────────┼────────────
1 2│" 135 " 145 " │ 3,0 │ 3,5
дельта = -------│" 145 │ │ 4,0
2 │ │ │
при ширине b │ │ │
────────────────┼───────────────────────┼────────────┼────────────
Длина │ До 8 м включ. │ +40 │ +40
│Св. 8 м │К допуску │ +80
│ │+40 прибав- │
│ │лять по 5 мм│
│ │на каждый │
│ │метр длины │
│ │св. 8 м │
--------------------------------
<*> Плюсовые отклонения ограничиваются предельными отклонениями по массе.
5. Прогиб стенки (f) не должен превышать 0,15 S.
6. Кривизна двутавра не должна превышать 0,2% длины.
7. Притупление наружных кромок полок двутавров повышенной точности не должно превышать 2,2 мм, для двутавров обычной точности - не контролируется.
8. Профили изготавливают длиной от 4 до 12 м:
мерной длины;
кратной мерной длины;
немерной длины.
По согласованию изготовителя с потребителем допускается изготовление двутавров длиной свыше 12 м.
9. Отклонения по массе 1 м двутавра не должны превышать плюс 3, минус 5%.
По согласованию изготовителя с потребителем отклонение по массе без контроля толщины полок и стенки двутавра не должно превышать плюс 3, минус 3% для двутавров до N 16 и плюс 2,5, минус 2,5% для двутавров свыше 16.
10. Размеры и геометрическую форму контролируют на расстоянии не менее 500 мм от торца двутавра.
Высоту двутавра контролируют в плоскости Y - Y.