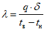
Главная // Актуальные документы // ГОСТ (Государственный стандарт)СПРАВКА
Источник публикации
М.: Стандартинформ, 2014
Примечание к документу
Документ
введен в действие с 1 ноября 2013 года.
Название документа
"ГОСТ 9758-2012. Межгосударственный стандарт. Заполнители пористые неорганические для строительных работ. Методы испытаний"
(введен в действие Приказом Росстандарта от 27.12.2012 N 2073-ст)
"ГОСТ 9758-2012. Межгосударственный стандарт. Заполнители пористые неорганические для строительных работ. Методы испытаний"
(введен в действие Приказом Росстандарта от 27.12.2012 N 2073-ст)
агентства по техническому
регулированию и метрологии
от 27 декабря 2012 г. N 2073-ст
МЕЖГОСУДАРСТВЕННЫЙ СТАНДАРТ
ЗАПОЛНИТЕЛИ ПОРИСТЫЕ НЕОРГАНИЧЕСКИЕ ДЛЯ СТРОИТЕЛЬНЫХ РАБОТ
МЕТОДЫ ИСПЫТАНИЙ
Non-organic porous aggregates for construction work.
Test methods
ГОСТ 9758-2012
Дата введения
1 ноября 2013 года
Цели, основные принципы и основной порядок работ по межгосударственной стандартизации установлены
ГОСТ 1.0-92 "Межгосударственная система стандартизации. Основные положения" и
ГОСТ 1.2-2009 "Межгосударственная система стандартизации. Стандарты межгосударственные, правила и рекомендации по межгосударственной стандартизации. Правила разработки, принятия, применения, обновления и отмены".
1. Разработан Закрытым акционерным обществом "НИИКерамзит" (ЗАО "НИИ Керамзит") при участии Некоммерческой организации "Союз производителей керамзита и керамзитобетона" (НО "СПКиК").
2. Внесен Техническим комитетом по стандартизации ТК 465 "Строительство".
3. Принят Межгосударственной научно-технической комиссией по стандартизации, техническому нормированию и оценке соответствия в строительстве (Протокол от 4 июня 2012 г. N 40, приложение В, дополнение N 1).
За принятие проголосовали:
| | ИС МЕГАНОРМ: примечание. Текст дан в соответствии с официальным текстом документа. | |
Краткое наименование страны по МК (ИСО 3166) 04-97 | Код страны по МК (ИСО 3166) 004-97 | Сокращенное наименование национального органа государственного управления строительством |
Азербайджан | AZ | Государственный комитет градостроительства и архитектуры |
Армения | AM | Министерство градостроительства |
Казахстан | KZ | Агентство по делам строительства и жилищно-коммунального хозяйства |
Кыргызстан | KG | Госстрой |
Молдова | MD | Министерство строительства и регионального развития |
Российская Федерация | RU | Министерство регионального развития |
Таджикистан | TJ | Агентство по строительству и архитектуре при Правительстве |
Узбекистан | UZ | Госархитектстрой |
4.
Приказом Федерального агентства по техническому регулированию и метрологии от 27 декабря 2012 г. N 2073-ст межгосударственный стандарт ГОСТ 9758-2012 введен в действие в качестве национального стандарта Российской Федерации с 1 ноября 2013 г.
Информация об изменениях к настоящему стандарту публикуется в ежегодном информационном указателе "Национальные стандарты", а текст изменений и поправок - в ежемесячном информационном указателе "Национальные стандарты". В случае пересмотра (замены) или отмены настоящего стандарта соответствующее уведомление будет опубликовано в ежемесячном информационном указателе "Национальные стандарты". Соответствующая информация, уведомление и тексты размещаются также в информационной системе общего пользования - на официальном сайте национального органа Российской Федерации по стандартизации в сети Интернет.
Настоящий стандарт распространяется на пористые неорганические природные и искусственные заполнители, предназначенные для применения в качестве заполнителей легких бетонов, изготовления теплоизоляционных изделий, засыпок и других областях, и устанавливает методы их испытаний.
Методы, приведенные в настоящем стандарте, применяют при проведении лабораторных и опытно-промышленных испытаний, для прогнозирования показателей свойств заполнителя. Результаты испытаний используются при разработке нормативных документов, технических условий, рекомендаций, технологических регламентов на производство заполнителя, а также для оценки качества сырья при геологической разведке месторождений для утверждения запасов полезных ископаемых.
В настоящем стандарте использованы нормативные ссылки на следующие межгосударственные стандарты:
ГОСТ OIML R 111-1-2009. Государственная система обеспечения единства измерений. Гири классов

,

,

,

,

,

,

,

и

. Метрологические и технические требования
ГОСТ 166-89 (ИСО 3599-76). Штангенциркули. Технические условия
ГОСТ 310.3-76. Цементы. Методы определения нормальной густоты, сроков схватывания и равномерности изменения объема
ГОСТ 310.4-81. Цементы. Методы определения предела прочности при изгибе и сжатии
ГОСТ 427-75. Линейки измерительные металлические. Технические условия
ГОСТ 450-77. Кальций хлористый технический. Технические условия
ГОСТ 1277-75. Реактивы. Серебро азотнокислое. Технические условия
ГОСТ 1770-74. Посуда мерная лабораторная стеклянная. Цилиндры, мензурки, колбы, пробирки. Общие технические условия
ГОСТ 2874-82 <*>. Вода питьевая. Гигиенические требования и контроль за качеством
--------------------------------
ГОСТ 3118-77. Реактивы. Кислота соляная. Технические условия
ГОСТ 3826-82. Сетки проволочные тканые с квадратными ячейками. Технические условия
ГОСТ 4108-72. Реактивы. Барий хлорид 2-водный. Технические условия
ГОСТ 4166-76. Реактивы. Натрий сернокислый. Технические условия
ГОСТ 4171-76. Реактивы. Натрия сульфат 10-водный. Технические условия
ГОСТ 4233-77. Реактивы. Натрий хлористый. Технические условия
ГОСТ 4328-77. Реактивы. Натрия гидроокись. Технические условия
ГОСТ 4919.1-77. Реактивы и особо чистые вещества. Методы приготовления растворов индикаторов
ГОСТ 5009-82. Шкурка шлифовальная тканевая. Технические условия
ГОСТ 5774-76. Вазелин конденсаторный. Технические условия
ГОСТ 6456-82. Шкурка шлифовальная бумажная. Технические условия
ГОСТ 6613-86. Сетки проволочные тканые с квадратными ячейками. Технические условия
ГОСТ 7076-99. Материалы и изделия строительные. Метод определения теплопроводности и термического сопротивления при стационарном тепловом режиме
ГОСТ 7165-93 (МЭК 564-77). Мосты постоянного тока для измерения сопротивления
ГОСТ 8269.0-97. Щебень и гравий из плотных горных пород и отходов промышленного производства для строительных работ. Методы физико-механических испытаний
ГОСТ 8711-93 (МЭК 51-2-84). Приборы аналоговые показывающие электроизмерительные прямого действия и вспомогательные части к ним. Часть 2. Особые требования к амперметрам и вольтметрам
ГОСТ 8735-88. Песок для строительных работ. Методы испытаний
ГОСТ 8736-93. Песок для строительных работ. Технические условия
ГОСТ 9147-80. Посуда и оборудование лабораторные фарфоровые. Технические условия
ГОСТ 9245-79. Потенциометры постоянного тока измерительные. Общие технические условия
| | ИС МЕГАНОРМ: примечание. ГОСТ 9500-84 утратил силу на территории Российской Федерации с 1 июля 2014 года в связи с введением в действие ГОСТ Р 55223-2012 (Приказ Росстандарта от 27.11.2012 N 1244-ст). | |
ГОСТ 9500-84. Динамометры образцовые переносные. Общие технические требования
ГОСТ 9533-81. Кельмы, лопатки и отрезовки. Технические условия
ГОСТ 9757-90. Гравий, щебень и песок искусственные пористые неорганические. Технические условия
ГОСТ 10178-85. Портландцемент и шлакопортландцемент. Технические условия
ГОСТ 10180-2012. Бетоны. Методы определения прочности по контрольным образцам
ГОСТ 10484-78. Реактивы. Кислота фтористоводородная. Технические условия
ГОСТ 12026-76. Бумага фильтровальная лабораторная. Технические условия
ГОСТ 12172-74. Клеи фенолополивинилацетальные. Технические условия
ГОСТ 14919-83. Электроплиты, электроплитки и жарочные электрошкафы бытовые. Общие технические условия
ГОСТ 18297-96. Приборы санитарно-технические чугунные эмалированные. Технические условия
ГОСТ 19908-90. Тигли, чаши, стаканы, колбы, воронки, пробирки и наконечники из прозрачного кварцевого стекла. Общие технические условия
ГОСТ 21930-76. Припои оловянно-свинцовые в чушках. Технические условия
ГОСТ 21931-76. Припои оловянно-свинцовые в изделиях. Технические условия
ГОСТ 22263-76. Щебень и песок из пористых горных пород. Технические условия
ГОСТ 22685-89. Формы для изготовления контрольных образцов бетона. Технические условия
ГОСТ 23732-2011. Вода для бетонов и строительных растворов. Технические условия
--------------------------------
ГОСТ 24452-80. Бетоны. Методы определения призменной прочности, модуля упругости и коэффициента Пуассона
| | ИС МЕГАНОРМ: примечание. ГОСТ 24555-81 утратил силу на территории Российской Федерации с 1 июля 1998 года. Действует ГОСТ Р 8.568-97, утв. Постановлением Госстандарта России от 10.11.1997 N 364 (ИУС "Государственные стандарты", N 2, 1998). | |
ГОСТ 24555-81. Система государственных испытаний продукции. Порядок аттестации испытательного оборудования. Основные положения
ГОСТ 25263-82. Кальция гипохлорит нейтральный. Технические условия
ГОСТ 25336-82. Посуда и оборудование лабораторные стеклянные. Типы. Основные параметры и размеры
ГОСТ 25644-96. Средства моющие синтетические порошкообразные. Общие технические требования
ГОСТ 25706-83. Лупы. Типы, основные параметры. Общие технические требования
ГОСТ 28840-90. Машина для испытания материалов на растяжение, сжатие и изгиб. Общие технические требования
ГОСТ 29227-91 (ИСО 835-1-81). Посуда лабораторная стеклянная. Пипетки градуированные. Часть 1. Общие требования
ГОСТ 29329-92 <*>. Весы для статического взвешивания. Общие технические требования
--------------------------------
Примечание. При пользовании настоящим стандартом целесообразно проверить действие ссылочных стандартов в информационной системе общего пользования - на официальном сайте Федерального агентства по техническому регулированию и метрологии в сети Интернет или по ежегодному информационному указателю "Национальные стандарты", который опубликован по состоянию на 1 января текущего года, и по выпускам ежемесячного информационного указателя "Национальные стандарты" за текущий год. Если ссылочный стандарт заменен (изменен), то при пользовании настоящим стандартом следует руководствоваться заменяющим (измененным) стандартом. Если ссылочный стандарт отменен без замены, то положение, в котором дана ссылка на него, применяется в части, не затрагивающей эту ссылку.
В настоящем стандарте применены следующие термины с соответствующими определениями:
3.1. Партия: количество заполнителя одной фракции или смеси фракций, установленное в договоре на поставку и единовременно отгружаемое одному потребителю в одном железнодорожном составе или одном судне. При отгрузке автомобильным транспортом партией считают количество заполнителя одной фракции или смеси фракций, отгружаемое одному потребителю в течение суток.
3.2. Опытно-промышленная партия: количество заполнителя, объемом не менее 200 м3 и не более 300 м3, полученное в заводских условиях при одном оптимальном режиме, из одного вида сырья и эффективной добавки.
3.3. Проба: количество гравия, щебня, пористого песка, отобранное от партии для испытаний.
3.4. Точечная проба: проба, взятая единовременно от проверяемой партии из мест, установленных нормативными документами на заполнитель конкретного вида.
3.5. Объединенная проба: проба, состоящая из точечных проб и характеризующая партию в целом и предназначенная для всех лабораторных испытаний, предусмотренных для гравия, щебня и пористого песка.
3.6. Лабораторная проба: проба, приготовленная из объединенной пробы методом квартования и предназначенная для конкретного вида испытания.
Примечание. Допускается использование одной лабораторной пробы для проведения нескольких видов испытаний, если в процессе предшествующих испытаний другие свойства заполнителя не изменяются.
3.7. Аналитическая проба: проба, отобранная из лабораторной пробы методом квартования и предназначенная для проведения одного вида испытания, из которой могут отбираться отдельные навески, если это предусмотрено методикой испытания.
3.8. Природные пористые заполнители: неорганические зернистые сыпучие строительные материалы, получаемые из пористых горных пород вулканического происхождения (пемзы, шлаков, туфов, крупнопористых базальтов, андезитобазальтов и андезитов) или осадочного происхождения (пористых известняков, известняков-ракушечников и других карбонатных пород, а также алевролитов, спонголитов, опок и других кремнеземистых пород), в том числе из попутно добываемых пород и отходов обогащения горно-обогатительных предприятий, применяемых в строительстве без изменения их химического состава и фазового состояния.
3.9. Искусственные пористые заполнители: неорганические зернистые сыпучие строительные материалы, получаемые обжигом вспучивающихся глинистых и других пород или отходов промышленности.
3.10. Пористый песок: заполнитель с насыпной плотностью не более 1200 кг/м3 и размерами зерен менее 5 мм.
3.11. Гравий (крупный заполнитель): заполнитель с размерами зерен от 5 до 40 мм, имеющих округлую и гравелистую форму.
3.12. Щебень (крупный заполнитель): заполнитель с размерами зерен от 5 до 70 мм произвольной, преимущественно угловатой формы, получаемый путем дробления крупных кусков искусственного или природного материала.
3.13. Операционный контроль: контроль качества продукции при ее изготовлении, выполняемый после завершения технологической операции.
4.1. Необходимость проведения отдельных испытаний должна устанавливаться в стандартах или технических условиях на заполнители конкретных видов.
Сведения о применении методов испытаний пористых заполнителей при различных видах контроля приведены в
Приложении А.
4.2. Определение средней плотности зерен пористого песка, содержания стеклофазы в искусственном пористом заполнителе, теплопроводности зерен крупного заполнителя в бетоне, водопотребности пористого песка и водопоглощения крупного заполнителя в бетонной смеси, а также испытание природных пористых заполнителей в бетоне следует проводить для специальных случаев оценки качества заполнителей, предусмотренных соответствующими нормативными документами, и при оценке качества сырья по просьбе заказчика.
4.3. Пробы, навески заполнителей и образцы взвешивают с погрешностью до 0,1%, если в настоящем стандарте не даны другие указания относительно погрешности взвешивания.
4.4. Пробы, навески и образцы высушивают до постоянной массы при температуре (105 +/- 5) °C в сушильном электрошкафу. Массу пробы, навески или образца считают постоянной, если результаты двух последовательных взвешиваний, проведенных с интервалом не менее 3 ч, отличаются друг от друга не более 0,1% массы навески, пробы или образца.
4.5. Результаты испытаний рассчитывают с точностью до второго знака после запятой, если отсутствуют другие указания в части точности вычисления.
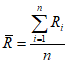
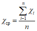
4.6. В качестве норм точности результатов испытаний при контроле однородности показателей насыпной плотности и прочности заполнителя применяют ошибку повторяемости

, характеризующую возможные расхождения между результатами испытаний заполнителя одного вида, одним методом в одной лаборатории.
Для вычисления ошибки повторяемости используют не менее 20 пар результатов испытаний в данной лаборатории за последнее время.
Среднеквадратическую (стандартную) ошибку повторяемости

определяют по формуле

, (1)
где

- средний размах по всем парам параллельных результатов испытаний.
Средний размах

определяют по формуле

, (2)
где

- абсолютное значение разности между результатами параллельных испытаний i-й пары (размах);
n - общее число пар результатов испытаний (n >= 20).
Размах

определяют по формуле

, (3)
где

и

- первый и второй результаты испытаний в i-й паре соответственно. Достоверность определения единичных результатов испытаний оценивают по расхождению между результатами двух параллельных испытаний

(ошибка повторяемости) при доверительной вероятности 95%, определяемому по формуле

. (4)
Значения

и

для конкретного метода испытаний зависят от фактических значений результатов испытаний. При попадании результатов испытаний в смежные интервалы для данного метода

принимают как среднеарифметическое значение величин расхождений.
4.7. За окончательный результат испытания принимают среднеарифметическое значение результатов параллельных испытаний, число которых предусмотрено соответствующим методом.
Разность между результатами параллельных испытаний должна соответствовать значению, предусмотренному конкретным методом, но не превышать +/- 5% среднего значения результатов этих испытаний.
4.8. Температура воздуха в помещении, в котором проводят испытания заполнителей, должна быть (25 +/- 10) °C. Перед началом испытания заполнители и вода должны иметь температуру, соответствующую температуре воздуха в помещении.
4.9. Для определения зернового (гранулометрического) состава заполнителя должны применяться наборы сит на металлических или деревянных цилиндрических рамках диаметром не менее 500 мм или квадратных рамках со стороной не менее 300 мм.
Стандартный набор сит должен включать сита с круглыми отверстиями диаметром 5, 10, 20, 40, 70 мм для крупных заполнителей, сито с круглым отверстием диаметром 5 мм и сетками с квадратными ячейками с размером стороны 2,5; 1,25; 0,63; 0,16 мм по
ГОСТ 6613 - для пористого песка (допускается применять сетку с квадратными ячейками с размером стороны 0,14 мм).
4.10. Для проведения испытаний применяют воду по
ГОСТ 23732, если в стандартах на заполнители конкретных видов не даны указания по применению дистиллированной воды или других жидкостей.
4.11. При использовании в качестве реактивов опасных (едких, токсичных) веществ следует соблюдать требования безопасности, изложенные в нормативных или технических документах на эти реактивы.
4.12. Применяемые для испытаний средства измерений должны быть поверены и откалиброваны в соответствии с требованиями действующих нормативных документов. Допускается использовать аналогичные импортные средства измерений, обеспечивающие достоверность результатов испытаний не ниже приведенных в настоящем стандарте.
| | ИС МЕГАНОРМ: примечание. ГОСТ 24555-81 утратил силу на территории Российской Федерации с 1 июля 1998 года. Действует ГОСТ Р 8.568-97, утв. Постановлением Госстандарта России от 10.11.1997 N 364 (ИУС "Государственные стандарты", N 2, 1998). | |
Испытательное оборудование, в том числе импортное, должно быть аттестовано в соответствии с требованиями ГОСТ 24555.
Нестандартные средства испытаний должны пройти метрологическую аттестацию.
5.1. Для испытания заполнителей на предприятии-изготовителе и у потребителя отбирают точечные пробы.
5.2. При контроле качества заполнителей на предприятии-изготовителе точечные пробы в процессе производства отбирают через каждые два часа в течение смены на технологической линии.
5.3. Отбор точечных проб с конвейеров, транспортирующих заполнитель, проводят путем пересечения всей ширины потока заполнителя на ленточном конвейере или в местах пересыпки с помощью пробоотборников или вручную. При ручном отборе пробы отбирают совковой лопатой с ленты остановленного конвейера. При отборе проб следует соблюдать правила техники безопасности, установленные технологической документацией предприятия-изготовителя.
5.4. При проверке качества заполнителя на складе предприятия-изготовителя и потребителя точечные пробы отбирают:
- из силосов - путем пересечения потока материала, поступающего в транспортное средство;
- из конусов - в местах, по возможности равномерно расположенных по всей площади склада, со дна выкопанных совком лунок глубиной 0,2 - 0,4 м. Лунки должны размещаться в шахматном порядке на расстоянии не более 10 м одна от другой.
5.5. При проверке качества разгружаемого заполнителя (гравия, щебня и пористого песка) у потребителя точечные пробы отбирают от проверяемой партии:
- при разгрузке железнодорожного вагона - из потока материала на ленточных конвейерах, используемых для транспортирования заполнителей на склад, или непосредственно из вагона из пяти лунок глубиной 0,2 - 0,4 м, расположенных на расстоянии 0,5 м от борта вагона в четырех углах вагона и в центре. Из лунок пробы материала отбирают совком;
- при разгрузке судна - через равные интервалы времени с ленточного конвейера при использовании непрерывного транспорта, при разгрузке судов грейферными кранами - с вновь образованной поверхности заполнителя в судне. При отборе проб в этом случае следует соблюдать установленные правила техники безопасности;
- при разгрузке каждого автомобиля - одну точечную пробу. Число контролируемых автомобилей должно приниматься в зависимости от объема поставляемой партии.
5.6. Объем одной точечной пробы в зависимости от крупности зерен гравия, щебня и пористого песка должен быть не менее 2 л и не более 15 л.
5.7. Точечные пробы тщательно перемешивают для получения объединенной пробы, которую равномерным тонким слоем распределяют на площади 1 м2 и усредняют методом квартования: делят пробу двумя диагоналями на четыре равные части, отбирают пробы двух противоположных частей, тщательно перемешивают, вновь укладывают тонким слоем и диагоналями делят на четыре равные части.
Для получения усредненной лабораторной пробы в количестве, необходимом для проведения конкретного испытания, процедуру квартования объединенной пробы повторяют не менее двух раз.
5.8. Из лабораторной пробы методом квартования готовят аналитическую пробу, предназначенную для одного испытания при определении конкретного показателя. Из аналитической пробы отбирают навески в соответствии с методикой испытаний.
Объем лабораторной пробы должен быть не менее указанного в таблице 1.
Таблица 1
Объем лабораторной пробы, отбираемой для испытаний
Наименование показателя | Объем лабораторной пробы, л, отбираемой для проведения испытаний заполнителя фракций, мм |
0 - 5 | 5 - 10 | 10 - 20 | 20 - 40 | 40 - 70 |
Насыпная плотность | 5 | 10 | 20 | 40 | 40 |
Средняя плотность зерен крупного заполнителя | - | 3 | 3 | 3 | 3 |
Истинная плотность | 1 | 1 | 1 | 1 | 1 |
Средняя плотность зерен гравия в кварцевом песке | - | 0,5 | 0,5 | 0,5 | 0,5 |
Средняя плотность зерен заполнителя в цементном тесте | 2 | 8 | 8 | 8 | 8 |
Средняя плотность зерен пористого песка | 1 | - | - | - | - |
Теплопроводность зерен крупного заполнителя в бетоне | - | 10 | 10 | 10 | 10 |
Теплопроводность заполнителя в засыпке | 12 | 12 | 12 | 12 | 12 |
Содержание стеклофазы в заполнителе | 0,5 | 0,5 | 0,5 | 0,5 | 0,5 |
Влажность | 2 | 3 | 3 | 3 | 3 |
Водопоглощение крупного заполнителя | - | 2 | 3 | 5 | 5 |
Зерновой состав | 2 | 5 | 10 | 20 | 20 |
Коэффициент формы зерен крупного заполнителя | - | 1 | 1 | 1 | 1 |
Содержание расколотых зерен в гравии | - | 1 | 2 | 4 | 4 |
Содержание невспученных зерен в пористом песке | 1 | - | - | - | - |
Содержание зерен инородных горных пород | - | 10 | 10 | 10 | 10 |
Содержание зерен пластинчатой (лещадной) и игловатой формы | - | 1,5 | 3 | 10 | 10 |
Прочность при раскалывании зерен крупного заполнителя | - | 0,2 | 0,2 | 0,2 | 0,2 |
Прочность заполнителя при сдавливании в цилиндре | 6 | 6 | 6 | 6 | 6 |
Истираемость крупного заполнителя в полочном барабане | - | 10 | 10 | 20 | 20 |
Марочная прочность крупного заполнителя в бетоне | - | 20 | 20 | 20 | 20 |
Пригодность природного пористого заполнителя при испытании в бетоне | 30 | 15 | 20 | - | - |
Морозостойкость крупного заполнителя при попеременном замораживании и оттаивании | - | 2 | 2 | 4 | 4 |
Морозостойкость крупного заполнителя при испытании в растворе сернокислого натрия | - | 2 | 2 | 4 | 4 |
Стойкость крупного заполнителя против силикатного распада | - | 2 | 2 | 4 | 4 |
Стойкость крупного заполнителя против железистого распада | - | 2 | 2 | 4 | 4 |
Потеря массы крупного заполнителя при кипячении | - | 2 | 2 | 4 | 4 |
Содержание слабообожженных зерен в пористом песке | 2 | - | - | - | - |
Содержание водорастворимых сернистых и сернокислых соединений | 2 | 2 | 2 | 2 | 2 |
Потеря массы при прокаливании | 2 | 2 | 2 | 2 | 2 |
Коэффициент размягчения крупного заполнителя | - | 12 | 12 | 12 | 12 |
Водопотребность пористого песка | 1 | - | - | - | - |
Насыпная плотность пористого песка после уплотнения | 0,5 | - | - | - | - |
Химическая стойкость пористого песка | 3 | - | - | - | - |
Механическая прочность пористого песка | 3 | - | - | - | - |
Деформация крупного заполнителя | - | 1 | 1 | 1 | 1 |
Сопротивление дроблению крупного заполнителя | - | 1 | 2 | 4 | 4 |
Термическая стойкость крупного заполнителя | - | 1 | 1 | 1 | 1 |
5.9. При проведении испытаний, предусмотренных приемочным контролем, а также при входном контроле у потребителя масса лабораторной пробы должна обеспечивать проведение всех испытаний.
5.10. На каждую лабораторную пробу, предназначенную для испытаний в специализированных лабораториях или арбитражных испытаний, составляют акт отбора, включающий в себя наименование заполнителя, место и дату отбора пробы, наименование предприятия - изготовителя пористого заполнителя, обозначение пробы и состав комиссии, отбиравшей пробу. Отобранные пробы упаковывают так, чтобы масса и свойства заполнителя не изменялись до проведения испытаний.
На каждую пробу оформляют две этикетки с указанием наименования и номера пробы, места и даты отбора пробы, наименования предприятия-изготовителя. Одну этикетку помещают внутрь упаковки, а другую - приклеивают на видном месте упаковки.
Пробы транспортируют в условиях, предохраняющих их от потерь и загрязнения.
6. Определение насыпной плотности
6.1. Сущность метода
Насыпную плотность определяют по массе и объему высушенной до постоянной массы пробы, насыпанной в мерный сосуд без уплотнения с заданной высоты.
6.2. Средства испытания
Весы для статического взвешивания с ценой деления не более 1 г по
ГОСТ 29329 или лабораторные весы по
ГОСТ 24104.
Комплект мерных цилиндрических сосудов.
Сушильный электрошкаф.
Совок.
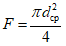
Воронка (см. рисунок 1).
1 - воронка; 2 - опоры; 3 - заслонка
Рисунок 1. Воронка для засыпки пористого песка
в мерный сосуд
6.3. Подготовка пробы
Отбирают лабораторную пробу заполнителя испытуемой фракции (смеси фракций) объемом 5 - 40 л в зависимости от размера фракции (см.
таблицу 1) и высушивают до постоянной массы.
6.4. Проведение испытания
Лабораторную пробу (см. таблицу 2) насыпают в предварительно взвешенный мерный сосуд с высоты 100 мм от его верхнего края до образования над верхом сосуда конуса, который удаляют металлической линейкой вровень с краями сосуда (без уплотнения) и взвешивают. Пористый песок насыпают в мерный сосуд через воронку.
Таблица 2
Размеры мерного сосуда в зависимости
от крупности зерен заполнителя
Наибольшая крупность зерен заполнителя, мм | Объем мерного сосуда, л | Размер сосуда, мм |
Диаметр | Высота |
5 и менее | 1 | 108 | 108,5 |
10 | 2 | 137 | 136,5 |
20 | 5 | 185 | 186,5 |
40 | 10 | 234 | 233,8 |
70 | 10 | 234 | 233,8 |
Размеры мерного сосуда для испытания заполнителя в лабораторных условиях в зависимости от наибольшей крупности зерен заполнителя принимают по
таблице 2.
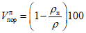
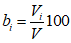
6.5. Обработка результатов
6.5.1. Насыпную плотность заполнителя

, кг/м3, вычисляют с точностью до 10 кг/м3 (для пористого песка марок по насыпной плотности 250 и менее - до 1 кг/м3) по формуле

, (5)
где

- масса мерного сосуда с заполнителем, кг;

- масса мерного сосуда, кг;
V - объем мерного сосуда, м3.
Предельное допустимое расхождение между результатами двух испытаний должно быть не более 5%.
Насыпную плотность заполнителя рассчитывают как среднеарифметическое значение результатов двух параллельных испытаний, при проведении которых каждый раз используют новую пробу заполнителя.
Для пористого песка марок по насыпной плотности 250 и менее среднеарифметическое значение рассчитывают по результатам трех испытаний.
6.6. В заводских условиях насыпную плотность заполнителя определяют в состоянии естественной влажности. За насыпную плотность заполнителя в состоянии естественной влажности в партии принимают среднеарифметическое значение результатов трех параллельных испытаний лабораторной пробы.
По результатам определения насыпной плотности допускается пересчет количества поставляемого заполнителя из весовых единиц в объемные. При этом определяют насыпную плотность отобранного от партии заполнителя в состоянии естественной влажности взвешиванием в мерном сосуде объемом и размерами, приведенными в таблице 3, в зависимости от крупности зерен заполнителя.
Таблица 3
Объем и размеры мерного сосуда в зависимости
от крупности зерен заполнителя
Наибольшая крупность зерен заполнителя, мм | Объем мерного сосуда, л | Размер мерного сосуда, мм |
Диаметр | Высота |
10 и менее | 10 | 234 | 233,8 |
20 | 20 | 294 | 294 |
40 | 50 | 400 | 400 |
70 | 50 | 400 | 400 |
7. Определение средней плотности зерен крупного заполнителя
7.1. Сущность метода
Среднюю плотность зерен крупного заполнителя определяют гидростатическим методом по разности масс контейнера с навеской до и после насыщения ее водой при взвешивании в воде и на воздухе.
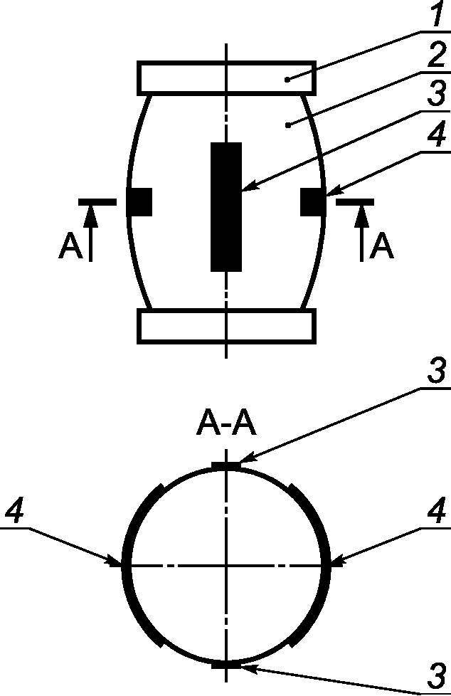
7.2. Средства испытания
Лабораторные весы по
ГОСТ 24104 с приспособлением для гидростатического взвешивания (см.
рисунок 2).
Сушильный электрошкаф.
Сита с отверстиями диаметром 5, 10, 20, 40 и 70 мм из стандартного набора.
Сосуд со сливом для воды.
Сетчатый контейнер с крышкой для насыщения заполнителя водой (см.
рисунок 3).
Противень.
Совок.
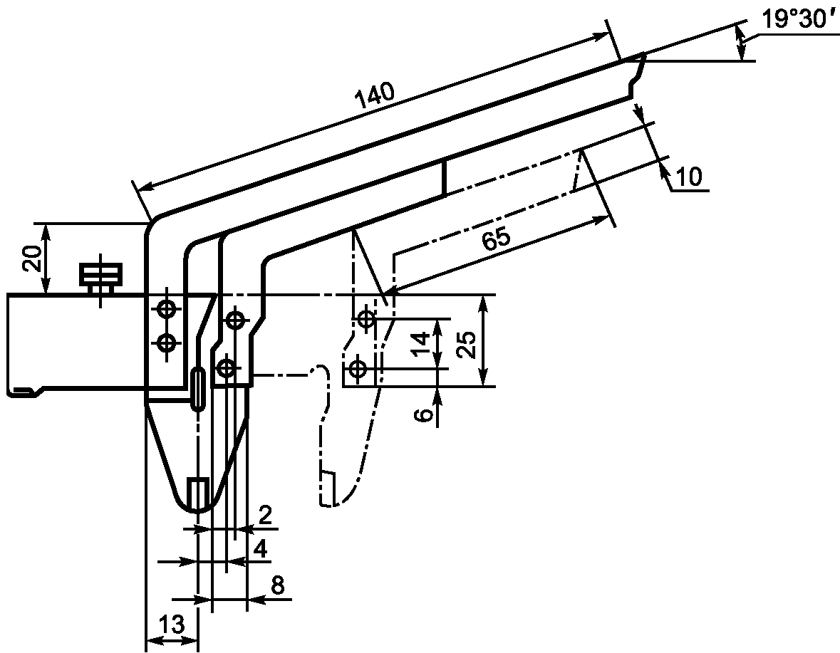
1 - сетчатый (перфорированный) контейнер;
2 - сосуд со сливом для воды; 3 - разновесы
Рисунок 2. Весы для гидростатического взвешивания
1 - нижняя часть контейнера; 2 - крышка;
3 - две шпильки диаметром 4 мм и длиной 2 мм;
4 - отверстия диаметром 4 мм с шагом 8 мм на нижней части
контейнера и крышке; 5 - кольцо диаметром 10 мм
Рисунок 3. Контейнер для насыщения заполнителя водой
7.3. Подготовка пробы
Лабораторную пробу заполнителя испытуемой фракции объемом 3 л (см.
таблицу 1) высушивают до постоянной массы и отсеивают зерна мельче 5 мм.
7.4. Проведение испытания
Сухой контейнер с крышкой (см. рисунок 3) предварительно взвешивают на воздухе, а затем в воде на весах с приспособлением для гидростатического взвешивания. В высушенный контейнер насыпают часть подготовленной пробы заполнителя объемом 1 л, закрывают крышкой и взвешивают. Затем контейнер с заполнителем постепенно погружают в сосуд с водой и встряхивают в воде для удаления пузырьков воздуха. Сосуд с заполнителем должен находиться в воде 1 ч, при этом уровень воды должен быть выше крышки контейнера не менее чем на 20 мм.
Контейнер с насыщенным водой заполнителем взвешивают на весах с приспособлением для гидростатического взвешивания. Затем контейнер с заполнителем вынимают из сосуда с водой, излишку воды дают стечь в течение 10 мин и взвешивают на воздухе.
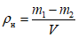
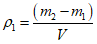
7.5. Обработка результатов
Среднюю плотность зерен крупного заполнителя

, г/см3, вычисляют по формуле

, (6)
где

- масса пробы сухого заполнителя (разность масс контейнера с высушенной пробой и контейнера без пробы при взвешивании на воздухе), г;

- масса пробы заполнителя, насыщенного водой (разность масс контейнера с насыщенной пробой и контейнера без пробы при взвешивании на воздухе), г;

- масса пробы заполнителя в воде (разность масс контейнера с насыщенной пробой и контейнера без пробы при взвешивании в воде), г;

- плотность воды, принимаемая равной 1 г/см3.
Среднюю плотность зерен крупного заполнителя каждой фракции вычисляют как среднеарифметическое значение результатов двух параллельных испытаний.
Предельное допустимое расхождение между результатами двух испытаний должно быть не более 5%.
8. Определение истинной плотности
8.1. Сущность метода
Истинную плотность заполнителя (без пор) определяют по объему дистиллированной воды, вытесняемой заполнителем из пикнометра при кипячении.
8.2. Средства испытания
Пикнометр вместимостью 100 см3.
Сушильный электрошкаф.
Песчаная или водяная баня для подогрева и выпаривания.
8.3. Подготовка пробы
От лабораторной пробы пористого песка или дробленого до крупности 5 мм гравия (щебня) объемом 1 л (см.
таблицу 1) отбирают квартованием навеску массой около 200 г, измельчают до крупности 1,25 мм и перемешивают, после чего отвешивают 40 г и измельчают в фарфоровой ступке до полного прохождения через сито с сеткой N 008. Полученную навеску высушивают до постоянной массы, охлаждают до комнатной температуры в эксикаторе над концентрированной серной кислотой или безводным хлористым кальцием и делят на две навески массой по 15 г каждая.
8.4. Проведение испытания
Каждую навеску высыпают через воронку в чистый высушенный и предварительно взвешенный пикнометр и взвешивают. Затем в пикнометр наливают дистиллированную воду в таком количестве, чтобы он был заполнен не более чем на 1/2 своего объема, помещают в слегка наклонном положении на песчаную или водяную баню и кипятят в течение 15 - 20 мин для удаления пузырьков воздуха. Пикнометр обтирают мягкой тканью, охлаждают до комнатной температуры, доливают до метки дистиллированной водой и взвешивают. Пикнометр освобождают от содержимого, промывают, наполняют до метки дистиллированной водой комнатной температуры, обтирают мягкой тканью и взвешивают.
8.5. Обработка результатов
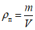
8.5.1. Истинную плотность заполнителя

, г/см3, вычисляют по формуле

, (7)
где

- масса пикнометра с навеской, г;

- масса пустого пикнометра, г;

- масса пикнометра с дистиллированной водой, г;

- масса пикнометра с навеской и дистиллированной водой после удаления пузырьков воздуха, г;

- плотность жидкости при 20 °C, г/см3 (в случае применения дистиллированной воды

).
8.5.2. За окончательный результат принимают среднеарифметическое значение результатов двух параллельных испытаний. Предельное допустимое расхождение между результатами двух параллельных испытаний не должно превышать 0,05 г/см3. В случае большего расхождения испытание повторяют, применяя в качестве жидкости обезвоженный керосин (для обезвоживания в керосин добавляют прокаленный медный купорос по
ГОСТ 19347).
9. Определение средней плотности зерен гравия
в кварцевом песке
9.1. Сущность метода
Среднюю плотность зерен гравия в кварцевом песке определяют как отношение массы зерна гравия к объему вытесненного им песка.
Метод предназначен для лабораторных испытаний проб глинистого сырья для определения возможности получения из него пористых заполнителей.
9.2. Средства испытания
Электропечь, обеспечивающая температуру нагрева 1100 °C.
Мерные стеклянные цилиндры вместимостью 10 и 25 см3 с ценой деления 0,1 - 0,2 см3 по
ГОСТ 1770.
9.3. Подготовка пробы
От лабораторной пробы гравия объемом 0,5 л (см.
таблицу 1) отбирают квартованием 10 зерен (гранул) заполнителя.
9.4. Проведение испытания
Каждое зерно (гранулу) взвешивают на лабораторных весах с точностью до 0,01 г.
Фарфоровый тигель объемом, в три-четыре раза превышающим возможный объем зерна, заполняют песком, прокаленным при температуре 900 °C - 1000 °C. Излишек песка снимают металлической линейкой. Примерно 3/4 объема песка отсыпают из тигля на лист бумаги. Испытуемое зерно помещают в тигель на оставшийся слой песка и засыпают песком с листа бумаги. Излишек песка снимают металлической линейкой на лист бумаги и определяют его объем в мерном стеклянном цилиндре вместимостью 10 см3. Встряхивание тигля и цилиндра не допускается.
Объем зерна определяют по объему песка, вытесненного зерном.
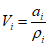
9.5. Обработка результатов
Среднюю плотность зерен гравия в кварцевом песке

, г/см3, рассчитывают по формуле

, (8)
где m - масса зерна (гранулы), г;
V - объем зерна (гранулы), см3 (мл).
За окончательный результат принимают среднеарифметическое значение результатов параллельных испытаний десяти зерен (гранул).
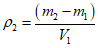
10. Определение средней плотности зерен заполнителя
в цементном тесте
10.1. Сущность метода
10.1.1. Среднюю плотность зерен крупного заполнителя в цементном тесте определяют как отношение массы высушенной навески заполнителя к ее объему, вычисленному по разности объемов бетонной и растворной смесей, приготовленных на природном песке.
10.1.2. Среднюю плотность зерен пористого песка в цементном тесте определяют как отношение массы высушенной навески песка к ее объему, вычисленному по разности объемов растворной смеси и цементного теста.
10.1.3. Метод применяют для расчетов при подборе составов легких бетонов.
10.2. Средства испытания и материалы
Сушильный электрошкаф.
Мерные цилиндрические сосуды вместимостью 5 л.
Сита с отверстиями диаметром 10, 20 и 40 мм из стандартного набора.
Мерный стеклянный цилиндр вместимостью 1000 см3 по
ГОСТ 1770.
Противень.
Сухой песок с модулем крупности 2 - 2,5 по
ГОСТ 8736.
Лабораторные пробы испытуемых фракций крупного заполнителя и пористого песка объемами 8 и 2 л соответственно (см.
таблицу 1) высушивают в сушильном электрошкафу до постоянной массы и просеиванием отделяют зерна смежных фракций.
10.4. Проведение испытания
10.4.1. Определение средней плотности зерен крупного заполнителя в цементном тесте
От высушенной по
10.3 лабораторной пробы крупного заполнителя отбирают навеску объемом 3,5 л, взвешивают и перемешивают на предварительно увлажненном противне с навеской цемента массой 1,7 кг и природного песка массой 3,4 кг. В полученную смесь постепенно вливают воду в количестве, необходимом для получения малоподвижной бетонной смеси жесткостью 5 - 10 с по
ГОСТ 7473.
Определяют израсходованное количество воды.
Перемешанную смесь выдерживают в противне в течение 15 мин, а затем полностью помещают в предварительно взвешенный сосуд вместимостью 5 л. Смесь в сосуде уплотняют на виброплощадке в течение 30 - 60 с и взвешивают.
Определяют массу смеси в сосуде с точностью до 10 г и объем смеси в сосуде - с точностью до 10 см3 (мл).
10.4.2. Определение средней плотности зерен пористого песка в цементном тесте
Из высушенной по
10.3 лабораторной пробы испытуемого пористого песка отбирают навеску объемом 0,9 л, взвешивают и перемешивают на предварительно увлажненном противне с навеской цемента массой 1 кг. В полученную смесь постепенно вливают воду в количестве, необходимом для получения пластичной растворной смеси подвижностью 6 - 8 см по
ГОСТ 5802. Смесь выдерживают в противне 15 мин и затем помещают в предварительно взвешенный мерный сосуд вместимостью 1 л.
Смесь в сосуде вибрируют 5 - 10 с до полного уплотнения с обильным выделением цементного молока на поверхности смеси. Затем сосуд взвешивают и вычисляют среднюю плотность смеси в уплотненном состоянии.
10.5. Обработка результатов
10.5.1. Среднюю плотность зерен крупного заполнителя

и пористого песка

в цементном тесте, г/см3, вычисляют с точностью до 0,1 г/см3 по формулам:

, (9)

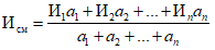
, (10)
где

- плотность приготовленной смеси в уплотненном состоянии, г/см3;

- масса испытуемого крупного заполнителя, кг;

- масса испытуемого пористого песка, кг;

- масса цемента в смеси, кг;

- масса воды в смеси, кг;

- масса природного песка в смеси, кг;
M - суммарный расход всех материалов (включая воду) в замесе, кг;

- плотность цемента, определенная по
ГОСТ 310.2 или принимаемая равной 3,1 г/см3;

- плотность природного песка, определенная по
ГОСТ 8735 или принимаемая равной 2,65 г/см3.
10.5.2. Среднюю плотность зерен заполнителя в цементном тесте определяют как среднеарифметическое значение результатов двух параллельных испытаний.
11. Определение средней плотности зерен пористого песка
11.1. Сущность метода
Среднюю плотность зерен пористого песка определяют как отношение массы высушенной навески к ее объему, определенному пикнометрическим методом в воде после предварительного насыщения зерен песка керосином.
11.2. Средства испытания и материалы
Плотномер ДКП-2 - пикнометр (двойная колба и полый поршень с мешалкой) (см.
рисунок 4). Полый поршень с мешалкой снизу закрыт тонкой металлической сеткой, пропускающей жидкость, но задерживающей зерна пористого песка.
Сушильный электрошкаф.
Вакуумный насос с электроприводом и вакуумной тарелкой.
Мерные стеклянные цилиндры вместимостью 50 и 100 см3 по
ГОСТ 1770.
Керосин по ГОСТ 4753.
Стиральный невспенивающийся порошок по
ГОСТ 25644.
Метиловый красный, 0,2%-ный спиртовой раствор по
ГОСТ 4919.1.
1 - основная (А) и дополнительная (Б) емкости
двойной колбы; 2 - шток; 3 - метка; 4 - поршень;
5 - мешалка; 6 - перекладина; 7 - уплотнительное кольцо;
8 - сетка N 063; 9 - ободок из проволоки диаметром 1 мм;
10 - лопасти
Рисунок 4. Плотномер ДКП-2
11.3. Подготовка пробы
11.3.1. От лабораторной пробы испытуемого пористого песка объемом 1 л (см.
таблицу 1) отбирают квартованием навеску объемом 100 см3 и высушивают до постоянной массы. Затем навеску перемешивают и отбирают от нее две навески объемом по 30 см3 каждая.
11.3.2. Плотномер промывают и высушивают до постоянной массы.
11.3.3. Дистиллированную воду подкрашивают метиловым красным и добавляют стиральный порошок (10 мг на 1 л воды).
11.3.4. Керосин обезвоживают медным купоросом из расчета 100 г медного купороса на 1 л керосина.
11.4. Проведение испытания
Навеску пористого песка через воронку всыпают в плотномер и взвешивают на лабораторных весах. В плотномер заливают обезвоженный керосин до полного покрытия навески и выдерживают под вакуумом в течение 30 мин при остаточном давлении не более 2,73 кПа (20 мм рт. ст.). Затем плотномер с содержимым взвешивают, наливают воду до метки и вращают мешалку до полного удаления из межзернового пространства воздуха и всплывания керосина над водой. При этом уровень воды должен опуститься ниже метки, а керосин (кроме впитавшегося в поры зерен пористого песка) переместиться в дополнительную емкость двойной колбы прибора. Вращение мешалки продолжают до тех пор, пока уровень воды перестанет опускаться. Доливают воду до метки и плотномер с содержимым взвешивают. По окончании испытания плотномер промывают, заполняют дистиллированной водой до метки и вновь взвешивают.
11.5. Обработка результатов
11.5.1. Среднюю плотность зерен пористого песка

, г/см3, вычисляют с точностью до 0,01 г/см3 по формуле

, (11)
где

- масса пустого плотномера, г;

- масса плотномера с навеской пористого песка, г;

- масса плотномера с навеской пористого песка и керосином, г;

- масса плотномера с навеской пористого песка, водой до метки и всплывшим керосином, г;

- масса плотномера с водой, г;

- плотность воды, равная 1 г/см3.
11.5.2. Среднюю плотность зерен пористого песка вычисляют как среднеарифметическое значение результатов двух параллельных испытаний. Расхождение между результатами двух параллельных испытаний не должно превышать 0,02 г/см3.
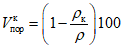
12. Определение объема межзерновых пустот
и пористости зерен заполнителя
12.1. Сущность метода
Объем межзерновых пустот определяют расчетом по значениям насыпной и средней плотности зерен заполнителя.
Пористость зерен определяют расчетом по значениям истинной и средней плотности зерен заполнителя.
12.2. Обработка результатов
12.2.1. Объем межзерновых пустот в крупном заполнителе

и в пористом песке

, %, вычисляют по формулам

, (12)

, (13)
где

- насыпная плотность заполнителя в сухом состоянии, кг/м3;

,

- средняя плотность зерен крупного заполнителя и пористого песка соответственно, г/см3.
12.2.2. Пористость зерен крупного заполнителя

и пористого песка

, % по объему, вычисляют по формулам

, (14)

, (15)
где

,

- средняя плотность зерен крупного заполнителя и пористого песка соответственно, г/см3;

- истинная плотность заполнителя, г/см3.
13. Определение теплопроводности зерен
крупного заполнителя в бетоне
13.1. Сущность метода
Метод основан на определении теплопроводности зерен крупного заполнителя расчетным способом по теплопроводности бетона и его растворной части.
13.2. Средства испытания и материалы
Сушильный электрошкаф.
Сита с отверстиями диаметром 5, 10, 20, 40 и 70 мм из стандартного набора.
Мерные цилиндрические сосуды вместимостью 1, 2 и 5 л.
Противни.
Мастерок.
Формы для образцов размером 25 x 25 x 5 см по
ГОСТ 22685.
Контейнер для насыщения заполнителя водой (см.
рисунок 3).
Лабораторная пропарочная камера.
Прибор для определения теплопроводности по
ГОСТ 7076.
Отбирают лабораторные пробы испытуемых фракций крупного заполнителя объемом 10 л (см.
таблицу 1) и пористого песка объемом 5 л и рассеиванием отделяют зерна смежных фракций. Пробу крупного заполнителя помещают в контейнер и насыщают водой в течение 1 ч. Определяют водопоглощение крупного заполнителя методом, приведенным в
разделе 16, среднюю плотность зерен крупного заполнителя - методом, приведенным в
разделе 7.
13.4. Подготовка образцов
13.4.1. Портландцемент и песок для приготовления раствора отвешивают в соотношении 1:1 по массе, воду для затворения вводят в количестве, необходимом для получения раствора пластичной консистенции (расплыв на встряхивающем столике должен быть 15 - 17 см). Раствор для изготовления образцов, предназначенных для определения теплопроводности, перемешивают вручную или в лабораторном смесителе, укладывают в две формы размером 25 x 25 x 5 см и вибрируют в течение 15 - 20 с. Объем раствора должен быть 12,5 л.
13.4.2. Определяют среднюю плотность уплотненного раствора

, кг/м3, по
ГОСТ 10181.
13.4.3. Для приготовления бетонной смеси отбирают навеску раствора, приготовленного по 13.4.1, массой

, кг, вычисляемой по формуле

, (16)
где

- объем бетонной смеси, приготовленной из раствора и крупного заполнителя, л;

- средняя плотность уплотненного раствора, кг/м3.
Объем бетонной смеси для изготовления двух образцов размером 25 x 25 x 5 см должен быть 8 л.
13.4.4. Отобранную навеску раствора перемешивают в течение 1 - 2 мин вручную на предварительно увлажненном противне с навеской крупного заполнителя, подготовленного по
13.3.
Массу навески крупного заполнителя m, кг, определяют по формуле

, (17)
где

- средняя плотность зерен крупного заполнителя, г/см3;

- водопоглощение крупного заполнителя за 1 ч, %.
13.4.5. Из приготовленной бетонной смеси вибрированием в течение 30 - 40 с изготавливают два образца для определения теплопроводности. Образцы раствора и бетона через 6 ч после изготовления пропаривают в лабораторной пропарочной камере при температуре 80 °C - 85 °C в течение 10 - 16 ч и после распалубки высушивают до постоянной массы в сушильном электрошкафу.
Определяют объем и среднюю плотность образцов в сухом состоянии.
13.5. Проведение испытаний
Испытания должны проводиться по
ГОСТ 7076 на предварительно градуированном приборе, собранном по симметричной или асимметричной схеме. Порядок и периодичность градуировки прибора - по ГОСТ 7076,
приложение Б.
13.6. Обработка результатов
13.6.1. Среднюю плотность образцов бетона в сухом состоянии

и растворной части бетона в сухом состоянии

вычисляют по формуле

, (18)
где

- масса испытуемого образца после испытания, кг;

- объем испытуемого образца, вычисляемый по результатам измерения его длины и ширины после окончания испытания, толщины - при испытании, м.
13.6.2. Разность температур лицевых граней испытуемого образца

определяют по формуле

, (19)
где

,

- температура горячей и холодной лицевых граней испытуемого образца соответственно, К.
13.6.3. При вычислении теплофизических показателей образца и плотности стационарного теплового потока в расчетные формулы подставляют среднеарифметические значения результатов пяти измерений сигналов датчиков разности температур и сигнала тепломера, выполненных после установления стационарного теплового потока через испытуемый образец.
13.6.4. Эффективную теплопроводность образца бетона

и образца растворной части бетона

вычисляют по формуле

, (20)
где

- толщина образца, измеренная при испытании, м;

- термическое сопротивление между лицевой гранью образца и рабочей поверхностью плиты прибора, м2·К/Вт;

- термическое сопротивление между лицевой гранью образца и рабочей поверхностью плиты прибора, принимают равным 0,005 м2·К/Вт;

- плотность стационарного теплового потока, проходящего через образец, Вт/м2.
13.6.5. Плотность стационарного теплового потока

в зависимости от схемы прибора для измерения эффективной теплопроводности рассчитывают:
- для асимметричной схемы прибора (по ГОСТ 7076,
приложение А) по формуле

, (21)
где

- значение градуировочного коэффициента тепломера прибора, соответствующее значению теплового потока, протекающего через образец после установления стационарного теплового режима, Вт/(мВ·м2);

- выходной сигнал тепломера прибора после установления стационарного теплового потока через образец, мВ;
- для симметричной схемы прибора (по ГОСТ 7076,
приложение А) по формуле

, (22)
где

,

- значения градуировочных коэффициентов первого и второго тепломеров прибора, соответствующие значению теплового потока, проходящего через образец после установления стационарного теплового режима, Вт/(мВ·м2);

,

- выходные сигналы первого и второго тепломеров после установления стационарного теплового потока через образец, мВ.
13.6.6. Градуировочные коэффициенты

тепломеров прибора для измерения эффективной теплопроводности, собранного по асимметричной и симметричной схемам, рассчитывают по ГОСТ 7076
(приложение Б).
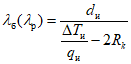
13.6.7. Теплопроводность крупного заполнителя

, Вт/(м·К), определяют по формуле

, (23)
где

- теплопроводность растворной части бетона, Вт/(м·К);

- теплопроводность бетона, Вт/(м·К);

- фактическая объемная концентрация крупного заполнителя в бетоне, определяемая по формуле

, (24)
где

- средняя плотность образцов раствора в сухом состоянии, кг/м3;

- средняя плотность образцов бетона в сухом состоянии, кг/м3;

- средняя плотность крупного заполнителя, кг/м3.
13.7. Метод определения теплопроводности заполнителя в засыпке приведен в
Приложении Б.
14. Определение содержания стеклофазы в заполнителе
14.1. Сущность метода
Содержание стеклофазы в заполнителе определяют по разности масс навески до и после ее растворения в серной и фтористоводородной кислотах.
Метод применяют при оценке теплофизических характеристик пористых заполнителей.
14.2. Средства испытания
Электропечь, обеспечивающая температуру нагрева до 700 °C.
Полиэтиленовый стакан вместимостью 500 см3.
Пластмассовая воронка диаметром 9 см.
Фильтры диаметром 11 см ("синяя лента") по
ГОСТ 12026.
Сито с сеткой N 009.
Фтористоводородная кислота, 2%-ный раствор по
ГОСТ 10484.
14.3. Подготовка пробы
От лабораторной пробы объемом 0,5 л (см.
таблицу 1) отбирают аналитическую пробу заполнителя массой 100 г в воздушно-сухом состоянии и измельчают в фарфоровой ступке до полного прохождения через сито с отверстиями размером 0,09 мм.
14.4. Проведение анализа
От аналитической пробы отбирают навеску массой 0,3 г, помещают в полиэтиленовый стакан вместимостью 500 см3, наливают 60 см3 2%-ного раствора фтористоводородной кислоты и выдерживают в течение 4 ч при температуре 5 °C с периодическим помешиванием. Затем добавляют 30 см3 2%-ного раствора серной кислоты и отфильтровывают через плотный фильтр "синяя лента", размещенный на воронке. Осадок на фильтре многократно промывают малыми порциями дистиллированной воды до получения нейтральной реакции фильтрата (по универсальному химическому индикатору), после чего фильтр с осадком помещают в фарфоровый тигель и прокаливают в электропечи при температуре 600 °C до постоянной массы.
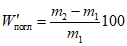
14.5. Обработка результатов
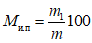
14.5.1. Содержание стеклофазы в навеске заполнителя

, %, вычисляют по формуле

, (25)
где B - масса навески, г;
A - масса осадка после прокаливания, г.
14.5.2. Содержание стеклофазы в заполнителе вычисляют как среднеарифметическое значение результатов двух параллельных испытаний.
14.5.3. При расхождении результатов двух параллельных испытаний более 1,5% анализ повторяют, а содержание стеклофазы вычисляют как среднеарифметическое значение результатов трех параллельных испытаний.
15. Определение влажности заполнителя
15.1. Сущность метода
Влажность определяют по разности масс навески заполнителя до и после высушивания.
15.2. Средства испытания
Сушильный электрошкаф.
Мерные цилиндрические сосуды вместимостью 1 и 2 л.
Совок.
15.3. Подготовка пробы
Лабораторную пробу заполнителя объемом 2 - 3 л (см.
таблицу 1) в зависимости от размера фракции (см.
таблицу 1), взятую непосредственно перед определением влажности, делят на 2 - 3 аналитические пробы.
15.4. Проведение испытания
15.4.1. Каждую аналитическую пробу заполнителя немедленно всыпают в предварительно взвешенный сосуд и взвешивают вместе с сосудом, затем высушивают до постоянной массы и взвешивают. Пористый песок марок по насыпной плотности 250 и менее после высушивания охлаждают в эксикаторе до комнатной температуры.
15.5. Обработка результатов
15.5.1. Влажность заполнителя W, % по массе, вычисляют по формуле

, (26)
где

- масса навески в состоянии естественной влажности, вычисленная по разности масс сосуда с навеской и без нее, г;

- масса навески в сухом состоянии, вычисленная по разности масс сосуда с высушенной до постоянной массы навеской и без нее, г.
15.5.2. Влажность заполнителя вычисляют с точностью до 0,1% как среднеарифметическое значение результатов двух параллельных испытаний. Для пористого песка марок по насыпной плотности 250 и менее вычисление ведут по результатам трех испытаний.
16. Определение водопоглощения крупного заполнителя
16.1. Сущность метода
Водопоглощение крупного заполнителя определяют по разности масс навески до и после насыщения ее водой.
16.2. Средства испытания
Сушильный электрошкаф.
Мерные цилиндрические сосуды вместимостью 1, 2 и 5 л.
Сито с круглым отверстием диаметром 5 мм из стандартного набора.
Контейнер для насыщения заполнителя водой (см.
рисунок 3).
16.3. Подготовка пробы
Лабораторную пробу крупного заполнителя испытуемой фракции объемом 2, 3 или 5 л в зависимости от крупности заполнителя (см.
таблицу 1) высушивают до постоянной массы и отсеивают частицы мельче 5 мм на сите с отверстиями диаметром 5 мм, после чего пробу делят пополам на две навески и каждую навеску взвешивают.
16.4. Проведение испытания
Навеску заполнителя помещают в контейнер, закрывают крышкой, медленно погружают в воду и встряхивают для удаления пузырьков воздуха из заполнителя. Контейнер с навеской заполнителя выдерживают в воде в течение 1 ч, после чего извлекают из воды, подвешивают и дают избыточной воде стечь в течение 10 мин. Затем навеску заполнителя вынимают из контейнера и взвешивают.
16.5. Обработка результатов
Водопоглощение крупного заполнителя за 1 ч

, % по массе, вычисляют по формуле

, (27)
где

- масса сухой навески заполнителя, г;

- масса навески заполнителя, насыщенного водой, г.
За результат испытания принимают среднеарифметическое значение результатов двух параллельных испытаний.
Водопоглощение крупного заполнителя

, % по объему, вычисляют по предварительно установленному значению средней плотности зерен крупного заполнителя по формуле

, (28)
где

- средняя плотность зерен крупного заполнителя, г/см3;

- плотность воды, равная 1 г/см3;

- водопоглощение крупного заполнителя за 1 ч, %.
17. Определение зернового состава заполнителя
17.1. Сущность метода
Метод основан на рассеве через набор стандартных сит предварительно высушенной пробы крупного заполнителя или пористого песка.
17.2. Средства испытания
Сушильный электрошкаф.
Мерные цилиндрические сосуды вместимостью 1, 2, 5, 10 и 20 л.
Сита из сеток с квадратными ячейками с размером стороны 0,16; 0,315; 0,63; 1,25 и 2,5 мм по
ГОСТ 6613 и сита из стандартного набора с круглыми отверстиями диаметром 5, 10, 20, 40 и 70 мм.
17.3. Подготовка пробы
Лабораторную пробу крупного заполнителя или пористого песка объемом 2 - 20 л в зависимости от размера фракций (см.
таблицу 1) высушивают до постоянной массы

.
17.4. Проведение испытания
17.4.1. Зерновой состав крупного заполнителя данной фракции определяют рассевом лабораторной пробы на контрольных ситах с диаметром отверстий, соответствующим удвоенному наибольшему 2D, наибольшему D и наименьшему d номинальным размерам зерен испытуемой фракции.
Зерновой состав пористого песка определяют рассевом лабораторной пробы на ситах из сеток с квадратными ячейками с размером стороны 0,16; 0,315; 0,63; 1,25 и 2,5 мм.
17.4.2. Пробу просеивают небольшими порциями механическим или ручным способом, при этом толщина слоя заполнителя на ситах должна быть не более 1/3 высоты борта сита. Просеивание считают законченным, если при неоднократном встряхивании сита из него не выпадают зерна заполнителя.
Остатки заполнителя на каждом сите и поддоне взвешивают, определяя частные остатки на ситах и поддоне

,

,

, ...,

в граммах, и рассчитывают сумму частных остатков на ситах и поддоне по формуле

. (29)
Если

отличается от массы исходной пробы

более чем на 2%, то испытание повторяют на новой пробе заполнителя.
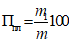
17.5. Обработка результатов
17.5.1. По результатам просеивания вычисляют частный остаток на каждом сите стандартного набора

, % по массе, с округлением до 0,1% по формуле

, (30)
где

- масса частного остатка на соответствующем сите, г;

- масса исходной пробы, г.
17.5.2. Вычисляют полные остатки на каждом сите

, % по массе, по формуле

, (31)
где

,

,

, ...,

- частные остатки на i-м сите и всех ситах в стандартном наборе сит с большими размерами отверстий, % по массе;
i, i + 1, i + 2, ..., n - порядковые номера сит стандартного набора.
17.5.3. Если необходимо, частные или полные остатки могут быть вычислены по объему делением частного остатка по массе на соответствующее значение насыпной плотности испытуемой фракции

, г/см3, по формуле

. (32)
По результатам испытаний определяют суммарный объем V, см3, по формуле

, (33)
и частные остатки

, % по объему, с точностью до 0,1% по формуле

. (34)
18. Определение зернового состава керамзитовой смеси
18.1. Сущность метода
Метод основан на рассеве через стандартный набор сит предварительно высушенной пробы керамзитовой смеси.
Метод применяют для определения зернового состава керамзитовой смеси при операционном контроле качества заполнителя.
18.2. Средства испытания
Сушильный электрошкаф.
Мерные цилиндрические сосуды вместимостью 1, 2, 5, 10 и 20 л.
Мерный стеклянный цилиндр вместимостью 1000 см3 по
ГОСТ 1770.
Сита из стандартного набора с круглыми отверстиями диаметром 5, 10, 20, 40 и 70 мм.
18.3. Подготовка пробы
Лабораторную пробу керамзитовой смеси объемом 20 л высушивают до постоянной массы.
18.4. Проведение испытания
Определяют массу высушенной пробы керамзитовой смеси M и просеивают ее небольшими порциями через набор стандартных сит механическим или ручным способом. Толщина слоя заполнителя на сите должна быть не более 1/3 высоты борта сита.
Просеивание считают законченным, если при неоднократном встряхивании сита не наблюдается выпадение зерен заполнителя.
Частные остатки заполнителя на каждом сите взвешивают в граммах, а затем рассчитывают сумму частных остатков на всех ситах.
18.5. Обработка результатов
18.5.1. Для определения зернового состава керамзитовой смеси по объему полученные значения частных остатков по массе на каждом сите делят на соответствующие значения насыпной плотности отдельных фракций.
18.5.2. Насыпную плотность и среднюю плотность зерен гравия (щебня) отдельных фракций определяют методами, приведенными в
разделах 6 и
9 соответственно.
18.5.3. Вычисляют в процентах от суммарного объема лабораторных проб частные и полные остатки по объему с точностью до 0,1%.
19. Определение коэффициента формы зерен
крупного заполнителя
19.1. Сущность метода
Измеряют наибольший и наименьший размеры зерна крупного заполнителя формомером или штангенциркулем.
Коэффициент формы зерна вычисляют делением наибольшего размера зерна на наименьший.
19.2. Средства испытания
Формомер (см. рисунок 5) или штангенциркуль по
ГОСТ 166.
1 - подвижный угольник; 2 - неподвижный угольник;
3 - двойной шарнирный параллелограмм; 4 - кулиса-стрелка;
5 - шкала; 6 - ось поворота; 7 - ось ползуна; 8 - рукоятка;
9 - зерно щебня; 10 - инвентарные винты
Рисунок 5. Формомер
Формомер состоит из раздвижного предметного прямоугольника ABCD, образованного подвижным 1 и неподвижным 2 угольниками, соединенными двойным шарнирным параллелограммом 3 и кулисой-стрелкой 4 со шкалой 5. При этом прямая, соединяющая ось поворота 6 и ось ползуна 7 кулисы-стрелки 4, равна и параллельна диагонали между вершинами B и D угольников. Подвижный угольник 1 у вершины D снабжен рукояткой 8, выполненной так, чтобы одной рукой удобно было поддерживать рукоятку 8 и вложенное в прямоугольник зерно гравия (щебня) 9.
19.3. Подготовка пробы
От лабораторной пробы испытуемой фракции крупного заполнителя объемом 1 л квартованием отбирают 50 зерен.
19.4. Проведение испытания
С помощью формомера или штангенциркуля измеряют наибольший и наименьший размеры каждого зерна.
Перед началом испытаний формомер крепят к столу двумя инвентарными винтами 10 так, чтобы измерительный контур подвижного угольника был вне стола. Под измерительным контуром размещают емкость для сбора измеренных зерен. При измерении зерно щебня (гравия) вкладывают в один из угольников длиной вдоль длинной стороны и, поддерживая его большим и указательным пальцами руки, держащей рукоятку 8, перемещают рукоятку до соприкосновения с зерном обеих сторон неподвижного угольника 2. Кулиса-стрелка 4 должна быть параллельна диагонали BD прямоугольника. При этом размер длинной стороны прямоугольника становится равным длине, а размер короткой - толщине зерна. Отношение указанных размеров зерна равно отношению размеров сторон прямоугольника или

, в значениях которого проградуирована шкала 5.
При отводе подвижного угольника 1 в исходное положение измеренное зерно выпадает в подготовленную емкость.
При отсутствии формомера наибольший и наименьший размеры каждого зерна измеряют штангенциркулем с точностью до 1 мм.
19.5. Обработка результатов
19.5.1. Коэффициент формы каждого зерна

вычисляют по формуле

, (35)
где

- наибольший размер зерна, мм;

- наименьший размер зерна, мм.
19.5.2. Рассчитывают среднее значение коэффициента формы зерен крупного заполнителя

по формуле

, (36)
где

- коэффициент формы i-го зерна;
n - число измеренных зерен.
19.5.3. Рассчитывают в процентах от общего числа измеренных зерен число зерен с коэффициентом формы более 2,5.
20. Определение содержания расколотых зерен в гравии
20.1. Сущность метода
Содержание расколотых зерен в гравии определяют как отношение массы расколотых зерен к массе испытуемой навески гравия.
20.2. Средства испытания
20.3. Подготовка пробы
Лабораторную пробу гравия объемом 1 - 4 л в зависимости от размера фракций (см.
таблицу 1) делят на две равные навески и каждую навеску взвешивают.
20.4. Проведение испытания
Из каждой навески визуальным осмотром выделяют расколотые зерна, к которым относят зерна, расколотые пополам, и зерна, поверхность которых имеет сколы или ободрана более чем наполовину. При этом должны учитываться только те повреждения, которые были нанесены после обжига гравия. Расколотые зерна взвешивают.
20.5. Обработка результатов
Содержание расколотых зерен

, %, вычисляют с точностью до 1% по формуле

, (37)
где

- масса расколотых зерен;
m - масса навески, г.
Содержание расколотых зерен вычисляют как среднеарифметическое значение результатов двух параллельных испытаний для каждой фракции гравия.
21. Определение содержания невспученных зерен
в пористом песке
21.1. Сущность метода
Метод заключается в разделении в воде вспученных, невспученных и недостаточно вспученных зерен пористого песка с учетом их разной плотности.
21.2. Средства испытания
Сушильный электрошкаф.
Лабораторные весы с погрешностью взвешивания не более 0,01 г по
ГОСТ 24104.
21.3. Подготовка пробы
От лабораторной пробы пористого песка объемом 1 л отбирают навеску массой не менее 100 г.
21.4. Проведение испытания
21.4.1. Навеску пористого песка, отобранную по 21.3, засыпают в стакан с водой, тщательно перемешивают стеклянной палочкой, а затем выдерживают в течение 1 мин до осаждения осадка, после чего плавающий на поверхности воды пористый песок удаляют. Данную процедуру повторяют четыре раза. Оставшийся в стакане осадок из невспученных и недостаточно вспученных зерен отфильтровывают и высушивают до постоянной массы.
21.4.2. После высушивания осадок помещают в эксикатор, охлаждают до комнатной температуры и взвешивают с погрешностью не более 0,01 г.
21.5. Обработка результатов испытания
21.5.1. Содержание невспученных и недостаточно вспученных зерен

, %, вычисляют по формуле

, (38)
где

- масса невспученных и недостаточно вспученных зерен, г;

- масса навески пористого песка, взятой для испытания, г.
21.5.2. За результат принимают среднеарифметическое значение результатов трех испытаний, округленное до 1%.
22. Определение содержания зерен инородных горных пород
22.1. Сущность метода
Метод основан на определении отношения массы зерен инородных горных пород к общей массе навески испытуемого природного пористого крупного заполнителя.
22.2. Средства испытания
Сушильный электрошкаф.
Сито с круглыми отверстиями диаметром 5 мм из стандартного набора.
22.3. Проведение испытания
От лабораторной пробы заполнителя объемом 10 л (см.
таблицу 1) отбирают навеску массой 5 кг, просеивают через сито с отверстиями диаметром 5 мм. Остаток на сите промывают водой и высушивают до постоянной массы в сушильном электрошкафу. С помощью лупы, микроскопа или другими петрографическими методами проводят визуальную разборку зерен заполнителя, выделяя плотные зерна инородных горных пород. Отобранные зерна инородных горных пород взвешивают.
22.4. Обработка результатов
Содержание зерен инородных горных пород

, %, вычисляют по формуле

, (39)
где

- масса зерен инородных горных пород, г;
m - масса навески заполнителя, г.
23. Определение содержания зерен пластинчатой (лещадной)
и игловатой формы в крупном заполнителе
23.1. Метод визуальной разборки
Содержание в крупном заполнителе зерен пластинчатой (лещадной) и игловатой формы оценивают количеством зерен, толщина которых менее длины в три раза и более.
23.1.1. Средства испытания
Передвижной шаблон (см. рисунок 6) или штангенциркуль по
ГОСТ 166.
Рисунок 6. Передвижной шаблон
Сита с круглыми отверстиями диаметром 5, 10, 20, 40, 70 мм из стандартного набора.
23.1.2. Проведение испытания
Из лабораторной пробы (см.
таблицу 1) каждой фракции испытуемого крупного заполнителя берут аналитические пробы массой не менее:
0,25 кг - для заполнителя фракции 5 - 10 мм;
1,0 кг - " " " 10 - 20 мм;
5,0 кг - " " " 20 - 40 и 40 - 70 мм.
Аналитическую пробу просеивают через сита с размером отверстий, равных наибольшему и наименьшему номинальным размерам зерен фракции, и взвешивают остаток на сите с отверстиями, равными наименьшему размеру зерен.
Содержание зерен пластинчатой (лещадной) или игловатой формы определяют отдельно для каждой фракции крупного заполнителя.
При наличии в испытуемом заполнителе какой-либо фракции в количестве менее 5% по массе содержание зерен пластинчатой (лещадной) и игловатой форм в этой фракции не определяют.
Аналитическую пробу после рассеивания взвешивают и выбирают из нее зерна, толщина которых меньше длины в три раза и более.
Соотношение размеров зерен определяют при помощи передвижного шаблона или штангенциркуля. При использовании шаблона измеряемое зерно вкладывают наибольшим размером между губками, фиксируют положение шаблона стопорным винтом и измеряют размер зерна, затем зерно пропускают наименьшим размером между губками шаблона, установленными на расстоянии, в три раза меньшем. Если зерно пройдет между губками, то его относят к зернам пластинчатой (лещадной) или игловатой формы. Зерна пластинчатой (лещадной) и игловатой форм взвешивают.
23.1.3. Обработка результатов испытания
Содержание в каждой фракции крупного заполнителя зерен пластинчатой (лещадной) и игловатой формы

, %, определяют по формуле

, (40)
где

- масса зерен пластинчатой (лещадной) и игловатой форм, г;
m - масса аналитической пробы, г.
Содержание зерен пластинчатой (лещадной) и игловатой формы в смеси фракций определяют по формуле

, (41)
где

,

, ...,

- содержание зерен пластинчатой (лещадной) и игловатой формы для каждой фракции смеси;

,

, ...,

- содержание данной фракции в смеси, %.
23.2. Метод определения на щелевидных ситах
Метод основан на просеивании крупного заполнителя через щелевидные сита.
23.2.1. Средства испытания
Набор щелевидных сит, изготовленных из листового проката по
ГОСТ 19904 на круглых или квадратных обечайках диаметром или стороной не менее 300 мм. Размеры отверстий щелевидных сит приведены в таблице 4.
Таблица 4
Размеры отверстий щелевидных сит
в зависимости от размеров зерен
Номинальные размеры зерен щебня (гравия), мм | Размеры отверстий щелевидных сит, мм |
Наименьший | Наибольший | Длина | Ширина |
5 (3) | 10 | 10 | 2,5 |
10 | 20 | 20 | 5,0 |
20 | 40 | 40 | 10,0 |
40 | 70 | 70 | 20,0 |
70 | 120 | 120 | 35,0 |
23.2.2. Проведение испытания
От лабораторной пробы каждой фракции (см.
таблицу 1) крупного заполнителя берут аналитическую пробу массой 0,25 - 5 кг в зависимости от размера фракций.
Аналитическую пробу каждой фракции просеивают через щелевидные сита.
Зерна, прошедшие через щелевидное сито, относят к пластинчатым (лещадным) и игловатым.
23.2.3. Обработка результатов испытания
Содержание в каждой фракции щебня (гравия) пластинчатых (лещадных) и игловатых зерен

, %, определяют по
формуле (40).
Содержание зерен пластинчатой (лещадной) и игловатой форм в смеси фракций определяют по
формуле (41).
24. Определение прочности при раскалывании зерен
крупного заполнителя
24.1. Сущность метода
Прочность при раскалывании зерен крупного заполнителя определяют на гидравлическом прессе при раскалывании зерен, помещенных между двумя цилиндрическими опорами [см. рисунок 7 а)].
а) Общий вид; б) Элементы приспособления
1 - зерно; 2 - цилиндрические опоры; 3 - пресс-форма;
4 - палец; 5 - пуансон
Рисунок 7. Приспособление для испытания зерен крупного
заполнителя на прочность при раскалывании
Метод определения прочности при раскалывании зерен крупного заполнителя применяют для предварительной оценки свойств природного сырья при геологической разведке, проведении лабораторно-технологических испытаний, при исследованиях сырья для определения оптимальных параметров термоподготовки и обжига сырья, для сравнительной оценки эффективности различных добавок.
24.2. Средства испытания
Лабораторный гидравлический пресс с максимальным усилием 0,1 - 0,5 тс.
Приспособление для испытания зерен крупного заполнителя на прочность при раскалывании (см.
рисунок 7).
24.3. Подготовка образца
Зерна (гранулы) крупного заполнителя получают обжигом полуфабриката, изготовленного по пластическому, порошковому или сухому способам подготовки.
Предварительно определяют среднюю плотность зерен заполнителя методом, приведенным в
разделе 9.
24.4. Проведение испытания
Штангенциркулем измеряют средний диаметр гранул после обжига. Измерения проводят в двух взаимно перпендикулярных направлениях и вычисляют среднее значение площади сечения зерен.
Зерна измеряют в месте предполагаемого приложения нагрузки.
Зерно помещают между двумя (нижней и верхней) цилиндрическими опорами и прикладывают нагрузку со скоростью не более 2 - 3 кгс/см2 в секунду.
24.5. Обработка результатов
Прочность каждого зерна при раскалывании R, МПа, определяют по формуле

, (42)
где

- максимальное усилие раскалывания, Н (кгс);
F - площадь раскола зерна, определяемая по контуру раскола, см2.
Прочность зерен при раскалывании определяют как среднеарифметическое значение результатов испытаний 10 зерен.
25. Определение прочности заполнителя
при сдавливании в цилиндре
25.1. Сущность метода
Прочность заполнителя при сдавливании в цилиндре определяют по нагрузке, соответствующей погружению пуансона на 20 мм в слой испытуемой пробы заполнителя.
Прочность при сдавливании в цилиндре крупного заполнителя определяют для фракций 5 - 10; 10 - 20; 20 - 40 и 40 - 70 мм, пористого песка - для фракций 2,5 - 5 и 1,25 - 2,5 мм.
Прочность при сдавливании перлитового песка определяют по
ГОСТ 10832.
25.2. Средства испытания
Гидравлический пресс с максимальным усилием 50 - 250 кН (5 - 25 тс) по
ГОСТ 28840.
Стальной составной цилиндр (см. рисунок 8).
1 - поддон; 2 - цилиндр; 3 - приставка; 4 - пуансон
Рисунок 8. Стальной составной цилиндр
Сушильный электрошкаф.
Совок.
25.3. Подготовка пробы
Лабораторную пробу заполнителя испытуемой фракции объемом 6 л (см.
таблицу 1), на которой определялась насыпная плотность, высушивают до постоянной массы в сушильном электрошкафу.
25.4. Проведение испытания
25.4.1. Из высушенной лабораторной пробы отвешивают навеску объемом 2 л и совком насыпают ее с высоты 100 мм в стальной цилиндр с поддоном так, чтобы после разравнивания металлической линейкой верхний уровень заполнителя доходил до верхнего края цилиндра (песок насыпают в цилиндр через воронку, см.
рисунок 1). Затем на цилиндр надевают приставку и в нее вставляют пуансон. При этом нижняя риска пуансона должна совпадать с верхним краем приставки.
Остаток заполнителя, не вошедший в цилиндр, взвешивают и по разности масс взятой навески и остатка определяют массу заполнителя в цилиндре. Насыпную плотность заполнителя в цилиндре определяют делением массы заполнителя на его объем в цилиндре (1770 см3).
Если отклонения полученных значений насыпной плотности от насыпной плотности испытуемой фракции, определенной по методике, приведенной в
разделе 6, превышают минус 4%, плюс 2% для пористого песка фракции 1,25 - 2,5 и гравия или щебня фракций 5 - 10 и 10 - 20 мм, минус 6%, плюс 1% - для фракции гравия или щебня фракции 20 - 40 мм, то повторно определяют насыпную плотность в цилиндре на другой навеске заполнителя.
25.4.2. В случае если насыпная плотность заполнителя в цилиндре совпадает с насыпной плотностью заполнителя, определенной по
разделу 6 (в пределах допустимого разброса), проводят испытание заполнителя на прочность.
Цилиндр с пуансоном помещают на подушку гидравлического пресса, сдавливают заполнитель до погружения пуансона на 20 мм (до верхней риски) и отмечают показание манометра в этот момент.
25.4.3. Вдавливание пуансона должно проводиться без перекоса со скоростью 0,5 - 1,0 мм/с.
25.5. Обработка результатов
25.5.1. Прочность при сдавливании заполнителя в цилиндре

, МПа (кгс/см2), вычисляют по формуле

, (43)
где P - нагрузка при сдавливании заполнителя, соответствующая погружению пуансона на 20 мм (до верхней риски), Н (кгс);
F - площадь поперечного сечения цилиндра, равная 0,0177 м2 (177 см2).
25.5.2. Прочность заполнителя отдельной фракции при сдавливании в цилиндре вычисляют для каждой фракции заполнителя как среднеарифметическое значение результатов двух параллельных испытаний этой фракции.
26. Определение истираемости крупного заполнителя
в полочном барабане
26.1. Сущность метода
Истираемость крупного заполнителя определяют по потере массы зерен при испытании в полочном барабане с шарами.
26.2. Средства испытания
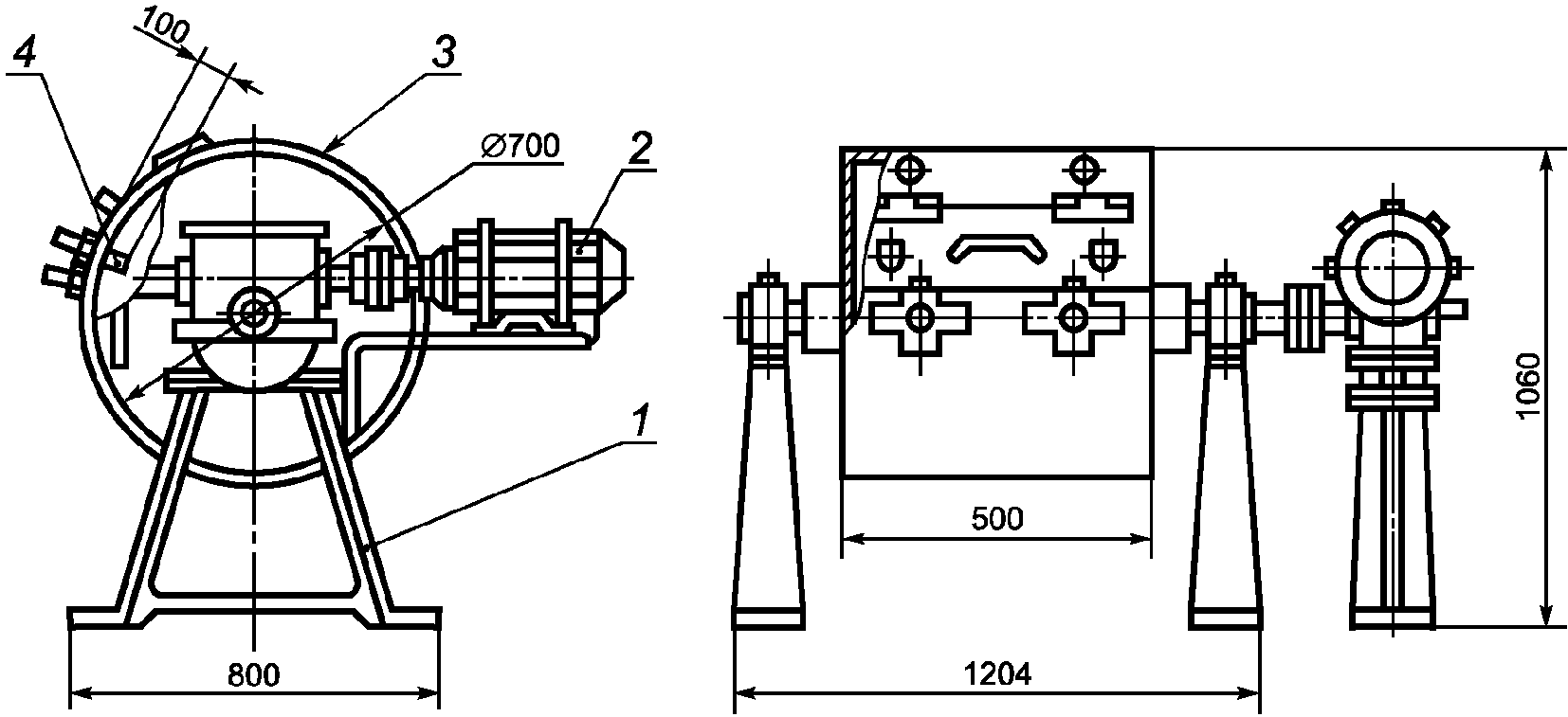
Полочный барабан диаметром 700, длиной 500 мм, снабженный на внутренней поверхности полкой шириной 100 мм (см. рисунок 9).
1 - станина; 2 - двигатель; 3 - барабан;
4 - полка барабана
Рисунок 9. Полочный барабан
Стальные или чугунные шары диаметром 48 мм, массой (405 +/- 10) г каждый, 12 шт.
Сушильный электрошкаф.
Сита с круглыми отверстиями диаметром 5, 10, 20, 40, 70 мм из стандартного набора.
26.3. Подготовка к испытанию
Испытуемый заполнитель не должен содержать пылевидных и глинистых частиц более 1% по массе. Заполнитель, содержащий более 1% пылевидных и глинистых частиц, предварительно промывают и высушивают.
Лабораторную пробу заполнителя (см.
таблицу 1) фракций от 5 до 10, св. 10 до 20, св. 20 до 40 и св. 40 до 70 мм в состоянии естественной влажности просеивают через два сита с отверстиями размерами, соответствующими наибольшему D и наименьшему d номинальным размерам зерен данной фракции. Из остатка на сите с отверстиями размером d отбирают две аналитические пробы по 5 кг каждая с максимальной крупностью зерен до 20 мм и две пробы по 10 кг - фракции св. 20 до 40 мм.
При испытании щебня (гравия), состоящего из смеси двух или более смежных фракций, аналитические пробы готовят рассеиванием исходной пробы заполнителя на стандартные фракции и каждую фракцию испытывают отдельно. Щебень (гравий) крупнее 40 мм дробят до получения зерен мельче 40 мм и испытывают щебень (гравий) фракции св. 20 до 40 мм.
В случае одинакового петрографического состава щебня (гравия) фракций св. 20 до 40 и св. 40 до 70 мм истираемость последней допускается оценивать результатами испытаний фракции св. 20 до 40 мм.
26.4. Проведение испытания
Подготовленную пробу загружают в полочный барабан вместе с чугунными или стальными шарами, закрепляют крышку барабана и приводят его во вращение со скоростью 30 - 33 об/мин.
Число шаров и общее число оборотов барабана при одном испытании щебня (гравия) принимают по таблице 5.
Таблица 5
Число шаров и оборотов барабана в зависимости
от размера фракции
Размер фракции щебня (гравия), мм | Число чугунных или стальных шаров, шт. | Число оборотов полочного барабана |
От 5 до 10 | 8 | 500 |
Св. 5 " 15 | 9 | 500 |
" 10 " 20 | 11 | 500 |
" 20 " 40 | 12 | 1000 |
По окончании испытания содержимое барабана просеивают через сито с отверстиями диаметром 5 мм и контрольное сито с сеткой N 1,25. Остатки на ситах соединяют и взвешивают.
26.5. Обработка результатов испытания
Истираемость щебня (гравия) И, %, определяют по формуле

, (44)
где m - масса аналитической пробы щебня (гравия), г;

- суммарная масса остатков на сите с отверстиями диаметром 5 мм и контрольном сите, г.
За результат испытания принимают среднеарифметическое значение результатов двух параллельных испытаний.
При испытании щебня (гравия), состоящего из смеси двух и более смежных фракций, истираемость определяют по формуле

, (45)
где

,

, ...,

- значение истираемости данной фракции смеси;

,

, ...,

- содержание данной фракции в смеси, %.
27. Определение марочной прочности крупного
заполнителя в бетоне
27.1. Сущность метода
Марочную прочность крупного заполнителя определяют с помощью номограммы (см. рисунок 10), построенной по результатам определения прочности бетона условного состава (с постоянной объемной концентрацией крупного заполнителя, равной 0,35) и прочности его растворной части.

- прочность бетона;

- прочность раствора,
отделенного от бетона
Рисунок 10. Номограмма для определения марочной прочности
крупного заполнителя
27.2. Средства испытания и материалы
Сушильный электрошкаф.
Сита с круглыми отверстиями диаметром 5, 10, 20 и 40 мм из стандартного набора.
Мерные цилиндры вместимостью 100, 250, 500, 1000 см3 по
ГОСТ 1770.
Сетка с квадратными отверстиями размером 5 x 5 мм.
Противни.
Совок.
Мастерок.
Конус для определения жесткости бетонной смеси методом Скрамтаева по
ГОСТ 10181.
Формы для образцов-кубов размерами 15 x 15 x 15 см и 10 x 10 x 10 см по
ГОСТ 22685.
Гидравлический пресс с максимальным усилием 5 тс по
ГОСТ 28840.
Лабораторная пропарочная камера.
Сухой природный песок с модулем крупности 2 - 2,5 по
ГОСТ 8736.
27.3. Подготовка пробы
Лабораторную пробу крупного заполнителя испытуемой фракции объемом 20 л (см.
таблицу 1) высушивают до постоянной массы в сушильном электрошкафу и просеиванием отделяют зерна смежных фракций.
27.4. Проведение испытания
27.4.1. Определяют среднюю плотность зерен крупного заполнителя в цементном тесте методом, приведенным в
разделе 10, и водопоглощение крупного заполнителя в течение 1 ч - методом, приведенным в
разделе 16.
27.4.2. Отвешивают цемент Ц, песок П, крупный заполнитель К, воду В в количествах, определяемых по формулам:

; (46)
П = 1,5Ц; (47)

; (48)

, (49)
где

- объем бетонной смеси, принимаемый равным 15 л при изготовлении образцов-кубов размерами 15 x 15 x 15 см и 8 л - при изготовлении образцов-кубов размерами 10 x 10 x 10 см;

- плотность цемента, определяемая по
ГОСТ 310.2 или принимаемая равной 3,1 г/см3;

- плотность кварцевого песка, определяемая по
ГОСТ 8735 или принимаемая равной 2,65 г/см3;

- водопоглощение крупного заполнителя в цементном тесте, принимаемое равным

для гравия и

для щебня, где

- водопоглощение заполнителя за 1 ч по массе;

- средняя плотность зерен крупного заполнителя в цементном тесте, кг/л.
Для приготовления бетонной смеси материалы высыпают на протертый влажной тканью противень и тщательно перемешивают мастерками в течение 5 мин, приливая порциями воду.
Проверяют подвижность бетонной смеси, которая должна быть не менее 1 - 4 см. При меньшей подвижности добавляют воду до получения требуемого значения, при большей подвижности готовят новый замес бетонной смеси.
Через 20 мин после приготовления замеса из части бетонной смеси изготавливают в соответствии с
ГОСТ 10180 три образца-куба размерами 15 x 15 x 15 см или 10 x 10 x 10 см. Остальную часть бетонной смеси используют для отделения растворной части на виброплощадке.
Для отделения растворной части бетонную смесь помещают на протертую влажной тканью сетку с квадратными отверстиями размером 5 x 5 мм, расположенную над противнем, и вибрируют на виброплощадке в течение 30 - 60 с до прекращения вытекания раствора. Из полученного раствора изготавливают три образца-куба размерами 10 x 10 x 10 см.
Образцы бетона и раствора изготавливают в предварительно взвешенных стальных формах, уплотняют на виброплощадке в течение 30 - 60 с и заглаживают верхнюю поверхность мастерком.
После уплотнения образцов формы взвешивают и с учетом фактических размеров образцов, измеряемых перед их испытанием на прочность, определяют плотность образцов в свежеотформованном состоянии. Вычисляют фактический состав бетонной смеси и фактическую объемную концентрацию крупного заполнителя

по формуле

, (50)
где

,

,

- фактические расходы цемента, песка и воды, кг/м3;

,

- истинная плотность цемента и песка, кг/м3.
Испытание признают удовлетворительным, если значение

. В противном случае испытание повторяют, уменьшая (если

существенно больше 0,35) или увеличивая (если

существенно меньше 0,35) дозировку крупного заполнителя. Изготовленные образцы в формах не ранее чем через 6 ч пропаривают в лабораторной пропарочной камере по режиму 4 + 4 + 16 [подъем температуры до (85 +/- 2) °C, выдержка при этой температуре и медленное остывание в отключенной камере].
После окончания тепловой обработки в соответствии с
ГОСТ 10180 образцы распалубливают и испытывают после выдержки не менее 4 ч в помещении для испытания образцов при температуре воздуха (20 +/- 5) °C и относительной влажности не ниже 55%.
Испытания образцов бетона и раствора при ожидаемой марочной прочности заполнителя П200 и более рекомендуется проводить после пропаривания через 28 сут последующего твердения в нормальных условиях.
27.5. Обработка результатов
Полученные результаты испытаний образцов-кубов 10 x 10 x 10 см умножают на коэффициенты 0,95 для бетона и 0,85 - для раствора.
По полученным значениям прочностей бетона

и раствора

по номограмме определяют марочную прочность заполнителя.
28. Определение пригодности природных пористых
заполнителей при испытаниях в бетоне
28.1. Сущность метода
Метод заключается в оценке качества заполнителей по следующим характеристикам бетонов стандартных составов, приготовленных на их основе:
- расход цемента;
- прочность бетона на растяжение при раскалывании;
- относительная прочность бетона;
- расчетная плотность бетона;
- коэффициент конструктивного качества.
28.2. Средства испытания и материалы
Сушильный электрошкаф.
Сита с круглыми отверстиями диаметром 5, 10, 20, 40 и 70 мм из стандартного набора.
Мерные цилиндрические сосуды.
Конус для определения жесткости бетонной смеси методом Скрамтаева по
ГОСТ 10181.
Металлическая линейка длиной 400 мм по
ГОСТ 427.
Противень.
Совок.
Формы для образцов-призм размерами 10 x 10 x 40 см (при их отсутствии - для образцов-кубов размерами 10 x 10 x 10 см) по
ГОСТ 22685.
Камера нормального твердения.
Лабораторная пропарочная камера.
Рамочное приспособление для раскалывания образца-призмы на кубы, состоящее из металлических стержней диаметром 5 мм, соединенных в рамку пружинами или резинками-продержками (см. рисунок 11).
1 - металлические стержни диаметром 5 мм; 2 - места
расточки стержней до диаметра 3 мм; 3 - резинка-продержка
(или стальная пружина); 4 - места прошивки резинки
Рисунок 11. Рамочное приспособление для раскалывания
бетонного образца-призмы на кубы
Гидравлический пресс с максимальным усилием 50 - 750 кН (5 - 75 тс) по
ГОСТ 28840.
28.3. Подготовка пробы
Лабораторную пробу крупного заполнителя фракций 5 - 10 и 10 - 20 мм объемом 15 и 20 л соответственно (см.
таблицу 1) высушивают до постоянной массы и просеиванием отделяют зерна смежных фракций.
Лабораторную пробу пористого песка из той же породы, что и крупный заполнитель объемом 30 л, высушивают до постоянной массы и выделяют фракцию размером 0 - 5 мм.
Количество цемента, крупного заполнителя и пористого песка, необходимое для приготовления стандартных составов бетонов, приведено в таблице 6.
Таблица 6
Стандартные составы бетонов и расход материалов
Номер стандартного состава (замеса) | Расход цемента на замес, кг | Расход заполнителей на замес, л, фракций размером, мм |
пористого песка | щебня |
0 - 5 | 5 - 10 | 10 - 20 |
1 | 2,4 | 8,5 | 3,7 | 5,6 |
2 | 4,3 | 7,8 | 3,7 | 5,6 |
3 | 7,2 | 7,0 | 3,7 | 5,6 |
28.4. Проведение испытания
Отдозированные на замес компоненты (цемент, щебень, песок) в сухом виде перемешивают на предварительно увлажненном противне, затем постепенно вливают воду до получения бетонной смеси подвижностью по осадке конуса 1 - 4 см по
ГОСТ 7473. Определяют израсходованное количество воды.
Смесь перемешивают вручную в течение 5 мин или в течение 3 мин в лабораторной бетономешалке принудительного действия. Подвижность бетонной смеси определяют по осадке конуса два раза на разных порциях смеси.
После определения подвижности готовят три замеса бетонной смеси объемом примерно 12 л каждый в уплотненном состоянии при разных соотношениях цемента и заполнителей.
Приготовленную бетонную смесь каждого замеса укладывают в предварительно взвешенные формы и вибрируют в течение 20 - 30 с.
Из каждого замеса изготавливают два образца-призмы (или шесть образцов-кубов), взвешивают и определяют плотность бетонной смеси в уплотненном состоянии делением массы смеси в формах на объем образцов, вычисленный после их распалубливания.
Фактический расход цемента Ц, кг/м3, в уплотненной бетонной смеси для каждого из трех замесов вычисляют по формуле

, (51)
где ц - расход цемента на замес, кг;

- плотность бетонной смеси, кг/м3;

- расход всех компонентов на замес (включая фактически израсходованную воду), кг.
Расход остальных компонентов уплотненной бетонной смеси вычисляют аналогично.
Половину изготовленных образцов через (20 +/- 4) ч пропаривают в формах по режиму 4 + 4 + 16 ч [подъем температуры до (85 +/- 2) °C, выдержка при этой температуре и медленное остывание в отключенной камере].
Другую половину образцов хранят в формах в помещении лаборатории в условиях, установленных
ГОСТ 10180.
На вторые сутки после изготовления все образцы извлекают из форм, измеряют и взвешивают. Образцы, предназначенные для нормального твердения, переносят в камеру нормального твердения, а пропаренные испытывают не ранее чем через 4 ч.
Перед испытанием боковые грани образцов-призм делят на четыре равные части тремя линиями, по которым через рамочное приспособление, надеваемое на образец, передают усилия, раскалывающие образец-призму на четыре образца-куба размерами примерно 10 x 10 x 10 см.
Обязательным условием испытания является совмещение металлических стержней в одной вертикальной плоскости, что достигается одинаковым натяжением резинок или пружин.
Образец-призму раскалывают сначала на две половины, а затем каждую половину на два образца-куба.
Раскалывающие усилия фиксируют.
Полученные от раскола образцов-призм или изготовленные самостоятельно образцы-кубы устанавливают на боковые грани и испытывают на сжатие в гидравлическом прессе.
28.5. Обработка результатов
28.5.1. Определение прочности при сжатии
Прочность при сжатии

, МПа (кгс/см2), вычисляют по результатам испытания четырех образцов-кубов, полученных после раскола образца-призмы, по формуле

, (52)
где

- сумма разрушающих нагрузок, Н (кгс);
F - площадь боковой поверхности образца-призмы, см2, вычисляемая по формуле
F = ha, (53)
где h - геометрическая высота образца-призмы (среднее значение из четырех), см;
a - высота боковых граней образцов при их изготовлении (среднее из шести значений: по три измерения в трех сечениях), см.
При испытании самостоятельно изготовленных образцов-кубов прочность при сжатии определяют по
ГОСТ 10180.
28.5.2. Определение расчетной плотности бетона
Расчетную плотность бетона (в высушенном до постоянной массы состоянии)

, кг/м3, для каждого из трех стандартных составов вычисляют по формуле

, (54)
где Ц, П,

и

- фактические расходы цемента, пористого песка и щебня фракций 5 - 10 и 10 - 20 мм в уплотненной бетонной смеси, кг/м3.
28.5.3. Определение прочности бетона на растяжение при раскалывании
Прочность бетона на растяжение при раскалывании

, МПа (кгс/см2), вычисляют по формуле

, (55)
где

- раскалывающее усилие, Н (кгс);
F - площадь поперечного сечения образца-призмы в плоскости раскола, см2, определяемая по формуле
F = ab, (56)
где a - среднее значение двух размеров боковых граней, являющихся высотой при изготовлении образцов, см;
b - среднее значение двух размеров верхней и нижней граней призмы, являющихся шириной при изготовлении образцов, см.
Прочность бетона на растяжение, определенная методом раскола, вычисляют как среднеарифметическое значение результатов определений в трех сечениях образца-призмы.
28.5.4. Построение графиков
Результаты испытаний трех серий образцов наносят на два графика, построенные для пропаренных образцов и образцов нормального твердения, для предварительной и окончательной оценки качества заполнителей соответственно.
По оси абсцисс откладывают расходы цемента Ц, кг/м3, по оси ординат вниз плотности

, кг/м3, вверх - прочности при сжатии (растяжении)

, МПа (кгс/см2).
Прочность образцов после пропаривания и после нормального твердения, наносимые на графики, принимают с учетом переходного коэффициента 0,95 прочности образцов-кубов размерами 10 x 10 x 10 см к стандартным образцам-кубам размерами 15 x 15 x 15 см.
По графикам устанавливают расходы цемента, соответствующие полученным маркам бетона по прочности при сжатии, и значения расчетной плотности бетона.
28.5.5. Оценка качества заполнителей
Оценку качества заполнителей проводят по следующим характеристикам:
- расход цемента, который не должен превышать нормативный для полученных марок бетона;
- прочность бетона при растяжении методом раскола;
- относительная прочность бетона

, где

- марка цемента, МПа;
- расчетная плотность бетона

, кг/м3;
- коэффициент конструктивного качества

, м, вычисляемый по формуле

, (57)
где

- прочность бетона при сжатии, МПа;

- расчетная плотность бетона, кг/м3.
Испытание признают удовлетворительным, если заполнители соответствуют основному требованию: обеспечение расхода цемента не выше нормативного.
Остальные показатели применяют для предварительной оценки рациональной области применения испытуемых заполнителей по
ГОСТ 25820 и сравнения их с другими видами заполнителей.
В случае несоответствия заполнителей одному или нескольким требованиям
ГОСТ 9757 испытание в бетоне проводят по
ГОСТ 22263.
29. Определение морозостойкости крупного заполнителя
при попеременном замораживании и оттаивании
29.1. Сущность метода
Морозостойкость определяют по потерям массы навески заполнителя до и после проведения ряда циклов попеременного замораживания и оттаивания.
29.2. Средства испытания
Морозильная камера.
Сушильный электрошкаф.
Мерные цилиндрические сосуды вместимостью 2 и 4 л.
Сита с круглыми отверстиями диаметром 5, 10, 20, 40 и 70 мм из стандартного набора.
Контейнеры с перфорированным дном (по числу испытуемых навесок заполнителя).
Щетка (жесткая волосяная или капроновая) по
ГОСТ 10597.
Отбирают лабораторную пробу испытуемой фракции гравия или щебня объемом 2 - 4 л в зависимости от размера фракций (см.
таблицу 1). Зерна заполнителя очищают щеткой от рыхлых частиц и пыли, высушивают до постоянной массы, просеивают через сита с отверстиями, соответствующими наибольшей и наименьшей крупности зерен испытуемой фракции, и делят на две равные навески.
29.4. Проведение испытания
Каждую навеску высыпают в отдельный контейнер с перфорированным дном и крышкой и помещают на 48 ч в ванну с водой температурой (20 +/- 3) °C. Затем контейнеры с навесками вынимают из ванны, дают воде стечь, после чего помещают их в морозильную камеру, внутри которой температуру доводят до минус (15 +/- 5) °C. Продолжительность одного выдерживания в камере при установившейся температуре должна быть не менее 4 ч, после чего контейнеры с навесками помещают в ванну с водой температурой плюс (20 +/- 3) °C и выдерживают в ней не менее 4 ч.
После проведения числа циклов попеременного замораживания и оттаивания навески высушивают до постоянной массы и просеивают на ситах с отверстиями, соответствующими минимальным размерам данной фракции. Остатки на ситах взвешивают. Число циклов устанавливаются в стандартах или технических условиях на заполнитель конкретного вида.
29.5. Обработка результатов
Потерю массы после испытания на морозостойкость

, %, вычисляют по формуле

, (58)
где

- масса навески заполнителя до испытания, г;

- масса остатка на сите после испытания, г.
За окончательный результат испытания принимают среднеарифметическое значение результатов двух параллельных испытаний каждой фракции заполнителя.
30. Определение морозостойкости крупного заполнителя
испытанием в растворе сернокислого натрия
30.1. Сущность метода
Морозостойкость крупного заполнителя определяют по потере массы навески заполнителя после испытания в растворе сернокислого натрия.
Один цикл испытания заполнителя в растворе сернокислого натрия соответствует пяти циклам испытания при замораживании и оттаивании.
30.2. Средства испытания
Сушильный электрошкаф.
Сита с круглыми отверстиями диаметром 5, 10, 20, 40 и 70 мм из стандартного набора.
Ванна.
Контейнер для насыщения заполнителя водой (см.
рисунок 3).
Щетка (жесткая волосяная или капроновая) по
ГОСТ 10597.
Ареометр общего назначения с ценой деления 10 кг/м3, со шкалой 1000 - 1400 кг/м3 или аккумуляторный денсиметр с ценой делений 0,01 г/см3 и шкалой 1,1 - 1,3 г/см3.
Безводный сернокислый натрий по
ГОСТ 4166 или кристаллический сернокислый натрий по
ГОСТ 4171.
30.3. Подготовка пробы
Лабораторную пробу крупного заполнителя подготавливают к испытанию в соответствии с требованиями
29.3.
30.4. Подготовка раствора сернокислого натрия
250 - 300 г безводного сернокислого натрия или 700 - 1000 г кристаллического сернокислого натрия растворяют в 1 л подогретой дистиллированной воды, постепенно добавляя сернокислый натрий, тщательно перемешивая до получения насыщенного раствора. Раствор охлаждают до комнатной температуры и проверяют ареометром его плотность, которая должна быть в пределах 1150 - 1170 кг/м3. Если плотность раствора меньше 1150 или больше 1170 кг/м3, то добавляют сернокислый натрий или дистиллированную воду соответственно. Приготовленный раствор сливают в бутыль и хранят, не взбалтывая, в течение 48 ч.
30.5. Проведение испытания
Контейнер с навеской заполнителя полностью погружают в ванну с раствором сернокислого натрия. Навеску выдерживают в растворе при комнатной температуре в течение 18 ч. Затем контейнер с заполнителем вынимают из ванны, дают стечь раствору и помещают на 4 ч в сушильный электрошкаф, в котором поддерживают температуру (105 +/- 5) °C, после чего заполнитель охлаждают до комнатной температуры.
Процедуру повторяют три раза для заполнителя марки по морозостойкости F15 и пять раз - для заполнителя марки по морозостойкости F25.
Затем навеску заполнителя промывают горячей водой (для удаления сернокислого натрия), высушивают и рассеивают на сите с отверстиями, соответствующими минимальному размеру испытуемой фракции. Остаток на сите взвешивают.
30.6. Обработка результатов
Потерю массы

, %, вычисляют по формуле

, (59)
где

- масса навески заполнителя до испытания, г;

- масса остатка на сите после испытания, г.
За окончательный результат принимают среднеарифметическое значение результатов двух параллельных испытаний каждой фракции заполнителя.
31. Определение стойкости крупного заполнителя
против силикатного распада
31.1. Сущность метода
Стойкость крупного заполнителя против силикатного распада определяют по потере массы навески до и после проведения циклов попеременного пропаривания и охлаждения или в среде водяного пара под давлением.
31.2. Средства испытания
Автоклав или сосуд для пропаривания (в качестве сосуда для пропаривания можно применять любой сосуд с закрывающейся крышкой).
Сушильный электрошкаф.
Сита с круглыми отверстиями диаметром 5, 10, 20, 40 и 70 мм из стандартного набора.
Щетка (жесткая волосяная или капроновая) по
ГОСТ 10597.
Ванна для охлаждения заполнителя в воде.
31.3. Подготовка пробы
Пробы крупного заполнителя подготавливают к испытанию в соответствии с требованиями
29.3.
31.4. Проведение испытания
31.4.1. Контейнер с навеской заполнителя помещают в сосуд для пропаривания и наливают воду так, чтобы она не доходила до дна контейнера на 10 - 20 мм. Сосуд закрывают крышкой.
Воду нагревают до кипения. Заполнитель пропаривают в течение 3 ч, затем контейнер с заполнителем вынимают из сосуда и погружают на 3 ч в ванну с водой комнатной температуры.
Попеременное пропаривание и охлаждение до комнатной температуры повторяют три раза.
31.4.2. При испытании в среде насыщенного водяного пара навеску заполнителя помещают в автоклав и в течение 30 мин постепенно поднимают давление до 0,2 МПа (2 атм). При этом давлении заполнитель выдерживают 2 ч, после чего давление в течение не менее чем за 20 мин постепенно снижают до атмосферного. Навеску заполнителя в автоклаве испытывают один раз.
После окончания испытания в среде насыщенного пара в автоклаве или пропариванием навеску заполнителя высушивают до постоянной массы и просеивают через сито, соответствующее размеру испытуемой фракции. Остаток на сите взвешивают.
31.5. Обработка результатов
Потерю массы

, %, вычисляют по формуле

, (60)
где

- масса навески заполнителя до испытания, г;

- масса остатка на сите после испытания, г.
За окончательный результат принимают среднеарифметическое значение результатов двух параллельных испытаний каждой фракции заполнителя.
32. Определение стойкости крупного заполнителя
против железистого распада
32.1. Сущность метода
Стойкость против железистого распада определяют по потере массы навески крупного заполнителя после хранения в воде в течение 30 сут.
32.2. Средства испытания
Сушильный электрошкаф.
Сита с круглыми отверстиями диаметром 5, 10, 20, 40 и 70 мм из стандартного набора.
Мерные цилиндрические сосуды.
Щетка (жесткая волосяная или капроновая) по
ГОСТ 10597.
Контейнер для насыщения заполнителя водой (см.
рисунок 3).
32.3. Подготовка пробы
Пробу крупного заполнителя подготавливают к испытанию в соответствии с требованиями
29.3.
32.4. Проведение испытания
Контейнер с навеской заполнителя помещают на 30 сут в сосуд с дистиллированной водой. По окончании указанного срока навеску заполнителя вынимают из воды, высушивают до постоянной массы и просеивают через сито, соответствующее размеру испытуемой фракции. Остаток на сите взвешивают.
32.5. Обработка результатов
Потерю массы

, %, вычисляют по формуле

, (61)
где

- масса навески заполнителя до испытания, г;

- масса остатка на сите после испытания, г.
За окончательный результат принимают среднеарифметическое значение результатов двух параллельных испытаний каждой фракции заполнителя.
33. Определение потери массы крупного заполнителя
при кипячении
33.1. Сущность метода
Потерю массы крупного заполнителя при кипячении определяют по разности масс навески до и после испытания.
33.2. Средства испытания
Сушильный электрошкаф.
Сита с круглыми отверстиями диаметром 5, 10, 20, 40 и 70 мм из стандартного набора.
Мерный цилиндрический сосуд вместимостью 2 и 4 л.
Щетка (жесткая волосяная или капроновая) по
ГОСТ 10597.
33.3. Подготовка пробы
Пробу крупного заполнителя подготавливают к испытанию в соответствии с требованиями
29.3.
33.4. Проведение испытания
Контейнер с навеской заполнителя помещают в мерный сосуд с водой и выдерживают в нем 48 ч. Затем сосуд с контейнером нагревают на электроплите, доводят воду в сосуде до кипения и кипятят в течение 4 ч. Уровень воды в сосуде следует поддерживать выше зерен заполнителя в контейнере не менее чем на 20 мм, добавляя кипящую воду по мере ее выкипания. После кипячения в течение 4 ч контейнер с заполнителем вынимают из воды, выгружают заполнитель и высушивают до постоянной массы. Высушенный заполнитель просеивают через сито, соответствующее размеру испытуемой фракции. Остаток на сите взвешивают.
33.5. Обработка результатов
Потерю массы крупного заполнителя при кипячении

, %, вычисляют по формуле

, (62)
где

- масса навески заполнителя до испытания, г;

- масса остатка на сите после испытания, г.
За окончательный результат принимают среднеарифметическое значение результатов двух параллельных испытаний каждой фракции заполнителя.
34. Определение содержания слабообожженных зерен
в пористом песке
34.1. Сущность метода
Метод основан на измерении фотоэлектрическим колориметром оптической интенсивности окраски раствора метиленового синего с испытуемым пористым песком, изменяющейся в результате адсорбции слабообожженными глинистыми зернами метиленового синего.
34.2. Средства испытаний и реактивы
Фотоэлектрический лабораторный колориметр.
Электропечь, обеспечивающая температуру нагрева до 1100 °C.
Сушильный электрошкаф.
Сита из сеток с квадратными ячейками размером стороны 0,16 и 0,315 мм по
ГОСТ 6613.
Стеклянные градуированные пробирки вместимостью 90 см3 по
ГОСТ 19908.
Метиленовый синий (фармакопейный), 0,05%-ный раствор по
ГОСТ 4919.1.
От лабораторной пробы сырцовой глинистой крошки, используемой для производства пористого песка, отбирают пробу объемом 0,5 л, помещают ее в фарфоровую чашку и прокаливают в муфельной печи при температуре 450 °C - 500 °C в течение 1 ч. Прокаленную пробу измельчают в фарфоровой ступке до полного прохождения через сито с ячейками 0,315 мм и отсеивают фракцию 0,16 - 0,315 мм, используемую для испытания.
От лабораторной пробы пористого песка объемом 2 л (см.
таблицу 1) методом квартования отбирают две навески объемом 0,2 и 1 л для определения содержания слабообожженных зерен и построения градуировочного графика.
Навеску объемом 0,2 л высушивают до постоянной массы в сушильном электрошкафу при температуре (105 +/- 5) °C. Навеску объемом 1 л помещают в фарфоровую чашку и прокаливают в печи при температуре 900 °C в течение 1 ч.
После термообработки каждую навеску отдельно измельчают в фарфоровой ступке до полного прохождения через сито с ячейками 0,315 мм и из каждой навески выделяют фракции 0,16 - 0,315 мм, предназначенные для испытаний.
34.4. Построение градуировочного графика
Навеску пористого песка, прокаленную при 900 °C, делят на восемь частей, в каждую из которых добавляют соответственно 0; 1,0; 2,0; 3,0; 4,0; 5,0; 7,0; 10,0% по массе глинистого сырья, прокаленного при температуре 450 °C - 500 °C, и тщательно перемешивают. От каждой приготовленной смеси отбирают навески массой по 2 г каждая, помещают в градуированные пробирки и заливают 0,05%-ным раствором метиленового синего до отметки 50 см3 для получения эталонных растворов.
Содержимое всех пробирок взбалтывают в течение 5 мин и оставляют отстаиваться на 24 ч. После отстаивания по показаниям фотоэлектрического колориметра определяют оптическую интенсивность окраски раствора в каждой пробирке.
По результатам восьми определений оптической интенсивности окраски строят градуировочный график зависимости оптической интенсивности окраски эталонных растворов от содержания слабообожженных зерен пористого песка в процентах.
34.5. Проведение испытания
Из пробы пористого песка, высушенного до постоянной массы по
34.3, отбирают три навески массой 2 г каждая, помещают в стеклянные пробирки и заливают 0,05%-ным раствором метиленового синего до отметки 50 см3. После отстаивания по показаниям фотоэлектрического колориметра определяют оптическую интенсивность окраски раствора в каждой пробирке.
По результатам трех определений оптической интенсивности окраски растворов с испытуемым песком вычисляют среднеарифметическое значение.
34.6. Обработка результатов
Среднеарифметическое значение оптической интенсивности окраски раствора с испытуемым песком откладывают на оси ординат градуировочного графика, из полученной точки проводят линию, параллельную оси абсцисс, до пересечения с градуировочным графиком. Из точки пересечения опускают перпендикуляр к оси абсцисс и получают точку, характеризующую содержание слабообожженных зерен пористого песка в процентах.
35. Определение содержания водорастворимых
сернистых и сернокислых соединений
35.1. Сущность метода
Метод основан на переводе водорастворимых сернистых и сернокислых соединений в нерастворимый осадок сульфата бария.
Содержание указанных соединений в осадке в пересчете на

определяют гравиметрическим методом.
35.2. Средства испытания и реактивы
Водяная баня.
Сушильный электрошкаф.
Электропечь, обеспечивающая температуру нагрева до 1100 °C.
Сита из сеток с квадратными ячейками размером стороны 0,2 и 2,5 мм по
ГОСТ 6613.
Коническая колба вместимостью 250 см3 по
ГОСТ 19908.
Стеклянный стакан вместимостью 100 см3 по
ГОСТ 19908.
Фильтры диаметром 9 см ("белая лента" и "синяя лента") по
ГОСТ 12026.
Соляная кислота концентрированная по
ГОСТ 3118.
Хлористый барий, 10%-ный раствор по
ГОСТ 4108.
Перекись водорода (пергидроль) по
ГОСТ 177.
Азотнокислое серебро, 1%-ный раствор по
ГОСТ 1277.
Для проведения химического анализа лабораторную пробу заполнителя объемом 2 л (см.
таблицу 1) измельчают пестиком в фарфоровой ступке до крупности 2,5 мм и квартованием сокращают до 200 г. Пробу массой 200 г тщательно перемешивают и вновь сокращают квартованием до 40 - 50 г. Полученную усредненную аналитическую пробу растирают пестиком в фарфоровой ступке до полного прохождения через сито с ячейками размером 0,2 мм, высушивают до постоянной массы в сушильном электрошкафу при температуре (105 +/- 5) °C в течение 4 - 5 ч и затем охлаждают до комнатной температуры в эксикаторе над безводным хлористым кальцием.
35.4. Проведение испытания
Из подготовленной по
35.3 аналитической пробы отвешивают навеску массой 5 г, помещают ее в коническую колбу, наливают 50 см3 дистиллированной воды (оптимальное соотношение между массой навески и воды 1:10), закрывают пробкой, взбалтывают в течение 3 мин и отфильтровывают на сухой складчатый фильтр "белая лента". Если первые порции фильтрата мутные, то их возвращают на фильтр и фильтруют до образования прозрачного фильтрата. Из полученного фильтрата отбирают пипеткой 10 - 20 см3 в стакан вместимостью 100 см3, прибавляют 5 - 7 капель аммиака и 1 - 2 см3 перекиси водорода. Раствор нагревают до 60 °C - 70 °C и выдерживают при этой температуре в течение 3 - 5 мин. Затем щелочную среду нейтрализуют несколькими каплями концентрированной соляной кислоты, контролируя по метиловому оранжевому (до розового цвета раствора), и приливают дополнительно 0,5 см3 соляной кислоты. Следует избегать избытка соляной кислоты, так как растворимость сульфата бария, выпадающего в осадок, в сильнокислой среде значительно увеличивается.
Подкисленный раствор доводят до кипения и, помешивая, осторожно по стенкам приливают 10 см3 10%-го кипящего раствора хлористого бария. Кипятят несколько минут и оставляют на 10 - 12 ч. Осадок сернокислого бария отфильтровывают на плотный фильтр "синяя лента" и промывают горячей водой до удаления ионов хлора (проба с 1%-ным раствором азотнокислого серебра). Фильтр с осадком помещают в фарфоровый тигель, озоляют и прокаливают в электропечи при температуре (850 +/- 50) °C в течение 40 мин. После охлаждения в эксикаторе тигель с осадком взвешивают и повторно прокаливают до постоянной массы. Анализ проводят на двух навесках заполнителя.
35.5. Обработка результатов
Содержание водорастворимых сернистых и сернокислых соединений

в пересчете на

, %, вычисляют по формуле

, (63)
где m - масса осадка сульфата бария, г;
0,343 - коэффициент пересчета сульфата бария на

;

- масса навески в аликвотной части вытяжки, г.
За окончательный результат принимают среднеарифметическое значение результатов двух параллельных испытаний.
Предельное допустимое расхождение между результатами двух испытаний не должно превышать 0,15%.
Если расхождение превышает указанное значение, то испытывают новую навеску и из трех результатов выбирают два близких.
36. Определение потери массы при прокаливании
36.1. Сущность метода
Потерю массы при прокаливании определяют гравиметрическим методом по разности массы тигля с навеской до и после прокаливания.
36.2. Средства испытания
Электропечь, обеспечивающая нагрев до температуры 1100 °C.
Сита из сеток с квадратными ячейками размером стороны 0,16 и 2,5 мм по
ГОСТ 6613.
36.3. Подготовка пробы
Из лабораторной пробы заполнителя объемом 2 л (см.
таблицу 1), дробленого до крупности 2,5 мм, квартованием отбирают аналитическую пробу массой около 200 г, которую рассыпают на листе бумаги слоем 4 - 5 мм, делят на 20 квадратов и из каждого отбирают шпателем навески массой ~= 2 г. Навески смешивают, растирают в фарфоровой ступке до тонины 0,16 мм, высушивают до постоянной массы в сушильном электрошкафу и делят на две примерно одинаковые навески по 20 - 25 г.
36.4. Проведение испытания
Подготовленную навеску порошка заполнителя помещают в предварительно прокаленный и взвешенный фарфоровый тигель и взвешивают с погрешностью до 0,1 г, а затем прокаливают в течение 2 ч в печи при температуре (900 +/- 50) °C. После прокаливания тигель с навеской охлаждают в эксикаторе и взвешивают. Прокаливание повторяют до достижения постоянной массы навески.
36.5. Обработка результатов
Потерю массы при прокаливании

, %, вычисляют по формуле

, (64)
где

- масса исходной навески в сухом состоянии, вычисленная по разности масс тигля с навеской и без нее до прокаливания, г;

- масса прокаленного остатка, вычисленная по разности масс тигля с навеской и без нее после прокаливания, г.
Потерю массы при прокаливании вычисляют как среднеарифметическое значение результатов двух параллельных испытаний.
37. Определение коэффициента размягчения
крупного заполнителя
37.1. Сущность метода
Коэффициент размягчения крупного заполнителя определяют по соотношению прочностей заполнителя при сдавливании в цилиндре в насыщенном водой и сухом состоянии.
37.2. Средства испытания
Контейнер для насыщения заполнителя водой (см.
рисунок 3).
Сушильный электрошкаф.
Совок.
Гидравлический пресс с максимальным усилием 50 - 250 кН (5 - 25 тс) по
ГОСТ 28840.
37.3. Проведение испытания
Лабораторную пробу испытуемой фракции крупного заполнителя объемом 12 л (см.
таблицу 1) высушивают до постоянной массы в сушильном электрошкафу и делят на две навески так, чтобы показатели насыпной плотности заполнителя в каждой навеске отличались между собой не более чем на 5%. Одну из навесок насыщают водой в течение 1 ч.
Определяют прочность крупного заполнителя в сухом и в насыщенном водой состояниях в соответствии с методом, приведенным в
разделе 25.
37.4. Обработка результатов
Коэффициент размягчения

крупного заполнителя в долях единицы вычисляют по формуле

, (65)
где

- прочность при сдавливании в цилиндре заполнителя в насыщенном водой состоянии, МПа (10 кгс/см2);

- прочность при сдавливании в цилиндре заполнителя в сухом состоянии, МПа (10 кгс/см2).
38. Определение водопотребности пористого песка
38.1. Сущность метода
Водопотребность пористого песка определяют по разности водоцементных отношений раствора на пористом песке и цементного теста при их одинаковой подвижности.
38.2. Средства испытания и материалы
Мерные стеклянные цилиндры вместимостью 100 и 250 см3 по
ГОСТ 1770.
Сферическая чаша и лопатка для приготовления цементного теста по
ГОСТ 310.3.
38.3. Подготовка пробы
Из высушенной до постоянной массы лабораторной пробы пористого песка объемом 1 л (см.
таблицу 1) отбирают навеску массой 190 г. Определяют среднюю плотность зерен пористого песка в цементном тесте методом, приведенным в
разделе 10.
38.4. Проведение испытания
Навеску пористого песка смешивают с навеской цемента массой 250 г в предварительно увлажненной сферической чаше. В центре сухой смеси делают лунку и вливают в нее 130 - 150 см3 воды, отмеренной с погрешностью до 1 см3. Смесь перемешивают в течение 3 мин.
Определяют расплыв конуса на встряхивающем столике. Раствор собирают в чашу и доливают 5 - 10 см3 воды, перемешивают в течение 1 мин и вновь определяют расплыв конуса.
Испытания повторяют до тех пор, пока расплыв конуса не станет равным 170 мм или более. Общее число определений расплыва конуса должно быть не более трех.
Аналогичное испытание проводят на цементном тесте, приготовленном из 700 г цемента и 150 - 170 см3 воды.
38.5. Обработка результатов
По результатам испытаний строят графики зависимости расплыва конуса от водоцементного отношения для раствора с пористым песком

и цементного теста

. По графикам определяют

и

, которым соответствует расплыв конуса 170 мм.
Водопотребность пористого песка

, %, вычисляют по формуле

, (66)
где 2,3 - отношение абсолютных объемов песка и цемента в растворе.
39. Контроль однородности показателей насыпной плотности
и прочности крупного заполнителя
39.1. Сущность метода
Однородность качества поставляемого крупного пористого заполнителя оценивают по коэффициентам вариации насыпной плотности и прочности при сдавливании в цилиндре.
39.2. Аппаратура
Электронно-вычислительные машины (ЭВМ) любого класса.
39.3. Определение коэффициентов вариации насыпной плотности и прочности при сдавливании в цилиндре
Для определения коэффициентов вариации насыпной плотности и прочности при сдавливании в цилиндре используют результаты определений насыпной плотности и прочности при сдавливании в цилиндре за последние 12 мес, но не менее 150 результатов определения каждого показателя.
Результаты определений каждого показателя отдельно вводят в память ЭВМ. Расчет ведут в программных комплексах с возможностью проведения статистических расчетов (например, Microsoft Excel, Open Office. Calc и аналоги).
При применении ЭВМ и программных комплексов с возможностью проведения статистических расчетов коэффициенты вариации

, %, рассчитывают по формуле

, (67)
где A - значение насыпной плотности, кг/м3, или прочности при сдавливании в цилиндре, МПа (10 кгс/см2);

- среднеквадратическое отклонение показателя качества пористого заполнителя, вычисляемое по формуле

, (68)
где

- значение насыпной плотности при определении коэффициента вариации насыпной плотности или прочности при определении коэффициента вариации прочности;

- среднеарифметическое значение показателя качества пористого заполнителя, вычисляемое по формуле

; (69)
n - число результатов определений насыпной плотности при определении коэффициента вариации насыпной плотности или прочности при сдавливании в цилиндре при определении коэффициента вариации прочности.
40. Определение насыпной плотности пористого песка
после уплотнения
40.1. Сущность метода
Сущность метода заключается в определении насыпной плотности пористого песка до и после уплотнения взвешиванием высушенной до постоянной массы пробы пористого песка в стеклянном цилиндре.
Метод применяют для прогнозирования теплотехнических характеристик пористого песка, применяемого для насыпных полов, сухих стяжек и т.п.
40.2. Средства испытания
Лабораторные весы по
ГОСТ 24104 класса точности 2 с пределом взвешивания 1,0 кг.
Сушильный электрошкаф, обеспечивающий температуру нагрева до 250 °C.
Стеклянный цилиндр 1(3)-100-1 по
ГОСТ 1770, обрезанный выше метки на 1 см.
Стеклянная воронка со стеблем длиной 30 мм и внутренним диаметром стебля 20 мм.
Шпатель из нержавеющей стали.
Войлочная пластина размерами 10 x 10 x 5 см.
Пластмассовая трубка внутренним диаметром около 50 мм и длиной 150 мм.
40.3. Проведение испытаний
40.3.1. Определение насыпной плотности песка до уплотнения
Стеклянный цилиндр взвешивают и заполняют усредненной лабораторной пробой пористого песка, полученной методом квартования, до верхней метки через воронку, закрепленную на штативе, без постукивания и встряхивания. Стебель воронки не должен касаться поверхности песка. Осторожно сбрасывают с помощью кисти остатки песка, прилипшие к воронке. Поверхность песка выравнивают шпателем и оставляют цилиндр в покое на 5 мин, после чего, если необходимо, добавляют песок до верхней метки, разравнивают поверхность и взвешивают.
40.3.2. Определение насыпной плотности песка после уплотнения
Пластмассовую трубку вертикально закрепляют на войлочной пластине. Стеклянный цилиндр, заполненный песком по
40.3.1, закрывают пробкой и бросают 20 раз вертикально через трубку с высоты ее верхнего среза (15 см) на войлочную пластину, лежащую на твердой поверхности. Затем измеряют объем песка.
40.4. Обработка результатов
Насыпную плотность песка до уплотнения

, г/см3, вычисляют по формуле

, (70)
где

- масса стеклянного цилиндра, г;

- масса стеклянного цилиндра с песком, г;
V - объем песка до уплотнения, равный 100 см3.
Насыпную плотность песка после уплотнения

, г/см3, вычисляют по формуле

, (71)
где

- объем песка после уплотнения, см3.
За окончательный результат принимают среднеарифметическое значение результатов двух параллельных испытаний. Предельное допустимое абсолютное расхождение между результатами испытаний не должно превышать 0,01 г/см3.
41. Определение химической стойкости пористого песка
41.1. Сущность метода
Определяют химическую стойкость керамзитового песка в кислотной и щелочной средах.
41.2. Средства испытания и материалы
Сушильный электрошкаф.
Соляная кислота, раствор с массовой долей 7% (200 см3 соляной кислоты по
ГОСТ 3118 плотностью 1,19 г/см3 наливают в мерную колбу вместимостью 0,5 дм3 и доводят дистиллированной водой до метки).
Натрия гидроокись по
ГОСТ 4328, раствор с массовой долей 0,02%.
Натрий хлористый по
ГОСТ 4233, раствор с массовой долей 0,05%.
Кальция гипохлорит по
ГОСТ 25263, раствор с массовой концентрацией активного хлора 30 мг/дм3.
41.3. Проведение испытания
41.3.1. Для определения химической стойкости пористого песка проводят химический анализ кислотной, щелочной и нейтральной вытяжек, полученных после выдержки песка в течение одних суток в растворах, указанных в
41.2, и дистиллированной воде в статических условиях.
В пять колб вместимостью 1,0 дм3 помещают навески пористого песка массой 300 г каждая и наливают растворы:
- в колбу N 1 - 500 см3 раствора соляной кислоты;
- в колбу N 2 - 500 см3 раствора гидроокиси натрия;
- в колбу N 3 - 500 см3 раствора хлористого натрия;
- в колбу N 4 - 500 см3 раствора гипохлорита кальция.
- в колбу N 5 - 500 см3 дистиллированной воды (контрольная вытяжка).
Навески в колбах тщательно перемешивают. Колбы помещают в термостат. Температура термостатирования (20 +/- 1) °C. Продолжительность выдержки 24 ч.
41.3.2. После выдержки растворы перемешивают и проводят их химический анализ. В каждом растворе определяют перманганатную окисляемость (марганец), содержание кремниевой кислоты, сухого остатка, алюминия и железа по
ГОСТ 2874. Вытяжка дистиллированной водой является контрольной. Прирост значений перечисленных показателей (см.
таблицу 7) вычисляют как разность между значениями показателей, определенными в растворе и контрольной вытяжке.
41.3.3. Навески песка после проведения испытаний тщательно промывают дистиллированной водой и переносят в колбы с вновь приготовленными по
41.2 растворами и проводят повторные испытания.
41.4. Обработка результатов
Химическую стойкость определяют по результатам двух параллельных испытаний. Химическая стойкость в каждом модельном растворе должна соответствовать требованиям, указанным в таблице 7. При соответствии результатов испытаний требованиям, указанным в таблице 7, пористый песок считают химически стойким.
Таблица 7
Показатели химической стойкости пористого песка
Наименование показателя | Значение |
Прирост окисляемости, мг/дм3, не более | 10 |
Прирост массовой концентрации кремниевой кислоты в пересчете на кремний, мг/дм3, не более | 10 |
Прирост сухого остатка, мг/дм3, не более | 20 |
Прирост суммарной массовой концентрации алюминия и железа в пересчете на оксиды (III), мг/дм3, не более | 2,0 |
Каждую из пяти навесок пористого песка, выдержавшую испытания на химическую стойкость, раздельно испытывают на механическую прочность методом, приведенным в разделе 42.
42. Определение механической прочности пористого песка
42.1. Сущность метода
Механическую прочность пористого песка оценивают по показателям истираемости и измельчаемости, определяемым по потере массы навески песка после испытания на химическую стойкость, помещенной в пробирку или колбу с дистиллированной водой после встряхивания на встряхивающем аппарате.
Механическую прочность определяют для фракции пористого песка 0,5 - 2 мм.
42.2. Средства испытания и материалы
Прибор для определения гранулометрического состава, обеспечивающий частоту колебаний сит 50 Гц.
Сушильный электрошкаф.
Аппарат для встряхивания жидкостей в пробирках или колбах, обеспечивающий 120 встряхиваний в минуту.
42.3. Проведение испытаний
Каждую навеску пористого песка после определения химической стойкости методом, приведенным в
разделе 41, раздельно тщательно промывают дистиллированной водой, высушивают при температуре 105 °C - 110 °C до постоянной массы и раздельно просеивают на ситах из сеток N 2 и N 05. Навески песка, прошедшие через сито с сеткой N 2 и оставшиеся на сите с сеткой N 05, помещают в пять стеклянных колб с пробками вместимостью 250 см3 и наливают в них по 150 см3 дистиллированной воды.
Колбы плотно закрывают пробками и помещают на 24 ч в аппарат для встряхивания. После завершения встряхивания содержимое сосудов переносят в выпарительные чаши, выпаривают воду и высушивают при температуре 105 °C - 110 °C до постоянной массы. Высушенные навески песка рассеивают последовательно на ситах с сетками N 05 и N 025.
Масса пористого песка в граммах, прошедшего через сито с сеткой N 05, но оставшегося на сите с сеткой N 025, характеризует его измельчаемость в процентах массы навески.
Масса пористого песка в граммах, прошедшего через сито с сеткой N 025, характеризует его истираемость в процентах массы навески.
42.4. Обработка результатов
Измельчаемость пористого песка Из, %, определяют по формуле

, (72)
| | ИС МЕГАНОРМ: примечание. Текст дан в соответствии с официальным текстом документа. | |
где m - масса исходной навески, г;

- масса остатка, прошедшего через сито с сеткой N 05 мм и оставшегося на сите с с сеткой N 025 мм, г.
Истираемость пористого песка И, %, определяют по формуле

, (73)
где

- масса остатка на сите с сеткой N 05.
Механическая прочность пористого песка после испытаний в каждом модельном растворе и воде должна соответствовать требованиям, приведенным в таблице 8. В случае несоответствия показателей механической прочности пористого песка требованиям, указанным в таблице 8, песок считают механически непрочным.
Таблица 8
Показатели механической прочности пористого песка
Наименование показателя | Значение |
Измельчаемость, % по массе, не более | 4 |
Истираемость, % по массе, не более | 0,5 |
(справочное)
ПРИМЕНЕНИЕ МЕТОДОВ ИСПЫТАНИЙ ПОРИСТЫХ ЗАПОЛНИТЕЛЕЙ
ПРИ РАЗЛИЧНЫХ ВИДАХ КОНТРОЛЯ
Таблица А.1
Наименование испытания | Контроль качества заполнителя на предприятии (карьере)-изготовителе | Оценка качества заполнителей |
ежедневный или по партиям | периодический | при геологической разведке, при проведении лабораторно-технологических испытаний | на предприятии потребителя |
Определение насыпной плотности | + | + | + | + |
Определение средней плотности зерен крупного заполнителя | - | - | + | + |
Определение истинной плотности | - | - | + | + |
Определение средней плотности зерен гравия в кварцевом песке | - | - | + | - |
Определение средней плотности зерен заполнителя в цементном тесте | - | - | + | + |
Определение средней плотности зерен пористого песка | - | - | + | - |
Определение объема межзерновых пустот и пористости зерен заполнителя | - | - | + | + |
Определение теплопроводности заполнителя в засыпке | - | + | + | + |
Определение теплопроводности зерен крупного заполнителя в бетоне | - | - | + | + |
Определение содержания стеклофазы в заполнителе | - | - | + | + |
Определение влажности | + | + | + | + |
Определение водопоглощения крупного заполнителя | - | + | + | + |
Определение зернового состава | + | + | + | + |
Определение зернового состава керамзитовой смеси | + | + | + | + |
Определение коэффициента формы зерен крупного заполнителя | + | + | + | + |
Определение содержания расколотых зерен в гравии | + | + | + | + |
Определение содержания невспученных зерен в пористом песке | - | + | + | + |
Определение содержания зерен инородных горных пород | + | + | + | + |
Содержание зерен пластинчатой (лещадной) и игловатой формы | + | - | + | - |
Определение прочности при раскалывании зерен крупного заполнителя | - | - | + | - |
Определение прочности заполнителя при сдавливании в цилиндре | + | + | + | + |
Определение марочной прочности крупного заполнителя в бетоне | - | - | + | + |
Определение истираемости в полочном барабане | - | + | + | + |
Определение пригодности природных пористых заполнителей при испытании в бетоне | - | - | + | + |
Определение морозостойкости крупного заполнителя при попеременном замораживании и оттаивании | - | + | + | + |
Определение морозостойкости крупного заполнителя в растворе сернокислого натрия | - | + | + | + |
Определение стойкости крупного заполнителя против силикатного распада | - | + | + | + |
Определение стойкости крупного заполнителя против железистого распада | - | + | + | + |
Определение потерь массы крупного заполнителя при кипячении | - | + | + | + |
Определение содержания слабообожженных зерен в пористом песке | + | + | + | + |
Определение содержания водорастворимых сернистых и сернокислых соединений | - | + | + | + |
Определение потери массы при прокаливании | - | + | + | + |
Определение коэффициента размягчения крупного заполнителя | - | + | + | + |
Определение однородности показателей насыпной плотности и прочности крупного заполнителя | - | + | - | - |
Определение насыпной плотности пористого песка после уплотнения | - | + | + | + |
Определение водопотребности песка | - | - | + | + |
Определение химической стойкости | + | + | + | + |
Определение механической прочности пористого песка | + | + | + | + |
Определение теплопроводности в засыпке | - | - | + | + |
Определение деформации зерен крупного заполнителя | - | - | + | + |
Определение сопротивления дроблению | - | - | + | + |
Определение термической стойкости крупного заполнителя | - | - | + | + |
(рекомендуемое)
ОПРЕДЕЛЕНИЕ ТЕПЛОПРОВОДНОСТИ ЗАПОЛНИТЕЛЯ В ЗАСЫПКЕ
Б.1. Сущность метода
Метод основан на создании в плоском горизонтальном слое заполнителя вертикального теплового потока.
Теплопроводность определяют расчетом по разности температур на противоположных поверхностях испытуемого заполнителя в засыпке при установившемся стационарном тепловом потоке.
Б.2. Средства испытания
Установка для определения теплопроводности (см.
рисунок Б.1), включающая в себя:
- термостатированные полые верхнюю и нижнюю медные плиты диаметром 300 мм, толщиной 50 мм для создания и поддерживания заданной температуры на поверхностях пробы заполнителя;
- измеритель теплового потока (тепломер) по
ГОСТ 7076;
- дифференциальные термопары, получаемые свариванием медной и константановой проволок диаметром 0,2 мм, для измерения разности температур на поверхностях пробы;
- круглую пластмассовую форму без дна с внутренним диаметром 300 мм и высотой 50 мм;
- кожух толщиной 50 мм из теплоизоляционного материала;
- жидкостные термостаты ТС-16А;
- ртутные термометры.
Сушильный электрошкаф.
Металлические противни.
1 - верхние подводящие трубки; 2 - кожух; 3 - верхняя
термостатированная плита; 4 - форма с заполнителем;
5 - тепломер; 6 - нижняя термостатированная плита;
7 - нижние подводящие трубки; 8 - потенциометр;
9 - точки подключения термопары
Рисунок Б.1. Установка для определения теплопроводности
заполнителя в засыпке
Б.3. Подготовка пробы
Лабораторную пробу испытуемой фракции заполнителя объемом 12 л (см.
таблицу 1) высушивают до постоянной массы в сушильном электрошкафу. Отбирают квартованием аналитическую навеску объемом 3,6 л и равномерным слоем укладывают в круглую пластмассовую форму без дна, установленную на нижней термостатированной плите с тепломером. Сверху форму с заполнителем плотно прижимают верхней термостатированной плитой. Разность температур на поверхностях пробы заполнителя измеряют дифференциальной термопарой, один спай которой закрепляют на верхней стороне тепломера, а другой - на нижней грани верхней термостатированной плиты.
Б.4. Проведение испытания
Установку с помещенной в ней пробой заполнителя включают и выдерживают 2 ч для создания стационарного теплового режима. Далее через каждые 30 мин потенциометром измеряют показания тепломера и разность температур на противоположных поверхностях заполнителя. Проверку показаний дифференциальной термопары выполняют ртутным термометром.
Испытания прекращают, если три последовательных показания тепломера и термопар отклоняются от их среднего значения не более чем на 5%.
Б.5. Обработка результатов
Теплопроводность заполнителя в засыпке

, Вт/м·К, вычисляют по формуле

, (Б.1)
где q - плотность теплового потока через пробу заполнителя, Вт/м2;

- толщина слоя заполнителя в форме, м;

и

- температура верхней и нижней поверхностей заполнителя, К.
Плотность теплового потока q, Вт/м2, определяют по формуле
q = E·C, (Б.2)
где E - показания потенциометра, мВ;
C - постоянная тепломера, Вт/м2·мВ.
За окончательный результат принимают среднеарифметическое значение результатов трех параллельных испытаний.
(рекомендуемое)
ОПРЕДЕЛЕНИЕ ДЕФОРМАЦИЙ ЗЕРЕН КРУПНОГО ЗАПОЛНИТЕЛЯ
В.1. Сущность метода
Метод основан на определении продольных и поперечных деформаций зерен крупного заполнителя при осевом сжатии с помощью тензорезисторов.
Метод применяют в лабораториях для выбора заполнителя при проектировании составов бетонов ответственных несущих конструкций.
В.2. Средства испытания и материалы
Сушильный электрошкаф.
Гидравлический пресс с максимальным усилием до 2,5 тс по
ГОСТ 28840.
Приспособление для формования опорных площадок (см. рисунок В.1).
1 - штатив; 2 - подвижный щиток; 3 - опорная площадка
Рисунок В.1. Приспособление для формования
опорных площадок
Стеклянный стакан вместимостью 100 мл по
ГОСТ 19908.
Стеклянные пластинки размерами 50 x 50 мм, толщиной 1,5 - 2,5 мм.
Сферическая чаша и лопатка для приготовления гипсового раствора по
ГОСТ 310.3.
Дюралюминиевые кольца диаметром 22 - 24 мм, толщиной 6 - 8 мм.
Измерители типа ЦТМ-3, АИ-1, АИД-1 м с автоматической балансировкой и точностью измерений не ниже

.
Тензорезисторы с проволочной тензорешеткой и базой 5, 10, 20 мм по
ГОСТ 21616.
Магазин сопротивления класса 0,02 по
ГОСТ 7165.
| | ИС МЕГАНОРМ: примечание. ГОСТ 9500-84 утратил силу на территории Российской Федерации с 1 июля 2014 года в связи с введением в действие ГОСТ Р 55223-2012 (Приказ Росстандарта от 27.11.2012 N 1244-ст). | |
Образцовый динамометр ДОСМ-3-1 или ДОСМ-3-3 по ГОСТ 9500.
Вольтметр переменного тока с диапазоном измерений 0 - 10 В по
ГОСТ 8711.
Мост постоянного тока МВУ-49 или ЭМП-209 по
ГОСТ 7165.
Песок фракции 0,14 - 0,315 мм по
ГОСТ 6139, прокаленный при температуре 900 °C - 1000 °C.
Фосфатный цемент.
Этиловый спирт.
Конденсаторный вазелин по ГОСТ 5774.
Целлофановая пленка.
В.3. Подготовка зерен заполнителя к испытаниям
В.3.1. От лабораторной пробы крупного заполнителя объемом 1 л (см.
таблицу 1) отбирают 32 наиболее крупных цилиндрических зерна (с коэффициентом формы 1,6 - 2,0).
Зерна маркируют и для каждого из них определяют среднюю плотность в кварцевом песке методом, приведенным в
разделе 9, и среднее значение диаметра, измеряя штангенциркулем два взаимно перпендикулярных диаметра по середине высоты зерна.
Усредненное значение диаметра определяют по формуле

, (В.1)
где

- наибольший диаметр зерна, см;

- наименьший диаметр зерна, см.
Усредненную площадь поперечного сечения зерна F, см2, с точностью до 0,1 см2 определяют по формуле

, (В.2)
где

- усредненный диаметр, см.
В.3.2. В сферической чаше готовят 0,5 кг гипсового раствора в соотношении гипс:песок 1:2 по массе. На стеклянную пластинку, смазанную конденсаторным вазелином, устанавливают дюралюминиевое кольцо, наполняют раствором и втапливают в него гранулу до контакта ее торцевой части со стеклянной пластиной. Поверхность выравнивают и оставляют гранулу для выдержки в течение 2 - 3 ч. Аналогичным образом подготавливают второй торец гранул. Для фиксации параллельности плоскостей верхнего и нижнего колец используют приспособление для формования опорных площадок (см.
рисунок В.1). Зерна с забетонированными торцами (образцы) выдерживают при комнатной температуре в течение 24 ч.
В.4. Установка тензорезисторов для измерения продольных и поперечных деформаций
В.4.1. На боковых поверхностях образцов, подготовленных по
В.3.2, размечают центральные линии для наклейки тензорезисторов. По центральным линиям размечают базы размещения тензорезисторов. База должна быть не более 2/3 высоты образца между забетонированными торцами.
В.4.2. Тензорезисторы устанавливают по двум образующим образца под углом 180°. Два тензорезистора для измерения поперечных деформаций устанавливают посередине высоты образца перпендикулярно к базам измерения продольных деформаций (см. рисунок В.2).
1 - опорная площадка; 2 - испытуемый образец;
3 - продольный тензорезистор; 4 - поперечный тензорезистор
Рисунок В.2. Схема наклейки тензорезисторов
В.4.3. Места наклейки тензорезисторов на образцах выравнивают и зачищают. Поры и дефекты заделывают безводным фосфатным цементом. Подготовленную поверхность образца протирают ацетоном, а затем спиртом или эфиром. После этого проводят грунтовку мест наклейки датчиков нанесением двух-трех слоев монтажного клея с сушкой каждого слоя и последующей зачисткой и промывкой грунтовочного слоя.
В.4.4. Наклейку и проверку тензорезисторов проводят по
ГОСТ 21616.
В.5. Проведение испытания
В.6. Обработка результатов
Прочность образцов (зерен) при осевом сжатии

, кгс/см2 (0,1 МПа), определяют по формуле

, (В.3)
где P - усилие, измеренное по шкале силоизмерителя пресса, кгс (Н);

- средняя площадь поперечного сечения образца, см2.
Статистический модуль упругости E, кгс/см2, определяют по формуле

, (В.4)
где

- напряжение, при котором измеряется статистический модуль упругости, кгс/см2;

- упругая часть полных относительных продольных деформаций при напряжении

(

определяют по шкале измерительного прибора), мм/мм.
Коэффициент Пуассона (коэффициент поперечных упруго-мгновенных деформаций)

определяют по формуле

, (В.5)
где

- упругая часть полных относительных поперечных деформаций при напряжении

(

определяют по шкале измерительного прибора), мм/мм.
Предельную сжимаемость образцов определяют по максимальным относительным деформациям, мм/мм, при уровне загружения, равном 0,9 - 0,95.
(рекомендуемое)
ОПРЕДЕЛЕНИЕ СОПРОТИВЛЕНИЯ ДРОБЛЕНИЮ КРУПНОГО ЗАПОЛНИТЕЛЯ
Г.1. Сущность метода
Сопротивление дроблению крупного заполнителя определяют по потере массы пробы заполнителя после насыщения водой, последующей выдержки в автоклаве и высушивания до постоянной массы.
Г.2. Средства испытания
Автоклав насыщенного пара с терморегулятором и необходимой вместимостью, обеспечивающий подъем температуры от 20 °C до (215 +/- 5) °C за (60 +/- 5) мин и выдержку температуры в течение (180 +/- 10) мин при давлении (2,0 +/- 0,2) МПа. Автоклав должен обеспечивать охлаждение образцов до (30 +/- 10) °C за (90 +/- 10) мин.
Лабораторные весы с погрешностью взвешивания +/- 0,1 г по
ГОСТ 24104.
Сушильный электрошкаф, обеспечивающий температуру нагрева (110 +/- 5) °C.
Два металлических перфорированных контейнера.
Г.3. Подготовка пробы
От лабораторной пробы испытуемой фракции гравия или щебня объемом 1 - 4 л (в зависимости от размера фракции) отбирают аналитические пробы объемом 0,5 - 2 л (см. таблицу Г.1).
Аналитические пробы высушивают до постоянной массы.
Высушенные пробы просеивают для удаления сверхкрупных и сверхмелких фракций на ситах в соответствии с таблицей Г.1.
Таблица Г.1
Объем аналитической пробы и размеры сит
Верхний и нижний размеры сита, мм | Ориентировочный объем аналитической пробы, л | Следующее меньшее сито, мм |
5 - 10 | 0,5 | 2,5 |
10 - 20 | 1,0 | 5 |
20 - 40 | 2,0 | 10 |
Г.4. Проведение испытания
Аналитические пробы выдерживают в дистиллированной воде при температуре окружающей среды в течение (72 +/- 1) ч; заполнитель должен находиться ниже уровня воды.
После насыщения водой заполнитель извлекают из воды и оставляют приблизительно на 15 мин для стекания воды.
После стекания воды пробы в двух металлических контейнерах помещают в автоклав. Давление в автоклаве доводят до (2,0 +/- 0,2) МПа, температуру - до (215 +/- 5) °C за (90 +/- 5) мин и поддерживают на этом уровне в течение (180 +/- 5) мин, затем охлаждают до (30 +/- 10) °C за (90 +/- 5) мин.
Контейнеры с заполнителями переносят в сушильный шкаф и высушивают до постоянной массы при температуре (110 +/- 5) °C, после чего охлаждают до (20 +/- 2) °C.
Каждую аналитическую пробу взвешивают с точностью до 0,1 г и просеивают на следующем меньшем сите, указанном в
таблице Г.1.
Каждую прошедшую через сито пробу заполнителя взвешивают с точностью до 0,1 г.
Г.5. Обработка результатов
Потерю массы каждой пробы M, %, вычисляют по формуле

, (Г.1)
где

- масса заполнителя, прошедшего через соответствующее сито меньшего размера после автоклавной обработки, г;

- первоначальная масса аналитической пробы, г.
За окончательный результат принимают среднеарифметическое значение результатов испытаний двух проб.
(рекомендуемое)
ОПРЕДЕЛЕНИЕ ТЕРМИЧЕСКОЙ СТОЙКОСТИ КРУПНОГО ЗАПОЛНИТЕЛЯ
Д.1. Сущность метода
Термическую стойкость крупного заполнителя определяют по потере массы навески до и после проведения ряда циклов резких теплосмен: попеременного нагревания и охлаждения.
Д.2. Средства испытания
Сушильный электрошкаф.
Электрическая печь, обеспечивающая температуру нагрева до 1000 °C.
Сита с отверстиями диаметром 5, 10, 20 и 40 мм из стандартного набора.
Устройство, регулирующее поддержание температуры рабочего пространства печи во время выдержки в ней проб заполнителя в пределах +/- 20 °C.
Секундомер или другой прибор для измерения времени с ценой деления не более 1 мин (механические, электрические часы и др.).
Бачок для охлаждения образцов проточной водой.
Металлическая линейка по
ГОСТ 427 с ценой деления шкалы 1 мм.
Металлические щипцы.
Д.3. Подготовка пробы
От лабораторной пробы объемом 1 л (см.
таблицу 1) отбирают аналитическую пробу испытуемой фракции заполнителя в количестве 100 - 200 г. Зерна заполнителя очищают щеткой от рыхлых частиц и пыли, высушивают до постоянной массы, просеивают через сита с отверстиями, соответствующими наибольшей и наименьшей крупности зерен испытуемой фракции, и делят пополам на две навески.
Д.4. Проведение испытаний
Каждую навеску заполнителя на огнеупорной подставке помещают в разогретую до 950 °C электрическую печь и выдерживают при этой температуре не менее 10 мин.
После выдержки в печи навески опускают на 3 мин в бачок с проточной водой, при этом навески должны быть полностью покрыты водой. Затем навески выдерживают на воздухе в течение 5 мин и снова помещают в печь.
При разрушении зерен заполнителя после каждого следующего цикла теплосмены навеску заполнителя просеивают через сито с отверстиями, соответствующими наименьшей крупности зерен. Остаток на сите взвешивают.
Нагрев и охлаждение повторяют до тех пор, пока потеря массы пробы заполнителя будет более 20% первоначальной массы навески.
Д.5. Обработка результатов
Термическую стойкость оценивают количеством теплосмен, которые заполнитель выдержал до потери 20% первоначальной массы.
Теплосмену, при которой потеря массы превысила 20%, не учитывают.
Потерю массы M, %, вычисляют по формуле

, (Д.1)
где

- масса навески заполнителя до испытания, г;

- масса остатка на сите после испытания, г.
Потерю массы заполнителя после ряда циклов теплосмен определяют как среднеарифметическое значение результатов двух параллельных испытаний каждой фракции заполнителя.