Главная // Актуальные документы // ГОСТ Р (Государственный стандарт)СПРАВКА
Источник публикации
М.: Стандартинформ, 2014
Примечание к документу
Документ
введен в действие с 1 июля 2014 года.
Название документа
"ГОСТ Р 55223-2012. Национальный стандарт Российской Федерации. Динамометры. Общие метрологические и технические требования"
(утв. и введен в действие Приказом Росстандарта от 27.11.2012 N 1244-ст)
"ГОСТ Р 55223-2012. Национальный стандарт Российской Федерации. Динамометры. Общие метрологические и технические требования"
(утв. и введен в действие Приказом Росстандарта от 27.11.2012 N 1244-ст)
Утвержден и введен в действие
по техническому регулированию
и метрологии
от 27 ноября 2012 г. N 1244-ст
НАЦИОНАЛЬНЫЙ СТАНДАРТ РОССИЙСКОЙ ФЕДЕРАЦИИ
ДИНАМОМЕТРЫ
ОБЩИЕ МЕТРОЛОГИЧЕСКИЕ И ТЕХНИЧЕСКИЕ ТРЕБОВАНИЯ
Force instruments.
General metrological and technical requirements
ISO 376:2011
(NEQ)
ГОСТ Р 55223-2012
Дата введения
1 июля 2014 года
1. Разработан Федеральным государственным унитарным предприятием "Всероссийский научно-исследовательский институт метрологии им. Д.И. Менделеева" (ФГУП "ВНИИМ им. Д.И. Менделеева").
2. Внесен Управлением метрологии Федерального агентства по техническому регулированию и метрологии, ТК 310.
3. Утвержден и введен в действие
Приказом Федерального агентства по техническому регулированию и метрологии от 27 ноября 2012 г. N 1244-ст.
4. Настоящий стандарт соответствует международному стандарту ИСО 376:2011 "Материалы металлические. Калибровка силомеров, применяемых для верификации одноосных испытательных машин" (ISO 376:2011 "Metallic materials - Calibration of force-proving instruments used for the verification of uniaxial testing machines", NEQ) в части технических требований и метода калибровки динамометров.
5. Введен впервые.
Правила применения настоящего стандарта установлены в ГОСТ Р 1.0-2012
(раздел 8). Информация об изменениях к настоящему стандарту публикуется в ежегодном (по состоянию на 1 января текущего года) информационном указателе "Национальные стандарты", а официальный текст изменений и поправок - в ежемесячном информационном указателе "Национальные стандарты". В случае пересмотра (замены) или отмены настоящего стандарта соответствующее уведомление будет опубликовано в ближайшем выпуске информационного указателя "Национальные стандарты". Соответствующая информация, уведомление и тексты размещаются также в информационной системе общего пользования - на официальном сайте Федерального агентства по техническому регулированию и метрологии в сети Интернет (gost.ru).
Настоящий стандарт устанавливает общие метрологические и технические требования к эталонным и рабочим динамометрам и принципы их классификации.
Настоящий стандарт распространяется на динамометры растяжения/сжатия, в которых силу определяют измерением упругой деформации нагружаемого элемента или величины, которая пропорциональна этой деформации.
В настоящем стандарте применена нормативная ссылка на стандарт:
ГОСТ 8.663-2009 Государственная система обеспечения единства измерений. Государственная поверочная схема для средств измерений силы
Примечание. При пользовании настоящим стандартом целесообразно проверить действие ссылочных стандартов в информационной системе общего пользования - на официальном сайте Федерального агентства по техническому регулированию и метрологии в сети Интернет или по ежегодному информационному указателю "Национальные стандарты", который опубликован по состоянию на 1 января текущего года, и по выпускам ежемесячного информационного указателя "Национальные стандарты" за текущий год. Если заменен ссылочный стандарт, на который дана недатированная ссылка, то рекомендуется использовать действующую версию этого стандарта с учетом всех внесенных в данную версию изменений. Если заменен ссылочный стандарт, на который дана датированная ссылка, то рекомендуется использовать версию этого стандарта с указанным выше годом утверждения (принятия). Если после утверждения настоящего стандарта в ссылочный стандарт, на который дана датированная ссылка, внесено изменение, затрагивающее положение, на которое дана ссылка, то это положение рекомендуется применять без учета данного изменения. Если ссылочный стандарт отменен без замены, то положение, в котором дана ссылка на него, рекомендуется применять в части, не затрагивающей эту ссылку.
В настоящем стандарте применен термин с соответствующим определением:
эталонный динамометр: Устройство, предназначенное для поверки (калибровки) рабочих средств измерений силы, состоящее из датчика силы и индикатора
4. Обозначения и сокращения
Обозначения используемых в настоящем стандарте единиц величин приведены в таблице 1.
Таблица 1
Единицы величин
Наименование величины | Обозначение | Единица |
Относительная погрешность, связанная с воспроизводимостью | b | % |
Относительная погрешность, связанная с повторяемостью | b' | % |
Относительная погрешность, связанная с ползучестью | c | % |
Максимальная нагрузка датчика | Ff | Н |
Максимальная эталонная сила | FN | Н |
Относительная погрешность, связанная с интерполяцией | fc | % |
Относительная погрешность, связанная с дрейфом нуля | f0 | % |
Показание индикатора после снятия силы | it | - |
Показание индикатора до приложения силы | i0 | - |
Показание индикатора через 30 с после приложения или снятия максимальной эталонной силы | i30 | - |
Показание индикатора через 300 с после приложения или снятия максимальной эталонной силы | i300 | - |
Разрешающая способность индикатора | r | Н |
Относительная погрешность, связанная с гистерезисом | v | % |
Изменение показаний индикатора динамометра, вызванное приложением силы при увеличении нагрузки | X | - |
Расчетное значение показаний индикатора динамометра при приложенной силе | Xa | - |
Изменение показаний индикатора динамометра, вызванное приложением силы при уменьшении нагрузки | X' | - |
Максимальное изменение показаний индикатора динамометра, вызванное приложением силы серий 1, 3 и 5 | Xmax | - |
Минимальное изменение показаний индикатора динамометра, вызванное приложением силы серий 1, 3 и 5 | Xmin | - |
Изменение показаний индикатора динамометра после приложения максимальной эталонной силы | XN | - |
Среднее значение изменений показаний индикатора динамометра, вызванных приложением силы при вращении | | - |
Среднее значение изменений показаний индикатора динамометра, вызванных приложением силы без вращения | | - |
5. Технические требования
5.1. Градуировка динамометра заключается в приложении силы к датчику силы и регистрации данных с индикатора, который считается неотъемлемой частью динамометра.
Неопределенность показаний индикатора не должна значительно влиять на неопределенность всего динамометра. Рекомендуется, чтобы неопределенность показаний индикатора была не больше чем 1/3 неопределенности показаний динамометра в целом.
5.2. Приложение силы
Датчик силы и оснастка для его нагружения должны быть сконструированы таким образом, чтобы была гарантия осевого приложения силы, будь то силы растяжения или сжатия.
Примеры конструкции оснастки для нагружения даны в
Приложении А.
5.3. Измерения изменений выходного сигнала динамометра, вызванных приложением силы
Измерения изменений выходного сигнала нагруженного датчика силы могут быть выполнены механическими, электрическими, оптическими или другими средствами с адекватной точностью и стабильностью.
Тип и качество устройства, измеряющего изменения, зависят от того, предназначен ли динамометр только для дискретных сил или для применения с интерполяцией. Циферблатный индикатор, если он используется при больших значениях деформации в единицах длины, может содержать большие локализованные периодические погрешности, которые вносят неопределенность результатов измерений для того, чтобы позволить интерполяцию между опорными значениями силы. Циферблатный индикатор может применяться для интерполяции, если его периодическая погрешность оказывает пренебрежимо малое влияние на составляющую погрешности, связанную с интерполяцией.
5.4. Маркировка динамометров
Все элементы динамометра (включая кабели для электрических соединений) должны иметь индивидуальную и однозначную маркировку, например, используя имя изготовителя, модель и серийный номер. Для датчиков силы должна быть указана максимальная рабочая сила.
6. Калибровка динамометра
6.1. Общая информация
Калибровка является обязательной частью других контрольных процедур, таких, как поверка, аттестация и испытания в целях утверждения типа и т.п.
6.1.1. Предварительные мероприятия
Перед выполнением калибровки динамометра следует удостовериться в том, что он может быть откалиброван. Это можно сделать с помощью предварительных испытаний, которые описаны ниже и приведены в качестве примеров.
6.1.2. Испытание на перегрузку
6.1.3. Проверка условий приложения силы
Следует удостовериться в том, что:
- крепежная система динамометра позволяет аксиальное (осевое) приложение силы, когда динамометр используется для испытания на растяжение;
- нет никакого взаимодействия между датчиком силы и опорами эталонной машины, если динамометр используется для испытания на сжатие.
В
Б.2 (Приложение Б) приведен пример метода, который может быть применен.
6.1.4. Испытание на изменение напряжения питания
Испытание проводят по усмотрению калибровочной лаборатории. Для динамометров, требующих электрического питания, проверяют, чтобы изменение порядка +/- 10% напряжения в сети не оказывало значительного влияния. Проверку проводят с помощью имитатора датчика силы или другим аналогичным методом.
6.2. Разрешение индикатора
6.2.1. Аналоговая шкала
Ширина отсчетных штрихов - делений шкалы должна быть однородной, и ширина указателя должна быть примерно равной ширине отсчетного штриха.
Разрешающую способность (далее - разрешение) r индикатора определяют из отношения между шириной указателя (стрелки) и расстоянием между двумя смежными штрихами делений на шкале, причем рекомендуемые отношения составляют 1:2, 1:5 или 1:10, расстояние порядка 1,25 мм или больше требуется для оценивания одной десятой доли деления на шкале.
Нониусная шкала, соответствующая аналоговой шкале, может быть использована для получения дробного показания шкалы индикатора.
6.2.2. Цифровая шкала
Разрешение рассматривается как одно дискретное значение последнего числа на цифровом индикаторе.
6.2.3. Флуктуация показаний индикатора
Если показания флуктуируют (колеблются) более чем на значение разрешения, предварительно определенное в условиях отсутствия приложенной к динамометру силы, то разрешение рассматривают как равное половине размаха флуктуации.
6.2.4. Единицы измерений
Разрешение r выражают в единицах силы.
6.3. Минимальная сила диапазона измерений динамометра
Учитывая показатели точности, с которыми изменение показаний динамометра отсчитывают во время калибровки или во время применения, минимальная сила диапазона измерений должна соответствовать двум следующим условиям:
а) минимальная сила должна быть больше или равна:
- 4000 r для класса 00;
- 2000 r для класса 0,5;
- 1000 r для класса 1;
- 500 r для класса 2;
б) минимальная сила должна быть больше или равна 0,02 Ff.
6.4. Процедура (методика) калибровки
6.4.1. Предварительное нагружение
Перед калибровкой динамометр нагружают максимальной силой в заданном режиме (растяжение или сжатие) три раза. Продолжительность каждого предварительного нагружения должна составлять от 1 до 1,5 мин.
6.4.2. Процедура
Нагружают динамометр в одном положении двумя сериями только при возрастающем значении эталонной силы.
Затем динамометр нагружают двумя сериями силы нагружения и разгружения, поворачивая динамометр вокруг его оси в положения, равномерно распределенные на 360° (т.е. 0°, 120°, 240°). Если это невыполнимо, допускается использовать следующие положения: 0°, 180°, 360° (см. рисунок 1).
Рисунок 1. Положения динамометра
Для определения интерполяционной кривой (градуировочной характеристики) число ступеней силы должно быть не менее восьми, и эти силы должны быть распределены, насколько это возможно, по всему диапазону равномерно.
Примечание 1. Если предполагается наличие периодической погрешности, то рекомендуется избегать интервалов между силами, которые соответствуют периодичности этой погрешности.
Примечание 2. Эта процедура определяет лишь суммарное значение гистерезиса динамометра и эталонной машины. Точное определение гистерезиса динамометра может быть выполнено на машинах непосредственного нагружения силой тяжести. Для других типов эталонных машин следует учитывать их гистерезис.
Показания, соответствующие отсутствию приложенной силы, должны быть зарегистрированы после ожидания в течение не менее 30 с после того, как сила была полностью снята.
Примечание 3. Следует соблюдать временной интервал не менее 3 мин между последовательными сериями измерений.
Динамометры с разъемными деталями демонтируют, как это делается для упаковки и транспортирования, по крайней мере один раз во время калибровки. Как правило, демонтаж выполняют между второй и третьей сериями нагружения силой. Максимальной силой динамометр нагружают по крайней мере три раза между сериями нагружения (перед сериями 1, 2; между сериями 1, 2 и 3, 4 и между сериями 3, 4 и 5, 6).
Перед началом калибровки электронного динамометра должен быть зарегистрирован нулевой сигнал (см.
Б.3, Приложение Б).
6.4.3. Условия нагружения
Временной интервал между двумя последующими нагружениями должен быть по возможности одинаковым, в течение 30 с от начала изменения силы показания не снимают. Калибровку проводят при температуре стабильной в пределах +/- 1 °C, в диапазоне от 18 °C до 28 °C, значения температуры при этом регистрируют. Интервал времени должен быть достаточным для стабилизации температуры динамометра.
Примечание. При отсутствии у динамометра температурной компенсации следует убедиться, что изменения температуры не оказывают влияния на калибровку.
Тензорезисторные датчики должны быть прогреты по крайней мере в течение 30 мин.
6.4.4. Испытание на ползучесть
Если динамометр калибруют только для возрастающей нагрузки, регистрируют показания на 30 и 300 с после приложения максимальной нагрузки, чтобы определить характеристики ползучести. Если ползучесть измеряют при нулевой силе, динамометр предварительно нагружают максимальной силой по крайней мере 60 с. Испытание на ползучесть допускается проводить на любом этапе калибровки.
Протокол калибровки должен содержать следующую информацию:
- метод измерения ползучести (при максимальной нагрузке или после снятия нагрузки);
- когда было проведено испытание на ползучесть (после предварительной нагрузки, после последней серии измерений и т.д.);
- время, в течение которого сила была приложена (для ползучести, определенной при нулевой нагрузке).
6.4.5. Определение изменений показаний индикатора динамометра, вызванных приложением силы
Изменение показаний индикатора динамометра, вызванное приложением силы, определяют как разность между показанием при приложенной силе и показанием в отсутствие силы.
Примечание. Применяют к выходным показаниям индикатора динамометра в электрических единицах и единицах длины.
6.5. Оценка метрологических характеристик динамометра
6.5.1. Составляющие погрешности динамометра, связанные с воспроизводимостью показаний и повторяемостью показаний, b и b'
Составляющие погрешности, связанные с воспроизводимостью показаний и повторяемостью показаний, рассчитывают для каждой ступени прикладываемой силы при вращении динамометра (b) и без вращения (b') с помощью следующих уравнений:

,
где

,
и

,
где

.
6.5.2. Составляющая погрешности динамометра, связанная с интерполяцией, fc
Составляющую погрешности, связанную с интерполяцией, fc, определяют с помощью уравнения первой, второй или третьей степени, дающего изменение показаний как функцию приложенной силы.
В протоколе о калибровке указывают используемое уравнение. Относительную составляющую погрешности, связанную с интерполяцией, рассчитывают по формуле
Xa - значение, рассчитанное по градуировочной характеристике Xa = Xa(F), где F - приложенная эталонная сила. Для динамометров с именованной шкалой Xa = F.
6.5.3. Составляющая погрешности динамометра, связанная с дрейфом нуля, f0
До и после каждой серии испытаний записывают нуль. Нулевое показание регистрируют примерно через 30 с после полного снятия силы.
Составляющую погрешности динамометра, связанную с дрейфом нуля, рассчитывают по формуле

,
где i0 и if - показания динамометра до приложения нагрузки и после разгружения соответственно;
XN - показания динамометра при максимальной нагрузке.
Максимальную относительную составляющую погрешности, связанную с дрейфом нуля, заносят в протокол калибровки.
6.5.4. Составляющая погрешности динамометра, связанная с гистерезисом, v
Составляющую погрешности динамометра, связанную с гистерезисом, определяют при сериях нагружения с возрастающими силами и затем с уменьшающимися значениями силы.
По разности между значениями, полученными для обеих серий с возрастающими значениями силы и с убывающими значениями силы при одинаковых значениях силы, рассчитывают составляющую погрешности динамометра, связанную с гистерезисом, по формуле

,

,
где v - среднее значение v1 и v2.

.
6.5.5. Составляющая погрешности динамометра, связанная с ползучестью, c
Рассчитывают разницу выходного сигнала i30, полученного на 30 с, и i300, полученного на 300 с после приложения или снятия максимальной силы, и выражают в процентах от максимального изменения по формуле

.
7. Метрологические требования и классификация динамометров
7.1. Принцип классификации
Диапазон, для которого классифицируют динамометры, определяют с учетом результатов измерений, полученных при каждом значении приложенной силы, одной за другой, начиная с максимальной силы и далее в порядке уменьшения значений силы. Диапазон классификации заканчивается на последней силе, для которой классификационные требования выполняются.
Динамометр может быть классифицирован как для дискретных значений сил, так и для применения с интерполяцией во всем диапазоне.
7.2. Критерии классификации
7.2.1. Диапазон классификации динамометра должен составлять не менее чем от 51% до 100% от FN.
7.2.2. Для динамометров, классифицируемых только для дискретных значений силы только для возрастающей нагрузки, рассматривают следующие критерии:
- составляющие погрешности динамометра, связанные с воспроизводимостью показаний и повторяемостью показаний;
- составляющая погрешности динамометра, связанная с дрейфом нуля;
- составляющая погрешности динамометра, связанная с ползучестью.
7.2.3. Для динамометров, классифицируемых только для дискретных значений силы для возрастающей и убывающей нагрузок, рассматривают следующие критерии:
- составляющие погрешности динамометра, связанные с воспроизводимостью показаний и повторяемостью показаний;
- составляющая погрешности динамометра, связанная с дрейфом нуля;
- составляющая погрешности динамометра, связанная с гистерезисом.
7.2.4. Для динамометров, классифицируемых по применению с интерполяцией только для возрастающей нагрузки, рассматривают следующие критерии:
- составляющие погрешности динамометра, связанные с воспроизводимостью показаний и повторяемостью показаний;
- составляющая погрешности динамометра, связанная с дрейфом нуля;
- составляющая погрешности динамометра, связанная с интерполяцией;
- составляющая погрешности динамометра, связанная с ползучестью.
7.2.5. Для динамометров, классифицируемых по применению с интерполяцией для возрастающей и убывающей нагрузок, рассматривают следующие критерии:
- составляющие погрешности динамометра, связанные с воспроизводимостью показаний и повторяемостью показаний;
- составляющая погрешности динамометра, связанная с дрейфом нуля;
- составляющая погрешности динамометра, связанная с интерполяцией;
- составляющая погрешности динамометра, связанная с гистерезисом.
В таблице 2 приведены предельные значения параметров в соответствии с классом точности динамометра и расширенной неопределенности (доверительной погрешности) значений силы, воспроизводимые эталонной машиной (для вероятности 95%).
Таблица 2
Предельные значения составляющих погрешности динамометров
различных классов точности
Класс точности | Предельные значения % | Расширенная неопределенность (доверительная погрешность) воспроизведения эталонной силы, % |
b | b' | fc | f0 | v | c |
00 | 0,05 | 0,025 | +/- 0,025 | +/-0,012 | 0,07 | 0,025 | +/- 0,01 |
0,5 | 0,10 | 0,05 | +/- 0,05 | +/- 0,025 | 0,15 | 0,05 | +/- 0,02 |
1 | 0,20 | 0,10 | +/- 0,10 | +/- 0,050 | 0,30 | 0,10 | +/- 0,05 |
2 | 0,40 | 0,20 | +/- 0,20 | +/- 0,10 | 0,50 | 0,20 | +/- 0,10 |
8. Применение динамометров
Динамометры нагружают в соответствии с условиями, при которых они калибровались. Не допускается подвергать динамометр воздействию сил, превышающих максимально допустимую.
Динамометры, классифицируемые только для дискретных значений сил, применяют только для этих сил.
Динамометры, классифицируемые для применения с интерполяцией, допускается применять для любой силы в диапазоне интерполяции.
Если динамометр применяют при температуре, отличной от температуры калибровки, то показания динамометра при необходимости корректируют (см.
Б.4, Приложение Б).
Примечание. Изменение нуля ненагруженного датчика силы указывает на пластическую деформацию, вызванную перегрузкой датчика силы. Монотонный долговременный дрейф указывает на влияние влаги на датчик силы или дефект контактов датчика силы.
(справочное)
ПРИМЕР РАЗМЕРОВ ДАТЧИКОВ СИЛЫ И СООТВЕТСТВУЮЩЕЙ
ОСНАСТКИ ДЛЯ НАГРУЖЕНИЯ
А.1. Общие положения
Для калибровки динамометров с помощью эталонных силоизмерительных машин и облегчения их аксиальной установки в машины для испытания материалов следующие технические (конструктивные) требования и размеры могут быть учтены производителем динамометров.
А.2. Датчики силы растяжения
Для обеспечения сборки (монтажа) датчика силы растяжения рекомендуется обрабатывать фиксирующие головки на поверхности датчика до диаметра стержня по длине примерно на два шага резьбы.
Центрирующие рассверленные отверстия, используемые при изготовлении датчиков силы, должны быть сохранены.
Таблица А.1
Параметры датчиков силы растяжения для номинальных значений
силы не менее 10 кН
Максимальная нагрузка <1> | Максимальная полная длина <2>, мм | Размер внутренней резьбы <3> | Минимальная длина резьбы, мм | Максимальная ширина или диаметр, мм |
10 - 20 Кн | 500 | | 16 | 110 |
40 и 60 кН | 500 | | 16 | 125 |
100 кН | 500 | М20 x 2 | 20 | 150 |
200 кН | 500 | М30 x 2 | 25 | - |
400 кН | 600 | М42 x 3 | 40 | - |
600 кН | 650 | М56 x 4 | 40 | - |
1 МН | 750 | М64 x 4 | 60 | - |
2 МН | 950 | М90 x 4 | 80 | - |
4 МН | 1300 | М125 x 4 | 120 | - |
6 МН | 1500 | М160 x 6 | 150 | - |
10 МН | 1700 | М200 x 6 | 180 | - |
15 МН | 2000 | М250 x 6 | 225 | - |
25 МН | 2500 | М330 x 6 | 320 | - |
<1> Размеры датчиков силы растяжения для номинальных значений силы менее 10 кН не нормированы. <2> Длина датчика силы растяжения, включая любые необходимые резьбовые приспособления. <3> Для датчика силы растяжения или резьбовых соединений. <4> Допускается шаг резьбы в 2 мм. |
А.3. Датчики силы сжатия
Для монтажа датчиков силы сжатия необходимо учитывать ограниченную монтажную высоту в машинах для испытания материалов. Габаритная высота датчиков силы сжатия не должна превышать значений, приведенных в таблице А.2.
Габаритная высота датчиков силы сжатия включает высоту соответствующей оснастки для нагружения.
Таблица А.2
Габаритная высота датчиков силы сжатия
Максимальная нагрузка | Максимальная габаритная высота <1> динамометра для поверки машин для испытания материалов, мм |
| |
<= 40 кН | 145 | 115 |
60 кН | 170 | 145 |
100 кН | 220 | 145 |
200 кН | 220 | 190 |
400 кН | 290 | 205 |
600 кН | 310 | 205 |
1 МН | 310 | 205 |
2 МН | 310 | 205 |
3 МН | 330 | 205 |
4 МН | 410 | 205 |
5 МН | 450 | 350 |
6 МН | 450 | 400 |
10 МН | 550 | 400 |
15 МН | 670 | - |
<1> Использование датчиков, имеющих большую габаритную высоту, допустимо, если действительный крепежный зазор машин для испытания материалов делает это возможным. <2> В соответствии с [1]. |
А.4. Оснастка для нагружения
А.4.1. Общие положения
Оснастку для нагружения выполняют таким образом, чтобы линия приложения силы не искажалась. Как правило, датчики силы растяжения монтируют с помощью двух шаровых подшипников, двух шаровых уплотнительных колец и, если необходимо, с помощью двух промежуточных колец. Датчики силы сжатия монтируют с помощью одной или двух опор.
Для изготовления деталей, размеры которых рекомендованы в А.4.2 -
А.4.5, используют материал с пределом текучести не менее 350 Н/мм
2.
А.4.2. Шаровые подшипники и шаровые уплотнительные кольца
На
рисунке А.1 приведена схема сборки шаровых подшипников и шаровых уплотнительных колец, использующихся для датчиков силы растяжения. Размеры шаровых подшипников и шаровых уплотнительных колец для датчиков силы растяжения приведены в
таблице А.3.
1 - шаровый подшипник; 2 - шаровое уплотнительное кольцо;
3 - стержень измерителя силы растяжения;
4 - шесть отверстий (каналы); 5 - четыре отверстия (каналы)
Рисунок А.1. Схема сборки шаровых подшипников и шаровых
уплотнительных колец
Таблица А.3
Размеры шаровых подшипников и шаровых уплотнительных колец
для датчиков силы растяжения с максимальным значением силы
не менее 10 кН
Максимальная нагрузка силоизмерительной машины | d1, мм | d2 (c11), мм | d3, мм | h1, мм | h2, мм | R, мм |
10 - 40 кН | 32 | | 22 | 16 | 12 | 30 |
60 кН | 43 | | 27 | 18 | 15 | 30 |
100 кН | 47 | | 32 | 20 | 15 | 50 |
200 кН | 60 | | 44 | 25 | 15 | 50 |
400 и 600 кН | 86 | | 60 | 40 | 18 | 80 |
1 МН | 115 | | 74 | 60 | 25 | 100 |
2 МН | 160 | | 100 | 90 | 30 | 150 |
4 МН | 225 | | 150 | 120 | 40 | 250 |
6 МН | 260 | | 170 | 150 | 45 | 250 |
10 МН | 335 | | 220 | 180 | 55 | 300 |
15 МН | 410 | | 265 | 225 | 65 | 350 |
25 МН | 550 | | 345 | 310 | 85 | 500 |
Большие шаровые уплотнительные кольца и шаровые подшипники для максимальной (номинальной) силы 40 МН и большей силы должны быть снабжены глухими отверстиями, распределенными по всему периметру окружности в качестве помощи при транспортировании и сборке. Для шаровых уплотнительных колец достаточно двух пар противоположно расположенных отверстий, одна из которых должна быть сделана в центральной плоскости, а другая - в верхней трети верхнего шарового уплотнительного кольца и в нижней трети нижнего шарового уплотнительного кольца (см.
рисунок А.1).
В случае применения шаровых подшипников должны быть сделаны глухие отверстия, расположенные с противоположных сторон и под углом 60° друг к другу в верхней плоскости, средней плоскости и нижней плоскости.
А.4.3. Промежуточные кольца
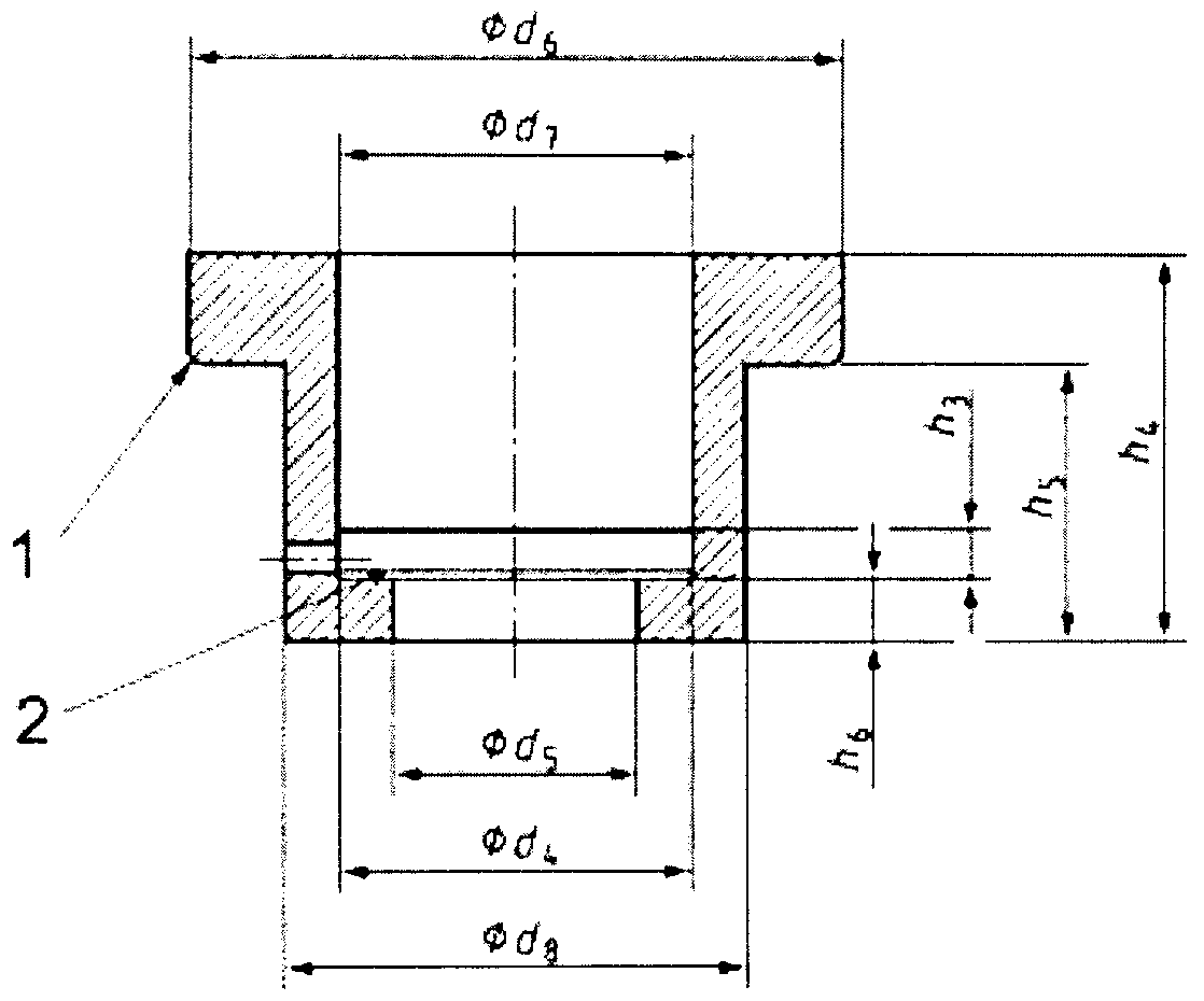
Промежуточные кольца типа A и типа B используют для поверки многодиапазонных машин для испытания материалов, как это показано на рисунках А.2 и
А.3 соответственно. Размеры промежуточных колец приведены в
таблице А.4.
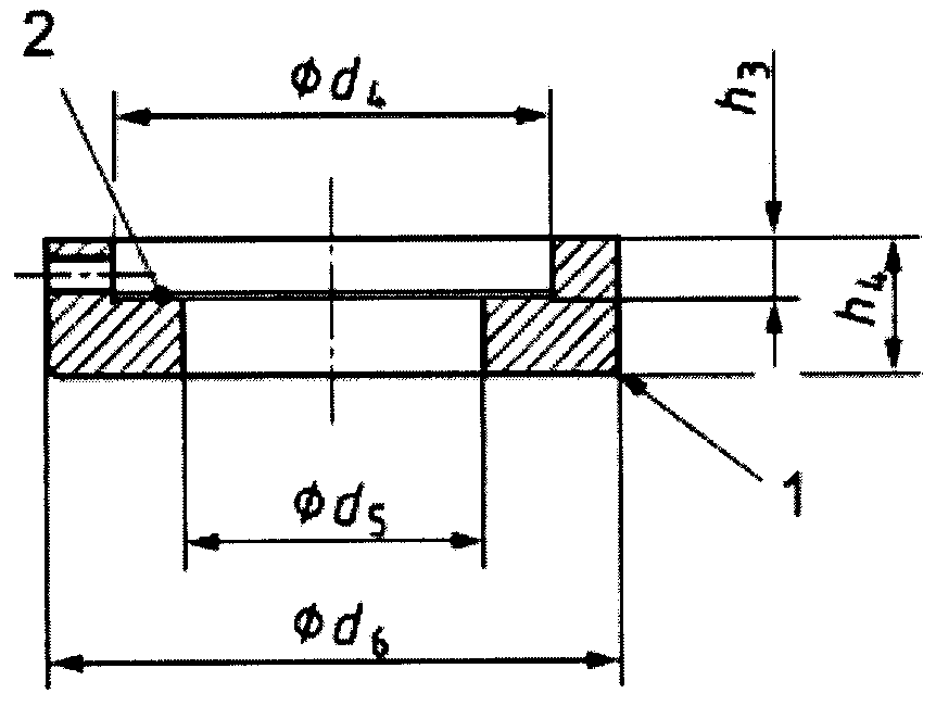
1 - фаска; 2 - углубление (размеры: 1,6 x 0,3 мм)
Рисунок А.2. Промежуточное кольцо, тип A
1 - камера; 2 - подрез (размеры: 1,6 x 0,3 мм)
Рисунок А.3. Промежуточное кольцо, тип B
Промежуточные кольца должны иметь надежные зажимные приспособления (т.е. штыри с резьбой) для защиты других монтажных элементов.
Таблица А.4
Размеры промежуточных колец
Максимальная нагрузка машины <1> | Максимальная нагрузка динамометра | Тип промежуточного кольца | d4 h7, мм | d5, мм | d6 (c11), мм | d7, мм | d8, мм | h3, мм | h4, мм | h5, мм | h6, мм |
60 кН | 40 кН | A | | 24 | | - | - | 5 | 10 | - | - |
100 кН | 40 кН | A | | 24 | | - | - | 7 | 15 | - | - |
60 кН | A | | 29 | - | - | 7 | 15 | - | - |
200 кН | 40 кН | B | | 24 | | 36 | 46 | 5 | 34 | 22 | 12 |
60 кН | A | | 29 | - | - | 7 | 15 | - | - |
100 кН | A | | 34 | - | - | 7 | 15 | - | - |
400 и 600 кН | 40 кН | B | | 24 | | 36 | 61 | 5 | 57 | 42 | 12 |
60 кН | B | | 29 | 46 | 61 | 7 | 57 | 42 | 12 |
100 кН | B | | 34 | 51 | 61 | 7 | 57 | 42 | 15 |
200 кН | A | | 47 | - | - | 12 | 20 | - | - |
1 МН | 60 кН | B | | 29 | | 46 | 77 | 7 | 60 | 45 | 15 |
100 кН | B | | 34 | 51 | 77 | 7 | 60 | 45 | 15 |
200 кН | B | | 47 | 65 | 77 | 12 | 60 | 45 | 15 |
400 и 600 кН | A | | 65 | - | - | 18 | 32 | - | - |
2 МН | 200 кН | B | | 47 | | 67 | 103 | 12 | 87 | 60 | 15 |
400 и 600 кН | A | | 65 | - | - | 18 | 48 | - | - |
1 МН | A | | 78 | - | - | 25 | 50 | - | - |
4 МН | 400 и 600 кН | B | | 65 | | 92 | 158 | 18 | 130 | 95 | 35 |
1 МН | B | | 78 | 122 | 158 | 25 | 130 | 95 | 45 |
2 МН | A | | 105 | - | - | 27 | 62 | - | - |
6 МН | 400 и 600 кН | B | | 65 | | 92 | 173 | 18 | 155 | 115 | 35 |
1 МН | B | | 78 | 122 | 173 | 25 | 155 | 115 | 45 |
2 МН | A | | 105 | - | - | 27 | 77 | - | - |
10 МН | 4 МН | A | | 160 | | - | - | 35 | 60 | - | - |
1 МН | B | | 78 | 122 | 223 | 25 | 200 | 150 | 40 |
2 МН | B | | 105 | 167 | 223 | 27 | 200 | 150 | 60 |
4 МН | A | | 160 | - | - | 35 | 90 | - | - |
6 МН | A | | 185 | - | - | 40 | 75 | - | - |
<1> Испытательные машины на растяжение для номинальных сил, превышающих 10, имеют специальные версии, для которых любые необходимые прокладочные кольца должны быть сделаны по заказу. |
А.4.4. Приспособления для растяжения, детали переходников и др.
Если из-за конструкции испытательной машины требуются дополнительные приспособления для монтажа датчика силы, то они должны обеспечивать центральное расположение нагрузки датчика силы.
Нагрузочные опоры используют в качестве силовводящих элементов датчиков силы сжатия. Если нагрузочная опора имеет две плоские поверхности для передачи силы, то они должны быть параллельны плоскости земли (основания).
При поверке динамометров, используемых в силовой калибровочной машине или силовой эталонной машине, давление поверхности на сжимающие плиты машины должно быть не более 10 Н/мм2; если необходимо, выбирают и устанавливают промежуточные дополнительные опоры диаметром dg, достаточно большим, чтобы обеспечить соблюдение этого условия.
На
рисунке А.4, а) в качестве примера показана форма нагрузочной опоры для датчиков силы сжатия, имеющих выпуклую поверхность приложения силы; ее высота h
7 должна быть равна или больше, чем d
g/2.
Высоту h8 и диаметр d10 всех нагрузочных опор подгоняют к элементам внесения силы таким образом, чтобы нагрузочная опора могла располагаться и по центру, и без бокового (поперечного) контакта с элементом приложения силы. Следовательно, диаметр d10 должен быть на 0,1 - 0,2 мм больше диаметра элемента приложения силы.
На
рисунке А.4, б) в качестве примера показана форма нагрузочной опоры для датчика силы сжатия с плоской поверхностью приложения силы. Диаметр d
11 должен быть больше или равен диаметру элемента приложения силы.
| | ИС МЕГАНОРМ: примечание. Нумерация подпунктов рисунка А.4 дана в соответствии с официальным текстом документа. | |
б) нагрузочная опора, уменьшающая поверхностное давление
для датчиков силы, имеющих выпуклую поверхность
приложения силы
б) нагрузочная опора, уменьшающая поверхностное давление
для датчиков силы, имеющих плоскую поверхность
приложения силы
Рисунок А.4. Нагрузочные опоры
(справочное)
ДОПОЛНИТЕЛЬНАЯ ИНФОРМАЦИЯ
Б.1. Испытание на перегрузку
Динамометр четыре раза подряд подвергают перегрузке, которая должна превышать максимальную силу минимум на 8% и максимум на 12%. Перегрузку удерживают от 1 до 1,5 мин.
По крайней мере одно испытание на перегрузку проводит производитель, перед тем как разрешить использование динамометра для калибровки или эксплуатации.
Б.2. Пример метода проверки на отсутствие взаимодействия между датчиком силы сжатия динамометра и опорными поверхностями эталонной силовоспроизводящей машины
Динамометр нагружают с помощью промежуточных шарнирных опор, имеющих цилиндрическую форму и плоскую, выпуклую и вогнутую поверхности.
По вогнутой и выпуклой поверхности определяют допускаемые пределы плоскопараллельности (плоскостности) и отсутствие деформаций в шарнирных опорах, при которых динамометр может быть использован в процессе работы.
Промежуточные шарнирные опоры изготавливают из стали твердостью между 400 HV 30 и 650 HV 30. Выпуклость и вогнутость поверхностей составляет 1,0 +/- 0,1 на 1000 радиуса [(0,1 +/- 0,01)% радиуса].
Если динамометр для калибровки представлен с силопередающими опорами, которые впоследствии будут использованы с этим динамометром, испытательное устройство собирают из силовоспроизводящего устройства и соответствующих силопередающих опор. Испытательное устройство нагружают поочередно через плоскую, выпуклую и вогнутую шарнирные опоры.
Два испытательных нагружения прикладывают к динамометру, при этом первое - это максимальная сила, а второе - минимальная сила, для которой изменение показывающего прибора достаточно с точки зрения повторяемости.
Операцию повторяют, чтобы иметь три нагружения для каждого из трех типов промежуточных шарнирных опор. Для каждой нагрузки разность между средним изменением показаний индикатора динамометра, вызванным приложением силы при использовании вогнутой и плоской шарнирной опор, и разность между средним изменением показаний индикатора динамометра, вызванным приложением силы при использовании выпуклой и плоской шарнирной опоры, не должны превышать пределов, указанных в таблице Б.1.
Таблица Б.1
Максимальное допустимое расхождение для среднего изменения
показаний индикатора динамометра, вызванного
приложением силы
Класс точности динамометра | Максимальное допустимое расхождение, % |
при максимальной нагрузке | при минимальной нагрузке |
00 | 0,05 | 0,1 |
0,5 | 0,1 | 0,2 |
1 | 0,2 | 0,4 |
2 | 0,4 | 0,8 |
Если динамометр удовлетворяет требованиям при максимальной нагрузке, но не удовлетворяет требованиям при минимальной нагрузке, то определяют наименьшее значение силы, при которой динамометр соответствует
таблице Б.1.
Определение наименьшей силы, удовлетворяющей условиям
таблицы Б.1, лежит в сфере полномочий органа, компетентного выполнять поверку или калибровку динамометра.
Как правило, не требуется повторять эти испытания с промежуточными шарнирными опорами каждый раз при поверке или калибровке динамометра, но только после тщательного осмотра.
Б.3. Причины изменения нулевого сигнала ненагруженного датчика силы
Изменение нуля ненагруженного датчика силы указывает на пластическую деформацию, вызванную перегрузкой датчика силы. Монотонный длительный дрейф указывает на влияние влажности на датчик силы или на дефект крепления датчика силы.
Б.4. Температурные поправки показаний динамометра
Поправку на изменение показаний индикатора динамометра, вызванных приложением силы при любых вариациях температуры, вычисляют по уравнению
Dt = De[1 + K(t - te)],
где Dt - изменение показаний индикатора динамометра, вызванное приложением силы, при температуре t,
De - изменение показаний индикатора динамометра, вызванное приложением силы, при температуре поверки (калибровки) te;
K - температурный коэффициент динамометра, выраженный в единицах, обратных градусам Цельсия.
Для динамометров, не имеющих устройства компенсации влияния температуры и изготовленных из стали, содержащей не более 7% легирующих элементов, может быть использовано значение K = 0,00027/°C.
Для динамометров, выполненных из другого материала, или для тех, которые включают датчики силы с электрическим выходом, значение K определяют экспериментально и его значение указывают в нормативной документации на динамометр.
В
таблице Б.2 приведены поправки на изменение показаний индикатора динамометра, вызванное приложением силы для динамометров первого типа. Эти поправки получены при K = 0,00027/°C.
Примечание. Если прибор выполнен из стали и изменение показаний индикатора динамометра, вызванное приложением силы, измеряется в единицах длины, температурная поправка равна приблизительно 0,001 для каждого изменения температуры на 4 °C.
Большинство датчиков силы с электрическим выходом имеют термокомпенсацию (см.
примечание в 6.4.3).
Таблица Б.2
Поправка на изменение показаний индикатора динамометра,
вызванное приложением силы, для колебаний температуры
стального динамометра (не применяют к датчикам силы
с электрическим выходом)
Поправки на отклонение деления шкалы | Максимальные изменения показаний индикатора динамометра, вызванные приложением силы, на которые вводится поправка для колебаний температуры относительно температуры калибровки деления шкалы |
1 °C | 2 °C | 3 °C | 4 °C | 5 °C | 6 °C | 7 °C | 8 °C |
0,0 | 185 | 92 | 61 | 46 | 37 | 30 | 26 | 23 |
0,1 | 555 | 277 | 185 | 138 | 111 | 92 | 79 | 69 |
0,2 | 925 | 462 | 308 | 231 | 185 | 154 | 132 | 115 |
0,3 | 1296 | 648 | 432 | 324 | 259 | 216 | 185 | 162 |
0,4 | 1666 | 833 | 555 | 416 | 333 | 277 | 238 | 208 |
0,5 | 2037 | 1018 | 679 | 509 | 407 | 339 | 291 | 254 |
0,6 | | 1203 | 802 | 601 | 481 | 401 | 343 | 300 |
0,7 | | 1388 | 925 | 694 | 555 | 462 | 396 | 347 |
0,8 | | 1574 | 1049 | 787 | 629 | 524 | 449 | 393 |
0,9 | | 1759 | 1172 | 879 | 703 | 586 | 502 | 439 |
1,0 | | 1944 | 1296 | 972 | 777 | 648 | 555 | 486 |
1,1 | | 2129 | 1419 | 1064 | 851 | 709 | 608 | 532 |
1,2 | | | 1543 | 1157 | 925 | 771 | 661 | 578 |
1,3 | | | 1666 | 1250 | 999 | 833 | 714 | 625 |
1,4 | | | 1790 | 1342 | 1074 | 895 | 767 | 671 |
1,5 | | | 1913 | 1435 | 1248 | 956 | 820 | 717 |
1,6 | | | 2037 | 1527 | 1222 | 1018 | 873 | 763 |
1,7 | | | 2160 | 1620 | 1296 | 1080 | 925 | 810 |
1,8 | | | | 1712 | 1370 | 1141 | 978 | 856 |
1,9 | | | | 1805 | 1444 | 1203 | 1031 | 902 |
2,0 | | | | 1898 | 1518 | 1265 | 1084 | 949 |
2,1 | | | | 1990 | 1592 | 1327 | 1137 | 995 |
2,2 | | | | 2083 | 1666 | 1388 | 1190 | 1041 |
2,3 | | | | | 1740 | 1450 | 1243 | 1087 |
2,4 | | | | | 1814 | 1512 | 1296 | 1134 |
2,5 | | | | | 1888 | 1574 | 1349 | 1180 |
Как правило, достаточно измерить температуру динамометра с точностью до 1 °C.
Если изменение показаний индикатора динамометра, вызванное приложением силы, было измерено с помощью динамометра при температуре, превышающей температуру при калибровке, и требуется получить изменение показаний индикатора динамометра, вызванное приложением силы, для температуры при калибровке поправку, приведенную в
таблице Б.2, вычитают из измеренного.
Если измерение выполняют с помощью динамометра при температуре меньшей, чем температура при калибровке, поправку прибавляют к измеренной.
Пример
- температура динамометра: 22 °C;
- наблюдаемое изменение показаний индикатора динамометра, вызванное приложением силы: 729,6 делений;
- температура калибровки: 20 °C;
- колебание температуры: 22 °C - 20 °C = +2 °C.
В колонке, соответствующей отклонению +2 °C, ближайшее изменение показаний индикатора динамометра, вызванное приложением силы, превышающее 729,6 деления, составляет 833 деления.
Для этого значения в
таблице Б.2 значение поправки составляет 0,4 деления.
Откорректированное изменение показаний индикатора динамометра, вызванное приложением силы, составляет 729,6 - 0,4 = 729,2 деления.
(справочное)
В Приложении рассматривается неопределенность, связанная с результатами калибровки динамометра в силовоспроизводящей машине.
Чтобы установить, для поверки каких по точности силовоспроизводящих машин может быть применен конкретный динамометр, необходимо вычислить его расширенное значение неопределенности W (т.е. доверительную погрешность).
В.1. Неопределенность результатов калибровки
Допускаются два различных метода калибровки:
- для динамометров, применяемых только при конкретных силах;
- для динамометров, применяемых во всем диапазоне значений силы,
с вычислением приложенной силы как функции измеренного изменения показаний индикатора динамометра, вызванного приложением силы, используя уравнение интерполяции (градуировочной характеристики).
Для динамометров, предназначенных для применения с интерполяцией, неопределенностью калибровки является неопределенность, связанная со средней увеличивающейся силой, приложенной за три цикла, и со значением этой средней силы, рассчитываемой по градуировочной характеристике.
Для динамометров, предназначенных только для дискретных сил, неопределенностью калибровки является только неопределенность в значении средней увеличивающейся силы, приложенной за три цикла.
При каждой приложенной силе суммарную относительную стандартную неопределенность wc рассчитывают по показаниям, полученным при калибровке. Значения суммарных относительных стандартных неопределенностей наносят на диаграмму зависимости от силы и вычисляют функциональную зависимость методом наименьших квадратов. Расширенное значение неопределенности W (т.е. доверительную погрешность) для любой силы в диапазоне калибровки определяют умножением функции на коэффициент охвата k (принимается равным 2).

и W = k · w
c,
где w1 - относительная стандартная неопределенность, связанная с приложенной эталонной силой;
w2 - относительная стандартная неопределенность, связанная с воспроизводимостью результатов измерений;
w3 - относительная стандартная неопределенность, связанная с повторяемостью результатов измерений;
w4 - относительная стандартная неопределенность, связанная с разрешающей способностью индикатора;
w5 - относительная стандартная неопределенность, связанная с ползучестью;
w6 - относительная стандартная неопределенность, связанная с дрейфом нуля;
w7 - относительная стандартная неопределенность, связанная с температурой;
w8 - относительная стандартная неопределенность, связанная с интерполяцией.
Неопределенность эталонной силы w1
w1 - относительная стандартная неопределенность, связанная с силами, приложенными эталонной машиной. Как правило, она равна доверительной погрешности машины в относительном выражении, деленной на значение k, указанное в сертификате о калибровке машины (как правило, k равно 2).
Неопределенность, связанная с воспроизводимостью, w2
w2 - стандартное отклонение среднего значения возрастающих показаний при каждом значении приложенной силы, равномерно распределенных по диапазону калибровки, выраженное как относительная величина.

,
где Xi - изменение показаний индикатора динамометра, вызванное приложением силы, полученное в возрастающих сериях 1, 3 и 5;

- среднее из этих трех значений.
Неопределенность, связанная с повторяемостью, w3
w3 - составляющая, обусловленная повторяемостью измеренных изменений показаний индикатора динамометра, вызванных приложением силы, при каждом значении приложенной силы, при неизменном положении, в относительном выражении.

,
где b' - составляющая погрешности, связанная с повторяемостью показаний динамометра, определенная по формуле

,
где X1 и X2 - изменения показаний индикатора динамометра, вызванные приложением силы, полученные при заданном уровне сил в сериях 1 и 2.
Неопределенность, связанная с разрешающей способностью, w4
Каждое значение изменения показаний индикатора динамометра, вызванного приложением силы, вычисляют как разность между двумя показаниями (показание при нулевой силе, вычитаемое из показания при приложенной силе). Поэтому разрешающая способность индикатора должна входить дважды, как два прямоугольных распределения, каждое со стандартной неопределенностью

, где r - разрешающая способность, выраженная в единицах силы. Это эквивалентно одному треугольному распределению со стандартной неопределенностью

, w
4 выражают при каждом значении приложенной силы как относительную величину

.
Неопределенность, связанная с ползучестью, w5
Эта составляющая неопределенности обусловлена возможностью влияния предыдущего кратковременного нагружения на изменение показаний индикатора динамометра, вызванное приложением силы. Одним из показателей этого влияния является изменение выходного сигнала в период от 30 до 300 с после приложения или снятия максимальной эталонной силы. Это изменение выходного сигнала не входит в составляющую, связанную с воспроизводимостью, поскольку одну и ту же силовоспроизводящую машину, как правило, используют для всех циклов работы, и, таким образом, время процедуры нагружения будет то же самое. Значение составляющей неопределенности w5 может быть оценено следующим образом:

,
где c - составляющая погрешности, связанная с ползучестью, определяемая по формуле

,
где i30 и i300 - выходные сигналы прибора через 30 и 300 с соответственно после приложения или снятия максимальной эталонной силы;
XN - изменение показаний индикатора динамометра, вызванное приложением силы, при максимальной эталонной нагрузке.
Если в процессе калибровки не проводят испытание на ползучесть, то эту составляющую неопределенности можно оценить как составляющую, обусловленную гистерезисом, деленную на коэффициент 3.
Неопределенность, связанная с дрейфом нуля, w6
Эта составляющая неопределенности обусловлена возможностью изменения нулевого сигнала на выходе между циклами измерений, поэтому последующие изменения показаний индикатора динамометра, вызванные приложением силы, могут быть функцией времени, затраченного при нулевой силе. Этот эффект не входит в составляющую, связанную с воспроизводимостью, поскольку такое время вообще будет одинаковым для всех циклов. Одним из показателей изменения показаний индикатора является погрешность, связанная с дрейфом нуля f0, так что этот эффект может быть оценен следующим образом:

,
где

,
i0 и if - показания динамометра до и после приложения силы соответственно; XN - изменение показаний индикатора динамометра, вызванное приложением силы, при максимальной эталонной нагрузке.
Неопределенность, связанная с изменением температуры, w7
Эта составляющая неопределенности обусловлена изменением температуры во время всего процесса калибровки, а также неопределенностью при измерении температурного диапазона калибровки. Чувствительность динамометра к температуре определяют либо путем испытаний, или чаще из характеристик производителя. Составляющая w7 имеет одинаковое значение при каждом значении приложенной силы и выражена как относительная величина

,
где K - температурный коэффициент динамометра °C-1;

- температурный диапазон калибровки, учитывающий неопределенность в измерении температуры.
Стоит отметить, что для температурно-компенсированных динамометров эта составляющая, как правило, будет незначительной (

вряд ли превысит 2 °C, а типичное значение для K - 0,00005 °C
-1, дающий w
7 = 0,003%, что значительно меньше, чем составляющая неопределенности эталонной силы).
Неопределенность, связанная с интерполяцией, w8
Эту составляющую неопределенности учитывают только для динамометров, классифицируемых для применения с интерполяцией, поскольку уравнения интерполяции неприменимы к динамометрам, классифицированным только для дискретных сил. Эта составляющая зависит от подобранной кривой, не проходящей точно через все построенные точки "приложенная сила" в зависимости от "среднее показание", и может быть рассчитана с использованием остаточного метода или метода отклонений.
Остаточный метод
Остаточным методом оценивают составляющую w8 с использованием статистической теории. Если предположить, что эталонные силы распределяются равномерно, она может быть рассчитана по формуле

,
где FN - максимальная эталонная сила;
F - приложенная сила;
XN - изменение показаний индикатора динамометра, вызванное приложением силы, при максимальной эталонной нагрузке;

- сумма квадратов отклонений между средним показанием и значением, вычисленным по интерполяционному уравнению;
n - число точек калибровки;
d - степень интерполяционного полинома.
Метод отклонений
Методом отклонений оценивают неопределенность, связанную с интерполяцией при каждой эталонной силе как разницу между средним значением изменений показаний индикатора динамометра, вызванных приложением силы

, и значением, вычисленным по уравнению интерполяции X
a, выраженному как относительное значение:

.
Суммарная стандартная неопределенность и расширенная неопределенность
При каждой эталонной силе рассчитывают суммарную стандартную неопределенность wc. Строят график зависимости wc от силы методом наименьших квадратов по всем точкам данных.
Далее вычисляют расширенную неопределенность W исходя из подобранной кривой путем умножения ее значения при данной силе на коэффициент 2 для любой силы в пределах калибровочного диапазона, расширенная неопределенность может быть вычислена либо как относительное значение, либо в единицах силы.
В.2. Неопределенности результатов для других калибровочных процедур
Существует много других процедур для статической или квазистатической калибровки динамометров. Тем не менее методы оценивания неопределенности результатов калибровки должны быть аналогичны методам, примененным в настоящем стандарте. Принцип, который следует иметь в виду, заключается в том, что разница в результатах калибровки динамометров на разных калибровочных машинах (в течение короткого периода времени) не должна быть большой при сравнении. Следствием этого является то, что для получения возможно меньшей неопределенности калибровочная процедура должна быть очень тщательно определена. Примером этого является очень строго контролируемая процедура, используемая в ключевых сличениях МКМВ (Международный комитет мер и весов) и РМО (региональные метрологические организации), - эта процедура была специально разработана для минимизации различных составляющих неопределенности.
(справочное)
ОБЛАСТИ ПРИМЕНЕНИЯ ДИНАМОМЕТРОВ
Динамометры, соответствующие настоящему стандарту, могут быть применены как в качестве рабочих средств измерений силы, так и в качестве эталонов 2-го разряда по
ГОСТ 8.663.
Г.1. Эталонные динамометры 2-го разряда по
ГОСТ 8.663
Динамометры 2-го разряда занимают ключевое место в поверочной схеме для средств измерений силы. Именно они обеспечивают прослеживаемость и показатели точности наиболее распространенных средств измерений силы - силоизмерителей, встроенных в испытательные машины, стенды, прессы и т.п. Состояние измерений в этой области решающим образом влияет на качество и конкурентоспособность промышленной продукции, а также на безопасность эксплуатации строительных конструкций, транспортных средств, энергетических машин, авиатехники и др.
Приведенная в настоящем стандарте процедура калибровки необходима для определения доверительной погрешности эталонных динамометров 2-го разряда, границы которой установлены
ГОСТ 8.663.
Г.1.1. Пример применения динамометров 2-го разряда для поверки машин для одноосных испытаний механических свойств материалов
Поверка испытательных машин
Одним из основных применений динамометров 2-го разряда по
ГОСТ 8.663, откалиброванных в соответствии с настоящим стандартом, является поверка одноосных машин для испытаний материалов.
Как правило, применяют два метода поверки машины: либо на дисплее машины устанавливают номинальное значение и для измерений воспроизводимой силы используют динамометры 2-го разряда, или силу увеличивают до значения, измеряемого динамометром, и регистрируют значение силы, отображенное индикатором машины. Первый метод предпочтителен. В данном пункте будет проведен анализ первого метода. Аналогичный анализ может быть проведен для второго метода.
Требуется провести не менее трех серий измерений с увеличивающейся силой, и, если необходимо, также должна быть проведена одна серия измерений с уменьшением силы. При каждом значении силы вычисляют систематические погрешности и погрешность повторяемости, и при необходимости погрешность гистерезиса. Погрешность нуля и разрешающая способность машины могут быть использованы для определения классификации машины.
Неопределенностью результатов калибровки машины для возрастающих сил является неопределенность, связанная с оценкой относительной систематической погрешности при каждой эталонной силе. Она основывается, как минимум, на повторяемости результатов, разрешении индикатора машины и составляющих неопределенности эталона. Эти составляющие эталона сравнения включают его неопределенность калибровки, его чувствительность к температуре, любой дрейф с момента его калибровки и любые эффекты, обусловленные аппроксимациями к уравнению интерполяции.
Неопределенность измерений систематической погрешности машины вычисляют по формуле

,
где wrep - стандартное отклонение погрешностей при данной силе, выраженное как относительная величина;
w
res - составляющая, обусловленная разрешающей способностью

;
wstd - составляющая, обусловленная эталоном сравнения, представляемая выражением:

,
где wcal - неопределенность калибровки эталона сравнения;
wtemp - неопределенность, обусловленная температурными эффектами;
wdrift - неопределенность, обусловленная сдвигом чувствительности эталона;
wapprox - эффект аппроксимирования к уравнению интерполяции.
Г.1.2. Пример калибровки динамометра
Пример калибровки динамометра, применяемого с интерполяцией только для возрастающей нагрузки на установке ЭУ-10, входящей в состав государственного первичного эталона единицы силы. В паспорте на ЭУ-10 указана расширенная относительная неопределенность (W = 0,002%).
В таблице Г.1 приведены исходные данные и рассчитанные значения по 6.5 настоящего стандарта.
Таблица Г.1
Исходные данные и рассчитанные значения составляющих
погрешности динамометра
Эталонная сила, кН | Показания динамометра, у.е. | Рассчитанные значения |
0° | 120° | 240° | Среднее значение | Значение, рассчитанное по калибровочной характеристике | Составляющая погрешности, связанная с повторяемостью | Составляющая погрешности, связанная с воспроизводимостью | Составляющая погрешности, связанная с интерполяцией |
| | Xa | b', % | b, % | |
0 | 0,00135 | 0,00135 | 0,00135 | 0,00135 | 0,00135 | 0,00135 | - | - | - | - |
10 | 0,19744 | 0,19747 | 0,19774 | 0,19755 | 0,19758 | 0,19746 | 0,19745 | 0,015 | 0,152 | 0,0010 |
20 | 0,39355 | 0,39358 | 0,39384 | 0,39365 | 0,39368 | 0,39357 | 0,39356 | 0,008 | 0,074 | 0,0001 |
40 | 0,78586 | 0,78589 | 0,78617 | 0,78598 | 0,78600 | 0,78588 | 0,78585 | 0,004 | 0,039 | 0,0036 |
50 | 0,98203 | 0,98204 | 0,98215 | 0,98206 | 0,98208 | 0,98204 | 0,98202 | 0,001 | 0,012 | 0,0019 |
60 | 1,17818 | 1,17819 | 1,17828 | 1,17824 | 1,17823 | 1,17819 | 1,17821 | 0,001 | 0,008 | 0,0018 |
70 | 1,37439 | 1,3744 | 1,37444 | 1,37444 | 1,37442 | 1,37440 | 1,37442 | 0,001 | 0,004 | 0,0015 |
80 | 1,57062 | 1,57064 | 1,57065 | 1,57067 | 1,57065 | 1,57063 | 1,57064 | 0,001 | 0,003 | 0,0009 |
90 | 1,76689 | 1,7669 | 1,76691 | 1,76690 | 1,76690 | 1,76690 | 1,76689 | 0,001 | 0,001 | 0,0002 |
100 | 1,96317 | 1,96318 | 1,96318 | 1,96318 | 1,96318 | 1,96318 | 1,96316 | 0,001 | 0,001 | 0,0008 |
0 | 0,00136 | 0,00135 | 0,00136 | 0,00135 | - | - | - | - | - | - |
f0, % | +0,0005 | | | | |
i30 - 1,96371; i300 - 1,96510.
Полученные данные заносят в приложение MS Excel. Выбирают иконку "Мастер диаграмм" и строят график зависимости показаний индикатора от приложенной силы. В окне диаграммы щелкают правой клавишей мыши на полученном графике и в открывшемся меню выбирают пункт "добавить линию тренда", выбирают тип "полиномиальная", во вкладке "Параметры" ставят галочку рядом с пунктом "Показывать уравнение на диаграмме". В окне диаграммы появится уравнение интерполяции.
Записывают уравнение интерполяции в протокол
Xa = 97,2·10-9·F2 + 19,60826·10-3·F +
+ 1,3606·10-3,
где F - сила, кН.
Вычисляют все составляющие погрешности и все составляющие неопределенности, рассчитывают расширенную суммарную неопределенность для каждой нагрузки.
Значения расширенной относительной суммарной неопределенности (доверительной относительной погрешности) и ее составляющие при каждой нагрузке приведены в таблице Г.2. Относительная стандартная неопределенность w7, связанная с температурой, не учитывалась, так как динамометр имеет термокомпенсацию.
Таблица Г.2
Значения расширенной относительной суммарной
неопределенности (доверительная относительная погрешность)
и ее составляющих
Эталонная сила, кН | w1, % | w2, % | w3, % | w4, % | w5, % | w6, % | w8, % | Расширенная относительная суммарная неопределенность (доверительная относительная погрешность) |
10 | 0,001 | 0,0769 | 0,0088 | 0,0021 | 0,0568 | 0,0005 | 0,0626 | 0,1920 |
20 | 0,001 | 0,0374 | 0,0044 | 0,0010 | 0,0568 | 0,0005 | 0,0293 | 0,1363 |
40 | 0,001 | 0,0199 | 0,0022 | 0,0005 | 0,0568 | 0,0005 | 0,0199 | 0,1204 |
50 | 0,001 | 0,0064 | 0,0006 | 0,0004 | 0,0568 | 0,0005 | 0,0064 | 0,1143 |
60 | 0,001 | 0,0043 | 0,0005 | 0,0003 | 0,0568 | 0,0005 | 0,0023 | 0,1139 |
70 | 0,001 | 0,0021 | 0,0004 | 0,0003 | 0,0568 | 0,0005 | 0,0006 | 0,1137 |
80 | 0,001 | 0,0016 | 0,0007 | 0,0003 | 0,0568 | 0,0005 | 0,0002 | 0,1136 |
90 | 0,001 | 0,0006 | 0,0003 | 0,0002 | 0,0568 | 0,0005 | 0,0005 | 0,1136 |
100 | 0,001 | 0,0003 | 0,0003 | 0,0002 | 0,0568 | 0,0005 | 0,0009 | 0,1136 |
Выбирают иконку "Мастер диаграмм" и строят график зависимости расширенной суммарной неопределенности от приложенной силы. В окне диаграммы щелкают правой клавишей мыши, на полученном графике и в открывшемся меню выбирают пункт "добавить линию тренда", выбирают тип "полиномиальная".
Из графика (см. рисунок Г.1) видно, что данный динамометр пригоден для поверки силовоспроизводящих машин с пределами относительной погрешности +/- 1% во всем диапазоне измерений динамометра, а также для поверки силовоспроизводящих машин с пределами относительной погрешности +/- 0,5% в диапазоне от 50 до 100 кН.
Рисунок Г.1. График расширенной относительной
суммарной неопределенности
(доверительная относительная погрешность)
Г.2. Применение динамометров в качестве рабочих средств измерений Динамометры, соответствующие настоящему стандарту, могут быть применены в качестве рабочих средств измерений силы.
При назначении пределов допускаемой погрешности, при проведении испытаний в целях утверждения типа, а также (при необходимости) разработки методик измерений силы следует учитывать дополнительные источники неопределенности результатов калибровки (поверки), подробно описанной в настоящем стандарте.
Г.2.1. Составляющие неопределенности рабочих средств измерений силы, подлежащие рассмотрению
Если динамометр используют после его калибровки, то неопределенность значения силы, вычисленная по его отображаемому значению, будет зависеть, в частности, от неопределенности его калибровки, но существует ряд других факторов, которые также следует рассмотреть. Эти источники неопределенности включают (но не ограничиваются этим) следующее:
- разрешающая способность;
- составляющая, обусловленная гистерезисом;
- сдвиг в чувствительности после калибровки;
- влияние использования динамометра при разной температуре;
- влияние использования при разных условиях концевого нагружения;
- влияние использования с разными паразитными элементами;
- влияние использования динамометра с разным профилем нагружения по времени;
- влияние применения линейной аппроксимации к интерполяционному уравнению;
- влияние замененного индикатора, если применимо;
- динамический характер силы, подлежащей измерению.
Если можно предположить, что ни один из этих эффектов не коррелирован, то для расчета суммарной стандартной неопределенности при каждой силе с их стандартными неопределенностями можно произвести квадратурное суммирование вместе с неопределенностью калибровки прибора. Предположение основано на допущении, что на все известные погрешности были введены поправки (например, если известна температурная чувствительность датчика). В этой связи в значение разности температур (между калибровкой и последующим использованием) либо должны быть введены поправки при вычислении силы, или величина влияния должна быть добавлена к суммарной расширенной неопределенности по линейному закону, и не должно производиться суммирование с другими составляющими неопределенности.
Неопределенность разрешающей способности
Измеряемая сила выводится из новых значений изменений показаний индикатора динамометра, вызванных приложением силы. Из-за этого разрешающая способность индикатора должна быть включена опять таким же образом, как изложено в
В.1. Если показания отклоняются более чем на разрешение индикатора, то разрешение берется как половина диапазона колебаний.
Вычисление составляющей, обусловленной гистерезисом
Составляющая погрешности, связанная с гистерезисом, не рассматривается как составляющая неопределенности калибровки. Способ ее учета будет зависеть от того, как прибор используется после его калибровки.
Если прибор применяют только для увеличивающихся нагрузок, то не требуется включать в неопределенность измеряемой силы составляющую, обусловленную гистерезисом. Однако если проводят измерения уменьшающихся значений силы без поправок на результаты калибровки, то в неопределенности измеряемой силы необходимо учесть гистерезис путем введения нижеследующей составляющей:

,
где v - относительная погрешность, связанная с гистерезисом.
Эта составляющая обусловлена исключительно результатами калибровки и поэтому может быть указана в сертификате о калибровке прибора. При необходимости она может быть также добавлена в уравнение к составляющим неопределенности калибровки для получения расширенной неопределенности калибровки, которая включает гистерезис.
Характеристики гистерезиса конкретного динамометра, как правило, весьма повторяемы. Из-за этого, если измерения уменьшающихся нагрузок проводят после приложения максимальной эталонной силы, может оказаться более эффективным внесение корректив на основе калибровочных данных вместо того, чтобы вводить все влияние гистерезиса как составляющую неопределенности.
Сдвиг чувствительности после калибровки
Эта составляющая может быть оценена по предыстории чувствительности динамометра, основанной на прошлых результатах калибровки. Точное распределение неопределенности (и, возможно, даже оцененная коррекция погрешности) будет зависеть от отдельного динамометра, но предлагается прямоугольное распределение с расширенной неопределенностью +/- наибольшее предыдущее изменение между двумя соседними калибровками. Если такая информация недоступна, то оценка может быть основана на предыстории эксплуатационных характеристик подобных динамометров.
Влияние температуры
Влияние температуры на нулевой сигнал на выходе может быть проигнорировано, так как вычисление отклонения обычно показывает его незначительным (за исключением тестов большой продолжительности, в течение которых температура окружающей среды значительно меняется), но должно быть учтено влияние температуры на чувствительность (или диапазон). Если известна фактическая температурная чувствительность прибора, то в идеале должна быть сделана поправка к вычисленной силе. Если существует информация только о допуске, установленном производителем, то должна быть применена составляющая неопределенности на основе этой цифры и разница в температуре между калибровкой прибора и его последующим применением с рекомендованным прямоугольным распределением. Тем не менее коэффициент (или допуск) обычно дается для стабилизированной температуры без какого-либо градиента, если динамометр применяют в условиях влияния температурных градиентов, то должна быть введена дополнительная составляющая неопределенности.
Влияние концевого нагружения
Испытание подушки подшипника позволяет судить о чувствительности сжатия динамометра для указанных изменений в условиях концевого нагружения. Результаты этого испытания, а также информация об условиях, в которых в будущем будут использованы динамометры, позволят оценить реалистичные составляющие неопределенности для применения при сжатии. Для динамометров, которые будут работать на растяжение, может оказаться необходимым выполнение дополнительных тестов для определения чувствительности к возможным изменениям при введении силы.
Влияние дополнительных составляющих
Составляющая воспроизводимости, включенная в неопределенность калибровки, является по
В.1 действительной только для среднего из трех измерений, сделанных на калибровочной машине. Дополнительные составляющие, большие, чем применяемые в процессе калибровки, как правило, учитывают в период последующего использования динамометра.
Влияние времени нагружения
Метод калибровки динамометра и его последующее применение для поверки соосной (одноосной) испытательной машины (как указано в
[1]) определяет разные профили нагружения по времени (ожидание около 30 с перед снятием показаний или допускает калибровку с медленно нарастающей силой). Если датчик чувствителен к влияниям нагружения по времени, эти разные методики могут привести к ошибкам в вычисленной силе. Составляющие неопределенности от ползучести и дрейфа нуля в бюджете неопределенности калибровки будут до некоторой степени охватывать эти эффекты, но может потребоваться дополнительная составляющая неопределенности в зависимости от конкретного приложения.
Также следует быть внимательными, если предварительная нагрузка не может быть приложена до использования динамометра, в частности, если она должна быть применена в обоих режимах нагружения, то есть от растяжения к сжатию, или наоборот.
Использование уравнения интерполяции, отличающегося от полученного при калибровке
Если уравнение калибровки, приведенное в сертификате, не применяют, должна быть добавлена составляющая, основанная на различии между уравнением калибровки и уравнением, которым пользуются на практике.
Некоторые индикаторы позволяют ввести ряд точек из калибровочной кривой, с тем чтобы дисплей выдавал показания в единицах силы, но между этими точками будет выполняться линейная интерполяция, а не применяться уравнение калибровки. Если это так, то необходимо исследовать влияние этого линейного приближения на кривую и, если оно окажется значительным, следует ввести составляющую неопределенности.
Влияние замены индикатора
Если датчик силы будет использован не с тем индикатором, с которым он был откалиброван, то следует определить расхождение между двумя индикаторами (есть несколько методов, например, калибровка обоих индикаторов, использование общей мостовой модели) и оценить неопределенность этого отклонения (в том числе такие факторы, как неопределенность калибровки индикатора, стабильность общей модели моста).
Если внесены поправки, основанные на измеренном отклонении между двумя индикаторами, то должна быть принята во внимание неопределенность этого отклонения. Если никакие поправки не внесены, то необходимо рассмотреть как отклонение, так и его неопределенность.
Неопределенность калибровки
Неопределенность калибровки представляет собой половину значения расширенной неопределенности, вычисленной в
Приложении В с использованием уравнения расширенной неопределенности.
Влияние динамической силы
Если датчик используют в динамических условиях, то следует принять во внимание дополнительные составляющие. Например, частотные характеристики преобразователя силы и индикатора, взаимодействие с механической структурой могут оказать сильное влияние на результаты измерений. Это требует детального анализа динамического измерения, которое здесь не рассмотрено.
| Международный стандарт ИСО 7500-1:2004 (ISO 7500-1:2004) | Материалы металлические. Верификация машин для статических испытаний в условиях одноосного нагружения. Часть 1. Машины для испытания на растяжение/сжатие. Верификация и калибровка силоизмерительных систем (Metallic materials - Verification of static uniaxial testing machines - Part 1: Tension/compression testing machines - Verification and calibration of the force-measuring system) |