Главная // Актуальные документы // ГОСТ (Государственный стандарт)СПРАВКА
Источник публикации
М.: ФГБУ "Институт стандартизации", 2023
Примечание к документу
Текст данного документа приведен с учетом
поправки, введенной в действие с 08.11.2023, опубликованной в "ИУС", N 2, 2024.
Документ
введен в действие с 01.08.2023.
Название документа
"ГОСТ 801-2022. Межгосударственный стандарт. Прокат из подшипниковой стали. Технические условия"
(введен в действие Приказом Росстандарта от 27.12.2022 N 1639-ст)
"ГОСТ 801-2022. Межгосударственный стандарт. Прокат из подшипниковой стали. Технические условия"
(введен в действие Приказом Росстандарта от 27.12.2022 N 1639-ст)
по техническому регулированию
и метрологии
от 27 декабря 2022 г. N 1639-ст
МЕЖГОСУДАРСТВЕННЫЙ СТАНДАРТ
ПРОКАТ ИЗ ПОДШИПНИКОВОЙ СТАЛИ
ТЕХНИЧЕСКИЕ УСЛОВИЯ
Rolled products from bearing steel. Specifications
ГОСТ 801-2022
Дата введения
1 августа 2023 года
Цели, основные принципы и общие правила проведения работ по межгосударственной стандартизации установлены
ГОСТ 1.0 "Межгосударственная система стандартизации. Основные положения" и
ГОСТ 1.2 "Межгосударственная система стандартизации. Стандарты межгосударственные, правила и рекомендации по межгосударственной стандартизации. Правила разработки, принятия, обновления и отмены"
1 РАЗРАБОТАН Федеральным государственным унитарным предприятием "Центральный научно-исследовательский институт черной металлургии им. И.П. Бардина" (ФГУП "ЦНИИчермет им. И.П. Бардина")
2 ВНЕСЕН Межгосударственным техническим комитетом по стандартизации МТК 120 "Чугун, сталь, прокат"
3 ПРИНЯТ Межгосударственным советом по стандартизации, метрологии и сертификации (протокол от 13 декабря 2022 г. N 62)
За принятие проголосовали:
Краткое наименование страны по МК (ИСО 3166) 004-97 | Код страны по МК (ИСО 3166) 004-97 | Сокращенное наименование национального органа по стандартизации |
Армения | AM | ЗАО "Национальный орган по стандартизации и метрологии" Республики Армения |
Беларусь | BY | Госстандарт Республики Беларусь |
Киргизия | KG | Кыргызстандарт |
Россия | RU | Росстандарт |
Узбекистан | UZ | Узстандарт |
4
Приказом Федерального агентства по техническому регулированию и метрологии от 27 декабря 2022 г. N 1639-ст межгосударственный стандарт ГОСТ 801-2022 введен в действие в качестве национального стандарта Российской Федерации с 1 августа 2023 г.
6 В настоящем стандарте использовано изобретение, защищенное патентом Российской Федерации N 2452790 от 16 июня 2010 г. на изобретение "Подшипниковая сталь".
Патентообладатель - Общество с ограниченной ответственностью "Северсталь-Проект" (ООО "Северсталь-Проект").
Федеральное агентство по техническому регулированию и метрологии не несет ответственности за достоверность информации о патентных правах
Информация о введении в действие (прекращении действия) настоящего стандарта и изменений к нему на территории указанных выше государств публикуется в указателях национальных стандартов, издаваемых в этих государствах, а также в сети Интернет на сайтах соответствующих национальных органов по стандартизации.
В случае пересмотра, изменения или отмены настоящего стандарта соответствующая информация будет опубликована на официальном интернет-сайте Межгосударственного совета по стандартизации, метрологии и сертификации в каталоге "Межгосударственные стандарты"
Настоящий стандарт распространяется на горячекатаный прокат, калиброванный прокат и прокат со специальной отделкой поверхности из подшипниковой стали, предназначенный для изготовления шариков, роликов, колец и приставных бортиков подшипников.
Настоящий стандарт может быть применен к слиткам, слябам, заготовкам, непрерывнолитым заготовкам, листам, поковкам, проволоке, трубам и другим видам металлопродукции только в части требований к химическому составу.
Прокат, изготовленный по настоящему стандарту из непрерывнолитой заготовки, не предназначен для изготовления шариков.
В настоящем стандарте использованы нормативные ссылки на следующие межгосударственные стандарты:
ГОСТ 103 Прокат сортовой стальной горячекатаный полосовой. Сортамент
ГОСТ 1763 (ИСО 3887-77) Сталь. Методы определения глубины обезуглероженного слоя
ГОСТ 1778 (ИСО 4967-79) Сталь. Металлографические методы определения неметаллических включений
ГОСТ 2590 Прокат сортовой стальной горячекатаный круглый. Сортамент
ГОСТ 2591 Прокат сортовой стальной горячекатаный квадратный. Сортамент
ГОСТ 2789 Шероховатость поверхности. Параметры и характеристики
ГОСТ 3118 Реактивы. Кислота соляная. Технические условия
ГОСТ 4461 Реактивы. Кислота азотная. Технические условия
ГОСТ 5657 Сталь. Метод испытания на прокаливаемость
ГОСТ 7417 Сталь калиброванная круглая. Сортамент
ГОСТ 7564 Прокат. Общие правила отбора проб, заготовок и образцов для механических и технологических испытаний
ГОСТ 7565 (ИСО 377-2-89) Чугун, сталь и сплавы. Метод отбора проб для определения химического состава
ГОСТ 7566 Металлопродукция. Правила приемки, маркировка, упаковка, транспортирование и хранение
ГОСТ 9012 (ИСО 410-82, ИСО 6506-81) Металлы. Метод измерения твердости по Бринеллю
ГОСТ 9013 (ИСО 6508-86) Металлы. Метод измерения твердости по Роквеллу
ГОСТ 10243 Сталь. Методы испытаний и оценки макроструктуры
ГОСТ 12344 Стали легированные и высоколегированные. Методы определения углерода
ГОСТ 12345 (ИСО 671-82, ИСО 4935-89) Стали легированные и высоколегированные. Методы определения серы
ГОСТ 12346 (ИСО 439-82, ИСО 4829-1-86) Стали легированные и высоколегированные. Методы определения кремния
ГОСТ 12347 Стали легированные и высоколегированные. Методы определения фосфора
ГОСТ 12348 (ИСО 629-82) Стали легированные и высоколегированные. Методы определения марганца
ГОСТ 12349 Стали легированные и высоколегированные. Методы определения вольфрама
ГОСТ 12350 Стали легированные и высоколегированные. Методы определения хрома
ГОСТ 12351 (ИСО 4942:1988, ИСО 9647:1989) Стали легированные и высоколегированные. Методы определения ванадия
ГОСТ 12352 Стали легированные и высоколегированные. Методы определения никеля
ГОСТ 12354 Стали легированные и высоколегированные. Методы определения молибдена
ГОСТ 12355 Стали легированные и высоколегированные. Методы определения меди
ГОСТ 12356 Стали легированные и высоколегированные. Методы определения титана
ГОСТ 12357 Стали легированные и высоколегированные. Методы определения алюминия
ГОСТ 12359 (ИСО 4945-77) Стали углеродистые, легированные и высоколегированные. Методы определения азота
ГОСТ 12361 Стали легированные и высоколегированные. Методы определения ниобия
ГОСТ 12503 Сталь. Методы ультразвукового контроля. Общие требования
ГОСТ 14955 Сталь качественная круглая со специальной отделкой поверхности. Технические условия
ГОСТ 17745 Стали и сплавы. Методы определения газов
ГОСТ 18353 <1> Контроль неразрушающий. Классификация видов и методов
--------------------------------
ГОСТ 18895 Сталь. Метод фотоэлектрического спектрального анализа <2>
--------------------------------
<2> В Российской Федерации также действует
ГОСТ Р 54153-2010 "Сталь. Метод атомно-эмиссионного спектрального анализа".
ГОСТ 21014 Металлопродукция из стали и сплавов. Дефекты поверхности. Термины и определения
ГОСТ 21120 Прутки и заготовки круглого и прямоугольного сечения. Методы ультразвуковой дефектоскопии
ГОСТ 26877 Металлопродукция. Методы измерений отклонений формы
ГОСТ 27809 Чугун и сталь. Методы спектрографического анализа
ГОСТ 28033 Сталь. Метод рентгенофлюоресцентного анализа
ГОСТ 28473 Чугун, сталь, ферросплавы, хром, марганец металлические. Общие требования к методам анализа
ГОСТ 33439 Металлопродукция из черных металлов и сплавов на железоникелевой и никелевой основе. Термины и определения по термической обработке
Примечание - При пользовании настоящим стандартом целесообразно проверить действие ссылочных стандартов и классификаторов на официальном интернет-сайте Межгосударственного совета по стандартизации, метрологии и сертификации (www.easc.by) или по указателям национальных стандартов, издаваемым в государствах, указанных в
предисловии, или на официальных сайтах соответствующих национальных органов по стандартизации. Если на документ дана недатированная ссылка, то следует использовать документ, действующий на текущий момент, с учетом всех внесенных в него изменений. Если заменен ссылочный документ, на который дана датированная ссылка, то следует использовать указанную версию этого документа. Если после принятия настоящего стандарта в ссылочный документ, на который дана датированная ссылка, внесено изменение, затрагивающее положение, на которое дана ссылка, то это положение применяется без учета данного изменения. Если ссылочный документ отменен без замены, то положение, в котором дана ссылка на него, применяется в части, не затрагивающей эту ссылку.
В настоящем стандарте применены термины по
ГОСТ 18353,
ГОСТ 21014,
ГОСТ 33439, по национальным стандартам, действующим в государствах, принявших настоящий стандарт <1>, а также следующие термины с соответствующими определениями:
--------------------------------
<1> В Российской Федерации действует ГОСТ Р 58765-2019 "Металлопродукция из стали и сплавов. Термины и определения".
3.1 контрольная единица продукции: Изделие (пруток, моток, полоса), выбранное для проведения испытания.
3.2 микропористость: Дефект микроструктуры, представляющий собой сосредоточение мелких пор в виде пустот вдоль теплового центра слитка и непрерывнолитой заготовки.
3.3 плавочный анализ: Анализ химического состава стали по пробе, отобранной перед ее разливкой или в середине разливки (для сифонной разливки) или в середине разливки каждого ковша (для непрерывной разливки), по результату экспресс-анализа или другого аттестованного метода измерения.
3.4 подшипниковые стали: Высококачественные износостойкие легированные хромистые стали для изготовления деталей подшипников (колец, шариков и роликов).
3.5 прямое восстановление железа: Восстановление железа из железной руды или окатышей с помощью газов (CO, H2, NH3), твердого углерода, газов и твердого углерода совместно.
3.6 чашечка: Дефект на торце правленой металлопродукции в виде вогнутости, образующийся при правке за счет сдвиговых деформаций, а также за счет завальцовки заусенца, образующегося при резке металлопродукции, в зависимости от толщины (диаметра) металлопродукции.
4.1 Сталь подразделяют:
а) по степени прокаливаемости:
1) подшипниковые стали сквозной прокаливаемости - стали с массовой долей углерода от 0,70% до 1,05% включительно и с массовой долей хрома от 0,60% до 1,70% включительно, обладающие высокой прочностью, твердостью, износостойкостью, высоким сопротивлением контактной усталости,
2) подшипниковые стали с ограниченной прокаливаемостью - стали, имеющие после закалки твердую поверхность и вязкую сердцевину;
б) по способам выплавки и переплава:
1) открытой выплавки,
2) с применением железа прямого восстановления - ПВ,
3) с внепечным вакуумированием - В,
4) электрошлакового переплава - Ш,
5) вакуумно-дугового переплава - ВД,
6) электрошлакового с последующим вакуумно-дуговым переплавом - ШД,
в) по способам разливки:
1) в слиток - КМС1,
2) в непрерывнолитую заготовку - КМС2.
4.2 Прокат подразделяют:
а) по форме сечения:
1) круглого сечения - круг,
2) квадратного сечения - квадрат,
3) прямоугольного сечения - полоса;
б) по виду поставки:
1) для проката круглого и квадратного сечений:
- в прутках,
- в мотках (бухтах) - НМД;
2) для проката прямоугольного сечения - в полосах;
в) по способу производства:
1) горячекатаный,
2) калиброванный,
3) со специальной отделкой поверхности;
г) по способу отделки поверхности горячекатаного и калиброванного проката:
1) без обточки (обдирки),
2) с обточенной (ободранной) поверхностью - ОБТ;
д) по требованиям к качеству поверхности в зависимости от способа дальнейшей обработки горячекатаного и калиброванного проката:
1) для холодной механической обработки (обточка, фрезерование, выточка и др.) - ОХ,
2) для горячей обработки давлением - ОГ,
3) для холодной высадки - ХВ,
4) для холодной штамповки - ХШ;
е) по качеству поверхности:
1) горячекатаный в зависимости от способа дальнейшей обработки - ОГ, ОХ, ХШ,
2) калиброванный в зависимости от способа дальнейшей обработки - ХВ или ОХ,
3) со специальной отделкой поверхности - В, Г;
ж) по состоянию поставки:
1) термически обработанный (отожженный) - ТО,
2) без термической обработки (для горячекатаного проката).
4.3 Наименование марок стали состоит из букв и цифр, расположенных в определенной последовательности:
- Ш (в начале марки) - подшипниковая сталь;
- Х - сталь, легированная хромом;
- цифра - 4, 7, 15, 20, стоящая после букв, - указывает среднюю массовую долю хрома в десятых долях процента 0,4%, 0,7%, 1,5%, 2,0% соответственно;
- С - сталь, дополнительно легированная кремнием;
- Г - сталь, дополнительно легированная марганцем;
- Ш, ВД, В, ШД или ПВ (в конце марки через дефис) - указывает на применение специальных способов выплавки и переплава.
5 Требования, указываемые в заказе
5.1 Заказчик должен предоставить изготовителю все требования, необходимые для поставки проката, в соответствии с требованиями настоящего стандарта.
5.2 Основные требования, указываемые при оформлении заказа:
- объем поставки;
- вид проката по способу производства (горячекатаный прокат, калиброванный прокат или прокат со специальной отделкой поверхности) с соответствующим кодом продукции;
- форма сечения проката (круг, квадрат или полоса);
- вид поставки [пруток, моток (бухта), полоса];
- размер проката и обозначение соответствующего стандарта на форму, размеры и предельные отклонения по размерам, в соответствии с
разделом 6;
- наименование марки стали;
- специальный способ выплавки или переплава (если не указано, устанавливает и указывает изготовитель в документе о качестве);
- способ разливки (КМС1 или КМС2);
- состояние поставки (ТО или без термической обработки);
- способ отделки поверхности для горячекатаного и калиброванного проката в случае поставки с обточенной (ободранной) поверхностью;
- способ дальнейшей обработки или группу качества поверхности;
- обозначение настоящего стандарта;
- документ, подтверждающий качество металлопродукции, в соответствии с
ГОСТ 7566 (см. также
[1]), если требуется.
5.3 Дополнительные требования, указываемые при оформлении заказа, приведены в
разделе 7.
6.1 По форме, размерам и предельным отклонениям прокат должен соответствовать требованиям, приведенным в
таблице 1.
Таблица 1
Требования к сортаменту проката из подшипниковой стали
Вид проката | Стандарт на сортамент |
Горячекатаный круглого сечения | По ГОСТ 2590 или другим согласованным нормативным документам |
Горячекатаный квадратного сечения | По ГОСТ 2591 или другим согласованным нормативным документам |
Горячекатаный прямоугольного сечения (полосовой) | |
Калиброванный круглого сечения | |
Со специальной отделкой поверхности круглого сечения | |
Со специальной отделкой поверхности круглого сечения диаметром более 50,0 до 80,0 мм включ. | По ГОСТ 7417 квалитета h11 или другим согласованным нормативным документам |
6.1.1 Горячекатаный и калиброванный прокат круглого сечения, с требованиями к сортаменту по
ГОСТ 2590 и по
ГОСТ 7417 соответственно, допускается поставлять в обточенном (ободранном) состоянии.
6.2 Горячекатаный, калиброванный прокат и прокат со специальной отделкой поверхности изготовляют в прутках или мотках (бухтах).
6.3 Прокат изготовляют длиной:
- горячекатаный круглого сечения диаметром до 65,0 мм включительно - от 2800 до 6000 мм включительно;
- горячекатаный круглого сечения диаметром более 65,0 мм - от 2000 до 6000 мм включительно;
- горячекатаный квадратного сечения - от 2000 до 4000 мм включительно;
- горячекатаный прямоугольного сечения (полосовой) - от 2000 до 6000 мм включительно;
- калиброванный и со специальной отделкой поверхности круглого сечения - от 3000 до 6000 мм включительно.
Допускается изготовление горячекатаного проката диаметром до 65,0 мм включительно длиной не менее 2000 мм в количестве не более 10% массы партии.
6.4 Мотки (бухты) поставляют состоящими из одного отрезка проката. По согласованию изготовителя с заказчиком допускается поставка мотков (бухт) из нескольких отрезков, но не более трех, в количестве не более 10% массы партии.
6.5 Мотки (бухты) поставляют массой:
а) горячекатаного проката - не менее 300 кг.
Допускаются мотки (бухты) меньшей массы, но не менее 200 кг и в количестве не более 10% массы партии;
б) калиброванного проката и проката со специальной отделкой поверхности:
- проката диаметром до 12,0 мм включительно - от 50 до 2000 кг включительно;
- проката диаметром более 12,0 мм - от 200 до 2000 кг включительно.
Допускаются мотки (бухты) меньшей массы в количестве, не превышающем 10% массы партии.
6.6 Мотки (бухты) поставляют внутренним диаметром:
а) горячекатаного проката - от 550 до 1100 мм включительно;
б) калиброванного проката и проката со специальной отделкой поверхности:
1) проката диаметром до 5,0 мм включительно - от 200 до 1100 мм включительно;
2) проката диаметром более 5,0 до 12,0 мм включительно - от 550 до 1100 мм включительно;
3) проката диаметром более 12,0 мм - от 600 до 1100 мм включительно.
6.7 Кривизна прутков не должна превышать значений, указанных в
таблице 2.
Таблица 2
Вид прутков | Размеры (диаметр, сторона квадрата, толщина) проката или длина прутков, мм | Кривизна прутков, % длины, не более |
Горячекатаные отожженные <1>, <2> | Длина от 2000 до 4000 включ. | 0,4 |
Длина св. 4000 до 6000 включ. | 0,5 |
Горячекатаные неотожженные <2> | Диаметр до 200,0 включ. | |
Сторона квадрата до 200,0 включ. | |
Диаметр или сторона квадрата св. 200,0 | |
Калиброванные | Диаметр до 25,0 включ. | 0,2 |
Диаметр св. 25,0 | 0,1 |
Со специальной отделкой поверхности | Все размеры и длины | |
<1> По требованию заказчика для изготовления колец подшипников на автоматических линиях кривизна отожженных горячекатаных прутков должна быть не более 0,2% длины. <2> По согласованию изготовителя с заказчиком кривизна горячекатаных прутков диаметром или стороной квадрата до 200,0 мм включительно не должна превышать 0,1% длины. <3> Кривизну в соответствии с классом кривизны по ГОСТ 2590 или ГОСТ 2591 указывают в заказе. <4> По согласованию изготовителя с заказчиком кривизна горячекатаных прутков диаметром или стороной квадрата 200,0 мм и более не должна превышать 1,2% длины. <5> По согласованию изготовителя с заказчиком кривизна прутков со специальной отделкой поверхности не должна превышать 0,1% длины. |
6.8 Концы горячекатаного и калиброванного проката и проката со специальной отделкой поверхности в прутках должны быть обрезаны или обломаны без изгибов и заусенцев.
Косина реза концов горячекатаных, калиброванных прутков и прутков со специальной отделкой поверхности не должна превышать:
- 0,1 диаметра - для прутков диаметром до 30,0 мм включительно;
- 5 мм - для прутков диаметром более 30,0 мм.
На концах горячекатаного, калиброванного проката и проката со специальной отделкой поверхности диаметром до 80,0 мм включительно допускается фаска размером не более 6 мм под углом 45° +/- 15°.
На концах проката допускаются заусенцы и смятие концов на величину, не выводящую:
- горячекатаный прокат - за предельные плюсовые отклонения по диаметру, стороне квадрата или толщине;
- калиброванный прокат и прокат со специальной отделкой поверхности - за предельные отклонения по диаметру.
На концах горячекатаных прутков диаметром от 12,0 до 28,0 мм включительно допускаются сколы и другие дефекты, обусловленные резкой прутков на ножницах холодной резки. Торцевые трещины не допускаются.
Допускается вогнутость ("чашечка") торца прутков после правки на косовалковых машинах и волочения.
Автогенная резка концов проката не допускается.
Допускается автогенная резка концов горячекатаных неотожженных прутков и мотков (бухт) в количестве, не превышающем 25 прутков в партии.
7.1 Способ выплавки, переплава и разливки
7.1.1 Сталь выплавляют открытым способом (открытая выплавка), в т.ч. с применением железа прямого восстановления (ПВ).
Сталь подвергают специальным способам выплавки и переплава - внепечному вакуумированию (В), электрошлаковому (Ш), вакуумно-дуговому (ВД) переплавам или электрошлаковому с последующим вакуумно-дуговым (ШД) переплавом.
Если способ выплавки, переплава не указан в заказе, то его выбирает изготовитель.
Стали, выплавленные любым способом, должны быть полностью раскислены.
7.1.2 Сталь разливают в слитки (КМС1) или непрерывнолитые заготовки (КМС2).
Если способ разливки (вид полуфабриката) не указан в заказе, то его выбирает изготовитель и указывает в документе о качестве.
7.2 Химический состав
7.2.1 Химический состав стали по плавочному анализу должен соответствовать нормам, приведенным в
таблице 3.
Таблица 3
Марка стали | Массовая доля элементов, % |
Углерод | Кремний | Марганец | Хром | Сера | Фосфор | Никель | Медь | Никель + медь | Алюминий | Ванадий | Ниобий |
не более |
Стали сквозной прокаливаемости |
ШХ7СГ | 0,72 - 0,80 | 0,40 - 0,65 | 1,00 - 1,30 | 0,60 - 0,90 | 0,020 | 0,025 | 0,25 | 0,25 | - | 0,006 | 0,10 | 0,030 - 0,070 |
ШХ15 | 0,95 - 1,05 | 0,17 - 0,37 | 0,20 - 0,40 | 1,30 - 1,65 | 0,020 | 0,027 | 0,30 | 0,25 | 0,50 | - | - | - |
ШХ15СГ | 0,95 - 1,05 | 0,40 - 0,65 | 0,90 - 1,20 | 1,30 - 1,65 | 0,020 | 0,027 | 0,30 | 0,25 | 0,50 | - | - | - |
ШХ20СГ | 0,90 - 1,00 | 0,55 - 0,85 | 1,40 - 1,70 | 1,40 - 1,70 | 0,020 | 0,027 | 0,30 | 0,25 | 0,50 | - | - | - |
Стали с ограниченной прокаливаемостью |
ШХ4 | 0,95 - 1,05 | 0,15 - 0,30 | 0,15 - 0,30 | 0,35 - 0,50 | 0,020 | 0,027 | 0,30 | 0,25 | 0,50 | - | - | - |
Примечание - Знак "-" означает, что массовая доля элемента в стали не нормируется и не контролируется. |
7.2.1.1 В стали, полученной с применением электрошлакового переплава (Ш), массовая доля серы не должна превышать 0,010%, фосфора - 0,015%.
В стали, полученной с применением железа прямого восстановления с вакуумированием (ПВ+В), массовая доля серы не должна превышать 0,010%, фосфора - 0,015%.
7.2.1.2 В стали марки ШХ15СГ-Ш для проката диаметром, стороной квадрата или толщиной более 140 мм, предназначенного для изготовления крупногабаритных подшипников, массовая доля марганца должна составлять от 1,00% до 1,20%, хрома - от 1,40% до 1,65%, кремния - от 0,45% до 0,65%. В заказе должно быть указано: "Для крупногабаритных подшипников".
7.2.2 Массовая доля кислорода, азота и остаточных химических элементов в стали должна соответствовать требованиям
таблицы 4.
Таблица 4
Массовая доля кислорода, азота и остаточных элементов
Массовая доля элементов, %, не более |
| Титан | Молибден | Вольфрам | Ванадий | Азот |
0,0015 | 0,010 | 0,04 | 0,05 | 0,04 | 0,012 |
<1> Массовую долю кислорода определяют в жидкой стали или готовом прокате. |
7.2.2.1 Допускается массовые доли химических элементов титана, молибдена, вольфрама, ванадия, кислорода и азота не определять химическим анализом, а гарантировать технологией изготовления.
7.2.3 В готовой продукции, при условии соблюдения остальных технических требований настоящего стандарта, допускаются предельные отклонения по массовой доле химических элементов от норм, указанных в
таблице 3. Предельные отклонения не должны превышать указанных в
таблице 5.
Таблица 5
Предельные отклонения по массовой доле
химических элементов в готовой продукции
Химический элемент | Предельная массовая доля химических элементов в стали, % | Предельное отклонение в готовой продукции от норм плавочного анализа, % |
Углерод | От 0,72 до 1,05 включ. | +/- 0,03 |
Кремний | От 0,15 до 0,40 включ. | +/- 0,03 |
Св. 0,40 до 0,85 включ. | +/- 0,05 |
Марганец | От 0,15 до 1,00 включ. | +/- 0,04 |
Св. 1,00 до 1,70 включ. | +/- 0,06 |
Хром | От 0,35 до 1,70 включ. | +/- 0,05 |
Примечания 1 При поставке проката из стали марок без нормирования нижнего предела массовой доли химических элементов учитывают только плюсовые предельные отклонения. 2 Знак "+/-" означает, что предельное отклонение по каждому из элементов в готовом прокате одной плавки стали может быть только ниже нижнего предела или только выше верхнего предела значений массовой доли элемента, приведенных в таблице 3, но не одновременно плюсовым и минусовым. |
7.3 Качество поверхности
7.3.1 Способ отделки поверхности
В соответствии с заказом горячекатаный прокат по способу отделки поверхности изготовляют без обточки (обдирки) или с обточенной (ободранной) поверхностью (ОБТ).
7.3.2 Качество поверхности горячекатаного проката без обточки (обдирки)
7.3.2.1 На поверхности горячекатаного проката, предназначенного для горячей обработки давлением (ОГ) и для холодной штамповки (ХШ), не допускаются раскатанные трещины, закаты, вкатанная окалина, раскатанные загрязнения и пузыри, прокатные плены, рванины и морщины.
Недопустимые дефекты удаляют зачисткой. Глубина зачистки дефектов не должна превышать норм, указанных в
таблице 6. Ширина зачищенных участков должна быть не менее их семикратной глубины. Вырубка дефектов не допускается.
Таблица 6
Глубина зачистки дефектов на поверхности проката
Размер проката (диаметр, сторона квадрата, толщина), мм | Допустимая глубина зачистки дефектов, не более |
Менее 80,0 | Половины суммы предельных отклонений от размера сечения, считая от фактического |
От 80,0 до 180,0 включ. | Суммы предельных отклонений от размера сечения, считая от фактического |
Св. 180,0 | 5% от номинального размера сечения |
Примечание - Для полосового проката дефекты оценивают по толщине и ширине отдельно. |
7.3.2.2 На поверхности горячекатаного проката, предназначенного для горячей обработки давлением (ОГ) и для холодной штамповки (ХШ), допускаются без зачистки дефекты механического происхождения (отпечатки, вмятины, царапины, рябизна, риски) глубиной, не превышающей половины минусового предельного отклонения от размера сечения, считая от фактического размера.
7.3.2.3 На поверхности горячекатаного проката, предназначенного для холодной механической обработки (ОХ), допускаются поверхностные дефекты, если их глубина не превышает половины суммы предельных отклонений от размера сечения, считая от фактического размера.
7.3.3 Качество поверхности обточенного (ободранного) горячекатаного проката (ОБТ)
7.3.3.1 На поверхности обточенного (ободранного) горячекатаного проката (ОБТ), предназначенного для горячей обработки давлением (ОГ), холодной штамповки (ХШ) или холодной механической обработки (ОХ), не допускаются раскатанные трещины, закаты, вкатанная окалина, раскатанные загрязнения и пузыри, прокатные плены и рванины.
Недопустимые дефекты удаляют зачисткой. Глубина зачистки не должна выводить размеры сечения за минусовое предельное отклонение. Ширина зачищенных участков должна быть не менее их семикратной глубины. Вырубка дефектов не допускается.
Допускаются без зачистки дефекты механического происхождения (отпечатки, вмятины, царапины, рябизна, риски) глубиной, не превышающей половины суммы предельных отклонений от размера сечения, считая от фактического размера, и размеры сечения не должны выводиться за минусовое предельное отклонение.
7.3.3.2 Шероховатость поверхности горячекатаного обточенного (ободранного) (ОБТ) проката должна соответствовать
Rz <= 80 мкм по
ГОСТ 2789. Допускается оценка шероховатости поверхности по согласованным эталонам.
7.3.4 Качество поверхности калиброванного проката
7.3.4.1 На поверхности калиброванного проката, предназначенного для изготовления деталей путем холодной высадки (ХВ), не допускаются закаты, царапины, трещины, пологие зачистки, остатки окалины, раскатанные пузыри и загрязнения.
Допускаются следы от волочения, отдельные мелкие риски и другие дефекты механического происхождения, если глубина их залегания не превышает половины минусового предельного отклонения от фактического диаметра.
7.3.4.2 На поверхности калиброванного проката, предназначенного для изготовления деталей холодной механической обработкой (ОХ), допускаются отдельные мелкие царапины, рябизна, остатки окалины, отпечатки, следы абразивной зачистки, мелкие раскатанные пузыри и загрязнения, глубина залегания которых не превышает 1% от фактического диаметра.
7.3.4.3 Допускается удалять поверхностные дефекты сплошной обточкой (обдиркой).
7.3.5 Качество поверхности проката со специальной отделкой поверхности
7.3.5.1 Качество поверхности проката со специальной отделкой поверхности должно соответствовать требованиям
ГОСТ 14955 для группы В или Г. Группу отделки поверхности указывают в заказе.
7.3.5.2 Глубину залегания дефектов определяют от фактического диаметра.
7.4 Состояние поставки
Горячекатаный прокат поставляют термически обработанным (отожженным) - ТО или без термической обработки (неотожженным), калиброванный прокат и прокат со специальной отделкой поверхности - термически обработанным (отожженным) - ТО.
Не допускается поставка калиброванного проката и проката со специальной отделкой поверхности в нагартованном состоянии.
Горячекатаный неотожженный прокат с обточенной (ободранной) - ОБТ или без обточки (обдирки) поверхности диаметром, стороной квадрата или толщиной до 60 мм включительно, калиброванный прокат и прокат со специальной отделкой поверхности, предназначенный для ковки и штамповки, должны выдерживать испытание на осадку. Горячекатаный прокат испытывают в горячем состоянии, калиброванный прокат и прокат со специальной отделкой поверхности - в холодном состоянии.
На осаженных образцах не должно быть трещин и надрывов.
7.6 Твердость
7.6.1 Твердость по методу Бринелля термически обработанного (отожженного) горячекатаного и калиброванного проката и проката со специальной отделкой поверхности в состоянии поставки должна соответствовать:
- из стали марки ШХ15 - от 179 до 207 HB (диаметр отпечатка от 4,50 до 4,20 мм);
- из стали марок ШХ4, ШХ7СГ, ШХ15СГ и ШХ20СГ - от 179 до 217 HB (диаметр отпечатка от 4,50 до 4,10 мм).
7.6.2 Прокат без термической обработки поставляют без нормирования и контроля твердости.
7.7 Макроструктура
7.7.1 Макроструктура проката, оцениваемая в темплетах
7.7.1.1 Макроструктура проката, произведенного из слитка (КМС1), при проверке на протравленных темплетах не должна иметь подкорковых пузырей, остатков литой структуры, трещин (кроме дефектов поверхности проб), корочек, инородных металлических и шлаковых включений, флокенов.
Макроструктура проката, произведенного из непрерывнолитой заготовки (КМС2), не должна иметь трещин, корочек, остатков литой структуры, инородных металлических и шлаковых включений, флокенов.
7.7.1.2 Нормируемые в баллах требования к макроструктуре проката, произведенного из слитка (КМС1), должны соответствовать указанным в
таблице 7, из непрерывнолитой заготовки (КМС2) - в
таблице 8.
Таблица 7
Макроструктура проката, произведенного из слитка (КМС1)
Вид дефекта | Размер проката (диаметр, сторона квадрата или толщина полосы), мм | Нормы (допустимый максимальный балл) макроструктуры при способе выплавки, обработки, переплава стали |
Открытая выплавка, в т.ч. с применением железа прямого восстановления (ПВ), с вакуумированием (В) или без вакуумирования | Электрошлаковый (Ш) и/или вакуумно-дуговой переплав (ВД) |
ШХ4, ШХ7СГ, ШХ15, ШХ15СГ | ШХ20СГ |
Центральная пористость (ЦП) | От 30,0 и более | 2,0 | 2,0 | 1,0 |
Точечная неоднородность (ТН) | От 30,0 до 100,0 включ. | 1,5 | 2,5 | 1,0 |
Св. 100,0 | 2,0 | 2,5 | 1,0 |
Ликвационный квадрат (ЛК), ликвационный круг | От 30,0 и более | 0,5 | 0,5 | Не допускается |
Подусадочная ликвация (ПУ) | От 30,0 и более | 1,0 | 1,0 | Не допускается |
Общая пятнистая ликвация (ОПЛ) | От 30,0 и более | + | + | + |
Краевая пятнистая ликвация (КПЛ) | От 30,0 и более | + | + | + |
Светлая полоска (контур) (СП) | От 30,0 и более | + | + | + |
Примечания 1 Нормы подусадочной ликвации, указанные в настоящей таблице, являются факультативными. Результаты контроля не являются браковочным признаком до 1 января 2025 г. и указываются в документе о качестве. 2 Знак "+" означает, что определение дефекта макроструктуры, в соответствии с настоящей таблицей, проводят для набора статистических данных и результаты контроля указывают в документе о качестве. |
Таблица 8
Макроструктура проката, произведенного
из непрерывнолитой заготовки (КМС2)
Вид дефекта | Размер проката (диаметр, сторона квадрата или толщина полосы), мм | Нормы (допустимый максимальный балл) макроструктуры при способе выплавки, обработки, переплава стали |
Открытая выплавка, в т.ч. с применением железа прямого восстановления (ПВ), с вакуумированием (В) или без вакуумирования | Электрошлаковый (Ш) и/или вакуумно-дуговой переплав (ВД) |
ШХ4, ШХ7СГ, ШХ15, ШХ15СГ | ШХ20СГ |
Ликвационные полоски (ЛП) | Все | 1,0 | 1,0 | Не допускается |
Осевая ликвация (осевая химическая неоднородность) (ОЛ) | Все | 1,0 | 1,0 | Не допускается |
Центральная пористость (ЦП) | От 30,0 до 105 включ. | 2,0 | 2,0 | 1,0 |
От 110 и более | 3,0 | 2,0 | 1,0 |
Точечная неоднородность (ТН) | От 30,0 до 100,0 включ. | 1,5 | 2,5 | 1,0 |
Св. 100,0 | 2,0 | 2,5 | 1,0 |
Ликвационный квадрат (круг) | От 30,0 и более | 0,5 | 0,5 | Не допускается |
Краевое точечное загрязнение (КТЗ) | Все | + | + | + |
Светлая полоса (контур) (СП) | Все | + | + | + |
Примечания 1 Нормы осевой ликвации, указанные в настоящей таблице, являются факультативными. Результаты контроля не являются браковочным признаком до 1 января 2025 г. и указываются в документе о качестве. 2 Знак "+" означает, что определение дефекта макроструктуры, в соответствии с настоящей таблицей, проводят для набора статистических данных и результаты контроля указывают в документе о качестве. |
7.7.2 Макроструктура проката, оцениваемая по излому
7.7.2.1 Излом термически обработанного (отожженного) проката, произведенного из слитка (КМС1) и из непрерывнолитой заготовки (КМС2), должен быть без перегрева (нафталинистого или камневидного излома), без черновин, остатков усадочной раковины, флокенов, подусадочной рыхлоты, трещин (кроме дефектов поверхности проб), расслоений, корочек, инородных металлических и шлаковых включений.
7.7.2.2 Излом горячекатаного проката без термической обработки, оцениваемый на образцах в закаленном состоянии, должен быть без перегрева (нафталинистого или камневидного излома), без черновин, остатков усадочной раковины, флокенов, подусадочной рыхлоты, инородных металлических и шлаковых включений.
7.7.3 Торцевые поверхности проката не должны иметь остатков усадочной раковины, трещин и расслоений.
7.8.1 Глубина обезуглероженного слоя (феррит плюс переходная зона) для горячекатаного проката (в отожженном состоянии или без отжига) не должна превышать норм, указанных в
таблице 9.
Таблица 9
Глубина обезуглероженного слоя
В миллиметрах
Размер проката (диаметр, сторона квадрата, толщина) | Глубина обезуглероженного слоя на сторону, не более |
От 4,0 до 15,0 включ. | 0,25 |
Св. 15,0 до 30,0 включ. | 0,40 |
Св. 30,0 до 50,0 включ. | 0,50 |
Св. 50,0 до 70,0 включ. | 0,60 |
Св. 70,0 до 100,0 включ. | 0,85 |
Св. 100,0 до 150,0 включ. | 1,10 |
Прокат диаметром, стороной квадрата или толщиной более 150,0 мм на обезуглероживание не контролируют.
7.8.2 Глубина обезуглероженного слоя для калиброванного проката не должна превышать 1% диаметра на сторону и быть не более глубины обезуглероженного слоя, указанной в
таблице 9, для соответствующего диаметра.
7.8.3 Обезуглероживание проката со специальной отделкой поверхности не допускается.
7.9 Микроструктура
7.9.1 Микроструктура (форма и степень дисперсности перлита)
Микроструктура стали отожженного проката должна состоять из равномерно распределенного мелкозернистого перлита. Форма и степень дисперсности перлита, оцениваемая по эталонам шкалы N 1 в
таблице А.1 (приложение А), должна соответствовать требованиям
таблицы 10.
Таблица 10
Микроструктура (форма и степень дисперсности перлита)
Вид проката | Размер проката (диаметр, сторона квадрата или толщина), мм | Форма и степень дисперсности перлита, балл, не более |
ШХ15, ШХ7СГ | ШХ4, ШХ15СГ, ШХ20СГ |
Горячекатаный отожженный прокат | До 85,0 включ. | 4 | 5 |
Калиброванный прокат | Все |
Прокат со специальной отделкой поверхности | Все |
7.9.2 Карбидная сетка
Карбидная сетка в микроструктуре стали отожженного проката диаметром, стороной квадрата или толщиной до 85,0 мм включительно не допускается. Остатки карбидной сетки, оцениваемые по эталонам шкалы N 2 в
таблице А.2, не должны превышать балла 3.
7.9.3 Структурная полосчатость и карбидная ликвация
Степень развития структурной полосчатости стали, оцениваемая по эталонам шкалы N 3 в
таблице А.3, и карбидной ликвации, оцениваемая по эталонам шкалы N 4 в
таблице А.4, должна соответствовать требованиям, указанным в
таблице 11.
Таблица 11
Структурная полосчатость и карбидная ликвация
Размер проката (диаметр, сторона квадрата или толщина), мм | Вид проката | Допустимый максимальный балл |
структурной полосчатости | карбидной ликвации |
Открытая выплавка в электропечах (дуговых/индукционных), способом конвертерной выплавки, в кислых мартеновских печах, в т.ч. с применением железа прямого восстановления (ПВ), с вакуумированием (В) или без вакуумирования | Электрошлаковый (Ш) и/или вакуумно-дуговой переплав (ВД) | Открытая выплавка в электропечах (дуговых/индукционных), способом конвертерной выплавки, в кислых мартеновских печах, в т.ч. с применением железа прямого восстановления (ПВ), с вакуумированием (В) или без вакуумирования | Электрошлаковый (Ш) и/или вакуумно-дуговой переплав (ВД) |
Все размеры | Прокат калиброванный и со специальной отделкой поверхности | 2,0 | 1,5 | 1,0 | 1,0 |
До 85,0 включ. | Прокат горячекатаный отожженный | 3,0 | 2,0 | 2,0 | 1,0 |
До 140,0 включ. | Прокат горячекатаный неотожженный | 4,0 | 2,5 | 3,0 | 2,0 |
Св. 140,0 | Прокат горячекатаный неотожженный | 4,0 | 3,0 | 3,0 | 2,0 |
Для стали электрошлакового переплава (Ш) диаметром, стороной квадрата или толщиной 80,0 мм и более нормы достигаются применением гомогенизации (диффузионного отжига).
7.10 Загрязненность стали неметаллическими включениями
Загрязненность стали неметаллическими включениями, оцениваемая при контроле по максимальному баллу по шкале N 5 в
таблице А.5, шкале N 6 в
таблице А.6, шкале N 7 в
таблице А.7, должна соответствовать требованиям, указанным в
таблице 12.
Таблица 12
Загрязненность стали неметаллическими включениями
Способ выплавки (переплава) стали | Размер проката (диаметр, сторона квадрата или толщина), мм | Вид проката | Номер группы | Загрязненность, максимальный балл <1>, не более |
Оксиды строчечные | Сульфиды | Силикаты недеформирующиеся <2> |
Открытая выплавка, в т.ч. с применением железа прямого восстановления (ПВ), с вакуумированием (В) или без вакуумирования | До 40 включ. | Калиброванный и горячекатаный отожженный | I | 2,0 | 2,0 | 1,5 |
Горячекатаный неотожженный | | 2,0 | 2,0 | 1,5 |
Св. 40 до 80 включ. | Калиброванный и горячекатаный отожженный | | 2,5 | 2,5 | 2,0 |
Горячекатаный неотожженный | | 2,5 | 2,5 | 2,0 |
Св. 80 | Горячекатаный неотожженный | | 3,0 | 3,0 | 2,5 |
Электрошлаковый (Ш) и/или вакуумно-дуговой переплав (ВД) | До 40 включ. | Все | | 1,0 | 1,0 | 1,0 |
Св. 40 | Все | | 1,5 | 1,5 | 1,5 |
<1> Допускается превышение загрязненности более указанного в настоящей таблице балла: - для группы III - одно превышение по одному виду включений, при этом по оксидам строчечным и сульфидам - не более чем на 0,5 балла, по силикатам недеформирующимся - не более чем на 1,0 балл. - для групп II, IV и V - по одному превышению по двум видам включений, но не более чем на 1,0 балл. До 1 января 2025 г. для групп II, IV не является браковочным признаком превышение по двум видам включений - более чем на 1,0 балл, но не более чем на 1,5 балла; - для групп VI и VII - одно превышение по одному виду включений не более чем на 0,5 балла. <2> Допускается для всех групп, за исключением групп III, VI, VII, превышение загрязненности по силикатам недеформирующимся, но не более чем на 0,5 балла. |
7.11 Микропористость
Микропористость стали горячекатаного неотожженного и отожженного проката размером сечения 60,0 мм и менее, калиброванного проката и проката со специальной отделкой поверхности, а также отожженного проката из стали электрошлакового переплава (Ш) и/или вакуумно-дугового переплава (ВД), оцениваемая по эталонам шкалы N 8 в
таблице А.8, не допускается. Микропористость стали горячекатаного неотожженного и отожженного проката размером сечения более 60,0 мм должна быть не более балла 2 по шкале N 8 в
таблице А.8.
7.12 Требования к прокату, устанавливаемые по согласованию изготовителя с заказчиком
Дополнительные требования указывают в заказе в виде ссылки на соответствующие пункты (например: "с учетом
7.12.6") или условного обозначения (например, h10).
По согласованию изготовителя с заказчиком прокат изготовляют следующим образом:
7.12.1 Из стали с массовой долей серы - не более 0,005%, фосфора - не более 0,015%, никеля - не более 0,08%; меди - не более 0,06%, никеля плюс меди - не более 0,15%, алюминия (кроме стали марки ШХ7СГ) - не более 0,005%.
7.12.2 Из марки ШХ4 с массовой долей никеля - не более 0,13%, никеля плюс меди - не более 0,38%, никеля плюс хрома - не более 0,55%, молибдена - не более 0,03%.
7.12.3 С массовой долей кислорода и остаточных элементов - в соответствии с
таблицей 13.
Таблица 13
Массовая доля кислорода и остаточных элементов
Массовая доля элементов, %, не более |
Кислород | Титан | Ванадий | Азот |
0,0010 | 0,003 | 0,0030 | 0,010 |
7.12.4 Из стали, полученной скрап-процессом, - с массовой долей молибдена и вольфрама - не более 0,15% каждого, и ванадия - не более 0,10%.
7.12.5 Из стали с массовой долей водорода в жидкой стали - не более 0,0002% (2 ppm).
7.12.6 Из стали, микролегированной серой. Массовую долю серы и нормы по загрязненности стали сульфидами согласовывают при заказе.
7.12.7 Из стали с другими ограничениями по массовой доле химических элементов.
7.12.8 Горячекатаный - диаметром более 250 мм и квадратного сечения стороной квадрата более 200 мм.
7.12.9 Горячекатаный - диаметром от 75,0 до 180,0 мм включительно - с предельным отклонением по диаметру - плюс 1,0 мм.
7.12.10 Круглый калиброванный - квалитета h10 по
ГОСТ 7417.
7.12.11 Круглый со специальной отделкой поверхности - квалитета h9, h10 или h12 по
ГОСТ 14955.
7.12.12 Круглый со специальной отделкой поверхности диаметром более 50,0 до 80,0 мм включительно - квалитета h9 или h10 по
ГОСТ 7417.
7.12.13 Длиной до 12 200 мм или другой длиной. Длину согласовывают при заказе.
7.12.14 Горячекатаный круглого сечения [без обточки (обдирки) поверхности], предназначенный для горячей обработки давлением (ОГ) и холодной штамповки (ХШ) - с допустимой глубиной залегания дефектов механического происхождения, указанных в
7.3.2.2, считая от фактического размера в соответствии с требованиями
таблицы 14.
Таблица 14
Глубина залегания дефектов механического происхождения
на поверхности проката круглого сечения
Диаметр, мм | Допустимая глубина залегания дефектов, не более |
До 50,0 включ. | 0,3 мм |
Св. 50,0 до 120,0 включ. | 0,5 мм |
Св. 120,0 | 0,8% от номинального диаметра |
7.12.15 Горячекатаный с обточенной (ободранной) поверхностью - с качеством поверхности в соответствии с
7.3.2.1 и
7.3.2.2.
7.12.16 Круглый со специальной отделкой поверхности - с качеством поверхности группы Д по
ГОСТ 14955.
7.12.17 Калиброванный - с фосфатированной поверхностью.
7.12.18 Горячекатаный с обточенной (ободранной) поверхностью - с отличной от указанной в
7.3.3.2 шероховатостью. Нормы согласовывают при заказе.
7.12.19 Горячекатаный с обточенной (ободранной) поверхностью диаметром более 120 мм - без нормирования и контроля шероховатости поверхности.
7.12.20 Калиброванный и со специальной отделкой поверхности - с гомогенизацией (диффузионным отжигом) в слитках или непрерывнолитой заготовке.
7.12.21 Горячекатаный неотожженный с обточенной (ободранной) или без обточки (обдирки) поверхности диаметром, стороной квадрата или толщиной более 60,0 мм, предназначенный для ковки и штамповки - с испытанием на осадку в горячем состоянии.
7.12.22 С гарантией осадки в горячем состоянии до 1/3 первоначальной высоты образца без проведения испытаний на осадку.
7.12.23 В отожженном состоянии при изготовлении колец подшипников на автоматических линиях - с разбросом твердости в партии не превышающим 20 HB.
7.12.24 Термически обработанный (отожженный) из стали марок, указанных в
таблице 3, - с твердостью не более 260 HB (диаметр отпечатка - не менее 3,76 мм). Форма и степень дисперсности перлита не нормируется и не контролируется.
7.12.25 Горячекатаный неотожженный с контролем твердости. Нормы согласовывают при заказе.
7.12.26 С повышенными требованиями по макроструктуре (с баллами менее указанных в
таблицах 7,
8). Нормы согласовывают при заказе.
7.12.27 Горячекатаный, произведенный из непрерывнолитой заготовки, - с нормами по подусадочной ликвации не более балла 3.
7.12.28 Диаметром, стороной квадрата или толщиной менее 30 мм - с контролем макроструктуры проката на поперечных протравленных темплетах и в изломе. Нормы должны соответствовать указанным в
таблицах 7 и
8.
7.12.29 С требованиями по макроструктуре проката (КМС1 или КМС2) (см.
[2]) при оценке по шкале II и степенью развития дефектов по шкале I:
- поверхностных дефектов - S2 максимум;
- хаотично расположенных дефектов - R2 максимум;
- центральной пористости - C3 максимум.
7.12.30 С контролем макроструктуры на продольных макротемплетах по шкалам, согласованным при заказе.
7.12.31 Без контроля макроструктуры проката, оцениваемого по излому.
7.12.32 Горячекатаный неотожженный, диаметром, стороной квадрата или толщиной до 85,0 мм включительно - с нормированной карбидной сеткой. Нормы согласовывают при заказе.
7.12.33 Неотожженный - с остатками карбидной сетки не более балла 4, оцениваемые по эталонам шкалы N 2 в
таблице А.2.
7.12.34 С повышенными требованиями по структурной полосчатости (с баллами менее указанных в
таблице 11). Нормы согласовывают при заказе.
7.12.35 С повышенными требованиями по карбидной ликвации (с баллами менее указанных в
таблице 11). Нормы согласовывают при заказе.
7.12.36 С контролем карбидной ликвации другими методами измерений. Методы согласовывают при заказе.
7.12.37 Горячекатаный отожженный размером свыше 85 мм - с контролем структурной полосчатости и/или карбидной ликвации. Нормы согласовывают при заказе.
7.12.38 С повышенной чистотой по неметаллическим включениям (НВ1) (с баллами менее указанных в
таблице 12). Нормы согласовывают при заказе.
7.12.39 Калиброванный и горячекатаный отожженный, диаметром, стороной квадрата или толщиной до 40,0 мм включительно, из стали открытой выплавки, в том числе с применением железа прямого восстановления (ПВ), с вакуумированием (В) или без вакуумирования - с контролем загрязненности стали неметаллическими включениями (НВ2) (с баллами, отличными от указанных в
таблице 12). Нормы согласовывают при заказе.
7.12.40 Калиброванный и горячекатаный отожженный, диаметром, стороной квадрата или толщиной более 80,0 мм, из стали открытой выплавки, в том числе с применением железа прямого восстановления (ПВ), с вакуумированием (В) или без вакуумирования - с контролем загрязненности стали неметаллическими включениями (НВ2). Нормы согласовывают при заказе.
7.12.41 Со специальной отделкой поверхности из стали открытой выплавки, в том числе с применением железа прямого восстановления (ПВ), с вакуумированием (В) или без вакуумирования - с контролем загрязненности стали неметаллическими включениями (НВ3). Нормы согласовывают при заказе.
7.12.42 С требованиями по загрязненности стали неметаллическими включениями (НВ4) при контроле по методу A "наихудшего поля" (см.
[3]) в соответствии с
таблицей 15.
Таблица 15
Загрязненность стали неметаллическими включениями
Тип включений |
| B тонкие/толстые | C тонкие/толстые | D тонкие/толстые | DS |
2,0/1,0 | 1,5/0,5 | 0,5/0,5 | 1,0/0,5 | 1,0 |
Примечание - В методе A, приведенном в [4], результаты выражаются как среднее арифметическое значение, рассчитанное путем деления суммы наихудших полей (в каждом образце) для каждого вида включений на количество образцов. Требования по включениям типа A (сульфиды) не распространяются на прокат из стали, микролегированной серой. |
7.12.43 С контролем нитридных (строчечных и точечных) включений (НВ5). Нормы и метод контроля согласовывают при заказе.
7.12.44 Прокат с контролем загрязненности стали неметаллическими включениями (НВ6) методом испытания на "синий излом" (см.
[4]). Нормы и объем выборки согласовывают при заказе.
7.12.45 Горячекатаный неотожженный - с нормами по микропористости стали не более балла 3 по шкале N 8 в
таблице А.8.
7.12.46 Диаметром, стороной квадрата или толщиной 28 мм и более, из стали марок ШХ15 и ШХ15СГ - с контролем прокаливаемости (ПР1) по методике, приведенной в
приложении Б. Нормы - в соответствии с
приложением Б.
7.12.47 Из стали марки ШХ4 после аустенизации при температуре (860 +/- 10) °C - с контролем прокаливаемости (ПР2) по методике, приведенной в
приложении Б. Нормы согласовывают при заказе.
7.12.48 С повышенными по сравнению с
7.12.46 требованиями к прокаливаемости (ПР3), что достигается для стали ШХ15 с массовой долей марганца от 0,30% до 0,40% и хрома от 1,50% до 1,65% и для стали ШХ15СГ - марганца от 1,05% до 1,20% и хрома от 1,50% до 1,65%. Нормы согласовывают при заказе. Метод контроля в соответствии с
приложением Б.
7.12.49 С контролем внутренних дефектов методом ультразвукового контроля (УЗК) по
ГОСТ 21120. Нормы (группу качества и диаметр контрольного отражателя) согласовывают при заказе.
7.12.50 Из стали марок ШХ15 и ШХ15СГ - с нормированной величиной дефектов, определяемых в изделиях магнитным (вихретоковым) методом. Нормы согласовывают при заказе.
8.1 Общие правила приемки - по
ГОСТ 7566 со следующими дополнениями.
8.1.1 К приемке прокат предъявляют партиями.
Партия должна состоять из прутков, полос или мотков (бухт):
- одного размера;
- стали одной марки, способа выплавки, обработки и переплава;
- одного режима термической обработки;
- одного способа обработки и отделки поверхности;
- одной плавки-ковша при разливке в слиток, одной серии разливки при непрерывной разливке стали.
Партия проката из стали электрошлакового переплава (Ш) также должна состоять из прутков, полос, мотков (бухт) из стали, полученной из электродов одной исходной плавки, переплавленных по одной технологии.
8.1.2 Каждая партия проката должна сопровождаться документом о качестве, оформленным в соответствии с требованиями
ГОСТ 7566 (см. также
[1]), или в зависимости от указанного в заказе.
Документ о качестве должен содержать следующие сведения:
- обозначение настоящего стандарта;
- условное обозначение проката;
- марку стали с указанием способа выплавки, обработки или переплава;
- номер партии, номер плавки (плавки-ковша);
- результаты испытаний и контроля, в т.ч. для металлопродукции, принимаемой в соответствии с требованиями
7.12 по заказываемым показателям.
8.1.3 Для проката, изготовленного из стали плавок, для которых не определяется фактическая массовая доля кислорода
[8.2, перечисление д)], в документе о качестве указывают: "Кислород - не более 0,0015%". Гарантируется технологией изготовления.
8.1.4 Отбор проб от прутков, полученных отливкой сверху или снизу, проводят по высоте исходных слитков (головной и донной части первого, среднего и последнего годного слитка) и по ходу разливки (из верхней и нижней разливки), а для прутков, полученных из непрерывнолитой заготовки, от порции разливаемого металла (первой, средней, последней) из каждого ручья.
8.2 Для контроля качества проката устанавливают следующий объем выборки:
а) для контроля формы и размеров - 10% прутков, полос или мотков (бухт) партии, но не менее пяти штук;
б) для контроля массы и внутреннего диаметра мотков (бухт) - все мотки (бухты) партии;
в) для контроля качества поверхности - все прутки, полосы или мотки (бухты) партии;
г) для химического анализа - одну пробу от плавки. Определение кислорода и азота проводят для каждой плавки;
д) для проверки соответствия марке стали (методами искрения или стилоскопическими, а также другими неразрушающими методами) - все прутки, полосы или мотки (бухты) партии. По согласованию изготовителя с заказчиком контроль проката на соответствие марке допускается не проводить, а гарантировать технологией;
е) для проверки на горячую и холодную осадку - по три прутка, полосы или мотка (бухты) каждого размера в плавке;
ж) для контроля твердости:
1) при диаметре, стороне квадрата или толщине до 30 мм включительно - от одного до трех прутков или полос от 1 т проката, но не менее пяти прутков или полос от партии,
2) при диаметре, стороне квадрата или толщине более 30 мм - 10% прутков или полос от партии, но не менее пяти прутков или полос от партии,
3) не менее пяти мотков (бухт) от партии;
и) для контроля макроструктуры - два прутка или две перекованные пробы от партии (для контроля флокенов отбирают два прутка от партии в поставляемом профиле);
к) для контроля отсутствия усадочной раковины по излому поперек направления волокна для проката: со специальной отделкой поверхности, калиброванного всех размеров и горячекатаного отожженного проката размером до 50 мм включительно - все прутки, полосы или мотки (бухты) партии (с одного конца); при 100%-ном контроле неразрушающими методами контролю на излом подвергают два прутка, две полосы или два мотка (бухты) от партии;
л) для оценки излома горячекатаного отожженного проката диаметром, стороной квадрата или толщиной более 50 мм и неотожженного проката всех размеров на закаленных образцах, отобранных вдоль направления волокна, - два прутка, полосы или мотка (бухты) от партии;
м) для контроля глубины обезуглероженного слоя - пять прутков, полос или мотков (бухт) от партии;
н) для контроля микроструктуры (форма и степень дисперсности перлита) - пять прутков, полос или мотков (бухт) от партии;
п) для контроля карбидной сетки, карбидной ликвации, структурной полосчатости - по пять прутков, полос или мотков (бухт) от партии для каждого вида контроля;
р) для контроля загрязненности стали неметаллическими включениями - шесть прутков, полос или мотков (бухт) от партии;
с) для контроля загрязненности стали неметаллическими включениями на "синий излом" - количество прутков (темплетов) от плавки согласовывают при заказе;
т) для контроля микропористости - шесть прутков, полос или мотков (бухт) от партии;
у) для контроля прокаливаемости - два образца от партии;
ф) для ультразвукового контроля внутренних дефектов - 100% прутков или полос или другой объем, согласованный при заказе.
В случае, если количество единиц продукции в партии меньше объема выборки для испытания, то данному испытанию подвергают 100% продукции.
8.3 Повторные испытания
8.3.1 При несоответствии результатов контроля по какому-либо показателю качества (кроме неметаллических включений) требованиям настоящего стандарта повторный контроль по нему проводят в соответствии с
ГОСТ 7566.
8.3.2 При получении неудовлетворительных результатов первичного контроля по неметаллическим включениям забракованные прутки, полосы или мотки (бухты) из партии исключают и повторный контроль проводят:
- для горячекатаного неотожженного проката - на не менее шести образцах, отобранных по одному от шести новых произвольно взятых прутков, полос или мотков (бухт);
- для горячекатаного отожженного, калиброванного проката и проката со специальной отделкой поверхности - на девяти новых образцах, отобранных по одному от девяти новых произвольно взятых прутков, полос или мотков (бухт).
При получении неудовлетворительных результатов повторного контроля по неметаллическим включениям оставшуюся часть партии допускается проверять посифонно (для открытой выплавки) или послиточно [для электрошлакового переплава (Ш) и/или вакуумно-дугового переплава (ВД)], или по номеру непрерывнолитой заготовки в ручьях с контролем проката, изготовленного из каждого сифона, слитка Ш и/или ВД, или непрерывнолитых заготовок одной серии по разливке, как отдельной партии.
8.3.3 При получении неудовлетворительных результатов плавочного анализа химический состав стали может быть аттестован по анализу готовой продукции. При этом в документе о качестве указывают результаты двух анализов.
9.1 Контроль геометрических размеров проката выполняют средствами измерения или шаблонами соответствующей точности.
9.1.1 Контроль отклонений формы проката проводят по
ГОСТ 26877.
Кривизну проката измеряют на участке длиной не менее 1 м.
9.1.2 Размеры сечения и кривизну проката измеряют:
- для проката со специальной отделкой поверхности и калиброванного проката - на расстоянии не менее 25 мм от конца прутка;
- для горячекатаного проката - на расстоянии не менее 100 мм от конца (торца) прутка.
9.2 Отбор проб для определения химического состава стали проводят по
ГОСТ 7565. Отбор проб для определения массовой доли кислорода в жидкой стали проводят с учетом
[5], в готовом прокате - по
ГОСТ 17745.
Химический анализ стали выполняют методами, установленными ГОСТ 12344 - ГОСТ 12352, ГОСТ 12354 - ГОСТ 12357,
ГОСТ 12359,
ГОСТ 12361,
ГОСТ 17745,
ГОСТ 18895,
ГОСТ 27809,
ГОСТ 28033,
ГОСТ 28473 (см. также
[6],
[7],
[8]), или другими методами, обеспечивающими требуемую точность измерений и аттестованными в установленном порядке. При возникновении разногласий химический анализ проводят по приведенным в настоящем пункте стандартам.
9.3 Контроль качества поверхности проката проводят неразрушающими методами.
Допускается контролировать качество поверхности осмотром проката без применения увеличительных приборов.
Допускается горячекатаный прокат подвергать травлению или светлению кольцами или змейкой. Расстояние между кольцами или шаг змейки не должны превышать 500 мм.
Глубину залегания дефектов на поверхности проката определяют контрольной зачисткой или запиловкой напильником.
9.4 Контроль шероховатости поверхности горячекатаного ободранного (обточенного) проката проводят по
ГОСТ 2789 или по согласованным эталонам.
9.5 Отбор проб для испытания на осадку проводят по
ГОСТ 7564.
Испытание на осадку проводят по
ГОСТ 8817. При испытании на горячую осадку образец высотой, равной двум диаметрам или двум толщинам проката, должен осаживаться до 1/3 первоначальной высоты, а при испытании на холодную осадку - до 1/2 первоначальной высоты.
Испытание на горячую осадку проводят на образцах, нагретых до температуры от 900 °C до 1150 °C.
Испытание на горячую осадку образцов горячекатаного проката изготовитель может не проводить:
- если для выявления дефектов поверхности применяют другие разрушающие или неразрушающие методы контроля;
- при условии гарантии обеспечения у изготовителя требований
7.5.
9.6 При определении наличия нагартованного слоя на калиброванном прокате и прокате со специальной отделкой поверхности арбитражным методом, определяющим пригодность проката по назначению, является выполнение требований при испытании на холодную осадку до 1/2 первоначальной высоты или по согласованию изготовителя с заказчиком - измерение поверхностной твердости.
9.7 Твердость отожженного проката определяют по
ГОСТ 9012 (индекс усилия K = 30, шкала измерения 10/3000) после зачистки обезуглероженного слоя с двух концов отобранных прутков, полос или мотков (бухт). Допускается проверять твердость в поперечном сечении образцов. Количество отпечатков - не менее трех. За результат принимают среднеарифметическое значение.
При контроле твердости шариком менее 10 мм с индексом усилия K = 30 диаметр отпечатка приводят (пересчитывают) к шкале 10/3000.
9.8 Макроструктуру проката оценивают следующим образом:
а) изготовленного из слитка (КМС1) - по
ГОСТ 10243 (см. также
[2]);
б) изготовленного из непрерывнолитой заготовки (КМС2) в части дефектов:
1) ликвационные полоски, осевая ликвация, центральная пористость, краевое точечное загрязнение, светлая полоса (контур), точечная неоднородность - по национальным стандартам, действующим в государствах, принявших настоящий стандарт <1>, или по нормативным документам, согласованным в установленном порядке;
--------------------------------
<1> В Российской Федерации действует
ГОСТ Р 58228-2018 "Заготовка стальная непрерывнолитая. Методы контроля и оценки макроструктуры".
Макроструктуру проката, изготовленного из слитка (КМС1) или из непрерывнолитой заготовки (КМС2), проверяют:
- диаметром, стороной квадрата или толщиной 30,0 мм и более - на поперечных протравленных темплетах и по излому;
- диаметром, стороной квадрата или толщиной менее 30,0 мм - по излому.
Допускается проводить оценку макроструктуры проката диаметром, стороной квадрата или толщиной менее 30,0 мм на поперечных протравленных темплетах. При этом нормируемые в баллах требования к макроструктуре проката диаметром, стороной квадрата или толщиной менее 30,0 мм, должны соответствовать указанным в
таблицах 7 (для КМС1) и
8 (для КМС2).
Отсутствие остатков усадочной раковины может быть определено магнитным методом на шайбах, отрезанных с двух концов прутка, полосы или мотка (бухты).
Макроструктуру проката диаметром, стороной квадрата или толщиной более 120,0 мм допускается контролировать на образцах, перекованных до диаметра, стороны квадрата или толщины 120,0 мм по согласованной шкале.
Шлифы допускается травить в водном растворе соляной кислоты 1:1 по
ГОСТ 3118 (температура раствора от 65 °C до 70 °C, время травления от 30 до 35 мин).
9.9 Излом контролируют на образцах, отобранных с одного конца прутка, полосы или мотка (бухты).
Метод контроля, вырезка и подготовка образцов - в соответствии с
ГОСТ 10243.
9.10 Глубину обезуглероженного слоя определяют по
ГОСТ 1763 (метод М или Т) на пяти образцах, отобранных по одному от каждой контрольной единицы.
Заказчик может проводить предварительный контроль обезуглероживания методом искрения.
При контроле глубины обезуглероженного слоя методом Т по
ГОСТ 1763 образцы следует подвергать закалке с температуры (850 +/- 10) °C в масле.
После зачистки поверхности прутков на глубину, соответствующую допустимым нормам обезуглероженного слоя, указанным в
7.8, твердость должна быть не менее 61 HRC.
Глубину обезуглероженного слоя неотожженного проката разрешается проверять по излому. Методику контроля согласовывают при заказе.
При возникновении разногласий глубину обезуглероженного слоя проверяют по
ГОСТ 1763 (метод М).
9.11 Микроструктуру (форма и дисперсность перлита) стали горячекатаного отожженного, калиброванного проката и проката со специальной отделкой поверхности проверяют на пяти поперечных образцах, отобранных по одному от каждой контрольной единицы.
Образцы для изготовления шлифов вырезают в виде шайб толщиной от 10,0 до 25,0 мм включительно.
Шлифы от проката диаметром, стороной квадрата или толщиной до 40,0 мм включительно изготовляют по всему поперечному сечению, а диаметром, стороной квадрата или толщиной свыше 40,0 до 85,0 мм включительно - на вырезанной из шайб 1/4 сечения.
Шлифы рекомендуется травить в свежеприготовленном 2 - 4%-ном спиртовом растворе азотной кислоты или в насыщенном водном растворе тринитрофенола (пикриновой кислоты) с добавками от 1% до 5% поверхностно-активных веществ. Структуру перлита оценивают при увеличении от 450
x до 600
x по эталонам шкалы N 1 в
таблице А.1.
Оценку проводят по наибольшему баллу, встречающемуся не менее чем на трех участках шлифа. Оценку перлита в обезуглероженном слое не проводят.
9.12 Вырезку продольных образцов, термическую обработку и изготовление шлифов для оценки карбидной сетки проводят так же, как и для оценки неметаллических включений.
Шлифы травят в 4%-ном спиртовом растворе азотной кислотой до почернения и отчетливого выявления карбидов.
Карбидную сетку оценивают при увеличении от 450
x до 500
x по наихудшему месту шлифа сравнением с эталонами шкалы N 2 в
таблице А.2.
Если карбидная сетка не может быть оценена одним из двух соседних эталонов шкал, оценку проводят промежуточными баллами: 0,5; 1,5; 2,5; 3,5 и т.д.
Партию проката оценивают по максимальному баллу из оценок образцов.
При поставке проката диаметром, стороной квадрата или толщиной свыше 60,0 до 85,0 мм включительно с нормированной карбидной сеткой центральную зону диаметром 25 мм не контролируют.
9.13 Структурную полосчатость оценивают на продольных шлифах.
Вырезку, термическую обработку и изготовление шлифов проводят так же, как и для оценки неметаллических включений.
Образцы, отобранные от неотожженного проката, допускается предварительно отжечь на твердость по
7.6.1. Образцы, вырезанные из проката диаметром или толщиной 140,0 мм и более, подвергают термической обработке без предварительного отжига.
Микрошлифы необходимо травить в свежеприготовленном 4%-ном спиртовом растворе азотной кислоты. Время травления - от 15 до 20 с.
Оценку структурной полосчатости проводят при увеличении от 90
x до 110
x путем сравнения с эталонами шкалы N 3 в
таблице А.3.
Шкала N 3 в
таблице А.3 для оценки развития структурной полосчатости в структуре подшипниковой стали построена по принципу возрастания толщины (количества) темных полос (мартенситно-троститной структуры). В темно-травящихся полосах в основном концентрируются карбиды, карбидная ликвация, карбидная сетка.
Если структурная полосчатость не может быть оценена сравнением с одним из двух баллов эталонов, оценку проводят промежуточными баллами: 0,5; 1,5; 2,5; 3,5 и т.д.
На каждом шлифе необходимо оценивать максимальную структурную полосчатость.
Партию проката оценивают по максимальному баллу из оценок образцов.
9.14 Для оценки карбидной ликвации вырезку образцов, их термическую обработку и приготовление шлифов проводят так же, как и для оценки неметаллических включений.
Карбидную ликвацию оценивают при увеличении от 90
x до 110
x по наихудшему месту шлифа сравнением с эталонами шкалы N 4 в
таблице А.4.
Если карбидная ликвация не может быть оценена одним из двух соседних баллов, оценку проводят промежуточными баллами: 0,5; 1,5; 2,5; 3,5 и т.д.
Партию проката оценивают по максимальному баллу из оценок образцов.
9.15 Допускается структурную полосчатость, карбидную ликвацию и карбидную сетку оценивать на образцах, изготовленных для контроля неметаллических включений.
9.16 Отбор проб и подготовку образцов для оценки загрязненности стали неметаллическими включениями проводят по
ГОСТ 1778 (при контроле по методу A "наихудшего поля" - см.
[3]). Образцы, отобранные от неотожженного проката, допускается подвергать предварительному отжигу.
Контроль проводят на шести образцах, отобранных по одному от каждой контрольной единицы.
Вырезанные образцы подвергают закалке с температуры (850 +/- 10) °C с охлаждением в масле и отпуску при температуре от 150 °C до 160 °C в течение 1 ч.
Оценку загрязненности стали неметаллическими включениями проводят при увеличении от 90x до 110x и диаметре поля зрения от 1,1 до 1,3 мм включительно.
Оценку каждого шлифа проводят сравнением его наиболее загрязненного места с эталонами шкал по таблицам
приложения А:
- силикаты недеформирующиеся (глобули) - по шкале N 7 в
таблице А.7.
Силикаты пластичные и хрупкие оценивают по шкале строчечных оксидов или сульфидов и относят к оксидным включениям.
Если включения не могут быть оценены одним из двух соседних баллов, оценку проводят промежуточными баллами: 0,5; 1,5; 2,5; 3,5 и т.д.
9.16.1 Оценку загрязненности стали неметаллическими включениями методом испытания на "синий излом" проводят с учетом
[4].
9.17 Микропористость оценивают на образцах, изготовленных для контроля неметаллических включений.
Микропористость проката из стали электрошлакового переплава (Ш) и/или вакуумно-дугового переплава (ВД) оценивают только в поставляемом профиле.
Каждый шлиф оценивают при увеличении от 90
x до 110
x сравнением с эталонами шкалы N 8 в
таблице А.8.
Отсутствие микропористости на образце указывают оценкой "0".
Если микропористость не может быть оценена одним из двух соседних баллов, оценку проводят промежуточными баллами 0,5; 1,5; 2,5; 3,5 и т.д.
За результат оценки принимают максимальный балл.
9.18 Контролю прокаливаемости подвергают прутки диаметром, стороной квадрата или толщиной 28 мм и более. Контроль проводят методом торцовой закалки по
ГОСТ 5657 и методике, приведенной в
приложении Б.
Прутки сечением 50 мм и более должны быть перекованы или перекатаны в направлении исходного волокна на пробу диаметром, стороной квадрата или толщиной

.
Допускается изготовление образцов вырезкой для всего диапазона диаметров или толщин. Место вырезки образцов из профилей размером до 150 мм включительно - по согласованию изготовителя с заказчиком, из профилей размером более 150 мм - по
ГОСТ 5657. В арбитражных случаях вырезку образцов допускается проводить из профилей в соответствии с
ГОСТ 5657.
9.19 Для проката из стали одной плавки, прошедшего контроль на макроструктуру, микропористость (стали открытой выплавки), структурную полосчатость, карбидную ликвацию и неметаллические включения, на крупных профилях проката, разрешается результаты перечисленных испытаний и контроля распространять на партии проката более мелких профилей и перечисленному контролю не подвергать. В этом случае в документе о качестве указывают: "Соответствует ГОСТ 801. Документ о качестве N ...., прокат диаметром ...мм".
10 Маркировка, упаковка, транспортирование и хранение
10.1 Маркировка, упаковка, транспортирование и хранение должны соответствовать требованиям
ГОСТ 7566 с учетом следующих дополнений.
10.2 Прокат диаметром, стороной квадрата или толщиной от 30,0 до 70,0 мм включительно маркируют на поверхности прутка ближе к концу, допускается маркировать на торце. Прокат диаметром, стороной квадрата или толщиной более 70,0 мм маркируют на торце.
10.2.1 По согласованию изготовителя с заказчиком допускается прокат диаметром, стороной квадрата или толщиной от 30,0 до 70,0 мм и более маркировать путем наклеивания бумажных этикеток, покрытых влагонепроницаемым лаком.
10.2.2 Прокат диаметром, стороной квадрата или толщиной менее 30 мм и полос толщиной от 30,0 до 70,0 мм включительно допускается маркировать на торце бумажными этикетками и закрашиванием торцов зеленой краской, не менее 10 шт. на пачку.
10.2.3 При маркировке круглого проката на торце этикеткой допускается наносить на этикетку только номер плавки и марку стали, при маркировке клеймом - только номер плавки и условный код марки стали.
10.2.4 Для прутков со специальной отделкой поверхности диаметром менее 83 мм допускается наносить маркировку только на навешиваемые к каждой связке ярлыки.
10.2.5 Для прутков, упакованных в пачки, допускается наносить маркировку только на навешиваемые к каждой пачке ярлыки.
10.3 Для мотков (бухт) и прутков диаметром, стороной квадрата или толщиной менее 30 мм маркировку наносят на прикрепляемые к каждой связке ярлыки, кроме того, следует проводить маркировку не менее трех контрольных прутков и полос в связке с окрашиванием их концов или торцов зеленой краской.
10.4 Мотки (бухты) из нескольких отрезков должны иметь дополнительную маркировку: ярлык с надписью "Разорван" или полосу, нанесенную краской по диаметру мотка (бухты) одним из следующих цветов - белым, голубым или зеленым.
10.5 Прокат из стали, полученной специальными способами выплавки и переплавов, должен иметь дополнительную маркировку в конце наименования марки с обозначением через дефис следующими буквами:
- с применением электрошлакового переплава - "Ш";
- с применением вакуумно-дугового переплава - "ВД";
- с применением электрошлакового с последующим вакуумно-дуговым переплавом - "ШД";
- с применением внепечного вакуумирования - "В";
- с применением железа прямого восстановления - "ПВ".
Маркировку допускается наносить на ярлык.
По требованию заказчика для проката, изготовленного из непрерывнолитой заготовки, наносят дополнительную маркировку на торец или ярлык - КМС2.
10.6 Прокат со специальной отделкой поверхности упаковывают в мешковину, синтетическую пленку или ящики с бумажной упаковкой. Допускается другая упаковка, обеспечивающая сохранность проката при транспортировании от повреждений и коррозии.
10.6.1 По согласованию изготовителя с заказчиком прутки и полосы упаковывают в пачки с прикреплением двух ярлыков вместо маркировки.
10.7 Прокат со специальной отделкой поверхности и калиброванный прокат для предохранения от коррозии покрывают легко удаляемой смазкой.
Прокат со специальной отделкой поверхности и калиброванный прокат смазкой не покрывают при условии применения упаковочных материалов с ингибитором коррозии.
11 Требования безопасности и охраны окружающей среды
Прокат пожаро- и взрывобезопасен, нетоксичен и не требует специальных мер при транспортировании, хранении и переработке.
Осуществление специальных мер по охране окружающей среды не требуется.
Изготовитель гарантирует соответствие продукции требованиям настоящего стандарта при соблюдении условий транспортирования и хранения.
(обязательное)
ШКАЛЫ ДЛЯ ОЦЕНКИ СТРУКТУРЫ СТАЛИ
А.1 Шкалы для оценки структуры стали приведены в таблицах (см. вкладку формата A.3):
-
таблица А.1 - шкала N 1. Микроструктура (форма и степень дисперсности перлита);
-
таблица А.2 - шкала N 2. Карбидная сетка (остатки карбидной сетки);
-
таблица А.5 - шкала N 5. Загрязненность оксидами строчечными;
-
таблица А.7 - шкала N 7. Загрязненность силикатами недеформирующимися (глобулярными);
Таблица А.1
Шкала N 1. Микроструктура (форма и степень дисперсности
перлита) (при увеличении 500x)
Балл 1 | Балл 2 | Балл 3 | Балл 5 | Балл 4 |
| | | | |
Балл 1а | |
|
Балл 6 | Балл 7 | Балл 8 | Балл 9 | Балл 10 |
| | | | |
Таблица А.2
Шкала N 2. Карбидная сетка (остатки карбидной сетки)
(при увеличении 500x)
Балл 1 | Балл 2 | Балл 3 |
| | |
| Балл 4 | Балл 5 | |
| |
Таблица А.3
Шкала N 3. Структурная полосчатость (при увеличении 100
x)
| Балл 1 | Балл 2 | Балл 3 | Балл 4 | Балл 5 |
а | | | | | |
б | | | | | |
в | | | | | |
г | | | | | |
Таблица А.4
Шкала N 4. Карбидная ликвация (при увеличении 100
x)
Балл 1 | Балл 2 | Балл 3 | Балл 4 | Балл 5 |
| | | | |
Балл 1а | Балл 2а | Балл 3а | Балл 4а | Балл 5а |
| | | | |
Таблица А.5
Шкала N 5. Загрязненность оксидами строчечными
(при увеличении 100x)
Таблица А.6
Шкала N 6. Загрязненность сульфидами (при увеличении 100
x)
Таблица А.7
Шкала N 7. Загрязненность силикатами недеформирующимися
(глобулярными) (при увеличении 100x)
Таблица А.8
Шкала N 8. Микропористость (при увеличении 100
x)
Балл 1 | Балл 2 | Балл 3 | Балл 4 | Балл 5 |
| | | | |
Балл 1а | Балл 2а | Балл 3а | Балл 4а | Балл 5а |
| | | | |
(рекомендуемое)
КОНТРОЛЬ ПРОКАЛИВАЕМОСТИ ПРОКАТА ИЗ СТАЛИ МАРОК
ШХ4, ШХ15, ШХ7СГ И ШХ15СГ МЕТОДОМ ТОРЦОВОЙ ЗАКАЛКИ
Б.1 Общие положения
Контроль прокаливаемости стали методом торцовой закалки состоит в том, что один торец цилиндрического образца, нагретого до температуры закалки, охлаждают водой в специальной установке. После закалки измеряют твердость по длине образца от охлажденного водой торца к незакаленной головке и методом интерполяции определяют глубину прокаливаемости.
Под прокаливаемостью стали марок ШХ15 и ШХ15СГ понимают глубину проникновения закаленной зоны от охлаждаемого торца образца до точки, имеющей твердость 61 HRC. Нормы для стали марок ШХ4 и ШХ7СГ устанавливают по согласованию изготовителя с заказчиком.
Б.2 Отбор образцов
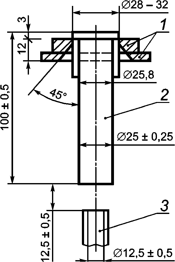
Б.2.1 Образец для испытания стали на прокаливаемость должен быть цилиндрической формы диаметром (25 +/- 0,25) мм и длиной (100 +/- 0,5) мм с заплечиком на одном конце. Образец для испытания приведен на
рисунке Б.1.
Рисунок Б.1 - Образец для испытания
Б.2.2 Для прутков размером сечения от 28,0 до 50,0 мм образец вытачивают из центра прутка в соответствии с требованиями
ГОСТ 7564, а для прутков размером сечения 50,0 мм и более - из центра пробы, перекованной или перекатанной на круг, квадрат размером от 28 до 40 мм включительно. Оси образца и прутка должны совпадать.
Для всего диапазона диаметров допускается изготовление образцов вырезкой.
Б.2.3 Образцы вытачивают из отожженной стали. Структура стали после отжига должна соответствовать требованиям настоящего стандарта. Балл перлита указывают в протоколе испытаний.
Б.2.4 На торце образцов (со стороны заплечика) должна быть нанесена маркировка (номер плавки и номер образца).
Б.2.5 Для контроля прокаливаемости отбирают два образца от партии.
Допускается для контроля прокаливаемости отбирать один образец.
Б.3 Оборудование и приборы
Б.3.1 Печь для нагрева образцов под закалку
Нагрев образцов под закалку осуществляют в камерной электропечи, в которой должен быть обеспечен перепад температур не более +/- 4 °C в объеме рабочего пространства и +/- 3 °C - во времени.
Уровень стабильности поддержания температуры достигается следующим:
- рабочее пространство печи отделяется от нагревательной части специальным экранирующим металлическим муфелем (например, из стали марки Х23Н18);
- температуру в печи поддерживают на заданном уровне платино-родиевой термопарой с регулирующим потенциометром;
- управление печи осуществляют трехпозиционным регулированием: "максимум", "норма", "выключено". Для контроля рабочей термопары в печи должно быть дополнительное отверстие для установки контрольной термопары, которую подключают к переносному потенциометру типа ПП. Точность показаний рабочей термопары в период эксплуатации ежедневно проверяют контрольной термопарой с переносным потенциометром типа ПП.
Б.3.2 Установка для закалки образца
Установка для закалки образца, приведенная на
рисунке Б.2, должна соответствовать следующим основным требованиям:
- образец должен быть установлен вертикально торцовой поверхности над соплом, оси образца и сопла должны совпадать;
- диаметр сопла - (12,5 +/- 0,5) мм, высота свободной струи воды над соплом - (65+5) мм и расстояние от сопла до торца образца - (12,5 +/- 0,5) мм;
- струя воды до установки образца должна перекрываться специальной пластиной, которая после установки нагретого образца сдвигается в сторону;
- высота струи в процессе охлаждения образца должна быть постоянной;
- вода должна касаться только торца образца, не омывая его цилиндрической поверхности.
1 - держатель; 2 - образец; 3 - сопло
Рисунок Б.2 - Установка для закалки образца
Б.3.3 Прибор для измерения твердости
Твердость определяют по методу Роквелла (HRC) в соответствии с требованиями
ГОСТ 9013. Твердость различных партий проката измеряют на одном и том же твердомере и одним и тем же алмазным конусом. Прибор должен быть настроен на измерение твердости в интервале от 60 до 65 HRC. Ежедневно перед проведением испытаний твердости образцов на прокаливаемость точность показаний прибора проверяют на эталоне с твердостью от 60 до 65 HRC.
Б.4 Подготовка образцов
Б.4.1 При нагреве торец образца, подлежащий охлаждению водой, должен быть предохранен от окисления и обезуглероживания. Образец помещают в стальной цилиндрический стаканчик с крышкой. Образец ставят торцом, предназначенным для охлаждения, на графитовую пластинку или на слой отработанного графита. Конструкция и рекомендуемые размеры стаканчика приведены на
рисунке Б.3.
1 - ящик; 2 - крышка; 3 - образец; 4 - графитовая пластинка
Рисунок Б.3 - Конструкция и размеры стаканчика
Б.4.2 В печи должны одновременно нагреваться не более двух образцов в стаканчиках, точно соответствующих конструкции, указанной на
рисунке Б.3. Стаканчики устанавливают в центре печи на керамической подставке (кирпиче) таким образом, чтобы конец термопары находился на расстоянии не более 10 мм от стаканчика (или между стаканчиками, если их два).
Б.4.3 Задаваемая температура нагрева образца под закалку должна быть: (860 +/- 10) °C - для стали марки ШХ4, (850 +/- 10) °C - для стали марок ШХ15 и ШХ7СГ, (840 +/- 10) °C - для стали марки ШХ15СГ.
Б.4.4 Время нагрева образца (с момента посадки в печь) должно быть 60 мин. Образцы помещают в стаканчики, предварительно нагретые при температуре (850 +/- 10) °C в течение 30 мин.
Б.4.5 Время с момента извлечения образца из печи до начала охлаждения не должно превышать 5 с.
Б.4.6 После извлечения образца из печи дверца должна быть немедленно закрыта.
Б.4.7 Образец должен находиться под струей воды до полного охлаждения (не менее 10 мин).
Б.4.8 Температура охлаждающей воды должна быть от 5 °C до 25 °C. Если температуру воды для проведения испытаний не представляется возможным сохранить в указанных пределах, то в протоколе испытаний и сертификате указывают фактическую температуру охлаждающей воды.
Б.5 Измерение твердости
Б.5.1 Для измерения твердости по всей длине закаленного образца сошлифовывают две диаметрально противоположные строго параллельные площадки на глубину (0,7 +/- 0,1) мм.
Б.5.2 Площадки сошлифовывают на шлифовальном станке при обильном охлаждении водой или специальной эмульсией. Шероховатость поверхности площадок Ra должна быть не более 1,25 мкм. Не допускаются прижоги, вызывающие структурные изменения металла. Не допускается шлифование дорожек вручную на наждаке.
Б.5.2.1 Выявление прижогов на площадках образцов после шлифования проводят по следующей методике: шлифованную плоскость промывают теплой водой и травят в 5%-ном водном растворе азотной кислоты по
ГОСТ 4461 до тех пор, пока поверхность не станет черной (от 30 до 60 с).
После травления поверхность промывают теплой водой, затем образец погружают на 3 с в 50%-ный водный раствор соляной кислоты по
ГОСТ 3118 и промывают водой.
Изменения твердости и структуры, происходящие при шлифовании после такой обработки, выявляются в виде светлых и темных пятен.
Б.5.2.2 Прижоги, полученные при шлифовании, перед измерением твердости удаляют повторным шлифованием на глубину 0,1 мм. Если после повторного шлифования прижоги остаются, то плоскости для измерения твердости изготовляют вновь.
Б.5.2.3 Перед измерением твердости с образцов необходимо удалить следы эмульсии, для чего образцы протирают бензином или спиртом.
Б.5.2.4 Следы от измерений твердости удаляют перед измерением ее на противоположной поверхности. Заусенцы от уколов удаляют наждачной бумагой N 3 или микронной бумагой N 40.
Б.5.3 Для определения прокаливаемости стали измерение твердости начинают на расстоянии 1,5 мм от закаленного торца в осевом направлении через каждые 1,5 мм до получения твердости менее 61 HRC для стали марки ШХ15 и менее 60 HRC - для стали марки ШХ15СГ. Места измерений твердости отмечают на сошлифованной площадке с помощью специального приспособления или карандашом с помощью металлической линейки.
Б.5.4 При необходимости повторного измерения твердости на площадке, на которой были сделаны измерения, необходимо площадку перешлифовать. Глубина съема металла при повторном шлифовании должна составлять от 0,1 до 0,2 мм включительно. Допускается изготовлять новые площадки.
Б.5.5 При наличии на образцах трещин или других дефектов, приводящих к искажению результатов измерений твердости, образцы бракуют.
Б.6 Оценка результатов испытаний
Б.6.1 Для каждой пары точек, находящихся на одинаковом расстоянии от торца на двух противоположных площадках, подсчитывают среднеарифметическое значение твердости.
Б.6.2 Методом интерполяции определяют расстояние от торца образца до точки, имеющей твердость 61 HRC для стали марки ШХ15 и 60 HRC - для стали марки ШХ15СГ.
Пример - На расстоянии 7,5 мм от торца образца средняя твердость для стали марки ШХ15 по измерениям с двух сторон составляет 63,5 HRC, а на расстоянии 9,0 мм - 59,0 HRC.
Разница в твердости этих смежных точек:
63,5 HRC - 59,0 HRC = 4,5 HRC.
Разница в твердости точки на расстоянии 7,5 мм от торца (выше критической) и критической твердости:
63,5 HRC - 61,0 HRC = 2,5 HRC.
Падение твердости на 4,5 HRC происходит на длине 1,5 мм.
Падение твердости на 2,5 HRC происходит на длине, равной:
.
Прокаливаемость данного образца составляет:
П = 7,5 + 0,83 = 8,33 мм.
Аналогичный результат был бы получен и при расчете положения точки с глубиной прокаливаемости 61 HRC, если его произвести от точки с прокаливаемостью менее критической. В этом случае необходимо не прибавлять, а вычитать расчетное расстояние, соответствующее градиенту твердости. Для приведенного выше примера расчет имел бы следующий вид:
61,0 HRC - 59,0 HRC = 2,0 HRC;

;
П = 9,0 - 0,67 = 8,33 мм.
Б.6.3 Определение прокаливаемости может быть дополнительно выполнено графическим путем. Образец графика для расчета приведен на
рисунке Б.4 и не требует специальных пояснений.
Рисунок Б.4 - Образец графика для расчета прокаливаемости
(обязательное)
ПРИМЕРЫ УСЛОВНЫХ ОБОЗНАЧЕНИЙ
В.1 Пруток горячекатаный, круглый, обычной точности прокатки (В1), IV класса по кривизне, диаметром 40,0 мм по
ГОСТ 2590 из стали марки ШХ15-В, для холодной механической обработки (ОХ), с требованиями к макроструктуре проката, произведенного из непрерывнолитой заготовки (КМС2), термически обработанный (ТО), с контролем макроструктуры магнитным методом (с учетом
7.12.50) по ГОСТ 801:
В.2 Пруток горячекатаный, круглый, обычной точности прокатки (В1), обточенный (ОБТ), II класса по кривизне, диаметром 90,0 мм по
ГОСТ 2590, из стали марки ШХ15-В, для холодной механической обработки (ОХ), с требованиями к макроструктуре проката, произведенного из непрерывнолитой заготовки (КМС2), без термической обработки, с контролем прокаливаемости с учетом
7.12.46 (ПР1) по ГОСТ 801:
В.3 Пруток горячекатаный, квадратный, обычной точности прокатки (В1), IV класса по кривизне, стороной квадрата 80,0 мм по
ГОСТ 2591, из стали марки ШХ15СГ-В, для горячей обработки давлением (ОГ), с требованиями к макроструктуре проката, произведенного из слитка (КМС1), без термической обработки по ГОСТ 801:
В.4 Полоса горячекатаная, обычной точности прокатки по толщине (ВТ1) и ширине (ВШ1), толщиной 10,0 мм, шириной 22,0 мм, обычной серповидности (ВС), нормальной плоскостности (ПН) по
ГОСТ 103, из стали марки ШХ15-В, для холодной штамповки (ХШ), с требованиями к макроструктуре проката, произведенного из слитка (КМС1), термически обработанная (ТО) по ГОСТ 801:
В.5 Прокат калиброванный, круглый, в прутках, квалитета h10 с учетом
7.12.10, диаметром 10,0 мм по
ГОСТ 7417, из стали марки ШХ15-В, для холодной механической обработки (ОХ), с требованиями к макроструктуре проката, произведенного из слитка (КМС1) по ГОСТ 801:
В.6 Прокат калиброванный, круглый, в мотках (бухтах) (НМД), квалитета h11, диаметром 10,0 мм по
ГОСТ 7417, из стали марки ШХ15-В, для холодной высадки (ХВ) по ГОСТ 801:
В.7 Пруток со специальной отделкой поверхности, круглый, квалитета h11, диаметром 20,0 мм по
ГОСТ 14955, из стали марки ШХ15-Ш, с качеством отделки поверхности группы В по ГОСТ 801:
В.8 Пруток со специальной отделкой поверхности, круглый, квалитета h11, диаметром 15,0 мм по
ГОСТ 14955, из стали марки ШХ15-ПВ, с качеством отделки поверхности группы Д с учетом
7.12.16 по ГОСТ 801:

| DIN EN 10204:2005 | Metallic products - Types of inspection documents (Изделия металлические. Типы актов приемочного контроля) |
| АСТМ E381-2022 | Standard method of microetch testing steel bars billets, blooms and forgings (Метод контроля макроструктуры травлением для стального сортового проката, сутунок, блюмов и поковок) |
| | Steel - Determination of content of non-metallic inclusions - Micrographic method using standard diagrams (Сталь. Определение содержания неметаллических включений. Металлографический метод с использованием эталонных шкал) |
| ISO 3763:76 | Wrought steels. Macroscopic methods for assessing the content of non-metallic inclusions (Определение содержания неметаллических включений методами макроскопии) |
| | Eisen und Stahl. Entnahme und Vorbereitung von Proben  die Bestimmung der chimischen Zusammensetzung (Чугун и сталь. Отбор и подготовка проб для определения химического состава) |
| | Steel and cast iron - Determination of nickel content - Flame atomic absorption spectrometric method (Сталь и чугун. Определение содержания никеля. Спектрометрический метод атомной абсорбции в пламени) |
| | Steel and cast iron - Determination of copper content - Flame atomic absorption spectrometric method (Сталь и чугун. Определение содержания меди. Спектрометрический метод атомной абсорбции в пламени) |
| | Steel and iron - Determination of titanium content - Diantipyrylmethane spectrophotometric method (Сталь и чугун. Определение содержания титана. Спектрометрический метод с применением диантипирилметана) |
| | Non-destructive testing - Eddy current testing - General principles (Контроль неразрушающий. Контроль вихретоковый. Основные положения) |
--------------------------------
<1> В Российской Федерации действует
ГОСТ Р ИСО 4967-2015 "Сталь. Определение содержания неметаллических включений. Металлографический метод с использованием эталонных шкал".
<2> В Российской Федерации действует
ГОСТ Р ИСО 14284-2009 "Сталь и чугун. Отбор и подготовка образцов для определения химического состава".
<3> В Российской Федерации действует
ГОСТ Р ИСО 4940-2010 "Сталь и чугун. Определение содержания никеля. Спектрометрический метод атомной абсорбции в пламени".
<4> В Российской Федерации действует
ГОСТ Р ИСО 4943-2010 "Сталь и чугун. Определение содержания меди. Спектрометрический метод атомной абсорбции в пламени".
<5> В Российской Федерации действует
ГОСТ Р ИСО 10280-2010 "Сталь и чугун. Определение содержания титана. Спектрометрический метод с применением диантипирилметана".
<6> В Российской Федерации действует
ГОСТ Р ИСО 15549-2009 "Контроль неразрушающий. Контроль вихретоковый. Основные положения".
УДК 669.14.018.24:006.354 | |
Ключевые слова: прокат, подшипниковая сталь, шарики, ролики, кольца подшипников, прокаливаемость, макроструктура, излом, микроструктура, неметаллические включения, синий излом, структурная полосчатость, карбидная ликвация, микропористость |