Главная // Актуальные документы // ГОСТ (Государственный стандарт)
СПРАВКА
Источник публикации
В данном виде документ опубликован не был.
Первоначальный текст документа опубликован в издании
М.: Стандартинформ, 2018.
Информацию о публикации документов, создающих данную редакцию, см. в справке к этим документам.
Примечание к документу
Отдельные положения данного документа включены в Перечень международных и региональных (межгосударственных) стандартов, а в случае их отсутствия - национальных (государственных) стандартов, в результате применения которых на добровольной основе обеспечивается соблюдение требований технического регламента Таможенного союза "О безопасности железнодорожного подвижного состава" (ТР ТС 001/2011) и в Перечень международных и региональных (межгосударственных) стандартов, а в случае их отсутствия - национальных (государственных) стандартов, содержащих правила и методы исследований (испытаний) и измерений, в том числе правила отбора образцов, необходимые для применения и исполнения требований технического регламента Таможенного союза "О безопасности железнодорожного подвижного состава" (ТР ТС 001/2011) и осуществления оценки соответствия объектов технического регулирования (Решение Коллегии Евразийской экономической комиссии от 29.03.2022 N 48).

Текст данного документа приведен с учетом поправки, опубликованной в "ИУС", N 5, 2019.

Изменение N 1 введено в действие Приказом Росстандарта от 16.03.2022 N 132-ст с 01.06.2022.
Название документа
"ГОСТ 34385-2018. Межгосударственный стандарт. Буксы и адаптеры для колесных пар тележек грузовых вагонов. Общие технические условия"
(введен в действие Приказом Росстандарта от 24.05.2018 N 275-ст)
(ред. от 16.03.2022)

"ГОСТ 34385-2018. Межгосударственный стандарт. Буксы и адаптеры для колесных пар тележек грузовых вагонов. Общие технические условия"
(введен в действие Приказом Росстандарта от 24.05.2018 N 275-ст)
(ред. от 16.03.2022)


Содержание


Введен в действие
Приказом Федерального агентства
по техническому регулированию
и метрологии
от 24 мая 2018 г. N 275-ст
МЕЖГОСУДАРСТВЕННЫЙ СТАНДАРТ
БУКСЫ И АДАПТЕРЫ ДЛЯ КОЛЕСНЫХ ПАР ТЕЛЕЖЕК ГРУЗОВЫХ ВАГОНОВ
ОБЩИЕ ТЕХНИЧЕСКИЕ УСЛОВИЯ
Axle-boxes and adapters for wheelsets of freight wagon
bogies. General specifications
ГОСТ 34385-2018
Список изменяющих документов
(в ред. Изменения N 1, введенного в действие
Приказом Росстандарта от 16.03.2022 N 132-ст)
МКС 45.060
Дата введения
1 декабря 2018 года
Предисловие
Цели, основные принципы и общие правила проведения работ по межгосударственной стандартизации установлены в ГОСТ 1.0 "Межгосударственная система стандартизации. Основные положения" и ГОСТ 1.2 "Межгосударственная система стандартизации. Стандарты межгосударственные, правила и рекомендации по межгосударственной стандартизации. Правила разработки, принятия, обновления и отмены"
(в ред. Изменения N 1, введенного в действие Приказом Росстандарта от 16.03.2022 N 132-ст)
Сведения о стандарте
1 РАЗРАБОТАН Обществом с ограниченной ответственностью "Всесоюзный научно-исследовательский центр транспортных технологий" (ООО "ВНИЦТТ")
2 ВНЕСЕН Межгосударственным техническим комитетом по стандартизации МТК 524 "Железнодорожный транспорт"
3 ПРИНЯТ Межгосударственным советом по стандартизации, метрологии и сертификации (протокол от 30 января 2018 г. N 105-П)
Евразийский совет по стандартизации, метрологии и сертификации не несет ответственности за патентную чистоту настоящего стандарта. Патентообладатель может заявить о своих правах и направить в национальный орган по стандартизации своего государства аргументированное предложение о внесении в настоящий стандарт поправки для указания информации о наличии в стандарте объектов патентного права и патентообладателе
(абзац введен Изменением N 1, введенным в действие Приказом Росстандарта от 16.03.2022 N 132-ст)
За принятие проголосовали:
Краткое наименование страны по МК (ИСО 3166) 004-97
Код страны по МК (ИСО 3166) 004-97
Сокращенное наименование национального органа по стандартизации
Беларусь
BY
Госстандарт Республики Беларусь
Казахстан
KZ
Госстандарт Республики Казахстан
Киргизия
KG
Кыргызстандарт
Россия
RU
Росстандарт
Таджикистан
TJ
Таджикстандарт
Узбекистан
UZ
Узстандарт
Украина
UA
Минэкономразвития Украины
4 Приказом Федерального агентства по техническому регулированию и метрологии от 24 мая 2018 г. N 275-ст межгосударственный стандарт ГОСТ 34385-2018 введен в действие в качестве национального стандарта Российской Федерации с 1 декабря 2018 г.
5 ВВЕДЕН ВПЕРВЫЕ
Информация о введении в действие (прекращении действия) настоящего стандарта и изменений к нему на территории указанных выше государств публикуется в указателях национальных стандартов, издаваемых в этих государствах, а также в сети Интернет на сайтах соответствующих национальных органов по стандартизации.
В случае пересмотра, изменения или отмены настоящего стандарта соответствующая информация также будет опубликована на официальном интернет-сайте Межгосударственного совета по стандартизации, метрологии и сертификации в каталоге "Межгосударственные стандарты"
(в ред. Изменения N 1, введенного в действие Приказом Росстандарта от 16.03.2022 N 132-ст)
1 Область применения
Настоящий стандарт распространяется на буксы и их составные части, адаптеры и составные адаптеры, а также любые другие составные части двухосных трехэлементных тележек по ГОСТ 9246, расположенные между наружными кольцами подшипников колесных пар и опорными и/или упорными поверхностями проемов для колесных пар в боковых рамах, и устанавливает общие технические требования, правила приемки и методы контроля. Допускается применение настоящего стандарта для букс и их составных частей, адаптеров и составных адаптеров трехосных и четырехосных тележек грузовых вагонов.
Примечание - Применяемые на опорной поверхности проема для колесной пары в боковой раме износостойкие металлические скобы не относят к области применения настоящего стандарта, они являются составной частью боковой рамы.
2 Нормативные ссылки
(раздел 2 в ред. Изменения N 1, введенного в действие Приказом Росстандарта от 16.03.2022 N 132-ст)
В настоящем стандарте использованы нормативные ссылки на следующие межгосударственные стандарты:
ГОСТ 2.106 <*> Единая система конструкторской документации. Текстовые документы
--------------------------------
<*> В Российской Федерации действует ГОСТ Р 2.106-2019 "Единая система конструкторской документации. Текстовые документы".
ГОСТ 2.602-2013 Единая система конструкторской документации. Ремонтные документы
ГОСТ 2.610-2006 <**> Единая система конструкторской документации. Правила выполнения эксплуатационных документов
--------------------------------
<**> В Российской Федерации действует ГОСТ Р 2.610-2019 "Единая система конструкторской документации. Правила выполнения эксплуатационных документов".
ГОСТ 8.051 Государственная система обеспечения единства измерений. Погрешности, допускаемые при измерении линейных размеров до 500 мм
ГОСТ 15.309-98 Система разработки и постановки продукции на производство. Испытания и приемка выпускаемой продукции. Основные положения
ГОСТ 15.902 Система разработки и постановки продукции на производство. Железнодорожный подвижной состав. Порядок разработки и постановки на производство
ГОСТ 27.002 <***> Надежность в технике. Термины и определения
--------------------------------
<***> В Российской Федерации действует ГОСТ Р 27.102-2021 "Надежность в технике. Надежность объекта. Термины и определения".
ГОСТ 380 Сталь углеродистая обыкновенного качества. Марки
ГОСТ 977-88 Отливки стальные. Общие технические условия
ГОСТ 1050-2013 Металлопродукция из нелегированных конструкционных качественных и специальных сталей. Общие технические условия
ГОСТ 1497 (ИСО 6892-84) Металлы. Методы испытаний на растяжение
ГОСТ 3325 Подшипники качения. Поля допусков и технические требования к посадочным поверхностям валов и корпусов. Посадки
ГОСТ 4728-2010 Заготовки осевые для железнодорожного подвижного состава. Технические условия
ГОСТ 4835 Колесные пары железнодорожных вагонов. Технические условия
ГОСТ 7293 Чугун с шаровидным графитом для отливок. Марки
ГОСТ 7409-2018 Вагоны грузовые. Требования к лакокрасочным покрытиям и противокоррозионной защите и методы их контроля
ГОСТ 7565 (ИСО 377-2-99) Чугун, сталь и сплавы. Метод отбора проб для определения химического состава
ГОСТ 8479 Поковки из конструкционной углеродистой и легированной стали. Общие технические условия
ГОСТ 9012 (ИСО 410-82, ИСО 6506-81) Металлы. Метод измерения твердости по Бринеллю
ГОСТ 9013 (ИСО 6508-86) Металлы. Метод измерения твердости по Роквеллу
ГОСТ 9246-2013 Тележки двухосные трехэлементные грузовых вагонов железных дорог колеи 1520 мм. Общие технические условия
ГОСТ 9378 (ИСО 2632-1-85, ИСО 2632-2-85) Образцы шероховатости поверхности (сравнения). Общие технические условия
ГОСТ 15150-69 Машины, приборы и другие технические изделия. Исполнения для различных климатических районов. Категории, условия эксплуатации, хранения и транспортирования в части воздействия климатических факторов внешней среды
ГОСТ 16523-97 Прокат тонколистовой из углеродистой стали качественной и обыкновенного качества общего назначения. Технические условия
ГОСТ 18321-73 <*> Статистический контроль качества. Методы случайного отбора выборок штучной продукции
--------------------------------
ИС МЕГАНОРМ: примечание.
В официальном тексте документа, видимо, допущена опечатка: стандарт имеет номер ГОСТ Р 50779.12-2021, а не ГОСТ Р 55779.12-2021.
<*> В Российской Федерации действует ГОСТ Р 55779.12-2021 "Статистические методы. Статистический контроль качества. Методы случайного отбора выборок штучной продукции".
ГОСТ 18572 Подшипники качения. Подшипники буксовые роликовые цилиндрические железнодорожного подвижного состава. Технические условия
ГОСТ 18895 Сталь. Метод фотоэлектрического спектрального анализа
ГОСТ 19200 Отливки из чугуна и стали. Термины и определения дефектов
ГОСТ 22536.0 Сталь углеродистая и чугун нелегированный. Общие требования к методам анализа
ГОСТ 22536.1 Сталь углеродистая и чугун нелегированный. Методы определения общего углерода и графита
ГОСТ 22536.2 Сталь углеродистая и чугун нелегированный. Методы определения серы
ГОСТ 22536.3 Сталь углеродистая и чугун нелегированный. Методы определения фосфора
ГОСТ 22536.4 Сталь углеродистая и чугун нелегированный. Методы определения кремния
ГОСТ 22536.5 (ИСО 629-82) Сталь углеродистая и чугун нелегированный. Методы определения марганца
ГОСТ 22536.7 Сталь углеродистая и чугун нелегированный. Методы определения хрома
ГОСТ 22536.8 Сталь углеродистая и чугун нелегированный. Методы определения меди
ГОСТ 22536.9 Сталь углеродистая и чугун нелегированный. Методы определения никеля
ГОСТ 22536.10 Сталь углеродистая и чугун нелегированный. Методы определения алюминия
ГОСТ 22536.11 Сталь углеродистая и чугун нелегированный. Методы определения титана
ГОСТ 22536.12 Сталь углеродистая и чугун нелегированный. Методы определения ванадия
ГОСТ 22703-2012 Детали литые сцепных и автосцепных устройств железнодорожного подвижного состава. Общие технические условия
ГОСТ 23170-78 Упаковка для изделий машиностроения. Общие требования
ГОСТ 27208 Отливки из чугуна. Методы механических испытаний
ГОСТ 27611 Чугун. Метод фотоэлектрического спектрального анализа
ГОСТ 27809 Чугун и сталь. Методы спектрографического анализа
ГОСТ 32400 Рама боковая и балка надрессорная литые тележек железнодорожных грузовых вагонов. Технические условия
ГОСТ 32769 Подшипники качения. Узлы подшипниковые конические букс железнодорожного подвижного состава. Технические условия
ГОСТ 32894-2014 Продукция железнодорожного назначения. Инспекторский контроль. Общие положения
ГОСТ 33211-2014 Вагоны грузовые. Требования к прочности и динамическим качествам
Примечание - При пользовании настоящим стандартом целесообразно проверить действие ссылочных стандартов и классификаторов на официальном интернет-сайте Межгосударственного совета по стандартизации, метрологии и сертификации (www.easc.by) или по указателям национальных стандартов, издаваемым в государствах, указанных в предисловии, или на официальных сайтах соответствующих национальных органов по стандартизации. Если на документ дана недатированная ссылка, то следует использовать документ, действующий на текущий момент, с учетом всех внесенных в него изменений. Если заменен ссылочный документ, на который дана датированная ссылка, то следует использовать указанную версию этого документа. Если после принятия настоящего стандарта в ссылочный документ, на который дана датированная ссылка, внесено изменение, затрагивающее положение, на которое дана ссылка, то это положение применяется без учета данного изменения. Если ссылочный документ отменен без замены, то положение, в котором дана ссылка на него, применяется в части, не затрагивающей эту ссылку.
3 Термины и определения
В настоящем стандарте применены термины по ГОСТ 19200, ГОСТ 27.002, а также следующие термины с соответствующими определениями:
(в ред. Изменения N 1, введенного в действие Приказом Росстандарта от 16.03.2022 N 132-ст)
3.1 адаптер: Деталь - опорный переходник незамкнутой формы, свободно устанавливаемый на наружное кольцо подшипника, установленного на колесной паре, и предназначенный для передачи на подшипник нагрузок от боковой рамы.
(п. 3.1 в ред. Изменения N 1, введенного в действие Приказом Росстандарта от 16.03.2022 N 132-ст)
3.2 блокиратор: Составная часть адаптера или тележки, исключающая возможность выхода подшипника колесной пары из адаптера и/или проема для колесной пары в боковой раме при эксплуатации вагонов.
(п. 3.2 в ред. Изменения N 1, введенного в действие Приказом Росстандарта от 16.03.2022 N 132-ст)
3.3
боковое направление: Перпендикулярное продольному направление в плоскости пути.
[ГОСТ 33211-2014, статья 3.5]
3.4 букса: Составная часть колесной пары - закрытый опорный переходник замкнутой формы, устанавливаемый на наружное кольцо буксового цилиндрического подшипника(ов), или буксового цилиндрического кассетного подшипника, или буксового конического кассетного подшипника, установленного на колесной паре, предназначенный для передачи на подшипник(и) нагрузок от боковой рамы.
Примечание - К составным частям буксы относят корпус буксы, крепительную крышку, лабиринтное уплотнение.
(п. 3.4 в ред. Изменения N 1, введенного в действие Приказом Росстандарта от 16.03.2022 N 132-ст)
3.5
вертикальное направление: Направление перпендикулярное к плоскости пути.
[ГОСТ 33211-2014, статья 3.6]
3.6 корпус буксы: Деталь или сборочная единица буксы - опорный переходник замкнутой формы, устанавливаемый на наружное кольцо буксового цилиндрического подшипника(ов) или буксового цилиндрического кассетного подшипника, установленного на колесной паре, предназначенный для передачи на подшипник(и) нагрузок от боковой рамы.
(п. 3.6 в ред. Изменения N 1, введенного в действие Приказом Росстандарта от 16.03.2022 N 132-ст)
3.7 крепительная крышка: Деталь, которая устанавливается в переднюю торцевую часть корпуса буксы для передачи осевых нагрузок, уплотнения и предупреждения попадания внутрь буксы грязи и влаги.
3.8
продольное направление: Направление в плоскости пути вдоль его оси.
[ГОСТ 33211-2014, статья 3.4]
3.9 составной адаптер: Составная часть тележки, состоящая из адаптера и установленного или закрепленного на нем элемента(ов), предназначенных для передачи нагрузок и/или защиты контактирующих поверхностей между адаптером и опорными и/или упорными поверхностями проемов для колесных пар в боковых рамах.
Примечание - Элемент(ы) может(гут) быть выполнен(ы) неметаллическим(и), металлополимерным(и) или металлическим(и).
3.10 составной корпус буксы: Составная часть тележки, состоящая из корпуса буксы и установленных или закрепленных на нем элементов, предназначенных для передачи нагрузок между корпусом буксы и опорными и/или упорными поверхностями проемов для колесных пар в боковых рамах.
4 Основные параметры и размеры
4.1 Конструктивное исполнение адаптера и его основные конструктивные элементы показаны на рисунке 1, конструктивное исполнение составного адаптера - на рисунке 2.
Данные рисунки не определяют конструкцию адаптера и составного адаптера (далее - адаптеры).
(в ред. Изменения N 1, введенного в действие Приказом Росстандарта от 16.03.2022 N 132-ст)
а)
б)
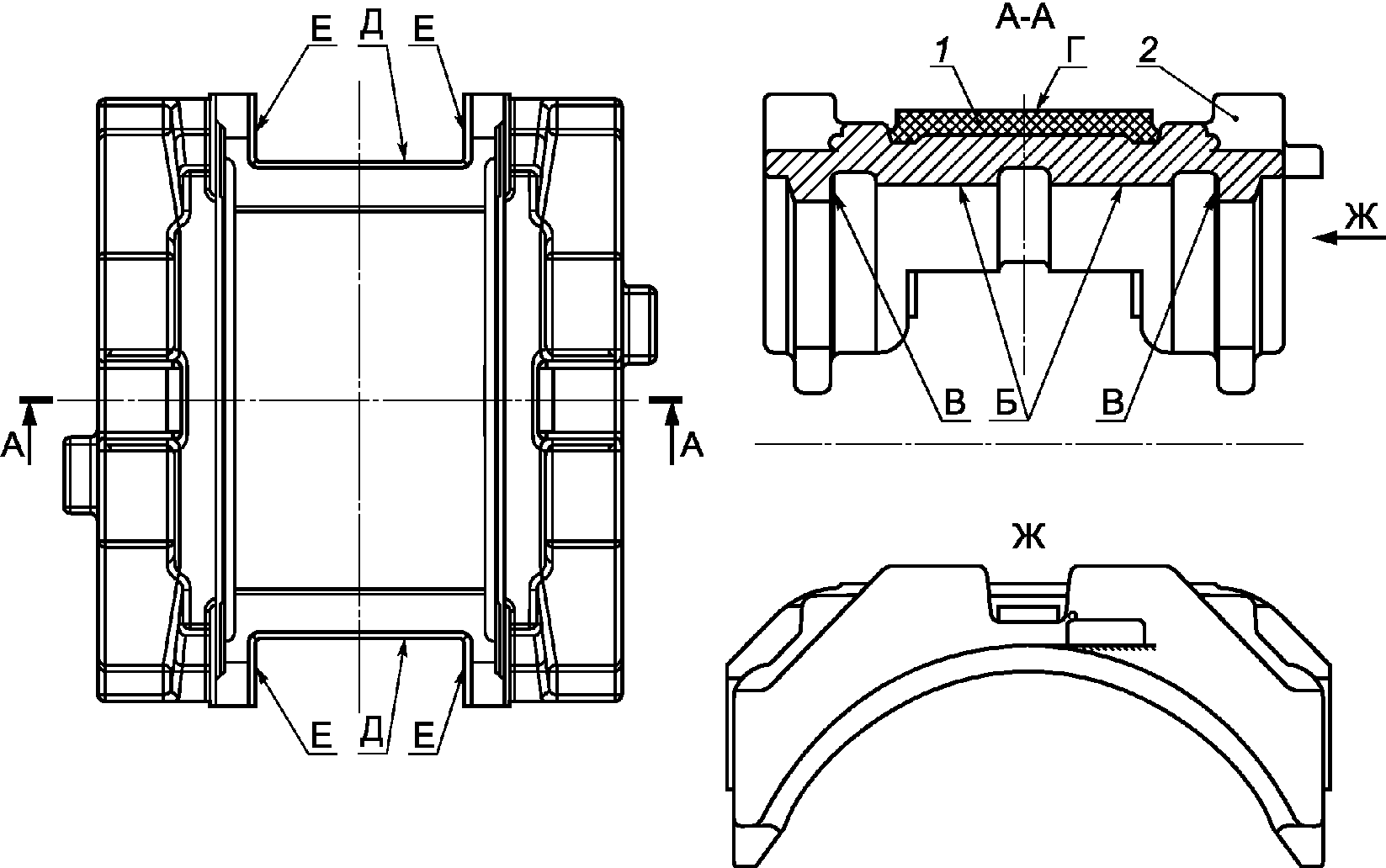
Б - опорная поверхность под подшипник; В - упорная
поверхность под подшипник; Г - опорная поверхность
под боковую раму; Д - упорные стенки ограничителей
продольных перемещений; Е - ограничители боковых
перемещений; Ж - вид сбоку
Рисунок 1 - Конструктивное исполнение
цельного металлического адаптера
(рисунок 1 в ред. Изменения N 1, введенного в действие
Приказом Росстандарта от 16.03.2022 N 132-ст)
1 - неметаллическая, металлическая
или металлополимерная вставка; 2 - адаптер;
Б - опорная поверхность под подшипник; В - упорная
поверхность под подшипник; Г - опорная поверхность
под боковую раму; Д - упорные стенки ограничителей
продольных перемещений; Е - ограничители боковых
перемещений; Ж - вид сбоку
Рисунок 2 - Конструктивное исполнение составного адаптера
с неметаллической или металлической вставкой
4.2 Конструктивные исполнения корпуса буксы показаны на рисунке 3 и 4. Допускается корпуса букс изготавливать как с отъемной, так и с выполненной заодно с корпусом лабиринтной частью.
Данные рисунки не определяют конструкцию корпуса буксы и составного корпуса буксы.
(в ред. Изменения N 1, введенного в действие Приказом Росстандарта от 16.03.2022 N 132-ст)
Б - опорная поверхность под подшипник; В - опорная
поверхность под боковую раму; Г - упорные стенки
ограничителей продольных перемещений (упорная поверхность
под боковую раму); Д - ограничители боковых перемещений;
Е - упорная поверхность под подшипник; Ж - вид сбоку;
И - лабиринтная часть
Рисунок 3 - Корпус буксы, выполненный заодно
с лабиринтной частью
(рисунок 3 в ред. Изменения N 1, введенного в действие
Приказом Росстандарта от 16.03.2022 N 132-ст)
1 - лабиринтная часть; 2 - корпус буксы; Б - опорная
поверхность под подшипник; В - опорная поверхность
под боковую раму; Г - упорные стенки ограничителей
продольных перемещений (упорная поверхность под боковую
раму); Д - ограничители боковых перемещений; Е - упорная
поверхность под подшипник; Ж - вид сбоку
Рисунок 4 - Корпус буксы с отъемной лабиринтной частью
(рисунок 4 в ред. Изменения N 1, введенного в действие
Приказом Росстандарта от 16.03.2022 N 132-ст)
4.3 Конструкторская документация (КД) на адаптер, составной адаптер или буксу должна содержать основные параметры. К основным параметрам относят:
(в ред. Изменения N 1, введенного в действие Приказом Росстандарта от 16.03.2022 N 132-ст)
- максимальную расчетную статическую осевую нагрузку;
- тип подшипникового узла: буксовый конический кассетный подшипник по ГОСТ 32769 или буксовый цилиндрический или буксовый цилиндрический кассетный подшипник по ГОСТ 18572;
(в ред. Изменения N 1, введенного в действие Приказом Росстандарта от 16.03.2022 N 132-ст)
- твердость опорной поверхности под подшипник;
- твердость упорной поверхности под подшипник (для адаптера или составного адаптера);
- твердость опорной поверхности под боковую раму (для металлической поверхности).
4.4 КД на адаптер или составной адаптер должна содержать основные присоединительные размеры. К основным присоединительным размерам относят:
(в ред. Изменения N 1, введенного в действие Приказом Росстандарта от 16.03.2022 N 132-ст)
- исключено с 01.06.2022. - Изменение N 1, введенное в действие Приказом Росстандарта от 16.03.2022 N 132-ст;
- радиус опорной поверхности под подшипник;
- наружный радиус упорной поверхности под подшипник;
- расстояние между упорными поверхностями под подшипник;
- расстояние между упорными стенками боковых ограничителей;
- расстояние между упорными стенками ограничителей продольных перемещений;
- размер опорной поверхности под боковую раму в продольном и боковом направлении.
4.5 КД на корпус буксы или составной корпус буксы должна содержать основные присоединительные размеры. К основным присоединительным размерам относят:
(в ред. Изменения N 1, введенного в действие Приказом Росстандарта от 16.03.2022 N 132-ст)
- исключено с 01.06.2022. - Изменение N 1, введенное в действие Приказом Росстандарта от 16.03.2022 N 132-ст;
- диаметр опорной поверхности под подшипник;
- расстояние между упорными стенками боковых ограничителей;
- расстояние между упорными стенками ограничителей продольных перемещений;
- размеры опорной поверхности под боковую раму в продольном и боковом направлениях;
- расстояние между опорной поверхностью под боковую раму и осью вращения подшипника.
5 Технические требования
5.1 Общие требования
5.1.1 Буксы, адаптеры, составные адаптеры должны соответствовать климатическому исполнению УХЛ1 по ГОСТ 15150 и сохранять статическую прочность по 5.1.2 после воздействия в течение не более 4 ч температуры плюс 80 °C. Для обеспечения требований к климатическому исполнению необходимо соблюдать требования 5.1.1.2 - 5.1.1.3.
(в ред. Изменения N 1, введенного в действие Приказом Росстандарта от 16.03.2022 N 132-ст)
5.1.1.1 Исключен с 01.06.2022. - Изменение N 1, введенное в действие Приказом Росстандарта от 16.03.2022 N 132-ст.
5.1.1.2 Статическая прочность составных частей букс, адаптеров, составных адаптеров после воздействия температуры минус 60 °C должна соответствовать требованиям, установленным 5.1.2.
5.1.1.3 При применении в конструкции буксы, адаптера, составного адаптера неметаллических или металлополимерных составных частей их статическая прочность после воздействия температуры плюс 80 °C в течение не более 4 ч должна соответствовать требованиям, установленным 5.1.2.
5.1.2 Адаптеры, составные адаптеры, корпуса букс, составные корпуса букс должны обладать статической прочностью в соответствии с требованиями ГОСТ 33211-2014 (пункты 4.4.2, 4.4.3). Пример расчета статических сил, действующих на адаптер и корпус буксы, приведен в приложении А.
(в ред. Изменения N 1, введенного в действие Приказом Росстандарта от 16.03.2022 N 132-ст)
5.1.3 При применении в составном адаптере или составном корпусе буксы неметаллических или металлополимерных частей, воспринимающих действие динамических сил в вертикальном направлении, неметаллические (металлополимерные) части должны выдерживать без повреждений (трещины, оплавления, износ и т.п.) и изменения размеров более, чем на 5%, приложение в вертикальном направлении 1,5·106 циклов динамической нагрузки со следующими характеристиками:
(в ред. Изменения N 1, введенного в действие Приказом Росстандарта от 16.03.2022 N 132-ст)
- среднее значение цикла соответствует половине максимальной статической осевой нагрузки;
- амплитуда цикла соответствует одной четверти максимальной статической осевой нагрузки.
5.1.4 При применении в составном адаптере или составном корпусе буксы неметаллических или металлополимерных частей, препятствующих отводу статического электричества от кузова вагона на рельсы, в конструкции тележки должно быть предусмотрено устройство, обеспечивающее отвод статического электричества, или неметаллическая (металлополимерная) часть составного адаптера либо корпуса буксы должна быть изготовлена из токопроводящего материала или иметь в своей конструкции заземляющий проводник.
5.1.5 Расстояние между упорными стенками боковых ограничителей и расстояние между упорными стенками ограничителей продольных перемещений должны обеспечивать требования ГОСТ 9246-2013 (пункты 5.3.15 и 5.3.16).
(в ред. Изменения N 1, введенного в действие Приказом Росстандарта от 16.03.2022 N 132-ст)
5.1.6 Рекомендуется применять на опорной поверхности под подшипники под боковую раму, упорной поверхности под подшипник, а также на других подверженных износу поверхностях визуальные индикаторы предельного износа. Места расположения визуальных индикаторов предельного износа устанавливают в КД.
5.1.7 Адаптеры могут включать в свою конструкцию блокиратор.
Примечание - В случае, если конструкция блокиратора предусматривает свое крепление к раме тележки, то он является деталью (или сборочной единицей) тележки.
Основные и присоединительные размеры блокиратора устанавливают в конструкторской документации.
(п. 5.1.7 введен Изменением N 1, введенным в действие Приказом Росстандарта от 16.03.2022 N 132-ст)
5.1.8 Назначенный срок службы для корпусов букс, составных корпусов букс, адаптеров и составных адаптеров устанавливают не менее срока службы вагона и указывают в конструкторских, эксплуатационных и ремонтных документах.
(п. 5.1.8 введен Изменением N 1, введенным в действие Приказом Росстандарта от 16.03.2022 N 132-ст)
5.2 Требования к конструкции
5.2.1 Требования к конструкции буксы, корпуса буксы и составного корпуса буксы
(в ред. Изменения N 1, введенного в действие Приказом Росстандарта от 16.03.2022 N 132-ст)
5.2.1.1 Лабиринтное уплотнение буксы должно быть двухгребенчатым и состоять из лабиринтного кольца, укрепленного на предподступичной части оси, и лабиринтной части корпуса буксы или составного корпуса буксы (далее - корпусов букс).
(в ред. Изменения N 1, введенного в действие Приказом Росстандарта от 16.03.2022 N 132-ст)
5.2.1.2 Предельные отклонения от номинальных размеров посадочных мест под подшипники по ГОСТ 18572 и ГОСТ 32769 в стальной корпус буксы - G7 по ГОСТ 3325. Допускается выполнение по классу допуска G8 с допуском непостоянства диаметра в продольном и поперечном направлениях не более 0,036 мм.
(пп. 5.2.1.2 в ред. Изменения N 1, введенного в действие Приказом Росстандарта от 16.03.2022 N 132-ст)
5.2.1.3 На посадочной поверхности корпусов букс под отъемный лабиринт допуск профиля продольного сечения (конусообразность) должен быть не более 0,015 мм и допуск круглости (овальности) - не более 0,03 мм.
(в ред. Изменения N 1, введенного в действие Приказом Росстандарта от 16.03.2022 N 132-ст)
5.2.1.4 Превышение допуска круглости лабиринтных проточек корпусов букс, отъемных лабиринтов, лабиринтных колец и посадочной поверхности крепительной крышки по отношению к допуску на диаметр опорной поверхности под подшипник допускается не более 0,1 мм. При этом длина реального профиля, имеющего указанное отклонение от круглости, не должна превышать одной трети длины окружности.
5.2.1.5 Допуск радиального биения поверхностей лабиринтных проточек корпусов букс относительно оси посадочного отверстия диаметром 250 мм должен быть не более 0,3 мм, или допуск их соосности в радиусном выражении - не более 0,16 мм (зависимый допуск).
5.2.1.6 Допуск торцевого биения передней торцевой поверхности корпусов букс относительно оси посадочного отверстия диаметром 250 мм должен быть не более 0,3 мм.
(в ред. Изменения N 1, введенного в действие Приказом Росстандарта от 16.03.2022 N 132-ст)
5.2.1.7 Допуск параллельности между упорной и привалочной торцевыми плоскостями крепительной крышки, а также допуск перпендикулярности этих плоскостей к образующей посадочной поверхности крышки должны быть не более половины допуска на диаметр посадочной поверхности.
5.2.1.8 Твердость опорной поверхности корпусов букс под подшипник (поверхность Б на рисунках 3, 4) и твердость упорной поверхности корпусов букс под подшипник (поверхность Е на рисунке 3) или отъемного лабиринта (поверхность Е на рисунке 4) должна быть не менее 120 НВ.
(пп. 5.2.1.8 в ред. Изменения N 1, введенного в действие Приказом Росстандарта от 16.03.2022 N 132-ст)
5.2.1.9 Допускается устанавливать повышенную твердость опорной поверхности (поверхность В на рисунках 3, 4) и упорной поверхности корпусов букс под боковую раму (поверхность Г на рисунках 3, 4) в конструкторской документации.
Зоны контроля твердости устанавливают в КД.
(пп. 5.2.1.9 в ред. Изменения N 1, введенного в действие Приказом Росстандарта от 16.03.2022 N 132-ст)
5.2.2 Требования к конструкции адаптеров
(в ред. Изменения N 1, введенного в действие Приказом Росстандарта от 16.03.2022 N 132-ст)
5.2.2.1 Предельное отклонение радиуса опорной цилиндрической поверхности под подшипник от номинального размера должно быть не более 0,26 мм в сторону увеличения, шероховатость опорной цилиндрической поверхности под подшипник не более - Ra6,3.
5.2.2.2 Конструкторская документация (КД) должна устанавливать допуски формы и расположения опорных цилиндрических поверхностей под подшипник.
5.2.2.3 Верхнее предельное отклонение расстояния между упорными поверхностями под подшипник должно быть не более 1,0 мм в сторону увеличения; нижнее предельное отклонение расстояния между упорными поверхностями под подшипник - не более 0,5 мм в сторону уменьшения.
5.2.2.4 Допуск перпендикулярности упорной поверхности под подшипник относительно опорной цилиндрической поверхности под подшипник должен быть не более 0,1 мм.
5.2.2.5 Твердость опорных и упорных поверхностей под подшипник должна быть в диапазоне от 187 до 255 HB.
5.2.2.6 Допускается проводить упрочнение упорных поверхностей под подшипник с обеспечением твердости на глубине от 1,0 до 4,0 мм в диапазоне:
- от 350 до 450 HB - при определении твердости методом Бринелля;
- от 38 до 47,5 HRC - при определении твердости методом Роквелла.
5.2.2.7 В металлическом адаптере допускается проводить упрочнение опорной поверхности под боковую раму с обеспечением твердости на глубине от 1,5 до 5,0 мм в диапазоне:
- от 350 до 450 HB - при определении твердости методом Бринелля;
- от 38 до 47,5 HRC - при определении твердости методом Роквелла.
5.2.2.8 КД должна устанавливать зоны контроля твердости по 5.2.2.5 - 5.2.2.7.
5.2.2.9 Конструкция адаптера должна предусматривать выступы, обеспечивающие его закрепление на боковой раме временными скобами или иметь места крепления конструктивных элементов, обеспечивающих удержание адаптера на подшипнике, при выкатке колесных пар из тележки.
5.3 Требования к материалам
5.3.1 Требования к материалам корпусов букс
5.3.1.1 Литые корпуса букс рекомендуется изготавливать из стали марок 15Л, 20Л и 25Л по ГОСТ 977-88 (пункт 1.1) с содержанием углерода в стали марки 25Л не более 0,27%, а также из стали - по ГОСТ 22703-2012 (подраздел 5.3). Допускается применение других марок стали при условии выполнения всех требований настоящего стандарта и при получении механических свойств стали, установленных КД.
(в ред. Изменения N 1, введенного в действие Приказом Росстандарта от 16.03.2022 N 132-ст)
5.3.1.2 Штампованные детали букс рекомендуется изготавливать из стали марок Ст3, Ст4 и Ст5 по ГОСТ 380 любого способа и степени раскисления, стали 35, 40 и 45 по ГОСТ 1050-2013 (разделы 5 и 7) и стали ОС по ГОСТ 4728-2010 (пункты 4.1 - 4.4). Смотровую крышку рекомендуется изготавливать из листовой стали по ГОСТ 16523-97 (подразделы 4.1, 4.2, приложение Б). Допускается применение других марок стали при условии выполнения остальных требований настоящего стандарта и получении механических свойств стали, установленных КД.
(в ред. Изменения N 1, введенного в действие Приказом Росстандарта от 16.03.2022 N 132-ст)
5.3.2 Требования к материалам адаптеров
(в ред. Изменения N 1, введенного в действие Приказом Росстандарта от 16.03.2022 N 132-ст)
5.3.2.1 Литые адаптеры или литые части составных адаптеров рекомендуется изготавливать из стали марки 20ГСЛ, 20ФЛ, 30ГСЛ, 20ГЛ, 32Х06Л по ГОСТ 977-88 (пункт 1.1), 20ГЛ - по ГОСТ 32400, чугуна с шаровидным графитом - по ГОСТ 7293. Допускается применение других марок стали и чугуна при условии выполнения всех требований настоящего стандарта и при получении механических свойств металла, установленных КД.
(в ред. Изменения N 1, введенного в действие Приказом Росстандарта от 16.03.2022 N 132-ст)
5.3.2.2 Для литых адаптеров из чугуна относительное удлинение металла должно составлять не менее 6%. Твердость должна находиться в диапазоне от 187 до 255 HB.
(в ред. Изменения N 1, введенного в действие Приказом Росстандарта от 16.03.2022 N 132-ст)
5.4 Требования к металлическим отливкам и поковкам
5.4.1 Требования к стальным отливкам - для 3-й группы по ГОСТ 977-88 (раздел 3). Требования к отливкам из чугуна устанавливают в КД.
(в ред. Изменения N 1, введенного в действие Приказом Росстандарта от 16.03.2022 N 132-ст)
5.4.2 Требования к поковкам - по ГОСТ 8479.
5.4.3 Зарезы, выломы, острые кромки и просечки не допускаются. Зарезы должны быть сглажены, острые кромки - притуплены.
5.4.4 На отливках не допускаются:
- сквозные литейные дефекты;
- горячие, холодные и термические трещины;
- ужимины, утяжины;
- не сваренные с основным металлом холодильники и жеребейки.
5.4.5 В конструкторской и технологической документациях должны указывать виды, число, размеры и расположение поверхностных литейных дефектов на поверхностях без механической обработки и с механической обработкой, подлежащих исправлению и допускаемых без исправления, а также методы исправления дефектов.
5.4.6 Виды, число, размеры и расположение внутренних литейных дефектов, допускаемых без исправления, контролируемые сечения должны быть указаны в конструкторской и технологической документациях.
5.5 Требования надежности
5.5.1 Показатели долговечности (гамма-процентный срок службы до планового вида ремонта, гамма-процентный срок службы между плановыми видами ремонта, гамма-процентный срок службы до списания) букс, адаптеров, составных адаптеров должны быть указаны в руководстве по эксплуатации согласно ГОСТ 2.610-2006 (раздел 5) на тележки, в состав которых они входят.
(п. 5.5.1 в ред. Изменения N 1, введенного в действие Приказом Росстандарта от 16.03.2022 N 132-ст)
5.5.2 Критериями предельного состояния для деталей букс, адаптеров, составных адаптеров являются:
- признаки деградации (трещина, излом, оплавление, деформация);
- нарушение (ослабление) предусмотренных КД соединений;
- смятие или предельный износ сопряженных поверхностей.
5.5.3 Перечень критериев предельного состояния букс, адаптеров, составных адаптеров должны быть указаны в руководстве по эксплуатации и руководстве по ремонту согласно ГОСТ 2.602-2013 (подраздел 7.1) на тележки, в состав которых они входят.
(в ред. Изменения N 1, введенного в действие Приказом Росстандарта от 16.03.2022 N 132-ст)
5.6 Требования к покрытиям
5.6.1 Наружные поверхности букс должны быть окрашены. Если корпуса букс и другие составные части букс являются объектом самостоятельной поставки, то их допускается не окрашивать, окраску производят после сборки колесных пар. Допускается окраску корпуса буксы производить в составе тележки или вагона.
5.6.2 Способ защиты адаптера от коррозии устанавливают в КД. Опорные и упорные поверхности под подшипник рекомендуется не окрашивать.
5.6.3 Подготовку поверхностей к окрашиванию и непосредственно окрашивание следует выполнять по ГОСТ 7409-2018 (подразделы 4.2, 4.4). Допускается применять другие способы и материалы для окрашивания при выполнении требований ГОСТ 7409-2018 (раздел 7).
(в ред. Изменения N 1, введенного в действие Приказом Росстандарта от 16.03.2022 N 132-ст)
5.6.4 Применяемые для окрашивания поверхностей лакокрасочные покрытия должны соответствовать климатическому исполнению букс, адаптеров, составных адаптеров по 5.1.1.
5.7 Требования к маркировке
5.7.1 На каждом корпусе буксы, составном корпусе буксы, адаптере или составном адаптере в местах, указанных в КД, должна быть нанесена следующая маркировка:
(в ред. Изменения N 1, введенного в действие Приказом Росстандарта от 16.03.2022 N 132-ст)
- наименование, условный код по справочнику [1] или товарный знак предприятия-изготовителя;
(в ред. Изменения N 1, введенного в действие Приказом Росстандарта от 16.03.2022 N 132-ст)
- месяц (римскими цифрами) и год (арабскими цифрами, две последние цифры) изготовления и две последние цифры года окончания назначенного срока службы по 5.1.8;
(в ред. Изменения N 1, введенного в действие Приказом Росстандарта от 16.03.2022 N 132-ст)
- единый знак обращения продукции на рынке <*>;
(введено Изменением N 1, введенным в действие Приказом Росстандарта от 16.03.2022 N 132-ст)
- номер основного конструкторского документа. Допускается нанесение на упаковку или указание в паспорте.
(введено Изменением N 1, введенным в действие Приказом Росстандарта от 16.03.2022 N 132-ст)
--------------------------------
<*> Для обращения продукции на рынке государств - членов Евразийского экономического союза.
(сноска введена Изменением N 1, введенным в действие Приказом Росстандарта от 16.03.2022 N 132-ст)
При изготовлении корпусов букс или адаптера литые знаки маркировки должны быть изготовлены методом литья или ударным способом. Маркировку наносят на поверхности, не подверженные износу в процессе эксплуатации оборудования.
(в ред. Изменения N 1, введенного в действие Приказом Росстандарта от 16.03.2022 N 132-ст)
5.7.2 Клейма и/или пломбы отдела технического контроля в соответствии с ГОСТ 15.309-98 (пункт 6.7) ставят на продукцию или на тару, а также в сопроводительной документации. В случае проведения инспекторского контроля по 6.8 на продукцию наносят клеймо инспектора-приемщика установленным на предприятии-изготовителе способом. Клейма наносят на поверхности, не подверженные износу в процессе эксплуатации.
Допускается нанесение отметки инспектора-приемщика только в паспорте по 5.8.1.
(п. 5.7.2 в ред. Изменения N 1, введенного в действие Приказом Росстандарта от 16.03.2022 N 132-ст)
5.7.3 Неметаллические или металлополимерные детали составного адаптера или составного корпуса буксы должны иметь следующую маркировку:
- условный номер изготовителя по справочнику [1] или его товарный знак;
- месяц (римскими цифрами) и год (арабскими цифрами, две последние цифры) изготовления.
Способ нанесения знаков маркировки устанавливают в КД.
5.7.4 Места размещения и размеры знаков маркировки и клеймения на деталях устанавливают в КД. Знаки маркировки должны быть повторены и пояснены в паспорте (при самостоятельной поставке букс, адаптеров, составных адаптеров) или в руководстве по эксплуатации на тележку (при поставке в составе тележки).
5.8 Комплектность
5.8.1 Каждую партию корпусов букс, составных корпусов букс, адаптеров или составных адаптеров сопровождают паспортом, удостоверяющим соответствие требованиям настоящего стандарта, в котором указывают:
(в ред. Изменения N 1, введенного в действие Приказом Росстандарта от 16.03.2022 N 132-ст)
- наименование изделия;
- обозначение конструкторского документа на изделие;
- наименование, условный номер по справочнику [1] и адрес изготовителя;
- количество объектов поставки в партии;
- информацию о долговечности, сроке хранения, гарантиях изготовителя;
- сведения о способах утилизации;
- данные свидетельства о приемке (оформляют с учетом положений 7.4.2, 7.4.3 ГОСТ 32894-2014).
(в ред. Изменения N 1, введенного в действие Приказом Росстандарта от 16.03.2022 N 132-ст)
Каждую партию корпусов букс, адаптеров, составных адаптеров, являющихся объектом самостоятельной поставки, сопровождают копиями руководства по эксплуатации по ГОСТ 2.610-2006 (раздел 5) и руководства по ремонту по ГОСТ 2.602-2013 (подраздел 7.1).
(в ред. Изменения N 1, введенного в действие Приказом Росстандарта от 16.03.2022 N 132-ст)
Примечание - По согласованию с заказчиком допускается копии руководства по эксплуатации и руководства по ремонту прилагать в одном экземпляре на несколько партий корпусов букс, адаптеров или составных адаптеров, отправляемых в один адрес.
5.8.2 Сопроводительные документы по 5.8.1 должны быть упакованы по ГОСТ 23170-78 (подраздел 2.11).
(в ред. Изменения N 1, введенного в действие Приказом Росстандарта от 16.03.2022 N 132-ст)
6 Правила приемки
6.1 Для контроля соответствия букс, адаптеров или составных адаптеров требованиям настоящего стандарта следует проводить приемо-сдаточные и периодические испытания в соответствии с ГОСТ 15.309.
Приемочные и квалификационные испытания проводят на деталях, прошедших приемо-сдаточные испытания, по утвержденным программам, разработанным в соответствии с ГОСТ 15.902.
Контролируемые показатели и объем испытаний приведены в таблице 1.
Таблица 1
Контролируемые показатели и объем испытаний
Наименование показателя
Виды испытаний
Структурный элемент стандарта
приемочные <*>
приемо-сдаточные
периодические
технические требования
методы контроля
Основные присоединительные размеры адаптера или составного адаптера
-
+
-
Основные присоединительные размеры корпуса буксы или составного корпуса буксы
-
+
-
Статическая прочность при температуре минус 60 °C
+
-
-
Статическая прочность при температуре плюс 80 °C (при применении неметаллических или металлополимерных составных частей)
+
-
-
Статическая прочность
+
-
-
Отсутствие остаточной деформации и повреждений при приложении в вертикальном направлении динамической нагрузки (при применении неметаллических или металлополимерных составных частей)
+
-
-
Изготовление неметаллической или металлополимерной части составного адаптера или корпуса буксы из токопроводящего материала или наличие в ее конструкции заземляющего проводника (при применении в составном адаптере или составном корпусе буксы неметаллических или металлополимерных частей, препятствующих отводу статического электричества от кузова вагона на рельсы, если предусмотрено КД)
+
-
-
Соответствие расстояния между упорными стенками боковых ограничителей и расстояния между упорными стенками ограничителей продольных перемещений требованиям ГОСТ 9246
+
-
-
Применение на подверженных износу поверхностях визуальных индикаторов предельного износа (если предусмотрено КД)
+
-
-
Применение блокиратора (если предусмотрено КД)
+
-
-
Назначенный срок службы
+
-
-
Конструкция лабиринтного уплотнения буксы
-
+
-
Предельные отклонения от номинальных размеров посадочных мест под подшипники, допуск формы и шероховатость поверхности
+
-
-
Допуск профиля продольного сечения (конусообразность) и допуск круглости (овальности) на посадочной поверхности корпуса буксы под отъемный лабиринт
-
+
-
Допуск круглости лабиринтных проточек корпусов букс, отъемных лабиринтов, лабиринтных колец и посадочной поверхности крепительной крышки по отношению к допуску на диаметр опорной поверхности под подшипник
-
+
-
Допуск радиального биения поверхностей лабиринтных проточек корпусов букс относительно оси посадочного отверстия или допуск соосности их в радиусном выражении
-
+
-
Допуск торцевого биения передней торцевой поверхности корпуса буксы относительно оси посадочного отверстия
-
+
-
Допуск параллельности между упорной и привалочной торцевыми плоскостями крепительной крышки, а также допуск перпендикулярности этих плоскостей к образующей посадочной поверхности крышки
-
+
-
Твердость опорной поверхности корпуса буксы под подшипник и твердость упорной поверхности корпуса буксы под подшипник или отъемного лабиринта
+
-
+
Повышенная твердость опорной поверхности и упорной поверхности корпуса буксы под боковую раму (при применении упрочнения)
+
-
+
Предельное отклонение радиуса опорной цилиндрической поверхности под подшипник от номинального размера, шероховатость поверхности опорной цилиндрической поверхности под подшипник
+
-
-
Допуски формы и расположения опорных цилиндрических поверхностей под подшипник
-
+
-
Предельное отклонение расстояния между упорными поверхностями под подшипник
+
-
-
Допуск перпендикулярности упорной поверхности под подшипник относительно опорной цилиндрической поверхности под подшипник
-
+
-
Твердость опорных и упорных поверхностей адаптера под подшипник
+
-
+
Твердость поверхности упорных поверхностей адаптера под подшипник (при применении упрочнения)
+
-
+
Твердость опорной поверхности под боковую раму (в металлическом адаптере, при применении упрочнения)
+
-
+
Наличие выступов, обеспечивающих закрепление адаптера на боковой раме временными скобами или мест крепления конструктивных элементов, обеспечивающих удержание адаптера на подшипнике, при выкатке колесных пар из тележки
+
-
-
Химический состав литых металлических деталей
-
+
-
Химический состав материалов для штампованных деталей букс
-
+
-
Механические свойства
-
+
-
Относительное удлинение металла и твердость для литых адаптеров из чугуна
-
+
-
Требования к металлическим отливкам и поковкам по поверхностным дефектам
-
+
-
Требования к металлическим отливкам по внутренним дефектам
+
-
+
Требования к покрытиям
-
+
-
Требования к маркировке
-
+
-
Требования к комплектности
-
+
-
<*> Приведен рекомендуемый минимальный перечень контролируемых требований. Окончательный перечень контролируемых требований указывается в программе испытаний.
Примечание - Знак "+" в таблице обозначает необходимость проведения испытаний и проверок, знак "-" обозначает отсутствие необходимости проведения испытаний и проверок.
(п. 6.1 в ред. Изменения N 1, введенного в действие Приказом Росстандарта от 16.03.2022 N 132-ст)
6.2 При приемо-сдаточных испытаниях подвергают:
- сплошному контролю каждую деталь из партии по 6.3 - по 4.4 (кроме размеров опорной поверхности под боковую раму в продольном и боковом направлениях), 4.5, 5.2.1.1 - 5.2.1.7, 5.2.2.2, 5.2.2.4, 5.4.1 - 5.4.5, 5.6 - 5.8;
- сплошному контролю каждую плавку из партии по 6.3 - по 5.3.1.1, 5.3.2.1, 5.3.2.2;
- сплошному контролю каждую партию по 6.3 - по 5.3.1.2;
- выборочному контролю - по 4.4 в части размеров опорной поверхности под боковую раму в продольном и боковом направлениях.
Объем выборочного контроля указывают в конструкторской документации. При стабильной технологии изготовления допускается проводить выборочный контроль параметров по 4.4, 4.5, 5.2.1.3 - 5.2.1.7, 5.2.2.2.
(п. 6.2 в ред. Изменения N 1, введенного в действие Приказом Росстандарта от 16.03.2022 N 132-ст)
6.3 К приемо-сдаточным испытаниям корпусы букс и адаптеры предъявляют партиями:
- при изготовлении методом литья - партия должна состоять из деталей одной или нескольких плавок, оформленных одним документом, прошедших термическую обработку по одному режиму, регистрируемому автоматическими приборами;
- при изготовлении методом штамповки - партия должна состоять из деталей, изготовленных из одной партии материала, прошедших термическую обработку по одному режиму, регистрируемому автоматическими приборами.
Число деталей в партии не ограничено.
Пробы для определения химического состава отбирают по ГОСТ 7565. Допускается определять химический состав на образце или стружке, взятых от пробного бруска для механических испытаний. При получении отрицательного результата хотя бы по одному показателю химического состава все детали данной плавки для отливок бракуют.
Проверку механических свойств осуществляют на образцах, изготовленных из пробных брусков. Тип пробного бруска устанавливают в технологической документации. При отсутствии пробных брусков допускается определение механических свойств на образцах, вырезанных из деталей.
При получении неудовлетворительных результатов испытаний механических свойств хотя бы по одному контролируемому показателю проводят повторные испытания по данному показателю на удвоенном количестве образцов, изготовленных из пробных брусков той же плавки для корпусов букс и адаптеров. При получении неудовлетворительного результата при повторных испытаниях отливки могут быть подвергнуты повторной термической обработке вместе с пробными брусками с последующим определением механических свойств по всему комплексу механических свойств на образцах, изготовляемых из пробных брусков или непосредственно из детали. Количество повторных термообработок не более двух. Если при повторных испытаниях после повторных термообработок получен неудовлетворительный результат хотя бы на одном образце, то все детали из данной партии (если партия состоит из деталей одной плавки) или данной плавки в партии (если партия состоит из деталей нескольких плавок) считают не соответствующими требованиям настоящего стандарта и бракуют.
(п. 6.3 в ред. Изменения N 1, введенного в действие Приказом Росстандарта от 16.03.2022 N 132-ст)
6.4 Результаты приемо-сдаточных испытаний оформляют в соответствии с ГОСТ 15.309-98 (подраздел 6.6).
(в ред. Изменения N 1, введенного в действие Приказом Росстандарта от 16.03.2022 N 132-ст)
6.5 Периодические испытания корпусов букс, адаптера, составного адаптера по 5.2.1.8, 5.2.1.9, 5.2.2.5 - 5.2.2.7, 5.4.6 проводят не реже одного раза в 6 мес.
(п. 6.5 в ред. Изменения N 1, введенного в действие Приказом Росстандарта от 16.03.2022 N 132-ст)
6.6 Периодическим и типовым испытаниям подвергают корпуса буксы, адаптеры, составные адаптеры, прошедшие приемо-сдаточные испытания.
6.7 Отбор образцов для периодических испытаний проводят методом отбора с применением случайных чисел по ГОСТ 18321-73 (подраздел 3.2) из ряда продукции, выпущенной в течение 1 мес.
(в ред. Изменения N 1, введенного в действие Приказом Росстандарта от 16.03.2022 N 132-ст)
Контроль твердости по 5.2.1.8, 5.2.1.9, 5.2.2.5 - 5.2.2.7 проводят на двух образцах.
(в ред. Изменения N 1, введенного в действие Приказом Росстандарта от 16.03.2022 N 132-ст)
Контроль внутренних дефектов по 5.4.6 проводят на двух образцах.
Допускается совмещать несколько видов испытаний на одном образце.
6.8 В случае принятия решения о проведении инспекторского контроля потребителем или изготовителем продукции процедура проведения инспекторского контроля должна соответствовать ГОСТ 32894.
(п. 6.8 в ред. Изменения N 1, введенного в действие Приказом Росстандарта от 16.03.2022 N 132-ст)
6.9 Квалификационные испытания рекомендуется проводить в объеме периодических испытаний. Окончательный перечень контролируемых требований указывается в программе испытаний (см. 6.1).
(п. 6.9 введен Изменением N 1, введенным в действие Приказом Росстандарта от 16.03.2022 N 132-ст)
6.10 Типовым испытаниям подвергают корпусы букс, адаптеры, составные адаптеры после внесения изменений в конструкцию или технологию их изготовления для оценки эффективности и целесообразности вносимых изменений.
Типовые испытания проводят в соответствии с ГОСТ 15.309. Решение о проведении типовых испытаний принимает изготовитель по согласованию с держателем подлинника конструкторской документации и заказчиком (при наличии).
Результаты типовых испытаний оформляют по ГОСТ 15.309-98 (приложение А, пункт А.9).
(п. 6.10 введен Изменением N 1, введенным в действие Приказом Росстандарта от 16.03.2022 N 132-ст)
7 Методы контроля
7.1 Испытания проводят в помещениях, обеспечивающих нормальные климатические условия по ГОСТ 15150-69 (подраздел 3.15). Условия размещения средств измерений должны соответствовать их паспортным данным.
(в ред. Изменения N 1, введенного в действие Приказом Росстандарта от 16.03.2022 N 132-ст)
7.2 Размеры по 4.4, 4.5, 5.2.1.2 - 5.2.1.7, 5.2.2.2, 5.2.2.4 контролируют шаблонами и средствами измерений с пределами допускаемой погрешности измерения в соответствии с ГОСТ 8.051.
(в ред. Изменения N 1, введенного в действие Приказом Росстандарта от 16.03.2022 N 132-ст)
Контроль шероховатости проводят сравнением поверхности изделия с образцами поверхности по ГОСТ 9378 или с образцовыми деталями. Допускается контролировать шероховатость поверхности с помощью профилометра.
7.3 Выполнение требований по 5.1.6, 5.1.7, 5.2.1.1, 5.2.2.9, 5.4.1 - 5.4.5, 5.6, 5.7, 5.8, 9.2 контролируют визуально. Для определения размеров дефектов используют средства измерения с пределами допустимой погрешности измерения в соответствии с ГОСТ 8.051.
(в ред. Изменения N 1, введенного в действие Приказом Росстандарта от 16.03.2022 N 132-ст)
7.4 Статическую прочность по 5.1.2 проверяют методом сжатия в вертикальном направлении на двух образцах, отобранных из первых 10 адаптеров, составных адаптеров, корпусов букс, составных корпусов букс, выпущенных с изменением в конструкции, методом случайных чисел по ГОСТ 18321, в соответствии с программой и методикой испытаний, выполненной в соответствии с ГОСТ 2.106.
Адаптер при приложении силы устанавливают на наружное кольцо подшипника по ГОСТ 32769, смонтированного на оси колесной пары по ГОСТ 4835, или его имитатор, имеющий соответствующие наружному кольцу подшипника размеры по ГОСТ 32769. Корпус буксы для приложения силы должен быть смонтирован в составе буксы на оси колесной пары по ГОСТ 4835. Допускается устанавливать корпус буксы на имитатор подшипника, имеющий соответствующие наружному кольцу подшипника размеры по ГОСТ 18572.
Вертикальную силу прикладывают через поверхность, имеющую конструкцию, аналогичную опорной поверхности боковой рамы. Допускается прикладывать вертикальную силу к боковой раме. Рекомендуемые схемы приложения вертикальной силы к адаптеру или корпусу буксы приведены на рисунке 5.
а)
б)
--------------------------------
<*> Размер для справок
а) схема приложения вертикальной силы к адаптеру;
б) схема приложения вертикальной силы к корпусу буксы
Рисунок 5 - Схемы приложения вертикальной силы
При определении прочности по результатам контроля основных размеров определяют отсутствие остаточных деформаций (допускается изменение размеров в пределах погрешности измерения) и визуально определяют отсутствие повреждений составных частей, свободное вращение буксы на оси колесной пары. Требования к средствам измерений установлены в 7.15.
7.5 При подтверждении климатического исполнения по 5.1.1.2 испытаниям подвергают два образца, отобранные по 7.4. Образцы выдерживают в климатической камере при температуре от минус 60 °C (включ.) до минус 58 °C (включ.) в течение не менее 3 ч, затем подвергают испытаниям по 7.4. Время между извлечением объектов испытаний из климатической камеры и приложением силы сжатия не должно превышать 10 мин.
7.6 При подтверждении климатического исполнения по 5.1.1.3 испытаниям подвергают два образца, отобранные по 7.4. Образцы выдерживают в климатической камере при температуре от плюс 78 °C (включ.) до плюс 80 °C (включ.) в течение не менее 3 ч, затем подвергают испытаниям по 7.4. Время между извлечением объектов испытаний из климатической камеры и приложением силы сжатия не должно превышать 10 мин.
7.7 Твердость по 5.2.1.8, 5.2.1.9, 5.2.2.5, 5.3.2.2 следует определять по ГОСТ 9012, ГОСТ 27208 в местах, указанных в КД.
(п. 7.7 в ред. Изменения N 1, введенного в действие Приказом Росстандарта от 16.03.2022 N 132-ст)
7.8 Выполнение требований по 5.2.2.6, 5.2.2.7 контролируют после порезки детали в сечениях, указанных в КД, по ГОСТ 9012 или ГОСТ 9013.
(в ред. Изменения N 1, введенного в действие Приказом Росстандарта от 16.03.2022 N 132-ст)
7.9 Требования 5.2.1.8, 5.2.1.9, 5.2.2.5 - 5.2.2.7 и 5.3.2.2 допускается контролировать методом Роквелла по ГОСТ 9013 с последующим переводом полученного значения в число твердости по Бринеллю.
7.10 Выполнение требований по 5.4.6 контролируют визуально-измерительным методом после порезки детали в сечениях, указанных в конструкторской и технологической документациях. Для определения размеров дефектов используют средства измерения с пределами допустимой погрешности измерения в соответствии с ГОСТ 8.051.
7.11 Химический состав по 5.3.1.1, 5.3.2.1 контролируют на образцах по ГОСТ 7565 методами по ГОСТ 18895, ГОСТ 22536.0 - 22536.5, ГОСТ 22536.7 - 22536.12, ГОСТ 27809, ГОСТ 27611 и другими методами, обеспечивающими необходимую точность.
7.12 Механические свойства материалов по 5.3.1.1, 5.3.1.2 и 5.3.2.1 и относительное удлинение по 5.3.2.2 для отливок следует определять при испытаниях на растяжение по ГОСТ 1497 на гладком цилиндрическом образце типа VII номер 2, или по ГОСТ 27208. Допускается применять образцы других размеров, указанные в КД.
(п. 7.12 в ред. Изменения N 1, введенного в действие Приказом Росстандарта от 16.03.2022 N 132-ст)
7.13 Выполнение требований по 5.1.3 проверяют методом циклического сжатия в вертикальном направлении на двух образцах.
Адаптер при приложении силы устанавливают на наружное кольцо подшипника по ГОСТ 32769, смонтированного на оси колесной пары по ГОСТ 4835 или его имитатор, имеющий размеры, соответствующие наружному кольцу подшипника по ГОСТ 32769. Корпус буксы для приложения силы должен быть смонтирован в составе буксы на оси колесной пары по ГОСТ 4835. Допускается устанавливать корпус буксы на имитатор подшипника, имеющий соответствующие наружному кольцу подшипника размеры по ГОСТ 18572.
К объекту испытаний в непрерывном режиме прикладывают динамическую нагрузку с характеристиками по 5.1.3 с частотой в диапазоне от 2 (включ.) до 5 Гц (включ.). Вертикальную силу прикладывают через поверхность, имеющую конструкцию, аналогичную опорной поверхности боковой рамы. Допускается прикладывать вертикальную силу к боковой раме с учетом ее распределения на две опоры.
Результаты испытаний считают положительными, если отсутствуют визуально определимые повреждения неметаллических составных частей (трещины, оплавление, износ и т.п.) и остаточная деформация (линейные размеры изменились не более чем в пределах погрешности измерения по ГОСТ 8.051). Требования к средствам измерений установлены в 7.15.
7.14 Контроль требований к материалам штампованных деталей по 5.3.1.2 проводят по сопроводительной документации на них визуально.
(в ред. Изменения N 1, введенного в действие Приказом Росстандарта от 16.03.2022 N 132-ст)
7.15 Контроль требований 5.1.4 - 5.1.7, 5.2.1.2, 5.2.2.1 и 5.2.2.3 производят при анализе конструкторской документации, требований 5.1.8 - при анализе конструкторской, эксплуатационной и ремонтной документации на конкретную деталь.
(п. 7.15 в ред. Изменения N 1, введенного в действие Приказом Росстандарта от 16.03.2022 N 132-ст)
7.16 Для измерения силы следует применять средства измерений, обеспечивающие погрешность не более +/- 3%, для измерения перемещения - средства измерений, обеспечивающие погрешность не более +/- 0,1 мм, для измерения числа циклов - средства измерений с относительной погрешностью не более +/- 1%.
7.17 Требования 5.5.1 контролируют по статистическим данным из эксплуатации.
(п. 7.17 введен Изменением N 1, введенным в действие Приказом Росстандарта от 16.03.2022 N 132-ст)
8 Упаковка, хранение и транспортирование
8.1 Условия транспортирования и хранения корпусов букс, адаптеров и составных адаптеров и допускаемые сроки сохраняемости в упаковке до ввода в эксплуатацию должны соответствовать требованиям таблицы 2.
Таблица 2
Деталь
Обозначение условий транспортирования в части воздействия
Обозначение условий хранения по ГОСТ 15150
Допустимый срок сохраняемости в упаковке и консервации изготовителя, лет
механических факторов <*>
климатических факторов и условий хранения по ГОСТ 15150
Корпус буксы
Перевозки автомобильным, воздушным, железнодорожным транспортом или в сочетании их между собой с общим числом перегрузок не более четырех
8 (ОЖЗ)
8 (ОЖЗ)
1
Адаптер, составной адаптер
8 (ОЖЗ)
8 (ОЖЗ)
2
--------------------------------
<*> В Российской Федерации действует ГОСТ Р 51908-2002 "Общие требования к машинам, приборам и другим техническим изделиям в части условий хранения и транспортирования".
8.2 Допускается устанавливать иные условия транспортирования и хранения и допустимые сроки сохраняемости в КД и эксплуатационных документах.
9 Указания по эксплуатации
9.1 Эксплуатацию букс, корпусов букс, адаптеров, составных адаптеров осуществляют в соответствии с эксплуатационными документами, выполненными на данные детали, колесную пару и/или тележку, в составе которой они применены, в соответствии с ГОСТ 2.610.
В процессе эксплуатации необходимо контролировать достижение предельных состояний по 5.5.2, 5.5.3.
(абзац введен Изменением N 1, введенным в действие Приказом Росстандарта от 16.03.2022 N 132-ст)
9.2 Сведения о способе утилизации приводят в эксплуатационных документах на буксы, корпуса букс, адаптеры, составные адаптеры, колесную пару и/или тележку, в составе которой он применен.
10 Гарантии изготовителя
10.1 Изготовитель гарантирует соответствие букс, корпусов букс, адаптеров и составных адаптеров требованиям настоящего стандарта при соблюдении правил эксплуатации, хранения и транспортирования (разделы 8 и 9).
10.2 Гарантийный срок должен быть не менее срока от даты изготовления до первого планового ремонта тележки и должен быть установлен в контракте на поставку.
Приложение А
(справочное)
ПРИМЕР РАСЧЕТА СТАТИЧЕСКИХ СИЛ, ДЕЙСТВУЮЩИХ НА АДАПТЕР ИЛИ
КОРПУС БУКСЫ
А.1 Вертикальную силу, приложенную к адаптеру или корпусу буксы, кН, определяют по формуле
Fz = 0,5(P + PN), (А.1)
где P = P0 - Pкп - сила тяжести, действующая на два адаптера или буксы в колесной паре, кН;
P0 - максимальная расчетная статическая осевая нагрузка, кН;
Pкп - сила тяжести колесной пары, кН. Допускается принимать силу тяжести колесной пары, равной нулю;
PN = 0,5·N(P/P0)(H/2L) - динамическая сила, возникающая при соударении вагона вследствие вертикальной составляющей силы инерции, действующей на тележку, кН;
H - расчетное расстояние от центра тяжести вагона до уровня оси автосцепки, принимают с учетом высоты центра масс кузова вагона над центрами осей колесных пар, равной 2,0 м;
2L - база вагона, принимают 2L = 7,8 м;
N - продольная сила удара по ГОСТ 33211-2014 (пункт 4.1.1, перечисление а)), принимают N = 3,5 МН.
(в ред. Изменения N 1, введенного в действие Приказом Росстандарта от 16.03.2022 N 132-ст)
А.2 Значения сил для адаптеров или корпусов букс, предназначенных для установки в тележки с максимальной расчетной статической осевой нагрузкой по ГОСТ 9246-2013 (таблица 1), приведены в таблице А.1. Масса колесной пары принята равной нулю.
(в ред. Изменения N 1, введенного в действие Приказом Росстандарта от 16.03.2022 N 132-ст)
Таблица А.1
Значение вертикальной силы для адаптера или корпуса буксы
(на один адаптер или один корпус буксы)
Показатель
Значение показателя
Максимальная расчетная статическая осевая нагрузка, кН
196
230,5
245
265
294
Расчетное расстояние от центра тяжести вагона до уровня оси автосцепки, м
1,27
1,31
1,31
1,32
1,32
Вертикальная сила на адаптер (корпус буксы), кН
241,0
262,5
269,8
280,7
295,6
Библиография
[1]
Справочник "Условные коды предприятий" С ЖА 1001 15 (Утвержден на 56 заседании комиссии специалистов по информатизации железнодорожного транспорта государств - участников Содружества Независимых Государств от 17 - 19 марта 2015 г.)
УДК 656.4.027.11:006.354
МКС 45.060
Ключевые слова: букса, корпус буксы, адаптер, колесная пара, тележка, грузовые вагоны, общие технические условия, подвижной состав, вагоны грузовые