Скачать РД 34.26.203 Инструкция по производству обмуровочных работ при монтаже котельных и энерготехнологических установок. Том 2Дата актуализации: 01.01.2021 РД 34.26.203
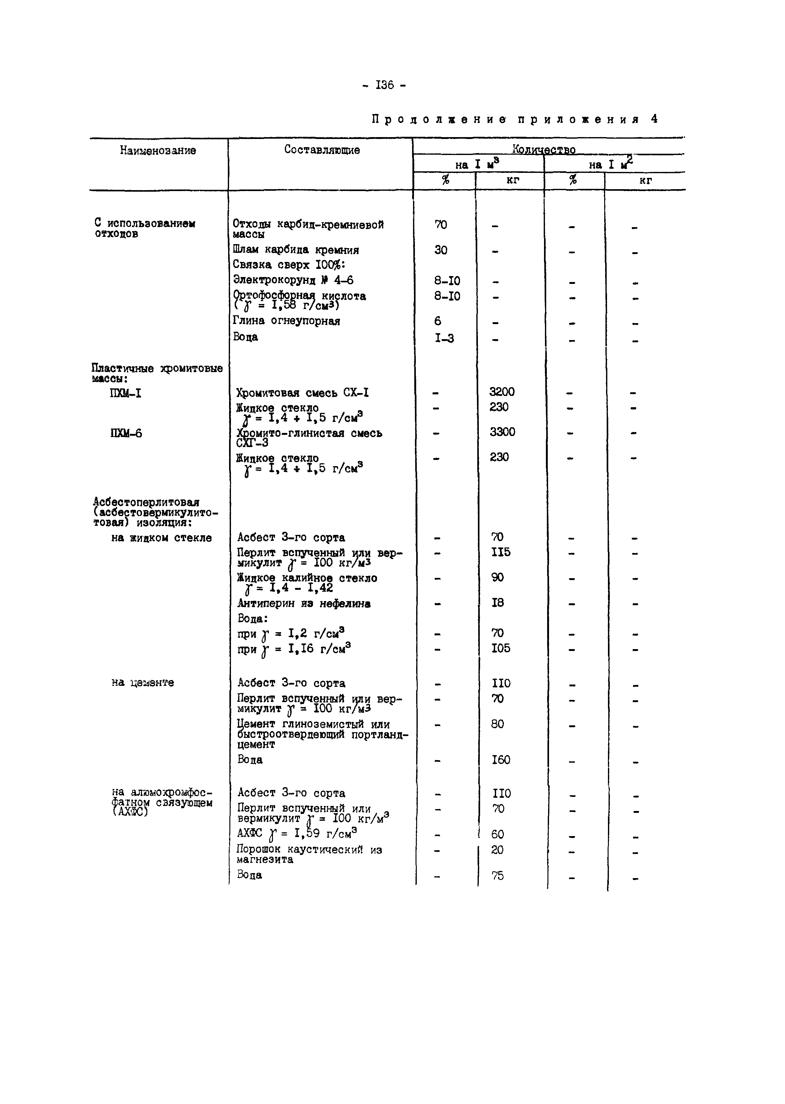
Инструкция по производству обмуровочных работ при монтаже котельных и энерготехнологических установок. Том 2| Обозначение: | РД 34.26.203 | | Обозначение англ: | RD 34.26.203 | | Статус: | действует | | Название рус.: | Инструкция по производству обмуровочных работ при монтаже котельных и энерготехнологических установок. Том 2 | | Дата добавления в базу: | 01.09.2013 | | Дата актуализации: | 01.01.2021 | | Дата введения: | 15.06.1981 | | Оглавление: | Приложение 3. Выписки из государственных и отраслевых стандартов и технических условий Приложение 4. Основные составы обмуровочных масс | | Разработан: | ВПСМО Союзэнергозащита
| | Утверждён: | 15.06.1981 ВПСМО Союзэнергозащита (9а)
| | Издан: | СПО Союзтехэнерго (1988 г. )
| | Заменяет собой: | - «Инструкция по производству обмуровочных работ при монтаже крупных котлоагрегатов»
| | Нормативные ссылки: |   ГОСТ 24717-2004 «Огнеупоры и огнеупорное сырье. Маркировка, упаковка, транспортирование и хранение» ГОСТ 10178-76 «Портландцемент и шлакопортландцемент. Технические условия» СН 482-76 «Инструкция по проектированию бетонных и железобетонных конструкций, предназначенных для работы в условиях воздействия повышенных и высоких температур»  ГОСТ 3306-88 «Сетки с квадратными ячейками из стальной рифленой проволоки. Технические условия»  ГОСТ 1051-73 «Прокат калиброванный. Общие технические условия»  ГОСТ 7313-75 «Эмали ХВ-785 и лак ХВ-784. Технические условия»  ГОСТ 10153-70 «Изделия высокоогнеупорные карбидкремниевые. Технические условия» ГОСТ 10396-84 «Бумага кабельная крепированная. Технические условия» ГОСТ 10678-76 «Кислота ортофосфорная термическая. Технические условия»  ГОСТ 10994-74 «Сплавы прецизионные. Марки» ГОСТ 12082-82 «Обрешетки дощатые для грузов массой до 500 кг. Общие технические условия»  ГОСТ 1216-87 «Порошки магнезитовые каустические. Технические условия»  ГОСТ 12271-76 «Сополимеры стирола. Технические условия» ГОСТ 13079-81 «Силикат натрия растворимый. Технические условия» ГОСТ 13493-86 «Натрия триполифосфат. Технические условия»  ГОСТ 13950-91 «Бочки стальные сварные и закатные с гофрами на корпусе. Технические условия» ГОСТ 14192-77 «Маркировка грузов» ГОСТ 16109-70 «Карналлит обогащенный. Технические условия» ГОСТ 16272-79 «Пленка поливинилхлоридная пластифицированная техническая. Технические условия» ГОСТ 17811-78 «Мешки полиэтиленовые для химической продукции. Технические условия»  ГОСТ 18143-72 «Проволока из высоколегированной коррозионностойкой и жаростойкой стали. Технические условия» ГОСТ 18690-82 «Кабели, провода, шнуры и кабельная арматура. Маркировка, упаковка, транспортирование и хранение»  ГОСТ 19433-88 «Грузы опасные. Классификация и маркировка» ГОСТ 19667-74 «Контейнер специализированный групповой массой брутто 5,0 т для штучных грузов»  ГОСТ 10922-90 «Арматурные и закладные изделия сварные, соединения сварные арматуры и закладных изделий железобетонных конструкций. Общие технические условия»  СТ СЭВ 1406-78 «Конструкции бетонные и железобетонные. Основные положения проектирования»  ГОСТ 21029-75 «Бочки алюминиевые для химических продуктов. Технические условия» ГОСТ 2210-73 «Аммоний хлористый технический. Технические условия»  ГОСТ 2226-88 «Мешки бумажные. Технические условия»  ГОСТ 310.4-81 «Цементы. Методы определения предела прочности при изгибе и сжатии»  ГОСТ 969-91 «Цементы глиноземистые и высокоглиноземистые. Технические условия»  ГОСТ 9179-77 «Известь строительная. Технические условия»  ГОСТ 22237-85 «Цементы. Упаковка, маркировка, транспортирование и хранение»  ГОСТ 7473-94 «Смеси бетонные. Технические условия»  ГОСТ 10181.0-81 «Смеси бетонные. Общие требования к методам испытаний»  ГОСТ 20910-90 «Бетоны жаростойкие. Технические условия»  ГОСТ 25192-82 «Бетоны. Классификация и общие технические требования»  ГОСТ 8736-93 «Песок для строительных работ. Технические условия»  ГОСТ 9757-90 «Гравий, щебень и песок искусственные пористые. Технические условия»  ГОСТ 10832-91 «Песок и щебень перлитовые вспученные. Технические условия»  ГОСТ 12865-67 «Вермикулит вспученный»  ГОСТ 2694-78 «Изделия пенодиатомитовые и диатомитовые теплоизоляционные. Технические условия»  ГОСТ 4640-93 «Вата минеральная. Технические условия» ГОСТ 9573-82 «Плиты теплоизоляционные из минеральной ваты на синтетическом связующем. Технические условия»  ГОСТ 21880-94 «Маты прошивные из минеральной ваты теплоизоляционные. Технические условия»  ГОСТ 24748-81 «Изделия известково-кремнеземистые теплоизоляционные. Технические условия»  ГОСТ 25880-83 «Материалы и изделия строительные теплоизоляционные. Упаковка, маркировка, транспортирование и хранение» ГОСТ 2551-75 «Материалы рулонные кровельные и гидроизоляционные. Упаковка, маркировка, хранение и транспортирование»  ГОСТ 2697-83 «Пергамин кровельный. Технические условия» ГОСТ 24709-81 «Эмали ЭП-140. Технические условия» ГОСТ 24717-81 «Материалы и изделия огнеупорные. Маркировка, упаковка, транспортирование и хранение»  ГОСТ 18343-80 «Поддоны для кирпича и керамических камней. Технические условия»  ГОСТ 7031-75 «Песок кварцевый для тонкой керамики»  ГОСТ 12871-93 «Асбест хризотиловый - хризотил. Общие технические условия» ГОСТ 26327-84 «Материалы шлифовальные из карбида кремния. Технические условия»  ГОСТ 9548-74 «Битумы нефтяные кровельные. Технические условия»  ГОСТ 103-76 «Полоса стальная горячекатаная. Сортамент»  ГОСТ 380-94 «Сталь углеродистая обыкновенного качества. Марки»  ГОСТ 1050-88 «Прокат сортовой, калиброванный, со специальной отделкой поверхности из углеродистой качественной конструкционной стали. Общие технические условия»  ГОСТ 1133-71 «Сталь кованая круглая и квадратная. Сортамент»  ГОСТ 2246-70 «Проволока стальная сварочная. Технические условия»  ГОСТ 2590-88 «Прокат стальной горячекатаный круглый. Сортамент»  ГОСТ 2591-88 «Прокат стальной горячекатаный квадратный. Сортамент»  ГОСТ 2771-81 «Проволока круглая холоднотянутая. Сортамент»  ГОСТ 3560-73 «Лента стальная упаковочная. Технические условия»  ГОСТ 5336-80 «Сетки стальные плетеные одинарные. Технические условия»  ГОСТ 5632-72 «Стали высоколегированные и сплавы коррозионно-стойкие, жаростойкие и жаропрочные. Марки»  ГОСТ 5781-82 «Сталь горячекатаная для армирования железобетонных конструкций. Технические условия»  ГОСТ 6727-80 «Проволока из низкоуглеродистой стали холоднотянутая для армирования железобетонных конструкций. Технические условия» ГОСТ 27436-87 «Внешний шум автотранспортных средств. Допустимые уровни и методы измерений»  ГОСТ 7566-94 «Металлопродукция. Приемка, маркировка, упаковка, транспортирование и хранение»  ГОСТ 8478-81 «Сетки сварные для железобетонных конструкций. Технические условия»  ГОСТ 9467-75 «Электроды покрытые металлические для ручной дуговой сварки конструкционных и теплоустойчивых сталей. Типы»  ГОСТ 20072-74 «Сталь теплоустойчивая. Технические условия»  ГОСТ 15150-69 «Машины, приборы и другие технические изделия. Исполнения для различных климатических районов. Категории, условия эксплуатации, хранения и транспортирования в части воздействия климатических факторов внешней среды»  ГОСТ 15151-69 «Машины, приборы и другие технические изделия для районов с тропическим климатом. Общие технические условия»  ГОСТ 18501-73 «Оборудование подъемно-транспортное. Конвейеры, тали, погрузчики и штабелеры. Термины и определения»  ГОСТ 2991-85 «Ящики дощатые неразборные для грузов массой до 500 кг. Общие технические условия»  ГОСТ 3885-73 «Реактивы и особо чистые вещества. Правила приемки, отбор проб, фасовка, упаковка, маркировка, транспортирование и хранение»  ГОСТ 18051-83 «Тара деревянная для теплоизоляционных материалов и изделий. Технические условия» ГОСТ 4147-74 «Реактивы. Железо (III) хлорид 6-водный. Технические условия» ГОСТ 5040-78 «Изделия легковесные - теплоизоляционные огнеупорные и высокоогнеупорные. Технические условия»  ГОСТ 5040-96 «Изделия огнеупорные и высокоогнеупорные легковесные теплоизоляционные. Технические условия» ГОСТ 5044-79 «Барабаны стальные тонкостенные для химических продуктов. Технические условия» ГОСТ 5279-74 «Графит кристаллический литейный. Технические условия»  ГОСТ 530-80 «Кирпич и камни керамические. Технические условия» ГОСТ 5341-69 «Изделия огнеупорные шамотные для футеровки сталеразливочных ковшей» ГОСТ 390-83 «Изделия огнеупорные шамотные и полукислые общего назначения и массового производства. Технические условия»  ГОСТ 8691-73 «Изделия огнеупорные общего назначения. Форма и размеры» ГОСТ 23037-78 «Огнеупоры неформованные. Заполнители для бетонных изделий, масс, смесей, покрытий и мертелей. Технические условия» ГОСТ 5799-78 «Фляги для лакокрасочных материалов. Технические условия»  ГОСТ 3808.1-80 «Пиломатериалы хвойных пород. Атмосферная сушка и хранение» ГОСТ 6024-75 «Изделия огнеупорные динасовые и шамотные для кладки мартеновских печей. Форма и размеры»  ГОСТ 6564-84 «Пиломатериалы и заготовки. Правила приемки, методы контроля, маркировка и транспортирование» ГОСТ 6137-80 «Мертели огнеупорные алюмосиликатные. Технические условия» ГОСТ 6247-79 «Бочки стальные сварные с обручами катания на корпусе. Технические условия»  ГОСТ 8486-86 «Пиломатериалы хвойных пород. Технические условия» ГОСТ 6552-80 «Реактивы. Кислота ортофосфорная. Технические условия»  ГОСТ 10950-78 «Пиломатериалы и заготовки. Антисептирование способом погружения» ГОСТ 7494-87 «Угли Сахалина для бытовых нужд населения. Технические условия» ГОСТ 7759-73 «Магний хлористый технический (бишофит). Технические условия»  ГОСТ 7769-82 «Чугун легированный для отливок со специальными свойствами. Марки» ГОСТ 7827-74 «Растворители марок Р-4, Р-4А, Р-5, Р-5А, Р-12 для лакокрасочных материалов. Технические условия»  ГОСТ 19041-85 «Транспортные пакеты и блок-пакеты пилопродукции. Пакетирование, маркировка, транспортирование и хранение»  ГОСТ 24454-80 «Пиломатериалы хвойных пород. Размеры»  ГОСТ 8179-98 «Изделия огнеупорные. Отбор образцов и приемочные испытания»  ГОСТ 10277-90 «Шпатлевки. Технические условия» ГОСТ 8777-80 «Бочки деревянные заливные и сухотарные. Технические условия» ГОСТ 9338-80 «Барабаны фанерные. Технические условия» ГОСТ 9369-77 «Передачи глобоидные. Основные параметры»  ГОСТ 12.3.009-76 «Система стандартов безопасности труда. Работы погрузочно-разгрузочные. Общие требования безопасности»  ГОСТ 15846-2002 «Продукция, отправляемая в районы Крайнего Севера и приравненные к ним местности. Упаковка, маркировка, транспортирование и хранение»  ГОСТ 9573-96 «Плиты из минеральной ваты на синтетическом связующем теплоизоляционные. Технические условия»  ГОСТ 4405-75 «Полосы горячекатаные и кованые из инструментальной стали. Сортамент»  ГОСТ 7417-75 «Сталь калиброванная круглая. Сортамент»  ГОСТ 8559-75 «Сталь калиброванная квадратная. Сортамент»  ГОСТ 8560-78 «Прокат калиброванный шестигранный. Сортамент»  ГОСТ 6102-94 «Ткани асбестовые. Общие технические требования» ГОСТ 10198-91 «Ящики деревянные для грузов массой св. 200 до 20000 кг. Общие технические условия»  ГОСТ 14192-96 «Маркировка грузов»  ГОСТ 10354-82 «Пленка полиэтиленовая. Технические условия»  ГОСТ 23619-79 «Материалы и изделия огнеупорные теплоизоляционные муллитокремнеземистые стекловолокнистые. Технические условия»  ГОСТ 3826-82 «Сетки проволочные тканые с квадратными ячейками. Технические условия»  ГОСТ 515-77 «Бумага упаковочная битумированная и дегтевая. Технические условия»  ГОСТ 2228-81 «Бумага мешочная. Технические условия»  ГОСТ 7377-85 «Бумага для гофрирования. Технические условия»  ГОСТ 8273-75 «Бумага оберточная. Технические условия»  ГОСТ 8828-89 «Бумага-основа и бумага двухслойная водонепроницаемая упаковочная. Технические условия»  ГОСТ 3282-74 «Проволока стальная низкоуглеродистая общего назначения. Технические условия»  ГОСТ 13843-78 «Катанка алюминиевая. Технические условия»  ГОСТ 9078-84 «Поддоны плоские. Общие технические условия»  ГОСТ 24597-81 «Пакеты тарно-штучных грузов. Основные параметры и размеры»  ГОСТ 21650-76 «Средства скрепления тарно-штучных грузов в транспортных пакетах. Общие требования»  ГОСТ 12.3.002-75 «Система стандартов безопасности труда. Процессы производственные. Общие требования безопасности»  ГОСТ 17308-88 «Шпагаты. Технические условия»  ГОСТ 13078-81 «Стекло натриевое жидкое. Технические условия»  ГОСТ 1779-83 «Шнуры асбестовые. Технические условия»  ГОСТ 9.014-78 «Единая система защиты от коррозии и старения. Временная противокоррозионная защита изделий. Общие требования»  ГОСТ 1510-84 «Нефть и нефтепродукты. Маркировка, упаковка, транспортирование и хранение»  ГОСТ 2789-73 «Шероховатость поверхности. Параметры и характеристики»  ГОСТ 2263-79 «Натр едкий технический. Технические условия»  ГОСТ 1412-85 «Чугун с пластинчатым графитом для отливок. Марки»  ГОСТ 10674-82 «Вагоны-цистерны магистральных железных дорог колеи 1520 мм. Общие технические условия»  ГОСТ 19170-2001 «Стекловолокно. Ткань конструкционного назначения. Технические условия»  ГОСТ 3647-80 «Материалы шлифовальные. Классификация. Зернистость и зерновой состав. Методы контроля»  ГОСТ 2912-79 «Хрома окись техническая. Технические условия»  ГОСТ 9569-79 «Бумага парафинированная. Технические условия»  ГОСТ 18477-79 «Контейнеры универсальные. Типы, основные параметры и размеры»  ГОСТ 18992-80 «Дисперсия поливинилацетатная гомополимерная грубодисперсная. Технические условия»
|
                                                                                                                                           
|