Скачать ГОСТ 6482-2011 Трубы железобетонные безнапорные. Технические условия

Дата актуализации: 01.01.2021

ГОСТ 6482-2011

Трубы железобетонные безнапорные. Технические условия

Обозначение: ГОСТ 6482-2011
Обозначение англ: GOST 6482-2011
Статус:взамен
Название рус.:Трубы железобетонные безнапорные. Технические условия
Название англ.:Reinforced concrete non pressure pipes. Specifications
Дата добавления в базу:01.09.2013
Дата актуализации:01.01.2021
Дата введения:01.01.2013
Область применения:Стандарт распространяется на трубы железобетонные безнапорные, предназначенные для прокладки подземных трубопроводов, транспортирующих самотеком бытовые, производственные и атмосферные сточные воды, в том числе при наличии агрессивного воздействия сточных вод. Требования стандарта не распространяются на водопропускные трубы, укладываемые под насыпями автомобильных и железных дорог, а также трубы для микротоннелирования.
Оглавление:1 Область применения
2 Нормативные ссылки
3 Термины и определения
4 Технические требования
   4.1 Классификация, основные параметры и размеры
   4.2 Технологические и конструктивно-эксплуатационные требования
   4.3 Требования к бетону
   4.4 Требования к арматурным сталям и изделиям
   4.5 Требования к стыковому соединению труб и материалам, применяемым для их герметизации
   4.6 Дополнительные требования к трубам, предназначенным для эксплуатации в агрессивной среде
   4.7 Требования к точности изготовления труб
   4.8 Требования к качеству поверхностей
   4.9 Комплектность
   4.10 Маркировка
5 Требования безопасности и охраны окружающей среды
6 Правила приемки
7 Методы испытаний и контроля
8 Транспортирование и хранение
9 Гарантии изготовителя
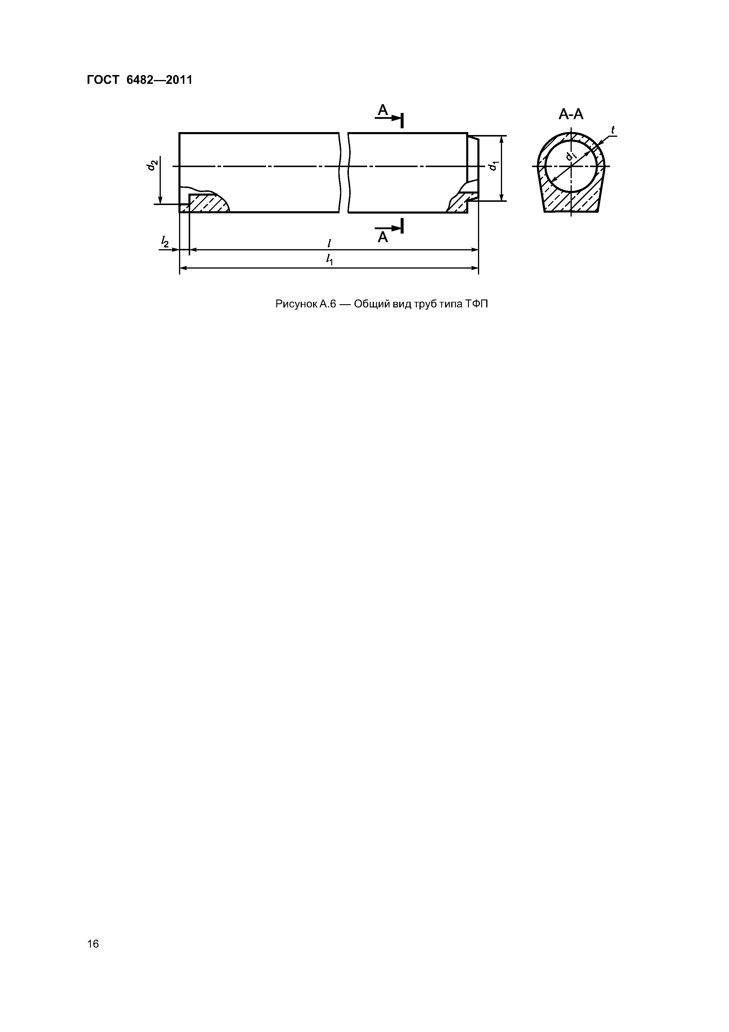
Приложение А (справочное) Внешний вид и форма труб
Приложение Б (справочное) Рекомендуемые основные размеры труб.
Приложение В (справочное) Схемы испытаний труб нагружением
Приложение Г (справочное) Схемы испытаний труб на водонепроницаемость
Библиография
Разработан: ЗАО ВНИИжелезобетон
Институт БелНИИС
Утверждён:24.05.2012 Федеральное агентство по техническому регулированию и метрологии (76-ст)
08.12.2011 Межгосударственная научно-техническая комиссия по стандартизации, техническому нормированию и сертификации в строительстве (МНТКС) (38)
Издан: Стандартинформ (2013 г. )
Список изменений:
Заменяет собой:
Нормативные ссылки:
ГОСТ 6482-2011ГОСТ 6482-2011ГОСТ 6482-2011ГОСТ 6482-2011ГОСТ 6482-2011ГОСТ 6482-2011ГОСТ 6482-2011ГОСТ 6482-2011ГОСТ 6482-2011ГОСТ 6482-2011ГОСТ 6482-2011ГОСТ 6482-2011ГОСТ 6482-2011ГОСТ 6482-2011ГОСТ 6482-2011ГОСТ 6482-2011ГОСТ 6482-2011ГОСТ 6482-2011ГОСТ 6482-2011ГОСТ 6482-2011ГОСТ 6482-2011ГОСТ 6482-2011ГОСТ 6482-2011ГОСТ 6482-2011ГОСТ 6482-2011ГОСТ 6482-2011ГОСТ 6482-2011ГОСТ 6482-2011ГОСТ 6482-2011

Текстовое изменение Поправка от 04.05.2015

Поправка

Текстовое изменение № 1 от 01.03.2017

№ 1№ 1№ 1

Текстовое изменение Поправка от 15.06.2017

Поправка

Текстовое изменение Поправка от 15.11.2017

Поправка