Главная // Актуальные документы // Приказ
СПРАВКА
Источник публикации
М., 2020
Примечание к документу
Текст документа приведен в соответствии с публикацией на сайте https://minstroyrf.gov.ru/ по состоянию на 01.03.2021.

Документ вводился в действие с 01.07.2021. Распоряжением Правительства РФ от 06.04.2021 N 887-р дата введения в действие данного документа установлена с 08.04.2021.
Название документа
"Изменение N 4 к СП 256.1325800.2016 "Электроустановки жилых и общественных зданий. Правила проектирования и монтажа"
(утв. и введено в действие Приказом Минстроя России от 30.12.2020 N 919/пр)


"Изменение N 4 к СП 256.1325800.2016 "Электроустановки жилых и общественных зданий. Правила проектирования и монтажа"
(утв. и введено в действие Приказом Минстроя России от 30.12.2020 N 919/пр)

Утверждено и введено в действие
Приказом Министерства строительства
и жилищно-коммунального хозяйства
Российской Федерации
от 30 декабря 2020 г. N 919/пр
ИЗМЕНЕНИЕ N 4 К СП 256.1325800.2016
"ЭЛЕКТРОУСТАНОВКИ ЖИЛЫХ И ОБЩЕСТВЕННЫХ ЗДАНИЙ.
ПРАВИЛА ПРОЕКТИРОВАНИЯ И МОНТАЖА"
ОКС 91.140.50
Распоряжением Правительства РФ от 06.04.2021 N 887-р дата введения в действие данного документа установлена с 08.04.2021.
Дата введения
1 июля 2021 года
Введение
Дополнить пятым абзацем в следующей редакции:
"Изменение N 4 разработано ООО "Ассоциация РЭМ" (д-р техн. наук, проф. Ю.И. Солуянов, В.И. Берман, В.Н. Коротков, канд. техн. наук А.Н. Тюрин, В.В. Чернов).".
Содержание
Дополнить наименованием подраздела 5.5 в следующей редакции:
"5.5 Наружное архитектурное освещение".
Раздел 10. Наименование. Изложить в новой редакции:
"10 Групповые цепи".
Подраздел 18.6. Наименование. Изложить в новой редакции:
"18.6 Технические требования к каналам связи для передачи информации автоматизированной системой коммерческого учета потребления ресурсов и автоматизированной системой управления и диспетчеризации инженерным оборудованием".
Приложение А. Исключить статус: "(рекомендуемое)".
Приложение Б. Исключить статус: "(рекомендуемое)".
Дополнить наименованием приложения В в следующей редакции:
"Приложение В Рекомендации по применению устройств защиты от дугового пробоя (УЗДП) в электроустановках жилых и общественных зданий".
2 Нормативные ссылки
Исключить следующие нормативные ссылки:
"ГОСТ 14254-96 (МЭК 529-89) Степени защиты, обеспечиваемые оболочками. (Код IP)";
"ГОСТ 32126.1-2013 (IEC 60670-1:2002) Коробки и корпусы для электрических аппаратов, устанавливаемые в стационарные электрические установки бытового и аналогичного назначения. Часть 1. Общие требования";
"ГОСТ Р 12.4.026-2001 Система стандартов безопасности труда. Цвета сигнальные, знаки безопасности и разметка сигнальная. Назначение и правила применения. Общие технические требования и характеристики. Методы испытаний";
"ГОСТ Р 50571.4.42-2012 (МЭК 60364-4-42:2010) Электроустановки низковольтные. Часть 4-42. Требования по обеспечению безопасности. Защита от тепловых воздействий";
ИС МЕГАНОРМ: примечание.
В официальном тексте документа, видимо, допущена опечатка: имеется в виду ГОСТ Р 50571-4-44-2011, а не ГОСТ Р 505714-44-2011.
"ГОСТ Р 505714-44-2011 (МЭК 60364-4-44:2007) Электроустановки низковольтные. Часть 4-44. Требования по обеспечению безопасности. Защита от отклонений напряжения и электромагнитных помех";
"ГОСТ Р 50571.13-96 (МЭК 364-7-706-83) Электроустановки зданий. Часть 7. Требования к специальным электроустановкам. Раздел 706. Стесненные помещения с проводящим полом, стенами и потолком";
"ГОСТ Р 50571.16-2007 (МЭК 60364-6:2006) Электроустановки низковольтные. Часть 6. Испытания";
"ГОСТ Р 51321.2-2009 (МЭК 60439-2:2005) Устройства комплектные низковольтные распределения и управления. Часть 2. Дополнительные требования к шинопроводам";
"ГОСТ Р 54350-2011 Приборы осветительные. Светотехнические требования и методы испытаний";
"ГОСТ Р 54944-2012 Здания и сооружения. Методы измерения освещенности";
"ГОСТ Р 55963-2014 Лифты. Диспетчерский контроль. Общие технические требования";
"ГОСТ Р МЭК 60755-2012 Общие требования к защитным устройствам, управляемым дифференциальным (остаточным) током";
"СП 5.13130.2009 Системы противопожарной защиты. Установки пожарной сигнализации и пожаротушения автоматические. Нормы и правила проектирования (с изменением N 1)";
"СП 52.13330.2011 "СНиП 23-05-95* Естественное и искусственное освещение";
ИС МЕГАНОРМ: примечание.
Упоминаемый в данном документе СП 76.13330.2011 был впоследствии утвержден и издан с номером СП 76.13330.2016.
"СП 76.13330.2011 "СНиП 3.05.06-85 Электротехнические устройства".
Дополнить раздел нормативными ссылками в следующей редакции:
"ГОСТ 12.4.026-2015 Система стандартов безопасности труда. Цвета сигнальные, знаки безопасности и разметка сигнальная. Назначение и правила применения. Общие технические требования и характеристики. Методы испытаний";
"ГОСТ 21.607-2014 Система проектной документации для строительства. Правила выполнения рабочей документации наружного электрического освещения";
"ГОСТ 14254-2015 (IEC 60529:2013) Степени защиты, обеспечиваемые оболочками (Код IP)";
"ГОСТ 24940-2016 Здания и сооружения. Методы измерения освещенности";
"ГОСТ 34441-2018 Лифты. Диспетчерский контроль. Общие технические требования";
"ГОСТ Р 50571.4.42-2017 (МЭК 60364-4-42:2014) Электроустановки низковольтные. Часть 4-42. Защита для обеспечения безопасности. Защита от тепловых воздействий";
"ГОСТ Р 50571.4.44-2019 (МЭК 60364-4-44:2007) Электроустановки низковольтные. Часть 4.44. Защита для обеспечения безопасности. Защита от резких отклонений напряжения и электромагнитных возмущений";
"ГОСТ Р 50571.7.706-2016/МЭК 60364-7-706(2005) Электроустановки низковольтные. Часть 7-706. Требования к специальным установкам или местам их расположения. Проводящие помещения со стесненными условиями";
"ГОСТ Р 50571.16-2019/МЭК 60364-6:2016 Электроустановки низковольтные. Часть 6. Испытания";
"ГОСТ Р 51321.5-2011 (МЭК 60439-5:2006) Устройства комплектные низковольтные распределения и управления. Часть 5. Дополнительные требования к низковольтным комплектным устройствам, предназначенным для наружной установки в общедоступных местах (распределительным шкафам и щитам)";
"ГОСТ Р 53296-2009 Установка лифтов для пожарных в зданиях и сооружениях. Требования пожарной безопасности";
"ГОСТ Р 54350-2015 Приборы осветительные. Светотехнические требования и методы испытаний";
"ГОСТ Р МЭК 61386.1-2014 Трубные системы для прокладки кабелей. Часть 1. Общие требования";
"ГОСТ Р МЭК 61643-12-2011 Устройства защиты от импульсных перенапряжений низковольтные. Часть 12. Устройства защиты от импульсных перенапряжений в низковольтных силовых распределительных системах. Принципы выбора и применения";
"ГОСТ Р МЭК 62305-4-2016 Защита от молнии. Часть 4. Защита электрических и электронных систем внутри зданий и сооружений";
ИС МЕГАНОРМ: примечание.
При публикации в официальном издании М.: Минстрой России, 2016 данное изменение уже было учтено.
"ГОСТ IEC 61439-1-2013 Устройства комплектные низковольтные распределения и управления. Часть 1. Общие требования";
"ГОСТ IEC 61439-3-2015 Устройства комплектные низковольтные распределения и управления. Часть 3. Распределительные щиты, предназначенные для управления неквалифицированными лицами";
"ГОСТ IEC 61439-5-2017 Устройства комплектные низковольтные распределения и управления. Часть 5. Комплектные устройства для силового распределения в сетях общественного пользования";
"ГОСТ IEC 61439-6-2017 Низковольтные комплектные устройства распределения и управления. Часть 6. Системы сборных шин (шинопроводы)";
"ГОСТ IEC 62423-2013 Автоматические выключатели, управляемые дифференциальным током, типа F и типа B со встроенной и без встроенной защиты от сверхтоков бытового и аналогичного назначения";
"СП 42.13330.2016 "СНиП 2.07.01-89* Градостроительство. Планировка и застройка городских и сельских поселений" (с изменениями N 1, N 2)";
"СП 52.13330.2016 "СНиП 23-05-95* Естественное и искусственное освещение" (с изменением N 1)";
"СП 76.13330.2016 "СНиП 3.05.06-85 Электротехнические устройства";
"СП 484.1311500.2020 Системы противопожарной защиты. Системы пожарной сигнализации и автоматизация систем противопожарной защиты. Нормы и правила проектирования";
"СП 485.1311500.2020 Системы противопожарной защиты. Установки пожаротушения автоматические. Нормы и правила проектирования";
"СП 486.1311500.2020 Системы противопожарной защиты. Перечень зданий, сооружений, помещений и оборудования, подлежащих защите автоматическими установками пожаротушения и системами пожарной сигнализации. Требования пожарной безопасности".
СП 118.13330.2012. Заменить слова: "(с изменением N 1)" на "(с изменениями N 1, N 2, N 3, N 4)".
СП 158.13330.2014. Дополнить ссылку словами: "(с изменениями N 1, N 2)".
3 Термины и определения
Пункт 3.1. Изложить в новой редакции:
"3.1 В настоящем своде правил применены термины и определения по ГОСТ 29322, ГОСТ 30331.1, ГОСТ 32144, ГОСТ 32395, ГОСТ Р 55392, ГОСТ IEC 60947-1, ГОСТ IEC 62606, СП 52.13330, [4], а также следующие термины с соответствующими определениями:".
Пункт 3.1.1. Дополнить пунктом 3.1.1а в следующей редакции:
"3.1.1а
акцентирующее освещение: Выделение светом отдельных деталей на менее освещенном фоне.
[СП 52.13330.2016, пункт 3.3]
".
Пункт 3.1.4 дополнить пунктами 3.1.4а, 3.1.4б в следующей редакции:
"3.1.4а визуализация: Созданное методами компьютерного моделирования реалистическое изображение освещенного фасада здания или иного объекта.
3.1.4б
выходное отверстие: Окно в осветительной арматуре, предназначенное для выхода света в окружающее пространство.
Примечание - Термин применяют для осветительных приборов, оптическая система которых включает в себя экранирующие свет элементы (отражатель, решетку).
[ГОСТ Р 55392-2012, пункт 2.21]
".
Пункт 3.1.9 дополнить пунктом 3.1.9а в следующей редакции:
"3.1.9а
дуговой пробой (дуговое замыкание): Опасная непреднамеренная параллельная или последовательная дуга между проводниками.
[ГОСТ IEC 62606-2016, пункт 3.2]
".
Пункт 3.1.10 дополнить пунктом 3.1.10а в следующей редакции:
"3.1.10а
заливающее освещение: Общее (равномерное или неравномерное) освещение всего фасада здания или сооружения или его существенной части световыми приборами.
[СП 52.13330.2016, пункт 3.20]
".
Пункт 3.1.19. Изложить в новой редакции:
"3.1.19
комбинированное искусственное освещение: Искусственное освещение, при котором к общему искусственному освещению добавляется местное.
[СП 52.13330.2016, пункт 3.26]
".
Пункт 3.1.21 дополнить пунктом 3.1.21а в следующей редакции:
"3.1.21а локальное освещение: Освещение части здания или сооружения, а также отдельных элементов окружающей среды осветительными приборами с небольшого расстояния.".
Пункт 3.1.22. Изложить в новой редакции:
"3.1.22
местное освещение: Освещение, дополнительное к общему, создаваемое светильниками, концентрирующими световой поток непосредственно на рабочих местах.
[СП 52.13330.2016, пункт 3.39]
".
Дополнить пунктом 3.1.22а в следующей редакции:
"3.1.22а наружное архитектурное освещение: Освещение улично-дорожной сети, фасадов зданий и сооружений, учитывающее имеющиеся источники искусственного освещения - утилитарное наружное освещение, светящиеся витрины магазинов и рекламные вывески и пр., обеспечивающее архитектурную выразительность застройки городской среды.".
Пункт 3.1.33. Изложить в новой редакции:
"3.1.33
общее равномерное искусственное освещение помещений: Освещение, при котором светильники размещаются в верхней зоне помещения и создают равномерное распределение освещенности на рабочих местах.
[СП 52.13330.2016, пункт 3.42]
".
Дополнить пунктом 3.1.33а в следующей редакции:
"3.1.33а
оптическая ось: Полупрямая, исходящая из светового центра и используемая в качестве полярной оси системы координат для описания светораспределения осветительного прибора при его представлении в виде точечного излучателя.
[ГОСТ Р 55392-2012, пункт 2.25]
".
Пункт 3.1.37. Дополнить пунктом 3.1.37а в следующей редакции:
"3.1.37а поправочный коэффициент для расчетной нагрузки электроприемников квартир жилых зданий для различных регионов Российской Федерации: Коэффициент, корректирующий значение расчетной нагрузки электроприемников квартир жилых зданий в регионах Российской Федерации, полученный на основании оценки фактического электропотребления жилых зданий для конкретного региона Российской Федерации.".
Пункт 3.1.38 дополнить пунктом 3.1.38а в следующей редакции:
"3.1.38а прожектор: Осветительный прибор, перераспределяющий свет источника (источников) света внутри малых телесных углов и обеспечивающий угловую концентрацию светового потока.".
Пункт 3.1.46 дополнить пунктами 3.1.46а - 3.1.46в в следующей редакции:
"3.1.46а световое загрязнение (неба): Вид физического загрязнения окружающей среды, при котором засвечивается ночное небо искусственными источниками света, свет которых рассеивается в нижних слоях атмосферы, мешая проведению астрономических наблюдений, изменяя цикл роста растений и биоритмы живых существ.
3.1.46б световое загрязнение (светоцветовой среды города): Создание дискомфортного зрительного восприятия освещенных объектов, ослепление водителей транспортных средств и пешеходов излучением осветительных приборов прямым и отраженным светом, засвечивание камер наружного наблюдения и окон жилых домов, создание чрезмерно ярких поверхностей дорожного полотна, фасадов зданий и других освещенных объектов.
3.1.46в
световой центр: Точка, используемая в качестве центра полярной системы координат для описания светораспределения осветительного прибора при его представлении в виде точечного излучателя.
Примечание - Как правило, за световой центр принимают фотометрический центр осветительного прибора.
[ГОСТ Р 55392-2012, пункт 2.24]
".
Пункт 3.1.47. Дополнить пунктом 3.1.47а в следующей редакции:
"3.1.47а светоцветовая среда: Совокупность воздействия на органы зрения всех источников искусственного освещения - наружного утилитарного и архитектурного освещения, светящихся рекламных и иных конструкций, в вечернее и ночное время.".
Пункт 3.1.62. Дополнить пунктом 3.1.62а в следующей редакции:
"3.1.62а
устройство защиты от дугового пробоя; УЗДП: Устройство, предназначенное для снижения эффектов дугового пробоя путем разъединения цепи при обнаружении дугового пробоя.
[ГОСТ IEC 62606-2016, пункт 3.3].
".
Пункт 3.1.66. Изложить в новой редакции:
"3.1.66
щелевой световод: Полый световод, светопропускающая часть оболочки которого выполнена в виде протяженной полосы на боковой поверхности, называемой оптической щелью.
[ГОСТ Р 55392-2012, пункт 9.14]
".
Подраздел 3.2 дополнить сокращением в следующей редакции:
"УЗДП - устройство защиты от дугового пробоя;".
4 Общие положения
Пункт 4.3. Третий абзац. Заменить ссылку: "СП 5.13130" на "СП 484.1311500, СП 485.1311500, СП 486.1311500".
5 Искусственное освещение
Пункт 5.1.1. Дополнить восьмым абзацем в следующей редакции:
"Наружное архитектурное освещение зданий и сооружений следует выполнять в соответствии с требованиями 5.5.".
Пункт 5.1.5. Первое предложение. Заменить ссылку: "ГОСТ Р 12.4.026" на "ГОСТ 12.4.026". Четвертый абзац. Заменить ссылку: "СП 52.13330.2011" на "СП 52.13330.2016".
Пункт 5.2.3. Третий абзац. Исключить.
Пункт 5.2.9. Второе предложение. Заменить ссылку: "ГОСТ Р 54944" на "ГОСТ 24940".
Пункты 5.2.10, 5.2.11 изложить в новой редакции:
"5.2.10 Необходимость освещения внутренних витрин предприятий торговли и общественного питания определяется в задании на проектирование. Нормы освещенности принимаются по СП 52.13330.
5.2.11 В зданиях, расположенных на улицах, дорогах и площадях категорий А и Б по СП 52.13330, должна предусматриваться возможность присоединения установок иллюминации и архитектурного освещения с учетом площади освещаемой части фасада. Мощность установки архитектурного освещения определяется проектом в зависимости от расположения, назначения и особенностей архитектуры здания в соответствии с требованиями 5.5.
На этапе предпроектного расчета нагрузок рекомендуемая усредненная удельная мощность архитектурного освещения составляет 3 Вт/м2.".
Пункт 5.3.1. Изложить в новой редакции:
"5.3.1 Требования к источникам света для жилых и общественных зданий принимаются по СП 52.13330.".
Пункты 5.3.2 - 5.3.7. Исключить.
Пункт 5.4.14. Изложить в новой редакции:
"5.4.14 Освещение книго- и архивохранилищ должно выполняться светильниками, установленными по оси проходов между стеллажами. Исполнение светильников в указанных помещениях, а также кладовых непродовольственных магазинов, ателье, в хранилищах учреждений финансирования и кредитования должно выбираться в соответствии с требованиями к светильникам, установленным в пожароопасных зонах класса П-IIа в соответствии с [3] для хранения ценных сгораемых материалов. Монтаж светильников должен выполняться в соответствии с требованиями ГОСТ Р 50571.4.42.".
Раздел 5 дополнить подразделом 5.5 в следующей редакции:
"5.5 Наружное архитектурное освещение
5.5.1 Общие требования
5.5.1.1 Архитектурное освещение должно способствовать созданию комфортной светоцветовой среды городских и сельских населенных пунктов, а также обеспечивать архитектурную выразительность освещаемых объектов.
5.5.1.2 При проектировании и монтаже архитектурного освещения должны быть предприняты меры по снижению и устранению возможного негативного влияния излучения ОП: засветки окон жилых зданий, слепящего воздействия на водителей транспортных средств и пешеходов, светового загрязнения ночного неба над городами и населенными пунктами. В качестве мер по снижению и устранению возможного негативного влияния излучения ОП рекомендуется применять защитные экраны, козырьки и т.п.
5.5.1.3 При разработке проектов архитектурного освещения следует учитывать влияние на создаваемую светоцветовую среду существующих источников искусственного освещения: утилитарного наружного освещения, светящихся витрин магазинов, рекламных вывесок и других источников света в соответствии с требованиями 5.5.5.
5.5.1.4 Оформление документации архитектурного освещения следует выполнять в соответствии с требованиями ГОСТ 21.607, ГОСТ 21.608.
5.5.2 Предпроектное обследование объекта освещения
5.5.2.1 На подготовительном этапе разработки проекта осветительной установки следует выполнить обследование освещаемого объекта. По итогам обследования следует получить и определить следующую основную информацию:
- места установки щитков освещения и шкафов управления (при их наличии);
- места установки антенн (при их наличии) для дистанционного беспроводного управления осветительной установкой;
- точки подключения щитков освещения (ГРЩ, ВРУ, ТП и т.п.);
- трассы прокладки распределительных сетей до щитков освещения и групповых сетей до ОП внутри и снаружи здания;
- конструкция, материалы, толщина и цвет стен;
- размеры окон и межоконных простенков;
- способы мытья окон при сплошном остеклении фасадов общественных зданий;
- наличие вентилируемых фасадов;
- наличие и места расположения деформационных швов (температурных, осадочных, антисейсмических);
- наличие и места прокладки на фасадах зданий и сооружений инженерных коммуникаций, включая их элементы.
5.5.2.2 Места размещения щитков, антенн, точек подключения, трассы прокладки кабелей требуется согласовать со службой эксплуатации объекта.
5.5.3 Рекомендации по разработке раздела архитектурного освещения
5.5.3.1 Для архитектурного освещения зданий, сооружений и улично-дорожной сети городских и сельских населенных пунктов рекомендуется создавать единую светоцветовую среду комплекса зданий и сооружений, входящих в объем проектирования.
При выполнении архитектурного освещения отдельных зданий и сооружений рекомендуется учитывать яркость, цветность излучения и прочие характеристики существующего освещения близлежащих зданий и сооружений (при их наличии).
5.5.3.2 Для архитектурных доминант (высотных зданий и сооружений и пр.) городской застройки рекомендуется в общую концепцию вносить дополнительные требования к архитектурному освещению данных объектов.
5.5.3.3 При новом строительстве и реконструкции следует проводить обследование объектов освещения (улиц, площадей, отдельных зданий и сооружений) в целях выявления их характеристик и особенностей:
- категория улицы или площади;
- наличие архитектурных доминант;
- особенности архитектуры фасадов зданий (колонны, аттики, статуи, художественная лепнина);
- расположение объекта (центр города или его окраина) и его историческое прошлое;
- наличие размещенных на тротуарах, фасадах и кровлях зданий световой рекламы, баннеров;
- анализ наружного утилитарного освещения и его предполагаемое влияние на архитектурное освещение.
5.5.3.4 Для создания взаимоувязанной светоцветовой среды городских и сельских населенных пунктов, а также в целях рационального использования электроэнергии следует разрабатывать архитектурное освещение вечернего и ночного, праздничного и повседневного режимов включения.
5.5.4 Светотехнические расчеты
5.5.4.1 Яркость объектов архитектурного освещения в зависимости от категории улицы для различных типов освещения следует принимать по таблице 7.23 СП 52.13330.2016.
5.5.4.2 Коэффициенты отражения поверхностей освещаемых объектов могут быть определены по данным натурных измерений или приняты по таблице 7.24 СП 52.13330.2016.
5.5.4.3 Коэффициент эксплуатации осветительной установки следует принимать согласно 7.5.6.11 СП 52.13330.2016.
5.5.4.4 Светотехнический расчет состоит в выборе необходимых параметров осветительных приборов и источников света, обеспечивающих нормируемую яркость поверхностей освещаемых объектов (фасадов, архитектурных элементов и т.п.), мест установки и углов нацеливания осветительных приборов.
В результате светотехнического расчета необходимо определить мощности источников света и кривые силы света ОП, количество и пространственное расположение ОП относительно освещаемых поверхностей.
5.5.4.5 При освещении фасадов зданий следует определять оптимальное расстояние от светового центра или центра выходного отверстия ОП до поверхности фасада и угол между плоскостью фасада и оптической осью (угол нацеливания). Оптимальные расстояния и углы нацеливания определяют в соответствии со светотехническими расчетами на основе профильных компьютерных программ или экспериментальным путем.
5.5.4.6 Светотехнические расчеты рекомендуется выполнять с помощью профильных компьютерных программ.
5.5.4.7 Результаты светотехнического расчета рекомендуется оформлять в виде графического представления распределения яркости на освещаемой поверхности с использованием фиктивных цветов, в котором установлено соответствие определенного цвета определенному диапазону яркости, а также в виде таблиц, содержащих числовые значения яркости на освещаемой поверхности в определенных точках с равномерным шагом по вертикали и горизонтали.
5.5.4.8 Выполненный светотехнический расчет должен соответствовать 5.5.3.
5.5.5 Учет влияния наружного утилитарного освещения и светящихся рекламных конструкций
5.5.5.1 До выполнения светотехнических расчетов и разработки архитектурного освещения рекомендуется путем измерения или иным экспериментальным путем определить яркость различных участков освещаемого объекта, которую создают существующие установки наружного утилитарного освещения и рекламы.
5.5.5.2 При разработке архитектурного освещения следует учитывать влияние существующего освещения на участки фасадов и объекты освещения, расположенные в уровне первого этажа, где в большей степени вероятно наличие наружного утилитарного освещения пешеходных зон, светящихся рекламных конструкций и витрин магазинов.
5.5.5.3 Вертикальная освещенность на окнах жилых зданий не должна превышать значений, указанных в 7.5.5.2, 7.5.5.3, таблице 7.22 СП 52.13330.2016.
5.5.6 Выбор осветительных приборов и способов их установки
5.5.6.1 Для архитектурного освещения следует применять ОП, предназначенные для этой цели, имеющие характеристики, соответствующие условиям эксплуатации: температура окружающей среды, степень защиты от пыли и влаги.
5.5.6.2 Рекомендуется выбирать ОП комплектно с конструкциями для их крепления (кронштейнами).
5.5.6.3 Осветительные приборы для архитектурного освещения, как правило, устанавливают непосредственно на освещаемом фасаде, на опорах освещения (допускается установка ОП на существующих опорах утилитарного наружного освещения), в грунте (ландшафтное освещение).
5.5.6.4 Для архитектурного освещения рекомендуется применять ОП со светодиодными и металлогалогенными источниками света.
5.5.6.5 При выборе типов ОП для акцентирующего освещения определенных архитектурных элементов необходимо применять ОП, обеспечивающие оптимальную реализацию поставленной задачи. Например, при освещении колонн, скульптур и иных вертикальных архитектурных элементов рекомендуется применять светильники прожекторного типа, при освещении карнизов, фронтонов и иных горизонтальных архитектурных элементов рекомендуется применять линейные светильники с возможностью установки в сплошную линию.
5.5.6.6 Светодинамические ОП с возможностью управления цветностью излучения следует применять, если предусмотрен динамический сценарий освещения (изменение цветности или интенсивности излучения ОП осветительной установки).
5.5.6.7 Для ОП, посредством которых создаются протяженные светящиеся линии (например, для освещения карнизов линейными светильниками), рекомендуется предусматривать конструкции для установки ОП в линию.
Конструкция, представляющая, например, Z-образный профиль должна быть прикреплена к фасаду здания на расстоянии, обеспечивающем требуемое расстояние от оптической оси ОП до поверхности фасада здания. Для крепления конструкций на заданном расстоянии от фасада могут быть использованы кронштейны соответствующей длины.
Все секции профиля, составляющего конструкцию для установки ОП в линию, должны быть жестко соединены между собой.
Примечание - Применение конструкций для установки ОП в линию сокращает число мест сверления стен при установке крепежных конструкций (кронштейнов), позволяет избежать случаев сверления стен непосредственно над окнами зданий, а также обеспечивает эффект ровной светящейся линии на освещаемом архитектурном элементе.
5.5.6.8 Во избежание повреждения ОП наружного архитектурного освещения при проведении ремонтных работ в процессе эксплуатации следует применять меры защиты (временные ограждения).
5.5.6.9 Крепежные элементы (например, анкерные болты для кирпича или бетона) должны иметь антикоррозионную защиту для эксплуатации на открытом воздухе.
Для крепления ОП и конструкций для их установки на стенах из пустотелого кирпича следует использовать цементные растворы в соответствии с рекомендациями изготовителей крепежных элементов (анкерных болтов и т.п.).
5.5.7 Особенности освещения фасадов жилых зданий
5.5.7.1 При проектировании архитектурного освещения жилых зданий, гостиниц и общежитий следует исключать засветку окон. При невозможности полного исключения засветки окон должны быть обеспечены ее минимальные значения в соответствии с 5.5.5.3.
5.5.7.2 Освещающие межоконные простенки ОП рекомендуется подключать к отдельной групповой линии для обеспечения возможности их выключения в ночное время.
5.5.8 Особенности освещения памятников архитектуры и культурного наследия
5.5.8.1 Осветительные приборы, конструкции для их установки, электропроводки и прочие элементы осветительной установки во избежание негативного влияния на внешний вид объектов освещения рекомендуется устанавливать за карнизами, за колоннами, в нишах и т.п. таким образом, чтобы не искажать внешний вид объектов освещения в светлое время суток.
Корпуса ОП, кронштейны, электротехнические короба, ответвительные коробки и прочие элементы осветительной установки, устанавливаемые на фасадах зданий и других освещаемых поверхностях, рекомендуется окрашивать в цвет фона поверхностей, на которых они установлены.
5.5.8.2 При проектировании и монтаже архитектурного освещения памятников архитектуры и культурного наследия следует принимать решения, обеспечивающие наименьшее механическое воздействие на объект освещения (штробление, сверление отверстий в стенах и других архитектурных элементах).
5.5.8.3 Для освещения одно- и двухэтажных зданий рекомендуется рассматривать возможность установки ОП на земле и на опорах, в том числе на существующих опорах наружного утилитарного освещения.
5.5.8.4 Заливающее освещение зданий рекомендуется выполнять с поверхности земли или с опор.
5.5.8.5 Прожекторы с узким углом рассеивания используют для локального освещения отдельных зон фасадов, а также для акцентирующего освещения архитектурных элементов.
5.5.9 Требования к электропроводкам
5.5.9.1 В электрических сетях с номинальным напряжением 220 (230) В электропроводки следует выполнять с разделенными нейтральным (N) и защитным (PE) проводниками.
5.5.9.2 Следует применять кабели с токопроводящими медными жилами или жилами из алюминиевых сплавов, не распространяющие горение.
Допускается использовать самонесущие изолированные провода на участках трасс, не доступных с земли, поверхности кровли, балкона или из окна без использования лестниц, стремянок и иных приспособлений.
5.5.9.3 Все электропроводки, расположенные внутри здания до их выхода на фасад или кровлю, следует выполнять электрическими кабелями, выбранными в соответствии с назначением здания согласно ГОСТ 31565.
5.5.9.4 Неметаллические трубы и короба, используемые для прокладки электрических сетей, должны иметь исполнение, допускающее их применение в наружных электропроводках.
5.5.9.5 Должно быть обеспечено надежное крепление съемных крышек коробов. При необходимости следует применять дополнительные крепежные элементы. Съемные крышки коробов (в том числе неметаллических) и ответвительных коробок могут быть сняты лишь с использованием специального инструмента (отвертки, пассатижи, гаечные ключи и т.п.).
5.5.9.6 Неметаллические трубы должны иметь параметры "степень сопротивления сжатию" и "степень сопротивления удару" не ниже класса 3 (средняя) по ГОСТ Р МЭК 61386.1.
5.5.9.7 Кабели управления к светодинамическим и иным ОП, требующим подключения к кабелям управления, должны быть проложены в соответствии с требованиями [4, пункт 2.1.16]. Рекомендуется кабели управления прокладывать в отдельной трубе, в отдельном коробе или в общем коробе с перегородкой в различных секциях с силовыми кабелями.
5.5.9.8 Следует предусматривать меры безопасности от поражения электрическим током в соответствии с 5.5.11.
5.5.9.9 Электропроводки по фасадам зданий должны быть проложены в металлических коробах и трубах, в жестких неметаллических трубах и коробах, соответствующих ГОСТ Р 53313.
Допускается прокладка кабелей без дополнительной защиты коробами и трубами при условии выполнения требований 5.5.9.13.
5.5.9.10 При выборе трасс электропроводок следует учитывать имеющиеся на фасадах инженерные коммуникации, карнизы, водосточные трубы и т.п.
5.5.9.11 Электропроводки, прокладываемые в непосредственной близости от инженерных коммуникаций, должны удовлетворять требованиям ГОСТ Р 50571.5.52-2011 (раздел 528).
5.5.9.12 Трассы электропроводок и места установки ответвительных коробок рекомендуется выбирать таким образом, чтобы они не нарушали внешний вид здания.
Например, вертикальные электропроводки могут быть проложены параллельно водосточным трубам, горизонтальные - над промежуточными карнизами.
5.5.9.13 Минимальные расстояния от электрических кабелей, проложенных без дополнительной защиты коробами или трубами, до окон и балконов зданий следует принимать в соответствии с [4, пункт 2.1.75].
5.5.9.14 Минимальные расстояния от электрических кабелей, проложенных в коробах и трубах до окон и балконов (лоджий), следует принимать:
- при горизонтальной прокладке над балконом (лоджией) и крыльцом - 2,25 м, под окном - 0,5 м;
- при вертикальной прокладке до окна - 0,5 м, до балкона (лоджии) - 0,7 м, от уровня земли - 2,5 м.
5.5.9.15 В местах пересечения деформационных швов зданий кабеленесущие системы, расположенные по обе стороны от шва, не должны иметь между собой жесткого крепления. Металлические кабеленесущие системы должны быть соединены гибким проводником уравнивания потенциалов.
Кабели в этих местах должны иметь достаточный запас длины, обеспечивающий их целостность при смещении строительных конструкций.
5.5.9.16 Электропроводки, проложенные на кровлях зданий, не должны:
- препятствовать уборке снега;
- нарушать гидроизоляцию кровли;
- препятствовать свободному стоку дождевой воды к воронкам.
5.5.9.17 Электропроводки на кровлях зданий должны быть проложены в металлических коробах и трубах, в жестких неметаллических коробах и трубах, соответствующих ГОСТ Р 53313, а также допускается применение самонесущих изолированных проводов.
5.5.9.18 На кровлях, к которым имеет доступ обслуживающий персонал, электропроводки должны:
- иметь защиту в такой мере, чтобы доступ к электрическим кабелям и ответвительным коробкам был исключен без использования специального инструмента (отверток, гаечных ключей и т.п.);
- не создавать препятствий для свободного перемещения людей.
5.5.9.19 На поверхности скатных крыш жилых и общественных зданий устройство электропроводок не допускается.
5.5.9.20 При выполнении электропроводок в земляных траншеях следует руководствоваться [4, глава 2.3].
Минимальные расстояния от прокладываемых кабелей до подземных коммуникаций следует принимать в соответствии с СП 42.13330.
5.5.9.21 Расстояние от электрических кабелей до стволов деревьев и до кустарников следует принимать в соответствии с таблицей 9.1 СП 42.13330.2016.
5.5.9.22 Линии групповых сетей допускается выполнять небронированными кабелями, проложенными в неметаллических трубах, предназначенных для прокладки кабелей в земле. При этом все стыки труб должны быть загерметизированы.
5.5.9.23 Для питания установки архитектурного освещения рекомендуется предусматривать отдельный щиток (щитки) освещения.
5.5.9.24 При установке щитка освещения вне здания необходимо выполнять требования ГОСТ IEC 61439-5.
5.5.10 Требования к системе управления освещением
5.5.10.1 Система управления архитектурным освещением должна обеспечивать возможность включения осветительной установки во всех режимах: повседневном, праздничном, вечернем, ночном.
5.5.10.2 Для обеспечения возможности дистанционного управления включением групп ОП в групповых щитках освещения рекомендуется устанавливать контакторы.
5.5.10.3 Дистанционное управление архитектурным освещением выполняют при помощи кнопочных постов управления, программируемого реле времени, фотореле (с фотодатчиком, фиксирующим освещенность вне здания), контроллеров, соединенных с компьютером в диспетчерском пункте.
Если в здании предусмотрено централизованное дистанционное управления внутренними инженерными системами, рекомендуется архитектурное освещение включать в общую централизованную систему управления.
5.5.10.4 Если для архитектурного освещения предусмотрены светодинамические осветительные приборы, с помощью которых предполагается создание различных сценариев освещения, рекомендуется для управления освещением предусматривать шкаф управления, содержащий оборудование, предназначенное для записи и реализации световых сценариев.
5.5.10.5 Если разрабатывается централизованная система управления архитектурным освещением улицы, площади или группы зданий (сооружений), то рекомендуется для реализации беспроводного дистанционного управления освещением предусматривать антенны, обеспечивающие синхронизацию включения и работы осветительной установки в целом.
5.5.11 Меры безопасности от поражения электрическим током
5.5.11.1 Все групповые линии от щитка освещения должны быть защищены от токов короткого замыкания и перегрузки в соответствии с ГОСТ Р 50571.4.43.
5.5.11.2 Рекомендуется предусматривать дополнительную защиту посредством установки на групповых линиях УДТ с номинальным отключающим дифференциальным током, не превышающим 30 мА.
Для групповых линий, питающих ОП, доступные для прикосновения с земли без использования специальных приспособлений, например лестниц, использование УДТ с номинальным отключающим дифференциальным током, не превышающим 30 мА, является обязательным.
Примечание - Доступными для прикосновения считаются ОП, у которых расстояние от низа ОП до уровня земли менее 2,5 м.
5.5.11.3 Сечения защитных проводников и защитных проводников уравнивания потенциалов следует принимать в соответствии с требованиями ГОСТ Р 50571.5.54.
5.5.11.4 Щитки освещения и шкафы управления, устанавливаемые в доступных для посторонних лиц местах, должны иметь прочный (антивандальный) корпус и запираемую на ключ дверцу.
5.5.11.5 Все электропроводки, расположенные на высоте менее 2,5 м, в том числе подъемы по стенам, должны быть защищены от механических повреждений, например металлической трубой.
5.5.11.6 При напряжении питания ОП ниже 50 В переменного тока и 120 В постоянного тока электропроводки, расположенные на высоте менее 2,5 м, допускается защищать от механических повреждений посредством неметаллических труб, коробов и иных погонажных электромонтажных изделий.
5.5.11.7 Защитные проводники в ответвительных коробках, предназначенных для присоединения ОП, должны быть соединены таким образом, чтобы при отсоединении ОП не нарушалась целостность цепи.
5.5.11.8 Контактные соединения в цепях защитных проводников и проводников уравнивания потенциалов должны выдерживать без разрушения ожидаемые токи короткого замыкания.
5.5.11.9 Рекомендуется в металлическом коробе с электрическими кабелями прокладывать проводник защитного уравнивания потенциалов, к которому посредством ответвительных зажимов следует подключить все секции коробов. Сечение проводника уравнивания потенциалов должно удовлетворять требованиям автоматического отключения питания при замыкании на землю в соответствии с пунктом 411.3.2 ГОСТ Р 50571.3-2009, но не должно быть меньше 6 мм2.".
7 Расчетные электрические нагрузки
Таблица 7.1. Дополнить примечанием 11 в следующей редакции:
"11 Нагрузка одноквартирного жилого дома общей площадью от 55 до 300 м2 с газовой плитой должна определяться по пункту 1 таблицы (для квартир с плитами на природном газе), с электрической сауной или с электрической плитой без сауны - по пункту 1 таблицы (для квартир с электрическими плитами), с учетом примечаний 3, 4.".
Пункт 7.1.10. Изложить в новой редакции:
"7.1.10 Расчетная нагрузка жилого дома (квартир и силовых электроприемников) Pр.ж.д, кВт, определяется по формуле
Pр.ж.д = kп.к·Pкв + 0,9Pс, (6)
где Pкв - расчетная нагрузка электроприемников квартир, кВт;
Pс - расчетная нагрузка силовых электроприемников, кВт;
kп.к - поправочный коэффициент для определения расчетной нагрузки жилого дома, принимается по таблице 7.5а.
Таблица 7.5а
Поправочный коэффициент для определения расчетной нагрузки
жилого дома для регионов Российской Федерации
Группа
Регион Российской Федерации
Значение kп.к
1
Центральный федеральный округ: Белгородская область, Брянская область, Владимирская область, Воронежская область, Ивановская область, Калужская область, Костромская область, Курская область, Липецкая область, Московская область, Орловская область, Рязанская область, Смоленская область, Тамбовская область, Тверская область, Тульская область, Ярославская область, г. Москва
0,81
2
Северо-Западный федеральный округ: Республика Карелия, Вологодская область, Калининградская область, Ленинградская область, Псковская область, Новгородская область, Мурманская область, г. Санкт-Петербург, Ненецкий автономный округ, Республика Коми, Архангельская область
0,91
3
Южный федеральный округ: Республика Адыгея (Адыгея), Республика Калмыкия, Республика Крым, Краснодарский край, Астраханская область, Волгоградская область, Ростовская область, г. Севастополь
4
Северо-Кавказский федеральный округ: Республика Дагестан, Республика Ингушетия, Кабардино-Балкарская Республика, Карачаево-Черкесская Республика, Республика Северная Осетия - Алания, Чеченская Республика, Ставропольский край
5
Приволжский федеральный округ: Республика Марий Эл, Республика Мордовия, Республика Татарстан (Татарстан), Удмуртская Республика, Чувашская Республика - Чувашия, Пермский край, Кировская область, Оренбургская область, Пензенская область, Самарская область, Саратовская область, Ульяновская область, Республика Башкортостан, Нижегородская область
6
Уральский федеральный округ: Курганская область, Свердловская область, Тюменская область, Челябинская область, Ханты-Мансийский автономный округ - Югра, Ямало-Ненецкий автономный округ
7
Сибирский федеральный округ: Республика Алтай, Республика Тыва, Республика Хакасия, Алтайский край, Красноярский край, Иркутская область, Кемеровская область, Новосибирская область, Омская область, Томская область
8
Дальневосточный федеральный округ: Республика Бурятия, Республика Саха (Якутия), Забайкальский край, Камчатский край, Приморский край, Хабаровский край, Амурская область, Магаданская область, Сахалинская область, Еврейская автономная область, Чукотский автономный округ
Примечания
1 Деление регионов выполнено на основании [12].
2 При наличии данных о фактических нагрузках, документированных и утвержденных в установленном порядке, поправочный коэффициент для вычисления расчетной нагрузки жилого дома kп.к допускается корректировать для конкретного применения с учетом региональных условий.
3 Расчет может выполняться в соответствии с утвержденными в установленном порядке региональными нормативами.
Расчетная нагрузка при смешанном питании ТП (питающей линией) жилых и нежилых зданий (помещений) определяется в соответствии с 7.2.19.".
Пункт 7.1.12. Третий абзац. Изложить в новой редакции:
"Коэффициент мощности групповых линий освещения с разрядными лампами следует принимать по 7.2.18.".
8 Схемы электрических сетей
Пункт 8.1. Изложить в новой редакции:
"8.1 Схемы электрических сетей должны строиться исходя из требований, предъявляемых к электробезопасности, пожаробезопасности, электроснабжению и надежности электроснабжения электроприемников зданий. Как правило, схемы вводов, как с ручным управлением, так и с автоматическим (АВР), выполняют двухсекционными с межсекционным выключателем.".
Пункт 8.8. Изложить в новой редакции:
"8.8 Категория по надежности электроснабжения для питания электроприемников противопожарных устройств должна соответствовать требованиям таблицы 6.1 и СП 6.13130. При применении противопожарных устройств необходимо учитывать класс функциональной пожарной опасности зданий и помещений [3, статья 32].
Электрооборудование систем противопожарной защиты: средств обеспечения деятельности подразделений пожарной охраны, систем обнаружения пожара, оповещения и управления эвакуацией людей при пожаре, аварийного освещения на путях эвакуации, аварийной вентиляции и противодымной защиты, автоматического пожаротушения, внутреннего противопожарного водопровода, лифтов для транспортирования подразделений пожарной охраны в зданиях и сооружениях - должно соответствовать требованиям СП 6.13130, ГОСТ Р 50571.5.56, ГОСТ Р 53296.
В числе устройств противопожарной защиты рекомендуется применять средства предупреждения пожара в электрических сетях и электрооборудовании, а именно - устройства защиты от дуговых пробоев в соответствии с требованиями приложения В и ГОСТ IEC 62606. Устройства защиты от дуговых пробоев могут быть комплексными - обеспечивать защиту от токов короткого замыкания (функция автоматического выключателя) и (или) защиту от повышенного значения дифференциального тока (функция устройства дифференциального тока), а также защиту от недопустимого превышения (снижения) напряжения и возможность дистанционного отключения их (например, по сигналу "Пожар").
Все применяемые электрические и оптические кабели должны соответствовать ГОСТ 31565.".
Пункт 8.12.2. Изложить в новой редакции:
"8.12.2 Аварийное эвакуационное освещение, включая знаки безопасности, относится к системам безопасности зданий и должно соответствовать требованиям [3], ГОСТ Р 50571.5.56 и СП 6.13130. Электропроводки аварийного эвакуационного освещения следует выполнять в соответствии с 10.6 - 10.11.".
Пункт 8.12.4. Первый абзац. Изложить в новой редакции:
"8.12.4 В зданиях, в которых электроснабжение по I-й категории надежности выполнено для части нагрузок, для которых предусмотрена панель устройства АВР, распределительную сеть аварийного эвакуационного освещения следует выполнять от этой панели отдельной линией. Распределительную сеть аварийного резервного освещения допускается выполнять от распределительной панели ВРУ (ГРЩ), которая не применяется для питания рабочего освещения (с учетом 8.12.1). В случае применения односекционного ВРУ распределительную сеть аварийного резервного освещения следует выполнять от панели АВР отдельной линией.".
Пункт 8.12.9. Третье перечисление. Изложить в новой редакции:
"- в которых присутствует несколько признаков, для которых в соответствии с 8.12.8 рекомендованы меры повышения надежности работы аварийного эвакуационного освещения, следует предусматривать дополнительную (противопожарную) систему аварийного эвакуационного освещения, светильники в которой автоматически переключаются на режим работы от аккумуляторных батарей только в случае пожара при срабатывании пожарной сигнализации. Аккумуляторные батареи (и другие независимые источники электроснабжения), обеспечивающие работу этих светильников в аварийном режиме в случае возникновения пожара, не должны автоматически переходить в рабочий режим при любых нарушениях электропитания в сетях освещения при отсутствии пожара. Целесообразно предусматривать тестовый (ручной) режим включения системы дополнительного аварийного эвакуационного освещения. У системы противопожарной сигнализации при применении дополнительной системы аварийного эвакуационного освещения должен быть повышенный ресурс работы встроенных аккумуляторов. В каждом конкретном случае (в основном, при отсутствии местных генераторов в качестве резервных источников электроснабжения) необходимость установки дополнительной системы аварийного освещения определяется в задании на проектирование.".
Пункт 8.12.11. Изложить в новой редакции:
"8.12.11 Питание аварийного эвакуационного освещения (8.12.1, 8.12.3, 8.12.4, 8.12.5, 8.12.8) рекомендуется осуществлять от панели противопожарных устройств (ППУ) с учетом 8.12.7, предназначенной для питания систем безопасности, которые должны сохранять работоспособность во время пожара в соответствии с СП 6.13130.".
Наименование раздела 10 изложить в новой редакции:
"10 Групповые цепи"
Пункт 10.1. Дополнить третьим абзацем в следующей редакции:
"Групповые цепи архитектурного освещения фасадов зданий следует выполнять с учетом требований 5.5.9.".
Пункт 10.6. Изложить в новой редакции:
"10.6 Электропроводки сетей аварийного эвакуационного освещения и знаков безопасности, включая цепи управления, должны сохранять работоспособность в условиях пожара в течение времени, необходимого для выполнения их функций и эвакуации людей в безопасную зону в соответствии с [3, статья 82]. Питание эвакуационного аварийного освещения выполняется в соответствии с 8.12.".
Пункт 10.13. Изложить в новой редакции:
"10.13 Для предупреждения и защиты электрических сетей от пожара рекомендуется применять защитные устройства от искрения и дугового пробоя (УЗДП) при их возникновении в групповых сетях и электрооборудовании, которое должно отвечать требованиям приложения В и ГОСТ IEC 62606.
В групповых сетях жилых и общественных зданий устанавливаются УЗДП с номинальным рабочим током не меньшим, чем номинальный рабочий ток автоматического выключателя, защищающего групповую линию от сверхтоков и токов короткого замыкания. Допускается не устанавливать УЗДП на каждую групповую линию, если УЗДП уже установлено в групповом щитке квартиры, жилого здания или другого помещения.
В групповых сетях для упрощения схемы защиты жилых и общественных зданий допускается применять УЗДП (в комбинированном исполнении), совмещающий в своей конструкции несколько защит: от сверхтоков и токов короткого замыкания. Установка УЗДП выполняется на основании проекта электроснабжения жилых и общественных зданий с учетом класса функциональной пожарной опасности помещений, зданий и сооружений в соответствии с требованиями [3, статья 32], а также с учетом требований таблицы В.1 приложения В.
Установка УЗДП в групповых сетях питания систем противопожарной защиты и в электроустановках медицинского назначения, поддерживающих жизнедеятельность больных, не допускается.".
11 Управление освещением
Пункт 11.1. Дополнить пятым абзацем в следующей редакции:
"Управление архитектурным освещением фасадов зданий следует выполнять с учетом требований 5.5.10.".
12 Защита внутренних электрических сетей напряжением до 1000 В и выбор сечения проводников
Пункты 12.1, 12.2. Изложить в новой редакции:
"12.1 Защиту электрических сетей напряжением до 1000 В в жилых и общественных зданиях следует выполнять в соответствии с требованиями [4], ГОСТ Р 50571.4.42, ГОСТ Р 50571.4.43, ГОСТ Р 50571.4.44, ГОСТ Р 50571.5.52, ГОСТ 30331.1.
12.2 Для защиты распределительных и групповых цепей следует применять:
- одно-, двух-, трех- и (или) четырехполюсные автоматические выключатели;
- УДТ со встроенной защитой от сверхтока и (или) без нее при условии, что у групповых цепей есть аппараты защиты от сверхтока;
- УЗДП с номинальным рабочим током, соответствующим защищаемой электрической цепи.".
Пункт 12.3. Первый абзац. Заменить слово: "креплением" на "крепление".
Пункт 12.7. Первый абзац. Изложить в новой редакции:
"12.7 Для разрядных ламп в трехфазных пятипроводных распределительных и групповых линиях сечение нейтральных проводников следует выбирать в соответствии с требованиями [4, пункт 7.1.45]. В случае применения некомпенсированных светильников с разрядными лампами необходимо учитывать токи третьей гармоники в линейных проводниках в соответствии с требованиями ГОСТ Р 50571.5.52-2011 (приложение Е) и ГОСТ Р 50571.4.43.".
14 Вводно-распределительные устройства, главные распределительные щиты, распределительные щиты, пункты и щитки
Пункт 14.1. Пятый абзац. Пятое перечисление. Изложить в новой редакции:
"- токоведущие части ВРУ и ГРЩ должны быть закрыты сплошными ограждениями или выполнены со степенью защиты не менее IP2X;".
Дополнить шестым перечислением в следующей редакции:
"- размещение и установка аппаратов, зажимов во ВРУ, ГРЩ должны быть выполнены согласно требованиям ГОСТ IEC 61439-1.".
15 Устройство внутренних электрических сетей
Пункт 15.2. Четвертый абзац. Шестое перечисление. Изложить в новой редакции:
"- ГОСТ Р 50571.4.42.".
Пункт 15.3. Шестой абзац. Изложить в новой редакции:
"Для предупреждения пожара от искрения в электропроводках и электроустановках в местах нарушения нормального электрического контакта рекомендуется устанавливать УЗДП.".
Пункт 15.7. Изложить в новой редакции:
"15.7 В помещениях торговых, выставочных, демонстрационных и читальных залов, предприятий бытового обслуживания, лабораториях и т.п., в которых возможно перемещение технологического оборудования в связи с изменением функционального назначения, а также в помещениях с гибкой планировкой для возможности переустройства электропроводок в процессе эксплуатации рекомендуется предусматривать в полу трубы или каналы с подпольными герметизированными закрывающимися коробками (модульные проводки). Подпольные коробки должны соответствовать ГОСТ 32126.23.".
Пункт 15.10. Пятое предложение. Заменить ссылки: "ГОСТ Р 51321.1" на "ГОСТ IEC 61439-1"; "ГОСТ Р 51321.2" на "ГОСТ IEC 61439-6".
Пункт 15.41. Первый абзац. Изложить в новой редакции:
"15.41 В ванных комнатах квартир, в умывальных, душевых, ванных комнатах общежитий и гостиниц допускается установка штепсельных розеток в зоне 3 по ГОСТ Р 50571.7.701, присоединенных к сети через разделительный трансформатор или защищенных УДТ на ток до 30 мА, а также УЗДП с номинальным рабочим током, равным или превышающим рабочий ток защищаемой электрической цепи. Рекомендуется применение комбинированных комплексных устройств защиты с функциями УДТ и УЗДП.".
Пункт 15.44. Изложить в новой редакции:
"15.44 Электрические сети в пожаро- и взрывоопасных зонах следует выполнять в соответствии с требованиями [3] и положениями [4], не противоречащими требованиям [3], а также следует применять УЗДП для предупреждения искрения или дугового пробоя, способных вызвать пожароопасные ситуации.".
17 Учет электроэнергии, измерительные приборы
Пункт 17.11. Дополнить вторым абзацем в следующей редакции:
"Установка аппарата защиты после счетчика не требуется, если непосредственно перед ним размещен такой аппарат.".
18 Основные технические требования к автоматизированным системам учета, контроля и управления
Пункт 18.1.4. Второй абзац. Изложить в новой редакции:
"При совместном размещении в электрощитовой оборудования систем связи, диспетчеризации и вводно-распределительных устройств степень защиты всех шкафов и оборудования должна быть не ниже IP31.".
Пункт 18.1.5. Изложить в новой редакции:
"18.1.5 Помещения для АСКУЭР и АСУД не следует выбирать под санузлами, ванными комнатами, душевыми и другими помещениями, связанными с технологическими процессами с наличием влаги, кроме случаев, когда приняты специальные меры по надежной гидроизоляции, исключающие попадание влаги в эти помещения. Конструкцией дверей и окон в этих помещениях должна быть обеспечена сохранность устанавливаемого в них оборудования для АСКУЭР и АСУД.".
Пункт 18.1.7. Изложить в новой редакции:
"18.1.7 Выбирать места установки всех элементов АСКУЭР и АСУД следует с учетом максимально возможного исключения несанкционированного доступа и возможности изменения информации.
Оборудование АСКУЭР и АСУД должно быть закрыто пломбируемым кожухом, с сигнализацией о его вскрытии. Габариты и присоединительные устройства приборов должны позволять их размещение в стандартных этажных электрощитах.
Оборудование АСКУЭР и АСУД, конструктивно изготовленное внутри закрывающего кожуха, допускается размещать непосредственно в слаботочных отсеках этажных электрощитов. Оборудование АСКУЭР и АСУД, изготовленное без кожуха, допускается размещать в запирающихся пломбируемых боксах, находящихся внутри слаботочных отсеков этажных электрощитков. Степень защиты оборудования АСКУЭР и АСУД должна быть не ниже IP31.".
Пункт 18.2.5. Третий абзац. Изложить в новой редакции:
"Допускается применение для этой цели других технических решений при условии выполнения требований по точности и надежности передаваемой информации.".
Пункт 18.2.6. Изложить в новой редакции:
"18.2.6 Данные об энергопотреблении с каждого объекта следует передавать в соответствии с техническими условиями на АСКУЭР. Каналы связи могут быть построены на различных линиях связи (проводные, волоконно-оптические (ВОЛС), электросиловые, радиолинии и т.д.).".
Пункт 18.2.10. Изложить в новой редакции:
"18.2.10 Технические параметры и метрологические характеристики расчетных электросчетчиков субъекта должны соответствовать требованиям ГОСТ 31818.11, для всех остальных электросчетчиков, входящих в состав АСКУЭР (расчетных электросчетчиков субабонентов, электросчетчиков технического учета, участвующих в расчетах баланса, и т.п.), должны соответствовать ГОСТ 31819.21 и ГОСТ 31819.22.".
Пункт 18.3.3. Изложить в новой редакции:
"18.3.3 В АСУД должны включаться все объекты данной жилой застройки, за исключением объектов, где планируются внутренние или отраслевые службы диспетчеризации.".
Пункт 18.3.5. Изложить в новой редакции:
"18.3.5 Объемы оснащения АСУД жилых и общественных зданий приведены в приложении Б.".
Пункт 18.3.6. Первый абзац. Изложить в новой редакции:
"18.3.6 В диспетчерской на средствах отображения (мониторы, панели и т.д.) должна представляться в реальном масштабе времени информация, указанная в приложении Б, с выделением аварийных сигналов, состояния линий связи и результатов обработки команд управления.".
Пункт 18.5.2. Первое перечисление. Изложить в новой редакции:
"- параметров АСУД;".
Пункт 18.5.4. Изложить в новой редакции:
"18.5.4 УСПД для АСУД рекомендуется применять в однокорпусном исполнении.
Конструкцией УСПД для АСУД должно быть обеспечено его размещение, как на стандартных панелях, так и в шкафах одностороннего обслуживания.
Время восстановления работоспособности УСПД для АСУД на месте его установки путем замены модулей должно составлять не более 1 ч.".
Подраздел 18.6. Наименование подраздела. Изложить в новой редакции:
"18.6 Технические требования к каналам связи для передачи информации автоматизированной системой коммерческого учета потребления ресурсов и автоматизированной системой управления и диспетчеризации инженерного оборудования".
Пункт 18.6.5. Изложить в новой редакции:
"18.6.5 Связь УСПД для АСКУЭР с сервером коммерческого учета должна осуществляться по основному и резервному каналам. Основной и резервный каналы должны быть организованы по разным физическим линиям связи. Основной и резервный каналы допускается организовывать как на однотипных, так и на разнотипных физических линиях связи. Резервирование каналов передачи от счетчиков энергоресурсов до этажных или общедомовых УСПД для АСКУЭР не требуется.".
Пункт 18.7.4. Второй абзац. Изложить в новой редакции:
"При нарушениях в работе или фиксации несанкционированного вмешательства программное обеспечение должно обеспечивать автоматический перевод УСПД в режим передачи информации на верхний уровень сбора информации.".
Пункт 18.8.2. Заменить ссылку: "ГОСТ Р 55963" на "ГОСТ 34441".
19 Защитные меры безопасности
Пункт 19.1. Изложить в новой редакции:
"19.1 В электроустановках жилых и общественных зданий должен предусматриваться комплекс защитных мер обеспечения электробезопасности:
- автоматическое отключение;
- защита от искрения, дуговых пробоев;
- основная система уравнивания потенциалов;
- дополнительная система уравнивания потенциалов;
- заземление;
- молниезащита;
- применение разделения (секционирования) токоведущих частей. Для низковольтных комплектных устройств типа ВУ, ВРУ рекомендуется применять форму разделения (секционирования) не менее 2b, для электроустановок типа ГРЩ на токи до 1600 А, свыше 1600 А рекомендуется применять форму разделения (секционирования) не ниже 3b по ГОСТ Р 51321.1.".
Пункты 19.3 - 19.5. Изложить в новой редакции:
"19.3 Защиту необходимо осуществлять одним из следующих методов:
- предотвращение протекания электрического тока при повреждении через тело человека или домашнего животного;
- ограничение электрического тока при повреждении, который может протекать через тело человека или домашнего животного;
- ограничение длительности протекания электрического тока до неопасного промежутка времени;
- предотвращение появления искрения, дугового пробоя в электрических сетях.
19.4 Характеристики защитного оборудования следует определять, исходя из выполняемых ими функций, которые могут предусматривать защиту:
- от сверхтока (тока перегрузки, тока короткого замыкания);
- тока замыкания на землю;
- токов дугового пробоя;
- перенапряжения (импульсное напряжение);
- понижения напряжения или отсутствия напряжения.
19.5 Требования и рекомендации по обеспечению защит приведены в ГОСТ 30331.1, ГОСТ IEC 61140, ГОСТ Р 50571.3, ГОСТ Р 50571.4.42, ГОСТ Р 50571.4.43, ГОСТ Р 50571.4.44, ГОСТ Р 50571.7.706, ГОСТ IEC 62606.".
Приложение А Рекомендации по применению устройств защитного отключения дифференциального тока в электроустановках жилых зданий
Исключить статус: "(рекомендуемое)".
Пункт А.1.3. Заменить ссылку: "ГОСТ Р МЭК 60755" на: "ГОСТ IEC 61008-1 и ГОСТ IEC 61009-1".
Приложение Б Объекты и объемы оснащения АСУД жилых и общественных зданий
Исключить статус: "(рекомендуемое)".
Дополнить приложением В в следующей редакции:
"Приложение В
Рекомендации по применению устройств защиты
от дугового пробоя (УЗДП) в электроустановках
жилых и общественных зданий
В.1 Общая часть
В электроустановках жилых и общественных зданий для автоматического обнаружения искрения или дугового пробоя, предупреждения и предотвращения возможного пожара в групповых сетях электропроводок (цепях переменного тока) или любых приборах учета, коммуникационных устройствах, установочных изделиях, местах неисправностей электрических контактов может быть установлено УЗДП.
УЗДП должны соответствовать требованиям ГОСТ IEC 62606 и настоящего приложения.
Рекомендуемая область применения УЗДП приведена в таблице В.1.
Установку УЗДП осуществляют преимущественно в общественных зданиях на объектах, относящихся к категориям пожарного риска "чрезвычайно высокого", "высокого" и "значительного", в жилых зданиях, относящихся к категориям пожарного риска "среднего" и "умеренного", в одноквартирных жилых домах (в том числе блокированных) - к категории пожарного риска "низкого". Категории пожарного риска определяются в соответствии с [9], [11].
Для жилых и общественных зданий в соответствии с классом функциональной пожарной опасности, которые приведены в таблице В.1, в составе проектной документации должен быть представлен документ о качестве, подтверждающий соответствие УЗДП требованиям ГОСТ IEC 62606.
Таблица В.1
Рекомендуемая область применения УЗДП
Класс функциональной пожарной опасности
Характеристика пожарного риска согласно [9], [11]
Здания, предназначенные для постоянного проживания и временного пребывания людей, в том числе:
Здания дошкольных образовательных организаций, специализированных домов престарелых и инвалидов (неквартирные), больницы, спальные корпуса образовательных организаций с наличием интерната и детских организаций
Категория чрезвычайно высокого риска
по [9, приложение, пункт 2, подпункт а)]
Гостиницы, общежития, спальные корпуса санаториев и домов отдыха общего типа, кемпингов, мотелей и пансионатов
Категория высокого риска
по [9, приложение, пункт 2, подпункт б)]
Многоквартирные жилые дома (новые с отделкой), высотой более 75 м
Категория значительного риска
по [9, приложение, пункт 2, подпункт в)]
Многоквартирные жилые дома (новые с отделкой), высотой менее 75 м и имеющие электропроводку с применением проводов и кабелей с токопроводящими жилами из алюминиевых сплавов <*>;
Категория среднего риска
по [9, приложение, пункт 2, подпункт г)]
Многоквартирные жилые дома (новые), высотой до 28 м и имеющие электропроводку с применением проводов и кабелей с токопроводящими жилами из алюминиевых сплавов <*>
Категория умеренного риска
по [9, приложение, пункт 2, подпункт д)]
Одноквартирные жилые дома, в том числе блокированные
Категория низкого риска
по [9, приложение, пункт 2, подпункт е)]
Здания зрелищных и культурно-просветительных учреждений, в том числе:
Театры, кинотеатры, концертные залы, клубы, цирки, библиотеки, танцплощадки и дискотеки в закрытых помещениях
Категория значительного риска
по [9, приложение, пункт 2, подпункт в)]
Спортивные сооружения с трибунами и другие подобные сооружения, в составе которых имеются закрытые помещения (более 200 человек)
Категория среднего риска
по [9, приложение, пункт 2, подпункт г)]
Музеи, выставки, объекты культурного наследия
Категория значительного риска
по [9, приложение, пункт 2, подпункт в)]
Танцевальные залы и другие подобные закрытые помещения с расчетным количеством посетителей более 1000 человек
Категория значительного риска
по [9, приложение, пункт 2, подпункт в)]
Танцевальные залы и другие подобные закрытые помещения с расчетным количеством посетителей от 200 до 1000 человек
Категория среднего риска
по [9, приложение, пункт 2, подпункт г)]
Здания организаций по обслуживанию населения, в том числе:
Здания организаций торговли
Категория значительного риска
по [9, приложение, пункт 2, подпункт в)]
Здания организаций общественного питания
Категория значительного риска
по [9, приложение, пункт 2, подпункт в)]
Вокзалы расчетной вместимостью более 700 человек
Категория значительного риска
по [9, приложение, пункт 2, подпункт в)]
Поликлиники и амбулатории
Категория значительного риска
по [9, приложение, пункт 2, подпункт в)]
Помещения для посетителей организаций бытового и коммунального обслуживания с нерасчетным числом посадочных мест для посетителей
Категория низкого риска
по [9, приложение, пункт 2, подпункт е)]
Физкультурно-оздоровительные комплексы и спортивно-тренировочные учреждения с помещениями без трибун для зрителей, бытовые помещения, бани
Категория низкого риска
по [9, приложение, пункт 2, подпункт е)]
Объекты религиозного назначения;
Категория низкого риска
по [9, приложение, пункт 2, подпункт е)]
Здания образовательных организаций, научных и проектных организаций, органов управления учреждений, в том числе:
Здания общеобразовательных организаций, организаций дополнительного образования детей
Категория высокого риска
по [9, приложение, пункт 2, подпункт б)]
Здания профессиональных образовательных организаций
Категория значительного риска
по [9, приложение, пункт 2, подпункт в)]
Здания образовательных организаций высшего образования, организаций дополнительного профессионального образования
Категория значительного риска
по [9, приложение, пункт 2, подпункт в)]
Здания органов управления учреждений, проектно-конструкторских организаций, информационных и редакционно-издательских организаций, научных организаций, банков, контор, офисов
Категория значительного риска
по [9, приложение, пункт 2, подпункт в)]
Здания производственного или складского назначения, в том числе:
Складские здания, книгохранилища, архивы, складские помещения
Категория значительного риска
по [9, приложение, пункт 2, подпункт в)]
Сооружения, стоянки для автомобилей без технического обслуживания и ремонта
Категория низкого риска
по [9, приложение, пункт 2, подпункт е)]
<*> Во вновь строящихся жилых и общественных зданиях класса функциональной пожарной опасности Ф.1.3, имеющих электропроводку с применением проводов и кабелей с токопроводящими жилами из алюминиевых сплавов, следует применять УЗДП.
Примечания
1 Обозначения помещений указаны в соответствии с [3, статья 32].
2 УЗДП не устанавливаются в системах электропитания средств противопожарной защиты.
3 Не рекомендуется устанавливать УЗДП в системах электропитания медицинского оборудования, применяемого для искусственного поддержания жизнедеятельности людей.
4 Нецелесообразна установка УЗДП в помещениях категорий Ф2.3 и Ф2.4 [3, статья 32].
5 Категории пожарного риска установлены в соответствии с приложением "Критерии отнесения объектов защиты к определенной категории риска" [9], [11].
В.2 Общие требования к устройствам защиты от дугового пробоя (УЗДП)
В.2.1 Устройства защиты от дугового пробоя должны соответствовать требованиям ГОСТ IEC 62606.
В.2.2 По виду конструкций, по способу монтажа и присоединения к групповым сетям, по числу полюсов и путей тока УЗДП должны соответствовать пунктам 4.1, 4.2, 4.3 ГОСТ IEC 62606-2016.
В.2.3 Устройства защиты от дугового пробоя должны иметь конструкцию и маркировку, предусмотренные ГОСТ IEC 62606 и обязательными требованиями регламентов, а также однозначно идентифицировать производителя и соответствовать условиям хранения, монтажа и функционирования при эксплуатации, указанным производителем в инструкции по эксплуатации изделия.
В.2.3.1 Для снижения риска возникновения пожара УЗДП должны выявлять, фиксировать и подавать сигнал при возникновении:
- дугового пробоя в групповой сети на землю (пункт 5.1 ГОСТ IEC 62606-2016);
- параллельного дугового пробоя (пункт 5.1 ГОСТ IEC 62606-2016);
- последовательного дугового пробоя (пункт 5.1 ГОСТ IEC 62606-2016).
В.2.3.2 Электротехнические характеристики УЗДП должны отвечать требованиям следующих структурных элементов ГОСТ IEC 62606-2016:
- по номинальному току Iн - пункт 5.2.2;
- по номинальному напряжению Uн - пункт 5.2.1;
- по номинальной частоте - пункт 5.2.3;
- по номинальной включающей и отключающей способности Im - пункт 5.2.4;
- по номинальной включающей и отключающей способности Im1 - пункт 5.2.5;
- по степени защиты - пункт 8.1;
- по номинальному условному току короткого замыкания I - пункты 5.3.6, 5.5.2;
- по номинальному условному току короткого замыкания на одном полюсе Inс1 - пункты 5.3.6, 5.5.2;
- по способу присоединения - пункт 4.2.
В.2.4 Коммутационные характеристики, а также предельные значения критерия срабатывания УЗДП для низких и высоких токов дуги должны соответствовать требованиям подраздела 5.3 ГОСТ IEC 62606-2016.
УЗДП должно иметь механизм свободного расцепления и возможность его включения и отключения вручную.
Указание положения размыкаемых контактов должно обеспечиваться положением органа управления (выключателя) или отдельным индикаторным устройством (пункты 8.2.1, 8.2.2 ГОСТ IEC 62606-2016).
В.2.5 УЗДП должно иметь конструкцию, отвечающую требованиям раздела 8 ГОСТ IEC 62606-2016, и маркировку, предусмотренную подразделами 6.1, 6.2 ГОСТ IEC 62606-2016 и [7, статьи 5, 8], а также соответствовать стандартным условиям хранения, монтажа и функционирования (разделы 7, 8 ГОСТ IEC 62606-2016) при эксплуатации.
В комплекте поставки УЗДП должна быть инструкция, отражающая схемы соединений УЗДП с групповыми сетями и коммутационными аппаратами, условия и особенности его эксплуатации (пункт 6.2.2 ГОСТ IEC 62606-2016).
В.2.6 Подключение УЗДП к групповым сетям и монтаж в соответствующем щитовом оборудовании следует проводить согласно инструкции изготовителя (пункт 7.2 ГОСТ IEC 62606-2016). Установку и монтаж УЗДП следует проводить во вводных, этажных лестничных, квартирных щитках жилых и общественных зданий.
В.2.7 УЗДП должно иметь рабочие характеристики, соответствующие требованиям пункта 8.6.2 ГОСТ IEC 62606-2016, и сохранять работоспособность в случае воздействия сверхтоков и бросков тока (пункты 8.12, 8.13 ГОСТ IEC 62606-2016).
Цепи управления УЗДП, связанные с главной цепью, не должны повреждаться высоким напряжением постоянного тока, используемым при измерениях изоляции (пункт 8.4 ГОСТ IEC 62606-2016).
В.2.8 Для обеспечения защиты групповых сетей от дугового пробоя (искрения) УЗДП должно сохранять работоспособность при снижении напряжения до 50% от номинального значения.
Для подтверждения работоспособности УЗДП должно иметь функцию контроля проверки цепи обнаружения дуги, запускаемой вручную и (или) автоматически. Должна обеспечиваться возможность контроля работоспособности (тестирования) устройства при его включении.
В случае автоматического тестирования проверка работоспособности УЗДП должна проводиться при его включении и далее с интервалом не реже чем один раз в сутки (пункт 8.17 ГОСТ IEC 62606-2016).
В.2.9 Конструкция УЗДП должна обеспечивать при нормальной эксплуатации безопасность для потребителя и окружающей среды (пункт 8.1 ГОСТ IEC 62606-2016). После монтажа и при эксплуатации конструкция устройства должна исключать возможность прикосновения к его частям, находящимся под напряжением (пункт 8.3 ГОСТ IEC 62606-2016).
В.3 Требования к выбору и применению УЗДП
В.3.1 При проектировании групповых сетей, для защиты от искрения и дуговых пробоев следует применять УЗДП, которое должно приниматься в соответствии с областью применения, указанной в таблице В.1.
В.3.2 Во всех рассмотренных вариантах подключения УЗДП должно быть защищено от короткого замыкания (пункт 5.5.1 ГОСТ IEC 62606-2016) автоматическим выключателем с номиналом не менее значения номинального тока УЗДП.
В случае применения комбинированного защитного устройства, сочетающего автоматический выключатель (АВ) и УЗДП, номинальный ток комбинированного устройства должен быть равен или превышать расчетный ток групповой цепи.
В.3.3 При каскадном подключении рекомендуется применять УЗДП со свойством селективности, обеспечивающим первоочередное отключение УЗДП, установленных в отходящих групповых сетях.
Наличие у УЗДП свойства селективности должно отражаться в паспорте или инструкции.
Варианты возможных схем подключения УЗДП рассмотрены в В.4.
В.3.4. Выбор УЗДП должен соответствовать требованиям подключения в части сечения проводников. Требования к УЗДП по присоединению проводников заданы в пункте 8.2.5 ГОСТ IEC 62606-2016.
В.3.5 Не допускается применять УЗДП, автоматически отключающие потребителя от сети при исчезновении напряжения сети. При возобновлении электроснабжения УЗДП должно продолжать работу без вмешательства извне.
В.3.6 Монтаж УЗДП необходимо проводить в щитовом оборудовании производственных, общественных и жилых зданий согласно требованиям ГОСТ IEC 61439-1 и ГОСТ IEC 61439-3.
Требование по применению УЗДП относится к зданиям, включая одноквартирные и блокированные жилые и садовые дома. Варианты схем подключения к распределительным и групповым сетям рассмотрены в В.4.
В.3.7 При проектировании необходимо учитывать температурный диапазон нормальной эксплуатации УЗДП, определяемый таблицей 6 и пунктом 8.5.2 ГОСТ IEC 62606-2016, находящийся в пределах от минус 5 °C до плюс 40 °C, и обеспечить выполнение этого требования.
Допускается учитывать возможность превышения температуры относительно частей УЗДП согласно требованиям пункта 8.5.1 ГОСТ IEC 62606-2016.
В.3.8 Применение УЗДП, действующих на отключение, не допускается в групповых сетях электроснабжения систем противопожарной защиты и систем электропитания медицинского оборудования, обеспечивающего поддержание жизнеспособности больных.
В.3.9 В жилых и общественных зданиях в групповых сетях применение УЗДП определяется в соответствии с требованиями таблицы В.1 с учетом класса функциональной пожарной опасности в групповых линиях, питающих электроустановочные изделия (розетки), и линиях, питающих электрооборудование в ванных и душевых комнатах.
В.3.10 Необходимость применения УЗДП кроме объектов, перечисленных в таблице В.1 и В.3.9, может определяться по заданию на проектирование исходя из обеспечения пожарной безопасности в помещениях зданий, строений и сооружений.
В.4 Особенности подключения УЗДП при проектировании
В.4.1 При проектировании электрических сетей жилых и общественных зданий подключение и монтаж УЗДП следует выполнять в соответствии с положениями настоящего раздела, требований ГОСТ IEC 62606.
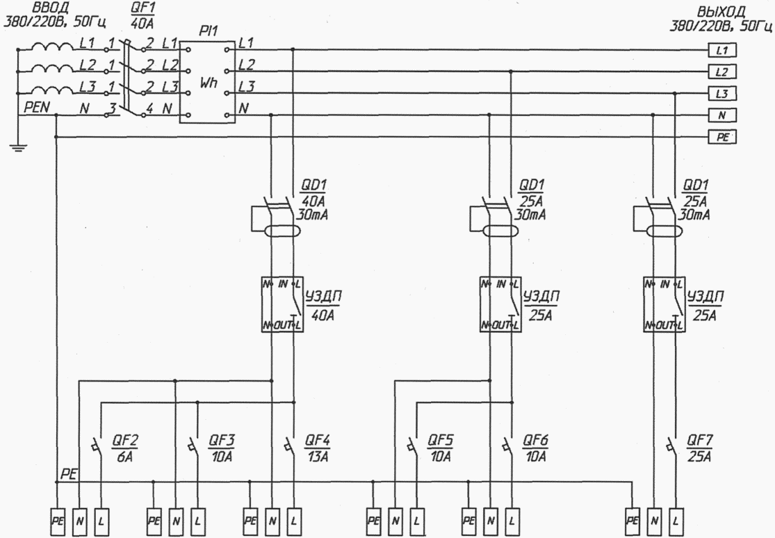
В.4.2 Схемы подключения УЗДП к распределительным и групповым сетям жилых и общественных зданий в электроустановку здания приведены на рисунках В.1 - В.7.
В.4.3 Порядок подключения УЗДП к групповой сети
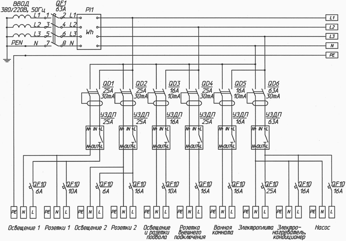
На рисунке В.1 представлен вариант общей схемы подключения УЗДП к групповым сетям жилых и общественных зданий с применением типа заземления системы питания TN-C-S, которые условно разделены на три групповые сети, в каждой из которых выполнено подключение УЗДП.
Рисунок В.1 - Электроустановка здания. Система питания
с типом заземления TN-C-S. Общая схема подключения
двухполюсного УЗДП к групповым сетям
Выбор УЗДП с номинальным рабочим током 32 А и 40 А определяется в зависимости от максимальной токовой нагрузки, которая для первой групповой сети составляет 29 А.
Суммарный ток нагрузки второй групповой сети составляет 20 А. Следует выбирать УЗДП с номинальным рабочим током 25 А.
Третья групповая сеть предусматривает нагрузку 25 А. Следует выбирать УЗДП (3) с номинальным рабочим током 25 А или более.
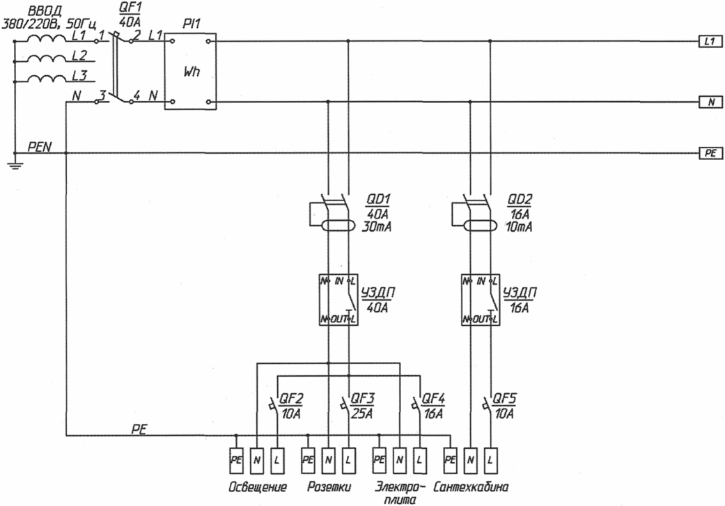
В.4.4 Подключение УЗДП в жилом здании
На рисунке В.2 приведен вариант схемы электроустановки отдельного жилого здания. Электроэнергия в здание подается по однофазной схеме.
Групповая сеть защищена одним УЗДП с номинальным рабочим током 63 А, что соответствует номиналу вводного автомата.
На рисунке В.3 показан вариант подключения УЗДП к групповой сети при разделении электроприемников на две группы:
- первая - групповая для электроприемников большой мощности;
- вторая - розеточная.
В этом случае следует цепи электроприемников большой мощности выделить в отдельную группу и применить два УЗДП с номинальным током 63 А. Автоматический выключатель, установленный перед счетчиком, обеспечивает защиту самих УЗДП от сверхтоков.
При необходимости повысить степень защиты жилого здания от искрения или дугового пробоя рекомендуется применить схему с защитой каждой отдельной группы (рисунок В.4).
Возможны другие варианты подключения УЗДП, являющиеся вариантами схем, представленных на рисунках В.2 - В.4.
Рисунок В.2 - Электроустановка жилого дома (вариант).
Система питания с типом заземления TN-C-S. Схема подключения
двухполюсного УЗДП к групповым сетям
Рисунок В.3 - Электроустановка жилого дома (вариант).
Система питания с типом заземления TN-C-S. Применение УЗДП
для двух групп электрических сетей
Рисунок В.4 - Электроустановка жилого дома (вариант).
Система питания с типом заземления TN-C-S.
Схема подключения УЗДП к электрической сети
каждого отдельного электроприемника
В.4.5 Подключение УЗДП к трехфазной сети с подключением групповых сетей по фазам к групповым сетям одноквартирного жилого дома
На рисунке В.5 представлен вариант схемы подключения УЗДП к групповым сетям одноквартирного жилого дома, подключенного к трехфазной сети.
Рисунок В.5 - Электроустановка одноквартирного жилого дома
(вариант). Система питания с типом заземления TN-C-S.
Схема подключения УЗДП к групповым сетям
одноквартирного жилого дома с трехфазным вводом
В проекте предусмотрено распределение нагрузки по фазам, а также возможность поэтажного разделения групповых сетей.
В схеме (рисунок В.5) выбор номинала УЗДП должен быть выполнен с учетом расчетного тока электроприемников.
В.4.6 Подключение УЗДП к групповой сети промышленного здания или отдельного помещения
Подключение УЗДП к групповой сети промышленного здания осуществляется в соответствии с вышеизложенными принципами и с применением рассмотренных схем. Конфигурация групповой сети определяется исходя из количества, назначения и мощности электроприемников. УЗДП должны быть установлены в каждую однофазную сеть для группы электроприемников, если существует возможность применения УЗДП соответствующего номинала, либо для каждого номинала.
Примечание - Для питания трехфазных электроприемников установка двухполюсных УЗДП не допускается в связи с возможностью отключения одной фазы, что может привести к неисправности электрооборудования.
В.4.7 Подключение УЗДП в электрических щитках квартир
В квартирном щитке УЗДП следует устанавливать в качестве общего прибора защиты от пожароопасного искрения и дугового пробоя, после вводного автомата или счетчика электрической энергии. При наличии большого количества потребителей и разделения групповой квартирной сети на несколько (по назначению) наряду с УЗДП общего назначения следует рассмотреть целесообразность применения конкретного УЗДП для конкретной цепи.
Для повышения надежности защиты от пожароопасного искрения и дугового пробоя проектом может быть предусмотрена установка УЗДП для каждого отдельного помещения.
На рисунках В.6 и В.7 показаны другие возможные варианты групповых сетей квартир.
Рисунок В.6 - Электроустановка квартиры. Система питания
с типом заземления TN-C-S. Вариант схемы подключения УЗДП
электрический щиток квартиры с разделением групповой сети
Рисунок В.7 - Электроустановка квартиры.
Вариант схемы подключения УЗДП при отсутствии
защитного провода PE в цепи розеток
На рисунке В.6 представлен вариант схемы с разделением групповой сети на сеть общего потребления и сеть, питающую электрооборудование, размещенное в санитарно-технической кабине.
На рисунке В.7 представлены групповые сети квартиры, в которых отсутствует защитный провод PE.
В.4.8 Некоторые другие варианты подключения УЗДП
В рассмотренных вариантах групповых сетей (рисунки В.1 - В.7) могут применяться как двухполюсные, так и однополюсные АВ, включенные в фазную линию.
В связи с появлением комбинированных устройств защиты электрических сетей, совмещающих АВ и УЗДП в одном изделии, допускается их установка в групповые электрические сети с учетом требований, изложенных в настоящем приложении.
Допускается применение четырехполюсных (трехполюсных) УЗДП.
В.5 Установка и монтаж УЗДП
В.5.1 Установку и монтаж УЗДП следует проводить в соответствии с требованиями настоящего раздела и ГОСТ IEC 62606.
В.5.2 При проектировании групповых сетей жилых и общественных зданий с применением УЗДП в целях противопожарной защиты с УЗДП следует применять защитные устройства от короткого замыкания, отвечающие требованиям ГОСТ IEC 61008-1, ГОСТ IEC 61009-1, ГОСТ IEC 62423, с которыми УЗДП должно быть скоординировано по номинальному току Iн (пункты 5.5.1 и 6.2.2 ГОСТ IEC 62606-2016).
В.5.3 Схемы подключения УЗДП совместно с устройствами защиты групповых сетей от возможных коротких замыканий (АВ, УДТ, комбинированными дифференциальными автоматами (ДА)) приведены на рисунке В.8, а), б), в).
а) Подключение УЗДП с АВ
б) Подключение УЗДП с ДА
в) Подключение УЗДП с АВ и устройством защитного отключения (УЗО)
Рисунок В.8 - Схемы подключения УЗДП совместно
с устройствами защиты групповых сетей от возможных
коротких замыканий (автоматическими выключателями,
автоматическими выключателями дифференциальной защиты,
а также устройствами защитного отключения)
При этом номинальный ток Iн УЗДП должен соответствовать номинальным токам устройств защиты от короткого замыкания.
В.5.4 Следует устанавливать УЗДП в щитовое оборудование, отвечающее требованиям для их применения в жилых и общественных зданиях по ГОСТ 32395, ГОСТ 32396, ГОСТ 32397, совместно с устройствами защиты от короткого замыкания и перегрузок.
В.5.5 Установку, монтаж и эксплуатацию УЗДП следует выполнять в соответствии с требованиями раздела 7 и таблицы 6 ГОСТ IEC 62606-2016, в которых указаны воздействующие факторы внешней среды.
В.5.6 Работы по монтажу УЗДП должны быть выполнены при отключенном напряжении и с соблюдением техники безопасности.
В.5.7 Установка и монтаж УЗДП должны быть выполнены квалифицированными электромонтажниками, обученными, имеющими группу по электробезопасности III и выше.
В.5.8 Перед установкой и монтажом УЗДП в соответствии с паспортом на изделие (руководством по монтажу и эксплуатации), прилагаемым в комплекте поставки УЗДП, следует проверить соответствие номинального тока Iн, номинальных токов защитных устройств (АВ, УДТ, УЗО).
В.5.9 Перед установкой УЗДП следует оценить возможность монтажа в объеме щитового оборудования по его габаритным, установочным и присоединяющим размерам с учетом устанавливаемых габаритных размеров защитных устройств.
В.5.10 Групповые (внутренние) электрические сети жилых и общественных зданий в соответствии с 15.3 должны быть нераспространяющими горение и выполняться кабелями или проводами с токопроводящими жилами из меди или алюминиевых сплавов.
Требования к сечениям токопроводящих медных жил и токопроводящих жил из алюминиевых сплавов проводов и кабелей приведены в 15.46, таблице 15.3 и [10].
В.5.11 Провода и кабели с токопроводящими медными жилами и жилами из алюминиевых сплавов, применяемые в электропроводках жилых и общественных зданий при соединении с выводами (контактными зажимами), аппаратов защиты и УЗДП должны отвечать требованиям ГОСТ 10434, ГОСТ 17441, ГОСТ 31604, ГОСТ IEC 62606, а также требованиям настоящего раздела.
В.5.12 Подключение контактных выводов УЗДП всех предприятий-изготовителей при соединении внешних проводников (проводов и кабелей) с медными токопроводящими жилами и токопроводящими из алюминиевых сплавов должно соответствовать требованиям ГОСТ 10434, ГОСТ 17441, ГОСТ 31604, ГОСТ IEC 62606.
В.5.13 Конструкции выводов для подключения внешних проводников (проводов и кабелей) электропроводки групповых сетей жилых и общественных зданий при подключении и монтаже УЗДП должны отвечать требованиям пунктов 8.2.4, 8.2.5, приложений IB, IC, J, K, L ГОСТ IEC 62606-2016.
В.5.14 УЗДП в щитовом оборудовании следует устанавливать в вертикальном положении. При этом органы ручного управления УЗДП должны располагаться на лицевой стороне.
В.5.15 УЗДП с безметизным креплением устанавливаются на унифицированную монтажную рейку. После установки следует проверить надежность фиксации УЗДП на рейке.
В.5.16 Защищаемая групповая линия может иметь любые вид электропроводки и состав электроприемников. Ток, протекающий в защищаемой сети, не должен превышать номинальный ток Iн УЗДП.
Пример групповой электрической сети представлен на рисунке В.9.
НО - нагрузка осветительная; Р - розетки;
ДА - дифавтомат (вариант) в удаленном щитке;
номинальный ток УЗДП в примере - 40 А
Рисунок В.9 - Пример защищаемой электрической цепи.
Нагрузка - электрооборудование и электроприемники в составе
защищаемой цепи (электропроводка, дополнительные АВ, УЗО
и ДА, розетки, светильники, электроприборы и т.д.)
В.5.17 Перед проведением монтажа должно быть определено назначение проводов групповой электрической сети, где L - фаза, N - нуль, которые следует присоединить к выходной группе контактов УЗДП.
Если ранее контакты были присоединены к другим проводам или контактным группам монтажных коробок, щитков и т.д., их следует отсоединить.
В.5.18 С концов проводов или кабелей, предназначенных для подключения к выводам УЗДП, с токопроводящих жил должна быть удалена изоляция. Рекомендуемая длина оголенной части жил составляет 10 - 12 мм.
В.5.19 В соответствии с требованиями инструкций, исходя из конструкции токопроводящих жил, при необходимости, следует провести подготовку проводов: например, пропаять жилы проводов или применить кабельные наконечники.
Примечание - Для УЗДП с номинальным током до 32 А включительно в соответствии с ГОСТ IEC 62606-2016 (подпункт 8.2.5.4) специальная подготовка проводников не требуется.
В.5.20 Устанавливают провода L и N в соответствующие зажимы выходной группы контактов "OUT" УЗДП.
Затяжку винтов крепления токопроводящих жил с выводами УЗДП следует проводить в соответствии со значениями крутящих моментов (Нм), указанными в инструкции предприятия-изготовителя, и в соответствии с требованиями ГОСТ 10434-82 (приложение 4, таблица 9).
Примечание - Для болтовых соединений проводников из меди и твердых алюминиевых сплавов рекомендуется применять крутящие моменты, значения которых в 1,5 - 1,7 раза превышают установленные в ГОСТ 10434-82 (приложение 4, таблица 9).
В.5.21 При отсутствии АВ, защищающего от сверхтоков короткого замыкания с номинальным током, не превышающим номинальный ток УЗДП, следует установить такой АВ на входе УЗДП.
В.5.22 Провода или кабели, соединяющие защитные устройства (АВ, УДТ, УЗО) и УЗДП, должны иметь сечения токопроводящих жил, соответствующие току, который по ним протекает.
Библиография
Дополнить библиографическими ссылками [9] - [12] в следующей редакции:
"[9] Постановление Правительства Российской Федерации от 12 апреля 2012 г. N 290 "О федеральном государственном пожарном надзоре"
[10] ВСН 370-93 Инструкция по монтажу электропроводок в трубах
[11] Постановление Правительства Российской Федерации от 12 октября 2020 г. N 1662 "О внесении изменений в Положение о федеральном государственном пожарном надзоре"
[12] Указ Президента Российской Федерации от 13 мая 2000 г. N 849 "О полномочном представителе Президента Российской Федерации в федеральном округе".
Ключевые слова. Заменить слово: "электроустановки," на "электроустановки;".