Главная // Актуальные документы // ГОСТ Р (Государственный стандарт)СПРАВКА
Источник публикации
М.: Стандартинформ, 2019
Примечание к документу
Документ включен в
Перечень документов в области стандартизации, в результате применения которых на добровольной основе обеспечивается соблюдение требований Федерального
закона от 22.07.2008 N 123-ФЗ "Технический регламент о требованиях пожарной безопасности" (
Приказ Росстандарта от 13.02.2023 N 318).
Документ
введен в действие с 01.06.2019.
Название документа
"ГОСТ Р 50571.4.44-2019 (МЭК 60364-4-44:2007). Национальный стандарт Российской Федерации. Электроустановки низковольтные. Часть 4.44. Защита для обеспечения безопасности. Защита от резких отклонений напряжения и электромагнитных возмущений"
(утв. и введен в действие Приказом Росстандарта от 09.04.2019 N 126-ст)
"ГОСТ Р 50571.4.44-2019 (МЭК 60364-4-44:2007). Национальный стандарт Российской Федерации. Электроустановки низковольтные. Часть 4.44. Защита для обеспечения безопасности. Защита от резких отклонений напряжения и электромагнитных возмущений"
(утв. и введен в действие Приказом Росстандарта от 09.04.2019 N 126-ст)
Утвержден и введен в действие
агентства по техническому
регулированию и метрологии
от 9 апреля 2019 г. N 126-ст
НАЦИОНАЛЬНЫЙ СТАНДАРТ РОССИЙСКОЙ ФЕДЕРАЦИИ
ЭЛЕКТРОУСТАНОВКИ НИЗКОВОЛЬТНЫЕ
ЧАСТЬ 4.44
ЗАЩИТА ДЛЯ ОБЕСПЕЧЕНИЯ БЕЗОПАСНОСТИ.
ЗАЩИТА ОТ РЕЗКИХ ОТКЛОНЕНИЙ НАПРЯЖЕНИЯ
И ЭЛЕКТРОМАГНИТНЫХ ВОЗМУЩЕНИЙ
Low-voltage electrical installations.
Part 4.44. Protection for safety. Protection against
voltage disturbances and electromagnetic disturbances
(IEC 60364-4-44:2007+Amd1(2015)+Amd2(2018), MOD)
ГОСТ Р 50571.4.44-2019
(МЭК 60364-4-44:2007)
Дата введения
1 июня 2019 года
1 ПОДГОТОВЛЕН Ассоциацией "Росэлектромонтаж" на основе собственного перевода на русский язык англоязычной версии стандарта, указанного в
пункте 4
2 ВНЕСЕН Техническим комитетом по стандартизации ТК 337 "Электрические установки зданий"
3 УТВЕРЖДЕН И ВВЕДЕН В ДЕЙСТВИЕ
Приказом Федерального агентства по техническому регулированию и метрологии от 9 апреля 2019 г. N 126-ст
4 Настоящий стандарт является модифицированным по отношению к международному стандарту МЭК 60364-4-44:2007 "Электроустановки низковольтные. Часть 4-44. Защита для обеспечения безопасности. Защита от резких отклонений напряжения и электромагнитных возмущений" (IEC 60364-4-44:2007 "Low-voltage electrical installations - Part 4-44, Ed. 2.1: Protection for safety - Protection against voltage disturbances and electromagnetic disturbances", MOD), включая изменения Amd1(2015), Amd2(2018), путем изменения отдельных фраз, слов, ссылок, которые выделены в тексте курсивом.
Внесение указанных отклонений обусловлено целесообразностью использования ссылочных национальных и действующих в этом качестве межгосударственных стандартов вместо ссылочных международных стандартов.
Сведения о соответствии ссылочных межгосударственных и национальных стандартов международным стандартам, использованным в качестве ссылочных в примененном международном стандарте, приведено в дополнительном
приложении ДА
Правила применения настоящего стандарта установлены в статье 26 Федерального закона от 29 июня 2015 г. N 162-ФЗ "О стандартизации в Российской Федерации". Информация об изменениях к настоящему стандарту публикуется в ежегодном (по состоянию на 1 января текущего года) информационном указателе "Национальные стандарты", а официальный текст изменений и поправок - в ежемесячном информационном указателе "Национальные стандарты". В случае пересмотра (замены) или отмены настоящего стандарта соответствующее уведомление будет опубликовано в ближайшем выпуске ежемесячного информационного указателя "Национальные стандарты". Соответствующая информация, уведомление и тексты размещаются также в информационной системе общего пользования - на официальном сайте Федерального агентства по техническому регулированию и метрологии в сети Интернет (www.gost.ru)
Часть 4.44 комплекса стандартов ГОСТ Р 50571 распространяется на защиту электроустановок и на меры защиты от резких отклонений напряжения и электромагнитных возмущений.
Требования изложены в четырех разделах в следующем порядке:
раздел 442. Защита низковольтных электроустановок от временных перенапряжений, вызванных замыканиями на землю в высоковольтных системах и повреждениями в низковольтных системах;
раздел 443. Защита от кратковременных атмосферных перенапряжений или коммутационных перенапряжений;
раздел 444. Меры защиты от электромагнитных воздействий;
Настоящий стандарт предназначен для обеспечения требований безопасности в электроустановках при возникновении резких отклонений напряжения и электромагнитных возмущений по различным указанным причинам.
| | ИС МЕГАНОРМ: примечание. В официальном тексте документа, видимо, допущена опечатка: раздел 1 в ГОСТ 30331.1-2013 отсутствует, возможно, имеется в виду раздел 11. | |
Настоящий стандарт не распространяется на системы распределения электроэнергии потребителям и на системы для производства и передачи электроэнергии для таких систем (см.
ГОСТ 30331.1-2013, раздел 1), несмотря на то, что перенапряжения и электромагнитные возмущения могут передаваться в электроустановки или между электроустановками через такие системы.
В настоящем стандарте использованы нормативные ссылки на следующие стандарты.
ГОСТ 29322 (МЭК 60038:2009) Напряжения стандартные
ГОСТ 30331.1-2013 (МЭК 60364-1:2005) Электроустановки низковольтные. Часть 1. Основные положения, оценка общих характеристик, термины и определения
ГОСТ 30804.6.1 (МЭК 61000-6-1:2005) Совместимость технических средств электромагнитная. Устойчивость к электромагнитным помехам технических средств, применяемых в жилых, коммерческих зонах и производственных зонах с малым энергопотреблением. Требования и методы испытаний
ГОСТ 30804.6.2 (МЭК 61000-6-2:2005) Совместимость технических средств электромагнитная. Устойчивость к электромагнитным помехам технических средств, применяемых в промышленных зонах. Требования и методы испытаний
ГОСТ 30804.6.3 (МЭК 61000-6-3:2006) Совместимость технических средств электромагнитная. Электромагнитные помехи от технических средств, применяемых в жилых, коммерческих зонах и производственных зонах с малым энергопотреблением. Нормы и методы испытаний
ГОСТ 30804.6.4 (МЭК 61000-6-4:2006) Совместимость технических средств электромагнитная. Электромагнитные помехи от технических средств, применяемых в промышленных зонах. Нормы и методы испытаний
ГОСТ IEC 60950-1 (МЭК 60950-1:2013) Оборудование информационных технологий. Требования безопасности. Часть 1. Общие требования
ГОСТ IEC 61558-2-6 (МЭК 61558-2-6:2009) Безопасность силовых трансформаторов, источников питания, электрических реакторов и аналогичных изделий. Часть 2-6. Дополнительные требования и методы испытаний безопасных разделительных трансформаторов и источников питания с безопасными разделительными трансформаторами
ГОСТ IEC 61643-11-2013 (МЭК 61643-11:2011) Устройства защиты от перенапряжений низковольтные. Часть 11. Устройства защиты от перенапряжений, подсоединенные к низковольтным системам распределения электроэнергии. Требования и методы испытаний
ГОСТ Р 50571.3 (МЭК 60364-4-41:2005) Электроустановки низковольтные. Часть 4-41. Требования для обеспечения безопасности. Защита от поражения электрическим током
ГОСТ Р 50571.5.51 (МЭК 60364-5-51:2005) Электроустановки низковольтные. Часть 5-51. Выбор и монтаж электрооборудования. Общие требования
ГОСТ Р 50571.5.52 (МЭК 60364-5-52:2009) Электроустановки низковольтные. Часть 5-52. Выбор и монтаж электрооборудования. Электропроводки
ГОСТ Р 50571.5.53-2013 (МЭК 60364-5-53:2002) Электроустановки низковольтные. Часть 5-53. Выбор и монтаж электрооборудования. Отделение, коммутация и управление
ГОСТ Р 50571.5.54-2011 (МЭК 60364-5-54:2002) Электроустановки низковольтные. Часть 5-54. Выбор и монтаж электрооборудования. Заземляющие устройства, защитные проводники и проводники уравнивания потенциалов
ГОСТ Р 51317.2.5 (МЭК 61000-2-5:1995) Совместимость технических средств электромагнитная. Электромагнитная обстановка. Классификация электромагнитных помех в местах размещения технических средств
ГОСТ Р 51317.4.5 (МЭК 61000-4-5:1995) Совместимость технических средств электромагнитная. Устойчивость к микросекундным импульсным помехам большой энергии. Требования и методы испытаний
ГОСТ Р 54130 (МЭК 60050-604:1987) Качество электрической энергии. Термины и определения
ГОСТ Р МЭК 60664.1 (МЭК 60664-1:2007) Координация изоляции для оборудования в низковольтных системах. Часть 1. Принципы, требования и испытания
ГОСТ Р МЭК 62305-1 (МЭК 62305-1:2010) Менеджмент риска. Защита от молнии. Часть 1. Общие принципы
ГОСТ Р МЭК 62305-4 (МЭК 62305-4:2010) Защита от молнии. Часть 4. Защита электрических и электронных систем внутри зданий и сооружений
Примечание - При пользовании настоящим стандартом целесообразно проверить действие ссылочных стандартов в информационной системе общего пользования - на официальном сайте Федерального агентства по техническому регулированию и метрологии в сети Интернет или по ежегодному информационному указателю "Национальные стандарты", который опубликован по состоянию на 1 января текущего года, и по выпускам ежемесячного информационного указателя "Национальные стандарты" за текущий год. Если заменен ссылочный стандарт, на который дана недатированная ссылка, то рекомендуется использовать действующую версию этого стандарта с учетом всех внесенных в данную версию изменений. Если заменен ссылочный стандарт, на который дана датированная ссылка, то рекомендуется использовать версию этого стандарта с указанным выше годом утверждения (принятия). Если после утверждения настоящего стандарта в ссылочный стандарт, на который дана датированная ссылка, внесено изменение, затрагивающее положение, на которое дана ссылка, то это положение рекомендуется применять без учета данного изменения. Если ссылочный стандарт отменен без замены, то положение, в котором дана ссылка на него, рекомендуется применять в части, не затрагивающей эту ссылку.
442 Защита низковольтных электроустановок от временных перенапряжений, вызванных замыканиями на землю в высоковольтных системах и повреждениями в низковольтных системах
Настоящий раздел содержит требования к безопасности низковольтных электроустановок в случаях:
- замыкания на землю в высоковольтной системе трансформаторной подстанции, питающей низковольтную установку);
- обрыва нейтрального проводника N низковольтной системы;
- короткого замыкания между линейным проводником и нейтральным проводником N;
- случайного заземления линейного проводника в низковольтной системе IT.
Требования к заземляющим устройствам трансформаторных подстанций приведены в нормативном документе <*>.
--------------------------------
Поскольку требования раздела 442 распространяются на замыкания на землю высоковольтных цепей подстанций ВН/НН, он содержит правила проектирования и монтажа подстанций. Необходимо иметь следующую информацию, относящуюся к высоковольтной системе:
- особенности заземления системы;
- максимальный уровень тока замыкания на землю;
- значение активного сопротивления заземляющего устройства.
В нижеследующих подпунктах в соответствии с 442.1 рассмотрены четыре случая, являющиеся причиной наиболее тяжелых временных перенапряжений, определенные в
ГОСТ Р 54130:
- замыкание на землю в высоковольтной системе (системах) (см.
442.2);
- обрыв нейтрального проводника N в низковольтной системе (см.
442.3);
- случайное заземление в низковольтной системе IT (см.
442.4);
- короткое замыкание в низковольтной подстанции (см.
442.5).
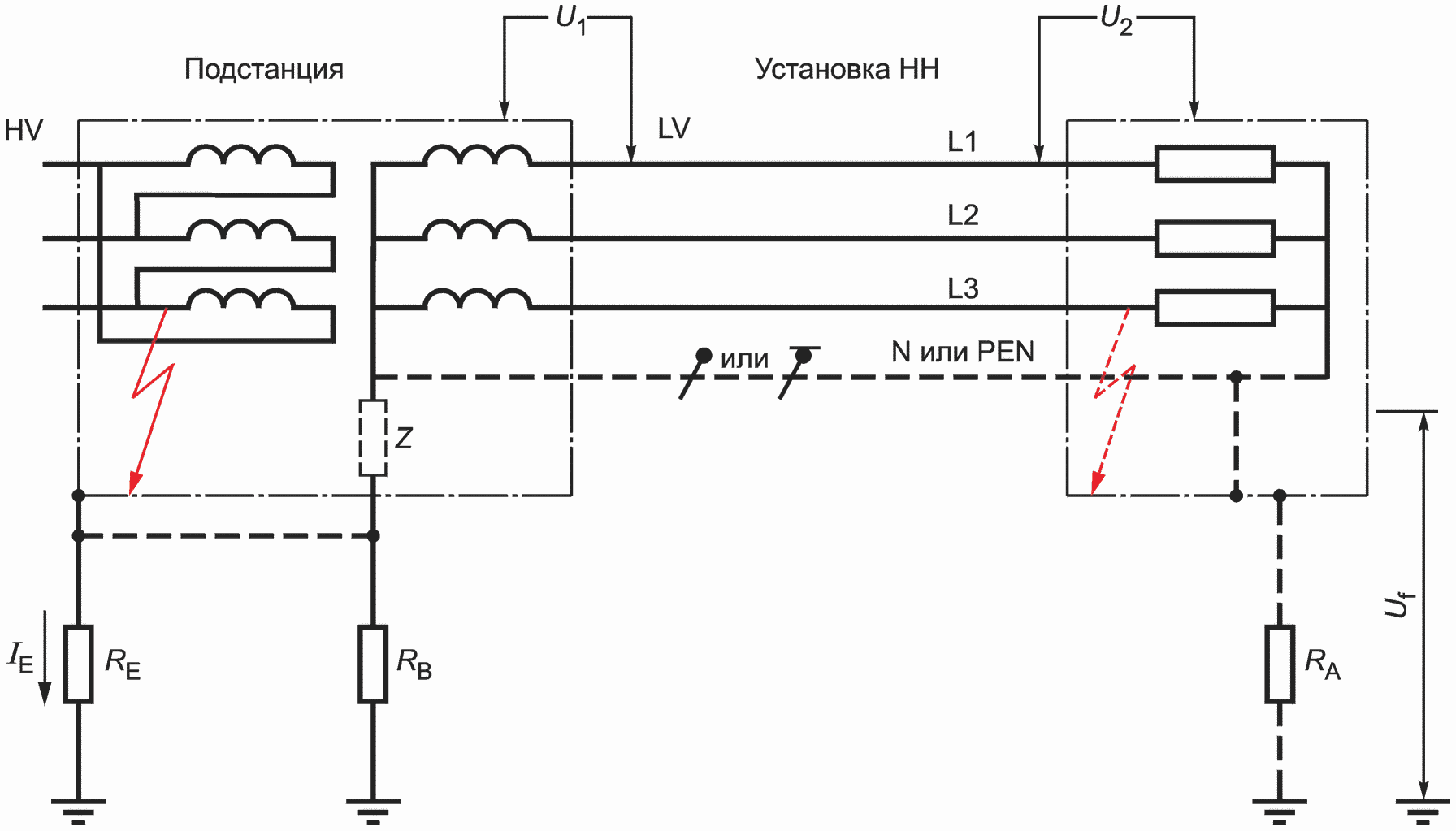
В разделе 442 используются следующие обозначения (см.
рисунок 44.A1):
IE - часть тока замыкания на землю в высоковольтной системе, которая протекает по заземляющему устройству подстанции;
RE - активное сопротивление заземляющего устройства трансформаторной подстанции;
RA - активное сопротивление заземляющего устройства открытых проводящих частей оборудования низковольтной установки;
RB - активное сопротивление заземляющего устройства нейтрали низковольтной системы с электрически независимыми заземляющими устройствами трансформаторной подстанции и нейтрали низковольтной системы;
U0 - в системах TN и TT: номинальное среднеквадратичное напряжение переменного тока линейного проводника относительно земли; в системах IT: напряжение переменного тока между линейным проводником и нейтральным проводником N или средним проводником соответственно;
Uf - напряжение повреждения промышленной частоты, возникающее в низковольтной системе между открытыми проводящими частями и землей во время повреждения;
U1 - критическое перенапряжение промышленной частоты между линейным проводником и открытыми проводящими частями низковольтного оборудования трансформаторной подстанции во время повреждения;
U2 - критическое перенапряжение промышленной частоты между линейным проводником и открытыми проводящими частями низковольтного оборудования низковольтной установки во время повреждения.
Примечание - Критическое перенапряжение промышленной частоты (U1 и U2) - это напряжение, которое возникает на изоляции низковольтного оборудования и на устройствах защиты от перенапряжений, присоединенных к низковольтным системам.
Следующие обозначения используются дополнительно для систем IT, в которых открытые проводящие части оборудования в низковольтных установках присоединены к заземляющему устройству, независимому от заземляющего устройства трансформаторной подстанции:
Ih - ток повреждения, протекающий по заземляющему устройству открытых проводящих частей оборудования низковольтной установки в течение периода, когда имеются повреждение на высокой стороне и первое повреждение в низковольтной установке (см.
таблицу 44.A1);
| | ИС МЕГАНОРМ: примечание. В официальном тексте документа, видимо, допущена опечатка: пункт 411.6.2 отсутствует, возможно, имеется в виду пункт 411.6.2 ГОСТ Р 50571.3-2009. | |
Id - ток повреждения в соответствии с
411.6.2, протекающий по заземляющему устройству открытых проводящих частей низковольтной установки во время первого повреждения в низковольтной системе (см.
таблицу 44.A1);
Z - полное сопротивление (например, полное сопротивление устройства контроля изоляции (УКИ), полное сопротивление искусственной нейтрали) между низковольтной системой и заземляющим устройством.
Примечание - Заземляющее устройство можно считать электрически независимым от другого заземляющего устройства, если превышение потенциала относительно земли на одном заземляющем устройстве не вызывает недопустимое превышение потенциала относительно земли на другом заземляющем устройстве (см.
нормативный документ <*>).
442.2 Перенапряжения в низковольтных системах при замыкании на землю на высоком напряжении
В случае замыкания на землю на стороне высокого напряжения подстанции на низковольтную электроустановку могут воздействовать следующие виды перенапряжений:
- напряжение повреждения промышленной частоты (Uf);
- критические напряжения промышленной частоты (U1 и U2).
Соответствующие методы расчета перенапряжений различных видов приведены в
таблице 44.A1.
Примечание -
Таблица 44.A1 распространяется только на системы IT с нейтралью. Для систем IT без нейтрали формула должна быть уточнена соответственно.
Рисунок 44.A1 - Характерная упрощенная схема возможных
способов заземления подстанции и низковольтной установки
и перенапряжений, возникающих в случае повреждений
Таблица 44.A1
Критические напряжения промышленной частоты и напряжения
повреждения промышленной частоты в низковольтных установках
Примечания
1 Требования для
U1 и
U2 получены на основании критериев, принимаемых при проектировании для изоляции низковольтного оборудования с учетом временных перенапряжений промышленной частоты (см. также
таблицу 44.A2).
2 В системе, нейтраль которой присоединена к заземляющему устройству трансформаторной подстанции, такие временные перенапряжения могут возникать также на изоляции, не находящейся в заземленной оболочке, если оборудование расположено вне здания.
3 В системах TT и TN выражения "соединены" и "отделены друг от друга" относятся к электрическому соединению между RE и RB. Для системы IT эти выражения относятся к электрическому соединению между RE и Z и соединению между RE и RA.
Если высоковольтные и низковольтные заземляющие устройства находятся вблизи друг друга, существуют два способа их практического использования:
- соединение всех высоковольтных (RE) и низковольтных (RB) заземляющих устройств между собой;
- отделение высоковольтных (RE) и низковольтных (RB) заземляющих устройств друг от друга.
Наиболее широко применяемым способом является взаимное соединение. Если низковольтная система полностью расположена на территории высоковольтного заземляющего устройства, высоковольтные и низковольтные заземляющие устройства должны быть соединены между собой (см. нормативный документ <*>).
--------------------------------
Примечание - Особенности различных типов заземления системы (TN, TT, IT) приведены в
ГОСТ 30331.1.
442.2.1 Значение и продолжительность напряжения промышленной частоты при повреждении
Значение напряжения при повреждении
Uf, определенное по
таблице 44.A1, которое возникает в низковольтной установке между открытыми проводящими частями и землей, не должно превышать значения
Uf для соответствующей продолжительности повреждения, приведенного на кривой рисунка 44.A2.
Рисунок 44.A2 - Допустимое напряжение повреждения
в низковольтной системе при замыкании на землю
в высоковольтной системе
Примечание - Кривая, показанная на
рисунке 44.A2, взята из
нормативного документа <*>. На основании вероятностных и статистических данных эта кривая отображает низкий уровень риска для простого наихудшего случая, когда нейтральный проводник N заземлен только на заземляющем устройстве трансформаторной подстанции. Пояснения для других ситуаций приведены в
нормативном документе <*>.
--------------------------------
Обычно PEN-проводник низковольтной системы присоединен к земле более чем в одной точке. В этом случае общее активное сопротивление уменьшается. Для таких многократно заземленных PEN-проводников Uf может быть определено как:
Uf = 0,5RE·IE
442.2.2 Значение и продолжительность перенапряжений промышленной частоты
Значение и продолжительность перенапряжения промышленной частоты (
U1 и
U2) низковольтного оборудования в низковольтной установке при замыкании на землю в высоковольтной системе, рассчитанные в соответствии с
таблицей 44.A1, не должны превышать значения, приведенные в таблице 44.A2.
Таблица 44.A2
Допустимые перенапряжения промышленной частоты
Продолжительность замыкания на землю в высоковольтной системе t | Допустимое критическое напряжение промышленной частоты на оборудовании в низковольтных установках U |
| U0 + 250 В |
<= 5 с | U0 + 1200 В |
В системах без нейтрального проводника N значение U0 следует принимать равным линейному напряжению. |
Примечания 1 Первая строка таблицы относится к высоковольтным системам с большим временем отключения, например, к системам с изолированной нейтралью или к высоковольтным системам, заземленным через резонансное сопротивление. Вторая строка относится к высоковольтным системам с малым временем отключения, например к высоковольтным системам, заземленным через малое полное сопротивление. Совместно обе эти строки являются расчетным критерием для изоляции низковольтного оборудования в отношении временных перенапряжений промышленной частоты (см. ГОСТ Р МЭК 60664.1). 2 В системе, нейтраль которой присоединена к заземляющему устройству трансформаторной подстанции, такое временное перенапряжение промышленной частоты возможно также на изоляции, не находящейся в заземленной оболочке, для оборудования, расположенного вне зданий. |
442.2.3 Требования к расчету предельных значений
Допустимое критическое напряжение промышленной частоты не должно превышать значение, приведенное в
таблице 44.A2.
Допустимое напряжение повреждения промышленной частоты не должно превышать значение, приведенное на
рисунке 44.A2.
Для установок, питающихся от низковольтной электрической сети общего назначения, требования
442.2.1 и
442.2.2 являются выполненными.
Для выполнения вышеуказанных требований необходима координация между оператором высоковольтной системы и застройщиком низковольтной системы. Обеспечение соответствия этим требованиям относится главным образом к ответственности застройщика/владельца/оператора подстанции, который должен также обеспечивать соответствие требованиям нормативного документа <*>. Следовательно, расчет U1, U2 и Uf для застройщика низковольтной системы, как правило, не требуется.
--------------------------------
Возможными мерами для выполнения вышеуказанных требований являются, например:
- разделение высоковольтного и низковольтного заземляющих устройств;
- изменение типа заземления низковольтной системы;
- уменьшение сопротивления заземления RE.
442.3 Перенапряжения промышленной частоты при обрыве нейтрального проводника N в системах TN и TT
Следует учитывать, что в случае обрыва нейтрального проводника N в многофазной системе основная, двойная и усиленная изоляции, а также компоненты, рассчитанные на напряжение между линейным и нейтральным N проводниками, могут временно подвергаться воздействию линейного напряжения, которое может достигать значения

.
442.4 Перенапряжения промышленной частоты при замыкании на землю в системе IT с нейтральным проводником N
Следует учитывать, что при случайном замыкании на землю линейного проводника в системе IT изоляция и компоненты, рассчитанные на напряжение между линейным и нейтральным N проводниками, могут временно подвергаться воздействию линейного напряжения, которое может достигать значения

.
442.5 Перенапряжения промышленной частоты при коротком замыкании между линейным проводником и нейтральным проводником N
Следует учитывать, что при возникновении короткого замыкания в низковольтной установке между линейным проводником и нейтральным проводником N напряжение между другими линейными проводниками и нейтральным проводником N может достигать значения 1,45·U0 на время до 5 с.
443 Защита от кратковременных атмосферных перенапряжений или коммутационных перенапряжений
Настоящий раздел устанавливает требования к защите электрических установок кратковременных перенапряжений атмосферного происхождения, передаваемых питающей системой распределения электроэнергии, включая прямые удары в питающую систему, и от коммутационных перенапряжений. Настоящий раздел не устанавливает требования к защите от кратковременных перенапряжений, вызванных прямыми ударами молнии в сооружение или вблизи него.
Примечание - Для снижения ущерба при защите от кратковременных перенапряжений, вызванных прямыми ударами молнии в сооружение или вблизи от него, см.
ГОСТ Р МЭК 62305-2.
Обычно коммутационные перенапряжения имеют меньшую амплитуду, чем кратковременные перенапряжения атмосферного происхождения, поэтому требования к защите от перенапряжений атмосферного происхождения обеспечивает также защиту от коммутационных перенапряжений.
Если отсутствует защита от перенапряжений, вызванных возмущениями атмосферного происхождения, защита от коммутационных перенапряжений может оказаться необходимой.
Примечание - Коммутационные перенапряжения могут быть более продолжительными и содержать больше энергии, чем кратковременные перенапряжения атмосферного происхождения, см.
443.4.
Характеристики кратковременных перенапряжений атмосферного происхождения зависят от таких факторов, как:
- способ выполнения питающей системы распределения электроэнергии (линия, проложенная в земле, или воздушная линия);
- возможное наличие, по крайней мере, одного устройства защиты от импульсных перенапряжений, расположенного выше ввода в электроустановку по ходу распределения электроэнергии;
- уровень напряжения питающей системы.
Настоящий раздел не распространяется на перенапряжения, передаваемые по системам передачи информации.
Примечание - В случае перенапряжений переходных процессов атмосферного происхождения различия для заземленных и незаземленных систем отсутствуют.
Защита от кратковременных перенапряжений обеспечивается установкой устройств защиты от импульсных перенапряжений (УЗИП).
Выбор и установка УЗИП должны соответствовать
разделу 534 ГОСТ Р 50571.5.53-2013.
Если установка УЗИП необходима на силовых питающих линиях, рекомендуется также дополнительно устанавливать УЗИП на других, например телекоммуникационных, линиях.
На требования к защите от кратковременных перенапряжений, передаваемых системами передачи информации, раздел 443 не распространяется, см. нормативный документ <*>.
--------------------------------
Раздел 443 не распространяется на установки, на которые воздействуют последствия перенапряжений:
a) сооружения с риском взрывоопасности;
b) сооружения, где нанесение ущерба может затрагивать также окружающую среду (например, химические и радиоактивные эмиссии).
443.3 Термины и определения
В настоящем стандарте применены следующие термины с соответствующими определениями:
443.3.1 городская окружающая среда (urban environment): Местность с высокой плотностью застройки или плотно населенные районы с высотными зданиями.
Примечание - Примером городской окружающей среды является центральная часть города.
443.3.2 пригородная окружающая среда (suburban environment): Местность со средней плотностью застройки.
Примечание - Примером пригородной окружающей среды являются пригородные районы.
443.3.3 сельская окружающая среда (rural environment): Местность с низкой плотностью застройки.
Примечание - Примером сельской окружающей среды являются село, деревня, поселок.
443.3.4 устройство защиты от импульсных перенапряжений, УЗИП (surge protective device, SPD): Устройство, которое содержит, по крайней мере, один нелинейный компонент и которое предназначено для ограничения импульсных напряжений и отведения импульсных токов.
[Источник:
ГОСТ IEC 61643-11-2013, 3.1.1]
443.3.5 расчетный уровень риска, CRL (calculated risk level, CRL): Расчетное значение риска, используемое для оценки необходимости защиты от кратковременных перенапряжений.
Примечание - Это примечание относится только к изданию на французском языке.
443.3.6 номинальное импульсное напряжение UW (rated impulse voltage): Значение выдерживаемого импульсного напряжения, заявленное изготовителем для оборудования или его части, характеризующее указанную стойкость его изоляции к кратковременным перенапряжениям.
[Источник: ГОСТ Р МЭК 60664.1-2012, 3.9.2, изменено - добавлено сокращенное обозначение]
443.4 Управление перенапряжением
Защита от кратковременных перенапряжений должна быть предусмотрена в случаях влияния последствий перенапряжения на:
a) жизнь людей, например, средства обеспечения безопасности, средства оказания медицинской помощи;
b) коммунальные услуги, культурное наследие, например, прекращение предоставления коммунальных услуг, IT-центры, музеи;
c) коммерческую или промышленную деятельность, например, гостиницы, банки, промышленные предприятия, коммерческие рынки, сельскохозяйственные предприятия.
Во всех других случаях для определения необходимости выполнения защиты от кратковременных перенапряжений должна быть выполнена оценка риска в соответствии с
443.5. Если оценка риска не выполнялась, защита от кратковременных перенапряжений должна быть предусмотрена.
Однако защита от кратковременных перенапряжений не требуется для одиночных жилых построек, для которых общая экономическая ценность электроустановки, подлежащей защите, не превышает пятикратную экономическую ценность УЗИП, устанавливаемых на вводе в электроустановку.
Примечание - Национальные комитеты могут изменить критерий исключения для одиночных жилых построек или не применять его.
Защита от коммутационных перенапряжений должна быть учтена в случае наличия оборудования с вероятностью коммутационных перенапряжений или отклонений напряжения, превышающих значения, соответствующие категории перенапряжения установки, например, когда установка питается от низковольтного генератора или когда установлены индуктивные или емкостные нагрузки (двигатели, трансформаторы, конденсаторные батареи и т.п.), накопительные блоки или высокоамперные нагрузки.
Примечание - В
приложении B приведены указания по контролю перенапряжения в случае, когда УЗИП по практическим соображениям установлены на воздушной линии электропередачи.
Для низковольтной установки, питающейся от высоковольтной распределительной сети через отдельный трансформатор (например, промышленное применение), на высоковольтной стороне трансформатора должны быть дополнительно установлены средства защиты от перенапряжений, создаваемых молнией.
Примечание - Для защиты сооружения и его электрических систем от воздействий молнии и от перенапряжений атмосферного происхождения см. нормативный документ <*>.
--------------------------------
Расчетный уровень риска CRL используют для определения необходимости защиты от кратковременных перенапряжений атмосферного происхождения. CRL вычисляют по следующей формуле:
CRL = fenv/(LP·Ng),
где fenv - коэффициент окружающей среды, рассчитываемый в соответствии с таблицей 443.1.
Таблица 443.1
Расчет fenv
Окружающая среда | fenv |
Сельская и пригородная окружающая среда | 85·F |
Городская окружающая среда | 850·F |
Значение коэффициента F должно быть принято равным 1 для всех установок. Однако национальные комитеты могут изменять значение коэффициента F от 1 до 3 для жилых сооружений.
Ng - плотность разрядов молнии на землю (разряд на км2 в год), соответствующая местонахождению силовой линии и присоединенного к ней сооружения;
Примечание - В соответствии с
ГОСТ Р МЭК 62305-2-2010,
раздел A.1, годовое число 25 грозовых дней эквивалентно 2,5 разрядам на км
2 в год. Это получено из формулы
Ng = 0,1·
Td, где
Td - число грозовых дней в году.
LP - радиус оценки риска, рассчитываемый следующим образом:
LP = 2LPAL + LPCL + 0,4LPAH + 0,2LPCH,
где LPAL - протяженность низковольтной воздушной линии, км;
LPCL - протяженность низковольтного кабеля, проложенного в земле, км;
LPAH - протяженность высоковольтной воздушной линии, км;
LPCH - протяженность высоковольтного кабеля, проложенного в земле, км.
Общая протяженность (LPAL + LPCL + LPAH + LPCH) ограничивается одним километром или расстоянием от первого устройства защиты от перенапряжений, установленного в питающей сети, до ввода в электроустановку, что из них меньше.
Если протяженности распределительных сетей полностью или частично не известны, то LPAL должно быть принято в качестве остающегося расстояния к каждой общей длине, равной 1 км.
Например, если известна только длина кабеля, проложенного в земле, (например, 100 м), то LPAL должно быть принято равным 90 м. Пример установки, показывающий длины, которые должны быть приняты к рассмотрению, приведен на рисунке 443.1.
1 - ввод в электроустановку; 2 - трансформатор ВН/НН;
3 - устройство защиты от импульсных перенапряжений
Рисунок 443.1 - Пример электроустановки, показывающий
длины, которые должны быть приняты к рассмотрению
Если CRL >= 1000, защита от кратковременных перенапряжений атмосферного происхождения не требуется.
Если CRL < 1000, защита от кратковременных перенапряжений атмосферного происхождения необходима.
443.6 Классификация номинальных импульсных напряжений (категории перенапряжения)
443.6.1 Назначение классификации номинальных импульсных напряжений (категорий перенапряжения)
Пункт 443.6 содержит информацию о категориях перенапряжения оборудования.
| | ИС МЕГАНОРМ: примечание. В официальном тексте документа, видимо, допущена опечатка: имеется в виду пункт 534.1 ГОСТ Р 50571.5.53-2013, а не таблица 534.1. | |
Примечание - Категории перенапряжения определены в электроустановках в целях координации изоляции, и приведена соответствующая классификация оборудования с номинальными импульсными напряжениями (см.
ГОСТ Р 50571.5.53-2013,
таблица 534.1).
Номинальное импульсное напряжение используется для классификации оборудования, питающегося непосредственно от низковольтной электроустановки по категории перенапряжения.
Номинальные импульсные напряжения для оборудования, выбранного в соответствии с номинальным напряжением, приведены для определения различных уровней пригодности оборудования с учетом непрерывности обслуживания и приемлемого риска отказа.
Контроль внутренних перенапряжений, основанный только на стойкости оборудования к импульсным напряжениям в соответствии с ГОСТ Р МЭК 60664.1, может оказаться недостаточным, поскольку:
- кратковременные перенапряжения, передаваемые питающей распределительной системой, далее по ходу распределения электроэнергии в большинстве электроустановок подавляются недостаточно. Координация изоляции во всей установке может быть достигнута при помощи защиты оборудования от кратковременных перенапряжений, соответствующей классифицированным номинальным значениям импульсных напряжений и понижающей риск отказа до допустимого уровня;
- электроустановках, получающих питание при помощи низковольтной системы, полностью проложенной в земле и не имеющей воздушных линий электропередачи, импульсные токи и частичные токи молнии распределяются по кабелям, проложенным в земле;
- оборудование часто присоединяется к двум различным системам питания, например, к линии силовой сети питания электроэнергией и к линии передачи информации. Практический опыт показывает, что большая часть ущерба, наносимого повреждениями из-за импульсных воздействий, относится к оборудованию такого типа.
Необходимо учитывать номинальное импульсное напряжение
UW (см.
ГОСТ Р МЭК 60664.1) большей части чувствительного оборудования, подлежащего защите в системе или в случаях, когда потеря работоспособности оборудования является критической, уровень невосприимчивости оборудования (см.
ГОСТ Р 51317.4.5).
443.6.2 Номинальные импульсные напряжения оборудования и категории перенапряжения
Должны быть учтены следующие пункты:
a) Оборудование с номинальным импульсным напряжением, соответствующим IV категории перенапряжения, пригодно для применения на вводе в электроустановку или вблизи него, например, выше главного распределительного щита. Оборудование IV категории обладает очень высокой стойкостью к импульсным напряжениям, обеспечивающей требуемый высокий уровень надежности, и должно иметь номинальное импульсное напряжение не менее значений, указанных в
таблице 443.2.
Примечание - Примерами такого оборудования являются электрические измерительные приборы, устройства первичной защиты от сверхтока и устройства сглаживания пульсаций.
b) Оборудование с номинальным импульсным напряжением, соответствующим III категории перенапряжения, пригодно для применения в стационарных электроустановках ниже, включая главный распределительный щит, с высоким уровнем обеспечения непрерывности электропитания, и должно иметь номинальное импульсное напряжение не менее значений, указанных в
таблице 443.2.
Примечание - Примерами такого оборудования являются распределительные щиты, автоматические выключатели, электропроводки (см.
ГОСТ Р МЭК 60050-826-2009, 826-15-01), включая кабели, шины, соединительные коробки, выключатели, штепсельные розетки в стационарных установках, оборудование для применения в промышленных условиях и некоторое другое оборудование, например неподвижно установленные двигатели с постоянным подключением к стационарным установкам.
c) Оборудование с номинальным импульсным напряжением, соответствующим II категории перенапряжения, пригодно для подключения к стационарным установкам, обеспечивает нормальный уровень соответствия требованиям, обычно предъявляемым к электроприемникам, и должно иметь номинальное импульсное напряжение не менее значений, указанных в
таблице 443.2.
Примечание - Примерами такого оборудования являются электробытовые приборы и аналогичные нагрузки.
d) Оборудование с номинальным импульсным напряжением, соответствующим I категории перенапряжения, пригодно для использования только в стационарных электроустановках, где УЗИП установлены вне оборудования для ограничения кратковременных перенапряжений до заданного уровня, и должно иметь номинальное импульсное напряжение не менее значений, указанных в
таблице 443.2. Поэтому оборудование с номинальным импульсным напряжением, соответствующим I категории перенапряжения, не должно быть установлено на вводе в электроустановку или вблизи его.
Примечание - Примером такого оборудования является оборудование, содержащее электронные цепи, например компьютеры, бытовая электроника.
Таблица 443.2
Требуемые номинальные импульсные напряжения оборудования
UW
Номинальное напряжение установки <a>, В | Фазное напряжение, полученное из номинальных напряжений переменного тока, или напряжение постоянного тока, не более, В | Требуемое номинальное выдерживаемое импульсное напряжение оборудования <c>, кВ |
Категория перенапряжения IV (оборудование с очень высоким номинальным импульсным напряжением), например счетчики электроэнергии, системы телеконтроля | Категория перенапряжения III (оборудование с высоким номинальным импульсным напряжением), например распределительные щиты, электропроводки | Категория перенапряжения II (оборудование с нормальным номинальным импульсным напряжением), например бытовая техника, инструмент | Категория перенапряжения I (оборудование с пониженным номинальным импульсным напряжением), например чувствительное электронное оборудование |
120/208 | 150 | 4 | 2,5 | 1,5 | 0,8 |
| 300 | 6 | 4 | 2,5 | 1,5 |
400/690 | 600 | 8 | 6 | 4 | 2,5 |
1000 | 1000 | 12 | 8 | 6 | 4 |
1500 постоянного тока | 1500 постоянного тока | - | - | 8 | 6 |
<b> В Канаде и США для напряжений относительно земли, превышающих 300 В, применяется номинальное импульсное напряжение, соответствующее следующему наибольшему напряжению этой графы. <c> Это номинальное импульсное напряжение прикладывается между линейным проводником и защитным заземляющим проводником. <d> В системах IT напряжением 220/240 В для срабатывания при замыканиях на землю и при однофазных замыканиях должен быть использован ряд 230/400 В. |
444 Меры защиты от электромагнитных воздействий
Раздел 444 содержит основополагающие рекомендации по подавлению электромагнитных возмущений. Электромагнитное возмущение может расстроить или повредить системы информационных технологий, оборудование информационных технологий, а также оборудование с электронными компонентами или цепями. Токи, возникающие при грозовых разрядах, коммутационных операциях, коротких замыканиях, и другие электромагнитные явления могут приводить к возникновению перенапряжений и электромагнитных возмущений.
Такие воздействия являются наиболее тяжелыми:
- при наличии замкнутых металлических контуров большой площади; и
- при прокладке по общим трассам в здании электропроводок различных систем, например, для силового питания и для передачи информационных сигналов, предназначенных для оборудования информационных технологий.
Значение наведенного напряжения зависит от крутизны нарастания di/dt тока возмущения и от размеров контура.
Большие токи с высоким значением крутизны нарастания тока di/dt, протекающие по силовым кабелям, (например, пусковые токи двигателей лифтов или токи, регулируемые полупроводниковыми выпрямителями), могут наводить в кабелях систем информационных технологий перенапряжения, которые могут воздействовать на оборудование информационных технологий и аналогичное оборудование или повреждать его.
В помещениях медицинского назначения или вблизи них электрические или магнитные поля, связанные с электрическими установками, могут быть помехой в работе медицинского оборудования.
Настоящий раздел содержит информацию для специалистов в области строительства зданий и для специалистов по проектированию и монтажу электроустановок зданий, касающуюся некоторых решений, ограничивающих электромагнитные воздействия. Основное внимание уделено воздействиям, которые могут привести к возникновению помех.
Примечание - Этот подраздел зарезервирован для последующего включения.
444.3 Термины и определения
Основные термины и определения приведены в
ГОСТ 30331.1. В настоящем стандарте применены следующие термины с соответствующими определениями:
444.3.1
сеть уравнивания потенциалов <*> (bonding network, BN): Совокупность соединенных между собой проводящих конструкций, которая обеспечивает "электромагнитный экран" для электронных систем на частотах от постоянного тока до низкой радиочастоты.
Примечание - Термин "электромагнитный экран" означает любую конструкцию, используемую для отведения по другому каналу, блокирования или создания препятствия прохождению электромагнитной энергии. В общем случае сеть уравнивания потенциалов не требует присоединения к земле, однако сеть уравнивания потенциалов, рассматриваемая в настоящем стандарте, присоединена к земле.
444.3.2 кольцевой проводник уравнивания потенциалов <**> (bonding ring conductor, BRC): Заземляющая шина, выполненная в виде замкнутого кольца.
--------------------------------
Примечание - Обычно кольцевой проводник уравнивания потенциалов как часть сети уравнивания потенциалов имеет множественные соединения с общей сетью уравнивания потенциалов, что улучшает его эффективность.
444.3.3 совмещенная система уравнивания потенциалов, общая сеть уравнивания потенциалов (common equipotential bonding system, common bonding network, CBN): Система уравнивания потенциалов, обеспечивающая защитное уравнивание потенциалов и функциональное уравнивание потенциалов.
444.3.4 уравнивание потенциалов (equipotential bonding): Обеспечение электрических соединений между проводящими частями, предназначенных для достижения эквипотенциальности.
444.3.5 сеть заземляющих электродов (earth-electrode network, ground-electrode network (US)): Часть заземляющего устройства, включающая в себя только заземляющие электроды и их взаимные соединения.
444.3.6 система уравнивания потенциалов в виде сетки <*> (meshed bonding network, MESH-BN): Система уравнивания потенциалов, в которой все соответствующие опорные конструкции, стойки, шкафы, а также обратный провод силовой сети постоянного тока соединены между собой и с общей системой уравнивания потенциалов во множестве точек и могут образовывать форму сетки.
--------------------------------
Примечание - Система уравнивания потенциалов в виде сетки усиливает эффективность общей системы уравнивания потенциалов.
444.3.7 шунтирующий проводник уравнивания потенциалов/параллельный заземляющий проводник (by-pass equipotential bonding conductor/parallel earthing conductor, PEC): Заземляющий проводник, присоединенный параллельно экранам кабелей, передающих сигналы и/или информацию, для ограничения тока, протекающего по экранам.
444.4 Подавление электромагнитных возмущений (EMI)
При проектировании и монтаже электрической установки следует применять указанные в настоящем разделе меры понижения электрических и электромагнитных воздействий на электрическое оборудование.
Следует применять только такое электрическое оборудование, которое отвечает требованиям соответствующих стандартов на электромагнитную совместимость (ЭМС) или требованиям к ЭМС соответствующих стандартов на продукцию.
444.4.1 Источники электромагнитных возмущений
Электрическое оборудование, чувствительное к электромагнитным воздействиям, не должно располагаться вблизи потенциальных источников электромагнитной эмиссии, таких как:
- коммутационные устройства для индуктивных нагрузок;
- электрические двигатели;
- флуоресцентное освещение;
- сварочные машины;
- компьютеры;
- выпрямители;
- прерыватели;
- частотные преобразователи/регуляторы;
- лифты;
- трансформаторы;
- распределительные устройства;
- силовые распределительные шинопроводы.
444.4.2 Меры подавления электромагнитных возмущений
Следующие меры уменьшают электромагнитные воздействия:
a) для улучшения электромагнитной совместимости электрического оборудования, чувствительного к электромагнитным возмущениям, относящимся к кондуктивным электромагнитным явлениям, рекомендуется применение устройств защиты от импульсных перенапряжений и/или применение фильтров;
b) металлические оболочки кабелей должны быть присоединены к общей системе уравнивания потенциалов;
c) устранение индуктивных контуров при помощи прокладки по общим трассам силовых, информационных и сигнальных цепей в электропроводках;
d) разделение силовых и сигнальных кабелей и выполнение пересечения ими друг друга, если это возможно практически, под прямым углом (см.
444.6.3);
e) применение кабелей с концентрическими проводниками для уменьшения токов, наведенных в защитном проводнике PE;
f) применение симметричных многожильных кабелей (например, экранированных кабелей с отдельными защитными проводниками PE) для электрических соединений между преобразователями и электродвигателями с частотно-регулируемыми приводами;
g) использование сигнальных и информационных кабелей, в соответствии с требованиями изготовителя к электромагнитной совместимости;
h) при наличии системы молниезащиты:
- силовые и сигнальные кабели должны быть отделены от токоотводов системы молниезащиты либо минимальным расстоянием, либо при помощи экранирования. Минимальное расстояние должно определяться при проектировании системы молниезащиты в соответствии с
нормативным документом <*>;
- металлические оболочки и броня силовых и сигнальных кабелей должны быть соединены между собой в соответствии с требованиями молниезащиты, приведенными в
нормативном документе <*> и
ГОСТ Р МЭК 62305-4;
--------------------------------
i) при использовании экранированных сигнальных или информационных кабелей для передачи сигналов и информации должны быть приняты меры по ограничению протекания аварийных токов силовых систем по заземленным экранам и жилам сигнальных или информационных кабелей. В этом случае может потребоваться прокладка дополнительных проводников, таких как шунтирующий проводник уравнивания потенциалов для усиления экрана кабеля (см. рисунок 44.R1).
Рисунок 44.R1 - Шунтирующий проводник для усиления
экрана в общей системе уравнивания потенциалов
Примечание - Прокладка проводника вблизи оболочки сигнального или информационного кабеля уменьшает площадь контура, связанного с оборудованием, соединенным с землей только защитным проводником. Эта мера существенно понижает уровень импульсных электромагнитных воздействий при грозовых разрядах.
j) если сигнальные или информационные кабели являются общими для нескольких зданий, питающихся от системы TT, должен быть применен шунтирующий проводник уравнивания потенциалов (см. рисунок 44.R2). Минимальное сечение медного шунтирующего проводника должно быть 16 мм
2 или эквивалентной проводимости для других металлов. Эквивалентную по проводимости площадь поперечного сечения следует определять в соответствии с
544.1 ГОСТ Р 50571.5.54-2011.
Рисунок 44.R2 - Пример замещающего или шунтирующего
проводника уравнивания потенциалов в системе TT
Примечания
1 Если заземленный экран используется в качестве проводника обратного тока сигнальной цепи, может быть применен сдвоенный коаксиальный кабель.
2 Если согласие о соответствии требованиям 413.1.2.1 (последний абзац) о присоединении к основной системе уравнивания потенциалов не может быть достигнуто, ответственность за исключение опасности, которая может возникнуть из-за неприсоединения таких кабелей к основной системе уравнивания потенциалов, возлагается на их владельца или оператора.
3 Ответственность за устранение проблем, вызванных разностью напряжений на поверхности земли в протяженных телекоммуникационных сетях общего назначения, возлагается на операторов телекоммуникационной сети, которые могут применить другие способы.
4 В Нидерландах параллельный шунтирующий проводник, соединяющий друг с другом заземляющие устройства нескольких электроустановок с системой TT, допустим только в том случае, если защита при повреждении в соответствии с 413.1.4 остается эффективной при выходе из строя одного любого УДТ.
k) полные сопротивления присоединений в системе уравнивания потенциалов должны быть по возможности минимальными, что обеспечивается следующим:
- за счет наикратчайшей длины присоединения,
- за счет формы поперечного сечения проводника, обеспечивающей низкое значение индуктивного сопротивления, и полного сопротивления на метр длины трассы, например плетеная косичка с отношением ширины к толщине пять к одному.
| | ИС МЕГАНОРМ: примечание. В официальном тексте документа, видимо, допущена опечатка: имеется в виду пункт 444.4.8, а не пункт 444.5.8. | |
l) если заземляющая шина предназначена (в соответствии с
444.5.8) для улучшения системы уравнивания потенциалов установки, содержащей значительное количество оборудования информационных технологий в здании, она может быть выполнена в виде замкнутого кольца.
Примечание - Поэтому эту меру следует применять в зданиях телекоммуникационной индустрии.
Примечание - В соответствии с подразделом 20.65 ГОСТ 30331.1-2013 система распределения электроэнергии, как правило, включает в себя электроустановку здания и низковольтную распределительную электрическую сеть, состоящую из понижающей трансформаторной подстанции и воздушной или кабельной линии электропередачи, к которой подключена электроустановка.
Для понижения электромагнитных воздействий следует выполнять требования следующих подпунктов.
444.4.3.1 В существующих зданиях, в которых содержится или может содержаться значительное количество оборудования информационных технологий, сохранять систему TN-C не рекомендуется.
Для вновь сооружаемых зданий, в которых содержится или может содержаться значительное количество оборудования информационных технологий, применять питание по системе TN-C не допускается.
Примечание - В любой электроустановке, соответствующей типу заземления системы TN-C, имеется вероятность протекания токов нагрузки или токов повреждения, ответвляющихся через систему уравнивания потенциалов, в металлические коммуникации и конструкции здания.
444.4.3.2 В электроустановках существующих зданий, питающихся от низковольтных распределительных электрических сетей общего назначения, в которых содержится или может содержаться значительное количество оборудования информационных технологий, должна применяться система TN-C-S. PEN-проводник должен быть разделен на защитный проводник PE и нейтральный проводник N на вводе в электроустановку (см. рисунок 44.R3A).
--------------------------------
<1> В нормальном рабочем режиме падение напряжения

в защитном проводнике PE отсутствует.
<2> Контуры ограниченной площади, создаваемые сигнальными или информационными кабелями.
Рисунок 44.R3A - Исключение токов нейтрального проводника
N в конструкции, присоединенной к системе уравнивания
потенциалов, посредством питания электроустановки от системы
TN-C-S, в которой PEN-проводник распределительной
электрической сети общего назначения разделен на защитный
проводник PE и нейтральный проводник N на вводе
в электроустановку
В электроустановках вновь сооружаемых зданий,
в которых содержится или может содержаться значительное количество оборудования информационных технологий, для питания от низковольтных распределительных электрических сетей общего назначения начиная от питающего трансформатора (см. примечание к 444.4.3) должна применяться система TN-C-S. PEN-проводник должен быть разделен на защитный проводник PE и нейтральный проводник N на вводе в электроустановку (см.
рисунок 44.R3A).
Примечание - Эффективность систем TN-S и TN-C-S может быть повышена применением мониторинговых устройств дифференциального тока RCM, соответствующих нормативному документу <*>.
--------------------------------
444.4.3.3 В существующих зданиях, в которых низковольтная электроустановка полностью, включая трансформатор, обслуживается только потребителем и в которых содержится или может содержаться значительное количество оборудования информационных технологий, должна быть выполнена система TN-S (см. рисунок 44.R3B).
--------------------------------
<1> В нормальном рабочем режиме падение напряжения

в защитном проводнике PE отсутствует.
<2> Контуры ограниченной площади, создаваемые сигнальными или информационными кабелями.
Рисунок 44.R3B - Исключение токов нейтрального проводника
N в конструкции, присоединенной к системе уравнивания
потенциалов, посредством питания электроустановки от системы
TN-S при питании от собственного трансформатора
444.4.3.4 Если электроустановка в существующем здании выполнена по типу системы TN-C-S (см.
рисунок 44.R4), контуры, образуемые сигнальными или информационными кабелями, могут быть устранены:
- преобразованием всех частей электроустановки, выполненных по типу системы TN-C и показанных на
рисунке 44.R4, на тип системы TN-S, как показано на
рисунке 44.R3A, или
- если такая замена невозможна, исключением соединений сигнальными и информационными кабелями различных частей электроустановки, выполненных по типу системы TN-S.
--------------------------------
<1> Падение напряжения

в PEN-проводнике в нормальном рабочем режиме.
<2> Контур ограниченной площади, формируемый сигнальными или информационными кабелями.
<3> Сторонние проводящие части.
Примечание - Ток, который в системе TN-S протекает только по нейтральному проводнику N, в системе TN-C-S протекает также по экранам или эталонным проводникам сигнальных кабелей, открытым проводящим частям и сторонним проводящим частям, например металлоконструкциям здания.
Рисунок 44.R4 - Система TN-C-S внутри
электроустановки существующего здания
В системе TT, такой как показана на рисунке 44.R5, необходимо учитывать перенапряжения, которые могут существовать между частями, находящимися под напряжением, и открытыми проводящими частями в тех случаях, когда открытые проводящие части различных зданий присоединены к разным заземляющим устройствам.
--------------------------------
<1> Падение напряжения

в PEN-проводнике в нормальном рабочем режиме.
<2> Контур ограниченной площади, создаваемый сигнальными или информационными кабелями.
Рисунок 44.R5 - Система TT в электроустановке внутри здания
В трехфазной системе IT (см.
рисунок 44.R6) при единичном повреждении изоляции между линейным проводником и открытой проводящей частью напряжение между неповрежденным линейным проводником и открытой проводящей частью может достигать уровня линейного напряжения. Это условие следует учитывать.
Примечание - Электронное оборудование, питание которого осуществляется непосредственным подключением между линейным проводником и нейтральным проводником N, должно выдерживать такие перенапряжения между линейным проводником и открытыми проводящими частями (см. соответствующее требование
ГОСТ IEC 60950-1 на оборудование информационных технологий).
--------------------------------
<1> Падение напряжения

в PEN-проводнике в нормальном рабочем режиме.
<2> Контуры ограниченной площади, создаваемые сигнальными или информационными кабелями.
Рисунок 44.R6 - Система IT в электроустановке внутри здания
444.4.6 Питание от нескольких источников
При питании от нескольких источников следует применять меры, указанные в
444.4.6.1 и
444.4.6.2.
Примечание - При применении многократного заземления нейтралей источников питания токи в нейтральных проводниках N могут протекать в обратном направлении к соответствующей нейтрали не только по нейтральному проводнику N, но также и по защитному проводнику PE, как показано на рисунке 44.R7A. По этой причине сумма частичных токов, протекающих в установке, уже не будет равна нулю, в связи с чем создается блуждающее электромагнитное поле, аналогичное образованному одножильным кабелем.
Рисунок 44.R7A - Система TN с несколькими источниками
питания и с недопустимыми многократными соединениями
между PEN-проводником и землей
В случае применения одножильных кабелей, по которым протекает переменный ток, вокруг жилы кабеля образуется круговое электромагнитное поле, которое может воздействовать на электронное оборудование. Аналогичные поля создаются также токами гармоник, но эти поля затухают быстрее, чем те, которые создаются основными токами.
444.4.6.1 Питание от нескольких источников в системе TN
В случае питания электроустановки в системе TN от нескольких источников нейтрали всех источников питания по соображениям электромагнитной совместимости должны быть соединены между собой изолированным проводником, присоединенным к земле в одной общей для всех источников точке, расположенной в центре между источниками (см. рисунок 44.R7B).
--------------------------------
<a> Не допускается непосредственное присоединение к земле ни одной нейтрали трансформатора или генератора.
<b> Проводник, соединяющий нейтрали всех трансформаторов или всех генераторов, должен быть изолированным. Этот проводник выполняет функции PEN-проводника и может быть так и обозначен, однако он не должен присоединяться к электроприемникам, о чем должна быть выполнена предупреждающая надпись, прикрепленная к нему или установленная рядом с ним.
<c> Должно быть выполнено только одно соединение между взаимно соединенными нейтралями источников питания и защитным проводником PE. Это соединение должно находиться внутри главного распределительного щита.
<d> Может быть выполнено дополнительное заземление защитного проводника PE в электроустановке.
Рисунок 44.R7B - Система TN с несколькими источниками
питания, нейтрали которых присоединены к земле в одной точке
444.4.6.2 Питание от нескольких источников в системе TT
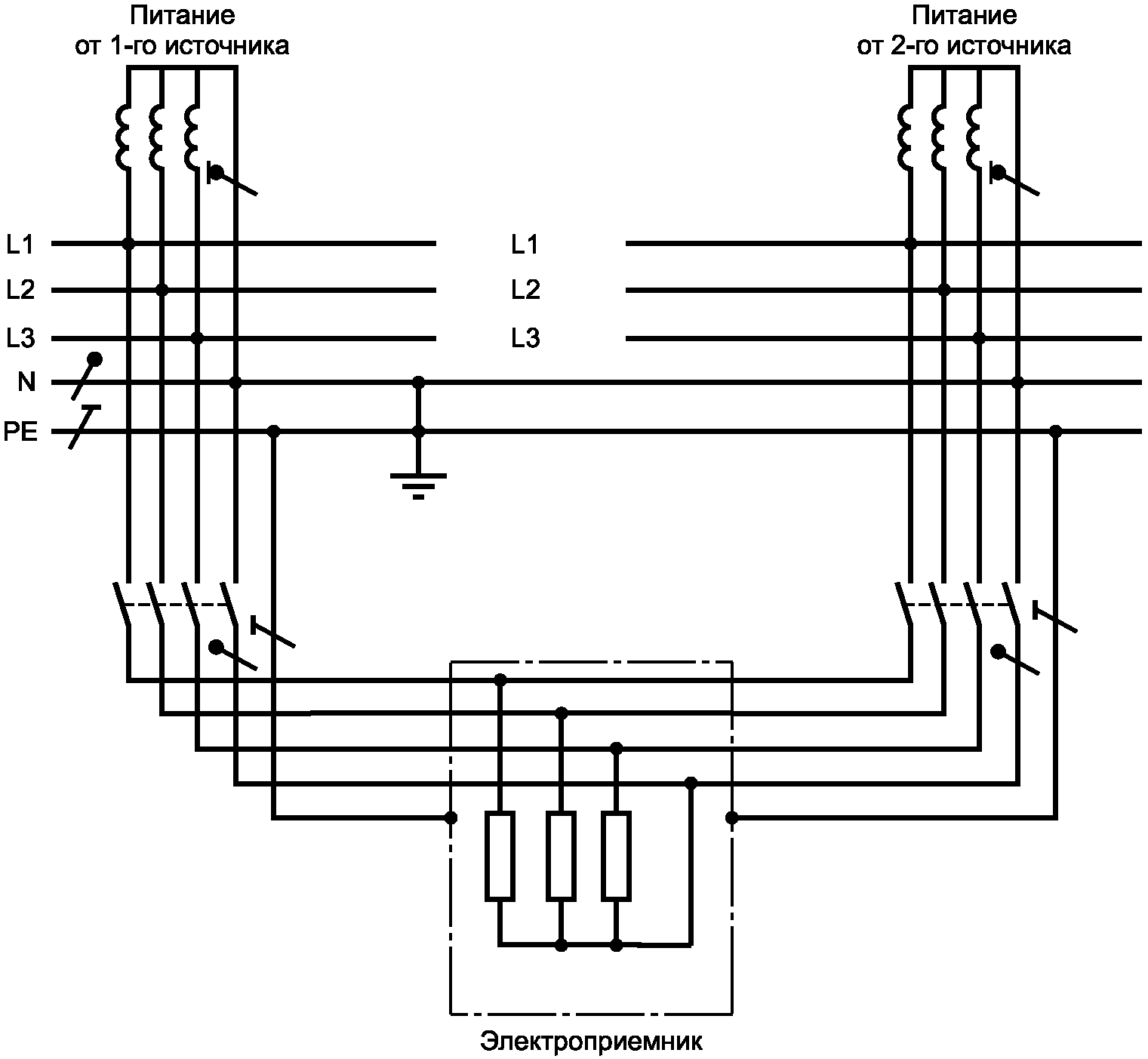
В случае питания электроустановки электроэнергией от нескольких источников в системе TT по соображениям электромагнитной совместимости рекомендуется, чтобы нейтрали всех источников питания были соединены между собой и присоединены к земле только в одной точке, расположенной в центре между источниками (см. рисунок 44.R8).
--------------------------------
<a> Не допускается непосредственное присоединение к земле ни одной нейтрали трансформатора или генератора.
<b> Проводник, соединяющий нейтрали всех трансформаторов или генераторов, должен быть изолированным. Этот проводник выполняет функции нейтрального проводника N и может быть так и обозначен, однако он не должен присоединяться к электроприемникам, о чем должна быть выполнена предупреждающая надпись, прикрепленная к нему или установленная рядом с ним.
<c> Должно быть выполнено только одно соединение между взаимно соединенными нейтралями источников питания и защитным проводником PE. Это соединение должно находиться внутри главного распределительного щита.
Рисунок 44.R8 - Система TT с несколькими источниками
питания, нейтрали которых присоединены к земле в одной точке
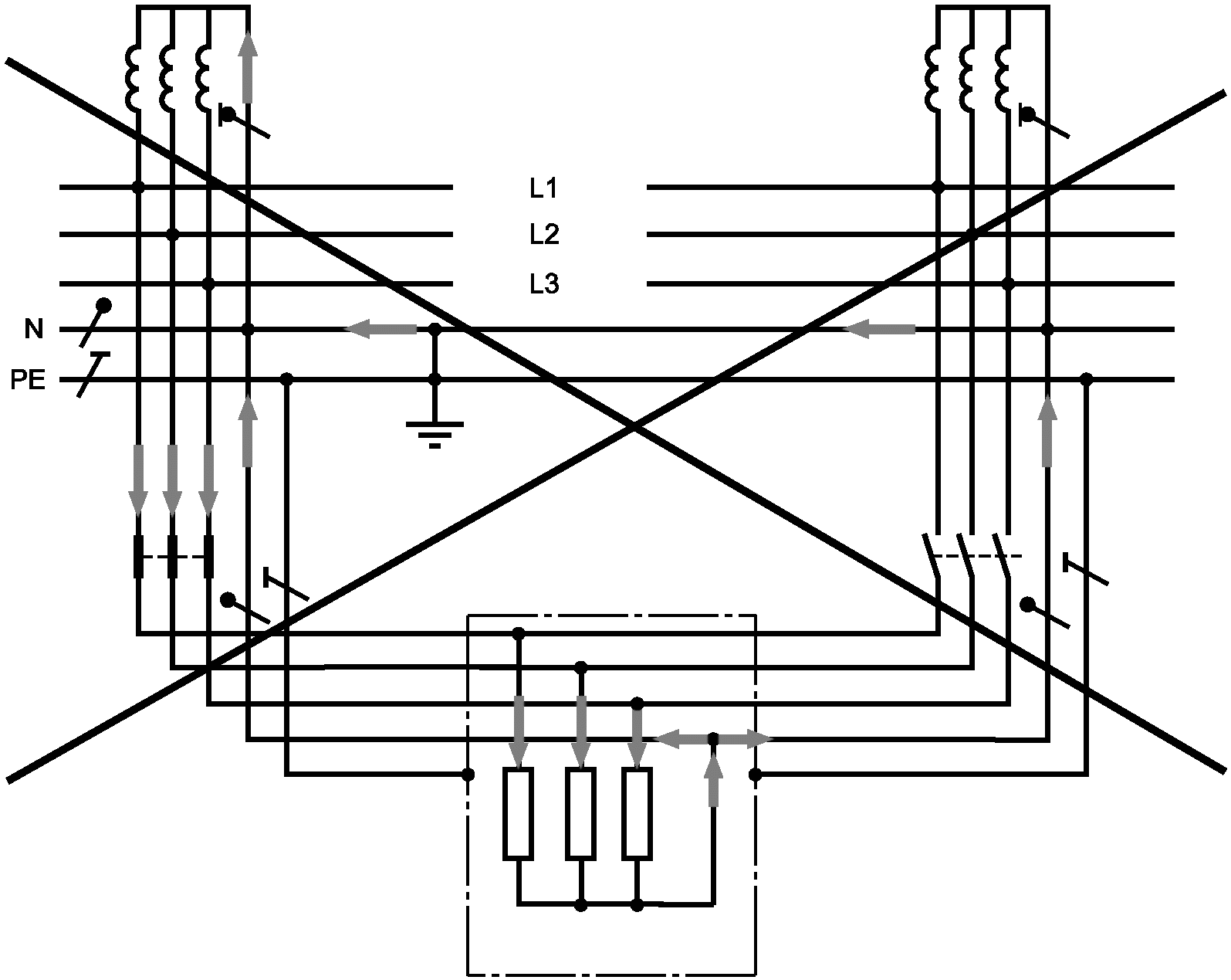
444.4.7 Переключение источников питания
В системах TN переключение питания с одного источника на другой источник питания должно выполняться при помощи коммутационного устройства, переключающего одновременно линейные проводники и нейтральный проводник N, если он имеется в электроустановке (см. рисунки 44.R9A,
44.R9B и
44.R9C).
Примечание - Такой метод предотвращает возникновение электромагнитных полей, создаваемых блуждающими токами в основной системе питания электроустановки. Сумма токов в одном кабеле должна быть равна нулю. Это гарантирует протекание нейтрального тока по нейтральному проводнику N только той цепи, которая включена. Токи 3-й гармоники (150 Гц) линейных проводников добавляются к току нейтрального проводника N с тем же самым углом сдвига фаз.
Рисунок 44.R9A - Альтернативный трехфазный
источник питания с 4-полюсным выключателем
Примечание - Альтернативный трехфазный источник питания с несоответствующим трехполюсным переключателем приводит к протеканию нежелательных уравнительных токов, которые создают электромагнитные поля.
Рисунок 44.R9B - Протекание тока в нейтральном проводнике
N при альтернативном трехфазном источнике питания
с несоответствующим трехполюсным выключателем
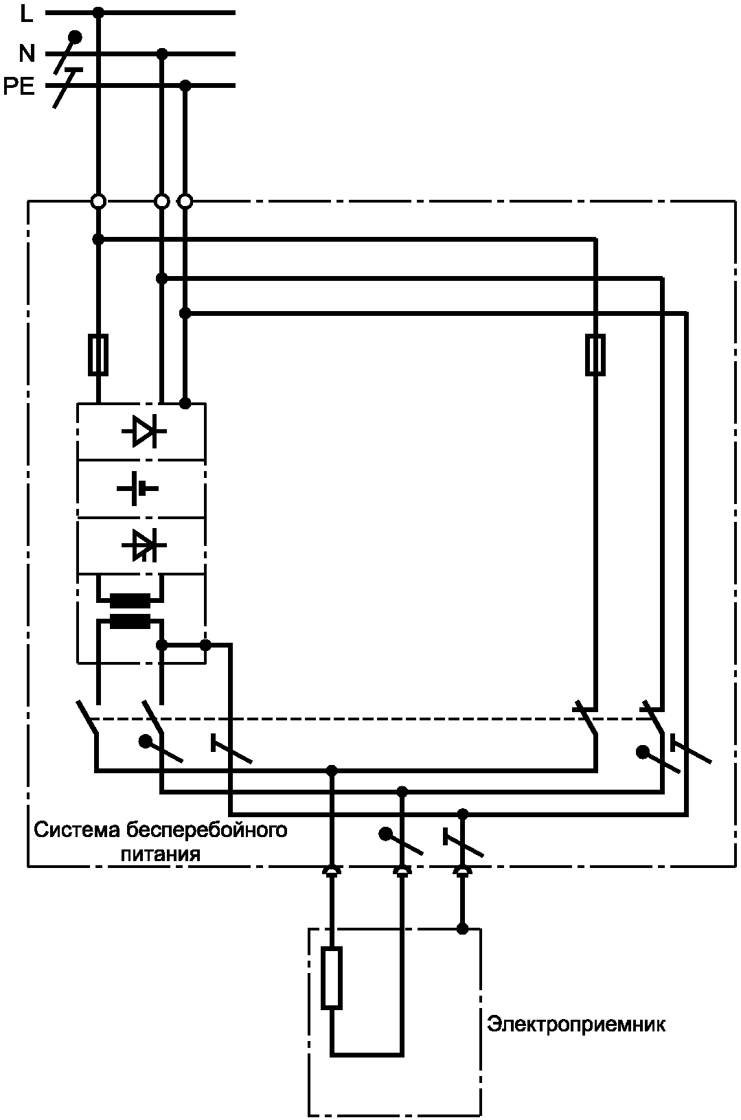
Примечание - Заземление вторичной цепи источника бесперебойного питания (ИБП) не является обязательным. Если это заземление не выполняется, питание от ИБП будет осуществляться по типу системы IT, а от основного источника питания будет соответствовать типу заземления низковольтной питающей системы.
Рисунок 44.R9C - Однофазный альтернативный
источник питания с 2-полюсным выключателем
444.4.8 Коммуникации, входящие в здание
Металлические трубопроводы (например, трубы водоснабжения, газоснабжения и центрального отопления), силовые и контрольные кабели предпочтительно должны входить в здание в одном и том же месте. Металлические трубы и металлическая броня кабелей должны быть присоединены к главной заземляющей шине при помощи проводников, имеющих минимальное полное сопротивление (см.
рисунок 44.R10).
Примечание - Взаимное соединение коммуникаций разрешается только с согласия оператора внешних сетей.
ГЗШ - главная заземляющая шина; I - наведенный ток
Примечание - Предпочтительным является ввод в одном месте, т.к. при этом значение разности потенциалов между различными коммуникациями близко к нулю U ~= 0 В.
Рисунок 44.R10 - Пример ввода бронированных кабелей
и металлических труб в здание в одном месте
По соображениям электромагнитной совместимости замкнутые пустоты и ниши здания, в которых размещаются части электрической установки, должны быть зарезервированы исключительно для электрического и электронного оборудования (например, для устройства мониторинга, управления, защиты и соединительных устройств), для обслуживания которого должен быть обеспечен доступ.
444.4.9 Электроустановки в отдельных зданиях
Если разные здания имеют отдельные системы уравнивания потенциалов, для передачи сигналов и информационных данных могут быть использованы волоконно-оптические кабели, не имеющие металлических частей, либо другие непроводные системы, например высокочастотные разделительные трансформаторы, в соответствии с
нормативным документом <*>,
нормативным документом <**>,
ГОСТ IEC 61558-2-6,
нормативным документом <***> и
ГОСТ IEC 60950-1.
Примечания
1 Проблемы разности потенциалов на поверхности земли в протяженных телекоммуникационных сетях общего назначения возлагаются на операторов сети, которые могут применить другие способы.
2 В случае беспроводных систем передачи информации применение шунтирующего проводника не требуется.
444.4.10 Электроустановки внутри зданий
Если в электроустановках существующих зданий имеются проблемы, связанные с электромагнитными воздействиями, для улучшения условий могут быть применены следующие меры (см.
рисунок 44.R11):
1) применение волоконно-оптических перемычек, не имеющих металлических частей, в цепях передачи сигналов или информации (см.
444.4.9);
2) использование оборудования класса II;
3) использование двухобмоточных трансформаторов в соответствии с нормативным документом <*> или нормативным документом <**>, или ГОСТ IEC 61558-2-6, или нормативным документом <***>. Вторичные цепи должны быть предпочтительно выполнены, как в системе TN-S, однако для специальных условий применения может быть принята система IT.
--------------------------------
Обозначения

- точки присоединения защитных заземляющих и функциональных заземляющих проводников;
FE - функциональный заземляющий проводник (если необходим), применяемый и присоединяемый по указанию оператора;
УЗИП - устройство защиты от импульсных перенапряжений;

- обозначение защитного проводника PE;

- обозначение нейтрального проводника N;

- обозначение линейного проводника
Ссылка | Описание меры | Подпункт/стандарт |
1) | Ввод кабелей и металлических трубопроводов в здание в одном месте | |
2) | Совместная прокладка с соответствующим разделением и исключением замкнутых контуров | |
3) | Соединительные перемычки кратчайшей длины для уравнивания потенциалов и использование заземленного проводника, параллельного кабелю | ГОСТ Р 51317.2.5 |
4) | Экранированные сигнальные кабели и/или провода со скрученными парами | |
5) | Исключение применения системы TN-C ниже точки ввода электропитания | |
6) | Применение трансформаторов с разделенными обмотками | |
7) | Локальные горизонтальные системы уравнивания потенциалов | |
8) | Применение оборудования класса II | |
Рисунок 44.R11 - Примеры применяемых мер
в существующем здании
444.4.11 Защитные устройства
Во избежание ложных срабатываний при высоких значениях токов переходных процессов следует выбирать защитные устройства с соответствующими функциональными характеристиками, например с выдержкой времени или фильтры.
444.4.12 Сигнальные кабели
В качестве сигнальных кабелей следует применять экранированные кабели и/или провода со скрученными парами.
444.5 Заземление и уравнивание потенциалов
444.5.1 Взаимное соединение заземляющих электродов
Для нескольких зданий концепция обособленных, специально предназначенных заземляющих электродов, присоединенных к проводнику сети уравнивания потенциалов, может оказаться несоответствующей, если электронное оборудование используется в системах связи и обмена информацией между различными зданиями, по следующим причинам:
- между такими обособленными заземляющими электродами существует взаимное влияние, которое может приводить к неконтролируемым повышениям напряжения на оборудовании;
- взаимосвязанное оборудование может иметь различное напряжение относительно земли;
- имеется опасность поражения электрическим током, особенно в случаях перенапряжений атмосферного происхождения.
Поэтому все защитные заземляющие и функциональные заземляющие проводники должны быть присоединены к одной и той же главной заземляющей шине. Более того, относящиеся к зданию заземляющие электроды разного назначения, например защитного, функционального заземления и заземления молниезащиты, должны быть соединены между собой (см. рисунок 44.R12).
Рисунок 44.R12 - Взаимосоединенные заземляющие электроды
Для нескольких зданий, если взаимное соединение заземляющих электродов практически невозможно или нецелесообразно по практическим соображениям, рекомендуется выполнять гальваническое разделение коммуникационных сетей различных зданий, например путем применения волоконно-оптических вставок (см.
444.4.10).
Защитные и функциональные проводники уравнивания потенциалов должны быть по отдельности присоединены к главной заземляющей шине таким образом, чтобы отсоединение любого одного проводника не нарушало надежности присоединения остальных проводников.
444.5.2 Соединение входящих сетей с заземляющими устройствами
Открытые проводящие части оборудования информационных технологий и электронного оборудования в здании должны быть соединены между собой при помощи защитных проводников PE.
Для жилых зданий, где электронное оборудование обычно используется в ограниченном объеме, приемлема радиальная сеть защитных проводников PE (см.
рисунок 44.R13).
В общественных, производственных и аналогичных зданиях с множественным применением электроники для обеспечения требований электромагнитной совместимости оборудования различных типов более эффективной является общая система уравнивания потенциалов (см.
рисунок 44.R15).
444.5.3 Различные схемы соединения проводников уравнивания потенциалов и защитных заземляющих проводников
В зависимости от значимости и чувствительности оборудования могут быть использованы четыре основные схемы, приведенные в нижеследующих пунктах.
444.5.3.1 Присоединение защитных проводников PE к кольцевому проводнику уравнивания потенциалов
Система уравнивания потенциалов с использованием кольцевого проводника уравнивания потенциалов показана на
рисунке 44.R16 на верхнем этаже здания. Кольцевой проводник предпочтительно должен быть медным, неизолированным или изолированным и должен быть доступен в любом месте, что может быть обеспечено, например, применением кабельных лотков, металлических труб (см.
нормативный документ <*>), прокладки по открытой поверхности или кабельных коробов. К кольцевому проводнику уравнивания потенциалов могут быть присоединены все защитные заземляющие и функциональные заземляющие проводники.
--------------------------------
444.5.3.2 Радиальная схема присоединения защитных проводников PE
Эта схема применима для небольших установок, соответствующих жилым помещениям и небольшим коммерческим зданиям, и в общем случае - для оборудования, не имеющего взаимных соединений, выполненных сигнальными кабелями для передачи информации (см. рисунок 44.R13).

- заземляющий проводник;

- защитный проводник PE
Рисунок 44.R13 - Пример радиального
соединения защитных проводников PE
444.5.3.3 Радиальное соединение нескольких систем уравнивания потенциалов, выполненных в виде сетки
Такое соединение применимо для небольших установок с небольшими отдельными группами взаимосвязанного коммуникационного оборудования и способствует локальному распределению токов, обусловленных электромагнитными помехами (см. рисунок 44.R14).

- защитные и функциональные заземляющие проводники;

- функциональные проводники уравнивания потенциалов. Длина этих проводников должна быть кратчайшей, насколько возможно (например < 50 см)
Рисунок 44.R14 - Пример радиального соединения нескольких
систем уравнивания потенциалов, выполненных в виде сетки
444.5.3.4 Совмещенная сетчато-радиальная система
Этот тип соединений применяется в установках с высокой плотностью коммуникационного оборудования и с особо ответственными условиями его применения (см. рисунок 44.R15).
Размеры сетки должны охватывать всю площадь, на которой расположено оборудование; размер ячейки выражается площадью квадрата, ограниченного проводниками, формирующими сеть с квадратными ячейками.
Рисунок 44.R15 - Пример совмещенной сетчато-радиальной
системы уравнивания потенциалов
Система уравнивания потенциалов, выполненная в виде сетки, усиливается существующими металлоконструкциями здания и дополняется проводниками, формирующими квадратные ячейки.
Размер ячеек зависит от принятого уровня защиты от молнии, уровня стойкости оборудования установки к электромагнитным воздействиям и от частот, используемых для передачи информации.
Размер ячеек должен быть согласован с размерами защищаемой установки, но не должен превышать 2 x 2 м в местах установки оборудования, чувствительного к электромагнитным помехам.
Эта схема пригодна как для локальных сетей (например, учрежденческих АТС с входящей и исходящей связью), так и для централизованных систем обработки информации.
В необходимых случаях при наличии специальных требований на отдельных участках общей сети размеры ячеек могут быть уменьшены.
444.5.4 Сети уравнивания потенциалов в многоэтажных зданиях
В многоэтажных зданиях рекомендуется выполнять систему уравнивания потенциалов на каждом этаже; пример системы уравнивания потенциалов для общего применения см. на рисунке 44.R16. Каждый этаж является примером одного из типов сети уравнивания потенциалов. Системы уравнивания потенциалов различных этажей должны быть соединены между собой проводниками не менее чем дважды.
Рисунок 44.R16 - Пример сетей уравнивания потенциалов
в многоэтажном здании без молниезащиты
444.5.5 Функциональный заземляющий проводник
Для правильной работы некоторого электронного оборудования требуется наличие эталонного напряжения, значение которого близко к потенциалу земли; это эталонное напряжение обеспечивается функциональным заземляющим проводником.
Функциональными заземляющими проводниками могут быть металлические полосы, плоские плетеные косички и кабели с концентрическим расположением жил.
Для оборудования, работающего на высоких частотах, предпочтительными являются металлические полосы или плоские косички, длина присоединения которых должна быть наикратчайшей.
Для функциональных заземляющих проводников не предусмотрен специальный цвет, однако не должна использоваться комбинация желтого и зеленого цветов, установленная для защитных заземляющих проводников. Рекомендуется использовать один и тот же цвет для обозначения функциональных заземляющих проводников на каждом конце в пределах всей установки.
Для оборудования, работающего на низких частотах, сечения проводников, указанные в
544.1.1 ГОСТ Р 50571.5.54-2011, считаются достаточными независимо от профиля сечения проводника (см.
444.4.2, b) и
k)).
444.5.6 Коммерческие или производственные здания с большим объемом оборудования информационных технологий
Следующие дополнительные требования предназначены для уменьшения воздействия электромагнитных возмущений на работу оборудования информационных технологий.
В условиях сильных электромагнитных воздействий рекомендуется применение совмещенной сетчато-радиальной системы уравнивания потенциалов в соответствии с
444.5.3.3.
444.5.6.1 Размеры и установка кольцевых проводников уравнивания потенциалов
Для уравнивания потенциалов, предусмотренного проектом в виде кольцевой шины уравнивания потенциалов, должны быть приняты следующие минимальные значения поперечного сечения проводников:
- плоская медь сечением: 30 x 2 мм;
- круглая медь диаметром: 8 мм.
Неизолированные проводники должны быть защищены от коррозии в местах их крепления и проходов через стены.
444.5.6.2 Части, подлежащие присоединению к сети уравнивания потенциалов
К сети уравнивания потенциалов должны быть присоединены следующие части:
- проводящие экраны, проводящие оболочки или броня кабелей, передающих информационные данные, и оборудования информационных технологий;
- защитные заземляющие проводники антенных систем;
- защитные заземляющие проводники заземленных полюсов цепей постоянного тока, питающих оборудование информационных технологий;
- функциональные заземляющие проводники.
444.5.7 Заземляющие устройства и уравнивание потенциалов установок информационных технологий функционального назначения
444.5.7.1 Заземляющая шина
Если для функциональных целей требуется заземляющая шина, длина главной заземляющей шины (ГЗШ) здания может быть увеличена присоединением к ней этой заземляющей шины. Это обеспечивает присоединение оборудования информационных технологий к главной заземляющей шине здания кратчайшим путем в любой точке здания. Если заземляющая шина устанавливается для улучшения условий уравнивания потенциалов большого количества информационного оборудования в здании, она может быть выполнена в виде кольца (см.
рисунок 44.R16).
Примечания
1 Заземляющая шина может быть неизолированной или изолированной.
2 Заземляющая шина должна быть установлена таким образом, чтобы доступ к ней обеспечивался по всей ее длине, например, по поверхности кабельного короба. В местах креплений и в местах прохода через стены может потребоваться защита проводников от коррозии.
444.5.7.2 Площадь поперечного сечения заземляющей шины
Эффективность функциональной заземляющей шины зависит от трассы ее прокладки и от полного сопротивления используемого проводника. Для установок, присоединенных к источнику питания с допустимой нагрузкой 200 А на фазу или более, площадь поперечного сечения функциональной заземляющей шины должна быть не менее 50 мм
2 по меди, а размеры и форма сечения должны соответствовать указаниям
444.4.2, k).
Примечание - Это требование действительно для частот до 10 МГц.
Если заземляющая шина используется как часть пути обратного постоянного тока, площадь ее поперечного сечения должна быть выбрана по значению ожидаемого обратного постоянного тока. Максимальное расчетное падение напряжения постоянного тока вдоль каждой заземляющей шины, предназначенной для использования в качестве проводника обратного тока в распределительной цепи постоянного тока, должно быть менее 1 В.
Силовые питающие кабели (или провода) и кабели информационных и коммуникационных технологий, проложенные в одной системе электропроводки или по одной трассе, следует выполнять в соответствии с требованиями 444.6.
Примечание - Системы электропроводок включают в себя также системы кабельных коробов и силовые распределительные системы.
Электробезопасность и электромагнитная совместимость могут предъявлять различные требования к электрическому разделению и электрическому отделению. Электробезопасность всегда является приоритетной.
444.6.2 Требования к проектированию
Применяются следующие требования, если не применяются требования
444.6.3.
Если технические условия и/или условия предназначенного применения кабелей информационных и коммуникационных технологий отсутствуют, расстояние, отделяющее кабели информационных и коммуникационных технологий от силовых кабелей, должно быть не менее 200 мм по воздуху при условии, что:
- общий ток в низковольтном кабеле или в пучке низковольтных кабелей не должен превышать 600 А,
- оборудование, работа которого обеспечивается проводкой, предназначено для работы с кабелями информационных и коммуникационных технологий, которые подключены или должны быть подключены, и
- кабели информационных и коммуникационных технологий являются сбалансированными кабелями, имеющими стойкость к электромагнитным воздействиям категории 5 и выше в соответствии с нормативным документом <*> или коаксиальными кабелями, имеющими электромагнитную стойкость к электромагнитным воздействиям в соответствии с нормативным документом <**>.
--------------------------------
Во всех других случаях применяются требования и рекомендации нормативного документа <*>, 7.9.2.
--------------------------------
Разделяющее расстояние 200 мм может быть уменьшено в соответствии с таблицей 444.1.
Таблица 444.1
Обобщенные минимальные разделительные расстояния
для случаев, когда указания и/или предназначение применения
кабелей информационных и коммуникационных технологий
отсутствуют
Поддерживающие конструкции для силовых кабелей |
Разделение без электромагнитного барьера | Открытая металлическая перегородка A | Перфорированная металлическая перегородка B | Сплошная металлическая перегородка C |
200 мм | 150 мм | 100 мм | 0 мм |
A: | Применяется для поддерживающих конструкций экранированного исполнения (DC-100 MHz), эквивалентного стальному сварному лотку (корзине) с ячейкой 50 x 100 мм. Такое экранирование обеспечивается стальным лотком даже, если толщина стенки составляет менее 1 мм и/или площадь равномерно распределенных перфорированных отверстий составляют более 20%. |
B: | Применяется для поддерживающих конструкций экранированного исполнения (DC-100 MHz), эквивалентных стальному лотку с толщиной стенки не менее 1 мм и не более 20% перфорированных отверстий. Считается, что экраны и броня силовых кабелей оказывают такое же воздействие, как перфорированные металлические изделия для прокладки кабелей, если они и не являются таким же эквивалентом сплошных металлических лотков. |
C: | Применяется к изделиям для прокладки экранированного исполнения (DC-100 MHz), эквивалентным стальным трубам с толщиной стенки не менее 1,5 мм. |
Если используются экранированные силовые кабели, разделительное расстояние может быть уменьшено в соответствии с указаниями изготовителя силовых экранированных кабелей при условии, что экран заземлен на обоих концах.
Силовые кабели, которые обеспечивают также осуществление информационных и коммуникационных технологий, не считаются кабелями информационных технологий.
Минимальное расстояние между кабелями информационных и коммуникационных технологий и силовыми кабелями должно включать в себя допуск для движения кабелей между точками крепления или другими удерживающими устройствами (см. рисунок 44.R17).
Рисунок 44.R17 - Пример расстояния разделения кабелей
Требование к минимальному разделению обеспечивается в трех измерениях. Однако, если требуется пересечение кабелей информационных и коммуникационных технологий и силовых питающих кабелей и требуемое минимальное разделение не может быть обеспечено, то угол их пересечения должен быть равным приблизительно 90° с каждой стороны пересечения на расстоянии не менее требуемого разделения.
444.6.3 Условия для нулевого разделения
Не требуется разделение между кабелями информационных и коммуникационных технологий и силовыми питающими кабелями (за исключением тех, которые требуются национальными или региональными правилами или
ГОСТ Р 50571.5.52) при условии, что проводки информационных и коммуникационных технологий представляют собой специфическое(ие) применение(я), обеспечивающее(ие) релаксацию кабелей при нулевом разделении.
Не требуется разделение между кабелями информационных и коммуникационных технологий, если выполнены все следующие условия:
- кабели информационных и коммуникационных технологий соответствуют МЭК 61156 (все части) для категории 5 и выше или являются коаксиальными кабелями, имеющими исполнение по электромагнитной совместимости в соответствии с МЭК 61196-7,
- классификация по условиям окружающей среды пространства, содержащего кабели информационных и коммуникационных технологий, соответствует электромагнитной классификации E1 нормативного документа <*> (или нормативного документа <**>), и
--------------------------------
- проводники силового питания, включающие в себя цепь, или находятся в общей оболочке и проводят общий ток не более 100 А, или скручены, сбандажированы или связаны в пучок и проводят общую мощность не более 10 кВА.
444.7 Системы электропроводок
Системы для электропроводок имеются в наличии в металлическом и неметаллическом исполнении. Металлические системы для электропроводок обеспечивают различные степени усиленной защиты по условиям электромагнитной совместимости при условии, что они установлены в соответствии с
444.7.3.
444.7.2 Указания по проектированию
Выбор материала и вида системы электропроводок зависит от следующих условий:
a) силы воздействия электромагнитного поля вдоль трассы (близость источников электромагнитных проводных и излучаемых возмущений);
b) допустимого уровня проводных и излучаемых эмиссий;
c) типа прокладываемых кабелей (экранированные, скрученные, волоконно-оптические);
d) уровня стойкости к электромагнитным воздействиям оборудования, подключаемого к системе кабелей передачи информации;
e) других ограничительных условий окружающей среды (химических, механических, климатических, пожарных и др.);
f) любых последующих расширений информационной кабельной сети.
Неметаллические системы электропроводок пригодны для случаев:
- электромагнитных сред с постоянно низким уровнем возмущений;
- кабельной системы с низким уровнем эмиссии;
- волоконно-оптических кабелей.
В случае металлических компонентов опорной системы для кабелей характеристическое полное сопротивление системы электропроводки в большей степени зависит от профиля конструкции (плоскость, U-образная конструкция, труба и др.), чем от площади ее поперечного сечения. Наилучшими являются замкнутые профили, т.к. они уменьшают сцепление общего вида.
Используемое пространство внутри кабельного лотка должно допускать возможность последующей дополнительной прокладки некоторого заданного количества кабелей. Высота кабельного пучка должна быть ниже боковой стенки лотка, как показано на
рисунке 44.R19. Свойства лотка с точки зрения электромагнитной совместимости улучшаются при применении крышек, устанавливаемых внахлест.
Для лотков U-образной формы наибольшее ослабление магнитного поля происходит в двух углах лотка, поэтому предпочтительным является применение глубоких лотков (см.
рисунок 44.R19).
Примечание - Глубина лотка должна не менее чем в два раза превышать размер диаметра наибольшего из прокладываемых кабелей.
Рисунок 44.R19 - Прокладка кабелей
в металлических кабельных лотках
444.7.3 Указания по монтажу
444.7.3.1 Металлические или композитные системы электропроводок, разработанные специально в целях электромагнитной совместимости
Металлические или композитные системы электропроводок, разработанные специально в целях электромагнитной совместимости, всегда должны быть присоединены к системе местного уравнивания потенциалов на обоих концах. При больших длинах, например более 50 м, рекомендуется выполнять дополнительные присоединения к системе уравнивания потенциалов. Все проводники присоединений должны иметь наиболее возможную минимальную длину. Если система электропроводки состоит из нескольких элементов, должны быть приняты меры, гарантирующие непрерывность электрической цепи при помощи надежных соединений смежных элементов. Предпочтительно элементы должны быть сварены друг с другом полностью по всему периметру. Применение заклепочных, болтовых, винтовых соединений допускается, если контактные поверхности являются хорошими проводниками, т.е. не имеют окраски и изоляционных покрытий, надежно защищены от коррозии и гарантируют надежный электрический контакт.
Профиль металлических секций должен сохраняться по всей длине. Все присоединения должны иметь низкое полное сопротивление. Соединение двух частей системы электропроводки при помощи короткого одиночного проводника приведет к возникновению высокого местного полного сопротивления и ухудшению вследствие этого свойств системы по обеспечению электромагнитной совместимости (см. рисунок 44.R20).
Рисунок 44.R20 - Непрерывность системы,
состоящей из металлических элементов
На частотах от нескольких МГц и выше сетчатая полоска длиной 10 см между двумя частями системы электропроводки понижает экранирующий эффект более чем в 10 раз.
При выполнении изменений или расширения очень важно, чтобы работа выполнялась под тщательным наблюдением, гарантирующим ее соответствие рекомендациям по электромагнитной совместимости, например, чтобы металлический отрезок трубы не был заменен пластмассовым.
Металлические конструктивные элементы зданий могут успешно служить целям электромагнитной совместимости. Стальные балки L-, H-, U- или T-образного профилей часто представляют собой непрерывные заземленные конструкции с мощным поперечным сечением, с большой площадью поверхности и с множественными промежуточными соединениями с землей. Прокладка кабелей по таким балкам является предпочтительной. Предпочтительна прокладка внутри углов, а не по внешней поверхности (см. рисунок 44.R21).
Рисунок 44.R21 - Расположение кабелей внутри
элементов металлических конструкций
Крышки металлических лотков должны соответствовать тем же требованиям, что и лотки. Предпочтительны крышки с большим числом креплений к секции. Если это невозможно, крышки должны быть присоединены к секции как минимум на обоих концах короткими проводниками длиной менее 10 см, например плетеными или сетчатыми полосками.
Если металлическая или композитная система электропроводки, разработанная специально для целей электромагнитной совместимости, разделяется для прохода через стену, например, через огнепреградительный барьер, две металлические секции должны быть соединены между собой перемычками с малым сопротивлением, например плетеными или сетчатыми полосками.
Рисунок 44.R22 - Соединение металлических секций
444.7.3.2 Неметаллические системы электропроводки
Если оборудование, присоединенное неэкранированными кабелями, не подвергается воздействию низкочастотных возмущений, защитные свойства неметаллической системы электропроводки улучшаются прокладкой внутри нее одиночного проводника, используемого в качестве шунтирующего проводника уравнивания потенциалов. Этот проводник должен быть надежно присоединен к системе заземления, к которой присоединено оборудование на обоих концах проводника, например, посредством присоединения к металлической оболочке шкафа.
Шунтирующий проводник уравнивания потенциалов должен выбираться по условиям стойкости к наибольшим возмущениям общего вида и токам, ответвляющимся при повреждении.
445 Защита от понижения напряжения
445.1.1 Если понижение напряжения или потеря напряжения и его последующее восстановление могут повлечь за собой опасные ситуации для людей или имущества, должны быть предусмотрены соответствующие меры предосторожности. Меры предосторожности должны быть также предусмотрены, если в результате понижения напряжения могут быть повреждены части установки или электрооборудования.
Устройство защиты от понижения напряжения не требуется, если повреждение установки или электрооборудования относится к допустимым рискам и при этом отсутствует опасность для людей.
445.1.2 Если защищаемое оборудование допускает краткий перерыв электроснабжения, не создающий опасности, срабатывание устройства защиты от понижения напряжения может быть выполнено с выдержкой времени.
445.1.3 При применении контакторов запаздывание при их размыкании и замыкании не должно препятствовать мгновенному отключению защищаемого оборудования средствами управления или устройствами защиты.
445.1.4 Характеристики устройств защиты от понижения напряжения должны соответствовать пусковым характеристикам применяемого оборудования и условиям его применения.
445.1.5 Если повторное включение защитного устройства может вызвать опасную ситуацию, повторное включение не должно быть автоматическим.
(справочное)
ПРИМЕРЫ РАСЧЕТА УРОВНЯ РИСКА CRL ДЛЯ ВЫБОРА УЗИП
A.1 Пример 1. Здание в сельской окружающей среде
Плотность разрядов в землю Ng = 1.
Коэффициент окружающей среды fenv = 85.
Расстояние оценки риска LP = 2LPAL + LPCL + 0,4LPAH + 0,2LPCH = 2·0,4 + 0,4·0,6 = 1,04,
где LPAL - протяженность низковольтной воздушной линии электропередачи, LPAL = 0,4 км;
LPAH - протяженность высоковольтной воздушной линии электропередачи, LPAH = 0,6 км;
LPCL - протяженность низковольтной линии электропередачи, проложенной в земле, LPCL = 0 км;
LPCH - протяженность высоковольтной линии электропередачи, проложенной в земле, LPCH = 0 км.
CRL = fenv/(LP·Ng) = 85/(1,04·1) = 81,7
В данном случае защита при помощи УЗИП должна быть установлена, поскольку CRL составляет менее 1000 м.
A.2 Пример 2. Здание в сельской окружающей среде, получающее высоковольтное питание
Плотность разрядов в землю Ng = 0,4.
Коэффициент окружающей среды fenv = 85.
Расстояние оценки риска LP = 2LPAL + LPCL + 0,4LPAH + 0,2LPCH = 0,2·1 = 0,2,
где LPAL - протяженность низковольтной воздушной линии электропередачи, LPAL = 0 км;
LPAH - протяженность высоковольтной воздушной линии электропередачи, LPAH = 0 км;
LPCL - протяженность низковольтной линии электропередачи, проложенной в земле, LPCL = 0 км;
LPCH - протяженность высоковольтной линии электропередачи, проложенной в земле, LPCH = 1 км.
CRL = fenv/(LP·Ng) = 85/(0,2·0,4) = 1062,5
В данном случае установка УЗИП не является обязательной, поскольку CRL равен или более 1000 м.
A.3 Пример 3. Здание в городской окружающей среде, получающее питание по воздушным линиям электропередачи
Плотность разрядов в землю Ng = 1.
Коэффициент окружающей среды fenv = 850.
Расстояние оценки риска LP = 2LPAL + LPCL + 0,4LPAH + 0,2LPCH = 2·0,4 + 0,4·0,6 = 1,04,
где LPAL - протяженность низковольтной воздушной линии электропередачи, LPAL = 0,4 км;
LPAH - протяженность высоковольтной воздушной линии электропередачи, LPAH = 0,6 км;
LPCL - протяженность низковольтной линии электропередачи, проложенной в земле, LPCL = 0 км;
LPCH - протяженность высоковольтной линии электропередачи, проложенной в земле, LPCH = 0 км.
CRL = fenv/(LP·Ng) = 850/(1·1,04) = 817
В данном случае защита при помощи УЗИП должна быть установлена, поскольку CRL составляет менее 1000 м.
A.4 Пример 4. Здание в городской окружающей среде, получающее питание по кабельным линиям, проложенным в земле
Плотность разрядов в землю Ng = 0,5.
Коэффициент окружающей среды fenv = 850.
Расстояние оценки риска LP = 2LPAL + LPCL + 0,4LPAH + 0,2LPCH = 1,
где LPAL - протяженность низковольтной воздушной линии электропередачи, LPAL = 0 км;
LPAH - протяженность высоковольтной воздушной линии электропередачи, LPAH = 0 км;
LPCL - протяженность низковольтной линии электропередачи, проложенной в земле, LPCL = 1 км;
LPCH - протяженность высоковольтной линии электропередачи, проложенной в земле, LPCH = 0 км.
CRL = fenv/(LP·Ng) = 850/(1·0,5) = 1700
В данном случае защита при помощи УЗИП не является обязательной, поскольку CRL равен или более 1000 м.
(справочное)
ПО ЗАЩИТЕ ОТ ПЕРЕНАПРЯЖЕНИЙ УСТРОЙСТВАМИ ЗАЩИТЫ
ОТ ИМПУЛЬСНЫХ ПЕРЕНАПРЯЖЕНИЙ (УЗИП), УСТАНОВЛЕННЫМИ
НА ВОЗДУШНЫХ ЛИНИЯХ ЭЛЕКТРОПЕРЕДАЧИ
Если питание электроустановки осуществляется по воздушной линии электропередачи или она содержит воздушную линию электропередачи и требуется установка УЗИП в соответствии с
443.4, необходимый уровень защиты от перенапряжений может быть осуществлен установкой устройств защиты от импульсных перенапряжений либо непосредственно в электроустановке, вблизи ввода в электроустановку, либо, с согласия оператора сети, на воздушных линиях электропередачи распределительной сети.
Например, могут быть применены следующие меры:
a) в случае воздушной распределительной сети защита от перенапряжений устанавливается в точках соединений сети и, главным образом, в конце каждой воздушной линии электропередачи, имеющей длину более 0,5 км. Устройства защиты от импульсных перенапряжений должны быть установлены вдоль воздушных линий электропередачи на каждом участке длиной 0,5 км. Однако расстояние между устройствами защиты от импульсных перенапряжений ни в коем случае не должно превышать 1 км;
b) если распределительная сеть выполнена частично как воздушная сеть и частично как сеть, проложенная в земле, защита от перенапряжений на воздушных линиях электропередачи в соответствии с
перечислением a) должна применяться в каждой точке перехода от воздушной линии к кабельной линии, проложенной в земле;
c) в распределительной сети, питающей электрические установки, соответствующие типам заземления системы TN, в которых применена мера защиты "автоматическое отключение питания", защитные заземляющие проводники устройств защиты от импульсных перенапряжений, соединенных с линейными проводниками, присоединяются к PEN-проводнику или к защитному проводнику PE;
d) в распределительной сети, питающей электрические установки, соответствующие типу заземления системы TT, в которых применена мера защиты "автоматическое отключение питания", устройства защиты от импульсных перенапряжений должны быть предусмотрены для линейных проводников и для нейтрального проводника N. В месте, где нейтральный проводник N распределительной сети эффективно заземлен, установка устройства защиты от импульсных перенапряжений для нейтрального проводника N не требуется.
(справочное)
СВЕДЕНИЯ О СООТВЕТСТВИИ ССЫЛОЧНЫХ МЕЖГОСУДАРСТВЕННЫХ
И НАЦИОНАЛЬНЫХ СТАНДАРТОВ МЕЖДУНАРОДНЫМ СТАНДАРТАМ,
ИСПОЛЬЗОВАННЫМ В КАЧЕСТВЕ ССЫЛОЧНЫХ В ПРИМЕНЕННОМ
МЕЖДУНАРОДНОМ СТАНДАРТЕ
Таблица ДА.1
Обозначение ссылочного межгосударственного, национального стандарта | Степень соответствия | Обозначение и наименование ссылочного международного стандарта |
| MOD | IEC 60038:2009 "Напряжения стандартные" |
| MOD | IEC 60364-1:2005 "Электроустановки низковольтные. Часть 1. Основные положения, оценка общих характеристик, термины и определения" |
| MOD | IEC 61000-6-1:2005 "Электромагнитная совместимость. Часть 6-1. Общие стандарты. Помехоустойчивость оборудования, используемого в жилых районах, районах с коммерческими предприятиями и районах с небольшими промышленными предприятиями" |
| MOD | IEC 61000-6-2:2005 "Электромагнитная совместимость. Часть 6-2. Общие стандарты. Помехоустойчивость оборудования, используемого в районах с промышленными предприятиями" |
| MOD | IEC 61000-6-3:2006 "Электромагнитная совместимость. Часть 6-3. Общие стандарты. Стандарт на излучение для жилых районов, районов с коммерческими предприятиями и районов с предприятиями легкой промышленности" |
| MOD | IEC 61000-6-4:2006 "Электромагнитная совместимость. Часть 6-4. Общие стандарты. Стандарт на излучение для окружающей среды промышленных предприятий" |
| IDT | IEC 60950-1:2013 "Оборудование информационных технологий. Требования безопасности. Часть 1. Общие требования" |
ГОСТ IEC 61558-2-6-2012 | IDT | IEC 61558-2-6:2009 "Безопасность силовых трансформаторов, источников питания, электрических реакторов и аналогичных изделий. Часть 2-6. Дополнительные требования и методы испытаний безопасных разделительных трансформаторов и источников питания с безопасными разделительными трансформаторами" |
| IDT | IEC 61643-11:2011 "Устройства защиты от перенапряжений низковольтные. Часть 11. Устройства защиты от перенапряжений, подсоединенные к низковольтным системам распределения электроэнергии. Требования и методы испытаний" |
| IDT | IEC 60364-4-41:2005 "Электроустановки низковольтные. Часть 4-41. Требования для обеспечения безопасности. Защита от поражения электрическим током" |
| IDT | IEC 60364-5-52:2009 "Электроустановки низковольтные. Часть 5-52. Выбор и монтаж электрооборудования. Электропроводки" |
| IDT | IEC 60364-5-53:2001 "Электроустановки низковольтные. Часть 5-53. Выбор и монтаж электрооборудования. Отделение, коммутация и управление" |
IEC 60364-5-53:2001/AMD1:2002 |
IEC 60364-5-53:2001/AMD2:2015 |
| IDT | IEC 60364-5-54:2002 "Электроустановки низковольтные. Часть 5-54. Выбор и монтаж электрооборудования. Заземляющие устройства, защитные проводники и проводники уравнивания потенциалов" |
ГОСТ Р 51317.2.5-2000 | IDT | IEC 61000-2-5:1995 "Электромагнитная совместимость. Часть 2. Условия окружающей среды. Раздел 5. Классификация электромагнитной окружающей среды. Основные публикации по ЭМС" |
| NEQ | IEC 60050-604:1987 "Международный электрический словарь. Глава 604. Получение, передача и распределение электроэнергии. Эксплуатация" |
ГОСТ Р МЭК 60664.1-2012 | IDT | IEC 60664-1:2007 "Координация изоляции для оборудования в низковольтных системах. Часть 1. Принципы, требования и испытания" |
| IDT | IEC 62305-1:2010 "Менеджмент риска. Защита от молнии. Часть 1. Общие принципы" |
| IDT | IEC 62305-4:2010 "Защита от молнии. Часть 4. Защита электрических и электронных систем внутри зданий и сооружений" |
Примечание - В настоящей таблице использованы следующие условные обозначения степени соответствия стандартов: - IDT - идентичные стандарты; - MOD - модифицированные стандарты; - NEQ - неэквивалентный стандарт. |
| МЭК 61936-1 | Электрические установки напряжением выше 1 кВ переменного тока. Часть 1. Общие правила |
| МЭК 61643-22 | Низковольтные устройства защиты от импульсных перенапряжений. Часть 22. Устройства защиты от импульсных перенапряжений, присоединяемые к телекоммуникационному оборудованию и сетям сигнализации. Правила выбора и применения |
| МЭК 62305 (все части) | Защита от молнии |
| ЕТС 300 253:1995 | Проектирование оборудования. Заземление и уравнивание потенциалов телекоммуникационного оборудования в телекоммуникационных центрах |
| ЕН 50310 | Выполнение уравнивания потенциалов и заземления в зданиях с оборудованием информационных технологий |
| МЭК 62305-3 | Защита от молнии. Часть 3. Физические повреждения зданий и сооружений и опасность для жизни |
| МЭК 62020:1998 | Электрические принадлежности. Мониторинговые устройства дифференциального тока для бытового и аналогичного применения |
| МЭК 61558-2-1 | Безопасность силовых трансформаторов, силовых блоков питания, реакторов и аналогичной продукции. Часть 2-1. Частные требования к испытаниям разделительных трансформаторов общего применения и силовых источников питания, содержащих разделительные трансформаторы общего применения |
| МЭК 61558-2-4 | Безопасность силовых трансформаторов, силовых блоков питания и аналогичной продукции. Часть 2-4. Частные требования к разделительным трансформаторам общего применения |
| МЭК 61558-2-15 | Безопасность силовых трансформаторов, силовых блоков питания и аналогичной продукции. Часть 2-15. Частные требования к разделительным трансформаторам для питания медицинских помещений |
| МЭК 61386 серия | Системы труб для электропроводок |
| МЭК 61156 (все части) | Многожильные и симметричные кабели "пара-четверка" для цифровой связи |
| МЭК 61196-7 | Кабели связи коаксиальные. Часть 7. Групповые технические условия на кабели ВСТ в соответствии с ИСО/МЭК 15018. Внутренние ответвительные кабели для систем, работающих на частотах от 5 до 3000 МГц |
| ИСО/МЭК 14763-2:2012 ИСО/МЭК 14763-2:2012/Изменение 1:2015 | Информационные технологии. Выполнение и эксплуатация проводок в помещении потребителя. Часть 2. Проектирование и монтаж |
| ИСО/МЭК ТО 29106 | Информационные технологии. Проводки общего назначения. Введение к экологической классификации MICE |
| ИСО/МЭК 11801-1 | Информационные технологии. Проводки общего назначения в помещении потребителя. Часть 1. Общие требования |