Главная // Актуальные документы // ГОСТ Р (Государственный стандарт)СПРАВКА
Источник публикации
М.: Стандартинформ, 2014
Примечание к документу
Текст данного документа приведен с учетом
поправки, опубликованной в "ИУС", N 9, 2015.
Документ
введен в действие с 01.01.2015.
Название документа
"ГОСТ Р 50571.5.53-2013/МЭК 60364-5-53:2002. Национальный стандарт Российской Федерации. Электроустановки низковольтные. Часть 5-53. Выбор и монтаж электрооборудования. Отделение, коммутация и управление"
(утв. и введен в действие Приказом Росстандарта от 06.09.2013 N 973-ст)
"ГОСТ Р 50571.5.53-2013/МЭК 60364-5-53:2002. Национальный стандарт Российской Федерации. Электроустановки низковольтные. Часть 5-53. Выбор и монтаж электрооборудования. Отделение, коммутация и управление"
(утв. и введен в действие Приказом Росстандарта от 06.09.2013 N 973-ст)
Утвержден и введен в действие
агентства по техническому
регулированию и метрологии
от 6 сентября 2013 г. N 973-ст
НАЦИОНАЛЬНЫЙ СТАНДАРТ РОССИЙСКОЙ ФЕДЕРАЦИИ
ЭЛЕКТРОУСТАНОВКИ НИЗКОВОЛЬТНЫЕ
ЧАСТЬ 5-53
ВЫБОР И МОНТАЖ ЭЛЕКТРООБОРУДОВАНИЯ.
ОТДЕЛЕНИЕ, КОММУТАЦИЯ И УПРАВЛЕНИЕ
Low-voltage electrical installations. Part 5-53:
Selection and erection of electrical equipment.
Isolation, switching and control
IEC 60364-5-53:2002
Low-voltage electrical installations.
Part 5-53: Selection and erection of electrical equipment.
Isolation, switching and control
(IDT)
ГОСТ Р 50571.5.53-2013/МЭК 60364-5-53:2002
Дата введения
1 января 2015 года
1. Подготовлен Московским институтом энергобезопасности и энергосбережения на основе аутентичного перевода на русский язык стандарта, указанного в пункте 4.
2. Внесен Техническим комитетом по стандартизации ТК 337 "Электрические установки зданий".
3. Утвержден и введен в действие
Приказом Федерального агентства по техническому регулированию и метрологии от 6 сентября 2013 г. N 973-ст.
4. Настоящий стандарт является идентичным по отношению к международному стандарту МЭК 60364-5-53:2002 "Электроустановки зданий. Часть 5-53. Выбор и установка электрооборудования. Изоляция, коммутационная аппаратура и управление" (IEC 60364-5-53:2002 Electrical installations of buildings. Part 5-53: Selection and erection of electrical equipment. Isolation, switching and control).
Наименование настоящего стандарта изменено относительно наименования указанного международного стандарта для приведения его в соответствие с вновь принятым наименованием серии стандартов МЭК 60364.
При применении настоящего стандарта рекомендуется использовать вместо ссылочных международных стандартов соответствующие им национальные стандарты Российской Федерации (и действующим в этом качестве межгосударственные стандарты), сведения о которых приведены в
Приложении ДА.
Правила применения настоящего стандарта установлены в ГОСТ Р 1.0-2012
(раздел 8). Информация об изменениях к настоящему стандарту публикуется в ежегодном (по состоянию на 1 января текущего года) информационном указателе "Национальные стандарты", а официальный текст изменений и поправок - в ежемесячном информационном указателе "Национальные стандарты". В случае пересмотра (замены) или отмены настоящего стандарта соответствующее уведомление будет опубликовано в ближайшем выпуске информационного указателя "Национальные стандарты". Соответствующая информация, уведомление и тексты размещаются также в информационной системе общего пользования - на официальном сайте Федерального агентства по техническому регулированию и метрологии в сети Интернет (gost.ru).
530.1. Область применения
Настоящий стандарт распространяется на низковольтные электроустановки и устанавливает общие требования к функциям отделения, коммутации и управления, а также требования к выбору и монтажу устройств, предусмотренных для выполнения этих функций.
530.2. Нормативные ссылки
В настоящем стандарте использованы нормативные ссылки на следующие стандарты. Для датированных ссылок применяют только указанное издание соответствующего нормативного документа. Для недатированных ссылок действительным является последнее издание соответствующего нормативного документа (включая поправки).
МЭК 60269-3 Предохранители плавкие низковольтные. Часть 3: Дополнительные требования к плавким предохранителям, используемым неквалифицированным персоналом (главным образом, бытового и аналогичного назначения)
IEC 60269-3 Low-voltage fuses. Part 3: Supplementary requirements for fuses for use by unskilled persons (Fuses mainly for household and similar applications)
МЭК 60364-4-41:2005 Электрические установки зданий. Часть 4-41. Защита для обеспечения безопасности. Защита от электрического удара
<*>
IEC 60364-4-41:2005 Low-voltage electrical installations - Part 4-41: Protection for safety - Protection against electric shock
МЭК 60364-4-42:2010 Электрические установки зданий. Часть 4-42. Защита для обеспечения безопасности. Защита от тепловых воздействий
<*>
IEC 60364-4-42:2010 Electrical installations of buildings. Part 4-42. Protection for safety. Protection against thermal effects
МЭК 60364-4-43:2008 Низковольтные электрические установки. Часть 4-43. Защита для обеспечения безопасности. Защита от сверхтока
<*>
IEC 60364-4-43:2008 Low-voltage electrical installations - Part 4-43: Protection for safety - Protection against overcurrent
МЭК 60364-4-44:2007 Электрические установки низкого напряжения. Часть 4-44. Защита для обеспечения безопасности. Защита от резких отклонений напряжения и электромагнитных возмущений
<*>
IEC 60364-4-44:2007 Low-voltage electrical installations - Part 4-44: Protection for safety - Protection against voltage disturbances and electromagnetic disturbances
МЭК 60364-6:2006 Электрические установки зданий. Часть 6. Испытания
<*>
IEC 60364-6:2006 Low-voltage electrical installations. Part 6: Verification
МЭК 60364-7-705:2006 Электрические установки зданий. Раздел 705: Электрические установки для сельскохозяйственных и садовых участков
<*>
IEC 60364-7-705:2006 Electrical installations of buildings. Part 7: Requirements for special installations or locations. Section 705: Electrical installations of agricultural and horticultural premises
МЭК 60664-1:2005 Координация изоляции для оборудования в низковольтных системах. Часть 1: Принципы, требования и испытания
<*>
IEC 60664-1:2005 Insulation coordination for equipment within low-voltage systems; part 1: principles, requirements and tests
МЭК 61008-1:1996 Выключатели автоматические, срабатывающие от остаточного тока, без встроенной защиты от тока перегрузки бытовые и аналогичного назначения. Часть 1: Общие правила
<*>
IEC 61008-1:1996 Residual current operated circuit-breakers without integral overcurrent protection for household and similar uses (RCCB's) - Part 1: General rules
МЭК 61009-1:2006 Выключатели автоматические, срабатывающие от остаточного тока, со встроенной защитой от тока перегрузки; бытовые и аналогичного назначения. Часть 1: Общие правила
<*>
IEC 61009-1:2006 Residual current operated circuit-breakers with integral overcurrent protection for household
МЭК 62305-3:2010 Защита от молнии. Физические повреждения конструкций и опасность для жизни
<*>
IEC 62305-3:2010 Protection against lightning - Part 3: Physical domage to structures and life hazard
МЭК 62305-4:2010 Защита от молнии. Часть 4. Электрические и электронные системы внутри конструкций
<*>
| | ИС МЕГАНОРМ: примечание. Текст дан в соответствии с официальным текстом документа. | |
IEC 623005-4:2010 Protection against lightning - Part 4: Electrical and electronic systems within structures
МЭК 61643-1:2005 Устройства защиты от перенапряжений, подсоединенные к низковольтным системам распределения электроэнергии. Часть 1. Требования к эксплуатационным характеристикам и методы испытания
<*>
IEC 61643-1:2005 Surge protective devices connected to low-voltage power distribution systems - Part 1: Performance requirements and testing methods
МЭК 61643-12:2002 Устройства защиты от перенапряжений низковольтные. Часть 12. Устройства защиты от перенапряжений, подсоединенные к низковольтным системам распределения электроэнергии. Принципы выбора и применения
<*>
IEC 61643-12:2002 Low-voltage surge protective devices - Part 12: Surge protective devices connected to low-voltage power distribution systems - Selection and application principles.
--------------------------------
<*> Указаны действующие международные стандарты по состоянию на 01.01.2013.
Примечание. При пользовании настоящим стандартом целесообразно проверить действие ссылочных стандартов в информационной системе общего пользования - на официальном сайте Федерального агентства по техническому регулированию и метрологии в сети Интернет или по ежегодному информационному указателю "Национальные стандарты", который опубликован по состоянию на 1 января текущего года, и по выпускам ежемесячного информационного указателя "Национальные стандарты" за текущий год. Если заменен ссылочный стандарт, на который дана недатированная ссылка, то рекомендуется использовать действующую версию этого стандарта с учетом всех внесенных в данную версию изменений. Если заменен ссылочный стандарт, на который дана датированная ссылка, то рекомендуется использовать версию этого стандарта с указанным выше годом утверждения (принятия). Если после утверждения настоящего стандарта в ссылочный стандарт, на который дана датированная ссылка, внесено изменение, затрагивающее положение, на которое дана ссылка, то это положение рекомендуется применять без учета данного изменения. Если ссылочный стандарт отменен без замены, то положение, в котором дана ссылка на него, рекомендуется применять в части, не затрагивающей эту ссылку.
В настоящем стандарте устанавливаются требования к соблюдению защитных мер безопасности при эксплуатации электроустановки в соответствии с функциональным назначением и предполагаемыми внешними воздействиями. Каждый элемент оборудования в составе электроустановки следует выбирать и устанавливать в соответствии с требованиями, изложенными в перечисленных ниже пунктах, и соответствующими положениями других частей серии стандартов МЭК 60364.
Требования, установленные в настоящем стандарте, дополняют общие требования, установленные в серии стандартов МЭК 60364.
530.3.1. Подвижные контакты всех полюсов многополюсных устройств должны механически соединяться таким образом, чтобы они все вместе надежно замыкались и размыкались. Исключение составляют контакты, предназначенные только для нейтрали, которые могут замыкаться до и размыкаться после других контактов.
530.3.2. За исключением случаев, предусмотренных в
536.2.2.7, в многофазных цепях однополюсные устройства не должны устанавливаться на нейтральный проводник.
В однофазных цепях однополюсные устройства не должны устанавливаться в нейтральном проводнике, за исключением тех случаев, когда на стороне источника электроснабжения имеется (обеспечивается наличие) устройство защитного отключения (УЗО), соответствующее требованиям МЭК 60364-4-41, пункт 413.1.
530.3.3. Устройства, выполняющие более одной функции, должны соответствовать требованиям настоящего стандарта, которые предъявляются к каждой из его функций отдельно.
531. Устройства защиты при повреждении
(от косвенного прикосновения) посредством автоматического
отключения электропитания
531.1. Устройства защиты от сверхтоков
В системах TN устройства защиты от сверхтоков следует выбирать и устанавливать согласно требованиям, приведенным в МЭК 60364-4-43, и удовлетворять требованиям МЭК 60364-4-41.
531.1.2. Системы TT
В системах TT устройства защиты от сверхтоков следует выбирать и устанавливать согласно требованиям, приведенным в МЭК 60364-4-43.
531.1.3. Системы IT
Если открытые проводящие части соединяются между собой, то устройства защиты от сверхтоков для защиты при повторном замыкании должны соответствовать требованиям
пункта 531.1.1 с учетом требований МЭК 60364-4-41, пункт 413.1.5.5.
531.2. Устройства защитного отключения, управляемые дифференциальным током
531.2.1. Общие требования к установке
Устройства защитного отключения, управляемые дифференциальным током, в системах постоянного тока должны быть специально предназначены для обнаружения дифференциальных постоянных токов, размыкания соответствующих цепей и прекращения протекания по ним токов в нормальных и аварийных условиях.
531.2.1.1. Устройство защитного отключения, управляемое дифференциальным током, должно обеспечивать отключение всех проводников, находящихся под напряжением, в цепи, которую оно защищает. В системах TN-S нейтраль отключать не требуется, если условия электропитания таковы, что нейтральный проводник может считаться надежно связанным с потенциалом земли.
Примечание. Требования к испытанию, позволяющему удостовериться в том, что нейтральный проводник надежно связан с потенциалом земли, в настоящее время находятся на стадии рассмотрения.
531.2.1.2. Ни один защитный проводник не должен проходить через магнитную цепь устройства защитного отключения, управляемого дифференциальным током.
531.2.1.3. Устройства защитного отключения, управляемые дифференциальным током, должны выбираться, и электрические цепи должны согласовываться таким образом, чтобы какой-либо ток утечки на землю, который может возникнуть в процессе нормальной работы подключенных нагрузок, не вызывал нежелательного срабатывания устройства.
Примечание. УЗО могут срабатывать при любом значении дифференциального тока, превышающем 50% номинального значения.
531.2.1.4. Воздействие составляющих постоянного тока
В настоящее время находится на стадии рассмотрения.
531.2.1.5. Применение устройства защитного отключения, управляемого дифференциальным током, связанного с цепями, не имеющими защитного проводника, если номинальный дифференциальный ток срабатывания не превышает 30 мА, не должно рассматриваться как мера, достаточная для защиты от косвенного прикосновения.
531.2.2. Выбор устройств в соответствии с методом их применения
531.2.2.1. Устройства защитного отключения, управляемые дифференциальным током, могут иметь или не иметь вспомогательный источник питания. При этом следует учитывать требования
пункта 531.2.2.2.
Примечание. Вспомогательным источником питания может быть питающая сеть.
531.2.2.2. Использование устройств защитного отключения, управляемых дифференциальным током, со вспомогательным источником питания, которые не способны автоматически срабатывать в случае отказа в работе вспомогательного источника питания, допускается только при соблюдении одного из двух следующих условий:
- защита при повреждении (от косвенного прикосновения) согласно МЭК 60364-4-41, пункт 413.1, обеспечивается даже в случае отказа в работе вспомогательного источника питания;
- устройства устанавливаются в электроустановках, которые обслуживаются, испытываются и проверяются обученным (BA4) или квалифицированным (BA5) персоналом.
531.2.3. Системы TN
Если в отношении какого-либо оборудования или определенных частей электроустановки одно или более из требований, изложенных в МЭК 60364-4-41, пункт 413.1.3, не могут быть выполнены, то указанные части могут быть защищены при помощи устройства защитного отключения, управляемого дифференциальным током. В этом случае открытые проводящие части не требуется подсоединять к защитному проводнику системы заземления TN, при условии, что они подсоединены к заземляющему электроду, который обеспечивает сопротивление, соответствующее току срабатывания устройства защитного отключения. Цепь, защищенная таким образом, должна рассматриваться как система TT, и на нее распространяются требования МЭК 60364-4-41, пункт 413.1.4.
Если отдельного заземляющего электрода нет, то открытые проводящие части необходимо подсоединить к защитному проводнику на стороне источника питания устройства защитного отключения.
531.2.4. Системы TT
Если электроустановка защищена единственным устройством защитного отключения, управляемым дифференциальным током, то оно должно быть расположено на вводе в электроустановку, при условии, что в части электроустановки, расположенной между ее вводом и данным устройством, не применяется защита с использованием оборудования класса II или с эквивалентной изоляцией (см. МЭК 60364-4-41, пункт 413.2).
Примечание. Если имеется несколько вводов, данное требование распространяется на каждый из них.
531.2.5. Системы IT
Если защита обеспечивается устройством защитного отключения, управляемым дифференциальным током, и отключение после первого замыкания не предусматривается, то дифференциальный ток, не вызывающий срабатывания устройства, должен быть равным току, который протекает после первого замыкания на землю.
531.3. Устройства контроля изоляции
Примечание. Устройства контроля изоляции могут функционировать при соответствующем времени срабатывания.
Устройство контроля изоляции, использование которого предусматривается в соответствии с МЭК 60364-4-41, пункт 413.1.5.4, представляет собой устройство, непрерывно контролирующее значение сопротивления изоляции электроустановки. Оно предназначено для индикации существенного снижения значения сопротивления изоляции электроустановки, что позволяет обнаружить причину этого снижения до того, как произойдет второе замыкание, и, таким образом, избежать отключения электроснабжения.
В соответствии с этим, на устройстве контроля изоляции задается значение ниже значения, указанного в МЭК 60346-6-61, пункт 612.3, в зависимости от характеристик электроустановки.
Устройства контроля изоляции должны проектироваться и устанавливаться так, чтобы их уставки можно было изменять только с помощью специального ключа или инструмента.
532. Устройства защиты от тепловых воздействий
Защита от тепловых воздействий - по МЭК 60364-4-42.
533. Устройства защиты от сверхтоков
533.1. Общие требования
Защита от сверхтоков - по МЭК 60364-4-43.
533.1.1. Основания предохранителей, в которых используются вворачивающиеся плавкие элементы, должны подсоединяться таким образом, чтобы центральный контакт находился на стороне источника электропитания основания плавкого предохранителя.
533.1.2. Основания предохранителей, в которых используются держатели плавкой вставки, должны быть расположены таким образом, чтобы исключалась возможность создания держателем плавкой вставки контакта между проводящими частями, относящимися к двум близко расположенным основаниям предохранителей.
533.1.3. Предохранители, имеющие плавкие вставки, которые могут легко извлекаться или устанавливаться на место лицами, не прошедшими обучение (BA4) или не имеющими соответствующей квалификации (BA5), должны по своему типу удовлетворять требованиям к обеспечению безопасности, изложенным в МЭК 60269-3.
Плавкие предохранители или комбинированные устройства, имеющие плавкие вставки, которые могут извлекаться или устанавливаться на место только лицами, прошедшими обучение (BA4) или имеющими соответствующую квалификацию (BA5), должны устанавливаться таким образом, чтобы исключалась возможность непреднамеренного контакта с частями, находящимися под напряжением, при извлечении плавких вставок или установке их на место.
533.1.4. Если автоматические выключатели могут эксплуатироваться лицами, не прошедшими обучение (BA4) или не имеющими соответствующей квалификации (BA5), то они должны выбираться (проектироваться) и устанавливаться таким образом, чтобы изменение уставок или калибровки расцепителей максимального тока возможно было только с использованием специального ключа или инструмента, результат которого наглядно отображается в виде индикации уставок или калибровки.
533.2. Выбор устройств защиты электропроводки от перегрузок
Номинальный ток (или уставка по току) защитного устройства должны выбираться в соответствии с требованиями МЭК 60364-4-43, пункт 433.1.
Примечание. В определенных случаях, во избежание нежелательного срабатывания, следует принимать в расчет пиковые значения токов нагрузок.
Что касается циклической нагрузки, значения In и I2 должны выбираться на основе значений IB и IZ для эквивалентной постоянной тепловой нагрузки,
где IB - расчетный ток нагрузки цепи;
IZ - длительно допустимая нагрузка кабеля по току;
In - номинальный ток защитного устройства;
I2 - ток, обеспечивающий срабатывания защитного устройства.
533.3. Выбор устройств защиты электропроводок от коротких замыканий
Применяя требования в отношении коротких замыканий длительностью до 5 сек, изложенные в МЭК 60364-4-43, следует принимать в расчет минимальные и максимальные характеристики короткого замыкания.
Если в стандарте на защитное устройство указывается как номинальная рабочая отключающая способность при коротком замыкании, так и номинальная предельная отключающая способность при коротком замыкании, то допускается выбирать защитное устройство по предельной отключающей способности при коротком замыкании для максимальных характеристик короткого замыкания. Однако в зависимости от условий эксплуатации может оказаться желательным выбрать защитное устройство по рабочей отключающей способности при коротком замыкании, например, если защитное устройство устанавливается на входе электроустановки.
534. Устройства защиты от перенапряжений
534.1. Общие положения
Защита от перенапряжений - по МЭК 60364-4-44.
Требования настоящего пункта устанавливают применение ограничения напряжения для обеспечения согласования изоляции в случаях, указанных в МЭК 60364-4-44, МЭК 60664-1, МЭК 62305-4 и МЭК 61643-12, и приводятся требования к выбору и монтажу:
- устройств защиты от перенапряжений (УЗП) электроустановок зданий, обеспечивающих ограничение импульсных перенапряжений атмосферного происхождения, передаваемых по питающей сети, и защиту от коммутационных перенапряжений;
- устройств защиты от перенапряжений (УЗП), обеспечивающих защиту от импульсных перенапряжений, возникающих под воздействием прямых ударов молний вблизи от зданий, защищенных системой молниезащиты.
В настоящем пункте не учитываются устройства защиты от перенапряжений, которые могут являться компонентами и входить в состав электроприборов, подключаемых к электроустановке. Наличие таких компонентов и устройств может влиять на функционирование основного устройства защиты от перенапряжений электроустановки и может потребовать дополнительной координации.
Требования настоящего пункта распространяются на силовые цепи переменного тока. Что касается силовых цепей постоянного тока, требования данного пункта могут на них распространяться в той степени, в какой они могут быть полезны. В особых случаях, в соответствии с серией стандартов МЭК 60364, часть 7, может возникать необходимость соблюдения других или дополнительных требований.
534.2. Выбор и монтаж устройств защиты от перенапряжений (УЗП) в электроустановках зданий
534.2.1. Использование устройств защиты от перенапряжений (УЗП)
В стандарте МЭК 60364-4-44 приведены требования по защите от перенапряжений атмосферного происхождения (вызываемых непрямыми и удаленными ударами молнии) и коммутационных перенапряжений. Эта защита обеспечивается установкой устройств защиты от перенапряжений, испытанных по классу II и, если необходимо, по классу III.
Если это требует МЭК 60364-4-44 или другие стандарты по защите от отклонения напряжения в низковольтных системах переменного тока, то устройства защиты от перенапряжений устанавливаются внутри здания у ввода в электроустановку или в главном распределительном щите, ближайшем к вводу в электроустановку.
В стандарте МЭК 62305-4 установлены требования по защите от воздействия прямых ударов молнии вблизи системы электропитания и приведены рекомендации по правильному выбору и применению устройств защиты от перенапряжений в соответствии с зоновой концепцией молниезащиты (LPZ). В зоновой концепции молниезащиты приведена установка устройств защиты от перенапряжений класса испытаний I, II и III.
Если это требуется согласно МЭК 62305-4 или в соответствии с другими стандартами, устройства защиты от перенапряжений устанавливаются на вводе электроустановки.
Для защиты чувствительного оборудования могут потребоваться дополнительные устройства защиты от перенапряжений. Такие устройства должны согласовываться с устройствами, устанавливаемыми у ввода (см.
534.2.3.6).
В том случае, если устройство защиты от перенапряжений является частью стационарной электроустановки, но не устанавливается внутри распределительного щита (например, в розетке), на его наличие должна указывать наклейка, которая должна находиться непосредственно в начале соответствующей цепи или как можно ближе к нему.
534.2.2. Подключение устройств защиты от перенапряжений
Устройства защиты от перенапряжений, устанавливаемые на вводе или рядом с вводом электроустановки, должны подключаться между следующими точками (см.
Приложения A,
B и
C):
a) если есть непосредственное соединение между нейтральным проводником и PE (проводником защитного заземления) на вводе или рядом с вводом электроустановки, или если нейтрального проводника нет:
между каждым линейным проводником и основным заземляющим зажимом или основным защитным проводником, в зависимости от того, какой путь короче;
Примечание. Сопротивление, через которое нейтраль подсоединяется к PE проводнику (защитному заземлению) в системах IT, не рассматривается как соединение.
b) если нет прямого соединения между нейтральным проводником и PE на вводе или рядом с вводом электроустановки, то либо:
- между каждым линейным проводником и основным заземляющим зажимом или основным защитным проводником и между нейтральным проводником и основным заземляющим зажимом или защитным проводником, в зависимости от того, какой путь окажется короче, - тип подключения 1;
либо
- между каждым линейным проводником и нейтральным проводником и между нейтральным проводником и основным заземляющим зажимом или защитным проводником, в зависимости от того, какой путь окажется короче, - тип подключения 2.
Примечание. Если линейный проводник заземлен, то он считается эквивалентным нейтральному проводнику в том, что касается применения данного пункта.
Устройства защиты от перенапряжений, размещаемые на вводе или у ввода электроустановки, обычно устанавливаются, как это показано в
Приложениях A -
C и в соответствии с таблицей 53B:
Таблица 53B
Подключение устройств защиты от перенапряжений (УЗП)
в зависимости от конфигурации системы
Подключение УЗП между | Конфигурация системы на месте установки УЗП |
TT | TN-C | TN-S | IT с распределительной нейтралью | IT без распределительной нейтрали |
Установка по | Установка по | Установка по |
типу подключения 1 | типу подключения 2 | типу подключения 1 | типу подключения 2 | типу подключения 1 | типу подключения 2 |
каждым линейным проводом и нейтральным проводником | + | | н/п | + | | + | | + |
каждым линейным проводом и проводником PE | | н/п | н/п | | + | | + | |
нейтральным проводником и проводником PE | | | н/п | | | | | + |
каждым линейным проводом и проводником PEN | н/п | н/п | | н/п | + | + | + | + |
линейными проводами | + | + | + | + | + | + | + | + |
 - обязательное требование н/п - не применяется + - дополнительно (по выбору) |
534.2.3. Выбор устройств защиты от перенапряжений (УЗП)
Устройства защиты от перенапряжений (УЗП) должны соответствовать требованиям МЭК 61643-1. Дополнительная информация относительно их выбора и применения указана в МЭК 61643-12.
534.2.3.1. Выбор в зависимости от уровня защиты (Up)
Если это требуется согласно МЭК 60364-4-44 (раздел 443), то в зависимости от уровня защиты Up устройства защиты от перенапряжений следует выбирать в соответствии со значениями импульсного выдерживаемого напряжения категории II, которые указаны в МЭК 60364-4-44, таблица 44B.
Если согласно МЭК 62305-4 требуется использование устройств защиты от перенапряжений для обеспечения защиты от перенапряжений, вызываемых прямым ударом молнии, то уровень защиты таких устройств также должен подбираться в соответствии со значениями импульсного выдерживаемого напряжения категории II, указанными в МЭК 60364-4-44, таблица 44B.
Например, в установках 220/380 В уровень защиты Up не должен превышать 2,5 кВ.
Если согласно требованиям
534.2.2 используется подключение типа 2, вышеуказанные требования также распространяются на суммарный уровень защиты между линейными проводниками и проводником PE.
Если требуемый уровень защиты не может быть достигнут при помощи одного комплекта устройств защиты от перенапряжений, то для его обеспечения следует использовать дополнительные согласованные устройства.
534.2.3.2. Выбор в зависимости от длительного рабочего напряжения (UC)
Максимальное длительное рабочее напряжение UC устройств защиты от перенапряжений должно быть равным или более высоким, чем указанное в следующей ниже таблице 53C.
Таблица 53C
Минимально требуемое UC устройств защиты от перенапряжений
(УЗП) в конфигурации системы электроснабжения
Устройства защиты от перенапряжений, подключаемые между | Конфигурация системы электроснабжения |
TT | TN-C | TN-S | IT с распределительной нейтралью | IT без распределительной нейтрали |
линейным проводом и нейтральным проводником | 1,1U0 | н/п | 1,1U0 | 1,1U0 | н/п |
каждым линейным проводом и проводником PE | 1,1U0 | н/п | 1,1U0 | | междуфазное напряжение <a> |
нейтральным проводником и проводником PE | | н/п | | | н/п |
каждым линейным проводом и проводником PEN | н/п | 1,1U0 | н/п | н/п | н/п |
н/п - не применяется Примечания 1. U0 - напряжение между фазой и нейтралью низковольтной системы. 2. Данные этой таблицы основаны на поправке 1 к МЭК 61643-1. <a> Эти значения приводятся для наиболее неблагоприятных аварийных условий, в связи с этим не учитывается допустимое отклонение на 10%. |
534.2.3.3. Выбор в зависимости от кратковременных перенапряжений
Устройства защиты от перенапряжений, которые выбираются в соответствии с требованиями
534.2.3, должны выдерживать кратковременные перенапряжения, которые вызываются повреждениями, возникающими в низковольтных системах (см. МЭК 60364-4-44, пункт 442).
Правильность выбора устройств защиты от перенапряжений подтверждается соблюдением требований к их испытаниям, которые перечислены в МЭК 61643-1, пункте 7.7.
Для проверки надежности срабатывания при возникновении кратковременных перенапряжений, вызываемых замыканиями на землю в высоковольтных системах (см. МЭК 60364-4-44, пункт 442), устройства защиты от перенапряжений, подключаемые к проводнику PE, должны проходить испытание согласно МЭК 61643-1, пункту 7.7.4.
Кроме того, устройства защиты от перенапряжений, устанавливаемые на участке 4а схемы, показанной на
рисунке B.2, должны выдерживать кратковременные перенапряжения, указанные для проведения испытания согласно МЭК 61643-1, пункт 7.7.4.
Примечания
1. Соответствующие критерии прохождения испытания, определяющие выдерживаемые перегрузки, в настоящее время находятся на стадии рассмотрения.
2. Эти требования не распространяются на условия, возникающие при повреждении нейтрали. И хотя в настоящее время в МЭК 61643-1 рекомендации для проведения соответствующего специального испытания отсутствуют, предполагается, что устройства защиты от перенапряжений срабатывают надежно.
534.2.3.4. Выбор в зависимости от разрядного тока (In) и импульсного тока (Iimp)
Если требуется применение устройств защиты от перенапряжений согласно МЭК 60364-4-44, пункт 443, то их номинальный разрядный ток In должен составлять не менее 5 кА 8/20 для каждого режима работы.
При установке по типу подключения 2 согласно
пункту 534.2.2 номинальный разрядный ток I
n для устройства защиты от перенапряжений, подсоединенного между нейтральным проводником и проводником PE, должен составлять не менее 20 кА 8/20 для трехфазных систем и 10 кА 8/20 для однофазных систем.
Если требуется применение устройств защиты от перенапряжений согласно МЭК 62305-4, ток грозового импульса Iimp, согласно МЭК 61643-1, должен рассчитываться в соответствии с требованиями МЭК 62305-4. Более подробная информация по данному вопросу приводится в МЭК 61643-12. Если текущее значение этого тока не может быть установлено, то значение Iimp должно составлять не менее 12,5 кА для каждого режима работы.
При установке по типу подключения 2 согласно
534.2.2 ток грозового импульса I
imp для устройства защиты от перенапряжений, подключаемого между нейтральным проводником и проводником PE, должен рассчитываться аналогично указанным выше стандартам. Если текущее значение этого тока не может быть установлено, то значение I
imp должно составлять не менее 50 кА для трехфазных систем и 25 кА для однофазных систем.
Если согласно МЭК 62305-4 и МЭК 60364-4-44, пункт 443, применяется только одно устройство защиты от перенапряжений, то номинальные значения In и Iimp должны соответствовать указанным выше значениям.
534.2.3.5. Выбор в зависимости от ожидаемого тока короткого замыкания
Стойкость устройств защиты от перенапряжений (УЗП) к короткому замыканию (при отказе в работе УЗП) вместе с соответствующими связанными с ними устройствами защиты от сверхтоков (внутренними или внешними) должна быть равной или большей по отношению к максимальному току короткого замыкания, ожидаемому в точке установки, с учетом максимальных характеристик устройств защиты от сверхтоков, указываемых производителями устройств защиты от перенапряжений (УЗП).
Кроме того, если производителем указывается номинальное значение отключающего тока, то оно должно быть равным или большим, чем ожидаемый ток короткого замыкания в точке установки.
Устройства защиты от перенапряжений, подключаемые между нейтральным проводником и проводником PE в системах TT или TN, которые допускают наличие токов промышленной частоты после срабатывания (например, искровые разрядники), должны иметь номинальное значение отключающего тока, большее или равное 100 А.
В системах IT номинальное значение отключающего тока для устройств защиты от перенапряжений, подключаемых между нейтральным проводником и проводником PE, должно быть таким же, как и для устройств, подключаемых между фазой и нейтралью.
534.2.3.6. Согласование устройств защиты от перенапряжений
В соответствии с требованиями МЭК 62305-4 и 61643-12, при монтаже устройств защиты от перенапряжений в электроустановке необходимо обеспечивать их согласование. Производители устройств защиты от перенапряжений должны предоставлять, в прилагаемой к ним документации, в достаточном объеме информацию о способах обеспечения согласования между устройствами защиты от перенапряжений.
534.2.4. Защита от сверхтоков и последствий отказа в работе устройства защиты от перенапряжений (УЗП)
Защита от коротких замыканий устройств защиты от перенапряжений обеспечивается при помощи устройств защиты от сверхтоков F2 (см. рисунки в
Приложениях A -
D), которые выбираются в соответствии с максимальными рекомендованными номинальными характеристиками для устройств защиты от сверхтоков. Эти характеристики указываются в инструкциях к устройствам защиты от перенапряжений, прилагаемых их производителями.
Если устройства защиты от сверхтоков F1 (которые входят в состав электроустановки, см. рисунки в
Приложениях A -
D) имеют номинальные характеристики, которые ниже или равны максимальным рекомендованным номинальным характеристикам для устройств защиты от сверхтоков F2, то F2 могут в расчет не приниматься.
Площадь поперечного сечения проводников, соединяющих устройства защиты от сверхтоков с линейными проводами, должна рассчитываться в соответствии с максимально возможным током короткого замыкания (F1, F2 и F3 показаны в
Приложениях A -
D).
В зависимости от места расположения защитных устройств, используемых для отключения устройства защиты от перенапряжений в случае его отказа в работе, предпочтение может отдаваться либо непрерывности электроснабжения, либо непрерывности защиты.
В любом случае должна быть обеспечена идентификация указанных устройств, и они должны быть в достаточной степени различимы между собой.
| | ИС МЕГАНОРМ: примечание. В официальном тексте документа, видимо, допущена опечатка: рисунки 53A и 53B отсутствуют. | |
Если защитные устройства устанавливаются в цепи устройства защиты от перенапряжений, обеспечивается непрерывность электроснабжения, но ни электроустановка, ни оборудование не защищаются в дальнейшем от возможных перенапряжений (см. рисунок 53A). Этими защитными устройствами могут быть внутренние разъединители.
Если защитные устройства монтируются на вводе электроустановки, там, где устанавливаются устройства защиты от перенапряжений, отказ в работе устройства защиты от перенапряжений может вызвать перерыв в подаче электроэнергии: разъединение цепи будет длиться до тех пор, пока не будет восстановлена работоспособность устройства защиты от перенапряжений (см. рисунок 53B).
ЗУ - защитное устройство для устройства защиты от перенапряжений;
УЗП - устройство защиты от перенапряжений;
О/У - оборудование
534.2.5. Защита от косвенного прикосновения (при повреждении)
Защита от косвенного прикосновения (при повреждении) согласно МЭК 60364-4-41 в защищаемой электроустановке должна оставаться эффективной даже при отказах в работе устройств защиты от перенапряжений.
В случае автоматического отключения электроснабжения:
- в системах TN это можно, как правило, обеспечить при помощи устройства защиты от сверхтоков на стороне источника электропитания устройства защиты от перенапряжений;
- в системах TT это может быть обеспечено
a) при помощи установки устройств защиты от перенапряжений (УЗП) на стороне нагрузки устройства, управляемого дифференциальным током (УДТ) (см.
рисунок B.1), или
b) при помощи установки устройств защиты от перенапряжений (УЗП) на стороне источника электропитания устройства, управляемого дифференциальным током (УДТ). Из-за возможности отказа в работе устройства защиты от перенапряжений (УЗП) между проводниками N и PE
- должны быть соблюдены требования МЭК 60364-4-41, пункт 411.3
и
- устройства защиты от перенапряжений (УЗП) должны устанавливаться по типу подключения 2 согласно
пункту 534.2.2;
- в системах IT никакие дополнительные меры не требуются.
534.2.6. Установка устройств защиты от перенапряжений (УЗП) в сочетании с устройствами, управляемыми дифференциальным током (УДТ)
Если устройства защиты от перенапряжений (УЗП) устанавливаются согласно
534.2.1 и находятся на стороне нагрузки устройств, управляемых дифференциальным током, то должно использоваться УДТ с выдержкой времени или без нее, но обладающее устойчивостью к токам перегрузки, составляющей 3 кА 8/20.
Примечания
1. УДТ типа S согласно МЭК 61008-1 и МЭК 61009-1 удовлетворяют этим требованиям.
2. В том случае, если ток перегрузки превышает 3 кА 8/20, УДТ могут срабатывать на расцепление, вызывая перебой в подаче электроэнергии.
534.2.7. Измерение сопротивления изоляции
Во время измерения сопротивления изоляции электроустановки согласно МЭК 60364-6 устройства защиты от перенапряжений (УЗП), устанавливаемые на вводе или рядом с вводом электроустановки, или в распределительном щите, характеристики которых не рассчитываются для испытательного напряжения при измерении изоляции, могут отсоединяться.
В том случае, если устройства защиты от перенапряжений, подсоединенные к проводнику PE, являются частью штепсельной розетки, они должны выдерживать испытательное напряжение для измерения сопротивления изоляции согласно МЭК 60364-6.
534.2.8. Индикация состояния устройства защиты от перенапряжений (УЗП)
Индикация, по которой можно было бы определить, что устройство защиты от перенапряжений больше не обеспечивает защиту от перенапряжения, обеспечивается при помощи:
- либо индикатора состояния устройства защиты от перенапряжения;
- либо отдельного защитного устройства для устройства защиты от перенапряжения, как указано в
534.2.4.
534.2.9. Соединительные проводники
Соединительные проводники - это проводники, идущие от линейного проводника к устройству защиты от перенапряжений и от устройства защиты от перенапряжений к главному заземляющему зажиму или защитному проводнику.
При увеличении длины соединительных проводников устройств защиты от перенапряжений (УЗП) уменьшается эффективность защиты от перенапряжений, то оптимальная защита от перенапряжений достигается, когда все соединительные проводники этих устройств являются как можно более короткими (предпочтительно, чтобы полная длина провода составляла не более 0,5 м) и не имеют каких-либо контуров (см. рисунок 53D). Если расстояние a + b (см. рисунок 53D) не может быть уменьшено до значений, составляющих менее 0,5 м, то может быть применена схема, показанная на
рисунке 53E.
| | ИС МЕГАНОРМ: примечание. Нумерация рисунков дана в соответствии с официальным текстом документа. | |
Рисунок 53D. Пример установки устройств защиты
от перенапряжений на вводе электроустановки или рядом с ним
Рисунок 53E. Пример установки устройств защиты
от перенапряжений на вводе электроустановки или рядом с ним
534.2.10. Поперечное сечение заземляющих проводов
Минимальная площадь поперечного сечения заземляющих проводов для устройств защиты от перенапряжений, монтируемых на входе или рядом с входом электроустановки, с учетом того, что они выполнены из меди или аналогичного материала, должна составлять 4 мм2.
При наличии системы молниезащиты минимальная площадь их поперечного сечения для устройств защиты от перенапряжений, испытанных по классу испытаний I согласно МЭК 61643-1, должна составлять 16 мм2.
535. Согласование различных защитных устройств
535.1. Обеспечение селективности устройств защиты от сверхтоков
В настоящее время находится на стадии рассмотрения.
535.2. Согласование защитных устройств, управляемых дифференциальным током, с устройствами защиты от сверхтоков
535.2.1. Если защитное устройство, управляемое дифференциальным током, входит в состав или сочетается с устройством для защиты от сверхтоков, характеристики такого блока защитных устройств (отключающая способность, рабочие характеристики относительно номинального тока) должны удовлетворять требованиям МЭК 60364-4-43, пункты 433 и 434, а также требованиям
533.2 и
533.3.
535.2.2 (539.2.2). В том случае, если защитное устройство, управляемое дифференциальным током, не входит в состав и не сочетается с устройством защиты от сверхтоков:
- защита от сверхтоков должна обеспечиваться соответствующими защитными устройствами согласно требованиям МЭК 60364-4-43;
- защитное устройство, управляемое дифференциальным током, должно быть способно выдерживать без повреждения тепловые и механические воздействия, которым оно может подвергаться в случае возникновения короткого замыкания на стороне нагрузки того участка, где оно устанавливается;
- защитное устройство, управляемое дифференциальным током, не должно выходить из строя в указанных условиях короткого замыкания, даже когда из-за несбалансированного тока или из-за утечки тока на землю данное устройство само по себе стремится разомкнуться.
Примечание. Отмеченные выше отрицательные воздействия зависят от ожидаемого тока короткого замыкания в той точке, где устанавливается защитное устройство, управляемое дифференциальным током, и рабочих характеристик устройства, обеспечивающего защиту от короткого замыкания.
535.3. Обеспечение селективности защитных устройств, управляемых дифференциальным током
Обеспечение селективности последовательно устанавливаемых защитных устройств, управляемых дифференциальным током, может потребоваться по эксплуатационным соображениям, в частности, когда предусматриваются меры безопасности в аварийных условиях для обеспечения подачи электроэнергии на те части электроустановки, на которые возникшее повреждение влияния не оказывает.
Чтобы обеспечивалась селективность между двумя защитными устройствами, управляемыми дифференциальным током, эти устройства должны удовлетворять следующим требованиям:
a) времятоковая характеристика несрабатывания защитного устройства, управляемого дифференциальным током, расположенного на стороне источника электропитания (по направлению к входу электроустановки), должна быть выше полной рабочей времятоковой характеристики данного устройства, расположенного на стороне нагрузки (вниз по схеме), и
b) расчетный дифференциальный ток срабатывания для устройства, расположенного на стороне источника электропитания, должен быть выше, чем для устройства, расположенного на стороне нагрузки.
Что касается защитных устройств, управляемых дифференциальным током, которые соответствуют требованиям МЭК 61008-1 и МЭК 61009, расчетный дифференциальный ток срабатывания для устройства, расположенного на стороне источника электропитания, должен быть, по крайней мере, в три раза больше, чем для устройства, расположенного на стороне нагрузки.
536. Отделение и коммутация
536.0. Введение
В настоящем пункте рассматриваются меры по осуществлению неавтоматического местного и дистанционного отделения и коммутации, предотвращающие возникновение или устраняющие опасные ситуации, связанные с эксплуатацией электроустановок, а также оборудования и машин, работающих от электроэнергии.
536.1. Общие положения
536.1.1. В зависимости от своего функционального предназначения каждое устройство, обеспечивающее отделение или коммутацию, должно удовлетворять соответствующим требованиям, перечисленным в данной части.
536.1.2. В системах TN-C проводник PEN отделяться или коммутироваться не должен. В системах TN-S нейтральный проводник отделять и коммутировать не требуется.
Примечание. В системах TN, TT и IT защитные проводники отделяться или коммутироваться не должны.
536.1.3. Меры, перечисленные в настоящем стандарте, не заменяют собой защитные меры, приведенные в МЭК с 60364-4-41 по 60364-4-44 включительно.
536.2. Отделение
536.2.1. Общие положения
536.2.1.1. Должна быть обеспечена возможность отделения каждой цепи от каждого из питающих проводников под напряжением, кроме случаев, перечисленных в
536.1.2.
Допускается предусматривать меры для отделения группы цепей общим устройством, если это позволяют условия эксплуатации.
536.2.1.2. Необходимо предусматривать меры предосторожности, исключающие непреднамеренное включение электропитания какого-либо оборудования.
Примечание. Такие меры предосторожности могут предполагать использование одного или нескольких из перечисленных ниже средств:
- висячие замки;
- предупреждающие надписи;
- размещение оборудования в запираемом помещении или в оболочке.
В качестве дополнительной меры могут использоваться закорачивание и заземление.
536.2.1.3. Если на каком-либо участке оборудования или корпуса имеются токоведущие части, подсоединенные более чем к одному источнику электроснабжения, то должны размещаться предупреждающие надписи. Эти надписи должны находиться в таком положении, чтобы они предупреждали любое лицо, получившее доступ к токоведущим частям, о необходимости отделить эти части от нескольких источников электроснабжения, если для этой цели не предусматривается наличие устройства взаимной блокировки, обеспечивающего отделение всех соответствующих цепей.
536.2.1.4. При необходимости должно быть предусмотрено наличие надлежащих средств для снятия остаточного заряда электроэнергии.
536.2.2. Отделяющие устройства
536.2.2.1. Отделяющие устройства должны эффективно отделять все питающие проводники под напряжением от соответствующей цепи, с учетом положений
пункта 536.1.2.
Оборудование, используемое для отделения, должно соответствовать требованиям, перечисленным в пунктах 536.2.2.2 -
536.2.2.8.
536.2.2.2. Отделяющие устройства должны отвечать следующим условиям:
a) выдерживать, находясь в новом, чистом и сухом состоянии, в разомкнутом положении на клеммах каждого полюса импульсное напряжение со значениями, указанными в
таблице 53A, в зависимости от номинального напряжения электроустановки;
Примечание. Для расчета характеристик, не связанных с отделением, могут потребоваться другие расстояния, большие, чем те, которые соответствуют выдерживаемым импульсным напряжениям.
Таблица 53A
Импульсное напряжение, выдерживаемое в зависимости
от номинального напряжения
Номинальное напряжение электроустановки <a>, В | Выдерживаемое импульсное напряжение для отделяющих устройств, кВ |
Трехфазные системы | Однофазные системы со средней точкой | Категория перенапряжения III | Категория перенапряжения IV |
| 120 - 240 | 3 | 5 |
220/380 | | 5 | 8 |
380/660 | | 8 | 10 |
Примечание 1. Что касается динамических грозовых перенапряжений, не проводится никаких различий между заземленными и незаземленными системами. Примечание 2. Выдерживаемые импульсные напряжения приводятся для высоты 2000 м. |
b) иметь ток утечки на разомкнутых полюсах, не более:
- 0,5 мА на каждом полюсе в новом, чистом и сухом состоянии, и
- 6 мА на каждом полюсе в конце установленного срока службы устройства, согласно требованиям соответствующего стандарта,
при испытании на контактах каждого полюса напряжением со значением, равным 110% значения напряжения между фазой и нейтралью, соответствующего напряжению электроустановки. При испытании постоянным током значение напряжения постоянного тока должно быть тем же, что и среднеквадратическое значение испытательного напряжения переменного тока.
536.2.2.3. Отделяющий зазор между разомкнутыми контактами устройства должен быть визуально различимым или же четко и достоверно обозначаться при помощи индикации "off" (откл.) или "open" (вкл). Такая индикация должна появляться только после того, как будет обеспечен надлежащий отделяющий зазор между разомкнутыми контактами на каждом полюсе устройства.
Примечание. Индикация, которая требуется согласно этому пункту, может обеспечиваться использованием символов "O" и "I" для обозначения разомкнутого и замкнутого состояния контактов соответственно.
| | ИС МЕГАНОРМ: примечание. Нумерация пунктов дана в соответствии с официальным текстом документа. | |
536.2.2.5. Устройства, используемые для отделения, должны иметь конструкцию и/или устанавливаться таким образом, чтобы исключалось непреднамеренное замыкание их контактов.
Примечание. Такое замыкание контактов может быть вызвано, например, ударами и вибрацией.
536.2.2.6. Необходимо предусматривать меры по защите ненагруженных отделяющих устройств от случайного или неразрешенного размыкания контактов.
Примечание. Это может быть достигнуто путем размещения устройства в запираемом помещении или в оболочке, или за счет использования висячих замков. Вместо этого также допускается блокировка ненагруженного устройства при помощи выключателя нагрузки.
536.2.2.7. Отделение должно по возможности обеспечиваться путем использования многополюсного коммутационного устройства, отключающего все полюса от соответствующего источника питания, но при этом не исключается использование нескольких однополюсных устройств, расположенных рядом.
Примечание. Отделение может обеспечиваться, например, при помощи следующих средств:
- разъединителей (отделителей), выключателей-разъединителей, многополюсных или однополюсных;
- штепсельных вилок и розеток;
- плавких вставок;
- плавких перемычек;
- специальных контактных устройств, при использовании которых извлечение перемычки не требуется.
536.2.2.8. На всех устройствах, используемых для отделения, должно быть четко обозначено, например, при помощи маркировки, для отделения каких цепей они служат.
536.3. Отключение для технического обслуживания механических узлов
536.3.1. Общие положения
536.3.1.1. В случаях, когда проведение технического обслуживания механических узлов может быть сопряжено с опасностью телесного повреждения, следует предусматривать наличие средств отключения.
Примечания
1. К механическому оборудованию, питающемуся электроэнергией, могут быть отнесены вращающиеся механизмы, а также нагревательные элементы и электромагнитные устройства (см. пункт 5.4 МЭК 60204-1 в части, касающейся машинных электроустановок).
2. Установками, в которых используются средства отключения для обслуживания механических узлов, например, являются:
- краны,
- лифты,
- эскалаторы,
- конвейеры,
- станки,
- насосы.
3. На системы, работающие от других видов энергии, например, такие как пневматические, гидравлические, на паровой тяге и прочие, настоящие требования не распространяются. В таких случаях отключение подачи на них электроэнергии достаточной мерой безопасности считаться не может.
536.3.1.2 (463.2). Необходимо предусматривать надлежащие меры, предотвращающие случайное включение оборудования с электроприводом во время технического обслуживания его механических узлов, если средства отключения не находятся под постоянным контролем лица, выполняющего данное техническое обслуживание.
Примечание. К таким мерам можно отнести:
- запирание на висячий замок;
- использование предупреждающих надписей;
- размещение оборудования в запираемом помещении или в оболочке.
536.3.2. Устройства, предназначенные для отключения оборудования при техническом обслуживании его механических узлов
536.3.2.1. Устройства, предназначенные для отключения оборудования при техническом обслуживании его механических узлов, должны по возможности устанавливаться в главной питающей цепи.
Если для этой цели предусматриваются выключатели, то они должны быть способны отключать ток полной нагрузки соответствующей части электроустановки. Отключение с их помощью в обязательном порядке всех рабочих проводников от них не требуется.
Размыкание цепи управления какого-либо привода или аналогичного устройства допускается только в случаях:
- использования дополнительных предохранительных устройств, таких как механические фиксаторы, или
- соблюдения требований МЭК в отношении управляющих устройств
обеспечиваются условия, равноценные непосредственному отключению от основного источника электроснабжения.
Примечание. Отключение для проведения технического обслуживания механических узлов может обеспечиваться, например, при помощи:
- многополюсных выключателей;
- автоматических выключателей;
- контакторов;
- штепсельных вилок и розеток.
536.3.2.2. Устройства, обеспечивающие отключение для технического обслуживания механических узлов, или выключатели управления для таких устройств должны управляться вручную.
Зазор между разомкнутыми контактами устройства должен быть визуально различимым или четко и достоверно обозначаться при помощи индикации "off" (откл.) или "open" (вкл.). Такая индикация должна появляться только после того, как на каждом полюсе устройства будет достигнуто положение контактов, соответствующее маркировке "off" (откл.) или "open" (вкл.).
Примечание. Индикация, которая требуется согласно этому пункту, может обеспечиваться использованием символов "O" и "I" для обозначения разомкнутого и замкнутого состояния контактов соответственно.
536.3.2.3. Устройства, обеспечивающие отключение для технического обслуживания механических узлов, должны иметь конструкцию и/или устанавливаться таким образом, чтобы исключалось непреднамеренное включение подачи электропитания.
Примечание. Такое включение может быть вызвано, например, ударами и вибрацией.
536.3.2.4. Устройства, обеспечивающие отключение для технического обслуживания механических узлов, должны устанавливаться и обозначаться таким образом, чтобы их было легко обнаруживать и использовать по предназначению.
536.4 (464). Аварийное переключение
536.4.1. Общие положения
Примечание. Аварийное переключение может быть аварийным включением или аварийным отключением.
536.4.1.1. Необходимо предусматривать наличие средств аварийного переключения любой части электроустановки, для которой может потребоваться управление подачей электропитания, в целях устранения неожиданно возникшей опасности.
Примечание. Установками, в которых используются средства аварийного переключения (помимо аварийного останова согласно
536.4.1.5), например, являются:
- устройства перекачки легковоспламеняющихся жидкостей;
- вентиляционные системы;
- крупные компьютеры;
- осветительные приборы газоразрядного типа, питаемые высоким напряжением, например неоновые рекламы;
- электроустановки крупных зданий, например универсальных магазинов;
- испытательное и исследовательское оборудование;
- оборудование учебных лабораторий;
- оборудование котельных;
- крупное кухонное оборудование.
536.4.1.2. Если существует опасность поражения электрическим током, то устройства аварийного переключения должны отключать все токоведущие проводники, за исключением указанных в
536.1.2.
536.4.1.3. Средства аварийного переключения, в том числе аварийного останова, должны воздействовать насколько возможно непосредственно на соответствующие проводники питающих линий.
Устройство должно быть таким, чтобы отключение соответствующего источника электроснабжения осуществлялось однократным действием.
536.4.1.4. Устройство аварийного переключения должно быть таким, чтобы его работа не приводила к возникновению новой опасности и не мешала выполнению всей операции по устранению существующей опасности.
Примечание. Требования к аварийному отключению машин перечислены в МЭК 60204-1.
536.4.1.5. Наличие средств аварийного останова должно предусматриваться в тех случаях, когда может возникать опасность из-за движений, создаваемых электроприводом.
Примечание. Установками, в которых используются средства аварийного останова, например, являются:
- эскалаторы;
- лифты;
- подъемники;
- конвейеры;
- двери с электроприводом;
- станки;
- автомобильные мойки.
536.4.2. Устройства аварийного переключения
536.4.2.1. Устройства аварийного переключения должны быть способны отключать ток полной нагрузки соответствующих частей электроустановки, учитывая ток при заторможенном роторе электродвигателя, где это необходимо.
536.4.2.2. Устройства аварийного переключения могут состоять из:
- одного коммутационного устройства, способного производить непосредственное отключение от соответствующего источника питания, или
- комбинации элементов оборудования, приводимой в действие одним движением для отключения от соответствующего источника питания.
Для аварийного останова может потребоваться сохранение подачи электроэнергии, например, для размыкания цепей подвижных частей.
Примечание. Аварийное переключение может обеспечиваться, например, при помощи:
- выключателей, устанавливаемых в главной цепи;
- кнопочных и аналогичного типа выключателей, устанавливаемых в цепи управления (вспомогательной).
536.4.2.3. Если это возможно, то предпочтение следует отдавать управляемым вручную коммутационным устройствам для прямого размыкания главной цепи.
Если используются дистанционно управляемые автоматические выключатели, контакторы и т.д., то при обесточивании обмоток их контакты должны размыкаться. Необходимо также применять другие аналогичные технологии, обеспечивающие автоматическую защиту от возможных повреждений.
536.4.2.4. Органы управления устройствами аварийного переключения (рукоятки, кнопки, и т.д.) должны четко обозначаться и по возможности быть выкрашенными в красный цвет на контрастном фоне.
536.4.2.5. Органы управления должны быть легкодоступными в тех местах, где может возникнуть опасность и, если это необходимо, в любом другом удаленном месте, с которого эта опасность может быть устранена.
536.4.2.6. Органы управления устройствами аварийного переключения должны быть способны блокироваться на защелку или фиксироваться в положении "off (откл.) или "stop" (останов), если как органы управления аварийного переключения, так и органы управления восстановлением питающего напряжения не находятся под контролем одного и того же лица.
Размыкание контактов устройства аварийного переключения не должно приводить к возобновлению подачи электропитания на соответствующую часть электроустановки.
536.4.2.7. Устройства, обеспечивающие аварийное переключение, включая аварийный останов, должны устанавливаться и обозначаться таким образом, чтобы их было легко обнаруживать и использовать по предназначению.
536.5. Функциональная коммутация (управление)
536.5.1. Общие положения
536.5.1.1. Наличие устройства функциональной коммутации должно быть предусмотрено для каждого участка цепи, если необходимо, чтобы он управлялся независимо от других частей электроустановки.
536.5.1.2. Устройства функциональной коммутации не обязательно должны управлять всеми токоведущими проводниками цепи.
Однополюсные коммутационные аппараты не должны устанавливаться в цепи нейтрального проводника.
536.5.1.3. Все токоприемники, требующие управления, должны управляться посредством соответствующего устройства функциональной коммутации.
Допускается применение одного устройства функциональной коммутации для управления несколькими токоприемниками, предназначенными для совместной эксплуатации.
536.5.1.4. Для функциональной коммутации могут использоваться штепсельные вилки и розетки, рассчитанные на ток не более 16 А.
536.5.1.5. Устройства функциональной коммутации, обеспечивающие переключение с одного источника электроснабжения на другой, должны управлять всеми токоведущими проводниками и не должны допускать возможность параллельного включения этих источников электроснабжения, если электроустановка специально не предназначена для работы в таком режиме.
В таком случае не должно предусматриваться отделение проводника PEN или защитных проводников.
536.5.2. Устройства функциональной коммутации
536.5.2.1. Устройства функциональной коммутации должны быть пригодны для эксплуатации в самых жестких условиях, которые только могут возникнуть.
536.5.2.2. Устройства функциональной коммутации могут управлять током без необходимого для этого размыкания контактов соответствующих полюсов.
Примечания
1. Полупроводниковые коммутационные устройства могут служить в качестве примера устройств, способных прерывать ток в цепи, но не размыкающих для этого контактов соответствующих полюсов.
2. Функциональная коммутация может обеспечиваться, например, при помощи:
- переключателей;
- полупроводниковых устройств;
- автоматических выключателей;
- контакторов;
- реле;
- штепсельных вилок и розеток, рассчитанных на ток до 16 А.
536.5.2.3. Применение разъединителей, плавких вставок и перемычек для функциональной коммутации не допускается.
536.5.3. Цепи управления (вспомогательные цепи)
Цепи управления должны быть спроектированы, смонтированы и защищены таким образом, чтобы ограничить опасные последствия замыкания между цепью управления и другими проводящими частями, которое может привести к сбоям в работе (например, к случайному срабатыванию) управляемого оборудования.
536.5.4. Управление электродвигателем
536.5.4.1. Цепи управления электродвигателем должны быть спроектированы таким образом, чтобы исключалась возможность непроизвольного повторного запуска двигателя после его останова вследствие понижения или потери напряжения, если такой запуск может представлять опасность.
536.5.4.2. Если предусматривается торможение электродвигателя противовключением, то следует принимать меры, предотвращающие изменение направления вращения двигателя на обратное в конце торможения, если оно может представлять опасность.
536.5.4.3. Если безопасность зависит от направления вращения электродвигателя, необходимо предусматривать меры, предотвращающие вращение двигателя в обратном направлении, которое может быть вызвано, например, изменением порядка чередования фаз.
Примечание. Следует обращать внимание на потенциальную опасность, которая может возникнуть при потере одной фазы.
(справочное)
УСТАНОВКА УСТРОЙСТВ ЗАЩИТЫ ОТ ПЕРЕНАПРЯЖЕНИЙ (УЗП)
В СИСТЕМАХ TN
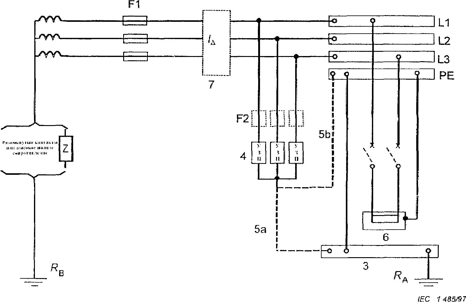
3 | Зажим или шина основного заземления | F1 | Защитное устройство на входе электроустановки |
4 | Устройства защиты от перенапряжений, обеспечивающие защиту от перенапряжений категории II | F2 | Защитное устройство, устанавливаемое по требованию производителя УЗП |
5 | Заземляющее соединение устройств защиты от перенапряжений, 5a или 5b | RA | Заземляющий электрод (заземляющее сопротивление) электроустановки |
6 | Защищаемое оборудование | RB | Заземляющий электрод (заземляющее сопротивление) системы электроснабжения |
| | УЗП | Устройство защиты от перенапряжений |
Рисунок A.1. Устройства защиты от перенапряжений (УЗП)
в системах TN
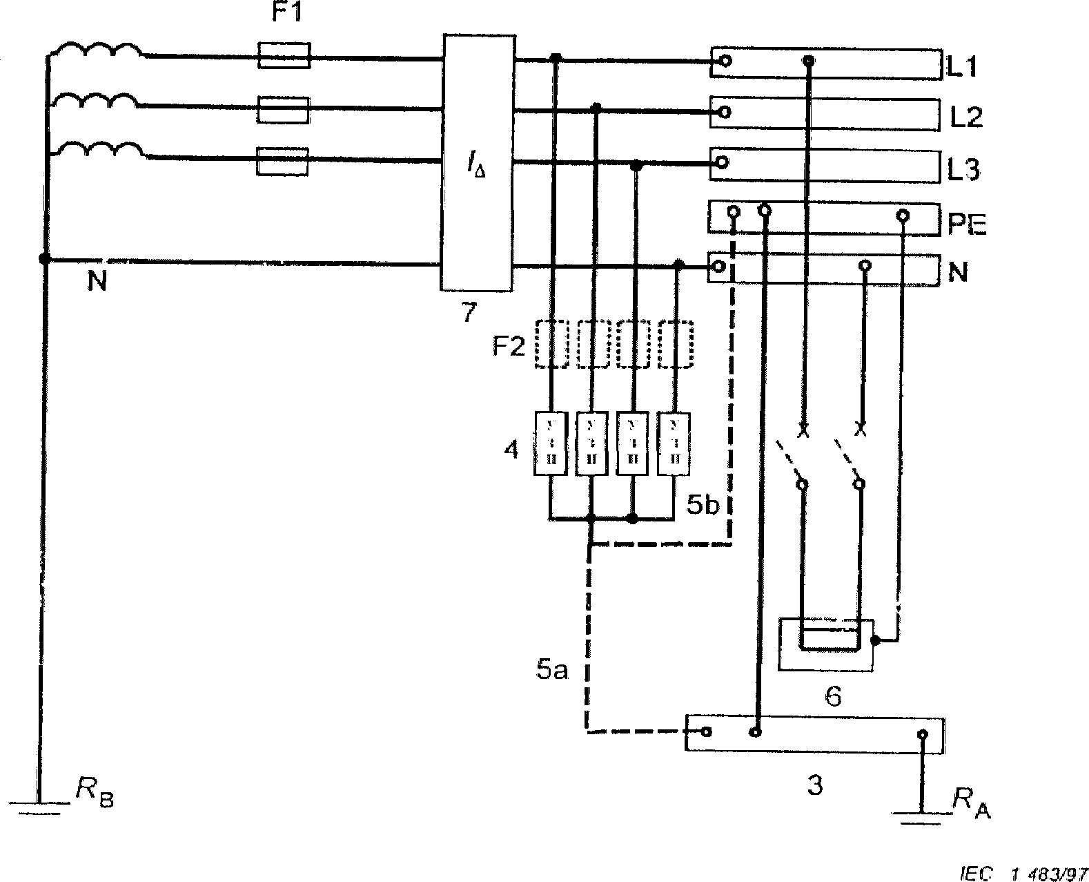
(справочное)
УСТАНОВКА УСТРОЙСТВ ЗАЩИТЫ ОТ ПЕРЕНАПРЯЖЕНИЙ (УЗП)
В СИСТЕМАХ TT
3 | Зажим или шина основного заземления | F1 | Защитное устройство на входе электроустановки |
4 | Устройства защиты от перенапряжений, обеспечивающие защиту от перенапряжений категории II | F2 | Защитное устройство, устанавливаемое по требованию производителя УЗП |
5 | Заземляющее соединение устройств защиты от перенапряжений, 5a и/или 5b | RA | Заземляющий электрод (заземляющее сопротивление) электроустановки |
6 | Защищаемое оборудование | RB | Заземляющий электрод (заземляющее сопротивление) системы электроснабжения |
7 | Устройство защиты, управляемое дифференциальным током (УДТ) | УЗП | Устройство защиты от перенапряжений |
Рисунок B.1. Устройства защиты от перенапряжений (УЗП)
на стороне нагрузки устройства защиты, управляемого
3 | Зажим или шина основного заземления | F1 | Защитное устройство на входе электроустановки |
4 | Устройства защиты от перенапряжений 4a. Устройство защиты от перенапряжений (сочетание 4 - 4a, обеспечивающее защиту от перенапряжений категории II) | F2 | Защитное устройство, устанавливаемое по требованию производителя УЗП |
5 | Заземляющее соединение устройств защиты от перенапряжений, 5a и/или 5b | RA | Заземляющий электрод (заземляющее сопротивление) электроустановки |
6 | Защищаемое оборудование | RB | Заземляющий электрод (заземляющее сопротивление) системы электроснабжения |
7 | Устройство защиты, управляемое дифференциальным током (УДТ), которое устанавливается выше или ниже по схеме относительно шин | УЗП | Устройство защиты от перенапряжений |
Рисунок B.2. Устройства защиты от перенапряжений (УЗП)
на стороне источника электроснабжения устройства защиты,
управляемого дифференциальным током (УДТ)
(справочное)
УСТАНОВКА УСТРОЙСТВ ЗАЩИТЫ ОТ ПЕРЕНАПРЯЖЕНИЙ В СИСТЕМАХ IT
3 | Зажим или шина основного заземления | F1 | Защитное устройство на входе электроустановки |
4 | Устройства защиты от перенапряжений, обеспечивающие защиту от перенапряжений категории II | F2 | Защитное устройство, устанавливаемое по требованию производителя УЗП |
5 | Заземляющее соединение устройств защиты от перенапряжений, 5a или 5b | RA | Заземляющий электрод (заземляющее сопротивление) электроустановки |
6 | Защищаемое оборудование | RB | Заземляющий электрод (заземляющее сопротивление) системы электроснабжения |
7 | Устройство защиты, управляемое дифференциальным током (УДТ) | УЗП | Устройство защиты от перенапряжений |
Рисунок C.2. Устройства защиты от перенапряжений (УЗП)
на стороне нагрузки устройства защиты, управляемого
дифференциальным током (УДТ)
(справочное)
ПРИМЕР УСТАНОВКИ УСТРОЙСТВ ЗАЩИТЫ ОТ ПЕРЕНАПРЯЖЕНИЙ,
ИСПЫТАННЫХ ПО КЛАССУ I, II И III, В СИСТЕМАХ TN-C-S
1 | Вход электроустановки | 7 | Защищаемое стационарное оборудование |
2 | Распределительный щит | 8 | Устройство защиты от перенапряжений, класс испытания II |
3 | Точка отбора электропитания | 9 | Устройство защиты от перенапряжений, класс испытаний II или III |
4 | Зажим или шина основного заземления | 10 | Развязывающий элемент или удлинитель линии |
5 | Устройство защиты от перенапряжений, испытанное по классу I | F1, F2, F3 | Устройства защиты от сверхтоков |
6 | Заземляющее соединение (заземляющий проводник) устройства защиты от перенапряжений | УЗП | Устройство защиты от перенапряжений |
7 | Устройство защиты, управляемое дифференциальным током | | |
Примечание 1. Более подробная информация приводится в МЭК 61643-12.
Примечание 2. УЗП5 и УЗП8 могут быть объединены в одно УЗП.
Рисунок D.1. Установка устройств защиты от перенапряжений
(УЗП), испытанных по классу I, II и III
(справочное)
СВЕДЕНИЯ О СООТВЕТСТВИИ ССЫЛОЧНЫХ МЕЖДУНАРОДНЫХ СТАНДАРТОВ
ССЫЛОЧНЫМ НАЦИОНАЛЬНЫМ СТАНДАРТАМ РОССИЙСКОЙ ФЕДЕРАЦИИ
(И ДЕЙСТВУЮЩИМ В ЭТОМ КАЧЕСТВЕ
МЕЖГОСУДАРСТВЕННЫМ СТАНДАРТАМ)
Таблица ДА
Обозначение ссылочных международных стандартов | Степень соответствия | Обозначение и наименование соответствующих национальных стандартов |
МЭК 60269-3 | IDT | ГОСТ 31196.3-2012 (IEC 60269-3:1987, IEC 60269-3А:1978) "Дополнительные требования к плавким предохранителям бытового и аналогичного назначения" |
MOD | ГОСТ IEC 60269-3-1-2011 "Предохранители плавкие низковольтные. Часть 3-1. Дополнительные требования к плавким предохранителям для эксплуатации неквалифицированным персоналом (плавкие предохранители бытового и аналогичного назначения). Разделы I - IV" |
МЭК 60364-4-41:2005 | IDT | ГОСТ Р 50571.3-2009 (МЭК 60364-4-41:2005) "Электроустановки низковольтные. Часть 4-41. Требования для обеспечения безопасности. Защита от поражения электрическим током" |
МЭК 60364-4-42:2010 | IDT | ГОСТ Р 50571.4.42-2012/МЭК 60364-4-42:2010 "Электроустановки низковольтные. Часть 4-42. Требования по обеспечению безопасности. Защита от тепловых воздействий" |
МЭК 60364-4-43:2008 | IDT | ГОСТ Р 50571.4.43-2012/МЭК 60364-4-43:2008 "Электроустановки низковольтные. Часть 4-43. Требования по обеспечению безопасности. Защита от сверхтока" |
МЭК 60364-4-44:2007 | IDT | ГОСТ Р 50571-4-44-2011 (МЭК 60364-4-44:2007) "Электроустановки низковольтные. Часть 4-44. Требования по обеспечению безопасности. Защита от отклонений напряжения и электромагнитных помех" |
МЭК 60364-6:2006 | IDT | |
МЭК 60364-7-705:2006 | IDT | ГОСТ Р 50571.7.705-2012/МЭК 60364-7-705:2006 "Электроустановки низковольтные. Часть 7-705. Требования к специальным электроустановкам или местам их расположения. Электроустановки для сельскохозяйственных и садоводческих помещений" |
МЭК 60664-1:2012 | IDT | ГОСТ Р МЭК 60664.1-2012 "Координация изоляции для оборудования в низковольтных системах. Часть 1. Принципы, требования и испытания" |
МЭК 61008-1:1996 | MOD | ГОСТ Р 51326.1-99 (МЭК 61008-1-96) "Выключатели автоматические, управляемые дифференциальным током, бытового и аналогичного назначения без встроенной защиты от сверхтоков. Часть 1. Общие требования и методы испытаний" |
МЭК 61009-1:2006 | MOD | ГОСТ Р 51327.1-2010 (МЭК 61009-1:2006) "Выключатели автоматические, управляемые дифференциальным током, бытового и аналогичного назначения со встроенной защитой от сверхтоков. Часть 1. Общие требования и методы испытаний" |
МЭК 62305-3:2010 | - | |
МЭК 62305-4:2010 | - | |
МЭК 61643-1:2005 | IDT | ГОСТ Р 51992-2010 (МЭК 61643-1:2005) "Низковольтные устройства для защиты от импульсных перенапряжений. Часть 1. Устройства для защиты от импульсных перенапряжений в низковольтных силовых распределительных системах. Требования и испытания" |
МЭК 61643-12:2002 | IDT | ГОСТ Р МЭК 61643-12-2011 (МЭК 61643-12:2002) "Устройства защиты от импульсных перенапряжений низковольтные. Часть 12. Устройства защиты от импульсных перенапряжений в низковольтных силовых распределительных системах. Принципы выбора и применения" |
<*> Соответствующий стандарт отсутствует. Примечание. В настоящей таблице использованы следующие условные обозначения степени соответствия стандартов: IDT - идентичные стандарты; MOD - модифицированные стандарты. |