Главная // Актуальные документы // ГОСТ Р (Государственный стандарт)СПРАВКА
Источник публикации
М.: Стандартинформ, 2011
Примечание к документу
Документ утратил силу с 1 октября 2015 года в связи с изданием
Приказа Росстандарта от 24.11.2014 N 1721-ст. Взамен введен в действие
ГОСТ IEC 61009-1-2014.
Документ включен в Перечень национальных стандартов (
пункты 88 и
236), содержащих правила и методы исследований (испытаний) и измерений, в том числе правила отбора образцов, необходимых для применения и исполнения Федерального
закона от 22.07.2008 N 123-ФЗ "Технический регламент о требованиях пожарной безопасности" и осуществления оценки соответствия (
Распоряжение Правительства РФ от 10.03.2009 N 304-р).
Документ
введен в действие с 1 января 2012 года.
Название документа
"ГОСТ Р 51327.1-2010 (МЭК 61009-1:2006). Национальный стандарт Российской Федерации. Выключатели автоматические, управляемые дифференциальным током, бытового и аналогичного назначения со встроенной защитой от сверхтоков. Часть 1. Общие требования и методы испытаний"
(утв. и введен в действие Приказом Росстандарта от 30.11.2010 N 718-ст)
"ГОСТ Р 51327.1-2010 (МЭК 61009-1:2006). Национальный стандарт Российской Федерации. Выключатели автоматические, управляемые дифференциальным током, бытового и аналогичного назначения со встроенной защитой от сверхтоков. Часть 1. Общие требования и методы испытаний"
(утв. и введен в действие Приказом Росстандарта от 30.11.2010 N 718-ст)
Утвержден и введен в действие
агентства по техническому
регулированию и метрологии
от 30 ноября 2010 г. N 718-ст
НАЦИОНАЛЬНЫЙ СТАНДАРТ РОССИЙСКОЙ ФЕДЕРАЦИИ
ВЫКЛЮЧАТЕЛИ АВТОМАТИЧЕСКИЕ, УПРАВЛЯЕМЫЕ ДИФФЕРЕНЦИАЛЬНЫМ
ТОКОМ, БЫТОВОГО И АНАЛОГИЧНОГО НАЗНАЧЕНИЯ
СО ВСТРОЕННОЙ ЗАЩИТОЙ ОТ СВЕРХТОКОВ
ЧАСТЬ 1
ОБЩИЕ ТРЕБОВАНИЯ И МЕТОДЫ ИСПЫТАНИЙ
Residual current operated circuit-breakers with integral
overcurrent protection for household and similar
uses (RCBOs). Part 1. General rules and test methods
IEC 61009-1:2006
Residual current operated circuit-breakers with integral
overcurrent protection for household and similar
uses (RCBOs) - Part 1: General rules and test methods
(MOD)
ГОСТ Р 51327.1-2010
(МЭК 61009-1:2006)
Дата введения
1 января 2012 года
Цели и принципы стандартизации в Российской Федерации установлены Федеральным
законом от 27 декабря 2002 г. N 184-ФЗ "О техническом регулировании", а правила применения национальных стандартов Российской Федерации -
ГОСТ Р 1.0-2004 "Стандартизация в Российской Федерации. Основные положения".
1. Подготовлен Обществом с ограниченной ответственностью "ВНИИэлектроаппарат" на основе собственного аутентичного перевода на русский язык международного стандарта, указанного в пункте 4.
2. Внесен Техническим комитетом по стандартизации ТК 331 "Низковольтная коммутационная аппаратура и комплектные устройства распределения, защиты, управления и сигнализации".
3. Утвержден и введен в действие
Приказом Федерального агентства по техническому регулированию и метрологии от 30 ноября 2010 г. N 718-ст.
4. Настоящий стандарт является модифицированным по отношению к международному стандарту МЭК 61009-1:2006, Издание 2.2 "Выключатели автоматические, управляемые дифференциальным током, бытового и аналогичного назначения со встроенной защитой от сверхтоков. Часть 1. Общие требования и методы испытаний" (IEC 61009-1:2006 "Residual current operated circuit-breakers with integral overcurrent protection for household and similar uses (RCBOs) - Part 1: General rules and test methods").
При этом все разделы и приложения полностью идентичны, за исключением того, что в ссылках на международные стандарты при наличии соответствующих национальных стандартов приведены национальные стандарты.
Приложение ДА дополняет требования стандарта с учетом потребностей национальной экономики Российской Федерации и/или особенностей национальной стандартизации.
Кроме того, с целью расширения функциональных возможностей введены дополнительные требования к выключателям по защите от повышения напряжения. Указанные требования приведены в
Приложении ДБ.
В
Приложении ДВ приведены требования пожарной безопасности к выключателям и методы испытаний в соответствии с Федеральным
законом "Технический регламент о требованиях пожарной безопасности", в
Приложении ДГ приведены требования и методы испытаний для АВДТ с дистанционным управлением.
При применении настоящего стандарта вместо ссылочных международных стандартов рекомендуется использовать соответствующие им национальные стандарты Российской Федерации и межгосударственные стандарты, сведения о которых приведены в дополнительном
Приложении ДД.
Наименование настоящего стандарта изменено относительно наименования международного стандарта с целью более полного отражения его содержания и приведения в соответствие с ГОСТ Р 1.5-2004
(подраздел 3.5).
Информация об изменениях к настоящему стандарту публикуется в указателе "Национальные стандарты", а текст изменений - в информационных указателях "Национальные стандарты". В случае пересмотра (замены) или отмены настоящего стандарта соответствующее уведомление будет опубликовано в ежемесячно издаваемом информационном указателе "Национальные стандарты". Соответствующая информация, уведомление и тексты размещаются также в информационной системе общего пользования - на официальном сайте Федерального агентства по техническому регулированию и метрологии в сети Интернет.
Настоящий стандарт содержит определения, технические требования и методы испытаний автоматических выключателей всех типов, управляемых дифференциальным током, бытового и аналогичного назначения со встроенной защитой от сверхтоков, эксплуатируемых неквалифицированным персоналом.
Дополнительные требования к выключателям со встроенной защитой от сверхтоков, функционально не зависящих и зависящих от напряжения сети, установлены в
ГОСТ Р 51327.2.1-99 (МЭК 61009-2-1-96) и
ГОСТ Р 51327.2.2-99 (МЭК 61009-2-2-96) соответственно.
Стандарт распространяется на автоматические выключатели, управляемые дифференциальным током, выполняющие одновременно функцию обнаружения дифференциального тока, сравнения его со значением дифференциального тока срабатывания и отключения защищаемой цепи в случае, когда дифференциальный ток превосходит это значение, а также имеющие дополнительную функцию отключения в случае, когда напряжение сети достигает значения выше допустимого при его внезапном появлении или медленном нарастании.
Выключатели предназначены для защиты людей при косвенном контакте с открытыми проводящими частями электроустановок, соединенными с соответствующим заземляющим устройством. Они могут быть использованы для обеспечения защиты от пожаров, возникающих вследствие длительного протекания тока повреждения при несрабатывании устройств защиты от сверхтоков.
В настоящем стандарте принято сокращенное обозначение автоматических выключателей, управляемых дифференциальным током бытового и аналогичного назначения со встроенной защитой от сверхтоков, - АВДТ.
Сокращенные обозначения АВДТ, используемые в зарубежных нормативных документах и технической литературе:
- RCBO's - Англия;
- DD - Франция.
Настоящий стандарт отличается от ранее действующего стандарта
ГОСТ Р 51327.1-99 введением ряда изменений и дополнительных разделов:
- введены дополнительно технические требования и методы испытания для АВДТ с функцией защиты от повышения напряжения сети;
- уточнены и введены дополнительные требования в
разделах 7.3,
8.1.2,
8.1.3,
8.3,
9.7.7,
9.9.1.2,
9.9.2.2,
9.12.12,
9.14,
9.19,
Приложении A,
таблице 5;
- введены дополнительно требования пожарной безопасности к выключателям и методы испытаний в соответствии с Федеральным
законом "Технический регламент о требованиях пожарной безопасности"
(Приложение ДВ);
- введены дополнительно требования и методы испытаний для АВДТ с дистанционным управлением
(Приложение ДГ).
Настоящий стандарт может быть использован при оценке соответствия автоматических выключателей, управляемых дифференциальным током бытового и аналогичного назначения со встроенной защитой от сверхтоков и с функцией защиты от повышения напряжения сети требованиям технических регламентов.
Настоящий стандарт распространяется на управляемые дифференциальным током автоматические выключатели со встроенной защитой от сверхтоков, функционально не зависящие или зависящие от напряжения сети, для бытового и аналогичного применения (далее - АВДТ), с номинальными напряжениями, не превышающими 440 В переменного тока, номинальными токами, не превышающими 125 А, с номинальными наибольшими отключающими способностями, не превышающими 25000 А, для работы на частоте 50 или 60 Гц.
Эти аппараты предназначены для защиты людей при косвенном контакте с доступными проводящими частями электроустановок, соединенными с соответствующим заземляющим устройством, и для защиты от сверхтоков электропроводок зданий. Они могут использоваться для обеспечения защиты от пожаров, возникающих вследствие длительного протекания тока, повреждения в случае несрабатывания устройств защиты от сверхтоков.
АВДТ, имеющие номинальный отключающий дифференциальный ток не более 30 мА, могут быть также использованы как средства дополнительной защиты в случае выхода из строя устройств, предназначенных для защиты от поражения электрическим током.
Настоящий стандарт распространяется на АВДТ, выполняющие одновременно функцию обнаружения дифференциального тока, сравнения его значения с величиной отключающего дифференциального тока и отключения защищаемой цепи в случае, когда значение дифференциального тока превосходит эту величину, а также выполняющих функцию включения, проведения и отключения сверхтоков в заданных условиях.
| | ИС МЕГАНОРМ: примечание. Текст, выделенный курсивом в официальном тексте документа, в электронной версии документа отмечен знаком "&". | |
Примечания
1. Требования настоящего стандарта, относящиеся к работе АВДТ при наличии дифференциального тока, основываются на &
ГОСТ Р 51326.1&.
Требования настоящего стандарта, относящиеся к АВДТ в качестве аппарата защиты от сверхтоков, основываются на &
ГОСТ Р 50345&.
2. АВДТ в основном предназначены для управления необученным персоналом, а их конструкция не требует обслуживания. Они могут подлежать сертификации.
3. Требования по установке и применению АВДТ приведены в комплексе стандартов на электроустановки зданий - &ГОСТ Р 50571&.
Аппараты предназначены для применения в условиях окружающей среды со степенью загрязнения 2.
Примечания
1. В более жестких условиях перенапряжения применяют автоматические выключатели, соответствующие другим стандартам (например,
&ГОСТ Р 50030.2&).
2. В условиях окружающей среды с более высокой степенью загрязнения следует использовать оболочки, обеспечивающие соответствующую степень защиты.
АВДТ общего типа устойчивы к нежелательному срабатыванию, включая случаи, когда импульсные напряжения (в результате переходных процессов, возникающих при коммутации или индуктируемых грозовыми разрядами) вызывают появление в электроустановке токов нагрузки без возникновения тока замыкания на землю.
АВДТ типа S достаточно защищены против нежелательного срабатывания, в том числе если импульсное напряжение вызовет ток замыкания на землю и возникнет сопровождающий ток.
Примечание. Устройства защиты от импульсных перенапряжений, установленные после АВДТ общего типа, подсоединенные обычным способом, могут вызывать нежелательные срабатывания.
АВДТ пригодны для разъединения.
В случаях, когда возможны перенапряжения со стороны питания (например, при питании от воздушных линий электропередач), могут быть необходимы специальные меры защиты (например, грозовые разрядники) (&см.
ГОСТ Р 50571.19&).
Примечание. Для АВДТ, имеющих степень защиты выше IP20, может потребоваться специальная конструкция.
Настоящий стандарт также применим к АВДТ, представляющим собой сборку из легкомонтируемого устройства дифференциального тока и автоматического выключателя. Механическая сборка может быть произведена либо изготовителем в заводских условиях, либо на месте при выполнении требований
Приложения G.
Стандарт также применим к АВДТ, имеющим более одного значения номинального тока, при условии, что органы для регулирования уставки номинального тока недоступны при нормальной эксплуатации и уставка не может быть изменена без применения инструмента.
Для АВДТ втычного типа могут потребоваться дополнительные требования.
Для встраиваемых АВДТ или предназначенных только для объединения с вилками, штепсельными розетками или электрическими соединителями бытового и аналогичного применения следует руководствоваться дополнительными требованиями.
Примечание. На данный момент для встраиваемых АВДТ или предназначенных только для объединения с вилками и штепсельными розетками следует руководствоваться требованиями настоящего стандарта совместно с требованиями &
ГОСТ Р 51322.1& по мере их применимости.
Настоящий стандарт не распространяется на:
- АВДТ, предназначенные для защиты двигателей;
- АВДТ, уставка по току которых регулируется органами, доступными для потребителя в условиях нормальной эксплуатации;
- АВДТ, содержащие автономные источники питания.
Требования данного стандарта применимы для нормальных условий окружающей среды (см.
7.1). Для АВДТ, используемых в местах с жесткими условиями окружающей среды, могут потребоваться дополнительные требования.
Инструкция по координации АВДТ с плавкими предохранителями приведена в
Приложении F.
&В настоящем стандарте использованы нормативные ссылки на следующие стандарты:
ГОСТ Р 15.201-2000. Система разработки и постановки продукции на производство. Продукция производственно-технического назначения. Порядок разработки и постановки продукции на производство
ГОСТ Р 27.403-2009. Надежность в технике. Планы испытаний для контроля вероятности безотказной работы
ГОСТ Р 50030.1-2007 (МЭК 60947-1:2004). Аппаратура распределения и управления низковольтная. Часть 1. Общие требования
ГОСТ Р 50030.2-2010 (МЭК 60947-2:2006). Аппаратура распределения и управления низковольтная. Часть 2. Автоматические выключатели
ГОСТ Р 50345-2010 (МЭК 60898-1-2003). Аппаратура малогабаритная электрическая. Автоматические выключатели для защиты от сверхтоков бытового и аналогичного назначения. Часть 1. Автоматические выключатели для переменного тока
ГОСТ Р 50571.3-2009 (МЭК 60364-4-41-2005). Электроустановки низковольтные. Часть 4-41. Требования для обеспечения безопасности. Защита от поражения электрическим током
ГОСТ Р 50571.19-2000 (МЭК 60364-4-443-95). Электроустановки зданий. Часть 4. Требования по обеспечению безопасности. Глава 44. Защита от перенапряжений. Раздел 443. Защита электроустановок от грозовых и коммутационных перенапряжений
ГОСТ Р 50807-95 (МЭК 755-83). Устройства защитные, управляемые дифференциальным (остаточным) током. Общие требования и методы испытаний
ГОСТ Р 51322.1-99 (МЭК 60884-1-94). Соединители электрические штепсельные бытового и аналогичного назначения. Часть 1. Общие требования и методы испытаний
ГОСТ Р 51326.1-99 (МЭК 61008-1-90). Выключатели автоматические, управляемые дифференциальным током, бытового и аналогичного назначения без встроенной защиты от сверхтоков. Часть 1. Общие требования и методы испытаний
ГОСТ Р 51329-99 (МЭК 61543-95). Совместимость технических средств электромагнитная. Устройства защитного отключения, управляемые дифференциальным током (УЗО-Д), бытового и аналогичного назначения. Требования и методы испытаний
ГОСТ Р 52161.1-2004 (МЭК 60335-1:2001). Безопасность бытовых и аналогичных электрических приборов. Часть 1. Общие требования
ГОСТ 9.005-72. Единая система защиты от коррозии и старения. Металлы, сплавы, металлические и неметаллические неорганические покрытия. Допустимые и недопустимые контакты с металлами и неметаллами
ГОСТ 27.003-90. Надежность в технике. Состав и общие правила задания требований по надежности
ГОСТ 14254-96 (МЭК 529-89). Степени защиты, обеспечиваемые оболочками (код IP)
ГОСТ 15150-69. Машины, приборы и другие технические изделия. Исполнения для различных климатических районов. Категории, условия эксплуатации, хранения и транспортирования в части воздействия климатических факторов внешней среды
ГОСТ 15543.1-89. Изделия электротехнические. Общие требования в части стойкости к климатическим внешним воздействующим факторам
ГОСТ 16504-81. Система государственных испытаний продукции. Испытания и контроль качества продукции. Основные термины и определения
ГОСТ 17516.1-90. Изделия электротехнические. Общие требования в части стойкости к механическим внешним воздействующим факторам
ГОСТ 23216-78. Изделия электротехнические. Хранение, транспортирование, временная противокоррозионная защита, упаковка. Общие требования и методы испытаний
ГОСТ 24622-91 (ИСО 2039-2-87). Пластмассы. Определение твердости. Твердость по Роквеллу
ГОСТ 24753-81. Выводы контактные электротехнических устройств. Общие технические требования
ГОСТ 27473-87 (МЭК 112-79). Материалы электроизоляционные твердые. Метод определения сравнительного и контрольного индексов трекингостойкости во влажной среде
ГОСТ 27483-87 (МЭК 695-2-1-80). Испытания на пожароопасность. Методы испытаний. Испытания нагретой проволокой
ГОСТ 28214-89 (МЭК 68-2-28-81). Основные методы испытаний на воздействие внешних факторов. Часть 2. Испытания. Руководство по испытаниям на влажное тепло
ГОСТ 28216-89 (МЭК 68-2-30-87). Основные методы испытаний на воздействие внешних факторов. Часть 2. Испытания. Испытание Db и руководство: влажное тепло, циклическое (12 + 12-часовой цикл)
ГОСТ 28312-89 (МЭК 417-73). Аппаратура радиоэлектронная профессиональная. Условные графические обозначения
ГОСТ 28779-90 (МЭК 707-81). Материалы электроизоляционные твердые. Методы определения воспламеняемости под воздействием источника зажигания
ГОСТ 30012.1-2002 (МЭК 60051-1-97). Приборы аналоговые показывающие электроизмерительные прямого действия и вспомогательные части к ним. Часть 1. Определения и основные требования, общие для всех частей.&
Примечание. При пользовании настоящим стандартом целесообразно проверить действие ссылочных стандартов в информационной системе общего пользования - на официальном сайте Федерального агентства по техническому регулированию и метрологии в сети Интернет или по ежегодно издаваемому информационному указателю "Национальные стандарты", который опубликован по состоянию на 1 января текущего года, и по соответствующим ежемесячно издаваемым информационным указателям, опубликованным в текущем году. Если ссылочный стандарт заменен (изменен), то при пользовании настоящим стандартом следует руководствоваться заменяющим (измененным) стандартом. Если ссылочный стандарт отменен без замены, то положение, в котором дана ссылка на него, применяется в части, не затрагивающей эту ссылку.
В настоящем стандарте применены следующие термины с соответствующими определениями.
При применении терминов "напряжение" или "ток" следует иметь в виду их среднеквадратичное значение, если не оговорено иное.
Примечания
1. Условные обозначения номинальных параметров и характеристик приведены в
Приложении IB.
2. Ссылки на определения МЭС сделаны там, где термины "устройство" или "контактное коммутационное устройство" заменены термином "АВДТ".
3.1. Определения, относящиеся к токам, протекающим от токоведущих частей в землю
3.1.1. Ток замыкания на землю (earth fault current): ток, протекающий в землю при повреждении изоляции.
3.1.2. Ток утечки на землю (earth leakage current): ток, который протекает от токоведущих частей электроустановки в землю в отсутствие повреждения изоляции.
3.1.3. Пульсирующий постоянный ток (pulsating direct current): ток в форме пульсирующей волны, который принимает в каждом периоде номинальной промышленной частоты значение "0" или значение, не превышающее 0,006 А постоянного тока в течение одного непрерывного промежутка времени, выраженного в угловых величинах не менее 150°.
3.1.4. Угол задержки тока

(current delay angle

): промежуток времени, выраженный в угловой величине, в течение которого устройство фазного управления задерживает пусковой момент протекания тока.
3.2. Определения, относящиеся к подводимым к АВДТ величинам
3.2.1. Подводимая величина (energizing quantity): электрическое возбуждающее воздействие, которое одно или в комбинации с другими такими же воздействиями должно быть приложено к АВДТ, чтобы дать ему возможность выполнить свою функцию в определенных условиях.
3.2.2. Подводимая входная величина (energizing input-quantity): подводимое воздействие, посредством которого АВДТ активизируется, когда данное воздействие прикладывается к нему в определенных условиях.
Эти условия могут включать в себя, например, активизацию каких-то вспомогательных элементов.
3.2.3. Дифференциальный ток

(residual current

): действующее значение векторной суммы мгновенных значений токов, протекающих в главной цепи АВДТ.
3.2.4. Отключающий дифференциальный ток (residual operating current): значение дифференциального тока, вызывающего отключение АВДТ в заданных условиях эксплуатации (ток срабатывания).
3.2.5. Неотключающий дифференциальный ток (residual non-operating current): значение дифференциального тока, при котором и ниже которого АВДТ не отключается в заданных условиях эксплуатации (ток несрабатывания).
3.2.6. Дифференциальный ток АВДТ

(residual current

of an RCBO): значение дифференциального тока, который ниже нижнего предела диапазона токов мгновенного расцепления для АВДТ типов B, C или D (см.
сноску <***> к таблице 2).
3.3. Определения, относящиеся к работе и функциям АВДТ
┌─────────────────────────────────────────────────────────────────────────┐
│ 3.3.1. Коммутационный аппарат (switching device): аппарат,│
│предназначенный для включения или отключения тока в одной или нескольких│
│электрических цепях. │
└─────────────────────────────────────────────────────────────────────────┘
┌─────────────────────────────────────────────────────────────────────────┐
│ 3.3.2. Контактный коммутационный аппарат (mechanical switching│
│device): коммутационный аппарат, предназначенный для замыкания│
│и размыкания одной или нескольких электрических цепей с помощью│
│разъединяемых контактов. │
└─────────────────────────────────────────────────────────────────────────┘
┌─────────────────────────────────────────────────────────────────────────┐
│ 3.3.3. Плавкий предохранитель (fuse): коммутационный аппарат, который│
│посредством плавления одного или нескольких своих специально│
│спроектированных и калиброванных элементов размыкает цепь, в которую он│
│включен, и отключает ток, когда тот превышает заданное значение в течение│
│определенного времени. Плавкий предохранитель содержит все части,│
│образующие укомплектованный аппарат. │
└─────────────────────────────────────────────────────────────────────────┘
┌─────────────────────────────────────────────────────────────────────────┐
│ 3.3.4. Автоматический выключатель (circuit-breaker): контактный│
│коммутационный аппарат, способный включать, проводить и отключать токи│
│при нормальных условиях в цепи, а также включать, проводить в течение│
│установленного времени и отключать (автоматически) при указанных│
│аномальных условиях в цепи, таких как короткое замыкание. │
└─────────────────────────────────────────────────────────────────────────┘
3.3.5. Автоматический выключатель, управляемый дифференциальным током (residual current operated circuit-breaker): контактный коммутационный аппарат, предназначенный для включения, проведения и отключения токов при нормальных условиях эксплуатации, а также размыкания контактов в случае, когда значение дифференциального тока достигает заданной величины в определенных условиях.
3.3.6. Автоматический выключатель, управляемый дифференциальным током, без встроенной защиты от сверхтоков (ВДТ) (residual current operated circuit-breaker without integral overcurrent protection (RCCB)): управляемый дифференциальным током автоматический выключатель, не предназначенный для выполнения функций защиты от токов перегрузки и/или токов короткого замыкания.
3.3.7. Автоматический выключатель, управляемый дифференциальным током, со встроенной защитой от сверхтока (АВДТ): управляемый дифференциальным током автоматический выключатель, предназначенный для выполнения функций защиты от токов перегрузки и/или токов короткого замыкания.
3.3.8. АВДТ, функционально не зависящие от напряжения сети: АВДТ, функции обнаружения, сравнения и отключения которых не зависят от напряжения сети.
Примечание. Эти устройства определены в &ГОСТ Р 50807
(пункт 2.3.2)& как устройства дифференциального тока без вспомогательных источников питания.
3.3.9. АВДТ, функционально зависящие от напряжения сети: АВДТ, функции обнаружения, сравнения и отключения которых зависят от напряжения сети.
Примечания
1. Этот термин частично определяет устройства дифференциального тока со вспомогательными источниками питания по &ГОСТ Р 50807
(пункт 2.3.3)&.
2. Подразумевается, что напряжение сети прикладывают к АВДТ для выполнения функций обнаружения, сравнения и разъединения.
3.3.10. Время отключения АВДТ: промежуток времени между моментом внезапного возникновения отключающего дифференциального тока и моментом гашения дуги во всех полюсах.
3.3.11. Предельное время неотключения: максимальный промежуток времени, в течение которого дифференциальный ток АВДТ, значение которого больше значения максимального неотключающего дифференциального тока и не вызывающего его срабатывания.
3.3.12. АВДТ с выдержкой времени: АВДТ, специально предназначенные для обеспечения заранее установленного значения предельного времени неотключения, соответствующего данному значению дифференциального тока.
┌─────────────────────────────────────────────────────────────────────────┐
│ 3.3.13. Замкнутое положение: положение, в котором обеспечивается│
│заданная непрерывность главной цепи АВДТ. │
└─────────────────────────────────────────────────────────────────────────┘
┌─────────────────────────────────────────────────────────────────────────┐
│ 3.3.14. Разомкнутое положение: положение, в котором обеспечивается│
│заданный раствор контактов главной цепи АВДТ. │
└─────────────────────────────────────────────────────────────────────────┘
3.3.15. Полюс: составной элемент АВДТ, непосредственно связанный только с одним электрически независимым токопроводящим путем его главной цепи, снабженный контактами, предназначенными для замыкания и размыкания главной цепи, за исключением частей, предназначенных для монтажа и оперирования всеми полюсами совместно.
3.3.15.1. Полюс, защищенный от сверхтоков: полюс, снабженный расцепителем сверхтока (далее - защищенный полюс).
3.3.15.2. Полюс, не защищенный от сверхтоков: полюс без расцепителя сверхтока, но в остальном, в основном, способный на ту же работу, что и защищенный полюс того же АВДТ (далее - незащищенный полюс).
Примечания
1. Для выполнения этого требования незащищенный полюс может быть такой же конструкции, как защищенный полюс (полюса), или особой конструкции.
2. Если наибольшая отключающая способность незащищенного и защищенного полюсов отличаются, это должно быть указано изготовителем.
3.3.15.3. Полюс, коммутирующий нейтраль: полюс, предназначенный только для коммутаций нейтрального проводника и не рассчитанный на наибольшую отключающую способность.
3.3.16. Некоммутируемая нейтраль: токовый путь, не размыкаемый и не защищенный от сверхтоков, предназначенный для присоединения к нейтральному проводнику установки.
3.3.17. Главная цепь (АВДТ): совокупность токопроводящих частей АВДТ, входящих в цепь, которую он предназначен замыкать и размыкать (см.
4.3).
3.3.18. Цепь управления (АВДТ): цепь (иная, чем часть главной цепи), предназначенная для операции включения или отключения АВДТ или для обеих операций.
Примечание. Контрольные цепи АВДТ входят в это определение.
┌─────────────────────────────────────────────────────────────────────────┐
│ 3.3.19. Вспомогательная цепь (АВДТ): все токоведущие части АВДТ,│
│предназначенные для включения в цепь, иную, чем главная цепь АВДТ и цепь│
│управления. │
└─────────────────────────────────────────────────────────────────────────┘
3.3.20. АВДТ типа AC: АВДТ, срабатывание которого обеспечивается дифференциальным синусоидальным переменным током путем внезапного его приложения либо при медленном нарастании.
3.3.21. АВДТ типа A: АВДТ, срабатывание которого обеспечивается как синусоидальным переменным, так и пульсирующим постоянным дифференциальными токами путем внезапного его приложения либо при медленном нарастании.
3.3.22. Устройство эксплуатационного контроля: устройство, встроенное в АВДТ, имитирующее условия дифференциального тока для срабатывания АВДТ в определенных условиях.
3.4. Определения, относящиеся к значениям и диапазонам подводимых величин
┌─────────────────────────────────────────────────────────────────────────┐
│ 3.4.1. Номинальное значение: количественное значение, установленное│
│изготовителем для обозначения определенного рабочего состояния АВДТ. │
└─────────────────────────────────────────────────────────────────────────┘
3.4.2. Сверхток: любой ток, превышающий номинальный.
3.4.2.1. Ток перегрузки: сверхток в электрически неповрежденной цепи.
Примечание. Ток перегрузки может вызвать повреждение цепи, если будет протекать достаточно долго.
3.4.2.2. Ток короткого замыкания: сверхток, появляющийся в результате короткого замыкания между точками, которые в нормальных условиях эксплуатации должны иметь различные потенциалы с ничтожно малым сопротивлением.
Примечание. Ток короткого замыкания может быть результатом повреждения либо неправильного соединения в электрической цепи.
3.4.3. Ожидаемый ток: ток, который протекал бы в цепи, если бы каждый полюс АВДТ или устройства защиты от сверхтоков (при его наличии) был заменен проводником с возможно малым полным сопротивлением.
Примечание. Ожидаемый ток может быть классифицирован так же, как и фактический ток, например ожидаемый ток отключения, ожидаемый пиковый ток, ожидаемый дифференциальный ток и т.д.
3.4.4. Ожидаемый пиковый ток: пиковое значение ожидаемого тока в течение переходного периода после включения.
Примечание. Это определение подразумевает, что включается идеальным АВДТ, т.е. с мгновенным переходом от бесконечного к нулевому значению полного сопротивления. Для цепей, в которых ток может проходить по нескольким разным путям, например для многофазных цепей, предполагается также, что ток включается одновременно во всех полюсах, даже если рассматривается ток только в одном полюсе.
3.4.5. Максимальный ожидаемый пиковый ток (цепи переменного тока): ожидаемый пиковый ток, когда включение тока происходит в момент, обусловливающий его наибольшее возможное значение.
Примечание. Для многополюсных автоматических выключателей в многофазных цепях максимальный ожидаемый пиковый ток характеризует только один полюс.
3.4.6. Наибольшая отключающая (включающая и отключающая) способность: переменная составляющая ожидаемого тока, выраженная его действующим значением, которую АВДТ способен включать, проводить в течение своего времени размыкания и отключать при определенных условиях.
3.4.6.1. Предельная наибольшая отключающая способность: отключающая способность, для которой предписанные условия согласно указанному циклу испытаний не предусматривают способности АВДТ проводить в течение условленного времени ток, равный 0,85 тока неотключения.
3.4.6.2. Рабочая наибольшая отключающая способность: отключающая способность, для которой предписанные условия согласно указанному циклу испытаний предусматривают способность АВДТ проводить в течение условленного времени ток, равный 0,85 тока неотключения.
┌─────────────────────────────────────────────────────────────────────────┐
│ 3.4.7. Ток отключения: ток в одном полюсе АВДТ в момент возникновения│
│дуги в процессе отключения. │
└─────────────────────────────────────────────────────────────────────────┘
Примечание. Для переменного тока принимается его действующее значение.
┌─────────────────────────────────────────────────────────────────────────┐
│ 3.4.8. Напряжение до включения: напряжение, существующее между│
│выводами полюса АВДТ непосредственно перед включением тока. │
└─────────────────────────────────────────────────────────────────────────┘
Примечание. Это определение относится к однополюсному АВДТ. Для многополюсных АВДТ напряжение до включения - это напряжение между входными выводами АВДТ.
3.4.9. Восстанавливающееся и возвращающееся напряжение: напряжение, появляющееся на выводах полюса АВДТ после отключения тока.
Примечания
1. Это напряжение может рассматриваться в течение двух последовательных промежутков времени, во время первого из которых существует переходное восстанавливающееся напряжение, а во время последующего второго промежутка существует только возвращающееся напряжение промышленной частоты.
2. Это определение относится только к однополюсному АВДТ. Для многополюсных АВДТ восстанавливающееся напряжение - это напряжение на входных выводах АВДТ.
3.4.9.1. Восстанавливающееся напряжение: восстанавливающееся напряжение в период, когда оно носит существенно переходный характер.
Примечание. Восстанавливающееся напряжение может быть колебательным, или неколебательным, или смешанным в зависимости от характеристик цепи или АВДТ. Оно включает изменение потенциала нулевой точки многофазной цепи.
3.4.9.2. Восстанавливающееся напряжение промышленной частоты (возвращающееся): восстанавливающееся напряжение после завершения переходного процесса.
3.4.10. Время размыкания: время, измеряемое от момента, когда ток в главной цепи АВДТ, находящегося в замкнутом состоянии, достигает уровня срабатывания максимального расцепителя тока до момента погасания дуги на контактах всех полюсов.
Примечание. Время размыкания обычно определяют как время срабатывания, хотя, точнее, время срабатывания относят ко времени между моментом, когда команда на размыкание становится необратимой и начальным моментом времени размыкания.
3.4.11. Время дуги
┌─────────────────────────────────────────────────────────────────────────┐
│ 3.4.11.1. Время дуги в полюсе: интервал времени между моментом│
│появления дуги в полюсе и моментом ее окончательного погасания в этом│
│полюсе. │
└─────────────────────────────────────────────────────────────────────────┘
┌─────────────────────────────────────────────────────────────────────────┐
│ 3.4.11.2. Время дуги в многополюсном АВДТ: интервал времени между│
│моментом первого появления дуги и моментом окончательного погасания всех│
│дуг во всех полюсах. │
└─────────────────────────────────────────────────────────────────────────┘
┌─────────────────────────────────────────────────────────────────────────┐
│ 3.4.12. Время отключения (сверхтока): интервал времени между началом│
│времени размыкания АВДТ и окончанием времени горения дуги при наличии│
│сверхтока. │
└─────────────────────────────────────────────────────────────────────────┘
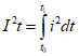
───────────────────────────────────────────────────────────────────────────
3.4.13.

(интеграл Джоуля): интеграл квадрата силы тока по данному
интервалу времени (

,

):

. (1)
───────────────────────────────────────────────────────────────────────────
3.4.14. Характеристика

АВДТ: кривая, дающая максимальное значение

как функцию ожидаемого тока в заданных условиях эксплуатации.
3.4.15. Координация между последовательно соединенными устройствами защиты от сверхтоков
3.4.15.1. Предельный ток селективности

: токовая координата точки пересечения характеристики "максимальное время отключения - ток" защитного аппарата со стороны нагрузки с характеристикой "предельное время - ток" (для плавких предохранителей или "время расцепления - ток" (для автоматических выключателей)) другого защитного устройства.
Примечания
1. Предельный ток селективности - это предельное значение тока:
- ниже которого при наличии двух последовательно соединенных аппаратов защиты от сверхтока аппарат со стороны нагрузки успевает завершить процесс отключения до того, как его начнет второй аппарат (т.е. селективность обеспечивается);
- выше которого при наличии двух последовательно соединенных аппаратов защиты от сверхтока аппарат со стороны нагрузки может не успеть завершить процесс отключения до того, как его начнет второй аппарат (т.е. селективность не обеспечивается).
2. Вместо время-токовых характеристик можно использовать характеристики

.
3.4.15.2. Ток координации

: токовая координата точки пересечения характеристик "максимальное время отключения - ток" двух аппаратов защиты от сверхтоков.
Примечания
1. Ток координации - предельное значение тока, выше которого при наличии двух последовательно соединенных аппаратов защиты от сверхтока, защитный аппарат, как правило, но не обязательно на стороне питания, обеспечит резервную защиту для другого защитного аппарата.
2. Вместо время-токовых характеристик можно использовать характеристики

.
───────────────────────────────────────────────────────────────────────────
3.4.16. Условный ток нерасцепления

: установленное значение тока,
который АВДТ способен проводить в заданное (условное) время без
срабатывания.
───────────────────────────────────────────────────────────────────────────
───────────────────────────────────────────────────────────────────────────
3.4.17. Условный ток расцепления

: установленное значение тока,
вызывающее срабатывание АВДТ в пределах заданного (условного) времени.
───────────────────────────────────────────────────────────────────────────
3.4.18. Ток мгновенного расцепления: минимальное значение тока, вызывающее автоматическое срабатывание АВДТ без заданной выдержки времени.
3.4.19. (исключен)
3.4.20. (исключен)
3.4.21. Сверхтоки неотключения в главной цепи
Определения предельных значений сверхтоков несрабатывания приведены в 3.4.21.1 и
3.4.21.2.
Примечание. При наличии сверхтока в главной цепи и в отсутствие дифференциального тока срабатывание устройства обнаружения дифференциального тока может произойти в результате асимметрии, происходящей в самом устройстве обнаружения.
3.4.21.1. Предельное значение сверхтока в случае нагрузки АВДТ с двумя путями тока: максимальное значение сверхтока нагрузки, который при отсутствии какого-либо замыкания на корпус или землю и отсутствии тока утечки на землю может протекать через АВДТ с двумя путями тока, не вызывая его срабатывания.
3.4.21.2. Предельное значение сверхтока в случае однофазной нагрузки трех- или четырехполюсного АВДТ: максимальное значение однофазного сверхтока, который при отсутствии какого-либо замыкания на корпус или землю и отсутствии тока утечки на землю может протекать через трех- или четырехполюсный АВДТ, не вызывая его срабатывания.
3.4.22. Дифференциальная наибольшая включающая и отключающая способность: значение переменной составляющей ожидаемого дифференциального тока, который АВДТ способен включать, проводить в течение своего времени размыкания и отключать в заданных условиях эксплуатации.
3.4.23. Предельные значения напряжения сети (

и

) для АВДТ, функционально зависящих от напряжения сети
3.4.23.1.

: минимальное значение напряжения сети, при котором АВДТ, функционально зависящий от напряжения сети, сохраняет свою работоспособность в заданных условиях эксплуатации в случае понижения напряжения сети (см.
9.17.1).
3.4.23.2.

: минимальное значение напряжения сети, ниже которого АВДТ, функционально зависящий от напряжения сети, автоматически размыкается в отсутствие дифференциального тока.
3.5. Определения, относящиеся к значениям и диапазонам влияющих величин
3.5.1. Влияющая величина: любая воздействующая величина, способная изменить определенное функционирование АВДТ.
3.5.2. Контрольное значение влияющей величины: значение влияющей величины, с которым соотносятся характеристики, установленные изготовителем.
3.5.3. Контрольные условия влияющих величин: совокупность контрольных значений всех влияющих величин.
3.5.4. Диапазон влияющей величины: диапазон значений одной отдельно взятой влияющей величины, который позволяет АВДТ выполнять свои функции при определенных условиях; другие влияющие величины при этом имеют свои контрольные значения.
3.5.5. Предельный диапазон влияющей величины: диапазон значений одной отдельной влияющей величины, внутри которого АВДТ испытывает только произвольные обратимые изменения, хотя при этом нет необходимости удовлетворять требованиям настоящего стандарта.
┌─────────────────────────────────────────────────────────────────────────┐
│ 3.5.6. Температура окружающего воздуха: температура, определяемая│
│в заданных условиях воздуха, окружающего АВДТ. │
└─────────────────────────────────────────────────────────────────────────┘
Примечание. Для АВДТ, установленного внутри оболочки, это температура воздуха вне оболочки.
3.5.7. Контрольная температура окружающего воздуха: температура окружающего воздуха, при которой определяются время-токовые характеристики.
3.6. Определения, относящиеся к выводам
3.6.1. Вывод: часть АВДТ, предназначенная для соединения его с внешними проводниками электрических цепей.
3.6.2. Вывод резьбового типа: вывод для присоединения и последующего отсоединения проводника или разъемного соединения между собой двух или нескольких проводников, осуществляемых прямо или косвенно винтами или гайками любого типа.
3.6.3. Столбчатый вывод: вывод резьбового типа, в котором проводник вставляется в отверстие или полость, где он зажимается стержнем винта (винтов). Зажимное давление может передаваться непосредственно стержнем винта или через промежуточный зажимной элемент, давление на который осуществляется стержнем винта.
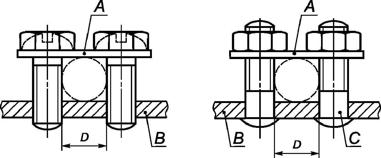
Примечание. Образцы столбчатых выводов приведены на
рисунке IC.1 Приложения IC.
3.6.4. Винтовой вывод: вывод резьбового типа, в котором проводник зажимается головкой винта. Зажимное давление передается или непосредственно головкой винта, или через промежуточный элемент типа шайбы, пластины или приспособления, препятствующего выскальзыванию проводника.
Примечание. Примеры винтовых выводов приведены на
рисунке IC.2 Приложения IC.
3.6.5. Штыревой вывод: вывод резьбового типа, в котором проводник зажимается под гайку. Зажимное давление может передаваться непосредственно от гайки соответствующей конфигурации или через промежуточный элемент типа шайбы, пластины или приспособления, препятствующего выскальзыванию проводника.
Примечание. Примеры штыревых выводов приведены на
рисунке IC.2 Приложения IC.
3.6.6. Пластинчатый вывод: вывод резьбового типа, в котором проводник зажимается под изогнутой планкой двумя или несколькими винтами или гайками.
Примечание. Примеры пластинчатых выводов приведены на
рисунке IC.3 Приложения IC.
3.6.7. Выводы для кабельных наконечников: винтовой или штыревой вывод, предназначенный для зажима кабельного наконечника или шины винтом или гайкой.
Примечание. Примеры выводов для кабельных наконечников приведены на
рисунке IC.4 Приложения IC.
3.6.8. Безрезьбовой вывод: вывод для присоединения и последующего отсоединения одного проводника или разъемного соединения между собой двух или нескольких проводников, осуществляемые прямо или косвенно при помощи пружин, клиньев, эксцентриков, конусов и т.п. без специальной подготовки проводников, за исключением снятия изоляции.
3.6.9. Самонарезающий винт: винт, изготовленный из материала с более высоким сопротивлением деформации, внедряющийся путем вращения в отверстие, выполненное в материале с меньшим сопротивлением деформации, чем у винта.
Винт выполнен с конусной резьбой с уменьшением диаметра резьбы на конце винта. При ввинчивании винта резьба надежно формируется только после достаточного числа оборотов, превышающего число витков резьбы на коническом участке.
3.6.10. Самонарезающий формирующий винт: винт с непрерывной резьбой, не предназначенный для удаления материала из отверстия.
Примечание. Пример самонарезающего формирующего винта приведен на
рисунке 1.
3.6.11. Самонарезающий режущий винт: винт с прерывистой резьбой, предназначенный для удаления материала из отверстия.
Примечание. Пример самонарезающего режущего винта приведен на
рисунке 2.
3.7. Условия оперирования
3.7.1. Оперирование: перевод подвижного контакта (контактов) из разомкнутого положения в замкнутое и наоборот.
Примечание. Различают электрическое оперирование (т.е. включение и отключение) как коммутирующее и механическое оперирование (т.е. замыкание или размыкание).
┌─────────────────────────────────────────────────────────────────────────┐
│ 3.7.2. Замыкание (включение): операция, при которой АВДТ переводится│
│из разомкнутого состояния в замкнутое. │
└─────────────────────────────────────────────────────────────────────────┘
┌─────────────────────────────────────────────────────────────────────────┐
│ 3.7.3. Размыкание (отключение): операция, при которой АВДТ│
│переводится из замкнутого в разомкнутое состояние. │
└─────────────────────────────────────────────────────────────────────────┘
┌─────────────────────────────────────────────────────────────────────────┐
│ 3.7.4. Зависимое ручное оперирование: оперирование исключительно│
│путем прямого приложения физического усилия, так что скорость и сила│
│оперирования зависят от действия оператора. │
└─────────────────────────────────────────────────────────────────────────┘
┌─────────────────────────────────────────────────────────────────────────┐
│ 3.7.5. Независимое ручное оперирование: оперирование с помощью│
│запасенной энергии, которая создается силой руки, накапливается│
│и освобождается в одной непрерывной операции, так что скорость и сила│
│оперирования не зависят от действия оператора. │
└─────────────────────────────────────────────────────────────────────────┘
┌─────────────────────────────────────────────────────────────────────────┐
│ 3.7.6. АВДТ со свободным расцеплением: АВДТ, подвижные контакты│
│которого возвращаются в разомкнутое положение и остаются в нем, когда│
│операция автоматического размыкания начинается после начала операции│
│замыкания, даже если сохраняется команда на замыкание. │
└─────────────────────────────────────────────────────────────────────────┘
Примечание. Чтобы обеспечивалось правильное отключение тока, который мог установиться, может потребоваться моментальное достижение контактами замкнутого положения.
┌─────────────────────────────────────────────────────────────────────────┐
│ 3.7.7. Цикл оперирования: последовательность операций перевода из│
│одного состояния в другое и обратно в первое через все другие состояния,│
│если они имеются. │
└─────────────────────────────────────────────────────────────────────────┘
3.7.8. Последовательность оперирования: последовательность определенных операций с заданными интервалами времени.
3.7.9. Непрерывный режим: режим, в котором главные контакты АВДТ остаются замкнутыми, пока через них проходит установившийся ток, длительное время без перерывов (в течение недель, месяцев или лет).
3.8. Конструктивные элементы
┌─────────────────────────────────────────────────────────────────────────┐
│ 3.8.1. Главный контакт: контакт, входящий в главную цепь АВДТ│
│и предназначенный для проведения в замкнутом положении тока главной цепи.│
└─────────────────────────────────────────────────────────────────────────┘
3.8.2. Дугогасительный контакт: контакт, на котором предусматривается возникновение дуги.
Примечание. Дугогасительный контакт может служить главным контактом, а может быть отдельным контактом, спроектированным так, чтобы размыкаться позже, а замыкаться раньше другого контакта, защищаемого им от повреждения.
┌─────────────────────────────────────────────────────────────────────────┐
│ 3.8.3. Контакт управления: контакт, входящий в цепь управления АВДТ│
│и механически приводимый им в действие. │
└─────────────────────────────────────────────────────────────────────────┘
┌─────────────────────────────────────────────────────────────────────────┐
│ 3.8.4. Вспомогательный контакт: контакт, входящий во вспомогательную│
│цепь АВДТ и механически приводимый им в действие (например, для указания│
│положения контактов). │
└─────────────────────────────────────────────────────────────────────────┘
┌─────────────────────────────────────────────────────────────────────────┐
│ 3.8.5. Расцепитель: устройство, механически связанное с АВДТ (или│
│встроенное в него), которое освобождает удерживающий механизм и позволяет│
│автоматическое размыкание АВДТ. │
└─────────────────────────────────────────────────────────────────────────┘
Примечание. В определении, приведенном в МЭС, сделана ссылка также на замыкание.
┌─────────────────────────────────────────────────────────────────────────┐
│ 3.8.6. Максимальный расцепитель тока: расцепитель, вызывающий│
│размыкание АВДТ с выдержкой времени или без нее, когда ток в расцепителе│
│превысит заданное значение. │
└─────────────────────────────────────────────────────────────────────────┘
Примечание. В некоторых случаях это значение может зависеть от скорости нарастания тока.
┌─────────────────────────────────────────────────────────────────────────┐
│ 3.8.7. Максимальный расцепитель с обратно-зависимой выдержкой│
│времени: максимальный расцепитель тока, срабатывающий с выдержкой│
│времени, находящейся в обратной зависимости от значения сверхтока. │
└─────────────────────────────────────────────────────────────────────────┘
Примечание. Этот расцепитель может быть спроектирован так, чтобы выдержка времени достигала определенного минимального значения при высоких значениях сверхтока.
┌─────────────────────────────────────────────────────────────────────────┐
│ 3.8.8. Максимальный расцепитель прямого действия: максимальный│
│расцепитель тока, питающийся непосредственно от тока главной цепи АВДТ. │
└─────────────────────────────────────────────────────────────────────────┘
┌─────────────────────────────────────────────────────────────────────────┐
│ 3.8.9. Расцепитель перегрузки: максимальный расцепитель тока,│
│предназначенный для защиты от перегрузок. │
└─────────────────────────────────────────────────────────────────────────┘
┌─────────────────────────────────────────────────────────────────────────┐
│ 3.8.10. Токопроводящая часть: часть, которая способна проводить ток,│
│хотя не обязательно предназначенная для проведения рабочего тока. │
└─────────────────────────────────────────────────────────────────────────┘
┌─────────────────────────────────────────────────────────────────────────┐
│ 3.8.11. Открытая токопроводящая часть: токопроводящая часть, которой│
│легко коснуться и которая в нормальных условиях эксплуатации не находится│
│под напряжением, но может оказаться под напряжением в аварийных условиях.│
└─────────────────────────────────────────────────────────────────────────┘
┌─────────────────────────────────────────────────────────────────────────┐
│ 3.9.1. Типовое испытание: испытание одного или более АВДТ,│
│изготовленных по определенной документации (проекту), проводимое с целью│
│установить, что АВДТ соответствует определенным требованиям. │
└─────────────────────────────────────────────────────────────────────────┘
┌─────────────────────────────────────────────────────────────────────────┐
│ 3.9.2. Приемо-сдаточное испытание: испытание, которому подвергается│
│каждый образец АВДТ в течение или после изготовления с целью установления│
│его соответствия определенным критериям. │
└─────────────────────────────────────────────────────────────────────────┘
3.10. Определения, касающиеся координации изоляции
┌─────────────────────────────────────────────────────────────────────────┐
│ 3.10.1. Координация изоляции: соотносительность изоляционных│
│характеристик электрооборудования, предполагаемой микросреды│
│и воздействующих факторов. │
│ [МЭК 60664-1 (1.3.1)]
[3] │
└─────────────────────────────────────────────────────────────────────────┘
┌─────────────────────────────────────────────────────────────────────────┐
│ 3.10.2. Эксплуатационное напряжение: наибольшее действующее значение│
│напряжения переменного или наибольшее значение напряжения постоянного│
│тока по конкретной изоляции, которое может возникать при номинальном│
│напряжении питания. │
│ [МЭК 60664-1 (1.3.5)]
[3] │
└─────────────────────────────────────────────────────────────────────────┘
Примечания
1. Переходные явления не учитывают.
2. С учетом условий разомкнутой цепи и нормальных рабочих условий.
┌─────────────────────────────────────────────────────────────────────────┐
│ 3.10.3. Перенапряжение: любое напряжение, пиковое значение которого│
│превышает пиковое значение максимального установившегося напряжения│
│в нормальных рабочих условиях. │
│ [МЭК 60664-1 (1.3.7)]
[3] │
└─────────────────────────────────────────────────────────────────────────┘
┌─────────────────────────────────────────────────────────────────────────┐
│ 3.10.4. Импульсное выдерживаемое напряжение: наибольшее пиковое│
│значение импульсного напряжения предписанной формы и полярности, не│
│вызывающее пробоя в заданных условиях испытания. │
│ [МЭК 60664-1 (1.3.8.1)]
[3] │
└─────────────────────────────────────────────────────────────────────────┘
┌─────────────────────────────────────────────────────────────────────────┐
│ 3.10.5. Категория перенапряжения: число, характеризующее условия│
│переходного перенапряжения. │
│ [МЭК 60664-1 (1.3.10)]
[3] │
└─────────────────────────────────────────────────────────────────────────┘
┌─────────────────────────────────────────────────────────────────────────┐
│ 3.10.6. Макросреда: условия окружающей среды помещения или места,│
│в котором установлено или эксплуатируется электрооборудование. │
│ [МЭК 60664-1 (1.3.12.1)]
[3] │
└─────────────────────────────────────────────────────────────────────────┘
┌─────────────────────────────────────────────────────────────────────────┐
│ 3.10.7. Микросреда: условия среды, непосредственно окружающей│
│изоляцию, которые, в частности, влияют на величину расстояний тока│
│утечки. │
│ [МЭК 60664-1 (1.3.12.2)]
[3] │
└─────────────────────────────────────────────────────────────────────────┘
┌─────────────────────────────────────────────────────────────────────────┐
│ 3.10.8. Загрязнение: любое добавление инородных веществ, твердых,│
│жидких или газообразных, которые могли бы уменьшить электрическую│
│прочность изоляции или поверхностное удельное сопротивление. │
│ [МЭК 60664-1 (1.3.11)]
[3] │
└─────────────────────────────────────────────────────────────────────────┘
┌─────────────────────────────────────────────────────────────────────────┐
│ 3.10.9. Степень загрязнения: числовая характеристика предполагаемого│
│загрязнения микросреды. │
│ [МЭК 60664-1 (1.3.13)]
[3] │
└─────────────────────────────────────────────────────────────────────────┘
Примечание. Степень загрязнения, воздействию которого подвергается аппарат, может отличаться от степени загрязнения микросреды, в которой установлен этот аппарат, в результате защиты, обеспечиваемой оболочкой, или внутреннего нагрева, препятствующего абсорбции или конденсации влаги.
┌─────────────────────────────────────────────────────────────────────────┐
│ 3.10.10. Разъединение (функция): действие, направленное на отключение│
│питания всей электроустановки или отдельной части путем ее отделения от│
│любого источника электрической энергии по соображениям безопасности. │
└─────────────────────────────────────────────────────────────────────────┘
┌─────────────────────────────────────────────────────────────────────────┐
│ 3.10.11. Изолирующий промежуток: воздушный зазор между разомкнутыми│
│контактами, отвечающий требованиям по безопасности, предъявляемым│
│к разъединению. │
└─────────────────────────────────────────────────────────────────────────┘
┌─────────────────────────────────────────────────────────────────────────┐
│ 3.10.12. Воздушный зазор (см.
Приложение B): кратчайшее расстояние│
│по воздуху между двумя токопроводящими частями. │
└─────────────────────────────────────────────────────────────────────────┘
Примечание. При определении воздушного зазора до доступных частей доступную поверхность изолирующей оболочки следует считать проводящей, как если бы она была покрыта металлической фольгой везде, где ее можно коснуться рукой или стандартным испытательным пальцем, представленным на
рисунке 3.
┌─────────────────────────────────────────────────────────────────────────┐
│ 3.10.13. Расстояние утечки (см.
Приложение B): кратчайшее расстояние│
│по поверхности изоляционного материала между двумя токопроводящими│
│частями. │
└─────────────────────────────────────────────────────────────────────────┘
Примечание. При определении расстояния утечки до доступных частей доступную поверхность изолирующей оболочки следует считать проводящей, как если бы она была покрыта металлической фольгой везде, где ее можно коснуться рукой или стандартным испытательным пальцем, представленным на
рисунке 3.
АВДТ классифицируют:
4.1. По способу управления:
Примечание. Разделение АВДТ на различные типы выполнено согласно требованиям МЭК 60364-5-53
[4].
4.1.1. АВДТ, функционально не зависящие от напряжения сети (см.
3.3.8);
4.1.2. АВДТ, функционально зависящие от напряжения сети (см.
3.3.9):
4.1.2.1. размыкающиеся автоматически в случае исчезновения напряжения сети с выдержкой времени или без нее (см.
8.12):
a) автоматически повторно замыкающиеся при восстановлении напряжения сети;
b) автоматически повторно не замыкающиеся при восстановлении напряжения сети;
4.1.2.2. не размыкающиеся автоматически в случае исчезновения напряжения сети:
a) способные расцепляться в случае аварийной ситуации (например, при замыкании на землю), возникающей вследствие аварии в электросети (требования в стадии рассмотрения);
b) не способные расцепляться в случае аварийной ситуации (например, при замыкании на землю), возникающей вследствие аварии в электросети.
Примечание. При выборе и применении АВДТ по перечислению b) руководствоваться условиями по МЭК 60364-5-53 (532.2.2.2)
[4].
4.2. По способу установки:
- АВДТ для стационарной установки при неподвижной проводке;
- АВДТ для подвижной установки и шнурового присоединения (подключения самого АВДТ к источнику питания).
4.3. По числу полюсов и путей тока:
- однополюсный АВДТ с одним защищенным от сверхтоков полюсом и некоммутируемой нейтралью (см.
3.3.16) (два пути тока);
- двухполюсный АВДТ с одним защищенным от сверхтоков полюсом;
- двухполюсный АВДТ с двумя защищенными от сверхтоков полюсами;
- трехполюсный АВДТ с тремя защищенными от сверхтоков полюсами;
- трехполюсный АВДТ с тремя защищенными от сверхтоков полюсами и некоммутируемой нейтралью (четыре пути тока);
- четырехполюсный АВДТ с тремя защищенными от сверхтоков полюсами;
- четырехполюсный АВДТ с четырьмя защищенными от сверхтоков полюсами.
Примечание. Полюс, который не является защищенным от сверхтоков (см.
3.3.15.1), может быть:
- "незащищенным" полюсом (см.
3.3.15.2) или
- "полюсом, коммутирующим нейтраль" (см.
3.3.15.3).
4.4. По условиям регулирования отключающего дифференциального тока:
- АВДТ с одним значением номинального отключающего дифференциального тока;
- АВДТ с многопозиционной уставкой отключающего дифференциального тока с дискретными фиксированными значениями (см.
примечание к 5.2.3).
4.5. По устойчивости к нежелательному срабатыванию от воздействия импульсов напряжения:
- АВДТ с нормальной устойчивостью к нежелательному срабатыванию (общего типа согласно
таблице 2);
- АВДТ с повышенной устойчивостью к нежелательному срабатыванию (типа S согласно
таблице 2).
4.6. По условиям функционирования при наличии составляющей постоянного тока:
- АВДТ типа AC;
- АВДТ типа A.
4.7. По наличию выдержки времени (в присутствии дифференциального тока):
- АВДТ без выдержки времени - тип для общего применения;
- АВДТ с выдержкой времени - тип S для обеспечения селективности.
4.8. По способу защиты от внешних воздействий:
- АВДТ защищенного исполнения (не требующий дополнительной оболочки);
- АВДТ незащищенного исполнения (для применения с дополнительной оболочкой).
- АВДТ поверхностного (настенного монтажа);
- АВДТ утопленного монтажа;
- АВДТ панельно-щитового монтажа (называемого также типом для распределительных щитов и щитков).
Примечание. Все эти типы могут предназначаться для установки на рейках.
4.10. По способу присоединения:
- АВДТ, присоединения которых не связаны с механическими креплениями;
- АВДТ, присоединения которых связаны с механическими креплениями, например, втычного и болтового типов.
Примечание. Некоторые АВДТ могут быть втычного или болтового типа только со стороны питания, а со стороны нагрузки - обычные крепления проводами.
4.11. По току мгновенного расцепления:
- АВДТ типа B;
- АВДТ типа C;
- АВДТ типа D.
4.12. По характеристике

:
В дополнение к характеристике

, предоставляемой изготовителем согласно разделу 5, АВДТ могут быть классифицированы по их характеристике

.
5.1. Перечень характеристик
Применяемые характеристики АВДТ:
- способ установки (см.
4.2);
- число полюсов и путей тока (см.
4.3);
- номинальный ток

(см.
5.2.2);
- номинальный отключающий дифференциальный ток

(см.
5.2.3);
- номинальный неотключающий дифференциальный ток (см.
5.2.4);
- номинальное напряжение

(см.
5.2.1);
- номинальная частота (см.
5.2.5);
- номинальная наибольшая отключающая способность

(см.
5.2.6);
- номинальная наибольшая дифференциальная включающая и отключающая способность

(см.
5.2.7);
- выдержка времени, если имеет место (см.
5.2.8);
- рабочие характеристики в случае дифференциальных токов с составляющими постоянного тока (см.
5.2.9);
| | ИС МЕГАНОРМ: примечание. В официальном тексте документа, видимо, допущена опечатка: пункт 5.2.10 отсутствует. | |
- координация изоляции, включая воздушные зазоры и расстояния утечки (см. 5.2.10);
- способ монтажа (см.
4.9);
- способ присоединения (см.
4.10);
- диапазон токов мгновенного расцепления (см.
4.11);
- характеристика

;
Для АВДТ, функционально зависящих от напряжения сети:
- поведение АВДТ в случае падения напряжения сети (см.
4.1.2).
5.2. Номинальные значения и другие характеристики
5.2.1. Номинальное напряжение
5.2.1.1. Номинальное рабочее напряжение

Номинальное рабочее напряжение (далее - номинальное напряжение) АВДТ есть значение напряжения, установленное изготовителем, при котором определена работоспособность АВДТ.
Примечание. Для одного и того же АВДТ может быть установлено несколько значений номинального напряжения и, соответственно, несколько значений наибольшей отключающей способности.
5.2.1.2. Номинальное напряжение изоляции

Номинальное напряжение изоляции АВДТ - это установленное изготовителем значение напряжения, при котором определяются испытательное напряжение изоляции и расстояния утечки.
При отсутствии других указаний номинальное напряжение изоляции - это максимальное значение номинального напряжения АВДТ. Значение максимального номинального напряжения не должно превышать значения номинального напряжения изоляции.
5.2.1.3. Номинальное импульсное выдерживаемое напряжение

Номинальное импульсное выдерживаемое напряжение АВДТ должно соответствовать или превышать стандартные значения номинального импульсного выдерживаемого напряжения, приведенные в
таблице 23.
5.2.2. Номинальный ток

Указанный изготовителем ток, который АВДТ может проводить в непрерывном режиме (см.
3.7.9) при указанной контрольной температуре окружающего воздуха.
Стандартная контрольная температура окружающего воздуха 30 °C. Если для данного АВДТ используется другое значение контрольной температуры окружающего воздуха, необходимо учитывать ее влияние на защиту кабелей от перегрузки, поскольку это тоже зависит от контрольной температуры окружающего воздуха 30 °C.
5.2.3. Номинальный отключающий дифференциальный ток

Значение отключающего дифференциального тока (см.
3.2.4), указанное для АВДТ изготовителем, при котором АВДТ должен срабатывать в заданных условиях.
Примечание. Для АВДТ, имеющих несколько уставок дифференциального тока срабатывания, для данного определения используется уставка с наибольшим значением.
5.2.4. Номинальный неотключающий дифференциальный ток

Значение неотключающего дифференциального тока (см.
3.2.5), указанное для АВДТ изготовителем, при котором АВДТ не срабатывает в заданных условиях.
5.2.5. Номинальная частота
Номинальная частота АВДТ - это промышленная частота, на которую рассчитан АВДТ и которой соответствуют значения других характеристик.
Примечание. Один АВДТ может быть рассчитан на несколько значений номинальной частоты.
5.2.6. Номинальная наибольшая отключающая способность

Номинальная наибольшая отключающая способность - это значение предельной наибольшей отключающей способности (см.
3.4.6.1), указанное для АВДТ изготовителем.
Примечание. АВДТ с указанной номинальной наибольшей отключающей способностью

имеет соответствующую ей рабочую наибольшую отключающую способность

(см.
таблицу 18).
5.2.7. Номинальная дифференциальная включающая и отключающая способность

Действующее значение переменной составляющей ожидаемого дифференциального тока (см.
3.2.3 и
3.4.3), указанное изготовителем, которое АВДТ может включать, проводить и отключать при указанных условиях.
АВДТ с выдержкой времени (см.
3.3.12), отвечающий требованиям
таблицы 2 (тип S).
5.2.9. Рабочие характеристики в случае дифференциального тока с составляющей постоянного тока
5.2.9.1. АВДТ типа AC
АВДТ, который обеспечивает срабатывание при дифференциальном синусоидальном переменном токе, прикладываемом либо скачком, либо медленно растущем.
5.2.9.2. АВДТ типа A
АВДТ, который обеспечивает срабатывание при дифференциальном синусоидальном переменном токе и дифференциальном пульсирующем постоянном токе, прикладываемом либо скачком, либо медленно растущем.
5.3. Стандартные и предпочтительные значения
5.3.1. Предпочтительные значения номинального напряжения

К предпочтительным значениям номинального напряжения относят следующие:
АВДТ | Сеть, к которой подключен АВДТ | Номинальное напряжение АВДТ для систем на 230 В или 230/400 В или 400 В | Номинальное напряжение АВДТ для систем на 120/240 В или 240 В |
Однополюсный (с двумя путями тока) | Однофазная (между фазой и заземленным нейтральным проводником или между фазой и нейтралью) | 230 | 120 |
Двухполюсный | Однофазная (между фазой и нейтралью или между фазами или между фазой и заземленным нейтральным проводником) | 230 | 120 |
Однофазная (между фазами) | 400 | 240 |
Однофазная (трехпроводная между фазами) | - | 120/240 |
Трехфазная (четырехпроводная) на 230/400 В между фазой и нейтралью, на 230 В между фазами | 230 | - |
Трехполюсный (с тремя или четырьмя путями тока) | Трехфазная (трех- или четырехпроводная) на 400 В или 230/400 В или 240 В | 400 | 240 |
Четырех- полюсный | Трехфазная (четырехпроводная) на 230/400 В | 400 | - |
Примечания 1. По &ГОСТ 29322& стандартизовано значение сетевого напряжения 230/400 В. Это значение должно постепенно заменить значения 220/380 В и 240/415 В. 2. Указанные в настоящем стандарте значения 230 или 400 В могут быть приняты как 220 или 240, 380 или 415 В соответственно. 3. Указанные в настоящем стандарте значения 120 или 120/240 В могут быть приняты как 100 или 100/200, или 200 В соответственно. 4. Указанное в настоящем стандарте значение 240 В трехфазного может быть принято как 100 или 120/208 В соответственно. |
Примечание. В Японии фазно-нейтральный и фазно-заземленный проводники считают разными, поскольку однофазная двухпроводная система, питаемая двухпроводным источником, не имеет нулевой точки.
5.3.2. Предпочтительные значения номинального тока

Предпочтительными значениями номинального тока являются:
6; 8; 10; 13; 16; 20; 25; 32; 40; 50; 63; 80; 100; 125 А.
5.3.3. Стандартные значения номинального отключающего дифференциального тока

Стандартными значениями номинального отключающего дифференциального тока являются:
0,006; 0,010; 0,030; 0,100; 0,300; 0,500 А.
Примечание. В некоторых странах значение 1 А также считают стандартным.
5.3.4. Стандартное значение неотключающего дифференциального тока

Стандартным значением неотключающего дифференциального тока является

.
Примечание. Для дифференциальных пульсирующих постоянных токов неотключающие дифференциальные токи зависят от угла

задержки тока (см.
3.1.4).
5.3.5. Стандартные значения номинальной частоты
Стандартными значениями номинальной частоты являются 50 и 60 Гц.
5.3.6. Стандартные значения номинальной наибольшей отключающей способности
5.3.6.1. Стандартные значения до 10000 А включительно
Стандартные значения номинальной наибольшей отключающей способности до 10000 А включительно приведены в таблице 1.
Таблица 1
Стандартные значения номинальной
наибольшей отключающей способности
В амперах
┌─────────────────────────────────────────────────────────────────────────┐
│ Стандартные значения номинальной наибольшей отключающей способности │
├───────────────┬──────────────┬─────────────┬─────────────┬──────────────┤
│ 1500 │ 3000 │ 4500 │ 6000 │ 10000 │
├───────────────┴──────────────┴─────────────┴─────────────┴──────────────┤
│ Примечание. В некоторых странах также считают стандартными значения│
│1000, 2000, 2500, 7500 и 9000 А. │
└─────────────────────────────────────────────────────────────────────────┘
Соответствующие диапазоны значений коэффициента мощности приведены в
9.12.5.
5.3.7. Минимальное значение номинальной наибольшей дифференциальной включающей и отключающей способности

Минимальным значением номинальной наибольшей включающей и отключающей способности

является

или 500 А (выбирают большее значение).
Соответствующие коэффициенты мощности указаны в
таблице 17.
5.3.8. Стандартные значения времени отключения и времени неотключения в условиях дифференциального тока
Стандартные значения максимального времени отключения (см.
3.3.10) и времени неотключения (см.
3.3.11) для АВДТ типа AC приведены в таблице 2.
Таблица 2
Стандартные значения времени отключения
и времени неотключения в условиях дифференциального тока
┌─────┬──────┬──────────┬─────────────────────────────────────────────────────────────────┐
│ Тип │I , А │I ,│ Стандартные значения времени отключения и времени │
│ │ n │ Дельта n │ неотключения при дифференциальном токе (I ), с │
│ │ │ А │ Дельта │
│ │ │ ├─────────┬──────────┬──────────┬──────────┬─────────┬────────────┤
│ │ │ │I │2I │5I │5, 10, 20,│I │ │
│ │ │ │ Дельта n│ Дельта n│ Дельта n│ 50, 100, │ Дельта t│ │
│ │ │ │ │ │ │ (А)
<**> │ │ │
├─────┼──────┼──────────┼─────────┼──────────┼──────────┼──────────┼─────────┼────────────┤
│Общий│Любое │Любое │ 0,3 │ 0,15 │ 0,04 │ 0,04 │ 0,04 │Максимальное│
│ │значе-│значение │ │ │ │ │ │время │
│ │ние │ │ │ │ │ │ │отключения │
├─────┼──────┼──────────┼─────────┼──────────┼──────────┼──────────┼─────────┤ │
│S │Св. 25│Св. 0,030 │ 0,5 │ 0,2 │ 0,15 │ 0,15 │ 0,15 │ │
│ │ │ ├─────────┼──────────┼──────────┼──────────┼─────────┼────────────┤
│ │ │ │ 0,13 │ 0,06 │ 0,05 │ - │ 0,04 │Минимальное │
│ │ │ │ │ │ │ │ │время │
│ │ │ │ │ │ │ │ │неотключения│
│ │ │ │ │ │ │ │ │(несрабаты- │
│ │ │ │ │ │ │ │ │вания) │
├─────┴──────┴──────────┴─────────┴──────────┴──────────┴──────────┴─────────┴────────────┤
│ <*> Для АВДТ общего типа с I менее 30 мА ток 0,25 А может быть │
│ Дельта n │
│использован как альтернатива 5I . │
│ Дельта n │
│ <**> Испытания на 5, 10, 20, 50, 100, 200 и 500 А проводят только при │
│проверке правильности срабатывания по
9.9.1.2 d), но в любом случае │
│значения выше нижнего предела диапазона токов мгновенного расцепления │
│не применяют. │
│ <***> Испытание проводят с током I , который равен нижнему │
│ Дельта t │
│пределу диапазона токов мгновенного расцепления согласно типу B, C или D, │
│какой применим. │
└─────────────────────────────────────────────────────────────────────────────────────────┘
Для АВДТ типа A максимальное время отключения, значения которого указаны в
таблице 2, также должно иметь силу, однако значения тока (

,

,

, 0,25 и 500 А) должны быть умножены при испытании по
9.21.1 на коэффициент 1,4 для АВДТ с

более 0,01 А и на коэффициент 2 для АВДТ с

, равном или менее 0,01 А.
5.3.9. Стандартные диапазоны токов мгновенного расцепления
Стандартные диапазоны токов мгновенного расцепления приведены в таблице 3.
Таблица 3
Диапазоны токов мгновенного расцепления
┌────────────────────────────┬───────────────────────────────────┐
│Тип мгновенного расцепления │ Диапазон │
├────────────────────────────┼───────────────────────────────────┤
│ B │ От 3I до 5I включительно │
│ │ n n │
├────────────────────────────┼───────────────────────────────────┤
│ C │ От 5I до 10I включительно │
│ │ n n │
├────────────────────────────┼───────────────────────────────────┤
│ D │ От 10I до 50I включительно │
│ │ n n │
└────────────────────────────┴───────────────────────────────────┘
5.3.10. Стандартные значения номинального импульсного выдерживаемого напряжения

В таблице 23 приведены стандартные значения номинального импульсного выдерживаемого напряжения в качестве функции номинального напряжения электроустановки.
Таблица 23
Номинальное импульсное выдерживаемое напряжение
в качестве функции номинального напряжения электроустановки
┌───────────────────────┬─────────────────────────────────────────────────┐
│Номинальное импульсное │ Номинальное напряжение электроустановки │
│ выдерживаемое ├───────────────────────┬─────────────────────────┤
│ напряжение (U ), кВ │ Трехфазные системы, В │ Однофазная система │
│ imp │ │ с заземленной средней │
│ │ │ точкой, В │
├───────────────────────┼───────────────────────┼─────────────────────────┤
├───────────────────────┼───────────────────────┼─────────────────────────┤
│ 4,0 <1> │ 230/400 │ 120/240, 240
<3> │
├───────────────────────┴───────────────────────┴─────────────────────────┤
│ Примечания │
│ 1. Напряжения для испытания изоляции см. в
таблице 25. │
│ 2. Напряжения для испытания изолирующего расстояния через│
├─────────────────────────────────────────────────────────────────────────┤
│ <1> Значения 3 и 5 кВ соответственно применяют при проверке│
│изолирующих расстояний через разомкнутые контакты на высоте 2000 м (см.│
│ <2> Из практики электроустановок в Японии. │
│ <3> Из практики электроустановок в странах Северной Америки. │
└─────────────────────────────────────────────────────────────────────────┘
6. Маркировка и другая информация об изделии
Каждый АВДТ должен иметь стойкую маркировку с указанием всех или, при малых размерах, части следующих данных:
a) наименование изготовителя или торговый знак;
b) обозначение типа, каталожного номера или номера серии;
c) номинальное (номинальные) напряжение (напряжения);
d) номинальный ток без единицы измерения с предшествующим обозначением типа характеристики мгновенного расцепления (B, C или D), например B16 - АВДТ типа B на номинальный ток 16 А;
e) номинальная частота, если АВДТ разработан для работы только на одной частоте (см.
5.3.5);
f) номинальный отключающий дифференциальный ток;
g) уставки отключающего дифференциального тока для АВДТ с несколькими значениями отключающего дифференциального тока;
h) номинальная наибольшая отключающая способность в амперах;
j) контрольная калибровочная температура, если она отличается от 30 °C;
k) степень защиты (только если она отличается от IP20);
l) рабочее положение &(символ по
ГОСТ 30012.1)& при необходимости;
m) номинальная наибольшая дифференциальная включающая и отключающая способность, если она отличается от номинальной наибольшей отключающей способности;
n) символ

для АВДТ типа S;
o) указание о том, что АВДТ функционально зависит от напряжения сети, если применимо (на рассмотрении);
q) символ T - средство управления устройством эксплуатационного контроля;
s) рабочая характеристика при наличии дифференциальных токов с составляющими постоянного тока:
- АВДТ типа AC - символ

;
- АВДТ типа A - символ

.
Маркировка должна быть нанесена либо непосредственно на АВДТ, либо на табличку или таблички, прикрепленные к АВДТ, и должна быть расположена таким образом, чтобы быть видимой после установки АВДТ.
Пригодность для разъединения, которая обеспечивается всеми АВДТ настоящего стандарта, может быть обозначена символом

, нанесенным на аппарат. Когда эта маркировка прикреплена, она может быть включена в схему подключения в сочетании с символами других функций.
Примечание. В Австралии такая маркировка на автоматическом выключателе обязательна, но не требуется, чтобы она была видимой после установки.
Когда символ используют сам по себе (не в схеме подключения), его сочетание с символами других функций не допустимо.
Если на аппарате маркирована степень защиты выше, чем IP20, он должен ей соответствовать независимо от способа установки. Если повышенная степень защиты достигается исключительно с помощью особого способа монтажа и/или с применением специальных дополнительных установочных узлов (например, крышки для выводов, оболочки и т.д.), это должно быть отражено в документации изготовителя.
Если габариты АВДТ не позволяют нанести на аппарат все указанные выше данные, то по крайней мере маркировка по
d),
f) и
n) должна быть нанесена и быть видимой после монтажа АВДТ. Информация по
a),
b),
c),
h) и
s) может быть нанесена на боковой или задней поверхности АВДТ и быть видимой только до установки АВДТ. Информация по
r) может размещаться на внутренней поверхности любой крышки, которую следует снимать для присоединения подводящих проводов. Информация по остальным пунктам должна быть приведена в документации и каталогах изготовителя.
Для АВДТ, кроме управляемых нажимными кнопками, отключенное положение должно обозначаться символом "O", включенное положение - символом "|" (короткая вертикальная черта).
Для этого обозначения допускается применение дополнительных национальных символов. Временно разрешено применение только национальных обозначений. Эти обозначения должны быть хорошо видны на установленном АВДТ.
Для АВДТ, управляемых двумя нажимными кнопками, кнопка, предназначенная только для операции отключения, должна быть красного цвета и/или обозначена символом "O".
Красный цвет не должен быть использован ни для каких других кнопок АВДТ.
Если кнопка служит для замыкания контактов и ясно распознается как таковая, то для указания замкнутого положения контактов достаточно ее утопленного положения. Если одну и ту же кнопку используют и для замыкания, и для размыкания контактов, и она идентифицируется как таковая, то для указания замкнутого положения контактов достаточно, когда она остается в утопленном положении. С другой стороны, если кнопка не остается утопленной, следует предусмотреть дополнительный указатель положения контактов.
Если необходимо различать входные и выходные выводы, они должны быть ясно обозначены (например, словами "линия" и "нагрузка", расположенными около соответствующих выводов, или стрелками, указывающими направление протекания тока).
Выводы, предназначенные исключительно для соединения цепи нейтрального проводника, должны быть обозначены буквой N.
Выводы, предназначенные для нулевого защитного проводника, если он предусмотрен, должны обозначаться знаком

по &
ГОСТ 28312&.
Примечание. Ранее рекомендованное обозначение

должно заменяться вышеуказанным символом.
Маркировка должна быть нестираемой, хорошо видимой и не должна наноситься на винты, шайбы и другие съемные части.
Соответствие проверяют осмотром и испытанием по
9.3.
7. Нормальные условия эксплуатации и монтажа
7.1. Условия эксплуатации
АВДТ, удовлетворяющие требованиям настоящего стандарта, должны быть работоспособны при нормальных условиях, приведенных в таблице 4.
Таблица 4
Нормальные условия эксплуатации
┌───────────────────┬────────────────────────┬─────────────┬──────────────┐
│ Внешние │ Нормальный диапазон │ Контрольное │ Допустимые │
│ воздействующие │ эксплуатации │ значение │ отклонения │
│ факторы │ │ │при испытании │
├───────────────────┼────────────────────────┼─────────────┼──────────────┤
│ Температура │ От минус 5 °C │ 20 °C │ +/- 5 °C │
│окружающего воздуха│до плюс 40 °C │ │ │
├───────────────────┼────────────────────────┼─────────────┼──────────────┤
│ Высота над уровнем│ Не более 2000 м │ - │ - │
│моря │ │ │ │
├───────────────────┼────────────────────────┼─────────────┼──────────────┤
│влажность, │ │ │ │
│максимальное │ │ │ │
│значение при 40 °C │ │ │ │
├───────────────────┼────────────────────────┼─────────────┼──────────────┤
│ Внешние магнитные │ Не более пятикратного │ Значение │ См. приме- │
│поля │значения магнитного поля│магнитного │чание
4 │
│ │Земли в любом │поля Земли │ │
│ │направлении │ │ │
├───────────────────┼────────────────────────┼─────────────┼──────────────┤
│ Рабочее положение │ Указанное изготовителем│ Указанное │ +/- 2° │
│ │+/- 2° в любом │изготовителем│в любом │
│ │направлении │ │направлении │
├───────────────────┼────────────────────────┼─────────────┼──────────────┤
│ Частота │ Контрольное значение │ Номинальное │ +/- 2% │
│ │+/- 5% (см. примечание │значение │ │
├───────────────────┼────────────────────────┼─────────────┼──────────────┤
│ Искажение │ Не более 5% │ Ноль │ 5% │
│синусоидальной │ │ │ │
│формы кривой │ │ │ │
├───────────────────┴────────────────────────┴─────────────┴──────────────┤
│ Примечания │
│ 1. Максимальное значение среднесуточной температуры 35 °C. │
│ 2. Значения, выходящие за пределы указанных диапазонов, относящиеся│
│к районам с более суровыми климатическими условиями, устанавливаются по│
│согласованию между изготовителем и потребителем. │
│ 3. Более высокая относительная влажность допускается при меньших│
│значениях температуры (например, 90% при 20 °C). │
│ 4. При установке АВДТ вблизи сильных магнитных полей могут быть│
│необходимы дополнительные требования. │
│ 5. Крепление АВДТ должно обеспечивать отсутствие деформаций корпуса,│
│которые могут нарушить функционирование АВДТ. │
│ 6. Приведенные допуски применяют, если иное не указано в методике│
│испытаний. │
│ 7. Предельные значения температур минус 20 °C и плюс 60 °C допустимы│
│при хранении и транспортировании и должны быть приняты в расчет при│
│разработке АВДТ. │
└─────────────────────────────────────────────────────────────────────────┘
| | Применение на добровольной основе пунктов 7.2, 7.3 обеспечивает соблюдение требований Федерального закона от 22.07.2008 N 123-ФЗ "Технический регламент о требованиях пожарной безопасности" (Приказ Росстандарта от 16.04.2014 N 474). | |
АВДТ должны быть установлены согласно указаниям, приведенным в инструкциях изготовителя.
АВДТ согласно настоящему стандарту предназначены для эксплуатации в окружающей среде со степенью загрязнения 2, т.е. как правило, с непроводящим загрязнением, однако изредка допускается временная проводимость вследствие конденсации.
8. Требования к конструкции и функционированию
8.1. Механическая конструкция
АВДТ должны быть разработаны и установлены таким образом, чтобы при нормальной эксплуатации их функционирование не представляло опасности для потребителя и окружающей среды.
Устройство для обнаружения дифференциального тока и расцепитель дифференциального тока должны быть размещены между входными и выходными выводами АВДТ.
Должна быть исключена возможность изменения рабочих характеристик АВДТ путем вмешательства извне, за исключением специально предусмотренных средств изменения уставки отключающего дифференциального тока.
При наличии у АВДТ нескольких значений уставок дифференциального тока срабатывания в качестве номинального тока указывают наибольшую уставку.
Подвижные контакты всех полюсов многополюсных АВДТ должны быть соединены механически таким образом, чтобы все полюса, за исключением коммутирующего нейтраль, если имеется, включали и отключали практически одновременно, независимо от того, осуществляется оперирование вручную или автоматически.
Полюс, коммутирующий нейтраль (см.
3.3.15.3), четырехполюсных АВДТ должен размыкаться позже и замыкаться раньше других полюсов.
Соответствие проверяют осмотром и испытанием вручную с использованием необходимых средств (например, индикаторная лампа, осциллоскоп и т.д.).
Если полюс с соответствующей наибольшей включающей и отключающей способностью используется как нейтральный полюс и АВДТ снабжен независимым ручным приводом (см.
3.7.5), тогда все полюса, включая и нейтральный, могут срабатывать практически одновременно.
АВДТ должен иметь механизм свободного расцепления.
Должна быть предусмотрена возможность включать и отключать АВДТ вручную. Для АВДТ втычного типа это требование не может быть удовлетворено, поскольку возможно снятие АВДТ с основания вручную.
АВДТ должен быть устроен так, чтобы подвижные контакты могли находиться в состоянии покоя только в замкнутом (см.
3.3.13) или только разомкнутом (см.
3.3.14) положении, даже если органы управления находятся в промежуточном положении.
Согласно требованиям к функции разъединения (см.
8.3) АВДТ в разомкнутом положении (см.
3.3.14) должны обеспечивать изолирующее расстояние.
Указание положения разомкнутых контактов должно обеспечиваться одним или двумя из следующих способов:
- положением органа управления (что предпочтительнее) или;
- отдельным механическим индикаторным устройством.
При применении отдельного механического индикатора для указания положения главных контактов в нем красный цвет указывает на замкнутое положение контактов, зеленый - на разомкнутое.
Примечание. В США красный и зеленый цвета для индикации положения контактов не применяют.
Способ индикации контактного положения должен быть четким.
Соответствие проверяют осмотром и испытанием по
9.9.2.2.
Конструкцией АВДТ должна быть предусмотрена единственно правильная установка органа управления, фронтальной панели или крышки, обеспечивающая безошибочную индикацию положения контактов.
Когда изготовитель предусматривает или указывает способ блокировки органа управления в разомкнутом положении, такая блокировка должна быть возможна только в разомкнутом положении контактов.
Примечание. Блокировка органа управления в замкнутом положении допускается в частных случаях.
Соответствие проверяют осмотром по инструкции изготовителя.
Если орган управления применяют для указания положения контактов, тогда он в свободном состоянии должен автоматически занимать положение, которое соответствует положению подвижных контактов; в этом случае орган управления должен иметь два разных положения покоя, соответствующих положению контактов, однако для автоматического отключения может быть предусмотрено третье отдельное положение органа управления, в таком случае необходимо АВДТ взвести вручную перед повторным включением.
Для АВДТ, функционально зависящего от напряжения сети, повторно включающегося автоматически (см.
4.1.2.1) при восстановлении напряжения в сети после перебоя в его подаче, орган управления должен остаться в положении "Вкл." при автоматическом размыкании контактов; когда напряжение восстановится, контакты должны автоматически замкнуться, если за это время орган управления не был переведен в положение "Откл.".
Примечание. Для АВДТ такого типа органы управления не могут использоваться для индикации положения контактов.
Если для указания положения контактов используют индикаторную лампочку, она должна гореть ярким светом во включенном положении АВДТ. Индикаторная лампочка не должна быть единственным средством указания замкнутого положения контактов.
Работоспособность АВДТ не должна зависеть от положения оболочек, крышек или любой съемной части.
Крышку, залитую при сборке изготовителем, считают несъемной частью.
Если крышку используют в качестве направляющей для нажимных кнопок, снятие кнопок снаружи АВДТ должно быть невозможным.
Органы управления должны быть надежно закреплены на своих осях, и снятие их без помощи инструмента должно быть невозможным.
Допускается крепление органов управления непосредственно к крышкам. Если орган управления перемещается в вертикальной плоскости "вверх-вниз", когда АВДТ установлен как при нормальной эксплуатации, контакты должны замыкаться движением органа управления снизу вверх.
Примечание. В некоторых странах допускается замыкание контактов при движении органа управления сверху вниз.
Соответствие вышеуказанным требованиям проверяют внешним осмотром, испытанием вручную и для механизма свободного расцепления - испытанием по
9.11.
8.1.3. Воздушные зазоры и расстояния утечки (см.
Приложение B)
Минимальные значения воздушных зазоров и расстояний утечки, приведенные в таблице 5, предназначены для АВДТ, эксплуатируемых в окружающей среде со степенью загрязнения 2.
Таблица 5
Минимальные значения воздушных зазоров и расстояний утечки
┌───────────────────────────────────────────────────────┬───────────────────────────────────┐
│ Описание воздушных зазоров │ Минимальные значения воздушных │
│ │ зазоров, мм, при U , │
│ │ imp │
│ │ кВ/номинальном напряжении, В │
│ ├───────────┬───────────┬───────────┤
│ │ 2,5 │ 4,0 │ 4,0 │
│ ├───────────┼───────────┼───────────┤
│ │ 120/240 │ 120/240 │ 230/400 │
│ │ 120 │ 240 │ 230, 400 │
├───────────────────────────────────────────────────────┼───────────┼───────────┼───────────┤
│ 1. Между частями, находящимися под напряжением, │ 2,0 │ 4,0 │ 4,0 │
│разъединенными, когда главные контакты АВДТ │ │ │ │
├───────────────────────────────────────────────────────┼───────────┼───────────┼───────────┤
│ 2. Между частями различной полярности, находящимися │ 1,5 │ 3,0 │ 3,0 │
│под напряжением
<a> │ │ │ │
├───────────────────────────────────────────────────────┼───────────┼───────────┼───────────┤
│ 3. Между цепями, питаемыми от разных источников, │ 3,0 │ 6,0 │ 8,0 │
│один из которых PELV или SELV
<g> │ │ │ │
├───────────────────────────────────────────────────────┼───────────┼───────────┼───────────┤
│ 4. Между частями, находящимися │ 1,5 │ 3,0 │ 3,0 │
│под напряжением, и: │ │ │ │
│ - доступными поверхностями органов управления; │ │ │ │
│ - винтами и другими средствами крепления крышек, │ │ │ │
│которые снимаются при монтаже АВДТ; │ │ │ │
│ - поверхностью, на которой монтируется основание │ │ │ │
│ - винтами и другими средствами крепления АВДТ
<b>; │ │ │ │
│ - металлическими крышками или коробками
<b>; │ │ │ │
│ - прочими доступными металлическими частями
<c>; │ │ │ │
│ - металлическими опорными рамами АВДТ утопленного │ │ │ │
│монтажа │ │ │ │
├───────────────────────────────────────────────────────┼───────────┼───────────┼───────────┤
│ 5. Между металлическими частями механизма и: │ 1,5 │ 3,0 │ 3,0 │
│ - доступными металлическими частями
<c>; │ │ │ │
│ - винтами и другими средствами крепления АВДТ; │ │ │ │
│ - металлическими опорными рамами АВДТ утопленного │ │ │ │
│монтажа │ │ │ │
├───────────────────────────┬───────────────────────────┴───────────┴───────────┴───────────┤
│Описание расстояний утечки │ Минимальные значения расстояний утечки
<e>,
<f>, мм │
│ ├──────────────────────┬──────────────────────┬─────────────────┤
│ │ Группа IIIa
<h> │ Группа II │ Группа I │
│ │(175 В <= СИТ < 400 В)│(400 В <= СИТ < 600 В)│ (600 В <= СИТ) │
│ ├──────────────────────┴──────────────────────┴─────────────────┤
│ │ Эксплуатационное напряжение
<e>, В │
│ ├───────┬────┬────┬────┬───────┬────┬────┬────┬─────┬───┬───┬───┤
│ │ > 25 │120 │250 │400 │ > 25 │120 │250 │400 │> 25 │120│250│400│
│ │ <= 50 │ │ │ │ <= 50 │ │ │ │<= 50│ │ │ │
├───────────────────────────┼───────┼────┼────┼────┼───────┼────┼────┼────┼─────┼───┼───┼───┤
│ 1. Между частями, │ 1,2 │2,0 │4,0 │4,0 │ 0,9 │2,0 │4,0 │4,0 │ 0,6 │2,0│4,0│4,0│
│находящимися │ │ │ │ │ │ │ │ │ │ │ │ │
│под напряжением, │ │ │ │ │ │ │ │ │ │ │ │ │
│разъединенными, когда │ │ │ │ │ │ │ │ │ │ │ │ │
│главные контакты АВДТ │ │ │ │ │ │ │ │ │ │ │ │ │
│разомкнуты
<a> │ │ │ │ │ │ │ │ │ │ │ │ │
├───────────────────────────┼───────┼────┼────┼────┼───────┼────┼────┼────┼─────┼───┼───┼───┤
│ 2. Между частями различной│ 1,2 │1,5 │3,0 │4,0 │ 0,9 │1,5 │3,0 │3,0 │ 0,6 │1,5│3,0│3,0│
│полярности, находящимися │ │ │ │ │ │ │ │ │ │ │ │ │
│под напряжением
<a> │ │ │ │ │ │ │ │ │ │ │ │ │
├───────────────────────────┼───────┼────┼────┼────┼───────┼────┼────┼────┼─────┼───┼───┼───┤
│ 3. Между цепями, питаемыми│ │3,0 │6,0 │8,0 │ │3,0 │6,0 │8,0 │ │3,0│6,0│8,0│
│от разных источников, один │ │ │ │ │ │ │ │ │ │ │ │ │
│из которых PELV или SELV │ │ │ │ │ │ │ │ │ │ │ │ │
│
<g> │ │ │ │ │ │ │ │ │ │ │ │ │
└───────────────────────────┴───────┴────┴────┴────┴───────┴────┴────┴────┴─────┴───┴───┴───┘
Окончание таблицы 5
┌───────────────────────────┬───────────────────────────────────────────────────────────────┐
│Описание расстояний утечки │ Минимальные значения расстояний утечки
<e>,
<f>, мм │
│ ├──────────────────────┬──────────────────────┬─────────────────┤
│ │ Группа IIIa
<h> │ Группа II │ Группа I │
│ │(175 В <= СИТ < 400 В)│(400 В <= СИТ < 600 В)│ (600 В <= СИТ) │
│ ├──────────────────────┴──────────────────────┴─────────────────┤
│ │ Номинальное напряжение, В │
│ ├───────────┬──────────┬───────────┬──────────┬────────┬────────┤
│ │ 120/240 │ 230/400 │ 120/240 │ 230/400 │120/240 │230/400 │
├───────────────────────────┼───────────┼──────────┼───────────┼──────────┼────────┼────────┤
│ 4. Между частями, │ 1,5 │ 4,0 │ 1,5 │ 3,0 │ 1,5 │ 3,0 │
│находящимися под │ │ │ │ │ │ │
│напряжением, и: │ │ │ │ │ │ │
│ - доступными поверхностями│ │ │ │ │ │ │
│органов управления; │ │ │ │ │ │ │
│ - винтами и другими │ │ │ │ │ │ │
│средствами крепления │ │ │ │ │ │ │
│крышек, которые снимаются │ │ │ │ │ │ │
│при монтаже АВДТ; │ │ │ │ │ │ │
│ - поверхностью, на которой│ │ │ │ │ │ │
│монтируется основание АВДТ │ │ │ │ │ │ │
│ - винтами и другими │ │ │ │ │ │ │
│средствами крепления АВДТ │ │ │ │ │ │ │
│ - металлическими крышками │ │ │ │ │ │ │
│или коробками
<b>; │ │ │ │ │ │ │
│ - прочими доступными │ │ │ │ │ │ │
│металлическими частями
<c>;│ │ │ │ │ │ │
│ - металлическими опорными │ │ │ │ │ │ │
│рамами АВДТ утопленного │ │ │ │ │ │ │
│монтажа │ │ │ │ │ │ │
├───────────────────────────┼───────────┼──────────┼───────────┼──────────┼────────┼────────┤
│ 5. Между металлическими │ 1,5 │ 4,0 │ 1,5 │ 3,0 │ 1,5 │ 3,0 │
│частями механизма и: │ │ │ │ │ │ │
│ - доступными металличес- │ │ │ │ │ │ │
│кими частями
<c>; │ │ │ │ │ │ │
│ - винтами и другими │ │ │ │ │ │ │
│средствами крепления АВДТ; │ │ │ │ │ │ │
│ - металлическими опорными │ │ │ │ │ │ │
│рамами АВДТ утопленного │ │ │ │ │ │ │
│монтажа │ │ │ │ │ │ │
├───────────────────────────┴───────────┴──────────┴───────────┴──────────┴────────┴────────┤
│ Примечания │
│ 1. Значения, приведенные для 400 В, также действительны для 440 В. │
│ 2. Части нейтрали, если имеется, считаются частями, находящимися │
│под напряжением. │
│ 3. Вопрос о воздушных зазорах и расстояниях утечки для твердой │
│изоляции - в стадии рассмотрения. │
│ 4. Следует обратить внимание на соблюдение соответствующих воздушных │
│зазоров и расстояний утечки между частями АВДТ разной полярности, │
│находящимися под напряжением, например втычного типа, смонтированными │
│близко друг к другу. Если требования к воздушным зазорам и расстояниям │
│утечки не выполняются для всех поверхностей, смежных с УДТ, должна быть │
│предусмотрена отдельная информация по монтажу. │
├───────────────────────────────────────────────────────────────────────────────────────────┤
│ <a> Значения для вспомогательных контактов и контактов управления │
│приведены в соответствующем стандарте. │
│ <b> Значения удваиваются, если воздушные зазоры и расстояния утечки │
│между частями аппарата, находящимися под напряжением, и металлическим │
│экраном или монтажной поверхностью АВДТ зависят не только от конструкции │
│АВДТ, они могут быть уменьшены, когда АВДТ установлен в самых │
│неблагоприятных условиях. │
│ <c> Включая металлическую фольгу в контакте с поверхностями │
│изоляционного материала, которые доступны после монтажа для нормальной │
│эксплуатации. Фольгу заправляют в углы, углубления и т.п. с помощью │
│прямого несочлененного испытательного пальца согласно
9.6 (см.
рисунок 3). │
│ <e> Допускается интерполяция при определении расстояний утечки, │
│соответствующих значениям напряжения, промежуточных к указанным в качестве │
│эксплуатационного напряжения. Определение воздушных зазоров см. │
│ <f> Воздушные зазоры не могут быть меньше соответствующих расстояний │
│утечки. │
│ <g> С учетом всех разных напряжений, в т.ч. СНН во вспомогательном │
│контакте. │
│ <h> Для материалов группы IIIb (100 В <= СИТ > 175 В) применяют │
│значения для материалов группы IIIa, умноженные на 1,6. │
ИС МЕГАНОРМ: примечание.
В официальном тексте документа, видимо, допущена опечатка: МЭК 60664-1
находится в пункте [3] библиографии, а не в пункте [4].
│ <i> Для эксплуатационных напряжений до 25 В включительно можно │
│ссылаться на МЭК 60664-1
[4]. │
└───────────────────────────────────────────────────────────────────────────────────────────┘
| | ИС МЕГАНОРМ: примечание. В официальном тексте документа, видимо, допущена опечатка: МЭК 60664-1 находится в пункте [3] библиографии, а не в пункте [4]. | |
Изоляционные материалы классифицируют по группам согласно сравнительному индексу трекингостойкости (СИТ) в соответствии с МЭК 60664-1 (2.7.1.1 и 2.7.1.3)
[4].
8.1.4. Винты, токопроводящие части и соединения
8.1.4.1. Соединения, как электрические, так и механические, должны выдерживать механические нагрузки, характерные для нормальной эксплуатации.
Винты, применяемые для монтажа АВДТ, не должны быть самонарезающегося типа.
Примечание. К винтам или гайкам, используемым для монтажа АВДТ, относят винты для крепления крышек и закрывающих пластин, но не для соединения резьбовых трубопроводов и крепления оснований АВДТ.
Соответствие данному требованию проверяют внешним осмотром и испытанием по
9.4.
Примечание. Резьбовые соединения проверяют в ходе испытаний по
9.8,
9.12 -
9.14 и
9.23.
8.1.4.2. Для винтов, входящих в зацепление с резьбой в изоляционном материале, которые используют при монтаже АВДТ, должен быть обеспечен правильный ввод винта в резьбовое отверстие или гайку.
Соответствие проверяют внешним осмотром и проверкой вручную.
Примечание. Требование правильного ввода винта удовлетворяется, если, например, исключить перекос винта на входе, используя в качестве направляющей для него на закрепляющей части фаску на внутренней резьбе, в которую он ввинчивается, или снять часть резьбы с заходной части винта.
8.1.4.3. Электрические соединения должны быть спроектированы так, чтобы контактное давление не передавалось через изоляционный материал, кроме керамики, чистой слюды или других материалов с аналогичными характеристиками, если металлические части недостаточно упруги, чтобы компенсировать любые возможные усадки или деформации изоляционного материала.
Соответствия проверяют осмотром.
Примечание. Пригодность материалов оценивают по стабильности размеров.
8.1.4.4. Токопроводящие части, включая предназначенные для защитных проводников, если они имеются, должны выполняться из:
- меди;
- сплава, содержащего не менее 58% меди для частей, изготовленных холодным способом, и не менее 50% меди для других частей;
- другого металла или металла с соответствующим покрытием, не менее устойчивого к коррозии, чем медь, и с нехудшими механическими характеристиками.
Примечание. Новые требования и испытания для определения сопротивления коррозии находятся на рассмотрении. Эти требования должны допускать применение других материалов с подходящими покрытиями.
Требования данного пункта не применяют к контактам, магнитным системам, нагревательным элементам, биметаллам, шунтам, частям электронных устройств, а также винтам, гайкам, шайбам, зажимным пластинам, аналогичным частям выводов и частей контрольного устройства.
8.1.5. Выводы для внешних проводников
8.1.5.1. Выводы для внешних проводников должны обеспечивать такое присоединение проводников, чтобы постоянно поддерживалось необходимое контактное давление.
В настоящем стандарте рассматривают только резьбовые выводы для медных внешних проводников.
Примечание. Требования к плоским быстроразъемным безрезьбовым выводам, а также выводам для присоединения алюминиевых проводников - в стадии рассмотрения.
Допускается применение устройств, предназначенных для присоединения шин при условии, что их не используют для присоединения кабелей.
Такие устройства могут быть втычного либо болтового типа.
Выводы должны быть легко доступны в предполагаемых условиях эксплуатации.
Проверку соответствия осуществляют осмотром и испытаниями по
9.5.
8.1.5.2. АВДТ должны быть оснащены выводами, допускающими присоединение медных проводников, имеющих номинальную площадь поперечного сечения, указанную в таблице 6.
Примечание. Примеры возможных конструкций выводов приведены в
Приложении IC.
Таблица 6
Поперечное сечение медных проводников,
присоединяемых к резьбовым выводам
┌─────────────────────────────┬───────────────────────────────────────────┐
│ Номинальный ток, А │ Диапазон номинальных поперечных сечений │
│ │ для присоединяемых проводников
<*>, мм2 │
│ ├─────────────────────────┬─────────────────┤
│ │ Жесткие (одно- и │ Гибкие провода │
│ │многопроволочные) провода│ │
├─────────────────────────────┼─────────────────────────┼─────────────────┤
│До 13 включительно │ 1,0 - 2,5 │ 1,0 - 2,5 │
│ От 13 до 16 включительно│ 1,0 - 4,0 │ 1,0 - 4,0 │
│ " 16 " 25 " │ 1,5 - 6,0 │ 1,5 - 6,0 │
│ " 25 " 32 " │ 2,5 - 10,0 │ 2,5 - 6,0 │
ИС МЕГАНОРМ: примечание.
Значения в 3-ей колонке даны в соответствии с официальным текстом
документа.
│ " 32 " 50 " │ 4,0 - 16,0 │ 4,0 - 1,0 │
│ " 50 " 80 " │ 10,0 - 25,0 │ 10,0 - 16,0 │
│ " 80 " 100 " │ 16,0 - 35,0 │ 16,0 - 25,0 │
│ " 100 " 125 " │ 24,0 - 50,0 │ 25,0 - 35,0 │
├─────────────────────────────┴─────────────────────────┴─────────────────┤
│ <*> Требуется, чтобы при номинальных токах до 50 А включительно│
│выводы были рассчитаны на зажим как однопроволочных, так и жестких│
│многопроволочных проводов. │
│ В то же время допускается, чтобы выводы для проводников с поперечным│
│сечением от 1,0 до 6,0 мм2 были рассчитаны на зажим только│
│однопроволочных проводников. │
└─────────────────────────────────────────────────────────────────────────┘
Соответствие проверяют путем осмотра, измерениями и поочередным вводом одного проводника с минимальной и одного с максимальной площадью поперечного сечения, указанной в
таблице 6.
Примечание. Площади поперечных сечений в системе AWG - см.
Приложение ID.
8.1.5.3. Средства для закрепления проводников в выводах не должны служить для крепления каких-либо других элементов, хотя они могут удерживать выводы на месте или препятствовать их проворачиванию.
Соответствие проверяют осмотром и испытаниями по
9.5.
8.1.5.4. Выводы для номинальных токов до 32 А включительно должны позволять присоединение проводников без специальной подготовки.
Соответствие проверяют осмотром.
Примечание. Термин "специальная подготовка" подразумевает пропаивание жилы проводника, использование кабельных наконечников, формовку петель и т.д., но никак не восстановление формы проводника перед вводом его в зажим или скручивание гибкого проводника для укрепления его конца.
8.1.5.5. Выводы должны иметь необходимую механическую прочность.
Винты и гайки для зажима проводников должны иметь метрическую резьбу ИСО или другую резьбу, сопоставимую по шагу и механической прочности.
Соответствие проверяют осмотром и испытаниями по
9.4 и
9.5.1.
8.1.5.6. Выводы должны иметь такую конструкцию, чтобы зажимать проводник без чрезмерных повреждений.
Соответствие проверяют осмотром и испытанием по
9.5.2.
8.1.5.7. Выводы должны иметь такую конструкцию, чтобы надежно зажимать проводник между металлическими поверхностями.
Соответствие проверяют осмотром и испытаниями по
9.4 и
9.5.1.
8.1.5.8. Выводы должны быть сконструированы или расположены так, чтобы ни жесткий однопроволочный проводник, ни проволока многопроволочного проводника не могли выскользнуть при затягивании винтов или гаек.
Это требование не применяют к выводам под наконечник.
Соответствие проверяют испытанием по
9.5.3.
8.1.5.9. Выводы должны быть закреплены и расположены таким образом, чтобы при затяжке или отпуске зажимных винтов или гаек крепления выводов не ослаблялись.
Это требование не означает, что выводы должны быть спроектированы таким образом, чтобы не допускалось их вращение или перемещение, однако любое их движение должно быть определенным образом ограничено, чтобы избежать несоответствия требованиям настоящего стандарта.
Применение заливочных компаундов и смол для предотвращения ослабления выводов считают достаточным при условии, что:
- заливочный компаунд или смола не подвергаются нагрузкам при нормальной эксплуатации;
- эффективность заливочного компаунда или смолы не снижается при воздействии температур, достигаемых выводом при наиболее неблагоприятных условиях, указанных в настоящем стандарте.
Соответствие проверяют осмотром, измерениями и испытанием по
9.4.
8.1.5.10. Зажимные винты или гайки выводов, предназначенных для присоединения защитных проводников, должны быть надежно защищены от случайного ослабления, и не должно быть возможно освобождение их без помощи инструмента.
Соответствие проверяют испытанием вручную.
Конструкции выводов, примеры которых приведены в
Приложении IC, в целом достаточно упруги и удовлетворяют данному требованию. Для других конструкций могут потребоваться дополнительные меры, например применение соответствующей упругой части, которую невозможно было бы удалить случайно.
8.1.5.11. Резьба винтов и гаек выводов, предназначенных для присоединения внешних проводников, должна входить в зацепление с резьбой, выполненной в металле. Применение самонарезающих винтов не допускается.
8.1.6. Отсутствие взаимозаменяемости
Для АВДТ, предназначенных для монтажа на основаниях, образующих с ними одно целое (втычного или ввинчивающегося типа), не должна быть возможна их замена без применения инструмента после монтажа и подключения как при нормальной эксплуатации АВДТ такого же типа, но с более высоким номинальным током.
Соответствие проверяют осмотром.
Примечание. Слова "как при нормальной эксплуатации" означают, что АВДТ установлен в соответствии с инструкциями изготовителя.
8.2. Защита от поражения электрическим током
АВДТ должны быть сконструированы так, чтобы после монтажа и подсоединения, как для нормальной эксплуатации, их части, находящиеся под напряжением, были недоступны для прикосновения.
Примечание. Слова "нормальная эксплуатация" означают, что АВДТ установлен в соответствии с инструкциями изготовителя.
Часть считают доступной для прикосновения, если ее можно коснуться стандартным испытательным пальцем (см.
9.6).
В АВДТ, кроме втычного исполнения, наружные части, за исключением винтов или других средств для крепления крышек и табличек, доступные после монтажа и присоединения АВДТ, как для нормальной эксплуатации, должны либо изготавливаться из изоляционного материала, либо полностью покрываться изоляционным материалом, если доступные части, находящиеся под напряжением, не заключены во внутреннюю оболочку из изоляционного материала.
Покрытие изоляционным материалом должно быть закреплено таким образом, чтобы не нарушиться при установке АВДТ. Изоляционное покрытие должно иметь необходимую толщину, механическую прочность и обеспечивать эффективную защиту на участках с острыми краями.
Вводные отверстия для кабелей или кабелепроводов должны выполняться либо из изоляционного материала, либо оснащаться втулками или другими аналогичными устройствами из изоляционного материала. Такие устройства должны быть надежно закреплены и обладать достаточной механической прочностью.
Металлические органы управления должны быть изолированы от частей, находящихся под напряжением, а их проводящие части должны быть покрыты изоляционным материалом, иначе они становятся открытыми токопроводящими частями, кроме частей, обеспечивающих связь изолированных органов управления нескольких полюсов.
Металлические части механизма должны быть не доступны. Кроме того, они должны быть изолированы от доступных металлических частей, металлических опорных рам для оснований АВДТ утопленного монтажа, винтов и других средств крепления оснований к опорам и металлических плит, используемых в качестве опор.
Должна быть возможность легкой замены АВДТ втычного исполнения без касания частей, находящихся под напряжением.
Лак и эмаль не считают обеспечивающими необходимую изоляцию для защиты от поражения электрическим током.
Соответствие проверяют осмотром и испытанием по
9.6.
8.3. Электроизоляционные свойства и изолирующая способность
АВДТ должны обладать необходимыми электроизоляционными свойствами и гарантировать изоляцию.
Цепи управления АВДТ, связанные с главной цепью, не должны повреждаться высоким напряжением постоянного тока, используемым при изоляционных измерениях, которые обычно проводят после установки АВДТ.
Соответствие проверяют испытаниями по
9.7 и
9.20.
8.4. Превышение температуры
8.4.1. Пределы превышения температуры
Превышение температуры частей АВДТ, приведенных в таблице 7, измеренной при условиях, определенных в
9.8.2, не должно превосходить предельных значений, установленных в данной таблице.
Таблица 7
Значения превышения температуры
┌───────────────────────────────────────────────────────┬─────────────────┐
│ Части АВДТ
<a>,
<b> │ Превышение │
│ │ температуры, К │
├───────────────────────────────────────────────────────┼─────────────────┤
│ Выводы для внешних соединений
<c> │ 65 │
│ Наружные части, к которым приходится прикасаться │ 40 │
│во время ручного управления АВДТ, включая органы │ │
│управления, выполненные из изоляционного материала, │ │
│и металлические связи для соединения между собой │ │
│изолированных органов управления нескольких полюсов │ │
│ Наружные металлические части органов управления │ 25 │
│ Другие наружные части, включая поверхность АВДТ, │ 60 │
│непосредственно соприкасающуюся с монтажной │ │
│поверхностью │ │
├───────────────────────────────────────────────────────┴─────────────────┤
│ <a> Значения для контактов не устанавливают, поскольку конструкция│
│большинства АВДТ не допускает прямого измерения их температуры без риска│
│вызвать необратимые изменения или смещение деталей, способные повлиять│
│на воспроизводимость результатов испытаний. │
│ Испытание на надежность (см.
9.22) считают достаточным для проверки│
│косвенным образом поведения контактов в отношении чрезмерного превышения│
│температуры при эксплуатации. │
│ <b> Для других частей, кроме перечисленных в таблице, значения│
│превышения температуры не указывают, но они не должны вызывать│
│повреждений соседних частей из изоляционного материала, снижающих│
│работоспособность АВДТ. │
│ <c> Для АВДТ втычного типа - выводы основания, на котором│
│устанавливают АВДТ. │
└─────────────────────────────────────────────────────────────────────────┘
АВДТ не должен иметь повреждений, препятствующих выполнению его функций и нарушающих безопасность эксплуатации.
8.4.2. Температура окружающего воздуха
Предельные значения превышения температуры, приведенные в
таблице 7, применимы для значений температур окружающего воздуха по
таблице 4.
8.5. Рабочие характеристики
Рабочие характеристики АВДТ при наличии дифференциального тока или в условиях сверхтоков должны соответствовать требованиям
9.9.
8.5.1. В условиях действия дифференциального тока рабочая характеристика АВДТ должна соответствовать требованиям
9.9.1.
8.5.2. В условиях действия сверхтоков АВДТ должны соответствовать требованиям 8.5.2.1 и
8.5.2.3.
8.5.2.1. Стандартная время-токовая (сверхтоковая) зона
Характеристика расцепления АВДТ должна обеспечивать необходимую защиту от сверхтоков без преждевременного срабатывания.
Зона время-токовой характеристики (характеристики расцепления) определена условиями и значениями, установленными в таблице 8.
Таблица 8
Время-токовые рабочие характеристики
┌─────┬───────┬───────┬─────────┬───────────────────────────────────┬────────┬────────────┐
│Испы-│ Тип │Испыта-│Начальное│ Время расцепления │Требуе- │ Примечание │
│тание│ │тельный│состояние│ или нерасцепления │мый ре- │ │
│ │ │ток │ │ │зультат │ │
├─────┼───────┼───────┼─────────┼───────────────────────────────────┼────────┼────────────┤
│ a │B, C, D│1,13I │Холодное │t = (55 - 65) мин (при I <= 63 А) │ Без │ - │
│ │ │ n │
<*> │ n │расцеп- │ │
│ │ │ │ │t = (115 - 125) мин (при I > 63 А)│ления │ │
│ │ │ │ │ n │ │ │
├─────┼───────┼───────┼─────────┼───────────────────────────────────┼────────┼────────────┤
│ b │B, C, D│1,45I │Сразу же │ t < 1 ч (при I <= 63 А) │ Расцеп-│ Непрерывное│
│ │ │ n │ после │ n │ление │нарастание │
│ │ │ │испытания│ t < 2 ч (при I > 63 А) │ │тока в │
│ │ │ │ a │ n │ │течение 5 с │
├─────┼───────┼───────┼─────────┼───────────────────────────────────┼────────┼────────────┤
│ c │B, C, D│2,55I │Холодное │ 1 с < t < 60 с (при I < 32 А) │ Расцеп-│ - │
│ │ │ n │
<*> │ n │ление │ │
│ │ │ │ │ 1 с < t < 120 с (при I > 32 А) │ │ │
│ │ │ │ │ n │ │ │
├─────┼───────┼───────┼─────────┼───────────────────────────────────┼────────┼────────────┤
│ d │B, C, D│ 3I │Холодное │ t <= 0,1 с │ Без │ Ток │
│ │ │ n │
<*> │ │расцеп- │создается │
│ │ │ │ │ │ления │замыканием │
│ │ │ 5I │ │ │ │вспомога- │
│ │ │ n │ │ │ │тельного │
│ │ │ │ │ │ │выключателя │
│ │ │ 10I │ │ │ │ │
│ │ │ n │ │ │ │ │
├─────┼───────┼───────┼─────────┼───────────────────────────────────┼────────┼────────────┤
│ e │B, C, D│ 5I │Холодное │ f < 0,1 с │ Расцеп-│ Ток │
│ │ │ n │
<*> │ │ление │создается │
│ │ │ │ │ │ │замыканием │
│ │ │ 10I │ │ │ │вспомога- │
│ │ │ n │ │ │ │тельного │
│ │ │ │ │ │ │выключателя │
│ │ │ 50I │ │ │ │ │
│ │ │ n │ │ │ │ │
├─────┴───────┴───────┴─────────┴───────────────────────────────────┴────────┴────────────┤
│ <*> Термин "холодное" означает без предварительного пропускания тока │
│при контрольной температуре калибровки. │
└─────────────────────────────────────────────────────────────────────────────────────────┘
| | ИС МЕГАНОРМ: примечание. Текст дан в соответствии с официальным текстом документа. | |
Эта таблица относится к АВДТ, смонтированным в определенных условиях (см.
9.2), работающим при контрольной температуре калибровки (30 + 5) °C (см.
примечание к таблице 8).
Соответствие проверяют испытаниями по
9.9.2.
Проверку проводят при любой подходящей температуре, результаты соотносят с температурой 30 °C, исходя из информации, предоставленной изготовителем.
В любом случае колебания испытательного тока, указанного в
таблице 8, не должны превосходить 1,2% на 1 К изменения температуры калибровки.
Если АВДТ маркированы температурой калибровки, отличной от 30 °C, их следует испытывать при этой отличающейся температуре.
Примечание. Изготовитель должен предоставить информацию об изменениях характеристики расцепления при температурах калибровки, отличающихся от контрольного значения.
8.5.2.2. Условные параметры
Условное время равно 1 ч для АВДТ с номинальным током до 63 А включительно и 2 ч - с номинальным током св. 63 А.
b) Условный ток нерасцепления

Условный ток нерасцепления АВДТ равен 1,13 его номинального тока.
c) Условный ток расцепления

Условный ток расцепления АВДТ равен 1,45 его номинального тока.
8.5.2.3. Сверхтоковая характеристика расцепления
Сверхтоковая характеристика расцепления АВДТ должна располагаться в зоне, определенной в
8.5.2.1.
Примечание. Температурные условия и монтаж, отличающиеся от указанных в
9.2 (например, монтаж в специальных оболочках, компоновка нескольких АВДТ в одной оболочке и т.п.), могут повлиять на характеристику расцепления АВДТ.
Изготовитель должен быть готов предоставить информацию об изменениях характеристики расцепления при температуре окружающего воздуха, отличающейся от контрольного значения в пределах, указанных в
7.1.
8.5.2.4. Влияние температуры окружающего воздуха на сверхтоковую характеристику расцепления
Температура окружающего воздуха, отличающаяся от контрольной, находящаяся в диапазоне от минус 5 °C до плюс 40 °C, не должна оказывать недопустимого влияния на сверхтоковую характеристику расцепления АВДТ.
Соответствие проверяют испытаниями по
9.9.2.3.
8.6. Механическая и коммутационная износостойкость
АВДТ должны быть способны выполнять установленное число механических и электрических циклов оперирования.
Соответствие проверяют испытанием по
9.10.
8.7. Работоспособность при токах короткого замыкания
АВДТ должны быть способны выполнить установленное число циклов оперирования при коротком замыкании, не представляя опасности для оператора и не вызывая перекрытия между находящимися под напряжением проводящими частями либо между этими частями и землей.
Соответствие проверяют испытанием по
9.12.
8.8. Стойкость к механическому толчку и удару
АВДТ должны обладать соответствующими механическими характеристиками, чтобы противостоять механическим нагрузкам, возникающим при монтаже и эксплуатации.
Соответствие проверяют испытанием по
9.13.
АВДТ должны быть достаточно теплостойкими.
Соответствие проверяют испытанием по
9.14.
8.10. Стойкость к аномальному нагреву и огнестойкость
Наружные части АВДТ, выполненные из изоляционного материала, не должны быть предрасположены к воспламенению и распространению огня, если близлежащие токопроводящие части достигли высокой температуры из-за повреждения или перегрузки.
Сопротивление аномальному нагреву и огню других частей, выполненных из изоляционного материала, считают проверенным в ходе других испытаний по настоящему стандарту.
Соответствие проверяют осмотром и испытанием по
9.15.
8.11. Устройство эксплуатационного контроля
АВДТ должно быть снабжено устройством эксплуатационного контроля, имитирующим прохождение дифференциального тока через детекторное устройство для обеспечения периодического контроля работоспособности АВДТ.
Примечание. Устройство эксплуатационного контроля предназначено для проверки функции расцепления, а не величины, при которой эта функция выполняется с точки зрения номинального отключающего дифференциального тока и времени отключения.
Ампер-витки, создаваемые при работе устройства эксплуатационного контроля АВДТ, питаемого номинальным напряжением или наибольшим из ряда напряжений, на которые он рассчитан (при их наличии), не должны превосходить 2,5-кратного значения ампер-витков, создаваемых дифференциальным током, равным

, проходящим через один из полюсов АВДТ.
Если АВДТ имеет несколько уставок отключающего дифференциального тока (см.
4.4), то должна приниматься в расчет минимальная из уставок, на которые рассчитан АВДТ.
Устройство эксплуатационного контроля должно отвечать требованиям испытания по
9.16.
Защитный проводник установки не должен оказаться под напряжением при использовании устройства эксплуатационного контроля.
Не должно быть возможности попадания напряжения в цепь, подключенную к выходным выводам АВДТ, при использовании устройства эксплуатационного контроля, когда АВДТ находится в разомкнутом состоянии и подключен как при нормальной эксплуатации.
Устройство эксплуатационного контроля не должно быть единственным средством для выполнения операции размыкания, и не предназначено для использования в этом качестве.
8.12. Требования к АВДТ, функционально зависящим от напряжения сети
АВДТ, функционально зависящие от напряжения сети, должны четко работать при любом значении напряжения сети между 0,85 и 1,1 их номинального напряжения, для чего все токовые пути многополюсных АВДТ соединяются с соответствующими фазами и нейтралью, если она имеется.
Соответствие проверяют испытанием по
9.17 при дополнительных условиях испытаний, указанных в
9.9.1.2.
Согласно своей классификации АВДТ должны отвечать требованиям таблицы 9.
Таблица 9
Требования к АВДТ, функционально зависящим
от напряжения сети
Классификация устройств согласно 4.1 | Функционирование в случае исчезновения напряжения сети |
АВДТ, автоматически выключающиеся в случае исчезновения (падения) напряжения сети | Без выдержки времени | Размыкание без выдержки времени согласно условиям, установленным |
С выдержкой времени | Размыкание с выдержкой времени согласно условиям, установленным Правильную работу при наличии выдержки времени проверяют |
АВДТ, которые не выключаются автоматически в случае исчезновения | Не размыкается |
8.13. Функционирование АВДТ при однофазном сверхтоке, протекающем через трех- и четырехполюсные АВДТ
Трех- и четырехполюсные АВДТ не должны срабатывать при однофазном сверхтоке, имеющем значение, равное нижнему пределу диапазона сверхтоков мгновенного расцепления для АВДТ типов B, C или D.
Соответствие проверяют испытаниями по
9.18.
8.14. Устойчивость АВДТ против бросков тока, вызванных импульсными напряжениями
АВДТ должны быть достаточно устойчивы к броскам тока на землю, вызванным емкостной нагрузкой электроустановки и коротким замыканием электроустановки. АВДТ типа S должны обладать дополнительной устойчивостью против нежелательного срабатывания в случае бросков тока на землю, вызванных коротким замыканием электроустановки.
Соответствие проверяют испытаниями по
9.19.
8.15. Функционирование АВДТ в случае тока замыкания на землю, содержащего составляющую постоянного тока
АВДТ должны быть работоспособны согласно их классификации при наличии тока замыкания на землю, содержащего составляющую постоянного тока.
Соответствие проверяют испытаниями по
9.21.
АВДТ должны работать надежно в условиях длительной эксплуатации с учетом старения их компонентов.
Соответствие проверяют испытаниями по
9.22 и
9.23.
9.1.1. Характеристики АВДТ проверяют при проведении типовых испытаний.
Перечень типовых испытаний приведен в таблице 10.
Таблица 10
Перечень типовых испытаний
┌─────────────────────────────────────────────────────────────┬───────────┐
│ Испытание │ Пункт │
├─────────────────────────────────────────────────────────────┼───────────┤
│ 1. Стойкость маркировки │
9.3 │
│ 2. Надежность винтов, токоведущих частей и соединений │
9.4 │
│ 3. Надежность выводов для внешних соединений │
9.5 │
│ 4. Защита от поражения электрическим током │
9.6 │
│ 5. Электроизоляционные свойства │
9.7 │
│ 6. Превышение температуры │
9.8 │
│ 7. Функциональные характеристики │
9.9 │
│ 8. Механическая и коммутационная износостойкость │
9.10 │
│ 9. Механизм свободного расцепления │
9.11 │
│ 10. Короткое замыкание
<*> │
9.12 │
│ 11. Стойкость к механическому толчку и удару │
9.13 │
│ 12. Теплостойкость │
9.14 │
│ 13. Стойкость к аномальному нагреву и огню │
9.15 │
│ 14. Проверка функционирования устройства эксплуатационного │
9.16 │
│контроля при предельных отклонениях номинального напряжения │ │
│ 15. Поведение АВДТ, функционально зависящих от напряжения │
9.17 │
│сети классифицируемых по
4.1.2.1, в случае исчезновения │ │
│напряжения сети │ │
│ 16. Предельные значения сверхтока неотключения в условиях │
9.18 │
│сверхтока │ │
│ 17. Поведение АВДТ в случае импульсных токов, вызванных │
9.19 │
│импульсами напряжения │ │
│ 18. Стойкость изоляции при импульсах напряжения │
9.20 │
│ 19. Поведение АВДТ при дифференциальных токах, содержащих │
9.21 │
│составляющую постоянного тока │ │
│ 20. Надежность │
9.22 │
│ 21. Старение электронных компонентов │
9.23 │
├─────────────────────────────────────────────────────────────┴───────────┤
│ <*> Содержит несколько испытаний. │
└─────────────────────────────────────────────────────────────────────────┘
9.1.2. Для целей подтверждения соответствия типовые испытания проводят циклами.
Примечание. Слова "подтверждение соответствия" означают:
- либо декларацию изготовителя о соответствии;
- либо сертификацию третьей стороной, например независимым органом по сертификации.
Циклы испытаний и число представляемых образцов указаны в
Приложении A.
Если не оговорено иное, каждому типовому испытанию (или циклу типовых испытаний) подвергают вновь изготовленные АВДТ в чистом состоянии при нормальном диапазоне и контрольных значениях внешних воздействующих факторов, приведенных в
таблице 4.
9.1.3. Приемо-сдаточные испытания, выполняемые изготовителем для каждого аппарата, приведены в
Приложении D.
АВДТ устанавливают отдельно в соответствии с инструкциями изготовителя на открытом воздухе при температуре окружающей среды от 20 °C до 25 °C, если не указано иное, в месте, защищенном от чрезмерного внешнего нагрева или охлаждения.
АВДТ, разработанные для установки в индивидуальных оболочках, испытывают в наименьшей из оболочек, указанных изготовителем.
Примечание. Индивидуальной считают оболочку, предназначенную для размещения только одного устройства.
Если не указано иное, АВДТ подключают кабелем с площадью поперечного сечения S, указанной в таблице 11, и крепят к фанерной плите толщиной около 20 мм, окрашенной матовой черной краской; способ крепления должен соответствовать предписаниям изготовителя в отношении монтажа АВДТ.
Таблица 11
Поперечные сечения испытательных медных проводников
в зависимости от номинального тока
Примечание. Для медных проводников системы AWG - см.
Приложение ID.
Если допускаемые отклонения не указаны, типовые испытания проводят при значениях не менее жестких, чем приведенные в настоящем стандарте. Если иное не указано, испытание проводят при номинальной частоте +/- 5%.
Во время испытаний не допускается разборка или обслуживание образцов.
Для испытаний по
9.8 -
9.10 и
9.23 АВДТ присоединяют следующим образом:
- соединения производят одножильными медными проводами в ПВХ изоляции;
- соединения размещают на открытом воздухе и на расстоянии, не меньшем, чем расстояние между выводами;
- длина с допуском +5 см каждого временного соединения от вывода до вывода должна быть:
- 1 м - для сечений до 10 мм2 включительно;
- 2 м - для сечений св. 10 мм2.
Затягивающий крутящий момент, прикладываемый к винтам, должен составлять 2/3 от значений, указанных в таблице 12.
Таблица 12
Диаметры резьбы и прикладываемые крутящие моменты
┌────────────────────────────┬────────────────────────────────────────────┐
│Номинальный диаметр резьбы, │ Крутящий момент, Н x м │
│ мм ├──────────────┬──────────────┬──────────────┤
│ │ I │ II │ III │
├────────────────────────────┼──────────────┼──────────────┼──────────────┤
│До 2,8 включительно │ 0,20 │ 0,4 │ 0,4 │
│ Св. 2,8 до 3,0 включ.│ 0,25 │ 0,5 │ 0,5 │
│ " 3,0 " 3,2 " │ 0,30 │ 0,6 │ 0,6 │
│ " 3,2 " 3,6 " │ 0,40 │ 0,8 │ 0,8 │
│ " 3,6 " 4,1 " │ 0,70 │ 1,2 │ 1,2 │
│ " 4,1 " 4,7 " │ 0,80 │ 1,8 │ 1,8 │
│ " 4,7 " 5,3 " │ 0,80 │ 2,0 │ 2,0 │
│ " 5,3 " 6,0 " │ 1,20 │ 2,5 │ 3,0 │
│ " 6,0 " 8,0 " │ 2,50 │ 3,5 │ 6,0 │
│ " 8,0 " 10,0 " │ - │ 4,0 │ 10,0 │
└────────────────────────────┴──────────────┴──────────────┴──────────────┘
9.3. Проверка стойкости маркировки
Проверку проводят вручную трением маркировки в течение 15 с ватой, смоченной водой, и затем в течение 15 с ватой, смоченной алифатическим гексановым растворителем (с содержанием ароматических углеводородов не более 0,1% по объему, каурибутаноловым числом 29, начальной температурой кипения 65 °C, конечной температурой кипения 69 °C и плотностью 0,68 г/см3).
Маркировку, выполненную тиснением, литьем или гравировкой, данному испытанию не подвергают.
После этого испытания маркировка должна быть легко различимой. Маркировка также должна оставаться легко различимой после всех испытаний по настоящему стандарту.
Таблички не должны легко отделяться или скручиваться.
9.4. Проверка надежности винтов, токоведущих частей и соединений
Соответствие требованиям
8.1.4 проверяют внешним осмотром, а для винтов и гаек, используемых для монтажа и подсоединения АВДТ, следующим испытанием.
Винты и гайки затягивают и отпускают:
- 10 раз при зацеплении винтов с резьбой в изоляционном материале;
- 5 раз во всех других случаях.
Винты и гайки, зацепляющиеся с резьбой в изоляционном материале, каждый раз вынимают полностью и вставляют заново.
Испытание проводят с использованием соответствующей испытательной отвертки или гаечного ключа с приложением крутящего момента согласно
таблице 12.
Винты и гайки не следует затягивать рывками.
Испытания проводят только с жесткими проводниками, имеющими наибольшую площадь поперечного сечения из указанных в
таблице 6, одно- или многопроволочными, выбирая наименее благоприятный из них. Проводник двигают каждый раз, когда винт или гайку освобождают.
Графу I применяют для винтов без головки, если винт в затянутом положении не выступает из гнезда, и для других винтов, которые не могут быть затянуты с помощью отвертки с шириной лезвия, большей чем диаметр винта.
Графу II применяют для других винтов, которые затягивают с помощью отвертки.
Графу III применяют для винтов и гаек, затягиваемых другими способами, без отвертки.
Если винт снабжен шестигранной головкой "под ключ" со шлицем для отвертки, а значения в графах II и III различны, то испытания проводят дважды: сначала прикладывают к шестигранной головке ключом момент, указанный в графе III, а затем на другом образце с помощью отвертки прикладывают крутящий момент, указанный в графе II. Если значения в графах II и III одинаковы, проводят испытание только с отверткой.
В течение испытаний винтовые соединения не должны ослабляться и не должно быть повреждений, таких, как поломка винтов, повреждение шлицев, резьб, шайб и хомутиков, ухудшающих дальнейшую эксплуатацию АВДТ.
Кроме того, не должно быть повреждений крышек и оболочек.
9.5. Испытания надежности выводов для внешних проводников
Соответствие требованиям
8.1.5 проверяют осмотром, испытаниями по
9.4, для чего в зажим вывода помещают жесткий медный проводник наибольшего сечения из указанных в
таблице 6 (при номинальной площади поперечного сечения св. 6 мм2 используют жесткий многопроволочный провод, для других сечений - однопроволочный), и испытаниями по 9.5.1 -
9.5.3, которые проводят с помощью соответствующей испытательной отвертки или гаечного ключа, прикладывая крутящий момент по
таблице 12.
9.5.1. Выводы оснащают медными одно- и многопроволочными проводниками наименьшего и наибольшего сечений из указанных в
таблице 6, выбирая наименее благоприятные.
Проводник вставляют в вывод на минимальное предписанное расстояние или, в отсутствие предписаний, до появления конца проводника с противоположной стороны зажима и в положении, наиболее благоприятном для выскальзывания однопроволочного проводника или проволоки (проволок) многопроволочного проводника.
Затем зажимные винты затягивают моментом, равным 2/3 значения, указанного в соответствующей графе
таблицы 12.
Затем каждый проводник подвергают вытягиванию с усилием, указанным в таблице 13.
Таблица 13
Усилия вытягивания проводников
Сечение проводника, помещаемого в вывод, мм2 | До 4 | До 6 | До 10 | До 16 | До 50 |
Вытягивающее усилие, Н | 50 | 60 | 80 | 90 | 100 |
Вытягивание производят без рывков в течение 1 мин в направлении оси канала для проводника вывода.
Во время испытаний проводник не должен заметно сдвигаться в зажиме.
9.5.2. Выводы оснащают медными одно- и многопроволочными проводниками наименьшего и наибольшего сечений из указанных в
таблице 6, выбирая наименее благоприятные, и зажимные винты затягивают моментом, равным 2/3 значения, указанного в соответствующей графе
таблицы 12.
Затем винты отпускают и ту часть проводника, которая может быть повреждена зажимом, осматривают.
Проводники не должны иметь чрезмерных повреждений или оборванных проволок.
Примечание. Проводники считают чрезмерно поврежденными при наличии глубоких вмятин или надрезов.
Во время испытаний выводы не должны ослабляться и не должно быть их повреждений, таких, как поломка винтов, повреждение шлицев, резьб, шайб и хомутиков, ухудшающих дальнейшую эксплуатацию АВДТ.
9.5.3. Выводы оснащают жесткими многопроволочными медными проводниками, имеющими конструкцию, указанную в таблице 14.
Таблица 14
Размеры проводников и их конструкция
┌──────────────────────────────┬──────────────────────────────────────────┐
│Номинальное сечение зажимаемых│ Многопроволочный проводник │
│ проводников, мм2 ├─────────────────────┬────────────────────┤
│ │ Число проволок │Диаметр проволок, мм│
├──────────────────────────────┼─────────────────────┼────────────────────┤
│От 1,0 до 2,5
<*> │ 7 │ 0,67 │
│" 1,0 " 4,0
<*> │ 7 │ 0,85 │
│" 1,5 " 6,0 <*> │ 7 │ 1,04 │
│" 2,5 " 10,0 │ 7 │ 1,35 │
│" 4,0 " 16,0 │ 7 │ 1,70 │
│" 10,0 " 25,0 │ 7 │ 2,14 │
│" 16,0 " 35,0 │ 19 │ 1,53 │
│" 25,0 " 50,0 │ 19 │ 1,83 │
├──────────────────────────────┴─────────────────────┴────────────────────┤
│ <*> Если вывод предназначен для зажима только однопроволочных│
└─────────────────────────────────────────────────────────────────────────┘
Перед вводом в зажим проволокам проводника придают соответствующую форму.
Проводник вводят в зажим до упора в его дно или до выхода конца проводника с противоположной стороны зажима и в положении, наиболее благоприятном для выскальзывания проволоки (проволок). Зажимные болты или гайки затем затягивают моментом, равным 2/3 момента, указанного в соответствующей графе
таблицы 12.
После испытания ни одна проволока проводника не должна оказаться вне зажима.
9.6. Проверка защиты от поражения электрическим током
Это требование применимо к частям АВДТ, которые видимы оператору после монтажа АВДТ как для нормальной эксплуатации.
Испытание проводят с применением стандартного испытательного пальца (см.
рисунок 3) на АВДТ, смонтированном как для нормальной эксплуатации в соответствии с инструкциями изготовителя, оснащенном проводниками с наименьшим и наибольшим сечениями, которые могут быть присоединены к АВДТ.
Палец должен быть спроектирован так, чтобы каждая из его сочлененных секций могла поворачиваться под углом 90° по отношению к оси пальца, только в одном направлении.
Стандартный испытательный палец прикладывают в каждом возможном изогнутом положении как у настоящего пальца. Для определения электрического контакта с частями, находящимися под напряжением, следует использовать электрический контактный индикатор.
Для индикации контакта рекомендуется использовать электрическую лампочку на напряжение не менее 40 В. Стандартный испытательный палец не должен касаться частей, находящихся под напряжением.
АВДТ с оболочками или крышками из термопластичных материалов подвергают следующим дополнительным испытаниям при температуре окружающего воздуха (35 +/- 2) °C и такой же температуре АВДТ.
К АВДТ в течение 1 мин прикладывают с усилием 75 Н кончик прямого неизогнутого испытательного пальца таких же размеров, как и стандартный испытательный палец. Этот палец прикладывают во всех местах, где податливость изоляционного материала может влиять на целостность и безопасность АВДТ, кроме пробивных диафрагм.
При испытании оболочки или крышки не должны деформироваться в такой степени, чтобы находящихся под напряжением частей можно было коснуться жестким испытательным пальцем.
АВДТ открытого исполнения, имеющие части, которые не предполагается защищать оболочками, смонтированные как для нормальной эксплуатации, подвергают испытанию с металлической передней панелью.
9.7. Проверка электроизоляционных свойств
9.7.1.1. Подготовка АВДТ к испытанию
Части АВДТ, которые могут быть сняты без помощи инструмента, снимают и подвергают влажной обработке вместе с главной частью; подпружиненные крышки при обработке держат открытыми.
Кабельные вводы, при наличии, оставляют открытыми; если предусмотрены пробивные диафрагмы, одну из них вскрывают.
9.7.1.2. Условия испытания
Влажную обработку проводят в камере с относительной влажностью от 91% до 95%.
| | ИС МЕГАНОРМ: примечание. Текст дан в соответствии с официальным текстом документа. | |
Температуру воздуха T в камере, в которой находится образец, поддерживают в пределах +/- 1 °C любом подходящем значении от 20 °C до 30 °C.
Перед помещением в камеру образца его температура должна быть от T °C до (T + 4) °C.
9.7.1.3. Методика испытания
Образцы выдерживают в камере 48 ч.
Примечания
1. Относительную влажность от 91% до 95% можно обеспечить, поместив в камеру насыщенный водный раствор сульфата натрия

или нитрата калия

, имеющий достаточно большую поверхность контакта с воздухом.
2. Для достижения предписанных условий в камере рекомендуется обеспечить постоянную циркуляцию воздуха и использовать камеру с теплоизоляцией.
9.7.1.4. Состояние АВДТ после испытания
После данной обработки образец должен быть исправным в соответствии с требованиями настоящего стандарта и выдерживать испытания по 9.7.2 и
9.7.3.
9.7.2. Сопротивление изоляции главной цепи
АВДТ обрабатывают, как указано в
9.7.1, а затем извлекают из камеры влаги. Спустя 30 - 60 мин после этой обработки измеряют сопротивление изоляции в течение 5 с при напряжении постоянного тока приблизительно 500 В в такой последовательности:
a) при АВДТ в разомкнутом состоянии - между каждой парой выводов, электрически соединенных между собой, когда АВДТ замкнут, в каждом полюсе поочередно;
b) при замкнутом АВДТ - между каждым полюсом поочередно и остальными полюсами, соединенными вместе, при этом электронные компоненты, включенные между токовыми путями, на время испытания должны быть отключены;
c) при замкнутом АВДТ - между всеми полюсами, соединенными вместе, и корпусом, включая металлическую фольгу, контактирующую с наружной поверхностью внутренней оболочки из изоляционного материала, при ее наличии;
d) между металлическими частями механизма и корпусом;
Примечание. Доступ к металлическим частям механизма может быть специально обеспечен для данного испытания.
e) для АВДТ в металлической оболочке, выложенной изнутри обшивкой из изоляционного материала, - между корпусом и металлической фольгой, соприкасающейся с внутренней поверхностью обшивки из изоляционного материала, включая втулки и другие аналогичные устройства.
Измерения
a) -
c) выполняют после подключения к корпусу всех вспомогательных цепей.
Термин "корпус" включает:
- все доступные металлические части и металлическую фольгу, соприкасающуюся с поверхностями из изоляционного материала, которые доступны после установки АВДТ, как для нормальной эксплуатации;
- поверхность, на которой основание АВДТ устанавливают при монтаже, покрытую, при необходимости, металлической фольгой;
- винты и другие устройства для крепления основания АВДТ к опоре;
- винты для крепления крышек, которые должны сниматься во время монтажа АВДТ;
- металлические части органов управления, указанные в
8.2.
Если АВДТ снабжен выводом, предназначенным для присоединения защитных проводников, он должен быть присоединен к корпусу.
Для измерений
b) -
e) металлическая фольга должна накладываться таким образом, чтобы можно было эффективно испытать заливочный компаунд, при его наличии.
Сопротивление изоляции должно быть не менее:
2 МОм - для измерений
a),
b);
5 МОм - для других измерений.
9.7.3. Электрическая прочность изоляции главной цепи
После испытания по
9.7.2 оговоренное испытательное напряжение прикладывают на 1 мин между частями, указанными в
9.7.2, при этом электронные компоненты, при их наличии, на время испытания отключают.
Испытательное напряжение должно иметь практически синусоидальную форму волны и частоту от 45 до 65 Гц.
Источник испытательного напряжения должен быть в состоянии обеспечить ток короткого замыкания не менее 0,2 А.
Токовое защитное устройство трансформатора не должно срабатывать, если ток в выходной цепи менее 100 мА.
Значения испытательного напряжения должны быть следующие:
Вначале прикладывают не более половины указанного напряжения, затем его повышают до полного значения за 5 с.
Во время испытания не допускаются перекрытия и пробои изоляции.
Тлеющие разряды, не вызывающие падения напряжения, во внимание не принимают.
9.7.4. Сопротивление изоляции и электрическая прочность изоляции вспомогательных цепей
a) Измерение сопротивления изоляции и испытание электрической прочности изоляции вспомогательных цепей проводят сразу же после измерения сопротивления изоляции и испытания электрической прочности изоляции главной цепи в условиях b) и
c), приведенных ниже.
Если в АВДТ имеются электронные компоненты, соединенные при нормальной работе с главной цепью, следует выполнить временные соединения на период испытания таким образом, чтобы в течение испытания между входными и выходными выводами компонентов не было напряжения.
b) Измерения сопротивления изоляции проводят:
- между соединенными между собой вспомогательными цепями и корпусом;
- между каждой частью вспомогательных цепей, которая может быть изолирована от других частей при нормальной эксплуатации, и всеми остальными частями, соединенными вместе, при напряжении приблизительно 500 В постоянного тока, после того как это напряжение прикладывалось 1 мин.
Сопротивление изоляции должно быть не менее 2 МОм;
c) Практически синусоидальное напряжение номинальной частоты прикладывают в течение 1 мин между частями, перечисленными в b).
Значения прикладываемого напряжения указаны в таблице 15.
Таблица 15
Испытательное напряжение вспомогательных цепей
┌────────────────────────────────────────────┬────────────────────────────┐
│Номинальное напряжение вспомогательной цепи │Испытательное напряжение, В │
│ (переменного или постоянного тока), В │ │
├────────────────────────────────────────────┼────────────────────────────┤
│До 30 включ. │ 600 │
│Св. 30 до 50 включ. │ 1000 │
│ " 50 " 110 " │ 1500 │
│ " 110 " 250 " │ 2000 │
│ " 250 " 500 " │ 2500 │
└────────────────────────────────────────────┴────────────────────────────┘
В начале испытания испытательное напряжение не должно превышать половины указанного в
таблице 15 значения. Затем напряжение постепенно увеличивают до полного значения в течение не менее 5 с, но не более 20 с.
Во время испытания не должно быть перекрытий и пробоев изоляции.
Примечания
1. Тлеющие разряды, не вызывающие снижения напряжения, во внимание не принимают.
2. Для АВДТ, вспомогательная цепь которых не доступна для проверки требований, указанных в
перечислении b) данного подпункта, испытания должны быть проведены на образцах, специально подготовленных изготовителем, либо в соответствии с его инструкциями.
3. К вспомогательным цепям не относятся управляющие цепи АВДТ, функционально зависящие от напряжения сети.
4. Цепи управления, кроме указанных в 9.7.5 и 9.7.6, подлежат таким же испытаниям, как и вспомогательные цепи.
9.7.5. Вторичные цепи трансформаторных датчиков
Цепи, включающие вторичные цепи трансформаторных датчиков, не подлежат какому-либо испытанию изоляции при условии, что эти цепи не соединяют с доступными металлическими частями или защитным проводником, или частями, находящимися под напряжением.
9.7.6. Способность цепей управления, связанных с главной цепью, выдерживать действие высокого напряжения постоянного тока при испытаниях изоляции
Испытание проводят на АВДТ в замкнутом состоянии, закрепленном на металлическом основании, со всеми цепями управления, соединенными как при нормальной эксплуатации.
Используется источник напряжения постоянного тока со следующими характеристиками:
- напряжение холостого хода -

;
Примечание. Это значение временное.
- наибольшие пульсации - 5%;
амплитудное значение - среднее значение
пульсация = --------------------------------------- x 100;
среднее значение
- ток короткого замыкания -

.
Это испытательное напряжение прикладывают в течение 1 мин поочередно между каждым полюсом и остальными полюсами, соединенными вместе и с корпусом.
После этой процедуры АВДТ должен быть в состоянии удовлетворительно выдержать испытания, указанные в
перечислении c) 9.9.1.2.
9.7.7. Проверка способности выдерживать импульсные напряжения (через воздушные зазоры и твердую изоляцию) и ток утечки на разомкнутых контактах
9.7.7.1. Проверка способности выдерживать импульсное напряжение на разомкнутых контактах (пригодность к разъединению)
Испытание проводят на АВДТ, закрепленном на металлическом основании, как при нормальной эксплуатации.
Положительные и отрицательные импульсы, подающиеся генератором, имеют длительность фронта 1,2 мкс и длительность на уровне 0,5 величины амплитуды импульса - 50 мкс с точностью:
+/- 5% - для пикового значения;
+/- 30% - для длительности фронта;
+/- 20% - для длительности на уровне 0,5.
Волновое сопротивление испытательного прибора должно быть 500 Ом.
Форму импульсов устанавливают при подключенном к генератору импульсов испытуемого АВДТ. Для этой цели должны использоваться соответствующие делители и датчики напряжения.
Допускаются незначительные колебания импульсов при условии, что их амплитуда вблизи пика импульсов составляет не более 5% амплитудного значения импульса.
Допустимы колебания в первой половине фронта импульса амплитудой не более 10% пикового значения импульса.
Импульс длительностью 1,2/50 мкс согласно МЭК 60060-1 (рисунок 6)
[5] прикладывают между входными выводами, соединенными вместе, и выходными выводами, соединенными вместе, с контактами в разомкнутом положении.
Прикладывают по три положительных и отрицательных импульса с интервалом между последующими импульсами одной и той же полярности не менее 1 с и между импульсами противоположной полярности не менее 10 с.
Значения испытательного импульсного напряжения должны выбираться по таблице 24 в соответствии с номинальными импульсными напряжениями АВДТ, приведенными в
таблице 23. Данные значения корректируют по таблице 24 согласно барометрическому давлению и/или высоте проведения испытаний над уровнем моря.
Во время испытания не должно быть разрушительных разрядов.
Таблица 24
Испытательное напряжение на разомкнутых контактах
для проверки пригодности к разъединению относительно
номинального импульсного выдерживаемого напряжения АВДТ
и высоты проведения испытаний
┌──────────────────┬──────────────────────────────────────────────────────┐
│ Номинальное │ Испытательные напряжения на соответствующих высотах │
│ импульсное │ над уровнем моря │
│ выдерживаемое ├──────────────────────────────────────────────────────┤
│ напряжение U , │ U пиковое переменного тока, кВ │
│ imp │ 1,2/50 │
│ кВ ├──────────┬──────────┬──────────┬──────────┬──────────┤
│ │ Уровень │ 200 м │ 500 м │ 1000 м │ 2000 м │
│ │ моря │ │ │ │ │
├──────────────────┼──────────┼──────────┼──────────┼──────────┼──────────┤
│ 2,5 │ 3,5 │ 3,5 │ 3,4 │ 3,2 │ 3,0 │
│ 4,0 │ 6,2 │ 6,0 │ 5,8 │ 5,6 │ 5,0 │
└──────────────────┴──────────┴──────────┴──────────┴──────────┴──────────┘
9.7.7.2. Проверка импульсного выдерживаемого напряжения для частей, не испытанных согласно
9.7.7.1
Испытание проводят на АВДТ в замкнутом положении, закрепленном на металлическом основании.
Положительные и отрицательные импульсы, подающиеся генератором, имеют длительность фронта 1,2 мкс и длительность на уровне 0,5 величины амплитуды импульса - 50 мкс с точностью:
+/- 5% - для пикового значения;
+/- 30% - для длительности фронта;
+/- 20% - для длительности на уровне 0,5.
Волновое сопротивление испытательного прибора должно быть 500 Ом.
Форму импульсов устанавливают при подключенном к генератору импульсов испытуемом АВДТ. Для этой цели должны использоваться соответствующие делители и датчики напряжения.
Примечание. Для АВДТ со встроенными импульсными разрядниками форму импульсов устанавливают без подключения АВДТ к генератору импульсов.
Допускаются незначительные колебания импульсов при условии, что их амплитуда вблизи пика импульсов составляет не более 5% амплитудного значения импульса.
Допустимы колебания в первой половине фронта импульса амплитудой не более 10% пикового значения импульса.
В первой серии испытаний импульсы прикладывают между фазным полюсом (полюсами, соединенными вместе) и нейтральным полюсом (или путем) АВДТ, что применимо.
Во второй серии испытаний импульсы прикладывают между металлическим основанием, соединенным с выводом (выводами), предназначенными для защитного проводника (проводников), если таковой имеется, и фазным полюсом (полюсами) и нейтральным полюсом (или путем), соединенными вместе.
В обоих случаях прикладывают по три положительных и отрицательных импульса с интервалом между последующими импульсами одной и той же полярности не менее 1 с и между импульсами противоположной полярности не менее 10 с.
Значения испытательного импульсного напряжения должны выбираться по таблице 25 в соответствии с номинальными импульсными напряжениями АВДТ, приведенными в
таблице 23. Данные значения корректируют по таблице 25 согласно барометрическому давлению и/или высоте проведения испытаний над уровнем моря.
Таблица 25
Испытательное напряжение для проверки устойчивости
к импульсному выдерживаемому напряжению для частей,
┌──────────────────┬──────────────────────────────────────────────────────┐
│ Номинальное │ Испытательные напряжения на соответствующих высотах │
│ импульсное │ над уровнем моря │
│ выдерживаемое ├──────────────────────────────────────────────────────┤
│ напряжение U , │ U пиковое переменного тока, кВ │
│ imp │ 1,2/50 │
│ кВ ├──────────┬──────────┬──────────┬──────────┬──────────┤
│ │ Уровень │ 200 м │ 500 м │ 1000 м │ 2000 м │
│ │ моря │ │ │ │ │
├──────────────────┼──────────┼──────────┼──────────┼──────────┼──────────┤
│ 2,5 │ 2,9 │ 2,8 │ 2,8 │ 2,7 │ 2,5 │
│ 4,0 │ 4,9 │ 4,8 │ 4,7 │ 4,4 │ 4,0 │
└──────────────────┴──────────┴──────────┴──────────┴──────────┴──────────┘
Во время испытаний не должно быть перекрытий, а также непреднамеренных разрушительных разрядов. Если, однако, имел место только один такой разрушительный разряд, то дополнительно прикладывают шесть импульсов той же полярности, что и вызвавший разрушительный разряд; соединения при этом должны быть такими же, как при разряде.
Не должно быть дальнейших разрушительных разрядов.
Примечание. Термин "непреднамеренный разрушительный разряд" означает явление, объединяющее электрический пробой изоляции, падение напряжения и протекание тока.
9.7.7.3. Проверка токов утечки на разомкнутых контактах (пригодность к разъединению)
Измеренный ток утечки на разомкнутых контактах не должен превышать 2 мА.
9.8. Проверка превышения температуры
9.8.1. Температура окружающего воздуха
Температура окружающего воздуха должна быть измерена в течение последней четверти периода испытания при помощи не менее двух термометров или термопар, симметрично расположенных относительно АВДТ, приблизительно на половине его высоты и на расстоянии около 1 м от АВДТ.
Термометры и термопары должны быть защищены от сквозняков и теплового излучения.
Примечание. Следует принять меры для избежания ошибок, вызванных неожиданными изменениями температуры.
9.8.2. Методика испытания
Ток, равный

, пропускают одновременно через все полюса АВДТ в течение времени, достаточного для того, чтобы превышение температуры достигло установившегося значения. Практически это условие достигается, когда изменение превышения температуры не превосходит 1 К за 1 ч.
Для четырехполюсных АВДТ испытание вначале проводят пропусканием заданного тока только через три фазных полюса.
Затем испытание повторяют, пропуская ток через полюс, предназначенный для присоединения нейтрали, и соседний с нейтралью полюс.
В течение этих испытаний значения превышения температуры не должны превосходить величин, указанных в
таблице 7.
9.8.3. Измерение температуры частей
Температуру различных частей, приведенную в
таблице 7, измеряют при помощи тонкопроволочных термопар или эквивалентными приборами, установленными как можно ближе к наиболее горячим точкам.
Следует обеспечить хорошую теплопроводность между термопарой и поверхностью испытуемой части.
9.8.4. Превышение температуры частей
Превышение температуры части есть разница между температурой этой части, измеренной в соответствии с 9.8.3, и температурой окружающего воздуха, измеренной в соответствии с
9.8.1.
9.9. Проверка функциональных характеристик
9.9.1. Проверка функциональных характеристик при наличии дифференциального тока
9.9.1.1. Испытательная цепь
АВДТ устанавливают, как для нормальной эксплуатации.
Испытательная цепь должна обладать ничтожно малой индуктивностью и соответствовать
рисунку 4a.
Приборы для измерения дифференциального тока должны иметь класс точности не менее 0,5 и показывать (или давать возможность определять) точное действующее значение.
Приборы для измерения времени должны иметь относительную погрешность не более 10% измеряемого значения.
9.9.1.2. Испытания без нагрузки при дифференциальном синусоидальном переменном токе при контрольной температуре (20 +/- 2) °C.
АВДТ должен выдержать испытания по перечислениям a) -
c) 9.9.1.2 (каждое включает по пять измерений) и по
перечислению d) 9.9.1.2, выполненные соответственно только на одном полюсе, выбранном случайно.
Для АВДТ, имеющего несколько уставок дифференциального тока срабатывания, испытания проводят на каждой уставке.
a) Проверка правильной работы в случае постепенного роста дифференциального тока
При замкнутых выключателях

и

и АВДТ дифференциальный ток постепенно увеличивают, начиная от значения не более

, до достижения значения

в течение не более 30 с, ток расцепления каждый раз измеряют.
Все пять измеренных значений должны быть в диапазоне от

до

.
b) Проверка правильной работы при включении на дифференциальный ток
При откалиброванной на номинальное значение отключающего дифференциального тока

и включенных испытательных выключателях

и

АВДТ включают на цепь, настолько близкую к характеристикам рабочей цепи, насколько это возможно. Время выключения измеряют пять раз. Не должно быть значений, превосходящих предельное значение, указанное в
таблице 2 для

, соответствующего типу АВДТ.
Для АВДТ, функционально зависящих от напряжения сети, классифицируемых согласно
перечислению a) 4.1.2.2, управляющая цепь которых питается от линейной стороны главной цепи, эта проверка не учитывает время, необходимое для активизации АВДТ. В этом случае, в силу вышесказанного, проверку выполняют подачей дифференциального тока замыканием выключателя

при ранее замкнутых АВДТ и

.
c) Проверка правильной работы в случае внезапного возникновения дифференциального тока
Испытательную цепь последовательно калибруют на каждое из значений дифференциального тока, указанных в
таблице 2. При включенных

и АВДТ дифференциальный ток подают броском при включении выключателя

.
АВДТ должны расцепляться при каждом испытании.
Для каждого значения дифференциального тока производят по пять измерений времени срабатывания.
Не должно быть ни одного значения, превышающего соответствующее указанное предельное значение.
2) Дополнительные испытания для АВДТ типа S
Испытательную цепь последовательно калибруют на каждое из значений дифференциального тока, указанных в
таблице 2. При включенных

и АВДТ дифференциальный ток подают броском при включении выключателя

на время, равное соответствующему минимальному времени несрабатывания с погрешностью минус 5%.
Между предыдущей и последующей подачей дифференциального тока должен быть интервал не менее 1 мин.
АВДТ не должен расцепляться ни при одном испытании.
Затем испытание повторяют при температурах окружающего воздуха от минус 5 °C до 40 °C.
АВДТ не должен расцепляться ни при одном испытании.
d) Проверка правильной работы в случае внезапного возникновения дифференциального тока от

до 500 А.
Испытательную цепь последовательно калибруют на каждое из следующих значений дифференциального тока:
5, 10, 20, 50, 100 и 200 А.
При включенных

и АВДТ дифференциальный ток подают броском при включении выключателя

.
АВДТ должен расцепиться при каждом испытании. Ни одно время отключения не должно превосходить значений, приведенных в
таблице 2.
Испытания проводят для каждого значения дифференциального тока только на одном полюсе, выбранном случайно.
9.9.1.3. Проверка правильной работы АВДТ под нагрузкой при контрольной температуре
Испытания по
перечислениям b) и
c) 9.9.1.2 для АВДТ, нагруженного номинальным током как при нормальной эксплуатации в течение времени, достаточного для достижения установившегося состояния.
Практически это состояние достигается, когда изменение превышения температуры не превосходит 1 К за 1 ч.
Для АВДТ, имеющего несколько уставок дифференциального тока срабатывания, испытания проводят на каждой уставке.
9.9.1.4. Испытания при предельных значениях температуры
АВДТ должны выдерживать испытания, указанные в
перечислении c) 9.9.1.2, при следующих условиях, последовательно одно за другим:
a) окружающая температура минус 5 °C, без нагрузки;
b) окружающая температура 40 °C, АВДТ должен быть предварительно нагружен номинальным током при любом подходящем напряжении до достижения установившегося теплового состояния.
Практически это состояние достигается, когда изменение превышения температуры не превосходит 1 К за 1 ч.
Для АВДТ, имеющего несколько уставок дифференциального тока срабатывания, испытания проводят на каждой уставке.
Примечание. Предварительный нагрев может производиться на пониженном напряжении, но вспомогательные цепи должны быть подключены на их нормальное рабочее напряжение (особенно это касается компонентов, зависящих от напряжения сети).
9.9.1.5. Специфические условия испытаний для АВДТ, функционально зависящих от напряжения сети
Для АВДТ, функционально зависящих от напряжения сети, испытание проводят для каждого из следующих значений напряжения сети, приложенного к соответствующим выводам: 1,1 и 0,85 номинального напряжения сети.
9.9.2. Проверка рабочих характеристик при сверхтоках
Данное испытание проводят для установления соответствия АВДТ требованиям
8.5.2.
9.9.2.1. Проверка время-токовых (сверхтоковых) характеристик
АВДТ не должен расцепиться.
Затем ток в течение 5 с плавно повышают до

(условный ток расцепления).
АВДТ должен расцепиться в установленное время.
b) Ток, равный

, пропускают через все полюса, начиная с холодного состояния.
Время размыкания должно быть не менее 1 с, но и не более чем:
- 60 с - для номинальных токов до 32 А включительно;
- 120 с - для номинальных токов св. 32 А.
9.9.2.2. Проверка мгновенного расцепления
a) Общие условия испытаний
Для низких значений испытательного тока по
перечислениям b),
c),
d) 9.9.2.2 соответственно испытание проводят один раз при любом подходящем напряжении.
Для высоких значений испытательного тока испытание проводят при номинальном напряжении

(между фазой и нейтралью) с коэффициентом мощности от 0,95 до 1.
Последовательность операций такова:
O - t - CO - t - CO - t - CO.
Время расцепления операции O измеряют.
После каждой операции устройства индикации должны указывать на разомкнутое положение контактов.
Ток, равный

, пропускают через все полюса, начиная с холодного состояния.
Время размыкания должно быть не менее 0,1 с.
Затем ток, равный

, пропускают через все полюса снова, начиная с холодного состояния.
Время размыкания должно быть менее 0,1 с.
Ток, равный

, пропускают через все полюса, начиная с холодного состояния.
Время размыкания должно быть не менее 0,1 с.
Затем ток, равный

, пропускают через все полюса снова, начиная с холодного состояния.
Время размыкания должно быть менее 0,1 с.
Ток, равный

, пропускают через все полюса, начиная с холодного состояния.
Время размыкания должно быть не менее 0,1 с.
Затем ток, равный

, пропускают через все полюса снова, начиная с холодного состояния.
Время размыкания должно быть менее 0,1 с.
9.9.2.3. Проверка влияния температуры окружающей среды на характеристику расцепителя
Соответствие проверяют проведением следующих испытаний.
a) АВДТ помещают в среду с температурой на (35 +/- 2) °C выше контрольной температуры окружающего воздуха и выдерживают до достижения температурного равновесия.
Ток, равный

(условный ток нерасцепления), пропускают в течение условного времени через все полюса.
Затем ток в течение 5 с плавно повышают до

.
АВДТ должен расцепиться в установленное время.
b) АВДТ помещают в среду с температурой на (10 +/- 2) °C выше контрольной температуры окружающего воздуха и выдерживают до достижения температурного равновесия.
Ток, равный

, пропускают через все полюса.
АВДТ не должен расцепиться в установленное время.
9.10. Проверка механической и коммутационной износостойкости
9.10.1. Общие условия испытаний
АВДТ прикрепляют к металлическому основанию.
Испытание проводят при номинальном рабочем напряжении, токе, установленном равным номинальному, что обеспечивается с помощью резисторов и реакторов, включенных последовательно и присоединенных к выходным выводам АВДТ.
Если используют реакторы без сердечников, то параллельно каждому из них подсоединяют резистор, отводящий на себя около 0,6% тока, проходящего через реактор.
Если используют реакторы с железным сердечником, потери в сердечнике не должны ощутимо влиять на восстанавливающееся напряжение.
Ток должен иметь практически синусоидальную форму волны, а коэффициент мощности должен быть от 0,85 до 0,9.
АВДТ подсоединяют к цепи проводниками согласно
таблице 11.
9.10.2. Методика испытания
АВДТ должны быть подвергнуты 2000 циклам оперирования. Каждый цикл оперирования состоит из замыкания и последующего размыкания.
АВДТ следует оперировать как при нормальной эксплуатации.
Операции размыкания должны проводиться в следующем порядке:
Для АВДТ, имеющих ток

:
- для первых 1000 циклов - с использованием ручных средств оперирования;
- для следующих 500 циклов - с использованием контрольного устройства;
- для последних 500 циклов - путем пропускания через один полюс отключающего дифференциального тока

.
Для АВДТ, имеющих

:
- для первых 500 циклов - с использованием ручных средств оперирования;
- для следующих 750 циклов - с использованием контрольного устройства;
- для последних 750 циклов - путем пропускания через один полюс отключающего дифференциального тока

.
Дополнительно АВДТ подвергают без нагрузки с использованием ручных средств оперирования:
- 2000 циклам оперирования для АВДТ, имеющих

;
- 1000 циклам оперирования для АВДТ, имеющих

.
Частота оперирования должна быть:
- четыре цикла за 1 мин для АВДТ с

, с длительностью периода "Вкл." от 1,5 до 2 с;
- два цикла за 1 мин для АВДТ с

, с длительностью периода "Вкл." от 1,5 до 2 с.
Примечание. Для АВДТ, имеющих несколько значений отключающего дифференциального тока, испытания проводят для наименьшего значения.
9.10.3. Состояние АВДТ после испытания
После испытания по
9.10.2 АВДТ не должен иметь:
- чрезмерного износа;
- повреждений оболочки, дающих возможность проникновения стандартного испытательного пальца к частям, находящимся под напряжением;
- ослабления электрических и механических соединений;
- вытекания заливочного компаунда, если таковой имеется.
При условиях испытаний по
пункту 1) перечисления c) 9.9.1.2 АВДТ должен отключаться при испытательном токе

. Проводят только одно испытание без измерения времени отключения.
Затем АВДТ должен удовлетворительно выдержать испытание электрической прочности изоляции по
9.7.3, но при напряжении, равном его удвоенному номинальному напряжению, но не менее 900 В в течение 1 мин, без предварительной влажной обработки.
9.11. Проверка механизма свободного расцепления
9.11.1. Общие условия испытания
АВДТ монтируют и подключают, как при нормальной эксплуатации.
Испытание проводят в фактически безиндуктивной цепи, схема которой приведена на
рисунке 4a.
9.11.2. Методика испытания
При замкнутом АВДТ и органе управления, удерживаемом во включенном положении, замыканием выключателя

подают дифференциальный ток, равный

. АВДТ должен сработать.
Затем испытание повторяют при медленном перемещении органа управления АВДТ в течение приблизительно 1 с в положение, при котором начинает протекать ток. Должно произойти расцепление, невзирая на дальнейшее движение органа управления.
Оба испытания проводят по три раза, по крайней мере один раз на каждый полюс, предназначенный для подключения фазы.
Примечания
1. Если АВДТ имеет более одного органа управления, то проверку механизма свободного расцепления проводят для всех органов.
2. Для АВДТ, имеющих несколько значений уставки отключающего дифференциального тока, испытания проводят для каждого значения.
9.12. Испытания на короткое замыкание
9.12.1. Общие условия испытаний
Условия по 9.12.1 -
9.12.12 применимы для каждого испытания, предназначенного для проверки поведения АВДТ в условиях короткого замыкания; в то же время для испытания на номинальную дифференциальную наибольшую включающую и отключающую способности в
9.12.13 установлены дополнительные требования.
Примечание. Для АВДТ, имеющих несколько значений отключающего дифференциального тока, испытания проводят для наименьшего значения.
Стандартные испытания для проверки работоспособности АВДТ при коротких замыканиях содержат циклы операций включения и отключения согласно проверяемым функциям, которые указаны в таблице 16.
Таблица 16
Перечень испытаний при коротком замыкании
┌───────────────────────────────────────────────┬───────────────┬─────────┐
│ Вид испытания │Испытуемый АВДТ│ Пункт │
├───────────────────────────────────────────────┼───────────────┼─────────┤
│ Испытания при пониженных токах короткого │ Все АВДТ │
9.12.12.1│
├───────────────────────────────────────────────┤ ├─────────┤
├───────────────────────────────────────────────┤ │ │
│ Испытания на номинальную дифференциальную │ │ │
│наибольшую включающую и отключающую способность│ │ │
├───────────────────────────────────────────────┼───────────────┼─────────┤
│ Испытания на рабочую наибольшую отключающую │ АВДТ, имеющие │
9.12.12.1│
├───────────────────────────────────────────────┤ cn ├─────────┤
│ Испытания на номинальную наибольшую │ │
9.12.12.2│
│9.12.11.4) │ │ │
└───────────────────────────────────────────────┴───────────────┴─────────┘
Все АВДТ испытывают:
АВДТ, имеющие номинальную наибольшую отключающую способность св. 1500 А, дополнительно испытывают:
- при рабочей наибольшей отключающей способности (см.
3.4.6.2) - согласно
перечислению b) 9.12.11.4 и
9.12.12.1; рабочую наибольшую отключающую способность определяют умножением номинальной наибольшей отключающей способности на коэффициент K, значения которого приведены в
таблице 18;
9.12.2. Испытательная цепь для проверки работоспособности в условиях короткого замыкания
На
рисунках 5 -
9 соответственно приведены схемы цепей, предназначенных для испытаний, относящихся к:
- однополюсному АВДТ с двумя токовыми путями
(рисунок 5);
- двухполюсному АВДТ (с одним или двумя защищенными полюсами)
(рисунок 6);
- трехполюсному АВДТ с четырьмя токовыми путями
(рисунок 8);
Активные и реактивные сопротивления Z и

должны регулироваться для достижения заданных условий испытаний.
Реакторы должны быть предпочтительно без сердечников, они всегда должны соединяться последовательно с резисторами, а их величина должна быть обеспечена последовательным соединением отдельных реакторов; параллельное соединение реакторов допустимо в случае, если их постоянные времени практически равны.
Поскольку переходные характеристики восстанавливающегося напряжения в испытательных цепях, включающих в себя большие воздушные реакторы, не типичны для обычных условий эксплуатации, воздушные реакторы в любой фазе должны быть шунтированы резисторами

, отводящими приблизительно 0,6% тока, притекающего через реактор.
Если используют реакторы с железными сердечниками, то мощность потерь в железе сердечников не должна превышать мощности, рассеиваемой на резисторах, включенных параллельно воздушным реакторам.
В каждой испытательной цепи для проверки номинальной наибольшей отключающей способности между источником питания S и испытуемым АВДТ включают сопротивление Z.
Если испытания проводят при токах, меньших, чем номинальная наибольшая отключающая способность, на выходной стороне АВДТ включают дополнительные сопротивления

.
Для испытаний на номинальную и рабочую наибольшие отключающие способности и номинальную дифференциальную наибольшую включающую и отключающую способность АВДТ подключают проводами длиной по 0,75 м на полюс и максимальным сечением в зависимости от номинального тока согласно
таблице 6.
Примечание. Рекомендуется использовать 0,5 м на входной и 0,25 м провода на выходной стороне испытуемого АВДТ.
Выключатель

остается разомкнутым в ходе всех испытаний на короткое замыкание, за исключением испытаний по
9.12.13.
Резистор

приблизительно 0,5 Ом соединяют последовательно с отрезком медной проволоки F, как показано на
рисунках 5 -
9.
Медная проволока F должна иметь длину, как минимум, 50 мм и диаметр:
0,1 мм - для АВДТ, испытуемых на открытом воздухе и монтируемых на металлической опоре;
0,3 мм - для АВДТ, испытуемых в наименьшей оболочке из указанных изготовителем.
Должна быть только одна точка испытательной цепи, непосредственно заземленная; это может быть короткозамкнутая перемычка испытательной цепи или нейтральная точка источника питания, или другая оговоренная точка. Метод заземления должен быть указан в протоколе испытаний. Все проводящие части АВДТ, нормально заземленные при эксплуатации, включая металлические основания, на которых монтируют АВДТ, или любую металлическую оболочку, должны быть соединены с нейтральной точкой источника или с практически безындукционной искусственной нейтралью.
Резисторы

, проводящие ток 10 А на фазу, подключают на входной стороне АВДТ между сопротивлениями для доведения ожидаемого тока до значения номинальной наибольшей отключающей способности АВДТ.
Датчики тока

подключают к выходной стороне АВДТ.
Датчики напряжения

подключают:
- между выводами полюса однополюсных АВДТ;
- между выводами питания многополюсных АВДТ.
Если иное не установлено в протоколе испытания, сопротивление измерительной цепи должно быть, как минимум, 100 Ом на 1 В восстанавливающегося напряжения промышленной частоты.
АВДТ, функционально зависящие от напряжения сети, питаются с входной стороны номинальным напряжением или, если уместно, напряжением, имеющим низшее значение из ряда номинальных напряжений АВДТ.
Схема испытательной цепи должна быть приведена в протоколе испытаний.
9.12.3. Значения испытательных параметров
Все испытания, относящиеся к проверке номинальной наибольшей отключающей способности, должны проводиться со значениями параметров, установленными изготовителем, согласно соответствующим таблицам настоящего стандарта.
Величина прикладываемого напряжения должна быть такой, какая необходима для получения указанного восстанавливающегося напряжения промышленной частоты.
Значение восстанавливающегося напряжения промышленной частоты должно быть равным 105% номинального напряжения испытуемого АВДТ.
Примечание. Значение (105 +/- 5)% номинального напряжения считают перекрывающим влияние колебаний сетевого напряжения при нормальных условиях эксплуатации. Верхний предел напряжения может быть повышен с согласия изготовителя.
9.12.4. Допуски на испытательные параметры
Испытания рассматривают как действительные, если величины, зафиксированные в протоколе испытаний, находятся в пределах следующих допусков:
- ток - плюс 5%;
- частота - +/- 5%;
- коэффициент мощности - 0,05;
- напряжение (включая восстанавливающееся напряжение) - +/- 5%.
9.12.5. Коэффициент мощности испытательной цепи
Коэффициент мощности каждой фазы испытательной цепи должен определяться признанным методом, который следует указать в протоколе испытаний. В
Приложении IA приведены два метода определения коэффициентов мощности.
Коэффициент мощности многофазной цепи определяют как среднее значение коэффициентов мощности всех фаз.
Диапазоны значений коэффициентов мощности приведены в таблице 17.
Таблица 17
Диапазоны коэффициентов мощности испытательных цепей
┌───────────────────────────────────┬─────────────────────────────────────┐
│ Испытательный ток I , А │Соответствующий диапазон коэффициента│
│ cc │ мощности │
├───────────────────────────────────┼─────────────────────────────────────┤
│До 1500 включ. │ От 0,93 до 0,98 │
│Свыше 1500 до 3000 включ. │ " 0,85 " 0,90 │
│ " 3000 " 4500 " │ " 0,75 " 0,80 │
│ " 4500 " 6000 " │ " 0,65 " 0,70 │
│ " 6000 " 10000 " │ " 0,45 " 0,50 │
│ " 10000 " 25000 " │ " 0,20 " 0,25 │
└───────────────────────────────────┴─────────────────────────────────────┘
9.12.6. Измерение и проверка

и пикового тока

При испытании АВДТ в трехфазных цепях значения

должны быть измерены на каждом полюсе.
Максимальные измеренные значения

должны быть отражены в протоколе испытания и не должны превышать соответствующих значений характеристики

.
9.12.7. Калибровка испытательной цепи
9.12.7.1. Для калибровки испытательной цепи перемычки

и

, сопротивление которых ничтожно мало по сравнению с сопротивлением испытательной цепи, подключают в местах, указанных на
рисунках 5 -
9.
9.12.7.2. Для получения ожидаемого тока, равного номинальной наибольшей отключающей способности АВДТ, при соответствующем коэффициенте мощности, как указано в
таблице 17, со стороны питания перемычек

вводят сопротивления Z.
9.12.7.3. Для получения испытательного тока ниже, чем номинальная наибольшая отключающая способность, со стороны нагрузки перемычек

вводят дополнительные сопротивления

, как показано на
рисунках 5 -
9.
9.12.7.4. Для получения ожидаемого тока, равного номинальной дифференциальной наибольшей включающей и отключающей способности АВДТ, при соответствующем коэффициенте мощности, как указано в
таблице 17, сопротивление

вводят, как показано на
рисунках 5 -
9.
9.12.8. Анализ записей
a) Определение прикладываемого напряжения и восстанавливающегося напряжения промышленной частоты
Прикладываемое напряжение и восстанавливающееся напряжение промышленной частоты определяют по записи, соответствующей испытанию на отключение испытуемого АВДТ. Прикладываемое напряжение оценивают, как показано на
рисунке 10.
Напряжение на стороне питания АВДТ должно измеряться на протяжении первого периода после гашения дуги на всех полюсах и после прекращения высокочастотных явлений.
b) Определение ожидаемого тока короткого замыкания
Периодическую составляющую ожидаемого тока приравнивают к периодической составляющей тока калибровки (значение, соответствующее

на
рисунке 10).
Где применимо, ожидаемый ток короткого замыкания определяют как среднее значение ожидаемых токов во всех фазах.
9.12.9. Состояние АВДТ перед испытанием
АВДТ должны быть испытаны на открытом воздухе по
9.12.9.1, за исключением тех случаев, когда они разработаны для применения только в оболочке, указанной изготовителем, или предназначены для применения только в индивидуальных оболочках; в таких случаях они должны быть испытаны по
9.12.9.2 либо с согласия изготовителя по 9.12.9.1.
Примечание. Индивидуальная оболочка - это оболочка, предназначенная для размещения только одного устройства.
Оперирование АВДТ должно как можно точнее имитировать нормальное управление.
АВДТ втычного типа, которые обычно монтируют на изоляционном основании, испытывают в таких же условиях, изоляционное основание закрепляют на металлической опоре.
9.12.9.1. Испытания на открытом воздухе
АВДТ при испытаниях устанавливают так, как показано на
рисунке C.1 Приложения C.
Полиэтиленовый лист и барьер из изоляционного материала, указанные в
Приложении C, устанавливают, как показано на
рисунке C.1, только для операции отключения (O).
Сетка (сетки), указанные в
Приложении C, должны быть установлены так, чтобы основная масса выделяющихся ионизированных газов проходили через них. Сетка (сетки) должны быть расположены в самых неблагоприятных положениях.
Примечание. Если расположение отверстий для выхлопа газов не ясно или отверстия отсутствуют, изготовитель должен представить соответствующую информацию.
Цепи сеток (см.
рисунок C.3) должны быть соединены с точками B и C, как указано в схемах испытательных цепей на
рисунках 5 -
9.
Резистор R' должен иметь сопротивление 1,5 Ом. Медная проволока F' (см.
рисунок C.3) должна иметь длину 50 мм и диаметр 0,12 мм для АВДТ, имеющих номинальное напряжение 230 В и 0,16 мм для АВДТ с номинальным напряжением 400 В.
Примечание. Данные для других напряжений - в стадии рассмотрения.
Для испытательных токов до 1500 А включительно расстояние "a" должно быть 35 мм.
Для более высоких значений токов короткого замыкания вплоть до

расстояние "a" может быть увеличено и/или могут быть установлены дополнительные барьеры или изоляционные средства, как будет указано изготовителем, и в этом случае расстояние "a" должно выбираться из ряда 40, 45, 50, 55 мм по согласованию с изготовителем.
9.12.9.2. Испытание в оболочках
Сетку и барьер из изоляционного материала, показанные на
рисунке C.1, исключают.
Испытание должно выполняться с АВДТ, помещенным в оболочку, имеющую наиболее неблагоприятную конфигурацию.
Примечание. Все это означает, что если другие АВДТ (или другие устройства) нормально устанавливают в направлениях, в которых должны быть установлены сетки, то они должны быть установлены там. АВДТ (или другие устройства) должны быть запитаны, как при нормальной эксплуатации, но через F' и R' согласно
9.12.9.1, и соединены, как показано на
рисунках 5 -
9.
В соответствии с инструкциями изготовителя могут потребоваться барьеры или другие защитные средства, или соответствующие зазоры для предотвращения ионизации газов из-за повреждения установки.
Полиэтиленовый лист, описанный в
Приложении C, размещают, как показано на
рисунке C.1, на расстоянии 10 мм от органов управления только для операции отключения "O".
9.12.10. Поведение АВДТ в ходе испытаний на короткое замыкание
Во время испытаний АВДТ не должен представлять опасности для испытателя.
Кроме того, не должно быть устойчивой дуги, перекрытия между полюсами или между полюсами и корпусом, не должен расплавляться предохранитель F, если применен, то и предохранитель F'.
9.12.11. Методика испытания
9.12.11.1. Общие положения
Процедура испытаний состоит в выполнении циклов операций.
Для обозначения циклов операций используют следующие символы:
"O" - автоматическое отключение;
"CO" - операция включения с последующим автоматическим отключением;
"t" - интервал времени между двумя последовательными операциями при коротком замыкании, который должен составлять 3 мин или быть более длительным на столько, сколько может потребоваться тепловому расцепителю, чтобы позволить повторное включение АВДТ.
Фактическое значение "t" должно быть указано в протоколе испытаний.
После погасания дуги восстанавливающееся напряжение должно поддерживаться не менее 0,1 с.
В каждом из испытаний по 9.12.11.2 -
9.12.11.4 должны быть испытаны по три образца.
9.12.11.2. Испытание при пониженных токах короткого замыкания
Дополнительные сопротивления

(см.
9.12.7.3) регулируются таким образом, чтобы получить ток, равный 500 А или

, выбирают, что больше, при коэффициенте мощности от 0,93 до 0,98.
Каждый защищенный полюс АВДТ подвергают отдельно испытанию в цепи, схема которой показана на
рисунке 5.
Примечание. Для двухполюсных АВДТ с двумя токовыми путями, трехполюсных АВДТ с тремя токовыми путями и четырехполюсных АВДТ с четырьмя токовыми путями один из полюсов включают в испытательную цепь по
рисунку 5 в разрыв нейтрали.
Вызывают автоматическое размыкание АВДТ девять раз, цепь замыкают шесть раз при помощи вспомогательного выключателя A и три раза при помощи собственно АВДТ.
Последовательность операций должна быть такой:
O - t - O - t - O - t - O - t - O - t - O - t - CO - t - CO - t - CO.
Для испытания вспомогательный выключатель A синхронизируют относительно волны напряжения таким образом, что шесть точек начала операции размыкания равномерно распределяют по полуволне с погрешностью +/- 5°.
9.12.11.3. Испытание на ток 1500 А
Для АВДТ, имеющих номинальную наибольшую отключающую способность 1500 А, испытательную цепь калибруют согласно
9.12.7.1 и
9.12.7.2 для получения тока 1500 А при коэффициенте мощности, соответствующем этому току по
таблице 17.
Для АВДТ, имеющих номинальную наибольшую отключающую способность св. 1500 А, испытательную цепь калибруют согласно
9.12.7.1 и
9.12.7.3 при коэффициенте мощности, соответствующем току 1500 А по
таблице 17.
Однополюсные АВДТ испытывают в цепи, схема которой приведена на
рисунке 5.
Двухполюсные АВДТ испытывают в цепи, схема которой приведена на
рисунке 6, причем оба полюса включают в цепь, независимо от числа защищенных полюсов.
Трехполюсные АВДТ и четырехполюсные АВДТ с тремя защищенными полюсами испытывают в цепях, схемы которых приведены на
рисунках 7 -
9, какая подходит.
Для трехполюсных АВДТ с тремя токовыми путями не производят соединение между нейтралью источника питания и общей точкой, если она имеется на выходной стороне АВДТ.
Для четырехполюсных АВДТ с тремя защищенными полюсами нейтраль источника питания соединяют через незащищенный полюс или полюс, коммутирующий нейтраль, с общей точкой на выходной стороне АВДТ.
Если нейтраль четырехполюсного АВДТ не маркирована изготовителем, испытания повторяют с тремя новыми образцами, используя поочередно каждый полюс как нейтраль.
Для испытания одно- и двухполюсных АВДТ вспомогательный выключатель A синхронизируют относительно волны напряжения таким образом, что шесть точек начала операции размыкания равномерно распределяют по полуволне с погрешностью +/- 5°.
Последовательность операций должна соответствовать указанной в
9.12.11.2.
Для трех- и четырехполюсных АВДТ допустимо испытание с произвольным расположением точек на волне.
9.12.11.4. Испытание на токах св. 1500 А
a) Соотношение между рабочей и номинальной наибольшими отключающими способностями (коэффициент K)
Соотношение между рабочей и номинальной наибольшими отключающими способностями должно соответствовать указанному в таблице 18.
Таблица 18
Соотношение между рабочей

и номинальной

наибольшими отключающими способностями (коэффициент K)
┌─────────────────────────────────────────────────┬───────────────────────┐
│ I , А │ K │
│ cn │ │
├─────────────────────────────────────────────────┼───────────────────────┤
│До 6000 включительно │ 1,00 │
├─────────────────────────────────────────────────┼───────────────────────┤
│Св. 6000 │ 0,75 <1> │
│До 10000 включительно │ │
├─────────────────────────────────────────────────┼───────────────────────┤
│Св. 10000 │ 0,5 <2> │
├─────────────────────────────────────────────────┴───────────────────────┤
│ <1> Минимальное значение I = 6000 А. │
│ cs │
│ <2> Минимальное значение I = 7500 А. │
│ cs │
└─────────────────────────────────────────────────────────────────────────┘
b) Испытание при рабочей наибольшей отключающей способности

Если входные и выходные выводы испытуемых АВДТ не промаркированы, то два образца присоединяют в одном направлении, а третий - в противоположном.
2) Для одно- и двухполюсных АВДТ последовательность операций следующая:
O - t - O - t - CO.
Для операций O вспомогательный выключатель A синхронизируют по отношению к волне напряжения таким образом, что цепь замыкается в точке 0° на волне для операции O на первом образце. Затем эту точку смещают на 45° для второй операции O на первом образце; для второго образца две операции O должны быть синхронизированы на 15° и 60°, а для третьего образца - на 30° и 75°.
Допустимая погрешность синхронизации +/- 5°.
Процедура испытания приведена в таблице 19.
Таблица 19
Процедура испытания при

для одно- и двухполюсных АВДТ
┌──────────────────────┬──────────────────────────────────────────────────┐
│ Операция │ Образец │
│ ├────────────────┬────────────────┬────────────────┤
│ │ 1 │ 2 │ 3 │
├──────────────────────┼────────────────┼────────────────┼────────────────┤
│ 1 │ O (0°) │ O (15°) │ O (30°) │
│ 2 │ O (45°) │ O (60°) │ O (75°) │
│ 3 │ CO │ CO │ CO │
└──────────────────────┴────────────────┴────────────────┴────────────────┘
3) Для трех- и четырехполюсных АВДТ последовательность операций следующая:
O - t - CO - t - CO.
Для операций O вспомогательный выключатель A синхронизируют по отношению к волне напряжения таким образом, что цепь замыкается в любой точке x° на волне для операции O на первом образце.
Затем эту точку смещают на 60° для операции O на втором образце и еще на 60° для операции O на третьем образце.
Допустимая погрешность синхронизации +/- 5°.
В целях синхронизации у разных образцов следует использовать один и тот же полюс.
Процедура этого испытания приведена в таблице 20.
Таблица 20
Процедура испытания при

для трех- и четырехполюсных АВДТ
┌──────────────────────┬──────────────────────────────────────────────────┐
│ Операция │ Образец │
│ ├────────────────┬────────────────┬────────────────┤
│ │ 1 │ 2 │ 3 │
├──────────────────────┼────────────────┼────────────────┼────────────────┤
│ 1 │ O (x°) │ O (x° + 60°) │ O (x° + 120°) │
│ 2 │ CO │ CO │ CO │
│ 3 │ CO │ CO │ CO │
└──────────────────────┴────────────────┴────────────────┴────────────────┘
c) Испытание при номинальной наибольшей отключающей способности

Если входные и выходные выводы испытуемых АВДТ не промаркированы, то два образца присоединяют в одном направлении, а третий - в противоположном.
Последовательность операций следующая:
O - t - CO.
Для операций O вспомогательный выключатель A синхронизируют по отношению к волне напряжения таким образом, что цепь замыкается в точке 15° на волне для операции O на первом образце.
Затем эту точку смещают на 30° для операции O на втором образце и еще на 30° для операции O на третьем образце.
Допустимая погрешность синхронизации +/- 5°.
В целях синхронизации у трех- и четырехполюсных АВДТ следует использовать один и тот же полюс в качестве контрольного.
Процедура этого испытания приведена в таблице 21.
Таблица 21
Процедура испытания при

┌──────────────────────┬──────────────────────────────────────────────────┐
│ Операция │ Образец │
│ ├────────────────┬────────────────┬────────────────┤
│ │ 1 │ 2 │ 3 │
├──────────────────────┼────────────────┼────────────────┼────────────────┤
│ 1 │ O (15°) │ O (45°) │ O (75°) │
│ 2 │ CO │ CO │ CO │
└──────────────────────┴────────────────┴────────────────┴────────────────┘
9.12.12. Проверка АВДТ после испытания на короткое замыкание
9.12.12.1. После каждого из испытаний по
9.12.11.2 или
9.12.11.3, или по
перечислению b) 9.12.11.4 АВДТ не должны иметь повреждений, препятствующих их дальнейшей эксплуатации, и должны быть способны без обслуживания выдерживать следующие испытания:
a) на ток утечки на разомкнутых контактах согласно
9.7.7.3;
b) на электрическую прочность изоляции, проведенные в соответствии с
9.7.3 через 2 - 24 ч после испытания на короткое замыкание при напряжении, на 500 В ниже указанного значения, и без предварительной влажной обработки.
В ходе этих испытаний следует проверить, что устройство индикации после испытания согласно условиям, указанным в
перечислении a) 9.7.2, указывает на разомкнутое положение контактов, а при испытании по
перечислению b) 9.7.2 - на замкнутое положение.
Кроме того, после испытаний по
9.12.11.3 или по
перечислению b) 9.12.11.4 АВДТ не должны расцепляться при пропускании тока, равного 0,85 условного тока нерасцепления, в течение условного времени через все полюса, начиная с холодного состояния.
По окончании этой проверки ток постепенно увеличивают в течение 5 с до 1,1 условного тока расцепления.
АВДТ должен расцепиться в течение 1 ч.
Полиэтиленовый лист не должен иметь отверстий, видимых при нормальном или скорректированном зрении без дополнительного увеличения.
9.12.12.2. После испытаний согласно
перечислению c) 9.12.11.4 полиэтиленовый лист не должен иметь отверстий, видимых при нормальном или скорректированном зрении без дополнительного увеличения, а АВДТ не должны иметь повреждений, препятствующих их дальнейшей эксплуатации, и должны быть способны без обслуживания выдержать следующие испытания:
a) на ток утечки на разомкнутых контактах согласно
9.7.7.3;
b) на электрическую прочность изоляции, проведенные в соответствии с
9.7.3 через 2 - 24 ч после испытания на короткое замыкание при напряжении 900 В и без предварительной влажной обработки.
В ходе этих испытаний следует проверить, что устройство индикации после испытания согласно условиям, указанным в
перечислении a) 9.7.2, указывает на разомкнутое положение контактов, а при испытании по
перечислению b) 9.7.2 - на замкнутое положение.
c) Кроме того, АВДТ должны расцепиться в течение времени согласно
испытанию c) по таблице 8 при прохождении через все полюса тока, равного

, но при нижнем пределе времени 0,1 с вместо 1 с.
9.12.13. Проверка номинальной дифференциальной наибольшей включающей и отключающей способности

Данное испытание предполагает проверку способности АВДТ включать, проводить в течение указанного времени и отключать дифференциальные токи короткого замыкания.
9.12.13.1. Методика испытания
АВДТ испытывают в соответствии с основными условиями испытаний, согласно
9.12.1, но соединяют их таким образом, что ток короткого замыкания становится дифференциальным током.
Испытания проводят на каждом полюсе поочередно, исключая полюс, коммутирующий нейтраль, если имеется. Для целей данного испытания сопротивление

не используют; цепь остается разомкнутой.
Токовые пути, по которым не проходит дифференциальный ток короткого замыкания, соединяют с источником питания на их входных выводах.
В течение этого испытания вспомогательный выключатель

остается замкнутым.
В случае АВДТ, соответствующих
4.1.2.1, для создания возможности совершения операции отключения необходимо либо поместить устройство A, создающее ток короткого замыкания, на выходной стороне АВДТ, либо ввести в схему дополнительное устройство, создающее ток короткого замыкания.
Последовательность операций следующая:
O - t - CO - t - CO.
Для операции отключения вспомогательный выключатель A синхронизируют по отношению к волне напряжения таким образом, что начальная точка находится в точке (45 +/- 5) °C.
В целях синхронизации у разных образцов АВДТ следует использовать один и тот же полюс в качестве контрольного.
9.12.13.2. Проверка АВДТ после испытания на номинальную дифференциальную наибольшую включающую и отключающую способности
После испытаний согласно
9.12.13 АВДТ не должны иметь повреждений, препятствующих их дальнейшей эксплуатации, и должны быть способны без обслуживания:
- соответствовать требованиям
9.7.3, но при напряжении, равном его двойному номинальному напряжению, подаваемому в течение 1 мин, без предварительной влажной обработки и;
- включать и отключать свой номинальный ток при своем номинальном напряжении.
По условию согласно
перечислению c) 9.9.1.2 АВДТ должен расцепиться при испытательном токе

. Проводят только одно испытание на одном полюсе, взятом наугад, без измерения времени отключения.
Полиэтиленовый лист не должен иметь отверстий, видимых при нормальном или скорректированном зрении без дополнительного увеличения.
Кроме того, АВДТ, функционально зависящие от напряжения сети, должны быть способны выдержать испытание по
9.17, если необходимо.
9.13. Проверка стойкости к механическому толчку и удару
9.13.1. Механический толчок
9.13.1.1. Испытательное устройство
АВДТ подвергают механическим толчкам с использованием устройства, показанного на
рисунке 11. К бетонному блоку крепят деревянное основание A, к нему на шарнире крепят деревянную платформу B. На этой платформе устанавливают деревянную плиту C, которая может фиксироваться на разных расстояниях от шарнира и иметь два вертикальных положения. Конец платформы B снабжен металлическим пластинчатым упором D, который опирается на спиральную пружину с коэффициентом упругости 25 Н/мм.
АВДТ надежно закрепляют на плите C так, что расстояние горизонтальной оси образца от платформы B составляет 180 мм, плиту C, в свою очередь, крепят так, что расстояние от монтажной поверхности до шарнира составляет 200 мм, как показано на
рисунке 11.
На поверхности плиты C, противоположной монтажной поверхности, для АВДТ крепят дополнительную массу таким образом, что на упоре D создают статическое усилие, равное 25 Н, для того чтобы обеспечить практически постоянный момент инерции всей системы.
9.13.1.2. Процедура испытания
При АВДТ, находящемся в замкнутом положении, но не подключенном к какому-либо источнику тока, платформу B 50 раз поднимают за свободный конец и отпускают с высоты 40 мм с такими интервалами между последовательными падениями, чтобы образец имел возможность прийти в состояние покоя.
Затем АВДТ крепят на противоположной поверхности плиты C и снова 50 раз сбрасывают.
После этого испытания плиту C поворачивают на 90° вокруг вертикальной оси и, при необходимости, перемещают так, чтобы вертикальная ось симметрии находилась на расстоянии 200 мм от шарнира.
Затем B позволяют упасть 50 раз с АВДТ, закрепленным на одной стороне C, и 50 раз с АВДТ, установленным с противоположной стороны плиты.
Перед каждым изменением положения АВДТ вручную замыкают и размыкают.
В ходе испытаний АВДТ не должен размыкаться.
9.13.2. Механический удар
Проверку открытых частей АВДТ, установленного как для нормальной эксплуатации в соответствии с инструкциями изготовителя, которые могут подвергаться механическим ударам при нормальной эксплуатации, проводят по 9.13.2.1 для АВДТ всех типов и дополнительно:
- по
9.13.2.2 - для АВДТ, предназначенных для монтажа на рейке;
Примечание. АВДТ, предназначенные для применения только в полностью закрытых оболочках, не подлежат данному испытанию.
9.13.2.1. Образцы проверяют ударами с помощью ударного испытательного устройства, показанного на
рисунках 12 -
14.
Головку ударного элемента выполняют полусферической формы радиусом 10 мм из полиамида, имеющего твердость по Роквеллу 100 HR. Ударный элемент имеет массу (150 +/- 1) г и жестко закреплен на нижнем конце стальной трубы наружным диаметром 9 мм и толщиной стенки 0,5 мм, шарнирно подвешенной верхним концом таким образом, чтобы она могла качаться только в вертикальной плоскости.
Ось шарнира находится на высоте (1000 +/- 1) мм над осью ударного элемента.
Для определения твердости полиамида головки ударного элемента по шкале Роквелла используют следующие условия:
- диаметр шарика - (12,7 +/- 0,0025) мм;
- начальная нагрузка - (100 +/- 2) Н;
- дополнительная нагрузка - (500 +/- 2,5) Н.
Примечание. Дополнительную информацию, касающуюся определения твердости пластмасс по Роквеллу, см. в ГОСТ 24622.
Конструкция испытательного устройства такова, что для удержания трубы в горизонтальном положении к лицевой поверхности ударного элемента необходимо приложить усилие от 1,9 до 2 Н.
АВДТ поверхностного монтажа устанавливают на фанерном листе размерами 175 x 175 мм и толщиной 8 мм, закрепленном своими верхней и нижней кромками в жестких кронштейнах, являющихся частью монтажной опоры, как показано на
рисунке 14.
Монтажная опора должна иметь массу (10 +/- 1) кг и быть установлена в жесткой раме при помощи шарниров. Раму крепят к массивной стене.
АВДТ утопленного монтажа монтируют в испытательном устройстве, которое закрепляют на монтажной опоре, как показано на
рисунке 15.
АВДТ, монтируемые на панели, устанавливают в испытательном устройстве, как показано на
рисунке 16, которое закрепляют на монтажной опоре.
АВДТ втычного типа устанавливают на их собственных основаниях, которые закрепляют на фанерном листе или в испытательных устройствах, как показано на
рисунке 15 или
16, что применимо.
АВДТ, предназначенные для применения на рейке, монтируют на соответствующей рейке, которую жестко прикрепляют к монтажной опоре, как показано на
рисунке 17.
Конструкция испытательного устройства такова, что:
- образец может быть перемещен горизонтально и повернут вокруг оси, перпендикулярной поверхности фанерного листа;
- фанерный лист может быть повернут вокруг вертикальной оси.
АВДТ с крышками, если имеются, монтируют как для нормальной эксплуатации на фанерном листе или в соответствующем испытательном устройстве, что применимо, так чтобы точка удара лежала в вертикальной плоскости, проходящей через ось маятника.
Кабельные вводы, которые не снабжены пробиваемыми диафрагмами, оставляют открытыми. Если они снабжены диафрагмами, то две из них пробивают.
Перед нанесением ударов винты для крепления оснований, крышек и т.д. затягивают моментом, равным 2/3 от указанного в
таблице 12.
Ударный элемент сбрасывают с высоты 10 см на поверхности, которые доступны, когда АВДТ смонтирован как для нормальной эксплуатации.
Высоту падения определяют как вертикальное расстояние между положениями контрольной точки в момент отпускания маятника и в момент удара.
Контрольную точку отмечают на поверхности ударного элемента в месте пересечения с ней линии, проходящей через точку пересечения осей стальной трубы маятника и ударного элемента и перпендикулярной плоскости, проходящей через эти оси.
Примечание. Теоретически контрольной точкой должен быть центр тяжести ударного элемента, но поскольку его центр тяжести трудно определить, контрольную точку выбирают, как указано выше.
Каждый АВДТ подвергают 10 ударам, два из которых наносят на органы управления, а остальные равномерно распределяют по тем частям образца, которые предположительно наиболее подвержены ударам.
Удары не наносят по пробиваемым диафрагмам или каким-либо отверстиям, закрытым прозрачным материалом.
Как правило, один удар наносят по каждой боковой стенке образца, повернутого вокруг вертикальной оси, насколько возможно, но не более чем на 60°, и два удара - приблизительно посредине между точкой удара по боковой стенке и точками ударов по органам управления.
Остальные удары наносят подобным образом после поворота образца на 90° вокруг оси, перпендикулярной фанерному листу.
Если предусмотрены кабельные вводы или пробиваемые диафрагмы, то образец устанавливают так, чтобы обе линии нанесения ударов располагались по возможности на равных расстояниях от этих отверстий.
Из двух ударов по органу управления один наносят, когда орган управления находится в положении "Вкл.", а второй - в положении "Откл.".
После испытания образцы не должны иметь повреждений в пределах действия настоящего стандарта, в особенности крышек, которые, будучи сломаны, делают доступными части под напряжением или препятствуют дальнейшей эксплуатации АВДТ. Органы управления, обшивка и перегородки из изоляционного материала не должны иметь повреждений.
При необходимости проверяют возможность удаления или замены внешних частей, таких, как оболочки или крышки, без повреждения этих частей или их обшивки.
Примечание. Ухудшением внешнего вида, небольшими вмятинами, не уменьшающими расстояний утечки или воздушных зазоров до значений, ниже указанных в
8.1.3, и мелкими сколами, не снижающими защиты от электрического удара, пренебрегают.
Для АВДТ, разработанных для крепления в равной степени винтами и на рейке, испытания проводят на двух комплектах АВДТ, один из которых крепят винтами, а другой - на рейке.
9.13.2.2. АВДТ, предназначенные для крепления на рейке, монтируют как для нормальной эксплуатации на рейке, жестко закрепленной на твердой вертикальной стене, но без подключенных кабелей, крышек или защитных пластин.
К передней поверхности АВДТ без рывков в течение 1 мин прикладывают направленное сверху вниз вертикальное усилие 50 Н, затем немедленно в течение 1 мин прикладывают снизу вверх вертикальное усилие 50 Н (см.
рисунок 17).
Во время испытания крепление АВДТ не должно расслабляться; после испытания АВДТ не должен иметь повреждений, препятствующих его дальнейшей эксплуатации.
9.13.2.3. АВДТ втычного типа
Примечание. Вопрос о дополнительных испытаниях - в стадии рассмотрения.
9.14. Проверка теплостойкости
9.14.1. Образцы без съемных крышек, если они имеются, выдерживают 1 ч в термокамере при температуре (100 +/- 2) °C; съемные крышки, если они имеются, выдерживают в течение 1 ч в термокамере при температуре (70 +/- 2) °C.
Во время испытаний образцы не должны претерпевать изменений, препятствующих их дальнейшей эксплуатации; а заливочный компаунд, при его наличии, не должен вытечь настолько, чтобы открылись части, находящиеся под напряжением.
После испытания и охлаждения образцов приблизительно до комнатной температуры не должны быть доступными части, находящиеся под напряжением, которые нормально недоступны, когда образцы смонтированы как при нормальной эксплуатации, даже если применяют стандартный испытательный палец, прикладываемый с усилием не более 5 Н.
При условиях испытаний по
пункту 1) перечисления c) 9.9.1.2 АВДТ должен расцепиться при испытательном токе, равном

. Проводят только одно испытание на одном полюсе, выбранном случайно, без измерения времени отключения.
После испытания маркировка должна оставаться четкой.
Обесцвечивание, вздутия или незначительные смещения заливочного компаунда не принимают во внимание, если при этом не снижается безопасность согласно требованиям, установленным настоящим стандартом.
9.14.2. Наружные части АВДТ, выполненные из изоляционного материала и необходимые для удержания в нужном положении токоведущих частей или частей защитной цепи, подвергают испытанию давлением шарика при помощи устройства, приведенного на
рисунке 18, исключая, где это возможно, изоляционные части, необходимые для удержания в нужном положении выводов защитных проводников в коробке, которые должны испытываться согласно
9.14.3.
Подлежащую испытанию часть устанавливают на стальной опоре так, чтобы предназначенная для испытания поверхность находилась в горизонтальном положении, и к этой поверхности с усилием 20 Н прижимают стальной шарик диаметром 5 мм.
Испытание проводят в термокамере при температуре (125 +/- 2) °C.
Через 1 ч шарик снимают с образца, образец охлаждают в течение 10 с до приблизительно комнатной температуры путем погружения в холодную воду.
Измеренный отпечаток шарика не должен превышать 2 мм в диаметре.
9.14.3. Наружные части АВДТ из изоляционных материалов, не предназначенные для удержания в нужном положении токоведущих частей или частей защитной цепи, даже если они находятся в контакте с последними, подвергают испытанию давлением шарика в соответствии с
9.14.2, но при температуре, более высокой из двух: либо (70 +/- 2) °C, либо (40 +/- 2) °C плюс наибольшее превышение температуры соответствующей части, определенное при испытании по
9.8.
Примечание. Для целей испытаний по
9.14.2 и 9.14.3 основания АВДТ поверхностного монтажа считают наружными частями.
Испытаниям по
9.14.2 и
9.14.3 не подвергают части, изготовленные из керамических материалов.
Если две или более изоляционные части, упомянутые в
9.14.2 или
9.14.3, выполнены из одного и того же материала, испытанию подвергают только одну из этих частей по
9.14.2 или
9.14.3, что применимо.
9.15. Испытание на стойкость к аномальному нагреву и огню
Испытания раскаленной проволокой выполняют в соответствии с &ГОСТ 27483& (
разделы &4 -
10&) при следующих условиях:
- для наружных частей АВДТ, выполненных из изоляционного материала и необходимых для удержания в заданном положении токоведущих частей и частей защитной цепи, испытание проводят при температуре (960 +/- 15) °C;
- для всех других наружных частей, выполненных из изоляционного материала, испытание проводят при температуре (650 +/- 10) °C.
Примечание. Для целей данного испытания основания АВДТ поверхностного монтажа считают наружными частями.
Если наружные части из изоляционного материала, входящие в указанные группы, сделаны из одного материала, испытанию подвергают только одну из них при соответствующей температуре раскаленной проволоки.
Испытаниям не подвергают части, изготовленные из керамических материалов.
Испытания раскаленной проволокой проводят для гарантии того, что нагретая электрическим током испытательная проволока в определенных условиях испытания не вызовет воспламенения изоляционных частей, или эти части, в случае возможного воспламенения, будут гореть ограниченное время без распространения пламени или выделения горящих частиц, или образования расплавленных капель, стекающих с испытуемой части.
Испытание проводят на одном образце.
В случае сомнения испытание должно быть повторено еще на двух образцах.
Испытание проводят с приложением раскаленной проволоки один раз.
При испытании образец должен быть установлен в самое неблагоприятное возможное положение при его предполагаемом использовании (испытуемой поверхностью в вертикальном положении).
Конец раскаленной проволоки прикладывают к поверхности испытуемого образца с учетом предполагаемых условий эксплуатации, при которых нагретый или раскаленный элемент может войти в контакт с поверхностью.
Образец считают выдержавшим испытание раскаленной проволокой, если:
- либо отсутствуют видимое пламя и длительное тление;
- либо пламя и тление на образце самостоятельно гаснут в течение 30 с после удаления раскаленной проволоки.
Не должно быть загорания папиросной бумаги или подпаливания сосновой доски, которые подкладывают под образец во время испытания.
9.16. Проверка функционирования устройства эксплуатационного контроля при предельных отклонениях номинального напряжения
a) АВДТ подключают на напряжение, равное 0,85 номинального значения, контрольное устройство моментно приводят в действие 25 раз с интервалом 5 с, перед каждой операцией АВДТ возвращают в замкнутое положение;
b) испытание a) повторяют при напряжении, равном 1,1 номинального;
c) испытание b) однократно повторяют, орган управления устройства эксплуатационного контроля удерживают в течение 30 с во включенном положении.
При каждом испытании АВДТ должен срабатывать.
После испытания не должно быть повреждений, препятствующих дальнейшей эксплуатации АВДТ.
Для того чтобы проверить, что ампер-витки, создаваемые при включении устройства эксплуатационного контроля, меньше 2,5-кратного значения ампер-витков, создаваемых дифференциальным током, равным

, при номинальном напряжении, проводят измерение сопротивления цепи устройства эксплуатационного контроля и рассчитывают испытательный ток, исходя из схемы устройства эксплуатационного контроля.
Если для этой проверки требуется разборка АВДТ, то используют отдельный образец.
Примечание. Проверку износостойкости устройства эксплуатационного контроля считают выполненной при испытаниях по
9.10.
9.17. Проверка поведения АВДТ, функционально зависящих от напряжения сети, классифицируемых по
4.1.2.1, в случае исчезновения напряжения сети
Примечание. Проверку значения

(см.
3.4.23.2) не рассматривают в настоящем стандарте.
9.17.1. Определение предельного значения напряжения сети

Напряжение, равное номинальному, прикладывают к входным выводам АВДТ и затем постепенно уменьшают с такой скоростью, чтобы достичь нуля за время около 30 с или в пределах периода достаточной длительности, принимая во внимание отключение с задержкой, если такое предусмотрено (см.
8.12), выбирая большее из них, до достижения автоматического срабатывания.
Соответствующее значение напряжения измеряют.
Проводят пять измерений.
Все измеренные значения должны быть меньше, чем 0,85 номинального напряжения (или, если уместно, 0,85 минимального из ряда номинальных напряжений).
По окончании этих измерений должно быть установлено, что АВДТ работает в соответствии с
таблицей 2, когда дифференциальный ток, равный

, приложен при падении напряжения сети в условиях, указанных в данном пункте, до момента автоматического срабатывания, при этом прикладываемое напряжение определенно будет больше наибольшего из измеренных выше значений.
Затем должно быть проверено, что для любого значения напряжения сети, меньшего минимального измеренного значения, не должно быть возможности включения АВДТ вручную.
9.17.2. Проверка автоматического отключения в случае исчезновения напряжения сети
На входную сторону АВДТ подают напряжение номинальной величины (или, если необходимо, любое напряжение из ряда номинальных напряжений), и включают его.
Затем напряжение отключают.
Замеряют время между отключением напряжения и размыканием контактов главной цепи.
Проводят пять измерений:
a) для АВДТ, отключающихся без выдержки времени, не должно быть значений более 0,5 с;
b) для АВДТ, отключающихся с выдержкой времени, максимальное и минимальное значения должны находиться в пределах, указанных изготовителем.
9.17.3. Проверка работы при наличии дифференциального тока для АВДТ, отключающихся с выдержкой времени в случае исчезновения напряжения сети
АВДТ подключают согласно
рисунку 4a, и подают на входную сторону АВДТ напряжение номинальной величины (или, если применимо, любое напряжение из ряда номинальных напряжений).
Затем все фазы, кроме одной, отключают при помощи выключателя

.
На протяжении выдержки времени (см.
таблицу 9), указанной изготовителем, АВДТ подвергают испытанию по
9.9.1.2. Перед каждым измерением производят включение выключателя

с последующим его отключением.
9.17.4. Проверка работы АВДТ с тремя или четырьмя токовыми путями при наличии дифференциального тока при подключении только нейтрали и одного фазного вывода
Для АВДТ с тремя или четырьмя токовыми путями (см.
4.3) испытание проводят согласно
перечислению c) 9.9.1.2, но с подключенными только нейтралью и одним фазным выводом, и соединения выполняют согласно
рисунку 4a.
Испытание повторяют для всех фаз поочередно.
9.17.5. Проверка функции повторного включения для АВДТ с автоматическим повторным включением
На рассмотрении.
9.18. Проверка предельного значения сверхтока в случае однофазной нагрузки трех- или четырехполюсного АВДТ
Примечание. Для АВДТ, имеющих несколько значений уставки, испытания проводят при наименьшем значении.
АВДТ подсоединяют согласно
рисунку 19. Выключатель

находится в отключенном состоянии.
Резистор R подбирают таким образом, чтобы получить значение тока, равное 0,8 значения нижнего предела характеристик мгновенного расцепления для АВДТ типов B, C или D, какое подходит.
Примечание. Для регулировки тока АВДТ может быть заменен перемычками с ничтожно малым сопротивлением.
Первоначально разомкнутый выключатель

замыкают и через 1 с размыкают.
Испытание повторяют три раза для каждой возможной комбинации токовых путей, интервал между двумя следующими одна за другой операциями замыкания должен быть, как минимум, 1 мин.
АВДТ не должен размыкаться.
АВДТ, функционально зависящие от напряжения сети, подключают со стороны входных выводов на номинальное напряжение (или, если уместно, на любое напряжение из ряда номинальных).
9.19. Проверка поведения АВДТ в случае импульсных токов, вызванных импульсами напряжения
9.19.1. Испытание импульсом тока для всех АВДТ (испытание звенящей волной 0,5 мкс/100 кГц)
АВДТ испытывают с использованием генератора импульсов, способного подавать волну затухающего колебательного тока, показанную на
рисунке 23.
Пример схемы соединения АВДТ приведен на
рисунке 24.
К одному из полюсов АВДТ, выбранному наугад, должны прикладываться десять импульсов тока.
Полярность волны импульса должна меняться после каждых двух импульсов. Интервал между двумя последовательными импульсами должен составлять около 30 с.
Импульс тока должен измеряться соответствующим способом и регулироваться при помощи дополнительного АВДТ такого же типа, при таких же

и

при соответствии следующим требованиям:
пиковое значение - 200 А + 10% или 25 А + 10% для АВДТ с

;
действующая длительность фронта - 0,5 мкс +/- 30%;
период переходящей волны - 10 мкс +/- 20%;
каждый последующий пик импульса - примерно 60% предыдущего пика.
Во время испытаний АВДТ не должен срабатывать. После испытания звенящей волной правильность оперирования АВДТ проверяют испытанием по
перечислению c) 9.9.1.2 только при

с измерением времени отключения.
Примечание. Методика испытаний и схемы испытательных цепей для АВДТ со встроенной или присоединенной защитой от перенапряжения - на рассмотрении.
9.19.2. Проверка поведения АВДТ при импульсных токах до 3000 А (испытание импульсным током 8/20 мкс)
9.19.2.1. Условия испытаний
Для испытания АВДТ используют генератор тока, способный подавать затухающий импульсный ток 8/20 мкс (МЭК 60060-2)
[6], как показано на
рисунке 25. Пример испытательной схемы соединений АВДТ приведен на
рисунке 26.
К одному из полюсов АВДТ, выбранному наугад, должны прикладываться десять импульсов тока. Полярность волны импульса должна меняться после каждых двух импульсов. Интервал между двумя последовательными импульсами должен составлять около 30 с.
Импульс тока должен измеряться соответствующим способом и регулироваться при помощи дополнительного АВДТ такого же типа, при тех же

и

при соответствии следующим требованиям:
пиковое значение - 3000 А + 10%;
действующая длительность фронта - 8 мкс + 20%;
действующая длительность полупериода - 20 мкс + 20%;
пик обратного тока - менее 30% пикового значения.
Ток должен регулироваться до асимптотической формы. Для испытаний на других образцах такого же типа, при тех же

и

обратный ток, если он есть, не должен превышать 30% пикового значения.
9.19.2.2. Результаты испытаний для АВДТ типа S
В ходе испытаний АВДТ не должен срабатывать. После испытания импульсным током правильность оперирования АВДТ проверяют испытанием по
перечислению c) 9.9.1.2 только при

с измерением времени отключения.
9.19.2.3. Результаты испытаний для АВДТ общего типа
В ходе испытаний АВДТ может сработать. После испытания импульсным током правильность оперирования АВДТ проверяют испытанием по
перечислению c) 9.9.1.2 только при

с измерением времени отключения.
9.20. Проверка стойкости изоляции при импульсах напряжения
Испытание проводят на АВДТ, закрепленном на металлическом основании, подключенном, как для нормальной эксплуатации, и находящемся в замкнутом положении.
Импульсы получают при помощи генератора, подающего положительные и отрицательные импульсы, имеющие длительность фронта 1,2 мкс, длительность полупериода 50 мкс с точностью:
для пикового значения - +/- 5%;
для длительности фронта - +/- 30%;
для длительности полупериода - +/- 20%.
Первую серию испытаний проводят при пиковом напряжении импульсов 6 кВ. Импульсы прикладывают между фазным полюсом (полюсами, соединенными вместе) и нейтральным полюсом (или путем) АВДТ.
Вторую серию испытаний проводят при пиковом напряжении импульсов 8 кВ. Импульсы прикладывают между металлическим основанием, соединенным с выводом (выводами), предназначенными для защитных проводников, если имеются, и соединенными вместе фазным полюсом (полюсами) и нейтральным полюсом (или путем).
Примечания
1. Волновое сопротивление испытательного прибора должно быть 500 Ом. Значительное снижение данного значения - в стадии рассмотрения.
2. Значения 6 и 8 кВ являются временными.
В обоих случаях прикладывают по пять положительных и отрицательных разрядов, интервал между последовательными импульсами составляет не менее 10 с.
Не должно быть непреднамеренного разрушительного разряда.
Если, однако, имел место только один такой разрушительный разряд, то дополнительно прикладывают десять импульсов той же полярности, что и вызвавший разрушительный разряд; соединения при этом должны быть такими же, как при разряде.
Дальнейших разрушительных разрядов быть не должно.
Примечания
1. Выражение "непреднамеренный разрушительный разряд" означает явление, объединяющее электрический пробой изоляции, падение напряжения и протекание тока.
2. "Преднамеренные разряды" относятся к разрядам во встроенных ограничителях напряжения.
Форму импульсов устанавливают при подключенном к генератору импульсов испытуемом АВДТ. Для этой цели должны использоваться соответствующие делители и датчики напряжения.
Допускаются незначительные колебания импульсов при условии, что их амплитуда вблизи пика импульсов не более 5% амплитудного значения импульса.
Допустимы колебания в первой половине фронта импульса амплитудой не более 10% пикового значения импульса.
9.21. Проверка работы АВДТ при дифференциальных токах, содержащих составляющую постоянного тока
Применяют условия испытаний по
9.9.1.1 и
9.9.1.5, за исключением того, что испытательная цепь должна быть, как показано на
рисунках 4b и
4c, какая из них подходит.
9.21.1.1. Проверка работы в случае постепенного роста дифференциального пульсирующего постоянного тока
Вспомогательные выключатели

,

и АВДТ должны быть включены. Соответствующий тиристор должен управляться таким образом, чтобы получить углы

задержки тока 0°, 90° и 135°.
Каждый полюс АВДТ должен испытываться дважды на каждом из значений угла задержки тока, как в положении I, так и в положении II вспомогательного выключателя

.
При каждом испытании ток должен равномерно нарастать со скоростью приблизительно

в секунду для АВДТ с

и со скоростью приблизительно

в секунду для АВДТ с

, начиная с нуля. Ток расцепления (и соответствующее время отключения) должен соответствовать таблице 22.
Таблица 22
Диапазоны тока расцепления АВДТ типа A
┌─────────────────┬───────────────────────────────────────────────────────┐
│ Угол альфа │ Ток расцепления │
│ ├─────────────────────────┬─────────────────────────────┤
│ │ Нижний предел │ Верхний предел │
├─────────────────┼─────────────────────────┼─────────────────────────────┤
│ 0° │ 0,35I │ 1,4I или 2I │
│ │ Дельта n │ Дельта n Дельта n │
├─────────────────┼─────────────────────────┤ (см.
5.3.8) │
│ 90° │ 0,25I │ │
│ │ Дельта n │ │
├─────────────────┼─────────────────────────┤ │
│ 135° │ 0,11I │ │
│ │ Дельта n │ │
└─────────────────┴─────────────────────────┴─────────────────────────────┘
9.21.1.2. Проверка работы АВДТ в случае внезапного появления дифференциального пульсирующего постоянного тока
Цепь последовательно калибруют при значениях, которые указаны ниже. Вспомогательный выключатель

и АВДТ находятся в замкнутом положении. Дифференциальный ток внезапно подают путем замыкания выключателя

.
Примечание. Для АВДТ, функционально зависящих от напряжения сети, классифицируемых согласно
перечислению a) 4.1.2.2, управляющая цепь которых подключена к линейной стороне главной цепи, при этом испытании не принимают в расчет время, необходимое для активизации АВДТ. Поэтому в этом случае проверку проводят с подачей дифференциального тока путем замыкания выключателя

, испытуемый АВДТ и

предварительно включают.
Испытание проводят при каждом значении дифференциального тока, указанном в
таблице 2 соответственно типу АВДТ.
Проводят по два измерения времени отключения при каждом значении

, умноженном на коэффициент 1,4 для АВДТ с

и на коэффициент 2 для АВДТ с

, с углом задержки тока

, равным 0°, со вспомогательным выключателем

в положении I для первого измерения и в положении II - для второго.
Измеренные значения должны быть в пределах указанных значений.
9.21.1.3. Проверка работы АВДТ под нагрузкой при контрольной температуре
Испытания по
9.21.1.1 повторяют, при этом испытуемый полюс и один из других полюсов АВДТ нагружают номинальным током, который устанавливают кратковременно перед испытанием.
Примечание. Нагрузка номинальным током на
рисунке 4b не показана.
9.21.1.4. Проверка работы АВДТ в случае дифференциальных пульсирующих постоянных токов с наложением гладкого постоянного тока 0,006 А.
АВДТ испытывают в схеме по
рисунку 4c, с полуволновым выпрямленным дифференциальным током (угол задержки

равен 0°) с наложением гладкого постоянного тока 0,006 А.
Каждый полюс АВДТ испытывают поочередно дважды на каждой позиции I и II.
Однополупериодичный (полуволновой) ток

плавно увеличивают, начиная с нуля, с приблизительной скоростью

в секунду для АВДТ с

и со скоростью приблизительно

в секунду для АВДТ с

. Устройство должно срабатывать до того, как ток возрастет до значения, не превосходящего

или

соответственно.
9.22. Проверка надежности
Соответствие проверяют испытаниями по 9.22.1 и
9.22.2.
Для АВДТ, имеющих несколько уставок, испытания проводят на наименьшей.
9.22.1. Климатическое испытание
Испытание проводят в соответствии с &
ГОСТ 28216& с учетом &ГОСТ 28214&.
9.22.1.1. Испытательная камера
Камера должна быть разработана в соответствии с требованиями &ГОСТ 28216
(раздел 3)&. Конденсирующаяся вода должна постоянно удаляться из камеры; ее повторное использование без очистки не допускается. Для поддержания в камере влажности допускается использовать только дистиллированную воду.
Перед подачей в камеру дистиллированная вода должна иметь сопротивление не менее 500 Ом, значение pH должно быть 7,0 +/- 0,2. Во время и после испытания сопротивление должно быть не менее 100 Ом, значение pH должно оставаться в пределах 7,0 +/- 1,0.
Циклы выполняют при следующих условиях:
- верхнее значение температуры - (55 +/- 2) °C;
- число циклов - 28.
9.22.1.3. Процедура испытания
Процедура испытания должна соответствовать требованиям &ГОСТ 28216
(раздел 4) и ГОСТ 28214&.
a) Предварительная проверка
b) Установление требуемых условий
1) АВДТ, смонтированный и подключенный, как для нормальной эксплуатации, помещают в камеру.
Он должен быть включен.
Температура АВДТ должна стабилизироваться при значении (25 +/- 3) °C:
a) либо при размещении АВДТ в отдельной камере перед помещением в испытательную камеру;
b) либо путем установления температуры (25 +/- 3) °C в испытательной камере после помещения в нее АВДТ и поддержанием температуры на этом уровне до достижения температурной стабилизации.
В ходе стабилизации температуры тем или иным способом относительная влажность должна находиться в пределах, определенных для стандартных атмосферных условий испытаний (см.
таблицу 4).
В течение последнего часа пребывания АВДТ в испытательной камере относительная влажность должна быть увеличена до значения не менее 95% при температуре окружающего воздуха (25 +/- 3) °C.
а) Температура в камере должна постепенно нарастать до достижения значения верхней температуры, указанного в
9.22.1.2.
Верхнее значение температуры должно быть достигнуто за (3,0 +/- 0,5) ч со скоростью, определенной заштрихованной зоной на
рисунке 21.
В течение этого периода относительная влажность не должна быть менее 95%. На АВДТ должна иметь место конденсация.
Примечание. Конденсация достигается при условии, что температура поверхности АВДТ ниже точки росы атмосферы камеры. Это значит, что относительная влажность должна быть выше 95%, если температурная постоянная времени ниже. Необходимо следить, чтобы капли конденсата не падали на образец.
b) Далее температура должна поддерживаться на практически постоянном значении в указанных пределах с отклонением +/- 2 °C для верхнего значения температуры в течение (12 +/- 0,5) ч от начала цикла.
В течение этого периода относительная влажность должна быть (93 +/- 3)%, за исключением первых и последних 15 мин, когда она должна быть от 90% до 100%.
Конденсации не должно быть на АВДТ в течение последних 15 мин.
c) Затем температура должна быть снижена в течение 3 - 6 ч до (25 +/- 3) °C.
Скорость понижения для первых 1,5 ч должна быть такой, что, если ее поддерживать, как указано на
рисунке 21, то значение (25 +/- 3) °C можно было бы достигнуть за (3 +/- 0,25) ч.
В течение периода падения температуры относительная влажность должна быть не менее 95%, за исключением первых 15 мин, когда она не должна быть менее 90%.
d) Далее температура должна поддерживаться на уровне (25 +/- 3) °C при относительной влажности не менее 95% до истечения 24-часового цикла.
9.22.1.4. Восстановление
По окончании циклов АВДТ не должен удаляться из испытательной камеры.
Дверь испытательной камеры должна быть открыта, а регулирование температуры и влажности прекращено.
Затем в течение 4 - 6 ч дают возможность окружающим условиям (температуре и относительной влажности) вернуться в исходное состояние перед проведением заключительных измерений.
В течение 28 циклов АВДТ не должен расцепляться.
9.22.1.5. Заключительная проверка
При условиях по
пункту 1) перечисления c) 9.9.1.2 АВДТ должен расцепиться при испытательном токе

. Проводят только одну проверку одного полюса, выбранного случайно, без измерения времени выключения.
9.22.2. Испытание при температуре 40 °C
АВДТ устанавливают как для нормальной эксплуатации на фанерной стенке, окрашенной в матовый черный цвет, толщиной около 20 мм.
Однопроволочные кабели длиной 1 м и номинальной площадью поперечного сечения по
таблице 6 присоединяют к каждому полюсу АВДТ на обеих его сторонах, винты или гайки выводов затягивают с крутящим моментом, равным 2/3 от указанного в
таблице 12.
АВДТ в сборе помещают в испытательную камеру.
АВДТ нагружают током, равным номинальному, при любом подходящем напряжении и подвергают 28 циклам при температуре (40 +/- 2) °C. Каждый цикл включает пребывание в течение 21 ч под током и 3 ч без тока. Ток выключают вспомогательным выключателем, АВДТ не оперируют.
Для четырехполюсных АВДТ с тремя защищенными полюсами нагружают только три защищенных полюса.
Для четырехполюсных АВДТ с четырьмя защищенными полюсами нагружают только три защищенных полюса.
В конце последнего 21-часового периода пребывания под током определяют превышение температуры выводов при помощи тонкопроволочных термопар. Оно не должно быть более 65 К.
После этого испытания АВДТ без тока в камере дают возможность охладиться приблизительно до комнатной температуры.
При условиях испытаний, указанных в
пункте 1) перечисления c) 9.9.1.2, АВДТ должен срабатывать при испытательном токе

. Проводят только одну проверку одного полюса, выбранного случайно, без измерения времени выключения.
9.23. Проверка старения электронных компонентов
Примечание. Вопрос о пересмотре данного испытания - в стадии рассмотрения.
АВДТ помещают в камеру на 168 ч при температуре окружающего воздуха (40 +/- 2) °C и нагружают номинальным током.
Напряжение на электронных частях должно быть равным 1,1 номинального напряжения.
После этого испытания АВДТ без тока дают возможность охладиться приблизительно до комнатной температуры. Электронные части не должны иметь повреждений.
При условиях испытаний по
перечислению c) 9.9.1.2 АВДТ должен срабатывать при испытательном токе

. Проводят только одну проверку одного полюса, выбранного случайно, без измерения времени выключения.
Примечание. Пример испытательной цепи для этой проверки приведен на
рисунке 22.
Рисунок 1. Самонарезающий формующий винт
(3.6.10)
Рисунок 2. Самонарезающий режущий винт
(3.6.11)
1 - шарниры; 2 - фаски; 3 - упорная поверхность; 4 - ручки;
5 - защитная шайба; 6 - изоляционный материал
Материал: металл, если не указано иное
Линейные размеры в мм
Неуказанные допуски на размеры:
- угловые: 0 - 10
- линейные:
до 25 мм 0 - 0,05 мм
св. 25 мм +/- 0,2 мм
Оба шарнира должны позволять движение в одной плоскости и в одном направлении на угол 90° с допуском 0° + 10°
Рисунок 3. Сочлененный испытательный палец
(9.6)
S - источник питания; V - вольтметр; A - амперметр;

- выключатель для всех полюсов;

- однополюсный
выключатель;

- выключатель, коммутирующий все фазы,
кроме одной; D - испытуемый АВДТ; R - регулируемый резистор
Примечание.

остается замкнутым, за исключением испытания по
9.17.3.
Рисунок 4a. Испытательная цепь для проверки:
рабочих характеристик
(9.9.1); механизма свободного
расцепления
(9.11); поведения в случае исчезновения
функционально зависящих от напряжения сети
S - источник питания; V - вольтметр; A - амперметр
(измерение действующего значения); D - испытуемый АВДТ;

- тиристоры; R - регулируемый резистор;

- выключатель
для всех полюсов;

- однополюсный выключатель;

- переключатель на два положения
Рисунок 4b. Испытательная цепь для проверки правильности
функционирования АВДТ в случае постепенного роста
дифференциального пульсирующего постоянного тока
S - источник питания; V - вольтметр; A - амперметр
(измерение действующего значения); D - испытуемый АВДТ;

- тиристоры;

,

- регулируемые резисторы;

- выключатель для всех полюсов;

- однополюсный
выключатель;

- переключатель на два положения,
два направления
Рисунок 4c. Испытательная цепь для проверки правильности
функционирования АВДТ в случае внезапного появления
дифференциального пульсирующего постоянного тока
с наложением гладкого постоянного
дифференциального тока
Рисунок 5. Испытательная цепь для проверки номинальной
наибольшей отключающей способности однополюсного АВДТ
с двумя токовыми путями
(9.12)
Рисунок 6. Испытательная цепь для проверки номинальной
наибольшей отключающей способности двухполюсного АВДТ
Рисунок 7. Испытательная цепь для проверки номинальной
наибольшей отключающей способности трехполюсного АВДТ
Рисунок 8. Испытательная цепь для проверки номинальной
наибольшей отключающей способности трехполюсного АВДТ
с четырьмя токовыми путями в трехфазной сети
Рисунок 9. Испытательная цепь для проверки номинальной
наибольшей отключающей способности четырехполюсного АВДТ
в трехфазной сети с нейтралью
(9.12)
Пояснения к буквенным символам, использованным в
рисунках 5 - 9:
N - нейтральный проводник; S - источник питания; Z - подстраиваемый импеданс; D - испытуемый АВДТ;

- временная перемычка для калибровки;

- перемычка для испытания при номинальной условной наибольшей отключающей способности; A - устройство создания условий короткого замыкания;

- регистрирующий датчик тока;

- регистрирующий датчик напряжения; F - устройство для определения тока пробоя;

- резистор для шунтирования реактора;

- резистор, ограничивающий ток в устройстве F;

- дополнительный подстраиваемый импеданс для получения тока ниже номинальной условной наибольшей отключающей способности;

- подстраиваемый импеданс для калибровки

;

- вспомогательный выключатель; B и C - точки для присоединения сетки (сеток), указанных в
Приложении C.
1 - напряжение; 2 - ток
Рисунок 10. Пример калибровочной записи для испытания
в условиях короткого замыкания
Последовательные положения при испытаниях
1 - шарнир; 2 - дополнительная масса; 3 - образец;
4 - металлический пластинчатый упор; 5 - бетонный блок;
A - деревянное основание; B - платформа; C - плита;
D - упор
Рисунок 11. Устройство для испытания
1 - рама; 2 - образец; 3 - монтажная опора
Рисунок 12. Устройство для испытаний
Материал деталей: 1 - полиамид; 2 - 5 - сталь 35
Рисунок 13. Ударный элемент маятникового устройства
1 - шарнир; 2 - лист фанеры
Рисунок 14. Монтажное основание устройства
1 - съемная стальная пластина толщиной 1 мм;
2 - алюминиевая пластина толщиной 8 мм; 3 - монтажная
плита; 4 - рейка для АВДТ; 5 - окно в стальной пластине
для АВДТ: a) расстояние между краями окна и внешними
поверхностями АВДТ должно быть от 1 до 2 мм; b) высота
алюминиевых пластин должна быть такой, чтобы стальная
пластина покоилась на упорах АВДТ или, в случае отсутствия
таких упоров, расстояние от частей, находящихся
под напряжением, которые должны защищаться дополнительными
пластинами, до внутренней стороны стальной пластины
должно быть 8 мм
Рисунок 15. Пример монтажа АВДТ открытого исполнения
1 - съемная стальная пластина толщиной 1,5 мм;
2 - алюминиевая пластина толщиной 8 мм; 3 - монтажная
плита; 4 - окно для АВДТ в стальной пластине
Примечание. В особых случаях размеры могут быть увеличены.
Рисунок 16. Пример монтажа АВДТ на панели
Рисунок 17. Приложение усилия для испытания
на механический удар АВДТ, монтируемых на рейке
1 - стальной шарик диаметром 5 мм; 2 - образец
Рисунок 18. Устройство для испытания
S - источник питания;

- двухполюсный выключатель;
V - вольтметр; A - амперметр; D - АВДТ;
R - переменный резистор
Рисунок 19. Испытательная цепь для проверки
предельных значений перегрузки по току в случае
однофазной нагрузки трех- или четырехполюсного АВДТ
(9.18)

- время, требуемое для достижения 95% - 100%
относительной влажности (не превышающее 1 ч);

- время,
требуемое испытуемому образцу, чтобы достичь
температурной стабилизации
Рисунок 20. Период стабилизации
1 - конец повышения температуры; 2 - начало
снижения температуры; 3 - нижнее значение температуры;
4 - верхнее значение температуры
Рисунок 21. Цикл испытаний на надежность
(9.22.1.3)
U - источник напряжения

; D - испытуемый АВДТ
Рисунок 22. Пример испытательной цепи
для проверки старения электронных компонентов
(9.23)

- пиковый ток
Рисунок 23. Ток звенящей волны 0,5 мкс/100 кГц
G - генератор затухания колебаний волны 0,5 мкс/100 кГц;
D - АВДТ; S - замыкатель; N - нулевой рабочий проводник;
L - фазный проводник
--------------------------------
<1> Если АВДТ имеет вывод заземления, он должен быть соединен с нейтральным зажимом (при наличии) и, если знак заземления маркирован на АВДТ или (за неимением его), с одним из фазных зажимов.
Рисунок 24. Испытательная цепь
для испытания АВДТ звенящей волной

- пиковый ток
Рисунок 25. Звенящая волна 8/20 мкс
G - генератор звенящей волны; D - АВДТ;
S - источник питания
--------------------------------
<1> Если АВДТ имеет вывод заземления, он должен быть соединен с нейтральным зажимом (при наличии) и, если знак заземления маркирован на АВДТ или (за неимением его), с одним из фазных зажимов.
Рисунок 26. Схема испытания АВДТ звенящей волной
(обязательное)
ИСПЫТАТЕЛЬНЫЕ ЦИКЛЫ И ЧИСЛО ОБРАЗЦОВ,
ПОДЛЕЖАЩИХ ИСПЫТАНИЯМ ДЛЯ ПОДТВЕРЖДЕНИЯ СООТВЕТСТВИЯ
Определение "подтверждение соответствия" означает:
- или декларацию изготовителя о соответствии, или
- сертификацию третьей стороной, например, независимым органом по сертификации.
A.1. Циклы испытаний
Испытания проводят согласно таблице A.1, в порядке, указанном для каждого цикла.
Таблица A.1
Циклы испытаний
┌─────────┬───────────┬───────────────────────────────────────────────────┐
│ Цикл │ Раздел, │ Испытание (или проверка) │
│испытания│подраздел, │ │
│ │ пункт │ │
├─────────┼───────────┼───────────────────────────────────────────────────┤
│ │
8.1.1 │ Общие положения │
│ │
9.3 │ Стойкость маркировки │
│ │
8.1.3 │ Воздушные зазоры и расстояния утечки │
│ │ │(только внешние части) │
│ │
8.1.6 │ Отсутствие взаимозаменяемости │
│ │
9.11 │ Механизм свободного расцепления │
│ │
9.4 │ Надежность винтов, токопроводящих частей │
│ │ │и соединений │
│ │
9.5 │ Надежность выводов для внешних проводников │
│ │
9.6 │ Защита от поражения электрическим током │
│ │
9.14 │ Теплостойкость │
│ │
8.1.3 │ Воздушные зазоры и расстояния утечки │
│ │ │(только внутренние части) │
│ │
9.15 │ Стойкость к аномальному нагреву и огню │
├─────────┼───────────┼───────────────────────────────────────────────────┤
│ B │
9.7 │ Электроизоляционные свойства │
│ │
9.8 │ Превышение температуры │
│ │
9.20 │ Стойкость изоляции при импульсах напряжения │
│ │
9.22.2 │ Надежность при температуре 40 °C │
│ │
9.23 │ Старение электронных компонентов │
├─────────┼───────────┼───────────────────────────────────────────────────┤
│ C │
9.10 │ Механическая и коммутационная износостойкость │
│ │
9.12.11.2 │ Работоспособность при пониженных токах короткого │
├─────────┼───────────┼───────────────────────────────────────────────────┤
│ D │
9.9.1 │ Рабочие характеристики при наличии │
│ 0 │ │дифференциального тока │
├─────────┼───────────┼───────────────────────────────────────────────────┤
│ D │
9.17 │ Поведение АВДТ, функционально зависящих │
│ 1 │ │от напряжения сети │
│ │
9.19 │ Поведение АВДТ в случае импульсных токов, │
│ │ │вызванных импульсами напряжения │
│ │
9.21 │ Работа АВДТ при дифференциальных токах, │
│ │ │содержащих составляющую постоянного тока │
│ │
9.12.13 │ Работоспособность при I │
│ │ │ Дельта m │
│ │
9.16 │ Функционирование устройства эксплуатационного │
│ │ │контроля │
├─────────┼───────────┼───────────────────────────────────────────────────┤
│ E │
9.9.2 │ Эксплуатационные характеристики при перегрузке │
│ 0 │
9.18 │ Предельные значения сверхтока в случае однофазной │
│ │ │нагрузки трех- и четырехполюсных АВДТ │
├─────────┼───────────┼───────────────────────────────────────────────────┤
│ E │
9.13 │ Стойкость к механическому толчку и удару │
│ 1 │
9.12.11.3 │ Работоспособность при токе короткого замыкания │
├─────────┼───────────┼───────────────────────────────────────────────────┤
│ F │
9.12.11.4 b│ Работоспособность при рабочей наибольшей │
│ 0 │(и
9.12.12)│отключающей способности │
├─────────┼───────────┼───────────────────────────────────────────────────┤
│ F │
9.12.11.4 c│ Работоспособность при номинальной наибольшей │
│ 1 │(и
9.12.12)│отключающей способности │
├─────────┼───────────┼───────────────────────────────────────────────────┤
│ G │
9.22.1 │ Надежность (климатические испытания) │
└─────────┴───────────┴───────────────────────────────────────────────────┘
A.2. Число представляемых образцов для испытаний по полной программе
| | ИС МЕГАНОРМ: примечание. В официальном тексте документа, видимо, допущена опечатка: таблица C.2 отсутствует. Возможно, имеется в виду таблица A.2. | |
Если испытанию подлежат АВДТ одного типа (по числу полюсов, типу мгновенного расцепления) при одном значении номинального тока и одном значении номинального дифференциального тока срабатывания, число образцов, подвергаемых различным циклам испытаний, указано в
таблице C.2, в которой также приведены минимальные критерии оценки работоспособности.
Соответствие настоящему стандарту подтверждается, если все образцы, представленные в графе 2 таблицы A.2, выдержали испытания. Если испытание выдерживают только минимальное число образцов, указанных в графе 3, то испытывают дополнительные образцы, указанные в графе 4, которые должны успешно выдержать испытания.
Таблица A.2
Число образцов для испытаний по полной программе
┌─────────┬──────────────┬────────────────────────────┬───────────────────┐
│ Циклы │Число образцов│Минимальное число образцов, │Число образцов для │
│испытаний│ │ которые должны пройти │ дополнительных │
├─────────┼──────────────┼────────────────────────────┼───────────────────┤
│ A │ 1 │ 1 │ - │
├─────────┼──────────────┼────────────────────────────┼───────────────────┤
│ B │ 3 │ 2 │ 3 │
├─────────┼──────────────┼────────────────────────────┼───────────────────┤
├─────────┼──────────────┼────────────────────────────┼───────────────────┤
├─────────┼──────────────┼────────────────────────────┼───────────────────┤
├─────────┼──────────────┼────────────────────────────┼───────────────────┤
│ 0 │ │ │ │
├─────────┼──────────────┼────────────────────────────┼───────────────────┤
│ 1 │ │ │ │
├─────────┼──────────────┼────────────────────────────┼───────────────────┤
│ G │ 3 │ 2 │ 3 │
├─────────┴──────────────┴────────────────────────────┴───────────────────┤
│ <a> В целом только три цикла испытаний могут выполняться повторно. │
│ <b> Предполагается, что образец, который не прошел испытание, не│
│отвечает требованиям вследствие дефектов отделки или сборки, не│
│характерных для конструкции. │
│ <c> При повторном испытании все результаты должны быть│
│положительными. │
└─────────────────────────────────────────────────────────────────────────┘
Для АВДТ, имеющих только один номинальный ток и более одного значения дифференциального тока срабатывания, испытаниям в каждом цикле подвергают два отдельных комплекта образцов одного и того же типа: один, отрегулированный на наивысший дифференциальный ток срабатывания; другой - на самый низкий ток.
A.3. Число образцов, представляемых для упрощенной процедуры испытаний, при одновременном испытании серии АВДТ с принципиально одинаковой конструкцией
A.3.1. Если испытаниям в целях сертификации подвергают серию АВДТ с принципиально одинаковой конструкцией или проводят дополнительные испытания такой серии, то число образцов для испытаний может быть уменьшено согласно таблицам A.3 -
A.5.
Примечание. Для целей настоящего приложения выражение "принципиально одинаковая конструкция" распространяется на серию АВДТ, имеющих ряды номинальных токов

, ряды номинальных отключающих дифференциальных токов

и различное число полюсов.
Таблица A.3
Число образцов для упрощенной процедуры испытаний
┌───────┬─────────────────────────────────────────────────────────────────────────┐
│Цикл │ Число образцов в зависимости от числа полюсов
<a> │
│испыта-├───────────────────────────┬──────────────────────┬──────────────────────┤
├───────┼───────────────────────────┼──────────────────────┼──────────────────────┤
│ A │ 1 с максимальным I │ 1 с максимальным I │ 1 с максимальным I │
│ │ n │ n │ n │
│ │ минимальным I │ минимальным I │ минимальным I │
│ │ Дельта n │ Дельта n│ Дельта n│
├───────┼───────────────────────────┼──────────────────────┼──────────────────────┤
│ B │ 3 с максимальным I │ 3 с максимальным I │ 3 с максимальным I │
│ │ n │ n │ n │
│ │ минимальным I │ минимальным I │ минимальным I │
│ │ Дельта n │ Дельта n│ Дельта n│
├───────┼───────────────────────────┼──────────────────────┼──────────────────────┤
│ C │ 3 с максимальным I │ 3 с максимальным I │ 3 с максимальным I │
│ │ n │ n │ n │
│ │ минимальным I │ минимальным I │ минимальным I │
│ │ Дельта n │ Дельта n│ Дельта n│
├───────┼───────────────────────────┼──────────────────────┼──────────────────────┤
│D + D │ 3 с максимальным I │ 3 с максимальным I │ 3 с максимальным I │
│ 0 1│ n │ n │ n │
│ │ минимальным I │ минимальным I │ минимальным I │
│ │ Дельта n │ Дельта n│ Дельта n│
├───────┼───────────────────────────┼──────────────────────┼──────────────────────┤
│ D │1 для всех других I │ - │ - │
│ 0 │ Дельта n│ │ │
│ │ максимальным I │ │ │
│ │ n │ │ │
├───────┼───────────────────────────┼──────────────────────┼──────────────────────┤
│E + E │ 3 с максимальным I │ 3 с максимальным I │ 3 с максимальным I │
│ 0 1│ n │ n │ n │
│ │ минимальным I │ минимальным I │ минимальным I │
│ │ Дельта n │ Дельта n│ Дельта n│
├───────┼───────────────────────────┼──────────────────────┼──────────────────────┤
│ E │1 для всех других I │ - │ - │
│ 0 │ Дельта n│ │ │
│ │ максимальным I │ │ │
│ │ n │ │ │
├───────┼───────────────────────────┼──────────────────────┼──────────────────────┤
│ F │ 3 с максимальным I │ 3 с максимальным I │ 3 с максимальным I │
│ 0 │ n │ n │ n │
│ │ минимальным I │ минимальным I │ минимальным I │
│ │ Дельта n │ Дельта n│ Дельта n│
│ │ │ │ │
│ │ 3
<g> с минимальным I │3
<g> с минимальным I │3
<g> с минимальным I │
│ │ n │ n│ n│
│ │ максимальным I │максимальным I │максимальным I │
│ │ Дельта n │ Дельта n│ Дельта n│
├───────┼───────────────────────────┼──────────────────────┼──────────────────────┤
│ F │ 3 с максимальным I │ 3 с максимальным I │ 3 с максимальным I │
│ 1 │ n │ n │ n │
│ │ минимальным I │ минимальным I │ минимальным I │
│ │ Дельта n │ Дельта n│ Дельта n│
│ │ │ │ │
│ │ 3
<g> с минимальным I │3
<g> с минимальным I │3
<g> с минимальным I │
│ │ n │ n│ n│
│ │ максимальным I │максимальным I │максимальным I │
│ │ Дельта n │ Дельта n│ Дельта n│
├───────┼───────────────────────────┼──────────────────────┼──────────────────────┤
│ G │ 3 с максимальным I │ 3 с максимальным I │ 3 с максимальным I │
│ │ n │ n │ n │
│ │ минимальным I │ минимальным I │ минимальным I │
│ │ Дельта n │ Дельта n│ Дельта n│
├───────┴───────────────────────────┴──────────────────────┴──────────────────────┤
│ <a> Если испытания согласно минимальным критериям работоспособности, │
│указанным в
разделе A.2, должны быть повторены, для соответствующих │
│испытаний должна быть использована новая выборка образцов. Все образцы │
│должны выдержать повторные испытания. │
│ <b> Если испытаниям подлежат только трех- или четырехполюсные АВДТ, │
│эта графа должна применяться также к выборке образцов с наименьшим числом │
│полюсов. │
│ <c> Также применима к однополюсному АВДТ с некоммутируемой нейтралью │
│и двухполюсному АВДТ с одним защищенным полюсом. │
│ <d> Также применима к трехполюсному АВДТ с двумя защищенными полюсами. │
│ <e> Также применима к трехполюсному АВДТ с некоммутируемой нейтралью │
│и четырехполюсному АВДТ с тремя защищенными полюсами. │
│ <f> Значения этой графы не используют при испытаниях четырехполюсных │
│АВДТ. │
│ <g> Если имеет место только одно значение I , эти образцы │
│ Дельта n │
│не требуются. │
└─────────────────────────────────────────────────────────────────────────────────┘
Таблица A.4
Циклы испытаний для серии выключателей
с различными типами мгновенных токовых расцепителей
┌─────────────────┬───────────────────────────────────────────────────────┐
│ Тип АВДТ, │ Циклы испытаний для АВДТ других типов │
│ испытываемого ├─────────────────┬────────────────────┬────────────────┤
│ первым │ B │ C │ D │
├─────────────────┼─────────────────┼────────────────────┼────────────────┤
│ B │ - │ (E + E ) + F │ (E + E ) + F │
│ │ │ 0 1 │ 0 1 │
├─────────────────┼─────────────────┼────────────────────┼────────────────┤
│ C │ E + B <a> │ - │ (E + E ) + F │
│ │ 0 │ │ 0 1 │
├─────────────────┼─────────────────┼────────────────────┼────────────────┤
│ D │ E + B <a> │ (E + E ) + F │ - │
│ │ 0 │ 0 1 │ │
├─────────────────┴─────────────────┴────────────────────┴────────────────┤
│ <a> Для этих циклов требуются только испытания по
9.8 и
9.9.2.2. │
└─────────────────────────────────────────────────────────────────────────┘
Таблица A.5
Циклы испытаний для АВДТ с классификацией согласно
4.6
┌───────┬───────────────────────────────────────────────────────────────────────┐
│Циклы │ Число образцов в зависимости от числа полюсов
<a> │
│испыта-├───────────────────────────┬─────────────────────┬─────────────────────┤
├───────┼───────────────────────────┼─────────────────────┼─────────────────────┤
│D + D │ 1 с максимальным I │1 с максимальным I │1 с максимальным I │
│ 0 1│ n │ n │ n │
│ │ минимальным I │минимальным I │минимальным I │
│ │ Дельта n │ Дельта n│ Дельта n│
├───────┼───────────────────────────┼─────────────────────┼─────────────────────┤
│ D │1 для всех других I │ - │ - │
│ 0 │ Дельта n│ │ │
│ │ максимальным I │ │ │
│ │ n │ │ │
├───────┴───────────────────────────┴─────────────────────┴─────────────────────┤
│ <a> Если испытания согласно минимальным критериям │
│работоспособности, указанным в
разделе A.2, должны быть повторены, │
│для соответствующих испытаний должна быть использована новая │
│выборка образцов. Все образцы должны выдержать повторные испытания. │
│ <b> Если испытаниям подлежат только трех- или четырехполюсные АВДТ, │
│эта графа должна применяться также к выборке образцов с наименьшим │
│числом полюсов. │
│ <c> Также применима к однополюсному АВДТ с некоммутируемой нейтралью │
│ и двухполюсному АВДТ с одним защищенным полюсом. │
│ <d> Также применима к трехполюсному АВДТ с двумя защищенными полюсами. │
│ <e> Также применима к трехполюсному АВДТ с некоммутируемой нейтралью и │
│четырехполюсному АВДТ с тремя защищенными полюсами. │
│ <f> Значения этой графы не используют при испытаниях четырехполюсных │
│АВДТ. │
└───────────────────────────────────────────────────────────────────────────────┘
АВДТ могут считаться имеющими принципиально одинаковую конструкцию, если:
1) они имеют одну и ту же базовую конструкцию; зависящие от напряжения сети и не зависящие от напряжения сети типы не могут быть вместе в одной серии;
2) устройства, управляемые дифференциальным током, имеют одинаковые механизмы расцепления и идентичные реле или соленоиды, исключая отличия, допускаемые в
перечислениях c) и
d), приведенных ниже;
3) материалы, отделка и размеры внутренних токоведущих частей одинаковы, допускаемые отклонения приведены ниже в
перечислении a);
5) размер контактов, материал, конфигурация, способ крепления одинаковы;
6) механизм ручного управления, материал и физические характеристики одинаковы;
7) литьевые и изоляционные материалы одинаковы;
8) способ, материал и конструкция дугогасительных устройств одинаковы;
9) базовая конструкция датчика дифференциального тока одинакова для данного типа характеристики, допускаемые отклонения приведены в
перечислении c);
10) базовая конструкция устройства расцепления от дифференциального тока одинакова, кроме отклонений, допускаемых в
перечислении d);
11) базовая конструкция устройства эксплуатационного контроля одинакова, исключая отклонения, допускаемые в
перечислении e).
Допускаются следующие отклонения при условии, что АВДТ во всех других отношениях соответствует требованиям, приведенным в
1) - 11):
a) поперечных сечений внутренних токоведущих соединений и длины соединений тороидального трансформатора;
c) числа витков и сечений обмотки, размеров и материала сердечника дифференциального трансформатора;
d) чувствительности реле и/или подсоединенных электронных цепей, если имеются;
e) значений сопротивлений средств для создания наибольших ампер-витков, необходимых для выполнения испытаний по
9.16. Цепь может быть подключена между фазами или между фазой и нейтралью.
A.3.2. Для АВДТ, имеющих одинаковую классификацию согласно поведению, обусловленному составляющими постоянного тока (см.
4.6) и одинаковую классификацию согласно задержке времени (см.
4.7), число образцов может быть уменьшено по
таблице A.3.
A.3.3. Для части серий АВДТ принципиально одинаковых конструкций, приведенных в
A.3.1 и испытываемых по A.3.2, но с различными типами мгновенного расцепителя (см.
4.11) при последующих испытаниях дополнительные циклы испытаний могут быть снижены согласно
таблице A.4; число образцов - по
таблице A.3.
A.3.4. Для части серий АВДТ принципиально одинаковых конструкций, приведенных в
A.3.1 и испытываемых по
A.3.2, но с разной классификацией по задержке времени (см.
4.7) при последующих испытаниях дополнительные циклы испытаний и число образцов должны быть в соответствии с
таблицей A.3, кроме циклов A, B и

, которые могут быть исключены.
A.3.5. Для части серий АВДТ принципиально одинаковых конструкций, приведенных в
A.3.1 и испытываемых по
A.3.2, но с различной классификацией в соответствии с поведением, вызванным составляющими постоянного тока (см.
4.6), при последующих испытаниях дополнительные циклы испытаний и число образцов могут быть снижены согласно
таблице A.5.
(обязательное)
ОПРЕДЕЛЕНИЕ ВОЗДУШНЫХ ЗАЗОРОВ И РАССТОЯНИЙ УТЕЧКИ
При определении воздушных зазоров и расстояний утечки рекомендуется учитывать следующее.
Если на воздушный зазор или расстояние утечки влияют одна или более металлических частей, сумма отрезков должна быть не менее заданной минимальной величины.
При расчете общей длины воздушных зазоров и расстояний утечки не следует принимать во внимание отдельные отрезки длиной менее 1 мм.
При определении расстояний утечки:
- канавки шириной и глубиной не менее 1 мм следует измерять по контуру;
- канавками любых меньших размеров следует пренебречь;
- ребра высотой не менее 1 мм:
- измеряют по контуру, если они составляют неотъемлемую часть детали из изоляционного материала (например, литую, приваренную или прикрепленную);
- измеряют по более короткому из двух путей: вдоль стыка или по профилю ребра, если они не составляют неотъемлемой части детали из изоляционного материала.
Применение этих рекомендаций иллюстрируется на следующих рисунках:
- на рисунках B.1 -
B.3 показано включение или исключение канавки при определении расстояния утечки;
- на
рисунках B.4 и
B.5 показано включение или исключение ребра при определении расстояния утечки;
- на
рисунке B.6 показан способ учета стыка, когда ребро образовано вставленным изоляционным барьером, наружный профиль которого больше длины стыка;
- на
рисунках B.7 -
B.10 показано, как определять расстояние утечки до средств крепления, утопленных в изоляции частей из изоляционного материала.
Рисунок B.2
Рисунок B.8
Рисунок B.9
A - изоляционный материал; C - токопроводящая часть;
F - расстояние утечки
Рисунки B.1 - B.10. Иллюстрации применения рекомендаций
по определению расстояний утечки
(обязательное)
УСТРОЙСТВО ДЛЯ РЕГИСТРАЦИИ ВЫБРОСА ИОНИЗИРОВАННЫХ ГАЗОВ
ПРИ ИСПЫТАНИИ НА КОРОТКОЕ ЗАМЫКАНИЕ
Испытуемый аппарат монтируют, как показано на рисунке C.1, при этом может потребоваться доработка с учетом особенностей конструкции аппарата в соответствии с инструкциями изготовителя.
1 - к предохранителю F'; 2 - металлическая пластина;
3 - кабель; 4 - отверстие для выхлопа дуги; 5 - сетка;
6 - барьер; 7 - полиэтиленовый лист; 8 - рамка;
a - расстояние между сеткой и отверстиями
для выхлопа дуги аппарата
Рисунок C.1. Испытательное устройство
Если необходимо для операций "O", чистый полиэтиленовый лист толщиной (0,05 +/- 0,01) мм размерами в каждом направлении, по крайней мере, на 50 мм больше наибольших размеров фронтальной стороны аппарата, но не менее чем 200 x 200 мм крепят и натягивают на раме, расположенной на расстоянии 10 мм от наибольшего выступа органа управления для аппарата без углубления для органов управления либо от края углубления для аппарата с углублением для органов управления.
Физические характеристики полиэтиленового листа:
- плотность при 23 °C - (0,92 +/- 0,05) г/см3;
- точка плавления - 110 °C - 120 °C.
Если требуется, с целью предотвращения повреждения листа горячими частицами, вылетающими из отверстий для выхлопа дуги, между отверстиями для выхода дуги и листом размещают, как показано на
рисунке C.1, барьер из изоляционного материала толщиной не менее 2 мм.
Если требуется, на расстоянии a мм от каждого отверстия для выхлопа дуги с двух сторон аппарата располагают сетку (сетки) согласно рисунку C.2. Цепь сетки
(рисунок C.3) должна быть присоединена к точкам B и C (см.
рисунки 5 -
9).
1 - рамка из изоляционного материала; 2 - медные проволоки;
3 - металлическое соединение медных проволок
Рисунок C.2. Сетка
F' - плавкий предохранитель; R' - сопротивление
Параметры цепи сетки:
- резистор R' - 1,5 Ом;
- медная проволока плавкого предохранителя F' - длина 50 мм, диаметр по
9.12.9.1.
(обязательное)
ПРИЕМО-СДАТОЧНЫЕ ИСПЫТАНИЯ
Испытания, указанные в настоящем стандарте, предназначены для определения, при условии сохранения целостности, неприемлемых отклонений в материале и технологии.
Испытания должны проводиться для установления того, что АВДТ соответствует образцам, которые выдержали испытания по настоящему стандарту.
D.1. Проверка расцепления
Дифференциальный ток пропускают через каждый полюс АВДТ поочередно. АВДТ не должен срабатывать при токе, равном или меньшем

, однако в течение установленного времени должен сработать при токе, равном

(см.
таблицу 2).
Испытательный ток должен прикладываться как минимум пять раз к каждому АВДТ и как минимум дважды к каждому полюсу.
D.2. Проверка электрической прочности
Напряжение 1500 В частотой 50/60 Гц практически синусоидальной формы волны должно прикладываться в течение 1 с:
a) при АВДТ в разомкнутом состоянии - между выводами, которые электрически соединены, когда АВДТ замкнут;
b) для АВДТ, не имеющих встроенных электронных компонентов, при АВДТ в замкнутом состоянии - между каждым полюсом поочередно и всеми остальными полюсами, соединенными вместе;
c) для АВДТ со встроенными электронными компонентами, при АВДТ в разомкнутом состоянии - либо между всеми входными выводами полюсов поочередно, либо между всеми выходными выводами полюсов поочередно, в зависимости от расположения электронных компонентов.
Перекрытий и пробоев не должно быть.
D.3. Работоспособность устройства эксплуатационного контроля
При АВДТ в замкнутом состоянии, подключенном к источнику питания надлежащего напряжения, устройство эксплуатационного контроля, приведенное в действие, обязано отключить АВДТ.
Если устройство эксплуатационного контроля предназначено для работы на более чем одном значении номинального напряжения, испытание должно проводиться на самом низком значении номинального напряжения.
(обязательное)
ДОПОЛНИТЕЛЬНЫЕ ТРЕБОВАНИЯ
ДЛЯ ВСПОМОГАТЕЛЬНЫХ ЦЕПЕЙ С БЕЗОПАСНЫМ
СВЕРХНИЗКИМ НАПРЯЖЕНИЕМ
8.1.3. Воздушные зазоры и расстояния утечки
| | ИС МЕГАНОРМ: примечание. В официальном тексте документа, видимо, допущена опечатка: пункт 411.1.3.3 в ГОСТ Р 50571.3-2009 отсутствует. | |
Примечание. Находящиеся под напряжением части вспомогательных цепей, предназначенных для присоединения к источнику безопасного сверхнизкого напряжения, должны быть отделены от цепей с более высоким напряжением согласно требованиям
ГОСТ Р 50571.3 (411.1.3.3).
9.7.4. Сопротивление изоляции и электрическая прочность изоляции вспомогательных цепей
Примечание. Испытание цепей, предназначенных для присоединения к источнику безопасного сверхнизкого напряжения, находится на рассмотрении.
| | ИС МЕГАНОРМ: примечание. В официальном тексте документа, видимо, допущена опечатка: перечисление c) в пункте 9.7.5 отсутствует. | |
9.7.5. Значения испытательного напряжения
Перечисление c) дополнить примечанием 5:
Примечания
5. Значения испытательных напряжений для цепей с безопасным сверхнизким напряжением находятся в стадии изучения.
(обязательное)
КООРДИНАЦИЯ МЕЖДУ АВДТ И ОТДЕЛЬНЫМИ
ПЛАВКИМИ ПРЕДОХРАНИТЕЛЯМИ, ВКЛЮЧЕННЫМИ В ОДНУ ЦЕПЬ
Информация, приведенная в
приложении D &ГОСТ Р 50345& относительно координации между автоматическими выключателями и отдельными плавкими предохранителями, включенными в одну и ту же цепь, может также быть применена для координации между АВДТ и отдельными плавкими предохранителями, включенными в одну и ту же цепь.
(обязательное)
ДОПОЛНИТЕЛЬНЫЕ ТРЕБОВАНИЯ
И ИСПЫТАНИЯ ДЛЯ АВДТ, СОСТОЯЩИХ ИЗ АВТОМАТИЧЕСКОГО
ВЫКЛЮЧАТЕЛЯ И УСТРОЙСТВА ДИФФЕРЕНЦИАЛЬНОГО ТОКА,
ПРЕДНАЗНАЧЕННЫХ ДЛЯ СБОРКИ НА МЕСТЕ ЭКСПЛУАТАЦИИ
G.1. Общие положения
Основная часть настоящего стандарта применяется во всех отношениях к устройствам, охватываемым настоящим приложением, если не указано иное.
G.1.1. Область применения
Требования настоящего приложения распространяются на АВДТ, состоящие из автоматических выключателей, соответствующих &
ГОСТ Р 50345&, и устройств дифференциального тока (УДТ), соответствующих требованиям настоящего стандарта, и предназначенных для сборки на месте эксплуатации согласно инструкциям изготовителя.
G.2. Определения
Дополнить
раздел 3 настоящего стандарта следующим термином с соответствующим определением:
3.3.23. Устройство дифференциального тока (УДТ) (r.c. unit): устройство, выполняющее одновременно функции обнаружения дифференциального тока и сравнения величины этого тока со значением отключающего дифференциального тока, имеющее встроенные средства для управления механизмом расцепления автоматического выключателя, с которыми он должен собираться.
G.3. Маркировка и другая информация об изделии
G.3.1. Наименование изготовителя или торговая марка
В соответствии с
перечислением a) раздела 6 настоящего стандарта автоматический выключатель и УДТ, с которым он собирается, должны иметь одинаковое наименование изготовителя или торговую марку.
G.3.2.1. Маркировка автоматического выключателя
Маркировка автоматического выключателя должна соответствовать &
ГОСТ Р 50345&.
УДТ должно маркироваться согласно требованиям следующих перечислений
раздела 6 настоящего стандарта:
Дополнительно УДТ должно иметь маркировку:
- максимального номинального тока автоматического выключателя, с которым он может быть собран (например, 60 А макс.);
- символа
Примечание. Рекомендуется приводить сведения об автоматических выключателях, с которыми может собираться УДТ.
G.3.2.3. Маркировка (АВДТ) комплекса автоматического выключателя и УДТ
Маркировка, указанная в
G.3.2.2, не должна быть видима после сборки:
- максимального номинального тока автоматического выключателя, с которым УДТ может быть собран;
Маркировка по
перечислению l) на УДТ, если применима, должна остаться видимой после сборки.
G.3.3. Инструкция по сборке и эксплуатации
Изготовитель обязан при поставке снабжать УДТ соответствующими инструкциями по эксплуатации.
Эти инструкции должны содержать по крайней мере следующее:
- указание типа (типов) и каталожных номеров; диапазон охватываемых значений тока и напряжения, число полюсов и т.д., автоматического выключателя, с которым УДТ комплектуется;
Примечание. Число путей тока АВДТ совпадает с числом путей УДТ. Нейтральный полюс автоматического выключателя может быть заменен нейтральным выводом или соединением.
- коэффициент снижения, если имеется;
- способ сборки;
- необходимость в контрольных операциях после сборки для проверки механического функционирования;
- проверку процесса расцепления использованием устройства эксплуатационного контроля.
G.4. Требования к конструкции
Конструкция должна быть такой, чтобы:
a) сборка АВДТ на месте была возможна только один раз и
b) любой демонтаж неизбежно оставит необратимое видимое повреждение.
Степень защиты УДТ должна быть не менее чем степень защиты автоматического выключателя, с которым он должен быть собран.
G.4.3. Требования к механической конструкции
Автоматический выключатель и УДТ должны соединяться вместе без усилия; конструкция должна быть такой, чтобы исключить неправильную сборку.
Не должно быть незакрепленных частей для соединения расцепляющих механизмов.
Средства крепления для сборки должны быть приложены.
Примечание. Крышки выводов не охватываются данным требованием.
G.4.4. Электрическая совместимость
Должна быть исключена возможность сборки автоматического выключателя с данным номинальным напряжением и УДТ с более низким номинальным напряжением.
Должна быть исключена возможность сборки автоматического выключателя с данным номинальным током и УДТ, маркированного более низким номинальным током (см.
G.3.2.2).
Выводы УДТ должны быть предназначены для подсоединения ряда номинальных поперечных сечений проводников, указанных в &
таблице 4 ГОСТ Р 50345& для номинальных токов выключателей, предназначенных для сборки.
Электрические соединения между УДТ и выключателем, предназначенным для сборки, должны быть выполнены в виде части УДТ.
Должна быть исключена возможность такой сборки автоматического выключателя с данной номинальной наибольшей отключающей способностью и УДТ, которая бы в результате привела к более низкой отключающей способности.
G.5. Типовые испытания и проверки
G.5.1. Испытания автоматических выключателей
Автоматические выключатели должны подвергаться типовым испытаниям по &
ГОСТ Р 50345&.
G.5.2. Испытания УДТ
Устройства дифференциального тока должны подвергаться типовым испытаниям, указанным в
таблице 10 настоящего стандарта, согласно
9.3,
9.4,
9.5,
9.11 (если применимо),
9.14 и
9.15.
G.5.3. Испытания автоматических выключателей и устройств дифференциального тока в собранном виде (АВДТ)
Типовые испытания АВДТ, указанные в
таблице 10, проводят согласно настоящему приложению, при этом:
- испытаниям по
9.4 должны подвергаться соединения между автоматическим выключателем и УДТ;
G.5.4. Проверка соответствия требованиям к маркировке и конструкции АВДТ
Соответствие требованиям
G.4.3 устанавливают, в частности, проверкой того, что каким бы образом не соединяли автоматический выключатель и УДТ, отличная от правильной сборка невозможна. Это также относится к различным положениям органов управления и любых средств крепления.
G.6. Приемо-сдаточные испытания устройства дифференциального тока
Применяют условия
Приложения D, но испытания проводят на устройстве дифференциального тока, соединенном с испытательным автоматическим выключателем, отрегулированным на наиболее неблагоприятные условия.
(обязательное)
ПЕРЕЧЕНЬ
ИСПЫТАНИЙ, ДОПОЛНИТЕЛЬНЫХ ЦИКЛОВ ИСПЫТАНИЙ
И ЧИСЛО ОБРАЗЦОВ ДЛЯ ПРОВЕРКИ СООТВЕТСТВИЯ АВДТ
ТРЕБОВАНИЯМ ЭЛЕКТРОМАГНИТНОЙ СОВМЕСТИМОСТИ (ЭМС)
В настоящем приложении указаны все испытания и циклы испытаний АВДТ для проверки их электромагнитной совместимости.
В разделе H.1 приведены ссылки на испытания, уже включенные в циклы испытаний настоящего стандарта, а также минимальные критерии работоспособности, указанные в
Приложении A.
В
разделе H.2 приведены дополнительные испытания, число образцов, циклы испытаний и минимальные критерии работоспособности для проверки соответствия АВДТ требованиям ЭМС по полной программе.
Условия испытаний и критерии требований к ЭМС приведены в стандарте на УДТ конкретных типов - &
ГОСТ Р 51329&.
H.1. Испытания на ЭМС АВДТ конкретных типов
В графе 3 таблицы H.1 приведены испытания, включенные в циклы испытаний
Приложения A, обеспечивающие соответствующий уровень стойкости к электромагнитным помехам, указанным в графе 2. В графе 1 приведены соответствующие ссылки на
таблицы 1 и
2 &ГОСТ Р 51329&.
Таблица H.1
┌────────────────┬─────────────────────────────┬──────────────────────────┐
│Пункт
таблиц 1 и│ Электромагнитная помеха │Подраздел, пункт, подпункт│
│
2 &ГОСТ Р 51329&│ │ испытаний по настоящему │
│ │ │ стандарту │
├────────────────┼─────────────────────────────┼──────────────────────────┤
│ │напряжений │ │
│
T 1.5 │Изменение частоты питания │
9.2 │
│ │поля │ │
│
T 2.4 │Пульсация тока (колебательные│
9.19 │
│ │помехи) │ │
└────────────────┴─────────────────────────────┴──────────────────────────┘
H.2. Дополнительные испытания на ЭМС АВДТ конкретных типов
Следующие испытания в соответствии с &
ГОСТ Р 51329& должны выполняться по таблице H.2.
┌─────┬───────┬─────────┬───────────────────┬─────────┬─────────┬─────────┐
│Цикл │Номер │Подраз- │ │ Число │Мини- │Макси- │
│испы-│таблицы│дел по │ │образцов │мальное │мальное │
│таний│по │&ГОСТ Р │ │ │число │число │
│ │&ГОСТ Р│
51329& │ │ │образцов,│образцов │
│ │
51329& │ │ │ │которые │для │
│ │ │ │ │ │должны │повторных│
│ │ │ │ │ │выдержать│испытаний│
│ │ │ │ │ │испытание│ │
├─────┼───────┼─────────┼───────────────────┼─────────┼─────────┼─────────┤
│H.2.1│
4 │
1.1 │ Гармоники, │ 3 │ 2 │ 3 │
│
<*> │ │ │интергармоники │ │ │ │
│ │
4 │
1.2 │ Сигналы, │ с мин. │ │ │
│ │ │ │передаваемые │I │ │ │
│ │ │ │по силовым линиям │ Дельта n│ │ │
│ │ │ │ │ │ │ │
│ │ │ │ │любым I │ │ │
│ │ │ │ │ n │ │ │
│ │
5 │
2.3 │ Микросекундные │ │ │ │
│ │ │ │импульсные помехи │ │ │ │
│ │ │ │большой энергии, │ │ │ │
│ │ │ │помехи │ │ │ │
│ │ │ │миллисекундной │ │ │ │
│ │ │ │длительности │ │ │ │
├─────┼───────┼─────────┼───────────────────┼─────────┼─────────┼─────────┤
│H.2.2│
5 │
2.1 и
2.5│ Кондуктивные │ 3 │ 2 │ 3 │
│ │ │ │радиочастотные │ с мин. │ │ │
│ │ │ │напряжения и токи; │I │ │ │
│ │ │ │излученное │ Дельта n│ │ │
│ │ │ │электромагнитное │ │ │ │
│ │ │ │поле │любым I │ │ │
│ │ │ │ │ n │ │ │
│ │
5 │
2.2 │ Наносекундные │ │ │ │
│ │ │ │импульсные помехи; │ │ │ │
│ │ │ │подачи помехи │ │ │ │
│ │ │ │по схеме │ │ │ │
│ │ │ │"проводник-земля" │ │ │ │
├─────┼───────┼─────────┼───────────────────┼─────────┼─────────┼─────────┤
│H.2.3│
6 │
3.1 │ Электростатические│ 3 │ 2 │ 3 │
│ │ │ │разряды │ с мин. │ │ │
│ │ │ │ │I │ │ │
│ │ │ │ │ Дельта n│ │ │
│ │ │ │ │ │ │ │
│ │ │ │ │любым I │ │ │
│ │ │ │ │ n │ │ │
├─────┴───────┴─────────┴───────────────────┴─────────┴─────────┴─────────┤
│ <*> Для устройств, содержащих генераторы постоянного действия,│
│испытания на образцах по СИСПР 14 должны проводиться до испытаний по│
│данному циклу. │
├─────────────────────────────────────────────────────────────────────────┤
│ Примечание. По рекомендации изготовителя один и тот же комплект│
│образцов может использоваться в нескольких циклах испытаний. │
└─────────────────────────────────────────────────────────────────────────┘
Если не указано иное, каждый цикл испытаний проводят на трех новых образцах.
Если все образцы, представленные в графе 5
таблицы H.2, выдержали испытание, соответствие настоящему стандарту достигнуто. Если минимальное число образцов, указанное в графе 6, выдержало испытания, тогда следует провести испытания дополнительных образцов, как указано в графе 7, и все они должны удовлетворительно завершить цикл испытаний.
(рекомендуемое)
МЕТОДЫ ОПРЕДЕЛЕНИЯ КОЭФФИЦИЕНТА МОЩНОСТИ
ПРИ КОРОТКОМ ЗАМЫКАНИИ
Единого метода определения коэффициента мощности в условиях короткого замыкания не установлено. В настоящем приложении приведены два рекомендуемых метода.
Метод I. Определение по составляющей постоянного тока
Угол

может быть определен по кривой непериодической составляющей волны асимметричного тока в интервале между моментами короткого замыкания и разъединения контактов следующим способом.
IA.1. По формуле составляющей постоянного тока

,
где

- значение составляющей постоянного тока в момент t;

- значение составляющей постоянного тока в принятый начальный момент времени;
L/R - постоянная времени цепи, с;
t - время, прошедшее с начального момента, с;
e - основание натурального логарифма.
Постоянная времени L/R может быть определена по вышеприведенной формуле следующим образом:
a) измерением величины

в момент короткого замыкания и

в другой момент t перед разделением контактов;
b) определением величины

делением

на

;
c) установлением величины

, соответствующей отношению

по таблице значений

;
d) по значению

, соответствующему Rt/L, рассчитывают R/L.
IA.2. Угол

рассчитывают по формуле

,
где

в

раза больше фактической частоты.
Этот метод не применим, когда токи измеряют трансформаторами тока.
Метод II. Определение с помощью задающего генератора
Если применяют задающий генератор, смонтированный на одном валу с испытательным генератором, напряжение этого задающего генератора можно сравнить на осциллограмме по фазе вначале с напряжением испытательного генератора, а затем с током испытательного генератора.
Разность между фазовыми углами напряжений задающего генератора и главного генератора, с одной стороны, и напряжения задающего генератора и тока испытательного генератора - с другой, позволяет установить фазовый угол между напряжением и током испытательного генератора, а из него вывести коэффициент мощности.
(рекомендуемое)
УСЛОВНЫЕ ОБОЗНАЧЕНИЯ НОМИНАЛЬНЫХ ПАРАМЕТРОВ И ХАРАКТЕРИСТИК
Номинальный ток

Дифференциальный ток

Номинальный отключающий дифференциальный ток

Номинальный неотключающий дифференциальный ток

Номинальное напряжение

Номинальное рабочее напряжение

Номинальное напряжение изоляции

Номинальная наибольшая включающая и отключающая способность

Номинальная наибольшая дифференциальная включающая и отключающая

способность
Номинальная условная наибольшая отключающая способность

(номинальный условный ток короткого замыкания)
Номинальная условная наибольшая дифференциальная отключающая

способность (номинальный условный дифференциальный ток короткого
замыкания)
Предельное значение напряжения сети, при котором АВДТ,

функционально зависящий от напряжения сети, не отключается
Предельное значение напряжения сети, ниже которого АВДТ,
функционально зависящий от напряжения сети, автоматически отключается

(рекомендуемое)
В настоящем приложении приведены примеры конструкций выводов. В выводах канал для подсоединения проводника должен иметь диаметр, достаточный для размещения жесткого однопроволочного проводника, и площадь поперечного сечения, достаточную, чтобы в нее можно было вставить жесткий многопроволочный проводник (см.
8.1.5).
Часть вывода, снабженная резьбовым отверстием, и часть, к которой винтом прижимают провод, могут быть различными частями, как в выводе с хомутиком.
Рисунок IC.1. Примеры столбчатых выводов
A - неподвижная часть; B - шайба или прижимная пластина;
C - устройство, препятствующее выскальзыванию жил;
D - канал для проводника; E - штырь
Часть, удерживающая проводник в заданном положении, может выполняться из изоляционного материала при условии, что давление, необходимое для зажима проводника, не передается через изоляционный материал.
Рисунок IC.2. Пример винтовых и штыревых выводов
A - планка; B - неподвижная часть; C - штырь;
D - канал для проводника
Обе стороны планки могут иметь различную форму для размещения проводников с малой или большой площадью поперечного сечения посредством переворачивания планки.
Выводы могут иметь более двух зажимных винтов или штырей.
Рисунок IC.3. Примеры пластинчатых выводов
A - запорное устройство; B - кабельный наконечник или шина;
E - неподвижная часть; F - штырь
Для выводов этого типа необходима упругая шайба или аналогичное эффективное запорное устройство, и поверхность в зоне зажима должна быть гладкой.
Для некоторых типов оборудования допускается применение выводов для кабельных наконечников или шин меньших размеров, чем требуется.
Рисунок IC.4. Примеры выводов для кабельных наконечников
(справочное)
СООТНОШЕНИЕ МЕЖДУ СОРТАМЕНТОМ МЕДНЫХ ПРОВОДОВ ISO И AWG
┌──────────────────────────────┬──────────────────────────────────────────┐
│Поперечное сечение по ISO, мм2│ AWG │
│ ├──────────────────┬───────────────────────┤
│ │ Размер │Поперечное сечение, мм2│
├──────────────────────────────┼──────────────────┼───────────────────────┤
│ 1,0 │ 18 │ 0,82 │
│ 1,5 │ 16 │ 1,30 │
│ 2,5 │ 14 │ 2,10 │
│ 4,0 │ 12 │ 3,30 │
│ 6,0 │ 10 │ 5,30 │
│ 10,0 │ 8 │ 8,40 │
│ 16,0 │ 6 │ 13,30 │
│ 25,0 │ 3 │ 26,70 │
│ 35,0 │ 2 │ 33,60 │
│ 50,0 │ 0 │ 53,50 │
└──────────────────────────────┴──────────────────┴───────────────────────┘
В основном применяют размеры ISO. По запросу изготовителя могут использоваться размеры AWG.
(рекомендуемое)
КАЛЕНДАРНЫЙ КОНТРОЛЬ КАЧЕСТВА АВДТ
IE.1. Общие положения
Для гарантии сохранения уровня качества изделий изготовителем должно быть организовано проведение календарного контроля процесса производства.
В настоящем приложении приведен пример проведения календарного контроля при изготовлении АВДТ.
Он может быть использован изготовителями в качестве руководства для адаптации специфических особенностей контроля с целью сохранения требуемого уровня качества выпускаемой продукции.
В частности, может быть предпринято все необходимое в организации снабжения и производства для обеспечения качества изготавливаемой продукции, от которого зависит безопасная работа устройств дифференциального тока.
IE.2. Календарный контроль
Календарный контроль включает две серии испытаний.
IE.2.1. Квартальная испытательная программа
Таблица IE.1
Циклы испытаний во время календарного контроля
┌─────────┬────────────┬───────────────────────────┬──────────────────────┐
│ Цикл │ Пункт, │ Испытание │ Примечание │
│испытаний│ подпункт │ │ │
├─────────┼────────────┼───────────────────────────┼──────────────────────┤
│ Q │
9.16 │ Устройство │ Только перечисления │
│ │ │эксплуатационного контроля │
b),
c), кроме проверки│
│ │ │ │ампер-витков │
│ │ │ │испытательной цепи │
│ │9.9.1.2, │ Рабочие характеристики │ │
│ │перечисления│дифференциального тока │ │
│ │
9.20 │ Устойчивость электрической│ Также проводится │
│ │ │изоляции к импульсным │между каждым полюсом │
│ │ │напряжениям │по очереди │
├─────────┼────────────┼───────────────────────────┼──────────────────────┤
ИС МЕГАНОРМ: примечание.
В официальном тексте документа, видимо, допущена опечатка: пункт 9.9.4
отсутствует.
│ Y1 │9.9.4 │ Рабочие характеристики │ - │
│ │ │дифференциального тока │ │
│ │ │электроизоляционных свойств│ │
│ │
9.10 │ Механическая │ │
│ │ │и коммутационная │ │
│ │ │износостойкость │ │
├─────────┼────────────┼───────────────────────────┼──────────────────────┤
│ Y2 │
9.22.1 │ Надежность (климатические │ - │
│ │ │испытания) │ │
├─────────┼────────────┼───────────────────────────┼──────────────────────┤
│ Y3 │
9.23 │ Сопротивление старению │ - │
└─────────┴────────────┴───────────────────────────┴──────────────────────┘
IE.2.2. Годовая испытательная программа
Примечание. Годовой календарный контроль может сочетаться с квартальным календарным контролем.
IE.2.3. Методика отбора образцов
IE.2.3.1. Квартальная испытательная программа
В рамках этой программы проводят:
- нормальный контроль;
- усиленный контроль.
Нормальный контроль применяют для первой календарной проверки.
Для последующих проверок применяют нормальный или усиленный контроль или остановку производства в зависимости от результатов текущих испытаний.
Для перехода от одного уровня контроля к другому должны применяться следующие критерии:
- сохранение нормального уровня контроля.
При нормальном контроле нормальный уровень сохраняют, если все шесть образцов выдержали цикл испытаний (см.
цикл Q в таблице IE.2).
Таблица IE.2
Число образцов, подвергаемых испытаниям
Контрольный цикл | Число образцов |
для нормального контроля | для усиленного контроля |
| 6 | 13 |
Y1 - Y3 | По 3 для каждого цикла | По 6 для каждого цикла |
Если цикл испытаний выдержали пять образцов, последующий контроль проводят лишь спустя 1 мес после предыдущего с тем же числом образцов и в том же цикле испытаний;
- от нормального к усиленному.
При нормальном контроле переход на усиленный контроль осуществляют, если только четыре образца выдержали цикл испытаний;
- от нормального контроля к остановке производства.
Когда при нормальном контроле менее четырех образцов выдержали цикл испытаний, производство должно быть остановлено до принятия мер по улучшению качества продукции;
- переход от усиленного к нормальному контролю.
Если проводят усиленный контроль, то к нормальному контролю следует переходить, если по крайней мере 12 образцов выдержали цикл испытаний (см.
таблицу IE.2);
- сохранение уровня усиленного контроля.
Если на уровне усиленного контроля только 10 или 11 образцов выдержали цикл испытаний, уровень усиленного контроля сохраняют и последующий контроль проводят спустя 1 мес после предшествующего с тем же числом образцов и в том же самом цикле испытаний;
- переход от усиленного контроля к остановке производства.
В случае если четыре последовательных контроля проводились на усиленном уровне или менее 10 образцов выдержали цикл испытаний, производство должно быть остановлено до улучшения качества продукции;
- возобновление производства.
Производство можно возобновить после выполнения соответствующих согласованных корректирующих действий.
Возобновление производства должно проводиться в условиях усиленного контроля.
IE.2.3.2. Годовая испытательная программа
В рамках этой программы проводят:
- нормальный контроль;
- усиленный контроль.
Для первой календарной проверки применяют нормальный контроль.
Для последующих проверок применяют нормальный или усиленный контроль в зависимости от результатов текущих испытаний.
Для перехода от одного уровня к другому должны применяться следующие критерии:
- сохранение нормального уровня контроля.
При нормальном контроле нормальный уровень сохраняют, если все образцы выдержали цикл испытаний. Если два образца выдержали
цикл испытаний Y1 и во время испытаний по
циклам Y2 и
Y3 не произошло отказов, последующий контроль проводят спустя 3 мес после предыдущего и с таким же числом образцов и в тех же циклах испытаний;
- переход от нормального к усиленному контролю.
При нормальном контроле должен осуществляться переход к усиленному контролю, если:
Последующий контроль должен проводиться в течение 3 мес от предшествующего на уровне усиленного контроля для любого цикла, в котором произошел отказ, и на уровне нормального контроля - для всех других циклов испытаний;
- переход от нормального контроля к остановке производства.
Если при нормальном контроле ни один из образцов не выдержал
цикл испытаний Y1 или произошло более одного отказа во время
циклов испытаний Y2 и
Y3, производство должно быть остановлено до улучшения качества продукции;
- от усиленного контроля к нормальному.
При проведении усиленного контроля переход к нормальному контролю должен осуществляться, если:
- сохранен усиленный контроль.
Если на уровне усиленного контроля только четыре образца выдержали
цикл испытаний Y1 и не было отказов в
цикле испытаний Y2 или
Y3, уровень усиленного контроля сохраняют и следующую проверку проводят спустя 3 мес после предшествующей с тем же числом образцов и в тех же циклах испытаний;
- переход от усиленного контроля к остановке производства.
В случае, когда четыре последовательные проверки остаются на усиленном уровне или когда во время годового контроля произошел один из случаев отказов:
- произошло более одного отказа во время
цикла испытаний Y2 или
Y3, производство должно быть остановлено до улучшения качества продукции;
- возобновление производства.
Производство можно возобновить после соответствующих согласованных корректирующих мероприятий.
IE.2.4. Число образцов, подвергаемых испытаниям
Число образцов для разных уровней контроля приведено в
таблице IE.2.
Из каждой серии АВДТ одной и той же базовой конструкции необходимо испытать только один комплект образцов, независимо от номинальных параметров.
В рамках календарной испытательной программы АВДТ считают принадлежащими к одной базовой конструкции, если они подлежат одинаковой классификации по
4.1:
- устройства, управляемые дифференциальным током, имеют идентичный механизм расцепления и идентичные реле или соленоид, за исключением числа витков и сечений проводов обмоток, размера и материала сердечника дифференциального трансформатора, номинального дифференциального тока;
- электронная часть, если имеется, одной и той же конструкции и состоит из таких же компонентов, кроме изменений, связанных с получением разных значений

.
(обязательное)
ДОПОЛНИТЕЛЬНЫЕ ТРЕБОВАНИЯ,
УЧИТЫВАЮЩИЕ ПОТРЕБНОСТИ ЭКОНОМИКИ СТРАНЫ И ТРЕБОВАНИЯ
НАЦИОНАЛЬНЫХ СТАНДАРТОВ РОССИЙСКОЙ ФЕДЕРАЦИИ
И МЕЖГОСУДАРСТВЕННЫХ СТАНДАРТОВ, А ТАКЖЕ РЕКОМЕНДАЦИИ
ПО ИХ УЧЕТУ ПРИ РАЗРАБОТКЕ, ИЗГОТОВЛЕНИИ И ЭКСПЛУАТАЦИИ АВДТ
&ДА.1. Требования к стойкости к внешним воздействующим факторам
ДА.1.1. Номинальное и предельные значения климатических факторов, отличающиеся от приведенных в настоящем стандарте, должны соответствовать
ГОСТ 15543.1 и
ГОСТ 15150.
Конкретные требования по воздействию механических факторов, отличающиеся от приведенных в настоящем стандарте, должны соответствовать группам условий эксплуатации по
ГОСТ 17516.1.
ДА.2. Требования к консервации, упаковке, транспортированию и хранению
ДА.2.1. Требования к консервации и упаковке - по
ГОСТ 23216.
ДА.2.2. Условия транспортирования устанавливают в зависимости от назначения АВДТ по
ГОСТ 23216 и
ГОСТ 15150.
ДА.3. Выводы АВДТ должны допускать присоединение алюминиевых проводов и кабелей и соответствовать
ГОСТ 24753.
ДА.4. Требования к защитным покрытиям
Металлические детали корпуса АВДТ должны иметь защитные покрытия в соответствии со стандартами единой системы защиты от коррозии и старения материалов и изделий.
Контактные участки выводов АВДТ должны иметь защитные покрытия по
ГОСТ 9.005.
ДА.5. Виды испытаний и правила приемки
ДА.5.1. АВДТ подвергают квалификационным, периодическим, приемо-сдаточным и типовым испытаниям; порядок их проведения должен соответствовать
ГОСТ Р 15.201; периодичность испытаний, программы испытаний и условия их проведения должны устанавливаться в стандартах и технических условиях на АВДТ конкретных серий и типов.
ДА.5.2. Программа типовых испытаний по настоящему стандарту является основой для установления программ любых видов контрольных испытаний по
ГОСТ 16504.
| | ИС МЕГАНОРМ: примечание. В официальном тексте документа, видимо, допущена опечатка: приложение К отсутствует. | |
Программы приемочных и квалификационных испытаний АВДТ должны включать в себя полную программу типовых испытаний по настоящему стандарту, а также испытания на стойкость к внешним воздействующим факторам, проверку защитных покрытий, испытания на надежность по
ГОСТ 27.003 и
ГОСТ 27.403, а также испытания на защиту от повышения напряжения по приложению К.
ДА.5.3. Правила приемки АВДТ должны устанавливаться в стандартах и технических условиях на выключатели конкретных серий и типов.
ДА.6. Гарантии изготовителя
Изготовитель должен гарантировать надежную работу АВДТ в течение определенного срока эксплуатации, который должен быть не менее пяти лет с момента ввода в эксплуатацию.
ДА.7. Рекомендации по учету дополнительных требований
При разработке, изготовлении и эксплуатации АВДТ учет требований национальных стандартов должен осуществляться на основе опросных листов, в которых должен быть определен и согласован с потребителем перечень дополнительных требований и требований, изменяющих положения настоящего стандарта, исходя из условий функционирования и эксплуатации АВДТ в электроустановках потребителя в соответствии с комплексом ГОСТ Р 50571.&
(обязательное)
&ДОПОЛНИТЕЛЬНЫЕ ТРЕБОВАНИЯ
И МЕТОДЫ ИСПЫТАНИЙ ДЛЯ АВДТ С ЗАЩИТОЙ
ОТ ПОВЫШЕННОГО НАПРЯЖЕНИЯ
Эти требования являются дополнительными относительно требований настоящего стандарта и приведены для учета дополнительных функциональных возможностей АВДТ в части защиты от повышения напряжения, а также устанавливают дополнительные технические требования, методы испытания и другие требования.
Главная часть настоящего стандарта применяется во всех отношениях к АВДТ, рассматриваемым в настоящем приложении.
ДБ.1. Область применения
Дополнительные требования распространяются на АВДТ с защитой от повышенного напряжения.
ДБ.2. Термины и определения
Дополнительно к
разделу 3 настоящего стандарта применяют следующие термины с соответствующими определениями:
3.3.23. АВДТ с защитой от повышенного напряжения: АВДТ, имеющие дополнительную функцию отключения в случае, когда напряжение сети достигает значения выше допускаемого, при его внезапном появлении или медленном нарастании.
3.3.24. Неотключающее повышенное напряжение: значение напряжения сети выше номинального, при котором и ниже которого АВДТ с защитой от повышенного напряжения не отключается.
3.3.25. Отключающее повышенное напряжение

: значение напряжения сети, вызывающего отключение АВДТ с защитой от повышенного напряжения при заданных условиях.
3.3.26. Время отключения от повышенного напряжения: промежуток времени от момента появления напряжения, превышающего отключающее повышенное напряжение, до момента размыкания фазного полюса АВДТ с защитой от повышенного напряжения.
3.3.27. Время неотключения от повышенного напряжения: промежуток времени, в течение которого импульс напряжения, превышающего отключающее повышенное напряжение, не вызывает срабатывания АВДТ с защитой от повышенного напряжения.
ДБ.3. Классификация
Дополнительно к
разделу 4 настоящего стандарта применяют следующую классификацию:
4.13. В зависимости от наличия функции защиты от повышения напряжения:
- АВДТ без защиты от повышенного напряжения;
- АВДТ с защитой от повышенного напряжения.
ДБ.4. Характеристики АВДТ
Дополнительно к
разделу 5 настоящего стандарта применяют следующие характеристики:
5.3.10. Значения неотключающего и отключающего повышенного напряжения АВДТ с защитой от повышенного напряжения, время неотключения от повышенного напряжения и время отключения от повышенного напряжения.
Указанные значения приведены в таблице ДБ.1.
Таблица ДБ.1
Значения неотключающего и отключающего
повышенного напряжения и время отключения
и неотключения от повышенного напряжения
┌───────────┬────────────┬──────┬──────┬─────────────────────┬────────────┐
│ АВДТ │Номинальное │Неот- │Отклю-│ Время неотключения │Характерис- │
│ │ значение │ключа-│чающее│и отключения (с) при │тика времени│
│ │ U │ющее │повы- │повышенном напряжении│ │
│ │ откл. │повы- │шенное├──────────┬──────────┤ │
│ │ с допуском │шенное│напря-│ 275 В │ 380 В │ │
│ │ │напря-│жение │ │ │ │
│ │ │жение │ │ │ │ │
├───────────┼────────────┼──────┼──────┼──────────┼──────────┼────────────┤
│Двухполюс- │265 +/- 10 В│255 В │275 В │ 0,04 с │ 0,04 с │Максимальное│
│ный с одним│ │ │ │ │ │время │
│или двумя │ │ │ │ │ │неотключения│
│защищенными│ │ │ ├──────────┼──────────┼────────────┤
│полюсами │ │ │ │ 0,5 с │ 0,2 с │Максимальное│
│ │ │ │ │ │ │время │
│ │ │ │ │ │ │отключения │
└───────────┴────────────┴──────┴──────┴──────────┴──────────┴────────────┘
ДБ.5. Маркировка и другая информация об изделии
Дополнительно к
разделу 6 настоящего стандарта применяют следующую маркировку:
t) для АВДТ с защитой от повышенного напряжения - символ

.
ДБ.6. Требования к конструкции и функционированию
Дополнительно к
разделу 8 настоящего стандарта устанавливают следующие требования:
8.17. Срабатывание при повышении напряжения
АВДТ с защитой от повышенного напряжения должны срабатывать в заданных условиях.
Соответствие проверяют испытаниями по 9.9.3.2 - 9.9.3.4.
8.18. Устойчивость при повышенном напряжении
АВДТ с защитой от повышенного напряжения должны быть устойчивы при длительном воздействии неотключающего повышенного напряжения.
Соответствие проверяют испытаниями по 9.9.3.5.
ДБ.7. Испытания
Дополнительно к
разделу 9 настоящего стандарта проводят следующие испытания:
22. Проверка АВДТ с защитой от повышенного напряжения | 9.9.3 |
Дополнительно к
разделу 9 настоящего стандарта проводят следующие испытания:
9.9.3. Дополнительные испытания для АВДТ с защитой от повышенного напряжения
9.9.3.1. Испытательная цепь
Испытательная цепь должна обеспечивать проведение испытаний по 9.9.3.2 - 9.9.3.5.
Испытания проводят при указанных напряжениях с допустимым отклонением не более 1%.
9.9.3.2. Проверка правильной работы АВДТ при постепенном повышении напряжения сети
На входе АВДТ устанавливают начальное напряжение, равное 220 В.
Включают АВДТ и постепенно увеличивают напряжение с такой скоростью, чтобы достичь значения отключающего повышенного напряжения

за время 5 - 15 с. При срабатывании АВДТ измеряют напряжение, при котором произошло отключение. Проводят пять испытаний с интервалом не менее 15 с. Все измеренные напряжения должны быть от 255 до 275 В.
9.9.3.3. Проверка правильной работы АВДТ при значении напряжения ниже отключающего повышенного напряжения
На входе АВДТ устанавливают начальное напряжение, равное 220 В.
Включают АВДТ и с любой скоростью увеличивают напряжение до 255 В.
Выдерживают данное напряжение в течение 1 минуты. Не должно произойти срабатывания АВДТ в течение указанного времени.
Производят последовательно три цикла отключения - включения АВДТ. Не должно быть срабатывания АВДТ.
9.9.3.4. Проверка устойчивости АВДТ при повышенном напряжении сети
На входе АВДТ устанавливают напряжение 255 В.
Включают АВДТ и выдерживают при этом напряжении не менее 1 ч.
Не должно быть срабатываний АВДТ.
По истечении 1 ч при данном напряжении производят проверку по
перечислению a) 9.9.1.2. Измеренные характеристики АВДТ должны соответствовать значениям, установленным в стандарте. Для АВДТ, функционально не зависящих от напряжения сети, проверку допускается не проводить.
9.9.3.5. Проверка правильной работы АВДТ при напряжении выше отключающего повышенного напряжения.
a) На входе АВДТ устанавливают напряжение, равное 220 В. Включают АВДТ. Скачкообразно, за время не более 0,01 с, повышают напряжение от 220 до 275 В. АВДТ должен отключиться за время 0,5 >= t > 0,04 с момента установления напряжения 275 В.
Проводят пять испытаний с интервалом не менее 15 с.
b) На входе АВДТ устанавливают напряжение, равное 275 В. Включают АВДТ. АВДТ должен отключиться за время 0,5 >= t > 0,04 с.
Проводят пять испытаний с интервалом не менее 15 с.
c) На входе АВДТ устанавливают напряжение, равное 220 В. Включают АВДТ. Скачкообразно, за время не более 0,01 с, повышают напряжение от 220 до 380 В. АВДТ должен отключиться за время 0,2 >= t > 0,04 с с момента установления напряжения 380 В.
Проводят пять испытаний с интервалом не менее 15 с.
d) На входе АВДТ устанавливают напряжение, равное 380 В. Включают АВДТ. АВДТ должен отключиться за время 0,2 >= t > 0,04 с.
Проводят пять испытаний с интервалом не менее 15 с.
9.9.3.6. После испытаний по 9.9.3.2 - 9.9.3.5 производят проверки по
перечислению a) 9.9.1.2 при напряжении 220 В. Измеренные характеристики АВДТ должны соответствовать значениям, установленным в стандарте.
Для АВДТ, функционально не зависящих от напряжения сети, проверки допускается не проводить.
Допускается испытания по 9.9.3 в цикле

таблицы A.1 проводить перед проведением испытаний по
9.9.1.
Строку цикла испытаний

таблицы A.1 дополнить:
- во второй колонке ввести дополнительно: 9.9.3
- в третьей колонке ввести дополнительно: Рабочие характеристики защиты от повышенного напряжения.
D.4. Проверка АВДТ с защитой от повышенного напряжения
Напряжение, равное номинальному значению, прикладывают к АВДТ и затем постепенно увеличивают с такой скоростью, чтобы достичь значения отключающего повышенного напряжения за время 5 - 15 с. Фиксируют значение фактического отключающего повышенного напряжения. Проводят три испытания с интервалом не менее 15 с. Все измеренные напряжения должны быть от 255 до 275 В.
Допускается вместо проверки напряжения срабатывания производить проверку несрабатывания импульсом напряжения 275 В длительностью 0,04 с и проверку срабатывания импульсом напряжения 275 В длительностью 0,5 с. Производят по три испытания с интервалом не менее 15 с.&
(обязательное)
| | Применение на добровольной основе Приложения ДБ обеспечивает соблюдение требований Федерального закона от 22.07.2008 N 123-ФЗ "Технический регламент о требованиях пожарной безопасности" (Приказ Росстандарта от 16.04.2014 N 474). | |
ПОЖАРНОЙ БЕЗОПАСНОСТИ К АВТОМАТИЧЕСКИМ ВЫКЛЮЧАТЕЛЯМ,
УПРАВЛЯЕМЫМ ДИФФЕРЕНЦИАЛЬНЫМ ТОКОМ, БЫТОВОГО И АНАЛОГИЧНОГО
НАЗНАЧЕНИЯ СО ВСТРОЕННОЙ ЗАЩИТОЙ ОТ СВЕРХТОКОВ (АВДТ)
&Эти требования являются дополнительными относительно требований, указанных в настоящем стандарте, и приведены для учета дополнительных требований в соответствии с Федеральным
законом "Технический регламент о требованиях пожарной безопасности".
В настоящем приложении изложены требования пожарной безопасности к автоматическим выключателям, управляемым дифференциальным током, бытового и аналогичного назначения со встроенной защитой от сверхтоков (АВДТ) (далее - выключатели), главные контакты которых предназначены для коммутации цепей напряжением до 1000 В переменного или 1500 В постоянного тока в соответствии с Федеральным
законом "Технический регламент о требованиях пожарной безопасности", и методы испытаний.
ДВ.1. Требования пожарной безопасности
ДВ.1.1. Требования к электроизоляционным и конструкционным пластическим материалам
ДВ.1.1.1. Части выключателей, выполненные из полимерных материалов, должны быть стойкими к пламени горелки Бунзена по
ДВ.2.2.3. Части выключателей, поддерживающие контактные соединения, должны быть выполнены из материала класса FV(ПВ)0, остальные части - из полимерных материалов класса FV(ПВ)1 по
ГОСТ 28779.
ДВ.1.1.2. Части выключателей, выполненные из полимерных материалов, должны быть стойкими к воздействию накаленных элементов (нагретой проволоки).
ДВ.1.1.3. Части, удерживающие в заданном положении проводники тока, находящиеся под напряжением, должны быть выполнены из материалов, стойких к образованию токопроводящих мостиков при испытании напряжением исходя из условий эксплуатации, указанных в технических условиях, каталожной и (или) информационной документации изготовителя на конкретные типы выключателей.
Примечание. Для целей настоящего примечания нормальными условиями эксплуатации считаются условия, вызывающие степень загрязнения 1 и 2 по классификации
пункта 6.1.3.2 ГОСТ Р 50030.1, жесткими условиями - степень загрязнения 3, сверхжесткими условиями - степень загрязнения 4.
ДВ.1.2. Требования по выдерживанию превышения номинального тока
При 2,55-кратном превышении значения номинального тока время срабатывания выключателей должно соответствовать его время-токовой характеристике. Функциональные (защитные) характеристики выключателей должны соответствовать требованиям, изложенным в настоящем стандарте.
ДВ.1.3. Требования по предотвращению возникновения загорания при коммутации токов короткого замыкания
При коммутации токов короткого замыкания выключатель не должен вызывать и распространять горения.
После коммутации выделяющиеся из выключателя газы не должны гореть более 30 с, при этом высота пламени не должна быть более 50 мм.
Вылетающие из выключателя при коммутации раскаленные частицы не должны поджигать расположенную ниже выключателя на расстоянии 300 мм бумагу.
ДВ.2. Методы испытаний
ДВ.2.1. Общие требования и условия испытаний
ДВ.2.1.1. Перечень необходимых испытаний на пожарную безопасность приведен в таблице ДВ.1.
Таблица ДВ.1
┌────────────────────────────────────────────────────┬────────────────────┐
│ Вид испытания │ Номер подраздела, │
│ │ пункта, подпункта │
│ ├──────────┬─────────┤
│ │Требование│ Метод │
│ │ │испытания│
├────────────────────────────────────────────────────┼──────────┼─────────┤
│горелки Бунзена частей материалов выключателей │ │ │
├────────────────────────────────────────────────────┼──────────┼─────────┤
│(нагретой проволоки) частей выключателей │ │ │
├────────────────────────────────────────────────────┼──────────┼─────────┤
│частей материалов выключателей │ │ │
├────────────────────────────────────────────────────┼──────────┼─────────┤
│ Испытание при величине тока, равной 2,55-кратному │
ДВ.1.2 │
ДВ.2.2.1 │
│значению номинального тока выключателей │ │ │
├────────────────────────────────────────────────────┼──────────┼─────────┤
│ Испытание на отсутствие загорания при коммутации │
ДВ.1.3 │
ДВ.2.2.2 │
│тока короткого замыкания (при испытании │ │ │
│на коммутационную способность I и I ) │ │ │
│ cs cn │ │ │
└────────────────────────────────────────────────────┴──────────┴─────────┘
ДВ.2.1.2. Образец выключателя, предъявленный на испытание, должен представлять собой законченное изделие (готовую продукцию). Его конструкция, материал и технология изготовления должны быть такими же, как у изделия, поставляемого потребителю.
ДВ.2.1.3. На испытание представляется не менее трех образцов выключателей каждой модификации. При отличии выключателей только по номинальному току допускается представлять на испытание образцы из полного ряда изделий с минимальным и максимальным значениями номинальных токов.
ДВ.2.1.4. Испытание проводят, установив образец в рабочем положении, предусмотренном инструкцией по монтажу, в котором ожидается наибольший нагрев изделия.
Выключатель закрепляется в соответствии с технической документацией.
Испытания на соответствие требованиям
ДВ.1.1.1,
ДВ.1.1.2,
ДВ.1.1.3 допускается проводить на образцах материалов соответствующей части выключателя.
ДВ.2.1.5. Для выключателей, имеющих несколько значений уставок тока, испытания проводят для минимального и максимального значений.
ДВ.2.1.6. Испытание проводят при температуре окружающей среды от 20 °C до 25 °C.
ДВ.2.1.7. Измерительные приборы, используемые в испытаниях, должны выбираться с учетом указанных отклонений измеряемых параметров.
ДВ.2.1.8. Испытания выключателей проводят в два этапа:
ДВ.2.1.8.1. Этап 1 - испытание выключателей на функционирование:
- на нагрев;
- защиту от сверхтока;
- устойчивость к загоранию и распространению огня при коротком замыкании.
ДВ.2.1.8.2. Этап 2 - испытание электроизоляционных и конструкционных материалов:
- пламенем горелки Бунзена;
- нагретой проволокой;
- на стойкость к образованию токоведущих мостиков.
ДВ.2.2. Проведение испытаний
ДВ.2.2.1. Испытание при величине тока, равной 2,55-кратному значению номинального тока выключателей
Результат считают положительным, если в процессе испытания при данном значении тока произошло срабатывание выключателя, не произошли изменения, ухудшающие эксплуатационные свойства выключателя, а значение температуры на наружной поверхности электроизоляционных материалов, поддерживающих выводы, не превышало 140 °C.
ДВ.2.2.2. Испытание на устойчивость к загоранию и распространению огня при коротком замыкании (при испытании на коммутационную способность

и

)
Для оценки возможности распространения горения, например, путем отделения от образца горящих или раскаленных частиц вследствие коммутационных процессов, внизу на расстоянии (300 +/- 5) мм размещают плиту из сосновой доски толщиной около 10 мм, покрытую одним слоем папиросной бумаги плотностью от 12 г/м2 до 30 г/м2.
При необходимости в доске выполняют пазы или отверстия для проводников.
Выключатель считается отвечающим требованиям пожарной безопасности, если горение образца прекращается в течение 30 с, а также отсутствует загорание папиросной бумаги, а диаметр пятен обугливания сосновой доски не превышает 0,8 мм.
ДВ.2.2.3. Испытание на стойкость к воздействию пламени горелки Бунзена частей материалов выключателей
Методика проведения испытания - в соответствии с
ГОСТ 28779 (метод FV(ПВ).
Испытание проводят на выключателе или образце материала, из которого изготовлен выключатель. Толщина образца должна быть не более толщины электроизоляционной детали выключателя.
Образец считают выдержавшим испытание, если для наружных частей из неметаллических материалов, для частей изделия, удерживающих токоведущие части и поддерживающих соединения в определенном положении, материал соответствует классу FV(ПВ)0, а для других частей из неметаллических материалов - классу FV(ПВ)1.
ДВ.2.2.4. Испытание к воздействию накаленных элементов (нагретой проволоки) частей выключателей
Стойкость против аномального нагрева и огня (испытание нагретой проволокой) проводят по
9.15 настоящего стандарта.
ДВ.2.2.5. Испытание на образование токопроводящих мостиков частей материалов выключателей
Методика проведения испытания - в соответствии с
ГОСТ 27473. Напряжение, при котором испытывают изоляционные материалы, выбирают в соответствии с
ГОСТ Р 52161.1 исходя из условий эксплуатации (нормальные, жесткие или сверхжесткие), указанных в технических условиях или каталожной документации на конкретные типы выключателей.
ДВ.3. Оценка результатов испытаний
Выключатели соответствуют требованиям пожарной безопасности, если результаты испытаний продукции удовлетворяют требованиям настоящего приложения. Результаты испытаний включают в протокол испытаний на соответствие настоящему стандарту или оформляют отдельным протоколом.&
(обязательное)
ДОПОЛНИТЕЛЬНЫЕ ТРЕБОВАНИЯ
И МЕТОДЫ ИСПЫТАНИЙ ДЛЯ АВДТ С ДИСТАНЦИОННЫМ УПРАВЛЕНИЕМ
&Эти требования являются дополнительными относительно требований настоящего стандарта и приведены для учета дополнительных функциональных возможностей АВДТ в части обеспечения дистанционного отключения при использовании в системах пожаротушения и других аналогичных системах автоматического управления электропитанием потребителей.
Главная часть настоящего стандарта применяется во всех отношениях к АВДТ, охватываемым настоящим приложением.
ДГ.1. Область применения
Дополнительные требования распространяются на АВДТ с функцией дистанционного управления отключением.
ДГ.3. Термины и определения
Дополнительно к
разделу 3 настоящего стандарта применяют следующий термин с соответствующим определением:
ДГ.3.3.28. АВДТ с функцией дистанционного управления отключением: АВДТ, имеющие дополнительные выводы, при подключении к которым внешней цепи управления обеспечивается автоматическое отключение АВДТ.
ДГ.4. Классификация
Дополнительно к
разделу 4 настоящего стандарта применяют следующую классификацию:
ДГ.4.14. В зависимости от наличия функции дистанционного управления отключением:
- АВДТ без функции дистанционного управления отключением;
- АВДТ с функцией дистанционного управления отключением (далее - функция ДУ).
ДГ.5. Характеристики АВДТ
По
разделу 5 настоящего стандарта со следующими дополнениями:
- рабочее напряжение цепи дистанционного управления.
ДГ.5.2.10. Рабочее напряжение цепи дистанционного управления
Значение напряжения на выводах дистанционного управления, указанное изготовителем, при котором обеспечивается выполнение функции дистанционного отключения АВДТ при подаче управляющей функции по цепи, подключенной к выводам.
ДГ.5.3.11. Значение рабочего напряжения на выводах цепи ДУ - не менее 9 В и не более 24 В постоянного тока (при номинальном напряжении АВДТ)
Изготовитель должен указать в технических условиях и эксплуатационной документации значение напряжения цепи ДУ относительно заземляемых частей в месте монтажа АВДТ.
ДГ.6. Маркировка и другая информация об изделии
Дополнительно к
разделу 6 настоящего стандарта применяют следующую маркировку:
и) для АВДТ с функцией ДУ - символ "ДУ" в районе выводов цепи ДУ и при необходимости знаки "+" и "-" возле соответствующих выводов.
ДГ.8. Требования к конструкции и функционированию
Дополнительно к
разделу 8 настоящего стандарта устанавливают следующие требования:
Выводные зажимы цепи ДУ должны допускать присоединение внешних медных проводников сечениями от 0,5 до 2,5 мм2.
Примечания
1. По требованию потребителя минимальное сечение может быть уменьшено при условии обеспечения надежности вывода по 9.5.
2. Изготовитель в информационных и каталожных материалах должен указать тип проводника (однопроволочный или многопроволочный).
ДГ.8.19. Срабатывание при воздействии на цепь ДУ
АВДТ с функцией ДУ при значениях напряжения сети в соответствии с
8.12 должны отключаться за время не более 1 с при значении сопротивления цепи ДУ не более 200 Ом и не должны отключаться при значении сопротивления не менее 50 кОм за время не менее 30 мин.
Значение тока в цепи ДУ должно быть не более 30 мА.
Соответствие проверяют испытаниями по ДГ.9.9.4.2.
ДГ.8.20. Устойчивость цепи ДУ
АВДТ с функцией ДУ при значениях напряжения сети в соответствии с
8.12 должны длительно функционировать (без автоматических отключений и выхода из строя) при подключенной к выводам ДУ внешней цепи с сопротивлением не менее 50 кОм.
Соответствие проверяют испытаниями по ДГ.9.9.4.3.
ДГ.9. Испытания
ДГ.9.1. Общие положения
23. Проверка функции ДУ АВДТ | 9.9.4 |
ДГ.9.5. Испытания надежности выводов для внешних проводников
При испытаниях зажимов вывода ДУ минимальное сечение присоединяемых проводников принимают 0,5 мм2 или указанное изготовителем (что меньше). При испытаниях по 9.5.1 - 9.5.3 испытательные характеристики для данных проводников принимают как указанные для проводников сечением 1 мм2.
ДГ.9.9. Проверка функциональных характеристик
Дополнительно к
9.9 настоящего стандарта проводят следующие испытания:
ДГ.9.9.4. Дополнительные испытания для АВДТ с функцией ДУ
ДГ.9.9.4.1. Испытательная цепь
Испытательная цепь должна обеспечивать проведение испытаний по ДГ.9.9.4.2 - ДГ.9.9.4.3.
Испытания проводят при указанных напряжениях с допустимым отклонением не более 1%.
ДГ.9.9.4.2. Проверка срабатывания АВДТ при воздействии цепи ДУ
На входе АВДТ устанавливают напряжение, равное 0,85 номинального.
Включают АВДТ и измеряют значение напряжения на выводе ДУ. Величина напряжения должна быть в пределах, указанных в ДГ.5.3.11.
Выключают АВДТ. К выводу ДУ подключают сопротивление 200 Ом +/- 5%. Включают АВДТ. АВДТ должен сработать за время не более 1 с, при этом величина тока не должна быть более 30 мА. После срабатывания на выводах ДУ не должно быть напряжения более 9 В.
Проводят три измерения.
Примечание. Измерение значения тока при данном испытании допускается проводить по любой методике, обеспечивающей погрешность при измерении не более 15%.
Испытания повторяют при значении напряжения питания АВДТ 1,1 номинального.
ДГ.9.9.4.3. Проверка устойчивости цепи ДУ.
На входе АВДТ устанавливают напряжение, равное 1,1 номинального.
К выводам ДУ подключают сопротивление 50 кОм +/- 5%.
Включают АВДТ. АВДТ не должен отключаться за время не менее 30 мин.
После испытания однократно проверяют срабатывание по ДГ.9.9.4.2 при напряжении 1,1 номинального без измерения величины тока.
Примечание. Мощность испытательного сопротивления принимают с учетом запроса информации от изготовителя о величине тока в цепи ДУ при данных испытаниях либо опытным подбором.
Строку цикла испытаний

таблицы A.1 дополнить:
- во второй колонке ввести дополнительно: M.9.9.4
- в третьей колонке ввести дополнительно: Рабочие характеристики функции ДУ.
D.5. Проверка АВДТ с функцией ДУ
К выводам цепи ДУ присоединяют сопротивление 200 Ом +/- 5%.
Напряжение, равное номинальному значению, прикладывают к АВДТ.
Включают АВДТ. АВДТ должен отключиться за время не более 1 с.
К зажимам цепи ДУ присоединяют сопротивление 50 кОм +/- 5%.
Включают АВДТ, который не должен отключаться за время не менее 1 мин.&
(обязательное)
СВЕДЕНИЯ О СООТВЕТСТВИИ ССЫЛОЧНЫХ
НАЦИОНАЛЬНЫХ И МЕЖГОСУДАРСТВЕННЫХ СТАНДАРТОВ
МЕЖДУНАРОДНЫМ СТАНДАРТАМ, ИСПОЛЬЗОВАННЫМ
В КАЧЕСТВЕ ССЫЛОЧНЫХ В ПРИМЕНЕННОМ
МЕЖДУНАРОДНОМ СТАНДАРТЕ
Таблица ДД.1
Обозначение ссылочного национального, межгосударственного стандартов | Степень соответ- ствия | Обозначение и наименование ссылочного международного стандарта |
| MOD | МЭК 60947-1:2004 "Низковольтная коммутационная аппаратура распределения и управления. Часть 1. Общие требования" |
| MOD | МЭК 60947-2:2003 "Низковольтная коммутационная аппаратура распределения и управления. Часть 2. Автоматические выключатели" |
| MOD | МЭК 60898-1:2003 "Аппаратура электрическая. Выключатели для защиты от сверхтоков бытового и аналогичного назначения. Часть 1. Автоматические выключатели для переменного тока" |
| MOD | МЭК 60364-4-41:1992 "Электроустановки зданий. Часть 4. Требования по обеспечению безопасности. Защита от поражения электрическим током" |
| MOD | МЭК 60364-4-443:1995 "Электроустановки зданий. Часть 4. Защита для обеспечения безопасности. Глава 44. Защита от перенапряжений. Раздел 443. Защита от перенапряжений атмосферного происхождения или вызванных коммутацией" |
| NEQ | МЭК 60755:1983 "Общие требования к защитным устройствам, управляемым дифференциальным током" |
| MOD | МЭК 60884-1:1994 "Соединители электрические штепсельные бытового и аналогичного назначения. Часть 1. Общие требования и методы испытаний" |
| MOD | МЭК 601008-1:1990 "Выключатели автоматические, управляемые дифференциальным током, бытового и аналогичного назначения без встроенной защиты от сверхтоков. Часть 1. Общие требования и методы испытаний" |
| MOD | МЭК 61543:1995 "Совместимость технических средств электромагнитная. Устройства защитного отключения, управляемые дифференциальным током (УЗО-Д), бытового и аналогичного назначения. Требования и методы испытаний" |
| MOD | МЭК 60529-89 "Степени защиты, обеспечиваемые оболочками (код IP)" |
ГОСТ 24622-91 | NEQ | ASTM D 785-65:1970 "Стандартный метод определения твердости пластмасс и электроизоляционных материалов" |
| NEQ | МЭК 112:1979 "Метод определения сравнительного и контрольного индексов трекингостойкости твердых электроизоляционных материалов" |
| MOD | МЭК 60695-2:1980 "Испытания на пожароопасность. Методы испытаний. Испытания нагретой проволокой" |
ГОСТ 28214-81 | NEQ | МЭК 60068-2-28:1990 "Основные методы испытаний на воздействие внешних факторов. Часть 2. Испытания. Руководство по испытаниям на влажное тепло" |
| MOD | МЭК 60068-2-30:1980 "Основные методы испытаний на воздействие внешних факторов. Часть 2. Испытание Db и руководство. Влажное тепло циклическое (12 + 12 = часовой цикл)" |
| MOD | МЭК 60417:1973 "Графические символы, применяемые на оборудовании" |
| MOD | МЭК 60038:1983 "Стандартные напряжения" |
| MOD | МЭК 60051-1:1997 "Приборы аналоговые показывающие электроизмерительные прямого действия и вспомогательные части к ним" |
Примечание. В настоящей таблице использованы следующие условные обозначения степени соответствия стандартов: - MOD - модифицированные стандарты; - NEQ - неэквивалентные стандарты. |
[1] МЭК 60050(441):1984 Международный электротехнический словарь.
Глава 441. Коммутационная аппаратура управления
и предохранители
(IEC 60050(441):1984, International
Electrotechnical Vocabulary (IEV) - Chapter 441:
Switchgear, controlgear and fuses)
[2] МЭК 60050(151):1978 Международный электротехнический словарь.
Глава 151. Электрические и магнитные устройства
(IEC 60050(151):1978, International
Electrotechnical Vocabulary (IEV) - Chapter 151:
Electrical and magnetic devices)
[3] МЭК 60664-1:1992 Координация изоляции в оборудовании низковольтных
систем. Часть 1. Принципы построения, требования
и испытания
(IEC 60664-1:1992, Insulation coordination
for equipment within low-voltage systems - Part 1:
Principles, requirements and tests)
[4] МЭК 60364-5-53:1994 Электроустановки зданий. Часть 5. Выбор и монтаж
электрооборудования. Глава 53. Коммутационная
аппаратура и аппаратура управления
(IEC 60364-5-53:1994, Part 5: Selection
and erection of electrical equipment - Chapter 53:
Switchgear and controlgear)
[5] МЭК 60060-1:1989 Технология испытаний высоким напряжением. Часть 1.
Общие определения и требования к испытаниям
(IEC 60060-1:1989, High-voltage test techniques -
Part 1: General definitions and test requirements)
[6] МЭК 60060-2:1994 Технология испытаний высоким напряжением. Часть 2.
Системы измерительные
(IEC 60060-2:1994, High-voltage test techniques -
Part 2: Measuring Systems)