Главная // Актуальные документы // ГОСТ (Государственный стандарт)СПРАВКА
Источник публикации
М.: Стандартинформ, 2013
Примечание к документу
Документ включен в
Перечень международных и региональных (межгосударственных) стандартов, а в случае их отсутствия - национальных (государственных) стандартов, в результате применения которых на добровольной основе обеспечивается соблюдение требований технического
регламента Таможенного союза "О безопасности низковольтного оборудования" (ТР ТС 004/2011), и в
Перечень международных и региональных (межгосударственных) стандартов, а в случае их отсутствия - национальных (государственных) стандартов, содержащих правила и методы исследований (испытаний) и измерений, в том числе правила отбора образцов, необходимые для применения и исполнения требований технического
регламента Таможенного союза "О безопасности низковольтного оборудования" (ТР ТС 004/2011) и осуществления оценки соответствия объектов технического регулирования (
Решение Коллегии Евразийской экономической комиссии от 11.05.2023 N 55).
Документ включен в
Перечень стандартов, в результате применения которых на добровольной основе обеспечивается соблюдение требований технического
регламента Таможенного союза "О безопасности низковольтного оборудования" (ТР ТС 004/2011) и в
Перечень стандартов, содержащих правила и методы исследований (испытаний) и измерений, в том числе правила отбора образцов, необходимые для применения и исполнения требований технического
регламента Таможенного союза "О безопасности низковольтного оборудования" (ТР ТС 004/2011) и осуществления оценки соответствия объектов технического регулирования (
Решение Комиссии Таможенного союза от 16.08.2011 N 768).
Документ
введен в действие с 1 января 2013 года.
Название документа
"ГОСТ IEC 60269-3-1-2011. Межгосударственный стандарт. Предохранители плавкие низковольтные. Часть 3-1. Дополнительные требования к плавким предохранителям для эксплуатации неквалифицированным персоналом (плавкие предохранители бытового и аналогичного назначения). Разделы I - IV"
(введен в действие Приказом Росстандарта от 13.12.2011 N 1354-ст)
"ГОСТ IEC 60269-3-1-2011. Межгосударственный стандарт. Предохранители плавкие низковольтные. Часть 3-1. Дополнительные требования к плавким предохранителям для эксплуатации неквалифицированным персоналом (плавкие предохранители бытового и аналогичного назначения). Разделы I - IV"
(введен в действие Приказом Росстандарта от 13.12.2011 N 1354-ст)
по техническому регулированию
и метрологии
от 13 декабря 2011 г. N 1354-ст
МЕЖГОСУДАРСТВЕННЫЙ СТАНДАРТ
ПРЕДОХРАНИТЕЛИ ПЛАВКИЕ НИЗКОВОЛЬТНЫЕ
ЧАСТЬ 3-1
ДОПОЛНИТЕЛЬНЫЕ ТРЕБОВАНИЯ К ПЛАВКИМ ПРЕДОХРАНИТЕЛЯМ
ДЛЯ ЭКСПЛУАТАЦИИ НЕКВАЛИФИЦИРОВАННЫМ ПЕРСОНАЛОМ
(ПЛАВКИЕ ПРЕДОХРАНИТЕЛИ БЫТОВОГО И АНАЛОГИЧНОГО
НАЗНАЧЕНИЯ)
РАЗДЕЛЫ I - IV
Low-voltage fuses. Part 3-1. Supplementary requirements
for fuses for use by unskilled persons (fuses mainly for
household and similar applications). Sections I to IV
(IEC 60269-3-1:1994, IDT)
ГОСТ IEC 60269-3-1-2011
Дата введения
1 января 2013 года
Цели, основные принципы и порядок проведения работ по межгосударственной стандартизации установлены
ГОСТ 1.0-92 "Межгосударственная система стандартизации. Основные положения" и
ГОСТ 1.2-2009 "Межгосударственная система стандартизации. Стандарты межгосударственные, правила и рекомендации по межгосударственной стандартизации. Правила разработки, принятия, применения, обновления и отмены".
1. Подготовлен Федеральным государственным унитарным предприятием "Всероссийский научно-исследовательский институт стандартизации и сертификации в машиностроении" (ВНИИНМАШ).
2. Внесен Федеральным агентством по техническому регулированию и метрологии.
3. Принят Межгосударственным советом по стандартизации, метрологии и сертификации (Протокол от 29 ноября 2011 г. N 40).
За принятие стандарта проголосовали:
Краткое наименование страны по MK (ISO 3166) 004-97 | Код страны по MK (ISO 3166) 004-97 | Сокращенное наименование национального органа по стандартизации |
Беларусь | BY | Госстандарт Республики Беларусь |
Казахстан | KZ | Госстандарт Республики Казахстан |
Кыргызстан | KG | Кыргызстандарт |
Российская Федерация | RU | Росстандарт |
4.
Приказом Федерального агентства по техническому регулированию и метрологии от 13 декабря 2011 г. N 1354-ст межгосударственный стандарт ГОСТ IEC 60269-3-1-2011 введен в действие в качестве национального стандарта Российской Федерации с 1 января 2013 г.
5. Настоящий стандарт идентичен международному стандарту IEC 60269-3-1:1994 Low-voltage fuses. Part 3-1. Supplementary requirements for fuses for use by unskilled persons (fuses mainly for household and similar applications). Sections I to IV (Предохранители плавкие низковольтные. Часть 3-1. Дополнительные требования к плавким предохранителям для эксплуатации неквалифицированным персоналом (плавкие предохранители бытового и аналогичного назначения). Разделы I - IV).
Перевод с английского языка (en).
Степень соответствия - идентичная (IDT).
Сведения о соответствии межгосударственных стандартов ссылочным международным стандартам приведены в дополнительном
Приложении ДА.
Стандарт подготовлен на основе применения ГОСТ Р МЭК 60269-3-1-2004.
6. Введен впервые.
Информация о введении в действие (прекращении действия) настоящего стандарта публикуется в ежемесячно издаваемом информационном указателе "Национальные стандарты".
Информация об изменениях к настоящему стандарту публикуется в ежегодно издаваемом информационном указателе "Национальные стандарты", а текст изменений и поправок - в ежемесячно издаваемом информационном указателе "Национальные стандарты". В случае пересмотра или отмены настоящего стандарта соответствующая информация будет опубликована в ежемесячно издаваемом информационном указателе "Национальные стандарты".
Настоящий стандарт распространяется на низковольтные плавкие предохранители бытового и аналогичного назначения, предназначенные для эксплуатации неквалифицированным персоналом (далее - плавкие предохранители), и устанавливает характеристики, требования к конструкции и методы испытаний, которые дополняют или изменяют соответствующие разделы и (или) пункты IEC 60269-1 и IEC 60269-3.
Нумерация пунктов и таблиц настоящего стандарта идентична соответствующим пунктам и таблицам IEC 60269-1 и IEC 60269-3.
Вновь введенные таблицы обозначены прописными латинскими буквами.
Плавкие предохранители должны соответствовать требованиям настоящего стандарта, IEC 60269-1 и IEC 60269-3.
Настоящий стандарт состоит из шести разделов, в каждом из которых приведены специфические примеры стандартизованных плавких предохранителей:
I - плавкие предохранители типа D (плавкие вставки и держатели плавких предохранителей);
IIA - цилиндрические плавкие предохранители типа A;
IIB - цилиндрические плавкие предохранители типа B;
IIC - цилиндрические плавкие предохранители типа C;
III - плавкие предохранители со штырьковыми выводами;
IV - цилиндрические плавкие вставки, используемые в основном в плавких предохранителях с ламповым цоколем (пробках).
Примечания
1. В настоящем стандарте приведены примеры стандартизованных плавких предохранителей, удовлетворяющих требованиям IEC 60269-1 и IEC 60269-3. Допускается дополнить их другими примерами, удовлетворяющими этим же требованиям.
2. Приведенные серии плавких предохранителей стандартизованы относительно безопасности их применения.
Национальные комитеты могут отобрать из приведенных примеров стандартизованных плавких предохранителей одну серию или более для включения в свои стандарты. Цветной код для каждой серии не указывается. Если цветные коды указаны, то их применяют только к этой отдельной серии плавких предохранителей.
В настоящем стандарте использованы ссылки на следующие международные стандарты:
ISO 2039-2:1987 Plastics; Determination of hardness; Part 2: Rockwell hardness (Пластмассы. Определение твердости. Часть 2. Твердость по Роквеллу).
IEC 60068-2-32:1975 Basic environmental testing procedures. Part 2: Tests. Test Ed: Free fall (Испытания на воздействия внешних факторов. Часть 2. Испытания. Испытание Ed: Свободное падение)
IEC 60269-1:1998 Low-voltage fuses. Part 1. General requirements (Предохранители плавкие низковольтные. Часть 1. Общие требования)
IEC 60269-3:1987 Low-voltage fuses. Part 3: Supplementary requirements for fuses for use by unskilled persons (Fuses mainly for household and similar applications) (Предохранители плавкие низковольтные. Часть 3. Дополнительные требования к плавким предохранителям бытового и аналогичного назначения)
IEC 60529:1989 Degrees of protection provided by enclosures (IP code) (Степени защиты, обеспечиваемые оболочками (код IP))
IEC 60664:1980 Insulation coordination within low-voltage systems including clearances and creepage distances for equipment (Координация изоляции в низковольтных системах)
IEC 60898:1995 Electrical accessories - Circuit-breakers for overcurrent protection for household and similar installations (Аппаратура электрическая малогабаритная. Автоматические выключатели для защиты от сверхтоков бытового и аналогичного назначения)
IEC 60999:1990 Connecting devices - Safety requirements for screw-type and screwless-type clamping units for electrical copper conductors - Part 1: General requirements and particular requirements for conductors from 0,5 mm2 up to 35 mm2 (included) (Электроустановочная аппаратура. Требования по безопасности для зажимов с резьбой и без резьбы для электрических медных проводников)
РАЗДЕЛ I. ПЛАВКИЕ ПРЕДОХРАНИТЕЛИ ТИПА D
Дополнительные требования, изложенные в данном разделе, распространяются на плавкие предохранители типа D на номинальный ток не более 100 А и на переменное и постоянное номинальные напряжения не более 500 В.
5. ХАРАКТЕРИСТИКИ ПЛАВКИХ ПРЕДОХРАНИТЕЛЕЙ
5.2. Номинальное напряжение
Стандартные значения номинального переменного напряжения: 400 В для предохранителей типоразмеров D01, D02 и D03
<*>, 500 В для предохранителей типоразмеров DII, DIII и DIV.
Значения постоянного номинального напряжения: 250 В для предохранителей типоразмеров D01, D02 и D03 <*>, 500 В для предохранителей типоразмеров DII, DIII и DIV.
--------------------------------
<*> Предохранители этих типоразмеров применимы также для цепей с напряжением 415 В.
5.3.1. Номинальный ток плавкой вставки
Номинальные токи плавких вставок указаны на
рисунке 6.
5.3.2. Номинальный ток держателя плавкого предохранителя
Номинальные токи держателей плавких предохранителей указаны на
рисунке 7. Номинальные токи оснований плавких предохранителей указаны на
рисунке 8.
5.5. Номинальные потери мощности плавкой вставки и номинальная рассеиваемая мощность держателя плавкого предохранителя
Максимальные значения потерь мощности плавких вставок указаны в таблице A.
Таблица A
Максимальные значения потерь мощности
Номинальный ток  , А | Максимальная потеря мощности, Вт, для типоразмеров |
D01 - D03 | DII - DIV |
2 | 1,8 | 2,3 |
4 |
6 |
10 | 2,0 | 2,6 |
16 | 2,5 | 3,2 |
20 | 3,0 | 3,5 |
25 | 3,5 | 4,5 |
| 4,0 | 5,2 |
50 | 5,0 | 6,5 |
63 | 5,5 | 7,0 |
80 | 6,5 | 8,0 |
100 | 7,0 | 9,0 |
<*> Допускается в национальных стандартах вместо номинального тока 35 А применять номинальные токи 32 и 40 А. |
5.6. Пределы времятоковых характеристик
5.6.1. Времятоковые характеристики, времятоковые зоны и перегрузочные характеристики
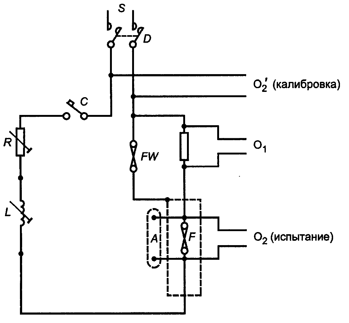
В дополнение к пределам преддугового времени, определяемым разбросами и условными временем и токами, на
рисунке 1 приведены времятоковые зоны. Отклонение от допуска на времятоковую характеристику, заданного изготовителем, не должно быть более +/- 10% применительно к току.
Рисунок 1a. Время зоны для плавких вставок типа gG
Рисунок 1b. Времятоковые зоны для плавких вставок типа gG
Времятоковые зоны, приведенные на
рисунке 1, с учетом производственных допусков должны удовлетворяться в течение преддугового времени и времени срабатывания, измеренных при испытательном напряжении по
8.7.4.
5.6.2. Условные время и ток
В таблице II приведены значения условных времени и токов, дополняющие установленные в таблице 2 IEC 60269-1.
Таблица II
Условные время и токи для плавких вставок типа gG
Номинальный ток  , А | Условное время, ч | Условный ток |
| |
2; 4 | 1 | | |
6; 10 | |
5.6.3. Разбросы
В таблице III приведены значения разбросов, дополняющие установленные в таблице 3 IEC 60269-1.
Таблица III
Разбросы для заданного преддугового времени плавких
вставок типа gG на номинальные токи 2, 4, 6, 10, 35 А
Ток в амперах
|  (10 с) |  (5 с) |  (0,1 с) |  (0,1 с) |
2 | 3,7 | 9,2 | 6,0 | 23,0 |
4 | 7,8 | 18,5 | 14,0 | 47,0 |
6 | 11,0 | 28,0 | 26,0 | 72,0 |
10 | 22,0 | 46,5 | 58,0 | 111,0 |
35 | 89,0 | 175,0 | 255,0 | 445,0 |
5.7. Диапазон отключения и отключающая способность
5.7.2. Номинальная отключающая способность
Вместо таблицы A IEC 60269-3 применяют следующие значения наименьшей допустимой отключающей способности:
- не менее 50 кА переменного тока;
- не менее 8 кА постоянного тока.
Примечание. Плавкие предохранители типа D часто применяют в установках переменного тока с токами короткого замыкания более 20 кА, а также в установках постоянного тока. Поэтому плавкие предохранители этого типа должны соответствовать требованиям данного пункта.
Плавкие вставки и держатели плавких предохранителей, удовлетворяющие требованиям и испытаниям данного раздела, можно маркировать знаком соответствия, который присваивается национальным испытательным центром. Маркировка должна быть прочной и подтверждаться соответствующими испытаниями.
7. СТАНДАРТНЫЕ ТРЕБОВАНИЯ К КОНСТРУКЦИИ
7.1. Механическая часть
Отклонения от установленных размеров допустимы в случае, если они произведены с целью технического совершенствования плавких предохранителей, не снижают их безопасность, не затрудняют их использование по назначению, особенно в части взаимозаменяемости и невзаимозаменяемости. Плавкие предохранители с такими отклонениями должны соответствовать всем другим требованиям настоящего стандарта, насколько они приемлемы.
7.1.2. Соединения, в том числе выводы
Наибольшие площади поперечного сечения, приведенные в
таблице B, можно уменьшить до 6,16 и 35 мм2 для предохранителей типоразмеров DII, DIII и DIV, соответственно, при условии, что выводы основания плавкого предохранителя присоединены к внутренней проводке коммутационных панелей, коробок плавких предохранителей и т.д., а внешние проводники - к раздельным выводам питания предохранителей испытуемого типа в целом или его части.
Таблица B
Поперечное сечение жестких (твердых или скрученных)
или гибких медных проводников
Основание плавкого предохранителя | Поперечное сечение, мм2 |
Типоразмер | Номинальный ток  , А |
D01 | 16 | 1,5 - 4,0 |
D02 | 63 | 1,5 - 25,0 |
D03 | 100 | 10,0 - 50,0 |
DII | 25 | 1,5 - 10,0 |
DIII | 63 | 2,5 - 25,0 |
DIV | 100 | 10,0 - 50,0 |
Примечание. Значения таблицы временные, разрабатываются новые значения. |
7.1.3. Контакты плавкого предохранителя
Контакты плавкого предохранителя должны быть покрыты слоем никеля или защищены другими материалами с аналогичными защитными свойствами.
Контакты плавких вставок на номинальные токи 50 А и выше должны быть покрыты слоем серебра толщиной не менее 3 мкм.
7.1.4. Невзаимозаменяемость
Для номинальных токов менее 10 А невзаимозаменяемость не требуется.
7.1.5. Конструкция основания плавкого предохранителя
Токоведущие части предохранителя выполняют из медного сплава с содержанием меди не менее 50%, если они изготовлены из прутков, и не менее 62% - из проката.
7.1.6. Конструкция держателя плавкого предохранителя
Резьбовую гильзу предохранителя выполняют из медного сплава с содержанием меди не менее 50%, если она изготовлена из прутков, и не менее 62% - из проката. Изоляционные части выполняют из керамики или другого материала с достаточной теплостойкостью.
7.1.7. Конструкция плавкой вставки
Корпус плавкой вставки должен быть выполнен из керамического материала. Контактные части должны быть выполнены из меди или сплава, содержащего не менее 62% меди. Цвет указателя срабатывания плавкого предохранителя указан на
рисунке 6b.
7.1.8. Конструкция калибровочной втулки
Контактные части, при их наличии, должны быть непрерывными и изготовлены из сплава с содержанием меди не менее 50%. Их контактные поверхности должны быть плоскими и без заусенцев.
Металлическая часть калибровочной втулки предохранителей типоразмеров DII и DIII должна с обеих сторон иметь гладкие контактные поверхности без заусенцев, выступающие из плоскости примыкающего керамического материала.
Для плавких предохранителей типоразмеров DII, DIII и DIV часть калибровочной втулки, образующая калибровочное кольцо, должна быть из керамического материала. Цвет лицевой поверхности калибровочного кольца должен соответствовать цвету указателя срабатывания, указанному в таблице на
рисунке 6b.
Примечание. Калибровочные втулки обеспечивают невзаимозаменяемость, поэтому втулки конструируют таким образом, чтобы их можно было вставлять или заменять только с помощью специальных ключей, которые не должны использоваться неквалифицированным персоналом.
Соответствие требованиям этого подпункта следует проверять при контроле.
7.2. Изоляционные свойства
Минимальные пути утечки, зазоры и расстояния по изоляционному материалу или герметизирующему компаунду должны соответствовать значениям, приведенным в таблице C.
Таблица C
Пути утечки, зазоры и расстояния по герметизирующему
компаунду
Наименование показателя | Значение, мм, для предохранителей типоразмеров |
DII - DIV | D01 - D03 |
Пути утечки между: | | |
- металлическими частями, в т.ч. контактами, имеющими различную полярность при срабатывании плавкой вставки | 5 | 4 |
- токоведущими частями и доступными металлическими частями, в т.ч. крепящими винтами основания плавкого предохранителя или металлическими крепежными приспособлениями для подвижного монтажа держателя плавкого предохранителя, плавкой вставки и калибровочной втулки, находящимися на месте | 5 | 3 |
- токоведущими частями и винтами, крепящими крышку, или металлическим крепежным приспособлением для подвижного монтажа ограждения, которые не заземлены и не доступны для стандартного испытательного пальца | 3 | 2 |
Зазоры между: | | |
- металлическими частями, в т.ч. контактами, имеющими различную полярность после срабатывания плавкой вставки | 5 | 3 |
- токоведущими частями и доступными металлическими частями, в т.ч. крепящими винтами основания плавкого предохранителя или металлическими крепежными приспособлениями для подвижного монтажа держателя плавкого предохранителя, плавкой вставки и калибровочной втулки, находящимися на месте | 5 | 3 |
- токоведущими частями и винтами, крепящими крышку, или металлическим крепежным приспособлением для подвижного монтажа ограждения, которые не заземлены и не доступны для стандартного испытательного пальца | 3 | 2 |
Расстояния: | | |
- между токоведущими частями и поверхностью, на которой закреплено основание плавкого предохранителя с передним подсоединением | 10 | 6 |
- по герметизирующему компаунду между токоведущими частями, покрытыми слоем герметизирующего компаунда не менее 2,5 мм, и поверхностью, на которой закреплено основание плавкого предохранителя с передним подсоединением | 5 | 3 |
Примечания |
1. Стандартный испытательный палец - по IEC 60529. |
2. Значения таблицы временные. Разрабатываются новые значения. |
7.3. Температура перегрева, потери мощности плавкой вставки и рассеиваемая мощность держателя плавкого предохранителя
Таблица IV IEC 60269-1 заменяется таблицей IV IEC 60269-3.
7.7. Характеристики

7.7.1. 3начения преддугового

В таблице VI приведены значения преддугового

, дополняющие установленные в таблице 6 IEC 60269-1.
Таблица VI
Значения преддугового

за 0,01 с
для плавких вставок типа gG
Номинальный ток  , А | | |
2 | 1,0 | 23,0 |
4 | 6,2 | 90,0 |
6 | 24,0 | 225,0 |
10 | 100,0 | 676,0 |
35 | 2250,0 | 8000,0 |
7.7.2. Значения

отключения
Максимальные значения преддугового

, приведенные в
таблице VI настоящего стандарта и в таблице 6 IEC 60269-1, принимают в качестве максимальных значений преддугового

и проверяют испытанием на отключающую способность по 8.7.1 IEC 60269-1.
7.8. Селективность при сверхтоках плавких вставок типа gG
Плавкие вставки на токи 16 А и более в сериях с номинальным отношением токов 1:1,6 должны селективно срабатывать во всем диапазоне отключения (см.
8.7.4).
Следует выбирать следующие значения

, связанные с селективностью при использовании отключателей цепи
Номинальный ток  , А | | |
16 | 250 | 500 |
20 | 450 | 670 |
25 | 810 | 900 |
35 | 2000 | 1410 |
50 | 4000 | 2000 |
63 | 6300 | 2510 |
80 | 10000 | 3160 |
100 | 16000 | 4000 |
7.9. Защита от электрического удара
Для плавких предохранителей типа D различают два этапа операции замены плавкой вставки:
- удаление плавкой вставки и ее держателя;
- состояние, когда плавкая вставка и ее держатель удалены.
На первом этапе плавкие предохранители типа D находятся в нормальных условиях эксплуатации. Только в том случае, когда плавкая вставка и ее держатель удалены, можно временно уменьшить степень защиты до IP1X.
Примечание. Временное приостановление полной защиты IP2X от поражения электрическим током (после многих лет успешного безопасного применения серии плавких предохранителей типа D неквалифицированным персоналом) не следует рассматривать как опасное, так как имеется достаточный практический опыт по замене ламп накаливания, при которой степень безопасности сравнима с заменой плавкой вставки.
8.1.5.1. Полные испытания
Следует провести дополнительные испытания в соответствии с таблицами VII и D.
Таблица VII
Испытания плавких вставок
Номер пункта, наименование испытания | Число испытуемых образцов |
3 | 4 | 1 | 1 | 2 | 1 |
8.4.3.2. Проверка номинального тока | X | | | | | |
8.7.4. Селективность по сверхтокам | | X | | | | |
8.11.1. Механическая прочность | | | X | X | | |
8.11.2.4. Хранение при повышенной температуре | | | | | X | X |
8.11.2.6. Размеры и невзаимозаменяемость | X | X | | | | |
Таблица D
Испытания оснований плавких предохранителей, плавких
вставок и калибровочных втулок
Номер пункта, наименование испытания | Число испытуемых образцов |
Основания предохранителей | Держатели предохранителей | Калибровочные втулки |
1 | 1 | 3 | 1 | 1 | 1 | 1 | 3 | 1 | 1 | 1 |
8.9. Проверка теплостойкости | X | | | | X | | | | | | |
8.11.1. Механическая прочность | | X | | | | X | X | | | X | X |
8.11.2.4. Хранение при повышенной температуре | | | X | X | | | | X | X | | |
8.11.2.6. Размеры и невзаимозаменяемость | | | | | | | | | | X | X |
8.1.5.2. Испытание плавких вставок однородной серии
Испытание проводят в соответствии с 8.1.5.2 IEC 60269-1 со следующим дополнением.
Плавкие вставки с разными контактными частями и разными формами керамических корпусов проверяют только на невзаимозаменяемость, и при отсутствии влияния на рабочие характеристики можно считать, что плавкие вставки удовлетворяют требованиям однородности серии.
8.2. Проверка изоляционных свойств
8.2.1. Установка держателя плавкого предохранителя
Металлическое покрытие (например, алюминиевая фольга) не должно оказывать давления на контрольный глазок. Для держателей плавких вставок должно оставаться без металлического покрытия расстояние 3 мм от наружного края изоляционной части.
8.2.4.1. Методика испытания
Испытание следует проводить сразу же после влажной обработки, приведенной в 8.2.4.2 IEC 60269-1. Держатель плавкого предохранителя следует подвергнуть испытанию напряжением по таблице 9 IEC 60269-1.
8.2.6. Пути утечки, зазоры и расстояния по герметизирующему компаунду
8.2.6.1. Метод испытания
Пути утечки, зазоры и расстояния измеряют на полном комплекте плавкого предохранителя, используя сначала проводники с наименьшими поперечными сечениями, указанными в
таблице B, а затем - с наибольшими.
Примечание. Любую трещину шириной менее 1 мм при расчете путей утечки не учитывают. Любой воздушный зазор шириной менее 1 мм при подсчете полного зазора не принимают во внимание.
8.2.6.2. Требуемые результаты испытания
Пути утечки, зазоры и расстояния не должны быть меньше указанных в
таблице C.
8.3. Проверка температуры перегрева и потерь мощности
8.3.1. Установка плавкого предохранителя
Держатель плавкого предохранителя следует устанавливать, прикладывая крутящий момент, указанный в таблице E.
Таблица E
Крутящий момент для проверки температуры
перегрева и потерь мощности
Типоразмер предохранителя | Крутящий момент, Н · м |
D01 | 1,0 |
D02 |
D03 | 1,7 |
DII | 2,7 |
DIII | 4,3 |
DIV | 6,7 |
Крутящий момент, прикладываемый к резьбе выводов, равен двум третям от значения, приведенного в таблице C IEC 60269-3.
8.3.3. Измерение потерь мощности плавкой вставки
Потери мощности следует измерять между концами колпачков плавкой вставки (см.
рисунок 5b).
8.3.4.1. Измерение температуры перегрева держателя плавкой вставки
Испытание проводят на макетной плавкой вставке, показанной на
рисунке 2, при номинальном токе держателя плавкого предохранителя (см.
рисунок 5b).
Типоразмеры D01 - D03
В миллиметрах
Типоразмер | | | |
-0,5 | -0,5 | +/- 0,5 |
D01 | 10,5 | 6 | 36 |
D02 | 15,0 | 10 |
D03 | 22,0 | 18 | 43 |
Типоразмеры DII, DIII
В миллиметрах
Типоразмер | | |
+0,2 | |
-0,4 | -0,5 |
DII | 14 | 22,5 |
DIII | 20 | 28,0 |
Типоразмер DIV
1 - медный или цинковый контакт, покрытый слоем серебра;
2 - плавкий элемент из медно-никелевого сплава
(56% меди, 44% никеля) или из аналогичного материала
с теми же значениями удельного электрического сопротивления
и температурного коэффициента; 3 - наполнитель
(кварцевый песок); 4 - керамический корпус
Рисунок 2. Макетные плавкие вставки,
8.3.5. Требуемые результаты испытания
Пределы температуры перегрева для выводов, если основание плавкого предохранителя снабжено проводниками с поперечным сечением, указанным в таблице 10 IEC 60269-1, при соответствующем номинальном токе основания плавкого предохранителя - согласно таблице IV IEC 60269-3.
Потери мощности макетной плавкой вставки при номинальном и условном токах плавления с учетом допусков не должны превышать значений, указанных в таблице G.
Таблица G
Потери мощности макетной плавкой вставки
Типоразмер предохранителя | D01 | D02 | D03 | DII | DIII | DIV |
Потеря мощности при  , Вт | 2,5 | 5,5 | 7,0 | 4,0 | 7,0 | 9,0 |
Потеря мощности при испытательном токе  , Вт | | | | | | |
Усилие, прикладываемое к макетной плавкой вставке, Н | 35 | 50 | 75 | 50 | 75 | 110 |
<*> Для этих значений допуск составляет +/- 3%. |
8.4.3.1. Проверка условного тока неплавления и плавления
Испытание проводят с помощью калибровочной втулки, показанной на
рисунке 3.
1 - металлический стержень диаметром 6 мм; 2 - изоляционный
материал; 3 - участки контактов, покрытые слоем серебра;
4 - стальная пружина; a - см. на
рисунке 3b;

- расстояние
для регулировки контактного усилия
Рисунок 3a. Устройство для испытания плавких вставок
Участки контактов, покрытые слоем серебра
Типоразмеры D01 - D03, DII, DIII
Типоразмер DIV
В миллиметрах
Типоразмер предохранителя | a | | Контактное усилие, Н +/- 10% |
Номин. | Пред. откл. |
D01 | 35,0 | +2,0 | 11,5 | 40 |
D02 | 16,0 | 80 |
D03 | 42,0 | 23,0 | 120 |
DII | 49,0 | 14,5 | 200 |
DIII | 20,5 | 320 |
DIV | 56,0 | +2,5 | - | 550 |
Рисунок 3b. Устройство для испытания плавких вставок
8.4.3.2. Проверка номинального тока плавкой вставки
Три плавкие вставки подвергают 100 циклам срабатывания, включающим в себя период продолжительностью 1 ч, во время которого протекает испытательный ток, и периода продолжительностью 15 мин, во время которого ток не протекает.
Испытательный ток

с допускаемым отклонением +/- 2,5% прикладывают только к плавким вставкам на номинальные токи менее 16 А. Для плавких вставок на номинальные токи не менее 16 А эти требования считают выполненными при испытании по 8.4.3.2 IEC 60269-1 за исключением того, что испытывают не один образец, а три.
Во время циклов испытаний плавкие вставки не должны срабатывать. Им дают охладиться до температуры, приблизительно равной комнатной, а затем в них подают ток, равный

согласно таблице 2 IEC 60269-1 и
таблице II настоящего стандарта. Плавкие вставки не должны срабатывать в условное время, приведенное в таблице 2 IEC 269-1 и
таблице II настоящего стандарта.
После охлаждения плавких предохранителей до температуры, приблизительно равной комнатной, в них подают ток

. Плавкие вставки должны срабатывать в пределах условного времени.
8.4.3.5. Условная защита кабеля от перегрузок
Методика испытания по 8.4.3.5 IEC 60269-1 не распространяется на плавкие предохранители с номинальным током менее 16 А.
8.4.3.6. Срабатывание указателей и бойков при их наличии
Требования к срабатыванию - по 8.4.3.6 IEC 60269-1 со следующим дополнением. Если испытание проводят при пониженном напряжении, то напряжение испытательной цепи должно быть (100 +/- 5) В, а испытательный ток

8.5.2. Характеристики испытательной цепи
Для испытания постоянным током применяют таблицу 12B IEC 60269-1 со следующим изменением.
Параметр испытания | Испытание по 8.5.5.1 |
N 1 | N 2 | N 3 | N 4 | N 5 |
Постоянная времени, мс | | Не более 3 |
<*> Находится в пределах, установленных IEC 60269-1 (15 - 20 мс). |
8.5.8. Требуемые результаты испытаний
Требуемые результаты испытания - по 8.5.8 IEC 60269-1 со следующим дополнением. После испытания колпачки плавких вставок могут иметь небольшие отверстия, углубления, пятна и локальные вздутия, если не повреждены калибровочная втулка и держатель плавкого предохранителя.
8.7.4. Проверка селективности по сверхтокам
Образцы плавких вставок устанавливают, как при испытании отключающей способности, по 8.5 IEC 60269-1.
Два образца испытывают при токе

, а два других - при токе

. Значения тока приведены в таблице F.
Таблица F
Испытательные токи и пределы

для проверки селективности
Минимальное значение преддугового  | Отключающее значение  | Отношение селективности |
Номинальный ток  , А | Ожидаемый ток  , кА эфф |  ,  | Ожидаемый ток  , кА эфф |  ,  |
1 | 2 | 3 | 4 | 5 | 6 |
2 | 0,013 | 0,67 | 0,064 | 16,4 | - |
4 | 0,035 | 4,90 | 0,130 | 67,6 |
6 | 0,064 | 16,40 | 0,220 | 193,6 |
10 | 0,130 | 67,60 | 0,400 | 640,0 |
16 | 0,270 | 291,00 | 0,550 | 1210,0 |
20 | 0,400 | 640,00 | 0,790 | 2500,0 | 1:1,6 |
25 | 0,550 | 1210,00 | 1,000 | 4000,0 | |
32 | 0,790 | 2500,00 | 1,200 | 5750,0 | |
35 | 0,870 | 3030,00 | 1,300 | 6750,0 | |
40 | 1,000 | 4000,00 | 1,500 | 9000,0 | |
50 | 1,200 | 5750,00 | 1,850 | 13700,0 | |
63 | 1,500 | 9000,00 | 2,300 | 21200,0 | |
80 | 1,850 | 13700,0 | 3,000 | 36000,0 | |
100 | 2,300 | 21200,0 | 4,000 | 64000,0 | |
Переменное испытательное напряжение равно

.
Другие характеристики испытательной цепи те же, что и при испытании N 2 на отключающую способность (см. таблицу 12a IEC 60269-1).
Вычисленные значения

должны соответствовать
таблице F.
Значение преддугового

, измеренное при испытательном токе

, должно быть более приведенного в графе 3
таблицы F. Значение

срабатывания, измеренное при испытательном токе

, должно быть менее приведенного в графе 5
таблицы F.
8.9. Проверка теплостойкости
8.9.1. Основания плавких предохранителей
Испытание проводят только на основаниях плавких предохранителей из керамического изоляционного материала.
8.9.1.1. Испытательное устройство
Основание плавкого предохранителя подсоединяют к макетной плавкой вставке, соответствующей
рисунку 2, потери мощности которой при испытательном токе находятся в пределах, указанных в
таблице G.
Крутящий момент, прикладываемый к держателю плавкой вставки, должен быть равен двум третям от крутящего момента, указанного в таблице H. Площадь поперечного сечения проводников зависит от максимального номинального тока самой большой плавкой вставки, которую необходимо установить в основание плавкого предохранителя (см. таблицу 10 IEC 60269-1).
Таблица H
Крутящий момент для проверки механической прочности
Типоразмер предохранителей | Крутящий момент, Н · м | Типоразмер предохранителей | Крутящий момент, Н · м |
D01 | 1,5 | DII | 4,0 |
D02 | DIII | 6,5 |
D03 | 2,5 | DIV | 10,0 |
Плавкий предохранитель помещают в устройство, соответствующее
рисунку 4, а затем в камеру тепла; проводники, выступающие из камеры, герметизируют. Длина соединительных проводников снаружи камеры должна быть не менее 1 м. Во время испытания в камере должна поддерживаться температура воздуха (80 +/- 5) °C, измеряемая в горизонтальной плоскости на расстоянии около 15 см от центра образца.
1 - слой изоляции (между колпачком и гильзой); 2 - макетная
плавкая вставка; 3 - основание плавкого предохранителя;
4 - груз; 5 - держатель плавкой вставки; 6 - поршень;
7 - площадка сборки; F - усилие (см. таблицу G)
Рисунок 4. Устройство для испытания оснований плавких
предохранителей в соответствии с
8.9.1.2
Температуру воздуха в камере тепла повышают до (80 +/- 5) °C и поддерживают в течение 2 ч. Сразу после установления данной температуры и при ее поддержании на образец подают испытательный ток, приблизительно равный

. При этом токе потери мощности макетной плавкой вставки должны находиться в пределах, указанных в
таблице G. Во время всего испытания следует поддерживать постоянное значение испытательного тока. В конце испытания следует к образцу приложить груз полностью, а не частями (см. поз. 4 на
рисунке 4), который, учитывая зависимость "рычаг-плечо", создает усилие F, соответствующее
таблице G, воздействующее на макетную плавкую вставку. Чтобы приложить это усилие, необходимо удалить контрольный глазок. Образец можно подсоединить к источнику пониженного напряжения (не менее 42 В).
8.9.1.3. Требуемые результаты испытания
После приложения усилия протекание тока через образец должно продолжаться. Усилие поддерживают в течение 15 мин, и ток должен оставаться неизменным. Кроме того, после испытания не должны ухудшиться эксплуатационные качества основания плавкого предохранителя.
8.9.2. Держатель плавкой вставки
8.9.2.1. Испытательное устройство
Основание плавкого предохранителя необходимо закрепить на листе фанеры толщиной 15 мм. Расположение должно быть таким, как при обычном применении. Основание плавкого предохранителя соединяют с макетной плавкой вставкой, соответствующей
рисунку 2. Поперечное сечение проводников зависит от номинального тока основания плавкого предохранителя (см. таблицу 10 IEC 60269-1). Длина соединительных проводников снаружи камеры тепла, в которую следует поместить испытательное устройство, должна быть не менее 1 м. Крутящий момент, прикладываемый к держателю плавкой вставки, должен соответствовать
таблице H. Для закрепления и последующего освобождения держателя плавкой вставки используют гайку, внутренняя форма которой обеспечивает прочное соединение с изолированной частью держателя плавкой вставки. Гайку закрепляют с помощью динамометрического торцового ключа, обычно применяемого при эксплуатации (см.
рисунок 5a). Гайку и испытательное устройство помещают в камеру тепла.

1 - присоединительный элемент (квадрат); 2 - переходник
(для держателя плавкого предохранителя)
Рисунок 5a. Динамометрический торцовый ключ,
Рисунок 5b. Точки для измерения падения напряжения (B, C)
или температуры перегрева (A, D)
8.9.2.2. Метод испытания
Температуру воздуха в камере тепла повышают до (80 +/- 5) °C и поддерживают в течение 2 ч. Сразу же после этого в плавкий предохранитель в течение 2 ч подают испытательный ток, приблизительно равный

и отрегулированный так, чтобы потери мощности эталонной плавкой вставки находились в пределах, указанных в
таблице G.
Испытательный ток следует поддерживать неизменным в течение испытания (2 ч).
Сразу же после открытия камеры в гайку, нагретую во время испытания, вставляют динамометрический торцовый ключ и с его помощью держатель плавкой вставки отвинчивают и вновь до конца завинчивают два раза подряд.
8.9.2.3. Требуемые результаты испытания
После этого испытания не должно быть повреждений держателя плавкой вставки, ухудшающих его эксплуатационные качества, таких как трещины и недопустимое усыхание изоляционного материала.
8.10. Проверка целостности контактов
По 8.10 IEC 60269-1.
8.10.1. Установка плавкого предохранителя
По 8.10.1 IEC 60269-1 со следующим дополнением.
Макетная плавкая вставка показана на
рисунке 2 настоящего стандарта. Крутящий момент, прикладываемый к держателю плавкой вставки, составляет 40% от значений, приведенных в
таблице E.
8.10.2. Метод испытания
По 8.10.2 IEC 60269-1 со следующими дополнениями и изменениями.
Первый абзац дополнить абзацами:
"Испытательным током является условный ток неплавления.
Продолжительность испытания под нагрузкой и без нагрузки составляет 75% и 25% условного времени, соответственно.
Условное время, так же, как и ток неплавления, приведены в таблице 2 IEC 60269-1.
Допускается применять испытательное напряжение менее номинального.
Во время периода без нагрузки образец охлаждают до температуры ниже 35 °C; допускается дополнительное охлаждение (например, с помощью вентилятора)".
Третий абзац. Последнее предложение изложить в новой редакции:
"Падение напряжения на контактах измеряют после 50, 250 и 750 циклов приложения постоянного тока

. Однако ток

необходимо выбрать таким, чтобы получить падение напряжения не менее 100 мкВ.
Допускаемое отклонение

во время измерения не должно быть более +1%. Точки измерения падения напряжения обозначены на рисунке 5b буквами A, B, C, D.
Затем определяют сопротивление контакта по падению напряжения. Перед измерением образец необходимо охладить до комнатной температуры T. Если температура T во время измерения отклоняется от 20 °C, то можно применить следующую формулу
где

- сопротивление при 20 °C, Ом;

- сопротивление при температуре T, Ом;

- температурный коэффициент".
8.10.3. Требуемые результаты испытаний
В качестве альтернативы можно для проверки применять температуру, измеренную в соответствии с
рисунком 5b. В качестве мест измерения следует выбрать точки присоединения выводов питания плавкого предохранителя (см.
рисунок 5b). В этом случае не должны быть превышены следующие пределы:
- после 250 циклов испытаний температура перегрева не должна превышать начальную температуру более чем на 15 K;
- после 750 циклов испытаний температура перегрева не должна превышать начальную более чем на 20 K.
8.11. Механическая прочность и прочие испытания
8.11.1. Механическая прочность
8.11.1.1. Механическая прочность калибровочной втулки
Приведенные ниже испытания распространяются только на втулки для предохранителей типоразмеров DII и DIII.
Втулки должны быть сконструированы так, чтобы токоведущие части были изготовлены из одного куска и выдерживали механические нагрузки, обычно встречающиеся при эксплуатации.
Соответствие проверяют контролем и следующими испытаниями. Втулку ввинчивают в основание плавкого предохранителя, прикладывая крутящий момент 1 Нм в течение 1 мин. Затем ее удаляют с помощью соответствующего ключа. Дополнительно по оси прикладывают усилие 10 Н в обоих направлениях между металлической и керамической частями втулки. Это испытание проводят на калибровочной втулке, как для подставки. Для втулок, имеющих части, зацементированные или склеенные вместе, испытание повторяют после того, как образцы находились в течение 24 ч в воде температурой (20 +/- 5) °C, и снова выдерживают при температуре (200 +/- 5) °C в течение 1 ч. После этих испытаний образцы не должны иметь повреждений, ухудшающих их дальнейшее применение, в частности, не должна быть повреждена резьба, керамические части должны быть прочно соединены друг с другом и не должны отделяться от металлической части.
8.11.1.2. Механическая прочность держателя плавкой вставки
Усилие 2,5 Н для держателей плавких вставок типоразмеров D01, D02 и 5 Н для вставок остальных типов осторожно прикладывают к контрольному глазку изнутри с помощью стального стержня диаметром 6 мм. Глазок не должен при этом треснуть или сместиться.
Испытательную оправку с плавкой вставкой максимальным диаметром

или

, как показано на
рисунках 6a или
6b, вставляют пять раз в держатель плавкой вставки. После этого испытания плавкие вставки (с ровной керамической поверхностью) минимальным наружным диаметром

или

, соответствующие
рисунку 6, должны удерживаться в держателе плавкой вставки при ее повороте на 180°.
С опорным кольцом (см. примеч. 3)
Размеры в миллиметрах
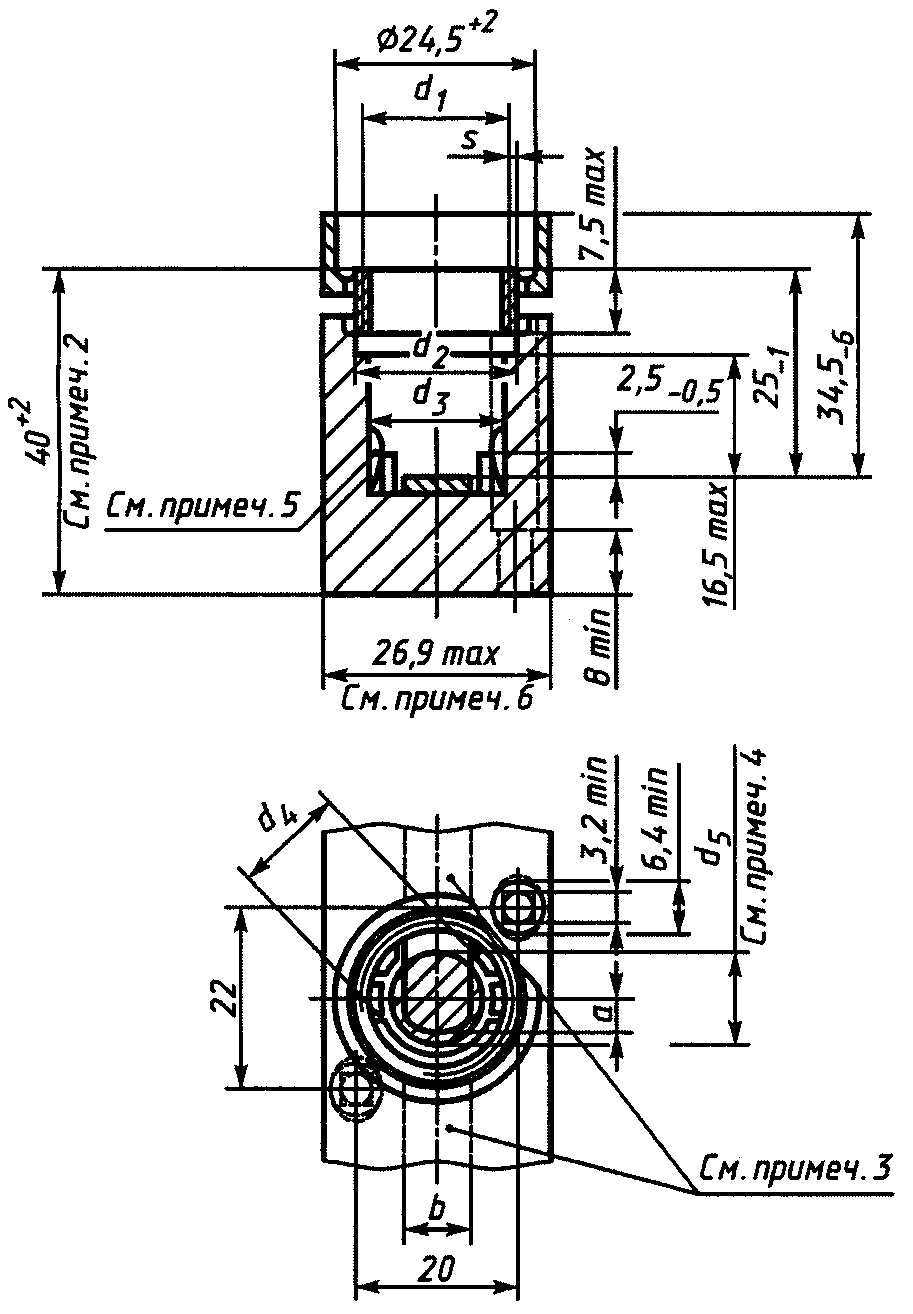
Типоразмер | Номинальный ток  , А | |  , не менее | |  , не более | | |  +/- 1 | r, не более |
+/- 0,3 | Номин. | Пред. откл. |
D01 | 2 | | 9,8 | 11,0 | -0,7 | 6 | - | - | 36 | 1,0 |
4 | 7,3 |
6 | |
10 | 8,5 |
16 | 9,7 |
D02 | 20 | 10,9 | 13,8 | 15,3 | -0,8 | 10 |  , но не более 16,7 | 18,5 | | |
25 | 12,1 |
| 13,3 |
50 | 14,5 |
63 | 15,9 |
D03 | 80 | 22,0 | 20,6 | 22,5 | -1,0 | 18 | 25,6, не более | 22,5 | 43 | 1,6 |
100 | 25,0 |
<*> Допускается в национальных стандартах вместо номинального тока 35 А применять номинальные токи 32 и 40 А. |
Примечания
1. Диаметр указателя срабатывания плавкого предохранителя.
2. Максимальное значение

нельзя превышать на длине 13,5 мм.
3. По выбору изготовителя. Опорное кольцо диаметром

обязательно при номинальных значениях тока 50 и 80 А для обеспечения правильного вставления, но допускается использование опорного кольца при других номинальных значениях тока для типоразмеров D02 и D03.
4. Заштрихованы контактные площадки.
5. Корпус плавкой вставки из керамического материала.
6. Рисунки не определяют конструкцию, а предназначены только для указания размеров.
Рисунок 6a. Плавкая вставка типа D.
Типоразмеры D01 - D03
Типоразмеры DII; DIII
Типоразмер DIV
Рисунки не определяют конструкцию, а предназначены только для указания размеров.
Заштрихованы контактные площадки.
Корпус плавкой вставки - из керамического материала.
Размеры в миллиметрах
Типоразмер | Номинальный ток  , А | |  , не более | | | | +/- 0,3 |
Номин. | Пред. откл. | Номин. | Пред. откл. | Номин. | Пред. откл. | -2 |
DII | 2 | | | | 11, не менее | | | | | |
4 | 6 | |
6 | | | |
10 | 8 | +0,2 | 14,2 | | - | 22,5 | -1,5 | - | - |
16 | 10 | -0,4 | | 13, не менее | | |
20 | 12 | | | | | | |
25 | 14 | | | | | |
DIII | | 16 | 20,2 | 15, не менее | | 28,0 | | | |
50 | 18 | | -2,0 | | |
63 | 20 | | | | | | |
DIV | 80 | 5 | +/- 0,2 | - | 32 | -8 | 34,5 | | 38,5 | 6,0 |
100 | 7 | |
<*> Допускается в национальных стандартах вместо номинального тока 35 А применять номинальные токи 32 и 40 А. |
Рисунок 6b. Плавкая вставка типа D. Типоразмеры DII - DIV
(лист 1)
Номинальный ток  , А | Цвет указателя срабатывания |
2 | Розовый |
4 | Коричневый |
6 | Зеленый |
10 | Красный |
16 | Серый |
20 | Голубой |
25 | Желтый |
| Черный |
50 | Белый |
63 | Медно-красный |
80 | Серебристый |
100 | Красный |
<*> Допускается в национальных стандартах вместо номинального тока 35 А применять номинальные токи 32 и 40 А. |
Примечания
1. Диаметр указателя срабатывания плавкого предохранителя.
2. Максимальное значение G; не должно быть превышено на длине 10 мм, измеренной от нижней части контакта, для плавких вставок типоразмеров DII и DIII.
3. Форма - по выбору.
4. Металлическое покрытие необязательно.
5. Вывод калибровочной втулки необязателен для плавких вставок с номинальным током 80 А.
6. Применение цветов указателя срабатывания обязательно также для плавких вставок типоразмеров D01 - D03.
Рисунок 6b (лист 2)
8.11.1.3. Механическая прочность плавкой вставки
Плавкие вставки должны иметь соответствующую механическую прочность, и их контакты должны быть надежно закреплены. Проверку на соответствие этим требованиям проводят по следующей методике.
Плавкую вставку помещают в держатель плавкой вставки согласно
рисунку 7; держатель ввинчивают в основание плавкого предохранителя (см.
рисунок 8), где уже находится в рабочем положении калибровочная втулка (см.
рисунок 9). Втулка имеет диаметр

, равный минимальному значению, указанному для соответствующего номинального тока. К держателю плавкой вставки прикладывают крутящий момент, приведенный в
таблице H. Затем держатель плавкой вставки вывинчивают. Эту операцию повторяют пять раз.
Типоразмеры D01, D02
Типоразмер D03
Отверстие для измерения напряжений
Рисунки не определяют конструкцию, а предназначены только для указания размеров.
Изоляционные части - из керамического или другого материала с достаточной теплостойкостью.
Размеры в миллиметрах
Типоразмер | Номинальный ток  , А | |  , не менее |  , не менее | s, не менее |
D01 | 16 | E14 | 18 | 11,1 | 0,27 |
D02 | 63 | E18 | 22 | 15,4 | 0,37 |
Примечания
1. Среднее значение.
2. Удерживающий зажим (допускаются другие способы крепления).
3. Допуск в первом витке резьбы от минус 0,25 мм до 0.
Рисунок 7a. Держатель плавкой вставки типа D.
Типоразмеры D01 - D03
Отверстие для измерения напряжения
Рисунки не определяют конструкцию, а предназначены только для указания размеров.
Изоляционные части - из керамического или другого материала с достаточной теплостойкостью.
Размеры в миллиметрах
Типоразмер | Номинальный ток  , А | |  , не менее |  не более |  , не более |  , не менее | s, не менее |
DII | 25 | E27 | 32 | 34 | 38 | 22,6 | 0,27 |
DIII | 63 | E33 | 40 | 43 | 48 | 28,1 | 0,37 |
Примечания
1. Среднее значение.
2. Удерживающий зажим (допускаются другие способы крепления).
Рисунок 7b. Держатель плавкой вставки типа D.
Типоразмеры DII и DIII
Отверстие для измерения напряжения
Рисунки не определяют конструкцию, а предназначены только для указания размеров.
Примечания
1. Среднее значение.
2. Удерживающий зажим (допускаются другие способы крепления).
3. Допуск в первом витке резьбы от минус 0,5 мм до 0.
Рисунок 7c. Держатель плавкой вставки типа D.
Типоразмер DIV
Типоразмеры D01, D02
Типоразмер D03
Рисунки не определяют конструкцию, а предназначены только для указания размеров.
Размеры в миллиметрах
Типоразмер | Номинальный ток  , А | a, не менее | b, не менее | |  , не менее |  , не менее |  , не более |  , не менее | s, не менее | Q, мм2 не менее |
Номин. | Пред. откл. |
D01 | 16 | 2,5 | 5 | E14 | 15,0 | 13 | 9,7 | 6,5 | 0,30 | -0,05 | 10 |
D02 | 63 | 4,0 | 8 | E18 | 19,5 | 17 | 13,7 | 10,5 | 0,65 | -0,15 | 30 |
D03 | 100 | | | | | | | | | -0,25 | 60 |
|
Примечания
1. Допуск в первом витке резьбы.
2. Предпочтительное значение. Для оснований плавких предохранителей при монтаже на направляющие это значение относится к верхнему краю направляющей.
3. Площадь поперечного сечения соединительных полос Q - не менее указанной в таблице.
4. Внутри заштрихованной площади не допускаются никакие выступы над контактной площадкой.
5. Упругий зажим для калибровочной втулки.
6. Для соединенных параллельно оснований плавких предохранителей применяют кратное значение.
Рисунок 8a. Основания плавких предохранителей типа D.
Типоразмеры D01 - D03 (лист 1)
Типоразмеры DII, DIII
Типоразмер DIV
Рисунки не определяют конструкцию, а предназначены только для указания размеров.
Изоляционные части - из керамического или другого материала с достаточной теплостойкостью.
Размеры в миллиметрах
Типоразмер | Номинальный ток  , А | a, не менее | b, не менее | |  , не менее |  , не менее |  , не более |  , не менее | h, не менее | s, не менее | Q, мм2 не менее |
Номин. | Пред. откл. | Номин. | Пред. откл. |
DII | 25 | 5 | 10 | E27 | 27,0 | 25,5 | 35 | +2,0 | 24,5 | 2,0 | 0,50 | -0,10 | 15 |
DIII | 63 | 6 | 12 | E33 | 33,5 | 31.5 | 45 | +2,5 | 30,5 | | 0,65 | -0,15 | 30 |
DIV | 100 | | | | | 40,0 | | | 32,0 | | -0,50 | 60 |
|
Примечания
1. Допуск в первом витке резьбы.
2. Толщина нижней части соединительной полосы; минимальная эффективная длина резьбы в соединительной полосе: 2,2 мм для типоразмера DII;
3,2 мм для типоразмера DIII для W 3/16".
3. Соединительная полоса с площадью поперечного сечения Q, указанной в таблице. Площадь можно уменьшить в области выводов. Площадь рассчитана для сплава, содержащего не менее 62% меди. Соединительные полосы из чистой меди или других материалов с лучшей тепло- и электропроводностью, чем из медного сплава, могут иметь соответствующую площадь поперечного сечения.
4. Внутри заштрихованной площади не допускаются никакие выступы над контактной площадкой.
5. Упругий зажим для калибровочной втулки.
6. Эффективная длина резьбы от верхней части резьбовой гильзы - не менее 7 мм.
7. При использовании оснований плавких предохранителей типоразмера DIII в сборке (например, в блоках абонентов) допуск на диаметр

соответствующих защитных крышек может быть уменьшен до -1,5.
Рисунок 8b. Основание плавкого предохранителя типа D.
Типоразмеры DII - DIV
Размеры в миллиметрах
Типоразмер | Номинальный ток  , А | | |
+/- 0,1 | +/- 0,1 |
D01 | 2 | 7,9 | 12,0 |
| 4 | | |
| 6 | | |
| 10 | 9,1 | |
D02 | 20 | 11,5 | |
| 25 | 12,7 | 16,6 |
| 35 | 13,9 |
| 50 | 15,1 | |
D03 | 80 | 23,0 | 27,0 |
Рабочая головка ключа
Рисунки не определяют конструкцию, а предназначены только для указания размеров.
Примечания
1. Цвет поверхности - в соответствии с таблицей к
рисунку 6b.
2. Зажимы рабочей головки.
3. Пределы раздвижения зажима от 5 до 24 мм.
4. Калибровочные втулки на максимальные номинальные токи 16, 63 и 100 А не применяют.
Рисунок 9a. Калибровочная втулка и ручной ключ типа D.
Типоразмеры D01 - D03
Калибровочная втулка с резьбой типоразмеров DII и DIII
Калибровочная втулка типоразмера DIV
Изоляционная часть - из керамического материала (см. примеч. 5).
Рабочая головка ключа
Рисунки не определяют конструкцию, а предназначены только для указания размеров.
Рисунок 9b. Калибровочная втулка и ключ типа D.
Типоразмеры Dll - DIV (лист 1)
Размеры в миллиметрах
Типоразмер | Номинальный ток  , А | |  , не менее |  , не менее | | |  , не более |
Номин. | Пред. откл. | -1,5 | -1,5 |
DII | 2 | | | | | | | |
| 4 | 6,5 | | 4,5 | 6,5 | | | |
| 6 | | +0,8 | | | 24 | 20 | 19 |
| 10 | 8,5 | | 6,5 | | | | (см. примеч. 6) |
| 16 | 10,5 | | 8,5 | 8,5 | | | |
| 20 | 12,5 | | 9,5 | 9,5 | | | |
| 25 | 14,5 | | | | |
DIII | | 16,5 | | 15 | 15 | 30 | 26 | 25 |
| 50 | 18,5 | | (см. примеч. 7) |
| 63 | 20,5 | | | | | | |
DIV | 80 | 6 | +/- 0,5 | - | - | - | - | - |
100 | 8 |
<*> Допускается в национальных стандартах вместо номинального тока 35 А применять номинальные токи 32 и 40 А. |
Примечания
1. Цвет поверхности - в соответствии с таблицей к
рисунку 6b.
2. Эффективная длина резьбы W 3/16"- не менее 2,5 мм.
3. Пределы изменения расстояния - от 5 до 9 мм.
4. Изоляционный материал.
5. Не применяется для типоразмера DIV.
6. Пределы изменения расстояния

- от 18 до 20,5 мм.
7. Пределы изменения расстояния

- от 24 до 26,5 мм.
Рисунок 9b (лист 2)
После испытания плавкая вставка не должна иметь повреждений, исключающих их дальнейшее применение. Также не должно быть возможно вручную сместить колпачки плавкой вставки.
8.11.1.4. Механическая прочность плавкого предохранителя
Держатель плавкой вставки со вставленной в него плавкой вставкой пять раз ввинчивают в основание плавкого предохранителя, снабженного калибровочной втулкой, прикладывая к нему крутящий момент, приведенный в
таблице H, и пять раз вывинчивают.
8.11.2.4. Стойкость к хранению при повышенной температуре
8.11.2.4.1. Устройство для испытаний
Для испытания пластмассовой изоляции, поддерживающей токоведущие части, по три испытуемых держателя плавкой вставки и основания плавкого предохранителя помещают в камеру тепла температурой (180 +/- 5) °C на 168 ч.
Крышки следует поместить в камеру температурой (100 +/- 5) °C на 168 ч.
Для испытания зацементированных частей, герметизирующего компаунда и цветной маркировки плавкий предохранитель в комплекте следует поместить в камеру температурой (150 +/- 5) °C на 1 ч.
8.11.2.4.2. Метод испытания
После охлаждения до комнатной температуры необходимо провести следующее испытание.
По одному держателю плавкой вставки и основанию плавкого предохранителя выдерживают в атмосферных условиях по 8.2.4.2 IEC 60269-1. Сразу же после этого следует проверить их изолирующие свойства при испытательном напряжении 2 кВ в соответствии с 8.2.1, 8.2.2 и 8.2.4.1 IEC 60269-1, исключая таблицу 9.
Другие два держателя плавких вставок и два основания плавкого предохранителя испытывают следующим образом.
Держатели, соединенные со вставками, ввинчивают пять раз в основания плавких предохранителей с калибровочными втулками, прикладывая крутящий момент, приведенный в
таблице E, и пять раз вывинчивают.
8.11.2.4.3. Требуемые результаты испытания
После испытания не должно появиться изменений в испытуемых образцах, ухудшающих их качество и исключающих их дальнейшее использование. Механическая прочность, особенно зацементированных частей, должна сохраниться. Герметизирующий компаунд не должен сдвигаться, смещая при этом токоведущие части. После испытания не должны заметно измениться идентифицирующие цвета.
РАЗДЕЛ IIA. ЦИЛИНДРИЧЕСКИЕ ПЛАВКИЕ ПРЕДОХРАНИТЕЛИ ТИПА A
Дополнительные требования, изложенные ниже, распространяются на плавкие предохранители с плавкими вставками, размеры которых соответствуют указанным на
рисунке 10 данного раздела. Их номинальный ток должен быть не более 63 А, номинальное переменное напряжение должно составлять 240 или 380 В.
Определения, относящиеся к выводам, - в соответствии с IEC 60999.
В данном разделе применяют следующие термины с соответствующими определениями:
2.1.12. Вывод под винт: вывод для присоединения и последующего отсоединения проводника или соединения между собой двух или нескольких проводников.
2.1.13. Столбиковый вывод: вывод с винтовым зажимом, в отверстие или полость которого вставляют проводник и зажимают его хвостовиком(ами) винта(ов). Сжимающее усилие можно прикладывать непосредственно хвостовиком винта или через промежуточный зажимающий элемент, на который оказывается давление хвостовиком винта.
5. ХАРАКТЕРИСТИКИ ПЛАВКИХ ПРЕДОХРАНИТЕЛЕЙ
5.2. Номинальное напряжение
Номинальное напряжение переменного тока - 240 или 380 В.
5.3.1. Номинальный ток плавкой вставки
Номинальные токи плавких вставок приведены на
рисунке 10.
Рисунок не определяет конструкцию, а предназначен только для указания размеров.
Размеры в миллиметрах
Номинальный ток  , A | Номинальное напряжение  , B | a | b | c |
Номин. | Пред. откл. | Номин. | Пред. откл. | +/- 0,1 |
6 | 240 | 23,0 | -0,8 | 5,0 | +0,2 | 6,3 |
10 | -0,6 | 8,5 |
16 | | 25,8 | +/- 0,4 | 6,3 | +/- 0,4 | 10,3 |
20 | | 31,5 | +/- 0,5 | 8,5 |
25 | | | | |
32 | 380 | 38,0 | +/- 0,6 | 10,0 | +0,5 | 10,3 |
-0,3 |
63 | | 35,0 | +0,8 | 9,5 | +/- 0,5 | 16,7 |
-0,1 |
Примечания
1. Цилиндрическая часть не должна выходить за пределы установленных допусков.
2. Диаметр патрона D между колпачками не должен превышать диаметр c.
Рисунок 10. Плавкая вставка
5.3.2. Номинальный ток держателя плавкого предохранителя
Номинальный ток держателя плавкого предохранителя равен номинальному току плавкой вставки (см.
5.3.1).
5.5. Номинальные потери мощности плавкой вставки и номинальная рассеиваемая мощность держателя плавкого предохранителя
Максимальные значения номинальных потерь мощности плавкой вставки и рассеиваемой мощности держателя плавкого предохранителя приведены в таблице J.
Таблица J
Максимальные значения потерь мощности
и рассеиваемой мощности
Номинальный ток  , A | Номинальное напряжение  , B | Потеря мощности/рассеиваемая мощность, Вт |
6 | | 1,0 |
10 | 240 | 1,3 |
16 | | 2,3 |
20 | | 2,6 |
25 | 380 | 3,2 |
32 | |
63 | 6,8 |
5.6.2. Условные время и ток
Условные время и ток, дополняющие значения, установленные в таблице 2 IEC 60269-1, приведены в таблице II.
Таблица II
Условные время и ток плавких вставок типа gG
Номинальный ток  , А | Условное время, ч | Условный ток |
| |
6; 10 | 1 | | |
5.6.3. Разбросы
Для плавких вставок типа gG значения разбросов, приведенные в таблице III, дополняют значения разбросов, установленные в таблице 3 IEC 60269-1.
Таблица III
Разбросы для заданных преддугового времени плавких вставок
типа gG на номинальные токи менее 16 А
В амперах
Номинальный ток  |  (10 с) |  (5 с) |  (0,1 с) |  (0,1 с) |
6 | 11,0 | 28,0 | 26,0 | 72,0 |
10 | 22,0 | 46,5 | 58,0 | 111,0 |
7. СТАНДАРТНЫЕ ТРЕБОВАНИЯ К КОНСТРУКЦИИ
7.1. Механическая часть
Размеры патрона должны соответствовать
рисунку 10.
7.1.2. Соединения, в том числе выводы
Согласно IEC 60269-1 и IEC 60999.
В настоящем стандарте рассматривают только выводы, предназначенные для присоединения медных проводников.
Основание предохранителя должно быть снабжено выводами, обеспечивающими соединение с медными проводниками, поперечное сечение которых в зависимости от номинального тока приведено в таблице J1.
Таблица J1
Номинальное поперечное сечение медных проводников,
подсоединяемых к выводам
Номинальный ток основания плавкого предохранителя, А | Сечение, мм2 |
| жестких проводников или кабелей |
6 | 0,50 - 1,00 | 0,75 - 1,50 |
10 | 0,75 - 1,50 | 1,00 - 2,50 |
16 | 1,00 - 2,50 | 1,50 - 4,00 |
20 | 1,50 - 4,00 |
25 | 2,50 - 6,00 |
32 | | 4,00 - 10,00 |
63 | 6,00 - 16,00 | 10,00 - 25,00 |
<*> Следует обратить внимание, что для некоторых специальных композиций требуются большие площади. |
<**> Предполагается, что для проводников сечением от 1,00 до 6,00 мм2 выводы предусматривают закрепление только жестких проводников. |
Проверку проводят путем измерения и вставления последовательно проводников с наименьшим и наибольшим сечениями.
7.2. Изоляционные свойства
Согласно 7.2 IEC 60269-1 с учетом требований IEC 60664. Пути утечки и зазоры приведены в таблице K.
Таблица K
Наименование показателя | Значение, мм |
Минимальные пути утечки и зазоры | 3 |
1. Между токоведущими частями одинаковой полярности, разделяемыми во время срабатывания |
2. Между токоведущими частями одинаковой полярности | 3 |
3. Между токоведущими частями и: | - |
a) металлическими доступными частями, не указанными в перечислении 5, декоративными частями и металлическими крышками; |
b) винтами крепежных приспособлений для оснований монтажных поверхностей устройств; |
c) винтами крепежных приспособлений для оснований монтажных поверхностей в напрямую закрепляющихся корпусах; |
d) винтами крышек или оболочек крышек; |
e) кабелепроводом, входящим в устройство |
4. Между металлическими частями механизма и составляющими металлическими частями, включая рамки, используемые как опора для монтируемых напрямую устройств, если требуется изоляция | 3 |
5. Между токоведущими частями, не являющимися выводами, одной части и другими частями, металлическими оболочками или корпусами, а также поверхностями, на которые опираются основания | 3 |
6. Между выводами и металлическими оболочками или основаниями, так же, как и опорной поверхностью оснований | 4 |
Самое короткое расстояние | 6 |
7. Между токоведущими частями, покрытыми герметизирующим компаундом слоем не менее 2 мм, и поверхностью, на которую опирается основание | 3 |
Примечание. При оценке путей утечки ширину углубления учитывают, только если она составляет менее 1 мм. Любой воздушный зазор шириной менее 1 мм не принимается во внимание при вычислении полного зазора. |
Проверку этого требования проводят путем измерений на образце без проводников или на образце с присоединенными проводниками максимальной площадью поперечного сечения в соответствии с
таблицей J1.
Требования, изложенные выше, не применяют к металлическим крышкам, если они не изолированы наружным изоляционным чехлом.
Если оболочка из изоляционного материала закрыта изнутри металлическим листом, то его рассматривают как доступную металлическая часть.
Толщину наполнителя, превышающую размеры паза, не учитывают при оценке путей утечки. Проверку этого условия выполняют осмотром.
7.7. Характеристики

7.7.1. Значения преддугового

В таблице VI настоящего стандарта приведены значения

, дополняющие таблицу 6 IEC 60269-1.
Таблица VI
Значения преддугового

за 0,01 с для плавких
вставок типа gG
Номинальный ток  , А | | |
6 | 24 | 225 |
10 | 110 | 676 |
7.7.2. Значения

срабатывания
Наибольшие значения преддугового

, указанные в
таблице VI, считают максимальными значениями

срабатывания. Для плавких вставок на номинальные токи более 16 А, за исключением 35 А, наибольшие значения преддугового

по таблице 6 IEC 60269-1 считают максимальными значениями

срабатывания.
7.8. Селективность при сверхтоках плавких вставок типа gG
Плавкие вставки на номинальные токи 16 А и более, соединенные последовательно, и с отношением номинальных токов 1:1,6 должны селективно срабатывать во всем диапазоне отключения (см.
8.7.4).
7.9. Защита от электрического удара
Согласно 7.9 IEC 60269-1 со следующими уточнениями:
a) плавкие предохранители должны быть сконструированы так, чтобы исключить контактирование между разными полюсами с держателями плавких вставок и плавкими вставками;
b) должна быть возможность легкой замены плавкой вставки без прикосновения к токоведущим частям;
c) токоведущие части устройств, защищенные от непосредственного контакта, должны быть недоступны при установке и соединении основания с проводниками как при нормальной эксплуатации, при наличии или без плавкой вставки, с установленным на место держателем плавкого предохранителя.
Примечание. Если плавкий предохранитель не защищен от непосредственного контакта и предназначен для использования в электрическом бытовом приборе, это требование не применяют к частям, для которых эта защита должна предусматриваться экранами или конструкцией в самом электробытовом приборе;
d) при удалении держателя плавкой вставки доступ к токоведущим частям должен быть возможен только после целенаправленного действия.
Эти требования проверяют при испытании по
8.8.
8.1.5.1. Полные испытания
Дополнительно проводят испытание по таблице VII.
Таблица VII
Испытания плавкой вставки
Номер пункта, наименование испытания | Число испытуемых образцов |
1 | 1 | 1 | 1 |
8.7.4. Проверка селективности сверхтоков | x | x | x | x |
8.1.6. Испытание держателей плавких предохранителей
Дополнительно проводят испытание по таблице VIII.
Таблица VIII
Испытания держателей плавких предохранителей
Номер пункта, наименование испытания | Число испытуемых образцов |
1 |
8.12. Проверка износоустойчивости выводов | X |
8.2.4.1. Держатель плавкого предохранителя следует подвергнуть воздействию испытательного напряжения по таблице 9 IEC 60269-1.
Испытание следует проводить сразу же после выдержки в камере влажности в соответствии с 8.2.4.2 IEC 60269-1.
8.3.1. Установка плавкого предохранителя
Выводы под винт следует затянуть крутящим моментом, равным двум третям от приведенного в таблице L
Таблица L
Диаметры резьбы винтов и прикладываемые
крутящие моменты
Номинальный диаметр резьбы, мм | Крутящий момент, Н · м |
I | II | III |
До 2,8 включ. | 0,20 | 0,4 | 0,4 |
2,8 - 3,0 | 0,25 | 0,5 | 0,5 |
3,0 - 3,2 | 0,30 | 0,6 | 0,6 |
3,2 - 3,6 | 0,40 | 0,8 | 0,8 |
3,6 - 4,1 | 0,70 | 1,2 | 1,2 |
4,1 - 4,7 | 0,80 | 1,8 | 1,8 |
4,7 - 5,3 | 0,80 | 2,0 | 2,0 |
5,3 - 6,0 | 1,20 | 2,5 | 3,0 |
6,0 - 8,0 | 2,50 | 3,5 | 6,0 |
8,0 - 10,0 | - | 4,0 | 10,0 |
10,0 - 12,0 | На рассмотрении |
12,0 - 15,0 |
Значения графы I распространяются на винты без головок, если резьба при завинчивании не выступает наружу из отверстия, и на другие винты, которые невозможно затянуть при помощи отвертки с лезвием шире диаметра винта.
Значения графы II распространяются на винты, завинчиваемые с помощью отвертки.
Значения графы III распространяются на винты, завинчиваемые другим способом.
8.3.3. Измерение потерь мощности плавкой вставки
Плавкие вставки испытывают на открытом воздухе находящимися в вертикальном положении в одном из испытательных оснований плавкого предохранителя, соответствующих
рисункам 12 и
13, согласно требованиям таблицы M.
Таблица M
Значения, связанные с выбором и регулировкой основания
Номинальный ток патрона, А | | | Расстояние b, мм | Контактное усилие, Н |
6 | 1 | 1 | 48 | 6 - 8 |
10 | 2 |
16 | 2 | 3 | 48 | 14 - 17 |
20 | 62 |
25 |
32 | 68 | 18 - 22 |
63 | 3 | 4 | 80 | 38 - 42 |
Направляющий штырь должен быть хорошо ориентирован.
Муфты и другие части основания должны быть выполнены из латуни с содержанием меди 58% - 70%, за исключением пружин, соединительных винтов и испытательных участков, используемых, как указано далее, для измерения контактного сопротивления. Кроме того, муфты должны быть покрыты слоем серебра.
После каждого испытания необходимо проверять состояние контактных поверхностей.
8.3.4.1. Температура перегрева держателя плавкого предохранителя
Максимальные потери мощности макетной плавкой вставки должны соответствовать приведенным в
таблице J, а ее размеры - указанным на
рисунке 11.
1 - колпачок; 2 - керамический корпус; 3 - наполнитель;
4 - плавкий элемент
Номинальный ток  , А | Размер e, мм |
6 | 0,5 |
10 | 1,0 |
16; 20; 25 | 1,5 |
32; 63 | 2,0 |
Рисунок не определяет конструкцию, а предназначен только для указания размеров.
Колпачки из меди покрыты слоем никеля или серебра.
Корпус - из керамического материала.
Плавкий элемент из медно-никелевого сплава (56% меди, 44% никеля) или из эквивалентного материала с аналогичными значениями удельного сопротивления и температурного коэффициента соединен с колпачками сваркой или пайкой тугоплавким припоем.
Наполнитель, гасящий дугу, - из материала, идентичного обычно применяемому в плавких вставках.
Значения потерь мощности приведены в
таблице J.
Рисунок 11. Макетная плавкая вставка
8.4. Проверка срабатывания
8.4.1. Установка плавкого предохранителя
Плавкие вставки испытывают в одном из оснований, соответствующих
рисунку 12 и выбранных по
таблице M. Патрон помещают в кожух из полиакриловой смолы, соответствующий
рисунку 14. Перед каждым испытанием необходимо проверить состояние поверхности муфты.
Гибкий плетеный медный проводник с поперечным сечением s
Испытательное основание
Втулка
Примечание. Падение напряжения следует измерять в точках, обозначенных знаком "Т".
Размеры в миллиметрах
Номер испытательного основания | a | c | d | e | f | l | | s, мм2 |
1 | 8 | 10 | 12,0 | 17,5 | 8 | 50 | 5 | 4,6 |
2 | 12 | 17,5 | 24,0 | 15 | 65 | 6 | 13,0 |
3 | 20 | 30,0 | 40,0 | 20 | 75 | 12 | 30,0 |
|
Размеры в миллиметрах
Номер втулки | | | | | g | i | l | k |
1 | 5 | 4 | 9,0 | 10 | 4 | 1,0 | 10 | 8 |
2 | 13,0 | 14 | 5 |
3 | 10 | 15,0 | 17 | 6 | 1,5 |
4 | 12 | 8 | 21,5 | 24 | 7 | 2,0 | 18 |
Рисунок 12. Испытательное основание и втулка для измерения
падения напряжения и проверки рабочих
характеристик патрона
8.4.3.6. Срабатывание указателей и бойков при их наличии
Испытание проводят по IEC 60269-1 со следующим дополнением.
Если испытание проводят при пониженном напряжении, то напряжение испытательной цепи должно быть(100 +/- 5)В.
8.5. Проверка отключающей способности
8.5.1. Установка плавкого предохранителя
Плавкий предохранитель испытывают в основании, соответствующем
рисунку 15, отрегулированном согласно таблице N. Контактные муфты должны быть выполнены из посеребренной латуни.
Таблица N
Данные для регулировки основания
Номинальный ток патрона, А | Номер муфты | Расстояние b, мм | Контактное усилие, Н |
6 | 5 | 70 | 8 - 10 |
10 |
16 | 6 | 73 | 14 - 16 |
20 | 5 | 79 |
26 | 6 |
32 | 85 | 22 - 24 |
63 | 7 | 38 - 42 |
8.5.8. Требуемые результаты испытаний
Согласно 8.5.8 IEC 60269-1 со следующими уточнениями. Допускаются:
- неправильное срабатывание указателя;
- любая трещина патрона, не препятствующая его удалению без инструмента;
- небольшие углубления, локализованные выпуклости на муфтах, а также небольшие отверстия при условии, что они не могут повредить плавкую вставку или держатель плавкого предохранителя.
8.7.4. Проверка селективности по сверхтокам
Для проверки требований, приведенных в
7.7.1 и
7.7.2, испытывают четыре дополнительных образца: два - для проверки минимальных значений преддугового

, а остальные - для проверки полных значений

.
Образцы располагают, как при испытании отключающей способности по 8.5 IEC 60269-1. Испытательное напряжение для проверки значений

срабатывания вычисляют по формуле
где U - переменное напряжение, равное 240 или 380 В для плавких предохранителей на 240 или 380 В, соответственно.
8.8. Проверка степени защиты оболочек
8.8.1. Проверка защиты от электрического удара
Проверку требований
7.9 проводят в следующем порядке:
- требование по перечислению b) - внешним осмотром;
- требование по перечислению c) - с помощью испытательного пальца, приведенного на рисунке 9 IEC 60898;
- требование по перечислению d) - с помощью испытательного пальца (см. рисунок 9 IEC 60898). При наличии защитного экрана или выбиваемых частей испытательный палец прикладывают с усилием 20 Н.
Примечание. Для обнаружения контакта рекомендуется применять лампу; напряжение питания должно быть не менее 40 В.
8.9. Проверка теплостойкости
Проводят следующие испытания
Испытание в камере тепла
Образец выдерживают в камере тепла при температуре (100 +/- 5) °C в течение 1 ч. В конце испытания не должно наблюдаться существенного ухудшения образца, а токоведущие части, защищенные герметизирующим компаундом, не должны обнажиться.
Примечание. Допускается небольшое смещение герметизирующего компаунда.
Испытание вдавливанием шарика
Наружные части изоляционного материала, кроме керамических, дополнительно подвергают испытанию путем вдавливания стального шарика с помощью установки, приведенной на рисунке 16 IEC 60898.
Стальной шарик диаметром 5 мм вдавливают с силой 20Н в наружную поверхность испытуемого образца, расположенную горизонтально. Испытание проводят в камере тепла при температуре (125 +/- 5) °C. После выдержки в течение 1 ч в камере давление прекращают, удаляют шарик и спустя 5 мин измеряют диаметр углубления, который не должен превышать 2 мм. Затем держатели без плавких вставок вынимают и вставляют 50 раз подряд.
После этого проверяют усилие, требуемое для извлечения крышки из основания плавкого предохранителя и прилагаемое в плоскости, перпендикулярной монтажной плоскости основания. Оно должно быть не более 15Н.
На крышку помещают груз весом 150 г. Крышка не должна отделяться от основания плавкого предохранителя.
8.10. Проверка целостности контактов
8.10.1. Установка плавкого предохранителя
Макетная плавкая вставка с максимальным значением потерь мощности и с указанием ее размеров приведена на
рисунке 11 и в
8.3.4.1. Типичное основание плавкого предохранителя с пружинными контактами приведено на
рисунке 13.
Основание типа A
Основание типа B
1 - контактная зона; 2 - радиальные участки контакта
на пружине; 3 - осевой стопор; 4 - радиальный стопор
Размеры в миллиметрах
Типоразмер | Номинальный ток  , А |  , не более |  , не более | L |
+0,8 |
6,3 x 23,0 | 6 | 8,0 | 9,5 | 11,5 |
8,5 x 23,0 | 10 | 10,0 |
10,3 x 25,8 | 16 | 8,5 | 10,5 | 13,1 |
8,5 x 31,5 | 20 | 11,5 | 14,0 | 16,0 |
10,3 x 31,5 | 25 |
10,3 x 38,0 | 32 | 12,5 | 15,0 | 19,3 |
Рисунок 13. Основание плавких предохранителей типов A и B
с контактами на двух цилиндрических колпачках
К винтам выводов прикладывают крутящий момент по
8.3.1.
Кроме того, применяют указания 8.3.1 IEC 60269-1 и 7.3 IEC 60269-3.
8.10.2. Метод испытания
Продолжительность испытания под нагрузкой и без нагрузки составляет 75% и 25% условного времени, соответственно.
Испытательным током является ток неплавления.
Условное время и ток неплавления приведены в таблице 2 IEC 60269-1.
Допускается применять меньшее испытательное напряжение.
8.10.3. Требуемые результаты испытания
После 250 циклов испытания температура перегрева не должна превышать первоначальную (первый цикл) более чем на 15 K.
После 750 циклов испытания температура перегрева выводов не должна превышать первоначальную (первый цикл) более чем на 20 K.
8.11.1.1. Механическая прочность держателя плавкого предохранителя
Для проверки по 7.11 IEC 60269-1 проводят следующие испытания.
8.11.1.1.1. Проверка ударостойкости
8.11.1.1.1.1. Испытательная установка
Испытательная установка, соответствующая рисунку 10 IEC 60898, состоит из стальной трубки, качающейся вокруг оси, с бойком в нижней части.
Трубка наружным диаметром 9 мм внутренним диаметром 8 мм состоит:
- в верхней части - из устройства с качающейся осью, расстояние от которой до рамы установки регулируют так, чтобы маятник мог двигаться только в вертикальной плоскости, перпендикулярной опорной стороне рамы;
- в нижней части - из устройства, предназначенного для удержания одного из бойков, описываемых ниже.
Длину трубки принимают такой, чтобы расстояние между качающейся осью маятника и осью бойка, закрепленного на трубке, составляло 1 м.
Боек, в зависимости от типа, должен иметь такую массу, чтобы при его закреплении на трубке с помощью установки, приведенной на рисунке 11 IEC 60898, вертикальная сила, действующая по оси бойка и удерживающая маятник в горизонтальном положении, была равна 2 Н для 150-граммового бойка (типа a), приведенного на рисунке 11 IEC 60898.
В зависимости от размеров установку закрепляют на одном из опорных оснований, приведенных на рисунке 12 IEC 60898.
Основание располагают таким образом, чтобы было возможно:
- разместить установку так, чтобы точка удара была в вертикальной плоскости, через которую проходит качающаяся ось маятника;
- поворачивать установку горизонтально параллельно качающейся оси маятника.
8.11.1.1.1.2. Методика испытания
Установку закрепляют на опорном основании как при обычной эксплуатации; вводы проводников оставляют открытыми и винты крышки затягивают крутящим моментом, равным двум третям от приведенного в
таблице L (см.
8.3.1).
Для плотного закрепления установку помещают в ячейку, изготовленную из многослойной фанеры и имеющую такие размеры, чтобы край кожуха, если он имеется, был на уровне поверхности ячейки.
Кожух испытывают отдельно и располагают напротив опорного основания; его наружную сторону ориентируют в направлении удара бойка.
Действуя на положение опорного основания и качающейся оси маятника, установку располагают таким образом, чтобы точка удара находилась в вертикальной плоскости, через которую проходит ось маятника, и бойку дают возможность свободно падать с заданной высоты, измеренной по вертикали между точкой удара на установке и точкой удара бойка.
Примечание. Удары не наносят по углубленным местам ячейки.
Используемый тип бойка и высота его падения в соответствии с классификацией установки по ударостойкости оболочки приведены в таблице P.
Таблица P
Боек и высота его падения для проверки ударостойкости
Испытуемая часть установки | Тип молотка | Высота падения, см |
Обычная оболочка | a | 15 |
Установку подвергают воздействию 10 ударов, равномерно распределенных по оболочке и защитной пластине, если установка имеет такую пластину. Первые пять ударов наносят следующим образом:
- для плотно закрепленных установок - один удар по центру, один удар по каждому краю защитной пластины и два завершающих удара приблизительно посередине между краями;
- для установок других типов - один удар по центру, один удар по каждой боковой стороне и два завершающих удара в промежуточные положения при повороте установки после каждого удара на соответствующий угол вокруг вертикальной оси, но не более 60°.
Остальные пять ударов наносят таким же образом, но с поворотом установки на 90° вокруг своей оси, вертикальной к опорному основанию.
Если имеются кабельные вводы, то две линии точек ударов по образцу следует располагать на равном, насколько возможно, расстоянии от вводов.
После испытания оболочка не должна иметь дефектов, которые могли бы ухудшить ее защитную функцию; не должно быть ни трещин, ни деформаций, отрицательно влияющих на рабочие характеристики или изменяющие гарантируемые свойства образца.
Небольшие трещины, не влияющие на защиту от контакта с токоведущими частями, не принимают во внимание.
Допускается разрушение наружной защитной пластины при условии, что защита двойная и вторая пластина выдерживает испытание и не открывается, обнажая токоведущие части.
8.11.1.1.2. Проверка требований к конструкции
Держатель плавкой вставки должен иметь устройство для удержания последней в случае извлечения держателя.
Эффективность устройства проверяют с помощью основания плавкого предохранителя, соответствующего испытуемому держателю.
Держатель должен быть соединен с основанием плавкого предохранителя как при обычной эксплуатации и снабжен калибром (см.
рисунок 16).
Затем извлекают держатель из основания и, при наличии пружинящего устройства (например, зажима), используемого для удержания плавкой вставки, удерживают его в самом неблагоприятном положении около 10 с.
Калибр не должен выпадать из держателя под действием собственного веса.
Если держатель имеет резьбу, то резьбовая гильза должна быть надежно закреплена и не должна оказывать воздействия на токоведущую поверхность контакта.
Проверку этих требований проводят осмотром и последующим испытанием.
Держатель максимальных размеров ввинчивают полностью и вывинчивают 50 раз подряд, как при обычной эксплуатации, с приложением крутящего момента, указанного в таблице Q.
Таблица Q
Крутящий момент, прикладываемый к держателю плавкой вставки
Номинальный ток основания, А | Крутящий момент, Н · м |
6; 10 | 0,6 |
16; 20; 25; 32 | 1,0 |
63 | 1,7 |
8.12. Проверка износоустойчивости контактов
Испытания проводят по разделу 8 IEC 60999.
Рисунок 14. Кожух для проверки срабатывания плавких вставок
Размеры в миллиметрах
Номер втулки | | | | | a | b | c | d |
5 | 2,5 | 8 | 12 | 10,0 | 14 | 5 | 12 | 5 |
6 | 12,0 | 17 | 6 |
7 | 18,5 | 24 | 8 |
Рисунок 15. Испытательное основание и втулка для проверки
отключающей способности
Материал - твердая сталь. Части, подверженные износу, должны быть упрочнены.
Размеры в миллиметрах
Номинальный ток  , А | Номинальное напряжение  , В | a - 0,1 | b + 0,1 | | |
6 | 250 | 22,2 | 4,4 | 6 | 5,2 |
10 | 8,4 | 7,4 |
16 | 25,4 | 5,9 | 10,2 | 9,2 |
20 | 380 | 31,0 | 8,4 | 7,4 |
25 | 10,2 | 9,2 |
32 | 37,4 | 9,7 |
63 | 34,9 | 9,1 | 16,6 | 15,6 |
Рисунок 16. Калибр для проверки удержания патрона
в держателе плавкой вставки во время ее изъятия
РАЗДЕЛ IIB. ЦИЛИНДРИЧЕСКИЕ ПЛАВКИЕ ПРЕДОХРАНИТЕЛИ ТИПА В
В данном разделе устанавливают дополнительные требования к плавким предохранителям с цилиндрическими плавкими вставками следующих типов:
I - на номинальные переменные токи до 45 А включительно и номинальное переменное напряжение 240 В;
II - на номинальные переменные токи до 100 А включительно и номинальное переменное напряжение 415 В.
5. ХАРАКТЕРИСТИКИ ПЛАВКИХ ПРЕДОХРАНИТЕЛЕЙ
5.3. Номинальные токи
5.3.1. Номинальный ток плавкой вставки
Максимальные значения номинальных токов приведены на
рисунке 17.
Размеры в миллиметрах
Типоразмер | Максимальный номинальный ток  , А | Максимальная потеря мощности, Вт | Длина патрона L | Длина колпачка l +/- 0,5 | Диаметр колпачка D +/- 0,1 |
Номин. | Пред. откл. |
Ia | 5 | 1,1 | 23,0 | -0,8 | 4,8 | 6,35 |
Ib | 16 | 2,0 | 26,0 | +0,2 | 6,4 | 10,32 |
20 | 2,5 | -0,6 |
Ic | 32 | 3,0 | 29,0 | +/- 0,4 | 8,0 | 12,70 |
Id | 45 | 3,5 | 35,0 | +0,8 | 9,5 | 16,67 |
-0,1 |
IIa | 63 | 5,0 | 57,0 | +/- 1,0 | 16,0 | 22,23 |
IIb | 100 | 6,0 | 30,16 |
Примечание. Максимальный диаметр патрона d должен быть менее диаметра колпачка D.
Рисунок 17. Характеристики цилиндрических плавких вставок
5.3.2. Номинальный ток держателя плавкого предохранителя
Номинальные токи держателей плавких предохранителей приведены на
рисунках 18 и
19.
1 - держатель плавкой вставки; 2 - основание плавкого
предохранителя
Размеры в миллиметрах
Типоразмер плавкой вставки | Номинальный ток  , А | Номинальная потеря мощности, Вт | A, не более | B, не более | C, не более |
Ia, Ib | 20 | 2,5 | 25,4 | 77,0 | 56,0 |
Ic | 32 | 3,0 | 28,0 |
Id | 45 | 3,5 | 30,0 | 80,0 | 60,0 |
Рисунок не определяет конструкцию, а предназначен только для указания размеров.
Рисунок 18. Типичные габаритные размеры держателей
и оснований для цилиндрических плавких вставок
на напряжение 240 В
1 - плавкая вставка; 2 - держатель плавкой вставки;
3 - основание плавкого предохранителя;
4 - выводы нейтрали; 5 - линейные выводы
Рисунок не определяет конструкцию, а предназначен только для указания размеров.
Рисунок 19. Типичные держатель и основание
для цилиндрических плавких вставок на напряжение 415 В
типоразмеров IIa и IIb (лист 1)
Типоразмер плавкой вставки | Максимальный номинальный ток  , А | Номинальная потеря мощности, Вт | A, мм |
IIa | 63 | 5 | 22,2 |
IIb | 100 | 6 | 30,1 |
Рисунок 19 (лист 2)
5.5. Номинальные потери мощности плавкой вставки и номинальная рассеиваемая мощность держателя плавкого предохранителя
Максимальные потери мощности плавких вставок приведены на
рисунке 17.
Рассеиваемая мощность держателей плавких предохранителей приведена на
рисунке 19.
5.6. Пределы времятоковых характеристик
5.6.1. Времятоковые характеристики, времятоковые зоны и перегрузочные характеристики
В дополнение к пределам преддугового времени, заданного разбросами и условным временем и токами, на
рисунках 20a и
20b приведены времятоковые зоны без производственных допусков. Допуски на индивидуальные времятоковые характеристики не должны отклоняться более чем на +/- 10% по току.
Рисунок 20a. Времятоковые зоны для плавких вставок типа gG
Рисунок 20b. Времятоковые зоны для плавких вставок типа gG
5.6.2. Условное время и токи
В таблице II приведены значения условных времени и токов, дополняющие установленные в IEC 60269-1.
Таблица II
Условные времена и токи для плавких вставок gG
Номинальный ток  , А | Условное время, ч | Условные токи |
| |
Менее 16 | 1 | | |
5.7. Диапазон отключения и отключающая способность
5.7.2. Номинальная отключающая способность
Номинальные отключающие способности для плавких вставок на напряжения 240 и 415 В равны, соответственно, 20 и 31,5 кА.
7. СТАНДАРТНЫЕ ТРЕБОВАНИЯ К КОНСТРУКЦИИ
7.1. Механическая часть
7.1.2. Соединения, в том числе выводы
В соответствии с разделом 7 IEC 60999.
7.9. Защита от электрического удара
Степень защиты от электрического удара должна быть не менее IP2X для всех трех этапов.
8.1. Общие положения
8.1.4. Установка плавкого предохранителя
8.3. Проверка температуры перегрева и потерь мощности
8.3.1. Установка плавкого предохранителя
Устройство для испытания плавких вставок приведено на
рисунках 18 и
19. Устройство следует монтировать вертикально. Соединением к устройствам для плавких вставок на токи до 100 А должны служить медные проводники с поперечным сечением 25 мм2 в полихлорвиниловой изоляции. Соединения для других номинальных значений токов должны соответствовать таблице 10 IEC 60269-1.
8.3.3. Измерение потерь мощности плавких вставок
Плавкую вставку следует испытывать в устройстве, изображенном на
рисунке 21.
1 - винт, удерживающий крышку; 2 - отверстия в зажимных
концах для датчиков измерения потерь мощности;
3 - зажимные концы, присоединенные к крышке; K - винт;
H - толщина; J - внутренний диаметр; E - радиус;
A, B, C - размеры внутренней части крышки
Основание, зажимные концы и крышка - из изоляционного
материала, зажимы - из луженой меди.
Размеры в миллиметрах
Типоразмер | Номинальный ток  , А не более | A | B | C | D | E | F | G | H | J | K | L | |
IIb | 100 | 63,5 | 38 | 47,7 | 41,3 | 19,0 | 8,7 | 16,0 | 1,2 | 30,1 | М5 | 5,2 | 1,6 |
IIa | 63 | 30 | 40,0 | 15,0 | 22,2 |
Id | 45 | 42,0 | 25 | 34,0 | 25,5 | 12,5 | 5,0 | 10,0 | 0,6 | 16,7 | М3,5 | 4,0 |
Ic | 32 | 12,7 |
Ib | 20 | 29,0 | 19 | 28,0 | 19,0 | 9,5 | 4,0 | 6,5 | 10,3 |
Ia | 5 | 6,3 | 0,8 |
<*> Справочные значения. Для получения соответствующего контактного сопротивления между зажимами и колпачками плавкого предохранителя размеры необходимо уточнять. |
Рисунок 21. Стандартное испытательное основание
для проверки потерь мощности
8.4. Проверка срабатывания
8.4.1. Установка плавкого предохранителя
Устройство для испытания плавкой вставки приведено в
8.3.1.
8.5. Проверка отключающей способности
8.5.1. Установка плавкого предохранителя
Расположение плавкой вставки при испытании приведено на
рисунке 22.
Размер плавкой вставки типоразмеров I, IIa, IIb | a | b | c | d | e | f | g | h | j |
Значение, мм | 187,0 | 127,0 | 25,0 | 36,5 | 38,0 | 12,7 | 114,0 | M12 | 111,0 |
Рисунок 22. Испытательное основание для проверки
отключающей способности (лист 1)
1 - съемный кожух из металлической сетки или перфорированного листа из мягкой стали толщиной, обеспечивающей его жесткость. (Площадь отверстий в кожухе не должна превышать 8,5 мм2. Изгиб кожуха может отличаться от показанного на рисунке при условии, что не превышается зазор 19 мм между кожухом и токоведущими металлическими частями); 2 - соединительные шпильки из меди с высокой проводимостью; 3 - пластины медного переходного устройства сечением не менее 25 x 6,3 мм и длиной и центрами крепления, соответствующими испытуемой плавкой вставке; 4 - зажимы плавкого предохранителя типоразмера, соответствующего испытуемой плавкой вставке (размеры будут уточнены позже); 5 - основание из изоляционного материала; испытательное основание должно быть достаточно жестким, чтобы выдерживать прилагаемые к нему нагрузки без их передачи на испытуемую плавкую вставку; 6 - медная полоса; 7 - плавкий предохранитель из медного провода диаметром около 0,1 мм и свободной длиной не менее 75 мм, соединенного с выводом и одним полюсом источника питания; 8 - фаска; 9 - съемная закорачивающая перемычка, необходимая при измерении ожидаемого тока. Она может быть рассечена для облегчения размыкания. Сечение медной перемычки необходимо выбирать в соответствии с номинальной отключающей способностью плавкой вставки
Примечание. Монтаж электрических соединений предохранителя над испытательным основанием на рисунке не приведен (второй абзац пункта 8.5.1 IEC 60269-1 не применяют).
Рисунок 22 (лист 2)
8.5.8. Требуемые результаты испытания
По IEC 60269-1 со следующим дополнением.
Плавкие вставки должны срабатывать без расплавления плавкого элемента из тонкой проволоки, который является индикатором появления дуги на металлическом кожухе, и без повреждения испытательного основания.
8.10. Проверка целостности контактов
8.10.1. Установка плавкого предохранителя
Испытательное устройство приведено в
8.3.1.
Испытание следует проводить в соответствии с 8.3.4.1 IEC 60269-1, применяя плавкие вставки согласно
рисунку 17 в качестве макетных. Макетные плавкие вставки должны иметь размеры, соответствующие
рисунку 17.
Потери мощности макетных вставок должны быть не менее максимальных потерь мощности, указанных на
рисунке 17, при проведении стандартного испытания потерь мощности в соответствии с
рисунком 21.
Макетные плавкие вставки должны быть сконструированы таким образом, чтобы не срабатывать во время прохождения тока перегрузки

.
8.10.2. Метод испытания
Продолжительность испытания под нагрузкой и без нагрузки составляет 75% и 25% условного времени, соответственно.
Испытательным током является ток неплавления.
Условное время и ток неплавления приведены в таблице 2 IEC 60269-1.
Допускается применять меньшее испытательное напряжение.
8.10.3. Требуемые результаты испытания
После 250 циклов испытаний температура перегрева выводов не должна превышать начальную (первый цикл) более чем на 15 K.
После 750 циклов испытаний, при необходимости, температура перегрева выводов не должна превышать начальную (первый цикл) более чем на 20 K.
РАЗДЕЛ IIC. ЦИЛИНДРИЧЕСКИЕ ПЛАВКИЕ
ПРЕДОХРАНИТЕЛИ ТИПА C
В данном разделе устанавливают дополнительные требования к плавким предохранителям с плавкими вставками типа C на номинальные токи до 63 А включительно и номинальные переменные напряжения до 380 В включительно, размеры которых приведены на
рисунках 23 и
24.
Размеры в миллиметрах
Типоразмер | b | c | d | e, не более | f, не менее | g | h |
Номин. | Пред. откл. | Номин. | Пред. откл. | Номин. | Пред. откл. | +/- 2 | +1 |
0 | 31,5 | +/- 0,5 | 8,8 | +/- 0,2 | 8,3 | +/- 0,2 | 8,0 | 4 | - | - |
1 | 36,0 | +/- 0,8 | 9,0 | +/- 0,4 | 8,5 | +/- 0,4 | 8,2 | 5 |
2 | 38,0 | 10,2 | 9,8 | 9,5 | | |
3 | 50,0 | +/- 1,0 | 13,7 | +0,6 | 12,5 | +0,6 | 13,5 | 33 | 14,0 |
4 | 22,0 | +0,8 | 20,0 | +0,8 | 22,0 | 6 | 23,5 |
Рисунки не определяют конструкцию, а предназначены только для указания размеров.
Примечания
1. Токоведущие части - из меди или из медных сплавов.
2. Только для плавкой вставки с указателем срабатывания.
Рисунок 23. Цилиндрическая плавкая вставка типа C.
Типоразмеры 0 - 4
Контакты на торцевых поверхностях плавких вставок
Контакты на цилиндрических поверхностях
плавких вставок
1 - контактные участки; 2 - осевой стопор
Рисунки не определяют конструкцию, а предназначены только для указания размеров.
Размеры в миллиметрах
Типоразмер | Размер контактов |
На торцах a | На цилиндрических поверхностях |
не менее | не более | b | c |
+0,3 | -0,3 |
0 | 30,8 | 32,2 | 13,0 | 16,5 |
1 | 35,0 | 37,0 | 14,5 | 18,9 |
2 | 37,0 | 39,0 | 15,5 | 19,9 |
3 | 49,8 | 51,2 | 21,5 | 25,5 |
4 | 21,0 |
Примечания
1. Контакты должны быть надежными в пределах размеров

и

.
2. Осевые стопоры и контактные участки должны быть сконструированы так, чтобы не препятствовать срабатыванию указателей при их наличии.
3. Допускаются основания с контактами: одним на торце плавкой вставки, другим - на цилиндрической поверхности.
Рисунок 24. Основание плавкого предохранителя
5. ХАРАКТЕРИСТИКИ ПЛАВКИХ ПРЕДОХРАНИТЕЛЕЙ
5.3.1. Номинальный ток плавких вставок
Номинальные токи плавких вставок, типоразмеры и цвета указателей срабатывания (при их наличии) приведены в таблице R.
Таблица R
Номинальные токи, типоразмеры и цвета указателей
срабатывания (при их наличии) плавких вставок
Номинальный ток  , А | Цвет указателя срабатывания | Типоразмер |
0 | 1 | 2 | 3 | 4 |
2 | Розовый | x | x | | | |
4 | Коричневый | x | x | | | |
6 | Зеленый | x | x | | | |
10 | Красный | x | x | | | |
16 | Серый | x | x | | | |
20 | Голубой | x | x | x | | |
25 | Желтый | | x | x | | |
32 | Черный | | | x | x | |
40 | Латунный | | | | x | x |
50 | Белый | | | | x | x |
63 | Медный | | | | | x |
5.3.2. Номинальный ток держателя плавкого предохранителя
Номинальные токи держателей плавких предохранителей приведены в таблице S.
Таблица S
Номинальные токи держателей плавких предохранителей
Типоразмер | Номинальный ток держателей, А |
0 | 20 |
1 | 25 |
2 | 32 |
3 | 50 |
4 | 60 |
5.5. Номинальные потери мощности плавкой вставки и номинальная рассеиваемая мощность держателя плавкого предохранителя
Максимальные значения номинальных потерь мощности плавкой вставки приведены в таблице T
Таблица T
Максимальные значения номинальных потерь
мощности плавких вставок
Номинальный ток плавкой вставки  , А | Максимальная потеря мощности плавкой вставки, Вт | Номинальный ток плавкой вставки  , А | Максимальная потеря мощности плавкой вставки, Вт |
2 | 2,5 | 25 | 4,0 |
4 |
6 | 32 | 4,5 |
10 | 2,6 | 40 | 5,2 |
16 | 2,8 | 50 | 6,5 |
20 | 3,5 | 63 | 7,0 |
Номинальные значения рассеиваемой мощности держателей плавких предохранителей приведены в таблице U.
Таблица U
Номинальная рассеиваемая мощность держателя
плавкого предохранителя
Типоразмер | Номинальная рассеиваемая мощность держателей плавких предохранителей, Вт |
0 | 3,5 |
1 | 4,0 |
2 | 4,6 |
3 | 6,5 |
4 | 7,0 |
5.6. Пределы времятоковых характеристик
5.6.1. Времятоковые характеристики, времятоковые зоны и перегрузочные характеристики
Времятоковые зоны, кроме пределов преддугового времени, заданных разбросами и условными токами, приведены на рисунке 25.
Рисунок 25a. Времятоковые зоны
Рисунок 25b. Времятоковые зоны
5.6.2. Условные время и токи
Условные токи плавких вставок на номинальные токи менее 16 А, дополняющие значения по IEC 60269-1, приведены в таблице II.
Таблица II
Условные время и токи плавких вставок
на номинальные токи менее 16 А
Номинальный ток плавкой вставки  , А | Условное время, ч | Условные токи |
| |
2; 4 | 1 | | |
6; 10 | |
5.6.3. Разбросы
Для плавких вставок типа gG на номинальные токи менее 16 А значения разбросов, приведенные в таблице III, дополняют указанные в IEC 60269-1.
Таблица III
Разбросы установленного преддугового времени плавких
вставок типа gG на номинальные токи менее 16 А
В амперах
Номинальный ток  |  (10 с) |  (5 с) |  (0,1 с) |  (0,1 с) |
2 | 3,7 | 8,5 | 6 | 23 |
4 | 8,0 | 18,0 | 14 | 45 |
6 | 12,0 | 26,0 | 28 | 75 |
10 | 22,0 | 38,0 | 50 | 85 |
7. СТАНДАРТНЫЕ ТРЕБОВАНИЯ К КОНСТРУКЦИИ
7.1. Механическая часть
Плавкие вставки и основания плавких предохранителей должны соответствовать
рисункам 23 и
24.
7.1.2. Соединения, в том числе выводы
Выводы должны обеспечивать подсоединение проводников сечений, приведенных в таблице W.
Таблица W
Сечение проводников
Типоразмер | Сечение, мм2, проводников |
жестких | гибких |
0 | 1,0 - 4,0 | 0,75 - 2,00 |
1 | 1,0 - 6,0 | 0,75 - 4,00 |
2 | 2,5 - 10,0 | 1,50 - 6,00 |
3 | 4,0 - 16,0 | 2,50 - 10,00 |
4 | 6,0 - 25,0 | 4,00 - 16,00 |
7.2. Изоляционные свойства
Минимальные значения зазоров и путей утечки должны быть не менее приведенных в
таблице K.
7.3. Температура перегрева, потери мощности плавкой вставки и рассеиваемая мощность держателя плавкого предохранителя - в соответствии с таблицей IV IEC 60269-3.
7.7. Характеристики

7.7.1. Минимальные значения преддугового

за 0,01 с - в соответствии с таблицей Y.
Таблица Y
Минимальные значения преддугового

за 0,01 с
Номинальный ток  , А | 2 | 4 | 6 | 10 |
| 1,0 | 6,2 | 24,0 | 100,0 |
7.7.2. Максимальные значения

срабатывания за 0,01 с - в соответствии с таблицей Z.
Таблица Z
Максимальные значения

срабатывания за 0,01 с
Номинальный ток  , А | 2 | 4 | 6 | 10 | 16 | 20 | 25 | 32 | 40 | 50 | 63 |
| 30 | 80 | 330 | 400 | 1000 | 1800 | 3000 | 5000 | 9000 | 16000 | 27000 |
8.1.6. Испытания держателей плавких предохранителей.
Испытания - по IEC 60269-1 с дополнениями, приведенными в таблице VIII.
Таблица VIII
Полные испытания держателей плавких предохранителей
и число испытуемых держателей
Номер пункта, наименование испытания | Число испытуемых образцов |
1 | 1 | 1 | 1 |
8.9.1. Испытание в камере тепла | x | x | | |
8.9.2.1. Испытание вдавливанием шарика при 125 °C | | | | x |
8.9.2.2. Испытание вдавливанием шарика при 70 °C или (T + 40) K | | | x | |
8.11.1.6.1. Испытание на удар | | x | | |
8.11.1.6.2. Конструкция держателя плавкой вставки | | x | | |
8.11.1.6.3. Механическая прочность держателя плавкого предохранителя с резьбой | | | x | |
8.3. Проверка температуры перегрева и потерь мощности
По IEC 60269-3 со следующими дополнениями.
8.3.1. Установка плавкого предохранителя
Винты выводов под винт следует затягивать крутящим моментом, равным двум третям от крутящего момента, приведенного в таблице C IEC 60269-3.
8.3.3. Измерение потерь мощности плавкой вставки
Потери мощности следует измерять между колпачками плавкой вставки. Проверку следует осуществлять с помощью испытательного основания, приведенного на
рисунке 26.
1 - стальная пружина; 2 - изоляционный материал;
3 - контактные участки, покрытые слоем серебра
Размеры в миллиметрах
Тип испытательного основания | Типоразмер плавкой вставки | a | b | c | d | e | f | g | h | i | l | m |
A | 0 | 70 | | | | | | | | | | |
| 1 | 73 | 12 | 15 | 19 | 7 | 6 | 13 | 3 | 10 | 5 | 53 |
| 2 | 74 | | | | | | | | | | |
B | 3 | 90 | 16 | 20 | 28 | 10 | 10 | 25 | 3 | 14 | 9 | 67 |
4 | 95 |
Примечание. Токоведущие части, кроме пружин, изготовлены из латуни с содержанием меди от 58% до 70%.
Рисунок 26. Испытательное основание
Значения контактных усилий при этом испытании приведены в таблице AA.
Таблица AA
Контактные усилия испытательного основания
Тип испытательного основания | Типоразмер плавкой вставки | Контактное усилие, Н +/- 10% |
A | 0 | 15 |
1 | 20 |
2 | 25 |
B | 3 | 40 |
4 | 50 |
8.3.4.1. Температура перегрева держателя плавкого предохранителя
Испытание следует проводить с макетной плавкой вставкой, приведенной на
рисунке 27.
Примечание. Колпачки изготовлены из медно-оловянного сплава, покрытого слоем никеля, корпус - из керамического материала, плавкий элемент - из сплава, содержащего 5% меди и 44% никеля, или эквивалентного материала с аналогичным значением удельного сопротивления и температурного коэффициента (например, константана). Элемент прочно припаивают к колпачкам. Среда, гасящая дугу, и наполнитель - те же, что обычно применяют в плавких вставках.
Значения потерь мощности приведены в
таблице T.
Рисунок 27. Макетная плавкая вставка
Для держателей плавких предохранителей с резьбой соответствующий держатель плавкой вставки следует затянуть крутящим моментом, равным двум третям от крутящего момента, приведенного в таблице BB.
Таблица BB
Крутящий момент, прилагаемый к держателю плавкой
вставки с резьбой
Типоразмер | Крутящий момент, Н · м |
0 | 1,0 |
1 | 1,2 |
2 | 1,4 |
3 | 1,8 |
4 | 3,0 |
8.4. Проверка срабатывания
8.4.1. Установка плавкого предохранителя
Установка - по IEC 60269-1 со следующими дополнениями.
Плавкие вставки испытывают в испытательном основании, приведенном на
рисунке 26. Плавкую вставку помещают под кожух из полиакриловой смолы в соответствии с рисунком 28.
Рисунок 28. Кожух для проверки срабатывания
плавких вставок
Плавкий предохранитель следует испытывать в горизонтальном положении. Перед каждым испытанием необходимо проверить, правильно ли расположены поверхности контактных участков испытательного основания.
8.5. Проверка отключающей способности
8.5.1. Установка плавкого предохранителя
По IEC 60269-1 со следующими дополнениями.
Плавкие вставки испытывают в испытательном основании, соответствующем
рисунку 26. Контактные усилия, прикладываемые при испытании, приведены в
таблице AA. Перед каждым испытанием необходимо проверить, правильно ли расположены поверхности контактных участков испытательного основания.
8.5.8. Требуемые результаты испытания
Можно пренебречь небольшими углублениями, локализованными выпуклостями и небольшими отверстиями на контактных участках.
8.7.4. Проверка избирательности
Для проверки требований
7.7.1 и
7.7.2 данного раздела образцы располагают, как при испытании на отключающую способность по 8.5 IEC 60269-1. Испытательное переменное напряжение для проверки значений

срабатывания должно быть равно
8.9. Проверка теплостойкости
8.9.1. Испытание в камере тепла
Держатели плавких предохранителей в течение 1 ч выдерживают в камере тепла при температуре (100 +/- 2) °C.
Во время испытания у держателя не должно проявиться никакого изменения, ухудшающего его дальнейшее применение, а герметизирующий компаунд, при его наличии, не должен расплавляться до такой степени, чтобы обнажились токоведущие части.
В конце испытания после остывания держателя до температуры, приблизительно равной комнатной, не должно быть доступа к токоведущим частям, которые обычно недоступны при монтаже держателя при обычном применении даже с помощью стандартного испытательного пальца (см. рисунок 9 IEC 60898), прикладываемого с усилием не более 5 Н.
После испытания маркировка должна быть различимой. Обесцвечиванием, углублениями или небольшим смещением герметизирующего компаунда можно пренебречь при условии, что не ухудшается безопасность, требуемая настоящим стандартом.
8.9.2. Испытание вдавливанием шарика
Держатели плавких предохранителей подвергают следующему испытанию.
8.9.2.1. Испытательное устройство
Части из изоляционного материала, необходимые для удержания токоведущих частей в определенном положении, подвергают испытанию вдавливанием стального шарика с помощью установки по 8.14.2 IEC 60898.
Защитный проводник не является токоведущей частью. Поверхность испытуемой части располагают в горизонтальном положении и в нее вдавливают шарик диаметром 5 мм с усилием 20 Н. Испытание проводят в камере тепла при температуре (125 +/- 2) °C.
После 1 ч шарик удаляют, образец охлаждают в течение 10 с до температуры, приблизительно равной комнатной, погрузив его в холодную воду.
Измеряют диаметр отпечатка от шарика, который не должен быть более 2 мм.
8.9.2.2. Методика испытания
Части из изоляционного материала, не удерживающие токоведущие части в определенном положении, даже если они контактируют с ними, и части, контактирующие с защитной схемой, при ее наличии, подвергают испытанию вдавливанием шарика, описанному выше. Испытание проводят при температуре (70 +/- 2) °C или, если она выше, при температуре, равной (40 +/- 2) °C плюс наибольшая температура перегрева T, определенная для соответствующей части во время испытания по
8.3 данного раздела. Испытание не проводят на частях из керамического материала.
8.10. Проверка целостности контактов
8.10.1. Установка плавкого предохранителя
Макетная плавкая вставка с максимальным значением потерь мощности и с указанием ее размеров приведена на
рисунке 27.
Плавкий предохранитель устанавливают в соответствии с
8.3.4.1 данного раздела. Крутящие моменты, прикладываемые к винтам, приведены в
8.3.1 данного раздела.
8.10.2. Метод испытания
Продолжительность испытания под нагрузкой и без нагрузки составляет 75% и 25% условного времени, соответственно.
Испытательным током является ток неплавления.
Условное время и ток неплавления приведены в таблице 2 IEC 60269-1. Допускается применять меньшее испытательное напряжение.
8.10.3. Требуемые результаты испытания
После 250 циклов испытаний температура перегрева выводов не должна превышать начальную (первый цикл) более чем на 15 K.
После 750 циклов испытаний, при необходимости, температура перегрева выводов не должна превышать начальную (первый цикл) более чем на 20 K.
8.11. Механические и прочие испытания
8.11.1.6. Механическая прочность держателя плавкого предохранителя
Держатели плавких предохранителей должны выдерживать нагрузки, возникающие во время монтажа и эксплуатации.
8.11.1.6.1. Испытание на удар
Испытание проводят на держателе с оболочкой или плоской крышкой, закрепленной как при нормальной эксплуатации. Образец подвергают удару с помощью установки, приведенной на рисунках 10 - 12 IEC 60898.
Ударный элемент (боек) с полусферической поверхностью радиусом 10 мм и массой (150 +/- 1) г должен быть изготовлен из полиамида твердостью 100 HRC.
Его жестко закрепляют на нижнем конце стальной трубы наружным диаметром 9 мм и толщиной стенки 0,5 мм, шарнирно подвешенной за верхний конец так, чтобы ось качания была в вертикальной плоскости.
Ось шарнира расположена на (1000 +/- 1) мм выше оси бойка.
Твердость головки бойка определяют с помощью шарика диаметром (12,7000 +/- 0,0025) мм при начальной (500,0 +/- 2,5) Н и дополнительной (100 +/- 2) Н нагрузках.
Примечание. Дополнительная информация о твердости пластмасс приведена в ISO 2039-2.
Конструкцию испытательной установки выполняют такой, чтобы при приложении к торцевой поверхности бойка усилия 1,9 - 2,0 Н труба удерживалась в горизонтальном положении.
Образец монтируют на листе фанеры размером 175 x 175 мм и толщиной 8 мм, прикрепленном к жесткому кронштейну, составляющему часть монтажной опоры.
Монтажная опора массой (10 +/- 1) кг должна закрепляться на жесткой раме с помощью шарниров.
Раму прикрепляют к массивной стенке.
Монтажная опора должна обеспечивать:
- возможность размещения образца таким образом, чтобы точка удара лежала в вертикальной плоскости, проходящей через ось качания маятника;
- возможность горизонтального передвижения образца и его поворота вокруг оси, перпендикулярной поверхности фанерного листа;
- возможность поворота листа фанеры вокруг вертикальной оси.
Для плавких предохранителей, устанавливаемых в углублении (утопленный монтаж), образец помещают в углубление в виде ячейки, изготовленной из фанеры или подобного материала, которую закрепляют на листе фанеры. Если ячейку изготовляют из досок, то направление волокон древесины должно быть перпендикулярно направлению удара. Плавкие предохранители утопленного монтажа с винтовым креплением должны быть прикреплены с помощью винтов к монтажным лапкам в углублении фанерной ячейки.
Плавкие предохранители утопленного монтажа с креплением кулачковыми муфтами должны быть закреплены в ячейке с помощью этих муфт.
Образец крепят таким образом, чтобы точка удара лежала в вертикальной плоскости, проходящей через ось шарнира. Боек должен свободно падать с высоты 10 см.
Высоту падения определяют как расстояние по вертикали между положениями контрольной точки в моменты отпускания и удара бойка. Контрольную точку обозначают на поверхности бойка в месте пересечения с ней линии, проходящей через точку пересечения осей стальной трубы маятника и бойка перпендикулярно плоскости, в которой лежат обе оси.
Примечание. Теоретически контрольной точкой должен служить центр тяжести бойка. Но поскольку центр тяжести на практике трудно определить, контрольную точку выбирают описанным выше способом.
Образец подвергают 10 ударам, случайно распределенным по образцу. Обычно удары прикладывают следующим образом.
Для плавких предохранителей утопленного монтажа - один удар по держателю плавкого предохранителя, другие удары распределяют по наружной поверхности:
- по одному - на каждый край зоны вокруг углубления в ячейке;
- два других - приблизительно посередине между точками предыдущих ударов, предпочтительно на ребре, при его наличии; при этом образец должен перемещаться горизонтально.
Для плавких предохранителей других типов один удар наносят по держателю плавкой вставки, другие удары распределяют по наружной поверхности:
- по одному - на каждую боковую сторону образца после возможно большего его поворота, но не более чем на 60° вокруг вертикальной оси;
- два других - приблизительно посередине между точками предыдущих ударов, предпочтительно по ребру, при его наличии.
Остальные удары наносят таким же образом после поворота образца на 90° вокруг оси, перпендикулярной фанерному листу.
Защитные пластины и другие крышки для нескольких плавких предохранителей испытывают так, как если бы они имели соответствующее количество индивидуальных крышек, но по любой точке наносят только один удар.
После испытаний образцы не должны иметь повреждений, нарушающих требования настоящего стандарта, в частности, не должны стать доступными токоведущие части.
В некоторых случаях необходимо убедиться, что удаление или замена наружных частей, таких как коробки, оболочки или крышки, возможны без повреждения этих частей или их внутреннего изолирующего покрытия.
Повреждения внешнего вида, небольшие вмятины, которые не минимизируют пути утечки или зазоры до значений менее указанных в
7.2 данного раздела, и небольшие сколы, не оказывающие отрицательного влияния на защиту от электрического удара, можно не принимать во внимание.
Трещины, невидимые невооруженным глазом, и поверхностные трещины в материалах из усиленного волокна и подобных материалах можно не принимать во внимание. Трещины и отверстия наружной поверхности или любой части держателя плавкого предохранителя можно не принимать во внимание, если держатель плавкого предохранителя удовлетворяет требованиям данного раздела, даже если эта часть отсутствует.
Если декоративное покрытие продублировано внутренним, то повреждением декоративного покрытия можно пренебречь в том случае, если внутреннее покрытие выдерживает испытание после удаления декоративного.
8.11.1.6.2. Конструкция держателя плавкой вставки
Все держатели плавких вставок должны включать в себя устройство, предназначенное для удержания вставки на месте при изъятии держателя из основания плавкого предохранителя.
Эффективность этого устройства проверяют с помощью основания плавкого предохранителя, соответствующего испытуемому держателю.
Держатель снабжают калибром с размерами контакта, соответствующими максимальным размерам контакта соответствующей плавкой вставки, приведенной на
рисунке 23, для номинального тока рассматриваемого плавкого предохранителя, и соединяют его с основанием предохранителя, как при обычной эксплуатации.
Затем держатель удаляют из основания предохранителя, а калибр заменяют новым с размерами контакта, соответствующими минимальным, указанным на
рисунке 24.
Затем держатель удерживают в самом неблагоприятном положении около 10 с. Калибр не должен выпадать из держателя под действием собственного веса.
Вес калибра, используемого для этого испытания, должен быть по возможности равен весу соответствующей плавкой вставки, однако контактные поверхности должны быть из полированной стали.
8.11.1.6.3. Механическая прочность держателя плавкого предохранителя с резьбой
Держатель плавкой вставки с соответствующей плавкой вставкой, приведенной на
рисунке 23, пять раз ввинчивают и вывинчивают из основания плавкого предохранителя, прилагая крутящий момент, приведенный в
таблице BB. После испытания у образца не должно появиться никаких изменений, препятствующих его дальнейшему применению.
РАЗДЕЛ III. ПЛАВКИЕ ПРЕДОХРАНИТЕЛИ СО ШТЫРЬКОВЫМИ ВЫВОДАМИ
В данном разделе устанавливают дополнительные требования к плавким предохранителям со штырьковыми выводами, изображенными на
рисунках 29 -
31.
| Номинальный ток, А | Сечение медного провода, мм2, не более | Цвет маркировки |
| 40; 50 | 10,0 | Зеленый |
25; 32 | 6,0 | Коричневый |
20 | 4,0 | Голубой |
| 16 | 2,5 | Серый |
| 2; 4; 6; 10 | 1,5 | Оранжевый |
| | | |
|
Рисунок 29. Предохранители со штырьковыми выводами.
Плавкие вставки
Типоразмер держателя плавкого предохранителя | Эквивалентное сечение, мм2 | Максимальный номинальный ток плавкой вставки,  |
I | 2,5 | 16 |
II | 4,0 | 20 |
III | 6,0 | 32 |
IV | 10,0 | 50 |
1 - верхняя поверхность калибровочного элемента;
2 - гнездо для контакта со штырьками макетной
плавкой вставки
Рисунок не определяет конструкцию, а предназначен только для указания размеров.
Рисунок 30. Плавкие предохранители со штырьковыми
выводами. Держатель плавкого предохранителя
Эквивалентное сечение, мм2 | Цвет маркировки | | | |
10,0 | Зеленый | | | |
6,0 | Коричневый | | |
4,0 | Голубой | | |
2,5 | Серый | | | |
1,5 | Оранжевый | | | |
| | | | |
| | |
Рисунок 31. Плавкие предохранители со штырьковыми
выводами. Держатель плавкого предохранителя
на напряжение 230 В
Предохранители рассчитаны на номинальное переменное напряжение 230 В и номинальный ток до 50 А включительно.
2.3. Характеристики и параметры
2.3.25. Эквивалентное сечение основания плавкого предохранителя: минимальное сечение медного провода, выполняющего защитную функцию, при соединении основания плавкого предохранителя с плавкой вставкой, рассчитанной на максимальный номинальный ток, который может выдержать основание плавкого предохранителя.
2.3.26. Типоразмер основания плавкого предохранителя: римская цифра, обозначающая тип основания плавкого предохранителя в отношении его эквивалентного сечения, с одной стороны, и максимального номинального тока плавкой вставки, который может выдержать основание плавкого предохранителя, с другой стороны.
5. ХАРАКТЕРИСТИКИ ПЛАВКИХ ПРЕДОХРАНИТЕЛЕЙ
5.5. Номинальные потери мощности плавкой вставки
Максимальные значения потерь мощности плавкой вставки приведены в таблице CC.
Таблица CC
Максимальные значения потерь мощности плавкой вставки
Номинальный ток плавкой вставки  , А | 2; 4; 6 | 10 | 16 | 20 | 25 | 32 | 40 | 50 |
Максимальная потеря мощности плавкой вставки, Вт | 1,0 | 1,3 | 2,2 | 2,5 | 3,0 | 3,2 | 4,0 | 5,0 |
5.6. Пределы времятоковых характеристик
5.6.2. Условные времена и токи
По IEC 60269-1 с дополнениями, приведенными в таблице II.
Таблица II
Условные время и ток плавких вставок типа gG
Номинальный ток плавкой вставки  , А | Условное время, ч | Условные токи |
| |
2; 4 | 1 | | |
6; 10 | |
5.6.3. Разбросы
По IEC 60269-1 с дополнениями, приведенными в таблице III.
Таблица III
Номинальный ток плавкой вставки  , А | Ток | Преддуговое время, с |
2; 4 | | >= 10 |
| | <= 0,05 |
6; 10 | | >= 10 |
| | <= 0,10 |
6.1. Маркировка держателей плавких предохранителей
В перечень обычных маркировочных данных включают следующую информацию, относящуюся к
рисунку 30: эквивалентное сечение, мм2.
6.2. Маркировка плавких вставок
В перечень обычных маркировочных данных включают следующую информацию, относящуюся к
рисунку 29:
- минимальное сечение защищенного медного провода, мм2;
- обозначение цвета в зависимости от защищенного минимального сечения.
6.4. Маркировка калибровочных втулок
На калибровочной втулке следует наносить следующую информацию, относящуюся к
рисунку 31: эквивалентное сечение, мм2.
7. СТАНДАРТНЫЕ ТРЕБОВАНИЯ К КОНСТРУКЦИИ
7.1. Механическая часть
7.1.8. Конструкция калибровочной втулки
7.1.8.1. Калибровочная втулка должна состоять из одной части (в соответствии с
рисунком 31).
7.1.8.2. Калибровочная втулка должна быть сконструирована так, чтобы ее можно было прочно закрепить в основании плавкого предохранителя, когда основание монтируют и соединяют с проводниками, как при обычной эксплуатации.
7.1.8.3. Конструкция калибровочной втулки должна быть такой, чтобы ее нельзя было легко удалить после того, как основание плавкого предохранителя смонтировано и соединено с проводниками, как при обычной эксплуатации. Калибровочная втулка должна изыматься с тыльной части основания плавкого предохранителя. Изъятие втулки с переднего конца основания плавкого предохранителя возможно только при его разрушении.
7.3. Температура перегрева, потери мощности плавкой вставки и рассеиваемая мощность держателя плавкого предохранителя
Температура перегрева выводов, измеренная со стороны выхода, не должна быть больше указанной в 7.3 IEC 60269-3, когда основание плавкого предохранителя имеет проводники сечением, приведенным в
таблице EE (см.
8.3.3).
8.3. Проверка температуры перегрева и потерь мощности
8.3.1. Установка плавкого предохранителя
Для этого испытания винты выводов или гайки затягивают крутящим моментом, равным двум третям от указанного в таблице DD.
Таблица DD
Номинальный диаметр винта или болта, мм | Крутящий момент, Н · м |
2,6 | 0,4 |
3,0 | 0,5 |
3,5 | 0,8 |
4,0 | 1,2 |
5,0 | 2,0 |
6,0 | 2,5 |
8,0 | 5,5 |
10,0 | 7,5 |
8.3.3. Измерение потерь мощности плавкой вставки
Плавкую вставку необходимо закрепить в держателе плавкого предохранителя, типоразмеры которого указаны в таблице EE, и соединить с проводниками соответствующих поперечных сечений.
Номинальный ток плавкой вставки, А | Типоразмер держателя плавкого предохранителя | Поперечное сечение, мм2 |
Не более 10 | I | 1,5 |
16 | II | 2,5 |
20 | 4,0 |
25 - 32 | III | 6,0 |
40 - 50 | IV | 10,0 |
Для определения потерь мощности измеряют падение напряжения на контактах плавкой вставки между точками, отмеченными на
рисунке 32 буквой S.
Примечания
1. После развода лепестков контакта раскрыто до

.
Рисунок 32. Макетная плавкая вставка для проверки
температуры перегрева
8.3.4. Метод испытания
Температуру перегрева основания плавкого предохранителя и потери мощности плавкой вставки измеряют после протекания номинального тока в течение 1 ч.
8.3.4.1. Измерение температуры перегрева держателя плавкого предохранителя
Испытание проводят на переменном токе, применяя макетную плавкую вставку, приведенную на
рисунке 29, потери мощности которой соответствуют типоразмеру основания плавкого предохранителя, указанному в таблице FF.
Типоразмер держателя плавкого предохранителя | Минимальный номинальный ток плавкой вставки, А | Потеря мощности макетной плавкой вставки, Вт - 5% |
I | 16 | 2,2 |
II | 20 | 2,5 |
III | 32 | 3,2 |
IV | 50 | 5,0 |
Оболочка макетной плавкой вставки изготовлена из изоляционного материала, полностью закрыта и окрашена в матовый черный цвет.
Наполняющим оболочку материалом является кварцевый песок с однородными частицами размером 180 - 350 мкм.
Нагревающим элементом является провод из константанового сплава (54% железа, 45% никеля, 1% марганца с удельным электрическим сопротивлением

), длиной 30 мм и диаметром, соответствующим указанному в таблице GG. Провод припаивают к двум штырьковым выводам контактов, находящимся внутри паза, предусмотренного для этого (см.
рисунок 32).
Типоразмер основания плавкого предохранителя | Размер провода | Размер контактного штырька |
диаметр | a | b | c |
I | 0,9 | 11,0 | 9,5 | 0,9 |
II | 1,1 | 11,8 | 9,1 | 1,1 |
III | 1,5 | 10,7 | 9,6 | 1,5 |
IV | 2,2 | 14,3 | 7,9 | 2,2 |
Размер b штырьковых выводов контактов варьируется, чтобы регулировать необходимую свободную длину a константанового провода. Штырьковые выводы изготовлены из латуни, содержащей 58% меди, 3% свинца, 39% цинка. Штырьковые выводы покрывают слоем серебра толщиной не менее 10 мкм, после чего полируют.
Нагревающий элемент размещают на расстоянии 20 мм над основанием оболочки, температура которой должна быть не более 120 К при номинальном токе.
Точки, между которыми измеряют потери мощности каждой макетной плавкой вставки, отмечены буквой S на
рисунке 32.
Перед каждым испытанием контактные штырьки калибруют по диаметру
8.10. Проверка целостности контактов
В соответствии с 8.10 IEC 60269-1.
8.10.1. Установка плавкого предохранителя
В соответствии с 8.10.1 IEC 60269-1 со следующим дополнением.
8.10.2. Метод испытания
В соответствии с 8.10.2 IEC 60269-1 со следующими дополнениями.
Пункт 8.10.2 IEC 60269-1 после первого абзаца дополнить абзацами: "Испытательным током является ток неплавления.
Продолжительность испытания под нагрузкой и без нагрузки составляет 75% и 25% условного времени, соответственно.
Условное время и ток неплавления указаны в таблице 2 IEC 60269-1 и в таблице II данного раздела. Допускается использовать испытательное напряжение ниже номинального.
Во время испытания без нагрузки образцы охлаждают до температуры ниже 35 °C. Допускается дополнительное охлаждение (например, вентилятором)".
Последнее предложение третьего абзаца изложить в новой редакции:
"Падение напряжения на контактах, измеренное после 50-го и 250-го циклов и, при необходимости, после 500-го и 750-го циклов при постоянном токе

. Однако ток

необходимо выбирать таким, чтобы получить падение напряжения не менее 100 мкВ.
Допустимое отклонение тока

во время измерения не должно быть более +1%. Точки, между которыми измеряют падение напряжения, отмечены буквой S на
рисунке 32. Падение напряжения необходимо пересчитать в сопротивление. Перед измерением образцы следует охладить до комнатной температуры. Если температура во время измерения отличается от 20 °C, то для пересчета сопротивления используют формулу
где

- сопротивление при температуре 20 °C, Ом;

- сопротивление при температуре T, Ом;

- температурный коэффициент".
8.10.3. Требуемые результаты испытания
Не допускается превышать следующий предел:
После 750 циклов не допускается превышать следующий предел:
В качестве альтернативы измеренную температуру можно использовать для проверки. В качестве точек измерения выбирают выводы основания плавкого предохранителя. В этом случае не допускается превышать следующие пределы:
- после 250 циклов испытания температура перегрева не должна превышать начальную более чем на 15 K;
- после 750 циклов испытания температура перегрева не должна превышать начальную более чем на 20 K".
РАЗДЕЛ IV. ЦИЛИНДРИЧЕСКИЕ ПЛАВКИЕ ВСТАВКИ
ДЛЯ ПРИМЕНЕНИЯ В ПРЕДОХРАНИТЕЛЯХ ШТЕПСЕЛЬНОГО
ТИПА (ПРОБКАХ)
В данном разделе установлены специальные требования к плавким вставкам типа gG для применения, в основном, в предохранителях штепсельного типа (пробках). Размеры плавких вставок приведены на рисунке 33.
Максимальный диаметр патрона d должен быть менее диаметра колпачков D.
Рисунок 33. Размеры цилиндрических плавких вставок
(используемых в основном в электрических пробках)
5. ХАРАКТЕРИСТИКИ ПЛАВКИХ ПРЕДОХРАНИТЕЛЕЙ
5.2. Номинальное напряжение
Номинальным является переменное напряжение 240 В.
5.3.1. Номинальный ток плавкой вставки
Для соответствующей защиты гибких проводников предпочтительными номинальными значениями токов являются 3 и 13 А. Допускаются другие значения, которые должны быть менее 13 А и выбираться из рядов R10 и R20.
5.5. Номинальные потери мощности плавкой вставки и рассеиваемая мощность держателя плавкого предохранителя
Для обеспечения поддержания пробки в приемлемых пределах температуры перегрева номинальные потери мощности плавких вставок не должны превышать 1 Вт при прохождении номинального тока в заданных условиях испытания.
5.6.1. Времятоковые характеристики, времятоковые зоны и перегрузочные характеристики
Времятоковые зоны приведены на рисунке 34.
Рисунок 34. Времятоковые зоны для плавких вставок типа gG
5.6.2. Условные время и токи
Условные время и токи приведены в таблице II.
Таблица II
Условные время и токи
Номинальный ток плавкой вставки  , А | Условное время, ч | Условные токи |
| |
13 | 0,5 | | |
5.6.3. Разбросы
Разбросы для заданного преддугового времени плавких вставок типа gG для пробок приведены в таблице III.
Таблица III
Разбросы для заданного преддугового времени плавких
вставок типа gG для пробок
В амперах
|  (10 с) |  (5 с) |  (0,1 с) |  (0,1 с) |
3 | 5,5 | 9,5 | 6 | 19 |
13 | 30,0 | 55,0 | 60 | 140 |
7. СТАНДАРТНЫЕ ТРЕБОВАНИЯ К КОНСТРУКЦИИ
7.7. Характеристики

7.7.1. Значения преддугового

Значения преддугового

для плавких вставок на номинальные токи 3 и 13 А должны находиться в пределах, приведенных в таблице VI.
Таблица VI
Значения преддугового

за 0,01 с для плавких
вставок типа gG
 , А | | |
3 | 2 | 19 |
13 | 250 | 850 |
8.1.4. Установка плавкой вставки
Для всех электрических испытаний плавкие вставки следует монтировать в испытательные основания плавких предохранителей, соответствующие
рисунку 35, с вертикальным расположением оси плавкой вставки.
Контактная сборка
1 - свободный ход (см. примеч. 2); 2 - стержень вывода M3 x 25; 3 - воздушный зазор не менее 2,5 мм; 4 - изоляционный материал; 5 - гнездо для кабеля сечением 2,5 мм2 для проверки потерь мощности (см. примеч. 4); 6 - клемма для тонкой проволочной перемычки; 7 - коробка (см. примеч. 1); 8 - крышка (см. примеч. 1); 9 - отверстие для заклепки; 10 - отверстие для стержня вывода, M3; 11 - контактная плотность (латунная); 12 - зажим (см. примеч. 4)
Рисунок 35. Испытательное основание плавкого
предохранителя (лист 1)
Примечания
1. Коробка 7 и крышка 8 изготовлены из листовой необработанной латуни толщиной 1,25 мм. Крышка коробки должна закрываться нажимом.
2. Свободный ход и воздушный зазор между изоляцией и коробкой должны допускать самовыравнивание контактов.
3. Для проверки отключающей способности (см.
8.5.1) гнездо для кабеля 5 заменяют медным бруском.
4. Зажим плавкого предохранителя 12 изготовлен из листовой бериллиевой меди толщиной 0,45 мм, прошедшей термообработку (до твердости минимум 170 HV). Основание зажима должно быть плоским и покрыто слоем серебра.
5. Соединения между зажимом 12, контактной плоскостью 11 и штырем вывода должны быть запаяны.
Рисунок 35 (лист 2)
8.1.5. Испытание плавкой вставки
Для проведения полных испытаний следует взять 45 образцов. Если плавкие вставки входят в однородные серии (см. 8.1.5.2 IEC 60269-1), то потребуется 24 образца для испытания на самое низкое значение номинального тока и 21 образец для испытания на любое промежуточное значение номинального тока.
Перечень проводимых в каждом случае испытаний и число плавких вставок приведены в таблице VIIA
Таблица VIIA
Перечень всех испытаний плавких вставок
и число испытуемых плавких вставок
Номер пункта, наименование испытания | Число испытуемых плавких вставок |
Полные испытания при максимальном номинальном токе | 3 | 3 | 3 | 3 | 3 | 3 | 3 | 3 | 3 | 3 | 3 | 3 | 3 | 3 | 3 | 3 |
Испытания при промежуточном номинальном токе | 3 | 3 | 3 | | | | 3 | 3 | 3 | | | | | | 3 | |
Испытания при минимальном номинальном токе в серии | 3 | 3 | 3 | | | | 3 | 3 | 3 | | 3 | | | | 3 | |
8.3. Проверка температуры перегрева и потерь мощности | x | | | | | | | | | | | | | | | |
8.4.3.3.1. Условные токи: | | | | | | | | | | | | | | | | |
a) неплавления | | | x | | | | | | | | | | | | | |
b) плавления | | x | x | | | | | | | | | | | | | |
8.4.3.3.2. Времятоковые зоны <*>: | | | | | | | | | | | | | | | | |
a), c) | | | | x | x | | | | | | | | | | | |
b), d) | | | | | | | | | | | | | | x | x | |
8.4.3.4. Перегрузка | x | | | | | | | | | | | | | | | |
8.5. Отключающая способность: | | | | | | | | | | | | | | | | |
N 5 | | | | | | | x | | | | | | | | | |
N 4 | | | | | | | | x | | | | | | | | |
N 3 | | | | | | | | | x | | | | | | | |
N 2 | | | | | | | | | | x | | | | | | |
N 1 | | | | | | | | | | | x | | | | | |
| | | | | | | | | | | | | | | | |
a) | | | | | | x | | | | | | | | | | |
b) | | | | | | | | | | | | | x | | | |
8.11.1. Механическая прочность | | | | | | | | | | | | | | | | x |
<*> Эти испытания обязательны для плавких вставок на номинальные токи 3 и 13А, каким бы ни был диапазон, предложенный изготовителем. |
Необходимо измерить первоначальную холодостойкость соответствующего количества образцов при прохождении тока, не превышающего 10% номинального тока. Затем их следует рассортировать и пронумеровать последовательно в порядке снижения устойчивости к холоду. На основе этой нумерации определяют, какие образцы следует использовать при различных испытаниях, указанных в
таблице VIIA.
Примечания
1. Если это испытание необходимо повторить по какой-либо причине, кроме отказа плавкой вставки, то для повторных испытаний следует использовать запасные плавкие вставки, имеющие приблизительно то же самое первоначальное сопротивление, что и первоначальные образцы.
2. Следует отметить, что размер песчинок может варьироваться между различными номинальными токами одной однородной серии плавких вставок.
8.2.5. Требуемые результаты испытания
Образцы должны удовлетворять всем требованиям.
8.3. Проверка температуры перегрева и потерь мощности
8.3.1. Установка плавкого предохранителя
Монтаж основания плавкого предохранителя (см.
8.1.4) должен быть выполнен с помощью одножильных медных кабелей с поливинилхлоридной или аналогичной изоляцией длиной (0,30 +/- 0,05) м и поперечным сечением 2,5 мм2. Окружающее пространство должно быть защищено от воздушных потоков, а температура окружающего воздуха, измеренная соответствующей термопарой или термометром на расстоянии от 1 до 2 м по горизонтали от плавкой вставки, должна быть от 15 °C до 35 °C.
Для испытания отбирают три плавкие вставки в соответствии с
таблицей VIIA. После непрерывного прохождения номинального тока в течение 1 ч крышку испытуемого основания снимают. Затем измеряют падение напряжения в милливольтах между торцевыми поверхностями колпачков плавких вставок во время протекания номинального тока. Испытание рекомендуется проводить на постоянном токе, но если используют переменный ток, следует принимать меры предосторожности во избежание ошибок, вызванных, например, искаженной формой волны.
8.3.5. Требуемые результаты испытания
Произведение падения напряжения в милливольтах на номинальный ток не должно превышать 1 Вт при любом значении номинального тока.
8.4. Проверка срабатывания
8.4.1. Установка плавкого предохранителя
В соответствии с
8.3.1 данного раздела.
Испытание следует проводить на переменном токе, в основном синусоидальной формы.
8.4.3.1. Проверка условного тока неплавления и плавления
Шесть плавких вставок, отобранных в соответствии с
таблицей VIIA, должны проводить условный ток неплавления

за условное время 30 мин и в течение этого времени не должны срабатывать.
Три плавкие вставки, отобранные в соответствии с
таблицей VIIA, должны проводить условный ток плавления

. Они должны удовлетворительно срабатывать за условное время 30 мин. Зарегистрированное время срабатывания можно использовать для проверки времятоковых характеристик.
8.4.3.2. Проверка номинального тока плавких вставок типа gG
Во время испытания следует поддерживать ток с точностью +/- 2,5% регулируемого значения.
Три плавкие вставки из числа используемых для проверки потерь мощности по
8.3 охлаждают до температуры, приблизительно равной комнатной, подвергают 100 циклам нагрузки током

в течение 1 ч, после чего нагрузку отключают на 15 мин. Это испытание следует проводить непрерывно. Допускается не более одного перерыва в случае необходимости.
Затем через плавкую вставку пропускают ток

в течение 1 ч.
В конце испытания следует снова измерить падение напряжения в милливольтах, как в
8.3.4, и полученное значение не должно превышать первоначальное более чем на 10%, а маркировка плавкой вставки должна быть разборчивой.
8.5. Проверка отключающей способности
8.5.1. Установка плавкого предохранителя
Плавкие вставки следует закрепить в закрытом основании плавкого предохранителя, приведенном на
рисунке 35. Однако гнезда для пайки кабелей, показанные на
рисунке 35, следует удалить и основание плавкого предохранителя прикрепить болтами непосредственно к двум медным брускам поперечным сечением около 25 x 3 мм каждый с помощью испытательных выводов.
Бруски должны содержать наряду с монтажными массивные выводы, чтобы основание плавкого предохранителя можно было во время калибровочного испытания закорачивать с помощью медной перемычки с незначительным сопротивлением.
Типичный монтаж для соединений испытательной схемы приведен на
рисунке 36. Металлический кожух испытательного основания плавкого предохранителя следует подсоединить к одному полюсу источника питания посредством плавкого предохранителя, представляющего собой тонкую медную проволоку (FW) диаметром не более 0,1 мм и длиной не менее 75 мм.
A - удаляемая перемычка, используемая при калибровке; C - устройство для замыкания схемы; D - прерыватель цепи или другой прибор для защиты источника питания; F - испытуемый плавкий предохранитель; FW - плавкий предохранитель из тонкого провода; L - регулируемая катушка индуктивности;

- измерительная цепь для регистрации тока;

- измерительная цепь для регистрации напряжения во время испытания;

- измерительная цепь для регистрации напряжения во время калибровки; R - регулируемый резистор; S - источник питания
Рисунок 36. Типовая схема, используемая для испытаний
на отключающую способность
8.5.2. Характеристика испытательной схемы
Согласно 8.5.2 IEC 60269-1 с заменой таблицы 12A на таблицу XIIA
Таблица XIIA
Значения параметров для испытаний
на отключающую способность
Номер испытания на отключающую способность | 1 | 2 | 3 | 4 | 5 |
Ожидаемый ток | 6000 А | В зависимости от номинального тока <*> | | | |
Допуск на испытательный ток | | +/- 10% |
Коэффициент мощности | | Не установлен (см. 8.5.4) |
Угол после нулевого напряжения | 70° +/- 10° | | Не установлен |
Возвращающееся напряжение промышленной частоты (действующее значение) |  номинального напряжения <**> |
<*> См. таблицу B IEC 60269-3. |
<**> По согласованию с изготовителем допуск может быть увеличен. |
8.5.4. Калибровка испытательной схемы
Необходимо определить коэффициент мощности, как установлено в Приложении A IEC 60269-1, предпочтительно по методу 1.
Предельных значений тока при испытаниях N 2 - N 5 (см.
таблицу XIIA) достигают путем регулировки только последовательного сопротивления; дроссель с воздушным сердечником выбирают, как для испытания N 1.
8.5.8. Требуемые результаты испытания
Плавкие вставки должны срабатывать без внешних и внутренних повреждений, превышающих указанные ниже.
Результаты испытания - по IEC 60269-1 со следующими дополнениями: не должно быть ни постоянной дуги и выбросов пламени, ни перекрытий, которые могут вызвать расплавление плавкого предохранителя из тонкой проволоки (FW).
8.7. Проверка характеристик

и избирательности по сверхтокам
Испытанию подвергают шесть плавких вставок.
8.7.2. Каждый из трех образцов следует подвергнуть воздействию импульса 0,01 с, соответствующего величине

из
таблицы VI.
Ни одна плавкая вставка не должна сработать.
8.10. Проверка целостности контактов
Плавкие вставки, изготовленные в соответствии с требованиями настоящего стандарта, предназначены для монтажа непосредственно в пробках, а не в обычных основаниях плавких предохранителей. Соответствующие испытания на контактах в пробках проводит изготовитель.
Следовательно, не требуется никакого испытания целостности контактов на соответствие требованиям настоящего стандарта.
8.11.1. Механическая прочность
Три плавкие вставки, отобранные по
таблице VIIA, следует испытать в опрокидывающемся барабане по IEC 60068-2-32, при этом основания барабана должны быть выполнены из досок древесины твердых пород (граба) толщиной 20 мм; высота падения - 350 мм.
В качестве альтернативы с согласия изготовителя можно использовать опрокидывающийся барабан со стальным основанием, который обеспечивает большую высоту падения (например, используемый для испытания пробок).
Каждую плавкую вставку испытывают отдельно. Барабан вращают, перевертывая пять раз в минуту, и плавкую вставку подвергают 50 падениям, т.е. совершают 25 переворотов барабана.
После испытания не должен сломаться корпус плавкой вставки, не должно высыпаться наполнение, а колпачки не должны сниматься при опробовании их вручную.
(справочное)
СВЕДЕНИЯ О СООТВЕТСТВИИ МЕЖГОСУДАРСТВЕННЫХ СТАНДАРТОВ
ССЫЛОЧНЫМ МЕЖДУНАРОДНЫМ СТАНДАРТАМ
Таблица ДА.1
Обозначение и наименование ссылочного международного стандарта | Степень соответствия | Обозначение и наименование межгосударственного стандарта |
ISO 2039-2:1987 Пластмассы. Определение твердости. Часть 2. Твердость по Роквеллу | | ГОСТ 24622-91 Пластмассы. Определение твердости. Твердость по Роквеллу |
IEC 60068-2-32:1975 Испытания на воздействия внешних факторов. Часть 2. Испытания. Испытание Ed: Свободное падение | | ГОСТ 28218 Испытания на воздействия внешних факторов. Часть 2. Испытания. Испытание Ed. Свободное падение |
IEC 60529:1989 Степени защиты, обеспечиваемые оболочками (код IP) | | |
IEC 60269-1:1998 Предохранители плавкие низковольтные. Часть 1. Общие требования | - | |
IEC 60269-3:1987 Предохранители плавкие низковольтные. Часть 3. Дополнительные требования к плавким предохранителям бытового и аналогичного назначения | - | |
IEC 60898:1995 Аппаратура электрическая малогабаритная. Автоматические выключатели для защиты от сверхтоков бытового и аналогичного назначения | - | |
IEC 60664:1980 Координация изоляции в низковольтных системах | - | |
IEC 60999:1990 Электроустановочная аппаратура. Требования по безопасности для зажимов с резьбой и без резьбы для электрических медных проводников | - | |
<*> Соответствующий межгосударственный стандарт отсутствует. До его утверждения рекомендуется использовать перевод на русский язык данного международного стандарта. Перевод данного международного стандарта находится в Федеральном информационном фонде технических регламентов и стандартов. |
|
Примечание. В настоящей таблице использовано следующее условное обозначение степени соответствия стандартов: |
- MOD - модифицированные стандарты. |