Главная // Актуальные документы // ГОСТ (Государственный стандарт)СПРАВКА
Источник публикации
М.: Стандартинформ, 2017
Примечание к документу
Документ, за исключением
п. 8.15, включен в
Перечень международных и региональных (межгосударственных) стандартов, а в случае их отсутствия - национальных (государственных) стандартов, в результате применения которых на добровольной основе обеспечивается соблюдение требований технического
регламента Таможенного союза "О безопасности низковольтного оборудования" (ТР ТС 004/2011) и в
Перечень международных и региональных (межгосударственных) стандартов, а в случае их отсутствия - национальных (государственных) стандартов, содержащих правила и методы исследований (испытаний) и измерений, в том числе правила отбора образцов, необходимые для применения и исполнения требований технического
регламента Таможенного союза "О безопасности низковольтного оборудования" (ТР ТС 004/2011) и осуществления оценки соответствия объектов технического регулирования (
Решение Коллегии Евразийской экономической комиссии от 11.05.2023 N 55).
Текст данного документа приведен с учетом
поправки, опубликованной в "ИУС", N 4, 2020.
Документ
введен в действие с 01.07.2018.
Название документа
"ГОСТ IEC 62606-2016. Межгосударственный стандарт. Устройства защиты бытового и аналогичного назначения при дуговом пробое. Общие требования"
(введен в действие Приказом Росстандарта от 23.05.2017 N 413-ст)
"ГОСТ IEC 62606-2016. Межгосударственный стандарт. Устройства защиты бытового и аналогичного назначения при дуговом пробое. Общие требования"
(введен в действие Приказом Росстандарта от 23.05.2017 N 413-ст)
агентства по техническому
регулированию и метрологии
от 23 мая 2017 г. N 413-ст
МЕЖГОСУДАРСТВЕННЫЙ СТАНДАРТ
УСТРОЙСТВА ЗАЩИТЫ БЫТОВОГО И АНАЛОГИЧНОГО НАЗНАЧЕНИЯ
ПРИ ДУГОВОМ ПРОБОЕ
ОБЩИЕ ТРЕБОВАНИЯ
Arc fault detection devices for household and similar use.
General requirements
(IEC 62606:2013,
General requirements for arc fault detection devices, IDT)
ГОСТ IEC 62606-2016
Дата введения
1 июля 2018 года
Цели, основные принципы и основной порядок проведения работ по межгосударственной стандартизации установлены в
ГОСТ 1.0-2015 "Межгосударственная система стандартизации. Основные положения" и
ГОСТ 1.2-2015 "Межгосударственная система стандартизации. Стандарты межгосударственные, правила и рекомендации по межгосударственной стандартизации. Правила разработки, принятия, обновления и отмены"
1 ПОДГОТОВЛЕН Автономной некоммерческой организацией "Научно-технический центр "Энергия" (АНО "НТЦ "Энергия") на основе собственного перевода на русский язык англоязычной версии международного стандарта, указанного в
пункте 5
2 ВНЕСЕН Федеральным агентством по техническому регулированию и метрологии
3 ПРИНЯТ Межгосударственным советом по стандартизации, метрологии и сертификации (протокол от 25 октября 2016 г. N 92-П)
За принятие проголосовали:
Краткое наименование страны по МК (ИСО 3166) 004-97 | Код страны по МК (ИСО 3166) 004-97 | Сокращенное наименование национального органа по стандартизации |
Беларусь | BY | Госстандарт Республики Беларусь |
Грузия | GE | Грузстандарт |
Казахстан | KZ | Госстандарт Республики Казахстан |
Киргизия | KG | Кыргызстандарт |
Россия | RU | Росстандарт |
Таджикистан | TJ | Таджикстандарт |
Узбекистан | UZ | Узстандарт |
4
Приказом Федерального агентства по техническому регулированию и метрологии от 23 мая 2017 г. N 413-ст межгосударственный стандарт ГОСТ IEC 62606-2016 введен в действие в качестве национального стандарта Российской Федерации с 1 июля 2018 г.
5 Настоящий стандарт идентичен международному стандарту IEC 62606:2013 "Устройства обнаружения короткого замыкания через дугу. Общие требования" ("General requirements for arc fault detection devices", IDT).
Международный стандарт IEC 62606:2013 разработан Международным техническим подкомитетом 23E "Автоматические выключатели и аналогичное оборудование для бытового применения" Технического комитета IEC 23 "Электрическое вспомогательное оборудование" Международной электротехнической комиссии (IEC).
Наименование настоящего стандарта изменено относительно наименования указанного международного стандарта для приведения в соответствие с ГОСТ 1.5
(подраздел 3.6).
При применении настоящего стандарта рекомендуется использовать вместо ссылочных международных стандартов соответствующие им межгосударственные стандарты, сведения о которых приведены в дополнительном
приложении ДА
6 Настоящий межгосударственный стандарт взаимосвязан с Техническим регламентом Таможенного союза
ТР ТС N 004/2011 "О безопасности низковольтного оборудования", принятым Комиссией Таможенного союза 16 августа 2011 г., и реализует его существенные требования безопасности.
Соответствие взаимосвязанному межгосударственному стандарту обеспечивает выполнение существенных требований безопасности технического регламента
7 ВВЕДЕН ВПЕРВЫЕ
Информация об изменениях к настоящему стандарту публикуется в ежегодном информационном указателе "Национальные стандарты", а текст изменений и поправок - в ежемесячном информационном указателе "Национальные стандарты". В случае пересмотра (замены) или отмены настоящего стандарта соответствующее уведомление будет опубликовано в ежемесячном информационном указателе "Национальные стандарты". Соответствующая информация, уведомление и тексты размещаются также в информационной системе общего пользования - на официальном сайте Федерального агентства по техническому регулированию и метрологии в сети Интернет (www.gost.ru)
Цель настоящего стандарта - установление необходимых требований и процедур испытаний для устройств, устанавливаемых квалифицированным персоналом в местах бытового и аналогичного назначения, предназначенных для снижения опасности электрического возгорания после устройства.
Устройства дифференциального тока (УДТ) признаны эффективными для снижения опасности пожара путем обнаружения тока утечки и дугового замыкания на землю как следствия токов поверхностного разряда внутри электроустановки. Однако УДТ, а также предохранители и автоматические выключатели, не в состоянии снизить риск электрического возгорания вследствие последовательной или параллельной дуги между токоведущими проводниками.
Во время последовательного дугового замыкания отсутствует утечка на землю, поэтому УДТ не способно обнаружить такое замыкание. Кроме того, полное сопротивление последовательного дугового замыкания снижает ток нагрузки, что удерживает ток ниже порогового уровня расцепления автоматического выключателя и предохранителя. В случае параллельной дуги между фазой и проводником нейтрали ток лишь ограничивается полным сопротивлением электроустановки. В худшем случае для возникающих единичных дуг автоматические выключатели не разработаны.
Исходя из опыта и доступной информации, следует, что действующее значение тока замыкания на землю, вызванного дуговым замыканием, способным вызвать пожар, не ограничивается до номинальной частоты источника питания 50/60 Гц, а может содержать частоту более высокого спектра, которая не учитывается при испытании УДТ.
Было установлено, что опасность возгорания внутри электроустановки может быть также следствием перенапряжения в результате обрыва нейтрали в трехфазной системе электроустановки.
Настоящий стандарт охватывает устройства, предназначенные для монтажа в распределительном щите у основания одной или нескольких концевых цепей стационарной электроустановки.
Настоящий стандарт распространяется на защитные устройства обнаружения дугового пробоя (УЗДП) бытового и аналогичного назначения, применяемые в цепях переменного тока.
Примечание 1 - В США выключатели дугового пробоя (ВДП) считают аналогичными УЗДП.
УЗДП разработаны изготовителем в качестве:
- либо единого устройства, имеющего размыкающее устройство для отключения защищаемой цепи в заданных условиях, или
- единого устройства, включающего в свой состав защитное устройство, или
- отдельного устройства согласно
приложению D, монтируемого на месте установки с указанным защитным устройством.
Встроенное защитное устройство является либо автоматическим выключателем по IEC 60898-1 или УДТ по IEC 61008-1, IEC 61009-1 или IEC 62423.
Эти устройства предназначены для снижения риска возгорания в концевых цепях стационарной электроустановки под воздействием токов дугового замыкания, которые в определенных условиях длительной дуги могут привести к пожару.
Вопрос о включении защиты от опасности возгорания внутри электроустановки вследствие перенапряжения в результате обрыва нейтрали в трехфазной системе электроустановки в оборудование такого типа в качестве дополнительной опции по
9.22 - в стадии рассмотрения.
Примечание 2 - Ток поверхностного разряда ведет к образованию дуги и поэтому может вызвать возгорание.
Настоящий стандарт распространяется на устройства, которые одновременно выполняют обнаружение и ограничение тока дуги для предупреждения опасности пожара, и определяет рабочие критерии размыкания цепи в заданных условиях, если ток дуги превышает предельные значения, указанные в настоящем стандарте.
УЗДП, соответствующие настоящему стандарту, за исключением устройств с некоммутируемой нейтралью, пригодны для применения в системах IT.
Максимальное номинальное напряжение составляет 240 В переменного тока. Подвод питания к УЗДП по данному стандарту осуществляется либо между фазой и нейтралью, либо между двумя фазами.
Максимальный номинальный переменный ток (In) составляет 63 А.
УЗДП с питанием от батарей или от цепи, кроме защищаемой, не подпадают под действие настоящего стандарта.
УЗДП обеспечивают разъединение, они предназначены для эксплуатации неквалифицированным персоналом и не требуют обслуживания.
Дополнительные требования могут быть необходимы для:
- УЗДП, встроенных или предназначенных для объединения с вилками или штепсельными розетками или приборными соединителями бытового или аналогичного общего назначения;
- УЗДП, предназначенных для применения при частотах, кроме 50 или 60 Гц.
Примечание 3 - Для встроенных УЗДП или предназначенных только для штепсельных розеток требования настоящего стандарта пригодны по мере их применимости в сочетании с требованиями IEC 60884-1 или требованиями национальных стандартов той страны, на рынке которой эти изделия размещены.
Примечание 4 - В Великобритании вилочная и розеточная части не нуждаются в соответствии требованиям IEC 60884-1, там вилочная часть должна соответствовать требованиям BS 1363-1, а розеточная - BS 1363-2.
Могут потребоваться специальные меры (например, УЗИП) при вероятности высоких перенапряжений со стороны питания.
Примечание 5 - Требования данного стандарта касаются стандартных условий температуры и окружающей среды. Они пригодны для УЗДП, предназначенных для применения в среде со степенью загрязнения 2. Для устройств, применяемых в местах с более жесткими условиями окружающей среды, могут потребоваться дополнительные требования.
Для применения настоящего стандарта необходимы следующие ссылочные документы. Для датированных ссылок применяют только указанное издание ссылочного документа, для недатированных ссылок применяют последнее издание ссылочного документа (включая все его изменения).
IEC 60068-2-30:2005, Environmental testing - Part 2-30: Tests - Test Db: Damp heat, cyclic (12 + 12h cycle) (Испытания на воздействия внешних факторов. Часть 2. Испытания. Испытание Db и руководство: Влажное тепло, циклическое (12 + 12-часовой цикл))
IEC 60068-3-4:2001, Environmental testing - Part 3-4: Supporting documentation and guidance - Damp heat tests (Испытания на воздействие внешних факторов. Часть 3-4. Сопроводительная документация и руководство. Испытания влажным теплом)
IEC 60364 (all parts), Low-voltage electrical installations (Электрические установки низкого напряжения)
IEC 60364-4-44:2007
<1>, Low-voltage electrical installations - Part 4-44: Protection for safety - Protection against voltage disturbances and electromagnetic disturbances (Электрические установки низкого напряжения. Часть 4-44. Защита для обеспечения безопасности. Защита от резких отклонений напряжения и электромагнитных возмущений)
--------------------------------
<1> Действует IEC 60364-4-44:2015. Однако, для однозначного соблюдения требования настоящего стандарта, выраженного в датированной ссылке, рекомендуется использовать только указанное в этой ссылке издание.
IEC 60417, Graphical symbols for use on equipment, available from (Графические обозначения, применяемые на оборудовании)
IEC 60479 (все части), Effects of current on human beings and livestock (Воздействия тока на людей и домашний скот)
IEC 60529, Degrees of protection provided by enclosures (IP Code) (Степени защиты, обеспечиваемые корпусами (код IP))
IEC 60664-1:2007, Insulation coordination for equipment within low-voltage systems - Part 1: Principles, requirements and tests (Координация изоляции для оборудования в низковольтных системах. Часть 1. Принципы, требования и испытания)
IEC 60695-2-10:2000
<2>, Fire hazard testing - Part 2-10: Glowing/hot-wire based test methods - Glow-wire apparatus and common test procedure (Испытание на пожарную опасность. Часть 2-10. Методы испытания с применением накаленной/нагретой проволоки. Аппаратура и общие положения методики испытания накаленной проволокой)
--------------------------------
<2> Действует IEC 60695-2-10:2013. Однако, для однозначного соблюдения требования настоящего стандарта, выраженного в датированной ссылке, рекомендуется использовать только указанное в этой ссылке издание.
IEC/TR 60755, General requirements for residual current operated protective devices (Устройства защитные, работающие по принципу остаточного тока. Общие требования)
IEC 60898-1:2002
<1>, Electrical accessories - Circuit-breakers for overcurrent protection for household and similar installations - Part 1: Circuit-breakers for a.c. operation (Арматура электрическая. Выключатели для максимальной токовой защиты приборов бытового и аналогичного назначения. Часть 1. Выключатели для работы на переменном токе)
IEC 61008-1:2010
<2>, Residual current operated circuit-breakers without integral overcurrent protection for household and similar uses (RCCBs) - Part 1: General rules (Выключатели автоматические, работающие на остаточном токе, без встроенной максимальной токовой защиты бытовые и аналогичного назначения. Часть 1. Общие правила)
IEC 61009-1:2010
<3>, Residual current operated circuit-breakers with integral overcurrent protection for household and similar uses (RCBOs) - Part 1: General rules (Выключатели автоматические, работающие на остаточном токе, со встроенной максимальной токовой защитой бытовые и аналогичного назначения. Часть 1. Общие правила)
--------------------------------
<1> Действует IEC 60898-1:2015. Однако, для однозначного соблюдения требования настоящего стандарта, выраженного в датированной ссылке, рекомендуется использовать только указанное в этой ссылке издание.
<2> Действует IEC 61008-1:2013. Однако, для однозначного соблюдения требования настоящего стандарта, выраженного в датированной ссылке, рекомендуется использовать только указанное в этой ссылке издание.
<3> Действует IEC 61009-1:2013. Однако, для однозначного соблюдения требования настоящего стандарта, выраженного в датированной ссылке, рекомендуется использовать только указанное в этой ссылке издание.
IEC 61543:1995, Residual current-operated protective devices (RCDs) for household and similar use - Electromagnetic compatibility, Amendment 1:2004, Amendment 2:2005 (Устройства защиты от токов замыкания на землю в бытовых и аналогичных условиях. Электромагнитная совместимость. Изменение 1. Изменение 2)
IEC 62423, Type F and type B residual current operated circuit-breakers with and without integral overcurrent protection for household and similar uses (Прерыватели цепи, управляемые остаточным током типов F и B, со встроенной защитой от токов перегрузки и без нее для бытового и аналогичного применения (тип B RCCB и тип B RCBO))
CISPR 14-1:2009
<4>, Electromagnetic compatibility - Requirements for household appliances, electric tools and similar apparatus - Part 1: Emission (Электромагнитная совместимость. Требования к бытовым электроприборам, электроинструментам и аналогичной электроаппаратуре. Часть 1. Эмиссия)
--------------------------------
<4> Действует CISPR 14-1:2016. Однако, для однозначного соблюдения требования настоящего стандарта, выраженного в датированной ссылке, рекомендуется использовать только указанное в этой ссылке издание.
В настоящем стандарте применены термины по IEC/TR 60755, IEC 60898-1, IEC 61008-1, IEC 61009-1, IEC 62423, а также следующие термины с соответствующими определениями.
Примечание - Для терминов "ток" и "напряжение" применяют их действующие значения, если не установлено иное.
3.1 дуга (горение дуги) (arc (arcing)): Светящийся разряд электричества через изолирующую среду, обычно сопровождающийся частичным сгоранием электродов.
Примечание 1 - Полупериод полной синусоиды тока не считают полупериодом дуги.
3.2 дуговой пробой (дуговое замыкание) (arc fault (arcing fault)): Опасная непреднамеренная параллельная или последовательная дуга между проводниками.
3.3 устройство защиты при дуговом пробое; (УЗДП) (arc fault detection device (AFDD)): Устройство, предназначенное для снижения эффектов дугового пробоя путем разъединения цепи при обнаружении дугового пробоя.
3.4 блок обнаружения дугового пробоя; (БОДП) (arc fault detection unit (AFD unit)): Часть УЗДП, обеспечивающая функцию обнаружения и ограничения опасного параллельного и последовательного дугового пробоя на землю и инициирующая срабатывание устройства, вызывающего отключение тока.
Примечание - Отключение тока может обеспечиваться как размыкающим устройством (см.
4.1.1), так и защитным устройством в составе блока обнаружения (см.
4.1.2) либо защитным устройством, смонтированным с блоком обнаружения (см.
4.1.3).
3.5 обнаружение (detection): Функция, состоящая в чувствительности к присутствию тока дугового пробоя.
3.6 прерывание (interruption): Функция, состоящая в автоматическом переводе главных контактов УЗДП из замкнутого положения в разомкнутое с прерыванием тока дугового пробоя, протекающего через них.
3.7
дуговой пробой (замыкание) на землю (earth arc fault): Дуговой пробой, при котором ток протекает от активного проводника в землю.
Примечание 1 - В некоторых электроустановках ток дугового пробоя на землю имеет значение, близкое току параллельного дугового пробоя (например, в установках TN).
3.8
параллельный дуговой пробой (parallel arc fault): Дуговой пробой, при котором ток протекает между активными проводниками, параллельно нагрузке цепи.
3.9
последовательный дуговой пробой (series arc fault): Дуговой пробой, при котором ток протекает через нагрузку (нагрузки) концевой цепи, защищаемой УЗДП.
3.10 включенное положение (closed position): Положение, в котором сохраняется предусмотренная непрерывность главной цепи УЗДП.
3.11 отключенное положение (opened position): Положение, в котором сохраняется предусмотренный воздушный зазор между разомкнутыми контактами главной цепи УЗДП.
3.12 полюс (pole): Часть УЗДП, связанная исключительно с одним электрически отделенным проводящим путем его главной цепи, снабженным контактами, предназначенными для замыкания и размыкания главной цепи, исключая части, предусмотренные для совместного монтажа и управления полюсами.
3.13 полюс, коммутирующий нейтраль (switched neutral pole): Полюс, предназначенный исключительно для коммутации нейтрали и не предусматривающий отключающей способности при коротком замыкании.
3.14
разъединение (функция разъединения) (isolation (isolating function)): Функция, направленная на отключение питания всей установки или ее отдельной части путем отсоединения этой установки или ее части от любого источника электрической энергии по соображениям безопасности. [IEC 60947-1:2007] |
3.15
изолирующий промежуток (isolating distance): Изоляционный промежуток между разомкнутыми контактами, отвечающий требованиям безопасности, относящимся к разъединению. [IEC 60050-441:1984, модифицирован: термин "разъединитель" заменен термином "разъединение"] |
3.16 включающая способность (making capacity): Значение переменной составляющей ожидаемого тока, который УЗДП способно включить при указанном напряжении в заданных условиях эксплуатации и поведения.
3.17 отключающая способность (breaking capacity): Значение переменной составляющей ожидаемого тока, который УЗДП способно отключить при указанном напряжении в заданных условиях эксплуатации и поведения.
3.18 условный ток короткого замыкания (Inc) (conditional short-circuit current (Inc)): Значение переменной составляющей ожидаемого тока, который УЗДП, защищенное подходящим УЗКЗ, включенным последовательно, может выдержать в заданных условиях эксплуатации и поведения.
3.19 ожидаемый ток (prospective current): Ток, который протекал бы в цепи, если каждый главный путь тока УЗДП заменить проводником с незначительным полным сопротивлением.
Примечание - Ожидаемый ток может быть квалифицирован как фактический ток, например, ожидаемый отключающий ток, ожидаемый пиковый ток и т.д.
3.20 максимальный ожидаемый пиковый ток (в цепи переменного тока) (maximum prospective peak current (of an a.c. circuit)): Ожидаемый пиковый ток, когда включение тока происходит в момент его возможно наиболее высокого значения.
3.21 наибольшая (включающая и отключающая) способность (short-circuit (making and breaking) capacity): Переменная составляющая ожидаемого тока, выраженного его действующим значением, который УЗДП рассчитано включать, проводить в течение своего времени размыкания и отключать в заданных условиях.
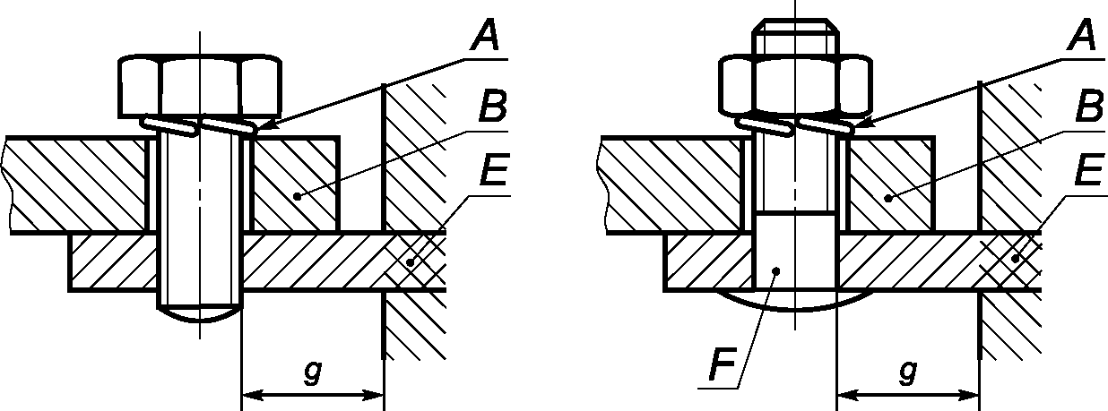
3.22 самонарезающий формующий винт (thread forming tapping screw): Самонарезающий винт с прерывистой резьбой.
Примечание 1 - Винт не предназначен для удаления материала из отверстия.
Примечание 2 - Пример самонарезающего формующего винта показан на
рисунке 1.
3.23 самонарезающий режущий винт (thread cutting tapping screw): Самонарезающий винт с непрерывной резьбой.
Примечание 1 - Винт предназначен для удаления материала из отверстия.
Примечание 2 - Пример самонарезающего режущего винта показан на
рисунке 2.
4.1.1 УЗДП в качестве единого устройства, сочетающего БОДП и размыкающее устройство и предназначенного для последовательного соединения с подходящим УЗКЗ, указанным изготовителем и отвечающим одному или нескольким из стандартов: IEC 60898-1, IEC 61009-1 или серии стандартов IEC 60269.
4.1.2 УЗДП в качестве единого устройства, содержащего БОДП, встроенный в защитное устройство, отвечающее одному или нескольким из стандартов: IEC 60898-1, IEC 61008-1, IEC 61009-1 или IEC 62423.
4.1.3 УЗДП согласно
приложению D, состоящее из БОДП и указанного защитного устройства, предназначенное для сборки на месте.
4.2 По способу монтажа и присоединения
УЗДП панельного типа, также классифицируемые как распределительные щиты, могут иметь следующие присоединения:
a) УЗДП, присоединения которых не связаны с механическим монтажом;
b) УЗДП, присоединения которых связаны с механическим монтажом, например:
1) втычного типа;
2) штыревого типа.
Примечание - Некоторые УЗДП втычного или штыревого присоединения только со стороны питания, поэтому выводы нагрузки в них обычно используются для присоединения цепей.
4.3 По числу полюсов и путей тока
- однополюсное УЗДП с двумя путями тока (один полюс и некоммутируемая нейтраль);
- двухполюсное УЗДП.
Примечание 1 - Вопрос о трех- и четырехполюсных УЗДП - в стадии рассмотрения.
Примечание 2 - В Китае некоммутируемая нейтраль в УЗДП не разрешена.
4.4 УЗДП, предоставляющие мониторинговую информацию
Вопрос об УЗДП, предоставляющих мониторинговую информацию, - в стадии рассмотрения.
5.1 Перечень характеристик и условия снижения риска пожара
УЗДП должны обнаруживать:
- дуговой пробой на землю (см.
3.7);
- параллельный дуговой пробой (см.
3.8);
- последовательный дуговой пробой (см.
3.9).
Характеристики УЗДП:
- номинальный ток
In (см.
5.2.2);
- номинальное напряжение
Un (см.
5.2.1);
- номинальная частота (см.
5.2.3);
- номинальная включающая и отключающая способность
Im (см.
5.2.4);
- номинальная включающая и отключающая способность в одном полюсе
Im1 (см.
5.2.5);
- степень защиты (см. IEC 60529);
- номинальный условный ток короткого замыкания
Inc (см.
5.3.6 и
5.5.2);
- номинальный условный ток короткого замыкания в одном полюсе
Inc1 (см.
5.3.6 и
5.5.2);
- способ присоединения (см.
4.2).
5.2 Номинальные величины и другие характеристики
5.2.1 Номинальное напряжение
5.2.1.1 Номинальное рабочее напряжение Un
Номинальное рабочее напряжение (далее - номинальное напряжение) - значение напряжения, установленное для УЗДП изготовителем, с которым соотносят работоспособность УЗДП.
Для одного и того же УЗДП может быть установлено несколько номинальных напряжений.
5.2.1.2 Номинальное напряжение изоляции Ui
Номинальное напряжение изоляции - значение напряжения, установленное для УЗДП изготовителем, с которым соотносят напряжения для испытания электроизоляционных свойств и расстояния утечки.
Если не указано иное, номинальное напряжение изоляции - это значение максимального номинального напряжения УЗДП. Ни в коем случае максимальное номинальное напряжение не должно превышать номинального напряжения изоляции.
5.2.1.3 Номинальное импульсное выдерживаемое напряжение Uimp
Номинальное импульсное выдерживаемое напряжение УЗДП равно или больше стандартных значений номинального импульсного выдерживаемого напряжения по IEC 60664-1:2007 (таблица F.1) и
таблице 4 настоящего стандарта.
Значение тока, указанное изготовителем, который УЗДП может проводить в непрерывном режиме.
5.2.3 Номинальная частота
Номинальной частотой УЗДП является частота источника питания, на которую рассчитано УЗДП и которой соответствуют другие его характеристики.
Для одного и того же УЗДП может быть установлено несколько номинальных частот.
5.2.4 Номинальная включающая и отключающая способность Im
Действующее значение переменной составляющей ожидаемого тока, установленное изготовителем, который УЗДП может включать, проводить и отключать в заданных условиях.
Заданные условия - это те, которые указаны в
9.11.2 для УЗДП, классифицируемых по
4.1.1, и в конкретном стандарте на защитное устройство (например, IEC 60898-1, IEC 61008-1, IEC 61009-1 или IEC 62423) для УЗДП, классифицируемых по
4.1.2 и
4.1.3.
5.2.5 Номинальная включающая и отключающая способность в одном полюсе Im1
Действующее значение переменной составляющей ожидаемого тока, установленное изготовителем, который УЗДП может включать, проводить и отключать одним полюсом в заданных условиях.
5.3 Стандартные и предпочтительные значения
5.3.1 Предпочтительные значения номинального напряжения Un
Предпочтительными значениями номинального напряжения являются:
- 230 В. Если в данном стандарте указано 230 В, его можно читать как 220 В или 240 В соответственно;
- 120 В. Если в данном стандарте указано 120 В, его можно читать как 100 В или 110 В соответственно.
5.3.2 Предпочтительные значения номинального тока In
Предпочтительными значениями номинального тока являются:
- 6; 8; 10; 13; 16; 20; 25; 32; 40; 50; 63 А.
5.3.3 Предпочтительные значения номинальной частоты
Предпочтительными значениями номинальной частоты являются 50 Гц, 60 Гц и 50/60 Гц.
При использовании другого значения, номинальную частоту маркируют на устройстве, и испытания проводят на этой частоте.
5.3.4 Минимальное значение номинальной включающей и отключающей способности Im
Минимальное значение номинальной включающей и отключающей способности Im составляет 10In или 500 А, выбирают большее значение.
Соответствующие коэффициенты мощности приведены в
9.11.2 для УЗДП, классифицируемых по
4.1.1, и в конкретном стандарте на защитное устройство для УЗДП, классифицируемых по
4.1.2 и
4.1.3.
5.3.5 Минимальное значение номинальной включающей и отключающей способности в одном полюсе Im1
Минимальное значение номинальной включающей и отключающей способности в одном полюсе Im1 составляет 10In или 500 А, выбирают большее значение.
Соответствующие коэффициенты мощности приведены в
9.11.2 для УЗДП, классифицируемых по
4.1.1, и в конкретном стандарте на защитное устройство для УЗДП, классифицируемых по
4.1.2 и
4.1.3.
5.3.6 Стандартные и предпочтительные значения номинального условного тока короткого замыкания Inc и стандартные и предпочтительные значения номинального условного тока короткого замыкания в одном полюсе Inc1
5.3.6.1 Общие положения
Стандартные и предпочтительные значения номинального условного тока короткого замыкания Inc и Inc1 установлены следующие:
5.3.6.2 Значения до 10000 А включительно
Стандартные значения номинального условного тока короткого замыкания Inc и Inc1 до 10000 А включительно следующие - 3000; 4500; 6000; 10000 А.
Соответствующие коэффициенты мощности приведены в
9.11.2 для УЗДП, классифицируемых по
4.1.1, и в конкретном стандарте на защитное устройство для УЗДП, классифицируемых по
4.1.2 и
4.1.3.
Примечание - В Корее значения 1000, 1500, 2000, 2500, 7500, 9000 А также считают стандартными.
5.3.6.3 Значения свыше 10000 А
Для значений свыше 10000 А до 25000 А включительно предпочтительное значение 20000 А.
Соответствующие коэффициенты мощности приведены в
9.11.2 для УЗДП, классифицируемых по
4.1.1, и в конкретном стандарте на защитное устройство для УЗДП, классифицируемых по
4.1.2 и
4.1.3.
Значения свыше 25000 А в настоящем стандарте не рассматривают.
5.3.7 Предельные значения критерия срабатывания УЗДП для низких и высоких токов дуги
5.3.7.1 Предельные значения критерия срабатывания УЗДП для низких токов дуги - до 63 А
Если испытательный ток, которому подвергают УЗДП, не соответствует значениям по
таблице 1 или
2, тогда допустимое время отключения определяют методом линейной интерполяции между значениями времени отключения выше и ниже фактического испытательного тока.
Таблица 1
Предельные значения времени отключения для УЗДП
на Un = 230 В
Испытательный ток дуги, А (действительное значение) | 2,5 | 5,0 | 10,0 | 16,0 | 32,0 | 63,0 |
Максимальное время отключения, с | 1,00 | 0,50 | 0,25 | 0,15 | 0,12 | 0,12 |
Примечание - Низкие токи дуги могут возникать вследствие пробоя изоляции между фазой и землей или вследствие последовательной дуги.
Таблица 2
Предельные значения времени отключения для УЗДП
на Un = 120 В
Испытательный ток дуги, А (действительное значение) | 5,0 | 10,0 | 16,0 | 32,0 | 63,0 |
Максимальное время отключения, с | 1,00 | 0,40 | 0,28 | 0,14 | 0,14 |
5.3.7.2 Предельные значения критерия срабатывания УЗДП для высоких токов дуги - свыше 63 А
Таблица 3
Максимально допустимое число полуволн дуги в течение
0,5 с для УЗДП на Un = 230 В и для УЗДП на Un = 120 В
Испытательный ток дуги <a>, А (действительное значение) | 75 | 100 | 150 | 200 | 300 | 500 |
N <b> | 12 | 10 | 8 | 8 | 8 | 8 |
<a> Этот испытательный ток является ожидаемым током до установления дуги в испытательной цепи. <b> N - число полуволн при номинальной частоте. |
Примечание - Высокие токи дуги могут возникать вследствие пробоя изоляции между фазой и землей или вследствие параллельной дуги.
5.4 Стандартное значение номинального импульсного выдерживаемого напряжения Uimp
В таблице 4 приведены стандартные значения номинального импульсного выдерживаемого напряжения как функции паспортного напряжения электроустановки.
Таблица 4
Номинальное импульсное выдерживаемое напряжение в качестве
функции паспортного напряжения электроустановки
Номинальное импульсное выдерживаемое напряжение Uimp, кВ | Паспортное напряжение электроустановки, В |
Трехфазная система | Однофазная система с заземленной средней точкой |
| - | |
| 230/400 | |
<a> Значения 3 и 5 кВ соответственно применяют для проверки изоляционных промежутков через разомкнутые контакты на высоте 2000 м (см. таблицу 16). <b> Из практики электроустановок в Японии. <c> Из практики электроустановок в Северной Америке. |
Примечание 1 - Испытательные напряжения для проверки изоляции см.
таблицу 15.
Примечание 2 - Испытательные напряжения для проверки изоляционных промежутков см.
таблицу 16.
В случае если УЗДП предназначено для присоединения (см.
4.1.1), встраивания (см.
4.1.2) или сборки (см.
4.1.3) с одним или несколькими указанными защитными устройствами, стандартные значения номинального импульсного выдерживаемого напряжения которых более жесткие, чем приведенные в
таблице 4, следует применить стандарт на защитное устройство с более жесткими условиями эксплуатации и монтажа.
5.5 Координация с устройствами защиты от короткого замыкания (УЗКЗ)
УЗДП должно быть защищено от коротких замыканий с помощью автоматических выключателей или плавких предохранителей, отвечающих конкретным стандартам серии IEC 60664 согласно правилам по электроустановкам.
Координацию между УЗДП и УЗКЗ проверяют по общим условиям
9.11 на проверку адекватной защиты УЗДП от токов короткого замыкания вплоть до условного тока короткого замыкания
Inc.
5.5.2 Номинальный условный ток короткого замыкания Inc и номинальный условный ток короткого замыкания в одном полюсе Inc1
Действующее значение ожидаемого тока, указанное изготовителем, который УЗДП, защищенное УЗКЗ, может выдержать в заданных условиях, не претерпевая изменений, ухудшающих его функционирование.
| | ИС МЕГАНОРМ: примечание. В официальном тексте документа, видимо, допущена опечатка: пункт 4.4.1 отсутствует. | |
5.5.3 Рабочие характеристики размыкающих устройств для УЗДП по 4.4.1
5.5.3.1 Общие положения
Размыкающие устройства должны отвечать всем применимым к ним требованиям настоящего стандарта.
Характеристики Im1 и Inc1 применяют только для испытания на одном полюсе.
5.5.3.2 Номинальная включающая и отключающая способность (Im, Im1)
Соответствующие коэффициенты мощности для минимального значения номинальной включающей и отключающей способности (
Im и
Im1) по
5.3.4 и
5.3.5 приведены в
9.11.2.2 (таблица 19).
5.5.3.3 Номинальная условная наибольшая отключающая способность (Inc и Inc1)
Условия для номинальной условной наибольшей отключающей способности (
Inc и
Inc1) по
5.3.6 приведены в
9.11.2.5.
6 Маркировка и другая информация об изделии
Каждое УЗДП маркируют прочной маркировкой всеми или для миниатюрных аппаратов частью из нижеприведенных данных.
Таблица 5
Маркировка и положение маркировки
Маркировка или информация | Положение маркировки или информации |
Видна на изделии после установки | На изделии | В листке-каталоге |
a) Наименование изготовителя или товарный знак | - | X | X |
b) Обозначение типа, номер каталога или серии | - | X | X |
c) Номинальное напряжение (напряжения) | X | - | X |
d) Номинальная частота: УЗДП не с одной номинальной частотой (например, 50/60 Гц) маркируют соответственно | - | X | X |
| X | - | X |
f) Номинальная включающая и отключающая способность | - | X | X |
g) Положение при эксплуатации, если необходимо | - | - | X |
h) Степень защиты (только если не IP20) | - | - | X |
| - | X | X |
j) Ссылка на стандарт | - | X | X |
Маркировка должна располагаться на УЗДП или на маркировочной табличке, прикрепленной к УЗДП, расположение маркировки должно быть таково, чтобы она была видна после установки УЗДП.
Пригодность к разъединению, имеющее все УЗДП по данному стандарту должна маркироваться на изделии символом

(IEC 60617-7:2001-07). Эта маркировка может быть включена в прикрепленную схему соединений в сочетании с символами других функций.
Примечание - В Австралии эта маркировка является обязательной, но не обязательно видимой после установки.
Если этот символ используют сам по себе (т.е. не в схеме соединений), тогда его сочетание с символами других функций запрещено.
Если на устройстве маркирована степень защиты выше, чем IP20 по IEC 60529, устройство должно ей соответствовать, независимо от способа установки. Если более высокая степень защиты достигнута только путем специального способа установки и/или применением специальных установочных элементов (например, крышки для зажимов, оболочки и т.д.), это должно быть указано в каталоге изготовителя.
Если в миниатюрных устройствах недостаточно места для нанесения всех вышеприведенных данных, тогда, по крайней мере, информация по
c) и
e) должна быть маркирована и видима после установки устройства. Информация по
a),
b),
d),
f) и
i) может быть маркирована сбоку и сзади устройства и видима до установки. Альтернативно, информация по
h) может быть маркирована внутри крышки, снимаемой для присоединения проводов питания. Остальная немаркированная информация может быть приведена в каталогах изготовителя.
Отключенное положение указывают символом "О", а включенное - символом "|" (короткая прямая вертикальная линия) по IEC 60417: 2002. Допускается применение дополнительных национальных символов для этой индикации. Временно разрешено применение только национальных символов. Эти символы должны быть легко различимы после установки УЗДП.
Альтернативно кнопка, остающаяся в нажатом положении, достаточна для указания включенного положения. С другой стороны, если кнопка не остается в нажатом положении, должны быть предусмотрены дополнительные средства индикации положения контактов.
Если необходимо различать выводы питания и нагрузки, их четко маркируют (например, словами "линия" и "нагрузка" рядом с соответствующими выводами или стрелками, указывающими направление протекания тока).
Выводы, предназначенные исключительно для присоединения цепи нейтрали, маркируют буквой N.
Выводы, предназначенные для защитного проводника, если имеется, маркируют символом

(IEC 60417:2006).
Маркировка должна быть прочной, легко различимой и не должна наноситься на винты, шайбы или другие съемные части.
Вывод должен быть удобен для всех типов проводников: жестких (одножильных или скрученных), а при отсутствии других указаний изготовителя, - также для гибких.
Универсальные зажимы (для жестких одножильных, жестких многожильных и гибких проводников):
- без маркировки.
Не универсальные зажимы:
- зажимы, указанные для применения только с жесткими одножильными проводниками, маркируют буквами "s" или "sol";
- зажимы, указанные для применения только с жесткими (одножильными и многожильными) проводниками, маркируют буквой "r".
Маркировку наносят на УЗДП, а если недостаточно места, то на наименьшую упаковочную единицу или приводят в технической документации.
Для устройств по
4.1.2 маркировку, требуемую согласно IEC 60898-1:2002 (раздел 6), IEC 61008-1:2010 и IEC 61009-1:2010 наносят по мере необходимости.
Соответствие проверяют осмотром и испытанием по
9.3 по испытательной процедуре
9.1.1.
6.2 Дополнительная маркировка для УЗДП по 4.1.1
Для УЗДП маркируют:
- максимальный номинальный ток (например, макс. 32 А) главного защитного устройства, которое может быть присоединено для защиты от коротких замыканий. Если это значение зависит от указанного защитного устройства, то маркируют минимальное значение;
- номинальная включающая и отключающая способность одного полюса Im1;
- номинальный условный ток короткого замыкания Inc;
- номинальный условный ток короткого замыкания в одном полюсе Inc1.
Рекомендуется маркировать указание на главное защитное устройство, с которым УЗДП может быть последовательно соединено.
Изготовитель должен указать для УЗДП значения
I2t и пикового тока
Ip, которые оно может выдержать. Если они не указаны, их минимальные значения приведены в
таблице 18.
Для УЗДП, предназначенного для соединения с несколькими защитными устройствами, применяют наибольшие значения I2t и пикового тока Ip, указанные изготовителем для защитных устройств.
Соответствие проверяют осмотром и испытаниями по
9.3 данного стандарта.
6.2.2 Инструкции по схемам соединений и эксплуатации
В информационном листе и каталоге изготовителя УЗДП должно быть указано, с каким защитным устройством и какому стандарту соответствующим (IEC 60898-1 и/или IEC 61009-1, и/или IEC 62423, и/или IEC 60269) может быть соединено УЗДП.
Изготовитель должен снабдить УЗДП соответствующими инструкциями.
Эти инструкции должны содержать следующее:
- ссылки на типы и каталожные номера, указание номиналов тока и напряжения и т.д. защитных устройств, с которыми предусмотрено соединение УЗДП;
- понижающие коэффициенты, при необходимости.
7 Стандартные условия функционирования при эксплуатации и монтажа
УЗДП, соответствующие настоящему стандарту, должны быть способны функционировать в стандартных условиях, указанных в таблице 6.
Таблица 6
Стандартные условия эксплуатации
Воздействующий фактор | Стандартный диапазон применения | Контрольное значение | Испытательный допуск |
Температура окружающей среды <a>, <g> | | 20 °C | +/- 5 °C |
Высота над уровнем моря | Не более 2000 м | - | - |
Относительная влажность при максимальной температуре 40 °C | | - | - |
Внешние магнитные поля | Не более 5-кратного магнитного поля земли в любом направлении | Магнитное поле Земли | |
Рабочее положение | По указанию изготовителя с допуском 2° в любом направлении <e> | По указанию изготовителя | 2° в любом направлении |
Частота | Контрольное значение +/- 5% <f> | Номинальное значение | +/- 2% |
Искажение синусоидальной волны | Не более 5% | Ноль | 5% |
<a> Максимальное значение среднесуточной температуры +35 °C. <b> По соглашению между изготовителем и потребителем значения могут быть за пределами диапазона допустимых температур для применения в более жестких климатических условиях. <c> Более высокая относительная влажность допускается при более низкой температуре (например, 90% при 20 °C). <d> Если УЗДП установлено вблизи сильного электромагнитного поля, могут понадобиться дополнительные требования. <e> Крепление устройства не должно вызывать деформаций, способных нарушить его функции. <f> Приведенные допуски применяют при отсутствии других указаний в соответствующей методике испытания. <g> Предельные значения минус 20 °C и плюс 60 °C допустимы при хранении и транспортировании и должны быть учтены при разработке конструкции. |
Если УЗДП соединено (см.
4.1.1) или встроено (см.
4.1.2), или собрано (см.
4.1.3) с одним или несколькими указанными согласованными защитными устройствами, чьи стандартные условия функционирования при эксплуатации и монтажа являются более жесткими, чем указанные в
таблице 6, тогда применяют более жесткие условия.
УЗДП монтируют согласно инструкциям изготовителя.
УЗДП, соответствующие настоящему стандарту, предназначены для окружающей среды со степенью загрязнения 2, т.е. нормально допускается только непроводящее загрязнение, однако изредка ожидается временная проводимость, вызванная конденсацией.
8 Требования к конструкции и функционированию
БОДП не должен снижать основных защитных характеристик заданного защитного устройства. БОДП в УЗДП по
4.1.3 и защитное устройство должны быть одного изготовителя либо помечены одной и той же торговой маркой.
Как следствие, изготовитель должен указать, с каким защитным устройством должен быть объединен БОДП, и какой БОДП подходит для защитного устройства.
УЗДП должно быть сконструировано так, чтобы БОДП не предусматривал ток между фазой и нейтралью и защитный проводник в электроустановке не имел целью расцеплять другое устройство.
УЗДП должно иметь такую конструкцию, чтобы при нормальной эксплуатации ее работоспособность была безопасной, надежной и не была опасной для потребителя и окружающей среды.
УЗДП должно соответствовать настоящему стандарту согласно области применения и соответствующей классификации.
УЗДП, классифицируемое по
4.1.1, должно соответствовать требованиям и испытаниям данного стандарта (в частности, см.
6.2,
9.11.2 и
9.18.1).
Если УЗДП, предназначено для соединения с несколькими указанными защитными устройствами, то должен быть выбран наиболее строгий стандарт на испытания среди всех применимых стандартов на защитные устройства.
Степень защиты УЗДП по
4.1.1 не должна быть меньше степени защиты указанного защитного устройства, с которым его соединяют.
Если УЗДП, предназначено для соединения с несколькими указанными защитными устройствами, то должна быть выбрана самая высокая степень защиты из всех применимых стандартов, включая данный стандарт.
УЗДП, классифицируемые по
4.1.2, должны соответствовать конкретному стандарту на защитное устройство, с которым его объединяют (IEC 60898-1, IEC 61008-1, IEC 601009-1 или IEC 62423, что подходит) и дополнительно требованиям и испытаниям настоящего стандарта.
Если испытания, включенные в настоящий стандарт, также включены в стандарты IEC 60898-1, IEC 61008-1, IEC 601009-1 или IEC 62423, то должны быть выбраны самые строгие требования и испытания из всех применимых стандартов.
УЗДП, классифицируемые по
4.1.3, должны соответствовать требованиям данного стандарта и дополнительно требованиям и испытаниям
приложения D, по применению.
Если УЗДП, предназначено для сборки с несколькими указанными защитными устройствами, то должен быть выбран наиболее строгий стандарт на испытания среди всех применимых стандартов.
8.2 Механическая конструкция
Устройство для обнаружения тока дуги и расцепитель тока с точки зрения пожаробезопасности должны быть размещены между входными и выходными выводами УЗДП.
Должна быть исключена возможность изменения рабочих характеристик УЗДП путем вмешательства извне.
Не должно быть возможности любым путем вывести из строя или блокировать функцию УЗДТ.
В инструкции должно быть указано о запрещении соединения автоматического выключателя или устройства защиты от сверхтока с данной номинальной наибольшей отключающей способностью и УЗДП по
4.1.1, поскольку произойдет снижение характеристики короткого замыкания.
Соответствие проверяют по документации.
Подвижные контакты всех полюсов многополюсных УЗДП должны быть соединены механически таким образом, чтобы все полюса, за исключением коммутирующего нейтраль, если имеется, включали и отключали практически одновременно, независимо от того, осуществляется оперирование вручную или автоматически.
Полюс, коммутирующий нейтраль четырехполюсных УЗДП должен размыкаться позже и замыкаться раньше других полюсов.
УЗДП должно иметь механизм свободного расцепления.
Должна быть предусмотрена возможность включать и отключать УЗДП вручную.
Конструкция УЗДП должна быть такова, чтобы подвижные контакты могли находиться в состоянии покоя только в замкнутом или только разомкнутом положении, даже если органы управления находятся в промежуточном положении.
Согласно требованиям к функции разъединения УЗДП в разомкнутом положении должны обеспечивать изолирующий промежуток.
Указание положения разомкнутых контактов должно обеспечиваться одним или двумя из следующих способов:
- положением органа управления (что предпочтительнее);
- отдельным механическим индикаторным устройством.
При применении отдельного механического индикатора для указания положения главных контактов в нем красный цвет указывает на замкнутое положение контактов, зеленый - на разомкнутое.
Примечание - В США красный и зеленый цвета не применяют для индикации положения контактов.
Способ индикации контактного положения должен быть четким.
Конструкцией УЗДП должна быть предусмотрена единственно правильная установка органа управления, фронтальной панели или крышки, обеспечивающая безошибочную индикацию положения контактов.
Когда изготовитель предусматривает или указывает способ блокировки органа управления в разомкнутом положении, такая блокировка должна быть возможна только в разомкнутом положении контактов.
Блокировка органа управления в замкнутом положении допускается в частных случаях.
Если орган управления применяют для указания положения контактов, тогда он в свободном состоянии должен автоматически занимать положение, которое соответствует положению подвижных контактов; в этом случае орган управления должен иметь два разных положения покоя, соответствующих положению контактов, однако для автоматического отключения может быть предусмотрено третье отдельное положение органа управления, в таком случае УЗДП необходимо взвести вручную перед повторным включением.
Действие механизма не должно зависеть от положения оболочек, крышек или любой съемной части.
Крышку, залитую при сборке изготовителем, считают несъемной частью.
Если крышку используют в качестве направляющей для нажимных кнопок, снятие кнопок снаружи УЗДП должно быть невозможным.
Органы управления должны быть надежно закреплены на своих осях, и снятие их без помощи инструмента должно быть невозможным.
Допускается крепление органов управления непосредственно к крышкам. Если орган управления перемещается в вертикальной плоскости "вверх-вниз", когда АВДТ установлен как при нормальной эксплуатации, контакты должны замыкаться движением органа управления снизу вверх.
Соответствие вышеуказанным требованиям проверяют внешним осмотром, испытанием вручную и для механизма свободного расцепления - испытанием по
9.11 и
9.15 согласно процедуре испытания по
9.1.1.
8.2.3 Воздушные зазоры и расстояния утечки (см. приложение B)
Минимальные требуемые воздушные зазоры и расстояния утечки приведены в таблице 7, исходя из того, что УЗДП разработано для применения в окружающей среде со степенью загрязнения 2.
Таблица 7
Минимальные значения воздушных зазоров и расстояний утечки
Описание расстояний утечки | Минимальное значение воздушных зазоров, мм | Минимальное значение расстояния утечки <e>, <f>, мм |
Номинальное напряжении, В | (175 В <= СИТ < 400 В) <d> | Группа II (400 В <= СИТ< 600 В) <d> | Группа I |
Uimp, кВ | Эксплуатационное напряжение <e>, В |
2,5 | 4,0 | 4,0 |
120/240 120 | 120/240 240 | 230/400 230, 400 | > 25 | 120 | 250 | 400 | > 25 | 120 | 250 | 400 | > 25 | 120 | 250 | 400 |
1 Между частями, находящимися под напряжением, разъединенными, когда главные контакты разомкнуты <a> | 2,0 | 4,0 | 4,0 | 1,2 | 2,0 | 4,0 | 4,0 | 0,9 | 2,0 | 4,0 | 4,0 | 0,6 | 2,0 | 4,0 | 4,0 |
2 Между частями различной полярности, находящимися под напряжением <a> | 1,5 | 3,0 | 3,0 | 1,2 | 1,5 | 3,0 | 4,0 | 0,9 | 1,5 | 3,0 | 3,0 | 0,6 | 1,5 | 3,0 | 3,0 |
3 Между цепями, питаемыми от разных источников, один из которых PELV или SELV <g> | 3,0 | 6,0 | 8,0 | - | 3,0 | 6,0 | 8,0 | - | 3,0 | 6,0 | 8,0 | - | 3,0 | 6,0 | 8,0 |
| | Номинальное напряжение, В |
| 120/240 | 230/400 | 120/240 | 230/400 | 120/240 | 230/400 |
4 Между частями, находящимися под напряжением, и: - доступными поверхностями органов управления; - винтами и другими средствами крепления крышек, которые снимаются при монтаже УЗДП; - поверхностью, на которой монтируется основание УЗДП <b>; - винтами и другими средствами крепления УЗДП <b>; - металлическими крышками или коробками <b>; - прочими доступными металлическими частями <c>; - металлическими опорными рамами УЗДП утопленного монтажа | 1,5 | 3,0 | 3,0 | 1,5 | 4,0 | 1,5 | 3,0 | 1,5 | 3,0 |
<a> Значения для вспомогательных контактов и контактов управления приведены в соответствующем стандарте. <b> Значения удваиваются, если воздушные зазоры и расстояния утечки между частями аппарата, находящимися под напряжением, и металлическим экраном или монтажной поверхностью УЗДП зависят не только от конструкции УЗДП, они могут быть уменьшены, когда УЗДП установлено в самых неблагоприятных условиях. <c> Включая металлическую фольгу в контакте с поверхностями изоляционного материала, которые доступны после монтажа для нормальной эксплуатации. Фольгу заправляют в углы, углубления и т.п. с помощью прямого несочлененного испытательного пальца согласно 9.6 (см. рисунок 3). <e> Допускается интерполяция при определении расстояний утечки, соответствующих значениям напряжения, промежуточным к указанным в качестве эксплуатационного напряжения. Применяют линейную интерполяцию, и значения округляют до такого же количества знаков, что и в таблицах. Определение воздушных зазоров см. в Приложении B. <f> Воздушные зазоры не могут быть меньше соответствующих расстояний утечки. <g> С учетом всех различных напряжений, в т.ч. СНН во вспомогательном контакте. <h> Для материалов группы IIIb (100 В <= СИТ > 175 В) применяют значения для материалов группы IIIa, умноженные на 1,6. <i> Для эксплуатационных напряжений до 25 В включительно можно ссылаться на IEC 60664-1:2007. Примечания 1 Значения, приведенные для 400 В, также действительны для 440 В. 2 Части нейтрали, если имеется, считаются частями, находящимися под напряжением. 3 Следует обратить внимание на соблюдение соответствующих воздушных зазоров и расстояний утечки между частями УЗДП разной полярности, находящимися под напряжением, например, втычного типа смонтированными близко друг к другу. Если требования к воздушным зазорам и расстояниям утечки не выполняются для всех поверхностей, смежных с УЗДП, должна быть предусмотрена отдельная информация по монтажу. |
Воздушные зазоры по
пунктам 2 и
4 таблицы 7 могут быть уменьшены при условии, что измеренные воздушные зазоры не менее чем минимальные допустимые по IEC 60664-1:2007 для неоднородного поля, в этом случае после влажной обработки по
9.7.2 соответствие
пунктам 2 и
4 таблицы 7 проверяют в следующем порядке:
Если измерение не дает уменьшение воздушного зазора, испытание по
9.7.7.2 не проводят.
Примечание 1 - Все измерения, требуемые в
8.2.3, проводят в цикле испытаний A на одном образце, а испытания по
9.7.6 - на трех образцах в цикле B.
Части печатных плат, соединенные с токоведущими частями, защищенными от загрязнения защитой типа 2 по IEC 60664-1, из этого испытания изымают.
Изоляционные материалы классифицируют по группам согласно сравнительному индексу трекингостойкости (СИТ) в соответствии с МЭК 60664-1:2007 (пункт 4.8.1).
Примечание 2 - Информацию о требованиях к конструкции твердой изоляции и соответствующих испытаниях IEC 60664-1:2007 (подраздел 5.3 и пункт 6.1.3).
Примечание 3 - Для воздушных зазоров на материале печатных схем см. IEC 60664-1:2007 (примечание 3 к таблице F.2): "Для материала печатных схем применяют значения для степени загрязнения 1, с оговоркой, что значение не должно быть меньше 0,04 мм, как указано в таблице F.4". Для расстояний утечки на материале печатных схем применяют расстояния по IEC 60664-1:2007 (таблица F.4) с защитным покрытием согласно требованиям и испытаниям IEC 60664-3.
Примечание 4 - Измерение воздушных зазоров и расстояний утечки, равных или менее 2 мм для печатных плат в некоторых условиях можно оптимизировать по IEC 60664-5, при этом рассматривают только уровни влажности HL2 и HL3.
8.2.4 Винты, токопроводящие части и соединения
8.2.4.1 Соединения, как электрические, так и механические, должны выдерживать механические нагрузки, характерные для нормальной эксплуатации.
Винты, применяемые для монтажа УЗДП, не должны быть самонарезающего типа.
Примечание 1 - К винтам или гайкам, используемым для монтажа УЗДП, относят винты для крепления крышек и закрывающих пластин, но не для соединения резьбовых трубопроводов и крепления оснований УЗДП.
Соответствие данному требованию проверяют внешним осмотром и испытанием по
9.4 по процедуре
9.1.1.
Примечание 2 - Резьбовые соединения проверяют в ходе испытаний по
9.8,
9.11,
9.12 и
9.20.
8.2.4.2 Для винтов, входящих в зацепление с резьбой в изоляционном материале, которые используют при монтаже УЗДП, должен быть обеспечен правильный ввод винта в резьбовое отверстие или гайку.
Соответствие проверяют внешним осмотром и проверкой вручную.
Примечание - Требование правильного ввода винта удовлетворяется, если, например, исключить перекос винта на входе, используя в качестве направляющей для него на закрепляющей части фаску на внутренней резьбе, в которую он ввинчивается, или снять часть резьбы с заходной части винта.
8.2.4.3 Электрические соединения должны быть спроектированы так, чтобы контактное давление не передавалось через изоляционный материал, кроме керамики, чистой слюды или других материалов с аналогичными характеристиками, если металлические части недостаточно упруги, чтобы компенсировать любые возможные усадки или деформации изоляционного материала.
Соответствие проверяют осмотром.
Примечание - Пригодность материалов оценивают по стабильности размеров.
8.2.4.4 Токопроводящие части, включая предназначенные для защитных проводников, если они имеются, должны выполняться из металла, имеющего в условиях эксплуатации оборудования механическую прочность, электропроводность и коррозиестойкость, адекватные назначенной эксплуатации.
Примеры пригодных материалов:
- медь;
- сплав, содержащий не менее 58% меди для частей, изготовленных холодным способом, и не менее 50% меди для других частей;
- другой металл или металл с соответствующим покрытием, не менее устойчивым к коррозии, чем медь, и с не худшими механическими характеристиками.
При применении железосодержащих сплавов или железосодержащих сплавов с подходящими покрытиями соответствие проверяют испытанием на коррозиестойкость по
9.16.
Требования данного пункта не применяют к контактам, магнитным системам, нагревательным элементам, биметаллам, шунтам, частям электронных устройств, а также винтам, гайкам, шайбам, зажимным пластинам, аналогичным частям выводов и частям испытательной цепи.
8.2.5 Выводы для внешних проводников
8.2.5.1 Выводы для внешних проводников должны обеспечивать такое присоединение проводников, чтобы постоянно поддерживалось необходимое контактное давление.
Допускается применение устройств, предназначенных для присоединения шин при условии, что их не используют для присоединения кабелей.
Такие устройства могут быть втычного либо штыревого типа.
Выводы должны быть легкодоступны в предполагаемых условиях эксплуатации.
Проверку соответствия осуществляют осмотром и испытаниями по
9.5 согласно процедуре по
9.1.1.
8.2.5.2 УЗДП должны быть оснащены выводами, допускающими присоединение медных проводников, имеющих номинальную площадь поперечного сечения, указанную в
таблице 8.
Примечание - Примеры возможных конструкций выводов приведены в
приложении IB.
Таблица 8
Поперечные сечения присоединяемых медных проводников
для винтовых выводов
| Диапазон номинальных поперечных сечений присоединяемых проводников <a>, мм 2 |
Жесткий (одно- и многопроволочный) проводник | Гибкий проводник |
До 13 включ. | 1,0 - 2,5 | 1,0 - 2,5 |
Св. 13 до 16 " | 1,0 - 4,0 | 1,0 - 4,0 |
" 16 " 25 " | 1,5 - 6,0 | 1,5 - 6,0 |
" 25 " 32 " | 2,5 - 10,0 | 2,5 - 6,0 |
" 32 " 50 " | 4,0 - 16,0 | 4,0 - 10,0 |
" 50 " 80 " | 10,0 - 25,0 | 10,0 - 16,0 |
<a> Требуется, чтобы при номинальных токах до 50 А включительно выводы были рассчитаны на зажим как однопроволочных, так и жестких многопроволочных проводников. В то же время допускается, чтобы выводы для проводников с поперечным сечением от 1,0 до 6,0 мм 2 были рассчитаны на зажим только однопроволочных проводников. <b> В диапазоне УЗДП, имеющих одинаковые основную конструкцию с одинаковой конструкцией выводов, выводы оснащают медными проводниками наименьшего поперечного сечения для минимального номинального тока и наибольшего поперечного сечения для максимального номинального тока из указанных, одно- или многопроволочными, по применению. Примечание - Поперечные сечения проводников в системе AWG см. приложение IC. |
Выводы УЗДП должны быть способны присоединять проводники в диапазоне сечений, указанных в стандарте на защитное устройство, для номинальных токов указанных защитных устройств, с которыми УЗДП рассчитано соединять.
Соответствие проверяют путем осмотра, измерениями и поочередным вводом одного проводника с минимальной и одного с максимальной площадью поперечного сечения, как указано.
8.2.5.3 Средства для закрепления проводников в выводах не должны служить для крепления каких-либо других элементов, хотя они могут удерживать выводы на месте или препятствовать их проворачиванию.
Соответствие проверяют осмотром и испытаниями по
9.5 согласно процедуре
9.1.1.
8.2.5.4 Выводы для номинальных токов до 32 А включительно должны позволять присоединение проводников без специальной подготовки.
Соответствие проверяют осмотром.
Примечание - Термин "специальная подготовка" подразумевает пропайку жилы проводника, использование кабельных наконечников, формовку петель и т.д., но никак не восстановление формы проводника перед вводом его в зажим или скручивание гибкого проводника для укрепления его конца.
8.2.5.5 Выводы должны иметь необходимую механическую прочность.
Винты и гайки для зажима проводников должны иметь метрическую резьбу ISO или другую резьбу, сопоставимую по шагу и механической прочности.
Соответствие проверяют осмотром и испытаниями по
9.4 и
9.5.1 согласно процедуре
9.1.1.
8.2.5.6 Выводы должны иметь такую конструкцию, чтобы зажимать проводник без чрезмерных повреждений.
Соответствие проверяют осмотром и испытанием по
9.5.2 согласно процедуре
9.1.1.
8.2.5.7 Выводы должны иметь такую конструкцию, чтобы надежно зажимать проводник между металлическими поверхностями.
Соответствие проверяют осмотром и испытаниями по
9.4 и
9.5.1 согласно процедуре
9.1.1.
8.2.5.8 Выводы должны быть сконструированы или расположены так, чтобы ни жесткий однопроволочный проводник, ни проволока многопроволочного проводника не могли выскользнуть при затягивании винтов или гаек.
Это требование не применяют к выводам под наконечник.
Соответствие проверяют испытанием по
9.5.3 согласно процедуре
9.1.1.
8.2.5.9 Выводы должны быть закреплены и расположены таким образом, чтобы при затяжке или отпуске зажимных винтов или гаек крепления выводов не ослаблялись.
Это требование не означает, что выводы должны быть спроектированы таким образом, чтобы не допускалось их вращение или перемещение, однако любое их движение должно быть определенным образом ограничено, чтобы избежать несоответствия требованиям настоящего стандарта.
Применение заливочных компаундов и смол для предотвращения ослабления выводов считают достаточным при условии, что:
- заливочный компаунд или смола не подвергается нагрузкам при нормальной эксплуатации;
- эффективность заливочного компаунда или смолы не снижается при воздействии температур, достигаемых выводом при наиболее неблагоприятных условиях, указанных в настоящем стандарте.
Соответствие проверяют осмотром, измерениями и испытанием по
9.4 согласно процедуре
9.1.1.
8.2.5.10 Зажимные винты или гайки выводов, предназначенных для присоединения защитных проводников, должны быть надежно защищены от случайного ослабления, и не должно быть возможно освобождение их без помощи инструмента.
Соответствие проверяют испытанием вручную.
Конструкции выводов, примеры которых приведены в
приложении IB, в целом достаточно упруги и удовлетворяют данному требованию. Для других конструкций могут потребоваться дополнительные меры, например применение соответствующей упругой части, которую невозможно было бы удалить случайно.
8.2.5.11 Резьба винтов и гаек выводов, предназначенных для присоединения внешних проводников, должна входить в зацепление с резьбой, выполненной в металле. Применение самонарезающих винтов не допускается.
8.3 Защита от поражения электрическим током
УЗДП должны быть сконструированы так, чтобы после монтажа и подсоединения как для нормальной эксплуатации их части, находящиеся под напряжением, были недоступны для прикосновения.
Примечание - Слова "нормальная эксплуатация" означают, что УЗДП установлено в соответствии с инструкциями изготовителя.
Часть считают доступной для прикосновения, если ее можно коснуться стандартным испытательным пальцем (см.
9.6).
В УЗДП, кроме втычного исполнения, наружные части, за исключением винтов или других средств для крепления крышек и табличек, доступные после монтажа и присоединения УЗДП как для нормальной эксплуатации, должны либо изготавливаться из изоляционного материала, либо полностью покрываться изоляционным материалом, если доступные части, находящиеся под напряжением, не заключены во внутреннюю оболочку из изоляционного материала.
Покрытие изоляционным материалом должно быть закреплено таким образом, чтобы не нарушиться при установке УЗДП. Изоляционное покрытие должно иметь необходимую толщину, механическую прочность и обеспечивать эффективную защиту на участках с острыми краями.
Вводные отверстия для кабелей или кабелепроводов должны выполняться либо из изоляционного материала, либо оснащаться втулками или другими аналогичными устройствами из изоляционного материала. Такие устройства должны быть надежно закреплены и обладать достаточной механической прочностью.
Для УЗДП втычного исполнения наружные части, за исключением винтов или других средств для крепления крышек, доступные при нормальной эксплуатации, должны быть выполнены из изоляционного материала.
Металлические органы управления должны быть изолированы от частей, находящихся под напряжением, а их проводящие части должны быть покрыты изоляционным материалом, иначе они становятся открытыми токопроводящими частями, кроме частей, обеспечивающих связь изолированных органов управления нескольких полюсов.
Металлические части механизма должны быть недоступны. Кроме того, они должны быть изолированы от доступных металлических частей, металлических опорных рам для оснований УЗДП утопленного монтажа, винтов и других средств крепления оснований к опорам и металлических плит, используемых в качестве опор.
Должна быть возможность легкой замены УЗДП втычного исполнения без касания частей, находящихся под напряжением.
Лак и эмаль не считают обеспечивающими необходимую изоляцию для защиты от поражения электрическим током.
Соответствие проверяют осмотром и испытанием по
9.6 согласно процедуре
9.1.1.
8.4 Электроизоляционные свойства и изолирующая способность
УЗДП должны обладать необходимыми электроизоляционными свойствами и гарантировать изоляцию.
Цепи управления УЗДП, связанные с главной цепью, не должны повреждаться высоким напряжением постоянного тока, используемым при изоляционных измерениях, которые обычно проводят после установки УЗДП.
Соответствие проверяют испытаниями по
9.7 по процедуре
9.1.1.
8.5 Превышение температуры
8.5.1 Пределы превышения температуры
Превышение температуры частей УЗДП, приведенных в таблице 9, измеренной при условиях, определенных в 9.8.2, не должно превосходить предельных значений, установленных в данной таблице.
Таблица 9
Значения превышения температуры
| Превышение температуры |
Выводы для внешних соединений <c> | 65 °C |
Наружные части, к которым приходится прикасаться во время ручного управления УЗДП, включая органы управления, выполненные из изоляционного материала, и металлические связи для соединения между собой изолированных органов управления нескольких полюсов | 40 °C |
Наружные металлические части органов управления | 25 °C |
Другие наружные части, включая поверхность УЗДП, непосредственно соприкасающуюся с монтажной поверхностью | 60 °C |
<a> Значения для контактов не устанавливают, поскольку конструкция большинства УЗДП не допускает прямого измерения их температуры без риска вызвать необратимые изменения или смещение деталей, способные повлиять на воспроизводимость результатов испытаний. Испытание на надежность (см. 9.19) считают достаточным для проверки косвенным образом поведения контактов в отношении чрезмерного превышения температуры при эксплуатации. <b> Для других частей, кроме перечисленных в таблице, значения превышения температуры не указывают, но они не должны вызывать повреждений соседних частей из изоляционного материала, снижающих работоспособность УЗДП. <c> Для УЗДП втычного типа - выводы основания, на котором устанавливают АВДТ. |
УЗДП не должен иметь повреждений, препятствующих выполнению его функций и нарушающих безопасность эксплуатации.
В случае присоединения (см.
4.1.1), встраивания (см.
4.1.2) или сборки (см.
4.1.3) УЗДП с одним или несколькими объединенными указанными защитными устройствами, значения превышения температуры которых более жесткие, чем указанные в
таблице 9, применяют стандарт на защитное устройство с более жесткими условиями функционирования при эксплуатации и монтажа (IEC 60898, IEC 61008, IEC 61009 или IEC 62423).
8.5.2 Температура окружающей среды
Пределы превышения температуры по
таблице 9 применимы только при температуре окружающей среды по
таблице 6.
8.6 Рабочие характеристики
8.6.1 Рабочие характеристики защитного устройства
УЗДП, классифицируемое по
4.1.2, должно соответствовать по рабочим характеристикам конкретному стандарту на защитное устройство, в которое оно встроено (IEC 60898-1, IEC 61008-1, IEC 61009-1 или IEC 62423, что применимо).
Соответствие проверяют проведением всех соответствующих испытаний соответствующего стандарта.
УЗДП, классифицируемое по
4.1.3, должно соответствовать по рабочим характеристикам конкретному стандарту на защитное устройство, с которым оно собрано (IEC 60898-1, IEC 61008-1, IEC 61009-1 или IEC 62423, что применимо).
Соответствие проверяют проведением всех соответствующих испытаний соответствующего стандарта и
приложения D.
8.6.2 Рабочие характеристики УЗДП
8.6.2.1 Общие требования
Рабочие характеристики УЗДП должны отвечать следующим требованиям.
Соответствие следующим подпунктам проверяют испытаниями по
9.9.
8.6.2.2 Срабатывание в случае последовательного дугового пробоя
Срабатывание УЗДП на ток дугового пробоя должно происходить в соответствии со временем отключения по
таблице 1 или
2, что применимо.
Соответствие проверяют испытаниями по
9.9.2.
8.6.2.3 Срабатывание в случае параллельного дугового пробоя
Срабатывание УЗДП в случае параллельного дугового пробоя должно происходить в соответствии с числом полуволн дуги по
таблице 3.
Соответствие проверяют испытаниями по
9.9.3.
8.7 Механическая и коммутационная износостойкость
УЗДП должны быть способны выполнять установленное число механических и электрических циклов оперирования.
Соответствие проверяют испытанием по
9.10 по процедуре
9.1.1.
8.8 Работоспособность при токах короткого замыкания
УЗДП должны быть способны выполнить установленное число циклов оперирования при коротком замыкании, не представляя опасности для оператора и не вызывая перекрытия между находящимися под напряжением проводящими частями либо между этими частями и землей.
Соответствие проверяют испытанием по
9.11 по процедуре
9.1.1.
8.9 Устойчивость к механическому толчку и удару
АВДТ должны обладать соответствующими механическими характеристиками, чтобы противостоять механическим нагрузкам, возникающим при монтаже и эксплуатации.
Соответствие проверяют испытанием по
9.12 по процедуре
9.1.1.
УЗДП должны быть достаточно устойчивы к нагреву.
Соответствие проверяют испытанием по
9.13 по процедуре
9.1.1.
8.11 Устойчивость к аномальному нагреву и огнестойкость
Наружные части УЗДП, выполненные из изоляционного материала, не должны быть предрасположены к воспламенению и распространению огня, если близлежащие токопроводящие части достигли высокой температуры из-за повреждения или перегрузки.
Сопротивление аномальному нагреву и огню других частей, выполненных из изоляционного материала, считают проверенным в ходе других испытаний по настоящему стандарту.
Соответствие проверяют испытанием по
9.14 по процедуре
9.1.1.
8.12 Поведение УЗДП в случае сверхтоков в главной цепи
УЗДП должно отвечать заданным условиям по сверхтокам.
Соответствие проверяют испытанием по
9.17 по процедуре
9.1.1.
8.13 Поведение УЗДП в случае бросков тока, вызванных импульсными напряжениями
УЗДП должны адекватно выдерживать броски тока на землю, вызванных емкостной нагрузкой электроустановки и броски токов на землю вследствие короткого замыкания электроустановки.
Соответствие проверяют испытанием по
9.18 согласно процедуре
9.1.1.
УЗДП должны работать надежно в условиях длительной эксплуатации с учетом старения их компонентов.
Соответствие проверяют испытаниями по
9.19 и
9.20 согласно процедуре
9.1.1.
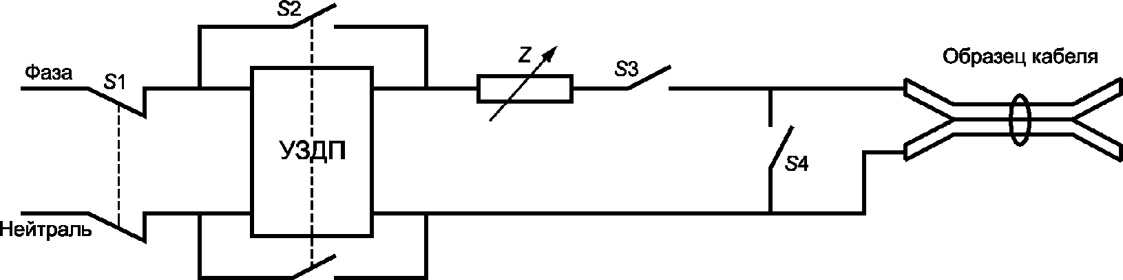
8.15 Электромагнитная совместимость (ЭМС)
УЗДП должны отвечать соответствующим требованиям по ЭМС.
Соответствие проверяют испытанием по
9.21 согласно процедуре
9.1.1.
8.16 Испытания на точность срабатывания при появлении фоновых помех от подсоединенных нескольких устройств со стороны нагрузки
УЗДП не должно снижать способности продолжать улавливать дуговые пробои в случае подсоединения нескольких устройств со стороны нагрузки.
Соответствие проверяют испытанием по
9.9.4.
8.17 Работоспособность устройства эксплуатационного контроля УЗДП
УЗДП должно быть снабжено функцией контроля, запускаемой вручную и/или автоматически для проверки цепи обнаружения дуги.
Функция автоматического контроля должна выполняться при каждом включении выключателя с интервалом не чаще одного раза в сутки.
При автоматическом контроле для его выполнения не требуется размыкания контактов.
Примечание 1 - Механические части механизма проверяют в ходе испытаний на износ, а контакты проверяют при испытании на короткое замыкание. По этой причине эти части считают высоко надежными, и поэтому их не включают в периодические испытания.
При ручном контроле устройство должно сработать.
Примечание 2 - Дополнительные требования и методика для испытания работоспособности вручную или автоматически - в стадии рассмотрения.
В случае обнаружения неисправности при автоматическом контроле УЗДП должно сработать на отключение и показать результат.
УЗДП, включающее функцию УДТ, согласно соответствующему стандарту должно иметь устройство эксплуатационного контроля.
Защитный проводник установки не должен оказаться под напряжением при использовании устройства эксплуатационного контроля (ток касания и/или напряжение касания должны быть ограничены до значения ниже опасного порогового уровня согласно IEC 60364 и серии IEC 60479).
Для проверки изготовитель должен предусмотреть необходимую документацию на цепь эксплуатационного контроля.
9.1.1 Общая процедура испытаний для разных типов УЗДП
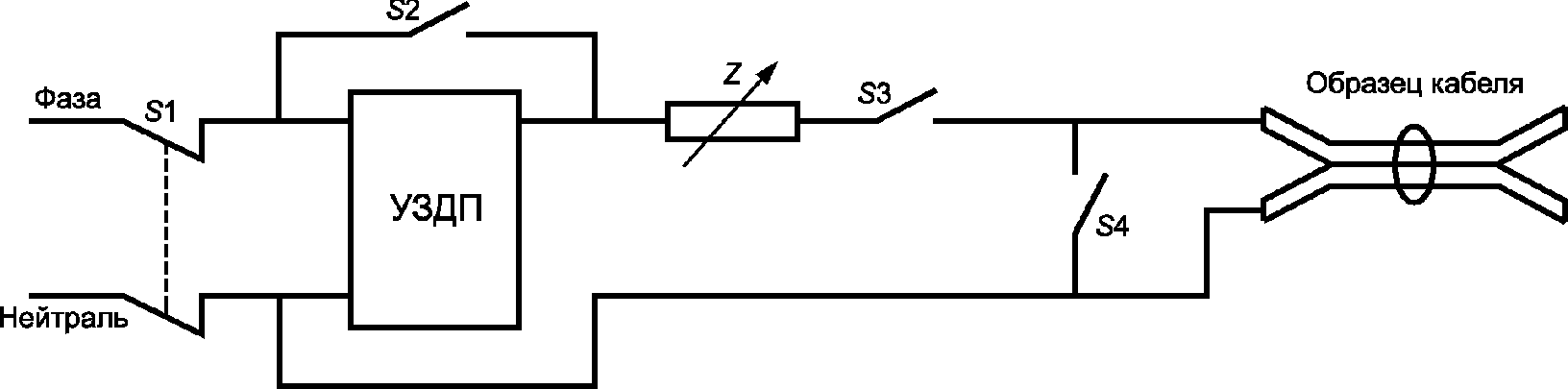
УЗДП, классифицируемые по
4.1.1, должны быть соединены последовательно с указанным устройством (устройствами), соответствующими IEC 60898-1, IEC 61008-1, IEC 61009-1 или IEC 62423 для испытания по
9.11.2.5.
Для УЗДП, предназначенного для соединения с несколькими защитными устройствами, испытание проводят при наибольших значениях I2t и Ipeak для защитных устройств, указанных изготовителем.
Указанные защитные устройства должны пройти типовые испытания по:
- IEC 60898-1 для автоматических выключателей;
- IEC 61009-1 или IEC 62423 для АВДТ;
- серии IEC 60269 для плавких предохранителей, что применимо.
УЗДП, классифицируемые по
4.1.2, должны сначала быть испытаны по IEC 60898-1, IEC 61008-1, IEC 61009-1 или IEC 62423, что применимо.
По завершении испытаний, указанных в IEC 60898-1, IEC 61008-1, IEC 61009-1 или IEC 62423, проводят дополнительные испытания на соответствие настоящему стандарту.
В том случае, если испытания по данному стандарту также включены в IEC 60898-1, IEC 61008-1, IEC 61009-1 или IEC 62423, то испытания проводят один раз и выбирают самые жесткие условия, но критерий соответствия применяют по настоящему стандарту.
УЗДП, классифицируемые по
4.1.3, сначала собирают по инструкции изготовителя с указанными защитными устройствами, соответствующими IEC 60898-1, IEC 61008-1, IEC 61009-1 или IEC 62423, что применимо.
Затем проводят испытание по данному стандарту с дополнительными требованиями и испытанием по
приложению D.
Если УЗДП должно быть соединено с несколькими защитными устройствами, то испытание повторяют с каждым указанным изготовителем защитным устройством или испытание проводят один раз при самых жестких условиях испытаний среди всех применяемых стандартов, но критерий соответствия должен сочетать все критерии соответствия любого применяемого стандарта.
В
приложении A приведены последовательность испытаний и число образцов УЗДП, подвергаемых испытаниям.
9.1.2 Характеристики УЗДП, проверяемые типовыми испытаниями
Типовые испытания, требуемые настоящим стандартом, приведены в таблице 10.
Таблица 10
Перечень типовых испытаний
Испытание | Номер пункта |
1 Стойкость маркировки | |
2 Надежность винтов, токопроводящих частей и соединений | |
3 Надежность выводов для внешних проводников | |
4 Защита от поражения электрическим током | |
5 Электроизоляционные свойства | |
6 Превышение температуры | |
7 Рабочие характеристики | |
8 Механическая и коммутационная износостойкость | |
9 Поведение в условиях короткого замыкания | |
10 Устойчивость к механическому толчку и удару | |
11 Нагревостойкость | |
12 Устойчивость к аномальному нагреву и огнестойкость | |
13 Проверка механизма свободного расцепления | |
14 Испытание на коррозиестойкость | |
15 Предельные значения тока неотключения в условиях сверхтока | |
16 Поведение УЗДП в случае бросков тока, вызванных импульсами напряжения | |
17 Проверка надежности | |
18 Проверка старения электронных компонентов | |
19 Электромагнитная совместимость | |
20 Проверка защиты при перенапряжении в результате обрыва нейтрали в трехфазной системе | |
<a> Для УЗДП, классифицируемых по 4.1.2, эти испытания уже проведены при испытаниях согласно конкретному стандарту на ВДТ или автоматические выключатели и в повторении не нуждаются. |
9.1.3 Циклы типовых испытаний, проводимых с целью сертификации
Примечание - Термин "сертификация" означает:
- либо декларацию изготовителя о соответствии;
- либо сертификацию третьей стороной, например независимым органом по сертификации.
Циклы испытаний и число представляемых образцов указаны в
приложении A.
Если не оговорено иное, каждому типовому испытанию (или циклу типовых испытаний) подвергают УЗДП в чистом состоянии при нормальном диапазоне и контрольных значениях внешних воздействующих факторов, приведенных в
таблице 6.
9.1.4 Проверочные испытания, проводимые изготовителем на каждом изделии
Проверочные испытания рабочих характеристик указанных защитных устройств для УЗДП, классифицируемых по
4.1.2 и
4.1.3, проводят по стандартам на указанное защитное устройство IEC 60898-1, IEC 61008-1, IEC 61009-1 или IEC 62423, что применимо.
УЗДП устанавливают отдельно в соответствии с инструкциями изготовителя на открытом воздухе при температуре окружающей среды от 20 °C до 25 °C, если не указано иное, в месте, защищенном от чрезмерного внешнего нагрева или охлаждения.
УЗДП, разработанные для установки в индивидуальных оболочках, испытывают в наименьшей из оболочек, указанных изготовителем.
Примечание 1 - Индивидуальной считают оболочку, предназначенную для размещения только одного устройства.
Если не указано иное, УЗДП подключают кабелем подходящего поперечного сечения, указанного в
таблице 11, и крепят к фанерной плите толщиной около 20 мм, окрашенной матовой черной краской; способ крепления должен соответствовать предписаниям изготовителя в отношении монтажа УЗДП.
Таблица 11
Поперечные сечения испытательных медных проводников
соответственно номинальным токам
Номинальный ток In, А | In <= 6 | 6 < In <= 13 | 13 < In <= 20 | 20 < In <= 25 | 25 < In <= 32 | 32 < In <= 50 | 50 < In <= 63 |
Поперечное сечение кабеля S, мм2 | 1,0 | 1,5 | 2,5 | 4,0 | 6,0 | 10,0 | 16,0 |
Примечание 2 - Сечения медных проводников в системе AWG см.
приложение IC.
Если допуски не указаны, типовые испытания проводят при значениях, не менее жестких, чем указаны в настоящем стандарте. Если не установлено иное, испытания проводят при номинальной частоте +/- 5%.
Во время испытаний не допускается разборка или обслуживание образцов.
- соединения производят одножильными медными проводами в ПВХ изоляции;
- соединения размещают на открытом воздухе и на расстоянии не меньшем, чем расстояние между выводами;
- длина каждого временного соединения от вывода до вывода должна быть:
- 1 м - для сечений до 10 мм2 включительно;
- 2 м - для сечений свыше 10 мм2.
Затягивающий крутящий момент, прикладываемый к винтам, должен составлять 2/3 от значений, указанных в
таблице 12.
Для УЗДП с зависимым ручным управлением скорость оперирования составляет 0,1 м/с +/- 25% для испытаний по
9.10 и
9.11. Скорость измеряют в конечной точке касания органа управления испытательной установки и органа управления испытуемого УЗДП. Для поворотных кнопок угловая скорость должна в основном соответствовать вышеуказанным условиям, что касается скорости органа управления (в его конечных точках) испытуемого УЗДП.
9.3 Проверка стойкости маркировки
Проверку проводят вручную трением маркировки в течение 15 с ватой, смоченной водой, и затем в течение 15 с ватой, смоченной алифатическим гексановым растворителем (с содержанием ароматических углеводородов не более 0,1% по объему, каурибутаноловым числом 29, начальной температурой кипения 65 °C, конечной температурой кипения 69 °C и плотностью 0,68 г/см3).
Маркировку, выполненную тиснением, литьем или гравировкой, данному испытанию не подвергают.
После этого испытания маркировка должна быть легко различимой. Маркировка также должна оставаться легко различимой после всех испытаний по настоящему стандарту.
Таблички не должны легко отделяться или скручиваться.
9.4 Испытание надежности винтов, токопроводящих частей и соединений
Соответствие требованиям
8.2.4 проверяют внешним осмотром, а для винтов и гаек, используемых для монтажа и подсоединения УЗДП, следующим испытанием.
Винты и гайки затягивают и отпускают:
- 10 раз при зацеплении винтов с резьбой в изоляционном материале;
- 5 раз во всех других случаях.
Винты и гайки, зацепляющиеся с резьбой в изоляционном материале, каждый раз вынимают полностью и вставляют заново.
Испытание проводят с использованием соответствующей испытательной отвертки или гаечного ключа с приложением крутящего момента согласно таблице 12.
Таблица 12
Диаметры резьбы и прикладываемые крутящие моменты
Номинальный диаметр резьбы, мм | Крутящий момент, Н·м |
| | |
До 2,8 включ. | 0,20 | 0,4 | 0,4 |
От 2,8 " 3,0 " | 0,25 | 0,5 | 0,5 |
" 3,0 " 3,2 " | 0,30 | 0,6 | 0,6 |
" 3,2 " 3,6 " | 0,40 | 0,8 | 0,8 |
" 3,6 " 4,1 " | 0,70 | 1,2 | 1,2 |
" 4,1 " 4,7 " | 0,80 | 1,8 | 1,8 |
" 4,7 " 5,3 " | 0,80 | 2,0 | 2,0 |
" 5,3 " 6,0 " | 1,20 | 2,5 | 3,0 |
" 6,0 " 8,0 " | 2,50 | 3,5 | 6,0 |
" 8,0 " 10,0 " | - | 4,0 | 10,0 |
Винты и гайки не следует затягивать рывками.
Испытания проводят только с жесткими проводниками, имеющими наибольшую площадь поперечного сечения из значений, указанных в
таблице 8, одно- или многопроволочными, выбирая наименее благоприятный из них. Проводник двигают каждый раз, когда винт или гайку отпускают.
Графу I применяют для винтов без головки, если винт в затянутом положении не выступает из гнезда, и для других винтов, которые не могут быть затянуты с помощью отвертки с шириной лезвия, больше чем диаметр винта.
Графу II применяют для других винтов, которые затягивают с помощью отвертки.
Графу III применяют для винтов и гаек, затягиваемых другими способами, без отвертки.
Если винт снабжен шестигранной головкой "под ключ" со шлицем для отвертки, а значения в
графах II и
III различны, то испытания проводят дважды: сначала прикладывают к шестигранной головке ключом момент, указанный в
графе III, а затем на другом образце с помощью отвертки прикладывают крутящий момент, указанный в
графе II. Если значения в
графах II и
III одинаковы, проводят испытание только с отверткой.
В течение испытаний винтовые соединения не должны ослабляться и не должно быть повреждений, таких как поломка винтов, повреждение шлицев, резьб, шайб и хомутиков, ухудшающих дальнейшую эксплуатацию УЗДП.
Кроме того, не должно быть повреждений крышек и оболочек.
9.5 Испытание надежности выводов для внешних проводников
9.5.1 Выводы оснащают медными (одно- и многопроволочными жесткими или гибкими) проводниками наименьшего и наибольшего сечений из значений, указанных в
таблице 8.
Вывод должен быть пригоден для всех типов проводников: жестких (одно- и многопроволочных) и гибких, если не установлено иное.
Испытания проводят на новых выводах с проводниками наименьшего и наибольшего сечения каждого типа проводника:
- для испытания однопроволочных проводников применяют проводники с сечением от 1 до 6 мм2, по применению;
- для испытания многопроволочных проводников применяют проводники с сечением от 1,5 до 25 мм2, по применению;
- для испытания гибких проводников применяют проводники с сечением от 1 до 16 мм2, по применению.
Проводник вставляют в новый вывод на минимальное предписанное расстояние или, в отсутствие предписаний, до появления конца проводника с противоположной стороны зажима и в положении, наиболее благоприятном для выскальзывания однопроволочного проводника или проволоки (проволок) многопроволочного проводника.
Затем зажимные винты затягивают моментом, равным 2/3 значения, указанного в соответствующей графе
таблицы 12.
Затем каждый проводник подвергают вытягиванию с усилием в ньютонах, указанным в таблице 13, согласно сечению проводника.
Таблица 13
Усилия вытягивания проводников
Сечение проводника, помещаемого в вывод, мм2 | От 1 до 4 включ. | Св. 4 до 6 включ. | Св. 6 до 10 включ. | Св. 10 до 16 включ. | Св. 16 до 50 включ. |
Вытягивающее усилие, Н | 50 | 60 | 80 | 90 | 100 |
Вытягивание производят без рывков в течение 1 мин в направлении оси канала для проводника.
При необходимости испытательные значения тянущего усилия соответственно сечению проводника указывают в протоколе испытаний.
Во время испытаний проводник не должен заметно смещаться в зажиме.
9.5.2 Выводы оснащают медными одно- и многопроволочными проводниками наименьшего и наибольшего сечений из значений, указанных в
таблице 8, выбирая наименее благоприятные, и зажимные винты затягивают моментом, равным 2/3 значения, указанного в соответствующей графе
таблицы 12.
Затем винты отпускают и ту часть проводника, которая может быть повреждена зажимом, осматривают.
Проводники не должны иметь чрезмерных повреждений или оборванных проволок.
Примечание - Проводники считают чрезмерно поврежденными при наличии глубоких вмятин или надрезов.
Во время испытаний выводы не должны ослабляться и не должно быть их повреждений, таких как поломка винтов, повреждение шлицев, резьбы, шайб и хомутиков, ухудшающих дальнейшую эксплуатацию вывода.
9.5.3 Выводы оснащают жесткими многопроволочными и/или гибкими медными проводниками наибольшего сечения, указанного в
таблице 8.
Перед вводом в зажим проволокам проводника придают соответствующую форму.
Проводник вводят в зажим до упора в его дно или до выхода конца проводника с противоположной стороны зажима и в положении, наиболее благоприятном для выскальзывания проволоки (проволок). Зажимные винты или гайки затем затягивают моментом, равным 2/3 момента, указанного в соответствующей графе
таблицы 12.
После испытания ни одна проволока проводника не должна оказаться вне зажима.
9.6 Проверка защиты от поражения электрическим током
Это требование применимо к частям УЗДП, открытым для оператора после монтажа УЗДП как для нормальной эксплуатации.
Испытание проводят с применением стандартного испытательного пальца (см.
рисунок 3) на УЗДП, смонтированном как для нормальной эксплуатации (см.
примечание к 8.3) и оснащенном проводниками с наименьшим и наибольшим сечениями, которые могут быть присоединены к УЗДП.
Палец должен быть спроектирован так, чтобы каждая из его сочлененных секций могла поворачиваться под углом 90° по отношению к оси пальца, только в одном направлении.
Стандартный испытательный палец прикладывают в каждом возможном изогнутом положении как у настоящего пальца. Для определения электрического контакта с частями, находящимися под напряжением, следует использовать электрический контактный индикатор.
Для индикации контакта рекомендуется использовать электрическую лампочку на напряжение не менее 40 В. Стандартный испытательный палец не должен касаться частей, находящихся под напряжением.
УЗДП с оболочками или крышками из термопластичных материалов подвергают следующим дополнительным испытаниям при температуре окружающего воздуха (35 +/- 2) °C и такой же температуре УЗДП.
К УЗДП в течение 1 мин прикладывают с усилием 75 Н кончик прямого несочлененного испытательного пальца таких же размеров, как и стандартный испытательный палец. Этот палец прикладывают во всех местах, где текучесть изоляционного материала может влиять на целостность и безопасность УЗДП, кроме пробивных диафрагм.
При испытании оболочки или крышки не должны деформироваться в такой степени, чтобы находящихся под напряжением частей можно было коснуться жестким испытательным пальцем.
УЗДП открытого исполнения, имеющие части, которые не предполагается защищать оболочками, смонтированные как для нормальной эксплуатации, подвергают испытанию с металлической фронтальной панелью.
9.7 Испытание электроизоляционных свойств
УЗДП испытывают согласно нижеследующим подпунктам.
9.7.2.1 Подготовка УЗДП к испытанию
Части УЗДП, которые могут быть сняты без помощи инструмента, снимают и подвергают влажной обработке вместе с основной частью; подпружиненные крышки при обработке держат открытыми.
Кабельные вводы, при наличии, оставляют открытыми; если предусмотрены пробивные диафрагмы, одну из них вскрывают.
9.7.2.2 Условия испытания
Влажную обработку проводят в камере с относительной влажностью (93 +/- 5)%.
Температуру воздуха T в камере, в которой находится образец, поддерживают в пределах +/- 2 °C при любом подходящем значении от 20 °C до 30 °C.
Перед помещением в камеру образца его температура должна быть от T °C до (T + 4) °C.
9.7.2.3 Методика испытания
Образцы выдерживают в камере 48 ч.
Примечание - Относительную влажность от 91% до 95% можно обеспечить, поместив в камеру насыщенный водный раствор сульфата натрия (Na2SO4) или нитрата калия (KNO3), имеющий достаточно большую поверхность контакта с воздухом.
Для достижения предписанных условий в камере рекомендуется обеспечить постоянную циркуляцию воздуха и использовать камеру с теплоизоляцией.
9.7.2.4 Состояние УЗДП после испытания
После данной обработки образец должен быть исправным в соответствии с требованиями настоящего стандарта и выдерживать испытания по 9.7.3 -
9.7.5,
9.7.7 и
9.7.7.2, если применимо.
9.7.3 Сопротивление изоляции главной цепи
УЗДП обрабатывают, как указано в
9.7.2, а затем извлекают из камеры влаги. Спустя 30 - 60 мин после этой обработки измеряют сопротивление изоляции в течение 5 с при напряжении постоянного тока приблизительно 500 В в следующей последовательности:
a) при УЗДП в разомкнутом состоянии - между каждой парой выводов, электрически соединенных между собой, когда УЗДП замкнуто, в каждом полюсе поочередно;
b) при замкнутом УЗДП - между каждым полюсом поочередно и остальными полюсами, соединенными вместе, при этом электронные компоненты, включенные между токовыми путями, на время испытания должны быть отключены;
c) при замкнутом УЗДП - между всеми полюсами, соединенными вместе, и корпусом, включая металлическую фольгу, контактирующую с наружной поверхностью внутренней оболочки из изоляционного материала, при ее наличии;
d) между металлическими частями механизма и корпусом;
Примечание - Доступ к металлическим частям механизма может быть специально обеспечен для данного испытания.
e) для УЗДП в металлической оболочке, выложенной изнутри обшивкой из изоляционного материала, - между корпусом и металлической фольгой, соприкасающейся с внутренней поверхностью обшивки из изоляционного материала, включая втулки и другие аналогичные устройства.
Измерения
a) -
c) выполняют после подключения к корпусу всех вспомогательных цепей.
Термин "корпус" включает:
- все доступные металлические части и металлическую фольгу, соприкасающуюся с поверхностями из изоляционного материала, которые доступны после установки УЗДП как для нормальной эксплуатации;
- поверхность, на которой основание УЗДП устанавливают при монтаже, покрытую, при необходимости, металлической фольгой;
- винты и другие устройства для крепления основания УЗДП к опоре;
- винты для крепления крышек, которые должны сниматься во время монтажа УЗДП;
- металлические части органов управления, указанные в
8.3.
Если УЗДП снабжено выводом, предназначенным для присоединения защитных проводников, вывод должен быть присоединен к корпусу.
Для измерений
b) -
e) металлическая фольга должна накладываться таким образом, чтобы можно было эффективно испытать заливочный компаунд, при его наличии.
Сопротивление изоляции должно быть не менее:
2 МОм - для измерений
a),
b);
5 МОм - для других измерений.
9.7.4 Электрическая прочность изоляции главной цепи
После испытания по
9.7.3 испытательное напряжение прикладывают на 1 мин между частями, указанными в
9.7.3, при этом электронные компоненты, при их наличии, на время испытания отключают.
Испытательное напряжение должно иметь практически синусоидальную форму волны и частоту от 45 до 65 Гц.
Источник испытательного напряжения должен быть в состоянии обеспечить ток короткого замыкания не менее 0,2 А.
Токовое защитное устройство трансформатора не должно срабатывать, если ток в выходной цепи менее 100 мА.
Значения испытательного напряжения должны быть следующие:
Вначале прикладывают не более половины указанного напряжения, затем его повышают до полного значения за 5 с.
Во время испытания не допускаются перекрытия и пробои изоляции.
Тлеющие разряды, не вызывающие падения напряжения, во внимание не принимают.
9.7.5 Сопротивление изоляции и электрическая прочность изоляции вспомогательных цепей
a) Измерение сопротивления изоляции и испытание электрической прочности изоляции вспомогательных цепей проводят сразу же после измерения сопротивления изоляции и испытания электрической прочности изоляции главной цепи в
условиях b) и
c), приведенных ниже.
Если в УЗДП имеются электронные компоненты, соединенные при нормальной работе с главной цепью, следует выполнить временные соединения на период испытания таким образом, чтобы в течение испытания между входными и выходными выводами компонентов не было напряжения.
b) Измерения сопротивления изоляции проводят:
- между соединенными между собой вспомогательными цепями и корпусом;
- между каждой частью вспомогательных цепей, которая может быть изолирована от других частей при нормальной эксплуатации, и всеми остальными частями, соединенными вместе, при напряжении приблизительно 500 В постоянного тока, после того, как это напряжение прикладывалось 1 мин.
Сопротивление изоляции должно быть не менее 2 МОм.
c) Практически синусоидальное напряжение номинальной частоты прикладывают в течение 1 мин между частями, перечисленными выше в
b).
Значения прикладываемого напряжения указаны в таблице 14.
Таблица 14
Испытательное напряжение вспомогательных цепей
Номинальное напряжение вспомогательной цепи (переменного или постоянного тока), В | Испытательное напряжение, В |
До 30 включ. | 600 |
Св. 30 до 50 " | 1000 |
" 50 " 110 " | 1500 |
" 110 " 250 " | 2000 |
" 250 " 500 " | 2500 |
В начале испытания испытательное напряжение не должно превышать половины указанного в
таблице 14 значения. Затем напряжение постепенно увеличивают до полного значения в течение не менее 5 с, но не более 20 с.
Во время испытания не должно быть перекрытий и пробоев изоляции.
Примечания
1 Тлеющие разряды, не вызывающие снижения напряжения, во внимание не принимают.
2 Для УЗДП, вспомогательная цепь которых не доступна для проверки требований, указанных в
перечислении b) данного подпункта, испытания должны быть проведены на образцах, специально подготовленных изготовителем, либо в соответствии с его инструкциями.
3 К вспомогательным цепям не относятся цепи управления УЗДП, функционально зависящие от напряжения сети.
4 Цепи управления, кроме вторичных цепей трансформаторных датчиков и цепей управления, соединенных с главной цепью, подлежат таким же испытаниям, как и вспомогательные цепи.
9.7.6 Способность цепей управления, соединенных с главной цепью, выдерживать высокие напряжения постоянного тока, возникающие при измерении изоляции
Испытание проводят на УЗДП в замкнутом состоянии, закрепленном на металлическом основании, со всеми цепями управления, соединенными как при нормальной эксплуатации.
Используется источник напряжения постоянного тока со следующими характеристиками:
- напряжение холостого хода - 600+25 В.
Примечание - Это значение временное;
- наибольшие пульсации - 5%, где
- ток короткого замыкания - 12+2 мА.
Это испытательное напряжение прикладывают в течение 1 мин поочередно между каждым полюсом и остальными полюсами, соединенными вместе и с корпусом.
После этой процедуры проверяют функциональность УЗДП повторным испытанием по
9.9.2.4 при наименьшем токе по
таблице 1 или
2, что применимо.
9.7.7 Проверка способности выдерживать импульсные напряжения (через воздушные зазоры и твердую изоляцию) и токи утечки на разомкнутых контактах
9.7.7.1 Общая процедура испытания на импульсное выдерживаемое напряжение
Положительные и отрицательные импульсы, подающиеся генератором, имеют длительность фронта 1,2 мкс и длительность на уровне 0,5 амплитуды импульса - 50 мкс с точностью:
+/- 5% - для пикового значения;
+/- 30% - для длительности фронта;
+/- 20% - для длительности на уровне 0,5.
В каждом испытании прикладывают по пять положительных и пять отрицательных импульсов с интервалом между последующими импульсами одной и той же полярности не менее 1 с и между импульсами противоположной полярности не менее 10 с.
При выполнении испытания импульсным напряжением на собранном УЗДП необходимо учитывать усиление и ослабление испытательного напряжения. Необходимо убедиться в том, что требуемое значение испытательного напряжения подается на выводы испытуемого устройства.
Полное импульсное сопротивление испытательного устройства должно иметь номинальное значение не выше 500 Ом.
Примечание 1 - В IEC 60664-1 (подпункт 9.7.6.2) и IEC/TR 60664-2-1 для проверки воздушных зазоров для основной изоляции на собранном УЗДП рекомендуют испытательный генератор с очень низким полным сопротивлением. Для этой цели подходит гибридный генератор с условным полным сопротивлением 2 Ом, если внутренние компоненты не отключены перед испытанием. IEC 60664-1 и IEC/TR 60664-2-1 рекомендуют измерять испытательное напряжение непосредственно на воздушном зазоре. Форму импульсов устанавливают при подключенном к генератору импульсов испытуемого АВДТ. Для этой цели должны использоваться соответствующие делители и датчики напряжения. Компоненты защиты от импульсов перед испытанием рекомендуют отключить.
Для УЗДП со встроенными не отсоединяемыми импульсными разрядниками рекомендуют устанавливать форму импульса без присоединения УЗДП к генератору импульсов.
Допускаются незначительные колебания импульсов при условии, что их амплитуда вблизи пика импульсов составляет не более 5% амплитудного значения импульса.
Допустимы колебания в первой половине фронта импульса амплитудой не более 10% пикового значения импульса.
Во время испытания не должно быть разрушительных разрядов.
Примечание 2 - Для наблюдения за импульсным напряжением для обнаружения пробивных разрядов применяют осциллограф.
9.7.7.2 Проверка воздушных зазоров импульсным выдерживаемым напряжением
Примечание - Это испытание заменяет измерение воздушных зазоров.
Испытание проводят на УЗДП, закрепленном на металлической опоре, в замкнутом состоянии.
Значения испытательного импульсного напряжения выбирают по
таблице 15 согласно номинальному импульсному напряжению УЗДП по
таблице 4. Эти значения корректируют по барометрическому давлению и/или высоте проведения испытаний в соответствии с таблицей 15.
Таблица 15
Испытательное напряжение для проверки импульсного
выдерживаемого напряжения
Номинальное импульсное выдерживаемое напряжение Uimp, кВ | Испытательное напряжение на соответствующей высоте над уровнем моря |
U1,2/50 пиковое переменного тока, кВ |
Уровень моря | 200 м | 500 м | 1000 м | 2000 м |
2,5 | 2,9 | 2,8 | 2,8 | 2,7 | 2,5 |
4,0 | 4,9 | 4,8 | 4,7 | 4,4 | 4,0 |
В первой серии испытаний импульсы прикладывают между:
- фазным полюсом (полюсами) и нейтральным полюсом УЗДП, соединенными вместе
- и металлической опорой, соединенной с выводом (выводами), предназначенным для защитных проводников, если имеются.
Во второй серии испытаний импульсы прикладывают между:
- фазным полюсом (полюсами), соединенными вместе
- и нейтральным полюсом (или путем) УЗДП, что применимо.
В третьей серии импульсы прикладывают по установкам, данным в
9.7.3, перечисления b) -
e), не испытанным во время вышеуказанных первых двух серий.
Во время испытаний не должно быть перекрытий, а также непреднамеренных разрушительных разрядов. Если, однако, имел место только один такой разрушительный разряд, то дополнительно прикладывают десять импульсов той же полярности, что и вызвавший разрушительный разряд; соединения при этом должны быть такими же, как при разряде.
Не должно быть дальнейших разрушительных разрядов.
9.7.7.3 Проверка токов утечки на разомкнутых контактах (пригодность к разъединению)
Примечание - Эта проверка не касается УЗДП, классифицируемых по
4.1.2 (может быть избыточной) и классифицируемых по
4.1.3 (см.
приложение D).
К каждому полюсу УЗДП в разомкнутом положении подают испытательное напряжение, равное 1,1 номинального рабочего напряжения.
Измеренный ток утечки на разомкнутых контактах после испытаний по
9.10 и
9.11 не должен превышать 2 мА.
9.7.7.4 Проверка сопротивления изоляции на разомкнутых контактах и основной изоляции против импульсного напряжения в нормальных условиях
9.7.7.4.1 Общие положения
Этим испытаниям не предшествует влажная обработка.
Испытательные импульсы выбирают по
таблице 16 согласно паспортному напряжению электроустановки, для применения в которой предназначено УЗДП, как указано в
таблице 4. Эти значения корректируют по барометрическому давлению и/или высоте проведения испытаний согласно таблице 16.
Таблица 16
Испытательное напряжение для проверки пригодности
к разъединению относительно номинального импульсного
выдерживаемого напряжения УЗДП и высоте проведения испытаний
Паспортное напряжение электроустановки, В | Испытательное напряжение на соответствующей высоте над уровнем моря |
U1,2/50 пиковое переменного тока, кВ |
Уровень моря | 200 м | 500 м | 1000 м | 2000 м |
Однофазная система с заземленной средней точкой 120/240 <a> | 3,5 | 3,5 | 3,4 | 3,2 | 3,0 |
Однофазная система 120/240, 240 <b> | 6,2 | 6,0 | 5,8 | 5,6 | 5,0 |
Трехфазная система 230/400 | 6,2 | 6,0 | 5,8 | 5,6 | 5,0 |
<a> Из практики электроустановок в Японии. <b> Из практики электроустановок в странах Северной Америки. |
9.7.7.4.2 УЗДП в разомкнутом состоянии
Испытание проводят на УЗДП, закрепленном на металлической опоре, как при нормальной эксплуатации.
Импульсы прикладывают между:
- выводами питания, соединенными вместе; и
- выводами нагрузки, соединенными вместе, с контактами в разомкнутом состоянии.
При испытании не должно быть разрушительных разрядов.
9.7.7.4.3 УЗДП в замкнутом состоянии
9.7.7.4.3.1 Испытание импульсным выдерживаемым напряжением
Серии испытаний проводят на УЗДП, закрепленном на металлической опоре, в замкнутом состоянии, присоединенном как для нормальной эксплуатации.
Все компоненты, перекрывающие основную изоляцию, должны быть отсоединены.
В первой серии испытаний импульсы прикладывают между:
- фазным полюсом (полюсами) и нейтральным полюсом УЗДП, соединенными вместе
- и металлической опорой, соединенной с выводом (выводами), предназначенным для защитных проводников, если имеются.
Во второй серии испытаний импульсы прикладывают между:
- фазным полюсом (полюсами), соединенными вместе
- и нейтральным полюсом (или путем) УЗДП.
Во время испытаний не должно быть перекрытий, а также непреднамеренных разрушительных разрядов. Если, однако, имел место только один такой разрушительный разряд, то дополнительно прикладывают десять импульсов той же полярности, что и вызвавший разрушительный разряд; соединения при этом должны быть такими же, как при разряде.
Не должно быть дальнейших разрушительных разрядов.
9.7.7.5 Проверка поведения компонентов, перекрывающих основную изоляцию
Прежде всего необходимо убедиться, что компоненты, перекрывающие основную изоляцию и отсоединенные для испытания импульсным напряжением, при испытании основной изоляции не ухудшают состояние или безопасность основной изоляции УЗДП в нормальной эксплуатации.
Новый образец УЗДП испытывают для проверки того, что компоненты, перекрывающие основную изоляцию, не уменьшают безопасность в части кратковременных переходных перенапряжений.
Испытательное напряжение имеет частоту 50/60 Гц по IEC 60364-4-44:2007 (таблица 44.A.2) и IEC 60664-1:2007, действующее значение испытательного напряжения для основной изоляции составляет 1200 В + Un, где Un - значение паспортного напряжения между фазой и нейтралью.
Примечание 1 - В качестве примера для УЗДП на номинальное напряжение Un = 250 В значение испытательного напряжения переменного тока для основной изоляции составляет 1200 В + 250 В, т.е. действующее значение испытательного напряжения - 1450 В.
Напряжение прикладывают в течение 5 с между:
- фазным полюсом (полюсами) и нейтральным полюсом (или некоммутируемой нейтралью) УЗДП, соединенными вместе; и
- металлической опорой, соединенной с выводом (выводами), предназначенным для защитных проводников, если имеются.
Затем УЗДП осматривают, ни один компонент, перекрывающий основную изоляцию, не должен показывать изменений.
Примечание 2 - Допускается замена плавкого предохранителя перед включением УЗДП в сеть. Если плавкий предохранитель, защищающий импульсный разрядник, перегорел, то допускается замена импульсного разрядника тоже.
Затем УЗДП соединяют в сеть по инструкциям изготовителя. Функциональность УЗДП проверяют испытанием по
9.9.2.4 при наименьшем токе по
таблице 1 или
2, что подходит.
Данное испытание не проводят на устройствах с заземленной нейтралью.
9.8 Испытание на превышение температуры
9.8.1 Температура окружающего воздуха
Температуру окружающего воздуха измеряют в течение последней четверти периода испытания при помощи не менее двух термометров или термопар, симметрично расположенных относительно УЗДП, приблизительно на половине его высоты и на расстоянии около 1 м от УЗДП.
Термометры и термопары должны быть защищены от сквозняков и теплового излучения.
Примечание - Следует принять меры во избежание ошибок, вызванных неожиданными изменениями температуры.
Ток, равный In, при номинальном напряжении пропускают одновременно через все полюса УЗДП в течение времени, достаточного для того, чтобы превышение температуры достигло установившегося значения. Практически это условие достигается, когда изменение превышения температуры не превосходит 1 °C за 1 ч.
Сначала испытание проводят, пропуская заданный ток через два полюса.
При испытании превышение температуры не должно быть более значений, указанных в
таблице 9.
9.8.3 Измерение температуры частей УЗДП
Температуру различных частей, приведенную в
таблице 9, измеряют при помощи тонкопроволочных термопар или эквивалентных приборов, установленных, как можно ближе к наиболее горячим точкам.
Следует обеспечить хорошую теплопроводность между термопарой и поверхностью испытуемой части.
9.8.4 Превышение температуры части УЗДП
Превышение температуры части есть разница между температурой этой части, измеренной в соответствии с
9.8.3, и температурой окружающего воздуха, измеренной в соответствии с
9.8.1.
9.9 Проверка рабочих характеристик
УЗДП устанавливают как для нормальной эксплуатации.
Испытательная цепь должна обладать ничтожно малой индуктивностью.
Для УЗДП, рассчитанных более, чем на одно номинальное напряжение (например, 120 В и 240 В), испытания проводят на наименьшем и наибольшем напряжениях.
Для УЗДП, рассчитанных более, чем на одну номинальную частоту, испытания проводят при наименьшей и наибольшей частоте.
Для испытаний по
9.9.2.2 -
9.9.2.5 образец кабеля заменяют после каждого измерения.
9.9.2 Испытание последовательного дугового пробоя
9.9.2.1 Типовое УЗДП должно устранить дуговой пробой в течение времени, указанного в
таблице 1 или
2, при испытуемом уровне тока дуги. УЗДП испытывают до его номинального тока.
Регулирование испытательных токов в образце кабеля без установления дуги достигают подачей номинального напряжения, сниженного на 50 В, принимая во внимание значение напряжения дуги при испытании.
Испытание проводят при номинальном напряжении УЗДП.
Время отключения измеряют на каждом уровне тока дуги, и измеренное значение не должно превышать время по
таблице 1 или
2.
9.9.2.2 Проверка должного срабатывания при неожиданном возникновении последовательной дуги в цепи
Испытательные выключатели S1, S3 и S4 и УЗДП во включенном состоянии, а испытательный ток стабилизирован, испытательный ток дуги регулируют от наименьшего значения тока дуги до номинального тока УЗДП с помощью активной нагрузки. Затем испытательный выключатель S2 выключают.
Далее броском отключают испытательный выключатель S4 для ввода подготовленного кабельного образца последовательно с нагрузкой. Время отключения измеряют трижды. Ни одно из измерений не должно превысить предельного значения по
таблице 1 или
2.
9.9.2.3 Проверка должного срабатывания в случае ввода нагрузки с последовательным дуговым пробоем
Испытательные выключатели S3 и S4 в отключенном положении, а испытательный выключатель S1 и УЗДП во включенном положении, испытательный ток дуги регулируют с помощью активной нагрузки до наименьшего значения тока дуги по
таблице 1 или
2. Затем испытательный выключатель S2 выключают.
Испытательный выключатель S1 и УЗДП во включенном положении, испытательный выключатель S4 и S3 во включенном положении. Испытательный выключатель S3 включают броском тока на питание нагрузки с последовательным дуговым пробоем.
Время отключения измеряют трижды. Ни одно из измерений не должно превысить предельного значения по
таблице 1 или
2.
Затем испытание повторяют для значения номинального тока УЗДП.
9.9.2.4 Проверка должного срабатывания в случае включения на последовательный дуговой пробой
Испытательные выключатели S1, S3 и УЗДП во включенном состоянии, испытательный ток дуги регулируют с помощью активной нагрузки до наименьшего значения тока дуги по
таблице 1 или
2, что применимо. После испытания испытательные выключатели S1 и S2 выключают.
Испытательные выключатели S1 и S4 в отключенном положении, испытательный выключатель S1 включают броском тока на питание УЗДП и нагрузки с последовательным дуговым пробоем.
Время отключения измеряют трижды. Ни одно из измерений не должно превысить предельного значения по
таблице 1 или
2.
Затем испытание повторяют для значения номинального тока УЗДП.
9.9.2.5 Испытание при предельных температурах
УЗДП должно последовательно пройти испытание по
9.9.2.2 в следующих условиях:
- температура окружающей среды минус 5 °C только для наименьшего значения по
таблице 1 или
2, что применимо, и напряжения 0,85 номинального напряжения;
- температура окружающей среды 40 °C, УЗДП предварительно нагружают номинальным током до достижения условий теплового равновесия, только для значения номинального тока УЗДП и напряжения 1,1 номинального напряжения. По достижению теплового равновесия проводят испытание на расцепление.
9.9.2.6 Подготовка образцов кабеля
Два проводника с поперечным сечением 1,5 мм
2 (или AWG 16), надежно соединенные один с другим (например, с помощью клейкой ленты), готовят следующим образом (см.
рисунок 36).
Для этого испытания используют кабель с параллельными проводниками. Один из следующих кабелей используют при испытании УЗДП, поскольку они дают аналогичный результат.
Примечание - Если такие кабели отсутствуют, оценку результата проводят с имеющимися кабелями.
Для данного испытания подходит гибкий кабель ПВХ, классифицируемый по IEC 60227 IEC41, соответствующий IEC 60227-1 (приложение A), с двумя проводниками.
Образец кабеля также может быть подготовлен из двух одножильных гибких кабелей ПВХ, классифицируемых по IEC 60227 IEC02, соединенных вместе изоляционной лентой ПВХ.
Для данного испытания, в частности, подходят кабели SPT2 и H05VV-F. Можно также использовать самодельный кабель с одножильными гибкими проводниками H05V, соединенными вместе изоляционной лентой ПВХ.
a) Материал и геометрия образца должны подходить для проведения достаточной карбонизации между проводниками и инициирования дуги при подаче номинального напряжения.
b) Должен быть отрезан кабель минимальной длины 200 мм для образца, с одной стороны образца проводники кабеля должны быть разделены по длине 25 мм.
c) Изоляция вокруг обоих проводников должна быть разрезана вдоль на 50 мм от конца на глубину, открывающую их без разделения жил.
d) Прорезь в изоляции должна быть обернута двойным слоем перекрещивающейся электрической черной ленты ПВХ и поверх обернута двойным слоем ленты из фиброволокна.
e) Концы проводников приблизительно на 12 мм должны быть зачищены, как можно ближе к прорези, для подсоединения в испытательные цепи.
Затем производят обработку образцов для создания карбонизированного проводящего пути через изоляцию между двумя проводниками кабеля:
f) Образец кабеля подсоединяют в цепь, обеспечив ток короткого замыкания 30 мА и напряжение холостого хода не менее 7 кВ. Затем в цепь подают питание приблизительно на 10 с или до прекращения выделения дыма.
g) Затем образец кабеля подсоединяют в цепь, обеспечив ток короткого замыкания 300 мА при напряжении не менее 2 кВ, или достаточном, чтобы вызвать прохождение тока. Затем в цепь подают питание приблизительно на 1 мин или до прекращения выделения дыма.
Карбонизированный путь считают сформированным, если лампа накаливания на 100 Вт/120 В начинает светиться при 120 В или сопротивление с эквивалентным значением лампы накаливания (100 Вт/120 В), включенное последовательно с путем, забирает 0,3 А при 120 В или лампа накаливания на 100 Вт/230 В начинает светиться при 230 В или сопротивление имеет эквивалентное значение лампы накаливания (100 Вт/230 В).
Допускается модификация испытательной цепи с тем, чтобы ток не протекал через испытуемое устройство в цикле обработки высоким напряжением.
Испытательный генератор дуги - установка, состоящая из неподвижного электрода и подвижного электрода, как показано на
рисунке 5.
Примечание - Размер
a на
рисунке 5 не имеет большого значения, он может быть приблизительно (17 +/- 7,5) мм.
Один электрод представляет собой углеродно-графитовый стержень диаметром (6 +/- 0,5) мм, а другой - медный стержень. Образующий дугу конец одного или обоих электродов может быть направлен, как показано на
рисунке 5.
Для воспроизводимости условий дугообразования может быть необходима очистка и заострение концов стержней.
При включении в цепь разъединение двух электродов на соответствующее расстояние должно генерировать установившуюся дугу между ними.
При использовании генератора дуги УЗДП должно отключить дуговой пробой менее, чем за 2,5 времени отключения по
таблице 1 или
2.
Примечание - Энергия дуги по карбонизированному пути составляет 2,5 энергии дуги, обеспечиваемой генератором дуги.
9.9.3 Испытание параллельного дугового пробоя
9.9.3.1 Проверка должного срабатывания в случае параллельной дуги с ограниченным током
УЗДП должно отключить дуговой пробой, если число полуволн дуги, указанных в
таблице 3, происходит в течение 0,5 с. Исходя из этих требований, считают, что все пути тока, устанавливающиеся в течение 10 мс для устройства на 50 Гц и в течение 8,3 мс для устройства на 60 Гц, принадлежат одной полуволне дуги. В пределах этого периода возможно протекание тока в течение некоторого, а не всего, времени.
До и после каждого периода протекания тока может быть период без тока или с очень ограниченным током.
Очень ограниченный ток - это ток с амплитудой менее 5% от приемлемого тока или ток, который продолжает протекать в течение не более 5% от длительности полупериода. Он может длиться в течение части полупериода или в течение нескольких полупериодов. Полный синусоидальный полупериод протекающего тока не считают полупериодом дуги.
Испытания проводят на уровнях тока замыкания 75 А и 100 А.
Образец кабеля готовят, как в
9.9.2.6.
Испытательный ток устанавливают на 75 А с линейным полным сопротивлением Z в цепи, испытательные выключатели S1 - S4 во включенном положении. Затем выключатели S2 - S4 выключают, УЗДП и выключатель S1 включены. Испытательный выключатель S3 включают броском тока.
Затем испытание повторяют с током, установленным на 100 А, с полным сопротивлением
Z. УЗДП должно сработать по
таблице 3.
УЗДП должно отключить дуговой пробой, если число полупериодов дуги, указанных в
таблице 3, происходит в течение 0,5 с.
Первый полупериод дуги считают началом периода 0,5 с.
Испытание следует повторить на новом образце кабеля, если длительность дуги меньше числа полупериодов по
таблице 3 и УЗДП не сработало.
9.9.3.2 Проверка должного срабатывания в испытании среза кабеля в случае параллельной дуги
УЗДП должно отключить дуговой пробой, если число полуволн дуги, указанных в
таблице 3, происходит в течение 0,5 с. Исходя из этих требований, считают, что все пути тока, устанавливающиеся в течение 10 мс для устройства на 50 Гц и в течение 8,3 мс для устройства на 60 Гц, принадлежат одной полуволне дуги. В пределах этого периода возможно протекание тока в течение некоторого, а не всего, времени.
Очень ограниченный ток - это ток с амплитудой менее 5% от приемлемого тока или ток, который продолжает протекать в течение не более 5% от длительности полупериода. Он может длиться в течение части полупериода или в течение нескольких полупериодов. Полный синусоидальный полупериод протекающего тока не считают полупериодом дуги.
Испытательное устройство T или эквивалентное ему для испытания среза кабеля показано на
рисунке 8.
Стальное лезвие должно иметь номинальную толщину 1,2 мм для УЗДП на 120 В или 3 мм для УЗДП на 230 В и приблизительные размеры 32 мм x 140 мм. Лезвие располагают, как необходимо. По согласованию лезвие может быть заострено. Оно должно быть прикреплено к рычагу для поддержания угла среза для получения эффекта. На испытательном устройстве по
рисунку 8 или эквивалентном лезвие располагают так, чтобы твердый контакт был установлен с одним проводником, а дуговой контакт - со вторым проводником.
Образцы испытуемого проводника должны состоять из двух проводников, применяемых в стране, тесно соединенных вместе (например, с помощью клеящей ленты), поперечного сечения по
таблице 11.
Образцы должны быть длиной максимально 1,2 м и располагаться под лезвием, как показано на
рисунке 8.
Примечание - Для этого испытания, в частности, подходят кабели SPT2 и H05VV-F.
Испытания проводят при номинальном напряжении УЗДП и испытательном токе дуги по
таблице 3. Испытательный ток дуги устанавливают с полным сопротивлением
Z и включенными испытательными выключателями S1 - S4. УЗДП испытывают с трехпроводными образцами на каждом уровне тока. Каждый образец провода используют только в одном испытании.
Режущий край рычага (длина края лезвия находится в контакте с типичными образцами проводников) должен располагаться вдоль длины режущего края лезвия. Испытательные выключатели S1 и S3 включены, к рычагу медленно равномерно непосредственно прикладывают вертикальное усилие так, чтобы позволить лезвию прорезать изоляцию испытуемого образца проводников. Лезвие должно установить твердый контакт с одним проводником и затем точечный контакт с другим проводником.
УЗДП должно отключить дуговой пробой, если число полупериодов дуги, указанных в
таблице 3, происходит в течение 0,5 с.
Испытание следует повторить на новом образце кабеля, если длительность дуги меньше числа полупериодов по
таблице 3 и УЗДП не сработало.
9.9.3.3 Проверка должного срабатывания в случае дугового замыкания на землю
Испытание по
9.9.3.1 повторяют при 5 А и 75 А, но так, чтобы вызвать замыкание дуги на землю.
Испытательное устройство показано на
рисунке 9.
УЗДП должно отключить дуговой пробой, если число полупериодов дуги, указанных в
таблице 3, происходит в течение 0,5 с.
Первый полупериод дуги считают началом периода 0,5 с.
Испытание следует повторить на новом образце кабеля, если длительность дуги меньше числа полупериодов по
таблице 3 и УЗДП не сработало.
9.9.4 Испытания на устойчивость к фоновым помехам, проверка должного срабатывания
Должное срабатывание УЗДП проверяют в разных конфигурациях подключения источников фоновых помех. Эти испытания проводят на основе метода испытаний по
9.9.2.2.
Для генерации дугового пробоя по указанию изготовителя используют либо генератор дуги, либо карбонизированный образец кабеля.
9.9.4.2 Испытания на устойчивость к фоновым помехам с подключенной нагрузкой, создающей фоновые помехи
Первую серию испытаний проводят без нагрузки, создающей фоновые помехи. УЗДП и генератор дуги или образец кабеля соединяют в цепь по
рисунку 10 с ограниченным током, установленным с помощью активной нагрузки. Переключатель S1 отключен.
Испытательным напряжением является номинальное напряжение УЗДП.
Каждое УЗДП испытывают трижды при 2,5 А для номинального напряжения УЗДП 230 В и при 5 А для номинального напряжения УЗДП 120 В.
Затем проводят вторую серию испытаний с нагрузками, создающими фоновые помехи, используя ту же самую активную нагрузку. УЗДП, активную нагрузку, при наличии, тестер дугового пробоя соединяют в каждой из конфигураций, показанных на
рисунке 11.
Затем УЗДП испытывают с каждой из перечисленных ниже нагрузок, создающих фоновые помехи:
a) Пылесос: на 5 - 7 А для номинального напряжения УЗДП 230 В и на 10 - 14 А для номинального напряжения УЗДП 120 В, полная нагрузка универсального двигателя - пуски эксплуатация;
b) Источник (источники) питания с электронной коммутацией: ток полной нагрузки не менее 2,5 А для номинального напряжения УЗДП 230 В и 5 А для номинального напряжения УЗДП 120 В с минимальным полным коэффициентом гармоник 100% и отдельными минимальными гармоническими составляющими тока 3-го порядка - 75%, 5-го порядка - 50% и 7-го порядка - 25%. Источник (источники) питания включен;
c) Двигатель с конденсатором пуска (типа воздушного компрессора): пиковый пусковой ток 65 А +/- 10% для номинального напряжения УЗДП 230 В и 130 А +/- 10% для номинального напряжения УЗДП 120 В, пуск под нагрузкой (компрессор работает без воздушного давления в воздухосборнике) и управление. Для номинального напряжения УЗДП 230 В используют 2,2 кВт двигатель с конденсатором пуска (типа воздушного компрессора);
d) Электронный регулятор (тиристорного типа) силы света ламп накаливания с вольфрамовой нитью для УЗДП на 120 В, 1000 Вт с катушкой фильтра для управления нагрузкой 1000 Вт, состоящей из четырех ламп мощностью 150 Вт ламп и четырех ламп мощностью 100 Вт.
Электронный регулятор (тиристорного типа) силы света ламп накаливания с вольфрамовой нитью для УЗДП на 230 В, 600 Вт с катушкой фильтра для управления нагрузкой 600 Вт, состоящей из вольфрамовых ламп.
Примечание - При отсутствии вольфрамовых ламп накаливания их можно заменить активной нагрузкой такой же мощности.
Регулятор включен при максимальной уставке, углах проводимости 60°, 90°, 120°, и при минимальной уставке, вызывающей свечение ламп;
e) Две флуоресцентные лампы по 40 Вт с дополнительной активной нагрузкой 5 А;
f) Галогеновые лампы по 12 Вт общей мощностью не менее 300 Вт, питаемые от электронного трансформатора, с дополнительной активной нагрузкой 5 А;
g) Электрический ручной инструмент (например, дрель) мощностью не менее 600 Вт.
Источником дугового пробоя на
рисунке 11 может также быть генератор дуги по
9.9.2.7 или карбонизированный образец кабеля по
9.9.2.6.
УЗДП должно отключить дуговой пробой по
таблице 1 или
2 с карбонизированным образцом кабеля и в течение 2,5 времени отключения по
таблице 1 или
2 с генератором дуги.
При конфигурации A или C по
рисунку 11 это испытание не требуется для условий, в которых ток нагрузки создающих фоновые помехи, измеренный до возникновения дуги в цепи, ниже 5 А (действ.) для УЗДП на 120 В и 2,5 А (действ.) для УЗДП на 230 В.
Испытательным напряжением является номинальное напряжение УЗДП.
Каждое УЗДП испытывают трижды для каждой конфигурации нагрузки.
В первой и второй сериях испытаний с генератором дуги электроды вначале должны коснуться друг друга, цепь замкнута. Затем электроды медленно расходятся при боковой регулировке до образования дуги.
9.9.4.3 Испытание на устойчивость к фоновым помехам с фильтром ЭМП
УЗДП включено в цепь по
рисунку 11, конфигурация B. Испытание дугой проводят при нагрузке 2,5 А для УЗДП на 230 В и 5 А для УЗДП на 120 В.
УЗДП должно отключить дуговой пробой по
таблице 1 или
2 с карбонизированным образцом кабеля и в течение 2,5 времени отключения по
таблице 1 или
2 с генератором дуги.
Примечание - Для данного испытания можно использовать типы кабеля по
9.9.2.6.
a) Устанавливают два фильтра ЭМП по 0,22 мкФ. Один фильтр установлен в одном конце двух активных нагрузок длиной 15 м и сечением 2,5 мм
2. Каждый фильтр должен быть установлен на конце приблизительно длиной 2,0 м и сечением 1,5 мм
2. Дуга возникает, как показано на
рисунке 12.
b) Фильтр ЭМП по
рисунку 14 должен быть на конце кабеля длиной 15 м и сечением 2,5 мм
2. Фильтр должен быть установлен на конце гибкого кабеля приблизительно длиной 2,0 м и сечением 1,5 мм
2. УЗДП и дугу размещают по
рисунку 13.
9.9.4.4 Испытание на устойчивость к фоновым помехам с полным сопротивлением линии
УЗДП устанавливают, как предназначено, в ответвленной цепи и при следующих условиях полного сопротивления линии УЗДП должно сработать со временем отключения по
таблице 1 или
2 с карбонизированным образцом кабеля и с 2,5 времени отключения по
таблице 1 или
2 с генератором дуги.
Ответвленная цепь состоит из 2-проводного кабеля со стальным армированием длиной 30 м и сечением 2,5 мм
2. Дуговой пробой возникает последовательно при нагрузке 5 А для УЗДП на 120 В и 2,5 А для УЗДП на 240 В (см.
рисунок 15).
9.9.5 Испытание на нежелательное срабатывание
9.9.5.1 Общие положения
УЗДП должно пройти испытания по 9.9.5.2 -
9.9.5.4, чтобы гарантировать, что оно не сработает в ситуации, когда не должно сработать.
9.9.5.2 Испытание на перекрестные помехи
Две ответвленные цепи, установленные как можно ближе одна к другой на одной панели, имеют общую фазу и нейтраль, как показано на
рисунке 16, одна с защитой УЗДП, другая без защиты УЗДП (но с установленной защитой от сверхтока). Обе цепи соединены с активной нагрузкой 5 А.
Дуга возникает в цепи с генератором дуги без УЗДП по условиям испытаний
9.9.2.4. Длительность дуги 0,5 с для цепи на 230 В и 1 с для цепи на 120 В, УЗДП не должно сработать.
9.9.5.3 Испытание на кратковременные помехи
Это испытание уже учтено в
9.21.
9.9.5.4 Испытание с несколькими помеховыми нагрузками
УЗДП испытывают как по
9.9.4.1, но без генератора дуги или образца кабеля по
рисунку 10 (S1 включен).
УЗДП испытывают с каждой из следующих нагрузок:
a) Пылесос: на 5 - 7 А для номинального напряжения УЗДП 230 В и на 10 - 14 А для номинального напряжения УЗДП 120 В, полная нагрузка универсального двигателя - пуск и эксплуатация;
b) Источник (источники) питания с электронной коммутацией: ток полной нагрузки не менее 2,5 А для номинального напряжения УЗДП 230 В и 5 А для номинального напряжения УЗДП 120 В с минимальным полным коэффициентом гармоник 100% и отдельными минимальными гармоническими составляющими тока 3-го порядка - 75%, 5-го порядка - 50% и 7-го порядка - 25%. Источник (источники) питания включен;
c) Двигатель с конденсатором пуска (типа воздушного компрессора): пиковый пусковой ток 65 А +/- 10% для номинального напряжения УЗДП 230 В и 130 А +/- 10% для номинального напряжения УЗДП 120 В, пуск под нагрузкой (компрессор работает без воздушного давления в воздухосборнике) и управление. Для номинального напряжения УЗДП 230 В используют 2,2 кВт двигатель с конденсатором пуска (типа воздушного компрессора);
d) Электронный регулятор (тиристорного типа) силы света ламп накаливания с вольфрамовой нитью для УЗДП на 120 В, 1000 Вт с катушкой фильтра для управления нагрузкой 1000 Вт, состоящей из четырех ламп мощностью 150 Вт ламп и четырех ламп мощностью 100 Вт.
Электронный регулятор (тиристорного типа) силы света ламп накаливания с вольфрамовой нитью для УЗДП на 230 В, 600 Вт с катушкой фильтра для управления нагрузкой 600 Вт, состоящей из вольфрамовых ламп;
Примечание - При отсутствии вольфрамовых ламп накаливания их можно заменить активной нагрузкой такой же мощности.
Регулятор включен при полной уставке, углы проводимости 60°, 90°, 120°, и при минимальной уставке, вызывающей свечение ламп.
e) Две 40 Вт флуоресцентные лампы с дополнительной активной нагрузкой 5 А;
f) 12 Вт галогеновые лампы, питаемые от электронного трансформатора, общей мощностью не менее 300 Вт с дополнительной активной нагрузкой 5 А;
g) Электрический ручной инструмент (например, дрель) мощностью не менее 600 Вт.
Электрический ручной инструмент должен предварительно поработать в течение 24 ч.
Питание нагрузок производится в течение не менее 5 с. Следует выполнить пять операций пуск/стоп.
УЗДП сработать не должен.
9.10 Проверка механической и коммутационной износостойкости
9.10.1 Общие условия испытаний
УЗДП закрепляют на металлической опоре.
УЗДП, классифицируемые по
4.1.3, собирают с заданным защитным устройством.
Испытание проводят при номинальном напряжении и номинальном токе, что обеспечивается с помощью резисторов и реакторов, включенных последовательно и присоединенных к выходным выводам УЗДП.
Если используют реакторы без сердечников, то параллельно каждому из них подсоединяют резистор, отводящий на себя около 0,6% тока, проходящего через реактор.
Если используют реакторы с железным сердечником, потери в сердечнике не должны ощутимо влиять на восстанавливающееся напряжение.
Ток должен иметь практически синусоидальную форму волны, а коэффициент мощности должен быть от 0,85 до 0,9.
УЗДП подсоединяют к цепи проводниками согласно
таблице 11.
9.10.2 Процедура испытаний
УЗДП должны быть подвергнуты 2000 циклам оперирования. Каждый цикл оперирования состоит из замыкания и последующего размыкания.
УЗДП следует оперировать как при нормальной эксплуатации.
Операции размыкания должны проводиться в следующем порядке:
- для первых 1000 циклов - с использованием ручных средств оперирования;
- для следующих 500 циклов - с использованием устройства функционального контроля;
- 500 или при отсутствии устройства функционального контроля 1000 циклов оперирования, обеспечивающих образование дуги. Устройства расцепления и условия оговариваются между изготовителем и испытательной лабораторией.
Дополнительно УЗДП подвергают оперированию без нагрузки с использованием ручных средств оперирования:
- 2000 циклам оперирования для УЗДП, имеющих In <= 25 А;
- 1000 циклам оперирования для УЗДП, имеющих In > 25 А.
Частота оперирования должна быть:
- четыре цикла за 1 мин для УЗДП с In <= 25 А, с длительностью периода "вкл." от 1,5 до 2 с;
- два цикла за 1 мин для УЗДП с In > 25 А, с длительностью периода "вкл." от 1,5 до 2 с.
9.10.3 Состояние УЗДП после испытания
После испытания по
9.10.2 УЗДП не должно иметь:
- чрезмерного износа;
- повреждений оболочки, дающих возможность проникновения стандартного испытательного пальца к частям, находящимся под напряжением;
- ослабления электрических и механических соединений;
- вытекания заливочного компаунда, если таковой имеется.
Далее проверяют функциональность УЗДП повторным испытанием по
9.9.2.4 при наименьшем токе по
таблице 1 или
2 и при номинальном токе УЗДП, что применимо, без измерения времени отключения.
Затем УЗДП должно удовлетворительно выдержать испытание электрической прочности изоляции по
9.7.4, но при напряжении 900 В в течение 1 мин, без предварительной влажной обработки.
9.11 Проверка поведения УЗДП в условиях короткого замыкания
УЗДП, классифицируемые по
4.1.2 и
4.1.3 (согласно
приложению D в зависимости от защитного устройства) испытывают по IEC 60898-1, IEC 61008-1, IEC 61009-1 или IEC 62423, что применимо.
Далее проверяют функциональность УЗДП испытанием по
9.9.2.4 при 1,25 наименьшего тока по
таблице 1 или
2, что применимо, без измерения времени отключения.
9.11.2 Испытание на короткое замыкание для УЗДП по 4.1.1
9.11.2.1 Общие положения
Несколько испытаний для проверки поведения УЗДП по
4.1.1 в условиях короткого замыкания приведены в таблице 17.
Таблица 17
Испытания для проверки поведения УЗДП в условиях
короткого замыкания
Проверка | Номер подпункта |
Номинальная включающая и отключающая способность Im | |
Включающая и отключающая способность Im1 для одного полюса и пригодность для систем IT | |
Координация при номинальном условном токе короткого замыкания Inc | |
Координация при номинальной включающей и отключающей способности Im | |
Координация при номинальном условном токе короткого замыкания для одного полюса Inc1 | |
9.11.2.2 Общие условия испытания
Условия по
9.11.2 применимы для любого испытания для проверки поведения УЗДП в условиях короткого замыкания
a) Испытательная цепь
На
рисунках 19 -
21 соответственно приведены схемы цепей, предназначенных для испытаний, относящихся к:
- однополюсному УЗДП с двумя токопроводящими путями;
- двухполюсному УЗДП.
Источник S питает цепь, включающую полное сопротивление Z, заданное защитное устройство, по применению, испытуемое УЗДП (D) и дополнительное полное сопротивление Z1 и/или Z2, по применению.
Активные и реактивные сопротивления должны регулироваться для достижения заданных условий испытаний.
Реакторы L должны быть предпочтительно без сердечников. Они всегда должны соединяться последовательно с резисторами R, а их величина должна быть обеспечена последовательным соединением отдельных реакторов; параллельное соединение реакторов допустимо в случае, если их постоянные времени практически равны.
Поскольку переходные характеристики восстанавливающегося напряжения в испытательных цепях, включающих в себя большие воздушные реакторы, не типичны для обычных условий эксплуатации, воздушные реакторы в любой фазе должны быть шунтированы резисторами
r, отводящими приблизительно 0,6% тока, притекающего через реактор (см.
рисунок 21). По согласованию с изготовителем эти резисторы могут быть исключены.
В каждой испытательной цепи полное сопротивление Z включают между источником S и УЗДП.
| | ИС МЕГАНОРМ: примечание. В официальном тексте документа, видимо, допущена опечатка: пункт 9.11.2.3.4 отсутствует. Возможно, имеется в виду перечисление a) 9.11.2.4. | |
Дополнительное сопротивление Z1, если имеется, вводят со стороны нагрузки УЗДП.
Рекомендуется использовать 0,5 м на входной и 0,25 м провода на выходной стороне испытуемого УЗДП.
Схема испытаний согласно соответствующему рисунку должна быть в протоколе испытаний.
Должна быть одна и только одна точка испытательной цепи, непосредственно заземленная; это может быть короткозамкнутая перемычка испытательной цепи или нейтральная точка источника питания, или другая оговоренная точка. Метод заземления должен быть указан в протоколе испытаний.
Z2, соответственно калиброванное, - полное сопротивление, используемое для получения одного из следующих токов:
- номинального дифференциального включающего и отключающего тока Im1;
- номинального условного дифференциального тока короткого замыкания Inc1.
S1 - вспомогательный выключатель.
Для проверки минимальных значений I2t и Ip, выдерживаемых УЗДП по таблице 18, проводят испытания.
Таблица 18
Минимальные значения
I2t и
Ip
Inc и Inc1, А | I2t или Ip | In, А |
<= 16 | <= 20 | <= 25 | <= 32 | <= 40 | <= 63 |
500 | Ip (кА) | 0,45 | 0,47 | 0,50 | 0,57 | - | - |
I2t (кА2с) | 0,40 | 0,45 | 0,53 | 0,68 | - | - |
1000 | Ip (кА) | 0,65 | 0,75 | 0,90 | 1,18 | - | - |
I2t (кА2с) | 0,50 | 0,90 | 1,50 | 2,70 | - | - |
1500 | Ip (кА) | 1,02 | 1,10 | 1,25 | 1,50 | 1,90 | 2,10 |
I2t (кА2с) | 1,00 | 1,50 | 2,40 | 4,10 | 9,75 | 22,00 |
3000 | Ip (кА) | 1,10 | 1,20 | 1,40 | 1,85 | 2,35 | 3,30 |
I2t (кА2с) | 1,20 | 1,80 | 2,70 | 4,50 | 8,70 | 22,50 |
4500 | Ip (кА) | 1,15 | 1,30 | 1,50 | 2,05 | 2,70 | 3,90 |
I2t (кА2с) | 1,30 | 1,40 | 1,70 | 2,30 | 3,00 | 4,05 |
6000 | Ip (кА) | 1,30 | 1,40 | 1,70 | 2,30 | 3,00 | 4,05 |
I2t (кА2с) | 1,60 | 2,40 | 3,70 | 6,00 | 11,50 | 25,00 |
10000 | Ip (кА) | 1,45 | 1,80 | 2,20 | 2,60 | 3,40 | 4,30 |
I2t (кА2с) | 1,90 | 2,70 | 4,00 | 6,50 | 12,00 | 24,00 |
Примечание - По запросу изготовителя могут применять более высокие значения I2t и Ip.
Заданное устройство для защиты от сверхтоков должно участвовать в испытаниях. Проверку устройства для защиты от сверхтоков (I2t и Ip) проводят до испытаний, УЗДП заменяют временной перемычкой с незначительным полным сопротивлением.
Минимальные значения сквозного тока
I2t и пикового тока
Ip, рассчитанные на основе электрического угла 45°, приведены в
таблице 18.
Без согласования с изготовителем эти значения не могут быть выше 1,1 значений по
таблице 18.
Для промежуточных значений испытательных токов короткого замыкания применяют следующее более высокое значение.
Если изготовитель указал значения I2t и Ip выше минимальных значений, нет необходимости проверять минимальные значения.
Для координации с автоматическими выключателями необходимы испытания.
Все проводящие части УЗДП, нормально заземленные при эксплуатации, включая металлические основания, на которых монтируют УЗДП, или в любую металлическую оболочку (см.
перечисление f) 9.11.2.2), должны быть соединены с нейтральной точкой источника питания или с практически безындукционной искусственной нейтралью, допускающей ожидаемый ток замыкания не менее 100 А.
Такое соединение должно включать медный провод F диаметром 0,1 мм и длиной не менее 50 мм для обнаружения тока пробоя и, если необходимо, резистор R2, ограничивающий значение ожидаемого тока пробоя до 100 А.
Датчики напряжения подключают:
- между выводами полюса однополюсных УЗДП;
- между выводами питания многополюсных УЗДП.
Если иное не установлено в протоколе испытания, сопротивление измерительной цепи должно быть как минимум 100 Ом на 1 В восстанавливающегося напряжения промышленной частоты.
УЗДП питают номинальным напряжением (или напряжением более низкого значения из диапазона номинальных напряжений).
b) Допуски на испытательные параметры
Все испытания, относящиеся к проверке номинальной включающей и отключающей способности, а также правильной координации между УЗДП и заданными защитными устройствами, должны проводиться со значениями воздействующих параметров и коэффициентов, установленными изготовителем, согласно
таблице 6, если не указано иное.
Испытания рассматривают как действительные, если величины, зафиксированные в протоколе испытаний, находятся в пределах следующих допусков:
ток - плюс 5%;
коэффициент мощности: минус 0,05;
напряжение (включая восстанавливающееся напряжение) - +/- 5%.
c) Коэффициент мощности испытательной цепи
Коэффициент мощности каждой фазы испытательной цепи должен определяться признанным методом, который следует указать в протоколе испытаний. В
приложении IA приведены два метода определения коэффициентов мощности.
Коэффициент мощности многофазной цепи определяют как среднее значение коэффициентов мощности всех фаз.
Диапазоны значений коэффициентов мощности приведены в таблице 19.
Таблица 19
Коэффициенты мощности для испытаний на короткое замыкание
Испытательный ток Ic, А | Коэффициент мощности |
 <= 500 | От 0,95 до 1,00 |
500 <  <= 1500 | " 0,93 " 0,98 |
1500 <  <= 3000 | " 0,85 " 0,90 |
3000 <  <= 4500 | " 0,75 " 0,80 |
4500 <  <= 6000 | " 0,65 " 0,70 |
6000 <  <= 10000 | " 0,45 " 0,50 |
10000 <  <= 25000 | " 0,20 " 0,25 |
d) Восстанавливающееся напряжение промышленной частоты
Значение восстанавливающегося напряжения промышленной частоты должно быть равным 105% номинального напряжения испытуемого УЗДП.
Примечание - Значение 105% номинального напряжения считают перекрывающим влияние колебаний сетевого напряжения при нормальных условиях эксплуатации. Верхний предел напряжения может быть повышен с согласия изготовителя.
После каждого дугогашения восстанавливающееся напряжение промышленной частоты должно удерживаться в течение не менее 0,1 с.
e) Калибровка испытательной цепи
Вместо УЗДП и заданного защитного устройства вводят временные перемычки G1, сопротивление которых ничтожно мало по сравнению с сопротивлением испытательной цепи.
Для испытания по
перечислению a) 9.11.2.5 выводы нагрузки УЗДП замыкают накоротко с помощью временных перемычек
G2, сопротивление которых ничтожно мало, сопротивление
Z регулируют для получения при испытательном напряжении тока, равного номинальному условному току короткого замыкания при соответствующем коэффициенте мощности; одновременно во все полюса испытательной цепи подают ток, кривую тока регистрируют с помощью датчика тока
O1.
Кроме того, для испытаний по
9.11.2.3,
9.11.2.4 и
перечислениям b) и
c) 9.11.2.5 при необходимости вводят дополнительные сопротивления
Z1 и/или
Z2 для получения требуемых значений испытательного тока (
Im,
Im1 и
Ic1 соответственно).
f) Состояние УЗДП перед испытанием
УЗДП должны быть испытаны на открытом воздухе по
перечислению f) 1), за исключением тех случаев, когда они разработаны для применения только в оболочке, указанной изготовителем, или предназначены для применения только в индивидуальных оболочках; в таких случаях они должны быть испытаны по
перечислению f) 2) либо с согласия изготовителя по
перечислению f) 1).
Примечание - Индивидуальная оболочка - это оболочка, предназначенная для размещения только одного устройства.
Оперирование УЗДП должно, как можно точнее, имитировать нормальное управление.
1) Испытание на открытом воздухе
Испытуемое УЗДП устанавливают так, как показано на
рисунке C.1 (приложение C).
Полиэтиленовый лист и барьер из изоляционного материала, указанные в
приложении C, устанавливают, как показано на
рисунке C.1, только для операции отключения (О).
Сетка(и), указанная(ые) в
приложении C, должна(ы) быть установлена(ы) так, чтобы основная масса выделяющихся ионизированных газов проходила через них. Сетка(и) должна(ы) быть расположена(ы) в самых неблагоприятных положениях.
Примечание - Если расположение отверстий для выхлопа газов не ясно или отверстия отсутствуют, изготовитель должен представить соответствующую информацию.
Цепи сеток (см.
рисунок C.3) должны быть соединены с точками
B и
C, как указано в схемах испытательных цепей на
рисунках 19 и
20.
Резистор
R' должен иметь сопротивление 1,5 Ом. Медная проволока
F' (см.
рисунок C.3) должна иметь длину 50 мм и диаметр 0,12 мм для УЗДП, имеющих номинальное напряжение 230 В.
Примечание - Данные для других напряжений - в стадии рассмотрения.
Для испытательных токов до 1500 А включительно расстояние a должно быть 35 мм.
Для более высоких значений токов короткого замыкания вплоть до Icn расстояние a может быть увеличено и/или могут быть установлены дополнительные барьеры или изоляционные средства, как будет указано изготовителем, и в этом случае расстояние a должно выбираться из ряда 40, 45, 50, 55 мм по согласованию с изготовителем.
Сетку и барьер из изоляционного материала по
рисунку C.1 исключают.
Испытание должно выполняться с УЗДП, помещенным в оболочку, имеющую наиболее неблагоприятную конфигурацию, при самых неблагоприятных условиях.
Все это означает, что если другие УЗДП (или другие устройства) нормально устанавливают в направлениях, в которых должны быть установлены сетки, то они должны быть установлены там. УЗДП (или другие устройства) должны быть запитаны как при нормальной эксплуатации, но через
F' и
R' согласно f1) и соединены, как показано на
рисунках 19 и
20.
В соответствии с инструкциями изготовителя могут потребоваться барьеры или другие защитные средства или соответствующие зазоры для предотвращения ионизации газов из-за повреждения установки.
Полиэтиленовый лист, описанный в
приложении C, размещают, как показано на
рисунке C.1, на расстоянии 10 мм от органов управления только для операции отключения "O".
g) Последовательность операций
Процедура испытаний состоит в выполнении циклов операций.
Для обозначения циклов операций используют следующие символы:
| | ИС МЕГАНОРМ: примечание. Текст дан в соответствии с официальным текстом документа. | |
"O" - автоматическое отключение, короткое замыкание устанавливают с помощью выключателя T, УЗДП и заданное защитной устройство, если имеется, - в состоянии включения;
"
CO" - операция включения УЗДП, при этом выключатель
T и УЗКЗ, если имеется, - в состоянии включения, с последующим автоматическим отключением (в случае УЗКЗ по
9.11.2.5) или отключением вручную;
"t" - интервал времени между двумя последовательными операциями при коротком замыкании, который должен составлять 3 мин или быть более длительным настолько, сколько может потребоваться тепловому расцепителю, чтобы позволить повторное включение УЗКЗ, если имеется.
h) Поведение УЗДП входе испытаний
Во время испытаний УЗДП не должен представлять опасности для испытателя.
Кроме того, не должно быть устойчивой дуги, перекрытия между полюсами или между полюсами и открытыми токопроводящими частями, не должен расплавляться предохранитель F.
i) Состояние УЗДП после испытаний
После каждого из применимых испытаний по
9.11.2.3,
9.11.2.4,
перечислениям a) -
c) 9.11.2.5 УЗДП не должны иметь повреждений, препятствующих их дальнейшей эксплуатации, и должны быть способны без обслуживания выдерживать следующие испытания:
- на ток утечки на разомкнутых контактах согласно
9.7.7.3;
- на электрическую прочность изоляции, проведенные в соответствии с
9.7.3 через 2 - 24 ч после испытания на короткое замыкание при двойном номинальном напряжении в течение 1 мин и без предварительной влажной обработки;
- на включение и отключение номинального тока при номинальном напряжении.
В ходе этих испытаний следует проверить, что устройство индикации после испытания согласно условиям, указанным в
перечислении a) 9.7.3, указывает на разомкнутое положение контактов, а при испытании по
перечислению b) 9.7.3 - на замкнутое положение.
Кроме того, после испытаний по
9.9.2.4 УЗДП должны расцепляться при пропускании испытательного тока, равного 1,25 наименьшего тока по
таблице 1 или
2 без измерения времени отключения.
Полиэтиленовый лист не должен иметь отверстий, видимых при нормальном или скорректированном зрении без дополнительного увеличения.
j) Анализ записей
1) Определение прикладываемого напряжения и восстанавливающегося напряжения промышленной частоты
Прикладываемое напряжение и восстанавливающееся напряжение промышленной частоты определяют по записи, соответствующей испытанию на время отключения испытуемого УЗДП. Прикладываемое напряжение оценивают, как показано на
рисунке 22.
Напряжение на стороне питания УЗДП должно измеряться на протяжении первого периода после гашения дуги на всех полюсах и после прекращения высокочастотных явлений.
2) Определение ожидаемого тока короткого замыкания
Периодическую составляющую ожидаемого тока приравнивают к действующему значению периодической составляющей тока калибровки (значение, соответствующее
A2 на
рисунке 22).
Где применимо, ожидаемый ток короткого замыкания определяют как среднее значение ожидаемых токов во всех фазах.
9.11.2.3 Проверка номинальной включающей и отключающей способности
Im
Данное испытание предполагает проверку способности УЗДП включать, проводить в течение указанного времени и отключать токи короткого замыкания.
УЗДП испытывают в соответствии с общими условиями испытаний, согласно
9.11.2.2 без введения в цепь защитного устройства.
Перемычки G1 с незначительным сопротивлением заменяют на УЗДП и соединения с сопротивлением, приблизительно равным сопротивлению заданного защитного устройства.
Вспомогательный выключатель S1 отключен.
b) Процедура испытания
Выполняют следующую последовательность операций: CO - t - CO - t - CO, при этом операцию CO выполняют органом управления, замыкающим механизм и размыкающим его спустя приблизительно 0,05 с для гарантии прохождения тока через УЗДП.
9.11.2.4 Проверка номинальной включающей и отключающей способности в одном полюсе (
Im1) и пригодности УЗДП для применения в системах IT.
Данным испытанием проверяют способность УЗДП включать, пропускать в течение заданного времени и отключать токи короткого замыкания в одном полюсе, а также пригодность УЗДП для систем IT.
УЗДП испытывают в соответствии с общими условиями испытаний, согласно
9.11.2.2 без введения в цепь защитного устройства, но с соединениями, позволяющими току короткого замыкания протекать в одном полюсе.
Для данного испытания сопротивление Z1 не используют, цепь оставляют разомкнутой.
Пути тока, не проводящие ток короткого замыкания, соединяют с напряжением питания на вводных выводах.
Перемычки G1 с незначительным сопротивлением заменяют на УЗДП и соединения с сопротивлением, приблизительно равным сопротивлению заданного защитного устройства.
Вспомогательный выключатель S1 включен.
Испытание проводят в каждом полюсе по очереди, исключая полюс, коммутирующий нейтраль, если имеется.
Выполняют следующую последовательность операций: CO - t - CO - t - CO, при этом операцию отключения выполняют органом управления, замыкающим механизм и размыкающим его спустя приблизительно 0,05 с для гарантии прохождения тока через УЗДП.
В качестве альтернативы выполнению операции отключения с помощью органа управления изготовитель может предложить специально подготовленные образцы, отключаемые с помощью внешнего электрического устройства, имитирующего автоматическое отключение в условиях дугового пробоя.
c) Для проверки пригодности УЗДП для систем IT данное испытание повторяют на новых образцах:
- при напряжении, равном 105% значения номинального межфазного напряжения, для фазных полюсов и при напряжении, равном 105% U0 для полюса, маркированного N, если имеется, и
- по
5.3.5 с током 500 А или 10
In, выбирают, что больше.
Каждый полюс подвергают отдельному испытанию в цепи по
рисунку 20.
Последовательность операций: CO - t - CO.
УЗДП с некоммутируемой нейтралью этому испытанию не подвергают.
9.11.2.5 Проверка координации между УЗДП и заданным защитным устройством
Цель испытания - проверка способности УЗДП, защищенного заданным защитным устройством, выдерживать без повреждения токи короткого замыкания до его номинального условного тока короткого замыкания (см.
5.3.6).
Ток короткого замыкания прерывается посредством объединения УЗДП с заданным защитным устройством.
В ходе испытания может произойти срабатывание как УЗДП и заданного защитного устройства, так и одного защитного устройства. Однако, если сработает только УЗДП, испытание также считают успешным.
Защитное устройство заменяют или взводят, по применению, после каждого оперирования.
- испытание по
перечислению a) 9.11.2.5 для проверки того, что при номинальном условном токе короткого замыкания
Inc заданное защитное устройство защищает УЗДП;
- испытание по
перечислению b) 9.11.2.5 для проверки того, что при значении тока короткого замыкания, соответствующем его номинальной включающей и отключающей способности
Im, заданное устройство срабатывает и защищает УЗДП;
- испытание по
перечислению c) 9.11.2.5 для проверки того, что в случае короткого замыкания между фазой и землей с токами до номинального условного тока короткого замыкания в одной фазе
Inc1 УЗДП способно выдержать соответствующую нагрузку.
a) Проверка координации при номинальном условном токе короткого замыкания
Inc
1) Условия испытания
Перемычки G1 с незначительным сопротивлением заменяют на УЗДП и заданное защитное устройство.
Вспомогательный выключатель S1 отключен.
2) Процедура испытания
Выполняют следующую последовательность операций: CO - t - CO.
b) Проверка координации при номинальной включающей и отключающей способности
Im
Перемычки G1 с незначительным сопротивлением заменяют на УЗДП и заданное защитное устройство.
Вспомогательный выключатель S1 отключен.
2) Процедура испытания
Выполняют следующую последовательность операций: CO - t - CO - t - CO.
c) Проверка координации при номинальном условном токе короткого замыкания в одном полюсе
Inc1
1) Условия испытаний
УЗДП испытывают в соответствии с общими условиями испытаний, согласно
9.11.2.2, но с соединениями, позволяющими току короткого замыкания протекать в одном полюсе.
Испытание проводят только на одном полюсе, который не должен быть полюсом, коммутирующим нейтраль УЗДП, в случае многополюсного устройства испытание повторяют для каждого полюса.
Пути тока, которые не должны проводить дифференциальный ток короткого замыкания, соединяют с напряжением питания на вводных выводах.
Перемычки G1 с незначительным сопротивлением заменяют на УЗДП и УЗКЗ.
Вспомогательный выключатель S1 включен.
2) Процедура испытания
Выполняют следующую последовательность операций: CO - t - CO - t - CO.
9.12 Проверка устойчивости к механическому толчку и удару
9.12.1 Механический толчок
9.12.1.1 Испытательное устройство
УЗДП подвергают механическим толчкам с использованием устройства, показанного на
рисунке 23. К бетонному блоку крепят деревянное основание
A, к нему на шарнире крепят деревянную платформу
B. На этой платформе устанавливают деревянную плиту
C, которая может фиксироваться на разных расстояниях от шарнира и иметь два вертикальных положения. Конец платформы
B снабжен металлическим пластинчатым упором
D, который опирается на спиральную пружину с коэффициентом упругости 25 Н/мм.
УЗДП надежно закрепляют на плите
C так, что расстояние горизонтальной оси образца от платформы
B составляет 180 мм, плиту
C, в свою очередь, крепят так, что расстояние от монтажной поверхности до шарнира составляет 200 мм, как показано на
рисунке 23.
На поверхности плиты C, противоположной монтажной поверхности для УЗДП крепят дополнительную массу таким образом, что на упоре D создают статическое усилие, равное 25 Н, для того, чтобы обеспечить практически постоянный момент инерции целой системы.
9.12.1.2 Процедура испытания
При УЗДП, находящемся в замкнутом положении, но не подключенном к какому-либо источнику тока, платформу B 50 раз поднимают за свободный конец и отпускают с высоты 40 мм с такими интервалами между последовательными падениями, чтобы образец имел возможность прийти в состояние покоя.
Затем УЗДП крепят на противоположной поверхности плиты C и B снова 50 раз сбрасывают.
После этого испытания плиту C поворачивают на 90° вокруг вертикальной оси и при необходимости перемещают так, чтобы вертикальная ось симметрии находилась на расстоянии 200 мм от шарнира.
Затем B позволяют упасть 50 раз с УЗДП, закрепленном на одной стороне C, и 50 раз с УЗДП, установленном с противоположной стороны плиты.
Перед каждым изменением положения УЗДП вручную замыкают и размыкают.
В ходе испытаний УЗДП не должно размыкаться.
9.12.2.1 Общие положения
Проверку открытых частей УЗДП, установленного как для нормальной эксплуатации (см.
примечание к 8.3), которые могут подвергаться механическим ударам при нормальной эксплуатации, проводят по
9.12.2.2 для УЗДП всех типов и дополнительно по
9.12.2.3 - для УЗДП, предназначенных для монтажа на рейке.
Примечание - УЗДП, предназначенные для применения только в полностью закрытых оболочках, не подлежат данному испытанию.
9.12.2.2 Образцы проверяют ударами с помощью ударного испытательного устройства, показанного на
рисунках 24 -
26.
Головку ударного элемента выполняют полусферической формы с радиусом 10 мм из полиамида, имеющего твердость по Роквеллу 100 HR. Ударный элемент имеет массу (150 +/- 1) г и жестко закреплен на нижнем конце стальной трубы наружным диаметром 9 мм и толщиной стенки 0,5 мм, шарнирно подвешенной верхним концом таким образом, чтобы она могла качаться только в вертикальной плоскости.
Ось шарнира находится на высоте (1000 +/- 1) мм над осью ударного элемента.
Для определения твердости полиамида головки ударного элемента по шкале Роквелла используют следующие условия:
- диаметр шарика - (12,7 +/- 0,0025) мм;
- начальная нагрузка - (100 +/- 2) Н;
- дополнительная нагрузка - (500 +/- 2,5) Н.
Примечание - Дополнительную информацию, касающуюся определения твердости пластмасс по Роквеллу, см. в ASTM D 785-08.
Конструкция испытательного устройства такова, что для удержания трубы в горизонтальном положении к лицевой поверхности ударного элемента необходимо приложить усилие от 1,9 до 2 Н.
УЗДП поверхностного монтажа устанавливают на фанерном листе размерами 175 x 175 мм и толщиной 8 мм, закрепленном своими верхней и нижней кромками в жестких кронштейнах, являющихся частью монтажной опоры, как показано на
рисунке 26.
Монтажная опора должна иметь массу (10 +/- 1) кг и быть установлена в жесткой раме при помощи шарниров. Раму крепят к массивной стене.
УЗДП утопленного монтажа монтируют в испытательном устройстве, которое закрепляют на монтажной опоре, как показано на
рисунке 27.
УЗДП, монтируемые на панели, устанавливают в испытательном устройстве, как показано на
рисунке 28, которое закрепляют на монтажной опоре.
УЗДП втычного типа устанавливают на их собственных основаниях, которые закрепляют на фанерном листе или в испытательных устройствах, как показано на
рисунке 27 или
28, что применимо.
УЗДП, предназначенные для монтажа на рейке, монтируют на соответствующей рейке, которую жестко прикрепляют к монтажной опоре.
Конструкция испытательного устройства такова, что:
- образец может быть перемещен горизонтально и повернут вокруг оси, перпендикулярной поверхности фанерного листа;
- фанерный лист может быть повернут вокруг вертикальной оси.
УЗДП с крышками, если имеются, монтируют как для нормальной эксплуатации на фанерном листе или в соответствующем испытательном устройстве, что применимо, так чтобы точка удара лежала в вертикальной плоскости, проходящей через ось маятника.
Кабельные вводы, которые не снабжены пробиваемыми диафрагмами, оставляют открытыми. Если они снабжены диафрагмами, то две из них пробивают.
Перед нанесением ударов винты для крепления оснований, крышек и т.д. затягивают моментом, равным 2/3 от указанного в
таблице 12.
Ударный элемент сбрасывают с высоты 10 см на поверхности, которые доступны, когда УЗДП смонтировано как для нормальной эксплуатации.
Высоту падения определяют как вертикальное расстояние между положениями контрольной точки в момент отпускания маятника и в момент удара.
Контрольную точку отмечают на поверхности ударного элемента в месте пересечения с ней линии, проходящей через точку пересечения осей стальной трубы маятника и ударного элемента и перпендикулярной плоскости, проходящей через эти оси.
Примечание - Теоретически, контрольной точкой должен быть центр тяжести ударного элемента, но поскольку его центр тяжести трудно определить, контрольную точку выбирают, как указано выше.
Каждое УЗДП подвергают 10 ударам, два из которых наносят на органы управления, а остальные равномерно распределяют по тем частям образца, которые предположительно наиболее подвержены ударам.
Удары не наносят по пробиваемым диафрагмам или каким-либо отверстиям, закрытым прозрачным материалом.
Как правило, один удар наносят по каждой боковой стенке образца, повернутого вокруг вертикальной оси, насколько возможно, но не более, чем на 60°, и два удара - приблизительно посередине между точкой удара по боковой стенке и точками ударов по органам управления.
Остальные удары наносят подобным образом после поворота образца на 90° вокруг оси, перпендикулярной фанерному листу.
Если предусмотрены кабельные вводы или пробиваемые диафрагмы, то образец устанавливают так, чтобы обе линии нанесения ударов располагались по возможности на равных расстояниях от этих отверстий.
Из двух ударов по органу управления один наносят, когда орган управления находится в положении "вкл.", а второй - в положении "откл.".
После испытания образцы не должны иметь повреждений в пределах действия настоящего стандарта, в особенности крышки, которые, будучи сломаны, делают доступными части под напряжением или препятствуют дальнейшей эксплуатации УЗДП. Органы управления, обшивка и перегородки из изоляционного материала не должны иметь повреждений.
При необходимости проверяют возможность удаления или замены внешних частей, таких как оболочки или крышки, без повреждения этих частей или их обшивки.
Примечание - Ухудшением внешнего вида, небольшими вмятинами, не уменьшающими расстояний утечки или воздушных зазоров до значений, ниже указанных в
8.2.3, и мелкими сколами, не снижающими защиты от электрического удара, пренебрегают.
Для УЗДП, разработанных для крепления в равной степени винтами и на рейке, испытания проводят на двух комплектах УЗДП, один из которых крепят винтами, а другой - на рейке.
9.12.2.3 УЗДП, предназначенные для крепления на рейке, монтируют как для нормальной эксплуатации на рейке, жестко закрепленной на твердой вертикальной стене, но без подключенных кабелей, крышек или защитных пластин.
К передней поверхности УЗДП без рывков в течение 1 мин прикладывают направленное сверху вниз вертикальное усилие 50 Н, затем немедленно в течение 1 мин прикладывают снизу вверх вертикальное усилие 50 Н (см.
рисунок 29).
Во время испытания крепление УЗДП не должно расслабляться; после испытания УЗДП не должно иметь повреждений, препятствующих его дальнейшей эксплуатации.
Далее проверяют функциональность УЗДП повторным испытанием по
9.9.2.4 при наименьшем токе по
таблице 1 или
2, что применимо.
9.13 Испытание нагревостойкости
9.13.1 Образцы без съемных крышек, если они имеются, выдерживают 1 ч в камере тепла при температуре (100 +/- 2) °C; съемные крышки, если они имеются, выдерживают в течение 1 ч в камере тепла при температуре (70 +/- 2) °C.
Во время испытаний образцы не должны претерпевать изменений, препятствующих их дальнейшей эксплуатации; а заливочный компаунд, при его наличии, не должен вытечь настолько, чтобы открылись части, находящиеся под напряжением.
После испытания и охлаждения образцов приблизительно до комнатной температуры не должны быть доступными части, находящиеся под напряжением, которые нормально не доступны, когда образцы смонтированы как при нормальной эксплуатации, даже если применяют стандартный испытательный палец, прикладываемый с усилием не более 5 Н.
Далее проверяют функциональность УЗДП повторным испытанием по
9.9.2.4 при наименьшем токе по
таблице 1 или
2, что применимо.
После испытания маркировка должна оставаться четкой.
Обесцвечивание, вздутия или незначительные смещения заливочного компаунда не принимают во внимание, если при этом не снижается безопасность согласно требованиям, установленным настоящим стандартом.
9.13.2 Наружные части УЗДП, выполненные из изоляционного материала и необходимые для удержания в нужном положении токоведущих частей или частей защитной цепи, подвергают испытанию давлением шарика при помощи устройства, приведенного на
рисунке 13, исключая, где это применимо, изоляционные части, необходимые для удержания в нужном положении выводов защитных проводников в коробке, которые должны испытываться согласно
9.13.3.
Подлежащую испытанию часть устанавливают на стальной опоре так, чтобы предназначенная для испытания поверхность находилась в горизонтальном положении, и к этой поверхности с усилием 20 Н прижимают стальной шарик диаметром 5 мм.
Испытание проводят в камере тепла при температуре (125 +/- 2) °C.
Через 1 ч шарик снимают с образца, образец охлаждают в течение 10 с до приблизительно комнатной температуры путем погружения в холодную воду.
Измеренный отпечаток шарика не должен превышать 2 мм в диаметре.
9.13.3 Наружные части УЗДП из изоляционных материалов, не предназначенные для удержания в нужном положении токоведущих частей или частей защитной цепи, даже если они находятся в контакте с последними, подвергают испытанию давлением шарика в соответствии с
9.13.2, но при температуре более высокой из двух: либо (70 +/- 2) °C, либо (40 +/- 2) °C плюс наибольшее превышение температуры соответствующей части, определенное при испытании по
9.8.
Примечание - Для целей испытаний по
9.13.2 и настоящему пункту основания УЗДП поверхностного монтажа считают наружными частями.
Испытаниям по
9.13.2 и настоящему пункту не подвергают части, изготовленные из керамических материалов.
Если две или более изоляционные части, упомянутые в
9.13.2 или в настоящем пункте, выполнены из одного и того же материала, испытанию подвергают только одну из этих частей по
9.13.2 или настоящему пункту, что применимо.
9.14 Испытание устойчивости к аномальному нагреву и огнестойкости
Испытания раскаленной проволокой выполняют на собранном УЗДП в соответствии с IEC 60695-2-10:2000 при следующих условиях:
- для наружных частей УЗДП, выполненных из изоляционного материала и необходимых для удержания в заданном положении токоведущих частей и частей защитной цепи, испытание проводят при температуре (960 +/- 15) °C;
- для всех других наружных частей, выполненных из изоляционного материала, испытание проводят при температуре (650 +/- 10) °C.
Примечание - Для целей данного испытания основания УЗДП поверхностного монтажа считают наружными частями.
Если наружные части из изоляционного материала, входящие в указанные группы, сделаны из одного материала, испытанию подвергают только одну из них при соответствующей температуре раскаленной проволоки.
Испытаниям не подвергают части, изготовленные из керамических материалов.
Испытания раскаленной проволокой проводят для гарантии того, что нагретая электрическим током испытательная проволока в определенных условиях испытания не вызовет воспламенения изоляционных частей, или эти части, в случае возможного воспламенения, будут гореть ограниченное время без распространения пламени или выделения горящих частиц, или образования расплавленных капель, стекающих с испытуемой части.
Испытание проводят на трех образцах.
Каждое испытание проводят на отдельном образце с разными положениями точек приложения раскаленной проволоки.
Раскаленную проволоку не прикладывают непосредственно в область выводов, дугогасительной камеры или расцепляющего устройства, где раскаленная проволока не сможет пройти сквозь наружную поверхность, не коснувшись либо относительно больших металлических частей, либо керамических частей, которые быстро охладят раскаленную проволоку и, кроме того, ограничат количество изоляционного материала для соприкосновения с раскаленной проволокой. В такой ситуации эти части обеспечат минимальную жесткость испытания и ограничат доступ к испытуемому изоляционному материалу.
При испытании образец должен быть установлен в самое неблагоприятно возможное положение при его предполагаемом использовании (испытуемой поверхностью в вертикальном положении).
Если внутренняя часть из изоляционного материала негативно влияет на результат испытания, разрешается снять эту часть с нового образца. Затем испытание повторяют в этом месте на новом образце.
По согласованию с изготовителем допускается в качестве альтернативного метода полностью снять испытуемую часть и испытать ее отдельно (см. IEC 60695-2-11:2000 (раздел 4)).
Образец считают выдержавшим испытание раскаленной проволокой, если:
- либо отсутствуют видимое пламя и длительное тление,
- либо пламя и тление на образце самостоятельно гаснут в течение 30 с после удаления раскаленной проволоки.
Не должно быть загорания папиросной бумаги или подпаливания сосновой доски.
9.15 Проверка механизма свободного расцепления
9.15.1 Общие условия испытания
УЗДП монтируют и подключают как при нормальной эксплуатации по
9.1.1.
Испытание проводят в фактически безындуктивной цепи, схема которой приведена на
рисунке 4.
9.15.2 Процедура испытания
При замкнутом УЗДП и органе управления, удерживаемом во включенном положении, повторяют испытание по
9.9.2.4 при наименьшем токе по
таблице 1 или
2.
УЗДП должно сработать.
Затем это испытание повторяют при медленном перемещении органа управления УЗДП в течение приблизительно 1 с в положение, при котором начинает протекать ток. Должно произойти расцепление без дальнейшего движения органа управления.
Оба испытания проводят по три раза, по крайней мере, один раз на каждый полюс, предназначенный для подключения фазы.
Примечание - Если УЗДП имеет более одного органа управления, то проверку механизма свободного расцепления проводят для всех органов.
9.16 Испытание коррозиестойкости
Подлежащие испытанию части полностью обезжиривают путем погружения в холодный химический реагент типа метилхлороформа или очищенный бензин на 10 мин. Затем эти части погружают на 10 мин в 10%-ный водный раствор хлористого аммония при температуре (20 +/- 5) °C.
Без сушки, не стряхнув капли, эти части помещают еще на 10 мин в камеру с воздухом, насыщенным влагой, при температуре (20 +/- 5) °C.
После 10 мин сушки этих частей в камере тепла при температуре (100 +/- 5) °C на поверхности частей не должно быть следов коррозии.
Примечание 1 - Следы ржавчины на острых кромках и желтоватую пленку, удаляемую протиранием, не учитывают.
Для небольших пружин и аналогичных деталей, а также недоступных частей, подверженных абразивному износу, достаточную защиту от коррозии может обеспечить слой смазки. Такие части подвергают испытанию только при возникновении сомнений относительно эффективности смазочной пленки, и в этом случае испытание проводят без предварительного обезжиривания.
Примечание 2 - При использовании указанных реагентов необходимы меры предосторожности во избежание вдыхания паров.
9.17 Проверка предельных значений тока неотключения в условиях сверхтока
УЗДП, классифицируемые по
4.1.2 и
4.1.3 (по
приложению D в зависимости от присоединенного защитного устройства), испытывают по IEC 60898-1, IEC 61008-1, IEC 61009-1 или IEC 62423, что применимо. Нет необходимости в дополнительных испытаниях.
УЗДП, классифицируемые по
4.1.1, испытывают по следующей процедуре:
- УЗДП присоединяют как для нормальной эксплуатации с практически неиндуктивной нагрузкой, равной 6In;
- нагрузку включают с помощью двухполюсного испытательного выключателя и через 1 с отключают;
- испытание повторяют три раза с интервалом между двумя последовательными операциями включения не менее 1 мин;
- УЗДП не должно отключиться.
9.18 Поведение УЗДП в случае бросков тока, вызванных импульсными перенапряжениями
УЗДП, классифицируемые по
4.1.2 и
4.1.3 (по
приложению D в зависимости от присоединенного защитного устройства), испытывают по IEC 60898-1, IEC 61008-1, IEC 61009-1 или IEC 62423, что применимо. Нет необходимости в дополнительных испытаниях.
9.18.2 Проверка поведения УЗДП при бросках тока до 3000 А (испытание импульсным током 8/20 мкс)
9.18.2.1 Условия испытаний
УЗДП испытывают с генератором тока, способным подавать затухающий импульсный 8/20 мкс (IEC 60060-2), как показано на
рисунке 31. Пример испытательной схемы соединений УЗДП приведен на
рисунке 32.
К одному из полюсов УЗДП, выбранному наугад, должны прикладываться десять импульсов тока. Полярность волны импульса должна меняться после каждых двух импульсов. Интервал между двумя последовательными импульсами должен составлять около 30 с.
Импульс тока должен измеряться соответствующим способом и регулироваться при помощи дополнительного УЗДП такого же типа, при том же In и при соответствии следующим требованиям:
- пиковое значение - 3000 А + 10%;
- действующая длительность фронта - 8 мкс +/- 20%;
- действующая длительность полупериода - 20 мкс +/- 20%;
- пик обратного тока - менее 30% пикового значения.
Ток должен регулироваться до асимптотической формы. Для испытаний на других образцах такого же типа, при том же In обратный ток, если он есть, не должен превышать 30% пикового значения.
9.18.2.2 Результаты испытания
В ходе испытаний УЗДП может сработать. После срабатывания УЗДП следует снова включить.
После испытания импульсным током правильность оперирования УЗДП проверяют повторным испытанием по
9.9.2.4 с наименьшим током по
таблице 1 или
2.
Для УЗДП со множеством уставок испытание проводят с наименьшей уставкой.
9.19.2 Климатическое испытание
9.19.2.1 Общие положения
Испытание проводят по IEC 60068-2-30 с учетом IEC 60068-3-4.
9.19.2.2 Испытательная камера
Камера должна быть разработана в соответствии с требованиями IEC 60068-2-30:2005 (раздел 4). Конденсирующаяся вода должна постоянно удаляться из камеры; ее повторное использование без очистки не допускается. Для поддержания в камере влажности допускается использовать только дистиллированную воду.
Перед подачей в камеру дистиллированная вода должна иметь сопротивление не менее 500 Ом, значение pH должно быть 7,0 +/- 0,2. Во время и после испытания сопротивление должно быть не менее 100 Ом, значение pH должно оставаться в пределах 7,0 +/- 1,0.
Циклы выполняют при следующих условиях:
верхнее значение температуры - (55 +/- 2) °C;
число циклов - 28.
9.19.2.4 Процедура испытания
Процедура испытания должна соответствовать требованиям IEC 60068-2-30:2005 (раздела 4) и IEC 60068-3-4.
a) Предварительная проверка
Предварительную проверку УЗДП проводят при испытании согласно
9.9.2.4 при наименьшем токе по
таблице 1 или
2.
b) Установление требуемых условий
1) УЗДП, смонтированное и подключенное как для нормальной эксплуатации, помещают в камеру.
Оно должно быть включено.
Температура УЗДП должна стабилизироваться при значении (25 +/-3) °C:
- либо при размещении УЗДП в отдельной камере перед помещением в испытательную камеру;
- либо путем установления температуры (25 +/- 3) °C в испытательной камере после помещения в нее УЗДП и поддержанием температуры на этом уровне до достижения температурной стабилизации.
В ходе стабилизации температуры тем или иным способом относительная влажность должна находиться в пределах, определенных для стандартных атмосферных условий испытаний (см.
таблицу 6).
В течение последнего часа пребывания УЗДП в испытательной камере относительная влажность должна быть увеличена до значения не менее 95% при температуре окружающего воздуха (25 +/- 3) °C.
Температура в камере должна постепенно нарастать до достижения значения верхней температуры, указанного в
9.19.2.3.
Верхнее значение температуры должно быть достигнуто за (3,0 +/- 0,5) ч со скоростью, определенной заштрихованной зоной на
рисунке 34.
В течение этого периода относительная влажность не должна быть менее 95%. На УЗДП должна иметь место конденсация.
Конденсация достигается при условии, что температура поверхности УЗДП ниже "точки росы" атмосферы камеры. Это значит, что относительная влажность должна быть выше 95%, если температурная постоянная времени ниже. Необходимо следить, чтобы капли конденсата не падали на образец.
Далее температура должна поддерживаться на практически постоянном значении в указанных пределах с отклонением +/- 2 °C для верхнего значения температуры в течение (12 +/- 0,5) ч от начала цикла.
В течение этого периода относительная влажность должна быть (93 +/- 3)%, за исключением первых и последних 15 мин, когда она должна быть от 90% до 100%.
Конденсации не должно быть на УЗДП в течение последних 15 мин.
Затем температура должна быть снижена в течение 3 - 6 ч до (25 +/- 3) °C.
Скорость понижения для первых 1,5 ч должна быть такой, что, если ее поддерживать, как указано на
рисунке 34, то значение (25 +/- 3) °C можно было бы достигнуть за (3 +/- 0,25) ч.
В течение периода падения температуры относительная влажность должна быть не менее 95%, за исключением первых 15 мин, когда она не должна быть менее 90%.
Далее температура должна поддерживаться на уровне (25 +/- 3) °C при относительной влажности не менее 95% до истечения 24-часового цикла.
9.19.2.5 Восстановление
По окончании циклов УЗДП не должно удаляться из испытательной камеры.
Дверь испытательной камеры должна быть открыта, а регулирование температуры и влажности прекращено.
Затем в течение 4 - 6 ч дают возможность окружающим условиям (температуре и относительной влажности) вернуться в исходное состояние перед проведением заключительных измерений.
В течение 28 циклов УЗДП не должно расцепляться.
9.19.2.6 Заключительная проверка
Функциональность УЗДП проверяют повторным испытанием по
9.9.2.4 при 1,25 наименьшего тока по
таблице 1 или
2, что применимо.
9.19.3 Испытание при температуре 40 °C
УЗДП устанавливают как для нормальной эксплуатации на фанерной стенке, окрашенной в матовый черный цвет, толщиной около 20 мм.
Однопроволочные кабели длиной 1 м и номинальной площадью поперечного сечения по
таблице 11 присоединяют к каждому полюсу УЗДП на обеих его сторонах, винты или гайки выводов затягивают с крутящим моментом, равным 2/3 от указанного в
таблице 12. УЗДП в сборе помещают в испытательную камеру.
УЗДП нагружают током, равным номинальному, при любом подходящем напряжении и подвергают 28 циклам при температуре (40 +/- 2) °C. Каждый цикл включает пребывание в течение 21 ч под током и 3 ч без тока. Ток выключают вспомогательным выключателем, УЗДП не оперируют.
Примечание - Для четырехполюсных УЗДП данное испытание - в стадии рассмотрения.
В конце последнего 21-часового периода пребывания под током определяют превышение температуры выводов при помощи тонкопроволочных термопар. Оно не должно быть более 65 °C.
После этого испытания УЗДП без тока в камере дают возможность охладиться приблизительно до комнатной температуры.
Функциональность УЗДП проверяют повторным испытанием по
9.9.2.4 при наименьшем токе по
таблице 1 или
2, что применимо.
9.20 Проверка старения электронных компонентов
АВДТ помещают в камеру на 168 ч при температуре окружающего воздуха (40 +/- 2) °C и нагружают номинальным током.
Напряжение на электронных частях должно быть равным 1,1 номинального напряжения.
После этого испытания АВДТ без тока дают возможность охладиться приблизительно до комнатной температуры. Электронные части не должны иметь повреждений.
Функциональность УЗДП проверяют повторным испытанием по
9.9.2.4 при наименьшем токе по
таблице 1 или
2, что применимо.
Примечание - Пример испытательной цепи для этой проверки приведен на
рисунке 35.
9.21 Электромагнитная совместимость (ЭМС)
УЗДП подвергают испытаниям на ЭМС по IEC 61543:1995 и по дополнительной информации 9.21.2 -
9.21.3.
9.21.2 Испытания на ЭМС, охватываемые другими разделами настоящего стандарта
Испытания, приведенные в таблице 20, уже учтены в других разделах настоящего стандарта, поэтому в повторении не нуждаются.
Таблица 20
Испытания, охваченные другими разделами настоящего стандарта
Пункты таблиц 4 и 5 IEC 61543:1995, изменение 1 (2004) | Электромагнитная помеха | Номер подпункта испытаний по настоящему стандарту |
T.1.3 | Изменение амплитуды напряжений | |
T.1.4 | Несимметрия напряжений | |
T.1.5 | Изменение частоты питания | |
T.1.8 | Излучение электромагнитного поля | |
T.2.4 | Пульсация тока (колебательные помехи) | |
9.21.3 Испытания на ЭМС, подлежащие проведению
Оставшиеся испытания по IEC 61543:1995 (таблицы 4 - 6) проводят согласно перечню, приведенному в
приложении A настоящего стандарта.
Испытательные уровни и критерии работоспособности - по таблице 21.
Таблица 21
По таблицам 5 и 6 IEC 61543:1995, изменение 1 (2004), изменение 2 (2005) | Электромагнитная помеха | Основной стандарт для испытания | Испытательный уровень и технические условия испытания | Критерий работоспособности |
| Кондуктивные синусоидальные волны напряжений или токов | | Уровень 2 0,15 МГц - 80 МГц Z = 150 Ом - 3 В | A |
| Наносекундные импульсные помехи общего вида | | Уровень 4 4 кВ (пиковое) Tr/Th 5/50 нс Частота повторения 2,5 кГц | |
| Импульсы напряжения/тока | IEC 61000-4-5 | Tr/Th 1,2/50 мкс 5 кВ/12 Ом (пиковое) <a> общего вида 4 кВ/2 Ом (пиковое) <a> дифференциального вида | |
| Tr/Th 1,2/50 мкс 4 кВ/12 Ом (пиковое) <a> общего вида 2 кВ/2 Ом (пиковое) <a> дифференциального вида | |
| Радиочастотные электромагнитные поля | | Уровень 2 3 В/м | A |
| Кондуктивные помехи общего вида в диапазоне частот менее 150 кГц | IEC 61000-4-16 | 1 кГц - 1,5 кГц 1 В 1,5 кГц - 15 кГц 1 В - 10 В 15 кГц - 150 кГц 10 В | A |
| Электростатические разряды | IEC 61000-4-2 | Уровень 3 8 кВ воздушное 6 кВ контактное | |
<a> Проведение испытаний с более низкими напряжениями, чем указанные в таблице 21, не требуется, поскольку по IEC 61000-4-5 (подраздел 8.2) требуется проведение испытаний при каждом напряжении до выбранного уровня. Данное испытание проводят на устройстве во включенном состоянии. Импульсы прикладывают последовательно в следующем порядке: - между металлической опорой и частями, предназначенными для заземления (проводник PE, вывод заземления), если имеются, соединенными вместе, и каждым токоведущим проводником по очереди при импульсном напряжении 5 кВ с сопротивлением 12 Ом; - между каждой фазой и нейтралью по очереди и между каждым соединением полюсов по очереди при импульсном напряжении 4 кВ и сопротивлении 2 Ом. <b> Кроме того, образец должен быть смонтирован как для нормальной эксплуатации на плоской изолирующей опоре на расстоянии 10 см от земли. <c> Испытание проводят в одной фазе на одном полюсе каждого образца, взятом наугад. Испытанию подвергают три новых образца. Если один из образцов не соответствует критерию по срабатыванию при испытании, испытание повторяют на трех новых образцах, которые полностью должны соответствовать критерию B. <d> Свободно. <e> По согласованию с изготовителем параметры проведения испытания T.2.1 могут быть расширены от 80 МГц до 230 МГц. В этом случае испытание T.2.1 должно начинаться от 230 МГц вместо 80 МГц. <f> Проверку неотключения (критерий работоспособности A) следует проводить разверткой указанного диапазона частот. При проверках срабатывания (критерий работоспособности A) проводят пять испытаний на каждом образце при разных частотах, выбранных наугад из диапазона частот и разных для каждого образца, при этом одна из них должна быть 450 МГц, а другая - 900 МГц. <g> Испытания по T.2.3b проводят только для УЗДП, не соответствующих критерию B при испытании T.2.3a, в этом случае испытание повторяют при уровнях импульсного напряжения, указанных в T.2.3b, только для конфигурации, в которой произошло расцепление при испытании по T.2.3a. <h> Испытание проводят на устройстве во включенном состоянии. Каждый образец испытывают: 1) во-первых, для дифференциального вида: между каждым одним токовым путем нагрузки по очереди и каждым другим токовым путем нагрузки; 2) во-вторых, для общего вида: между каждым токовым путем нагрузки по очереди и металлической опорой и частями, предназначенными для заземления (проводник PE, вывод заземления), если имеются, соединенными вместе. В каждом случае образец подвергают пяти положительным импульсам в положительных полуволнах с последующими пятью отрицательными импульсами в отрицательных полуволнах. Все импульсы прикладывают последовательно в случайной точке на волне с частотой повторения 1 импульс/мин. Для испытания T.2.3a согласно вышеуказанной процедуре общее число импульсов составляет: 10 - для испытания дифференциального вида и 20 - для испытания общего вида. При испытании по T.2.3a допускается расцепление УЗДП (критерий соответствия C). Если устройство сработало в этом испытании, его взводят до приложения следующего импульса. Для испытания T.2.3b общее число импульсов такое же, как для T.2.3a. <i> Проверку неотключения (критерий работоспособности A) следует проводить разверткой указанного диапазона частот. При проверках срабатывания (критерий работоспособности A) проводят пять испытаний на каждом образце при разных частотах, выбранных наугад из диапазона частот и разных для каждого образца. <j> Испытание проводят один раз при 1,1 Un УЗДП разверткой частоты от 1 кГц до 150 кГц с частотой по IEC 61000-4-16:1998, изменение 2:2009 (пункт 6.1.3). Устройство не должно сработать. Испытания на расцепление проводят на каждом образце при 5 разных значениях частоты, выбранных наугад в диапазоне частот и разных для каждого образца. Устройство должно сработать. <k> Испытание проводят на трех новых образцах. Все образцы должны выдержать испытание. Точку приложения разрядов выбирают исследованием доступных поверхностей УЗДП, установленного как для нормальной эксплуатации. При исследовании выбор производят приложением 20 разрядов в секунду. Выбранную точку испытывают 10 положительной и 10 отрицательной полярности разрядами с интервалом минимум 1 с между разрядами. <l> В США это испытание не применяют. |
Для устройств, содержащих осциллограф длительного действия, до испытания по
таблице 21 на образцах проводят испытание по CISPR 14-1.
9.21.4 Критерии работоспособности УЗДП
9.21.4.1 Общие положения
При испытании УЗДП на ЭМС по
9.21.3 применяют критерии работоспособности по
таблице 21.
9.21.4.2 Критерий работоспособности A
При испытании на критерий работоспособности A, УЗДП должно быть включено при питании синусоидальным током 1,1
Un, равным номинальному току УЗДП, оно должно сработать по условиям
9.9.2.2 при номинальном токе.
Примечание - При испытании на ЭМС допускается применять генератор дуги в качестве альтернативы карбонизированному кабелю по согласованию с изготовителем.
9.21.4.3 Критерий работоспособности B
При испытании на критерий работоспособности B, УЗДП должно быть включено при питании синусоидальным током 1,1
Un, равным номинальному току УЗДП. После испытания проверку на соответствие УЗДП требованиям
9.9.2.2 проводят только при номинальном токе УЗДП.
Примечание - При испытании на ЭМС допускается применять генератор дуги в качестве альтернативы карбонизированному кабелю по согласованию с изготовителем.
9.21.4.4 Критерий работоспособности C
При испытании на критерий работоспособности C УЗДП должно быть включено при питании синусоидальным током 1,1
Un, равным наименьшему значению по
таблице 1 или
2. Устройство может сработать. После испытания проверку на соответствие УЗДП требованиям
9.9.2.2 проводят только при токе, равном наименьшему значению по
таблице 1 или
2, что применимо.
Примечание - При испытании на ЭМС допускается применять генератор дуги в качестве альтернативы карбонизированному кабелю по согласованию с изготовителем.
9.22 Проверка защиты при перенапряжении в результате обрыва нейтрали в трехфазной системе
В результате обрыва нейтрали в трехфазной системе установки может произойти перенапряжение между фазой и нейтралью. Максимальное значение такого перенапряжения может достигать межфазного напряжения. Аномальное повышение температуры в нагрузке перенапряжения может вызвать пожар.
УЗДП должны содержать дополнительную характеристику, обеспечивающую защиту в этом случае. Вопрос о такой характеристике - в стадии рассмотрения.
Рисунки
Рисунок 1 - Самонарезающий формирующий винт
Рисунок 2 - Самонарезающий режущий винт
1 - рукоятка; 2 - ограждение; 3 - упор; 4 - шарниры;
5 - скругление R2 +/- 0,05; 6 - изоляционный материал;
7 - притупленные кромки; 8 - скругление R4 +/- 0,05
Материал - сталь, если не указано иное.
Линейные размеры в миллиметрах.
Неуказанные допуски:
на линейные размеры:
- до 25 мм 0,05;
- свыше 25 мм - +/- 0,2.
Оба шарнира должны допускать перемещение в одной плоскости и в одном направлении под углом 90° с допуском +10°.
Рисунок 3 - Стандартный испытательный палец
(9.6)
Рисунок 4 - Цепь для испытания
на последовательный дуговой пробой
Рисунок 5 - Генератор дуги
Рисунок 6 - Цепь для испытания на параллельно дуговой пробой
T - устройство для повреждения кабеля
Рисунок 7 - Цепь для испытания на параллельный дуговой
пробой при повреждении кабеля
Рисунок 8 - Испытательное устройство для повреждения кабеля
Рисунок 9 - Цепь для испытания на срабатывание
при параллельном дуговом пробое на землю
Рисунок 10 - Цепь для испытания устойчивости к фоновым
помехам (регулирование или включение помеховой нагрузки)
Рисунок 11 - Конфигурации цепей испытания устойчивости
к фоновым помехам
Рисунок 12 - Фильтр электромагнитных помех 1 для испытания
устойчивости к фоновым помехам
Рисунок 13 - Фильтр электромагнитных помех 2 для испытания
устойчивости к фоновым помехам
L1 = L2 = 6 мГ +/- 10%;
L3 = 0,037 мГ +/- 10%;
L4 = L5 = 1,5 мГ +/- 10%;
C1 = 100 нФ +/- 10% для 240 В и 470 нФ +/- 10% для 120 В;
C2 = 0,33 мкФ +/- 10%;
C3 = C4 = C5 = C6 = 0,0022 мкФ +/- 10%;
R = 330 кОм +/- 10%.
Рисунок 14 - Описание фильтра электромагнитных помех,
Рисунок 15 - Цепь для испытаний на устойчивость
к фоновым помехам с линейным полным сопротивлением
Рисунок 16 - Цепь для испытания при перекрестных помехах
Рисунок 17 - Цепь для испытания управляющего тока
Рисунок 18 - Формы управляющего тока при угле задержки 45°,
90° и 135°
N - нейтральный проводник;
S - источник питания;
R - регулируемое сопротивление;
Z - полное сопротивление в каждой фазе для калибровки номинального условного тока короткого замыкания. Катушки с воздушным сердечником для получения требуемого коэффициента мощности;
Z1 - регулируемое сопротивление для получения тока ниже номинального условного тока короткого замыкания;
Z2 - регулируемое сопротивление для калибровки

;
P - УЗКЗ;
D - испытуемое устройство; Корпус - все токопроводящие части, нормально заземленные при эксплуатации, включая FE, если имеется;
G1 - временные перемычки для калибровки;
G2 - перемычки для испытания с номинальным условным током короткого замыкания;
T - замыкающее устройство для включения короткого замыкания;
I1,
I2,
I3 - датчики тока, могут располагаться со стороны питания или нагрузки;
I4 - дополнительный датчик дифференциального тока, если необходим;
Ur1 - датчик(и) напряжения;
F - устройство обнаружения тока пробоя;
R1 - сопротивление, задающее ток приблизительно 10 А;
R2 - сопротивление, ограничивающее ток в устройстве
F; r - сопротивление для пропускания примерно 0,2% тока (см.
9.11.2.2);
S1 - вспомогательный выключатель;
B и
C - точки подсоединения решетки(ок), показанные в
приложении C;
L - катушка с воздушным сердечником с регулируемой индуктивностью.
Замыкающее устройство T может размещаться между выводами нагрузки испытательного устройства и датчиками тока I1, I2, I3, по применению.
Регулируемая нагрузка Z может размещаться с высоковольтной стороны цепи питания.
Сопротивление по согласованию с изготовителем может отсутствовать.
Рисунок 19 - Испытание на короткое замыкание
Рисунок 20 - Типовая схема для испытаний
Рисунок 21 - Детальный состав сопротивлений
Z1,
Z2 и
Z3
Рисунок 22 - Пример записи осциллограмм при испытании
Размеры в миллиметрах
1 - шарнир; 2 - дополнительный груз; 3 - образец;
4 - металлический пластинчатый упор; 5 - бетонный блок;
6 - последовательность положений образца при испытании
Рисунок 23 - Устройство для испытания на механический толчок
Размеры в миллиметрах
1 - рама; 2 - испытуемый образец; 3 - монтажная опора
Рисунок 24 - Устройство для испытания на механический удар
Размеры в миллиметрах
Материал деталей:
1 - полиамид; 2, 3, 4, 5 - сталь 35
Рисунок 25 - Ударный элемент маятника устройства
Размеры в миллиметрах
1 - лист фанеры; 2 - стержень поворотной оси
Рисунок 26 - Монтажное основание образца при испытании
Размеры в миллиметрах
1 - съемная стальная панель толщиной 1 мм; 2 - листы
из алюминия толщиной 8 мм; 3 - монтажная плита; 4 - рейка
для установки УЗДП; 5 - окно в панели для выноса УЗДП;
a - зазор между краями окна в панели и корпусом УЗДП должен
составлять 1 - 2 мм; b - высоту алюминиевых листов выбирают
так, чтобы стальная панель опиралась на выступы УЗДП,
а при их отсутствии обеспечивался зазор 8 мм между панелью
и частями УЗДП, находящимися под напряжением и требующими
защиты дополнительной крышкой, расположенной снаружи панели
Рисунок 27 - Пример монтажа УЗДП открытого исполнения
Размеры в миллиметрах
1 - съемная панель из стального листа толщиной 1,5 мм;
2 - алюминиевые листы толщиной 8 мм; 3 - монтажная плита;
4 - окно в стальной панели для размещения УЗДП.
В отдельных случаях допускается увеличение
приведенных размеров
Рисунок 28 - Пример монтажа УЗДП панельного типа
1 - рейка; 2 - шнур
Рисунок 29 - Приложение усилия для испытания на механический
Размеры в миллиметрах
1 - образец; 2 - сфера
Рисунок 30 - Устройство для испытания давлением шарика
Рисунок 31 - Форма волны импульсного тока 8/20 мкс
1 - генератор импульсного тока 8/20 мкс; 2 - фильтр;
3 - к источнику питания
--------------------------------
<1> Если УЗДП имеет вывод для заземления, то он должен быть соединен с выводом нейтрали, если такая маркировка имеется на УЗДП, при ее отсутствии, с любым фазным выводом.
Рисунок 32 - Цепь для испытания УЗДП импульсным током
1 - относительная влажность; 2 - температура окружающей
среды; 3 - период стабилизации; 4 - первый цикл; 5 - период
времени, необходимый для достижения относительной влажности
95% - 100% (не более 1 ч); 6 - время; 7 - начало первого
цикла; 8 - время, необходимое для достижения испытуемым
образцом стабильной температуры
Рисунок 33 - Период стабилизации при испытании на надежность
1 - относительная влажность, %; 2 - температура окружающей
среды, °C; 3 - окончание повышения температуры; 4 - начало
падения температуры; 5 - время; 6 - верхняя предельная
температура 57 °C; 7 - нижняя предельная температура 53 °C
Рисунок 34 - Цикл испытания на надежность
(9.19.2.3)
1 - источник напряжения на уровне 1,1Un; 2 - источник тока
Рисунок 35 - Пример испытательной цепи для проверки старения
электронных компонентов
(9.20)
Рисунок 36 - Подготовка образца кабеля
(9.9.2.6)
Рисунок 37 - Пример формы волны тока и напряжения дуги,
полученные с образцом кабеля
(обязательное)
ПОСЛЕДОВАТЕЛЬНОСТЬ ИСПЫТАНИЙ И ЧИСЛО ОБРАЗЦОВ,
ПОДВЕРГАЕМЫХ ИСПЫТАНИЯМ С ЦЕЛЬЮ СЕРТИФИКАЦИИ <1>
--------------------------------
<1> Термин "сертификация" означает либо предоставление изготовителем декларации о соответствии, либо проведение испытаний в целях сертификации третьей стороной, например, независимой лабораторией.
A.1 Циклы испытаний
Испытания проводят по таблице A.1 настоящего приложения, в которой испытания в каждом цикле выполняют в указанном порядке.
Таблица A.1
Циклы испытаний для УЗДП, классифицируемых по
4.1.1
Цикл испытания | Номер раздела, подраздела, пункта, подпункта | Испытание (или проверка) |
A | | Маркировка |
| | Общие положения |
| | Механизм |
| | Стойкость маркировки |
| | Воздушные зазоры и расстояния утечки (только наружные части) |
| | Механизм свободного расцепления |
| | Надежность винтов, токопроводящих частей и соединений |
| | Надежность выводов для внешних проводников |
| | Защита от поражения электрическим током |
| | Воздушные зазоры и расстояния утечки (внутренние части) |
| | Нагревостойкость |
| | Коррозиестойкость |
A2 | | Стойкость против аномального нагрева и огнестойкость |
B | | Электроизоляционные свойства |
| | Превышение температуры |
| | Надежность при 40 °C |
| | Старение электронных компонентов |
C | | Механическая и коммутационная износостойкость |
D | | | Рабочие характеристики (последовательный дуговой пробой) |
| Рабочие характеристики (параллельный дуговой пробой) |
D1 | | Испытания на устойчивость к фоновым помехам |
| Нежелательное срабатывание |
| Поведение в случае бросков тока |
| Работоспособность при Im1 |
| Устойчивость против механических толчков и ударов |
| Ток неотключения в условиях сверхтока |
D2 | | Пригодность для применения в системах IT |
E | | Координация при Inc |
| Работоспособность при Im |
F | | Координация при Im |
| Координация при Inc |
G | | Надежность (климатические испытания) |
| IEC 61543:1995 Изм. 1 (2005) | |
Таблица 6 - T.1.1 | Гармоники, интергармоники |
IEC 61543:1995 Изм. 1 (2005) | |
Таблица 6 - T.1.2 | Напряжение в сигнальной цепи |
| Импульсы напряжения |
I | | Кондуктивные напряжения/токи с синусоидальной формой волны |
| Излучаемые электромагнитные поля |
| Наносекундные импульсные помехи |
J | | Кондуктивные помехи общего вида в диапазоне частот менее 150 кГц |
| Электростатические разряды |
<a> Для устройств, содержащих осциллограф постоянного действия, до испытаний по данному циклу проводят испытание по CISPR 14-1. |
Циклы испытаний для устройств, классифицируемых по
4.1.1, приведены в
таблице A.1.
Устройства, классифицируемые по
4.1.2, сначала испытывают по IEC 60898-1, IEC 61008-1, IEC 61009-1, IEC 62423 или IEC 60269, по применению. Дополнительные циклы испытаний приведены в таблице A.2.
Таблица A.2
Циклы испытаний для УЗДП, классифицируемых по
4.1.2
Цикл испытания | Номер раздела, подраздела, пункта, подпункта | Испытание (или проверка) |
A | | Маркировка |
| Общие положения |
| Механизм |
| Стойкость маркировки |
| Воздушные зазоры и расстояния утечки (только наружные части) |
| Механизм свободного расцепления |
| Надежность винтов, токопроводящих частей и соединений |
| Надежность выводов для внешних проводников |
| Защита от поражения электрическим током |
| Нагревостойкость |
| Воздушные зазоры и расстояния утечки (внутренние части) |
| Коррозиестойкость |
A2 | | Стойкость против аномального нагрева и огнестойкость |
B | | Электроизоляционные свойства |
| Превышение температуры |
| Надежность при 40 °C |
| Старение электронных компонентов |
C | | Механическая и коммутационная износостойкость |
D | D0 | | Рабочие характеристики (последовательный дуговой пробой) |
| Рабочие характеристики (параллельный дуговой пробой) |
D1 | | Испытания на устойчивость к фоновым помехам |
| Нежелательное срабатывание |
| Поведение в случае бросков тока |
| Устойчивость против механических толчков и ударов |
| Ток неотключения в условиях сверхтока |
D2 | | Проверка УЗДП после цикла C2 по IEC 60898-1 или цикла D2 по IEC 61008-1, или цикла C2 по IEC 61009-1 |
E | | Проверка УЗДП после цикла E1 по IEC 60898-1 или цикла F0 по IEC 61008-1, или цикла F0 по IEC 61009-1 |
F | | Проверка УЗДП после цикла E2 по IEC 60898-1 или цикла E по IEC 61008-1, или цикла F1 по IEC 61009-1 |
G | | Надежность (климатические испытания) |
| IEC 61543:1995 Изм. 1 (2005) | |
Таблица 6 - T.1.1 | Гармоники, интергармоники |
IEC 61543:1995 Изм. 1 (2005) | |
Таблица 6 - T.1.2 | Напряжение в сигнальной цепи |
| Импульсы напряжения |
I | | Кондуктивные напряжения/токи с синусоидальной формой волны |
| Излучаемые электромагнитные поля |
| Наносекундные импульсные помехи |
J | | Кондуктивные помехи общего вида в диапазоне частот менее 150 кГц |
| Электростатические разряды |
<a> Для устройств, содержащих осциллограф постоянного действия, до испытаний по данному циклу проводят испытание по CISPR 14-1. |
В том случае, когда циклы испытаний, включенные в настоящий стандарт, также включены в стандарты IEC 60898-1, IEC 61008-1, IEC 61009-1, IEC 62423, тогда проводят испытание один раз, но критерий соответствия комбинируется с критерием соответствия всех стандартов.
Для устройств, классифицируемых по
4.1.3, УЗДП наиболее жесткими условиями из всех применимых стандартов, при этом критерий соответствия комбинируют с критериями соответствия применимого стандарта, сначала собирают по указанию изготовителя с заданными защитными устройствами.
| | ИС МЕГАНОРМ: примечание. Текст дан в соответствии с официальным текстом документа. | |
После этого проводят испытание по процедуре, указанной в данном станом стандарте с учетом требований и испытания согласно
приложению D. Дополнительные циклы испытаний приведены в таблице A.3.
Таблица A.3
Циклы испытаний для УЗДП, классифицируемых по
4.1.3
Цикл испытания | Номер раздела, подраздела, пункта, подпункта | Испытание (или проверка) |
| | Маркировка |
| Общие положения |
| Механизм |
| Стойкость маркировки |
| Воздушные зазоры и расстояния утечки (только наружные части) |
| Механизм свободного расцепления |
| Надежность винтов, токопроводящих частей и соединений |
| Надежность выводов для внешних проводников |
| Защита от поражения электрическим током |
| Нагревостойкость |
| Воздушные зазоры и расстояния утечки (внутренние части) |
| Коррозиестойкость |
| Проверка устройств, указанных для разборки |
A2 | | Стойкость против аномального нагрева и огнестойкость |
B | | Электроизоляционные свойства |
| Превышение температуры |
| Надежность при 40 °C |
| Старение электронных компонентов |
C | | Механическая и коммутационная износостойкость |
D | D0 | | Рабочие характеристики (последовательный дуговой пробой) |
| Рабочие характеристики (параллельный дуговой пробой) |
D1 | | Испытания на устойчивость к фоновым помехам |
| Нежелательное срабатывание |
| Поведение в случае бросков тока |
| Устойчивость против механических толчков и ударов |
| Ток неотключения в условиях сверхтока |
D2 | | Проверка УЗДП после цикла C2 по IEC 60898-1 или цикла D2 по IEC 61008-1, или цикла C2 по IEC 61009-1 |
E | | Проверка УЗДП после цикла E1 по IEC 60898-1 или цикла F по IEC 61008-1, или цикла F0 по IEC 61009-1 |
F | | Проверка УЗДП после цикла E2 по IEC 60898-1 или цикла E по IEC 61008-1, или цикла F1 по IEC 61009-1 |
G | | Надежность (климатические испытания) |
| IEC 61543:1995 Изм. 1 (2005) | |
Таблица 6 - T.1.1 | Гармоники, интергармоники |
IEC 61543:1995 Изм. 1 (2005) | |
Таблица 6 - T.1.2 | Напряжение в сигнальной цепи |
| Импульсы напряжения |
I | | Кондуктивные напряжения/токи с синусоидной формой волны |
| Излучаемые электромагнитные поля |
| Наносекундные импульсные помехи |
J | | Кондуктивные помехи общего вида в диапазоне частот менее 150 кГц |
| Электростатические разряды |
<a> Для устройств, содержащих осциллограф постоянного действия, до испытаний по данному циклу проводят испытание по CISPR 14-1. |
В случае, когда УЗДП предназначено для применения с несколькими защитными устройствами, испытание повторяют с каждым защитным устройством, установленным изготовителем, или один раз проводят испытание с наиболее жесткими условиями из всех применимых стандартов, при этом критерий соответствия комбинируют с критериями соответствия применимого стандарта.
A.2 Число образцов, подвергаемых испытанию по полной процедуре
| | ИС МЕГАНОРМ: примечание. В официальном тексте документа, видимо, допущена опечатка: имеется в виду таблица A.4, а не таблица C.4. | |
Если испытанию подвергают только один номинал УЗДП одного типа, то число образцов, подвергаемых различным циклам испытаний, указано в таблице C.4, в которой приведены критерии приемки.
Таблица A.4
Число образцов для испытания по полной процедуре
| | Минимальное число образцов, выдержавших испытания <b> | Число образцов для повторных испытаний <c> |
A | 1 | 1 | - |
A2 | 3 | 2 | 3 |
B | 3 | 2 | 3 |
C | 3 | 2 | 3 |
| 3 | | 3 |
| 3 | | 3 |
D2 | 3 | 3 | 3 |
E | 3 | | 3 |
F | 3 | | 3 |
G | 3 | 2 | 3 |
| 3 | 2 | 3 |
| 3 | 2 | 3 |
| 3 | 2 | 3 |
<a> В целом только три цикла испытаний могут выполняться повторно. <b> Предполагается, что образец, который не выдержал испытание, не отвечает требованиям вследствие дефектов изготовления или сборки, непоказательных для конструкции. <c> При повторном испытании все результаты должны быть положительными. <d> Все образцы должны отвечать требованиям 9.9.2, 9.9.3 и 9.11.2.4, по применению. Кроме того, в ходе испытаний по 9.11.2.3, 9.11.2.5 a), 9.11.2.5 b) или 9.11.2.5 c) ни в одном из образцов не должно происходить установившейся дуги или пробивного разряда между полюсами или между полюсами и корпусом. <e> По запросу изготовителя один и тот же комплект образцов может быть подвергнут этим циклам испытаний. |
Соответствие стандарту подтверждается, если все образцы согласно
графе 2 выдерживают испытания. Если испытание выдерживает только минимальное количество образцов, указанных в
графе 3, то испытывают дополнительные образцы, указанные в
графе 4, которые должны полностью отвечать требованиям цикла испытаний.
A.3 Число образцов, подвергаемых одновременному испытанию по упрощенной процедуре для серии УЗДП одинаковой принципиальной конструкции
A.3.1 Если серию УЗДП одинаковой принципиальной конструкции или дополнения к серии УЗДП подвергают испытанию с целью сертификации, число образцов может быть уменьшено согласно
таблице A.5.
Примечание - В интересах данного приложения одинаковая принципиальная конструкция подразумевает серию номинального тока In и/или с разным числом полюсов.
Таблица A.5
Число образцов для испытания по упрощенной процедуре
Цикл испытания | |
A | Один образец с максимальным номинальным током In |
B | Три образца с максимальным номинальным током In |
C | Три образца с максимальным номинальным током In |
D0 | Три образца с максимальным номинальным током In |
D1 | Три образца с максимальным номинальным током In |
D2 | Три образца с максимальным номинальным током In |
E | Три образца с максимальным номинальным током In |
F | Три образца с максимальным номинальным током In Три образца с минимальным номинальным током In |
G | Три образца с максимальным номинальным током In Три образца с минимальным номинальным током In |
H | Три образца с одинаковым номинальным током In, выбранным произвольно <c> |
I | Три образца с одинаковым номинальным током In, выбранным произвольно <c> |
J | Три образца с одинаковым номинальным током In, выбранным произвольно <c> |
<a> Если испытание следует повторить согласно минимальному критерию работоспособности по разделу A.2, используют новый комплект образцов для соответствующего цикла испытаний. При повторных испытаниях все результаты должны быть положительными. <b> Также применимо к однополюсным УЗДП с некоммутируемой нейтралью и двухполюсным УЗДП с одним защищенным полюсом. <c> Только наибольшее число путей тока. |
УЗДП могут считаться одной и той же принципиальной конструкции, если они имеют:
1) одну и ту же базовую конструкцию;
2) органы управления с идентичным механизмом расцепления;
3) идентичные материалы, покрытия и размеры внутренних токопроводящих частей, кроме нижеприведенных в
перечислении a);
5) идентичные размеры контактов, их материал, форму и способ крепления;
6) аналогичные ручные механизмы управления; их материал и физические характеристики;
7) идентичные литьевые и изолирующие материалы;
8) идентичные материалы, конструкцию и принцип действия дугогасительного устройства;
9) одинаковую базовую конструкцию датчиков тока для данного типа характеристики, кроме отличий, допустимых в
перечислении c);
10) одинаковую базовую конструкцию устройства эксплуатационного контроля, при его наличии.
При условии соблюдения УЗДП вышеуказанных требований допускаются следующие различия в:
a) площади поперечного сечения внутренних токопроводящих соединений и длине тороидальных соединений;
c) числе витков и площади поперечного сечения обмоток и размерах и материале сердечника датчика тока, насколько применимо.
A.3.2 Для УЗДП, имеющих одинаковые классификацию по способу построения (см.
4.1), с разными номинальными токами число образцов для испытаний может быть уменьшено по
таблице A.5.
(обязательное)
ОПРЕДЕЛЕНИЕ ВОЗДУШНЫХ ЗАЗОРОВ И РАССТОЯНИЙ УТЕЧКИ
При определении воздушных зазоров и расстояний утечки рекомендуется учитывать следующее.
B.1 Ориентация и расположение пути утечки
Если необходимо, изготовитель должен указать предполагаемую ориентацию оборудования или компонента с тем, чтобы на пути утечки не воздействовало скопление загрязнения, на которое они не рассчитаны.
B.2 Расстояния утечки при применении нескольких материалов
Расстояние утечки может разрываться на несколько частей разных материалов и/или имеющих разную степень загрязнения, если одно из расстояний утечки, измерено, чтобы выдерживать полное напряжение или все расстояние измерено в соответствии с материалом, имеющим наименьший СИТ.
B.3 Расстояния утечки, разорванные плавающей токопроводящей частью
Расстояние утечки может разрываться на несколько частей, выполненных из изоляционного материала, имеющих одинаковый СИТ, объединенных или разделенных плавающими проводниками, поскольку сумма расстояний через каждую отдельную часть равна или превышает расстояние утечки, требуемое как если плавающая часть не существует.
Минимальное расстояние
X для каждой отдельной части расстояния утечки приведено в
6.2 (см. также
пример 11) IEC 60664-1:2007.
B.4 Измерение расстояний утечки и воздушных зазоров
При измерении расстояний утечки по IEC 60664-1:2007 размер X, указанный в нижеследующих примерах, имеет минимальное значение 1,0 мм для степени загрязнения 2.
Если воздушный зазор менее 3 мм, минимальную ширину желобка допускается уменьшить до трети этого зазора.
Методы измерения расстояний утечки и воздушных зазоров показаны на
примерах 1 -
11. В них не делают различия между зазорами контактов, желобками и типами изоляции.
Кроме того:
- предполагают, что каждый угол перекрывается изолирующей вставкой шириной
X мм, находящейся в самом неблагоприятном положении (см.
пример 3);
- если расстояние между верхними кромками желобка равно
X мм или более, расстояние утечки измеряют по контурам желобка (см.
пример 2);
- расстояния утечки и воздушные зазоры, измеренные между частями, движущимися относительно друг друга, измеряют в самом неблагоприятном положении этих частей.
Условие: Рассматриваемый путь утечки охватывает желобок с параллельными или сходящимися боковыми стенками любой глубины при ширине менее X мм.
Правило: Расстояние утечки и воздушный зазор измеряют по прямой линии поверх желобка, как показано на схеме.
Условие: Рассматриваемый путь охватывает желобок с параллельными боковыми стенками любой глубины шириной X мм или более.
Правило: Воздушный зазор определяют по прямой. Расстояние утечки проходит по контуру желобка.
Условие: Рассматриваемый путь охватывает клиновидный желобок шириной более X мм.
Правило: Воздушный зазор определяют по прямой. Расстояние утечки проходит по контуру желобка, но замыкает накоротко его дно по вставке шириной X мм.
Пример 4
Условие: Рассматриваемый путь охватывает ребро.
Правило: Воздушный зазор - кратчайшее расстояние по воздуху над вершиной ребра. Путь тока утечки проходит по контуру ребра.
Пример 5
Условие: Этот путь включает не скрепленный стык с желобком шириной менее X мм по обе стороны от него.
Правило: Воздушный зазор и путь тока утечки определяют по прямой.
Пример 6
Условие: Этот путь охватывает не скрепленный стык с желобком шириной X мм или более по обе стороны от него.
Правило: воздушный зазор определяют по прямой. Путь тока утечки проходит по контуру желобков.
Пример 7
Условие: Этот путь охватывает не скрепленный стык с желобком шириной менее X мм с одной стороны и равный или более X мм - с другой стороны.
Правило: Воздушный зазор и путь утечки соответствуют рисунку.
Пример 8
Условие: Путь утечки поперек не скрепленного стыка меньше, чем поверх барьера.
Правило: Воздушный зазор равен кратчайшему пути в воздухе поверх барьера.
Пример 9
Условие: Достаточно широкий, чтобы заслуживать внимания, зазор между головкой винта и стенкой паза.
Правило: Воздушный зазор и путь утечки соответствуют рисунку.
Пример 10
Условие: Зазор между головкой винта и стенкой паза слишком узкий, чтобы принимать его во внимание.
Правило: Расстояние утечки измеряют от винта до стенки, если оно равно X мм.
C' - свободно движущаяся часть;
d + D - воздушный зазор;
d + D - расстояние утечки.
| | ИС МЕГАНОРМ: примечание. В официальном тексте документа, видимо, допущена опечатка: пример 12 отсутствует. Возможно, имеется в виду пример 11. | |
| - | воздушный зазор; |
| - | расстояния утечки |
(обязательное)
УСТРОЙСТВО ДЛЯ ОБНАРУЖЕНИЯ ВЫБРОСА ИОНИЗИРОВАННЫХ ГАЗОВ
ДЛЯ ИСПЫТАНИЯ ПРИ КОРОТКОМ ЗАМЫКАНИИ
Испытуемое устройство монтируют, как показано на
рисунке C.1, при этом может потребоваться доработка с учетом особенностей конструкции устройства в соответствии с инструкциями изготовителя.
Размеры в миллиметрах
1 - отвод для подключения к предохранителю;
2 - металлическая плита; 3 - кабель; 4 - дугоотвод;
5 - решетка; 6 - перегородка; 7 - лист из полиэтилена;
8 - рама
Рисунок C.1 - Испытательная установка
Если необходимо для операций "O", чистый полиэтиленовый лист толщиной (0,05 +/- 0,01) мм размерами в каждом направлении, по крайней мере, на 50 мм больше наибольших размеров фронтальной стороны устройства, но не менее чем 200 x 200 мм крепят и в разумных пределах натягивают на раме, расположенной на расстоянии 10 мм от наибольшего выступа органа управления для устройства без углубления для органов управления либо от края углубления для устройства с углублением для органов управления.
Физические характеристики полиэтиленового листа:
Плотность при 23 °C: (0,92 +/- 0,05) г/см3;
Точка плавления: 110 °C - 120 °C.
Если требуется, с целью предотвращения повреждения листа горячими частицами, вылетающими из отверстий для выхлопа дуги, между отверстиями для выхода дуги и листом размещают, как показано на
рисунке C.1, барьер из изоляционного материала толщиной не менее 2 мм.
Если требуется, на расстоянии
a, мм, от каждого отверстия для выхлопа дуги с двух сторон устройства располагают сетку (сетки) согласно
рисунку C.2. Цепь сетки
(рисунок C.3) должна быть присоединена к точкам B и C.
Размеры в миллиметрах
1 - рамка из изоляционного материала; 2 - проволока из меди;
3 - металлическое соединение медной проволоки
1 - соединить с точками B и C
Рисунок C.3 - Электрическая цепь решетки
Параметры цепи сетки:
Резистор R': 1,5 Ом;
(обязательное)
ДОПОЛНИТЕЛЬНЫЕ ТРЕБОВАНИЯ И ИСПЫТАНИЯ ДЛЯ УЗДП
ПО КЛАССИФИКАЦИИ 4.1.3, ПРЕДНАЗНАЧЕННЫХ ДЛЯ СБОРКИ
НА МЕСТЕ УСТАНОВКИ С ГЛАВНЫМ ЗАЩИТНЫМ УСТРОЙСТВОМ
(АВТОМАТИЧЕСКИМ ВЫКЛЮЧАТЕЛЕМ ИЛИ АВДТ, ИЛИ ВДТ)
D.1 Общие положения
Основная часть настоящего стандарта во всех аспектах распространяется на устройства, охватываемые настоящим приложением, если не установлено иное.
D.2 Область применения
Настоящее приложение распространяется на УЗДП, состоящие из блока обнаружения дугового пробоя (БОДП), который может также включать защиту от дифференциального тока, предназначенные для механической сборки по инструкциям изготовителя на месте установки с одним или несколькими заданными защитными устройствами, которые могут быть автоматическими выключателями по IEC 60898-1 или УДТ по IEC 61008-1, IEC 61009-1 или IEC 62423.
Изготовитель должен указать типы БОДП и защитных устройств, подходящих для совместной сборки.
D.3 Термины и определения
Свободный.
D.4 Маркировка и другая информация об изделии
D.4.1 Наименование изготовителя или товарный знак
Согласно
разделу 6, перечисление a) настоящего стандарта автоматический выключатель и/или УДТ и БОДП, которые предназначены для совместной сборки, должны носить наименование одного изготовителя или иметь один товарный знак.
D.4.2 Маркировка
D.4.2.1 Маркировка автоматического выключателя или УДТ
Маркировка автоматического выключателя должна соответствовать IEC 60898-1.
Маркировка УДТ должна соответствовать IEC 61008-1, IEC 61009-1 или IEC 62423, по применению.
Дополнительно БОДП маркируют:
- максимальным номинальным током автоматического выключателя или УДТ, для сборки с которым предназначен (например, макс. 16 А);
- символом (БОДП также может быть расположен с левой стороны выключателя)
БОДП, включающие защиту от дифференциального тока, должны иметь маркировку с указанием следующих данных:
- отключающий дифференциальный ток (видимую в установленном положении);
- символ "S" в квадрате для устройств типа S (видимую в установленном положении);
- указание о функциональной зависимости АВДТ от сетевого напряжения, если применимо (в стадии рассмотрения);
- символ T - средство управления устройством эксплуатационного контроля;
- схема подключения;
- рабочая характеристика при наличии дифференциальных токов с составляющими постоянного тока:
- АВДТ типа AC - символ

(IEC 60417:2012);
- АВДТ типа A - символ

(IEC 60417:2012);
- АВДТ типа B - символ

(IEC 60417:2012).
Рекомендуется маркировать ссылки на стандарты, которым соответствуют автоматические выключатели или УДТ, для сборки с которыми предназначен БОДП.
D.4.2.3 Маркировка сборки автоматического выключателя или УДТ с БОДП (УЗДП)
Следующая маркировка на БОДП, указанная в
D.4.2.2, не должна быть видимой после сборки:
- максимального номинального тока автоматического выключателя, с которым БОДП может быть собран.
Маркировка по
перечислению h) на БОДП, если применимо, должна остаться видимой после сборки.
D.4.3 Инструкции по сборке и оперированию
Изготовитель должен предусмотреть для БОДП соответствующие инструкции. Эти инструкции, как минимум, должны содержать следующую информацию:
- ссылку на тип (типы) и каталожный номер (номера), номиналы тока и напряжения, число полюсов и т.д. автоматических выключателей или УДТ, с которыми БОДП предназначен для сборки.
Примечание - Число путей тока автоматического выключателя или УДТ совпадает с числом путей БОДП. Выводом или соединением нейтрали можно заменить нейтральный полюс автоматического выключателя или УДТ;
- понижающий коэффициент, если имеется;
- способ сборки;
- необходимость проверки механической работы после сборки.
D.5 Требования к конструкции
Конструкция должна быть такова, чтобы имелась возможность собрать УЗДП на месте установки.
Конструкция должна быть такой, чтобы можно было разобрать устройство по инструкции изготовителя.
Устройства, не предназначенные для демонтажа, будут иметь видимые повреждения.
Соответствие проверяют по
D.6.4.
D.5.2 Степень защиты
D.5.2.1 Общие положения
Степень защиты БОДП должна быть не ниже, чем у автоматического выключателя или УДТ, для сборки с которым он предназначен.
D.5.2.2 Требования к механической конструкции
Автоматический выключатель или УДТ и БОДП должны легко монтироваться вместе, а конструкция БОДП должна исключать неправильную сборку.
Не должно быть незакрепленных частей для соединения расцепляющих механизмов.
Средства крепления для сборки должны быть приложены.
Примечание - Крышки выводов не охватываются данным требованием.
D.5.3 Электрическая совместимость
Должна быть исключена возможность сборки автоматического выключателя или УДТ с данным номинальным напряжением и БОДП с более низким номинальным напряжением.
Примечание - Неправильное сочетание должно быть исключено механической или электрической конструкцией.
Должна быть исключена возможность сборки автоматического выключателя или УДТ с данным номинальным током и БОДП, маркированного более низким номинальным током (см.
D.4.2.2).
Выводы БОДП должны быть предназначены для подсоединения ряда номинальных поперечных сечений проводников, указанных в таблице 7 IEC 60898-1 для номинальных токов выключателей или в таблице 8 IEC 61008-1 для УДТ, предназначенных для сборки.
Электрические соединения между БОДП и автоматическим выключателем или УДТ, предназначенным для сборки, должны быть выполнены в виде части БОДП.
Должна быть исключена возможность такой сборки автоматического выключателя или УДТ с данной номинальной наибольшей отключающей способностью и БОДП, которая бы в результате привела к более низкой отключающей способности.
Соответствие проверяют осмотром и испытанием вручную.
D.6 Типовые испытания и проверки
D.6.1 Испытания автоматических выключателей и УДТ
Автоматические выключатели, предназначенные для сборки с БОДП, должны отвечать требованиям типовых испытаний по IEC 60898-1.
УДТ, предназначенные для сборки с БОДП, должны отвечать требованиям типовых испытаний по IEC 61008-1, IEC 61009-1 или IEC 62423, по применению.
D.6.3 Испытания УЗДП в собранном виде
БОДП со встроенной защитой от дифференциального тока вначале должны испытываться по IEC 61008-1, IEC 61009-1 или IEC 62423, по применению. По завершении этих испытаний проводят дополнительные испытания по
таблице 10 п. 9.1.2 для подтверждения соответствия настоящему стандарту.
Для БОДП, предназначенных для сборки с несколькими защитными устройствами или БОДП со встроенной защитой от дифференциального тока, процедуру испытания следует повторить с каждым защитным устройством, указанным изготовителем или один раз провести испытание с наиболее жесткими условиями среди всех применимых стандартов по критерию соответствия, комбинированному с критерием соответствия любого из применимых стандартов.
Типовым испытаниям по
таблице 10 п. 9.1.2 подвергают УЗДП, охватываемые настоящим приложением, за исключением следующего:
- испытания по
9.4 проводят на соединениях автоматического выключателя или УДТ и БОДП.
D.6.4 Проверка требований к маркировке и конструкции УЗДП
| | ИС МЕГАНОРМ: примечание. В официальном тексте документа, видимо, допущена опечатка: пункт D.5.4 отсутствует. | |
Соответствие требованиям
D.4.1 -
D.4.3,
D.5.1 - D.5.4 проверяют осмотром и испытанием вручную, по применению.
Соответствие требованиям
D.5.1 устройств, указанных как пригодные к демонтажу, проверяют следующим испытанием, проводимым в начале испытательного
цикла D0 по таблице A.1.
БОДП и совместимые с ним по указанию изготовителя автоматические выключатели или УДТ собирают и разбирают 5 раз. БОДП и совместимые с ним по указанию изготовителя автоматические выключатели или УДТ затем вновь собирают и подвергают испытанию в цикле D0. После каждой сборки проверяют на срабатывание для УДТ испытательной кнопкой, для автоматического выключателя - верхним предельным током мгновенного срабатывания. УЗДП каждый раз должно сработать.
D.7 Приемо-сдаточные испытания БОДП
Испытания согласно
приложению E проводят на БОДП, соединенном с автоматическим выключателем или УДТ, отрегулированном на наиболее жесткие условия.
(обязательное)
ПРИЕМО-СДАТОЧНЫЕ ИСПЫТАНИЯ
E.1 Общие положения
Испытания, указанные в настоящем стандарте, предназначены для выявления, при условии сохранения целостности, неприемлемых отклонений в материале и технологии.
Испытания должны проводиться для установления того, что УЗДП соответствует образцам, которые выдержали испытания по настоящему стандарту согласно опытным данным, предоставленным изготовителем.
E.2 Проверка расцепления
УЗДП соединяют для дуговых испытаний с испытательным вибростолом с регулируемой нагрузкой, как показано на
рисунке F.3.
Значение сопротивления регулируют на наименьший испытательный ток по
таблице 1 или
2 (2,5 А на номинальное напряжение УЗДП 230 В и 5 А на 120 В). УЗДП должно сработать менее, чем за 1 с.
Допустим любой альтернативный подходящий способ проверки расцепления.
E.3 Проверка электрической прочности изоляции
Напряжение 1500 В частотой 50/60 Гц практически синусоидальной формы волны должно прикладываться в течение 1 с:
a) при УЗДП в разомкнутом состоянии - между выводами, которые электрически соединены, когда УЗДП замкнуто;
b) УЗДП в разомкнутом состоянии - либо между всеми входными выводами полюсов поочередно, либо между всеми выходными выводами полюсов поочередно, в зависимости от расположения электронных компонентов.
Перекрытий и пробоев не должно быть.
(справочное)
ОПИСАНИЕ ВИБРОИСПЫТАНИЯ ПО 9.10.2
На непроводящем вибростоле закрепляют два медных штыря на двух проводящих поверхностях.
Подготавливают навесную перемычку с гибким медным проводом длиной 300 мм и сечением 10 мм
2 (AWG 8), заканчивающимся на обоих концах медными наконечниками для обеспечения измерения зазора от 0,3 мм до 0,6 мм, как показано на рисунках F.1 и
F.2.
Рисунок F.1 - Измерение зазора
Рисунок F.2 - Испытательный вибрационный стол
для дуговых испытаний ослабленных зажимов
Протянуть перемычку от штыря до вывода, как показано на
рисунке F.2, образовав последовательное соединение между концами крепления. Накрутить на штыри стопорную гайку и затянуть до полного зацепления стопорного механизма гайки (гайку применяют для того, чтобы вибрация от вывода провода не передавалась штырю).
Расстояние от гайки до основания штыря около 3 мм. Более не затягивать.
Вывод провода должен свободно вибрировать при установлении промежуточного контакта со штырем и стопорной гайкой.
Частота колебаний виброплиты от 30 до 60 Гц.
Фазный вывод УЗДП соединяют проводом со штырями и наконечниками с испытательным вибростолом, как показано на рисунке F.3.
Рисунок F.3 - Соединение УЗДТ с вибростолом при испытании
До испытания выключателем S1 ток устанавливают на половину значения номинального тока. Выключатель S1 оставляют разомкнутым. При испытании дуга расцепляет УЗДП.
(справочное)
МЕТОДЫ ОПРЕДЕЛЕНИЯ КОЭФФИЦИЕНТА МОЩНОСТИ
ПРИ КОРОТКОМ ЗАМЫКАНИИ
IA.1 Общие положения
Единого метода определения коэффициента мощности в условиях короткого замыкания не установлено. В настоящем приложении приведены два рекомендуемых метода.
Метод I - Определение по составляющей постоянного тока
Угол

может быть определен по кривой непериодической составляющей волны асимметричного тока в интервале между моментами короткого замыкания и разъединения контактов следующим способом.
IA.1.1 По формуле составляющей постоянного тока
id = ido·e-Rt/L,
где id - значение составляющей постоянного тока в момент t,
ido - значение составляющей постоянного тока в принятый начальный момент времени,
L/R - постоянная времени цепи, с,
t - время, прошедшее с начального момента, с,
e - основание натурального логарифма.
Постоянную времени L/R определяют из вышеприведенной формулы следующим образом:
a) измеряют значение ido в момент короткого замыкания и id в другой момент t перед разделением контактов;
b) определяют величину e-Rt/L, разделив id на ido;
c) по таблице логарифмов для значения e-x устанавливают величину -x, соответствующую значению соотношения id/ido;
d) поскольку значение х установлено и соответствует Rt/L, рассчитывают постоянную времени L/R.
IA.2 Определение угла
Угол вычисляют по формуле
где

- двукратная фактическая частота.
Этот метод не используют, если токи измеряют с применением трансформаторов тока.
Метод II - Определение с помощью задающего генератора
Если применяют задающий генератор, смонтированный на одном валу с испытательным генератором, напряжение этого задающего генератора можно сравнить на осциллограмме по фазе, вначале с напряжением испытательного генератора, а затем с током испытательного генератора.
Разность между фазовыми углами напряжений задающего генератора и главного генератора, с одной стороны, и напряжения задающего генератора и тока испытательного генератора - с другой, позволяет установить фазовый угол между напряжением и током испытательного генератора, а из него вывести коэффициент мощности.
(справочное)
ПРИМЕРЫ КОНСТРУКЦИЙ ВЫВОДОВ
В данном приложении приведены примеры конструкций выводов (см.
рисунки IB.1 -
IB.4).
Рисунок IB.1a - Выводы с хомутиком
Рисунок IB.1b - Выводы без прижимных пластин
Рисунок IB.1c - Выводы с прижимными пластинами
Примечание - Часть вывода, снабженная резьбовым отверстием, и часть, к которой винтом прижимают провод, могут быть различными частями, как в выводе с хомутиком.
Рисунок IB.1 - Примеры столбчатых выводов
Рисунок IB.2a - Винтовые выводы
1 - необязательная часть; A - неподвижная часть; B - шайба
или прижимная пластина; C - устройство, препятствующее
выскальзыванию жил; D - канал для проводника; E - штырь
Часть, удерживающая проводник в заданном положении, может выполняться из изоляционного материала при условии, что давление, необходимое для зажима проводника не передается через изоляционный материал.
Рисунок IB.2b - Штыревые выводы
Рисунок IB.2 - Пример винтовых и штыревых выводов
A - планка; B - неподвижная часть; C - штырь;
D - канал для проводника
Обе стороны планки могут иметь различную форму для размещения проводников с малой или большой площадью поперечного сечения посредством переворачивания планки.
Выводы могут иметь более двух зажимных винтов или штырей.
Рисунок IB.3 - Примеры пластинчатых выводов
A - запорное устройство; B - кабельный наконечник или шина;
E - неподвижная часть; F - штырь
Для выводов этого типа необходима упругая шайба или аналогичное эффективное запорное устройство, и поверхность в зоне зажима должна быть гладкой.
Для некоторых типов оборудования допускается применение выводов для кабельных наконечников или шин меньших размеров, чем требуется.
Рисунок IB.4 - Примеры выводов для кабельных наконечников
В выводах канал для подсоединения проводника должен иметь диаметр, достаточный для размещения жесткого однопроволочного проводника, и площадь поперечного сечения, достаточную, чтобы в нее можно было вставить жесткий многопроволочный проводник (см.
9.2, (таблица 11)).
(справочное)
СООТНОШЕНИЕ МЕЖДУ СОРТАМЕНТОМ МЕДНЫХ ПРОВОДОВ ISO И AWG
Поперечное сечение по ISO, мм2 | AWG |
Размер | Поперечное сечение, мм2 |
1,0 | 18 | 0,82 |
1,5 | 16 | 1,30 |
2,5 | 14 | 2,10 |
4,0 | 12 | 3,30 |
6,0 | 10 | 5,30 |
10,0 | 8 | 8,40 |
16,0 | 6 | 13,30 |
25,0 | 3 | 26,70 |
35,0 | 2 | 33,60 |
50,0 | 0 | 53,50 |
В основном применяют размеры ISO. По запросу изготовителя могут использоваться размеры AWG.
(справочное)
КАЛЕНДАРНЫЙ КОНТРОЛЬ КАЧЕСТВА УЗДП
ID.1 Общие положения
Для гарантии сохранения уровня качества изделий изготовителем должно быть организовано проведение календарного контроля процесса производства.
В настоящем приложении приведен пример проведения календарного контроля при изготовлении УЗДП.
Он может быть использован изготовителями в качестве руководства для адаптации специфических особенностей контроля с целью сохранения требуемого уровня качества выпускаемой продукции.
В частности, может быть предпринято все необходимое в организации снабжения и производства для обеспечения качества изготавливаемой продукции, от которого зависит безопасная работа устройств дифференциального тока.
ID.2 Календарный контроль
Календарный контроль включает две серии испытаний.
ID.2.1 Квартальная испытательная программа
Таблица ID.1
Циклы испытаний во время календарного контроля
Цикл испытаний | Номер подраздела, пункта, подпункта | Испытание | Замечание |
| | Рабочие характеристики обнаружения дуги | - |
| Рабочие характеристики обнаружения дуги | - |
| Устойчивость электрической изоляции к импульсным напряжениям | Проводится между каждым полюсом по очереди |
Проверка функционирования испытательной кнопки | С подачей питания к УЗДП как для нормальной эксплуатации Затем УЗДП замыкают вручную Далее устройство должно сработать при нажатой кнопке |
| | Испытание при предельных температурах | - |
| Испытание электроизоляционных свойств |
| Механическая и коммутационная износостойкость |
Y2 | | Надежность (климатические испытания) | - |
| | Проверка старения электронных компонентов | - |
ID.2.2 Годовая испытательная программа
Примечание - Годовой календарный контроль может сочетаться с квартальным календарным контролем.
ID.2.3 Методика отбора образцов
ID.2.3.1 Квартальная испытательная программа
В рамках этой программы проводят:
- нормальный контроль;
- усиленный контроль.
Нормальный контроль применяют для первой календарной проверки.
Для последующих проверок применяют нормальный или усиленный контроль или остановку производства, в зависимости от результатов текущих испытаний.
Для перехода от одного уровня контроля к другому должны применяться следующие критерии:
- сохранение нормального уровня контроля.
При нормальном контроле нормальный уровень сохраняют, если все шесть образцов выдержали цикл испытаний (см.
цикл Q в таблице ID.2).
Если цикл испытаний выдержали пять образцов, последующий контроль проводят лишь спустя 1 месяц после предыдущего с тем же числом образцов и в том же цикле испытаний;
- от нормального к усиленному.
При нормальном контроле переход на усиленный контроль осуществляют, если только четыре образца выдержали цикл испытаний;
- от нормального контроля к остановке производства.
Когда при нормальном контроле менее четырех образцов выдержали цикл испытаний, производство должно быть остановлено до принятия мер по улучшению качества продукции;
- переход от усиленного к нормальному контролю.
Если проводят усиленный контроль, то к нормальному контролю следует переходить, если, по крайней мере, двенадцать образцов выдержали цикл испытаний (см.
таблицу ID.2);
- сохранение уровня усиленного контроля.
Если на уровне усиленного контроля только 10 или 11 образцов выдержали цикл испытаний, уровень усиленного контроля сохраняют и последующий контроль проводят спустя 1 мес. после предшествующего с тем же числом образцов и в том же самом цикле испытаний;
- переход от усиленного контроля к остановке производства.
В случае, если четыре последовательных контроля проводились на усиленном уровне или менее 10 образцов выдержали цикл испытаний, производство должно быть остановлено до улучшения качества продукции;
- возобновление производства.
Производство можно возобновить после выполнения соответствующих согласованных корректирующих действий.
Возобновление производства должно проводиться в условиях усиленного контроля.
ID.2.3.2 Годовая испытательная программа
В рамках этой программы проводят:
- нормальный контроль;
- усиленный контроль.
Для первой календарной проверки применяют нормальный контроль.
Для последующих проверок применяют нормальный или усиленный контроль, в зависимости от результатов текущих испытаний.
Для перехода от одного уровня к другому должны применяться следующие критерии:
- охранение нормального уровня контроля.
При нормальном контроле нормальный уровень сохраняют, если все образцы выдержали цикл испытаний. Если два образца выдержали цикл испытаний Y1 и во время испытаний по циклам Y2 и Y3 не произошло отказов, последующий контроль проводят спустя 3 мес. после предыдущего и с таким же числом образцов и в тех же циклах испытаний;
- переход от нормального к усиленному контролю.
При нормальном контроле должен осуществляться переход к усиленному контролю, если:
- только один образец выдержал цикл испытаний Y1;
- или произошел один отказ во время одного из циклов испытаний Y2 или Y3.
Последующий контроль должен проводиться в течение 3 мес. от предшествующего на уровне усиленного контроля для любого цикла, в котором произошел отказ, и на уровне нормального контроля - для всех других циклов испытаний;
- переход от нормального контроля к остановке производства.
Если при нормальном контроле ни один из образцов не выдержал цикл испытаний Y1 или произошло более одного отказа во время циклов испытаний Y2 и Y3, производство должно быть остановлено до улучшения качества продукции;
- от усиленного контроля к нормальному.
При проведении усиленного контроля переход к нормальному контролю должен осуществляться, если:
- по крайней мере, пять образцов выдержали цикл испытаний Y1 и
- ни одного отказа не произошло во время циклов испытаний Y2 и Y3
- сохранение усиленного контроля.
Если на уровне усиленного контроля только четыре образца выдержали цикл испытаний Y1 и не было отказов в цикле испытаний Y2 или Y3, уровень усиленного контроля сохраняют и следующую проверку проводят спустя 3 мес. после предшествующей с тем же числом образцов и в тех же циклах испытаний;
- переход от усиленного контроля к остановке производства.
В случае, когда четыре последовательные проверки остаются на усиленном уровне или когда во время годового контроля произошел один из случаев отказов:
- менее четырех образцов выдержали цикл испытаний Y1;
- произошло более одного отказа во время цикла испытаний Y2 или Y3, производство должно быть остановлено до улучшения качества продукции;
- возобновление производства.
Производство можно возобновить после соответствующих согласованных корректирующих мероприятий.
Возобновление производства должно проводиться в условиях усиленного контроля.
ID.2.4 Число образцов, подвергаемых испытаниям
Число образцов для разных уровней контроля приведено в таблице ID.2.
Таблица ID.2
Число образцов, подвергаемых испытаниям
Контрольный цикл | Число образцов |
для нормального контроля | для усиленного контроля |
| 6 | 13 |
Y1 - Y3 | По три для каждого цикла | По шесть для каждого цикла |
Из каждой серии УЗДП одной и той же базовой конструкции необходимо испытать только один комплект образцов, независимо от номинальных параметров.
В рамках календарной испытательной программы УЗДП считают принадлежащими к одной базовой конструкции, если они подлежат одинаковой классификации по
4.1:
- устройства, управляемые током дуги, имеют идентичный механизм расцепления и идентичные реле или соленоид, за исключением:
- числа витков и сечений проводов обмоток;
- размера и материала сердечника дифференциального трансформатора;
- номинального дифференциального тока;
- электронная часть, если имеется, одной и той же конструкции и состоит из таких же компонентов, кроме изменений, связанных с получением разных значений управляющих токов дуги.
(справочное)
ИСПЫТАНИЯ УЗКЗ НА КОРОТКОЕ ЗАМЫКАНИЕ
IE.1 Введение
Для проверки минимальных значений
I2t и
Ip, выдерживаемых УЗДП, указанных в
таблице 18, п. 9.11.2.1, проводят испытания на короткое замыкание. Испытание на короткое замыкание проводят с указанным защитным устройством или на испытательном устройстве с использованием серебряной проволоки, или с использованием другого устройства, производящего требуемые значения
I2t и
Ip.
IE.2 Серебряная проволока
С целью проверки минимальных значений
I2t и
Ip, выдерживаемых УЗДП, для получения воспроизводимых результатов УЗКЗ, если имеется, может быть серебряной проволокой, применяемой на испытательном устройстве по
рисунку IE.1
1 - скользящая панель; 2 - вывод; 3 - провод из серебра;
4 - упор для скользящей панели
Рисунок IE.1 - Испытательное устройство для проверки
устойчивости УЗДП к минимальным значениям I2t и Ip
Для серебряной проволоки с содержанием серебра не менее 99,9% в таблице IE.1 приведены значения диаметров соответственно номинальному току In и условному току короткого замыкания Inc.
Таблица IE.1
Диаметры серебряной проволоки как функция номинальных токов
и токов короткого замыкания
Inc, А | In, А |
<= 16 | <= 20 | <= 25 | <= 32 | <= 40 | <= 63 |
Диаметр серебряной проволоки <a>, мм |
500 | 0,30 | 0,35 | 0,35 | 0,35 | - | - |
1000 | 0,30 | 0,35 | 0,40 | 0,50 | - | - |
1500 | 0,35 | 0,40 | 0,45 | 0,50 | 0,65 | 0,85 |
3000 | 0,35 | 0,40 | 0,45 | 0,50 | 0,60 | 0,80 |
4500 | 0,35 | 0,40 | 0,45 | 0,50 | 0,60 | 0,80 |
6000 | 0,35 | 0,40 | 0,45 | 0,50 | 0,60 | 0,75 |
10000 | 0,35 | 0,40 | 0,45 | 0,50 | 0,60 | 0,70 |
<a> Значения диаметра серебряной проволоки, в основном, связаны с понятием пикового тока ( Ip) (см. таблицу 18). |
Серебряную проволоку располагают в соответствующем положении в испытательном устройстве, как показано на
рисунке IE.1, натянутой горизонтально. После каждого испытания проволоку меняют.
IE.3 Заданные защитные устройства
С целью проверки минимальных значений I2t и Ip, выдерживаемых УЗДП, для получения воспроизводимых результатов УЗКЗ, если имеется, может быть заданным защитным устройством.
Номинальные параметры заданного защитного устройства не должны быть меньше параметров УЗДП. Для получения значений
I2t и
Ip по
таблице 18 могут применяться защитные устройства с более высокими номинальными параметрами.
Примечание - Для плавких предохранителей промежуточные значения могут быть получены добавлением параллельных предохранителей.
IE.4 Другие устройства
Другие устройства могут быть использованы при условии, что значения
таблицы 18 выполнены.
(обязательное)
ДОПОЛНИТЕЛЬНЫЕ ТРЕБОВАНИЯ К УЗДП С ВЫВОДАМИ
БЕЗВИНТОВОГО ТИПА ДЛЯ ПРИСОЕДИНЕНИЯ
ВНЕШНИХ МЕДНЫХ ПРОВОДНИКОВ
J.1 Область применения
Данное приложение распространяется на УЗДП в пределах применения
раздела 1, оснащенные безвинтовыми выводами на токи не более 20 А, которые предназначены преимущественно для присоединения неподготовленных (см.
J.3.6) медных проводников поперечного сечения до 4 мм
2.
Примечание - В ряде стран (Австрия, Чехия, Германия, Дания, Нидерланды, Норвегия и Швейцария) верхний предел тока для безвинтовых выводов составляет 16 А.
В настоящем приложении безвинтовые выводы (далее - выводы) и медные проводники (далее - проводники).
J.2 Нормативные ссылки
J.3 Термины и определения
J.3.1 зажимной элемент (clamping unit): Части вывода, необходимые для механического прижима и электрического соединения проводников, включая части, которые требуются для обеспечения надлежащего давления контакта.
J.3.2 безвинтовой вывод (screwless-type terminal): Вывод, предназначенный для присоединения и последующего отсоединения проводников непосредственно или при помощи пружин, клиньев и аналогичных элементов.
J.3.3 универсальный вывод (universal terminal): Вывод, предназначенный для присоединения и отсоединения проводников всех типов (жестких и гибких).
Примечание - В ряде стран (Австрия, Бельгия, Китай, Дания, Германия, Испания, Франция, Италия, Португалия, Швеция и Швейцария) допускается применение только универсальных безвинтовых выводов.
J.3.4 неуниверсальный вывод (non-universal terminal): Вывод, предназначенный для присоединения и отсоединения проводников определенного типа.
Пример - Только жестких одножильных или только жестких (одно- и многожильных) проводников.
J.3.5 вывод с обжимом проводника (push-wire terminal): Неуниверсальный вывод, в котором соединение обеспечивается обжимом проводника (одножильного или многожильного) при помощи зажимных средств.
J.3.6
неподготовленный проводник (unprepared conductor): Отрезок провода, с конца которого снята на определенную длину изоляция для подсоединения к выводу.
Примечания
1 Проводник, имеющий такую форму, которая позволяет легко вводить его в вывод или концы жил которого скручены с целью укрепления, считают неподготовленным проводником.
2 Термин "неподготовленный проводник" означает проводник, жилы которого не спаяны или конец которого не снабжен кабельным наконечником, ушком и т.п., но форма которого изменена для вставки в вывод, или жилы которого скручены для упрочнения конца.
J.4 Классификация
J.5 Характеристики УЗДП
J.6 Маркировка
Раздел 6 дополнить следующими требованиями:
Универсальные выводы:
- без маркировки.
Неуниверсальные выводы:
- выводы, предназначенные для жестких одножильных проводников, должны маркироваться буквами "sol";
- выводы, предназначенные для жестких одножильных и многожильных проводников, должны маркироваться буквой "r";
- выводы, предназначенные для гибких проводников, должны маркироваться буквой "f".
Маркировка должна наноситься на УЗДП или при недостатке места на наименьшую упаковочную единицу, либо содержаться в технической информации изготовителя.
Маркировка, обозначающая длину снятия изоляции перед введением проводника в вывод, должна быть нанесена на УЗДП.
Изготовитель в своих каталогах должен предусмотреть информацию о максимальном числе проводников, зажимаемых в выводе.
J.7 Стандартные условия эксплуатации
J.8 Требования к конструкции
J.8.1 Общие положения
Соответствие устанавливают осмотром и проведением испытаний по
J.9.1 и
J.9.2 настоящего приложения вместо
9.4 и
9.5.
Кроме того, дополнить следующими требованиями:
J.8.2 Присоединение и отсоединение проводников
Присоединение и отсоединение проводников должно выполняться:
- с помощью инструмента общего назначения либо удобного устройства, составляющего единое целое с выводом и позволяющего открыть его с целью введения и отсоединения проводников (например, в универсальных выводах);
- для жестких проводников путем простого введения. Для отсоединения проводников может потребоваться иная операция, чем простое выдергивание проводника из вывода (например, обжим проводника).
Универсальные выводы должны допускать подсоединение жестких (одножильных и многожильных) и гибких неподготовленных проводников.
Неуниверсальные выводы должны допускать подсоединение проводников типов, указанных изготовителем.
Соответствие проверяют осмотром и испытаниями по
J.9.1 и
J.9.2.
J.8.3 Размеры присоединяемых проводников
Размеры присоединяемых проводников приведены в таблице J.1.
Таблица J.1
Присоединяемые проводники
Сечение и теоретический диаметр проводников |
Метрическая система | AWG |
Жесткий проводник | Гибкий проводник | Жесткий проводник | Гибкий проводник |
Сечение, мм2 | Диаметр проводника, мм | Сечение, мм2 | Диаметр, мм | Калибр | Диаметр проводника, мм | Калибр | Диаметр многожильных проводников классов I, K, M <b>, мм |
одножильного | многожильного | | Многожильные класса B <a> |
1,0 | 1,2 | 1,4 | 1,0 | 1,5 | 18 | 1,02 | 1,16 | 18 | 1,28 |
1,5 | 1,5 | 1,7 | 1,5 | 1,8 | 16 | 1,29 | 1,46 | 16 | 1,60 |
2,5 | 1,9 | 2,2 | 2,5 | 2,3 | 14 | 1,63 | 1,84 | 14 | 2,08 |
4,0 | 2,4 | 2,7 | 4,0 | 2,9 | 12 | 2,05 | 2,32 | 12 | 2,70 |
Примечание - Наибольшие диаметры жестких и гибких проводников приведены по таблице 1 IEC 60228A, а для проводников в системе AWG - по B 172-71 ASTM и публикациям S-19-81, S-66-524, S-68-516 ICEA. -------------------------------- <b> Допуск наибольшего диаметра +5% для любого из трех классов I, K и M. |
Соединительную способность выводов проверяют осмотром и испытаниями по
J.9.1 и
J.9.2.
J.8.4 Поперечные сечения присоединяемых проводников
Номинальные поперечные сечения присоединяемых проводников приведены в таблице J.2.
Таблица J.2
Поперечные сечения медных проводников,
присоединяемых к безвинтовым зажимам
Номинальный ток, А | Номинальные поперечные сечения присоединяемых проводников, мм2 |
До 13 включ. | От 1,0 до 2,5 включ. |
Св. 13 " 20 " | " 1,5 " 4,0 " |
Соответствие проверяют осмотром и испытаниями по
J.9.2 и
J.9.3.
J.8.5 Присоединение и отсоединение проводников
Введение и отсоединение проводников должно выполняться согласно инструкциям изготовителя.
Соответствие проверяют осмотром.
J.8.6 Дизайн и конструкция выводов
Выводы должны быть так спроектированы и изготовлены, чтобы:
- каждый проводник прижимался отдельно;
- в ходе операции по присоединению и отсоединению проводники могли присоединяться и отсоединяться либо одновременно, либо по отдельности;
- исключалось неправильное введение проводников.
Должно обеспечиваться надежное крепление максимально предусмотренного числа проводников.
Соответствие проверяют осмотром и испытаниями по
J.9.2 и
J.9.3.
J.8.7 Устойчивость к старению
Выводы должны быть устойчивы к старению.
Соответствие проверяют испытанием по
J.9.4.
J.9 Испытания
J.9.2 Проверка надежности безвинтовых выводов
J.9.2.1 Надежность безвинтовой системы
Испытание проводят на трех выводах полюсов новых образцов с медными проводниками номинальных поперечных сечений по
таблице J.2. Типы проводников в соответствии с
J.8.2.
Присоединение и последующее отсоединение должно выполняться пять раз с проводником наименьшего диаметра и последовательно пять раз с проводником наибольшего диаметра.
Каждый раз должны использоваться новые проводники, за исключением пятой проверки, когда проводник, использованный для четвертой проверки, оставляют на месте. Перед введением в вывод проволокам многожильных жестких проводников следует придать соответствующую форму, а проволоки гибких проводников должны быть скручены для упрочнения конца.
При каждом введении конец проводника должен быть вставлен в вывод на максимально возможную глубину либо правильность его введения должна быть очевидна.
После каждого введения проводник поворачивают вокруг его продольной оси на 90° на уровне зажатого участка и затем его отсоединяют.
После испытания вывод не должен иметь повреждений, влияющих на его дальнейшую эксплуатацию.
J.9.2.2 Проверка надежности соединения
Три вывода полюсов новых образцов оснащают новыми медными проводниками, типы и сечения которых указаны в
таблице J.2.
Типы проводников должны соответствовать
J.8.2.
Перед введением в вывод проволокам многожильных жестких проводников следует придать соответствующую форму, а проволоки гибких проводников должны быть скручены для упрочнения конца.
Проводник должен входить в универсальный вывод без чрезмерного усилия, а в вывод с обжимом проводника с незначительным усилием, прикладываемым вручную.
При каждом введении конец проводника должен быть вставлен в вывод на максимально возможную глубину либо правильность его введения должна быть очевидна.
После проведения испытаний ни одна жила проводника не должна выпасть из вывода.
J.9.3 Проверка надежности выводов для присоединения внешних проводников: механическая прочность
Для испытания на натяжение три вывода полюсов новых образцов оснащают новыми проводниками типов, максимальных и минимальных сечений, соответствующих
таблице J.2.
Перед введением в вывод проволокам многожильных жестких проводников следует придать соответствующую форму, а проволоки гибких проводников должны быть скручены для упрочнения конца.
Затем каждый проводник подвергают тянущему усилию, указанному в таблице J.3, без рывков в течение 1 мин в направлении оси проводника.
Таблица J.3
Тянущие усилия
Сечение проводника, мм2 | Тянущее усилие, Н |
1,0 | 35 |
1,5 | 40 |
2,5 | 50 |
4,0 | 60 |
Во время испытания проводник не должен выпасть из вывода.
J.9.4 Циклическое испытание
Испытание проводят с новыми проводниками поперечных сечений по
таблице 12.
Испытание проводят на новых образцах (один образец - один полюс), число которых указано ниже согласно типу выводов:
- универсальные выводы для жестких (одно- и многожильных) и гибких проводников: по три образца для каждого (всего шесть образцов);
- неуниверсальные выводы только для одножильных проводников: три образца;
- неуниверсальные выводы для жестких (одно- и многожильных) проводников: по три образца для каждого (всего шесть образцов).
Примечание - Если проводники жесткие, должны применяться одножильные (если в конкретной стране не применяют одножильные проводники, тогда допускается применение многожильных);
- неуниверсальные выводы только для гибких проводников: три образца.
Проводник с поперечным сечением по
таблице 12 последовательно соединяют как при нормальной эксплуатации с каждым комплектом из трех образцов, как показано на рисунке J.1.
Рисунок J.1 - Схема соединения образцов
На образце должно быть предусмотрено отверстие для измерения падения напряжения на выводе.
При проведении испытаний образец с проводниками помещают в камеру тепла, в которой предварительно устанавливают температуру (20 +/- 2) °C.
Во избежание перемещения образцов до окончания измерения падений напряжения рекомендуется закрепить все полюса на общей опоре.
В течение испытания, за исключением периода охлаждения, в цепь подается испытательный ток, соответствующий номинальному току устройства.
Затем образцы подвергают 192 температурным циклам, каждый цикл длительностью приблизительно 1 ч, и его проводят следующим образом.
Температуру воздуха в камере тепла примерно за 20 мин повышают до 40 °C. Испытательную температуру поддерживают с погрешностью +/- 5 °C приблизительно 10 мин.
Затем образцы подвергают в течение 20 мин естественному охлаждению до температуры около 30 °C, допускается принудительное охлаждение. Их выдерживают при этой температуре около 10 мин и за это время измеряют падение напряжения, если необходимо, образцы охлаждают до температуры (20 +/- 2) °C.
Максимально допустимое падение напряжения, измеренное на каждом выводе в конце 192-го цикла при номинальном токе, не должно превышать наименьшего из двух значений: 22,5 мВ или полуторакратного значения, полученного после 24-го цикла.
Измерения должны проводиться как можно ближе к месту контакта.
Если точка измерения не совпадает с точкой контакта, то значение падения напряжения в пределах части проводника между точкой измерения и точкой контакта вычитают из измеренного значения падения напряжения испытуемого образца.
Температуру в камере тепла измеряют на расстоянии приблизительно 50 мм от испытуемых образцов.
После этих испытаний выводы подвергают внешнему осмотру невооруженным глазом (с нормальным зрением), при котором не должны быть выявлены изменения, препятствующие их дальнейшей эксплуатации, например трещины, деформации и т.п.
Рисунок J.2 - Примеры безвинтовых выводов
J.10 Справочные документы
IEC 60228:2004, Conductors of insulated cables (Проводники изолированных кабелей)
IEC 60998-1:2002, Connecting devices for low-voltage circuits for household and similar purposes - Part 1: General requirements (Устройства соединительные для низковольтных цепей бытового и аналогичного назначения. Часть 1. Общие требования)
IEC 60998-2-2:2002, Connecting devices for low-voltage circuits for household and similar purposes - Part 2-2: Particular requirements for connecting devices as separate entities with screwless-type clamping units (Устройства соединительные для низковольтных цепей бытового и аналогичного назначения. Часть 2-2. Частные требования к соединительным устройствам как отдельным элементам с невинтовыми зажимами)
IEC 60999 (все части), Connecting devices - Electrical copper conductors - Safety requirements for screw-type and screwless-type clamping units (Устройства соединительные. Провода электрические медные. Требования безопасности к зажимным элементам винтового и безвинтового типа)
(обязательное)
ДОПОЛНИТЕЛЬНЫЕ ТРЕБОВАНИЯ К УЗДП
С ПЛОСКИМИ ВЫВОДАМИ БЫСТРОГО СОЕДИНЕНИЯ
K.1 Область применения
Настоящее приложение распространяется на УЗДП в пределах действия
раздела 1, оснащенные плоскими выводами быстрого соединения, состоящими из штыревого наконечника (см.
K.3.2) типоразмера 6,3 мм шириной 0,8 мм и гнездового соединителя, и предназначенными для присоединения электрических медных проводников на номинальные токи до 16 А включительно в соответствии с инструкциями изготовителя.
Примечание - В ряде стран (Бельгия, Франция, Италия, Испания, Португалия и США) допускается применение плоских выводов быстрого соединения на номинальные токи до 20 А включительно.
Присоединяемые электрические медные проводники (далее - проводники) могут быть гибкими с поперечными сечениями до 4 мм2 включительно или жесткими многожильными с поперечными сечениями до 2,5 мм2 включительно (в системе AWG 12 и свыше).
Данное приложение распространяется исключительно на УЗДП со штыревыми выводами, выполненными за одно целое с аппаратом.
K.2 Нормативные ссылки
IEC 61210 Соединительные устройства. Плоские выводы быстрого соединения для электрических медных проводников. Требования безопасности
K.3 Термины и определения
K.3.1 плоский вывод быстрого соединения (flat quick-connect termination): Электрическое соединение, состоящее из штыревого наконечника и гнездового соединителя, сочленяемых и расчленяемых с помощью и без помощи инструмента.
K.3.2
штыревой наконечник (male tab): Часть плоского вывода быстрого соединения, вводимая для сочленения в гнездовой соединитель.
K.3.3 гнездовой соединитель (female connector): Часть плоского вывода быстрого соединения, в которую вводится штыревой наконечник.
K.3.4 фиксирующий элемент (detent): Углубление (выемка) или отверстие в штыревом наконечнике, которое взаимодействует с выступающей частью гнездового соединителя и обеспечивает фиксацию сочленяемых частей.
K.4 Классификация
K.5 Характеристики УЗДП
K.6 Маркировка
Следующая информация, касающаяся гнездовых соединителей по IEC 61210 и типа применяемых проводников, должна быть приведена в инструкциях изготовителя:
k) наименование изготовителя или товарный знак;
l) тип изделия;
m) цветовой код изолированных гнездовых соединителей в соответствии с сечением проводников (см.
таблицу K.1);
n) применение проводников из серебряных или медных сплавов с гальваническим покрытием оловом.
Таблица K.1
Цветовой код гнездовых соединителей и соответствующие
сечения присоединяемых проводников
Сечение проводника, мм2 | Цветовой код гнездового соединителя |
1,0 | Красный |
1,5 | Красный или синий |
2,5 | Синий или желтый |
4,0 | Желтый |
K.7 Стандартные условия эксплуатации
K.8 Требования к конструкции
К.8.1 Общие положения
Заменить
8.2.3 следующим:
K.8.2 Воздушные зазоры и расстояния утечки (см. приложение B)
По
8.2.3 гнездовые соединители сочленяются со штыревыми наконечниками УЗДП.
Заменить
8.2.5 следующим:
K.8.3 Выводы для внешних проводников
K.8.3.1 Штыревые наконечники и гнездовые соединители должны быть выполнены из материалов, механическая прочность, электрическая проводимость и коррозионная стойкость которых соответствуют их назначению.
Примечание - Примерами таких материалов являются серебряные или медные сплавы с гальваническим покрытием оловом.
K.8.3.2 Типоразмер штыревого наконечника составляет 6,3 мм при толщине 0,8 мм, применяется на номинальные токи до 16 А включительно.
Примечание - В ряде стран (Бельгия, Франция, Италия, Испания, Португалия и США) допускается их применение на номинальные токи до 20 А включительно.
Размеры штыревых наконечников должны соответствовать размерам указанным в
таблице K.3 и на
рисунках K.2 -
K.5. Размеры A, B, C, D, E, F, J, M, N и Q являются обязательными.
Таблица K.2
Усилия для испытания на стойкость к механической нагрузке
Усилие нажатия, Н | Вытягивающее усилие, Н |
96 | 88 |
Таблица K.3
Размеры штыревых наконечников
Размеры в миллиметрах
Номинальный размер, мм | Способ фиксации | A | B min | C | D | E | F | J | M | N | P | Q min |
6,3 x 0,8 | углублением | 1,0 | - | 0,84 | 6,40 | 4,1 | 2,0 | 12° | 2,5 | 2,0 | 1,8 | - |
0,7 | 7,8 | 0,77 | 6,20 | 3,6 | 1,6 | 8° | 2,2 | 1,8 | 0,7 | 8,9 |
отверстием | 1,0 | - | 0,84 | 6,40 | 4,7 | 2,0 | 12° | - | - | 1,8 | - |
0,5 | 7,8 | 0,77 | 6,20 | 4,3 | 1,6 | 8° | - | - | 0,7 | 8,9 |
Примечания 2 Две строки в графе приводятся для максимальных и минимальных значений размеров. |
Рисунок K.1 - Пример расположения термопары при измерении
превышения температуры
Размеры в миллиметрах
Примечания
1 Скос 45° не должен быть прямой линией, если находится в указанных пределах.
2 Размер L не задан и может быть установлен в зависимости от конструкции (например для фиксации).
3 Размер C может определяться толщиной применяемого материала при условии, что указанный размер отвечает требованиям настоящего стандарта.
Допускается округление по продольному краю штекеров.
4 На рисунке указаны размеры элементов штекеров, но не приведена их конструкция.
5 Толщина штекера C может быть иной за пределами размеров Q и B + 1,14 мм.
6 Все части штекеров должны быть плоскими и не должны иметь заусенцев или выступов, за исключением выступа над допуском толщины в 0,025 мм с каждой стороны в области линии упора, на расстоянии 1,3 мм от нее.
Рисунок K.2 - Размеры штыревых контактов (штекеров)
Размеры в миллиметрах
Допуск расположения отверстия относительно центральных осей штекера 0,076 мм.
Рисунок K.3 - Размеры круглых углублений фиксации
Размеры в миллиметрах
Допуск расположения углублений относительно центральных осей штекера 0,13 мм.
Рисунок K.4 - Размеры прямоугольных углублений фиксации
Размеры в миллиметрах
Допуск расположения отверстия относительно центральных осей штекера 0,076 мм.
Рисунок K.5 - Размеры отверстий для фиксации
Примечание - Формы некоторых частей могут отличаться от показанных на рисунках при условии неизменности указанных размеров и соответствия требованиям к испытанию, например рифленые или развальцованные наконечники.
Размеры B3 и L2 - обязательные
Примечания
1 Для определения размеров гнездового наконечника размеры B3 и L2 необходимо согласовать с размерами штыревого наконечника для гарантии обеспечения надежного сочленения в наихудших условиях (а также размеры элементов фиксации при их наличии).
2 Если предусмотрен упор на штыревом наконечнике, размер X определяется изготовителем исходя из обеспечения требований работоспособности соединения.
3 Гнездовые наконечники должны иметь конструкцию, позволяющую обеспечить правильную фиксацию при введении штыревого наконечника в гнездовой и исключить создание препятствия оконцованной частью проводника введению штыревого наконечника в гнездовой до полной фиксации соответствующими фиксирующими элементами.
4 Рисунок является общей рекомендацией для проектирования гнездового наконечника, при этом указанные на чертеже размеры являются обязательными.
Рисунок K.6 - Размеры гнездовых наконечников
Таблица K.4
Размеры гнездовых наконечников
Размер штекера | Размер гнездового наконечника |
B3 max | L2 max |
6,3 x 0,8 | 7,80 | 3,50 |
Соответствие проверяют осмотром и измерением.
K.8.3.3 Штыревые наконечники должны быть надежно закреплены.
Соответствие проверяют испытанием на стойкость к механической нагрузке по
K.9.2.
K.9 Испытания
K.9.1 Общие положения
K.9.2 Стойкость к механической нагрузке
Испытание проводят на 10 выводах УЗДП, установленных как для нормальной эксплуатации со смонтированными проводниками.
Усилие нажатия и затем вытягивающее осевые усилия, значение которых соответствует значениям, указанным в
таблице K.2, прикладывают плавно только один раз к штыревому вмонтированному наконечнику подходящим испытательным устройством.
Не должно быть повреждения, влияющего на дальнейшую эксплуатацию штыревого наконечника или УЗДП, в которое этот наконечник вмонтирован.
Тонкопроволочные термопары располагают так, чтобы не влиять на контакт или присоединительную площадь испытуемого образца. Пример расположения приведен на
рисунке K.1.
(обязательное)
СПЕЦИАЛЬНЫЕ ТРЕБОВАНИЯ К УЗДП С ВИНТОВЫМИ ВЫВОДАМИ
ДЛЯ ВНЕШНИХ НЕПОДГОТОВЛЕННЫХ АЛЮМИНИЕВЫХ ПРОВОДНИКОВ
И С АЛЮМИНИЕВЫМИ ВИНТОВЫМИ ВЫВОДАМИ ДЛЯ МЕДНЫХ
ИЛИ АЛЮМИНИЕВЫХ ПРОВОДНИКОВ
L.1 Область применения
Настоящее приложение распространяется на УЗДП в пределах действия настоящего стандарта, оснащенные винтовыми выводами из меди или медных сплавов, содержащих не менее 58% меди (для частей, изготавливаемых холодным способом) и не менее 50% меди (для частей другого способа изготовления), или из другого металла или металла с соответствующим покрытием, не менее коррозиеустойчивого, чем медь, и с не менее пригодными механическими свойствами, применяемыми с неподготовленными алюминиевыми проводниками, либо оснащенные винтовыми выводами из алюминиевого материала для присоединения медных или алюминиевых проводников.
В данном приложении алюминиевые проводники с покрытием медью или никелем считаются алюминиевыми.
Примечание - В Австрии, Австралии и Германии применение алюминиевых винтовых выводов для присоединения медных проводников недопустимо.
В Австрии, Швейцарии и Германии применение выводов только для алюминиевых проводников запрещено.
В Испании не допускается применение алюминиевых проводников в концевых цепях в бытовых и аналогичных электроустановках, например, офисы, магазины и т.п.
В Дании минимальное поперечное сечение алюминиевых проводников составляет 16 мм2.
L.2 Нормативные ссылки
L.3 Термины и определения
L.3.1 подготовленный проводник (treated conductor): Проводник, с внешних жил которого в контактной его части снят окисный слой и/или залита уплотняющая масса для обеспечения хорошей проводимости и/или предохранения от коррозии.
L.3.2 неподготовленный проводник (untreated/unprepared conductor): Проводник, с конца которого на определенную длину снята изоляции для ввода его в вывод.
Примечание - Проводник, имеющий такую форму, которая позволяет легко вводить его в вывод или концы жил которого скручены с целью укрепления, считают неподготовленным проводником.
L.3.3
эквалайзер (выравниватель) (equalizer): Устройство, применяемое в испытательном контуре и обеспечивающее эквипотенциальную и однородную плотность тока в многожильном проводнике без изменения температуры проводника.
L.3.4 контрольный проводник (reference conductor): Проводник большой протяженности того же типа и сечения, что и присоединенный к испытуемому выводу, включенный последовательно в ту же цепь.
Примечание - Он обеспечивает определяемую контрольную температуру и при необходимости контрольное сопротивление.
L.3.5 коэффициент устойчивости (Sf) (stability factor (Sf)): Измерение стабильности температуры вывода при циклических испытаниях током.
L.4 Классификация
L.5 Характеристики УЗДП
L.6 Маркировка
Маркировка, указанная в таблице L.1, должна наноситься на УЗДП у выводов.
Таблица L.1
Тип присоединяемого проводника | Маркировка |
Только медный | Отсутствует |
Только алюминиевый | Al |
Алюминиевый и медный | Al/Cu |
Информация, относящаяся к числу проводников, значениям крутящих моментов (если отличаются от приведенных в
таблице 12) и сечениям проводников, должна наноситься на УЗДП.
Изготовитель в своих каталогах должен указать значения затягивающих моментов и способы крепления алюминиевых проводников.
L.7 Стандартные условия эксплуатации
L.8 Требования к конструкции
Для присоединения алюминиевых проводников УЗДП должно быть оснащено винтовыми выводами для присоединения проводников с номинальными поперечными сечениями по таблице L.2.
Таблица L.2
Поперечные сечения алюминиевых проводников, присоединяемых
к винтовым выводам
| Диапазон номинальных поперечных сечений <b> присоединяемых проводников, мм 2 |
До 13 включ. | От 1,0 до 4,0 |
Св. 13 до 16 " | " 1,0 " 6,0 |
" 16 " 25 " | " 1,5 " 10,0 |
" 25 " 32 " | " 2,5 " 16,0 |
" 32 " 50 " | " 4,0 " 25,0 |
" 50 " 80 " | " 10,0 " 35,0 |
" 80 " 100 " | " 16,0 " 50,0 |
" 100 " 125 " | " 25,0 " 70,0 |
<a> Требуется, чтобы при номинальных токах до 50 А включительно выводы были рассчитаны на зажим как однопроволочных, так и жестких многопроволочных проводников; допускается применение гибких проводников. В то же время допускается, чтобы выводы для проводников с поперечным сечением от 1,0 до 10,0 мм 2 были рассчитаны на зажим только однопроволочных проводников. <b> Максимальные сечения проводников по таблице 7 увеличены в соответствии с таблицей D.2 IEC 61545:1996. |
Выводы для присоединения алюминиевых проводников и выводы из алюминия для присоединения медных или алюминиевых проводников должны обладать соответствующей механической прочностью, чтобы выдержать испытания по
9.4 с проводниками, затянутыми моментом, указанным в
таблице 13 либо указанным изготовителем, причем значение, указанное изготовителем, не должно быть ниже указанного в
таблице 13.
Соответствие проверяют осмотром, измерением и поочередным введением проводника наименьшего и наибольшего сечения из указанных.
| | ИС МЕГАНОРМ: примечание. В официальном тексте документа, видимо, допущена опечатка: пункт 8.1.5.4 отсутствует. | |
8.1.5.4 Текст 8.1.5.4 изложить в следующей редакции:
Выводы должны допускать присоединение проводников без специальной подготовки.
Соответствие проверяют осмотром и испытанием по L.9.
L.9 Испытания
L.9.1 Общие положения
По
разделу 9 со следующими изменениями/дополнениями:
Для испытаний в зависимости от вида материала вывода и типа присоединяемых проводников применяют условия испытаний в соответствии с таблицей L.3.
Таблица L.3
Перечень испытаний в зависимости от материала
проводников и выводов
| | ИС МЕГАНОРМ: примечание. В официальном тексте документа, видимо, допущена опечатка: пункт 8.1.4.4 отсутствует. | |
Материал вывода | | |
| Al | Cu | Al |
| | |
| | | |
| | | |
9.5.2 Повреждение проводника | | | |
9.5.3 Введение проводника | | | |
9.8 Превышение температуры | | | |
| | | |
L.9.3 Циклическое испытание | | | |
<a> Согласно циклам A и B и числу образцов, указанным в приложении C. Для УЗДП, предназначенных для присоединения алюминиевых и медных проводников, число циклов испытаний и образцов удваивают (по одному для медного и одному для алюминиевого проводника). <b> Для испытаний на вытягивание по 9.5.1 значение для провода сечением 70 мм 2 - на рассмотрении. |
Таблица L.4
Сечение и теоретический диаметр присоединяемых проводников
Метрическая система | AWG |
Жесткий проводник | Гибкий (только медный) проводник | Жесткий проводник | Гибкий (только медный) проводник |
Сечение проводника, мм2 | Диаметр проводника, мм | Сечение, мм2 | Диаметр, мм | Калибр | Диаметр проводника, мм | Калибр | Диаметр многожильных проводников классов <b> I, K, M, мм |
одножильного | многожильного | | многожильного класса B <a> |
1,0 | 1,2 | 1,4 | 1,0 | 1,5 | 18 | 1,07 | 1,23 | 18 | 1,28 |
1,5 | 1,5 | 1,7 | 1,5 | 1,8 | 16 | 1,35 | 1,55 | 16 | 1,50 |
2,5 | 1,9 | 2,2 | 2,5 | | 14 | 1,71 | 1,95 | 14 | 2,08 |
4,0 | 2,4 | 2,7 | 4,0 | | 12 | 2,15 | 2,45 | 12 | 2,70 |
6,0 | 2,9 | 3,3 | 4,0 | | 10 | 2,72 | 3,09 | - | - |
10,0 | 3,7 | 4,2 | 6,0 | 3,9 | 8 | 3,43 | 3,89 | 10 | 3,36 |
16,0 | 4,6 | 5,3 | 10,0 | 5,1 | 6 | 4,32 | 4,91 | 8 | 4,32 |
25,0 | - | 6,6 | 16,0 | 6,3 | 4 | 5,45 | 6,18 | 6 | 5,73 |
35,0 | - | 7,9 | 25,0 | 7,8 | 2 | 6,87 | 7,78 | 4 | 7,25 |
- | - | - | - | - | 1 | 7,72 | 8,85 | - | - |
50,0 | - | 9,1 | 35,0 | 9,2 | 0 | 8,51 | 9,64 | - | 12,08 |
70,0 | - | 12,0 | 50,0 | 12,0 | 00 | 9,266 | 10,64 | - | - |
Примечание - Наибольшие диаметры жестких и гибких проводников приведены по таблице 1 ITC 60228:2004, а для проводников в системе AWG - по B 172-71 ASTM и публикациям S-19-81, S-66-524, S-68-516 ICEA. -------------------------------- <a> Допуск номинального диаметра +5%. <b> Допуск наибольшего диаметра +5% для любого из трех классов I, K и M. <c> Размеры только для гибких проводников класса 5 согласно IEC 60228. |
Дополнительно проводят испытание по
L.9.3 на выводах отдельно от УЗДП.
L.9.2 Условия испытаний
По
9.1, кроме того, что параметры присоединяемых алюминиевых проводников должны соответствовать таблице L.5.
Таблица L.5
Поперечные сечения испытательных алюминиевых проводников
соответственно номинальным токам
Сечение проводника S, мм2 | Номинальный ток In, А |
1,5 |  <= 6 |
2,5 | 6 <  <= 13 |
4,0 | 13 <  <= 20 |
6,0 | 20 <  <= 25 |
10,0 | 25 <  <= 32 |
16,0 | 32 <  <= 50 |
25,0 | 50 <  < = 63 |
35,0 | 63 <  <= 80 |
50,0 | 80 <  <= 100 |
70,0 | 100 <  <= 125 |
L.9.3 Циклические испытания током
L.9.3.1 Общие положения
Данным испытанием проверяется устойчивость винтового вывода путем сравнения температурной характеристики с характеристикой контрольного проводника в условиях ускоренных циклических испытаний.
Испытание проводят на отдельных выводах.
L.9.3.2 Подготовка к испытанию
Испытание проводят на четырех образцах, каждый из которых образован парой выводов и представляет условия его применения в УЗДП (см. примеры на
рисунках L.2 -
L.6). Винтовые выводы, снятые с УЗДП, присоединяют к токопроводящим частям такого же сечения, формы, металла и покрытия, что и смонтированные в УЗДП. Крепление выводов к токопроводящим частям выполняют таким же образом (положение, крутящий момент и т.д.), как в УЗДП. Если во время испытаний на одном образце произойдет отказ, испытания проводят на четырех дополнительных образцах, отказов быть не должно.
L.9.3.3 Испытательное устройство
Общее расположение образцов должно быть таким, как показано на
рисунке L.1.
1 - подвод питания; 2 - эквалайзеры; 3 - контрольный
проводник; 4 - шина эквалайзера; 5 - сварка; 6 - испытуемый
образец; 7 - термоизолирующая перегородка (4 шт.); 8 - шина;
9 - испытательный проводник; ТС - термопара
Рисунок L.1 - Общая схема испытательной установки
Примечание - Токопроводящая часть может быть прикручена болтами, припаяна или приварена.
Рисунок L.2 - Пример присоединения выводов УЗДП
Рисунок L.3 - Пример присоединения выводов УЗДП
Рисунок L.4 - Пример присоединения выводов УЗДП
Рисунок L.5 - Пример присоединения выводов УЗДП
Рисунок L.6 - Пример присоединения выводов УЗДП
К испытуемым образцам должно быть приложено 90% значения момента, указанного изготовителем, а в отсутствие указаний - выбранного по
таблице 13.
Испытание проводят с проводниками по
таблице L.5. Длина испытательного проводника от точки ввода в образец винтового вывода до эквалайзера (см.
L.3.3) должна соответствовать указанной в таблице L.6.
Таблица L.6
Длина испытательного проводника
Сечение проводника S, мм2 | Размер проводника в системе AWG | Минимальная длина проводника, мм |
S <= 10,0 | <= 8 | 200 |
16,0 <= S <= 25,0 | 6 до 3 | 300 |
35,0 <= S <= 70,0 | 2 до 00 | 460 |
Испытательные проводники соединяют последовательно с контрольным проводником такого же поперечного сечения.
Длина контрольного проводника должна соответствовать приблизительно двойной длине испытательного проводника.
Каждый свободный конец испытательного и контрольного проводников, не присоединенный к образцу винтового вывода должен быть приварен или припаян твердым припоем к небольшому отрезку эквалайзера из того же материала, что и проводник, и поперечным сечением не более указанного в таблице L.7. Все жилы проводника должны быть приварены или спаяны для надежного электрического соединения с эквалайзером.
Таблица L.7
Размеры эквалайзеров и шин
Диапазон испытательного тока, А | Максимальное поперечное сечение, мм2 |
Al | Cu |
От 0 до 50 | 45 | 45 |
" 51 " 125 | 105 | 85 |
" 126 " 225 | 185 | 155 |
С согласия изготовителя и при условии сохранения рабочих характеристик для эквалайзера могут применяться несварные соединения прижимного типа, выполняемые с помощью инструмента.
Расстояние между испытательными и контрольными проводниками должно быть не менее 150 мм.
Испытуемый образец должен быть подвешен в воздухе в вертикальном или горизонтальном положении, эквалайзер или шина должны поддерживаться непроводящими опорами, чтобы избежать растягивающей нагрузки на прижимной винтовой узел. Между проводниками должны быть установлены термоизолирующие перегородки шириной (25 +/- 5) мм и высотой (150 +/- 5) мм над винтовыми выводами (см.
рисунок L.1). Термоизолирующие перегородки не требуются, если расстояние между образцами составляет не менее 450 мм.
Образцы должны размещаться на расстоянии не менее 600 мм от пола, стен и потолка.
Испытуемые образцы должны размещаться в среде, где практически отсутствует вибрация и сквозняки, при температуре окружающего воздуха от 20 °C до 25 °C. С началом испытания максимальное допустимое изменение пределов диапазона не должно превышать +/- 1 °C.
L.9.3.4 Измерение температуры
Измерения температуры выполняют с помощью термопар с проволочками сечением не более 0,07 мм2 (приблизительно 30 AWG).
Для винтовых выводов термопара должна размещаться на винтовом выводе со стороны ввода проводника у контактной поверхности.
Для контрольного проводника термопары должны размещаться посередине от концов проводника под изоляцией.
Размещение термопар не должно повреждать винтовой вывод или контрольный проводник.
Примечание - Высверливание небольшого отверстия и последующее крепление термопары является приемлемым методом при условии неизменности рабочих характеристик и наличия согласования изготовителя.
Температура среды должна измеряться с помощью двух термопар таким образом, чтобы достичь среднего стабильного показания вблизи испытательного контура и избежать внешних воздействий. Термопары должны размещаться в горизонтальной плоскости, пересекающей образцы на минимальном расстоянии 600 мм от них.
Примечание - Приемлемым методом достижения стабильности измерений является крепление термопар на медных опорах размером 50 x 50 мм и толщиной от 6 до 10 мм.
L.9.3.5 Методика испытания и критерии соответствия
Примечание - Оценка работоспособности основана на предельном превышении температуры винтового вывода и изменении температуры в ходе испытания.
Испытательный контур должен подвергнуться 500 циклам в течение 1 ч под нагрузкой и в течение 1 ч без нагрузки током, начиная со значения переменного тока, равного 1,12 испытательного тока, указанного в таблице L.8. К концу каждого периода под нагрузкой в течение первых 24 циклов ток должен быть отрегулирован на повышение температуры контрольного проводника до 75 °C.
Таблица L.8
Испытательный ток как функция номинального тока
Метрическая система | AWG |
Номинальный ток, А | Сечение алюминиевого проводника, мм2 | Испытательный ток, А | Номинальный ток, А | Размер алюминиевого проводника | Испытательный ток, А |
0 < In <= 15 | 2,5 | 26 | 0 < In <= 15 | 12 | 30 |
15 < In <= 20 | 4,0 | 35 | 15 < In <= 25 | 10 | 40 |
20 < In <= 25 | 6,0 | 46 | 25 < In <= 40 | 8 | 53 |
25 < In <= 32 | 10,0 | 60 | 40 < In <= 50 | 6 | 69 |
32 < In <= 50 | 16,0 | 79 | 50 < In <= 65 | 4 | 99 |
50 < In <= 65 | 25,0 | 99 | 65 < In <= 75 | 3 | 110 |
65 < In <= 80 | 35,0 | 137 | 75 < In <= 90 | 2 | 123 |
80 < In <= 100 | 50,0 | 171 | 90 < In <= 100 | 1 | 152 |
100 < In <= 125 | 70,0 | 190 | 100 < In <=120 | 0 | 190 |
На двадцать пятом цикле испытательный ток должен быть отрегулирован в последний раз, и установившаяся температура записывается в качестве первого измерения. Больше до конца испытания регулировок тока быть не должно.
Температура должна записываться в течение хотя бы одного цикла каждого рабочего дня и после 25, 50, 75, 100, 125, 175, 225, 275, 350, 425 и 500 циклов.
Температура должна измеряться в течение последних 5 мин под нагрузкой. В том случае, когда размер комплекта испытуемых образцов либо скорость системы обработки информации таковы, что не все измерения могут быть завершены в течение 5 мин, время нахождения под нагрузкой должно быть продлено до завершения измерений.
После первых 25 циклов время без нагрузки может быть сокращено на 5 мин больше, чем необходимо всем образцам выводов для охлаждения до температуры между температурой среды Ta и температурой Ta + 5 °C в течение периода без нагрузки. Для сокращения времени отключения с согласия изготовителя может быть применено принудительное охлаждение. В этом случае принудительному охлаждению должен подвергнуться весь испытательный контур, и температура струи воздуха не должна быть ниже температуры окружающего воздуха.
Коэффициент устойчивости Sf для каждого из 11 измерений определяют путем вычитания отклонения D средней температуры из отклонения d 11 значений температуры.
Отклонение температуры d для 11 отдельных измерений получают путем вычитания объединенной температуры контрольных проводников из температуры безвинтового вывода.
Примечание - Значение d будет положительным, если температура винтового вывода выше температуры контрольного проводника, и отрицательным, если ниже.
Для каждого винтового вывода:
- превышение температуры не должно быть свыше 110 °C;
- коэффициент устойчивости Sf не должен превышать +/- 10 °C.
Пример расчета для одного винтового вывода приведен в таблице L.9.
Таблица L.9
Пример вычисления для определения отклонения
D средней температуры
Измерения температуры | Число циклов | Температура | Отклонение температуры d = a - b, °C | Коэффициент устойчивости Sf = d - D, °C |
винтового вывода a, °C | контрольного проводника b, °C |
1 | 25 | 79 | 78 | 1 | 0,18 |
2 | 50 | 80 | 77 | 3 | 2,18 |
3 | 75 | 78 | 78 | 0 | -0,82 |
4 | 100 | 76 | 77 | -1 | -1,82 |
5 | 125 | 77 | 77 | 0 | -0,82 |
6 | 175 | 78 | 77 | 1 | 0,18 |
7 | 225 | 79 | 76 | 3 | 2,18 |
8 | 275 | 78 | 76 | 2 | 1,18 |
9 | 350 | 77 | 78 | -1 | -1,82 |
10 | 425 | 77 | 79 | -2 | -2,82 |
11 | 500 | 81 | 78 | 3 | 2,18 |
Отклонение средней температуры:
(обязательное)
СВЕДЕНИЯ О СООТВЕТСТВИИ ССЫЛОЧНЫХ МЕЖДУНАРОДНЫХ СТАНДАРТОВ
МЕЖГОСУДАРСТВЕННЫМ СТАНДАРТАМ
Таблица ДА.1
Обозначение ссылочного международного стандарта | Степень соответствия | Обозначение и наименование соответствующего межгосударственного стандарта |
IEC 60068-2-30:2005 | MOD | ГОСТ 28216-89 "Основные методы испытаний на воздействие внешних факторов. Часть 2. Испытания. Испытание Db и руководство: влажное тепло, циклическое (12 + 12-часовой цикл)" |
IEC 60068-3-4:2001 | - | |
IEC 60364 (все части) | MOD | ГОСТ 30331 (все части) "Электроустановки зданий" <1> |
IEC 60364-4-44:2007 | - | |
IEC 60417-DB-12M(2002)/Cor.1 (2004) | - | |
IEC 60479 (все части) | - | |
IEC 60529:2013 | MOD | ГОСТ 14254-96 "Степени защиты, обеспечиваемые оболочками (Код IP)" |
IEC 60664-1:2007 | - | |
IEC 60695-2-10:2000 | NEQ | ГОСТ 27483-87 "Испытания на пожароопасность. Методы испытаний. Испытания нагретой проволокой" |
IEC/TR 60755:2008 | - | |
IEC 60898-1:2002 | - | |
IEC 61008-1:2010 | IDT | ГОСТ IEC 61008-1-2012 "Выключатели автоматические, управляемые дифференциальным током, бытового и аналогичного назначения без встроенной защиты от сверхтоков. Часть 1. Общие требования и методы испытаний" |
IEC 61009-1:2010 | IDT | ГОСТ IEC 61009-1-2014 "Выключатели автоматические, срабатывающие от остаточного тока со встроенной защитой от тока перегрузки, бытовые и аналогичного назначения. Часть 1. Общие правила" |
IEC 61543:1995 | MOD | ГОСТ 31216-2003 "Совместимость технических средств электромагнитная. Устройства защитного отключения, управляемые дифференциальным током (УЗО-Д), бытового и аналогичного назначения. Требования и методы испытаний" |
CISPR 14-1:2011 | IDT | ГОСТ CISPR 14-1-2015 "Электромагнитная совместимость. Требования для бытовых приборов, электрических инструментов и аналогичных устройств. Часть 1. Электромагнитная эмиссия" |
<*> Соответствующий межгосударственный стандарт отсутствует. Примечание - В настоящей таблице использованы следующие условные обозначения степени соответствия стандартов: - IDT - идентичные стандарты; - MOD - модифицированные стандарты; - NEC - неэквивалентные стандарты. |
--------------------------------
<1> В Российской Федерации действуют стандарты серии ГОСТ Р 50571 "Электроустановки зданий".
IEC 60060-2 | High-voltage test techniques - Part 2: Measuring systems (Методы испытаний высоким напряжением. Часть 2. Измерительные системы) |
IEC 60112:2003 | Method for the determination of the proof and the comparative tracking indices of solid insulating materials (Материалы электроизоляционные твердые. Методы определения нормативного и сравнительного индексов трекингостойкости) |
IEC 60227-1 | Polyvinyl chloride insulated cables of rated voltages up to and including 450/750 V - Part 1: General requirements (Кабели с поливинилхлоридной изоляцией на номинальные напряжения до 450/750 В включительно. Часть 1. Общие требования) |
IEC 60269-1:2006 | Low-voltage fuses - Part 1: General requirements (Предохранители плавкие низковольтные. Часть 1. Общие требования) |
IEC 60364-5-53:2001 | Electrical installations of buildings - Part 5-53; Selection and erection of electrical equipment - Isolation, switching and control (Электрические установки зданий. Часть 5-53. Выбор и установка электрооборудования. Изоляция, коммутационная аппаратура и механизмы управления) |
IEC 60617 | Graphical symbols for diagrams (Графические символы для диаграмм) |
IEC/TR 60664-2-1 | Insulation coordination for equipment within low-voltage systems - Part 2-1: Application guide - Explanation of the application of the IEC 60664 series, dimensioning examples and dielectric testing (Координация изоляции для оборудования в низковольтных системах. Часть 2-1. Руководство по применению серии стандартов IEC 60664, примеры определения размеров и диэлектрические испытания) |
IEC 60664-3 | Insulation coordination for equipment within low-voltage systems - Part 3: Use of coating, potting or moulding for protection against pollution (Координация изоляции для оборудования в низковольтных системах. Часть 3. Использование покрытия, герметизации или заливки для защиты от загрязнения) |
IEC 60664-5 | Insulation coordination for equipment within low-voltage systems - Part 5: Comprehensive method for determining clearances and creepage distances equal to or less than 2 mm (Координация изоляции для оборудования в низковольтных системах. Часть 5. Комплексный метод определения зазоров и путей утечки, не более 2 мм) |
IEC 60695-2-11:2000 | Fire hazard testing - Part 2-11: Glowing/hot-wire based test methods - Glow-wire flammability test method for end-products (Испытания на пожароопасность. Часть 2-11. Методы испытаний раскаленной/горячей проволокой. Метод испытания конечной продукции на воспламеняемость под действием раскаленной проволоки) |
IEC 60884-1 | Plugs and socket-outlets for household and similar purposes - Part 1: General requirements (Вилки и розетки бытового и аналогичного назначения. Часть 1. Общие требования) |
IEC 61000-4-2 | Electromagnetic compatibility (EMC) - Part 4-2: Testing and measurement techniques - Electrostatic discharge immunity test (Электромагнитная совместимость. Часть 4-2. Методики испытаний и измерений. Испытание на невосприимчивость к электростатическому разряду) |
IEC 61000-4-3 | Electromagnetic compatibility (EMC) - Part 4-3: Testing and measurement techniques - Radiated, radio-frequency, electromagnetic field immunity test (Электромагнитная совместимость. Часть 4. Методики испытаний и измерений. Раздел 3. Испытание на невосприимчивость к воздействию электромагнитного поля с излучением на радиочастотах) |
IEC 61000-4-4 | Electromagnetic compatibility (EMC) - Part 4-4: Testing and measurement techniques - Electrical fast transient/burst immunity test (Электромагнитная совместимость. Часть 4-4. Методы испытаний и измерений. Испытание на невосприимчивость к быстрым переходным процессам и всплескам) |
IEC 61000-4-5:2005 | Electromagnetic compatibility (EMC) - Part 4-5: Testing and measurement techniques - Surge immunity test (Электромагнитная совместимость. Часть 4. Методики испытаний и измерений. Раздел 5. Испытание на невосприимчивость к выбросу напряжения) |
IEC 61000-4-6 | Electromagnetic compatibility (EMC) - Part 4-6: Testing and measurement techniques - Immunity to conducted disturbances, induced by radio-frequency fields (Электромагнитная совместимость. Часть 4. Методики испытаний и измерений. Раздел 6. Защищенность от помех по цепи питания, наведенных радиочастотными полями) |
IEC 61000-4-16:1998 | Electromagnetic compatibility (EMC) - Part 4-16: Testing and measurement techniques - Test for immunity to conducted, common mode disturbances in the frequency range 0 Hz to 150 kHz, Amendment 1:2001, Amendment 2:2009 (Электромагнитная совместимость. Часть 4-16. Методики испытаний и измерений. Раздел 16. Испытание на устойчивость к наведенным помехам общего вида в диапазоне частот от 0 до 150 кГц) |
IEC61210 | Connecting devices - Flat quick-connect terminations for electrical copper conductors - Safety requirements (Устройства соединительные. Плоские быстросоединяемые выводы для электрических медных проводников. Требования безопасности) |
IEC 61545:1996 | Connecting devices - Devices for the connection of aluminium conductors in clamping units of any material and copper conductors in aluminium bodied clamping units (Устройства соединительные. Устройства для соединения алюминиевых проводов в зажимных приспособлениях из любого материала и медных проводов в зажимных приспособлениях из алюминия) |
ASTM D785-08 | Standard Test Method for Rockwell Hardness of Plastics and Electrical Insulating Materials (Стандартный метод испытания твердости по Роквеллу для пластиков и электроизоляционных материалов) |
BS 1363-1:1995 | 13 A plugs, socket-outlets, adaptors and connection units. Specification for rewirable and non-rewirable 13 A fused plugs (Штепсели на 13 А, штепсельные розетки, переходные вилки и соединительные элементы. Часть 1. Технические условия на штепсели с предохранителем на 13 А с заменяемой или незаменяемой проводкой) |
BS 1363-2:1995 | 13 A plugs, socket-outlets, adaptors and connection units. Specification for 13 A switched and unswitched socket-outlets (Штепсели на 13 А, штепсельные розетки, переходные вилки и соединительные устройства. Часть 2. Технические условия на штепсельные розетки на 13 А с выключателем и без него) |
УДК 621.316.925:006.354 | | IDT |
Ключевые слова: дуговой пробой, устройство защиты при дуговом пробое, блок обнаружения дугового пробоя, параллельный пробой, последовательный пробой |