Главная // Актуальные документы // Методические рекомендацииСПРАВКА
Источник публикации
М., 2016
Примечание к документу
Документ рекомендован к применению с 5 октября 2016 года
Распоряжением Росавтодора от 05.10.2016 N 2032-р.
Взамен Типовых строительных конструкций, изделий и узлов серии 3.503.9-78 "Конструкции укрепления откосов земляного полотна автомобильных дорог общего пользования". Альбом выпуска 0 "Материалы для проектирования".
Название документа
"ОДМ 218.2.078-2016. Отраслевой дорожный методический документ. Методические рекомендации по выбору конструкции укрепления откосов земляного полотна автомобильных дорог общего пользования"
(издан на основании распоряжения Росавтодора от 05.10.2016 N 2032-р)
"ОДМ 218.2.078-2016. Отраслевой дорожный методический документ. Методические рекомендации по выбору конструкции укрепления откосов земляного полотна автомобильных дорог общего пользования"
(издан на основании распоряжения Росавтодора от 05.10.2016 N 2032-р)
дорожного агентства
от 5 октября 2016 г. N 2032-р
ОТРАСЛЕВОЙ ДОРОЖНЫЙ МЕТОДИЧЕСКИЙ ДОКУМЕНТ
МЕТОДИЧЕСКИЕ РЕКОМЕНДАЦИИ
ПО ВЫБОРУ КОНСТРУКЦИИ УКРЕПЛЕНИЯ ОТКОСОВ ЗЕМЛЯНОГО ПОЛОТНА
АВТОМОБИЛЬНЫХ ДОРОГ ОБЩЕГО ПОЛЬЗОВАНИЯ
ТИПОВЫЕ КОНСТРУКЦИИ УКРЕПЛЕНИЯ ОТКОСОВ ЗЕМЛЯНОГО ПОЛОТНА
АВТОМОБИЛЬНЫХ ДОРОГ ОБЩЕГО ПОЛЬЗОВАНИЯ
ОДМ 218.2.078-2016
1 РАЗРАБОТАН Федеральным автономным учреждением "Российский дорожный научно-исследовательский институт" (ФАУ "РОСДОРНИИ") (канд. техн. наук Щукин С.Н., Фомин А.П., вед. инж. Никанычева Е.В., Косарев Ю.И., Труфанова О.В.)
2 ВНЕСЕН Управлением научно-технических исследований и информационного обеспечения Федерального дорожного агентства
3 ИЗДАН на основании
распоряжения Федерального дорожного агентства от 05.10.2016 N 2032-р
4 ИМЕЕТ РЕКОМЕНДАТЕЛЬНЫЙ ХАРАКТЕР
5 ВЗАМЕН Типовых строительных конструкций, изделий и узлов серии 3.503.9-78 "Конструкции укрепления откосов земляного полотна автомобильных дорог общего пользования". Альбом выпуска 0 "Материалы для проектирования"
1.1 Настоящий отраслевой дорожный методический документ (далее - ОДМ) устанавливает типовые конструкции укрепления откосов земляного полотна, предназначенные для обеспечения местной устойчивости поверхностной зоны откосов насыпей и выемок при строительстве, реконструкции и ремонте автомобильных дорог общего пользования.
1.2 ОДМ содержит конструктивные решения, увязанные с конкретными условиями применения (грунтовыми, гидрологическими, климатическими), включает данные, необходимые для выполнения проектных и строительных работ по их применению, в том числе требования к материалам для укрепления откосов, методы проектирования конструкций укрепления, особенности технологии производства работ.
1.3 Положения настоящего ОДМ предназначены для применения организациями, выполняющими работы по проектированию, строительству, реконструкции и ремонту автомобильных дорог.
В настоящем ОДМ использованы нормативные ссылки на следующие документы:
ГОСТ Р 50276-92 Материалы геотекстильные. Метод определения толщины при определенных давлениях
ГОСТ Р 50277-92 Материалы геотекстильные. Метод определения поверхностной плотности
ГОСТ Р 50575-93 Проволока стальная. Требования к цинковому покрытию и методы испытания покрытия
ГОСТ Р 51285-99 Сетки проволочные крученые с шестиугольными ячейками для габионных конструкций. Технические условия
ГОСТ Р 52325-2005 Семена сельскохозяйственных растений. Сортовые и посевные качества. Общие технические условия
ГОСТ Р 55028-2012 Дороги автомобильные общего пользования. Материалы геосинтетические для дорожного строительства. Классификация, термины и определения
ГОСТ Р 55030-2012 Дороги автомобильные общего пользования. Материалы геосинтетические для дорожного строительства. Метод определения прочности при растяжении
ГОСТ Р 55031-2012 Дороги автомобильные общего пользования. Материалы геосинтетические для дорожного строительства. Метод определения устойчивости к ультрафиолетовому излучению
ГОСТ Р 55032-2012 Дороги автомобильные общего пользования. Материалы геосинтетические для дорожного строительства. Метод определения устойчивости к многократному замораживанию и оттаиванию
ГОСТ Р 55033-2012 Дороги автомобильные общего пользования. Материалы геосинтетические для дорожного строительства. Метод определения гибкости при отрицательных температурах
ГОСТ Р 55035-2012 Дороги автомобильные общего пользования. Материалы геосинтетические для дорожного строительства. Метод определения устойчивости к агрессивным средам
ГОСТ 17.4.2.01-81 Охрана природы. Почвы. Номенклатура показателей санитарного состояния
ГОСТ 17.4.2.02-83 Охрана природы. Почвы. Номенклатура показателей пригодности нарушенного плодородного слоя почв для землевания
ГОСТ 5180-84 Грунты. Методы лабораторного определения физических характеристик
ГОСТ 5781-82 Сталь горячекатаная для армирования железобетонных конструкций. Технические условия
ГОСТ 5960-72 Пластикат поливинилхлоридный для изоляции и защитных оболочек проводов и кабелей. Технические условия
ГОСТ 8267-93 Щебень и гравий из плотных горных пород для строительных работ. Технические условия
ГОСТ 10180-2012 Бетоны. Методы определения прочности по контрольным образцам
ГОСТ 10564-75 Латекс синтетический СКС-65 ГП. Технические условия
ГОСТ 10922-2012 Арматурные и закладные изделия, их сварные, вязаные и механические соединения для железобетонных конструкций. Общие технические условия
ГОСТ 10950-2013 Пиломатериалы хвойных пород. Антисептическая обработка способом нанесения на поверхность
ГОСТ 12038-84 Семена сельскохозяйственных культур. Методы определения всхожести
ГОСТ 12248-2010 Грунты. Методы лабораторного определения характеристик прочности и деформируемости
ГОСТ 12536-79 Грунты. Методы лабораторного определения гранулометрического (зернового) и микроагрегатного состава
ГОСТ 13015-2012 Изделия бетонные и железобетонные для строительства. Общие технические требования. Правила приемки, маркировки, транспортирования и хранения
ГОСТ 14098-2014 Соединения сварные арматуры и закладных изделий железобетонных конструкций. Типы, конструкции и размеры
ГОСТ 20522-2012 Грунты. Методы статистической обработки результатов испытаний
ГОСТ 22245-90 Битумы нефтяные дорожные вязкие. Технические условия
ГОСТ 23279-2012 Сетки арматурные сварные для железобетонных конструкций и изделий. Общие технические условия
ГОСТ 24909-81 Саженцы деревьев декоративных лиственных пород. Технические условия
ГОСТ 25607-2009 Смеси щебеночно-гравийно-песчаные для покрытий и оснований автомобильных дорог и аэродромов. Технические условия
ГОСТ 25769-83 Саженцы деревьев хвойных пород для озеленения городов. Технические условия
ГОСТ 26712-94 Удобрения органические. Общие требования к методам анализа
ГОСТ 26869-86 Саженцы декоративных кустарников. Технические условия
ГОСТ 27751-2014 Надежность строительных конструкций и оснований. Основные положения
ГОСТ 28055-89 Саженцы деревьев и кустарников. Садовые и архитектурные формы. Технические условия
ГОСТ 28570-90 Бетоны. Методы определения прочности по образцам, отобранным из конструкций
ГОСТ 28622-2012 Грунты. Метод лабораторного определения степени пучинистости
ГОСТ 32703-2014 Дороги автомобильные общего пользования. Щебень и гравий из горных пород. Технические требования
ГОСТ 32826-2014 Дороги автомобильные общего пользования. Щебень и песок шлаковые. Технические требования
ГОСТ 32836-2014 Дороги автомобильные общего пользования. Изыскания автомобильных дорог. Общие требования
ГОСТ 32868-2014 Дороги автомобильные общего пользования. Требования к проведению инженерно-геологических изысканий
ГОСТ 32869-2014 Дороги автомобильные общего пользования. Требования к проведению топографо-геодезических изысканий
ГОСТ 33063-2014 Дороги автомобильные общего пользования. Классификация типов местности и грунтов
| | ИС МЕГАНОРМ: примечание. В официальном тексте документа, видимо, допущена опечатка: имеется в виду СП 2.2.2.1327-03, а не СП 2.2.3.1327-03. | |
СП 2.2.3.1327-03 Гигиенические требования к организации технологических процессов, производственному оборудованию и рабочему инструменту
СП 11-102-97 Инженерно-экологические изыскания для строительства
СП 11-103-97 Инженерно-гидрометеорологические изыскания для строительства
СП 11-104-97 Инженерно-геодезические изыскания для строительства
СП 11-105-97 Инженерно-геологические изыскания для строительства. Части I - VI
СП 11-114-2004 Инженерные изыскания на континентальном шельфе для строительства морских нефтегазопромысловых сооружений
СП 14.13330.2014 Строительство в сейсмических районах (актуализированная редакция СНиП II-7-81*)
СП 20.13330.2011 Нагрузки и воздействия (актуализированная редакция СНиП 2.01.07-85*)
СП 23.13330.2011 Основания гидротехнических сооружений (актуализированная редакция СНиП 2.02.02-85*)
СП 28.13330.2012 Защита строительных конструкций от коррозии. Актуализированная редакция СНиП 2.03.11-85
СП 32-102-95 Сооружение мостовых переходов и подтопляемых насыпей. Методы расчетов местных размывов
СП 32-104-98 Проектирование земляного полотна железных дорог колеи 1520 мм
СП 33-101-2003 Определение основных расчетных гидрологических характеристик
СП 34.13330.2012 Автомобильные дороги (актуализированная редакция СНиП 2.05.03-85*)
СП 38.13330.2012 Нагрузки и воздействия на гидротехнические сооружения (волновые, ледовые и от судов)
СП 39.13330.2012 Плотины из грунтовых материалов (актуализированная редакция СНиП 2.06.05-84*)
СП 41.13330.2012 Бетонные и железобетонные конструкции гидротехнических сооружений (актуализированная редакция СНиП 2.06.08-87)
СП 45.13330.2012 Земляные сооружения, основания и фундаменты (актуализированная редакция СНиП 3.02.01-87)
СП 47.13330.2012 Инженерные изыскания для строительства. Основные положения (актуализированная редакция СНиП 11-02-96)
СП 48.13330.2011 Организация строительства (актуализированная редакция СНиП 12.01-2004)
СП 49.13330.2010 Безопасность труда в строительстве. Часть 1. Общие требования (актуализированная редакция СНиП 12-03-2001)
СП 50-101-2004 Проектирование и устройство оснований и фундаментов зданий и сооружений
СП 58.13330.2012 Гидротехнические сооружения. Основные положения (актуализированная редакция СНиП 33-01-2003)
СП 63.13330.2012 Бетонные и железобетонные конструкции. Основные положения (актуализированная редакция СНиП 52-01-2003)
СП 78.13330.2012 Автомобильные дороги (актуализированная редакция СНиП 3.06.03-85)
СП 82-101-98 Приготовление и применение растворов строительных
СП 116.13330.2012 Инженерная защита территорий, зданий и сооружений от опасных геологических процессов. Основные положения (актуализированная редакция СНиП 22-02-2003)
СП 126.13330.2012 Геодезические работы в строительстве (актуализированная редакция СНиП 3.01.03-84)
СНиП 12-04-2002 Безопасность труда в строительстве. Часть 2. Строительное производство
В настоящем ОДМ применены следующие термины с соответствующими определениями:
3.1 вид конструкции укрепления: Классификационная единица укрепления откосов, выделяемая по функциональному назначению укрепления.
3.2 крутизна откосов нормируемая: Крутизна (заложение) откосов, соответствующее значениям
таблиц 7.4,
7.5 СП 34.13330.2012.
3.3 конструкции укрепления откосов защитного (изолирующего) вида: Конструкции, предназначенные для защиты поверхности откоса от погодно-климатических факторов, водной и ветровой эрозии.
3.4 конструкции укрепления откосов несущего (удерживающего) вида: Конструкции, предназначенные для защиты поверхностной зоны откоса путем компенсации сдвигающих усилий, силовых воздействий поверхностных вод.
3.5 нарушение местной устойчивости откосов: Деформации откосов, проявляющиеся в форме оползней и сплывов в результате процессов физико-химического выветривания, в форме эрозии в результате воздействия дождевых осадков, поверхностных вод, в форме механических и суффозионных выносов грунта в результате воздействия грунтовых вод.
3.6 тип конструкции укрепления: Классификационная единица укрепления откосов, выделяемая по виду применяемого для укрепления материала и технологии производства работ.
3.7 укрепление откосов: Обеспечение местной устойчивости откосов насыпей и выемок автомобильных дорог за счет применения конструкций укрепления различных типов и видов.
4.1 ОДМ регламентирует назначение рациональных конструкций укрепления откосов с целью предохранения их от воздействия воды, волн, ветра и других факторов, нарушающих местную устойчивость откосов насыпей (выемок) земляного полотна автомобильных дорог. Рекомендации ОДМ направлены на применение современных и традиционных типов укреплений.
4.2 Положения данного ОДМ не распространяются на:
- укрепление скальных откосов и склонов, назначение противообвальных сооружений;
- укрепление откосов и склонов с применением подпорных стен;
- укрепление откосов пойменных насыпей при воздействии ветровых волн > 2,5 м, льда толщиной > 1,2 м, скорости течения воды > 3 м/с;
- укрепление откосов затопляемых насыпей;
- укрепление конусов и откосов у мостов и водопропускных труб.
4.3 Назначение конструкций укрепления проводят для откосов насыпей (выемок) с обеспеченной общей устойчивостью.
Индивидуальную привязку типовых конструкций укрепления настоящего ОДМ с обязательным расчетным обоснованием и назначением мероприятий по обеспечению общей устойчивости откосов выполняют:
- для неподтопляемых откосов насыпей (выемок) на прочном основании высотой (глубиной) более 12 м;
- для подтопляемых откосов насыпей (выемок) на прочном основании высотой (глубиной) более 6 м;
- для насыпей любой высоты на слабых основаниях;
- для насыпей при пересечении постоянных водоемов и водотоков;
- для выемок в слоистых толщах с наклоном слоев в сторону проезжей части или вскрывающих водоносные горизонты, а также в глинистых грунтах с коэффициентом консистенции более 0,5;
- на участках с наличием оврагообразования, карста, наледи, вечной мерзлоты;
- при использовании в насыпях грунтов повышенной влажности, техногенных грунтов (отходов промышленности).
4.4 При назначении конструкций укрепления учитывают дополнительные конструктивные мероприятия по предохранению земляного полотна от переувлажнения и размыва за счет системы поверхностного водоотвода (планировка территории, устройство канав, лотков, быстротоков, испарительных бассейнов, поглощающих колодцев), прочих технологических мероприятий (уплотнение откосных частей, назначение порядка разработки глубоких выемок и высоких насыпей).
4.5 Конструкции укрепления откосов в комплексе с другими мероприятиями должны обеспечивать местную устойчивость откосов в течение всего срока службы автомобильной дороги.
4.6 Тип конструкции укрепления устанавливают на основе комплексной оценки грунтовых, гидрологических, климатических условий, рельефа местности, конструкции земляного полотна (глубина выемки, высота насыпи, заложение откосов), данных по наличию местных строительных материалов в соответствии с требованиями:
СП 47.13330-2012, СП 11-104-97, СП 11-105-97,
СП 11-102-97,
ГОСТ 32836,
ГОСТ 32868,
ГОСТ 32869.
4.7 Окончательное решение по типу укрепления откосов принимается на основе технико-экономического сопоставления вариантов.
4.8 Выбор типов конструкций укрепления откосов производят на основе данных
раздела 5 настоящего документа.
Обоснование и назначение основных общих параметров укрепления - в соответствии с положениями
раздела 6.
Назначение конструктивных решений, частных требований к материалам конкретных типов укреплений - в соответствии с
разделами 7 -
14,
17, учитывая в части назначения отдельных элементов укреплений (упоры, обратные фильтры) положения
разделов 15,
16.
| | ИС МЕГАНОРМ: примечание. В официальном тексте документа, видимо, допущена опечатка: раздел 18 отсутствует. | |
Основные этапы производства укрепительных работ - в соответствии с положениями раздела 18.
5. Классификация конструкций укрепления
откосов и область их применения
5.1. Классификация конструкций укрепления откосов
5.1.1 По восприятию временных и постоянных нагрузок конструкции укрепления откосов разделяются на следующие виды:
- защитные (изолирующие), предназначенные для защиты (изоляции) поверхностных слоев откосов от водной, ветровой и температурной эрозии;
- несущие, предназначенные для компенсации сдвигающих усилий в поверхностных слоях грунта откосов при переувлажнении, а также силовых воздействий паводковых и поверхностных вод при подтоплении.
5.1.2 Рекомендуемые типы, подтипы (разновидности подтипов) конструкций укрепления, скомбинированные по видам применяемых для укрепления откосов материалов и технологий, приведены в таблице 1.
Таблица 1
Классификация типов, подтипов конструкций укреплений
откосов по видам применяемых материалов и технологий
Тип | Подтип | Разновидность подтипа | Номер раздела ОДМ |
Наименование | N | Наименование | N | Наименование | N |
1 | 2 | 3 | 4 | 5 | 6 | 7 |
| | ИС МЕГАНОРМ: примечание. Текст в графе 5 дан в соответствии с официальным текстом документа. | |
|
Биологический (растительный) | | Формирование укрепления способом посева семян многолетних трав | I-1 | Механизированный посев слою растительного грунта (торфогрунтовой смеси) | | |
Гидропосев с мульчированием | | |
Формирование укрепления способом одерновки поверхности | | Одерновка сплошная плашмя с применением штучного (рулонного) дерна | I-2-1 | |
Одерновка плашмя в клетку (ленту) с посевом трав (без посева трав с заполнением традиционными дорожно-строительными материалами) | I-2-2 |
Формирование укрепления способом посадки древесных растений | | Посадка кустарника сплошная | I-3-1 | |
Лесопосадка | I-3-2 |
| Плетневые укрепления | I-4-1 | |
Укрепление хлыстами | I-4-2 |
Укрепление хворостяной выстилкой | I-4-3 |
С применением геосинтетических материалов в виде рулонных полотен включая комбинации с биологическим типом укрепления | | Конструкции с неткаными геотекстильными материалами | | С применением геотекстиля низкой плотности | II-1-1 | |
С применением геотекстиля средней плотности | II-1-2 |
Конструкции с геоматами | | С применением экструдированных геоматов | II-2-1 |
С применением экструдированных комбинированных геоматов с армирующим слоем в структуре полотна | II-2-2 |
С применением композиционных геоматов с включением каменных заполнителей на битумных вяжущих или полимерных композициях | II-2-3 |
Конструкции с биоматами | | С применением биоматов без семян трав | II-3-1 |
С применением биоматов с семенами трав в структуре полотна | II-3-2 |
С применением комбинированных биоматов без семян трав с армирующим слоем в структуре полотна | II-3-3 |
С применением комбинированных биоматов с семенами трав и армирующим слоем в структуре полотна | II-3-4 |
С применением железобетонных решетчатых конструкций с заполнением решеток традиционными материалами | | Конструкции с применением сборных железобетонных решеток | | С заполнением ячеек растительным грунтом, торфопесчаной смесью | III-1-1 | |
С заполнением ячеек щебнем или камнем, ПГС | III-1-2 |
С заполнением ячеек грунтом обработанным вяжущим | III-1-3 |
С заполнением ячеек асфальтобетоном, монолитным цементобетоном, в т.ч. тощим и песчаным | III-1-4 |
Конструкции с применением сборных гибких железобетонных решеток | | С заполнением ячеек растительным грунтом, торфопесчаной смесью | III-2-1 |
С заполнением ячеек щебнем или камнем, ПГС | III-2-2 |
С заполнением ячеек грунтом обработанным вяжущим | III-2-3 |
С заполнением ячеек асфальтобетоном, монолитным цементобетоном, в т.ч. тощим и песчаным | III-2-4 |
С применением геосинтетических материалов в виде ячеистых конструкций | | Конструкции с применением геосотовых материалов | IV-1 | С заполнением ячеек растительным грунтом (торфогрунтовой смесью) с посевом трав | IV-1-1 | |
То же, с гидропосевом трав | IV-1-2 |
IV-2 | С заполнением ячеек щебнем или камнем | IV-2-1 |
То же, с дополнительным укреплением цементным раствором | IV-2-2 |
С заполнением ячеек щебнем (нижняя часть) и бетонной смесью (верхняя часть) | IV-2-3 |
IV-3 | С заполнением грунтом обработанным вяжущим | - |
IV-4 | С заполнением ячеек бетонной смесью | - |
Конструкции со сплошным покрытием из грунтовых материалов | | Конструкции с применением слоев из грунта | | С применением слоев из грунтов, обработанных вяжущими материалами | - | |
V-2 | То же, не обработанных вяжущими материалами | - | |
Конструкции с каменными набросками | V-3 | С применением наброски из сортированного и несортированного камня | - | |
Конструкции с теплоизолирующими слоями | | Теплоизоляция из природных материалов | V-4-1 | |
Теплоизоляция из искусственных материалов | V-4-2 |
Габионные конструкции | | Конструкции с применением габионов матрацно-тюфячного типа | VI-1 | Противоэрозионные | - | |
VI-2 | Гидроизолирующие | - | |
VI-3 | Защитные | - | |
Конструкции со сплошным покрытием из бетонов | | Конструкции с применением ж/б и бетонных плит | VII-1 | Сборные покрытия из ж/б плит с открытыми швами | | |
Сборные покрытия из ж/б плит с омоноличенными швами | | |
Сборные покрытия из бетонных плит | | |
Конструкции с применением монолитного железобетона | VII-2 | Монолитные железобетонные покрытия | | |
Конструкции с применением гибких железобетонных плит | VII-3 | Гибкие покрытия из железобетонных гибких плит типа ПГ (железобетонное гибкое покрытие ЦНИИС) | | |
Покрытие из универсальных гибких бетонных плит УГЗБМ (ПБЗГУ) (бетонных матов) | VII-3-2 |
5.2. Назначение типов укреплений
5.2.1 Без расчетов на местную устойчивость назначение конструкций укрепления проводят для откосов сложенных:
- грунтами I группы (малоопасные грунтовые условия) при условии соблюдения требований действующих нормативных документов;
- грунтами II группы (опасные грунтовые условия) с применением дополнительных технологических мероприятий (ограничение сроков разработки выемок, недопущение разрыва во времени между сроками сооружения откоса и его укреплением, увеличение нормы высева и повышение требований к составу и качеству семян и т.д.).
5.2.2 В зависимости от группы грунтов по степени опасности возникновения нарушений местной устойчивости (
таблица В.4 приложения В) назначение конструкции укрепления по результатам расчетов на местную устойчивость проводят в следующих случаях:
а) для откосов из грунтов III и IV групп (особоопасные грунтовые условия) при возможности оползания или сплыва поверхностного слоя под влиянием погодных условий;
б) при опасности возникновения механической суффозии грунта откоса для неподтопляемых откосов выемок, сложенных грунтами III группы в случае выходов водоносных горизонтов на откос;
в) для подтопляемых откосов при силовом воздействии волновых нагрузок при возможности возникновения подмывов подошвы откоса или размывов у подошвы откоса;
г) для неподтопляемых откосов (из грунтов всех групп) при вероятности возникновения эрозионных деформаций размывов от продольных течений воды по откосу, вдоль подошвы откоса (атмосферные, поверхностные паводковые воды при времени их воздействия на откос менее 20 суток) в случаях:
1) высоких откосов (более 12 м), откосов повышенной крутизны при проектном заложении уклона более требуемого по
таблицам 7.4,
7.5 СП 34.13330-2012;
2) при длительном сроке или невозможности проведения укрепительных работ.
5.2.3 Перечень основных форм нарушения и условия обеспечения местной устойчивости приведены в таблице 2.
Таблица 2
Формы нарушения, условия обеспечения местной
устойчивости неукрепленного откоса
N п/п | Формы нарушения местной устойчивости | Причины образования | Условия обеспечения местной устойчивости <1> | Метод определения | Ссылка |
1 | Деформации поверхностного слоя откоса: - оползание слоя в виде смещения отдельных блоков; - разжижение и оползание слоя в виде стекания грунта | Влияние погодных условий (промерзание-оттаивание, набухание-высушивание) для откосов из грунтов III и IV групп ( таблица В.4 приложения В) | Wрасч < WT | Расчет по А.2.1 Приложения А | |
2 | Механическая суффозия | Силовое воздействие грунтовых вод при выходе водоносных горизонтов на откос | Jкр.суф >= Jкр.ср | Расчет по А.5 (приложение А) | |
3 | Эрозионные деформации размывов неподтопляемых откосов | Движение воды по поверхности откоса | v <= vдоп | Расчет по А.3 (приложение А) | |
4 | Продольное течение воды вдоль подошвы насыпи | v <= vдоп | Расчет по А.3 (приложение А) | |
5 | Размыв (подмыв) дна и подошвы откоса | Силовое воздействие волновых нагрузок | vb.max < vb.adm | Расчет по А.4 (приложение А) | |
<2> В случае использования расчетных показателей грунтов, полученных при заданной надежности в результате статистической обработки данных экспериментальных определений. <3> В случае использования расчетных показателей грунта по данным нормативных и литературных источников, а также результатов единичных испытаний. |
5.2.4 Предварительное назначение конструктивных мероприятий, обеспечивающих местную устойчивость откосов с учетом влияющих факторов и возможных деформаций откосов может быть проведено по таблице 3.
Таблица 3
Предварительное назначение конструктивных мероприятий
с учетом обеспечения местной устойчивости
Характеристика откоса (склона) | Влияющие факторы | | Конструктивные мероприятия |
Тип | Hотк, м | | | Формы нарушения | Требования к расчету | | Дополнительные мероприятия |
1 | 2 | 3 | 4 | 5 | 6 | 7 | 8 | 9 |
Неподтопляемые откосы, выемки без выхода водоносных горизонтов на откос | До 12 | Норм. | | Движение воды по поверхности откоса, ветер | Эрозионные деформации размыва; ветровая эрозия | Без расчета | | Регулирование поверхностного стока <6> |
До 12 | Более норм. | | То же | То же | То же | | Регулирование поверхностного стока <6>, террасирование откоса, упоры, бермы |
До 12 | Норм. | | Влияние погодных условий | Сплыв, оползание грунта, тепловая эрозия | Расчет по А.2 приложения А, расчет общей устойчивости <4> | | То же |
Выемки с выходом водоносных горизонтов на откосе | До 12 | Норм. | | Выход грунтовых вод на откос | Механическая суффозия | Расчет по А.5 приложения А, расчет общей устойчивости <4> | | Регулирование поверхностного стока <6>, дренаж откоса |
| | ИС МЕГАНОРМ: примечание. В официальном тексте документа, видимо, допущена опечатка: пункт А.6 отсутствует. | |
|
Подтопляемый откос | До 12 | Норм. | | Продольное течение вдоль подошвы; силовое воздействие волн | Размыв дна в приоткосной зоне | Расчет по А.3, А.6 приложения А, расчет общей устойчивости <4> | | |
<1> Соответствует требованиям СП 34.13330-2012, а также условиям применения конкретных конструкций. <2> Группа грунтов откоса по степени опасности возникновения нарушения местной устойчивости ( таблица В.4 Приложение В). |
| | ИС МЕГАНОРМ: примечание. Текст дан в соответствии с официальным текстом документа. | |
|
<3> Оценку местной устойчивости откосов следует в соответствии с положениями 5.2.1 - 5.2.4 ОДМ. <4> Оценку общей устойчивости откоса следует проводить в соответствии с рекомендациями 4.3 ОДМ с использованием общепринятых методов теории предельного равновесия (КЦПС, Шахунянца, Бишопа и другими) или конечных элементов [8], [9], [10], [11]. <5> В условиях жаркого сухого климата, препятствующего образованию травяного покрова, выдувание откосов в зоне подвижных песков. <6> Мероприятия по обеспечению защиты поверхности и подошвы откосов от размывов путем устройства системы поверхностного водоотвода или дренажа в соответствии с документами [ 12, 13]. Примечание - Обозначения - Hотк - высота откоса; m - заложение откоса. |
Назначение типа укрепления по
таблице 3 носит рекомендательный характер и может быть изменено и уточнено в соответствии с областью применения в каждом конкретном случае.
6. Расчетное обоснование и назначение
конструкций укрепления откосов
6.1. Нагрузки и воздействия
6.1.1 Расчет крепления откосов производится на действие постоянных, временных длительных, кратковременных и особых эксплуатационных нагрузок в основных и особых сочетаниях.
Кроме эксплуатационных нагрузок, необходимо учитывать нагрузки, характерные для строительного периода (нагрузки, возникающие при изготовлении элементов крепления, их подъеме, транспортировании, установке в проектное положение).
При проектировании необходимо учитывать воздействия от размывающей способности потока, естественных течений, коррозионного воздействия воды, среды и атмосферных явлений, температурные воздействия.
6.1.2 Не рассматриваются нагрузки от воздействия судов (судовые волны), нагрузки от волн прорыва при авариях водохозяйственных объектов (особые нагрузки). Влияние ветровых волн ограничено высотой волны до 2,5 м, ледового покрова - толщиной льда до 1 м.
| | ИС МЕГАНОРМ: примечание. В официальном тексте документа, видимо, допущена опечатка: имеется в виду СП 20.13330.2011, а не СП 20.13330.2012. | |
6.1.4 Состав, содержание и детальность материалов инженерных изысканий по назначению исходных данных для проектирования определяются требованиями
СП 47.13330,
СП 11-102-97,
СП 11-103-97, СП 11-104-97, СП 11-105-97,
СП 11-114-2004 и прочих государственных стандартов по инженерным изысканиям и исследованиям грунтов для строительства.
6.1.5 При расчете волновых воздействий элементы ветровых волн принимают по результатам статистической обработки инженерно-гидрометеорологических изысканий, многолетних натурных наблюдений и лабораторных исследований. При недостаточности данных инженерно-гидрометеорологических изысканий назначение численных параметров элементов ветровых волн производят на основании расчетов в соответствии с
СП 38.13330.2012 с последующей их проверкой по имеющимся данным наблюдений в конкретном месте изысканий. Ориентировочные значения элементов ветровых волн могут быть приняты по
Б.1 приложения Б данного ОДМ.
6.1.6 В качестве расчетных уровней подтопления насыпей следует принимать расчетный уровень высокой воды (РУВВ) и горизонт меженных вод (ГМВ) (минимальный уровень воды между паводками). РУВВ определяется по методике вероятного максимального паводка (наивысший уровень паводка, по результатам наблюдений над пиками ежегодных максимальных паводков или подъемов уровней) в соответствии с
СП 33-101-2003 или назначается по уровню, соответствующему наибольшему расходу от паводковых и поверхностных вод требуемой в
СП 34.13330.2012 вероятности превышения.
6.1.7 Назначение исходных данных для определения ледовых воздействий проводят по результатам сбора статистических данных многолетних натурных наблюдений гидрометеорологических и ледовых условий, инженерно-гидрометеорологических изысканий, выполняемых в период ледостава и принимаемых по
СП 11-103-97,
СП 11-114-2004.
В качестве основных расчетных уровней характеризующих ледовые условия принимают расчетный уровень высокого ледохода 1% обеспеченности (РУВЛ
1%), уровень низкого ледохода (УНЛ), высокий и низкий уровни первой подвижки льда (УППЛ), определяемые по
СП 33-101-2003,
[14],
[15].
6.1.8 Расчет нагрузок от ледовых воздействий проводят по
СП 38.13330.2012 с учетом
Б.3 приложения Б настоящего ОДМ.
6.1.9 При назначении параметров укрепления в каждом конкретном случае принимают наибольшее из значений нагрузок, полученных по результатам расчетов на ледовые и волновые воздействия.
| | ИС МЕГАНОРМ: примечание. В официальном тексте документа, видимо, допущена опечатка: имеется в виду СП 20.13330.2011, а не СП 20.13330.2012. | |
6.1.10 Нагрузка от снега на поверхности укрепления определяется по
СП 20.13330.2012.
6.1.11 Обеспеченность гидрологических и климатических параметров при расчетах на основные виды гидрологических и ледовых воздействий следует принимать по данным таблицы 4.
Таблица 4
Обеспеченность гидрологических и климатических параметров
при расчетах на основные виды гидрологических нагрузок
Вид откоса | Техническая категория автомобильной дороги | Вероятность превышения (обеспеченность) p |
| скорости ветра за период стояния высоких уровней <2> | при определении элементов ветровых волн <2> | | |
Подходы к мостам | I - III | 1% | 4% | 1% | 50% | 1% |
VI - V | 2% |
Подходы к трубам | I - II | 1% |
III | 2% |
VI - V | 3% |
В других случаях | I - II | 1% | 50% |
III | 2% |
VI - V | 3% |
|
6.1.12 Сейсмическое воздействие следует учитывать при проектировании в районах с сейсмичностью больше шести, а на период строительства - больше семи баллов (при снижении расчетной сейсмичности на период строительства на один балл).
Силу сейсмического воздействия необходимо оценивать по картам сейсмического районирования территории с последующим уточнением по результатам обследований инженерно-геологических и гидрогеологических условий согласно
СП 14.13330.2014.
Параметры конструкций укрепления откосов в сейсмических районах должны удовлетворять расчетам на основное сочетание нагрузок в соответствии с положениями
СП 38.13330.2012, на особое сочетание нагрузок с учетом сейсмического воздействия - в соответствии с
СП 14.13330.2014.
6.1.13 Расчетные нагрузки определяются как их нормативные значения, принимаемые с учетом коэффициентов надежности по нагрузке по таблице 5.
Таблица 5
Значения коэффициентов надежности по нагрузке
Нагрузка | Коэффициент надежности по нагрузке  |
Собственный вес элементов конструкций и материалов <2> | |
Напорное давление, вызванное сезонными и суточными колебаниями уровней, подпором грунтовых вод | 1,1 |
Ледовые нагрузки | 1,1 |
Давление воды непосредственно на поверхности сооружения и основания, силовое воздействие фильтрующей воды; волновое давление; поровое давление | 1,0 |
<1> Коэффициенты перегрузки, указанные в скобках, принимают в тех случаях, когда возможное уменьшение нагрузки ухудшает работу конструкции (при расчетах на опрокидывание, сдвиг). <2> Коэффициент надежности по нагрузке  следует принимать равным единице для всех грунтовых нагрузок и собственного веса сооружения, вычисленных с применением расчетных значений характеристик грунтов (удельного веса и характеристик прочности) и материалов (удельного веса бетона и др.), определенных в соответствии со строительными нормами и правилами на проектирование оснований и отдельных видов сооружений. <3> В таблице приведены коэффициенты надежности по нагрузке для расчетов по I группе предельных состояний. |
6.2. Назначение параметров конструкций укрепления. Общие положения
6.2.2 Расчет выполняется на основное и особое сочетание нагрузок по двум группам предельных состояний в условиях плоской задачи для полосы покрытия шириной 1 п.м.
6.2.3 Расчеты включают:
- определение границ и капитальности укрепления
(6.3);
- подбор материалов и расчет толщин покрытия (приведен в соответствующих разделах в зависимости от типа конструктивного решения);
- расчет обратных фильтров, подготовок, включая подбор состава, материала и расчет толщин подготовок, обратных фильтров
(раздел 15);
- подбор материалов и расчет размеров упорных конструкций
(раздел 14);
- оценку выбранной конструкции укрепления по критериям прочности и устойчивости
(6.4).
В каждом конкретном случае состав расчетов уточняется с учетом особенностей конструкции, условий строительства и эксплуатации.
6.3. Назначение границ и капитальности конструкции укрепления
6.3.1 Обоснование при назначении границ и капитальности конструкции укрепления включает:
- назначение площади укрепления откоса
(6.3.2);
- назначение границ укрепления откоса в плане и по высоте откоса (неподтопляемых - по
6.3.3 -
6.3.4, подтопляемых - по
6.3.5 -
6.3.14);
- назначение капитальности укрепления (границ основного и облегченного укрепления) по высоте подтопляемого откоса (
6.3.14 -
6.3.17).
6.3.2 Границы укрепления неподтопляемых откосов в плане по длине участка должны быть увязаны с системой водоотвода с проезжей части, количеством, конструкцией и положением откосных водосборных лотков и водогасящих устройств в концевых участках этих лотков, примыкающих к поверхности земли (у подошвы насыпи) или к водоотводным (очистным) сооружениям.
Для предотвращения возможности размывов от воздействия продольного течения воды вдоль подошвы откоса предусматривают комплекс защитных мер, включающих устройство систем поверхностного водоотвода
[5].
6.3.3 Ориентировочно площадь укрепляемой поверхности откосов в зависимости от рельефа местности, среднеквадратического отклонения высотных отметок местности в пересчете на 100 км длины трассы дороги, дорожно-климатической зоны и категории автомобильной дороги может быть принята по данным таблицы 6.
Таблица 6
Ориентировочные значения площади укрепления откосов
[55]
Характер рельефа | Среднеквадратическое отклонение высотных отметок местности  | Категории дорог |
I | II - III |
Площадь укрепляемой поверхности откоса F, тыс. м2 |
Плоский | 2 | 540/360 | 360/180 |
Слабопересеченный | 2 - 6 | 670/370 | 400/210 |
Пересеченный | 6 - 12 | 1200/850 | 670/370 |
Сильнопересеченный | 12 | 3200/2200 | 1600/1150 |
Примечание - В числителе обозначены данные для II - III дорожно-климатических зон, в знаменателе - для IV дорожно-климатической зоны по СП 34.13330.2012. |
6.3.4 Длину и мощность укрепления неподтопляемых откосов по высоте откоса при движении потока воды по откосу следует устанавливать расчетом по величине длины и глубины размыва по зависимостям Приложения 2
[2]. Ориентировочные значения могут быть получены расчетом по
приложению А.
6.3.5 Границы укрепления подтопляемых откосов по длине подтопляемого участка дороги в плане при их сопряжении с незащищаемыми участками следует устанавливать с запасом по 15 м в каждую сторону и с запасом, равным 5 м при сопряжении с более слабыми типами укрепления. При сопряжении в продольном направлении с более мощной защитной одеждой оно сокращается по протяженности на 5 м за счет последнего.
6.3.6 Границы укрепления подтопляемых откосов по высоте следует определять в соответствии с
ОДМ [7] и расчетной схемой на
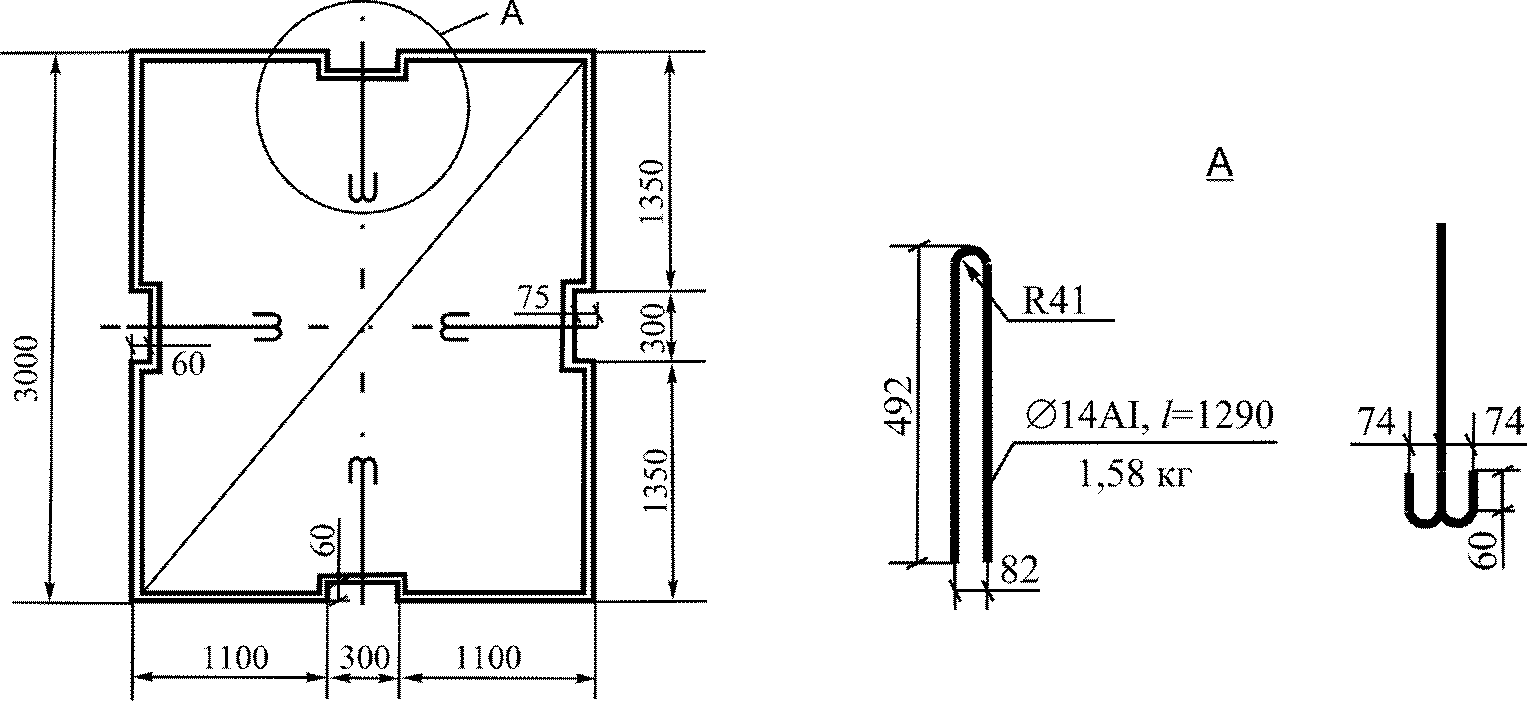
рисунке 1.
Hкр - высотное положение верхней границы укрепления
подтопляемого откоса; H1 - высота зоны запаса на подпор
от мостовых, регуляционных сооружений и подъем уровня
от местных искривлений водной поверхности; H2 - высота зоны
волнового воздействия; H3 - высота зоны паводкового
подтопления; H4 - высота зоны постоянного подтопления;
Bкр - полная длина укрепления по откосу; b1-4 - длина
укрепления в каждой из зон I - IV; bр - длина укрепления
в зоне размыва; hп - подпор от мостовых и регуляционных
сооружений; hм - подпор от местных искривлений водной
поверхности; hн - высота наката ветровой волны на откос;
hб - бытовая глубина воды; hр - глубина местного размыва
неукрепленного дна непосредственно около конца подводного
крепления; hс - средняя глубина воды в приоткосной зоне;
РУВВ - расчетный горизонт высоких вод; ГМВ - горизонт
меженных вод; 1 - земляное полотно; 2 - положение подводной
части укрепления до размыва; 3 - положение подводной части
укрепления после размыва; m - заложение откоса;

- угол заложения откоса
Рисунок 1 - Схема по назначению границ
укрепления подтапливаемого откоса
6.3.7 Высоту зоны паводкового подтопления H3 определяют как разность среднего из наибольших уровней весеннего паводка (РУВВ) и низкого уровня меженных вод (ГМВ).
6.3.8 За высоту зоны постоянного подтопления H4 принимают глубину воды около конца подводного крепления, ниже которой размыв дна от придонных волновых скоростей не происходит.
6.3.9 За бытовую глубину hб принимают глубину воды у подошвы откоса при минимальном уровне воды между паводками (на горизонте меженных вод ГМВ).
| | ИС МЕГАНОРМ: примечание. В официальном тексте документа, видимо, допущена опечатка: пункт Б.2.2.3 отсутствует. Возможно, имеется в виду пункт Б.2.3. | |
6.3.10 Высоту наката ветровой волны на откос
hн определяют расчетом по
Приложению Д СП 38.13330.2012 или ориентировочно принимают по
Б.2.2.3 приложения Б.
- aзап >= 0,5 м для откосов дорожных насыпей, оградительных дамб, на подходах к малым мостам и трубам, насыпей на поймах при безнапорном режиме работы;
- aзап >= 1,0 м, то же, при напорном и полунапорном режиме работы;
- aзап >= 0,25 м для откосов регуляционных сооружений и берм.
6.3.12 Величину подпора от мостовых и регуляционных сооружений
hп назначают по Рекомендациям
[1], величину подпора от местных искривлений водной поверхности
hм - по пособиям [
14;
16].
6.3.13 Глубину местного размыва
hр от волновых воздействий неукрепленного дна подтопляемых откосов около конца подводного крепления устанавливают расчетом в соответствии с разделом 8 СП 32-102-95 или ориентировочно принимают по
А.5 приложения А ОДМ.
6.3.14 Полная длина укрепления по длине подтопляемого откоса
Bкр определяется по зависимости (1):

(1)
где
Hi,
bi,
mi,
Bкр - обозначения по
рисунку 1.
6.3.15 Капитальность укрепления по
рисункам 2,
3 (границы основного и облегченного укрепления) по высоте подтопляемого откоса устанавливают в зависимости от высоты ветровой волны 1% обеспеченности
h1% (
Б.1 приложения Б), гидрологических условий и величины местного размыва у подошвы насыпи
hр (6.3.13).
6.3.16 При величине бытовой глубины
hб <= 2
h1% конструкция укрепления выполняется в виде основного укрепления с постоянной расчетной толщиной
tкр (
рисунок 2а,
2б).
При величине бытовой глубины
hб > 2
h1% конструкция выполняется в виде укрепления переменного сечения (основного и облегченного) с расчетными толщинами
tкр и
tобл.кр (
рисунок 3а,
3б). Основное укрепление переходит в облегченное на глубине равной 2
h1%, но не менее чем на 1,5·
hd от расположения подводной кромки льда при расчетной толщине ледяного покрова
hd (
Б.3.1.4 приложения Б).
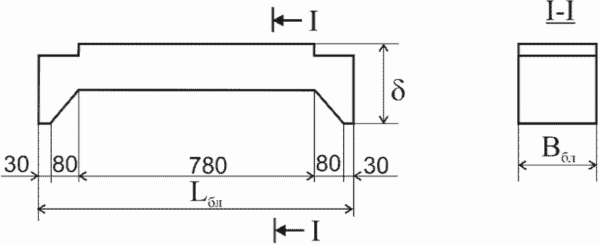
6.3.17 В качестве основного укрепления (конструкция укрепления в зоне наиболее интенсивных воздействий волн, льда, течения воды или других факторов) подтапливаемых откосов принимают конструкции защитного типа: бетонные плиты сборные; железобетонные плиты (сплошные монолитные, изготавливаемые на месте), сборные омоноличенные, сборные с открытыми швами; гибкие железобетонные сплошные; гибкие железобетонные решетчатые с заполнением ячеек камнем; наброски из камня (сортированного, несортированного, горной массы).
6.3.18 В качестве облегченного укрепления в зоне подтопления (конструкция укрепления в зоне ослабленных влияний волн, льда, выше и ниже основного укрепления) подтапливаемых откосов принимают конструкции защитного (изолирующего) типа меньшей мощности, с применением укрепленных грунтов, гравийно-щебеночных набросок, посадок кустарника.
а)
б)
tкр - толщина основного укрепления; h1% - расчетная высота
волны 1% обеспеченности; 6 - основное укрепление откоса
в подтопляемой зоне; 7 - облегченное укрепление откоса
выше подтопляемой зоны; 1 - 5, hб, bр, РУВВ, ГМВ,
Рисунок 2 - Схемы по назначению капитальности укрепления
подтапливаемого откоса при воздействии ветровых волн:
при наличии размыва дна (а); при отсутствии размыва дна (б)
а)
б)
tкр - толщина основного укрепления; tобл.кр - толщина
облегченного укрепления; 6 - основное укрепление откоса
в подтопляемой зоне; 7 - облегченное укрепление откоса выше
подтопляемой зоны; 8 - облегченное укрепление откоса
в подтопляемой зоне; 1, 2, 3, 4, 5, h1%, hб, bр, b4,
Hкр,
H4,

, РУВВ, ГМВ - обозначения по
рисунку 1
Рисунок 3 - Схемы по назначению капитальности укрепления
подтапливаемого откоса при воздействии ветровых волн:
при наличии размыва дна (а); при отсутствии размыва дна (б)
6.3.19 Учитывая, что создание переменного сечения для ряда типов укреплений технологически сложно, допускается при соответствующем технико-экономическом обосновании его замена на конструкцию укрепления постоянной толщины. Предпочтительно также применение конструкций постоянной толщины, включающих использование комбинаций различных материалов (например, решетчатые конструкции, конструкции на основе геосотовых материалов).
6.4. Оценка надежности конструкции укрепления по критериям прочности и устойчивости
6.4.1 Состав расчетов по критериям прочности и устойчивости определяются типом конструкции укрепления, эксплуатационными условиями и включают:
- расчет на устойчивость против опрокидывания относительно верхнего и нижнего края покрытия для жестких покрытий, относительно нижнего края покрытия для гибких покрытий (по I группе предельных состояний);
- расчет на устойчивость против вырывания примерзшего покрытия при колебаниях уровня воды в зимний период (по I группе предельных состояний);
- расчет по устойчивости покрытия на откосе против сдвига (по I группе предельных состояний);
- расчет прочности покрытия на силовые воздействия (по II группе предельных состояний);
- расчет устойчивости упора (по I группе предельных состояний);
- расчет прочности упора (по II группе предельных состояний);
- расчет прочности узлов, закладных деталей, других элементов конструкции (по II группе предельных состояний).
Расчет и назначение минимальных требуемых значений параметров конкретных конструкций укрепления, удовлетворяющих условиям прочности и устойчивости при возможных воздействиях, приведены в соответствующих разделах ОДМ.
6.4.2 В общем случае, надежность конструкции по критериям прочности и устойчивости считается обеспеченной при выполнении условия (2):

(2)
где F - расчетное значение обобщенного силового воздействия (сила, момент, напряжение), деформации или другого параметра, по которому производится оценка предельного состояния;
R - расчетное значение обобщенной несущей способности, деформации или другого параметра конструкции;

- коэффициент сочетания нагрузок для основного сочетания нагрузок и воздействий в период нормальной эксплуатации - 1,00; то же - для периода строительства и ремонта - 0,95;

- коэффициент надежности по нагрузке по
таблице 5;

- коэффициент условий работы, учитывающий характер воздействий, возможность изменения свойств материалов во времени, степень точности исходных данных и прочие факторы, при расчете элементов на нагрузки строительного периода принимается

, при расчете на нагрузки эксплуатационного периода

;

- коэффициент надежности по ответственности сооружения (при расчетах по предельным состояниям I группы

, II группы

).
Указанные значения коэффициентов надежности могут быть изменены для случаев установленных нормативными документами на проектирование отдельных видов элементов конструкций или в соответствии с Техническим заданием на проектирование.
6.4.3 Устойчивость конструкции на откосе по условию плоского сдвига считается обеспеченной при выполнении
условия (2) при значениях силового воздействия
F по формуле (3), несущей способности
R по
формуле (4), равнодействующей напорного давления по
формуле (5) при значении коэффициента условий работы,

:

(3)

(4)

(5)
где F - усилие сдвига, т;
R - удерживающее усилие, т;
Qк - расчетный вес конструкции укрепления шириной полосы укрепления bкр = 1 п.м, т;

- угол заложения откоса;
Nв - равнодействующая напорного давления (при отсутствии подтопления Nв = 0), т;
Bкр.подв - протяженность части покрытия под водой, м;

- плотность воды, т/м
3;
tкр - толщина конструкции укрепления, включая слои подготовки, м;
bкр - ширина полосы конструкции укрепления bкр = 1 п.м;
f - коэффициент трения на поверхности контакта конструкции укрепления и откоса;
S - площадь поверхности сдвига конструкции укрепления по откосу (при ширине полосы укрепления равной 1 п.м и длине полосы укрепления равной фактической длине конструкции укрепления по высоте откоса), м2;
cmin - расчетное минимальное значение удельного сцепления грунта или материала по поверхности сдвига принимаемое как наименьшее значение удельного сцепления материалов контактирующих поверхностей, т/м2;
Rа - сила сопротивления анкерных устройств по направлению откоса (состав расчета зависит от конструкции анкерных устройств), при их отсутствии Rа = 0;
Rd - сила сопротивления упорной конструкции (при отсутствии упора или плотного контакта конструкции укрепления с упором Rd = 0).
При

,

.
6.4.4 Вес конструкции укрепления
Qк определяется для полосы укрепления шириной 1 п.м и длиной, равной фактической длине конструкции укрепления по высоте откоса.
Вес конструкции укрепления
Qк определяется геометрическими размерами и удельным весом материалов с учетом их влажности, включает суммарный вес всех конструктивных слоев конструкции, вес грунта активной зоны откоса (для грунтов откоса III, IV группы по степени опасности по
таблице В.4 приложения В). При наличии подтопления
Qк определяется с учетом взвешивающего воздействия воды для подводной части конструкции по формуле (6):

(6)
где

,

,

- соответственно, удельный вес материала конструктивного слоя конструкции укрепления (покрытия, фильтровой подготовки и т.д.), удельный вес грунта активной зоны откоса, плотность воды;
hк - толщина конструктивного слоя укрепления;
hаз - толщина деятельного слоя поверхностной зоны откоса (
А.2.2 приложения А). Для грунтов III и IV групп по степени опасности (по
таблице В.4 приложения В) при обеспеченной местной устойчивости по сплыву или оползанию величина
hаз = 0;
Sв, Sн - площадь поверхности сдвига конструкции укрепления по откосу (при ширине полосы укрепления равной 1 п.м и длине полосы укрепления равной фактической длине конструкции укрепления по высоте откоса) соответственно выше уровня воды, под уровнем воды; при отсутствии постоянного подтопления Sв = S и Sн = 0.
6.4.5 Значения коэффициента трения f на контакте с поверхностью наибольшего ослабления определяют по зависимости (7):

(7)
где

- расчетное минимальное значение коэффициента трения грунта или материала по поверхности сдвига принимаемое как наименьшее значение угла внутреннего трения материалов контактирующих поверхностей, градусы.
Ориентировочные значения коэффициента трения и удельного сцепления по границе контакта конструкции укрепления с поверхностью откоса при отсутствии результатов прямых определений могут быть приняты по таблице 7.
Таблица 7
Ориентировочные значения расчетных значений
коэффициентов трения и удельного сцепления
Наименование поверхности по границе контакта: подошва конструкции укрепления - поверхность откоса | Коэффициент трения, f | Удельное сцепление, cmin, т/м2 |
Геосинтетический материал (тканый, нетканый, сетка) - несвязный грунт откоса | | 0,1cmin |
Геосинтетический материал (тканый, нетканый, сетка) - связный грунт откоса | | 0,1cmin |
Пленки и другие ГМ с гладкой поверхностью - грунт | | По результатам испытаний |
Бетон - песчаный грунт откоса | 0,3 | 0 |
Каменная наброска - грунт откоса | 0,6 | 0 |
Каменная наброска - каменная наброска | 0,85 | 0 |
Бетон - песчано-гравийная подготовка | 0,4 | 0 |
Бетон - щебеночная подготовка | 0,5 | 0 |
Бетон - глинистый, суглинистый грунт откоса | 0,2 - 0,25 | 0 |
6.4.6 Расчетные значения прочностных характеристик грунтов

и
cmin определяют делением нормативного значения этих характеристик на коэффициент надежности по грунту:

,

.
Коэффициент надежности по грунту при вычислении расчетных значений прочностных характеристик, а также плотности грунта

устанавливают в зависимости от изменчивости этих характеристик, числа определений и значения доверительной вероятности
(ГОСТ 20522).
Для откосов выемок сложенных грунтами III группы (
таблица В.4 приложения В) при возможности оползания или сплыва деятельного слоя поверхностной зоны откоса
hаз в качестве нормативных характеристик принимают значения

,
cn по подошве данного слоя, полученные при значениях ожидаемой влажности грунтов
Wо слоя (
А.2 приложения А).
Для прочих откосов в качестве нормативных характеристик могут быть приняты значения

,
cn грунтов в естественном сложении по
приложению Г СП 50-101-2004. Расчетные значения характеристик грунтов в этом случае принимают при следующих значениях коэффициентов надежности по грунту:

для удельного сцепления;

для угла внутреннего трения песчаных грунтов;

для угла внутреннего трения глинистых грунтов.
7. Конструкции укрепления откосов биологического
(растительного) типа (ТИП I)
7.1 Общие положения
7.1.1 Конструкции биологического (растительного) типа по характеру восприятия нагрузок относятся к защитным конструкциям и предназначены для защиты поверхностного слоя откоса от водной и ветровой эрозии, а также размывов при слабом гидрологическом режиме с ограниченным сроком подтопления (от 20 суток до 5 месяцев).
7.1.2 При назначении конструкций укрепления биологического типа необходимо соблюдать требования действующих документов, в частности,
СП 32-104-98,
СП 34.13330.2012, документов
[17],
[2],
[18],
[19],
[20],
[21],
[22],
[23],
[24],
[25],
[26],
[27].
7.1.3 Дополнительно для описания конструкций приняты следующие обозначения и термины:
- задернение - способ создания травяного покрытия откоса путем посева семян трав или укладки готового дерна на поверхность откоса;
- гидропосев - технология посева семян с применением гидросеялки;
- гидромульчирование - процесс создания на грунтовой поверхности защитного слоя и, впоследствии, травяного покрова для предотвращения эрозии почв и разрушения конструкций с использованием технологии гидропосева;
- грунт растительный - слой почвы, обладающий свойствами плодородия, достаточными для развития корневой системы растений;
- торфогрунтовая смесь - искусственный растительный грунт из смеси песка и торфа;
- скоп - отход предприятий целлюлозно-бумажной промышленности, состоящий из 60% целлюлозных волокон и 40% каолина.
7.2 Конструктивные решения
7.2.1 Конструкции укрепления включают в себя варианты:
- создание задернения поверхности откоса методом посева трав по слою растительного грунта или торфогрунтовой смеси (подтип I-1,
7.2.4);
- создание задернения поверхности откоса методом гидропосева трав (подтип I-1,
7.2.5);
- создание задернения поверхности откоса методом укладки готового дерна (одерновка) (подтип I-2,
7.2.6);
- посадка кустарника сплошная, лесопосадка (подтип I-3,
7.2.7);
- плетневые прорастающие укрепления, прорастающая выстилка (подтип I-4,
7.2.8).
7.2.2 Область применения конструкций укрепления неподтопляемых откосов приведена в таблице 8, подтопляемых откосов - в
таблице 9.
Таблица 8
Область применения типовых конструкций укрепления
биологического типа неподтопляемых откосов
| | ИС МЕГАНОРМ: примечание. Сноски и примечания даны в соответствии с официальным текстом документа. | |
Наименование разновидности типа укрепления | Насыпь | Выемка |
ДКЗ | Hотк, м | m | Грунт откоса | ДКЗ | Hотк, м | m | Грунт откоса |
1 | 2 | 3 | 4 | 5 | 6 | 7 | 8 | 9 |
Механизированный посев трав по грунту откоса | III - IV (степная зона) | До 2 | | Грунт бокового резерва (непылеватые суглинки, глины с содержанием гумуса >= 15%) | III - IV (степная зона) | До 2 | | Непылеватые суглинки, глины с содержанием гумуса >= 15%, толщиной слоя >= 0,5 м |
Механизированный посев трав по слою растительного грунта (торфогрунтовой смеси) <5> | I - IV (I - при наличии условий роста трав) | Любая | | Без ограничений | I - IV (I - при наличии условий роста трав) | Любая | | Без ограничений |
Гидропосев трав с мульчированием по грунту откоса | То же | Любая | | Любые, за исключением указанных в <4> | То же | Любая | | Любые, за исключением указанных в <4> |
То же, по слою растительного грунта (торфогрунтовой смеси) <5> | То же | Любая | | Без ограничений | То же | Любая | | Без ограничений |
То же, по слою глинистого грунта | В районах подвижных песков | Любая | | Песчаные грунты | В районах подвижных песков | Любая | | Песчаные грунты |
Сплошная одерновка по грунту откоса | I - IV (I - при наличии условий роста трав) | Любая | | Грунт бокового резерва (непылеватые суглинки, глины с содержанием гумуса >= 15%) | I - IV (I - при наличии условий роста трав) | Любая | | Непылеватые суглинки, глины с содержанием гумуса >= 15%, толщиной слоя >= 0,5 м |
Сплошная одерновка по слою растительного грунта (торфогрунтовой смеси) <5> | То же | Любая | | Без ограничений | То же | Любая | | Без ограничений |
Одерновка в клетку, ленту по грунту откоса | То же | > 8 | 1:1,25 - 1:1,5 | Грунт бокового резерва (непылеватые суглинки, глины с содержанием гумуса >= 15%) | То же | > 8 | 1:1,25 - 1:1,5 | Непылеватые суглинки, глины с содержанием гумуса >= 15%, толщиной слоя >= 0,5 м |
Одерновка в клетку, ленту по слою растительного грунта (торфогрунтовой смеси) <5> | То же | > 8 | 1:1,25 - 1:1,5 | Непылеватые суглинки, глины | То же | >= 8 | 1:1,25 - 1:1,5 | Непылеватые суглинки, глины |
То же | То же | 2 - 8 | 1:1,25 - 1:1,5 | Супеси, пылеватые суглинки | То же | 2 - 8 | 1:1,25 - 1:1,5 | Супеси, пылеватые суглинки |
Посадка кустарника сплошная | I - IV | Любая | >= 2,5 | | I - IV | Любая | | |
| | ИС МЕГАНОРМ: примечание. В официальном тексте документа, видимо, допущена опечатка, имеется в виду СП 34.13330.2012, а не СП 341330.2012. | |
|
<4> Аргиллито-алевролитовые, легковыветривающиеся скальные грунты, дресвяные и глинистые грунты с содержанием крупнообломочных включений более 30%, жирные глины, гравелистые пески, песчаные грунты, уложенные в насыпь методом гидронамыва. <5> Растительный грунт толщиной 10 - 15 см с содержанием гумуса не менее 2%, торфогрунтовая смесь с зольностью не более 50%. <6> Грунты III и IV групп ( таблица В.4 Приложения В) при возможности оползания или сплыва поверхностного слоя откоса. <7> m - заложение откоса. |
Таблица 9
Область применения конструкций укрепления
биологического типа для подтопляемых откосов
| | ИС МЕГАНОРМ: примечание. Сноски и примечания даны в соответствии с официальным текстом документа. | |
Тип укрепления | Длительность подтопления | Скорость течения, м/с | Высота волны, м | Толщина льда, м | Ледоход, м |
Одерновка сплошная | До 20 сут | До 1,2 | До 0,3 | - | Отсутствует |
Одерновка в клетку, ленту | До 20 сут | До 0,6 | До 0,2 | - | Отсутствует |
Посадка кустарника сплошная (одиночная посадка) | | До 1,0 | До 0,5 | До 0,2 | Слабый, в виде отдельных льдин площадью не более 5 м2 |
Посадка кустарника сплошная (гнездовая посадка) | | До 2,0 | До 0,5 | До 0,2 |
| Весна: до 2,5 мес. | До 3,0 | До 0,5 | До 0,2 |
Плетневое укрепление, укрепление хлыстами | До 20 сут | То же | До 0,5 | До 0,2 | Слабый в виде отдельных льдин не более 5 м |
Хворостяная выстилка | До 20 сут | То же | До 0,5 | До 0,2 |
<1> Длительность подтопления принимается в зависимости от породы кустарников по 7.2.7.2. <2> Длительность подтопления корректируется в зависимости от породы деревьев по 7.2.7.2. <3> Лесопосадки применяются в нижней части пологих откосов (не круче 1:3), вдоль подошвы насыпи на полосе поймы, прилегающей к земляному полотну. |
7.2.3 При назначении конструктивного решения необходимо соблюдать оптимальные сроки и условия посадки (посева).
Рекомендуемые сроки озеленения территорий приведены в таблице 10.
Таблица 10
Краткая характеристика климатических подрайонов | Деревья и кустарники | Газоны и цветники |
весенние посадки | осенние посадки | начало посевов | окончание посевов |
Климатические подрайоны со среднемесячными температурами января от минус 28 °C и ниже и июля +/- 0 °C и выше, с суровой длинной зимой и высотой снежного покрова до 1,2 м. Вечномерзлые грунты | Май | Сентябрь | 15 мая | 31 августа |
Климатические подрайоны со среднемесячными температурами января от минус 15 °C и выше и июля от 25 °C и выше, с жарким солнечным летом и короткой зимой. Просадочные грунты | Март | Октябрь - ноябрь | 1 марта | 31 октября |
Остальные районы | 20 апреля - 20 мая | Сентябрь - октябрь | 20 мая | 20 сентября |
Сроки посадки древесных пород могут уточняться с учетом местных климатических и агротехнических условий, а также с учетом начала или окончания вегетации корневой системы растений.
Ориентировочные сроки посева или посадки могут быть приняты по
таблице 10, но не позднее сроков посева озимых культур для конкретного района при влажности верхнего слоя грунта не менее 40% - 60% и температуре воздуха не ниже 2 °C.
7.2.4 Биологический (растительный) тип укрепления откосов, выполненный методом механизированного посева трав (подтип I-1)
7.2.4.1 Конструкции укрепления откосов методом механизированного посева трав по слою растительного грунта (по слою торфопесчаной смеси) (подтип I-1, разновидность
подтипа I-1-1 по таблице 1) регламентированы ОДМ
[18],
[23] для применения во всех регионах России для неподтопляемых откосов насыпей (выемок) крутизной принимаемой по
таблицам 7.4,
7.5 СП 34.13330.2012. Основная область применения механизированного посева трав приведена в
таблице 8.
- слой растительного грунта (торфогрунтовой смеси) (для откосов выемок, насыпей из грунтов боковых резервов при наличии в деятельном слое откоса грунтов с содержанием гумуса не менее 15% по массе с толщиной слоя грунта с данными характеристиками не менее 0,5 м, посев трав производится непосредственно по грунту откоса);
- семена многолетних трав.
7.2.4.3 Для посева должны использоваться семена многолетних трав районированных и перспективных сортов (приложение А
[18]), удовлетворяющих требованиям
ГОСТ Р 52325,
ГОСТ 12038 по чистоте, содержанию семян сорняков, всхожести, наличию посторонних запахов и целостности упаковки. Смеси трав должны быть сертифицированы по отдельным компонентам (видам семян), входящих в смесь.
Основной перечень трав для посева с указанием типа кущения, биологических особенностей, устойчивости к болезням, зимостойкость, а также пригодность к задернению в различных регионах России приведены в таблице Г.1 приложения Г
[18].
7.2.4.4 Для укрепления откосов используют смеси семян многолетних (от двух до восьми лет и более) трав подобранного состава, самовозобновление которых позволяет получить постоянный травяной покров на поверхности откосов. При составлении смесей трав необходимо комбинировать семена трав нескольких видов, дающих всходы в минимальные сроки, и видов, образующих впоследствии прочный дерн. Характеристика видов трав и процент их содержания при составлении травосмесей для укрепления откосов земляного полотна представлены в таблице 1
[18].
а)
б)
в)
г)
Рисунок 4 - Защитная конструкция укрепления откосов
биологического типа (подтип I-1) выполненная методами
механизированного посева трав по слою растительного грунта
или торфопесчаной смеси: в насыпи (а); в выемке (б);
в выемке с устройством противоэрозионного вала (банкета)
и забанкетной канавы (в); с нарезкой уступов
в грунте откоса при длине откоса более 12 м
7.2.4.5 При составлении трехкомпонентной смеси рекомендуется соблюдать следующее соотношение трав в смеси
[18]: корневищно-злаковые травы - 35% - 55%, рыхлокустовые злаковые травы - 30% - 50% (меньшие значения для грунтов растительного слоя, большие значения - для тяжелых связных грунтов); стержнекорневые бобовые травы - 5% - 20% (5% - 10% - регионы с достаточным увлажнением, 10% - 20% - регионы с недостаточным увлажнением).
Ориентировочный рекомендуемый состав многокомпонентных смесей трав для II - V дорожно-климатических зон для использования в различных дорожно-климатических зонах приведен в таблице 11 или может быть принят по данным конкретных фирм - производителей семян и травосмесей.
Таблица 11
Рекомендуемый базовый состав многокомпонентных травяных
смесей в условиях II - V дорожно-климатических зон
<*>
II, III дорожно-климатические зоны (лесная, лесостепная зоны, умеренный и умеренно засушливый климат) | IV, V дорожно-климатические зоны (степная и сухостепная, пустынно-степная и пустынная зоны, засушливый климат) |
Состав травосмеси | Соотношение трав в смеси, % | Состав травосмеси | Соотношение трав в смеси, % |
Мятлик луговой | 60 | Райграс пастбищный | 40 |
Райграс пастбищный | 40 | Овсяница овечья | 15 |
Овсяница красная | 50 | Мятлик узколистный | 30 |
Райграс пастбищный | 50 | Люцерна желтая | 15 |
Мятлик луговой | 25 | Костер безостый | 40 |
Овсяница луговая | 30 | Овсяница красная | 25 |
Полевица тонкая | 25 | Овсяница овечья/борозд | 15 |
Райграс пастбищный | 20 | Житняк/пырей | 20 |
<*> Дорожно-климатические зоны. |
7.2.4.6 Нормы высева семян и их корректировка в зависимости от условий применения могут быть определены расчетом в соответствии с разделом 5
[22] или по рекомендациям фирм - производителей семян и травосмесей.
Ориентировочные значения норм высева и корректировки норм могут быть приняты по таблице 12.
Таблица 12
Нормы высева семян в зависимости от региона и от величины
уклона откоса земляного полотна автомобильной дороги
[18]
| | ИС МЕГАНОРМ: примечание. Сноски даны в соответствии с официальным текстом документа. | |
Показатели | Заложение откоса 1:m |
1:4 | 1:2 | 1:1.5 | 1:1 |
1 | 2 | 3 | 4 | 5 |
Минимальное количество семян, кг/1000 м2 | 25 | 35 | 45 | 60 |
Особо мелкосемянные виды трав <8>, кг/1000 м 2 | 15 | 22 | 28 | 35 |
Северные регионы (I) <1>, кг/1000 м 2 | от 30 | от 40 | от 50 | от 70 |
Регионы с достаточным увлажнением (II, IV, V, VI) <1>, кг/1000 м 2 | от 25 | от 35 | от 45 | от 60 |
Южные регионы с недостаточным увлажнением (III, VI) <1>, кг/1000 м 2 | от 15 | от 20 | от 25 | от 30 |
Изменение количества высеваемых семян <2> |
Благоприятные условия посева <3>, % | -25 | -25 | -20 | -20 |
Неблагоприятные условия посева <4>, % | +15 | +20 | +20 | +30 |
<1> Зоны агроландшафтного дорожного районирования [18]. <2> "-" - снижение количества высеваемых семян; "+" - увеличение количества высеваемых семян. <3> По 7.2.3, откосы северной экспозиции (С, СВ, СЗ). <4> Условия, отличающиеся от условий по 7.2.3. <5> При семенах I класса нормы высева семян (с учетом изменения количества высеваемых семян по условиям посева) следует уменьшать на 10%, III класса - увеличивать на 20% - 25%. <6> При высоте откоса более 6 м нормы высева семян (с учетом изменения количества высеваемых семян по условиям посева) увеличивают в 2 - 3 раза. <7> При набухающих грунтах откоса, при посеве по грунту откоса нормы высева семян (с учетом изменения количества высеваемых семян по условиям посева) увеличивают в 2 - 3 раза. <8> Основные виды мелкосемянных трав: тимофеевка, мятлик, полевица, клевер, люцерна, лядвец. |
7.2.4.8 Содержание органических веществ в грунте растительного слоя (при посеве на откос без применения растительного грунта) не должно быть менее 1,5%
[18].
7.2.4.9 Торфогрунт (с зольностью торфа до 50%) по объему в рыхлом состоянии должен содержать 40% торфа и 60% песка или 30% торфа и 70% суглинка.
7.2.4.10 При дисбалансе содержания основных питательных веществ (менее 1,5% гумуса, фосфора менее 15 - 30 мг/100 г почвы, калия менее 7 - 10 мг/100 г почвы), требуемое недостающее количество питательных веществ вводится в виде минеральных
(ГОСТ Р 51520) или соответствующих органических удобрений
(ГОСТ 26712-94).
Характеристики основных видов удобрений и расчет требуемых доз их внесения приведены в приложениях Б.1 и Б.2
[18].
Ориентировочное рекомендуемое количество минеральных удобрений составляет: фосфорные - 30 кг, азотные - 20 кг, калийные - 20 кг на 1000 м2.
Кислые (pH < 5) или засоленные (Na > 5 мг/100 г) грунты требуют известкования путем внесения известковых туфов, гашеной извести, доломитовой муки из расчета 200 кг/1000 м2. Грунты с содержанием гумуса менее 1,5% требуют внесения биоорганических удобрений (биогумусы, суперкомпосты) при норме внесения от 2 - 10 кг/м2 (или по рекомендациям Производителя удобрений).
7.2.5 Биологический (растительный) тип укрепления откосов, выполненный методом гидропосева трав с мульчированием (подтип I-1)
7.2.5.1 Способ укрепления откосов методом гидропосева многолетних трав с мульчированием (подтип I-1, разновидность
подтипа I-1-2 по таблице 1) регламентирован
СП 32-104-98,
[18],
[23],
[27].
Способ укрепления применим на неподтопляемых откосах насыпей (выемок)
(таблица 8) с крутизной, принимаемой по
таблицам 7.4,
7.5 СП 34.13330.2012, включает все регионы России при наличии условий прорастания трав и формирования дернового покрова.
7.2.5.2 Способ укрепления включает механизированную обработку поверхности откоса смесью компонентов (семена, эмульсия, мульчирующая смесь, удобрения, биостимулянты, вода), распределяемую по разрыхленному поверхностному слою грунта откоса или в растительный грунт и образующую на укрепляемом откосе земляного полотна временный слой, обеспечивающий прорастание, рост и защиту травяного покрова от ветровой и водной эрозии.
7.2.5.3 В качестве пленкообразующих (стабилизирующих) смесей (закрепителей) рекомендуется применение синтетических латексов, быстро- и среднераспадающихся дорожных битумных эмульсий прямого типа битумных эмульсий, пленкообразующих ПАМ-полимеров, поликомплексов, отходов целлюлозно-бумажной промышленности (скоп, лигнин) в соответствии с требованиями
ГОСТ 10564,
ГОСТ 18659,
ГОСТ 22245,
ВСН 115-75 [28].
При закреплении пологих откосов (до 1:4) рекомендовано применение пленочных закрепителей, для более крутых откосов - закрепителей объемного действия.
7.2.5.4 В качестве удобрений рекомендуется использование удобрений с медленным высвобождением активных компонентов.
7.2.5.5 В качестве мульчирующих компонентов рекомендуется применение термически обработанных волокон древесины, целлюлозы, смесей с синтетическими волокнами и закрепителями, древесных опилок и торфяной крошки, просеянных через сито с ячейками 10 x 10 см, нарубленную солому длиной от 3 до 4 см.
Расход мульчирующих материалов составляет: древесные опилки и торфокрошка - 400 кг/1000 м2, скоп - 300 - 600 кг/1000 м2. Количество воды варьируется в пределах 3500 - 9000 л/1000 м2.
7.2.5.6 Наименование, состав и количество семян и удобрений в смеси, сроки проведения работ назначаются в соответствии с рекомендациями
7.2.3,
7.2.4.3 -
7.2.4.10.
Нормы высева семян (по
7.2.4.6) увеличивают в 1,5 раза, азотных удобрений до 60 кг/1000 м
2, нормы известковых материалов снижают до 150 кг/1000 м
2.
7.2.5.7 Ориентировочные нормы расхода компонентов смесей для гидропосева с учетом корректировки их расхода для применения на откосах насыпей и выемок из супесчаных и суглинистых непылеватых грунтов приведены в таблице 13, область применения смесей различных составов - в
таблице 14.
Таблица 13
Ориентировочные нормы расхода
компонентов смесей для гидропосева
Наименование компонентов смеси | Долговечность, мес. | Расход, кг/1000 м2 | Повышающие коэффициенты <1> к расходу компонента смеси при заложении откоса 1: m |
1:5 | 1:4 | 1:3 | 1:2 | 1:1,5 | 1:1 |
Мульчирующие материалы |
Целлюлозная гидравлическая мульча | До 3 | 200 | 1,0 | 1,15 | - | - | - | - |
Гидравлическая смесь (бленд) древесных и целлюлозных волокон | До 3 | 200 | 1,0 | 1,15 | - | - | - | - |
Древесноволокнистая гидравлическая мульча | 3 - 6 | 225 | 0,8 | 1,0 | 1,25 | 1,5 | 1,75 | - |
Противоэрозионная мульчирующая смесь для умеренных условий | 6 - 12 | 340 | - | 0,8 | 1,0 | 1,15 | 1,25 | 1,3 |
Противоэрозионная мульчирующая смесь для сложных условий | 12 - 36 | 340 | - | 0,8 | 1,0 | 1,15 | 1,25 | 1,3 |
Закрепители и флокулянты |
Поверхностный пленочный закрепитель | До 3 | 0,35 | 0,9 | 1,0 | 1,4 | - | - | - |
Объемный закрепитель мгновенного действия | 6 - 12 | 3,0 | 0,5 | 0,67 | 1,0 | 1,5 | 2,25 | 3,5 |
Синтетические волокна клеящие | 6 - 12 | 3,0 | - | 1,0 | 2,0 | 3,0 | 3,5 | 4,0 |
Аквагель влагоудерживающий | 12 - 60 | 1,0 | 1,0 | 1,0 | 1,0 | 1,5 | 1,5 | 2,0 |
Питательные добавки |
Биостимулянт начальной стадии роста | | 4,5 | 1,0 | 1,0 | 1,0 | 1,2 | 1,25 | 1,33 |
Биостимулянт длительного действия | | 4,5 | 1,0 | 1,0 | 1,0 | 1,2 | 1,25 | 1,33 |
Удобрение комплексное N-P-K | | 45,0 | Расчет по результатам отбора почвенных проб |
Вода | | 5000,0 | 0,6 | 0,75 | 1,0 | 1,4 | 1,6 | 1,8 |
<1> Применительно к супесчаным, суглинистым грунтам непылеватых разновидностей. Примечание - На песчаных, пылеватых суглинистых и супесчаных, глинистых, дресвяных и щебенистых грунтах, нормы расхода материалов определяют расчетом по результатам отбора почвенных проб, с учетом климатических особенностей и высотности. |
Таблица 14
Составы смесей для гидропосева
Заложение откоса, 1:m (длина склона без террасирования, м) | Содержание органических веществ в грунте поверхностного слоя откоса, % | Состав смеси | Норма расхода, кг/1000 м2 | Время защиты, мес. | |
1 | 2 | 3 | 4 | 5 | 6 |
Не круче 1:1.5 (не важно) | | Опилки древесные (солома рубленая длиной 3 - 4 см) | 400 (200) | 3 - 6 | |
Битумная эмульсия (латекс) | 1000 (40) |
Вода | 5000 |
Травосмесь по проекту | |
удобрения: фосфоритные/азотные/калийные | 30/60/20 |
Не круче 1:5 (не важно) | >= 3 | Древесноволокнистая гидравлическая мульча <2> | 200 | 3 - 6 | А |
Биостимулянт начальной стадии роста | 4,50 |
Поверхностный пленочный закрепитель | 0,35 |
Травосмесь по проекту | 20 - 30 |
Не круче 1:5 (не важно) | 1,5 - 3 | Древесноволокнистая гидравлическая мульча <2> | 200 | 3 - 6 | А |
Биостимулянт начальной стадии роста | 4,50 |
Поверхностный пленочный закрепитель | 0,35 |
Биостимулянт длительного действия | 4,50 |
Травосмесь по проекту | 20 - 30 |
1:3,5 - 1:4 (не важно) | Не важно | Древесноволокнистая гидравлическая мульча <2> | 225 | 3 - 6 | А |
Объемный закрепитель мгновенного действия | 3 |
Биостимулянт начальной стадии роста | 4,5 |
Биостимулянт длительного действия | 4,5 |
Травосмесь по проекту | 25 - 35 |
1:2 - 1:3 (8,5 - 9,0) | Не важно | Древесноволокнистая гидравлическая мульча <2> | 340 | 3 - 6 | Б |
Объемный закрепитель мгновенного действия | 4,5 |
Биостимулянт начальной стадии роста | 4,5 |
Биостимулянт длительного действия | 4,5 |
Травосмесь по проекту | 30 - 40 |
1:2 - 1:3 (до 20,0) | Не важно | Противоэрозионная мульчирующая смесь <3> | 340 | До 12 | Б |
Биостимулянт начальной стадии роста | 4,5 |
Биостимулянт длительного действия | 4,5 |
Травосмесь по проекту | 30 - 40 |
1:1 - 1:2 (до 30,0) | Не важно | Противоэрозионная мульчирующая смесь <3> | 390 | До 12 | В |
Биостимулянт начальной стадии роста | 6 |
Биостимулянт длительного действия | 6 |
Травосмесь по проекту | 35 - 45 |
<1> А - благоприятные условия (7.2.3); Б - умеренные условия; В - сложные условия (засушливый климат, отсутствие полива). <2> Древесноволокнистая гидравлическая мульча - термически обработанные (TMM) древесные волокна с повышенным водопоглощением. <3> Противоэрозионный комплекс класса EFM - древесные TMM-волокна с влагоудерживающим компонентом гидрогель, синтетическими нитями и полимерным закрепителем со временем полимеризации 6 - 48 часов. Примечания 1 Противоэрозионные комплексы классов HP-FGM (BFM), HP-FGM+ - древесные (кокосовые) TMM и синтетические "зиг-заг" перекрестные волокна, с влагоудерживающим компонентом гидрогель, пористой керамикой для удержания микроэлементов и бактерий, полимерным закрепителем мгновенного действия. 2 Объемный закрепитель мгновенного действия - анионный полимер с нулевым временем образования связей. Позволяет работать на проектах защиты склонов от эрозии в дождь, предотвращая смывание материала. 3 Расход стабилизирующих и корректирующих компонентов рассчитывается на основе результатов испытаний грунтов. |
7.2.6 Биологический (растительный) тип укрепления откосов, выполненный методом одерновки (подтип I-2)
7.2.6.1 Конструкции укрепления откосов, выполненные методом одерновки (одерновка плашмя) (
подтип I-2 по таблице 1) регламентированы
СП 32-104-98,
[18],
[23].
Конструкции применяются для укрепления подтопляемых откосов насыпей (выемок) в условиях слабого гидрологического режима подтопления
(таблица 9), при крутизне откоса, принимаемой по
таблицам 7.4,
7.5 СП 34.13330.2012 во всех регионах России при наличии условий для развития травяного покрова (область применения по
таблицам 8,
9).
Конструкции применяются при необходимости срочного создания травяного покрова, при невозможности обеспечения условий для прорастания трав, формирования качественного дернового покрова и имеют следующие разновидности конструктивных решений:
- сплошную одерновку с применением штучного или рулонного дерна (разновидность подтипа I-2-1);
- одерновку в клетку или в ленту с посевом трав, без посева трав с заполнением клеток традиционными дорожно-строительными материалами (разновидность подтипа I-2-2).
7.2.6.2 Конструкция укрепления включает:
- пластины, полосы, рулоны готового дерна;
- слой растительного грунта (торфогрунтовой смеси) для заполнения швов и пространства между дерниной, для создания слоя растительного грунта на поверхности откоса (при необходимости);
- крепление в виде кольев, спиц, анкеров или шпилек длиной 20 - 30 см;
- семена трав для подсева (при необходимости).
7.2.6.3 Конструкция укрепления по способу сплошной одерновки
(рисунок 5 а) применяется для создания травяного покрова на небольших площадях (у оголовков труб) или для создания высокодекоративных откосов.
Покрытие формируется путем плотной сплошной укладки штучного (или раскаткой рулонного) дерна по шахматной схеме (
рисунок 5 б,
5 в) по грунту откоса (слою растительного грунта или торфогрунтовой смеси) с последующим креплением дерна к откосу, заполнением швов между дернинами растительным грунтом и дополнительным засевом швов семенами трав.
Расход материалов при укреплении откосов насыпи земляного полотна одерновкой сплошным покровом приведен в таблице 15.
Таблица 15
Расход материалов при укреплении откосов насыпи
земляного полотна одерновкой сплошным покровом
[18]
Характеристика откоса | Дерн | Расход дернин на 10 м2, шт. | Расход анкеров, шт. |
на 10 м2 (при одерновке картами) | на 10 м пог. длины (при одерновке лентами) |
1 | 2 | 3 | 4 | 5 |
Горизонтальный; при крутизне откоса m <= 1:2 | Карты размерами (а x в), см: | | | |
20 x 25 | 220 | 440 | 100 |
25 x 40 | 110 | 220 | 70 |
30 x 50 | 70 | 140 | 60 |
Ленты | 17 | 240 | 60 |
При крутизне откоса m > 1:2 | Карты размерами, см: | | | |
20 x 25 | 229 | 660 | 200 |
25 x 40 | 110 | 440 | 100 |
30 x 50 | 70 | 280 | 120 |
Ленты | 17 | 400 | 100 |
Примечание - Потребность в обрезках лесоматериалов на изготовление 1000 спиц при длине 20 см составит 0,15, при длине 30 см - 0,25 м3. |
а)
б)
в)
Рисунок 5 - Защитная конструкция укрепления откосов
биологического типа (подтип I-2), выполненная методом
сплошной одерновки плашмя: конструкция укрепления откоса
(а); схема раскладки и крепления штучного дерна на откосе
в плане (б); схема раскладки и крепления ленточного
(рулонного) дерна на откосе в плане (в)
7.2.6.4 Конструкция укрепления по способу одерновки в клетку или в ленту
(рисунок 6) применяется как альтернатива сплошной одерновки с целью экономии расхода дерна и в случае опасности оползания сплошного растительного слоя с откоса.
а)
Рисунок 6 - Защитная конструкция укрепления откосов
биологического типа (подтип I-3), выполненная методом
одерновки в клетку (ленту): конструкция укрепления откоса
(а); схема раскладки дерна на откосе в плане при одерновке
в клетку (б); схема раскладки и крепления дерна
на откосе в плане при одерновке в ленту (в)
Покрытие формируется путем раскладки полос или карт дерна по поверхности откоса в виде сетки (клетки) с ячейками 1,5 x 1,5 м (1,0 x 1,0 м) и сплошных полос дерна укладываемых в 3 и более рядов по подошве откоса и одной полосой по бровке. Площадь откоса и швы между дернинами заполняются растительным грунтом (торфогрунтовой смесью) и засеваются семенами многолетних трав. Для случая укрепления в клетку без посева трав задернение грунта внутри ячеек происходит в процессе последующего осеменения трав уложенного дерна. Крепление дерна к поверхности откоса производят аналогичным, как при сплошном задернении, способом.
При укреплении одерновкой в ленту откос укрепляется сплошными лентами из дерна, располагаемыми по подошве и бровке откоса. Площадь откоса между дерном покрывается слоем растительного грунта и засевается семенами многолетних трав.
7.2.7 Биологический (растительный) тип укрепления откосов, выполненный сплошной посадкой кустарников и лесопосадкой (подтип I-3)
7.2.7.1 Конструкции укрепления откосов, выполненные методом сплошной посадки кустарников и лесопосадкой (
подтип I-3 по таблице 1) предназначены для защиты подтопляемых откосов (в том числе на поймах) от размывов, гашения или уменьшения воздействия на откос ветровых волн, для укрепления неподтопляемых откосов, сложенных глинистыми грунтами II и III групп (
таблица В.4 приложения В), склонных к возникновению деформаций поверхностных сплывов.
Область применения данных конструкций определена в
таблицах 8 и
9.
7.2.7.2 Конструкция укрепления формируется путем одиночной или гнездовой посадки свежезаготовленных черенков, кольев, прутьев двух- или трехлетних побегов, а также саженцев кустарников или деревьев с густой наземной порослью, мощной корневой системой, вегетативным размножением, не требовательных к условиям плодородия. При выборе породы предпочтение следует отдавать местным видам. Подбор вида растительности следует производить с учетом обеспечения видимости и незаносимости земляного полотна в соответствии с
СП 34.13330-2012 и
[23].
Возможность применения древесных и кустарниковых пород для укрепления подтопляемых откосов определяется стойкостью растений против затопления.
Порайонный ассортимент деревьев и кустарников, их эколого-биологическая характеристика, условия применения, рекомендации по выбору растений, нормы посадки для применения на территории РФ приведены в рекомендациях [
23;
24;
25;
26]. Характеристики и требования к посадочному материалу определены
ГОСТ 24909,
ГОСТ 25769,
ГОСТ 26869, ГОСТ 28055.
7.2.7.3 Одиночная посадка черенков производится в лунки или щели, которые располагаются по откосу наклонными рядами под углом от 35° до 40° к горизонту в шахматном порядке. Минимальное расстояние между рядами должно составлять 0,8 м, между лунками в ряду - 0,4 м. Глубина посадки - от 0,45 м до 0,60 м. Головка черенка должна возвышаться над поверхностью грунта на 0,1 - 0,2 м.
7.2.7.4 Гнездовая посадка черенков производится в лунки (по 5 - 6 черенков), располагаемые по откосу рядами в шахматном порядке при минимальном расстоянии между рядами 0,8 м и 0,5 м между лунками.
7.2.7.5 Расстояние между деревьями при посадке зависит от формы и размера кроны взрослого дерева и составляет в зависимости от породы 3 - 8 м.
7.2.7.6 Ориентировочные размеры посадочных ям, расхода растительного грунта при замене приведены в таблице 16.
Таблица 16
Размеры комов, ям, расход растительной земли
для посадки деревьев и кустарников
[26]
Наименование посадок | Объем кома, м3 | Ед. изм. | Размер посадочных ям, м | Объем ямы, м3 | Площадь, ямы, м2 | Расход растительной земли при замене |
50% | 100% |
1 | 2 | 3 | 4 | 5 | 6 | 7 | 8 |
Саженцы без кома: |
хвойные | - | шт. | 1,0 x 1,0 x 0,8 | 0,63 | 0,79 | 0,25 | 0,565 |
лиственные | - | шт. | 0,7 x 0,7 x 0,6 | 0,27 | 0,38 | 0,11 | 0,241 |
Для деревьев с комом: |
0,8 x 0,8 x 0,5 | 0,25 | шт. | 1,5 x 1,5 x 0,85 | 1,50 | 1,76 | 0,48 | 1,08 |
1,0 x 1,0 x 0,6 | 0,6 | шт. | 1,9 x 1,9 x 0,85 | 3,07 | 3,61 | 0,99 | 2,23 |
1,3 x 1,3 x 0,6 | 1,01 | шт. | 2,2 x 2,2 x 0,85 | 4,11 | 4,84 | 1,24 | 2,97 |
1,5 x 1,5 x 0,6 | 1,46 | шт. | 2,4 x 2,4 x 0,85 | 5,18 | 5,76 | 1,49 | 3,35 |
1,7 x 1,7 x 0,6 | 1,88 | шт. | 2,6 x 2,6 x 0,85 | 6,08 | 6,76 | 1,68 | 3,79 |
2,0 x 2,0 x 0,6 | 3,20 | шт. | 2,9 x 2,9 x 1,05 | 8,83 | 8,41 | 2,25 | 5,06 |
Кустарники: |
Однорядн. живая изгородь б/кома | - | п.м | 0,5 x 0,5 | 0,25 | 0,5 | 0,1 | 0,225 |
Двухрядн. живая изгородь б/кома | | п.м | 0,7 x 0,7 | 0,35 | 0,7 | 0,14 | 0,315 |
Кустарники в группах б/кома | - | шт. | 0,5 x 0,5 | 0,14 | 0,29 | 0,057 | 0,127 |
Для кустарников с комом: |
D - 0,5 H - 0,4 | 0,08 | шт. | 1,0 x 0,65 | 0,51 | 0,79 | 0,17 | 0,39 |
D - 0,8 H - 0,5 | 0,25 | шт. | 1,5 x 0,85 | 1,50 | 1,76 | 0,48 | 1,08 |
D - 1,0 H - 0,6 | 0,6 | шт. | 1,9 x 1,9 x 0,85 | 3,07 | 3,61 | 0,99 | 2,23 |
Примечание - Условные обозначения: D - диаметр кома; H - высота. |
| | ИС МЕГАНОРМ: примечание. В официальном тексте документа, видимо, допущена опечатка: пункт 7.2.7.10 отсутствует. | |
7.2.7.8 При наличии подтопления, на пойменных участках для уменьшения донной скорости потока, задержания наносов возможна комбинированная посадка деревьев и кустарников, для защиты оголенной поверхности откоса при возможности ее размыва возможна посадка черенков кустарников в комбинации с хворостяными выстилками (7.2.7.10), гидропосевом
(7.2.5).
7.2.7.9 Проектирование защитных полос сводится к подбору ширины густоты и высоты посадки, обеспечивающих снижение ветровых волн до требуемых значений по условию (9):
h'в <= hбез, (9)
где h'в - расчетная высота волны после ее прохождения через посадки, м;
hбез - безопасная высота волны, не более 0,5 м.
а)
б)
в)
РУВВ - расчетный уровень высоких вод; УМВ - уровень
меженных вод; hп - глубина затопления поймы; Lпос - ширина
проектируемой полосы деревьев или кустарников в направлении
волноопасных румбов, определяемых по карте района
строительства; m - заложение откосов; lпос - шаг посадки
(расстояние между кустарниками в ряду равное 0,4 м
при одиночной посадке и 0,5 м при гнездовой и между рядами
равное 0,8 м, для деревьев - шаг посадки
определяется породой дерева)
Рисунок 7 - Защитная конструкция укрепления откосов
биологического типа выполненная методом сплошной посадки:
общая схема расположения посадки на откосе при отсутствии
меженных вод (а); при наличии меженных вод (б);
расположение рядов посадок в плане (в)
Расчетная высота волны после ее прохождения через посадки шириной Lпос может быть определена по формуле (10):

(10)
где h1% - высота волны 1% обеспеченности при отсутствии волногасящих посадок, м;
P - расчетный процент гашения ветровой волны, %, формула (11).

(11)
Ширина волногасящей полосы посадки
Lпос в направлении волноопасных румбов может быть определена по графику на
рисунке 8 по величине расчетного процента гашения ветровой волны
P и процента густоты посадки
pг, принимаемого по
таблице 17.
P - требуемый процент гашения ветровой волны, %;
pг - процент густоты посадки, %;
Lпос - ширина полосы посадки, м
Рисунок 8 - График по определению
требуемой ширины полосы посадки
Таблица 17
Процент густоты посадки
pг [29]
Диаметр основных стволов, см | Процент густоты посадки pг при количестве основных стволов на 1 м2 |
2 | 3 | 4 | 5 | 6 | 7 | 8 |
1,5 | - | - | - | - | - | - | - |
2,0 | - | - | - | - | - | - | 0,251 |
2,5 | - | - | - | 0,245 | 0,295 | 0,344 | 0,393 |
3,0 | - | - | 0,283 | 0,353 | 0,424 | 0,495 | 0,566 |
3,5 | - | 0,289 | 0,385 | 0,481 | 0,577 | 0,673 | 0,770 |
4,0 | 0,251 | 0,377 | 0,503 | 0,628 | 0,754 | 0,880 | 1,01 |
4,5 | 0,318 | 0,477 | 0,636 | 0,795 | 0,954 | 1,11 | 1,27 |
5,0 | 0,393 | 0,589 | 0,785 | 0,982 | 1,18 | 1,37 | - |
Диаметр основных стволов, см | Процент густоты посадки pг при количестве основных стволов на 1 м2 |
9 | 10 | 11 | 12 | 13 | 14 | 15 |
1,5 | - | - | - | - | - | - | 0,265 |
2,0 | 0,283 | 0,314 | 0,345 | 0,377 | 0,408 | 0,440 | 0,472 |
2,5 | 0,442 | 0,491 | 0,539 | 0,588 | 0,637 | 0,687 | 0,735 |
3,0 | 0,636 | 0,707 | 0,845 | 0,923 | 1,0 | 1,08 | 1,15 |
3,5 | 0,866 | 0,962 | 1,06 | 1,15 | 1,25 | 1,35 | 1,44 |
4,0 | 1,13 | 1,26 | 1,38 | - | - | - | - |
4,5 | 1,43 | - | - | - | - | - | - |
5,0 | - | - | - | - | - | - | - |
Примечание - Диаметр основных стволов - толщина ствола ниже основных веток. |
При наличии прогалин за процент густоты посадки принимают значение процента густоты посадки с учетом прогалин pг.пр по формуле (12):

(12)
где pпр - процент прогалин, %.
Подбор высоты посадки проводится по величине ее эффективной высоты по условию (13):
hпос >= hп + 0,7h'в, (13)
где hпос - высота посадки, м;
hп - глубина затопления поймы при уровне 0,33, м;
h'в - расчетная высота ветровой волны, м.
Для случая проектирования полос кустарника расчетное количество кустов Nств при известном шаге посадки lпос в пересчете на 1 м2 может быть определено по формуле (14):

(14)
7.2.8 Биологический (растительный) тип укрепления откосов, включающий плетневые укрепления, укрепление хлыстами, хворостяные выстилки и их комбинации (подтип I-4)
7.2.8.1 Биологические типы укрепления, включающие плетневые прорастающие укрепления, укрепление хлыстами, хворостяные выстилки, фашины, а также их сочетания, применяют на подтопляемых откосах в тех случаях, когда черенковая посадка кустарников является недостаточной или нуждается в усилении. Применяется для подтопляемых откосов сложенных пылеватыми грунтами, склонными к оплывообразованию, а также для откосов, подвергающихся интенсивной водной эрозии при размывающем действии потоков, образующихся при интенсивных ливнях.
Основные требования к материалам, к производству работ по данным типам укрепления приведены в
13.58 -
13.60 [30], 12.58 - 12.77
[31].
7.2.8.2 Плетневые прорастающие конструкции укрепления представляют собой плетни в виде рядов или клеток, сформированных посадкой в канавку посадочных кольев (часть стебля или одревесневшего побега длиной не менее 1 м, толщиной в комле 5 см, старше двухлетнего возраста) с заполнением или без заполнения клеток грунтом, каменным материалом, хворостяными выстилками, фашинами.
Основные схемы данного конструктивного решения представлены на
рисунке 9.
а)
б)
РУВВ - расчетный уровень высоких вод;
m - заложение откосов
Рисунок 9 - Защитная конструкция укрепления откосов
биологического типа при укреплении плетнями с применением
посадочных кольев: при отсутствии заполнения между кольями
(а); при наличии заполнения в виде щебня, камня (б)
7.2.8.3 Укрепление хлыстами
(рисунок 10) представляет собой посадку, выполненную очищенными от сучьев и ветвей ивовыми хлыстами (целые побеги длиной более 2 м при толщине в комле более 4 см), уложенными плашмя комлями к урезу воды в борозды глубиной до 10 см и засыпанными грунтом заподлицо с откосом. Такая посадка способствует развитию мощной корневой системы по всей высоте откоса. Наземная поросль крепления развивается на верхнем участке хлыста от вершины до уреза некоторого уровня воды (уровень растительности). Корневая система развивается выше и ниже этого уровня и распространяется вдоль всего уложенного хлыста.
Приживание хлыстов даже в условиях жарких районов является более благоприятным, чем у черенков, вследствие чего обеспечивается их быстрое развитие.
а)
б)
РУВВ - расчетный уровень высоких вод;
УМВ - уровень меженных вод; m - заложение откосов
Рисунок 10 - Защитная конструкция укрепления откосов
биологического типа при укреплении ивовыми хлыстами:
схема конструктивного решения (а); схема
расположения хлыстов по откосу в плане (б)
7.2.8.4 Хворостяная прорастающая выстилка является временным самостоятельным типом укрепления при периодическом подтоплении насыпи в случаях, когда до прорастания открытая поверхность откоса не может быть оставлена без укрепления. Используется также в комбинации с посадками черенков, кольев, плетней. Рекомендуется для применения в районах, богатых хворостом, при отсутствии возможности применения более легких и дорогих креплений.
Укрепление состоит из ивовых прутьев, уложенных вдоль откоса комлями вниз по слою соломы, сена, камыша. Слои хвороста укладываются снизу вверх внахлестку с перекрытием каждого предыдущего слоя на длину не менее 1/3 средней длины хворостины. На откосе хворостяная выстилка фиксируется при помощи поперечных тонких длинных жердей или прутяных жгутов с креплением при помощи забиваемых в шахматном порядке кольев. В процессе формирования покрытия из хворостяной выстилки через каждые 50 м необходимо предусматривать противопожарные разрывы длиной 2 м.
Схема конструктивного решения данного вида укрепления приведена на
рисунке 11.
а)
б)
РУВВ - расчетный уровень высоких вод; m - заложение откосов
Рисунок 11 - Защитная конструкция укрепления откосов
биологического типа при укреплении хворостяной выстилкой:
схема конструктивного решения (а); схема расположения
по откосу в плане (б)
8. Комбинированные конструкции на основе
применения полотен геосинтетических материалов
и биологических типов укреплений (ТИП II)
8.1 Общие положения
8.1.1 Конструкции укреплений с применением геосинтетических материалов в виде полотен дополняют биологические типы в неблагоприятных для формирования травяного покрова условиях или расширяют область их применения (
8.2,
8.3 настоящего ОДМ).
8.1.2 Полотна геосинтетических материалов (в дальнейшем - геополотна) применимы в качестве основного элемента укрепления по настоящему разделу или прослоек в составе подготовительных слоев (обратных фильтров) по
разделу 16. В комбинированных конструкциях на основе биоматов (
подтип II-3 по таблице 1) последние выполняют, прежде всего, функции противоэрозионной защиты в качестве временного (на период формирования травяного покрова) или постоянного элемента в зависимости от вида (подвида) геополотна.
8.1.3 Геополотна применяют в сочетании с посевом трав (
подтип II-1 по таблице 1), а применение отдельных их видов (подвидов) исключает высев семян (геополотна, имеющие семена трав в своей структуре) (
подтипы II-2,
II-3 по таблице 1).
8.1.4 Для укрепления используются следующие основные геосинтетические материалы:
- нетканые геотекстильные;
- биоматы (проницаемые, дискретно-упрочненные объемные конструкции из мононитей, которые могут включать в свою структуру семена, армирующие прослойки и изготавливаемые с применением биоразлагаемого и синтетического сырья);
- геоматы (проницаемые, дискретно-упрочненные термическим или химическим способами объемные конструкции из мононитей, которые могут включать в свою структуру армирующие прослойки, заполнители из каменных материалов).
8.1.5 Характеристика основных типов геосинтетических материалов, применяемых в комбинированных конструкциях укрепления, приведена в таблице 18 (обозначения материалов даны с учетом положений
ГОСТ Р 55028,
ОДМ 218.2.046-2014 [32]).
Таблица 18
Характеристики основных геосинтетических материалов,
применяемых в комбинированных конструкциях укрепления
типа II
Вид | Подвид | | Структура и основное назначение |
Геополотно нетканое (ГПТ-НТ) | ГПТ-НТ-1 | Синтетическое (обычно ПП, ПЭТ) | Нетканое полотно низкой поверхностной плотности (обычно 120 - 150 г/м2), обеспечивающее защиту и прорастание семян трав при их высеве под полотном |
ГПТ-НТ-2 | Нетканое полотно средней поверхностной плотности (обычно 150 - 200 г/м2), обеспечивающее защиту и прорастание корневой системы трав с образованием более устойчивого защитного слоя при высеве семян по растительному слою над полотном |
Биомат с семенами в структуре полотна (БМТС) | БМТС-1 | Биоразлагаемое | Структура - по рисунку 12 а, обеспечивающая защиту семян на период прорастания с формированием мульчирующего слоя при разложении биомата |
БМТС-2 | Биоразлагаемое и синтетическое | Структура - по рисунку 12 б, обеспечивающая защиту семян на период прорастания и формирование более устойчивого защитного слоя на период эксплуатации |
БМТС-3 | Синтетическое | Структура - по рисунку 12 в, обеспечивающая защиту семян на период прорастания и формирование более устойчивого защитного слоя на период эксплуатации |
БМТСК-1 | Биоразлагаемое (биомат), синтетическое (обычно ПЭТ, ПП, ПЭ - армирующий слой) | Структура - по рисунку 13 а, 13 б, обеспечивающая защиту семян на период прорастания и формирование более устойчивого защитного слоя на период эксплуатации |
Биомат комбинированный с семенами и армирующим слоем в структуре полотна (БМТСК) | БМТСК-2 | Биоразлагаемое и синтетическое (биомат), синтетическое (обычно ПЭТ, ПП, ПЭ - армирующий слой) | Структура - по рисунку 12 в, 13 г, обеспечивающая защиту семян на период прорастания и формирование более устойчивого защитного слоя на период эксплуатации |
Биомат без семян (БМТ) | БМТ-1 | Биоразлагаемое | Структура - по рисунку 12 г, обеспечивающая защиту семян на период прорастания и формирование более устойчивого защитного слоя на период эксплуатации |
БМТ-2 | Биоразлагаемое и синтетическое | Структура - по рисунку 12 д, обеспечивающая защиту семян на период прорастания и формирование более устойчивого защитного слоя на период эксплуатации |
Биомат комбинированный без семян (БМТК) | - | Биоразлагаемое и синтетическое (армирующий слой - синтетическое) | Структура - по рисунку 13 д, обеспечивающая защиту семян на период прорастания и формирование более устойчивого защитного слоя на период эксплуатации |
Геомат экструдированный (ГМТ) | - | Синтетическое (обычно ПА, ПП, ПЭТ) | Структура - по рисунку 14 а объемная, обеспечивающая удержание семян и растительного грунта |
Геомат экструдированный комбинированный (ГМТК) | ГМТК-ГР | Синтетическое (обычно ПА, ПП, ПЭТ - геомат; обычно ПЭТ, ПП, ПЭ - армирующий слой) | Структура - по рисунку 14 в объемная, обеспечивающая удержание семян, растительного грунта и образование более устойчивого защитного слоя за счет включения в структуру армирующих материалов - георешетки (ГМТК-ГР), тканого геотекстиля (ГМТК-ГТ) или дренирующих и фильтрующих нетканых геотекстильных материалов (ГМТК-ГН) |
ГМТК-ГТ |
ГМТК-ГН |
Геомат композиционный (ГМТ-Ком) | - | Синтетическое (ПА ПП, ПЭТ - геомат), заполнитель - каменный материал, вяжущее - битум и полимерные композиции | Структура - по рисунку 14 а объемная, образующая самостоятельный защитный слой повышенной устойчивости и не препятствующий прорастанию семян при высеве под геомат и на геомат |
<*> ПП - полипропилен; ПЭТ - полиэфир; ПА - полиамид; ПЭ - полиэтилен. |

1 - биоразлагаемый слой, 2 - семена растений,
3 - синтетический слой
Рисунок 12 - Структура биоматов с семенами трав:
БМТС-1 (а), БМТС-2 (б), БМТС-3 (в)
и без семян БМТ-1 (г), БМТ-2 (д)
1 - биоразлагающийся слой; 2 - семена; 3 - синтетический
слой; 4 - армирующий синтетический слой
(геосетка, георешетка, геоткань)
Рисунок 13 - Структура биоматов комбинированных
с семенами трав:
БМТСК-1 (а, б), БМТСК-2 (в, г) и без них БМТК (д)
1 - геомат; 2 - армирующий слой; 3 - каменный заполнитель
Рисунок 14 - Структура геоматов: геомат экструдированный
ГМТК (а, б); геомат комбинированный с дополнительным
армирующим или дренирующим слоем (в); геомат композиционный
с включением каменных материалов и вяжущих (г)
8.2 Конструктивные решения
8.2.1 При укреплении откосов комбинированными конструкциями на основе рулонных геополотен применяются материалы, отвечающие требованиям
8.4. Основной вариант расположения геополотен на откосе - по образующей откоса (поперечное расположение) с перекрытием (нахлестом) смежных полотен не менее чем 0,15 м. При откосах высотой до 0,6 м, крутизной 1:2 и положе возможно расположение нетканых геополотен вдоль откоса с перекрытием смежных полотен не менее чем на 0,2 м. Геополотна крепятся к поверхности откоса анкерами из арматуры диаметром 6 - 8 мм, длиной не менее 25 см (при расположении под геополотном растительного слоя длина анкера должна превышать толщину этого слоя не менее чем на 10 см). Рекомендуемое количество анкеров указано в
17.3.3.3 настоящего ОДМ. Типовые схемы размещения геополотен, анкеров и конструкция анкеров представлены на
рисунке 15.
1 - покрытие; 2 - основание дорожной одежды; 3 - укрепление
обочины; 4 - геомат; 5 - нетканый геотекстильный материал;
6 - анкеры
Рисунок 15 - Типовые схемы анкерного закрепления
геополотен: поперечное закрепление геомата (а),
поперечное (б) и продольное (в) закрепление нетканого
геотекстильного материала и конструкция анкеров (г)
8.2.2 Геополотна рекомендуется дополнительно крепить в верхней части у бровки откосов выемок или в пределах обочин насыпей, в необходимых случаях, при наличии подтопления - также у подошвы откоса и в случае применения разных типов геополотен - также в пределах длины его образующей по схемам
рисунка 16.
а)
б)
в)
г)
1 - геополотно; 2 - грунт, ПГС и др.;
3 - анкера; 4 - укрепление обочины
Рисунок 16 - Схемы дополнительного крепления геополотен:
анкеровка в верхней канавке у бровки выемки (а); узел
крепления и стыковки разных типов геополотен
на откосе (б); анкеровка в пределах обочины
(в); анкеровка ниже уровня воды (г)
8.2.3 Основные варианты конструктивных решений укреплений представлены на
рисунке 17 (область применения - по
8.3). Они предусматривают:
- укладку геополотен на поверхность откоса под растительный слой с высевом семян по нему (геополотна ГПТ-НТ-2, БМТ, БМТК, ГМТ) или без высева семян (геополотна БМТС, БМТСК) для создания более плотного травяного покрова за счет прорастания корневой системы трав через геополотно, создания лучших условий для формирования травяного покрова (выравнивание влажностного режима, при применении геополотна БМТС, БМТСК с семенами трав - также защита семян на период прорастания) -
рисунок 17 а;
- укладку геополотен на поверхность растительного грунта с предварительным высевом семян (геополотна ГПТ-НТ-1, БМТ, БМТСК, ГМТ, ГМТК, ГМТ-Ком) или без него (геополотна БМТС, БМТСК) и созданием замыкающего слоя из растительного грунта толщиной 3 - 5 см или гидропосевом с мульчированием непосредственно по поверхности геополотен ГМТ, ГМТК для защиты семян от вымывания, создания более благоприятного температурно-влажностного режима, защиты откоса от эрозии как на период формирования травяного покрова, так и на период эксплуатации -
рисунок 17 б;
- комбинированную укладку геополотен при возможности подтопления откосов в отдельные периоды - применение геомата ГМТ-Ком в нижней части и других видов геополотен в верхней части -
рисунок 17 в;
- одновременное укрепление откосов и кюветов с укладкой геомата ГМТ-Ком в нижней части и других видов геополотна в верхней части -
рисунок 17 г.
а)
б)
в)
г)
1 - геополотно; 2 - растительный грунт; 3 - анкер;
4 - замыкающий слой (3 - 5 см) над геополотнами
из растительного грунта, мульчирующего материала;
5 - засыпка; 6 - геомат ГМТ-Ком
Рисунок 17 - Основные варианты конструктивных решений
укрепления откосов с применением геополотен: при создании
растительного слоя над геополотном (а), под геополотном
(б), комбинированием различных видов геополотен (в),
одновременным укреплением откосов и кюветов (г)
8.3 Область применения конструкций укрепления
8.3.1 Область применения конструкций укрепления зависит от вида геополотен и в целом соответствует применительно к неподтопляемым откосам области применения биологических типов укрепления по
таблице 8. Применение геополотен целесообразно в этом случае в районах с неблагоприятными для развития травяного покрова климатическими условиями, при наличии интенсивного размыва грунта для защиты семян от вымывания, создании благоприятного температурно-влажностного режима, защите откоса от эрозии на период формирования растительного покрова. Их применение целесообразно также при откосах, сложенных опасными и особо опасными группами грунтов по
таблице 2 настоящего ОДМ.
8.3.2 Область применения конструкций укрепления подтопляемых откосов зависит от вида геополотен, их свойств, должна уточняться расчетом с учетом параметров свойств, в том числе допустимой неразмывающей скорости, и предварительно может назначаться по таблице 19.
Таблица 19
Область применения комбинированных конструкций
укрепления подтопляемых откосов на основе геополотен
(ледовые нагрузки отсутствуют)
N подтипа конструкции укрепления | Наименование подтипа, вид геополотна | Длительность подтопления, сут | Высота волны, м | Допустимая скорость течения воды, м/с |
II-1-1 | ГПТ-НТ-1 на слое растительного грунта | До 0,1 | До 0,1 | 0,3 |
II-2-1 | Геомат ГМТ на слое растительного грунта с гидропосевом с мульчированием по поверхности | До 20 | До 0,1 | 1 |
II-2-2 | Геомат ГМТК-ГН на слое растительного грунта с мульчированием по поверхности | До 20 | До 0,3 | 1 |
II-2-3 | Геомат ГМТ-Ком | До 20 | До 0,3 | 2,3 |
II-3-2 | Биомат БМТС-2, БМТС-3 на слое растительного грунта | До 20 | До 0,2 | 0,3 |
II-3-4 | Биомат БМТСК-2 на слое растительного грунта | До 20 | До 0,3 | 0,3 |
8.4 Требования к материалам
8.4.1 Требования к материалам в части посева трав, гидропосева - по
7.2.4.3 -
7.2.4.6 настоящего ОДМ.
8.4.2 При выборе геополотен следует руководствоваться положениями
ОДМ 218.2.046-2014 [32]. Рекомендуемые основные показатели их свойств приведены в таблице 20 и
8.4.3,
8.4.4 и могут быть уточнены в зависимости от условий применения на основании регионального опыта применения при соответствующем техническом обосновании.
Таблица 20
Рекомендуемые основные показатели свойств геополотен
Наименование материала | Толщина при давлении 2 кПа, мм по ГОСТ Р 50276 | | | | Коэффициент фильтрации при давлении 2 кПа, м/сутки по ГОСТ Р 52608 |
Геополотно нетканое (ГПТ-НТ) |
ГПТ-НТ-1 | > 1 | 120 - 150 | > 5 | > 30 | > 20 |
ГПТ-НТ-2 | > 2 | 150 - 200 | > 5 | > 30 | > 20 |
Биомат с семенами в структуре полотен (БМТС) |
БМТС-1 | > 5 | > 800 | > 5 | 30 - 150 | > 10 |
БМТС-2 | > 5 | > 800 | > 5 | 30 - 150 | > 10 |
БМТС-3 | > 4 | > 400 | > 5 | 30 - 150 | > 10 |
Биомат комбинированный с семенами и армирующей прослойкой (БМТСК) |
БМТСК-1 | > 5 | > 400 | > 20 | < 20 | > 10 |
БМТСК-2 | > 5 | > 400 | > 20 | < 20 | > 10 |
Биомат без семян (БМТ) |
БМТ-1 | > 3 | > 300 | > 5 | 30 - 150 | > 20 |
БМТ-2 | > 3 | > 300 | > 5 | 30 - 150 | > 20 |
Биомат комбинированный с армирующим слоем (БМТК) |
БМТК | > 3 | > 300 | > 20 | < 20 | > 20 |
Геоматы |
ГМТ | > 9 | > 200 | > 1 | 30 - 150 | - |
ГМТК-ГР | > 9 | > 300 | > 10 | < 20 | - |
ГМТК-ГТ | > 9 | > 300 | > 10 | < 20 | > 20 |
ГМТК-ГН | > 9 | > 300 | > 5 | 30 - 150 | > 20 |
ГМТ-Ком | > 18 | > 2000 | > 2 <*> | 30 - 150 | - |
<*> Для полимерной основы. |
8.4.3 Показатели, характеризующие стойкость геополотен к различного рода агрессивным воздействиям, нормируются значениями по таблице 21.
Таблица 21
Нормируемые показатели, характеризующие стойкость
геополотен к различным агрессивным воздействиям
Показатель, %, не менее | Значение показателя в зависимости от состава сырья (таблица 18) |
| Синтетическое и биоразлагаемое | Биоразлагаемое |
| 80 | 80 | 70 |
| 80 | 80 | - |
| | ИС МЕГАНОРМ: примечание. В официальном тексте документа, видимо, допущена опечатка: пункты 11.2 и 6.6 в ОДМ 218.5.006-2010 отсутствуют. | |
|
| 90 | 80 | - |
| 80 <*> | 80 <*> | - |
| 80 | 80 | - |
<*> Устойчивость к повреждениям нормируется для случая отсыпки на геополотно песчаного грунта в испытаниях по 6.6 ОДМ 218.5.006-2010 [33]. |
8.4.4 Для отдельных видов геополотен или условий их применения должны нормироваться или определяться также следующие показатели свойств:
- для нетканых полотен ГПТ-НТ - размер открытых пор О
90 по
ГОСТ Р 53238 (не менее 60 мкм);
- для геоматов - отсутствие сквозных площадей в структуре материала размером более 10 мм;
- для геоматов ГМТ-Ком должна экспериментально определяться допустимая неразмывающая скорость.
8.4.5 Применяемые геополотна должны быть обеспечены технической документацией, требуемой действующими документами технического регулирования, в частности
ОДМ 218.2.046-2014 [32].
8.5 Технология производства работ
9. Решетчатые бетонные конструкции с заполнением ячеек
традиционными материалами (ТИП III)
9.1 Общие положения
9.1.1 Решетчатые конструкции следует применять для защиты неподтопляемых откосов взамен травосеяния и одерновки в случаях затрудненности или неэффективности создания растительного покрова, отсутствия растительного грунта. Для защиты подтапливаемых откосов - взамен одерновки сплошной и в клетку, фашинных конструкций, плетневых заборов, сборных железобетонных и асфальтобетонных плит размером от 0,4 x 0,4 до 1,0 x 1,0 м, монолитного бетона. Взамен габионных конструкций, наброски или мощения из камня при отсутствии или недостаточном количестве местного каменного материала требуемого качества.
Во всех случаях, когда применение более капитальных видов укрепления нецелесообразно из-за высокой стоимости и трудоемкости проведения работ.
9.1.2 Покрытия сборных решетчатых конструкций (
подтип III-1 по таблице 1) представляют собой решетку с ячейками заданного размера, образованную сборными железобетонными элементами, объединенными на поверхности откоса стыками с забивкой в их узлах металлических штырей или железобетонных сваек.
Общий вид железобетонных элементов и основные схемы их соединения представлены на
рисунке 18, виды и типоразмеры сборных элементов - в таблице 22, потребность материалов для карт готового решетчатого покрытия в сборе на 100 м
2 площади приведены в
таблице 23.
Таблица 22
Основные параметры элементов типа РК
[29]
Изделие: | Геометрические параметры элемента, мм | Объем, м3 | Масса, кг | Арматура: |
наименование | марка | Lбл | Bбл | | класс | d, мм | масса, кг |
Элемент ж/б решетчатой конструкции | РК-1 | 1000 | 110 | 180 | 0,104 | 26 | B-I | 4 | 0,3 |
РК-2 | 1000 | 100 | 180 | 0,100 | 24 | B-I | 6 | 0,2 |
Примечание - d - диаметр арматуры, мм; Lбл - длина, мм; Bбл - толщина, мм;  - высота, мм. |
Таблица 23
Потребность в материалах на 100 м
2
сборного решетчатого покрытия
Покрытие | Наименование параметра | Единица измерения | Количество |
Площадь, м2 | Марка элемента |
100 (100) | РК-1 (РК-2) | Железобетонный блок | Штук | 185 (185) |
Металлическая свайка | Тонн металла (шт./кг) | 0,18 (370/435) |
Цементный раствор омоноличивания | м3 | 0,016 (0,04) |
Металл заполнения решетки | м3 | 9,87 (10) |
1)
2)
3)
4)
5)
Lбл,
Bбл,

- соответственно длина, ширина, высота
унифицированного железобетонного элемента типа РК
Рисунок 18 - Общий вид и типовые схемы соединения элементов
решетчатых конструкций: общий вид унифицированного
железобетонного элемента типа РК-1 (1); общий вид
унифицированного железобетонного элемента типа РК-2 (2);
треугольная и ромбическая схема с жестким замковым
соединением (3); прямоугольная и ромбическая схема
с жестким замковым соединением элементов типа РК-2 (4);
прямоугольная и ромбическая схема с гибким замковым
соединением при помощи арматурных
петель элементов типа РК-1 (5)
9.1.3 Покрытия гибких решетчатых конструкций (
подтип III-2 по таблице 1) выполнены из железобетонных гирлянд, пересекающихся по взаимно перпендикулярным осям. Гибкость гирлянды достигается членением бетона гирлянд на мелкие элементы. Стержни армирования диаметром 5 мм в оболочке из полиэтилена в местах разрезки бетона выполняют роль пластических связей.
9.1.4 Основные элементы гибких сборных решетчатых конструкций представлены на
рисунке 19, виды и типоразмеры гибких гирлянд - в таблице 24, основные типоразмеры и параметры карты готового покрытия в сборе на 1 м
2 приведены в
таблице 25.
Таблица 24
Основные параметры гибкой гирлянды
[34]
Изделие | Геометрические параметры, мм | Объем, м3 | Масса, кг | Арматура |
Наименование | Марка | Lбл | Bбл | | класс | d, мм | масса, кг |
Гирлянда гибкая из сборного ж/б | Г-1 | 4480 | 200 | 75 | 0,054 | 145 | B-I | 5 | 1,38 |
A-I | 12 | 0,82 |
Примечание - d - диаметр арматуры, мм; Lбл - длина, мм; Bбл - толщина, мм;  - высота, мм. |
Таблица 25
Основные типоразмеры гибких решетчатых покрытий
[37]
Показатели | Ед. изм. | Решетчатые покрытия при размерах блоков в плане (Lк x Bк), м |
3,08 x 3,08 | 3,08 x 3,08 | 4,5 x 4,5 | 4,5 x 4,5 | 4,5 x 4,5 |
при размерах ячеек решетки в свету по осям - t, t1, м |
0,30 x 0,60 | 0,60 x 0,60 | 0,75 x 0,75 | 0,75 x 0,75 | 0,75 x 0,75 |
сечение гирлянды, см -  |
5 x 6 | 5 x 6 | 7,5 x 20 | 12 x 20 | 12 x 20 |
Расход бетона | м3/м2 | 0,014 | 0,009 | 0,035 | 0,052 | 0,051 |
Расход стали | кг/м2 | 1,49 | 0,99 | 1,30 | 1,42 | 1,57 |
Расход полиэтилена | кг/м2 | 0,069 | 0,039 | 0,054 | 0,054 | 0,054 |
Масса плиты (блока) | т | 0,279 | 0,186 | 1,60 | 2,29 | 1,52 |
9.2 Конструктивные решения
9.2.1 Конструирование и расчет укрепления по ТИП III рекомендуется выполнять согласно рекомендациям [
35;
36;
37].
а)
б)
1 - петли для стыкования; 2 - полиэтиленовая оболочка;
3 - пазы линейных шарниров; 4 - гибкая гирлянда;
Bк, Lк - длина карты покрытия соответственно по длине
откоса перпендикулярно урезу воды, по подошве откоса
параллельно урезу воды, м; t, t1 - расстояние в свету
между элементами соответственно перпендикулярно урезу
воды, параллельно урезу воды, м;

- высота гирлянды, см
Рисунок 19 - Основные элементы гибкого решетчатого
покрытия: гибкая железобетонная гирлянда (а);
карта гибкого решетчатого покрытия в сборе (б)
9.2.2 Крепление элементов покрытия между собой и к поверхности откоса выполняется путем объединения их стыков (жесткое крепление) или арматурных петель (гибкое соединение) с забивкой в их узлах металлических штырей, выполненных из арматуры периодического профиля диаметром 20 - 30 мм или железобетонных сваек диаметром 30 - 80 мм с омоноличиванием стыков цементным раствором. Длину штырей и сваек назначают в пределах от 0,5 м до 1,5 м в зависимости от мощности зоны активного воздействия основных погодно-климатических факторов (глубины промерзания-оттаивания или увлажнения-высушивания), уровня паводковых вод, скорости течения и высоты волны с учетом ее набега.
9.2.3 В нижней части конструкция усиливается упором из унифицированных или монолитных железобетонных блоков в виде сплошной ленты, отдельных блоков, устанавливаемых перед стыками нижних элементов по типу отдельных упорных зубьев. В определенных случаях упором может служить нижний пояс, собранный из сборных железобетонных элементов покрытия. При устройстве упора в виде сплошной ленты при омоноличивании бетоном стыков между блоками через каждые 10 - 15 м необходимо предусматривать швы расширения толщиной 15 - 20 мм. Расчет параметров упора приведен в
разделе 14 данного ОДМ.
Основная схема конструктивного решения с применением сборного решетчатого покрытия из унифицированного железобетонного элемента типа РК приведена на
рисунке 20.
9.2.4 При затруднении в выполнении упора у нижней границы защитного покрытия, например, в случаях заболоченности поймы, для защиты подошвы откоса насыпи от размыва в основании откоса из плитного покрытия выполняют защитный фартук, закрывающий подошву откоса.
Схемы конструктивных решений, расчет параметров гибких фартуков приведены в
14.3.2 данного ОДМ.
Схема конструктивного решения с применением гибких решетчатых покрытий приведена на
рисунке 21.
1 - элемент железобетонный унифицированный типа РК;
2 - бетонный упор модифицированный У-1, У-2; 3 - штыри,
металлические свайки длиной 0,5 - 1,5 м; 4 - заполнитель
ячеек; 5 - каменный материал; 6 - шов расширения;
7 - облегченное крепление (неукрепленная часть обочины);
8 - укрепленная часть обочины;

- высота решетки;
Lбл - длина элемента РК; t - расстояние в свету между
элементами РК параллельно урезу воды; РУВВ,
А, Б, В - схемы соединения элементов РК
Рисунок 20 - Схема конструктивного решения
укрепления откоса сборными решетчатыми конструкциями
из унифицированного железобетонного элемента типа РК
1 - гирлянда гибкая железобетонная типа Г-1;
2 - заполнитель ячеек; 3 - штыри, металлические
свайки длиной 0,5 - 1,5 м; 4 - облегченное крепление
(неукрепленная часть обочины); 5 - укрепленная часть
обочины; 6 - защитный фартук из плитного покрытия;
7 - положение защитного фартука при размыве;
б - высота решетки; t - расстояние в свету
между элементами Г-1 параллельно урезу воды;
Рисунок 21 - Схема конструктивного решения укрепления
откоса гибкими решетчатыми конструкциями из гирлянды
гибкой железобетонной типа Г-1
9.2.5 В качестве подстилающего слоя в конструкциях с решетчатыми покрытиями используются слои из каменных материалов и геотекстильные материалы. Область их применения и требования определены в
разделе 15 настоящего ОДМ.
9.2.6 В качестве заполнителя ячеек решетчатых покрытий неподтопляемых откосов применяют растительный грунт, торфопесчаную смесь, местный непучинистый грунт с последующим механизированным посевом трав или гидропосевом.
| | ИС МЕГАНОРМ: примечание. Нумерация пунктов дана в соответствии с официальным текстом документа. | |
9.2.6 В качестве заполнителя ячеек решетчатых покрытий подтопляемых откосов применяют:
- грунты, обработанные минеральными или органическими вяжущими;
- каменную наброску с размером камня 50 - 100 мм;
- щебеночные смеси фракциями 40 - 70 мм;
- песчано-гравийные смеси;
- монолитный цементобетон, в том числе тощий и песчаный.
9.2.7 Необходимый средний диаметр
dp щебеночного, каменного или гравийного материалов, заполняющих ячейки решетчатого покрытия, подвергающегося воздействию ветровых волн, может быть определен по разделу 8.4
[37], но не более значений:
dp <= 30 мм при высоте решетки

,
dp <= 50 мм при

,
dp <= 100 мм при

.
9.2.8 Допускаемая невымывающая скорость
vg для заполнителя ячеек решетчатого покрытия, уложенного на откосе или на дне, определяется по зависимости (15) (для заполнителя из камня), по
формуле (16) (для заполнителя из щебня или гальки), по
формуле (17) (для заполнителя в свободном состоянии):

(15)

(17)
где vg - допускаемая неразмывающая скорость для заполнителя ячеек решетчатого покрытия, м/с;
vсв - допускаемая скорость для заполнителя в свободном состоянии, м/с;
dp - средний диаметр заполнителя (по
В.2.2,
В.2.4 приложения В), м;
t - размер ячейки решетки, считая параллельно урезу воды, м;

- высота ребра решетки, м;

- объемная масса заполнителя, т/м
3 (по
таблице В.5 приложения В);

- плотность воды, т/м
3;

- угол заложения откоса;
g - ускорение силы тяжести, м/с2;
A - коэффициент, учитывающий устойчивость заполнителя на откосе, A = 1 на участках крутых поворотов русла реки (R < 300 м), A = 1,15 во всех остальных случаях;
kv - коэффициент, определяемый по графику на
рисунке 22 в зависимости от отношения

.
Рисунок 22 - График по определению коэффициента
kv
9.3 Требования к материалам
9.3.1 Требования к материалам конструкции определены в следующих подразделах настоящего ОДМ:
- гидропосева - по
7.2.5;
Материалы для заполнения ячеек решетчатого покрытия должны соответствовать требованиям
ГОСТ 25607 для щебеночных и гравийных материалов,
ГОСТ 26633 для цементогрунтов и грунтов обработанных вяжущим.
| | ИС МЕГАНОРМ: примечание. Нумерация пунктов дана в соответствии с официальным текстом документа. | |
9.3 Область применения
9.3.1 Область применения материалов-заполнителей ячеек решетчатых конструкций представлена в таблице 26.
Таблица 26
Область применения материалов-заполнителей ячеек
решетчатых конструкций
Тип материала-заполнителя решетчатых конструкций | Длительность подтопления, сутки | Скорость течения воды, м/с | Высота волны с набегом, м | Толщина льда, м | Ледоход | Карчеход |
Растительный грунт, торфопесчаная смесь | < 20 | < 0,5 | <= 0,3 | <= 0,3 | Отсутствует | Отсутствует |
Щебень, камень, ПГС | >= 20 | < 1,0 - 2,0 | <= 0,7 | 0,4 - 0,5 | Слабый, отдельные льдины не более 10 м | Отдельные деревья не более 3 - 4 м в длину и 0,1 - 0,2 м в диаметре |
Грунт, обработанный вяжущим | < 20 | < 0,8 - 1,2 | <= 0,5 | <= 0,3 | Слабый, отдельные льдины не более 10 м | Отдельные деревья не более 3 - 4 м в длину и 0,1 - 0,2 м в диаметре |
Песчаный асфальтобетон | >= 20 | 1,5 - 2,5 | <= 0,5 | <= 0,6 | Средней интенсивности отдельные льдины до 5 x 7 м | Наличие деревьев не более 5 - 6 м в длину и до 0,5 м в диаметре |
Монолитный цементобетон, в т.ч. тощий и песчаный | >= 20 | 2,0 - 4,0 | <= 1,8 | <= 0,6 | Средней интенсивности отдельные льдины до 5 x 7 м | Наличие деревьев не более 5 - 6 м в длину и до 0,5 м в диаметре |
Область применения решетчатых покрытий с различными размерами ячеек в условиях подтопления представлена в таблице 27.
Таблица 27
Область применения решетчатых покрытий
в условиях подтопления
[37]
Показатели | Ед. изм. | Решетчатые покрытия при размерах блоков в плане (Lк x Bк), м |
3,08 x 3,08 | 3,08 x 3,08 | 4,5 x 4,5 | 4,5 x 4,5 | 4,5 x 4,5 |
при размерах ячеек решетки в свету по осям t, t1, м |
0,30 x 0,60 | 0,60 x 0,60 | 0,75 x 0,75 | 0,75 x 0,75 | 0,75 x 0,75 |
сечение гирлянды, см -  |
5 x 6 | 5 x 6 | 7,5 x 20 | 12 x 20 | 12 x 20 |
Высота волны | м | до 0,2 | до 0,2 | до 0,8 | до 1,0 | до 1,0 |
Средняя скорость течения | м/с | 2,5 | 2,5 | 4,5 | до 6,0 | до 6,0 |
Толщина льда | м | до 0,2 | до 0,2 | до 0,6 | до 1,0 | до 1,0 |
Примечание - Высота волны приведена для откосов с заложением m = 1:3, 1:4; область применения решетчатого покрытия уточняется расчетом по 9.2.7 - 9.2.8 в зависимости от материала-заполнителя ячеек. |
| | ИС МЕГАНОРМ: примечание. Нумерация пунктов дана в соответствии с официальным текстом документа. | |
9.5 Особенности технологии производства работ
Особенности технологии производства работ при укреплении откосов - по
17.3.3.5 настоящего ОДМ.
| | ИС МЕГАНОРМ: примечание. В официальном тексте документа, видимо, допущена опечатка: конструкции на основе геосотовых материалов с заполнением ячеек традиционными материалами должны быть обозначены как ТИП IV, а не как ТИП VI. | |
10. Конструкции на основе геосотовых материалов
с заполнением ячеек традиционными материалами (ТИП VI)
10.1 Общие положения
| | ИС МЕГАНОРМ: примечание. В официальном тексте документа, видимо, допущена опечатка: в пункте [22] Библиографии ОДМ 218.032-2013 отсутствует. | |
10.1.1 При назначении конструкций укрепления с применением геосотовых материалов следует руководствоваться положениями ОДМ 218.032-2013
[22].
10.1.2 Типовая конструкция укрепления откосов насыпей, выемок (
тип VI по таблице 1) представляет собой сплошное гибкое покрытие из геосотового материала, расположенного на откосе, повторяющего рельеф поверхности откоса и включающая:
- модули геосотового материала по
рисунку 21 а, формирующиеся путем растяжения пакетов геосот по
рисунку 21 б с образованием полимерной геосотовой структуры высотой 50 - 200 мм;
- материал заполнителя геоячеек (растительный грунт с посевом семян, щебень, грунт, обработанный вяжущим, бетонная смесь, торфопесчаная смесь);
- анкеры для обеспечения монтажа модулей и их крепления на поверхности откоса, а также крепления модулей между собой;
- скобы для крепления смежных модулей;
- разделительную (фильтрующую прослойку из геосинтетических материалов (при необходимости);
- упорную конструкцию (при необходимости).
1 - сварные швы; 2 - геополосы; A, B - соответственно,
длина и ширина модуля (A - направление растяжения);
A0, B0 - соответственно, длина и ширина пакета;
a, b - соответственно, размер ячейки по диагоналям
в направлении длины и ширины; a1 - размер стороны
ячейки; h - высота геосот (ширина геополосы)
Рисунок 21 - Общая схема геосот в рабочем (растянутом)
состоянии (а) и транспортном (сложенном) состоянии (б)
10.2 Область применения конструкции укрепления
Область применения определяется, прежде всего, видом материала заполнителя геосот с учетом гидрологических условий и предварительно может быть назначена по таблице 28 с последующим уточнением по
10.3 -
10.4 настоящего ОДМ.
Таблица 28
Область применения конструкций укрепления откосов
на основе геосотовых материалов в зависимости от вида
заполнителя ячеек
N подтипа конструкции укрепления | Наименование подтипа конструкции укрепления | Заложение откосов, не круче | Гидрологические условия |
Наличие или длительность подтопления | Высота волны, м | Допустимая скорость течения воды, м/с |
VI-1-1 | Геосотовый материал с заполнением грунтом с посевом трав | 1:1 | Отсутствует | - | - |
VI-1-2 | Геосотовый материал с заполнением ячеек торфопесчаной смесью | 1:1,5 | Отсутствует | - | - |
VI-1-3 | Геосотовый материал с заполнением грунтом с гидропосевом трав | 1:2 | Кратковременное до 20 сут | 0,2 | 0,5 |
VI-2-1 | Геосотовый материал с заполнением щебнем фракций 40 - 60 мм | 1:1,75 | Кратковременное и постоянное | 0,3 | 1,0 |
VI-2-2 | Геосотовый материал с заполнением щебнем фракций 40 - 60 мм с дополнительным укреплением цементным раствором  | 1:1,75 | Кратковременное и постоянное | 0,7 | 1,5 |
VI-2-3 | Геосотовый материал с заполнением щебнем фракций 40 - 60 мм дополнительным укреплением бетонной смесью  в верхней части на половину высоты ячейки | 1:2 | Кратковременное и постоянное | 0,85 | 1,9 |
VI-3 | Геосотовый материал с заполнением грунтом, обработанным вяжущим | 1:2 | Кратковременное до 20 сут | 0,4 | 1,1 |
VI-4 | Геосотовый материал с заполнением бетонной смесью  | 1:2 | Кратковременное и постоянное | 1,2 | 2,3 |
Примечание -  - плотность заполнителя. |
10.3 Конструктивные решения
10.3.1 При укреплении откосов применяются материалы, отвечающие требованиям
10.4. Для установки и крепления геосот на поверхности откоса применяют анкера из арматуры или специальные, в том числе пластмассовые анкера. Рекомендуемое стандартное размещение и параметры анкеров представлены в таблице 29 и на
рисунке 23. Они уточняются в необходимых случаях в соответствии с положениями
10.5.
Таблица 29
Рекомендуемое размещение и размеры анкеров
для крепления геосот
Размещение и размеры анкеров | Откосы |
Неподтопляемые | Подтопляемые |
Размещение анкеров в крайние ячейки начала и конца модуля по направлению растяжения | В каждую ячейку | В каждую ячейку |
Размещение анкеров в крайние ячейки в противоположном растяжению направлении | Через ячейку | Через ячейку (ниже уровня подтопления - в каждую ячейку) |
Размещение анкеров равномерно по площади модуля | Через 1,0 - 1,2 м (уточняется расчетом) | Через 0,6 - 0,08 м (уточняется расчетом) |
Диаметр анкеров | 10 - 12 мм | 12 - 14 мм |
Длина анкеров <*> (м) для связных (суглинки, глины)/несвязных (супеси, пески) грунтов откоса при его крутизне: | | |
- положе 1:1,75; | (h + 0,45)/(h + 0,65) | (1,0 - 1,2) <*> |
- 1:1,5 - 1:1,75; | (h + 0,55)/(h + 0,75) |
- круче 1:1,5 | (h + 0,75) <*>/(h + 0,95) <*> |
<*> Длина анкеров уточняется расчетом. Примечание - h - высота ячейки геосот. |
| | ИС МЕГАНОРМ: примечание. Текст дан в соответствии с официальным текстом документа. | |
A - длина модуля; B - ширина модуля; 1 - установка монтажных
анкеров в каждую ячейку; 2 - установка монтажных анкеров
через одну ячейку; 3 - установка анкеров с шагом 0,6 - 1,2 м
в шахматном порядке; 4 - скрепление соседних секций
скрепками (в каждой ячейке через 2,5 см по высоте);
5 - арматура

; 6 - линия разметки
продольная; 7 - линия разметки поперечная
Рисунок 23 - Типовая схема размещения анкеров (а),
их конструкция (б) и схема скрепок для соединения
смежных анкеров, (размеры в мм) (в)
10.3.2 Основные варианты конструктивных решений укрепления неподтопляемых откосов представлены на
рисунке 24. Они включают:
- укрепление откосов при высоте насыпи до 3 м по
рисунку 24 а и по
рисунку 24 б при высоте насыпи более 3 м в случаях, когда укрепление простейшими биологическими типами (посев трав) неэффективно, в том числе в случае, когда необходимо увеличение крутизны откосов от требуемого
таблицами 7.4,
7.5 СП 34.13330.2012 значения (1:m) до значения 1:(m - 0,25); конструктивное решение по
рисунку 24 б обеспечивает дополнительное крепление геосот за бровкой откоса и защиту от размывов прибровочной полосы откоса (обочины);
- укрепление откосов при наличии у подошвы связных переувлажненных грунтов с влажностью
W/
Wт >= 0,85 и высоте насыпи более 3 м по
рисунку 24 в с созданием упорной конструкции и креплением геосот за бровкой откоса;
- укрепление откосов одновременно с укреплением кюветов, если последние предусмотрены проектом по
рисунку 24 г; в этом случае могут применяться различные варианты заполнения геосот в зоне кювета и откосной зоне; при подборе заполнителя геосот в зоне кювета допустимая (неразмывающая) скорость течения воды для несвязных минеральных материалов и грунтов может быть повышена при их применении в качестве заполнителя в 1,3 раза;
- укрепление откосов по
рисунку 24 должно предусматривать создание защитного слоя из геотекстильных (как правило, нетканых) материалов в случае, если откос сложен неустойчивыми, легкоразмываемыми грунтами, а также при наличии выклинивающихся водоносных горизонтов в мокрых выемках.
1 - геосоты; 2 - заполнитель геосот (растительный
грунт и др.); 3 - анкер; 4 - защитный слой (3 - 5 см)
над геосотами из материала заполнителя геосот; 5 - упор
(каменная засыпка); 6 - заполнитель геосот при устройстве
кювета (укрепленный грунт, бетонная смесь и др.);
7 - прослойка из нетканого геотекстильного материала
Рисунок 24 - Основные варианты конструктивных решений
укрепления неподтопляемых откосов с применением геосот
10.3.3 Конструктивные решения по укреплению подтопляемых откосов должны основываться на соответствующих расчетах
(10.4). Основные варианты укрепления подтопляемых откосов представлены на
рисунке 25. В этом случае обязательно создание надежного упора у подошвы насыпи и закрепление геосот в прибровочной зоне, а также устройство под геосотами защитной прослойки из нетканого геотекстильного материала.
1 - геосоты; 2 - растительный грунт; 3 - анкер;
4 - защитный слой (3 - 5 см) над геосотами из материала
заполнителя геосот; 5 - укрепленный грунт, бетон и др.;
6 - защитная прослойка из нетканого геотекстильного
материала; 7 - каменная засыпка; 8 - бетонный упор;
9 - трос
Рисунок 25 - Основные варианты конструктивных решений
укрепления подтопляемых откосов с применением геосот
| | ИС МЕГАНОРМ: примечание. Текст дан в соответствии с официальным текстом документа. | |
В этом случае обязательно создание надежного упора у подошвы насыпи и закрепление геосот в прибровочной зоне, а также устройство под геосотами защитной прослойки из нетканого геотекстильного материала. Дополнительным элементом крепления геосот может служить установка тросового крепления - полимерный трос пропускается через специально устраиваемые отверстия в стенках ячеек геосот (обычно расположенных по центру модуля) и поджимается дополнительными анкерами в ячейке к поверхности грунта откоса (обычно через 3 - 4 ячейки). Целесообразно применение комбинированного укрепления с разными материалами-заполнителями в зоне подтопления и над ней. В этом случае используют геосоты высотой от 150 мм до 200 мм с размерами ячейки от 200 мм до 260 мм.
10.4 Требования к материалам
10.4.1 При выборе геосотовых материалов следует руководствоваться положениями
ОДМ 218.2.046-2014 [32],
ОДМ 218.3.032-2013 [38]. Рекомендуемые показатели свойств геосотовых материалов приведены в таблицах 30,
31 и могут быть уточнены на основе регионального опыта применения и расчетного обоснования.
Таблица 30
Рекомендуемая форма поставки и показатели свойств
геосотовых материалов
Показатель | Метод определения | Значение показателя |
1 Геометрические размеры и форма поставок геосот: | | |
- масса пакета, кг; | - | 70 |
- толщина геополосы, не менее, мм; | - | 1,2 |
- отклонение направления швов (соединений) геополос от перпендикуляра, не более, мм; | - | +/- 5 |
- размер модуля (A x B), не менее, м; | - | 3,5 x 2,4 |
- высота, не менее, см; | - | |
- размер ячейки по диагонали, мм | - | |
2 Показатели свойств, характеризующие стойкость к агрессивным воздействиям - рекомендуемые (минимальные) значения: | | |
- устойчивость к агрессивным средам, %; | | 90 (80) |
| | ИС МЕГАНОРМ: примечание. В официальном тексте документа, видимо, допущена опечатка: в пункте [33] Библиографии ОДМ 218.5.047-2010 отсутствует. | |
|
- устойчивость к микробиологическому разрушению, %; | (раздел 11) | 80 (70) |
- устойчивость к ультрафиолетовому излучению, %; | | 80 (70) |
- устойчивость к многократному замораживанию-оттаиванию, %; | | 90 (80) |
- гибкость при температуре минус 40 °C (температура может корректироваться в зависимости от региона применения) | | Отсутствие повреждений |
3 Механические свойства геосот: | | |
- прочность геополосы при растяжении, не ниже, кН/м; | | 17 |
- относительное удлинение при максимальной нагрузке, не выше, %; | | 35 |
- прочность перфорированной полосы, кН/м; | | Не ниже прочности шва |
- прочность шва, кН/м; | | |
- условная прочность шва, кН/м; | | |
- условная длительная прочность шва, сут | | 30 |
Таблица 31
Рекомендуемые основные размеры ячейки и прочность
при растяжении швов геосотовых материалов
в зависимости от условий применения
Область, условия применения | Основные размеры | Механические свойства |
Высота h, мм, не менее | Размер ячейки a (b), мм, не более | Прочность шва Rш, кН/м, не менее | Условная прочность шва Rш, кН/м, не менее |
Укрепление неподтопляемых откосов (склонов): | | | | |
- пологие откосы с заложением не круче 1:3; | 50, 75 | 300 - 510 | 5 | 20 |
- откосы с заложением не круче 1:1,75 при умеренной интенсивности стока | 75, 100 | 300 - 400 | 9 | 25 |
Откосы с заложением 1:1,75 при сосредоточенном стоке, а также откосы с заложением 1:1,5 - 1,75 | 100, 150 | 200 - 300 | 10 | 45 |
Укрепление подтопляемых откосов | 150, 200 | 200 - 260 | 10 | 45 |
10.4.2 В качестве заполнителей ячеек геосот могут быть применены различные материалы, требования к которым аналогичны требованиям к заполнителям решетчатых конструкций по
разделу 9 настоящего ОДМ. При заполнении ячеек каменными материалами следует ограничивать максимальную их крупность значениями, приведенными в таблице 32.
Таблица 32
Регламентируемые значения максимальной крупности зерен
заполнителя геосот dк в зависимости от высоты и минимальных
размеров ячейки геосотовых материалов
Высота геосот h, мм | dк при размере ячейки геосот, мм |
a (b) <= 250 | a (b) > 250 |
50 | 30 | 30 |
75 | 50 | 50 |
100 | 75 | 80 |
150 | 80 | 100 |
200 | 80 | 120 |
10.4.3 Для крепления геосотовых материалов используются анкера по
10.3.1 настоящего ОДМ, в том числе анкера из арматурной стали по
ГОСТ 5781.
| | ИС МЕГАНОРМ: примечание. Текст дан в соответствии с официальным текстом документа. | |
10.4.4 При использовании в сочетании с геосотами нетканых геотекстильных материалов, уложенных непосредственно под геосоты, следует руководствоваться требованиями, предъявляемыми к свойствам, водимым документами технического регулирования с учетом положений
ОДМ 218.2.046-2014 [32],
ОДМ 218.3.032-2013 [38] и положений
пункта 15.2.4 настоящего ОДМ.
10.5 Назначение конструкций укрепления подтопляемых откосов
При назначении конструкций укрепления подтопляемых откосов следует руководствоваться расчетным обоснованием по
разделу 6 настоящего ОДМ и
приложением А к ОДМ 218.3.032-2013
[38]. Рекомендуется уточнять расчетом по
разделу 6 конструктивные решения (параметры армирования, параметры и необходимость устройства упорной конструкции) для неподтопляемых откосов при заложении откосов круче 1:1,5 и при наличии у подошвы откоса связных переувлажненных грунтов с влажностью более 0,85 от влажности на границе текучести.
10.6 Особенности технологии производства работ
Особенности технологии производства работ при укреплении откосов - по
17.3.3.4 настоящего ОДМ. При строительном контроле следует соблюдать положения
раздела 7 ОДМ 218.2.046-2014
[32], а также следующие положения:
- геосоты должны иметь сопроводительные документы, подтверждающие их марку и качество (паспорт на партию, стандарт организации);
- визуально проверяют внешний вид геосот; полосы и сварные швы геосот не должны иметь разрывов, расслоений; замеряют геометрические размеры геосот, контролируя их соответствие сопроводительным документам;
- в процессе монтажа геосот контролируют расположение отдельных модулей друг относительно друга, соответствие проекту количества, мест расположения и длины анкеров, устанавливаемых в местах соединения соседних модулей, а также скрепок; несовпадение смежных ячеек соседних модулей по высоте не должно превышать 1 см; при скреплении соседних секций скрепками расстояние между ними должно быть не более 2,5 см;
- в процессе заполнения ячеек геосот контролируют высоту падения материала заполнителя, которая не должна превышать 1 м для песка и песчано-гравийной смеси и 0,5 м для крупнофракционных материалов (щебня); при заполнении ячеек крупнофракционным материалом максимальный размер крупных фракций не должен превышать значений, указанных в
таблице 27;
- при производстве работ зимой контролируют наличие в ячейках геосот снега - ячейки не должны быть заполнены снегом более чем на 20% объема непосредственно перед их заполнением материалом по проекту.
11. Конструкции со сплошным покрытием из каменных
материалов и связных неукрепленных грунтов (ТИП V)
11.1 Общие положения
11.1.1 Конструкции со сплошным покрытием из связных грунтов и каменных материалов предназначены для защиты подтопляемых откосов насыпей из песчаных грунтов, подверженных влиянию волновых и ледовых воздействий, размывов от продольных течений, в районах распространения вечной мерзлоты, пучения, сильной просадочности грунтов. Конструкции применяют взамен конструкций со сплошными бетонными покрытиями при достаточном наличии местных каменных материалов и глинистых грунтов.
11.1.2 При назначении параметров конструкций данного типа следует руководствоваться требованиями
СП 38.13330.2012,
[39],
[40].
11.2 Конструктивные решения с применением грунтовых призм из неукрепленных связных грунтов
11.2.1 Основные варианты конструктивных решений укрепления с применением сплошных слоев из связных грунтов представлены на
рисунке 26. Конструкции представляют собой грунтовые присыпные призмы без берм
(рисунок 26 а), с бермами
(рисунок 26 б), выполняемые из глинистого или суглинистого грунта.
| | ИС МЕГАНОРМ: примечание. Текст дан в соответствии с официальным текстом документа. | |
H1 - высота укрепления в зоне запаса; H2 - высота
укрепления в зоне волнового воздействия; m - заложение
откоса, динамически устойчивого к волновому воздействию
по
таблице 28; m
1 - заложение откоса при свободной отсыпке
грунта в воду при m1 = 1:2 - 1:3; Bб - ширина бермы
по формуле (); РУВВ, ГМВ, H1, H2 - обозначения
по
рисунку 1; 1 - призма из глинистого грунта,
2 - укрепление растительным грунтом
с посевом трав
Рисунок 26 - Конструкции укрепления откосов связными
грунтами: с присыпной призмой без бермы (а), с присыпной
призмой с бермой (б)
11.2.2 При возможности размывов в основании должны быть предусмотрены дополнительные мероприятия по защите грунтовой призмы от размывов в виде каменных набросок, гибких защитных фартуков.
11.2.3 Величина заложения откоса присыпных призм m определяется величиной высоты ветровой волны h1% и может быть принята по таблице 33.
Таблица 33
Значения заложения откосов присыпных призм
из связных грунтов
Грунт | Заложение откоса 1:m при высоте волны h1%, м: |
0,1 | 0,2 | 0,3 | 0,4 | 0,5 | 0,6 |
Суглинок, глина | 1:3 | 1:5 | 1:7,5 | 1:10 | 1:15 | 1:15 |
11.2.4 Ширина бермы грунтовой призмы в верхней ее части определяется по формуле (18):
Bб = 1/2·(H1 + H2)·(m - m1), (18)
где
H1 - высота зоны запаса на подпор от мостовых, регуляционных, на подъем уровня воды от местных искривлений по
формуле (3), м;
H2 - высота зоны волнового воздействия по
формуле (4), м;
m - заложение откоса, динамически устойчивого к волновому воздействию по
таблице 33;
m1 - заложение откоса при свободной отсыпке грунта в воду m1 = 1:2 - 1:3.
11.2.5 Поверхность грунтовых призм в обязательном порядке должна быть укреплена слоем растительного грунта с последующим посевом трав при тройной норме высевки семян.
| | ИС МЕГАНОРМ: примечание. В официальном тексте документа, видимо, допущена опечатка: имеется в виду СП 34.13330.2012, а не СП 34.13330.2011. | |
11.2.6 В качестве грунтов для отсыпки призм и устройства противофильтрационных экранов допускается применение глинистых грунтов с числом пластичности
Ip >= 5%, с коэффициентом фильтрации К
фгл <= 0,1 м/сут, при соотношении коэффициента фильтрации грунта насыпи и призмы

при влажности, соответствующей требуемой в соответствии с
СП 34.13330.2011.
11.3 Конструктивные решения с применением наброски из каменных материалов
11.3.1 Основные варианты конструктивных решений укрепления с применением сплошных слоев из каменных материалов представлены на
рисунке 27.
bр - длина укрепления в зоне размыва; h - высота каменной
упорной призмы; 1 - каменная наброска; 2 - укрепление в зоне
размыва, выполненной в виде упорной призмы а), в виде
фартука г)
Рисунок 27 - Типы укрепления откосов каменной наброской:
при отсутствии размывов основания (а, в); при наличии
размывов основания (б, г); при отсутствии меженных вод
(а, б); при наличии меженных вод (в, г)
11.3.2 Конструкция представляют собой присыпную призму, выполненную из каменных материалов. Каменная наброска укладывается на слой подготовки, устраиваемой по принципу обратного фильтра. Количество и толщина слоев фильтра устанавливается проектом, в зависимости от размера камня наброски и крупности фракций грунта укрепляемого откоса. Допускается применение однослойных фильтров из разнозернистых несортированных карьерных материалов с соответствующим увеличением толщины фильтра. При обеспечении защиты поверхности откоса от явлений суффозии допускается в качестве фильтра применение геосинтетических материалов. При использовании несортированного камня подготовку можно не устраивать в случаях, когда состав этой массы обеспечивает образование между ней и грунтом откоса естественного фильтра. Для повышения устойчивости или при возможности размывов подошвы конструкция дополняется каменной призмой или защитным фартуком.
При использовании несортированной каменной наброски величина заложения откоса принимается в пределах 3 <= m <= 5, наброски из сортированного камня - 2 <= m <= 3.
11.3.3 Геометрические параметры конструкции, расчетный размер крупности камня
dк, толщину каменной наброски
t и подготовки под нее, параметры упорных конструкций, оценку возможности размыва наброски и размер деформации принимаются по расчету по зависимостям
[39] и в соответствии с положениями
разделов 15,
14 данного ОДМ.
Расчет требуемой массы и размеров камня по устойчивости к воздействиям ветровых волн проводят по
Приложению В СП 38.13330.2012, расчетную крупность однородного камня для защиты от ледовых воздействий определяют по формулам (45) или (46) Рекомендаций
[39].
При назначении параметров конструкции принимают наибольшие значения крупности камня и толщины укрепления, полученные по результатам расчетов на воздействия ветровых и ледовых нагрузок.
11.3.4 Минимальное значение толщины наброски t принимают не менее: для наброски из сортированного камня t = 2,5dк (м), для наброски из горной массы t = 3dк (м).
Ориентировочные значения толщин, массы и крупности камня в зоне воздействия ветровых волн приведены в таблице 34.
Таблица 34
Параметры каменной наброски в зоне волнового воздействия
m | h1% = 0,5 м | h1% = 1,0 м | h1% = 1,2 м | h1% = 1,5 м |
mк/dк, кг/см | t, см | mк/dк, кг/см | t, см | mк/dк, кг/см | t, см | mк/dк, кг/см | t, см |
Наброска из несортированного камня  |
3,0 | 4/15 | 45 | 33/29 | 90 | 56/35 | 105 | 112/44 | 130 |
3,5 | 3/14 | 40 | 27/28 | 85 | 45/32 | 95 | 89/41 | 125 |
4,0 | 2,5/12 | 35 | 20/25 | 75 | 34/30 | 90 | 67/37 | 110 |
4,5 | 2,5/12 | 35 | 16/23 | 70 | 28/28 | 85 | 56/35 | 105 |
Наброска из сортированного камня  |
2,0 | 8/18 | 45 | 64/37 | 95 | 109/44 | 110 | 217/55 | 140 |
2,5 | 5/16 | 40 | 42/32 | 80 | 73/38 | 95 | 145/48 | 120 |
3,0 | 4/15 | 40 | 33/29 | 75 | 56/35 | 90 | 112/44 | 110 |
Примечание - m - заложение откоса; h1% - расчетное значение ветровой волны 1% обеспеченности; mк - масса камня; dк - расчетный диаметр камня; t - толщина наброски. |
Ниже зоны волнового воздействия предусматривается отсыпка камня крупностью dк = 8 см, при толщине t = 0,25 (м).
11.3.5 Каменные материалы, используемые в конструкции укрепления, должны быть изверженных, метаморфических или осадочных горных пород, обладающих необходимой прочностью, морозостойкостью и водостойкостью. Камни не должны иметь признаков выветривания, прослоек мягких пород, глины, гипса и других размокаемых включений, а также рыхлых включений ракушек и видимых расслоений и трещин.
Допускаемое содержание глины в цементирующей части известняков и других осадочных породах - не выше 3,5%, в открытых порах и кавернах - не выше 5%. Содержание сернокислых и сернистых соединений в пересчете на SO3 - не более 1% по массе, коэффициент размягчения в воде - 0,75, класс на сжатие - не ниже 300.
Использование несортированной каменной наброски допускается при значениях разнозернистости материала менее 35.
| | ИС МЕГАНОРМ: примечание. В официальном тексте документа, видимо, допущена опечатка: пункт 12.3.3 отсутствует. | |
Требования по морозостойкости, водопоглощению, прочности устанавливаются проектом в зависимости от климатических условий и места укладки камня в сооружениях и должны быть не менее величин, указанных в таблицах 35,
36, и соответствовать требованиям 12.3.3 настоящего ОДМ.
Таблица 35
Минимальная марка камня по морозостойкости
Область применения камня | Минимальная марка камня по морозостойкости |
Особо суровые климатические условия | Умеренные климатические условия |
В зоне переменного горизонта воды | 150 | 100 |
Выше уровня воды | 100 | 50 |
Таблица 36
Технические требования к камню
Виды горных пород | Плотность  , г/см 3 | Водопоглощение не более, % | Морозостойкость, циклы, не менее | Марка по дробимости фракций 20 ... 40 мм |
1 Известняк пористый | 2,3 | 5 | 150 | 300 |
2 Известняк афонитовый | 2,6 | 1 | 100 | 600 |
3 Доломиты | 2,6 | 2 | 100 | 600 |
4 Песчаники кварц | 2,5 | 2 | 150 | 100 |
5 Песчаники кварцитовидные | 2,6 | 0,5 | 100 | 800 |
6 Вулканические породы пористые (андезиты, туфы) | 2,4 | 3 | 100 | 600 |
7 Гранитоиды | 2,6 | 0,8 | 100 | 800 |
Примечание - Для пород 5, 6, 7 морозостойкость учитывается только в случае превышения водопоглощения. |
11.3.6 Область применения конструкции ограничивается гидрологическими условиями. Определяющее силовое воздействие, при котором требуется более мощное укрепление другого типа, находят по формулам (36), (37) Рекомендаций
[39]. Ориентировочные области применения каменных набросок приведены в таблице 37.
Таблица 37
Условия применения укрепления откоса каменной наброской
Вид силового воздействия | Защищаемое сооружение | Допускаемые расчетные значения |
Продольное течение | Насыпи | Скорость до 4 - 5 м/с |
Ветровая волна | Насыпь на пойме | Высота волны до 1,7 м |
Вырывающая нагрузка от льда при изменении уровня воды | Насыпь на прижимах | Толщина льда менее 0,5 м или 1,0 м в нешироких руслах (до 50 - 60 м) |
11.4 Технология производства работ
Технология производства работ - по
17.3.3.8.
12. Габионные конструкции с применением габионов
матрацно-тюфячного типа (ТИП VI)
12.1 Общие положения
12.1.1 Конструкция укрепления относится к сооружению постоянного типа со сроком службы:
- для габионов из проволоки с цинковым покрытием - 35 лет;
- для габионов из проволоки с гальфановым покрытием - 75 лет;
- для габионов из проволоки с металлическим антикоррозионным покрытием с дополнительной полимерной оболочкой - не менее 75 лет.
12.1.2 Дополнительно, для описания конструкций приняты следующие обозначения и термины:
- габионные сетчатые изделия (далее по тексту - ГСИ) - объемные изделия различной формы из проволочной крученой с шестиугольными ячейками сетки, предназначенные для формирования габионных конструкций, поставляемые с завода в виде спрессованных разверток, собираемых на строительной площадке в объемную конструкцию;
- габион коробчатый - сетчатый контейнер из металлической сетки двойного кручения в форме параллелепипеда, заполняемый каменными материалами (габион типа ГСИ-К по
ГОСТ Р 52132);
- габион матрацно-тюфячный - сетчатый контейнер из металлической сетки двойного кручения, с относительно малой высотой по отношению к другим размерам, заполняемый каменными материалами (габион типа ГСИ-М по
ГОСТ Р 52132);
- диафрагма - сетчатая перегородка, применяемая для упрочнения габионного сетчатого изделия;
- мишметалл - сплав редкоземельных металлов с преобладающим содержанием церия и лантана;
- покрытие сплавом цинка с алюминием и мишметаллом - покрытие стальной проволоки сетки сплавом цинка, содержащим 5% алюминия и 0,01% мишметалла;
- проволока кромки - проволока по контуру развертки сетчатого контейнера;
- проволока обвязки - проволока, используемая для соединения сопрягаемых граней и соединений габионных конструкций между собой;
- проволочная сетка двойной скрутки (двойного кручения) - неразрывная сетка, изготовленная из проволочных пар с периодическими двойными скрутками, которые связываются двойными скрутками со смежными аналогичными проволочными парами, образуя между собой шестиугольные ячейки;
- скрутка проволок - свивка двух проволок в одном направлении на полный оборот 180 градусов, проволоки вращаются в одном направлении, минимальное количество скруток - три.
12.1.3 ГСИ представляет собой сетчатый контейнер (каркас) (по
рисунку 28 а,
28 б) из металлической проволочной крученой сетки (по
рисунку 28 в) с шестиугольными ячейками, заполненными каменными материалами.
| | ИС МЕГАНОРМ: примечание. Текст дан в соответствии с официальным текстом документа. | |
1 - крышка; 2 - диафрагма; 3 - стенки; 4 - проволока кромки;
5 - основная проволока сетки; 6 - размер ячейки (B1);
7 - диагональ ячейки (B2); B, L, H - соответственно,
ширина, длина и высота габионов
Рисунок 28 - Схема ГСИ: матрацно-тюфячных типа ГСИ-М (а);
коробчатых типа ГСИ-К (б); габионной сетки (в)
12.1.4 При изготовлении ГСИ используется проволочная сетка двойного кручения из проволочных пар, образующих между скрутками шестиугольные ячейки определенного размера, который определяет номер (N) ячейки сетки.
12.1.5 По виду покрытия сетки разделяются на:
- покрытые цинком (Ц);
- покрытые цинком и полимером (ЦП);
- покрытые сплавом цинка с алюминием и мишметаллом (ЦАММ);
- покрытые сплавом цинка с алюминием и мишметаллом и полимером (ЦАММП).
12.1.6 При обозначении ГСИ по
ГОСТ Р 52132 приняты следующие сокращения:
- изделие М - 4 x 2 x 0,23 - С60 - 2,4 - ЦАММ ГОСТ Р... - ГСИ матрацно-тюфячное М размерами - длина 4 м, ширина 2 м, высота 0,23 м из сетки с ячейкой N 60 из проволоки диаметром 2,4 мм, покрытой сплавом цинка с алюминием и мишметаллом;
- изделие К - 1,5 x 1 x 0,5 - С100 - 2,7 - ЦП ГОСТ Р... - ГСИ коробчатое К размерами - длина 1,5 м, ширина 1 м, высота 0,5 м, из сетки с ячейкой N 100 из проволоки диаметром 2,7 мм, покрытой цинком и полимером.
12.2 Конструктивные решения
12.2.1 Конструкция укрепления располагается на откосе (склоне) и повторяет рельеф поверхности откоса.
Конструкция включает:
- матрацно-тюфячный габион типа ГСИ-М;
- коробчатый габион типа ГСИ-К (в отдельных конструкциях в качестве основного крепления при значительных водных и ледовых воздействиях, в качестве элемента упорных конструкций);
- каменный материал заполнителя контейнера;
- монтажные и несущие анкеры;
- упорную конструкцию (при необходимости);
- дополнительный гидроизолирующий (водонепроницаемый) слой (при необходимости);
- противосуффозионную подготовку в виде слоев из нетканых геосинтетических материалов, слоев разнозернистых крупнообломочных материалов или сочетаний геосинтетических материалов и грунтов (при необходимости).
12.2.2 Противоэрозионные габионные конструкции (подтип VI-1) предназначены для защиты поверхности откосов от размывов при отсутствии постоянного подтопления и размывов подошвы откоса.
- покрытие из матрацно-тюфячного габиона типа ГСИ-М на противосуффозионном слое из геосинтетических, каменных или крупнозернистых материалов;
- упорные конструкции в виде коробчатых габионов, гибких фартуков и их сочетаний (тип

- ГСИ-К с элементами поверхностного водоотвода при наличии продольного течения вдоль откоса, тип

- ГСИ-М, врезанные в грунт основания, тип

- ГСИ-М в виде фартука при заболоченности подошвы насыпи, тип

- ГСИ-К без элементов поверхностного водоотвода), в случае недостаточной устойчивости конструкции укрепления на откосе упорная конструкция по типу

может быть дополнена устройством каменной призмы в виде наброски.
1 - габион матрацно-тюфячный типа ГСИ-М H = 0,17 - 0,30 м;
2 - габион коробчатый типа ГСИ-К H = 1,0 м, B = 1,0 м,
L = 1,0; 3 - нетканый иглопробивной текстильный материал
с поверхностной плотностью >= 250 г/м2, дренажный
геокомпозит с коэффициентом фильтрации не ниже 40 м/сут;
4 - песчаный грунт земляного полотна; 5 - подготовка
из песчаного грунта толщиной 15 - 20 см; 6 - растительный
грунт; 7 - связный грунт земляного полотна; B, L,
H - соответственно, ширина, длина и высота габионов
Рисунок 29 - Конструктивные решения противоэрозионных
габионных конструкций (подтип VI-1)
12.2.3 Дополнительно для повышения устойчивости и более плотного прилегания конструкции к поверхности откоса используют анкеры из металлической арматуры длиной не менее 50 см и диаметром 8 - 10 мм (
рисунок 30 а,
30 б).
1 - матрацно-тюфячные габионные конструкции; 2 - анкер
Рисунок 30 - Схема расположения анкеров и соединения граней
ГСИ между собой: схема расположения ГСИ и анкеров на откосе
в плане (а); анкеры (б); соединение ГСИ с помощью
проволоки (в)
Для соединения граней ГСИ между собой применяют проволоку обвязки и стяжки (по
12.4.2) при расходе проволоки не более 3% - 5% от общего веса каркасов (рисунок 30 в).
12.2.4 Гидроизолирующие габионные конструкции (подтип VI-2) предназначены для предотвращения фильтрации воды в насыпь и могут быть использованы как альтернативные решения конструкций с изолирующими слоями из грунтовых материалов и бетонных сплошных покрытий.
12.2.5 Конструкция включает:
- покрытие из габионов типа ГСИ-М, полностью или частично пропитанных гидроизолирующей битумно-песчаной мастикой
(рисунок 31 а);
- покрытие из габионов типа ГСИ-М с гидроизолирующим слоем из водонепроницаемой полимерной пленки, укладываемой на поверхность откоса между слоями геосинтетического материала
(рисунок 31 б);
- упорные конструкции, применяемые при отсутствии подтопления, меженных вод и размывов подошвы
(рисунок 29);
- упорные конструкции, применяемые при наличии подтопления и размывов, выполненных в виде защитного фартука при отсутствии меженных вод
(рисунок 31 в), при наличии меженных вод
(рисунок 32).
1 - габион матрацно-тюфячный типа ГСИ-М толщиной H
3 - растительный грунт; 4 - каменная наброска;
РУВВ - расчетный уровень высокой воды;
bр - длина защитного фартука в зоне размыва
Рисунок 31 - Конструктивные решения гидроизолирующих
габионных конструкций (подтип VI-2): вариант покрытия
с применением пленки из ПВХ и 2-слойного фильтра
из геосинтетических материалов (а); вариант покрытия
с применением битумно-песчаной мастики (б);
общая схема конструктивного решения (в)
1 - габион матрацно-тюфячный типа ГСИ-М; 2 - габион
коробчатый типа ГСИ-К; 3 - каменная наброска; ГМВ - уровень
меженных вод; H - верхняя граница укрепления
Рисунок 32 - Варианты конструктивных решений защитных
габионных конструкций (подтип VI-3) на подтопляемых откосах
при наличии меженных вод, ветрового воздействия, размывов.
С применением комбинированных упорных конструкций
с сочетанием: матрацно-тюфячных габионов и каменных
призм (а); каменных призм, коробчатых
и матрацно-тюфячных габионов (б), (в)
12.2.6 Конструкция исключает применение дополнительного крепления покрытия к поверхности откоса анкерами для предотвращения нарушения сплошности гидроизолирующего слоя.
12.2.7 Состав и требования к гидроизолирующим материалам приведены в
12.4.5 при количестве битумно-песчаной мастики по таблице 38.
Таблица 38
Дозировка битумно-песчаной мастики
[44]
| | ИС МЕГАНОРМ: примечание. Таблица дана в соответствии с официальным текстом документа. | |
Тип габионов | Толщина, мм | Дозировка битумной мастики |
Частичное проникновение, кг/м2 | Полное проникновение, кг/м2 |
Матрацно-тюфячные | 150 | 60 - 90 | 120 - 140 |
| 170 | 80 - 100 | 130 - 150 |
| 230 | 90 - 120 | 190 - 220 |
| 300 | 120 - 150 | 240 - 280 |
| 500 | 150 - 200 | 400 - 450 |
Примечание - Состав мастики и требования к материалам приведены в 12.4.4. |
12.2.8 Защитные габионные конструкции (подтип VI-3) применяются в условиях постоянного или временного подтопления и используются для защиты поверхности откоса от силовых воздействий ветровых волн, ледохода, карчехода и защиты подошвы откосов от размывов.
12.2.9 Конструкция
(рисунок 33) включает все элементы противоэрозионных конструкций и отличается от них более мощным покрытием, наличием в составе противосуффозионного слоя из каменных или песчаных материалов, конструктивным решением упорных конструкций с использованием дополнительных элементов защиты подошвы откоса от размывов
(рисунок 32).
| | ИС МЕГАНОРМ: примечание. В официальном тексте документа, видимо, допущена опечатка: пункты 6.2.4 и 14.6.4 отсутствуют. | |
1 - габион матрацно-тюфячный типа ГСИ-М или коробчатый типа
ГСИ-К; 2 - геосинтетический материал; 3 - подготовка
из гравелистого песчаного грунта или мелкого щебня;
4 - грунт земляного полотна; 5 - каменная наброска;
6 - растительный грунт; 7 - укрепленная часть обочины;
РУВВ - расчетный уровень высокой воды; верхняя граница
укрепления - по расчету (6.2.4); bр - длина защитного
фартука в зоне размыва - по расчету (14.6.4);
H, H1 - толщина габиона при H1 = 0,17 м;
m - заложение откоса
Рисунок 33 - Конструктивные решения защитных габионных
конструкций (подтип VI-3): вариант покрытия постоянной
толщины (а); переменной толщины (б)
12.2.10 Для случаев работы габионной конструкции в тяжелых гидрологических условиях при скорости течения более 5,5 м/с, а также в зоне воздействия ледовых нагрузок, необходимо осуществлять дополнительную защиту лицевой поверхности габионов арматурными сетками с расклинцовкой каменных материалов и/или слоем монолитного бетона при толщине защитного слоя не менее 50 мм. Для бетонного покрытия следует предусматривать продольные и поперечные разгрузочные каналы шириной 50 мм и с шагом не более 4 м.
| | ИС МЕГАНОРМ: примечание. В официальном тексте документа, видимо, допущена опечатка: пункт 2.2 отсутствует. | |
12.3.1 Выбор варианта конструктивного решения зависит от грунтово-гидрологических условий и производится по таблицам 39,
40 с учетом положений 2.2.
Таблица 39
Выбор схемы конструктивного решения
с применением матрацно-тюфячных габионов
N подтипа | Схема конструктивного решения | Назначение конструкции | Наличие подтопления | Наличие меженных вод | Наличие размывов подошвы |
VI-1 | | Защита откоса от эрозии при II, III группах грунтов (по таблице 2); повышение нормативного уклона откоса; ограничения по применению конструкций типов I, II; взамен конструкций типов III, IV, V | Нет | Нет | Нет |
VI-2 | | Гидроизоляция поверхности откоса (взамен конструкций по типу V) | | | |
VI-3 | | Защита поверхности откоса (как для подтипа VI-1); защита поверхности откоса от силового воздействия ветровых волн, льда, карчехода; защита подошвы откоса от размыва | | | |
Примечания 1 Подтип конструкции укрепления по таблице 1. 2 Условия применения конструкции (подтип IV-3) приведены в таблице 31. |
Таблица 40
Область применения защитных габионных конструкций
[41]
Тип габиона | Предельно допустимые критерии факторов гидрометеорологических воздействий |
Скорость течения, м/с | Высота волны, м | Толщина льда, м | Характер |
ледохода | лесосплава, карчехода |
Матрацно-тюфячный толщиной до 0,3 м | До 1,5 | До 0,7 | До 0,3 | Слабой интенсивности с размером льдин до 10 м2 | Отдельные деревья длиной до 3 м и диаметром до 0,2 м |
Матрацно-тюфячный толщиной 0,3 - 0,5 м | 1,5 - 3,5 | 0,7 - 1,3 | До 0,4 | Слабой и средней интенсивности с размером льдин от 10 до 15 м2 | Отдельные деревья длиной до 4 м и диаметром до 0,3 м |
Комбинации матрацно-тюфячных габионов, располагаемых в шахматном порядке с заполнением ячеек камнями | До 1,4 | До 0,6 | До 0,3 | Слабый в виде отдельных льдин размером до 5 м2 | Отдельные деревья длиной до 3 м и диаметром до 0,1 м |
Матрацно-тюфячный толщиной 0,3 - 0,5 м с дополнительным защитным слоем, переменной толщины | > 5,5 | > 1,3 | > 0,4 | Интенсивный | Отдельные деревья длиной до 4 м и диаметром до 0,3 м |
12.4 Требования к материалам
12.4.1 Требования к каркасам ГСИ устанавливаются в соответствии
ГОСТ Р 52132. Классификация и типовые размеры ГСИ приведены в таблице 41.
Таблица 41
Наименование ГСИ | Длина, L, м | Ширина, B, м | Высота, H, м | Площадь, м2 (объем, м3) |
Матрацно-тюфячные тип ГСИ-М | 3,0 | 2,0 | 0,17 | 6,0 |
4,0 | 2,0 | 0,17 | 8,0 |
5,0 | 2,0 | 0,17 | 10,0 |
6,0 | 2,0 | 0,17 | 12,0 |
3,0 | 2,0 | 0,23 | 6,0 |
4,0 | 2,0 | 0,23 | 8,0 |
5,0 | 2,0 | 0,23 | 10,0 |
6,0 | 2,0 | 0,23 | 12,0 |
3,0 | 2,0 | 0,30 | 6,0 |
4,0 | 2,0 | 0,30 | 8,0 |
5,0 | 2,0 | 0,30 | 10,0 |
6,0 | 2,0 | 0,30 | 12,0 |
3,0 | 2,0 | 0,50 | 6,0 |
4,0 | 2,0 | 0,50 | 8,0 |
5,0 | 2,0 | 0,50 | 10,0 |
6,0 | 2,0 | 0,50 | 12,0 |
Ширина секции между диафрагмами составляет 1 |
Коробчатые тип ГСИ-К | 1,5 | 0,5 | 0,5 | (0,75) |
1,5 | 1,0 | 1,0 | (1,5) |
2,0 | 1,0 | 0,5 | (1,0) |
2,0 | 1,0 | 1,0 | (2,0) |
Коробчатые тип ГСИ-К | 3,0 | 1,0 | 0,5 | (1,5) |
3,0 | 1,0 | 1,0 | (3,0) |
4,0 | 1,0 | 0,5 | (2,0) |
4,0 | 1,0 | 1,0 | (4,0) |
Примечание - Ширина секции между диафрагмами составляет 1 м (кроме ГСИ размерами 1,5 x 1,0 x 1,0 и 1,5 x 1,0 x 0,5). Примечания 1 Линейные размеры ГСИ не должны отклоняться больше чем на +/- 5% от номинальных размеров. 2 По согласованию с Заказчиком конструкция, габаритные размеры и материал, из которого выполняются габионы, могут отличаться от указанных. 3 При проектировании и строительстве сооружений из габионных конструкций допускается изменять форму и геометрические размеры сетчатых каркасов, при условии обеспечения прочности и жесткости всех узлов соединений. 4 Марка и покрытие проволоки диафрагмы должны соответствовать марке и покрытию проволоки сетки ГСИ. 5 В случае необходимости дополнительного усиления противоположные стенки и диафрагмы коробчатых габионов могут быть соединены между собой проволочной стяжкой с равномерным шагом не более 0,35 м. 6 В конструкции не допускается разрыв увязочной проволоки. 7 Разрешается сращивать концы проволоки надставкой или скруткой. Длина скрутки или надставки должна быть не более 20 мм, количество заделанных разрывов не более одного на 20 м2. |
12.4.2 Прочность каркаса ГСИ определяется прочностью проволочной сетки и проволоки для его изготовления, проволоки для стяжек и обвязки, которые должны соответствовать требованиям
ГОСТ Р 51285 и
ГОСТ 380.
Проволока должна иметь металлическое антикоррозионное покрытие группы АМ, отвечающее требованиям
ГОСТ Р 50575. Для габионов, работающих в условиях повышенной агрессивности окружающей среды, антикоррозийное покрытие должно включать дополнительную защитную полимерную оболочку и соответствовать требованиям
ГОСТ 5960.
Предел прочности сетки на разрыв должен составлять от 3000 до 5300 кг/м (30 - 53 кН/м). Основные параметры сетки и проволоки для производства ГСИ должны соответствовать требованиям
ГОСТ Р 52132 и приведены в таблице 42.
Таблица 42
Параметры сетки и проволоки для производства ГСИ
Тип ГСИ <*> (тип проволоки) | N ячейки | Номинальный размер ячейки сетки, см | Размер ячейки B, мм | Диаметр проволоки без полимерного покрытия, мм | Масса цинкового покрытия, г/м2 | Диаметр проволоки с полимером, мм |
М (каркас) | N60 | 6 x 8 | 60 | 2,2 | 230 | 3,2 |
2,4 | 230 | 3,4 |
N80 | 8 x 10 | 80 | 2,4 | 230 | 3,4 |
2,7 | 245 | 3,7 |
3,0 | 255 | 4,0 |
К (каркас) | N80 | 8 x 10 | 80 | 2,7 | 245 | 3,7 |
N100 | 10 x 12 | 100 | 2,7 | 245 | 3,7 |
3,0 | 255 | 4,0 |
|
Для соединения граней ГСИ между собой при использовании проволоки обвязки и стяжки должно выполняться соотношение диаметров проволок сетки, кромки, связки (таблица 43). Проволока обвязки и стяжки должна иметь тип покрытия, соответствующий типу покрытия проволоки ГСИ.
Таблица 43
Диаметр проволоки для обвязки и стяжки
[41]
Размер ячейки B, мм | Размер диагонали, мм | Диаметр проволоки сетки, мм | Диаметр проволоки кромки, мм | Диаметр проволоки обвязки и стяжки, мм |
60 | 80 | 2,2 | 2,7 | 2,2 |
2,4 | 3,0 | 2,2 |
80 | 100 | 2,4 | 3,0 | 2,2 |
2,7 | 3,4 | 2,2 |
3,0 | 3,9 | 2,2 |
100 | 120 | 2,7 | 3,4 | 2,2 |
3,0 | 3,9 | 2,2 |
12.4.3 Требования к каменным материалам
Основные типы каменных материалов пригодных для укладки в габионы с указанием плотности их частиц приведены в таблице 44.
Таблица 44
Тип и плотность (удельный вес) каменных материалов
рекомендуемых для укладки их в габионы
[48]
Наименование каменного материала | Плотность камня  |
кН/м3 | т/м3 |
Базальт | 29 | 2,9 |
Гранит | 26 | 2,6 |
Плотный известняк | 26 | 2,6 |
Трахиты | 25 | 2,5 |
Песчаник | 23 | 2,3 |
Мягкий известняк | 22 | 2,2 |
Туф | 17 | 1,7 |
Каменные материалы, используемые для заполнения габионных конструкций, должны удовлетворять требованиям нормативно-технической документации на эти материалы и соответствовать характеристикам по таблице 45.
Таблица 45
Требования к каменным материалам [
45;
41;
42;
48;
49]
Морфологический тип каменного материала | Гидрологические условия применения | Средняя плотность камня, кН/м3 | Прочность на сжатие, МПа | Морозостойкость при среднемесячной t °C самого холодного месяца | Коэффициент размягчаемости |
от 0 до -10 | от -11 до -20 | ниже -20 |
Изверженные породы | Выше зоны подтопления | >= 23 | 90 | F100 | - |
Ниже зоны подтопления | 90 | F100 | F150 | F200 | >= 0,9 |
Метаморфические породы | Выше зоны подтопления | То же | 60 | F50 | - |
Ниже зоны подтопления | 90 | F100 | F150 | F200 | >= 0,9 |
Осадочные породы | Выше зоны подтопления | То же | 50 | F50 | - |
Ниже зоны подтопления | 75 | F100 | F150 | F200 | >= 0,8 |
Примечания 1 На сооружениях повышенной степени ответственности необходимо использовать каменные материалы твердых магматических пород или метаморфических пород, имеющих характеристики по прочности и морозостойкости не ниже, чем у изверженных горных пород. 2 Устойчивость структуры камня против всех видов распадов (потеря массы при распаде) не более 5% - 10%. 3 При укладке каменных материалов в габионные сетчатые изделия не допускается попадания глины в комках, растительных и почвенных остатков более 0,5% от объема камня. 4 Допускается, в обоснованных случаях, применение каменных материалов с худшими характеристиками, с обязательным учетом в проекте изменения их физико-механических характеристик и биологического укрепления сооружения во времени. 5 Механизированная и ручная укладка камня в конструкцию должна обеспечить плотность укладки каменного материала в конструкции  при пористости n = 0,25 - 0,40 для работы конструкции на суше,  - для гидротехнических работ. 6 Для учета процесса самоуплотнения количество каменного материала в ГСИ следует увеличивать на 5% сверх расчетного объема. |
Зерновой состав каменного материала должен соответствовать следующим основным требованиям
[41]:
- минимальный линейный размер камня для габионов надводной зоны должен быть более 1,3 номинального размера ячейки сетки;
- для габионов, эксплуатирующихся в подводных условиях или в зоне переменного уровня воды, минимальный размер камня должен быть более 1,5 номинального размера ячейки сетки;
- максимальный размер камня - не более 250 мм, в условиях действия волновых нагрузок размер (масса) каменного материала в соответствии с проектом, для габионов матрацно-тюфячного типа не более 2/3 высоты матраца.
Для заполнения коробчатых ГСИ допускается применять каменный материал меньшего размера. В этом случае мелкий камень должен располагаться в середине ГСИ на расстоянии не менее 250 мм от лицевой стороны, 200 мм от тыльной стороны и 150 мм от нижней стороны габиона.
Средние размеры каменного материала для укладки их в ГСИ для различных условий их эксплуатации определяются расчетом
(12.4.3).
12.4.4 Требования к геотекстильным материалам
В качестве обратного фильтра в составе габионных конструкций рекомендуется применять нетканые иглопробивные текстильные материалы (в соответствии с
15.2.4,
таблицей 64) с поверхностной плотностью не ниже 250 г/м
2, геокомпозиты с коэффициентом фильтрации не ниже 40 м/сут.
| | ИС МЕГАНОРМ: примечание. Нумерация пунктов дана в соответствии с официальным текстом документа. | |
12.3.5 Требования к гидроизолирующим материалам
Состав, область применения и требования к компонентам гидроизолирующей битумно-песчаной мастики приведены в таблицах 46,
47.
Таблица 46
Содержание компонентов битумной мастики в смеси
для различных условий применения
[42]
Наименование компонентов мастики | Содержание в смеси, % |
при заливке вне воды | при заливке под водой |
Песок | 66 - 73 | 65 - 75 |
Наполнитель | 12 - 16 | 10 - 15 |
Битум | 15 - 18 | 15 - 20 |
Таблица 47
Требования к битумным материалам в составе мастики
[42]
Требования к битумным материалам | Условия применения |
при заливке вне воды | при заливке под водой на глубине |
<= 2 м | > 2 м |
Тип битума | 40/50/60/70/80/100 | 80/100; 180/200 | 180/200 |
Температура битума, °C | 150 - 180 | 120 - 150 | 100 - 130 |
12.5 Назначение и расчетное обоснование параметров конструкции
12.5.1 Расчетное обоснование конструкции с применением габионов включает:
- назначение границ укрепления
(6.3);
- назначение толщины покрытия;
- назначение крупности камня;
- назначение параметров противосуффозионной подготовки;
- назначение параметров упорных и анкерных устройств
(раздел 14);
- проверку конструкции по критерию устойчивости на откосе по сдвигу;
- оценку прочности элементов конструкции по деформации;
- проверку конструкции на фильтрационную прочность.
12.5.2 Назначение толщины покрытия (выбор толщины габиона) производится в зависимости от выполняемых функций конструкции и гидрологических условий.
Толщина покрытия конструкций укрепления неподтопляемых или подтопляемых откосов при отсутствии ветровых волн, принимается в зависимости от устойчивости конструкции укрепления на откосе против сдвига
(12.5.5), ее фильтрационной прочности
(12.5.6) и с учетом положений
12.3 и
12.4.
Для подтопляемых откосов при наличии ветровых волн с расчетной высотой волны h1% необходимая толщина габиона t определяется в зависимости от крутизны откоса m при m >= 3,5 по формуле (19), при m < 3,5 - по формуле (20):

(19)

(20)

- плотность укладки камня в габионе по
формуле 23, т/м
3;

- угол заложения откоса;
Полученное расчетное значение толщины округляется в большую сторону до стандартной высоты габионов по
таблице 41.
12.5.3 Размер камня в габионе dк определяется из условий:
- защиты поверхности откоса (дна) от размыва потоком воды при отсутствии волнового воздействия по
формуле (21) или по
таблице 48;

(21)

(22)
dк >= (1,0 ... 2,0)·
B, (23)

(24)
где dк - расчетный размер камня габиона, соответствующий размеру наибольшего камня, содержащегося в количестве не менее 50% от общего объема, м;

,

- соответственно, плотность укладки камня в габионе, плотность воды, т/м
3;
v - скорость течения воды (
А.2 приложения А), м/с;

- понижающий коэффициент, учитывающий связанность камней в габионе

;
A - коэффициент, учитывающий устойчивость камня на откосе или на дне в приоткосной зоне при A = 1 на участках крутых поворотов русел (при радиусах поворота менее 300 м), A = 1,15 - во всех остальных случаях;
g - ускорение силы тяжести, м/с2;
Таблица 48
Рекомендуемые размеры каменных материалов для укладки их
в ГСИ в зависимости от скорости продольного течения
при отсутствии ветровых волн
[48]
Тип ГСИ | Высота габиона, м | Предельная скорость потока, м/с | Средний размер камня, мм |
Матрацно-тюфячные | 0,17 | 3,4 | 85 |
4,2 | 110 |
0,23 | 3,6 | 85 |
4,5 | 120 |
0,30 | 4,2 | 100 |
5,0 | 125 |
Коробчатые | 0,5 - 1,0 | 5,8 | 150 |
6,4 | 190 |
Таблица 49
Рекомендуемые размеры каменных материалов для укладки
их в ГСИ при наличии ветровых волн
[48]
Тип ГСИ | Высота габиона, м | Заложение откоса m | Средний размер камня, мм |
1,5 | 2 | 3 |
Высота ветровой волны  , м |
Матрацно-тюфячные | 0,17 | 0,4 | 0,75 | 1,2 | 85 |
0,23 | 0,6 | 0,9 | 1,4 | 120 |
0,30 | 0,7 | 1,2 | 1,8 | 150 |
Коробчатые | 0,5 - 1,0 | 0,9 | 1,4 | 2,0 | 250 |
Рисунок 33 - Определение массы камня в ГСИ (mк)
в зависимости от высоты ветровой волны и заложения откоса
12.5.4 Удельный вес заполненного камнем габиона

может быть определен по графику на
рисунке 34 в зависимости от плотности камня

по
таблице 45 и коэффициента пористости массива уложенного в габионе камня
n.

- вес габиона с камнем, кН/м
3;

- плотность камня, кН/м
3;
n - коэффициент пористости массива камня в габионе
Рисунок 34 - Определение удельного веса

заполненного камнем габиона
12.5.5 Для предупреждения выноса частиц грунта откоса через габионную конструкцию под основанием габиона предусматривают устройство противосуффозионного слоя, выполняемого из геосинтетических материалов. Выбор конкретного типа геотекстильного материала выполняется в зависимости от выполняемой им функции и типа прилегающего грунта в соответствии с
рекомендациями [32].
При наличии ветровых волн и ледовых нагрузок для более равномерного распределения нагрузки дополнительно предусматривают устройство подготовок из каменных или песчаных материалов или их сочетаний. При ориентировочных расчетах параметры данных слоев могут быть приняты в соответствии с рекомендациями
раздела 15 данного ОДМ.
12.5.6 Расчет устойчивости габионной конструкции на откосе по сдвигу определяется в соответствии с положениями
6.3.3 при расчетных значениях угла трения

- формула (25) и удельного сцепления
cmin - формула (26) нижней плоскости габиона по поверхности скольжения:

(25)
cmin = cg = 3·Pu - 5, (26)
где

,
cg - соответственно, угол внутреннего трения и удельное сцепление габионных конструкций по расчетной поверхности;
Qg - вес заполненного камнями габиона по формуле (27):

(27)
где

- удельный вес заполненного камнем габиона, т/м
3;
H,
S - соответственно, высота, площадь основания габиона по
таблице 41, м, м
2.
Таблица 50
Размеры каркаса, м | Размер ячейки сетки, см | Диаметр проволоки без полимерного покрытия, мм | Вес каркаса Pu | Диаметр проволоки с полимером, мм | Вес каркаса Pu |
Высота | Ширина | Длина (диафрагма) | кг | кг/м3 | кг | кг/м3 |
0,17 | 2,0 | 3,0 | 6 x 8 | 2,2 | 19,3 | 3,22 | 3,2 | 24,7 | 4,10 |
4,0 | 25,0 | 3,13 | 31,5 | 3,94 |
5,0 | 30,6 | 3,06 | 37,6 | 3,76 |
6,0 | 36,4 | 3,04 | 44,5 | 3,71 |
0,23 | 2,0 | 3,0 | 6 x 8 | 2,2 | 21,0 | 3,5 | 3,2 | 26,2 | 4,36 |
4,0 | 27,2 | 3,4 | 33,8 | 4,22 |
5,0 | 33,6 | 3,36 | 41,0 | 4,10 |
6,0 | 39,5 | 3,29 | 48,7 | 4,06 |
0,30 | 2,0 | 3,0 | 6 x 8 | 2,2 | 22,8 | 3,80 | 3,2 | 28,6 | 4,76 |
4,0 | 29,4 | 3,68 | 36,6 | 4,57 |
5,0 | 36,3 | 3,63 | 44,7 | 4,47 |
6,0 | 43,0 | 3,58 | 53,0 | 4,42 |
0,50 | 3,0 | 2,0 | 8 x 10 | 2,7 | 33,8 | - | 3,7 | 38,0 | - |
3,0 | 40,2 |
0,50 | 4,0 | 2,0 | 2,7 | 41,6 | 49,7 |
3,0 | 51,3 |
0,50 | 5,0 | 2,0 | 2,7 | 50,0 | 58,8 |
3,0 | 62,3 |
0,50 | 6,0 | 2,0 | 2,7 | 59,0 | 68,8 |
3,0 | 73,2 |
1,0 | 2,0 | 3,0 | 2,7 | 41,2 | 47,7 |
3,0 | 51,2 |
1,0 | 2,0 | 4,0 | 2,7 | 51,1 | 61,0 |
3,0 | 65,3 |
0,50 | 2,0 | 3,0 (2) | 10 x 12 | 2,7 | 27,5 | - |
3,0 | 33,8 |
0,50 | 2,0 | 4,0 (3) | 2,7 | 34,8 |
3,0 | 42,7 |
0,50 | 2,0 | 5,0 (4) | 2,7 | 43,1 |
3,0 | 53,0 |
0,50 | 2,0 | 6,0 (5) | 2,7 | 51,4 |
3,0 | 63,3 |
1,0 | 2,0 | 3,0 (2) | 2,7 | 37,8 |
3,0 | 46,5 |
1,0 | 2,0 | 4,0 (3) | 2,7 | 47,6 |
3,0 | 58,5 |
12.5.7 Прочность габионной конструкции по деформациям при воздействии водного потока зависит от величин действующих и критических касательных напряжений и обеспечивается при выполнении условия (28) для участка конструкции в придонной зоне, по условию (29) - для участка конструкции на откосе
[41]:

(28)

(29)
где

,

,

,

- действующие и критические касательные напряжения соответственно для дна и откосной части конструкции, определяемые в соответствии с 6.5.22 и 6.5.23
[24].
При невыполнении
условий (28),
(29) следует увеличить толщину габиона или размер камня в габионе
dк.
| | ИС МЕГАНОРМ: примечание. Нумерация пунктов дана в соответствии с официальным текстом документа. | |
12.4.8 Габионные конструкции считаются устойчивыми против деформаций размыва по критерию фильтрационной прочности при выполнении условия (30)
[41]:

(30)
где
vв - максимальная скорость фильтрационного потока на границе "габион-грунт"
(зависимость (31));
vl - допускаемая скоростью фильтрационного потока на границе "габион-грунт" при значениях
vl, определяемых по
рисунку 35 по величине пористости грунта для связных дисперсных грунтов, по
зависимости (32) - для несвязного дисперсного грунта.

(31)

(32)
где

- угол заложения откоса;
dк - расчетный размер камня габиона, соответствующий размеру наибольшего камня, содержащегося в количестве не менее 50% от общего объема;
nf - коэффициент шероховатости дна или поверхности откоса: для глинистых грунтов может быть принято nf = 0,033; для гравийной подготовки nf = 0,025; для геотекстильных материалов nf = 0,020.
Рисунок 35 - Номограмма для определения допускаемой
скорости фильтрационного потока vl на границе
"габион-грунт" по величине пористости
габионной конструкции
12.6 Технология производства работ
Технология производства работ - по
17.3.3.9.
13. Конструкции со сплошным бетонным покрытием (ТИП VII)
13.1.1 Конструкции со сплошными покрытиями из бетонов (
тип VII по таблице 1) относятся к сооружениям постоянного типа и применяются:
- в качестве несущей (удерживающей) конструкции укрепления подтопляемых откосов насыпей (выемок) автомобильных дорог, компенсирующей силовые воздействия ветровых волн, ледохода и карчехода - основная область применения;
- в качестве защитной (гидроизолирующей) конструкции при укреплении неподтопляемых откосов насыпей (выемок) автомобильных дорог для предупреждения нарушения их местной устойчивости под влиянием погодно-климатических факторов, водной и ветровой эрозии, в условиях, когда менее капитальные типы укрепления не обеспечивают надежность укрепления, - дополнительно область применения.
13.1.2 При назначении конструкций необходимо соблюдать требования действующих документов
СП 38.13330.2012,
СП 41.13330.2012,
СП 58.13330.2012,
СП 63.13330.2012,
СП 116.13330.2012,
[50],
[51],
[12],
[13],
[10],
[52],
[53],
[54].
13.1.3 Требования к материалам для изготовления бетонных и железобетонных конструкций определены в
разделе 6 СП 63.13330.2012.
13.1.4 Справочные данные по основным модификациям выпускаемых бетонных и железобетонных плит и изделий приведены в
таблице В.5 приложения В.
13.2 Область применения
13.2.1 Основные области применения конструкций со сплошным бетонным покрытием приведены в таблице 51.
Таблица 51
Область применения конструкций со сплошным
бетонным покрытием
Вид покрытия | N по таблице 1 | Особенности и условия применения | Размер карты покрытия в плане, м | Характер ледохода (площадь льдин) | Лесосплав, карчеход |
1 | 2 | 3 | 4 | 5 | 6 |
Сборное из железобетонных плит с открытыми швами | | Подтопляемый откос; откос крутизной m = 2 и положе; при крутизне откоса m < 3,5, устройство дополнительных анкеров в верхней части откоса; неравномерные осадки грунтов откоса и деформации откоса при воздействии ветровых волн; наличие стойких к суффозии грунтов откоса; пониженные требования к водо- и грунтопроницаемости покрытия; агрессивное воздействие поверхностных вод; производство работ в зимнее время | 2,5 x 3,0 | Интенсивный (до 50 м2) | Деревья длиной до 5 м диаметром до 0,5 м |
Сборное из железобетонных плит с омоноличенными швами | | Подтопляемый откос; откос крутизной m = 2,5 и положе; повышенные требования к водо- и грунтопроницаемости покрытия; стабилизированная осадка откоса | 2,5 x 3,0 | То же | То же |
Сборное из бетонных плит | | Периодически подтопляемый откос в условиях паводковых вод; насыпь из песчаных грунтов | 1,0 x 1,0 | Средней интенсивности (до 35 м2) | То же |
Монолитное железобетонное | | Подтопляемый откос; откос крутизной m = 2 и положе; криволинейные очертания откосов; песчаные уплотненные грунты земляного полотна после стабилизации осадки; проведение работ при положительных температурах воздуха | 5,0 x 5,0 | Интенсивный (до 50 м2) | То же |
8,0 x 8,0 |
10,0 x 10,0 |
Гибкое железобетонное | | Подтопляемые откосы при возможности размыва подошвы при глубине воронки размыва не более 4 м; откос крутизной m = 2 и положе; криволинейные очертания откосов; в качестве облегченного покрытия выше РУВВ | |
Минимальные толщины покрытия по условию устойчивости к влиянию ветровых волн и ледовых воздействий приведены в таблицах 52,
53. Окончательная толщина покрытия
tn, принимаемая по данным таблиц, устанавливается как наибольшее значение из двух, определенных по таблицам 52 и
53.
Таблица 52
Минимальные значения толщин железобетонных сборных
и монолитных покрытий, обеспечивающих устойчивость покрытия
Скорость течения, м/с | Толщина плиты tn при высоте волны h1%, м |
до 1,0 | 1,0 - 1,3 | 1,3 - 1,75 |
До 1 | 0,10 | 0,12 | 0,15 |
1 - 2 | 0,12 | 0,12 | 0,15 |
2 - 3 | 0,15 | 0,15 | 0,15 |
Примечание - Для гибких железобетонных покрытий допустимая область применения устанавливается по таблице 54. |
Таблица 53
Минимальные значения толщин сборных и монолитных
железобетонных покрытий, обеспечивающих устойчивость
Толщина плиты tn, м | Допустимая толщина льда, м |
при динамическом давлении льда/при статическом давлении свободно плавающего ледяного поля | при статическом давлении льда/при его термическом расширении | при воздействии примерзшего ледяного покрова |
0,10 | 0,8/1,2 | 0,6/0,8 | 0,4/0,6 |
0,15 | 1,0/1,2 | 0,8/1,2 | 0,6/0,8 |
0,20 | 1,2/1,2 | 1,0/1,2 | 0,8/1,2 |
Примечание - Для гибких железобетонных покрытий допустимая область применения устанавливается по таблице 54. |
Область применения гибких железобетонных покрытий приведена в таблице 54.
Таблица 54
Область применения гибких железобетонных покрытий
Показатели | Ед. изм. | Размеры карт покрытия в плане, м: |
2,4 x 2,4 | 2,4 x 2,4 | 4,5 x 2,7 | 4,5 x 2,5 | 4,5 x 2,5 | 4,5 x 2,5 | 4,5 x 2,5 |
при размерах отдельных плит в плане, м: |
0,3 x 0,3 | 0,3 x 0,3 | 0,3 x 0,75 | 0,5 x 0,5 | 0,5 x 0,5 | 0,5 x 0,5 | 0,5 x 0,5 |
толщина плиты tn, см: |
5 | 7,5 | 5 | 7,5 | 10 | 12 | 15 |
Масса плиты | т | 0,60 | 0,91 | 1,32 | 1,80 | 2,40 | 2,90 | 3,45 |
Высота волны | м | 0,30 - 0,35 | 0,50 - 0,55 | 0,40 - 0,45 | 0,50 - 0,55 | 0,60 - 0,70 | 0,70 - 0,80 | 0,80 - 0,90 |
Средняя скорость течения | м/с | 2,50 | 2,75 | 2,50 | 2,75 | 3,00 | 3,5 | 4,00 |
Толщина льда | м | 0,20 | 0,40 | 0,20 | 0,40 | 0,50 | 0,60 | 0,80 |
Примечание - Высота волны для плит приведена при откосах заложением 2 - 3. |
13.3 Конструктивные решения
13.3.1 По виду покрытия конструкции укрепления подразделяются на:
- конструкции со сборным покрытием из железобетонных плит с открытыми швами (
13.3.3,
13.3.4);
- конструкции со сборным покрытием из железобетонных плит с закрытыми (омоноличенными) швами (
13.3.3,
13.3.5);
- конструкции со сборным покрытием из бетонных плит
(13.3.6);
- конструкции из монолитного железобетона (бетона)
(13.3.7);
- конструкции с гибким покрытием из бетонных блоков
(13.3.8).
13.3.2 Конструкции укрепления включают следующие элементы:
- покрытия из унифицированных железобетонных, бетонных плит, монолитного железобетона, гибких железобетонных плит;
- подготовительные слои под покрытием в виде слоев крупнообломочных и песчаных грунтов, слоев из нетканых геосинтетических материалов, или их сочетаний;
- упорные конструкции в виде бетонных (железобетонных) блоков, каменных призм, набросок, гибких фартуков и т.д., которые препятствуют сползанию конструкции укрепления с откоса и защищают основание откоса от размывов;
- анкерные конструкции на бровке (при необходимости).
13.3.3 Конструкции со сборными покрытиями из железобетонных плит. Общие положения
13.3.3.1 Конструкции предназначены для укрепления откосов подтопляемых насыпей, регуляционных дамб, конусов мостов и береговых откосов крутизной 1:2 и положе для условий применения по
таблицам 51 -
53.
13.3.3.2 Максимальный размер плит следует устанавливать, исходя из условий транспортирования и удобства монтажа их на откос.
13.3.3.3 Плиты укладываются на откос в виде прямоугольных карт длинной стороной в направлении, нормальном урезу воды, на слой подготовки, включающий слои песчаных, крупнозернистых материалов, геосинтетических материалов при общей толщине фильтра не менее 0,2 м по
разделу 15.
13.3.3.4 Технология производства работ для данного типа укрепления приведена в
17.3.3.6 данного ОДМ.
13.3.3.5 Основными видами соединения отдельных плит в карты являются шарнирные (гибкие) и сварные (жесткие) соединения.
В шарнирных соединениях (
рисунки 36 а,
36 б) связь осуществляется с помощью шарнирных хомутов, надеваемых на выпуски арматуры плиты и загибаемых после установки хомута с последующим покрытием соединений жидкой гидроизоляцией.
1 - шарнирный хомут; 2 - арматура; 3 - плита; 4 - сварка
выпусков арматуры; 5 - заполнение швов бетоном (раствором);
6 - обвязка выпусков арматуры проволокой; 7 - подкладка
из рубероида; 8 - бетонная подготовка; 9 - шарнирный
хомут; tn - толщина плиты
Рисунок 36 - Основные виды соединения железобетонных плит
между собой: шарнирные соединения - а), б); соединение
с заполнением швов бетоном (раствором) - в), г)
В сварных соединениях (рисунки 36 в, 36 г) связь осуществляется посредством сварки арматурных выпусков плит с последующим заполнением (замоноличиванием) швов бетоном, раствором или асфальтобетоном. Сварные соединения арматуры следует выполнять в соответствии с
ГОСТ 14098 и
ГОСТ 10922.
13.3.4 Конструкции со сборными покрытиями из железобетонных плит с открытыми швами (VII-1-1)
13.3.4.1 Конструкции со сборными покрытиями из железобетонных плит с открытыми швами применяют в случаях:
- наличия значительных неравномерных осадок поверхности откоса (укладка плит на откос производится после завершения основных осадок);
- выходов на откос грунтовых вод;
- отсутствия выноса частиц грунта из тела земляного полотна;
- при производстве работ в зимнее время;
- при агрессивном воздействии сред в условиях эксплуатации, отрицательно влияющих на прочность и долговечность омоноличивающего заполнителя швов (при условии обязательной проверки, в каждом конкретном случае, на воздействие агрессивной среды с учетом указания
СП 28.13330.2012).
13.3.4.2 Конструкции с открытыми швами не рекомендуется применять: для укрепления откосов из мелких, однородных песков; при заложении откоса m <= 3,5 без анкеровки плит на верхней бровке откоса или установки специальных ограничителей в швах для защиты плит от оползания и смыкания открытых швов.
| | ИС МЕГАНОРМ: примечание. В официальном тексте документа, видимо, допущена опечатка: пункт 13.7 отсутствует. | |
13.3.4.3 Конструкция предусматривает использование унифицированных готовых ненапрягаемых железобетонных шарнирно-соединяемых плит марок ПЖБ и ПЖБК в модификациях: ПЖБ.3-15 I; ПЖБ.3-15 II; ПЖБ.3-20 I; ПЖБ.3-20 II; ПЖБК.3-16; марок ПШ модификаций ПКШ-15, ПШ (ПШО) 40.20-3, ПШ 10.10-4; марок ПК и ПКу (13.7)
(рисунок 37).
Рисунок 37 - Схема железобетонной плиты марки ПЖБ.3
13.3.4.4 При укладке плит следует добиваться плотного примыкания их смежных граней при максимальном допустимом зазоре между плитами в плане не более 1 см. В смежных горизонтальных рядах (параллельных линий уреза воды) при крутизне откоса m = 3,5 и более плиты необходимо укладывать со смещением на половину ребра плиты в соответствии со схемой конструктивного решения на
рисунке 38.
1 - упор из ж/б блока; 2 - железобетонные плиты;
3 - щебеночная подготовка 0,15 м; 4 - земляное полотно;
5 - растительный грунт; 6 - укрепленная часть обочины;
7 - песчаная подготовка из крупнозернистого песка толщиной
0,10 м; 8 - каменная призма; 9 - двухслойная подготовка
из крупного гравия (щебня) толщиной 0,15 м и мелкого гравия
(щебня) толщиной 0,1 м; 10 - упор из монолитного бетона;
lпл - длина плиты; bпл - ширина плиты; tпл - толщина плиты;
РУВВ - расчетный уровень высокой воды
Рисунок 38 - Конструктивное решение укрепления
подтопляемого откоса шарнирно-соединяемыми
железобетонными плитами:
а) с упором из блока; с упором из каменной рисбермы (б)
13.3.5 Конструкции со сборными покрытиями из железобетонных плит с закрытыми (омоноличенными) швами (VII-1-2)
13.3.5.1 Основным критерием применения конструкций со сборными покрытиями из железобетонных плит с закрытыми (омоноличенными) швами являются повышенные требования к водонепроницаемости и грунтонепроницаемости конструкции укрепления откоса для условий применения по
таблице 51.
13.3.5.2 После укладки на откос отдельные плиты объединяют в прямоугольные карты путем сварки или шарнирным соединением выпусков арматуры. В случае если длина нижних плит в направлении уклона откоса превышает длину откоса, нижние плиты заглубляются в упорную призму.
13.3.5.3 Размеры карт устанавливаются проектом. Длина карты lк (расстояние между температурно-осадочными швами) в направлении, параллельном урезу воды, на прямых участках откоса принимается кратной длине плиты ln, но не более 20 - 22 м. Длина карты bк в направлении уклона откоса (перпендикулярно урезу воды) принимается кратной длине плиты bn, но не более 15 м. Принимаемое соотношение сторон карты может быть определено по условию (33):

(33)
где lк - длина карты параллельно урезу воды;
bк - длина карты перпендикулярно урезу воды.
| | ИС МЕГАНОРМ: примечание. Текст дан в соответствии с официальным текстом документа. | |
13.3.5 Конструкции со сборными покрытиями из железобетонных плит с закрытыми (омоноличенными) швами (VII-1-2)
13.3.5.1 Основным критерием применения конструкций со сборными покрытиями из железобетонных плит с закрытыми (омоноличенными) швами являются повышенные требования к водонепроницаемости и грунтонепроницаемости конструкции укрепления откоса для условий применения по
таблице 51.
13.3.5.2 После укладки на откос отдельные плиты объединяют в прямоугольные карты путем сварки или шарнирным соединением выпусков арматуры. В случае, если длина нижних плит в направлении уклона откоса превышает длину откоса, нижние плиты заглубляются в упорную призму.
13.3.5.3 Размеры карт устанавливаются проектом. Длина карты lк (расстояние между температурно-осадочными швами) в направлении, параллельном урезу воды, на прямых участках откоса принимается кратной длине плиты ln, но не более 20 - 22 м. Длина карты bк в направлении уклона откоса (перпендикулярно урезу воды) принимается кратной длине плиты bn, но не более 15 м. Принимаемое соотношение сторон карты может быть определено по условию (33):

(33)
где lк - длина карты параллельно урезу воды;
bк - длина карты перпендикулярно урезу воды.
Конструктивное решение укрепления подтопляемого откоса с применением железобетонных плит с омоноличенными стыками приведено на
рисунке 39.
1 - железобетонные плиты; 2 - подготовка из разнозернистого
гравия (щебня) толщиной слоя 0,1 м; 3 - подготовка
из геосинтетического материала (при необходимости);
4 - земляное полотно; 5 - растительный грунт;
6 - укрепленная часть обочины; 7 - упор из монолитного
бетона; 8 - каменная призма; 9 - температурно-осадочный
шов; 10 - полноразмерная ж/б плита; 11 - полуплита;
lпл - длина плиты; впл - ширина плиты; tпл - толщина плиты;
РУВВ - расчетный уровень высокой воды
Рисунок 39 - Конструктивное решение укрепления подтопляемого
откоса железобетонными плитами с омоноличенными стыками
13.3.5.4 При соединении плит между собой на стыках плит, расположенных параллельно урезу воды, под плиты устанавливаются железобетонные подкладки с закладными деталями. В стыках, идущих в направлении уклона откоса, соединение плит осуществляется стержнями из арматурной стали. Поверх стыков по всей длине швов укладывается арматурная сетка и швы омоноличиваются бетоном, асфальтобетоном или раствором.
По периметру карт на ленточном фильтре устраиваются деформационные швы, воспринимающие температурные и осадочные деформации.
13.3.5.5 Швы омоноличивания должны быть грунтонепроницаемыми, а швы, идущие параллельно урезу воды, должны быть равнопрочны плитам.
При агрессивном воздействии сред в условиях эксплуатации в качестве заполнителя швов между плитами должны использоваться цементы со специальными добавками.
13.3.5.6 При укладке плит на откос из мелких песчаных грунтов, для обеспечения динамической устойчивости грунта в зоне волновых воздействий под обратным фильтром дополнительно устраивают подушку из крупнозернистого или среднезернистого песка. Параметры конструкции укрепления в данном случае определяются расчетом в соответствии с
Руководством [53].
13.3.5.7 Укладку плит на откос земляного полотна из песчаных и песчано-гравийных грунтов при надежном уплотнении швов можно производить без устройства слоя подготовки.
13.3.6 Конструкции со сборным покрытием из бетонных плит (VII-1-3)
13.3.6.1 Конструкции со сборным покрытием из бетонных плит предназначены для укрепления откосов периодически подтопляемых насыпей в условиях паводковых вод, конусов мостов, регуляционных сооружений крутизной откоса не более m = 2 для условий применения по
таблице 51.
Общая схема конструктивного решения укрепления откоса с применением бетонных плит приведена на
рисунке 40. Схема раскладки плит П-1 - на
рисунке 41 а, плит П-2 - на
рисунке 41 б.
1 - упор из ж/б блока; 2 - бетонные плиты; 3 - щебеночная
или гравийная подготовка толщиной слоя 0,1 - 0,2 м;
4 - земляное полотно; 5 - растительный грунт;
6 - укрепленная часть обочины; 7 - щебеночная (гравийная)
толщиной слоя 0,10 м; 8 - заполнение каменными материалами;
lпл - длина плиты; впл - ширина плиты; tпл - толщина плиты;
РУВВ - расчетный уровень высокой воды
Рисунок 40 - Конструктивное решение укрепления периодически
подтопляемого откоса бетонными плитами марки ПБ
a - ширина плиты; b - длина плиты; c - толщина плиты
Рисунок 41 - Конструктивное решение укрепления периодически
подтопляемого откоса бетонными плитами: марки П-2 (а);
марки П-1 (б)
13.3.6.2 Конструктивное решение предусматривает использование унифицированных готовых бетонных плит марок ПБ, П-1, П-2.
Конструкцией плит предусмотрены выпуски арматурного каркаса в виде петли из арматуры, используемые при укладке плит на откос.
13.3.6.3 Плиты укладываются на подготовку из гравийных, щебеночных смесей или подготовку из геосинтетического материала с последующим заполнением зазоров стыков между блоками цементно-песчаным раствором состава 1:2.
13.3.7 Конструкции с применением монолитных железобетонных плит (VII-2-1)
13.3.7.1 Конструкции с монолитным покрытием из железобетона предназначены для укрепления откосов подтопляемых насыпей, подверженных воздействию ветровых волн, при крутизне откоса не более m = 2 для условий применения по
таблице 51.
13.3.7.2 Толщина и размеры плит в плане устанавливаются проектом в соответствии с требованиями
СП 41.13330.2012.
Для конструктивного решения по
рисунку 42 применяются следующие основные типы размеров монолитных плит:
- 5,0 x 5,0 м при толщине 20 и 25 см;
- 8,0 x 8,0 м при толщине 15, 20, 30 см;
- 10,0 x 10,0 м при толщине 15, 20, 25, 30 см.
1 - монолитные железобетонные плиты; 2 - зуб нижней плиты;
3 - подготовка из гравия (щебня) толщиной слоя 0,15 м;
4 - земляное полотно; 5 - растительный грунт;
6 - укрепленная часть обочины; 7 - каменная призма;
8 - двухслойная подготовка из гравия (щебня) толщиной
слоя 0,15 м и крупнозернистого песка толщиной слоя 0,1 м;
9 - температурно-осадочный шов; lпл - длина плиты;
впл - ширина плиты; tпл - толщина плиты;
РУВВ - расчетный уровень высокой воды
Рисунок 42 - Конструктивное решение укрепления откосов
подтопляемых насыпей с применением покрытия
из монолитного железобетона
13.3.7.3 Монолитные железобетонные плиты изготавливаются из гидротехнического бетона класса B15, отвечающего требованиям
ГОСТ 26633, арматура - из горячекатаной стали классов А-I и А-II по
ГОСТ 23279.
При агрессивном воздействии среды в процессе эксплуатации, отрицательно влияющей на прочность и долговечность бетона, устанавливается необходимость введения в цемент специальных добавок, применения специальных цементов или защитных покрытий с учетом указаний
СП 28.13330.2012.
13.3.7.4 Монолитное железобетонное покрытие откосов следует проектировать в виде секций, размером не более 35 - 45 м, разделенных между собой конструктивными швами
(рисунок 43 а) и соединяемых стержнями арматуры
(рисунок 43 в).
1 - каркас для омоноличивания плит К-2;
2 - антисептированная доска толщиной 2 см; 3 - битумный мат
толщиной 1 см; 4 - слой гравия или щебня толщиной 15 см;
5 - железобетонная доска толщиной 7 - 15 см; 6 - подготовка
из разнозернистого гравия или щебня толщиной 10 см;
7 - железобетонная плита; 8 - слой крупного гравия
или щебня толщиной 20 см; 9 - слой мелкого гравия
или щебня толщиной 15 см; 10 - слой крупнозернистого
песка толщиной 10 см
Рисунок 43 - Детали швов железобетонных монолитных
плит при устройстве монолитного покрытия на однослойной
гравийно-щебеночной подготовке: деталь конструктивного
шва с применением досок (а); деталь температурно-осадочного
шва плиты с применением досок (б); арматурный каркас
для соединения секций покрытия между собой (в); конструкции
швов при применении ленточных фильтров (г)
Каждую секцию следует разделять температурными поперечными и осадочными швами (
рисунок 43 б,
43 г) на отдельные плиты прямоугольной формы с соотношением сторон по
условию (33) при размере меньшей стороны, располагаемой перпендикулярно урезу воды, определяемому по зависимости (34):

(34)
где bк - меньшая сторона карты, располагаемая перпендикулярно урезу воды, но не более bк = 20 - 22 м при длине волны до 1,5 м, bк = 15 м при длине волны более 1,5 м;

- расчетная длина волны.
13.3.7.5 Армирование секций производят одиночной (располагаемой внизу) или двойной арматурой. В пределах секции нижнюю арматуру выполняют непрерывной. Верхнюю арматуру иногда предусматривают лишь по периметру плит в виде арматурных поясов шириной 1 - 2 м. Рабочая арматура в нижней сетке укладывается перпендикулярно урезу воды.
13.3.7.6 В качестве подготовки под монолитное покрытие используют однослойную подготовку из песчано-гравийной смеси или щебня толщиной 0,15 - 0,25 м.
В случае использования под температурно-осадочными и конструктивными швами трехслойных ленточных фильтров
(рисунок 43 г) толщина подготовки из песчано-гравийной или щебеночной смеси может быть снижена до 10 - 15 см.
13.3.8 Сплошные конструкции с применением гибких бетонных (железобетонных) покрытий (VII-3). Общие положения
13.3.8.1 Конструктивные решения конструкций с применением гибких бетонных (железобетонных) покрытий включают следующие подтипы:
- конструкции с гибкими покрытиями из железобетонных плит марок ПГ (железобетонное гибкое покрытие ЦНИИС) (VII-3-1 по
13.3.9);
- конструкции из универсальных гибких бетонных плит марок УГЗБМ (ПБЗГУ) (VII-3-2 по
13.3.10).
13.3.8.2 Конструкции используются для защиты откосов подтопляемых насыпей, береговых откосов, регуляционных дамб, конусов мостов при наличии размывов подошвы откоса для условий применения по
таблицам 51 и
54. Конструкции позволяют принимать форму защищаемой поверхности без дополнительных изгибающих моментов, укладывать покрытие на откос непосредственно на грунт с обеспечением плотного прилегания, что уменьшает возможность появления размывов под покрытием.
13.3.9 Покрытие из плит железобетонных гибких ПГ (железобетонное гибкое покрытие ЦНИИС) (VIII-3-1)
13.3.9.1 При назначении конструктивных решений необходимо руководствоваться рекомендациями [
19;
56;
37].
13.3.9.2 Рассматриваемые конструкции включают гибкие плиты ПГ
[39] выпускаемые в основных модификациях: ПГ-5, ПГ7.5, ПГ-10; ПГ-12; ПГ-15 (маркировка плит состоит из аббревиатуры "ПГ" - плита гибкая; цифра - толщина плиты). Основные параметры и типоразмеры плит указанных марок приведены в
таблице В.5 приложения В.
13.3.9.3 Гибкая плита покрытия состоит из отдельных бетонных блоков размерами 0,75 x 0,75 м толщиной 5, 7,5, 10, 12, 15 см, соединенных между собой высокопрочными арматурными стержнями со специальной полиэтиленовой оболочкой. Гибкость плиты (в двух направлениях по радиусу до 1,6 м) обеспечивается наличием шва величиной до 10 мм, фасок по всем ребрам элементов и связи всех элементов в единую плиту при помощи арматурных стержней
(рисунок 44).
1 - петля для стыкования диаметром 14 мм, длиной 880 мм;
2 - полиэтиленовая оболочка; 3 - пакеты арматурных стержней
Рисунок 44 - Плита гибкого железобетонного покрытия марок
ПГ-10; ПГ-12; ПГ-15
13.3.9.4 Конструктивное решение для периодически подтопляемых откосов при отсутствии размывов подошвы насыпи
(рисунок 45) включает собираемое на плитное покрытие с устройством температурных швов не чаще чем через 200 м, упор в нижней части, выполненный в виде каменной рисбермы и бетонного блока или гибкого фартука.
1 - гибкая плита марок ПГ-10; ПГ-12; ПГ-15;
2 - конструктивные омоноличенные швы; 3 - бетонный упор
марок У-1, У-2; 4 - упорная каменная призма
Рисунок 45 - Конструкция укрепления откосов периодически
подтопляемых насыпей с применением гибкого железобетонного
покрытия ЦНИИС с упором из железобетонного блока
и каменной рисбермы
13.3.9.5 Соединение плит между собой осуществляется путем сварки закладных частей с усилением дополнительной арматурой в виде змейки и замоноличивания швов цементным раствором состава 1:3. Изоляция шва делает покрытие грунтонепроницаемым, что позволяет укладывать покрытие непосредственно на грунт откоса, если он сложен песчаными или супесчаными грунтами. При глинистых грунтах - на слой подготовки из песчаного грунта толщиной 15 - 20 см при плотности не менее 1,55 т/м3.
В случае воздействия на покрытие ветровых волн, когда укладка подготовки нежелательна. Для полного исключения суффозии грунта через стыки между плитами следует применять грунтонепроницаемые водопроницаемые экраны в виде полос шириной 10 см из геосинтетических материалов.
| | ИС МЕГАНОРМ: примечание. В официальном тексте документа, видимо, допущена опечатка: пункт 13.7.3.2 отсутствует. | |
13.3.9.6 Покрытия на постоянно подтопляемых откосах при укреплении откоса под водой монтируются из плит марок ПГ-10, ПГ-15, ПГ-20 и выполняются в виде карт, которые сопрягаются между собой впритык или внахлест с перекрытием друг друга на 1 м, но не соединяются. Карты укладываются своими длинными сторонами параллельно урезу воды без подготовки, непосредственно на грунт. Край последней карты во избежание завертывания ее течением должен быть пригружен камнем, мешками с песком и др. Схема раскладки плит покрытия на откосе приведена на
рисунке 46 при расчетной толщине плит полной массы, определяемой по 13.7.3.2.
1 - бровка откоса; 2 - плиты полной массы; 3 - плиты массой,
равной 0,5 от плит с полной массой
Рисунок 46 - Схема раскладки плит гибкого покрытия ЦНИИС
на подтопляемом откосе
13.3.9.7 При монтаже покрытия в воду, а также для повышения устойчивости конструкции на откосе при крутизне откоса более 1:2,5 (песчаные грунты откоса) и более 1:3 (глинистые грунты откоса) производится анкеровка верха покрытия
(рисунок 47). Конструкция анкера устанавливается проектом в зависимости от грунта откоса, принятого шага свай и ширины карты покрытия в направлении уклона откоса.
1 - гибкая плита марок ПГ-10; ПГ-12; ПГ-15;
2 - водонепроницаемый глинистый грунт; 3 - анкерная свая;
4 - анкерная тяга
Рисунок 47 - Вариант конструктивного решения закрепления
гибкого железобетонного покрытия на бровке откоса
с помощью анкера
13.3.10 Покрытие из универсальных гибких бетонных плит УГЗБМ (ПБЗГУ)
13.3.10.1 Покрытие из УГЗБМ представляет сплошное полотно (бетонный мат) из бетонных блоков, соединенных между собой замоноличенным синтетическим канатом диаметром 13 и 19 мм из полипропилена с добавками для защиты от ультрафиолетовых лучей с разрывной нагрузкой до 5000 кгс.
Покрытие включает бетонные маты следующих основных модификаций [
57;
58]: УГЗБМ-105; УГЗБМ-202; УГЗБМ-303; УГЗБМ-305; УГЗБМ-405
(рисунок 48).
| | ИС МЕГАНОРМ: примечание. Текст дан в соответствии с официальным текстом документа. | |
Рисунок 48 - Общий вид бетонных матов УГЗБМ различных
модификаций
[41]: УГЗБМ-105 (а); УГЗБМ-202 (б); УГЗБМ-303,
УГЗБМ-305 (в); УГЗБМ-405 (в)
Маркировка матов состоит из аббревиатуры "УГЗБМ" - универсальные гибкие защитные бетонные маты; цифра - номер модели мата. Дополнительный индекс обозначает модификацию модели УГЗБМ. Расшифровка индекса и примеры маркировки приведены в таблице 55, основные характеристики выпускаемых видов УГЗБМ - в
таблице 56.
Таблица 55
Расшифровка индекса модификаций УГЗБМ
[41]
Индекс | Модификация УГЗБМ |
Ф | Изготовление бетонных блоков УГЗБМ с использованием сульфатостойкого цемента |
К | Оснащение УГЗБМ дополнительными монтажными канатами (ДМК) |
З | Оснащение УГЗБМ закладными деталями |
П | Оснащение УГЗБМ соединительными петлями (СП) |
М | Применение при изготовлении бетонных блоков УГЗБМ бетона морозостойкостью F300 по ГОСТ 10060.0 и водонепроницаемостью не менее W8 в соответствии с ГОСТ 26633 |
С | УГЗБМ дополнительно армирован сеткой |
Ц | В бетон добавлен краситель |
Примеры маркировки: - УГЗБМ-105-К, УГЗБМ-105-К-З-М-Ф; - УГЗБМ-202-К, УГЗБМ-202-М-К-З; - УГЗБМ-303-З, УГЗБМ-303-М-К-З-Ф; - УГЗБМ-305-М, УГЗБМ-305-М-К-Ф; - УГЗБМ-403-К-З, УГЗБМ-403-К-З; - УГЗБМ-405-М; УГЗБМ-405-К-3-Ф |
Таблица 56
Основные характеристики УГЗБМ различных моделей
Параметр | Модель |
УГЗБМ-105 | УГЗБМ-202 | УГЗБМ-303 | УГЗБМ-305 | УГЗБМ-405 |
Профиль бетонного блока | | | | | |
Габаритная длина УГЗБМ, мм | 2746 +/- 3% | 2746 +/- 3% | 2746 +/- 3% | 2746 +/- 3% | 2746 +/- 3% |
Габаритная ширина УГЗБМ, мм | 1226 +/- 3% | 1226 +/- 3% | 1226 +/- 3% | 1226 +/- 3% | 1226 +/- 3% |
Габаритная высота УГЗБМ, мм | 240 +/- 5% | 60 +/- 5% | 150 +/- 5% | 150 +/- 5% | 150 +/- 5% |
Габаритная площадь УГЗБМ, кв. м | 3,37 | 3,37 | 3,37 | 3,37 | 3,37 |
Масса УГЗБМ, кг | 1220 +/- 5% | 395 +/- 5% | 906 +/- 5% | 906 +/- 5% | 820 +/- 5% |
Разрывная нагрузка соединительного каната, кг | 5 000 | 2 000 | 3 000 | 5 000 | 5 000 |
Класс бетона | B30 (400) | B30 (400) | B30 (400) | B30 (400) | B30 (400) |
Водопроницаемость | W6 | W6 | W6 | W6 | W6 |
13.3.10.2 Бетонные маты ПБЗГУ отличаются от матов УГЗБМ наличием дополнительных монтажных канатов, повышенной гибкости, и закладных деталей, позволяющих стыковать плиты между собой без использования стальных скоб, и соответствуют моделям УГЗБМ с индексом "К"
(рисунок 49).
Рисунок 49 - Конструкция расположения дополнительных
монтажных канатов в бетонных матах ПБЗГУ
Рисунок 50 - Общий вид бетонных матов ПБЗГУ: ПБЗГУ-1 (а);
ПБЗГУ-2 (б); ПБЗГУ-4 (в)
13.3.10.3 Маркировка матов ПБЗГУ состоит из аббревиатуры знака "-" и трех цифр: первая цифра обозначает номер модели плиты ПБЗГУ, вторая и третья цифры обозначают разрывную нагрузку арматурного соединительного каната в тоннах. При разрывной нагрузке каната менее 10 000 кгс вторая цифра равна нулю. Дополнительный индекс обозначает модификацию модели ПБЗГУ. Расшифровка индекса и примеры маркировки приведены в таблице 57, основные характеристики выпускаемых видов ПБЗГУ - в
таблице 58.
Таблица 57
Расшифровка индекса модификаций и примеры маркировки ПБЗГУ
Индекс | Расшифровка индекса |
Ф | Изготовление бетонных блоков ПБЗГУ с использованием сульфатостойкого цемента |
П | Оснащение ПБЗГУ соединительными петлями (СП) |
Ц | В бетон добавлен краситель |
Примеры маркировки: - ПБЗГУ-105-Ц-Ф: ПБЗГУ - покрытие бетонное защитное гибкое универсальное, 1 - модель 1, 05 - разрывная нагрузка каната в тоннах (5000 кгс), Ц - наличие красителя, Ф - сульфатостойкий цемент; - ПБЗГУ-202-Ф: ПБЗГУ - покрытие бетонное защитное гибкое универсальное, 2 - модель 2, 02 - разрывная нагрузка каната 2000 кгс, Ф - сульфатостойкий цемент. |
Таблица 58
Основные характеристики ПБЗГУ
| | ИС МЕГАНОРМ: примечание. Таблица дана в соответствии с официальным текстом документа. | |
Параметр | Номер модели ПБЗГ |
1 | 2 | 4 |
Габаритная длина, мм | 2746 | 2746 | 2746 |
Габаритная ширина, мм | 1226 | 1226 | 1226 |
Габаритная площадь, м2 | 3,37 | 3,37 | 3,37 |
Габаритная высота, мм | 240 | 60 | 150 |
Объем бетона, м3 | 0,522 | 0,168 | 0,342 |
Габаритный объем, м3 | 0,84 | 0,21 | 0,53 |
Масса, кг | 1220 | 395 | 820 |
Примечание - Габаритные размеры в таблице даны с учетом максимального прижатия к периферийным бетонным блокам выпусков каната, выполняющих функции монтажных петель. |
13.3.10.4 При назначении конструктивного решения с применением гибких бетонных матов необходимо руководствоваться рекомендациями документов [
56;
19;
37;
57].
13.3.10.5 Конструкция защитного покрытия откоса из бетонных матов
(рисунок 51 а) формируется путем плотного укладывания отдельных плит на откос и соединения их между собой. Соединение плит между собой производится при помощи закладных деталей, скоб, дополнительных монтажных канатов за соединительные петли.
1 - тюфяк; 2 - однослойная подготовка из разнозернистого
щебня; 3 - анкерующие железобетонные сваи; 4 - скобы;
5 - полукольцо с расплющенными концами; 6 - сварной шов
Рисунок 51 - Конструкция крепления откоса бетонными матами:
общая схема конструкции укрепления с анкером по бровке (а);
деталь соединения плит между собой путем сваривания
закладных деталей (б); деталь соединения плит
при помощи монтажных канатов (в)
13.3.10.6 Соединение плит закладными деталями происходит путем приваривания ручной электродуговой сваркой к закладным деталям соседних плит арматуры диаметром 10 мм и длиной 400 мм
(рисунок 51 б). Соединение плит дополнительными монтажными канатами происходит путем завязывания между собой на два и более последовательных простых узла монтажных канатов соседних плит
(рисунок 51 в).
13.3.10.7 Варианты конструктивных решений крепления покрытия к откосу при помощи нижних упоров и верхних анкеров приведены на
рисунке 52.
А - геотекстильное полотно; Б - плиты ПБЗГУ (УГЗБМ);
В - откос; Г - П- и Г-образные скобы; 1 - верхний якорь;
2 - нижний якорь
Рисунок 52 - Варианты конструктивного решения укрепления
откоса бетонными матами: с организацией нижнего упора
и верхнего анкера из бетонных плит ПБЗГУ (УГЗБМ) более
мощного сечения (а, б, в); с организацией верхнего
упора с помощью г-образной скобы (г)
В некоторых случаях, для дополнительной фиксации конструкции к поверхности откоса применяются скобы крепления гибкого бетонного покрытия
(таблица 60). Выбор соединительного элемента зависит от конкретных условий и осуществляется в соответствии с проектной документацией.
| | ИС МЕГАНОРМ: примечание. Нумерация таблиц дана в соответствии с официальным текстом документа. | |
Таблица 60
Основные параметры и характеристики скоб крепления гибкого
бетонного покрытия (СКП)
[59]
Параметр | Модель скобы |
П-образная | Г-образная |
Габаритная ширина, мм | 380 | 270 |
Габаритная длина, мм | 1000 | 1000 |
Схема | | |
Область применения | Крепление к поверхности откоса; соединение соседних плит и рядов плит между собой | Крепление к поверхности откоса по периметру плиты совместно с закладными деталями плиты с соединением скобы и детали сваркой; в качестве анкера по бровке откоса |
13.4 Назначение и расчетное обоснование параметров конструкции
13.4.1 Расчеты бетонных и железобетонных конструкций следует проводить в соответствии с требованиями
ГОСТ 27751,
СП 63.13330.2012 по предельным состояниям I (расчет по прочности, устойчивости формы, устойчивости положения, включающие расчет на опрокидывание, всплывание, скольжение) и II группы (расчет по образованию и раскрытию трещин, расчет по деформациям).
13.4.2 При расчетах следует предусматривать различные расчетные ситуации в соответствии с
ГОСТ 27751.
13.4.4 При расчете на воздействие усилий, возникающих при подъеме, транспортировании и монтаже, нагрузку от массы элементов следует принимать с учетом коэффициента динамичности равным: 1,6 при транспортировании; 1,4 при подъеме и монтаже.
13.4.5 При наличии размывов длину гибкого тюфяка из плит определяют по формуле (35), при среднем угле наклона тюфяков 60 - 70 градусов по формуле (36):

(35)
bр = 1,5hр, (36)
где hр - глубина воронки местного размыва, м;
mt - крутизна откоса размыва, прикрываемая гибким тюфяком.
13.4.6 Ориентировочные минимальные толщины плитных покрытий, устойчивых к восприятию различных видов воздействий, могут быть назначены по
таблицам 51 -
54.
13.4.7 Толщина покрытия конструкций подтопляемых откосов по условию устойчивости против размывающего воздействия течения воды при соотношении длины ребра плиты или карты в направлении нормальном к урезу воды к толщине плиты

может быть определена по зависимости (37):

(37)
где tn - толщина бетонного покрытия, м;
Bn - длина ребра плиты или карты в направлении, нормальном к урезу воды, м;

- коэффициент запаса,

;

- коэффициент избыточного давления, принимается равным

(для плит с омоноличенными швами),

(для плит с открытыми швами);
v - средняя скорость течения воды, м/с;

- объемный вес материала плиты, т/м
3 (по
таблице В.5 приложения В);
| | ИС МЕГАНОРМ: примечание. В официальном тексте документа, видимо, допущена опечатка: пункт 13.7.2 отсутствует. | |

- объемный вес воды, т/м
3 (13.7.2);
g - ускорение силы тяжести, м/с2.
13.4.8 Толщина плиты по условию устойчивости покрытия при волновом воздействии для плит и карт с открытыми швами определяется по зависимости (38):

(38)
где
tn,
Bn,

,

,

- обозначения по
формуле (37) при

(для монолитных плит),

(для сборных плит);
m - заложение откоса;
h1% - высота волны, м;

- длина волны, м.
Если расчетное значение tn < 0,1·h1%, то по условиям производства работ и долговечности крепления толщину покрытия tn принимают:
- для монолитных плит tn = 0,1·h1% (но не менее 0,15 м);
- для сборных плит - стандартную ближайшую толщину.
13.4.9 Минимальная толщина покрытия для плит и карт с закрытыми швами для откосов из песчаных грунтов по условию устойчивости грунтового основания на динамическое воздействие ветровых волн, определяется по
зависимостям (39),
(40),
(41). Формулы действительны при высоте волны 0,5 <=
h1% <= 4, крутизне волны

:

(39)
b =
C1 + (
C1 +
C3·
h1%), (41)
где tn - толщина бетонного покрытия, м;
C1, C2, C3, C4, C5 - коэффициенты, определяемые по таблице 61.
Таблица 61
Значения коэффициентов C1 - C5 в зависимости от величины
заложения откосов и разновидности песчаного грунта откоса
Заложение откоса m | Коэффициенты |
C1 | C2 | C3 | C4 | C5 |
2,0 | 0,62 (0,39) | 0,39 (0,22) | 0,06 (0,03) | 10,82 (10,75) | 9,01 (11,19) |
2,5 | 0,42 (0,37) | 0,20 (0,13) | 0,03 (0,02) | 11,24 (11,48) | 12,87 (16,12) |
3,0 | 0,37 (0,34) | 0,12 (0,12) | 0,02 (0,02) | 11,65 (11,53) | 16,84 (18,95) |
3,5 | 0,37 (0,35) | 0,11 (0,09) | 0,02 (0,01) | 12,04 (11,87) | 20,04 (21,69) |
4,0 | 0,37 (0,36) | 0,08 (0,08) | 0,01 (0,01) | 12,80 (12,59) | 27,74 (25,16) |
Примечание - В скобках даны значения коэффициентов для средне- и крупнозернистых песков, без скобок - для пылеватых и мелкозернистых. |
14. Упорные конструкции укрепления откосов
14.1 Общие положения
14.1.1 Упорные конструкции укрепления откосов предназначены для обеспечения устойчивости конструкций укрепления на откосе и защиты подошвы насыпи от размывов, подмывов или понижений от развития эрозии.
14.1.3 Основным элементом упорных конструкций являются:
- блоки: унифицированные бетонные, железобетонные или из коробчатых габионов;
- призмы из каменных материалов в виде рисберм или каменной наброски;
- фартуки: из габионов тюфячно-матрацного типа, ячеистых конструкций, гибких плитных покрытий.
В некоторых случаях в качестве упора используется сама конструкция укрепления откоса, заглубленная в грунт подошвы откоса.
Дополнительными элементами упорных конструкций являются подстилающие и выравнивающие слои из песчаных грунтов или каменных материалов, геосинтетических материалов, устраиваемые при необходимости.
14.1.4 Высотное размещение упорных конструкций определяется уровнем нижней границы конструкции укрепления откоса.
Упорные конструкции могут располагаться в основании откоса, на откосе, при наличии промежуточных берм - на берме, на берме и на откосе
(рисунок 53).
1 - упоры крепления; 2 - конструкция укрепления откосов;
3 - земляное полотно
| | ИС МЕГАНОРМ: примечание. Текст дан в соответствии с официальным текстом документа. | |
Рисунок 53 - Схемы высотного расположения упорных
конструкций: в основании откоса (а); на откосе (б);
на бермах (в); на берме и на откосе (г)
14.1.5 Назначение конструктивных решений производится в соответствии с типом конструкции укрепления в зависимости от грунтово-гидрологических условий откоса по таблице 62.
Таблица 62
Основная область применения упорных конструкций
Раздел, пункт ОДМ | Основные элементы конструкции | Основные функции (тип конструкции укрепления откоса) | Условия применения |
Высота откоса, м (заложение откоса) | Наличие подтопления | Наличие меженных вод | Величина размывов подошвы (скорость течения воды) |
1 | 2 | 3 | 4 | 5 | 6 | 7 |
| Унифицированные бетонные (ж/б) блоки У-1, У-2 | Обеспечение устойчивости (для типов укреплений III, IV, V) | - 6 - 12; - > 12 (с бермами) (m = 2 - 3) | | Нет | Нет |
Унифицированные бетонные (ж/б) блоки У-1, У-2 в комбинации с гибким фартуком по типу покрытия укрепления откоса | То же; защита от размывов от продольных течений вдоль откоса | 6 - 12; > 12 (с бермами) (m = 2 - 3) | | Нет | < 0,5 (расчетом по условию неразмываемости покрытия фартука) |
| Фартук из матрацно-тюфячных габионов заглубленный; упорный блок из габионов | Обеспечение устойчивости (для типа VI) | <= 6; | | Нет | Нет |
Комбинация упорного блока и фартука из габионов | Обеспечение устойчивости (для типа VI); защита от продольного течения воды | <= 6; | | Нет | >= 0,5 |
Фартук из матрацно-тюфячных габионов незаглубленный взамен устройства блоков из габионов; то же, совместно с каменной наброской | Обеспечение устойчивости | То же | Заболоченность подошвы откоса | - | - |
Фартук из матрацно-тюфячных габионов незаглубленный | Защита от размывов | | Да | Да | >= 0,5 |
| Гибкие фартуки из сплошных бетонных (ж/б) плит, решетчатых, ячеистых конструкций на основе геосотовых материалов | Повышение устойчивости; защита от размывов | 6 - 12; > 12 | Да | Да | >= 0,5 (то же) |
| | ИС МЕГАНОРМ: примечание. В официальном тексте документа, видимо, допущена опечатка: подраздел 14.4 отсутствует. | |
|
Подраздел 14.4 | Каменная призма в виде рисбермы | Повышение устойчивости (для типов III, V, VII); защита от размывов | <= 6; (m <= 3) | | Нет или выше УМВ | <= 3,0 (v <= 2,5 м/с) |
Каменная призма в виде наброски | Повышение устойчивости (для типов III, V, VII) | <= 6; (m <= 3) | Заболоченность подошвы откоса | - | - |
То же | Защита от размывов (для типов III, V, VII) | <= 6; (m <= 3) | Да | Да | <= 3,0 (v <= 2,5 м/с) |
<1> При отсутствии подтопления в период проведения строительных работ. |
| | ИС МЕГАНОРМ: примечание. В официальном тексте документа, видимо, допущена опечатка: пункты 6.2.9 и 6.2.10 отсутствуют. | |
|
<2> По расчету устойчивости конструкции укрепления на откосе по условию плоского сдвига по 6.2.9, 6.2.10. |
| | ИС МЕГАНОРМ: примечание. Текст дан в соответствии с официальным текстом документа. | |
|
Примечание - Обозначения: m - заложение откоса; v - скорость течения воды вдоль подошвы откоса; УМВ - уровень меженных вод; III, IV, IV, VII - типы конструкций укрепления откосов по таблице 1. |
14.2 Конструктивные решения упорных конструкций
14.2.1 Варианты конструктивных решений упорных конструкций с применением унифицированных бетонных блоков У-1, У-2 (
рисунки 54 а,
55 а) в комбинации с каменными рисбермами врезанными в грунт, предназначены для обеспечения устойчивости конструкций укрепления высоких откосов (6 - 12 м, более 12 м с промежуточными бермами).
1 - покрытие; 2 - подготовка из гравийных, щебеночных
материалов; 3 - блок упора У-1; 4 - рисберма, заполняемая
щебеночными и гравийными материалами; 5 - подготовка
из геосинтетических материалов; 6 - подготовка
из щебеночного (гравийного) материала
для плитных покрытий с открытыми швами;
7 - песок крупнозернистый
| | ИС МЕГАНОРМ: примечание. Текст дан в соответствии с официальным текстом документа. | |
Рисунок 54 - Схемы конструктивного решения упорной
конструкции с применением унифицированного бетонного блока
У-1: при отсутствии подтопления (а); с щебеночной
подготовкой (б), с подготовкой из геосинтетических
материалов, геодрен (в); при наличии подтопления
без размывов: с однослойной подготовкой (д), с двухслойной
подготовкой (д), с однослойной подготовкой для плитной
конструкции с открытыми швами
| | ИС МЕГАНОРМ: примечание. Текст дан в соответствии с официальным текстом документа. | |
| | ИС МЕГАНОРМ: примечание. В официальном тексте документа, видимо, допущена опечатка: пункт 14.5 отсутствует. | |
14.2.2 Основные конструктивные решения с применением упорных блоков типа У-1 для неподтопляемых откосов приведены на
рисунке 54 б,
54 в, при наличии подтопления, отсутствии меженных вод и размывов подошвы - на
рисунках 54 г,
54 д,
54 е. В любом случае параметры конструкций уточняются расчетом в соответствии с 14.5.
14.2.3 Основные конструктивные решения с применением упорных блоков типа У-2 для подтопляемых откосов приведены на
рисунке 55 а. При возможности размывов глубиной не более 0,5 м конструкция дополняется защитным фартуком, выполняемым по типу основной конструкции укрепления на откосе. Параметры конструкций уточняются расчетом в соответствии с
14.3.
1 - покрытие; 2 - подготовка из гравийных, щебеночных
материалов; 3 - блок упора У-2; 4 - рисберма, заполняемая
щебеночными и гравийными материалами; 5 - песок
крупнозернистый; 6 - защитный фартук;
7 - геосинтетический материал
Рисунок 55 - Схемы конструктивного решения упорной
конструкции с применением унифицированного бетонного блока
У-2: для подтопляемых откосов при наличии размывов (а);
с применением традиционных строительных материалов (б);
с применением геосинтетических материалов (в)
| | ИС МЕГАНОРМ: примечание. Нумерация пунктов дана в соответствии с официальным текстом документа. | |
14.2.5 Варианты конструктивных решений упорных конструкций с применением коробчатых и матрацно-тюфячных габионов представлены на
рисунке 29.
14.2.4 Основные конструктивные решения упоров с применением конструкций укрепления откоса рулонными геосинтетическими материалами приведены на
рисунке 56.
1 - растительный грунт с посевом трав; 2 - призма
из гравийных, щебеночных или песчаных материалов;
3 - геосинтетический материал; 4 - анкер
Рисунок 56 - Схемы конструктивного решения упорной
конструкции с применением геосинтетических рулонных
материалов: подтопляемых откосов с продольным расположением
материала на откосе (а); неподтопляемых откосов с поперечным
расположением материала на откосе (б)
14.2.5 Упорные конструкции с применением призм из каменных материалов предназначены: для обеспечения устойчивости конструкции укрепления невысоких (до 6 м) откосов; для защиты подошвы откоса от размывов при наличии волновых воздействий и продольных течений при глубине размыва (понижении подошвы откоса при развитии эрозии до 3,0 м и скорости течения воды не более 2,5 м/с); для обеспечения устойчивости конструкций укрепления невысоких (до 6 м) откосов при отсутствии размывов в случае затруднения или невозможности устройства упорных блоков из бетона или ж/б в условиях заболоченности подошвы откоса; в виде комбинаций с гибкими фартуками или упорами из блоков для повышения устойчивости конструкции укрепления на откосе против сдвига.
14.2.6 Каменные упорные призмы выполняются в виде:
- рисбермы врезанной в грунт при расположении подошвы откоса вне меженного горизонта воды, при отсутствии грунтовых вод в период строительства
(рисунок 57);
- каменной отсыпки, при расположении подошвы откоса ниже уровня меженных вод при постоянном подтоплении или заболоченности подошвы откоса
(рисунок 27).
1 - покрытие укрепления откоса; 2 - призма из каменных
материалов; 3 - щебеночная или гравийная подготовка;
4 - крупнозернистый песок; 5 - геосинтетический материал
Рисунок 57 - Схемы конструктивного решения упорной
конструкции подтопляемых откосов в виде рисбермы врезанной
в грунт при расположении подошвы откоса вне меженного
горизонта вод, при отсутствии грунтовых вод в период
строительства: с однослойной подготовкой из щебеночных
материалов для сборных покрытий с омоноличенными швами (а);
для случая применения плитного покрытия с открытыми швами
(б), (в); с применением геосинтетических материалов
для сборных покрытий с омоноличенными швами (г)
| | ИС МЕГАНОРМ: примечание. Нумерация пунктов дана в соответствии с официальным текстом документа. | |
14.2.5 Упорные конструкции с применением гибких фартуков из плитных, решетчатых, ячеистых покрытий, габионных конструкций предназначены для защиты подошвы откоса от размывов в условиях подтопления, заболачивания, при наличии меженных вод.
Для повышения устойчивости конструкции на откосе, а также дополнительной защиты недостаточно устойчивого к размывающим воздействиям или ледовым нагрузкам покрытия рекомендуется дополнять упорную конструкцию каменной наброской.
Основные схемы данных конструктивных решений приведены на
рисунках 29,
33,
58.
1 - конструкция укрепления; 2 - геосинтетический материал;
3 - подготовка из песчаного грунта или каменных материалов;
4 - земляное полотно; 5 - каменная призма в виде отсыпки
(масса по расчету); bр - длина фартука в зоне размыва
(по расчету)
Рисунок 58 - Варианты основных конструктивных решений
упорных конструкций с применением гибких защитных фартуков
14.3 Расчетное обоснование параметров упорных конструкций
14.3.1 Расчет параметров упорных конструкций включает:
- назначение массы упорной конструкции по условию устойчивости основной конструкции укрепления на откосе
(14.3.2);
- определение силы пассивного сопротивления упорной конструкции сдвигу по основанию
(14.3.3);
- определение величины заглубления подошвы упорных конструкций
(14.3.7);
- назначение параметров упорных конструкций по условиям фильтрационной прочности основания и самой упорной конструкции.
14.3.2 Устойчивость конструкции укрепления на откосе по сдвигу может быть обеспечена при выполнении условия по
формуле (40):
| | ИС МЕГАНОРМ: примечание. Нумерация формул дана в соответствии с официальным текстом документа. | |

(40)
где Qуп - требуемый вес упорной конструкции, т;
Qк - расчетный вес конструкции укрепления откоса
(6.4.4), т;

- угол наклона откоса к горизонту, градус;
f,
fуп - коэффициент трения соответственно конструкции укрепления по поверхности откоса, упора по основанию в плоскости сдвига
(таблица 7);

- коэффициент перегрузки

.
14.3.3 Силу пассивного сопротивления упорной конструкции сдвигу по основанию
Ed учитывают только в случае плотного контакта конструкции укрепления с упорной конструкцией. Значение силы определяют в соответствии с положениями
СП 23.13330.2011 по зависимости (41):

(41)
где
Ep,d - расчетное значение силы пассивного сопротивления
(14.3.5);
| | ИС МЕГАНОРМ: примечание. Текст дан в соответствии с официальным текстом документа. | |

- коэффициент условий работы, принимаемый в зависимости от соотношения модулей деформации материала упорной конструкции
Es и основания
Ef (14.3.4).
| | ИС МЕГАНОРМ: примечание. Нумерация формул дана в соответствии с официальным текстом документа. | |

(41)

(42)

(43)
где
Es - модуль деформации материала упорной конструкции
(таблица 53);
Ef - модуль деформации грунта основания (
приложения Г,
И СП 50-101-2004);
Ep,d - расчетное значение силы пассивного сопротивления
(14.3.5).
| | ИС МЕГАНОРМ: примечание. Нумерация таблиц дана в соответствии с официальным текстом документа. | |
Таблица 53
Ориентировочные значения модуля деформации и коэффициента
поперечной деформации материалов в соответствии
Наименование материала | Модуль деформации материала упора Es, МПа | Коэффициент поперечной деформации материала упора v |
Бетон | 22·103 | 0,2 - 0,22 |
Крупнообломочные грунты | | 0,27 |
14.3.5 Силу пассивного сопротивления
Ep,d определяют по зависимости (44) без учета сил сцепления и трения в месте контакта упорной конструкции и конструкции укрепления:

(44)
где Qуп ф - фактический вес упорной конструкции, т;
S' - площадь поверхности сдвига упорной конструкции, м2;

- угол наклона поверхности сдвига (подошвы упорной конструкции) к горизонту, градус;

,
cmin - соответственно расчетные значения угла внутреннего трения и удельного сцепления грунта по поверхности сдвига
(6.4.6), т/м
2.
Силу Ep,d следует принимать горизонтальной независимо от наклона упорной грани конструкции.
14.3.6 Давление покоя
Er определяется по формуле (45):

(45)
где

- удельный вес материала упорной конструкции, т/м
3;
hуп - высота упорной конструкции, м;
v - коэффициент поперечной деформации материала упорной конструкции
(таблица 53).
14.3.7 Величина заглубления подошвы упорной конструкции неподтопляемых и подтопляемых откосов при отсутствии размывов назначается конструктивно и проверяется по условию сопротивления упорной конструкции сдвигу по основанию
(14.3.3).
При величине заложения откоса в пределах
m = 2 - 3 величина заглубления бетонного блока в грунт подошвы принимается равной

.
При заложении откоса менее
m = 2 при величине заглубления блока

размер грунтовой призмы под установку блока и дополнительная масса каменного материала для заполнения призмы определяется расчетом по условию обеспечения устойчивости конструкции укрепления на откосе и сопротивлению упорной конструкции сдвигу по основанию по
14.3.2,
14.3.3.
Величина заглубления подошвы упорной конструкции подтопляемых откосов при наличии размывов определяется по зависимости (46):

(46)
где

- величина заглубления упора, м;
| | ИС МЕГАНОРМ: примечание. В официальном тексте документа, видимо, допущена опечатка: пункт А.6 отсутствует. | |
hр - расчетно-прогнозная глубина размыва, м (А.6 приложения А);
0,5 - величина конструктивного запаса, м.
14.3.8 Назначение параметров упорных каменных призм включает определение массы призмы по условиям устойчивости конструкции укрепления на откосе, параметров и массы каменной призмы для обеспечения защиты подошвы откоса от размывов. Назначение требуемых размеров поперечного сечения каменной призмы проводится с учетом положений
11.3,
А.3.1, с учетом ее деформирования при размывах при воздействии ветровых волн - в соответствии с документами [
19;
39].
14.3.9 Ориентировочные значения площадей поперечного сечения каменных рисберм, необходимых для обеспечения устойчивости и предохранения от размыва подошвы откоса, могут быть определены по зависимости (47):

(47)
где

- площадь рисбермы по таблице 63.
Таблица 63
Ориентировочные значения площади рисбермы
[64]
Глубина размыва в приоткосной зоне hр, м | Площадь рисбермы  , м 2 |
Высота воды в приоткосной зоне h, м |
0,0 | 1,0 | 2,0 | 3,0 | 4,0 |
1 | 0,42 | 0,74 | 1,06 | 1,38 | 1,70 |
2 | 0,84 | 1,16 | 1,48 | 1,80 | 2,12 |
4 | 1,68 | 2,0 | 2,32 | 2,64 | 2,96 |
6 | 2,52 | 2,84 | 3,16 | 3,48 | 3,80 |
8 | 3,36 | 3,68 | 4,00 | 4,32 | 4,64 |
10 | 4,20 | 4,52 | 4,84 | 5,16 | 5.48 |
Примечание - Для упорной конструкции с бетонным упором и рисбермой площадь рисбермы принимают по столбцу при высоте воды в приоткосной зоне h = 0,0 м. |
14.3.10 Расчет конструкций с применением гибких фартуков заключается в определении длины фартука в зоне размыва, достаточного для экранизации зоны активного размыва, а также прочности материала фартука против размывов.
Ширина фартука
bр, достаточная для экранизации зоны активного размыва у подошвы откоса при отсутствии постоянного подтопления, может быть определена по
зависимости (47), при постоянном подтоплении и наличии ветрового воздействия по
зависимости (48):
| | ИС МЕГАНОРМ: примечание. Нумерация формул дана в соответствии с официальным текстом документа. | |
bр >= (от 1,5 до 2) x
hр, (47)

(48)
где bр - длина укрепления в зоне размыва;
| | ИС МЕГАНОРМ: примечание. В официальном тексте документа, видимо, допущена опечатка: пункт А.6 отсутствует. | |
hр - расчетно-прогнозная глубина размыва (А.6 приложения А);

- длина ветровой волны (
Б.2 приложения Б).
15. Подготовительные слои под укреплением откосов
15.1 Общие положения
15.1.1 Подготовительные слои под конструкциями укрепления откосов предназначены для предупреждения суффозии грунта откоса через покрытие укрепления и для более равномерного перераспределения нагрузки на поверхность откоса от волновых и ледовых нагрузок.
15.1.2 При назначении параметров подготовительных слоев необходимо соблюдать требования
СП 39.13330.2012, а также учитывать положения [
3;
37;
51].
15.1.3 Расчетное обоснование параметров подготовительных слоев выполняется в соответствии с рекомендациями
15.3 и включает:
- проверку грунта откоса по условию суффозионной устойчивости
(15.2);
| | ИС МЕГАНОРМ: примечание. В официальном тексте документа, видимо, допущена опечатка: пункт 15.5.3 отсутствует. | |
- определение толщины и количества слоев подготовки (15.5.3).
15.1.4 Подготовительные слои могут быть выполнены в виде:
- слоя щебеночного, гравийного разнозернистого материала;
- нетканого геосинтетического материала, дренажного геокомпозита;
- песчаного грунта;
- комбинаций слоев из каменных, песчаных грунтов и геосинтетических материалов.
Основные требования к грунтам и материалам для устройства подготовительных слоев приведены в
15.2.
15.1.5 Ориентировочно назначение конструкции подготовительных слоев следует производить в соответствии с таблицей 64 в зависимости от вида грунтов, слагающих откос, вида конструкции укрепления откоса, грунтово-гидрологических условий.
Таблица 64
Основная область применения подготовительных слоев
Конструкция слоя | Условия применения |
Характеристика | Минимальная толщина слоя, см | Грунт откоса | Другие условия |
1 | 2 | 3 | 4 |
Однослойный: - геосинтетический материал | - | Несвязные дисперсные | - |
Однослойный: - геосинтетический материал подготовка из песчаного грунта | - 15 | Связные дисперсные | - |
Однослойный: - разнозернистые щебеночные или гравийные смеси по ГОСТ 25607 | 20 - 35 | Несвязные дисперсные | Наличие волновой и ледовой нагрузки |
Двухслойный: | | Все разновидности | То же |
- геосинтетический материал; | - |
- крупнозернистый, среднезернистый песок по ГОСТ 8736 или | 15 - 20 |
- разнозернистые щебеночные или гравийные смеси по ГОСТ 25607 | 10 - 20 |
Двухслойный: | | Связные дисперсные | То же |
- разнозернистые щебеночные или гравийные смеси по ГОСТ 25607; | 10 |
- крупнозернистый или среднезернистый песок по ГОСТ 8736 | 15 - 20 |
<*> В скобках указана толщина слоя при строительстве в воде. |
15.2 Требования к грунтам и материалам
15.2.1 Применение грунтов и материалов для устройства подготовительных слоев должно быть обосновано данными исследований в лабораторных и натурных условиях.
Зерновой состав материала подготовки должен быть подобран с учетом физических характеристик дренируемого грунта и имеющихся местных фильтрующих материалов.
Состав подготовок должен исключать:
- отслаивание глинистого грунта на контакте с материалом подготовки - для земляного полотна из глинистого грунта или на глинистом основании;
- проникновение (просыпание) частиц защищаемого грунта в поры подготовки на участках нисходящего фильтрационного потока - для насыпи из песчаного грунта;
- выпор и вдавливание частиц грунта земляного полотна в поры подготовки - для песчаного основания на участках восходящего потока;
- размыв защищаемого грунта на границе с фильтром - в случае фильтрационного потока, направленного вдоль контакта (контактный размыв);
- кольматаж фильтра мелкими частицами, выносимыми фильтрационным потоком из защищаемого грунта, вынос которых допускается в проекте;
- опасную для прочности фильтра суффозию в самом слое фильтра;
- вынос частиц грунта земляного полотна фильтрационным потоком через материал покрытия укрепления.
При назначении конструкции подготовки необходимо стремиться к назначению возможно меньшего числа ее слоев.
15.2.2 Грунты и материалы для устройства подготовительных слоев должны отвечать требованиям по величине допускаемого коэффициента разнозернистости, определяемого по условию (50):

(50)
где d60, d10 - крупность частиц грунта, суммарное весовое содержание которых вместе с более мелкими фракциями составляет, соответственно, 60% и 10% массы всего грунта.
Грунты и материалы считаются пригодными для устройства подготовительных слоев при значениях К60,10:
а) <= (20 - 25) (для несвязных несуффозионных грунтов земляного полотна), где меньшее значение - для песчаных и гравийных окатанных частиц, большее значение - для щебенистых грунтов подготовки;
б) <= 15 (для несвязных суффозионных грунтов земляного полотна);
в) <= 50 (для связных грунтов земляного полотна с числом пластичности Ip >= 0,07);
г) <= 10 для слоев подготовки, выполняемых отсыпкой материалов в воду.
Для фильтров, выполняемых из материалов с К60,10 <= 10, толщина каждого слоя подготовки по фильтрационным условиям должна удовлетворять условию (51):
0,2 <= tф >= 5ds,85, (51)
где
ds,85 - диаметр частиц, масса которых вместе с массой более мелких фракций составляет 85% массы грунта всего слоя подготовки
(15.3.3).
Для слоев, выполняемых из материалов с К60,10 > 10, толщину слоев необходимо назначать по результатам опытных отсыпок с учетом сегрегации фильтровых материалов, возникающей при транспортировании, отсыпке и разравнивании слоев подготовки.
15.2.3 Для слоев подготовки используются песчано-гравийные грунты и щебень из твердых, плотных и морозостойких пород, не подверженных выветриванию и выщелачиванию по
ГОСТ 8267,
ГОСТ 32703,
ГОСТ 32826. Предел прочности на сжатие материалов подготовок должен быть не менее 29,5 МПа, при 50 циклах замораживания и оттаивания при температуре от 17 °C до минус 17 °C с потерей массы образцов не более 5% от первоначальной.
15.2.4 При использовании в составе подготовительных слоев нетканых геотекстильных материалов следует руководствоваться общими требованиями
ОДМ 218.2.046 [32], а также требованиями, предъявляемыми к свойствам, вводимым документами технического регулирования. При отсутствии такой регламентации рекомендуется выбирать водопроницаемые (коэффициент фильтрации по
ГОСТ Р 52608 не ниже 20 м/сут) геотекстильные материалы с прочностью при растяжении по
ГОСТ Р 55030 в зависимости от материала заполнителя ячеек (для решетчатых конструкций) или типа укрепления:
- при зернистых фракционированных материалах (щебень, шлак и др.), а также при укладке сплошных бетонных покрытий - не менее 12 кН/м;
- при щебеночно-песчаных, гравийно-песчаных и щебеночно-гравийно-песчаных смесях, а также при укладке решетчатых бетонных и габионных укреплений - не менее 8 кН/м;
- при песке, связных грунтах, грунтах, обработанных вяжущим, без включения крупнофракционных материалов - не менее 6 кН/м;
- при растительном грунте, торфопесчаных смесях - не менее 4 кН/м.
Они также должны удовлетворять требованиям таблицы 21 настоящего ОДМ по стойкости к агрессивным воздействиям (
графа "синтетические материалы") и
8.4.4,
8.4.5.
Требования к значению параметра характеристика пор фильтра
O90 по
ГОСТ Р 53238, ограничивающего кольматацию геодрен в процессе эксплуатации, уточняются в зависимости от гранулометрического состава окружающего геодрену грунта с учетом зависимостей (52), (53):
O90/d90 > 1, (52)
O90/d50 > D, (53)
где D - коэффициент, принимаемый для несвязных грунтов равным 10 (для однородных песков D = 2,5), для связных грунтов, а также при наличии значительных динамических воздействий D = 1;
d50, d90 - диаметр частиц грунта, меньше которого содержание частиц по весу составляет 50% и 90%, соответственно.
15.3 Основные положения расчетов
15.3.1 Расчетное обоснование назначения слов подготовки включает:
- определение суффозионности грунтов земляного полотна (
15.3.2,
15.3.3);
- подбор фракционного состава материала подготовки
(15.3.3);
- определение расчетной толщины слоя подготовки
(15.3.4).
15.3.2 Глинистые грунты являются несуффозионными при числе пластичности грунта
Jр > 5%.
Песчаные грунты земляного полотна считаются несуффозионными, если их параметры удовлетворяют условию (54):

(54)
где N - параметр, определяемый по зависимости (55);
d5, 17 - соответственно, диаметр частиц фракции, меньше которой в грунте содержится 5% или 17% по весу;

(55)
где
Cu - степень неоднородности гранулометрического состава несвязного грунта (
В.2.1 приложение В);
n - пористость грунта, определяемая по зависимости (56), доли единицы:
при n0 = 0,40 для окатанных, n0 = 0,45 для угловатых фракций грунта.
15.3.3 Расчетный размер фракций грунта фильтровой подготовки
ds,85 по условию суффозионной устойчивости определяется в соответствии с
[51] по зависимости (57):

(57)
где
nф - пористость грунта подготовки, принимается как
nф =
n по
зависимости (56) при
n0 = 0,40 для песчано-гравийно-галечных грунтов,
n0 = 0,45 для щебеночных грунтов;
Cu - степень неоднородности гранулометрического состава грунта подготовки (
В.2.1 приложение В);
B' - коэффициент, определяющий несуффозионность грунта фильтровой подготовки, принимается по
таблице 55 по величине
Cu;
dсг - расчетный размер сводообразующих фракций защищаемого несуффозионного грунта, определяется по кривой гранулометрического состава грунта по количеству процентного содержания сводообразующих частиц
Pсг, определяемого по таблице 65 по величине

.
Таблица 65
Значения коэффициента B' и Pсг
Cu | 9 | 10 | 11 | 12 | 13 | 14 | 15 | 16 | 17 | 18 | 19 | 20 | 21 | 22 | 23 | 24 | 25 |
B' | 15 | 17 | 18 | 20 | 21 | 23 | 24 | 26 | 28 | 29 | 31 | 32 | 34 | 35 | 37 | 38 | 40 |
Pсг | 45 | 44 | 44 | 43 | 42 | 42 | 41 | 40 | 40 | 39 | 38 | 37 | 37 | 36 | 35 | 35 | 34 |
15.3.4 По условию непроникания состава подготовки в поры материала конструкции укрепления средний диаметр частиц грунта подготовки определяется по формуле (58) при укреплении каменными материалами, по формуле (59) - при укреплении плитами:
dф = (от 0,20 до 0,25) x Dmax, (58)
dф = 1,5·tшва, (59)
где
Dmax - средний диаметр камня наброски (по
В.2.4 приложения В);
tшва - ширина шва между плитами.
15.3.5 При наличии воздействия от ветровых волн расчет толщины однослойной подготовки hф производят по формуле (60):

(60)
где
dср - средний диаметр частиц грунта (по
В.2.2 приложения В);
dф - средний диаметр частиц материала подготовки
(15.3.4);

- коэффициент, при

. При

величина

определяется по
рисунку (59).
h1% - высота волны 1% обеспеченности, м;
цифры на кривых - заложение откоса
Рисунок 59 - График для определения коэффициента

При

величина

определяется по зависимости (61):

(61)
Минимальную толщину однослойного фильтра из неоднородного материала принимают равной:
- при строительстве в подтопленной зоне 30 см;
- при строительстве в неподтопленной зоне 20 см.
Если рассчитанная толщина однослойного фильтра превышает 35 см в неподтопленной зоне и 70 см в подтопленной зоне, целесообразно устройство двухслойного обратного фильтра, толщину слоев которого определяют по формулам (62) и (63):

(62)

(63)
| | ИС МЕГАНОРМ: примечание. Условные обозначения даны в соответствии с официальным текстом документа. | |
где ф1, hф2 - соответственно, толщина верхнего слоя двухслойного фильтра, толщина слоя нижнего фильтра, см;
dф1, dф2 - соответственно, диаметр частиц верхнего слоя двухслойного фильтра (определяется из расчета однослойного фильтра), диаметр частиц нижнего слоя двухслойного фильтра, см.
Минимальную толщину каждого слоя фильтра принимают равной:
- 25 см при строительстве в подтопленной зоне;
- 10 см при строительстве в неподтопленной зоне.
Коэффициент неоднородности материала фильтра

принимают равным: для верхнего слоя 2 - 3; для нижнего слоя 6 - 8.
15.4 Технология производства работ при создании подготовительных слоев
Технология производства работ при создании подготовительных слоев - по
17.3.2 настоящего ОДМ.
16. Особенности проектирования конструкций
укрепления в сложных условиях
16.1 Общие положения
16.1.1 В условиях распространения вечномерзлых грунтов, слабых грунтов могут быть применены конструкции укрепления откосов по
разделам 8 -
13 настоящего ОДМ. Однако в этом случае они имеют особенности, связанные, в частности, с трудностью создания упорных конструкций у подошвы насыпи (невозможность заглубления упорных конструкций у подошвы насыпи, отсутствие надежного основания под упорные конструкции) -
16.2. Кроме того, в этих условиях могут быть применены конструкции укрепления следующих типов:
- конструкции с изолирующими слоями (
тип V-1 по таблице 1)
(16.3);
- конструкции с теплоизолирующими слоями (
тип V-4 по таблице 1)
(16.4).
16.2 В случае, когда возможность создания надежной упорной конструкции за счет ее заглубления ограничена, например, на участках распространения вечномерзлых грунтов и возможного подтопления насыпи в отдельные периоды года, может быть применена конструкция укрепления по
рисунку 60 (применительно к конструкциям на основе геосотовых материалов -
тип IV по таблице 1). В условиях распространения слабых грунтов укрепление откосов создается после завершения консолидации насыпи, а в качестве упорной конструкции может рассматриваться устроенный в виде полуобоймы или обоймы армирующий слой из геосинтетического материала, если он предусмотрен проектом - конструктивное решение по
рисунку 61.
1 - щебень размером зерен 20 - 40 мм; 2 - торфопесчаная
смесь; 3 - геосоты; 4 - защитная прослойка из нетканого
геотекстильного материала
Рисунок 60 - Варианты конструктивных решений укрепления
откосов в сложных грунтовых условиях (вечномерзлых грунтах)
при наличии подтопления в отдельные периоды года
1 - слабый грунт; 2 - укрепление откоса;
3, 4 - геосинтетический армирующий материал, уложенный
по типу полуобоймы (а) или обоймы (б)
Рисунок 61 - Варианты конструктивных решений укрепления
откосов в условиях распространения слабых грунтов
16.3 В условиях песчаных пустынь могут быть применены типовые конструкции укрепления откосов
типа II по таблице 1 настоящего ОДМ с применением геополотен по
разделу 8, обеспечивающие функцию механической защиты от выдувания грунта с поверхности. К таким геополотнам относятся: геополотна нетканые синтетические (ГПТ-НТ-2); геоматы экструдированные и геоматы экструдированные комбинированные (ГМТК-ГР, ГМТК-ГТ и ГМТК-ГН); биомат комбинированный без семян (БМТК). Применение биоматов (БМТ) в условиях песчаных пустынь нецелесообразно. Конструкция насыпей из барханного песка, а также мероприятия по их защите от песчаных заносов и выдувания зависят от степени заносимости в данном районе, степени закрепленности растительностью площадей, прилегающих к пути, от почвенных условий для растительности. Для укрепления откосов монтаж материала осуществляется по всей поверхности откоса в виде сплошного покрытия с заводом верхнего края под слои грунта (или слой укрепленной обочины) и с закреплением нижнего края у подошвы по
рисунку 15. В случаях, когда используется защитный слой грунта, рекомендуется применять геосинтетические материалы: геополотна нетканые синтетические (ГПТ-НТ-2) и геоматы экструдированные комбинированные (ГМТК-ГР, ГМТК-ГТ и ГМТК-ГН). В условиях барханных песков посев семян трав соответствующих сортов производится перед укладкой геосинтетического материала в грунт откоса на глубину 2 - 3 см с помощью ручных грабель или другими способами. Полотна геосинтетических материалов укрепляются на откосе металлическими штырями П-образной формы из проволоки диаметром не менее 6 мм, длиной не менее 300 мм.
16.4 Характеристика конструкций укрепления с изолирующими слоями (подтип V-1)
16.4.1 Противоэрозионные конструкции с изолирующими слоями (подтип V-1) предназначены для применения в случаях:
- неподтопляемых или временно подтопляемых насыпей;
- как альтернатива применения конструкций биологического типа (тип I) в условиях жаркого, сухого климата, препятствующего образованию травяного покрова;
- для откосов, сложенных легко выветривающимися и размягчаемыми скальными грунтами;
- для защиты от выдувания откосов насыпей в зоне подвижных песков.
16.4.2 Конструкции с изолирующими слоями (подтип V-1-1) включают:
- покрытие из связных или несвязных грунтов, грунтов, обработанных неорганическими и органическими вяжущими;
- двухслойную подготовку (при необходимости).
16.4.3 В качестве подготовки используют геотекстильный материал, укладываемый на откос в поперечном направлении с перекрытием 15 см, перекрываемый слоем песчаного грунта толщиной 5 - 10 см.
Конструктивные решения с применением изолирующих слоев приведены на
рисунках 62,
63, значения минимальной толщины слоя в зависимости от материала покрытия - по
таблице 66.
1 - дорожная одежда; 2 - противоэрозионный слой из грунтов
и материалов по
таблице 1; 3 - основание из геотекстильного
материала; B - ширина земляного полотна; H - высота насыпи;
m - заложение откосов
Рисунок 62 - Основные конструктивные решения конструкций
с изолирующими слоями для откосов насыпей
в зоне подвижных песков
1 - противоэрозионный слой из щебенисто-дресвяного
или гравийно-песчаного грунта; 2 - противоэрозионный слой
толщиной 15 - 20 см из связного или несвязного грунта
с обязательным посевом трав по слою растительного грунта
или гидропосевом, обработанного органическими
или неорганическими вяжущими в количестве 3% - 6%;
3 - капилляропрерывающий слой
Рисунок 63 - Основные конструктивные решения
конструкций с изолирующими слоями для откосов насыпей
из легковыветривающихся и размягчаемых скальных грунтов:
с защитным слоем при высоте насыпи до 3 м
(для дорог I - III) при высоте насыпи до 2 м
(для дорог IV - V технических категорий) (а);
с защитным слоем из грунта, обработанного
органическими или неорганическими вяжущими (б)
Таблица 66
Область применения противоэрозионных конструкций
с защитными слоями из грунтов, укрепленных вяжущими
и неукрепленных (подтип V-1)
Материал покрытия | Толщина слоя покрытия, см |
Глины и суглинки тяжелые | 10 |
Суглинки и супеси пылеватые | 15 |
Супеси пылеватые | 20 |
Гравийно-песчаные (щебеночные) смеси | 10 |
Суглинки (глины) укрепленные: - 8% битума класса МГ-25/40, МГ-40/70, МГ 70/130; - 3% - 4% битума и 0,03% - 0,06% катионного препарата Э-1; - 6% - 8% цемента | 10 |
Барханные пески укрепленные: - 8% - 10% цемента, 6% - 8% цемента с 3% извести или жидкого стекла; - 4% жидкого битума класса МГ-40/70 или МГ 70/130 с 3% цемента (5% - 10% цементной пыли) или 0,015% - 0,03% катионного препарата Э-1; - 5% - 6% медленнораспадающейся 50 - 55% концентрации анионной битумной эмульсии | 15 |
16.4.4 Конструкции с защитными изолирующими слоями (подтип V-1-2) предназначены, в основном, для укрепления откосов в скальных выветрелых и легковыветривающихся скальных грунтах при вероятности развития осыпей. Они представляют собой конструкции с защитным слоем покрытия толщиной 0,03 - 0,06 м из цементного раствора, нанесенного на откос по технологии пневмонабрызга по слою подготовки из щебня гравия или гравийно-песчаной смеси, а также с использованием арматуры в виде металлической сетки, полимерной сетки, геотекстильных материалов повышенной плотности. Конструктивные решения, расчетные обоснования и технология производства работ данного типа укрепления приведены в документах [
8;
11;
65].
16.5 Характеристика конструкций укрепления с теплоизолирующими слоями (подтип V-4)
16.5.1 Конструкции с теплоизолирующими слоями предназначены для укрепления откосов насыпей из мерзлых глинистых или песчаных грунтов в условиях I дорожно-климатической зоны.
16.5.2 Конструкции с изолирующими слоями включают теплоизолирующее покрытие из торфа, торфопесчаных грунтов или грунтов мохо-растительного покрова, в том числе в сочетании с решетчатыми типами укреплений.
16.5.3 Конструктивные решения укреплений с применением теплоизолирующих слоев приведены на
рисунке 64.
1 - теплоизолирующий слой под верхней частью земляного
полотна; 2 - нижняя часть насыпи из переувлажненных,
сезоннопромерзающих глинистых грунтов высотой 1 - 2 м
при заложении откосов m = 1,5 - 3; 3 - верхняя часть насыпи
из сыпучемерзлых песчаных, крупнообломочных грунтов высотой
не менее 0,8 м;

- толщина теплоизолирующего слоя
на откосах; hТ - толщина уплотненного теплоизолирующего
слоя; hн - толщина верхней части насыпи;
m - заложение откосов
Рисунок 64 - Конструктивные решения конструкций
по типу IV с применением теплоизолирующих слоев:
для применения в условиях I дорожно-климатической зоны
(ДКЗ) при дефиците крупнообломочных, сыпуче- и сухо-мерзлых
песчаных грунтов при высоте насыпи более 2 м (а);
для применения в 3 районе I ДКЗ на участках 2 - 3
типов местности по условиям увлажнения, для насыпи
из переувлажненных сезоннопромерзающих глинистых грунтов
при высоте насыпи не более 2 м (б); для укрепления откосов
выемок из высоко- и низкотемпературных грунтов
I - II категорий просадочности с применением
для теплоизолирующих слоев торфа, щебенистых
и крупнообломочных грунтов (в)
| | ИС МЕГАНОРМ: примечание. Нумерация пунктов дана в соответствии с официальным текстом документа. | |
16.5.3 Расчетное обоснование конструкции включает определение толщины теплоизолирующего слоя на откосе земляного полотна

по зависимости (64) и толщины теплоизолирующего слоя с учетом его уплотненного состояния под весом верхней части земляного полотна
hТ по номограмме на
рисунке 65 в зависимости от толщины верхней части земляного полотна
hн:

(64)
где

- толщина теплоизолирующего слоя на откосах;
Hг - глубина сезонного оттаивания;

,

- соответственно коэффициенты теплопроводности грунта теплоизолирующего слоя, грунта земляного в нижней части насыпи.
hТ - толщина теплоизолирующего слоя с учетом его
уплотненного состояния под весом верхней части земляного
полотна; hн - толщина верхней части земляного полотна
Рисунок 65 - Определение толщины уплотненного
теплоизолирующего слоя hТ под весом верхней части
земляного полотна
17. Особенности технологии производства работ,
строительный контроль
17.1 Общие положения
| | ИС МЕГАНОРМ: примечание. В официальном тексте документа, видимо, допущена опечатка: имеется в виду СП 2.2.2.1327-03, а не СП 2.2.3.1327-03. | |
17.1.2 На участке производства работ должен быть обеспечен водоотвод, устроены временные подъездные дороги и площадки для маневра построечного автотранспорта, размещения материалов и конструкций.
17.1.3 Работам по устройству конструкций укрепления должны предшествовать подготовительные работы (планировочные, уплотнение грунтов поверхностной зоны откосов, разбивочные) по
17.2 настоящего ОДМ.
17.1.4 Основные технологические операции при производстве укрепительных работ включают:
- устройство упорных конструкций укрепления откосов по
17.3.1;
- устройство подготовительных слоев (технологических, обратных фильтров) под конкретным типом конструкции укрепления в соответствии с
17.3.2;
- устройство конкретных типов конструкций в соответствии с
17.3.3.
17.1.5 Основные технологические операции по
17.1.4 должны проводиться с учетом следующих положений:
- при отсыпке насыпей при отрицательных температурах работы выполняют после оттаивания грунтов;
- при укреплении откосов подтопляемых в отдельные периоды насыпей работы должны быть завершены до наступления паводков;
- при укреплении постоянно подтопляемых откосов, откосов пойменных насыпей работы должны проводиться в соответствии с технологическими регламентами, разрабатываемыми с учетом особенностей конкретных типов укреплений, предусмотренных проектом;
- основные технологические операции следует проводить не позднее двух суток после завершения подготовительных работ.
17.1.6 В процессе производства укрепительных работ следует выполнять строительный контроль с учетом положений
подраздела 17.4 настоящего ОДМ.
17.2 Подготовительные работы
17.2.1 Подготовительные работы, включающие планировку откосов, уплотнение грунта откосов, разбивку откоса под конкретный тип укрепления выполняют в соответствии с проектом.
17.2.2 При планировке откосов следует учитывать их крутизну и высоту. Как правило, откосы крутизной 1:1,75 и положе следует планировать с помощью бульдозеров, не допуская наполнение его отвала в процессе планировки более чем на 2/3 высоты. Более крутые откосы планируют с помощью экскаватора-планировщика со стоянки у подошвы откоса при его высоте до 6 м, со стоянок у бровки и подошвы при большей высоте. Планировка нижней части откосов может выполняться продольными проходами автогрейдера.
17.2.3 В зависимости от крутизны откоса и вида грунтов их уплотнение в откосной зоне выполняют с помощью виброударных машин, вибрационных катков, в том числе прицепных (прикрепленных к расположенному у бровки откоса трактору и перемещаемых по откосу тракторной лебедкой или смонтированных на экскаваторе-драглайне), ручными вибротрамбовками. Коэффициент уплотнения грунтов откосной части должен соответствовать требованиям
таблицы 7.3 СП 34.13330.2012. При невозможности обеспечения этих требований уплотнение достигается в процессе послойной отсыпки и уплотнения насыпи на ширину, превышающую проектную с последующим удалением поверхностного слоя на величину превышения.
17.2.4 При планировке и уплотнении откосов не допускается приближение занятых на выполнении работ машин ближе чем на 1 м к бровке откосов.
17.2.5 Разбивочные работы (детальную разбивку с плановой и высотной привязкой проектного расположения конкретного типа укрепления и отдельных его элементов) выполняют в соответствии с требованиями
СП 78.13330.2012,
СП 126.13330.2012,
ГОСТ 32869 и проекта производства работ. Перед началом планировки откосов восстанавливают положение оси и бровок земляного полотна в плане и продольном профиле колышками через 20 м, обозначают подошву насыпи и устанавливают откосники-шаблоны, фиксирующие проектный профиль откоса.
17.3 Рекомендации по выполнению основных технологических операций
17.3.1 Устройство упорных конструкций
17.3.1.1 Операция по устройству упорных конструкций укрепления предшествует остальным основным технологическим операциям и выполняется в зависимости от типа конструкции по
разделу 14 настоящего ОДМ (бетонные монолитные или сборные блоки, блоки из коробчатых габионов, наброски или рисбермы из каменных материалов, гибкие покрытия, в том числе из тюфячно-матрасных габионов).
17.3.1.2 Общими для большинства типов упорных конструкций являются операции по выемке грунта (устройству траншей) у подошвы откоса, устройство разделяющей и фильтрующей прослойки из нетканого геосинтетического материала, если это предусмотрено проектом, и устройство выравнивающего слоя (основания под упорный элемент). В зависимости от проектной глубины и конфигурации выемки грунта ее выполняют бульдозером или экскаватором. При рытье траншеи под упорные блоки используют экскаваторы со смещаемой осью копания или траншейные экскаваторы. Траншею устраивают по разбивочным точкам у подошвы откоса на глубину от 10 см до 15 см меньше проектной с последующей срезкой дна траншеи вручную. Материал выравнивающего слоя (песок, щебеночно-песчано-гравийная смесь, щебень) доставляют автомобилями-самосвалами и выгружают, как правило, у бровки траншеи через каждые 10 - 15 м (на расстоянии 1,0 - 1,5 м от бровки траншеи) с последующей отсыпкой вручную и уплотнением. При выемках большой ширины, раскрытого профиля выгрузку материалов выравнивающего слоя выполняют непосредственно в выемку с разравниванием и уплотнением механизированным способом.
17.3.1.3 Упорные элементы устанавливают на подготовленное основание, принятое по акту на скрытые работы в соответствии с требованиями
РД 11-02-2006 [66].
17.3.1.4 Упорные элементы из сборных железобетонных блоков устанавливают с учетом следующих положений:
- блоки транспортируют и размещают вдоль траншеи автокраном на расстоянии 1,5 м от бровки траншеи;
- проектное плановое и высотное положение поверхности блоков должно обеспечиваться геодезическими разбивочными работами с закреплением его установкой натянутого шнура на колышках;
- блок в подвешенном состоянии фиксируется по линии разбивки и устанавливается на подготовленное основание; при отличии высотного положения блока более чем на 1 см он должен быть удален, основание повторно выровнено и уплотнено с последующей повторной установкой блока;
- швы между блоками заполняют цементно-песчаным раствором по
ГОСТ 28013 (класс по прочности не ниже М100, по морозостойкости не ниже F100) в уровень с поверхностью блоков в соответствии с требованиями
СП 82-101-98;
- между смежными блоками через 10 п.м устраивают швы расширения, устанавливая между ними прокладки из деформируемых материалов (доски толщиной 15 - 20 мм, нетканые геосинтетические материалы поверхностной плотностью от 400 г/м2) с профилем, соответствующим поперечному профилю блоков;
- после установки блоков пазухи между ними и стенками траншеи заполняют послойно слоями толщиной 15 - 20 см с уплотнением трамбовками щебнем фракции 40 - 70 мм по
ГОСТ 32703 или иным материалом в соответствии с проектом;
- монтажные петли после установки блоков отгибают или срезают.
17.3.1.5 Монолитные бетонные упорные элементы устраивают с учетом следующих положений:
- по закрепленным в процессе разбивочных работ плановым и высотным отметкам устанавливают опалубку, соприкасающаяся с бетоном поверхность которой должна обладать гидрофобными свойствами (при использовании фанерных щитов толщиной от 10 мм или обрезных досок толщиной 25 - 40 мм для гидрофобизации могут быть использованы разжиженный битум или битумная эмульсия);
- уплотняют бетонную смесь в опалубке глубинным вибратором и виброрейкой с установкой арматуры по проекту;
- в соответствии с проектом устраивают деформационные швы в свежеуложенном или затвердевшем бетоне, выполняют уход за бетоном;
- по мере твердения бетона опалубку убирают и очищают;
- пазухи между бетонными элементами и стенками траншеи послойно с уплотнением заполняют материалом по проекту.
- габионы ГСИ-К доставляются на строительную площадку в виде сложенных в пакет разверток, где они должны храниться в горизонтальном положении в штабелях высотой не более 2 м на деревянных прокладках, уложенных на плотное ровное основание;
- в зависимости от предусмотренной проектом конструкции с учетом положений
раздела 12 до или после установки габиона укладывается в проектное положение нетканый геосинтетический материал в качестве разделяющей и фильтрующей прослойки;
- выполняют распаковку пакетов габионов на ровной плотной поверхности с выпрямлением стенок и диафрагмы, используя шаблоны - деревянные или металлические бруски, арматуру
(рисунок 66);
- отогнутые под прямым углом диафрагмы и стенки образуют прямоугольный каркас, фиксируемый непрерывной проволокой, отдельными связками с чередованием одной петли и двух петель через 10 - 15 см, либо оцинкованными скобами с шагом не более 20 см; для фиксации используется проволока обвязки и стяжка диаметром 2,2 мм, марка и покрытие которой соответствуют марке и покрытию сетки габиона;
- сформированные каркасы устанавливают в траншею без заполнения каменным материалом вручную с объединением (фиксацией) торцевых частей по предыдущему пункту проволокой обвязки;
- каменные материалы по
подразделу 12 укладывают в образованный каркас вручную или механизированным способом равномерно по всей площади; для сохранения ровности передней стенки перед заполнением рекомендуется установка по контакту с ней жесткой опалубки; укладку каменных материалов производят в несколько слоев - в два слоя при высоте габиона 0,5 м, в три слоя при большей высоте для фиксации торцевых стенок поверх каждого слоя в горизонтальной плоскости установкой распорок-стяжек из проволоки стяжки; габион заполняют на 2 - 5 см выше верхней кромки для компенсации последующей осадки камня; при наличии камня разных размеров у стенок каркаса укладывают камни больших размеров, внутри - меньших;
- крышку габионов притягивают к верхним граням каркаса, фиксируют проволокой обвязки или скобами, объединяя с армирующей проволокой стенок и диафрагм; перед этим необходимо выполнить временную привязку углов (закрепление по углам деревянными кольями или металлическими анкерами);
- пазухи между габионами и стенками траншеи послойно с уплотнением заполняют материалом по проекту.
1 - линии сгиба; 2 - проволока кромки; 3 - крышка;
4 - задняя стенка; 5 - торцевые стенки; 6 - дно; 7 - шаблон
для сгиба сетки; 8 - передняя стенка; 9 - положение диафрагм
Рисунок 66 - План стенок развертки коробчатого габиона
17.3.1.7 Упорные элементы из матрацно-тюфячных габионов типа ГСИ-М по
ГОСТ Р 52132 устанавливают аналогично упорным элементам из коробчатых габионов
(17.3.1.6).
17.3.1.8 Упорные элементы из каменных материалов в виде наброски или рисбермы устраивают с учетом следующих положений:
- в зависимости от принятой с учетом положений
раздела 4 конструкции в подготовленную траншею укладывают нетканый геосинтетический материал в качестве разделяющей и фильтрующей прослойки, если это предусмотрено проектом;
- каменный материал выгружают у края траншеи с последующей подачей экскаватором, погрузчиком для укладки в траншею; при наличии прослойки из нетканого геосинтетического материала его поверхность должна быть покрыта каменным материалом в течение рабочей смены;
- в верхней части наброски (рисбермы) укладывают более крупные камни; пустоты между камнями нижних рядов заполняют мелкими камнями и засыпают каменной мелочью; уплотнение выполняют, как правило, трамбовкой.
17.3.2 Устройство подготовительных слоев укрепления откосов
17.3.2.1 Подготовительные слои устраивают после выполнения работ по
17.2,
17.3.1 в зависимости от предусмотренной проектом конструкции укрепления, их функционального назначения (технологический выравнивающий слой, обратный фильтр) с учетом положений
раздела 15. Для устройства подготовительных слоев используют нетканые геотекстильные материалы (17.3.2.2) и (или) минеральные материалы
(17.3.2.3).
17.3.2.2 При применении в качестве подготовительного слоя или в составе подготовительных слоев полотен из нетканого геотекстильного материала выполняют следующие технологические операции:
- устройство, если это предусмотрено проектом, выемки вдоль бровки откоса на расстоянии, как правило, 0,2 - 0,6 м от нее для анкеровки полотен;
- транспортировка, распределение вдоль бровки откосов рулонов материала, подготовка материала к укладке (разрезание его на полотна необходимой длины с учетом высоты и крутизны откоса);
- укладка полотен, как правило, сверху вниз по образующей откоса с нахлестом не менее 15 см и креплением в местах нахлеста к поверхности откоса анкерами по
17.3.3.3; при наличии анкерной выемки анкера устанавливают также в местах ее переломов; установку анкеров выполняют вначале у бровки откоса, полотна раскатывают, разравнивают с легким натяжением, после чего устанавливают остальные анкера; на подтопляемых откосах полотна укладывают, начиная с низовой части (направление верхнего полотна нахлеста - по течению); для откосов крутизной 1:2 и положе при отсутствии анкерной выемки допустима укладка материала продольной раскаткой рулона вдоль откоса (без нарезки полотен), начиная с нижней его части с перекрытием полотен на 20 см и установкой анкеров через 5 - 6 м по длине откоса в местах нахлеста и у краев нижнего и верхнего полотен.
17.3.2.3 При применении минеральных материалов выполняют следующие операции:
- транспортировка и разгрузка материалов у бровки откоса (при высоте откоса более 6,0 м - также у его подошвы) без смешивания его видов и фракций по
разделу 15;
- послойное распределение материалов одного вида и фракции в слое с планировкой; операцию выполняют, как правило, с применением экскаватора-планировщика и с окончательной доработкой поверхности каждого слоя вручную;
- уплотнение слоев по технологии
17.2.3 с учетом необходимости во избежание разрушения слоев, изменения режима уплотнения (при вибрационном уплотнении первые два-три прохода прицепного катка выполняют с выключенным вибратором при скорости до 2,0 км/ч), последующей установкой его в нижней части откоса, перемещением вверх по откосу с включенным вибратором при скорости 1,3 - 1,6 км/ч и последующим движением вниз по ранее оставленному следу под действием собственного веса при скорости до 2,0 км/ч (признак окончания уплотнения - отсутствие волны перед катком и следа после его прохода).
17.3.2.4 Подготовительные слои должны быть приняты с составлением акта на скрытые работы установленной формы в соответствии с требованиями
РД 11-02-2006 [66].
17.3.3 Устройство укреплений различных типов
17.3.3.1 До начала устройства укреплений различных типов должны быть установлены (при необходимости) упорные конструкции по
пункту 17.3.1 и устроены подготовительные слои по
17.3.2 настоящего ОДМ.
| | ИС МЕГАНОРМ: примечание. В официальном тексте документа, видимо, допущена опечатка: пункты 7.4 - 7.7 отсутствуют. | |
17.3.3.2 При планировании работ по устройству укреплений биологического типа с посевом трав и одерновкой следует руководствоваться положениями ОДМ 218.2.048-2014
[18], в том числе приведенными в приложении Г к ОДМ 218.2.048-2014
[18] технологическими картами, привязывая их к местным условиям. При планировании работ по устройству укреплений биологического типа посадкой кустарника, лесопосадкой, плетневыми прорастающими укреплениями, выстилкой учитывают положения 7.4 - 7.7 настоящего ОДМ. Следует предусматривать мероприятия по уходу за конструкциями укреплений биологического типа (полив, повторный посев трав на участках редкого травостоя).
17.3.3.3 Устройство комбинированных конструкций укрепления откосов по
разделу 8 с применением полотен геосинтетических материалов (геоматов, георешеток и геосеток, нетканых геотекстильных материалов, биоматов) выполняют с учетом положений
ОДМ 218.5.003-2010 [67]. Геосинтетические материалы укладывают по подготовительному слою или слою растительного грунта (в зависимости от принятого конструктивного решения по
разделу 8), выполняя операции в соответствии с технологической схемой по
рисунку 67 и применяя при укладке полотен их крепление анкерами по
таблице 67.
1 - автосамосвал; 2 - одноковшовый экскаватор;
3 - кран на автомобильном ходу; 4 - бортовой автомобиль;
5 - поливочно-моечная машина; 6 - рулон геосинтетического
материала; 7 - анкерная канава; 9 - легкий каток;
10 - стальные анкера; 11 - посев семян; 12 - мульчирующий
слой; (а), (б) - последовательность проходов экскаватора
1-я захватка - выгрузка растительного грунта на откос;
планировка растительного грунта на откосе; устройство
анкерной канавы; 2-я захватка - разгрузка рулонов;
укладка полотна с помощью экскаватора (если вес рулона
больше 80 кг); крепление полотна; посев семян; прикатка
откоса легким катком с помощью экскаватора; планировка
и выравнивание по откосу мульчирующего слоя;
полив почвы 2 раза
Рисунок 67 - Технологическая схема производства работ
по укреплению откосов комбинированными конструкциями
с применением полотен геосинтетических материалов
(стрелкой указано направление потока)
Таблица 67
Рекомендуемое количество нагелей крепления
в зависимости от угла заложения откоса
Показатель | Угол заложения откоса: |
1:3 | 1:2 | 1:1,5 | 1:1 |
18° | 26° | 34° | 45° |
Количество анкеров, шт./м2 | 1 | 2 | 3 | 4 |
Длина анкера, см | 25 | 30 | 35 | 35 |
17.3.3.4 Конструкции укреплений на основе геосотовых материалов по
разделу 11 устраивают с учетом положений
раздела 7 ОДМ 218.3.032-2013
[38]. Геосоты укладывают по подготовительному слою с предварительным устройством упорной конструкции (при необходимости), выполняя следующие операции:
- устраивают, если это предусмотрено проектом, выемку вдоль бровки откоса для анкеровки геосот;
- транспортируют, распределяют вдоль бровки откоса или вдоль его подошвы (при наличии упорной конструкции) пакеты геосот;
- перед установкой геосот выполняют разметку границ укладываемых модулей с учетом паспортных данных по геометрическим размерам модуля и принятому направлению его укладки, фиксируют углы модуля;
- растяжение модуля при укладке на откосе выполняют в поперечном направлении по образующей откоса от бровки к его подошве или при наличии упора - от упора к бровке, при установке рекомендуется использовать шаблон по
рисунку 68;
- при укреплении откосов выполняют (с учетом проведенной разметки границ) забивку анкеров, располагаемых по ширине модуля в его начале и конце с недозаглублением на 15 - 20 см; крайние ячейки начала модуля надевают на анкера и окончательно их забивают; растягивают модуль и надевают крайние ячейки конца модуля на анкера, окончательно их забивают; устанавливают анкера в крайние ячейки по длине модуля с недозаглублением на 15 - 20 см, остальные анкера - равномерно по всей площади модуля; аналогичным образом устанавливают смежный модуль, после чего окончательно забивают анкера на границе модулей, объединяя их смежные ячейки; окончательное скрепление смежных модулей выполняют с помощью механического или пневматического степлера в каждой ячейке в нескольких местах по ее высоте через 2,5 см; если предусмотрено дополнительное крепление с помощью тросов, перед началом растяжения геосот через отверстия в их стенках протягивают полимерные тросы, после чего растягивают геосоты, крепят анкерами, а трос через 3 - 4 ячейки поджимают к основанию анкерами;
- для установки и крепления геосот к основанию используют анкера из арматуры с отогнутым верхним и заостренным нижним концами или специальные, в том числе пластиковые, монтажные анкера; при укреплении откосов монтажные анкера одновременно выполняют функции несущих, противодействующих сдвиговым деформациям, при необходимости предусматривается установка дополнительных несущих анкеров
(раздел 10); рекомендуемое стандартное размещение и параметры анкеров представлены в
таблице 29 и
10.3.1 настоящего ОДМ;
- заполняют ячейки предусмотренным проектом материалом
(раздел 10); заполнение любыми материалами (кроме бетона) выполняют с помощью фронтальных погрузчиков, экскаваторов при погрузке с высоты не более 0,5 м (1,0 м при заполнении растительным грунтом) с обеспечением превышения толщины слоя по отношению к высоте геосот на 2 - 3 см, последующей планировкой вручную и уплотнением легкими ручными трамбовками; бетонирование ячеек производят с помощью бетононасосов, бетоноводов и автобетоносмесителей с уплотнением площадочными вибраторами, виброрейками (допускается подача бетонной смеси экскаватором, погрузчиком с разравниванием вручную).
1 - шаблон для разметки по ширине B геосот; 2 - геосоты;
3 - шаблон для разметки по длине A геосот (в направлении
растяжения 4); 4 - направление растяжения; n - количество
интервалов по длине и ширине модуля
Рисунок 68 - Разметочный шаблон для установки анкеров
и контроля растяжения геосот
17.3.3.5 Работы по монтажу решетчатых бетонных конструкций с заполнением ячеек традиционными материалами по
разделу 9 настоящего ОДМ выполняют в следующем порядке:
- разгружают бетонные элементы с последующей их раскладкой на откосе с помощью автокрана по разбивочным линиям и временным закреплениям на откосе анкерами (деревянные колья, металлические стержни, арматура) по
рисунку 69;
- сборную конструкцию монтируют снизу вверх от упорной конструкции; при монтаже треугольной конструкции элементы наращивают рядами, необходимое удлинение верхних рядов на криволинейных участках компенсируют за счет увеличения зазоров в стыках; ромбическую конструкцию (
рисунок 18, вариант 3) монтируют в диагональном направлении снизу вверх к оси укрепляемой поверхности;
- объединяют элементы решетчатой конструкции в стыковочных узлах ручной забивкой в центр отверстия узла покрытых битумом металлических стержней диаметром не менее 10 мм и длиной не менее 0,5 м, установкой железобетонных сваек в предварительно пробуренные отверстия или иным способом, предусмотренным проектом;
- заполняют ячейки предусмотренным проектом материалом (
раздел 9 настоящего ОДМ), который подают краном или экскаватором, оборудованным грейферным ковшом; грунт, гравийно-песчаные смеси и щебень разравнивают экскаватором с досыпкой или выборкой лишнего материала вручную; укладку в ячейки местного камня, грунтов, обработанных вяжущими, осуществляют вручную и с помощью средств малой механизации;
- общая технологическая схема монтажа решетчатых конструкций представлена на
рисунке 70.
1 - сборный железобетонный элемент; 2 - временные анкера;
3 - объединяющие постоянные металлические стержни
Рисунок 69 - Схема временного закрепления элементов бетонной
решетки и их объединение в узлах
I - планировка и распределение растительного грунта;
II - разгрузка сборных элементов; III - устройство сплошного
бетонного упора; IV - V - монтаж сборных элементов;
VI - VII - заполнение ячеек;
1 - агрегат ЦНИИС; 2 - автокран;
3 - автомобиль для перевозки сборных элементов;
4 - материал для заполнения ячеек
Рисунок 70 - Технологическая схема монтажа
решетчатых конструкций
17.3.3.6 Работы по монтажу конструкций укрепления из сборных железобетонных плит по
13.3 выполняют в следующем порядке:
- разгружают плиты в штабеля с распределением по длине участка укрепления;
- монтируют плиты на откосе рядами снизу вверх, начиная от упорных элементов с помощью автокрана; плиты при монтаже на подготовительный слой должны касаться его одновременно всей плоскостью без перекосов;
- швы между плитами заполняют цементно-песчаным раствором по
ГОСТ 28013 маркой по прочности не ниже М100, по морозостойкости - не ниже F100 в соответствии с требованиями
СП 82-101-98 и проекта.
17.3.3.7 Работы по устройству покрытий из монолитных железобетонных плит по
13.3.7 выполняют в следующем порядке:
- разгружают элементы укрепления (бетонные элементы швов, армирующие сетки, каркасы) с распределением их по длине участка укрепления;
- монтируют бетонные элементы шва вручную по разбивочным линиям, перемещая их по уложенным на поверхности подготовительного слоя доскам, закрепляя металлическими штырями и покрывая в процессе монтажа битумной мастикой или другим гидроизоляционным материалом по проекту;
- монтируют арматурные сетки, каркасы вручную на предварительно установленные под проектную высоту блоки ("сухари");
- по месту устройства швов устанавливают антисептированные доски по
ГОСТ 10950, формируя деформационные швы по
рисунку 71;
- подача бетонной смеси с помощью бетоноводов, бетононасосов или средствами малой механизации и распределение ее вручную в направлении от упорного элемента вверх (угол наклона поверхности смеси не должен превышать 30 градусов); при распределении рабочие размещаются на трапах, щитах, перемещаемых по откосу по мере выполнения работ; бетонная смесь должна быть равномерно распределена по поверхности с запасом на уплотнение по высоте 5% - 10%;
- уплотнение бетонной смеси виброрейками, площадочными вибраторами с исключением их опирания на элементы опалубки и арматуру;
- уход за бетоном нанесением пленкообразующего материала (быстро или среднераспадающиеся эмульсии по
ГОСТ Р 52128, пленкообразующие материалы на водной основе) в два-три приема при норме расхода 0,4 - 0,5 кг/м
2.
1 - бетон; 2 - бетонный брусок; 3 - сборный железобетонный
элемент толщиной 70 мм; 4 - битумный мат толщиной 10 мм;
5 - антисептированная доска; 6 - арматурная сетка;
7 - подготовительный слой
Рисунок 71 - Деталь деформационного шва монолитных
железобетонных плит
17.3.3.8 Устройство покрытий из каменных материалов и грунтов по
разделу 11 настоящего ОДМ выполняют аналогично
17.3.2.3.
17.3.3.9 Устройство габионных конструкций укреплений по
разделу 12 настоящего ОДМ выполняют аналогично
17.3.1.7 с учетом следующих дополнительных положений:
- матрацно-тюфячные габионы типа ГСИ-М по
ГОСТ Р 52132 следует крепить к поверхности откоса анкерами, выполненными из металлической арматуры, длиной не менее 50 см и диаметром от 5 до 12 мм по
рисунку 30;
- при наличии нескольких заполненных матрацно-тюфячных габионов установка крышек может осуществляться укладкой поверх них сетки двойного кручения шириной 2,0 м;
- при необходимости укладки матрацно-тюфячных габионных конструкций в воду их заранее собирают и заполняют камнем, при помощи монтажного крана или плавсредств погружают в воду;
- при организации производства работ могут быть использованы технологические карты ЦПИ N 22/32
[68].
17.3.3.10 Устройство конструкций с изолирующими слоями из укрепленных грунтов по
16.3 выполняют в сухую погоду при температуре не ниже 5 °C в следующем порядке:
- готовят укрепленный грунт в смесителе, транспортируют и выгружают у бровки откоса;
- подают укрепленный грунт на откос с помощью экскаватора, оборудованного грейдером, и распределяют по откосу откосопланировщиком, экскаватором;
- уплотняют укрепленный грунт виброкатком, работающим совместно с экскаватором-драглайном, или трамбующей плитой массой 1,5 тонны;
- наносят на поверхность укрепленного грунта пленкообразующие материалы.
17.4 Строительный контроль
17.4.2 При входном контроле должны быть проверены:
- документы о качестве поступивших изделий и материалов (сертификаты, паспорта качества и другие сопроводительные документы);
- документы с результатами контрольных испытаний (акты испытаний) по определению (подтверждению) показателей свойств поставленных материалов и изделий;
- соответствие поставленных материалов и изделий предъявляемым документам;
- соответствие показателей свойств (характеристик) поставленных материалов и изделий требованиям рабочей документации;
- наличие надлежащей маркировки изделий.
17.4.3 При входном контроле:
- бетонных и железобетонных изделий выполняется визуальный осмотр и измерение геометрических параметров с оценкой соответствия требованиям
ГОСТ 13015;
17.4.4 При операционном контроле контролируются:
- подготовительные работы в соответствии с требованиями
СП 78.13330.2012, в части инструментальной проверки соблюдения проектных размеров, положения и допусков в процессе монтажа и временного закрепления элементов конструкций - в соответствии с положениями
СП 126.13330.2013,
ГОСТ 32869,
ВСН 5-81 [70];
- устройство подготовительных слоев в соответствии с положениями
СП 78.13330.2012;
- устройство конструкций укрепления в зависимости от типа конструкции укрепления по
разделам 7 -
16 настоящего ОДМ.
17.4.5 Данные по допустимым отклонениям параметров конструкций укрепления сведены в таблице 68.
Таблица 68
Допустимые отклонения параметров конструкций укрепления
и данные по контролю
Технические требования | Объем контроля | Метод или способ контроля |
1 | 2 | 3 |
1 Подготовительные работы |
1.1 Расстояние между осью и бровкой земляного полотна - не более 10% результатов определений могут иметь отклонения от проектных значений в пределах до +/- 20 см, остальные - до +/- 10 см | Два замера на поперечнике не реже чем через 100 м | Измерительный (рулетка) |
1.2 Уменьшение крутизны откосов - не более 10% результатов определений могут иметь отклонения от проектных значений в пределах до 20%, остальные - до 10% | Два замера на поперечнике не реже чем через 100 м | Измерительный (уклономер) |
1.3 Отклонение поверхности откоса от проектной линии после срезки неуплотненного грунта и планировки допускается +/- 10 см | Промеры через каждые 20 м | Инструментальный (нивелир, шаблон) |
1.4 Отклонение поверхности грунта откоса от проектной величины при последующем устройстве сборных или монолитных бетонных конструкций укрепления до +/- 5 см | Промеры через каждые 20 м | Инструментальный (нивелир, шаблон) |
1.5 Допускается снижение плотности слоев земляного полотна в отношении требований таблицы 7.3 СП 34.13330.2012 (проектных требований) - не более 10% результатов измерений могут иметь отклонения от проектных значений в пределах до 4%, а остальные должны быть не ниже проектных значений | Отбор проб в центре образующей откоса и на расстоянии 1 м от бровки и подошвы насыпи не реже чем через каждые 50 м подхода к мостовому сооружению. Под бетонными конструкциями укрепления подтопляемых конусов и откосов подходов плотность грунта дополнительно контролируют пробами грунта, отбираемыми по углам сетки квадратов со сторонами, не превышающими 20 м, с глубины 20 см от поверхности откоса | Метод режущего кольца (ГОСТ 5180). Допускается проводить контроль ускоренными методами (не более 90% замеров) |
2 Устройство упорных конструкций |
2.1 Переборы грунта в траншеях под блоки упорной призмы должны быть доведены до плотности, соответствующей естественной плотности грунта дна траншеи | Каждый участок перебора | Определение плотности сухого грунта производится по ГОСТ 5180 |
2.2 Допустимое отклонение в глубине траншеи +/- 10% | Промеры через 10 м | Инструментальный (нивелир) |
2.3 Допустимое отклонение в ширине траншеи +/- 10% | Промеры через 10 м | Рулетка |
2.4 Допустимое отклонение в толщине слоя щебеночной подготовки +/- 10% | Промеры через 20 м | Нивелир |
2.5 Допустимое отклонение в положении блоков в плане после установки +/- 5 мм | Три блока (не реже одного раза в смену) | Шнур |
2.6 Допустимое отклонение в превышении одного блока над другим после установки +/- 5 мм | Три блока (не реже одного раза в смену) | Инструментальный (нивелир) |
2.7 Допустимое отклонение в величине зазора между блоками +/- 5 мм | Три зазора (не реже одного раза в смену) | Измерительный (линейка) |
3 Устройство подготовительных слоев |
3.1 Минимальная толщина слоев подготовки: 10 см при ручной укладке, 15 см при механизированной укладке | Один замер на 200 м2 откоса | Измерительный (линейка) |
3.2 Отклонения в толщине слоев фильтра: для песка +/- 2 см, для щебня +/- 3 см | Один замер на 200 м2 откоса | Измерительный (линейка) |
3.3 Отклонения в толщине однослойного фильтра и подготовки не должны превышать +/- 3 см | Один замер на 200 м2 откоса | Измерительный (линейка) |
3.4 Отклонение поверхности подготовки (ровность) +3 см на базе 5 м | Промеры через каждые 20 м | Инструментальный (нивелир) |
3.5 Отклонение допускаемого нахлеста полотен геотекстиля от требуемого: 10 см (сшивание), 20 см (нахлест) - 3 см | Один замер на 50 м длины шва | Измерительный (линейка) |
4 Устройство конкретных типов укреплений |
4.1 Укрепление бетонными сборными плитами или решетками |
4.1.1 Продольные и поперечные швы должны совпадать | Сплошной | Визуальный |
4.1.2 Ширина швов между смежными плитами не должна превышать 5 мм | Три шва (не реже одного раза в смену) | Измерительный (линейка или шаблон) |
4.1.3 Выступы отдельных плит (элементов) над соседними не должны превышать 10 мм | Три плиты (не реже одного раза в смену) | Инструментальный (нивелир) |
4.1.4 Толщина слоя щебня в ячейке должна на 2 - 3 см превышать высоту сборного элемента (запас на уплотнение) | Каждые 200 м2 поверхности укрепления | Измерительный (линейка или шаблон) |
4.2 Монолитные бетонные плиты |
4.2.1 Отклонения от установленной проектом толщины плит допускаются в пределах от +8 мм до -5 мм | Один раз каждые 100 м2 поверхности укрепления | Измерительный (линейка) |
4.2.2 Превышение граней смежных плит не более 10 мм | Три плиты (не реже одного раза в смену) | Инструментальный (нивелир) |
4.2.3 Ширина раскрытия швов в конструкциях без омоноличивания не более 10 мм (при большем раскрытии швы омоноличиваются) | Три шва (не реже одного раза в смену) | Измерительный (линейка или шаблон) |
4.2.4 Класс бетона должен соответствовать проекту: | | |
- по прочности; | Каждую партию | |
- по морозостойкости | Не реже чем раз в квартал | |
- по водонепроницаемости | Не реже чем раз в 6 месяцев | |
4.2.5 Поверхность плит должна быть ровной, без раковин, бугров и впадин. Местные отклонения поверхности плиты при проверке ее рейкой длиной 2 м не должны превышать +/- 8 мм | Каждые 100 м2 поверхности укрепления | Измерительный (шаблон, линейка), нивелирование |
4.2.6 Между материалом заполнения швов и вертикальными гранями плит не должно быть пустот | Сплошной | Визуальный |
17.4.7 Толщина слоя заполнения ячеек геосотовых материалов каменным материалом не должна превышать 2 см высоты ячеек (5 см при заполнении растительным грунтом). На поверхности не должны присутствовать ячейки с неполным заполнением.
17.4.8 Скрытые работы (планировка откосов, отрывка траншеи под упорную призму, устройство упоров и подготовки из минеральных материалов, укладка геосинтетического материала, установка арматуры железобетонных монолитных плит) должны быть перед началом последующих работ приняты и оформлены соответствующими актами по
РД 11-02-2006 [66].
17.4.9 При оценке соответствия выполненных работ необходимо производить проверку качества строительно-монтажных работ, а также принимаемых конструкций. При оценке соответствия готовой к сдаче конструкции укрепления контролю подлежат:
- соответствие геометрических размеров, планового и высотного положения конструкции укрепления проектной документации;
- соответствие применяемых материалов и изделий требованиям проекта;
- соответствие выполненных объемов работ по исполнительной документации требованиям проекта;
- соответствие качества выполненных работ требованиям проекта и нормативов для каждого слоя усиления и каждого технологического этапа (передела);
- наличие актов освидетельствования скрытых работ и исполнительной документации (исполнительные чертежи, общие и специальные журналы работ, журналы авторского надзора, журналы лабораторного контроля, акты и протоколы испытаний строительных материалов и изделий, акты и протоколы испытаний слоев усиления, паспорта, сертификаты на материалы и изделия).
Результаты оценки соответствия требованиям проекта следует оформлять в соответствии с требованиями
СП 48.13330.2011.
РАСЧЕТ МЕСТНОЙ УСТОЙЧИВОСТИ НЕУКРЕПЛЕННЫХ ОТКОСОВ
А.1 Оценка местной устойчивости откоса против оползания (стекания) поверхностного слоя откоса под влиянием погодных условий
А.1.1 Устойчивость поверхностного слоя откоса против разжижения и стекания поверхностного слоя откоса считается обеспеченной при выполнении условия (А.1), против сплыва в виде смещения отдельных блоков при выполнении условия (А.2). Расчет проводится в соответствии с методикой расчета
[9],
[10]:
| | ИС МЕГАНОРМ: примечание. Обозначения даны в соответствии с официальным текстом документа. | |
где Wрасч - ожидаемая влажность грунта, доли единицы;
WТ - влажность на границе текучести, доли единицы;
Ко - требуемый коэффициент местной устойчивости;
Красч - требуемый коэффициент местной устойчивости.
Величину расчетной влажности следует определять по зависимостям Приложения 2
[1].
При несоблюдении
условий (А.1),
(А.2) необходимо предусматривать мероприятия по защите грунта откоса от увлажнения и промерзания в соответствии с
таблицей 3 данного ОДМ.
А.1.2 В качестве мощности активной зоны
hа принимается глубина, на которую фактически распространяется влияние погодно-климатических факторов (увлажнение, высушивание, промерзание). Для районов с преобладающим влиянием на устойчивость откоса фактора промерзания за расчетную глубину активной зоны ориентировочно может быть принята глубина промерзания для данного района. Глубина сезонного промерзания на откосе определяется расчетом согласно
СП 22.13330.2011 с учетом снегонакопления или назначается в соответствии с результатами инженерно-геологического обследования существующего земляного полотна.
А.2 Расчет местной устойчивости неукрепленных неподтопляемых откосов против эрозионных деформаций размывов от продольных течений по поверхности откоса, вдоль подошвы насыпи при отсутствии силового воздействия ветровых волн
А.2.1 Для неподтопляемых откосов, где основными причинами возникновения эрозионных деформаций размывов являются атмосферные осадки или продольные течения вдоль подошвы откоса, местная устойчивость откосов считается обеспеченной при выполнении условия (А.3):
v <= vдоп, (А.3)
где v, vдоп - соответственно, скорость течения потока воды, средняя допускаемая (неразмывающая) скорость потока воды, м/с.
Ориентировочные значения
vдоп могут быть приняты: для насыпных грунтов по таблице А.1, для скальных грунтов по
таблице А.2, для неукрепленных дисперсных несвязных грунтов подошвы насыпи по
таблице А.3, для дисперсных связных грунтов по
таблице А.4.
Таблица А.1
Средние допускаемые скорости течения воды
Состояние поверхностного слоя откоса (естественного склона) | Допускаемая (неразмывающая) скорость для грунта поверхностного слоя откоса (естественного склона), vдоп., м/с |
Песок | Супесь | Суглинок | Глина |
Откос естественного склона | 0,2 | 0,45 | 0,52 | 0,98 |
Насыпной, неуплотненный | 0,2 | 0,2 | 0,26 | 0,39 |
Насыпной, уплотненный | 0,2 | 0,3 | 0,39 | 0,65 |
Таблица А.2
Средние допускаемые (неразмывающие) скорости течения воды
для скальных грунтов
[20]
N п/п | Наименование грунтов | Средние глубины потока, м |
0,4 | 1,0 | 2,0 | 3,0 |
Средние скорости течения, м/с |
1 | Конгломерат, мергель, сланцы | 2,0 | 2,5 | 3,0 | 3,5 |
2 | Пористый известняк, плотный конгломерат, слоистый известняк, известковый песчаник, доломитовый известняк | 3,0 | 3,5 | 4,0 | 4,5 |
3 | Доломитовый песчаник, плотный, неслоистый известняк, кремнистый известняк, мрамор | 4,0 | 5,0 | 6,0 | 6,5 |
4 | Граниты, диабазы, базальты, андезиты, кварциты, порфиры | 15,0 | 18,0 | 20,0 | 22,0 |
Примечания 1 Для промежуточных глубин водотока значения скоростей принимаются по глубинам, ближайшим к расчетным. 2 Величины допускаемых скоростей течения при глубинах водотока более 3,0 м (в случае отсутствия специальных исследований и расчетов) принимаются по их значениям для глубины 3,0 м. 3 При проектировании поверхностных водоотводов в подверженных выветриванию плотных и очень плотных грунтах допускаемые скорости ограничиваются теми же значениями, что и для грунтов средней плотности. |
Таблица А.3
Средние допускаемые (неразмывающие) скорости течения воды
для дисперсных несвязных грунтов
[20]
Наименование разновидностей грунтов в приоткосной зоне ГОСТ 33063 | Размеры частиц грунтов, мм | Средние глубины потока, м |
0,4 | 1,0 | 2,0 | 3,0 | 5,0 | 10,0 и более |
Средние скорости течения, м/с |
1 | 2 | 3 | 4 | 5 | 6 | 7 | 8 |
Растительный грунт, ил с мелким песком | - | 0,15 - 0,20 | 0,20 - 0,30 | 0,25 - 0,40 | 0,30 - 0,40 | 0,40 - 0,55 | 0,45 - 0,65 |
Песок мелкий пылеватый (с содержанием частиц диаметром более 0,10 мм < 75%) | 0,002 - 0,05 | 0,15 - 0,20 | 0,20 - 0,30 | 0,25 - 0,40 | 0,30 - 0,40 | 0,40 - 0,55 | 0,45 - 0,65 |
Песок мелкий (с содержанием частиц диаметром более 0,10 мм >= 75%) | 0,05 - 0,25 | 0,20 - 0,35 | 0,30 - 0,45 | 0,40 - 0,55 | 0,45 - 0,60 | 0,55 - 0,70 | 0,65 - 0,80 |
Песок средний, в т.ч. с примесью крупного | 0,25 - 1,00 | 0,35 - 0,50 | 0,45 - 0,60 | 0,55 - 0,70 | 0,60 - 0,75 | 0,70 - 0,85 | 0,80 - 0,95 |
Песок крупный, в т.ч. с примесью гравия (с содержанием частиц диаметром более 2 мм > 50%) | 1,00 - 2,00 | 0,50 - 0,65 | 0,60 - 0,75 | 0,70 - 0,80 | 0,75 - 0,90 | 0,85 - 1,00 | 0,95 - 1,20 |
Гравий (дресва) мелкий, в т.ч. с примесью крупного | 2,00 - 5,00 | 0,65 - 0,80 | 0,75 - 0,85 | 0,80 - 1,00 | 0,90 - 1,10 | 1,00 - 1,20 | 1,20 - 1,50 |
Гравий (дресва) крупный, в т.ч. с примесью песка и мелкого гравия | 5,00 - 10,00 | 0,80 - 0,90 | 0,85 - 1,05 | 1,00 - 1,15 | 1,10 - 1,30 | 1,20 - 1,45 | 1,50 - 1,75 |
Галька (щебень) мелкая, в т.ч. с примесью песка и гравия | 10,00 - 15,00 | 0,90 - 1,10 | 1,05 - 1,20 | 1,15 - 1,35 | 1,30 - 1,50 | 1,45 - 1,65 | 1,75 - 2,00 |
Галька (щебень) мелкая, в т.ч. с примесью песка и гравия | 15,00 - 25,00 | 1,10 - 1,25 | 1,20 - 1,45 | 1,35 - 1,65 | 1,50 - 1,85 | 1,65 - 2,00 | 2,00 - 2,30 |
Галька (щебень) мелкая, в т.ч. с примесью гравия | 25,00 - 40,00 | 1,25 - 1,50 | 1,45 - 1,85 | 1,65 - 2,10 | 1,85 - 2,30 | 2,00 - 2,45 | 2,30 - 2,70 |
Галька (щебень) средняя, в т.ч. с примесью гравия | 40,00 - 60,00 | 1,50 - 2,00 | 1,85 - 2,40 | 2,10 - 2,75 | 2,30 - 3,10 | 2,45 - 3,30 | 2,70 - 3,60 |
Галька (щебень) средняя | 60,00 - 100 | 2,00 - 2,45 | 2,40 - 2,80 | 2,75 - 3,20 | 3,10 - 3,50 | 3,30 - 3,80 | 3,60 - 4,20 |
Галька (щебень) крупная | 100 - 150 | 2,45 - 3,00 | 2,80 - 3,35 | 3,20 - 3,75 | 3,50 - 4,10 | 3,80 - 4,40 | 4,20 - 4,50 |
Галька (щебень) крупная, в т.ч. с примесью мелких валунов | 150 - 200 | 3,00 - 3,50 | 3,35 - 3,80 | 3,75 - 4,30 | 4,10 - 4,65 | 4,40 - 5,00 | 4,50 - 5,40 |
Валун мелкий, в т.ч. с примесью мелкой гальки | 200 - 300 | 3,50 - 3,85 | 3,80 - 4,35 | 4,30 - 4,70 | 4,65 - 4,90 | 5,00 - 5,50 | 5,40 - 5,90 |
| | ИС МЕГАНОРМ: примечание. Значение в четвертой графе дано в соответствии с официальным текстом документа. | |
|
Валун мелкий, в т.ч. с примесью средней и крупной гальки | 300 - 400 | - | 4,35 - 4, | 4,70 - 4,95 | 4,90 - 5,30 | 5,50 - 5,60 | 5,90 - 6,00 |
Валун средний и крупный | > 400 | - | - | 4,95 - 5,35 | 5,30 - 5,60 | 5,60 - 6,00 | 6,00 - 6,20 |
Таблица А.4
Средние допускаемые (неразмывающие) скорости течения воды
для дисперсных связных грунтов
NN п/п | Наименование грунтов | Содержание частиц, % | Характеристики грунтов |
Менее 0,005 мм | 0,005 - 0,050 мм | Грунты малоплотные (приведенная порозность 1,2 - 0,4) Вес грунтового скелета до 1,20 т/м3 | Грунты средней плотности (приведенная порозность 0,9 - 0,6) Вес грунтового скелета 1,20 - 1,66 т/м3 | Грунты плотные (приведенная порозность 0,6 - 0,3) Вес грунтового скелета 1,66 - 2,04 т/м3 | Грунты очень плотные (приведенная порозность 0,3 - 0,2) Вес грунтового скелета 2,04 - 2,14 т/м3 |
Средние глубины потока, м |
0,4 | 1,0 | 2,0 | 3,0 | 0,4 | 1,0 | 2,0 | 3,0 | 0,4 | 1,0 | 2,0 | 3,0 | 0,4 | 1,0 | 2,0 | 3,0 |
Средние скорости течения, м/с |
1 | Глины | 30 - 50 | 70 - 50 | 0,35 | 0,40 | 0,45 | 0,50 | 0,70 | 0,85 | 0,95 | 1,10 | 1,00 | 1,20 | 1,40 | 1,50 | 1,40 | 1,70 | 1,90 | 2,10 |
2 | Тяжелые суглинки | 20 - 30 | 80 - 70 |
3 | Легкие суглинки | 10 - 20 | 90 - 80 | 0,35 | 0,40 | 0,45 | 0,50 | 0,65 | 0,80 | 0,90 | 1,00 | 0,95 | 1,20 | 1,40 | 1,50 | 1,40 | 1,70 | 1,90 | 2,10 |
4 | Лессовидные грунты в условиях закончившихся просадок | - | - | - | - | - | - | 0,60 | 0,70 | 0,80 | 0,85 | 0,80 | 1,00 | 1,20 | 1,30 | 1,10 | 1,30 | 1,50 | 1,70 |
5 | Супеси | 5 - 10 | 20 - 40 | По номограмме лист 111 [19] |
Примечания 1 Для промежуточных глубин водотока значения скоростей принимаются по глубинам, ближайшим к расчетным. 2 Величины допускаемых скоростей течения при глубинах водотока более 3,0 м (в случае отсутствия специальных исследований и расчетов) принимаются по их значениям для глубины 3,0 м. 3 При проектировании поверхностных водоотводов в подверженных выветриванию плотных и очень плотных грунтах допускаемые скорости ограничиваются теми же значениями, что и для грунтов средней плотности. 4 Таблица составлена по материалам [29]. |
Расчетное значение скорости потока по поверхности неукрепленного откоса
v определяется по
А.2.2, вдоль подошвы откоса - по
А.2.3.
Для случая, когда
v >
vдоп, по зависимостям
раздела А.5 определяют размеры размывов и в соответствии с
таблицей 3 назначают мероприятия по укреплению откосов.
А.2.2 Определение расчетной скорости потока воды на откосе
v при движении воды по откосу
Расчет по определению
v проводят в соответствии с Приложением 2
[2].
| | ИС МЕГАНОРМ: примечание. Текст дан в соответствии с официальным текстом документа. | |
При ориентировочных расчетах в соответствии с Инструкцией
[4] расчетное значение скорости потока по поверхности неукрепленного откоса
v в соответствии с может быть получено по зависимости (А.3):
v = 7,34·[Lотк(J - J0)]0,3·m0,35, (А.3)
где,
J - расчетная интенсивность дождя повторяемостью один раз в 50 лет
(таблица А.5), мм/мин;
J0 - интенсивность впитывания
(рисунок А.1) принимается по величине класса грунта по водопроницаемости
(таблица А.6) и величине
J, мм/мин;
Lотк - длина откоса насыпи (естественного склона), м;
m - заложение откоса.
Таблица А.5
Расчетная интенсивность дождя
[2]
Примерные географические границы района | Расчетная интенсивность дождя повторяемостью один раз в 50 лет, J, мм/мин |
Северные области | 0,5 |
Урал, Южная половина Сибири | 1,0 |
Центральные области Европейской части | 1,5 |
Таблица А.6
Класс грунтов по водопроницаемости
| | ИС МЕГАНОРМ: примечание. В официальном тексте документа, видимо, допущена опечатка: таблица Б.7 в ГОСТ 33063-2014 отсутствует. | |
Разновидность грунтов по водопроницаемости (в соответствии с таблицей Б.7 ГОСТ 33063) | Коэффициент фильтрации грунтов поверхностного слоя неукрепленного откоса (естественного склона) Кф, м/сут | Класс грунтов по водопроницаемости, К |
Глины, суглинки тяжелые | Суглинки легкие | Супеси | Пески |
Водонепроницаемые и слабоводопроницаемые | < 0,001 | 4 | - | - | - |
Слабоводопроницаемые и водопроницаемые | 0,001 - 1 | 2 | 3 | 4 | - |
Водопроницаемые, сильноводопроницаемые и очень сильно водопроницаемые | > 1 | 1 | 2 | 3 | 4 |
Примечание - Таблица составлена в соответствии с инструкцией [4] и ГОСТ 33063. |
Цифры на кривых (1 - 4 класс) - класс грунтов
впитывания воды в грунт откоса; J - расчетная интенсивность
Рисунок А.1 - Определение интенсивности впитывания воды
А.2.3 Скорость потока
v вдоль подошвы насыпи и глубину воды у откоса определяют в зависимости от расчетного расхода и продольного уклона в соответствии с методикой расчета раздела VII "Основные положения по гидрологическим расчетам"
[5].
А.3 Расчет местной устойчивости подтопляемых неукрепленных откосов против деформаций размывов от волновых воздействий у подошвы насыпи
А.3.1 Расчет по определению устойчивости грунтов в основании откоса против деформаций размывов, вызванных воздействием ветровых волн, проводят в соответствии с
Приложением В СП 38.13330.2012.
А.3.2 Устойчивость грунта основания откоса у края укрепления против деформаций размывов от воздействия волновых нагрузок считается обеспеченной при выполнении условия (А.4):
vb.max <= vb.adm, (А.4)
где vb.max - максимальная придонная скорость, м/с;
vb.adm - допускаемая придонная скорость, м/с.
При vb.max > vb.adm следует учитывать возможность размыва дна и предусматривать мероприятия по защите от размыва и подмыва основания сооружения.
А.3.3 Значение
vb.adm для дисперсных связных и несвязных грунтов крупностью фракций
d <= 100 мм следует принимать по
рисунку А.2, для грунтов крупностью фракций
d > 100 мм - по формуле (А.5):

(А.5)
где d - крупность фракций грунта, м;

- плотность воды, т/м
3;

- плотность грунта, т/м
3;
g - ускорение свободного падения, м/с2.
Крупность фракций для дисперсных несвязных грунтов с размером частиц <= 100 мм составляет d = dср, для дисперсных несвязных грунтов размером частиц более 100 мм d = Dmax, для дисперсных связных грунтов d = dэкв.
Значения
dср,
dэкв,
Dmax принимаются по данным механического (ситового) анализа грунта по
ГОСТ 12536 и по
В.2 данного ОДМ.
Рисунок А.2 - Определение допускаемой придонной
скорости vb.adm
| | ИС МЕГАНОРМ: примечание. Нумерация пунктов дана в соответствии с официальным текстом документа. | |
А.3.3 Значение
vb.max определяют по таблице А.7 при значениях параметров ветровых волн (
Б.2 приложения Б) и расчетной величине размыва дна у основания откоса
hр (
А.5.2 приложения А).
Таблица А.7
| | ИС МЕГАНОРМ: примечание. Сноска дана в соответствии с официальным текстом документа. | |
Значения максимальной придонной скорости vb.max <*>
Расчетная высота волны h1%, м | Отношение глубины воды перед откосом к длине расчетной волны  |
<= 0,004 | 0,005 | 0,006 | 0,008 | 0,01 | 0,02 | 0,03 | 0,04 | 0,06 | 0,08 | 0,1 | 0,2 | 0,3 | 0,4 | 0,5 | 0,6 | 0,7 | 0,8 | 0,9 | 1,0 | 1,1 | 1,2 | 1,4 | >= 1,6 |
Максимальная донная скорость потока воды vb.max, м/с |
<= 0,1 | 0,01 | 0,01 | 0,02 | 0,02 | 0,02 | 0,03 | 0,04 | 0,04 | 0,05 | 0,06 | 0,07 | 0,10 | 0,13 | 0,17 | 0,21 | 0,26 | 0,32 | 0,40 | 0,49 | 0,61 | 0,75 | 0,93 | 1,43 | >= 2,0 |
0,2 | 0,02 | 0,02 | 0,02 | 0,03 | 0,03 | 0,04 | 0,05 | 0,06 | 0,07 | 0,08 | 0,09 | 0,14 | 0,18 | 0,23 | 0,29 | 0,36 | 0,45 | 0,56 | 0,69 | 0,86 | 1,06 | 1,32 | >= 2 | - |
0,3 | 0,02 | 0,03 | 0,03 | 0,03 | 0,04 | 0,05 | 0,06 | 0,07 | 0,09 | 0,10 | 0,12 | 0,17 | 0,23 | 0,29 | 0,36 | 0,45 | 0,55 | 0,68 | 0,85 | 1,05 | 1,30 | 1,61 | >= 2 | - |
0,4 | 0,03 | 0,03 | 0,03 | 0,04 | 0,04 | 0,06 | 0,07 | 0,08 | 0,10 | 0,12 | 0,13 | 0,20 | 0,26 | 0,33 | 0,41 | 0,51 | 0,64 | 0,79 | 0,98 | 1,21 | 1,50 | 1,86 | >= 2 | - |
0,5 | 0,03 | 0,03 | 0,04 | 0,04 | 0,05 | 0,07 | 0,08 | 0,09 | 0,12 | 0,13 | 0,15 | 0,22 | 0,29 | 0,37 | 0,46 | 0,57 | 0,71 | 0,88 | 1,10 | 1,36 | 1,68 | >= 2 | - | - |
0,6 | 0,03 | 0,04 | 0,04 | 0,05 | 0,05 | 0,07 | 0,09 | 0,10 | 0,13 | 0,15 | 0,16 | 0,24 | 0,32 | 0,40 | 0,51 | 0,63 | 0,78 | 0,97 | 1,20 | 1,49 | 1,84 | >= 2 | - | - |
0,7 | 0,03 | 0,04 | 0,04 | 0,05 | 0,06 | 0,08 | 0,10 | 0,11 | 0,14 | 0,16 | 0,18 | 0,26 | 0,34 | 0,44 | 0,55 | 0,68 | 0,84 | 1,05 | 1,30 | 1,61 | 1,99 | >= 2 | - | - |
0,8 | 0,04 | 0,04 | 0,05 | 0,05 | 0,06 | 0,08 | 0,10 | 0,12 | 0,15 | 0,17 | 0,19 | 0,28 | 0,37 | 0,47 | 0,58 | 0,73 | 0,90 | 1,12 | 1,39 | 1,72 | >= 2 | - | - | - |
0,9 | 0,04 | 0,04 | 0,05 | 0,06 | 0,06 | 0,09 | 0,11 | 0,13 | 0,15 | 0,18 | 0,20 | 0,30 | 0,39 | 0,50 | 0,62 | 0,77 | 0,96 | 1,19 | 1,47 | 1,82 | >= 2 | - | - | - |
1,0 | 0,04 | 0,05 | 0,05 | 0,06 | 0,07 | 0,09 | 0,11 | 0,13 | 0,16 | 0,19 | 0,21 | 0,31 | 0,41 | 0,52 | 0,65 | 0,81 | 1,01 | 1,25 | 1,55 | 1,92 | >= 2 | - | - | - |
1,2 | 0,05 | 0,05 | 0,06 | 0,06 | 0,07 | 0,10 | 0,13 | 0,15 | 0,18 | 0,21 | 0,23 | 0,34 | 0,45 | 0,57 | 0,72 | 0,89 | 1,10 | 1,37 | 1,70 | >= 2 | - | - | - | - |
1,4 | 0,05 | 0,06 | 0,06 | 0,07 | 0,08 | 0,11 | 0,14 | 0,16 | 0,19 | 0,22 | 0,25 | 0,37 | 0,49 | 0,62 | 0,77 | 0,96 | 1,19 | 1,48 | 1,83 | >= 2 | - | - | - | - |
1,6 | 0,05 | 0,06 | 0,06 | 0,07 | 0,08 | 0,12 | 0,14 | 0,17 | 0,21 | 0,24 | 0,27 | 0,40 | 0,52 | 0,66 | 0,83 | 1,03 | 1,28 | 1,58 | 1,96 | >= 2 | - | - | - | - |
1,8 | 0,06 | 0,06 | 0,07 | 0,08 | 0,09 | 0,13 | 0,15 | 0,18 | 0,22 | 0,25 | 0,28 | 0,42 | 0,55 | 0,70 | 0,88 | 1,09 | 1,35 | 1,68 | >= 2 | - | - | - | - | - |
2,0 | 0,06 | 0,07 | 0,07 | 0,08 | 0,09 | 0,13 | 0,16 | 0,19 | 0,23 | 0,27 | 0,30 | 0,44 | 0,58 | 0,74 | 0,92 | 1,15 | 1,43 | 1,77 | >= 2 | - | - | - | - | - |
2,2 | 0,06 | 0,07 | 0,08 | 0,09 | 0,10 | 0,14 | 0,17 | 0,20 | 0,24 | 0,28 | 0,31 | 0,47 | 0,61 | 0,78 | 0,97 | 1,21 | 1,5 | 1,85 | >= 2 | - | - | - | - | - |
2,4 | 0,06 | 0,07 | 0,08 | 0,09 | 0,10 | 0,14 | 0,18 | 0,21 | 0,25 | 0,29 | 0,33 | 0,49 | 0,64 | 0,81 | 1,01 | 1,26 | 1,56 | 1,94 | >= 2 | - | - | - | - | - |
2,6 | 0,07 | 0,08 | 0,08 | 0,10 | 0,11 | 0,15 | 0,18 | 0,21 | 0,26 | 0,30 | 0,34 | 0,51 | 0,66 | 0,84 | 1,05 | 1,31 | 1,63 | >= 2 | - | - | - | - | - | - |
2,8 | 0,07 | 0,08 | 0,09 | 0,10 | 0,11 | 0,16 | 0,19 | 0,22 | 0,27 | 0,32 | 0,35 | 0,52 | 0,69 | 0,87 | 1,09 | 1,36 | 1,69 | >= 2 | - | - | - | - | - | - |
3,0 | 0,07 | 0,08 | 0,09 | 0,10 | 0,11 | 0,16 | 0,20 | 0,23 | 0,28 | 0,33 | 0,37 | 0,54 | 0,71 | 0,91 | 1,13 | 1,41 | 1,75 | >= 2 | - | - | - | - | - | - |
3,2 | 0,07 | 0,08 | 0,09 | 0,11 | 0,12 | 0,17 | 0,20 | 0,24 | 0,29 | 0,34 | 0,38 | 0,56 | 0,74 | 0,93 | 1,17 | 1,45 | 1,80 | >= 2 | - | - | - | - | - | - |
3,4 | 0,08 | 0,09 | 0,09 | 0,11 | 0,12 | 0,17 | 0,21 | 0,24 | 0,30 | 0,35 | 0,39 | 0,58 | 0,76 | 0,96 | 1,21 | 1,50 | 1,86 | >= 2 | - | - | - | - | - | - |
3,6 | 0,08 | 0,09 | 0,10 | 0,11 | 0,13 | 0,18 | 0,22 | 0,25 | 0,31 | 0,36 | 0,40 | 0,59 | 0,78 | 0,99 | 1,24 | 1,54 | 1,91 | >= 2 | - | - | - | - | - | - |
>= 3,8 | 0,08 | 0,09 | 0,10 | 0,12 | 0,13 | 0,18 | 0,22 | 0,26 | 0,32 | 0,37 | 0,41 | 0,61 | 0,80 | 1,02 | 1,27 | 1,58 | 1,97 | >= 2 | - | - | - | - | - | - |
|
А.4 Расчет местной устойчивости неукрепленных откосов против деформаций, вызванных механической суффозией грунта
А.4.1 Оценка грунта земляного полотна на суффозию проводится в соответствии с
15.3.2,
15.3.3 данного ОДМ и материалами
[40].
А.4.2 В случае, когда грунт земляного полотна является несуффозионным, устойчивость грунта откоса против механической суффозии считается обеспеченной при выполнении условия (А.6):
где Jкр.суф - критический градиент суффозии;
Jкр.ср - средний критический градиент суффозии грунта:
- глина Jкр.ср = 2,0;
- суглинок Jкр.ср = 1,5;
- супесь, песок средней крупности Jкр.ср = 1,0;
- песок мелкий Jкр.ср = 0,75.
При невыполнении
условия (А.6) следует предусмотреть мероприятия по устранению явлений суффозии.
А.4.3 Критический градиент суффозии, при которой могут выноситься из толщи грунта частицы dci <= d5 без нарушения прочности грунта, определяется по зависимости (А.7):

(А.7)
где

для окатанных частиц,

для угловатых частиц, мм;
Cu - степень неоднородности гранулометрического состава несвязного грунта (
В.2.1 приложения В);
d5, d17 - диаметр частиц грунта, содержание которых по массе соответственно составляет 5% и 17%, мм;

- коэффициент критической скорости, определяемый по формуле (А.8):
| | ИС МЕГАНОРМ: примечание. Формула дана в соответствии с официальным текстом документа. | |

(А.8)
где

- плотность частиц грунта, т/м
3;

- плотность воды, т/м
3;
f - приведенный коэффициент трения f = 0,8 - 1,8·n + 0,006·Cu.
А.5 Расчет местных размывов
А.5.1 Вид расчета глубин местного размыва зависит от вида силового воздействия на грунты основания откоса и определяется по формулам, приведенным в следующих пунктах данного раздела:
- при наличии волнового воздействия от ветровых волн по
А.5.2;
- при наличии продольного течения вдоль подошвы насыпи по
А.5.3;
- при наличии течения воды по откосу по
А.5.4.
В случае, когда основание откоса подвергается одновременно волновому воздействию ветровых волн и воздействию продольного течения воды вдоль подошвы откоса, следует учитывать наибольшую из двух возможных расчетных глубин размыва, рассчитанных по
А.5.2 и
А.5.3.
При отсутствии волнового воздействия следует учитывать наибольшую из двух возможных глубин размыва, рассчитанных по
А.5.3 и
А.5.4.
А.5.2 Глубина местного размыва у подошвы насыпи при волновом воздействии ветровых волн определяется по зависимостям (А.9) и (А.10) в соответствии с приложением С СП 32-102-95:

(А.9)

(А.10)
где
vb.adm - допускаемая придонная скорость, м/с
(А.3.3);
g - ускорение свободного падения, м/с;
h1%,

- параметры ветровой волны (
Б.2 приложения Б);
hб - бытовая глубина воды перед насыпью (на уровне ГМВ);
k - коэффициент, принимаемый по таблице А.8 в зависимости от параметра А.
Таблица А.8
Значения коэффициента
k в зависимости от параметра А
А | k | А | k | А | k | А | k | А | k | А | k | А | k |
1 | 0,11 | 8,5 | 0,79 | 16 | 0,99 | 23,5 | 1,12 | 31 | 1,20 | 39 | 1,28 | 49,5 | 1,35 |
1,5 | 0,24 | 9 | 0,81 | 16,5 | 1,00 | 24 | 1,12 | 31,5 | 1,21 | 40 | 1,28 | 50 | 1,36 |
2 | 0,33 | 9,5 | 0,83 | 17 | 1,01 | 24,5 | 1,13 | 32 | 1,21 | 40,5 | 1,29 | 51 | 1,36 |
2,5 | 0,40 | 10 | 0,84 | 17,5 | 1,02 | 25 | 1,13 | 32,5 | 1,22 | 41 | 1,29 | 51,5 | 1,37 |
3 | 0,46 | 10,5 | 0,86 | 18 | 1,03 | 25,5 | 1,14 | 33 | 1,22 | 41,5 | 1,30 | 52 | 1,37 |
3,5 | 0,51 | 11 | 0,87 | 18,5 | 1,04 | 26 | 1,15 | 33,5 | 1,23 | 42,5 | 1,30 | 53 | 1,37 |
4 | 0,55 | 11,5 | 0,89 | 19 | 1,05 | 26,5 | 1,15 | 34 | 1,23 | 43 | 1,31 | 53,5 | 1,38 |
4,5 | 0,59 | 12 | 0,90 | 19,5 | 1,06 | 27 | 1,16 | 34,5 | 1,24 | 43,5 | 1,31 | 54 | 1,38 |
5 | 0,62 | 12,5 | 0,91 | 20 | 1,06 | 27,5 | 1,17 | 35 | 1,24 | 44 | 1,32 | 54,5 | 1,38 |
5,5 | 0,65 | 13 | 0,93 | 20,5 | 1,07 | 28 | 1,17 | 35,5 | 1,25 | 45 | 1,32 | 55 | 1,39 |
6 | 0,68 | 13,5 | 0,94 | 21 | 1,08 | 28,5 | 1,18 | 36 | 1,25 | 45,5 | 1,33 | 56 | 1,39 |
6,5 | 0,70 | 14 | 0,95 | 21,5 | 1,09 | 29 | 1,18 | 36,5 | 1,26 | 46,5 | 1,33 | 56,5 | 1,40 |
7 | 0,73 | 14,5 | 0,96 | 22 | 1,09 | 29,5 | 1,19 | 37,5 | 1,26 | 47 | 1,34 | 58 | 1,40 |
7,5 | 0,75 | 15 | 0,97 | 22,5 | 1,10 | 30 | 1,19 | 38 | 1,27 | 48 | 1,34 | 58,5 | 1,41 |
8 | 0,77 | 15,5 | 0,98 | 23 | 1,11 | 30,5 | 1,20 | 38,5 | 1,27 | 48,5 | 1,35 | 60 | 1,41 |
Примечание - Таблица составлена в соответствии с СП 32-102-95. |
А.5.3 Глубину местного размыва
hр от продольных течений вдоль подошвы откоса при отсутствии волновых воздействий определяют по зависимостям раздела 8 СП 32-102-95. Ориентировочное значение величины размыва может быть получено по формуле (А.11):

(А.11)

- угол между направлением течения при расчетном паводке и направлением берегового откоса (принимают не менее 30°);
d - крупность частиц грунта (
В.2.2,
В.2.3 приложения В);
mп - заложение подводной части откоса.
А.5.4 Глубину размыва
hр откоса в нижней точке откоса от воздействий течения воды по откосу определяют по приложению 2
[2]. Ориентировочное значение величины размыва может в соответствии с Инструкцией
[4] быть получено по зависимости (А.12), длины размыва
lр - по зависимости (А.13):

(А.12)

(А.13)
где
v,
vдоп,
J,
Jо,
Lотк,
m - обозначение параметров по
таблице А.1;
dотм - средний диаметр отрываемых потоком воды частиц грунта: песчаный грунт dотм = 0,001; супесь dотм = 0,0031; суглинок dотм = 0,004; глина dотм = 0,0043;
Tд - средняя продолжительность дождей в день с осадками (таблица А.9).
Таблица А.9
Средняя продолжительность дождей в день с осадками
Tд [71]
Территория | Средняя продолжительность дождей в день с осадками, ч | Территория | Средняя продолжительность дождей в день с осадками, ч |
Европейская часть | Западная Сибирь |
Адлер | 7 | Александровское | 9 |
Архангельск | 9 | Барнаул | 6 |
Астрахань | 4 | Новосибирск | 7 |
Бисер | 8 | Омск | 6 |
Брянск | 6 | Салехард | 9 |
Бугульма | 8 | Томск | 8 |
Волгоград | 5 | Тюмень | 7 |
Златоуст | 10 | Усть-Алаган | 4 |
Калининград | 6 | Немал | 5 |
Кемь | 6 | Восточная Сибирь |
Киров | 8 | Алдан | 9 |
Кола | 8 | Анадырь | 8 |
Котлас | 10 | Баргузин | 6 |
Самара | 6 | Баунт | 5 |
Курск | 6 | Братск | 6 |
С.-Петербург | 6 | Верхоянск | 6 |
Москва | 6 | Дудинка | 10 |
Нарьян-Мар | 8 | Ербогачен | 6 |
Оренбург | 6 | Зима | 5 |
Пермь | 9 | Красноармейский прииск | 13 |
Псков | 6 | Красноярск | 7 |
Ржев | 6 | Минусинск | 4 |
Ростов-на-Дону | 4 | Могоча | 6 |
Свердловск | 8 | Нерчинский завод | 4 |
Симферополь | 4 | Нижнеангарск | 6 |
Сочи | 7 | Оленек | 8 |
Сыктывкар | 10 | Сковородино | 6 |
Тамбов | 6 | Среднеколымск | 9 |
Ужгород | 5 | П/о Таймыр | 7 |
Хибины | 9 | Бухта Тикси | 7 |
Ялта | 4 | Томмот | 6 |
| | Туруханск | 13 |
| | Улан-Удэ | 5 |
| | Уэлен | 7 |
ОПРЕДЕЛЕНИЕ ПАРАМЕТРОВ НАГРУЗОК И ВОЗДЕЙСТВИЙ НА ОТКОС
Б.1 Волновые нагрузки (ветровые волны)
Б.1.1 Элементы волновых нагрузок (ветровых волн)
Ветровые волны: колебательное движение воды, вызванное ветром при его воздействии на свободную поверхность.
Расчетные элементы волны: элементы волны заданной обеспеченности в системе расчетного шторма, принятые в соответствии с категорией автомобильной дороги и типом откоса.
Длина разгона волны L: протяженность охваченной ветром акватории, измеренная по направлению ветра до расчетной точки.
Высота ветровой волны hо: превышение вершины волны над соседней подошвой на волновом профиле.
Длина ветровой волны

: горизонтальное расстояние по лучу волны между вершинами двух смежных гребней на волновом профиле.
Элементы ветровых волн
(рисунок Б.1) следует принимать на основе результатов инженерно-гидрометеорологических изысканий, многолетних натурных наблюдений и лабораторных исследований в соответствии с
СП 11-103-97 и
СП 11-114-2004.

- длина ветровой волны;
h0 - высота ветровой волны;
hс - глубина воды в приоткосной зоне; hн - высота наката
расчетной ветровой волны на откос; РУВВ - расчетный уровень
высокой воды;

- угол наклона откоса к горизонту;
1 - земляное полотно; 2 - свободная поверхность воды
в условиях штиля; 3 - свободная поверхность воды
в условиях шторма
Рисунок Б.1 - Элементы ветровых волн в приоткосной зоне
При недостаточности или отсутствии данных инженерно-гидрометеорологических изысканий параметры ветровых волн можно определять расчетом по зависимостям
СП 38.13330.2012,
[72] с последующей их проверкой по имеющимся данным наблюдений в конкретном месте изысканий.
Ориентировочные значения элементов ветровых волн в зависимости от длины разгона волны L, расчетной скорости ветра Vw, глубины воды у откоса hс могут быть приняты по таблице Б.1.
Таблица Б.1
Средние значения элементов ветровых волн
[72]
L, км | Vw, м/с | Элементы ветровых волн | L, км | Vw, м/с | Элементы ветровых волн |
hс, м | hо, м |  , м | hс, м | hо, м |  , м |
1 | 2 | 3 | 4 | 5 | 6 | 7 | 8 | 9 | 10 |
<= 0,1 | <= 5 | <= 1 | 0,1 | 0,6 | 1,5 | 20 | <= 1 | 0,4 | 3,4 |
8 | 0,1 | 0,9 | 2 | 0,7 | 6,7 |
10 | 0,1 | 1,0 | 3 | 0,9 | 9,3 |
15 | 0,2 | 1,4 | 4 | 1,0 | 9,3 |
20 | 0,2 | 1,7 | 25 | <= 1 | 0,4 | 3,3 |
25 | 0,3 | 1,9 | 2 | 0,7 | 6,8 |
30 | 0,4 | 2,4 | 3 | 1,0 | 9,9 |
0,2 | <= 5 | <= 1 | 0,1 | 0,8 | 4 | 1,1 | 11,4 |
8 | 0,1 | 1,3 | 5 | 1,2 | 11,4 |
10 | 0,2 | 1,6 | 30 | <= 1 | 0,5 | 3,6 |
15 | 0,3 | 2,6 | 2 | 0,8 | 6,8 |
20 | 0,3 | 2,7 | 3 | 1,0 | 10,1 |
25 | 0,4 | 3,2 | 4 | 1,3 | 13,0 |
30 | 0,5 | 3,6 | 5 | 1,4 | 13,2 |
0,4 | <= 5 | <= 1 | 0,1 | 1,4 | 3,0 | 5 | <= 1 | 0,2 | 3,2 |
8 | 0,2 | 1,8 | 2 | 0,3 | 3,8 |
10 | 0,2 | 2,4 | 8 | <= 1 | 0,3 | 3,3 |
15 | 0,4 | 3,4 | 2 | 0,4 | 5,9 |
20 | 0,5 | 4,2 | 3 | 0,5 | 5,9 |
25 | 0,6 | 5,2 | 10 | <= 1 | 0,3 | 3,3 |
30 | 0,7 | 5,5 | 2 | 0,5 | 7,0 |
0,8 | <= 5 | <= 1 | 0,2 | 1,9 | 3 | 0,6 | 7,5 |
8 | 0,3 | 3,0 | 15 | <= 1 | 0,4 | 3,3 |
10 | 0,3 | 3,3 | 2 | 0,6 | 6,6 |
15 | <= 1 | 0,3 | 3,3 | 3 | 0,9 | 9,9 |
2 | 0,5 | 5,0 | 4 | 0,9 | 11,1 |
20 | <= 1 | 0,4 | 3,4 | 20 | <= 1 | 0,4 | 3,4 |
2 | 0,6 | 6,6 | 2 | 0,7 | 6,7 |
3 | 0,7 | 6,6 | 3 | 0,9 | 10,4 |
25 | <= 1 | 0,4 | 3,3 | 4 | 1,2 | 12,8 |
2 | 0,7 | 6,8 | 5 | 1,3 | 12,8 |
3 | 0,9 | 7,6 | 25 | <= 1 | 0,4 | 3,3 |
30 | <= 1 | 0,5 | 3,6 | 2 | 0,7 | 6,8 |
2 | 0,8 | 6,8 | 3 | 1,0 | 9,9 |
3 | 1,0 | 9,2 | 4 | 1,3 | 14,1 |
4 | 1,1 | 9,2 | 5 | 1,5 | 16,8 |
1,5 | <= 5 | <= 1 | 0,2 | 2,5 | 6 | 1,6 | 16,8 |
8 | 0,3 | 3,3 | 30 | <= 1 | 0,5 | 3,6 |
10 | 1 | 0,3 | 3,3 | 2 | 0,8 | 3,8 |
2 | 0,4 | 5,2 | 3 | 1,1 | 10,1 |
15 | 1 | 0,4 | 3,3 | 3,0 | 30 | 4 | 1,4 | 13,0 |
2 | 0,6 | 6,6 | 5 | 1,7 | 17,3 |
3 | 0,7 | 6,9 | 6 | 1,8 | 19,4 |
3,0 | 30 | 7 | 1,9 | 19,4 | > 3,0 | 20 | 5 | 1,5 | 16,4 |
8 | 2,0 | 19,4 | 6 | 1,7 | 19,9 |
9 | 2,0 | 19,4 | 7 | 1,7 | 22,4 |
> 3,0 | <= 5 | <= 1 | 0,2 | 3,2 | 8 | 1,8 | 22,4 |
2 | 0,2 | 4,7 | 9 | 1,9 | 22,4 |
3 | 0,4 | 4,7 | 25 | <= 1 | 0,4 | 3,4 |
> 3,0 | 8 | <= 1 | 0,3 | 3,3 | > 3,0 | 25 | 2 | 0,7 | 6,8 |
2 | 0,5 | 7,1 | 3 | 1,1 | 9,9 |
3 | 0,6 | 9,1 | 4 | 1,3 | 14,0 |
4 | 0,7 | 9,5 | 5 | 1,5 | 16,9 |
10 | <= 1 | 0,3 | 3,3 | 6 | 1,8 | 19,7 |
2 | 0,5 | 7,9 | 7 | 2,1 | 23,0 |
3 | 0,7 | 10,8 | 8 | 2,3 | 26,3 |
4 | 0,8 | 11,3 | 9 | 2,4 | 28,9 |
15 | <= 1 | 0,4 | 3,3 | 30 | <= 1 | 0,5 | 3,6 |
2 | 0,6 | 6,6 | 2 | 0,8 | 6,8 |
3 | 0,9 | 9,9 | 3 | 1,1 | 10,1 |
4 | 1,1 | 13,6 | 4 | 1,4 | 13,0 |
5 | 1,3 | 17,4 | 5 | 1,7 | 17,2 |
6 | 1,3 | 17,4 | 6 | 2,0 | 21,7 |
20 | <= 1 | 0,4 | 3,4 | 7 | 2,2 | 24,0 |
2 | 0,7 | 6,7 | 8 | 2,4 | 26,5 |
3 | 0,9 | 10,4 | 9 | 2,8 | 29,7 |
4 | 1,2 | 13,2 | - |
Примечание - L - длина разгона ветровой волны; Vw - расчетная скорость ветра; hс - глубина воды в приоткосной зоне; hо - расчетное значение высоты волны в таблице соответствует высоте волны 1% обеспеченности hо = h1%;  - длина ветровой волны; промежуточные значения параметров ветровых волн допускается определять линейной интерполяцией. |
Б.1.2 Расчет элементов ветровых волн
Б.1.2.1 Длину разгона волны L следует определять по данным картографического материала с учетом направления ветра, при отсутствии данных - по зависимости Б.1:

(Б.1)
где L - длина разгона волны, м, при L <= Lu;
Lu - предельный разгон волны (
таблица А.1 СП 38.13330.2012), м;
kvis - переводной коэффициент kvis = 5·1011;

- коэффициент кинематической вязкости воздуха

;
Vw - расчетная скорость ветра, м/с.
Б.1.2.2 Расчетная скорость ветра
Vw определяется в соответствии с разделом 2 и Приложением 2
[72] или может быть ориентировочно принята по таблице Б.2 по величине фактической скорости ветра
V1 на высоте 10 м от поверхности акватории в зависимости от характеристики местности.
Таблица Б.2
Расчетная скорость ветра Vw
Характеристика местности <1> | |
1 | 2 | 4 | 6 | 8 | 10 | 12 | 16 | 18 | 22 | 26 | 30 |
Расчетная скорость ветра Vw, м/с |
Открытые акватории, пустыни, степи, лесостепи, тундра | 0,9 | 2,2 | 4,6 | 6,9 | 9,1 | 11,1 | 13,0 | 16,4 | 18,0 | 20,8 | 23,4 | 25,8 |
Населенные пункты при высоте застройки до 10 м, лесные массивы | 0,9 | 2,4 | 5,4 | 8,2 | 10,7 | 13,1 | 15,3 | 19,2 | 21,0 | 24,2 | 27,0 | 32,9 |
Населенные пункты при высоте застройки более 10 м | 1,1 | 2,9 | 6,2 | 9,3 | 12,2 | 14,9 | 17,3 | 21,8 | 23,9 | 27,7 | 21,2 | 34,5 |
| | ИС МЕГАНОРМ: примечание. В официальном тексте документа, видимо, допущена опечатка: имеется в виду СП 20.13330.2011, а не СП 20.13330.2012. | |
|
<2> V1 - скорость ветра на высоте 10 м над поверхностью воды. Соответствует интервалу осреднения 10 минут и 1% обеспеченности. Принимается по данным непосредственных измерений или климатических справочников. |
Б.1.2.3 Высоту наката ветровой волны на откос
hн определяют по
зависимости Д.1 Приложения Д.1 СП 38.13330.2012 или ориентировочно принимают по таблице Б.3.
Таблица Б.3
Высота наката ветровой волны hн
Высота волны h1%, м | Заложение откоса l:m | Железобетон монолитный, плитное сборное, омоноличенное в карты | Сборное из шарнирно соединенных плит | Каменная наброска при относительной шероховатости |
0,1 | 0,2 |
Расчетная скорость ветра Vw, м/с |
<= 10 | >= 20 | <= 10 | >= 20 | <= 10 | >= 20 | <= 10 | >= 20 |
0,5 | 2,0 | 1,05 | 1,35 | 0,95 | 1,20 | 0,50 | 0,60 | 0,40 | 0,50 |
3,0 | 0,75 | 1,00 | 0,65 | 0,90 | 0,35 | 0,45 | 0,25 | 0,35 |
3,5 | 0,60 | 0,85 | 0,55 | 0,75 | 0,30 | 0,40 | 0,25 | 0,30 |
1,0 | 2,0 | 2,10 | 2,70 | 1,90 | 2,45 | 0,95 | 1,25 | 0,75 | 0,95 |
3,0 | 1,45 | 2,00 | 1,30 | 1,80 | 0,65 | 0,90 | 0,60 | 0,70 |
3,5 | 1,20 | 1,65 | 1,10 | 1,50 | 0,55 | 0,75 | 0,50 | 0,45 |
1,2 | 2,0 | 2,60 | 3,25 | 2,35 | 2,95 | 1,15 | 1,45 | 0,90 | 1,15 |
3,0 | 1,77 | 2,35 | 1,60 | 2,10 | 0,80 | 1,00 | 0,60 | 0,85 |
3,5 | 1,45 | 2,00 | 1,30 | 1,80 | 0,65 | 0,90 | 0,55 | 0,70 |
1,5 | 2,0 | 3,15 | 4,00 | 2,90 | 3,65 | 1,45 | 1,85 | 1,10 | 1,45 |
3,0 | 2,15 | 3,00 | 1,95 | 2,60 | 1,00 | 1,35 | 0,75 | 1,05 |
3,5 | 1,85 | 2,50 | 1,70 | 2,25 | 0,85 | 1,15 | 0,65 | 0,90 |
Примечание - Величину относительной шероховатости следует принимать равной среднему диаметру зерен материала d50 крепления откоса. |
Б.2.1 Нагрузку от волнового воздействия следует учитывать при расчетной высоте волны у откоса h1% более 1 м.
Б.2.2 При определении волновых нагрузок на конструкцию укрепления откосов берегоукрепительных сооружений необходимо принимать длину ветровой волны в диапазоне (от 1 до 1,4)

, при которой оказывается максимальное воздействие на откос.
Б.2.3 Величина максимальной волновой нагрузки на откос
Pв определяется по результатам построения эпюры волновых давлений по зависимостям
приложений В и
Д СП 38.13330-2012.
Ориентировочные значения волновой нагрузки
Pв в характерных точках (точки 1, 2, 3, 4, В) могут быть приняты по графикам на
рисунке Б.3 в соответствии с расчетной схемой
(рисунок Б.2) в зависимости от пологости ветровой волны

.
Основные параметры эпюры волнового воздействия на откос (a1, a2) могут быть приняты по
таблице Б.4.
hс - глубина воды в приоткосной зоне; hн - высота наката
расчетной ветровой волны на откос; РУВВ - расчетный горизонт
высоких вод;

- угол наклона откоса к горизонту;
m - заложение откоса; В - точка приложения максимальной
волновой нагрузки; e0 - расстояние, определяющее положение
точки В относительно РУВВ; 1, 2, 3, 4 - характерные точки
приложения нагрузок P1, P2, P3, P4; В - точка приложения
максимальной нагрузки; a1, a2 - расстояния, определяющие
места приложения нагрузок P1, P2, P3, P4
Рисунок Б.2 - Схема приложения волновых нагрузок на откос
Таблица Б.4
Значения основных параметров
на схеме приложения волновых нагрузок
Параметры эпюры волнового давления <*> | Пологость ветровой волны  |
7 | 8 | 9 | 10 | 11 | 12 | 13 | 14 | 15 | 16 | 17 | 18 | 19 | 20 | 21 | 22 | 23 | >= 24 |
| 0,3 | 0,3 | 0,4 | 0,5 | 0,6 |
| 0,2 | 0,3 | 0,4 | 0,5 | 0,6 | 0,7 | 0,8 |
| 1,1 | 1,3 | 1,4 | 1,6 | 1,8 | 1,9 | 2,1 | 2,2 | 2,4 | 2,6 | 2,7 | 2,9 | 3,0 | 3,2 | 3,4 | 3,5 | 3,7 | 3,8 |
<*> Параметры e0, a1 и a2 определяются путем умножения табличных данных на расчетное значение высоты ветровой волны h1%. |
Цифры на кривых - заложение откоса m
Pв - максимальная волновая нагрузка на откос;
P1, P3, P2,4 - волновые нагрузки на откос
в характерных точках;

- пологость ветровой волны
Рисунок Б.3 - Номограмма по определению волновых нагрузок
на откос (номограммы составлены по расчетным зависимостям
Б.3 Элементы ледовых условий и воздействия от ледовых нагрузок
Б.3.1 Элементы и характеристики ледовых условий
Б.3.1.1 Ледоход: движение льда по поверхности воды в период осеннего и весеннего паводков или в период временных оттепелей.
Подвижка примерзшего льда: перемещение ледяного покрова на отдельных участках, происходящее под влиянием течения, ветра, колебания уровней воды, изменения толщины и прочности льда.
Навалы льда: нагромождения льдин на берегах и у гидротехнических сооружений под влиянием ветра и течения в период ледохода, вызывающие заторы и зажоры (нагромождения льдин неправильной формы).
Толщина ровного льда: сумма толщин надводной и подводной частей ледяного покрова.
Б.3.1.2 Ледовые условия характеризуются:
- датами замерзания и вскрытия ледового покрытия;
- толщиной ледяного покрова за период ледостава;
- высотой скопления обломков льда у откоса;
- интенсивностью нарастания толщины ледяного покрова, условиями вскрытия, образованием зажоров и заторов льда.
Б.3.1.3 Исходные данные для расчета ледовых нагрузок следует назначать путем статистической обработки материалов натурных наблюдений. При отсутствии материалов натурных наблюдений принимают значения, полученные расчетом в соответствии с Приложением 3
[15] и
разделом 7 СП 38.13330.2012.
Б.3.1.4 За расчетную толщину ровного льда
hd принимают его наибольшую толщину расчетной вероятности, полученную по результатам натурных измерений толщины льда на период его первой подвижки с учетом понижающих коэффициентов:
- для пресноводного льда Европейской части России и в районах Сибири, расположенных южнее 65° северной широты, - 0,8 от максимальной за зимний период толщины льда 1%-ной обеспеченности;
- для районов Азиатской части России, расположенных между 65° и 70° северной широты, - 0,9 от максимальной толщины льда обеспеченностью 1%;
- для районов Азиатской части России, расположенных севернее 70° северной широты, - максимальной толщине льда 1%-ной обеспеченности;
- для морского льда - максимальной толщине льда 1%-ной обеспеченности.
Б.3.2 Воздействия от ледовых нагрузок
Б.3.2.1 При оценке креплений откосов учитывают следующие виды ледовых нагрузок:
- от движущихся ледовых полей, отдельных льдин в период ледохода, остановившегося ледяного поля, наваливающегося на откос, которые представляют собой горизонтальные усилия, вызывающие деформацию и частичное разрушение покрытия;
- от подвижек примерзшего льда, вызванных изменением прочности льда и колебаниями уровня воды, которые представляют собой изгибающие моменты, вызывающие вырывание элементов конструкции.
Б.3.2.2 Величину горизонтальной и вертикальной составляющей нагрузки от движущегося ледового поля с учетом навала и надвига льда определяют по
формулам (56) и
(57) СП 38.13330.2012.
Б.3.2.3 Нагрузку от локального давления отдельных льдин в зависимости от их размеров определяют по
7.11 СП 38.13330.2012.
Б.3.2.4 Нагрузку от сплошного остановившегося ледового поля при его температурном расширении определяют по
7.14,
7.15,
7.16 СП 38.13330.2012.
Б.3.2.5 Вертикальную нагрузку от примерзшего к конструкции укрепления льда при изменениях уровня воды определяют по
формулам (69),
(70) СП 38.13330.2012, момент силы, воспринимаемый 1 м укрепления, определяют по
формулам (71) и
(72) СП 38.13330.2012.
ОСНОВНЫЕ ПАРАМЕТРЫ ГРУНТОВ И МАТЕРИАЛОВ
В.1 Грунты. Перечень основных показателей свойств грунтов
Таблица В.1
Перечень основных показателей свойств дисперсных грунтов
Наименование параметра | Обозначение параметра | Размерность | Ссылка |
1 | 2 | 3 | 4 |
Средний диаметр крупных частиц | Dmax | мм | Расчет по Прил. А, Г СП 32-102-95 |
Степень неоднородности гранулометрического состава крупнообломочных и песчаных грунтов | Cu | доли ед. | ГОСТ 33063 |
Число пластичности | Ip | % | |
Показатель текучести (консистенции) | IL | доли ед. | ГОСТ 33063 |
Коэффициент выветрелости крупнообломочных грунтов | Кwrt | доли ед. | ГОСТ 33063 |
Степень морозной пучинистости | | % | ГОСТ 33063 |
Относительная деформации набухания без нагрузки | | доли ед. | ГОСТ 33063 |
Степень плотности песчаных грунтов искусственного сложения | ID | доли ед. | |
Относительная деформация просадочности | | доли ед. | ГОСТ 33063 |
Диаметр частиц содержание которых по массе составляет 10% | d10 | мм | По результатам определения зернового состава по ГОСТ 12536 |
то же, 60% | d60 | мм | То же |
Содержание в грунте частиц мельче 0,1 мм | pо | % | То же |
Содержание в грунте частиц i-й фракции диаметром частиц di | pi | % | То же |
Расчетное значение удельного сцепления грунта | cр | кПа | - |
Таблица В.2
Показатели свойств дисперсных связных грунтов,
определяющие степень опасности грунтовых условий
Разновидность дисперсных связных грунтов | Содержание песчаных частиц, % по массе | Ip, % | IL, доли единицы |  , % |  , доли единицы |  , доли единицы |
Супесь | ГОСТ 33063 | ГОСТ 33063 | ГОСТ 33063 | ГОСТ 33063 |
Легкая крупная песчанистая | > 50 | 1 - 7 |
Легкая песчанистая | > 50 | 1 - 7 |
Пылеватая | 50 - 20 | 1 - 7 |
Тяжелая пылеватая | < 20 | 1 - 7 |
Суглинок |
Легкий песчанистый | >= 40 | 7 - 12 |
Легкий пылеватый | < 40 | 7 - 12 |
Тяжелый песчанистый | >= 40 | 12 - 17 |
Тяжелый пылеватый | < 40 | 12 - 17 |
Глина |
Легкая песчанистая | >= 40 | 17 - 27 |
Легкая пылеватая | < 40 | 17 - 27 |
Тяжелая (жирная) | - | >= 27 |
|
Таблица В.3
Показатели свойств дисперсных несвязных грунтов,
определяющие степень опасности грунтовых условий
Разновидность дисперсных несвязных грунтов | d, мм | Содержание частиц, % по массе | Cu <= 3 | Cu > 3 | 0 < Кwrt <= 0,5 | 0,5 < Кwrt <= 0,75 | 0,75 < Кwrt <= 1 | ID, доли ед. |
Крупнообломочные: |
- валунный (при преобладании неокатанных частиц - глыбовый) | > 200 | > 50 | Однородные | Неоднородные | Слабо-выветрелые | Средне-выветрелые | Сильно-выветрелые | - |
- галечниковый (при неокатанных гранях - щебенистый) | > 10 | > 50 |
- гравийный (при неокатанных гранях - дресвяный) | > 2 | > 50 |
Песчаные: |
- гравелистый | > 2 | > 25 | Однородные | Неоднородные | - | ГОСТ 33063 |
- крупный | > 0,50 | > 50 |
- средней крупности | > 0,25 | > 50 |
- мелкий | > 0,10 | >= 75 |
- пылеватый | > 0,10 | < 75 |
Примечание - При наличии в крупнообломочных грунтах песчаного заполнителя более 40% или глинистого заполнителя более 30% от общей массы воздушно-сухого грунта в наименование крупнообломочного грунта включают наименование вида заполнителя и указывают характеристики его состояния (влажность, плотность, показатель текучести). Вид заполнителя устанавливают после удаления из крупнообломочного грунта частиц крупнее 2 мм. Если обломочный материал представлен ракушкой в количестве 50% и более, грунт называют ракушечным, если от 25% до 50% - к наименованию грунта добавляют слова "с ракушкой". Обозначения - по таблице В.1 |
Таблица В.4
Группы дисперсных грунтов по степени опасности
возникновения нарушения местной устойчивости
Группа грунтов по степени опасности | Разновидность грунтов насыпи (выемки) | |
Малоопасные |
| Песчаные: - гравелистые - крупные - средней крупности | Среднеуплотненные (0,33 < ID <= 0,66); сильноуплотненные (0,66 < ID <= 1,00) |
Глинистые | Ненабухающие  ; слабонабухающие  ; твердые (IL < 0); полутвердые (0 <= IL <= 0,25); нормально уплотненные; непросадочные  |
Опасные |
| Глинистые | Тугопластичные (0,25 < IL <= 0,50); средненабухающие  ; слабопросадочные  ; среднепросадочные  ; переуплотненные (тяжелые суглинки и глины в естественном залегании разуплотняющиеся при снятии бытовой нагрузки (в выемках) |
Особоопасные |
| Песчаные: - мелкие - пылеватые | Слабоуплотненные (0 < ID <= 0,33); однородные (Cu <= 3); плывунные с характерными обратимыми стабилизационными связями между частицами |
Крупнообломочные | Однородные (Cu <= 3); неустойчивые к химическому выветриванию |
| Глинистые | Пылеватые, водонеустойчивые, легкоразмокаемые, переходящие при незначительном увеличении влажности в текучее состояние (лессовидные суглинки и супеси); с числом пластичности (Ip < 12%) |
Дочетвертичные морские суглинки и глины, богатые окислами железа, жирные и бентонитовые глины |
Сильнонабухающие  ; просадочные  с преобладанием в глинистой фракции монтмориллонита, вермикулита, галлазуита (суглинки, жирные и бентонитовые глины); сильнопучинистые  ; чрезмернопучинистые  |
Переувлажненные мягкопластичной консистенции и выше (IL > 0,5) |
|
В.2 Грунты. Основные расчетные показатели свойств
В.2.1 Степень неоднородности гранулометрического состава несвязных дисперсных грунтов определяется по зависимости (В.1):

(В.1)
| | ИС МЕГАНОРМ: примечание. В официальном тексте документа, видимо, допущена опечатка: имеется в виду таблица В.1, а не В.1.1. | |
При величине Cu <= 3 грунт считается однородным, при Cu > 3 - неоднородным.
В.2.2 Средний диаметр частиц
dср несвязных дисперсных грунтов определяется на основе механического (ситового) анализа по формуле (В.2). При наличии частиц грунта размером менее 0,10 мм - по зависимости (В.3):

(В.2)

(В.3)
где
pо,
pi и
di - обозначение параметров по
таблице В.1.
Значения pi и di определяют на основании гранулометрического анализа проб грунта, отобранных в местах предполагаемых местных размывов при массе грунта массы растительных остатков.
В.2.3 Эквивалентный диаметр частиц
dэкв дисперсных связных грунтов определяется по зависимости (В.4):
dэкв = 7,5·(0,1 + 10cр), (В.4)
В.2.4 Средний диаметр крупных частиц
Dmax определяется по зависимости (В.5) как диаметр частиц, составляющих 2% массы грунта или самой крупной (по размеру) фракции, если она составляет 2% и более массы грунта:

(В.5)
| | ИС МЕГАНОРМ: примечание. В официальном тексте документа, видимо, допущена опечатка: имеется в виду таблица В.1, а не В.1.1. | |
Таблица В.5
Железобетонные плиты и упоры
Марка | Параметры бетона | Характеристики бетона | Параметры арматуры | Общая масса, кг |
Длина x ширина x высота, мм | Объем, м3 | Класс по прочности | Морозостойкость при среднемесячной температуре самого холодного месяца, °C | Водопроницаемость | Класс стали | Диаметр, мм (размер, мм x мм) | Масса, кг |
выше -10 | от -10 до -20 |
| | ИС МЕГАНОРМ: примечание. Нумерация столбцов дана в соответствии с официальным текстом документа. | |
|
1 | 3 | 4 | 6 | 7 | 8 | 9 | 10 | 11 | 12 | 13 |
Железобетонная плита (серия 3.503.1-66 [72]) |
П-1 | 490 x 490 x 100 | 0,023 | B20 | F200 | F200 | W6 | - | - | - | 57 |
1050 x 690 x 80 (блок) | 0,057 | А-I | 10 | 0,58 | 140 |
П-2 | 1000 x 100 x 160 | 0,16 | B20 | F200 | F300 | W6 | - | - | - | 384 |
850 x 490 x 80 (блок) | 0,032 | А-I | 10 | 0,58 | 80 |
П-2м | 500 x 500 x 100 | 0,025 | B20 | F200 | F300 | W6 | - | - | - | 400 |
П-3б | 495 x 415 x 70 | 0,0144 | B15 | F50 | F50 | W2 | - | - | - | 36 |
Б-8 | 500 x 500 x 80 | 0,05 | B20 | F200 | F300 | W6 | А-I | 8 | 0,76 | 50 |
ПУ 0.5-0.5м | 500 x 500 x 100 | 0,025 | B20 | F200 | F300 | W6 | А-I | 6 | 0,34 | 62,5 |
Плита бетонная (серия 3.503.9-78, выпуск 1 [29] |
ПБ05-8 | 500 x 500 x 80 | 0,02 | B15 | F200 | F200 | W4 | - | - | - | 48 |
ПБ1-16 | 1000 x 1000 x 160 | 0,16 | B20 | F200 | F300 | W6 | А-I | 6 | 0,32 | 400 |
ПБ1-12 | 1000 x 1000 x 120 | 0,12 | B20 | F200 | F300 | W6 | А-I | 6 | 0,32 | 300 |
ПБ1-20 | 1000 x 1000 x 200 | 0,20 | B20 | F200 | F300 | W6 | А-I | 6 | 0,32 | 500 |
ПБ1-10 | 1000 x 1000 x 100 | 0,10 | B20 | F200 | F300 | W6 | А-I | 6 | 0,32 | 250 |
Блок бетонного упора железобетонный (серия 3.503.9-78, выпуск 1 [29]) |
У-1 | 1500 x 400 x 500 | 0,32 | B20 | F150 | F150 | W6 | А-I | 6 | 1,1 | 720 |
У-2 | 2000 x 400 x 500 | 0,42 | B20 | F150 | F150 | W6 | А-I | 6 | 1,1 | 960 |
У-3 | 1550 x 1550 x 750 | 1,80 | B20 | F150 | F150 | W6 | А-I | 6 | 13,5 | 1125 |
Плита укрепления откосов решетчатая (серия 3.820.1-69, выпуск 1 [74]) |
ПР 10-20 | 1980 x 980 x 100 | 0,072 | B15 | F200 | F300 | W6 | | | | 180 |
ПР-3 | 3000 x 1500 x 160 | 0,34 | B15 | F200 | F300 | W6 | | | | 850 |
ПР-3И | 3000 x 1750 x 170 | 0,43 | B15 | F200 | F300 | W6 | | | | 1075 |
ПР-4,2 | 4200 x 1200 x 180 | 0,52 | B15 | F200 | F300 | W6 | | | | 1300 |
Сборная гибкая плита железобетонная (серия 3.503.9-78, выпуск 1 [29]) |
ПГ-5 | 2400 x 2400 x 50 | 0,26 | B27,5 | F200 | F300 | W6 | В-I | 5 | 6,1 | 630 |
А-I | 6 | 0,9 |
ПГ-7,5 | 2400 x 2400 x 75 | 0,37 | B27,5 | F200 | F300 | W6 | В-I | 5 | 6,1 | 890 |
А-I | 8 | 1,6 |
ПГ-10 | 5000 x 2500 x 100 | 1,15 | B27,5 | F200 | F300 | W6 | В-I | 5 | 29,3 | 2900 |
А-I | 14 | 39,9 |
ПГ-12 | 5000 x 2500 x 120 | 1,36 | B27,5 | F200 | F300 | W6 | В-I | 5 | 29,3 | 3400 |
А-I | 14 | 39,9 |
ПГ-15 | 5000 x 2500 x 150 | 1,70 | B27,5 | F200 | F300 | W6 | В-I | 5 | 29,3 | 4300 |
А-I | 14 | 39,9 |
Гибкая железобетонная плита (серия 3.501.1-156, выпуск 1 [75]) |
ГП 1-150 | 1200 x 1200 x 150 | 0,216 | B20 | F300 | F300 | W6 | А-III | 8 | 2,05 | 460 |
В | 5 | 1,18 |
ГП 1-75 | 1200 x 1200 x 75 | 0,10 | B20 | F300 | F300 | W6 | А-III | 8 | 2,05 | 230 |
В | 5 | 1,18 |
ГП 2-150 | 2400 x 2400 x 150 | 0,78 | B20 | F300 | F300 | W6 | А-III | 8 | 3,94 | 1820 |
В | 5 | 5,32 |
ГП 2-75 | 2400 x 2400 x 75 | 0,39 | B20 | F300 | F300 | W6 | А-III | 8 | 3,94 | 910 |
В | 5 | 5,32 |
Гибкая железобетонная плита из блоков, скрепленных замоноличенным синтетическим канатом (ТУ 5859-002-59565714-2012) [57] |
ПБЗГУ-105 | 2746 x 1226 x 240 | 0,80 | B30 | F300 | F300 | W8 | - | - | - | 1220 |
ПБЗГУ-202 | 2746 x 1226 x 60 | 0,20 | B30 | F300 | F300 | W8 | - | - | - | 395 |
ПБЗГУ-405 | 2746 x 1226 x 150 | 0,50 | B30 | F300 | F300 | W8 | - | - | - | 820 |
Плита ЖБИ шарнирно-соединенная (серия 3.503.9-78, выпуск 1 [29]) |
ПЖБ3-15II | 3000 x 2600 x 150 | 1,11 | B22,5 | F200 | F300 | W6 | А-I | 14 | 6,4 | 2780 |
А-II | 10 | 87,0 |
ПЖБ3-15III | 3000 x 2600 x 150 | 1,11 | B22,5 | F200 | F300 | W6 | А-I | 14 | 6,4 | 2780 |
ПЖБ3-20II | 3000 x 2600 x 200 | 1,48 | B22,5 | F200 | F300 | W6 | А-I | 14 | 6,4 | 3700 |
А-II | 10 | 88,1 |
ПЖБ3-20III | 3000 x 2600 x 200 | 1,48 | B22,5 | F200 | F300 | W6 | А-I | 14 | 6,4 | 3700 |
ПЖБ3-16I | 3000 x 1500 x 160 | 0,70 | B22,5 | F200 | F300 | W6 | А-I | 10 | 6,4 | 1762 |
14 | 8,4 |
Плита решетчатая железобетонная (серия 3.820.1-69, выпуск 1 [74]) |
ПРП10.20 | 2000 x 1000 x 100 | 0,082 | B15 | F150 | F150 | W6 | А-I | 6 | 0,7 | 210 |
Вр-I | 6 | 2,4 |
Плита крепления железобетонная (серия 3.820.15, выпуск 2 [77]) |
ПКО-10 | 4000 x 2000 x 100 | 0,80 | B20 | F150 | F150 | W6 | А-I | 10 | 2,0 | 2000 |
А-III | 10 | 23,3 |
А-III | 12 | 59,4 |
ПКО-12 | 4000 x 2000 x 120 | 0,95 | B20 | F150 | F150 | W6 | А-I | 12 | 3,2 | 2375 |
А-III | 10 | 23,3 |
А-III | 12 | 67,3 |
ПКО-15 | 4000 x 2000 x 150 | 1,20 | B20 | F150 | F150 | W6 | А-I | 12 | 3,2 | 3000 |
А-III | 10 | 124,6 |
Плита крепления железобетонная шарнирно соединенная на откосе (серия 3.820.15, выпуск 2 [77]) |
ПКШ-15 | 4000 x 2000 x 150 | 1,20 | B20 | F150 | F150 | W6 | А-I | 6 | 17,9 | 3000 |
А-I | 12 | 3,2 |
А-I | 14 | 4,2 |
А-III | 10 | 63,6 |
Железобетонная плита (серия 3.820.1.70 [78]) |
ПВН 50.20-1 | 5000 x 2000 x 60 | 0,59 | B25 | F150 | F150 | W6 | А-III | 6 | 5,8 | 1480 |
Вр-I | 4 | 1,0 |
Вр-II | 5 | 10,5 |
А-I | 12 | 8,2 |
А-III | 6 | 1,74 |
Вр-I | 4 | 0,22 |
ВСт3 ПСБ | 6 x 63 | 3,56 |
ПВН 60.10-1 | 6000 x 1000 x 60 | 0,36 | B25 | F150 | F150 | W6 | Вр-I | 4 | 2,0 | 900 |
Вр-II | 6 | 10,0 |
А-I | 10 | 3,24 |
Вр-I | 4 | 0,62 |
ВСт3 ПСБ | 6 x 63 | 3,56 |
ПВН 60.15-1 | 6000 x 1500 x 60 | 0,53 | B25 | F150 | F150 | W6 | А-III | 6 | 5,6 | 1320 |
Вр-I | 4 | 1,0 |
Вр-II | 6 | 15,6 |
А-I | 10 | 4,46 |
А-III | 6 | 1,32 |
Вр-I | 4 | 0,22 |
ВСт3 ПСБ | 6 x 63 | 3,56 |
ПВН 60.20-1 | 6000 x 2000 x 60 | 0,71 | B25 | F150 | F150 | W6 | А-III | 6 | 7,25 | 1780 |
Вр-I | 4 | 1,25 |
Вр-II | 6 | 19,9 |
А-I | 12 | 8,2 |
А-III | 6 | 1,74 |
Вр-I | 4 | 0,22 |
ВСт3 ПСБ | 6 x 63 | 3,56 |
ПВН 50.20-2 | 5000 x 2000 x 100 | 0,99 | B25 | F150 | F150 | W6 | А-I | 6 | 2,6 | 2480 |
А-III | 10 | 21,52 |
Вр-II | 6 | 14,4 |
А-I | 6 | 0,54 |
А-I | 14 | 11,2 |
А-III | 10 | 4,92 |
ВСт3 ПСБ | 6 x 100 | 5,64 |
Плита железобетонная (серия 3.820.1.70, выпуск 55/88 [78]) |
ПВН 60.20-2 | 6000 x 2000 x 100 | 1,19 | B25 | F150 | F150 | W6 | А-I | 6 | 3,25 | 2980 |
А-III | 10 | 26,9 |
Вр-II | 6 | 17,04 |
А-I | 6 | 0,54 |
А-I | 14 | 11,2 |
А-III | 10 | 4,92 |
ВСт3 ПСБ | 6 x 100 | 5,64 |
Плита железобетонная (серия 3.820.1.70 [78]) |
ПВ 3 x 1,5 x 0,1 | 2990 x 1440 x 100 | 0,44 | B20 | F300 | F300 | W6 | | | | 1100 |
ПВ 10.5-1 | 1000 x 500 x 60 | 0,028 | B15 | F150 | F150 | W6 | А-I | 6 | 0,58 | 70 |
Вр-I | 3 | 0,36 |
ПВ 15.10-1 | 1500 x 1000 x 60 | 0,087 | B15 | F150 | F150 | W6 | А-I | 8 | 2,2 | 220 |
Вр-I | 3 | 0,45 |
ПВ 30.15-1 | 3000 x 1500 x 60 | 0,26 | B15 | F150 | F150 | W6 | А-III | 4 | 1,83 | 650 |
А-III | 6 | 7,06 |
А-I | 10 | 4,5 |
А-III | 4 | 0,58 |
ВСт3 ПСБ | 6 x 63 | 3,5 |
ПВ 30.20-1 | 3000 x 2000 x 60 | 0,35 | B15 | F150 | F150 | W6 | А-III | 6 | 14,5 | 880 |
А-I | 10 | 5,7 |
А-III | 6 | 2,28 |
ВСт3 ПСБ | 6 x 63 | 3,56 |
ПВ 30.15-2 | 3000 x 1500 x 100 | 0,43 | B15 | F150 | F150 | W6 | А-I | 10 | 2,24 | 1080 |
А-III | 8 | 43,92 |
ПВ 30.20-2 | 3000 x 2000 x 100 | 0,59 | B15 | F150 | F150 | W6 | А-I | 10 | 2,24 | 1480 |
А-III | 8 | 55,3 |
ПВ 40.20-2 | 4000 x 2000 x 100 | 0,79 | B15 | F150 | F150 | W6 | А-I | 10 | 2,24 | 1980 |
А-III | 8 | 72,68 |
ПВ 40.20-3 | 4000 x 2000 x 150 | 1,20 | B15 | F150 | F150 | W6 | А-I | 12 | 3,68 | 3000 |
А-III | 10 | 124,9 |
ПШ 40.20-3 | 4000 x 2000 x 150 | 1,20 | B15 | F150 | F150 | W6 | А-I | 12 | 6,68 | 3000 |
А-III | 6 | 31,87 |
А-III | 10 | 48,86 |
ПШО 40.20-3 | 4000 x 2000 x 150 | 1,20 | B15 | F150 | F150 | W6 | А-I | 12 | 6,68 | 3000 |
А-III | 6 | 40,45 |
ПШ 10.10-4 | 1000 x 1000 x 300 | 0,25 | B15 | F150 | F150 | W6 | А-I | 14 | 4,86 | 625 |
Плита железобетонная (серия 3.820.1.70 [78]) |
ПК 30-15 | 3000 x 1500 x 80 | 0,354 | B15 | F150 | F150 | W6 | Вр-I | 4 | 3,2 | 885 |
Вр-I | 5 | 6,9 |
Вр-I | 4 | 0,3 |
А-I | 10 | 3,0 |
Ст 3 кл | 75 x 4 | 2,4 |
ПК 30-20 | 3000 x 2000 x 80 | 0,473 | B15 | F150 | F150 | W6 | Вр-I | 4 | 3,2 | 1180 |
Вр-I | 5 | 9,0 |
Вр-I | 4 | 0,3 |
А-I | 10 | 3,0 |
Ст 3 кл | 75 x 4 | 2,4 |
ПК 30-25 | 3000 x 2500 x 80 | 0,594 | B15 | F150 | F150 | W6 | Вр-I | 5 | 13,5 | 1480 |
Вр-I | 4 | 4,6 |
А-III | 8 | 7,8 |
Вр-I | 4 | 0,3 |
А-I | 12 | 3,3 |
А-I | 10 | 0,7 |
Ст 3 кл | 75 x 4 | 2,4 |
ПКу 30-15 | 3000 x 1500 x 100 | 0,42 | B15 | F150 | F150 | W6 | Вр-I | 4 | 2,0 | 1050 |
Вр-I | 5 | 6,1 |
А-III | 8 | 13,7 |
Вр-I | 4 | 0,3 |
А-I | 10 | 3,0 |
А-III | 6 | 1,1 |
Ст 3 кл | 55 x 4 | 1,7 |
Ст 3 кл | 40 x 4 | 1,5 |
ПКу 30-20 | 3000 x 2000 x 100 | 0,56 | B15 | F150 | F150 | W6 | Вр-I | 4 | 2,4 | 1400 |
Вр-I | 5 | 8,4 |
А-III | 8 | 18,2 |
Вр-I | 4 | 0,3 |
А-I | 10 | 3,0 |
А-II | 6 | 1,1 |
Ст 3 кл | 40 x 4 | 1,5 |
Ст 3 кл | 55 x 4 | 1,7 |
ПКу 30-25 | 3000 x 2500 x 100 | 0,72 | B15 | F150 | F150 | W6 | Вр-I | 4 | 3,2 | 1800 |
Вр-I | 5 | 21,2 |
А-III | 8 | 22,8 |
Вр-I | 4 | 0,3 |
А-I | 10 | 3,0 |
А-III | 6 | 1,1 |
Ст 3 кл | 40 x 4 | 1,5 |
Ст 3 кл | 55 x 4 | 1,7 |
Плита железобетонная (альбом 750 [19]) |
ЖБП1 | 3000 x 2500 x 150 | 1,125 | B20 | F150 | F150 | W6 | А-I | 8 | 20,1 | 2750 |
А-II | 10 | 19,5 |
А-II | 12 | 29,2 |
А-I | 8 | 1,1 |
А-I | 12 | 8,9 |
ЖБП2 | 3000 x 2500 x 200 | 1,50 | B20 | F150 | F150 | W6 | А-I | 8 | 20,1 | 3700 |
А-II | 10 | 19,2 |
А-II | 14 | 39,7 |
А-I | 8 | 1,4 |
А-I | 14 | 12,7 |
ЖБП3 | 3000 x 2500 x 100 | 0,72 | B20 | F150 | F150 | W6 | А-I | 8 | 20,1 | 1800 |
А-II | 10 | 39,9 |
А-I | 8 | 0,6 |
А-I | 10 | 5,9 |
| | ИС МЕГАНОРМ: примечание. Текст дан в соответствии с официальным текстом документа. | |
|
ЖБП3 | 3000 x 2500 x 100 | 0,72 | B20 | F150 | F150 | W6 | А-I | 8 | 20,1 | 1800 |
А-II | 10 | 39,9 |
А-I | | 0,6 |
А-I | 10 | 5,9 |
ЖБП3 | 3000 x 2500 x 100 | 0,72 | B20 | F150 | F150 | W6 | А-I | 8 | 20,1 | 1800 |
А-II | 10 | 39,9 |
А-I | 8 | 0,6 |
А-I | 10 | 5,9 |
ЖБП4 | 3000 x 2500 x 120 | 0,85 | B20 | F150 | F150 | W6 | А-I | 8 | 20,1 | 2100 |
А-II | 10 | 19,5 |
А-II | 12 | 29,2 |
А-I | 8 | 0,8 |
А-I | 12 | 8,7 |
ЖБП5 | 3000 x 2500 x 150 | 1,07 | B20 | F150 | F150 | W6 | А-I | 8 | 20,1 | 2700 |
А-II | 10 | 19,5 |
А-II | 12 | 29,2 |
А-I | 8 | 1,1 |
А-I | 12 | 8,9 |
ЖБП6 | 3000 x 2500 x 200 | 1,44 | B20 | F150 | F150 | W6 | А-I | 8 | 20,1 | 3600 |
А-II | 10 | 19,2 |
А-II | 14 | 39,7 |
А-I | 8 | 1,4 |
А-I | 14 | 12,7 |
ЖБП7 | 3000 x 2500 x 100 | 0,72 | B20 | F150 | F150 | W6 | А-I | 8 | 20,1 | 1800 |
А-II | 10 | 39,9 |
А-I | 8 | 0,6 |
А-I | 10 | 5,9 |
ЖБП8 | 3000 x 2500 x 150 | 1,04 | B20 | F150 | F150 | W6 | А-I | 8 | 20,1 | 2600 |
А-II | 10 | 19,5 |
А-II | 12 | 29,2 |
А-I | 8 | 1,1 |
А-I | 12 | 8,9 |
ЖБП9 | 3000 x 2500 x 170 | 1,20 | B20 | F150 | F150 | W6 | А-I | 8 | 20,1 | 3000 |
А-II | 10 | 19,5 |
А-II | 12 | 34,5 |
А-I | 8 | 1,3 |
А-I | 12 | 10,8 |
ЖБП10 | 3000 x 2500 x 200 | 1,44 | B20 | F150 | F150 | W6 | А-I | 8 | 20,1 | 3600 |
А-II | 10 | 19,2 |
А-II | 14 | 39,7 |
| Рекомендации по проектированию земляного полотна дорог в сложных инженерно-геологических условиях - М.: ЦНИИС, 1974 |
| Методические указания по оценке местной устойчивости откосов и выбору способов их укрепления в различных природных условиях - М.: ЦНИИС, 1970 |
| П 56-90 | Рекомендации по проектированию обратных фильтров гидротехнических сооружений. ВНИИГ, С.-Петербург, 1992 |
| Инструкция РД 51-2.4-00797 | Борьба с водной эрозией грунтов на линейной части трубопроводов |
| Альбом типовых решений серия 503-09-7.87 | Водоотводные сооружения на автомобильных дорогах общей сети Союза ССР |
| | Параметры ветровых волн, воздействующих на откосы транспортных сооружений на реках |
| | Рекомендации по проектированию и строительству берегозащитных сооружений автомобильных дорог |
| Рекомендации по количественной оценке устойчивости оползневых склонов. ПНИИИС Госстроя СССР. - М.: ФГУП ЦПП, 2004 |
| Рекомендации по выбору методов расчета коэффициента устойчивости склона и оползневого давления. Минмонтажспецстрой СССР. - М.: ЦБНТИ Минмонтажспецстроя СССР, 1986 |
| | Рекомендации по расчету устойчивости оползнеопасных склонов (откосов) и определение оползневых давлений на инженерные сооружения автомобильных дорог |
| | Рекомендации по проектированию и расчету противообвальных сооружений на автомобильных дорогах |
| Шифр 2337 | Укрепление русел, конусов и откосов насыпей у малых и средних мостов и водопропускных труб выпуски 0, 1 2012 взамен серии 3.501.1-156 |
| Альбом типовых решений серия 3.505.1-16 | Крепление откосов судоходных рек каналов железобетонными плитами |
| Пособие к СНиП 2.05.03-84* (Мосты и трубы) по изысканиям и проектированию железнодорожных и автодорожных мостовых переходов через водотоки (ПМП-91)/Корпорация "Трансстрой", ПКТИтрансстрой. - М.: ЦНИИС, 1992 |
| Методические указания по определению ледовых нагрузок на опоры мостов. М., ЦНИИС, 1993 |
| Учет деформации речных русел и берегов водоемов в зоне подводных переходов магистральных трубопроводов (нефтегазопроводов). Миннефтегазстрой. Л., Гидрометеоиздат, 1985 |
| Альбом типовых решений серия 503-0-48.87 | Земляное полотно автомобильных дорог общего пользования |
| ОДМ 218.2.048-2014 | Методы укрепления откосов земляного полотна автомобильных дорог общего пользования засевом трав в различных климатических зонах |
| Альбом типовых решений инв. N 750 | Альбом конструкций креплений откосов земляного полотна железных и автомобильных дорог |
| Пособие по проектированию земляного полотна и водоотвода железных и автомобильных дорог промышленных предприятий (к СНиП 2.05.07-85). Стройиздат, М., 1988 |
| Руководство по сооружению земляного полотна автомобильных дорог. Транспорт, М., 1982 |
| В.И. Грицын, Б.И. Цвелодуб "Механизированное укрепление земляного полотна травосеянием". Транспорт, М., 1962 |
| | Методические рекомендации по озеленению автомобильных дорог |
| Нормы посадки деревьев и кустарников городских зеленых насаждений. Минжилкомхоз РСФСР, М., 1988 |
| | Методические рекомендации по охране окружающей среды при строительстве, ремонте и содержании автомобильных дорог |
| Методические рекомендации по разработке норм и правил по благоустройству территорий муниципальных образований (с изменениями 2014 г.). Минрегионразвитие, М., 2011 |
| Методические рекомендации ЦНИИС по укреплению откосов земляного полотна гидропосевом трав. Транспорт, М., 1984 |
| | Технические указания по приготовлению и применению дорожных эмульсий |
| Типовые конструкции, изделия и узлы. Серия 3.503.9-78. Конструкции укрепления откосов земляного полотна автомобильных дорог общего пользования. Выпуск 1. Материалы для проектирования |
| | Правила производства и приемки работ на строительстве новых, реконструкции и расширении действующих гидротехнических морских и речных транспортных сооружений мелиорации и водного хозяйства. Минтрансстрой СССР, М., 1992 |
| Пособие по производству и приемке работ при строительстве новых, реконструкции и расширении действующих гидротехнических морских и речных транспортных сооружений (к СНиП 3.07.02-87). Минтрансстрой СССР, М., 1991 |
| | Рекомендации по выбору и контролю качества геосинтетических материалов, применяемых в дорожном строительстве. Росавтодор. - М.: Информавтодор, 2014 |
| | Рекомендации по методикам испытаний геосинтетических материалов в зависимости от области их применения в дорожной отрасли |
| ТУ 218-УССР-56-87 | Гирлянды железобетонные гибкие сборные Г-1 и Г-2. Технические условия |
| Методические рекомендации по выбору решетчатых конструкций для укрепления конусов и откосов земляного полотна автомобильных дорог. СоюздорНИИ, 1973 |
| | Технические указания по применению сборных решетчатых конструкций для укрепления конусов и откосов земляного полотна. М., 1974 |
| Методические рекомендации по проектированию и строительству гибких железобетонных покрытий откосов транспортных сооружений. Минтранс, М., 1984 |
| | Методические рекомендации по усилению конструктивных элементов автомобильных дорог пространственными георешетками (геосотами) |
| Рекомендации по укреплению откосов мостовых переходов и насыпей на прижимных участках рек наброской из каменных материалов |
| Типовые материалы для проектирования 820-04-28.87 | Плотины земляные насыпные высотой до 15 м с крепленым верховым откосом. Альбом I. Часть I. Минводхоз СССР, М., 1988 |
| | ИС МЕГАНОРМ: примечание. В официальном тексте документа, видимо, допущена опечатка: имеется в виду ОДМ 218.2.049-2015. | |
|
| ОДМ (проект) | Рекомендации по проектированию и строительству габионных конструкций на автомобильных дорогах |
| Методические рекомендации по применению габионных конструкций в дорожно-мостовом строительстве, М., 2001 |
| | Мелиорация. Руководство по защите земель, нарушенных водной эрозией. Габионные конструкции противоэрозионных сооружений. Министерство сельского хозяйства Российской Федерации; М., 2003 |
| Технические указания по применению габионов для усиления земляного полотна. МПС РФ, 1998 |
| ЦПИ 22/32 | Технические указания и альбом типовых конструкций и технологий по защите габионными структурами земляного полотна от размывов. М., 2002 |
[46] | | Методические рекомендации по расчету и проектированию армогрунтовых подпорных стен на автомобильных дорогах. М, 2013 |
| ЦПИ 22/43 | Технические указания по применению габионов для усиления земляного полотна. МПС РФ, 1998 |
| СТО НООСТРОЙ 2.33.22-2011 | Мелиоративные системы и сооружения. Габионные противоэрозионные сооружения. Общие требования по проектированию и строительству |
| ОСТ 10323-2003 | Мелиорация. Конструкции габионные гидротехнических противоэрозионных сооружений. Минсельхоз России. М., 2003 |
| Технологическая карта. Укрепление откосов подтопляемых насыпей бетонными плитами с устройством обратного фильтра из геотекстильного материала. М., 1986 |
| | Проектирование земляного полотна железных дорог из глинистых грунтов с применением геотекстиля. Минтрансстрой, МПС, М., 1988 |
| | Инструкция по проектированию морских причальных и берегоукрепительных сооружений |
| Руководство по проектированию береговых укреплений на внутренних водоемах. М., 1984 |
| ВСН 3-70 | Указания по проектированию судоходных каналов. Минречфлот РСФСР, М., 1972 |
| Методические рекомендации по выбору конструкций укрепления конусов и откосов земляного полотна. Технологии и механизация укрепительных работ. СоюздорНИИ, М., 1981 |
| ТУ 1856-87 | Плиты железобетонные гибкие сборные |
| ТУ 5859-002-59565714-2012 | Плиты бетонные защитные гибкие универсальные |
| 5859-002-59565714-2012 РЭ | Руководство по эксплуатации. Плиты покрытия бетонного защитного гибкого универсального (ПБЗГУ) |
| ТУ 4100-002-59565714-2012 | Скобы крепления гибкого бетонного покрытия. Технические условия |
| СТО 17330282.27.140.002-2008 | Гидротехнические сооружения ГЭС и ГАЭС. Условия создания. Нормы и требования |
| Пособие по проектированию земляного полотна автомобильных дорог на слабых грунтах. М., 2004 |
| | Изыскания, проектирование и строительство автомобильных дорог в районах распространения вечной мерзлоты. М., 1990 |
| ВСН 77-89 | Нормы проектирования и сооружения земляного полотна автомобильных дорог в песчаных пустынях |
| Методические указания по обследованию водопропускной способности больших и средних мостов. ЦНИИС Минтрансстроя СССР, М., 1971 |
| Методические рекомендации по укреплению откосов земляного полотна в легковыветривающихся скальных породах. СоюздорНИИ, М., 1974 |
| | Требования к составу и порядку ведения исполнительной документации при строительстве, реконструкции и капитальном ремонте объектов капитального строительства и требования, предъявляемые к освидетельствованию работ, конструкций, участков сетей инженерного обеспечения. М., Технорматив, 2009 |
| | Рекомендации по применению геосинтетических материалов при строительстве и ремонте автомобильных дорог |
| ЦПИ N 22/32 | Технические указания и альбом типовых конструкций и технологий по защите габионными структурами земляного полотна от размывов. М., ИКЦ "Академкнига", 2002 |
| | Рекомендации по осуществлению строительного контроля на федеральных автомобильных дорогах |
| | Инструкция по разбивочным работам при строительстве, реконструкции и капитальном ремонте автомобильных дорог, искусственных сооружений |
| Проектирование сооружений для очистки сточных вод/ВНИИ ВОДГЕО. Справочное пособие к СНИП 2.04.03-85. - М., Стройиздат, 1990 |
| Типовые конструкции, изделия и узлы зданий и сооружений. Серия 3.503.1-66. Изделия сборные железобетонные водоотводных сооружений на автомобильных дорогах. Рабочие чертежи |
[73] | | Параметры ветровых волн, воздействующих на откосы транспортных сооружений на реках |
| Типовые конструкции и детали зданий и сооружений. Серия 3.820.1-69. Элементы крепления осушительных каналов. Выпуск 1. Лотки, плиты. Рабочие чертежи |
| Типовые строительные конструкции, изделия и узлы. Серия 3.501.1-156. Укрепление русел, конусов и откосов насыпи у малых и средних мостов и водопропускных труб. Выпуск 1. Блоки укреплений. ТУ. Рабочие чертежи. |
[76] | Типовые строительные конструкции, изделия и узлы. Серия 3.820-6. Оголовки, плиты крепления сооружений, гасители. Выпуск 5/88. Плиты крепления сооружений, гасители. Рабочие чертежи |
| Типовые конструкции и детали зданий и сооружений. Унифицированные сборные железобетонные конструкции для водохозяйственного строительства. Серия 3.820-15. Конструкции для сооружений при земляных плотинах. Выпуск 2. Плиты крепления откосов земляных плотин |
| Типовые конструкции и детали зданий и сооружений. Серия 3.820.1-70. Плиты для крепления каналов и откосов плотин |
Руководитель
организации-разработчика
ФАУ "РОСДОРНИИ"
И.о. Генерального директора
А.М.СТРИЖЕВСКИЙ