Главная // Актуальные документы // ГОСТ (Государственный стандарт)СПРАВКА
Источник публикации
М.: ФГБУ "РСТ", 2022
Примечание к документу
По сведениям, размещенным на Информационном портале Росстандарта по адресу http://standard.gost.ru/, дата введения в действие перенесена на 01.07.2024 Приказом Росстандарта от 07.12.2022 N 1449-ст.
Текст данного документа приведен с учетом
поправки, введенной в действие с 18.01.2023, опубликованной в "ИУС", N 4, 2023;
поправки, опубликованной в "ИУС", N 5, 2023.
Документ
вводился в действие с 01.07.2023 с правом досрочного применения.
Название документа
"ГОСТ 34858-2022. Межгосударственный стандарт. Газы углеводородные сжиженные топливные. Технические условия"
(введен в действие Приказом Росстандарта от 15.08.2022 N 763-ст)
"ГОСТ 34858-2022. Межгосударственный стандарт. Газы углеводородные сжиженные топливные. Технические условия"
(введен в действие Приказом Росстандарта от 15.08.2022 N 763-ст)
агентства по техническому
регулированию и метрологии
от 15 августа 2022 г. N 763-ст
МЕЖГОСУДАРСТВЕННЫЙ СТАНДАРТ
ГАЗЫ УГЛЕВОДОРОДНЫЕ СЖИЖЕННЫЕ ТОПЛИВНЫЕ
ТЕХНИЧЕСКИЕ УСЛОВИЯ
Fuel liquefied hydrocarbon gases. Specifications
ГОСТ 34858-2022
| | По сведениям, размещенным на Информационном портале Росстандарта по адресу http://standard.gost.ru/, дата введения в действие перенесена на 01.07.2024 Приказом Росстандарта от 07.12.2022 N 1449-ст. | |
Дата введения
1 июля 2023 года
с правом досрочного применения
Цели, основные принципы и общие правила проведения работ по межгосударственной стандартизации установлены
ГОСТ 1.0 "Межгосударственная система стандартизации. Основные положения" и
ГОСТ 1.2 "Межгосударственная система стандартизации. Стандарты межгосударственные, правила и рекомендации по межгосударственной стандартизации. Правила разработки, принятия, обновления и отмены"
1 ПОДГОТОВЛЕН Акционерным обществом "Волжский научно-исследовательский институт углеводородного сырья" (АО "ВНИИУС")
2 ВНЕСЕН Межгосударственным техническим комитетом по стандартизации МТК 52 "Природный и сжиженные газы"
3 ПРИНЯТ Межгосударственным советом по стандартизации, метрологии и сертификации (протокол от 8 июня 2022 г. N 152-П)
За принятие проголосовали:
Краткое наименование страны по МК (ИСО 3166) 004-97 | Код страны по МК (ИСО 3166) 004-97 | Сокращенное наименование национального органа по стандартизации |
Армения | AM | ЗАО "Национальный орган по стандартизации и метрологии" Республики Армения |
Беларусь | BY | Госстандарт Республики Беларусь |
Казахстан | KZ | Госстандарт Республики Казахстан |
Киргизия | KG | Кыргызстандарт |
Молдова | MD | Институт стандартизации Молдовы |
Россия | RU | Росстандарт |
Таджикистан | TJ | Таджикстандарт |
Узбекистан | UZ | Узстандарт |
4
Приказом Федерального агентства по техническому регулированию и метрологии от 15 августа 2022 г. N 763-ст межгосударственный стандарт ГОСТ 34858-2022 введен в действие в качестве национального стандарта Российской Федерации с 1 июля 2023 г. с правом досрочного применения
--------------------------------
<*>
Приказом Федерального агентства по техническому регулированию и метрологии от 15 августа 2022 г. N 763-ст
ГОСТ Р 52087-2018 отменен с 1 июля 2023 г.
Информация о введении в действие (прекращения действия) настоящего стандарта и изменений к нему на территории указанных выше государств публикуется в указателях национальных стандартов, издаваемых в этих государствах, а также в сети Интернет на сайтах соответствующих национальных органов по стандартизации.
В случае пересмотра, изменения или отмены настоящего стандарта соответствующая информация будет опубликована на официальном интернет-сайте Межгосударственного совета по стандартизации, метрологии и сертификации в каталоге "Межгосударственные стандарты"
Настоящий стандарт распространяется на топливные сжиженные углеводородные газы (далее - топливные СУГ), предназначенные для коммунально-бытового и производственного потребления в качестве топлива, для использования в качестве моторного топлива для автомобильного транспорта.
Допускается использование топливных СУГ в промышленных целях.
В настоящем стандарте использованы нормативные ссылки на следующие межгосударственные стандарты:
ГОСТ 12.1.005 Система стандартов безопасности труда. Общие санитарно-гигиенические требования к воздуху рабочей зоны
ГОСТ 12.1.007 Система стандартов безопасности труда. Вредные вещества. Классификация и общие требования безопасности
ГОСТ 12.1.018 Система стандартов безопасности труда. Пожаровзрывобезопасность статического электричества. Общие требования
ГОСТ 12.1.044 Система стандартов безопасности труда. Пожаровзрывоопасность веществ и материалов. Номенклатура показателей и методы их определения
ГОСТ 12.4.011 Система стандартов безопасности труда. Средства защиты работающих. Общие требования и классификация
ГОСТ 12.4.021 Система стандартов безопасности труда. Системы вентиляционные. Общие требования
ГОСТ 12.4.026 Система стандартов безопасности труда. Цвета сигнальные, знаки безопасности и разметка сигнальная. Назначение и правила применения. Общие технические требования и характеристики. Методы испытаний
ГОСТ 12.4.121 Система стандартов безопасности труда. Средства индивидуальной защиты органов дыхания. Противогазы фильтрующие. Общие технические условия
ГОСТ 12.4.235 (EN 14387:2004+A1:2008) Система стандартов безопасности труда. Средства индивидуальной защиты органов дыхания. Фильтры противогазовые и комбинированные. Общие технические требования. Методы испытаний. Маркировка
ГОСТ 17.2.3.02 Правила установления допустимых выбросов загрязняющих веществ промышленными предприятиями
<*>
--------------------------------
<*> В Российской Федерации действует
ГОСТ Р 58577-2019 "Правила установления нормативов допустимых выбросов загрязняющих веществ проектируемыми и действующими хозяйствующими субъектами и методы определения этих нормативов".
ГОСТ 400 Термометры стеклянные для испытаний нефтепродуктов. Технические условия
ГОСТ 1510 Нефть и нефтепродукты. Маркировка, упаковка, транспортирование и хранение
ГОСТ 1770 (ИСО 1042-83, ИСО 4788-80) Посуда мерная лабораторная стеклянная. Цилиндры, мензурки, колбы, пробирки. Общие технические условия
ГОСТ 2603 Реактивы. Ацетон. Технические условия
ГОСТ 4233 Реактивы. Натрий хлористый. Технические условия
ГОСТ 5556 Вата медицинская гигроскопическая. Технические условия
ГОСТ 5962 Спирт этиловый ректификованный из пищевого сырья. Технические условия
ГОСТ 6217 Уголь активный древесный дробленый. Технические условия
--------------------------------
<**> В Российской Федерации действует
ГОСТ Р 58144-2018 "Вода дистиллированная. Технические условия".
ГОСТ 10679 Газы углеводородные сжиженные. Метод определения углеводородного состава
ГОСТ 12162 Двуокись углерода твердая. Технические условия
--------------------------------
<***> В Российской Федерации также действует
ГОСТ Р 57479-2017 "Грузы опасные. Маркировка".
ГОСТ 14921 Газы углеводородные сжиженные. Методы отбора проб
ГОСТ 15860 Баллоны стальные сварные для сжиженных углеводородных газов на давление до 1,6 МПа. Технические условия
ГОСТ 16350 Климат СССР. Районирование и статистические параметры климатических факторов для технических целей
ГОСТ 17299 Спирт этиловый технический. Технические условия
ГОСТ 18300 Спирт этиловый ректификованный технический. Технические условия
<4*>
--------------------------------
<4*> В Российской Федерации действует
ГОСТ Р 55878-2013 "Спирт этиловый технический гидролизный ректификованный. Технические условия".
ГОСТ 19433 Грузы опасные. Классификация и маркировка
ГОСТ 22387.5 Газ для коммунально-бытового потребления. Методы определения интенсивности запаха
ГОСТ 22985 Газы углеводородные сжиженные. Метод определения сероводорода, меркаптановой серы и серооксида углерода
ГОСТ 22986 Газы углеводородные сжиженные. Метод определения общей серы
<5*>
--------------------------------
<5*> В Российской Федерации также действует
ГОСТ Р 56866-2016 "Углеводороды газообразные и газы углеводородные сжиженные. Определение общего содержания серы методом ультрафиолетовой флуоресценции".
ГОСТ 28656 Газы углеводородные сжиженные. Расчетный метод определения плотности и давления насыщенных паров
ГОСТ 29169 (ИСО 648-77) Посуда лабораторная стеклянная. Пипетки с одной отметкой
ГОСТ 31610.20-1 (ISO/IEC 80079-20-1:2017) Взрывоопасные среды. Часть 20-1. Характеристики веществ для классификации газа и пара. Методы испытаний и данные
ГОСТ 33012 (ISO 7941:1988) Пропан и бутан товарные. Определение углеводородного состава методом газовой хроматографии
<6*>
--------------------------------
<6*> В Российской Федерации также действуют
ГОСТ Р 54484-2011 "Газы углеводородные сжиженные. Методы определения углеводородного состава" и
ГОСТ Р 56869-2016 "Газы углеводородные сжиженные и смеси пропан-пропиленовые. Определение углеводородов газовой хроматографией".
ГОСТ 34225 Газы нефтяные сжиженные. Определение физических свойств методом композиционного анализа
<7*>
--------------------------------
<7*> Не действует в Российской Федерации.
ГОСТ 34429 Газы углеводородные сжиженные. Метод определения давления насыщенных паров
ГОСТ ISO 4256 Газы углеводородные сжиженные. Определение манометрического давления паров. Метод СУГ
ГОСТ EN 589 Топлива для двигателей внутреннего сгорания. Газы углеводородные сжиженные. Технические требования и методы испытаний
ГОСТ OIML R 76-1 Государственная система обеспечения единства измерений. Весы неавтоматического действия. Часть 1. Метрологические и технические требования. Испытания
<*>
Примечание - При пользовании настоящим стандартом целесообразно проверить действие ссылочных стандартов и классификаторов на официальном интернет-сайте Межгосударственного совета по стандартизации, метрологии и сертификации (www.easc.by) или по указателям национальных стандартов, издаваемым в государствах, указанных в предисловии, или на официальных сайтах соответствующих национальных органов по стандартизации. Если на документ дана недатированная ссылка, то следует использовать документ, действующий на текущий момент, с учетом всех внесенных в него изменений. Если заменен ссылочный документ, на который дана датированная ссылка, то следует использовать указанную версию этого документа. Если после принятия настоящего стандарта в ссылочный документ, на который дана датированная ссылка, внесено изменение, затрагивающее положение, на которое дана ссылка, то это положение применяется без учета данного изменения. Если ссылочный документ отменен без замены, то положение, в котором дана ссылка на него, применяется в части, не затрагивающей эту ссылку.
--------------------------------
<*> В Российской Федерации также действует
ГОСТ Р 53228-2008 "Весы неавтоматического действия. Часть 1. Метрологические и технические требования. Испытания".
В настоящем стандарте применен следующий термин с соответствующим определением:
сжиженные углеводородные газы: Смесь углеводородов (пропана, пропилена, бутанов, бутиленов и бутадиенов с присутствием метана, этана, этилена и (или) пентанов и пентенов), преобразованная в жидкое состояние.
4 Марки и условные обозначения
В зависимости от содержания основного компонента и направления использования топливных СУГ различают марки, приведенные в
таблице 1.
Таблица 1
Назначение СУГ | Марка | Наименование марки |
Коммунально-бытового и производственного потребления в качестве топлива | ПТ | Пропан технический |
ПБТ | Пропан-бутан технический |
Для промышленного использования | БТ | Бутан технический |
Моторное топливо для автомобильного транспорта | ПА | Пропан автомобильный |
ПБА | Пропан-бутан автомобильный |
Примечание - Классификация продукции по видам экономической деятельности приведена в приложении А. |
Применение различных марок топливных СУГ в зависимости от климатического района по
ГОСТ 16350 приведено в
приложении Б.
Примечание - В климатических районах, в которых в зимний период температура воздуха достигает ниже минус 20 °C, для автомобильного транспорта применяют топливные СУГ с массовой долей пропана не менее 85%.
Пример условного обозначения топливных СУГ в зависимости от целевого назначения:
Сжиженные углеводородные газы, используемые для коммунально-бытового и производственного потребления в качестве топлива, марка ПТ (пропан технический), по ГОСТ 34858-2022.
Сжиженные углеводородные газы, используемые в качестве моторного топлива для автомобильного транспорта, марка ПА (пропан автомобильный), по ГОСТ 34858-2022.
Сжиженные углеводородные газы для промышленного использования, марка ПТ (пропан технический), по ГОСТ 34858-2022.
5.1 Топливные СУГ должны соответствовать требованиям настоящего стандарта и изготовляться по технической документации, утвержденной в установленном порядке.
5.2 По физико-химическим и эксплуатационным показателям топливные СУГ должны соответствовать требованиям, указанным в
таблице 2.
Таблица 2
Физико-химические и эксплуатационные показатели
топливных СУГ
Наименование показателя | Норма для марки | |
ПА | ПБА | ПТ | ПБТ | БТ |
1 Компонентный состав, массовая доля, %: | | |
- сумма метана, этана, этилена | Не нормируется. Определение обязательно |
- сумма пропана и пропилена, не менее | - | - | 75,0 | Не нормируется. Определение обязательно |
- пропана | 85,0 +/- 10,0 | 50,0 +/- 10,0 | - | - | - |
- сумма бутанов и бутиленов, | Не нормируется. Определение обязательно | | |
не более | 60,0 | - |
не менее | - | 60,0 |
массовая доля суммы непредельных углеводородов, не более | 6,0 | 6,0 | - | - | - |
2 Объемная доля жидкого остатка при температуре плюс 20 °C, %, не более | 0,70 | 1,60 | 0,70 | 1,60 | 1,80 | |
3 Давление насыщенных паров, избыточное, МПа, при температуре: | | | | | | |
плюс 45 °C, не более | 1,6 | 1,6 | 1,6 | 1,6 | 1,6 |
минус 20 °C, не менее | 0,07 | 0,07 | 0,16 | - | - |
минус 30 °C, не менее | 0,07 | - | - | - | - |
4 Массовая доля общей серы, %, не более или | Не нормируется. Определение обязательно (0,0050) | |
содержание общей серы, мг/кг, не более | Не нормируется. Определение обязательно (50) |
5 Массовая доля сероводорода и меркаптановой серы, %, не более | 0,010 (0,0050) | 0,010 (0,0050) | 0,013 (0,0050) | 0,013 (0,0050) | 0,013 (0,0050) | |
в т.ч. сероводорода, %, не более | 0,0020 (0,0010) |
6 Содержание свободной воды и щелочи | Отсутствие | |
7 Интенсивность запаха, баллы, не менее | - | 3 | |
--------------------------------
<*> В Российской Федерации также действует
ГОСТ Р 56870-2016 "Газы углеводородные сжиженные. Определение аммиака, воды и щелочи".
Окончание таблицы 2
Наименование показателя | Норма для марки | Метод испытания |
ПА | ПБА | ПТ | ПБТ | БТ |
| Неприятный и характерный при концентрации в воздухе 20% от нижнего предела воспламеняемости | - | |
9 Октановое число, не менее | 89,0 | - | |
Знак "-" означает: показатель не определяется. |
Примечания 1 Давление насыщенных паров топливных СУГ при температурах минус 20 °C и минус 30 °C определяют только в зимний период. При выработке топливных СУГ марки ПТ из деэтанизированного сырья давление насыщенных паров при температуре минус 20 °C допускается не менее 0,14 МПа. 2 Показатель 4 подлежит обязательному определению с 15.01.2025. Норма не более 0,0050% (не более 50 мг/кг) вступает в действие с 15.01.2030. 3 Норма по показателю 5, указанная в скобках, вступает в действие с 15.01.2030. 4 При одорировании топливных СУГ показатели 4 и 5 определяют после одорирования. 5 Допускается не определять интенсивность запаха при массовой доле меркаптановой серы в топливном СУГ 0,002% и более. При массовой доле меркаптановой серы менее 0,002% или интенсивности запаха менее 3 баллов топливные СУГ должны быть одорированы. 6 При производстве и поставках топливных СУГ за пределами территории Евразийского экономического союза показатели 7 или 8 определяют по согласованию с потребителем. 7 Допускается применять топливные СУГ марок ПТ и ПБТ в качестве топлива для автомобильного транспорта при условии соответствия нормам настоящего стандарта и подтверждении соответствия требованиям [3] <*>. 8 Допускается по согласованию с потребителем вырабатывать топливные СУГ марок ПА и ПБА с массовой долей пропана более 95% и более 60% соответственно. 9 При использовании топливных СУГ в промышленных целях показатель 7 определяют по согласованию с потребителем. |
--------------------------------
<*> Действует на территории государств - членов Евразийского экономического союза.
5.3 Маркировка
5.3.1 Маркировка топливных СУГ - по
ГОСТ 1510 с надписью "Огнеопасно", указанием манипуляционного знака "Беречь от солнечных лучей" для баллонов по
ГОСТ 14192 и с учетом требований
[3].
Маркировка, характеризующая транспортную опасность, - по
ГОСТ 19433: класс 2, подкласс 2.3.
5.4 Упаковка
В соответствии с
ГОСТ 1510 для топливных СУГ упаковка и тара не предусмотрены. Топливные СУГ заливают в железнодорожные и автомобильные цистерны, а также в металлические баллоны, соответствующие требованиям и правилам для оборудования, работающего под избыточным давлением
<**>, и
ГОСТ 15860.
--------------------------------
<**> В Российской Федерации действуют Федеральные
нормы и правила в области промышленной безопасности "Правила промышленной безопасности при использовании оборудования, работающего под избыточным давлением".
6 Требования безопасности
6.1 Топливные СУГ пожаровзрывоопасны, одорированные топливные СУГ имеют специфический характерный запах, по степени воздействия на организм относятся к веществам 4 класса опасности (малоопасные) по
ГОСТ 12.1.007.
6.2 Для топливных СУГ известного состава характеристики пожаровзрывоопасности по
ГОСТ 12.1.044, показатели пожаровзрывоопасности компонентов газа по
ГОСТ 31610.20-1.
Топливные СУГ образуют с воздухом взрывоопасные смеси.
Температура самовоспламенения в воздухе при давлении 0,1 МПа (760 мм рт. ст.): пропан - 445 °C; изобутан - 460 °C; нормальный бутан - 372 °C.
Концентрационные пределы распространения пламени в воздухе, % об.: пропан (нижний - 1,7; верхний - 10,9); изобутан (нижний - 1,3; верхний - 9,8); нормальный бутан (нижний - 1,4; верхний - 9,3).
Температура кипения: пропан - минус 42 °C; изобутан - минус 12 °C; нормальный бутан - минус 1 °C.
6.3 Предельно допустимая концентрация (далее - ПДК) топливных СУГ в воздухе рабочей зоны не должна превышать санитарно-гигиенические нормативы для химических веществ, установленные в
ГОСТ 12.1.005 или указанные в нормативных и правовых актах государств - участников Соглашения
<*>.
--------------------------------
<*> В Российской Федерации также действуют
СанПиН 1.2.3685-21 "Гигиенические нормативы и требования к обеспечению безопасности и (или) безвредности для человека факторов среды обитания".
ПДК в воздухе рабочей зоны углеводородов алифатических предельных C1 - C10 (в пересчете на C) - 300 мг/м3, непредельных углеводородов (по пропилену, изобутилену) - 100 мг/м3.
6.4 Пары топливных СУГ тяжелее воздуха и могут скапливаться в низких непроветриваемых местах, при смешении с воздухом вытесняют кислород. Нахождение человека в такой атмосфере может привести к удушью.
6.5 При работе с топливными СУГ применяют индивидуальные средства защиты по
ГОСТ 12.4.011 и утвержденным типовым нормам.
6.6 Топливные СУГ, попадая на открытые участки тела человека, могут вызвать обморожение, напоминающее ожог. При возможном контакте необходимо надевать защитную одежду, спецобувь, очки, перчатки или рукавицы.
6.7 Пары топливных СУГ действуют на организм наркотически. Признаками наркотического действия являются недомогание и головокружение, возможна потеря сознания. При вдыхании пары в организме человека не кумулируются.
6.8 При концентрациях, незначительно превышающих ПДК топливных СУГ, применяют промышленные фильтрующие противогазы с фильтрующей коробкой марки A или коробками с маркировкой по защите от вредных веществ ABEP с соответствующими классами защиты, а также фильтрующие противогазы с фильтрами марки AX по
ГОСТ 12.4.121 и
ГОСТ 12.4.235. При высоких концентрациях и работе в закрытых емкостях, сосудах, колодцах и т.д. - шланговые изолирующие противогазы с принудительной подачей воздуха или изолирующие воздушно-дыхательные аппараты.
6.9 Все производственные помещения должны быть оборудованы общеобменной приточно-вытяжной вентиляцией в соответствии с требованиями
ГОСТ 12.4.021, обеспечивающей содержание вредных веществ в воздухе рабочей зоны не выше их ПДК. Необходимо соблюдать требования санитарной гигиены по
ГОСТ 12.1.005.
6.10 Оборудование, предназначенное для хранения и транспортирования топливных СУГ, должно быть защищено от статического электричества по
ГОСТ 12.1.018.
6.11 В помещениях для производства, хранения и перекачивания топливных СУГ запрещено обращение с открытым огнем. Электрические сети и искусственное освещение должны быть выполнены во взрывозащищенном исполнении. Не допускается использовать инструменты, дающие при ударе искру.
6.12 При возгорании применяют средства пожаротушения: газовые огнетушащие составы на основе инертных газов, порошковые составы, тонкораспыленную воду для охлаждения; при объемном тушении - углекислый газ.
6.13 При отборе проб и проведении испытаний топливного СУГ на соответствие его физико-химических показателей требованиям
таблицы 2 необходимо соблюдать требования безопасности, указанные в межгосударственных стандартах на методы отбора проб и методы испытаний топливных СУГ (см.
раздел 9), а также требования национального законодательства и нормативных документов государств, принявших данный стандарт в качестве национального стандарта.
Примечание - Настоящий стандарт не содержит указаний по всем проблемам безопасности, возникающим при его применении. Пользователь настоящего стандарта должен предусмотреть меры по обеспечению безопасности и здоровья лиц, занятых при работе с топливными СУГ, а также определить возможность его применения или соответствующие ограничения. Работа с топливными СУГ должна соответствовать требованиям безопасности, действующим на данном предприятии.
7 Требования охраны окружающей среды
7.1 Основными требованиями, обеспечивающими сохранение природной среды, являются максимальная герметизация емкостей, коммуникаций, насосных агрегатов и другого оборудования, строгое соблюдение технологического режима.
7.2 При производстве и применении топливных СУГ должен быть организован производственный контроль за содержанием предельно-допустимых выбросов в атмосферу, установленных
ГОСТ 17.2.3.02 или нормативными документами государств, проголосовавших за принятие настоящего стандарта
<*>.
--------------------------------
<*> В Российской Федерации действует
ГОСТ Р 58577-2019 "Правила установления нормативов допустимых выбросов загрязняющих веществ проектируемыми и действующими субъектами и методы определения этих нормативов".
В производственных помещениях и на открытых площадках производства должен проводиться периодический (не менее одного раза в сутки) контроль содержания углеводородов переносными или автоматическими приборами (анализаторами, сигнализаторами), допущенными к применению в установленном порядке.
7.3 В настоящем стандарте не предусмотрено рассмотрение всех вопросов охраны окружающей среды, связанных с применением топливных СУГ.
8.1 Топливные СУГ принимают партиями. За партию принимают любое количество топливных СУГ одного целевого назначения и марки, однородных по показателям качества и сопровождаемых паспортом качества, содержащим сведения об изготовителе и фактические значения нормируемых показателей качества, полученные в результате лабораторных испытаний
<**>. Допускается вносить в паспорт качества дополнительную информацию по требованию потребителя. При формировании паспорта качества в автоматизированных информационных системах не требуется оригинальная подпись испытателя. Допускается заверять паспорт качества электронно-цифровой подписью.
--------------------------------
<**> На территории государств - членов Евразийского экономического союза паспорт качества должен соответствовать требованиям
[3].
При получении неудовлетворительных результатов испытаний хотя бы по одному из физико-химических показателей качества следует проводить повторные испытания вновь отобранной пробы от той же партии топливных СУГ.
Примечание - Для железнодорожных цистерн и баллонов повторные испытания проводят на удвоенной выборке от той же партии топливных СУГ.
Результаты повторных испытаний распространяются на всю партию и включаются в паспорт качества топливных СУГ.
8.3 При разногласиях в оценке качества топливных СУГ между потребителем и изготовителем арбитражные испытания выполняют в лаборатории, определенной по согласованию сторон.
Арбитражным методом испытания следует считать метод, указанный первым в
графе "Метод испытания" таблицы 2, при отборе проб -
ГОСТ 14921.
9.1 Пробы топливных СУГ отбирают по
ГОСТ 14921, или
ГОСТ ISO 4257, или по нормативным документам государств, проголосовавших за принятие настоящего стандарта
<*>.
--------------------------------
<*> В Российской Федерации также действует
ГОСТ Р 55609-2013 "Отбор проб газового конденсата, сжиженного углеводородного газа и широкой фракции легких углеводородов. Общие требования".
9.2 Допускается для определения физико-химических показателей топливных СУГ применять другие средства измерений и методы испытаний, если по метрологическим характеристикам они не уступают методам испытаний, указанным в
таблице 2.
9.3 При определении компонентного состава массовая доля суммы компонентов определяется как сумма массовых долей индивидуальных компонентов до округления. Полученный результат округляют до первого десятичного знака. Если значение массовой доли какого-либо компонента находится ниже границы диапазона измерения методики, то данный компонент в расчете не учитывается.
9.4 При определении массовой доли сероводорода и меркаптановой серы значения ниже границы диапазона измерения методики в расчете не учитываются.
9.5 Оценка запаха топливных СУГ, используемых в качестве моторного топлива для автомобильного транспорта
Запах обусловлен присутствием ненасыщенных углеводородов, серосодержащих соединений или появляется в результате одорирования.
Показатель "запах" определяют после получения результатов испытания по показателю "массовая доля сероводорода и меркаптановой серы, %".
Содержание меркаптановой серы 0,0020% масс. и более свидетельствует о наличии неприятного и характерного запаха, обнаруживаемого при концентрации в воздухе, равной 20% от нижнего предела воспламеняемости.
Примечания
1 Понятие "неприятный" является субъективным. Запах топливных СУГ сигнализирует о необходимости принятия соответствующих мер к поиску места его утечки.
2 Для уменьшения воздействия топливных СУГ на испытателей, выполняющих определение запаха, рекомендуется проводить испытание только при соответствии топливных СУГ остальным требованиям, приведенным в
таблице 2. Испытатель должен быть ознакомлен с требованиями безопасности.
3 Если углеводородный компонентный состав пробы соответствует требованиям, установленным в
таблице 2, то уровень воздействия на испытателя вдыхаемой смеси топливных СУГ с воздухом находится в допустимых пределах при условии, что количество вдыханий длительностью 10 с во время каждого испытания не превышает трех раз и при 8-часовом рабочем дне в течение 1 ч проводят испытания не более двух проб. Данное условие касается воздействия на испытателя только при оценке запаха.
4 Требования к персоналу:
- персонал, выполняющий определение запаха, должен включать не менее трех испытателей. Один из испытателей является руководителем группы.
Испытатели должны быть без признаков простудных заболеваний, не должны курить, употреблять пищу с острым вкусом и резким запахом менее чем за 30 мин до начала испытаний;
- руководителем группы должен быть специалист квалификации не ниже лаборанта химического анализа четвертого квалификационного разряда, изучивший руководства по эксплуатации используемых средств измерений и требования настоящего стандарта;
- руководитель группы несет ответственность за подготовку проб и оборудования для испытания, контроль соблюдения требований настоящего стандарта в ходе проведения испытаний, регистрацию результатов испытаний, подготовку и проверку испытателей, разрешение спорных ситуаций по результатам оценки, оформление протокола (или документа) испытаний.
5 Место проведения испытания должно быть защищено от ветра и изолировано от источников запаха.
10 Транспортирование и хранение
10.1 Транспортирование топливных СУГ - по
ГОСТ 1510,
[4],
[3],
[5] в соответствии с правилами промышленной безопасности опасных и производственных объектов, на которых используется оборудование, работающее под избыточным давлением, и с учетом правил перевозок опасных грузов, действующих на конкретном виде транспорта.
10.2 Хранение топливных СУГ осуществляется в стационарных металлических горизонтальных или шаровых резервуарах высокого давления, цилиндрических вертикальных изотермических наземных резервуарах, металлических и композитных баллонах в соответствии с
ГОСТ 1510.
11.1 Изготовитель гарантирует соответствие топливных СУГ требованиям настоящего стандарта при соблюдении условий транспортирования, правил приемки и хранения.
11.2 Гарантийный срок хранения топливных СУГ - 6 мес с даты изготовления продукции. По истечении гарантийного срока хранения топливные СУГ анализируют перед каждым применением на соответствие требованиям настоящего стандарта.
(справочное)
ПРОДУКЦИИ ПО ВИДАМ ЭКОНОМИЧЕСКОЙ ДЕЯТЕЛЬНОСТИ
Классификация продукции по видам экономической деятельности на территории Российской Федерации и Республики Беларусь приведена в таблице А.1.
Таблица А.1
Коды для топливных СУГ
Марка | Наименование | | |
ПТ | Пропан технический | | 19.20.31.110 |
ПА | Пропан автомобильный | | 19.20.31.110 |
БТ | Бутан технический | | 19.20.31.210 |
ПБА | Пропан-бутан автомобильный | | 19.20.31 |
ПБТ | Пропан-бутан технический | | 19.20.31 |
Примечание - На территории Республики Беларусь топливные СУГ марок пропан технический и бутан технический, предназначенные для промышленных целей, классифицируются с учетом целевого направления использования согласно ОКРБ <**>. |
--------------------------------
<*> В Российской Федерации действует
(ОК 034-2014 (КПЕС-2008)) Общероссийский классификатор продукции по видам экономической деятельности.
<**> В Республике Беларусь действует (ОКРБ 007-2012) Классификатор продукции по видам экономической деятельности.
(рекомендуемое)
ПРИМЕНЕНИЕ РАЗЛИЧНЫХ МАРОК ТОПЛИВНЫХ СЖИЖЕННЫХ
УГЛЕВОДОРОДНЫХ ГАЗОВ В ЗАВИСИМОСТИ ОТ КЛИМАТИЧЕСКОГО РАЙОНА
Применение различных марок топливных СУГ в зависимости от климатических факторов приведено в
таблице Б.1.
Таблица Б.1
Применение марок топливных СУГ
Назначение топливного СУГ | Применение марок топливных СУГ в макроклиматических районах по ГОСТ 16350 |
умеренный | холодный |
Летний период | Зимний период | Летний период | Зимний период |
1 Коммунально-бытовое и производственное потребление в качестве топлива: | | | | |
а) газобаллонное: с наружной установкой баллонов | ПБТ | ПТ | ПБТ | ПТ |
с внутриквартирной установкой баллонов | ПБТ | ПБТ | ПБТ | ПБТ |
портативные баллоны | БТ | БТ | БТ | БТ |
б) групповые установки: | | | | |
без испарителей | ПБТ | ПТ | ПТ, ПБТ | ПТ |
с испарителями | ПБТ, БТ | ПТ, ПБТ, БТ | ПТ, ПБТ | ПТ, ПБТ |
2 Моторное топливо для автомобильного транспорта | ПБА | ПА | ПБА, ПА | ПА |
Примечания 1 Для всех климатических районов, за исключением холодного и очень холодного: - летний период - с 1 апреля по 30 сентября; - зимний период - с 1 октября по 31 марта. 2 Для холодных районов: - летний период - с 1 июня по 30 сентября; - зимний период - с 1 октября по 31 мая. 3 Для очень холодных районов: - летний период - с 1 июня по 31 августа; - зимний период - с 1 сентября по 31 мая. 4 Допускается применять топливные СУГ марки ПБА во всех климатических районах при температуре окружающего воздуха не ниже минус 20 °C. |
(обязательное)
МЕТОД ОПРЕДЕЛЕНИЯ ОБЪЕМНОЙ ДОЛИ ЖИДКОГО ОСТАТКА
ПРИ ТЕМПЕРАТУРЕ ПЛЮС 20 °C, СОДЕРЖАНИЯ СВОБОДНОЙ ВОДЫ
И ЩЕЛОЧИ
Сущность метода заключается в испарении пробы топливных СУГ, измерении объемной доли жидкого остатка и проведении качественных реакций на присутствие воды и щелочи.
В.1 Аппаратура, реактивы и материалы
Отстойник стеклянный вместимостью 100 см
3 или 500 см
3 с ценой деления не более 0,1 см
3 (в нижней узкой части), схема которого приведена на
рисунке В.1.
Примечание - Допускается применять цилиндр вместимостью от 100 см3 с ценой деления не более 0,1 см3.
Рисунок В.1 - Отстойник для топливных СУГ
Устройство для охлаждения топливных СУГ приведено на
рисунке В.2.
1 - игольчатый вентиль; 2 - змеевик; 3 - сосуд
для охлаждающей смеси
Рисунок В.2 - Устройство для охлаждения топливных СУГ
Охлаждающий змеевик изготовляют из медной трубки наружным диаметром от 6 до 8 мм, длиной 6 м, навитой виток к витку в виде спирали диаметром от 60 до 90 мм.
Сосуд с тепловой изоляцией для охлаждения смеси, размерами под охлаждающий змеевик (внутренний диаметр не менее 120 мм, высота не менее 220 мм).
Штатив лабораторный для отстойника.
Термостат или водяная баня с терморегулятором для поддержания температуры с погрешностью не более +/- 1 °C.
Гайка накидная к штуцеру пробоотборника с уплотнительной прокладкой и металлической или пластиковой трубкой длиной от 20 до 30 см, внутренним диаметром от 1 до 3 мм для соединения пробоотборника с охлаждающим змеевиком.
Проволока медная диаметром от 1,5 до 2,0 мм и длиной, соответствующей высоте отстойника.
Индикатор тимоловый синий водорастворимый, ч.д.а.
Индикатор фенолфталеин, ч.д.а., раствор в этиловом спирте (1 г индикатора растворяют в 80 см3 этилового спирта и доводят объем раствора дистиллированной водой до 100 см3).
Спирт этиловый по
ГОСТ 17299, или
ГОСТ 18300, или
ГОСТ 5962, или по нормативным документам государств, проголосовавших за принятие настоящего стандарта.
Смесь охлаждающая, состоящая из крупнокристаллической поваренной соли и льда, или ацетона и твердой двуокиси углерода, или другие смеси, обеспечивающие требуемую температуру. Примеры приготовления охлаждающих смесей приведены в
приложении Е.
Примечание - Допускается применять оборудование и средства измерения с аналогичными техническими и метрологическими характеристиками, а также реактивы квалификации не ниже, чем указано в стандарте.
В.2 Проведение испытания
В.2.1 На штуцер пробоотборника с испытуемыми топливными СУГ навинчивают накидную гайку с чистой сухой отводной трубкой. Открывая нижний вентиль (впускной вентиль) вертикально расположенного пробоотборника, осторожно наливают топливные СУГ через трубку в чистый сухой отстойник. При наливе конец трубки удерживают под поверхностью жидкости и наполняют отстойник до метки 100 см3.
В.2.2 В пробку из ваты, неплотно вставленную в горловину отстойника, сразу же устанавливают медную проволоку на глубину приблизительно до середины мерной части отстойника. Проволока способствует равномерному испарению топливных СУГ, а пробка из ваты не пропускает в отстойник влагу из воздуха.
В.2.3 После испарения основной массы топливных СУГ при температуре окружающей среды и прекращения заметного испарения жидкости удаляют из отстойника пробку из ваты, помещают его в водяную баню с температурой (20 +/- 1) °C и выдерживают в течение 20 мин.
После этого определяют объем жидкого остатка методом прямых измерений.
В.2.4 Если объемная доля жидкого остатка превышает норму по
таблице 2, то проводят повторные испытания новой пробы, взятой из той же партии.
При проведении повторных или арбитражных испытаний отстойник заполняют топливными СУГ через охлаждающий змеевик. Устанавливают змеевик в сосуд с охлаждающей смесью, снабженный термометром, охлаждают до температуры на несколько градусов ниже температуры кипения основного компонента пробы топливных СУГ и присоединяют к пробоотборнику.
В.2.5 Открывая вентили на пробоотборнике и змеевике, промывают змеевик пробой в течение 10 - 30 с. Затем наполняют отстойник пробой топливных СУГ, выходящего из змеевика, до метки 100 см
3, не допуская выброса пробы из отстойника. Далее повторяют процедуру испарения газа и измеряют количество жидкого остатка по
В.2.2,
В.2.3 настоящего стандарта.
В.2.6 Если в продукте имеется свободная вода, то после испарения пробы она остается на дне и или стенках отстойника. При затруднениях в визуальной идентификации свободной воды в жидком остатке ее наличие определяют с помощью водорастворимого индикатора. Для этого в отстойник вносят на кончике сухой стеклянной палочки или проволоки несколько кристалликов индикатора тимолового синего. В углеводородном жидком остатке тимоловый синий не растворяется и жидкость не окрашивается.
Окрашивание жидкости в желтый цвет указывает на наличие воды. При наличии щелочи индикатор тимоловый синий окрашивает раствор в синий цвет. В жидком остатке может содержаться метанол, который дает такое же окрашивание при проверке индикатором, как и свободная вода.
Для дополнительной идентификации свободной воды необходимо охладить жидкий остаток в течение 20 мин до температуры ниже минус 5 °C в соответствующей охлаждающей смеси или морозильной камере. Если при этом в отстойнике образуется лед, то констатируют наличие свободной воды, если жидкость не замерзает, то констатируют отсутствие свободной воды.
В.2.7 Для определения наличия щелочи в жидком остатке допускается применять в качестве индикатора фенолфталеин. В отстойник добавляют 10 см3 дистиллированной воды, предварительно проверенной на нейтральность, и 2 - 3 капли спиртового раствора фенолфталеина. Окрашивание раствора в розовый или красный цвет указывает на наличие щелочи. Жидкий остаток считается не содержащим щелочи при отсутствии окрашивания.
В.2.8 За отсутствие в продукте жидкого остатка, свободной воды и щелочи принимают отсутствие жидкости на дне и (или) стенках отстойника после испарения пробы.
В.3 Обработка результатов
В.3.1 Объемную долю жидкого остатка V1(V2), %, рассчитывают по формуле
V1(V2) = (Vост/Vсг)·100, %, (В.1)
где Vост - объем измеренного жидкого остатка, см3;
Vсг - объем топливных СУГ, взятый для измерений, см3.
В.3.2 За результат измерения объемной доли жидкого остатка принимают среднее арифметическое значение двух последовательных единичных определений объемов
V, расхождение между которыми не превышает значения предела повторяемости
r, приведенного в
таблице В.1.
Таблица В.1
Повторяемость (сходимость) и воспроизводимость метода
Объемная доля жидкого остатка V, % | Предел повторяемости V, % | Предел воспроизводимости R, % |
От 0,50 до 1,00 включ. | 0,06V + 0,05 | 0,08V + 0,07 |
Св. 1,00 до 2,00 включ. | 0,07V + 0,04 | 0,09V + 0,06 |
Примечание - Если вычисленное значение объемной доли жидкого остатка находится вне пределов диапазона измерений, приведенного в
таблице В.1, то результат измерения представляют в виде: объемная доля жидкого остатка менее (более), __%, где указывается нижняя (или верхняя) граница диапазона измерений жидкого остатка.
V = (V1 + V2)/2, (В.2)
где V1 и V2 - результаты последовательных определений объемной доли жидкого остатка, %.
Результат измерений округляют до второго десятичного знака.
В.3.3 Результат измерений объемной доли жидкого остатка в топливных СУГ записывают в виде
V[+/- U(V)], %, (В.3)
где U(V) - расширенная неопределенность результата измерений объемной доли жидкого остатка в сжиженном газе, %, при коэффициенте охвата k, равном 2 (соответствует границе абсолютной погрешности при P = 0,95).
Таблица В.2
Расширенная неопределенность
Объемная доля жидкого остатка V, % | Расширенная неопределенность U(V) (при коэффициенте охвата k = 2) <*> |
От 0,50 до 1,00 включ. | 0,12·V + 0,10 |
Св. 1,00 до 2,00 включ. | 0,13·V + 0,09 |
<*> Соответствует доверительным границам абсолютной погрешности при доверительной вероятности P = 0,95. |
В.4 Прецизионность метода
Прецизионность метода определена на основании статистического исследования результатов межлабораторных испытаний.
В.4.1 Повторяемость (сходимость)
Два результата последовательно выполненных определений, полученные одним исполнителем, признаются приемлемыми (с 95%-ной доверительной вероятностью), если абсолютное расхождение
r между ними не превышает значений, указанных в
таблице В.1.
В.4.2 Воспроизводимость
Два результата определения, полученных в разных лабораториях, признаются приемлемыми (с 95%-ной доверительной вероятностью), если абсолютное расхождение
R между ними не превышает значений, указанных в
таблице В.1.
В.4.3 Полученные результаты испытаний оформляют по форме, принятой в испытательной лаборатории.
(обязательное)
МЕТОД ОПРЕДЕЛЕНИЯ ЗАПАХА СЖИЖЕННЫХ УГЛЕВОДОРОДНЫХ ГАЗОВ,
ИСПОЛЬЗУЕМЫХ В КАЧЕСТВЕ МОТОРНОГО ТОПЛИВА
ДЛЯ АВТОМОБИЛЬНОГО ТРАНСПОРТА
Г.1 Метод с использованием установки
Г.1.1 Сущность метода
Пробу испытуемых топливных СУГ в газообразном состоянии разбавляют очищенным воздухом таким образом, чтобы смесь содержала 20% топливных СУГ от нижнего предела его воспламеняемости в воздухе.
Сущность метода заключается в органолептической оценке запаха газовоздушной смеси, создаваемой в аппарате
(рисунок Г.1).
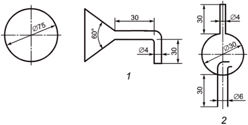
1 - стеклянная воронка диаметром 75 мм; 2 - колба
для смешения; 3 - колонка для очистки воздуха;
4 - расходомеры воздуха и газа; 5 - воздух;
6 - сжиженный газ
Рисунок Г.1 - Аппарат для определения запаха топливных СУГ
Г.1.2 Средства измерений, материалы и реактивы
При определении запаха топливных СУГ используют следующие средства измерений, материалы и реактивы:
- расходомер воздуха поплавкового типа с диапазоном измерения от 5 до 15 дм3/мин;
- расходомер газа поплавкового типа с диапазоном измерения от 5 до 150 см3/мин;
- колонка для очистки воздуха объемом не менее 200 см3;
- колба для смешения диаметром 30 мм с выпускным отверстием диаметром 4 мм
(рисунок Г.2);
- активированный древесный уголь марки БАУ-МФ по
ГОСТ 6217.
Примечание - Допускается применять оборудование с аналогичными техническими и метрологическими характеристиками, а также реактивы квалификации не ниже, чем указаны.
1 - стеклянная воронка; 2 - колба для смешения
(воздух и газ)
Рисунок Г.2 - Детали аппарата
Г.1.3 Проведение испытания
Аппаратура для определения запаха топливных СУГ приведена на
рисунке Г.1.
Г.1.3.1 Пропускают воздух через колонку для очистки воздуха 3, заполненную активированным древесным углем, с заданной скоростью, измеряемой расходомером воздуха 4. Расход воздуха составляет 12,5 дм3/мин для марки ПА и 13,6 дм3/мин - для марки ПБА.
Г.1.3.2 Испытатели определяют запах воздуха, приблизив нос к краю стеклянной воронки
1 и осторожно вдыхая воздух.
Г.1.3.3 При подтверждении всеми испытателями отсутствие запаха воздуха признают аппаратуру пригодной к проведению измерений. При наличии запаха продувают аппарат воздухом от 2 до 3 мин и проводят повторное определение.
Г.1.3.4 Испытуемые топливные СУГ пропускают через расходомер газа
4 со скоростью 40 см
3/мин и проводят определение по
Г.1.3.2.
Г.1.3.5 Испытатели поочередно оценивают запах газовоздушной смеси, выходящей из воронки, и записывают результаты испытаний в протокол
(приложение Ж) или регистрируют результаты по другой установленной в лаборатории форме.
Г.1.4 Результаты испытаний
Партию топливных СУГ, представленную на испытания, считают соответствующей требованиям настоящего стандарта, если все испытатели, оценивающие запах, признают наличие характерного неприятного запаха.
На основании полученных от испытателей результатов оценки запаха руководитель группы фиксирует итоговый результат и оформляет протокол испытаний.
Г.2 Метод с использованием одориметра
Г.2.1 Сущность метода
Сущность метода заключается в органолептической оценке запаха газовоздушной смеси, создаваемой в одориметре.
Г.2.2 Аппаратура и материалы
Одориметры с пределом основной погрешности измерения объемной доли газа в воздухе не более +/- 20% от верхнего предела измерения, например, органолептические одориметры газа типа "ОГ-05-00-00", или "ОО-3", или "ОРГО".
Г.2.3 Проведение испытания
Г.2.3.1 Одориметр подготавливают к работе согласно руководству по его эксплуатации.
Г.2.3.2 Перед подключением к источнику топливных СУГ включают одориметр и создают расход воздуха.
Г.2.3.3 Испытатели поочередно определяют запах воздуха, выходящего из воронки одориметра, для определения его пригодности к проведению измерений.
Г.2.3.4 При подтверждении всеми испытателями отсутствия запаха воздуха одориметр признают пригодным к проведению измерений.
Г.2.3.5 При наличии запаха продувают одориметр воздухом от 3 до 5 мин и проводят повторное определение по
Г.2.3.3. При отсутствии запаха одориметр признают пригодным к проведению измерений. При наличии запаха воздуха последующее измерение запаха топливных СУГ с использованием данного одориметра не проводят.
Г.2.3.6 Подключают одориметр к источнику топливного СУГ.
Г.2.3.7 Подачу топливных СУГ в одориметр из пробоотборника проводят, открывая верхний вентиль пробоотборника, установленного вертикально.
Г.2.3.8 Руководитель устанавливает в одориметре объемную долю топливных СУГ, %, в воздухе согласно руководству по эксплуатации одориметра. Концентрация топливных СУГ в газовоздушной смеси (в единицах объемной доли метана), устанавливаемая с помощью одориметра, должна составлять для марок: ПА - 0,55% об.; ПБА - 0,50% об.
Г.2.3.9 Испытатели поочередно определяют запах газовоздушной смеси, выходящей из воронки одориметра, записывают результаты испытаний в протокол
(приложение Ж) или регистрируют результаты по другой установленной в лаборатории форме. На основании полученных от испытателей результатов оценки запаха руководитель группы фиксирует итоговый результат и при необходимости оформляет протокол испытаний.
Г.2.3.10 Партию топливных СУГ, представленную на испытания, считают соответствующей требованиям настоящего стандарта, если все испытатели, оценивающие запах, признают наличие характерного неприятного запаха.
(обязательное)
РАСЧЕТ ОКТАНОВОГО ЧИСЛА ПО МОТОРНОМУ МЕТОДУ (MON)
С ИСПОЛЬЗОВАНИЕМ ДАННЫХ АНАЛИЗА КОМПОНЕНТНОГО СОСТАВА
СЖИЖЕННЫХ УГЛЕВОДОРОДНЫХ ГАЗОВ
Д.1 Сущность метода
Октановое число пробы топливных СУГ вычисляют по результатам определения компонентного состава и справочных данных по октановым числам чистых компонентов.
Состав пробы топливных СУГ определяют методом газовой хроматографии по
ГОСТ 10679 или
ГОСТ 33012, или по нормативным документам государств, проголосовавших за принятие настоящего стандарта
<*>.
--------------------------------
<*> В Российской Федерации также действуют
ГОСТ Р 54484-2011 "Газы углеводородные сжиженные. Методы определения углеводородного состава" и
ГОСТ Р 56869-2016 "Газы углеводородные сжиженные и смеси пропан-пропиленовые. Определение углеводородов газовой хроматографией".
Д.2 Требования к показателям точности измерений
Метод обеспечивает получение результатов вычислений октанового числа топливных СУГ со значением абсолютной расширенной неопределенности
UОЧ, не превышающей значений, приведенных в
таблице Д.1.
Таблица Д.1
Показатели точности измерений
Диапазон измерений октанового числа, РОЧ | Расширенная неопределенность, UОЧ <*>(при коэффициенте охвата k = 2) |
От 89,0 до 98,0 включ. | 0,007·РОЧ |
<*> Соответствует доверительным границам абсолютной погрешности при доверительной вероятности P = 0,95. |
Д.3 Вычисление и обработка результатов
Вычисляют расчетное октановое число (далее - РОЧ) топливных СУГ суммированием парциальных значений октановых чисел каждого компонента сжиженного газа по формуле

, (Д.1)
где ОЧi - октановое число i-го компонента топливных СУГ;
Ci - концентрация i-го компонента, объемные %, массовые % или молярные %;
n - количество компонентов в топливных СУГ.
Значения октановых чисел ОЧ
i компонентов топливных СУГ, определенные по моторному методу, приведены в
таблице Д.2.
Примечание - Допускается при вычислении РОЧ не учитывать концентрацию компонентов топливных СУГ, величина которых менее 0,1%.
Таблица Д.2
Октановые числа компонентов для расчета октанового числа
сжиженных углеводородных газов
Наименование компонента | Формула | Октановое число (моторный метод) <*> |
объемное | массовое | молярное |
Метан | CH4 | 110,0 | 103,0 | 102,6 |
Этан | C2H6 | 100,7 | 101,1 | 100,8 |
Этен | C2H4 | 75,6 | 75,8 | 75,6 |
Пропан | C3H8 | 97,1 | 97,5 | 97,2 |
Пропен | C3H6 | 84,9 | 85,2 | 84,9 |
Изобутан | изо-C4H10 | 97,6 | 98,0 | 97,6 |
n-Бутан | n-C4H10 | 89,6 | 90,0 | 89,6 |
Бутен-1 | n-C4H8 | 80,8 | 81,1 | 80,8 |
Изобутен | изо-C4H8 | 87,0 | 87,3 | 87,0 |
транс-Бутен-2 | транс-C4H8 | 83,5 | 83,8 | 83,5 |
цис-Бутен-2 | цис-C4H8 | 83,5 | 83,8 | 83,6 |
Бутадиен-1,3 | C4H6 | 83,5 | 83,8 | 83,5 |
2,2 Диметилпропан (Неопентан) | C5H12 | 80,2 | 80,5 | 80,3 |
Изопентан | изо-C5H12 | 90,3 | 90,7 | 90,3 |
n-Пентан | n-C5H12 | 62,6 | 62,8 | 62,3 |
| | ИС МЕГАНОРМ: примечание. В официальном тексте документа, видимо, допущена опечатка: пункт [6] отсутствует в разделе Библиография. | |
|
<*> Значения октановых чисел компонентов по ГОСТ 34225 (см. также [6]). |
Д.4 Оформление результатов измерений
Д.4.1 За результат вычисления октанового числа топливных СУГ принимают значение единичного определения РОЧ.
Примечание - Используемые для определения октанового числа массовые доли компонентов - это среднеарифметические значения, полученные по результатам двух последовательных измерений массовых долей, расхождение между которыми не превышает предела повторяемости согласно методике измерений компонентного состава по
ГОСТ 10679, или
ГОСТ 33012, или по документам государств, проголосовавших за принятие настоящего стандарта.
Д.4.2 Результат определения октанового числа топливных СУГ записывают в виде
(РОЧ +/- UОЧ), (Д.2)
где UОЧ - расширенная неопределенность результата определения октанового числа при коэффициенте охвата k, равном 2 (соответствует границе абсолютной погрешности при доверительной вероятности P = 0,95).
Расширенную неопределенность
UОЧ вычисляют по формуле, приведенной в
таблице Д.1.
Вычисленное значение расширенной неопределенности и октанового числа округляют до первого десятичного знака.
Д.5 Контроль точности результатов измерений
Точность результатов вычисления октанового числа топливных СУГ зависит от точности измерения компонентного состава методом газовой хроматографии, поэтому контроль точности результатов вычисления октанового числа топливных СУГ сводится к контролю точности измерения содержания компонентов в образце контроля ГСО (стандартный образец утвержденного типа) в соответствии с методикой измерений.
(справочное)
ПРИМЕР ПРИГОТОВЛЕНИЯ ОХЛАЖДАЮЩИХ СМЕСЕЙ
Готовят охлаждающие смеси смешением натрия хлористого со льдом (снегом). При использовании солевых охлаждающих смесей для достижения необходимой температуры соль необходимо тщательно растереть в порошок, а смесь хорошо перемешать.
Е.1 Охлаждающая смесь при температуре минус 20 °C
Смешивают 30,4 г натрия хлористого по
ГОСТ 4233 со 100 г предварительно измельченного до состояния крошки льда.
Е.2 Охлаждающая смесь при температуре до минус 45 °C
Смесь готовят следующим образом. В накрытом металлическом химическом стакане охлаждают необходимое количество ацетона по
ГОСТ 2603 или спирта (по
ГОСТ 17299, или
ГОСТ 18300, или
ГОСТ 5962) до температуры минус 12 °C или ниже при помощи смеси льда с солью. Для получения требуемой температуры к охлажденному ацетону или спирту добавляют твердую двуокись углерода по
ГОСТ 12162.
Примечание - Допускается использовать другие охлаждающие смеси, позволяющие обеспечивать проведение испытания при заданной температуре.
(рекомендуемое)
ФОРМА ПРОТОКОЛА ОЦЕНКИ ЗАПАХА
ТОПЛИВНЫХ СЖИЖЕННЫХ УГЛЕВОДОРОДНЫХ ГАЗОВ, ИСПОЛЬЗУЕМЫХ
В КАЧЕСТВЕ МОТОРНОГО ТОПЛИВА ДЛЯ АВТОМОБИЛЬНОГО ТРАНСПОРТА
В настоящем приложении представлена форма протокола результатов определения запаха топливных СУГ.
Протокол N ________
результатов оценки запаха топливных сжиженных углеводородных
газов, используемых в качестве моторного топлива
для автомобильного транспорта
Наименование топливных СУГ _________________________________
Дата отбора пробы __________________________________________
Время отбора пробы _________________________________________
Тип и номер пробоотборного устройства ______________________
Место отбора пробы _________________________________________
Фамилия и инициалы испытателя ______________________________
Место работы и должность ___________________________________
Запах | Оценка запаха |
воздуха до начала испытания | газовоздушной смеси после вдыхания |
Неприятный и характерный | Да/Нет | Да/Нет |
Да или Нет (подчеркнуть)
Подпись испытателя ____________ /Расшифровка подписи/
Дата испытаний "____" _____________ 20__ г.
Подпись руководителя
группы испытаний _____________ /Расшифровка подписи/
| Методика измерений (МИ) ФР.1.31.2020.37947 "Газы углеводородные сжиженные. Определение массовой доли индивидуальных серосодержащих соединений методом газовой хроматографии. Методика (метод) измерений". Свидетельство об аттестации МИ N 01.00257-2013/8906-20 от 20 августа 2020 г. |
| Методика измерений (МИ) ФР.1.29.2021.40985 "Газы углеводородные сжиженные. Определение массовой доли меркаптановой и общей серы на основе данных о компонентном составе". Свидетельство об аттестации МИ N 01.00257-2013/10606-21 от 24 августа 2021 г. |
| Технический регламент Евразийского экономического союза ТР ЕАЭС 036/2016 Требования к сжиженным углеводородным газам для использования их в качестве топлива |
| Европейское соглашение о международной дорожной перевозке опасных грузов (ДОПОГ) (ООН, Нью-Йорк и Женева, 2016 г.) |
| Правила перевозок опасных грузов по железным дорогам. СЖТ СНГ (утверждены Советом по железнодорожному транспорту государств - участников Содружества, протокол от 5 апреля 1996 г. N 15) |
УДК 662.767.5:006.354 | |
Ключевые слова: топливные сжиженные углеводородные газы, технические условия |