Скачать Серия 1.832.5-11 Выпуск 0. Указания по применению рамДата актуализации: 01.01.2021 Серия 1.832.5-11
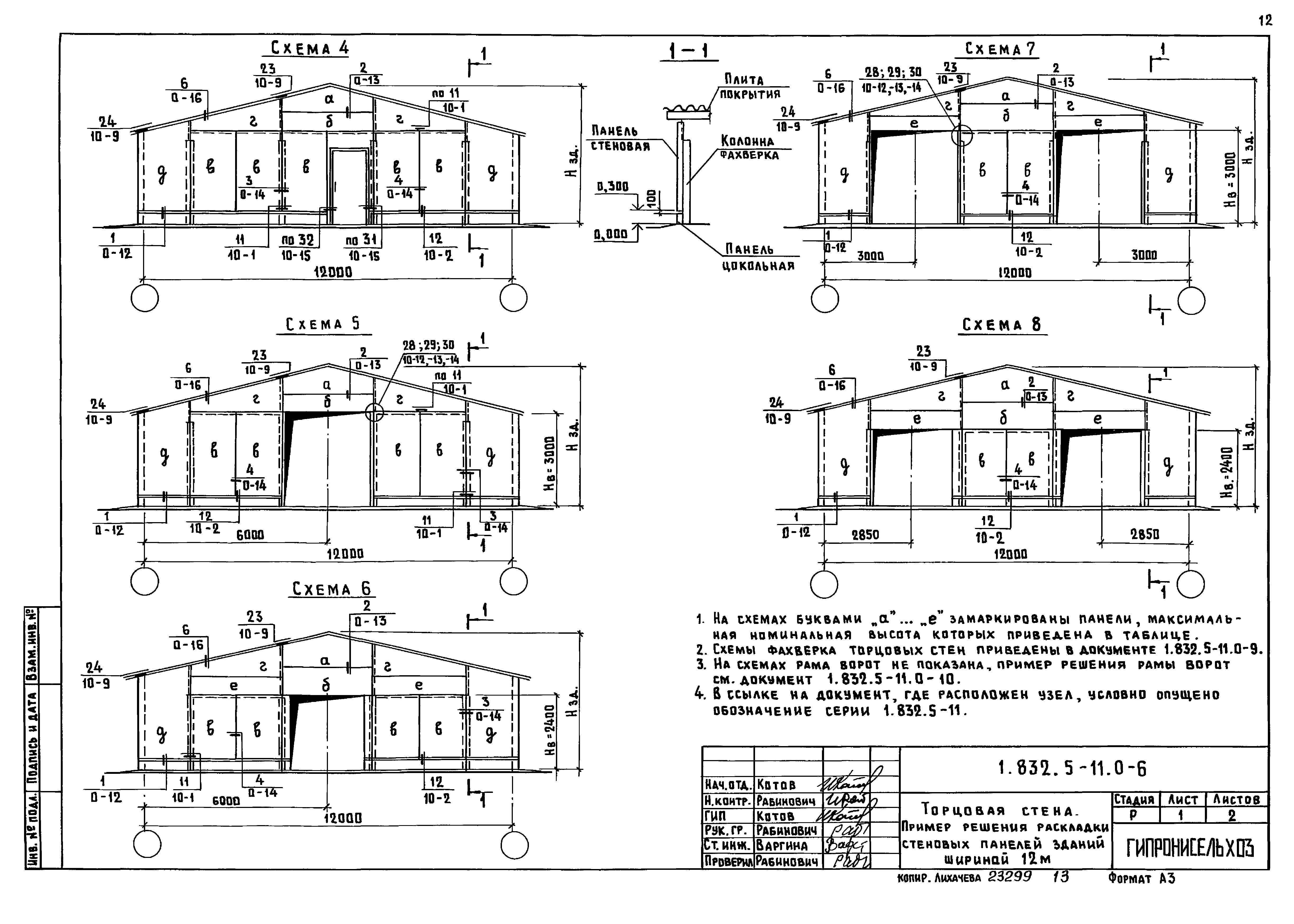
Выпуск 0. Указания по применению рам| Обозначение: | Серия 1.832.5-11 | | Обозначение англ: | Series 1.832.5-11 | | Статус: | не определен законодательством | | Название рус.: | Выпуск 0. Указания по применению рам | | Дата добавления в базу: | 01.09.2013 | | Дата актуализации: | 01.01.2021 | | Дата введения: | 15.11.1988 | | Дата окончания срока действия: | 30.06.2003 | | Область применения: | В настоящем выпуске даны указания по применению, схемы расположения панелей, схемы фахверка с маркировкой узлов, примеры решения узлов примыкания и заделки швов, примеры решения деревянных изделий и стальных насадок фахверка | | Оглавление: | 1.832.5-11.0-ПЗ Пояснительная записка 1.832.5-11.0-1 Горизонтальная разрезка стен. Пример схем расположения панелей при шаге колонн 3,0 м 1.832.5-11.0-2 Вертикальная разрезка стен. Пример схем расположения панелей при шаге колонн 3,0 м 1.832.5-11.0-3 Вертикальная разрезка стен. Пример схем расположения панелей при шаге колонн 6,0 м 1.832.5-11.0-4 Пример схем фахверка продольной стены 1.832.5-11.0-5 Торцовая стена. Пример решения раскладки стеновых панелей зданий шириной 9 м 1.832.5-11.0-6 Торцовая стена. Пример решения раскладки стеновых панелей зданий шириной 12 м 1.832.5-11.0-7 Торцовая стена. Пример решения раскладки стеновых панелей зданий шириной 18 м 1.832.5-11.0-8 Торцовая стена. Пример решения раскладки стеновых панелей зданий шириной 21 м 1.832.5-11.0-9 Схема фахверка торцовой стены 1.832.5-11.0-10 Схема устройства рамы ворот. Пример решения 1.832.5-11.0-11 Заполнение оконных проемов. Пример решения 1.832.5-11.0-12 Узел 1. Пример решения 1.832.5-11.0-13 Узел 2. Пример решения 1.832.5-11.0-14 Узел 3, 4. Пример решения 1.832.5-11.0-15 Узел 5. Пример решения 1.832.5-11.0-16 Узел 6. Пример решения 1.832.5-11.0-17 Подкладка деревянная. Пример решения 1.832.5-11.0-18 Устройство вентиляционного продуха в карнизе. Пример решения 1.832.5-11.0-19 Насадка стальная 1НС… 7НС. Пример решения | | Разработан: | ГипроНИсельхоз (Институт Гипронисельхоз )
| | Утверждён: | 07.05.1988 Госагропром СССР (USSR Gosagroprom 804-48/582)
| | Заменяет собой: | | | Нормативные ссылки: |   СНиП 2.01.07-85* «Нагрузки и воздействия»  СНиП 2.03.11-85 «Защита строительных конструкций от коррозии»  СНиП II-3-79* «Строительная теплотехника»  ГОСТ 12506-81 «Окна деревянные для производственных зданий. Типы, конструкция и размеры»  ГОСТ 18853-73 «Ворота деревянные распашные для производственных зданий и сооружений. Технические условия» ГОСТ 9573-82 «Плиты теплоизоляционные из минеральной ваты на синтетическом связующем. Технические условия»  ГОСТ 14791-79 «Мастика герметизирующая нетвердеющая строительная. Технические условия»  ГОСТ 19177-81 «Прокладки резиновые пористые уплотняющие. Технические условия»  ГОСТ 4028-63 «Гвозди строительные. Конструкция и размеры»  ГОСТ 5264-80 «Ручная дуговая сварка. Соединения сварные. Основные типы, конструктивные элементы и размеры»  ГОСТ 9467-75 «Электроды покрытые металлические для ручной дуговой сварки конструкционных и теплоустойчивых сталей. Типы»  ГОСТ 11474-76 «Профили стальные гнутые. Технические условия»  ГОСТ 1144-80 «Шурупы с полукруглой головкой. Конструкция и размеры»  ГОСТ 3826-82 «Сетки проволочные тканые с квадратными ячейками. Технические условия»  ГОСТ 1145-80 «Шурупы с потайной головкой. Конструкция и размеры» Серия 1.038.1-1 «Выпуск 2. Перемычки плитные для жилых и общественных зданий. Рабочие чертежи» Серия 1.038.1-1 «Выпуск 1. Перемычки брусковые для жилых и общественных зданий. Рабочие чертежи» Серия 1.823.1-2 «Выпуск 0-1. Материалы для проектирования животноводческих, птицеводческих, подсобно-производственных и вспомогательных зданий» Серия 1.823.1-2 «Выпуск 1. Колонны. Рабочие чертежи» Серия 1.823.1-2 «Выпуск 2. Арматурные и закладные изделия. Рабочие чертежи» Серия 1.063.9-3 «Фермы металлодеревянные клееные треугольные пролетом 18 и 24 м для покрытий одноэтажных зданий межвидового назначения. Указания по применению. Технические условия. Рабочие чертежи» Серия 1.822.5-4 «Выпуск 0. Указания по применению рам пролетами 12 и 18 м» Серия 1.822.5-4 «Выпуск 1. Рамы пролетом 12 и 18 м, связи и соединительные изделия. Рабочие чертежи» Серия 1.063.1-1 «Железобетонные стропильные фермы для покрытий зданий с уклоном асбестоцементной кровли 1:4» Серия 1.822.1-2/82 «Выпуск 1. Рамы прямоугольного сечения пролетом 12, 18 и 21 м. Указания по проектированию и рабочие чертежи» Серия 1.822.1-2/82 «Выпуск 2. Арматурные и закладные изделия для рам прямоугольного сечения пролетом 12, 18 и 21 м. Рабочие чертежи» Серия 1.063.9-2 «Фермы металлодеревянные треугольные пролетом 9 и 12 м для покрытий одноэтажных зданий межвидового назначения. Указания по применению. Технические условия. Рабочие чертежи» ТУ 14-1-3023-80 «Прокат листовой, широкополосный универсальный и фасонный из углеродистой и низколегированной стали с гарантированным уровнем механических свойств, дифференцированным по группам прочности» СН 420-71 «Указания по герметизации стыков при монтаже строительных конструкций» Серия 1.462-14 «Выпуск 2. Прогоны длиной 6 м с опиранием полкой при уклоне кровли 25 %. Рабочие чертежи» ГОСТ 21.105-79 «Система проектной документации для строительства. Нанесение на чертежах размеров, надписей, технических требований и таблиц» СНиП III-19-76 «Деревянные конструкции» ГОСТ 23839-79 «Здания сельскохозяйственных предприятий одноэтажные. Габаритные схемы»
|
                                  
|