Скачать Серия 1.823.1-2 Выпуск 0-1. Материалы для проектирования животноводческих, птицеводческих, подсобно-производственных и вспомогательных зданийДата актуализации: 01.01.2021
|
| Обозначение: | Серия 1.823.1-2 |
| Обозначение англ: | Series 1.823.1-2 |
| Статус: | действует |
| Название рус.: | Выпуск 0-1. Материалы для проектирования животноводческих, птицеводческих, подсобно-производственных и вспомогательных зданий |
| Дата добавления в базу: | 01.09.2013 |
| Дата актуализации: | 01.01.2021 |
| Дата введения: | 01.01.1985 |
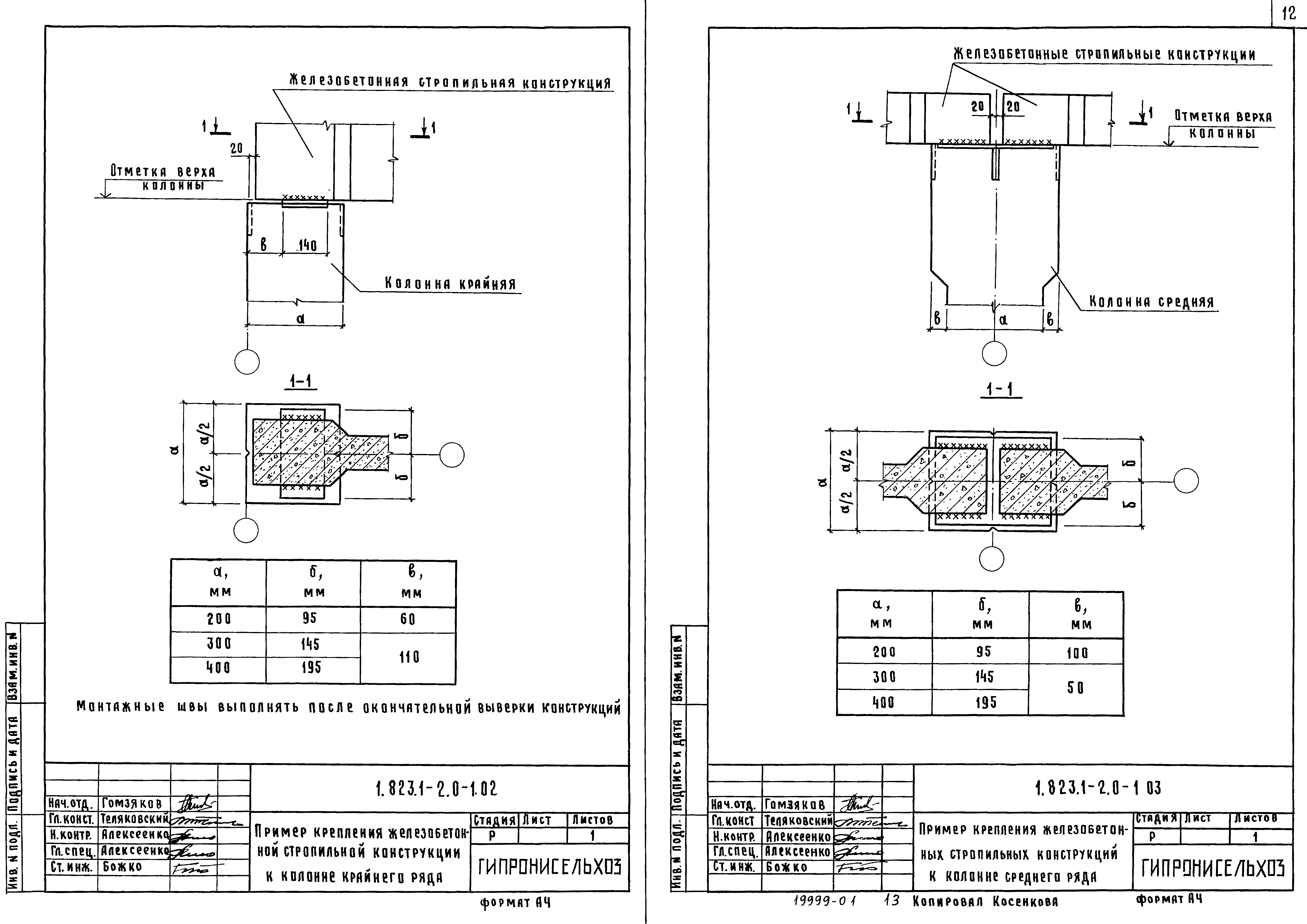
| Область применения: | Настоящий выпуск содержит указания по применению колонн в животноводческих, птицеводческих, подсобно-производственных и вспомогательных зданиях; номенклатуру колонн, примеры крепления к колоннам стропильных конструкций, пример расположения закладных деталей, пример установки колонн в фундаменты, ключи для подбора колонн, указания по определению нагрузок на фундаменты |
| Оглавление: | 1.823.1-2.0-1 00ПЗ Пояснительная записка 1.823.1-2.0-1 01 Номенклатура колонн 1.823.1-2.0-1 02 Пример крепления железобетонной стропильной конструкции к колонне крайнего ряда 1.823.1-2.0-1 03 Пример крепления железобетонных стропильных конструкций к колонне среднего ряда 1.823.1-2.0-1 04 Пример крепления металлической стропильной конструкции к колонне крайнего ряда 1.823.1-2.0-1 05 Пример крепления металлических стропильных конструкций к колонне среднего ряда 1.823.1-2.0-1 06 Пример крепления деревометаллической стропильной конструкции к колонне крайнего ряда 1.823.1-2.0-1 07 Пример крепления деревометаллических стропильных конструкций к колонне среднего ряда 1.823.1-2.0-1 08 Пример разбивки закладных деталей для крепления стеновых панелей 1.823.1-2.0-1 09 Пример установки колонн в фундаменты 1.823.1-2.0-1 10 Ключи для подбора колонн для животноводческих и птицеводческих зданий 1.823.1-2.0-1 11 Ключи для подбора колонн для подсобно-производственных и вспомогательных зданий 1.823.1-2.0-1 12 Ключи для подбора колонн для зданий с легкой кровлей 1.823.1-2.0-1 13 расчетные нагрузки на фундаменты 1.823.1-2.0-1 01РМ Ведомость расхода арматурной стали 1.823.1-2.0-1 02РМ Ведомость расхода стали на закладные изделия 1.823.1-2.0-1 03РМ Ведомость расхода цемента и инертных материалов |
| Разработан: | НИИЖБ ГипроНИсельхоз (Институт Гипронисельхоз ) |
| Утверждён: | 31.08.1984 Госстрой СССР (Государственный комитет Совета Министров СССР по делам строительства) (USSR Gosstroy 151) |




















































