Главная // Актуальные документы // Актуальные документы (обновление 29.11.2025 по 01.01.2026) // ГОСТ (Государственный стандарт)СПРАВКА
Источник публикации
М.: ФГБУ "Институт стандартизации", 2025
Примечание к документу
Документ
введен в действие с 01.01.2026.
Название документа
"ГОСТ 25098-2025. Межгосударственный стандарт. Панели перегородок железобетонные для зданий промышленных и сельскохозяйственных предприятий. Технические условия"
(введен в действие Приказом Росстандарта от 30.09.2025 N 1133-ст)
"ГОСТ 25098-2025. Межгосударственный стандарт. Панели перегородок железобетонные для зданий промышленных и сельскохозяйственных предприятий. Технические условия"
(введен в действие Приказом Росстандарта от 30.09.2025 N 1133-ст)
агентства по техническому
регулированию и метрологии
от 30 сентября 2025 г. N 1133-ст
МЕЖГОСУДАРСТВЕННЫЙ СТАНДАРТ
ПАНЕЛИ ПЕРЕГОРОДОК ЖЕЛЕЗОБЕТОННЫЕ ДЛЯ ЗДАНИЙ
ПРОМЫШЛЕННЫХ И СЕЛЬСКОХОЗЯЙСТВЕННЫХ ПРЕДПРИЯТИЙ
ТЕХНИЧЕСКИЕ УСЛОВИЯ
Reinforced concrete panels for partitions in industrial
and agricultural buildings. Specifications
ГОСТ 25098-2025
Дата введения
1 января 2026 года
Цели, основные принципы и общие правила проведения работ по межгосударственной стандартизации установлены
ГОСТ 1.0 "Межгосударственная система стандартизации. Основные положения" и
ГОСТ 1.2 "Межгосударственная система стандартизации. Стандарты межгосударственные, правила и рекомендации по межгосударственной стандартизации. Правила разработки, принятия, обновления и отмены"
1 РАЗРАБОТАН АО "Центральный научно-исследовательский и проектно-экспериментальный институт промышленных зданий и сооружений" (АО "ЦНИИПромзданий")
2 ВНЕСЕН Техническим комитетом по стандартизации ТК 465 "Строительство"
3 ПРИНЯТ Межгосударственным советом по стандартизации, метрологии и сертификации (протокол от 29 августа 2025 г. N 188-П)
За принятие проголосовали:
Краткое наименование страны по МК (ИСО 3166) 004-97 | Код страны по МК (ИСО 3166) 004-97 | Сокращенное наименование национального органа по стандартизации |
Армения | AM | ЗАО "Национальный орган по стандартизации и метрологии" Республики Армения |
Киргизия | KG | Кыргызстандарт |
Россия | RU | Росстандарт |
Узбекистан | UZ | Узбекское агентство по техническому регулированию |
4
Приказом Федерального агентства по техническому регулированию и метрологии от 30 сентября 2025 г. N 1133-ст межгосударственный стандарт ГОСТ 25098-2025 введен в действие в качестве национального стандарта Российской Федерации с 1 января 2026 г.
Информация о введении в действие (прекращении действия) настоящего стандарта и изменений к нему на территории указанных выше государств публикуется в указателях национальных стандартов, издаваемых в этих государствах, а также в сети Интернет на сайтах соответствующих национальных органов по стандартизации.
В случае пересмотра, изменения или отмены настоящего стандарта соответствующая информация будет опубликована на официальном интернет-сайте Межгосударственного совета по стандартизации, метрологии и сертификации в каталоге "Межгосударственные стандарты"
1.1 Настоящий стандарт устанавливает технические требования, методы контроля и правила приемки, транспортирования и хранения железобетонных панелей, изготовляемых из тяжелого или легкого бетона.
1.2 Панели предназначаются для перегородок зданий промышленных и сельскохозяйственных предприятий.
В настоящем стандарте использованы нормативные ссылки на следующие межгосударственные стандарты:
ГОСТ 535 Прокат сортовой и фасонный из стали углеродистой обыкновенного качества. Общие технические условия
ГОСТ 5781 Сталь горячекатаная для армирования железобетонных конструкций. Технические условия
ГОСТ 7473 Смеси бетонные. Технические условия
ГОСТ 8267 Щебень и гравий из плотных горных пород для строительных работ. Технические условия
ГОСТ 8736 Песок для строительных работ. Технические условия
ГОСТ 8829 Изделия строительные железобетонные и бетонные заводского изготовления. Методы испытаний нагружением. Правила оценки прочности, жесткости и трещиностойкости
ГОСТ 10060 Бетоны. Методы определения морозостойкости
ГОСТ 10180 Бетоны. Методы определения прочности по контрольным образцам
ГОСТ 10922 Арматурные и закладные изделия, их сварные, вязаные и механические соединения для железобетонных конструкций. Общие технические условия
<1>
--------------------------------
<1> В Российской Федерации действует
ГОСТ Р 57997-2017 "Арматурные и закладные изделия сварные, соединения сварные арматуры и закладных изделий железобетонных конструкций. Общие технические условия".
ГОСТ 12730.0 Бетоны. Общие требования к методам определения плотности, влажности, водопоглощения, пористости и водонепроницаемости
ГОСТ 13015 Изделия железобетонные и бетонные для строительства. Общие технические требования. Правила приемки, маркировки, транспортирования и хранения
ГОСТ 14098 Соединения сварные арматуры и закладных изделий железобетонных конструкций. Типы, конструкции и размеры
ГОСТ 16504 Система государственных испытаний продукции. Испытания и контроль качества продукции. Основные термины и определения
ГОСТ 17623 Бетоны. Радиоизотопный метод определения средней плотности
ГОСТ 17624 Бетоны. Ультразвуковой метод определения прочности
ГОСТ 17625 Конструкции и изделия железобетонные. Радиационный метод определения толщины защитного слоя бетона, размеров и расположения арматуры
ГОСТ 18105 Бетоны. Правила контроля и оценки прочности
ГОСТ 22690 Бетоны. Определение прочности механическими методами неразрушающего контроля
ГОСТ 22904 Конструкции железобетонные. Магнитный метод определения толщины защитного слоя бетона и расположения арматуры
ГОСТ 23009 Конструкции и изделия бетонные и железобетонные сборные. Условные обозначения (марки)
ГОСТ 23616 <1> Система обеспечения точности геометрических параметров в строительстве. Контроль точности
--------------------------------
ГОСТ 23732 Вода для бетонов и строительных растворов. Технические условия
ГОСТ 23858 Соединения сварные стыковые и тавровые арматуры железобетонных конструкций. Ультразвуковые методы контроля качества. Правила приемки
ГОСТ 24211 Добавки для бетонов и строительных растворов. Общие технические условия
ГОСТ 24297 Верификация закупленной продукции. Организация проведения и методы контроля
ГОСТ 25192 Бетоны. Классификация и общие технические требования
ГОСТ 25781 Формы стальные для изготовления железобетонных изделий. Технические условия
ГОСТ 26134 Бетоны. Ультразвуковой метод определения морозостойкости
ГОСТ 26433.0 <2> Система обеспечения точности геометрических параметров в строительстве. Правила выполнения измерений. Общие положения
--------------------------------
ГОСТ 26433.1 <3> Система обеспечения точности геометрических параметров в строительстве. Правила выполнения измерений. Элементы заводского изготовления
--------------------------------
ГОСТ 26633 Бетоны тяжелые и мелкозернистые. Технические условия
ГОСТ 27751 Надежность строительных конструкций и оснований. Основные положения
ГОСТ 30108 Материалы и изделия строительные. Определение удельной эффективной активности естественных радионуклидов
ГОСТ 30247.1 (ИСО 834-75) Конструкции строительные. Методы испытаний на огнестойкость. Несущие и ограждающие конструкции
ГОСТ 30403 Конструкции строительные. Метод испытаний на пожарную опасность
ГОСТ 34028 Прокат арматурный для железобетонных конструкций. Технические условия
Примечание - При пользовании настоящим стандартом целесообразно проверить действие ссылочных стандартов и классификаторов на официальном интернет-сайте Межгосударственного совета по стандартизации, метрологии и сертификации (www.easc.by) или по указателям национальных стандартов, издаваемым в государствах, указанных в предисловии, или на официальных сайтах соответствующих национальных органов по стандартизации. Если на документ дана недатированная ссылка, то следует использовать документ, действующий на текущий момент, с учетом всех внесенных в него изменений. Если заменен ссылочный документ, на который дана датированная ссылка, то следует использовать указанную версию этого документа. Если после принятия настоящего стандарта в ссылочный документ, на который дана датированная ссылка, внесено изменение, затрагивающее положение, на которое дана ссылка, то это положение применяется без учета данного изменения. Если ссылочный документ отменен без замены, то положение, в котором дана ссылка на него, применяется в части, не затрагивающей эту ссылку.
В настоящем стандарте применены следующие термины с соответствующими определениями:
3.1 перегородка: Внутренняя стена, предназначенная для разделения здания в пределах этажа на отдельные помещения.
3.2 панель перегородки: Вертикальный плоскостной элемент заводского изготовления, выполняющий ограждающие функции.
4.1 Основные параметры и размеры
4.1.1 Панели следует изготовлять в соответствии с требованиями настоящего стандарта,
ГОСТ 27751, а также рабочих чертежей и технологической документации.
4.1.2 Основные размеры наиболее часто применяемых панелей приведены в
таблице А.1 приложения А.
4.1.3 Показатели материалоемкости панелей (расход бетона и стали) должны соответствовать указанным в рабочих чертежах панелей.
4.1.4 Панели следует изготовлять с монтажными петлями, выполненными в соответствии с указаниями рабочих чертежей панелей.
4.2 Характеристики панелей
4.2.1 Панели должны удовлетворять установленным при проектировании конкретного объекта требованиям по прочности, жесткости, трещиностойкости и при испытании их нагружением в случаях, предусмотренных рабочими чертежами панелей, выдерживать контрольные нагрузки.
4.2.2 Панели должны удовлетворять требованиям
ГОСТ 13015 к следующим показателям:
- показатели фактической прочности бетона (в проектном возрасте и отпускной);
- морозостойкость бетона;
- марки сталей для арматурных и закладных изделий, в том числе для монтажных петель;
- толщина защитного слоя бетона;
- защита от коррозии;
- паропроницаемость;
- водонепроницаемость.
4.2.3 Несущая способность конкретной панели определяется разработчиком проекта здания (сооружения) по действующим в период применения нормативным документам.
4.2.4 Панели относятся к классу пожарной опасности К0 (15) в соответствии с
ГОСТ 30403.
4.3 Требования к материалам
4.3.1 Панели следует изготовлять из тяжелого бетона в соответствии с
ГОСТ 25192 по
ГОСТ 26633 или легкого бетона по
ГОСТ 25820 классов по прочности на сжатие, указанных в рабочих чертежах панелей. Среднюю плотность бетона принимают по нормативному документу
<1>, действующему на территории государства, принявшего настоящий стандарт.
--------------------------------
<1> В Российской Федерации руководствуются требованиями
пункта 6.1.1 СП 63.13330.2018 "СНиП 52-01-2003 Бетонные и железобетонные конструкции. Основные положения".
4.3.2 Нормируемую отпускную прочность бетона на сжатие панелей принимают не ниже 70% класса бетона по прочности на сжатие.
При поставке панелей в холодный период года нижнюю границу нормируемой отпускной прочности бетона панелей принимают не ниже 85% класса бетона по прочности на сжатие.
Нормируемая отпускная прочность бетона панелей должна соответствовать значению, указанному в рабочих чертежах панелей.
4.3.4 Бетон панелей, предназначенных для эксплуатации в газообразных средах со слабоагрессивной степенью воздействия, должен быть нормальной проницаемости, а в средах со среднеагрессивной степенью воздействия - пониженной проницаемости. Показатели проницаемости бетона (марки по водонепроницаемости) должны соответствовать указанным в проектной документации на конкретное здание и указанным в заказе на изготовление панелей. Бетонные смеси для изготовления изделий должны соответствовать требованиям
ГОСТ 7473.
4.3.5 Для армирования панелей следует применять рабочую арматуру периодического профиля классов А400 и А600 по
ГОСТ 5781,
ГОСТ 34028, А500С по
ГОСТ 34028, а также арматуру классов В500
<1> и Вр500 в сварных сетках и каркасах.
--------------------------------
<1> В Российской Федерации арматуру периодического профиля класса В500 изготовляют по
ГОСТ Р 52544-2006 "Прокат арматурный свариваемый периодического профиля классов А500С и В500С для армирования железобетонных конструкций. Технические условия".
--------------------------------
Монтажные петли следует изготовлять из гладкой арматурной стали класса А240 марок Ст3пс и Ст3сп (с категориями нормируемых показателей не ниже 2 по
ГОСТ 535) по действующим нормативным документам.
Арматурную сталь марки Ст3пс применять для монтажных петель плит, подъем и монтаж которых возможен при температуре воздуха ниже минус 40 °C, не допускается.
Допускается применение арматуры по нормативным документам, действующим на территории государства, принявшего настоящий стандарт, при условии обеспечения физико-механических характеристик панелей по настоящему стандарту.
4.3.6 Сварные арматурные и закладные изделия должны соответствовать требованиям
ГОСТ 10922,
ГОСТ 14098.
4.3.7 Бетон по удельной эффективной активности естественных радионуклидов должен соответствовать требованиям
ГОСТ 30108.
4.4 Требования к качеству поверхности и внешнему виду панелей
4.4.1 Форма и размеры арматурных и закладных изделий и их положение в панелях должны соответствовать указанным в рабочих чертежах панелей или стандартах на панели и требованиям
ГОСТ 10922,
ГОСТ 14098,
ГОСТ 25781.
4.4.2 Значения фактических отклонений геометрических параметров панелей не должны превышать предельных, указанных в
таблице 1.
Таблица 1
Отклонения геометрических параметров панелей
Размеры в миллиметрах
Наименование отклонения геометрического параметра | Наименование геометрического параметра | Предельное отклонение |
Отклонение от линейного размера | Длина панели: | |
- до 2500 | 4 |
- от 2500 до 4000 | 5 |
- св. 4000 | 8 |
Высота панели: | |
- до 1600 | 3 |
- от 1600 до 2500 | 4 |
- св. 2500 | 5 |
Толщина панели | 2 |
Размеры проемов, отверстий и вырезов | 5 |
Размер, определяющий положение проемов, отверстий, вырезов | 5 |
Отклонение от прямолинейности профиля лицевых поверхностей в любом сечении: | | |
- на заданной длине 1000 на всей длине панели длиной: | - | 3 |
- до 4000 | - | 3 |
- св. 4000 | - | 5 |
Отклонение от плоскостности панели при измерениях от условной плоскости, проходящей через три угловые точки панели длиной: | - | 3 |
- до 2500 | - | 6 |
- от 2500 до 4000 | - | 8 |
- св. 4000 | - | 10 |
Отклонение от равенства диагоналей панелей длиной: | | |
- до 4000 | - | 10 |
- св. 4000 | - | 12 |
Отклонение от равенства диагоналей дверного проема | - | 10 |
Размеры, отклонения от прямолинейности и плоскостности поверхностей плиты перекрытий, ширину раскрытия технологических трещин, размеры раковин, наплывов и сколов бетона следует определять методами, установленными в
ГОСТ 26433.0 и
ГОСТ 26433.1.
4.4.3 В панелях, предназначенных для эксплуатации в условиях воздействия агрессивных газообразных сред, минусовые отклонения толщины защитного слоя бетона не допускаются.
4.4.4 Требования к качеству поверхностей и внешнему виду панелей - по
ГОСТ 13015.
Размеры раковин, местных наплывов и впадин на бетонных поверхностях и околов бетона ребер панелей не должны превышать предельных, установленных для категорий бетонной поверхности изделий по
ГОСТ 13015:
А4 - на лицевой поверхности панели;
А7 - на нелицевой поверхности панели (невидимой в условиях эксплуатации).
Категория бетонной поверхности может быть уточнена в рабочих чертежах.
4.4.5 Трещины в панелях не допускаются, за исключением усадочных и других поверхностных технологических трещин, ширина которых не должна превышать 0,1 мм.
4.5 Условное обозначение панелей
4.5.1 Маркировку панелей проводят в соответствии с требованиями
ГОСТ 13015. Маркировочные надписи и знаки следует наносить на торцевой вертикальной грани панелей.
4.5.2 Панели обозначают марками в соответствии с требованиями
ГОСТ 23009.
Марка панелей состоит из буквенно-цифровых групп, разделенных дефисами.
Первая группа содержит обозначение типоразмера панели: условное буквенное обозначение наименования конструкции (ПГ) и ее длину и высоту через точку в дециметрах (значения которых округляют до целого числа).
Во второй группе указывают несущую способность панелей по скоростному напору ветра, обозначаемую арабскими цифрами (1 - для ветровых районов I и II, 2 - для ветровых районов III и IV
<1>), а также для панелей, изготовленных из легкого бетона, - вид бетона, обозначаемый буквой Л по
ГОСТ 23009.
--------------------------------
<1> В Российской Федерации действует
СП 20.13330.2016 "СНиП 2.01.07-85 Нагрузки и воздействия".
В третьей группе, при необходимости, указывают:
- наличие в панелях дверных проемов, вырезов, отверстий и каналов, обозначаемое строчными буквами и арабскими цифрами: а - один дверной проем в средней части панели; б - один дверной проем, смещенный к боковой грани панели; в - два дверных проема; 1, 2, 3 и т.д. - порядковый номер размера выреза в панели; э - отверстия и каналы для скрытой электропроводки; т - расположение панели у температурного шва;
- дополнительные характеристики, обеспечивающие долговечность панелей в условиях эксплуатации.
Примеры условных обозначений (марки)
Панели длиной 5980 мм, высотой 2985 мм, несущей способности 1, из тяжелого бетона, с одним дверным проемом, смещенным к боковой грани панели:
ПГ60.30-1-б
Панели длиной 5540 мм, высотой 2985 мм, несущей способности 2, из легкого бетона, с двумя дверными проемами:
ПГ55.30-2Л-в
Примечание - Допускается принимать обозначения марок панелей в соответствии с указаниями рабочих чертежей панелей до их пересмотра.
Таблица 2
Приемо-сдаточные и периодические испытания
Наименование показателя | Номер подраздела/пункта | Вид испытания | Периодичность контроля | Метод испытания |
Приемо-сдаточное | Периодическое |
Отклонения геометрических параметров | | + | - | Каждая партия | |
Прочность бетона на сжатие | | + | - | Каждая партия | |
Отпускная прочность бетона на сжатие | | + | - | Каждая партия | |
Средняя плотность бетона | | + | - | Каждая партия | |
Качество поверхностей и внешний вид плит | | + | - | Каждая партия | |
Толщина защитного слоя бетона до арматуры | | + | - | Каждая партия | |
Ширина раскрытия поверхностных трещин | | + | - | Каждая партия | |
Размеры и положение арматурных изделий | | + | - | Каждая партия | |
Морозостойкость бетона | | - | + | Не реже одного раза в 6 мес, а также при каждом изменении материалов или технологии производства, перед началом серийного производства изделий | |
Водонепроницаемость бетона | | - | + | Не реже одного раза в 6 мес, а также при каждом изменении материалов или технологии производства, перед началом серийного производства изделий | |
Показатели прочности, жесткости и трещиностойкости ригелей | | - | + | Не реже одного раза в 6 мес, а также при каждом изменении материалов или технологии производства, перед началом серийного производства изделий | |
Показатель удельной эффективной активности естественных радионуклидов в бетоне | | - | + | При первичном подборе состава бетона, при изменении качества материалов, а также не реже одного раза в год (в случае отсутствия указанного показателя в применяемых для изготовления бетона материалах) | |
При этом панели принимают по результатам испытаний:
- периодических - по показателям прочности, жесткости и трещиностойкости плит, морозостойкости бетона, а также по водонепроницаемости бетона панелей, предназначенных для эксплуатации в условиях воздействия агрессивной газообразной среды, показателю удельной эффективной активности естественных радионуклидов;
- приемо-сдаточных - по показателям прочности бетона (классу бетона по прочности на сжатие и отпускной прочности), средней плотности легкого бетона, соответствия арматурных изделий рабочим чертежам, прочности сварных соединений, точности геометрических параметров, толщины защитного слоя бетона до арматуры, ширины раскрытия трещин, категории бетонной поверхности.
5.2 Периодические испытания нагружением панелей для контроля их прочности, жесткости и трещиностойкости проводят перед началом массового изготовления панелей и в дальнейшем при внесении в них конструктивных изменений или при изменении технологии изготовления, а также в процессе серийного производства панелей в соответствии с требованиями
ГОСТ 13015.
Периодические испытания панелей нагружением при внесении в них конструктивных изменений или при изменении технологии изготовления допускается не проводить по согласованию с проектной организацией - разработчиком рабочих чертежей панелей.
Если испытания нагружением не предусмотрены рабочими чертежами панелей, приемку панелей по прочности, жесткости и трещиностойкости осуществляют по комплексу показателей, проверяемых в соответствии с требованиями
ГОСТ 13015 в процессе входного, операционного и приемочного контроля в соответствии с
ГОСТ 23616.
5.3 Панели по показателям точности геометрических параметров (см.
таблицу 1), толщины защитного слоя бетона до арматуры, ширины раскрытия трещин и категории бетонной поверхности следует принимать по результатам выборочного контроля в соответствии с
ГОСТ 23616.
5.4 Испытания панелей по показателям огнестойкости по
ГОСТ 30247.1 проводят перед началом массового изготовления панелей и в дальнейшем при внесении в них конструктивных изменений или при изменении технологии изготовления.
5.5 Документ о качестве панелей, поставляемых потребителю, следует составлять по
ГОСТ 13015.
5.5.1 В документе о качестве должны быть указаны:
- наименование и адрес изготовителя;
- номер и дата выдачи документа;
- номер партии или изделия (при поштучной поставке);
- наименование изделия;
- количество изделий;
- дата изготовления изделий;
- проектные классы бетона по прочности и требуемая прочность бетона в проектном возрасте;
- отпускная прочность, а также информация о том, что изготовитель гарантирует, что бетон изделий, поставляемых с отпускной прочностью бетона ниже прочности, соответствующей его классу по прочности, достигнет требуемой прочности в проектном возрасте при условии его твердения в нормальных условиях по
ГОСТ 10180;
- марка бетона по морозостойкости;
- марка бетона по водонепроницаемости (если эти показатели оговорены в заказе на изготовление панелей) для панелей, предназначенных для эксплуатации в условиях воздействия агрессивной газообразной среды;
- обозначение настоящего стандарта.
5.5.2 Кроме перечисленных в документе о качестве допускается указывать дополнительные данные, предусмотренные в стандарте, технических условиях или рабочей документации в зависимости от назначения изделий, а также номер сертификата соответствия.
5.5.3 Наименование изделия должно соответствовать указанному в стандарте или рабочей документации.
5.5.4 Документ о качестве, сопровождающий поставляемую партию изделий, должен быть подписан работником изготовителя, ответственным за качество продукции.
6 Методы контроля и испытаний
6.1 Испытания панелей и оценку их прочности, жесткости и трещиностойкости следует проводить в соответствии с требованиями
ГОСТ 8829,
ГОСТ 16504 и рабочих чертежей панелей.
6.2 Прочность бетона панелей следует определять по
ГОСТ 10180 на серии образцов, изготовленных из бетонной смеси рабочего состава по
ГОСТ 10181 и хранившихся в условиях, установленных
ГОСТ 18105.
В случаях, когда вместо испытаний серии образцов используют методы неразрушающего контроля, фактическую отпускную прочность бетона на сжатие определяют ультразвуковым методом по
ГОСТ 17624 или приборами механического действия по
ГОСТ 22690, а также другими методами, предусмотренными стандартами на методы испытания бетона.
6.3 Морозостойкость бетона следует определять по
ГОСТ 10060 или по
ГОСТ 26134 на образцах, изготовленных из бетонной смеси рабочего состава.
6.4 Водонепроницаемость бетона панелей следует определять по
ГОСТ 12730.0 и
ГОСТ 12730.5 на серии образцов, изготовленных из бетонной смеси рабочего состава.
6.5 Среднюю плотность легкого бетона панелей следует определять по
ГОСТ 12730.0 и
ГОСТ 12730.1 на серии образцов, изготовленных из бетонной смеси рабочего состава, или радиоизотопным методом по
ГОСТ 17623.
6.6 Показатели пористости уплотненной смеси легкого бетона следует определять по
ГОСТ 10181.
6.7 Методы контроля и испытаний сварных арматурных и закладных изделий следует принимать по
ГОСТ 10922 и
ГОСТ 23858, а также по другим нормативным документам, действующим на территории государства, принявшего настоящий стандарт.
6.8 Размеры и отклонения от прямолинейности, плоскостности и равенства диагоналей поверхности панелей, ширину раскрытия технологических трещин, качество бетонных поверхностей и внешний вид панелей следует проверять методами, установленными
ГОСТ 13015,
ГОСТ 26433.0 и
ГОСТ 26433.1, а также в нормативных документах
<1>, действующих на территории государства, принявшего настоящий стандарт.
--------------------------------
<1> В Российской Федерации действует
ГОСТ Р 58944-2020 "Система обеспечения точности геометрических параметров в строительстве. Функциональные допуски".
6.9 Размеры и положение арматурных и закладных изделий, а также толщину защитного слоя бетона до арматуры следует определять по
ГОСТ 17625 и
ГОСТ 22904.
6.10 Определение удельной эффективной активности естественных радионуклидов в бетоне - по
ГОСТ 30108.
7 Транспортирование и хранение
7.1 Транспортировать и хранить панели следует в соответствии с требованиями
ГОСТ 13015 и настоящего стандарта.
Выбор транспортных средств проводят на стадии разработки проекта производства работ (ППР) с учетом массы и размеров панелей, дальности перевозки, дорожных условий.
7.2 Панели следует хранить в кассетах, рассортированными по маркам и установленными на подкладки толщиной не менее 30 мм или другие опоры, обеспечивающие их сохранность.
7.3 Подъем, погрузку и выгрузку панелей следует производить с помощью траверсы. Операции, связанные с перевозкой и складированием, рекомендуется проводить при вертикальном положении панелей с отклонением от вертикали, не превышающим 10°, и соблюдением мер, исключающих возможность их повреждения.
8.1 Изготовитель должен гарантировать соответствие поставляемых панелей требованиям настоящего стандарта при соблюдении потребителем правил транспортирования, условий применения и хранения, установленных стандартом.
8.2 При отгрузке панелей с отпускной прочностью бетона ниже прочности, соответствующей его классу по прочности на сжатие, изготовитель обязан гарантировать, что прочность бетона достигнет требуемой прочности в проектном возрасте при условии его твердения в нормальных условиях по
ГОСТ 10180.
(справочное)
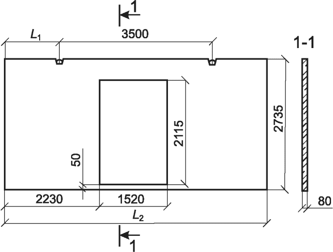
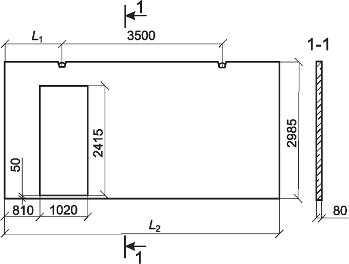
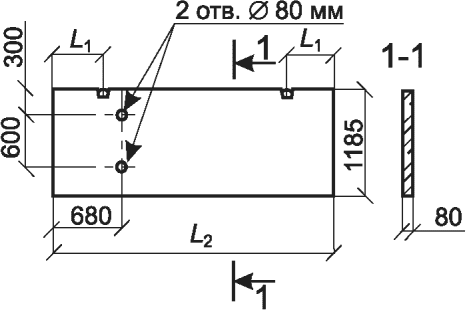
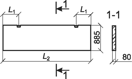
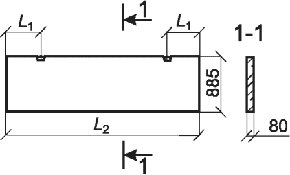
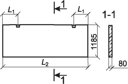
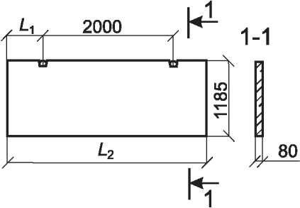
ФОРМЫ И ОСНОВНЫЕ РАЗМЕРЫ ПАНЕЛЕЙ
Эскиз изделия | Типоразмер изделия | Длина, мм | Масса, т |
L1 | L2 |
Панели перегородок железобетонные для зданий промышленных предприятий для несейсмических районов |
| ПГ 60.30-1 - ПГ 60.30-4 | 1240 | 5980 | 3,43 |
ПГ 60.30-1-Л - ПГ 60.30-4-Л | - | - | 2,29 |
ПГ 58.30-1 - ПГ 58.30-4 | 1130 | 5760 | 3,31 |
ПГ 58.30-1-Л - ПГ 58.30-4-Л | - | - | 2,21 |
ПГ 55.30-1 - ПГ 55.30-4 | 1020 | 5540 | 3,17 |
ПГ 55.30-1-Л - ПГ 55.30-4-Л | - | - | 2,11 |
ПГ 50.30-1 - ПГ 50.30-4 | 770 | 5040 | 2,88 |
ПГ 50.30-1-Л - ПГ 50.30-4-Л | - | - | 1,92 |
| ПГ 60.30-1-Д - ПГ 60.30-3-Д | 1240 | 5980 | 2,7 |
ПГ 60.30-1-Л-Д - ПГ 60.30-2-Л-Д | - | - | 1,8 |
ПГ 58.30-1-Д - ПГ 58.30-3-Д | 1100 | 5760 | 2,6 |
ПГ 58.30-1-Л-Д - ПГ 58.30-2-Л-Д | - | - | 1,7 |
ПГ 55.30-1-Д - ПГ 55.30-3-Д | 960 | 5540 | 2,5 |
ПГ 55.30-1-Л-Д - ПГ 55.30-2-Л-Д | - | - | 1,7 |
ПГ 50.30-2-Д - ПГ 50.30-3-Д | 620 | 5040 | 2,2 |
ПГ 50.30-1-Л-Д - ПГ 50.30-2-Л-Д | - | - | 1,5 |
| ПГ 60.30-1-Д1 - ПГ 60.30-3-Д1 | 1510 | 5980 | 3,0 |
ПГ 60.30-1-Л-Д1 - ПГ 60.30-2-Л-Д1 | - | - | 2,0 |
ПГ 58.30-1-Д1 - ПГ 58.30-3-Д1 | 1390 | 5760 | 2,8 |
ПГ 58.30-1-Л-Д1 - ПГ 58.30-2-Л-Д1 | - | - | 1,9 |
ПГ 55.30-1-Д1 - ПГ 55.30-3-Д1 | 1270 | 5540 | 2,7 |
ПГ 55.30-1-Л-Д1 - ПГ 55.30-2-Л-Д1 | - | - | 1,8 |
ПГ 50.30-2-Д1 - ПГ 50.30-3-Д1 | 1190 | 5040 | 2,4 |
ПГ 50.30-1-Л-Д1 - ПГ 50.30-2-Л-Д1 | - | - | 1,6 |
| ПГ 60.30-1-2Д - ПГ 60.30-3-2Д | 1300 | 5980 | 2,5 |
ПГ 60.30-1-Л-2Д - ПГ 60.30-2-Л-2Д | - | - | 1,7 |
ПГ 55.30-1-2Д - ПГ 55.30-3-2Д | 1000 | 5540 | 2,2 |
ПГ 55.30-1-Л-2Д - ПГ 55.30-2-Л-2Д | - | - | 1,5 |
| ПГ 30.30-4 | 490 | 2980 | 1,7 |
ПГ 30.30-4-Л | - | - | 1,1 |
ПГ 25.30-4 | 270 | 2540 | 1,5 |
ПГ 25.30-4-Л | - | - | 0,98 |
| ПГ 30.30-2-Д1 - ПГ 30.30-3-Д1 | 550 | 2980 | 1,2 |
ПГ 30.30-2-Л-Д1 | - | - | 0,8 |
ПГ 25.30-2-Д1 - ПГ 25.30-3-Д1 | 250 | 2540 | 0,98 |
ПГ 25.30-2-Л-Д1 | - | - | 0,66 |
| ПГ 60.27-1 - ПГ 60.27-4 | 1240 | 5980 | 3,14 |
ПГ 60.27-1-Л - ПГ 60.27-4-Л | - | - | 2,10 |
ПГ 58.27-1 - ПГ 58.27-4 | 1130 | 5760 | 3,02 |
ПГ 58.27-1-Л - ПГ 58.27-4-Л | - | - | 2,02 |
ПГ 55.27-1 - ПГ 55.27-4 | 1020 | 5540 | 2,90 |
ПГ 55.27-1-Л - ПГ 55.27-4-Л | - | - | 1,94 |
ПГ 50.27-1 - ПГ 50.27-4 | 770 | 5040 | 2,64 |
ПГ 50.27-1-Л - ПГ 50.27-4-Л | - | - | 1,76 |
| ПГ 60.27-1-Д - ПГ 60.27-3-Д | 1240 | 5980 | 2,5 |
ПГ 60.27-1-Л-Д - ПГ 60.27-2-Л-Д | - | - | 1,7 |
ПГ 58.27-1-Д - ПГ 58.27-3-Д | 1100 | 5760 | 2,4 |
ПГ 58.27-1-Л-Д - ПГ 58.27-2-Л-Д | - | - | 1,6 |
ПГ 55.27-1-Д - ПГ 55.27-3-Д | 960 | 5540 | 2,3 |
ПГ 55.27-1-Л-Д - ПГ 55.27-2-Л-Д | - | - | 1,5 |
ПГ 50.27-2-Д - ПГ 50.27-3-Д | 620 | 5040 | 2,0 |
ПГ 50.27-1-Л-Д - ПГ 50.27-2-Л-Д | - | - | 1,4 |
| ПГ 60.27-1-Д1 - ПГ 60.27-3-Д1 | 1510 | 5980 | 2,7 |
ПГ 60.27-1-Л-Д1 - ПГ 60.27-2-Л-Д1 | - | - | 1,8 |
ПГ 58.27-1-Д1 - ПГ 58.27-3-Д1 | 1390 | 5760 | 2,6 |
ПГ 58.27-1-Л-Д1 - ПГ 58.27-2-Л-Д1 | - | - | 1,7 |
ПГ 55.27-1-Д1 - ПГ 55.27-3-Д1 | 1270 | 5540 | 2,5 |
ПГ 55.27-1-Л-Д1 - ПГ 55.27-2-Л-Д1 | - | - | 1,7 |
ПГ 50.27-2-Д1 - ПГ 50.27-3-Д1 | 1190 | 5040 | 2,2 |
ПГ 50.27-1-Л-Д1 - ПГ 50.27-2-Л-Д1 | - | - | 1,5 |
| ПГ 60.27-1-2Д - ПГ 60.27-3-2Д | 1300 | 5980 | 2,3 |
ПГ 60.27-1-Л-2Д - ПГ 60.27-2-Л-2Д | - | - | 2,5 |
ПГ 55.27-1-2Д - ПГ 55.27-3-2Д | 1000 | 5540 | 2,1 |
ПГ 55.27-1-Л-2Д - ПГ 55.27-2-Л-2Д | - | - | 1,4 |
| ПГ 30.27-4 | 490 | 2980 | 1,6 |
ПГ 30.27-4-Л | - | - | 1,0 |
ПГ 25.30-4 | 270 | 2540 | 1,3 |
ПГ 25.30-4-Л | - | - | 0,90 |
| ПГ 30.27-2-Д1 - ПГ 30.27-3-Д1 | 550 | 2980 | 1,2 |
ПГ 30.27-2-Л-Д1 | - | - | 0,77 |
ПГ 25.27-2-Д1 - ПГ 25.27-3-Д1 | 250 | 2540 | 0,91 |
ПГ 25.27-2-Л-Д1 | - | - | 0,61 |
| ПГ 60.18-1 - ПГ 60.18-4 | 1240 | 5980 | 2,0 |
ПГ 60.18-1-Л - ПГ 60.18-4-Л | - | - | 1,4 |
ПГ 58.18-1 - ПГ 58.18-4 | 1130 | 5760 | 2,0 |
ПГ 58.18-1-Л - ПГ 58.18-4-Л | - | - | 1,3 |
ПГ 55.18-1 - ПГ 55.18-4 | 1020 | 5540 | 1,9 |
ПГ 55.18-1-Л - ПГ 55.18-4-Л | - | - | 1,3 |
ПГ 50.18-1 - ПГ 50.18-4 | 770 | 5040 | 1,7 |
ПГ 50.18-1-Л - ПГ 50.18-4-Л | - | - | 1,2 |
| ПГ 30.18-4 | 490 | 2980 | 1,0 |
ПГ 30.18-4-Л | - | - | 0,69 |
| ПГ 30.15-4 | 490 | 2980 | 0,84 |
ПГ 30.15-4-Л | - | - | 0,56 |
| ПГ 60.15-1 - ПГ 60.15-4 | 1240 | 5980 | 1,7 |
ПГ 60.15-1-Л - ПГ 60.15-4-Л | - | - | 1,1 |
ПГ 58.15-1 - ПГ 58.15-4 | 1130 | 5760 | 1,6 |
ПГ 58.15-1-Л - ПГ 58.15-4-Л | - | - | 1,1 |
ПГ 55.15-1 - ПГ 55.15-4 | 1020 | 5540 | 1,6 |
ПГ 55.15-1-Л - ПГ 55.15-4-Л | - | - | 1,1 |
ПГ 53.15-1 - ПГ 53.15-4 | 880 | 5260 | 1,5 |
ПГ 53.15-1-Л - ПГ 53.15-4-Л | - | - | 0,99 |
ПГ 50.15-1 - ПГ 50.15-4 | 770 | 5040 | 1,4 |
ПГ 50.15-1-Л - ПГ 50.15-4-Л | - | - | 0,96 |
| ПГ 60.12-1 - ПГ 60.12-4 | 1240 | 5980 | 1,4 |
ПГ 60.12-1-Л - ПГ 60.12-4-Л | - | - | 0,91 |
ПГ 58.12-1 - ПГ 58.12-4 | 1130 | 5760 | 1,3 |
ПГ 58.12-1-Л - ПГ 58.12-4-Л | - | - | 0,86 |
ПГ 55.12-1 - ПГ 55.12-4 | 1020 | 5540 | 1,3 |
ПГ 55.12-1-Л - ПГ 55.12-4-Л | - | - | 0,85 |
ПГ 53.12-1 - ПГ 53.12-4 | 880 | 5260 | 1,2 |
ПГ 53.12-1-Л - ПГ 53.12-4-Л | - | - | 0,80 |
ПГ 50.12-1 - ПГ 50.12-4 | 770 | 5040 | 1,2 |
ПГ 50.12-1-Л - ПГ 50.12-4-Л | - | - | 0,77 |
ПГ 49.12-1 - ПГ 49.12-4 | 690 | 4880 | 1,1 |
ПГ 49.12-1-Л - ПГ 49.12-4-Л | - | - | 0,74 |
| ПГ 30.12-4 | 490 | 2980 | 0,67 |
ПГ 30.12-4-Л | - | - | 0,45 |
ПГ 25.12-4 | 270 | 2540 | 0,58 |
ПГ 25.12-4-Л | - | - | 0,45 |
| ПГ 30.9-4 | 490 | 2980 | 0,50 |
ПГ 30.9-4-Л | - | - | 0,34 |
ПГ 25.9-4 | 270 | 2540 | 0,43 |
ПГ 25.9-4-Л | - | - | 0,29 |
| ПГ 60.9-1 - ПГ 60.9-4 | 1240 | 5980 | 1,0 |
ПГ 60.9-1-Л - ПГ 60.9-4-Л | - | - | 0,67 |
ПГ 55.9-1 - ПГ 55.9-4 | 1020 | 5540 | 0,94 |
ПГ 55.9-1-Л - ПГ 55.9-4-Л | - | - | 0,62 |
| ПГ 60.6-1 - ПГ 60.6-4 | 1240 | 5980 | 0,67 |
ПГ 60.6-1-Л - ПГ 60.6-4-Л | - | - | 0,45 |
ПГ 55.6-1 - ПГ 55.6-4 | 1020 | 5540 | 0,62 |
ПГ 55.6-1-Л - ПГ 55.6-4-Л | - | - | 0,42 |
ПГ 50.6-1 - ПГ 50.6-4 | 770 | 5040 | 0,58 |
ПГ 50.6-1-Л - ПГ 50.6-4-Л | - | - | 0,38 |
| ПГ 30.6-4 | 490 | 2980 | 0,34 |
ПГ 30.6-4-Л | - | - | 0,22 |
ПГ 25.6-4 | 270 | 2540 | 0,29 |
ПГ 25.6-4-Л | - | - | 0,19 |
Перегородки панельных зданий сельскохозяйственных предприятий |
| ПГ 60.18-1 - ПГ 60.18-2 | 1050 | 5980 | 2,15 (1,45) |
ПГ 57.18-1 - ПГ 57.18-2 | 1050 | 5730 | 2,07 (1,40) |
ПГ 52.18-1 - ПГ 52.18-2 | 1050 | 5230 | 1,90 (1,28) |
| ПГ 60.12-1 - ПГ 60.12-2 | 1050 | 5980 | 1,44 (0,97) |
ПГ 57.12-1 - ПГ 57.12-2 | 1050 | 5730 | 1,36 (0,92) |
ПГ 52.12-1 - ПГ 52.12-2 | 1050 | 5230 | 1,26 (0,85) |
| ПГ 30.12-1 | 590 | 2980 | 0,71 (0,47) |
| ПГ 24.12-1 | 490 | 2385 | 0,58 (0,39) |
| ПГ 60.9-1 - ПГ 60.9-2 | 1050 | 5980 | 1,06 (0,72) |
ПГ 57.9-1 - ПГ 57.9-2 | 1050 | 5730 | 1,04 (0,70) |
ПГ 52.9-1 - ПГ 52.9-2 | 1050 | 5230 | 0,94 (0,63) |
| ПГ 30.9-1 | 590 | 2980 | 0,53 (0,36) |
| ПГ 24.9-1 | 490 | 2385 | 0,43 (0,29) |
| ПГ 60.6-1 - ПГ 60.6-2 | 1050 | 5980 | 0,71 (0,48) |
ПГ 57.6-1 - ПГ 57.6-2 | 1050 | 5730 | 0,69 (0,46) |
ПГ 52.6-1 - ПГ 52.6-2 | 1050 | 5230 | 0,61 (0,41) |
| ПГ 30.6-1 | 590 | 2980 | 0,35 (0,24) |
| ПГ 24.6-1 | 490 | 2385 | 0,28 (0,19) |
Примечание - Значения, указанные в скобках, относятся к панелям, выполненным из легкого бетона. |
УДК 691.328.022.326:006.354 | |
Ключевые слова: панель, перегородка, панельные здания, здания промышленных предприятий, здания сельскохозяйственных предприятий, технические условия, методы контроля |