Главная // Актуальные документы // Основные положенияСПРАВКА
Источник публикации
В данном виде документ опубликован не был.
Первоначальный текст документа опубликован в издании
М.: Минстрой России, 2018.
Информацию о публикации документов, создающих данную редакцию, см. в справке к этим документам.
Примечание к документу
О порядке применения данного документа при проверке соответствия проектной документации и (или) результатов инженерных изысканий, представленных на первичную или повторную государственную или негосударственную экспертизу, в целях обеспечения соблюдения требований Федерального
закона от 30.12.2009 N 384-ФЗ см.
п. 2 Постановления Правительства РФ от 28.05.2021 N 815.
Отдельные положения данного документа до 01.09.2022 были включены в
Перечень национальных стандартов и сводов правил (частей таких стандартов и сводов правил), в результате применения которых на обязательной основе обеспечивается соблюдение требований Федерального
закона "Технический регламент о безопасности зданий и сооружений" (
Постановление Правительства РФ от 28.05.2021 N 815).
Отдельные положения данного документа включены в
Перечень национальных стандартов и сводов правил (частей таких стандартов и сводов правил), в результате применения которых на обязательной основе обеспечивается соблюдение требований Федерального
закона "Технический регламент о безопасности зданий и сооружений" (
Постановление Правительства РФ от 04.07.2020 N 985).
Документ включен в
Перечень документов в области стандартизации, в результате применения которых на добровольной основе обеспечивается соблюдение требований Федерального
закона от 30.12.2009 N 384-ФЗ "Технический регламент о безопасности зданий и сооружений" (
Приказ Росстандарта от 02.04.2020 N 687).
Название документа
"СП 63.13330.2018. Свод правил. Бетонные и железобетонные конструкции. Основные положения. СНиП 52-01-2003"
(утв. и введен в действие Приказом Минстрой России от 19.12.2018 N 832/пр)
(ред. от 20.12.2021)
"СП 63.13330.2018. Свод правил. Бетонные и железобетонные конструкции. Основные положения. СНиП 52-01-2003"
(утв. и введен в действие Приказом Минстрой России от 19.12.2018 N 832/пр)
(ред. от 20.12.2021)
Утвержден и введен в действие
и жилищно-коммунального хозяйства
Российской Федерации
от 19 декабря 2018 г. N 832/пр
СВОД ПРАВИЛ
БЕТОННЫЕ И ЖЕЛЕЗОБЕТОННЫЕ КОНСТРУКЦИИ
ОСНОВНЫЕ ПОЛОЖЕНИЯ
СНиП 52-01-2003
Concrete and reinforced concrete structures.
General provisions
СП 63.13330.2018
| | Список изменяющих документов Минстроя России от 22.11.2019 N 717/пр, Минстроя России от 20.12.2021 N 965/пр) | |
Дата введения
20 июня 2019 года
Сведения о своде правил
1 ИСПОЛНИТЕЛЬ - АО "НИЦ "Строительство" - НИИЖБ им. А.А. Гвоздева
2 ВНЕСЕН Техническим комитетом по стандартизации ТК 465 "Строительство"
3 ПОДГОТОВЛЕН к утверждению Департаментом градостроительной деятельности и архитектуры Министерства строительства и жилищно-коммунального хозяйства Российской Федерации (Минстрой России)
4 УТВЕРЖДЕН
приказом Министерства строительства и жилищно-коммунального хозяйства Российской Федерации от 19 декабря 2018 г. N 832/пр и введен в действие с 20 июня 2019 г.
5 ЗАРЕГИСТРИРОВАН Федеральным агентством по техническому регулированию и метрологии (Росстандарт). Пересмотр
СП 63.13330.2012
В случае пересмотра (замены) или отмены настоящего свода правил соответствующее уведомление будет опубликовано в установленном порядке. Соответствующая информация, уведомление и тексты размещаются также в информационной системе общего пользования - на официальном сайте разработчика (Минстрой России) в сети Интернет
Настоящий свод правил разработан с учетом обязательных требований, установленных в федеральных законах от 27 декабря 2002 г.
N 184-ФЗ "О техническом регулировании", от 30 декабря 2009 г.
N 384-ФЗ "Технический регламент о безопасности зданий и сооружений" и содержит требования к расчету и проектированию бетонных и железобетонных конструкций промышленных и гражданских зданий и сооружений.
Свод правил разработан авторским коллективом АО "НИЦ "Строительство" - НИИЖБ им. А.А. Гвоздева (руководитель работы - д-р техн. наук Т.А. Мухамедиев; доктора техн. наук А.С. Залесов, А.И. Звездов, Е.А. Чистяков, канд. техн. наук С.А. Зенин) при участии РААСН (доктора техн. наук В.М. Бондаренко, Н.И. Карпенко, В.И. Травуш) и ОАО "ЦНИИпромзданий" (доктора техн. наук Э.Н. Кодыш, Н.Н. Трекин, инж. И.К. Никитин).
Изменение N 1 разработано авторским коллективом ОАО "НИЦ "Строительство" - НИИЖБ им. А.А. Гвоздева (руководитель работы - д-р техн. наук Т.А. Мухамедиев; д-р техн. наук Е.А. Чистяков, канд. техн. наук С.А. Зенин, канд. техн. наук Р.Ш. Шарипов, О.В. Кудинов).
(абзац введен
Изменением N 1, утв. Приказом Минстроя России от 22.11.2019 N 717/пр)
Изменение N 2 разработано авторским коллективом ОАО "НИЦ "Строительство" - НИИЖБ им. А.А. Гвоздева (руководитель работы - д-р техн. наук Т.А. Мухамедиев; д-р техн. наук Е.А. Чистяков, канд. техн. наук С.А. Зенин, канд. техн. наук Р.Ш. Шарипов).
(абзац введен
Изменением N 2, утв. Приказом Минстроя России от 20.01.2022 N 965/пр)
1.1 Настоящий свод правил распространяется на проектирование бетонных и железобетонных конструкций зданий и сооружений различного назначения, эксплуатируемых в климатических условиях Российской Федерации (при систематическом воздействии температур не выше 50 °C и не ниже минус 70 °C), в среде с неагрессивной степенью воздействия.
1.2 Свод правил устанавливает требования к проектированию бетонных и железобетонных конструкций, изготовляемых из тяжелого, мелкозернистого, легкого, ячеистого и напрягающего бетонов.
1.3 Требования настоящего свода правил не распространяются на проектирование сталежелезобетонных конструкций, фибробетонных конструкций, сборно-монолитных конструкций, бетонных и железобетонных конструкций гидротехнических сооружений, мостов, покрытий автомобильных дорог и аэродромов и других специальных сооружений, а также на конструкции, изготовляемые из бетонов средней плотностью менее 500 и более 2500 кг/м3, бетонополимеров и полимербетонов, бетонов на известковых, шлаковых и смешанных вяжущих (кроме применения их в ячеистом бетоне), на гипсовом и специальных вяжущих, бетонов на специальных и органических заполнителях, бетона крупнопористой структуры. Проектирование перечисленных выше конструкций выполняют по соответствующим нормативным документам.
В настоящем своде правил использованы ссылки на следующие нормативные документы:
ГОСТ 1050-2013 Металлопродукция из нелегированных конструкционных качественных и специальных сталей. Общие технические условия
(в ред.
Изменения N 2, утв. Приказом Минстроя России от 20.01.2022 N 965/пр)
ГОСТ 24705-2004 (ИСО 724:1993) Основные нормы взаимозаменяемости. Резьба метрическая. Основные размеры
(в ред.
Изменения N 2, утв. Приказом Минстроя России от 20.01.2022 N 965/пр)
ГОСТ 2590-2006 Прокат сортовой стальной горячекатаный круглый. Сортамент
ГОСТ 27751-2014 Надежность строительных конструкций и оснований. Основные положения
ГОСТ 535-2005 Прокат сортовой и фасонный из стали углеродистой обыкновенного качества. Общие технические условия
ГОСТ 6727-80 Проволока из низкоуглеродистой стали холоднотянутая для армирования железобетонных конструкций. Технические условия
(ссылка введена
Изменением N 1, утв. Приказом Минстроя России от 22.11.2019 N 717/пр)
ГОСТ 7566-2018 Металлопродукция. Правила приемки, маркировка, упаковка, транспортирование и хранение
(в ред.
Изменения N 2, утв. Приказом Минстроя России от 20.01.2022 N 965/пр)
ГОСТ 8267-93 Щебень и гравий из плотных горных пород для строительных работ. Технические условия
ГОСТ 8731-74 Трубы стальные бесшовные горячедеформированные. Технические требования
ГОСТ 8732-78 Трубы стальные бесшовные горячедеформированные. Сортамент
ГОСТ 8829-2018 Изделия строительные железобетонные и бетонные заводского изготовления. Методы испытаний нагружением. Правила оценки прочности, жесткости и трещиностойкости
(в ред.
Изменения N 2, утв. Приказом Минстроя России от 20.01.2022 N 965/пр)
(в ред.
Изменения N 2, утв. Приказом Минстроя России от 20.01.2022 N 965/пр)
ГОСТ 10180-2012 Бетоны. Методы определения прочности по контрольным образцам
ГОСТ Р 57997-2017 Арматурные и закладные изделия сварные, соединения сварные арматуры и закладных изделий железобетонных конструкций. Общие технические условия
(в ред.
Изменения N 2, утв. Приказом Минстроя России от 20.01.2022 N 965/пр)
ГОСТ 12730.0-2020 Бетоны. Общие требования к методам определения плотности, влажности, водопоглощения, пористости и водонепроницаемости
(в ред.
Изменения N 2, утв. Приказом Минстроя России от 20.01.2022 N 965/пр)
(в ред.
Изменения N 2, утв. Приказом Минстроя России от 20.01.2022 N 965/пр)
(в ред.
Изменения N 2, утв. Приказом Минстроя России от 20.01.2022 N 965/пр)
ГОСТ 13015-2012 Изделия железобетонные и бетонные для строительства. Общие технические требования. Правила приемки, маркировки, транспортирования и хранения
ГОСТ 14098-2014 Соединения сварные арматуры и закладных изделий железобетонных конструкций. Типы, конструкция и размеры
ГОСТ 22690-2015 Бетоны. Определение прочности механическими методами неразрушающего контроля
ГОСТ 23732-2011 Вода для бетонов и строительных растворов. Технические условия
(в ред.
Изменения N 2, утв. Приказом Минстроя России от 20.01.2022 N 965/пр)
ГОСТ 23858-2019 Соединения сварные стыковые арматуры железобетонных конструкций. Ультразвуковые методы контроля качества. Правила приемки
(в ред.
Изменения N 2, утв. Приказом Минстроя России от 20.01.2022 N 965/пр)
ГОСТ 24211-2008 Добавки для бетонов и строительных растворов. Общие технические условия
(в ред.
Изменения N 2, утв. Приказом Минстроя России от 20.01.2022 N 965/пр)
ГОСТ 25781-2018 Формы стальные для изготовления железобетонных изделий. Технические условия
(в ред.
Изменения N 2, утв. Приказом Минстроя России от 20.01.2022 N 965/пр)
(в ред.
Изменения N 2, утв. Приказом Минстроя России от 20.01.2022 N 965/пр)
ГОСТ 27005-2014 Бетоны легкие и ячеистые. Правила контроля средней плотности
(в ред.
Изменения N 2, утв. Приказом Минстроя России от 20.01.2022 N 965/пр)
ГОСТ 28570-2019 Бетоны. Методы определения прочности по образцам, отобранным из конструкций
(в ред.
Изменения N 2, утв. Приказом Минстроя России от 20.01.2022 N 965/пр)
(в ред.
Изменения N 2, утв. Приказом Минстроя России от 20.01.2022 N 965/пр)
ГОСТ 33530-2015 (ISO 6789:2003) Инструмент монтажный для нормированной затяжки резьбовых соединений. Ключи моментные. Общие технические условия
(в ред.
Изменения N 2, утв. Приказом Минстроя России от 20.01.2022 N 965/пр)
ГОСТ 34028-2016 Прокат арматурный для железобетонных конструкций. Технические условия
ГОСТ Р 58386-2019 Канаты защищенные в оболочке для предварительно напряженных конструкций. Технические условия
(ссылка введена
Изменением N 1, утв. Приказом Минстроя России от 22.11.2019 N 717/пр)
СП 2.13130.2020 Системы противопожарной защиты. Обеспечение огнестойкости объектов защиты
(в ред.
Изменения N 1, утв. Приказом Минстроя России от 22.11.2019 N 717/пр,
Изменения N 2, утв. Приказом Минстроя России от 20.01.2022 N 965/пр)
(в ред.
Изменения N 2, утв. Приказом Минстроя России от 20.01.2022 N 965/пр)
(в ред.
Изменения N 1, утв. Приказом Минстроя России от 22.11.2019 N 717/пр,
Изменения N 2, утв. Приказом Минстроя России от 20.01.2022 N 965/пр)
СП 20.13330.2016 "СНиП 2.01.07-85* Нагрузки и воздействия" (с изменениями N 1, N 2, N 3)
(в ред.
Изменения N 1, утв. Приказом Минстроя России от 22.11.2019 N 717/пр,
Изменения N 2, утв. Приказом Минстроя России от 20.01.2022 N 965/пр)
СП 22.13330.2016 "СНиП 2.02.01-83* Основания зданий и сооружений" (с изменениями N 1, N 2, N 3)
(в ред.
Изменения N 1, утв. Приказом Минстроя России от 22.11.2019 N 717/пр,
Изменения N 2, утв. Приказом Минстроя России от 20.01.2022 N 965/пр)
СП 28.13330.2017 "СНиП 2.03.11-85 Защита строительных конструкций от коррозии" (с изменениями N 1, N 2)
(в ред.
Изменения N 1, утв. Приказом Минстроя России от 22.11.2019 N 717/пр,
Изменения N 2, утв. Приказом Минстроя России от 20.01.2022 N 965/пр)
(в ред.
Изменения N 2, утв. Приказом Минстроя России от 20.01.2022 N 965/пр)
(в ред.
Изменения N 1, утв. Приказом Минстроя России от 22.11.2019 N 717/пр)
СП 70.13330.2012 "СНиП 3.03.01-87 Несущие и ограждающие конструкции" (с изменениями N 1, N 3, N 4)
(в ред.
Изменения N 2, утв. Приказом Минстроя России от 20.01.2022 N 965/пр)
СП 130.13330.2018 "СНиП 3.09.01-85 Производство сборных железобетонных конструкций и изделий"
(в ред.
Изменения N 1, утв. Приказом Минстроя России от 22.11.2019 N 717/пр)
(в ред.
Изменения N 1, утв. Приказом Минстроя России от 22.11.2019 N 717/пр,
Изменения N 2, утв. Приказом Минстроя России от 20.01.2022 N 965/пр)
СП 266.1325800.2016 Конструкции сталежелезобетонные. Правила проектирования (с изменениями N 1, N 2)
(ссылка введена
Изменением N 1, утв. Приказом Минстроя России от 22.11.2019 N 717/пр, в ред.
Изменения N 2, утв. Приказом Минстроя России от 20.01.2022 N 965/пр)
СП 295.1325800.2017 Конструкции бетонные, армированные полимерной композитной арматурой. Правила проектирования (с изменением N 1)
(в ред.
Изменения N 2, утв. Приказом Минстроя России от 20.01.2022 N 965/пр)
СП 297.1325800.2017 Конструкции фибробетонные с неметаллической фиброй. Правила проектирования (с изменением N 1)
(ссылка введена
Изменением N 1, утв. Приказом Минстроя России от 22.11.2019 N 717/пр, в ред.
Изменения N 2, утв. Приказом Минстроя России от 20.01.2022 N 965/пр)
(ссылка введена
Изменением N 1, утв. Приказом Минстроя России от 22.11.2019 N 717/пр)
(ссылка введена
Изменением N 1, утв. Приказом Минстроя России от 22.11.2019 N 717/пр)
СП 405.1325800.2018 Конструкции бетонные с неметаллической фиброй и полимерной арматурой. Правила проектирования
(ссылка введена
Изменением N 1, утв. Приказом Минстроя России от 22.11.2019 N 717/пр)
Примечание - При пользовании настоящим сводом правил целесообразно проверить действие ссылочных документов в информационной системе общего пользования - на официальном сайте федерального органа исполнительной власти в сфере стандартизации в сети Интернет или по ежегодному информационному указателю "Национальные стандарты", который опубликован по состоянию на 1 января текущего года, и по выпускам ежемесячного информационного указателя "Национальные стандарты" за текущий год. Если заменен ссылочный документ, на который дана недатированная ссылка, то рекомендуется использовать действующую версию этого документа с учетом всех внесенных в данную версию изменений. Если заменен ссылочный документ, на который дана датированная ссылка, то рекомендуется использовать версию этого документа с указанным выше годом утверждения (принятия). Если после утверждения настоящего свода правил в ссылочный документ, на который дана датированная ссылка, внесено изменение, затрагивающее положение, на которое дана ссылка, то это положение рекомендуется применять без учета данного изменения. Если ссылочный документ отменен без замены, то положение, в котором дана ссылка на него, рекомендуется применять в части, не затрагивающей эту ссылку. Сведения о действии сводов правил целесообразно проверить в Федеральном информационном фонде стандартов.
В настоящем своде правил применяются следующие термины с соответствующими определениями:
3.1 анкеровка арматуры: Обеспечение восприятия арматурой действующих на нее усилий путем заведения ее на определенную длину за расчетное сечение или устройства на концах специальных анкеров.
3.2 арматура конструктивная: Арматура, устанавливаемая без расчета из конструктивных соображений.
3.3 арматура предварительно напряженная: Арматура, получающая начальные (предварительные) напряжения в процессе изготовления конструкций до приложения внешних нагрузок в стадии эксплуатации.
3.4 арматура рабочая: Арматура, устанавливаемая по расчету.
3.5 защитный слой бетона: Слой бетона от грани элемента до ближайшей поверхности арматурного стержня.
3.6 конструкции бетонные: Конструкции, выполненные из бетона без арматуры или с арматурой, устанавливаемой по конструктивным соображениям и не учитываемой в расчете; расчетные усилия от всех воздействий в бетонных конструкциях должны быть восприняты бетоном.
3.7 конструкции железобетонные: Конструкции, выполненные из бетона с рабочей и конструктивной арматурой (армированные бетонные конструкции); расчетные усилия от всех воздействий в железобетонных конструкциях должны быть восприняты бетоном и рабочей арматурой.
3.8
коэффициент армирования железобетона;
: Отношение площади сечения арматуры к рабочей площади сечения бетона, %.
3.9 марка бетона по водонепроницаемости; W: Показатель проницаемости бетона, характеризующийся максимальным давлением воды, при котором в условиях стандартных испытаний вода не проникает через бетонный образец.
3.10 марка бетона по морозостойкости; F: Минимальное число циклов замораживания и оттаивания образцов бетона, испытанных по стандартным базовым методам, при которых сохраняются их первоначальные физико-механические свойства в нормируемых пределах.
3.11
марка бетона по самонапряжению; Sp: Значение предварительного напряжения в бетоне, МПа, создаваемого в результате его расширения при коэффициенте продольного армирования

.
3.12 марка бетона по средней плотности; D: Значение плотности, кг/м3, бетонов, к которым предъявляются требования по теплоизоляции.
3.13 массивная конструкция: Конструкция, для которой отношение поверхности, открытой для ее высыхания, м2, к ее объему, м3, равно или меньше 2.
3.14 морозостойкость бетона: Способность бетона сохранять физико-механические свойства при многократном переменном замораживании и оттаивании, регламентируется маркой по морозостойкости F.
3.15 механическое соединение арматуры: Соединение, состоящее из соединительной муфты и двух арматурных стержней, воспринимающее усилия сжатия и растяжения.
3.16 нормальное сечение: Сечение элемента плоскостью, перпендикулярной к его продольной оси.
3.17 наклонное сечение: Сечение элемента плоскостью, наклонной к его продольной оси и перпендикулярной к вертикальной плоскости, проходящей через ось элемента.
3.18 плотность бетона: Характеристика бетона, равная отношению его массы к объему, регламентируется маркой по средней плотности D.
3.19 предельное усилие: Наибольшее усилие, которое может быть воспринято элементом, его сечением при принятых значениях характеристик материалов.
3.20 проницаемость бетона: Свойство бетона пропускать через себя газы или жидкости при наличии градиента давления (регламентируется маркой по водонепроницаемости W) либо обеспечивать диффузионную проницаемость растворенных в воде веществ в отсутствие градиента давления (регламентируется нормируемыми значениями плотности тока и электрического потенциала).
3.21 рабочая высота сечения: Расстояние от сжатой грани элемента до центра тяжести растянутой или наименее сжатой продольной арматуры.
3.22 самонапряжение бетона: Напряжение сжатия, возникающее в бетоне конструкции при твердении в результате расширения цементного камня в условиях ограничения этому расширению, регламентируется маркой по самонапряжению Sp.
3.23 соединительная муфта: Устройство с необходимыми дополнительными элементами для механического соединения арматурных стержней с целью обеспечения передачи усилия с одного стержня на другой.
3.24 стыки арматуры внахлестку: Соединение арматурных стержней по их длине без сварки путем заведения конца одного арматурного стержня относительно конца другого.
4 Общие требования к бетонным и железобетонным конструкциям
4.1 Бетонные и железобетонные конструкции всех типов должны удовлетворять требованиям:
- по безопасности;
- по эксплуатационной пригодности;
- по долговечности,
а также дополнительным требованиям, приведенным в задании на проектирование.
4.2 Для выполнения требований по безопасности конструкции должны иметь такие начальные характеристики, чтобы при различных расчетных воздействиях в процессе строительства и эксплуатации зданий и сооружений были исключены разрушения любого характера или нарушения эксплуатационной пригодности, связанные с причинением вреда жизни или здоровью граждан, имуществу, окружающей среде, жизни или здоровью животных и растениям.
4.3 Для выполнения требований по эксплуатационной пригодности конструкция должна иметь такие начальные характеристики, чтобы при различных расчетных воздействиях не происходило образование или чрезмерное раскрытие трещин, а также не возникали чрезмерные перемещения, колебания и другие повреждения, затрудняющие нормальную эксплуатацию (нарушение требований к внешнему виду конструкции, технологических требований по нормальной работе оборудования, механизмов, конструктивных требований по совместной работе элементов и других требований, установленных при проектировании).
В необходимых случаях, обусловленных назначением конструкции и условиями эксплуатации, конструкции должны иметь характеристики, обеспечивающие требования по теплоизоляции, звукоизоляции, биологической защите и другие требования.
Требования по отсутствию трещин предъявляют к железобетонным конструкциям, у которых при полностью растянутом сечении должна быть обеспечена непроницаемость (находящимся под давлением жидкости или газов, испытывающим воздействие радиации и т.п.), к конструкциям, к которым предъявляют повышенные требования по долговечности, а также к конструкциям, эксплуатируемым в агрессивной среде, согласно
СП 28.13330.
(в ред.
Изменения N 2, утв. Приказом Минстроя России от 20.01.2022 N 965/пр)
В остальных железобетонных конструкциях образование трещин допускается, и к ним предъявляют требования по ограничению ширины раскрытия трещин.
4.4 Для выполнения требований долговечности конструкция должна иметь такие начальные характеристики, чтобы в течение установленного длительного времени она удовлетворяла бы требованиям по безопасности и эксплуатационной пригодности с учетом влияния на геометрические характеристики конструкции и механические характеристики материалов различных расчетных воздействий (длительное воздействие нагрузки, неблагоприятные климатические, технологические, температурные и влажностные воздействия, попеременное замораживание и оттаивание, агрессивные воздействия и др.).
4.5 Безопасность, эксплуатационная пригодность, долговечность бетонных и железобетонных конструкций и другие, устанавливаемые заданием на проектирование требования, должны быть обеспечены выполнением:
- требований к бетону и его составляющим;
- к арматуре;
- к расчетам конструкций;
- конструктивных требований;
- технологических требований;
- требований по эксплуатации.
| | ИС МЕГАНОРМ: примечание. В официальном тексте документа, видимо, допущена опечатка: имеется в виду СП 2.13130, а не СП 2.13330. | |
Требования по нагрузкам и воздействиям, пределу огнестойкости, непроницаемости, морозостойкости, предельным показателям деформаций (прогибам, перемещениям, амплитуде колебаний), расчетным значениям температуры наружного воздуха и относительной влажности окружающей среды, по защите строительных конструкций от воздействия агрессивных сред и др. устанавливаются
СП 2.13330,
СП 14.13330,
СП 20.13330,
СП 22.13330,
СП 28.13330,
СП 131.13330.
4.6 При проектировании бетонных и железобетонных конструкций надежность конструкций устанавливают согласно
ГОСТ 27751 полувероятностным методом расчета путем применения расчетных значений нагрузок и воздействий, расчетных характеристик бетона и арматуры (или конструкционной стали), определяемых с помощью соответствующих частных коэффициентов надежности по нормативным значениям этих характеристик, с учетом уровня ответственности зданий и сооружений.
Нормативные значения нагрузок и воздействий, значения коэффициентов надежности по нагрузке, коэффициентов надежности по назначению конструкций, а также деление нагрузок на постоянные и временные (длительные и кратковременные) устанавливают согласно
СП 20.13330.
Расчетные значения нагрузок и воздействий принимают в зависимости от вида расчетного предельного состояния и расчетной ситуации.
Уровень надежности расчетных значений характеристик материалов устанавливают в зависимости от расчетной ситуации и от опасности достижения соответствующего предельного состояния и регулируют значением коэффициентов надежности по бетону и арматуре (или конструкционной стали).
Расчет бетонных и железобетонных конструкций можно производить по заданному значению надежности на основе полного вероятностного расчета при наличии достаточных данных об изменчивости основных факторов, входящих в расчетные зависимости.
5 Требования к расчету бетонных и железобетонных конструкций
5.1.1 Расчеты бетонных и железобетонных конструкций следует производить в соответствии с
ГОСТ 27751 по предельным состояниям, включающим:
- предельные состояния первой группы, приводящие к полной непригодности эксплуатации конструкций;
- предельные состояния второй группы, затрудняющие нормальную эксплуатацию конструкций или уменьшающие долговечность зданий и сооружений по сравнению с предусматриваемым сроком службы.
Расчеты должны обеспечивать надежность зданий или сооружений в течение всего срока их службы, а также при производстве работ в соответствии с требованиями, предъявляемыми к ним.
Расчеты по предельным состояниям первой группы включают:
- расчет по прочности;
- расчет по устойчивости формы (для тонкостенных конструкций);
- расчет по устойчивости положения (опрокидывание, скольжение, всплывание).
Расчеты по прочности бетонных и железобетонных конструкций следует производить из условия, по которому усилия, напряжения и деформации в конструкциях от различных воздействий с учетом начального напряженного состояния (преднапряжение, температурные и другие воздействия) не должны превышать соответствующих значений, установленных нормативными документами.
Расчеты по устойчивости формы конструкции, а также по устойчивости положения (с учетом совместной работы конструкции и основания, их деформационных свойств, сопротивления сдвигу по контакту с основанием и других особенностей) следует производить согласно нормативным документам на отдельные виды конкретных конструкций.
В зависимости от вида и назначения конструкции должны быть произведены расчеты по предельным состояниям, связанным с явлениями, при которых возникает необходимость прекращения эксплуатации здания и сооружения (чрезмерные деформации, сдвиги в соединениях и другие явления).
Расчеты по предельным состояниям второй группы включают:
- расчет по образованию трещин;
- расчет по раскрытию трещин;
- расчет по деформациям.
Расчеты по предельным состояниям второй группы следует производить на действие кратковременных и длительных нагрузок.
Расчет бетонных и железобетонных конструкций по образованию трещин следует производить из условия, по которому усилия, напряжения или деформации в конструкциях от нагрузок не должны превышать соответствующих их предельных значений, воспринимаемых конструкциями при образовании трещин.
Расчет железобетонных конструкций по раскрытию трещин производят из условия, по которому ширина раскрытия трещин в конструкциях от нагрузок не должна превышать предельно допустимых значений, устанавливаемых в зависимости от требований, предъявляемых к конструкциям, условий их эксплуатации, воздействия окружающей среды и характеристик материалов с учетом особенностей коррозионного поведения арматуры.
Расчет бетонных и железобетонных конструкций по деформациям следует производить из условия, по которому прогибы, углы поворота, перемещения и амплитуды колебания конструкций от нагрузок не должны превышать соответствующих предельно допустимых значений.
Для конструкций, в которых не допускается образование трещин, должны быть обеспечены требования по отсутствию трещин. В этом случае расчет по раскрытию трещин не производят.
Для остальных конструкций, в которых допускается образование трещин, расчет по образованию трещин производят для определения необходимости расчета по раскрытию трещин и учета трещин при расчете по деформациям.
5.1.2 Расчет бетонных и железобетонных конструкций (линейных, плоскостных, пространственных, массивных) по предельным состояниям первой и второй групп производят по напряжениям, усилиям, деформациям и перемещениям, вычисленным от внешних воздействий в конструкциях и образуемых ими системах зданий и сооружений с учетом физической нелинейности (неупругих деформаций бетона и арматуры), возможного образования трещин и в необходимых случаях - анизотропии, накопления повреждений и геометрической нелинейности (влияние деформаций на изменение усилий в конструкциях).
Физическую нелинейность и анизотропию следует учитывать в определяющих соотношениях, связывающих между собой напряжения и деформации (или усилия и перемещения), а также в условиях прочности и трещиностойкости материала.
В статически неопределимых конструкциях следует учитывать перераспределение усилий в элементах системы вследствие образования трещин и развития неупругих деформаций в бетоне и арматуре вплоть до возникновения предельного состояния в элементе. При отсутствии методов расчета, учитывающих неупругие свойства железобетона, а также для предварительных расчетов с учетом неупругих свойств железобетона усилия и напряжения в статически неопределимых конструкциях и системах допускается определять в предположении упругой работы железобетонных элементов. При этом влияние физической нелинейности учитывают путем корректировки результатов линейного расчета на основе данных экспериментальных исследований, нелинейного моделирования, результатов расчета аналогичных объектов и экспертных оценок.
При расчете конструкций по прочности, деформациям, образованию и раскрытию трещин на основе метода конечных элементов должны быть проверены условия прочности и трещиностойкости для всех конечных элементов, составляющих конструкцию, а также условия возникновения чрезмерных перемещений конструкции. При оценке предельного состояния по прочности допускается полагать отдельные конечные элементы разрушенными, если это не влечет за собой прогрессирующего разрушения здания или сооружения, и по истечении действия рассматриваемой нагрузки эксплуатационная пригодность здания или сооружения сохраняется или может быть восстановлена.
Определение предельных усилий и деформаций в бетонных и железобетонных конструкциях следует производить на основе расчетных схем (моделей), наиболее близко соответствующих реальному физическому характеру работы конструкций и материалов в рассматриваемом предельном состоянии.
Несущую способность железобетонных конструкций, способных претерпевать достаточные пластические деформации (в частности, при использовании арматуры с физическим пределом текучести), допускается определять методом предельного равновесия.
5.1.3 При расчетах бетонных и железобетонных конструкций по предельным состояниям следует рассматривать различные расчетные ситуации в соответствии с
ГОСТ 27751, в том числе стадии изготовления, транспортирования, возведения, эксплуатации, аварийные ситуации, а также пожар.
5.1.4 Расчеты бетонных и железобетонных конструкций следует производить на все виды нагрузок, соответствующих функциональному назначению зданий и сооружений, с учетом влияния окружающей среды (климатических воздействий и воды - для конструкций, окруженных водой), а также - с учетом воздействия пожара, технологических температурных и влажностных воздействий и воздействий агрессивных химических сред.
5.1.5 Расчеты бетонных и железобетонных конструкций производят на действие изгибающих моментов, продольных сил, поперечных сил и крутящих моментов, а также на местное действие нагрузки.
5.1.6 При расчете элементов сборных конструкций на воздействие усилий, возникающих при их подъеме, транспортировании и монтаже, нагрузку от массы элементов следует принимать с коэффициентом динамичности, равным:
1,60 - при транспортировании,
1,40 - при подъеме и монтаже.
Допускается принимать более низкие, обоснованные в установленном порядке, значения коэффициентов динамичности, но не ниже 1,25.
5.1.7 При расчетах бетонных и железобетонных конструкций следует учитывать особенности свойств различных видов бетона и арматуры, влияния на них характера нагрузки и окружающей среды, способов армирования, совместную работу арматуры и бетона (при наличии и отсутствии сцепления арматуры с бетоном), технологию изготовления конструктивных типов железобетонных элементов зданий и сооружений.
5.1.8 Расчет предварительно напряженных конструкций следует производить с учетом начальных (предварительных) напряжений и деформаций в арматуре и бетоне, потерь предварительного напряжения и особенностей передачи предварительного напряжения на бетон.
5.1.9 В монолитных конструкциях должна быть обеспечена прочность конструкции с учетом рабочих швов бетонирования.
5.1.10 При расчете сборных конструкций должна быть обеспечена прочность узловых и стыковых сопряжений сборных элементов, осуществленных путем соединения стальных закладных деталей, выпусков арматуры и замоноличивания бетоном.
5.1.11 При расчете плоских и пространственных конструкций, подвергаемых силовым воздействиям в двух взаимно перпендикулярных направлениях, рассматривают отдельные, выделенные из конструкции плоские или пространственные малые характерные элементы с усилиями, действующими по боковым сторонам элемента. При наличии трещин эти усилия определяют с учетом расположения трещин, жесткости арматуры (осевой и тангенциальной), жесткости бетона (между трещинами и в трещинах) и других особенностей. При отсутствии трещин усилия определяют как для сплошного тела.
Допускается при наличии трещин определять усилия в предположении упругой работы железобетонного элемента.
Расчет элементов следует производить по наиболее опасным сечениям, расположенным под углом по отношению к направлению действующих на элемент усилий, на основе расчетных моделей, учитывающих работу растянутой арматуры в трещине и работу бетона между трещинами в условиях плоского напряженного состояния.
5.1.12 Расчет плоских и пространственных конструкций по прочности допускается производить для конструкции в целом на основе метода предельного равновесия, в том числе с учетом деформированного состояния к моменту разрушения.
5.1.13 При расчете массивных конструкций, подвергаемых силовым воздействиям в трех взаимно перпендикулярных направлениях, рассматривают отдельные выделенные из конструкции малые объемные характерные элементы с усилиями, действующими по граням элемента. При этом усилия следует определять на основе предпосылок, аналогичных принятым для плоских элементов
(5.1.11).
Расчет элементов следует производить по наиболее опасным сечениям, расположенным под углом по отношению к направлению действующих на элемент усилий, на основе расчетных моделей, учитывающих работу бетона и арматуры в условиях объемного напряженного состояния.
5.1.14 Для конструкций сложной конфигурации (например, пространственных) кроме расчетных методов оценки несущей способности, трещиностойкости и деформативности допускается использовать результаты испытания физических моделей.
| | ИС МЕГАНОРМ: примечание. В официальном тексте документа, видимо, допущена опечатка: имеется в виду СП 337.1325800.2017, а не 337.1325800. | |
(п. 5.1.15 в ред.
Изменения N 1, утв. Приказом Минстроя России от 22.11.2019 N 717/пр)
5.2 Требования к расчету бетонных и железобетонных элементов по прочности
5.2.1 Расчет бетонных и железобетонных элементов по прочности производят:
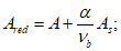
- по нормальным сечениям (при действии изгибающих моментов и продольных сил) - по нелинейной деформационной модели. Для простых типов железобетонных конструкций (прямоугольного, таврового и двутаврового сечений с арматурой, расположенной у верхней и нижней граней сечения, а также круглого и кольцевого сечений с арматурой, расположенной равномерно по периметру сечения) допускается выполнять расчет по предельным усилиям;
- по наклонным сечениям (при действии поперечных сил), по пространственным сечениям (при действии крутящих моментов), на местное действие нагрузки (местное сжатие, продавливание) - по предельным усилиям.
Расчет по прочности коротких железобетонных элементов (коротких консолей и других элементов) производят на основе каркасно-стержневой модели.
(п. 5.2.1 в ред.
Изменения N 1, утв. Приказом Минстроя России от 22.11.2019 N 717/пр)
5.2.2 Расчет по прочности бетонных и железобетонных элементов по предельным усилиям производят из
условия (5.1), что усилие от внешних нагрузок и воздействий
F в рассматриваемом сечении не должно превышать предельного усилия
Fult, которое может быть воспринято элементом в этом сечении
Расчет бетонных элементов по прочности
5.2.3 Бетонные элементы в зависимости от условий их работы и требований, предъявляемых к ним, следует рассчитывать по нормальным сечениям по предельным усилиям без учета
(5.2.4) или с учетом
(5.2.5) сопротивления бетона растянутой зоны.
5.2.4 Без учета сопротивления бетона растянутой зоны производят расчет внецентренно сжатых бетонных элементов при значениях эксцентриситета продольной силы, не превышающих 0,9 расстояния от центра тяжести сечения до наиболее сжатого волокна. При этом предельное усилие, которое может быть воспринято элементом, определяют по расчетным сопротивлениям бетона сжатию
Rb, равномерно распределенным по условной сжатой зоне сечения с центром тяжести, совпадающим с точкой приложения продольной силы.
Для массивных бетонных конструкций следует принимать в сжатой зоне треугольную эпюру напряжений, не превышающих расчетного значения сопротивления бетона сжатию Rb. При этом эксцентриситет продольной силы относительно центра тяжести сечения не должен превышать 0,65 расстояния от центра тяжести до наиболее сжатого волокна бетона.
5.2.5 С учетом сопротивления бетона растянутой зоны производят расчет внецентренно сжатых бетонных элементов с эксцентриситетом продольной силы, большим приведенного в
5.2.4, изгибаемых бетонных элементов (которые допускаются к применению), а также внецентренно сжатых элементов с эксцентриситетом продольной силы, равным приведенному в
5.2.4, но в которых по условиям эксплуатации не допускается образование трещин. При этом предельное усилие, которое может быть воспринято сечением элемента, определяют как для упругого тела при максимальных растягивающих напряжениях, равных расчетному значению сопротивления бетона осевому растяжению
Rbt.
5.2.6 При расчете внецентренно сжатых бетонных элементов следует учитывать влияние продольного изгиба и случайных эксцентриситетов.
Расчет железобетонных элементов по прочности нормальных сечений
5.2.7 Расчет железобетонных элементов по предельным усилиям следует проводить, определяя предельные усилия, которые могут быть восприняты бетоном и арматурой в нормальном сечении, исходя из следующих положений:
- сопротивление бетона растяжению принимают равным нулю;
- сопротивление бетона сжатию представляется напряжениями, равными расчетному сопротивлению бетона сжатию и равномерно распределенными по условной сжатой зоне бетона;
- растягивающие и сжимающие напряжения в арматуре принимаются не более расчетного сопротивления растяжению и сжатию соответственно.
5.2.8 Расчет железобетонных элементов по нелинейной деформационной модели производят на основе диаграмм состояния бетона и арматуры, исходя из гипотезы плоских сечений. Критерием прочности нормальных сечений является достижение предельных относительных деформаций в бетоне или арматуре.
5.2.9 При расчете внецентренно сжатых железобетонных элементов следует учитывать случайный эксцентриситет и влияние продольного изгиба.
Расчет железобетонных элементов по прочности наклонных сечений
5.2.10 Расчет железобетонных элементов по прочности наклонных сечений производят: по наклонному сечению на действие поперечной силы, по наклонному сечению на действие изгибающего момента и по полосе между наклонными сечениями на действие поперечной силы.
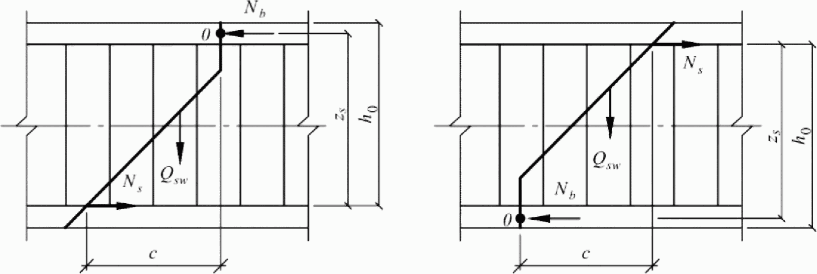
5.2.11 При расчете железобетонного элемента по прочности наклонного сечения на действие поперечной силы предельную поперечную силу, которая может быть воспринята элементом в наклонном сечении, следует определять как сумму предельных поперечных сил, воспринимаемых бетоном в наклонном сечении и поперечной арматурой, пересекающей наклонное сечение.
5.2.12 При расчете железобетонного элемента по прочности наклонного сечения на действие изгибающего момента предельный момент, который может быть воспринят элементом в наклонном сечении, следует определять как сумму предельных моментов, воспринимаемых пересекающей наклонное сечение продольной и поперечной арматурой, относительно оси, проходящей через точку приложения равнодействующей усилий в сжатой зоне.
5.2.13 При расчете железобетонного элемента по полосе между наклонными сечениями на действие поперечной силы предельную поперечную силу, которая может быть воспринята элементом, следует определять исходя из прочности наклонной бетонной полосы, находящейся под воздействием сжимающих усилий вдоль полосы и растягивающих усилий от поперечной арматуры, пересекающей наклонную полосу.
Расчет железобетонных элементов по прочности пространственных сечений
5.2.14 При расчете железобетонных элементов по прочности пространственных сечений предельный крутящий момент, который может быть воспринят элементом, следует определять как сумму предельных крутящих моментов, воспринимаемых продольной и поперечной арматурой, расположенной у каждой грани элемента. Кроме того, следует производить расчет по прочности железобетонного элемента по бетонной полосе, расположенной между пространственными сечениями и находящейся под воздействием сжимающих усилий вдоль полосы и растягивающих усилий от поперечной арматуры, пересекающей полосу.
Расчет железобетонных элементов на местное действие нагрузки
5.2.15 При расчете железобетонных элементов на местное сжатие предельную сжимающую силу, которая может быть воспринята элементом, следует определять исходя из сопротивления бетона при объемном напряженном состоянии, создаваемом окружающим бетоном и косвенной арматурой, если она установлена.
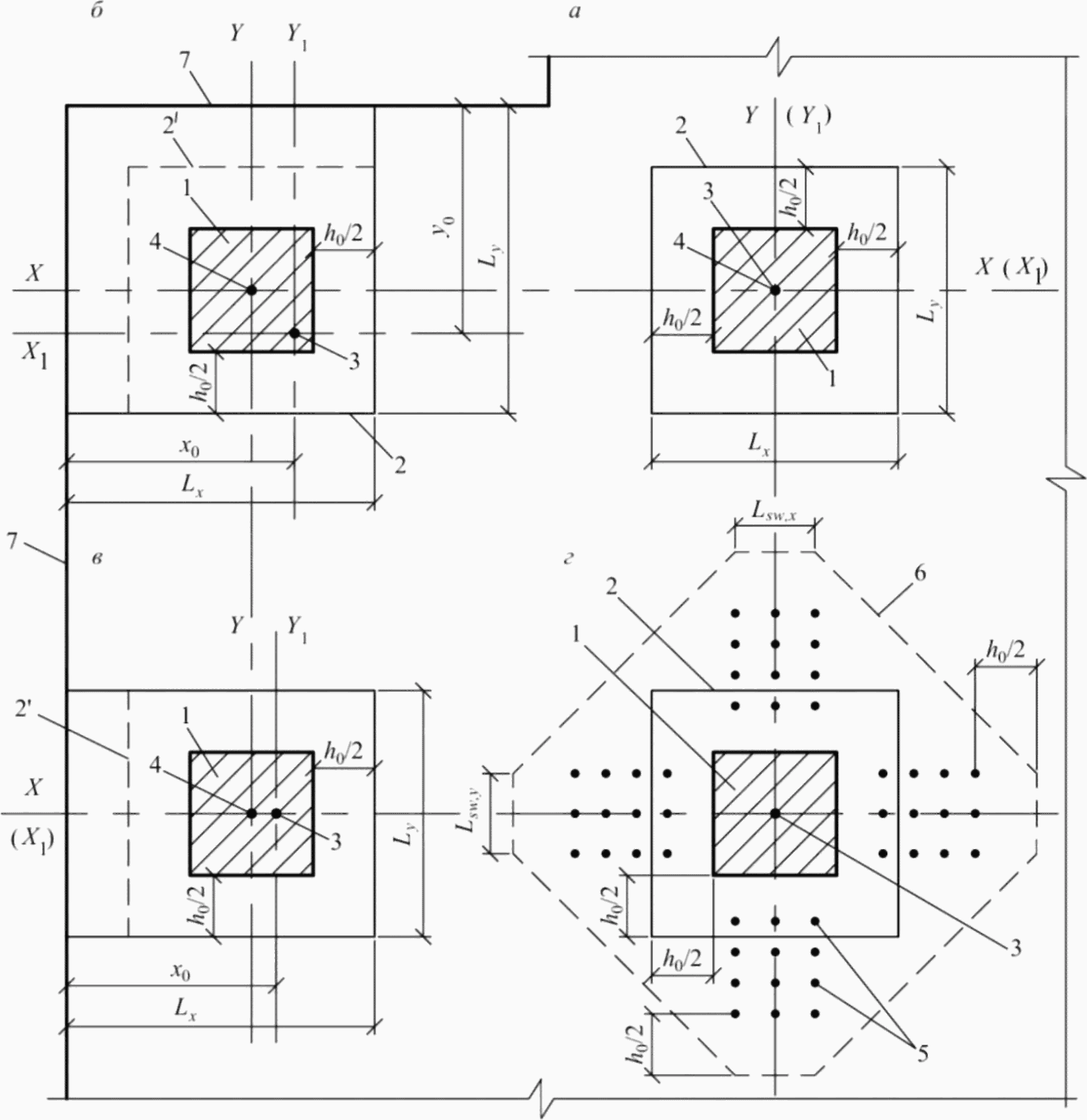
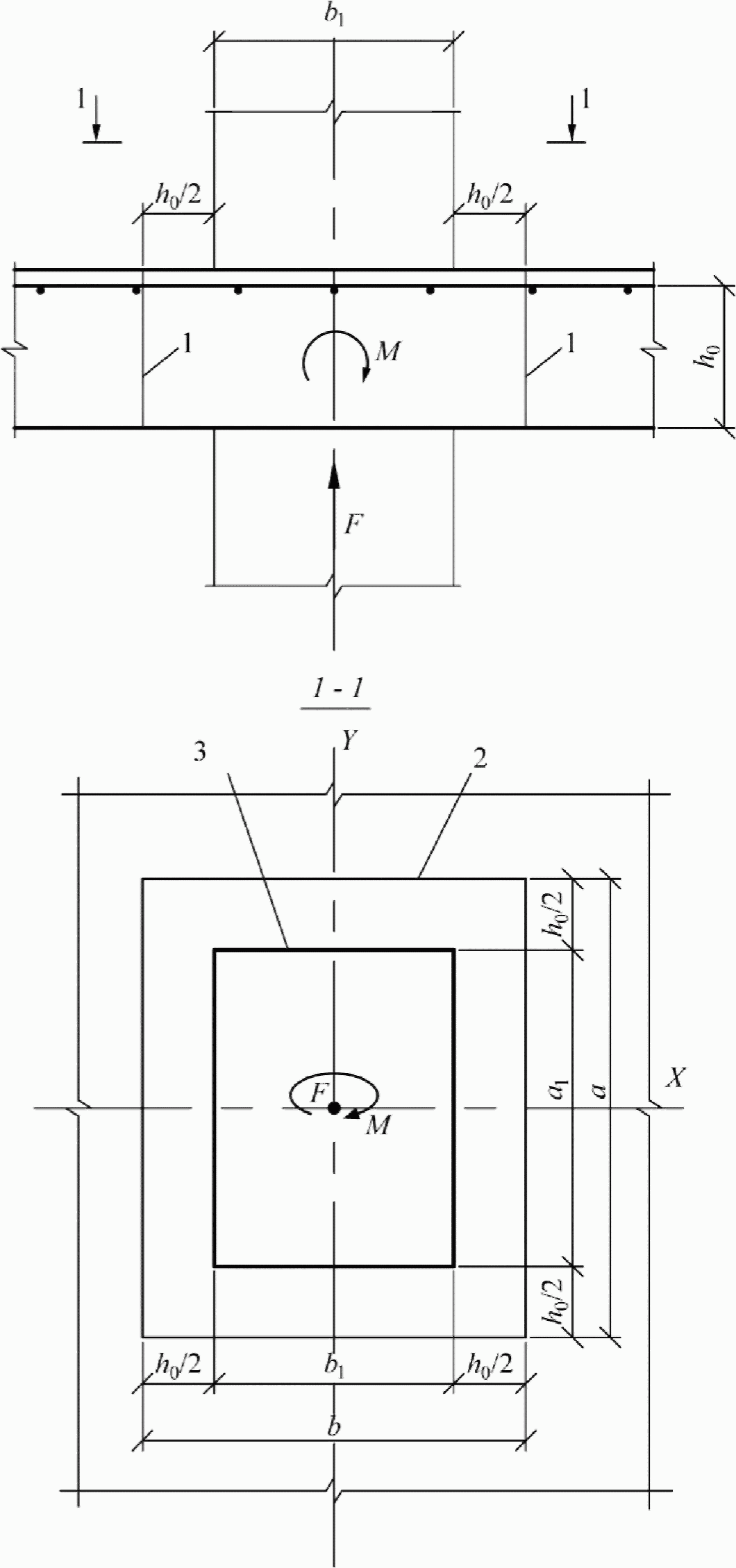
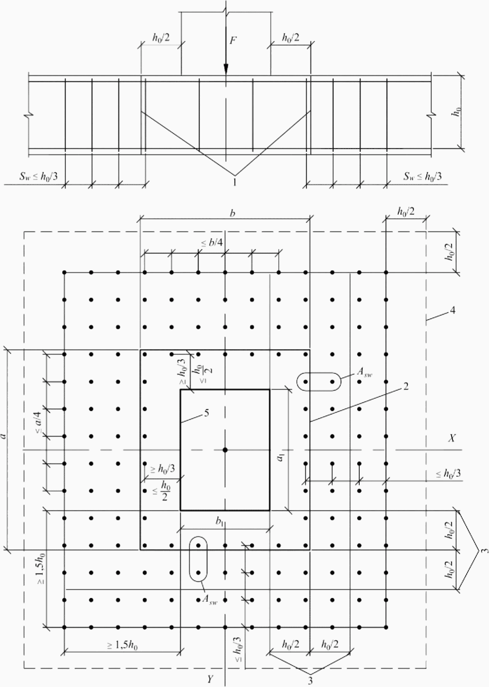
5.2.16 Расчет на продавливание производят для плоских железобетонных элементов (плит) при действии сосредоточенных силы и момента в зоне продавливания. Предельное усилие, которое может быть воспринято железобетонным элементом при продавливании, следует определять как сумму предельных усилий, воспринимаемых бетоном и поперечной арматурой, расположенной в зоне продавливания.
5.3 Требования к расчету железобетонных элементов по образованию трещин
5.3.1 Расчет железобетонных элементов по образованию нормальных трещин производят по предельным усилиям или по нелинейной деформационной модели. Расчет по образованию наклонных трещин производят по предельным усилиям.
5.3.2 Расчет по образованию трещин железобетонных элементов по предельным усилиям производят из
условия (5.2), по которому усилие от внешних нагрузок и воздействий
F в рассматриваемом сечении не должно превышать предельного усилия
Fcrc,ult, которое может быть воспринято железобетонным элементом при образовании трещин
5.3.3 Предельное усилие, воспринимаемое железобетонным элементом при образовании нормальных трещин, следует определять исходя из расчета железобетонного элемента как сплошного тела с учетом упругих деформаций в арматуре и неупругих деформаций в растянутом и сжатом бетоне при максимальных нормальных растягивающих напряжениях в бетоне, равных расчетным значениям сопротивления бетона осевому растяжению Rbt,ser.
5.3.4 Расчет железобетонных элементов по образованию нормальных трещин по нелинейной деформационной модели производят на основе диаграмм состояния арматуры, растянутого и сжатого бетона и гипотезы плоских сечений. Критерием образования трещин является достижение предельных относительных деформаций в растянутом бетоне.
5.3.5 Предельное усилие, которое может быть воспринято железобетонным элементом при образовании наклонных трещин, следует определять исходя из расчета железобетонного элемента как сплошного упругого тела и критерия прочности бетона при плоском напряженном состоянии "сжатие-растяжение".
5.4 Требования к расчету железобетонных элементов по раскрытию трещин
5.4.1 Расчет железобетонных элементов производят по раскрытию различного вида трещин в тех случаях, когда расчетная проверка на образование трещин показывает, что трещины образуются.
5.4.2 Расчет по раскрытию трещин производят из
условия (5.3), по которому ширина раскрытия трещин от внешней нагрузки
acrc не должна превосходить предельно допустимого значения ширины раскрытия трещин
acrc,ult
5.4.3 Ширину раскрытия нормальных трещин определяют как произведение средних относительных деформаций арматуры на участке между трещинами и длины этого участка. Средние относительные деформации арматуры между трещинами определяют с учетом работы растянутого бетона между трещинами. Относительные деформации арматуры в трещине определяют из условно упругого расчета железобетонного элемента с трещинами с применением приведенного модуля деформации сжатого бетона, установленного с учетом влияния неупругих деформаций бетона сжатой зоны, или по нелинейной деформационной модели. Расстояние между трещинами определяют из условия, по которому разность усилий в продольной арматуре в сечении с трещиной и между трещинами должна быть воспринята усилиями сцепления арматуры с бетоном на длине этого участка.
Ширину раскрытия нормальных трещин следует определять с учетом характера действия нагрузки (повторяемости, длительности и т.п.) и вида профиля арматуры.
5.4.4 Предельно допустимую ширину раскрытия трещин
acrc,ult следует устанавливать исходя из эстетических соображений, наличия требований к проницаемости конструкций, а также в зависимости от длительности действия нагрузки, вида арматурной стали и ее склонности к развитию коррозии в трещине
(СП 28.13330).
5.5 Требования к расчету железобетонных элементов по деформациям
5.5.1 Расчет железобетонных элементов по деформациям производят из
условия (5.4), по которому прогибы или перемещения конструкций
f от действия внешней нагрузки не должны превышать предельно допустимых значений прогибов или перемещений
fult
5.5.2 Прогибы или перемещения железобетонных конструкций определяют по общим правилам строительной механики в зависимости от изгибных, сдвиговых и осевых деформационных характеристик железобетонного элемента в сечениях по его длине (кривизна, углы сдвига и т.д.).
5.5.3 В случаях, когда прогибы железобетонных элементов в основном зависят от изгибных деформаций, значения прогибов определяют по кривизнам элементов или по жесткостным характеристикам.
Кривизну железобетонного элемента определяют как частное деления изгибающего момента на жесткость железобетонного сечения при изгибе.
Жесткость рассматриваемого сечения железобетонного элемента определяют по общим правилам сопротивления материалов: для сечения без трещин - как для условно упругого сплошного элемента, а для сечения с трещинами - как для условно упругого элемента с трещинами (принимая линейную зависимость между напряжениями и деформациями). Влияние неупругих деформаций бетона учитывают с помощью приведенного модуля деформаций бетона, а влияние работы растянутого бетона между трещинами - с помощью приведенного модуля деформаций арматуры.
Расчет деформаций железобетонных конструкций с учетом трещин производят в тех случаях, когда расчетная проверка на образование трещин показывает, что трещины образуются. В противном случае производят расчет деформаций как для железобетонного элемента без трещин.
Кривизну и продольные деформации железобетонного элемента также определяют по нелинейной деформационной модели исходя из уравнений равновесия внешних и внутренних усилий, действующих в нормальном сечении элемента, гипотезы плоских сечений, диаграмм состояния бетона и арматуры и средних деформаций арматуры между трещинами.
5.5.4 Расчет деформаций железобетонных элементов следует производить с учетом длительности действия нагрузок.
При вычислении прогибов жесткость участков элемента следует определять с учетом наличия или отсутствия нормальных к продольной оси элемента трещин в растянутой зоне его поперечного сечения.
5.5.5 Значения предельно допустимых деформаций принимают в соответствии с
8.2.20. При действии постоянных и временных длительных и кратковременных нагрузок прогиб железобетонных элементов во всех случаях не должен превышать 1/150 пролета и 1/75 вылета консоли.
6 Материалы для бетонных и железобетонных конструкций
6.1.1 Для бетонных и железобетонных конструкций, проектируемых в соответствии с настоящим сводом правил, следует предусматривать конструкционные бетоны:
- тяжелый, в т.ч. напрягающий средней плотности от 2200 до 2500 кг/м3 включительно;
- мелкозернистый средней плотности от 1800 до 2500 кг/м3 включительно;
(в ред.
Изменения N 1, утв. Приказом Минстроя России от 22.11.2019 N 717/пр)
- легкий средней плотности от 800 до 2000 кг/м3 включительно;
(в ред.
Изменения N 1, утв. Приказом Минстроя России от 22.11.2019 N 717/пр)
- ячеистый средней плотности от 500 до 1200 кг/м3 включительно.
6.1.2 При проектировании бетонных и железобетонных сооружений в соответствии с требованиями, предъявленными к конкретным конструкциям, должны быть установлены вид бетона и его нормируемые показатели качества, контролируемые на производстве.
6.1.3 Основными нормируемыми и контролируемыми показателями качества бетона являются:
- класс по прочности на сжатие B;
- класс по прочности на осевое растяжение Bt;
- марка по морозостойкости F;
- марка по водонепроницаемости W;
- марка по средней плотности D;
- марка по самонапряжению Sp.
Класс бетона по прочности на сжатие B соответствует значению кубиковой прочности бетона на сжатие, МПа, с обеспеченностью 0,95 (нормативная кубиковая прочность).
Класс бетона по прочности на осевое растяжение Bt соответствует значению прочности бетона на осевое растяжение, МПа, с обеспеченностью 0,95 (нормативная прочность бетона).
Допускается принимать иное значение обеспеченности прочности бетона на сжатие и осевое растяжение в соответствии с нормативными документами для отдельных специальных видов сооружений.
Марка бетона по морозостойкости F - соответствует числу циклов замораживания и оттаивания, при которых характеристики бетона обеспечиваются в нормируемых пределах.
Марка бетона по водонепроницаемости W соответствует максимальному значению давления воды, МПа·10-1, выдерживаемому бетонным образцом при испытании.
Марка бетона по средней плотности D соответствует среднему значению объемной массы бетона, кг/м3.
Марка напрягающего бетона по самонапряжению представляет собой значение предварительного напряжения в бетоне, МПа, создаваемого в результате его расширения при коэффициенте продольного армирования

.
При необходимости устанавливают дополнительные нормируемые показатели качества бетона, связанные с теплопроводностью, температуростойкостью, огнестойкостью, деформацией усадки, ползучестью, выносливостью, тепловыделением, коррозионной стойкостью (как самого бетона, так и находящейся в нем арматуры), биологической защитой и с другими требованиями, предъявляемыми к бетону конструкций (
СП 50.13330,
СП 28.13330).
Нормируемые показатели качества бетона следует устанавливать при проектировании бетонных и железобетонных конструкций на основании результатов расчета и условий эксплуатации конструкций.
Нормируемые показатели качества бетона должны быть обеспечены соответствующим составом бетона для конструкций и сооружений с учетом технологии его приготовления и производства бетонных работ. Нормируемые показатели качества бетона должны контролироваться, как при производстве бетона, так и непосредственно бетона конструкций.
Необходимые нормируемые показатели качества бетона следует устанавливать при проектировании бетонных и железобетонных конструкций в соответствии с расчетом и условиями изготовления и эксплуатации конструкций с учетом различных воздействий окружающей среды и защитных свойств бетона по отношению к принятому виду арматуры.
Класс бетона по прочности на сжатие B назначают для всех видов бетонов и конструкций.
Класс бетона по прочности на осевое растяжение Bt назначают в случаях, когда эта характеристика - главенствующая в работе конструкции и ее контролируют на производстве.
Марку бетона по морозостойкости F назначают для бетона конструкций, подвергающихся воздействию переменного замораживания и оттаивания и устанавливают по первому базовому методу F1 и по второму базовому методу F2 в соответствии с действующими стандартами.
Марку бетона по водонепроницаемости W назначают для конструкций, к которым предъявляют требования по ограничению водопроницаемости.
Марку бетона по самонапряжению необходимо назначать для самонапряженных конструкций, когда эту характеристику учитывают в расчете и контролируют на производстве.
6.1.4 Для бетонных и железобетонных конструкций следует предусматривать бетоны классов и марок, приведенных в
таблицах 6.1 -
6.6.
Бетон | Классы бетона по прочности на сжатие |
Тяжелый бетон | B3,5; B5; B7,5; B10; B12,5; B15; B20; B25; B30; B35; B40; B45; B50; B55; B60; B70; B80; B90; B100 |
Напрягающий бетон | B20; B25; B30; B35; B40; B45; B50; B55; B60; B70 |
Мелкозернистый бетон групп: | |
А - естественного твердения или подвергнутый тепловой обработке при атмосферном давлении | B3,5; B5; B7,5; B10; B12,5; B15; B20; B25; B30; B35; B40 |
Б - подвергнутый автоклавной обработке | B15; B20; B25; B30; B35; B40; B45; B50; B55; B60 |
Легкий бетон марок по средней плотности: | |
D800, D900 | B2,5; B3,5; B5; B7,5 |
D1000, D1100 | B2,5; B3,5; B5; B7,5; B10; B12,5 |
D1200, D1300 | B2,5; B3,5; B5; B7,5; B10; B12,5; B15; B20 |
D1400, D1500 | B3,5; B5; B7,5; B10; B12,5; B15; B20; B25; B30 |
D1600, D1700 | B7,5; B10; B12,5; B15; B20; B25; B30; B35; B40 |
D1800, D1900 | B15; B20; B25; B30; B35; B40 |
D2000 | B25; B30; B35; B40 |
Ячеистый бетон марок по средней плотности: | Автоклавный | Неавтоклавный |
D500 | B1,5; B2; B2,5 | - |
D600 | B1,5; B2; B2,5; B3,5 | B1,5; B2 |
D700 | B2; B2,5; B3,5; B5 | B1,5; B2; B2,5 |
D800 | B2,5; B3,5; B5; B7,5 | B2; B2,5; B3,5 |
D900 | B3,5; B5; B7,5; B10 | B2,5; B3,5; B5 |
D1000 | B7,5; B10; B12,5 | B5; B7,5 |
D1100 | B10; B12,5; B15; B17,5 | B7,5; B10 |
D1200 | B12,5; B15; B17,5; B20 | B10; B12,5 |
Поризованный бетон марок по средней плотности: | |
D800, D900, D1000 | B2,5; B3,5; B5 |
D1100, D1200, D1300 | B7,5 |
D1400 | B3,5; B5; B7,5 |
Примечание - В настоящем своде правил термины "легкий бетон" и "поризованный бетон" применяют соответственно для обозначения легкого бетона плотной структуры и легкого бетона поризованной структуры (со степенью поризации более 6%). |
Таблица 6.2
Бетон | Класс бетона по прочности на осевое растяжение |
Тяжелый, напрягающий, мелкозернистый бетоны | Bt0,8; Bt1,2; Bt1,6; Bt2,0; Bt2,4; Bt2,8; Bt3,2; Bt3,6; Bt4,0; Bt4,4; Bt4,8 |
Легкий бетон | Bt0,8; Bt1,2; Bt1,6; Bt2,0; Bt2,4; Bt2,8; Bt3,2 |
Таблица 6.3
Минстроя России от 22.11.2019 N 717/пр)
Бетон | Марка бетона по морозостойкости |
Тяжелый, в том числе напрягающий и мелкозернистый бетоны | По первому базовому методу: F150, F175, F1100, F1150, F1200, F1300, F1400, F1500, F1600, F1800, F11000 |
По второму базовому методу: F2100, F2150, F2200, F2300, F2400, F2500 |
Легкий бетон | По первому базовому методу: F125, F135, F150, F175, F1100, F1150, F1200, F1300, F1400, F1500, F1600, F1800, F11000 |
Поризованный бетон | По первому базовому методу: F150, F175, F1100, F1150, F1200, F1300, F1400, F1500 |
Ячеистый бетон | F15; F25; F35; F50; F75; F100 |
Таблица 6.4
Бетон | Марка бетона по водопроницаемости |
Тяжелый, в т.ч. напрягающий, мелкозернистый бетоны | W2; W4; W6; W8; W10; W12; W14; W16; W18; W20 |
Легкий бетон | W2; W4; W6; W8; W10; W12 |
Таблица 6.5
Бетон | Марка бетона по средней плотности |
Легкий бетон | D800; D900; D1000; D1100; D1200; D1300; D1400; D1500; D1600; D1700; D1800; D1900; D2000 |
Поризованный бетон | D800; D900; D1000; D1100; D1200; D1300; D1400 |
Ячеистый бетон | D500; D600; D700; D800; D900; D1000; D1100; D1200 |
Бетон | Марка бетона по самонапряжению |
Напрягающий бетон | Sp0,6; Sp0,8; Sp1; Sp1,2; Sp1,5; Sp2; Sp3; Sp4 |
6.1.5 Проектный возраст бетона, т.е. возраст в котором бетон должен приобрести все нормируемые для него показатели качества, назначают при проектировании, исходя из возможных реальных сроков загружения конструкций проектными нагрузками, с учетом способа возведения конструкций и условий твердения бетона. При отсутствии этих данных класс бетона устанавливают в проектном возрасте 28 сут.
Значение нормируемых показателей отпускной и передаточной прочности бетона в элементах сборных конструкций следует назначать в соответствии с действующими нормативными документами.
6.1.6 Для железобетонных конструкций следует применять класс бетона по прочности на сжатие не ниже B15.
Для предварительно напряженных железобетонных конструкций класс бетона по прочности на сжатие следует принимать:
- при армировании стержневой арматурой класса А600 - не ниже B20;
- то же, класса А800 - не ниже B25;
- то же, класса А1000 - не ниже B30;
- при армировании проволочной арматурой классов Bp и K - не ниже B35.
Для конструкций с натяжением арматуры на бетон следует принимать бетоны классов по прочности на сжатие не ниже B30.
Для конструкций без предварительно напряженной арматуры и для предварительно напряженных конструкций, рассчитываемых на воздействие многократно повторяющейся нагрузки, минимальное значение класса бетона следует увеличивать на 5 МПа по сравнению с указанными выше.
(в ред.
Изменения N 2, утв. Приказом Минстроя России от 20.01.2022 N 965/пр)
Передаточную прочность бетона Rbp (прочность бетона к моменту его обжатия, контролируемая аналогично классу бетона по прочности на сжатие) следует назначать не менее 15 МПа и не менее 50% принятого класса бетона по прочности на сжатие, а для конструкций с натяжением арматуры на бетон - не менее 70% принятого класса бетона по прочности на сжатие.
(в ред.
Изменения N 1, утв. Приказом Минстроя России от 22.11.2019 N 717/пр)
6.1.7 Мелкозернистый бетон без специального экспериментального обоснования не допускается применять для железобетонных конструкций, подвергающихся воздействию многократно повторяющейся нагрузки, а также для предварительно напряженных конструкций пролетом более 12 м при армировании проволочной арматурой классов В, Вр и К.
Класс мелкозернистого бетона по прочности на сжатие, применяемого для защиты от коррозии и обеспечения сцепления с бетоном напрягаемой арматуры, расположенной в пазах и на поверхности конструкции, должен быть не ниже B20, а для инъекции каналов - не ниже B25.
6.1.8 Марку бетона по морозостойкости следует назначать в зависимости от условий работы конструкций в среде знакопеременных температур в соответствии с
СП 28.13330.
6.1.9 Марку бетона по водонепроницаемости следует назначать в зависимости от условий эксплуатации и уровня воздействия агрессивных сред на бетон конструкций в соответствии с
СП 28.13330.
6.1.10 Основными прочностными характеристиками бетона являются нормативные значения:
сопротивления бетона осевому сжатию Rb,n;
сопротивления бетона осевому растяжению Rbt,n.
Нормативные значения сопротивления бетона осевому сжатию (призменная прочность) и осевому растяжению (при назначении класса бетона на прочность на сжатие) принимают в зависимости от класса бетона по прочности на сжатие B согласно
таблице 6.7.
При назначении класса бетона по прочности на осевое растяжение Bt нормативные значения сопротивления бетона осевому растяжению Rbt,n принимают равными числовой характеристике класса бетона на осевое растяжение.
Вид сопротивления | Бетон | Нормативные сопротивления бетона Rbn, Rbtn, МПа и расчетные сопротивления бетона для предельных состояний второй группы Rb,ser и Rbt,ser, МПа при классе бетона по прочности на сжатие |
B1,5 | B2 | B2,5 | B3,5 | B5 | B7,5 | B10 | B12,5 | B15 | B20 | B25 | B30 | B35 | B40 | B45 | B50 | B55 | B60 | B70 | B80 | B90 | B100 |
Сжатие осевое (призменная прочность) Rbn и Rb,ser | Тяжелый, мелкозернистый и напрягающий | - | - | - | 2,7 | 3,5 | 5,5 | 7,5 | 9,5 | 11 | 15 | 18,5 | 22 | 25,5 | 29 | 32 | 36 | 39,5 | 43 | 50 | 57 | 64 | 71 |
Легкий | - | - | 1,9 | 2,7 | 3,5 | 5,5 | 7,5 | 9,5 | 11 | 15 | 18,5 | 22 | 25,5 | 29 | - | - | - | - | - | - | - | - |
Ячеистый | 1,4 | 1,9 | 2,4 | 3,3 | 4,6 | 6,9 | 9,0 | 10,5 | 11,5 | - | - | - | - | - | - | - | - | - | - | - | - | - |
Растяжение осевое Rbtn и Rbt,ser | Тяжелый, мелкозернистый и напрягающий | - | - | - | 0,39 | 0,55 | 0,70 | 0,85 | 1,00 | 1,10 | 1,35 | 1,55 | 1,75 | 1,95 | 2,10 | 2,25 | 2,45 | 2,60 | 2,75 | 3,00 | 3,30 | 3,60 | 3,80 |
Легкий | - | - | 0,29 | 0,39 | 0,55 | 0,70 | 0,85 | 1,00 | 1,10 | 1,35 | 1,55 | 1,75 | 1,95 | 2,10 | - | - | - | - | - | - | - | - |
Ячеистый | 0,22 | 0,26 | 0,31 | 0,41 | 0,55 | 0,63 | 0,89 | 1,00 | 1,05 | - | - | - | - | - | - | - | - | - | - | - | - | - |
Примечания: 1. Значения сопротивлений приведены для ячеистого бетона средней влажностью 10%. 2. Для мелкозернистого бетона на песке с модулем крупности 2,0 и менее, а также для легкого бетона на мелком пористом заполнителе значения расчетных сопротивлений Rbtn, Rbt,ser следует принимать с умножением на коэффициент 0,8. 3. Для поризованного бетона, а также для керамзитоперлитобетона на вспученном перлитовом песке значения расчетных сопротивлений Rbtn, Rbt,ser следует принимать как для легкого бетона с умножением на коэффициент 0,7. 4. Для напрягающего бетона значения Rbtn, Rbt,ser следует принимать с умножением на коэффициент 1,2. |
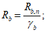
6.1.11 Расчетные значения сопротивления бетона осевому сжатию
Rb и осевому растяжению
Rbt определяют по формулам:

(6.1)

(6.2)
Значения коэффициента надежности по бетону при сжатии

принимают равными:
для расчета по предельным состояниям первой группы:
1,3 - для тяжелого, мелкозернистого, напрягающего и легкого бетонов;
1,5 - для ячеистого бетона;
1,0 - для расчета по предельным состояниям второй группы.
Значения коэффициента надежности по бетону при растяжении

принимают равными:
для расчета по предельным состояниям первой группы при назначении класса бетона по прочности на сжатие:
1,5 - для тяжелого, мелкозернистого, напрягающего и легкого бетонов;
2,3 - для ячеистого бетона;
для расчета по предельным состояниям первой группы при назначении класса бетона по прочности на растяжение:
1,3 - для тяжелого, мелкозернистого, напрягающего и легкого бетонов;
1,0 - для расчета по предельным состояниям второй группы.
Расчетные значения сопротивления бетона
Rb, Rbt, Rb,ser, Rbt,ser (с округлением) в зависимости от класса бетона по прочности на сжатие и осевое растяжение приведены: в
таблицах 6.8,
6.9 - для предельных состояний первой группы, в
таблице 6.7 - второй группы.
6.1.12 В необходимых случаях расчетные значения прочностных характеристик бетона умножают на следующие коэффициенты условий работы

, учитывающие особенности работы бетона в конструкции (характер нагрузки, условия окружающей среды и т.д.):
а)

- для бетонных и железобетонных конструкций, вводимый к расчетным значениям сопротивлений
Rb и
Rbt и учитывающий влияние длительности действия статической нагрузки:

- при действии всех нагрузок, включая кратковременные нагрузки;

(для ячеистых и поризованных бетонов

) - при действии только постоянных и длительных нагрузок;
б)
- для бетонных конструкций, вводимый к расчетным значениям сопротивления
Rb и учитывающий характер разрушения таких конструкций,

;
в)

- для бетонных и железобетонных конструкций, бетонируемых в вертикальном положении при высоте слоя бетонирования более 1,5 м, вводимый к расчетному значению сопротивления бетона
Rb, 
;
г)

- для ячеистых бетонов, вводимый к расчетному значению сопротивления бетона
Rb:

- при влажности ячеистого бетона 10% и менее;

- при влажности ячеистого бетона более 25%;
по интерполяции - при влажности ячеистого бетона более 10% и менее 25%.
Вид сопротивления | Бетон | Расчетные сопротивления бетона Rb, Rbt, МПа для предельных состояний первой группы при классе бетона по прочности на сжатие |
B1,5 | B2 | B2,5 | B3,5 | B5 | B7,5 | B10 | B12,5 | B15 | B20 | B25 | B30 | B35 | B40 | B45 | B50 | B55 | B60 | B70 | B80 | B90 | B100 |
Сжатие осевое (призменная прочность) Rb | Тяжелый, мелкозернистый и напрягающий | - | - | - | 2,1 | 2,8 | 4,5 | 6,0 | 7,5 | 8,5 | 11,5 | 14,5 | 17,0 | 19,5 | 22,0 | 25,0 | 27,5 | 30,0 | 33,0 | 37,0 | 41,0 | 44,0 | 47,5 |
Легкий | - | - | 1,5 | 2,1 | 2,8 | 4,5 | 6,0 | 7,5 | 8,5 | 11,5 | 14,5 | 17,0 | 19,5 | 22,0 | - | - | - | - | - | - | - | - |
Ячеистый | 0,95 | 1,3 | 1,6 | 2,2 | 3,1 | 4,6 | 6,0 | 7,0 | 7,7 | - | - | - | - | - | - | - | - | - | - | - | - | - |
Растяжение осевое Rbt | Тяжелый, мелкозернистый и напрягающий | - | - | - | 0,26 | 0,37 | 0,48 | 0,56 | 0,66 | 0,75 | 0,90 | 1,05 | 1,15 | 1,30 | 1,40 | 1,50 | 1,60 | 1,70 | 1,80 | 1,90 | 2,10 | 2,15 | 2,20 |
Легкий | - | - | 0,20 | 0,26 | 0,37 | 0,48 | 0,56 | 0,66 | 0,75 | 0,90 | 1,05 | 1,15 | 1,30 | 1,40 | - | - | - | - | - | - | - | - |
Ячеистый | 0,09 | 0,12 | 0,14 | 0,18 | 0,24 | 0,28 | 0,39 | 0,44 | 0,46 | - | - | - | - | - | - | - | - | - | - | - | - | - |
Примечания: 1. Значения сопротивлений приведены для ячеистого бетона средней влажностью 10%. 2. Для мелкозернистого бетона на песке с модулем крупности 2,0 и менее, а также для легкого бетона на мелком пористом заполнителе значения расчетных сопротивлений Rbt следует принимать с умножением на коэффициент 0,8. 3. Для поризованного бетона, а также для керамзитоперлитобетона на вспученном перлитовом песке значения расчетных сопротивлений Rbt следует принимать как для легкого бетона с умножением на коэффициент 0,7. 4. Для напрягающего бетона значения Rbt следует принимать с умножением на коэффициент 1,2. 5. Для тяжелых бетонов классов B70 - B100 расчетные значения сопротивления осевому сжатию Rb и осевому растяжению Rbt приняты с учетом дополнительного понижающего коэффициента  , учитывающего увеличение хрупкости высокопрочных бетонов в связи с уменьшением деформаций ползучести и равного  , где B - класс бетона по прочности на сжатие. |
Влияние попеременного замораживания и оттаивания, а также отрицательных температур, учитывают коэффициентом условий работы бетона

. Для надземных конструкций, подвергаемых атмосферным воздействиям окружающей среды при расчетной температуре наружного воздуха в холодный период минус 40 °C и выше, принимают коэффициент

. В остальных случаях значения коэффициента принимают в зависимости от назначения конструкции и условий окружающей среды согласно специальным указаниям.
Вид сопротивления | Бетон | Расчетные значения сопротивления бетона для предельных состояний первой группы Rbt, МПа, при классе бетона по прочности на осевое растяжение |
Bt0,8 | Bt1,2 | Bt1,6 | Bt2,0 | Bt2,4 | Bt2,8 | Bt3,2 |
Растяжение осевое Rbt | Тяжелый, мелкозернистый, напрягающий и легкий | 0,62 | 0,93 | 1,25 | 1,55 | 1,85 | 2,15 | 2,45 |
6.1.13 Основными деформационными характеристиками бетона являются значения:
предельных относительных деформаций бетона при осевом сжатии и растяжении (при однородном напряженном состоянии бетона)

и

;
- начального модуля упругости Eb;
- модуля сдвига G;
- коэффициента (характеристики) ползучести

;
- коэффициента поперечной деформации бетона (коэффициента Пуассона)

;
- коэффициента линейной температурной деформации бетона
.
6.1.14 Значения предельных относительных деформаций тяжелого, мелкозернистого и напрягающего бетонов принимают равными:
при непродолжительном действии нагрузки:

при осевом сжатии;

при осевом растяжении;
при продолжительном действии нагрузки - по
таблице 6.10 в зависимости от относительной влажности воздуха окружающей среды.
Относительная влажность воздуха окружающей среды, % | Относительные деформации тяжелого, мелкозернистого и напрягающего бетона при продолжительном действии нагрузки |
при сжатии | при растяжении |
| | | | | |
Выше 75 | 3,0 | 4,2 | 2,4 | 0,21 | 0,27 | 0,19 |
40 - 75 | 3,4 | 4,8 | 2,8 | 0,24 | 0,31 | 0,22 |
Ниже 40 | 4,0 | 5,6 | 3,4 | 0,28 | 0,36 | 0,26 |
Примечания 1 Относительную влажность воздуха окружающей среды принимают по СП 131.13330 как среднюю месячную относительную влажность наиболее теплого месяца для района строительства. 2 Для высокопрочных бетонов значения относительных деформаций  следует принимать с умножением на отношение (270 - B)/210. |
Значения предельных относительных деформаций для легких, ячеистых и поризованных бетонов следует принимать по специальным указаниям.
Допускается принимать значения предельных относительных деформаций легких бетонов при продолжительном действии нагрузки по
таблице 6.10 с понижающим коэффициентом

(здесь

- плотность бетона).
6.1.15 Значения начального модуля упругости бетона при сжатии и растяжении принимают в зависимости от класса бетона по прочности на сжатие B согласно
таблице 6.11. Значения модуля сдвига бетона принимают равным 0,4
Eb.
При продолжительном действии нагрузки значение модуля деформаций бетона определяют по формуле

(6.3)
где

- коэффициент ползучести бетона, принимаемый согласно
6.1.16.
6.1.16 Значения коэффициента ползучести бетона

принимают в зависимости от условий окружающей среды (относительной влажности воздуха) и класса бетона. Значения коэффициентов ползучести тяжелого, мелкозернистого и напрягающего бетонов приведены в
таблице 6.12.
Значения коэффициента ползучести легких, ячеистых и поризованных бетонов следует принимать по специальным указаниям.
Допускается принимать значения коэффициента ползучести легких бетонов по
таблице 6.12 с понижающим коэффициентом

.
6.1.17 Значение коэффициента поперечной деформации бетона допускается принимать

.
6.1.18 Значение коэффициента линейной температурной деформации бетона при изменении температуры от минус 40 °C до плюс 50 °C принимают:

- для тяжелого, мелкозернистого, напрягающего бетонов и легкого бетона при мелком плотном заполнителе;

- для легкого бетона при мелком пористом заполнителе;

- для ячеистого и поризованного бетонов.
Бетон | Значения начального модуля упругости бетона при сжатии и растяжении Eb, МПа·10-3, при классе бетона по прочности на сжатие |
B1,5 | B2 | B2,5 | B3,5 | B5 | B7,5 | B10 | B12,5 | B15 | B20 | B25 | B30 | B35 | B40 | B45 | B50 | B55 | B60 | B70 | B80 | B90 | B100 |
Тяжелый | - | - | - | 9,5 | 13,0 | 16,0 | 19,0 | 21,5 | 24,0 | 27,5 | 30,0 | 32,5 | 34,5 | 36,0 | 37,0 | 38,0 | 39,0 | 39,5 | 41,0 | 42,0 | 42,5 | 43 |
Мелкозернистый групп: | | | | | | | | | | | | | | | | | | | | | | |
А - естественного твердения | - | - | - | 7,0 | 10 | 13,5 | 15,5 | 17,5 | 19,5 | 22,0 | 24,0 | 26,0 | 27,5 | 28,5 | - | - | - | - | - | - | - | - |
Б - автоклавного твердения | - | - | - | - | - | - | - | - | 16,5 | 18,0 | 19,5 | 21,0 | 22,0 | 23,0 | 23,5 | 24,0 | 24,5 | 25,0 | - | - | - | - |
Легкий и поризованный марки по средней плотности: | | | | | | | | | | | | | | | | | | | | | | |
D800 | - | - | 4,0 | 4,5 | 5,0 | 5,5 | - | - | - | - | - | - | - | - | - | - | - | - | - | - | - | - |
D1000 | - | - | 5,0 | 5,5 | 6,3 | 7,2 | 8,0 | 8,4 | - | - | - | - | - | - | - | - | - | - | - | - | - | - |
D1200 | - | - | 6,0 | 6,7 | 7,6 | 8,7 | 9,5 | 10,0 | 10,5 | - | - | - | - | - | - | - | - | - | - | - | - | - |
D1400 | - | - | 7,0 | 7,8 | 8,8 | 10,0 | 11,0 | 11,7 | 12,5 | 13,5 | 14,5 | 15,5 | - | - | - | - | - | - | - | - | - | - |
D1600 | - | - | - | 9,0 | 10,0 | 11,5 | 12,5 | 13,2 | 14,0 | 15,5 | 16,5 | 17,5 | 18,0 | - | - | - | - | - | - | - | - | - |
D1800 | - | - | - | - | 11,2 | 13,0 | 14,0 | 14,7 | 15,5 | 17,0 | 18,5 | 19,5 | 20,5 | 21,0 | - | - | - | - | - | - | - | - |
D2000 | - | - | - | - | - | 14,5 | 16,0 | 17,0 | 18,0 | 19,5 | 21,0 | 22,0 | 23,0 | 23,5 | - | - | - | - | - | - | - | - |
Ячеистый автоклавного твердения марки по средней плотности: | | | | | | | | | | | | | | | | | | | | | | |
D500 | 1,4 | - | - | - | - | - | - | - | - | - | - | - | - | - | - | - | - | - | - | - | - | - |
D600 | 1,7 | 1,8 | 2,1 | - | - | - | - | - | - | - | - | - | - | - | - | - | - | - | - | - | - | - |
D700 | 1,9 | 2,2 | 2,5 | 2,9 | - | - | - | - | - | - | - | - | - | - | - | - | - | - | - | - | - | - |
D800 | - | - | 2,9 | 3,4 | 4,0 | - | - | - | - | - | - | - | - | - | - | - | - | - | - | - | - | - |
D900 | - | - | - | 3,8 | 4,5 | 5,5 | - | - | - | - | - | - | - | - | - | - | - | - | - | - | - | - |
D1000 | - | - | - | - | 5,0 | 6,0 | 7,0 | - | - | - | - | - | - | - | - | - | - | - | - | - | - | - |
D1100 | - | - | - | - | - | 6,8 | 7,9 | 8,3 | 8,6 | - | - | - | - | - | - | - | - | - | - | - | - | - |
D1200 | - | - | - | - | - | - | 8,4 | 8,8 | 9,3 | - | - | - | - | - | - | - | - | - | - | - | - | - |
Примечания 1 Для мелкозернистого бетона группы А, подвергнутого тепловой обработке или при атмосферном давлении, значения начальных модулей упругости бетона следует принимать с коэффициентом 0,89. 2 Для легкого, ячеистого и поризованного бетонов при промежуточных значениях плотности бетона начальные модули упругости принимают по линейной интерполяции. 3 Для ячеистого бетона неавтоклавного твердения значения Eb принимают как для бетона автоклавного твердения с умножением на коэффициент 0,8. 4 Для напрягающего бетона значения Eb принимают как для тяжелого бетона с умножением на коэффициент  . |
Относительная влажность воздуха окружающей среды, % | Значения коэффициента ползучести бетона  при классе тяжелого бетона на сжатие |
B10 | B15 | B20 | B25 | B30 | B35 | B40 | B45 | B50 | B55 | B60 - B100 |
Выше 75 | 2,8 | 2,4 | 2,0 | 1,8 | 1,6 | 1,5 | 1,4 | 1,3 | 1,2 | 1,1 | 1,0 |
40 - 75 | 3,9 | 3,4 | 2,8 | 2,5 | 2,3 | 2,1 | 1,9 | 1,8 | 1,6 | 1,5 | 1,4 |
Ниже 40 | 5,6 | 4,8 | 4,0 | 3,6 | 3,2 | 3,0 | 2,8 | 2,6 | 2,4 | 2,2 | 2,0 |
Примечание - Относительную влажность воздуха окружающей среды принимают по СП 131.13330 как среднюю месячную относительную влажность наиболее теплого месяца для района строительства. |
6.1.19 Диаграммы состояния бетона применяют при расчете железобетонных элементов по нелинейной деформационной модели.
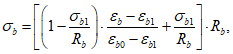
В качестве расчетных диаграмм состояния бетона, определяющих связь между напряжениями и относительными деформациями, используют следующие виды диаграмм бетона: криволинейные, в том числе с ниспадающей ветвью
(приложение Г), кусочнолинейные (двухлинейные и трехлинейные), соответствующие поведению бетона. При этом должны быть обозначены основные параметрические точки диаграмм (максимальные напряжения и соответствующие деформации, граничные значения и т.д.).
В качестве рабочих диаграмм состояния тяжелого, мелкозернистого и напрягающего бетона, определяющих связь между напряжениями и относительными деформациями, принимают упрощенные трехлинейную и двухлинейную диаграммы (
рисунки 6.1,
а, б) по типу диаграмм Прандтля.
6.1.20 При трехлинейной диаграмме (
рисунок 6.1 а) сжимающие напряжения бетона

в зависимости от относительных деформаций укорочения бетона

определяют по формулам:
при


(6.4)
при


(6.5)
при


(6.6)
Значения напряжений

принимают
а значения относительных деформаций

принимают
а - трехлинейная диаграмма состояния сжатого бетона;
б - двухлинейная диаграмма состояния сжатого бетона
Рисунок 6.1 - Диаграммы состояния сжатого бетона
Значения относительных деформаций

для тяжелого, мелкозернистого и напрягающего бетонов принимают:
при непродолжительном действии нагрузки:
для бетонов класса по прочности на сжатие B60 и ниже -

;
для высокопрочных бетонов класса по прочности на сжатие B70 - B100

принимают по линейному закону от 0,0033 при B70 до 0,0028 при B100;
6.1.21 При двухлинейной диаграмме (
рисунок 6.1,
б) сжимающие напряжения бетона

в зависимости от относительных деформаций

определяют по формулам:
при

,
где

,

(6.7)
при


(6.8)
Значения приведенного модуля деформации бетона Eb,red принимают:

(6.9)
Значения относительных деформаций

принимают:
для тяжелого бетона при непродолжительном действии нагрузки

;
для легкого бетона при непродолжительном действии нагрузки

;
для тяжелого бетона при продолжительном действии нагрузки по
таблице 6.10.
Значения
Rb, 
принимают как в
6.1.20.
6.1.22 Растягивающие напряжения бетона

в зависимости от относительных деформаций

определяют по приведенным в
6.1.20 и
6.1.21 диаграммам. При этом расчетные значения сопротивления бетона сжатию
Rb заменяют на расчетные значения сопротивления бетона растяжению
Rbt согласно
6.1.11,
6.1.12, значения начального модуля упругости
Ebt определяют согласно
6.1.15, значения относительной деформации

принимают согласно
6.1.12, значения относительной деформации

принимают для тяжелого, мелкозернистого и напрягающего бетонов: при непродолжительном действии нагрузки -

, при продолжительном действии нагрузки - по
таблице 6.10. Для двухлинейной диаграммы принимают

при непродолжительном действии нагрузки, а при продолжительном - по
таблице 6.10; значения
Ebt,red определяют по
формуле (6.9), подставляя в нее
Rbt и

.
6.1.23 При расчете прочности железобетонных элементов по нелинейной деформационной модели для определения напряженно-деформированного состояния сжатой зоны бетона используют диаграммы состояния сжатого бетона, приведенные в
6.1.20 и
6.1.21 с деформационными характеристиками, отвечающими непродолжительному действию нагрузки. При этом в качестве наиболее простой используют двухлинейную диаграмму состояния бетона.
6.1.24 При расчете образования трещин в железобетонных конструкциях по нелинейной деформационной модели для определения напряженно-деформированного состояния сжатого и растянутого бетона используют трехлинейную диаграмму состояния бетона, приведенную в
6.1.20 и
6.1.22, с деформационными характеристиками, отвечающими непродолжительному действию нагрузки. Двухлинейную диаграмму
(6.1.21), как наиболее простую, используют для определения напряженно-деформированного состояния растянутого бетона при упругой работе сжатого бетона.
6.1.25 При расчете деформаций железобетонных элементов по нелинейной деформационной модели при отсутствии трещин для оценки напряженно-деформированного состояния в сжатом и растянутом бетоне используют трехлинейную диаграмму состояния бетона с учетом непродолжительного и продолжительного действия нагрузки. При наличии трещин для оценки напряженно-деформированного состояния сжатого бетона помимо указанной выше диаграммы используют, как наиболее простую, двухлинейную диаграмму состояния бетона с учетом непродолжительного и продолжительного действия нагрузки.
6.1.26 При расчете раскрытия нормальных трещин по нелинейной деформационной модели для оценки напряженно-деформированного состояния в сжатом бетоне используют диаграммы состояния, приведенные в
6.1.20 и
6.1.21, с учетом непродолжительного действия нагрузки. При этом в качестве наиболее простой используют двухлинейную диаграмму состояния бетона.
6.1.27 Влияние попеременного замораживания и оттаивания, а также отрицательных температур на деформационные характеристики бетона учитывают коэффициентом условий работы

. Для надземных конструкций, подвергаемых атмосферным воздействиям окружающей среды при расчетной температуре наружного воздуха в холодный период минус 40 °C и выше, принимают значение коэффициента

. В остальных случаях значения коэффициента

принимают в зависимости от назначения конструкций и условий окружающей среды.
6.1.28 Значения прочностных характеристик бетона при плоском (двухосном) или объемном (трехосном) напряженном состоянии следует определять с учетом вида и класса бетона из критерия, выражающего связь между предельными значениями напряжений, действующих в двух или трех взаимно перпендикулярных направлениях.
Деформации бетона следует определять с учетом плоского или объемного напряженных состояний.
6.2.1 При проектировании железобетонных зданий и сооружений в соответствии с требованиями, предъявляемыми к бетонным и железобетонным конструкциям, должны быть установлены вид арматуры, ее нормируемые и контролируемые показатели качества.
6.2.2 Для армирования железобетонных конструкций следует применять соответствующую требованиям действующих стандартов арматуру следующих видов:
- горячекатаную гладкую и периодического профиля с постоянной и переменной высотой выступов (кольцевой и серповидный, трехсторонний или четырехсторонний профиль соответственно) диаметром 6 - 40 мм;
- горячекатаную упрочненную периодического профиля диаметром 6 - 40 мм;
- холоднодеформированную периодического профиля диаметром 3 - 16 мм;
- арматурные канаты диаметром 6,2 - 18 мм.
(п. 6.2.2 в ред.
Изменения N 1, утв. Приказом Минстроя России от 22.11.2019 N 717/пр)
6.2.3 Основным показателем качества арматуры, устанавливаемым при проектировании, является класс арматуры по прочности на растяжение, обозначаемый:
A - для горячекатаной и горячекатаной упрочненной арматуры;
B, Bp - для холоднодеформированной арматуры;
K - для арматурных канатов.
Классы арматуры по прочности на растяжение соответствуют гарантированному значению предела текучести, физического или условного (равного значению напряжений, соответствующих остаточному относительному удлинению 0,1% или 0,2%), с обеспеченностью не менее 0,95, определяемому по соответствующим стандартам.
Кроме того, в необходимых случаях к арматуре предъявляют требования по дополнительным показателям качества по
ГОСТ 34028: свариваемость, пластичность, хладостойкость, коррозионную стойкость, характеристики сцепления с бетоном и др.
(п. 6.2.3 в ред.
Изменения N 1, утв. Приказом Минстроя России от 22.11.2019 N 717/пр)
6.2.4 Для железобетонных конструкций без предварительного напряжения арматуры в качестве устанавливаемой по расчету арматуры применяют арматуру периодического профиля классов А400, А500 и А600, а также арматуру классов В500 и Вр500 в сварных сетках и каркасах. При обосновании экономической целесообразности допускается применять арматуру более высоких классов.
Для поперечного и косвенного армирований применяют гладкую арматуру класса А240 из стали марок Ст3сп и Ст3пс (с категориями нормируемых показателей не ниже 2), а также арматуру периодического профиля классов А400, А500, В500 и Вр500.
Для предварительно напряженных железобетонных конструкций следует предусматривать:
в качестве напрягаемой арматуры:
- горячекатаную и горячекатаную упрочненную периодического профиля классов A600, A800 и A1000;
- холоднодеформированную периодического профиля классов от Bp1200 до Bp1600;
- канатную семипроволочную (K7, K7T, K7O) классов K1400, K1450, K1500, K1550, K1650, K1750, K1850, K1900;
в качестве ненапрягаемой арматуры:
- горячекатаную гладкую класса A240;
- горячекатаную, горячекатаную упрочненную и холоднодеформированную периодического профиля классов A400, A500, A600, B500 и Bp500.
(в ред.
Изменения N 1, утв. Приказом Минстроя России от 22.11.2019 N 717/пр)
6.2.5 При выборе вида и марок стали для арматуры, устанавливаемой по расчету, а также прокатных сталей для закладных деталей следует учитывать температурные условия эксплуатации конструкций и характер их нагружения.
В конструкциях, эксплуатируемых при статической (и квазистатической) нагрузке в отапливаемых зданиях, а также на открытом воздухе и в неотапливаемых зданиях при расчетной температуре минус 40 °C и выше может быть применена арматура всех вышеуказанных классов, за исключением арматуры класса А400 из стали марки 35ГС, класса А240 из стали марки Ст3кп, применяемых при расчетной температуре минус 30 °C и выше.
При расчетной температуре ниже минус 55 °C используют арматуру класса Ас500С и А600 из стали марки 20Г2СФБА.
При других условиях эксплуатации класс арматуры и марку стали принимают по специальным указаниям.
При проектировании зоны передачи предварительного напряжения, анкеровки арматуры в бетоне и соединений арматуры внахлестку (без сварки) следует учитывать характер поверхности арматуры, устанавливаемый соответствующими стандартами на арматуру.
При проектировании сварных соединений арматуры следует учитывать способ изготовления арматуры, устанавливаемый соответствующими стандартами на арматуру.
6.2.6 Для монтажных (подъемных) петель элементов сборных железобетонных и бетонных конструкций следует применять горячекатаную арматуру класса А240 из стали марок Ст3сп и Ст3пс (с категориями нормируемых показателей не ниже 2 по соответствующим стандартам).
В случае если монтаж конструкций возможен при расчетной зимней температуре ниже минус 40 °C, для монтажных петель не допускается применять сталь марки Ст3пс.
6.2.7 Основной прочностной характеристикой арматуры является нормативное значение сопротивления растяжению
Rs,n, принимаемое в зависимости от класса арматуры по
таблице 6.13.
Минстроя России от 22.11.2019 N 717/пр)
Класс арматуры | Номинальный диаметр арматуры, мм | Нормативные значения сопротивления растяжению Rs,n и расчетные значения сопротивления растяжению для предельных состояний второй группы Rs,ser, МПа |
A240 | 6 - 40 | 240 |
A400 | 6 - 40 | 390 |
A500 | 6 - 40 | 500 |
A600 | 6 - 40 | 600 |
A800 | 10 - 32 | 800 |
A1000 | 10 - 32 | 1000 |
B500 | 3 - 16 | 500 |
Bp500 | 3 - 5 | 500 |
Bp1200 | 8 | 1200 |
Bp1300 | 7 | 1300 |
Bp1400 | 4; 5; 6 | 1400 |
Bp1500 | 3 | 1500 |
Bp1600 | 3 - 5 | 1600 |
K1400 | 15,2 | 1400 |
K1450 | 15,2 | 1450 |
K1500 | 6,2 - 12,4 | 1500 |
K1550 | 6,9 - 18,0 | 1550 |
K1650 | 6,9 - 15,7 | 1650 |
K1750 | 9,0; 9,3 | 1740 |
K1850 | 6,9 | 1840 |
K1900 | 6,9 | 1920 |
Примечание - В ГОСТ 6727 класс Bp500 обозначен как Bp1. |
6.2.8 Расчетные значения сопротивления арматуры растяжению
Rs определяют по формуле

(6.10)
где

- коэффициент надежности по арматуре, принимаемый:
для предельных состояний первой группы равным 1,15 - для арматуры классов A, K1550 - K1900 и 1,20 - для арматуры классов B, Bp, K1400 - K1500;
для предельных состояний второй группы - равным 1,0.
(в ред.
Изменения N 1, утв. Приказом Минстроя России от 22.11.2019 N 717/пр)
Расчетные значения сопротивления арматуры растяжению
Rs приведены (с округлением) для предельных состояний первой группы в
таблице 6.14, второй группы - в
таблице 6.13. При этом значения
Rs,n для предельных состояний первой группы приняты равными наименьшим контролируемым значениям по соответствующим стандартам.
Значения расчетного сопротивления арматуры сжатию Rsc принимают равными расчетным значениям сопротивления арматуры растяжению Rs, но не более значений, соответствующих деформациям укорочения бетона, окружающего сжатую арматуру: не более 400 МПа - при кратковременном действии нагрузки, не более 500 МПа - при длительном действии нагрузки.
Для арматуры классов В500 и А600 граничные значения сопротивления сжатию принимаются с понижающим коэффициентом условий работы. Расчетные значения
Rsc приведены в
таблице 6.14.
Минстроя России от 22.11.2019 N 717/пр)
Класс арматуры | Значения расчетного сопротивления арматуры для предельных состояний первой группы, МПа |
растяжению Rs | сжатию Rsc |
A240 | 210 | 210 |
A400 | 340 | 340 |
A500 | 435 | 435 (400) |
A600 | 520 | 470 (400) |
A800 | 695 | 500 (400) |
A1000 | 870 | 500 (400) |
B500 | 415 | 415 (380) |
Bp500 | 415 | 390 (360) |
Bp1200 | 1000 | 500 (400) |
Bp1300 | 1100 | 500 (400) |
Bp1400 | 1170 | 500 (400) |
Bp1500 | 1250 | 500 (400) |
Bp1600 | 1340 | 500 (400) |
K1400 | 1170 | 500 (400) |
K1450 | 1200 | 500 (400) |
K1500 | 1250 | 500 (400) |
K1550 | 1350 | 500 (400) |
K1650 | 1435 | 500 (400) |
K1750 | 1515 | 500 (400) |
K1850 | 1600 | 500 (400) |
K1900 | 1670 | 500 (400) |
Примечание - Значения Rsc в скобках используют только при расчете на кратковременное действие нагрузки. |
6.2.9 Расчетные значения
Rsw для арматуры классов А240 ... А500, В500 приведены в
таблице 6.15.
Для поперечной арматуры всех классов расчетные значения сопротивления Rsw следует принимать не более 300 МПа.
Класс арматуры | Расчетные значения сопротивления поперечной арматуры (хомутов и отогнутых стержней) растяжению для предельных состояний первой группы, МПа |
А240 | 170 |
А400 | 280 |
А500 | 300 |
В500 | 300 |
6.2.10 Основными деформационными характеристиками арматуры являются значения:
- относительных деформаций удлинения арматуры

при достижении напряжениями расчетного сопротивления
Rs;
- модуля упругости арматуры Es.
6.2.11 Значения относительных деформаций арматуры

принимают равными:
для арматуры с физическим пределом текучести

(6.11)
для арматуры с условным пределом текучести

(6.12)
6.2.12 Значения модуля упругости арматуры
Es принимают одинаковыми при растяжении и сжатии и равными:
Es = 1,95·105 МПа - для арматурных канатов (К);
Es = 2,0·105 МПа - для остальной арматуры (А и В).
6.2.13 Диаграммы состояния (деформирования) арматуры применяют при расчете железобетонных элементов по нелинейной деформационной модели.
При расчете железобетонных элементов по нелинейной деформационной модели в качестве расчетной диаграммы состояния (деформирования) арматуры, устанавливающей связь между напряжениями

и относительными деформациями

арматуры, принимают упрощенные диаграммы по типу диаграмм Прандтля для арматуры с физическим пределом текучести классов А240 - А500, В500 двухлинейную диаграмму (
рисунок 6.2,
а)
, а для арматуры с условным пределом текучести классов А600 - А1000, В
р1200 - В
р1500, К1400, К1500 и К1600 - трехлинейную (
рисунок 6.2,
б)
, без учета упрочнения за площадкой текучести.
Диаграммы состояния арматуры при растяжении и сжатии принимают одинаковыми, с учетом нормируемых расчетных сопротивлений арматуры растяжению и сжатию.
Допускается в качестве расчетных диаграмм состояния арматуры использовать криволинейные расчетные диаграммы, аппроксимирующие фактические диаграммы деформирования арматуры.
6.2.14 Напряжения в арматуре

согласно двухлинейной диаграмме состояния арматуры определяют в зависимости от относительных деформаций

по формулам:
при


(6.13)
при


(6.14)
Значения

,
Es и
Rs принимают согласно
6.2.11,
6.2.12 и
6.2.8. Значения относительной деформации

принимают равными 0,025.
Допускается по результатам экспериментальных испытаний и расчетных обоснований принимать величину относительной деформации

менее или более значения 0,025 в зависимости от марки стали, типа армирования, критерия надежности конструкции и других факторов.
а - двухлинейная диаграмма; б - трехлинейная диаграмма
Рисунок 6.2 - Диаграммы состояния растянутой арматуры
6.2.15 Напряжения в арматуре

согласно трехлинейной диаграмме состояния арматуры определяют в зависимости от относительных деформаций

по формулам:
при


(6.15)
при


(6.16)
Значения напряжений

принимают равными 0,9
Rs, а напряжений
- равно 1,1
Rs.
Значения относительных деформаций

принимают равными

, а деформаций
- равными 0,015.
Конструкции рассматривают как бетонные, если их прочность обеспечена одним только бетоном.
Бетонные элементы применяют:
- преимущественно на сжатие при расположении продольной сжимающей силы в пределах поперечного сечения элемента;
- в отдельных случаях в конструкциях, работающих на сжатие при расположении продольной сжимающей силы за пределами поперечного сечения элемента, а также в изгибаемых конструкциях, когда их разрушение не представляет непосредственной опасности для жизни людей и сохранности оборудования.
Конструкции с арматурой, площадь сечения которой меньше минимально допустимой по конструктивным требованиям
10.3, рассматривают как бетонные.
7.1 Расчет бетонных элементов по прочности
7.1.1 Бетонные элементы рассчитывают по прочности на действие продольных сжимающих сил, изгибающих моментов и поперечных сил, а также на местное сжатие.
7.1.2 Расчет по прочности бетонных элементов при действии продольной сжимающей силы (внецентренное сжатие) и изгибающего момента следует производить для сечений, нормальных к их продольной оси.
Расчет бетонных элементов производят на основе нелинейной деформационной модели согласно
8.1.20 -
8.1.30, принимая в расчетных зависимостях площадь арматуры равной нулю. Допускается расчет бетонных элементов прямоугольного и таврового сечений при действии усилий в плоскости симметрии нормального сечения производить по предельным усилиям согласно
7.1.7 -
7.1.12.
7.1.3 Бетонные элементы в зависимости от условий их работы и требований, предъявляемых к ним, рассчитывают по предельным усилиям без учета или с учетом сопротивления бетона растянутой зоны.
Без учета сопротивления бетона растянутой зоны
(рисунок 7.1) производят расчет внецентренно сжатых элементов при расположении продольной сжимающей силы в пределах поперечного сечения элемента, принимая, что достижение предельного состояния характеризуется разрушением сжатого бетона. Сопротивление бетона сжатию при расчете по предельным усилиям условно представляют напряжениями, равными
Rb, равномерно распределенными по части сжатой зоны (условной сжатой зоны) с центром тяжести, совпадающим с точкой приложения продольной силы
(7.1.9).
Рисунок 7.1 - Схема усилий и эпюра напряжений в сечении,
нормальном к продольной оси внецентренно сжатого бетонного
элемента, рассчитываемого по прочности без учета
сопротивления бетона растянутой зоны
С учетом сопротивления бетона растянутой зоны
(рисунок 7.2) производят расчет элементов, работающих на сжатие при расположении продольной сжимающей силы за пределами поперечного сечения элемента, изгибаемых элементов, а также элементов, в которых не допускают трещины по условиям эксплуатации конструкций. При этом при расчете по предельным усилиям принимают, что предельное состояние характеризуется достижением предельных усилий в бетоне растянутой зоны, определяемых в предположении упругой работы бетона (
7.1.9,
7.1.10,
7.1.12).
Рисунок 7.2 - Схема усилий и эпюра напряжений в сечении,
нормальном к продольной оси изгибаемого (внецентренно
сжатого) бетонного элемента, рассчитываемого по прочности
с учетом сопротивления бетона растянутой зоны
7.1.4 Расчет по прочности бетонных элементов при действии поперечных сил производят из условия, по которому сумма соотношений главного растягивающего напряжения к расчетному сопротивлению бетона осевому растяжению

и главного сжимающего напряжения к расчетному сопротивлению бетона осевому сжатию

должна быть не более 1,0.
7.1.5 Расчет по прочности бетонных элементов на действие местной нагрузки (местное сжатие) производят согласно
8.1.43 -
8.1.45.
7.1.6 В бетонных элементах в случаях, приведенных в
10.3.7, необходимо предусматривать конструктивную арматуру.
Расчет внецентренно сжатых бетонных элементов по предельным усилиям
7.1.7 При расчете по прочности внецентренно сжатых бетонных элементов на действие сжимающей продольной силы следует учитывать случайный эксцентриситет
ea, принимаемый не менее:
1/600 длины элемента или расстояния между его сечениями, закрепленными от смещения;
1/30 высоты сечения;
10 мм.
Для элементов статически неопределимых конструкций значение эксцентриситета продольной силы относительно центра тяжести приведенного сечения e0 принимают равным значению эксцентриситета, полученного из статического расчета, но не менее ea.
Для элементов статически определимых конструкций эксцентриситет e0 принимают равным сумме эксцентриситетов - из статического расчета конструкций и случайного.
7.1.8 При гибкости элементов

необходимо учитывать влияние на их несущую способность прогибов путем умножения значений
e0 на коэффициент

, определяемый согласно
7.1.11.
7.1.9 Расчет внецентренно сжатых бетонных элементов при расположении продольной сжимающей силы в пределах поперечного сечения элемента производят из условия
где N - действующая продольная сила;
Ab - площадь сжатой зоны бетона, определяемая из условия, что ее центр тяжести совпадает с точкой приложения продольной силы N (с учетом прогиба).
Для элементов прямоугольного сечения

(7.2)
Допускается при эксцентриситете продольной силы e0 <= h/30 и l0 <= 20h расчет внецентренно сжатых элементов прямоугольного сечения производить из условия

(7.3)
где A - площадь поперечного сечения элемента;

- коэффициент, принимаемый при длительном действии нагрузки по
таблице 7.1 в зависимости от гибкости

элемента, при кратковременном действии нагрузки значения

определяют по линейному закону, принимая

при

и

при

;
l0 - расчетная длина элемента, определяемая как для железобетонных элементов.
l0/h | 6 | 10 | 15 | 20 |
| 0,92 | 0,9 | 0,8 | 0,6 |
Внецентренно сжатые бетонные элементы, в которых появление трещин не допускается по условиям эксплуатации, независимо от расчета из
условия (7.1) должны быть проверены с учетом сопротивления бетона растянутой зоны из условия

(7.4)

(7.5)
A - площадь поперечного сечения бетонного элемента;
I - момент инерции сечения бетонного элемента относительно его центра тяжести;
yt - расстояние от центра тяжести сечения элемента до наиболее растянутого волокна;

- коэффициент, определяемый согласно
7.1.11.
7.1.10 Расчет внецентренно сжатых бетонных элементов при расположении продольной сжимающей силы за пределами поперечного сечения элемента производят из
условий (7.4) и
(7.5).
7.1.11 Значение коэффициента

, учитывающего влияние прогиба на значение эксцентриситета продольной силы
e0, определяют по формуле

(7.6)
где Ncr - условная критическая сила, определяемая по формуле

(7.7)
где
D - жесткость элемента в предельной по прочности стадии, определяемая как для железобетонных элементов, но без учета арматуры, согласно
8.1.15.
Расчет изгибаемых бетонных элементов по предельным усилиям
7.1.12 Расчет изгибаемых бетонных элементов следует производить из условия
M <= Mult, (7.8)
где M - изгибающий момент от внешней нагрузки;
Mult - предельный изгибающий момент, который может быть воспринят сечением элемента.
Значение Mult определяют по формуле
Mult = Rbt·W, (7.9)
где W - момент сопротивления сечения элемента для крайнего растянутого волокна.
Для элементов прямоугольного сечения

(7.10)
8 Железобетонные конструкции без предварительного напряжения арматуры
8.1 Расчет элементов железобетонных конструкций по предельным состояниям первой группы
Расчет железобетонных элементов по прочности
Железобетонные элементы рассчитывают по прочности на действие изгибающих моментов, продольных сил, поперечных сил, крутящих моментов и на местное действие нагрузки (местное сжатие, продавливание).
Расчет по прочности железобетонных элементов на действие изгибающих моментов и продольных сил
Общие положения
8.1.1 Расчет по прочности железобетонных элементов при действии изгибающих моментов и продольных сил (внецентренное сжатие или растяжение) следует производить для сечений, нормальных к их продольной оси.
Расчет по прочности нормальных сечений железобетонных элементов следует производить на основе нелинейной деформационной модели согласно
8.1.20 -
8.1.30.
Допускается производить расчет на основе предельных усилий:
- железобетонных элементов прямоугольного, таврового и двутаврового сечений с арматурой, расположенной у перпендикулярных к плоскости изгиба граней элемента, при действии усилий в плоскости симметрии нормальных сечений согласно
8.1.4 -
8.1.16;
- внецентренно сжатых элементов круглого и кольцевого поперечных сечений - по
приложению Д.
(в ред.
Изменения N 1, утв. Приказом Минстроя России от 22.11.2019 N 717/пр)
8.1.2 При расчете внецентренно сжатых элементов следует учитывать влияние прогиба на их несущую способность путем расчета конструкций по деформированной схеме.
Допускается производить расчет конструкций по недеформированной схеме, учитывая при гибкости

влияние прогиба элемента на его прочность путем умножения начального эксцентриситета
e0 на коэффициент

, определяемый согласно
8.1.15.
8.1.3 Для железобетонных элементов, у которых предельное усилие по прочности оказывается меньше предельного усилия по образованию трещин (
8.2.8 -
8.2.14), площадь сечения продольной растянутой арматуры должна быть увеличена по сравнению с требуемой из расчета по прочности не менее чем на 15%, или определена из расчета по прочности на действие предельного усилия по образованию трещин.
Расчет по прочности нормальных сечений по предельным усилиям
8.1.4 Предельные усилия в сечении, нормальном к продольной оси элемента, следует определять исходя из следующих предпосылок:
- сопротивление бетона растяжению принимают равным нулю;
- сопротивление бетона сжатию представляется напряжениями, равными Rb и равномерно распределенными по сжатой зоне бетона;
- деформации (напряжения) в арматуре определяют в зависимости от высоты сжатой зоны бетона;
- растягивающие напряжения в арматуре принимают не более расчетного сопротивления растяжению Rs;
- сжимающие напряжения в арматуре принимают не более расчетного сопротивления сжатию Rsc.
8.1.5 Расчет по прочности нормальных сечений следует производить в зависимости от соотношения между значением относительной высоты сжатой зоны бетона

, определяемым из соответствующих условий равновесия, и значением граничной относительной высоты сжатой зоны

, при котором предельное состояние элемента наступает одновременно с достижением в растянутой арматуре напряжения, равного расчетному сопротивлению
Rs.
8.1.6 Значение

определяют по формуле

(8.1)
где

- относительная деформация растянутой арматуры при напряжениях, равных
Rs, определяемая по формуле

(8.2)
- относительная деформация сжатого бетона при напряжениях, равных
Rb, принимаемая в соответствии с
6.1.20 при непродолжительном действии нагрузки.
Для тяжелого бетона классов B70 - B100 и для мелкозернистого бетона в числителе
формулы (8.1) вместо 0,8 следует принимать 0,7.
8.1.7 При расчете внецентренно сжатых железобетонных элементов в начальном эксцентриситете приложения продольной силы
e0 следует учитывать случайный эксцентриситет
ea, принимаемый не менее:
1/600 длины элемента или расстояния между его сечениями, закрепленными от смещения;
1/30 высоты сечения;
10 мм.
Для элементов статически неопределимых конструкций значение эксцентриситета продольной силы относительно центра тяжести приведенного сечения e0 принимают равным значению эксцентриситета, полученного из статического расчета, но не менее ea.
Для элементов статически определимых конструкций эксцентриситет e0 принимают равным сумме эксцентриситетов из статического расчета конструкций и случайного.
Расчет изгибаемых элементов
8.1.8 Расчет по прочности сечений изгибаемых элементов производят из условия
где M - изгибающий момент от внешней нагрузки;
Mult - предельный изгибающий момент, который может быть воспринят сечением элемента.
8.1.9 Значение
Mult для изгибаемых элементов прямоугольного сечения
(рисунок 8.1) при

определяют по формуле
Mult =
Rb·b·x·(
h0 - 0,5
x) +
Rsc·A's·(
h0 - a'), (8.4)
при этом высоту сжатой зоны x определяют по формуле

(8.5)
Рисунок 8.1 - Схема усилий и эпюра напряжений в сечении,
нормальном к продольной оси изгибаемого железобетонного
элемента, при его расчете по прочности
8.1.10 Значение
Mult для изгибаемых элементов, с полкой в сжатой зоне (тавровые и двутавровые сечения), при

определяют в зависимости от положения границы сжатой зоны:
а) если граница проходит в полке (
рисунок 8.2,
а)
, т.е. соблюдается условие
Rs·As <=
Rb·b'f·h'f +
Rsc·A's, (8.6)
значение
Mult определяют по
8.1.9 как для прямоугольного сечения шириной
b'f;
б) если граница проходит в ребре (
рисунок 8.2,
б), т.е.
условие (8.6) не соблюдается, значение
Mult определяют по формуле
Mult =
Rb·
b·
x·(
h0 - 0,5
x) +
Rb(
b'f -
b)·
h'f·(
h0 - 0,5·
h'f) +
+ Rsc·A's(h0 - a'), (8.7)
при этом высоту сжатой зоны бетона x определяют по формуле

(8.8)
Рисунок 8.2 - Положение границы сжатой зоны в сечении
изгибаемого железобетонного элемента
8.1.11 Значение b'f, вводимое в расчет, принимают из условия, что ширина свеса полки в каждую сторону от ребра должна быть не более 1/6 пролета элемента и не более:
а) при наличии поперечных ребер или при h'f >= 0,1h - 1/2 расстояния в свету между продольными ребрами;
б) при отсутствии поперечных ребер (или при расстояниях между ними больших, чем расстояния между продольными ребрами) и h'f < 0,1h - 6h'f;
в) при консольных свесах полки:
при h'f >= 0,1h . . . . . . 6h'f;
при 0,05h <= h'f < 0,1h . . . . 3h'f;
при h'f < 0,05h - свесы не учитывают.
8.1.12 при расчете по прочности изгибаемых элементов рекомендуется соблюдать условие

.
В случае, когда по конструктивным соображениям или из расчета по предельным состояниям второй группы площадь растянутой арматуры принята большей, чем это требуется для соблюдения условия

, допускается предельный изгибающий момент
Mult определять по
формулам (8.4) или
(8.7), подставляя в них значения высоты сжатой зоны

.
8.1.13 При симметричном армировании, когда
Rs·A =
Rsc·A's, значение
Mult определяют по формуле
Mult =
Rs·
As(h0 -
a'). (8.9)
Если вычисленная без учета сжатой арматуры
(A's = 0) высота сжатой зоны
x < 2
a', в
формулу (8.9) подставляют вместо
a' значение

.
Расчет внецентренно сжатых элементов
8.1.14 Расчет по прочности прямоугольных сечений внецентренно сжатых элементов производят из условия
N·e <= Rb·b·x(h0 - 0,5x) + Rsc·A's(h0 - a'), (8.10)
где N - продольная сила от внешней нагрузки;
e - расстояние от точки приложения продольной силы N до центра тяжести сечения растянутой или наименее сжатой (при полностью сжатом сечении элемента) арматуры, равное

(8.11)
Здесь

- коэффициент, учитывающий влияние продольного изгиба (прогиба) элемента на его несущую способность и определяемый согласно
8.1.15;
Высоту сжатой зоны x определяют:

(8.12)
б) при

по формуле

(8.13)
Рисунок 8.3 - Схема усилий и эпюра напряжений в сечении,
нормальном к продольной оси внецентренно сжатого
железобетонного элемента, при расчете его по прочности
8.1.15 Значение коэффициента

при расчете конструкций по недеформированной схеме определяют по формуле

(8.14)
где N - продольная сила от внешней нагрузки;
Ncr - условная критическая сила, определяемая по формуле

(8.15)
здесь D - жесткость железобетонного элемента в предельной по прочности стадии;
l0 - расчетная длина элемента, определяемая согласно
8.1.17.
Допускается значение D определять по формуле
D = kbEbI + ksEsIs,
где Eb, Es - модули упругости бетона и арматуры соответственно;
I, Is - моменты инерции площадей сечения бетона и всей продольной арматуры соответственно относительно оси, проходящей через центр тяжести поперечного сечения элемента;
ks = 0,7;

- коэффициент, учитывающий влияние длительности действия нагрузки

, но не более 2;
здесь M1, Ml1 - моменты относительно центра наиболее растянутого или наименее сжатого (при целиком сжатом сечении) стержня соответственно от действия полной нагрузки и от действия постоянных и длительных нагрузок;

- относительное значение эксцентриситета продольной силы

, принимаемое не менее 0,15 и не более 1,5.
Допускается уменьшать значение коэффициента

с учетом распределения изгибающих моментов по длине элемента, характера его деформирования и влияния прогибов на значение изгибающего момента в расчетном сечении путем расчета конструкции как упругой системы.
8.1.16 Расчет по прочности прямоугольных сечений внецентренно сжатых элементов с арматурой, расположенной у противоположных в плоскости изгиба сторон сечения, при эксцентриситете продольной силы

и гибкости

допускается производить из условия
N <= Nult, (8.16)
где Nult - предельное значение продольной силы, которую может воспринять элемент, определяемое по формуле

(8.17)
здесь A - площадь бетонного сечения;
As,tot - площадь всей продольной арматуры в сечении элемента;

- коэффициент, принимаемый при длительном действии нагрузки по
таблице 8.1 в зависимости от гибкости элемента; при кратковременном действии нагрузки значения

определяют по линейному закону, принимая

при

и

при

.
Класс бетона |  при l0/h, равном |
6 | 10 | 15 | 20 |
B20 - B55 | 0,92 | 0,9 | 0,83 | 0,7 |
B60 | 0,91 | 0,89 | 0,80 | 0,65 |
B80 | 0,90 | 0,88 | 0,79 | 0,64 |
8.1.17 Расчетную длину
l0 внецентренно сжатого элемента определяют как для элементов рамной конструкции с учетом ее деформированного состояния при наиболее невыгодном для данного элемента расположении нагрузки, принимая во внимание неупругие деформации материалов и наличие трещин.
Допускается расчетную длину l0 элементов постоянного поперечного сечения по длине l при действии продольной силы принимать равной:
а) для элементов с шарнирным опиранием на двух концах - 1,0l;
б) для элементов с жесткой заделкой (исключающей поворот опорного
сечения) на одном конце и незакрепленным другим концом (консоль) - 2,0l;
в) для элементов с шарнирным несмещаемым опиранием на одном конце, а на
другом конце:
с жесткой (без поворота) заделкой - 0,7l;
с податливой (допускающей ограниченный поворот) заделкой - 0,9l;
г) для элементов с податливым шарнирным опиранием (допускающем
ограниченное смещение опоры) на одном конце, а на другом конце:
с жесткой (без поворота) заделкой - 1,5l;
с податливой (с ограниченным поворотом) заделкой - 2,0l;
д) для элементов с несмещаемыми заделками на двух концах:
жесткими (без поворота) - 0,5l;
податливыми (с ограниченным поворотом) - 0,8l;
е) для элементов с ограниченно смещаемыми заделками на двух концах:
жесткими (без поворота) - 0,8l;
податливыми (с ограниченным поворотом) - 1,2l.
Расчет центрально-растянутых элементов
8.1.18 Расчет по прочности сечений центрально-растянутых элементов следует производить из условия
N <= Nult, (8.18)
где N - продольная растягивающая сила от внешних нагрузок;
Nult - предельное значение продольной силы, которое может быть воспринято элементом, определяемой по формуле
Nult = Rs·As,tot, (8.19)
где As,tot - площадь сечения всей продольной арматуры.
Расчет внецентренно растянутых элементов
8.1.19 Расчет по прочности прямоугольных сечений внецентренно растянутых элементов следует производить в зависимости от положения продольной силы
N:
а) если продольная сила
N приложена между равнодействующими усилий в арматуре
S и
S' (
рисунок 8.4,
а) - из условий
N·e' <= M'ult, (8.21)
где N·e и N·e' - усилия от внешних нагрузок;
Mult и M'ult - предельные усилия, которые может воспринять сечение.
Усилия Mult и M'ult определяют по формулам
Mult = Rs·A's(h0 - a'); (8.22)
M'ult = Rs·As(h0 - a'); (8.23)
б) если продольная сила
N приложена за пределами расстояния между равнодействующими усилий в арматуре
S и
S' (
рисунок 8.4,
б) - из
условия (8.20), определяя предельный момент
Mult по формуле
Mult = Rb·
b·
x·
(h0 - 0,5
x) + Rsc·
A's(h0 -
a'), (8.24)
при этом высоту сжатой зоны x определяют по формуле

(8.25)
а - между равнодействующими усилий в арматуре S и S';
б - за пределами расстояний между равнодействующими усилий
в арматуре S и S'
Рисунок 8.4 - Схема усилий и эпюра напряжений в сечении,
нормальном к продольной оси внецентренно растянутого
железобетонного элемента, при расчете его по прочности
при приложении продольной силы N
Расчет по прочности нормальных сечений на основе нелинейной деформационной модели
8.1.20 При расчете по прочности усилия и деформации в сечении, нормальном к продольной оси элемента, определяют на основе нелинейной деформационной модели, использующей уравнения равновесия внешних сил и внутренних усилий в сечении элемента, а также следующих положений:
- распределение относительных деформаций бетона и арматуры по высоте сечения элемента принимают по линейному закону (гипотеза плоских сечений);
- связь между осевыми напряжениями и относительными деформациями бетона и арматуры принимают в виде диаграмм состояния (деформирования) бетона и арматуры;
- сопротивление бетона растянутой зоны допускается не учитывать, принимая при

напряжения

. В отдельных случаях (например, изгибаемые и внецентренно сжатые бетонные конструкции, в которых не допускают трещины) расчет по прочности производят с учетом работы растянутого бетона.
8.1.21 Переход от эпюры напряжений в бетоне к обобщенным внутренним усилиям определяют с помощью процедуры численного интегрирования напряжений по нормальному сечению. Для этого нормальное сечение условно разделяют на малые участки: при косом внецентренном сжатии (растяжении) и косом изгибе - по высоте и ширине сечения; при внецентренном сжатии (растяжении) и изгибе в плоскости оси симметрии поперечного сечения элемента - только по высоте сечения. Напряжения в пределах малых участков принимают равномерно распределенными (усредненными).
8.1.22 При расчете элементов с использованием деформационной модели принимают:
- значения сжимающей продольной силы, а также сжимающих напряжений и деформаций укорочения бетона и арматуры со знаком "минус";
- значения растягивающей продольной силы, а также растягивающих напряжений и деформаций удлинения бетона и арматуры со знаком "плюс".
Знаки координат центров тяжести арматурных стержней и выделенных участков бетона, а также точки приложения продольной силы принимают в соответствии с назначенной системой координат
XOY. В общем случае начало координат этой системы (точка 0 на
рисунке 8.5) располагают в произвольном месте в пределах поперечного сечения элемента.
Рисунок 8.5 - Расчетная схема нормального сечения
железобетонного элемента
8.1.23 При расчете нормальных сечений по прочности в общем случае
(рисунок 8.5) используют:
уравнения равновесия внешних сил и внутренних усилий в нормальном сечении элемента:

(8.26)

(8.27)

(8.28)
уравнения, определяющие распределение деформаций по сечению элемента

(8.29)

(8.30)
зависимости, связывающие напряжения и относительные деформации бетона и арматуры

(8.31)

(8.32)
Mx, My - изгибающие моменты от внешней нагрузки относительно выбранных и располагаемых в пределах поперечного сечения элемента координатных осей (соответственно действующих в плоскостях XOZ и YOZ или параллельно им), определяемые по формулам:
Mx = Mxd + N·ex; (8.33)
My = Myd + N·ey, (8.34)
здесь Mxd, Myd - изгибающие моменты в соответствующих плоскостях от внешней нагрузки, определяемые из статического расчета конструкции;
N - продольная сила от внешней нагрузки;
ex, ey - расстояния от точки приложения продольной силы N до соответствующих выбранных осей;
Abi, Zbxi, Zbyi,
- площадь, координаты центра тяжести
i-го участка бетона и напряжение на уровне его центра тяжести;
Asj, Zsxj, Zsyj,
- площадь, координаты центра тяжести
j-го стержня арматуры и напряжение в нем;

- относительная деформация волокна, расположенного на пересечении выбранных осей (в точке 0);

,

- кривизна продольной оси в рассматриваемом поперечном сечении элемента в плоскостях действия изгибающих моментов
Mx и
My;
Eb - начальный модуль упругости бетона;
Esj - модуль упругости j-го стержня арматуры;
vbi - коэффициент упругости бетона i-го участка;
vsj - коэффициент упругости j-го стержня арматуры.
Коэффициенты
vbi и
vsj принимают по соответствующим диаграммам состояния бетона и арматуры (
6.1.19,
6.2.13).
Значения коэффициентов
vbi и
vsj определяют по
формулам (8.35) и
(8.36) как соотношение значений напряжений и деформаций для рассматриваемых точек соответствующих диаграмм состояния бетона и арматуры, принятых в расчете, деленное на модуль упругости бетона
Eb и арматуры
Es (при двухлинейной диаграмме состояния бетона - на приведенный модуль деформации сжатого бетона
Eb,red)
. При этом используют зависимости "напряжение - деформация"
(6.5) -
(6.9),
(6.14) и
(6.15) на рассматриваемых участках диаграмм.

(8.35)

(8.36)
При статическом расчете конструкции по недеформированной схеме значения
Mx и
My определяют с учетом влияния прогибов согласно
8.1.2.
8.1.24 Расчет нормальных сечений железобетонных элементов по прочности производят из условий:

(8.37)

(8.38)
где
- относительная деформация наиболее сжатого волокна бетона в нормальном сечении элемента от действия внешней нагрузки;
- относительная деформация наиболее растянутого стержня арматуры в нормальном сечении элемента от действия внешней нагрузки;

- предельное значение относительной деформации бетона при сжатии, принимаемое согласно
8.1.30;
- предельное значение относительной деформации удлинения арматуры, принимаемое согласно
8.1.30.
8.1.25 Для железобетонных элементов, на которые действуют изгибающие моменты двух направлений и продольная сила
(рисунок 8.5), деформации бетона

и арматуры

в нормальном сечении произвольной формы определяют из решения системы
уравнений (8.39) -
(8.41) с использованием
уравнений (8.29) и
(8.30)

(8.39)

(8.40)

(8.41)

(8.42)

(8.43)

(8.44)

(8.45)

(8.46)

(8.47)
Обозначения в формулах - см.
8.1.23.
8.1.26 Для железобетонных элементов, на которые действуют только изгибающие моменты двух направлений
Mx и
My (косой изгиб), в
уравнении (8.41) принимают
N = 0
.
8.1.27 Для внецентренно сжатых в плоскости симметрии поперечного сечения железобетонных элементов и расположении оси
X в этой плоскости в
уравнениях (8.39) -
(8.41) принимают
My = 0 и
D12 =
D22 =
D23 = 0. В этом случае уравнения равновесия имеют вид:

(8.48)

(8.49)
8.1.28 Для изгибаемых в плоскости симметрии поперечного сечения железобетонных элементов и расположения оси
X в этой плоскости в
уравнениях (8.39) -
(8.41) принимают
N = 0,
My = 0
, D12 =
D22 =
D23 = 0. В этом случае уравнения равновесия имеют вид:

(8.50)

(8.51)
8.1.29 Расчет по прочности нормальных сечений внецентренно сжатых бетонных элементов при расположении продольной сжимающей силы в пределах поперечного сечения элемента производят из
условия (8.37) согласно
8.1.24 -
8.1.28, принимая в
формулах (8.42) -
(8.47) для определения
Dij площадь арматуры
Asj = 0.
Для изгибаемых и внецентренно сжатых бетонных элементов, в которых не допускаются трещины, расчет производят с учетом работы растянутого бетона в поперечном сечении элемента из условия

(8.52)
где

- относительная деформация наиболее растянутого волокна бетона в нормальном сечении элемента от действия внешней нагрузки, определяемая согласно
8.1.25 -
8.1.28;
- предельное значение относительной деформации бетона при растяжении, принимаемое согласно
8.1.30.
8.1.30 Предельные значения относительных деформаций бетона

принимают при двузначной эпюре деформаций (сжатие и растяжение) в поперечном сечении бетона элемента (изгиб, внецентренное сжатие или растяжение с большими эксцентриситетами) равными

.
При внецентренном сжатии или растяжении элементов и распределении в поперечном сечении бетона элемента деформаций только одного знака предельные значения относительных деформаций бетона

определяют в зависимости от соотношения деформаций бетона на противоположных гранях сечения элемента

и

по формулам:

(8.53)

(8.54)
где

,

,

и

- деформационные параметры расчетных диаграмм состояния бетона (
6.1.14,
6.1.20,
6.1.22).
Предельные значения относительной деформации арматуры

принимают равными:
0,025 - для арматуры с физическим пределом текучести;
0,015 - для арматуры с условным пределом текучести.
Расчет по прочности железобетонных элементов при действии поперечных сил
Общие положения
8.1.31 Расчет по прочности железобетонных элементов при действии поперечных сил производят на основе модели наклонных сечений.
При расчете по модели наклонных сечений должны быть обеспечены прочность элемента по полосе между наклонными сечениями и наклонному сечению на действие поперечных сил, а также прочность по наклонному сечению на действие момента.
Прочность по наклонной полосе характеризуется максимальным значением поперечной силы, которое может быть воспринято наклонной полосой, находящейся под воздействием сжимающих усилий вдоль полосы и растягивающих усилий от поперечной арматуры, пересекающей наклонную полосу. При этом прочность бетона определяют по сопротивлению бетона осевому сжатию с учетом влияния сложного напряженного состояния в наклонной полосе.
Расчет по наклонному сечению на действие поперечных сил производят на основе уравнения равновесия внешних и внутренних поперечных сил, действующих в наклонном сечении с длиной проекции C на продольную ось элемента. Внутренние поперечные силы включают поперечную силу, воспринимаемую бетоном в наклонном сечении, и поперечную силу, воспринимаемую пересекающей наклонное сечение поперечной арматурой. При этом поперечные силы, воспринимаемые бетоном и поперечной арматурой, определяют по сопротивлениям бетона и поперечной арматуры растяжению с учетом длины проекции C наклонного сечения.
Расчет по наклонному сечению на действие момента производят на основе уравнения равновесия моментов от внешних и внутренних сил, действующих в наклонном сечении с длиной проекции C на продольную ось элемента. Моменты от внутренних сил включают момент, воспринимаемый пересекающей наклонное сечение продольной растянутой арматурой, и момент, воспринимаемый пересекающей наклонное сечение поперечной арматурой. При этом моменты, воспринимаемые продольной и поперечной арматурой, определяют по сопротивлениям продольной и поперечной арматуры растяжению с учетом длины проекции C наклонного сечения.
Расчет железобетонных элементов по полосе между наклонными сечениями
8.1.32 Расчет изгибаемых железобетонных элементов по бетонной полосе между наклонными сечениями производят из условия

(8.55)
где Q - поперечная сила в нормальном сечении элемента;

- коэффициент, принимаемый равным 0,3.
Расчет железобетонных элементов по наклонным сечениям на действие поперечных сил
8.1.33 Расчет изгибаемых элементов по наклонному сечению
(рисунок 8.6) производят из условия
где Q - поперечная сила в наклонном сечении с длиной проекции C на продольную ось элемента, определяемая от всех внешних сил, расположенных по одну сторону от рассматриваемого наклонного сечения; при этом учитывают наиболее опасное загружение в пределах наклонного сечения;
Qb - поперечная сила, воспринимаемая бетоном в наклонном сечении;
Qsw - поперечная сила, воспринимаемая поперечной арматурой в наклонном сечении.
Рисунок 8.6 - Схема усилий при расчете железобетонных
элементов по наклонному сечению на действие поперечных сил
Поперечную силу Qb определяют по формуле

(8.57)
но принимают не более 2,5Rbt·b·h0 и не менее 0,5Rbt·b·h0;

- коэффициент, принимаемый равным 1,5.
Усилие Qsw для поперечной арматуры, нормальной к продольной оси элемента, определяют по формуле

(8.58)
где

- коэффициент, принимаемый равным 0,75;
qsw - усилие в поперечной арматуре на единицу длины элемента, равное

(8.59)
Расчет производят для ряда расположенных по длине элемента наклонных сечений при наиболее опасной длине проекции наклонного сечения
C. При этом длину проекции
C в
формуле (8.58) принимают не менее 1,0
h0 и не более 2,0
h0.
Допускается производить расчет наклонных сечений, не рассматривая наклонные сечения при определении поперечной силы от внешней нагрузки, из условия
Q1 <=
Qb1 +
Qsw,1, (8.60)
где Q1 - поперечная сила в нормальном сечении от внешней нагрузки;
Qb1 = 0,5
Rbt·
b·
h0; (8.61)
При расположении нормального сечения, в котором учитывают поперечную силу
Q1, вблизи опоры на расстоянии
a менее 2,5
h0 расчет из
условия (8.60) производят, умножая значения
Qb1, определяемые по
формуле (8.61), на коэффициент, равный

, но принимают значение
Qb1 не более 2,5
Rbt·
b·
h0.
При расположении нормального сечения, в котором учитывают поперечную силу
Q1, на расстоянии
a менее
h0 расчет из
условия (8.60) производят, умножая значение
Qsw,1, определяемое по
формуле (8.62), на коэффициент, равный
a/
h0.
Поперечную арматуру учитывают в расчете, если соблюдается условие
qsw >= 0,25Rbt·b.
Допускается учитывать поперечную арматуру и при невыполнении этого условия, если значение
Qb в
условии (8.56) определять по формуле
Шаг поперечной арматуры, учитываемой в расчете,

должен быть не больше значения

.
При отсутствии поперечной арматуры или нарушении вышеуказанных требований, а также приведенных в
10.3 конструктивных требований расчет производят из
условия (8.56) или
(8.60), принимая усилие
Qsw или
Qsw,1 равным нулю.
Поперечная арматура должна соответствовать конструктивным требованиям, приведенным в
10.3.
8.1.34 Влияние сжимающих и растягивающих напряжений при расчете по полосе между наклонными сечениями и по наклонным сечениям следует учитывать с помощью коэффициента

, на который умножают правую часть условий
(8.55),
(8.57) или
(8.61) - при сжимающих напряжениях и условий
(8.57) или
(8.61) - при растягивающих напряжениях. При расчете по наклонным сечениям элементов изгибаемых конструкций без предварительного напряжения арматуры значение коэффициента

принимают равным 1. Для остальных элементов значения коэффициента

принимают равными:
- при действии сжимающей продольной силы
- при действии растягивающей продольной силы
где

- среднее сжимающее или среднее растягивающее напряжение в бетоне от воздействия продольных сил, принимаемое положительным и определяемое расчетом на основе нелинейной деформационной модели или по формуле
здесь Ared - площадь приведенного поперечного сечения элемента, определяемая с учетом неупругих свойств бетона при сжатии и растяжении

- коэффициент упругости бетона при сжатии или растяжении.
Допускается величину
Ared определять, принимая значение коэффициента

равным
- при действии сжимающей продольной силы
- при действии растягивающей продольной силы

и

принимают по
6.1.14 для непродолжительного действия нагрузки.
Допускается величину

определять без учета арматуры при содержании продольной арматуры не более 3%.
(п. 8.1.34 в ред.
Изменения N 2, утв. Приказом Минстроя России от 20.01.2022 N 965/пр)
8.1.35 Расчет железобетонных элементов по наклонным сечениям на действие моментов
(рисунок 8.7) производят из условия
где M - момент в наклонном сечении с длиной проекции C на продольную ось элемента, определяемый от всех внешних сил, расположенных по одну сторону от рассматриваемого наклонного сечения, относительно конца наклонного сечения (точка 0), противоположного концу, у которого располагается проверяемая продольная арматура, испытывающая растяжение от момента в наклонном сечении; при этом учитывают наиболее опасное загружение в пределах наклонного сечения;
Ms - момент, воспринимаемый продольной арматурой, пересекающей наклонное сечение, относительно противоположного конца наклонного сечения (точка 0);
Msw - момент, воспринимаемый поперечной арматурой, пересекающей наклонное сечение, относительно противоположного конца наклонного сечения (точка 0).
Рисунок 8.7 - Схема усилий при расчете железобетонных
элементов по наклонному сечению на действие моментов
Момент Ms определяют по формуле
Ms = Ns·zs, (8.64)
где
Ns - усилие в продольной растянутой арматуре, принимаемое равным
Rs·
As, а в зоне анкеровки определяемое согласно
10.3.21 -
10.3.28;
zs - плечо внутренней пары сил; допускается принимать zs = 0,9h0.
Момент Msw для поперечной арматуры, нормальной к продольной оси элемента, определяют по формуле
Msw = 0,5·Qsw·C, (8.65)
где Qsw - усилие в поперечной арматуре, принимаемое равным qsw·C;
qsw - определяют по
формуле (8.59), а
C принимают в пределах от 1,0
h0 до 2,0
h0.
Расчет производят для наклонных сечений, расположенных по длине элемента на его концевых участках и в местах обрыва продольной арматуры, при наиболее опасной длине проекции наклонного сечения C, принимаемой в указанных выше пределах.
Допускается производить расчет наклонных сечений, принимая в
условии (8.63) момент
M в наклонном сечении при длине проекции
C на продольную ось элемента, равной 2,0
h0, а момент
Msw - равным
.
Расчет по прочности железобетонных элементов при действии крутящих моментов
Общие положения
8.1.36 Расчет по прочности железобетонных элементов прямоугольного поперечного сечения на действие крутящих моментов производят на основе модели пространственных сечений.
При расчете по модели пространственных сечений рассматривают сечения, образованные наклонными отрезками прямых, следующими по трем растянутым граням элемента, и замыкающим отрезком прямой по четвертой сжатой грани элемента.
Расчет железобетонных элементов на действие крутящих моментов производят по прочности элемента между пространственными сечениями и по прочности пространственных сечений.
Прочность по бетону между пространственными сечениями характеризуется максимальным значением крутящего момента, определяемым по сопротивлению бетона осевому сжатию с учетом напряженного состояния в бетоне между пространственными сечениями.
Расчет по пространственным сечениям производят на основе уравнений равновесия всех внутренних и внешних сил относительно оси, расположенной в центре сжатой зоны пространственного сечения элемента. Внутренние моменты включают момент, воспринимаемый арматурой, следующей вдоль оси элемента, и арматурой, следующей поперек оси элемента, пересекающей пространственное сечение и расположенной в растянутой зоне пространственного сечения и у растянутой грани элемента, противоположной сжатой зоне пространственного сечения. При этом усилия, воспринимаемые арматурой, определяют соответствию по расчетным значениям сопротивления растяжению продольной и поперечной арматуры.
При расчете рассматривают все положения пространственного сечения, принимая сжатую зону пространственного сечения у нижней, боковой и верхней граней элемента.
Расчет на совместное действие крутящих и изгибающих моментов, а также крутящих моментов и поперечных сил производят исходя из уравнений взаимодействия между соответствующими силовыми факторами.
Расчет на действие крутящего момента
8.1.37 Расчет по прочности элемента между пространственными сечениями производят из условия
где T - крутящий момент от внешних нагрузок в нормальном сечении элемента;
b и h - меньший и больший размеры соответственно поперечного сечения элемента.
8.1.38 Расчет по прочности пространственных сечений
(рисунок 8.8) производят из условия
где T - крутящий момент в пространственном сечении, определяемый от всех внешних сил, расположенных по одну сторону пространственного сечения;
Tsw - крутящий момент, воспринимаемый арматурой пространственного сечения, расположенной в поперечном по отношению к оси элемента направлении;
Ts - крутящий момент, воспринимаемый арматурой пространственного сечения, расположенной в продольном направлении.
Рисунок 8.8 - Схемы усилий в пространственных сечениях
при расчете на действие крутящего момента
Значение соотношения между усилиями в поперечной и продольной арматуре, учитываемое в
условии (8.67), приведено ниже.
Крутящий момент Tsw определяют по формуле
Tsw = 0,9Nsw·Z2, (8.68)
а крутящий момент Ts - по формуле

(8.69)
где Nsw - усилие в арматуре, расположенной в поперечном направлении; для арматуры, нормальной к продольной оси элемента, усилие Nsw определяют по формуле
Nsw = qsw,1·Csw, (8.70)
где qsw,1 - усилие в этой арматуре на единицу длины элемента,

(8.71)
Asw,1 - площадь сечения арматуры, расположенной в поперечном направлении;
sw - шаг этой арматуры;
Csw - длина проекции растянутой стороны пространственного сечения на продольную ось элемента

(8.72)

- коэффициент, учитывающий соотношение размеров поперечного сечения

(8.73)
C - длина проекции сжатой стороны пространственного сечения на продольную ось элемента;
Ns - усилие в продольной арматуре, расположенной у рассматриваемой грани элемента
Ns = Rs·As,1; (8.74)
As,1 - площадь сечения продольной арматуры, расположенной у рассматриваемой грани элемента;
Z1 и Z2 - длина стороны поперечного сечения у рассматриваемой растянутой грани элемента и длина другой стороны поперечного сечения элемента.
Соотношение

принимают в пределах от 0,5 до 1,5. В случае, если значение

выходит за указанные пределы, в расчете учитывают такое количество арматуры (продольной или поперечной), при котором значение

оказывается в указанных пределах.
Расчет производят для ряда пространственных сечений, расположенных по длине элемента, при наиболее опасной длине проекции пространственного сечения
C на продольную ось элемента. При этом значение
C принимают не более 2·
Z2 +
Z1 и не более

.
Допускается производить расчет на действие крутящего момента, не рассматривая пространственные сечения при определении крутящего момента от внешней нагрузки, из условия
T1 <=
Tsw,1 +
Ts,1, (8.75)
где T1 - крутящий момент в нормальном сечении элемента;
Tsw,1 - крутящий момент, воспринимаемый арматурой, расположенной у рассматриваемой грани элемента в поперечном направлении, и определяемый по формуле

(8.76)
Ts,1 - крутящий момент, воспринимаемый продольной арматурой, расположенной у рассматриваемой грани элемента, и определяемый по формуле
Ts,1 = 0,5Rs·As,1·Z2. (8.77)
Соотношение

принимают в указанных выше пределах.
Расчет производят для ряда нормальных сечений, расположенных по длине элемента, для арматуры, расположенной у каждой рассматриваемой грани элемента.
При действии крутящих моментов следует соблюдать конструктивные требования, приведенные в
10.3.
Расчет на совместное действие крутящего и изгибающего моментов
8.1.39 Расчет по прочности элемента между пространственными сечениями производят согласно
8.1.36.
8.1.40 Расчет по прочности пространственного сечения производят из условия

(8.78)
где T - крутящий момент от внешней нагрузки в пространственном сечении;
T0 - предельный крутящий момент, воспринимаемый пространственным сечением;
M - изгибающий момент от внешней нагрузки в нормальном сечении;
M0 - предельный изгибающий момент, воспринимаемый нормальным сечением.
При расчете на совместное действие крутящего и изгибающего моментов рассматривают пространственное сечение с растянутой арматурой, расположенной у грани, растянутой от изгибающего момента, т.е. у грани, нормальной к плоскости действия изгибающего момента.
Крутящий момент T от внешней нагрузки определяют в нормальном сечении, расположенном в середине длины проекции C вдоль продольной оси элемента. В этом же нормальном сечении определяют изгибающий момент M от внешней нагрузки.
Предельный крутящий момент
T0 определяют согласно
8.1.37 и принимают равным правой части
условия (8.67) для рассматриваемого пространственного сечения.
Предельный изгибающий момент
M0 определяют согласно
8.1.9.
Для определения крутящих моментов допускается использовать
условие (8.75). В этом случае крутящий момент
T =
T1 и изгибающий момент
M определяют в нормальных сечениях по длине элемента. В рассматриваемом нормальном сечении предельный крутящий момент принимают равным правой части
условия (8.75).
Предельный изгибающий момент M0 определяют для того же нормального сечения, как было указано выше.
При совместном действии крутящих и изгибающих моментов следует соблюдать расчетные и конструктивные требования, приведенные в
8.1.38 и
10.3.
Расчет на совместное действие крутящего момента и поперечной силы
8.1.41 Расчет по прочности элемента между пространственными сечениями производят из условия

(8.79)
где T - крутящий момент от внешней нагрузки в нормальном сечении;
T0 - предельный крутящий момент, воспринимаемый элементом между пространственными сечениями и принимаемый равным правой части
условия (8.66);
Q - поперечная сила от внешней нагрузки в том же нормальном сечении;
Q0 - предельная поперечная сила, воспринимаемая бетоном между наклонными сечениями и принимаемая равной правой части
условия (8.55).
8.1.42 Расчет по прочности пространственного сечения производят из
условия (8.79), в котором принимают следующие величины:
T - крутящий момент от внешней нагрузки в пространственном сечении;
T0 - предельный крутящий момент, воспринимаемый пространственным сечением;
Q - поперечная сила в наклонном сечении;
Q0 - предельная поперечная сила, воспринимаемая наклонным сечением.
При расчете на совместное действие крутящего момента и поперечной силы рассматривают пространственное сечение с растянутой арматурой, расположенной у одной из граней, растянутой от поперечной силы, т.е. у грани, параллельной плоскости действия поперечной силы.
Крутящий момент T от внешней нагрузки определяют в нормальном сечении, расположенном в середине длины C вдоль продольной оси элемента. В том же нормальном сечении определяют поперечную силу Q от внешней нагрузки.
Предельный крутящий момент
T0 определяют согласно
8.1.38 и принимают равным правой части
условия (8.67) для рассматриваемого пространственного сечения.
Предельную поперечную силу
Q0 определяют согласно
8.1.33 и принимают равной правой части
условия (8.56). При этом середину длины проекции наклонного сечения на продольную ось элемента располагают в нормальном сечении, проходящем через середину длины проекции пространственного сечения на продольную ось элемента.
Допускается для определения крутящих моментов использовать
условие (8.75), а для определения поперечных сил -
условие (8.60). В этом случае крутящий момент
T =
T1 и поперечную силу
Q =
Q1 от внешней нагрузки определяют в нормальных сечениях по длине элемента. В рассматриваемом нормальном сечении предельный крутящий момент
T0 принимают равным правой части
условия (8.75), а предельную поперечную силу
Q0 в том же нормальном сечении принимают равной правой части
условия (8.60).
При совместном действии крутящих моментов и поперечных сил следует соблюдать расчетные и конструктивные требования, приведенные в
10.3.
Расчет железобетонных элементов на местное сжатие
8.1.43 Расчет железобетонных элементов на местное сжатие (смятие) производят при действии сжимающей силы, приложенной на ограниченной площади нормально к поверхности железобетонного элемента. При этом учитывают повышенное сопротивление сжатию бетона в пределах грузовой площади (площади смятия) за счет объемного напряженного состояния бетона под грузовой площадью, зависящее от расположения грузовой площади на поверхности элемента.
При наличии косвенной арматуры в зоне местного сжатия учитывают дополнительное повышение сопротивления сжатию бетона под грузовой площадью за счет сопротивления косвенной арматуры.
Расчет элементов на местное сжатие при отсутствии косвенной арматуры производят согласно
8.1.44, а при наличии косвенной арматуры - согласно
8.1.45.
8.1.44 Расчет элементов на местное сжатие при отсутствии косвенной арматуры
(рисунок 8.9) производят из условия

(8.80)
где N - местная сжимающая сила от внешней нагрузки;

- коэффициент, принимаемый равным 1,0 при равномерном и 0,75 при неравномерном распределении местной нагрузки по площади смятия;
Ab,loc - площадь приложения сжимающей силы (площадь смятия);
Rb,loc - расчетное сопротивление бетона сжатию при местном действии сжимающей силы.
а - вдали от краев элемента; б - по всей ширине элемента;
в - у края (торца) элемента по всей его ширине; г - на углу
элемента; д - у одного края элемента; е - вблизи одного края
элемента; 1 - элемент, на который действует местная
нагрузка; 2 - площадь смятия Ab,loc; 3 - максимальная
расчетная площадь Ab,max; 4 - центр тяжести площадей Ab,loc
и Ab,max; 5 - минимальная зона армирования сетками,
при которой косвенное армирование учитывается в расчете
Рисунок 8.9 - Схемы для расчета элементов на местное сжатие
при расположении местной нагрузки
Значение Rb,loc определяют по формуле

(8.81)
где

- коэффициент, определяемый по формуле

(8.82)
но принимаемый не более 2,5 и не менее 1,0.
Ab,max - максимальная расчетная площадь, устанавливаемая по следующим правилам: центры тяжести площадей Ab,loc и Ab,max совпадают;
границы расчетной площади
Ab,max отстоят от каждой стороны площади
Ab,loc на расстоянии, равном соответствующему размеру этих сторон
(рисунок 8.9).
8.1.45 Расчет элементов на местное сжатие при наличии косвенной арматуры в виде сварных сеток производят из условия

(8.83)
где Rbs,loc - приведенное с учетом косвенной арматуры в зоне местного сжатия расчетное сопротивление бетона сжатию, определяемое по формуле

(8.84)
здесь

- коэффициент, определяемый по формуле

(8.85)
Ab,loc,ef - площадь, заключенная внутри контура сеток косвенного армирования, считая по их крайним стержням, и принимаемая в
формуле (8.85) не более
Ab,max;
Rs,xy - расчетное сопротивление растяжению косвенной арматуры;

- коэффициент косвенного армирования, определяемый по формуле

(8.86)
nx, Asx, lx - число стержней, площадь сечения и длина стержня сетки, считая в осях крайних стержней, в направлении X;
ny, Asy, ly - то же, в направлении Y;
s - шаг сеток косвенного армирования.
Значения
Rb,loc,
Ab.loc,

и
N принимают согласно
8.1.44.
Значение местной сжимающей силы, воспринимаемое элементом с косвенным армированием (правая часть
условия (8.83)), принимают не более удвоенного значения местной сжимающей силы, воспринимаемого элементом без косвенного армирования (правая часть
условия (8.80)).
Косвенное армирование должно соответствовать конструктивным требованиям
10.3.
Расчет железобетонных элементов на продавливание
Общие положения
8.1.46 Расчет на продавливание производят для плоских железобетонных элементов (плит) при действии на них (нормально к плоскости элемента) местных, концентрированно приложенных усилий - сосредоточенных силы и изгибающего момента.
При расчете на продавливание рассматривают расчетное поперечное сечение, расположенное вокруг зоны передачи усилий на элемент на расстоянии

нормально к его продольной оси, по поверхности которого действуют касательные усилия от сосредоточенных силы и изгибающего момента
(рисунок 8.10).
Рисунок 8.10 - Условная модель для расчета на продавливание
Действующие касательные усилия по площади расчетного поперечного сечения должны быть восприняты бетоном с сопротивлением осевому растяжению
Rbt и поперечной арматурой, расположенной от грузовой площадки на расстоянии не более
h0 и не менее

, с сопротивлением растяжению
Rsw.
При действии сосредоточенной силы касательные усилия, воспринимаемые бетоном и арматурой, принимают равномерно распределенными по всей площади расчетного поперечного сечения. При действии изгибающего момента касательные усилия, воспринимаемые бетоном и поперечной арматурой, принимают линейно изменяющимися по длине расчетного поперечного сечения в направлении действия момента с максимальными касательными усилиями противоположного знака у краев расчетного поперечного сечения в этом направлении.
Расчет на продавливание при действии сосредоточенной силы и отсутствии поперечной арматуры производят согласно
8.1.47, при действии сосредоточенной силы и наличии поперечной арматуры - согласно
8.1.48, при действии сосредоточенных силы и изгибающего момента и отсутствии поперечной арматуры - согласно
8.1.49 и при действии сосредоточенных силы и изгибающего момента и наличии поперечной арматуры - согласно
8.1.50.
Расчетный контур поперечного сечения принимают: при расположении площадки передачи нагрузки внутри плоского элемента - замкнутым и расположенным вокруг площадки передачи нагрузки (
рисунок 8.11,
а,
г), при расположении площадки передачи нагрузки у края или угла плоского элемента - в виде двух вариантов: замкнутым и расположенным вокруг площадки передачи нагрузки, и незамкнутым, следующим от краев плоского элемента (
рисунок 8.11,
б,
в), в этом случае учитывают наименьшую несущую способность при двух вариантах расположения расчетного контура поперечного сечения.
а - площадка приложения нагрузки внутри плоского элемента;
б, в - то же, у края плоского элемента;
г - при крестообразном расположении поперечной арматуры;
1 - площадь приложения нагрузки; 2 - расчетный контур
поперечного сечения; 2' - второй вариант расположения
расчетного контура; 3 - центр тяжести расчетного контура
(место пересечения осей X1 и Y1); 4 - центр тяжести площадки
приложения нагрузки (место пересечения осей X и Y);
5 - поперечная арматура; 6 - контур расчетного поперечного
сечения без учета в расчете поперечной арматуры; 7 - граница
(край) плоского элемента
Рисунок 8.11 - Схема расчетных контуров поперечного сечения
при продавливании
В случае расположения отверстия в плите на расстоянии менее 6h от угла или края площадки передачи нагрузки до угла или края отверстия, часть расчетного контура, расположенная между двумя касательными к отверстию, проведенными из центра тяжести площадки передачи нагрузки, в расчете не учитывается.
При действии момента Mloc в месте приложения сосредоточенной нагрузки половину этого момента учитывают при расчете на продавливание, а другую половину - при расчете по нормальным сечениям по ширине сечения, включающей ширину площадки передачи нагрузки и высоту сечения плоского элемента по обе стороны от площадки передачи нагрузки.
При действии сосредоточенных моментов и силы в условиях прочности соотношение между действующими сосредоточенными моментами M, учитываемыми при продавливании, и предельными Mult принимают не более половины соотношения между действующим сосредоточенным усилием F и предельным Fult.
При расположении сосредоточенной силы внецентренно относительно центра тяжести контура расчетного поперечного сечения значения изгибающих сосредоточенных моментов от внешней нагрузки определяют с учетом дополнительного момента от внецентренного приложения сосредоточенной силы относительно центра тяжести контура расчетного поперечного сечения с положительным или обратным знаком по отношению к моментам в колонне.
Значение сосредоточенной силы следует принимать за вычетом сил, действующих в пределах основания пирамиды продавливания в противоположном направлении.
Расчет элементов на продавливание при действии сосредоточенной силы
8.1.47 Расчет элементов без поперечной арматуры на продавливание при действии сосредоточенной силы производят из условия
F <= Fb,ult, (8.87)
где F - сосредоточенная сила от внешней нагрузки;
Fb,ult - предельное усилие, воспринимаемое бетоном.
Усилие Fb,ult определяют по формуле
Fb,ult = Rbt·Ab, (8.88)
где
Ab - площадь расчетного поперечного сечения, расположенного на расстоянии 0,5
h0 от границы площади приложения сосредоточенной силы
F с рабочей высотой сечения
h0 (рисунок 8.12).
1 - расчетное поперечное сечение; 2 - контур расчетного
поперечного сечения; 3 - контур площадки приложения нагрузки
Рисунок 8.12 - Схема для расчета железобетонных элементов
без поперечной арматуры на продавливание
Площадь Ab определяют по формуле
Ab = u·h0, (8.89)
где u - периметр контура расчетного поперечного сечения;
h0 - приведенная рабочая высота сечения h0 = 0,5(h0x + h0y),
здесь h0x и h0y - рабочая высота сечения для продольной арматуры, расположенной в направлении осей X и Y.
8.1.48 Расчет элементов с поперечной арматурой на продавливание при действии сосредоточенной силы
(рисунок 8.13) производят из условия
F <= Fb,ult + Fsw,ult, (8.90)
где Fsw,ult - предельное усилие, воспринимаемое поперечной арматурой при продавливании;
Fb,ult - предельное усилие, воспринимаемое бетоном, определяемое согласно
8.1.47.
1 - расчетное поперечное сечение; 2 - контур расчетного
поперечного сечения; 3 - границы зоны, в пределах которых
в расчете учитывается поперечная арматура; 4 - контур
расчетного поперечного сечения без учета в расчете
поперечной арматуры; 5 - контур площадки приложения нагрузки
Рисунок 8.13 - Схема для расчета железобетонных плит
с вертикальной равномерно распределенной поперечной
арматурой на продавливание
Усилие Fsw,ult, воспринимаемое поперечной арматурой, нормальной к продольной оси элемента и расположенной равномерно вдоль контура расчетного поперечного сечения, определяют по формуле
Fsw,ult = 0,8qsw·u, (8.91)
где qsw - усилие в поперечной арматуре на единицу длины контура расчетного поперечного сечения, расположенной в пределах расстояния 0,5h0 по обе стороны от контура расчетного сечения

(8.92)
Asw - площадь сечения поперечной арматуры с шагом sw, расположенная в пределах расстояния 0,5h0 по обе стороны от контура расчетного поперечного сечения по периметру контура расчетного поперечного сечения;
u - периметр контура расчетного поперечного сечения, определяемый согласно
8.1.47.
При расположении поперечной арматуры не равномерно по контуру расчетного поперечного сечения, а сосредоточенно у осей площадки передачи нагрузки (крестообразное расположение поперечной арматуры) значение
qsw определяют с учетом общей площади поперечной арматуры
Asw, расположенной по фактическим длинам участков расположения поперечной арматуры
Lswx и
Lswy по расчетному контуру продавливания (
рисунок 8.11, г), периметр контура
u принимают также по фактическим длинам участков расположения поперечной арматуры
Lswx и
Lswy.
(в ред.
Изменения N 1, утв. Приказом Минстроя России от 22.11.2019 N 717/пр)
Значение Fb,ult + Fsw,ult принимают не более 2Fb,ult. Поперечную арматуру учитывают в расчете при Fsw,ult не менее 0,25Fb,ult.
За границей расположения поперечной арматуры расчет на продавливание производят согласно
8.1.47, рассматривая контур расчетного поперечного сечения на расстоянии 0,5
h0 от границы расположения поперечной арматуры
(рисунок 8.13). При сосредоточенном расположении поперечной арматуры по осям площадки передачи нагрузки, кроме того, расчетный контур поперечного сечения бетона принимают по диагональным линиям, следующим от края расположения поперечной арматуры (
рисунок 8.11,
г).
Поперечная арматура должна удовлетворять конструктивным требованиям, приведенным в
10.3. При нарушении указанных в
10.3 конструктивных требований в расчете на продавливание следует учитывать только поперечную арматуру, пересекающую пирамиду продавливания, при обеспечении условий ее анкеровки.
Расчет элементов на продавливание при действии сосредоточенных силы и изгибающего момента
8.1.49 Расчет элементов без поперечной арматуры на продавливание при совместном действии сосредоточенных силы и изгибающего момента
(рисунок 8.12) производят из условия

(8.93)
где F - сосредоточенная сила от внешней нагрузки;
M - сосредоточенный изгибающий момент от внешней нагрузки, учитываемый при расчете на продавливание
(8.1.46);
Fb,ult и Mb,ult - предельные сосредоточенные сила и изгибающий момент, которые могут быть восприняты бетоном в расчетном поперечном сечении при их раздельном действии.
В железобетонном каркасе зданий с плоскими перекрытиями сосредоточенный изгибающий момент Mloc равен суммарному изгибающему моменту в сечениях верхней и нижней колонн, примыкающих к перекрытию в рассматриваемом узле.
Предельную силу
Fb,ult определяют согласно
8.1.47.
Предельный изгибающий момент Mb,ult определяют по формуле
Mb,ult = Rbt·Wb·h0, (8.94)
где
Wb - момент сопротивления расчетного поперечного сечения, определяемый согласно
8.1.51.
При действии изгибающих моментов в двух взаимно перпендикулярных плоскостях расчет производят из условия

(8.95)
при этом принимают
где
F,
Mx и
My - сосредоточенные сила и изгибающие моменты в направлениях осей
X и
Y, учитываемые при расчете на продавливание
(8.1.46), от внешней нагрузки;
Fb,ult, Mbx,ult, Mby,ult - предельные сосредоточенные сила и изгибающие моменты в направлениях осей X и Y, которые могут быть восприняты бетоном в расчетном поперечном сечении при их раздельном действии.
Усилие
Fb,ult определяют согласно
8.1.47.
Усилия Mbx,ult и Mby,ult определяют согласно указаниям, приведенным выше, при действии момента в плоскости осей X и Y соответственно.
8.1.50 Расчет прочности элементов с поперечной арматурой на продавливание при действии сосредоточенной силы и изгибающих моментов в двух взаимно перпендикулярных плоскостях производят из условия

(8.96)
при этом принимают
Fb,ult, Mbx,ult и Mby,ult - предельные сосредоточенные сила и изгибающие моменты в направлениях осей X и Y, которые могут быть восприняты бетоном в расчетном поперечном сечении при их раздельном действии;
Fsw,ult, Msw,x,ult и Msw,y,ult - предельные сосредоточенные сила и изгибающие моменты в направлениях осей X и Y, которые могут быть восприняты поперечной арматурой при их раздельном действии.
Усилия
Fb,ult,
Mbx,ult,
Mby,ult и
Fsw,ult определяют согласно указаниям
8.1.48 и
8.1.49.
Усилия Msw,x,ult и Msw,y,ult, воспринимаемые поперечной арматурой, нормальной к продольной оси элемента и расположенной равномерно вдоль контура расчетного сечения, определяют при действии изгибающего момента, соответственно в направлении осей X и Y по формуле
Msw,ult = 0,8·qsw·Wsw, (8.97)
Значения
Fb,ult +
Fsw,ult,
Mbx,ult +
Msw,x,ult,
Mby,ult +
Msw,y,ult в
условии (8.96) принимают не более 2
Fb,ult, 2
Mbx,ult, 2
Mby,ult соответственно.
Поперечная арматура должна отвечать конструктивным требованиям, приведенным в
10.3. При нарушении указанных в
разделе 10.3 конструктивных требований в расчете на продавливание следует учитывать только поперечную арматуру, пересекающую пирамиду продавливания, при обеспечении условий ее анкеровки.
8.1.51 В общем случае значения момента сопротивления расчетного контура бетона при продавливании
Wbx(y) в направлениях взаимно перпендикулярных осей
X и
Y определяют по формуле

(8.98)
где
Ibx(y) - момент инерции расчетного контура относительно осей
Y1 и
X1, проходящих через его центр тяжести
(рисунок 8.11);
x(y)max - максимальное расстояние от расчетного контура до его центра тяжести.
Значение момента инерции Ibx(y) определяют как сумму моментов инерции Ibx(y)i отдельных участков расчетного контура поперечного сечения относительно центральных осей, проходящих через центр тяжести расчетного контура, принимая условно ширину каждого участка равной единице.
Положение центра тяжести расчетного контура относительно выбранной оси определяют по формуле

(8.99)
где Li - длина отдельного участка расчетного контура;
xi(yi)0 - расстояние от центров тяжести отдельных участков расчетного контура до выбранных осей.
При расчетах принимают наименьшие значения моментов сопротивления Wbx и Wby.
Момент сопротивления расчетного контура бетона для колонн круглого сечения определяют по формуле
где D - диаметр колонны.
8.1.52 Значения моментов сопротивления поперечной арматуры при продавливании
Wsw,x(y) в том случае, когда поперечная арматура расположена равномерно вдоль расчетного контура продавливания в пределах зоны, границы которой отстоят на расстоянии

в каждую сторону от контура продавливания бетона
(рисунок 8.13), принимают равными соответствующим значениям
Wbx и
Wby.
При расположении поперечной арматуры в плоском элементе сосредоточенно по осям грузовой площадки, например по оси колонн (крестообразное расположение поперечной арматуры в перекрытии), моменты сопротивления поперечной арматуры определяют по тем же правилам, что и моменты сопротивления бетона, принимая соответствующую фактическую длину ограниченного участка расположения поперечной арматуры по расчетному контуру продавливания
Lswx и
Lswy (
рисунок 8.11,
г).
Расчет плоскостных железобетонных элементов плит и стен по прочности
8.1.53 Расчет по прочности плоских плит перекрытий, покрытий и фундаментных плит следует производить как расчет плоских выделенных элементов на совместное действие изгибающих моментов в направлении взаимно перпендикулярных осей и крутящих моментов, приложенных по боковым сторонам плоского выделенного элемента, а также на действие продольных и поперечных сил, приложенных по боковым сторонам плоского выделенного элемента
(рисунок 8.14).
Рисунок 8.14 - Схема усилий, действующих на выделенный
плоский элемент единичной ширины
Кроме того, при опирании плоских плит на колонны следует производить расчет плит на продавливание на действие сосредоточенных нормальных сил и моментов согласно
8.1.46 -
8.1.52.
8.1.54 Расчет по прочности плоских плит в общем случае производят путем разделения плоского элемента на отдельные слои сжатого бетона и растянутой арматуры и расчета каждого слоя отдельно на действие нормальных и сдвигающих сил в этом слое, полученных от действия изгибающих и крутящих моментов и нормальных сил
(рисунок 8.15).
Рисунок 8.15 - Схема усилий, действующих в бетонном
и арматурном слоях выделенного плоского элемента плиты
(усилия на противоположных сторонах условно не показаны)
Расчет плоских элементов плит может также производиться без разделения на слои бетона и растянутой арматуры на совместное действие изгибающих и крутящих моментов из условий, основанных на обобщенных уравнениях предельного равновесия:

(8.100)
Mx,ult >= Mx; (8.101)
My,ult >= My; (8.102)
Mxy,ult >= Mxy, (8.103)
где Mx, My, Mxy - изгибающие и крутящие моменты, действующие на выделенный плоский элемент;
Mx,ult, My,ult, Mxy,ult - предельные изгибающие и крутящие моменты, воспринимаемые плоским выделенным элементом.
Значения предельных изгибающих моментов
Mx,ult и
My,ult следует определять из расчета нормальных сечений, перпендикулярных осям
X и
Y, плоского выделенного элемента с продольной арматурой, параллельной осям
X и
Y, согласно
8.1.1 -
8.1.13.
Значения предельных крутящих моментов следует определять по бетону Mbxy,ult и по растянутой продольной арматуре Msxy,ult по формулам:
Mbxy,ult = 0,1Rbb2h, (8.104)
где b и h - меньший и больший размеры соответственно плоского выделенного элемента;
Msxy,ult = 0,5Rs(Asx + Asy)h0, (8.105)
где Asx и Asy - площади сечения продольной арматуры в направлении осей X и Y;
h0 - рабочая высота поперечного сечения плиты.
Допускается применять и другие методы расчета по прочности плоского выделенного элемента, полученные на основе равновесия внешних усилий, действующих по боковым сторонам выделенного элемента и внутренних усилий в диагональном сечении плоского выделенного элемента.
При действии на выделенный плоский элемент плит также продольной силы расчет следует производить как для выделенного плоского элемента стен согласно
8.1.57.
8.1.55 Расчет плоского выделенного элемента на действие поперечных сил следует производить из условия

(8.106)
где Qx и Qy - поперечные силы, действующие по боковым сторонам плоского выделенного элемента;
Qx,ult и Qy,ult - предельные поперечные силы, воспринимаемые плоским выделенным элементом.
Значения предельных поперечных сил определяют по формуле
Qult = Qb + Qsw, (8.107)
где Qb и Qsw - предельные поперечные силы, воспринимаемые соответственно бетоном и поперечной арматурой и определяемые по формулам
Qb = 0,5Rbtbh0; (8.108)
Qsw = qswh0, (8.109)
где
qsw - интенсивность поперечного армирования, определяемая по
формуле (8.59).
8.1.56 Расчет по прочности стен в общем случае следует производить как плоских выделенных элементов на совместное действие нормальных сил, изгибающих моментов, крутящих моментов, сдвигающих сил, поперечных сил, приложенных по боковым сторонам плоского выделенного элемента
(рисунок 8.16).
Рисунок 8.16 - Схема усилий, действующих на выделенный
плоский элемент единичной ширины стены (усилия
на противоположных сторонах условно не показаны)
8.1.57 Расчет стен в общем случае производят путем разделения плоского элемента на отдельные слои сжатого бетона и растянутой арматуры и расчета каждого слоя отдельно на действие нормальных и сдвигающих сил в этом слое, полученных от действия изгибающих и крутящих моментов, общих нормальных и сдвигающих сил.
Допускается производить расчет без разделения на слои бетона и растянутой арматуры отдельно из плоскости стены на совместное действие изгибающих моментов, крутящих моментов и нормальных сил и в плоскости стены на совместное действие нормальных и сдвигающих сил.
Расчет стены в своей плоскости производят из условий, основанных на обобщенных уравнениях предельного равновесия:

(8.110)
Nx,ult >= Nx; (8.111)
Ny,ult >= Ny; (8.112)
Nxy,ult >= Nxy, (8.113)
где Nx, Ny и Nxy - нормальные и сдвигающие силы, действующие по боковым сторонам плоского выделенного элемента;
Nx,ult, Ny,ult и Nxy,ult - предельные нормальные и сдвигающие силы, воспринимаемые плоским выделенным элементом.
Значения предельных нормальных сил
Nx,ult и
Ny,ult следует определять из расчета нормальных сечений, перпендикулярных осям
X и
Y, плоского выделенного элемента с вертикальной и горизонтальной арматурой, параллельной осям
X и
Y, согласно
8.1.14 -
8.1.19.
Значения предельных сдвигающих сил следует определять по бетону Nbxy,ult и по арматуре Nsxy,ult по формулам:
Nbxy,ult = 0,3RbAb, (8.114)
где Ab - рабочая площадь поперечного сечения бетона выделенного элемента;
Nsxy,ult = 0,5Rs(Asx + Asy), (8.115)
где Asx и Asy - площадь сечения арматуры в направлении осей X и Y в выделенном элементе.
Расчет из плоскости стены производят аналогично расчету плоских плит перекрытий, определяя значения предельных изгибающих моментов с учетом влияния нормальных сил.
Допускается применять и другие методы расчета по прочности плоского выделенного элемента, полученные на основе равновесия внешних усилий, действующих по боковым сторонам выделенного элемента, и внутренних усилий в диагональном сечении выделенного элемента.
8.1.58 Расчет по прочности плоских выделенных элементов стен на действие поперечных сил следует производить аналогично расчету плит, но с учетом влияния продольных сил.
8.1.59 Расчет по трещиностойкости плит (по образованию и раскрытию трещин нормальных к продольной оси элемента), следует производить на действие изгибающих моментов (без учета крутящих моментов) согласно указаниям
раздела 8.2.
8.2 Расчет элементов железобетонных конструкций по предельным состояниям второй группы
Общие положения
8.2.1 Расчеты по предельным состояниям второй группы включают:
- расчет по образованию трещин;
- расчет по раскрытию трещин;
- расчет по деформациям.
8.2.2 Расчет по образованию трещин производят, когда необходимо обеспечить отсутствие трещин
(4.3), а также как вспомогательный при расчете по раскрытию трещин и по деформациям.
8.2.3 При расчете по образованию трещин в целях их недопущения коэффициент надежности по нагрузке принимают

(как при расчете по прочности). При расчете по раскрытию трещин и по деформациям (включая вспомогательный расчет по образованию трещин) принимают коэффициент надежности по нагрузке

.
Расчет железобетонных элементов по образованию и раскрытию трещин
8.2.4 Расчет железобетонных элементов по образованию трещин производят из условия
где M - изгибающий момент от внешней нагрузки относительно оси, нормальной к плоскости действия момента и проходящей через центр тяжести приведенного поперечного сечения элемента;
Mcrc - изгибающий момент, воспринимаемый нормальным сечением элемента при образовании трещин, определяемый по
формуле (8.121).
Для центрально-растянутых элементов образование трещин определяют из условия
где N - продольное растягивающее усилие от внешней нагрузки;
Ncrc - продольное растягивающее усилие, воспринимаемое элементом при образовании трещин, определяемое согласно
8.2.13.
8.2.5 В случаях, когда выполняется
условие (8.116) или
(8.117), выполняют расчет по раскрытию трещин. Расчет железобетонных элементов производят по непродолжительному и продолжительному раскрытию трещин.
Непродолжительное раскрытие трещин определяют от совместного действия постоянных и временных (длительных и кратковременных) нагрузок, продолжительное - только от постоянных и временных длительных нагрузок
(4.6).
8.2.6 Расчет по раскрытию трещин производят из условия
acrc <=
acrc,ult, (8.118)
где
acrc - ширина раскрытия трещин от действия внешней нагрузки, определяемая согласно
8.2.7,
8.2.15 -
8.2.17;
acrc,ult - предельно допустимая ширина раскрытия трещин.
Значения acrc,ult принимают равными:
а) из условия обеспечения сохранности арматуры
классов A240...A600, B500:
0,3 мм - при продолжительном раскрытии трещин;
0,4 мм - при непродолжительном раскрытии трещин;
классов A800, A1000, Bp1200 - Bp1400, а также классов K1400, K1450, K1500, K1550, K1650 диаметром 12 мм и более:
0,2 мм - при продолжительном раскрытии трещин;
0,3 мм - при непродолжительном раскрытии трещин;
классов Bp1500, Bp1600, а также классов K1500, K1550, K1650, K1750, K1850, K1900 диаметром менее 12 мм:
0,1 мм - при продолжительном раскрытии трещин;
0,2 мм - при непродолжительном раскрытии трещин;
б) из условия ограничения проницаемости конструкций
0,2 мм - при продолжительном раскрытии трещин;
0,3 мм - при непродолжительном раскрытии трещин.
(в ред.
Изменения N 1, утв. Приказом Минстроя России от 22.11.2019 N 717/пр)
8.2.7 Расчет железобетонных элементов следует производить по продолжительному и по непродолжительному раскрытию нормальных трещин.
(в ред.
Изменения N 1, утв. Приказом Минстроя России от 22.11.2019 N 717/пр)
Ширину продолжительного раскрытия трещин определяют по формуле
acrc = acrc1, (8.119)
а ширину непродолжительного раскрытия трещин - по формуле
acrc = acrc1 + acrc2 - acrc3, (8.120)
где acrc1 - ширина раскрытия трещин от продолжительного действия постоянных и временных длительных нагрузок;
acrc2 - ширина раскрытия трещин от непродолжительного действия постоянных и временных (длительных и кратковременных) нагрузок;
acrc3 - ширина раскрытия трещин от непродолжительного действия постоянных и временных длительных нагрузок.
Определение момента образования трещин, нормальных к продольной оси элемента
8.2.8 Изгибающий момент
Mcrc при образовании трещин в общем случае определяется по деформационной модели согласно
8.2.14.
Для элементов прямоугольного, таврового или двутаврового сечения с арматурой, расположенной у верхней и нижней граней, момент трещинообразования с учетом неупругих деформаций растянутого бетона допускается определять согласно указаниям
8.2.10 -
8.2.12.
8.2.9 Допускается момент образования трещин определять без учета неупругих деформаций растянутого бетона по
8.2.11, принимая в
формуле (8.121) Wpl =
Wred. Если при этом
условие (8.118) или
(8.139) не удовлетворяется, то момент образования трещин следует определять с учетом неупругих деформаций растянутого бетона.
8.2.10 Момент образования трещин с учетом неупругих деформаций растянутого бетона определяют в соответствии со следующими положениями:
- сечения после деформирования остаются плоскими;
- эпюру напряжений в сжатой зоне бетона принимают треугольной формы, как для упругого тела
(рисунок 8.17);
- эпюру напряжений в растянутой зоне бетона принимают трапециевидной формы с напряжениями, не превышающими расчетных значений сопротивления бетона растяжению Rbt,ser;
- относительную деформацию крайнего растянутого волокна бетона принимают равной ее предельному значению

при кратковременном действии нагрузки
(8.1.30); при двухзначной эпюре деформаций в сечении элемента

;
- напряжения в арматуре принимают в зависимости от относительных деформаций как для упругого тела.
1 - уровень центра тяжести приведенного поперечного сечения
Рисунок 8.17 - Схема напряженно-деформированного состояния
сечения элемента при проверке образования трещин
при действии изгибающего момента (а), изгибающего момента
и продольной силы (б)
8.2.11 Момент образования трещин с учетом неупругих деформаций растянутого бетона определяют по формуле
Mcrc =
Rbt,ser·
Wpl +/-
N·
ex, (8.121)
где
Wpl - упругопластический момент сопротивления сечения для крайнего растянутого волокна бетона, определяемый с учетом положений
8.2.10;
ex - расстояние от точки приложения продольной силы N (расположенной в центре тяжести приведенного сечения элемента) до ядровой точки, наиболее удаленной от растянутой зоны, трещинообразование которой проверяется.
В
формуле (8.121) знак "плюс" принимают при сжимающей продольной силе
N, "минус" - при растягивающей силе.
Для прямоугольных сечений и тавровых сечений с полкой, расположенной в сжатой зоне, значение Wpl при действии момента в плоскости оси симметрии допускается принимать равным
где
Wred - упругий момент сопротивления приведенного сечения по растянутой зоне сечения, определяемый в соответствии с
8.2.12.
8.2.12 Момент сопротивления
Wred и расстояние
ex определяют по формулам:

(8.123)

(8.124)
где Ired - момент инерции приведенного сечения элемента относительно его центра тяжести, определяемый по формуле

(8.125)
I, Is, I's - моменты инерции сечений бетона, растянутой арматуры и сжатой арматуры соответственно;
Ared - площадь приведенного поперечного сечения элемента, определяемая по формуле

(8.126)

- коэффициент приведения арматуры к бетону
A, As, A's - площади поперечного сечения бетона, растянутой и сжатой арматуры соответственно;
yt - расстояние от наиболее растянутого волокна бетона до центра тяжести приведенного поперечного сечения элемента
здесь St,red - статический момент площади приведенного поперечного сечения элемента относительно наиболее растянутого волокна бетона.
Допускается момент сопротивления Wred определять без учета арматуры.
8.2.13 Усилие
Ncrc при образовании трещин в центрально-растянутых элементах определяют по формуле
Ncrc =
Ared·
Rbt,ser. (8.127)
8.2.14 Определение момента образования трещин на основе нелинейной деформационной модели производят исходя из общих положений, приведенных в
6.1.24 и
8.1.20 -
8.1.30, но с учетом работы бетона в растянутой зоне нормального сечения, определяемой диаграммой состояния растянутого бетона согласно
6.1.22. Расчетные характеристики материалов принимают для предельных состояний второй группы.
Значение
Mcrc определяют из решения системы уравнений, представленных в
8.1.20 -
8.1.30, принимая относительную деформацию бетона

у растянутой грани элемента от действия внешней нагрузки, равной предельному значению относительной деформации бетона при растяжении

, определяемому согласно
8.1.30.
Расчет ширины раскрытия трещин, нормальных к продольной оси элемента
8.2.15 Ширину раскрытия нормальных трещин
acrc,i (
i = 1, 2, 3 - см.
8.2.7) определяют по формуле

(8.128)
где

- напряжение в продольной растянутой арматуре в нормальном сечении с трещиной от соответствующей внешней нагрузки, определяемое согласно
8.2.16;
ls - базовое (без учета влияния вида поверхности арматуры) расстояние между смежными нормальными трещинами, определяемое согласно
8.2.17;

- коэффициент, учитывающий неравномерное распределение относительных деформаций растянутой арматуры между трещинами; допускается принимать коэффициент

; если при этом
условие (8.118) не удовлетворяется, то значение

следует определять по
формуле (8.138);

- коэффициент, учитывающий продолжительность действия нагрузки, принимаемый равным:
1,0 - при непродолжительном действии нагрузки;
1,4 - при продолжительном действии нагрузки;

- коэффициент, учитывающий профиль продольной арматуры, принимаемый равным:
0,5 - для арматуры периодического профиля и канатной;
0,8 - для гладкой арматуры;

- коэффициент, учитывающий характер нагружения, принимаемый равным:
1,0 - для элементов изгибаемых и внецентренно сжатых;
1,2 - для растянутых элементов.
8.2.16 Значения напряжения

в растянутой арматуре изгибаемых элементов определяют по формуле

(8.129)
где
Ired,
yc - момент инерции и высота сжатой зоны приведенного поперечного сечения элемента, определяемые с учетом площади сечения только сжатой зоны бетона, площадей сечения растянутой и сжатой арматуры согласно
8.2.27, принимая в соответствующих формулах значения коэффициента приведения арматуры к бетону

.
Для изгибаемых элементов
yc =
x (рисунок 8.18), где
x - высота сжатой зоны бетона, определяемая согласно
8.2.28 при

.
1 - уровень центра тяжести приведенного поперечного сечения
Рисунок 8.18 - Схема напряженно-деформированного состояния
элемента с трещинами при действии изгибающего момента
(а, б), изгибающего момента и продольной силы (в)
Значение коэффициента приведения арматуры к бетону

определяют по формуле

(8.130)
где Eb,red - приведенный модуль деформации сжатого бетона, учитывающий неупругие деформации сжатого бетона и определяемый по формуле

(8.131)
Относительную деформацию бетона

принимают равной 0,0015.
Допускается напряжение

определять по формуле

(8.132)
где zs - расстояние от центра тяжести растянутой арматуры до точки приложения равнодействующей усилий в сжатой зоне элемента.
Для элементов прямоугольного поперечного сечения при отсутствии (или без учета) сжатой арматуры значение zs определяют по формуле

(8.133)
Для элементов прямоугольного, таврового (с полкой в сжатой зоне) и двутаврового поперечного сечения допускается значение принимать равным 0,8h0.
При действии изгибающего момента
M и продольной силы
N напряжение

в растянутой арматуре определяют по формуле

(8.134)
где
Ared,
yc - площадь приведенного поперечного сечения элемента и расстояние от наиболее сжатого волокна бетона до центра тяжести приведенного сечения, определяемые по общим правилам расчета геометрических характеристик сечений упругих элементов с учетом площади сечения только сжатой зоны бетона, площадей сечения растянутой и сжатой арматуры согласно
8.2.28, принимая коэффициент приведения арматуры к бетону

.
Допускается напряжение

определять по формуле

(8.135)
где
es - расстояние от центра тяжести растянутой арматуры до точки приложения продольной силы
N с учетом эксцентриситета, равного

.
Для элементов прямоугольного сечения при отсутствии (или без учета) сжатой арматуры значение
zs допускается определять по
формуле (8.133), в которой
xm - высота сжатой зоны бетона с учетом влияния продольной силы, определяемая согласно
8.2.28, принимая коэффициент приведения арматуры к бетону

.
Для элементов прямоугольного, таврового (с полкой в сжатой зоне) и двутаврового поперечного сечения допускается значение zs принимать равным 0,7h0.
В
формулах (8.134) и
(8.135) знак "плюс" принимают при растягивающей, а знак "минус" при сжимающей продольной силе.
Напряжения

не должны превышать
Rs,ser.
8.2.17 Значения базового расстояния между трещинами
ls определяют по формуле

(8.136)
и принимают не менее 10ds и 10 см и не более 40ds и 40 см;
где Abt - площадь сечения растянутого бетона;
As - площадь сечения растянутой арматуры;
ds - номинальный диаметр арматуры.
Значения
Abt определяют по высоте растянутой зоны бетона
xt, используя правила расчета момента образования трещин согласно
8.2.8 -
8.2.14.
В любом случае значение Abt принимают равным площади сечения при ее высоте в пределах не менее 2a и не более 0,5h.
8.2.18 Значения коэффициента

определяют по формуле

(8.137)
где
- напряжение в продольной растянутой арматуре в сечении с трещиной сразу после образования нормальных трещин, определяемое по
8.2.16, принимая в соответствующих формулах значения
M =
Mcrc;
- то же, при действии рассматриваемой нагрузки.
Для изгибаемых элементов значение коэффициента

допускается определять по формуле

(8.138)
Расчет элементов железобетонных конструкций по деформациям
8.2.19 Расчет элементов железобетонных конструкций по деформациям производят с учетом эксплуатационных требований, предъявляемых к конструкциям.
Расчет по деформациям следует производить на действие:
- постоянных, временных длительных и кратковременных нагрузок
(4.6) при ограничении деформаций технологическими или конструктивными требованиями;
- постоянных и временных длительных нагрузок при ограничении деформаций эстетическими требованиями.
8.2.20 Значения предельно допустимых деформаций элементов принимают согласно
СП 20.13330 и нормативным документам на конкретные виды конструкций.
Расчет железобетонных элементов по прогибам
8.2.21 Расчет железобетонных элементов по прогибам производят из условия
где f - прогиб железобетонного элемента от действия внешней нагрузки;
fult - значение предельно допустимого прогиба железобетонного элемента.
Прогибы железобетонных конструкций определяют по общим правилам строительной механики в зависимости от изгибных, сдвиговых и осевых деформационных характеристик железобетонного элемента в сечениях по его длине (кривизн, углов сдвига и т.д.).
В тех случаях, когда прогибы железобетонных элементов в основном зависят от изгибных деформаций, значения прогибов определяют по жесткостным характеристикам согласно
8.2.22 и
8.2.31.
8.2.22 Для изгибаемых элементов постоянного по длине элемента сечения без трещин прогибы определяют по общим правилам строительной механики с использованием жесткости поперечных сечений, определяемой по
формуле (8.143).
Определение кривизны железобетонных элементов
8.2.23 Кривизну изгибаемых, внецентренно сжатых и внецентренно растянутых элементов для вычисления их прогибов определяют:
а) для элементов или участков элемента, где в растянутой зоне не образуются нормальные к продольной оси трещины, согласно
8.2.24,
8.2.26;
б) для элементов или участков элемента, где в растянутой зоне имеются трещины, согласно
8.2.24,
8.2.25 и
8.2.27.
Элементы или участки элементов рассматривают без трещин, если трещины не образуются [т.е.
условие (8.116) не выполняется] при действии полной нагрузки, включающей постоянную, временную длительную и кратковременную нагрузки.
Кривизну железобетонных элементов с трещинами и без трещин можно также определять на основе деформационной модели согласно
8.2.32.
8.2.24 Полную кривизну изгибаемых, внецентренно сжатых и внецентренно растянутых элементов определяют по формулам:
для участков без трещин в растянутой зоне

(8.140)
для участков с трещинами в растянутой зоне

(8.141)

,

- кривизны соответственно от непродолжительного действия кратковременных нагрузок и от продолжительного действия постоянных и временных длительных нагрузок.

- кривизна от непродолжительного действия всей нагрузки, на которую производят расчет по деформациям;

- кривизна от непродолжительного действия постоянных и временных длительных нагрузок;

- кривизна от продолжительного действия постоянных и временных длительных нагрузок.
Кривизны

,

и

определяют согласно
8.2.25.
8.2.25 Кривизну железобетонных элементов

от действия соответствующих нагрузок
(8.2.24) определяют по формуле

(8.142)
где M - изгибающий момент от внешней нагрузки (с учетом момента от продольной силы N) относительно оси, нормальной плоскости действия изгибающего момента и проходящей через центр тяжести приведенного поперечного сечения элемента;
D - изгибная жесткость приведенного поперечного сечения элемента, определяемая по формуле
где Eb1 - модуль деформации сжатого бетона, определяемый в зависимости от продолжительности действия нагрузки и с учетом наличия или отсутствия трещин;
Ired - момент инерции приведенного поперечного сечения относительно его центра тяжести, определяемый с учетом наличия или отсутствия трещин.
Значения модуля деформации бетона
Eb1 и момента инерции приведенного сечения
Ired для элементов без трещин в растянутой зоне и с трещинами определяют по
8.2.26 и
8.2.27 соответственно.
Жесткость железобетонного элемента на участке без трещин в растянутой зоне
8.2.26 Жесткость железобетонного элемента
D на участке без трещин определяют по
формуле (8.143).
Момент инерции
Ired приведенного поперечного сечения элемента относительно его центра тяжести определяют как для сплошного тела по общим правилам сопротивления упругих элементов с учетом всей площади сечения бетона и площадей сечения арматуры с коэффициентом приведения арматуры к бетону

.

(8.144)
где I - момент инерции бетонного сечения относительно центра тяжести приведенного поперечного сечения элемента;
Is, I's - моменты инерции площадей сечения соответственно растянутой и сжатой арматуры относительно центра тяжести приведенного поперечного сечения элемента;

- коэффициент приведения арматуры к бетону

(8.145)
Значение I определяют по общим правилам расчета геометрических характеристик сечений упругих элементов.
Допускается определять момент инерции Ired без учета арматуры.
при непродолжительном действии нагрузки
Eb1 = 0,85·Eb; (8.146)
при продолжительном действии нагрузки

(8.147)
Жесткость железобетонного элемента на участке с трещинами в растянутой зоне
8.2.27 Жесткость железобетонного элемента на участках с трещинами в растянутой зоне определяют с учетом следующих положений:
сечения после деформирования остаются плоскими;
напряжения в бетоне сжатой зоны определяют как для упругого тела;
работу растянутого бетона в сечении с нормальной трещиной не учитывают;
работу растянутого бетона на участке между смежными нормальными трещинами учитывают посредством коэффициента

.
Жесткость железобетонного элемента
D на участках с трещинами определяют по
формуле (8.143) и принимают не более жесткости без трещин.
Значения модуля деформации сжатого бетона
Eb1 принимают равными значениям приведенного модуля деформации
Eb,red, определяемым по
формуле (6.9) при расчетных сопротивления бетона
Rb,ser для соответствующих нагрузок (непродолжительного и продолжительного действия).
Момент инерции приведенного поперечного сечения элемента
Ired относительно его центра тяжести определяют по общим правилам сопротивления упругих элементов с учетом площади сечения бетона только сжатой зоны, площадей сечения сжатой арматуры с коэффициентом приведения арматуры к бетону

и растянутой арматуры с коэффициентом приведения арматуры к бетону

по формуле

(8.148)
где Ib, Is, I's - моменты инерции площадей сечения соответственно сжатой зоны бетона, растянутой и сжатой арматуры относительно центра тяжести приведенного без учета бетона растянутой зоны поперечного сечения.
Значения
Is и
I's определяют по общим правилам сопротивления материалов, принимая расстояние от наиболее сжатого волокна бетона до центра тяжести приведенного (с коэффициентами приведения

и

) поперечного сечения без учета бетона растянутой зоны
(рисунок 8.19); для изгибаемых элементов
ycm = xm,
где
xm - средняя высота сжатой зоны бетона, учитывающая влияние работы растянутого бетона между трещинами и определяемая согласно
8.2.28 (рисунок 8.19).
1 - уровень центра тяжести приведенного без учета растянутой
зоны бетона поперечного сечения
Рисунок 8.19 - Приведенное поперечное сечение (а) и схема
напряженно-деформированного состояния элемента с трещинами
(б) для расчета его по деформациям при действии
изгибающего момента
Значения Ib и ycm определяют по общим правилам расчета геометрических характеристик сечений упругих элементов.
Значения коэффициентов приведения арматуры к бетону

и

определяют по
8.2.30.
8.2.28 Для изгибаемых элементов положение нейтральной оси (средняя высота сжатой зоны бетона) определяют из уравнения

(8.149)
где Sb0, Ss0 и S's0 - статические моменты соответственно сжатой зоны бетона, растянутой и сжатой арматуры относительно нейтральной оси.
Для прямоугольных сечений только с растянутой арматурой высоту сжатой зоны определяют по формуле

(8.150)
где

.
Для прямоугольных сечений с растянутой и сжатой арматурой высоту сжатой зоны определяют по формуле

(8.151)
где

.
Для тавровых (с полкой в сжатой зоне) и двутавровых сечений высоту сжатой зоны определяют по формуле

(8.152)
где

.
A'f - площадь сечения свесов сжатой полки.
Для внецентренно сжатых и внецентренно растянутых элементов положение нейтральной оси (высоту сжатой зоны) определяют из уравнения

(8.153)
где
yN - расстояние от нейтральной оси до точки приложения продольной силы
N, отстоящей от центра тяжести полного сечения (без учета трещин) на расстояние

;
Ib0, Is0, I's0, Sb0, Ss0, S's0 - моменты инерции и статические моменты соответственно сжатой зоны бетона, растянутой и сжатой арматуры относительно нейтральной оси.
Допускается для элементов прямоугольного сечения высоту сжатой зоны при действии изгибающих моментов M и продольной силы N определять по формуле

(8.154)
Ired, Ared - момент инерции и площадь приведенного поперечного сечения, определяемые для полного сечения (без учета трещин).
Значения геометрических характеристик сечения элемента определяют по общим правилам расчета сечения упругих элементов.
В
формуле (8.154) знак "плюс" принимают при сжимающей, а знак "минус" при растягивающей продольной силе.
8.2.29 Жесткость изгибаемых железобетонных элементов допускается определять по формуле
D = Es,redAsz(h0 - xm), (8.155)
где z - расстояние от центра тяжести растянутой арматуры до точки приложения равнодействующей усилий в сжатой зоне.
Для элементов прямоугольного сечения при отсутствии (или без учета) сжатой арматуры значение z определяют по формуле

(8.156)
Для элементов прямоугольного, таврового (с полкой в сжатой зоне) и двутаврового поперечных сечений значение z допускается принимать равным 0,8h0.
8.2.30 Значения коэффициентов приведения арматуры к бетону принимают равными:
для сжатой арматуры

(8.157)
для растянутой арматуры

(8.158)
где
Eb,red - приведенный модуль деформации сжатого бетона, определяемый по
формуле (6.9) при непродолжительном и продолжительном действии нагрузки, заменяя
Rb на
Rb,ser;
Es,red - приведенный модуль деформации растянутой арматуры, определяемый с учетом влияния работы растянутого бетона между трещинами по формуле

(8.159)
Допускается принимать

и, следовательно,

. При этом, если
условие (8.139) не удовлетворяется, расчет производят с учетом коэффициента

, определяемого по
формуле (8.138).
8.2.31 Прогибы железобетонных элементов можно определять по общим правилам строительной механики с использованием вместо кривизны

непосредственно изгибных жесткостных характеристик
D путем замены упругих изгибных характеристик
EI в расчетных зависимостях на характеристики
D, вычисляемые по формулам, приведенным в
8.2.25 и
8.2.29.
При совместном действии кратковременной и длительной нагрузок полный прогиб элементов без трещин и с трещинами в растянутой зоне определяют путем суммирования прогибов от соответствующих нагрузок по аналогии с суммированием кривизны по
8.2.24, принимая жесткостные характеристики
D в зависимости от указанной в этом пункте принятой продолжительности действия рассматриваемой нагрузки.
Допускается при определении жесткостных характеристик
D элементов с трещинами в растянутой зоне принимать коэффициент

. В этом случае при совместном действии кратковременной и длительной нагрузок полный прогиб изгибаемых элементов с трещинами определяют путем суммирования прогибов от непродолжительного действия кратковременной нагрузки и от продолжительного действия длительной нагрузки с учетом соответствующих значений жесткостных характеристик
D, т.е. подобно тому, как это принято для элементов без трещин.
Определение кривизны железобетонных элементов на основе нелинейной деформационной модели
8.2.32 Полную кривизну железобетонных элементов на участках без трещин в растянутой зоне сечения определяют по
формуле (8.140), а на участках с трещинами в растянутой зоне сечения - по
формуле (8.141).
Значения кривизн, входящих в
формулы (8.140) и
(8.141), определяют из решения системы
уравнений (8.26) -
(8.30). При этом для элементов с нормальными трещинами в растянутой зоне напряжение в арматуре, пересекающей трещины, определяют по формуле

(8.160)
где

(8.161)
Здесь
- относительная деформация растянутой арматуры в сечении с трещиной сразу после образования нормальных трещин;

- усредненная относительная деформация растянутой арматуры, пересекающей трещины, в рассматриваемой стадии расчета.
При определении кривизн от непродолжительного действия нагрузки в расчете используют диаграммы кратковременного деформирования сжатого и растянутого бетона, а при определении кривизн от продолжительного действия нагрузки - диаграммы длительного деформирования бетона с расчетными характеристиками для предельных состояний второй группы.
Для частных случаев действия внешней нагрузки (изгиб в двух плоскостях, изгиб в плоскости оси симметрии поперечного сечения элемента и т.п.) кривизны, входящие в
формулы (8.140) и
(8.141), определяют из решения систем уравнений, указанных в
8.1.26 -
8.1.28.
9 Предварительно напряженные железобетонные конструкции
9.1 Предварительные напряжения арматуры
9.1.1 Предварительные напряжения арматуры

принимают не более 0,9
Rs,n для горячекатаной и горячекатаной упрочненной арматуры и не более 0,8
Rs,n для холоднодеформированной арматуры и арматурных канатов.
(п. 9.1.1 в ред.
Изменения N 1, утв. Приказом Минстроя России от 22.11.2019 N 717/пр)
9.1.2 При расчете предварительно напряженных конструкций следует учитывать снижение предварительных напряжений вследствие потерь предварительного напряжения - до окончания передачи усилий натяжения на бетон (первые потери) и после передачи усилий натяжения на бетон (вторые потери).
(в ред.
Изменения N 1, утв. Приказом Минстроя России от 22.11.2019 N 717/пр)
При натяжении арматуры на упоры следует учитывать:
первые потери - от релаксации предварительных напряжений в арматуре, температурного перепада при термической обработке конструкций, деформации анкеров и деформации формы (упоров);
вторые потери - от усадки и ползучести бетона.
При натяжении арматуры на бетон следует учитывать:
первые потери - от деформации анкеров, трения арматуры о стенки каналов или поверхность конструкции;
вторые потери - от релаксации предварительных напряжений в арматуре, усадки и ползучести бетона.
9.1.3 Потери от релаксации напряжений арматуры

определяют по формулам:
для арматуры классов A600 - A1000 при способе натяжения:

; (9.1)

; (9.2)
для арматуры классов Bp1200 - Bp1600, а также для арматурных канатов классов K1400 и K1500 при механическом способе натяжения:

, (9.3)
для стабилизированных арматурных канатов классов K1400 - K1900 при механическом способе натяжения:

, (9.4)
где

, МПа, принимается без потерь.
r - показатель релаксации, который принимают по данным изготовителя при начальной нагрузке 70% фактического разрывного усилия в течение времени действия нагрузки в 1000 ч и температуре 20 °C; при отсутствии данных изготовителей показатель релаксации принимают в расчетах равным 2,5% при

, 1% - при

и по линейной интерполяции для промежуточных значений

.
При отрицательных значениях

принимают

.
При наличии более точных данных о релаксации арматуры допускается принимать иные значения потерь от релаксации.
(п. 9.1.3 в ред.
Изменения N 1, утв. Приказом Минстроя России от 22.11.2019 N 717/пр)
9.1.4 Потери

от температурного перепада

, °C, определяемого как разность температур натянутой арматуры в зоне нагрева и устройства, воспринимающего усилия натяжения при нагреве бетона, принимают равными

(9.5)
При отсутствии точных данных по температурному перепаду допускается принимать

.
При наличии более точных данных о температурной обработке конструкции допускается принимать иные значения потерь от температурного перепада.
9.1.5 Потери от деформации стальной формы (упоров)

при неодновременном натяжении арматуры на форму определяют по формуле

(9.6)
где n - число стержней (групп стержней), натягиваемых неодновременно;

- сближение упоров по линии действия усилия натяжения арматуры, определяемое из расчета деформации формы;
l - расстояние между наружными гранями упоров.
При отсутствии данных о конструкции формы и технологии изготовления допускается принимать

.
При электротермическом способе натяжения арматуры потери от деформации формы не учитываются.
9.1.6 Потери от деформации анкеров натяжных устройств

при натяжении арматуры на упоры определяют по формуле

(9.7)
где

- обжатие анкеров или смещение стержня в зажимах анкеров;
l - расстояние между наружными гранями упоров.
При отсутствии данных допускается принимать

.
При электротермическом способе натяжения арматуры потери от деформации анкеров не учитывают.
9.1.7 Потери от трения о стенки каналов или поверхность конструкции при натяжении арматуры на бетон определяют по формуле

,
где e - основание натуральных логарифмов;

- коэффициент трения арматуры о стенки каналообразователей (поверхность конструкции), принимаемый по
таблице 9.1;

- коэффициент учета непрямолинейности арматуры, м
-1, образующейся при производстве, принимаемый по сертификатам изготовителей арматуры. В случае отсутствия сертификатов изготовителей коэффициент

принимают по
таблице 9.1;
x - длина участка от натяжного устройства до расчетного сечения, м;

- суммарный угол поворота оси арматуры;

- принимают без учета потерь.
Арматура | Тип поверхности контакта с арматурой | Коэффициенты для определения потерь от трения арматуры |
| |
Стержневая периодического профиля | Металлическая | 0,008 | 0,40 |
Бетонная | 0,65 |
Канатная и проволочная | Металлическая | 0,01 (0,03) | 0,35 |
Пластиковая | 0,20 |
Бетонная | 0,55 |
Арматурные элементы | - | 0,01 | 0,10 |
Примечания 1 Значение коэффициента  в скобках относится к канатам первой категории качества. 2 При канатной или проволочной арматуре и гофрированной металлической поверхности допускается снижение коэффициента  на 0,10. 3 Арматурные элементы выполняют из арматурных канатов K7 и K7O, размещенных в заполненной защитным пластичным материалом пластиковой оболочке (ГОСТ Р 58386). |
(п. 9.1.7 в ред.
Изменения N 1, утв. Приказом Минстроя России от 22.11.2019 N 717/пр)
9.1.8 Потери от усадки бетона

при натяжении арматуры на упоры определяют по формуле

(9.8)
где

- деформации усадки бетона, значения которых можно приближенно принимать в зависимости от класса бетона равными:
0,0002 - для бетона классов B35 и ниже;
0,00025 - для бетона класса B40;
0,0003 - для бетона классов B45 и выше.
Для бетона, подвергнутого тепловой обработке при атмосферном давлении, потери от усадки бетона

вычисляют по
формуле (9.8) с умножением полученного результата на коэффициент, равный 0,85.
Потери от усадки бетона

при натяжении арматуры на бетон определяют по
формуле (9.8) с умножением полученного результата независимо от условий твердения бетона на коэффициент, равный 0,75.
Допускается потери от усадки бетона определять более точными методами.
9.1.9 Потери от ползучести бетона

определяют по формуле

(9.9)
где

- коэффициент ползучести бетона, определяемый согласно
6.1.16;

- напряжения в бетоне на уровне центра тяжести, рассматриваемой
j-й группы стержней напрягаемой арматуры;
ysj - расстояние между центрами тяжести сечения рассматриваемой группы стержней напрягаемой арматуры и приведенного поперечного сечения элемента;
Ared, Ired - площадь приведенного сечения элемента и ее момент инерции относительно центра тяжести приведенного сечения;

- коэффициент армирования, равный
Aspj/
A, где
A и
Aspj - площади поперечного сечения элемента и рассматриваемой группы стержней напрягаемой арматуры соответственно.
Для бетона, подвергнутого тепловой обработке, потери вычисляют по
формуле (9.9) с умножением полученного результата на коэффициент, равный 0,85.
Допускается потери от ползучести бетона определять более точными методами.
Напряжения

определяют по правилам расчета упругих материалов, принимая приведенное сечение элемента, включающее площадь сечения бетона и площадь сечения всей продольной арматуры (напрягаемой и ненапрягаемой) с коэффициентом приведения арматуры к бетону

, согласно
9.1.11.
При криволинейном расположении вдоль длины конструкции арматуры без сцепления с бетоном для определения сжимающих напряжений

по
формуле (9.9) конструкцию разбивают на
i отдельных участков. Для каждого
i-го участка сжимающие напряжения в бетоне на уровне рассматриваемой арматуры определяют по правилам расчета упругих тел и значение

принимают как среднее арифметическое напряжений во всех рассматриваемых участках

, (9.9а)
где

- напряжение в бетоне на
i-м участке, определяемое по среднему сечению этого участка;
li - длина i-го участка;
L - полная длина конструкции в пределах рассматриваемой арматуры.
(абзац введен
Изменением N 1, утв. Приказом Минстроя России от 22.11.2019 N 717/пр)
Допускается при криволинейном расположении напрягаемой на бетон арматуры по длине конструкции расчет потерь от ползучести бетона производить по формуле

, (9.9б)
где

- относительное укорочение бетона на уровне напрягаемой арматуры, расположенной в середине высоты поперечного сечения. Значение

определяют по формуле

, (9.9в)
где

- коэффициент ползучести бетона, определяемый по
6.1.16.
(абзац введен
Изменением N 1, утв. Приказом Минстроя России от 22.11.2019 N 717/пр)
При применении в конструкции продольной арматуры из нескольких канатов, высокопрочной проволочной арматуры, стержней (или их групп), натягиваемых на бетон неодновременно, следует учитывать изменение (снижение или повышение) напряжений в арматуре, натянутой ранее, вследствие упругого обжатия бетона усилиями арматуры, натягиваемой позднее. Изменение напряжения в каждой рассматриваемой арматуре (или группе) принимают равным

, (9.9г)
где

- среднее напряжение в бетоне на участке длины рассматриваемой арматуры, натянутой ранее, на уровне его центра тяжести от силы натяжения каждой
i-й группы арматуры, натягиваемой позже. Напряжения в арматуре этих групп принимают за вычетом первых потерь.
(абзац введен
Изменением N 1, утв. Приказом Минстроя России от 22.11.2019 N 717/пр)
Вычисленные значения

следует учитывать при назначении контролируемого напряжения для каждой группы арматуры, неодновременно натягиваемой на бетон.
(абзац введен
Изменением N 1, утв. Приказом Минстроя России от 22.11.2019 N 717/пр)
Допускается потери предварительного напряжения от обжатия бетона при неодновременном натяжении арматуры на бетон определять по формуле

, (9.9д)
где

- усредненная деформация укорочения бетона, определяемая по формуле

, (9.9е)
Esp - модуль упругости предварительно напряженной арматуры;
Ebp - начальный модуль упругости бетона, соответствующий передаточной прочности бетона;
Ab - площадь обжимаемого бетонного сечения за вычетом площади поперечного сечения предварительно напряженной арматуры;
P - действующее в сечении сжимающее усилие от натяжения.
(абзац введен
Изменением N 1, утв. Приказом Минстроя России от 22.11.2019 N 717/пр)
9.1.10 Полные значения первых потерь предварительного напряжения арматуры (
9.1.3 -
9.1.6) определяют по формуле

(9.10)
где i - номер потерь предварительного напряжения.
Усилие предварительного обжатия бетона с учетом первых потерь равно:

(9.11)
где
Aspj и

- площадь сечения
j-й группы стержней напрягаемой арматуры в сечении элемента и предварительное напряжение в группе с учетом первых потерь
Здесь

- начальное предварительное напряжение рассматриваемой группы стержней арматуры.
Полные значения первых и вторых потерь предварительного напряжения арматуры (
9.1.3 -
9.1.8) определяют по формуле

(9.12)
Усилие в напрягаемой арматуре с учетом полных потерь равно

(9.13)
где

.
При проектировании конструкций полные суммарные потери

для арматуры, расположенной в растянутой при эксплуатации зоне сечения элемента (основной рабочей арматуры), следует принимать не менее 100 МПа.
При определении усилия предварительного обжатия бетона P с учетом полных потерь напряжений следует учитывать сжимающие напряжения в ненапрягаемой арматуре, численно равные сумме потерь от усадки и ползучести бетона на уровне этой арматуры.
При определении усилий обжатия с учетом ненапрягаемой арматуры на уровне ненапрягаемой арматуры, потери от ползучести на этом уровне принимают равными

, где

- потери от ползучести для стержней напрягаемой арматуры, ближайшей к рассматриваемой ненапрягаемой арматуре;

и

- напряжения в бетоне на уровне рассматриваемой ненапрягаемой и напрягаемой арматуры соответственно.
9.1.11 Предварительные напряжения в бетоне

при передаче усилия предварительного обжатия
P(1), определяемого с учетом первых потерь, не должны превышать:
если напряжения уменьшаются или не изменяются при действии внешних нагрузок - 0,9Rbp,
если напряжения увеличиваются при действии внешних нагрузок - 0,7Rbp.
Напряжения в бетоне

определяют по формуле

(9.14)
где P(1) - усилие предварительного обжатия с учетом первых потерь;
M - изгибающий момент от внешней нагрузки, действующий в стадии обжатия (собственный вес элемента);
y - расстояние от центра тяжести сечения до рассматриваемого волокна;
e0p - эксцентриситет усилия P(1) относительно центра тяжести приведенного поперечного сечения элемента.
9.1.12 Длину зоны передачи предварительного напряжения на бетон для арматуры без дополнительных анкерующих устройств определяют по формуле

(9.15)
но не менее 10ds и 200 мм, а для арматурных канатов также не менее 300 мм.

- предварительное напряжение в напрягаемой арматуре с учетом первых потерь;
Rbond - сопротивление сцепления напрягаемой арматуры с бетоном, отвечающее передаточной прочности бетона и определяемое согласно
10.3.24;
As, us - площадь и периметр стержня арматуры.
Передачу предварительного напряжения с арматуры на бетон следует осуществлять плавно.
9.2 Расчет элементов предварительно напряженных железобетонных конструкций по предельным состояниям первой группы
Расчет предварительно напряженных железобетонных элементов по прочности
Общие положения
9.2.1 Расчет предварительно напряженных элементов производят для стадии эксплуатации на действие изгибающих моментов и поперечных сил от внешних нагрузок и для стадии предварительного обжатия на действие усилий от предварительного натяжения арматуры и усилий от внешних нагрузок, действующих в стадии обжатия.
9.2.2 Расчет по прочности предварительно напряженных элементов при действии изгибающих моментов следует производить для сечений, нормальных к их продольной оси.
Расчет по прочности нормальных сечений в общем случае производят на основе нелинейной деформационной модели согласно
9.2.13 -
9.2.15, а также на основе предельных усилий согласно
9.2.7 -
9.2.12.
9.2.3 Для железобетонных элементов, у которых предельное усилие по прочности оказывается меньше предельного усилия по образованию трещин, площадь сечения продольной растянутой арматуры должна быть увеличена по сравнению с требуемой из расчета по прочности не менее чем на 15% или должна удовлетворять расчету по прочности на действие момента образования трещин.
9.2.4 Расчет преднапряженных элементов в стадии обжатия производят как при внецентренном сжатии усилием предварительного обжатия в предельном состоянии согласно
9.2.10 -
9.2.12.
9.2.5 Расчет предварительно напряженных элементов по прочности при действии поперечных сил (расчет по наклонным сечениям) и местном действии нагрузки (расчеты на смятие и продавливание) следует производить согласно
подразделу 8.1.
9.2.6 При расчете предварительно напряженных элементов по прочности следует учитывать возможные отклонения предварительного напряжения, определяемого согласно
9.1.10, путем умножения значений

(или усилия обжатия
Pj) для рассматриваемого
j-го стержня или группы стержней напрягаемой арматуры на коэффициент
.
Значения коэффициента

принимают равными:
0,9 - при благоприятном влиянии предварительного напряжения;
1,1 - при неблагоприятном влиянии предварительного напряжения.
Расчет предварительно напряженных элементов на действие изгибающих моментов в стадии эксплуатации по предельным усилиям
9.2.7 Расчет по прочности нормальных сечений предварительно напряженных элементов со сцеплением арматуры с бетоном следует производить согласно
подразделу 8.1 с учетом
9.2.8,
9.2.9. При этом в формулах
подраздела 8.1 обозначения площадей сечения
As и
A's следует относить как к напрягаемой, так и к ненапрягаемой арматуре.
(в ред.
Изменения N 1, утв. Приказом Минстроя России от 22.11.2019 N 717/пр)
Допускается принимать для растянутой арматуры с условным пределом текучести напряжения выше
Rs, но не более 1,1
Rs в зависимости от соотношения

и
(8.1.5). Расчет изгибаемых элементов с предварительно напряженной арматурой, не имеющей сцепления с бетоном, следует производить с учетом
приложения М.
(в ред.
Изменения N 1, утв. Приказом Минстроя России от 22.11.2019 N 717/пр)
9.2.8 Значение

принимают по
формуле (8.1), в которой значения относительной деформации арматуры растянутой зоны

следует определять по формулам:
для арматуры с условным пределом текучести

(9.16)
где
- предварительное напряжение в арматуре с учетом всех потерь и

.
для ненапрягаемой арматуры с физическим пределом текучести
9.2.9 Для напрягаемой арматуры, расположенной в сжатой зоне, расчетное сопротивление сжатию
Rsc следует заменить напряжением

, равным:

- при учете коэффициента условий работы бетона
(6.1.12);

- при

.
Здесь

принимают в МПа.
Значения

определяют с коэффициентом

.
Во всех случаях напряжение

принимают не более
Rsc.
Расчет предварительно напряженных элементов в стадии предварительного обжатия
9.2.10 При расчете элемента в стадии предварительного обжатия усилие в напрягаемой арматуре вводится в расчет как внешняя продольная сила, равная

(9.17)
где A'sp и Asp - площади сечения напрягаемой арматуры, расположенной соответственно в наиболее обжатой и в растянутой (менее обжатой) зонах сечения;

и
- предварительные напряжения с учетом первых потерь и коэффициента

в арматуре с площадью сечения
A'sp и
Asp. Для предварительно напряженных элементов с натяжением арматуры на бетон расчет по прочности в стадии предварительного обжатия производят, принимая в правой части
формулы (9.17) первое слагаемое равным нулю.
(в ред.
Изменения N 1, утв. Приказом Минстроя России от 22.11.2019 N 717/пр)
9.2.11 Расчет по прочности элементов прямоугольного сечения в стадии предварительного обжатия производят из условия

(9.18)
где
ep - расстояние от точки приложения продольной силы
Np с учетом влияния изгибающего момента
M от внешней нагрузки, действующей в стадии изготовления (собственная масса элемента), до центра тяжести сечения ненапрягаемой арматуры растянутой или наименее сжатой (при полностью сжатом сечении элемента) от этих усилий
(рисунок 9.1), определяемое по формуле

(9.19)
e0p - расстояние от точки приложения силы Np до центра тяжести сечения элемента;
Rb - расчетное сопротивление бетона сжатию, принимаемое по линейной интерполяции
(таблица 6.8) как для класса бетона по прочности на сжатие, численно равного передаточной прочности бетона
Rbp;
Rsc - расчетное сопротивление ненапрягаемой арматуры сжатию, принимаемое в стадии предварительного обжатия не более 330 МПа;
A's - площадь сечения ненапрягаемой арматуры, расположенной в наиболее сжатой зоне сечения элемента.
Высоту сжатой зоны бетона определяют в зависимости от величины

, определяемой по
формуле (8.1) с подстановкой в нее значения

, где
Rs - расчетное сопротивление растянутой ненапрягаемой арматуры
As, и

:

(9.20)
б) при

по формуле

, (9.21)
Минстроя России от 22.11.2019 N 717/пр)
Рисунок 9.1 - Схема усилий и эпюра напряжений в сечении,
нормальном к продольной оси изгибаемого предварительно
напряженного элемента при его расчете по прочности
в стадии обжатия
9.2.12 Расчет по прочности элементов таврового и двутаврового сечений в стадии предварительного обжатия производят в зависимости от положения границы сжатой зоны:
а) если граница сжатой зоны проходит в полке (
рисунок 8.2,
а), т.е. соблюдается условие
Np <=
Rb·
b'fh'f -
RsAs +
RscA's, (9.22)
расчет производят как для прямоугольного сечения шириной
b'f согласно
9.2.11;
б) если граница сжатой зоны проходит в ребре (
рисунок 8.2,
б), т.е.
условие (9.22) не соблюдается, расчет производят из условия
Np·ep = Rb·b·x(h0 - 0,5x) + Rb(b'f - b)·h'f(h0 - 0,5h'f) +
+ RscA's(h0 - a'), (9.23)
zs - расстояние от центра тяжести сечения элемента до растянутой (наименее сжатой) ненапрягаемой арматуры.
Высоту сжатой зоны определяют по формулам:

(9.24)
б) при


(9.25)
Расчет по прочности нормальных сечений на основе нелинейной деформационной модели
9.2.13 При расчете по прочности на основе нелинейной деформационной модели усилия и деформации в сечении, нормальном к продольной оси элемента, определяют с применением положений
8.1.20 -
8.1.22.
9.2.14 При расчете нормальных сечений по прочности
(рисунок 9.2) в общем случае применяют:
уравнения равновесия внешних сил и внутренних усилий в нормальном сечении элемента

(9.26)

(9.27)

(9.28)
уравнения, определяющие распределение деформаций от действия внешней нагрузки по сечению элемента

(9.29)

(9.30)

(9.31)
зависимости, связывающие напряжения и относительные деформации бетона и арматуры:
бетона

(9.32)
ненапрягаемой арматуры

(9.33)
напрягаемой арматуры

(9.34)
Рисунок 9.2 - Расчетная схема нормального сечения
предварительно напряженного железобетонного элемента
Asi,
Zsxi,
Zsyi,
- площадь, координаты центра тяжести
i-го стержня напрягаемой арматуры и напряжение в нем;

- относительная деформация
i-го стержня напрягаемой арматуры от действия внешней нагрузки;

- относительная деформация предварительного напряжения арматуры, определяемая с учетом потерь предварительного напряжения, соответствующих рассматриваемой расчетной стадии;
ESi - модуль упругости i-го стержня напрягаемой арматуры;

- коэффициент упругости
i-го стержня ненапрягаемой арматуры, остальные параметры - см.
8.1.23.
Значения коэффициентов

и

определяют по указаниям
8.1.23, а значения коэффициентов

- по формуле

(9.35)
9.2.15 Расчет нормальных сечений железобетонных элементов по прочности производят из условий, приведенных в
8.1.24.
9.3 Расчет предварительно напряженных элементов железобетонных конструкций по предельным состояниям второй группы
Общие положения
9.3.1 Расчеты по предельным состояниям второй группы включают:
- расчет по образованию трещин;
- расчет по раскрытию трещин;
- расчет по деформациям.
9.3.2 Расчет по образованию трещин производят когда необходимо обеспечить отсутствие трещин, а также как вспомогательный при расчете по раскрытию трещин и по деформациям.
Требования по отсутствию трещин предъявляют к предварительно напряженным конструкциям, у которых при полностью растянутом сечении должна быть обеспечена непроницаемость (находящихся под давлением жидкости или газов, испытывающих воздействие радиации и т.п.), к уникальным конструкциям, а также к конструкциям при воздействии сильно агрессивной среды.
9.3.3 При расчете по образованию трещин в целях их недопущения коэффициент надежности по нагрузке принимают

(как при расчете по прочности). При расчете по раскрытию трещин и по деформациям (включая вспомогательный расчет по образованию трещин) принимают коэффициент надежности по нагрузке

.
9.3.4 Расчет изгибаемых предварительно напряженных элементов по предельным состояниям второй группы производят как при внецентренном сжатии на совместное действие усилий от внешней нагрузки: изгибающего момента
M и продольной силы
Np, равной усилию предварительного обжатия
P. При этом для элементов с предварительно напряженной арматурой без ее сцепления с бетоном характеристики приведенного сечения определяют с учетом только ненапрягаемой арматуры.
(в ред.
Изменения N 1, утв. Приказом Минстроя России от 22.11.2019 N 717/пр)
Расчет предварительно напряженных железобетонных элементов по образованию и раскрытию трещин
9.3.5 Расчет предварительно напряженных изгибаемых элементов по раскрытию трещин производят согласно общим положениям
подраздела 8.2 и
9.3.6 -
9.3.10.
Определение момента образования трещин, нормальных к продольной оси элемента
9.3.6 Изгибающий момент
Mcrc при образовании трещин в общем случае определяется по деформационной модели согласно
9.3.10. Допускается для простых сечений (прямоугольного и таврового сечений с арматурой, расположенной у верхней и нижней граней сечения, с полкой в сжатой зоне) определять момент трещинообразования согласно
9.3.7.
9.3.7 Определение момента образования трещин производят с учетом неупругих деформаций растянутого бетона согласно
9.3.8.
Допускается момент образования трещин определять без учета неупругих деформаций растянутого бетона, принимая в
формуле (9.36) Wpl =
Wred. Если при этом
условия (8.118) и
(8.139) не удовлетворяются, то момент образования трещин следует определять с учетом неупругих деформаций растянутого бетона.
9.3.8 Момент образования трещин предварительно напряженных изгибаемых элементов с учетом неупругих деформаций растянутого бетона определяют по формуле
Mcrc =
Rbt,ser·
Wpl +/-
P·
eяр, (9.36)
где
Wpl - момент сопротивления приведенного сечения для крайнего растянутого волокна с учетом
8.2.10;
eяр = e0p + r - расстояние от точки приложения усилия предварительного обжатия P до ядровой точки, наиболее удаленной от растянутой зоны, трещинообразование которой проверяется;
e0p - то же, до центра тяжести приведенного сечения;
r - расстояние от центра тяжести приведенного сечения до ядровой точки

(9.37)
В
формуле (9.36) знак "плюс" принимают, когда направления вращения моментов
P·
eяр и внешнего изгибающего момента
M противоположны; "минус" - когда направления совпадают.
Значения
Wred и
Ared определяют согласно указаниям
8.2.
Для прямоугольных сечений и тавровых сечений с полкой, расположенной в сжатой зоне, значение
Wpl при действии момента в плоскости оси симметрии допускается определять по
формуле (8.122).
9.3.9 Усилие
Ncrc при образовании трещин в центрально-растянутых элементах определяют по
формуле (8.127).
9.3.10 Определение момента образования трещин на основе нелинейной деформационной модели производят согласно
6.1.24,
9.2.13 -
9.2.15, но с учетом работы бетона в растянутой зоне нормального сечения, определяемой диаграммой состояния растянутого бетона согласно
6.1.22. Расчетные характеристики материалов принимают для предельных состояний второй группы.
Значение
Mcrc определяют из решения системы уравнений, представленных в
9.2.13 -
9.2.15, принимая относительную деформацию бетона

у растянутой грани элемента от действия внешней нагрузки, равной предельному значению относительной деформации бетона при растяжении

, определяемому согласно указаниям
8.1.30.
Расчет ширины раскрытия трещин, нормальных к продольной оси элемента
9.3.11 Ширину раскрытия нормальных трещин определяют по
формуле (8.128), в которой значение напряжений

в растянутой арматуре изгибаемых предварительно напряженных элементов от внешней нагрузки определяют по формуле

(9.38)
где
Ired,
Ared,
yc - момент инерции, площадь приведенного поперечного сечения элемента и расстояние от наиболее сжатого волокна до центра тяжести приведенного сечения, определяемые с учетом площади сечения только сжатой зоны бетона, площадей сечения растянутой и сжатой арматуры согласно
8.2.27, принимая в соответствующих формулах значения коэффициента приведения арматуры к бетону

;
Np - внешняя продольная сила, равная усилию предварительного обжатия
(9.3.4);
Mp - изгибающий момент от внешней нагрузки и усилия предварительного обжатия, определяемый по формуле
Mp =
M +/-
Np·
e0p, (9.39)
где e0p - расстояние от точки приложения внешней продольной силы Np до центра тяжести приведенного сечения.
Знак "минус" в
формуле (9.39) принимают, когда направления вращений моментов
M и
Np·
e0p не совпадают, и "плюс" - когда совпадают.
Допускается напряжение

определять по формуле

(9.40)
где z - расстояние от центра тяжести арматуры, расположенной в растянутой зоне сечения, до точки приложения равнодействующей усилий в сжатой зоне элемента;
esp - расстояние от центра тяжести той же арматуры до точки приложения внешней продольной силы Np.
Для элементов прямоугольного поперечного сечения при отсутствии (или без учета) сжатой арматуры значение z определяют по формуле

(9.41)
где
xN - высота сжатой зоны, определяемая согласно
8.2.28 с учетом действия внешней продольной силы
Np.
Для элементов прямоугольного, таврового (с полкой в сжатой зоне) и двутаврового поперечного сечения допускается значение z принимать равным 0,7h0.
Расчет предварительно напряженных железобетонных элементов по деформациям
9.3.12 Расчет предварительно напряженных элементов по деформациям производят согласно указаниям
8.2.19 -
8.2.32 и с учетом
9.3.13 -
9.3.15.
9.3.13 Полную кривизну изгибаемых предварительно напряженных элементов для вычисления их прогибов определяют по
8.2.24, при этом значения кривизн

,

и

в
формулах (8.140),
(8.141) определяют по
9.3.14 с учетом усилия предварительного обжатия.
Допускается при определении кривизны учитывать влияние деформаций усадки и ползучести бетона в стадии предварительного обжатия.
9.3.14 Кривизну изгибаемых предварительно напряженных элементов

от действия соответствующих нагрузок определяют по формуле

(9.42)
где M - изгибающий момент от внешней нагрузки;
Np и e0p - продольная сила, равная усилию предварительного обжатия, и ее эксцентриситет относительно центра тяжести приведенного поперечного сечения элемента;
D - изгибная жесткость приведенного поперечного сечения элемента, определяемая по
8.2 как для внецентренно сжатого усилием предварительного обжатия элемента с учетом изгибающего момента от внешней нагрузки
(рисунок 9.3).
1 - уровень центра тяжести приведенного
без учета растянутой зоны бетона поперечного сечения
Рисунок 9.3 - Приведенное поперечное сечение (а)
и схема напряженно-деформированного состояния изгибаемого
предварительно напряженного элемента с трещинами (б)
при его расчете по деформациям
9.3.15 Кривизну изгибаемых предварительно напряженных элементов допускается определять по формуле

(9.43)
где zp - расстояние от точки приложения усилия предварительного обжатия до точки приложения равнодействующей усилий в сжатой зоне;
z - расстояние от центра тяжести растянутой арматуры до точки приложения равнодействующей усилий в сжатой зоне;
xN - высота сжатой зоны с учетом влияния предварительного обжатия.
Высоту сжатой зоны определяют как для изгибаемых элементов без преднапряжения согласно
8.2.28 с умножением значения

на
.
Значения zp и z допускается определять, принимая расстояние от точки приложения равнодействующей усилий в сжатой зоне до наиболее сжатого волокна сечения равным 0,3h0.
Определение кривизны предварительно напряженных элементов на основе нелинейной деформационной модели
9.3.16 Полную кривизну изгибаемых предварительно напряженных элементов на участках без трещин в растянутой зоне сечения определяют по
формуле (8.140), а на участках с трещинами в растянутой зоне сечения - по
формуле (8.141).
Значения кривизн, входящих в
формулы (8.140) и
(8.141), определяют из решения системы
уравнений (9.26) -
(9.34) с учетом
9.2.13. При этом для элементов с нормальными трещинами в растянутой зоне напряжение в напрягаемой арматуре, пересекающей трещины, определяют по формуле

(9.44)
а в ненапрягаемой арматуре

(9.45)
где

(9.46)
Здесь

- относительная деформация растянутой арматуры в сечении с трещиной от действия внешней нагрузки сразу после образования трещин;

- относительные деформации растянутой арматуры, пересекающей трещины, в рассматриваемой стадии;

- относительная деформация предварительного напряжения арматуры.
При определении кривизны от непродолжительного действия нагрузки в расчете применяют диаграммы кратковременного деформирования сжатого и растянутого бетона, а при определении кривизны от продолжительного действия нагрузки - диаграммы длительного деформирования бетона с расчетными характеристиками для предельных состояний второй группы.
10 Конструктивные требования
10.1.1 Для обеспечения безопасности и эксплуатационной пригодности бетонных и железобетонных конструкций помимо требований к расчету следует также выполнять конструктивные требования к геометрическим размерам и армированию.
Конструктивные требования устанавливают для случаев, когда:
- расчетом не представляется возможным достаточно точно и определенно полностью гарантировать сопротивление конструкции внешним нагрузкам и воздействиям;
- конструктивные требования определяют граничные условия, в пределах которых могут быть использованы принятые расчетные положения;
- конструктивные требования обеспечивают выполнение технологии изготовления бетонных и железобетонных конструкций.
10.2 Требования к геометрическим размерам
10.2.1 Геометрические размеры бетонных и железобетонных конструкций должны быть не менее величин, обеспечивающих:
- возможность размещения арматуры, анкеровки и совместной работы с бетоном, с учетом
подраздела 10.3;
- ограничение гибкости сжатых элементов;
- требуемые показатели качества бетона в конструкции
(ГОСТ 13015).
10.2.2 Размеры сечений внецентренно сжатых элементов для обеспечения их жесткости следует принимать такими, чтобы их гибкость

в любом направлении не превышала:
200 - для железобетонных элементов;
120 - для колонн, являющихся элементами зданий;
90 - для бетонных элементов.
10.2.3 В конструкциях зданий и сооружений следует предусматривать их разрезку постоянными и временными температурно-усадочными швами, расстояния между которыми назначают в зависимости от климатических условий, конструктивных особенностей сооружения, последовательности производства работ и т.п.
При неравномерной осадке фундаментов следует предусматривать разделение конструкций осадочными швами. Расстояния между постоянными температурно-усадочными швами следует устанавливать расчетом.
(в ред.
Изменения N 1, утв. Приказом Минстроя России от 22.11.2019 N 717/пр)
Допускается расчет не производить, если при расчетной температуре наружного воздуха минус 40 °C и выше расстояние между температурно-усадочными швами не превышает значений, приведенных в
таблице 10.1а.
Здания и конструкции | Наибольшие расстояния, м, между температурно-усадочными швами, допускаемые без расчета, для конструкций, находящихся |
внутри отапливаемых зданий или в грунте | внутри неотапливаемых зданий | на открытом воздухе |
Бетонные: | | | |
а) сборные | 40 | 35 | 30 |
б) монолитные: | | | |
при конструктивном армировании | 30 | 25 | 20 |
без конструктивного армирования | 20 | 25 | 10 |
Железобетонные: | | | |
а) сборные каркасные: | | | |
одноэтажные | 72 | 60 | 48 |
многоэтажные | 60 | 50 | 40 |
б) сборно-монолитные и монолитные: | | | |
каркасные | 50 | 40 | 30 |
стеновые | 40 | 30 | 25 |
Примечание - Для железобетонных каркасных зданий значения расстояния между температурно-усадочными швами установлены при отсутствии связей или расположении связей в середине температурного блока. |
(абзац введен
Изменением N 1, утв. Приказом Минстроя России от 22.11.2019 N 717/пр)
Для каркасных зданий и сооружений без мостовых кранов при наличии в рассматриваемом направлении связей (диафрагм жесткости) значения, указанные в
таблице 10.1а, допускается умножать на коэффициент, определяемый по формуле

, (10.1а)
где

- коэффициент, принимаемый равным
- для отапливаемых зданий

(10.1б)
- для неотапливаемых зданий и сооружений

(10.1в)
здесь

и

- расчетные значения изменения температуры, °C, определяемые по
СП 20.13330;

- относительное удлинение горизонтальных элементов от действия вертикальных нагрузок, которое допускается принимать

- для железобетонных элементов и

- для стальных элементов;

; (10.1г)
l - длина колонны между точками закрепления;
h - высота сечения колонны в рассматриваемом направлении;

, (10.1д)

- влажность наружного воздуха, %, в наиболее жаркий месяц года, принимаемая по
СП 131.13330.
(абзац введен
Изменением N 1, утв. Приказом Минстроя России от 22.11.2019 N 717/пр)
При учете коэффициента

расстояния между температурно-усадочными швами должны быть не более 150 м для отапливаемых зданий из сборных конструкций, 90 м - для отапливаемых зданий из сборно-монолитных и монолитных конструкций; для неотапливаемых зданий и сооружений указанные значения следует принимать равными 120 м и 72 м соответственно.
(абзац введен
Изменением N 1, утв. Приказом Минстроя России от 22.11.2019 N 717/пр)
10.3 Требования к армированию
Защитный слой бетона
10.3.1 Защитный слой бетона должен обеспечивать:
- совместную работу арматуры с бетоном;
- анкеровку арматуры в бетоне и возможность устройства стыков арматурных элементов;
- сохранность арматуры от воздействий окружающей среды (в том числе агрессивных);
- огнестойкость конструкций.
10.3.2 Толщину защитного слоя бетона следует принимать исходя из требований настоящего подраздела с учетом роли арматуры в конструкциях (рабочая или конструктивная), типа конструкций (колонны, плиты, балки, элементы фундаментов, стены и т.п.), диаметра и вида арматуры, а также
СП 28.13330.
Минимальные значения толщины слоя бетона рабочей арматуры (в том числе арматуры, расположенной у внутренних граней полых элементов кольцевого или коробчатого сечения) следует принимать по
таблице 10.1.
Минстроя России от 22.11.2019 N 717/пр)
Условия эксплуатации конструкций зданий | Толщина защитного слоя бетона, мм, не менее |
В закрытых помещениях при нормальной и пониженной влажности | 20 |
В закрытых помещениях при повышенной влажности (при отсутствии дополнительных защитных мероприятий) | 25 |
На открытом воздухе (при отсутствии дополнительных защитных мероприятий) | 30 |
В грунте (при отсутствии дополнительных защитных мероприятий), в монолитных фундаментах при наличии бетонной подготовки | 40 |
В монолитных фундаментах при отсутствии бетонной подготовки (только для нижней рабочей арматуры) | 70 |
Для сборных элементов минимальные значения толщины защитного слоя бетона рабочей арматуры, указанные в
таблице 10.1, уменьшают на 5 мм. В сборных фундаментах при отсутствии бетонной подготовки минимальное значение защитного слоя бетона принимают равным 35 мм.
(в ред.
Изменения N 2, утв. Приказом Минстроя России от 20.01.2022 N 965/пр)
Для конструктивной арматуры минимальные значения толщины защитного слоя бетона принимают на 5 мм меньше по сравнению с требуемыми для рабочей арматуры.
Во всех случаях толщину защитного слоя бетона следует также принимать не менее диаметра стержня арматуры и не менее 10 мм.
В однослойных конструкциях из легкого и поризованного бетонов классов B7,5 и ниже толщина защитного слоя должна составлять не менее 20 мм, а для наружных стеновых панелей (без фактурного слоя) - не менее 25 мм. В однослойных конструкциях из ячеистого бетона толщина защитного слоя во всех случаях принимается не менее 25 мм.
В защитном слое бетона толщиной более 50 мм изгибаемых, растянутых и внецентренно сжатых элементов (при соотношении M/N > 0,3h от постоянных и длительных нагрузок), кроме фундаментов следует устанавливать конструктивную арматуру в виде сеток с площадью сечения продольной арматуры не менее 0,05As, при этом шаг поперечной арматуры должен быть не более наименьшего размера поперечного сечения элемента.
10.3.3 Толщина защитного слоя бетона у концов предварительно напряженных элементов на длине зоны передачи напряжений (см.
9.1.12) должна составлять не менее
3d и не менее 40 мм - для стержневой арматуры, и не менее 20 мм - для арматурных канатов.
Допускается защитный слой бетона сечения у опоры для напрягаемой арматуры с анкерами и без них принимать таким же, как для сечения в пролете для предварительно напряженных элементов с сосредоточенной передачей опорных усилий при наличии стальной опорной детали и косвенной арматуры (сварных поперечных сеток или охватывающих продольную арматуру хомутов), установленных согласно
10.3.20.
10.3.4 В элементах с напрягаемой продольной арматурой, натягиваемой на бетон и располагаемой в каналах, расстояние от поверхности элемента до поверхности канала следует принимать не менее 40 мм и не менее ширины (диаметра) канала, а до боковых граней - не менее половины высоты (диаметра) канала. При расположении напрягаемой арматуры в пазах или снаружи сечения элемента толщину защитного слоя бетона, образуемого последующим торкретированием или иным способом, следует принимать не менее 20 мм.
Минимальные расстояния между стержнями арматуры
10.3.5 Минимальные расстояния в свету между стержнями арматуры следует принимать такими, чтобы обеспечить совместную работу арматуры с бетоном и качественное изготовление конструкций, связанное с укладкой и уплотнением бетонной смеси, но не менее наибольшего диаметра стержня, а также не менее:
25 мм - при горизонтальном или наклонном положении стержней при бетонировании - для нижней арматуры, расположенной в один или два ряда;
30 мм - то же, для верхней арматуры;
50 мм - то же, при расположении нижней арматуры более чем в два ряда (кроме стержней двух нижних рядов), а также при вертикальном положении стержней при бетонировании.
При стесненных условиях допускается располагать стержни группами - пучками (без зазора между ними). При этом расстояния в свету между пучками должны быть также не менее приведенного диаметра стержня, эквивалентного по площади сечения пучка арматуры, принимаемого равным

, где
dsi - диаметр одного стержня в пучке,
n - число стержней в пучке.
Продольное армирование
10.3.6 В железобетонных элементах площадь сечения продольной растянутой арматуры, а также сжатой, если она требуется по расчету, % от площади сечения бетона, равной произведению ширины прямоугольного сечения или ширины ребра таврового (двутаврового) сечения на рабочую высоту сечения,

следует принимать не менее:
0,1% - в изгибаемых, внецентренно растянутых элементах и внецентренно сжатых элементах при гибкости

(для прямоугольных сечений

);
0,25% - во внецентренно сжатых элементах при гибкости

(для прямоугольных сечений

);
для промежуточных значений гибкости элементов значение

определяют по интерполяции.
В элементах с продольной арматурой, расположенной равномерно по контуру сечения, а также в центрально-растянутых элементах минимальную площадь сечения всей продольной арматуры следует принимать вдвое большей указанных выше значений и относить ее к полной площади сечения бетона.
Элементы, не удовлетворяющие по значению минимального процента армирования вышеуказанному, следует относить к бетонным.
10.3.7 В бетонных конструкциях следует предусматривать конструктивное армирование:
в местах резкого изменения размеров сечения элементов;
в бетонных стенах под и над проемами;
во внецентренно сжатых элементах, рассчитываемых по прочности без учета работы растянутого бетона, у граней, где возникают растягивающие напряжения; при этом коэффициент армирования

принимают не менее 0,025%.
10.3.8 В железобетонных линейных конструкциях и плитах наибольшие расстояния между осями стержней продольной арматуры, обеспечивающие эффективное вовлечение в работу бетона, равномерное распределение напряжений и деформаций, а также ограничение ширины раскрытия трещин между стержнями арматуры, должны быть не более:
в железобетонных балках и плитах:
200 мм - при высоте поперечного сечения h <= 150 мм;
1,5h и 400 мм - при высоте поперечного сечения h > 150 мм;
в железобетонных колоннах:
400 мм - в направлении, перпендикулярном к плоскости изгиба;
500 мм - в направлении плоскости изгиба.
В железобетонных стенах расстояния между стержнями вертикальной арматуры принимают не более 2t и 400 мм (t - толщина стены), а горизонтальной - не более 400 мм.
10.3.9 В балках и ребрах шириной более 150 мм в поперечном сечении должно быть не менее двух продольных рабочих растянутых стержней. При ширине элемента 150 мм и менее допускается устанавливать в поперечном сечении один продольный стержень.
10.3.10 В балках до опоры следует доводить стержни продольной рабочей арматуры с площадью сечения не менее 1/2 площади сечения стержней в пролете и не менее двух стержней.
В плитах до опоры следует доводить стержни продольной рабочей арматуры на 1 м ширины плиты с площадью сечения не менее 1/3 площади сечения стержней на 1 м ширины плиты в пролете.
Поперечное армирование
10.3.11 Поперечную арматуру следует устанавливать исходя из расчета на восприятие усилий, а также для ограничения развития трещин, удержания продольных стержней в проектном положении и закрепления их от бокового выпучивания в любом направлении.
Поперечную арматуру устанавливают у всех поверхностей железобетонных элементов, вблизи которых устанавливается продольная арматура.
10.3.12 Диаметр поперечной арматуры (хомутов) в вязаных каркасах внецентренно сжатых элементов принимают не менее 0,25 наибольшего диаметра продольной арматуры и не менее 6 мм.
Диаметр поперечной арматуры в вязаных каркасах изгибаемых элементов принимают не менее 6 мм.
В сварных каркасах диаметр поперечной арматуры принимают не менее диаметра, устанавливаемого из условия сварки с наибольшим диаметром продольной арматуры.
10.3.13 В железобетонных элементах, в которых поперечная сила по расчету не может быть воспринята только бетоном, следует предусматривать установку поперечной арматуры с шагом не более 0,5h0 и не более 300 мм.
В сплошных плитах, а также в часторебристых плитах высотой менее 300 мм и в балках (ребрах) высотой менее 150 мм на участках элемента, где поперечная сила по расчету воспринимается только бетоном, поперечную арматуру можно не устанавливать.
В балках и ребрах высотой 150 мм и более, а также в часторебристых плитах высотой 300 мм и более, на участках элемента, где поперечная сила по расчету воспринимается только бетоном, следует предусматривать установку поперечной арматуры с шагом не более 0,75h0 и не более 500 мм.
10.3.14 Во внецентренно сжатых линейных элементах, а также в изгибаемых элементах при наличии необходимой по расчету сжатой продольной арматуры в целях предотвращения выпучивания продольной арматуры следует устанавливать поперечную арматуру с шагом не более 15d и не более 500 мм (d - диаметр сжатой продольной арматуры).
Если содержание сжатой продольной арматуры, устанавливаемой у одной из граней элемента, более 1,5%, поперечную арматуру следует устанавливать с шагом не более 10d и не более 300 мм.
10.3.15 Конструкция хомутов (поперечных стержней) во внецентренно сжатых линейных элементах должна быть такой, чтобы продольные стержни (по крайней мере через один) располагались в местах перегибов, а перегибы - на расстоянии не более 400 мм по ширине грани. При ширине грани не более 400 мм и не более четырех продольных стержнях у этой грани допускается охват всех продольных стержней одним хомутом.
10.3.16 В элементах, на которые действуют крутящие моменты, поперечная арматура (хомуты) должна образовывать замкнутый контур.
10.3.17 Поперечную арматуру в плитах в зоне продавливания в направлении, перпендикулярном к сторонам расчетного контура, устанавливают с шагом не более 1/3
h0 и не более 300 мм. Стержни, ближайшие к контуру грузовой площади, располагают не ближе

и не далее

от этого контура. При этом ширина зоны постановки поперечной арматуры (от контура грузовой площади) должна быть не менее 1,5
h0. Допускается увеличение шага поперечной арматуры до 1/2
h0. При этом следует рассматривать наиболее невыгодное расположение пирамиды продавливания и в расчете учитывать только арматурные стержни, пересекающие пирамиду продавливания.
Расстояния между стержнями поперечной арматуры в направлении, параллельном сторонам расчетного контура, принимают не более 1/4 длины соответствующей стороны расчетного контура.
10.3.18 Расчетную поперечную арматуру в виде сеток косвенного армирования при местном сжатии (смятии) располагают в пределах расчетной площади
Ab,max (8.1.43). При расположении грузовой площади у края элемента сетки косвенного армирования располагают по площади размерами в каждом направлении не менее суммы двух взаимно перпендикулярных сторон грузовой площади
(рисунок 8.9).
По глубине сетки располагают:
в пределах удвоенного размера грузовой площади - при толщине элемента более удвоенного

размера грузовой площади;
в пределах толщины элемента - при толщине элемента менее удвоенного

размера грузовой площади.
10.3.19 Поперечная арматура, предусмотренная для восприятия поперечных сил, крутящих моментов и для сопротивления продавливанию, должна иметь надежную анкеровку по концам, обеспечивающую равнопрочность соединений и поперечной арматуры. Анкеровка осуществляется путем приварки к продольной арматуре, охвата продольной арматуры или с помощью анкерных устройств на концах стержней.
(п. 10.3.19 в ред.
Изменения N 2, утв. Приказом Минстроя России от 20.01.2022 N 965/пр)
10.3.20 У концов предварительно напряженных элементов должна быть установлена дополнительная поперечная или косвенная арматура (сварные сетки, охватывающие все продольные стержни арматуры, хомуты и т.п. с шагом 5 - 10 см) на длине участка не менее 0,6 длины зоны передачи предварительного напряжения
lp, а в элементах из легкого бетона классов B7,5 - B12,5 - с шагом 5 см на длине участка не менее
lp и не менее 20 см для элементов с арматурой без анкеров, а при наличии анкерных устройств - на участке, равном двум длинам этих устройств. Установка анкеров у концов арматуры обязательна для арматуры, натягиваемой на бетон, а также для арматуры, натягиваемой на упоры, при недостаточном ее сцеплении с бетоном (гладкой проволоки, многопрядных канатов), при этом анкерные устройства должны обеспечивать надежную заделку арматуры в бетоне на всех стадиях ее работы.
При применении в качестве напрягаемой рабочей арматуры высокопрочной арматурной проволоки периодического профиля, арматурных канатов однократной свивки, горячекатаной и термически упрочненной стержневой арматуры периодического профиля, натягиваемой на упоры, установку анкеров у концов напрягаемых стержней допускается не предусматривать.
Анкеровка арматуры
10.3.21 Анкеровку арматуры осуществляют одним из следующих способов или их сочетанием:
- в виде прямого окончания стержня (прямая анкеровка);
- с загибом на конце в виде крюка, отгиба (лапки) или петли (только для ненапрягаемой арматуры);
- с приваркой дополнительных поперечных стержней, расположенных поперек оси анкеруемого арматурного стержня (только для ненапрягаемой арматуры);
- с установкой дополнительных арматурных изделий в виде П-образных стержней с заведением концов в сжатую зону бетона на длину анкеровки, сварных сеток в направлении анкеруемого арматурного стержня (только для ненапрягаемой арматуры);
- с применением специальных анкерных устройств на конце стержня (пластин, шайб, гаек, высаженных головок и т.п.).
Размеры анкерных устройств и дополнительные поперечные стержни определяют с учетом
10.3.28.
10.3.22 Прямую анкеровку и анкеровку с лапками допускается применять только для арматуры периодического профиля. Для растянутых гладких стержней следует предусматривать крюки, петли, приваренные поперечные стержни или специальные анкерные устройства.
Лапки, крюки и петли не применяют для анкеровки сжатой арматуры, за исключением гладкой арматуры, которая может подвергаться растяжению при некоторых возможных сочетаниях нагрузки.
10.3.23 При расчете длины анкеровки арматуры следует учитывать способ анкеровки, класс арматуры и ее профиль, диаметр арматуры, прочность бетона и его напряженное состояние в зоне анкеровки, конструктивное решение элемента в зоне анкеровки (наличие поперечной арматуры, положение стержней в сечении элемента и др.).
10.3.24 Базовую (основную) длину анкеровки, необходимую для передачи усилия в арматуре с полным расчетным значением сопротивления
Rs на бетон, определяют по формуле

(10.1)
где As и us - соответственно площадь поперечного сечения анкеруемого стержня арматуры и периметр его сечения, определяемые по номинальному диаметру стержня;
Rbond - расчетное сопротивление сцепления арматуры с бетоном, принимаемое равномерно распределенным по длине анкеровки и определяемое по формуле

(10.2)

- коэффициент, учитывающий влияние вида поверхности арматуры, принимаемый равным:
для ненапрягаемой арматуры:
1,5 - для гладкой арматуры;
2,0 - для холоднодеформированной арматуры периодического профиля;
2,5 - для горячекатаной и термомеханически обработанной арматуры периодического профиля;
для напрягаемой арматуры:
1,7 - для холоднодеформированной арматуры периодического профиля класса Bp1500 диаметром 3 мм и арматурных канатов класса K7 диаметрами 6,2 и 6,9 мм (K7, K7T);
1,8 - для холоднодеформированной арматуры класса Bp диаметром 4 мм и более;
2,2 - для арматурных канатов класса K7 диаметром 9 мм и более, изготовленных из гладкой проволоки (K7);
2,4 - для арматурных канатов класса K7 диаметром 9 мм и более (K7T);
2,5 - для горячекатаной и термомеханически обработанной арматуры класса A.

- коэффициент, учитывающий влияние размера диаметра арматуры, принимаемый равным:
для ненапрягаемой арматуры:

- при диаметре арматуры
ds <= 32 мм;

- при диаметре арматуры 36 и 40 мм;
для напрягаемой арматуры:

для всех типов напрягаемой арматуры.
(в ред.
Изменения N 2, утв. Приказом Минстроя России от 20.01.2022 N 965/пр)
10.3.25 Требуемую расчетную длину анкеровки арматуры с учетом конструктивного решения элемента в зоне анкеровки определяют по формуле

(10.3)
где

- коэффициент, учитывающий влияние на длину анкеровки напряженного состояния бетона и арматуры и конструктивного решения элемента в зоне анкеровки;
As,cal, As,ef - площади поперечного сечения арматуры, требуемая по расчету и фактически установленная соответственно.
Для ненапрягаемой арматуры при анкеровке стержней периодического профиля с прямыми концами (прямая анкеровка) или гладкой арматуры с крюками или петлями без дополнительных анкерующих устройств для растянутых стержней принимают

, а для сжатых -

; для напрягаемой арматуры

.
Допускается уменьшать длину анкеровки стержней ненапрягаемой арматуры в зависимости от количества и диаметра поперечной арматуры, вида анкерующих устройств (приварка дополнительных поперечных стержней, загиб концов стержней периодического профиля) и величины поперечного обжатия бетона в зоне анкеровки (например, от опорной реакции), но не более чем на 30%.
В любом случае фактическую длину анкеровки принимают не менее 15ds и 200 мм, а для ненапрягаемых стержней также не менее 0,3l0,an.
Для элементов из мелкозернистого бетона группы А требуемое расчетное значение длины анкеровки должно быть увеличено на 10ds для растянутого бетона и на 5ds - для сжатого.
10.3.26 Усилие, воспринимаемое анкеруемым стержнем арматуры Ns определяют по формуле

(10.4)
где
lan - длина анкеровки, определяемая согласно
10.3.25, принимая соотношение

;
ls - расстояние от конца анкеруемого стержня до рассматриваемого поперечного сечения элемента.
10.3.27 На крайних свободных опорах элементов длина запуска растянутых стержней ненапрягаемой арматуры за внутреннюю грань свободной опоры при выполнении условия
Q <
Qbl (см.
8.1.31 -
8.1.35) должна составлять не менее 5
ds. Если указанное условие не соблюдается, длину запуска арматуры за грань опоры определяют согласно
10.3.25.
10.3.28 При устройстве на концах стержней специальных анкеров в виде пластин, шайб, гаек, уголков, высаженных головок и т.п. площадь контакта анкера с бетоном должна удовлетворять условию прочности бетона на смятие. Кроме того, при проектировании привариваемых анкерных деталей следует учитывать характеристики металла по свариваемости, а также способы и условия сварки.
Соединения ненапрягаемой арматуры
10.3.29 Для соединения ненапрягаемой арматуры применяют один из следующих типов стыков:
а) стыки внахлестку без сварки:
- с прямыми концами стержней периодического профиля;
- с прямыми концами стержней с приваркой или установкой на длине нахлестки поперечных стержней;
- с загибами на концах (крюки, лапки, петли); при этом для гладких стержней применяют только крюки и петли.
б) сварные и механические стыковые соединения:
- со сваркой арматуры;
- с применением специальных механических устройств (стыки с опрессованными муфтами, резьбовыми муфтами и др.).
10.3.30 Стыки арматуры внахлестку (без сварки) применяют при стыковании стержней с диаметром рабочей арматуры не более 40 мм.
На соединения арматуры внахлестку распространяется
10.3.22.
Длина перепуска (нахлестки) стыков растянутой или сжатой арматуры должна быть не менее значения длины ll, определяемого по формуле

(10.5)

- коэффициент, учитывающий влияние напряженного состояния арматуры, конструктивного решения элемента в зоне соединения стержней, количества стыкуемой арматуры в одном сечении по отношению к общему количеству арматуры в этом сечении, расстояния между стыкуемыми стержнями.
При соединении арматуры периодического профиля с прямыми концами, а также гладких стержней с крюками или петлями без дополнительных анкерующих устройств коэффициент

для растянутой арматуры принимают равным 1,2, а для сжатой арматуры - 0,9. При этом должны быть соблюдены следующие условия:
относительное количество стыкуемой в одном расчетном сечении элемента рабочей арматуры периодического профиля должно быть не более 50%, гладкой арматуры (с крюками или петлями) - не более 25%;
усилие, воспринимаемое всей поперечной арматурой, поставленной в пределах стыка, должно быть не менее половины усилия, воспринимаемого стыкуемой в одном расчетном сечении элемента растянутой рабочей арматурой;
расстояние между стыкуемыми рабочими стержнями арматуры в свету должно быть не более 4ds;
расстояние в свету между соседними стыками внахлестку (по ширине железобетонного элемента) должно быть не менее 2ds и не менее 30 мм.
(в ред.
Изменения N 1, утв. Приказом Минстроя России от 22.11.2019 N 717/пр)
В качестве одного расчетного сечения элемента, рассматриваемого для определения относительного количества стыкуемой арматуры в одном сечении, принимают участок элемента вдоль стыкуемой арматуры длиной 1,3ll. Считается, что стыки арматуры расположены в одном расчетном сечении, если центры этих стыков находятся в пределах длины этого участка.
Допускается увеличивать относительное количество стыкуемой в одном расчетном сечении элемента рабочей растянутой арматуры до 100%, принимая значение коэффициента

равным 2,0, а также увеличивать относительное количество стыкуемой в одном расчетном сечении элемента рабочей сжатой арматуры до 100%, принимая значение коэффициента

равным 1,2. При относительном количестве стыкуемой в одном расчетном сечении арматуры периодического профиля более 50% и гладкой арматуры более 25% значения коэффициента

определяют по линейной интерполяции.
При наличии дополнительных анкерующих устройств на концах стыкуемых стержней (приварка поперечной арматуры, загиб концов стыкуемых стержней периодического профиля и др.) длина перепуска стыкуемых стержней может быть уменьшена, но не более чем на 30%.
В любом случае фактическая длина перепуска должна быть не менее

, не менее
20ds и не менее 250 мм.
10.3.31 При соединении арматуры с применением сварки выбор типов сварного соединения и способов сварки производят с учетом условий эксплуатации конструкции, свариваемости стали и требований по технологии изготовления в соответствии с действующими стандартами.
10.3.32 При использовании для стыков арматуры механических устройств в виде муфт (муфты на резьбе, опрессованные муфты и т.д.) несущая способность муфтового соединения должна быть такой же, что и стыкуемых стержней (соответственно при растяжении или сжатии). Концы стыкуемых стержней следует заводить на требуемую длину в муфту, определяемую расчетом или опытным путем.
При использовании муфт на резьбе должна быть обеспечена требуемая затяжка муфт для ликвидации люфта в резьбе.
Гнутые стержни
10.3.33 При применении гнутой арматуры (отгибы, загибы концов стержней) минимальный диаметр загиба отдельного стержня должен быть таким, чтобы избежать разрушения или раскалывания бетона внутри загиба арматурного стержня и его разрушения в месте загиба.
Минимальный диаметр оправки dоп для арматуры принимают в зависимости от диаметра стержня ds не менее:
- для гладких стержней

при

;

при

;
- для стержней периодического профиля

при

;

при
.
Диаметр оправки может быть также установлен в соответствии со стандартами на арматуру конкретного вида.
10.4 Конструирование основных несущих железобетонных конструкций
10.4.1 При конструировании основных несущих элементов конструктивной системы (колонн, стен, плит перекрытий и покрытий, балок, фундаментных плит) следует соблюдать требования
10.2 и
10.3 по конструированию железобетонных конструкций, а также настоящего подраздела.
10.4.2 Колонны армируют продольной арматурой, расположенной по контуру поперечного сечения и, в случаях, обусловленных расчетом и конструктивными особенностями - внутри поперечного сечения, и поперечной арматурой по высоте колонны, охватывающей все продольные стержни и расположенной по контуру и внутри поперечного сечения.
Конструкцию поперечной арматуры в пределах поперечного сечения и максимальные расстояния между хомутами и связями по высоте колонны следует принимать такими, чтобы предотвратить выпучивание сжатых продольных стержней и обеспечить равномерное восприятие поперечных сил по высоте колонны.
10.4.3 Стены армируют вертикальной и горизонтальной арматурой, расположенной симметрично у боковых сторон стены, и поперечными связями, соединяющими вертикальную и горизонтальную арматуру, расположенную у противоположных боковых сторон стены.
Максимальное расстояние между вертикальными и горизонтальными стержнями, а также максимальное расстояние между поперечными связями следует принимать такими, чтобы предотвратить выпучивание вертикальных сжатых стержней и обеспечить равномерное восприятие усилий, действующих в стене.
10.4.4 На торцевых участках стены по ее высоте следует устанавливать поперечную арматуру в виде П-образных (
рисунок 10.1,
б) или замкнутых хомутов, создающих требуемую анкеровку концевых участков горизонтальных стержней и предохраняющих от выпучивания торцевые сжатые вертикальные стержни стен.
10.4.5 Узловые сопряжения стен в местах их пересечения при невозможности сквозного пропуска горизонтальной арматуры стен через этот стык следует армировать по всей высоте стен пересекающимися П-образными хомутами (
рисунок 10.1,
в -
г)
, обеспечивающими восприятие концентрированных горизонтальных усилий в узловых сопряжениях стен, а также предохраняющими вертикальные сжатые стержни в узловых сопряжениях от выпучивания и обеспечивающими анкеровку концевых участков горизонтальных стержней.
а - торцевой участок плиты, б - торцевой участок стены,
в - Т-образный стык, г - угловой стык
Рисунок 10.1 - Анкеровка с помощью П-образных деталей
10.4.6 Армирование пилонов, занимающих по своим геометрическим характеристикам промежуточное положение между стенами и колоннами, производят как для колонн или как для стен в зависимости от соотношения длины и ширины поперечного сечения пилонов.
10.4.7 Количество вертикальной и горизонтальной арматуры в стене следует устанавливать в соответствии с действующими в стене усилиями. При этом предусматривают равномерное армирование по площади стены с увеличением армирования у торцов стены и у проемов.
10.4.8 Армирование плоских плит следует осуществлять продольной арматурой в двух направлениях, располагаемой у нижней и верхней граней плиты, а в случаях, обусловленных расчетом, - и поперечной арматурой, располагаемой у колонн, стен и по площади плиты.
10.4.9 На концевых участках плоских плит следует устанавливать поперечную арматуру в виде П-образных хомутов (
рисунок 10.1,
а), расположенных по краю плиты, обеспечивающих восприятие крутящих моментов у края плиты и необходимую анкеровку концевых участков продольной арматуры.
10.4.10 Количество верхней и нижней продольной арматуры в плите перекрытий (покрытия) следует устанавливать в соответствии с действующими усилиями. При этом допускается для нерегулярных конструктивных систем с целью упрощения армирования устанавливать: нижнюю арматуру одинаковой по всей площади рассматриваемой конструкции в соответствии с максимальными значениями усилий в пролете плиты; основную верхнюю арматуру принимать такой же, как и нижнюю, а у колонн и стен устанавливать дополнительную верхнюю арматуру, которая в сумме с основной должна воспринимать опорные усилия в плите. Для регулярных конструктивных систем продольную арматуру устанавливают по надколонным и межколонным полосам в двух взаимно перпендикулярных направлениях в соответствии с действующими в этих полосах усилиями.
Допускается установка части арматуры плит в виде сварных непрерывных каркасов в надколонных полосах плит в двух направлениях (скрытые балки), при этом каркасы должны быть пропущены сквозь тело колонн.
Для сокращения расхода арматуры следует выполнять установку нижней и верхней арматуры, соответствующей минимальному проценту армирования, по всей площади плиты, а на участках, где действующие усилия превышают усилия, воспринимаемые этой арматурой, установку дополнительной арматуры, совместно с вышеуказанной арматурой, воспринимающей действующие на этих участках усилия. Армирование фундаментных плит следует производить аналогичным образом.
10.4.11 Конструирование узлов сопряжения балок с колоннами следует производить в соответствии с
рисунком 10.2. При этом необходимо предусматривать поперечную арматуру в виде замкнутых хомутов или П-образных деталей в зоне анкеровки рабочей арматуры балки.
а - при расположении растянутой зоны у верхней грани балки,
б - при расположении растянутой зоны у нижней грани балки
Рисунок 10.2 - Узлы сопряжения балок с колоннами
10.4.12 В узлах пересечения балок
(рисунок 10.3) следует устанавливать дополнительную поперечную арматуру для восприятия реакции от второстепенной балки. В главной балке эту арматуру следует устанавливать на ширине
b + 2/
h, где
b и
h - ширина и высота второстепенной балки, во второстепенной балке - на участке шириной
h/3. Арматуру следует устанавливать в виде хомутов, охватывающих продольную арматуру, - дополнительно к арматуре, требуемой по расчету наклонных или пространственных сечений.
Рисунок 10.3 - Размещение опорной арматуры
в зоне пересечения двух балок
10.4.13 В балочных изгибаемых конструкциях при высоте их сечения более 700 мм следует предусматривать установку конструктивных продольных стержней у боковых граней с расстоянием между ними по высоте не более 400 мм и площадью сечения не менее 0,1% площади сечения бетона, размером, равным по высоте элемента расстоянию между этими стержнями, по ширине - половине ширины ребра элемента, но не более 200 мм.
10.4.14 В плоских фундаментных плитах и плитах перекрытий при высоте их сечения 1000 мм и более следует предусматривать конструктивное продольное армирование в виде сеток из арматурных стержней площадью сечения не менее 0,05% от площади сечения бетона, принимаемой равной произведению расстояния между сетками по высоте на соответствующий в плане размер плиты. Шаг сеток конструктивного армирования по высоте принимают не более 800 мм и не более 1/2 толщины плиты.
(в ред.
Изменения N 1, утв. Приказом Минстроя России от 22.11.2019 N 717/пр)
В таких конструкциях расстояния в свету между стержнями рабочей арматуры по ширине сечения определяются крупностью заполнителя бетона, но не менее 2,5d, где d - диаметр рабочей арматуры.
По периметру и у свободных краев таких плит следует устанавливать поперечную арматуру в виде П-образных деталей, обеспечивающих восприятие крутящих моментов у края плиты и необходимую анкеровку концевых участков продольной арматуры.
Диаметр поперечной арматуры в вязаных каркасах таких плит принимают не менее 8 мм. В сварных каркасах диаметр поперечной арматуры принимают не менее диаметра, устанавливаемого из условия сварки с наибольшим диаметром продольной арматуры.
Конструирование поперечной арматуры в зоне продавливания в таких плитах выполняют согласно
10.3.17, при этом шаг поперечной арматуры в зоне продавливания в направлении, перпендикулярном к сторонам расчетного контура, устанавливают с шагом не более 1/3
h0 и не более 500 мм.
10.4.15 Конструирование предварительно напряженной арматуры без сцепления с бетоном в стадии эксплуатации следует производить таким образом, чтобы в изгибаемых элементах обеспечивалось эффективное восприятие опорных и пролетных изгибающих моментов. Для этого арматуру раскладывают волнообразно по параболическим кривым на опоре и в пролете (рисунок 10.4).
Рисунок 10.4 - Схема раскладки напрягаемой арматуры
по высоте сечения неразрезной конструкции
(п. 10.4.15 введен
Изменением N 1, утв. Приказом Минстроя России от 22.11.2019 N 717/пр)
11 Требования к изготовлению, возведению и эксплуатации бетонных и железобетонных конструкций
11.1.1 Подбор состава бетонной смеси производят для получения бетона в конструкциях, соответствующего техническим показателям
раздела 6 и установленным в проекте.
За основу при подборе состава бетона следует принимать определяющий для данного вида бетона и назначения конструкции показатель бетона. При этом должны быть обеспечены и другие установленные проектом показатели качества бетона.
Проектирование и подбор состава бетона по требуемой прочности бетона следует производить согласно
ГОСТ 26633,
ГОСТ 27006.
При подборе состава бетона должны быть обеспечены требуемые технологические показатели качества бетонной смеси (удобоукладываемость, сохраняемость, нерасслаиваемость, воздухосодержание и другие показатели).
Свойства подобранного состава бетона должны соответствовать технологии производства бетонных работ, включающей сроки и условия твердения бетона, способы, режимы приготовления и транспортирования бетонной смеси и другие особенности технологического процесса (
ГОСТ 7473,
ГОСТ 10181).
Подбор состава бетона следует производить на основе характеристик материалов, применяемых для его приготовления, включающих вяжущие, заполнители, воду и эффективные добавки (модификаторы) (
ГОСТ 8267,
ГОСТ 8736,
ГОСТ 23732,
ГОСТ 24211,
ГОСТ 31108).
При подборе состава бетона следует применять материалы с учетом их экологической чистоты (ограничение по содержанию радионуклидов, радона, токсичности и т.п.).
При подборе состава бетона его расчет производят на основании установленных зависимостей, полученных экспериментально.
11.1.2 При приготовлении бетона должна быть обеспечена необходимая точность дозировки входящих в бетонную смесь материалов и последовательность их загружения
(СП 70.13330).
Перемешиванием бетонной смеси должно быть обеспечено равномерное распределение компонентов по всему объему смеси. Продолжительность перемешивания принимают в соответствии с инструкциями предприятий - изготовителей бетоносмесительных установок (заводов) или устанавливают опытным путем.
11.1.3 Транспортирование бетонной смеси следует осуществлять способами и средствами, обеспечивающими сохранность ее свойств и исключающими ее расслоение, а также загрязнение посторонними материалами. Допускается восстановление отдельных показателей качества бетонной смеси на месте укладки за счет введения химических добавок или применения технологических приемов при условии обеспечения всех других требуемых показателей качества.
11.1.4 Методами выполнения укладки и уплотнения бетона должны быть гарантированы однородность и плотность бетона в конструкциях, соответствующие требованиям, предусмотренным для рассматриваемой строительной конструкции
(СП 70.13330).
Применяемые способы и режимы формования должны обеспечивать заданную однородность и плотность и устанавливаются с учетом показателей качества бетонной смеси, вида конструкции и изделия и конкретных инженерно-геологических и производственных условий.
Порядок бетонирования следует устанавливать, предусматривая расположение швов бетонирования с учетом технологии возведения сооружения и его конструктивных особенностей. При этом должна быть обеспечена необходимая прочность контакта поверхностей бетона в шве бетонирования, а также прочность конструкции с учетом наличия швов бетонирования.
При укладке бетонной смеси при пониженных положительных и отрицательных или повышенных положительных температурах должны быть предусмотрены специальные мероприятия по защите бетона конструкции от температурного воздействия.
11.1.5 Твердение бетона следует обеспечивать без применения или с применением ускоряющих технологических воздействий (с помощью тепловлажностной обработки при нормальном или повышенном давлении).
В бетоне в процессе твердения следует поддерживать расчетный температурно-влажностный режим. При необходимости для создания условий, обеспечивающих нарастание прочности бетона и снижение усадочных явлений, следует применять специальные защитные мероприятия. В технологическом процессе тепловой обработки изделий должны быть приняты меры по снижению температурных перепадов и взаимных перемещений между опалубочной формой и бетоном.
В массивных монолитных конструкциях следует предусматривать мероприятия по уменьшению влияния температурно-влажностных полей напряжений, связанных с экзотермией при твердении бетона, на работу конструкций.
11.2.1 Арматура, применяемая для армирования конструкций, должна соответствовать проекту и требованиям соответствующих стандартов. Арматура должна иметь маркировку и соответствующие сертификаты, удостоверяющие ее качество.
Условиями хранения арматуры и ее транспортирования должна быть исключена возможность загрязнения, коррозионного поражения, механического повреждения или появления пластических деформаций, ухудшающих сцепление с бетоном.
11.2.2 Установку вязаной арматуры в опалубочные формы следует производить в соответствии с проектом. При этом должна быть предусмотрена надежная фиксация положения арматурных стержней с помощью мероприятий, обеспечивающих невозможность смещения арматуры в процессе ее установки и бетонирования конструкции.
11.2.3 Отклонения арматуры от проектного положения при ее установке не должны превышать допустимых значений, установленных
СП 70.13330.
11.2.4 Сварные арматурные изделия (сетки, каркасы) следует изготавливать с помощью контактно-точечной сварки или иными способами, обеспечивающими требуемую прочность сварного соединения и не допускающими снижения прочности соединяемых арматурных элементов (
ГОСТ 14098,
ГОСТ Р 57997).
(в ред.
Изменения N 2, утв. Приказом Минстроя России от 20.01.2022 N 965/пр)
Установку сварных арматурных изделий в опалубочные формы следует производить в соответствии с проектом. При этом должна быть предусмотрена надежная фиксация положения арматурных изделий с помощью мероприятий, обеспечивающих невозможность смещения арматурных изделий в процессе установки и бетонирования.
Отклонения арматурных изделий от проектного положения при их установке не должны превышать допустимых значений, установленных
СП 70.13330.
11.2.5 Загиб арматурных стержней следует осуществлять с помощью специальных оправок, обеспечивающих необходимые значения радиуса кривизны.
11.2.6 Сварные стыки арматуры выполняют с помощью контактной, дуговой или ванной сварки. Применяемый способ сварки должен обеспечивать необходимую прочность сварного соединения, а также прочность и деформативность примыкающих к сварному соединению участков арматурных стержней.
11.2.7 Механические соединения (стыки) арматуры следует выполнять с помощью опрессованных и резьбовых муфт. Прочность механического соединения растянутой арматуры должна быть такой же, что и стыкуемых стержней.
11.2.8 При натяжении арматуры на упоры или затвердевший бетон должны быть обеспечены установленные в проекте контролируемые значения предварительного напряжения в пределах допускаемых значений отклонений, установленных нормативными документами.
При отпуске натяжения арматуры следует обеспечивать плавную передачу предварительного напряжения на бетон.
11.2.9 Изготовление и конструирование механических соединений арматуры, а также конструирование и проектирование железобетонных конструкций с механическими соединениями арматуры следует выполнять в соответствии с
приложением К.
11.3.1 Опалубка (опалубочные формы) должна выполнять следующие основные функции: придавать бетону проектную форму конструкции, обеспечивать требуемый вид внешней поверхности бетона, поддерживать конструкцию пока она не наберет распалубочную прочность и, при необходимости, служить упором при натяжении арматуры.
Опалубку и ее крепления следует проектировать и изготавливать таким образом, чтобы они могли воспринять нагрузки, возникающие в процессе производства работ, позволяли конструкциям свободно деформироваться и обеспечивали соблюдение допусков в пределах, установленных для конкретной конструкции или сооружения.
Опалубка и крепления должны соответствовать принятым способам укладки и уплотнения бетонной смеси, условиям предварительного напряжения, твердения бетона и тепловой обработки.
Съемную опалубку следует проектировать и изготавливать таким образом, чтобы была обеспечена распалубка конструкции без повреждения бетона.
Распалубку конструкций следует производить после набора бетоном распалубочной прочности.
Несъемную опалубку следует проектировать как составную часть конструкции.
11.4 Бетонные и железобетонные конструкции
11.4.1 Изготовление бетонных и железобетонных конструкций включает опалубочные, арматурные и бетонные работы, проводимые в соответствии с
11.1,
11.2 и
11.3.
Готовые конструкции должны соответствовать проекту и
ГОСТ 13015. Отклонения геометрических размеров должны укладываться в пределах допусков, установленных для конкретной конструкции.
11.4.2 В бетонных и железобетонных конструкциях к началу их эксплуатации фактическая прочность бетона должна быть не ниже требуемой прочности бетона, установленной в проекте.
В сборных бетонных и железобетонных конструкциях должна быть обеспечена установленная проектом отпускная прочность бетона (прочность бетона при отправке конструкции потребителю), а для предварительно напряженных конструкций - установленная проектом передаточная прочность (прочность бетона при отпуске натяжения арматуры).
В монолитных конструкциях должна быть обеспечена распалубочная прочность бетона в установленном проектом возрасте (при снятии несущей опалубки).
11.4.3 Подъем конструкций следует осуществлять с помощью специальных устройств (монтажных петель и других приспособлений), предусмотренных проектом. При этом должны быть обеспечены условия подъема, исключающие разрушение, потерю устойчивости, опрокидывание, раскачивание и вращение конструкции.
11.4.4 Условия транспортирования, складирования и хранения конструкций должны соответствовать приведенным в проекте. При этом должна быть обеспечена сохранность конструкции, поверхностей бетона, выпусков арматуры и монтажных петель от повреждений.
11.4.5 Возведение зданий и сооружений из сборных элементов следует производить в соответствии с проектом производства работ, в котором должны быть предусмотрены последовательность установки конструкций и мероприятия, обеспечивающие требуемую точность установки, пространственную неизменяемость конструкций в процессе их укрупнительной сборки и установки в проектное положение, устойчивость конструкций и частей здания или сооружения в процессе возведения, безопасные условия труда.
При возведении зданий и сооружений из монолитного бетона следует предусматривать последовательности бетонирования конструкций, снятия и перестановки опалубки, обеспечивающие прочность, трещиностойкость и жесткость конструкций в процессе возведения. Кроме этого следует предусматривать мероприятия (конструктивные и технологические, а при необходимости - выполнение расчета), ограничивающие образование и развитие технологических трещин.
Отклонения конструкций от проектного положения не должны превышать допустимых значений, установленных для соответствующих конструкций (колонн, балок, плит) зданий и сооружений
(СП 70.13330).
11.4.6 Конструкции следует содержать таким образом, чтобы они выполняли свое назначение, предусмотренное в проекте, в течение установленного срока службы здания или сооружения. Необходимо соблюдать режим эксплуатации бетонных и железобетонных конструкций зданий и сооружений, исключающий снижение их несущей способности, эксплуатационной пригодности и долговечности вследствие грубых нарушений нормируемых условий эксплуатации (перегрузка конструкций, несоблюдение сроков проведения планово-предупредительных ремонтов, повышение агрессивности среды и т.п.). Если в процессе эксплуатации обнаружены повреждения конструкций, снижающие ее безопасность и препятствующие ее нормальному функционированию, следует выполнить мероприятия, предусмотренные в
разделе 12.
11.5.1 Контроль качества конструкций должен устанавливать соответствие технических показателей конструкций (геометрических размеров, прочностных показателей бетона и арматуры, прочности, трещиностойкости и деформативности конструкции) при их изготовлении, возведении и эксплуатации, а также параметров технологических режимов производства показателям, указанным в проекте,
СП 48.13330,
ГОСТ 13015.
Способы контроля качества (правила контроля, методы испытаний) регламентируются соответствующими стандартами и техническими условиями.
11.5.2 Для обеспечения требований, предъявляемых к бетонным и железобетонным конструкциям, следует производить контроль качества продукции, включающий в себя входной, операционный, приемочный и эксплуатационный контроль.
11.5.3 Контроль прочности бетона следует производить по результатам испытания или специально изготовленных или отобранных из конструкции контрольных образцов по
ГОСТ 10180,
ГОСТ 28570, либо методами неразрушающего контроля по
ГОСТ 17624,
ГОСТ 22690.
Для монолитных конструкций следует производить сплошной контроль прочности бетона неразрушающими методами, с обязательным построением градуировочных зависимостей. В исключительных случаях (при отсутствии доступа к конструкциям) допускается проведение контроля прочности бетона монолитных конструкций по контрольным образцам, изготовленным на месте укладки бетонной смеси и твердевшим в условиях, идентичным твердению бетона в конструкциях.
Оценку прочности бетона следует проводить статистическими методами по
ГОСТ 18105 с учетом фактической однородности бетона по прочности. При контроле прочности бетона неразрушающими методами однородность прочности бетона определяют с учетом погрешности применяемых неразрушающих методов определения прочности бетона.
Применение нестатистических методов контроля прочности бетона допускается для единичных конструкций или в начальный период производства, или при применении неразрушающих методов определения прочности бетона с использованием универсальных зависимостей с их привязкой к бетону контролируемой партии без построения градуировочных зависимостей, а также, в исключительных случаях, при контроле прочности бетона монолитных конструкций по контрольным образцам, изготовленным на строительной площадке по
ГОСТ 18105.
11.5.5 Контроль показателей качества арматуры (входной контроль) следует производить в соответствии с требованиями стандартов на арматуру.
11.5.6 Оценивать пригодность сборных конструкций по прочности, трещиностойкости и деформативности (эксплуатационной пригодности) следует согласно
ГОСТ 8829 пробным нагружением конструкции контрольной нагрузкой или выборочным испытанием с нагружением до разрушения отдельных сборных изделий, взятых из партии однотипных конструкций. Оценивать пригодность конструкции можно также на основе результатов контроля комплекса единичных показателей (для сборных и монолитных конструкций), характеризующих прочность бетона, толщину защитного слоя, геометрические размеры сечений и конструкций, расположение арматуры и прочность сварных соединений, диаметр и механические свойства арматуры, основные размеры арматурных изделий и значение натяжения арматуры, получаемых в процессе входного, операционного и приемочного контроля.
11.5.7 Приемку бетонных и железобетонных конструкций после их возведения следует осуществлять путем установления соответствия выполненной конструкции проекту
(СП 70.13330).
Приемку сборных бетонных и железобетонных изделий и конструкций следует осуществлять по
СП 130.13330 и
ГОСТ 13015.
12 Требования к восстановлению и усилению железобетонных конструкций
Восстановление и усиление железобетонных конструкций следует производить на основе результатов их натурного обследования, поверочного расчета, расчета и конструирования усиливаемых конструкций.
12.2 Натурные обследования конструкций
Натурными обследованиями в зависимости от конкретной задачи должны быть установлены: состояние конструкции, геометрические размеры конструкций, армирование конструкций, прочность бетона, вид и класс арматуры и ее состояние, прогибы конструкций, ширина раскрытия трещин, их длина и расположение, размеры и характер дефектов и повреждений, нагрузки, статическая схема конструкций.
12.3 Поверочные расчеты конструкций
12.3.1 Поверочные расчеты существующих конструкций следует производить при изменении действующих на них нагрузок, условий эксплуатации и объемно-планировочных решений, а также при обнаружении серьезных дефектов и повреждений в конструкциях.
На основе поверочных расчетов устанавливают пригодность конструкций к эксплуатации, необходимость их усиления, необходимость снижения эксплуатационной нагрузки или полную непригодность конструкций.
(в ред.
Изменения N 1, утв. Приказом Минстроя России от 22.11.2019 N 717/пр)
12.3.2 Поверочные расчеты необходимо производить на основе проектных материалов, данных по изготовлению и возведению конструкций, а также результатов натурных обследований.
Расчетные схемы при проведении поверочных расчетов следует принимать с учетом установленных фактических геометрических размеров, фактического соединения и взаимодействия конструкций и элементов конструкций, выявленных отклонений при монтаже.
12.3.3 Поверочные расчеты следует производить по несущей способности, деформациям и трещиностойкости. Допускается не производить поверочные расчеты по эксплуатационной пригодности, если перемещения и ширина раскрытия трещин в существующих конструкциях при максимальных фактических нагрузках не превосходят допустимых значений, а усилия в сечениях элементов от возможных нагрузок не превышают значений усилий от фактически действующих нагрузок.
12.3.4 Расчетные значения характеристик бетона принимают по
таблице 6.8 в зависимости от класса бетона, указанного в проекте, или условного класса бетона, определяемого с помощью переводных коэффициентов, обеспечивающих эквивалентную прочность по фактической средней прочности бетона, полученной по результатам испытаний бетона методами неразрушающего контроля или по испытаниям отобранных из конструкции образцов.
12.3.5 Расчетные значения характеристик арматуры принимают по
таблицам 6.14 и
6.15 в зависимости от класса арматуры, указанного в проекте, или условного класса арматуры, определяемого с помощью переводных коэффициентов, обеспечивающих эквивалентную прочность по фактическим значениям средней прочности арматуры, полученной по результатам испытаний образцов арматуры, отобранных из обследуемых конструкций.
При отсутствии проектных данных и невозможности отбора образцов допускается класс арматуры устанавливать по виду профиля арматуры, а расчетные сопротивления принимать на 20% ниже соответствующих значений, отвечающих данному классу.
12.3.6 При проведении поверочных расчетов должны быть учтены дефекты и повреждения конструкции, выявленные в процессе натурных обследований: снижение прочности, местные повреждения или разрушения бетона; обрыв арматуры, коррозия арматуры, нарушение анкеровки и сцепления арматуры с бетоном; опасное образование и раскрытие трещин; конструктивные отклонения от проекта в отдельных элементах конструкции и их соединениях.
12.3.7 Конструкции, не удовлетворяющие требованиям поверочных расчетов по несущей способности и эксплуатационной пригодности, подлежат усилению или для них должна быть снижена эксплуатационная нагрузка.
Для конструкций, не удовлетворяющих требованиям поверочных расчетов по эксплуатационной пригодности, допускается не предусматривать усиления либо снижения нагрузки, если фактические прогибы превышают допустимые значения, но не препятствуют нормальной эксплуатации, а также если фактическое раскрытие трещин превышает допустимые значения, но не создает опасности разрушения.
12.4 Усиление железобетонных конструкций
12.4.1 Усиление железобетонных конструкций осуществляют с помощью стальных элементов, бетона и железобетона, арматуры и полимерных материалов.
12.4.2 При усилении железобетонных конструкций следует учитывать несущую способность как элементов усиления, так и усиливаемой конструкции. Для этого должно быть обеспечено включение в работу элементов усиления и совместная их работа с усиливаемой конструкцией. Для сильно поврежденных конструкций (при разрушении 50% и более сечения бетона или 50% и более площади сечения рабочей арматуры) элементы усиления следует рассчитывать на полную действующую нагрузку, при этом несущая способность усиливаемой конструкции в расчете не учитывается.
При заделке трещин с шириной раскрытия более допустимой и других дефектов бетона следует обеспечивать равнопрочность участков конструкций, подвергнувшихся восстановлению, с основным бетоном.
12.4.3 Расчетные значения характеристик материалов усиления принимают по действующим нормативным документам.
Расчетные значения характеристик материалов усиливаемой конструкции принимают исходя из проектных данных с учетом результатов обследования согласно правилам, принятым при поверочных расчетах.
12.4.4 Расчет усиливаемой железобетонной конструкции следует производить по общим правилам расчета железобетонных конструкций с учетом напряженно-деформированного состояния конструкции, полученного ею до усиления.
13 Расчет железобетонных конструкций на выносливость
(раздел 13 в ред.
Изменения N 2, утв. Приказом Минстроя России от 20.01.2022 N 965/пр)
13.1 Расчет железобетонных конструкций на выносливость выполняют на действие многократно повторяющейся (подвижной или пульсирующей) нагрузки, вызывающей значительный перепад напряжений в бетоне или растянутой арматуре, если число циклов повторений нагрузки в течение расчетного срока эксплуатации конструкции составляет более 10
5.
Проверку сопротивления при расчете на выносливость выполняют отдельно для бетона и растянутой арматуры. Сжатую арматуру на выносливость не рассчитывают.
Расчет на выносливость выполняют по упругой стадии с трещинами по приведенным сечениям с учетом неупругих деформаций бетона в сжатой зоне. Неупругие деформации в бетоне сжатой зоны учитывают снижением модуля упругости бетона, принимая коэффициенты приведения арматуры к бетону по
таблице 13.1. Площадь бетона растянутой зоны учитывают в случае, когда для растянутого бетона соблюдается условие

(13.1)
где

- максимальное нормальное напряжение в бетоне растянутой зоны;

- коэффициент условий работы бетона, учитывающий снижение его прочности при многократном приложении нагрузки, определяемый в соответствии с
13.4.
Бетон | Коэффициенты приведения арматуры к бетону  при классах бетона |
B20 | B25 | B30 | B35 | B40 и выше |
Тяжелый | 22,5 | 20 | 15 | 12,5 | 10 |
Легкий на кварцевом песке | 42 | 36 | 30,5 | 28,5 | 26,5 |
13.2 Расчет на выносливость выполняют по нормальным и наклонным сечениям из условия, что максимальное нормальное напряжение в сжатом бетоне и максимальное напряжение в растянутой арматуре, вычисленные от действия внешних сил и (для предварительно напряженных конструкций) усилия предварительного обжатия, не должны превышать соответственно предела выносливости бетона на сжатие и предела выносливости арматуры на растяжение.
13.3 Расчет на выносливость сечений, нормальных к продольной оси элементов, выполняют из условий:
а) для сжатого бетона

(13.2)
б) для растянутой арматуры

(13.3)
где

- максимальное нормальное напряжение в сжатом бетоне;

- максимальное напряжение в растянутой арматуре;

- коэффициент условий работы арматуры, учитывающий снижение ее прочности при многократном приложении нагрузки, определяемый в соответствии с
13.5.
В зоне, проверяемой по сжатому бетону, при действии многократно повторяющейся нагрузки следует избегать возникновения растягивающих напряжений.
13.4 Коэффициенты условий работы бетона

принимают по
таблице 13.2 в зависимости от коэффициента асимметрии цикла


(13.4)
где

,

- соответственно наименьшее и наибольшее напряжения в бетоне в пределах цикла изменения нагрузки, определяемые согласно
13.1.
Бетон | Состояние бетона по влажности | Базовый коэффициент условий работы бетона  при коэффициенте асимметрии цикла  , равном |
0 - 0,1 | 0,2 | 0,3 | 0,4 | 0,5 | 0,6 | 0,7 |
Тяжелый | Естественной влажности | 0,75 | 0,80 | 0,85 | 0,90 | 0,95 | 1,00 | 1,00 |
Водонасыщенный | 0,50 | 0,60 | 0,70 | 0,80 | 0,90 | 0,95 | 1,00 |
Легкий | Естественной влажности | 0,60 | 0,70 | 0,80 | 0,85 | 0,90 | 0,95 | 1,00 |
Водонасыщенный | 0,45 | 0,55 | 0,65 | 0,75 | 0,85 | 0,95 | 1,00 |
13.5 Коэффициенты условий работы арматуры

определяют как произведение частных коэффициентов условий работы

(13.5)
где

- коэффициент, учитывающий класс арматуры, профиль и технологию изготовления, определяемый по
таблице 13.3;
- коэффициент, учитывающий влияние сварных соединений арматуры в зоне рассматриваемого расчетного сечения, определяемый по
таблице 13.4;

- коэффициент, учитывающий влияние механических соединений арматуры в зоне рассматриваемого расчетного сечения, принимаемый равным

(13.6)
Класс арматуры | Коэффициенты условий работы прямолинейной арматуры  при коэффициенте асимметрии цикла  , равном |
-1,0 | -0,5 | -0,2 | 0 | 0,2 | 0,4 | 0,6 | 0,7 | 0,8 | 0,9 | 1,00 |
A240 | 0,5 | 0,63 | 0,74 | 0,84 | 0,97 | 1,00 | 1,00 | 1,00 | 1,00 | 1,00 | 1,00 |
A400 | 0,28 | 0,34 | 0,41 | 0,46 | 0,53 | 0,62 | 0,86 | 1,00 | 1,00 | 1,00 | 1,00 |
A500 | 0,22 | 0,28 | 0,33 | 0,37 | 0,43 | 0,50 | 0,75 | 0,90 | 1,00 | 1,00 | 1,00 |
A600 | 0,19 | 0,23 | 0,27 | 0,31 | 0,36 | 0,42 | 0,63 | 0,80 | 1,00 | 1,00 | 1,00 |
A800 | | | | | | 0,31 | 0,47 | 0,63 | 0,80 | 1,00 | 1,00 |
A1000 | | | | | | 0,25 | 0,38 | 0,52 | 0,73 | 0,95 | 1,00 |
B500 | | | | 0,44 | 0,53 | 0,67 | 0,89 | 1,00 | 1,00 | 1,00 | 1,00 |
Bp500 | | | | 0,40 | 0,48 | 0,60 | 0,81 | 0,97 | 1,00 | 1,00 | 1,00 |
Bp1200, Bp1300 | | | | | | | 0,35 | 0,48 | 0,69 | 0,91 | 1,00 |
Bp1400, Bp I500 | | | | | | | 0,32 | 0,44 | 0,63 | 0,85 | 1,00 |
K1400 ... K1550 | | | | | | | 0,30 | 0,41 | 0,59 | 0,80 | 1,00 |
K1650 ... K1750 | | | | | | | 0,27 | 0,36 | 0,52 | 0,74 | 1,00 |
K1850, K1900 | | | | | | | 0,24 | 0,32 | 0,47 | 0,69 | 1,00 |
Примечания 1  , где  ,  - соответственно наименьшее и наибольшее напряжения в арматуре в пределах цикла изменения нагрузки, определяемые согласно 13.3. 2 При расчете изгибаемых элементов из тяжелого бетона с ненапрягаемой арматурой для продольной арматуры учитывают остаточные напряжения в арматуре вследствие накопления неупругих деформаций в сжатом бетоне, принимая: |
при  |  ; |
при  |  ; |
при  |  , |
где Mmin, Mmax - соответственно наименьший и наибольший изгибающие моменты в расчетном сечении элемента в пределах цикла изменения нагрузки. |
Класс арматуры | Группа сварных соединений | Коэффициент условий работы арматуры  при многократном повторении нагрузки и коэффициенте асимметрии цикла  , равном |
0 | 0,2 | 0,4 | 0,7 | 0,8 | 0,9 | 1,0 |
A240 | 1 | 0,65 | 0,70 | 0,75 | 0,90 | 1,00 | 1,00 | 1,00 |
2 | 0,25 | 0,30 | 0,35 | 0,50 | 0,65 | 0,85 | 1,00 |
3 | 0,20 | 0,20 | 0,25 | 0,30 | 0,45 | 0,65 | 1,00 |
A400 | 1 | 0,60 | 0,65 | 0,65 | 0,70 | 0,75 | 0,85 | 1,00 |
2 | 0,20 | 0,25 | 0,30 | 0,45 | 0,60 | 0,80 | 1,00 |
3 | 0,15 | 0,20 | 0,20 | 0,30 | 0,40 | 0,60 | 1,00 |
A600 | 1 | | | 0,75 | 0,75 | 0,80 | 0,90 | 1,00 |
2 | | | 0,35 | 0,40 | 0,50 | 0,70 | 1,00 |
Примечания 1 Группы сварных соединений, приведенные в таблице, включают следующие типы сварных соединений по ГОСТ 14098, допускаемые для конструкций, рассчитываемых на выносливость: 1-я группа - крестообразное типа К1-Кт; стыковые типов С1-Ко, С5-Мф, С7-Рв, С8-Мф, С10-Рв - все соединения при отношении диаметров стержней, равном 1,0; 2-я группа - стыковые типов С14-Мп, С15-Рс, С17-Мп, С19-Рм, С21-Рн; 3-я группа - нахлесточные типов Н1-Рш, Н2-Кр; тавровые типов Т1-Мф, Т2-Рф и Т12-Рз. 2 В настоящей таблице даны значения  для арматуры диаметром до 20 мм. 3 Значения коэффициента  должны быть снижены на 5% при диаметре стержней 22 - 32 мм и на 10% при диаметре свыше 32 мм. |
13.6 Расчет на выносливость для сечений, наклонных к продольной оси элемента, выполняют по
формуле (13.3) из условия, что равнодействующая главных растягивающих напряжений, действующих на уровне центра тяжести приведенного сечения по длине элемента, должна быть полностью воспринята поперечной арматурой при напряжениях в ней, равных расчетному сопротивлению
Rsw, умноженному на коэффициент условий работы

, который определяют в соответствии с
13.5

(13.7)
Для элементов без поперечной арматуры должно выполняться условие

(13.8)
где

- главное растягивающее напряжение в бетоне;

- коэффициенты условий работы бетона принимают по
таблице 13.2 в зависимости от коэффициента асимметрии цикла


(13.9)
где

и

- соответственно наименьшие и наибольшие главные растягивающие напряжения в бетоне в пределах цикла изменения нагрузки, определяемые согласно
13.1 по полному приведенному сечению.
13.7 Расчет по образованию трещин при действии многократно повторяющейся нагрузки производят из условия

(13.10)
где

- максимальное нормальное растягивающее напряжение в бетоне, определяемое согласно
13.1 по полному приведенному сечению.
В местах расположения механических соединений напрягаемой арматуры образование трещин не допускается.
ОСНОВНЫЕ БУКВЕННЫЕ ОБОЗНАЧЕНИЯ
Усилия от внешних нагрузок и воздействий
в поперечном сечении элемента
M - изгибающий момент;
Mp - изгибающий момент с учетом момента усилия предварительного обжатия относительно центра тяжести приведенного сечения;
N - продольная сила;
Q - поперечная сила;
T - крутящий момент.
Характеристики материалов
Rb,n - нормативное сопротивление бетона осевому сжатию;
Rb, Rb,ser - расчетные сопротивления бетона осевому сжатию для предельных состояний соответственно первой и второй групп;
Rbt,n - нормативное сопротивление бетона осевому растяжению;
Rbt, Rbt,ser - расчетные сопротивления бетона осевому растяжению для предельных состояний соответственно первой и второй групп;
Rb,loc - расчетное сопротивление бетона смятию;
Rbp - передаточная прочность бетона;
Rbond - расчетное сопротивление сцепления арматуры с бетоном;
Rs, Rs,ser - расчетные сопротивления арматуры растяжению для предельных состояний соответственно первой и второй групп;
Rsw - расчетное сопротивление поперечной арматуры растяжению;
Rsc - расчетное сопротивление арматуры сжатию для предельных состояний первой группы;
Eb - начальный модуль упругости бетона при сжатии и растяжении;
Eb,red - приведенный модуль деформации сжатого бетона;
Es - модуль упругости арматуры;
Es,red - приведенный модуль деформации арматуры, расположенной в растянутой зоне элемента с трещинами;

,

- предельные относительные деформации бетона соответственно при равномерном осевом сжатии и осевом растяжении;

- относительные деформации арматуры при напряжении, равном
Rs;

- относительные деформации усадки бетона;

- коэффициент ползучести бетона;

- отношение соответствующих модулей упругости арматуры
Es и бетона
Eb.
Характеристики положения продольной арматуры
в поперечном сечении элемента
S - обозначение продольной арматуры:
а) при наличии сжатой и растянутой от действия внешней нагрузки зон сечения - расположенной в растянутой зоне;
б) при полностью сжатом от действия внешней нагрузки сечении - расположенной у менее сжатой грани сечения;
в) при полностью растянутом от действия внешней нагрузки сечении:
для внецентренно растянутых элементов - расположенной у более растянутой грани сечения;
для центрально-растянутых элементов - всей в поперечном сечении элемента;
S' - обозначение продольной арматуры:
а) при наличии сжатой и растянутой от действия внешней нагрузки зон сечения - расположенной в сжатой зоне;
б) при полностью сжатом от действия внешней нагрузки сечении - расположенной у более сжатой грани сечения;
в) при полностью растянутом от действия внешней нагрузки сечении внецентренно растянутых элементов - расположенной у менее растянутой грани сечения.
Геометрические характеристики
b - ширина прямоугольного сечения; ширина ребра таврового и двутаврового сечений;
bf, b'f - ширина полки таврового и двутаврового сечений соответственно в растянутой и сжатой зонах;
h - высота прямоугольного, таврового и двутаврового сечений;
hf, h'f - высота полки таврового и двутаврового сечений соответственно в растянутой и сжатой зонах;
a, a' - расстояние от равнодействующей усилий в арматуре соответственно S и S' до ближайшей грани сечения;
h0, h'0 - рабочая высота сечения, равная соответственно h - a и h - a';
x - высота сжатой зоны бетона;

- относительная высота сжатой зоны бетона, равная

;
sw - расстояние между хомутами, измеренное по длине элемента;
e0 - эксцентриситет продольной силы
N относительно центра тяжести приведенного сечения, определяемый с учетом
7.1.7 и
8.1.7;
e, e' - расстояния от точки приложения продольной силы N до равнодействующей усилий в арматуре соответственно S и S';
e0p - эксцентриситет усилия предварительного обжатия относительно центра тяжести приведенного сечения;
yn - расстояние от нейтральной оси до точки приложения усилия предварительного обжатия с учетом изгибающего момента от внешней нагрузки;
ep - расстояние от точки приложения усилия предварительного обжатия Np с учетом изгибающего момента от внешней нагрузки до центра тяжести растянутой или наименее сжатой арматуры;
l - пролет элемента;
lan - длина зоны анкеровки;
lp - длина зоны передачи предварительного напряжения в арматуре на бетон;
l0 - расчетная длина элемента, подвергающегося действию сжимающей продольной силы;
i - радиус инерции поперечного сечения элемента относительно центра тяжести сечения;
ds, dsw - номинальный диаметр стержней соответственно продольной и поперечной арматуры;
As, A's - площади сечения арматуры соответственно S и S';
Asw - площадь сечения хомутов, расположенных в одной нормальной к продольной оси элемента плоскости, пересекающей наклонное сечение;

- коэффициент армирования, определяемый как отношение площади сечения арматуры
S к площади поперечного сечения элемента
b·
h0 без учета свесов сжатых и растянутых полок;
A - площадь всего бетона в поперечном сечении;
Ab - площадь сечения бетона сжатой зоны;
Abt - площадь сечения бетона растянутой зоны;
Ared - площадь приведенного сечения элемента;
Aloc - площадь смятия бетона;
I - момент инерции сечения всего бетона относительно центра тяжести сечения элемента;
Ired - момент инерции приведенного сечения элемента относительно его центра тяжести;
W - момент сопротивления сечения элемента для крайнего растянутого волокна.
Характеристики предварительно напряженного элемента
P, Np - усилие предварительного обжатия с учетом потерь предварительного напряжения в арматуре, соответствующих рассматриваемой стадии работы элемента;
P(1), P(2) - усилие в напрягаемой арматуре с учетом соответственно первых и всех потерь предварительного напряжения;
- предварительное напряжение в напрягаемой арматуре с учетом потерь предварительного напряжения в арматуре, соответствующих рассматриваемой стадии работы элемента;

- потери предварительного напряжения в арматуре;
- сжимающие напряжения в бетоне в стадии предварительного обжатия с учетом потерь предварительного напряжения в арматуре.
РАСЧЕТ ЗАКЛАДНЫХ ДЕТАЛЕЙ
Б.1 Расчет нормальных анкеров, приваренных втавр к плоским элементам стальных закладных деталей, на действие изгибающих моментов, нормальных и сдвигающих сил от статической нагрузки, расположенных в одной плоскости симметрии закладной детали, производят из условия

(Б.1)
где Nan,j - наибольшее растягивающее усилие в одном ряду анкеров, равное:

(Б.2)
Qan,j - сдвигающее усилие, приходящееся на один ряд анкеров, равное:

(Б.3)
N'an - наибольшее сжимающее усилие в одном ряду анкеров, определяемое по формуле

(Б.4)
Qan,j,0 - сдвигающая сила, воспринимаемая анкерами, определяется по формуле

(Б.5)
где

- коэффициент, принимаемый равным 1,65;
Nan,j,0 - предельная растягивающая сила, воспринимаемая одним рядом анкеров, определяют по формуле
Nan,j,0 =
Rs·
Aan,j. (Б.6)
M, N, Q - момент, нормальная и сдвигающая силы, действующие на закладную деталь соответственно; момент определяется относительно оси, расположенной в плоскости наружной грани пластины и проходящей через центр тяжести всех анкеров;
nan - число рядов анкеров вдоль направления сдвигающей силы; если не обеспечивается равномерная передача сдвигающей силы Q на все ряды анкеров, то при определении сдвигающего усилия Qan учитывается не более четырех рядов;
z - расстояние между крайними рядами анкеров;
Aan,j - суммарная площадь поперечного сечения анкеров наиболее напряженного ряда.
Площадь сечения анкеров остальных рядов должна приниматься равной площади сечения анкеров наиболее напряженного ряда.
В
формулах (Б.2) и
(Б.4) нормальную силу
N считают положительной, если направлена от закладной детали
(рисунок Б.1), и отрицательной - если направлена к ней. В случаях, когда
Nan получает отрицательное значение, то в
формуле (Б.3) принимают
N'an = N.
Рисунок Б.1 - Схема усилий, действующих на закладную деталь
При расположении закладной детали на верхней (при бетонировании) поверхности изделия значение N'an принимают равным нулю.
Б.2 В закладной детали с анкерами, приваренными внахлестку под углом от 15° до 30°, наклонные анкеры рассчитывают на действие сдвигающей силы (при Q > N, где N - отрывающая сила) по формуле

(Б.7)
где Aan,inc - суммарная площадь поперечного сечения наклонных анкеров;
При этом должны устанавливаться нормальные анкеры, рассчитываемые по
формуле (Б.1) при значениях
Qan, равных 0,1 сдвигающего усилия, определяемого по
формуле (Б.3).
Б.3 Конструкция сварных закладных деталей с приваренными к ним элементами, передающими нагрузку на закладные детали, должна обеспечивать включение в работу анкерных стержней в соответствии с принятой расчетной схемой. Внешние элементы закладных деталей и их сварные соединения рассчитываются согласно
СП 16.13330. При расчете пластин и фасонного проката на отрывающую силу принимается, что они шарнирно соединены с нормальными анкерными стержнями.
Кроме того, толщина пластины t расчетной закладной детали, к которой привариваются втавр анкеры, должна проверяться из условия

(Б.8)
где dan - диаметр анкерного стержня, требуемый по расчету;
Rsq - расчетное сопротивление стали на срез, принимаемое согласно
СП 16.13330.
Для типов сварных соединений, обеспечивающих большую зону включения пластины в работу при вырывании из нее анкерного стержня и соответствующем обосновании, возможна корректировка
условия (Б.8) для уменьшения толщины пластины.
Толщина пластины должна также удовлетворять технологическим требованиям по сварке.
Б.4 При наличии растягивающих усилий во всех нормальных или наклонных анкерах, приваренных к плоским элементам закладной детали, необходимо предусмотреть обеспечение прочности бетона на выкалывание по соответствующим поверхностям выкалывания.
Расчет на выкалывание допускается не производить, если концы анкеров заведены за продольную арматуру, расположенную у противоположной от закладной детали грани железобетонной конструкции, а усиления анкеров в виде пластин или поперечных коротышей зацепляются за стержни продольной арматуры диаметром: не менее 20 мм - при симметричном зацеплении, не менее 25 мм - при несимметричном. При этом участок железобетонной конструкции между крайними рядами анкеров проверяется на действие соответствующей поперечной силы.
При действии сдвигающих усилий на закладную деталь по направлению к краю железобетонной конструкции также необходимо предусматривать обеспечение прочности на откалывание бетона.
РАСЧЕТ КОНСТРУКТИВНЫХ СИСТЕМ
В.1 Расчет несущих конструктивных систем должен включать:
определение усилий в элементах конструктивной системы (колоннах, плитах перекрытий и покрытия, фундаментных плитах, стенах, ядрах) и усилий, действующих на основания фундаментов;
определение перемещений конструктивной системы в целом и отдельных ее элементов, а также ускорений колебания перекрытий верхних этажей;
расчет на устойчивость конструктивной системы (устойчивость формы и положения);
оценку несущей способности и деформации основания;
оценку сопротивляемости конструктивной системы прогрессирующему разрушению (в отдельных случаях).
В.2 Расчет несущей конструктивной системы, включающей надземные и подземные конструкции и фундамент, следует производить для стадии эксплуатации. В случае существенного изменения расчетной ситуации в процессе возведения расчет несущей конструктивной системы следует производить для всех последовательных стадий возведения, принимая расчетные схемы, соответствующие рассматриваемым стадиям.
В.3 Расчет несущей конструктивной системы в общем случае следует производить в пространственной постановке с учетом совместной работы надземных и подземных конструкций, фундамента и основания под ним.
В.4 При расчете несущих конструктивных систем, состоящих из сборных элементов, следует учитывать податливость их соединений.
В.5 Расчет несущих конструктивных систем следует производить с применением линейных и нелинейных деформационных (жесткостных) характеристик железобетонных элементов.
Линейные деформационные характеристики железобетонных элементов определяют как для сплошного упругого тела.
Нелинейные деформационные характеристики железобетонных элементов при известном армировании следует определять с учетом возможного образования трещин в поперечных сечениях, а также с учетом развития неупругих деформаций в бетоне и арматуре, соответствующих кратковременному и длительному действию нагрузки.
В.6 В результате расчета несущей конструктивной системы должны быть установлены: в колоннах - значения продольных и поперечных сил, изгибающих моментов; в плоских плитах перекрытий, покрытия и фундаментов - значения изгибающих моментов, крутящих моментов, поперечных и продольных сил; в стенах - значения продольных и сдвигающих сил, изгибающих моментов, крутящих моментов и поперечных сил.
Определение усилий в элементах конструктивной системы следует производить от действия расчетных постоянных, длительных и кратковременных нагрузок.
В.7 В результате расчета несущей конструктивной системы должны быть установлены значения вертикальных перемещений (прогибов) перекрытий и покрытий, горизонтальные перемещения конструктивной системы, а для зданий повышенной этажности - также ускорения колебаний перекрытий верхних этажей. Значение перемещений и ускорения колебаний не должно превышать допустимых значений, установленных соответствующими нормативными документами.
Горизонтальные перемещения конструктивной системы следует определять от действия расчетных (для предельных состояний второй группы) постоянных, длительных и кратковременных горизонтальных и вертикальных нагрузок.
Вертикальные перемещения (прогибы) перекрытий и покрытий следует определять от действия нормативных постоянных и длительных вертикальных нагрузок.
Жесткостные характеристики элементов конструктивной системы следует принимать с учетом армирования, наличия трещин и неупругих деформаций в бетоне и арматуре согласно
8.2.26,
8.2.27.
Ускорения колебаний перекрытий верхних этажей здания следует определять при действии пульсационной составляющей ветровой нагрузки.
В.8 При расчете на устойчивость конструктивной системы следует производить проверку устойчивости формы конструктивной системы, а также устойчивости положения конструктивной системы на опрокидывание и на сдвиг.
В.9 Расчет на устойчивость конструктивной системы следует производить на действие расчетных постоянных, длительных и кратковременных вертикальных и горизонтальных нагрузок.
При расчете устойчивости формы конструктивной системы жесткостные характеристики элементов конструктивной системы принимают с учетом армирования, наличия трещин и неупругих деформаций в бетоне и арматуре. Запас по устойчивости формы должен быть двукратным и более.
При расчете устойчивости положения конструктивные системы следует рассматривать как жесткое недеформированное тело.
При расчете на опрокидывание удерживающий момент от вертикальной нагрузки должен превышать опрокидывающий момент от горизонтальной нагрузки с коэффициентом запаса 1,5.
При расчете на сдвиг удерживающая горизонтальная сила должна превышать действующую сдвигающую силу с коэффициентом запаса 1,2. При этом следует учитывать наиболее неблагоприятные значения коэффициентов надежности по нагрузке.
В.10 Расчет на устойчивость против прогрессирующего разрушения должен обеспечивать прочность и устойчивость формы конструктивной системы в целом при выходе из строя одного какого-либо элемента конструктивной системы (колонны, участка стены, участка перекрытия) и возможном последующем разрушении близлежащих элементов. Кроме того, в обоснованных случаях рассматривается расчетная ситуация с выходом из строя части основания под фундаментами (например, в случае образования карстовых провалов).
В.11 Расчет на устойчивость против прогрессирующего разрушения следует производить при действии нормативных вертикальных нагрузок с нормативными значениями сопротивления бетона и арматуры.
В.12 Оценивать несущую способность и деформации основания следует согласно соответствующим нормативным документам при действии усилий на основание, установленных при расчете конструктивной системы здания.
Методы расчета
В.13 Расчет конструктивных систем производят методами строительной механики. При этом в общем случае применяют метод конечных элементов, метод конечных разностей и другие численные методы.
В.14 Для оценки несущей способности перекрытий допускается применять метод предельного равновесия.
В.15 Расчет конструктивной системы методом конечных элементов производится как пространственной статически неопределимой системы.
В.16 Моделирование конструктивных систем производят с применением оболочечных, стержневых и, при необходимости, объемных конечных элементов.
В.17 При создании пространственной модели конструктивной системы следует учитывать характер совместной работы стержневых, оболочечных и объемных конечных элементов, связанный с различным числом степеней свободы для каждого из указанных элементов.
В.18 Деформативные свойства основания следует учитывать применением общепринятых расчетных моделей основания, различных типов конечных элементов или краевых условий с заданной податливостью, моделированием всего массива грунта под зданием из объемных конечных элементов, или комплексно - с применением всех вышеперечисленных методов.
В.19 На первой стадии расчета конструктивной системы деформативность основания допускается учитывать с помощью коэффициента постели, принимаемого по усредненным характеристикам грунтов.
В.20 При использовании свайных или свайно-плитных фундаментов сваи следует моделировать как железобетонные конструкции или учитывать их совместную работу с грунтом обобщенно, рассматривая основание как единое целое с приведенными коэффициентами постели.
В.21 При построении конечно-элементной расчетной модели размеры и конфигурацию конечных элементов следует задавать, исходя из возможностей применяемых конкретных расчетных программ, и принимать такими, чтобы была обеспечена необходимая точность определения усилий по длине колонн и по площади плит перекрытий, фундаментов и стен.
В.22 Жесткостные характеристики конечных элементов на первоначальной стадии расчета конструктивной системы, когда армирование конструкций еще не известно, следует определять по линейным деформационным характеристикам.
В.23 После определения требуемого содержания арматуры в плитах перекрытий и покрытий следует произвести дополнительный расчет прогибов этих конструкций, принимая уточненные значения изгибных жесткостных характеристик плит с учетом армирования в двух направлениях.
В.24 Рекомендуется выполнить также дополнительный расчет конструктивной системы для более точной оценки изгибающих моментов в элементах перекрытий, покрытий и фундаментных плитах, а также продольных сил в стенах и колоннах с учетом нелинейных жесткостных характеристик конечных элементов.
В.25 Расчет конструктивных систем методом конечных элементов следует производить с применением специальных сертифицированных компьютерных программ.
Для конструктивных систем зданий и сооружений класса КС-3 с повышенным уровнем ответственности по
ГОСТ 27751, расчет необходимо выполнять не менее чем по двум различным компьютерным программам независимыми организациями.
В.26 Расчет несущей способности перекрытий методом предельного равновесия следует производить, используя в качестве критерия равенство работ внешних нагрузок и внутренних сил на перемещениях в предельном равновесии плиты перекрытия с наиболее опасной схемой излома, характеризующей ее разрушение.
В.27 Расчет конструктивных систем зданий и сооружений класса КС-3 с повышенным уровнем ответственности по
ГОСТ 27751, следует выполнять при научно-техническом сопровождении специализированной организации.
ДИАГРАММЫ ДЕФОРМИРОВАНИЯ БЕТОНА
Г.1 Аналитическая зависимость криволинейных диаграмм деформирования бетона принимается в виде:

(Г.1)
где

,

,
Em - соответственно относительные деформации, напряжения, начальные модули упругости
(d - знак дифференциала);
m - индекс материала (для бетона m = b, bt; для арматуры m = s);

- коэффициент изменения секущего модуля, определяемый по формуле

(Г.2)
здесь

- значение коэффициента в вершине диаграммы (при

);

- начальный коэффициент изменения секущего модуля (в начале диаграммы или в начале ее криволинейного отрезка);

,

- коэффициенты, характеризующие полноту диаграммы материала,

;

- уровень приращения напряжений, который определяется как отношение

(Г.3)

- напряжения, соответствующие пределу упругости материала;

- коэффициент изменения касательного модуля, связанный с коэффициентом изменения секущего модуля соотношением

(Г.4)
В
формулах (Г.2) и
(Г.4) знак плюс принимают для диаграммы деформирования арматуры и для восходящей ветви диаграммы деформирования бетона, а знак минус - для нисходящей ветви диаграммы деформирования бетона. Нисходящую ветвь диаграммы разрешается использовать до уровня напряжений

(с учетом
Г.2).
для обеих ветвей диаграммы
для восходящей ветви

(Г.6)
для нисходящей ветви

(Г.7)
Рисунок Г.1 - Криволинейные диаграммы деформирования бетона
Абсцисса вершины диаграммы осевого сжатия бетона определяется по формуле

(Г.8)
где B - класс бетона по прочности на сжатие;

- безразмерный коэффициент, зависящий от вида бетона и принимаемый равным:

- для тяжелого и мелкозернистого бетона;

- для легкого бетона средней плотности
D, (кг/м
3);

- для ячеистого бетона.
При одноосном и однородном растяжении бетона исходная диаграмма деформирования бетона описывается
зависимостями (Г.1) -
(Г.3), в которых следует принимать:

(Г.9)
где

- коэффициент, принимаемый при центральном растяжении равным единице;
для изгибаемых элементов

(Г.10)
здесь hэ = 30 см - некоторая эталонная высота сечения,
h - высота сечения, см,
R0tn = 2,5 МПа.
РАСЧЕТ КОЛОНН КРУГЛОГО И КОЛЬЦЕВОГО СЕЧЕНИЙ
Д.1 Расчет прочности кольцевых сечений колонн
(рисунок Д.1) при соотношении внутреннего и наружного радиусов
r1/r2 >
= 0,5 и арматуре, равномерно распределенной по окружности (при минимум семи продольных стержнях), производится в зависимости от относительной площади сжатой зоны бетона

(Д.1)
а) при

- из условия

(Д.2)
б) при

- из условия

(Д.3)
где

;
в) при

- из условия

(Д.4)
где

(Д.5)
As,tot - площадь сечения всей продольной арматуры;

;
rs - радиус окружности, проходящей через центры тяжести стержней продольной арматуры.
Момент M определяется с учетом влияния прогиба элемента.
Рисунок Д.1 - Схема, принимаемая при расчете
кольцевого сечения сжатого элемента
Д.2 Расчет прочности круглых сечений колонн
(рисунок Д.2) с арматурой, равномерно распределенной по окружности (при числе минимум семи продольных стержней), при классе арматуры не выше А400 проверяется из условия
| | ИС МЕГАНОРМ: примечание. Формула дана в соответствии с официальным текстом документа. | |

(Д.6)
где r - радиус поперечного сечения;

- относительная площадь сжатой зоны бетона, определяемая следующим образом:
при выполнении условия
N <= 0,77
RbA + 0,645
RsAs,tot, (Д.7)
из решения уравнения

(Д.8)

(Д.9)

- коэффициент, учитывающий работу растянутой арматуры и принимаемый равным: при выполнении
условия (Д.7) 
, но не более 1,0; при невыполнении
условия (Д.7) 
;
As,tot - площадь сечения всей продольной арматуры;
rs - радиус окружности, проходящей через центры тяжести стержней продольной арматуры.
Момент M определяется с учетом влияния прогиба элемента.
Рисунок Д.2 - Схема, принимаемая при расчете
круглого сечения внецентренно сжатого элемента
РАСЧЕТ БЕТОННЫХ ШПОНОК
Е.1 Размеры бетонных шпонок, передающих сдвигающие усилия между сборным элементом и дополнительно уложенным бетоном или раствором, определяют по формулам:

(Е.1)

(Е.2)
где Q - сдвигающая сила, передающаяся через шпонки;
tk, hk, lk - глубина, высота и длина шпонки;
nk - число шпонок, вводимое в расчет и принимаемое не более трех.
При наличии сжимающей силы N высоту шпонок допускается определять по формуле

(Е.3)
и принимать уменьшенной по сравнению с высотой, определяемой по
формуле (Е.2), не более чем в два раза.
При соединении шпонками элементов настила длина шпонки, вводимая в расчет, должна составлять не более половины пролета элемента, при этом значение Q принимается равным сумме сдвигающих усилий по всей длине элемента.
По
формулам (Е.1) -
(Е.3) следует проверять шпонки сборного элемента и шпонки из дополнительно уложенного бетона, принимая расчетные сопротивления бетона шпонок
Rb и
Rbt как для бетонных конструкций. При расчете на выдергивание растянутой ветви двухветвевой колонны из стакана фундамента допускается учитывать работу пяти шпонок
(рисунок Е.1).
1 - сборный элемент; 2 - монолитный бетон
Рисунок Е.1 - Схема для расчета шпонок, передающих
сдвигающие усилия от сборного элемента монолитному бетону
РАСЧЕТ КОРОТКИХ КОНСОЛЕЙ
Ж.1 Расчет коротких консолей колонн при
l1 <= 0,9
h0 (рисунок Ж.1) на действие поперечной силы для обеспечения прочности по наклонной сжатой полосе между грузом и опорой следует производить из условия

(Ж.1)
в котором правая часть принимается не более 3,5Rbtbh0 и не менее 2,5Rbtbh0.
Рисунок Ж.1 - Расчетная схема для короткой консоли
при действии поперечной силы
lsup - длина площадки опирания нагрузки вдоль вылета консоли;

- угол наклона расчетной сжатой полосы к горизонтали, определяемый из уравнения

;

- коэффициент армирования хомутами, расположенными по высоте консоли;
здесь sw - расстояние между хомутами, измеренное по нормали к ним.
При расчете учитывают горизонтальные и наклонные хомуты под углом не более 45° к горизонтали.
Напряжение сжатия в местах передачи нагрузки на консоль должно быть не более расчетного сопротивления бетона смятию Rb,loc.
Для коротких консолей, входящих в жесткий узел рамной конструкции с замоноличиванием стыка, значение
lsup в
условии (Ж.1) принимают равным вылету консоли
l1, если при этом выполняются условия
M/
Q >= 0,3 м и
lsup/
l1 >= 2/3 (где
M и
Q - момент, растягивающий верхнюю грань ригеля, и поперечная сила в нормальном сечении ригеля по краю консоли соответственно). В этом случае правую часть
условия (Ж.1) принимают не более 5
Rthbh0.
При шарнирном опирании на короткую консоль балки, идущей вдоль вылета консоли, при отсутствии специальных выступающих закладных деталей, фиксирующих площадку опирания
(рисунок Ж.2), значение
lsup в
условии (Ж.1) принимается равным 2/3 длины фактической площадки опирания.
Поперечное армирование коротких консолей должно удовлетворять конструктивным требованиям.
Рисунок Ж.2 - Расчетная схема для короткой консоли
при шарнирном опирании сборной балки,
идущей вдоль вылета консоли
Ж.2 При шарнирном опирании балки на консоль колонны продольная арматура консоли проверяется из условия

(Ж.2)
При этом продольная арматура консоли должна быть доведена до свободного конца консоли и иметь надлежащую анкеровку.
При жестком соединении ригеля и колонны с замоноличиванием стыка и привариванием нижней арматуры ригеля к арматуре консоли через закладные детали продольная арматура консоли проверяется из условия

(Ж.3)
где l1, h0 - соответственно вылет и рабочая высота короткой консоли;
Ns - горизонтальное усилие, действующее на верх консоли от ригеля, равное:

(Ж.4)
и принимаемое не более 1,4
kflwRwf + 0,3
Q (где
kf и
lw - соответственно высота и длина углового шва приваривания закладных деталей ригеля и консоли;
Rf - расчетное сопротивление угловых швов срезу по металлу шва, определяемое согласно
СП 16.13330, при использовании электродов Э42
Rwf = 180 МПа; 0,3 - коэффициент трения стали по стали), а также не более
RswAsw (где
Rsw и
Asw - расчетное сопротивление и площадь сечения соответственно верхней арматуры ригеля).
M,
Q - изгибающий момент и поперечная сила соответственно в нормальном сечении ригеля по краю консоли; если момент
M растягивает нижнюю грань ригеля, значение
M учитывается в
формуле (Ж.4) со знаком "минус";
lsup - фактическая длина площадки опирания нагрузки вдоль вылета консоли;
h0b - рабочая высота ригеля.
УЧЕТ КОСВЕННОГО АРМИРОВАНИЯ ПРИ РАСЧЕТЕ ВНЕЦЕНТРЕННО СЖАТЫХ
ЭЛЕМЕНТОВ НА ОСНОВЕ НЕЛИНЕЙНОЙ ДЕФОРМАЦИОННОЙ МОДЕЛИ
И.1 Расчет внецентренно сжатых стержневых элементов из тяжелого или мелкозернистого бетона с косвенным армированием на основе нелинейной деформационной модели следует производить согласно
8.1.20 -
8.1.30 и
И.2 -
И.4.
И.2 Жесткостные характеристики
Dij (i, j - 1, 2, 3) в
уравнениях (8.39) -
(8.41) для определения деформаций бетона и арматуры в нормальном сечении элементов с косвенным армированием следует определять по формулам:

(И.1)

(И.2)

(И.3)

(И.4)

(И.5)

(И.6)
где Abk, Zbxk, Zbyk - площадь, координаты центра тяжести k-го сжатого участка бетона с косвенным армированием и напряжение на уровне его центра тяжести;

- коэффициент упругости бетона с косвенным армированием
k-го участка; остальные обозначения - см.
8.1.23.
И.3 Значения коэффициента

следует определять по диаграмме деформирования бетона с косвенным армированием при осевом сжатии.
При использовании двухлинейных или трехлинейных диаграмм в
зависимостях (6.5) -
(6.9) вместо характеристик бетона
Rb, 
и

следует использовать характеристики бетона с косвенным армированием
Rb,red,

и

:

; (И.7)
Минстроя России от 22.11.2019 N 717/пр)

(И.8)

(И.9)
где Rs,xy - расчетное сопротивление арматуры сеток косвенного армирования;
(абзац введен
Изменением N 1, утв. Приказом Минстроя России от 22.11.2019 N 717/пр)
формула (И.10) исключена с 23.05.2020. -
Изменение N 1, Приказом Минстроя России от 22.11.2019 N 717/пр;

(И.11)

(И.12)
Rs,xy и Rb - в МПа.
И.4 При использовании криволинейных диаграмм деформирования значения коэффициента
vbk следует определять, используя
формулы (Г.2) -
(Г.8), в которых вместо характеристик бетона

и

следует использовать характеристики бетона с косвенным армированием
Rb,red и

, а значение параметра
v0 для восходящей ветви диаграммы осевого сжатия бетона следует принимать равным значению, вычисленному по формуле
(в ред.
Изменения N 1, утв. Приказом Минстроя России от 22.11.2019 N 717/пр)

(И.13)
К ПРАВИЛАМ ПРОЕКТИРОВАНИЯ И КОНСТРУИРОВАНИЯ
ЖЕЛЕЗОБЕТОННЫХ КОНСТРУКЦИЙ С МЕХАНИЧЕСКИМИ
СОЕДИНЕНИЯМИ АРМАТУРЫ
К.1 Общие положения
К.1.1 Требования настоящего приложения распространяются на изготовление, проектирование и конструирование механических соединений ненапрягаемой арматуры диаметром 10 - 40 мм железобетонных конструкций.
К.1.2 При использовании механических соединений арматуры применяют соединения следующих видов:
- опрессованное - соединение арматурных стержней путем пластической деформации без нагрева стальных соединительных муфт с помощью мобильного оборудования в условиях строительной площадки или стационарного в заводских условиях;
- резьбовое - соединение арматурных стержней резьбовыми муфтами заводского изготовления с внутренней резьбой (нарезанной или накатанной цилиндрической и конической), соответствующей профилю резьбы, нарезаемой на соединяемых арматурных стержнях;
- комбинированное - соединение арматурных стержней резьбовыми муфтами заводского изготовления предварительно опрессованных на концах арматурных стержней;
- болтовое - соединение арматурных стержней с помощью длинной муфты, в которой арматурные стержни фиксируются с помощью заостренных болтов, врезающихся в тело арматурного стержня;
- цанговое - соединение арматурных стержней, выполняемое путем защемления арматурных стержней с помощью конусных соединительных пластин, располагающихся внутри конусных втулок.
Вид механического соединения и тип соединительных муфт (стандартные, переходные, позиционные, болтовые) должны назначаться с учетом эксплуатации конструкции, характера нагрузок, технологии производства арматурных работ и технико-экономических показателей.
Сборка механических соединений должна выполняться в соответствии с инструкциями производителя или регламентом.
Область применения механических соединений арматуры по расчетной отрицательной температуре принимается не ниже минус 70 °C, для резьбовых соединений с нарезанной на концах арматурных стержней резьбой область применения ограничена минус 60 °C.
К.2 Нормативные характеристики механических соединений арматуры
К.2.1 При использовании для стыковки арматуры механических соединений нормативное значение прочности (временного сопротивления) принимаемого механического соединения должно быть не менее нормативного значения прочности (временного сопротивления) соединяемой арматуры. Прочностные и деформационные характеристики механического соединения должны соответствовать требованиям
таблицы К.1.
Разрывное усилие Pв, кН, не менее | Деформативность  при растяжении, мм, не более | Равномерное относительное удлинение арматуры  после разрушения соединения, %, не менее |
| 0,1 | 2 |
Обозначения: Fs - номинальная площадь поперечного сечения соединяемой арматуры по нормативным документам на ее производство;  - браковочное значение временного сопротивления соединяемой арматуры по нормативным документам на ее производство. Примечания 1 Деформативность соединения - значение пластической деформации стыка при напряжении в арматуре, равном  , где  - браковочное значение физического или условного предела текучести арматуры по нормативным документам на ее производство. 2 Равномерное относительное удлинение соединенных арматурных стержней после испытания соединения на растяжение  - наибольшее из значений  , определенных на каждом из стержней. |
К.3 Железобетонные конструкции с механическими соединениями арматуры
Расчет железобетонных конструкций с механическими соединениями арматуры по предельным состояниям первой и второй группы
К.3.1 Расчет железобетонных конструкций с механическими соединениями арматуры по предельным состояниям первой и второй групп выполняют по
подразделам 8.1 и
8.2, при этом нормативные
Rs,n и расчетные
Rs сопротивления, модуль упругости
Es, коэффициенты условий работы арматуры с механическими соединениями принимаются такими же, как для целых стержней арматуры соответствующего класса в соответствии с
подразделом 6.2 со следующими дополнениями:
- при расчете сечений, в которых располагаются резьбовые механические соединения арматуры, расчетные значения сопротивления растяжению для предельных состояний второй группы
Rs,ser необходимо принимать с понижающим коэффициентом (только для стыкуемой арматуры)

, учитывающим податливость соединения.
К.4 Конструктивные требования
Требования к материалу и размерам соединительных муфт
К.4.1 Муфты для резьбовых соединений изготовляют из стали марок 40, 45, 45Х, 45Г2 и аналогов по
ГОСТ 1050. Муфты для опрессованных соединений изготовляют из стали марок 10, 15 и 20 по
ГОСТ 1050 и Ст.2 или Ст.3 по
ГОСТ 380.
К.4.2 Геометрические размеры соединительных муфт назначаются из условия равнопрочности по значению нормативного временного сопротивления растяжению соединяемой арматуры

и муфты

, при этом основные геометрические размеры соединительных муфт должны приниматься по
таблице К.2. Допускается по результатам опытных испытаний уточнять размеры соединительных муфт, которые должны быть указаны в технических условиях конкретных производителей.
Тип соединения | Геометрические размеры муфт, мм, не менее | Длина резьбы на концах арматурных стержней, мм, не менее |
Длина L | Наружный диаметр D |
Соединения с цилиндрической накатанной резьбой | 2,5d | 1,6d | d |
Соединения с цилиндрической нарезанной резьбой | 2,3d | 1,5d | d |
Соединения с конической резьбой | 3,3d | 1,4d | 1,4d |
Опрессованные соединения | 8d | 1,7d | 4d |
Обозначения: d - диаметр соединяемых в муфте арматурных стержней. |
К.4.3 Параметры резьбы резьбовых соединений должны соответствовать
ГОСТ 24705, допускается применение резьбы нестандартного размера при условии соответствия механического соединения требованиям
таблицы К.1
К.4.4 Расчет соединительных муфт опрессованных механических соединений в зависимости от способа опрессовки следует выполнять с учетом
приложения Л.
Требования к геометрическим размерам железобетонных конструкций с механическими соединениями арматуры
К.4.5 Геометрические размеры железобетонных конструкций с механическими соединениями арматуры должны отвечать
10.2.
Требования к армированию
К.4.6 Армирование железобетонных конструкций с механическими соединениями арматуры должно выполняться в соответствии с
10.3 и
К.4.7 -
К.4.10.
К.4.7 При стыковании арматуры с помощью механических соединений толщина защитного слоя от края муфты до грани железобетонного элемента должна быть не менее указанной в
таблице 10.1.
К.4.8 Механические соединения арматуры в вертикальных железобетонных элементах необходимо располагать в зоне 1/4 - 1/5 высоты этажа от верха перекрытия, в изгибаемых элементах - вне зоны максимальных моментов или действующих максимальных усилий в арматуре.
Количество стыкуемой в одном сечении элемента рабочей растянутой или сжатой арматуры периодического профиля с помощью механических соединений допускается принимать до 100% при проценте армирования продольной арматуры

и не более 50% в остальных случаях. Расстояния между сечениями стыкуемой арматуры принимают равными длине перепуска соединяемой арматуры (нахлестки)
(рисунок К.1).
Рисунок К.1 - Расположение стержней, стыкуемых внахлест
и с помощью механических соединений
К.4.9 Минимальное расстояние в свету между механическими соединениями арматуры определяется габаритными размерами оборудования для выполнения стыка и должно быть не менее 2
d и не менее значений, указанных в
10.3.5 (рисунок К.1).
К.4.10 В каркасах с механическими соединениями арматуры поперечное армирование принимается таким же, как в каркасах без механических соединений арматуры.
К.5 Контроль качества
К.5.1. Контроль качества механических соединений арматуры производят согласно
СП 70.13330 и
К.5.2 -
К.5.7.
К.5.2. При производстве работ с механическими соединениями арматуры необходимо проводить следующие виды контроля:
- входной контроль соединительных муфт и оборудования;
- текущий контроль в процессе производства соединений (операционный и приемочный);
- сертификационный контроль.
К.5.3 Каждая муфта и контргайка должны иметь заводскую маркировку, в которой в обязательном порядке должны быть указаны: тип соединительного элемента, диаметр соединяемых стержней и номер партии или знак завода-изготовителя.
Указанная маркировка наносится на каждую соединительную муфту способами, обеспечивающими ее сохранность до момента ее использования, допускается наносить маркировку несмываемой краской, электромагнитным ударно-точечным методом, непрерывным прочерчиванием твердосплавной иглой или другими способами в соответствии с
ГОСТ 7566.
К.5.4 Для контроля затяжки механических соединений необходимо применять динамометрические ключи по
ГОСТ 33530, которые должны проходить ежегодную калибровку. Усилие затяжки муфт и контргаек резьбовых соединений проверяется контрольной затяжкой не менее 10% соединений контролируемой партии. Партия соединений не должна превышать 500 шт.
Длина ключа, применяемого для затяжки механических соединений, должна быть не менее:
- для арматуры диаметром 12 - 18 мм - 0,3 м;
- для арматуры диаметром 20 - 28 мм - 0,5 м;
- для арматуры диаметром 32 - 40 мм - 0,7 м.
Величина затяжки резьбовых соединений должна быть не менее значений по
таблице К.3.
Наименование значения | Показатель значения |
Диаметр арматурного стержня, мм | 12 | 14 | 16 | 18 | 20 | 22 | 25 | 28 | 32 | 36 | 40 |
Минимальный момент затяжки, Н·м | 30 | 65 | 95 | 120 | 145 | 175 | 200 | 215 | 240 | 265 | 280 |
К.5.5 Удлинение муфты опрессованного соединения после опрессовки должно соответствовать требованиям нормативной документации на соединения. При отсутствии данных требований значение контролируемого удлинения должно быть не менее 8% первоначальной длины муфты.
К.5.6 Для защиты резьбы муфт и стержней от атмосферных осадков, загрязнения бетоном и механических повреждений необходимо применять специальные защитные заглушки и колпачки, пластмассовые или металлические. Колпачки надеваются на торец стержня сразу после нарезки резьбы. Заглушки из муфт удаляются непосредственно перед вкручиванием в них арматурных стержней. Указанные защитные средства применяются на подготовленной арматуре, транспортируемой и подаваемой на строительную площадку, а также на выпусках арматуры.
К.5.7 Подготовку концов арматуры и ее стыкование с помощью механических соединений должен проводить только аттестованный на эти виды работ персонал.
РАСЧЕТ СОЕДИНИТЕЛЬНЫХ МУФТ
ОПРЕССОВАННЫХ МЕХАНИЧЕСКИХ СОЕДИНЕНИЙ
Л.1 Опрессованными механическими соединениями арматуры допускается соединять арматурный прокат классов А400 - А800 любого периодического профиля. Применение опрессованных соединений для арматуры гладкого профиля не допускается.
Л.2 В качестве материала для соединительных муфт используют бесшовные горячедеформированные или холоднодеформированные трубы (по
ГОСТ 8731 в части технических требований и
ГОСТ 8732 в части сортамента), или круглого горячекатаного проката (по
ГОСТ 535 в части технических требований и
ГОСТ 2590 в части сортамента). В качестве материала для соединительных муфт используется сталь марок 10, 15 по
ГОСТ 1050; Ст.2 или Ст.3 по
ГОСТ 380. Допускается применять муфты из стали марки 20 по
ГОСТ 1050, учитывая снижение ресурса обжимного оборудования.
Л.3 Опрессованные соединения должны соответствовать параметрам, определяющим их прочность и характер разрушения.
Л.3.1 Площадь поперечного сечения соединительной муфты до опрессовки FM назначается из условия равнопрочности по значению нормативного временного сопротивления при растяжении соединяемой арматуры и муфты:

(Л.1)
где

,

- нормативные значения временного сопротивления материала соединительной муфты и арматурного проката соответственно по стандартам на их изготовление.
Л.3.2 Допускается вместо нормативных значений

материала муфт принимать их фактические значения, определяемые опытным путем.
Л.3.3 Длина соединительной муфты до опрессовки l0. Подбирается из следующих условий:
- способ опрессовки. Опрессовка соединительной муфты на арматуре может осуществляться многократным обжатием муфты с промежутками и без промежутков
(рисунок Л.1). При опрессовке с промежутками принимают зазор между жимами от 2 до 5 мм;
- для обеспечения требуемого усилия среза материала муфты для опрессованных соединений арматуры классов А400 и А500 значение обжатой части соединительной муфты должно быть не менее 5dН (по 2,5dН с каждой стороны муфты), где dН - номинальный диаметр соединяемой арматуры.
1 - с промежутками; 2 - без промежутков
Рисунок Л.1 - Опрессованный стык построечного изготовления,
произведенный на мобильном оборудовании многократным
поперечным деформированием соединительной муфты
Л.3.4 Длина муфты при обжатии без промежутков подбирается по формуле
l0 = (4,5·dН + 4)·0,9, (Л.2)
где dН - в сантиметрах.
При опрессовке без промежутков обжатие производится с небольшим нахлестом последующего жима на предыдущий.
Л.3.5 Длина муфты при обжатии с промежутками подбирается по формуле
l0 = (n·li + (n - 1)·a + 4)·0,95, (Л.3)
где n - число жимов пресса;
li - ширина отпечатка одного жима пресса, см, определяется в зависимости от применяемого оборудования по ширине рабочей части пуансонов;
a - значение принимаемого промежутка между жимами, см.
Общее число жимов n вычисляется из условия
n·li > 4,5dН. (Л.4)
Л.3.6 Внутренний диаметр муфт опрессованных соединений арматуры подбирается из следующего условия: суммарный зазор между муфтой и стыкуемой арматурой dВН, М - dMAX,S, должен быть не больше 4 мм независимо от диаметра стыкуемой арматуры,
где dВН, М - внутренний диаметр муфты,
dMAX,S - фактический максимальный габаритный размер поперечного сечения арматуры по ребрам.
Л.3.7 Для гарантированного обеспечения требований по выносливости для опрессованных соединений арматуры с гарантией выносливости фактический зазор между муфтой и стыкуемыми стержнями арматуры до опрессовки dВН, М - dMAX,S следует принимать не более 2 мм независимо от диаметра арматуры.
Л.4 Значение усилий поперечного деформирования или протяжки принимается в зависимости от применяемого оборудования и должно гарантировать требуемое удлинение муфты после обжатия в соответствии с
К.5.4.
Л.5 Подобранные геометрические размеры муфт в обязательном порядке должны быть проверены экспериментально испытанием на растяжение пробных образцов - не менее 3 шт. каждого вида и типоразмера. Испытанные образцы соединений должны соответствовать требованиям
таблицы К.1. Не допускается при разрушении опрессованных соединений выдергивания арматурного стержня из муфты. Не допускается уменьшение суммарного размера обжатой части муфты ниже значений 4,5
dН.
Л.6 При подборе толщины стенки муфт необходимо учитывать, что при малой толщине стенки не обеспечивается достаточная жесткость муфты сопротивлению распора периодического профиля арматуры. При значительной толщине стенки муфты усилия обжатия опрессовочного оборудования может быть недостаточно для проведения качественной опрессовки.
Л.7 Допускается размеры или значения параметров муфт, полученные при расчете, корректировать по результатам испытаний на растяжение пробных стыков, изготовленных с использованием конкретного оборудования и соединительных муфт в части толщины муфты и общей длины муфты.
Л.8 Геометрические размеры муфт опрессованных соединений для арматуры класса А800 и более должны быть экспериментально обоснованы с учетом возможностей опрессовочного оборудования.
Л.9 Размеры муфт из стали 10 опрессованных соединений для арматуры классов А400, А500 и А600 приведены в
таблице Л.1.
Класс стыкуемой арматуры | Диаметр соединяемой арматуры dН, мм | Геометрические размеры соединительных муфт: |
длина l0, мм | толщина стенки t, мм | наружный диаметр dМ+/- 2, мм |
не менее |
А400, А500 | 16 | 8dН при многократной опрессовке с промежутками | 4,5 | 28,5 |
18 | 5 | 32 |
20 | 5,5 | 35 |
22 | 6 | 39 |
25 | 8 | 43,5 |
28 | 9 | 49 |
32 | 10 | 55,5 |
36 | 11 | 62 |
40 | 12 | 69,5 |
А600 | 16 | 9dН при многократной опрессовке с промежутками | 6 | 32 |
18 | 6,5 | 36 |
20 | 7,5 | 40 |
22 | 8,5 | 45 |
25 | 10 | 48 |
28 | 11 | 56 |
32 | 12 | 63 |
36 | 13 | 68 |
40 | 14 | 75 |
РАСЧЕТ ИЗГИБАЕМЫХ ЭЛЕМЕНТОВ С НАПРЯГАЕМОЙ
АРМАТУРОЙ, НЕ ИМЕЮЩЕЙ СЦЕПЛЕНИЯ С БЕТОНОМ
Минстроя России от 22.11.2019 N 717/пр)
М.1 Расчет по прочности нормальных сечений изгибаемых элементов железобетонных конструкций с напрягаемой арматурой, не имеющей сцепления с бетоном, следует производить с учетом равномерного деформирования арматуры по длине конструкции.
М.2 Расчет по прочности нормальных сечений изгибаемых элементов без сцепления арматуры с бетоном со схемой раскладки преднапряженной арматуры согласно пункту
10.4.15 в стадии эксплуатации производят из
условия (8.3), в котором значения предельного изгибающего момента
Mult определяют по формуле

. (М.1)
Высоту сжатой зоны
x (рисунок М.1) и напряжение в предварительно напряженной арматуре

определяют из совместного решения уравнений:

; (М.2)

, (М.3)
где

- предварительное напряжение в арматуре с учетом всех потерь и

.
Рисунок М.1 - Схема усилий и напряжений в сечении,
нормальном к продольной оси изгибаемого предварительно
напряженного элемента без сцепления арматуры с бетоном,
при его расчете по прочности
М.3 Значение момента Mult для изгибаемых элементов с полкой в сжатой зоне определяют в зависимости от положения границы сжатой зоны бетона:
- если граница проходит в полке, т.е. соблюдается условие

, (М.4)
то значение
Mult определяют как для прямоугольного сечения шириной

.

. (М.5)
М.4 Допускается расчет по прочности нормальных сечений изгибаемых элементов конструкций без сцепления арматуры с бетоном производить согласно
подразделу 8.1 как внецентренно сжатых элементов, определяя внутренние усилия в сечении с учетом только ненапрягаемой арматуры и принимая усилие от предварительного натяжения арматуры как внешнюю сжимающую продольную силу, определяемую по формуле

. (М.6)

, (М.7)
М.5 Расчет по прочности нормальных сечений изгибаемых элементов без сцепления арматуры с бетоном в стадии предварительного обжатия следует производить по
9.2.10.