Главная // Актуальные документы // ПереченьСПРАВКА
Источник публикации
М.: Стройиздат, 1984
Примечание к документу
Название документа
"Руководство по проектированию конструкций деревянных панельных жилых домов"
"Руководство по проектированию конструкций деревянных панельных жилых домов"
ПО ПРОЕКТИРОВАНИЮ КОНСТРУКЦИЙ
ДЕРЕВЯННЫХ ПАНЕЛЬНЫХ ЖИЛЫХ ДОМОВ
Рекомендовано к изданию решением секции конструкций и экономики научно-технического совета ЦНИИЭПграждансельстроя.
Изложены основные положения и рекомендации по конструированию, расчету прочности и устойчивости конструкций малоэтажных жилых домов из панелей с применением древесины и материалов на ее основе, выбору конструктивной схемы и статическому расчету зданий. Приведены нормативные требования и справочные данные.
Для инженерно-технических работников проектных и научно-исследовательских организаций.
Панельное деревянное домостроение является интенсивно развивающейся отраслью полносборного домостроения, имеющей существенные отличия от железобетонного домостроения. Материальная база, дальность перевозки, долговечность конструкций, необходимая степень надежности здания, требования к унификации изделий и узлов, требования к звукоизоляции и огнестойкости конструкций - все это существенно отличает малоэтажные панельные здания на основе древесных материалов, предназначенные главным образом для посемейного заселения в сельской местности и небольших поселках, от зданий из кирпича и железобетона. Многие новые материалы на основе древесины ДСП, ЦСП, ДВП и др. изучены еще недостаточно. Подход к расчету давно известных цельнодеревянных конструкций с заменой рассмотрения свойств ползучести древесины под длительной нагрузкой и анизотропии ее механических характеристик условным упругим изотропным телом также является очень приближенным и не позволяет полностью использовать высокие удельные прочностные свойства древесины.
Руководство разработано к главе
СНиП II-25-80 "Деревянные конструкции" ЦНИИЭПграждансельстроем (кандидаты техн. наук М.М. Чернов, Т.А. Усачев, инж. Г.В. Киктева) при участии ВНИИдрева НПО Союзнаучплитпром Минлесбумпрома СССР (кандидаты техн. наук В.М. Воеводин и Б.Е. Кондратенко) и Южгипронисельстроя Минсельстроя СССР (канд. техн. наук В.Г. Житушин).
Замечания направлять по адресу: 117279, Москва, ул. Профсоюзная, д. 93а, ЦНИИЭПграждансельстрой.
ОСНОВНЫЕ ТРЕБОВАНИЯ К ПРОЕКТИРОВАНИЮ КОНСТРУКЦИЙ
ДЕРЕВЯННЫХ ПАНЕЛЬНЫХ ЖИЛЫХ ДОМОВ
1.1. Настоящее Руководство распространяется на типовое проектирование конструкций малоэтажных индустриальных деревянных панельных жилых домов для строительства в сельских населенных пунктах, возводимых во всех климатических районах согласно главе СНиП по проектированию жилых зданий с обычными условиями строительства из панелей, изготовленных с применением цельной и (или) клееной древесины, фанеры и (или) профильных изделий из нее, древесностружечных, древесноволокнистых плит и других листовых материалов на основе древесины. К малоэтажным отнесены одно- и двухэтажные здания с полной и неполной застройкой второго этажа (мансардные)
<1>.
--------------------------------
<1> Далее такие здания именуются деревянными панельными домами.
Руководство неполностью распространяется на продукцию предприятий, работающих на импортном оборудовании.
1.2. При проектировании должно быть обеспечено соблюдение строительных норм и правил, стандартов, технических условий и других нормативных документов и указаний директивных органов.
1.3. Проекты деревянных панельных домов рекомендуется разрабатывать на основе открытой номенклатуры изделий массового применения, обеспечивающей возможность проектирования и строительства зданий различных типов и объемно-планировочной структуры в соответствии с номенклатурой типовых проектов, утвержденной Госгражданстроем.
Допускается предусматривать на одном предприятии изготовление замкнутой или сокращенной номенклатуры изделий массового применения для ограниченной серии домов.
Проектные решения зданий должны предусматривать возможность вариантных решений фасадов.
1.4. Конструктивные схемы и проектные решения конструктивных элементов деревянных панельных домов должны обеспечивать возможность и целесообразность их производства специализированными высокопроизводительными предприятиями, для чего следует:
использовать оптимальную номенклатуру применяемых материалов с учетом климатических особенностей районов потребления продукции и состояния материальной базы снабжения предприятия;
определить оптимальную номенклатуру изделий, изготавливаемых предприятием, достигаемую за счет:
а) применения планировочных сеток преимущественно с укрупненным модулем 12М, обеспечивающих минимум отходов и переработки листовых и облицовочных материалов;
б) унификации объемно-планировочных параметров, типов конструкций, креплений и узлов;
в) применения сокращенной номенклатуры стандартных столярных изделий;
г) использования только сокращенной номенклатуры унифицированных размеров сечений пиломатериалов, приведенной в
прил. 1;
д) разделения изделий массового применения и малоповторяющихся, причем первые должны составлять большинство в общей номенклатуре изделий и в общей потребности в конструкциях;
е) единого решения надфундаментных конструкций зданий, строящихся на участках с различными инженерно-геологическими условиями; необходимую защиту зданий от действия неравномерных деформаций основания обеспечивать выбором типа и размеров фундаментов;
ж) применения взаимозаменяемых наружных ограждающих конструкций с учетом местных климатических и материально-производственных условий строительства и требований к архитектурному решению зданий;
з) однотипной привязки конструкций к разбивочным осям, обеспечивающей максимальную унификацию размеров сопрягаемых элементов при различном их взаимном расположении.
1.5. Конструктивные решения деревянных панельных домов должны обеспечивать высокую индустриальность и оптимальную степень заводской готовности сборных элементов, для чего следует:
разработку конструкций сборных элементов производить с учетом особенностей и возможностей высокопроизводительных технологических линий для их производства, особенностей физико-механических свойств и сортамента используемых материалов;
укрупнять сборные элементы в пределах возможностей монтажных механизмов и транспортных габаритов;
отделку сборных элементов в обоснованной степени переносить в заводские условия;
устанавливать оконные и дверные блоки и выполнять герметизацию сопряжений этих блоков с панелями в заводских условиях;
в обоснованных случаях предусматривать заводскую сборку отдельных элементов конструкций в составную панель.
1.6. Конструктивная схема здания, конструкции панелей стен, их стыковые соединения между собой и с панелями перекрытий должны надежно обеспечивать прочность, пространственную жесткость и ограждающие функции зданий при эксплуатационных воздействиях в течение срока службы здания, устанавливаемого заданием на проектирование.
Для обеспечения долговечности запроектированных конструкций рекомендуется:
использовать материалы и конструктивные решения, имеющие необходимую долговечность в условиях эксплуатации или отвечающие требованиям ремонтопригодности без разборки здания;
выбирать конструктивные решения наружных ограждающих конструкций с учетом климатических условий района строительства;
выбирать параметры конструкций, физико-механические, теплотехнические и акустические характеристики материалов с учетом особенностей технологии изготовления, монтажа и эксплуатации конструкций, а также возможного ухудшения (в обоснованных случаях улучшения) свойств материалов и конструкций во времени;
применять панели несущих стен и перекрытий каркасной конструкции;
предусматривать последовательность и порядок выполнения работ по устройству конструкций, в том числе связей, герметизации и утепления стыков между панелями, позволяющие обеспечить их удовлетворительную работу в процессе эксплуатации здания.
1.7. Использование в не подлежащих ремонту элементах материалов с долговечностью неизвестной или ниже требуемой допускается только по специальному согласованию с Госгражданстроем.
1.8. Применяемые конструкции связей между сборными элементами здания, а также между составными частями этих элементов должны иметь долговечность не ниже расчетного срока эксплуатации здания.
При необходимости стальные детали конструкций деревянных панельных домов могут быть защищены согласно требованиям главы СНиП по проектированию защиты строительных конструкций от коррозии. При соприкосновении с материалами, изготовленными с применением гипса, стальные элементы должны быть защищены гальваническим покрытием, за исключением самосверлящих шурупов, которые должны предусматриваться из стали высокой коррозионной стойкости.
1.9. Отдельные элементы конструкций и инженерного оборудования, долговечность которых меньше расчетного срока эксплуатации здания, должны быть легко сменяемыми. Их смена не должна нарушать смежные конструкции.
1.10. Объемно-планировочные и технические решения домов и их элементов должны обеспечивать защиту древесины и материалов на ее основе от увлажнения и биоразрушения за счет конструктивных мероприятий и химических средств. Конструктивные мероприятия следует применять во всех зданиях, для чего рекомендуется:
изделия из древесины и другие влагоемкие материалы располагать не менее чем на 400 мм выше отметки отмостки; устраивать вынос карниза здания не менее 500 мм, а карнизов крылец и веранд не менее 300 мм;
исключать заделку влагоемких материалов в каменные и бетонные конструкции; при устройстве санитарно-технической кабины отделять ее от основных конструкций здания воздушным зазором, связанным с самостоятельным вентиляционным каналом.
1.11. В тех случаях, когда конструктивными мерами нельзя устранить длительное или периодическое увлажнение деревянных элементов здания, должны применяться химические меры защиты конструкций от биоразрушения.
1.12. В ограждающих конструкциях должно быть исключено влагонакопление в период эксплуатации. С этой целью в панелях стен и перекрытий предусматривают пароизоляционный слой.
1.13. Выбор защитных материалов в зависимости от условий эксплуатации производится согласно рекомендациям соответствующего Руководства. Основным способом защиты элементов панелей стен и перекрытий является био- и влагозащитная обработка составами и препаратами, принимаемыми по
табл. 1.
Элементы панельных конструкций | Условия эксплуатации | Вид защитной обработки | Материалы для обработки |
биозащитные | влагозащитные |
состав, препарат | сухая смесь, г/м2, не менее | лак | эмаль |
марка | толщина покрытия, мкм | марка | толщина покрытия, мкм |
| Каркас и поверхности обшивок (кроме выходящих на открытый воздух) неутепленных плит кровли и панелей стен | При наличии постоянного источника увлажнения | Биозащитная | ХМБ-444 | | | | | |
ХМББ-3324 | | | | | |
КФА | 40 | - | - | - | - |
ТФБА | | | | | |
МБ-1 | | | | | |
ББ-32 | 60 | - | - | - | - |
| Каркас и поверхности обшивок, обращенных внутрь, утепленных панелей стен, перекрытий и кровли, подвесного потолка | При относительной влажности воздуха внутри помещения св. 60% | " | ХМБ-444 | | | | | |
ХМББ-3324 | 40 | - | - | - | - |
КФА | | | | | |
ТФБА | | | | | |
МБ-1 | | | | | |
ББ-32 | 60 | - | - | - | - |
| Поверхности обшивок, утепленных панелей стен, кровли и перекрытий, подвесного потолка | То же | Биозащитная с последующим нанесением влагозащитного лакокрасочного покрытия | ХМБ-444 | | ПФ-283 | | ПФ-183 | |
ХМББ-3324 | 40 | ГФ-166 | | УРФ-1128 | |
КФА | | ПФ-170 | | УР-49 | 90 |
ТФБА | | ПФ-171 | 70 | ПФ-115 | |
МБ-1 | | УР-293 | | | |
ББ-32 | | УР-294 ХВ-784 | | | |
4. | Наружные поверхности обшивок панелей стен | На открытом воздухе | То же | ХМБ-444 | | ПФ-170 | | ХВ-1100 | |
ХМББ-3324 | | ПФ-171 | | ХВ-110 | |
КФА | 40 | УР-293 | 100 | ХВ-124 | 120 |
ТФБА | | УР-294 | | ХВ-5169 | |
МБ-1 | | ГФ-166 | | УРФ-1128 | |
ББ-32 | | | | | |
Примечание. Элементы панельных конструкций по
поз. 1 при отсутствии постоянного источника увлажнения, а по
поз. 2 и
3 при относительной влажности воздуха внутри помещения до 60% не требуют специальной био- или влагозащитной обработки.
| | ИС МЕГАНОРМ: примечание. Взамен ГОСТ 20022.0-82 Межгосударственным советом по стандартизации, метрологии и сертификации 21.10.1993 с 01.01.1995 введен ГОСТ 20022.0-93. | |
1.14. От биоразрушения необходимо предусматривать защиту в соответствии с ГОСТ 20022.0-82 следующих деталей:
| | ИС МЕГАНОРМ: примечание. Взамен ГОСТ 20022.1-80 Постановлением Госстандарта СССР от 30.07.1990 N 2326 с 01.07.1991 введен ГОСТ 20022.1-90. | |
VIII класса службы по ГОСТ 20022.1-80: прогонов, крыш, лаг, закладок между лагами, нижних обвязок и стоек панелей стен, ребер панелей перекрытий, элементов перегородок в санузлах, досок подшивки и досок настила панелей (щитов) междуэтажных, чердачных и цокольных перекрытий, досок и брусков вентиляционных шахт и коробов, ходовых досок и досок диагональной жесткости, нестроганых нащельников к панелям наружных стен;
III класса службы по ГОСТ 20022.1-80: досок чистых полов со стороны нижней пласти и кромок, нижних поясов ферм, проступей подступенков и косоуров в местах их соприкосновения с грунтом, бетоном и т.п. материалами.
Все необходимые требования по химической защите конструкций должны быть указаны в рабочей документации.
1.15. Проектами должна предусматриваться поставка предприятием-изготовителем комплектов изделий для деревянных панельных жилых домов, включая необходимые для их монтажа и отделки материалы и инженерное оборудование с крепежными изделиями и фурнитурой.
1.16. Приводимые в проекте способы транспортирования, хранения и монтажа сборных изделий должны обеспечивать их сохранность и исключать необходимость усиления их сечений по сравнению с требованиями эксплуатации.
1.17. Для всех элементов весом свыше 500 Н (50 кгс) должна быть предусмотрена возможность их подъема и монтажа грузоподъемными средствами; использование при этом несъемных металлических деталей запрещается.
1.18. Для изготовления элементов деревянных панельных жилых домов и их отделки следует использовать материалы, заготовки и изделия, приведенные в
прил. 1 и
2.
Допускается использовать другие эффективные или местные материалы, заготовки и изделия, разрешенные в установленном порядке для применения в жилищно-гражданском строительстве.
1.19. Деревянные элементы несущих конструкций деревянных панельных домов рекомендуется проектировать преимущественно из древесины хвойных пород.
Области допускаемого применения древесины лиственных пород приведены в
прил. 3.
Применение древесины лиственницы и твердых лиственных пород в несущих конструкциях с гвоздевыми соединениями допускается лишь при условии предварительного сверления отверстий для гвоздей, причем древесина лиственных пород должна быть обязательно предварительно защищена от биоразрушения.
1.20. В зависимости от температурно-влажностных условий эксплуатации деревянные конструкции делятся на группы согласно главе
СНиП по проектированию деревянных конструкций и к ним предъявляются требования по влажности применяемых лесоматериалов, указанные в
табл. 2. Географические зоны влажности, определяющие условия эксплуатации конструкций на открытом воздухе или внутри неотапливаемых помещений, следует принимать согласно главе
СНиП по проектированию строительной теплотехники.
Группа конструкций | Условия эксплуатации конструкций | Максимальная влажность лесоматериалов из древесины для конструкций, % |
клееной | цельной |
| Внутри отапливаемых помещений при температуре до 35 °C и относительной влажности воздуха, %: | - | |
| до 60 | 9 | 20 |
А2 | 61 - 75 | 12 | 20 |
| Внутри неотапливаемых помещений: | | |
Б1 | в сухой зоне без выделения водяных паров | 9 | 20 |
Б2 | в нормальной зоне без выделения водяных паров | 12 | 20 |
Б3 | в сухой и нормальной зонах с постоянной влажностью в помещении свыше 75% и во влажной зоне | 15 | 25 |
| На открытом воздухе: | | |
| | ИС МЕГАНОРМ: примечание. Текст дан в соответствии с официальным текстом документа. | |
|
В1 | сухой зоне | 9 | 20 |
| нормальной зоне | 12 | 25 |
| влажной зоне | 15 | 25 |
Г1 | В частях зданий, соприкасающихся с грунтом или находящихся в грунте | - | 25 |
Примечания: 1. Не допускается применение клееных конструкций
группы А1, предназначенных для районов и помещений со средней влажностью ниже 45%.
2. В неклееных конструкциях
группы В2,
В3, когда в условиях эксплуатации усушка древесины не вызывает расстройства или увеличения податливости соединений, допускается применять древесину с влажностью до 40% при условии защиты ее от биоразрушения.
1.21. Относительная влажность древесины не должна превышать, %: в строганых деталях, предназначенных для применения внутри помещения - 15; снаружи помещения - 18; в нестроганых деталях - 22.
Допустимая влажность применяемых для изготовления экранов и обшивок панелей, листовых материалов и утеплителей должна устанавливаться в проектах с учетом способа соединения их с ребрами панелей, способов отделки и требований долговечности на основе действующих стандартов, технических условий или специальных обоснований.
1.22. Синтетические клеи для склеивания древесины, древесины с фанерой и древесины с другими материалами обшивок в клееных конструкциях деревянных панельных домов должны назначаться в соответствии с
табл. 3.
Материалы склеиваемых элементов для групп конструкций | Тип клея |
Древесина и древесина с фанерой. Для всех групп конструкций кроме Г1, Г2, Г3, для всех условий эксплуатации | Резорциновый и фенольно-резорциновый (ФР-12; ТУ 6-05-17-48-75; ФРФ-50; ТУ 6-05-1880-79) |
То же, кроме А1, Б1, В1, Г1, Г2 и Г3 | Алкилрезорциновый и фенольный (ФР-100; ТУ 6-05-1638-78; ДФК-1АМ; ТУ 6-38-109-52-80; СФЖ-3016; ГОСТ 20907-75; СФХ; ТУ 6-05-281-12-76) |
Возможность склеивания древесины с другими материалами обшивок, выбор клеев для этого и установление допускаемых влажностей материалов должны устанавливаться на основании специальных исследований.
Клееные элементы, находящиеся частично внутри помещений и частично обращенные наружу, должны изготовляться с применением резорциновых или фенольно-резорциновых клеев и надежно защищаться от увлажнения и биологического повреждения в период изготовления, транспортирования, хранения, монтажа конструкций и эксплуатации здания.
1.23. Клееные деревянные конструкции деревянных панельных домов должны изготовляться только в специализированных цехах, обеспечивающих высококачественное производство работ и имеющих специальное разрешение на выпуск серийной продукции.
1.24. При применении клееных конструкций следует предусматривать и указывать в проекте мероприятия по предохранению их от увлажнения в процессе хранения и транспортирования, а также от чрезмерного пересушивания при хранении в сухое время года.
1.25. При изготовлении клееных деталей типы и размеры соединений должны соответствовать
ГОСТ 9330-76. Прочность клеевых соединений должна быть не ниже прочности самой древесины с допускаемыми пороками по группам деталей.
В соответствии с ГОСТ 17005-71 клеевые соединения в наружных деталях должны иметь повышенную водостойкость; во внутренних - среднюю водостойкость.
1.26. Элементы из клееной древесины следует, как правило, предусматривать прямоугольного сечения сплошными из слоев толщиной до 50 мм, шириной до 160 мм с использованием сортамента пиломатериалов, указанного в
прил. 1 настоящего Руководства.
1.27. Предельные отклонения от номинальных размеров деталей и изделий не должны превышать указанных в
табл. 4.
Детали и изделия | Предельные отклонения, мм |
по длине | по ширине | по толщине |
Детали нестроганые при размере сторон, мм: | | | |
до 32 | +/- 3 | +/- 1 | +/- 1 |
от 32 до 100 | +/- 3 | +/- 2 | +/- 2 |
св. 100 | +/- 3 | +/- 3 | +/- 3 |
Детали строганые | +/- 3 | +/- 2 | +/- 1 |
Балки, стропила и другие изделия, кроме перечисленных ниже | +/- 5 | +/- 3 | +/- 2 |
Панели каркасные стеновые и перегородок шириной, не более, мм: | | | |
1200 | -3 | -2 | +/- 3 |
2400 | -3 | -3 | +/- 3 |
3600 | | -4 | +/- 3 |
4200 | -3 | -5 | +/- 3 |
6000 | -3 | -6 | +/- 3 |
Щиты перегородок | -6 | -8 | +/- 3 |
Панели (и щиты) перекрытий | +/- 5 | -6 | +/- 3 |
Фермы | +/- 10 | +/- 8 (высота) | - |
| | ИС МЕГАНОРМ: примечание. Взамен ГОСТ 8242-75 Постановлением Госстроя СССР от 15.08.1988 N 163 с 01.01.1989 введен в действие ГОСТ 8242-88. | |
Примечание. Предельные отклонения от размеров паза и гребня и по остальным размерам сечения в строганых деталях должны соответствовать ГОСТ 8242-75.
1.28. В проектах следует указывать качество и точность обработки деталей, удовлетворяющих следующим требованиям:
а) в строганых деталях лицевые стороны, а также стороны, сопрягаемые между собой, должны быть чисто простроганы, непрострожка допускается только на нелицевой стороне;
б) шероховатость поверхности по
ГОСТ 7016-82 не должна быть ниже 5-го класса для строганых и 2-го класса для нестроганых деталей.
1.29. Конструкции панелей наружных и внутренних стен, перегородок и панелей перекрытий должны предусматривать открытую электропроводку и открытую прокладку слаботочных коммуникаций.
1.30. При разработке конструкций узлов и сопряжений сборных изделий деревянных панельных домов следует учитывать неточности их изготовления согласно
табл. 4 и отклонения от проектного положения при монтаже по
табл. 5.
Отклонения | Величина допускаемых отклонений, мм |
По высоте конструкций и опор | +/- 5 |
В расстояниях между разбивочными осями конструкций | +/- 5 |
Конструкций от вертикали | +/- 0,2% высоты конструкции |
Смещение центра опорных узлов от центра опорных площадок | +/- 10 |
В расстояниях между центрами рабочих болтов и нагелей в соединениях: | |
для входных отверстий | +/- 2 |
для выходных отверстий поперек волокон | 2% толщины пакета, но не более 5 мм |
то же, вдоль волокон | 4% толщины пакета, но не более 10 мм |
В расстояниях между центрами гвоздей со стороны забивки в гвоздевых соединениях | +/- 2 |
КОНСТРУКТИВНЫЕ СИСТЕМЫ ДЕРЕВЯННЫХ ПАНЕЛЬНЫХ ДОМОВ
1.31. Конструктивные схемы деревянных панельных домов должны отвечать требованиям
пп. 1.4 и
1.6 настоящего Руководства.
1.32. Деревянные панельные дома для массового строительства необходимо проектировать на основе следующих конструктивных систем:
I - с несущими наружными продольными стенами, перекрытыми дощатыми фермами с узловыми соединениями, как правило, на металлических зубчатых пластинах с утепленным подвесным потолком по нижнему поясу ферм и кровлей по верхнему поясу ферм. Шаг ферм кратный 12М. Наружные стены могут быть приняты как из мелких панелей длиной, кратной 6М, так и из крупных панелей, кратных 6М. Устойчивость зданий обеспечивается жесткостью наружных стен и связанных с ними элементов чердачного перекрытия;
II - с несущими продольными стенами, перекрытыми панелями пролетом до 6 м и шириной, кратной 12М, с учетом оборудования типа ПДК для производства крупнопанельных домов с панелями размером до 6 м. Здания двухпролетные, одно- и двухэтажные с полной застройкой второго этажа.
Мансардные дома следует проектировать, как правило, с безраспорными стропилами. Запрещается применять мансардные дома, запроектированные с распорной системой в сейсмических районах и при строительстве на просадочных грунтах. Шаг стропил кратный 12М. Несущие стены проектируются из панелей длиной до 6 м. Устойчивость здания обеспечивается жесткостью несущих стен и связанных с ними перекрытий;
III - с несущими продольными стенами и панелями перекрытий пролетом до 3,6 м с учетом оборудования типа ПДМ для производства мелкопанельных домов с панелями размером до 3,6 м. Здания одно- и двухэтажные с полной застройкой второго этажа. Мансардные дома следует проектировать, как правило, с безраспорными стропилами.
Запрещается применять мансардные дома, запроектированные с распорной системой, в сейсмических районах и при строительстве на проселочных грунтах. Шаг стропил кратный 12М. Несущие стены проектируются из панелей длиной, кратной 6М. Устойчивость здания обеспечивается жесткостью несущих стен и связанных с ними перекрытий;
IV - перспективная система с несущими наружными продольными стенами, перекрытыми панелями шириной, кратной 12М. Здания одноэтажные, мансардные и двухэтажные с полной застройкой второго этажа. Панели перекрытий должны иметь промежуточную опору в средней части пролета. Шаг стропил кратный 12М. Наружные стены и перегородки из крупных панелей до размера "на дом". Устойчивость здания обеспечивается жесткостью наружных стен и связанных с ними перекрытий.
Примечание. Несущими называются стены, которые помимо вертикальной нагрузки от собственной массы воспринимают и передают фундаментам нагрузки от смежных конструкций: перекрытий, кровли, самонесущих стен и др. Самонесущими называются стены, которые воспринимают вертикальную нагрузку только от собственной массы.
1.33. Несущие и самонесущие наружные и (или) внутренние стены разрешается проектировать участвующими в пространственной работе здания при действии горизонтальных нагрузок и неравномерных деформациях основания.
1.34. В зданиях, проектируемых по системам I и III, панели перекрытий следует опирать длинной стороной на примыкающие стены - диафрагмы жесткости.
1.35. При строительстве блокированных панельных домов их сопряжения следует выполнять без общей стены. Экраны на смежных стенах устраивать не следует.
1.36. Для сокращения количества типоразмеров панелей стен и перекрытий в целях унификации рекомендуются следующие их привязки к координационным осям:
в несущих наружных стенах на расстоянии от внутренней грани каркаса, равном "а" и кратном М или М/2;
в самонесущих наружных стенах внутренняя грань каркаса совмещается с координационной осью;
во внутренних стенах геометрическая ось совмещается с координационной осью.
1.37. Расположение координационных осей и привязку к ним конструктивных элементов зданий следует принимать в соответствии с требованиями СТ СЭВ 1001-78 "Модульная координация размеров в строительстве. Основные положения".
2. КОНСТРУКТИВНЫЕ ТРЕБОВАНИЯ
КОНСТРУКЦИИ ПОДЗЕМНОЙ ЧАСТИ ДОМОВ
2.1. Конструкции подземной части деревянных панельных домов должны соответствовать требованиям главы СНиП по проектированию оснований зданий и сооружений и обеспечивать эксплуатацию зданий с допустимыми деформациями стыков между панелями стен в обычных грунтовых условиях с характеристиками: средней величины модуля деформации грунта
E = 10 МПа (100 кгс/см
2) и коэффициента изменчивости сжимаемости

.
2.2. Величина неравномерной деформации основания, характеризуемая относительным отклонением от прямой линии верха трех смежных, расположенных на одной планировочной разбивочной оси, столбчатых или свайных фундаментов, не должна превышать 0,0007.
2.3. Выбор типа фундамента при привязке типового проекта следует производить на основе технико-экономических сопоставлений вариантов с учетом инженерно-геологических условий площадки строительства, материально-производственной базы строительных организаций и необходимости предотвращения неравномерных деформаций основания, превышающих величину, указанную в
п. 2.2, и вызывающих недопустимую деформацию стыков сборных конструкций здания.
2.4. Фундаменты деревянных панельных домов и их частей, заглубленных ниже уровня грунта, следует проектировать индустриальными и, как правило, из материалов, не подверженных коррозии и биоповреждению. Фундаменты могут быть ленточными из сборных бетонных блоков или столбчатыми, которые устраиваются в виде сборных бетонных столбов или буронабивных свай.
| | ИС МЕГАНОРМ: примечание. Взамен ГОСТ 20022.0-82 Межгосударственным советом по стандартизации, метрологии и сертификации 21.10.1993 с 01.01.1995 введен ГОСТ 20022.0-93. | |
Допускается применение свай из круглого леса, защищенных в соответствии с ГОСТ 20022.0-82.
2.5. Проектирование фундаментов, стен подвалов и приямков деревянных панельных домов необходимо выполнять в соответствии с указаниями главы СНиП по проектированию оснований зданий и сооружений.
2.6. Подвалы и подполья допускается проектировать в случае, если их полы можно расположить не менее чем на 500 мм выше расчетного уровня грунтовых вод.
2.7. Подполье должно быть вентилируемым (с продухами, обеспечивающими возможность регулировки их раскрытия и предотвращения их полного закрывания). Площадь продухов должна составлять не менее 1/400 площади подполья. Площадь одного продуха должна быть не менее 0,05 м2. Продухи должны быть равномерно размещены по периметру наружных стен и защищены сеткой с ячейкой размером 10 x 10 мм.
2.8. Низ цокольного перекрытия должен отстоять от планировочной отметки земли под домом не менее чем на 400 мм.
2.9. Узлы опирания панелей цокольных перекрытий и стен на фундаменты следует проектировать исходя из возможного смещения от проектного положения осей фундаментов в плане до +/- 10 мм, а по отметке верхних поверхностей фундаментов +/- 5 мм.
2.10. По верху цоколя или столбам под всеми стенами следует укладывать два слоя гидроизоляционного материала насухо. Сверху гидроизоляции должна предусматриваться теплоизолирующая доска толщиной 50 мм, пропитанная биозащитными средствами в соответствии с ГОСТ 20022.0-82. При столбчатых фундаментах без устройства кирпичного цоколя брус нижней обвязки стен укладывается по теплоизолирующей доске.
2.11. Все поверхности утепленных наружных стен (в том числе фронтоны) должны быть защищены экраном, препятствующим непосредственному воздействию внешних факторов (увлажнения, напора ветра, ультрафиолетового и инфракрасного излучения солнца) на стеновые панели.
2.12. Материал экрана может иметь долговечность более низкую, чем несущие конструкции здания, поэтому на него не распространяются требования
п. 1.7 настоящего Руководства. Расчетная долговечность экрана во всех случаях должна быть не менее 5 лет.
| | ИС МЕГАНОРМ: примечание. Взамен ГОСТ 18124-75 Постановлением Минстроя России от 14.07.1995 N 18-68 с 01.07.1996 введен в действие ГОСТ 18124-95. | |
2.13. В качестве материала экрана рекомендуется применять асбестоцементные плоские окрашенные (ГОСТ 18124-75) листы толщиной 10 мм или цементно-стружечные плиты толщиной 10 мм.
| | ИС МЕГАНОРМ: примечание. Взамен ГОСТ 20022.0-82 Межгосударственным советом по стандартизации, метрологии и сертификации 21.10.1993 с 01.01.1995 введен ГОСТ 20022.0-93. | |
Допускается применять листы асбестоцементные плоские неокрашенные (ГОСТ 18124-75) толщиной 10 мм и при соответствующем обосновании другие листовые облицовочные материалы по
прил. 2, отвечающие требованиям
п. 2.12 настоящего Руководства, а также деревянную обшивку из досок толщиной 16 мм или из вагонки толщиной 13 мм, пропитанных биозащитными средствами в соответствии с ГОСТ 20022.0-82.
2.14. Между экраном и внешней стороной панелей наружных стен следует предусматривать вентилируемый воздушный зазор размером менее 19 мм.
2.15. Воздушный зазор вверху должен открываться под кровлю так, чтобы расстояние от кровли до торца панели незначительно превышало ширину зазора и исключало непосредственное попадание в зазор атмосферных осадков.
2.16. При креплении к панели экран должен быть рассчитан на восприятие ветровых нагрузок и температурно-влажностных деформаций. Аэродинамический коэффициент должен приниматься равным плюс 1,0 и минус 0,8.
2.17. Конструкции стен деревянных панельных домов должны отвечать требованиям экономичности, долговечности, прочности и гибкости согласно главе
СНиП по проектированию деревянных конструкций, требованиям огнестойкости согласно главе СНиП на противопожарные нормы проектирования зданий и сооружений, требованиям теплоизоляции согласно главам
СНиП по проектированию строительной теплотехники и по проектированию жилых зданий, а также требованиям звукоизоляции согласно главам СНиП по проектированию защиты от шума и по проектированию жилых зданий. Панели несущих стен следует проектировать с учетом рекомендаций
пп. 3.12 -
3.116 и
прил. 9 настоящего Руководства.
2.18. Теплоизоляционные слои панелей рекомендуется выполнять из плитных, насыпных утеплителей или заливочных пенопластов, отвечающих требованиям
пп. 1.1 -
1.2,
1.6 -
1.7 и
1.21 настоящего Руководства.
2.19. Цельные или клееные ребра каркаса несущих панелей наружных стен следует выполнять из пиломатериалов (после острожки) толщиной не менее 44 мм, из древесины 2-й (рекомендуется), 1-й (допускается), 3-й (допускается только для цельных сечений) категорий качества согласно главе
СНиП по проектированию деревянных конструкций.
2.20. Ширина сечения несущего каркаса панелей стен должна быть не менее:
ширины коробок стандартных оконных и дверных блоков;
требуемой толщины утеплителя;
требуемой по условиям невыпадения конденсата против ребра на внутренней поверхности панели;
суммы минимальной глубины герметизации устья стыка и минимальной длины опорной части плит перекрытий плюс 10 мм.
Сечение элементов каркаса должно, кроме того, отвечать требованиям прочности, устойчивости и предельной гибкости согласно действующим нормам с учетом, в обоснованных случаях, работы обшивок.
Подбор оптимального по стоимости и расходу древесины сечения стоек каркаса панелей несущих стен можно производить согласно
прил. 8 настоящего Руководства.
При неполном заполнении толщины панели утеплителем из полужестких минераловатных плит необходимо предусмотреть конструктивные меры против осадки и выпучивания утеплителя.
2.21. Использование элементов каркаса панелей в качестве коробки для столярных изделий запрещается.
2.22. В качестве наружной обшивки панелей по каркасу следует принимать твердые или битумизированные древесноволокнистые или древесностружечные плиты на фенольном связующем, или клееную фанеру марки ФСФ. При отсутствии защитного экрана необходима последующая окраска плит атмосферостойкими красками согласно
табл. 1.
2.23. В качестве материала внутренних обшивок рекомендуется применять древесноволокнистые и древесностружечные плиты (по согласованию с Минздравом СССР), а также клееную фанеру марки ФК. При соответствующем обосновании могут применяться другие материалы, отвечающие эксплуатационным требованиям для наружных ограждающих конструкций жилых зданий.
2.24. Необходимость устройства пароизоляции в наружных стенах устанавливается расчетом. При присоединении ребер с обшивками на гвоздях под внутренней обшивкой наружных стен предусматривается пароизоляция из непрерывного слоя полиэтиленовой пленки или других рулонных материалов; при клеевом соединении обшивок с ребрами должна быть предусмотрена окрасочная пароизоляция.
2.25. При учете работы обшивок в расчете прочности, жесткости или устойчивости панелей стен крепление их должно осуществляться защищенными от коррозии гвоздями или скобками с шагом забивки, определяемым расчетом.
2.26. Панели наружных стен рекомендуется проектировать высотой на этаж и шириной, кратной укрупненному модулю 6М.
2.27. Панели должны изготавливаться высокой заводской готовности, определяемой в соответствии с
п. 1.5, а экран окрашиваться долговечными атмосферостойкими красками.
Примечание. Допускается предусматривать в проекте поставку наличников окон и дверей в собранном или прирезанном виде отдельно от панелей.
2.28. Расположение крепежных деталей соединения панелей стен между собой и с другими элементами здания и их конструкция не должны создавать мостиков холода.
2.29. Наружные стены деревянных панельных домов, предназначенные для строительства в районах со среднемесячной температурой наружного воздуха в июле выше 20 °C, должны проектироваться с солнцезащитными устройствами для проемов.
2.30. Выбор типа заполнения световых проемов производится в зависимости от назначения помещений, разности температуры внутреннего воздуха и средней температуры наиболее холодной пятидневки района строительства, принимаемой в соответствии с
табл. 6. Заполнение дверных проемов должно приниматься в соответствии с
ГОСТ 475-78 и
ГОСТ 24698-81. Размеры оконных проемов принимаются в соответствии с нормами освещения зданий согласно главе
СНиП по проектированию естественного и искусственного освещения.
Разность температуры внутреннего воздуха и средней температуры наиболее холодной пятидневки, °C | Тип заполнения световых проемов с деревянными переплетами | ГОСТ | Ширина коробки, мм |
от 26 до 44 | Двойное в спаренных переплетах | 11214-78 | 94 |
от 45 до 49 | То же, в раздельных переплетах | 11214-78 | 138 |
| 16289-80 | 138 |
Св. 49 | " | 16289-80 | 138 |
--------------------------------
<1> Допускается при наличии технико-экономического обоснования.
2.31. Элементы деревянного каркаса несущих панелей должны изготовляться из строганых брусков сплошного или составного (на клею) сечения.
2.32. Несущие элементы каркаса панелей должны изготовляться из древесины сосны или ели. Отклонения от размеров строганых элементов каркаса не должны превышать по ширине +/- 1, а по толщине - +/- 0,5 мм. Бруски по длине могут быть цельными или клееными. Припуски на усушку древесины должны соответствовать
ГОСТ 6782.1-75.
2.33. В каркасах из клееных элементов рабочие и подкладные бруски по контуру проемов должны быть соединены клеем холодного отверждения и гвоздями, а соединения рабочих брусков в местах пересечений должны быть выполнены на шурупах с покрытием тем же клеем. Угловые соединения элементов каркаса могут быть укреплены угловыми накладками из стальной полосы толщиной 2 мм, прикрепляемыми шурупами, или быть выполнены на болтах без стальных накладок. Конструкция металлических угловых накладок или болтовых соединений должна исключать возможность образования мостиков холода.
2.34. Для отделки внутренних поверхностей наружных стен рекомендуется применять материалы, разрешенные Минздравом СССР и ГУПО МВД СССР для использования в жилых зданиях.
2.35. Панели поперечных стен мансарды должны иметь высоту, кратную 12М, и устанавливаться на перекрытие впритык к стропилам.
2.36. Разрезка стен фронтона на элементы должна производиться так, чтобы их габариты были не больше габаритов панелей стен и перекрытий. При панелях размером на дом разрезка стен фронтона должна производиться только по горизонтали. Высота утепленной панели фронтона должна назначаться равной высоте панелей наружных стен с отклонением размера за счет несоответствия узлов примыкания панелей стен и панелей фронтона.
2.37. Конструкции утепленных панелей фронтона, являющихся стеной мансарды, должны быть аналогичными панелям наружных стен.
2.38. Стены фронтона (или их часть) при холодном чердаке следует выполнять из неутепленных щитов с деревянным каркасом, обшитым с наружной стороны тем же материалом, что и экран панелей наружных стен или досками толщиной 13 - 16 мм.
2.39. Стены веранд следует проектировать из неутепленных панелей конструкции, аналогичной панелям наружных стен основного объема здания; сечения стоек при этом могут быть уменьшены исходя из требований прочности и гибкости и с учетом ширины коробки столярных изделий.
Допускается устройство веранд каркасной конструкции, собираемых на строительной площадке из прирезанных на заводе элементов каркаса и обшивок, спецификация которых составляется в проекте. Элементы каркаса веранд проектируются строгаными с устройством одинарного остекления без коробок.
СТЫКИ ПАНЕЛЕЙ НАРУЖНЫХ СТЕН
2.40. Конструкции и материалы стыков наружных стен должны соответствовать рекомендациям
пп. 1.5 -
1.6 настоящего Руководства. Материалы для герметизации стыков могут иметь долговечность более низкую, чем несущие конструкции здания, и на них не распространяются требования
п. 1.7 настоящего Руководства.
2.41. Вертикальные стыки между панелями стен - диафрагм жесткости должны обеспечивать восприятие действующих в плоскости стен усилий сдвига и сжатия или (в устанавливаемых расчетом случаях) растяжения.
2.42. По способу передачи сжимающих нагрузок горизонтальные стыки панелей несущих стен подразделяются на платформенные, контактные и комбинированные. Сжимающая нагрузка в горизонтальных стыках передается:
в платформенных стыках - через опорные участки панелей перекрытий;
в контактных стыках - непосредственно от одной стеновой панели к другой или через обвязочный брус, минуя перекрытия;
в комбинированных стыках - через опорные участки панелей перекрытий и контактные площадки стеновых панелей.
2.43. Горизонтальные стыки между панелями стен - диафрагм жесткости должны обеспечивать восприятие усилий сдвига в плоскости стены и сжатия (центрального или внецентренного из плоскости стены) с учетом изгиба в плоскости стены.
2.44. При платформенных стыках стен с перекрытиями разрешается учитывать сопротивление сдвигу перекрытий, если оно конструктивно обеспечено.
2.45. Контактные стыки допускается применять при соответствующем технико-экономическом обосновании, а также в самонесущих стенах. Они могут быть допущены только при наличии специальных мер и специального обоснования, подтверждающего соответствие фактического распределения усилий в стыке проектному.
При использовании несущих панелей стен и панелей перекрытий с каркасами, упругие свойства которых неодинаковы вдоль и поперек ребра из-за неравномерной сжимаемости различных участков стыка (например, при каркасе панелей стен и перекрытий из древесины), применение комбинированных стыков не рекомендуется.
2.46. При использовании платформенных стыков во внутренних несущих стенах с двусторонним опиранием панелей перекрытий необходимо предусмотреть меры по обеспечению равномерной передачи вертикального усилия с вышележащей панели через обе панели перекрытия на нижележащую панель. Это может быть достигнуто установлением ужесточенных допусков на высоту опорной зоны панелей перекрытий, калибровкой панелей перед их монтажом, применением регулирующих прокладок, сжимаемость которых вдоль линии действия вертикального усилия отличается не более чем на 10% сжимаемости в том же направлении опорной зоны панелей перекрытий, либо комбинацией этих мер, обеспечивающей разность высот примыкающих панелей не более 1 мм.
2.47. Для северных климатических районов, для которых нормами определена высота жилых помещений от пола до потолка 2,7 м, горизонтальные стыки несущих стен и перекрытий следует проектировать платформенными.
Для районов средней полосы, для которых нормами определена высота жилых помещений 2,5 м, горизонтальные стыки несущих стен в уровне междуэтажных и чердачных перекрытий рекомендуется проектировать платформенными, а панели цокольного перекрытия - примыкающими к внутренней боковой грани панелей наружных стен. При применении проекта в районах с сухими грунтами он должен содержать вариант решения с полами первого этажа по бетонной подготовке.
Для южных климатических районов, для которых нормами определена высота жилых помещений 2,7 м, горизонтальные стыки несущих стен в уровне междуэтажного и чердачного перекрытий следует проектировать платформенными. За основное решение цокольного узла рекомендуется принимать такое, в котором панели наружных стен и полы опираются на бетонные элементы (подготовку). При этом должны соблюдаться рекомендации
п. 2.10.
При высоком уровне стояния грунтовых вод для защиты от испарения влаги внутрь помещения следует предусматривать устройство цокольного деревянного перекрытия с платформенным опиранием стен на него. Это решение разрабатывается как вариант типового проекта.
2.48. При использовании контактного стыка необходимо предусматривать надежные сопряжения поверхностей панелей, для обеспечения которых панели несущих стен с такими стыками должны иметь ужесточенные допуски на непрямолинейность торца (1 мм на всю ширину панели) и на неперпендикулярность продольной и торцевой граней (разность диагоналей не более 5 мм).
2.49. Усилие сдвига вдоль горизонтальных стыков панелей стен следует, как правило, воспринимать силами трения на участке стыка, обжатом вертикальной нагрузкой. При этом расчетные величины коэффициентов трения для разного направления волокон древесины и различных материалов принимаются по результатам специальных исследований и рекомендациями
п. 3.56 настоящего Руководства.
До получения расчетной величины коэффициентов трения восприятие усилий сдвига должно производиться гвоздевым соединением панелей. Во всех случаях в горизонтальном стыке должно быть не менее двух гвоздей диаметром 5 мм на 1 м стыка.
2.50. Помимо восприятия силовых воздействий, предусмотренных
пп. 2.31 -
2.39, вертикальные и горизонтальные стыки панелей наружных и внутренних несущих стен должны обеспечивать плотность их герметизации при расчетном раскрытии стыков и перекосе панелей, указанном в
п. 2.2 настоящего Руководства.
2.51. Неплоскостность, неперпендикулярность и непараллельность торцов панелей наружных стен и опорных участков панелей перекрытий, сопрягающихся в горизонтальных стыках, не должны превосходить допусков, указанных в
табл. 4 настоящего Руководства.
2.52. Стыки панелей наружных стен должны быть закрытого типа, водо- и воздухонепроницаемость которых обеспечиваются герметизацией устья стыка мастиками по уплотняющим прокладкам.
2.53. Рекомендуемые области применения уплотняющих прокладок и мастик, форму и размеры заполнения стыка следует принимать по
прил. 4 -
6 настоящего Руководства.
Для уплотнения стыков панелей стен между собой рекомендуется применять резиновые пористые (ГОСТ 5.1011-71) или пенополиэтиленовые прокладки (ТУ-6-05-221-653-82).
2.54. Стыки между гранями оконных и дверных проемов и их заполнениями должны герметизироваться нетвердеющими мастиками (типа полиизобутиленовой УМС-50 или бутилкаучуковой "Бутэпрол") по всему периметру сопряжений. Вдоль углов стыкующихся (двух и более) панелей следует прокладывать дополнительный жгут из того же материала, из которого выполнены эластичные уплотняющие прокладки между панелями.
2.55. Пропуск санитарно-технических трубопроводов, кроме газопровода, а также проводов системы электроосвещения и электрооборудования через панели и стыки наружных стен (кроме цокольных) не допускается.
ВНУТРЕННИЕ СТЕНЫ И ПЕРЕГОРОДКИ
2.56. Материал ребер каркаса панелей внутренних несущих стен должен отвечать рекомендациям по
п. 2.19 настоящего Руководства.
2.57. Высоту сечения брусков каркаса следует назначать не менее:
ширины сечения обвязки блоков внутренних дверей;
двойной минимальной длины опорной зоны разрезных панелей перекрытия плюс суммы положительных наибольших отклонений на изготовление и монтаж по
табл. 4 и
5 настоящего Руководства и монтажного зазора шириной 10 мм или одной длины минимальной опорной зоны неразрезной панели перекрытия.
Сечение элементов каркаса несущих панелей внутренних стен должно, кроме того, отвечать требованиям экономичности, прочности, устойчивости и предельной гибкости согласно рекомендациям
пп. 2.17,
2.19 -
2.21 настоящего Руководства. Подбор оптимальных сечений можно производить в соответствии с
прил. 8.
2.58. Панели внутренних продольных стен в системах I - III и поперечных стен в системе IV следует считать несущими, остальные внутренние стены (если они не используются как стены-диафрагмы для обеспечения жесткости и прочности здания в целом) - как самонесущие или перегородки.
Хозяйственные кладовые, шкафы и т.п. должны выполняться в виде щитов встроенной мебели с упрощенной отделкой.
2.59. В одноквартирных домах и домах, блокируемых из одноквартирных домов, панели внутренних стен и перегородок рекомендуется предусматривать пустотными с обшивкой из гипсовых плитных материалов с учетом обеспечения требуемого уровня звукоизоляции в соответствии с главами СНиП по проектированию защиты от шума и по проектированию жилых зданий.
2.60. Допуски габаритных размеров панелей внутренних стен и перегородок должны приниматься в соответствии с
табл. 4 настоящего Руководства.
2.61. Перекрытия деревянных панельных домов подразделяются на цокольные, междуэтажные и чердачные. Панели всех перекрытий рекомендуется проектировать каркасной конструкции, варьируя их несущую способность за счет сечения и шага ребер каркаса, а также толщины обшивок и их включения в работу коробчатого сечения панели.
2.62. Конструкции перекрытий деревянных панельных домов должны отвечать требованиям экономичности, долговечности, прочности и жесткости согласно главе
СНиП по проектированию деревянных конструкций, требованиям огнестойкости согласно главе на противопожарные нормы проектирования зданий и сооружений, требованиям звукоизоляции согласно главам СНиП по проектированию защиты от шума и по проектированию жилых домов, требованиям теплоизоляции согласно главе
СНиП по проектированию строительной теплотехники.
Перекрытия следует проектировать с учетом рекомендаций
пп. 3.117 -
3.136 настоящего Руководства и
прил. 7.
2.63. Несущие элементы перекрытий и, в частности, ребра панелей перекрытий должны выполняться из пиломатериалов толщиной не менее 44 мм из древесины, рекомендуемые и допускаемые категории качества которой принимаются по главе
СНиП по проектированию деревянных конструкций.
При использовании несущих элементов перекрытий и, в частности, ребер панелей перекрытий в качестве затяжек для несущих конструкций кровли их следует выполнять из древесины, категории качества которой соответствуют категориям качества растянутых элементов.
2.64. Растянутые стыки несущих элементов перекрытий, используемых в качестве затяжки несущих конструкций кровли, рекомендуется осуществлять на металлических накладках.
2.65. Перекрытия (фермы, панели) должны быть соединены со всеми панелями стен. Это соединение должно воспринимать полную величину горизонтальной нагрузки на примыкающие стены без учета сил трения.
2.66. Длина опорной части ферм и ребер панелей перекрытий на несущие ребра каркаса панелей стен (без учета толщины обшивок панелей стен и панелей перекрытий, а также заглушек всех видов) должна быть не менее 60 мм.
2.67. В опорной части панелей перекрытий между ребрами в распор к ним должны устанавливаться вкладыши того же сечения, что и ребра. Целесообразность установки таких вкладышей по длине панели устанавливается технико-экономическим расчетом с учетом рекомендаций
прил. 7 настоящего Руководства.
2.68. Панели подвесного потолка зданий, проектируемых по 1 конструктивной системе (см.
п. 1.31 настоящего Руководства) с чердачным перекрытием по фермам, допускается проектировать без утепления на заводе с последующей укладкой на перекрытие минераловатных матов. В этом случае панель чердачного перекрытия может выполняться в виде беспустотной столярной плиты, оклеенной с одной или двух сторон древесноволокнистыми плитами
(ГОСТ 13715-78).
2.69. В качестве нижней обшивки цокольного перекрытия могут применяться: фанера марки ФСФ толщиной 10/12 мм; цементно-стружечные плиты толщиной 10 - 12 мм; древесноволокнистые плиты сухого прессования толщиной 8 мм, а также доски толщиной не менее 13 мм с прокладкой под них твердой древесноволокнистой плиты толщиной 3,2 мм.
2.70. В качестве обшивок панелей междуэтажных и чердачных перекрытий могут применяться: фанера марки ФСФ толщиной не менее 10 - 12 мм; древесностружечные плиты толщиной 19 мм; цементно-стружечные плиты толщиной 10 - 12 мм и древесноволокнистые плиты сухого прессования толщиной 8 мм для верхней обшивки панелей междуэтажных перекрытий; твердые древесноволокнистые плиты толщиной 3,2 мм, фанера марки ФСФ толщиной 10 - 12 мм и цементно-стружечные плиты 10 - 12 мм для верхней обшивки панелей чердачных перекрытий; древесностружечные плиты, толщиной 19 мм; фанера марки ФСФ толщиной 10 - 12 мм и цементно-стружечные плиты толщиной 10 - 12 мм для нижней обшивки панелей междуэтажных и чердачных перекрытий.
2.71. В качестве теплоизоляционных материалов для утепления перекрытий рекомендуется применять материалы, указанные в
прил. 2. Для укладки в междуэтажные перекрытия допускается применять утеплители пониженной водостойкости.
2.72. Толщина слоя утеплителя в цокольном и чердачном перекрытиях должна определяться расчетом по главе
СНиП по проектированию строительной теплотехники, исходя из санитарно-гигиенических, экономических и нормативных требований.
2.73. Под верхнюю обшивку цокольного перекрытия и под нижнюю обшивку чердачного перекрытия при нагельном креплении обшивок должна быть уложена пароизоляция из непрерывной полиэтиленовой пленки или устроена окрасочная пароизоляция водостойкими составами.
2.74. В местах пропуска через перекрытия трубопроводов и электропроводов должны быть предусмотрены гильзы.
2.75. В жилых помещениях рекомендуется применять паркетные, линолеумные и дощатые полы.
2.76. На чердаках следует предусматривать укладку ходовых досок.
2.77. Панели междуэтажных перекрытий, предназначенные для пропуска лестничных маршей, ведущих в помещения мансарды или второго этажа, должны иметь несущие элементы соответствующей прочности, проходящие насквозь от опоры до опоры, и концевой утепленный элемент, являющийся частью платформенного стыка панелей несущих стен и перекрытий.
2.78. Ширина панелей перекрытий должна быть кратной 12М. Допускаются доборные элементы.
2.79. Панели перекрытий в целом и их ребра могут изготовляться клееными. В этом случае их расчет должен производиться как коробчатых сечений с учетом рекомендаций
пп. 3.119,
3.121,
3.133 настоящего Руководства.
2.80. Допуски на габаритные размеры панелей, ферм и других элементов перекрытий должны соответствовать
табл. 4 настоящего Руководства.
2.81. Покрытие веранд рекомендуется проектировать неутепленным совмещенным по неутепленным панелям перекрытий или стропильным щитам с внутренней обшивкой из материалов, предусмотренных
прил. 2 настоящего Руководства для обшивки перегородок, либо с подшивным потолком из досок толщиной не менее 13 и не более 18 мм.
2.82. Цокольные перекрытия веранд должны быть холодными, полы - дощатыми.
КОНСТРУКЦИИ САНИТАРНО-ТЕХНИЧЕСКИХ ПОМЕЩЕНИЙ
2.83. Помещения санитарно-технических узлов следует проектировать в основном в виде санитарно-технических кабин и панелей.
2.84. Санитарные узлы, в которых размещаются ванны или души без санитарно-технических кабин, запрещается устраивать у наружной стены. Санитарные узлы, размещаемые в санитарно-технических кабинах, допускается устраивать у наружной стены без оконных проемов.
2.85. Каркас санитарно-технических кабин и панелей следует проектировать из досок сечениями такими же, как для внутренних несущих стен и перегородок.
2.86. Для обшивки стен и перекрытий санитарно-технической панели или кабины и смежных с ней элементов следует применять плоские асбестоцементные листы и цементно-стружечные плиты, допускается применение материалов из водостойкого гипса или на его основе, запрещается использовать изделия или материалы из обычного гипса или на его основе.
2.87. Ограждающие элементы санитарно-технических узлов должны быть изнутри оклеены хлорвиниловой пленкой, наклеиваемой с напуском не менее 20 мм на санитарно-технический поддон.
2.88. Санитарно-технический поддон следует выполнять из хлорвинила или ударопрочного полистирола штампованным или сварным. Поддон должен иметь отбортовку высотой не менее 100 мм по всем краям и вокруг трубных вводов, выпусков и санитарно-технических приборов.
2.89. Поддоны следует устанавливать по основанию из двойного дощатого перекрестного настила.
2.90. Конструктивные решения систем вентиляции, отопления и канализации следует принимать согласно "Руководству по проектированию инженерного оборудования одноквартирных жилых домов для строительства в сельской местности" ЦНИИЭП инженерного оборудования и ЦНИИЭПграждансельстроя изд. 1983 г.
2.91. Крыши деревянных панельных домов следует проектировать из волнистых асбестоцементных листов согласно требованиям главы
СНиП по проектированию кровель с несущими элементами в виде стропильных щитов или ферм из досок на металлических зубчатых пластинах, общие габариты и вес которых близки аналогичным показателям панелей стен и перекрытий. Выбор типа асбестоцементных листов производят на основе технико-экономической оценки вариантов кровли с учетом материально-производственных возможностей предприятий.
2.92. Для основного объема деревянных панельных домов рекомендуются кровли двускатные с одинаковой длиной скатов и единым уклоном в каждом доме (для веранд - единым в серии домов). Кровли крылец, веранд и других пристроек рекомендуются односкатными, причем их несущие конструкции не должны перерезать стропил основного объема здания.
2.93. Основным материалом для кровли в проектах следует предусматривать листы асбестоцементные волнистые унифицированного профиля (ГОСТ 16233-77). Кроме того, материалом кровли могут служить листы асбестоцементные плоские прессованные окрашенные или полимерцементная черепица. В виде исключения (по заявкам строительно-монтажных организаций) для кровель с уклоном 100% разрешается применять глиняную черепицу при условии, что она является местным материалом для района строительства.
2.94. Уклон кровли следует принимать в соответствии с главой
СНиП по проектированию кровель, равным, %:
а) в домах с кровлей по фермам - 40;
б) в домах одно-двухэтажных с полной застройкой второго этажа, кроме указанных в
подпункте "а" - 50 или 75;
в) в мансардных домах - 100;
г) в верандах - наименьшим из данных
табл. 7 настоящего Руководства.
Наименьший уклон кровли, % <*> | | Применяемые материалы | Наибольший расчетный пролет между опорами листов, мм |
20 | Кл-2 | Асбестоцементные волнистые листы унифицированного профиля типа УВ-7,5-1750; УВ-7,5-2000; УВ-7,5-2500; УВ-6-1750; УВ-6-2000 (ГОСТ 16233-77) без герметизации соединений | 1500 |
20 | Кл-4 | Асбестоцементные волнистые листы усиленного профиля марки ВУ-К (ГОСТ 8423-75) без герметизации соединений | 1250 |
25 | Кл-6 | Асбестоцементные волнистые листы среднего профиля типа СВ-1750 (ГОСТ 20430-75) без герметизации соединений | 750 |
25 | | Асбестоцементные листы типа ВО (ГОСТ 378-76) | 525 |
--------------------------------
<*> При герметизации соединений волнистых асбестоцементных листов уклон кровель может быть уменьшен до 10%.
2.95. В районах с продолжительными снежными бурями или при объеме переносимого за зиму снега свыше 200 м
3/м, определяемого согласно главам
СНиП по проектированию строительной теплотехники и строительной климатологии и геофизике, а также в утепленной части крыш мансардных домов (образующих наклонную часть потолка мансарды), необходимо предусмотреть уплотнение поперечных швов асбестоцементных листов лентами из сжимаемого материала, например "Гернита", пенополиуретана и др., отвечающих требованиям соответствующих технических условий.
2.96. В крышах мансардных домов по всей площади стропил, между которыми закладывается утеплитель для образования наклонной части потолка, до устройства обрешетки следует предусматривать укладку одного слоя пергамина с расположением полотнищ поперек ската. Перехлест отдельных полотнищ пергамина должен быть не менее 100 мм, и каждое верхнее полотнище должно накрывать нижележащее. Такая же изоляция предусматривается по верху стропил веранды.
2.97. Конструкции кровель в зависимости от уклона кровли и типа асбестоцементных листов следует принимать по
табл. 7.
2.98. Поперек ската кровли волна перекрывающей кромки асбестоцементного листа должна перекрывать волну перекрываемой кромки смежного листа.
Вдоль ската кровли нахлестка асбестоцементных листов должна быть не менее 150 и не более 300 мм.
При уклоне 33% и нахлестке листов не менее 120 мм длина ската кровли не должна превышать 15М; в IVА и IVГ климатических подрайонах при длине ската кровли до 9 м и нахлестке листов вдоль ската не менее 200 мм допускается предусматривать асбестоцементные кровли из листов ВО и листов других видов с уклоном 10% без герметизации соединений. При уклоне кровли 25% нахлестка листов ВО вдоль ската должна быть не менее 200 мм, длина ската и кровли - не более 9 м.
2.99. При проектировании асбестоцементных кровель необходимо предусмотреть применение листов только со срезанными углами.
Рядовые листы должны иметь срезанные диагональные противоположные углы. Карнизные, коньковые и краевые листы должны иметь один срезанный угол. Срезку углов не предусматривают только у начальных карнизных и конечных коньковых листов.
2.100. Крепление асбестоцементных листов необходимо предусматривать оцинкованными шурупами (ГОСТ 1144-80 - ГОСТ 1147-80). Листы СВ-1750 допускается закреплять оцинкованными гвоздями, отвечающими требованиям соответствующих ТУ. Для закрепления листов ВО необходимо предусматривать оцинкованные гвозди по
ГОСТ 9870-61.
Шурупы и оцинкованные гвозди должны быть в комплекте со стальными оцинкованными шайбами и мягкими прокладками.
При расчетном ветровом отсосе до 600 Па (60 кгс/м2) в рядовых кровельных листах приборы для крепления устанавливаются по нижнему прогону на гребне второй волны, считая от накрывающей волны (по одному креплению на лист). В карнизных и краевых накрывающих листах дополнительно устанавливаются крепления по гребням волн, предшествующих накрываемой волне, а в коньковых листах и по гребням второй волны - по верхним прогонам. При ветровом отсосе свыше 600 Па (60 кгс/м2) приборы для крепления листов дополнительно устанавливаются на гребне волны, предшествующей накрываемой.
2.101. Для герметизации соединений между асбестоцементными листами в кровлях следует предусматривать герметизирующие мастики согласно специальным указаниям.
2.102. В местах пропуска вентиляционных блоков, шахт и другого инженерного оборудования (которое должно располагаться в коньковой части кровель) следует предусматривать переходные детали, защитные фартуки из оцинкованной кровельной стали и водонепроницаемое соединение их со стенками блоков, шахт или оборудования.
2.103. Стойки антенн и различные стержни для закрепления оттяжек должны проходить через отверстия в гребне листов, жестко соединяться с несущими конструкциями и защищаться от затекания воды.
2.104. На кровлях необходимо предусматривать устройство настилов шириной 400 мм из досок вдоль коньков, по скату кровли у торцовых стен, а также в местах прохода к антеннам, вентиляционному и другому обслуживаемому оборудованию.
2.105. В качестве основания (опор) под асбестоцементные листы следует предусматривать деревянные бруски, а при применении листов ВО - обрешетку из досок.
2.106. Для уменьшения деформаций усадки и коробления следует предусматривать гидрофобизацию наружной стороны асбестоцементных листов кремнийорганической жидкостью ГКЖ-94 по
ГОСТ 10834-76 или ГКЖ-11 по МРТУ 6-02-271-63 либо окраску краской БТ-177 или лаком БТ-577 по
ГОСТ 5631-79.
2.107. Диаметр отверстий в асбестоцементных листах должен быть на 2 - 3 мм больше диаметра стержня крепежного элемента.
2.108. Материалы кровли (асбестоцементные листы, гвозди, уплотнители) должны включаться в комплект поставки деревянного панельного дома.
КОНСТРУКЦИИ ЛЕСТНИЦ И КРЫЛЕЦ, СТОЛЯРНЫЕ ИЗДЕЛИЯ
2.109. На серию домов следует проектировать только один тип лестницы. Ширина маршей для внутриквартирных лестниц между ограждениями должна быть 900 мм, уклон лестницы должен быть от 1:1,5 до 1:1,25. В жилых домах допускается устройство забежных ступеней с размерами проступи в соответствии с главой СНиП по проектированию жилых зданий.
2.110. Лестницы рекомендуется проектировать одномаршевыми.
2.111. Ограждения лестниц и крылец следует проектировать в виде укрупненных монтажных элементов. При технико-экономическом обосновании рекомендуется элементы лестниц укрупнять в монтажные блоки (марш-площадки).
2.112. Несущие элементы лестниц должны изготовляться из досок древесины 2-й категории (допускается 1-я категория) качества.
2.113. Крыльца следует проектировать открытыми, в связи с чем их элементы должны быть чисто строганными.
2.114. Перила ограждения наружных лестниц (в частности, крылец) должны иметь уклон 1% от стены здания.
| | ИС МЕГАНОРМ: примечание. Взамен ГОСТ 8242-75, ГОСТ 17280-79 Постановлением Госстроя СССР от 15.08.1988 N 163 с 01.01.1989 введен в действие ГОСТ 8242-88. | |
2.115. Окна и двери должны изготовлять в соответствии с требованиями
ГОСТ 475-78, подоконные доски - ГОСТ 17280-79, строганые погонажные изделия и детали - ГОСТ 8242-75 и приниматься согласно главе
СНиП по проектированию строительной теплотехники и
п. 2.30 настоящего Руководства.
Допускается на серию домов проектировать дополнительно одно нестандартное окно с одинарным остеклением для освещения чердачных помещений, причем сечение его элементов, их соединения и крепления должны соответствовать ГОСТ 11214-78.
2.116. Следует принимать на серию не более пяти марок стандартных дверей и трех марок стандартных окон.
2.117. Одинарное остекление веранд должно устанавливаться по чисто строганным элементам каркаса без коробок. В остеклении веранды следует предусматривать не менее одного открывающегося элемента для проветривания.
3. ПРОЧНОСТЬ И ЖЕСТКОСТЬ КОНСТРУКЦИЙ
ДЕРЕВЯННЫХ ПАНЕЛЬНЫХ ДОМОВ
ОСНОВНЫЕ ПОЛОЖЕНИЯ ПО РАСЧЕТУ ПРОЧНОСТИ И ЖЕСТКОСТИ
КОНСТРУКЦИЙ ДЕРЕВЯННЫХ ПАНЕЛЬНЫХ ДОМОВ
3.1. Рекомендации настоящего раздела учитывают специфические особенности работы панельных конструкций с применением древесины и материалов на ее основе, а также других элементов деревянных панельных домов и их стыковых соединений на силовые воздействия.
Под силовыми воздействиями понимаются воздействия нагрузок, а также неравномерных деформаций оснований, изменений температуры и влажности среды и конструкций, других подобных явлений, вызывающих реактивные силы в конструкциях зданий. Кроме расчетов на силовые воздействия в необходимых случаях должны выполняться расчеты теплотехнических и звукоизолирующих качеств конструкций, их огнестойкости и долговечности, производимые по соответствующим нормативным документам.
3.2. Панельные конструкции и их отдельные элементы должны удовлетворять конструктивным требованиям, изложенным в
разд. 1 -
2 настоящего Руководства.
3.3. Гибкость панелей стен в вертикальной плоскости, определяемая в соответствии с
пп. 3.91 и
3.97,
3.98 настоящего Руководства, не должна превышать для несущих панелей 120, а для самонесущих панелей и перегородок - 150. Эти требования не распространяются на гибкость элементов панелей стен и перегородок в стадии изготовления, транспортирования и монтажа, когда их необходимые сечения определяются только расчетом на прочность.
3.4. Несущие конструкции деревянных панельных домов должны удовлетворять в течение всего расчетного срока службы здания, а также при его возведении условиям расчета по двум группам предельных состояний:
первой - по потере несущей способности и непригодности к эксплуатации;
второй - по непригодности к нормальной эксплуатации.
3.5. В деревянных панельных домах расчетом по первой группе предельных состояний следует проверять:
а) все конструкции здания, их элементы и стыковые соединения для предотвращения разрушений при силовых воздействиях в процессе строительства и расчетного срока эксплуатации здания, а сборные конструкции также в период изготовления и транспортирования;
б) здание в целом для предотвращения его опрокидывания или сдвига при действии ветровых нагрузок.
3.6. Расчетом по второй группе предельных состояний следует проверять:
а) здание в целом для ограничения деформаций основания;
б) перекрытия, стропила, лестничные марши и площадки, другие изгибаемые элементы для ограничения их прогибов;
в) стены здания для ограничения раскрытия стыков и взаимных смещений панелей при действии вертикальных и ветровых нагрузок, неравномерных осадок основания.
3.7. Относительное перемещение верха деревянных панельных домов при действии горизонтальных нагрузок можно не проверять.
3.8. Предельная величина перекоса несущих стен не ограничивается, если обеспечена их прочность с учетом сдвигающих усилий, действующих в плоскости стены.
3.9. Предельная величина средней осадки здания из условия обеспечения сохранности инженерных коммуникаций, отмосток и входов в здание не должна превышать 1 см, а величина неравномерной осадки основания должна отвечать требованиям
п. 2.2 настоящего Руководства.
3.10. Предельные прогибы из плоскости панелей перекрытий и панелей самонесущих стен не должны превышать 1/250. Прогиб несущих стен допускается не проверять.
Прогибы определяются только от постоянных и длительных нагрузок при коэффициенте перегрузки, равном 1 (см.
пп. 3.14 - 3.20,
3.24 и
3.41 настоящего Руководства).
3.11. Допускается не рассчитывать надфундаментные конструкции на воздействие неравномерных деформаций основания, если они не превышают величину, указанную в
п. 2.2 настоящего Руководства, до установления иных величин (на основе проведения специальных исследований).
3.12. Величины нагрузок на конструкции деревянного панельного дома и порядок их учета следует принимать согласно главе СНиП на нагрузки и воздействия с учетом коэффициента надежности.
3.13. В зависимости от продолжительности действия нагрузки подразделяются на постоянные и временные (длительные, кратковременные и особые). Особые нагрузки при строительстве деревянных панельных домов в обычных условиях, а также температурно-влажностные воздействия и неравномерная осадка оснований в пределах, указанных в
п. 2.2 настоящего Руководства, при расчете элементов дома, кроме расчета панелей стен и перекос, не учитываются.
3.14. При расчете конструкций по первой группе предельных состояний учитываются нагрузки, действующие:
в процессе строительства и эксплуатации здания (при расчете всех конструкций здания и стыковых соединений);
в процессе изготовления, транспортирования и монтажа (при расчете сборных элементов).
При расчете конструкций по второй группе предельных состояний учитываются следующие нагрузки:
постоянные и временные длительные, действующие в процессе эксплуатации здания (при расчете перекрытий, покрытий, лестничных площадок и маршей, а также других изгибаемых элементов);
вертикальные постоянные и временные длительные и горизонтальные кратковременные - ветер (при расчете конструкций наружных стен).
3.15. Основными характеристиками нагрузок (воздействий) являются их нормативные величины, определяемые:
а) для постоянных нагрузок - по проектным значениям геометрических и конструктивных параметров и по среднестатистическим значениям плотности с учетом имеющихся данных заводов-изготовителей о фактическом весе конструкций;
б) для монтажных нагрузок - по наибольшим значениям для предусмотренных условий строительства;
в) для нагрузок от массы людей и мебели - по средним значениям из фактических максимальных загружений площади помещений;
г) для снеговых нагрузок - по средним значениям ежегодных максимумов запасов воды в снеге, выбранных из результатов снегосъемок на защищенном от воздействия ветра участке;
д) для ветровых нагрузок - по значениям скоростей ветра с двухминутным осреднением, повторяющимся или превышаемым один раз в 5 лет.
3.16. Расчетные нагрузки и воздействия для расчета конструкций на прочность и устойчивость определяются умножением нормативных нагрузок (воздействий) на коэффициенты перегрузок, устанавливаемые в зависимости от вида предельного состояния и на коэффициент надежности по назначению, принимаемый равным

для двухэтажных домов с полной застройкой второго этажа и равным 0,9 для одноэтажных и мансардных домов.
3.17. При расчете конструкций деревянных панельных домов в качестве нормативных нагрузок принимаются:
а) постоянные - вес несущих и ограждающих конструкций здания;
б) временные длительные - нагрузки на чердачные перекрытия, равные весу установленного оборудования плюс вес временных перегородок (300 Па, 30 кгс/м
2); снеговая нагрузка на кровлю, равная нормативной с коэффициентом 0,3 для III района; 0,5 - для IV района и 0,6 - в остальных случаях;
в) кратковременные:
нагрузка на чердачные перекрытия (вес оборудования плюс 700 Па, 70 кгс/м2);
нагрузка на другие перекрытия и внутриквартирные лестницы (вес временных перегородок плюс 1500 Па, 150 кгс/м2);
нагрузка на другие лестницы (3000 Па, 300 кгс/м2);
нагрузка, возникающая при изготовлении, хранении, перевозке и возведении конструкций;
нормативная снеговая нагрузка, определяемая в соответствии
п. 3.25;
нормативная ветровая нагрузка, определяемая в соответствии с
п. 3.27 настоящего Руководства.
Нагрузки на перекрытия и снеговые нагрузки, упомянутые в
подпункте "б", составляют только часть полной величины нагрузок на перекрытие и снеговых (при учете влияния длительности действия этих видов нагрузок). Полные величины этих нагрузок относятся к кратковременным.
Для обеспечения взаимозаменяемости материалов экрана, обшивок и кровли рекомендуется при разработке открытой номенклатуры изделий или изделий из серии домов в расчет вводить вес материала наиболее тяжелого из возможных для применения.
3.18. Варианты загружения перекрытий временными нагрузками должны приниматься в соответствии с предусмотренными условиями возведения и эксплуатации. Если на стадии проектирования данные об этих условиях недостаточны, при расчете конструкций и оснований необходимо рассмотреть следующие варианты загружения отдельных перекрытий:
без временной нагрузки;
сплошное принятой нагрузкой;
неблагоприятное частичное (например, чередование принятой нагрузки через пролет, через этаж и т.д.) при расчете конструкций, чувствительных к такой схеме загружения. При этом суммарная нагрузка на перекрытия не должна превышать нагрузки при сплошном загружении перекрытий, определенной с учетом коэффициентов

, значения которых указаны в
п. 3.21 настоящего Руководства.
3.19. Нагрузки от оборудования принимаются на основании задания на проектирование и определяются по стандартам и каталогам на оборудование, по паспортным данным заводов-изготовителей или рабочим чертежам оборудования. В задании должны быть указаны также возможные схемы размещения оборудования, особенности его монтажа и эксплуатации.
При замене в расчете фактических сосредоточенных нагрузок эквивалентными равномерно распределенными нагрузками должны быть приведены обоснования для величины эквивалентных нагрузок.
Принимаемые величины эквивалентных нагрузок должны обеспечивать соблюдение условий прочности и жесткости рассчитываемых конструкций.
3.20. Нагрузка от временных перегородок должна приниматься в зависимости от их конструкции, расположения и характера опирания на перекрытия и стены. При расчете различных элементов эту нагрузку можно учитывать:
а) по фактическому воздействию;
б) как равномерно распределенную добавочную к прочей равномерно распределенной нагрузке в этом случае интенсивность этой добавочной нагрузки устанавливается расчетом для предлагаемых схем размещения перегородок и должна приниматься не менее 500 Па (50 кгс/м2).
3.21. При расчете основания, фундаментов и несущих стен величину нормативной равномерно распределенной кратковременной нагрузки на перекрытия и лестницы следует снижать умножением на коэффициент

для первых этажей двухэтажных зданий и

- в остальных случаях.
3.22. Несущие элементы перекрытий, покрытий, лестниц должны быть проверены на восприятие условной сосредоточенной вертикальной нагрузки (силы), приложенной к элементу в неблагоприятном положении на квадратной площадке со сторонами не более 100 мм при отсутствии других временных нагрузок; они должны приниматься равными:
а) для перекрытий и лестниц 1500 Н (150 кгс);
б) для чердачных перекрытий, покрытий, террас 1000 Н (100 кгс);
в) для покрытий, по которым можно передвигаться только при помощи трапов и мостиков, 500 Н (50 кгс).
Элементы, рассчитанные на возможные при возведении и эксплуатации местные нагрузки от оборудования, допускается не проверять на указанную сосредоточенную нагрузку.
3.23. Горизонтальные нормативные нагрузки на поручни перил лестниц и балконов должны приниматься 500 Н (50 кгс).
3.24. При расчете на зыбкость конструкций перекрытий и лестниц величина сосредоточенной нагрузки принимается 600 Н (60 кгс).
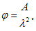
3.25. Нормативная снеговая нагрузка
pн на 1 м
2 площади горизонтальной проекции покрытия определяется по формуле
pн = pоc, (1)
где
pо - вес снегового покрова на 1 м
2 горизонтальной поверхности земли, принимаемый по
п. 3.26 настоящего Руководства;
c - коэффициент перехода от массы снегового покрова земли к снеговой нагрузке на покрытие, принимаемый равным единице при уклоне кровли не более 47% и равным нулю при уклоне не менее 170%; величина c при промежуточных уклонах кровли может определяться линейной интерполяцией между указанными значениями. Для зданий с двускатными крышами с уклоном от 36 до 58% должен быть рассмотрен вариант неравномерного загружения скатов кровли снеговой нагрузкой - нормативной на подветренном скате 1,25pн, а на наветренном 0,75pн.
При наличии вогнутых перегибов или перепадов профиля крыши дома в местах примыкания крыш веранд, террас и т.п. необходимо учитывать опасность местного увеличения снеговых нагрузок в указанных местах согласно специальным указаниям или результатам исследований. При их отсутствии величину местного увеличения снеговой нагрузки (для расчета только панелей, настилов и прогонов покрытий) у перепада профиля допускается учитывать умножением на коэффициент
c по
схемам 1 или
2, а при вогнутом переломе профиля - по
схеме 3 табл. 8.
Таблица 8
Профиль покрытия и схемы снеговой нагрузки | Определение коэффициентов и применение схем |
| Снеговая нагрузка на верхнее покрытие принимается как для отдельно стоящего здания. Снеговая нагрузка на нижнее покрытие принимается как наиболее неблагоприятная из двух случаев: а) как для отдельно стоящего здания; б) по схемам 1 - 3, если высота перепада, м, между смежными покрытиями менее pо/200 (где pо в кгс/м 2). |
| Коэффициент c принимается равным где Lв = lв; Lн = lн - 2h. |
| Величина c не должна превышать: 4 - для зданий; 6 - для навесов и козырьков; 200h/pо (где h, м; pо, кгс/м2). |
| Длина зоны S равна: при c <= 200h/pо, S = 2h, но не более 15 м; при c > 200h/pо, S = 2h(c - 1):(200h/pо - 1), но не более 5h и не более 15 м. |
| Коэффициент c принимается равным c = 1 + 0,1·lв/lн, но не более 4 для зданий и 6 - для навесов |
3.26. Вес снегового покрова
pо на 1 м
2 горизонтальной поверхности земли на конструкции деревянного панельного дома назначается в зависимости от района географического расположения площадки строительства на
карте 1 главы СНиП II-6-74 "Нагрузки и воздействия" и
табл. 9 настоящего Руководства.
Районы СССР (принимаемые по карте 1 главы СНиП II-6-74) | I | II | III | IV | V | VI |
Вес снегового покрова, pо, кгс/м2 | 50 | 70 | 100 | 150 | 200 | 250 |
Примечание. Вес снегового покрова в горных и малоизученных районах, обозначенных на
карте 1, а также в пунктах с высотой над уровнем моря свыше 1500 м и в местах со сложным рельефом, должен устанавливаться на основании данных гидрометеорологической службы. При этом в качестве нормативного значения
pо должно приниматься среднее значение ежегодных максимумов запаса воды по результатам снегосъемок в защищенном от воздействия ветра участке за период не менее 10 лет.
3.27. Нормативная ветровая нагрузка (ее статическая составляющая)
qн определяется по формуле
qн = qоcа,
где
qо - скоростной напор ветра, принимаемый по
табл. 10 настоящего Руководства;
cа - аэродинамический коэффициент, принимаемый в соответствии с
п. 3.29 настоящего Руководства.
Районы СССР (принимаемые по карте 3 главы СНиП II-6-74 | I | II | III | IV | V | VI | VII |
Скоростной напор ветра, qо, кгс/м2, для домов: | | | | | | | |
одноэтажных | 20 | 25 | 35 | 40 | 50 | 65 | 75 |
двухэтажных | 27 | 35 | 45 | 55 | 70 | 85 | 100 |
Для малоизученных и горных районов скоростной напор ветра на дома определяется в соответствии с
примечанием к табл. 6 главы СНиП II-6-74 при замере скорости ветра на высоте 5 м над поверхностью земли.
3.28. Для отдельных поверхностей или точек зданий аэродинамические коэффициенты соответствуют коэффициентам давления, которые следует учитывать при определении ветровой нагрузки, нормальной к рассматриваемой поверхности и относящейся к единице площади этой поверхности.
Положительным значениям коэффициента давления соответствует направление давления к поверхности сооружения, а отрицательным - от поверхности сооружения.
Поверхности, подверженные непосредственному воздействию потока ветра, называются наветренными, заветренные поверхности воспринимают воздействия отсоса (отрицательного давления).
Коэффициенты давления изменяются от точки к точке поверхности. Для простоты при определении ветровой нагрузки применяются их значения, осредненные по отдельным граням или зонам поверхности.
3.29. Аэродинамические коэффициенты принимаются:
а) для отдельных поверхностей или точек зданий и сооружений как коэффициенты давления (
поз. 1 -
12 табл. 8 главы СНиП II-6-74), учитываемые при определении ветровой нагрузки, нормальной к рассматриваемой поверхности и относящейся к единице площади этой поверхности;
б) для отдельных элементов и конструкций - как коэффициент лобового сопротивления (
поз. 13 -
19 табл. 8 главы СНиП II-6-74 "Нагрузки и воздействия", учитываемые при определении составляющей общего сопротивления тела, действующей по направлению ветрового потока и относящейся к площади проекции тела на плоскость, перпендикулярную потоку, и как коэффициент поперечной силы
cу при определении составляющей общего сопротивления, перпендикулярной ветровому потоку.
В случаях, не предусмотренных
табл. 8 главы СНиП II-6-74 "Нагрузки и воздействия" (иные формы зданий, учет при надлежащем обосновании других направлений ветрового потока или составляющих общего сопротивления тела по другим направлениям и т.п.), аэродинамические коэффициенты необходимо принимать по справочным или экспериментальным данным.
3.30. Ветровая нагрузка на вертикальную стену равна разности нагрузок на наветренную и заветренную плоскости стены. Коэффициенты давления для этих плоскостей учитываются со своими знаками.
Плоский характер стен не нарушается выступами, балконами и лоджиями.
3.31. Ветровая нагрузка на здание при ветре заданного направления равна геометрической сумме нагрузок, действующих на его грани. Составляющая этой равнодействующей в направлении скорости потока называется лобовым сопротивлением. Составляющая в направлении, перпендикулярном скорости потока, называется поперечной силой;
cx и cy - коэффициенты соответственно лобового сопротивления и поперечной силы, определяющие составляющую равнодействующей в направлении осей здания. При направлении ветра, нормальном к наветренной грани здания, cn и ct совпадают с cx и cy.
3.32. Для прямоугольных и квадратных в плане зданий коэффициенты лобового сопротивления определяются по
табл. 11 в зависимости от
H/
B и
l/
B, где
H - высота здания;
l - длина в направлении потока;
B - длина наветренной грани здания.
l/B | Величина cn при H/B, равном |
1 | 7 |
0,2 | 1,2 | 1,35 |
0,5 | 1,25 | 1,4 |
1 - 1,5 | 1,3 | 1,4 |
2 | 1,2 | 1,3 |
3 | 1,1 | 1,15 |
Промежуточные значения коэффициентов допускается определять линейной интерполяцией между значениями, указанными в
табл. 11.
При l/B от 0,2 до 0,5 давление ветра по наветренной и заветренной граням здания распределяется неравномерно.
Эксцентриситет равнодействующей этого давления относительно центра наветренной грани, возникающий при угле между направлением потока ветра и нормалью к этой грани 40 - 50°, может быть принят равным 0,15B. Аэродинамический коэффициент cn для этого угла атаки ветра, определяемый как разность коэффициентов давления на наветренную и заветренную грани, может быть принят равным 1,1 при l/B = 0,5 и 1,3 при l/B = 0,2; для боковых граней ct = +0,5.
3.33. Значения коэффициентов давления на стороне входящего угла здания (на длине a), параллельной потоку, принимаются такими как на наветренную сторону. При b > a длина переходного участка принимается равной a/2.
3.34. При расчете креплений элементов ограждения к несущим конструкциям в углах зданий и по внешнему контуру покрытия должно учитываться местное отрицательное давление ветра, распределенное вдоль ребер на ширине, равной 1/10 соответствующего линейного размера (длина, ширина, высота) зданий, но не более 1,5 м. Коэффициент давления при этом принимается равным c = -2.
3.35. Для зданий, указанных в
поз. 2 -
8 табл. 8 главы СНиП II-6-74 с открывающимися проемами (окна, двери), равномерно распределенными по периметру здания, или проницаемыми стенами из асбестоцементных или других листов (независимо от наличия проемов) при расчете ограждений наружных стен, стоек и ригелей фахверка, импостов остекления значения аэродинамических коэффициентов давления для ограждения должны приниматься равными:
c = +1 при расчете на положительное давление;
c = -0,8 при расчете на отрицательное давление.
В таких зданиях расчетная ветровая нагрузка на внутренние стены должна приниматься равной 0,4qо, а на легкие перегородки (массой не более 100 кг/м2) - 0,2qо, но не менее 100 Па (10 кгс/м2).
3.36. Аэродинамические коэффициенты при расчете воздействия ветра на перекрытие деревянного панельного дома следует принимать по
табл. 8 главы СНиП II-6-74 с учетом рекомендаций
п. 3.29 настоящего Руководства.
3.37. Коэффициенты перегрузки при расчете конструкций деревянных панельных домов по второй группе предельных состояний принимаются равными 1, а при расчете по первой группе предельных состояний в стадии эксплуатации для постоянных нагрузок - по
табл. 12; для монтажных нагрузок - 1,2; для нагрузок на перекрытия и лестницы от веса людей и оборудования - 1,3; при нормативной нагрузке менее 2000 Па (200 кгс/м
2) - 1,2; при нормативной нагрузке 2000 Па (200 кгс/м
2) и более для нагрузок от временных перегородок - по
табл. 12; для ветровой нагрузки - 1,2; для снеговой нагрузки - в соответствии с
п. 3.38 настоящего Руководства.
N п.п. | Конструкции и грунты | Коэффициент перегрузки |
| Конструкции: | |
1 | металлические | 1,05 |
2 | бетонные (плотностью свыше 1600 кг/м3), железобетонные, каменные, армокаменные и деревянные | 1,1 |
| бетонные (плотностью 1600 кг/м3 и менее), а также изоляционные, выравнивающие и отделочные слои (плиты, скорлупы, материалы в рулонах, засыпки, стяжки и т.п.) выполняемые: | |
в заводских условиях | 1,2 |
на строительной площадке | 1,3 |
Грунты: | |
| в природном залегании | 1,1 |
5 | насыпные | 1,2 |
Примечания: 1. При расчете конструкций на устойчивость положения против опрокидывания, а также в других случаях, когда уменьшение постоянной нагрузки может ухудшить условия работы конструкций, следует произвести дополнительный расчет, принимая для всей рассматриваемой конструкции или ее части (например, неразрезной балки, рамы, призмы обрушения) коэффициент, равный 0,9.
2. Коэффициент перегрузки, значения которых приведены в
поз. 3 и
4 настоящей таблицы, относятся к плотности грунтов. Возможное изменение плотности грунта, связанное с существенным изменением его влажности, должно учитываться дополнительно.
При расчете конструкций по первой группе предельных состояний в стадии возведения зданий кратковременные нагрузки, действующие в этой стадии, принимаются с коэффициентом 0,8.
3.38. Коэффициент перегрузки для снеговой нагрузки
hсн на конструкции деревянных панельных домов должен приниматься в зависимости от отношения нормативной постоянной и временной длительной нагрузок на 1 м
2 горизонтальной проекции рассматриваемого элемента к весу снегового покрова
(табл. 13).
Отношение qн/pо | 1 и более | 0,8 | 0,6 |
hсн | 1,4 | 1,5 | 1,55 |
Величины hсн при промежуточных отношениях весов следует принимать линейной интерполяцией.
3.39. При проектировании деревянных панельных домов нагрузки на основание разрешается определять без учета их перераспределения над фундаментной конструкцией знания и принимать в соответствии со статической схемой здания.
3.40. Усилия от постоянных и длительных временных нагрузок считаются длительно действующими, усилия от кратковременных нагрузок - кратковременно действующими.
3.41. Расчетные комбинации нагрузок, которые необходимо учитывать при расчете конструкций деревянных панельных домов и их оснований, приведены в
табл. 14, где дана также сводка используемых в этих комбинациях коэффициентов перегрузки, коэффициентов сочетаний нагрузок и других коэффициентов. Выбор расчетных комбинаций нагрузок при проектировании различных конструкций дома должен производиться в соответствии с
табл. 15.
N расчетных комбинаций нагрузок | Коэффициенты перегрузок и сочетаний нагрузок |
постоянных qк | длительных | кратковременных |
от веса людей, мебели и оборудования (300 Па), от веса оборудования на чердачном перекрытии | | от временных перегородок qт <****> | от веса людей, мебели и временной нагрузки в чердачных помещениях qп <*> | снеговых | ветровых | транспортных | |
| n1 | - | - | nп | nп | - | - | - | - |
| n1 | - | - | - | - | nсн | - | - | - |
| n1 | - | - | nп | - | - | 1,2 | - | - |
| n1 | - | - | nп | | 0,9nсн | 0,9 x 1,2 | - | - |
| n1 | - | - | nп | | - | - | - | - |
| n1 | nп | nсн | nп | - | - | - | - | - |
| 1 | 1 | - | 1 | - | - | - | - | - |
| 1 | - | 1 | - | - | - | - | - | - |
| 1 | 1 | 1 | 1 | - | - | - | - | - |
| n1 | - | - | - | - | - | - | - | 1200 Н |
| - | - | - | - | - | - | - | - | 600 Н |
| - | - | - | - | - | - | - | 1,4 | - |
| - | - | - | - | - | - | - | - | qтр + 750 Па |
| n1 | - | - | - | - | - | 1 | - | - |
--------------------------------
<**> Учитываются только в III - VI районах в соответствии с
п. 3.17.
<***> Учитываются только на верхнее монтируемое перекрытие.
<****> Принимаются в соответствии с
п. 3.20.
Примечания: 1. Величины коэффициентов перегрузки принимаются в соответствии с
пп. 3.37 и
3.38.
2. Вместо коэффициента 0,9 в расчетном
сочетании 4 допускается принимать коэффициент 1 для наиболее существенной нагрузки; 0,8 - для второй по значению нагрузки и 0,6 - для остальных.
3. В расчетах вводится меньшее значение из усилий, получаемых с коэффициентом 0,9 и по
примеч. 2.
Рассчитываемые конструкции | Характер расчета | N расчетных комбинаций нагрузок (по табл. 14) при проверке |
прочности | перемещений (деформаций) |
Перекрытия, лестницы | Изгиб из плоскости | | |
Кровли, покрытия, козырьки | То же | | |
Стеновые панели, их горизонтальные стыки | Сжатие с изгибом из плоскости, изгиб в плоскости | | |
Вертикальные стыки стеновых панелей | Срез, растяжение | | |
Фундаменты | - | | |
Основания | - | - | |
Примечание. Отдельные элементы ограждений, покрытий и панелей перекрытий проверяются дополнительно на воздействие сосредоточенных нагрузок в соответствии с
п. 3.22.
3.42. Усилия в конструкциях деревянных панельных домов следует определять, используя расчетные схемы и предпосылки, наиболее полно отражающие условия действительной работы конструкций. В зависимости от уровня и характера внешних нагрузок, вида предельного и напряженного состояния конструкций, особенностей конструктивной схемы здания расчет может выполняться с различной степенью идеализации.
3.43. При расчете деревянных панельных домов допускается наибольшая степень идеализации расчетной схемы, не приводящая к уменьшению расчетных усилий или перемещений в конструкциях против их действительной величины.
3.44. Усилия, действующие в плоскости панелей стен и перекрытий, и усилия, вызывающие изгиб конструкций из их плоскости, допускается определять независимо: первые - в предположении отсутствия изгиба из плоскости конструкций, вторые - считая стены и перекрытия не деформируемыми в собственной плоскости.
3.45. При расчете конструкций на вертикальные нагрузки следует учитывать возможные отличия расчетной схемы здания или отдельных его элементов и величины действующих нагрузок в стадии его монтажа от стадии эксплуатации, а также их изменения в процессе монтажа.
3.46. Усилия, действующие в плоскости стен и перекрытий, в зависимости от характера приложения нагрузок, особенностей рассчитываемой системы и допустимой точности расчета можно определять на основе пространственных или плоскостных расчетных схем.
Пространственные расчетные схемы позволяют определять усилия и перемещения в конструкциях от внешних нагрузок произвольного направления и используются, как правило, в зданиях с конкретным объемно-планировочным решением.
Плоскостные расчетные схемы предполагают, что внешние нагрузки действуют лишь в плоскости идеализированной схемы здания; они могут применяться при расчете группы однородных зданий с общим принципиальным объемно-планировочным решением.
3.47. При пространственной расчетной схеме несущая коробка дома может представляться в виде:
а) системы пластинок, заменяющих панели стен и перекрытий;
б) комбинации стержней и пластинок, заменяющих плоскостные и линейные элементы зданий.
Расчет на основе пространственных схем требует использования электронно-вычислительных машин, имеющих достаточный объем памяти и обеспеченных соответствующими программами, учитывающими существенно анизотропный характер работы древесины и большинства других материалов на ее основе (физическую анизотропию), конструктивную анизотропию (наличие ребер одного направления) каркасных панелей стен и перекрытий, большую податливость соединений отдельных сборных изделий деревянных панельных домов и соединений деталей этих изделий между собой (кроме клееных соединений), а также зависимость напряженно-деформированного состояния деревянных конструкций от времени (ползучесть материалов, релаксация напряжений и другие явления), характеризующие физически нелинейную природу действительной работы конструкций деревянных панельных домов.
Такие особенности пространственных расчетных схем предопределяют необходимость разработки и применения к их расчету метода многоуровневых конечных элементов, последовательно учитывающего особенности жесткостных характеристик деталей конструкций всех уровней.
3.48. Использование пространственных расчетных схем теоретически позволяет расчетом найти распределение усилий, адекватное действительному, и, следовательно, рационально проектировать конструкции деревянных панельных домов. Однако это возможно только при обязательном условии полного учета факторов, указанных в
п. 3.47. Без достоверных характеристик материалов и соединений расчет с использованием этих схем будет неточен. Ввиду большого объема требуемой подготовительной работы применение таких схем к расчету деревянных панельных домов может быть обоснованным лишь при разработке общесоюзных или республиканских каталогов или номенклатур сборных изделий, а также крупных универсальных серий деревянных панельных домов.
3.49. Плоскостные расчетные схемы могут применяться в виде:
а) системы пластинок с податливыми связями между ними;
б) системы консольных стержней - "стен - диафрагм жесткости", соединенных шарнирными связями.
3.50. Расчетную схему в виде системы консольных стержней, отвечающую современному уровню знаний о расчете отдельных сборных элементов и их соединений, рекомендуется использовать при массовых расчетах деревянных панельных домов, не применяя ЭВМ.
3.51. При использовании расчетной схемы в виде консольных стержней выделяются вертикальные несущие элементы - "стены - диафрагмы жесткости", рассматриваемые как защемленные в фундаментах (в своей плоскости) консольные стержни. Для каждого такого стержня определяются приведенные жесткостные характеристики, учитывающие снижение жесткости несущего элемента из-за наличия проемов и податливых стыков соединений панелей и определяемые с использованием теории составных стержней, считая, что стержни шарнирно соединены между собой связями, обеспечивающими совместность поперечных перемещений стержней.
3.52. Усилия, вызывающие местный изгиб панелей стен и перекрытий, можно определять с использованием расчетных схем в виде:
а) пространственной системы пластинок (
рис. 1, а), закрепленных в уровне перекрытий от вертикальных и горизонтальных смещений и соединенных в этих уровнях непрерывными связями конечной жесткости, которые препятствуют взаимным поворотам пластинок из плоскости;
б) плоской упруго-податливой в узлах рамной системы стержней (
рис. 1, б), стойками и ригелями которой служат полосы единичной ширины (равной шагу ребер панелей стен и перекрытий), выделенные, соответственно, из стен и перекрытий;
в) плоской шарнирно-стержневой рамной системы с идеальными шарнирами в местах сопряжения стен с перекрытиями (
рис. 1, в).
Рис. 1. Схемы при расчете на изгиб из плоскости:
а - в виде пространственной системы пластинок;
б - в виде рамной системы стержней; в - в виде плоской
шарнирно-стержневой рамной системы; 1 - угловые связи
конечной жесткости; 2 - шарнирная связь
3.53. Рекомендуется, особенно при проектировании массовых конструкций, при наличии экспериментально подтверждаемых данных о характеристиках упругого сопряжения панелей стен и панелей перекрытий использовать расчетную схему в виде упруго-податливой в узлах рамной системы.
Допускается при проектировании малотиражных изделий использовать расчетную схему в виде шарнирно-стержневой рамной системы.
3.54. Усилия в конструкциях, изготовляемых целиком или частично из древесины и материалов на ее основе, можно определять с учетом следующих допущений в расчетах, не требующих специальных обоснований в проектах:
а) принципа независимости действия сил (усилие или перемещение от действия суммы нагрузок равно сумме усилий или перемещений от действия каждого слагаемого нагрузки; в частности, усилие или перемещение пропорционально величине действующей нагрузки), кроме расчетов на центральное или внецентренное сжатие;
б) линейной зависимости между напряжениями и вызванными ими деформациями (или между усилиями и перемещениями - закон Гука);
в) гипотезы плоских сечений (линейного изменения деформаций по высоте сечения элементов);
г) пренебрежимой малости напряжений и деформаций, возникающих в деревянных (и на основе древесины) конструкциях от изменения температуры, а также от усушки или разбухания древесины вдоль волокон и материалов на ее основе.
Для учета неравномерности распределения напряжений по ширине обшивок (между ребрами) панелей стен и перекрытий разрешается использовать понятие приведенной ширины обшивки.
3.55. При выборе расчетных схем здания и его элементов рекомендуется принимать статически определимые схемы. Элементы со статически неопределимой схемой допускается использовать при укрупнении габаритов изделий для рационализации их изготовления и монтажа, при этом должна быть учтена необходимость обеспечения повышенной точности монтажа изделий и опасность изменения расчетной схемы из-за смещения опор.
Расчет статически неопределимых конструкций панельных деревянных домов следует производить при двух значениях модуля упругости древесины
E и
E1, принимаемых по
п. 3.62 настоящего Руководства.
3.56. Разгружающее действие сил трения при расчете конструкций домов допускается не учитывать.
Силы трения необходимо учитывать:
а) если равновесие системы обеспечивается только трением при условии постоянного прижатия элемента; коэффициент трения дерева по дереву при этом принимается равным: торца по пласти - 0,3; пласти по пласти - 0,2;
б) если трение ухудшает условия работы конструкций и соединений, например, когда трение увеличивает угол между направлениями сжимающего усилия и волокон древесины, увеличивает расчетное усилие и т.п., коэффициент трения дерева по дереву в этом случае принимается равным 0,6.
3.57. Расчет клееных панелей стен и перекрытий производится как цельных сечений с учетом в необходимых случаях коэффициента приведения ширины обшивки, предусмотренного
п. 3.54 "в" и
п. 3.119 настоящего Руководства.
3.58. Влияние времени на прочностные и деформационные свойства древесины и фанеры (за счет упругих несовершенств, ползучести, релаксации напряжений в материале и т.п.) учтено при назначении величин расчетных характеристик и дополнительных коэффициентов, вводимых к величинам расчетных сопротивлений материала и расчетных несущих способностей соединений, принимаемых по данным
пп. 3.59 -
3.71 настоящего Руководства.
ХАРАКТЕРИСТИКИ МАТЕРИАЛОВ ДЛЯ КОНСТРУКЦИЙ
ДЕРЕВЯННЫХ ПАНЕЛЬНЫХ ДОМОВ
3.59. Расчетные сопротивления древесины сосны (кроме веймутовой), ели, лиственницы европейской и японской принимаются по
табл. 16. Расчетные сопротивления других пород древесины устанавливаются умножением величин, приведенных в
табл. 16, на переходные коэффициенты
mп, указанные в
табл. 17.
Вид напряженного состояния и характеристика элементов | Обозначение | Расчетное сопротивление, МПа (кгс/м2), для сортов древесины |
1-го | 2-го | 3-го |
1. | Изгиб, сжатие и смятие вдоль волокон: | | | | |
а) элементы прямоугольного сечения (за исключением указанных в подпунктах "б", "в") высотой до 500 мм | Rи; Rс; Rсм | 14 (140) | 13 (130) | 8,5 (85) |
б) элементы прямоугольного сечения шириной от 110 до 130 мм, высотой от 110 до 500 мм | Rи; Rс; Rсм | 15 (150) | 14 (140) | 10 (100) |
в) элементы прямоугольного сечения шириной 135 мм и более, высотой от 135 до 500 мм | Rи; Rс; Rсм | 16 (160) | 15 (150) | 11 (110) |
г) элементы из круглых лесоматериалов без ослабления в расчетном сечении | Rи; Rс; Rсм | - | 16 (160) | 10 (100) |
2. | Растяжение вдоль волокон: | | | | |
| Rр | 10 (100) | 7 (70) | - |
| Rр | 8 (80) | 5,5 (55) | - |
3. | Сжатие и смятие по всей площади поперек волокон | Rс90; Rсм90 | 1,8 (18) | 1,8 (18) | 1,8 (18) |
| Смятие поперек волокон местное: | | | | |
а) в опорных частях конструкций, лобовых врубках и узловых примыканиях элементов | Rсм90 | 3 (30) | 3 (30) | 3 (30) |
б) под шайбами при углах смятия от 90 до 60° | Rсм90 | 4 (40) | 4 (40) | 4 (40) |
| Скалывание вдоль волокон: | | | | |
а) при изгибе неклееных элементов | Rск | 1,8 (18) | 1,6 (16) | 1,6 (16) |
б) при изгибе клееных элементов | Rск | 1,6 (16) | 1,5 (15) | 1,5 (15) |
в) в лобовых врубках для максимального напряжения | Rск | 2,4 (24) | 2,1 (22) | 2,1 (21) |
г) местное в клееных соединениях для максимального напряжения | | 2,1 (21) | 2,1 (21) | 2,1 (21) |
6. | Скалывание поперек волокон: | | | | |
а) неклееных соединений | Rск90 | 1 (10) | 0,8 (8) | 0,6 (6) |
б) клееных соединений | Rск90 | 0,7 (7) | 0,7 (7) | 0,6 (6) |
7. | Растяжение поперек волокон из клееной древесины | Rр90 | 0,35 (3,5) | 0,3 (3) | 0,25 (2,5) |
Примечания: 1. Расчетное сопротивление древесины местному смятию поперек волокон
Rсм90 на части длины (при длине незагруженных участков не менее длины площадки смятия и толщины элементов), за исключением случаев, оговоренных в
поз. 5 настоящей таблицы, определяется по формуле

(2)
где
Rс90 - расчетное сопротивление древесины сжатию и смятию по всей площади поперек волокон (
поз. 4 настоящей таблицы);
lсм - длина площадки смятия вдоль волокон древесины, мм.
2. Расчетное сопротивление древесины смятию под углом

к направлению волокон определяется по
формуле (3) или по графику
рис. 2:

(3)
3. Расчетное сопротивление древесины скалыванию

под углом

к направлению волокон определяется по формуле

(4)
4. В конструкциях построечного изготовления величины расчетных сопротивлений на растяжение, принятые в
поз. 2 "а",
"б" настоящей таблицы, следует снижать на 30%.
Породы древесины | Коэффициент mп для расчетных сопротивлений |
Rр; Rи; Rс Rнс | Rс90 Rсм90 | Rск Rск90 |
| Хвойные | | | |
1. | Лиственница, кроме европейской и японской | 1,2 | 1,2 | 1 |
2. | Кедр сибирский, кроме Красноярского края | 0,9 | 0,9 | 0,9 |
3. | Кедр Красноярского края | 0,65 | 0,65 | 0,65 |
4. | Пихта | 0,8 | 0,8 | 0,8 |
| Твердые лиственные | | | |
5. | Дуб | 1,3 | 2 | 1,3 |
6. | Ясень, клен, граб | 1,3 | 2 | 1,6 |
7. | Акация | 1,5 | 2,2 | 1,8 |
8. | Береза, бук | 1,1 | 1,6 | 1,3 |
9. | Вяз, ильм | 1 | 1,6 | 1 |
| Мягкие лиственные | | | |
10. | Ольха, липа, осина, тополь | 0,8 | 1 | 0,8 |
Рис. 2. График для определения расчетных сопротивлений
сосны и ели 2-й категории качества смятию
под углом

к направлению волокон:
1 - в опорных частях конструкции, лобовых врубках и узловых
примыканиях элементов с размерами сечений менее 110 мм;
2 - то же, с размерами сечений 135 мм и более; 3 - по всей
сминаемой поверхности элементов, с размерами сечений менее
100 мм; 4 - то же, с размерами сечений 135 мм и более
3.60. Расчетные сопротивления, приведенные в
табл. 17, следует умножать на коэффициенты условий работы:
а) для конструкций групп Б3 и В1 на коэффициент mд = 0,9, а групп В2, В3 и Г1 - на коэффициент mд = 0,85;
б) для конструкций, в которых усилия в элементах и соединениях, возникшие от расчетной постоянной и временной длительной нагрузок (без учета кратковременной нагрузки), превышают 0,8 расчетной полной нагрузки, - на коэффициент mд = 0,8;
в) для конструкций, рассчитываемых с учетом воздействия кратковременных (ветровой, монтажной и др.) нагрузок, - на коэффициент mн = 1,4 для смятия поперек волокон и на коэффициент mн = 1,2 для всех других видов сопротивлений;
г) для клееных элементов прямоугольного сечения высотой свыше 50 см значения расчетных сопротивлений изгибу и сжатию вдоль волокон - на коэффициенты
mб, указанные в
табл. 18;
д) для изгибаемых, сжато-изгибаемых и сжатых клееных элементов в зависимости от толщины слоев значения расчетных сопротивлений изгибу, скалыванию и сжатию вдоль волокон - на коэффициенты
mсл, указанные в
табл. 19;
е) для элементов, подвергнутых глубокой пропитке антипиренами под давлением, - на коэффициент mа = 0,9.
| 50 и менее | 60 | 70 | 80 | 100 | 120 и более |
Коэффициент mб к Rп и Rс по соответствующей ширине сечения при H <= 500 мм | 1 | 0,96 | 0,93 | 0,90 | 0,85 | 0,80 |
Толщина слоя, мм | 19 и менее | 26 | 33 | 42 |
Коэффициент mсл | 1,1 | 1,05 | 1 | 0,95 |
3.61. Расчетные сопротивления строительной фанеры принимаются по
табл. 20.
Вид фанеры | Расчетные сопротивления, МПа (кгс/см2) |
растяжению Rф.р | сжатию Rф.с | изгибу из плоскости листа Rф.и | скалыванию Rф.ск | срезу Rф.ср |
1. | Клееная березовая марки ФСФ, сортов В/ВВ, ВВ/С: | | | | | |
а) семислойная толщиной 8 мм и более: | | | | | |
вдоль волокон наружных слоев | 14 (140) | 12 (120) | 16 (160) | 0,8 (8) | 6 (60) |
поперек волокон наружных слоев | 9 (90) | 8,5 (85) | 6,5 (65) | 0,8 (8) | 6 (60) |
под углом 45° к волокнам | 4,5 (45) | 7 (70) | - | 0,8 (8) | 9 (90) |
б) пятислойная толщиной 5 - 7 мм: | | | | | |
вдоль волокон наружных слоев | 14 (140) | 13 (130) | 18 (180) | 0,8 (8) | 5 (50) |
поперек волокон наружных слоев | 6 (60) | 7 (70) | 3 (30) | 0,8 (8) | 6 (60) |
под углом 45° к волокнам | 4 (40) | 6 (60) | - | 0,8 (8) | 9 (90) |
2. | Клееная из древесины лиственницы марки ФСФ, сортов В/ВВ и ВВ/С семислойная толщиной 8 мм и более: | | | | | |
вдоль волокон наружных слоев | 9 (90) | 17 (170) | 18 (180) | 0,6 (6) | 5 (50) |
поперек волокон наружных слоев | 7,5 (75) | 13 (130) | 11 (110) | 0,5 (5) | 5 (50) |
под углом 45° к волокнам | 3 (30) | 5 (50) | - | 0,7 (7) | 7,5 (75) |
3. | Бакелизированная марки ФБС толщиной 7 мм и более: | | | | | |
вдоль волокон наружных слоев | 32 (320) | 28 (280) | 33 (330) | 1,8 (18) | 11 (100) |
поперек волокон наружных слоев | 24 (240) | 23 (230) | 25 (250) | 1,8 (18) | 12 (120) |
под углом 45° к волокнам | 16,5 (165) | 21 (210) | - | 1,8 (18) | 16 (160) |
Примечание. Расчетные сопротивления смятию Rф.см90 и сжатию Rф.с90 перпендикулярно плоскости листа березовой фанеры марки ФСФ равны 4 МПа (40 кгс/см2), а марки ФБС - 8 МПа (80 кгс/см2).
В необходимых случаях значения расчетных сопротивлений фанеры умножаются на коэффициенты
mв,
mд,
mн и
mа, приведенные в
п. 3.61 настоящего Руководства.
3.62. Модуль упругости древесины вдоль волокон для конструкций в условиях эксплуатации А1, Б1 и Б2, защищенных от нагрева, при расчете на жесткость принимается равным
E = 10000 МПа (100000 кгс/см
2); модуль упругости древесины поперек волокон принимается равным
E = 400 МПа (4000 кгс/см
2). Модуль сдвига древесины принимается равным
G = 500 МПа (5000 кгс/см
2). Коэффициент поперечной деформации древесины при нагрузке вдоль волокон принимается равным

, а при нагрузке поперек волокон -

.
Величины модулей упругости
Eф и
Gф и коэффициенты поперечной деформации

строительной фанеры для конструкций групп А1, Б1 и Б2 при расчете на жесткость принимаются по
табл. 21.
Вид фанеры | Модуль, МПа (кгс/см2) | Коэффициент поперечной деформации Пуассона <1> |
упругости Eф | сдвига Gф |
1. | Клееная березовая марки ФСФ семислойная и пятислойная: | | | |
вдоль волокон наружных слоев | 9000 (90000) | 750 (7500) | 0,085 |
поперек волокон наружных слоев | 6000 (60000) | 750 (7500) | 0,065 |
под углом 45° к волокнам | 2500 (25000) | 3000 (30000) | 0,60 |
2. | Клееная из древесины лиственницы марки ФСФ семислойная: | | | |
вдоль волокон наружных слоев | 7000 (70000) | 800 (8000) | 0,07 |
поперек волокон наружных слоев | 5500 (55000) | 800 (8000) | 0,06 |
под углом 45° к волокнам | 2000 (20000) | 2200 (22000) | 0,60 |
3. | Бакелизированная марки ФБС: | | | |
вдоль волокон наружных слоев | 12000 (120000) | 1000 (10000) | 0,085 |
поперек волокон наружных слоев | 8500 (85000) | 4000 (40000) | 0,065 |
под углом 45° к волокнам | 3500 (35000) | 4000 (40000) | 0,70 |
--------------------------------
<1> Указан для направления, перпендикулярного оси, в направлении которой определен модуль упругости
Eф.
Модули упругости древесины и фанеры для конструкций других групп эксплуатации или проверяемых на воздействие только постоянной и временной длительной нагрузками определяются умножением величин
E и
G на коэффициенты
mв и
mд, приведенные в
п. 3.60.
Модуль упругости древесины в расчетах конструкций на прочность по схеме деформаций и на устойчивость следует принимать равным
E1 = 300
Rс (
Rс - расчетное сопротивление древесины сжатию вдоль волокон, принимаемое по
табл. 16).
Расчет статически неопределимых деревянных конструкций следует производить при двух значениях модуля упругости E и E1.
3.63. В случаях, когда учету подлежат несколько факторов, проявляющихся при эксплуатации конструкций одновременно (например, влажностные условия, воздействия только постоянных и временных длительных нагрузок), расчетные сопротивления и модули упругости древесины и фанеры определяют, вводя независимо один от другого все коэффициенты, которыми учитывается влияние перечисленных факторов.
3.64. Расчетные сопротивления, модули упругости, модули сдвига и коэффициенты Пуассона твердых древесноволокнистых плит сухого способа производства, древесностружечных плит на карбамидном, фенольном и минеральном связующих, а также цементно-стружечных плит для элементов конструкций, находящихся в условиях эксплуатации А
1 и Б
1 должны приниматься по
табл. 22,
23.
Вид древесных плит | Расчетные сопротивления, МПа (кгс/см2) |
растяжению Rр | сжатию Rсж | изгибу Rи | срезу Rср | скалыванию Rск |
Твердые древесноволокнистые сухого способа производства ДВПс, марки Т-400 | 5 (50) | 4 (40) | 10 (100) | 5 (50) | 0,4 (4) |
Древесностружечные на карбамидном ДСПк и фенольном ДВПф связующих, марки ПТ-1 | 2 (20) | 3 (30) | 4 (40) | 1,5 (15) | 0,5 (5) |
Древесностружечные на минеральном вяжущем МДП | 1 (10) | 1,5 (15) | 1,5 (15) | 1,3 (13) | 0,6 (6) |
Цементно-стружечные ЦСП | 1 (10) | 5 (50) | 5 (50) | 1,7 (17) | 0,7 (7) |
Вид древесных плит | Модуль упругости E, МПа (кгс/см2) | Модуль сдвига G, МПа (кгс/см2) | Коэффициент Пуассона  |
при растяжении | при сжатии | при изгибе |
Твердые древесноволокнистые сухого способа производства ДВПс, марки Т-400 | 2000 (20000) | 1000 (10000) | 1300 (13000) | 700 (7000) | 0,21 |
Древесностружечные на карбамидном ДСПк и фенольном ДСПф связующих, марки ПТ-1 | 1400 (14000) | 850 (8500) | 1100 (11000) | 500 (5000) | 0,21 |
Древесностружечные на минеральном вяжущем МДП | 1500 (15000) | 1000 (10000) | 800 (8000) | - | - |
Цементно-стружечные ЦСП | 3000 (30000) | 2500 (25000) | 2700 (27000) | 1200 (12000) | 0,21 |
Характеристики условий эксплуатации приведены в
табл. 2.
3.65. Для температурно-влажностных условий эксплуатации А2, Б2, В1, В2 и В3 расчетные сопротивления и модули упругости древесных плит для расчета элементов должны умножаться на коэффициент условий работы, приведенный в
табл. 24.
Температурно-влажностные условия эксплуатации | Коэффициент условий работы материала mв для плит марок |
ДСПк | ДСПф | МДП | ЦСП | ДВПс |
А1, Б1 | 1 | 1 | 1 | 11 | 1 |
А2, Б2 | 0,6 | 0,8 | 0,9 | 0,9 | 0,7 |
А3, Б3 | Не применяется | 0,4 | 0,6 | 0,7 | 0,6 |
В1, В2, В3 | То же | 0,2 | 0,5 | 0,6 | 0,4 |
Расчетные сопротивления древесных плит для конструкций, рассчитываемых с учетом воздействия кратковременных нагрузок, умножаются на коэффициент
mн, принимаемый по
п. 3.60.
3.66. В расчетные формулы настоящего Руководства следует подставлять величины расчетных сопротивлений и модулей упругости, полученных с учетом поправочных коэффициентов условий работы.
3.67. Расчетные сопротивления асбестоцемента приведены в
табл. 25.
Вид напряженного состояния асбестоцемента | Обозначения | Расчетные сопротивления асбестоцемента при временном сопротивлении (пределе прочности) изгибу, МПа (кгс/см2) |
16 | 17 | 18 | 19 | 20 | 23 | 25 | 28 | 31 |
Изгиб при направлении волокон: | | | | | | | | | | |
вдоль пролета | Rи | 14 (140) | 15 (150) | 16,5 (165) | 17,5 (175) | 19 (190) | 22 (220) | 24 (240) | 26,5 (265) | 28,5 (285) |
поперек | Rи90 | 11,5 (115) | 12 (120) | 13 (130) | 13,5 (135) | 14,5 (145) | 16,5 (165) | 18 (180) | 20 (200) | 22 (220) |
Растяжение: | | | | | | | | | | |
по направлению волокон | Rр | 6,2 (62) | 6,8 (68) | 7,3 (73) | 8,0 (80) | 8,5 (85) | 9,5 (95) | 10 (100) | 11,5 (115) | 12,5 (125) |
поперек направления волокон | Rр90 | 5,1 (51) | 5,5 (55) | 5,9 (59) | 6,1 (61) | 6,2 (62) | 7,3 (73) | 7,9 (79) | 8,6 (86) | 9,2 (92) |
Сжатие и смятие вдоль и поперек направления волокон | Rсж; Rсм | 22,5 (225) | 24,5 (245) | 26,5 (265) | 29 (290) | 30,5 (305) | 36 (360) | 39 (390) | 43,5 (435) | 47 (470) |
Срез: | | | | | | | | | | |
по плоскостям наслоения листа | Rср | 2,2 (22) | 2,4 (24) | 2,6 (26) | 2,9 (29) | 3,1 (31) | 3,6 (36) | 3,9 (39) | 4,3 (43) | 4,6 (46) |
поперек плоскости листа | Rср90 | 11,5 (115) | 12 (120) | 13 (130) | 13,5 (135) | 14,5 (145) | 16,5 (165) | 18 (180) | 20 (200) | 22 (220) |
Примечание. Величины временных сопротивлений (пределов прочности) асбестоцемента изгибу принимаются в соответствии с ГОСТ и Техническими условиями на асбестоцементные изделия.
3.68. Расчетные сопротивления, приведенные в
табл. 25, умножаются:
а) для асбестоцементных конструкций, проверяемых на воздействие только постоянных и временных длительных нагрузок (без учета кратковременных нагрузок), на коэффициент, равный 0,65;
б) для асбестоцементных конструкций, находящихся в условиях атмосферного увлажнения и в помещениях с мокрым влажностным режимом, на коэффициент
mв, принимаемый в соответствии с
табл. 26.
Вид напряженного состояния | Растяжение, изгиб, срез поперек плоскости листа | Сжатие, смятие | Срез по плоскости листа |
Коэффициент mв | 0,85 | 0,75 | 0,8 |
3.69. Модули упругости и сдвига асбестоцемента принимаются по
табл. 27.
Временное сопротивление (предел прочности) изгибу, МПа (кгс/см2) | Модуль, МПа (кгс/см2) |
упругости E | сдвига G |
16 (160) | 10000 (100000) | 4100 (41000) |
17 (170) | 11000 (110000) | 4600 (46000) |
18 (180) | 12000 (120000) | 5000 (50000) |
19 (190) | 13000 (130000) | 5400 (54000) |
20 (200) | 14000 (140000) | 5800 (58000) |
23 (230) | 15000 (150000) | 6200 (62000) |
25 (250) | 16000 (160000) | 6700 (67000) |
28 (280) | 18000 (180000) | 7500 (75000) |
31 (310) | 19000 (190000) | 8000 (80000) |
3.70. Модули упругости и сдвига асбестоцемента для конструкций, проверяемых на воздействие только постоянных и временных длительных нагрузок (без учета кратковременных нагрузок), определяются умножением величин
E и
G, указанных в
табл. 27, на коэффициент, равный 0,65.
3.71. Коэффициент поперечной деформации

в плоскости асбестоцементного листа принимается равным 0,2.
РАСЧЕТ ПАНЕЛЕЙ НЕСУЩИХ СТЕН
3.72. Расчетом следует проверять горизонтальные и вертикальные сечения стен.
Горизонтальные сечения проверяются расчетом на прочность. Для панелей высотой на этаж в общем случае рассматриваются горизонтальные сечения посередине высоты этажа (средние сечения) и в уровне перекрытий (опорные сечения). При рекомендуемых для деревянных панельных домов платформенных стыках в уровне междуэтажных и чердачных перекрытий с опиранием панелей перекрытий на всю ширину ребра панели стены и контактных стыков в уровне цокольного перекрытия проверка прочности в уровне перекрытий не требуется.
Расчетными вертикальными сечениями считаются сечения вдоль вертикальных стыков панелей и в местах расположения проемов в стенах. Вертикальные стыковые соединения проверяются расчетом по прочности, раскрытию стыка и взаимному сдвигу вдоль стыка. Перемычки над проемами проверяются расчетом по прочности.
3.73. Расчетные сечения являются приведенными сечениями, в которых ширина каждого материала вводится с коэффициентом приведения, равным отношению модуля упругости материала обшивок или стенки ребра к модулю упругости ребра или его полок (если оно двутаврового или коробчатого сечения).
Крепление экрана к наружным стенам считается податливым, и поэтому экран рекомендуется вводить в расчет как одну из ветвей стержня на податливых связях сдвига. Допускается не учитывать экран при построении расчетного сечения панели.
3.74. Горизонтальные расчетные сечения могут иметь прямоугольную или иную форму.
Прямоугольная форма горизонтальных сечений принимается для панелей или их простенков со сплошными ребрами из цельной или клееной древесины и обшивкой из материалов, модуль упругости которых превышает модуль упругости ребер на 5%. При использовании таких обшивок с ребрами из фанерных профилей (по ГОСТ 22242-76), с ребрами двутаврового или коробчатого сечения и стенкой из материалов, модуль упругости которых не менее 1% модуля упругости древесины, а также при превышении модулей упругости материала ребер модуля упругости обшивок более чем в 1000 раз, расчетное сечение принимается двутавровым.
Если модуль упругости материала стенок ребер коробчатого или двутаврового сечения не отвечает вышеуказанному условию, то расчетное сечение принимается в виде двух прямоугольников с податливыми связями сдвига между ними.
3.75. Ввиду существенной и неконтролируемой податливости соединений между собой панелей продольных и поперечных стен пересечения стен не рассматриваются как единое расчетное сечение.
3.76. При расчете прочности горизонтальных сечений равнодействующая продольных сжимающих сил считается приложенной с эксцентриситетом относительно геометрического центра приведенного сечения. Положение равнодействующей продольной силы N характеризуется эксцентриситетом в плоскости стены e0b и из плоскости стены e0h.
Эксцентриситеты e0b и e0h определяются по формулам:

(6)
где Mb - изгибающий момент в расчетном сечении, действующий в плоскости стены;
Mh - то же, вызывающий изгиб стены из плоскости;

- случайный эксцентриситет, возникающий из-за возможных взаимных смещений панелей при монтаже, возможных дефектов древесины ребра в расчетном сечении, непараллельности опорных площадок ребер и панелей и других причин.
Изгибающие моменты
Mb и
Mh следует определять исходя из проектных (номинальных) размеров конструкций, зазоров и опорных площадок в предположении нулевой или конечной жесткости горизонтальных стыков стеновых панелей при их взаимном повороте, принимаемой в соответствии с
п. 3.84 настоящего Руководства.
3.77. Нагрузка
Nс.в от собственного веса несущей части панелей с экраном считается приложенной в центре тяжести сечения этой части панели, а вес экрана - в соответствии с конструктивным решением его присоединения к несущей части панели.
3.78. Нагрузки от перекрытий, непосредственно опертых на рассчитываемую стеновую панель, и от веса остальных вышерасположенных конструкций прикладываются в центрах опорных площадок (по номинальным размерам), но не более 0,5
hпер от внутреннего края ребра (где
hпер - толщина перекрытия).
3.79. Для стеновых панелей с ребрами из цельной древесины следует учитывать смещение центра поперечного сечения из-за допускаемых стандартами пороков (сучков, трещин и др.). Величина смещения

принимается равной 1/2 диаметра сучков, допускаемого стандартом для древесины выбранного сорта.
3.80. Величина случайного эксцентриситета

в случае, когда жесткость горизонтальных стыков стеновых панелей при их взаимном повороте считается нулевой, принимается не менее 1 см и не менее 1/30 толщины ребра панели. В случае, когда эта жесткость отличается от нуля, величина случайного эксцентриситета определяется расчетом в соответствии с
п. 3.82 настоящего Руководства. При этом величину суммарного эксцентриситета (конструктивного и случайного) следует принимать не менее величины случайного эксцентриситета, указанного для случая нулевой жесткости.
3.81. Допущение нулевой жесткости горизонтальных стыков стеновых панелей при повороте следует применять для упрощения расчета в случаях, когда использование такого допущения не приводит к необходимости увеличения сечения или прочности расчетных сечений. Для определения усилий, вызывающих изгиб панелей из плоскости, разрешается использовать шарнирно-стержневую расчетную схему, при которой стеновая панель рассматривается как стержень, шарнирно закрепленный по концам от горизонтальных смещений и имеющий вертикальную опору в центре опорной площадки стеновой панели. Центр опорной площадки при платформенных и контактных горизонтальных стыках стеновых панелей деревянных панельных жилых домов принимается совпадающим с геометрическим центром ребер этих панелей.
Нагрузка от стеновой панели вышерасположенного этажа прикладывается в центре опорной площадки. Положение остальных нагрузок определяется согласно
пп. 3.77 и
3.78 настоящего Руководства.
3.82. Усилия, вызывающие изгиб стены
(рис. 3) из плоскости, в случае, когда учитывается конечная жесткость горизонтальных стыков стеновых панелей при повороте, можно определять с использованием расчетной схемы в виде многоэтажной рамной системы с податливыми узлами сопряжения ригелей со стойками. При такой расчетной схеме усилия в сечениях стены определяются с учетом следующего:
а) равнодействующая вертикальной сжимающей нагрузки (
рис. 3, а), передаваемой стеновыми панелями вышерасположенного этажа, считается приложенной с эксцентриситетом относительно геометрического центра поперечного сечения стены и равна сумме конструктивного
eк и случайного
eсл эксцентриситетов.
Рис. 3. Расчетные схемы и эпюры
изгибающих моментов в стеновых панелях:
а - от вертикальных нагрузок; б - от горизонтальных
нагрузок; в - от перекрытий
Конструктивный эксцентриситет eк, учитывающий возможное несовпадение центра жесткости опорной площадки и физического центра поперечного сечения, определяется по формуле

(7)
где Yh - расстояние от геометрического центра поперечного сечения стеновой панели до грани, в сторону которой смещен центр жесткости опорной площадки (для сечений прямоугольной формы Yh = 0,5h);
Yоп - расстояние от центра жесткости опорной площадки до той же грани стеновой панели, что и при определении расстояния
Yh; для стыков, симметричных относительно вертикальной оси стены,
Yоп = 0,5; в остальных случаях расстояние
Yоп вычисляется по
формуле (21);

- принимается в соответствии с
п. 3.79 настоящего Руководства;

- жесткость горизонтального стыка при взаимном повороте стеновых панелей, определяемая в соответствии с
п. 3.84 настоящего Руководства;
iст - жесткость длины стены, определяемая по формуле
iст = Bст/Hэт, (8)
где Bст - жесткость поперечного сечения стеновой панели при изгибе ее из плоскости;
Hэт - высота этажа.
Случайный эксцентриситет eсл определяется по формуле

(9)
Здесь

(10)

(11)
где

- возможное взаимное смещение стеновых панелей, принимаемое равным 10 мм при монтаже с применением специальных фиксаторов, ограничивающих взаимное смещение стеновых панелей по их толщине, а также при контактном опирании панелей, когда видна хотя бы одна вертикальная грань стеновой панели нижнего этажа при установке на нее панели следующего этажа, в остальных случаях - 20 мм;

- возможное смещение опорных площадок перекрытий относительно проектного положения принимается равным при платформенном опирании перекрытий 20 мм, при контактном

;
iпер - средняя жесткость перекрытий, защемленных стеновыми панелями в платформенном стыке, определяемая по формуле

(12)
где Bпер.1, lпер.1 - соответственно изгибная жесткость поперечного сечения при изгибе из плоскости и расчетный пролет перекрытия, опертого на стену одной из сторон;
Bпер.2, lпер.2 - соответствующие величины для перекрытия, опертого на стену другой стороной.
При контактном горизонтальном стыке, если не обеспечено защемление перекрытий на опоре, следует принимать iпер = 0;
б) изгибающие моменты в стене
Mоп и
Mср от поперечной равномерно распределенной ветровой нагрузки
qст (см.
рис. 3, б) равны:

(13)
где Hо - высота этажа в свету (за вычетом толщины перекрытия).
Знак "плюс" в
формуле (13) принимается при выгибе панелей поперечной нагрузкой в сторону, куда смещен центр жесткости опорной площадки стеновой панели; знак "минус" - при смещении центра в противоположную сторону;
в) изгибающие моменты в стене
Mоп и
Mср от временной равномерно распределенной нагрузки на перекрытие (см.
рис. 3, в) равны:

(14)
где

,

- грузовые площади временной нагрузки на перекрытия, которые опираются на стену соответственно со стороны первого и второго участков опорной площадки горизонтального стыка (см.
п. 3.84);

,

- расчетные пролеты соответственно для перекрытий со стороны первого и второго участков опорной площадки горизонтального стыка.
Знак "плюс" в
формуле (14) для
Mоп принимается для верхнего, знак "минус" - для нижнего опорного сечения.
Временные нагрузки на перекрытия при расчете стен подсчитываются с учетом коэффициента

согласно
п. 3.21.
3.83. Эксцентриситеты
e0h в опорных сечениях стеновых панелей, подсчитанные по
формуле (5) с учетом суммарного действия всех нагрузок, должны удовлетворять условию

(15)
где K - суммарная жесткость при сжатии стыка, равная сумме коэффициентов жесткости при сжатии опорных площадок.
Если
условие (15) не выполняется, то горизонтальный шов в стыке между панелями обжат не по всей плоскости, что приводит к снижению жесткости. Допускается в этом случае принимать

.
3.84. Угол взаимного поворота стеновых панелей в уровне их горизонтального стыка определяется по формуле

(16)
где

- изгибающий момент в горизонтальном стыковом соединении стеновых панелей, вызывающий их взаимный поворот;

- коэффициент жесткости горизонтального стыка при взаимном повороте стеновых панелей, определяемый в зависимости от конструктивного решения стыка по
формулам (17) -
(20).

(17)
где
hкон - размер контактной площадки по толщине стены; при платформенном стыке с односторонним опиранием перекрытий
(рис. 5)

(18)
где
hпл - размер опорной площадки перекрытия; при платформенном стыке с двусторонним опиранием перекрытий, имеющих одинаковые опорные площадки (
рис. 6, а);

(19)
где Kпл - коэффициент жесткости одной опорной площадки перекрытия;
hпл - размер опорной площадки перекрытия;
при платформенном стыке с неодинаковыми опорными площадками перекрытий (
рис. 6, б)

(20)
где K1; K2 - коэффициенты жесткости соответственно первого и второго опорных участков стыка;
h1; h2 - размеры опорной площадки перекрытия соответствующих участков стыка по толщине стены;
hоп - суммарный размер всей опорной площадки (включая зазор между опорными участками) по толщине стены;
Yоп - расстояние от центра тяжести стыка до грани стены, к которой примыкает второй опорный участок:

(21)
а - наружной стеновой панели и панели цокольного перекрытия;
б - панелей внутренней стены и цокольного перекрытия
Рис. 5. Платформенный стык панелей наружных стен
и перекрытий (междуэтажных, цокольных, чердачных)
Рис. 6. Платформенный стык панелей
внутренних стен и перекрытий:
а - с панелями перекрытий разрезными;
б - то же, с неразрезными
При расчете по
формулам (20) и
(21) первым опорным участком следует считать меньшую из опорных площадок перекрытия.
3.85. При контактном опирании, когда сжимающая нагрузка передается непосредственно от одной стеновой панели к другой через шов между торцами стыкуемых стеновых панелей, жесткость контактного участка стыка (включая участок панели в пределах высоты перекрытия) Kкон определяется по формуле

(22)
где Fкон - площадь контактного участка горизонтального стыка;

- коэффициент податливости при сжатии шва между панелями, принимаемый по
табл. 28;
Hпер - высота перекрытий, опирающихся на стену за пределами контактного участка опирания;
Eст - модуль деформации (вдоль волокон) ребер стеновой панели.
Вид соединения | Деформация соединения  , мм |
На лобовых врубках и торец в торец | 1,5 |
На нагелях всех видов | 2,0 |
В примыканиях поперек волокон | 3,0 |
В клеевых соединениях | 0 |
При платформенном опирании, когда вертикальная нагрузка передается через швы и опорные участки перекрытий, коэффициент жесткости при сжатии каждого платформенного участка стыка Kпл определяется по 4е

(23)
где Fпл - площадь участка с платформенным опиранием стеновых панелей;
Eпер - модуль деформации (поперек волокон) ребер панели перекрытия, опирающейся на рассматриваемую площадку.
3.86. Деформация сжатия

горизонтального стыка определяется по формуле

(24)
где Nс - усилие сжатия в стыке;
Ki - коэффициент жесткости i-го участка горизонтального стыка;
n - число участков, через которые передается сжатие в горизонтальном стыке.
3.87. Деформация сдвига стыкового соединения панелей определяется как сумма деформаций сдвига, возникающих вдоль двух поверхностей контакта сопрягаемых панелей. Деформация сдвига

определяется по формуле

(25)
где T - усилие сдвига на стыковое соединение;

- коэффициент податливости соединения при сдвиге, определяемый в зависимости от конструкции стыкового соединения.
Величина

определяется по специальным указаниям или данным экспериментальных исследований.
3.88. Податливость при перекосе перемычек, являющихся связями сдвига между глухими участками стен, должна вычисляться с учетом изгиба в пределах высоты этажа простенков, в которые защемлены перемычки, и местных деформаций в узле примыкания перемычек к простенкам.
При расчете стены как системы пластинок с проемами податливость защемления опор учитывается непосредственно расчетной схемой.
При расчете стены как рамной системы с ригелями переменной жесткости (конечной в пределах длины проемов и бесконечно большой по длине глухих участков простенков) изгиб простенков в пределах высоты этажей учитывается расчетной схемой.
Если в пределах высоты этажа имеется две перемычки (над и под проемом), то при определении расчетной длины по
формуле (30) высота
hп принимается равной сумме высот перемычек.
3.89. При расчете стены как вертикальной составной системы перемычки, дискретно расположенные по высоте здания, заменяются эквивалентными по жесткости распределенными связями сдвига, жесткость которых вычисляется по формуле

(26)
где

- приведенный коэффициент податливости при перекосе перемычек, расположенных в рассматриваемом вертикальном сечении стены в пределах высоты этажа;
Hэт - высота этажа.
3.90. Для перемычек коэффициент податливости

можно определять по формуле

(27)
где

- коэффициент податливости при повороте связей, соединяющих перемычку с левым (правым) простенком

(28)
здесь n - расчетное число перемычек в пределах высоты этажа; для внутренних стен n = 1; для наружных стен, имеющих надпроемные и подпроемные перемычки, в случае конструктивного объединения перемычек специальными связями в единую перемычку n = 1; в случае, когда перемычки соединены только швом между панелями, n = 2;

- коэффициент податливости
i-й перемычки при защемлении в недеформируемые простенки, определяемый по формуле

(29)
здесь lп - расчетный пролет перемычки;
Bпi - изгибная жесткость i-й перемычки;
GFпi - сдвиговая жесткость i-й перемычки;
S1(2) - расстояние от середины пролета перемычки в свету до оси левого (правого) простенка, в который защемлена перемычка;

- коэффициент податливости левого (правого) простенка при местном изгибе его в пределах высоты этажа, определяемый по формуле

(30)
где Bст1(2) - изгибная жесткость горизонтального сечения левого (правого) простенка;
GFст1(2) - сдвиговая жесткость горизонтального сечения левого (правого) простенка.
Если длина в плане простенка превышает высоту этажа, то коэффициент податливости простенка

принимается равным нулю.
В случае платформенного стыка панелей стен и перекрытий изгибная жесткость надпроемной перемычки Bпi может определяться как сумма изгибаемых жесткостей собственно перемычки и примыкающих к ней с обеих сторон участков перекрытий, ширина которых принимается равной половине пролета перемычки, но не более шести толщин панели перекрытия. Сдвиговая жесткость GFп в этом случае определяется для прямоугольного сечения, высота которого равна сумме высоты перемычки hпi и толщины перекрытия Hпер, а ширина - толщине перемычки bпi.
При конструктивном обеспечении совместной работы перемычки и перекрытия на перекос как единого сечения жесткости bп определяется для таврового сечения, размеры свесов полок которого принимаются как для случая платформенного стыка, а сдвиговая жесткость - как исходная из площади стенки.
3.91. Расчетная длина (высота) стеновых панелей при однорядной разрезке вычисляется по формуле
l0 = Rпер·H0, (31)
где Rпер - коэффициент, учитывающий уменьшение расчетной длины за счет частичного защемления панелей в уровне перекрытий, принимаемый в интервале от 0,8 до 1;
H0 - высота этажа в свету за вычетом толщины перекрытий.
3.92. В панелях с проемами перемычка должна быть рассчитана на изгиб от вертикальных нагрузок (от опирающихся на перемычку перекрытий, балконов и т.п.) и на усилия перекоса, возникающие при изгибе стены в собственной плоскости.
При расчете на изгиб от вертикальных нагрузок перемычка рассматривается как балка с защемленными опорами. При расчете на перекос принимается, что нулевая точка эпюры моментов в перемычке смещена относительно середины пролета перемычки на величину
Xп, определяемую по
формуле (28).
В перемычках должна быть проверена прочность вертикальных сечений на изгиб и срез.
3.93. Расчетные вертикальные сечения принимаются расположенными в местах защемления перемычки и простенка (опорные сечения) и посередине пролета перемычки в свету. Вертикальные сечения проверяются на действие изгибающего момента.
Нормальные напряжения по верху надпроемной перемычки проверяются в опорном сечении от суммы моментов вертикальной нагрузки и от перекоса панели. Напряжения по низу надпроемной перемычки проверяются в среднем по изгибающему моменту от вертикальной нагрузки или в опорном сечении от перекоса панели.
В подпроемной (нижней) перемычке панели с оконным проемом нормальные напряжения проверяются только в опорном сечении на восприятие изгиба от перекоса панели.
Касательные напряжения и (или) напряжения смятия проверяются в опорных сечениях надпроемной перемычки от действия вертикальной нагрузки и перекоса панели. В нижней (подпроемной) перемычке проверка касательных и (или) сминающих напряжений производится только от действия перекоса панели.
3.94. Расчет прочности средних сечений стеновых панелей при центральном и внецентренном сжатии из плоскости стены выполняется согласно указаниям главы
СНиП по проектированию деревянных конструкций с учетом конструктивных требований и ограничений настоящего Руководства.
3.95. Расчет центрально сжатых элементов следует производить по формулам:
а) на прочность

(32)
б) на устойчивость

(33)
где Rс - расчетное сопротивление древесины сжатию вдоль волокон;

- коэффициент продольного изгиба, определяемый согласно
п. 3.96;
Fнт - площадь поперечного сечения нетто элемента;
Fрасч - расчетная площадь поперечного сечения для расчета на устойчивость, принимаемая равной:
при отсутствии ослаблений или при ослаблениях, не выходящих на кромку (
рис. 7, а), если площадь ослаблений не превышает 25%
Fбр;
Fрасч =
Fбр;
при ослаблениях, не выходящих на кромку, если площадь ослабления превышает 25% Fбр; Fрасч = 4/3Fнт;
при симметричных ослаблениях, выходящих на кромку (
рис. 7, б),
Fрасч =
Fнт.
Примечание. При несимметричном ослаблении, выходящем на кромку (
рис. 7, в), элементы рассчитываются как внецентренно сжатые.
Рис. 7. Ослабления сжатых элементов:
а - не выходящие на кромку; б - выходящие на кромку
симметричные; в - то же, несимметричные
при гибкости элемента


(34)
при гибкости элемента


(35)
где коэффициенты a = 0,8 для древесины и a = 1 для фанеры; коэффициенты A = 3000 для древесины и A = 2500 для фанеры.
Рис. 8. График для определения коэффициента
продольного изгиба:
1 - фанеры с A = 3000, a = 0,8;
2 - древесины с A = 2500, a = 1
3.97. Гибкость

цельных элементов определяются по формуле

(36)
где l0 - расчетная длина элемента;
r - радиус инерции сечения элемента с максимальными размерами брутто соответственно осей X и Y, определяемый по формуле

(37)
где Yбр и Fбр - соответственно момент инерции и площадь поперечного сечения брутто элемента.
3.98. Приведенную гибкость

составных элементов следует определять с учетом податливости соединений по формуле

(38)
где

- гибкость всего элемента относительно оси
Y (рис. 9), вычисленная по расчетной длине элемента
l0 без учета податливости;

- гибкость отдельной ветви относительно оси
X -
Y (рис. 9), вычисленная по расчетной длине ветви
l1, при
l1 менее семи толщин ветви принимают

;

- коэффициент приведения гибкости, определяемый по формуле

(39)
где b и h - соответственно ширина и высота поперечного сечения, м;
nш - расчетное количество швов в элементе, по которым суммируется взаимный сдвиг элементов (на
рис. 9, а - 4 шва, на
рис. 9, б - 5 швов);
l0 - расчетная длина элемента, м;
nс - расчетное количество срезов связей в одном шве на 1 м элемента (при нескольких швах с различными количествами срезов принимают среднее для всех швов количество срезов);
Kс - коэффициент податливости соединений, определяемый по
табл. 29.
Рис. 9. Схемы составных элементов:
а - с прокладками; б - без прокладок
Вид связей | Коэффициент при сжатии Kс |
центральном | с изгибом |
1. Гвозди | | |
2. Стальные цилиндрические нагели: | | |
а) диаметром <= 1/7 толщины соединяемых элементов | | |
б) диаметром > 1/7 толщины соединяемых элементов | | |
3. Клей | 0 | 0 |
При определении Kс диаметр гвоздей принимают не более 0,1 толщины соединяемых элементов. Если размер защемленных концов гвоздей менее 4d, то работу концов гвоздей не учитывают. Значение Kс для стальных цилиндрических нагелей определяют по толщине более тонкого из соединяемых элементов.
Связи в швах следует расставлять равномерно по длине элемента. В прямолинейных элементах сквозных конструкций допускается в средних четвертях длины ставить связи в половинном количестве, вводя в расчет по
формуле (39) величину
nс, принятую для крайних четвертей длины элемента.
Диаметры гвоздей и нагелей, толщину элементов a и ширину b принимают в сантиметрах.
Приведенную гибкость составного элемента, вычисленную по
формуле (38), не следует принимать более гибкости ветвей, соединенных связями (поставленными по конструктивным соображениям), определяемых по формуле

(40)
где

- сумма моментов инерции брутто поперечных сечений всех ветвей относительно их осей, параллельных оси
Y (см.
рис. 9);
Fбр - площадь поперечного сечения брутто элемента;
l0 - расчетная длина элемента.
Гибкость составного элемента относительно оси, проходящей через центры тяжести сечений всех его ветвей (например, ось
Y на
рис. 9), определяют как для цельного элемента, т.е. без учета податливости связей, если ветви нагружены равномерно. В случае неравномерно нагруженных ветвей следует руководствоваться
п. 3.99.
Если ветви составного элемента имеют различное сечение, то расчетную гибкость ветви в
формуле (37) следует принимать равной

(41)
Сжатые клееные элементы выполняют сплошными по длине (без прокладок) и рассчитывают как цельные.
3.99. Составные элементы на податливых соединениях, часть ветвей которых не оперта по концам или не закреплена в узлах, допускается рассчитывать на центральное и внецентренное сжатие по общим правилам, но с соблюдением следующих рекомендаций:
а) расчетный момент инерции и момент сопротивления поперечного сечения элемента относительно оси
Y (см.
рис. 9) определяется с учетом всех ветвей;
б) расчетный момент инерции J относительно оси X определяется по формуле
J = Jо + 0,5Jн.о, (42)
где Jо и Jн.о - моменты инерции поперечных сечений соответственно опертых и неопертых ветвей;
в) расчетная площадь поперечного сечения элемента определяется при центральном сжатии по сечению только опертых ветвей, а при внецентренном сжатии - по сечению только опертых ветвей, если проверяют эти ветви; по полному сечению элемента, если проверяют неопертые ветви.
3.100. Расчет на прочность внецентренно сжатых и сжато-изгибаемых элементов производят по формуле

(43)
где Mд - изгибающий момент от действия поперечных и продольных нагрузок, определяемый из расчета по деформированной схеме по формуле

(44)
где

- коэффициент, изменяющийся от 1 до 0, учитывающий влияние дополнительного момента от продольной силы при деформации элемента и определяемый по формуле

(45)
где M - изгибающий момент в расчетном сечении без учета дополнительного момента от продольной силы;
Wрасч - расчетный момент сопротивления, определяемый в соответствии с
п. 3.104.
При отношении напряжений изгиба к напряжениям сжатия менее 0,1 внецентренно сжатые элементы должны проверяться на устойчивость по
формуле (33) без учета изгибающего момента.
В случае когда в шарнирно-опертых элементах эпюры изгибающих моментов имеют треугольное или прямоугольное очертание, коэффициент

по
формуле (44) следует умножать на коэффициент
Kн, определяемый по формуле

(46)
где
- коэффициент, принимаемый равным при нагрузке в виде одной сосредоточенной силы в середине пролета

, при внецентренном сжатии

. В остальных случаях коэффициент

может приниматься равным 1.
При несимметричном загружении величина изгибающего момента
Mд для расчета прямолинейных элементов в
формуле (43) определяется по формуле

(47)
где Mс и Mк - соответственно изгибающие моменты в расчетном сечении от симметричной и кососимметричной составляющих нагрузок;

и

- коэффициенты, определяемые по
формуле (45), при гибкости, величины которой определяются по
формуле (36) для расчетной длины, соответствующей симметричной и кососимметричной формам изгиба.
3.101. В составных внецентренно сжатых и сжато-изгибаемых элементах следует проверять устойчивость наиболее напряженной ветви, если расчетная длина ее превышает семь толщин ветви по формуле

(48)
где

- коэффициент продольного изгиба для отдельной ветви, вычисленный по ее расчетной длине
l1 (см.
рис. 9);
Fбр и Wбр - соответственно площадь и момент сопротивления брутто поперечного сечения элемента.
Устойчивость внецентренно сжатого составного элемента в целом из плоскости изгиба допускается проверять по
формуле (33) без учета изгибающего момента.
3.102. Количество связей в шве nс на половине расчетной длины сжато-изгибаемого составного элемента при приложении сжимающей силы по всему сечению должно удовлетворять условию

(49)
где Sбр - статический момент брутто части поперечного сечения, отсекаемого рассматриваемым швом, относительно нейтральной оси;
Jбр - момент инерции брутто поперечного сечения элемента;
T1 - расчетная несущая способность одной связи в данном шве.
3.103. Гибкость деревянных элементов и их отдельных ветвей не должна превышать значений, указанных в
табл. 30.
Элементы конструкций | Предельная гибкость |
1. | Сжатые пояса, опорные раскосы и опорные стойки ферм, колонны, ребра несущих панелей стен | 120 |
2. | Прочие сжатые элементы ферм и других сквозных конструкций | 150 |
3. | Сжатые элементы связей | 200 |
4. | Растянутые пояса ферм в вертикальной плоскости | 150 |
5. | Прочие растянутые элементы ферм и других сквозных конструкций | 200 |
3.104. Расчетный момент сопротивления рассматриваемого поперечного сечения
Wрасч определяется для цельных элементов по площади сечения нетто. Расчетный момент сопротивления сечения составных элементов на податливых соединениях принимается равным моменту сопротивления нетто
Wнт, умноженному на коэффициент
Kw; значения
Kw для элементов, составленных из одинаковых слоев, приведены в
табл. 31. При определении
Wнт ослабления сечений, расположенных на участке элемента длиной до 200 мм, принимают совмещенными в одном сечении.
Обозначение коэффициентов | Число слоев в элементе | Коэффициенты для расчета изгибаемых составных элементов при пролетах, м |
2 | 4 | 6 | 9 и более |
Kw | 2 | 0,70 | 0,85 | 0,90 | 0,90 |
3 | 0,60 | 0,80 | 0,85 | 0,90 |
10 | 0,40 | 0,70 | 0,80 | 0,85 |
Kж | 2 | 0,45 | 0,65 | 0,75 | 0,80 |
3 | 0,25 | 0,50 | 0,60 | 0,70 |
10 | 0 | 0,20 | 0,30 | 0,40 |
Примечание. Для промежуточных значений пролета и числа слоев коэффициенты определяются интерполяцией.
3.105. Расчет клеефанерных и иных клееных элементов следует производить по сечению, приведенному к материалу, в котором проверяются напряжения.
3.106. Прочность растянутой фанерной обшивки панелей
(рис. 10) проверяется по сечению, приведенному к фанере по формуле

(50)
где M - расчетный изгибающий момент;
Rф.р - расчетное сопротивление фанеры растяжению;
mф - коэффициент, учитывающий снижение расчетного сопротивления в стыках фанерной обшивки и принимаемый равным при соединении на ус или с двусторонними накладками: mф = 0,6 для фанеры обычной и mф = 0,8 для фанеры бакелизированной; при отсутствии стыков mф = 1;
Wпр - момент сопротивления поперечного сечения, приведенного к фанере, определяемый по формуле

(51)
где Yо - расстояние от центра тяжести приведенного сечения до нижней грани обшивки;
Yпр - момент инерции сечения, приведенного к фанере:

(52)
где Yф - момент инерции фанерных обшивок;
Yд - момент инерции поперечного сечения деревянных ребер каркаса, при числе ребер n > 2Yд определяется для (n - 1) ребер;

- отношение модулей упругости древесины и фанеры.
Рис. 10. Поперечные сечения клеефанерных панелей
коробчатого сечения:
1 - ребра; 2 - обшивки
При определении приведенных моментов инерции и приведенных моментов сопротивления расчетная ширина фанерных обшивок принимается равной
bрасч = 0,9 при
l >= 6
a и

при
l < 6
a (
b - полная ширина панели;
l - пролет панели;
a - расстояние между ребрами).
3.107. Устойчивость фанерной сжатой обшивки панелей проверяется по формуле

(53)
где
(
a - расстояние между ребрами в свету;

- толщина фанеры).
Верхняя обшивка панелей перекрытий дополнительно проверяется на местный изгиб от сосредоточенного груза P = 1200 Н (120 кг), как заделанная в местах приклеивания к ребрам балка шириной 100 см.
3.108. Проверка на скалывание ребер каркаса панелей или обшивки по клеевому слою в месте примыкания ее к ребрам производится по формуле

(54)
где Q - расчетная поперечная сила;
Sпр - статический момент сдвигаемой части приведенного сечения относительно нейтральной оси;
Rск - расчетное сопротивление скалыванию древесины вдоль волокон или фанеры вдоль волокон наружных слоев;
bрасч - расчетная ширина сечения, принимаемая при числе ребер n > 2, равной суммарной ширине (n - 1) ребер каркаса, а при n = 2 - суммарной ширине двух ребер.
3.109. Расчетная прочность поясов элементов (клееных балок) двутаврового и коробчатого сечений
(рис. 11) проверяется по приведенному к материалу поясов сечению. Напряжения в растянутом поясе не должны превышать расчетных сопротивлений растяжению
Rр, а в сжатом - расчетных сопротивлений сжатию
Rс.
Рис. 11. Поперечные сечения клееных балок
с плоской фанерной стенкой:
а - двутаврового сечения; б - коробчатого сечения
с соединением фанеры с полкой в "шпунт"
(на трапецеидальный паз)
3.110. Прочность фанерной стенки и вертикальных швов между поясами и стенкой двутаврового и коробчатого сечений проверяется по приведенному к материалу стенки (фанера) сечению по
формуле (54).
При проверке стенки на срез по нейтральной оси в
формуле (54) значения
Rск =
Rф.ср, а расчетная ширина сечения
bрасч принимается равной

(55)
где

- суммарная толщина стенок.
При проверке скалывания по швам между поясами и стенкой в
формуле (54) Rск =
Rф.ск, а расчетная ширина сечения
bрасч принимается равной
bрасч = nhп, (56)
где hп - высота поясов;
n - число вертикальных швов.
Прочность соединения на трапецеидальный паз фанерной стенки с полкой ребра клеефанерной панели

проверяется по формуле

(57)
где Q - поперечная сила на опоре панели;
Sпр - статический момент сдвигаемой части (фанерной обшивки и деревянных полок) относительно нейтральной оси, приведенный к материалу древесины;
Jпр - момент инерции поперечного сечения панели, приведенный к материалу древесины;
1,1 - коэффициент, учитывающий влияние отрывающих напряжений между нижней полкой и фанерной стенкой ребра;
t - глубина заделки фанерной стенки в полку ребра;
n - число продольных ребер в панели;
mн - коэффициент непроклея (mн = 0,6);
Rск - расчетное сопротивление древесины полок продольных ребер скалыванию вдоль волокон;

- коэффициент, учитывающий влияние разрывов в фанерной стенке ребра;

- суммарная величина разрывов в фанерной стенке ребра;
l - пролет панели (ребра).
3.111. Устойчивость фанерных стенок с продольным по отношению к оси элемента расположением волокон наружных слоев следует проверять на действие касательных и нормальных напряжений при условии

(58)
где hст - высота стенки между внутренними гранями полок;

- толщина стенки.
Расчет следует производить по формуле

(59)
где
Kи и

- коэффициенты, определяемые соответственно по
рис. 12 и
13;
hрасч - расчетная высота стенки, принимаемая равной hст при расстоянии между ребрами a >= hст и равной a при a < hст.
Рис. 12. График для определения коэффициента
Kи
(при расположении волокон в наружных слоях
фанеры вдоль пролета):
1 - бакелизированной фанеры марок ФБС и ФБСВ, толщиной
7 мм и более; 2 - березовой фанеры марки ФСФ,
толщиной 8 мм и более

, где
a - расстояние между ребрами жесткости балки;
hст - высота стенки между внутренними гранями полок
Рис. 13. График для определения

:
1 - бакелизированной фанеры марок ФБС и ФБСВ, толщиной 7 мм
и более при направлении волокон наружных слоев параллельно
малой стороне панели; 2 - то же, перпендикулярно малой
стороне панели; 3 - березовой фанеры марки ФСФ толщиной
8 мм и более при направлении волокон наружных слоев
параллельно малой стороне панели; 4 - то же,
перпендикулярно малой стороне панели
При поперечном по отношению к оси элемента расположении наружных волокон стенки проверка устойчивости производится по
формуле (59) на действие только касательных напряжений в тех случаях, когда выполняется условие

(60)
Проверка устойчивости фанерной стенки (ребра панели,
рис. 14) у опорной части при отношении длины отрезка фанерной стенки к ее высоте свыше 3 выполняется по формуле

(61)
где Sпр.ф - статический момент сдвигаемой части, приведенный к материалу фанеры стенки продольного ребра, относительно нейтральной оси;
Jпр.ф - момент инерции поперечного сечения панели, приведенный к материалу фанеры стенки продольного ребра;

- суммарная толщина фанерных стенок продольных (несущих) ребер панели;

- критические сдвигаемые напряжения.
Рис. 14. Клееная балка с прерывистой фанерной стенкой
(ребро панели):
а - общий вид; б - сечения;
в - узел соединения фанеры с полкой
Критические сдвигающие напряжения проверяются по формуле

(62)
где hст - высота фанерной стенки;
где

- толщина фанерной стенки;

;

- модули упругости фанеры стенки в направлении соответственно поперек и вдоль оси элемента (ребра);
Gф - модуль сдвига фанеры стенки;
0,6 - коэффициент, учитывающий снижение модуля упругости (сдвига) во времени при действии нагрузки;

;

- коэффициенты Пуассона фанеры стенки в направлении соответственно поперек и вдоль оси элемента (ребра).
Сдвигающие напряжения не должны превышать расчетного сопротивления фанеры стенки срезу в направлении поперек оси элемента (ребра), т.е.

(63)
| | ИС МЕГАНОРМ: примечание. В официальном тексте документа, видимо, допущена опечатка: пункты 14.8, 14.9 отсутствуют. | |
3.112. Расчет панелей стен и перегородок на сжатие с учетом работы обшивок из древесных плит (пп. 14.8, 14.9) выполняется согласно
пп. 3.95 -
3.104, исходя из приведенных значений ширины обшивок
bпр, площадей поперечного сечения
Fпр, моментов инерции
Jпр, моментов сопротивления W
пр и статических моментов
Sпр сечения панели (см.
п. 3.106).
Положение нейтральной оси определяется по формуле

(64)
где Sдр; Sобщ; Fдр; Fобщ - соответственно приведены статические моменты и площади поперечных сечений материалов древесины и обшивок;
Kпр - коэффициент приведения к более напряженному материалу (см.
п. 3.106).
3.113. Деформации деревянных конструкций или их отдельных элементов определяются в предположении упругой работы материала с учетом в необходимых случаях податливости соединений. Величина деформаций податливого соединения принимается по
табл. 28,
29, а при неполном использовании его несущей способности - пропорционально действующему на соединение усилию.
Деформации (прогиб) элементов зданий и сооружений не должны превышать величин, приведенных в
табл. 32.
Элементы конструкций | Предельные прогибы в долях пролета, не более |
1. | Балки междуэтажных перекрытий | 1/250 |
2. | Балки чердачных перекрытий | 1/200 |
3. | Покрытия (кроме ендов): | |
а) прогоны, стропильные ноги | 1/200 |
б) балки консольные | 1/150 |
в) фермы, клееные балки (кроме консольных) | 1/300 |
г) панели | 1/250 |
д) обрешетки, настилы | 1/400 |
4. | Несущие элементы ендов | 1/400 |
5. | Панели стен | 1/250 |
Примечания: 1. При наличии штукатурки прогиб элементов перекрытий от действия только длительной временной нагрузки не должен превышать 1/350 пролета.
2. При наличии строительного подъема предельный прогиб клееных балок допускается увеличивать до 1/200 пролета.
3.114. Определение прогиба элементов производится по моменту инерции поперечного сечения брутто. Для составных сечений момент инерции умножается на коэффициент
Kж, учитывающий сдвиг податливых соединений, приведенный в
табл. 31.
3.115. Прогиб сжато-изгибаемых элементов fн определяется по формуле

(65)
3.116. Прогиб клеефанерных элементов определяется по приведенному сечению. Расчетная ширина обшивок панелей при определении прогиба принимается в соответствии с
п. 3.106.
РАСЧЕТ ПАНЕЛЕЙ ПЕРЕКРЫТИЙ
3.117. Расчет коробчатых панелей перекрытий (цокольных, междуэтажных и чердачных) производится на нагрузки, вызывающие их изгиб из плоскости плиты. Кроме того, панели перекрытий, их связи между собой и с панелями стен должны быть рассчитаны по прочности на усилия, возникающие в плоскости перекрытий при действии на здание горизонтальных нагрузок и неравномерных деформаций основания.
3.118. Панели перекрытия с ребрами прямоугольного сплошного сечения должны быть проверены на нагрузки, вызывающие их изгиб из плоскости, по предельным состояниям первой и второй групп.
3.119. По предельным состояниям первой группы
(рис. 15) проверке подлежат:
прочность ребер на сжатие и растяжение при изгибе вдоль пролета панели:

(66)

(67)
прочность растянутой обшивки при изгибе вдоль пролета панели:

(68)

(69)
устойчивость верхней обшивки при сжатии от изгиба вдоль пролета

(70)
смятие опорной площадки нижней обшивки

(71)
смятие опорной площадки ребра

(72)
скалывание клеевого шва между ребрами и обшивками:

(73)

(74)

(75)

(76)
скалывание цельного ребра

(77)
Рис. 15. Схема расчетного сечения перекрытия
и распределения деформаций и напряжений в ней
при расчете по предельным состояниям первой группы
Mx и
My - изгибающий момент от
комбинаций нагрузок N 1,
5,
10,
12,
13 табл. 14 настоящего Руководства, действующих на грузовую площадь
Bгр ребра;

,

,

,

- наибольшие относительные продольные деформации ребра и обшивок, подсчитанные в предположении линейного их изменения по высоте панели (это предположение оправдано независимо от разницы модулей сдвига материалов ребра и обшивок, если толщина каждой из обшивок не превышает 1/10 высоты ребра;
Eр,
Eн,
Eв - модули упругости соответственно ребра, нижней и верхней обшивок;

,

,
Yн,
Yв,
tн,
tв,
bр - геометрические характеристики сечений, приведенные на
рис. 15;
Jпр.р - момент инерции сечения, приведенный к материалу ребра;

,

,

,

,

,

,

,

,

,

,

,

,

,

,

,

,

,

,

,

- соответственно напряжения (подсчитанные в предположении упругой работы материала

и расчетные сопротивления: ребра на сжатие и на растяжение, нижней обшивки на растяжение, верхней обшивки на изгиб поперек ребер, верхней обшивки на сжатие, нижней обшивки на смятие, ребра на смятие, клеевого шва на скалывание, верхней и нижней обшивок на скалывание и ребра на скалывание;
mп - коэффициент, учитывающий монтажные нагрузки и принимаемый в соответствии с
п. 3.60 настоящего Руководства;

,

- коэффициенты соответственно продольного изгиба верхней обшивки, принимаемый по
п. 3.107 настоящего Руководства, и приведения ширины верхней обшивки, принимаемый при отсутствии других обоснованных данных равным 0,9;
lоп - минимальная длина площадки опирания панели перекрытия;
Q - поперечная сила при
комбинациях нагрузок N 1,
5,
10,
12,
13 табл. 14 настоящего Руководства;

,

,
S - статические моменты отсеченного сечения соответственно на уровне низа верхней обшивки, верха нижней обшивки и нейтральной оси приведенного сечения;
Gв,
Gн,
Gр - модули сдвига материалов соответственно верхней и нижней обшивок и ребра;

- суммарная расчетная сосредоточенная нагрузка на опорную зону ребра панели от действия вышерасположенных конструкций.
3.120. По предельным состояниям второй группы проверке подлежат:

(78)
дополнительный абсолютный прогиб панели от невыгодно приложенных сосредоточенных нагрузок по
комбинации N 11 табл. 14 (проверка на зыбкость)
f <= [f], (79)
где f - прогиб от действия соответствующей нагрузки;
l - расчетный пролет панели, принимаемый для разрезных панелей, равным lф - lоп, а для неразрезных lф, lф - lоп/2 - номинальная длина панели;

- допускаемый относительный прогиб панелей перекрытий, принимаемый в соответствии с
п. 3.113 настоящего Руководства;
[f] - порог зыбкости перекрытия, принимаемый равным 0,5 мм.
3.121. Панели перекрытий с тонкостенными ребрами коробчатого или двутаврового сечения, изготовленные с применением в стенках ребер фанеры или древесных плит ДСП, ДВП, ЦСП и др., должны быть дополнительно проверены по предельным состояниям первой группы на прочность клеевого шва между полками и стенкой ребра и на устойчивость стенки ребер с учетом различий в модулях упругости и сдвига применяемых материалов.
3.122. Ребристые (каркасные) панели перекрытий деревянных панельных домов рассматриваются как балочные плиты, опертые по двум противоположным сторонам.
3.123. При определении деформаций панелей перекрытий нагрузка от веса расположенных на них ненесущих наружных стен и перегородок учитывается следующим образом:
а) от панельных наружных стен и жестких перегородок принимается сосредоточенной по концам стен или перегородок, а при наличии проемов - у краев проемов;
б) для других перегородок - 60% веса распределенного по длине перегородки (на участках между проемами) и 40% - сосредоточенного по концам перегородок и у краев проемов.
Сосредоточенные нагрузки от наружных стен и перегородок допускается заменять равномерно распределенными нагрузками, эквивалентными по величине изгибающим моментам в перекрытиях.
3.124. Прочность панелей перекрытий без специальных связей, обеспечивающих неразрезность перекрытий на опорах, проверяется как для свободно опертых плит без учета защемления на опорах.
3.125. Прогибы панелей перекрытий определяются от постоянных и длительных временных нагрузок (см.
п. 3.17 настоящего Руководства) с коэффициентами перегрузок, равными единице.
Прогибы от собственной массы панелей перекрытий и постоянных нагрузок, прикладываемых до монтажа выше расположенного перекрытия, определяются как для свободно опертых плит. Прогибы от остальных постоянных и длительных временных нагрузок в случае платформенного стыка панелей стен и перекрытий или при конструктивном обеспечении неразрезности перекрытий допускается определять с учетом защемления панелей.
3.126. Расчет на прочность изгибаемых элементов, обеспеченных от потери устойчивости плоской формы изгиба, выполненный в панелях с двумя обшивками, производится по формуле

(80)
где M - расчетный изгибающий момент;
Rи - расчетное сопротивление древесины изгибу.
3.127. Расчет изгибаемых элементов на скалывание древесины производится по формуле

(81)
где Q - расчетная поперечная сила;
Sбр - статический момент брутто части поперечного сечения элемента, расположенного выше (ниже) рассматриваемого сечения, относительно нейтральной оси;
Jбр - момент инерции брутто поперечного сечения относительно нейтральной оси;
b - ширина сечения на проверяемом уровне;
Rск - расчетное сопротивление древесины скалыванию вдоль волокон при изгибе.
3.128. Количество связей
nс, равномерно расставленных в каждом шве изгибаемых составных элементов на участке с приращением величины изгибающего момента

при распределенной по длине участка или эквивалентной ей нагрузке, должно удовлетворять условию

(82)
где T1 - расчетная несущая способность одной связи в шве. При наличии связей разной несущей способности (например, нагелей и гвоздей), но одинаковых по характеру работы, их несущие способности суммируются.
Не допускается учитывать совместную работу на сдвиг соединений на клею с податливыми соединениями на связях (на гвоздях, нагелях, с вклеенными стержнями и др.).
3.129. Проверка устойчивости плоской формы изгиба изгибаемых элементов прямоугольного сечения производится в тех случаях, когда

по
формуле (85) меньше 1 или

(83)
где lр - расстояние между сечениями элемента, закрепленного от смещений из плоскости изгиба и от поворотов относительно центральной оси, или расстояние между точками сжатой кромки, закрепленной от смещения из плоскости;
b - ширина поперечного сечения;
h - высота поперечного сечения.
Расчет следует производить по формуле

(84)
где M - изгибающий момент в расчетном сечении;
Wрасч - расчетный момент сопротивления (см.
п. 3.104);

- коэффициент, учитывающий влияние изгибающего момента на устойчивость плоской формы изгиба, определяемый для элементов постоянного поперечного сечения по формуле

(85)
но не более 1,
где
Kф - коэффициент, учитывающий форму эпюры изгибающих моментов и определяемый по главе
СНиП на проектирование деревянных конструкций
(табл. 33).
Форма эпюры моментов | Коэффициент Kф при шарнирном закреплении | Коэффициент Kжм для балок |
только опорных сечений | растянутой грани в пролете | односкатных | двускатных симметричных |
| 1 | 1 | | |
| 1,75 - 0,75 | | | |
| | | | |
| | | | |
| 1,13 | 1,13 | | |
| 2,54 | 2,32 | | |
Примечание. h, h0 - высота балки соответственно максимальная и минимальная.
При подкреплении из плоскости изгиба в промежуточных точках растянутой кромки элемента на участке
lр коэффициент

, определяемый по
формуле (85), следует умножать на коэффициент
Kп.м

(86)
где
m - число подкрепленных (с одинаковым шагом) точек растянутой кромки на участке
lр (при
m >= 4 величину

следует принимать равной 1).
3.130. Проверка прочности с учетом устойчивости плоской формы изгиба элементов двутаврового или коробчатого поперечного сечения производится в тех случаях, когда
lр >= 7b, (87)
где b - ширина сжатого пояса поперечного сечения.
Расчет прочности следует производить по формуле

(88)
где

- коэффициент продольного изгиба из плоскости изгиба сжатого пояса элемента, определяемый в соответствии с
пп. 3.96 и
3.97 настоящего Руководства;
Rс - расчетное сопротивление сжатию;
Wрасч - расчетный момент сопротивления поперечного сечения (в случае фанерных стенок - приведенный момент сопротивления) в плоскости изгиба элемента.
3.131. Проверку прочности растянутых и сжатых обшивок панелей, устойчивости сжатой обшивки, скалыванию ребер каркаса и прочности поясов и устойчивости стенок ребер следует производить в соответствии с
пп. 3.119,
3.127,
3.130 и
3.136 настоящего Руководства.
3.132. Прочность стенки в опасном сечении на действие главных растягивающих напряжений в изгибаемых элементах двутаврового и коробчатого сечений проверяется по сечению, приведенному к материалу стенки, по формуле

(89)
где

- расчетное сопротивление фанеры растяжению под углом

, определяемое по
графику 16;

- нормальное напряжение в стенке от изгиба на уровне внутренней кромки поясов;

- касательные напряжения в стенке на уровне внутренней кромки поясов;

- угол, определяемый из зависимости

(90)
Рис. 16. График для определения расчетных сопротивлений
при растяжении под углом

к волокнам наружных слоев
березовой фанеры марки ФСФ:
а - семислойной; б - пятислойной
3.133. Прогиб элементов определяется по моменту инерции поперечного сечения брутто. Для составных сечений момент инерции умножается на коэффициент
Kж, учитывающий сдвиг податливых соединений, приведенный в
табл. 31.
Прогиб изгибаемых элементов постоянного и переменного сечений с учетом касательных напряжений (при h/l = 1/20) определяется по формуле

(91)
где f0 - прогиб балки постоянного сечения высотой h0 от нормальных напряжений при изгибе;
h - наибольшая высота сечения;
l - пролет балки;
K - коэффициент, учитывающий влияние переменности высоты сечения, принимаемый равным 1 для балок постоянного сечения;
C - коэффициент, учитывающий влияние поперечной силы.
Значения коэффициентов
K и
C для основных расчетных схем балок приведены в главе
СНиП на проектирование деревянных конструкций
(табл. 34).
Поперечное сечение балки | Расчетная схема | Коэффициенты для вычисления прогибов балки |
K | C |
Прямоугольное | | | 0 |
" | | | |
" | | | |
" | | | |
Двутавровое | | | |
Прямоугольное | | | |
" | | | |
Примечание.

- отношение площади поясов к площади стенки двутавровой балки (высота стенки принимается между центрами тяжести полосы).
Прогиб плит с клеефанерными ребрами и фанерными обшивками определяется с учетом длительного действия нагрузки по формуле
f = K0(fк + Cfд), (92)
где fк - прогиб от кратковременной нагрузки;
fд - кратковременный прогиб от длительной нагрузки;
C - коэффициент, учитывающий деформации, развивающиеся во времени (для панелей с приклеенными верхней и нижней обшивками C = 2,4; с приклеенной одной обшивкой C = 1,68). Для панелей, у которых листовые обшивки не участвуют в работе продольных ребер (обшивки крепятся к каркасу панели шурупами или гвоздями), C = 1,7.
Прогибы fк и fд определяются с учетом влияния поперечных сил. При равномерно распределенной нагрузке:

(93)

(94)
где pн, qн - нормативные соответственно кратковременная и длительная нагрузки;
l - пролет панели;
Eд - модуль упругости древесины полок;
Jпр - момент инерции поперечного сечения панели, приведенный к материалу древесины полок;

- коэффициент формы сдвига;
Fпр.ф - площадь поперечного сечения панели, приведенная к материалу фанеры стенок ребер;
Fф - площадь поперечного сечения фанерных стенок продольных ребер.
3.134. Подбор оптимальных по расходу материала сечений сплошных изгибаемых ребер панелей из цельной или клееной древесины, в которых обшивки не учитываются из-за податливости их соединения с ребрами, малого модуля упругости, непостоянства механических свойств во времени или по другим причинам, с учетом ограничений по прочности срезу и смятию на опорах, прогибу и зыбкости и др. можно выполнять с использованием номограммы и пояснения к ней, приведенных в
прил. 8. Эта же номограмма может служить для оценки экономичности принятого сечения по сравнению с минимально возможным.
3.135. Массивные ребра панелей перекрытий, используемые в качестве затяжки стропил в мансардных зданиях и других случаях, рассчитываются по формуле

(95)
где
Wрасч - расчетный момент сопротивления поперечного сечения (см.
п. 3.104).
Для предотвращения возникновения или уменьшения изгибающих моментов в несимметрично ослабленных сечениях растянутых элементов следует производить центровку усилий по ослабленному сечению. При полной центровке элемент рассчитывается на центральное растяжение по ослабленному сечению.
3.136. Проверку прочности на изгиб панели коробчатого сечения с симметричными обшивками, прикрепленными на гвоздях или нагелях к сплошному деревянному ребру, можно производить на основе приближенных формул с использованием расчета по теории составных стержней с податливыми связями сдвига

(96)

(97)
где

,

,
Rобщ,
Rи - соответственно нормальные напряжения и расчетные сопротивления обшивки на сжатие-растяжение и древесины на изгиб;

;
Jприв.др - моменты инерции расчетного поперечного сечения панели, приведенные к материалу обшивки к древесине и подсчитанные как для сплошного сечения, т.е. без учета податливости соединения обшивок с ребром;

,

- сумма моментов инерции отдельных обшивок и ребра, приведенных к материалу обшивок и древесины;
h,

,
hс - геометрические параметры сечения;

- коэффициент, учитывающий податливость соединения на гвоздях или шурупах обшивок с деревянным ребром, равный:

(98)
здесь l - расчетная длина балки;

(99)
где Eобщ, Fобщ - соответственно модуль упругости и площадь сечения одной из обшивок;
U - расстояние между центрами тяжести элементов сечения;

- сумма изгибных жесткостей отдельных элементов сечения;
Ш - шаг расстановки шурупов или гвоздей;
Tmin - минимальная несущая способность шурупа или гвоздя в односрезном соединении обшивки с ребром, принимаемая в соответствии с главой
СНиП на проектирование деревянных конструкций и специальным указаниям, касающимся прочности этих соединений в новых соединениях и новых листовых материалах на основе древесины;
V - предельная деформативность соединений на шурупах или гвоздях при полном использовании их несущей способности, принимаемая по
табл. 28 настоящего Руководства.
РАСЧЕТ КОНСТРУКЦИЙ КРОВЛИ
3.137. Несущие конструкции кровли в 1-й конструктивной системе зданий принимаются в виде деревянных ферм, а в остальных конструктивных системах - в виде стропил, сечение которых рекомендуется назначать с учетом принятых сечений панелей перекрытий и (или) ребер панелей стен.
3.138. Для возможности использования избыточной прочности крайних ребер панелей стен рекомендуется шаг стропил и ферм принимать равным длине стеновых панелей 12М или 24М (кроме панелей размером на стену, где шаг стропил принимается равным 12М).
3.139. Уклон верхнего пояса ферм рекомендуется принимать согласно
п. 2.84 и
табл. 7 настоящего Руководства, а их высоту между осями поясов в середине пролета не менее 1/5 пролета в деревянных треугольных фермах из брусьев, 1/6 пролета в деревянных сегментных, многоугольных фермах со стыками в поясах.
3.140. Фермы, имеющие указанные в
п. 3.139 соотношения размеров высоты и пролета, при узловой нагрузке рассчитываются в предположении шарнирного соединения узлов; проверку прогиба ферм при этом допускается не производить.
Фермы с неразрезными поясами и внеузловой нагрузкой и имеющие пониженную высоту рассчитываются с учетом дополнительных напряжений, возникающих в неразрезных поясах в результате прогиба ферм, определяемого с учетом податливости соединений. Фермам придается строительный подъем, равный 1/200 пролета.
3.141. Расчетную длину сжатых элементов ферм при расчете их на устойчивость принимают равной расстоянию между центрами узлов или иных закрепленных прогонов, связей и т.п.
3.142. Элементы решетки ферм следует центрировать в узлах. Внецентренное прикрепление элементов решетки к поясам допускается как исключение в системах со слабо работающей решеткой.
При эксцентричном решении узлов необходимо учитывать возникающие в поясах изгибающие моменты. При отсутствии в поясе стыка вблизи узла фермы значения момента следует принимать распределенными между двумя смежными панелями пояса; при наличии стыка в одной из панелей у рассматриваемого узла момент должен полностью восприниматься панелью, не имеющей стыка. Влияние узлового момента на соседние узлы не учитывают. Стыки сжатых поясов ферм рекомендуется устраивать в узлах или вблизи узлов, закрепляющих пояса от выхода из плоскости системы; стыки должны быть перекрыты деревянными накладками на болтах.
Расчетный изгибающий момент Me в узле пояса определяют как произведение разности расчетных усилий в смежных панелях пояса на величину эксцентриситета

(100)
где e - расстояние от точки пересечения осей элементов решетки до оси пояса.
Разность усилий в смежных панелях пояса определяют для случаев полного и одностороннего расположения временной (снеговой) нагрузки.
3.143. Площадь рабочего поперечного сечения нетто основных деревянных элементов стержневых несущих конструкций должна быть не менее 0,005 м2 и не менее 0,5 полной площади сечения брутто при симметричном и 0,67 - при несимметричном ослаблении.
3.144. Сжатые пояса плоских конструкций рекомендуется закреплять временными связями жесткости на период монтажа и постоянными связями жесткости, панелями покрытия, прогонами, косым настилом и т.п. при эксплуатации.
3.145. Элементы деревянных конструкций следует центрировать в узлах, стыках и опорах, за исключением тех случаев, когда предусматривают эксцентричное примыкание элементов для уменьшения действующего в них изгибающего момента от межузловой нагрузки.
3.146. Деревянные фермы для деревянных панельных домов рекомендуется изготовлять с соединением стержней на металлических зубчатых пластинах (МЗП).
3.147. МЗП допускается применять для соединения элементов, относящихся к группам А
1, А
2, Б
1, согласно главе
СНиП на проектирование деревянных конструкций.
3.148. При проектировании элементов деревянных панельных домов необходимо стремиться к минимальному числу типоразмеров МЗП.
3.149. Деревянные элементы, соединяемые в одном узле, калибруются по толщине с предельным отклонением не более +/- 1 мм.
3.150. В зоне соединения допускаются пороки, установленные для пиломатериалов 1-го и 2-го сорта.
3.151. В каждом отдельном узле с обеих сторон необходимо применять пластины одного типа и размера.
3.152. Пластины должны изготовляться из листовой стали марки Ст.10 по ГОСТ 16523-70. Вид термообработки штампованных пластин - отжиг. Зуб пластины должен выдерживать изгибы на угол 45° в обе стороны от перпендикулярного его положения в количестве не менее 85% по отношению к нештампованному металлу такого же размера. Несущую способность металла пластины на растяжение следует принимать 250 МПа (2500 кгс/см2), на срез - 100 МПа (1000 кгс/см2).
3.153. Расположение пластины в узлах должно обеспечивать расстояние от кромки деревянной детали до зуба не менее 10 мм. Зубья, находящиеся на расстоянии менее 10 мм от линии сопряжения деревянных деталей, в расчет не принимаются.
3.154. Пластины не должны иметь:
надрезов, трещин и смятия основания зуба;
изгибов в плоскости зуба;
неперпендикулярность зуба к плоскости пластин свыше +/- 3°;
искривления поверхности пластины по длине свыше 8, по ширине свыше 3 мм.
Уменьшение толщины в месте отгиба зуба должно быть не более 3%.
3.155. Пластины должны иметь антикоррозионное покрытие. Покрытие должно обеспечивать защиту от коррозии в условиях эксплуатации, отнесенной к средней группе по ГОСТ 14007-68 с видом покрытия по ГОСТ 14623-69.
3.156. Запрессовка МЗП в древесину должна производиться при одновременном прикладывании усилия по всей плоскости пластины. Вдавливание или забивка пластин частями не допускается.
3.157. Несущая способность одного зуба МЗП, Н (кгс), при влажности древесины до 20% определяется по
табл. 35.
Угол между направлением усилия и направлением волокон древесины  , град | Усилие на 1 зуб пластины Н, (кгс), при угле между направлением усилия и главной осью пластины  , град |
0 | 15 | 30 | 45 | 60 | 75 | 90 |
0 | 180 (18) | 170 (17) | 160 (16) | 150 (15) | 130 (13) | 120 (12) | 110 (11) |
15 | 150 (15) | 150 (15) | 150 (15) | 150 (15) | 150 (15) | 130 (13) | 120 (12) |
30 | 110 (11) | 110 (11) | 110 (11) | 110 (11) | 110 (11) | 110 (11) | 110 (11) |
45 - 90 | 90 (9) | 90 (9) | 90 (9) | 90 (9) | 90 (9) | 90 (9) | 90 (9) |
Пластину в узле следует по возможности располагать так, чтобы углы

и

были равны нулю.
Если пластина от линии сопряжения содержит свыше 5 рядов, то несущая способность зуба при

снижается на коэффициент неравномерности

.
При условиях эксплуатации конструкций, отнесенных к группе Б3, изготовление несущих элементов конструкций допускается из древесины с влажностью до 25% включительно. Несущая способность одного зуба МЗП, Н (кгс), при влажности древесины от 21 до 25% определяется по
табл. 36.
Угол между направлением усилия и направлением волокон древесины  , град | Усилие на 1 зуб пластины, Н (кгс), при угле между направлением усилия и главной осью пластины  , град |
0 | 15 | 30 | 45 | 60 | 75 | 90 |
0 | 160 (16) | 160 (16) | 160 (16) | 150 (15) | 130 (13) | 120 (12) | 110 (11) |
15 | 120 (12) | 120 (12) | 120 (12) | 120 (12) | 120 (12) | 120 (12) | 120 (12) |
30 | 100 (10) | 100 (10) | 100 (10) | 100 (10) | 100 (10) | 100 (10) | 100 (10) |
45 - 90 | 75 (7,5) | 75 (7,5) | 75 (7,5) | 75 (7,5) | 75 (7,5) | 75 (7,5) | 75 (7,5) |
3.158. Несущая способность соединения должна удовлетворять условию
N = Pрасчn, (101)
где N - усилие в элементе конструкции;
Pрасч - несущая способность зуба пластины согласно
табл. 34 или
36;
n - количество зубьев пластины, принимаемое в каждой соединяемой детали.
3.159. МЗП должны полностью и центрированно перекрывать зону стыка. Пример расчета узлов ферм приведен в
прил. 9.
3.160. Сечения элементов ферм рекомендуется подбирать с учетом их унификации и оптимизации из условий минимального расхода древесины. Подбор оптимальных по расходу древесины сечений сжатых элементов при отыскании обоих размеров сечения и при одном заданном размере сечения, а также оценку рациональности принятых решений следует производить согласно
прил. 8 настоящего Руководства.
3.161. Сечения прогонов или обрешетки кровли следует проверять по прочности из условия

(102)
где Mx, My - составляющие расчетного изгибающего момента для главных осей сечений прогона;
Wx, Wy - моменты сопротивления прогонов поперечного сечения нетто относительно осей X, Y.
3.162. Проверку прогонов и обрешетки кровли по жесткости следует выполнять из условия

(103)
где fx, fy - составляющие прогиба вдоль главных осей сечения, направленных перпендикулярно и вдоль ската кровли;
l - пролет прогона;

- предельный относительный прогиб, допускаемый нормами и принимаемый по
табл. 32 настоящего Руководства.
Допускается производить проверку прогиба по формуле

(104)
| | ИС МЕГАНОРМ: примечание. Нумерация пунктов дана в соответствии с официальным текстом документа. | |
3.164. Элементы лестниц - ограждения, косоуры, ступени и подступенки, лобовые балки - должны рассчитываться на прочность и жесткость.
3.165. Расчетная схема косоуров и ступеней принимается в виде однопролетной шарнирно опертой балки.
3.166. При ступенях с подступенками в расчетное сечение ступени включается сечение подступенка при отсутствии связей сдвига между ними.
3.167. Прочность ступеней, косоуров и перил лестниц
(рис. 17) проверяется при наиболее невыгодном расположении полной расчетной нагрузки в соответствии с
п. 3.17 и
табл. 14. В косоурах рассматривается ослабленное сечение (
рис. 17, а, б).
Рис. 17. Элементы лестниц:
а - с врезными ступенями; б - с врезными подступенками;
в - с накладными гребенками
Расчетное сопротивление древесины при этом принимается с коэффициентом
mн = 1,2 согласно
п. 3.60.
3.168. Требуемый момент сопротивления одного косоура Wтр принимается равным

(105)
где l - проекция пролета марша;
a - ширина марша.
3.169. Суммарный прогиб ступени и косоуров лестницы при действии наиболее невыгодно приложенной нагрузки Pз = 1000 Н (100 кгс) (проверка на зыбкость) не должен превышать 0,5 мм.
Относительный прогиб косоуров от полной и длительной временной нормативных нагрузок, принимаемый в соответствии с
п. 3.17 и
табл. 14, не должен превышать величин, указанных в
табл. 32.
3.170. Прогибы косоура с врезными ступенями (см.
рис. 17, а) при проверке на зыбкость и действие полной нормативной нагрузки вычисляются при модуле упругости древесины с коэффициентом
mн = 1,2, согласно
п. 3.60 настоящего Руководства, и при усредненном моменте инерции косоура

(106)
Прогибы таких косоуров от длительной временной нагрузки определяются при mн = 1.
3.171. Прогибы косоуров с врезными подступенками (см.
рис. 17, б) определяются при указанных в
п. 3.170 величинах
mн и моменте инерции сечения косоура без учета ослаблений, если глубина врезки подступенка не превышает 1/5
h.
3.172. Прогибы косоуров с накладными гребенками (см.
рис. 17, в) определяются при указанных в
п. 3.170 значениях
mн и моменте инерции сечения, равном сумме моментов инерции косоура и гребенки. Последний вычисляется согласно
п. 3.170.
РЕКОМЕНДУЕМЫЕ РАЗМЕРЫ СЕЧЕНИЙ ПИЛОМАТЕРИАЛОВ
ДЛЯ ИЗГОТОВЛЕНИЯ КОНСТРУКЦИЙ ПАНЕЛЬНЫХ ДОМОВ
Толщина сечения, мм | Ширина сечения, мм | Разная ширина |
16 | 100 | Применяется |
25 | 100; 125 | " |
32 | 100; 125 | " |
50 | 100; 150; 175 | " |
100 | 100 | Не применяется |
150 | 150 | То же |
ПЕРЕЧЕНЬ ОСНОВНЫХ МАТЕРИАЛОВ, РЕКОМЕНДУЕМЫХ ДЛЯ ПРИМЕНЕНИЯ
В ДЕРЕВЯННЫХ ПАНЕЛЬНЫХ ДОМАХ
N п.п. | Материал | ГОСТ, ТУ | Область применения |
1. Конструктивные и обшивочные материалы |
| | ИС МЕГАНОРМ: примечание. Взамен ГОСТ 8486-66 Постановлением Госстандарта СССР от 30.09.1986 N 2933 с 01.01.1988 введен в действие ГОСТ 8486-86. | |
|
1 | Пиломатериалы хвойных пород | ГОСТ 8486-66, | Каркасы панелей стен, перегородок и перекрытий, балки, стропила, фермы, строганые детали, чистые обшивки |
2. | Фанера клееная марки: | | |
| | ИС МЕГАНОРМ: примечание. Постановлениями Госстандарта России от 13.05.1997 N 165 и N 166 с 01.01.1998 введены в действие ГОСТ 3916.1-96 и ГОСТ 3916.2-96 соответственно. | |
|
| ФСФ | ГОСТ 3916-69 | Наружная обшивка панелей стен, перекрытий, элементы несущих конструкций |
ФК | ГОСТ 3916-69 | Обшивка панелей внутренних стен, перегородок и обшивка потолков |
3 | Цементно-стружечные плиты | ТУ 66164-83 | Обшивка панелей в помещениях с повышенной влажностью. Экраны панелей наружных стен |
| | ИС МЕГАНОРМ: примечание. Взамен ГОСТ 10632-77 Постановлением Госстандарта СССР от 02.02.1989 N 13 с 01.01.1990 введен в действие ГОСТ 10632-89. | |
|
4 | Плиты древесностружечные | ГОСТ 10632-77 | Наружная обшивка при наличии экрана. Внутренняя обшивка панелей наружных и внутренних стен по согласованию с Минздравом СССР |
5 | Плиты древесноволокнистые: | | |
сухого способа производства | ТУ 13-444-79 | Обшивка наружных (при наличии экрана) и внутренних стен, перегородок, потолков |
| | ИС МЕГАНОРМ: примечание. Взамен ГОСТ 4598-74 Постановлением Госстроя СССР от 19.12.1985 N 240 с 31.01.1986 введен в действие ГОСТ 4598-86. | |
|
| мокрого способа производства | ГОСТ 4598-74* | То же |
битумизированные | ТУ 13-505-79 | Наружная обшивка стен при наличии экрана |
6 | Кирпич: | | |
| | ИС МЕГАНОРМ: примечание. Взамен ГОСТ 530-80 Постановлением Минстроя России от 05.12.1995 N 18-103 с 01.07.1996 введен в действие ГОСТ 530-95. | |
|
| керамический | ГОСТ 530-80 | Конструкции нулевого цикла, печи и дымоходы |
| силикатный | ГОСТ 379-79 | Конструкции нулевого цикла |
|
|
7 | Листы гипсокартонные | ГОСТ 6266-81 | Обшивка внутренних стен, перегородок и потолков |
8 | Плиты гипсоволокнистые | - | То же |
| | ИС МЕГАНОРМ: примечание. Взамен ГОСТ 18124-75 Постановлением Минстроя России от 14.07.1995 N 18-68 с 01.07.1996 введен в действие ГОСТ 18124-95. | |
|
9 | Листы асбестоцементные плоские окрашенные | ГОСТ 18124-75 | Обшивка панелей в помещениях с повышенной влажностью |
2. Защитные экраны |
| | ИС МЕГАНОРМ: примечание. Взамен ГОСТ 8242-75 Постановлением Госстроя СССР от 15.08.1988 N 163 с 01.01.1989 введен в действие ГОСТ 8242-88. | |
|
10 | Деревянная строганая обшивка | ГОСТ 8242-75 | Экран |
| | ИС МЕГАНОРМ: примечание. Взамен ГОСТ 18124-75 Постановлением Минстроя России от 14.07.1995 N 18-68 с 01.07.1996 введен в действие ГОСТ 18124-95. | |
|
11 | Листы асбестоцементные плоские окрашенные | ГОСТ 18124-75 | " |
12 | Цементно-стружечные плиты | ТУ 66164-83 | " |
13 | Кирпич и камни керамические | ГОСТ 530-80 | Экран в зоне цоколя |
3. Теплоизоляционные материалы |
|
|
14 | Плиты и маты теплоизоляционные из минеральной ваты на синтетическом связующем марок М75 - М100 | ГОСТ 9573-82 (СТ СЭВ 1566-79) | Для тепло- и звукоизоляции панелей наружных стен и перекрытий |
15 | Заливочные пенопласты на основе мочевиноформальдегидных смол марок МФП-3; ПКЗ | - | То же, по согласованию с Минздравом СССР |
16 | Заливочные пенопласты на основе фенолформальдегидных смол марки ФРП-1 | - | То же |
17 | Наполненный пенополиуретан марки "Сиспур" | - | " |
| | ИС МЕГАНОРМ: примечание. Взамен ГОСТ 15588-70 Постановлением Госстроя СССР от 17.06.1986 N 80 с 01.07.1986 введен в действие ГОСТ 15588-86. | |
|
18 | Плиты теплоизоляционные из пенопласта полистирольного марки ПСБ-С | ГОСТ 15588-70 | Для тепло- и звукоизоляции панелей наружных стен и перекрытий |
4. Уплотняющие и герметизирующие материалы |
| | ИС МЕГАНОРМ: примечание. Взамен ГОСТ 10174-72 Постановлением Госстроя СССР от 27.07.1990 N 65 с 01.01.1991 введен в действие ГОСТ 10174-90. | |
|
19 | Прокладки уплотняющие пенополиуретановые | ГОСТ 10174-72 | Для герметизации стыков окон и дверей |
20 | Герметик ленточный пенополиуретановый | ГОСТ 10174-72 | Для герметизации стыков панелей |
21 | Прокладки пенополиэтиленовые марки "Вилатерм-С" | ТУ 6-05-221-653-82 | То же |
22 | Герметик тиоколовый | - | " |
23 | Прокладки резиновые пористые уплотняющие марки "Гернит" | ГОСТ 5.1011-71 | " |
24 | Мастика полиизобутиленовая строительная марки УМС-50 | | " |
5. Гидроизоляционные и кровельные материалы |
| | ИС МЕГАНОРМ: примечание. Взамен ГОСТ 10354-73 Постановлением Госстандарта СССР от 02.06.1982 N 2253 с 01.07.1983 введен в действие ГОСТ 10354-82. | |
|
25 | Пленка полиэтиленовая | ГОСТ 10354-73 | Для пароизоляции ограждающих конструкций |
| | ИС МЕГАНОРМ: примечание. Взамен ГОСТ 2697-75 Постановлением Госстроя СССР от 31.10.1983 N 294 с 01.01.1985 введен в действие ГОСТ 2697-83. | |
|
26 | Пергамин кровельный | ГОСТ 2697-75 | То же |
27 | Листы асбестоцементные волнистые унифицированного профиля и детали к ним | ГОСТ 16233-77 | Для покрытия кровли |
28 | Листы битумные с окрашенной посыпкой | ТУ 21-27-52-84 | То же |
ДОПУСКАЕМЫЕ ОБЛАСТИ ПРИМЕНЕНИЯ ПИЛОМАТЕРИАЛОВ И ЗАГОТОВОК
ИЗ ДРЕВЕСИНЫ ЛИСТВЕННЫХ ПОРОД ДЛЯ КОНСТРУКЦИЙ
ПАНЕЛЬНЫХ ДОМОВ
Детали и изделия | Порода древесины | Рекомендации по применению |
Детали каркаса панелей (щитов) внутренних стен и перегородок | Береза, осина, ольха, липа, тополь | Применяются с антисептированием |
Доски внутренней обшивки каркаса и панелей (щитов) стен и перегородок | То же | То же |
Стойки, бруски, ригели, подкосы, вкладыши, рейки, поперечные планки, доски подшивки и доски настила панелей (щитов) междуэтажных и чердачных перекрытий | " | " |
Детали крыши, кроме деталей ферм, стропил и брусков обрешетки | То же, кроме липы и тополя | " |
Стропила, бруски обрешетки | Осина, ольха | Применяются без антисептирования |
Ходовые доски и доски диагональной жесткости | Береза, осина, ольха, липа, тополь | Применяются с антисептированием |
Доски и бруски вентиляционных шахт и коробов | То же, кроме березы | То же |
Лаги, черепные бруски | Осина, ольха | Применяются с антисептированием |
Детали лестниц, кроме косоуров | Береза, осина, ольха, липа, тополь | Липа и тополь не допускаются для изготовления проступей |
Детали фронтона и карниза | Осина, ольха | Береза не допускается для изготовления обшивки |
Доски и бруски чистого пола | Береза, осина, ольха | Применяются с антисептированием снизу и на кромках |
Плинтусы, наличники (кроме наружных), раскладки, галтели, дверные блоки и фрамуги внутренние | То же, кроме липы и тополя | Липа, осина и тополь не допускаются для изготовления обкладок дверных полотен |
Бруски каркаса и доски обшивки встроенных шкафов | То же | Применяются без антисептирования |
РЕКОМЕНДУЕМЫЕ ОБЛАСТИ ПРИМЕНЕНИЯ ГЕРМЕТИЗИРУЮЩИХ МАТЕРИАЛОВ
Марка и характеристика мастики | Тип | Форма и размеры уплотнения | Величина допустимых относительных деформаций стыка, % | Область применения | Ограничения в применении |
уплотняющих прокладок | грунтовки |
УМС-50 нетвердеющая | Гернит, пороизол марок П-А, П-Б и П-В | Мастика КН-2; мастики БСХА, БСНХА | B = C | 10 - 15 | Герметизация стыков панелей наружных стен, примыканий оконных и дверных блоков к проемам | Не применять в сопряжениях с зазорами менее 10 и свыше 30 мм без принятия специальных мер |
Бутэпрол и МБС нетвердеющие | Гернит, ПРП | Мастика 51Г-18 | B = C | 10 - 15 | То же | То же |
УТ-31 и У-30М вулканизирующиеся | Гернит, "Вилатерм-С", ПРП | Тиоколовая дисперсия Т-50 | B = (0,5 - 0,75)C | 20 - 25 | Герметизация стыков панелей наружных стен | Не применять при производстве работ при температуре ниже 5 °C, не применять в северных районах страны |
АМ-0,5 вулканизирующаяся | Гернит, "Вилатерм-С" | То же | B = (0,5 - 0,75)C | 20 - 25 | Герметизация стыков панелей наружных стен. Ремонт стыков в весенне-летний период | Не применять при производстве работ при температуре ниже 50 °C и после дождя |
ЦПЛ-2У и ПГС нетвердеющие | Гернит и пороизол | Двухкомпонентный праймер, поставленный в комплекте с герметизирующей мастикой | B = 0,5C | 30 | Герметизация стыков панелей наружных стен и мест примыкания оконных и дверных блоков к проемам | Не применять без грунтовки и наносить при отрицательной температуре |
"Эластосил 11-06" вулканизирующая | "Вилатерм-С" | ГКЖ-84, КЭБС-50 | B = 0,5C | 20 - 25 | Герметизация стыков панелей наружных стен в зданиях повышенной капитальности и в суровых условиях эксплуатации | Применение требует технико-экономического обоснования |
ТЕХНИЧЕСКАЯ ХАРАКТЕРИСТИКА ГЕРМЕТИЗИРУЮЩИХ МАСТИК
Материал | Сопротивление разрыву, Н/см2 | Деформативность при разрыве, %, не менее | Сопротивление отрыву от субстрата, Н/см2 | Жизнеспособность, ч | Водопоглощение, %, по массе | Допустимая температура эксплуатации, °C | Номер ГОСТ или ТУ |
Мастики: | | | | | | | |
полиизобутиленовая строительная УМС-50 | 1 | 30 (при максимальной нагрузке) | 1,2 | - | 0,8 | От -40 до +70 | |
двухкомпонентные тиоколовые УТ-31 и У-30М | 10 | 70 | 100 | 4 | 1 - 2 | От -40 до +70 | |
51Г-18 на основе дивинилметилстирольного термоэластопласта (для обмазки граней устья стыков) | Применяется в качестве грунтовки | | От -70 до +70 | ТУ 400-1-137-78 |
двухкомпонентные тиоколовые: | | | | | | | |
КБ-0,5 | 30 | 170 | - | 1 - 6 | - | От -50 до +70 | ТУ 84-246-75 |
АМ-0,5 (для обмазки граней устья стыков) | 10 | 200 | - | 1 - 6 | - | - | - |
бутилкаучуковые нетвердеющие: | | | | | | | |
бутэпрол | 1 | 40 | - | - | 0,5 | От -50 до +70 | ТУ-21-29-45-76 |
МБС | 0,4 | 25 | - | - | 0,8 | | ТУ 38-106-242-74 |
двухкомпонентные бутилкаучуковые: | | | | | | | |
ЦПЛ-2У | 50 | 150 | 4 | 24 - 40 | 0,5 | От -40 до +70 | ВТУ 6-01-11-32-75 |
ПГС | 30 | 350 - 500 | 2 - 4 | 2 - 24 | 0,5 - 1 | От -45 до +70 | РСН 256-75 |
однокомпонентная силиконовая "Эластосил 11-06" | 200 | 150 | 20 | - | - | От -55 до +90 | ТУ 6-02-775-73 |
Пенополиуретановый заливочный герметик | 20 | 180 | 2,5 | - | По объему 2 - 2,5 | От -32 до +70 | |
ТЕХНИЧЕСКАЯ ХАРАКТЕРИСТИКА УПЛОТНЯЮЩИХ ПРОКЛАДОК
Материал | Размер поперечного сечения, мм | Кажущаяся плотность, кг/м3 | Предел прочности при разрыве, Н/см2 | Относительное удлинение при разрыве, % | Водопоглощение за 24 ч, % по массе, не более | Остаточная деформация после обжатия, % | Температурные пределы эксплуатации, °C | Номер ГОСТ или ТУ |
Пороизол марок: | | | | | | | | |
|
|
П-А | d = 20, 30, 40, 50, 60 | 400 | 50 | 200 | 1 | 8 | От -40 до +70 | ГОСТ 19177-73 |
П-Б | Сечение 30 x 40 | 500 | 20 | 130 | 1 | 20 | От -40 до +70 | ГОСТ 19177-73 |
П-В | Сечение 40 x 60 | 500 | 7 | 60 | 1 | 20 | От -40 до +70 | ГОСТ 19177-73 |
Гернит | d = 30, 35, 40 | 250 - 300 | - | - | 5 | 20 | От -40 до +70 | ГОСТ 5.1011-71 |
ПРП | d = 20, 30, 40 | 200 - 400 | - | - | 5 | 40 | От -25 до +70 | ТУ ЛГИ-08 384-68 |
| | ИС МЕГАНОРМ: примечание. Взамен ГОСТ 10174-72 Постановлением Госстроя СССР от 27.07.1990 N 65 | |
|
Пенополиуретановые прокладки | Полоса 10 x 3 | 30 - 45 | 12 | - | - | 10 | Для уплотнения окон и дверей | ГОСТ 10174-72 |
Пенополиэтиленовые прокладки "Вилатерм-С" | d = 10, 15, 20, 30 | 40 - 70 | - | - | 0,09 по объему | После обжатия на 4 | От -60 до +70 | ТУ 6-05-221-653-82 |
Профильный нетвердеющий герметик "Бутэпрол-2" (для элементов профильного стекла) | Ленты 25 x 5; 30 x 7 | - | 5 | 30 | 0,5 | - | От -40 до +70 | ТУ 21-29/1-5-73 |
Лента воздухозащитная резиновая "Герволент" на мастике 51Г-18 или на клее КНБ-10 | - | - | - | - | - | - | От -40 до +80 | ТУ 21-29-46-76 |
Лента гидроизоляционная мастичная ЛГМ на мастике МРБХП-2 | - | - | - | - | - | - | От -30 до +70 | ТУ 400-1/55-9-74 |
ПОДБОР ОПТИМАЛЬНЫХ СЕЧЕНИЙ ИЗГИБАЕМЫХ ЭЛЕМЕНТОВ
ИЗ ЦЕЛЬНОЙ ИЛИ КЛЕЕНОЙ ДРЕВЕСИНЫ
Допустимыми называются сечения таких размеров, при которых выполняются все конструктивные требования и ограничения, требования прочности и жесткости. Оптимальными называются допустимые сечения, соответствующие по одному или нескольким критериям. Такими критериями могут быть минимальные: расход древесины, клея, общая заводская или построечная трудоемкость, себестоимость, стоимость в деле или приведенная стоимость элемента. Критерии, однако, могут быть противоречивыми: сечение, оптимальное по одному критерию, не является оптимальным по другому. Для решения таких задач используется так называемый "метод уступок". При использовании этого метода определяются: I и II критерии, соответствие которым для конструкции является наиболее важным; сечение, оптимальное по I критерию; задается допустимая степень ухудшения качества сечения по этому критерию; из возникающего набора почти оптимальных по I критерию находится сечение, оптимальное по II критерию. Значения остальных критериев, как правило, дальнейшей оптимизации не поддаются, контролируются лишь их величины.
В рассматриваемом случае в качестве I критерия принимают приведенную стоимость; в качестве II - расход древесины.
Приведенная стоимость включает в себя: себестоимость изготовления конструкции (стоимость древесины с учетом отходов, клея, проведения технологических операций, накладных расходов завода-изготовителя), стоимость транспортирования, монтажа конструкций и накладных расходов монтажной организации, стоимости внутренних и наружных ограждающих конструкций "в деле" в пределах высоты рассматриваемых элементов (если эта высота влияет на площадь стен) и приведенных затрат на возмещение потерь тепла через эти участки ограждений. Для сравнения из упомянутых слагаемых и коэффициентов сохраняются лишь те, которые отличаются в разных вариантах.
Если пренебречь (из-за несущественного влияния изменения массы элементов) разницей в стоимости транспортирования, а различий в стоимости монтажа сохранить только стоимость, расположенных с различным шагом боковых раскреплений изгибаемых элементов, и принять во внимание, что при оптимальной теплоизоляции наружных стен приведенные эксплуатационные затраты должны быть близки к их сметной стоимости (в том числе в пределах высоты изгибаемого элемента), то для оценки вариантов сечения 1 м длины изгибаемого элемента перекрытий можно пользоваться следующей формулой приведенной стоимости Cвар, руб./м:
где B, H - соответственно ширина и высота сечения элемента, м;
Cкл, Cдр - стоимость соответственно клея, руб./м и древесины франко-приемный склад завода-изготовителя, руб./м3;
Cдр зависит от сорта, сортамента пиломатериала и территориального пояса;
Pкл - расход клея, т/м2, склеиваемой поверхности;

- толщина (после острожки) пиломатериала в клееном пакете, м;
- коэффициент отходов на острожку исходного пиломатериала (увеличивающийся с уменьшением толщины и ширины пиломатериала);
t - толщина острожки пиломатериала;

- себестоимость изготовления 1 м
3 клееного элемента, руб./м
3, зависящая от толщины пиломатериалов, способа запрессовки и другой обработки;
Zзав - коэффициент начислений завода-изготовителя;
Cкр - сметная стоимость одного бокового раскрепления, руб./шт.;
l - пролет элемента, м;
lр - шаг боковых раскреплений элемента, м;
Cн.с, Cв.с - стоимость "в деле" соответственно наружных и внутренних стен, руб./м2;
Sн.с, Sв.с - периметр соответственно не совпадающих с рассматриваемыми конструкциями наружных и внутренних стен, м;
F - площадь здания, м2;
a - шаг рассматриваемых конструкций, м.
Член

учитывается в расчетах только в случае оптимального шага боковых раскреплений, а
Sн.с и (или)
Sв.с - только в случаях, если высота наружных и (или) внутренних стен изменяется при изменении высоты элемента.
Определение оптимального сечения изгибаемого элемента включает следующие этапы:
первый - определение границ области допустимых сечений;
второй - выявление почти оптимальных сечений, увязанных с сортаментом пиломатериалов;
третий - определение значений критерия приведенной стоимости и расхода древесины, выбор оптимального по этим двум критериям сечения (сечений).
Решение двух первых этапов по критерию расхода древесины выполняется по номограммам
рис. 18 -
21. Третий этап решается экономическим обсчетом найденных вариантов сечений по формуле приведенной стоимости.
Рис. 18. Номограмма для определения оптимального сечения
ребер панели перекрытия
Рис. 19. Номограмма для подбора оптимальных сечений
изгибаемых элементов при расстоянии между точками
закрепления lр < 0,7 м:
B - ширина сечения элемента; H - высота сечения элемента;
Г - площадь сечения элемента; K - жесткость элемента
Рис. 20. Номограмма для подбора оптимальных сечений
изгибаемых элементов при расстоянии между точками
закрепления lр = 1,2 м:
B - ширина сечения элемента; H - высота сечения элемента;
Г - площадь сечения элемента; K - жесткость элемента
Рис. 21. Номограмма для подбора оптимальных сечений
изгибаемых элементов при расстоянии между точками
закрепления lр = 3,6 м:
B - ширина сечения элемента; H - высота сечения элемента;
Г - площадь сечения элемента; K - жесткость элемента
Номограммы предназначены для подбора прямоугольных сечений, оптимизации по расходу древесины и оценки рациональности выбора сечений изгибаемых прямолинейных элементов из цельной или клееной древесины с шарнирным опиранием концов и равномерно распределенной нагрузкой (приближенное решение при действии сосредоточенной нагрузки при проверке зыбкости). При пользовании номограммами все размерности в промежуточных и окончательных расчетах и результатах приводятся в кН.
Для решения задачи с помощью номограмм должны быть заданы:
коэффициенты условий работы древесины и элемента
mн,
mв,
mд,
mи,
mа, принимаемые в соответствии с
п. 3.60 настоящего Руководства;
пролет элемента - l;
величины соответственно расчетной и нормативной равномерно распределенной нагрузки
q,
qн и сосредоточенной нагрузки для проверки зыбкости
Pз, принимаемые в соответствии с
п. 3.41 настоящего Руководства;
допускаемый нормами прогиб элемента [f/l];
допускаемая масса элемента G (если она ограничивается);
допускаемая длина площадки опирания элемента lсп (если она ограничивается);
предельные соответственно ширина и высота сечения элемента Bmin <= B <= Bmax; Hmin <= H <= Hmax;
наибольшее допустимое соотношение высоты и ширины сечения

;
сосредоточенная нагрузка, передаваемая на опорную зону элемента вышерасположенными конструкциями

.
Перед решением задачи для каждого варианта конструкции необходимо задаться толщиной досок клееных элементов

, коэффициентом при толщине слоев клеевой древесины
mсл, сортом древесины (при древесине 1-го сорта
mк = 1,07; 2-го сорта
mк = 1; 3-го сорта
mк = 0,65) и расстоянием между закрепленными от бокового смещения точками элемента
lр (для коробчатых сечений с приклеенными обшивками
lр = 0), с обшивками на гвоздях или шурупах
lр равно их шагу; без верхней или нижней обшивки
lр =
l.
Коэффициент высоты сечения

и изменение значения
Rи при равных размерах сечения элемента учтены в построении номограммы и дополнительно не рассматриваются.
Затем должны быть вычислены величины расчетного
M и нормативного
Mн изгибающих моментов в опасном сечении; расчетной поперечной силы
Q в опорном сечении элемента и опорной реакции

, требуемые несущие способности элемента по изгибу, срезу и смятию (при выбранной толщине досок и категории качества древесины):
Mтр = M/mпmвmдmиmслmк;
Qтр = Q/mпmвmдmиmслmк;
а также и требуемые характеристики жесткости элемента
причем при проверке величины относительного прогиба (
i = 1)

,

, а при проверке зыбкости (
i = 2)

;

, где [
f] - контрольный прогиб при проверке зыбкости, принимаемый согласно
п. 3.120 настоящего Руководства.
В зависимости от величины
lр используются номограммы
рис. 19 -
21.
На номограммах приведены линии:
постоянной ширины и высоты сечения B = const и H = const,
постоянной несущей способности по изгибу M = const,
постоянной площади сечения BH = const,
постоянной характеристики жесткости K = const,
постоянного соотношения сторон сечения

.
Процесс решения заключается в построении на кальке, наложенной на номограмму, области допустимых значений B и H и определении оптимальных их величин с учетом рекомендуемого сортамента пиломатериалов.
Допустимая область изменения параметров ограничена следующими условиями:
по ширине сечения B, max[Bmin; Vтр/3000lоп] <= B <= Bmax;
по площади (линии
BH = const),

;
по жесткости (линии
K = const),

;
по прочности на изгиб M >= Mтр;
по пропорциям сечения

.
Все точки допустимой области, где не действует ни одно из указанных ограничений, характеризующие B и H из рекомендуемого сортамента, дают решения, отвечающие всем требованиям норм по прочности и жесткости и дополнительным конструктивным ограничениям. Точки, имеющие наименьшую площадь, т.е. расположенные в зоне линий BH = const с наименьшими значениями, дают к тому же минимальный расход древесины. Сравнение площади принимаемого сечения с оптимальным в допускаемой области позволяет оценить рациональность выбранного решения. Если область допустимых решений не существует, то следует скорректировать систему исходных данных и ограничений.
В противном случае решение в рамках норм невозможно и следует пересмотреть расчетную, конструктивную или планировочную схему здания или элемента, либо изменить толщину пиломатериалов, сорт или породу древесины. Если допустимая область существует, но не содержит точек рекомендуемого сортамента, необходимо расширить область применения за счет пересмотра системы ограничений, нагрузок, расчетной схемы или других указанных мер.
Следует иметь в виду, что при оптимизации по критерию расхода древесины:
оптимальное по прочности на изгиб сечение всегда находится на границе возможной потери устойчивости плоской формы изгиба (линий A номограмм);
вблизи точки оптимума скорость изменения площади сечения относительно B и H невелика, это свидетельствует о существовании диапазона решений, незначительно отличающихся по площади от оптимальных; границы этого диапазона почти одинаково удалены от линии строгого оптимума и практически не зависят от величины изгибающего момента;
при уменьшении расстояния lр возрастает эффективность использования древесины, но растут одновременно стоимость крепления и трудоемкость изготовления конструкции, поэтому выбор оптимального значения lр требует специального рассмотрения, как правило, в виде ряда последовательных вариантов.
Пример пользования номограммами (условный).
Требуется подобрать сечение клееного прогона чердачного перекрытия пролетом
l = 7,2 м с шагом их расстановки
a = 3,6 м при интенсивности нормативной нагрузки
qн = 1,14 кН/м
2, расчетной нагрузки
q = 1,5 кН/м
2; заданной длине площадки опирания
lоп = 0,12 м; предельной массе элемента 15 кН и толщине острожки
t = 3 мм.

условно не учитывается.
Bmin = 4,4 см;
Fmin =
B2 = 18 см
2;
Bmax = 17,4 см;

. Определяем по главе
СНиП II-25-80 или настоящему Руководству:
допустимый прогиб [f/l] = 1/200, расчетное сопротивление древесины 2-го сорта на скалывание Rск = 1500 кН/м2; коэффициенты условий работы mп = 1; mв = 1; mд = 1; mн = 1; Pз в расчете не используется, так как зыбкость чердачного перекрытия не требует проверки.
Данные для экономической части расчета: Pк = 0,0003 т/м2; Cкл = 1200 руб./т;
Cдр для древесины 2-го сорта равна 49,7 руб./м3; стоимость изготовления конструкции условно принимаем равной стоимости древесины; Zзав = 1,5; Cкр = 1 руб./шт.; Cн.с = 20 руб./м2; Cв.с = 8 руб./м2; F = 100 м2 (в среднем); Sн.с = Sв.с = 50 м (усредненно для F = 100 м2).
1-й этап расчета. Примем толщину досок в пакете после острожки 33 мм (mсл = 1) из хвойной древесины 1-го сорта (mк = 1,07), E = 106 кН/м2; lр = 1,2 м.
Определяем расчетные величины:
Mтр = 35/1,07 = 32,7 кНм;
Qтр = Vтр = 19,44/1,07 = 18,17 кН;
(Vтр/3000lоп) = 0,0505 м;
(1,5Qтр/Rск) = 1,5 x 18,17/1500 = 0,0182 м2;
Границы допустимой области определяются ограничениями:
по ширине сечения Bmax/0,044; 0,054 <= B <= 0,174 м;
по площади сечения BH 0,018 <= BH <= 0,42 м2;
по жесткости 104K >= 63;
по прочности на изгиб M >= 32,7 кН/м;
по пропорциям сечения

.
Для построения границ на кальке, наложенной на номограмму
рис. 20 (для
lр = 1,2 м), интерполяцией откладываем на шкале
M величину 32,7 кНм и проводим линию параллельно линиям
M = const. На шкале 10
4K интерполяцией откладываем величину 63 и проводим линию параллельно линиям
K = const. Аналогично по шкалам
BH,
B/
H и
B наносятся соответственно линии ограничений по площади, пропорциям и ширине сечения. Все сечения, находящиеся выше и правее граничной линии, удовлетворяют всем ограничениям задачи, но дают различный расход древесины и различную приведенную стоимость.
2-й этап расчета. С учетом сортаментной ширины пиломатериалов после острожки возможно получение сечений следующих размеров, см: 7,4 x 46; 9,4 x 42; 12,4 x 34; 14,4 x 30; 17,4 x 28. Подбор высоты сечения с учетом принятой толщины пиломатериалов

(на чем закончится выполнение 2-го этапа) и экономические подсчеты и сравнения 3-го этапа проводятся по таблице (например,
табл. 37).
| Единица измерения | Показатели для вариантов сечений на 1 м длины элемента |
Ширина сечения | мм | 74 | 94 | 124 | 144 | 174 |
Требуемая высота сечения (по номограмме) | см | 46 | 42 | 34 | 30 | 28 |
Количество слоев (при  ) | шт. | 14 | 13 | 11 | 10 | 9 |
Проектная высота сечения | мм | 462 | 429 | 363 | 330 | 299 |
Проектная площадь сечения | м2 | 0,0342 | 0,0403 | 0,0454 | 0,0432 | 0,0517 |
Коэффициент отходов  | - | 1,27 | 1,25 | 1,24 | 1,23 | 1,22 |
Исходная площадь древесины | м2 | 0,0434 | 0,0504 | 0,0563 | 0,0558 | 0,0631 |
Относительный расход древесины | % | 100 | 116 | 130 | 129 | 145 |
Площадь склеиваемой поверхности  | м2 | 0,96 | 1,128 | 1,24 | 1,296 | 1,392 |
Стоимость клея CклPклFкл | руб. ------- % | 0,36 ------- 100 | 0,41 ------- 114 | 0,45 ------- 125 | 0,47 ------- 131 | 0,50 ------- 139 |
Стоимость древесины и производства | руб. | 4,32 | 5,00 | 5,60 | 5,28 | 6,26 |
Себестоимость производства клееных конструкций | руб. ------- % | 7,02 ------- 100 | 8,12 ------- 116 | 9,08 ------- 129 | 8,62 ------- 123 | 10,14 ------- 144 |
Сметная стоимость: | | | | | | |
бокового раскрепления прогонов | руб. | - | - | 1,39 | - | - |
стен в пределах высоты прогонов | руб. ------- % | 23,28 ------- 154 | 21,62 ------- 143 | 18,30 ------- 121 | 16,63 ------- 110 | 15,12 ------- 100 |
прогонов и сопутствующих конструкций | руб. ------- % | 31,69 ------- 119 | 31,13 ------- 117 | 28,77 ------- 108 | 26,64 ------- 100 | 26,65 ------- 100 |
Приведенные затраты на стены (с учетом теплопотерь) в пределах высоты прогонов | руб. | 39,92 | 37,07 | 31,36 | 28,51 | 25,92 |
Общие приведенные затраты на прогоны | руб. ------- % | 48,33 ------- 129 | 46,58 ------- 124 | 41,83 ------- 112 | 35,52 ------- 103 | 37,45 ------- 100 |
Выводы: 1. Критерии расхода древесины, расхода клея и себестоимости производства согласуются между собой.
2. Критерии стоимости стен "в деле", приведенной стоимости стен и общих приведенных затрат на рассматриваемые прогоны в данном примере согласуются между собой, но противоречат критериям расхода древесины.
3. Из пяти полученных допускаемых сечений оптимальное по расходу древесины (с наибольшей высотой сечения) в 1,5 раза экономичнее сечения с наименьшей высотой. Аналогичная оценка и в отношении критерия по себестоимости производства.
4. Определяющим является критерий себестоимости производства и оптимальные прогоны наибольшей высоты при условии, что площадь наружных стен (высота этажа) не зависит от высоты сечения прогонов.
5. Определяющим критерием является приведенная стоимость прогонов, а оптимальное (по двум критериям) сечение 144 x 330 мм, которое на 3% ниже оптимального по приведенной стоимости, на 11% экономичнее по себестоимости производства и на 15% экономичнее по расходу древесины оптимального по приведенным затратам сечения 174 x 300 мм, при условии, что площадь стен зависит от высоты прогона.
6. Окончательный выбор конструкции следует сделать после рассмотрения вариантов различных сортов древесины, шага несущих конструкций, шага раскрепления lр, которые выполняются по аналогичным этапам расчета.
ПОДБОР ОПТИМАЛЬНЫХ СЕЧЕНИЙ ЦЕНТРАЛЬНО-СЖАТЫХ ЭЛЕМЕНТОВ
Оптимальные по расходу древесины размеры поперечного прямоугольного сечения (размером до 50 x 50 см) центрально нагруженных элементов из цельной или клееной древесины с учетом обеспечения устойчивости в обеих главных плоскостях сечения можно находить графически или графоаналитически с использованием универсальной номограммы
рис. 22.
Рис. 22. Номограмма для подбора оптимальных сечений
центрально-сжатых элементов:
а - при

; б - при

; в - при

Исходными данными для расчета являются: расчетное сопротивление древесины сжатию
Rс, МПа; расчетная длина элемента в двух главных плоскостях
l01 и
l02, м; сжимающее усилие
N, кН; предельная гибкость элемента

, допускаемая нормами и принимаемая по
табл. 30 настоящего Руководства. Расчет при этом ведется в следующей последовательности.
1. Записываются исходные данные в принятых в номограмме единицах:
Amin, см;
l01,
l02, м;
N, кН;

; размер сечения в одном из направлений
A (см) (если задана эта величина).
2. Вычисляются

и

.
3. Проверяется непротиворечивость исходных данных из соблюдений неравенства,
если один из размеров сечения A1 задан. В случае противоречия исходных данных указанному условию поставленная задача решения не имеет. Необходимо уточнить исходные данные.
4. Задаются одним из сортов древесины (обычно 2-м), значения
Kс, МПа, принимаются по
табл. 16.
5. Вычисляются
n = 10
N/
Rс,
l01,
l02 и

6. Если ни один из размеров сечения не задан, то:
а) вычисляются

б) по сортаменту пиломатериалов выбрать два значения
A1, ближайшие к

, и два значения
A2, ближайшие к

;
в) для каждого из выбранных значений размеров сторон сечения
A1 и
A2 вычисляется

и проверяется допустимость гибкости по условию соблюдения неравенства

.
Если некоторые неравенства окажутся нарушенными, то соответствующие значения Ai из дальнейшего рассмотрения исключаются.
7. По найденным значениям
n и

определяется величина

. При графическом способе решения величина

принимается по линии

номограммы, проходящей через точку с координатами

,
n или интерполяцией между ближайшими значениями. При графоаналитическом способе решения по номограмме устанавливается номер области, в которой находятся точки

,
n, а величина

находится по формулам:
в области I -

;
в области II -

;
в области III -

;
в области IV -

;
в области V -

.
8. Вычисляется величина

и по сортаменту выбирается

.
9. Проверяется правильность априорного значения величины
Rс сравнением
Rс для принятого сечения
A1 x
A2 с полученным в
поз. 4. При несовпадении этих величин повторить расчет, начиная с
поз. 4. Если в ходе трех последовательных приближений величина
Rс не стабилизируется, то принимается ее минимальное значение и считаются полученные при этом величины
A1 и
A2 окончательными.
10. Выбирается предпочтительный вариант решения по наименьшему расходу древесины, унификации сечения с другими элементами либо по возможности использования сечения цельной древесины.
11. Оценивается эффективность принятого сечения сравнением с минимально возможной площадью сечения:
12. Проверяется рациональность сорта древесины. Для этого в расчет, начиная с
поз. 3, вводятся другие сорта древесины
A и полученные значения сравниваются по площади и стоимости сечения древесины.
13. Выбирается оптимальный вариант путем анализа полученных результатов. При необходимости и возможности изменяются исходные данные (виды закрепления концов элементов, шаги элементов и т.п.) и расчет повторяется сначала.
ПРИМЕРЫ (УСЛОВНЫЕ) ПОДБОРА ОПТИМАЛЬНЫХ СЕЧЕНИЙ СЖАТЫХ
ЭЛЕМЕНТОВ (СИЛОВЫЕ ФАКТОРЫ, Н и Па)
Пример 1. Подобрать оптимальное сечение деревянной стойки наружной стеновой панели нижнего этажа двухэтажного жилого дома.
Базовый вариант.
Этап 1.
Amin = 4 см - по сортаменту;
A1 = 15 см - задано по теплотехническому расчету;

- наибольшая допустимая гибкость, принимаемая по
табл. 30;
l01 = 2,8 м - расчетная длина стойки в направлении размера a1 в предположении шарнирного закрепления ее в цокольном и междуэтажном перекрытиях; l02 = 0,2 м - расчетная длина в плоскости размера A2, равная шагу шурупов крепления обшивки к стойке; N = 15 кН - нагрузка на стойку панели от вышележащих конструкций.
Этап 3.

.
Исходные данные непротиворечивы.
Этап 4. Древесина 2-го сорта с
Rс = 13 МПа для сечений высотой
A1 = 15 см > 13 см и шириной
A2 < 11 см.
Этап 5. n = N/Rсl01l02 = 10 x 15/13·2,8·0,2 = 20,6 см2/м2.
Этап 6. При
n = 20,6 > 10 находим величину

по формуле

.
Этапы 7 - 11. Не выполняются, так как A1 задано.
Этап 12. При графическом решении (по номограмме) по значениям
n = 20,6 и

находим

.
При аналитическом решении по номограмме определяем, что номер формулы для

должен быть
(II) или
(V), так как точка находится вблизи границы зон действия формул:
Полученные графическим и аналитическим методами результаты близки. Принимаем

.
Этап 13.

.
Этап 14. Принимаем

.
Этап 15. Сечение
A1 x
A2 = 15 x 4 см из древесины 2-го сорта имеет
Rс = 13 МПа, что совпадает в
этапе 4 с принятым значением. Следовательно,
Rс принято правильно.
Этап 16. Сечение 15 x 4 см удовлетворяет требованиям минимального (в рамках поставленных ограничений) расхода древесины, допускает использование цельной древесины и может быть принято за основу унифицированного ряда сечений стоек панелей.
Этап 17. Для теоретически оптимального сечения 15 x 1,2 см из древесины 2-го сорта
Получаем перерасход древесины на 7% по сравнению с оптимальным без каких-либо ограничений сечением.
При наличии ограничения A2 <= Amin
Расход древесины в принятом сечении в 3,6 раза превышает минимально необходимый.
Этап 18. Рассмотрим древесину 3-го сорта.
Вариант I.
Этап 5.1. n = 10 x 15/8,5 x 2,8 x 0,2 = 31,5 см2/м2.
Этап 6.1. По номограмме

.
Этапы 7 - 11. Не выполняются, так как A1 задано.
Этап 12.1. Графически по номограмме при
n = 31,5 и

находим

.
Этап 13.1.

.
Этап 14.1. Принимаем как и раньше A2 = 4 см.
Этап 15.1. Сечение 15 x 4 см из древесины 3-го сорта имеет
Rс = 8,5 МПа, что соответствует принятому в
п. 4.1;
Rс принято правильно.
Этап 16.1. Сечение 15 x 4 удовлетворяет требованиям оптимальности, унификации и использования цельной древесины.
Этап 17.1. Для теоретически оптимального из древесины 3-го сорта сечения 15 x 1,5 см

- сечение абсолютно оптимально.
Для принятого сечения 15 x 4 см

. Расход древесины превышает в 2,7 раза минимально необходимый.
Этап 18.1. Древесину 1-го сорта не рассматриваем ввиду очевидной нерациональности ее применения в данном случае, когда один из размеров сечения назначается конструктивно.
Продолжение базового варианта.
Этап 19. Более рационально принять древесину 3-го сорта, поскольку сечение стойки одинаково, а материал дешевле.
Этап 20. Поскольку размер A2 назначается конструктивно, можно проредить шаг постановки креплений обшивки панелей к стойкам. Изменение схем опирания и шага стоек конструктивно нецелесообразно.
Вариант II.
Этап 1.2. Принимаем l02 = 0,7 м, оставим остальные исходные данные без изменения.
Этапы 2.3 и 4.1. Без изменений.
Этап 5.2. n = 15 x 10/8,5 x 2,8 x 0,7 = 8,97 см2/м2.
Этап 6.2. По номограмме

.
Этапы 7 - 11. Не выполняются, так как A1 задано.
Этап 12.2. По номограмме при
n = 9 и

.
Этап 13.2.

.
Этап 14.2. Принимаем A2 = 4 см.
Этап 15.2. Для сечения 15 x 4 см принято правильно.
Этап 16.2. Сечение 15 x 4 см удовлетворяет всем требованиям.
Этап 17.2. Для теоретически оптимального из древесины 3-го сорта сечения 15 x 2,8 см;

. Перерасход 110.
Для принятого сечения
Эф = -15 x 2,

.
Перерасход на 61% против минимально необходимого без ограничений.
Этап 18.2. Древесину 1-го и 2-го сортов не рассматриваем как нецелесообразную к применению в данном случае.
Этап 19.2. По сортам древесины принятый 3-й сорт оптимален.
Окончание базового варианта.
Этапы 20.2 и 21. Дальнейшее изменение исходных данных невозможно. Расчет окончен.
Пример 2. Определить оптимальное сечение деревянной стойки несущей стеновой панели нижнего этажа двухэтажного жилого дома при условиях примера 1 без теплотехнических ограничений на толщину панели и шаге крепления обшивки к стойке 0,7 м.
Базовый вариант.
Этап 1.
Amin = 4 см по сортаменту;
A1 =
Amin;

;
l02 = 2,8 м;
l01 = 0,7 м;
N = 15 кН.
Этап 2.

;

.
Этап 3.

- исходные данные непротиворечивы.
Этап 4. Примем древесину 3-го сорта с Pс = 8,5 МПа для сечений шириной до 11 см.
Этап 5. n = 10 x 15/8,5 x 2,8 x 0,7 = 9 см2/м2.
Этап 6. По номограмме

. Проверим аналитически при
n = 9 < 10;

.
Этапы 7 - 11. Не выполняются, так как A1 задано (конструктивно).
Этап 12. По номограмме при

и
,
.
| | ИС МЕГАНОРМ: примечание. Формула дана в соответствии с официальным текстом документа. | |
Этап 13.

.
Этап 14. Принимаем

.
Этап 15. Для сечения 11 x 4 см Rс принято правильно.
Этап 16. Сечение 11 x 5 удовлетворяет требованиям данного примера.
Этап 17. Для теоретически оптимального и принятого в проекте из древесины 3-го сорта сечения 11 x 4 см:

, перерасход на 20% против минимально возможного сечения.
Этап 18. Рассмотрим древесину 2-го сорта.
Вариант 1.
Этап 4.1. Rс = 13 МПа.
Этап 5.1. n = 10 x 15/13 x 2,8 x 0,7 = 5,89 см2/м2.
Этап 6.1. При

;

.
Этапы 7 - 11. Не выполняются, так как A1 задано.
Этап 12.1. По номограмме при
n = 5,9 и

определяем
формулу (III) и

Этап 13.1.

.
Этап 14.1. Принимаем A2 = 11 см.
Этап 15.1. Для сечения 11 x 4 см Rс принято правильно.
Этапы 16.1 - 21. Дальнейшие вычисления не проводим, так как принятое сечение совпадает с ранее полученным при более дешевой древесине 3-го сорта, а корректировка исходных данных невозможна. Расчет окончен.
Вывод. Полученное решение при древесине 3-го сорта экономичнее рассмотренного в примере 1 (при наличии теплотехнических ограничений) на 27% /100(1 - 11 x 4/15 x 4)/, но на 20% ниже минимально возможного из древесины 3-го сорта при отсутствии конструктивных и сортаментных ограничений.
ПРИМЕР РАСЧЕТА СОЕДИНЕНИЯ УЗЛОВ ДЕРЕВЯННОЙ ФЕРМЫ
НА МЕТАЛЛИЧЕСКИХ ЗУБЧАТЫХ ПЛАСТИНАХ
Рассматривается стропильная двускатная брусчатая деревянная ферма с треугольной решеткой
(рис. 23). Элементы соединяются зубчатыми пластинами с двух сторон фермы.
Рис. 23. К расчету фермы на металлических
зубчатых пластинах:
а - схемы фермы; б - опорный узел А;
в - промежуточный узел Б
Опорный узел (
рис. 23, б). В опорном узле сходятся элементы верхнего и нижнего поясов. Расчетное усилие в верхнем поясе (по статическому расчету) составляет 20 кН (2000 кгс). Главную ось зубчатой пластины направляем параллельно верхнему поясу фермы. Поскольку в верхнем поясе направление действия усилия и направление волокон древесины параллельны главной оси пластины, углы

и

(см.
п. 3.157) равны 0. В нижнем поясе

,

. При таких значениях расчетная несущая способность зубьев пластины, закрепленных в верхнем и нижнем поясах, составляет, согласно
табл. 35, соответственно 180 Н (18 кгс) и 130 Н (13 кгс). Требуемое число зубьев для передачи расчетного усилия на элемент верхнего пояса равно 110, на элемент нижнего пояса - 154, т.е. (110 + 154)/2 = 132 зуба в каждой пластине. Чтобы подсчитать общее необходимое число зубьев в пластине, к полученному числу необходимо добавить число зубьев, находящихся на расстоянии менее 10 мм от кромки сопрягаемых элементов и согласно
п. 3.153 настоящего Руководства не учитываемых в расчете. По
рис. 23, б и длине линии сопряжения число зубьев равно 18, причем зубья, попадающие на нижний пояс, располагаются более чем в 5 рядов (считая от линии сопряжения). Согласно
п. 3.157 настоящего Руководства, несущая способность зубьев этой части пластины должна быть уменьшена умножением на коэффициент

и составит 120 Н (12 кгс). Общее число зубьев в одной пластине окончательно должно быть не менее 55 + 18 + 20000/120 x 2 = 156 шт. В соответствии с
рис. 23, б, размер пластины равен 124 x 190 мм.
Две зубчатые пластины опорного узла по линии сопряжения поясов имеют сечение металла 2,86 см2. Их расчетная несущая способность по срезу металла составляет 100 МПа x 2,86 см2 = 28,6 кН (2860 кгс), что превосходит расчетное усилие сдвига (20 кН = 2000 кгс) в узле.
Промежуточный узел (
рис. 23, в). В этом узле к сплошному элементу нижнего пояса подходят подкос Д и раскос Д
1. Главную ось зубчатой пластины направляем параллельно нижнему поясу фермы. Расчет требуемого числа зубьев по участкам зубчатой пластины приведен в
табл. 38.
Расчетные величины | Участки пластины, расположенные на |
подкосе Д | раскосе Д1 | нижнем поясе фермы и воспринимающие усилия от |
подкоса Д | раскоса Д1 |
Расчетное усилие в элементе (по статическому расчету), кН (кгс) | 5,2 (520) | 7,8 (780) | 5,2 (520) | 7,8 (780) |
Углы  и  , град | 65 и 0 | 60 и 0 | 65 и 65 | 60 и 60 |
Расчетная несущая способность зуба (по табл. 35), Н (кгс) | 130 (13) | 130 (13) | 90 (9) | 90 (9) |
Требуемое число зубьев на участке | 20 x 2 | 30 x 2 | 29 x 2 | 43 x 2 |
Число зубьев, находящихся на расстоянии менее 10 мм от линий сопряжения элементов и не попадающих в древесину, по
рис. 22, б равно 38. Общее число зубьев в пластине, необходимое для обеспечения передачи расчетных усилий, составит 20 + 30 + 29 + 43 + 38 = 160 шт. Этому числу соответствует зубчатая пластина размером 200 x 124 мм с числом зубьев 162. Две зубчатые пластины по линии сопряжения элементов имеют сечения металла общей площадью 1,96 см
2. Расчетная несущая способность пластины по срезу металла составляет 100 МПа x 1,96 см
2 = 19,56 кН (1956 кгс) и превосходит усилия, действующие в элементах узла.