Главная // Актуальные документы // ГОСТ (Государственный стандарт)СПРАВКА
Источник публикации
М.: Стандартинформ, 2005
Примечание к документу
Документ утратил силу с 1 марта 2017 года в связи с изданием Приказа Росстандарта от 24.06.2016 N 681-ст. Взамен введен в действие
ГОСТ 9330-2016.
С 1 июля 2003 года до вступления в силу технических регламентов акты федеральных органов исполнительной власти в сфере технического регулирования носят рекомендательный характер и подлежат обязательному исполнению только в части, соответствующей целям, указанным в
пункте 1 статьи 46 Федерального закона от 27.12.2002 N 184-ФЗ.
Ограничение срока действия снято по Протоколу N 7-95 Межгосударственного совета по стандартизации, метрологии и сертификации ("ИУС", N 11, 1995).
Документ
введен в действие с 1 июля 1977 года.
Взамен ГОСТ 9330-67.
Название документа
"ГОСТ 9330-76. Основные соединения деталей из древесины и древесных материалов. Типы и размеры"
(введен в действие Постановлением Госстандарта СССР от 11.05.1976 N 1161)
(ред. от 01.06.1986)
"ГОСТ 9330-76. Основные соединения деталей из древесины и древесных материалов. Типы и размеры"
(введен в действие Постановлением Госстандарта СССР от 11.05.1976 N 1161)
(ред. от 01.06.1986)
Постановлением Госстандарта СССР
от 11 мая 1976 г. N 1161
МЕЖГОСУДАРСТВЕННЫЙ СТАНДАРТ
ОСНОВНЫЕ СОЕДИНЕНИЯ ДЕТАЛЕЙ ИЗ ДРЕВЕСИНЫ
И ДРЕВЕСНЫХ МАТЕРИАЛОВ
ТИПЫ И РАЗМЕРЫ
Principal joints of details of wood and wooden materials.
Types and dimensions
ГОСТ 9330-76
| | Список изменяющих документов (в ред. Изменения N 1, утв. в июне 1981 г., Изменения N 2, утв. в июне 1986 г.) | |
Взамен ГОСТ 9330-67
Постановлением Государственного комитета стандартов Совета Министров СССР от 11 мая 1976 г. N 1161 дата введения установлена с 1 июля 1977 года.
Ограничение срока действия снято по протоколу N 7-95 Межгосударственного совета по стандартизации, метрологии и сертификации (ИУС 11-95).
Настоящий стандарт распространяется на основные шиповые соединения деталей из древесины и устанавливает их типы и размеры.
1.1. Типы основных соединений деталей из древесины имеют следующие условные обозначения:
УК - угловое концевое;
УС - угловое серединное;
УЯ - угловое ящичное;
К - по кромке;
Ду - по длине на "ус"
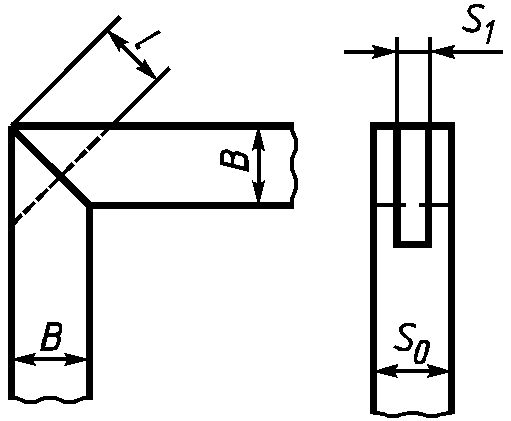
1.2. Типы и размеры угловых концевых соединений (УК) должны соответствовать указанным в табл. 1.
Типы соединений | Условные обозначения | Схемы и размеры соединений |
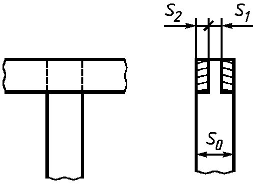
| одинарный | УК-1 | S1 = 0,4S0; S2 = 0,5(S0 - S1) |
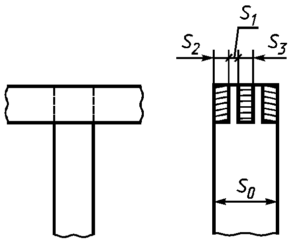
двойной | УК-2 | S1 = S2 = S3 = 0,20S0; S2 = 0,5[S0 - (2S1 + S3)] |
| УК-3 | S1 = S3 = 0,14S0 и S2 = 0,15S0 |
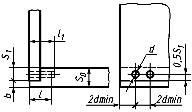
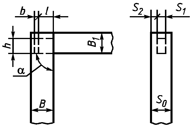
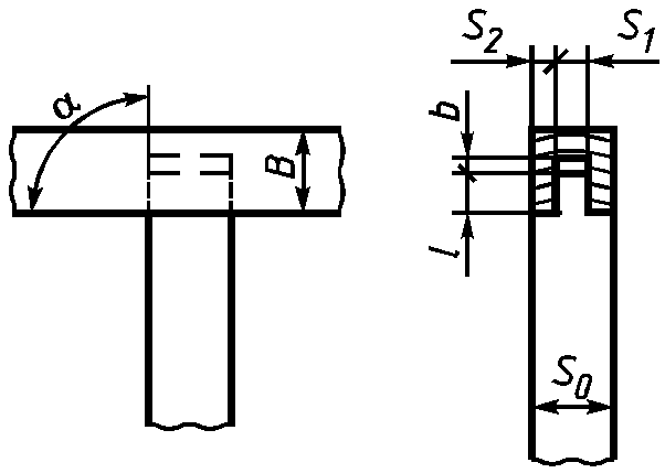
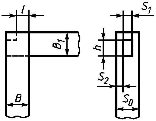
На шип с полупотемком | несквозной | УК-4 | S1 = 0,4S0; l = (0,5 - 0,8)B; h = 0,7B1; S2 = 0,5(S0 - S1); b - не менее 2 мм; l1 = (0,3 - 0,6)l |
сквозной | УК-5 | S1 = 0,4S0; l = 0,5B; h = 0,6B1; S2 = 0,5(S0 - S1) |
На шип с потемком | несквозной | УК-6 | S1 = 0,4S0; l = (0,5 - 0,8)B; h = 0,7B1 S2 = 0,5(S0 - S1); b - не менее 2 мм |
| УК-7 | S1 = 0,4S0; h = 0,6B1; S2 = 0,5(S0 - S1) |
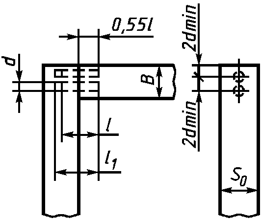
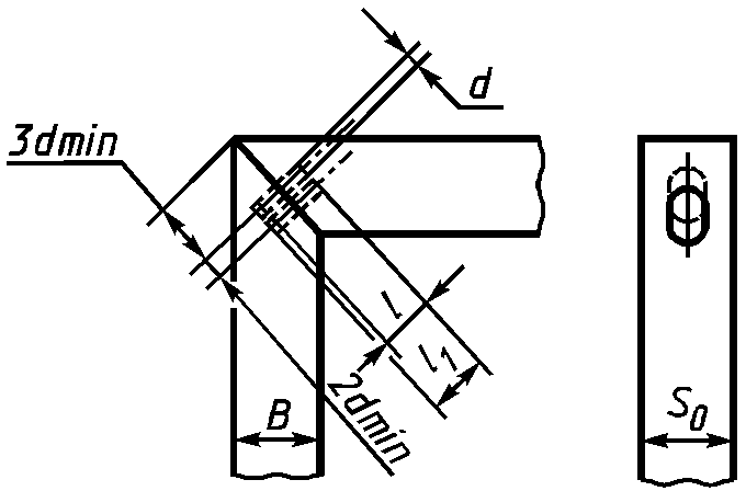
На шипы круглые вставные (шканты) | Несквозные и сквозные | УК-8 | d = 0,4 S0; l - длина шканта (2,5 - 6)d; l1 более l на 2 - 3 мм |
На ус со вставными круглыми шипами (шкантами) | несквозные | УК-9 | d = 0,4S0; l - длина шканта (2,5 - 6)d; l1 более l на 2 - 3 мм Допускается применять сквозные шканты |
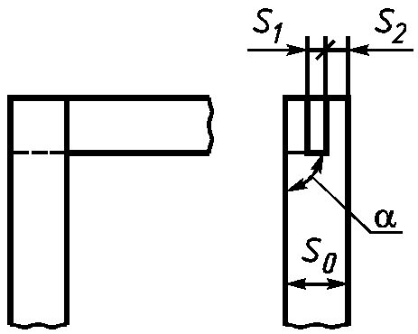
На ус со вставным плоским шипом | несквозной | УК-10 | S1 = 0,4S0. Для деталей толщиной до 10 мм S1 = 2 - 3 мм; l = (1 - 1,2)B; b = 0,75B. Допускается соединение деталей на ус двойным вставным шипом, при этом S1 = 0,2S0 |
сквозной | УК-11 | S1 = 0,4S0. Для деталей толщиной до 10 мм S1 = 2 - 3 мм; l = (1 - 1,2)B. Допускается соединение на "ус" двойным вставным шипом, при этом S1 = 0,2 S0 |
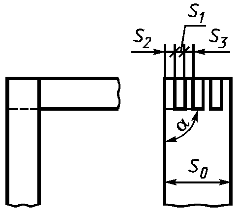
Зубчатое | УК-12 | |
| Длина зубчатого шипа L | Шаг шипа t | Затупление b | |
| 50 | 12,00 | 2,0 | |
| 32 | 8,00 | 1,0 | |
| 20 | 6,00 | 1,0 | |
| 10 | 3,50 | 0,5 | |
| 5 | 1,75 | 0,2 | |
1.2.1. Расчетные толщины шипов и диаметров шкантов соединений типов УК округляют до ближайшего размера: 4; 6; 8; 10; 12; 14; 16; 20 и 25 мм.
1.2.2. В соединениях типов
УК-1 -
УК-7 значение величины
S2 установлено для симметричного расположения шипов. При несимметричном расположении шипов величину
S2 устанавливают в зависимости от назначения и конструкции изделия.
При различных толщинах соединяемых деталей S1 назначают в зависимости от толщины с шипом.
В соединениях типов
УК-1 -
УК-3 и
УК-7 допускается дополнительное крепление соединения нагелем на клею, а угол

принимают в зависимости от конструкции изделия.
1.3. Типы и размеры угловых серединных соединений (УС) должны соответствовать указанным в табл. 2.
Таблица 2
Типы соединений | Условные обозначения | Схемы и размеры соединений |
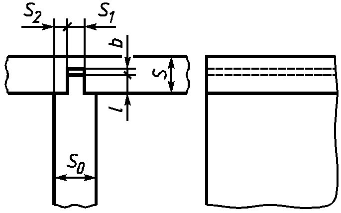
| несквозной | УС-1 | |
несквозной в паз | УС-2 | |
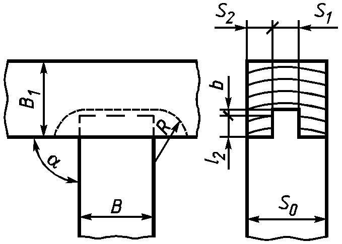
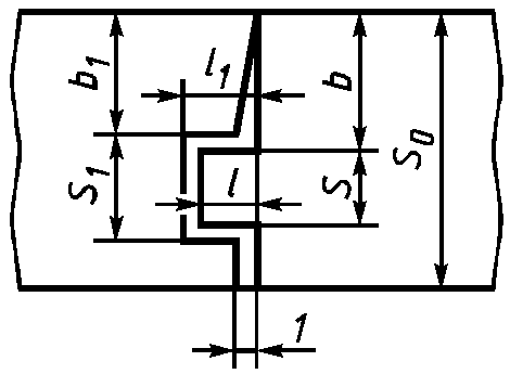
сквозной | УС-3 | S1 = 0,4S0; S2 = 0,5(S0 - S1); b - не менее 2 мм. l1 = (0,3 - 0,8)B; l2 = (0,2 - 0,3)B1. В соединениях типа УС-1, УС-2 допускается двойной шип, при этом S1 = 0,2S0, R соответствует радиусу фрезы |
| сквозной | УС-4 | S1 = S2 = S3 = 0,20S0; S2 = 0,5[S0 - (2S1 + S3)] |
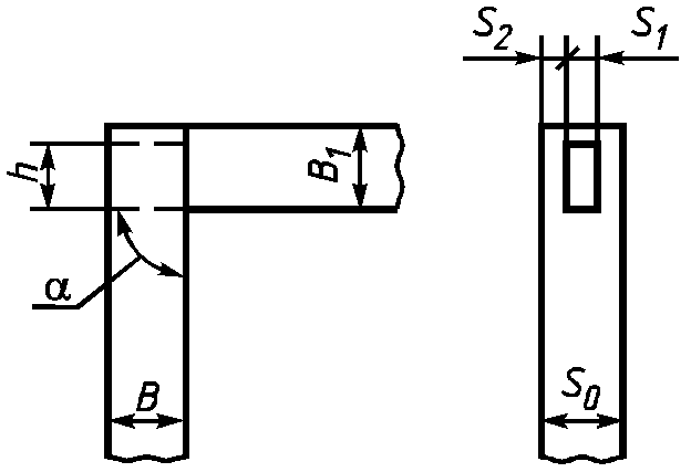
В паз и гребень | несквозной | УС-5 | S1 = (0,4 - 0,5)S0; l = (0,3 - 0,8)S; S2 = 0,5(S0 - S1); b - не менее 2 мм |
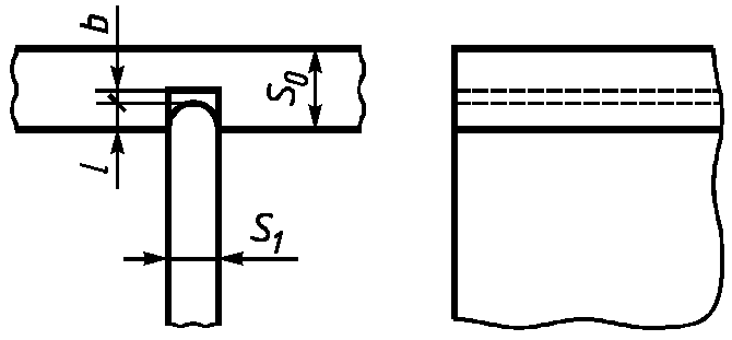
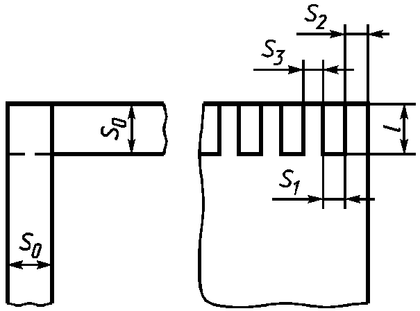
В паз | УС-6 | l = (0,3 - 0,5)S0; b - не менее 1 мм |
На шипы круглые вставные (шканты) | несквозные | УС-7 | d = 0,4S0; l = (2,5 - 6)d; l1 более l на 2 - 3 мм. Допускается применять сквозные шканты |
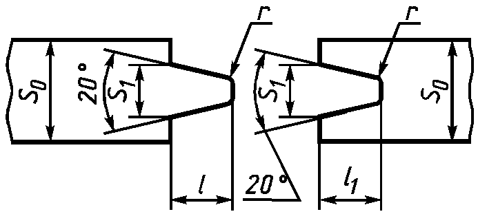
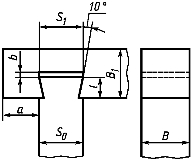
На шип "ласточкин хвост" | несквозной | УС-8 | l = (0,3 - 0,5)B1; S1 = 0,85S0; полученный размер округляют до ближайшего диаметра фрезы 13; 14; 15; 16; 17 мм, а - не менее S0 |
Примечания к табл. 1 и 2. 1. Угловые соединения (концевые и серединные) допускается выполнять с фасками и фальцами, размеры которых соответствуют стандартизованному дереворежущему инструменту.
2. Допускается подсечка заплечиков под углом 45°.
3. Дно паза может быть плоским или другой формы в зависимости от формы присоединяемой детали.
1.2 - 1.3. (Измененная редакция, Изм. N 1).
1.3.1. Расчетные толщины шипов и диаметры шкантов соединений типов УС округляют до ближайшего размера 4; 6; 8; 10; 12; 14; 16; 20 и 25 мм, а угол

устанавливают в зависимости от конструкции изделия.
1.3.2. В соединениях типов
УС-1 -
УС-4 значение величины
S2 установлено для симметричного расположения шипов. При несимметричном расположении шипов величину
S2 устанавливают в зависимости от назначения и конструкции изделия.
(Введен дополнительно, Изм. N 2).
1.4. Типы и размеры угловых ящичных соединений (УЯ) должны соответствовать указанным в табл. 3.
Таблица 3
Типы соединений | Условные обозначения | Схемы и размеры соединений |
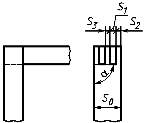
На шип прямой | открытый | УЯ-1 | S1 = S3 = 6; 8; 10; 12; 14; 18 мм; l = S0; S2 - не менее 0,3S0 |
На шип "ласточкин хвост" | УЯ-2 | S1 = 0,85S0; полученный размер округляют до ближайшего диаметра фрезы: 13; 14; 15; 16 и 17 мм; S2 - не менее 0,75S0; S3 = (0,85 - 3) S0; l = S0;  . Допускается соединение на шип "ласточкин хвост" в полупотай |
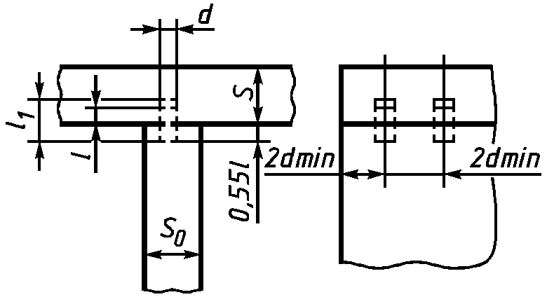
На шип круглый вставной (шкант) | УЯ-3 | d = 0,4S0, полученный диаметр шкантов округляют до ближайшего размера 4; 6; 8; 10; 12; 16; 20 и 25 мм; l = (2,5 - 6)d; l1 более l на 1 - 2 мм; b - от 0 до dmin |
(Измененная редакция, Изм. N 1).
1.5. Типы и размеры соединений по кромке (К) деталей должны соответствовать указанным в табл. 4.
Типы соединений | Условные обозначения | Схемы и размеры соединений |
На рейку | | К-1 | l = 20 - 30 мм; l1 более l на 2 - 3 мм; S1 = 0,4S0 (для реек из древесины); S1 = 0,25S0 (для реек из фанеры). Размер S1 округляют до ближайшего размера пазовой дисковой фрезы: 4; 5; 6; 8; 10; 12; 16 и 20 мм. Допускаются на кромках одно- и двухсторонние фаски |
В четверть | К-2 |  . Допускаются на кромках одно- и двухсторонние фаски мм |
| S0 | b | |
| От 12 до 15 включ. | 6 | |
| Св. 15 " 20 " | 8 | |
| " 20 " 30 " | 10 | |
| " 30 | 16 | |
Допускаются в соединении деталей платформ грузовых автомобилей и прицепов при S0 свыше 30 мм глубина четверти b = 8 мм |
В паз и гребень | прямоугольный | К-3 | r - от 1 до 2 мм; l1 более l на 1 - 2 мм мм |
| S0 | S1 | l | |
| От 10 до 12 включ. | 4 | 6 | |
| Св. 12 " 19 " | 6 | 6 | |
| " 19 " 25 " | 8 | 8 | |
| " 25 " 29 " | 10 | 10 | |
| " 29 " 40 " | 12 | 12 | |
Допускаются на кромках одно- и двухсторонние фаски. Для тары, включая специальную, допускается при S0 = 22 мм, S1 = 6 мм, l = 6 мм Допускается формирование соединения без заоваливания радиусом r углов гребня и паза |
К-4 | |
| S0 | S | S1 | l | l1 | b | b1 | |
| 28 | 6 | 7 | 6 | 7 | 15 | 14 | |
| 36 | 9 | 10 | 6 | 7 | 17 | 16 | |
трапецеидальный | К-5 | |
| S0 | S1 | l | l1 | r | |
| 12 - 13 | 5,5 | 7 | 8 | 1,5 | |
| 15 - 16 | 6,5 | 8 | 9 | 2 | |
| 20 - 22 | 8,5 | 10 | 11 | 2 | |
| 25 | 9,0 | 10 | 11 | 2 | |
| 30 - 35 | 11,5 | 12 | 13 | 3 | |
| 40 - 45 | 14,5 | 12 | 15 | 3 | |
| 50 - 60 | 16,5 | 12 | 15 | 3 | |
Допускаются одно- и двухсторонние фаски. В соединениях деталей платформ грузовых автомобилей и прицепов при S0 свыше 30 мм допускается l = 7 мм Допускается формирование соединения без заоваливания радиусом r углов гребня и паза |
На гладкую фугу | | К-6 | |
В паз и гребень | Прямоугольный | К-7 | |
| S0 | S1 | l | l1 | b | |
| 16 | 6 | 6 | 6,5 | 5 | |
| 27 | 6 | 6 | 7 | 10,5 | |
(Измененная редакция, Изм. N 1, 2).
1.6. Соединение деталей по длине на зубчатый шип должно соответствовать требованиям
ГОСТ 19414-90.
1.7. Соединение деталей по длине на ус (Ду) должно соответствовать требованиям, указанным на чертеже.

.
В деталях, требующих повышенной прочности, длину усового соединения L устанавливают (10 - 12)S0.
1.8. Точность изготовления элементов и методы испытания соединений указаны в Приложении.
1.9. Величина отклонений от номинальных размеров шиповых соединений деталей из древесины устанавливается в нормативно-технической документации на конкретные изделия и должна соответствовать требованиям
ГОСТ 6449.1-82 и
ГОСТ 6449.3-82.
(Введен дополнительно, Изм. N 1).
Рекомендуемое
1. Наибольшая прочность клеевых соединений деревянных деталей достигается при точности изготовления элементов соединения (толщина и ширина гнезда), обеспечивающей в период сборки натяг от 0 до 0,3 мм. Нижний предел от 0 до 0,2 мм принимают для шипов из древесины твердых лиственных пород, а верхний предел от 0,1 до 0,3 мм - для шипов из древесины хвойных и мягких лиственных пород.
2. Прочность угловых концевых и ящичных соединений (УК, УЯ) испытывают по схеме, указанной в
ГОСТ 23166-99. Предел прочности вычисляют с погрешностью не более 0,001 МПа (0,01 кгс/см2) по формуле

,
где P - максимальная нагрузка при разрушении образца Н (кгс);
B - ширина бруска, м (мм);
S - толщина бруска, м (мм).
3. Прочность клеевого соединения на гладкую фугу при скалывании вдоль волокон испытывают по
ГОСТ 15613.1-84.
4. Прочность соединений деталей по длине на ус испытывают на растяжение по
ГОСТ 15613.5-79, при этом длина образца должна быть не менее 500 мм.
(Измененная редакция, Изм. N 1).
5. Прочность соединений типов УК и УС, используемых в конструкциях с горизонтальным расположением элементов и вертикальным направлением действия нагрузок, испытывают по схеме, указанной на чертеже.