Главная // Актуальные документы // ГОСТ (Государственный стандарт)СПРАВКА
Источник публикации
В данном виде документ опубликован не был.
Первоначальный текст документа опубликован в издании
М.: Издательство стандартов, 1984.
Информацию о публикации документов, создающих данную редакцию, см. в справке к этим документам.
Примечание к документу
С 1 июля 2003 года до вступления в силу технических регламентов акты федеральных органов исполнительной власти в сфере технического регулирования носят рекомендательный характер и подлежат обязательному исполнению только в части, соответствующей целям, указанным в
пункте 1 статьи 46 Федерального закона от 27.12.2002 N 184-ФЗ.
Ограничение срока действия снято по Протоколу N 7-95 Межгосударственного совета по стандартизации, метрологии и сертификации ("ИУС", N 11, 1995).
Изменение N 4 введено в действие с 1 июля 1997 года Постановлением Госстандарта РФ от 16.04.1997 N 139.
Взамен ГОСТ 9359-73.
Название документа
"ГОСТ 9359-80*. Государственный стандарт Союза ССР. Массы прессовочные карбамидо- и меламиноформальдегидные. Технические условия"
(введен в действие Постановлением Госстандарта СССР от 28.05.1980 N 2406)
(ред. от 16.04.1997)
"ГОСТ 9359-80*. Государственный стандарт Союза ССР. Массы прессовочные карбамидо- и меламиноформальдегидные. Технические условия"
(введен в действие Постановлением Госстандарта СССР от 28.05.1980 N 2406)
(ред. от 16.04.1997)
Постановлением Госстандарта СССР
от 28 мая 1980 г. N 2406
ГОСУДАРСТВЕННЫЙ СТАНДАРТ СОЮЗА ССР
МАССЫ ПРЕССОВОЧНЫЕ КАРБАМИДО- И МЕЛАМИНОФОРМАЛЬДЕГИДНЫЕ
ТЕХНИЧЕСКИЕ УСЛОВИЯ
Urea-formaldehyde and melamine-formaldehyde
moulding materials (aminoplasts). Specifications
ГОСТ 9359-80*
| | Список изменяющих документов (в ред. Изменения N 1, утв. Постановлением Госстандарта СССР от 27.02.1984 N 623, Постановлением Госстандарта СССР от 21.10.1986 N 3148, Госстандарта СССР от 26.12.1990 N 3308, Постановлением Госстандарта РФ от 16.04.1997 N 139) | |
Постановлением Государственного комитета СССР по стандартам от 28 мая 1980 г. N 2406 срок действия установлен с 01.01.1982 до 01.01.1987.
Взамен ГОСТ 9359-73.
Переиздание (февраль 1984 г.) с Изменением N 1, утвержденным в феврале 1984 г., Пост. N 623 от 27.02.1984 (ИУС 6-84).
Настоящий стандарт распространяется на карбамидо- и меламиноформальдегидные прессовочные массы (аминопласты), получаемые на основе аминосмол (термореактивных продуктов конденсации формальдегида с карбамидом или меламином или их сочетанием) с наполнителями (органическим или минеральным или их сочетанием) с добавкой окрашивающих и модифицирующих веществ.
Аминопласты предназначаются для изготовления горячим прессованием различных изделий бытового, технического и электротехнического назначения, а также изделий, соприкасающихся с пищевыми продуктами.
Абзацы третий, четвертый исключены с 1 июля 1991 года. -
Изменение N 3, утв. Постановлением Госстандарта СССР от 26.12.1990 N 3308.
(Измененная редакция, Изм. N 1).
Требования настоящего стандарта являются обязательными.
(абзац введен
Изменением N 3, утв. Постановлением Госстандарта СССР от 26.12.1990 N 3308)
Обязательные требования к продукции, направленные на обеспечение ее безопасности для жизни, здоровья и имущества и охраны окружающей среды, приведены в пп. 20 и 21 (табл. 2), 4.3, 5.1, 5.24, 5.25.
(абзац введен
Изменением N 4, введенным в действие Постановлением Госстандарта РФ от 16.04.1997 N 139)
1.1. В зависимости от состава, свойств и назначения аминопласты делятся на типы и марки, указанные в табл. 1.
Таблица 1
─────────────┬────────────┬───────────┬────────────────────────┬──────────────────────
Тип │ Код ОКП │ Марка │ Состав │ Рекомендуемое
│ │ ├───────────┬────────────┤ назначение
│ │ │ связующее │наполнитель │
─────────────┼────────────┼───────────┼───────────┼────────────┼──────────────────────
КФА - общего│22 5331 0100│КФА1 │ Карбамидо-│Органический│ Для изготовления
назначения │22 5331 0101│Сорт первый│формаль- │ │просвечивающих изделий
│22 5331 0102│Сорт второй│дегидный │ │технического
│ │ │олигомер │ │назначения, а также
│ │ │ │ │просвечивающих изделий
│ │ │ │ │бытового назначения,
│ │ │ │ │не соприкасающихся
│ │ │ │ │с пищевыми продуктами
│22 5331 0200│КФА2 │ То же │ То же │ Для изготовления
│22 5331 0201│Сорт высший│ │ │непросвечивающих
│22 5331 0202│Сорт первый│ │ │изделий технического
│22 5331 0203│Сорт второй│ │ │и бытового назначения
(в ред.
Изменения N 4, введенного в действие Постановлением Госстандарта РФ
от 16.04.1997 N 139)
МФБ - техни-│22 5332 0100│МФБ1 │ Меламино- │Органический│ Для изготовления
ческого │22 5332 0101│Сорт высший│формаль- │ │изделий электро-
назначения │22 5332 0102│Сорт первый│дегидный │ │технического
и для │22 5332 0103│Сорт второй│олигомер │ │назначения и изделий,
изготовления │ │ │ │ │соприкасающихся с
посуды │ │ │ │ │пищевыми продуктами
МФВ - с │22 5332 0200│МФВ1 │Меламино- │Органи- │ Для изготовления
повышенными │22 5332 0700│МФВ3 │формаль- │ческий, │изделий
электро- │22 5332 0800│МФВ4 │дегидный │неоргани- │электротехнического
изоляционными│22 5332 0900│МФВ5 │олигомер │ческий │назначения
свойствами │ │ │ │ │
МФД - с │22 5332 0400│МФД1 │ То же │ То же │ Для изготовления
повышенными │ │ │ │ │изделий
тепло- и │ │ │ │ │электротехнического
дугостой- │ │ │ │ │назначения, к которым
костью │ │ │ │ │предъявляются
│ │ │ │ │требования повышенной
│ │ │ │ │дугостойкости и
│ │ │ │ │теплостойкости
МФЕ - с │22 5332 0500│МФЕ1 │ " │Неоргани- │ Для изготовления
повышенными │ │ │ │ческий │изделий
механической │ │ │ │ │электротехнического
прочностью, │ │ │ │ │назначения, к которым
тепло- │ │ │ │ │предъявляются
и дуго- │ │ │ │ │повышенные требования
стойкостью │ │ │ │ │по дуго- и
│ │ │ │ │теплостойкости,
│ │ │ │ │механической
│ │ │ │ │прочности,
│ │ │ │ │износостойкости в
│ │ │ │ │условиях нормального
│ │ │ │ │и влажного
│ │ │ │ │тропического климата
│ │ │ │ │(при относительной
│ │ │ │ │влажности
│ │ │ │ │98% и 35 °C)
(в ред.
Изменения N 2, введенного в действие Постановлением Госстандарта СССР от 21.10.1986 N 3148)
Примечание. Аминопласты второго сорта не используются для изготовления изделий бытового назначения, к внешнему виду которых предъявляются повышенные требования.
(примечание введено
Изменением N 2, введенным в действие Постановлением Госстандарта СССР от 21.10.1986 N 3148)
Пример условного обозначения аминопласта типа КФА, марки КФА1, сорта 1, цвета голубого:
Аминопласт КФА1, сорт 1, голубой ГОСТ 9359-80
(Измененная редакция, Изм. N 1).
1.2. Аминопласты марок КФА2 и МФБ1 изготовляют высшего и первого сортов, а аминопласты типов КФА и МФВ в зависимости от внешнего вида отпрессованного образца - высшего, первого второго сортов.
(п. 1.2 в ред.
Изменения N 2, введенного в действие Постановлением Госстандарта СССР от 21.10.1986 N 3148)
1.3. Аминопласты изготовляют различных цветов в соответствии с контрольными образцами цвета, утвержденными в установленном порядке.
(п. 1.3 введен
Изменением N 2, введенным в действие Постановлением Госстандарта СССР от 21.10.1986 N 3148, в ред.
Изменения N 4, введенного в действие Постановлением Госстандарта РФ от 16.04.1997 N 139)
2. ТЕХНИЧЕСКИЕ ТРЕБОВАНИЯ
2.1. Аминопласты должны изготовляться в соответствии с требованиями настоящего стандарта по технологическому регламенту, утвержденному в установленном порядке.
2.2. По физико-механическим показателям аминопласты должны соответствовать требованиям и нормам, указанным в табл. 2 и
3.
Постановлением Госстандарта СССР от 21.10.1986 N 3148)
─────────────────┬───────────────────────────────────────────────────────────────────┬──────────
Наименование │ Норма для марки │ Метод
показателя ├──────────────────────────┬─────────────────┬────────┬─────────────┤испытания
│ КФА │ МФБ │ МФД │ МФЕ │
├────────┬─────────────────┼─────────────────┼────────┼─────────────┤
│ КФА1 │ КФА2 │ МФБ1 │ МФД1 │ МФЕ1 │
│ ├────────┬────────┼────────┬────────┤ │ │
│ │ Высший │ Первый │ Высший │ Первый │ │ │
│ │ сорт │ сорт │ сорт │ сорт │ │ │
─────────────────┼────────┴────────┴────────┴────────┴────────┼────────┼─────────────┼──────────
1. Внешний вид │ Тонкий порошок, окрашенный в широкую гамму │Крошка │Рыхлые пучки │По
п. 5.4
│ тонов │серого │спутанных │
│ │цвета │отрезков │
│ │ │стеклянной │
│ │ │нити, │
│ │ │равномерно │
│ │ │пропитанные. │
│ │ │Пучки не дол-│
│ │ │жны превышать│
│ │ │по толщине │
│ │ │40 мм и по │
│ │ │массе 100 г │
2. Массовая доля│ - │ - │ - │ - │ - │ - │ 35 - 40 │По
п. 5.5
связующего, % │ │ │ │ │ │ │ │
3. Остаток после│ │ │ │ │ │ │По
п. 5.6
просева на сите, │ │ │ │ │ │ │
%, не более: │ │ │ │ │ │ │
с сеткой N 018К │ 5,0 │ 5,0 │ 5,0 │ 5,0 │ 5,0 │ - │ - │
с сеткой N 0355К│ 0 │ 0 │ 0 │ 0 │ 0 │ - │ - │
4. Массовая доля│ - │ - │ - │ - │ - │Не более│ 2,0 - 4,0 │По
п. 5.7
влаги и летучих │ │ │ │ │ │ 5,0 │ │
веществ, % │ │ │ │ │ │ │ │
5. Массовая доля│ 3,0 │ 3,0 │ 3,0 │ 4,0 │ 4,0 │ - │ - │По
п. 5.8
влаги, %, │ │ │ │ │ │ │ │
не более │ │ │ │ │ │ │ │
6. Текучесть, мм│70 - 160│90 - 160│70 - 160│80 - 180│80 - 180│90 - 150│ 120 - 190 │По
п. 5.9
7. Насыпная │ 0,3 │ 0,3 │ 0,3 │ 0,25 │ 0,25 │ Не нормируют │По
п. 5.10
плотность, г/см3,│ │ │ │ │ │ │
не менее │ │ │ │ │ │ │
8. Исключен с 1 июля 1991 года. -
Изменение N 3, утв. Постановлением │
Госстандарта СССР от 26.12.1990 N 3308. │ │
9. Внешний вид, │ В соответствии с образцом, утвержденным │Гладкая, блестящая, │По
п. 5.12
цвет и чистота │ в установленном порядке │без вздутий, │
отпрессованного │ │допускаются включения,│
образца │ │предусмотренные │
│ │нормативно-технической│
│ │документацией на │
│ │сырье, разнотонность │
│ │(мраморность) │
│ │на поверхности │
10. Изгибающее │ 70,4 │ 86,7 │ 81,6 │ 83,3 │ 81,6 │ 40,7 │ 81,6 │По ГОСТ
напряжение при │ (715) │ (880) │ (830) │ (850) │ (830) │ (415) │ (830) │
4648-71 и
разрушении, МПа │ │ │ │ │ │ │ │
п. 5.13
(кгс/см2), │ │ │ │ │ │ │ │настоящего
не менее │ │ │ │ │ │ │ │стандарта
11. Водо- │ │ │ │ │ │ │ │По ГОСТ
поглощение, мг, │ │ │ │ │ │ │ │
4650-80 и
в холодной воде │ 200 │ 170 │ 200 │ - │ - │ 150 │ 20 │настоящего
в горячей воде │ - │ - │ - │ 110 │ 130 │ - │ - │стандарта
12. Исключен с 1 июля 1991 года. -
Изменение N 3, утв. Постановлением │
Госстандарта СССР от 26.12.1990 N 3308. │ │ │ │ │
13. Электри- │ │ │ │ │ │ │ │По ГОСТ
кВ/мм, не менее: │ │ │ │ │ │ │ │и
п. 5.16
в исходном │ - │ - │ - │ 12 │ 12 │ 5 │ 12 │настоящего
состоянии │ │ │ │ │ │ │ │стандарта
после │ - │ - │ - │ - │ - │ 4 │ - │
кондиционирования│ │ │ │ │ │ │ │
14. Тангенс угла│ - │ - │ - │ 0,5 │ 0,5 │ 0,8 │ - │По ГОСТ
потерь при 50 Гц,│ │ │ │ │ │ │ │и
п. 5.17
не более │ │ │ │ │ │ │ │настоящего
│ │ │ │ │ │ │ │стандарта
15. Дуго- │ - │ - │ - │ - │ - │ 180 │ 190 │По ГОСТ
│ │ │ │ │ │ │ │настоящего
│ │ │ │ │ │ │ │стандарта
16. Внутреннее │ │ │ │ │ │ │ │По ГОСТ
сопротивление, │ │ │ │ │ │ │ │и
п. 5.19
Ом, не менее: │ │ │ │ │ │ │ │настоящего
│ │ │ │ 10│ 10│ 9 │ 9 │стандарта
в исходном │ - │ - │ - │1 x 10 │1 x 10 │1 x 10 │ 1 x 10 │
состоянии │ │ │ │ │ │ │ │
│ │ │ │ │ │ 7 │ │
после │ - │ - │ - │ - │ - │1 x 10 │ - │
кондиционирования│ │ │ │ │ │ │ │
│ 12│ 12│ 12│ 12│ 12│ 12│ 12 │
17. Удельное │1 x 10 │1 x 10 │1 x 10 │1 x 10 │1 x 10 │1 x 10 │ 1 x 10 │По ГОСТ
электрическое │ │ │ │ │ │ │ │и
п. 5.20
сопротивление, │ │ │ │ │ │ │ │настоящего
Ом, не менее │ │ │ │ │ │ │ │стандарта
18. Исключен с 1 июля 1991 года. -
Изменение N 3, утв. Постановлением │
Госстандарта СССР от 26.12.1990 N 3308. │ │ │ │ │
19. Усадка, %, │ 1,2 │ 0,9 │ 1,2 │ 0,9 │ 1,3 │ 1,2 │ 0,3 │По ГОСТ
не более │ │ │ │ │ │ │ │18616-80 и
│ │ │ │ │ │ │ │настоящего
│ │ │ │ │ │ │ │стандарта
20. Стойкость │ - │ - │ - │Сохранение блеска│ - │ - │По
п. 5.24
к кипячению │ │ │ │в соответствии │ │ │
в 1%-ном растворе│ │ │ │с образцом, │ │ │
серной кислоты │ │ │ │утвержденным │ │ │
│ │ │ │в установленном │ │ │
│ │ │ │порядке; раствор │ │ │
│ │ │ │кислоты не должен│ │ │
│ │ │ │окрашиваться │ │ │
21. Массовая │ - │ - │ - │ 3,0 │ 3,0 │ - │ - │По
п. 5.25
концентрация │ │ │ │ │ │ │ │
формальдегида │ │ │ │ │ │ │ │
в уксуснокислой │ │ │ │ │ │ │ │
вытяжке, мг/дм3, │ │ │ │ │ │ │ │
не более │ │ │ │ │ │ │ │
(в ред.
Изменения N 3, утв. Постановлением Госстандарта СССР от 26.12.1990 N 3308)
Примечания. 1. Показатель по
подпункту 18 для всех марок не нормируют до 01.01.1985. Определение обязательно.
2. Нормы по показателям
подпунктов 11 для марки МФД1 и
13,
14,
16,
17 для марки МФБ1 являются факультативными до 01.01.1985.
(в ред.
Изменения N 2, введенного в действие Постановлением Госстандарта СССР от 21.10.1986 N 3148)
3. По согласованию с потребителем допускается выпускать аминопласт марки МФД1 с текучестью, превышающей 150 мм.
(примечание введено
Изменением N 3, утв. Постановлением Госстандарта СССР от 26.12.1990 N 3308)
─────────────────┬───────────────────────────────────┬────────────
Наименование │ Норма для марки │ Метод
показателя ├───────────────────────────────────┤ испытания
│ МФВ │
├────────┬────────┬────────┬────────┤
│ МФВ1 │ МФВ3 │ МФВ4 │ МФВ5 │
─────────────────┼────────┼────────┼────────┼────────┼────────────
1. Внешний вид │Порошок │Порошок │Порошок │Порошок │По
п. 5.4
│от │зеленого│от │серого │
│светло- │или │светло- │цвета │
│до │черного │до │ │
│темно- │цвета │темно- │ │
│серого │ │серого │ │
│цвета │ │цвета │ │
2. Массовая доля│ 4,5 │ 4,5 │ 4,5 │ 2,0 │По
п. 5.7
влаги и летучих │ │ │ │ │
веществ, %, │ │ │ │ │
не более │ │ │ │ │
3. Текучесть, мм│140 - │140 - │Не менее│100 - │По
п. 5.9
│ 195│ 195│ 200 │ 195│
4. Внешний вид, │ Гладкая блестящая поверхность │По
п. 5.12
цвет и чистота │без вздутий, допускаются включения,│
отпрессованного │ предусмотренные нормативно- │
образца │технической документацией на сырье,│
│ разнотонность (мраморность) │
на поверхности │
5. Изгибающее │ 63,7 │ 61,0 │ 63,7 │ 63,7 │По
МПа (кгс/см2), │ │ │ │ │настоящего
не менее │ │ │ │ │стандарта
6. Водо- │ 150 │ 150 │ 150 │ 150 │По
мг, не более │ │ │ │ │настоящего
│ │ │ │ │стандарта
Постановлением Госстандарта СССР от 26.12.1990 N 3308.
8. Электрическая│ 12 │ 14 │ 12 │ 12 │По ГОСТ
│ │ │ │ │настоящего
│ │ │ │ │стандарта
9. Тангенс угла │ 0,5 │ 0,3 │ 0,5 │ 0,3 │По ГОСТ
потерь при 50 Гц,│ │ │ │ │и
п. 5.17
не более │ │ │ │ │настоящего
│ │ │ │ │стандарта
10. Дуго- │ 10 │ 10 │ 10 │ 10 │По ГОСТ
│ │ │ │ │настоящего
│ │ │ │ │стандарта
11. Внутреннее │ │ │ │ │По ГОСТ
Ом, не менее: │ │ │ │ │настоящего
│ 11│ 11│ 11│ │стандарта
в исходном │1 x 10 │1 x 10 │1 x 10 │ - │
состоянии │ │ │ │ │
│ 9 │ │ │ │
после │1 x 10 │ - │ - │ - │
кондиционирования│ │ │ │ │
│ 9 │ │ │ │
при 90 °C │1 х 10 │ - │ - │ - │
│ │ │ │ │
от 26.12.1990 N 3308) │ │ │
12. Удельное │ │ │ │ │По ГОСТ
сопротивление, │ │ │ │ │настоящего
Ом, не менее │ 12│ 16│ 12│ │стандарта
в исходном │1 x 10 │1 x 10 │1 x 10 │ - │
состоянии │ │ │ │ │
│ 10│ │ │ │
при 90 °C │1 х 10 │ - │ - │ - │
│ │ │ │ │
от 26.12.1990 N 3308) │ │ │
Постановлением Госстандарта СССР от 26.12.1990 N 3308.
14. Усадка, %, │ 0,5 │ 0,5 │ 0,5 │ 0,5 │По ГОСТ
не более │ │ │ │ │18616-80
│ │ │ │ │настоящего
│ │ │ │ │стандарта
(в ред.
Изменения N 2, введенного в действие Постановлением Госстандарта СССР от 21.10.1986 N 3148,
Изменения N 3, утв. Постановлением Госстандарта СССР от 26.12.1990 N 3308)
Примечания. 1. Исключено с 1 марта 1987 года. -
Изменение N 2, введенное в действие Постановлением Госстандарта СССР от 21.10.1986 N 3148.
2.
Показатели 11 и
12, определяемые при 90 °C, для марки МФВ1 не нормируют до 01.01.1989. Определение обязательно.
(примечание 2 в ред.
Изменения N 2, введенного в действие Постановлением Госстандарта СССР от 21.10.1986 N 3148)
3. Допускается для аминопласта марки МФВ1, предназначенного для изготовления дугостойких изделий, норма по усадке 0,7%.
4. По согласованию с потребителем допускается выпускать аминопласт типа МФВ с текучестью, превышающей верхний предел норм, указанных в табл. 3.
(примечание введено
Изменением N 3, утв. Постановлением Госстандарта СССР от 26.12.1990 N 3308)
(Измененная редакция, Изм. N 1).
2.3. Дополнительные показатели качества аминопластов приведены в справочном
Приложении 1.
2.4. Перечень пигментов, допущенных для окрашивания аминопластов, предназначенных для изготовления изделий, соприкасающихся с пищевыми продуктами, и детских игрушек, приведен в
Приложении 2.
(п. 2.4 в ред.
Изменения N 3, утв. Постановлением Госстандарта СССР от 26.12.1990 N 3308)
2.5. Соответствие норм показателя "водопоглощение", выраженных в миллиграммах и процентах, приведено в справочном
Приложении 3.
Соответствие обозначений марок аминопластов по настоящему стандарту и ранее действовавшему приведено в справочном
Приложении 4.
(Измененная редакция, Изм. N 1).
2.6. Применение аминопласта марки МФБ1 для изготовления изделий бытового назначения, соприкасающихся с пищевыми продуктами, должно быть согласовано с Госкомсанэпиднадзором в установленном порядке.
(п. 2.6 в ред.
Изменения N 4, введенного в действие Постановлением Госстандарта РФ от 16.04.1997 N 139)
2.7. По согласованию между изготовителем и потребителем допускается аминопласты типов КФА и МФБ выпускать с любой текучестью, находящейся в пределах, указанных в
табл. 2, с допуском +/- 20 мм.
3. ТРЕБОВАНИЯ БЕЗОПАСНОСТИ
3.1. Пыль аминопласта раздражающе действует на слизистые оболочки глаз. Концентрация пыли не должна превышать 6 мг/м3. Просыпанный аминопласт следует сразу же аккуратно собрать сухой щеткой и совком, чтобы не допустить его распыления. После этого загрязненное место необходимо протереть влажной тряпкой.
При упаковке порошков аминопластов и при всех работах, связанных с выделением пыли аминопласта в воздухе рабочего помещения, следует пользоваться респираторами. При работе с аминопластом типа МФЕ необходимо пользоваться рукавицами.
3.2. При переработке аминопластов возможно выделение свободного формальдегида. Помещения для работы с аминопластами должны быть обеспечены приточно-вытяжной вентиляцией, а рабочие места должны быть оборудованы местными отсасывающими устройствами.
Предельно допустимая концентрация формальдегида составляет 0,5 мг/м3. Температура воспламенения - 430 °C. Область воспламенения - 7 - 73 об. %. Нижний предел взрываемости пыли аминопластов типа КФА составляет 41 - 43 г/м3, типа МФБ - 45 г/м3. Аминопласты типов МФВ, МФД и МФЕ к взрывоопасным продуктам не относятся, так как в своем составе имеют неорганический наполнитель.
3.3. Производственные помещения должны быть оснащены техническими средствами контроля состояния окружающей среды. Контроль за содержанием вредных веществ в воздухе рабочей зоны производственных помещений осуществляется периодически.
3.4. При работе с аминопластами работающие должны иметь специальную одежду, обувь и индивидуальные средства защиты органов дыхания.
3.5. Тушить аминопласты следует водой и пеной.
4.1. Аминопласты принимают партиями. Партией считают количество аминопласта, полученного от одной операции смешения, одного сорта, одной марки, сопровождаемое одним документом о качестве. Масса партии аминопласта должна быть не менее 500 кг, аминопласта МФВ5 - не менее 30 кг. По согласованию с потребителем масса партии может быть изменена.
(в ред.
Изменения N 3, утв. Постановлением Госстандарта СССР от 26.12.1990 N 3308)
Каждая партия аминопласта должна сопровождаться документом о качестве, содержащим:
наименование или товарный знак предприятия-изготовителя,
обозначение марки, сорта, цвета и показателя фактической текучести аминопласта,
применяемый краситель (для окрашиваемых аминопластов),
массу нетто,
дату изготовления,
номер партии,
показатели качества аминопластов по проведенным испытаниям или подтверждение о соответствии аминопласта требованиям настоящего стандарта,
обозначение настоящего стандарта.
Документ на партию аминопласта, предназначенного для переработки в детские игрушки и изделия, соприкасающиеся с пищевыми продуктами, дополняется пунктом, указывающим его состав.
4.2. Для проверки соответствия аминопластов требованиям настоящего стандарта проводят приемо-сдаточные испытания.
Для аминопластов типа КФА и МФБ проводят испытания:
по остальным показателям
табл. 2 - не реже одного раза в квартал.
При использовании аминопласта марки МФБ1 для изготовления посуды не определяют
показатели 13,
14,
16 и
17 табл. 2, а при использовании для изготовления изделий электротехнического назначения -
показатели 20 и
21 табл. 2.
Для аминопластов типов МФД и МФЕ проводят испытания:
по остальным показателям
табл. 2 - не реже одного раза в квартал.
Для аминопластов типа МФВ проводят испытания:
по остальным показателям табл. 3 - не реже одного раза в квартал.
Показатели 11 и
12 при 90 °C для марки МФВ1 определяют по требованию потребителя.
(п. 4.2 в ред.
Изменения N 3, утв. Постановлением Госстандарта СССР от 26.12.1990 N 3308)
4.3. Для проверки качества аминопластов по всем видам испытаний отбирают 10% единиц упаковки, но не менее трех.
4.4. При получении неудовлетворительных результатов испытаний хотя бы по одному из показателей, проверяемых на каждой партии, или периодически по нему проводят повторные испытания на удвоенной выборке, взятой от той же партии.
Результаты повторных испытаний распространяются на всю партию.
При получении неудовлетворительных результатов повторных периодических испытаний поставка аминопластов потребителю прекращается до выяснения и устранения причин несоответствия их требованиям настоящего стандарта и получения удовлетворительных результатов испытаний новых партий.
(Измененная редакция, Изм. N 1).
5.1. Пробы отбирают от каждой упаковочной единицы, отобранной по
п. 4.3.
(в ред.
Изменения N 2, введенного в действие Постановлением Госстандарта СССР от 21.10.1986 N 3148)
Точечную пробу аминопластов в виде порошка и крошки отбирают в равных количествах щупом или другим способом, а волокнистых - вручную из верхнего, среднего и нижнего слоев. Отобранные точечные пробы соединяют и тщательно перемешивают. При отборе пробы из контейнера щуп погружают на 2/3 его высоты.
(в ред.
Изменения N 3, утв. Постановлением Госстандарта СССР от 26.12.1990 N 3308)
Масса пробы, отобранной для контроля, должна быть не менее 0,5 кг.
(в ред.
Изменения N 3, утв. Постановлением Госстандарта СССР от 26.12.1990 N 3308)
5.2. Полученную пробу аминопласта помещают в чистую сухую плотно закрывающуюся металлическую или стеклянную банку или полиэтиленовый пакет, который запаивают или завязывают с двойным перегибом. На банку наклеивают, а в пакет вкладывают этикетку с обозначением наименования продукта, марки, номера партии, даты отбора пробы.
(п. 5.2 в ред.
Изменения N 3, утв. Постановлением Госстандарта СССР от 26.12.1990 N 3308)
5.3. Образцы, применяемые для испытаний, режимы их прессования указаны в табл. 4.
─────────────┬──────────────────┬─────────┬────────────────────────────────────────────────
Наименование │ Образец │ Марка │ Режим прессования
показателя │ │ ├─────────────────┬────────────┬──────────┬──────
│ │ │ Подогрев │ Удельное │Темпе- │Время
│ │ │ в термошкафу │ давление, │ратура, °C│выдер-
│ │ ├─────────┬───────┤ МПа │ │жки,
│ │ │темпера- │ время,│ (кгс/см2) │ │мин
│ │ │тура, °C │ мин │ │ │
─────────────┼──────────────────┼─────────┼─────────┼───────┼────────────┼──────────┼──────
Внутреннее │ Брусок │ КФА1, │ - │ - │29,4 +/- 4,9│137 +/- 3 │ 10
электрическое│ (120 +/- 2) x │КФА2
<*> │ │ │(300 +/- 50)│ │
сопротивление│x (10 +/- 0,5) x │ │105 +/- 5│ 5 - 10│39,2 +/- 4,9│145 +/- 3 │ 10
│x (15 +/- 0,5) мм │ │ │ │(400 +/- 50)│ │
│ ├─────────┼─────────┼───────┼────────────┼──────────┼──────
│ │ МФБ1 │105 +/- 5│ 5 - 10│39,2 +/- 4,9│160 +/- 5 │ 10
│ │ │ │ │(400 +/- 50)│ │
(в ред.
Изменения N 2, введенного в действие Постановлением Госстандарта │
СССР от 21.10.1986 N 3148,
Изменения N 3, утв. Постановлением Госстандарта │
СССР от 26.12.1990 N 3308) │ │ │ │ │
─────────────┼──────────────────┼─────────┼─────────┼───────┼────────────┼──────────┼──────
Усадка │ Брусок │МФВ1
<*>,│105 +/- 5│ 5 - 20│29,4 +/- 4,9│165 +/- 5 │ 15
│ (120 +/- 2) x │ МФВ3, │ │ │(300 +/- 50)│ │
│x (10 +/- 0,2) x │ МФВ4, │ │ │ │ │
│x (15 +/- 0,5) мм │ МФВ5 │ │ │ │ │
│ ├─────────┼─────────┼───────┼────────────┼──────────┼──────
│ │ МФД1 │105 +/- 5│ 5 - 10│29,4 +/- 4,9│150 +/- 10│ 10
│ │ │ │ │(300 +/- 50)│ │
│ ├─────────┼─────────┼───────┼────────────┼──────────┼──────
│ │МФЕ1
<*> │ - │ - │49,0 +/- 4,9│150 +/- 5 │ 20
│ │ │ │ │(500 +/- 50)│ │
(в ред.
Изменения N 2, введенного в действие Постановлением Госстандарта │
СССР от 21.10.1986 N 3148) │ │ │ │ │
─────────────┼──────────────────┼─────────┼─────────┼───────┼────────────┼──────────┼──────
Изгибающее │ Брусок, длиной │ КФА1, │ - │ - │29,4 +/- 4,9│137 +/- 3 │ 6
напряжение │ не менее │КФА2
<*> │ │ │(300 +/- 50)│ │
при │ 80 х │ │105 +/- 5│ 5 - 10│39,2 +/- 4,9│145 +/- 5 │ 10
разрушении, │х 10,0 +/- 0,5) х│ │ │ │(400 +/- 50)│ │
температура │x (4,0 +/- 0,2) мм├─────────┼─────────┼───────┼────────────┼──────────┼──────
размягчения │ │ МФБ1 │105 +/- 5│ 5 - 10│39,2 +/- 4,9│160 +/- 5 │ 10
при изгибе │ │ │ │ │(400 +/- 50)│ │
│ ├─────────┼─────────┼───────┼────────────┼──────────┼──────
│ │МФВ1
<*>,│105 +/- 5│2,5 - │29,4 +/- 4,9│165 +/- 5 │4 - 8
│ │ МФВ3, │ │ 10│(300 +/- 50)│ │
│ │ МФВ4, │ │ │ │ │
│ │ МФВ5, │ │ │ │ │
│ ├─────────┼─────────┼───────┼────────────┼──────────┼──────
│ │ МФД1 │105 +/- 5│2,5 - 5│29,4 +/- 4,9│150 +/- 10│ 4
│ │ │ │ │(300 +/- 50)│ │
│ ├─────────┼─────────┼───────┼────────────┼──────────┼──────
│ │ МФЕ1
<*>│ - │ - │49,0 +/- 4,9│150 +/- 5 │ 8
│ │ │ │ │(500 +/- 50)│ │
(в ред.
Изменения N 2, введенного в действие Постановлением Госстандарта │
СССР от 21.10.1986 N 3148,
Изменения N 3, утв. Постановлением Госстандарта │
СССР от 26.12.1990 N 3308) │ │ │ │ │
─────────────┼──────────────────┼─────────┼─────────┼───────┼────────────┼──────────┼──────
Внешний вид,│ Диск диаметром │ КФА1, │ - │ - │29,4 +/- 4,9│137 +/- 3 │ 4
цвет, чистота│ 100 +/- 1,0; │КФА2
<*> │ │ │(300 +/- 50)│ │
поверхности │ толщиной ├─────────┼─────────┼───────┼────────────┼──────────┼──────
отпрессован- │ 2 +/- 0,2 мм │ МФБ1 │105 +/- 5│ 5 - 10│39,2 +/- 4,9│160 +/- 5 │ 5
ного образца,│ │ │ │ │(400 +/- 50)│ │
стойкость к │ │ │ │ │ │ │
кипячению в │ │ │ │ │ │ │
1%-ном раст- │ │ │ │ │ │ │
воре серной │ │ │ │ │ │ │
кислоты, │ │ │ │ │ │ │
массовая │ │ │ │ │ │ │
концентрация │ │ │ │ │ │ │
формальдегида│ │ │ │ │ │ │
в уксусной │ │ │ │ │ │ │
вытяжке │ │ │ │ │ │ │
(в ред.
Изменения N 2, введенного в действие Постановлением Госстандарта │
СССР от 21.10.1986 N 3148) │ │ │ │ │
─────────────┼──────────────────┼─────────┼─────────┼───────┼────────────┼──────────┼──────
Водо- │ Диск диаметром │ КФА1, │ - │ - │29,4 +/- 4,9│137 +/- 3 │ 5
поглощение │ 50 +/- 1,0; │КФА2
<*> │ │ │(300 +/- 50)│ │
в горячей │ толщиной ├─────────┼─────────┼───────┼────────────┼──────────┼──────
и холодной │ 3 +/- 0,2 мм │ МФБ1 │105 +/- 5│ 10 │39,2 +/- 4,9│160 +/- 5 │ 7
воде │ │ │ │ │(400 +/- 50)│ │
│ ├─────────┼─────────┼───────┼────────────┼──────────┼──────
│ │МФВ1
<*>,│105 +/- 5│ 10 │29,4 +/- 4,9│165 +/- 5 │ 10
│ │ МФВ3, │ │ │(300 +/- 50)│ │
│ │ МФВ4, │ │ │ │ │
│ │ МФВ5, │ │ │ │ │
│ ├─────────┼─────────┼───────┼────────────┼──────────┼──────
│ │ МФД1 │105 +/- 5│ 10 │29,4 +/- 4,9│150 +/- 10│ 10
│ │ │ │ │(300 +/- 50)│ │
│ ├─────────┼─────────┼───────┼────────────┼──────────┼──────
│ │МФЕ1
<*> │ - │ - │49,0 +/- 4,9│150 +/- 5 │ 12
│ │ │ │ │(500 +/- 50)│ │
(в ред.
Изменения N 2, введенного в действие Постановлением Госстандарта │
СССР от 21.10.1986 N 3148) │ │ │ │ │
─────────────┼──────────────────┼─────────┼─────────┼───────┼────────────┼──────────┼──────
Электри- │ Диск диаметром │ КФА1, │ - │ - │29,4 +/- 4,9│137 +/- 3 │ 5
ческая │ 100 +/- 1,0, │ КФА2
<*>│ │ │(300 +/- 50)│ │
прочность, │ толщиной ├─────────┼─────────┼───────┼────────────┼──────────┼──────
тангенс угла │ 2,8 +/- 0,2 мм │ МФБ1 │105 +/- 5│ 5 - 10│39,2 +/- 4,9│160 +/- 5 │ 7
диэлектричес-│ │ │ │ │(400 +/- 50)│ │
ких потерь, │ │ │ │ │ │ │
удельное │ │ │ │ │ │ │
поверхностное│ │ │ │ │ │ │
электрическое│ ├─────────┼─────────┼───────┼────────────┼──────────┼──────
сопротивле- │ │МФВ1
<*>,│105 +/- 5│10 - 15│29,4 +/- 4,9│165 +/- 5 │ 10
ние, внешний │ │ МФВ3, │ │ │(300 +/- 50)│ │
вид отпрес- │ │ МФВ4, │ │ │ │ │
сованного │ │ МФВ5, │ │ │ │ │
образца (для │ ├─────────┼─────────┼───────┼────────────┼──────────┼──────
типов МФВ, │ │ МФД1 │105 +/- 5│ 10 │29,4 +/- 4,9│150 +/- 10│ 10
МФД и МФЕ) │ │ │ │ │(300 +/- 50)│ │
│ ├─────────┼─────────┼───────┼────────────┼──────────┼──────
│ │ МФЕ1
<*>│ - │ - │49,0 +/- 4,9│160 +/- 5 │ 12
│ │ │ │ │(500 +/- 50)│ │
(в ред.
Изменения N 2, введенного в действие Постановлением Госстандарта │
СССР от 21.10.1986 N 3148) │ │ │ │ │
─────────────┼──────────────────┼─────────┼─────────┼───────┼────────────┼──────────┼──────
Дугостойкость│ Диск диаметром │МФВ1
<*>,│105 +/- 5│10 - 15│29,4 +/- 4,9│165 +/- 5 │ 13
│ 50 - 100 +/- 1; │ МФВ3, │ │ │(300 +/- 50)│ │
│ толщиной │ МФВ4, │ │ │ │ │
│ 4 +/- 0,2 мм │ МФВ5, │ │ │ │ │
│ ├─────────┼─────────┼───────┼────────────┼──────────┼──────
│ │ МФД1 │105 +/- 5│ 10 │29,4 +/- 4,9│150 +/- 10│ 10
│ │ │ │ │(300 +/- 50)│ │
│ ├─────────┼─────────┼───────┼────────────┼──────────┼──────
│ │МФЕ1
<*> │ - │ - │49,0 +/- 4,9│150 +/- 5 │ 20
│ │ │ │ │(500 +/- 50)│ │
(в ред.
Изменения N 2, введенного в действие Постановлением Госстандарта │
СССР от 21.10.1986 N 3148) │ │ │ │ │
Примечания. 1. При прессовании образцов допускаются от 1 до 5 подпрессовок.
2. Отпрессованные образцы из аминопласта марки МФД1 подлежат термообработке в течение 5 - 6 ч при 150 +/- 5 °C.
3. При прессовании образцов для определения показателей "стойкость к кипящей воде", "стойкость к кипячению в 1%-ном растворе серной кислоты" и "массовая концентрация формальдегида в уксуснокислой вытяжке", а также всех показателей типа МФВ допускается таблетирование аминопластов.
--------------------------------
<*> Допускается высокочастотный подогрев.
За температуру пресс-формы принимают температуру на ее оформляющих поверхностях. Бруски и диски прессуют на поршневых пресс-формах так, чтобы усилие передавалось на пресс-материал без значительных потерь до окончания цикла прессования. Усилие при прессовании должно быть приложено перпендикулярно широкой части бруска (120 x 15, 110 x 10, 80 x 10 мм). Загрузочная камера пресс-формы должна быть таких размеров, чтобы пресс-материал вводился в нее в один прием.
Поверхность стенок оформляющей части пресс-формы должна быть хромирована и тщательно отполирована до величины шероховатости Ra от 0,160 до 0,125 мкм по
ГОСТ 2789-73, а пресс-формы для определения текучести - до Ra от 0,080 до 0,063 мкм по
ГОСТ 2789-73. При прессовании применяют пресс, развивающий и поддерживающий удельное давление в пределах, указанных в
табл. 4.
Бруски из пресс-формы рекомендуется выталкивать по всей площади образцов. Зазор вертикальных стенок пуансона и матрицы не должен превышать 0,1 мм. Допускаются более широкие зазоры, не влияющие на результаты прессования. Конусность стенки должна быть не более 3°. Регулирование температуры должно быть обеспечено так, чтобы она была постоянной в пределах, указанных в
табл. 4 и
5.
Интервал между временем прессования образцов и их испытанием должен составлять не менее 16 ч, включая время кондиционирования.
(в ред.
Изменения N 2, введенного в действие Постановлением Госстандарта СССР от 21.10.1986 N 3148)
| | ИС МЕГАНОРМ: примечание. ГОСТ 12423-66 утратил силу с 1 января 2015 года в связи с введением в действие ГОСТ 12423-2013 (Приказ Росстандарта от 22.11.2013 N 1069-ст). | |
Перед определением показателей "Плотность" и "Изгибающее напряжение при разрушении" проводят кондиционирование образцов по ГОСТ 12423-66 при стандартной атмосфере 23 в течение 3 ч.
(абзац введен
Изменением N 2, введенным в действие Постановлением Госстандарта СССР от 21.10.1986 N 3148)
(Измененная редакция, Изм. N 1).
5.4. Внешний вид аминопластов на отобранной пробе определяют визуально без применения увеличительных приборов.
5.5. Определение массовой доли связующего
5.5.1. Аппаратура, приборы и посуда
Термошкаф, поддерживающий температуру 100 - 120 °C.
| | ИС МЕГАНОРМ: примечание. Взамен ГОСТ 24104-88 Постановлением Госстандарта РФ от 26.10.2001 N 439-ст с 1 июля 2002 года введен в действие ГОСТ 24104-2001. | |
Весы лабораторные общего назначения по ГОСТ 24104-88 2-го класса точности с наибольшим пределом взвешивания 200 г или другие с аналогичными метрологическими характеристиками.
(абзац введен
Изменением N 3, утв. Постановлением Госстандарта СССР от 26.12.1990 N 3308)
Печь муфельная, поддерживающая температуру 450 - 500 °C, по нормативно-технической документации.
(абзац введен
Изменением N 3, утв. Постановлением Госстандарта СССР от 26.12.1990 N 3308)
5.5.2. Чистый предварительно прокаленный тигель взвешивают, помещают в него (5,000 +/- 0,001) г аминопласта и снова взвешивают. Тигель с навеской помещают в термошкаф, нагретый до (105 +/- 5) °C, и выдерживают в нем в течение 2 ч, затем охлаждают в эксикаторе и взвешивают на тех же весах.
После этого тигель помещают в муфельную печь и содержимое тигля сжигают при 450 - 500 °C. Сжигание прекращают после того, как остаток в тигле станет белого цвета. Затем тигель охлаждают в эксикаторе и взвешивают на тех же весах.
(п. 5.5.2 в ред.
Изменения N 3, утв. Постановлением Госстандарта СССР от 26.12.1990 N 3308)
5.5.3. Обработка результатов
Массовую долю связующего (X) в процентах вычисляют по формуле

,
где m - масса тигля с навеской после сушки, г;

- масса тигля с навеской после прокаливания, г;

- масса тигля с навеской до сушки, г;

- масса пустого тигля, г.
За результат испытания принимают среднее арифметическое двух определений, результат каждого из которых должен быть в пределах нормы указанной в
табл. 2.
(Измененная редакция, Изм. N 1).
5.6. Определение остатка после просева на сите
Остаток после просева на сите определяют просеиванием через сито с сеткой N 018К или N 0355К по
ГОСТ 6613-86 50 г аминопласта, взвешенного с погрешностью не более 0,1 г.
(в ред.
Изменения N 3, утв. Постановлением Госстандарта СССР от 26.12.1990 N 3308)
Остаток после просева на сите

в процентах вычисляют по формуле

,
где m - масса аминопласта до просеивания на сите, г;

- масса аминопласта после просеивания на сите, г.
За результат испытания принимают среднее арифметическое из двух определений, допускаемые расхождения между которыми не должны превышать 5%.
5.7. Определение массовой доли влаги и летучих веществ
5.7.1. Аппаратура, посуда и реактивы
Термошкаф электрический мощностью 500 Вт, поддерживающий температуру до 200 °C.
Кальций хлористый плавленный.
(в ред.
Изменения N 3, утв. Постановлением Госстандарта СССР от 26.12.1990 N 3308)
(Измененная редакция, Изм. N 1).
Весы лабораторные общего назначения по ГОСТ 24104-88 2-го класса точности с наибольшим пределом взвешивания 200 г или другие с аналогичными метрологическими характеристиками.
(абзац введен
Изменением N 3, утв. Постановлением Госстандарта СССР от 26.12.1990 N 3308)
5.7.2. В предварительно взвешенный стаканчик помещают 3,000 - 5,000 г аминопласта.
Стаканчик с навеской помещают в термошкаф и выдерживают в нем при (150 +/- 2) °C аминопласт типа МФД - в течение 60 мин, типа МФЕ - в течение 30 мин, остальных типов - в течение 15 мин.
Затем стаканчик с аминопластом вынимают из термошкафа и охлаждают до комнатной температуры в эксикаторе с прокаленным хлористым кальцием, после чего взвешивают.
(п. 5.7.2 в ред.
Изменения N 3, утв. Постановлением Госстандарта СССР от 26.12.1990 N 3308)
5.7.3. Обработка результатов
Массовую долю влаги и летучих веществ

в процентах вычисляют по формуле

,
где m - масса стаканчика с аминопластом до сушки, г;
(в ред.
Изменения N 3, утв. Постановлением Госстандарта СССР от 26.12.1990 N 3308)

- масса стаканчика с аминопластом после сушки, г;
(в ред.
Изменения N 3, утв. Постановлением Госстандарта СССР от 26.12.1990 N 3308)

- навеска аминопласта, г.
За результат испытания принимают среднее арифметическое двух определений, результат каждого из которых должен быть в пределах нормы, указанной в
табл. 2 и
3.
(Измененная редакция, Изм. N 1).
5.8. Определение массовой доли влаги по методу Дина и Старка
5.8.1. Аппаратура, посуда и реактивы
Аппарат для количественного определения массовой доли воды в нефтяных, пищевых и других продуктах (ловушка) типа АКОВ-10.
(в ред.
Изменения N 2, введенного в действие Постановлением Госстандарта СССР от 21.10.1986 N 3148,
Изменения N 4, введенного в действие Постановлением Госстандарта РФ от 16.04.1997 N 139)
Баня песчаная электрическая мощностью 300 Вт.
Цилиндр измерительный с носиком по
ГОСТ 1770-74, вместимостью 250 мл.
Бензол по
ГОСТ 5955-75, ч.д.а., насыщенный водой при температуре окружающего воздуха.
Весы лабораторные общего назначения по ГОСТ 24104-88 4-го класса точности с наибольшим пределом взвешивания 500 г или другие с аналогичными метрологическими характеристиками.
(абзац введен
Изменением N 3, утв. Постановлением Госстандарта СССР от 26.12.1990 N 3308)
5.8.2. Проведение испытания
30,00 - 50,00 г аминопласта взвешивают и помещают в колбу аппарата, затем наливают цилиндром 100 - 150 см3 бензола и тщательно перемешивают. После этого в колбу вставляют ловушку, соединенную с холодильником, и собранный прибор устанавливают вертикально на песчаную баню, обогрев которой включают в электросеть.
(в ред.
Изменения N 3, утв. Постановлением Госстандарта СССР от 26.12.1990 N 3308)
Подогрев колбы ведут так, чтобы пары растворителя доходили до середины холодильника и чтобы в приемник-ловушку падало 2 - 4 капли конденсата в секунду. Допускается возврат конденсата в колбу слабой струей.
Если в трубке холодильника задерживаются капли воды, то их смывают в нижнюю часть приемника-ловушки более интенсивным кипячением.
Перегонку прекращают после того, как объем воды в приемнике-ловушке перестанет увеличиваться и верхний слой растворителя будет прозрачным. После охлаждения колбы прибор разбирают.
Воду, осевшую на стенках ловушки, собирают в градуированную часть ловушки при помощи тонкой стеклянной палочки или встряхивая ловушку.
Если растворитель в приемнике-ловушке окажется мутным, ловушку помещают на 20 - 30 мин в горячую воду (80 - 90 °C) для осветления, после этого ловушке дают остыть до комнатной температуры и отмечают объем воды в ней.
Массовую долю влаги в бензоле-растворителе определяют по этой же методике.
5.8.3. Обработка результатов
Массовую долю влаги

в процентах вычисляют по формуле

,
где m - масса аминопласта, г;
V - объем воды в ловушке при кипячении аминопласта, мл;

- объем воды в ловушке при кипячении растворителя, мл.
За результат испытания принимают среднее арифметическое из двух параллельных определений, допускаемые расхождения между которыми не должны превышать 0,4%.
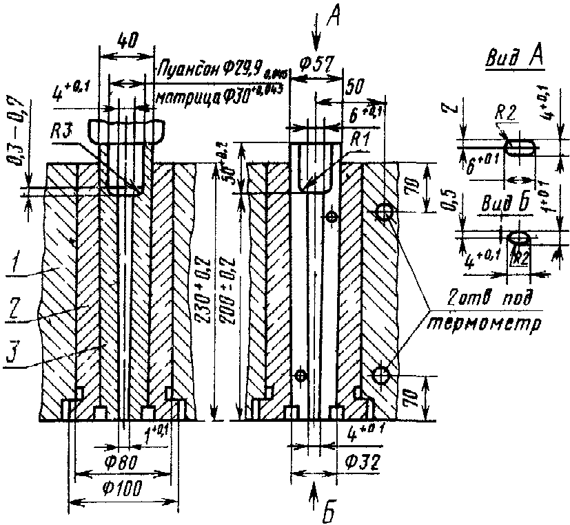
5.9. Определение текучести
Текучесть определяют в пресс-форме (черт. 1). Навеску аминопласта предварительно таблетируют и прессуют по режимам, указанным в
табл. 5. Допускается определение текучести на нетаблетированном порошке. Время с момента загрузки испытуемого материала в матрицу до достижения требуемого давления не должно превышать 20 с.
1 - обойма матрицы; 2 - стакан матрицы; 3 - полуматрица
Черт. 1
Длина отпрессованного стержня от основания до конца его плотной (отпрессованной) части, выраженная в миллиметрах, является мерой текучести.
─────────────┬─────────┬───────────────────────────────────────────────────
Марка │ Навеска,│ Режим прессования
аминопласта │ г ├────────────────────┬──────────────┬───────────────
│ │ Удельное давление, │ Температура, │Время выдержки,
│ │ МПа (кгс/см2) │ °C │ мин
─────────────┼─────────┼────────────────────┼──────────────┼───────────────
КФА1, КФА2 │ 7,5 │ 29,4 +/- 2,45 │ 143 +/- 2 │ 3
│ │ (300 +/- 25) │ │
─────────────┼─────────┼────────────────────┼──────────────┼───────────────
МФБ1 │ 7,5 │ 29,4 +/- 2,45 │ 150 +/- 2 │ 3
│ │ (300 +/- 25) │ │
(в ред.
Изменения N 2, введенного в действие Постановлением Госстандарта
СССР от 21.10.1986 N 3148) │ │
─────────────┼─────────┼────────────────────┼──────────────┼───────────────
МФВ1, МФВ3, │ 7,5 │ 29,4 +/- 2,45 │ 165 +/- 5 │ 3
МФВ4, МФВ5 │ │ (300 +/- 25) │ │
(в ред.
Изменения N 2, введенного в действие Постановлением Госстандарта
СССР от 21.10.1986 N 3148) │ │
─────────────┼─────────┼────────────────────┼──────────────┼───────────────
МФД1 │ 7,5 │ 29,4 +/- 2,45 │ 150 +/- 10 │ 3
│ │ (300 +/- 25) │ │
─────────────┼─────────┼────────────────────┼──────────────┼───────────────
МФЕ1 │ 15,0 │ 49,0 +/- 2,45 │ 150 +/- 5 │ 5
│ │ (500 +/- 25) │ │
За результат испытания принимают среднее арифметическое двух определений, результат каждого из которых должен быть в пределах нормы, указанной в
табл. 2 и
3.
(Измененная редакция, Изм. N 1).
5.10. Определение насыпной плотности проводится по ГОСТ 11035-64, разд. А.
5.11. Исключен с 1 июля 1991 года. -
Изменение N 3, утв. Постановлением Госстандарта СССР от 26.12.1990 N 3308.
5.12. Для определения внешнего вида, цвета и чистоты поверхности отпрессованного образца прессуют два диска, которые сравнивают визуально при дневном освещении или при свете лампы накаливания мощностью 100 Вт с непрозрачным абажуром с образцом, утвержденным в установленном порядке.
(п. 5.12 в ред.
Изменения N 3, утв. Постановлением Госстандарта СССР от 26.12.1990 N 3308)
5.13. Изгибающее напряжение при разрушении определяют по
ГОСТ 4648-71.
Для аминопластов типов КФА и МФБ нагрузку прикладывают к стороне образца, обращенной при прессовании к пуансону.
(Измененная редакция, Изм. N 1).
5.15. Исключен с 1 июля 1991 года. -
Изменение N 3, утв. Постановлением Госстандарта СССР от 26.12.1990 N 3308.
5.16. Определение электрических показателей проводят в комнатных условиях по
ГОСТ 6433.1-71 при 15 - 35 °C и относительной влажности 45 - 75% после предварительной выдержки образцов:
а) в исходном состоянии - в комнатных условиях по
ГОСТ 6433.1-71 в течение 1 сут, а для всех марок аминопластов типа МФВ - после нормализации при температуре (50 +/- 2) °C и относительной влажности не более 20% в течение 24 ч;
(в ред.
Изменения N 2, введенного в действие Постановлением Госстандарта СССР от 21.10.1986 N 3148)
б) после кондиционирования - при (23 +/- 2) °C и относительной влажности (93 +/- 2)% в течение 2 ч.
(в ред.
Изменения N 2, введенного в действие Постановлением Госстандарта СССР от 21.10.1986 N 3148)
5.16.1. Электрическую прочность определяют по
ГОСТ 6433.3-71 при переменном напряжении 50 Гц с плавным подъемом его до пробоя в трансформаторном масле (
ГОСТ 982-80), применяя электроды из латуни диаметром 25 и 75 мм. Допускается применение двух соосных электродов диаметром 25 мм.
При определении электрической прочности аминопластов марок МФБ1, МФД1, МФЕ1 и всех марок типа МФВ образцы подготавливают по
п. 5.16 а, марки МФД1 - по
п. 5.16 б.
(в ред.
Изменения N 2, введенного в действие Постановлением Госстандарта СССР от 21.10.1986 N 3148)
За результат измерений принимают среднее арифметическое результатов трех измерений на трех образцах.
(абзац введен
Изменением N 3, утв. Постановлением Госстандарта СССР от 26.12.1990 N 3308)
5.17. Тангенс угла диэлектрических потерь определяют по
ГОСТ 6433.4-71 на образцах, подготовленных по
п. 5.16 а. Применяют резино-фольговые электроды, используя алюминиевую, оловянную или свинцовую фольгу. Диаметр измерительного электрода (50 +/- 0,2) мм.
За результат измерений принимают среднее арифметическое результатов трех измерений на трех образцах.
(абзац введен
Изменением N 3, утв. Постановлением Госстандарта СССР от 26.12.1990 N 3308)
5.16., 5.17. (Измененная редакция, Изм. N 1).
5.18. Дугостойкость определяют по
ГОСТ 10345.1-78 при силе тока 10 мА и расстоянии между концами электродов 8 мм. Допускается проводить определение дугостойкости в соответствии с обязательным
Приложением 5.
(в ред.
Изменения N 2, введенного в действие Постановлением Госстандарта СССР от 21.10.1986 N 3148)
5.19. Внутреннее электрическое сопротивление определяют по
ГОСТ 6433.2-71 на трех образцах при постоянном Напряжении 1000 В. При этом образцы марок МФБ1, МФД1, МФЕ1 и всех марок типа МФВ, кроме МФВ5, подготавливают в соответствии с
п. 5.16 а, марок МФД1 и МФВ1 - в соответствии с
п. 5.16 б. Используют электроды из латуни, меди или нержавеющей стали.
В случае возникновения разногласий испытания проводят с применением латунных электродов.
За результат испытаний принимают среднее арифметическое результатов трех измерений на трех образцах.
(п. 5.19 в ред.
Изменения N 3, утв. Постановлением Госстандарта СССР от 26.12.1990 N 3308)
5.20. Удельное поверхностное электрическое сопротивление определяют по
ГОСТ 6433.2-71 на трех образцах, подготовленных по
п. 5.16 а, при постоянном напряжении 1000 В. Применяют резино-фольговые электроды, используя алюминиевую, оловянную или свинцовую фольгу. Диаметр измерительного электрода (50 +/- 0,2) мм.
(в ред.
Изменения N 3, утв. Постановлением Госстандарта СССР от 26.12.1990 N 3308)
За результат измерения принимают среднее арифметическое результатов трех измерений на трех образцах.
(абзац введен
Изменением N 3, утв. Постановлением Госстандарта СССР от 26.12.1990 N 3308)
5.20.1. Внутреннее и удельное поверхностное электрическое сопротивление при 90 °C для марки МФВ1 определяют на образцах, подготовленных по
п. 5.16 а, в нагревательной камере, предварительно прогретой до 90 °C.
Образец помещают в нагревательную камеру между электродами и прогревают: диск - в течение 15 мин, брусок - в течение 35 мин.
5.21. Исключен с 1 июля 1991 года. -
Изменение N 3, утв. Постановлением Госстандарта СССР от 26.12.1990 N 3308.
5.19 - 5.21. (Измененная редакция, Изм. N 1).
5.22. Усадку определяют по ГОСТ 18616-80 на брусках типа 1.
5.23. Исключен с 1 марта 1987 года. -
Изменение N 2, введенное в действие Постановлением Госстандарта СССР от 21.10.1986 N 3148.
5.24. Определение стойкости к кипячению в 1%-ном растворе серной кислоты
Два диска погружают в кипящий 1%-ный раствор серной кислоты
(ГОСТ 4204-77) и кипятят 10 мин. Диски должны иметь вертикальное положение и не соприкасаться между собой и с греющей поверхностью. Уровень раствора кислоты над ними должен быть не менее 20 мм. По истечении 10 мин образцы вынимают, охлаждают, промывают водой и протирают чистой сухой тканью.
Поверхность образцов сравнивают с поверхностью образца, утвержденного в установленном порядке, не ранее чем через 24 ч после кипячения. Она должна соответствовать поверхности этого образца, раствор кислоты не должен окрашиваться.
5.25. Определение массовой концентрации формальдегида в уксуснокислой вытяжке
5.25.1. Сущность метода
Метод основан на образовании окрашенного соединения формальдегида с хромотроповой кислотой или ее динатриевой солью в сильнокислой среде и измерении его светопоглощения на фотоэлектроколориметре.
5.25.2. Приборы, посуда и реактивы
Фотоэлектроколориметр, тип ФЭК-56 или другого типа, дающего аналогичные результаты.
Пластинки стеклянные размером 150 x 150 мм.
Колбы конические по
ГОСТ 25336-82, типа Кн, вместимостью 250, 500 см3.
Палочки стеклянные.
Колбы мерные по
ГОСТ 1770-74, типа I, вместимостью 250, 500 мл.
Пипетки градуированные с временем ожидания 15 с вместимостью 0,5; 1; 5 и 25 см3 по
ГОСТ 29229-91.
(в ред.
Изменения N 4, введенного в действие Постановлением Госстандарта РФ от 16.04.1997 N 139)
Бюретки без установленного времени ожидания вместимостью 50 см3 по
ГОСТ 29252-91.
(в ред.
Изменения N 4, введенного в действие Постановлением Госстандарта РФ от 16.04.1997 N 139)
Пробирки колориметрические диаметром около 15 мм с притертыми пробками.
(в ред.
Изменения N 3, утв. Постановлением Госстандарта СССР от 26.12.1990 N 3308)
Кислота серная по
ГОСТ 4204-77, концентрированная и 10%-ный раствор.
Натрий серноватистокислый (тиосульфат натрия) по
ГОСТ 27068-86, 0,10 н раствор.
(в ред.
Изменения N 4, введенного в действие Постановлением Госстандарта РФ от 16.04.1997 N 139)
Крахмал водорастворимый по
ГОСТ 10163-76, 0,5%-ный раствор, свежеприготовленный и отфильтрованный.
Кислота хромотроповая или ее динатриевая соль, 1%-ный раствор, свежеприготовленный и отфильтрованный.
(Измененная редакция, Изм. N 1).
5.25.3. Подготовка к испытанию
5 мл формалина помещают в мерную колбу вместимостью 250 мл, доводят содержимое до метки дистиллированной водой и хорошо перемешивают (раствор 1).
5 мл раствора 1 переносят пипеткой в коническую колбу с притертой пробкой вместимостью 250 мл, добавляют из бюретки 40 мл 0,1 н раствора йода и сразу по каплям прибавляют 30%-ный раствор гидроокиси натрия до образования устойчивой слабо-желтой окраски. Колбу помещают в темное место и оставляют на 10 мин. Затем подкисляют 5 мл 10%-ного раствора соляной или серной кислоты и вновь оставляют на 10 мин в темном месте. По истечении этого времени в раствор наливают 150 мл дистиллированной воды и титруют 0,1 н раствором серноватистокислого натрия до слабо-желтого цвета раствора. Далее в ту же колбу приливают 1 мл 0,5%-ного раствора крахмала и продолжают титрование до исчезновения синей окраски.
Одновременно проводят контрольный опыт с теми же реактивами и в тех же условиях без добавки раствора формальдегида.
Массовую концентрацию формальдегида

в миллиграммах в 1 мл разбавленного раствора формалина (раствор 1) вычисляют по формуле

,
где V - объем точно 0,1 н раствора серноватистокислого натрия, израсходованный на титрование в контрольном опыте, мл;

- объем точно 0,1 н раствора серноватистокислого натрия, израсходованный на титрование испытуемого раствора, мл;
1,5 - количество формальдегида, соответствующее 1 мл точно 0,1 н раствора серноватистокислого натрия, мг.
Исходя из полученных данных, готовят раствор формальдегида с массовой концентрацией 0,1 мг/мл (раствор 2).
Например, для приготовления 500 мл раствора 2 надо взять

мл раствора 1:

,
где

- массовая концентрация формальдегида, мг/мл, раствора 1.
Раствор хранят 1,5 месяца.
Из полученного раствора 2 готовят соответствующим разбавлением рабочие растворы с массовой концентрацией 0,01 (раствор 3) и 0,001 (раствор 4) мг формальдегида в 1 мл (растворы должны быть свежеприготовленными).
5.25.4. Проведение испытания
Испытание проводят на четырех дисках не ранее чем через 24 ч после их изготовления. Перед испытанием диски промывают чистой тканью теплой водопроводной водой и ополаскивают дистиллированной водой. В два стакана помещают по два диска. Во избежание соприкосновения их друг с другом и дном стакана между дисками и на дно стакана помещают стеклянные палочки. Диски заливают 300 мл 1%-ного раствора уксусной кислоты, нагретой до 80 °C, стакан закрывают стеклянной пластинкой и оставляют на 2 ч при комнатной температуре. По истечении этого времени диски вынимают, а 1%-ный раствор уксусной кислоты анализируют на содержание в нем формальдегида.
Для этого 2 мл уксуснокислой вытяжки переносят в стеклянную пробирку с притертой пробкой. В шести таких же пробирках готовят шкалу по табл. 7. Во все пробирки шкалы и к анализируемой вытяжке добавляют по 0,4 мл 1%-ного раствора хромотроповой кислоты или ее динатриевой соли, перемешивают и добавляют 1,7 мл концентрированной серной кислоты.
────────────────────────┬──────────────────────────────────────────────────
Наименование компонента │ Номер пробирки шкалы сравнения
├─────────┬────────┬───────┬───────┬───────┬───────
│ 0 │ 1 │ 2 │ 3 │ 4 │ 5
────────────────────────┼─────────┼────────┼───────┼───────┼───────┼───────
Стандартный раствор │ 0 │ 0,2 │ 0,4 │ 0,6 │ 0,8 │ 1,0
формальдегида N 4, мл │ │ │ │ │ │
Уксусная кислота, │ 2 │ 1,8 │ 1,6 │ 1,4 │ 1,2 │ 1,0
1%-ный раствор, мл │ │ │ │ │ │
Массовая концентрация │ 0 │ 0,2 │ 0,4 │ 0,6 │ 0,8 │ 1,0
формальдегида, мкг │ │ │ │ │ │
Пробирки закрывают пробками, содержимое пробирок перемешивают и помещают их на 30 мин в кипящую водяную баню, после чего пробирки вынимают из бани и оставляют при комнатной температуре в течение 40 - 60 мин.
В зависимости от массовой концентрации формальдегида образуется более или менее интенсивное красно-фиолетовое окрашивание. Параллельно ставят контрольный опыт с реактивами и 1%-ным раствором уксусной кислоты при тех же условиях.
Определение проводят, измеряя оптическую плотность содержимого пробирок шкалы и анализируемой пробы на фотоэлектроколориметре в кювете с толщиной поглощающего свет слоя 10 мм при длине волны 540 нм.
Для построения градуировочного графика измеряют оптические плотности растворов шкалы сравнения, как указано в
табл. 7.
При высоких величинах массовой концентрации формальдегида готовят вторую шкалу сравнения, как указано в табл. 8.
Таблица 8
────────────────────────┬──────────────────────────────────────────────────
Наименование │ Номер пробирки шкалы сравнения
компонента ├─────┬───────┬──────┬───────┬──────┬───────┬──────
│ 0 │ 1 │ 2 │ 3 │ 4 │ 5 │ 6
────────────────────────┼─────┼───────┼──────┼───────┼──────┼───────┼──────
Стандартный раствор │ 0 │ 0,05 │ 0,1 │ 0,2 │ 0,3 │ 0,4 │ 0,5
формальдегида N 3, мл │ │ │ │ │ │ │
Уксусная кислота, │ 2,0 │ 1,95 │ 1,9 │ 1,8 │ 1,7 │ 1,6 │ 1,5
1%-ный раствор, мл │ │ │ │ │ │ │
Массовая концентрация │ 0 │ 0,5 │ 1,0 │ 2,0 │ 3,0 │ 4,0 │ 5,0
формальдегида, мкг │ │ │ │ │ │ │
Для построения градуировочного графика по оси ординат откладывают значения оптической плотности, а по оси абсцисс - массовую концентрацию формальдегида в пересчете на 1 л вытяжки.
6. УПАКОВКА, МАРКИРОВКА, ТРАНСПОРТИРОВАНИЕ И ХРАНЕНИЕ
| | ИС МЕГАНОРМ: примечание. Взамен ГОСТ 2226-75 Постановлением Госстандарта СССР от 29.06.1988 N 2501 с 1 января 1990 года введен в действие ГОСТ 2226-88. | |
6.1. Аминопласты упаковывают в четырех-, пятислойные бумажные мешки марки НМ по ГОСТ 2226-75, бумажные мешки с полиэтиленовым мешком-вкладышем или ламинированным покрытием, изготовленные по нормативно-технической документации.
Аминопласты марок КФА1, КФА2, МФБ1, МФВ1, МФВ3, МФВ4, упакованные в бумажные мешки марки НМ
(ГОСТ 2226-88), дополнительно вкладывают в мешки из влагонепроницаемого материала.
(в ред.
Изменения N 3, утв. Постановлением Госстандарта СССР от 26.12.1990 N 3308)
Допускается аминопласты упаковывать в мягкие контейнеры, изготовленные по нормативно-технической документации, а аминопласт марки МФВ5 - в оцинкованные (
ГОСТ 5799-78) или алюминиевые (ГОСТ 5037-78) фляги по согласованию с потребителем.
(в ред.
Изменения N 3, утв. Постановлением Госстандарта СССР от 26.12.1990 N 3308)
Масса нетто упаковочной единицы должна быть (25 +/- 5) кг, аминопластов типа МФВ - (30 +/- 5) кг. При упаковывании в мягкие контейнеры масса нетто упаковочной единицы должна быть не более 1 т.
(в ред.
Изменения N 3, утв. Постановлением Госстандарта СССР от 26.12.1990 N 3308)
6.2. Транспортная маркировка по
ГОСТ 14192-96 с указанием следующих дополнительных данных:
(в ред.
Изменения N 4, введенного в действие Постановлением Госстандарта РФ от 16.04.1997 N 139)
условного обозначения аминопласта,
номера партии,
даты изготовления,
обозначения настоящего стандарта,
применяемого красителя (для окрашиваемых аминопластов).
На мешки наносится манипуляционный знак "Боится сырости".
(абзац введен
Изменением N 3, утв. Постановлением Госстандарта СССР от 26.12.1990 N 3308)
Аминопласты, предназначенные для экспорта, маркируют и упаковывают в соответствии с требованиями внешнеторгового объединения и настоящего стандарта.
(абзац введен
Изменением N 3, утв. Постановлением Госстандарта СССР от 26.12.1990 N 3308)
Аминопласты не являются опасными грузами, по
ГОСТ 19433-88 не классифицируются.
(абзац введен
Изменением N 3, утв. Постановлением Госстандарта СССР от 26.12.1990 N 3308)
6.3. Аминопласты транспортируют всеми видами транспорта в крытых транспортных средствах в соответствии с правилами перевозки грузов, действующими на данном виде транспорта. Пакетирование аминопластов - по
ГОСТ 26663-85. Транспортирование аминопластов речным транспортом производят в контейнерах или пакетами.
(в ред.
Изменения N 3, утв. Постановлением Госстандарта СССР от 26.12.1990 N 3308)
6.1 - 6.3. (Измененная редакция, Изм. N 1).
6.4. Аминопласты хранят в крытом помещении при температуре не выше 25 °C.
7.1. Изготовитель гарантирует соответствие аминопластов требованиям настоящего стандарта при соблюдении условий транспортирования, хранения.
7.2. Гарантийный срок хранения аминопластов всех типов 5 месяцев, а типа МФЕ - 3,5 месяца со дня изготовления.
(Измененная редакция, Изм. N 1).
Справочное
ЦВЕТОВОЙ АССОРТИМЕНТ АМИНОПЛАСТА
Приложение 1а исключено с 1 июля 1997 года. -
Изменение N 4, введенное в действие Постановлением Госстандарта РФ от 16.04.1997 N 139.
Справочное
СПРАВОЧНЫЕ ПОКАЗАТЕЛИ КАЧЕСТВА АМИНОПЛАСТОВ
Таблица 1
────────────────────┬─────────────────────────────────────────────
Наименование │ Норма для марки
показателя ├────────┬───────────┬───────────┬─────────┬─────────
│ КФА1 │ КФА2 │ МФБ1 │ МФД1 │ МФЕ1
────────────────────┼────────┼───────────┼───────────┼─────────┼─────────
1. Теплостойкость │ 100 │ 100 │ 120 │ 200 │ 180
по Мартенсу, °C, │ │ │ │ │
не менее │ │ │ │ │
│ │ │ │ │
2. Ударная вязкость│ 6,4 │ 6,9 │ 6,9 │ 7,8 │ 29,4
на образцах без │ (6,5) │ (7,0) │ (7,0) │ (8,0) │ (30,0)
надреза, КДж/м2 │ │ │ │ │
(кгс x см/см2), │ │ │ │ │
не менее │ │ │ │ │
│ │ │ │ │ 7
3. Внутреннее │ - │ - │ - │ - │ 1 x 10
электрическое сопро-│ │ │ │ │
тивление после │ │ │ │ │
выдержки в │ │ │ │ │
дистиллированной │ │ │ │ │
воде в течение 24 ч │ │ │ │ │
при 20 °C, Ом, │ │ │ │ │
не менее │ │ │ │ │
│ │ │ │ │ 10
4. Удельное │ - │ - │ - │ - │ 1 x 10
поверхностное │ │ │ │ │
электрическое │ │ │ │ │
сопротивление после │ │ │ │ │
выдержки в │ │ │ │ │
дистиллированной │ │ │ │ │
воде в течение 24 ч │ │ │ │ │
при 20 °C, Ом, │ │ │ │ │
не менее │ │ │ │ │
│ 11│ 11 │ 11 │ 12 │ 12
5. Удельное │1 x 10 │ 1 x 10 │ 1 x 10 │1 x 10 │ 1 x 10
объемное │ │ │ │ │
электрическое │ │ │ │ │
сопротивление, │ │ │ │ │
Ом x см, не менее │ │ │ │ │
│ │ │ │ │
6. Износ на │ - │ - │ - │ - │ 16
истирание, мм3/м │ │ │ │ │
│ │ │ │ │
7. Усадка на │ 0,7 │ 0,7 │ 0,8 │ 0,7 │0,2 - 0,4
образцах в форме │ │ │ │ │
диска, %, │ │ │ │ │
не более │ │ │ │ │
│ │ │ │ │
8. Органолептика │ - │ - │Образцы │ - │ -
│ │ │пресс- │ │
│ │ │материала, │ │
│ │ │предназна- │ │
│ │ │ченного для│ │
│ │ │изготовле- │ │
│ │ │ния посуды,│ │
│ │ │не должны │ │
│ │ │иметь │ │
│ │ │запаха │ │
│ │ │ │ │
9. Светостойкость │ Сохранение окраски при │ - │ -
│облучении кварцевой лампой ПРК-2│ │
│ в течение 1 ч при расстоянии │ │
│ от лампы 30 см │ │
│ │ │ │ │
10. Стойкость │ Сохранение блеска │ - │ - │ -
к кипящей воде │после кипячения в │ │ │
│течение 10 мин в │ │ │
│дистиллированной │ │ │
│воде. Вода не должна│ │ │
│окрашиваться │ │ │
Госстандарта СССР от 21.10.1986 N 3148) │ │ │
│ │ │ │
11. Плотность, │ - │ - │ - │1,7 - 1,9│1,95 - 2,05
г/см3 │ │ │ │ │
│ │ │ │ │
12. Температура │ 110 │ 110 │Высший сорт│ 130 │ 200
изгиба под нагруз- │ │ │ 150 │ │
кой, °C, не менее │ │ │Первый сорт│ │
│ │ │ 130 │ │
13. Время выдержки │ 80 │Высший сорт│Высший сорт│ - │ -
при прессовании │ │ 70 │ 90 │ │
конусного стакан- │ │Первый сорт│Первый сорт│ │
чика, с, не более │ │ 80 │ 90 │ │
(пп. 11 - 13 введены
Изменением N 3, утв. Постановлением Госстандарта СССР
от 26.12.1990 N 3308) │ │ │ │
(в ред.
Изменения N 2, введенного в действие Постановлением Госстандарта СССР от 21.10.1986 N 3148)
Таблица 2
───────────────────────────┬───────────────────────────────────────────────
Наименование показателя │ Норма для марки
├───────────┬───────────┬───────────┬───────────
│ МФВ1 │ МФВ3 │ МФВ4 │ МФВ5
───────────────────────────┼───────────┼───────────┼───────────┼───────────
1. Теплостойкость │ 140 │ 130 │ 140 │ 130
по Мартенсу, °C, не менее │ │ │ │
│ │ │ │
2. Ударная вязкость │ 3,9 │ 4,9 │ 3,9 │ 3,9
на образцах без надреза, │ (4,0) │ (5,0) │ (4,0) │ (4,0)
кДж/м2 (кгс x см/см2), │ │ │ │
не менее │ │ │ │
│ 11 │ 12 │ 11 │ 11
3. Удельное объемное │1 x 10 │1 x 10 │1 x 10 │1 x 10
электрическое сопротивле- │ │ │ │
ние, Ом x см, не менее │ │ │ │
│ │ │ │
4. Плотность, г/м3 │1,60 - 1,85│1,60 - 1,90│1,60 - 1,85│1,60 - 1,85
│ │ │ │
5. Температура изгиба │ 130 │ 130 │ 130 │ 130
под нагрузкой, °C, не менее│ │ │ │
(пп. 4, 5 введены
Изменением N 3, утв. Постановлением Госстандарта СССР
от 26.12.1990 N 3308) │ │ │ │
(в ред.
Изменения N 2, введенного в действие Постановлением Госстандарта СССР от 21.10.1986 N 3148)
(Измененная редакция, Изм. N 1).
Обязательное
пигментов, допущенных для окраски аминопластов,
предназначенных для изготовления изделий,
соприкасающихся с пищевыми продуктами
──────────────────────────────────────────┬───────────────────────
Наименование пигмента │ Обозначение стандарта
──────────────────────────────────────────┼───────────────────────
26.12.1990 N 3308) │
Лак рубиновый СК │ГОСТ 7436-74
Ультрамарин марки УС │-
Железоокисный пигмент красный марки К │-
Тиоиндиго ярко-розовый Ж │НТД
Перечень
пигментов, допущенных для окраски аминопластов,
предназначенных для изготовления детских игрушек
──────────────────────────────────────────┬───────────────────────
Наименование пигмента │ Обозначение стандарта
──────────────────────────────────────────┼───────────────────────
26.12.1990 N 3308) │
Лак красный ЖБ │ГОСТ 8573-77
Лак рубиновый СК │ГОСТ 7436-74
Лак оранжевый │ГОСТ 1338-78
Пигмент зеленый фталоцианиновый │-
Ультрамарин марки УС │-
Железоокисный пигмент красный марки К │-
Госстандарта РФ от 16.04.1997 N 139)
Тиоиндиго ярко-розовый Ж │НТД
Справочное
ТАБЛИЦА СООТВЕТСТВИЯ ПОКАЗАТЕЛЯ ВОДОПОГЛОЩЕНИЯ,
ВЫРАЖЕННОГО В ПРОЦЕНТАХ И МИЛЛИГРАММАХ
──────────────────────────────────────────────────────────────────
Норма
────────────────────────────────┬─────────────────────────────────
мг │ %
────────────────────────────────┼─────────────────────────────────
80 │ 0,6 +/- 0,1
130 │ 1,3 +/- 0,1
150 │ 1,5 +/- 0,1
200 │ 2,1 +/- 0,1
Справочное
СООТВЕТСТВИЕ ОБОЗНАЧЕНИЙ МАРОК АМИНОПЛАСТОВ
ПО НАСТОЯЩЕМУ СТАНДАРТУ И ГОСТ 9359-73
────────────────────────────────┬─────────────────────────────────
По ГОСТ 9359-80 │ По ГОСТ 9359-73
──────────────┬─────────────────┼───────────────┬─────────────────
Тип │ Марка │ Класс │ Группа
──────────────┼─────────────────┼───────────────┼─────────────────
КФА │ КФА1 │ А │ А1
│ КФА2 │ │ А2
Госстандарта СССР от 21.10.1986 N 3148) │
──────────────┼─────────────────┼───────────────┼─────────────────
МФБ │ МФБ1 │ Б │ Б
──────────────┼─────────────────┼───────────────┼─────────────────
МФВ │ МФВ1 │ В │ В1
│ МФВ3 │ │ В3
│ МФВ4 │ │ В4
│ МФВ5 │ │ В5
Госстандарта СССР от 21.10.1986 N 3148) │
──────────────┼─────────────────┼───────────────┼─────────────────
МФД │ МФД1 │ Д │ Д1
──────────────┼─────────────────┼───────────────┼─────────────────
МФЕ │ МФЕ1 │ Е │ Е1
(Введено дополнительно, Изм. N 1).
Обязательное
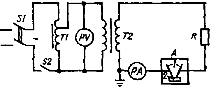
ОПРЕДЕЛЕНИЕ ДУГОСТОЙКОСТИ
Постановлением Госстандарта СССР от 21.10.1986 N 3148)
За дугостойкость аминопластов принимают время в секундах, по истечении которого дуга переменного тока частотой 50 Гц и силой 10 мА гаснет (или начинается горение или плавление образца).
Установка, электрическая схема которой приведена на черт. 1.
S1 - пакетный выключатель; Т1 - автотрансформатор на ток
силой 8 А и регулируемое напряжение до 250 В; PV - вольтметр
переменного тока напряжением 0 - 150 В не ниже 1,5 класса
точности; Т2 - трансформатор первичное напряжение которого
составляет 127 В, а напряжение на вторичной обмотке 10000 В
при токе короткого замыкания не менее 0,120 А (например,
трансформатор НОМ-10); R - сопротивление, равное 800 кОм,
с мощностью рассеяния не менее 150 Вт; А - приспособление
для крепления образцов; 1 - электроды; 2 - образец;
РА - миллиамперметр переменного тока силой 0 - 150 мА
не ниже 1,5 класса точности; S2 - блокировка
Черт. 1
Мощность, потребляемая установкой, не должна быть более 10% мощности источника питания.
Приспособление для крепления образцов, состоящее из вольфрамовых электродов и подвижной (в вертикальном направлении) подставки для образцов (черт. 2).
1 - вольфрамовый электрод; 2 - испытуемый образец;
3 - подставка для образца
Черт. 2
Электроды диаметром 8 мм; концы должны быть срезаны по плоскости под углом (30 +/- 1)° по отношению к своей оси, поверхность их должна быть обработана наждачной бумагой для устранения шероховатости и заусенцев. При затуплении вершин электродов, обращенных друг к другу, обработку проводят повторно.
На поверхности образца, подготовленного по
п. 5.16 а и закрепленного на подставке, устанавливают электроды так, чтобы угол между осью электрода и поверхностью образца составлял (35 +/- 1)°, а угол между осями электродов 110°.
Электроды располагают в одной плоскости, расстояние между вершинами должно быть (8,0 +/- 0,1) мм. Давление электродов на образец должно быть постоянным и не вызывать деформации образца.
При проведении испытания пакетный выключатель на панели управления ставят в положение "Вкл.". При помощи автотрансформатора устанавливают напряжение в первичной цепи, соответствующее 10000 В во вторичной цепи при силе тока (10,0 +/- 0,5) мА, и включают секундомер. Допускается кратковременное изменение силы тока вследствие прогорания частиц материала.
В момент погасания дуги (или начала горения или плавления материала образца) секундомер отключают и пакетный выключатель ставят в положение "Откл.".
Испытание проводят не менее чем в пяти точках на одном или нескольких образцах. При этом электроды устанавливают на поверхности образца на расстоянии не менее 10 мм от края образца или от ранее испытанной его точки.
За результат испытаний принимают среднее арифметическое результатов пяти измерений времени горения дуги до ее погасания (или начала горения или плавления образца).