Главная // Актуальные документы // ГОСТ (Государственный стандарт)
СПРАВКА
Источник публикации
М.: Стандартинформ, 2019
Примечание к документу
Текст данного документа приведен с учетом поправки, опубликованной в "ИУС", N 4, 2020; поправки, введенной в действие с 23.08.2021, опубликованной в "ИУС", N 1, 2022.

Документ введен в действие с 01.03.2020.

Взамен ГОСТ 6133-99.
Название документа
"ГОСТ 6133-2019. Межгосударственный стандарт. Камни бетонные стеновые. Технические условия"
(введен в действие Приказом Росстандарта от 06.09.2019 N 648-ст)

"ГОСТ 6133-2019. Межгосударственный стандарт. Камни бетонные стеновые. Технические условия"
(введен в действие Приказом Росстандарта от 06.09.2019 N 648-ст)


Содержание


Введен в действие
Приказом Федерального
агентства по техническому
регулированию и метрологии
от 6 сентября 2019 г. N 648-ст
МЕЖГОСУДАРСТВЕННЫЙ СТАНДАРТ
КАМНИ БЕТОННЫЕ СТЕНОВЫЕ
ТЕХНИЧЕСКИЕ УСЛОВИЯ
Concrete wall unit. Specifications
ГОСТ 6133-2019
МКС 91.010
Дата введения
1 марта 2020 года
Предисловие
Цели, основные принципы и общие правила проведения работ по межгосударственной стандартизации установлены ГОСТ 1.0 "Межгосударственная система стандартизации. Основные положения" и ГОСТ 1.2 "Межгосударственная система стандартизации. Стандарты межгосударственные, правила и рекомендации по межгосударственной стандартизации. Правила разработки, принятия, обновления и отмены"
Сведения о стандарте
1 РАЗРАБОТАН Центральным научно-исследовательским институтом строительных конструкций им. В.А. Кучеренко (ЦНИИСК им. В.А. Кучеренко) Акционерного общества "НИЦ "Строительство" (АО "НИЦ "Строительство") и Акционерным обществом "Всероссийский научно-исследовательский институт сертификации" (АО "ВНИИС")
2 ВНЕСЕН Федеральным агентством по техническому регулированию и метрологии
3 ПРИНЯТ Межгосударственным советом по стандартизации, метрологии и сертификации (протокол от 30 августа 2019 г. N 121-П)
За принятие проголосовали:
Краткое наименование страны по МК (ИСО 3166) 004-97
Код страны по МК (ИСО 3166) 004-97
Сокращенное наименование национального органа по стандартизации
Азербайджан
AZ
Азстандарт
Армения
AM
Минэкономики Республики Армения
Киргизия
KG
Кыргызстандарт
Молдова
MD
Институт стандартизации Молдовы
Россия
RU
Росстандарт
Таджикистан
TJ
Таджикстандарт
Узбекистан
UZ
Узстандарт
4 Приказом Федерального агентства по техническому регулированию и метрологии от 6 сентября 2019 г. N 648-ст межгосударственный стандарт ГОСТ 6133-2019 введен в действие в качестве национального стандарта Российской Федерации с 1 марта 2020 г.
5 ВЗАМЕН ГОСТ 6133-99
Информация о введении в действие (прекращении действия) настоящего стандарта и изменений к нему на территории указанных выше государств публикуется в указателях национальных стандартов, издаваемых в этих государствах, а также в сети Интернет на сайтах соответствующих национальных органов по стандартизации.
В случае пересмотра, изменения или отмены настоящего стандарта соответствующая информация будет опубликована на официальном интернет-сайте Межгосударственного совета по стандартизации, метрологии и сертификации в каталоге "Межгосударственные стандарты"
1 Область применения
Настоящий стандарт распространяется на камни стеновые бетонные (далее - камни), изготовленные вибропрессованием, прессованием, формованием или другими способами из легких, тяжелых и мелкозернистых бетонов.
Настоящий стандарт распространяется на камни стеновые бетонные, применяемые в соответствии с действующими строительными нормами и правилами при возведении стен и других конструкций зданий и сооружений различного назначения.
Настоящий стандарт не распространяется на камни из силикатных бетонов, грунтобетонов и трехслойные кладочные стеновые изделия.
2 Нормативные ссылки
В настоящем стандарте использованы нормативные ссылки на следующие межгосударственные стандарты:
ГОСТ 162 Штангенглубиномеры. Технические условия
ГОСТ 166 Штангенциркули. Технические условия
ГОСТ 427 Линейки измерительные металлические. Технические условия
ГОСТ 503 Лента холоднокатаная из низкоуглеродистой стали. Технические условия
ГОСТ 965 Портландцементы белые. Технические условия
ГОСТ 2912 Хрома окись техническая. Технические условия
ГОСТ 3749 Угольники поверочные 90°. Технические условия
ГОСТ 4579 Красители органические. Пигмент зеленый. Технические условия
ГОСТ 5578 Щебень и песок из шлаков черной и цветной металлургии для бетонов. Технические условия
ГОСТ 7025 Кирпич и камни керамические и силикатные. Методы определения водопоглощения, плотности и контроля морозостойкости
ГОСТ 8135 Сурик железный. Технические условия
ГОСТ 8267 Щебень и гравий из плотных горных пород для строительных работ. Технические условия
ГОСТ 8462 Материалы стеновые. Методы определения пределов прочности при сжатии и изгибе
ГОСТ 8736 Песок для строительных работ. Технические условия
ГОСТ 9570 Поддоны ящичные и стоечные. Общие технические условия
ГОСТ 10060-2012 Бетоны. Методы определения морозостойкости
ГОСТ 10178 Портландцемент и шлакопортландцемент. Технические условия
ГОСТ 10354 Пленка полиэтиленовая. Технические условия
ГОСТ 10832 Песок и щебень перлитовые вспученные. Технические условия
ГОСТ 12730.1 Бетоны. Методы определения плотности
ГОСТ 14192 Маркировка грузов
ГОСТ 15825 Портландцемент цветной. Технические условия
ГОСТ 17624 Бетоны. Ультразвуковой метод определения прочности
ГОСТ 18172 Пигмент желтый железоокисный. Технические условия
ГОСТ 18343 Поддоны для кирпича и керамических камней. Технические условия
ГОСТ 21121 Лазурь железная. Технические условия
ГОСТ 22263 Щебень и песок из пористых горных пород. Технические условия
ГОСТ 22266 Цементы сульфатостойкие. Технические условия
ГОСТ 23616 Система обеспечения точности геометрических параметров в строительстве. Контроль точности
ГОСТ 23732 Вода для бетонов и строительных растворов. Технические условия
ГОСТ 24211 Добавки для бетонов и строительных растворов. Общие технические условия
ГОСТ 25328 Цемент для строительных растворов. Технические условия
ГОСТ 25592 Смеси золошлаковые тепловых электростанций для бетонов. Технические условия
ГОСТ 25818 Золы-уноса тепловых электростанций для бетонов. Технические условия
ГОСТ 25951 Пленка полиэтиленовая термоусадочная. Технические условия
ГОСТ 26433.1 Система обеспечения точности геометрических параметров в строительстве. Правила выполнения измерений. Элементы заводского изготовления
ГОСТ 26644 Щебень и песок из шлаков тепловых электростанций для бетонов. Технические условия
ГОСТ 32496 Заполнители пористые для легких бетонов. Технические условия
Примечание - При пользовании настоящим стандартом целесообразно проверить действие ссылочных стандартов и классификаторов на официальном интернет-сайте Межгосударственного совета по стандартизации, метрологии и сертификации (www.easc.by) или по указателям национальных стандартов, издаваемым в государствах, указанных в предисловии, или на официальных сайтах соответствующих национальных органов по стандартизации. Если на документ дана недатированная ссылка, то следует использовать документ, действующий на текущий момент, с учетом всех внесенных в него изменений. Если заменен ссылочный документ, на который дана датированная ссылка, то следует использовать указанную версию этого документа. Если после принятия настоящего стандарта в ссылочный документ, на который дана датированная ссылка, внесено изменение, затрагивающее положение, на которое дана ссылка, то это положение применяется без учета данного изменения. Если ссылочный документ отменен без замены, то положение, в котором дана ссылка на него, применяется в части, не затрагивающей эту ссылку.
3 Термины и определения
В настоящем стандарте применены следующие термины с соответствующими определениями:
3.1 камень пустотелый: Камень стеновой в форме параллелепипеда со сквозными или несквозными вертикальными пустотами, получаемыми в процессе формования для придания изделию необходимых эксплуатационных свойств.
3.2 камень полнотелый: Камень стеновой в форме параллелепипеда без пустот или с технологическими пустотами для захвата изделия.
3.3 камень рядовой: Камень стеновой в форме параллелепипеда, предназначенный для кладки стен зданий и сооружений, как правило, с последующей отделкой.
3.4 камень лицевой: Камень стеновой в форме параллелепипеда, предназначенный для кладки и одновременной облицовки стен зданий и сооружений и имеющий одну или две лицевые грани.
3.5 паз: Углубление на поверхности камня, предназначенное для улучшения прочностных свойств кладки.
3.6 пазогребневое соединение камней: Соединение, при котором гребень (вертикальный выступ) на тычке одного камня входит в вертикальный паз (вертикальную выемку) на тычке другого камня или другой перегородочной плиты.
3.7 фактура поверхности: Вид и характер строения поверхности камня.
3.8 фактура рифленая: Шероховатая поверхность с правильным чередованием продольных выступов и/или впадин.
3.9 фактура колотая (под "шубу" или "скальная"): Сколотая поверхность с высотой неровностей рельефа более 8 мм и не прошедшая дополнительную обработку.
3.10 фактура шлифованная: Равномерно шероховатая поверхность со следами обработки, полученными при однократном шлифовании.
3.11 фактура гладкая: Равномерно шероховатая поверхность без следов обработки, полученная в процессе изготовления.
3.12 половняк (бой): Части камня, образовавшиеся при его раскалывании.
3.13 отбитость: Механическое повреждение грани, ребра, угла камня.
3.14 трещина: Разрыв камня без нарушения его целостности.
3.15 постель: Рабочая грань камня, расположенная параллельно основанию кладки.
3.16 ложок: Наибольшая грань камня, расположенная перпендикулярно к постели.
3.17 тычок: Наименьшая грань камня, расположенная перпендикулярно к постели.
4 Основные параметры и размеры
4.1 В зависимости от назначения камни изготавливают:
- лицевые и рядовые;
- для кладки наружных и внутренних стеновых конструкций.
4.2 Лицевые камни изготавливают в зависимости от применения с двумя лицевыми поверхностями: боковой и торцевой или с одной - боковой.
4.3 Лицевые камни изготавливают с гладкой, рифленой или колотой фактурой лицевой поверхности; по цвету - неокрашенными или цветными из бетонной смеси с пигментами или с применением цветных цементов. Допускается по согласованию с потребителем изготовление лицевых камней со шлифованной фактурой.
4.4 Цвет лицевой поверхности камней должен соответствовать цвету образца-эталона, утвержденного в установленном порядке предприятием-изготовителем.
4.5 Камни изготавливают в форме прямоугольного параллелепипеда.
Допускается по заявкам потребителей изготавливать камни другой формы (лекальные, фасонные и т.п.) и других размеров.
Номинальные размеры камней приведены в таблице 1.
Таблица 1
Номинальные размеры камней
Тип камней
Длина, мм
Ширина, мм
Высота, мм
Для кладки стен
288
288
138
288
138
138
390
190
188
290 (288)
190
188
190
190
188
90
190
188
Для перегородок
590
90
188
390
90
188
190
90
188
4.6 Торцевые грани у камней могут быть плоскими, с пазами или иметь пазогребневое соединение. Допускается изготавливать камни с одной плоской торцевой гранью.
Углы у камней могут быть прямыми или закругленными.
Опорные поверхности ("постели") камней могут быть плоскими или иметь продольные пазы, расположенные на расстоянии не менее 20 мм от боковой поверхности камня.
4.7 Камни изготавливают пустотелыми или полнотелыми.
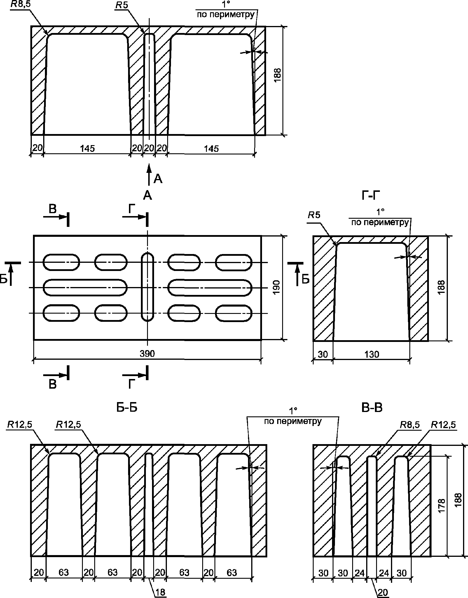
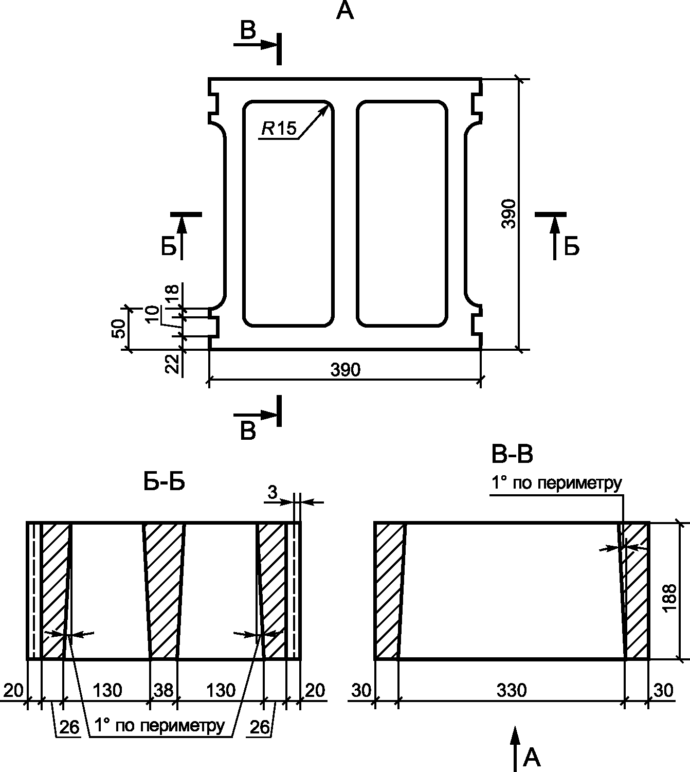
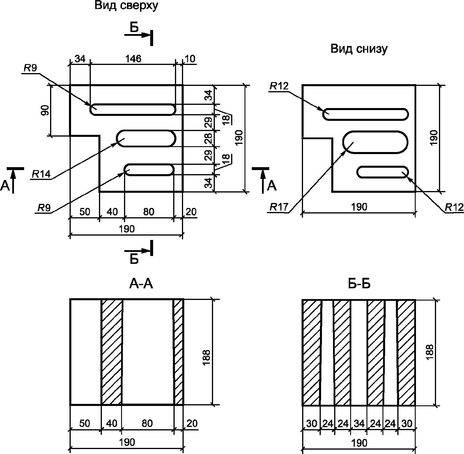
4.8 Пустоты необходимо располагать перпендикулярно к "постели" камня и распределять равномерно по его сечению. Пустоты могут быть сквозными и несквозными. Размеры, форма камней и расположение пустот приведены на рисунках А.1 - А.21 (приложение А).
4.9 Толщина наружных стенок пустотелых камней должна быть не менее 20 мм. Толщина вертикальной диафрагмы (минимальная толщина перегородок) должна быть не менее 20 мм, горизонтальной диафрагмы для камней с несквозными пустотами - не менее 10 мм.
4.10 По прочности при сжатии камни из тяжелых и мелкозернистых бетонов подразделяют на марки: 300, 250, 200, 150, 125, 100, 75, 50; из легких бетонов - 100, 75, 50, 35, 25.
4.11 По морозостойкости камни подразделяют на марки: F200, F150, F100, F50, F35, F25, F15.
Морозостойкость камней для перегородок не нормируется.
4.12 Условное обозначение камней при заказе должно состоять из сокращенного обозначения: камня - К, области его применения и назначения (С - для кладки стен или П - для перегородок, Л - лицевой или Р - рядовой), вида камня с точки зрения его использования в кладке (ПР - порядовочный, УГ - угловой, ПЗ - перевязочный) и наличия пустот (ПС - пустотелый), длины в миллиметрах, марки по прочности, марки по морозостойкости, средней плотности и обозначения настоящего стандарта.
5 Технические требования
5.1 Камни должны соответствовать требованиям настоящего стандарта и изготавливаться по технологическому регламенту, утвержденному предприятием-изготовителем.
5.2 Предельные отклонения номинальных размеров и формы камней не должны превышать значений, приведенных в таблице 2.
Таблица 2
Предельные отклонения номинальных размеров
Наименование показателя
Предельное отклонение
Длина и ширина, мм
+/- 2
Высота, мм
+/- 3
Толщина стенок и перегородок, мм
+3
Отклонение ребер от прямолинейности и граней от плоскостности, мм, не более
2
Отклонение боковых и торцевых граней от перпендикулярности, мм, не более
2
5.3 Внешний вид
5.3.1 На камне не допускаются дефекты внешнего вида, размеры и число которых превышают значения, приведенные в таблице 3.
Таблица 3
Допускаемые дефекты камней
Наименование дефекта
Размер (число) дефектов
Наибольший размер раковины, мм, не более
4
Высота местного наплыва или глубина впадины, мм, не более
2
Глубина отбитостей бетона на ребре, мм, не более
5
Суммарная длина отбитостей бетона на 1 м длины ребер, мм, не более
50
Число отбитостей и притупленностей углов глубиной до 20 мм, шт., не более
2
Жировые или другие пятна размером более 10 мм на лицевых поверхностях камней не допускаются.
5.3.2 Число камней с трещинами, пересекающими одно или два смежных ребра, а также количество половняка (боя) в партии должно быть не более 5%. Половняком считают изделие, состоящее из парных половинок или имеющее поперечную трещину протяженностью на опорной поверхности более 1/2 ширины камня.
5.3.3 Камни с отклонениями по длине и ширине не более +/- 2 мм, высоте не более +/- 1 мм допускается применять с использованием клеевых растворов для тонкошовной кладки.
5.4 Физико-механические свойства
5.4.1 Прочность камня в проектном возрасте и при отгрузке потребителю должна быть не менее требуемой прочности для соответствующего возраста, которая назначается предприятием-изготовителем в зависимости от соответствующей нормируемой прочности и однородности свойств изготавливаемого бетона.
5.4.2 Нормируемая прочность камня в проектном возрасте должна соответствовать значениям, приведенным в таблице 4 для конкретной марки камня.
Таблица 4
Нормируемая прочность камня в проектном возрасте
Марка камня по прочности
Предел прочности при сжатии, МПа (кгс/см), не менее
средний для трех камней
наименьший для одного из трех камней
300
30,0 (300)
25,0 (250)
250
25,0 (250)
20,0 (200)
200
20,0 (200)
15,0 (150)
150
15,0 (150)
12,5 (125)
125
12,5 (125)
10,0 (100)
100
10,0 (100)
7,5 (75)
75
7,5 (75)
5,0 (50)
50
5,0 (50)
3,5 (35)
35
3,5 (35)
2,8 (28)
25
2,5 (25)
2,0 (20)
5.4.3 Нормируемая отпускная прочность камня в процентах от проектной марки по прочности должна быть не менее значений, приведенных в таблице 5.
Таблица 5
Нормируемая отпускная прочность камня
в процентах от проектной марки по прочности
В теплый период года
В холодный период года
Нормируемая отпускная прочность камня, %
Проектная марка камня по прочности
Нормируемая отпускная прочность камня, %
Проектная марка камня по прочности
80
Из легкого бетона марок 100 и ниже
90
Из легкого бетона марок 100 и ниже
70
Из тяжелого и мелкозернистого бетона марок 125 и ниже
85
Из тяжелого и мелкозернистого бетона всех марок
50
Из бетона марок 150 и выше
70
Из бетона марок 150 и выше
5.4.4 При отгрузке камней с отпускной прочностью ниже требуемой в соответствии с их маркой предприятие-изготовитель должно гарантировать достижение ими требуемой прочности в возрасте 28 сут со дня изготовления.
5.4.5 Марку камней по морозостойкости определяют по числу циклов попеременного замораживания-оттаивания, при которых среднее значение прочности при сжатии камней из бетонов всех видов уменьшается не более чем на 20%, а среднее значение потери массы - не более чем на 1% по сравнению со средними значениями прочности и потери массы контрольных камней.
5.4.6 Камни, предназначенные для кладки наружных стен зданий и сооружений, испытывают для определения средней плотности и их теплопроводности в кладке.
5.5 Требования к сырью и материалам
5.5.1 В качестве вяжущего для изготовления камней следует применять цементы по ГОСТ 10178, ГОСТ 22266, ГОСТ 25328, портландцемент белый по ГОСТ 965 и цветной по ГОСТ 15825.
5.5.2 В качестве крупного и мелкого заполнителя рекомендуется применять:
- для камней из легких бетонов - гравий, щебень и песок искусственные пористые по ГОСТ 32496, золы-уноса тепловых электростанций по ГОСТ 25818, щебень и песок из шлаков черной и цветной металлургии по ГОСТ 5578, щебень и песок пористые из горных пород по ГОСТ 22263, щебень и песок вспученные перлитовые по ГОСТ 10832, песок природный и из отсевов дробления по ГОСТ 8736, смеси золошлаковые тепловых электростанций по ГОСТ 25592;
- для камней из тяжелого и мелкозернистого бетонов - щебень и гравий из плотных горных пород по ГОСТ 8267, смеси золошлаковые тепловых электростанций по ГОСТ 25592, щебень и песок из шлаков черной и цветной металлургии по ГОСТ 5578, щебень и песок из шлаков тепловых электростанций по ГОСТ 26644, песок природный из отсевов дробления по ГОСТ 8736 и гранулированный доменный шлак по действующей нормативной документации.
Наибольший размер зерен крупного заполнителя выбирают с учетом требований 4.9, но не более 10 мм для пустотелых и не более 20 мм для полнотелых камней.
5.5.3 В материалах, используемых для производства бетонных камней, удельная эффективная активность естественных радионуклидов Aэфф должна быть не более 370 Бк/кг.
5.5.4 Химические добавки, применяемые для приготовления бетонной смеси, должны удовлетворять требованиям ГОСТ 24211. Виды и содержание добавок определяют опытным путем.
5.5.5 Для изготовления цветных камней могут быть использованы пигменты неорганического происхождения. Рекомендуемые перечень и содержание пигментов, применяемых при изготовлении цветных камней, приведены в приложении Б.
5.5.6 Вода для затворения бетонной смеси и приготовления растворов химических добавок должна удовлетворять требованиям ГОСТ 23732.
5.6 Маркировка
5.6.1 Камни должны маркироваться в каждом пакете по одному изделию в любом ряду.
При маркировке на нелицевую (торцевую или боковую) поверхность камня наносят несмываемой краской при помощи трафарета (штампа) или оттиска-клейма товарный знак предприятия-изготовителя или его сокращенное наименование, а также условное обозначение камня и штамп технического контроля.
5.6.2 Каждое грузовое место (пакет) должно иметь транспортную маркировку по ГОСТ 14192.
6 Правила приемки
6.1 Камни должны быть приняты должностным лицом предприятия-изготовителя, ответственным за технический контроль.
6.2 Камни принимают партиями. Партией считают количество камней одного вида и назначения, изготовленных из бетонной смеси одного номинального состава в течение не более одних суток на одной технологической линии, объемом не более 250 м3.
6.3 Для проверки соответствия камней требованиям настоящего стандарта проводят входной, операционный и приемочный контроль. Порядок проведения входного и операционного контроля устанавливают в технологическом регламенте предприятия-изготовителя. Приемочный контроль осуществляют путем проведения приемо-сдаточных и периодических испытаний.
6.4 Испытания каждой партии камней осуществляют по следующим показателям:
- внешний вид;
- геометрические параметры;
- масса;
- марка камней по прочности;
- отпускная прочность;
- соответствие цвета лицевых камней эталону.
6.5 Периодические испытания камней проводят по следующим показателям:
- средней плотности - один раз в 10 дней, а также каждый раз при изменении вида бетона и пустотности изделия;
- морозостойкости - один раз в полгода, а также каждый раз при изменении сырьевых материалов и технологии изготовления;
- теплопроводности - при постановке продукции на производство, а также при изменении вида бетона и пустотности изделия за счет изменения размера пустот или их числа.
Удельную эффективную активность естественных радионуклидов контролируют при входном контроле по данным документов о качестве предприятия - поставщика сырьевых материалов.
6.6 Контроль по показателям внешнего вида, точности размеров и формы осуществляют по альтернативному признаку в соответствии с требованиями ГОСТ 23616, применяя двухступенчатый контроль. Объем выборки, приемочные и браковочные числа должны соответствовать значениям, приведенным в таблице 6. Формирование выборки первой и второй ступени осуществляют методом случайного отбора камней от партии.
Таблица 6
Объем выборки, приемочные и браковочные числа
Объем партии, шт.
Ступень контроля
Объем выборки, шт.
Приемочное число Aс
Браковочное число Rс
91 - 280
I
8
1
4
II
8
4
5
281 - 500
I
13
2
5
II
13
6
7
501 - 1200
I
20
3
7
II
20
8
9
1201 - 3200
I
32
5
9
II
32
12
13
3201 и более
I
50
7
11
II
50
18
19
6.7 Внешний вид камней, включая предварительную визуальную оценку цвета лицевых поверхностей изделий, контролируют по внешнему осмотру. Размеры и форму проверяют на камнях, составляющих выборку по 6.6. Изделия, не удовлетворяющие установленным требованиям, считают дефектными.
Партию принимают, если число дефектных камней в выборке для первой ступени меньше или равно приемочному числу Aс для первой ступени контроля.
Партию не принимают, если число дефектных камней больше или равно браковочному числу Rс для первой ступени контроля.
Если число дефектных камней в выборке для первой ступени контроля больше приемочного числа Aс, но меньше браковочного Rс, переходят к контролю на второй ступени.
Партию камней принимают, если общее число дефектных камней в двух выборках меньше или равно приемочному числу для второй ступени контроля.
6.8 Партию камней, не принятую в результате выборочного контроля по показателям, установленным в 6.7, принимают поштучно. При этом проверяют показатели, по которым партия не была принята.
6.9 Допускается проведение периодических испытаний точности геометрических параметров камней, изготовленных по технологии вибропрессования, по результатам операционного контроля точности размеров неразъемных элементов форм перед вибропрессованием и периодического контроля за состоянием каждой формы.
Сроки проведения периодического контроля предельных отклонений геометрических параметров неразъемных элементов форм, перечень контролируемых параметров и нормы точности устанавливают в технологическом регламенте предприятия-изготовителя.
6.10 Для определения прочности, морозостойкости, массы и средней плотности, а также соответствия эталону цвета лицевых поверхностей камня и проведения приемо-сдаточных и периодических испытаний из выборки камней, соответствующих требованиям настоящего стандарта по показателям, приведенным в 6.7, отбирают камни в количестве, указанном в таблице 7.
Таблица 7
Число выборки камней для определения прочности,
морозостойкости, массы и средней плотности, цвета
Наименование показателя
Число изделий, шт., не менее
Предел прочности при сжатии:
- отпускная прочность
3
- прочность в проектном возрасте
3
Морозостойкость:
- по потере прочности
3 контрольных и 6 основных
- по потере массы
3 контрольных и 6 основных
Масса и средняя плотность
3
Цвет
3
6.11 Предел прочности при сжатии бетонных камней определяют по ГОСТ 8462. При этом отбор образцов для каждой серии проводят в соответствии с требованиями таблицы 7. В качестве отдельного образца используют целый камень.
6.12 Потребитель имеет право проводить контрольную проверку соответствия камней требованиям настоящего стандарта, применяя правила приемки, порядок отбора образцов и методы контроля, приведенные в настоящем стандарте.
6.13 Каждая партия поставляемых камней должна сопровождаться документом о качестве, в котором указывают:
- наименование и адрес предприятия-изготовителя и его товарный знак;
- номер и дату выдачи документа;
- номер и объем отгружаемой партии (шт., м3);
- дату изготовления камней;
- марку камней по прочности и морозостойкости;
- отпускную прочность камня;
- теплопроводность и среднюю плотность камня;
- обозначение настоящего стандарта.
7 Методы контроля
7.1 Размеры изделий, толщину горизонтальной и вертикальной диафрагм, глубину и ширину торцевых пазов, размеры шпунта и гребня, глубину и длину околов бетона на ребре, размер раковин, высоту местных наплывов и глубину впадин, глубину рельефа поверхности камня измеряют в соответствии с ГОСТ 26433.1 линейкой по ГОСТ 427, штангенциркулем по ГОСТ 166, угольником по ГОСТ 3749 с погрешностью не более 1 мм.
7.2 Длину и ширину камня измеряют по двум противоположным ребрам опорной поверхности, толщину - по середине боковых и торцевых граней. Каждый результат измерения оценивают отдельно.
7.3 Глубину отбитости и притупленности углов измеряют с погрешностью не более 1 мм штангенглубиномером по ГОСТ 162 или угольником по ГОСТ 3749 и линейкой по ГОСТ 427 по перпендикуляру от вершины угла или ребра, образованного угольником, до поврежденной поверхности.
7.4 Отклонение граней от плоскостности определяют прикладыванием линейки в середине каждой боковой и торцевой грани и измерением образовавшегося зазора между ребром линейки и гранью. Отклонение ребер от прямолинейности определяют аналогично, прикладывая ребро линейки к каждому ребру боковых и торцевых граней. Погрешность измерения - не более 1 мм. За результат принимают наибольшее значение из всех полученных результатов измерения.
7.5 Толщину наружных стенок, вертикальной и горизонтальной диафрагм измеряют на глубине от 10 до 15 мм штангенциркулем по ГОСТ 166 с погрешностью не более 1 мм.
7.6 Отклонение граней от перпендикулярности определяют прикладыванием к смежным граням угольника по ГОСТ 3749 и замером щупом или штангенглубиномером по ГОСТ 162 зазора, образовавшегося между угольником и ребром смежных граней. Погрешность измерения - не более 1 мм. За результат принимают наибольшее значение из всех полученных результатов измерения.
7.7 Цвет лицевых поверхностей камней определяют сравнением камней с эталоном. Сравнение с эталоном производят при дневном свете на открытой площадке с расстояния 10 м от глаз наблюдателя. Камни устанавливают рядом с эталоном. Камни, окрашенные слабее или сильнее образца-эталона, отбраковывают. Наличие жировых пятен определяют при дневном свете на открытой площадке с расстояния 10 м от глаз наблюдателя.
7.8 Среднюю плотность полнотелых камней определяют по ГОСТ 12730.1, пустотелых - по ГОСТ 7025.
7.9 Предел прочности при сжатии камней в проектном возрасте и отпускную прочность определяют по ГОСТ 8462 или ультразвуковым методом по ГОСТ 17624. Градуировочную зависимость устанавливают по результатам ультразвуковых измерений в бетонных камнях и испытаний разрушающим методом по ГОСТ 8462 по каждому виду (пустотности) камня и для каждой марки по прочности.
7.10 Морозостойкость камней определяют после достижения ими проектной прочности по ГОСТ 10060. При этом могут быть установлены промежуточные сроки испытаний, предусмотренные для первого метода определения морозостойкости по таблице 3 ГОСТ 10060-2012.
7.11 Расчетные теплотехнические показатели бетонных камней для кладки определяют в соответствии с нормативными документами, действующими на территории государства, принявшего стандарт.
8 Транспортирование и хранение
8.1 Камни должны храниться в штабелях, между которыми устраивают продольные и поперечные проходы шириной не менее 1 м. Продольный проход располагают по оси складской площадки, а поперечные - через каждые 20 - 30 м.
Площадки должны иметь спланированное твердое покрытие с уклоном 1% - 2% в сторону внешнего контура с устройством водостоков и периодически очищаться от грязи, снега и льда.
Высота штабеля должна быть не более 2,0 м.
8.2 Размещение камней в штабелях осуществляют раздельно по типам и маркам, а лицевые изделия, кроме того, раздельно по цвету и фактуре лицевой поверхности.
8.3 Формирование транспортных пакетов следует осуществлять на складской площадке или непосредственно на технологической линии на плоских поддонах по ГОСТ 18343 или стоечных поддонах по ГОСТ 9570. Высота пакета с поддоном не должна превышать 1,3 м.
Камни с несквозными пустотами укладывают в пакете пустотами вниз с перекрестной перевязкой. Масса пакета не должна превышать номинальную грузоподъемность поддона.
8.4 В качестве скрепляющих и упаковочных средств используют одноразовые средства пакетирования:
- ленту холоднокатаную из низкоуглеродистой стали по ГОСТ 503;
- ленту синтетическую по нормативным документам, действующим на территории государства, принявшего стандарт;
- пленку термоусадочную по ГОСТ 25951;
- пленку растягивающуюся по ГОСТ 10354.
Схему крепления в пакете устанавливает предприятие-изготовитель в технологической документации для каждого типоразмера камней, выбранной схемы укладки, а также дальности и вида перевозок (автомобильным или железнодорожным транспортом).
8.5 Сформированные транспортные пакеты следует складировать в один ярус одноленточными сплошными штабелями с расстоянием между ними не менее 0,5 м. При стесненных условиях допускается установка пакетов в два яруса с увеличением расстояния между ними до 0,8 м.
8.6 Погрузка и выгрузка камней вручную (набрасыванием или сбрасыванием) не допускаются.
8.7 Транспортирование пакетов автомобильным или железнодорожным транспортом должно осуществляться с соблюдением правил перевозок грузов, действующих на данном виде транспорта.
При производстве погрузочно-разгрузочных работ следует руководствоваться требованиями безопасности труда, установленными строительными нормами, действующими на территории государства, принявшего стандарт.
Приложение А
(рекомендуемое)
РАЗМЕРЫ, ФОРМА БЕТОННЫХ СТЕНОВЫХ КАМНЕЙ
И РАСПОЛОЖЕНИЕ ПУСТОТ
Рисунок А.1 - Камень стеновой рядовой
Рисунок А.2 - Камень стеновой рядовой
Рисунок А.3 - Камень дополнительный
стеновой рядовой (трехчетвертной)
Рисунок А.4 - Камень дополнительный стеновой
рядовой (поперечная половинка)
Рисунок А.5 - Камень дополнительный
стеновой рядовой с четвертью
Рисунок А.6 - Камень дополнительный стеновой
рядовой (половинка с четвертью)
Рисунок А.7 - Камень перегородочный
Рисунок А.8 - Камень перегородочный
Рисунок А.9 - Камень стеновой рядовой
с щелевыми пустотами сквозными
Рисунок А.10 - Камень дополнительный стеновой
рядовой (поперечная половинка с четвертью)
Рисунок А.11 - Камень лицевой декоративный с гранью
под "рваный" камень - "скальная" фактура
Рисунок А.12 - Камень лицевой декоративный угловой
Рисунок А.13 - Камень лицевой
декоративный с рифленой фактурой
Рисунок А.14 - Камень стеновой рядовой
Рисунок А.15 - Камень стеновой рядовой
Рисунок А.16 - Камень лицевой декоративный с гранью
под "рваный" камень - "скальная" фактура
Рисунок А.17 - Камень стеновой рядовой
(продольная половинка)
Рисунок А.18 - Камень стеновой рядовой
(продольная половинка)
Рисунок А.19 - Камень для дымовой трубы
Рисунок А.20 - Камень рядовой для вентиляционных каналов
Рисунок А.21 - Камень для вентиляционных каналов
Приложение Б
(рекомендуемое)
ПЕРЕЧЕНЬ И СОДЕРЖАНИЕ ПИГМЕНТОВ,
ПРИМЕНЯЕМЫХ ПРИ ИЗГОТОВЛЕНИИ ЦВЕТНЫХ КАМНЕЙ
Таблица Б.1
Наименование пигмента
Нормативный или технический документ
Цвет пигмента
Содержание пигмента, % к массе цемента
Пигмент желтый железоокисный
Желтый
1,0
Охра
Желтый
5,0
Пигмент железоокисный красный (редоксайд)
Красный
3,0
Сурик железный
Красный
3,0
Лазурь железная
ГОСТ 21121
Синий
2,5
Окись хрома
Зеленый
3,0
Пигмент хрома
Зеленый
0,1
Сажа
По техническим документам изготовителя
Черный
1,0
Зола ТЭЦ
Серый
10,0
Огарки пиритные
По техническим документам изготовителя
Сиреневый
5,0
Отходы марганцевой руды
По техническим документам изготовителя
Сиреневый
3,0
Отходы алапаевской руды
По техническим документам изготовителя
Желтый
10,0